Honeywell Fan Cl60Pm Users Manual IM HW Scott _10 4 7_
cl60pm 939fb675-d9a2-4270-9001-496eb5f8f62d Honeywell Fan CL60PM User Guide |
2015-01-23
: Honeywell Honeywell-Honeywell-Fan-Cl60Pm-Users-Manual-261364 honeywell-honeywell-fan-cl60pm-users-manual-261364 honeywell pdf
Open the PDF directly: View PDF
.
Page Count: 20

Portable Evaporative Air Cooler
OWNER’S MANUAL
Read and save these instructions before use
Model:
CL60PM
Voltage rating: 220-240V`50Hz
Power rating: 220W
For product inquiries or support, visit www.honeywellaircoolers.com
Or call Tel +44 (0) 1477 539 500 Fax +44 (0)1477 539 530
Email sales@scott-air-cooling.co.uk
Made in P.R.C.
This page is intentionally left blank

1
INDEX
Read all instructions carefully before setting up and operating the unit, and please keep this
instruction manual for future reference. This manual is designed to provide you with
important information needed to setup, operate, maintain and troubleshoot your cooler.
Failure to follow these instructions may damage and/or impair its operation and void
the warranty.
SECTION PAGE
1.
THANK YOU .........................................................................................................
2
2.
USER TIPS ...........................................................................................................
3
3.
SAFETY RULES ...................................................................................................
5
4.
PARTS DESCRIPTION ........................................................................................
7
5.
USE & OPERATION .............................................................................................
8
Installing Hose Adapter and Float Valve / Fill Water
........................................................
.
...................
.
...............
8
Control Knobs
.........................................................
....
....................
............
....
9
6.
CLEANING & MAINTENANCE .............................................................................
10
7.
TROUBLESHOOTING GUIDE .............................................................................
12
8.
TECHNICAL SPECIFICATIONS ...........................................................................
14
9.
ELECTRICAL WIRING DIAGRAM ........................................................................
14
10.
WARRANTY .......................................................................................................
15

THANK
YOU
2
THANK YOU!
Congratulations on your purchase of this versatile Honeywell Evaporative Air Cooler. For optimum
cooling performance from your unit, first fill it with water.
Please read these instructions carefully.

3
USER
TIPS
COOL ~ EFFICIENT ~ NATURAL
Evaporative air cooling is the natural way of cooling, similar to a breeze blowing across a lake.This
breeze drops the temperature and has a relaxing cooling effect.
The evaporative air cooler cools the air by means of the evaporation of water. When water
evaporates into the air, the result is a mixture of air and water molecules. This chemical change
requires heat which is taken from the water molecules, resulting in cooler air propelled from the
unit.
Honeycomb Cooling Media
Pump
Water
Evaporative Air Cooling Mechanism

4
USER
TIPS
The recommended maximum relative humidity level is 60% or
less, which allows a noticeable temperature decrease. The
temperature decrease will be greater in drier climates because
higher evaporation occurs when the humidity is low.
The evaporative air cooler should not be used in enclosed
spaces. It must be kept level and there must be water in the
water tank. The room should have doors and windows opened
to allow free air flow. The evaporative air cooler works best
when placed near an open window, so that outside air is drawn
into the evaporative air cooler, the air circulates in the room, and
exits via the door. The maximum cooling effect is felt when a
person is in the flow of air coming out of the evaporative air
cooler.
The evaporative air cooler can also be used to humidify dry air
during the cool weather months. To be used for humidification
the windows and doors should be closed to allow the humidified
air to accumulate. The evaporative air cooler is not an air
conditioner as it does not use a compressor or refrigerant gas. It
should not be expected to cool as to a selected, fixed
temperature like a refrigerated air conditioner.
NOTE
When the product is used for the first time the Honeycomb
cooling media will have an odour which will dissipate in a week
or so of initial use.

5
SAFETY
RULES
READ AND SAVE THESE INSTRUCTIONS:
When using electrical appliances, basic safety precautions should always be followed:
• Your cooler runs on 220-240 Volt AC, 50 Hz current.
Check the household voltage to ensure it matches the
appliance's rate specification.
• Before operating the product remove it from its packaging
and check it is in good condition.
• DO NOT operate any product with a damaged cord or plug.
We recommend not to use an extension cord with this
appliance.
• DO NOT the run power cord under carpeting, or cover it with
rugs or runners. Arrange the cord away from areas where it
may be tripped over.
• Always unplug the product before refilling the water tank.
• Always unplug the appliance from the power source before
cleaning, servicing or relocating the unit.
• Remove the power cord from the electrical receptacle by
grasping and pulling on the power cord plug-end only, never
pull the cord.
• DO NOT use the product in areas where gasoline, paint or
other flammable goods and objects are stored.
• When using the ''Cool'' setting, please check the water
tank to ensure it is full. Operation of this unit on the
''Cool'' setting with an empty tank may result in damage
to the water pump.
220 -240Volt AC
50 Hz
SHOCK HAZARD
WATER LEVEL INDICATOR

6
SAFETY
RULES
• DO NOT attempt repair or adjust any electrical or mechanical
functions of the cooler, as this may void the warranty.
• DO NOT cover the air inlet or outlet on the appliance as this
may cause motor damage.
• DO NOT insert or allow objects to enter any ventilation or
exhaust opening as this may damage the product and could
cause an electrical shock or fire.
• DO NOT operate with the Honeycomb media removed as this
will overload and damage the motor.
• DO NOT leave the appliance operating unattended for any
extended period of time.
• DO NOT let children play with this appliance, packaging or
plastic bags.
• If the unit is damaged or it malfunctions, do not continue to
operate it. Refer to the troubleshooting section and /or please
seek professional advice.
• Place the unit on a level floor.
• This product is not intended for use in wet or damp locations.
• Never locate the product where it may fall into a bathtub or
other water container. DO NOT use in bathrooms.
• When it is not in use always store in a dry area.
• This appliance is not intended for use by persons (including
children or elderly) with reduced physical, sensory or mental
capabilities, or lack of experience and knowledge, unless they
have been given supervision or instruction concerning use of
the appliance by a person responsible for their safety.
• Always grip the side handles to move the unit.
Water /
Ice compartment
FLOOR LEVEL

PARTS
DESCRIPTION
7
1 Water Inlet
2 Handle
3 Right Panel
4 Lever for Horizontal Louvres
5 Water Tank
6 Castors
7 Horizontal Louvres
CONTROL PANEL
8 Water Level Indicator
9 Control Panel
10 Left Panel
11 Continuous Water Inlet
12 Drain Plug
13 Manual Water Inlet
14 Back Panel

USE
& OPERATION
8
INSTALLING HOSE ADAPTER AND FLOAT VALVE
• Connect the garden hose Connector and turn on the water.
• Verify water tight connections by visually examining both
the float/hose connections.
Hose Connector
FILLING WATER
Water can be filled into the air cooler by
Continuous
water
supply
Connect a garden hose to the continuous water supply inlet.
Manual
operation
Water can be poured into the unit from the back.
Water
compartment
Water can be put into the tank through the top opening.
There is a hole for water to flow into the tank.
Water compartment

9
USE
& OPERATION
CONTROL KNOBS
SPEED / ON - OFF
Connect to the power supply and turn the Speed knob. The fan
will start. Change the speed from 1 for Low to 2 for Medium to
3 High. To switch OFF the unit turn the Speed know to "0".
COOL
Turn the Cool knob to ON to start the cooling. It takes a few
minutes to obtain the full effect from this mode.
SWING
Vertical Louvres
Turn the SWING knob to 'ON'. The louvres will begin to move
from right to left automatically.
Horizontal Louvres
Manually adjust the horizontal louvres to change vertical airflow.
0
3
2
1
SPEED
OFF
ON
COOL
OFF
ON
SWING

CLEANING
& MAINTENANCE
WARNING
•
Before cleaning the unit, switch it to the ''OFF'' position
and remove the plug from the power socket.
•
To clean the outside, use a damp cloth to remove dirt and
dust.
•
Never use detergents, corrosive elements or any chemicals
to clean this product.
•
When the product is not in use, store the unit in a dry place
out of direct sunlight..
CLEANING AND DRAINING THE WATER TANK
•
To refill the tank during operation, turn the power ''OFF''
and disconnect the unit from the power supply.
•
To clean the water tank, turn the unit ''OFF'' and disconnect
the power supply. Move the unit to a location where it can
be drained and remove the drain plug (see number 12 on
parts description on page 7). Once the tank is empty, refill it
with clean water and drain it again. This should be repeated
weekly to maintain the integrity of the unit and to remove
particles filtered from the air.
•
Once the tank is clean, refill the water tank. The unit is now
ready to be used again.
10

CLEANING
& MAINTENANCE
MAINTAING AND CHANGING THE HONEYCOMB
•
The appliance is supplied with Honeycomb cooling media.
•
Draining the water reservoir and refilling with fresh water at
least once a week will greatly reduce mineral deposits in the
pads and help to extend the life of Honeycomb cooling media.
•
Do not run the unit in COOL mode with stale water in the tank.
It is recommended to empty the tank and refill it with fresh
water if the water has been standing in the tank for an
extended period of time
•
The frequency for cleaning depends on local air and water
conditions. For example, in areas where mineral content of
the water is high, deposits may build up in the Honeycomb
cooling media, restricting air flow. In this case, i t i s
recommended to clean the Honeycomb cooling media every
two months.
•
For best results, allow the Honeycomb cooling media to dry
after each use by turning off the cool function 15 minutes
before turning the unit off.
11

TROUBLESHOOTING
GUIDE
PROBLEM POSSIBLE CAUSE SOLUTION
No discharge of air Cord is not plugged in
Power is not on
Make sure cord is plugged in
and try to turn the unit on by
pressing buttons on control
panel or remote control.
Pump is not turned on Turn on COOL function
Low / No water Refill water tank
Damaged pump R e p l a c e p u m p . C o n t a c t
service centre
Odour omission New unit
Old unit
When the product is used for
the first time the Honeycomb
cooling media will have an
odour which will dissipate
within a week of initial use.
There may be an algae issue.
R e p l a c e t h e H o n e y c o m b
c o o l i n g m e d i a . C o n t a c t
service centre
12

TROUBLESHOOTING
GUIDE
PROBLEM POSSIBLE CAUSE SOLUTION
Unit is making noise Calcium build up in blower Contact service centre.
Low or no water in the water
tank when COOL is selected
Pump will make noise if water
level is near empty. Refill
water tank.
13
Service Centre:
Scott Brothers Limited
1 Whiteside, Station Road,
Holmes Chapel, Cheshire
CW4 8AA, U.K.
Tel +44 (0)1477 539 500
Fax +44 (0)1477 539 530
Email sales@scott-air-cooling.co.uk

TECHNICAL
SPECIFICATIONS
MODEL NO. CL60PM
Voltage
Frequency
Wattage
Water Tank Capacity
Cooling Media
Product Dimension
Net Weight
220-240 V
50 Hz
220 Watts
60 Litre
Honeycomb
700 (L) x 466 (W) x 1017 (H)
19 Kg
Made in China
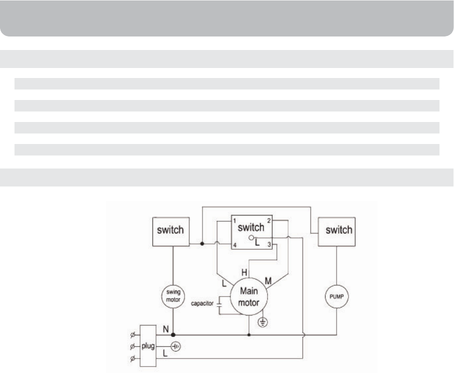
ELECTRICAL WIRING DIAGRAM
14

Warranty
Warranty on Honeywell Cooler
We undertake by this Warranty to rectify free of charge any fault due to poor workmanship or
faulty materials occurring in this Honeywell evaporative cooler within 1 year from the date of
purchase. This undertaking is conditional upon the cooler being used only for personal
domestic household or commercial purposes and installed and operated in accordance with
our instructions and does not apply to consumable components such as cooling pads or
adjustments as necessary due to the misuse of the cooler. Normal user maintenance is
excluded.
The benefits conferred by this warranty are in favour of the original retail purchaser and any
person deriving title to the goods under or through such person and are intended to be
separate from additional to all other rights and remedies which they may have in law in
respect of the goods.
The above warranty applies to the United Kingdom only.
This warranty is in addition to your statutory rights and does not affect them in any way.
15
This page is intentionally left blank

Autorised Distributor:
Scott Brothers Limited
1 Whiteside, Station Road
Holmes Chapel
Cheshire, CW4 8AA, U.K
Tel +44 (0)1477 539 500
Fax +44 (0)1477 539 530
Email sales@scott-air-cooling.co.uk
IM01-1009-000-000
December 2009
© 2009 AirTek International Corporation Limited
The Honeywell Trademark is used under license from
Honeywell International Inc.
Honeywell International Inc. makes no representation or
warranties with respect to this product.
Manufactured by AirTek International Corporation Limited.