Honeywell Home Security System Ademco Systems Users Manual K0735v3_ii SIA
honeywell-vista-10p-.. honeywell-vista-10p-control-panel-installation-guide
ademcosecuritysystems b8a9d208-9e64-47de-8c59-bb16d693ef5c Honeywell Home Security System Ademco Security Systems User Guide |
2015-01-23
: Honeywell Honeywell-Honeywell-Home-Security-System-Ademco-Security-Systems-Users-Manual-261514 honeywell-honeywell-home-security-system-ademco-security-systems-users-manual-261514 honeywell pdf
Open the PDF directly: View PDF
.
Page Count: 72

ADEMCO VISTA-10P
ADEMCO VISTA-10PSIA
Security Systems
Installation and Setup Guide
K0735V3 10/04 Rev. B

RECOMMENDATIONS FOR PROPER PROTECTION
The Following Recommendations for the Location of Fire and Burglary Detection
Devices Help Provide Proper Coverage for the Protected Premises.
Recommendations For Smoke And Heat Detectors
With regard to the number and placement of smoke/heat detectors, we subscribe to the
recommendations contained in the National Fire Protection Association's (NFPA) Standard #72
noted below.
Early warning fire detection is best achieved by the installation of fire detection equipment in all
rooms and areas of the household as follows: For minimum protection a smoke detector should be
installed outside of each separate sleeping area, and on each additional floor of a multi-floor
family living unit, including basements. The installation of smoke detectors in kitchens, attics
(finished or unfinished), or in garages is not normally recommended.
For additional protection the NFPA recommends that you install heat or smoke detectors in the
living room, dining room, bedroom(s), kitchen, hallway(s), attic, furnace room, utility and storage
rooms, basements and attached garages.
In addition, we recommend the following:
• Install a smoke detector inside every bedroom where a smoker sleeps.
• Install a smoke detector inside every bedroom where someone sleeps with the door partly or
completely closed. Smoke could be blocked by the closed door. Also, an alarm in the hallway
outside may not wake up the sleeper if the door is closed.
DINING
KITCHEN
BEDROOM
BEDROOM
BEDROOM
BEDROOM
LIVING ROOM
BEDROOM
BDRM
BDRM
DINING
LIVING ROOM
TV ROOM KITCHEN
BEDROOM BEDROOM
TO
BR
LVNG RM
BASEMENT
KTCHN
.
CLOSED
DOOR
GARAGE
Smoke Detectors for Minimum Protection
Smoke Detectors for Additional Protection
Heat-Activated Detectors
floor_plan-001-V0
• Install a smoke detector inside bedrooms
where electrical appliances (such as
portable heaters, air conditioners or
humidifiers) are used.
• Install a smoke detector at both ends of a
hallway if the hallway is more than 40 feet
(12 meters) long.
• Install smoke detectors in any room where
an alarm control is located, or in any room
where alarm control connections to an AC
source or phone lines are made. If
detectors are not so located, a fire within
the room could prevent the control from
reporting a fire or an intrusion.
THIS CONTROL COMPLIES WITH NFPA
REQUIREMENTS FOR TEMPORAL PULSE
SOUNDING OF FIRE NOTIFICATION
APPLIANCES.
Recommendations For Proper Intrusion Protection
For proper intrusion coverage, sensors should be located at every possible point of entry to a
home or commercial premises. This would include any skylights that may be present, and the
upper windows in a multi-level building.
In addition, we recommend that radio backup be used in a security system so that alarm signals
can still be sent to the alarm monitoring station in the event that the telephone lines are out of
order (alarm signals are normally sent over the phone lines, if connected to an alarm monitoring
station).
ii
Table Of Contents
•••••••••••••••••••••••••••••••••••
Features and Installation Highlights ...............................................................................................1-1
Capabilities .............................................................................................................................................1-1
Functions..............................................................................................................................................1-1
Compatible Devices..............................................................................................................................1-1
Important Installation Highlights (Installer Please Read)...............................................................1-2
Mounting and Wiring the Control.....................................................................................................2-1
Cabinet and Lock .................................................................................................................................2-1
Mounting the PC Board Alone (no RF Receiver)................................................................................2-1
Mounting Board with RF Receiver .....................................................................................................2-2
Wiring to Keypads ...............................................................................................................................2-3
Sounder (Bell) Connections.................................................................................................................2-4
Wiring the AC Transformer ................................................................................................................2-4
Backup Battery ....................................................................................................................................2-4
Earth Ground.......................................................................................................................................2-5
Hardwire Zones....................................................................................................................................2-6
Smoke Detectors ..................................................................................................................................2-6
Installing the RF Receiver ..................................................................................................................2-7
Installing a 5800TM Module ...............................................................................................................2-7
Installing the Transmitters.................................................................................................................2-8
Installing a Keyswitch.........................................................................................................................2-8
Connecting Relay Modules..................................................................................................................2-9
On-Board Triggers.............................................................................................................................2-10
Phone Line/Phone Module Connections ...........................................................................................2-10
Long Range Radio Connections ........................................................................................................2-11
AAV Connections ...............................................................................................................................2-12
Programming Overview ......................................................................................................................3-1
About Programming ............................................................................................................................3-1
Keypads ................................................................................................................................................3-1
Wireless Receiver, Transmitters, and Wireless Keys (keyfobs) ........................................................3-2
Pager Programming.............................................................................................................................3-2
Function Keys ......................................................................................................................................3-2
Output Devices.....................................................................................................................................3-2
Zone Type Definitions..........................................................................................................................3-3
Mechanics of Programming.................................................................................................................3-5
Data Field Programming.....................................................................................................................4-1
About Data Field Programming..........................................................................................................4-1
Programming Data Fields...................................................................................................................4-1
System Setup Fields ............................................................................................................................4-1
Zone Sounds & Timing ........................................................................................................................4-2
Dialer Programming............................................................................................................................4-3
System Status Report Codes ...............................................................................................................4-4
Miscellaneous System Fields ..............................................................................................................4-6
Pager Programming Fields .................................................................................................................4-8
Miscellaneous System Fields ..............................................................................................................4-8
Configurable Zone Type Programming Fields ...................................................................................4-9
Keypad Programming Fields ............................................................................................................4-11
iii
Table Of Contents
•••••••••••••••••••••••••••••••••••
Menu Mode Programming...................................................................................................................5-1
Zone Programming Overview (∗56 and ∗58 Menu Modes)................................................................5-1
∗56 Zone Programming Procedure......................................................................................................5-1
∗58 Expert Programming Mode Procedures ......................................................................................5-3
Wireless Key Programming Templates ..............................................................................................5-4
Output Device Programming Overview (*79/*80 Menu Mode).........................................................5-6
*79 Menu Mode: Output Device Mapping..........................................................................................5-6
*80 Menu Mode: Defining Output Functions.....................................................................................5-7
Zone List Overview (∗81 Menu Mode) ................................................................................................5-9
Zone List Programming.......................................................................................................................5-9
Function Key Programming Overview (∗57 Menu Mode) ...............................................................5-10
Programming Function Keys ............................................................................................................5-10
About Descriptor Programming Overview (∗82 Menu Mode) .........................................................5-11
Programming Zone Descriptors (Menu mode ∗82) ..........................................................................5-11
Adding Custom Words.......................................................................................................................5-12
Programming Installer and User Schedules....................................................................................5-14
System Communication and Operation...........................................................................................6-1
System Communication Overview......................................................................................................6-1
Report Code Formats...........................................................................................................................6-1
Ademco Contact ID®...........................................................................................................................6-3
User Security Codes.............................................................................................................................6-4
Keypad Functions ................................................................................................................................6-5
Various System Trouble Displays.......................................................................................................6-6
Testing the System................................................................................................................................7-1
About Test Procedures.........................................................................................................................7-1
System Test..........................................................................................................................................7-1
Checking Transmitter Enrollment (Sniffer Mode) ............................................................................7-1
Go/No Go Test Mode ............................................................................................................................7-2
Dialer Communication Test ................................................................................................................7-2
Automatic Standby Battery Tests.......................................................................................................7-2
Specifications & Accessories ..............................................................................................................8-1
Security Control...................................................................................................................................8-1
Compatible Devices..............................................................................................................................8-1
5800 Series Transmitter Input Loop Identification...........................................................................8-2
Regulatory Agency Statements..........................................................................................................9-1
Limitations and Warranty.................................................................................................................10-1
iv

SECTION 1
Features and Installation Highlights
••••••••••••••••••••••••••••••••••••
SIA Installations: The VISTA-10PSIA is a certified SIA-compliant control that meets SIA
specifications for False Alarm Reduction. The VISTA-10P is not certified as SIA compliant, but can be
programmed for False Alarm Reduction. To program for False Alarm Reduction, follow the SIA
Guidelines noted in the applicable programming fields.
Capabilities
• Up to 22 zones plus eight keyfob zones (zones 49-56) for total of 30 zones:
-- Six basic hardwired zones (zone 1-6)
-- Supports up to 16 wireless transmitter zones (5800 series; zones 9-24)
-- Supports one configurable zone type
• Up to 16 security codes, each with separate authority levels
• Supports Downloading: Via an IBM compatible computer, Compass downloading software, and a
compatible HAYES or CIA modem specified by Ademco.
Functions
• Single-button arming feature: Can use dedicated keys to arm the system AWAY or STAY
• Up to two schedules (1 installer, 1 end-user), to control devices and/or auto-arm/disarm the system
• One keypad macro, which can simplify a long command string (e.g., bypassing zones before arming)
• Paging feature allows certain system conditions to be reported to one pager phone number; can use a
dedicated key on keypads to send a signal to the pager
• Event Logging records up to 32 selected events in a history log; control and readout from the log is
done via Ademco Compass Downloader software or installer/master code at Keypad
• Zone descriptors for all zones (useful only when using Alpha keypads and/or the 4285/4286 Phone Module).
• Optional bell supervision detects external sounder wiring short or open; causes a trouble condition,
keypad display, and sends a report to the central monitoring station, if enabled.
• Optional RF jam detection for wireless systems detects a condition that may impede proper RF
reception (i.e., jamming or other RF interference); causes keypad display, and sends a report to the
central monitoring station (if trouble reporting is enabled).
Compatible Devices
• Up to eight Addressable Keypads: 6150 Fixed-Word Keypad, 6160 Alpha Keypad, 6150V Fixed-
Word Display Voice Keypad, 6160V Alpha Display Voice Keypad, 6150RF Keypad/Transceiver
• Supports 5881 series receiver and 5800 series transmitters
• Up to four output relays (4204) plus two on-board triggers (does not support Powerline Carrier
Devices) -- Up to 12 output functions.
• Ademco 4285/4286 Phone Module; provides access to the system via on premises or off-premises
phones for arming, disarming, etc., plus control of relay outputs.
• Audio Alarm Verification (using AAV module, such as ADEMCO UVS); can be used in conjunction
with an output trigger to permit voice dialog between an operator at the central station and a
person at the premises.
• Alarm output provides a 12VDC, 2 AMP output that can drive the compatible sounders; steady
output for burglary/panic, or temporal pulse (3 pulses – pause – 3 pulses – pause – 3 pulses. . .) for
fire. Uses current limiting circuitry for protection.
• Auxiliary Power Output: 12VDC, 600 mA maximum (uses fuse for protection).
• Backup Battery: Rechargeable (sealed lead-acid type) 12VDC, 4AH minimum.
• Long Range Radio: Primary telephone number messages can be reported via ECP connection to
various Long Range Radios (check compatibility and availability of specific models)
• AC Power Supply: Plug-in 120VAC transformer, ADEMCO 1321 (1321CN in Canada)
1-1

NOTE: All devices and accessories used in a Canadian installation must be Listed for use in Canada.
Important Installation Highlights (Installer Please Read)
• This system uses addressable keypads and Relay Modules (see table of addresses in Programming
Overview section).
• Keypads must be set for addresses 16-23 (first keypad is address 16, which is different from
previous controls) and programmed in data fields *190-*196.
• 4204 Relay Modules must be set for specific address 12 (see Connecting Relay Modules section).
• Relays have two programming menu modes: Use *79 Menu mode to map module addresses and
device (output) numbers. Use *80 Menu mode to define the output functions (see Output Device
Programming section).
• This system supports programmable function keys. Use *57 Menu mode to define the function keys
(see Function Key Programming section).
• This system provides various paging features. Refer to the Programming Overview section for a
summary on pager programming.
Installation and Setup Guide
1-2

SECTION 2
Mounting and Wiring the Control
••••••••••••••••••••••••••••••••••••
Cabinet and Lock
1. Mount the control cabinet to a sturdy wall in a clean, dry area, which is not readily accessible to
the general public, using fasteners or anchors (not supplied) with the four cabinet mounting
holes.
2. Remove cabinet door, then remove the lock knockout from the door. Insert the key into the lock.
3. Position the lock in the hole, making certain that the latch will make contact with the latch
bracket when the door is closed. When correctly positioned, push the lock until it is held securely
by its snap tabs.
NOTES
• The cabinet can be closed and secured without a lock by using 2 screws in the cover's edge.
CABINET DOOR
BOTTOM
LOCKED
UNLOCKED
cab_lock_snap-001-V0
ADEMCO
ADEMCO
PUSH
SNAP
TAB
SNAP
TAB
PUSH
ON LOCK
UNTIL IT
IS SEATED
SECURELY
STEP 2STEP 1
CHECK
POSITION
Figure 1. Installing the Cabinet Lock
Mounting the PC Board Alone (no RF Receiver)
1. Hang two short mounting clips (provided) on the raised cabinet tabs (see Detail B in Fig. 2).
2. a. Insert the top of the circuit board into the slots at the top of the cabinet. Make sure that the
board rests on the correct row (see Detail A).
b. Swing the base of the board into the mounting clips and secure the board to the cabinet with
the accompanying screws (see Detail B).
NOTES
• Before installing the cabinet's contents, remove the metal cabinet knockouts required for wiring
entry. Do not remove the knockouts after the circuit board has been installed.
+
+
CIRCUIT
BOARD
DETAIL B
SIDE VIEW
OF MOUNTING
CLIPS
DETAIL A
SIDE VIEW
OF BOARD
SUPPORTING
SLOTS
CIRCUIT
BOARD
MOUNTING-001-V0
CABINET
CABINET
Figure 2. Mounting the PC Board
2-1

Mounting Board with RF Receiver
1. a. Remove the receiver board from its case, then insert the top of the board into the slots at the top
of the cabinet, as shown in Detail A in Figure 3. Make sure that the board rests on the correct
row of tabs.
b. Swing the base of the board into the mounting clips and secure it to the cabinet with the
accompanying screws.
c. Insert the top of the control's board into the slot in the clips and position two clips at the lower
edge of the board.
d. Swing this board into place and secure it with two additional screws.
2. Insert grounding lugs (supplied with the receiver) through the top of the cabinet into the left-
hand terminals of the antenna blocks (at the upper edge of the receiver board) and secure them to
the cabinet top with the screws provided, as shown in Detail B.
3. Insert the receiver's antennas through the top of the cabinet, into the blocks' right-hand
terminals, and tighten the screws.
NOTES
• Do not mount the cabinet on or near metal objects. This will decrease RF range and/or block RF
transmissions from wireless transmitters.
• Do not locate the cabinet in an area of high RF interference (revealed by frequent or prolonged
lighting of the LED in the receiver after it is operational (random flicker is OK)
ANTENNA
MOUNT
(2 PLACES)
ANTENNA
(2)
SCREW
(2)
BLACK
MOUNTING
CLIP
RED
MOUNTING
CLIP
WHITE
MOUNTING
CLIP
GROUNDING
LUG
(2)
NOTE
A COMBINATION OF THESE MOUNTING CLIPS HAS BEEN
INCLUDED IN YOUR INSTALLATION KIT.
USE THE APPROPRIATE CLIPS FOR MOUNTING.
IF NO RF RECEIVER IS USED, MOUNT THE PC BOARD USING
EITHER THE WHITE OR BLACK CLIPS, WHICHEVER ARE
INCLUDED IN THE CONTROL PANEL'S HARDWARE KIT.
DETAIL A
SIDE VIEW
OF BOARD -
SUPPORTING SLOTS
CIRCUIT
BOARD
CABINET
MOUNTING
CLIP
CABINET
MOUNTING
CLIP
CONTROL
CIRCUIT
BOARD
BOARD
SUPPORTING
SLOTS
RECEIVER CIRCUIT BOARD
++
AB
pc_mount-001-V1
DETAIL B
ANTENNA AND GROUNDING
LUG INSTALLATION
INSTALLATION WITH RECEIVER CIRCUIT BOARD
Figure 3. Mounting the PC Board and RF Receiver
Installation Instructions
2-2

Wiring to Keypads
1. Connect keypads to the keypad terminals as shown on the Summary of Connections diagram.
Determine wire size using the Wire Run Chart below.
2. Set keypad addresses. Refer to the address setting instructions included with the keypads and set
each keypad device address according to the chart at right.
3. Program the keypad addresses and sound options in data fields *190-*196.
IMPORTANT: Each keypad must be assigned a unique address, starting at address 16.
Keypads programmed with the same address will give unpredictable results.
Supplementary Power (optional)
1. Connect as shown. Be sure to connect the negative (–) terminal on the power supply unit to terminal 4
(AUX –) on the control.
NOTES
• Typical Fixed-Word Display: 6150
• Typical Alpha Display: 6160
• Voice Keypads: 6150V, 6160V
• The system supports up to 8 keypads
(see program fields *190-*196).
• For single 4-wire runs, determine the current
drawn by all units, then refer to the Wiring
Run chart to determine the maximum length
that can be safely used for each wire size.
• Use supplementary power if the control’s aux.
power load for all devices exceeds 600mA.
Suggested power supply: AD12612
Keypad Addresses
Keypad Address Keypad Address
no. 1 16** no. 5 20
no. 2 17 no. 6 21
no. 3 18 no. 7 22
no. 4 19 no. 8 23
** The first keypad is address 16, which is always
enabled and set with all sounds on.
+–
+
456 7
SUPPLEMENTARY
POWER SUPPLY
–
CONTROL TERMINAL STRIP
AUX. AUX. DATA
IN
DATA
OUT
IMPORTANT:
MAKE THESE
CONNECTIONS
DIRECTLY TO
SCREW
TERMINALS AS
SHOWN.
TO KEYPAD RED WIRE
TO KEYPAD BLK WIRE
TO KEYPAD YEL WIRE
TO KEYPAD GRN WIRE
TO KEYPAD BLK WIRE
TO KEYPAD RED WIRE
TO KEYPAD GRN WIRE
TO KEYPAD YEL WIRE
supp_pwr_supply-V0
Figure 4. Using a Supplementary Power Supply
UL Use a UL Listed, battery-backed supply for UL installations. The battery supplies power to these keypads in
case of AC power loss.
The battery-backed power supply should have enough power to supply the keypads with the UL required
minimum standby power time.
Keypads powered from supplies that do not have a backup battery will not function if AC power is lost.
Make sure to power at least one keypad from the control’s auxiliary power output.
Wire Run Chart For Devices* Drawing Aux Power From The Control (12V+ & 12V–)
Wire TOTAL CURRENT DRAWN BY ALL DEVICES CONNECTED TO A SINGLE WIRE RUN
Size 50 mA or less 100 mA 300 mA 500 mA 600 mA
#22 900 ft (274m) 450 ft (137m) 150 ft (46m) 90 ft (27m) 75 ft (23m)
#20 1400 ft (427m) 700 ft (213m) 240 ft (73m) 140 ft (43m) 120 ft (37m)
#18 1500 ft (457m) 1100 ft (335m) 350 ft (107m) 220 ft (67m) 170 ft (52m)
#16 1500 ft (457m) 1500 ft (457m) 550 ft (168m) 350 ft (107m) 270 ft (82m)
* Includes Keypads, RF Receivers, Zone Expander/Relay Units, 4285/4286 Phone Module, and LRR.
Maximum wire lengths for any device that is homerun to the control can also be determined from the Wiring Run Chart, based on
the current draw of that device alone.
The length of all wire runs combined must not exceed 1500 feet (457m) when unshielded quad conductor cable is used (750 feet
if shielded cable is used). This restriction is due to the capacitive effect on the data lines when quad cable is used.
Mounting and Wiring the Control
2-3

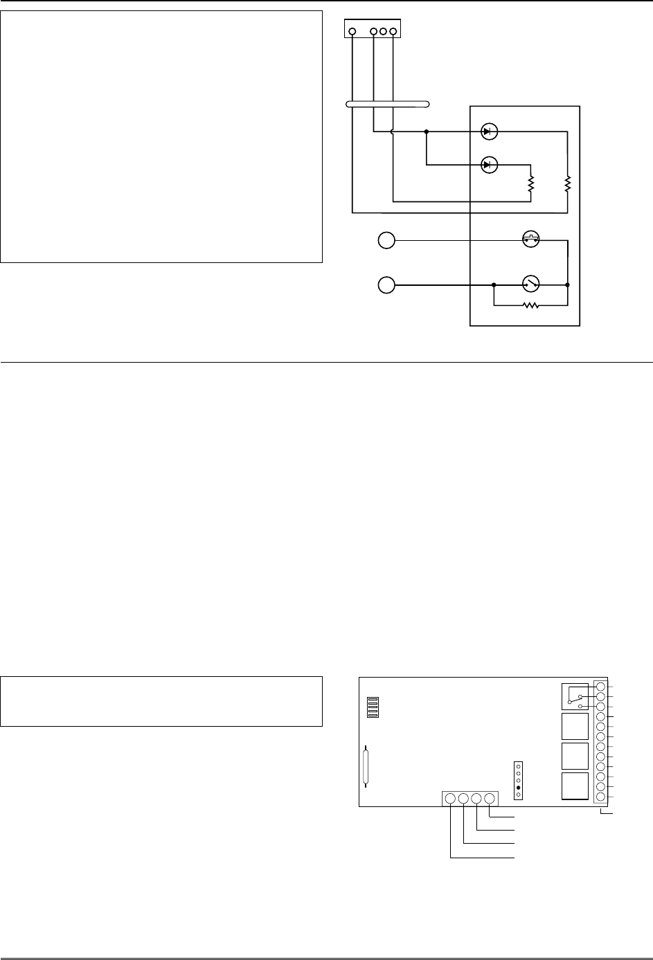
Sounder (Bell) Connections
1. Make sounder connections to alarm output
terminals 3 (+) and 4 (–).
For supervised output, continue with steps 2
and 3.
2. Cut the red Bell Supervision Jumper located
above terminals 2 and 3 on the control board.
3. Connect a 2k ohm resistor across the
terminals of the last sounder.
This control complies with NFPA requirements for
temporal pulse sounding of fire notification
appliances. Temporal pulse sounding for a fire alarm
consists of:
3 pulses – pause – 3 pulses – pause – 3 pulses–etc..
+
+
2
EXTERNAL ALARM
SOUNDER
TERMINALS ON
CONTROL BOARD
ALARM
OUTPUT
TERMINALS
sounder-001-V0
3
4
CUT RED JUMPER ON CONTROL
BOARD TO ENABLE BELL
(SOUNDER) SUPERVISION.
2000
OHM
EOL
RESISTOR
IF BELL SUPERVISION IS ENABLED
(RED JUMPER ON CONTROL BOARD IS CUT)
CONNECT A 2000 OHM RESISTOR ACROSS
THE EXTERNAL SOUNDER AS SHOWN BY
THE DOTTED LINE.
DO NOT CONNECT THE RESISTOR AT THE
ALARM OUTPUT TERMINALS THEMSELVES!
OBSERVE
POLARITY
Figure 5. Sounder Wiring (Supervised)
NOTES
• The 12VDC sounder output activates when an alarm occurs.
• Total current drawn from this output cannot exceed 2 amps (going beyond 2 amps will overload the
power supply, or may cause the electronic circuit protecting the sounder output to trip).
• You must install a battery, since the battery supplies this current.
UL
• Use only UL Listed sounding devices for UL installations.
• Bell supervision is required for fire alarm installations.
• The total current drawn from the alarm output and the auxiliary power output, combined, cannot exceed 600
mA. In addition, the sounding device must be a UL Listed audible signal appliance rated to operate in a 10.2-
13.8 VDC voltage range, and must be mounted indoors.
Wiring the AC Transformer
Connect the 1321 Transformer to terminals 1 and
2 on the control board. See Wire Run Chart for
wire size to use. (Use 1321CN in Canada.)
NOTES
Wire Run Chart
Distance from control Wire Size
Up to 50 feet # 20
50–100 feet # 18
100-250 feet # 16
• Use caution when wiring the transformer to the control to guard against blowing the transformer
fuse (the fuse is non-replaceable).
• Wiring to the AC transformer must not exceed 250 feet using 16 gauge wire. The voltage reading
between terminals 1 and 2 of the control must not fall below 16.5VAC or an “AC LOSS” message
will be displayed.
• Do not plug the transformer into the AC outlet while making any wiring connections to the control.
As a safety precaution, always power down the control when making such connections.
Backup Battery
1. Place the 12-volt backup battery in the cabinet.
2. After all connections to the control are completed and AC power has been applied, connect the red
and black flying leads on the control board to the battery. Do not attach these leads to the battery
terminals until all connections are completed.
IMPORTANT: The panel will not power up initially on battery power only. You must plug the
transformer in first, and then connect the battery.
UL For UL installations and Residential fire installations, refer to the chart below for the correct battery size
required to meet the mandatory standby time.
Installation Instructions
2-4

CALIFORNIA STATE FIRE MARSHALL (CSFM) AND UL RESIDENTIAL FIRE
24-HOUR BATTERY BACKUP REQUIREMENTS
The California State Fire Marshal and UL have regulations which require that all residential fire alarm control
panels must be provided with a backup battery which has sufficient capacity to operate the panel and its attached
peripheral devices for 24 hours in the intended standby condition, followed by at least 4 minutes in the intended
fire alarm signaling condition. This control panel can meet these requirements without using a supplementary
power supply, provided that the panel’s auxiliary power and bell output currents are limited as indicated below.
OUTPUT LIMITATIONS TO MEET CSFM 24 HOUR BATTERY BACKUP REQUIREMENTS
AND UL RESIDENTIAL FIRE INSTALLATIONS
OUTPUT CURRENT LIMITATIONS BATTERY INFORMATION
Output Current Total Maximum Auxiliary Current Battery Capacity
To Use (Amp/Hrs)
Recommended Battery
(Yuasa Model No.)
600mA maximum total of
auxiliary power plus bell
output currents
45mA
160mA
200mA
425mA
500mA
4AH
7AH
8AH
14AH
17.2AH
NP4-12 (or ADEMCO 467)
NP7-12
NP4-12 (two) ‡
NP7-12 (two) ‡
NPG18-12
‡ NOTE: Use two batteries, connected in parallel. Obtain an Ademco Battery Harness Kit SA5140-1. (Both batteries
will fit inside the panel’s cabinet.)
Earth Ground
Metal Cold Water Pipe:
Use a non-corrosive metal strap (copper is recommended) firmly secured to the pipe to which the
ground lead is electrically connected and secured.
AC Power Outlet Ground:
Available from 3-prong, 120VAC power outlets only. To test the integrity of the ground terminal, use
a 3-wire circuit tester with neon lamp indicators, such as the UL Listed Ideal Model 61-035, or
equivalent, available at most electrical supply stores.
• This product has been designed and laboratory-tested to ensure its resistance to damage from
generally expected levels of lightning and electrical discharge, and does not normally require an
earth ground.
• If an earth ground is desired for additional protection in areas of severe electrical activity, terminal
25 on the control board, or the cabinet, may be used as the ground connection point. The examples
of good earth grounds listed at the left are available at most installations.
AUXILIARY DEVICE CURRENT DRAW WORKSHEET
DEVICE CURRENT UNITS TOTAL CURRENT
6150 Fixed-Word Keypad 30mA
6160 Alpha Keypad 100mA
6150V Fixed-Word Display Voice Keypad 60mA
6160V Alpha Display Voice Keypad 60mA
5881/5882 RF Receiver 35mA
5883 Transceiver 80mA
4204 Relay Unit 15/180mA‡
4285 Phone Module 160mA
4286 Phone Module 300mA
*
*
* If using hardwire
devices such as PIRs,
refer to the
specifications for that
particular unit's current
draw.
‡ Figures are for relays
OFF/relays ON.
*
(Current available from Aux. terminals = 600 mA max.)† TOTAL =
†In UL installations, maximum current draw from the Auxiliary Output and the Alarm Output combined must not exceed
600 mA (500 mA max from Auxiliary Output).
Mounting and Wiring the Control
2-5

Hardwire Zones
Normally Open Zones/ Normally Open EOLR Zones
1. Connect open circuit devices in parallel across the loop; for EOLR zones, connect the EOLR across
the loop wires at the last device.
2. Enable normally open/EOLR zones using Zone Programming mode, “Hardwire Type” prompt.
Normally Closed Zones/Normally Closed EOLR Zones
1. Connect closed circuit devices in series in the high (+) side of the loop; for EOLR zones, connect the
EOLR in series following the last device.
2. Enable normally closed/EOLR zones using Zone Programming mode, “Hardwire Type” prompt.
NOTES
• EOLR: If the EOLR is not at the end of the loop, the zone is not properly supervised and the system
may not respond to an “open” on the zone.
UL For UL commercial burglar alarm installations, use EOLR zones.
Smoke Detectors
4-Wire Smoke Detectors
Connect 4-wire smoke detectors (up to 16, depending on detector current draw) to any zone as shown
below. This control does not automatically reset power to 4-wire smoke detector zones, so you must
use a relay (e.g., 4204), or on-board trigger to reset power (also required for fire verification). Do
this by programming the designated relay/trigger as zone type 54 (fire zone reset); see On-Board
Trigger section for other information.
Figure 7. 4-Wire Smoke Detector Connections
+
+
2000
OHMS
EOLR
HEAT
DETECTOR
RED
EOL
POWER
SUPERVISION
RELAY MODULE
A77-716B.
USE N.O.
CONTACT,
WHICH CLOSES
WHEN POWER
IS APPLIED.
VIOLET
AUX PWR
OUTPUT
TERMINALS
5
4
+
BLK
+
4_wiresmk-007-V0
TO ZONE TERM. ( )
TO ZONE TERM. ( )
RELAY
CONTACT OPENS
MOMENTARILY UPON
FIRE ALARM RESET
PROGRAM
RELAY
AS ZONE
TYPE 54
(FIRE ZONE
RESET)
4-WIRE SMOKE
OR COMBUSTION
DETECTOR
N.C.
N.O.
+
2000
OHMS
EOLR
HEAT
DETECTOR
RED
VIOLET
AUX PWR 5
+
BLK
+
4_wiresmk-008-V0
4-WIRE SMOKE
OR COMBUSTION
DETECTOR
( )
( )
+
TO ZONE TERM. ( )
TO ZONE TERM. ( )
TO OUTPUT 17
PROGRAM OUTPUT 17
FOR "OUT NORM
LOW" = YES IN 79 MENU
MODE AND AS ZONE
TYPE 54 IN
80 MENU MODE
EOL
POWER
SUPERVISION
RELAY MODULE
A77-716B.
USE N.O.
CONTACT,
WHICH CLOSES
WHEN POWER
IS APPLIED.
N.O.
4-Wire Smoke Detector Using Relay for Power Reset 4-Wire Smoke Detector Using Output 17 for Power Reset
NOTES
•
••
• Fire Verification (zone type 16): The control panel will “verify” a fire alarm by resetting the
smoke detectors after the first alarm trigger, and then waiting 90 seconds for a second alarm
trigger. If the smoke detector or thermostat does not trigger again, the control will disregard the
first trigger, and no alarm signal will occur. This feature eliminates false alarms due to electrical or
physical transients.
SIA Installations: If using fire verification on zones other than zone 1, UL Fire Alarm Listed relay
accessories must be used to reset power as described above.
•
••
• Power Reset: Maximum current on trigger 17 is 100mA.
Installation Instructions
2-6

Installing the RF Receiver
You can any ADEMCO 5800 Series Wireless Receivers, including:
RF Receiver No. of Zones
5881L/5882L up to 8
5881M/5882M up to 16 (transmitter zone numbers = 9-24; button zone numbers = 49-56)
5883, 6150RF up to 16 (transmitter zone numbers = 9-24; button zone numbers = 49-56)
1. Set Device Address to “00” as described in its instructions (set all switches to the right, “off” position).
2. Mount the receiver, noting that the RF receiver can detect signals from transmitters within a
nominal range of 200 feet.
3. Connect the receiver's wire harness to the control's keypad terminals. Plug the connector at the
other end of the harness into the receiver. Refer to the installation instructions provided with the
receiver for further installation procedures regarding antenna mounting, etc.
NOTES
• The receiver is supervised and a trouble report is sent (“CHECK 100” displayed) if communication
between the panel and receiver is interrupted, or if no valid RF signals from at least one supervised
transmitter are received within 12 hours.
If the receiver is mounted remotely:
• Place the RF receiver in a high, centrally located area for best reception.
• Do not locate the receiver or transmitters on or near metal objects. This will decrease range and/or
block transmissions.
• Do not locate the RF receiver in an area of high RF interference (indicated by frequent or prolonged
lighting of the LED in the receiver; random flicker is OK).
• Do not locate RF receiver closer than 10 feet from any keypads to avoid interference from the
microprocessors in those units.
MOUNTING
HOLES INTERFERENCE
INDICATOR
LED
CIRCUIT BOARD
DIP
SWITCH
ANTENNAS
(INSERT IN
RIGHT-HAND
TERMINALS)
YELLOW
RED
BLACK
GREEN
WIRING OPENING
KNOCKOUT AREA
FOR SURFACE WIRING
TO CONTROL'S
REMOTE KEYPAD
CONNECTION
POINTS.
5882
LOCATION
TO RELEASE CIRCUIT BOARD,
REMOVE SCREWS AND
BEND BACK TABS
NOTE
CIRCUIT BOARD IS MOUNTED IN
CONTROL'S CABINET. GROUNDING
LUGS (2) PROVIDED
MUST
BE INSERTED
IN LEFT-HAND TERMINALS OF ANTENNA
BLOCKS AND SECURED TO CABINET.
(SEE RECEIVER'S AND CONTROL'S
INSTRUCTIONS)
SOCKET PLUG
MODEL NO. IS INDICATED ON CIRCUIT BOARD
5881-003-V0
INSERT IN
RIGHT- HAND
TERMINALS
Figure 9. 5881/5882 RF Receiver (cover removed)
Installing a 5800TM Module
1. Mount the 5800TM next to the RF receiver (between one and two feet from the receiver’s
antennas) using its accompanying mounting bracket. Do not install within the control cabinet.
2. Connect the 5800TM to the control panel’s keypad connection terminals as shown on the
Summary of Connections diagram and set to address 28.
NOTES
• Use this module only if you are using one or more wireless bi-directional keypads or keyfobs with a
wireless Receiver; 5800TM is not necessary if using a Transceiver (e.g., 5883).
• The 5800TM must be set to address 28 (cut red-W1 jumper).
• For additional information regarding the 5800TM, refer to the 5800TM’s instructions.
Mounting and Wiring the Control
2-7

Installing the Transmitters
1. To be sure reception of the transmitter's signal at the proposed mounting location is adequate,
perform a Go/No Go Test, described in the Testing the System section.
2. Install transmitters in accordance with the instructions provided with each.
3. Set 5827, 5827BD, 5804BD wireless keypads to the programmed House ID (field *24), using its
DIP switches (5827) or follow the instructions provided with the device.
ULC NOTE: In accordance with ULC standards, the RF supervision period for the VISTA-10P is three hours for
Fire zones (Zone Type 9 and 16) and 12 hours for all other zone types.
NOTES
• Refer to the table of compatible devices at the back of this manual.
• Supervised transmitters† send check-in signals to the receiver at 70-90 minute intervals. If at least
one check-in message is not received from each transmitter within a 12-hour period, the “missing”
transmitter number(s) and “CHECK” is displayed.
† Hand-held transmitters (e.g., 5802, 5802CP, 5804, 5804BD, 5827, 5827BD) do not send check-in
signals.
UL The following transmitters are not intended for use in UL installations: 5802MN, 5802MN2, 5804, 5804BD,
5814, 5816TEMP, 5819, 5819WHS & BRS, and 5850.
The 5827BD and 5800TM can be used in UL Listed Residential Burglar installations.
Transmitter Battery Life
• See Wireless Transmitter paragraph in the Limitations of This Alarm System statement located at the end
of this manual for information on transmitter battery life.
• Some transmitters (e.g., 5802 and 5802CP) contain long-life but non-replaceable batteries, and no battery
installation is required. At the end of their life, the complete unit must be replaced (and a new serial number
enrolled by the control).
• Button-type transmitters (such as 5801, 5802, and 5802CP) should be periodically tested for battery life.
• The 5802MN and 5804 Button Transmitters have replaceable batteries.
Do not install batteries in wireless transmitters until you are ready to enroll during system programming.
After enrolling, batteries need not be removed.
Installing a Keyswitch
1. Connect the 4146 keyswitch's normally open momentary switch to a zone’s terminals. Remove the
2000 ohm EOL resistor if connected across the selected zone.
2. Using a standard keypad cable as shown:
Connect the yellow and white keyswitch wires to trigger connector pin 3 (+12V).
Connect the Red and Green LED wires to the appropriate output 17/output 18 trigger connector
pins.
3. Connect a 2000 ohm EOL resistor across the momentary switch.
4. You can wire an optional closed-circuit tamper switch (model 112) in series with the zone. If the
switchplate is then removed from the wall, the tamper will open, disabling keyswitch operation
until the system is next disarmed from the keypad.
If the tamper is opened when the system is armed, an alarm will occur.
NOTES
• Use 4146 keyswitch or any N.O. keyswitch.
• When using a keyswitch, the zone it is connected to is no longer available for use as a protective
zone.
• Use *56 Menu mode to program the keyswitch zone and assign it zone type 77.
• Use *80 Menu mode to program the LED functions: program outputs 17 and 18 for system
operation zone type 78 (red LED) and 79 (green LED) as appropriate (see Output Device
Programming section).
Installation Instructions
2-8

UL A UL Listed keyswitch is required for fire
installations and UL commercial and residential burglar
alarm installations.
If a keyswitch is used on:
• an installation that transmits opening and closing
signals, the keyswitch zone must be programmed to
send opening and closing signals.
• a UL commercial burglar alarm installation, the
keyswitch’s tamper switch must be connected in to
the alarm system. This tamper switch zone must
also be programmed for Zone Type 05 – Trouble by
Day / Alarm by Night.
• a fire alarm installation, the keyswitch must be
located next to an alphanumeric display keypad.
The Ademco 4146 keyswitch is UL Listed.
4146 KEYSWITCH
(READY)
GREEN
LOCK
SWITCH (N. O.)
TAMPER
SWITCH (N. C.)
(ARMED)
RED
YELLOW
WHITE
EOLR
(use appropriate value)
11
10
TYPICAL ZONE
ON CONTROL
BOARD
BROWN
BLUE
BROWN
BLUE
820
ohms
820
ohms
00-trigcon-004-V3
1345
4-WIRE
CABLE
5-PIN TRIGGER CONNECTOR
KEY
+12 AUX.
OUTPUT 17
OUTPUT 18
(RED)
(YELLOW)
(GREEN)
RED
BLACK
Figure 10. Keyswitch Wiring Connections
Connecting Relay Modules
1. Mount either remotely or in the control panel.
2. Connect to control’s keypad terminals using the connector harness supplied with the module. Use
standard 4-conductor twisted cable for long wiring runs.
3. Set the module’s device address to address 12.
4. Connect the desired field wiring to the unit's relay contact terminals.
NOTES
• Use 4204 module.
• Supervision: 4204 module is supervised against removal. The module’s device address is displayed
as follows if a module is disconnected from the control’s terminals, or if the module cover is removed
and the tamper jumper is installed:
Alpha: CHECK xx Wire Expansion
FAULT xx Wire Expansion
ALARM xx Wire Expansion
Fixed-Glass: lxx (or 91 if field *199 set for 2-digit display); where “xx is the module’s address.
• If communication/tamper failure occurs on a device with zones wired to it, all zones on the device
will be displayed.
UL For UL installation requirements, refer to the
Installation Instructions for the 4204.
TB2
121110
9
87654321
(–) GROUND
(+) 12V
YEL
BLK
GRN
RED
13 14 15 16
DIP SWITCH
FOR SETTING DEVICE ADDRESS
AND ENABLING/DISABLING TAMPER
COVER TAMPER (REED) SWITCH
TB1
4204
4-PIN TOUCHPAD PLUG
3
2
RELAY
1
4
TYPICAL
(SHOWN "OFF")
C
NC
NO
C
NC
NO
C
NC
4204_conn-1-V0
NC
NO
C
NC
NO
EITHER OR BOTH
CAN BE USED
DATA IN
FROM CONTROL
DATA OUT
TO CONTROL
RELAY
RELAY
RELAY
Figure 11. 4204 Connections to Control
Mounting and Wiring the Control
2-9

On-Board Triggers
Connect field wiring to the desired trigger pin on
the 8-pin trigger connector centrally located
above the terminal strip.
You can use a 4-wire cable as shown.
UL If on-board triggers are used, the wiring between
the control unit and the UL Listed device must be run
in conduit, be no more than 3 feet apart and have no
intervening barriers or walls.
4-WIRE CABLE
00-trigcon-005-V3
+12 AUX.
GND (-)
OUTPUT 17
OUTPUT 18
(RED)
(YELLOW)
(BLACK)
(GREEN)
1345
5-PIN TRIGGER CONNECTOR
KEY
Figure 12.
On-Board Trigger Connector with 4-Wire Cable
NOTES
• There are two on-board triggers that can be used to activate output devices.
• These outputs are normally high, and go low upon programmed condition.
• Outputs can be programmed for inverted operation (normally low, go high) using *79 Menu mode.
• Program these triggers using *80/*81 Menu modes as you would for any other relay output.
• When using these outputs, note:
pin 1 = output number 17 (trigger 1):
15 ohms to ground when closed (output low), open when off (output high, normal default); can
be used to reset smoke detector power (must set “output normal low = yes” in *79 Menu mode,
and set for zone type 54, fire zone reset, in *80 Menu mode); or can support 12V relay module†
that draws less than 100mA
pin 5 = output number 18 (trigger 2):
100 ohms to ground when closed (output low); open when off (output high, normal default); or
can support 12V relay module that draws less than 20mA
† e.g., Altronix AX-RBS
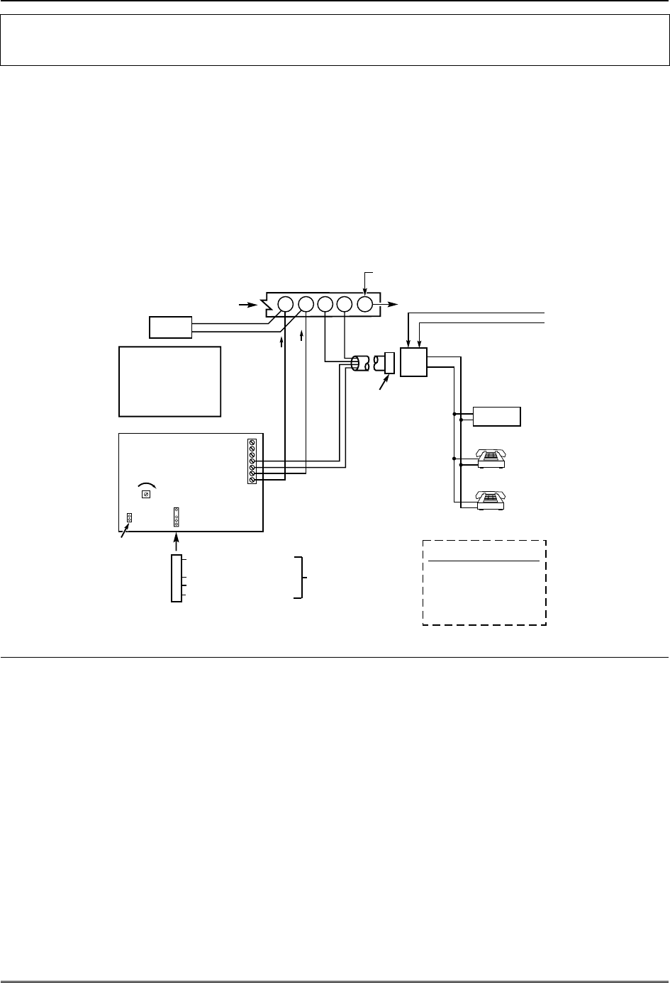
Phone Line/Phone Module Connections
1. Connect incoming phone line and handset wiring to the main terminal block (via an RJ31X jack)
as shown in the Summary of Connections diagram at the back of this manual. Wire colors
represent the colors of the cable to the RJ31X jack.
If using a phone module, continue with the following steps.
2. Make 12V (+) and (–) and data in and data out connections from the phone module to the control,
using the connector cable supplied with the phone module, then insert the keyed connector at the
other end of the connector cable into the header on the phone module.
3. Connect Phone Module terminals as shown below. Use an RJ31X jack with a direct-connect cord
and make all connections exactly as shown.
4. Caller ID Units: If a Caller ID unit is being used, connect the unit directly to the “Handset”
terminals (21 & 22) on the control, as shown.
NOTES
• Use 4285 or 4286 Phone Modules.
Compatibility: 4286 Phone Modules must have software version WA4286-15.1 or higher (refer to the
label on the square 4286 microprocessor chip).
• Only one phone module can be used.
• The phone lines must be in service for the phone module to function, even when accessing the system
from an on-premises phone.
• If you are also using an Audio Alarm Verification (AAV) unit, refer to Audio Alarm Verification
(AAV) section for special wiring connections.
CAUTION: To reduce the risk of fire, use only No. 26 AWG or larger telecommunication line cord for
phone line connections.
Installation Instructions
2-10

UL The 4285 and 4286 modules are UL Listed only for use on residential fire and UL residential burglar alarm
installations.
Phone Module Problems
If no touch tones are produced following access to the security system from on-premises (this problem
may arise in rare cases), it may be necessary to reverse the wires connected to terminals 3 and 4 on
the phone module and the wires connected to terminals (21) & (22) on the control. The wiring
diagram shows the wiring connections that will provide proper operation in most cases.
Connection to the incoming telco line via a RJ31X jack and direct-connect cord, as shown, is essential,
even if the system is not connected to a central station. Otherwise the 4285/4286 will not function and
an error signal (fast busy signal) will occur when accessing the system via the phone.
The house phone lines (gray and brown wires) must be wired to the phone module terminals; not to
the control terminals. Otherwise, an error signal (fast busy signal) will occur when trying to access
the system from an on-premises phone.
ANSWERING
MACHINE
TERMINALS
ON CONTROL
TO EARTH GROUND (COLD WATER PIPE, ETC.)
UNUSED
KEYED
HEADER
4285/4286
V IP MODULE
123456 7
YELLOW: TO DATA OUT (term. 7)
NO CONNECTION
RED: TO AUX (+) (term. 5)
BLACK: TO AUX. GROUND (–) (term.4)
GREEN: TO DATA IN (term. 6)
CONNECTOR
WITH FLYING
LEADS
TO CONTROL
PANEL
TERMINALS
USED FOR
KEYPAD
CONNECTIONS
PREMISES ANSWERING
MACHINE AND PHONES
HANDSET
INCOMING
TELCO LINE
TIP
RING
PLUG
DIRECT
CONNECT
CORD
TIP
RING
GROUND
(TIP)
(RING)
GREEN (TIP)
RED (RING)
INCOMING TELCO LINE
GREY (R)
BROWN (T)
4285/4286
TERMINAL ASSIGNMENTS
1 - TIP
2 - RING PHONE INPUT
3 - TIP
4 - RING PHONE OUTPUT
5 - NO CONNECTION
6 -
7 -
AUDIO OUT
4286 ONLY
}
}
}
{
{
IMPORTANT NOTE FOR
EXISTING INSTALLATIONS:
EXISTING WIRES
CONNECTED TO THE
"HANDSET" TERMINALS ON
CONTROL MUST BE MOVED
FROM THERE TO TERMINALS
3 AND 4 ON THE 4285/4286.
*
*
*
NOTE: IF THE TELEPHONE HAS BUILT-IN CALLER ID,
THE CALLER ID FUNCTION MAY NOT WORK
.
CA38A
IN
CANADA
4286_cntrl-001-V0
LOUDER
VOLUME
(4286
ONLY)
21 22 23 24 25
CALLER ID
UNIT
RJ31X
JACK
Figure 13. 4285/4286 Phone Module Wiring Connections
Long Range Radio Connections
Connect the data in/data out terminals and voltage input terminals of the Long Range Radio to
the control's keypad connection points.
Set the radio’s address to “03” following the instructions provided with the radio.
Use compatible Long Range Radios (e.g., 7720PLUS, 7820, 7835C, or 7845C).
Mounting and Wiring the Control
2-11

Audio Alarm Verification Connections (AAV, “listen-In”)
Refer to the connection diagrams below. One diagram shows connections when a 4285/4286 Phone
Module is used, the other shows connections when the 4285/4286 is not used.
Connections use one of the on-board triggers.
UL UL installations using the AAV feature must use the ADEMCO UVCM module (part of the ADEMCO UVS
system)
Suggested AAV Module: ADEMCO UVS (shown) or Eagle 1250
NOTES
• Set field *91 for AAV and program the appropriate output (output 17 or 18) using *80 Menu mode:
select zone type 60 and output action 1 (close for 2 seconds) or action 2 (stay closed).
• For voice session monitoring, connect a zone to UVCM module terminals 6 & 7, and program the
zone as zone type 81 (*56 Menu mode).
E.g.,
Using output 18 for the trigger, program an output function in *80 Menu mode as:
ZT = 60, P = 0, Action = 1, Device = 18
ON ON
12345678 12345678
1234567891011 29 30 31 32 33 34
NOTE:
REFER TO UVCM MODULE
INSTRUCTIONS FOR
CONNECTIONS TO AUDIO
SPEAKERS AND MICROPHONE.
UVCM
MODULE
ZONE
TERMINALS
EARTH
GROUND
RED (R)
GREEN (T)
GREY (R)
BROWN (T)
TRIGGER
CONNECTOR
OUTPUT 18
EOL
RING
TIP
OPTIONAL
MONITORING ZONE
CONNECTION
(USE ZONE TYPE 81)
FALLING VOICE TRIG
GND
+12VDC IN
SWITCH
BANK 2
SWITCH
BANK 1
SWITCH BANK 2
SWITCH BANK 1
AUXILIARY
AUDIO LEVEL
ADJUSTMENT
TRIM POT
aav_uvcm-003-V0
CONTROL
INCOMING
PHONE LINE
TO
PREMISES
HANDSET
5
1 = ON
2 = ON
3 = OFF
4 = ON
5 = ON
6 = ON
7 = ON
8 = ON
1 = OFF
2 = OFF
3 = OFF
4 = OFF
5 = OFF
6 = OFF
7 = OFF
8 = ON
23 24 25
+12VDC
GND
4521 22
RJ31X
Figure 14. Connection of AAV Unit When Not Using a 4285/4286 Phone Module
1234567891011 29 30 31 32 33 34
NOTE:
REFER TO UVCM MODULE
INSTRUCTIONS FOR
CONNECTIONS TO AUDIO
SPEAKERS AND MICROPHONE.
UVCM
MODULE
CONTROL
EARTH
GROUND
RED (R)
GREEN (T)
GREY (R)
BROWN (T)
TRIGGER
CONNECTOR
OUTPUT 18
4285/4286
RING
TIP
FALLING VOICE TRIG
GND
+12VDC IN
SWITCH
BANK 2
SWITCH
BANK 1
SWITCH BANK 2
SWITCH BANK 1
AUXILIARY
AUDIO LEVEL
ADJUSTMENT
TRIM POT
aav_uvcm-004-V0
ZONE
TERMINALS
OPTIONAL
MONITORING
ZONE
CONNECTION
(USE ZONE
TYPE 81)
23 24 25
22
21
45
INCOMING
PHONE LINE
TO
PREMISES
HANDSET
RJ31X
2
3
4
1
5
1 = ON
2 = ON
3 = OFF
4 = ON
5 = ON
6 = ON
7 = ON
8 = ON
1 = OFF
2 = OFF
3 = OFF
4 = OFF
5 = OFF
6 = OFF
7 = OFF
8 = ON
ON ON
12345678 12345678
RING
TIP
+12VDC
GND
EOL
Figure 15. Connection of AAV Unit When Using a 4285 or 4286 Phone Module
Installation Instructions
2-12

SECTION 3
Programming Overview
••••••••••••••••••••••••••••••••••••
About Programming
You can program the system at any time, even at the installer's premises prior to the actual
installation. Programming can also be performed remotely from the installer’s office/home, using an
IBM personal computer, a modem, and Compass downloading software.
The following is a list of the various Programming modes used to program this system:
Programming Mode… Used to …
Data Field Programming Program basic data fields used for setting the various system options.
Most of the data fields in this system have been programmed for specific
default values. However, some fields must be programmed for each particular
installation to establish its specific alarm and reporting features.
∗56 Zone Programming Assign zone characteristics, report codes, alpha descriptors, and serial
numbers for 5800 RF transmitters.
∗57 Function Key Programming Program each of the four alphabet function keys to perform one of several
system operations.
∗58 Zone Programming
(Expert Mode)
Assign zone attributes similar to ∗56 mode, but provides a faster
programming procedure and is intended for those more experienced in
programming controls of this type.
∗79 Output Device Mapping Assign device address of the 4204 Relay module and map the specific relays
∗80 Output Definitions Define up to 12 output definitions which can control the output relays mapped
using *79 Output Device Mapping mode.
∗81 Zone List Programming Create Zone Lists for relay zones, chime, night-stay, cross zones, and pager
zones.
∗82 Alpha Programming Create alpha descriptors for easy zone identification.
Scheduling Mode (code + [#] +64) Create schedules to automate various system functions.
Keypads
Keypads are identified by predefined addresses (starting at address 16) as follows:
Address Keypad Program Field
16 keypad 1 • always enabled, all sounds enabled. NOTE: First keypad is address 16.
17 keypad 2 • data field *190
18 keypad 3 • data field *191
19 keypad 4 • data field *192
20 keypad 5 • data field *193
21 keypad 6 • data field *194
22 keypad 7 • data field *195
23 keypad 8 • data field *196
To enable keypads:
1. Set desired address at keypad (refer to keypad’s instructions for setting the address).
2. Use data field program mode to enable keypad addresses and enable sound options in fields *190-
*196 as shown in the table above.
3. Set the following keypad-related data fields as required by the installation:
*21 Quick Arm Enable; *23 Forced Bypass; *84 Auto STAY Arm
3-1

Wireless Receiver, Transmitters, and Wireless Keys (keyfobs)
Receiver: Set the receiver’s address to “00” using its DIP switches, then set the following options:
*22 RF Jam Option†
*24 RF House ID Code (if using wireless keypads)
*67 Transmitter Low Battery Report Code†
*75 Transmitter Low battery restore report code†
*173 RF Reporting Options
Transmitters: Use *56 or *58 Zone Programming Menu modes to program zone information and
enroll transmitters.
Wireless Keys: Use Wireless Key Programming Templates section of the *58 Zone Programming
Menu mode to program zone information and enroll each button of the wireless keys
used. Once a wireless key is enrolled, it must be assigned to a user before it becomes
active. See Adding/Deleting Security Codes section for procedure.
Pager Programming
The system can send various reports to a pager.
To program pager reporting, do the following:
1. Enter the appropriate information in the following data fields:
*160, Pager Phone Number
*161, Pager Prefix Characters
*162, Pager Reporting Options
2. Enable Pager Delay, if desired, in field *172
3. Make sure appropriate user open/close pager reports are enabled using the user attribute
command (see Security Codes, Assigning Attributes in Section 6. System Communication and
Operation).
4. If using latchkey pager report, define the latchkey report schedule using Scheduling mode (master
code + [#] [6] [4] then select event type “03”). System must be armed for the Latchkey report to be
sent.
5. If using a function key to manually send a message to a pager, see Function Keys paragraph on
the next page.
6. If reporting zone alarms and troubles to a pager, use *81 Zone List menu mode to assign the zones
associated with each pager (zone lists 9).
Function Keys
To assign functions to the function keys, use *57 Function Key menu mode.
To assign emergency key functions (function key option “00”), first program the respective emergency
zone number (95 for “A” key, 96 for “C” key, 99 for “B” key) with the desired zone type using *56 Zone
Programming mode, then use *57 Function Key menu mode to assign the desired key.
If using a function key to activate a relay action (*57 Menu mode key function 07), use *79 Menu
mode to map the output, and use *80 Menu mode to define the output’s action; select system
operation type “66.”
If using a function key for a user macro, use *57 menu mode to activate the desired key, then define
the actual macro functions using the user code + [#] + [6] [6] command.
Output Devices
To program a device for manual activation (user code + [#] [7] / [#] [8] + 2-digit device number) or for
scheduled automatic activation, simply map the device using *79 Menu mode.
To program a device to automatically activate upon a system event (or function key), use *79 Menu
mode to map the device, then use *80 Menu mode to define the automated device action.
If the device action is based on more than one zone, use *81 Zone List menu mode to assign the zones.
† These fields must be enabled for Residential
Fire, UL Residential Burglar Alarm, and UL
Commercial Burglar Alarm installations.
Installation Instructions
3-2

Zone Type Definitions
You must assign a zone type to each zone, which defines the way in which the system responds to
faults in that zone. Zone types are defined below.
Zone Type Description
Type 00
Zone Not Used
Program a zone with this zone type if the zone is not used.
Type 01
Entry/Exit Burglary #1
• Assign to zones that are used for primary entry and exit.
• Provides entry delay when zone is faulted if control is armed in the Away, Stay,
or Night-Stay modes.
• No entry delay provided when the panel is armed in the Instant/Maximum mode.
• Entry delay 1 is programmable.
• Exit delay begins whenever the control is armed, regardless of the arming mode
selected, and is programmable.
Type 02
Entry/Exit Burglary #2
• Assign to zones that are used for entry and exit and require more time than the
primary entry/exit point.
• Provides a secondary entry delay, in same manner as entry delay #1.
• Entry delay 2 is programmable.
• Exit delay is same as described for Type 01.
Type 03
Perimeter Burglary
• Assign to all sensors or contacts on exterior doors and windows.
• Provides an instant alarm if the zone is faulted when the panel is armed in the
Away, Stay, Night-Stay, Instant or Maximum modes.
Type 04
Interior Follower
• Assign to a zone covering an area such as a foyer, lobby, or hallway through
which one must pass upon entry (to and from the keypad).
• Provides a delayed alarm (using the programmed entry 1 time) if the entry/exit
zone is faulted first. Otherwise this zone type gives an instant alarm.
• Active when the panel is armed in the Away mode.
• Bypassed automatically when the panel is armed in the Stay or Instant modes;
if armed in Night-Stay mode, zones assigned to zone list 05 (night-stay zone list)
are not bypassed when system armed in Night-Stay mode.
Type 05
Trouble by Day/
Alarm by Night
• Assign to a zone that contains a foil-protected door or window (such as in a store),
or to a zone covering a sensitive area such as a stock room, drug supply room, etc.
• Can also be used on a sensor or contact in an area where immediate notification
of an entry is desired.
• Provides an instant alarm if faulted when armed in the Away, Stay, Night-Stay,
Instant or Maximum (night) modes.
• During the disarmed state (day), the system will provide a latched trouble
sounding from the keypad (and a central station report, if desired).
Type 06
24-hour Silent Alarm
• Usually assigned to a zone containing an emergency button.
• Sends a report to the central station but provides no keypad display or sounding.
Type 07
24-hour Audible Alarm
• Assign to a zone that has an emergency button.
• Sends a report to the central station, and provides an alarm sound at the keypad,
and an audible external alarm.
Type 08
24-hour
Auxiliary Alarm
• Assign to a zone containing an emergency button, or to a zone containing
monitoring devices such as water or temperature sensors.
• Sends a report to the central station and provides an alarm sound at the keypad.
(No bell output is provided.)
Type 09
Supervised Fire
• Provides a fire alarm on short circuit and a trouble condition on open circuit. A
fire alarm produces a pulsing bell output.
• This zone type is always active and cannot be bypassed.
Type 10
Interior w/Delay
• Provides entry delay (using the programmed entry time), if tripped when the
panel is armed in the Away mode.
• Entry Delay 1 begins whenever sensors in this zone are violated, regardless of
whether or not an entry/exit delay zone was tripped first.
• Bypassed when the panel is armed in the Stay or Instant modes; if armed in
Night-Stay mode, zones assigned to zone list 05 (night-stay zone list) are not
bypassed when system armed in Night-Stay mode.
3-3

Type 12
Monitor Zone
• Works as a dynamic monitor of a zone fault/trouble (not alarm). In the case of a
short/open, the message, "*ALARM*-24 Hr. Non-Burg. -#XXX " (where XXX is the
zone number) will be sent to the Central Station. The system keypad will display
a “check” message indicating the appropriate zone (but keypad beeping does not
occur). Upon restoral of the zone, the message, "*RESTORE*-24 Hr. Non-Burg. -
#XXX " will be sent to the Central Station.
• The “check” message will automatically disappear from the keypad dynamically,
when the zone restores; a user code + off sequence is not needed to reset the zone.
• Faults of this zone type are independent of the system, and can exist at the time
of arming without interference.
• Since this is a “trouble” zone type, do not use this zone type with relays set to
activate upon “alarm.”
Type 14
24 Hour Carbon
Monoxide Monitor
• Assigned to any zone with a carbon monoxide detector.
• The bell output will pulse when this zone type is alarmed.
• Always active and cannot be bypassed.
Type 16
Fire w/Verification
• Provides a fire alarm when zone is shorted, but only after alarm verified.
• System verifies alarm by resetting zones for 12 seconds after short is detected. A
subsequent short circuit within 90 seconds triggers fire alarm.
• Provides a trouble response when zone is open.
Type 20
Arm-Stay (BR only)
• Arms the system in Stay mode when the zone is activated.
• Pushbutton units send the user number to the central station when arming or
disarming.
• User number for button must be assigned.
Type 21
Arm-Away (BR only)
• Arms the system in Away mode when the zone is activated.
• Pushbutton units send the user number to the central station when arming or
disarming.
• User number for button must be assigned.
Type 22
Disarm (BR only)
• Disarms the system when the zone is activated.
• User number for button must be assigned.
Type 23 *
No Alarm Response
• Can be used on a zone when an output relay action is desired, but with no
accompanying alarm (e.g., lobby door access).
Type 24
Silent Burglary
• Usually assigned to all sensors or contacts on exterior doors and windows where
bells and/or sirens are NOT desired.
• Provides an instant alarm, with NO audible indication at any keypad or external
sounder, if the zone is faulted when the system is armed in the Away, Stay,
Instant, or Maximum modes.
• A report is sent to the central station.
Type 77
Keyswitch
• Assign to zone wired to a keyswitch.
• Do not use devices assigned as input type “BR” with this zone type.
Type 81
AAV Monitor Zone
• Assign to zone connected to AAV module.
• Monitors 2-way voice sessions as follows:
- When the zone is faulted, all alarm sounding and dialer reporting stops, except
for fire alarms, which immediately terminate the voice session and cause
a fire report to be sent.
- When the zone is restored (session ended), sounding resumes (if bell timeout
has not expired) and reports that were stopped are sent.
Types 90
Configurable
Allows for a custom zone response. Options include response to entry/exit delays,
response opens/shorts, types of alarm/trouble sounding, dial delay, and unique
Contact ID report code.
UL installations: Zone Type 90 may not be used as fire or burglar alarm zones on
fire or UL burglar alarm installations.
* The system can still be armed when these zone types are in a faulted condition.
NOTE: All of the zone types described are available for the wireless portion of the system, if used.
Installation Instructions
3-4

Mechanics of Programming
Data Field Programming Procedures (You must use a 2-line Alpha display keypad)
Task Procedure
Entering Program Mode A) Press both [∗] and [#] at the same time within 50 seconds after power is applied
to the control, OR
B) After power-up, enter [Installer code (4-1-1-2)] + 8 0 0.
(method “B” is disabled if you exit the program mode using ∗98)
Go to a Data Field Press [∗] + [Field Number] (for example, ∗21).
A display of “EE” or “Entry Error” means you have entered a nonexistent field.
Simply re-enter [∗] plus a valid field number.
Entering Data When the desired field number appears, simply enter the digits required. The
keypad beeps three times after the last digit is entered and automatically displays
the next data field in sequence.
If entering less than the maximum digits available (e.g., phone number field),
enter the desired digits, then press [∗] to end the entry.
Review a Data Field Press [#] + [Field Number]. Field data is displayed, but no changes can be made.
Deleting an Entry Press [∗] + [Field No.] + [∗] (applies only to phone number, account number, and
pager character fields).
Menu Mode Programming (∗
∗∗
∗56, *57, ∗
∗∗
∗58, ∗
∗∗
∗79, ∗
∗∗
∗80, ∗
∗∗
∗81, ∗
∗∗
∗82)
Entering Menu Mode Press [∗] + [Menu Mode No.] (for example, ∗56) while in Program Mode. The
Alpha display keypad displays the first of a series of prompts.
After making the appropriate entry, press the [∗] key to accept the entry and
continue to the next prompt.
Loading Factory Defaults/Initializing for Download
To Load Default Entries Press ∗97 while in Program Mode. This resets all data fields to the default
values shown on the Program Form. Use ∗97 only if you wish to return to the
original factory-programmed defaults. Do not press ∗97 to load defaults if any
programming has been done previously—data already programmed into the
system will be changed!
To Initialize Download ID Press ∗96 while in Program Mode. This initializes the system for
downloading and resets all the subscriber account numbers and CSID.
Exiting the Programming Mode
Prevent installer code reentry Press ∗98. Exits Programming Mode and prevents re-entry by:
Installer Code + [8] + [0] + [0]. To enter the programming mode if ∗ 98 was
used to exit, you must first power the system down. Then power up again,
and press [∗] and [#] at the same time, within 50 seconds of powering up.
See field *88 for other Program mode lockout options.
Allow installer code reentry Press ∗99. Exits Program Mode and allows re-entry by method A or B above.
3-5

Table of Device Addresses
This Device Uses Address Reports as†† Enabled By…
RF Receiver 00 100 *56 zone programming: input device type entry
Long Range Radio 03 103 automatic if output to long range radio field *29 enabled
4286 Voice Module 04 104 automatic if phone module access code field *28 enabled
4204 Relay Module 12 112 *79 output device programming: entered at device address prompt:
Keypads:
keypad 1
keypad 2
keypad 3
keypad 4
keypad 5
keypad 6
keypad 7
keypad 8
16
17
18
19
20
21
22
23
n/a
n/a
n/a
n/a
n/a
n/a
n/a
n/a
data field programming as listed below:
always enabled, all sounds enabled.
data field *190
data field *191
data field *192
data field *193
data field *194
data field *195
data field *196
5800TM Module 28 n/a automatic
†† Addressable devices are identified by “1” plus the device address when reporting. Enter a report code for zone 91 to enable
addressable device reporting (default = reports enabled). See field *199 for addressable device (ECP) 3-digit/2-digit
identification keypad display options.
Installation Instructions
3-6

SECTION 4
Data Field Programming
••••••••••••••••••••••••••••••••••••
About Data Field Programming
The following pages provide explanations of this control’s data fields and is intended to be used in
conjunction with the Programming Guide. Refer to the Programming Guide for the specific
option choices for each data field.
Use the blank programming form to record the data for this installation.
Programming Data Fields
Data field programming involves making the appropriate entries for each of the data fields.
Start Data Field programming by entering the installer code + 8 + 0 + 0.
SIA Guidelines: Notes in certain data fields give instructions for programming the VISTA-10P for False Alarm
Reduction. Fields unique to the VISTA-10PSIA are indicated by heavy borders and reverse type for easy
identification.
System Setup Fields
FIELD TITLE and EXPLANATION
*20 Installer Code
Enter a 4-digit Installer Code. This code can perform all system functions except it cannot disarm the
system unless it is used to arm the system.
*21 Quick Arm Enable
Select whether or not users can press the [#] key in place of entering a security code when arming the
system (e.g., to arm AWAY, press [#] + AWAY). If not selected, users must enter a security code to arm
the system. In either case, the user code is always needed to disarm the system.
*22 RF Jam Option
Select whether or not the system sends an RF jam report if an RF jamming signal is detected.
UL installations must be 1 if wireless devices are used.
*23 Quick (Forced) Bypass
Select whether or not the Quick Bypass command (code +[6] + [#]) is active. Zones bypassed by this
function will be displayed after the bypass is initiated.
UL installations must be 0 (no forced bypass)
*24 RF House ID Code
Enter the RF House ID, which identifies receivers and wireless keypads. If a 5827 or 5827BD Wireless
Keypad or 5804BD Transmitter is being used, a House ID code must be entered, and the keypad set to
the same House ID.
*26 Chime By Zone List 3
Select if you want a list of specific zones to chime when faulted while the system is in Chime mode (use
zone list 3 to assign these zones; see ∗81 Zone List Programming section for details). If not selected,
all entry/exit and perimeter zones will chime when faulted and system is in Chime mode.
*28 Access Code for Phone Module
Enter a 2-digit access code for the 4285/4286 Phone Module, if used. Example: If desired access code is
7∗ , 7 is the first entry, and [#] + 11 (for ∗) is the second entry.
NOTE: A “0” in either digit disables the phone module.
Must be “00” for UL Commercial Burglar Alarm installations.
*29 Long Range Radio Output
Select whether or not all messages programmed to go to the primary telephone line receiver will also be
sent to the connected 7720PLUS, 7820, 7835, or 7845 Radio (sent in Contact ID format). The data line is
supervised as well as certain functions in the radio. If communication is lost or a trouble develops, an
attempt will be made to send a message via both radio and telephone to the central station.
Program the radio for device address 3.
4-1

Zone Sounds & Timing
FIELD TITLE and EXPLANATION
*31 Single Alarm Sounding Per Zone
Select whether or not the system limits alarm sounding to once per arming period for a given zone.
VISTA-10PSIA: If “0” selected, “alarm sounding per zone” will be the same as the “number of reports
in armed period” set in field *93 (1 if one report, 2 if 2 reports, unlimited for zones in zone list 7).
*32 Fire Alarm Sounder Timeout
Select whether or not alarm sounding continues until manually turned off (ignores sounder timeout). If
not selected, sounding stops at timeout programmed in ∗33.
This control complies with NFPA requirements for temporal pulse sounding of fire notification
appliances. Temporal pulse sounding for a fire alarm consists of the following:
3 pulses – pause – 3 pulses – pause – 3 pulses. UL fire alarm installations: must be 1.
*33 Alarm Sounder Timeout
Enter the desired alarm sounding time. Entering “0” lets sounding continue until manually turned off.
UL installations: For residential fire alarm installation, must be set for a minimum of 4 min (option 1);
for UL Commercial Burglary installations, must be minimum of 16 min (option 4).
*34 Exit Delay
Enter the desired time the system waits before arming entry/exit zones. If the entry/exit door is left
open after this time expires, an alarm will occur.
UL installations: For UL Commercial Burglar Alarm (Grade AA) and UL Residential Burglar Alarm
installations with line security, total exit time must not exceed 60 seconds. For UL Burglar Alarm
installations without line security (Grade A), total exit time must not exceed 120 seconds.
SIA Guidelines: minimum exit delay is 45 seconds
VISTA-10PSIA: 45 - 96 = 45 - 96 secs; 97 = 120 secs
NOTE: Entries less than 45 will result in a 45-sec delay.
*35 Entry Delay 1
Enter the desired time within which the system must be disarmed after opening an entry door. If this
time expires without disarming, an alarm occurs.
UL installations: For UL Residential Burglary Alarm installations, must be set for a maximum of 30
seconds; entry delay plus dial delay should not exceed 1 min. For UL Commercial Burglar Alarm, total
entry delay may not exceed 45 seconds. SIA Guidelines: minimum entry delay is 30 seconds
VISTA-10PSIA: 30-96 = 30 - 96 secs; 97 = 120 secs; 98 = 180 secs; 99 = 240 secs
NOTE: Entries less than 30 will result in a 30-sec delay.
*36 Entry Delay 2
Use this entry for a secondary entry door. See *35 above for explanation.
*37 Audible Exit Warning
Select whether or not you want exit warning sounds, which consist of slow continuous beeps until the
last 10 seconds, then it changes to fast beeps. Sound ends when exit time expires.
SIA Guidelines: must be enabled (enter 1)
VISTA-10PSIA: Feature always enabled; field does not exist.
*38 Confirmation Of Arming Ding
Select whether and when you want a confirmation of arming “ding” (1/2 second external sounder “ding”).
If “1” selected, ding occurs when closing report is sent, or at the end of Exit Delay.
If “2” selected, ding occurs upon reception of the wireless arming command.
UL installations: must be “1” for UL Commercial Burglar Alarm installations.
*39 Power-Up In Previous State
Select whether or not the system powers up in its previous state (if the system powers up armed and a
zone is faulted, an alarm will occur 1 minute after power up). Note that if the previous state was armed
Away or Stay, the system will not respond to sensor changes for 1 minute, which allows time for
sensors such as PIRs to stabilize.
UL installations: must be 1 (power-up in previous state); SIA Guidelines: must be 1 (power-up in
previous state)
VISTA-10PSIA: Feature must be enabled.
Installation Instructions
4-2

Dialer Programming
FIELD TITLE and EXPLANATION
*40 PABX Access Code
Enter the PABX code, if used. To clear entries from field, press ∗40∗. If fewer than 6 digits need to be
entered, exit by pressing [∗], which advances to the next field.
Call Waiting: If the subscriber’s phone service has “call waiting” (and is not using PABX), enter “*70”
(“# + 11”) plus “# + 13” (pause) as the PABX entry to disable “call waiting” during control panel calls. If
the subscriber does not have “call waiting” and is not using PABX, make no entry in this field.
Important: 1. The call waiting disable feature cannot be used on a PABX line. 2. Using Call Waiting
Disable on a non-call waiting line will prevent successful communication to the central station.
VISTA-10PSIA: If call waiting is used, enter call waiting disable digits as described above, and also set
Call Waiting Disable option in field *91.
*41 Primary Phone No.
Enter the primary phone number. If you enter fewer than 20 digits, exit by pressing [∗]. To clear
entries from field, press ∗41∗.
NOTE: Backup reporting (8 calls are made to the secondary phone number if no kissoff is received
after 8 attempts to the primary number) is automatic only if there is a secondary number (field ∗42).
*42 Secondary Phone No.
Enter the secondary phone number. If you enter fewer than 20 digits, exit by pressing [∗]. To clear
entries from field, press ∗42∗. See backup reporting note for field ∗41. Don’t fill unused spaces.
*43 Primary Subs. Acct. No.
Enter the primary subscriber account number. To clear entries from field, press ∗43∗.
*44 Secondary Subs. Acct. No.
Enter the secondary subscriber account number. To clear entries from field, press ∗44∗.
*47 Phone System Select
Select whether the system will be using pulse or tone dialing, and whether it is on a WATS line.
*48 Report Format (Primary/Secondary)
Select the report format for primary/secondary phone lines from the list on the Programming Guide.
*49 Split/Dual Reporting
Select the desired type of reports to be sent to the primary/secondary numbers. Make selection from the
table in the Programming Guide. If “0” selected, all reports go only to the primary number unless
unsuccessful, then control will attempt to dial secondary number.
*50 Burglary Dialer Delay
Enter the desired delay time (none, 15, 30, or 45 seconds) before a “BURGLARY ALARM” report is sent
to the central station. This delay allows time for the subscriber to avoid sending a false alarm if the
alarm was inadvertently caused. This delay does not apply to zone type 24 alarms (silent burglary) or
to 24-hour zone types 6, 7, and 8 (silent panic, audible alarm, auxiliary alarm), which are always sent
as soon as they occur. UL: must be “0”; SIA Guidelines: delay must be minimum of 30 seconds
VISTA-10PSIA: Delay Time: 1 = 15 secs; 2 = 30 secs; 3 = 45 secs
Delay Disable: 0 = use delay set in entry 1
1 = dial delay disabled for zones listed in zone list 6 (use zone list 6 to enter those zones that
require dial delay to be disabled; these zones ignore the setting in entry 1)
UL: Dial delay plus entry delay must not exceed one minute; use zone list 6 to disable dial delay
from appropriate zones, if necessary.
*53 SESCOA/Radionics Select
Select whether SESCOA format is used.
*54 Dynamic Signaling Delay (Intended for use with Long Range Radio reporting)
Enter the desired time (0-255 seconds in 15-second increments) the panel should wait, per message, for
acknowledgment from the first reporting destination (see ∗55) before it attempts to send a message to
the second destination. Entering ”0” sends redundant reports to both Primary Dialer and LRR.
UL Installations: For Fire Alarm and UL Burglar Alarm installations without Line Security (Grade A),
the maximum Dynamic Signaling Delay must be no more than 15 seconds.
For UL Burglar Alarm installations with Line Security (Grade AA), Dynamic Signaling Delay must be
“0”. The reports will be sent to both the dialer and the LRR.
4-3

*55 Dynamic Signaling Priority
UL Installations: For UL Commercial Burglary installations that use a DACT and LRR, the DACT must be programmed
for priority (option “0”).
Intended for use with Long Range Radio reporting (field ∗29 OUTPUT TO LONG RANGE RADIO must
be enabled).
Select the initial reporting destination for messages as follows:
Primary Dialer First selected (0):
• If acknowledged before delay expires (see ∗54), then message will not be sent to LRR.
• If not acknowledged before delay expires, message is sent to both the Primary Phone No. and LRR.
Long Range Radio First selected (1):
• If acknowledged before delay expires, then message will not be sent to the primary dialer.
• If not acknowledged before delay expires, then message is sent to both Primary Phone No. and LRR.
*56 Zone Programming Menu Mode
Use this menu mode to program zone information. See Zone Programming section for procedures.
*57 Function Key Menu Mode
Use this menu mode to program keypad function keys. See Function Key section for procedures.
*58 Expert Zone Programming Menu Mode
This menu mode can be used to quickly program zone information, but is recommended only for those
already familiar with *56 menu mode. See Zone Programming section for procedures.
System Status Report Codes
Zone report codes are programmed using interactive ✱56 or ✱58 Zone Programming modes, while system status
(non-alarm) codes and restore codes are entered in data fields *59 - *68, *70 - *76, *89. The actual report code digits
that you enter depend on the installation, and should agree with the Central Station office receiving the signals.
3+1 or 4+1 Standard Format: Enter a code in the first box: 1–9, A, B, C, D, E, or F. Enter #+10 for A (this
reports a 0 on some receivers), #+11 for B, #+12 for C, #+13 for D, #+14 for E, #+15 for F.
An entry of 0 in the first box disables a report. Entering 0 in the second box advance to the next field.
Expanded or 4+2 Format: Enter codes in both boxes (first and second digits) for 1–9 or A–F, as described above.
“0” in the first box disables a report. “0” in the second box eliminates the expanded message for that report.
ADEMCO Contact ID® Reporting: Enter a digit in the first box to enable the zone to report. Use a different
digit for each zone until you have used up available digits. If the number of zones exceeds the number of
available digits, begin with digit 1 again. This is an “enabling” code only and is not the actual code sent to the
Central Station office. Entries in the second boxes are ignored. An entry of 0 in the first box disables the report.
UL installations: Program fields *59 - *76 as required by applicable UL Standards shown in each field.
FIELD TITLE and EXPLANATION
*59 Exit Error Report Code
After arming the system, entry/exit and interior zones remaining open after exit delay expires cause an
alarm sound at the keypad and external sounder (keypad also displays “EXIT ALARM”), and entry
delay begins. Disarming before the end of the entry delay stops alarm sounding and no message is sent
to the central station. The keypad displays “CA” (fixed-word) or “ALARM CANCELED” (alpha display).
If the system is not disarmed before entry delay expires, an “EXIT ALARM” message (VISTA-10PSIA:
also zone alarm message) will be sent to the central station if Exit Error Report Code is enabled. The
keypad will display “EA” (fixed-word ) or “EXIT ALARM” (alpha display), and alarm sounding
continues until the system is disarmed (or timeout occurs).
An Exit Alarm condition will also result if a fault occurs in an exit or interior zone within 2 minutes
following the end of the exit delay, and an “EXIT ALARM” message will be sent to the central station
(except for VISTA-10PSIA, see field *69 Recent Closing report).
VISTA-10PSIA: [1] Always enabled. Also see field *69.
*60 Trouble Report Code
Enter the appropriate report code, which is sent if a zone has a trouble condition.
UL: Required for UL commercial burglar alarm installations and for residential fire alarm installations.
*61 Bypass Report Code
Enter the appropriate report code, which is sent when a zone is manually bypassed.
UL: Required for UL commercial burglar alarm installations.
Installation Instructions
4-4

FIELD TITLE and EXPLANATION
*62 AC Loss Report Code
Enter the appropriate report code. Timing of this report is random with up to a 4-hour delay. If AC
restores before the report goes out, there is no “AC RESTORE” report.
UL: Required for UL commercial burglar alarm installations and for residential fire alarm installations.
*63 Low Bat Report Code
Enter the appropriate report code; sent when a low-battery condition exists in the system’s battery.
UL: Required for UL commercial burglar alarm installations and for residential fire alarm installations.
*64 Test Report Code
Enter the appropriate report code, which is sent periodically to test that the communicator and phone
lines are operational. Frequency of report is set in Scheduling mode (event 11) or by the following key
commands: installer code + [#] + 0 + 0 = test report sent every 24 hours
installer code + [#] + 0 + 1 = test report sent once per week
installer code + [#] + 0 + 2 = test report sent every 28 days
Each mode sets schedule 2 to the selected repeat option; first test report sent 12 hours after command.
NOTE: Make sure the Real-Time Clock is set to the proper time before entering the test report schedule
command to ensure that test reports are sent when expected. (see Setting the Real-Time Clock section).
UL: Required for UL commercial burglar alarm installations and for residential fire alarm installations.
*65 Open Report Code
Enter the appropriate report code, which is sent upon disarming of the system.
UL: Required for UL commercial burglar alarm installations.
*66 Arm Away/Stay Report Code
Enter appropriate report code. NOTE: “OPEN” reports not sent if associated closing report is not enabled.
*67 RF Trans. Low Batt. Report Code
Enter the appropriate report code; sent when a wireless transmitter low-battery condition exists.
UL installations: must be enabled if wireless devices are used.
*68 Cancel Report Code
Enter the appropriate report code; sent upon disarming of the system after an alarm was reported.
VISTA-10PSIA: Default = code enabled
*69 Recent Closing Report VISTA-10PSIA only
Always enabled. Field does not apply to other controls.
Similar to the Exit Error condition described in field *59, but occurs if any burglary zone is faulted within two
minutes after the initial exit delay expires. Disarming the system within the two minutes stops the alarm
sound and displays " ALARM CANCELED " or "CA" and the faulted zone number. No message is sent to the
Central Monitoring Station.
If the system is not disarmed within two minutes, the alarm sound continues and a “recent closing” and a “zone
alarm” message are sent to the Central Monitoring Station (after dial delay expires).
*70 Alarm Restore Report Code
Enter the appropriate report code; sent when an alarm zone is restored to its non-faulted condition.
UL: Required for UL commercial burglar alarm installations and for residential fire alarm installations.
*71 Trouble Restore Report Code
Enter the appropriate report code, which is sent when a trouble in a zone is restored
UL: Required for UL commercial burglar alarm installations.
*72 Bypass Restore Report Code
Enter the appropriate report code, which is sent when a zone that has been bypassed is unbypassed.
UL: Required for UL commercial burglar alarm installations.
*73 AC Restore Report Code
Enter the appropriate report code; sent when AC power has been restored after an AC power outage.
UL: Required for UL commercial burglar alarm installations and for residential fire alarm installations.
*74 Low Bat Restore Report Code
Enter the appropriate report code; sent when a system low-battery condition is restored to normal.
UL: Required for UL commercial burglar alarm installations and for residential fire alarm installations.
*75 RF Xmtr Low Batt. Restore Code
Enter the appropriate report code; sent when a trans. low battery is restored (new battery installed).
UL installations: must be enabled if wireless devices are used. Required for UL commercial burglar
alarm installations and required for residential fire alarm installations.
4-5

FIELD TITLE and EXPLANATION
*76 Test Restore Report Code
Enter the appropriate report code, which is sent when the Test mode is exited.
UL: Required for UL commercial burglar alarm installations and for residential fire alarm installations.
Miscellaneous System Fields
FIELD TITLE and EXPLANATION
*77 Daylight Saving Time Start/End Month
Enter the start and end month for daylight savings time, if applicable to the region.
*78 Daylight Saving Time Start/End Weekend
Enter the start and end weekend for daylight savings time, if applicable to the region.
*79 Output Device Mapping Menu Mode
Use this menu mode to enter output devices/powerline carrier devices into the system. See Output Device
Programming section for procedures.
*80 Output Programming Menu Mode
Use this menu mode to define output functions for use with output devices/powerline carrier devices. See
Output Programming section for procedures.
*81 Zone List Programming Menu Mode
Use the menu mode to define zone lists. See Zone List Programming section.
*82 Alpha Descriptor Programming Menu Mode
Use this menu mode to assign alpha descriptors to zones.
*84 Auto-Stay Arm
If enabled, the system will automatically change AWAY mode to STAY mode if the entry/exit door is not
opened and closed within the exit delay time after a user arms in AWAY mode from a wired keypad (non-
RF device). An Opening report followed by an Armed Stay report is sent to the Central Station.
If the door is opened and closed within the exit delay period, the system remains in AWAY mode.
Any RF device that arms the system AWAY overrides this feature and the system remains armed AWAY.
*85 Cross Zone Timer
Select the maximum amount of time in which two cross zones must be tripped in an armed system to
send an alarm message to the Central Station. If only one cross zone is tripped during this time, a
trouble message (CID code 380) for that zone is sent to the Central Station.
Assign cross zone pairs in zone list 4. This option not for use in UL installations.
*86 Cancel Verify Keypad Display
Select whether “ ALARM CANCELED” is displayed on the LCD keypad under the following conditions:
• After the kissoff of the cancel message to the Central Station, indicating a successful transmission.
• When an alarm is successfully canceled before the Central Station received the Alarm message. E.g., if
an alarm is incorrectly triggered and the user presses code + OFF before the dial delay time has
expired, the message will never go out to the CS.
• When the Cancel report is not enabled and the system is disarmed:
a. before dialer delay expires (alarm report not sent) message “Alarm Canceled” is displayed.
b. after dialer delay expires message “Alarm Canceled” is not displayed.
*87 Misc. Fault Delay Time
Enter the desired fault delay time. Used with zones assigned to a configurable zone type with fault delay
on (configurable zone type digit “6”), and sets a zone response time of 15 seconds to 15 min. It can be
assigned to zones with sensors that provide a trouble indication when an oil tank is low, or similar
applications for critical condition monitoring where a non-alarm response is desired.
UL: May only be used on non-burglar alarm and non-fire alarm zones when used on a fire and/or UL
burglar alarm installation.
*88 Program Mode Lockout Options
0 = standard *98 installer code lockout (reentry only by [∗] + [#] within 50 secs after power up or
downloader)
1 = lockout [∗] + [#] reentry after *98 exit (reentry only by installer code or downloader)
2 = not used
3 = lockout all local programming after *98 exit (reentry by downloader only)
Installation Instructions
4-6

FIELD TITLE and EXPLANATION
*89 Event Log Full Report Code
Enter the appropriate report code, which is sent when the event log is 80% full (if an event log enable is
made in field ∗90). If the log becomes full, new messages overwrite the oldest messages in the log.
*90 Event Log Enables
Select the types of events (up to 32 events) the system should log. The downloader operator can then
upload the log and view or print out all or selected categories of the log. The downloader operator can
also clear the log. The Event log can also be viewed at an alpha keypad. The display/printout at the
central station will show the date, time, event, and description of occurrences.
Example: For Alarm/Alarm Restore” and “Open/Close”, enter 9 (1+ 8); to select all events, enter #15.
*91 Option Selection
Select the desired options by adding the values of each desired option. Multiple choice example: for both
AAV and Exit delay restart, enter # + 12 (4 + 8).
VISTA-10PSIA: Options: Same as VISTA-10P.
Call Waiting Disable: 0 = call waiting not used
1 = call waiting disable digits (*70) entered in field *40; (when selected, the system dials the entry
in field *40 only on alternate dial attempts; this allows proper dialing in the event call waiting
service is later canceled by the user).
“Exit Delay Restart/reset” option allows use of the [∗] key to restart the exit delay at any time when the
system is armed STAY or INSTANT. This feature also enables automatic exit delay reset, which resets
exit delay if the entry/exit door is re-opened and closed before exit delay time expires after arming
AWAY. Automatic Exit Delay Reset occurs only once during an armed period.
IMPORTANT: AAV should not be used when Paging or Alarm Reports are sent to a secondary
number unless the monitoring zone option is used (which pauses calls). Otherwise, the call to the
secondary number by the communicator after the alarm report will prevent the AAV from taking
control of the telephone line, and the AAV “Listen in” session cannot take place.
UL UL installations using the AAV feature must use the ADEMCO UVCM module (part of
the ADEMCO UVS system). Exit Delay Restart/Reset must be disabled.
SIA Guidelines: Exit delay should be enabled.
*93 No. of Reports In Armed Period per Zone (Swinger Suppression)
Select the number (0, 1, or 2) of alarm/alarm restore message pairs per zone allowed to be sent to the
central station in an armed period. SIA Guidelines: Must be set for option 1 or 2.
VISTA-10PSIA: Report Pairs: 1 = 1 report pair; 2 = 2 report pairs
Unlimited Reports Enable:
0 = restrict reports to the setting in entry 1
1 = unlimited reports for zones listed in zone list 7; (use zone list 7 to list zones that require unlimited
reporting; these zones ignore the setting in entry 1)
*94 Download Phone Number
Enter the downloading computer phone number.
Do not fill unused spaces. End field by entering ∗. To clear entries from field, press ∗94∗.
*95 Ring Count For Downloading
Refer to the chart below and program this field accordingly.
phone answer down-
module machine loading Set field ∗
∗∗
∗95 to…
yes no no 1-14 (not 0)
yes yes no higher than number of rings set on answer machine (e.g., if ans. machine is 4
rings, set this field to 5). This allows access to the phone module if the answer
machine is turned off.
yes no yes 1-14 (not 0)
yes yes yes 15 (bypasses answer machine†)
no no no 0
no yes no 0
no no yes 1-14
no yes yes 15
† NOTE: If “15” is entered to bypass an answering machine, and a 4285 or 4286 Phone Module is included in the system, note the
following: When calling in from an off-premises phone, the user should make the initial call, allow 1 or 2 rings only, then hang up,
then call again. The phone module will now seize the line, and 2 long tones sound, followed by the usual voice prompt for the access
code. If this procedure is not followed, phone module operation will not be possible.
4-7

FIELD TITLE and EXPLANATION
*96 Command to Initialize CSID and Subscriber Account Number
This is a command function, not a data field. Use this command, if necessary, to reset all subscriber account
numbers and the internal CSID to the factory default values.
*97 Command to Reset System to Factory Default Values
This is a command function, not a data field. Pressing ∗97 resets all data fields to the factory default values
(shown on the Program Form).
IMPORTANT: Do not press ∗97 to load defaults if any programming has been done previously—data
already programmed into the system will be changed!
*98 Command to Exit Program Mode (with installer code lockout)
Exits Programming Mode and prevents re-entry by:
Installer Code + [8] + [0] + [0]. To enter the programming mode if ∗ 98 was used to exit, you must first
power the system down. Then power up again, and press [∗] and [#] at the same time, within 50 seconds
of powering up.
See field *88 for other Program mode lockout options.
*99 Command to Exit Program Mode
Exits Programming Mode and allows re-entry by:
Installer Code + [ 8] + [0] + [0] or by: Pressing [∗] and [#] at the same time, within 50 seconds of power-up
.
Pager Programming Fields
FIELD TITLE and EXPLANATION
*160 Pager 1 Phone No.
Enter the pager phone number. If you enter fewer than 20 digits, exit by pressing [∗] and next field
number. To clear entries from this field, press ∗160∗.
*161 Pager 1 Characters
Enter up to 16 optional characters, which may be sent as a prefix to the 7-digit system status code sent
to Pager 1 (if used). Phone number in field *160 must be entered. If fewer than 16 characters, exit by
pressing [∗] and next field number. To clear entries from this field, press ∗161∗.
For example, these optional 16 characters may be composed of the following:
• paging company PIN number, subscriber account number, ∗ (enter # + 11 to send ∗), # (enter # + 12
to send #), pause (enter # + 13 to allow a 2-second pause; some paging systems require pause)
• Any special character(s) the end user may decide to transmit
The format for the 7-digit system status code is defined as follows:
Pager Format: XXX-YYYY where:
XXX = 3-digit event code: 911 = Alarm 101 = Opening (disarm)
811 = Trouble 102 = Closing (arm AWAY)
YYYY = 4-digit user or zone number (depending on type of event).
The first digit is “1,” followed by the 3-digit user or zone number, or “0,” followed by a 3-digit
device address number.
Example 1. Pager displays: 911–1004: an alarm (911) caused by a fault in zone 4 (1004).
Example 2. Pager displays: 102–1005: a closing–system arming (102) by User 5 (1005).
*162 Pager 1 Report Options
Enter the types of reports to be sent to the pager.
Open/close reports go to pager only when arming (close)/disarming (open) from a keypad using a
security code; auto-arming/disarming, arming with assigned button, and keyswitch arming do not send
pager messages.
Miscellaneous System Fields
*172 Pager Delay Option for Alarms
Enter the desired pager delay (none, 1, 2, or 3 minutes) for alarms. This delay applies to all pagers in
the system.
*177 Device Duration 1, 2
Enter the desired duration for output action options 5 (duration 1) and 6 (duration 2) programmed in
∗80 Output Function Programming.
*181 50/60 Hz AC Operation
Select the type of AC power applied to the control (option is used for Real-Time Clock synchronization).
Installation Instructions
4-8

Configurable Zone Type Programming Fields
The system allows you to define a custom zone type, based on the options described below. This
configurable zone types can be programmed via the downloader or from a keypad using data fields
*182-*183 described below.
UL installations: Do not configure zones as fire alarm or UL burglar alarm zones.
FIELD TITLE and EXPLANATION
*182 Configurable Zone Type 90
Enter the appropriate value for each entry, 1-10, based on the charts on the next page. To calculate the
value for each entry, add the values of the selected options in each of the entry’s columns shown in the
respective chart (one option per column). For example, to program entry 2 for “alarm response to
short,” “auto restore on,” but not a “vent zone,” enter 5 (“1” for alarm short + “4” for auto restore-yes +
“0” for vent zone-no).
*183 Zone Type 90 Report Codes
Enter the desired 3-digit Contact ID® report codes for alarms and troubles occurring on zones assigned
to this zone type.
Press [∗] to accept and continue.
Important Notice on Report Codes: To avoid confusion at the central station, it is recommended
that existing Contact ID® codes be used with configurable zone types whenever possible. See list in
System Communication section and/or check with the central station for a complete list of Contact
ID® report codes. If none of the codes are suitable, choose a code in the reserved range of 750-789
(reserved for configurable zone type report codes) and make sure to define the code with your central
station.
Configurable Zone Type Options
Auto Restore (entry 2) Faults on zones set for this option are cleared; restore messages sent upon
restoral of faults.
Vent Zone (entry 2) Zones set for this option are ignored if faulted when arming the system, but are
protected if the zone is later restored (e.g., an open window can be ignored when
arming, but if the window is later closed, it will be protected; opening the
window again causes an alarm.)
Bypass Disarmed (entry 4) Zones set for this option can be bypassed only while the system is disarmed.
Bypass Armed (entry 4) Zones set for this option can be bypassed when the system is armed or
disarmed.
Dial Delay (entry 6) Alarms on zones set for this option participate in dial delay central station
reporting, if system dial delay enabled in field *50.
Fault Delay (entry 6) Faults on zones set for this option are delayed by the time set in field *87. Do
not use this option if using entry/exit delay for this zone type.
Faults Display (entry 7) Selects how faults on zones set for this zone type are displayed.
Power Reset/Verification Selects whether the system resets power (when user enters code + OFF), and
(entry 7) whether the system performs alarm verification (see description for zone type
16 in Programming Overview section) when a fault occurs on these zones.
Use Entry Delay (entry 8) Selects whether to use the system’s entry delay times.
Use Exit Delay (entry 8) Selects whether to use the system’s exit delay time.
Interior Type (entry 8) Zones set for this option are treated same as standard zone type 4 (bypasses
when armed STAY, faults displayed).
Alarm Sounds (entry 9) Selects the type of alarms sound for zones set for this zone type.
Bell Timeout (entry 9) Alarm sounding on zones set for this option remain for the duration set in fields
*32/*33.
Fire Zone (entry 9) Zones set for this option respond in the same manner as if programmed for zone
type 9. Do not set fire zones to respond as a “fault” in entries 1-6.
Trouble Sounds (entry 10) Selects the type of trouble sounds for zones set for this zone type (periodic beeps
= once every 30 seconds; trouble beeps = rapid beeping).
Chime Enable (entry 10) Zones set for this option cause a chime when Chime mode is on.
4-9

Configurable Zone Type Charts
ENTRY 1 ENTRY 2
Response when system disarmed and zone is:
Intact EOL
RF zone normal
Open
RF zone N/A
Shorted
RF zn off-normal
Auto
Restore
Vent Zone
0 = normal
1 = alarm
2 = trouble
3 = fault
0 = normal
4 = alarm
8 = trouble
12 = fault
see note 4
0 = normal
1 = alarm
2 = trouble
3 = fault
0 = no
4 = yes
0 = no
8 = yes
Entry 1 = EOL + Open Entry 2 = Short + auto restore + vent zone
ENTRY 3 ENTRY 4
Response when armed STAY and zone is:
Intact EOL
RF zone normal
Open
RF zone N/A
Shorted
RF zn off-normal
Byp. when
disarmed
Byp. when
armed
0 = normal
1 = alarm
2 = trouble
3 = fault
0 = normal
4 = alarm
8 = trouble
12 = fault
see note 4
0 = normal
1 = alarm
2 = trouble
3 = fault
0 = no
4 = yes
0 = no
8 = yes
Entry 3 = EOL + Open Entry 4 = Short + byp. disarmed + byp. armed
ENTRY 5 ENTRY 6
Response when armed AWAY and zone is:
Intact EOL
RF zone normal
Open
RF zone N/A
Shorted
RF zn off-normal
Dial Delay
(see field *50)
Fault Delay
(see field *87)
0 = normal
1 = alarm
2 = trouble
3 = fault
0 = normal
4 = alarm
8 = trouble
12 = fault
see note 4
0 = normal
1 = alarm
2 = trouble
3 = fault
0 = no
4 = use delay
0 = no
8 = use delay
see note 1
Entry 5 = EOL + Open Entry 6 = Short + dial delay + fault delay
ENTRY 7 ENTRY 8
Display Faults Power Reset/
Verification
Use Entry
Delay 1/2
Use Exit
Delay
Respond as
Interior Type
0 = show alarms
when armed
& disarmed
1 = don’t show
alarms when
armed (show
alarms, trbles,
faults when
disarmed)
3 = never show
any alarms,
trbles, faults
0 = no
4 = power reset
after fault
(with code + OFF)
12 = verification
(see zone
type 16)
0 = no
1 = delay 1
2 = delay 2
0 = no
4 = use exit
delay
0 = no
8 = yes
see note 2
Entry 7 = fault display + power
reset/verification
Entry 8 = entry delay 1/entry delay 2 + exit delay +
interior zone type
ENTRY 9 ENTRY 10
Alarm Sounds Use Bell
Timeout
Respond as
Fire Zone
Trouble
Sounds
Chime when Chime
Mode On
0 = none
1 = steady
keypad
2 = steady bell
and keypad
3 = pulsing bell
and keypad
0 = no
4 = yes
see fields *32,
*33
0 = no
8 = yes
see zone type
09; see note 4
0 = none
1 = periodic
beep
2 = trouble
beeps
0 = no
4 = yes
Entry 9 = alarm sounds + bell timeout + fire zone Entry 10 = trouble sounds + chime
OPEN SHORTEDINTACT
EOL
ZONE-003-V0
Zone Conditions Represented
in Entries 1-6
Configurable Zone Type Notes
1. Do not use the “fault delay” option
with a configurable zone type if it
is set for an entry or exit delay,
otherwise unpredictable results
may occur.
2. To create an interior type zone,
select “respond as interior zone
type” (entry 8, interior type = yes),
and set zone response to “fault” in
entries 3-4 to ensure fault
displays; do not set as “normal,”
“alarm,” or “trouble.”
3. Do not set fire zones to respond as
a “fault” (entries 1-6), otherwise
faults will not display unless the
[∗] key is pressed.
4. RF Zones: The “open” options in
entries 1, 3, and 5 are not
applicable for RF zones. Use the
“intact EOL” option for normal RF
zone conditions and “shorted” for
off-normal RF zone conditions.
Installation Instructions
4-10

Keypad Programming Fields
NOTE: Each keypad must be assigned a unique address. Keypads programmed with the same
address will give unpredictable results.
Address 16 is reserved for keypad 1, which is automatically set with all sounds enabled.
FIELD TITLE and EXPLANATION
*190 Keypad 2 Device Address 17
Select whether or not this keypad is used, and enter the desired sound option for this keypad.
*191 Keypad 3 Device Address 18
Select whether or not this keypad is used, and enter the desired sound option for this keypad.
*192 Keypad 4 Device Address 19
Select whether or not this keypad is used, and enter the desired sound option for this keypad.
*193 Keypad 5 Device Address 20
Select whether or not this keypad is used, and enter the desired sound option for this keypad.
*194 Keypad 6 Device Address 21
Select whether or not this keypad is used, and enter the desired sound option for this keypad.
*195 Keypad 7 Device Address 22
Select whether or not this keypad is used, and enter the desired sound option for this keypad.
*196 Keypad 8 Device Address 23
Select whether or not this keypad is used, and enter the desired sound option for this keypad.
*197 Exit Time Display Interval
Select whether or not keypads display the exit time remaining after arming the system, with display
updates at the interval selected (i.e. if the exit delay is 30 seconds and “2” is selected in this field, the
keypad display refreshes every 2 seconds, displaying 30, 28, 26, 24, etc.).
An interval greater than “1” may be necessary for some older keypads to allow users time to enter key
presses between display updates.
FIXED-WORD KEYPAD NOTE: If using 2-digit display keypads (e.g. 6150RF), do not use exit times
greater than the 96-second delay option. Using a longer delay time may cause end-user confusion
because 2-digit display keypads cannot display times greater than “99.” If longer exit time is required
by the installation, it is recommended that the Exit Time Display option be disabled (“0”).
*199 ECP Fail Display
Select the 2-digit or 3-digit ECP Fail display, based on the type of keypads being used. The 3-digit
display option displays ECP faults as “1” plus the device address (00-30) of the device causing the fault
(e.g., faults on device 07 display as “107”), and is intended for Alpha keypads and/or 3-digit Fixed-Word
Display keypads.
The 2-digit Fixed-Word Display displays ECP faults for all devices as “91” on 2-digit displays, and
“191” on 3-digit or Alpha keypads. It is intended for 2-digit display keypads (e.g., certain 6128 series
keypads
4-11

Installation Instructions
4-12

SECTION 5
Menu Mode Programming
••••••••••••••••••••••••••••••••••••••••••••••
Zone Programming Overview (∗
∗∗
∗56 and ∗
∗∗
∗58 Menu Modes)
Use ✱56 Zone Programming to program zones, zone types, report codes, enroll 5800 RF Wireless
Transmitter serial numbers, and identify the type of loop input device(s). This mode can also be used
to enter alpha descriptors for programmed zones; however, we recommend entering descriptors in
menu mode ✱82 (Alpha Descriptor Programming) after all zone programming has been completed.
✱58 Expert Programming Mode offers a faster method of zone programming for those who have had
previous experience in programming control panels of this type.
✱56 Zone Programming Procedure
Zone Programming involves:
1. Entering the zone number to be programmed;
2. Making appropriate entries at the prompts;
3. Confirming the serial number of wireless transmitter zones.
Start Zone Programming mode by pressing ✱56 while in Data Programming mode. The following
prompts are displayed:
PROMPT VALID ENTRIES and EXPLANATION
SET TO CONFIRM?
0 = NO 1 = YES
If 1 (Yes) is entered, you will be prompted to confirm each transmitter after entering the
serial and loop numbers (at the “XMIT TO CONFIRM” prompt later in this procedure). We
recommend that you confirm the programming of every transmitter.
Enter Zn Num.
(00 = Quit) 10
Enter the zone number that you wish to program (e.g. zone 10 as shown in the display).
wired zones 01-06; wireless zones 09-24; button zones 49-56
Enter a report code for zone 91 to enable addressable device reporting.
Enter a report code for zone 92 to enable duress reporting.
95, 96, 99 are emergency (panic) key zones.
00 to quit; [∗] to continue
Zn ZT RC In: L
10 00 10 RF: 1
A summary display appears.
“IN: L” appears for wireless zones and indicates input type and loop.
“HW: RT” appears for hardwire zones and indicates configuration (EOL, NO, NC,) and
response time selection.
[∗] to continue
10 Zone Type
Perimeter 03
Each zone must be assigned to a zone type (list below), which defines the way in which the
system responds to faults in that zone.
Note: If 00 is entered, Delete Zone ? will be displayed.
00 = Not used 07 = 24-Hr Audible 20 = Arm–STAY*
01 = Entry/exit #1 08 = 24-Hr Aux 21 = Arm–AWAY*
02 = Entry/exit #2 09 = Fire 22 = Disarm*
03 = Perimeter 10 = Interior w/Delay 23 = No Alarm Resp
04 = Interior Follower 12 = Monitor Zone 24 = Silent Burglary
05 = Trouble Day/Alarm Night 14 = Carbon Monoxide 77 = Keyswitch
06 = 24-Hr Silent 16 = Fire w/Verify 81 = AAV Monitor Zone
*5800 button-type transmitters only 90 = Configurable
5-1

10 Report Code
1st 01 2nd 00 10
Enter the report code for this zone, which consists of 2 hexadecimal digits, each in turn
consisting of 2 numerical digits. For example, for a report code of “10,” enter 01 and 00.
For Contact ID®, entering any non-zero entry as the first digit enables the report code for
this zone. Refer to the System Communication section for information about report codes
and formats.
Report code digits: 1-9, #+10 for 0, #+11 for B, #+12 for C, #+13 for D, #+14 for E, #+15 for F
00 to disable; [∗] to continue
02 HARDWIRE TYPE
EOL 0
This prompt appears only for zone numbers 01-06.
Enter the desired hardwire type:
0 = EOL; 1 = NC; 2 = NO
[∗] to continue
02 Response Time
1
This prompt appears only for hard-wired zones 01-06 (zone 02 is used as an example in
display).
Enter the desired response time for this zone:
0 = 10mSec; 1 = 350mSec; 2 = 700mSec; 3 = 1.2 seconds
[∗] to continue
10 INPUT TYPE
RF TRANS 3
For wired zones 1-6, the Input Type automatically displays as HW and cannot be edited.
All of the RF transmitters have one or more unique factory-assigned input loops (ID codes).
Each of the input loops requires its own programming zone (e.g., a 5804's four button inputs
require four programming zones). Select the desired input type for the transmitter zone
being programmed.
3 = RF (supervised RF transmitter; sends fault, restore, and low-battery signals, and sends
periodic check-in signals; transmitter must stay within receiver's range)
4 = UR (unsupervised RF transmitter; sends fault, restore, and low-battery signals, but
does not send periodic check-in signals; transmitter may be carried off-premises)
5 = BR (unsupervised button type RF transmitter; sends fault and low battery signals when
activated, does not send restore or check-in signals; transmitter may be carried off-
premises)
[∗] to continue
10 INPUT S/N: L
A022-4064 1
For wireless transmitters, enroll the serial number and loop number.
1. a. Transmit two open/close sequences. If using a button-type transmitter, press and
release the button twice, but wait about 4 seconds before pressing the button the
second time.
OR
b. Manually enter the 7-digit serial number printed on the label of the transmitter.
Press the [∗] key to move to the “L” position, then enter the loop number (see Loop
Identification chart on back cover).
If desired, you can press the [C] key to copy the previously enrolled serial number
(used when programming a transmitter with several input loops). The cursor moves to
the loop number position.
c. To delete an existing serial number, enter 0 in the loop number field. The serial
number will change to 0's. If 0 was entered in error, simply re-enter the loop number or
press [#], and the serial number will return to the display.
2. Press [∗] to continue. The system now checks for a duplicate serial/loop number
combination.
10 INPUT S/N L
A022-4064 1
If the serial/loop number combination is not a duplicate in the system, a display showing the
serial number and loop number entry appears.
[∗] to continue
XMIT TO CONFIRM
PRESS ✱ TO SKIP
This prompt will only appear if you answered “Yes” at the “SET TO CONFIRM” prompt.
The system now enters a confirmation mode so that the operation of the actual programmed
input can be confirmed.
Activate the loop input or button that corresponds to this zone.
[∗] to continue
Installation Instructions
5-2

Entd A022-4063 1
Rcvd A022-4064 1
If the serial number transmitted does not match the serial number entered, a display
similar to the one shown appears. If the loop number does not match, it will also be
displayed.
If so, activate the loop input or button on the transmitter once again. If a match is not
obtained (i.e., summary display does not appear), press the [#] key twice and then enter (or
transmit) the correct serial number.
[∗] to continue
Zn ZT RC In: L
10 03 10 RF: 1s
If the serial number transmitted matches the serial number entered, the keypad will
beep 3 times and a summary display will appear, showing that zone's programming.
An “s” indicates that a transmitter’s serial number has been enrolled.
[∗] to accept the zone information and continue
PROGRAM ALPHA?
0 = NO 1 = YES 0
If you want to program descriptors for the zone now, enter 1 (yes) and refer to the *82
Descriptor Programming section for procedures.
To program descriptors later, enter 0 (no).
[∗] to continue
ENTER ZN NUM.
(00 = QUIT) 11
If 0 (No) was entered at the Program Alpha prompt, the system will return you to the ZONE
NUMBER prompt. Repeat these steps for each zone in the system.
When all zones have been programmed, enter 00 as the zone number to quit.
[∗] to continue
Completing Zone Programming
When you have finished programming all zones, test each zone using the system’s TEST mode. Do
not use the Transmitter ID Sniffer Mode for checking wireless transmitting devices, as it
will only check for transmission of one zone on a particular transmitter, NOT the zones assigned to
each additional loop.
NOTE: Following the successful enrollment of each wireless device, note the device serial number in
the appropriate column on the ENROLLED TRANSMITTERS worksheet in the Programming Form;
then enter the other information (zone number, zone type, loop number, etc.) relevant to that device.
∗
∗∗
∗58 Expert Programming Mode Procedures
This method is designed for use by installers with previous experience in programming ADEMCO
control panels. This mode is also used to program wireless keys using pre-defined templates.
Start Expert Programming mode by pressing ∗58 while in Data Programming mode. The following
prompts are displayed:
PROMPT VALID ENTRIES EXPLANATION
SET TO CONFIRM?
0 = NO 1 = YES
We recommend that you select “yes” to confirm the programming of every transmitter.
If selected, a prompt appears after entering the serial and loop numbers to confirm each
transmitter)
Zn ZT RC HW: RT
01 09 10 EL 1
Zn ZT RC IN: L
10 – – – : –
A summary screen will appear, showing zone 1’s currently programmed values.
Enter the zone number being programmed, then press [∗]. In this example, zone 10 is being
entered
(see Zone Number prompt in *56 Menu Mode for zone numbers).
[D] = for assigning wireless key programming templates (see Wireless Key Programming
Templates section in i/i); lets you choose from a series of preset templates for easy
programming of wireless key zones
00 = quit (when all zones have been programmed, press “00” to quit this menu mode)
[∗] to continue
5-3

Zn ZT RC IN: L
10 00 10 RF 1
A summary screen with the selected zone’s current programming appears.
Begin programming zone information as follows:
Enter Zone Type (ZT; see Zone Types listed in *56 Menu Mode “Zone Type” prompt), Report
Code (RC), and Input Device Type (IN)* sequentially (Loop Number (L) is entered at the next
prompt).
• Use the [A] (Advance) and [B] (Back) keys on the keypad to move the cursor within the
screen.
• Use the [C] key to copy the previous zone’s attributes.
* If HW (hardwired) or AW (Auxiliary) is entered for Input Device Type, the display will be
similar to the prompt shown, except that HW or AW will be under “IN”.
Press [∗] to save the programming and continue. If needed, press the [#] key to back up
without saving.
For wireless devices (input types RF, UR, BR), continue to the serial number/loop number
prompt.
For wired devices, return to the initial summary screen prompt to begin programming the
next zone.
10 INPUT S/N: L
AXXX-XXX –
Zn ZT P RC In L
10 03 1 10 RF: 1s
Manually enter the serial number (found on the transmitter label), by typing digits in the
“X” locations, using the [A] (advance) or [B] (back) keys as required.
OR
Transmit two open/close sequences. If using a button-type transmitter, press and release the
button twice, but wait about 4 seconds before pressing the button the second time.
If you want to copy the previous zone’s serial number, press the [C] key.
Press [∗] to advance to the loop number, then enter loop number.
Press [∗] to accept the existing serial and loop number and continue to the “Confirm” prompt
described in *56 Menu mode above.
If necessary, press [#] to back up and re-enter or edit the serial number.
If the serial number transmitted matches the serial number entered, the keypad will beep 3
times and a summary display will appear, showing the programmed information for that
zone.
Press [∗] to begin programming the next zone. See first “Summary Screen” prompt
paragraph.
Wireless Key Programming Templates
This procedure programs the wireless keys, but a key is not active for arming/disarming until
it is assigned to a user number (see System Operation section, assigning attributes command).
Enter this mode by pressing the D key while at the *58 Menu mode Summary Screen. The following
prompts appear.
TEMPLATE ?
1–6 1
Enter desired template number 1–6 (see chart).
Press [#] if you want to return to *58 Menu mode Summary Screen.
If necessary, press [#] to back up and re-enter template number.
Press [∗] to continue to template display.
L 01 02 03 04
T 23 22 21 23
The selected template is displayed.
Top line of display represents loop numbers, bottom line represents zone type assigned for
each loop.
Press [∗] to accept template and continue.
ENTER START ZONE
00 = QUIT 36
The system will search for the highest available consecutive 4-zone group (the four zones in
the case of the 5804 and 5804BD), and display the lowest zone number of the group.
If you want to start at a different zone, enter the zone desired, and press [∗]. If that zone
number is displayed, the system has the required number of consecutive zones available,
beginning with the zone you entered. If not, the system will again display a suggested zone
that can be used.
If the required number of consecutive zones is not available at all, the system will display
“00”.
To quit this mode and return to *58 Menu mode, enter 00 at this prompt.
Press [∗] to accept and continue.
Installation Instructions
5-4

INPUT S/N L
AXXX-XXXX –
Manually enter the serial number printed on the label for the wireless key or press and
release the button to transmit its serial number.
Press [∗] to accept the serial number. The system will check for duplicate.
If necessary, press the [#] key to back up without saving, and re-enter the serial number.
Use the [A] key to move forward within the screen, and the [B] key to move backward.
XMIT TO CONFIRM
PRESS ✱ TO SKIP
If “Yes” was entered at the SET TO CONFIRM? prompt (first prompt following entry into
the ∗58 Expert Programming Mode), this display appears.
Confirm serial and loop numbers by activating the wireless key. Refer to the “Confirm”
prompt described in *56 Menu mode above for more information on confirming the serial
number.
If the serial number transmitted matches the serial number entered, the keypad will beep 3
times and will return you to the ENTER START ZONE NUMBER prompt to enter the
starting zone for the next wireless key.
Or you can return to *58 Menu mode by pressing 00 at the Zone Number prompt.
IMPORTANT: When confirmed, the key is not active for arming/disarming until it is
assigned to a user number (using the assigning attributes command, attribute “4”). See
System Operation section.
[∗] to skip confirm.
Wireless Key Predefined Default Templates
YOU MUST
PROGRAM
THIS BUTTON
LOOP 4
LOOP 3
ENROLL AS "BR"
LOOP 1
LOOP 2
ON OFF
5804-001-V1
5804 Wireless Key Transmitter
Note:
These transmitters
are not intended for
use in UL
installations.
LOOP 3
LOOP 1
LOOP 2
LOOP 4
(YOU MUST
PROGRAM
THIS BUTTON)
RED/YELLOW
LED
•
•
••
•
•
•
•
•
•
•
•
•
•
•
•
•••
GREEN/YELLOW
LED
ENROLL AS "BR"
5804BD-007-V0
5804BD 2-Way Wireless Key Transmitter
For 5804
For 5804BD
TEMPLATE 1 Loop Function Zone Type TEMPLATE 4 Loop Function Zone Type
1 No Response 23 1 No Response 23
2 Disarm 22 2 No Response 23
3 Arm Away 21 3 Arm Away 21
4 No Response 23 4 Disarm 22
TEMPLATE 2 Loop Function Zone Type TEMPLATE 5 Loop Function Zone Type
1 No Response 23 1 No Response 23
2 Disarm 22 2 Arm Stay 20
3 Arm Away 21 3 Arm Away 21
4 Arm Stay 20 4 Disarm 22
TEMPLATE 3 Loop Function Zone Type TEMPLATE 6 Loop Function Zone Type
1 24-hour audible 7 1 24-hour audible 7
2 Disarm 22 2 Arm Stay 20
3 Arm Away 21 3 Arm Away 21
4 Arm Stay 20 4 Disarm 22
5-5

Output Device Programming Overview (*79/*80 Menu Mode
)
Output Devices: The system supports up to 4 relays plus 2 built-in trigger outputs. These
“output devices” are assigned to system-wide output numbers (01-04, 17, 18).
Relays are identified by the relay module’s device address and the relay position on
the module (i.e. the physical relay number, 1-4, on the module). Built-in triggers are
identified by the output number, 17 for Trigger 1 and/or 18 for Trigger 2.Use *79
Menu Mode to assign output numbers and map them to device addresses.
Output Functions: The system also provides up to 12 installer-defined output functions, which can
be assigned to any of the physical outputs. Therefore, the action of any one of the
outputs can be based on as many of these functions as desired. This lets a single
relay perform many functions. Use *80 Menu Mode to define output functions.
Relays are not recommended for life safety applications.
MENU NAVIGATION NOTE: For *79 and *80 menus, press the [✱] key to accept an entry and
advance to the next prompt. Use the [#] key to go back to the last question if needed (to check or
change an entry). Press [✱] to go forward again.
Output Device programming involves:
1. Use *79 Menu Mode to assign module and output numbers and map them to device addresses.
NOTE: You must map output devices using *79 Menu Mode before you can use *80 menu Mode.
2. Use *80 Menu Mode to create output definitions, which control the output devices.
*79 Menu Mode: Output Device Mapping
Use this menu to assign the Relay Module device address and specific relay numbers. The system is
based on predefined module addresses. The address for the 4204 is 12. Refer to the “Module Address”
prompt on the next page and set the module’s address (via module DIP switches) accordingly.
Start Output Device Mapping by pressing *79 while in Data Programming Mode. The following
prompts are displayed:
∗
∗∗
∗79 Menu Mode
PROMPT VALID ENTRIES and EXPLANATION
ENTER OUTPUT NO.
00 = QUIT xx
Enter the logical (or reference) relay number as used in the system.
01-04 = relays; 17-18 = on-board triggers (can be programmed for inverted output; see next
prompt).
Use the worksheet on the Programming Form (printed separately) to organize device
numbers.
[∗] to continue
17 OUT NORM LOW
0 = NO 1 = YES 0
This prompt appears only for Triggers 17 and 18.
0 = no (standard default); sets the trigger output level normally high
1 = yes; sets the trigger output normally low (can be used for resetting 4-wire smoke
detectors by connecting trigger wire to the negative power terminal of the smoke detector,
selecting 1 at this prompt, and setting as zone type 54, fire zone reset, in *80 Menu
mode)
[∗] to return to Output Number prompt (use *80 Menu mode to program the function of the
trigger)
XX OUTPUT TYPE
DELETE? 0
Enable or delete this output.
0 = delete this output number; 1 = enable output
[∗] to continue
XX MODULE ADDR
07-15 yy
Enter the module’s predefined address “12” (set the module’s DIP switches to “12”).
[∗] to continue
XX REL POSITION
1-4 zz
Enter the actual (or physical) relay number, 1-4, with respect to the Relay Module upon
which it is located.
[∗] to return to the Output Number prompt for programming the next device
Installation Instructions
5-6

*80 Menu Mode: Defining Output Functions
Use this mode to program output function definitions (up to 12 functions) that provide automated
control of any of the output devices, based on events occurring on individual zones or zones with
certain zone types. Each output definition is identified by an output function number, and includes
the following components:
Output Definition Components
Component Description
Output Function No. A reference number that defines an output’s characteristics.
Activated By Determines whether the initiating event occurs on a zone, a zone list, or a zone type.
Event Event that triggers the output action. Can be an event occurring on a specific zone
number or a zone list, or a specific zone type.
Output Action Defines the action of the relay when the defined event occurs. Can close for 2 seconds,
stay closed until reset, continuously pulse (1-second close-open-close-open, etc.), toggle
the device state, or activate for a defined duration (set in data field *177).
Output No. Assigns this function to a specific output number (defined in *79 Menu Mode). This is
the output number that will perform this function upon the triggering event. Note that
each defined function is associated with only one output number. This means that if
more than one output device needs to perform this particular function, you need to
define another output function number with the same attributes, but assign the
appropriate output number. (i.e. output devices can be assigned more than one function
number, but each function number can only be assigned a single output number.
For example, if you want to pulse a strobe light upon fire alarms on zone 4 using a relay mapped to
output number 2 (as programmed in *79 Menu Mode), program the following in *80 Menu Mode:
Prompt Entry
Output Funct. # = 01 (assuming this is the first output function)
Activated By: = 3 (zone number)
Enter Zn No. = 04 (requires 2-digit zone numbers)
Output Action = 3 (continuous pulse)
Output Number = 02 (device mapped in *79 Menu Mode)
Start Output Definition mode by pressing ✱80 while in Data Programming mode.
∗
∗∗
∗80 Menu Mode
PROMPT VALID ENTRIES and EXPLANATION
Output Funct. #
(00 = Quit) 01
Enter the output function number to be defined
01-12 = output function number
[∗] to continue; 00 = exit
01 A E Trig
?00 0 0 – ZL=00
This screen displays a summary of the current output programming
A = Output Action; E = Triggering event; Trig = Trigger type
Question mark indicates the device shown has not been mapped. Use *79 Menu mode to
map the device.
[∗] to continue
01 Activated By:
Zone List
Select where the initiating event for this output definition is to occur.
0 = delete (deletes the output function and any previous programming)
Delete? To delete this output definition, press 1.
0 = NO, 1 = YES If you do not want to delete this output,. press 0.
1 = zone list (go to “A” prompt); 2 = zone type (go to “B” prompt); 3 = zone number (go to “C”
prompt)
[∗] to continue
5-7

“A”
01 Zn List
1
If zone list was selected, this screen appears. Otherwise skip to the next prompt.
Enter the desired zone list number associated with this output number:
01-08 = zone list (Do not use pager zone list 09 in output definitions)
Enter the zone list event that will activate this output:
Enter Event 0 = restore; 1 = alarm;
Alarm 1 2 = fault; 3= trouble
NOTE: For alarm, fault, and trouble, an event on ANY zone in the list activates the output,
but ALL zones in the list must be restored before the output is restored.
Press [∗] to continue and skip to the “Output Action” prompt.
“B”
01 Enter Zn type
Perimeter 03
If zone type was selected, this screen appears. Otherwise skip to the next prompt.
Enter the desired zone type for this output number.
CHOICES FOR ZONE TYPES:
00 = Not Used 05 = Trouble Day/Alarm Night 12 = Monitor Zone
01 = Ent/Exit #1 06 = 24 Hr Silent 14 = Carbon Monoxide
02 = Ent/Exit #2 07 = 24 Hr Audible 16 = Fire w/verification
03 = Perimeter 08 = 24 Hr Aux 23 = No Alarm Response
04 = Interior Follower 09 = Fire 24 = Silent Burglary
10 = Interior w/Delay 77 = Keyswitch Zone
81 = AAV Monitor Zone
90 = Configurable
CHOICES FOR SYSTEM OPERATION:
20 = Arming–Stay 36 = At Bell Timeout*** 52 = Kissoff
21 = Arming–Away 38 = Chime 54 = Fire Zone Reset
22 = Disarming 39 = Any Fire Alarm 58 = Duress
31 = End of Exit Time 40 = Bypassing 60 = AAV
32 = Start of Entry Time 41 = AC Power Failure 66 = Function Key†
33 = Any Burglary Alarm 42 = System Battery Low 67 = Bell Fail
43 = Comm. Failure 68 = Telco line cut
78 = Keyswitch Red LED
79 = Keyswitch Green LED
*** Or at Disarming, whichever occurs earlier.
† Use *57 Menu Mode to assign the function key (function “07”).
Note: In normal operation mode:
Code + # + 7 + NN Key Entry starts Device NN.
Code + # + 8 + NN Key Entry stops Device NN.
Press [∗] to continue and skip to the “Output Action” prompt.
“C”
01 Enter Zn No.
12
If zone number was selected, this screen appears.
Enter the desired zone number associated with this output number.
Press [∗] to continue.
Enter the zone event that will activate this output.
01 Enter Event 0 = restore; 1 = alarm/fault/trouble
Restore 0
Press [∗] to continue to the “Output Action” prompt
01 Output Action
Close for 2 sec 1
Enter the desired device action as listed below.
0 = off 4 = Change Device State
1 = Close for 2 seconds 5 = Duration 1 (see data field *177)
2 = Stay Closed 6 = Duration 2 (see data field *177)
3 = Pulse 1 sec ON, 1 sec OFF
Press [∗] to continue.
Enter Output No.
R02 02
Enter the device output number (programmed in *79 Menu Mode) you want associated with
this output.
01-04 = output no.
17-18 = on-board triggers
Press [∗] to continue.
02 A E P TRIG
R02 1 1 3 ZL=00
A summary screen appears showing the programmed settings.
Press [∗] to return to output function number prompt.
Installation Instructions
5-8

Zone List Overview (∗
∗∗
∗81 Menu Mode)
Zone lists let you group individual zones for use with certain system actions. The following table
shows the available zone lists and their purposes:
List No. Used for…
1, 2 general purpose
3 chime-by-zone
4 cross zones
5 night stay zones
6 general purpose
VISTA-10PSIA: dial delay disable
7 general purpose
VISTA-10PSIA: unlimited reports
8 general purpose
9 zones that activate Pager 1
Zone List Programming
Zone List programming involves:
1. Selecting an appropriate zone list number;
2. Adding the desired zone numbers to be included in that list.
Start Zone List Program Mode by pressing ✱81 while in Data Programming mode. The following
prompts are displayed:
*81 Menu Mode
PROMPT VALID ENTRIES EXPLANATION
Zone List No.
(00 = Quit) 01
Enter the Zone List Number to program (or 00 to end these entries).
01-09 = zone list number
[∗] to continue
01 Enter Zn Num.
(00 = Quit) 00
Enter each zone number followed by [∗] to add each zone to the zone list.
01-06 = wired zones; 09-24 = wireless zones; 49-56 = button zones
91 = addr. device report enable (Enter a report code for zone 91 to enable addressable device
reporting.
92 = duress report enable (Enter a report code for zone 92 to enable duress reporting)
95, 96, 99 =emergency zones
00 to continue
IMPORTANT: Do not include fire zones in zone lists that are used to STOP device actions.
01 Del Zn List?
0 = No 1 = Yes 0
To delete the zone list, enter 1. All zones in the zone list will be deleted automatically and
the system returns to the Zone List No. prompt.
To save the zone list, enter 0.
[∗] to continue
01 Delete Zone?
0 = No 1 = Yes 0
To save the entire zone list, enter 0 and the system returns to the Zone List No. prompt.
To delete a zone or zones in a zone list enter 1 to continue.
[∗] to continue
01 Zn to Delete?
(00 = Quit) 00
Enter each zone to be deleted from the list followed by [∗] to accept each zone.
01-64 = zones to be deleted from list
00 when done to return to the Zone List No. prompt
NOTES:
• Any list may include any or all of the system's zone numbers.
• A zone list can be assigned to more than one output relay.
• When creating zone list 4 for cross zoning, include only zones assigned to zone types 3, 4, or 5. Do
not include zones that have delays (entry/exit zones, interior w/delay) or 24-hour zones, as these
zone types may produce unpredictable operation and may not function as intended. See field *85 for
Cross Zone Timer option.
• Zone List 6: VISTA-10PSIA: See field *50 for Dial Delay Disable option.
• Zone List 7: VISTA-10PSIA: See field *93 for Unlimited Reports option.
5-9

Function Key Programming Overview (∗
∗∗
∗57 Menu Mode)
The system provides the ability to program each of the four keypad function keys to perform one of 12
system operations. The end user can then activate the function by simply pressing and holding the
programmed key for 2 seconds. Typical functions (listed below) include single-button arming, turning
lights on/off, or single-button paging.
Programming Function Keys
Function key programming involves:
1. Assigning the function key number;
2. Selecting the desired function for that key.
Start Function Key Programming mode by pressing ✱57 while in Data Programming mode. The
following prompts are displayed:
PROMPT VALID ENTRIES EXPLANATION
Press Key to Pgm
0 = Quit 0
Press the desired function key, A-D.
NOTE: A key programmed as a function key
is no longer available to be used as an end-
user macro key or panic key.
[∗] to continue
321
654
987
#0
*
READY
INSTANT
MAX
OFF
CODE
AWAY
TEST
CHECK
STAY
BYPASS
A
B
C
D
keypad_keys-00-001-V0
Key "A" Func
Zone 95 00
Enter the desired function for this key:
00 = For the Function key selected, the function will be as follows (system default):
If A selected = Zone 95 (emergency key, same as [1] [∗] pair)
If B selected = Zone 99 (emergency key, same as [∗] [#] pair)
If C selected = Zone 96 (emergency key, same as [3] [#] pair)
If D selected = Single-button paging
01 = Single-button paging (sends a 999-9999 message to pager)
02 = Display time
03 = Arm AWAY (reports as User 00 if closing reports are enabled)
04 = Arm STAY (reports as User 00 if closing reports are enabled)
05 = Arm NIGHT-STAY (reports as User 00 if closing reports enabled)
06 = Step Arming (arms STAY, then NIGHT-STAY†, then AWAY)
07 = Output Device Command (for device programmed as system operation type 66 in *80
Menu Mode)
08 = Communication Test (sends Contact ID code 601)
09= Macro Key (defined by [#] [6] [6] command)
[∗] to continue; returns to key number prompt with the next function key letter displayed.
† If Night-Stay zones are listed in zone list 5
Installation Instructions
5-10

About Descriptor Programming Overview (∗
∗∗
∗82 Menu Mode)
The system lets you assign zone descriptors for protection zones, keypad panics, and RF receiver
supervision faults. Each description can be composed of a combination of words (up to 3) selected
from a vocabulary of 196 words stored in memory (see a following page). In addition, up to 10
installer-defined words can be added to those already in memory. Thus, when an alarm or trouble
occurs in a zone, an appropriate description for that zone's location can be displayed at the keypad.
Zone descriptors are recommended for systems using Alpha display keypads, and are necessary if a
Phone Module is used.
NOTE: You can enter zone descriptors when the zone is being defined in ✱56 Menu mode, but we
recommend you do it using ✱82 Menu mode.
If using a 4285 or 4286VIP Phone Module, select from those words in the Alpha Vocabulary List
shown in boldface type. The phone module will not provide annunciation of the other words.
If a 4285/4286 Phone Module is added to an existing system, the Alpha descriptors presently in
the system should be reprogrammed, selecting from those words shown in boldface type in the
Alpha Vocabulary List. The phone module will not provide annunciation of any other words.
Programming Zone Descriptors (Menu mode ∗
∗∗
∗82)
Descriptor programming involves:
1. Entering index numbers for up to three words from the vocabulary list for each descriptor;
2. Entering up to ten 10-digit custom words, if desired, which can then be used in descriptors.
When defining descriptors:
• Pressing the [6] key accepts the entered index number and moves the cursor to the next position.
• Pressing the [8] key saves the entered descriptor and moves to the next descriptor.
Start Zone Descriptor Programming mode by pressing *82 while in Data Programming mode.
PROMPT VALID ENTRIES and EXPLANATION
Program Alpha ?
0=No, 1=Yes 0
Press 1 to program descriptors.
0 = exit this mode
Custom Words ?
0=No, 1=Yes 00
To program standard alpha descriptors from the fixed vocabulary, press 0. The system will
then automatically display the descriptor for zone 1.
To define custom words (described below in “Adding Custom Words” section), press 1.
✱ ZN 01
Summary screen of zone 1 descriptor (if programmed) is displayed.
Press [∗] to start blinking cursor at zone number, then enter the zone number for which the
descriptor is being programmed.
• If a descriptor is programmed for that zone, it is displayed.
• To delete or change a previously programmed descriptor, press [∗] plus the same zone
number. This will clear that descriptor and move the cursor to the first word position.
• If you do not wish to change the existing descriptor, enter [∗] plus the next zone number
for which you wish to enter (or check) a descriptor. A summary display for that zone will
appear. You must then press [∗] plus the same zone number again to program a descriptor
for that zone.
• If no descriptor has been programmed for that zone, the cursor moves to first word
position.
✱ ZN 01
Select first word of descriptor:
Press [#] plus the 3-digit index number for the first word from the Alpha Vocabulary List. See
index for entries.
Example: The descriptor that we wish to enter for zone 1 is BACK DOOR. From the list,
BACK = 013. Therefore, you would enter #013.
If you enter the wrong word, simply press [#] plus the 3-digit number for the desired word.
✱ ZN 01 BACK
Save first word of descriptor:
6 = save word and go to next word in this descriptor
8 = save word and end descriptor if this is the only word used for the descriptor - go to
summary screen
5-11

✱ ZN 01 BACK
DOOR
Enter the 3-digit number for the next word. In the example, the word is DOOR, whose
number is “057.”
See index for entries.
[∗] to continue
✱ ZN 01 BACK
DOOR
Save second word of descriptor:
6 = save word and go to next word in this descriptor
8 = save word and end descriptor if this is the only word of the descriptor - go to summary
screen
The two words in the example have now been entered. Note, however, that up to three words
may be entered (provided the number of characters will fit on the screen).
✱ ZN 01 BACK
DOOR
Summary Screen
The blinking cursor will disappear, indicating that the word(s) are saved in memory.
To enter a descriptor for the next zone, press [∗] plus the desired zone number (e.g., ∗02).
The summary display for that zone will appear.
Repeat the previous steps to enter the descriptor for the next zone.
To exit the Alpha descriptor mode, enter zone “00” at the summary display, which returns
you to the Program Alpha prompt. Enter “0” at that prompt to exit.
Adding Custom Words (will not be annunciated by 4285/4286 Phone Module)
You can add up to 10 installer-defined words to the built-in vocabulary, which can then be used
when programming zone descriptors. Each of the 10 words can actually consist of a word string of
one or more words, but no more than ten characters can be used for each word or word string.
PROMPT VALID ENTRIES and EXPLANATION
Program Alpha ?
0=No, 1=Yes 00
The “Program Alpha ?” prompt will appear.
1 = program zone descriptors, custom message, or reminder words; 0 = exit
[∗] to continue
Custom Words ?
0=No, 1=Yes 0
Custom words let you assign custom zone descriptors, a custom message (replaces
“DISARMED READY TO ARM”), and “reminder” words (for Scheduling mode, event “10”).
NOTE: Do not assign reminder words if using fixed-word keypads.
1 = yes, program custom words or reminder words
0 = no, go to zone descriptors (see above)
If “1” selected, enter the 2-digit custom word number (01-10) to be programmed,
corresponding to index numbers 245 - 254 respectively (for example, if you are creating the
first custom word or word-string, enter 01, for the second, enter 02, etc.). A cursor will now
appear at the beginning of the second line.
Custom? 00 08-10 = “reminder” words used with scheduling mode
11 = custom message (replaces “DISARMED READY TO ARM” message)
Custom? 01
A cursor appears at the beginning of the second line.
Special Keys: [6] = accept character and move cursor to next position to right
[4] = move cursor to left
[8] = save custom word
1. Refer to the Character Chart.
Press [#], followed by the two-digit entry for the first letter you want to display (e.g., # 6
5 for “A”).
Press [6] to accept the character and move the cursor to the right, in position for the
next character. To delete a character, enter the SPACE character (#32).
2. Repeat Step 1 to enter the next characters until the desired custom word is entered. You
can use the [4] key to move the cursor to the left, if necessary.
Each custom word can be a maximum of 10 characters.
3. When done, press the [8] key to save the custom word and return to the “Custom ?”
prompt.
4. Repeat steps 1-3 to enter other custom words. To change a custom word, simply
overwrite it.
To exit, enter “00,” which returns you to the Program Alpha prompt. Enter “0” at that
prompt to exit.
Once Custom words are programmed they can be used in a descriptor in the same way the
built-in vocabulary words are used.
Installation Instructions
5-12

ALPHA VOCABULARY LIST
(For Entering Zone Descriptors)
000
(Word Space)
– A –
• 001 AIR
• 002 ALARM
∗
∗∗
∗
004 ALLEY
005 AMBUSH
• 006 AREA
• 007 APARTMENT
• 009 ATTIC
∗
∗∗
∗
010 AUDIO
– B –
• 012 BABY
∗
∗∗
∗
• 013 BACK
∗
∗∗
∗
• 014 BAR
• 016 BASEMENT
∗
∗∗
∗
• 017 BATHROOM
∗
∗∗
∗
• 018 BED
• 019 BEDROOM
∗
∗∗
∗
020 BELL
• 021 BLOWER
• 022 BOILER
023 BOTTOM
025 BREAK
• 026 BUILDING
– C –
028 CABINET
• 029 CALL
030 CAMERA
031 CAR
033 CASH
034 CCTV
035 CEILING
036 CELLAR
• 037 CENTRAL
038 CIRCUIT
• 040 CLOSED
∗
∗∗
∗
• 046 COMPUTER
047 CONTACT
– D –
• 048 DAUGHTERS
049 DELAYED
• 050 DEN
∗
∗∗
∗
051 DESK
• 052 DETECTOR
∗
∗∗
∗
• 053 DINING
∗
∗∗
∗
054
DISCRIMINATOR
055 DISPLAY
• 057 DOOR
∗
∗∗
∗
• 059 DOWN
• 060 DOWNSTAIRS
061 DRAWER
• 062 DRIVEWAY
• 064 DUCT
– E –
• 065 EAST
066 ELECTRIC
067 EMERGENCY
∗
∗∗
∗
068 ENTRY
• 069 EQUIPMENT
• 071 EXIT
∗
∗∗
∗
072 EXTERIOR
– F –
• 073 FACTORY
075 FAMILY
• 076 FATHERS
• 077 FENCE
• 079 FIRE
∗
∗∗
∗
• 080 FLOOR
∗
∗∗
∗
081 FLOW
082 FOIL
• 083 FOYER
084 FREEZER
• 085 FRONT
∗
∗∗
∗
– G –
• 089 GARAGE
∗
∗∗
∗
• 090 GAS
091 GATE
• 092 GLASS
093 GUEST
094 GUN
– H –
• 095 HALL
∗
∗∗
∗
• 096 HEAT
098 HOLDUP
099 HOUSE
100 INFRARED
• 101 INSIDE
∗
∗∗
∗
102 INTERIOR
103 INTRUSION
– J –
104 JEWELRY
– K –
• 105 KITCHEN
∗
∗∗
∗
–
L –
• 106 LAUNDRY
∗
∗∗
∗
• 107 LEFT
108 LEVEL
• 109 LIBRARY
∗
∗∗
∗
• 110 LIGHT
111 LINE
• 113 LIVING
∗
∗∗
∗
• 114 LOADING
115 LOCK
116 LOOP
117 LOW
• 118 LOWER
– M –
• 119 MACHINE
121 MAIDS
122 MAIN
∗
∗∗
∗
• 123 MASTER
∗
∗∗
∗
• 125 MEDICAL
∗
∗∗
∗
126 MEDICINE
128 MONEY
129 MONITOR
• 130 MOTHERS
• 131 MOTION
∗
∗∗
∗
132 MOTOR
– N –
• 134 NORTH
135 NURSERY
– O –
• 136 OFFICE
∗
∗∗
∗
• 138 OPEN
∗
∗∗
∗
139 OPENING
• 140 OUTSIDE
142 OVERHEAD
– P –
143 PAINTING
• 144 PANIC
∗
∗∗
∗
145 PASSIVE
• 146 PATIO
∗
∗∗
∗
147 PERIMETER
• 148 PHONE
150 POINT
151 POLICE
∗
∗∗
∗
152 POOL
∗
∗∗
∗
• 153 POWER
– R –
155 RADIO
• 156 REAR
157 RECREATION
159
REFRIGERATION
160 RF
• 161 RIGHT
• 162 ROOM
∗
∗∗
∗
163 ROOF
– S –
164 SAFE
165 SCREEN
166 SENSOR
• 167 SERVICE
• 168 SHED
∗
∗∗
∗
169 SHOCK
• 170 SHOP
∗
∗∗
∗
171 SHORT
• 173 SIDE
∗
∗∗
∗
174 SKYLIGHT
175 SLIDING
∗
∗∗
∗
• 176 SMOKE
∗
∗∗
∗
• 178 SONS
• 179 SOUTH
180 SPRINKLER
• 182 STATION
184 STORE
• 185 STORAGE
∗
∗∗
∗
186 STORY
190 SUPERVISED
∗
∗∗
∗
191 SUPERVISION
192 SWIMMING
193 SWITCH
– T –
194 TAMPER
196 TELCO
197 TELEPHONE
• 199
TEMPERATURE
200 THERMOSTAT
• 201 TOOL
202 TRANSMITTER
– U –
• 205 UP
• 206 UPPER
• 207 UPSTAIRS
∗
∗∗
∗
• 208 UTILITY
∗
∗∗
∗
– V –
209 VALVE
210 VAULT
212 VOLTAGE
– W –
213 WALL
214 WAREHOUSE
• 216 WEST
• 217 WINDOW
∗
∗∗
∗
• 219 WING
220 WIRELESS
– X –
222 XMITTER
– Y –
223 YARD
– Z –
224 ZONE (No.)
• 225 ZONE
∗
∗∗
∗
• 226 0
• 227 1
• 228 1ST
∗
∗∗
∗
• 229 2
• 230 2ND
∗
∗∗
∗
• 231 3
• 232 3RD
∗
∗∗
∗
• 233 4
• 234 4TH
• 235 5
• 236 5TH
• 237 6
• 238 6TH
• 239 7
• 240 7TH
• 241 8
• 242 8TH
• 243 9
• 244 9TH
245 Custom Word #1
246 Custom Word #2
247 Custom Word #3
248 Custom Word #4
249 Custom Word #5
250 Custom Word #6
251 Custom Word #7
252 Custom Word #8
253 Custom Word #9
254 Custom Word #10
NOTE: Custom words
8, 9, 10 are “reminder
words” that can be
programmed to display
using Scheduling
Mode.
Note: Bulleted (•) words in boldface type are those that are also available for use by the 4285/4286 Phone Module. If using
a phone module, and words other than these are selected for Alpha descriptors, the phone module will not provide
annunciation of those words.
Italicized words followed by an asterisk indicate those words supported by the 6160V/6150V Voice Keypads
–––––––––––––––––––––––––––– CHARACTER (ASCII) CHART ––––––––––––––––––––––––––––
(For Adding Custom Words)
32 (space)
33 !
34 “
35 #
36 $
37 %
38 &
39 '
40 (
41 )
42 *
43 +
44 ,
45 –
46 .
47 /
48 0
49 1
50 2
51 3
52 4
53 5
54 6
55 7
56 8
57 9
58 :
59 ;
60 <
61 =
62 >
63 ?
64 @
65 A
66 B
67 C
68 D
69 E
70 F
71 G
72 H
73 I
74 J
75 K
76 L
77 M
78 N
79 O
80 P
81 Q
82 R
83 S
84 T
85 U
86 V
87 W
88 X
89 Y
90 Z
5-13

Programming Installer and User Schedules
The system provides 2 schedules (one for the installer, one for the end user), which can be used to
control 11 types of system events at pre-defined times.
Start Scheduling mode by entering installer code + [#] + [6] [4] while in normal operating mode.
NOTE: The master code can only access schedules 01 and events 00-07.
PROMPT VALID ENTRIES and EXPLANATION
ENTER SCHED NO.
00=QUIT 00
Enter the desired schedule number.
01 = end-user schedule; 02 = installer-only schedule; 00 = exit scheduling mode
[∗] to continue
ENTER EVENT
CLEAR EVENT 00
NOTE: Events 07 and 10
cause the keypad to
beep every 30 seconds
when messages are
displayed. Stop the
beeps by pressing any
key.
Enter the desired event number for event you want to occur at a specified time.
Events 10-11 are reserved for the installer only.
00 = clear event
01 = Relay On/Off
02 = User Access
03 = Latch Key Report to Pager (sent to all pagers and is active only when the system is
armed; message sent is 777-7777; user must be enabled for paging; see User Attributes
in System Operation section)
04 = Forced Stay Arming (forced bypass is automatically enabled regardless of setting in
field *23)
05 = Forced Away Arming (forced bypass is automatically enabled regardless of setting in
field *23)
06 = Auto Disarm
07 = Display “Reminder”
10 = Display custom words (system displays custom words 8, 9, and 10 at defined time; can
be used as installer’s reminder message to the end user)
11 = Periodic Test Report (see key commands in Testing the System section to quickly set
periodic test reporting intervals)
[∗] to continue
DEVICE NUMBER
XX
This prompt appears if event “1” (relay on/off) was selected, otherwise it is skipped.
Enter the physical device number as programmed in ∗79 Menu Mode.
01-04 = device number; 17, 18 = built-in triggers 1 and 2 respectively
[∗] to continue to the “Start” prompt
Installation Instructions
5-14

GROUP NUMBER
X
This prompt appears if event “2” (user access) was selected. Otherwise it is skipped.
1-8 = group number
[∗] to continue to the “Start” prompt
START SMTWTFS
HH MMAM 0010000
Enter the event’s start time and days of the week to occur.
01-12 = hour; 00-59 = minute; 0 = AM; 1 = PM
Days = position the cursor under the desired days using the [∗] key to move forward, then
press “1” to select the desired day(s)
[∗] to continue
STOP SMTWTFS
HH MMAM 0010000
Enter the event’s stop time and days of the week to occur.
This entry applies only to the following events: 1 (relay on/off); 2 (user access); 3 (latch key
report)
01-12 = hour; 00-59 = minute; 0 = AM; 1 = PM
Days = position the cursor under the desired days using the [∗] key to move forward, then
press “1” to select the desired day(s)
[∗] to continue
REPEAT OPTION
0-4 X
Enter the desired repeat option for this schedule.
e.g., To make a schedule that happens everyday you would select all days with a repeat
count of 1. To make a schedule that runs for one week then stops, select everyday with a
repeat count of 0.
0 = do not repeat; 1 = repeat schedule weekly; 2 = repeat schedule biweekly (every other
week)
3 = repeat every 3rd week; 4 = repeat every 4th week
[∗] to continue
RANDOMIZE
0=NO 1=YES X
Select whether you want this schedule to start and stop at random times.
This option applies only to events 01 (relay on/off) and 11 (periodic test report).
If selected, the scheduled start and stop times will vary within 60 minutes of the “hour”
time. For example, if a schedule is set to start at 6:15pm, it will do so the first time 6:15pm
arrives, but on subsequent days it will start anytime between 6:00 and 6:59 p.m.
[∗] to continue
NOTE: Do not use the random option if the start and stop times are within the same “hour”
setting, otherwise unpredictable results may occur (e.g., the randomized stop time may occur
before the start time).
5-15

Installation Instructions
5-16

SECTION 6
System Communication and Operation
••••••••••••••••••••••••••••••••••••
System Communication Overview
This system accommodates several formats for reporting alarms and other system conditions to the
Central Station. The process of a successful transmission consists of both the method of communication
between the control panel and the Central Station receiver; and the actual way the information is sent
and displayed at the Central Station.
When the panel calls the Central Station receiver, it waits to hear a “handshake” frequency from the
receiver to confirm that the receiver is on-line and ready to receive its message. Once the panel hears
the handshake it is programmed to listen for, it sends its message. The panel then waits for a “kissoff”
frequency from the receiver acknowledging that the message was received and understood.
If the handshake frequency is not given or is not understood by the panel, the panel will not send its
message. Once the handshake frequency is received and understood by the panel, the panel sends its
message. If there is an error in the transmission (the receiver does not receive a “valid” message), the
kissoff frequency is not given by the Central Station receiver.
The panel makes a total of eight attempts to the primary telephone number and eight attempts to the
secondary telephone number (if programmed) to get a valid message through. If the panel is not
successful after its numerous attempts, the keypad displays COMM. FAILURE (on alpha keypads) or
FC (on fixed-word keypads).
Report Code Formats
The following chart indicates the types of (handshake/kissoff) frequencies that the panel supports and
the different formats that can be sent with each.
FORMAT HANDSHAKE TRANSMITS DATA KISSOFF TRANSMIT TIME
Low Speed 1400 Hz 1900Hz (10PPS) 1400 Hz Under 15 secs
3+1, 4+1, 4+2
(Standard report)
Sescoa/Rad 2300 Hz 1800Hz (20PPS) 2300 Hz Under 10 secs
3+1, 4+1, 4+2
(Standard report)
Express 1400–2300 Hz DTMF (10 cps) 1400 Hz Under 3 secs
4+2
Contact ID 1400–2300 Hz DTMF (10 cps) 1400 Hz Under 3 secs
The following table describes each format in greater detail.
FORMAT TYPE DESCRIPTION
3+1 and 4+1
Standard Formats
Comprises a 3- (or 4-) digit subscriber number and a single-digit report
code (e.g., Alarm, Trouble, Restore, Open, Close, etc).
3+1 and 4+1
Expanded Formats
Comprises a 3- (or 4-) digit subscriber number and a two-digit report code.
The first digit is displayed on the first line. On the second line, it is
repeated 3 (or 4) times and is followed by the second digit. This is the
“expanded” digit.
4+2 Format Comprises a 4-digit subscriber number and 2-digit report code.
ADEMCO Contact ID
Reporting Format
Comprises a 4 or 10-digit subscriber number (depending on format
selected), 1-digit event qualifier (“new” or “restore”), 3-digit event code,
and 3-digit zone number, user number, or system status number (see the
following page).
6-1

The following table lists codes for reports sent in different formats:
Code for Code for
Type of 3+1/4+1 3+1/4+1 Code for
Report Standard Expanded 4+2
Alarm SSS(S) A SSS(S) A SSSS AZ
AAA(A) Z
Trouble SSS(S) T SSS(S) T SSSS Tt
TTT(T) t
Bypass SSS(S) B SSS(S) B SSSS Bb
BBB(B) b
AC Loss SSS(S) E SSS(S) E SSSS EAC
EEE(E) AC
Low Batt SSS(S) L SSS(S) L SSSS LLB
LLL(L) LB
Open SSS(S) O SSS(S) O SSSS OU
OOO(O) U
Close SSS(S) C SSS(S) C SSSS CU
CCC(C) U
Test SSS(S) G SSS(S) G SSSS Gg
GGG(G)g
Restore SSS(S) R SSS(S) R SSSS RZ
Alarm RRR(R) Z
AC Restore SSS(S) RA SSS(S) RA SSSSRA Ac
R
ARARA(RA)Ac
LoBat Res. SSS(S) RL SSS(S) RL SSSS RLLB
R
LRLRL(RL)LB
Trouble Res. SSS(S) RT SSS(S) RT SSSS RTt
R
TRTRT (RT)t
Bypass Res. SSS(S) RB SSS(S) RB SSSS RBb
R
BRBRB (RB)b
Where:
SSS or SSSS = Subscriber ID C = Close Code–1st Digit
A = Alarm Code–1st digit U = User Number (in hex)
Z = Typically Zone Number*–2nd digit Gg = Test Code (1st & 2nd digits)
Tt = Trouble Code (1st & 2nd digits) R = Restore Code (Alarm)
Bb = Bypass Code (1st & 2nd digits) RTt = Restore Code (Trbl) 1st & 2nd
digits
EAC = AC Loss Code (1st & 2nd digits) RBb = Restore Code (Byps) 1st & 2nd
digits
LLB = Low Battery Code (1st & 2nd digits) RAAC = Restore Code (AC) 1st & 2nd digits
O = Open Code–1st Digit RLLB = Restore Code (Bat) 1st & 2nd digits
*Zone numbers for: ✱ & #, or B = 99 1 + ✱, or A = 95 Duress = 92
3 + #, or C = 96
Installation Instructions
6-2

Ademco Contact ID®
The Ademco Contact ID® Reporting Format comprises the following:
4-digit or 10-digit subscriber number (depending on format selected.
1-digit event qualifier (“new” or “restore”).
3-digit event code.
3-digit zone number, user number, or system status number (see the following page).
Ademco Contact ID® Reporting takes the following format: CCCC(CCCCCC) Q EEE GG ZZZ
where:
CCCC(CCCCCC) = Customer (subscriber) ID
Q = Event qualifier, where:
E = new event , and R = restore
EEE = Event code (3 hexadecimal digits)
Note: For a complete list of event codes, refer to the central office
receiver manual.
GG = Partition number (always sent as “01” for this control; system
messages show “00.”
ZZZ = Zone/contact ID number reporting the alarm, or user number for
open/close reports. System status messages (AC Loss, Walk Test,
etc.) contain zeroes in the ZZZ location.
TABLE OF CONTACT ID EVENT CODES
Code Definition
110 Fire Alarm
121 Duress
122 Alarm, 24-hour Silent
123 Alarm, 24-hour Audible
131 Alarm, Perimeter
132 Alarm, Interior
134 Alarm, Entry/Exit
135 Alarm, Day/Night
143 Alarm, Expansion Module
145 ECP Module cover tamper
146 Silent Burglary
150 Alarm, 24-Hour Auxiliary/Monitor zone
162 Carbon Monoxide
301 AC Power
302 Low System Battery/Battery Test Fail
305 System Reset (Log only)
309 Battery Test Failure
321 Bell/Siren Trouble
333 Trouble, Expansion Mod. Supervision
341 Trouble, ECP Cover Tamper
344 RF Receiver Jam
351 Telco Line Fault
353 Long Range Radio Trouble
373 Fire Loop Trouble
374 Exit Error Alarm
380 Global Trouble, Trouble Day/Night
Code Definition
381 RF Sensor Supervision
382 Supervision Auxiliary Wire Zone
383 RF Sensor Tamper
384 RF Sensor Low-battery
393 Clean Me
401 Disarmed, Armed AWAY, Armed
MAXIMUM
403 Schedule Arm/Disarm AWAY
406 Cancel by User
407 Remote Arm/Disarm (Downloading)
408 Quick Arm AWAY
409 Keyswitch Arm/Disarm AWAY
441 Disarmed/Armed STAY/INSTANT,
Quick-Arm STAY/INSTANT
442 Keyswitch Arm/Disarm STAY
459 Recent Close (restore only)
570 Bypass
601 Manually Triggered Dialer Test
602 Periodic Test
606 AAV to Follow
607 Walk Test Entered/Exited
623 Event Log 80% Full
625 Real-Time Clock was Changed (log only)
627 Program Mode Entry (log only)
628 Program Mode Exit (log only)
642 Latch Key (log only)
750 -
789
Reserved for Configurable Zone Type
report codes (check with central station
when using these codes)
6-3

User Security Codes
The system supports up to 16 security codes, which can each be assigned one of 4 authority levels.
The authority level determines the functions each code can perform as follows:
Authority Levels (authority levels can be assigned to users 3-16 only; users 1 and 2 cannot be changed)
Level User No. Functions
Installer 01 (default=4112) perform all security functions except can disarm only if used to
arm; can enter program mode; can change System Master code; cannot assign any
other user codes
System 02 (default 1234) only one system master code per system; can perform all
Master security functions, add/delete users, change system master code, view event log, set
system clock, program keypad macro, program scheduled events, activate output
devices (triggers/relays)
0-User 03-16 perform security functions (arm, disarm, etc.) only; cannot add/delete
users, view event log, set system clock or program scheduled events
1-Arm Only see “user” arm system only
2-Guest see “user” can disarm the system only if it was used to arm the system
3-Duress see “user” performs security functions, but also silently sends a duress message to the central
station; reports as duress code user number.
Refer to the user guide for procedures on adding/deleting security codes and changing attributes.
The following is a brief description of how to add user codes.
Changing the System Master code...
Using Installer code: Installer code + [8] + 02 + new code
Using current System Master code: System Master code + [8] + 02 + new code + new code again
Adding a User Code: Master code + [8] + 2-digit user no. + user’s code
Deleting a User Code: Master code + [8] + 2-digit user no. + [#] [0]
Assigning Attributes: Master code + [8] + 2-digit user no. + [#] [attribute no.] + value
Attributes: Values
1 = Authority Level 0-3 (see Authority Level table above)
2 = Access Group 0-8 (0 = not assigned to a group)
3 = Not Used
4 = RF Zone No.;assigns user number to button type zone (keyfob) for arm/disarm.
(keyfob must be enrolled in system first; see Wireless Key Templates section)
5 = Open/Close Paging; 1 for yes, 0 for no
Setting the Real-Time Clock
1. +[#] + [6] [3]
(Security Code)
Alpha Display:
DISARMED
READY TO ARM
2. Press [∗] when the time/date is displayed.
A cursor appears under the first digit of the hour.
To move cursor ahead, press [
∗
]. To go back, press [#].
• Enter the 2-digit hour and 2-digit minute setting.
• Press [1] for PM or [2] for AM.
• Enter the last two digits of the current year.
• Enter the 2-digit month and 2-digit day setting.
3. To exit, press [∗] when cursor is at the last digit, or
wait 10 seconds.
TIME/DATE SAT
04:04PM 10/17/00
Current time display
TIME/DATE SAT
04:04P2000/10/17
Time/date editing display
Installation Instructions
6-4

Keypad Functions
The following is a brief list of system commands. For detailed information, see the User's Manual.
Voice Keypads
The 6150V/6160V Voice Keypads provide the following features:
• Message Center, which lets the user record and playback one message.
• Voice Status, which can announce system status by using the STATUS key.
• Voice Chime, which can alert users to the opening of doors/windows while the system is disarmed.
Refer to the User Guide for specific procedures for activating and using these features.
Keypad Commands
Function Description
Silence alarms Pressing any key will silence the keypad sounder for 10 seconds. Disarming the
system will silence both keypad and external sounders.
Quick Arm If enabled (field ∗21), you can press [#] in place of the system's security code, plus
the desired arming key (Away, Stay, Instant, Maximum)
Single-Button arming If programmed (*57 Function Key menu mode), lettered keys A-D can be used for
arming, using options 3-AWAY, 4-STAY, 5-NIGHT-STAY, or 6-Step-Arming
If used, no security code is required to arm the system.
Alarm Memory When the system is disarmed, any zones that were in an alarm condition during the
armed period will be displayed. To clear this display, simply repeat the disarm
sequence (enter the security code and press the OFF key) again.
Arming Away Enter code + AWAY [2] or simply press appropriate lettered key on the keypads (see
“Single-Button Arming” above). If the “Auto-Stay Arm” feature is enabled (field *84)
and the entry/exit door is not opened and closed within the programmed exit delay
time, the system will automatically arm in STAY mode if armed from a wired
keypad (non-RF device). If the door is opened and closed within the exit delay
period, the system arms in AWAY mode.
Arming Stay Enter code + STAY [3] or simply press appropriate key on the keypads (see “Single-
Button Arming” above). See “Arming Away” above for Auto-Stay arming feature.
Arming Night-Stay Enter code + STAY [3] + STAY [3] or simply press appropriate key on the keypads
(see “Single-Button Arming” above).
Arming Instant Enter code + INSTANT [7].
Arming Maximum Enter code + MAXIMUM [4] or simply press appropriate lettered key on the
keypads (see “Single-Button Arming” above).
Disarming Enter code + OFF [1]. If entry delay or an alarm is active, you do not need to
press OFF.
Bypassing Zones Enter code + BYPASS [6] + zone number(s).
Forced (Quick) Bypass To automatically bypass all faulted zones, use the “Quick Bypass” method. Enter
code + BYPASS + [#], then wait for all open zones to be displayed. Arm when
display indicates “ZONE BYPASSED” and “READY TO ARM”.
Chime Mode Enter code + CHIME [9]. To turn chime off, enter code + CHIME again.
Activate Output Devices If relay outputs are used, two keypad entries available to the user are included. If
programmed, these entries can be used to manually activate or deactivate the
device(s) for starting or stopping some action, such as turning lights on or off, etc.
These keypad entries are:
[Security Code] + # + 7 + [2-digit Device #] activates (starts) that device.
[Security Code] + # + 8 + [2-digit Device #] deactivates (stops) that device.
SUMMARY OF ARMING MODES
Features for Each Arming Mode
Arming Mode
Exit Delay Entry Delay Perimeter Armed Interior Armed
AWAY Yes Yes Yes Yes
STAY Yes Yes Yes No
NIGHT-STAY Yes Yes Yes only those zones
listed in Night-
Stay zone list
INSTANT Yes No Yes No
MAXIMUM Yes No Yes Yes
6-5

Panic Keys
There are three Panic keys (A, B, and C) that, if programmed, can be used to manually initiate
alarms and send a report to the central station by pressing and holding the appropriate key for at
least 2 seconds. Each key can be programmed for 24-hour Silent, 24-hour Audible, Fire, or Personal
Emergency responses. The Panic keys are identified by the system as follows:
Keys Displayed as Zone
[A] (∗/1) 95
[B] (∗/#) 99
[C] (3/#) 96
IMPORTANT: For a Silent panic function (if programmed) to be of
practical value, you must program a report code for the zone and the
system must be connected to a central station.
Various System Trouble Displays
Alpha Display Fixed Disp. Meaning
ALARM CANCELED CA will appear if an exit or interior zone contained a fault during closing at the time
the Exit Delay ended (e.g., exit door left open), but the system was disarmed during
the Entry Delay time. The alarm sounder and keypad sound continuously, but stop
when the system is disarmed. No message will be transmitted to the central station.
EXIT ALARM EA will appear when the Exit Delay ends if an exit or interior zone contained a fault
during closing. The alarm sounder and keypad sound continuously until the system
is disarmed (or timeout occurs). An “Exit Alarm” message is sent to the central
station.
Also results if an alarm from an exit or interior zone occurs within 2 minutes after
the end of an Exit Delay.
CHECK CHECK indicates that a problem exists with the displayed zone(s) and requires attention.
ALARM 1xx 1xx indicates that communication between control and a zone expander or wireless
FAULT 1xx 1xx receiver is interrupted, where “xx” is the device address. Check the wiring and
CHECK 1xx 1xx DIP switch settings on the units.
91 If field *199 is set to “1,” all ECP module problems are displayed as “91.”
If there are wireless sensors in the system, the Check condition may also be caused
by some change in the environment that prevents the receiver from receiving
signals from a particular sensor.
SYSTEM LO BAT BAT with no zone number indicates that the system's main standby battery is weak.
LO BAT BAT with a zone number and a once-per-minute beeping at the keypad indicates that a
low-battery condition exists in the wireless sensor displayed (zone “00” indicates a
wireless keypad). If the battery is not replaced within 30 days, a “CHECK” display
may occur.
NOTE: Some wireless sensors use a non-replaceable long-life battery which requires
replacement of the entire unit at the end of battery life (e.g., 5802, 5802CP).
Busy-Standby dl If this remains displayed for more than 1 minute, the system is disabled.
Modem Comm CC The system is in communication with the central station for change of function or
status verification.
no display no display Power Failure
If there is no keypad display at all and the LEDs are unlit, operating power (AC and
battery) for the system has stopped and the system is inoperative.
If the message “AC LOSS” (Alpha display keypads) or “NO AC” (Fixed-Word display
keypads) is displayed, the keypad is operating on battery power only.
If the battery standby capacity is used up during a prolonged AC power outage, the
control's power will shut down to minimize deep discharge of the battery.
Comm. Failure FC A communication failure has occurred.
Open Circuit OC The keypad is not receiving signals from the control and sees an open circuit.
Long Rng Trbl bF Backup LRR communication failure.
Bell Failure 70 Bell supervision failure.
RCVR Jam 90 RF jam detected.
KEYPAD LOW BAT 00 BAT Wireless keypad low battery
Phone Okay Cd The dialer test has been successful (CID code 601).
Dialer Off dO The dialer is disabled.
Test in Progress dd Walk test mode is active(CID code 607).
Upload Completed dC The upload or download session was completed.
Upload Failed dF The upload or download session failed before completion.
Installation Instructions
6-6

SECTION 7
Testing the System
••••••••••••••••••••••••••••••••••••
About Test Procedures
After the installation is complete, you should perform the following tests:
System Test: Checks that all zones have been installed properly and the system properly
responds to faults.
Dialer Test: Checks that the phone connection to the central station is working properly.
Go/No Go Test: Checks that transmissions can be received from transmitters. Should be
performed before permanently mounting transmitters.
RF Sniffer Mode: Checks that RF transmitter serial numbers have been properly entered into the
system.
Battery Tests: Automatic battery tests are performed by the system. See Automatic Battery Test
paragraph for details.
System Test
With the system in the disarmed state, check that all zones are intact (not faulted). Doors and
windows with contacts should be closed, PIRs should be covered (use a cloth to mask them
temporarily if necessary). If a “NOT READY” message is displayed, press [∗] to display the faulted
zone(s). Restore faulted zone(s) if necessary, so that the “READY” message is displayed.
1. Enter Installer Code + 5 [TEST] , then press “0” at the prompt to start Walk Test mode.
1=DIAL, 0=WALK (no special display on Fixed-Word Display Keypads)
The following will be displayed:
TEST IN PROGRESS (“dd” displayed on Fixed-Word Display Keypads)
A Contact ID report will also be sent (code 607)
2. Upon entering the system test mode, the outside sounder should sound for 1 second.
If the backup battery is discharged or missing, the sounder may not turn on and a “LOW
BATTERY” report will be transmitted with a “TEST” report.
The keypad will beep about every 40 seconds as a reminder that the system is in the Test mode.
NOTE: Wireless motion detectors (Passive Infrared units) will send signals out only if they have
been inactive for 3 minutes (conserves battery life).
3. Test all sensors using the procedure described in the User’s Guide “Testing the System” section
and/or the each device’s instructions.
4. After checking sensors, turn off the test mode by entering installer code + OFF.
NOTE: Test mode automatically ends after 4 hours. During the final 5 minutes (after 3 hours 55
minutes of Test mode), the keypad emits a double-beep every 30 seconds to alert that the end of
Test mode is nearing.
Checking Transmitter Enrollment (Sniffer Mode)
Use this mode to verify that all transmitters have been properly programmed.
1. Press [Installer code] + [#] + 3.
The keypads will display all zone numbers of wireless units programmed into the system. Fault
each transmitter in turn, causing each one to send a signal. As the system receives a signal from
each transmitter, the zone number of that transmitter disappears from the display.
NOTE: If the communicator is in the process of sending a report to the central station, the
system will not go into the Sniffer mode. If so, wait a few minutes, and try again.
2. After all transmitters have been checked, exit the sniffer mode by: [Installer code] + OFF.
IMPORTANT: Sniffer mode does not automatically expire. You must manually exit Sniffer mode
(by entering [Installer code] + OFF) to return to normal operation.
7-1

NOTES: • All BR type units must physically be activated to clear the display.
• When one button of a transmitter (RF, UR, or BR) is activated, all zones assigned to
other buttons on that transmitter are cleared. This also applies to 5816 and 5817
transmitters, which have multiple loops (zones).
• Any transmitter that is not “enrolled” will not turn off its zone number.
Go/No Go Test Mode
The Go/No Go Test verifies adequate RF signal strength from the proposed transmitter location, and
allow you to reorient or relocate transmitters if necessary, before mounting the transmitters
permanently. This mode is similar to the Transmitter Test mode, except that the wireless receiver
gain is reduced. This will enable you to make sure that the RF signal from each transmitter is
received with sufficient signal amplitude when the system is in the normal operating mode.
1. Enter [Installer code] + [#] + 4.
2. After you have placed transmitters in their desired locations and the approximate length of wire to
be run to sensors is connected to the transmitter's screw terminals (if used), fault each
transmitter. Do not conduct this test with your hand wrapped around the transmitter.
a. The keypad beeps three times to indicate signal reception and displays the unit’s zone number.
b. If the keypad does not beep, you should reorient or move the transmitter to another location.
Usually a few inches in either direction is all that is required.
4. If each transmitter produces the proper keypad response when it is faulted, you can then
permanently mount each of the transmitters according to the instructions provided with them.
5. Exit the Go/No Go Test mode by entering: any user code + OFF.
Dialer Communication Test and Periodic Test Reports
The following steps can be followed to manually test communication to the central station.
1. Enter Installer Code + 5 [TEST], then press “1” at the prompt to start the Dialer Test.
1=DIAL, 0=WALK (no special display on Fixed-Word Display Keypads)
The following will be displayed (accompanied by 2 beeps) if test is successful:
PHONE OKAY (“Cd” displayed on Fixed-Word Display Keypads)
A Contact ID report will also be sent (code 601)
If the dialer test is unsuccessful, the following is displayed:
COMM FAILURE (“FC” displayed on Fixed-Word Display Keypads)
2. Enter Installer code + OFF to clear the display and exit.
Automatic Periodic Test Report
The system can be set to automatically send test reports (enabled in field *64; Contact ID code 602) at
specified intervals.
Frequency of the reports is set in Scheduling mode (event 11) or by the following key commands:
installer code + [#] + 0 + 0 = test report sent every 24 hours
installer code + [#] + 0 + 1 = test report sent once per week
installer code + [#] + 0 + 2 = test report sent every 28 days
Each mode sets schedule 2 to the selected repeat option; first test report sent 12 hours after command.
To ensure that test reports are sent at the times expected, set the Real-Time Clock to the proper time
before entering the test report schedule command.
Automatic Standby Battery Tests
1. An automatic test is conducted every 3 minutes to ensure that a standby battery is present and
properly connected. If a battery is not present or is not properly connected, a “LOW BATTERY”
message is displayed and, if so programmed, will be reported to the central station.
2. A battery capacity test is automatically conducted for 2 minutes every 4 hours, beginning 4 hours
after exiting the Programming mode or after powering up the system. In addition, entry into the
Test mode will also cause a battery capacity test to be initiated. If the battery cannot sustain a load,
a “Low Battery” message is displayed and, if so programmed, will be reported to the central station.
Installation Instructions
7-2

SECTION 8
Specifications & Accessories
••••••••••••••••••••••••••••••••••••
SECURITY CONTROL
Physical: 12-1/2” W x 14-1/2” H x 3” D (318mm x 368mm x 76mm)
Electrical:
VOLTAGE INPUT: 16.5VAC from plug-in 25VA transformer, Ademco No. 1321 (in U.S.A.)
RECHARGEABLE BACKUP BATTERY: 12VDC, 4AH (sealed lead acid type).
Charging Voltage: 13.8VDC.
ALARM SOUNDER: 12V, 2.0 Amp output can drive 12V BELLS or can drive one or two 702
(series connected) self-contained 20-watt sirens.
Do not connect two 702s in parallel.
AUXILIARY POWER OUTPUT: 12VDC, 600mA max.
NOTE: For UL installations, Alarm Sounder plus Auxiliary
Power currents should not exceed 600mA total.
FUSE: Battery (3A) No. 90–12
Maximum Zone Resistance: Zones 1–8 = 300 ohms excluding EOLR standard zones
Communication:
FORMAT SUPPORTED:
ADEMCO Express: 10 characters/sec, DTMF (TouchTone) Data Tones,
1400/2300Hz ACK, 1400Hz KISSOFF.
ADEMCO Low Speed: 10 pulses/sec, 1900Hz Data Tone, 1400Hz ACK/KISSOFF.
Radionics/SESCOA: 20 pulses/sec, 1800Hz Data Tone, 2300Hz ACK/KISSOFF.
Can report 0-9, B-F
Ademco Contact ID 10 characters/sec., DTMF (TouchTone) Data Tones,
1400/2300Hz ACK, 1400Hz KISSOFF.
LINE SEIZE: Double Pole
RINGER EQUIVALENCE: 0.1B
FCC REGISTRATION No.: 5GBUSA-44003-AL-E
COMPATIBLE DEVICES
Keypads: 6150, 6160, 6150V, 6160V
Wireless Receivers: 5881L/5882L: accepts up to 8 transmitters
5881M/5882M: accepts up to 16 transmitters
5800TM Transmitter Module (used with 5827BD Wireless 2-Way Keypad)
5883 Transceiver: accepts up to system maximum transmitters
6150RF Keypad/Transceiver: accepts up to system maximum transmitters
Relay Module: 4204 RELAY MODULE
Phone Modules: 4285 PHONE MODULE
4286VIP PHONE MODULE
Long Range Radio 7835C/7845C
Sounders: Ademco AB-12M 10” Motorized Bell & Box
Ademco 1011BE12M 10” Motorized Bell & Box
Ademco 702 Outdoor Siren
Ademco 719 2-Channel Siren
Ademco 747 Indoor Siren
Ademco 747UL Indoor Siren
Ademco 744 Siren Driver
Ademco 745X3 Voice Siren Driver
Ademco 705-820, 5-inch Round Speaker
Ademco 713 Speaker
System Sensor PA400B (beige)/; PA400R (red) Indoor Piezo Sounder
8-1

5800 Series Transmitter Input Loop Identification
All of the transmitters illustrated below have one or more unique factory assigned input (loop) ID codes. Each of
the input loops requires its own programming zone
(e.g., a 5804's four inputs require four programming zones).
5802MN
ENROLL AS
"UR" OR "RF"
LOOP
1
V20P-006-V0
5817
ENROLL AS
"RF"
5890
ENROLL AS
"RF" OR "RM"
LOOP 1
5808
ENROLL AS
"RF"
LOOP 1
5809
ENROLL AS
"RF"
5850 (GBD)
ENROLL AS
"RF"
(Green)
(Red)
(Yellow)
5804BD
ENROLL AS
"BR"
LOOP 4
YOU MUST
ENROLL
THIS BUTTON
SET
HOUSE
CODE
LOOP 3 LOOP 1
LOOP 2
5804
ENROLL AS "BR"
ON
5816MN
ENROLL AS
"RF"
LOOP 2
(REED)
5816
ENROLL AS
"RF"
LOOP 1
(TERMINALS)
LOOP 2
(REED)
LOOP 3
(TERMINALS)
5819S (WHS & BRS)
ENROLL AS
"RF"
LOOP 1
(INTERNAL
SHOCK
SENSOR
LOOP 2
(REED)
5819
ENROLL AS
"RF"
LOOP 2
(REED)
LOOP 3
(TERMINALS)
LOOP 1
(TERMINALS)
5801
ENROLL AS
"UR" OR "RF"
LOOP 3
LOOP 1
LOOP 2
LOOP 4
YOU MUST
ENROLL
THIS
BUTTON
LOOP 1
LOOP 2
LOOP 4
YOU MUST
ENROLL
THIS
BUTTON
LOOP 3
LOOP
1
MOTION
LOOP 2
(AUX.
CENTER)
LOOP 1
(PRIMARY)
LOOP 3
(AUX.
RIGHT)
LOOP 1
(TERMINALS)
ALTERNATE
POSITION
FOR LOOP 2
OFF
NOTE: For information on any transmitter not
shown, refer to the instructions accompanying
that transmitter for details regarding loop
numbers, etc.
UL NOTE: The following transmitters are
not intended for use in UL
installations:
5802MN, 5802MN2, 5804,
5804BD, 5814, 5816TEMP,
5819, 5819WHS & BRS, and
5850.
Compatible 5800 Series Transmitters Table
Model Product Input Type Description
5801 Wireless Panic
Transmitter
UR or RF • Four pushbuttons, each with a unique input (loop) code.
• Programmable responses (e.g., Panic, Arm, Disarm, etc.)
5802 Pendant (Personal
Emergency Transmitter)
BR Only • Has single pushbutton.
• Usually programmed for response type of 24-Hr audible or 24-Hr
Silent (other zone responses are possible).
5802CP Belt Clip (Personal
Emergency)
BR Only Same as 5802.
5802MN Miniature (Personal
Emergency Trans.)
UR or RF Same as 5802.
5804 Wireless Key
Transmitter
BR Only • Has four pushbuttons, each with a unique input (loop) code.
• Programmable responses (e.g., Arm, Disarm, etc.)
5804BD Bi-Directional
Wireless Key
BR • House ID must be set.
• Requires 5800TM Transmitter Module.
• Can indicate system status via its 2 LEDs and built-in sounder.
• Has four pushbuttons, each with a unique input (loop) code.
• Operates the system similarly to wired keypads.
5806
5807
5808
Wireless
Photoelectric Smoke
Detectors
RF One-piece smoke detectors with a built-in transmitter.
5809 Heat Detector RF One-piece rate-of-rise heat detector with a built-in transmitter.
5816
5816MN
Door/Window
Transmitters
RF Has two unique input (loop) codes: one for a wired closed circuit
contact loop; the other for its built-in reed switch (used with a
magnet).
5816TEMP Low-Temp. Sensor RF Transmits a fault condition when temperature drops below 45°F.
Installation Instructions
8-2

Compatible 5800 Series Transmitters Table (continued)
Model Product Input Type Description
5817 Multi-Point Universal
Transmitter
RF Has three unique input (loop) codes: one for a “Primary” contact
loop with programmable options; the others for two “auxiliary”
closed circuit contact loops.
5818 Recessed
Transmitter
RF • Reed switch magnetic contact sensor; easily hidden in the frame
and edge of a door or window.
• Has a single unique input (loop) code.
5819 Shock Processor
Transmitter
RF • Connects to externally mounted inertia-type shock detector (not
supplied).
• Has built-in tampered cover switch.
• Has 3 unique input (loop) codes:
Loop 1:
Terminals for a wired, N.C. sensor loop.
Loop 2:
For a closed circuit contact loop using the built-in reed
switch in conjunction with a magnet.
Loop 3:
Terminals for a wired, closed circuit contact loop.
5819WHS
5819BRS
Shock Processor
Transmitter
RF • Has built-in shock sensor.
• Has built-in tampered cover switch.
• Has 3 unique input (loop) codes:
Loop 1:
Built-in shock sensor loop wired to TB1 (normally closed).
Loop 2:
For a closed circuit contact loop using the built-in reed
switch in conjunction with a magnet.
Loop 3:
Externally wired, closed circuit loop connected to TB2.
5827 Wireless Keypad Uses House
ID only
• Can be used to turn the burglary protection on and off.
• Features the same built-in panic functions as wired keypads.
• The keypad is identified as zone “00” on wired keypads when it
transmits with a low battery.
5827BD Wireless Two-Way
Keypad
Uses House
ID only
• Requires 5800TM Transmitter Module.
• Operates the system similarly to wired keypads, including panics.
• Can indicate system status via its 3 LEDs and sounder.
• Includes 3 panic keys.
5849 Glassbreak Detector RF
• House ID must also be set.
• Requires both sound and shock of breaking glass to cause
alarm to be transmitted.
5890 PR Detector RF Dual-element passive infrared detector/transmitter with built-in
selectable pulse count.
Note:
There is a 3-minute lockout between fault transmissions to
conserve battery life.
5899 Magnets Package of 4 magnets for use with 5816 and 5817 transmitters.
8-3

Installation Instructions
8-4

SECTION 9
Regulatory Agency Statements
••••••••••••••••••••••••••••••••••••
•••
RADIO FREQUENCY EMISSIONS
Federal Communications Commission (FCC) Part 15
This device complies with part 15 of the FCC rules. Operation is subject to the following two conditions: (1) This device may not cause harmful
interference, and (2) this device must accept any interference received, including interference that may cause undesired operation.
Industry Canada
This Class B digital apparatus complies with Canadian ICES-003.
Cet Appareil numérique de la classe B est conforme à la norme NMB-003 du Canada.
TELEPHONE/MODEM INTERFACE
FCC Part 68
This equipment complies with Part 68 of the FCC rules. On the front cover of this equipment is a label that contains the FCC registration
number and Ringer Equivalence Number (REN). You must provide this information to the telephone company when requested.
This equipment uses the following USOC jack: RJ31X
This equipment may not be used on telephone-company-provided coin service. Connection to party lines is subject to state tariffs. This
equipment is hearing-aid compatible.
Industry Canada
NOTICE: The Industry Canada Label identifies certified equipment. This certification means that the equipment meets telecommunications
network protective, operational and safety requirements as prescribed in the appropriate Terminal Equipment Technical Requirements
document(s). The Department does not guarantee the equipment will operate to the user’s satisfaction.
Before installing this equipment, users should ensure that it is permissible to be connected to the facilities of the local telecommunications
company. The equipment must also be installed using an acceptable method of connection. The customer should be aware that compliance with
the above conditions may not prevent degradation of service in some situations.
Repairs to certified equipment should be coordinated by a representative designated by the supplier. Any repairs or alterations made by the user
to this equipment, or equipment malfunctions, may give the telecommunications company to request the user to disconnect the equipment.
Users should ensure for their own protection that the electrical ground connections of the power utility, telephone lines and internal metallic
water pipe system, if present, are connected together, This precaution may be particularly important in rural areas.
Caution: Users should not attempt to make such connections themselves but should contact appropriate electric inspection authority, or
electrician, as appropriate.
Ringer Equivalence Number Notice:
The Ringer Equivalence Number (REN) assigned to each terminal device provides an indication of the maximum number of terminals allowed
to be connected to a telephone interface. The termination on an interface may consist of any combination of devices subject only to the
requirement that the sum of the Ringer Equivalence Numbers of all the devices does not exceed 5.
Industrie Canada
AVIS: l’étiquette d’Industrie Canada identifie le matériel homologué. Cette étiquette certifie que le matériel est conforme aux normes de
protection, d’exploitation et de sécurité des réseaux de télécommunications, comme le prescrivent les documents concernant les exigences
techniques relatives au matériel terminal. Le Ministère n’assure toutefois pas que le matériel fonctionnera à la satisfaction de l’utilisateur.
Avant d’installer ce matériel, l’utilisateur doit s’assurer qu’il est permis de le raccorder aux installations de l’enterprise locale de
télécommunication. Le matériel doit également être installé en suivant une méthode acceptée da raccordement. L’abonné ne doit pas oublier qu’il
est possible que la conformité aux conditions énoncées ci-dessus n’empêche pas la dégradation du service dans certaines situations.
Les réparations de matériel nomologué doivent être coordonnées par un représentant désigné par le fournisseur. L’entreprise de
télécommunications peut demander à l’utilisateur da débrancher un appareil à la suite de réparations ou de modifications effectuées par
l’utilisateur ou à cause de mauvais fonctionnement.
Pour sa propre protection, l’utilisateur doit s’assurer que tous les fils de mise à la terre de la source d’energie électrique, de lignes téléphoniques
et des canalisations d’eau métalliques, s’il y en a, sont raccordés ensemble. Cette précaution est particulièrement importante dans les régions
rurales.
Avertissement : L’utilisateur ne doit pas tenter de faire ces raccordements lui-même; il doit avoir racours à un service d’inspection des
installations électriques, ou à un électricien, selon le cas.
AVIS : L’indice d’équivalence de la sonnerie (IES) assigné à chaque dispositif terminal indique le nombre maximal de terminaux qui
peuvent être raccordés à une interface. La terminaison d’une interface téléphonique peut consister en une combinaison de quelques dispositifs, à
la seule condition que la somme d’indices d’équivalence de la sonnerie de tous les dispositifs n’excède pas 5.
9-1

UL NOTICES
1. Entry Delay No. 1 and No. 2 (fields ✱35, ✱36) cannot be greater than 30 seconds for UL Residential
Burglar Alarm installations, and entry delay plus dial delay should not exceed 1 minute. For UL
Commercial Burglar Alarm installations, total entry delay may not exceed 45 seconds.
2. For UL Commercial Burglar Alarm (Grade AA) and UL Residential Burglar Alarm installations
with line security, total exit delay time must not exceed 60 seconds. For UL Burglar Alarm
installations without line security (Grade A), total exit delay time must not exceed 120 seconds.
3. The maximum number of reports per armed period (field ✱93) must be set to “0” (unlimited) for UL
installations.
4. Periodic testing (see scheduling mode) must be at least every 24 hours.
5. Alarm Sounder plus Auxiliary Power currents must not exceed 600mA total for UL installations
(Aux power 500mA max.).
6. If used, the audible alarm device(s) must be placed where it/they can be heard by all users.
7. For UL commercial burglar alarm installations the control unit must be protected from
unauthorized access. The tamper switch installed to protect the control unit enclosure door is
suitable for this purpose.
8. Remote downloading without an alarm company technician on-site (unattended downloading) is not
permissible for UL installations.
9. Auto-disarming is not a UL Listed feature.
10. As SIA limits for delay of alarm reporting and sounding can exceed UL limits for commercial and
residential applications, the following UL requirements per UL681 are provided:
The maximum time that a control unit shall be programmed to delay the transmission of a signal to
a remote monitoring location, or to delay the energizing of a local alarm sounding device to permit
the alarm system user to enter and disarm the system, or to arm the system and exit shall not
exceed:
a) 60 seconds for a system with standard line security or encrypted line security,
b) 120 seconds for a system without standard line security or encrypted line security, or
c) 120 seconds for a system that does not transmit an alarm signal to a remote monitoring location.
SIA Quick Reference Guide
1. *31 Single Alarm Sounding per Zone: If “0” selected, “alarm sounding per zone” will be the same as
the “number of reports in armed period” set in field *93 (1 if one report, 2 if 2 reports, unlimited for
zones in zone list 7).
2. *34 Exit Delay: Minimum exit delay is 45 seconds.
3. *35/*36 Entry Delay 1 and 2: Minimum entry delay is 30 seconds.
4. *37 Audible Exit Warning: Feature always enabled; field does not exist.
5. *39 Power Up in Previous State: Must be “1,” power up in previous state.
6. *40 PABX Access Code or Call Waiting Disable: If call waiting is used, call waiting disable option in
field *91 must be set.
7. *50 Burglary Dial Delay: Delay must be minimum of 30 seconds.
8. *59 Exit Error Alarm Report Code: Always enabled.
9 *68 Cancel Report Code: Default is “code enabled.”
10. *69 Recent Closing Report Code: Always enabled.
11. *91 Option Selection: Exit Delay option should be enabled. If call waiting is used, Call Waiting
Disable must be set to “1” (enabled).
12. *93 No. reports in Armed Period: Must be set for 1 or 2 report pairs.
Installation Instructions
9-2

SECTION 10
Limitations and Warranty
••••••••••••••••••••••••••••••••••••
WARNING
THE LIMITATIONS OF THIS ALARM SYSTEM
While this System is an advanced design security system, it does not offer guaranteed protection
against burglary, fire or other emergency. Any alarm system, whether commercial or residential, is
subject to compromise or failure to warn for a variety of reasons. For example:
• Intruders may gain access through unprotected openings or have the technical sophistication to
bypass an alarm sensor or disconnect an alarm warning device.
• Intrusion detectors (e.g., passive infrared detectors), smoke detectors, and many other sensing
devices will not work without power. Battery-operated devices will not work without batteries, with
dead batteries, or if the batteries are not put in properly. Devices powered solely by AC will not work
if their AC power supply is cut off for any reason, however briefly.
• Signals sent by wireless transmitters may be blocked or reflected by metal before they reach the
alarm receiver. Even if the signal path has been recently checked during a weekly test, blockage can
occur if a metal object is moved into the path.
• A user may not be able to reach a panic or emergency button quickly enough.
• While smoke detectors have played a key role in reducing residential fire deaths in the United
States, they may not activate or provide early warning for a variety of reasons in as many as 35% of
all fires, according to data published by the Federal Emergency Management Agency. Some of the
reasons smoke detectors used in conjunction with this System may not work are as follows. Smoke
detectors may have been improperly installed and positioned. Smoke detectors may not sense fires
that start where smoke cannot reach the detectors, such as in chimneys, in walls, or roofs, or on the
other side of closed doors. Smoke detectors also may not sense a fire on another level of a residence
or building. A second floor detector, for example, may not sense a first floor or basement fire.
Finally, smoke detectors have sensing limitations. No smoke detector can sense every kind of fire
every time. In general, detectors may not always warn about fires caused by carelessness and safety
hazards like smoking in bed, violent explosions, escaping gas, improper storage of flammable
materials, overloaded electrical circuits, children playing with matches, or arson. Depending on the
nature of the fire and/or location of the smoke detectors, the detector, even if it operates as
anticipated, may not provide sufficient warning to allow all occupants to escape in time to prevent
injury or death.
• Passive Infrared Motion Detectors can only detect intrusion within the designed ranges as
diagrammed in their installation manual. Passive Infrared Detectors do not provide volumetric area
protection. They do create multiple beams of protection, and intrusion can only be detected in
unobstructed areas covered by those beams. They cannot detect motion or intrusion that takes place
behind walls, ceilings, floors, closed doors, glass partitions, glass doors, or windows. Mechanical
tampering, masking, painting or spraying of any material on the mirrors, windows or any part of the
optical system can reduce their detection ability. Passive Infrared Detectors sense changes in
temperature; however, as the ambient temperature of the protected area approaches the
temperature range of 90° to 105°F (32° to 40°C), the detection performance can decrease.
• Alarm warning devices such as sirens, bells or horns may not alert people or wake up sleepers if
they are located on the other side of closed or partly open doors. If warning devices are located on a
different level of the residence from the bedrooms, then they are less likely to waken or alert people
inside the bedrooms. Even persons who are awake may not hear the warning if the alarm is muffled
by noise from a stereo, radio, air conditioner or other appliance, or by passing traffic. Finally, alarm
warning devices, however loud, may not warn hearing-impaired people.
• Telephone lines needed to transmit alarm signals from a premises to a central monitoring station
may be out of service or temporarily out of service. Telephone lines are also subject to compromise by
sophisticated intruders.
• Even if the system responds to the emergency as intended, however, occupants may have
insufficient time to protect themselves from the emergency situation. In the case of a monitored
alarm system, authorities may not respond appropriately.
• This equipment, like other electrical devices, is subject to component failure. Even though this
equipment is designed to last as long as 10 years, the electronic components could fail at any time.
(Continued)
10-1

WARNING
THE LIMITATIONS OF THIS ALARM SYSTEM
(Continued)
The most common cause of an alarm system not functioning when an intrusion or fire occurs is
inadequate maintenance. This alarm system should be tested weekly to make sure all sensors and
transmitters are working properly. The security keypad (and remote keypad) should be tested as well.
Wireless transmitters (used in some systems) are designed to provide long battery life under normal
operating conditions. Longevity of batteries may be as much as 4 to 7 years, depending on the
environment, usage, and the specific wireless device being used. External factors such as humidity,
high or low temperatures, as well as large swings in temperature, may all reduce the actual battery life
in a given installation. This wireless system, however, can identify a true low-battery situation, thus
allowing time to arrange a change of battery to maintain protection for that given point within the
system.
Installing an alarm system may make the owner eligible for a lower insurance rate, but an alarm
system is not a substitute for insurance. Homeowners, property owners and renters should continue to
act prudently in protecting themselves and continue to insure their lives and property.
We continue to develop new and improved protection devices. Users of alarm systems owe it to
themselves and their loved ones to learn about these developments.
Installation Instructions
10-2

– INDEX –
1321................................... 1-1, 2-4
24-Hour Audible Alarm .............. 3-3
24-Hour Silent Alarm ................. 3-3
3+1 and 4+1 Standard Formats. 6-1
4204 1-2, 2-5, 2-6, 2-9, 3-1, 5-6, 8-1
4229................................... 2-6, 3-1
4285 Phone Module 1-1, 2-12, 5-11
4286 Phone Module 1-1, 2-12, 5-11
4-Wire Smoke Detectors ........... 2-6
5800 Series Transmitters 2-8, 8-2, 8-3
5800TM......... 2-7, 2-8, 8-1, 8-2, 8-3
5801................................... 2-8, 8-2
5802............................ 2-8, 6-6, 8-2
5802CP ....................... 2-8, 6-6, 8-2
5804 wireless key...................... 5-4
5804BD wireless key................. 5-4
5827............................ 2-8, 4-1, 8-3
5827BD .. 2-7, 2-8, 4-1, 8-1, 8-2, 8-3
5881............................ 1-1, 2-5, 2-7
6128.......................................... 2-3
6139................................... 2-3, 3-5
7720PLUS or 7820.................... 1-1
9-pin connector ......................... 2-8
A
AAV Connections .................... 2-12
AC Power Supply ...................... 1-1
AC Transformer......................... 2-4
AD12612 ................................... 2-3
Alarm Output............... 1-1, 2-4, 2-5
Alarm Sounder Timeout ............ 4-2
Alpha Descriptor........ 5-1, 5-3, 5-12
Alpha Keypads .......................... 3-5
Alpha Programming................... 3-1
Alpha Vocabulary List.............. 5-11
Arming Away............................. 6-5
Arming Instant........................... 6-5
Arming Modes ........................... 6-5
Arming Stay .............................. 6-5
Audio Alarm Verification (AAV) 2-10
Authority Levels......................... 6-4
Auto-STAY Arming.................... 4-6
Auxiliary Output......................... 2-5
B
Backup Battery.......................... 1-1
Battery Life................................ 2-8
Battery Tests...................... 7-1, 7-2
Bell Supervision ........................ 2-4
Bell Supervision Jumper............ 2-4
Bypassing Zones....................... 6-5
C
Cabinet...................................... 2-1
California State Fire Marshall .... 2-5
Caller ID Unit........................... 2-10
Cancel Report Code.................. 4-5
Character List.......................... 5-12
Charging Voltage....................... 8-1
Chime Mode..................... 4-10, 6-5
Communication .. 5-10, 6-1, 7-2, 8-1
Configurable Zone Type Options4-9
Configurable Zone Type
Programming Fields.............. 4-9
Contact ID Reporting................. 8-1
Custom Words ......... 5-11, 5-12, 13
D
Data Field Programming Procedures
..............................................3-5
Defining Output Functions .........5-7
Descriptor Programming.......... 5-11
device address . 2-3, 2-9, 3-1, 3-6, 4-
1, 4-11, 5-6, 6-6
Device number . 5-1, 5-2, 5-3, 5-4, 5-
7, 5-9
DIP Switches. ............................ 2-8
Disarming ...........................5-8, 6-5
E
Enrolling .............................2-8, 5-1
entering serial number............... 5-4
Entry Delay...........3-3, 4-9, 6-5, 6-6
Entry Delay 02........................... 4-2
Entry/Exit Burglary..................... 3-3
Event Logging.....................1-1, 4-7
Exit Delay ......4-2, 4-7, 4-9, 6-5, 6-6
Exit Error Alarm ......................... 6-6
Exit Error Report Code...............4-4
Expert Programming Mode . 5-3, 5-5
F
Factory Defaults ........................ 3-5
Fast Busy Signal...................... 2-11
Fault Delay Time .......................4-6
Function Key Programming 1-2, 3-1,
5-10
Function Keys................... 3-2, 5-10
Fuse .......................................... 8-1
G
Go/No Go Test Mode.................7-2
H
Handshake ................................6-1
hardwired zones ................. 1-1, 6-6
HAYES Modem .........................1-1
House ID ..............2-8, 4-1, 8-2, 8-3
I
IBM Personal Computer ............ 3-1
Ideal Model 61–035 ................... 2-5
Input Device Type........5-4, 8-2, 8-3
Installer Code .......3-5, 4-8, 7-1, 7-2
Interior Follower...........3-3, 5-1, 5-8
Interior w/Delay............3-3, 5-1, 5-8
K
keypad addresses ..............2-3, 3-1
Keypad Programming Fields.... 4-11
Keyswitch .............2-8, 2-9, 3-4, 5-1
Kissoff ................................5-8, 6-1
L
Lock...........................................2-1
Long Range Radio. 1-1, 2-11, 4-3, 4-
4, 3, 8-1
Low Battery Message ................ 7-2
M
macros ...................................... 1-1
model 112.................................. 2-8
Modem ...............................3-1, 6-6
momentary switch......................2-8
N
No Alarm Response............3-4, 5-8
Normally Closed Zones..............2-6
Normally Open Zones ................2-6
O
On-Board Triggers ..........2-10, 2-12
Output Device Mapping.......3-1, 5-6
Output Devices ............3-2, 5-6, 6-5
Output Functions .......................5-6
Output relays .............................1-1
Output To Long Range Radio ....4-1
P
Pager Format.............................4-8
Pager Programming............3-2, 4-8
Paging .......................................4-7
Panic Keys.................................6-5
Perimeter Burglary.....................3-3
Phone Line...............................2-10
Phone Module. 1-1, 2-3, 2-5, 2-10, 2-
11, 2-12, 4-1, 4-7, 5-11, 5-12, 8-1
Power Failure......................5-8, 6-6
power supply.......2-3, 2-4, 2-5, 10-2
Primary Phone No......................4-4
Q
Quick Arm Enable......................3-1
R
Receiver and Transmitters .........3-2
Relay Modules ....................1-2, 2-9
Relay Programming ...................3-1
Remote Keypads .......................1-1
Report Code . 4-4, 4-5, 4-6, 4-7, 4-9,
5-2, 5-4, 6-1
Report Code Formats ................6-1
Reports In Armed Period............4-7
response time .....................4-6, 5-1
RF Interference..........................2-7
RF jam detection........................1-1
RF Receiver2-1, 2-2, 2-3, 2-5, 2-7, 3
RJ31X Jack.....................2-10, 2-11
S
Schedules................................5-14
Security Codes ...................1-1, 6-4
Silent Burglary .........3-4, 5-1, 5-8, 3
Silent Panic................................6-5
Smoke Detectors .......................8-2
Sniffer Mode .......................5-3, 7-1
sounder connections..................2-4
Supervised Fire..........................3-3
Supplementary Power................2-3
Swinger Suppression .................4-7
System Communication4-9, 5-2, 6-1
System Operation5-4, 5-5, 5-8, 5-14
System Status Report Codes.....4-4
System Test...............................7-1
10-3

T
Tamper Switch ............ 2-8, 2-9, 9-2
Telco Line ........................... 2-11, 3
Test Mode .......................... 7-1, 7-2
Test Restore Report Code......... 4-6
Transmitter Battery Life............. 2-8
Transmitter Input Types ............ 5-2
Trouble by Day/......................... 3-3
Trouble Displays................. 6-4, 6-6
V
Vocabulary List........................ 5-11
W
Wireless Key Templates............5-4
Wiring Length/Gauge Chart ....... 2-3
Wiring Run Chart.......................2-3
Word String ............................. 5-12
Worksheet ................................. 2-5
Z
Zone Lists ...........................3-1, 5-9
Zone Programming Procedure...5-1
Zone Types.......... 3-3, 5-1, 5-4, 5-8
Installation Instructions
10-4

VISTA-10P-SOC-V2
CLASS 2 PLUG-IN TRANSFORMER
16.5VAC, 25VA
(e.g. ADEMCO No. 1321).
(USE No. 1321CN IN CANADA)
TO 110VAC
UNSWITCHED
OUTLET (24HR)
THIS EQUIPMENT SHOULD BE INSTALLED
IN ACCORDANCE WITH THE NATIONAL
FIRE PROTECTION ASSOCIATION'S
STANDARD 72, CHAPTER 2 (NATIONAL
FIRE PROTECTION ASSOCIATION,
BATTERY-MARCH PARK, QUINCY,MA
02269).
PRINTED INFORMATION
DESCRIBING PROPER INSTALLATION,
OPERATION,TESTING, MAINTENANCE,
EVACUATION PLANNING AND REPAIR
SERVICE IS TO BE PROVIDED WITH THIS
EQUIPMENT.
24-HR BATTERY STANDBY REQUIRED FOR
FIRE INSTALLATIONS. USE 12V, 17.2AH
BATTERY FOR 600mA AUX POWER. SEE
INSTRUCTIONS.
BATTERY CAPACITY FOR EMERGENCY
BURGLARY STANDBY USE AT LEAST 4 HRS
USE UL LISTED LIMITED ENERGY
CABLE FOR ALL CONNECTIONS
FOR COMPLETE
INFORMATION, SEE
INSTRUCTIONS K0735
ALARM OUTPUT
10.5–13.8VDC, 2A MAX.
(600mA MAX. FOR UL
USAGE, INCLUDING
AUX POWER) STEADY
FOR BURGLARY/PANIC,
TEMPORAL PULSE
SOUNDING FOR FIRE.
CAN USE ADEMCO No. 702
SIREN, OR 12V BELL).
SEE INSTRUCTIONS.
CHARGING VOLTAGE
13.8VDC. MAXIMUM
CHARGING CURRENT
650mA.
BATTERY
12V, 4AH
BLACK
RED
SEALED LEAD-ACID TYPE.
BATTERY NORMALLY NEED NOT BE
REPLACED FOR AT LEAST 3 YRS.
TO DETERMINE TOTAL STANDBY LOAD
ON BATTERY, ADD 100mA TO TOTAL OF
AUX. POWER OUTPUT AND REMOTE
KEYPAD CURRENTS.
FLYING LEADS
FOR BATTERY
CONNECTION
CONNECTION OF THE FIRE ALARM
SIGNAL TO A FIRE ALARM
HEADQUARTERS OR A CENTRAL STATION
SHALL BE PERMITTED ONLY WITH THE
PERMISSION OF THE LOCAL AUTHORITY
HAVING JURISDICTION. THE BURGLAR
ALARM SIGNAL SHALL NOT BE
CONNECTED TO A POLICE EMERGENCY
NUMBER.
OPTIONAL
FOR UP TO 16 ADDITIONAL RF ZONES
( AND/OR UP TO 4 RELAYS)
ADEMCO 5881* Type
RF RECEIVER
WIRELESS ZONES
ADEMCO No. 4204 RELAY MODULE
(4 OUTPUT RELAYS)
SET UNIT’S DIP SWITCH FOR DEVICE
ADDRESS 12
SEE INSTRUCTIONS.
BLK
RED
GRN
YEL
12378
11 12 17
20 21 22 23 24 25
EARTH
GROUND
SEE
INSTRUCTIONS
FOR PROPER
GROUNDING
(VIA RJ31X* JACK AND DIRECT
CONNECT CORD)
*CA38A IN CANADA
DOC LOAD NO.: 3
RED: KEYPAD PWR (
+
)
GREEN: DATA IN FROM KEYPAD
YELLOW: KEYPAD DATA OUT
▲
▲
REMOTE
KEYPADS
AND OTHER
ADDRESSABLE
DEVICES
(e.g. 5800TM,
4285/4286, LRR,
4204, 5881)
WARNING:
TO PREVENT RISK OF SHOCK,
DISCONNECT TELEPHONE LINE AT TELCO
JACK BEFORE SERVICING THIS UNIT.
BLK
RED
GRN
YEL
TO TERM 4
TO TERM 5
TO TERM 6
TO TERM 7
BLK
RED
GRN
YEL
AND/OR
RING
(GRAY)
TIP
(GREEN)
RING
(RED)
INCOMING
PHONE LINE
HANDSET
TELEPHONE WIRING
ZONE 1
ZONE 2
HI
LO
HI
LO
ZONE 3
ZONE 4
HI
LO
HI
LO
ZONE 5
ZONE 6
HI
LO
HI
LO
MAXIMUM LOOP RESISTANCE: (EACH ZONE) 300 OHMS (PLUS EOLR)
•
• RESPONSE, ZONES 1-6: 10, 350, OR 700 MSEC (PROGRAMMABLE)
5-PIN CONNECTOR
FOR ON-BOARD TRIGGERS
SEE INSTRUCTIONS.
(USE KEYPAD CABLE)
TIP
(BROWN)
}
THIS DEVICE COMPLIES WITH PART 15 OF FCC RULES.
OPERATION IS SUBJECT TO THE FOLLOWING TWO
CONDITIONS: (1) THIS DEVICE MAY NOT CAUSE HARMFUL
INTERFERENCE, AND (2) THIS DEVICE MUST ACCEPT ANY
INTERFERENCE RECEIVED, INCLUDING INTERFERENCE
THAT MAY CAUSE UNDESIRED OPERATION.
COMPLIES WITH FCC RULES, PART 68.
FCC REGISTRATION NO. 5GBUSA-44003-AL-E
RINGER EQUIVALENCE: 0.1B.
WEEKLY TESTING IS REQUIRED TO ENSURE PROPER OPERATION OF THIS
SYSTEM. IN ADDITION, THIS SYSTEM MUST BE CHECKED BY A QUALIFIED
TECHNICIAN AT LEAST ONCE EVERY THREE (3) YEARS.
RED JUMPER
CUT FOR BELL SUPERVISION.
ALSO, CONNECT 2000 OHM
RESISTOR DIRECTLY ACROSS
SOUNDER.
FOR CONNECTION OF OPTIONAL 4285 OR 4286 VIP
MODULES TO PHONE TERMINALS, SEE INSTRUCTIONS.
5881L: UP TO 8
5881M: UP TO 16
NOTE:
KEYPAD (S)
CURRENT AND
ALL OTHER
DEVICES
DRAWING
POWER FROM
TERMS 4 & 5
MUST BE
INCLUDED IN
AUX CURRENT
DRAIN
CALCULATIONS.
2000
OHMS
EOLR
2000
OHMS
EOLR
2000
OHMS
EOLR
2000
OHMS
EOLR
2000
OHMS
EOLR
2000
OHMS
EOLR
GND
+12 AUX
18 19
16
15
14
13
10
96
1234 5
OUTPUT 18
(TRIG. 2)
OUTPUT 17
(TRIG. 1)
ALL DEVICES AND ACCESSORIES
USED IN A CANADIAN INSTALLATION
MUST BE LISTED FOR USE IN CANADA
BATTERY FUSE
FOR REPLACEMENT,
USE SAME VALUE
(e.g. ADEMCO No. 90-12)
3A
SET
RECEIVER’S
DIP SWITCH
FOR DEVICE
ADDRESS
OF “0”.
SEE
INSTRUCTIONS.
REMOTE KEYPADS
CAN USE 6150 OR 6160
KEYPADS. LOCAL
PROGRAMMING
MUST BE DONE WITH A
6160, BUT NEED NOT
REMAIN IN THE SYSTEM
(SET TO ADDRESS 16).
POWER SHUTDOWN NOTE:
SYSTEM SHUTS DOWN SENSOR
DETECTION PROCESSING IF
CONTROL'S VOLTAGE DROPS
BELOW 9.6V.
ADEMCO VISTA-10P / VISTA-10PSIA
SUMMARY OF CONNECTIONS
*5882 IN CANADA
NOT USED
NOT USED
BLACK: KEYPAD GROUND (- ) RETURN
AUX. POWER
OUTPUT
10.5-13.8VDC
600mA MAX.
(500mA MAX.
FOR UL
INSTALLATIONS)
ALL OUTPUTS
ARE POWER
LIMITED.
}
BLK
54
4-WIRE SMOKE DETECTOR CONNECTIONS
+
+
2000
OHMS
EOLR
HEAT
DETECTOR
RED
EOL
POWER
SUPERVISION
RELAY MODULE
A77-716B.
USE N.O.
CONTACT,
WHICH CLOSES
WHEN POWER
IS APPLIED.
VIOLET
AUX PWR
OUTPUT
TERMINALS
5
4
+
BLK
TO ZONE TERM. ( )
TO ZONE TERM. ( )
RELAY
CONTACT OPENS MOMENTARILY
UPON FIRE ALARM RESET
PROGRAM RELAY
AS ZONE TYPE 54
(FIRE ZONE RESET)
+
4-WIRE SMOKE
OR COMBUSTION
DETECTOR
N.C. N.O.
TO OUTPUT 17
PROGRAM OUTPUT 17 FOR
"OUT NORM LOW" = YES IN
79 MENU MODE AND AS ZONE
TYPE 54 IN 80 MENU MODE
MAX. CURRENT = 100 mA
(UP TO 16 DETECTORS
PLUS EOL MODULE)
OR
Figure 17. Summary of Connections

LIMITED WARRANTY
Honeywell International Inc., acting through its Security & Custom Electronics business ("Seller") 165 Eileen
Way, Syosset, New York 11791, warrants its product(s) to be in conformance with its own plans and
specifications and to be free from defects in materials and workmanship under normal use and service for 24
months from the date stamp control on the product(s) or, for product(s) not having a manufacturer’s date stamp,
for 12 months from date of original purchase unless the installation instructions or catalog sets forth a shorter
period, in which case the shorter period shall apply. Seller's obligation shall be limited to repairing or replacing,
at its option, free of charge for materials or labor, any product(s) which is proved not in compliance with Seller's
specifications or proves defective in materials or workmanship under normal use and service. Seller shall have
no obligation under this Limited Warranty or otherwise if the product(s) is altered or improperly repaired or
serviced by anyone other than Honeywell factory service. Connection of any device(s) to a communicating bus of
a Honeywell security system (e.g., keypad bus, polling loop) other than those manufactured or approved by
Honeywell shall void this warranty. For warranty service, return product(s) transportation prepaid, to
Honeywell Factory Service, 165 Eileen Way, Syosset, New York 11791.
THERE ARE NO WARRANTIES, EXPRESS OR IMPLIED, OF MERCHANTABILITY, OR FITNESS FOR A
PARTICULAR PURPOSE OR OTHERWISE, WHICH EXTEND BEYOND THE DESCRIPTION ON THE FACE HEREOF.
IN NO CASE SHALL SELLER BE LIABLE TO ANYONE FOR ANY CONSEQUENTIAL OR INCIDENTAL DAMAGES
FOR BREACH OF THIS OR ANY OTHER WARRANTY, EXPRESS OR IMPLIED, OR UPON ANY OTHER BASIS OF
LIABILITY WHATSOEVER, EVEN IF THE LOSS OR DAMAGE IS CAUSED BY THE SELLER'S OWN NEGLIGENCE
OR FAULT.
Seller does not represent that the product(s) it sells may not be compromised or circumvented; that the
product(s) will prevent any personal injury or property loss by burglary, robbery, fire or otherwise; or that the
product(s) will in all cases provide adequate warning or protection. Customer understands that a properly
installed and maintained alarm system may only reduce the risk of a burglary, robbery, fire, or other events
occurring without providing an alarm, but it is not insurance or a guarantee that such will not occur or that
there will be no personal injury or property loss as a result. CONSEQUENTLY, SELLER SHALL HAVE NO
LIABILITY FOR ANY PERSONAL INJURY, PROPERTY DAMAGE OR OTHER LOSS BASED ON A CLAIM
THAT THE PRODUCT(S) FAILED TO GIVE WARNING. HOWEVER, IF SELLER IS HELD LIABLE,
WHETHER DIRECTLY OR INDIRECTLY, FOR ANY LOSS OR DAMAGE ARISING UNDER THIS LIMITED
WARRANTY OR OTHERWISE, REGARDLESS OF CAUSE OR ORIGIN, SELLER'S MAXIMUM LIABILITY
SHALL NOT IN ANY CASE EXCEED THE PURCHASE PRICE OF THE PRODUCT(S), WHICH SHALL BE
THE COMPLETE AND EXCLUSIVE REMEDY AGAINST SELLER.
This warranty replaces any previous warranties and is the only warranty made by Seller on this product(s). No
increase or alteration, written or verbal, of the obligations of this Limited Warranty is authorized.
165 Eileen Way, Syosset, NY 11791
Copyright © 2004 Honeywell International Inc.
www.honeywell.com/security
ÊK0735V3^Š
K0735V3 10/04 Rev. B