Honeywell Thermostat Perfect Climate Comfort Center Control System Users Manual Confrot
perfect climate comfort center control system to the manual d56bf586-5e25-45b2-8962-770cc7273f0a
2015-01-23
: Honeywell Honeywell-Honeywell-Thermostat-Perfect-Climate-Comfort-Center-Control-System-Users-Manual-262139 honeywell-honeywell-thermostat-perfect-climate-comfort-center-control-system-users-manual-262139 honeywell pdf
Open the PDF directly: View PDF
.
Page Count: 44
- General
- Features
- Specifications
- Installation
- Wiring Diagrams
- W8900A,C Hookup Diagrams
- W8900B Hookup Diagrams
- W8900A,B,C Humidity Control Hookup Diagrams
- Mounting the PC8900A Control Panel
- Wiring the PC8900A
- In replacement applications, more than four wires can be available. In these applications, tape off the unused wires at the PC8900A location and the W8900A-C location.
- Mounting the C7189A Remote Sensor (if needed)
- Wiring the C7189A Remote Sensor (if needed)
- Mounting the C7089A Outdoor Sensor (if needed)
- Wiring the C7089A Outdoor Sensor (if needed)
- Mounting the C7100A Discharge Air Sensor (if needed)
- Wiring the C7100A Discharge Air Sensor (if needed)
- Installer Setup
- Programming PC8900A
- Checkout
- Operation
- Troubleshooting
- Glossary

PRODUCT DATA
68- 0173- 3
® U.S. Registered Trademark
Copyright © 2001 Honeywell • All Rights Reserved
Perfect Climate Comfort Center™
Control System
GENERAL
This document contains information on the Perfect Climate
Comfort Center™ Control System including components and
accessories. Some components and accessories include the
PC8900A Control Panel, W8900A-C Remote Module,
C7189A Remote Indoor Sensor, C7089A Outdoor Sensor,
C7100A Discharge Air Sensor, CO2 Monitor, CM8900A
Communication Module, and W8735B Telephone Access
Module.
The Comfort Center control system provides 24 Vac energy
saving control for a heating and cooling system, while
providing reliable and precise temperature, ventilation and
humidity control.
FEATURES
The PC8900A mounts in the living space and accurately
measures and controls room temperature and humidity.
• Only four wires required for installation.
• Large, continuously lit LCD.
• Seven-day (auto copy) programming.
• Simultaneous display of heat and cool setpoints.
• Keyboard lockout protection available.
• No batteries required, indefinite program retention.
• Circulation fan setting improves indoor air quality.
• Field configurable for:
— Automatic or manual changeover.
— °F or °C display.
— 12- or 24-hour clock.
— Adaptive Intelligent Recovery™ control or conven-
tional recovery.
— Humidity control in heating or cooling.
— Outdoor, remote, and discharge temperature sen-
sors available.
— Fan overrun in cooling.
— Ventilation control.
The W8900A-C mounts near the equipment. The
PC8900A, heating, cooling, ventilation and
dehumidification equipment and all additional sensors
are wired to the W8900A-C.
• Compatible with most 24 Vac Systems.
• Remote sensor, discharge sensor, outdoor sensor and
CO2 monitor available.
• Optional remote communications available.
PC8900A
W8900A-C
Contents
General ............................................................................. 1
Features ........................................................................... 1
Specifications .................................................................... 2
Ordering Information ........................................................ 2
Installation ........................................................................ 5
Wiring Diagrams ............................................................... 9
W8900A,C Hookup Diagrams ....................................... 9
W8900B Hookup Diagrams ........................................... 14
W8900A,B,C Humidity Control Hookup Diagrams ........ 18
Installer Setup ................................................................... 24
Programming PC8900A .................................................... 27
Checkout .......................................................................... 33
Operation .......................................................................... 34
Troubleshooting ................................................................ 40
Glossary ........................................................................... 44

68-0173—3 2
ORDERING INFORMATION
When purchasing replacement and modernization products from your TRADELINE® wholesaler or distributor, refer to the
TRADELINE® Catalog or price sheets for complete ordering number.
If you have additional questions, need further information, or would like to comment on our products or services, please write or
phone:
1. Your local Home and Building Control Sales Office (check white pages of your phone directory).
2. Home and Building Control Customer Relations
Honeywell, 1885 Douglas Drive North
Minneapolis, Minnesota 55422-4386 (800) 328-5111
In Canada—Honeywell Limited/Honeywell Limitée, 35 Dynamic Drive, Scarborough, Ontario M1V 4Z9.
International Sales and Service Offices in all principal cities of the world. Manufacturing in Australia, Canada, Finland, France,
Germany, Japan, Mexico, Netherlands, Spain, Taiwan, United Kingdom, U.S.A.
SPECIFICATIONS
IMPORTANT
The specifications given in this publication do not
include normal manufacturing tolerances; therefore,
an individual unit might not exactly match the listed
specifications. Also, this product is tested and cali-
brated under closely controlled conditions, and some
minor differences in performance can be expected if
those conditions are changed.
Models:
The PC8900A Comfort Center™ Control Panel mounts in the
living space and accurately measures and controls room
temperature and humidity. The W8900A-C Remote Module
provides a wiring panel and switching for the Perfect Climate
Comfort Center™ Control System. See Table 1.
System Components and Accessories (See Fig. 1):
C7089A1002 Outdoor Sensor: Used to measure outdoor tem-
perature.
C7100A1015 Discharge Air Sensor: Used to sense tempera-
ture in discharge or return air.
C7189A1001 Remote Indoor Sensor: Used for remote sensor
applications.
CM8900A1009 Communication Module: Used for remote
communication.
W8735B1003 Telephone Access Module: Used for remote
communication.
202689A Mounting Plate Accessory: Used when C7189A
Remote Indoor Sensor cannot cover wall marks from old
thermostat.
205224A Wall Cover Plate: Used when PC8900A Control
Panel cannot cover wall marks from old thermostat.
32007496-001 Replacement Door: Used for PC8900A Control
Panel.
Dimensions:
205224A: See Fig. 2.
C7089A: See Fig. 3.
C7100A: See Fig. 4.
C7189A: See Fig. 5.
PC8900A: See Fig. 6.
W8900A-C: See Fig. 7.
Operating Ambient Temperature Range:
NOTES: System is capable of turning on heat at 0°F (-18°C).
C7089A: -40° to 128°F (-40° to 53°C).
C7100A: 40° to 150°F (4° to 66°C).
C7189A: 40° to 95°F (4° to 35°C).
PC8900A: 40° to 110°F (4° to 43°C).
W8900A-C: -40° to 150°F (-40° to 66°C).
Shipping Temperature Range (All Components): -20° to
150°F (-29° to 66°C).
Operating Relative Humidity Range (All Components):
5 percent RH to 90 percent RH, noncondensing.
Mounting Means:
C7089A Outdoor Sensor: Mounts outside of living space using
locally obtained mounting hardware.
C7100A Discharge Air Sensor: Mounts in discharge air duct,
near air exchanger in a 2 x 4 in. outlet box or on a flat duct
or plenum surface. The temperature sensor probe passes
through a 7/8 in. knockout in the 2 x 4 in. outlet box.
C7189A Remote Indoor Sensor: Mounts directly on the wall
using mounting screws and anchors provided.
PC8900A Control Panel:
Without Remote Sensor: Mounts directly on the wall in liv-
ing space using mounting screws and anchors provided.
With Remote Sensor: Mounts directly on the wall in a
closet or other convenient location using mounting
screws and anchors provided.
W8900A-C Remote Module: Mounts directly on the wall, near
HVAC equipment or cold air return, using mounting screws
and anchors provided.
Table 1. W8900A-C Models.
aModels with O and B terminals have single stage cooling.
bUses reheat. See Operation section.
Model
Use with
System Type
Heat
Stages
Cool
Stages
Vent
Adjustment
Humidity
Adjustment Heat
Humidity
Adjustment Cool Use with
W8900A Conventional 2 2ayes yes yes PC8900A
W8900B Heat pump 3 2 yes yes yes PC8900A
W8900C Conventional 2 2 yes yes yesbPC8900A

3 68-0173—3
Finish:
C7189A Wall Mount Remote Indoor Sensor: Premier White®
color.
PC8900A Control Panel: Premier White® color.
W8900A-C Remote Module: Charcoal gray color.
Clock Accuracy: ± 1 minute per month.
Approvals:
FCC Class B: Pending.
NEMA DC-3: Not required.
Batteries: No batteries required. During power outages, time
is retained for six hours. All programmed setpoints and
times are retained indefinitely.
Resistance Characteristics of Sensors:
C7089A Outdoor Sensor: PTC Sensor. See Fig. 39 in the
Operation section for sensor resistance characteristics.
C7100A Discharge Air Sensor: See Fig. 39 in the Operation
section for sensor resistance characteristics.
C7189A Remote Indoor Sensor: NTC Sensor. See Fig. 40 in
the Operation section for sensor resistance characteristics.
Auxiliary Heat and Emergency Heat Indication: PC8900A
display indicates when auxiliary heat and emergency heat
are activated.
Input Ratings:
20 to 30 Vac, 50/60 Hz.
Heat Pump Failure Input (L Terminal on W8900B Models):
24 Vac load, 50/60 Hz, 0.3 VA load.
CO2 Monitor Input (CO2 Terminal on all W8900A-C Mod-
els): 24 Vac load, 50/60 Hz, 0.3 VA load.
Output Ratings:
Humidity Control Output Relay: 50 VA at 24 Vac.
Ventilation, W1, W2, Y1, Y2, E, G, O, B, AUX, Y1/W1:
a. 1.5A running, 3.5A inrush at 200,000 cycles
(30 Vac).
b. 1.5A running, 7.5A inrush at 100,000 cycles
(30 Vac).
Run: 40% power factor minimum.
Inrush: 50% power factor minimum.
Temperature Setting Range: PC8900A: 45° to 88°F
(7° to 31°C).
Humidity Setting Range:
PC8900A: 10 to 80% RH.
Cooling: 40 to 80% RH.
Heating: 10 to 80% RH.
Calibration: C7089A, C7100A, C7189A, and PC8900A are
factory calibrated and require no field calibration.
CO2 Monitors: The W8900A-C allows for connection of a
CO2 Monitor with uncommitted contacts.
Fig. 1. System components and accessories.
PC8900A
Comfort Center™
Control Panel
C7189A
Remote Indoor Sensor
W8900A-C
Remote Module
C7089A
Outdoor Sensor
C7100A
Discharge Air Sensor
C7100A
Discharge Air Sensor
W8735B
Telephone Access
Module
CM8900A
Communication Module

68-0173—3 4
Fig. 2. Dimensions for 205224A Wall Cover
Plate in in. (mm).
Fig. 3. Dimensions for C7089A Outdoor Sensor
Mounting Clip in in. (mm).
Fig. 4. Dimensions for C7100A Discharge Air Sensor in in. (mm).
Fig. 5. Dimensions for C7189A Remote Indoor Sensor in in. (mm).
M7513
3-1/4 (83)
8-1/2 (216)
7/8
(22)
7/8
(22)
6
(152)
M4488
1-1/2 (38)
3/4
(19)
13-1/4 (336)
1-3/16
(30)
1-3/16
(30)
1-13/16
(46)
1-13/16
(46)
M4461
M4465
4-5/8
(117)
4-5/8
(117)
2-3/4 (70) 2-3/4 (70)
1-1/8
(29)
FRONT VIEW SIDE VIEW FRONT VIEW (COVER OFF)
3-1/4
(83)

5 68-0173—3
Fig. 6. Dimensions for PC8900A Control Panel in in. (mm).
Fig. 7. Dimensions for W8900A-C Remote
Module in in. (mm).
MERCURY NOTICE
If this control is replacing a control that contains
mercury in a sealed tube, do not place your old control
in the trash.
Contact your local waste management authority for
instructions regarding recycling and the proper
disposal of this control or of an old control containing
mercury in a sealed tube.
If you have questions, call Honeywell Inc. at
1-800-468-1502, Monday through Friday, 7:00 a.m. to
5:30 p.m., Central time.
INSTALLATION
When Installing this Product…
1. Read these instructions carefully. Failure to follow
instructions can damage the product or cause a
hazardous condition.
2. Check the ratings on the product to make sure the
product is suitable for your application.
3. Installer must be a trained, experienced service
technician.
4. After completing installation, use these instructions to
check out product operation.
M6356
3-1/4 (83)
6 (152)
6-3/8 (162)
1-5/8 (41)
7/8
(22)
7/8
(22)
3-3/8
(86)
4
(102)
4
(102)
SET
CLOCK
HEAT/COOL
SETPOINTS
SELECT
PERIOD
CANCEL
HOLD
HUMIDITY VENTILATE
RUN
SYSTEM
HEAT OFF COOL
FAN
AUTO ON CIRC
DAY
TIME
TIME
SYSTEM
CHECK
NOTE:
PC8900 SHOWN WITH
COVER REMOVED.
4-7/8 (124)
3/4
(19)
6-3/8 (163)
6-3/8 (163)
1/2 (12)
2
(51)
7-13/16
(197)
8-3/4
(222)
(4) 3/8 (5)
M6355
NOTE: W8900 SHOWN WITH COVER REMOVED.

68-0173—3 6
CAUTION
Disconnect power supply before wiring to prevent
electrical shock or equipment damage.
Mounting the W8900A-C Remote Module
Locate the W8900A-C in the equipment room near the HVAC
equipment. See Fig. 8.
CAUTION
Do not mount the W8900A-C inside any HVAC
equipment. Mounting the W8900A-C inside HVAC
equipment can cause damage to the W8900A-C.
1. Grasp the top edge of the W8900A-C cover, either at
the center or both corners, and pull it off fro m t h e b a s e .
2. Locate the four mounting holes. See Fig. 9.
3. Position the W8900A-C on wall or cold air return. Level
the W8900A-C for appearance only; the device will
function properly even when not level. Use a pencil to
mark the mounting holes on the wall.
Fig. 8. W8900A-C location example.
4. Remove the W8900A-C from the wall, and drill 3/16 in.
holes in the wall (if drywall) as marked. For firmer mate-
rial such as plaster or wood, drill 7/32 in. holes. Gently
tap anchors (provided) into drilled holes until flush with
the wall.
5. Reposition the W8900A-C over the holes. Loosely insert
the four mounting screws (included) into the holes.
Fig. 9. Mounting W8900A-C Remote Module.
Wiring the W8900A-C to the HVAC Equipment
CAUTION
Disconnect power supply before connecting
wiring to prevent electrical shock or equipment
damage.
Wiring must comply with applicable codes, ordinances, and
regulations.
IN REPLACEMENT INSTALLATION:
1. Locate the terminal wiring strip on the old thermostat.
2. Note the wire color for each wiring terminal used.
3. Remove the wires connected to the old thermostat and
other controls. Tape off unused wires.
4. Use Table 2 or 3 to identify the W8900A-C terminal
labels. Connect the same loads that were connected to
the old thermostat to the W8900A-C Remote Module
with a new bundle of 18-gauge color-coded thermostat
wire; see Fig. 10. See Fig. 11 through 20 for wiring dia-
grams for specific equipment applications.
M4459
WATER HEATER
W8900
FURNACE OR BOILER
M4463
MOUNTING
HOLES (4)
MOUNTING
SCREWS (4)
W8900
WALL

7 68-0173—3
IMPORTANT
Be sure to connect the C terminal to transformer
common.
IN NEW INSTALLATION:
1. Locate the terminal strip(s) on the HVAC equipment.
2. Refer to Fig. 11 through 20 for wiring diagrams for spe-
cific equipment applications.
3. Connect all loads to the appropriate W8900A-C wiring
terminal using 18-gauge, color-coded thermostat wire;
see Fig. 10.
4. Use a small screwdriver to connect the loads. Do not
overtighten; device can be damaged.
Fig. 10. Proper wiring technique for
W8900A-C and PC8900A.
Table 2. Conventional Applications (W8900A or C).
aPC8900A/W8900A,C are not compatible with evaporative cooling equipment.
bIn single stage heat pump applications, jumper W1 and Y1 and connect to Y. Configure the system for Auto Fan in Heat.
cDual fuel fan feature configured in installer setup.
dFilter light feature available in PC8900A fan accumulation timer feature.
FOR WRAPAROUND
CONNECTION—
STRIP 7/16 IN. (11 MM)
FOR STRAIGHT
CONNECTION—
STRIP 5/16 IN. (8 MM)
M4464
W8900
W8900A, C Terminal Designation Function Existing Thermostat Designation
1 PC8900A Control Panel —
2 PC8900A Control Panel —
3 PC8900A Control Panel —
4 PC8900A Control Panel —
B Heating, changeover valve B
C 24 Vac Transformer Common C
CO2Carbon Dioxide Monitor —
VNT VNT Relay —
G Fan Relay G
GND Ground —
HUM Humidity Relay —
OUT Outdoor Air Temperature Sensor —
O Cooling, Changeover Valve O
R 24 Vac System Transformer R
RC 24 Vac Cooling Transformer RC
RH 24 Vac Heating Transformer RH
S, S1 Remote Air Temperature Sensor —
See note a Fan Control—Evaporative Cooling F
See note b Heat Pump Contactor P
T, T1 Discharge Air Temperature Sensor —
W1 Heating Relay W
W1 Stage 1 Heat Relay W1
W2 Stage 2 Heat Relay W2
Y1 Cooling Relay Y
Y1 Stage 1 Cool Relay Y1
Y2 Stage 2 Cool Relay Y2
See note c Fan Control (Honeywell dual fuel thermostat [T834]) 1
See note c Fan Control (Honeywell dual fuel thermostat [T834]) 2
See note d Filter Light X
none Remote Timer Contacts Z

68-0173—3 8
Table 3. Heat Pump Applications (W8900B).
aAUX controls the auxiliary heat like W2, and allows additional stages of auxiliary heat with outdoor thermostats while maintain-
ing the proper second stage anticipation.
bFor systems without 2nd stage heat, configure W2 to No.
cFor systems requiring separate W1 and Y1 terminals for proper heat pump operation, refer to Fig. 18 and 19.
dReplace existing sensor with C7089A Outdoor Sensor.
W8900B Terminal
Designations Function
Existing Thermostat
Designations
(Standard)
Existing Thermostat
Designations
(Customer Specials)
1 PC8900A Control Panel — —
2 PC8900A Control Panel — —
3 PC8900A Control Panel — —
4 PC8900A Control Panel — —
AUXaStage-3 heat control (strip heat) W3 —
B Heating, changeover valve B —
C 24 Vac transformer common C X,B
CO2Carbon dioxide monitor — —
E Emergency heat relay E K
VNT VNT relay — —
G Fan relay G F
GND Ground — —
L System monitor L L
O Cooling, changeover valve O R
R 24 Vac system transformer R V
S, S1 Remote Air Temperature Sensor — —
T, T1 Discharge Air Temperature Sensor — —
W2bStage-2 heat control (compressor) W2 H2,Y,R4
Y1/W1cCompressor contactor — RS
Y1/W1cCompressor contactor Y M
Y1/W1cStage-1 cool control Y1 C1,M
Y1/W1cStage-1 heat control W1 H1,R3
Y2 Stage-2 cool control Y2 C2
None Clogged filter switch or common connection X X1,X2,C
None Defrost — P
None HSII Control Panel — L,C,H
None LEDs — A,A1,A2,Z,C,L
None LO and HI speed fan relays — R1,R2
None Momentary circuit, changeover — O
None Outdoor thermistor T A
OutdExternal temperature readout, T relay — —

9 68-0173—3
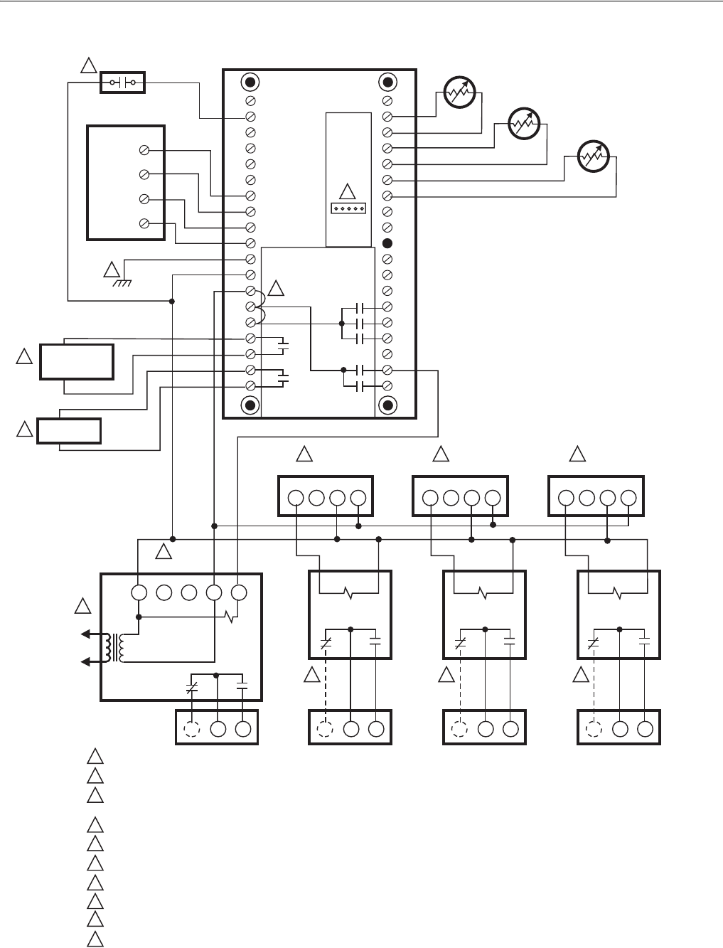
WIRING DIAGRAMS
W8900A,C Hookup Diagrams
Fig. 11. Hookup diagram for heating/cooling system in conventional system with multiple transformers.
POWER SUPPLY. PROVIDE DISCONNECT MEANS AND OVERLOAD PROTECTION AS REQUIRED.
JUMPER R TO RH FOR SINGLE HEAT TRANSFORMER APPLICATIONS.
CONFIGURE PC8900 FOR HUMIDITY CONTROL IN HEATING MODE
(HUMIDIFIER) OR COOLING MODE (DEHUMIDIFIER) DURING INSTALLER SETUP .
W8900 ALLOWS CONNECTION OF A CO MONITOR WITH UNCOMMITTED CONTACTS.
SEE VENTILATION INSTRUCTIONS FOR WIRING.
GROUNDING THE GND TERMINAL IS NOT RECOMMENDED.
CONNECTION FOR CM8900A REMOTE COMMUNICATIONS MODULE.
S1
S
T1
T
OUT
OUT
LED
G
Y2
Y1
W1
W2
1
2
3
4
GND
C
R
RH
RC
HUM
HUM
VNT
VNT
W8900A,C
L1
(HOT)
L1
(HOT)
L2
L2
1
2
4
1
1
3
2
3
4
5
5
STAGE 1
HEAT RELAY
STAGE 2
HEAT RELAY
STAGE 1
COOL RELAY
STAGE 2
COOL RELAY
FAN RELAY
PC8900
1
2
3
4
CO
2
MONITOR
M4479D
HEATING
TRANSFORMER
COOLING
TRANSFORMER
HUMIDIFIER
OR DEHUMIDIFIER
EQUIPMENT
VENTILATION
EQUIPMENT
CO
2
C7189A REMOTE AIR
TEMPERATURE SENSOR
C7100 DISCHARGE AIR
TEMPERATURE SENSOR
C7089A OUTDOOR AIR
TEMPERATURE SENSOR
6
7
6
7
2

68-0173—3 10
Fig. 12. Hookup diagram for 1-stage or 2-stage heating and cooling in conventional system with single transformer.
L1
(HOT)
L2
1
1
2
3
4
5
5
3
POWER SUPPLY. PROVIDE DISCONNECT MEANS AND OVERLOAD PROTECTION AS REQUIRED.
JUMPER R TO RH TO RC FOR SINGLE TRANSFORMER APPLICATIONS.
DURING INSTALLER SETUP, CONFIGURE PC8900 FOR HUMIDITY CONTROL IN HEATING MODE
(HUMIDIFIER) OR COOLING MODE (DEHUMIDIFIER).
W8900 ALLOWS CONNECTION OF A CO MONITOR WITH UNCOMMITTED CONTACTS.
SEE VENTILATION INSTRUCTIONS FOR WIRING.
GROUNDING THE GND TERMINAL IS NOT RECOMMENDED.
CONNECTION FOR CM8900A REMOTE COMMUNICATIONS MODULE.
STAGE 1
HEAT RELAY
STAGE 2
HEAT RELAY
STAGE 1
COOL RELAY
STAGE 2
COOL RELAY
FAN RELAY
PC8900
1
2
3
4
CO2 MONITOR
M4478D
S1
S
T1
T
OUT
OUT
LED
G
Y2
Y1
W1
W2
1
2
3
4
GND
C
R
RH
RC
HUM
HUM
VNT
VNT
W8900A,C
2
4
C7189A REMOTE AIR
TEMPERATURE SENSOR
C7100 DISCHARGE AIR
TEMPERATURE SENSOR
C7089A OUTDOOR AIR
TEMPERATURE SENSOR
HUMIDIFIER
OR DEHUMIDIFIER
EQUIPMENT
VENTILATION
EQUIPMENT
SYSTEM
TRANSFORMER
CO2
2
7
7
6
6

11 68-0173—3
Fig. 13. Hookup diagram for heating/cooling intermittent pilot gas burning ignition system.
S1
S
T1
T
OUT
OUT
LED
G
Y2
Y1
W1
W2
1
2
3
4
GND
C
R
RH
RC
HUM
HUM
VNT
VNT
W8900A,C
L1
(HOT)
L2
1
3
4
2
1
2
3
4
5
5
POWER SUPPLY. PROVIDE DISCONNECT
MEANS AND OVERLOAD PROTECTION
AS REQUIRED.
JUMPER R TO RH TO RC FOR SINGLE
TRANSFORMER APPLICATIONS.
DURING INSTALLER SETUP, CONFIGURE PC8900 FOR HUMIDITY CONTROL IN HEATING MODE
(HUMIDIFIER) OR COOLING MODE (DEHUMIDIFIER).
W8900 ALLOWS CONNECTION OF A CO MONITOR WITH UNCOMMITTED CONTACTS.
SEE VENTILATION INSTRUCTIONS FOR WIRING.
GROUNDING THE GND TERMINAL IS NOT RECOMMENDED.
CONNECTION FOR CM8900A REMOTE COMMUNICATIONS MODULE.
STAGE 1
COOL RELAY
FAN RELAY
PC8900
1
2
3
4
CO
2
MONITOR
M4489D
S8610U
MV MV/PV PV
GND
(BURNER)
24V
GND 24V TH-W
VENT
DAMPER
PLUG SENSE SPARK
LIMIT
CONTROLLER
PILOT
BURNER
GROUND
SENSOR
IGNITER
MAIN
VALVE
COM
PILOT
DUAL VALVE COMBINATION
GAS CONTROL
PILOT GAS
SUPPLY
1ST
OPERATOR
2ND
OPERATOR
D892 VENT
DAMPER
HUMIDIFIER OR
DEHUMIDIFIER
EQUIPMENT
VENTILATION
EQUIPMENT
CO
2
SYSTEM
TRANSFORMER
C7189A REMOTE AIR
TEMPERATURE SENSOR
C7100 DISCHARGE AIR
TEMPERATURE SENSOR
C7089A OUTDOOR AIR
TEMPERATURE SENSOR
2
7
6
7
6

68-0173—3 12
Fig. 14. Hookup diagram for 3-wire zone valves in Series 20 heating system with zone controls.
S1
S
T1
T
OUT
OUT
LED
G
Y2
Y1
W1
W2
1
2
3
4
GND
C
R
RH
RC
HUM
HUM
VNT
VNT
W8900A,C
L1
(HOT)
L2
1
2
4
7
5
6
1
2
3
4
5
6
7
8
8
POWER SUPPLY. PROVIDE DISCONNECT MEANS AND OVERLOAD PROTECTION AS REQUIRED.
JUMPER R TO RH TO RC FOR SINGLE TRANSFORMER APPLICATIONS.
DURING INSTALLER SETUP, CONFIGURE PC8900 FOR HUMIDITY CONTROL IN HEATING MODE
(HUMIDIFIER) OR COOLING MODE (DEHUMIDIFIER).
W8900 ALLOWS CONNECTION OF A CO MONITOR WITH UNCOMMITTED CONTACTS.
USE ONE R8239 FOR EVERY FOUR ZONES.
USE FOR 3-WIRE ZONE VALVE OR DAMPERS.
ZONES 2, 3, 4 CAN BE CONTROLLED BY ADDITIONAL PC8900/W8900 OR OTHER THERMOSTATS.
SEE VENTILATION INSTRUCTIONS FOR WIRING.
GROUNDING THE GND TERMINAL IS NOT RECOMMENDED.
CONNECTION FOR CM8900A REMOTE COMMUNICATIONS MODULE.
PC8900
1
2
3
4
CO
2
MONITOR
M4491D
CY
RG
R8239A1052
24V
W
WGC RW
GC RW
GC R
R8222B1067
6
R8222B1067
6
R8222B1067
ZONE 2
VALVE
ZONE 3
VALVE
ZONE 4
VALVE
ZONE 1
VALVE
ZONE 2 THERMOSTAT
7
ZONE 3 THERMOSTAT
7
ZONE 4 THERMOSTAT
3HUMIDIFIER OR
DEHUMIDIFIER
EQUIPMENT
VENTILATION
EQUIPMENT
C7189A REMOTE AIR
TEMPERATURE SENSOR
C7100 DISCHARGE AIR
TEMPERATURE SENSOR
C7089A OUTDOOR AIR
TEMPERATURE SENSOR
CO
2
2
10
9
10
9

13 68-0173—3
Fig. 15. Hookup diagram in oil heating/electric cooling system (oil primary has its own transformer).
S1
S
T1
T
OUT
OUT
LED
G
Y2
Y1
W1
W2
1
2
3
4
GND
C
R
RH
RC
HUM
HUM
VNT
VNT
W8900A,C
L1
(HOT)
L2
1
2
L1
(HOT)
L2
1
6
3
1
2
3
4
5
4
POWER SUPPLY. PROVIDE DISCONNECT MEANS AND OVERLOAD PROTECTION AS REQUIRED.
DURING INSTALLER SETUP, CONFIGURE PC8900 FOR HUMIDITY CONTROL IN HEATING MODE
(HUMIDIFIER) OR COOLING MODE (DEHUMIDIFIER).
W8900 ALLOWS CONNECTION OF A CO MONITOR WITH UNCOMMITTED CONTACTS.
SEE VENTILATION INSTRUCTIONS FOR WIRING.
GROUNDING THE GND TERMINAL IS NOT RECOMMENDED.
CONNECTION FOR CM8900A REMOTE COMMUNICATIONS MODULE.
FAN RELAY
PC8900
1
2
3
4
CO2 MONITOR
M4490D
STAGE 1
COOL RELAY
TT
OIL PRIMARY
HUMIDIFIER OR
DEHUMIDIFIER
EQUIPMENT
VENTILATION
EQUIPMENT
CO2
SYSTEM
TRANSFORMER
C7189A REMOTE AIR
TEMPERATURE SENSOR
C7100 DISCHARGE AIR
TEMPERATURE SENSOR
C7089A OUTDOOR AIR
TEMPERATURE SENSOR
2
6
5

68-0173—3 14
W8900B Hookup Diagrams
Fig. 16. Hookup diagram for 2-stage heat/1-stage cool in heat pump system.
S1
S
T1
T
OUT
OUT
LED
O/B
G
Y2
Y1/W1
E
AUX
W2
1
2
3
4
GND
C
R
RH
HUM
HUM
VNT
VNT
W8900B
L1
(HOT)
L2
1
3
2
4
1
2
3
4
5
6
7
7
5
6
POWER SUPPLY. PROVIDE DISCONNECT MEANS AND OVERLOAD PROTECTION AS REQUIRED.
JUMPER R TO RH.
DURING INSTALLER SETUP, CONFIGURE PC8900 FOR HUMIDITY CONTROL IN HEATING MODE
(HUMIDIFIER) OR COOLING MODE (DEHUMIDIFIER).
W8900 ALLOWS CONNECTION OF A CO MONITOR WITH UNCOMMITTED CONTACTS.
CONFIGURE PC8900 FOR CHANGEOVER IN HEATING MODE OR COOLING MODE.
IF SEPARATE Y1 AND W1 TERMINALS ARE REQUIRED, REFER TO FIGURES 18 AND 19.
SEE VENTILATION INSTRUCTIONS FOR WIRING.
GROUNDING THE GND TERMINAL IS NOT RECOMMENDED.
CONNECTION FOR CM8900A REMOTE COMMUNICATIONS MODULE.
CONFIGURE PC8900 FOR NO CONNECTION TO TERMINALS Y2, E, AUX AND W2 FOR
SINGLE-STAGE HEAT PUMP SYSTEM.
CHANGEOVER
RELAY
AUXILIARY
HEAT RELAY
PC8900
1
2
3
4
CO
2
MONITOR
M4483D
FAN RELAY
EMERGENCY
HEAT RELAY
COMPRESSOR
CONTACTOR
COMPRESSOR
MONITOR
HUMIDIFIER OR
DEHUMIDIFIER
EQUIPMENT
VENTILATION
EQUIPMENT
SYSTEM
TRANSFORMER
C7189A REMOTE AIR
TEMPERATURE SENSOR
C7100 DISCHARGE AIR
TEMPERATURE SENSOR
C7089A OUTDOOR AIR
TEMPERATURE SENSOR
CO
2
8
9
10
8
9
10
L
2

15 68-0173—3
Fig. 17. Hookup diagram of 3-stage heat/2-stage cool heat pump system.
S1
S
T1
T
OUT
OUT
LED
O/B
G
Y2
Y1/W1
E
AUX
W2
CO
2
L
1
2
3
4
GND
C
R
RH
HUM
HUM
VNT
VNT
W8900B
L1
(HOT)
L2
1
2
CHANGEOVER
RELAY
AUXILIARY
HEAT RELAY
STAGE 2
COMPRESSOR
PC8900
1
2
3
4
CO
2
MONITOR
1
2
3
3
4
5
6
7
8
8
5
6
7
4
POWER SUPPLY. PROVIDE DISCONNECT MEANS AND
OVERLOAD PROTECTION AS REQUIRED.
JUMPER R TO RH.
DURING INSTALLER SETUP, CONFIGURE PC8900 FOR HUMIDITY CONTROL IN HEATING MODE
(HUMIDIFIER) OR COOLING MODE (DEHUMIDIFIER).
W8900 ALLOWS CONNECTION OF A CO MONITOR WITH UNCOMMITTED CONTACTS.
CONFIGURE PC8900 FOR CHANGEOVER IN HEATING MODE OR COOLING MODE.
JUMPER Y2 AND W2 TERMINALS.
IF NO EMERGENCY HEAT RELAY, FIELD INSTALL JUMPER E TO AUX.
SEE VENTILATION INSTRUCTIONS FOR WIRING.
GROUNDING THE GND TERMINAL IS NOT RECOMMENDED.
CONNECTION FOR CM8900A REMOTE COMMUNICATIONS MODULE.
M4485D
FAN RELAY
STAGE 1
COMPRESSOR
COMPRESSOR
MONITOR
EMERGENCY
HEAT RELAY
HUMIDIFIER OR
DEHUMIDIFIER
EQUIPMENT
VENTILATION
EQUIPMENT
C7189A REMOTE AIR
TEMPERATURE SENSOR
C7100 DISCHARGE AIR
TEMPERATURE SENSOR
C7089A OUTDOOR AIR
TEMPERATURE SENSOR
SYSTEM
TRANSFORMER
2
9
10
9
10

68-0173—3 16
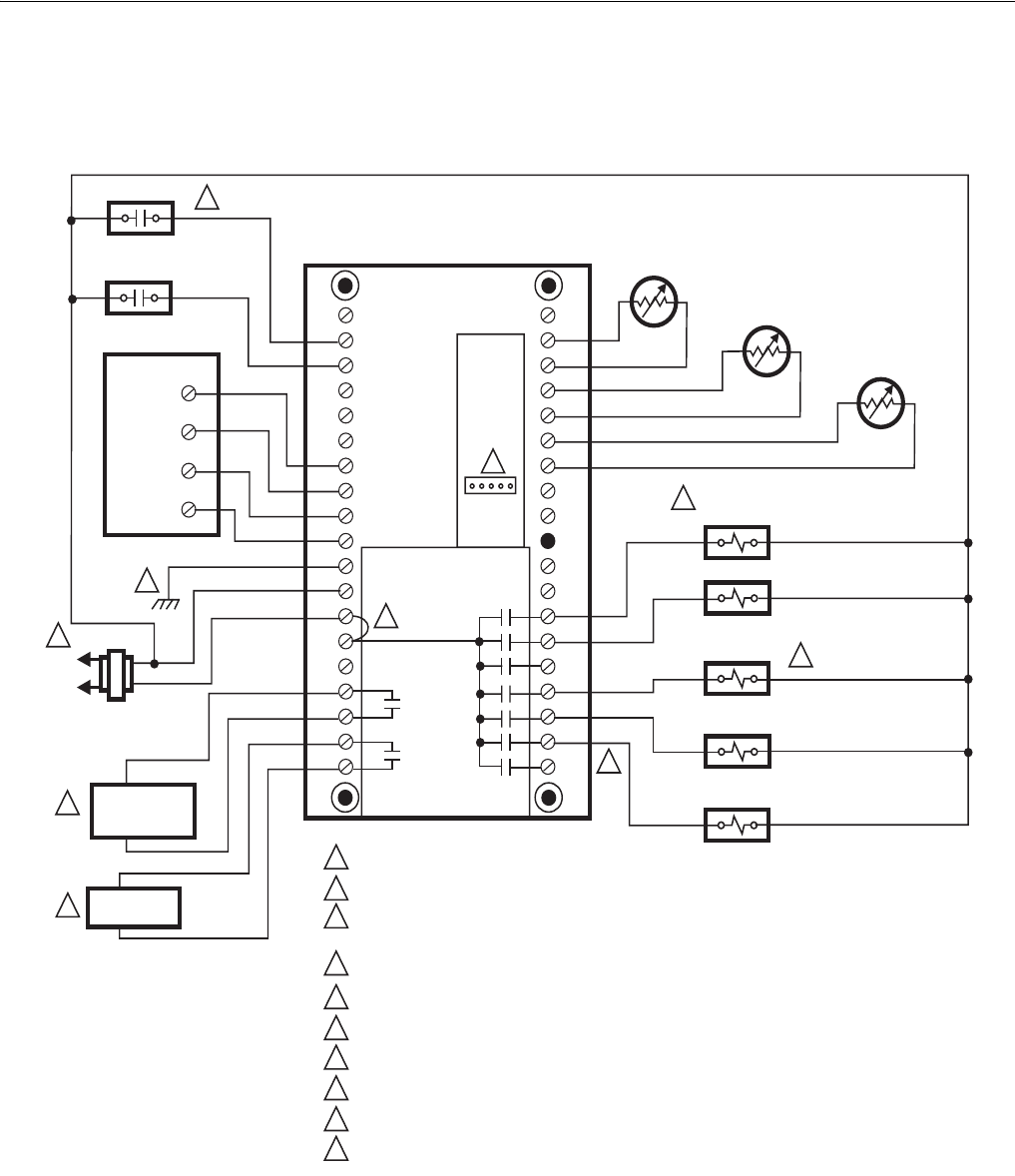
Fig. 18. Hookup diagram for heat pump application requiring separate W1 and Y1 terminals with heating changeover.
S1
S
T1
T
OUT
OUT
LED
O/B
G
Y2
Y1/W1
E
AUX
W2
CO
2
L
1
2
3
4
GND
C
R
RH
HUM
HUM
VNT
VNT
W8900B
L1
(HOT)
L2
12
1
2
3
4
5
6
7
7
5
6
POWER SUPPLY. PROVIDE DISCONNECT MEANS AND OVERLOAD PROTECTION AS REQUIRED.
JUMPER R TO RH.
DURING INSTALLER SETUP, CONFIGURE PC8900 FOR HUMIDITY CONTROL IN HEATING MODE
(HUMIDIFIER) OR COOLING MODE (DEHUMIDIFIER).
W8900 ALLOWS CONNECTION OF A CO MONITOR WITH UNCOMMITTED CONTACTS.
CONNECT HEATING CHANGEOVER VALVE TO R8222N1011 AND CONFIGURE PC8900 FOR
CHANGEOVER IN HEATING MODE.
CONNECT G, Y2, E, AUX, AND W2 TERMINALS AS REQUIRED.
SEE VENTILATION INSTRUCTIONS FOR WIRING.
GROUNDING THE GND TERMINAL IS NOT RECOMMENDED.
CONNECTION FOR CM8900A REMOTE COMMUNICATIONS MODULE.
PC8900
1
2
3
4
CO
2
MONITOR
M4486D
R8222N1011
STAGE 1 HEAT RELAY
STAGE 1 COOL RELAY
HEAT
CHANGEOVER VALVE
13
2
46
HUMIDIFIER OR
DEHUMIDIFIER
EQUIPMENT
VENTILATION
EQUIPMENT
COMPRESSOR
MONITOR
3
4
SYSTEM
TRANSFORMER
C7189A REMOTE AIR
TEMPERATURE SENSOR
C7100 DISCHARGE AIR
TEMPERATURE SENSOR
C7089A OUTDOOR AIR
TEMPERATURE SENSOR
2
8
9
8
9

17 68-0173—3
Fig. 19. Hookup diagram for heat pump application requiring separate Y1 and W1 terminals with cooling changeover.
S1
S
T1
T
OUT
OUT
LED
O/B
G
Y2
Y1/W1
E
AUX
W2
CO2
L
1
2
3
4
GND
C
R
RH
HUM
HUM
VNT
VNT
W8900B
L1
(HOT)
L2
12
1
2
3
4
5
6
7
7
5
6
POWER SUPPLY. PROVIDE DISCONNECT MEANS AND OVERLOAD PROTECTION AS REQUIRED.
JUMPER R TO RH.
DURING INSTALLER SETUP, CONFIGURE PC8900 FOR HUMIDITY CONTROL IN HEATING MODE
(HUMIDIFIER) OR COOLING MODE (DEHUMIDIFIER).
W8900 ALLOWS CONNECTION OF A CO MONITOR WITH UNCOMMITTED CONTACTS.
CONNECT COOLING CHANGEOVER VALVE TO R8222N1011 AND CONFIGURE PC8900 FOR
CHANGEOVER IN COOLING MODE.
CONNECT G, Y2, E, AUX, AND W2 TERMINALS AS REQUIRED.
SEE VENTILATION INSTRUCTIONS FOR WIRING.
GROUNDING THE GND TERMINAL IS NOT RECOMMENDED.
CONNECTION FOR CM8900A REMOTE COMMUNICATIONS MODULE.
PC8900
1
2
3
4
CO2 MONITOR
M4487D
R8222N1011
STAGE 1 HEAT RELAY
STAGE 1 COOL RELAY
COOL
CHANGEOVER VALVE
13
2
46
HUMIDIFIER OR
DEHUMIDIFIER
EQUIPMENT
VENTILATION
EQUIPMENT
COMPRESSOR
MONITOR
3
4
SYSTEM
TRANSFORMER
C7189A REMOTE AIR
TEMPERATURE SENSOR
C7100 DISCHARGE AIR
TEMPERATURE SENSOR
C7089A OUTDOOR AIR
TEMPERATURE SENSOR
2
8
9
8
9

68-0173—3 18
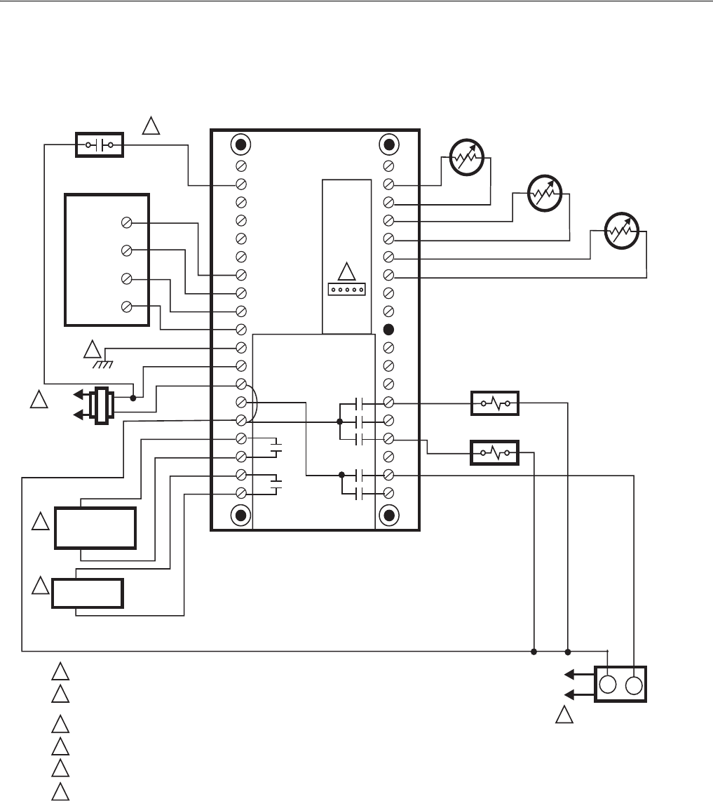
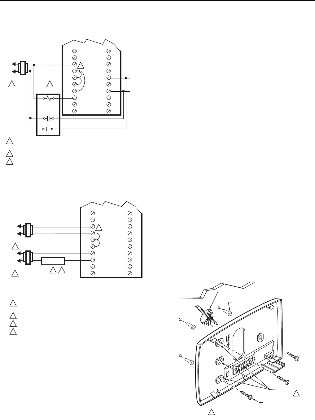
W8900A,B,C Humidity Control Hookup Diagrams
Fig. 20. Hookup diagram connecting cooling humidity
control in parallel with temperature control.
Fig. 21. Hookup diagram connecting humidifier
using separate transformers for humidity
control in the heating mode.
Mounting the PC8900A Control Panel
NOTE: The following location guidelines apply only if a
remote sensor is not part of the installation. If a
remote sensor is installed, the PC8900A can be
installed in any convenient location, with these guide-
lines applying to the location of the sensor. If a
remote sensor is used, humidity is only measured at
the PC8900A location.
Location Guidelines
• Choose a location for the PC8900A where it is safe from
tampering.
• Locate the PC8900A on an inside wall, about 5 ft (1.5m)
above the floor. The PC8900A can also be mounted
horizontally on a standard 2 x 4 in. (51 x 102 mm) outlet
box.
• The wire distance between the PC8900A and W8900A-C
should not exceed 200 ft.
• Install the PC8900A in an area with good air circulation at
average temperature. Avoid the following locations
because they can introduce errors in temperature
measurements:
— Hot or cold areas caused by concealed pipes or ducts.
— Drafts from windows, doors, fireplaces or other heat/
cool sources.
— Convection or radiant heat from the sun or electrical
equipment.
— Unheated areas on the other side of the wall location.
— Dead air areas behind doors, furniture, curtains or in
corners and alcoves.
Mounting
1. Mark the mounting location on the wall for the PC8900A
or outlet box.
2. Run cable from the unit to a hole at the selected wall
location. Pull approximately three inches of wire through
the hole. Color-coded 18-gauge thermostat wire is rec-
ommended. See Fig. 22.
NOTE: If the old thermostat leaves marks on the wall that
the PC8900A does not cover, order part no.
205224A Wall Cover Plate to mount between the
PC8900A and the wall. See Fig. 23. Use the follow-
ing instructions and at step 7, put the wall cover plate
between the wall and wiring plate.
Fig. 22. Mounting PC8900A Wiring Plate.
L1
(HOT)
L2
1
1
2
3
3
POWER SUPPLY. PROVIDE DISCONNECT MEANS AND
OVERLOAD PROTECTION AS REQUIRED.
JUMPER R TO RH TO RC FOR SINGLE TRANSFORMER APPLICATIONS.
CONFIGURE PC8900 FOR HUMIDITY CONTROL IN HEATING MODE.
M18588
2
SYSTEM
TRANSFORMER
W8900A,B,C
G
Y2
W1
W2
C
R
RH
RC
HUM
HUM
VNT
VNT
R8222N1011
13
46
Y1
FAN
COMP
L1
(HOT)
L2
1
1
2
3
4
3
POWER SUPPLY. PROVIDE DISCONNECT MEANS AND
OVERLOAD PROTECTION AS REQUIRED.
JUMPER R TO RH TO RC FOR SINGLE TRANSFORMER APPLICATIONS.
CONFIGURE PC8900 FOR HUMIDITY CONTROL IN HEATING MODE.
USE OF A SEPARATE POWER SUPPLY TO RUN THE HUMIDIFIER
IS RECOMMENDED. M4997
2
4
SYSTEM
TRANSFORMER
W8900A,B,C
G
Y2
Y1
W1
W2
C
R
RH
RC
HUM
HUM
VNT
VNT
HUMIDIFIER
L1
(HOT)
L2
1
WIRES
THROUGH WALL
WALL
MOUNTING
HOLES (4)
MOUNTING
SCREWS (3)
USE THREE MOUNTING HOLES THAT BEST
FIT APPLICATION
1
1
M4466
WALL
ANCHORS
(3)

19 68-0173—3
3. Remove the PC8900A from the wiring wallplate by pull-
ing the PC8900A straight off the wallplate.
4. Position the PC8900A Wiring Plate on the wall.
5. Level the wiring plate (for appearance only) using the
posts on top of the wiring plate; device functions prop-
erly even when not level.
6. Remove wiring plate from wall and drill 3/16 in. holes in
wall (if drywall) as marked. For firmer material such as
plaster or wood, drill 7/32 in. holes. Gently tap anchors
(provided) into drilled holes until flush with the wall.
NOTE: When using a wall cover plate, be sure to
place the wall cover plate between the wall
and the wiring plate.
7. Position wiring plate over holes in wall or outlet box,
pulling wires through wiring opening. Loosely insert
three mounting screws into holes that best fit the appli-
cation.
8. Tighten the mounting screws.
9. Reinstall the PC8900A on the wallplate by pressing the
PC8900A directly onto the wallplate.
Fig. 23. Mounting PC8900A Wiring Plate and 205224A Wall Cover Plate to wall.
Wiring the PC8900A
CAUTION
Keep wiring at least one foot away from large
inductive loads such as motors, line starters,
lightning ballasts and large power distribution
panels. Failure to follow these wiring practices can
introduce electrical interference (noise), which can
cause erratic system operation. Use shielded
cable to reduce interference if rerouting of wiring
is not possible. Ground the shielded cable only to
GND terminal on W8900A-C.
IMPORTANT
Erratic temperature readings can occur as a result of
any of the wiring practices described below. These
practices must be avoided to assure proper opera-
tion. Use shielded cable to reduce interference if
rerouting of wiring is not possible.
— Do not route thermostat wiring with building power
wiring, next to control contactors or near light dim-
ming circuits, electric motors or welding equipment.
— Avoid poor wiring connections.
— Avoid intermittent or missing building earth ground.
CHECK
SYSTEM
WIRES THROUGH
WALL OPENING
205224A
WALL COVER PLATE
PC8900 WIRING
PLATE
MOUNTING
SCREWS (3)
PC8900
COMFORT
CENTER
CONTROL
PANEL
M7512A
CHOOSE THREE MOUNTING HOLES
THAT BEST FIT APPLICATION.
1
1
WALL
ANCHORS
(3)

68-0173—3 20
CAUTION
Disconnect the power supply before connecting
wiring to prevent electrical shock or equipment
damage.
All wiring must comply with all applicable electrical codes,
ordinances and regulations.
1. Loosen the PC8900A terminal screws and insert one
wire beneath each terminal (1, 2, 3, 4). Four wires are
required at the PC8900A to assure operation. Note the
color of the wire that is attached to each terminal num-
ber to later match the colors with the terminals on the
W8900A-C Remote Module. See Fig. 10 and 24 for wir-
ing technique and wiring diagram.
2. Tighten screw terminals securely.
3. Push the excess wire back into the hole. Plug the hole
with nonhardening caulk, putty or insulation to prevent
drafts from affecting PC8900A operation.
IMPORTANT
In replacement applications, more than four wires can be
available. In these applications, tape off the unused wires at
the PC8900A location and the W8900A-C location.
Mounting the C7189A Remote Sensor
(if needed)
Location Guidelines
• Choose a location where the C7189A is safe from
tampering.
• Locate the C7189A on an inside wall, about 5 ft (1.5m)
above the floor. The C7189A can also be mounted
vertically on a standard 2 x 4 in. (51 x 102 mm) outlet box.
• The wire distance between the C7189A and W8900A-C
should not exceed 200 ft.
• Install the C7189A in an area with good air circulation at
average temperature. Avoid the following locations
because they can introduce errors in sensor
measurements (see Fig. 25):
— Hot or cold areas caused by concealed pipes or ducts.
— Drafts from windows, doors, fireplaces or other heat/
cool sources.
— Convection or radiant heat from the sun or electrical
equipment.
— Unheated areas on the other side of the wall location.
— Dead air areas behind doors, furniture, curtains or in
corners and alcoves.
Mounting
1. Mark the mounting location on the wall for the C7189A
Remote Indoor Sensor or junction box.
NOTE: Order 202689A Coverplate when C7189A can-
not cover wall marks from old thermostat.
2. Run cable from the W8900A-C Remote Module to a
hole at the selected wall location. Pull approximately
three inches of wire through the opening. Color-coded,
18-gauge thermostat wire is recommended.
Fig. 24. Wiring diagram for PC8900A Control Panel to
W8900A-C Remote Module.
M7519
1234
GND
W8900
1
2
3
4
NOTE WHICH COLOR WIRE IS ATTACHED TO EACH TERMINAL.
FOUR WIRES ARE REQUIRED FOR PROPER OPERATION.
IF FEWER THAN FOUR ARE AVAILABLE, ADDITIONAL WIRES
MUST BE RUN TO PC8900 LOCATION. IF MORE THAN FOUR
ARE AVAILABLE, TAPE OFF UNUSED WIRES.
IF SHIELDED CABLE IS REQUIRED, GROUND TO GND
TERMINAL ON W8900.
IN REPLACEMENT APPLICATIONS, PC8900 REPLACES OLD
THERMOSTATS, HUMIDISTATS, VENTILATION CONTROLS,
AND AIR CLEANER INDICATORS. BE SURE TO REMOVE
OLD DEVICES AND TAPE OFF UNUSED WIRES.
1
1
1
2
2
2
3
4
4
3

21 68-0173—3
Fig. 25. Typical location for C7189A Remote Sensor (C7189A must be
mounted in living space and not in return air duct).
Wiring the C7189A Remote Sensor
(if needed)
CAUTION
Failure to follow these wiring practices can
introduce electrical interference (noise), which can
cause erratic system operation.
Keep wiring at least one foot away from large inductive
loads such as motors, line starters, lightning ballasts,
and large power distribution panels. Use shielded
cable to reduce interference if rerouting wire is not
possible. Ground the shielded cable to the ground
terminal on the W8900A-C.
IMPORTANT
Erratic temperature readings from a sensor can
occur as a result of any of the wiring practices
described below. These practices must be avoided to
assure proper operation. Use shielded cable to
reduce interference if rerouting of sensor wiring is
not possible.
— Do not route temperature sensor wiring with building
power wiring, next to control contactors or near light
dimming circuits, electric motors or welding equip-
ment.
— Avoid poor wiring connections.
— Avoid intermittent or missing building earth ground.
CAUTION
Disconnect power supply before connecting to
wiring to prevent electrical shock or equipment
damage.
Wiring must comply with applicable codes, ordinances and
regulations.
1. Wire the C7189A Remote Indoor Sensor to the
W8900A-C Remote Module terminals S1 and S. For an
example of general wiring of the C7189A, see Fig. 26.
2. Push excess wire back into the hole. Plug the hole with
nonhardening caulk, putty or insulation to prevent drafts
from affecting the C7189A and PC8900A performance.
3. Remove the C7189A Cover.
4. Mount the C7189A on the wall or junction box using the
screws and anchors provided.
5. Level the C7189A for appearance only. The device
functions properly even when not level.
6. Install the C7189A Cover.
5 FEET
(1.5 METERS)
YES
NO
NO
NO
M4476

68-0173—3 22
Fig. 26. Wiring diagram for C7189A Remote Sensor to W8900A-C Remote Module.
Mounting the C7089A Outdoor Sensor
(if needed)
Location Guidelines
• Locate the C7089A Outdoor Sensor where it will be safe
from tampering.
• Choose an outdoor location for the sensor where there is
good air circulation at average outdoor temperature. See
Fig. 27. Locate the sensor where it can measure the true
outdoor ambient temperature:
— On a flat surface is best.
— Avoid locations that can introduce errors in sensor
measurements such as areas of direct sunlight or high
temperature, or areas where hot or cold air is blowing
out of a fan or vent such as next to the compressor
discharge line in the outdoor unit.
M4456A
W8900
C7189 C7189
W8900
C7189 C7189
C7189 C7189
C7189 C7189
C7189
C7189
C7189 C7189 C7189
4
1
2
3
2
3
4
4
SENSORS MUST BE ARRANGED IN THIS NUMBER AND CONFIGURATION FOR PROPER OPERATION.
S1
S
LED
L1
(HOT)
L2 1
POWER SUPPLY. PROVIDE DISCONNECT MEANS AND OVERLOAD PROTECTION AS REQUIRED.
IF MORE THAN ONE C7189 REMOTE SENSOR IS REQUIRED, REFER TO DIAGRAM BELOW.
IF SHIELDED CABLE IS REQUIRED, GROUND TO GND TERMINAL ON W8900.
GND
C
R
RH
RC
C7189
W8900
S1
S
S1
S

23 68-0173—3
— Mount it high enough to prevent tampering or coverage
by snow, ice or debris.
• The wire distance between the C7089A and W8900A-C
should not exceed 200 ft.
Mounting
1. Remove the sensor from the mounting clip.
2. Mark the area on the surface where the C7089A mount-
ing clip will be mounted.
3. Mount the clip.
Fig. 27. Typical locations for C7089A
Outdoor Sensor.
Wiring the C7089A Outdoor Sensor
(if needed)
CAUTION
Failure to use the following wiring practices can
introduce electrical interference (noise), which can
cause erratic system operation.
Keep wiring at least one foot away from large inductive
loads such as motors, line starters, lightning ballasts,
and large power distribution panels. Use shielded
cable to reduce interference when rerouting wires is
not possible. Ground the shielded cable to the ground
terminal on the W8900A-C.
Fig. 28. Wiring diagram for C7089A Outdoor Sensor
to W8900A-C Remote Module.
IMPORTANT
Erratic temperature readings from a sensor can
occur as a result of any of the wiring practices
described below. Use shielded cable to reduce inter-
ference if rerouting of sensor wiring is not possible.
These practices must be avoided to assure proper
operation:
— Do not route temperature sensor wiring with building
power wiring, next to control contactors or near light
dimming circuits, electric motors or welding
equipment.
— Avoid poor wiring connections.
— Avoid intermittent or missing building earth ground.
M7514
M4457
1
2
3
2
1
USE APPROPRIATE MOUNTING MEANS FOR THE TYPE
OF STRUCTURE.
PLUG WIRING HOLE WITH NONHARDENING CAULK OR PUTTY.
IF SHIELDED CABLE IS REQUIRED, GROUND TO GND TERMINAL
ON W8900.
C7089
WIRING HOLE
THROUGH
STRUCTURE
3
OUT
OUT
LED
GND
W8900

68-0173—3 24
CAUTION
Disconnect power supply before connecting the
wiring to prevent electrical shock or equipment
damage.
Wiring must comply with applicable codes, ordinances and
regulations.
1. Wire the C7089A Outdoor Sensor to the terminals
marked OUT on the W8900A-C Remote Module. If the
leadwire provided with the C7089A is not long enough,
run cable to a hole at the selected C7089A location.
Color-coded, 18-gauge thermostat wire is recom-
mended. Refer to Fig. 28 for an example of general wir-
ing for the C7089A. Pigtail wiring can be used.
2. Mount the C7089A in its mounting clip.
3. Plug wiring hole using nonhardening caulk or putty.
Mounting the C7100A Discharge Air Sensor
(if needed)
Location Guidelines
• Locate the C7100A Discharge Air Sensor in the air duct or
plenum where it can sample an average air temperature.
• Avoid locations where air stratification can cause sensor
errors.
• The distance between the C7100A and W8900A-C should
not exceed 200 ft.
Mounting
TO MOUNT ON A FLAT DUCT OR PLENUM SURFACE:
1. Cut a 7/8 in. (22 mm) hole in the duct or plenum surface
at the desired location.
2. Insert the sensor probe into the duct or plenum with inlet
holes facing the air stream.
3. If necessary, use the flange provided as a template to
mark and drill four holes for 8-32 mounting screws.
4. Fasten the sensor to the duct or plenum surface with
the four 8-32 sheetmetal screws provided.
TO MOUNT IN A 2 X 4 IN. JUNCTION BOX:
1. Cut a 7/8 in. (22 mm) hole in the duct or plenum surface
at the desired location.
2. Remove the center rear knockout from the 2 x 4 in. junc-
tion box and insert the sensing probe through the
knockout with the flange flat against the junction box.
3. Using the flange (provided) as a template, mark and drill
four holes in the junction box and the duct or plenum
surface for 8-32 mounting screws.
4. Insert sensor probe through both the junction box
knockout and the 7/8 in. (22 mm) hole drilled in the duct
or plenum and fasten the junction box and sensor to the
duct or plenum surface.
Wiring the C7100A Discharge Air Sensor
(if needed)
CAUTION
Failure to use the following wiring practices can
introduce electrical interference (noise), which can
cause erratic system operation.
Keep wiring at least one foot away from large inductive
loads such as motors, line starters, lightning ballasts,
and large power distribution panels. Use shielded
cable to reduce interference when rerouting wires is
not possible. Ground the shielded cable to the ground
terminal on the W8900A-C.
IMPORTANT
Erratic temperature readings from a sensor can
occur as a result of any of the wiring practices
described below. Use shielded cable to reduce inter-
ference if rerouting sensor wiring is not possible.
These practices must be avoided to assure proper
operation:
— Do not route temperature sensor wiring with building
power wiring, next to control contactors or near light
dimming circuits, electric motors or welding equip-
ment.
— Avoid poor wiring connections.
— Avoid intermittent or missing building earth ground.
— If the discharge air temperature fails to display when
the check key is pressed, see the Troubleshooting
Section.
CAUTION
Disconnect power supply before connecting the
wiring to prevent electrical shock or equipment
damage.
Wiring must comply with applicable codes, ordinances and
regulations.
Wire the C7100A Discharge Air Sensor to the terminals
marked T and T1 on the W8900A-C Remote Module. Use 1/4
in. female quick connects on the C7100A.
INSTALLER SETUP
IMPORTANT
Installer setup must be done for the HVAC equip-
ment and the PC8900A/W8900A-C to operate
properly.
The installer setup mode is used by the installer to configure
the PC8900A/W8900A-C for the HVAC equipment used at the
installation (heating, cooling, ventilation, humidification, air
cleaning) and to configure the PC8900A operation
(changeover mode, remote sensors, and outdoor sensors).

25 68-0173—3
TO ENTER THE INSTALLER SETUP MODE:
1. Hold the PC8900A CHECK key until all display seg-
ments are displayed (approximately three seconds).
See Fig. 29.
2. Press the up and down arrowhead keys at the same
time. The display goes blank, except for up to four seg-
ments (SYSTEM, HEAT, COOL, FAN) as shown in
Fig. 30. One of these segments flashes. The flashing
segment indicates the current menu selection.
TO CHANGE TO ANOTHER SELECTION:
1. Press the up or down arrowhead key until the desired
segment is flashing.
2. Once the desired segment is flashing, press the
CHECK key for options within that segment. The
options are SYSTEM, HEAT, COOL and FAN.
3. Press RUN to exit the installer setup.
System Options
When SYSTEM is flashing, the following list of options
pertaining to the equipment and sensors connected to the
system appears on the PC8900A display. To make each
selection, press the CHECK key. See Table 4 for setting
options.
Fig. 29. All segments on display.
SYSTEM OFF AUTO
SUN MON TUE WED THU FRI SAT WAKELEAVERETURNSLEEP TEMPORARY VENT
AM
PM
AUTO
ON
CIRC
FAN
M6360
AUX HEAT SET PT COOL SET PT
Table 4. System Setting Options
Factory-Setting Description
Other Choices (Press
Up or Down Arrowhead
Keys to Change) Description
System switch is configured for
manual changeover HEAT-OFF-
COOL or EM HT-HEAT-OFF-COOL.
System switch is configured for automatic
changeover HEAT-OFF-COOL-AUTO or
EM HT-HEAT-OFF-COOL-AUTO.
Five-minute compressor protection is
on; calls for cooling (heat pump) are
followed by a five-minute enforced
shutdown.
No compressor protection exists. Calls for
cooling (heat pump) can occur
immediately.
System does not have a C7189A
Remote Indoor Sensor.
System does have a C7189A Remote
Indoor Sensor.
System does not have a C7100A
Discharge Air Sensor.
System does have a C7100A Discharge
Air Sensor.
System uses PC8900A temperature
only. If the system is configured for a
remote sensor (SENS REM Y),
temperature control is averaged
between C7189A Remote Indoor
Sensor and PC8900A Control Panel.
System uses C7189A Remote Indoor
Sensor only. Be sure the system is
configured for remote sensor
(SENS REM Y).
System does not have a C7089A
Outdoor Sensor.
System does have a C7089A Outdoor
Sensor.
System has an Energy Recovery
Ventilator (for example, Honeywell
ER90). Calls for ventilation, close
System has an outside air damper. Calls
for ventilation close VNT contacts and
activate system fan.
System has no ventilation equipment. A
call for ventilation activates the system fan.
Communications should always be
configured to N. If CM8900A
Communication Module is present, it
changes to Yes automatically.
Communication module is activated.
W8900A-C automatically changes to this
setting when communication is received.
W8900B model only. O/B terminal
energized in heating only. Use this
setting for heat pumps with heating
changeover.
W8900B model only. O/B terminal
energized in cooling only. Use this setting
for heat pumps with cooling changeover.
System has a humidifier that is used
in the heating mode.a
System has no humidifier.
M6361 M6375
M6362 M6376
M6363 M6377
M6364 M6378
M6365 M6379
M6366 M6380
M6367
M6381
M6382
M6368
M6383
M6369
M
638
4
M6370 M6385

68-0173—3 26
aThe humidity option can only be set for heat or cool. If both are set to Y, it will not honor either one.
Fig. 30. Initial display for installer setup.
Heat Options
When HEAT is flashing, refer to Table 5 for the options
pertaining to the heat equipment that appear in the PC8900A
display after each press of the CHECK key. HEAT and its list
of options appear only when the system allows field selection
of cycle rates, and only stages present in the remote module
hardware are shown.
Table 5. Heating Cycle Rates.
aWhen W2 is not used, configure W2 cycle rate to NC (not connected).
bFactory setting.
cUse these cycle rate settings if faster or slower cycling is required.
System set to control humidity in
cooling.a Can also have reheat
(W8900C only).
System does not control high humidity in
cooling.
PC8900A displays temperature
settings and readings in °F.
PC8900A displays temperature settings
and readings in °C.
PC8900A displays setpoint times and
clock times (12-hour clock) with AM
and PM.
PC8900A displays setpoint times and clock
times (24-hour clock) with military time.
System is set for Adaptive Intelligent
Recovery™. When recovering from
setback modes, programmed times
indicate when recovery ends. (See
Operation section for description).
System is set for conventional recovery.
When recovering from setback modes,
programmed times indicate when recovery
begins.(See Operation section for
description.)
Table 4. System Setting Options
Factory-Setting Description
Other Choices (Press
Up or Down Arrowhead
Keys to Change) Description
M6371 M6386
M6372 M6387
M6373 M6388
M6374 M6389
SYSTEM
FAN
HEAT COOL
M6401
SYSTEM
CHECK
1
1
ONE OF THESE SEGMENTS WILL BE FLASHING.
System
Cycles per
Hour Setting
Display Shows
Stage 1 Stage 2aAUX HT EM. HT.
Gas or Oil Forced Air 6 W1 CPH 6bW2 CPH 6bAUX HT CPH 6bEM. HT. CPH 6b
Electric Heat 9 W1 CPH 9 W2 CPH 9 AUX HT CPH 9 EM. HT. CPH 9
Single Stage Heat Pump,
Hydronic Heat, Condensing
Gas Furnaces
3 W1 CPH 3 W2 CPH 3 AUX HT CPH 3 EM. HT. CPH 3
Radiant Floor Heat, Gravity 1 W1 CPH 1 W2 CPH 1 AUX HT CPH 1 EM. HT. CPH 1
Cooling-only Application; no
heat sources connected
Not connected W1 CPH NC W2 CPH NC AUX HT CPH NC EM. HT. CPH NC
N/Ac4.5 W1 CPH 4.5 W2 CPH 4.5 AUX HT CPH 4.5 EM. HT. CPH 4.5
2.5 W1 CPH 2.5 W2 CPH 2.5 AUX HT CPH 2.5 EM. HT. CPH 2.5
2 W1 CPH 2 W2 CPH 2 AUX HT CPH 2 EM. HT. CPH 2
1.5 W1 CPH 1.5 W2 CPH 1.5 AUX HT CPH 1.5 EM. HT. CPH 1.5

27 68-0173—3
Press the up or down arrowhead key until the word HEAT is
flashing on the PC8900A display.
The PC8900A/W8900A-C is designed to be used on most
types of heating systems. Initially, the PC8900A/W8900A-C
are factory-set to be used on the following systems:
PC8900A/W8900A,C models: Stage 1 and 2 heat:
Conventional noncondensing gas or oil fired furnace (six
cycles per hour at 50 percent load).
PC8900A/W8900B models: Stage 1, 2 and 3 heat: Heat
pump (three cycles per hour at 50 percent load).
The cycle requirements for each stage of heat can be
changed to match the type of heating system used. See Table
5 for the cycle rate options available and the equipment that
corresponds with each cycle rate.
Cool Options
When COOL is flashing, see Table 6 for options for the cooling
equipment stages that appear in the display in the following
order after each press of the CHECK key.
Table 6. Cooling Cycle Rates.
aUse these cycle rate settings if faster or slower cycling is
required.
Fan Options
When FAN is flashing, refer to Table 7 for the options
pertaining to the fan equipment that appear in the display in
the following order after each press of the CHECK key.
Table 7. Fan Setting Options.
aOption not used on the W8900B model.
PROGRAMMING PC8900A
The Comfort Center™ control panel must have 24 Vac to
program.
The current day and time need to be set. This activates the
preprogram in the Comfort Center™ panel. See Table 8 for
the preprogram settings.
Table 8. PC8900A Preprogram.
Setting the Current Day and Time
NOTES:
— Always press the keys with a fingertip or similar
blunt tool. Sharp instruments like a pen or pencil
point can damage the keyboard.
— Check the Glossary section for definitions of
unfamiliar words.
1. Press SET CLOCK. The display shows a time and day.
2. Press and hold DAY until the current day appears in the
display.
3. Press and hold a TIME key until the current time
appears in the display. Be sure AM or PM appear as
desired.
4. Press RUN to exit the SET CLOCK program mode.
System
Cycles per
Hour
Setting
Display Shows
Stage 1 Stage 2
Recommended
setting
3 Y1 CPH 3
(factory
setting)
Y2 CPH 3
(factory
setting)
N/Aa9 Y1 CPH 9 Y2 CPH 9
N/Aa6 Y1 CPH 6 Y2 CPH 6
Natural gas air
conditioning
1 Y1 CPH 1 Y2 CPH 1
Heating-only
application
Not
connected
Y1 CPH NC Y2 CPH NC
N/Aa4.5 Y1 CPH 4.5 Y2 CPH 4.5
N/Aa2.5 Y1 CPH 2.5 Y2 CPH 2.5
N/Aa2 Y1 CPH 2 Y2 CPH 2
N/Aa1.5 Y1 CPH 1.5 Y2 CPH 1.5
Display Description
Other Choices (Press
Up or Down Arrowhead
Keys to Change) Description
When PC8900A calls for heat,
PC8900A also calls for fan
(Electric Heat).
When PC8900A calls for heat, fan is
energized by equipment
(Conventional).
No fan overrun in cooling. 80-second fan overrun after PC8900A
ends call for cooling.
a
M6390
M6391
M6392 M6393
Period Start Time
Heating
Temp
Cooling
Te m p
Fan
Setting
Vent
Setting
Saturday
WAKE (6:00 AM) (70°F) (78°F) (AUTO) (OFF)
LEAVE (8:00 AM) (62°F) (85°F) (AUTO) (OFF)
RETURN (6:00 PM) (70°F) (78°F) (AUTO) (OFF)
SLEEP (10:00 PM) (62°F) (82°F) (AUTO) (OFF)

68-0173—3 28
The current day and time are now programmed. The
preprogrammed schedule is activated. The preprogrammed
settings can be customized or cleared. When using the
preprogrammed settings as is, programming is done. To
customize or create a new program, follow the steps in the
Setting a Customized Program section. Operating the Comfort
Center™ section shows how to make any temporary changes.
Setting a Customized Program
Planning your Program
Plan a schedule before programming. Leave any period blank
when no setting is required. When an outdoor sensor is part of
the system, enter a frost setting. The humidity and frost
settings are the same for the entire program.
Programming the First Day
When changing the existing program, go to step 7a. When
clearing the program and starting over, proceed as follows.
NOTE: Press the RUN key at any time to exit the program-
ming mode.
1. Clearing Current Program
a. Press SELECT PERIOD.
b. Hold CANCEL until display shows PROG CLR.
2. Setting Day, Time, and Setpoints
a. Press SELECT PERIOD until display shows WAKE.
b. Press DAY until display shows MON.
c. When display reads COOL SET PT, press HEAT/
COOL SETPOINTS to switch to HEAT SET PT.
d. Press and hold a TIME key until the display shows
the desired starting time. The time changes in ten-
minute increments.
e. Press and hold the up or down arrowhead key until
the display shows the desired temperature.
f. Press HEAT/COOL SETPOINTS to switch to COOL
SET PT.
NOTE: The time is used for both heating and cooling.
When you change the time while setting the
cooling temperatures, the time is also changed
for heating.
g. Press and hold the up or down arrowhead key until
the display shows the desired temperature.
NOTE:
— When the numbers do not move while you are
holding the up or down arrowhead key, the setting
limit (45°F and 88°F) is reached.
— When set for auto changeover, there must be 3°F
between the heating and cooling setpoints. When
setting the cooling setpoint with the heating setpoint
at 68°, the cooling setpoint can be no lower than 71°.
And when cooling is set for 70°, the heat setpoint
changes to 67°. The PC8900A automatically pushes
the alternate setpoint so you can adjust the setpoint
to its desired setting.
— When set for manual changeover, the 3° differential
between the heating and cooling setpoint does not
apply.
3. Setting Fan
IMPORTANT
The FAN and VENTILATOR settings are the same
for heating and cooling. The FAN setting for heating
cannot be set for AUTO and the cooling set for CIRC.
a. Press FAN until FAN AUTO, FAN ON or FAN CIRC
is displayed, as desired.
NOTES:
— AUTO means the fan only runs when heating or
cooling is running.
— ON means the fan runs during this entire period.
— CIRC means the fan runs at least 30 percent of the
time during this period, including when the heating or
cooling system is running.
M6206
CHECK
SET
CLOCK
HEAT/COOL
SETPOINTS
SELECT
PERIOD
CANCEL
SELECT
PERIOD HOLDHUMIDITY VENTILATE
RUN
SYSTEM
HEAT OFF COOL
FAN
AUTO ON CIRC
DAY
TIME
TIME
SYSTEM
WAKE
MON
HEAT SET PT COOL
M6205
CHECK
SET
CLOCK
HEAT/COOL
SETPOINTS
SELECT
PERIOD
CANCEL
CANCEL
HOLDHUMIDITY VENTILATE
RUN
SYSTEM
HEAT OFF COOL
FAN
AUTO ON CIRC
DAY
TIME
TIME
SYSTEM
M6206
CHECK
SET
CLOCK
HEAT/COOL
SETPOINTS
SELECT
PERIOD
CANCEL
SELECT
PERIOD HOLDHUMIDITY VENTILATE
RUN
SYSTEM
HEAT OFF COOL
FAN
AUTO ON CIRC
DAY
TIME
TIME
SYSTEM
WAKE
MON
HEAT SET PT COOL
M6207
CHECK
SET
CLOCK
HEAT/COOL
SETPOINTS
SELECT
PERIOD
CANCEL
HOLDHUMIDITY VENTILATE
RUN
SYSTEM
HEAT OFF COOL
FAN
AUTO ON CIRC
DAY
TIME
TIME
SYSTEM
WAKE
MON
DAY
HEAT SET PT COOL
M6209
CHECK
SET
CLOCK
HEAT/COOL
SETPOINTS
HEAT/COOL
SETPOINTS
SELECT
PERIOD
CANCEL
HOLDHUMIDITY VENTILATE
RUN
SYSTEM
HEAT OFF COOL
FAN
AUTO ON CIRC
DAY
TIME
TIME
SYSTEM
HEAT SET PT COOL
M6215
CHECK
SET
CLOCK
HEAT/COOL
SETPOINTS
SELECT
PERIOD
CANCEL
HOLDHUMIDITY VENTILATE
RUN
SYSTEM
HEAT OFF COOL
FAN
AUTO ON CIRC
DAY
TIME
TIME
SYSTEM
MON
TIME
TIME
AM
M6210
CHECK
SET
CLOCK
HEAT/COOL
SETPOINTS
SELECT
PERIOD
CANCEL
HOLDHUMIDITY VENTILATE
RUN
SYSTEM
HEAT OFF COOL
FAN
AUTO ON CIRC
DAY
TIME
TIME
SYSTEM
AUTO
FAN
HEAT SET PT COOL
M6231
CHECK
SET
CLOCK
HEAT/COOL
SETPOINTS
HEAT/COOL
SETPOINTS
SELECT
PERIOD
CANCEL
HOLDHUMIDITY VENTILATE
RUN
SYSTEM
HEAT OFF COOL
FAN
AUTO ON CIRC
DAY
TIME
TIME
SYSTEM
HEAT COOL SET PT
AUTO
FAN
WAKE
M6232
CHECK
SET
CLOCK
HEAT/COOL
SETPOINTS
SELECT
PERIOD
CANCEL
HOLDHUMIDITY VENTILATE
RUN
SYSTEM
HEAT OFF COOL
FAN
AUTO ON CIRC
DAY
TIME
TIME
SYSTEM
HEAT COOL SET PT
AUTO
FAN
M6213
CHECK
SET
CLOCK
HEAT/COOL
SETPOINTS
SELECT
PERIOD
CANCEL
HOLDHUMIDITY VENTILATE
RUN
SYSTEM
HEAT OFF COOL
FAN
AUTO ON CIRC DAY
TIME
TIME
SYSTEM
HEAT COOL SET PT
WAKE
FAN
AUTO ON CIRC
AUTO
FAN

29 68-0173—3
4. Setting Ventilator
a. Press VENTILATE to display VENT when increased
ventilation is desired during the WAKE period.
b. When normal ventilation is desired, press VENTI-
LATE until VENT is not displayed.
5. Programming LEAVE, RETURN and
SLEEP
a. Repeat steps 2a through 4b for each period to be
programmed on Monday.
The Comfort Center™ Monday program is now complete.
Programming The Remaining Days
6. Copying the First Day Program
a. Hold down the DAY key until all the days of the
week have appeared on the screen.
b. Press RUN key to save and start the program.
NOTE: The Monday program is now copied to all seven
days of the week. If copy fails, start over (see Pro-
gramming the First Day section).
7. Changing the Program
a. Press SELECT PERIOD to enter the programming
mode.
b. Press DAY until the desired day is displayed.
c. Press and hold SELECT PERIOD until the desired
period is displayed.
d. Press HEAT/COOL SETPOINTS to switch between
HEAT SET PT and COOL SET PT.
e. Press and hold a TIME key until the desired start
time is displayed.
f. Press and hold up or down arrowhead key until the
desired temperature is displayed.
g. Follow steps 3a and 4a when changes to the fan
and ventilator settings are desired.
IMPORTANT
When in a program, pressing the CANCEL key until
PROGRAM CLR appears (approximately three sec-
onds) cancels your entire program and you need to
start again with step 3.
8. Canceling One Program Period
a. Press CANCEL while you are in the period to be
cancelled. The programmed time, temperature, vent
and fan settings for that period for that day
disappear.
9. Starting the Program
a. Press RUN to start the program.
M6213
CHECK
SET
CLOCK
HEAT/COOL
SETPOINTS
SELECT
PERIOD
CANCEL
HOLDHUMIDITY VENTILATE
RUN
SYSTEM
HEAT OFF COOL
FAN
AUTO ON CIRC DAY
TIME
TIME
SYSTEM
HEAT COOL SET PT
WAKE
FAN
AUTO ON CIRC
AUTO
FAN
M6212
CHECK
SET
CLOCK
HEAT/COOL
SETPOINTS
SELECT
PERIOD
CANCEL
HOLDHUMIDITY VENTILATE
VENTILATE
RUN
SYSTEM
HEAT OFF COOL
FAN
AUTO ON CIRC
DAY
TIME
TIME
SYSTEM
HEAT COOL SET PT
AUTO
FAN
WAKE
DAY
M6233
CHECK
SYSTEM
SET
CLOCK
HEAT/COOL
SETPOINTS
SELECT
PERIOD
CANCEL
HOLDHUMIDITY VENTILATE
RUN
SYSTEM
HEAT OFF COOL
FAN
AUTO ON CIRC
DAY
TIME
TIME
PM
SUN SLEEP
M6230
CHECK
SYSTEM
SET
CLOCK
HEAT/COOL
SETPOINTS
SELECT
PERIOD
CANCEL
HOLDHUMIDITY VENTILATE
RUN
SYSTEM
HEAT OFF COOL
FAN
AUTO ON CIRC
DAY
TIME
TIME
RUN
AM
MON
M6234
CHECK
SET
CLOCK
HEAT/COOL
SETPOINTS
SELECT
PERIOD
CANCEL
SELECT
PERIOD HOLDHUMIDITY VENTILATE
RUN
SYSTEM
HEAT OFF COOL
FAN
AUTO ON CIRC
DAY
TIME
TIME
SYSTEM
WAKE
MON
AM
HEAT SET PT COOL
M6235
CHECK
SET
CLOCK
HEAT/COOL
SETPOINTS
SELECT
PERIOD
CANCEL
HOLDHUMIDITY VENTILATE
RUN
SYSTEM
HEAT OFF COOL
FAN
AUTO ON CIRC
DAY
TIME
TIME
SYSTEM
WAKE
SAT
AM
DAY
HEAT SET PT COOL
M6236
CHECK
SET
CLOCK
HEAT/COOL
SETPOINTS
SELECT
PERIOD
CANCEL
HOLDHUMIDITY VENTILATE
RUN
SYSTEM
HEAT OFF COOL
FAN
AUTO ON CIRC
DAY
TIME
TIME
SYSTEM
LEAVE
SAT
AM
SELECT
PERIOD
HEAT SET PT COOL
M6237
CHECK
SET
CLOCK
HEAT/COOL
SETPOINTS
HEAT/COOL
SETPOINTS
SELECT
PERIOD
CANCEL
HOLDHUMIDITY VENTILATE
RUN
SYSTEM
HEAT OFF COOL
FAN
AUTO ON CIRC
DAY
TIME
TIME
SYSTEM
HEAT SET PT COOL
AUTO
FAN
LEAVE
M6238
CHECK
SET
CLOCK
HEAT/COOL
SETPOINTS
SELECT
PERIOD
CANCEL
HOLDHUMIDITY VENTILATE
RUN
SYSTEM
HEAT OFF COOL
FAN
AUTO ON CIRC
DAY
TIME
TIME
SYSTEM
SAT LEAVE
TIME
TIME
AM
M6210
CHECK
SET
CLOCK
HEAT/COOL
SETPOINTS
SELECT
PERIOD
CANCEL
HOLDHUMIDITY VENTILATE
RUN
SYSTEM
HEAT OFF COOL
FAN
AUTO ON CIRC
DAY
TIME
TIME
SYSTEM
AUTO
FAN
HEAT SET PT COOL
CHECK
SET
CLOCK
HEAT/COOL
SETPOINTS
SELECT
PERIOD
CANCEL
CANCEL
HOLDHUMIDITY VENTILATE
RUN
SYSTEM
HEAT OFF COOL
FAN
AUTO ON CIRC
DAY
TIME
TIME
SYSTEM
M10017
WAKE
MON
HEAT SET PT COOL
M6230
CHECK
SYSTEM
SET
CLOCK
HEAT/COOL
SETPOINTS
SELECT
PERIOD
CANCEL
HOLDHUMIDITY VENTILATE
RUN
SYSTEM
HEAT OFF COOL
FAN
AUTO ON CIRC
DAY
TIME
TIME
RUN
AM
MON

68-0173—3 30
10. Programming the System Setting
a. Press SYSTEM until desired setting (HEAT, OFF,
COOL, AUTO, EM HEAT) is displayed.
HEAT: The Comfort Center™ program controls the heating
system.
OFF: Both the heating and cooling systems are off. OFF
flashes in the display.
COOL: The Comfort Center™ program controls the cooling
system.
AUTO: The Comfort Center™ program automatically changes
between heating and cooling, depending on the indoor
temperature. (AUTO must be configured by the installer.)
EM HEAT:(Select Models Only): The Comfort Center™
program controls only the emergency heat.
11. Programming Humidity Setting
a. Press HUMIDITY. The display shows HUMID with a
percentage.
b. Press and hold the up or down arrowhead key until
desired humidity setting is displayed. The available
choices range from 10 to 80 percent in 5 percent
increments.
12. Programming Frost Setting
(If Applicable)
a. Press HUMIDITY a second time and the display
shows FROST.
NOTE: The factory setting is 5, but the range is 0 to
10. When there is too much condensation,
lower the number but if the air is dry, change
the setting to a higher number.
b. Press up or down arrowhead key until the desired
setting is displayed.
c. Press RUN to exit the program mode.
The Comfort Center™ program is now customized.
Operating the Comfort Center™ Control
System
Changing Current Period Settings
Temporary changes to the current period allow for those times
when someone comes home early, stays up late, or plans an
evening out. The settings are in effect until the next regularly
scheduled period starts.
1. Temperature Setpoint
a. Press HEAT/COOL SETPOINTS to display either
HEAT SET PT (if changing heat setpoint) or COOL
SET PT (if changing cool setpoint).
b. Press and hold up or down arrowhead key until the
desired temperature is displayed.
2. Fan Setting
a. Press FAN to display the AUTO, ON or CIRC fan
setting, as desired.
3. Ventilation Setting
a. Press VENTILATE to display VENT or not, as
desired.
Changing Settings for One Week or Less
This feature allows setting one temperature that the Comfort
Center™ program holds continuously for up to one week, until
the day and time programmed.
M6227
CHECK
SET
CLOCK
HEAT/COOL
SETPOINTS
SELECT
PERIOD
CANCEL
HOLDHUMIDITY VENTILATE
RUN
SYSTEM
HEAT OFF COOL
FAN
AUTO ON CIRC
DAY
TIME
TIME
SYSTEM
SYSTEM
HEAT OFF COOL
SYSTEM
M6228
CHECK
SET
CLOCK
HEAT/COOL
SETPOINTS
SELECT
PERIOD
CANCEL
HOLDHUMIDITY
HUMIDITY
VENTILATE
RUN
SYSTEM
H
E
A
T OFF
C
OOL
FAN
AUTO ON CIRC
DAY
TIME
TIME
SYSTEM
M6229
CHECK
SET
CLOCK
HEAT/COOL
SETPOINTS
SELECT
PERIOD
CANCEL
HOLDHUMIDITY VENTILATE
RUN
SYSTEM
HEAT OFF COOL
FAN
AUTO ON CIRC
DAY
TIME
TIME
SYSTEM
M6239
CHECK
SET
CLOCK
HEAT/COOL
SETPOINTS
SELECT
PERIOD
CANCEL
HOLDHUMIDITY
HUMIDITY
VENTILATE
RUN
SYSTEM
HEAT OFF COOL
FAN
AUTO ON CIRC
DAY
TIME
TIME
SYSTEM
CHECK
SET
CLOCK
HEAT/COOL
SETPOINTS
SELECT
PERIOD
CANCEL
HOLDHUMIDITY VENTILATE
RUN
SYSTEM
HEAT OFF COOL
FAN
AUTO ON CIRC
DAY
TIME
TIME
SYSTEM
M6240
M6230
CHECK
SYSTEM
SET
CLOCK
HEAT/COOL
SETPOINTS
SELECT
PERIOD
CANCEL
HOLDHUMIDITY VENTILATE
RUN
SYSTEM
HEAT OFF COOL
FAN
AUTO ON CIRC
DAY
TIME
TIME
RUN
AM
MON
M6209
CHECK
SET
CLOCK
HEAT/COOL
SETPOINTS
HEAT/COOL
SETPOINTS
SELECT
PERIOD
CANCEL
HOLDHUMIDITY VENTILATE
RUN
SYSTEM
HEAT OFF COOL
FAN
AUTO ON CIRC
DAY
TIME
TIME
SYSTEM
HEAT SET PT COOL
M6216
CHECK
SET
CLOCK
HEAT/COOL
SETPOINTS
SELECT
PERIOD
CANCEL
HOLDHUMIDITY VENTILATE
RUN
SYSTEM
HEAT OFF COOL
FAN
AUTO ON CIRC
DAY
TIME
TIME
SYSTEM
TEMPORARY
HEAT SET PT COOL FAN
AUTO
M6221
CHECK
SET
CLOCK
HEAT/COOL
SETPOINTS
SELECT
PERIOD
CANCEL
HOLDHUMIDITY VENTILATE
RUN
SYSTEM
HEAT OFF COOL
FAN
AUTO ON CIRC DAY
TIME
TIME
SYSTEM
FAN
AUTO ON CIRC
AUTO
FAN
M6224
CHECK
SET
CLOCK
HEAT/COOL
SETPOINTS
SELECT
PERIOD
CANCEL
HOLDHUMIDITY VENTILATE
VENTILATE
RUN
SYSTEM
HEAT OFF COOL
FAN
AUTO ON CIRC
DAY
TIME
TIME
SYSTEM
HEAT SET PT COOL
AUTO
FAN
TEMPORARY VENT

31 68-0173—3
4. Programming Hold for 1 to 7 Days
a. Press HOLD.
b. Press HEAT/COOL SETPOINTS to display either
HEAT SET PT (if holding heat setpoint) or COOL
SET PT (if holding cool setpoint).
c. Press and hold up or down arrowhead key until
desired holding temperature is displayed.
d. Press FAN for fan setting and VENTILATE for venti-
lation setting during hold.
e. Press DAY until the desired end day is displayed.
f. Press a TIME key until the desired end time is dis-
played.
NOTE: To cancel steps 4a. through 4f., press the
CANCEL key.
The temperature, fan and ventilation setting are in effect until
the day and time selected. At that time, the Comfort Center™
program returns to the regularly programmed settings.
Changing Settings for an Indefinite Amount of Time
The hold feature keeps one temperature that the Comfort
Center™ program holds continuously until CANCEL is
pressed to resume the program.
5. Programming Indefinite Hold
a. Press HOLD.
b. Press HEAT/COOL SETPOINTS to display either
HEAT SET PT (if holding heat setpoint) or COOL
SET PT (if holding cool setpoint).
c. Press and hold up or down arrowhead key until
desired holding temperature is displayed.
d. Press FAN for desired fan setting and VENTILATE
for desired ventilation setting during hold.
NOTE: To cancel steps 5a. through 5d., press the
CANCEL key.
M6241
CHECK
SET
CLOCK
HEAT/COOL
SETPOINTS
HOLD
SELECT
PERIOD
CANCEL
HOLDHUMIDITY VENTILATE
RUN
SYSTEM
HEAT OFF COOL
FAN
AUTO ON CIRC
DAY
TIME
TIME
SYSTEM
HEAT COOL SET PT
M6241
CHECK
SET
CLOCK
HEAT/COOL
SETPOINTS
HOLD
SELECT
PERIOD
CANCEL
HOLDHUMIDITY VENTILATE
RUN
SYSTEM
HEAT OFF COOL
FAN
AUTO ON CIRC
DAY
TIME
TIME
SYSTEM
HEAT COOL SET PT
M6242
CHECK
SET
CLOCK
H
E
A
T/
C
OOL
SETPOI
N
TS
SELECT
PERIOD
CANCEL
HOLD
HUMIDITY VENTILATE
RUN
SYSTEM
HEAT OFF COOL
FAN
AUTO ON CIRC
DAY
TIME
TIME
SYSTEM
HEAT SET PT COOL
HEAT/COOL
SETPOINTS
M6244
CHECK
SET
CLOCK
HEAT/COOL
SETPOINTS
SELECT
PERIOD
CANCEL
HOLDHUMIDITY VENTILATE
RUN
SYSTEM
HEAT OFF COOL
FAN
AUTO ON CIRC DAY
TIME
TIME
SYSTEM
HEAT SET PT COOL
FAN
AUTO ON CIRC
AUTO
FAN
M6245
CHECK
SET
CLOCK
HEAT/COOL
SETPOINTS
SELECT
PERIOD
CANCEL
HOLDHUMIDITY VENTILATE
VENTILATE
RUN
SYSTEM
HEAT OFF COOL
FAN
AUTO ON CIRC
DAY
TIME
TIME
SYSTEM
HEAT SET PT COOL
AUTO
FAN
VENT
DAY
M6246
CHECK
SYSTEM
SET
CLOCK
HEAT/COOL
SETPOINTS
SELECT
PERIOD
CANCEL
HOLDHUMIDITY VENTILATE
RUN
SYSTEM
HEAT OFF COOL
FAN
AUTO ON CIRC
DAY
TIME
TIME
PM
FRI
M6247
CHECK
SET
CLOCK
HEAT/COOL
SETPOINTS
SELECT
PERIOD
CANCEL
HOLDHUMIDITY VENTILATE
RUN
SYSTEM
HEAT OFF COOL
FAN
AUTO ON CIRC
DAY
TIME
TIME
SYSTEM
TIME
TIME
PM
FRI
M6241
CHECK
SET
CLOCK
HEAT/COOL
SETPOINTS
HOLD
SELECT
PERIOD
CANCEL
HOLDHUMIDITY VENTILATE
RUN
SYSTEM
HEAT OFF COOL
FAN
AUTO ON CIRC
DAY
TIME
TIME
SYSTEM
HEAT COOL SET PT
M6242
CHECK
SET
CLOCK
H
E
A
T/
C
OOL
SETPOI
N
TS
SELECT
PERIOD
CANCEL
HOLD
HUMIDITY VENTILATE
RUN
SYSTEM
HEAT OFF COOL
FAN
AUTO ON CIRC
DAY
TIME
TIME
SYSTEM
HEAT SET PT COOL
HEAT/COOL
SETPOINTS
M6243
CHECK
SET
CLOCK
H
E
A
T/
C
OOL
SETPOI
N
TS
SELECT
PERIOD
CANCEL
HOLD
HUMIDITY VENTILATE
RUN
SYSTEM
HEAT OFF COOL
FAN
AUTO ON CIRC
DAY
TIME
TIME
SYSTEM
HEAT SET PT COOL
M6244
CHECK
SET
CLOCK
HEAT/COOL
SETPOINTS
SELECT
PERIOD
CANCEL
HOLDHUMIDITY VENTILATE
RUN
SYSTEM
HEAT OFF COOL
FAN
AUTO ON CIRC DAY
TIME
TIME
SYSTEM
HEAT SET PT COOL
FAN
AUTO ON CIRC
AUTO
FAN
M6245
CHECK
SET
CLOCK
HEAT/COOL
SETPOINTS
SELECT
PERIOD
CANCEL
HOLDHUMIDITY VENTILATE
VENTILATE
RUN
SYSTEM
HEAT OFF COOL
FAN
AUTO ON CIRC
DAY
TIME
TIME
SYSTEM
HEAT SET PT COOL
AUTO
FAN
VENT

68-0173—3 32
Canceling Program Settings.
Each period can be canceled.
6. Canceling Period
a. Press DAY until the desired day appears in the dis-
play.
b. Press and hold SELECT PERIOD until the desired
period to cancel for that day appears in the display.
c. Press CANCEL. The time and temperature disap-
pears from the display.
d. Press RUN to return to normal operation.
Review Program Settings and Current Readings
1. Review All of Program Settings
IMPORTANT
Changes can be made to the program when using
this review process.
— Press SELECT PERIOD to enter the program.
— Press DAY for each day of the week and press
SELECT PERIOD to review each period. The display
shows the day, period, time, temperature setpoints,
fan and vent settings.
— Press RUN to exit the review.
2. Review Current Setpoints and Readings
Use the following instructions to check the setpoints for the
current period only and to check the actual humidity and
outdoor readings.
NOTE: Return to the program at any time by pressing RUN.
a. Press CHECK to display the current humidity or
outside temperature (if outside sensor is installed).
b. Press CHECK again to display the current humidity
reading.
c. Press HUMIDITY to display the setpoint.
d. Press CHECK to display two temperatures and
HEAT SET PT or COOL SET PT in the display.
e. Press HEAT/COOL SETPOINT to display the other
setpoint.
f. Press CHECK again to display the current FAN
setting.
g. Press CHECK again to display the current VENT
setting.
DAY
M6249
CHECK
SYSTEM
SET
CLOCK
HEAT/COOL
SETPOINTS
SELECT
PERIOD
CANCEL
HOLDHUMIDITY VENTILATE
RUN
SYSTEM
HEAT OFF COOL
FAN
AUTO ON CIRC
DAY
TIME
TIME
PM
THU LEAVE
RETURN
M6250
CHECK
SYSTEM
SET
CLOCK
HEAT/COOL
SETPOINTS
SELECT
PERIOD
CANCEL
HOLDHUMIDITY VENTILATE
RUN
SYSTEM
HEAT OFF COOL
FAN
AUTO ON CIRC
DAY
TIME
TIME
PM
THU
SELECT
PERIOD
M6251
CHECK
SET
CLOCK
HEAT/COOL
SETPOINTS
SELECT
PERIOD
CANCEL
HOLDHUMIDITY VENTILATE
RUN
SYSTEM
HEAT OFF COOL
FAN
AUTO ON CIRC
DAY
TIME
TIME
SYSTEM
RETURN
MON
HEAT SETPT
CANCEL
COOL
M6230
CHECK
SYSTEM
SET
CLOCK
HEAT/COOL
SETPOINTS
SELECT
PERIOD
CANCEL
HOLDHUMIDITY VENTILATE
RUN
SYSTEM
HEAT OFF COOL
FAN
AUTO ON CIRC
DAY
TIME
TIME
RUN
AM
MON
M6234
CHECK
SET
CLOCK
HEAT/COOL
SETPOINTS
SELECT
PERIOD
CANCEL
SELECT
PERIOD HOLDHUMIDITY VENTILATE
RUN
SYSTEM
HEAT OFF COOL
FAN
AUTO ON CIRC
DAY
TIME
TIME
SYSTEM
WAKE
MON
AM
HEAT SET PT COOL
M6235
CHECK
SET
CLOCK
HEAT/COOL
SETPOINTS
SELECT
PERIOD
CANCEL
HOLDHUMIDITY VENTILATE
RUN
SYSTEM
HEAT OFF COOL
FAN
AUTO ON CIRC
DAY
TIME
TIME
SYSTEM
WAKE
SAT
AM
DAY
HEAT SET PT COOL
M6230
CHECK
SYSTEM
SET
CLOCK
HEAT/COOL
SETPOINTS
SELECT
PERIOD
CANCEL
HOLDHUMIDITY VENTILATE
RUN
SYSTEM
HEAT OFF COOL
FAN
AUTO ON CIRC
DAY
TIME
TIME
RUN
AM
MON
M6200
CHECK
SET
CLOCK
HEAT/COOL
SETPOINTS
SELECT
PERIOD
CANCEL
HOLDHUMIDITY VENTILATE
RUN
SYSTEM
HEAT OFF COOL
FAN
AUTO ON CIRC
DAY
TIME
TIME
SYSTEM
CHECK
OR
M6252
CHECK
SET
CLOCK
HEAT/COOL
SETPOINTS
SELECT
PERIOD
CANCEL
HOLDHUMIDITY VENTILATE
RUN
SYSTEM
HEAT OFF COOL
FAN
AUTO ON CIRC
DAY
TIME
TIME
SYSTEM
CHECK
M6253
CHECK
SET
CLOCK
HEAT/COOL
SETPOINTS
SELECT
PERIOD
CANCEL
HOLDHUMIDITY VENTILATE
RUN
SYSTEM
HEAT OFF COOL
FAN
AUTO ON CIRC
DAY
TIME
TIME
SYSTEM
HUMIDITY
M6255
CHECK
SET
CLOCK
HEAT/COOL
SETPOINTS
SELECT
PERIOD
CANCEL
HOLDHUMIDITY VENTILATE
RUN
SYSTEM
HEAT OFF COOL
FAN
AUTO ON CIRC
DAY
TIME
TIME
SYSTEM
CHECK
HEAT COOL SET PT
M6256
CHECK
SET
CLOCK
HEAT/COOL
SETPOINTS
HEAT/COOL
SETPOINTS
SELECT
PERIOD
CANCEL
HOLDHUMIDITY VENTILATE
RUN
SYSTEM
HEAT OFF COOL
FAN
AUTO ON CIRC
DAY
TIME
TIME
SYSTEM
HEAT SET PT COOL
M6257
CHECK
SET
CLOCK
HEAT/COOL
SETPOINTS
SELECT
PERIOD
CANCEL
HOLDHUMIDITY VENTILATE
RUN
SYSTEM
HEAT OFF COOL
FAN
AUTO ON CIRC
DAY
TIME
TIME
SYSTEM
CHECK
AUTO
FAN
M6258
CHECK
SET
CLOCK
HEAT/COOL
SETPOINTS
SELECT
PERIOD
CANCEL
HOLDHUMIDITY VENTILATE
RUN
SYSTEM
HEAT OFF COOL
FAN
AUTO ON CIRC
DAY
TIME
TIME
SYSTEM
CHECK

33 68-0173—3
h. Press CHECK again to display the system setting.
i. Press CHECK or RUN to return to the program.
Activating or Deactivating Keyboard Lockout
When the keyboard lockout is activated, the programs, time
and day, humidity and installer setup information cannot be
changed. However, hold, temporary settings and the system
setting can be changed. Use the following steps to check or
change the keyboard setting.
1. Press and hold RUN until OPEN KEY or LOCK KEY
show in the display (approximately three seconds). The
display returns to normal when RUN is no longer
pressed.
2. To change the setting, press RUN a second time until
the other display appears.
CHECKOUT
CAUTION
Do not operate the cooling system when outside
temperature is below 50°F (10°C). See compressor
manufacturer instructions for further information.
IMPORTANT
• W8900A-C must have ac power to perform self-test.
• Five-minute time delay on compressor does not
function during checkout.
Perform the following test as a check of all the W8900A-C
functions. If W8900A-C does not respond as indicated,
replace the W8900A-C.
Checkout is activated from the W8900A-C Remote Module.
The PC8900A Control Panel does not have to be connected
to use the checkout. If the PC8900A is connected, the
PC8900A displays Wait during checkout.
NOTE: The W8900A-C (and PC8900A, if connected),
returns to normal when the checkout is interrupted
for two minutes.
1. Start the checkout by disconnecting sensor wires from
S, S1, T and T1 (if attached).
2. Connect a jumper between S and S1 terminals.
3. Connect a jumper between T and T1 terminals.
4. Turn the power off and on. The LED should be on. Fol-
low the steps in Table 9 or 10.
NOTE: The sequence restarts after the last step in the
table.
5. After completing the steps in the table, remove the T to
T1 and S to S1 jumpers and reinstall the sensor wires (if
applicable). The W8900A-C LED blinks.
Table 9. Conventional System Checkout.
aThis is the terminal sequence for W8900A1012.
bOn conventional models with the O/B relay (changeover) populated, it is energized in the heating mode. The default mode for
power up is heat. If the installer test mode is cycled through cooling to all relays off with the intent of repeating the test, the O/B
relay is not energized until the first stage of heat is cycled on.
M6259
CHECK
SET
CLOCK
HEAT/COOL
SETPOINTS
SELECT
PERIOD
CANCEL
HOLDHUMIDITY VENTILATE
RUN
SYSTEM
HEAT OFF COOL
FAN
AUTO ON CIRC
DAY
TIME
TIME
SYSTEM
CHECK
SYSTEM
M6230
CHECK
SYSTEM
SET
CLOCK
HEAT/COOL
SETPOINTS
SELECT
PERIOD
CANCEL
HOLDHUMIDITY VENTILATE
RUN
SYSTEM
HEAT OFF COOL
FAN
AUTO ON CIRC
DAY
TIME
TIME
RUN
AM
MON
Step
Result
LED Terminals Energized Equipment Operation
Remove jumper from T terminal. Off G, O/ B ab Fan relay is energized.
Reconnect jumper to T terminal. On G, W1, O/Bab Fan and first-stage heat are energized.
Remove jumper from T terminal. Off G, W1, W2, O/Bab Fan, first- and second-stage heat are energized.
Reconnect jumper to T terminal. On G, Y1 First- and second-stage heat are de-energized. Fan and
first stage cooling are energized.
Remove jumper from T terminal. Off G, Y1, Y2 Fan, first- and second-stage cooling are energized.
Reconnect jumper to T terminal. On G, Y1, Y2, HUM Fan, first- and second-stage cooling with the humidifier are
energized.
Remove jumper from T terminal. Off G, Y1, Y2, HUM, VNT Fan, first- and second-stage cooling with the humidifier and
ERV are energized.
Reconnect jumper to T terminal. On None All equipment is de-energized.
Remove jumper from T1, S and S1
terminals.
On None Return PC8900A to normal operation.

68-0173—3 34
Table 10. Heat Pump System Checkout. a
aThe polarity configuration of the reversing valve relay (O/B) determines if the O/B is always energized on first call for heat or
cool. If the reversing valve energizes with heat, then it de-energizes with cooling. Factory setting is for O/B to energize with a
call for heat.
bO/B is energized based on installer setup or configuration.
Installer Display of all Segments and Product Codes
(Optional)
1. Press and hold CHECK key until all segments of the dis-
play are lighted. See Fig. 31.
2. Press the CHECK key four more times to view each of
the following items:
— Order specification number of the Comfort Center™
control system.
— Manufacturing date code and software revision
numbers of the Comfort Center™ control system.
— Order specification number of the remote module.
— Manufacturing date code and software revision
numbers of the remote module.
3. Press the CHECK key to return to normal operation.
Fig. 31. All segments on display.
OPERATION
The PC8900A, C7089A, C7189A, C7100A and CO2 monitor
sense the temperature, humidity and CO2 conditions in the
living space. This information is then transferred to the
W8900A-C Remote Module, which activates the proper
equipment based on the programmed settings.
Conventional vs. Adaptive Intelligent
Recovery™ Operation
Conventional Recovery
Conventional temperature recovery starts the heating or
cooling system at the programmed set time. See Fig. 32.
Using conventional recovery requires setting the program
period times earlier than the area is occupied so the area will
be comfortable. The program may need to be adjusted
periodically to accommodate for weather and seasonal
changes. The conventional recovery method is used when
Adaptive Intelligent Recovery™ operation is disabled.
Fig. 32. Conventional recovery ramp.
Step
Result
LED Terminals Energized Equipment Operation
Remove jumper from T terminal. Off G Fan relay is energized.
Reconnect jumper to T terminal. On G, W1/Y1, O/BbFan and first-stage heat are energized.
Remove jumper from T terminal. Off G, W1/Y1, W2, O/BbFan, first- and second-stage heat are energized.
Reconnect jumper to T terminal. On G, W1/Y1, W2, AUX,
O/Bb
Fan, first-, second- and auxiliary-stage heat are energized.
Remove jumper from T terminal. Off G, E, O/ B bFirst- and second-stage heat are de-energized. Fan and
emergency heat are energized.
Reconnect jumper to T terminal. On G, W1/Y1, O/BbFan and first-stage cooling are energized.
Remove jumper from T terminal. Off G, W1/Y1, Y2, O/BbFan, first- and second-stage cooling are energized.
Reconnect jumper to T terminal. On G, W1/Y1, Y2, O/Bb,
HUM
Fan, first- and second-stage cooling with the humidifier are
energized.
Remove jumper from T terminal. Off G, W1/Y1, Y2, O/Bb,
HUM, VNT
Fan, first- and second-stage cooling with the humidifier and
VNT are energized.
Reconnect jumper to T terminal. On None All equipment is de-energized.
Remove jumper from T1, S and S1
terminals.
On None Returns PC8900A to normal operation.
SYSTEM OFF AUTO
SUN MON TUE WED THU FRI SAT WAKELEAVERETURNSLEEP TEMPORARY VENT
AM
PM
AUTO
ON
CIRC
FAN
AUX HEAT SET PT COOL SET PT
M6400
SYSTEM
CHECK
70 F
60 F SLEEP WAKE
SETPOINT
TEMPERATURE
ACTUAL
TEMPERATURE
M6404

35 68-0173—3
Adaptive Intelligent Recovery™ Operation
Adaptive Intelligent Recovery™ operation is Honeywell’s
trademark for the way the Comfort Center™ system controls
the heating and cooling equipment during recovery from an
energy savings setting (SLEEP, LEAVE) to a comfort setting
(WAKE, RETURN). This provides additional energy savings.
The advantages are:
• Comfort setting is achieved at the programmed time and
maintained regardless of the weather conditions;
occupants come home and wake up in comfort.
• Drafts from low temperature discharge air are minimized
during occupied periods.
• Comfort Center™ control system automatically uses the
more economical first stage of the heat pump as the
primary heat source during the heat mode recovery,
avoiding the use of the expensive second-stage of heating
(auxiliary heat).
• Comfort and energy savings can be achieved in both
heating and cooling.
• Reduces heat pump and air conditioner compressor
cycling, extending equipment life.
Adaptive Intelligent Recovery™ operation is used during
recovery from energy savings. It is bypassed when configured
for conventional recovery but not when setpoint is temporarily
changed. When Adaptive Intelligent Recovery™ operation is
bypassed, the system operates the stages of equipment like a
conventional control.
PC8900A Used with W8900A,C Remote Module
(Conventional Heat/Cool Applications)
During recovery, the Comfort Center™ program calculates the
amount of time required to bring the living space from the
current room temperature (achieved in the energy savings
mode) to the comfort temperature programmed for the
comfort mode. When that time is reached, the present
setpoint changes from the energy savings setpoint to the
comfort setpoint. The result is that the living space
temperature is at the programmed setpoint at the
programmed time, providing the occupants with the maximum
comfort. See Fig. 33.
PC8900A Used with W8900B Remote Module
(Heat Pump Applications)
During recovery, the Comfort Center™ program works to
achieve comfort in the same manner, by calculating the
amount of time required to bring the living space from the
current room temperature to the comfort temperature
programmed for the comfort mode. The living space
temperature reaches the programmed setpoint at the
programmed time so the occupants achieve maximum
comfort.
Another way the Comfort Center™ program minimizes
auxiliary heat usage is by having two recovery ramps: one for
stage-one compressor and one for auxiliary heat.
Fig. 33. Heat pump Adaptive Intelligent Recovery™ ramp.
Operation
Seasonal weather changes allow the Adaptive Intelligent
Recovery™ ramp to change on a daily basis and still meet the
comfort needs of the occupants. In the fall, heating loads are
light so recovery begins very late in the energy savings
period. As fall changes to winter, loads increase and the
Adaptive Intelligent Recovery™ ramp shifts so recovery
begins earlier each day. Conversely, recovery begins later
each day as heating loads decrease from winter to spring.
See Fig. 34 and 35.
Fig. 34. Fall to winter Adaptive
Intelligent Recovery™ ramp.
Fig. 35. Winter to spring Adaptive
Intelligent Recovery™ ramp.
Energy Savings Period
In mild to moderate weather, the PC8900A calls on the heat
pump only when the sensed temperature falls below the
setpoint. Under mild to moderate conditions, the more
costly auxiliary heat is not needed. In severe weather, the
heat pump cycles only when the sensed temperature falls
below setpoint and auxiliary heat cycles continuously. See
Fig. 36 through 38.
WAKE
COMPRESSOR SETPOINT
AUXILIARY HEAT SETPOINT
ROOM TEMPERATURE
M6406A
70 F
60 F
SLEEP
HEATING MODE
WAKE
SETPOINT
TEMPERATURE
ACTUAL
TEMPERATURE
M6185
A
70 F
60 F SLEEP WAKE
SETPOINT
TEMPERATURE
ACTUAL
TEMPERATURE
M6186

68-0173—3 36
Heat Pump Recovery
In Mild Weather
When outdoor temperature is mild; for example 50°F (10°C),
the recovery from energy savings is handled completely by
the heat pump, without the need for auxiliary heat. The heat
pump starts only after the setpoint has risen above the sensed
temperature and is locked on until the comfort setpoint is
reached. See Fig. 36.
Fig. 36. Adaptive Intelligent Recovery™ ramp for
a heat pump in mild weather (50°F).
In Moderate Weather
When outdoor temperature is close to the balance point of the
heat pump, the heat pump runs continuously during the
recovery period and auxiliary heat cycles if necessary.
See Fig. 37.
Fig. 37. Adaptive Intelligent Recovery™ ramp for
a heat pump in moderate weather (20°F).
In Severe Weather
When the outdoor temperature is below the balance point of
the heat pump, the heat pump and auxiliary heat run
continuously in the recovery period. See Fig. 38.
Fig. 38. Adaptive Intelligent Recovery™ ramp for
a heat pump in severe weather (0°F).
Comfort Period
In mild weather, the heat pump cycles continuously to
maintain the sensed temperature within 1°F of the setpoint. In
moderate weather, the heat pump cycles longer, minimizing
the need for auxiliary heat. The heat pump runs the majority of
the time in severe weather and only shuts off for brief periods
using auxiliary heat to maintain temperature within 1°F of
setpoint. See Fig. 36 through 38.
THERMAL PERFORMANCE
During severe weather, the PC8900A actually controls closer
to the setpoint than a conventional control. This is because
the heat anticipator is replaced by two electronic control
strategies—cycling by heat anticipation and proportional plus
integral (P+I) control.
Electronic cycling by heat anticipation acts like a traditional
heat anticipator except that it never needs adjusting for
various control circuit load currents. It cycles off the heating
system slightly before the room temperature reaches the
setpoint to keep heat that remains in the ductwork from
overheating the room.
In severe weather, a conventional control with a heat
anticipator tends to turn off the system too soon so the
effective setpoint is somewhat below the setpoint. In very cold
weather, the difference between setpoint and effective control
point can be 5°F or 6°F (2°C or 3°C) with a conventional
control. This phenomenon is called droop.
Proportional plus integral action eliminates droop by adjusting
the on time of the stage until the control point matches the
setpoint. The PC8900A maintains the space temperature
within 1°F of the setpoint when the temperature has stabilized
after an energy saving period.
This zero droop performance provides improved occupant
comfort and energy savings. Occupants do not need to
continually adjust thermostat settings to maintain desired
temperature, even during severe weather.
Remote Communications
Adding the CM8900A Communications Module and the
W8735B Telephone Access Module gives the PC8900A/
W8900A-C remote communications. Users are able to control
current setpoint and system settings. They can monitor the
WAKE
COMPRESSOR
SETPOINT
AUXILIARY
HEAT SETPOINT
COMPRESSOR:
A
UXILIARY HEAT:
ON
OFF
ON
OFF
ROOM
TEMPERATURE
M6187
WAKE
COMPRESSOR
SETPOINT
AUXILIARY
HEAT SETPOINT
COMPRESSOR:
A
UXILIARY HEAT:
ON
OFF
ON
OFF
ROOM
TEMPERATURE
M6188
WAKE
COMPRESSOR
SETPOINT
AUXILIARY
HEAT SETPOINT
COMPRESSOR:
AUXILIARY
HEAT:
ON
OFF
ON
OFF
ROOM
TEMPERATURE
M6189

37 68-0173—3
outdoor temperature, humidity, current setpoint, system mode,
alarm out on High-Low temperature, filter status and
equipment failure. See separate instructions on CM8900A
and W88735B for more detailed information.
Minimum-Off Timing
A minimum-off timer in the Comfort Center™ control systeml
assures that the cooling compressor or heat pump
compressor does not come on again for at least five minutes
after it turns off. The minimum-off timer is triggered when the
compressor goes off and when the system switch is changed.
If the compressor turns off when the setpoint is changed, then
the minimum-off timer is triggered. The minimum-off timer
operates during the first stage of cooling on the W8900A
and C. The minimum-off timer operates during the first stage
of both heating and cooling on the W8900B. The minimum-off
timer can be disabled in the installer setup mode and can be
overridden in the checkout mode.
Fan Control
The fan comes on when any of these conditions are present (it
can take up to 20 seconds for the fan to turn on).
NOTES:
FAN ON: This setting means the fan runs 100
percent of the time during this period.
FAN AUTO: The AUTO setting means the fan runs
only with the heating or cooling system.
FAN CIRC: When the fan is set to CIRC, the fan runs
at least 30 percent of the time, including the time the
fan is on while the heating or cooling system is run-
ning. When the heating or cooling system is not
running at all, the fan runs for ten minutes on, and 20
minutes off. Protection against fan short cycling is
built into the device.
The installer setup has the ability to extend fan operation
following a cooling cycle. When selected, the fan run time at
the end of a cooling cycle is extended 80 seconds.
Ventilation Control
When the Comfort Center™ program is configured for
ventilation, the ventilator contacts are closed, activating high
speed ventilation equipment in response to any of the
following conditions:
• Ventilation request from the user.
• High CO2 condition (measured by CO2 monitor).
• High humidity condition while in the heating mode.
• Programming.
The ventilation control is set for a 20-second cycle so the user
can wait up to 20 seconds for the ventilation to start after the
request is made.
When the Comfort Center™ program is configured for no
ventilation, the system fan is activated in response to a call for
ventilation. When the Comfort Center™ system is configured
for a VNT damper, calls for ventilation close the VNT damper
contacts and activate the system fan.
NOTE: Each period can have a ventilation program.
Humidity Control (W8900A and B)
IMPORTANT
The humidity configuration can only be set for heat or
cool by the installer. If configured for both, the
Comfort Center™ control system ignores both set-
tings and no humidity control is activated.
Heat Mode
Heat humidification is activated when the sensed RH is below
the setpoint RH and the fan is on. When a ventilator is
installed and configured and the RH is above the setpoint, the
Comfort Center™ program calls for ventilation to lower the
humidity.
Cool Mode
Cool dehumidification is activated when the sensed RH is
above the setpoint. This can cause overcooling; see W8900C
Humidity Control section.
Dehumidification equipment can be controlled in many ways.
See Installation section for hookup drawings.
Humidity Control with Fan
Select models of the W8900A-C can be configured to control
humidity levels while the fan is energized. This type of
humidity control does not require the heat output to be
energized. In order for the humidity terminals (“HUM”) to
energize, the following conditions must be met:
1. System switch must be in the heat mode or in Auto
mode with heat being the last call.
2. There must be a call for humidity (sensed relative
humidity [RH] is below RH setpoint).
3. Fan terminal (“G”) must be energized through program-
ming or by pressing the fan button on the PC8900A.
Frost Control
The frost Control needs an outdoor sensor to be activated.
The Comfort Center™ control system calculates the
possibility of condensation or frost forming by using the
outside temperature and inside temperature to determine the
dewpoint. When the dewpoint would cause frost or
condensation, the humidification request will not be honored.
The frost setting has a value range of zero to ten with zero
representing glass with poor insulation and ten representing
glass with perfect insulation.
NOTE: Set the frost setting to 10 to severely limit the frost
control.
W8900C Humidity Control
The W8900C can be configured to control humidity levels in
both the heat and cool modes. A humidifier is connected to
the HUM terminals. The HUM contacts close and activate a
humidifier when the sensor RH is below the setpoint RH.
Dehumidification equipment is controlled by the Y1,Y2, and G
terminals. These contacts close to activate the air conditioning
equipment when the sensed RH is above the setpoint RH.
The reheat feature is designed to keep the occupants
comfortable. If the cooling setpoint is reached, but the
dehumidification setpoint is not satisfied, the Comfort
Center™ program turns on the heat. When the heat raises the
temperature so there is a call for cooling and the

68-0173—3 38
dehumidification requirement is still not met, cooling starts
again. This switching continues until the dehumidification and
cooling setpoints are met. This feature assures that the
occupants do not experience excessive temperature drop due
to the need for dehumidification.
CO2 Monitor
When a CO2 monitor is configured and installed, the Comfort
Center™ programl turns on ventilation (if configured for
ventilation), or system fan (if configured for no ventilation), in
response to a high CO2 monitor reading.
C7089A Outdoor Temperature Sensor
The outdoor temperature sensor is necessary for the Frost
control feature to be activated. The Comfort Center™ control
system takes the outdoor temperature reading and calculates
the dewpoint to help prevent humidity from accumulating on
the windows. With the C7089A installed and configured, the
user can read the outdoor temperature by pressing the
CHECK key. See Fig. 39 for the resistance vs. temperature
characteristics for the C7089A Outdoor Temperature Sensor.
When a C7089A Outdoor Temperature Sensor is configured
and installed and the PC8900A is configured for humidity
control in the heating mode, the frost control feature is
enabled.
Fig. 39. C7089A Outdoor Temperature Sensor and C7100A Discharge Temperature Sensor
resistance vs. temperature performance characteristics.
C7100A Discharge Air Temperature Sensor
The C7100A Discharge Air Temperature Sensor mounts on
the duct wall or plenum surface with integral mounting flange
or in a 2 x 4 in. junction box. The C7100A senses the air tem-
perature in the discharge and if the temperature is not
acceptable for the heating or cooling setting, the Comfort
Center™ control system lights the check LED and presents a
Check message. See Fig. 39 for the resistance vs. tempera-
ture characteristics for the C7100A Discharge Air Temperature
Sensor.
The discharge air temperature is displayed on the PC8900A
when the Check key is pressed. If the PC8900A is configured
for a discharge air temperature but the discharge air tempera-
ture is not displayed, then a power outage has cleared the
discharge air temperature reading from the Check feature. To
re-establish the discharge air temperature, enter the installer
OHM RESISTANCE
F
( C )
M6358
RESISTANCE INCREASES 4.84 OHMS PER 1 F CHANGE OR 8.7 OHMS PER 1 C CHANGE.
1
1
3800
3900
3700
3300
3400
3500
3600
3200
TEMPERATURE
-40
(-40)
-20
(-29)
0
(-18)
20
(-7)
40
(5)
60
(16)
80
(27)
3100
2900
3000
2800
100
(38)
120
(49)
140
(60)
160
(79)
-40
-35
-30
-25
-20
-15
-10
-5
0
5
10
15
20
25
30
35
40
45
50
55
60
65
70
75
80
85
90
95
100
105
110
115
120
125
130
135
140
145
150
-40.0
-37.2
-34.4
-31.7
-28.9
-26.1
-23.3
-20.6
-17.8
-15.0
-12.2
-9.4
-6.7
-3.9
-1.1
1.7
4.4
7.2
10.0
12.8
15.6
18.3
21.1
23.9
26.7
29.4
32.2
35.0
37.8
40.6
43.3
46.1
48.9
51.7
54.4
57.2
60.0
62.8
65.6
2929 to 2905
2953 to 2929
2978 to 2953
3002 to 2978
3026 to 3002
3050 to 3026
3074 to 3050
3099 to 3074
3123 to 3099
3147 to 3123
3171 to 3147
3195 to 3171
3220 to 3195
3244 to 3220
3268 to 3244
3292 to 3268
3316 to 3292
3341 to 3316
3365 to 3341
3389 to 3365
3413 to 3389
3437 to 3413
3462 to 3437
3486 to 3462
3510 to 3486
3534 to 3510
3558 to 3534
3583 to 3558
3607 to 3582
3631 to 3607
3655 to 3631
3679 to 3655
3703 to 3679
3728 to 3703
3752 to 3728
3776 to 3752
3800 to 3776
3824 to 3800
3849 to 3824
OUTDOOR TEMPERATURE OHMS OF
RESISTANCE
F C

39 68-0173—3
setup mode for a few seconds. After the RUN key is pressed,
the discharge air temperature is displayed when the CHECK
key is pressed (until another power outage occurs).
NOTE: When a discharge air temperature sensor is installed
and configured in an application, we recommend
interrupting the power supply briefly before leaving
the site. This removes the discharge air temperature
from the display when the CHECK key is pressed
and avoids confusion.
C7189A Remote Indoor Temperature Sensor
The C7189A Wall Mount Temperature Sensor provides the
input required by the Comfort Center™ control system to
sense the indoor air space temperature. See Fig. 40 for the
resistance vs. temperature characteristics for the C7189A
Remote Indoor Temperature Sensor.
At a remote location, the C7189A can also average
temperature in several ways:
• PC8900A and one C7189A.
• Four or nine C7189As in series/parallel networks.
• PC8900A and a C7189A network (four or nine sensors).
NOTE: The remote temperature (or temperature averaging
network temperature) is displayed on the PC8900A
with the Time, Day, and Mode of operation. Pressing
the CHECK key does not display the remote temper-
ature separately.
Keypad Lockout
The keypad lockout feature allows temporary settings to be
made, but the installer setup and program settings can not be
changed. This feature gives the PC8900A the security of a
locking cover with flexibility to meet the user’s schedule. To
activate keypad lockout, press and hold RUN until LOCK KEY
shows on the display (approximately three seconds). To
deactivate keypad lockout, press and hold RUN until OPEN
KEY shows on the display.
CHECK Key
Press the PC8900A CHECK key to display the following
information:
• Outdoor temperature (if C7089A installed).
• Humidity level in room.
• Discharge air temperature (if C7100A installed).
• Heating and cooling setpoints.
• Fan setting.
• Ventilation setting.
• System setting.
If the Check LED is lighted, troubleshooting messages are
displayed. Refer to Fig. 41 for flowchart of troubleshooting
messages.
Fig. 40. C7189A Remote Temperature Sensor resistance vs. temperature performance characteristics.
OHM RESISTANCE
F
( C )
M6357
RESISTANCE DECREASES 18.6 OHMS PER 1 F
CHANGE OR 33.4 OHMS PER 1 C CHANGE.
1
1
2000
2100
1900
1500
1600
1700
1800
1400
TEMPERATURE
40
(4)
50
(10)
60
(16)
70
(21)
80
(27)
90
(32)
100
(38)
1300
1000
1200
2200
2300
46
48
50
52
54
56
58
60
62
64
66
68
70
72
74
76
78
80
82
84
86
88
90
92
94
96
98
100
7.8
8.9
10.0
11.1
12.2
13.3
14.4
15.6
16.7
17.8
18.9
20.0
21.1
22.2
23.3
24.4
25.6
26.7
27.8
28.9
30.0
31.1
32.2
33.3
34.4
35.6
36.7
37.8
2131 to 2094
2094 to 2057
2057 to 2019
2019 to 1982
1982 to 1945
1945 to 1908
1908 to 1871
1871 to 1833
1833 to 1796
1796 to 1759
1759 to 1722
1722 to 1685
1685 to 1647
1647 to 1610
1610 to 1573
1573 to 1536
1536 to 1499
1499 to 1461
1461 to 1424
1424 to 1387
1387 to 1350
1350 to 1313
1313 to 1275
1275 to 1238
1238 to 1201
1201 to 1164
1164 to 1127
1127 to 1089
ROOM TEMPERATURE OHMS OF
RESISTANCE
F C

68-0173—3 40
TROUBLESHOOTING
See Fig. 41 for troubleshooting procedures.
Fig. 41. Troubleshooting procedures.
1. PRESS THE CHECK KEY.
PC8900 DISPLAY SHOWS:
WRONG DISCHARGE AIR SENSOR
IS INSTALLED. • CHECK THAT C7100 DISCHARGE AIR SENSOR IS BEING USED.
• CHECK THAT C7100 DISCHARGE AIR SENSOR IS BEING USED.
WRONG DISCHARGE AIR SENSOR IS
INSTALLED.
• CHECK THAT C7100 AVERAGING DISCHARGE AIR SENSOR IS
BEING USED.
WRONG DISCHARGE AIR SENSOR IS
INSTALLED.
• RECONFIGURE PC8900.
PC8900 CONFIGURED FOR DISCHARGE
AIR TEMPERATURE SENSOR, BUT NOT
INSTALLED.
POSSIBLE CAUSE ACTION
IF THE CHECK LED IS LIT, USE THE FOLLOWING TROUBLESHOOTING INFORMATION.
M6193B
• REPLACE PC8900.
PC8900 HUMIDITY SENSOR IS
INOPERATIVE.
PC8900 TEMPERATURE SENSOR HAS
FAILED.
• REPLACE PC8900.
• RECONFIGURE PC8900 FOR REMOTE SENSOR USE.
• CHECK CONNECTIONS BETWEEN C7100 AND W8900.
W8900 CANNOT READ DISCHARGE
AIR TEMPERATURE.
• CHECK THAT C7100 DISCHARGE AIR SENSOR IS BEING USED.
WRONG DISCHARGE AIR SENSOR IS
INSTALLED.
• RECONFIGURE PC8900.
PC8900 CONFIGURED FOR DISCHARGE
AIR TEMPERATURE SENSOR, BUT NOT
INSTALLED.
• CHECK CONNECTIONS BETWEEN C7100 AND W8900.
W8900 CANNOT READ DISCHARGE
AIR TEMPERATURE.
• RECONFIGURE PC8900 FOR LOCAL SENSOR ONLY.
PC8900 CONFIGURED FOR OUTDOOR
TEMPERATURE SENSOR, BUT NOT
INSTALLED.
• CHECK THAT C7089 OUTDOOR TEMPERATURE SENSOR IS
BEING USED.
WRONG OUTDOOR TEMPERATURE
SENSOR IS INSTALLED.
• CHECK CONNECTIONS BETWEEN C7089 AND W8900.
W8900 CANNOT READ OUTDOOR AIR
TEMPERATURE.
1. CLEAN AIR CLEANER CELLS OR REPLACE AIR FILTER.
2. PRESS CANCEL KEY WHILE VIEWING FILT CHG MESSAGE.
FAN RUN TIME HAS EXCEEDED
720 HOURS.
HEAT PUMP COMPRESSOR FAILURE
RELAY HAS ENERGIZED W8900 L
TERMINAL.
• CHECK HEAT PUMP. REFER TO MANUFACTURER
SPECIFICATIONS TO TROUBLESHOOT EQUIPMENT.
• CHECK CONNECTIONS BETWEEN C7100 AND W8900.
• REFER TO MANUFACTURER SPECIFICATIONS TO
TROUBLESHOOT EQUIPMENT.
DISCHARGE AIR SENSOR IS PRESENT
AND INDICATES A HEAT SYSTEM
FAILURE WHILE IN HEATING MODE.
COMMUNICATIONS WITH THE HOME
SYSTEM AND W8900 CANNOT
BE ESTABLISHED.
• CHECK CONNECTIONS BETWEEN HOME SYSTEM AND
COMMUNICATION MODULE.
• CHECK COMMUNICATIONS BUS.
• RECONFIGURE PC8900
CONNECTION BETWEEN PC8900 AND
W8900 CANNOT BE ESTABLISHED.
• RECONFIGURE PC8900.
• CHECK CONNECTIONS BETWEEN C7100 AND W8900.
• REFER TO MANUFACTURER SPECIFICATIONS TO
TROUBLESHOOT EQUIPMENT.
DISCHARGE AIR SENSOR IS PRESENT
AND INDICATES A COOL SYSTEM
FAILURE WHILE IN COOLING MODE.
a
IF THE COMM CHK LIGHT IS CAUSED BY HEAVY COMMUNICATION FROM THE CM8900, IT DISAPPEARS IN 5 SECONDS. NO ACTION IS NEEDED.
a

41 68-0173—3
Fig. 41. Troubleshooting procedures (Continued).
• RECONFIGURE PC8900 FOR LOCAL SENSOR ONLY.
PC8900 CONFIGURED FOR OUTDOOR
TEMPERATURE SENSOR, BUT NOT
INSTALLED.
• CHECK THAT C7189 REMOTE TEMPERATURE SENSOR IS
BEING USED.
WRONG REMOTE SENSOR IS
INSTALLED.
• CHECK WIRING OF SENSORS AND COMPARE TO SENSOR
HOOKUP DRAWINGS.
TEMPERATURE AVERAGING NETWORK
IS IN USE, BUT SENSORS ARE NOT
CONFIGURED CORRECTLY.
• CHECK THAT C7089 OUTDOOR TEMPERATURE SENSOR IS
BEING USED.
WRONG OUTDOOR TEMPERATURE
SENSOR IS INSTALLED.
• RECONFIGURE PC8900.
PC8900 CONFIGURED FOR REMOTE
SENSOR OPERATION, BUT C7189 IS
NOT INSTALLED.
• CHECK CONNECTIONS BETWEEN C7189 AND W8900.
W8900 CANNOT READ REMOTE SPACE
TEMPERATURE.
• CHECK CONNECTIONS BETWEEN C7089 AND W8900.
W8900 CANNOT READ OUTDOOR AIR
TEMPERATURE.
LINK BETWEEN PC8900 AND W8900
CANNOT BE ESTABLISHED.
• CHECK CONNECTIONS 2-3 ON PC8900.
M6193B
THE PC8900 IS IN THE PROCESS OF
COMMUNICATING WITH THE W8900.
• NONE. THE "WAIT" WILL DISAPPEAR IN A SHORT TIME.
SYSTEM PROBLEM. • PRESS CHECK KEY TO VIEW FURTHER MESSAGES ON
PC8900 DISPLAY.
1. PRESS THE CHECK KEY.
PC8900 DISPLAY SHOWS: POSSIBLE CAUSE ACTION
IF THE CHECK LED IS LIT, USE THE FOLLOWING TROUBLESHOOTING INFORMATION.
SYMPTOM POSSIBLE CAUSE ACTION
NO DISPLAY ON PC8900. NO POWER TO PC8900. • CHECK SYSTEM FUSE OR CIRCUIT BREAKER AND REPLACE
OR RESET IF NECESSARY.
• CHECK THAT HEAT OR COOL SYSTEM POWER IS ON.
• MAKE SURE PC8900 IS CORRECTLY MOUNTED ON WIRING
WALLPLATE.
• MAKE SURE TERMINALS 1 THROUGH 4 ARE PROPERLY
CONNECTED BETWEEN PC8900 AND W8900.
HEATING WILL NOT COME ON. NO POWER TO W8900. • CHECK SYSTEM FUSE OR CIRCUIT BREAKER AND REPLACE
OR RESET IF NECESSARY.
• CHECK THAT HEAT SYSTEM POWER IS ON.
• CHECK FOR LOOSE CONNECTIONS AT PC8900, W8900, C7189,
AND EQUIPMENT.
PC8900 SYSTEM SETTING IS INCORRECT. • CHECK THAT PC8900 IS SET TO HEAT, EM. HT. OR AUTO.
5-MINUTE COMPRESSOR PROTECTION
ACTIVATED.
• IN HEAT PUMP APPLICATIONS, THE PC8900 HAS A
5-MINUTE BUILT-IN TIME DELAY (IF ACTIVATED). ALLOW UP
TO FIVE MINUTES AFTER CHANGING THE SETTING BEFORE
THE COMPRESSOR STARTS.
PC8900 INOPERATIVE. • CONDUCT SELF-TEST. SEE CHECKOUT.
• REFER TO MANUFACTURER SPECIFICATIONS TO
TROUBLESHOOT EQUIPMENT.
INCORRECT WIRING. • SEE WIRING DIAGRAM.
HEATING EQUIPMENT IS INOPERATIVE. • REFER TO MANUFACTURER SPECIFICATIONS TO
TROUBLESHOOT EQUIPMENT.
HEATING SETPOINT IS TOO LOW. • ADJUST SETPOINT USING AND KEYS.
HEATING SYSTEM IS NOT COMPATIBLE. • REFER TO WIRING DIAGRAMS. ADD R8222 RELAY, R8339
CONTROL CENTER, OR S566 SWITCH IF REQUIRED.
ROOM TEMPERATURE AT REMOTE
SENSOR LOCATION IS TOO HIGH.
• RELOCATE REMOTE SENSOR WHERE IT IS NOT AFFECTED
BY HOT AREAS, COLD AREAS, OR DEAD-AIR AREAS.
PC8900 CONFIGURED FOR ONLY ONE
STAGE OF HEATING.
• RECONFIGURE PC8900 TO ACCOMMODATE ALL STAGES OF
HEAT REQUIRED.
M18742

68-0173—3 42
Fig. 41. Troubleshooting procedures (Continued).
M18743
TEMPERATURE CHANGES
OCCUR AT THE WRONG TIMES.
PC8900 PROGRAMMED INCORRECTLY. • CHECK THE PROGRAM TIMES FOR THE PERIOD IN QUESTION.
BE SURE THAT AM AND PM INDICATIONS ARE CORRECT.
MAKE SURE THE CURRENT DAY AND TIME ARE CORRECT.
REPROGRAM IF NECESSARY.
PRESENT SETTING APPEARS
INACCURATE.
ADAPTIVE INTELLIGENT RECOVERY™
IS SELECTED.
• REMEMBER THAT WITH
ADAPTIVE INTELLIGENT RECOVERY™
THE HEATING OR COOLING SYSTEM COMES ON BEFORE
THE WAKE AND RETURN START TIMES SO THE HOUSE WILL
BE AT THE DESIRED TEMPERATURE WHEN THE PERIOD
STARTS. SYSTEM CAN BE CONFIGURED FOR CONVENTIONAL
RECOVERY. REFER TO INSTALLATION SECTION.
ADAPTIVE INTELLIGENT RECOVERY™
IS SELECTED.
AND KEYS BEING USED
TO ADJUST TEMPERATURE.
• REPROGRAM PC8900 TO MAKE PERMANENT CHANGE IN
PROGRAM. REFER TO PROGRAMMING INSTRUCTIONS.
HEAT AND COOL SETPOINTS
NEED TO BE ADJUSTED
REGULARLY.
TIME AND DAY HAVE BEEN LOST DUE
TO POWER OUTAGE.
• REPROGRAM TIME AND DAY. REFER TO PROGRAMMING
INSTRUCTIONS.
PC8900 DISPLAY FLASHES
DURING OPERATION.
PARTIAL PC8900 DISPLAY. INOPERATIVE PC8900. • REPLACE PC8900.
• REMEMBER THAT WITH
ADAPTIVE INTELLIGENT RECOVERY™
THE HEATING OR COOLING SYSTEM COMES ON BEFORE
THE WAKE AND RETURN START TIMES SO THE HOUSE WILL
BE AT THE DESIRED TEMPERATURE WHEN THE PERIOD
STARTS. SYSTEM CAN BE CONFIGURED FOR CONVENTIONAL
RECOVERY. REFER TO INSTALLATION SECTION.
COOLING WILL NOT COME ON. NO POWER TO W8900. • CHECK SYSTEM FUSE OR CIRCUIT BREAKER AND
REPLACE OR RESET IF NECESSARY.
• CHECK THAT COOL SYSTEM POWER IS ON.
• CHECK FOR LOOSE CONNECTIONS AT PC8900, W8900,
C7189, OR EQUIPMENT.
PC8900 SYSTEM SETTING IS INCORRECT. • CHECK THAT PC8900 IS SET TO COOL OR AUTO.
5-MINUTE COMPRESSOR PROTECTION
ACTIVATED.
• THE PC8900 HAS A 5-MINUTE BUILT-IN TIME DELAY (IF
ACTIVATED). ALLOW UP TO FIVE MINUTES AFTER CHANGING
THE SETTING BEFORE THE COMPRESSOR STARTS.
PC8900 INOPERATIVE. • CONDUCT SELF-TEST. SEE CHECKOUT.
• REFER TO MANUFACTURER SPECIFICATIONS TO
TROUBLESHOOT EQUIPMENT.
INCORRECT WIRING. • SEE WIRING DIAGRAM.
COOLING EQUIPMENT IS INOPERATIVE. • REFER TO MANUFACTURER SPECIFICATIONS TO
TROUBLESHOOT EQUIPMENT.
COOLING SETPOINT IS TOO HIGH. • ADJUST SETPOINT USING AND KEYS.
ROOM TEMPERATURE AT REMOTE
SENSOR LOCATION IS TOO LOW.
• RELOCATE REMOTE SENSOR WHERE IT IS NOT AFFECTED
BY HOT AREAS, COLD AREAS, OR DEAD-AIR AREAS.
PC8900 CONFIGURED FOR ONLY ONE
STAGE OF COOLING.
• RECONFIGURE PC8900 TO ACCOMMODATE ALL STAGES OF
COOLING.
SYSTEM FAN IS RUNNING
INDEPENDENT OF HEATING
OR COOLING EQUIPMENT.
PC8900 IS CONFIGURED FOR ELECTRIC
HEAT FAN OPERATION.
• RECONFIGURE PC8900 FOR NO ELECTRIC HEAT FAN.
PC8900 IS CONFIGURED FOR OVERRUN
IN COOLING.
• RECONFIGURE PC8900 FOR NO FAN OVERRUN IN COOLING.
PC8900 FAN SETTING IS SET AT
FAN CIRC.
• CIRCULATING FAN FEATURE ALLOWS FAN TO OPERATE
INDEPENDENT OF HEATING OR COOLING EQUIPMENT.
REFER TO OPERATION SECTION.
SYMPTOM POSSIBLE CAUSE ACTION

43 68-0173—3
Fig. 41. Troubleshooting procedures (Continued).
• CHECK SYSTEM FUSE OR CIRCUIT BREAKER AND
REPLACE OR RESET IF NECESSARY.
• CHECK THAT COOL SYSTEM POWER IS ON.
• CHECK FOR LOOSE CONNECTIONS AT PC8900, W8900,
C7189, OR EQUIPMENT.
• RECONFIGURE PC8900 FOR HUMIDITY CONTROL IN HEATING
(APPLIES TO W8900A,B ONLY).
PC8900 IS CONFIGURED FOR FROST
CONTROL.
HUMIDITY SETTING IS TO LOW. • ADJUST HUMIDITY SETTING USING AND KEYS.
• TO PREVENT FROST FROM FORMING ON WINDOWS, SOME
CALLS FOR HUMIDIFICATION WILL NOT BE ALLOWED. REFER
TO INSTALLATION AND OPERATION SECTION.
HUMIDIFICATION EQUIPMENT
WILL NOT COME ON IN
HEATING.
NO POWER TO HUMIDIFIER.
NO POWER TO W8900.
• CHECK SYSTEM FUSE OR CIRCUIT BREAKER AND REPLACE
OR RESET IF NECESSARY.
• CHECK THAT EQUIPMENT POWER IS ON.
• CHECK FOR LOOSE CONNECTIONS ON EQUIPMENT, PC8900
AND W8900.
PC8900 IS NOT CONFIGURED PROPERLY.
GREEN LED ON W8900 IS NOT
OPERATING.
• RECONFIGURE PC8900 FOR HUMIDITY CONTROL IN COOLING
(APPLIES TO W8900A,B ONLY).
EQUIPMENT COMPRESSOR PROTECTION
ACTIVATED.
HUMIDITY SETTING IS TO HIGH. • ADJUST HUMIDITY SETTING USING AND KEYS.
• EQUIPMENT HAS A MINIMUM-OFF TIME TO PROTECT THE
COMPRESSOR (IF ACTIVATED). ALLOW UP TO FIVE MINUTES
AFTER CHANGING THE SETTING BEFORE THE COMPRESSOR
STARTS.
DEHUMIDIFICATION EQUIPMENT
(COOLING) WILL NOT COME ON
IN COOLING.
NO POWER TO DEHUMIDIFIER (COOLING)
EQUIPMENT.
• CHECK SYSTEM FUSE OR CIRCUIT BREAKER AND REPLACE
OR RESET IF NECESSARY.
• CHECK THAT EQUIPMENT POWER IS ON.
• CHECK FOR LOOSE CONNECTIONS ON EQUIPMENT PC8900
AND W8900.
PC8900 IS NOT CONFIGURED PROPERLY.
• RECONFIGURE PC8900 FOR VNT OR OUTSIDE AIR DAMPER.
VENTILATION EQUIPMENT
WILL NOT COME ON.
NO POWER TO VENTILATION
EQUIPMENT.
• CHECK SYSTEM FUSE OR CIRCUIT BREAKER AND REPLACE
OR RESET IF NECESSARY.
• CHECK THAT EQUIPMENT POWER IS ON.
• CHECK FOR LOOSE CONNECTIONS AT PC8900, W8900 OR
VENTILATION EQUIPMENT.
PC8900 IS NOT CONFIGURED PROPERLY.
• RECONFIGURE PC8900 FOR F.
TEMPERATURES ARE
DISPLAYED IN C.
PC8900 IS NOT CONFIGURED PROPERLY.
VENTILATION EQUIPMENT IS
RUNNING INDEPENDENT
OF PC8900.
A REMOTE SWITCH IS CALLING FOR
VENTILATION.
A HIGH CO
2
CONDITION EXISTS IN THE
LIVING SPACE.
SYMPTOM POSSIBLE CAUSE ACTION
• WHEN CO
2
SENSOR SENSES HIGH CO
2
CONDITION, SYSTEM
FAN AND VENTILATION ARE ACTIVATED TO VENTILATE LIVING
SPACE.
M18744
• RECONFIGURE PC8900 FOR 12 HOUR CLOCK.
TIME IS DISPLAYED IN MILITARY
TIME (EX: 14:00).
PC8900 IS NOT CONFIGURED PROPERLY.
• TURN REMOTE SWITCH OFF.
DISCHARGE AIR TEMPERATURE
NOT DISPLAYED WHEN CHECK
KEY IS PRESSED.
POWER OUTAGE HAS REMOVED
DISCHARGE AIR TEMPERATURE
FROM DISPLAY.
PC8900 IS NOT CONFIGURED FOR
DISCHARGE AIR TEMPERATURE. • RECONFIGURE PC8900 FOR DISCHARGE AIR TEMPERATURE.
• ENTER INSTALLER SET UP MODE FOR A FEW SECONDS.
AFTER LEAVING SET UP MODE, DISCHARGE AIR
TEMPERATURE IS DISPLAYED UNTIL NEXT POWER OUTAGE.

68-0173—3 J.H. Rev. 04-01 www.honeywell.com/yourhome
Home and Building ControlHome and Building Control Honeywell Asia Pacific Inc.Honeywell Europe S.A.Honeywell Latin American
Honeywell Honeywell Limited-Honeywell Limitée Room 3213-3225 3 Avenue du Bourget Region
1985 Douglas Drive North 35 Dynamic Drive Sun Hung Kai Centre 1140 Brussels 480 Sawgrass Corporate Parkway
Golden Valley, MN 55422 Scarborough, Ontario No. 30 Harbour Road Belgium Suite 200
M1V 4Z9 Wanchai Sunrise FL 33325
Hong Kong
GLOSSARY
ADAPTIVE INTELLIGENT RECOVERY™ SETTING
The time when the PC8900A operates the heating or cooling
equipment to return the house from the energy savings to the
comfort temperature. The PC8900A starts the recovery period
earlier than the WAKE or RETURN period so the house will be
at the comfort setting by your chosen time.
CHECK LIGHT (RED)
This light glows as a prompt to examine messages in the
CHECK LIST section.
COMFORT TEMPERATURE
The temperature you want in the morning when you get up
(WAKE period) and in the evening when you’re home
(RETURN period).
CONVENTIONAL RECOVERY SETTING
The time when the PC8900A starts operating the heating and
cooling equipment to reach the set temperature from the
energy savings temperature (LEAVE, SLEEP) to the comfort
temperature (WAKE, RETURN).
DAILY PROGRAM SCHEDULE
The schedule of WAKE, LEAVE, RETURN and SLEEP period
start times, temperatures, fan and ventilation that you program
to run for each individual day.
ENERGY-SAVING TEMPERATURE
The lower (heating) or higher (cooling) temperature that lets
you save on heating and cooling costs when you’re asleep or
away. Also called the setback (winter) or setup (summer)
temperature.
OUTDOOR TEMPERATURE
In systems with an outdoor sensor, the temperature reading at
the sensor. Reading is available by pressing the CHECK key
until the display shows OUT and the temperature.
SELECT PERIOD KEY
Key that starts the program mode. It also lets you choose
WAKE, LEAVE, RETURN or SLEEP period to review or
program.
PREPROGRAMMED SCHEDULE
The schedule programmed into your PC8900A at the factory.
It sets a night program that provides energy savings if you
don’t set your own program, or if your personal program is lost
for any reason. The program, which is the same for all days of
the week, is:
PROGRAM
The times, temperatures, fan and ventilation settings you
choose to define the comfort periods (WAKE, RETURN) and
energy savings periods (LEAVE, SLEEP) for each daily
schedule.
SETBACK
Reducing the temperature in the house for a set period every
day in winter for energy savings. The lower temperature is the
energy savings temperature.
SETUP
Raising the temperature in the house for a set period every
day in summer for energy savings. The higher temperature is
the energy savings temperature.
SETPOINT
The temperature, humidity or frost setting you program on the
PC8900A. The PC8900A turns the appropriate equipment on
and off to maintain this setting until another setting goes into
effect.
SYSTEM LIGHT (YELLOW)
On the PC8900A, this lights glows when there is a call for
heating or cooling.
TIME PERIOD
One of four program periods: WAKE, LEAVE, RETURN and
SLEEP available with the PC8900A. One period begins when
the previous period ends.
WAKE—The time period when you want the house at a
comfortable temperature while the family gets up and gets
ready to leave for work and school.
LEAVE—The time period when you can set back (winter)
or set up (summer) the temperature for energy savings
because the family is usually away from home.
RETURN—The time period when you want the house at a
comfortable temperature for family activities in the evening
before bedtime.
SLEEP—The time period when you can set back (winter)
or set up (summer) the temperature for energy savings
because the family is sleeping. Set it to start at your family’s
normal bedtime. Often, energy savings are set only in
winter so family members can sleep cool in summer.
Period Start Time
Heating
Temp
Cooling
Temp
Fan
Setting
Vent
Setting
Saturday
WAKE (6:00 AM) (70°F) (78°F) (AUTO) (OFF)
LEAVE (8:00 AM) (62°F) (85°F) (AUTO) (OFF)
RETURN (6:00 PM) (70°F) (78°F) (AUTO) (OFF)
SLEEP (10:00 PM) (62°F) (82°F) (AUTO) (OFF)