Honeywell T8424C Users Manual 68 0180 3
T8424C 68-0180
2015-01-23
: Honeywell Honeywell-T8424C-Users-Manual-262489 honeywell-t8424c-users-manual-262489 honeywell pdf
Open the PDF directly: View PDF
.
Page Count: 16

PRODUCT DATA
® U.S. Registered Trademark
Copyright © 2001 Honeywell • All Rights Reserved 68- 0180- 3
T8400C, T8401C and T8424C,D
Electronic Thermostats
APPLICATION
The T8400C and T8401C Standard Electronic Thermostats
provide single-stage, non-programmable temperature control
for 24V heating-cooling systems with manual changeover
from heat to cool.
The T8424C Electronic Multistage Thermostat provides two-
stage heat and one-stage cool control.
The T8424D Electronic Multistage Thermostat provides two-
stage heat and two-stage cool control.
FEATURES
• Attractive styling complements any decor to the
homeowner’s delight.
• Ease-of-use means fewer homeowner questions and
increased homeowner satisfaction.
• Large display for quick easy readability.
• Conveniently sized 3-1/2 x 3-1/2 thermostat with
optional decorator cover plates (3-7/8 in. x 3-7/8 in. and
5-3/4 in. x 5-3/4 in.) makes it easy to install in a variety
of locations.
• Keys are located for easy access.
• Fan and system switches are located on the lower
edge to eliminate accidental setting changes.
• Easy installation, setup and self-test saves time and
increases installer productivity.
• Manual changeover from heat to cool eliminates
unexpected system operation.
• °F or °C temperature display for added model
flexibility.
• Selectable heating cycle rate (1, 3, 4, 5, 6 or 9, 12 cph)
for a variety of applications which reduces the amount
of inventory.
• Cooling cycle rate is fixed (3 cph), the standard setting
for compressors, for speedy installation.
• Setpoints are permanently held in memory (no
batteries used) and retained during power outages for
increased installer and homeowner convenience.
• Power stealing and hard wired models available for
virtually all equipment and application needs including
gravity or radiating systems, hydronic heat,
condensing gas furnaces, gas or oil forced air and
electric heat.
T8400C and
T8401C
T8424C,D
Contents
Application ........................................................................ 1
Features ........................................................................... 1
Specifications ................................................................... 2
Ordering Information ........................................................ 2
Installation ........................................................................ 3
Settings and Adjustments ................................................. 8
Operation .......................................................................... 10
Checkout .......................................................................... 12
Troubleshooting ................................................................ 13

T8400C, T8401C AND T8424C,D ELECTRONIC THERMOSTATS
68-0180-3 2
ORDERING INFORMATION
When purchasing replacement and modernization products from your TRADELINE® wholesaler or distributor, refer to the
TRADELINE® Catalog or price sheets for complete ordering number.
If you have additional questions, need further information, or would like to comment on our products or services, please write or
phone:
1. Your local Home and Building Control Sales Office (check white pages of your phone directory).
2. Home and Building Control Customer Relations
Honeywell, 1985 Douglas Drive North
Golden Valley, Minnesota 55422 (800) 468-1502
In Canada—Honeywell Limited/Honeywell Limitée, 35 Dynamic Drive, Scarborough, Ontario M1V 4Z9.
International Sales and Service Offices in all principal cities of the world. Manufacturing in Australia, Canada, Finland, France,
Germany, Japan, Mexico, Netherlands, Spain, Taiwan, United Kingdom, U.S.A.
SPECIFICATIONS
IMPORTANT
The specifications given in this publication do not
include normal manufacturing tolerances; therefore,
an individual unit might not exactly match the listed
specifications. Also, this product is tested and cali-
brated under closely controlled conditions, and some
minor differences in performance can be expected if
those conditions are changed.
T8400C, T8401C, T8424C,D TRADELINE® models include a
thermostat, wallplate for wiring and mounting thermostat and
owner’s guide.
T8400C, T8401C SUPER TRADELINE® models include a
thermostat, wallplate (for mounting and wiring thermostat),
two decorator cover plates for covering wall marks (3-7/8 in. x
3-7/8 in. and 5-3/4 in x 5-3/4 in.), and owner’s guide.
Power:
T8400C: 24 Vac nominal, 18 to 30 Vac, 50/60 Hz.
T8401C: 24 Vac nominal, 18 to 30 Vac, 50/60 Hz.
T8424C,D: 24 Vac nominal, 18 to 30 Vac, 50/60 Hz.
Electrical Ratings:
Heating: .02 to 1.5A run; 3.5A inrush.
Cooling: .02 to 1.5A run; 7.5A inrush.
Fan: .02 to 0.5A run; 2.5A inrush.
Current Draw:
T8400C Power Stealing Thermostat requires less than
0.25 mA current draw when the thermostat calls for heat
and is compatible with most 24V microprocessor systems.
The T8400C Power Stealing Thermostat can be used in
any non-millivolt application where the T8401C and
T8424C,D Hard Wired Thermostats cannot be used. For
further detail, see Power Stealing in the Operation section.
Temperature Adjustment:
Setpoint temperature is adjusted by using the ▲ or ▼
keys. One press changes the setpoint one degree; press-
ing and holding changes the setpoint several degrees.
Temperature Setting Range: 40°F (4°C) to 99°F (37°C).
Ambient Temperature Range: 40°F (4°C) to 110°F (43°C).
Shipping Temperature Range: -20°F (-29°C) to 120°F
(49°C).
Operating Relative Humidity: 5% to 90% RH, non-
condensing.
Cycle Rates (at 50% Load):
Heating: Selectable at 1, 3, 4, 5, 6, 9 or 12 cph. See Table
1 for cycle rate options and corresponding system
equipment.
Cooling: Fixed at 3 cph.
Table 1. Heating Cycle Rates.
aHigh efficiency furnace.
bRefer to equipment manufacturer’s instructions.
Finish:
T8400C, T8401C and T8424C,D TRADELINE® AND SUPER
TRADELINE®: Taupe finish.
T8400C, T8401C and T8424C,D STANDARD MODELS:
Premier White® finish and only available in builder packs of
20.
Accessory: Decorator cover plates (for covering wall marks):
5-3/4 in. x 5-3/4 in. and 3-7/8 in. x 3-7/8 in.
Dimensions: See Fig. 1 or 2.
System Cycles Per Hour
Steam, gravity 1
Hydronic heat, condensing
gas furnacesa
3
Special applicationsb4, 5
Gas or oil forced air (default) 6
Electric heat 9
Special applicationsb12

T8400C, T8401C AND T8424C,D ELECTRONIC THERMOSTATS
3 68-0180-3
Fig. 1. T8400/T8401 Thermostat dimensions in in. (mm).
Fig. 2. T8424 Thermostat dimensions in in. (mm).
INSTALLATION
When Installing this Product…
1. Read these instructions carefully. Failure to follow them
could damage the product or cause a hazardous condi-
tion.
2. Check the ratings given in the instructions and on the
product to make sure the product is suitable for your
application.
3. Installer must be a trained, experienced service techni-
cian.
4. After installation is complete, check out product opera-
tion as provided in these instructions.
CAUTION
Disconnect power supply before beginning wiring
to prevent electrical shock or equipment damage.
MERCURY NOTICE
If this control is replacing a control that contains
mercury in a sealed tube, do not place your old control
in the trash. Dispose of it properly.
Contact your local waste management authority for
instructions regarding recycling and the proper
disposal of the control. If you have questions, call the
Honeywell Customer Response Center at
1-800-468-1502.
M10283A
UP
W
Y
G
R
C
FAN SYSTEM
Auto On Cool Off Heat
1-1/2
(37)
2-1/2 (64)
2-7/8 (78) 3-1/2 (89) 1-3/16
(55)
2-7/8
(78)
3-1/2
(89)
WALLPLATE THERMOSTAT
THERMOSTAT
AND WALLPLATE
Set Room
Set Room
M18585
FAN SYSTEM
Auto On Cool Off Heat Em. Ht.
5-1/2 (140) 1-3/16
(55)
3-1/2
(89)
2-3/8
(70)
THERMOSTAT
4-3/8 (111)
WALLPLATE
THERMOSTAT
AND WALLPLATE
3-5/16 (84)

T8400C, T8401C AND T8424C,D ELECTRONIC THERMOSTATS
68-0180-3 4
Location
Install the thermostat about 5 ft (1.5m ) above the floor in an
area with good air circulation at average temperature. See
Fig. 3. Do not install the thermostat where it can be affected
by:
— drafts or dead spots behind doors and in corners.
— hot or cold air from ducts.
— radiant heat from the sun or appliances.
— concealed pipes and chimneys.
— unheated (uncooled) areas such as an outside wall behind
the thermostat.
Fig. 3. Typical location of thermostat.
Mounting Decorator Cover Plate and
Wallplate to Wall
IMPORTANT
Level for appearance only. The thermostat functions
normally even when not mounted level.
NOTE: The TRADELINE® models include a thermostat and
wallplate (for wiring and mounting thermostat).
T8400C, T8401C SUPER TRADELINE® models
include a thermostat, wallplate (for wiring and mount-
ing thermostat) and two decorator cover plates (for
covering wall marks).
Mount decorator cover plate (SUPER TRADELINE® model
only), wallplate, T8400C, T8401C or T8424C,D, and the
screws provided (see Fig. 4 or 5) as follows:
1. Place the desired decorator cover plate and the wall-
plate at the desired location on the wall.
2. Pull the thermostat wire through the entrance hole on
the decorator cover plate, then through the wallplate
entrance hole.
3. Select the two mounting holes that best fit the applica-
tion.
4. Fasten the decorator cover plate and the wallplate to
the wall using the screws provided.
5. After wiring the wallplate, plug the hole to prevent drafts
from affecting the thermostat; see Wiring section. Fig. 4. Mounting the T8400 and T8401 decorator
cover plate and wallplate to wall.
5 FEET
[1.5 METERS]
YES
NO
NO
NO
M10308
M11041C
WALL
1
2
1
2
3-7/8 IN. x 3-7/8 IN. DECORATOR COVER PLATE (SELECT MODELS).
DRILL 3/16 INCH HOLES (IF DRYWALL) OR 7/32 (PLASTER OR WOOD)
WHEN USING WALL ANCHORS.
5-3/4 IN. x 5-3/4 IN.
DECORATOR
COVER PLATE
WALL
ANCHORS (2)

T8400C, T8401C AND T8424C,D ELECTRONIC THERMOSTATS
5 68-0180-3
Fig. 5. Mounting the T8424 wallplate to wall.
Wiring
IMPORTANT
Use an 18-gauge maximum wire for wiring the ther-
mostats.
All wiring must comply with local electrical codes and
ordinances. Disconnect the power supply to prevent electrical
shock or equipment damage.
NOTE: To ensure proper mounting of thermostat, restrict all
wiring to the shaded area on the left side of the termi-
nals. See Fig. 6 or 7.
Fig. 6. Restrict T8400 and T8401 wiring to shaded area.
Fig. 7. Restrict T8424 wiring to shaded area.
The shape of the terminals permits insertion of straight or
wraparound wiring connections; either method is acceptable.
See Fig. 8 or 9.
Fig. 8. T8400 and T8401 wiring connections.
M12202A
WALL WALL
ANCHORS (2)
WALLPLATE
WHEN USING WALL ANCHORS, DRILL 3/16 INCH
HOLES FOR DRYWALL, 7/32 INCH HOLES FOR
PLASTER OR WOOD.
MOUNTING
SCREWS (2)
1
1
M11023
ALTERNATE
MOUNTING
SCREW HOLE
MOUNTING
SCREW
HOLE
MOUNTING
SCREW HOLE
ALTERNATE MOUNTING
SCREW HOLE
KEEP WIRING IN
SHADED AREA
WIRING ENTRANCE HOLE
W
Y
G
R
C
KEEP WIRING IN
SHADED AREA
MOUNTING
SCREW HOLE
MOUNTING
SCREW HOLE
WIRING ENTRANCE
HOLE
M20211
G
C
R
Y
W1 Y2
W2
B
O
M11232
FOR WRAPAROUND
STRIP 7/16 IN. (11 MM)
FOR STRAIGHT INSERTION
STRIP 5/16 IN. (8 MM)
TERMINAL SCREW
W
G
Y
R
C

T8400C, T8401C AND T8424C,D ELECTRONIC THERMOSTATS
68-0180-3 6
Fig. 9. T8424 wiring connections.
The T8400C Thermostats steal power through the heating
and cooling system controls and are adaptable to most 4-wire,
18 to 30 Vac heating-cooling systems.
The T8401C and T8424C,D Thermostats are powered directly
from the system transformer and are adaptable to most
5-wire, 18 to 30 Vac heating-cooling systems. Refer to Fig. 10
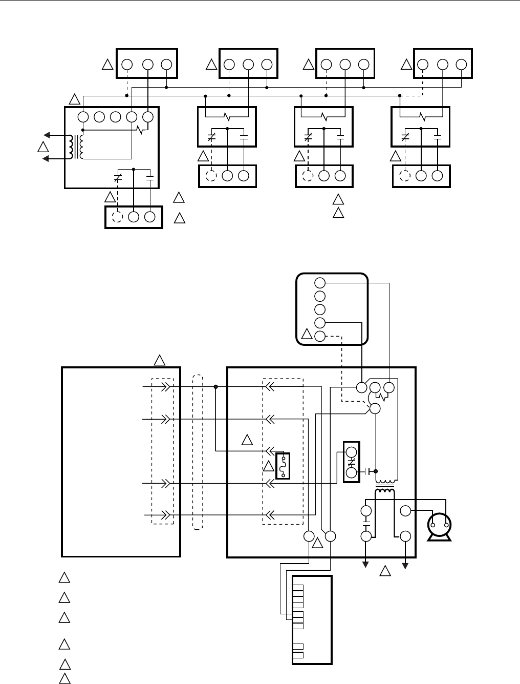
through 14 for typical wiring hookups.
Fig. 10. T8400C/T8401C heat-cool wiring diagram
in single transformer system with
gas heat/electric cooling.
Fig. 11. T8400C/T8401C heat-cool wiring diagram
in oil heating/electric cooling system. Oil
primary has its own transformer.
Fig. 12. T8424C,D two-stage heat and two-stage cool
system with manual changeover wiring diagram.
TERMINAL
SCREW
M20212
G
R
C
Y
W1 B
O
FOR STRAIGHT
INSERTION STRIP
5/16 IN. (8 MM)
FOR WRAPAROUND
STRIP 7/16 IN. (11 MM)
Y2
W2
L1
(HOT)
L2
1
2
1
2
W
Y
G
R
C
COOLING
CONTACTOR
FAN
RELAY
HEATING
PRIMARY
CONTROL
24V
POWER SUPPLY. PROVIDE DISCONNECT MEANS AND
OVERLOAD PROTECTION AS REQUIRED.
IN T8401C INSTALLATIONS, CONNECT C TERMINAL. M11021B
T8400C, T8401C
L1
(HOT)
L1
(HOT)
L2
L2
1
1
2
1
W
Y
G
R
C
2
COOLING
CONTACTOR
FAN
RELAY
OIL PRIMARY
CONTROL
TT
24V
POWER SUPPLY. PROVIDE DISCONNECT MEANS AND
OVERLOAD PROTECTION AS REQUIRED.
IN T8401C INSTALLATIONS, CONNECT C TERMINAL. M11022B
T8400C, T8401C
L1
(HOT)
L2
1
1
W2
Y
G
R
C
1ST STAGE
COOLING
2ND STAGE
COOLING
FAN
RELAY
STAGE-TWO
HEATING
Y2
24V
POWER SUPPLY. PROVIDE DISCONNECT MEANS AND
OVERLOAD PROTECTION AS REQUIRED. M20213
T8424
W1 STAGE-ONE
HEATING

T8400C, T8401C AND T8424C,D ELECTRONIC THERMOSTATS
7 68-0180-3
Fig. 13. T8400C/T8401C heat only wiring diagram for controlling incompatible or 3-wire zone valves or dampers. Heating
equipment is operated by end switch on the zone valve or motor, or by thermostat in master zone.
Fig. 14. T8400C/T8401C heat only wiring diagram with L8148E1265 (with internal plug) wired
directly to vent damper in hydronic intermittent pilot system.
L1
(HOT)
L2
1
CG
WRY
WC RWRWRWR
ZONE 1
T8400C, T8401C
ZONE 2
T8400C, T8401C
ZONE 3
T8400C, T8401C
ZONE 4
T8400C, T8401C
2
3
3 3 3
R8239A1052 R8222B1067 R8222B1067 R8222B1067
1POWER SUPPLY. PROVIDE DISCONNECT MEANS
AND OVERLOAD PROTECTION AS REQUIRED.
USE ONE R8239 FOR EVERY FOUR ZONES.
3
2
USE FOR 3-WIRE ZONE VALVE OR DAMPER.
IN T8401C INSTALLATIONS, CONNECT C TERMINAL.
4
4 4 4 4
ZONE 1
VALVE OR
DAMPER
MOTOR
ZONE 2
VALVE OR
DAMPER
MOTOR
ZONE 3
VALVE OR
DAMPER
MOTOR
ZONE 4
VALVE OR
DAMPER
MOTOR
M10285A
C C C
24V GND
24V
S8610
L1
(HOT) L2
1
1
2
3
4
5
L8148E1265
4
2
3
3
FUSE
5
1
2
5
6-PRONG FEMALE MOLEX
RECEPTABLE IN L8148E
AND 5-PRONG MALE
MOLEX PLUG ON CABLE
1K1
B1 B2 L1
C1 C2
L2
CIRCULATOR
POLARIZED 4-PRONG
MALE MOLEX PLUG AND
4-PRONG FEMALE
MATING PLUG ON CABLE
1
2
3
4
D892/M892 4 197516A
CABLE
POWER SUPPLY. PROVIDE DISCONNECT MEANS AND OVERLOAD
PROTECTION AS REQUIRED.
REMOVE PLUG-IN THAT JUMPERS PINS 2 AND 3 WHEN USING VENT
DAMPER.
AFTER VENT DAMPER IS PLUGGED INTO L8148E1265, FUSE BLOWS
WHEN THERMOSTAT FIRST CLOSES. AFTER FUSE BLOWS, L8148E1265
OPERATES ONLY WHEN VENT DAMPER IS CONNECTED.
SEE VENT DAMPER PRODUCT SPECIFICATIONS FOR INTERNAL
SCHEMATICS.
B1 IS 1/4 IN. TAB TERMINAL.
IN T8401C INSTALLATIONS, CONNECT C TERMINAL.
M10286
1K2
HIGH LIMIT
CONTROLLER
R
B
TV WT
1K
Z
6
W
Y
G
R
C
T8400C, T8401C
6

T8400C, T8401C AND T8424C,D ELECTRONIC THERMOSTATS
68-0180-3 8
Mounting Thermostat to Wallplate
1. Engage the tabs at the top of the thermostat and wallplate.
2. Swing down the thermostat and press the lower edge of
the thermostat onto the wallplate to latch. See Fig. 10.
Fig. 15. Mounting T8400 or T8401 thermostat to wallplate.
Fig. 16. Mounting T8424 thermostat to wallplate.
SETTINGS AND ADJUSTMENTS
Setting Fan and System Switches
Fan and system settings are controlled manually using the
switches located at the bottom of the thermostat case. See
Fig. 17 or 18.
Fig. 17. T8400 and T8401 temperature
display and system switches.
Fig. 18. T8424 temperature display and system switches.
Fan Switch
Fan switch settings are:
ON: The fan runs continuously. Use for
improved air circulation.
AUTO: Normal setting for most homes. In
cooling, the fan starts and stops with the
cooling equipment. In heating, the fan is
controlled directly by the heating
equipment and may start a few minutes
after the heating equipment turns on (on
M11025B
FAN SYSTEM
Auto On Cool Off Heat
DASHED LINES INDICATE TABS
ON BACK OF THERMOSTAT
FAN SYSTEM
Auto Cool Off Heat
ENGAGE TABS AT TOP
OF THERMOSTAT WITH
SLOTS ON WALLPLATE.
A
BPRESS LOWER EDGE OF
CASE TO LATCH.
Set Room
Set Room
M14677
SYSTEM
Cool Off Heat
Auto On
FAN
DASHED LINES INDICATE TABS
ON BACK OF THERMOSTAT
SYSTEM
Cool Off Heat
Auto On
FAN
ENGAGE TABS AT TOP OF THERMOSTAT
WITH SLOTS ON MOUNTING PLATE.
PRESS LOWER EDGE OF
CASE TO LATCH.
A
B
FAN SYSTEM
Auto On Cool Off Heat
INCREASE
SETTING
DECREASE
SETTING
SYSTEM SWITCH
FAN SWITCH
TEMPERATURE DISPLAY
M11020A
Set Room
SYSTEM
Cool Off Heat
Auto On
FAN
M14678
TEMPERATURE DISPLAY
INCREASE SETTING
DECREASE SETTING
FAN SWITCH
SYSTEM SWITCH

T8400C, T8401C AND T8424C,D ELECTRONIC THERMOSTATS
9 68-0180-3
most systems). When using an electric
heat thermostat, the fan starts and stops
with the heating equipment.
Slide the switch in the bottom left corner of the thermostat to
select the desired fan setting.
System Switch
System switch settings control thermostat operation as
follows:
COOL: The thermostat controls the
cooling system.
HEAT: The thermostat controls the heating
system.
OFF: Both heating and cooling are off.
Slide the switch in the bottom right corner of the thermostat to
select the desired system setting.
Set Temperature Setpoint
NOTE: Temperature setpoint range is 40° to 99°F (4° to
37°C).
The temperature setpoint and the room temperature are
shown separately on the display. The ▼ indicator points to Set
when the temperature setpoint is displayed and to Room
when the room temperature is displayed.
To set the temperature setpoint:
1. Select Heat or Cool by sliding the system switch in the
lower right corner of the thermostat to the desired mode.
See Fig. 17 or 18.
2. To display the selected temperature setpoint
on the digital display, press either the ▲ or ▼
key once. The temperature setpoint is dis-
played for approximately five seconds as the
indicator points to Set and flashes.
3. To increase the temperature setpoint press
the ▲ key. Each press changes the setpoint
one degree; press and hold to change the set-
point several degrees.
4. To decrease the setpoint temperature press
the ▼ key. Each press changes the setpoint
one degree; press and hold to change the
setpoint several degrees.
Setting °F/°C Indication and Heat Cycle Rate
NOTE: To save changes to the °F/°C indication and the heat
cycle rate, all seven steps must be completed.
To set the °F/°C indication and heat cycle rate:
1. If the room temperature is displayed
in °F, set the temperature setpoint to
52°F. If the room temperature is dis-
played in °C, set the temperature
setpoint to 11°C.
2. Press the ▲ and ▼ keys simulta-
neously for more than one second to
light all segments on display and to
enter installer setup mode. When
the keys are released, a two-digit
software code is displayed.
Optional System Checkout
When in steps B and C only, the ▼ key can be used to turn
heat or cool outputs on and off. Change the system switch
setting to test heat or cool outputs. No action takes place If the
system is in the Off position.
EXAMPLES:
— System setting at HEAT: If
heat is on, the ▼ key turns it
off; if heat is off, ▼ turns it on.
— System setting at COOL: If
cool is on, ▼ key turns it off; if
cool is off, ▼ turns it on.
NOTE: In installer setup mode only, each
press of the ▲ key momentarily displays 01 and
each press of the ▼ key momentarily displays 02.
When the keys are released, these two-digit codes
are no longer displayed.
3. Press the ▲ key. Factory information is dis-
played. A typical example is shown, but infor-
mation displayed varies by model. This
information is for factory use only.
4. Press the ▲ key again to display °C or °F.
5. Press the ▼ key to change the °C or °F indi-
cation.
NOTE: Steps 6 through 9 apply only to T8424
Thermostats.
6. Press ▲ key to display number of cooling
stages.
7. Press ▼ key to change the number of cooling
stages.
8. Press ▲ key to display the number of heating
stages.
9. Press ▼ key to change the number of heating
stages.
Set Room
INDICATOR
ROOM TEMPERATURE
SETPOINT TEMPERATURE
M11247
M14680
M14681
M14682
M14683
M14686
M14684
M14685
M14687
M14688
M14689
M20208
M20207
M20209
M20210

T8400C, T8401C AND T8424C,D ELECTRONIC THERMOSTATS
68-0180-3 10
10. Press the ▲ key to display the heat cycle
rate of 1, 3, 4, 5, 6, 9 or 12. When set at two
stages of heat (T8024 only) , both stages
operate at selected cycle rate. If the desired
cycle is displayed, press the ▲ key to exit
the installer setup mode. To change the heat cycle rate,
press the ▼ key to scroll between cycle rates. Stop
scrolling when the desired rate is displayed. See Table 2
for the cycle rate options and the corresponding system
equipment.
Table 2. Heating Cycle Rates.
aHigh efficiency furnace.
bRefer to equipment manufacturer’s instructions.
11. Press the ▲ key to display algorithm configu-
ration.
12. Press the ▲ key again to change the
algorithm to C1 or C3.
C1 = standard algorithm.
C3 = aggressive algorithm (can cause
overshooting).
13. Press the ▲ key again. Current algorithm
(CC) is displayed. A typical example is
shown, but CC varies by model. This informa-
tion is for factory use only.
14. Press the ▲ key to save all changes, exit
installer setup mode and return to normal operation.
NOTE: After exiting installer setup mode, change the set-
point to the desired room temperature.
OPERATION
The T8400C and T8401C Standard Electronic Thermostats
provide single-stage temperature control using proportional
plus integral (P+I) control to eliminate droop. The T8424C
provides two-stage heat and two-stage cool temperature
control with P+I control. The T8424D Electronic Multistage
Thermostat provides two-stage heat and two-stage cool
temperature control and also uses P+I control.
Zero Droop Performance
The thermostats control temperature closer to setpoint than
electromechanical thermostats. This is because proportional
plus integral control maintains the same indoor temperature
independent of the outdoor temperature. Thus the T8400C
and T8401C Thermostats provide tight temperature control
with virtually no noticeable swings in temperature setpoint, a
condition referred to as droop. This zero droop performance
provides improved occupancy comfort. Occupants do not
need to continually adjust thermostat settings to be
comfortable, even during severe weather. Electromechanical
thermostats have little control over droop, thus resulting in
room temperature changes of 3°F to 5°F as outdoor
temperature varies.
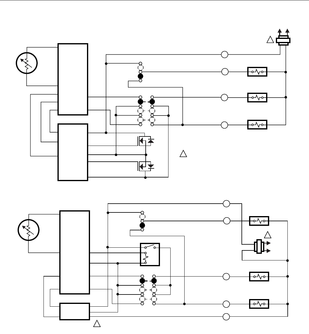
Power Stealing
Unlike hard wired thermostats which are powered directly
from the system transformer, the T8400C Thermostat steals
power through the heating and cooling system controls and
can be used in applications where existing wiring does not
permit using hard wired thermostats. See Fig. 19 and 20.
Previous Honeywell power stealing thermostats required 80
mA of load current when the heating and cooling was on. The
T8400C Thermostat requires only 2.5 mA of load current (1/32
of previous models) when the heating or cooling is on. When
the heating or cooling is off, the thermostat operates at 0.1 mA
(1/100 of previous models). Other Honeywell power stealing
thermostats are available, but they have different powering
requirements than the T8400C. This low current draw makes
the T8400C applicable to most 24V heating and cooling
systems.
The T8400C, T8401C and T8424C,D Thermostats only
operate when mounted on the wallplate with 24V applied.
Batteries are not required for operation because temperature
setpoints and configuration settings are retained permanently
in memory.
System Cycles Per Hour
Steam, gravity 1
Hydronic heat, condensing
gas furnacesa
3
Special applicationsb4, 5
Gas or oil forced air (default) 6
Electric heat 9
Special applicationsb12
M20230
M18419
M18420

T8400C, T8401C AND T8424C,D ELECTRONIC THERMOSTATS
11 68-0180-3
Fig. 19. T8400C power 0stealing internal schematic.
Fig. 20. T8401C hardwired internal schematic.
Energy Savings
You can save energy with the T8400C, T8401C and
T8424C,D Thermostats in the heating mode by lowering the
temperature setting 5°F (3°C) to 10°F (5°C) at night and
during the day. You can also save energy in the cooling mode
by raising the temperature setting during the day before you
leave for work or school. Savings can be as high as 7% to
33% depending on your home, where you live, the number of
energy saving periods you choose and your energy savings
temperature settings. Refer to the maps in the Operation
section for typical energy savings.
Sequence of Operations
The Fan, Heat and Cool outputs are relay or mosfet
controlled. A loss of ac power or a change in the SYSTEM
switch setting can cause the outputs to turn off. The truth table
shows the sequence of operations for the FAN settings and
SYSTEM modes. See Table 3 Sequence of Operations.
L1
(HOT) L2
1
1POWER SUPPLY. PROVIDE DISCONNECT MEANS AND
OVERLOAD PROTECTION AS REQUIRED.
SYSTEM SWITCH
FAN SWITCH
AUTO
ON
OFF
HEAT
COOL
Y
W
G
R
FAN RELAY
COOL RELAY
HEAT RELAY
POWER
SUPPLY
LOGIC AND
CONTROL
THERMOSTAT
LOGIC
THERMISTOR
SENSOR
M10360
MOSFET
MOSFET
L1
(HOT)
L2
1
1POWER SUPPLY. PROVIDE DISCONNECT MEANS AND OVERLOAD PROTECTION AS REQUIRED.
SYSTEM SWITCH
FAN SWITCH
AUTO
ON
OFF
HEAT
COOL
C
Y
W
G
R
FAN RELAY
COOL RELAY
HEAT RELAY
POWER
SUPPLY
THERMOSTAT
LOGIC
THERMISTOR
SENSOR
RELAY
M10292

T8400C, T8401C AND T8424C,D ELECTRONIC THERMOSTATS
68-0180-3 12
Table 3. Sequence of Operations.
aIn electric heat models, W and G are energized with calls for heat.
bW1 and W2 terminals are energized in the T8424C,D models.
Fan Control
The FAN switch settings are On and Auto.
ON:The fan runs continuously.
AUTO:In cooling, the fan starts and stops
with the cooling equipment. In heating, the
fan starts a few minutes after the heating
equipment turns on. When using an
electric heat thermostat, the fan starts and
stops with the heating equipment.
Heat Mode
With the SYSTEM switch at Heat, the thermostat controls the
heating system. On a call for heat, the W terminal is energized
and a flame is shown on the digital display.
Cool Mode
With the SYSTEM switch at Cool, the thermostat controls the
cooling system. On a call for cool, the G and Y terminals are
energized and a snowflake is shown on the digital display.
Minimum Off-Timer
A minimum off-timer in the T8400C, T8401C and T8424C,D
assures that the cooling compressor does not come on again
for at least five minutes after it turns off. The minimum-off
timer is triggered when the compressor turns off and when the
system switch is changed. If the compressor turns off when
the setpoint is changed, then the minimum-off timer is
triggered. Power interruption and power restoration also
trigger the minimum off-timer. The minimum-off timer operates
only during the cooling cycle on the thermostat.
CHECKOUT
Heating
1. Slide the system switch to Heat and the fan switch to
Auto.
2. Press and hold the ▲ key to raise the temperature set-
ting several degrees above the room temperature. After
approximately ten seconds the W terminal is energized
and the heating equipment starts.
3. Press the ▼ key to lower the temperature setting below
the room temperature. Heating equipment should stop.
Cooling
CAUTION
Low Temperature Hazard.
Operating at too low of an outdoor temperature
can cause compressor damage.
Do not operate cooling if outdoor temperature is below
50°F (10°C). Refer to manufacturer recommendations.
To avoid compressor damage, allow the compressor to
remain off for five minutes before restarting.
1. Slide the system switch to Cool and the fan switch to
Auto.
2. Press the ▼ key to lower the temperature setting sev-
eral degrees below the room temperature. After approx-
imately five minutes the G and Y terminals are
energized and the cooling equipment starts.
3. Press the ▲ key to raise the temperature setting above
the room temperature. Cooling system should shut
down.
Fan
1. Slide the SYSTEM switch to Off and the FAN switch to
On. The fan should run continuously.
2. Slide the FAN switch to Auto. In heating, the fan is con-
trolled directly by the heating equipment and may start a
few minutes after the heating equipment turns on (on
most systems). When using an electric heat thermostat,
the fan starts and stops with the heating equipment. In
cooling, the fan starts and stops with the cooling equip-
ment.
Make certain all equipment responds properly to the
thermostat.
FAN Switch Settings SYSTEM Switch Settings Call for Action Energize Terminals Display Icons
Auto Off None None None
On Any Any G None
Auto Cool Cooling G,Y
Auto Heat Heating Wa,b

T8400C, T8401C AND T8424C,D ELECTRONIC THERMOSTATS
13 68-0180-3
TROUBLESHOOTING
Refer to Fig. 21 for the proper troubleshooting procedure.
Fig. 21. Troubleshooting procedure.
SYMPTOM POSSIBLE CAUSE ACTION
HEATING OR COOLING EQUIPMENT
WON'T OPERATE. NO AC POWER TO THERMOSTAT. • CHECK THAT C TERMINAL IS CONNECTED TO
THE SYSTEM TRANSFORMER.
• CHECK POWER TO HEATING AND COOLING EQUIPMENT
– ON-OFF SWITCH
– FUSE OR CIRCUIT BREAKER
– LOOSE 24V CONNECTION
– AT THERMOSTAT
– AT FURNACE/AIR CONDITIONER
– INCORRECT WIRING (SEE WIRING DIAGRAM)
THERMOSTAT INOPERATIVE. CONDUCT SELF-TEST; SEE CHECKOUT SECTION.
PRESENT SETTING TOO LOW/HIGH. ADJUST TEMPERATURE BY PRESSING OR KEYS.
SYSTEM SWITCH ON THERMOSTAT
IN WRONG POSITION. RESET THERMOSTAT SYSTEM SWITCH.
MINIMUM-OFF TIMES IN THERMOSTAT
IN OPERATION ON COOLING OR
FIRST STAGE HEATING.
WAIT FIVE MINUTES OR FOLLOW STEPS IN
CHECKOUT SECTION.
INCORRECT WIRING. CHECK WIRING DIAGRAM.
CONSULT EQUIPMENT MANUFACTURER INSTRUCTIONS.
HEATING OR COOLING EQUIPMENT
INOPERATIVE.
REPLACE THERMOSTAT.
PARTIAL DISPLAY INOPERATIVE THERMOSTAT.
SEE THE SETTINGS AND ADJUSTMENTS SECTION FOR
INSTRUCTIONS ON INSTALLER SETUP MODE.
STILL IN INSTALLER SETUP MODE.
RECONFIGURE THE DISPLAY. SEE SETTINGS
AND ADJUSTMENTS SECTION.
TEMPERATURE DISPLAY IS
INCORRECT. THERMOSTAT IS CONFIGURED FOR
F OR C DISPLAY.
• CHECK THAT C TERMINAL IS CONNECTED TO
THE SYSTEM TRANSFORMER.
• CHECK POWER TO HEATING AND COOLING EQUIPMENT
– ON-OFF SWITCH
– FUSE OR CIRCUIT BREAKER
– LOOSE 24V CONNECTION
– AT THERMOSTAT
– AT FURNACE/AIR CONDITIONER
– INCORRECT WIRING (SEE WIRING DIAGRAM)
NO DISPLAY NO POWER TO THERMOSTAT.
SEE INSTALLATION INSTRUCTIONS FOR
CORRECT MOUNTING.
CHECK THE TEMPERATURE SETPOINTS; TEMPERATURE
SETTING RANGE IS 40 F (4 C) TO 99 F (37 C).
THE UPPER OR LOWER
TEMPERATURE LIMITS WERE
REACHED.
THERMOSTAT MOUNTED
INCORRECTLY ON WALLPLATE.
CHECK WIRING DIAGRAM.
FAN DOES NOT OPERATE PROPERLY
IN HEAT OR COOL MODES. INCORRECT WIRING.
CONSULT EQUIPMENT MANUFACTURER INSTRUCTIONS.
HEATING OR COOLING EQUIPMENT
INOPERATIVE.
TEMPERATURE SETTINGS WILL NOT
CHANGE. (EX: CANNOT SET THE
HEATING HIGHER OR THE
COOLING LOWER).
M10291B
68-0180-314
15 68-0180-3

68-0180-3 G.H. Rev. 10-01 www.honeywell.com/yourhome
+RPHDQG%XLOGLQJ&RQWURO +RPHDQG%XLOGLQJ&RQWURO
+RQH\ZHOO +RQH\ZHOO/LPLWHG+RQH\ZHOO/LPLWpH
'RXJODV'ULYH1RUWK '\QDPLF'ULYH
*ROGHQ9DOOH\01 6FDUERURXJK2QWDULR
09=
Printed in U.S.A. on recycled
paper containing at least 10%
post-consumer paper fibers.