Honeywell Tripleaquastat L8151A Users Manual 60 2553 Triple Aquastat Relay
L8151A to the manual 7697a6ae-173b-4bde-8ca2-f0f99b760041
2015-01-23
: Honeywell Honeywell-Tripleaquastat-L8151A-Users-Manual-261173 honeywell-tripleaquastat-l8151a-users-manual-261173 honeywell pdf
Open the PDF directly: View PDF
.
Page Count: 6

160-2553—3
L8151A
Triple Aquastat® Relay
J. H. • Rev. 1-95 • ©Honeywell Inc. 1995 • Form Number 60-2553—3
The L8151A is a remote bulb controller for use
with hydronic heating systems that include domes-
tic hot water service.
■Provides high limit, low limit, and circulator control
for maintaining boiler temperatures.
■Can provide multizone control by using a separate
thermostat and R845 Relay for each zone.
■An internal transformer powers the thermostat cir-
cuit.
■ Shielded capillary allows convenient mounting.
■Consists of a diaphragm powerhead and micro switch
assembly that responds to temperature changes in
the boiler water.
CONTENTS
Specifications ................................................. 2
Ordering Information ..................................... 2
Installation ..................................................... 2
Operation and Settings................................... 5
Checkout ......................................................... 6

60-2553—3 2
L8151A
SPECIFICATIONS • INSTALLATION • ORDERING INFORMATION
Specification
IMPORTANT: The specifications given in this publication
do not include normal manufacturing tolerances.
Therefore, this unit may not exactly match the listed
specifications. Also, this product is tested and cali-
brated under closely controlled conditions, and some
minor differences in performance can be expected if
those conditions are changed.
MODEL: L8151A Triple Aquastat® Relay for remote bulb
control of hydronic heating systems that include domestic
hot water.
ELECTRICAL RATINGS:
Power Supply: 120 Vac, 60 Hz; 220 Vac, 50 Hz and
240 Vac, 60 Hz operation.
Contact Ratings (A): See Table 1.
TABLE 1—CONTACT RATINGS.
MAXIMUM AMBIENT TEMPERATURE: 150°F (66°C)
at case. 265°F (130°C) at sensing element.
PRESSURE RATING: 200 psi (1380 kPa) on outside of
immersion well.
THERMOSTAT HEAT ANTICIPATOR SETTING: 0.2A.
LOW LIMIT (Fig. 2):
Function: Maintains water temperature at setting during
thermostat off periods.
Setting: 110°F to 220°F adjustable (43°C to 104°C).
Differential: 10°F to 25°F adjustable (6°C to 14°C).
HIGH LIMIT (Fig. 2):
Function: Opens burner circuit if water temperature reaches
high limit setting.
Setting: 130°F to 240°F adjustable (54°C to 116°C).
Differential: 10°F fixed (6°C).
MOUNTING MEANS: Mounting lugs on back of case.
DIMENSIONS: See Fig. 1.
SENSING ELEMENT: 3/8 x 2-7/8 in. (10 x 73 mm).
CAPILLARY LENGTH: 36 in. (914 mm), armored
capillary.
UNDERWRITERS LABORATORIES INC. LISTED: File
No. MP466, Guide No. MBPR2.
Installation
WHEN INSTALLING THIS PRODUCT...
1. Read these instructions carefully. Failure to follow
them could damage the product or cause a hazardous
condition.
2. Check the ratings given in the instructions and on
the product to make sure the product is suitable for your
application.
3. Installer must be a trained, experienced service
technician.
4. After installation is complete, check out product
operation as provided in these instructions.
WARNING
CAN CAUSE PROPERTY DAMAGE,
SEVERE INJURY OR DEATH.
Product is for use only in a system with a pressure
relief valve.
120 Vac 240 Vac
Full Load 7.4 3.7
Locked Rotor 44.4 22.2
MAXIMUM POWER CONSUMPTION: 8W at 120 Vac,
60 Hz.
Ordering Information
When purchasing replacement and modernization products from your TRADELINE® wholesaler or distributor, refer to the Tradeline®
Catalog or price sheets for complete ordering number, or specify—
1. Order number. 3. Order additional system components and system
2. Accessories, if desired. accessories separately.
If you have additional questions, need further information, or would like to comment on our products or services, please write or phone:
1. Your local Home and Building Control Sales Office (please check the white pages of your phone directory).
2. Home and Building Control Customer Logistics
Honeywell Inc., 1885 Douglas Drive North
Minneapolis, Minnesota 55422-4386
In Canada—Honeywell Limited/Honeywell Limitée, 35 Dynamic Drive, Scarborough, Ontario M1V 4Z9. International Sales and
Service Offices in all principal cities of the world. Manufacturing in Australia, Canada, Finland, France, Germany, Japan, Mexico,
Netherlands, Spain, Taiwan, United Kingdom, U.S.A.

360-2553—3
L8151A
INSTALLATION
IMMERSION WELL MOUNTING
NOTE: Immersion well must be ordered separately. For a list
of available wells, refer to form 68-0040, Wells and
Fittings for Temperature Controllers.
The boiler manufacturer generally provides a tapping
for the immersion well. This tapping should be located at a
point where typical water temperature can be measured.
The immersion well must never be located close to a hot or
cold water inlet or a steam coil, or where the pressure
exceeds 200 psi (1380 kPa).
If the system is filled, drain to a point below the selected
installation location.
Fig 2— Internal view of L8151.
CAUTION
•Disconnect power supply before beginning in-
stallation to prevent electrical shock or equip-
ment damage.
•Avoid making sharp bends or kinks in the capil-
lary. Bends should be no less than 1 in. (25 mm).
IMPORTANT: Terminals on these Aquastat® Relays are
approved for copper wire only.
Fig. 1—Approximate L8151 dimensions in in.
(mm).
1-1/4
(32)
1-1/4
(32)
13/16
(21)
2-3/6
(56)
3-5/16
(84)
4-23/32 (120)
4-5/16 (110)
KNOCKOUT
FOR 1/2 IN.
CONDUIT (5)
CAPILLARY
30 IN. (762)
13/64 X 21/64 (4)
4-1/2
(114)
6-1/8
(156)
1-1/2
(38)
1-7/16
(37)
1/8
(3)
2-3/16
(56)
M8892
MOUNTING THE CASE
Mount the case in a convenient location near the boiler.
Remember that the shielded capillary must reach from the
case to the immersion well. This maximum ambient tem-
perature of the selected location must not exceed 150°F
(66°C) at the case, 265°F (130°C) at the sensing element.
M8893
VOLTAGE BARRIER
DIFFERENTIAL
SETTING
CIRCULATOR
RELAY
LOW LIMIT SETTING
HIGH LIMIT SETTING
GROUNDING SCREW
TRANSFORMER
FOR THERMOSTAT
CIRCUIT
1. Screw the well into the boiler, tank, or pipe tapping.
2. Insert the bulb into the well, pushing tubing until bulb
bottoms in well. Avoid making sharp bends or kinks in the
capillary. Bends should be no sharper than 1 in. (25 mm)
radius.
3. Attach the retainer clamp to end of well spud. Loosen
draw nut and spread jaws of clamp with screwdriver if
necessary, Fig. 3.

60-2553—3 4
L8151A
INSTALLATION
Fig. 3—Remote bulb installation. All wiring must comply with local electrical codes and
ordinances. The limits given in the Specifications section
must not be exceeded when applying this control. Use
manufacturer instructions when wiring controlled equip-
ment or refer to typical hookups in Fig. 4 through 6.
When the B1 terminal on the device being replaced is
1/4 in. tab terminal, use the existing wiring harness termi-
nals to install the replacement device. When the B1 termi-
nal on the device being replaced is a screw terminal, insert
the provided tab terminal to screw terminal adapter on the
1/4 in. tab terminal of the replacment device. After the
adapter is installed, the existing wraparound wire end can
be reused to make an electrical connection to the B1 termi-
nal.
NOTE: Do not use a push type ratchet screwdriver.
1. Strip 7/16 in. of insulation from the wire end.
2. Wrap the wire at least three-fourths of the distance
around the screw as shown.
3. Using a standard, flat-headed screwdriver, tighten the
screw until the wire is snugly in contact with the screw and
contact plate.
4. Tighten the screw an additional one-half turn.
Fig. 4—Typical hookup for L8151A in a single
zone system.
M8777
WELL
BULB
SPUD
MOUNTING
CLAMP
A
DRAW
NUT
TUBING
B
INSERT— MOUNTING CLAMP
SCREWDRIVER
SPREAD JAWS
TO FIT OVER
RIDGE ON SPUD
OF WELL
JAWS
4. With part no.121371AA Retainer Clamp attached to
well spud (be sure jaws of clamp hook over ridge at end of
spud, as shown at points A), adjust tubing to fit through
retainer clamp groove, as shown at point B.
5. Tighten draw nut so that retainer clamp is firmly
attached to well spud and tubing is held securely in place. Be
careful not to damage the capillary.
6. Carefully coil the excess capillary at the bottom of the
Aquastat® case.
WIRING
CAUTION
•Disconnect power supply before wiring to avoid
electrical shock or equipment damage.
•Be sure the terminal connections are inside an
enclosure that meets local codes.
IMPORTANT: Terminals on the L8151A Aquastat® Relay
are approved for use only with copper wire. The
terminals allow wraparound wiring only.
1. Strip 7/16 in. of insulation
from the wire end.
2. Wrap the wire at least three
fourths of the distance around
the screws as shown.
3. Use a standard flat-headed
screwdriver to tighten the
screw until the wire is snugly
in contact with the screw and contact plate.
4. Tighten the screw an additional one-half turn.
NOTE: Do not use a push-type ratchet screwdriver.
M8843
L1
(HOT)
L2
1
2
3
1
2
3
POWER SUPPLY. PROVIDE DISCONNECT MEANS AND
OVERLOAD PROTECTION AS REQUIRED.
CONTROL CASE MUST BE CONNECTED TO EARTH GROUND.
USE GROUNDING SCREW PROVIDED.
B1 IS 1/4 IN. TAB TERMINAL.
M8886
T
T
ZC
ZR
B1
B2
C1
C2
1
2
G
THERM.
BURNER
LINE
2
1
CIRC.
LOW VOLTAGE
THERMOSTAT
LINE VOLTAGE
CIRCULATOR
X
X
X
X
X
X
OR
OIL BURNER
RELAY
LINE TERMINAL
LINE VOLTAGE
GAS VALVE

560-2553—3
L8151A
OPERATION AND SETTINGS
Operation and Settings
HIGH LIMIT
The high limit opens and turns off the burner when the
water temperature reaches the setpoint. The high limit
automatically resets after the water temperature drops past
the setpoint and through the 10°F (6°C) differential.
WARNING
CAN CAUSE PROPERTY DAMAGE,
SEVERE INJURY OR DEATH.
Product is for use only in a system with a pressure
relief valve.
LOW LIMIT AND CIRCULATOR CONTROL
On a temperature rise, with the adjustable differential at
the minimum setting of 10°F (6°C), the low limit circuit
(RB) breaks and the circulator circuit (R-W) makes at the
control setpoint. On a temperature drop of 10°F (6°C)
below the setpoint, the R-B circuit makes and the R-W
circuit breaks.
Fig. 5—Typical hookup for the L8151A in a
multizone system.
L1
(HOT)
L2
1
2
3
3
4
4
1
2
POWER SUPPLY. PROVIDE DISCONNECT MEANS AND
OVERLOAD PROTECTION AS REQUIRED.
CONTROL CASE MUST BE CONNECTED TO EARTH GROUND.
USE GROUNDING SCREW PROVIDED.
LINE VOLTAGE OIL BURNER CONTROL OR GAS VALVE.
B1 IS 1/4 IN. TAB TERMINAL. M8885
T
T
ZC
ZR
B1
B2
C1
C2
1
2
G
THERMOSTAT
ZONE 1
THERM.
BURNER
CIRCULATOR
ZONE 1
LINE
HYDRONIC HEATING
CONTROL TERMINALS
2
1
4
3
5
6
R845A RELAY
TO ADDITIONAL
R845A RELAYS
FOR OTHER ZONES
THERMO-
STAT
ZONE 2
CIRCULATOR
ZONE 2
CIRC.
IF CONTROLLING TWO LOADS USE:
—TERMINALS 3 AND 4 FOR LINE
VOLTAGE LOAD.
—TERMINALS 5 AND 6 FOR LINE
OR LOW VOLTAGE LOAD.
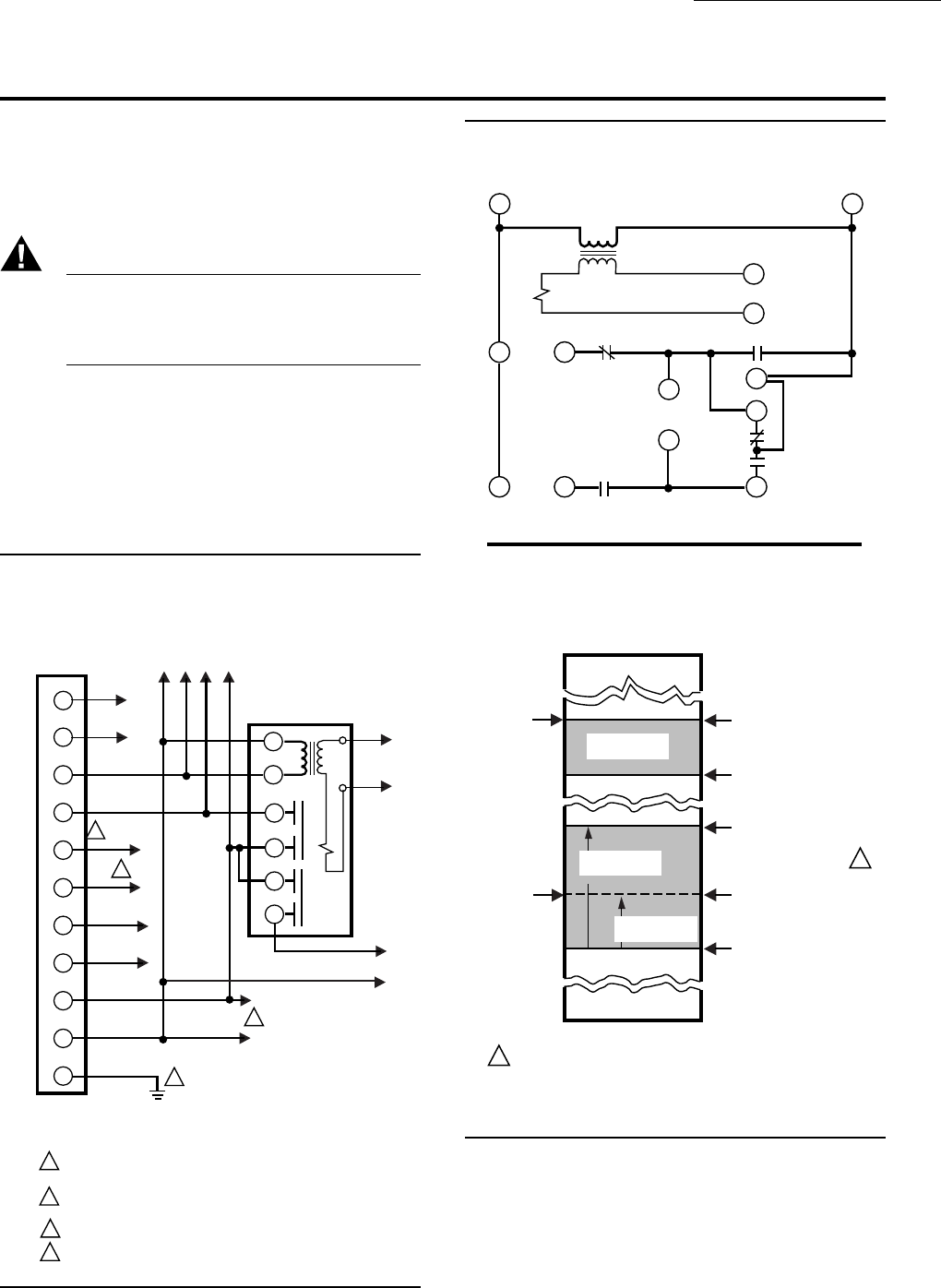
Fig. 6—L8151A internal schematic.
21
T
T
1K
B2 B1
ZR
ZC
R
B
W
C1C2
1K1
HIGH LIMIT 1K2
LOW
LIMIT
CIRCULATOR
CONTROL
M8884
Fig. 7—Relationship of setpoints and differen-
tial.
LOW LIMIT
AND
CIRCULATOR
SETTING
HIGH LIMIT
SETTING
SWITCH BREAKS ON
TEMPERATURE RISE.
BURNER TURNS OFF.
CIRCULATOR OPERATES
ON A CALL FOR HEAT.
SWITCH MAKES ON
TEMPERATURE FALL.
BURNER OPERATES ON A
CALL FOR HEAT.
SWITCH MAKES R-W
AND BREAKS R-B ON
TEMPERATURE RISE.
SWITCH MAKES R-B AND
BREAKS R-W ON
TEMPERATURE FALL.
BURNER IS ON TO
MAINTAIN MINIMUM
WATER TEMPERATURE.
CIRCULATOR IS OFF.
110°F (43°C)
240°F (116°C)
M1523
SWITCH MAKES R-W
AND BREAKS R-B ON
TEMPERATURE RISE.
WHEN WATER REACHES PROPER TEMPERATURE, THE BURNER
SHUTS OFF OR THE CIRCULATOR PUMP STARTS (WHEN CALLING
FOR HEAT).
1
1
10°F (6°C)
DIFFERENTIAL
25°F (14°C)
DIFFERENTIAL
10°F (6°C)
DIFFERENTIAL
At any differential setting greater than 10°F (6°C), the
R-B make and R-W break temperatures remain the same
(control setting minus 10°F (6°C). The R-B break and R-W
make temperatures are the setpoint temperatures plus the
difference between the differential setting and 10°F (6°C).

60-2553—3 6
EXAMPLE: Setpoint of 140°F (60°C) differential set at
25°F (14°C). On a temperature rise, R-B breaks and
R-W makes at 155°F (68°C). On a temperature fall,
R-B makes and R-W breaks at 130°F (54°C); see
Fig. 7.
L8151A
OPERATION AND SETTINGS • CHECKOUT
THERMOSTAT ANTICIPATOR
Set the thermostat heat anticipator at 0.2A.
Checkout
Put the system into operation and observe each function through at least one complete cycle. Be sure the control operates
as intended.
Honeywell Limited-Honeywell Limitée
35 Dynamic Drive
Scarborough, Ontario M1V 4Z9
Automation and Control Solutions
Honeywell International Inc.
1985 Douglas Drive North
Golden Valley, MN 55422