Honeywell MS2320 StratosH Scanner/Diva Scale Installation & User's Guide User Manual To The Dbd507e4 4424 43bb 8e83 56a6a536c50f
User Manual: Honeywell MS2320 to the manual
Open the PDF directly: View PDF
.
Page Count: 72
- MS2320 StratosH™ Scanner / Diva Scale
- Disclaimer
- Trademarks
- Patents
- Table of Contents
- Introduction
- Base Model Characteristics
- Installation
- Scanner Operation
- Scale Operation
- Maintenance
- Troubleshooting
- Scanner and Cable Terminations
- Regulatory Compliance
- Limited Warranty
- Index
- Customer Support

MS2320
StratosH™
Scanner / Diva Scale
Installation and User’s Guide
Disclaimer
Honeywell International Inc. (“HII”) reserves the right to make changes in specifications and other information contained in this
document without prior notice, and the reader should in all cases consult HII to determine whether any such changes have been made.
The information in this publication does not represent a commitment on the part of HII.
HII shall not be liable for technical or editorial errors or omissions contained herein: nor for incidental or consequential damages
resulting from the furnishing, performance, or use of this manual.
This document contains propriety information that is protected by copyright. All rights reserved. No part of this document may be
photocopied, reproduced, or translated into another language without the prior written consent of HII.
© 2006 - 2012 Honeywell International Inc. All rights reserved.
Web Address:
Trademarks
www.honeywellaidc.com
StratosH, MetroSet, and MetroSelect are a trademarks or registered trademarks of Metrologic Instruments, Inc. in the United States
and/or other countries.
Microsoft, Windows, and Windows 95 are trademarks or registered trademarks of Microsoft Corporation.
IBM is a trademark of International Business Machines Corporation.
Other product names mentioned in this manual may be trademarks or registered trademarks of their respective companies and are the
property of their respective owners.
Patents
For patent information, please refer to www.honeywellaidc.com/Patents.

ii
TABLE OF CONTENTS
INTRODUCTION
Manual Scope ........................................................................................................................................................................................ 1
Product Overview ................................................................................................................................................................................... 1
Base Kit Components ............................................................................................................................................................................. 2
Optional Accessories .............................................................................................................................................................................. 2
Replacement Parts ................................................................................................................................................................................. 4
General Precautions ............................................................................................................................................................................... 5
MS2320 Scanner/Diva Scale Design Specifications .............................................................................................................................. 6
BASE MODEL CHARACTERISTICS
MS2320 Scanner/Diva Scale .................................................................................................................................................................. 7
Components ....................................................................................................................................................................................... 7
Dimensions ......................................................................................................................................................................................... 8
Connector Panel ................................................................................................................................................................................. 8
Caution and Serial Number Labels ..................................................................................................................................................... 9
INSTALLATION
Quick Installation Outline ...................................................................................................................................................................... 10
Site Requirements ................................................................................................................................................................................ 10
Vertical Clearance ............................................................................................................................................................................ 10
Ventilation and Spacing .................................................................................................................................................................... 10
Service Access ................................................................................................................................................................................. 10
Power Installation ............................................................................................................................................................................. 11
Checkout Counter Layout Consideration .......................................................................................................................................... 11
Unpacking the Unit ............................................................................................................................................................................... 12
MS2320 Package Warning ............................................................................................................................................................... 13
Lifting the Unit by the Handles .......................................................................................................................................................... 13
MS2320 Mounting Diagram (Two Point Support) ............................................................................................................................. 14
MS2320 Mounting Diagram (Three Point Support) .......................................................................................................................... 15
Cable Installation (Interface Specific) ................................................................................................................................................... 16
RS232 .............................................................................................................................................................................................. 16
Full Speed USB ................................................................................................................................................................................ 18
IBM OEM ....................................................................................................................................................................................... 19
Serial Emulation Mode .................................................................................................................................................................. 19
Keyboard Emulation Mode ............................................................................................................................................................ 19
RS485 .............................................................................................................................................................................................. 21

iii
TABLE OF CONTENTS
Cable Installation (Secondary Honeywell Scanner) .............................................................................................................................. 23
EAS Deactivation ................................................................................................................................................................................. 25
SCANNER OPERATION
Scan Zone ............................................................................................................................................................................................ 26
IR Activation Area (IR LED Output) ...................................................................................................................................................... 28
Indicator Descriptions ........................................................................................................................................................................... 29
Audible ............................................................................................................................................................................................. 29
Visual ............................................................................................................................................................................................... 29
Failure .............................................................................................................................................................................................. 30
Diagnostic Indicator Display; Error Codes ........................................................................................................................................ 31
Power Save Modes .............................................................................................................................................................................. 33
Beeper Options and Button Functions .................................................................................................................................................. 34
Beeper Tone and Volume Control .................................................................................................................................................... 34
The Multi-Function Button ................................................................................................................................................................ 34
Startup .................................................................................................................................................................................................. 35
Power-Up Test Mode ........................................................................................................................................................................... 35
Configuration Mode .............................................................................................................................................................................. 35
SCALE OPERATION
Scale Zeroing ....................................................................................................................................................................................... 36
Calibration ............................................................................................................................................................................................ 37
Tools Required ................................................................................................................................................................................. 37
Scale Calibration Methods ................................................................................................................................................................ 37
Priming the Scale for Calibration (lbs. & kg) ..................................................................................................................................... 38
Scale Calibration Procedure (lbs. & kg) with Remote Display .......................................................................................................... 39
Bar Code Calibration Procedure without Remote Display ................................................................................................................ 42
Calibration Verification ......................................................................................................................................................................... 46
U.S. Pounds (lbs.) ............................................................................................................................................................................ 46
Kilograms (kg) .................................................................................................................................................................................. 47
Security Seal Installation ...................................................................................................................................................................... 48
Pressure Sensitive Security Seal ..................................................................................................................................................... 48
Wire Security Seal (Conversion Kit 46-00359) ................................................................................................................................. 49
MAINTENANCE
Platter / Horizontal Scan Window Replacement ................................................................................................................................... 50
Vertical Scan Window Replacement .................................................................................................................................................... 51
Daily Maintenance ................................................................................................................................................................................ 51

iv
TABLE OF CONTENTS
TROUBLESHOOTING
Troubleshooting Symptom / Solution Chart .......................................................................................................................................... 52
SCANNER AND CABLE TERMINATIONS
Scanner Pinout Connections ................................................................................................................................................................ 54
Cable Connector Configurations .......................................................................................................................................................... 56
REGULATORY COMPLIANCE
Safety ................................................................................................................................................................................................... 58
EMC ..................................................................................................................................................................................................... 59
Weights & Measures ............................................................................................................................................................................ 60
LIMITED WARRANTY .................................................................................................................................................................................... 61
INDEX......................................................................................................................................................................................................... 62
CUSTOMER SUPPORT
Technical Assistance ............................................................................................................................................................................ 64
Product Service and Repair .................................................................................................................................................................. 64
v

1
INTRODUCTION
MANUAL SCOPE
This guide provides information on the installation, setup and operation of Honeywell’s StratosH™ MS2320 scanner/Diva scale unit. It
is designed to be used in conjunction with MetroSelect™ Configuration Guide (PN 00-02407x) and the MS2x20 Stratos Series
Scanner/Diva Scale Configuration Addendum (PN 00-02272x).
Product manuals are also available for download in Adobe® Acrobat® file format at www.honeywellaidc.com.
PRODUCT OVERVIEW
The StratosH MS2320 is designed to meet the demanding needs of high volume supermarket and point-of-sale applications. With
advanced features like 6-sided, 360° scanning, 5840 scans per second, a comprehensive scan zone and advanced decoding software,
this high performance in-counter scanner/scale model guarantees fast customer checkouts with minimal operator fatigue and stress.
The MS2320 scanner/scale is equipped with a multitude of standard features including:
• StratosSCAN – 6-sided, 360° scanning that minimizes product orientation
• StratosSPHERE – Decoding software that reads poor quality and damaged bar codes
• StratosSYNC – Horizontal and vertical scanning zones operate independently from one another
• GS1 DataBar Decoding – Decodes GS1 DataBar, GS1 DataBar Limited and GS1 DataBar Expanded symbologies
• Flash ROM – Upgrade latest software enhancements on site
• Powered Aux Port – Connect hand-held scanner for large or bulky items
• Integrated Scale – Factory integrated Mettler Toledo Diva scale
• Loud Speaker – Three volume/seven tone settings can be heard in all environments
• Easy Configuration – Windows®
• Fully Automatic – “No touch” infrared wake up from power save modes
based utility or simple bar code setup
• EAS Deactivation – Electronic Article Surveillance (EAS) equipped (EAS cable is an optional purchase)
• Field Replaceable Vertical Window – Quickly remove vertical window for cleaning or replacement
• StratosSCOPE – Visual diagnostic indicator for easy to read feedback on scanner condition
• StratosSWAP – Modular optics engine technology – small, pre-aligned, field replaceable modules
• StratosSCHOOL – Operator training software

2
INTRODUCTION
BASE KIT COMPONENTS
BASE KIT COMPONENTS
Part # Description
MS2320-xxKz StratosH Scanner / Diva Scale
xx
14 RS232 Interface
21 RS232 / Full Speed USB / RS485 Interfaces
z D Diamonex Horizontal Window
S Sapphire Horizontal Window
00-02407x MetroSelect Configuration Guide
00-02272x MS2x20 Stratos Series Scanner/Diva Scale Configuration Addendum
00-02271x MS2320 StratosH Scanner/Diva Scale Installation and User’s Guide
Guides also available for download at www.honeywellaidc.com.
Other items may be ordered for the specific protocol being used. To order additional items, contact the dealer, distributor or customer service
department.
OPTIONAL ACCESSORIES
OPTIONAL ACCESSORIES
Part # Description
57-57000x-N-3 RS232 Interface Cable, Straight Cord
57-57004x-N-3 RS485
57-57200x-N-3
Port 9 Cable, Straight Cord
USB Full Speed Communication Cable, Straight Cord, Locking 12V Plus-Power™
57-57006x-N-3
Type A
USB Full Speed Communication Cable, Straight Cord, Non-Locking Type A
57-57099x-3 LSO RS232 PowerLink AUX Cable with built in power jack, Straight Cord
57-57099x-3-12 RS232 AUX, Straight Cord, 3.7 m (12') (for 95xx, 5145 and 7580 scanners)
CBL-420-300-C00 RS232 AUX, Coiled Cord (for 1200, 1300 and 1900 Series scanners)
57-57000x-N-3 Dual Interface Cable, Straight Cord
52-52511x 24" EAS Cable
52-52556x Checkpoint EAS Cable, Straight Cord, 1.8 m (6')
Applicable for IBM® Host applications.

3
INTRODUCTION
OPTIONAL ACCESSORIES
Part # Description
AC to DC Power Transformer - Regulated
Output: +5V @ 4A +12V @ 1.5A
46-46812 120V United States and Canada
46-46813 220V – 240V Continental European
46-46814 220V – 240V United Kingdom
46-46817 220V – 240V China
46-46928 220V – 240V Australia
Optional Remote Scale Display
46-00375 Remote Single Line Scale Display (lb.) (See Figure 1)
46-00376 Remote Single Line Scale Display (kg.) (See Figure 1)
46-00377 Remote Four Line Scale Display (kg.) (See Figure 2)
Other Four Line Scale Display currency overlay stickers are available. To order additional or replacement items, contact the dealer, distributor or
customer service department.
Specifications are subject to change without notice.
Figure 1
Figure 2
* All dimensions are shown in mm (millimeters).

4
INTRODUCTION
REPLACEMENT PARTS
REPLACEMENT PARTS
Part # Description
Caution
Window types (Diamonex and Sapphire) are not
interchangeable due to laser safety and/or scanner
performance differences.
To change window type, the scanner must be returned to the manufacturer for reconfiguration.
46-46889 Vertical Window
46-46806 Diamonex Platter – Full (Long) Size
46-46808 Sapphire Platter – Full (Long) Size
Other items may be ordered for the specific protocol being used. To order additional items, contact the dealer, distributor or customer service
department.

5
INTRODUCTION
GENERAL PRECAUTIONS
The following list includes general precautions to remember when handling the StratosH.
DO NOT TURN the unit upside down with the platter in
place.
DO NOT PRESS on the window in the
placement platter or the vertical window frame.
PLATTER REMOVAL
No hardware or tools are required to remove the platter /
horizontal scan window (see Figure 5). Refer to the
Maintenance section of this manual for additional
information on platter replacement.
See caution statement on page 4.
LIFT HANDLES
REST both thumbs against the vertical window frame for
added stability when lifting the unit by the handles
provided.
Figure 6
Figure 4
Figure 3
Figure 5

6
INTRODUCTION
MS2320 SCANNER/DIVA SCALE DESIGN SPECIFICATIONS
Design Specifications
Operational
Light Source: VLD 650 nm
Peak Laser Power: <2.2 mW
Embedded Laser: Max Optical Power: 10 mW
Wavelength: 650 nm
Horizontal Depth of Field: 0 mm - 152 mm (0"- 6") for 0.33 mm (13 mil) Bar Code
Vertical Depth of Field: 0 mm - 216 mm (0"- 8.5"”) for 0.33 mm (13 mil) Bar Code
Scan Speed: 5840 Scan Lines per Second
No. of Scan Lines: 66 (38 Horizontal / 28 Vertical)
Motor Speed: 4800 / 6000 RPM (Horizontal / Vertical )
Min Bar Width: 0.152 mm (6.0 mil)
Decode Capability: All Standard 1-D Bar Codes, GS1 DataBar, GS1 DataBar Expanded, and GS1 DataBar Limited Bar Codes
System Interfaces: RS232, Aux RS232, RS485 and USB
Print Contrast: 35% Minimum Reflectance Difference
No. Characters Read: Up to 80 data characters. Maximum number will vary based on symbology and density.
Beeper Operation: 7 Tones or No Beep; 3 Volume Settings
Indicators (LED): Blue Laser ON, Ready to Scan
White Good Read, Decoding
Mechanical
L x W x H: 508 mm (20") Length 290 mm (11.4") Width 181 mm (7.1") Tower Height
Depth (Below Counter): 100 mm (3.9")
Weight (with Platter): 11.34 kg (24.95 lbs.)
Electrical
Voltage Supply: 4A @ +5V / 1.5A @ +12V
Power: Operating, 14.25 Watts Standby, 3.25 Watts
Current: Operating, 1A @ 5V / 0.75A @ 12V Standby, 0.44 A @ 5V / 0.08A @ 12V
DC Transformers: Class II; 5.2VDC @ 3.8A; 12VDC @ 1.5A
For Regulatory Compliance Information, refer to pages 58 - 60.
Scale Capacities
Capacity: kg unit 6.0 / 15.0 kg lb. unit 15.0 / 30.0 lb.
Minimum Increments: kg unit 0.002 / 0.005 kg lb. unit 0.005 / 0.01 lb.
Maximum Static Weight: kg unit 75.0 kg lb. unit 150.0 lb.
Adjustments Required: Calibration Only
Environmental
Operating Temperature: 0°C to 40°C (32°F to 104°F)
IP Rating: IP 55
Light Levels: 4842 Lux (450 foot-candles)
Storage Temperature: -40°C to 60°C (-40°F to 140°F)
Humidity: 5% to 95% Relative Humidity, Non-Condensing
Contaminants: Sealed to resist airborne particulate contaminants.
Ventilation: None Required
Specifications are subject to change without notice.

7
BASE MODEL CHARACTERISTICS
MS2320 Scanner/Diva Scale
Components
Figure 7. MS2320 Components
ITEM NO. DESCRIPTION OF ITEM
1 Blue and White LED Indicators (see page 29)
2 Volume/Tone Multi-Function Button (see page 34)
3 Scale Zero Button
4 Speaker (see page 29)
5 High Impact Window Frame / Vertical Window (Laser Aperture) (see page 4)
6 Flow Direction Indicators
7 Platter with Finger Recess, Stainless Steel Option Not Shown (see page 4)
8 Diamonex or Sapphire (shown) Horizontal Window (Laser Aperture)
9 Scale Side Guards
10 Debris Channel
11 Leveling Bubble
12 Handles for Lifting Unit
13
Sealed Calibration Switch/Button Cover
On a fully installed unit, the calibration switch cover should be sealed with either a lead wire or paper seal.
The seal indicates if the appropriate Federal, State and Local Weights and Measures authorities have calibrated the
scale. See the Scale Operation: Calibration section of this guide for further information.
14 Diagnostic Indicator Display (see page 31 for Error Codes)
15 Power, Scale and EAS Connectors (see page 8)
16 Interface and Aux Scanner Connectors (see page 8)
Scanner/Scale label information can be found on page 9.

8
BASE MODEL CHARACTERISTICS
MS2320 Scanner/Diva Scale
Dimensions
Figure 8. MS2320 Dimensions
Connector Panel
Figure 9. MS2320 Connector Panel
Specifications are subject to change without notice.

9
BASE MODEL CHARACTERISTICS
MS2320 Scanner/Diva Scale
Caution and Serial Number Labels
Figure 10. MS2320 Label Locations (Top) and Examples (Bottom)
Caution: To maintain compliance with applicable standards, all circuits connected to the scanner must meet the requirements for SELV (Safety
Extra Low Voltage) according to EN/IEC 60950-1.
To maintain compliance with standard CSA C22.2 No. 60950-1/UL 60950-1 and norm EN/IEC 60950-1, the power source should meet
applicable performance requirements for a limited power source.

10
INSTALLATION
QUICK INSTALLATION OUTLINE
The following is a quick preview of the steps required for first time installations. Each item is discussed in detail later in this section.
• Determine clearance, ventilation and service access requirements.
• Determine checkout counter layout taking into account package flow, cable routing and power requirements.
• Choose the mounting option which provides the best cable/power access and unit stability.
• Unpack the unit and remove the shipping hardware from the scale arms.
• Make the appropriate countertop cutouts and install all support brackets.
• Place the unit in the counter.
• Install the platter.
• Follow the steps under the correct interface to connect the cables and power supply.
• Configure the unit for the correct interface.
• Calibrate the scale.
SITE REQUIREMENTS
Before installing the StratosH scanner, please consider the following items.
Vertical Clearance
A minimum clearance height of 7.00" from the checkout counter surface is needed for the vertical 'hood' on all of the scanner models.
Ventilation and Spacing
All StratosH models have a die-cast housing to dissipate heat allowing the unit to operate without a ventilation fan. Honeywell
recommends that the temperature surrounding the unit does not exceed 40°C (104°F). There should be adequate convection and
minimal heat producing equipment in close proximity of the unit. A cooling fan with a filter is recommended if there will be a conveyor
motor or other heat producing equipment close to the unit that will create a high temperature environment.
Adequate spacing between the unit and the checkout counter opening is required for proper operation of the scale. When the
scanner/scale model is mounted properly, the scale platter should be able to move up and down freely without hitting the edges of the
checkout counter cutout. Refer to Installing the Unit in the Counter for detailed cutout dimensions and mounting instructions.
Service Access
When routing and installing the cable(s) and power supply, make sure to leave access so that these components may be swapped
easily without the need to remove the unit from the checkout counter.
When changing the StratosSWAP optics engine modules, Honeywell recommends removing the unit completely from the checkout
counter.
When calibrating or zeroing the scale, do not remove the unit from the checkout counter. Refer to the Scale Operation Section of this
guide for detailed instructions on zeroing and calibration.

11
INSTALLATION
QUICK INSTALLATION OUTLINE
POWER INSTALLATION
The Power Supply (AC/DC) should be connected to an AC Outlet that is free of electrical noise (clean). A qualified electrician can
determine the amount of electrical noise on the AC line. See additional information on power installation and restrictions under the
Installation: Cable Installation (Interface Specific) section of this manual.
Honeywell recommends using a switched AC outlet. The switch should be located on the operator’s side of the checkout
counter in close proximity to the StratosH to facilitate calibration and service of the unit.
Checkout Counter Layout Considerations
When placing a scanner in a checkout counter, the following factors should be considered.
• Items should flow at a distance to the operator that maximizes comfort. The operator should not need to stretch or strain to reach
for and scan packages.
• The StratosH can scan a bar code on six sides of a package. The packages should flow into the scan area that provides the
maximum reading performance. No lifting or orientation of the items is necessary. A properly placed item diverter can maximize
the flow of packages.
• In what direction are the packages flowing? Most checkout counters are designed for left-handed takeaway. If the operator is
facing the vertical window of the scanner, packages flow from the operator's right to left. The packages are in queue on the
conveyor to the right and the bagging is to the left.

12
INSTALLATION
UNPACKING THE UNIT
1. Make sure the shipping box is top-side up before opening.
2. Remove the accessories box and check the box’s content for the
following items:
• Product Manuals
• Power Supply
• Communication Cables
• Remote Scale Display Pole (Optional)
3. Carefully remove the platter and store it in a safe location until the
unit is properly installed into the checkout counter.
4. Remove all loose packing materials from the box.
5. Lift the MS2320 scanner out of the box by carefully grasping both
sides near the center of the unit and lifting directly up. Refer to
Figure 13 for hand placement.
Important! Do not remove the MS2320 scanner from the box by
grabbing the shipping foam. This can result in the unit
falling!
6. Carefully remove the shipping foam from around the
MS2320 scanner.
Figure 11
Figure 12
Figure 13
Figure 14

13
INSTALLATION
UNPACKING THE UNIT
MS2320 Package Warning
There is a protective film located on the topside platter surface, vertical scan windows outer surface, and the horizontal scan
windows top surface. This film must
be removed prior to performing any scanner operation (see Figure 15).
All foam wedges securing the scale arms during shipping must
be removed or the scale will not function (see Figure 15)!
Do not discard these instructions and shipping foam wedges! If the unit is going to be reshipped at any time this foam
must
be reinstalled prevent damage to the scale arms during shipping.
There is a protective sheet layered behind the Vertical Scan Window which must be removed or the MS2320 scanning ability will be
greatly reduced (see Figure 16).
Lifting the Unit by the Handles
There are two handles located under the removable platter near the
base of the vertical window. These handles are provided to assist in
installation when placing the unit in the checkout counter cutout.
To decrease the risk of dropping the unit during installation, rest
both thumbs against the vertical window frame for added stability
when lifting the unit by the handles. The unit will tilt forward when
lifted by the handles if it is not stabilized making installation in the
countertop cutout difficult.
Figure 17. Handles for Lifting
Figure 15. Removal of Protective Film and Scale Shipping Foam
Figure 16. Removal of Vertical Scan Window Protective Sheet

14
INSTALLATION
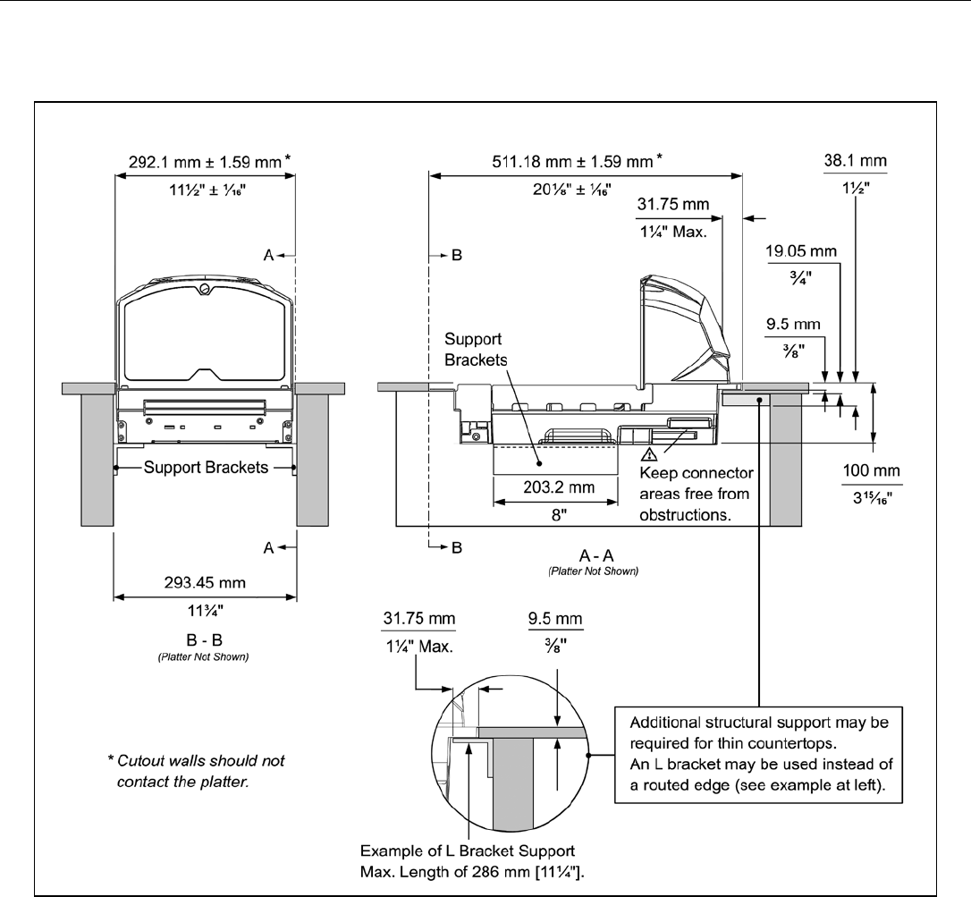
INSTALLING THE UNIT IN THE COUNTER
MS2320 Mounting Diagram (Two Point Support)
Figure 18. MS2320 Mounting Diagram, Two Point Support
Specifications are subject to change without notice.

15
INSTALLATION
INSTALLING THE UNIT IN THE COUNTER
MS2320 Mounting Diagram (Three Point Support)
Figure 19. MS2320 Mounting Diagram, Three Point Support
Specifications are subject to change without notice.

16
INSTALLATION
CABLE INSTALLATION (INTERFACE SPECIFIC)
RS232
The following steps describe how to properly install the cables for an RS232 StratosH application. The scanner/Diva scale must then
be configured to match the host’s RS232 parameters. Cable installation alone does not guarantee that the StratosH will communicate
properly with the host system.
Configuration bar codes are located in the MetroSelect Configuration Guide (PN 00-02407x) and the MS2x20 Stratos Series
Scanner/Diva Scale Configuration Addendum (PN 00-02272x).
1. Turn off the host system.
2. Plug the 10-pin RJ45 end of the RS232 interface cable (PN 57-57000x-N-3) into the 10-pin socket labeled, Scanner RS232 to Host,
on the bottom of the StratosH. Refer to figure on page 17.
3. Connect the other end of the RS232 cable to the proper communication port on the host device.
Before continuing, verify that the RS232 interface cable is connected to the appropriate interface socket on the scanner. An
incorrect cable connection can cause communication problems or potential damage to the scanner and/or terminal.
Steps 4 and 5 are for dual cable interfaces where the scale and the scanner connect to the host with their own separate
communication cables. Skip to step 6 for a single cable interface where the scale and scanner connect to the host with a single cable.
4. Plug the dual interface cable (PN 57-57000x-N-3) into the 10-pin socket labeled, Scale RS232 to Host, on the bottom of the
StratosH.
5. Connect the other end of the dual interface cable (PN 57-57000x-N-3) to the appropriate communication port on the host’s scale
device.
6. Plug the optional remote display cable** into the 10-pin socket labeled, Scale to Display, on the bottom of the StratosH.
** See page 3 for information on optional display types and part numbers.
7. Plug the external power supply (PN 46-46xxx*) into the 3-pin Molex socket labeled, DC Power In, on the bottom of the StratosH.
xxx* Specifies international connection. See page 3 for a complete listing of power supply options and their part numbers.
Check the AC input requirements of the power supply to make sure the voltage matches the AC outlet. The outlet should
be located near the equipment and be easily accessible.
Honeywell recommends using a switched AC outlet. The switch should be located on the operator’s side of the checkout
counter in close proximity to the StratosH to facilitate calibration and service of the unit.
8. Connect AC power to the transformer. If the AC outlet is equipped with an on/off switch, turn the power on.

17
INSTALLATION
CABLE INSTALLATION (INTERFACE SPECIFIC)
RS232
9. Turn on the host system.
10. Scan the Recall Defaults bar code.
The Recall Defaults bar code is located in the MetroSelect Configuration Guide (PN 00-02407x), under Need to Start Over.
11. Configure the StratosH to match the host system’s RS232 parameters.
Refer to the MetroSelect Configuration Guide (PN 00-02407x) under Section G: RS232 for Enabling RS232 Mode (scan
the recall defaults bar code first).
xxx* Specifies international connection. See page 3 for a complete listing of power supply options and their part numbers.
** See page 3 for information on optional display types and part numbers.
See power source caution statement on page 9 of this manual.
Figure 20. RS232 Interface Cable Installation Schematic

18
INSTALLATION
CABLE INSTALLATION (INTERFACE SPECIFIC)
FULL SPEED USB
The following steps describe how to properly install the cables for a Full Speed USB StratosH application. The scanner/scale must
then be configured to match the host’s USB parameters. Cable installation alone does not guarantee that the StratosH will
communicate properly with the host system.
Configuration bar codes are located in the MetroSelect Configuration Guide (PN 00-02407x) and the MS2x20 Stratos Series
Scanner/Diva Scale Configuration Addendum (PN 00-02272x).
1. Turn off the host system.
2. Plug the 10-pin RJ45 end of the USB interface cable (PN 57-57200x-N-3 or 57-57006x-N-3) into the 10-pin socket labeled,
Scanner USB to Host, on the bottom of the StratosH. Refer to Figure on page 20.
3. Connect the other end of the USB interface cable to the appropriate USB port on the host device.
Before continuing verify that the USB interface cable is connected to the appropriate socket on the scanner. An incorrect
cable connection can cause communication problems or potential damage to the scanner and/or terminal.
Manufacturers Note: Plugging the scanner into the USB port of the host does not guarantee that scanned information will
appear at the host. A software driver and correct configuration setting are also required for proper communication to occur.
When using the RS232/Full Speed USB/RS485 (-121) interface, the USB and RS485 interfaces are not active at the same
time.
Steps 4 and 5 are for dual cable interfaces where the scale and the scanner connect to the host with their own separate
communication cables. Skip to step 6 for a single cable interface where the scale and scanner connect to the host with a single cable.
4. Plug the dual interface cable (PN 57-57000x-N-3) into the 10-pin socket labeled, Scale RS232 to Host, on the bottom of the
StratosH.
5. Connect the other end of the dual interface cable (PN 57-57000x-N-3) to the appropriate communication port on the host’s scale
device.
6. Plug the optional remote display cable** into the 10-pin socket labeled, Scale to Display, on the bottom of the StratosH.
** See page 3 for information on optional display types and part numbers.
7. Plug the external power supply (PN 46-46xxx) into the 3-pin Molex socket labeled, DC Power In, on the bottom of the StratosH.
xxx* Specifies international connection. See Optional Accessories in the Introduction section of this guide for a complete listing.
Check the AC input requirements of the power supply to make sure the voltage matches the AC outlet. The outlet should
be located near the equipment and be easily accessible.
Honeywell recommends using a switched AC outlet. The switch should be located on the operator’s side of the checkout
counter in close proximity to the StratosH to facilitate calibration and service of the unit.
8. Connect AC power to the transformer. If the AC outlet is equipped with an on/off switch, turn the power on.

19
INSTALLATION
CABLE INSTALLATION (INTERFACE SPECIFIC)
FULL SPEED USB
9. Turn on the host system.
10. Configure the StratosH to match the host system’s USB parameters.
For Single Cable Applications:
The IBM OEM Full Speed USB English and Metric bar codes are located in the MS2
x
20 Stratos Series Scanner/Diva
Scale Configuration Addendum (PN 00-02272
x
) under Scanner Configuration Bar Codes: Single Cable Protocols for P
Compatibility, IBM OEM Full Speed USB.
For Dual Cable Applications:
The IBM OEM Full Speed USB Communication Defaults bar code is located in the MS2
x
20 Stratos Series
Scanner/Diva Scale Configuration Addendum (PN 00-02272
x
) under Scanner Configuration Bar Codes: Dual Cable
Scanner Configuration Bar Codes, IBM OEM Full Speed USB Communication Defaults and IBM OEM Full Speed USB
Protocols.
These features can only be used for Dual Cable Applications.
FOR USB SERIAL EMULATION MODE OR KEYBOARD EMULATION MODE ONLY
11. Configure the StratosH for Bi-Directional USB Serial Emulation Mode or USB Keyboard Emulation Mode by scanning the
appropriate configuration bar codes in the USB section of the MetroSelect Configuration Guide (PN 00-02407x).
These features can only be used for Dual Cable Applications. The IBM OEM Full Speed USB Communication
Defaults bar code listed in step 10 must be scanned before scanning one of these bar codes or this feature will not work
properly.

20
INSTALLATION
CABLE INSTALLATION (INTERFACE SPECIFIC)
xxx* Specifies international connection. See page 3 for a complete listing of power supply options and their part numbers.
** See page 3 for information on optional display types and part numbers.
See power source caution statement on page 9 of this manual.
Figure 21. USB Cable Installation Schematic

21
INSTALLATION
CABLE INSTALLATION (INTERFACE SPECIFIC)
RS485
The following steps describe how to properly install the cables for an RS485 StratosH application. The scanner/scale must then be
configured to match the host’s RS485 parameters. Cable installation alone does not guarantee that the StratosH will communicate
properly with the host system.
Configuration bar codes are located in the MetroSelect Configuration Guide (PN 00-02407x) and the MS2x20 Stratos Series
Scanner/Diva Scale Configuration Addendum (PN 00-02272x).
1. Turn off the host system.
2. Plug the 10-pin RJ45 end of the RS485 interface cable (PN 57-57004x-N-3) into the 10-pin socket labeled, Scanner RS232 / IBM
46xx to Host, on the bottom of the StratosH. Refer to Figure on page 22.
3. Connect the other end of the RS485 cable to communication port 9 on the host device.
Before continuing verify that the RS485 cable is connected to the appropriate interface socket on the scanner. An incorrect
cable connection can cause communication problems or potential damage to the scanner and/or terminal.
Manufacturers Note: Plugging the scanner into the serial port of the host device does not guarantee that scanned
information will appear at the host device. A software driver and correct configuration settings are also required for proper
communication to occur. When using the RS232/Full Speed USB/RS485 (-121) interface, the USB and RS485 interfaces
are not active at the same time.
Steps 4 and 5 are for dual cable interfaces where the scale and the scanner connect to the host with their own separate
communication cables. Skip to step 6 for a single cable interface where the scale and scanner connect to the host with a single cable.
4. Plug the dual interface cable (PN 57-57000x-N-3) into the 10-pin socket labeled, Scale RS232 to Host, on the bottom of the
StratosH.
5. Connect the other end of the dual interface cable (PN 57-57000x-N-3) to the appropriate communication port on the host’s scale
device.
6. Plug the optional remote display cable** into the 10-pin socket labeled, Scale to Display, on the bottom of the StratosH.
** See page 3 for information on optional display types and part numbers.
7. Plug the external power supply (PN 46-46xxx*) into the 3-pin Molex socket labeled, DC Power In, on the bottom of
the StratosH.
xxx* Specifies international connection. See Optional Accessories in the Introduction section of this guide for a complete listing.
Check the AC input requirements of the power supply to make sure the voltage matches the AC outlet. The outlet should
be located near the equipment and be easily accessible.
Honeywell recommends using a switched AC outlet. The switch should be located on the operator’s side of the checkout
counter in close proximity to the StratosH to facilitate calibration and service of the unit.
8. Connect AC power to the transformer. If the AC outlet is equipped with an on/off switch, turn the power on.

22
INSTALLATION
CABLE INSTALLATION (INTERFACE SPECIFIC)
RS485
9. Turn on the host system.
10. Configure the StratosH to match the host system’s RS485
parameters.
For Single Cable Applications:
The IBM 3rd Generation 46xx, English and Metric bar codes are located in the MS2
x
20 Stratos Series Scanner/Diva
Scale Configuration Addendum (PN 00-02272
x
) under Scanner Configuration Bar Codes: Single Cable Protocols for
Serial Emulation Compatibility, IBM 3rd
Generation 46xx.
For Dual Cable Applications:
The IBM 3rd Generation 46xx and IBM OEM Full Speed USB bar code is located in the MS2
x
20 Stratos Series
Scanner/Diva Scale Configuration Addendum (PN 00-02272
x
) under Scanner Configuration Bar Codes: Dual Cable
Scanner Configuration Bar Codes, IBM 3rd
Generation 46xx and IBM OEM Full Speed USB.
xxx* Specifies international connection. See page 3 for a complete listing of power supply options and their part numbers.
** See page 3 for information on optional display types and part numbers.
See power source caution statement on page 9 of this manual.
Figure 22. RS485 Cable Installation Schematic

23
INSTALLATION
CABLE INSTALLATION (SECONDARY HONEYWELL SCANNER)
The following steps describe how to properly install the cables between a secondary Honeywell scanner and the StratosH. The
StratosH and the secondary scanner must then be configured to communicate properly. Cable installation alone does not guarantee
that the StratosH will communicate properly with the host system and secondary scanner.
Contact a customer service representative before connecting another manufacturer’s scanner to the StratosH as a secondary
scanner.
Configuration bar codes are located in the MS2x20 Stratos Series Scanner/Diva Scale Configuration Addendum
(PN 00-02272x) under Scanner Configuration Bar Codes: Auxiliary Port, Quick Start for a Secondary Honeywell Scanner.
1. Refer to pages 16 - 21 for the type of interface (RS232, RS485, etc.) required for the application. Follow the cable installation
steps under the appropriate interface before continuing. Once the communication and power cables have been installed follow
step 2 below for the secondary scanner installation.
2. Connect the straight end of the RS232 PowerLink AUX cable (PN 57-57099x-3 or PN 57-57099x-3-12) to the RS232 into the socket
of the secondary scanner (see figure on page 24).
3. Connect the angled end of the RS232 AUX cable (PN 57-57099x-3 or PN 57-57099x-3-12) into the 10-pin socket labeled, Aux
RS232 In, on the bottom of the StratosH.
Important: The StratosH series’ aux port requires the signals; transmit, receive, RTS & CTS from the secondary scanner.
For Rev G units or later: The StratosH’s auxiliary port will support 5VDC devices with a 700mA maximum current.
For Rev F units or earlier: The StratosH’’s auxiliary port will support 5VDC devices with a 150mA maximum current. If the
auxiliary device exceeds this specification or requires a different voltage, an external power supply will be required to power the
auxiliary device. The following Honeywell scanners can receive power from StratosH: the MS9520, MS9540, and the MS5145.
4. This step is required for secondary devices that require >5VDC and/or 700mA current to operate. Skip to step 5 if the
secondary device requires ≤ 700mA 5VDC.
Plug the power supply into the secondary scanner’s PowerLink cable (PN 57-57099x-3 or PN 57-57099x-3-12) and connect AC
power to the secondary scanner.
Check the AC input requirements of the power supply to make sure the voltage matches the AC outlet. The outlet should
be located near the equipment and be easily accessible.
5. Configure the StratosH and the secondary scanner. The auxiliary input port’s data format must match the main output format of
the secondary scanner.
Refer to the MS2x20 Stratos Series Scanner/Diva Scale Configuration Addendum (PN 00-02272x) under Scanner
Configuration Bar Codes: Auxiliary Port, Quick Start for a Secondary Honeywell Scanner.

24
INSTALLATION
CABLE INSTALLATION (SECONDARY HONEYWELL SCANNER)
† See Aux power notes on page 23
See power source caution statement on page 9 of this manual.
Figure 23. Secondary Scanner Cable Installation Schematic

25
INSTALLATION
EAS DEACTIVATION
SW1 and SW2 are the switch banks inside the Checkpoint device that set the deactivation range. The following is a list of Checkpoint
recommended switch bank settings.
Base Model Checkpoint Recommended Switch Bank Settings
MS2320 SW1 & SW2 switches 1 and 6 set to ON
All StratosH models have a connector labeled EAS In on the bottom of the unit. Honeywell has an optional EAS cable
(PN 52-52511x) available for purchase for connection between the Checkpoint Device and the StratosH.
Figure 24. EAS Cable Connection (Bottom of StratosH)
The following figure shows the location of the EAS deactivation area for the StratosH. It is important to pass the entire tag through this
area to deactivate the security tag.
Figure 25. EAS Deactivation Area

26
SCANNER OPERATION
SCAN ZONE
Figure 26. Checker-Side (13 mil)
Figure 27. Horizontal Left/Right (13 mil)
Specifications are subject to change without notice.

27
SCANNER OPERATION
SCAN ZONE
Figure 28. Horizontal Direct (13 mil)
Figure 29. Vertical Direct (13 mil)
Specifications are subject to change without notice.

28
SCANNER OPERATION
IR ACTIVATION AREA (IR LED OUTPUT)
The StratosH’s default power save mode† is Dual Action Power Save Mode #2 (see page 33). This power save mode†
turns the laser
OFF after a configured period of non-use then turns the motor OFF after thirty-minute intervals. Any movement detected by the IR in
the activation area, shown below, will cause the scanner to exit the power save mode. The motor will restart automatically and the
laser will turn back on preparing the scanner for bar code recognition, decoding and transmission.
Figure 30. IR Activation Area Perpendicular to Package Flow (IR LED Output)
†
Refer to the MetroSelect Configuration Guide (00-02407) for additional information on configurable power save modes.
Specifications are subject to change without notice.

29
Figure 31. LEDs
SCANNER OPERATION
INDICATOR DESCRIPTIONS
Audible
When in operation the StratosH provides audible feedback that indicates the status of the unit and the current scan.
Eight settings are available for the tone of the beep (normal, six alternate tones and no tone) plus three volume settings.
To change the tone or volume, refer to the Changing the Beeper Tone & Volume section of this manual.
One Beep
When the scanner first receives power the white LED will flash, the blue LED will turn on and the scanner will beep once (the white
LED will remain on for the duration of the beep). The scanner is now ready to scan.
When the scanner successfully reads a bar code, the white LED will flash and the scanner beeps once (if configured to do so). If the
scanner does not beep once and the white light does not flash, then the bar code has not been successfully read.
Razzberry Tone
This is a failure indicator. Refer to failure modes on page 30.
Three Beeps - during operation
When placing the scanner in configuration mode, the white LED will flash while the scanner simultaneously beeps three times. The
white and blue LEDs will continue to flash until the unit exits configuration mode. Upon exiting configuration mode, the scanner will
beep three times and the white LED will stop flashing.
When configured, three beeps can also indicate a communications timeout during normal scanning mode.
When using one-code-configuring, the scanner will beep three times (the current selected tone), followed by a short pause, a high
tone and a low tone. This tells the user that the single configuration bar code has successfully configured the scanner.
Three Beeps - on power up
This is a failure indicator. Refer to failure modes on page 30.
Visual
White and blue LEDs are located at the top of the vertical output window.
When the scanner is ON, the flashing or constant, illumination of the LEDs
indicates the status of the StratosH and the current scan.
No White or Blue LED
The LEDs will not be illuminated if the scanner is not receiving power from the host or transformer.
They are also not illuminated when all lasers are turned off for any reason.
Steady Blue
When all lasers are active, the blue LED is illuminated. The blue LED will remain illuminated until all lasers are deactivated.
Steady Blue and Single White Flash
When the scanner successfully reads a bar code, the white LED will flash and the scanner will beep once. If the white LED does not
flash or the scanner does not beep once, then the bar code has not been successfully read.

30
SCANNER OPERATION
INDICATOR DESCRIPTIONS
Visual
Steady White and Blue
After a successful scan, the scanner transmits the data to the host device. Some communication modes require that the host inform
the scanner when data is ready to be received. If the host is not ready to accept the information, the scanner’s white LED will remain
on until the data can be transmitted.
Flashing Blue then Flashing White
This indicates the scanner is in configuration mode. A razzberry tone indicates that an invalid bar code has been scanned
in this mode.
Or
If the unit is in sleep mode, each LED will flash once every 15 seconds.
Steady White, Blue Off
This indicates the scanner may be waiting for communication from the host.
Flashing Blue
This indicates there is an error active on the diagnostic indicator display (see Error Codes on page 31). The scanner may continue to
operate depending on the type of error.
Failure Modes
Flashing Blue and One Razzberry Tone
This indicates that the scanner has experienced a laser subsystem failure. The scanner will try up to three times to correct the failure
condition. If the laser subsystem continues to fail, that subsystem (horizontal or vertical) will be shut down and an error indication will
be shown on the Diagnostic Indicator Display. This error stays on the display until corrected. If the remaining subsystem is still
operational, scanning will continue using the operational components.
Flashing Blue and White and Two Razzberry Tones
This indicates that the scanner has experienced a motor subsystem failure. The scanner will try up to three times to correct the
failure condition. If the motor subsystem continues to fail, that subsystem (horizontal or vertical) will be shut down and an error
indication will be shown on the Diagnostic Indicator Display. This error stays on the display until corrected. If the remaining
subsystem is still operational, scanning will continue using the still operational components.
Continuous Razzberry Tone with Both LEDs Off
If, upon power up, the scanner emits a continuous razzberry tone, then the scanner has an electronic failure. Return the unit for
repair at an authorized service center.
Three Beeps – On Power Up
If the scanner beeps three times on power up then, the nonvolatile memory that holds the scanner configuration has failed. Return
the unit for repair at an authorized service center.

31
SCANNER OPERATION
INDICATOR DESCRIPTIONS
Diagnostic Indicator Display
There is a two-digit error code display located under the platter near the end of the scanner farthest from the vertical window (see figure
below).
Figure 32. Error Code Display
The following is a list of possible error codes and their meanings. Some errors will require immediate scanner maintenance.
E
RROR
CODE DESCRIPTION
01 Reserved
02 RAM ERROR – The scanner’s Random Access Memory (RAM) is tested as faulty. Return the unit for repair at an
authorized service center.
03 PROGRAM ERROR – The scanner’s software program is failing. Return the unit for repair.
04 INTERFACE ERROR – After power up and any application exit (e.g. MetroSet™, etc.), the scanner checks the interface
hardware with that chosen in configuration. If they do not agree, an interface error exists. Correct this problem by getting
the proper hardware interface OR programming StratosH configuration for the proper interface hardware attached.
05 CONFIGURATION ERROR – The non-volatile configuration memory did not agree with the data last saved. Default
configuration data is then used and the scanner continues operating. This error is also accompanied by three beeps. This
error will remain during operation as a reminder that this power cycle is scanning against a default-generated configuration.
06
COMMUNICATION ERROR – The RS232 data line is being held active. This causes the scanner to read a “break” signal
constantly and continuous attempts are made to enter MetroSet configuration mode. A short on the RX Data line can
cause this condition. It can also be the result of a laptop in power save mode. The scanner will abort attempts to enter
configuration mode after a short timeout. The scanner can automatically recover from this condition once the short in the
RX Data line is corrected.
09
COPROCESSOR COMMUNICATION ERROR – The main microprocessor is not communicating with the interface
coprocessor. The interface coprocessor may be in a fault condition with the host or just not able to respond. This error
may appear when the scanner is configured for USB or RS485 interface applications or during an attempt to update the
interface software through the flash utility. The unit should be repaired at an authorized service center.

32
SCANNER OPERATION
INDICATOR DESCRIPTIONS
Diagnostic Indicator Display
E
RROR
CODE
DESCRIPTION
11 SWITCH ERROR – The switch used for volume selection or sleep mode is detected in error (always closed). The
condition is self-correcting if possible. If the error persists, return the unit for repair at an authorized service center. The
scanning operation can continue with this error active.
13
SCALE ERROR – Single Cable Scanner/Scales Only.
The scanner does not communicate with the scale. Make sure there is nothing plugged into the Scale RS232 to Host port.
If there is a cable connected, disconnect the cable it may be causing the communication error. If there is still no
communication between the scanner and scale return the unit to an authorized service center for repair.
14 SCALE RETURN TO ZERO ERROR – The scale did not return to zero between scale weight requests if the zero checking
function in enabled. The scale will need to be re-zeroed.
21 LASER #1 (VERTICAL) ERROR – The laser in the vertical scanning subsystem denotes a failure. The scanner will try
three times to correct the laser operation. If the laser error persists, the vertical scanning subsystem will be shut down and
this error code will remain on the Diagnostic Indicators.
22 LASER #2 (RIGHT HORIZONTAL) ERROR – The right laser in the horizontal scanning subsystem denotes a failure. The
scanner will try three times to correct the laser operation. If the laser error persists, and the left horizontal laser (#3) is also
in error, the horizontal scanning subsystem will be shut down and this error code will remain on the Diagnostic Indicators.
23
LASER #3 (LEFT HORIZONTAL) ERROR – The left laser in the horizontal scanning subsystem denotes a failure. The
scanner will try three times to correct the laser operation. If the laser error persists, and the right horizontal laser (#2) is
also in error, the horizontal scanning subsystem will be shut down and this error code will remain on the Diagnostic
Indicators.
31 MOTOR #1 (VERTICAL) ERROR – The motor in the vertical scanning subsystem denotes a failure. The scanner will try
three times to correct the motor operation. If the motor error persists, the vertical scanning subsystem will be shut down
and this error code will remain on the Diagnostic Indicators.
32 MOTOR #2 (HORIZONTAL) ERROR – The motor in the horizontal scanning subsystem denotes a failure.
The scanner will try three times to correct the motor operation. If the motor error persists, the horizontal scanning
subsystem will be shut down and this error code will remain on the Diagnostic Indicators.

33
SCANNER OPERATION
POWER SAVE MODES
The StratosH has five configurable power save modes. Refer to the MetroSelect Configuration Guide (PN 00-02407
x
)
for additional information on Power Save Modes.
1. Blink Power Save Mode:
Blinks the laser OFF & ON after a configured period of non-use.
When the scanner recognizes a bar code it will exit the Blink mode.
2. Laser Off Power Save Mode:
Turns the laser OFF after a configured period of non-use. The motor continues to spin allowing for a faster “wake” up time.
Any movement detected by the IR will “wake” the scanner from the Laser Off power save mode (see Figure 31
on page 28).
3. Laser & Motor Off Power Save Mode:
Turns the laser and motor OFF after a configured period of non-use.
Any movement detected by the IR will “wake” the scanner from the power save mode (see Figure 31 on page 28).
This mode’s “wake” time is slightly longer due to the motor’s need to restart.
4. Dual Action Power Save Mode #1:
“Blinks” the laser OFF & ON after a configured period of non-use turns the laser and motor OFF at thirty-minute intervals.
Example:
If the power save timeout is set to 15 minutes.
Any movement detected by the IR will “wake” the scanner from the power save mode (see Figure 31 on page 28).
5. Dual Action Power Save Mode #2 (Default):
Turns the laser OFF after a configured period of non-use then turns the motor OFF after thirty-minute intervals.
Example:
If the power save timeout is set to 15 minutes.
Any movement detected by the IR will “wake” the scanner from the power save mode (see Figure 31 on page 28).

34
SCANNER OPERATION
BEEPER OPTIONS AND BUTTON FUNCTIONS
Changing the Beeper Tone
Beeper tones may be configured incrementally using the following bar code. The new tone will be heard followed by a short pause.
Two more new tones will be heard signifying the new setting has been stored in memory. The silent (no beep) tone is also selectable.
³ 9 9 9 9 7 5
N
Changing the Beeper Volume
Volume levels may be configured using the volume button or incrementally using the following bar code. The new volume will be heard
followed by a short pause. Two more tones will be heard signifying the new setting has been saved in memory.
The silent (no volume) tone is also selectable.
³ 9 9 9 9 7 4
N
The Multi-Function Button
Figure 33. The Multi-Function Volume Button
Changing the Beeper Volume
A short (<3 second) depression and the beeper volume will change.
The new volume will be heard. The silent (no beep) volume is also selectable.
Placing the Unit in Laser & Motor Off Power Save Mode
Long (>3 seconds) depression The Laser & Motor Off Power Save Mode is the only power
save mode that can be activated with the multi-function button*.
* This feature is configuration dependent. Refer to the MetroSelect Configuration Guide
(PN 00-02407x) under Scanner Operation: Power Save Modes to enable this feature.
Waking the Unit from All Power Save Modes
The next button depression will awaken the scanner for normal operation.
Figure 34. Changing the Beeper Volume
Figure 35. Laser & Motor Off
Power Save Move
Figure 36. Normal Operation

35
SCANNER OPERATION
STARTUP
When the scanner first receives power the white LED will flash, the blue LED will turn on and the scanner will beep once
(the white LED will remain on for the duration of the beep). The scanner is now ready to scan.
POWER-UP TEST MODE
When a StratosH scanner is first powered up, it cycles through a number of self-tests before starting normal operation. If there are any
initial failures during this sequence of tests the scanner will beep or razz to indicate the error and an error code will appear in the
diagnostic indicator display.
The following are examples of the types of tests performed at power-up.
1. Memory tests
2. Hardware setup tests
3. Motor tests
4. Laser tests
5. Configuration tests
6. Interface tests
7. Scale tests
These tests are also performed on a periodic basis with the operator alerted to any failures.
CONFIGURATION MODE
All StratosH series scanners have been configured at the factory with a set of default communication protocols. Since many host
systems have unique formats and protocol requirements, Honeywell provides a wide range of configurable features that may be
selected with the use of the MetroSelect Configuration Guide (PN 00-02407x), the MS2x20 Stratos Series Scanner/Diva Scale
Configuration Addendum (PN 00-02272x) and MetroSet.

36
SCALE OPERATION
SCALE ZEROING
After the unit has been officially calibrated (see page 37) the scale can be re-zeroed by pressing the scale zeroing button on either the
unit or on the remote display stand. Refer to the figures below for button locations.
Figure 37. Scale Zero Button
Figure 38. Optional Remote Display Keypad

37
SCALE OPERATION
CALIBRATION
The scanner/scale must be calibrated if:
• it is a first time installation
• the scale cannot be re-zeroed
• the calibration verification tests indicate errors
• there is a change in the units of measure [i.e. from pounds (lbs.) to kilograms (kg)]
• if the scale load cell has been replaced
• the calibration seal is missing or torn
The certification of the weighing mechanism of the scale version of this scanner is subject to federal, state and local Weights
and Measures statutes and regulations and can only be performed by authorized government agencies and/or their duly
registered agents. Each time the scale or weighing mechanism is calibrated, it should be properly sealed with a paper seal or a
wire seal prior to being placed into service in commerce.
It is the responsibility of the owner of the scale to confirm compliance with the relevant Weights and Measures statutes and
regulations applicable in your area by checking with the appropriate government agency before placing a newly calibrated unit
into service or removing any official seals.
Tools Required
• Field Standard 30.0 pound Weight Set or 15.0 kilogram Weight Set
• Phillips #1 Screw Driver
• Wire or Paper Seal
Type of seal to be used will depend on the guidelines specified by the local Weights and Measures authorities.
Scale Calibration Methods
• Scale Calibration with Remote Display uses the scale display to sequence through the calibration steps and store critical
calibration points.
• Bar Code Scale Calibration without Remote Display* uses the scanner / scale only and assumes there is no remote scale
display. A bar code is used to initiate the calibration sequence and the speaker volume switch is used to store critical range
values.
* This calibration procedure will also work with the remote display connected to the StratosH.

38
SCALE OPERATION
CALIBRATION
Priming the Scale for Calibration
Prime the scale before starting either method of calibration.
Calibrate the scanner/scale after the unit is installed in the checkout countertop.
It is important to use the correct certified (lb. or kg.) field weight set when calibrating the scale.
1. Check the platter to ensure that nothing is interfering with its freedom to move. Assure that no debris is present from daily use of
the scanner/scale if it has been in service.
2. Apply power to the scanner/scale.
See power source caution statement on page 9 of this manual.
3. Wait 5 minutes after power up before proceeding.
4. Place the 30.0 lb. weight or the 15 kg weight on the center of the
scale. Allow the weight to settle.
5. Remove the weight.
6. Repeat three times to prime the scale before calibration.
Figure 41. Priming the Scale for Calibration
Figure 39. Power Up Unit
Figure 40. Scale Center

39
SCALE OPERATION
CALIBRATION
Scale Calibration Procedure (lbs. or kg) with Remote Display*
1. Temporarily remove the platter and place it in a safe location.
It is the responsibility of the owner of the scale to confirm compliance with the relevant Weights and Measures statutes and
regulations applicable in your area by checking with the appropriate government agency before placing a newly calibrated
unit into service or removing any official seals.
2. If this is a currently installed scanner/scale, there will be either an adhesive label seal or wire sealed cover over the scale
calibration button. New installation units will only have a factory-applied adhesive seal covering the scale calibration button
installed.
• To remove the adhesive label seal, peel off the label and discard.
• To remove the wire seal, cut the wire and discard. Fully loosen the security screw and lift off the cover.
Place the security screw and cover in a safe location.
Figure 42. Diva Scale security seals
3. Press the calibration button to access the Service Mode. ‘Cal’ then ‘Conf’ will appear on the remote display.
Figure 43. Enter Service Mode
* These procedures are for MS2320 StratosH Scanner/Diva Scale models only
.

40
SCALE OPERATION
CALIBRATION
Scale Calibration Procedure (lbs. or kg) with Remote Display*
4. Reinstall the platter onto the scanner/scale.
Figure 44. Install Platter
5. Go to Group 1 Step 8 (Weight Unit) of the Service Mode by pressing the Zero ( ) key several times until
‘Group 1 Step 8’ is displayed on the Remote Scale Display screen (see Figure 46 below).
X
Depending on the current Weight Unit setting, this value will either be
1
,
2
,
3
, or
4
.
Figure 45. Remote Scale Display Group 1 Step 8 example shown
6. Verify the weight unit setting. Verify the Group 1 Step 8 setting using the table shown below. Press the Zero ( ) key if correct.
If the lb (Pounds) or kg (Kilograms) basic range setting needs to be changed, press the Tare ( ) key to scroll through the
selectable options. Press the Zero ( ) key to accept the selected weight unit range.
Group 1.Step 8 (1.8) Selectable Weight Unit Ranges
1 lbs range (0 to 30 lbs) **
2 kg range (0 to 15kg)
3 kg multi-interval (0 to 6kg, 6 to 15kg) **
4 lbs multi-interval (0 to 15 lbs, 15 to 30 lbs)
** Common ranges used as default setting.
* These procedures are for MS2320 StratosH Scanner/Diva Scale models only.

41
SCALE OPERATION
CALIBRATION
Scale Calibration Procedure (lbs. or kg) with Remote Display *
7. Go to Group 2 Step 6 (Calibration) of the Service Mode. Press the Tare ( ) key to advance to Group 2, then use the Zero ( )
key to advance to step 6 of group 2.
8. Press the Tare ( ) key to change the prompt to ‘YES’.
9. Press the Zero ( ) key to accept.
10. The display will now show “- - - - - -“. This indicates the scale is ready to take a zero reading. Check the platter to ensure that it is
seated properly and nothing is touching or interfering with its freedom to move.
11. Press the Zero ( ) key to accept and begin taking the Zero Capacity calibration reading.
If the scale is unable to capture a stable reading it will not store any value and advance to the next step. Verify nothing is
touching or interfering with the scale and/or platter.
12. Once the calibration reading has been successfully taken, the display will now show “FULCAP” (Full Capacity). Place the
Full Capacity weight, either 15kg or 30lb (whichever matches the scales selected Weight Unit), on the center of the scale platter.
Wait at least 3 seconds for the scale to stabilize.
13. Press the Zero ( ) key to accept and begin taking the Full Capacity calibration reading.
If the scale is unable to capture a stable reading it will not store any value and advance to the next step. Verify nothing is
touching or interfering with the scale and/or platter.
14. Once the calibration reading has been successfully taken, the display will now show “UNLOAD” (Zero Capacity).
Remove all weight from the platter at this time. Wait at least 3 seconds for the scale to stabilize.
15. Press the Zero ( ) key to accept and begin taking the final Zero Capacity calibration reading.
16. The display will now begin the initialization sequence and return to the normal weighing mode in the weight units calibrated.
17. The unit’s calibration must now be verified as required by state and/or local Weight and Measures regulations
(starting on Page 46).
Need to Start Over?
To restart the calibration process, restart at Step 1 on page 39.
* These procedures are for MS2320 StratosH Scanner/Diva Scale models only.

42
SCALE OPERATION
CALIBRATION
Bar Code Calibration Procedure without Remote Display*
The following calibration procedure can be used when the remote scale display is not present. The Multi-Function Button
(see page 34) is used to advance to the next stage of calibration and the LED display notifies the operator which ‘calibration stage’ is
active.
1. Temporarily remove the platter and place it in a safe location.
It is the responsibility of the owner of the scale to confirm compliance with the relevant Weights and Measures statutes and
regulations applicable in your area by checking with the appropriate government agency before placing a newly calibrated
unit into service or removing any official seals.
2. If this is a currently installed scanner/scale, there will be either an adhesive label seal or wire sealed cover over the scale
calibration button. New installation units will only have a factory-applied adhesive seal covering the scale calibration button
installed.
• To remove the adhesive label seal, peel off the label and discard.
• To remove the wire seal, cut the wire and discard. Fully loosen the security screw and lift off the cover.
Place the security screw and cover in a safe location.
Figure 46. Diva Scale security seals
3. Enter the scale program mode. Press the calibration button to engage the scale calibration mode. If the system is a dual cable
system, disconnect the host to scale RS232 cable from the unit.
Figure 47. Entering the Scale Program Mode
* These procedures are for MS2320 StratosH Scanner/Diva Scale models only.

43
³ 9 9 6 0 4 2
SCALE OPERATION
CALIBRATION
Bar Code Calibration Procedure without Remote Display*
4. Reinstall the platter onto the scanner/scale (see Figure 49).
Figure 48. Platter Installation
5. Enter bar code calibration mode. Use the vertical window to scan one of the following bar codes, whichever weight units (either
pounds or kilograms) the scanner/scale will be operating in. The scanner will beep once as it enters the bar code calibration mode
and the calibration utility will start.
Unit Calibration (Pounds)
For Kilogram weight units see instructions on page 44.
Figure 49. Entering Bar Code Calibration Mode (Pounds)
If a razz tone sounds, an error has occurred. Refer to Diagnostic Indicator Display; Error Codes starting on
page 31 for additional information.
* These procedures are for MS2320 StratosH Scanner/Diva Scale models only.
Pounds Calibration

44
³ 9 9 6 0 4 4
SCALE OPERATION
CALIBRATION
Bar Code Calibration Procedure without Remote Display*
Unit Calibration (Kilograms)
For Pound weight units see instructions on page 43.
Figure 50. Entering Bar Code Calibration Mode (Kilograms)
If a razz tone sounds, an error has occurred. Refer to Diagnostic Indicator Display; Error Codes starting on page 31 for
additional information.
6. Make sure there is no load on the scale platter. The white LEDs will be used to indicate the current step in the calibration process.
7. Calibrate a zero load. The white LEDs will blink once periodically. Wait 8 to 10 seconds for scale stability, and then press the
Multi-Function Button once. After the Multi-Function Button has been pressed, there will be a short delay followed by one short
beep indicating that the zero load value has been stored.
Figure 51.
* These procedures are for MS2320 StratosH Scanner/Diva Scale models only.
Kilograms Calibration

45
SCALE OPERATION
CALIBRATION
Bar Code Calibration Procedure without Remote Display*
8. Place a FULL Load on the center of the scale platter. The white LEDs will blink 3 times periodically. Wait at least 3 seconds for
scale stability, and then press the Multi-Function Button once. After the Multi-Function Button has been pressed, there will be a
short delay followed by three short beeps indicating that the FULL Load value has been stored.
Figure 52.
9. Remove the entire load from the scale platter. The white LEDs will blink 5 times periodically. Wait at least 3 seconds for scale
stability, and then press the Multi-Function Button once. After the Multi-Function Button has been pressed, there will be a short
delay followed by five short beeps indicating that the zero load value has been stored.
Figure 53.
10. Calibration process is now complete. The scanner will automatically restart, and beep one time, in about 12 seconds.
11. Verify the calibration was successful with the calibrated weight. If the scale display does not accurately show the calibrated load
weight correctly, restart this procedure from Step 1 on page 42.
12. The unit’s calibration must now be verified as required by state and/or local Weight and Measures regulations
(starting on Page 46).
* These procedures are for MS2320 StratosH Scanner/Diva Scale models only.

46
SCALE OPERATION
CALIBRATION VERIFICATION
U.S. Pounds (lbs.)
The following tests verify if the scale's Calibration is accurate. For Kilograms see instructions starting on page 47.
The following tests are based on a 2-digit accuracy setting for pounds.
Increasing Load Test
Shift Test
Decreasing Load Test
Return to Zero Test
Increasing Load Test
1. Ensure there is no load on the scale platter and verify the remote display reads 0.00 lbs.
2. Place a 5.00 lb. weight on the center of the scale platter and verify the display reads 5.00 lbs.
3. Place an additional 5.00 lb. weight on the center of the scale platter and verify the remote display reads between
9.99 and 10.01 lbs.
4. Place an additional 10.00 lb. weight on the center of the scale platter and verify the remote display reads between
19.99 and 20.01 lbs.
5. Place an additional 10.00 lb. weight on the center of the scale platter and verify the remote display reads between
29.99 and 30.01 lbs.
6. Remove all the weight from the scale platter and verify the display reads 0.00 lbs.
Shift Test
1. Ensure there is no load on the scale platter and verify the remote display reads 0.00 lbs.
2. Place a 15.00 lb. weight on the scale platter in the center of zone A (see diagram)
and verify the remote display reads between 14.99 and 15.01 lbs.
3. Remove the 15.00 lb. weight and verify the display reads 0.00 lbs.
4. Repeat steps 2 and 3 for each of the remaining zones (B, C, and D).
5. Verify that the remote display reads 0.00 lbs. when all weight has been removed.
Decreasing Load Test
1. Ensure there is no load on the scale platter and verify the remote display reads 0.00 lbs.
2. Place a 30.00 lb. load on the center of the scale platter (use two 10.00 lb. weights and two 5.00 lb. weights).
Verify the remote display reads between 29.99 and 30.01 lbs.
3. Remove a 10.00 lb. weight from the platter and center remaining weight. Verify that the remote display reads between 19.99 and
20.01 lbs.
4. Remove another 15.00 lbs. from the platter, center the remaining weight and verify the scale reads 5.00 lbs.
5. Remove all the weight from the platter and verify the scale has returned to 0.00 lbs.
Return to Zero Test
1. Ensure there is no load on the scale platter and verify the remote display reads 0.00 lbs.
Figure 54. Shift Test Zones

47
SCALE OPERATION
CALIBRATION VERIFICATION
Kilograms (kg)
The following tests verify if the scale's Calibration is accurate. For US Pounds see instructions starting on page 46.
The following tests are based on a 3-digit accuracy setting for kilograms.
Increasing Load Test
Shift Test
Decreasing Load Test
Return to Zero Test
Increasing Load test
1. Ensure there is no load on the scale platter and verify the remote display reads 0.000 kg.
2. Place a 2.500 kg weight on the center of the scale platter and verify the display reads 2.500 kg.
3. Place an additional 2.500 kg weight on the center of the scale platter and verify the remote display reads between
4.995 kg and 5.005 kg.
4. Place an additional 5.000 kg weight on the center of the scale platter and verify the remote display reads between
9.995 kg. and 10.005 kg.
5. Place an additional 5.000 kg weight on the center of the scale platter and verify the remote display reads between
14.995 kg. and 15.005 kg.
6. Remove all the weight from the scale platter and verify the display reads 0.000 kg.
Shift Test
1. Ensure there is no load on the scale platter and verify the remote display reads 0.000 kg.
2. Place a 7.500 kg weight on the scale platter in the center of zone A (see diagram) and verify the
remote display reads between 7.495 kg. and 7.505 kg.
3. Remove the 7.500 kg weight and verify the display reads 0.000 lbs.
4. Repeat steps 2 and 3 for each of the remaining zones (B, C, and D).
5. Verify that the remote display reads 0.000 kg when all weight has been removed.
Decreasing Load Test
1. Ensure there is no load on the scale platter and verify the remote display reads 0.000 kg.
2. Place a 15.000 kg load on the center of the scale platter. Verify the remote display reads between
14.995 kg. and 15.005 kg.
3. Remove 7.500 kg from the platter and center remaining weight. Verify that the remote display reads between
7.495 kg. and 7.505 kg.
4. Remove another 5.000 kg from the platter, center remaining weight and verify the scale reads 2.500 kg.
5. Remove all the weight from the platter and verify the scale has returned to 0.000 kg.
Return to Zero Test
1. Ensure there is no load on the scale platter and verify the remote display reads 0.000 kg.
Figure 55. Shift Test Zones

48
SCALE OPERATION
SECURITY SEAL INSTALLATION
The certification of the weighing mechanism of the scale version of this scanner is subject to federal, state and local Weights
and Measures statutes and regulations and can only be performed by authorized government agencies and/or their duly
registered agents. Each time the scale or weighing mechanism is calibrated, it should be properly sealed with a paper seal or a
wire seal prior to being placed into service in commerce.
It is the responsibility of the owner of the scale to confirm compliance with the relevant Weights and Measures statutes and
regulations applicable in your area by checking with the appropriate government agency before placing a newly calibrated unit
into service or removing any official seals.
Type of seal to be used will depend on the guidelines specified by the local Weights and Measures authorities.
The security seal must only be installed if there were no
errors during the scale calibration verification tests.
Pressure Sensitive Security Seal*
1. Temporarily remove the platter and place it in a safe location.
2. Apply the adhesive calibration security seal over the calibration
button access hole (see Figure 57).
3. With very light pressure, push down on the adhesive calibration
security seal label to ensure a firm adhesion is created
(see Figure 58).
4. Reinstall the platter.
Figure 58. Platter Installation
* These procedures are for MS2320 StratosH Scanner/Diva Scale models only.
Figure 56.
Figure 57.

49
SCALE OPERATION
SECURITY SEAL INSTALLATION
Wire Security Seal (Seal Conversion Kit PN 46-00359)*
1. Temporarily remove the platter and place it in a safe location.
2. Install the calibration button sealing cover and through-hole sealing screw.
3. Tighten the screw and route the wire seal through the holes in the plate and screw.
Figure 59. Calibration Switch/Button Wire Security Seal Assembly
4. Leaving the least amount of slack in the wire loop as possible, close the wire seal and verify the seal connection is secure.
5. Reinstall the platter.
Figure 60. Platter Installation
* These procedures are for MS2320 StratosH Scanner/Diva Scale models only.

51
MAINTENANCE
VERTICAL SCAN WINDOW REPLACEMENT (PN 46-46889)
Figure 62. Vertical Scan Window Replacement
DAILY MAINTENANCE
Smudges and dirt can interfere with the proper scanning of a bar code. Therefore, the horizontal and vertical output windows will need
occasional cleaning.
For the glass window:
1. Spray glass cleaner onto lint free, non-abrasive cleaning cloth.
2. Gently wipe the scanner window.
For the inner plastic window:
1. Use mild soap and water with lint free, non-abrasive cleaning cloth.
2. Gently wipe the scanner window.
Routinely check and clean the base unit to ensure that no debris is interfering with the platter movement.

52
TROUBLESHOOTING
The following guide is for reference purposes only. Contact a customer service representative to preserve the limited warranty terms.
Symptom Possible Cause(s) Solution
All Interfaces
No LEDs, beep or motor
spin. No power is being supplied to
the scanner. Check the transformer, outlet and the power strip. Make sure the
power cable is plugged into the scanner.
During power up the unit
beeps 3 times. A non-volatile RAM failure. Contact a customer service representative, if the unit will not hold
the configuration.
During power up the unit
razzes continuously. There has been a diagnostic
failure. Contact a customer service representative, if the unit will not
function.
During power up the unit
razzes once and the blue
LED flashes. A VLD failure. Contact a customer service representative.
During power up the unit
razzes twice and both LEDs
flash. Scanner motor failure. Contact a customer service representative.
There are
multiple scans upon
presentation of code.
The same symbol timeout is
set to short. Adjust same symbol timeout for a longer time.
The unit powers up but does
not beep.
The beeper is disabled. Enable the beeper.
No volume is selected. Select a volume.
No tone is selected. Select a tone.
The unit powers up but does
not scan and/or beep.
The unit is trying to scan a
particular symbology that is not
enabled.
UPC/EAN and Code 128 are enabled by default. Verify that the
type of bar code being read has been selected.
The unit has been configured
for a character length lock or a
minimum length and the bar
code being scanned does not
satisfy the configured criteria.
Verify that the bar code that is being scanned falls into the criteria.
Typical of Non-UPC/EAN codes. The scanner defaults to a
minimum of 4 character bar code.
The unit scans a bar code,
but locks up after the first
scan (the white LED stays
on).
The scanner is configured to
support some form of host
handshaking but is not
receiving the signal.
If the scanner is setup to support ACK/NAK, RTS/CTS, XON/XOFF
or D/E, verify that the host cable and host are supporting the
handshaking properly.
The unit scans but the data
transmitted to the host is
incorrect.
The scanner’s data format
does not match the host
system requirements.
Verify that the scanner’s data format matches that required by the
host. Make sure that the scanner is connected to the proper host
port.

53
TROUBLESHOOTING
Symptom Possible Cause(s) Solution
All Interfaces
Scanner beeps at some bar
codes and NOT for others of
the same bar code
symbology.
Check the character length
lock.
Check if it is a check digit, character or border problem.
The aspect ratio of the bar
code is out of tolerance.
The bar code may have been
printed incorrectly.
The scanner is not configured
correctly for this type of bar
code. Check if check digits are set properly.
The minimum symbol length
setting does not work with the
bar code. Check if the correct minimum symbol length is set.
RS232 Only
The unit powers up OK and
scans OK but does not
communicate properly to the
host.
The com port at the host is not
working or is not configured
properly.
Check to make sure that the baud rate and parity of the scanner
and the communication port match and the program is looking for
RS232 data.
The cable is not connected to
the proper com port.
The com port is not operating
properly.
The host is receiving data
but the data does not look
correct.
The scanner and host may not
be configured for the same
interface.
Check that the scanner and the host are configured for the same
interface.
Characters are being
dropped.
The intercharacter delay needs
to be added to the transmitted
output.
Add some intercharacter delay to the transmitted output
by using the MetroSelect Configuration Guide
(PN 00-02407x).
Aux Port Operation With Any Interface
The secondary scanner is
not functioning. Refer to the user’s guide provided with the secondary scanner.
The secondary scanner
powers up but data is not
relayed to the host.
The secondary scanner cable
may not be connected to the
proper port on the StratosH.
Ensure that the secondary scanner is connected to the StratosH’s
com port marked “Aux” port.
The auxiliary com port may not
be operating properly.
* The StratosH must be configured to enable the auxiliary port.
The auxiliary input port’s data format must match the main output
format of the secondary scanner.
* Refer to the MS2x20 Stratos Series Scanner/Diva Scale Configuration Addendum (PN 00-02272x) under Scanner Configuration
Bar Codes: Auxiliary Port, Quick Start for a Secondary Honeywell Scanner.

54
SCANNER AND CABLE TERMINATIONS
SCANNER PINOUT CONNECTIONS
The StratosH scanner terminates to 10-pin modular jacks located on the bottom of the unit. The serial number label indicates the
model number and interface of the scanner. When using the RS232/Full Speed USB/RS485 (-121) interface, the USB and RS485
interfaces are not active at the same time.
EAS In
Auxiliary RS232 In
Pin Function Pin Function
1 EAS In 1 Ground
2 EAS Out 2 RS232 Receive Input
3 RS232 Transmit Output
DC Power In 4 RS232 RTS In
Pin Function 5 RS232 CTS Out
1 12VDC 6-8 No Connect
2 Ground 9 +5V Out
3
5.2VDC
10
No Connect
Figure 63. Connector Layout on the Bottom of the Scanner
Scanner RS485 to Host Scanner RS232 to Host
Pin Function Pin Function
1 Signal Ground 1 Signal Ground
2 RS232 TX Output 2 RS232 TX Output
3 RS232 RX Input 3 RS232 RX Input
4 Reserved for RS232 Interface 4 RS232 RTS Output
5 Reserved for RS232 Interface 5 RS232 CTS Input
6 Reserved for RS232 Interface 6 RS232 DTR Input
7 IBM B- 7 Reserved for RS485 Interface
8 IBM B+ 8 Reserved for RS485 Interface
9 No Connect 9 No Connect
10 No Connect 10 No Connect
Scanner USB to Host
Pin Function
1 Signal Ground
2 Reserved
3 Reserved
4 Reserved
5 Reserved
6 Data +
7 PC+5VDC
8 Data -
9 No Connect
10 Shield Ground
Specifications are subject to change without notice.

55
SCANNER AND CABLE TERMINATIONS
SCANNER PINOUT CONNECTIONS
Figure 64. Scale Data (Dual Cable Applications) and Scale Display Connector Layout
Scale RS232 to Host
Scale Data, Dual Cable Applications
Scale to Display
Pin Function** Pin Function**
1 Ground 1 SIG1
2 Scale RS232 TX Out 2 SIG2
3 Scale RS232 RX In 3 SIG3
4 Scale RS232 RTS Out 4 SIG4
5 Scale RS232 CTS In 5 SIG5
6 No Connect 6 SIG6
7 No Connect 7 SIG7
8 No Connect 8 SIG8
9 Reserved 9 No Connect
10 Shield 10 No Connect
** All signals referenced from the StratosH scanner.
Specifications are subject to change without notice.

56
SCANNER AND CABLE TERMINATIONS
CABLE CONNECTOR CONFIGURATIONS
The following cables are examples of some of the standard cables that may be shipped with the StratosH scanner.
Please keep in mind that every application is unique and the cables received with the StratosH may be custom cables that are not
shown below.
RS232 Interface Cable, PN 57-57000x-N-3
Pin Function**
9-Pin D-Type Connector
1 Shield Ground
2 RS232 TX Output
3 RS232 RX Input
4 DTR Input
5 Signal Ground
6 No Connect
7 CTS Input
8 RTS Output
9 No Connect
Full Speed USB Cable,
PN 57-57200x-N-3 OR PN 57-57006x-N-3
Pin Function**
Locking, Type A
57-57200x-N-3
Non-Locking, Type A
57-57006x-N-3
1 PC+5V USB
2 Data -
3 Data +
4 Signal Ground
RS485 Cable, PN 57-57004x-N-3
Pin Function**
4-Pin SDL
1 Signal Ground
2 IBM A+
3 IBM B-
4 No Connect
** All signals referenced from the StratosH scanner.
Specifications are subject to change without notice.

57
SCANNER AND CABLE TERMINATIONS
CABLE CONNECTOR CONFIGURATIONS
Aux Port Configuration Cable*, PN 57-57008x-N-3
Pin Function**
9-Pin D-Type Connector
1 No Connect
2 Output from Scanner
3 Input to Scanner
4 No Connect
5 Ground
6-9 No Connect
RS232 LSO/AUX Cable
PN 57-57099x -3 or PN 57-57099x -3-12
Pin Function
†
10-Position Angled Modular Plug
1 Signal Ground
2 RS232 from Aux / Secondary Scanner
3 RS232 to Aux / Secondary Scanner
4 RTS from Aux / Secondary Scanner
5 CTS to Aux / Secondary Scanner
6-8 No Connect
9 +5VDC – Transformer / Direct
10 Shield Ground
* This configuration cable was designed to be used with the StratosH auxiliary connector only.
** All signals are referenced from the StratosH scanner.
† All signals are referenced from the auxiliary / secondary scanner.
Specifications are subject to change without notice.

58
REGULATORY COMPLIANCE
SAFETY
ITE Equipment
IEC 60950-1 Second Edition
EN 60950-1 Second Edition
Laser
Laser Class 1: IEC 60825-1: Second Edition 2007
EN 60825-1: Second Edition 2007
LED
IEC 62471: Exempt Risk Group
Caution
Use of controls or adjustments or performance of procedures other than those specified herein may result in hazardous laser light
exposure. Under no circumstances should the customer attempt to service the laser scanner. Never attempt to look at the laser
beam, even if the scanner appears to be nonfunctional. Never open the scanner in an attempt to look into the device. Doing so
could result in hazardous laser light exposure. The use of optical instruments with the laser equipment will increase eye hazard.
Atención
La modificación de los procedimientos, o la utilización de controles o ajustes distintos de los especificados aquí, pueden provocar
una luz de láser peligrosa. Bajo ninguna circunstancia el usuario deberá realizar el mantenimiento del láser del escáner. Ni
intentar mirar al haz del láser incluso cuando este no esté operativo. Tampoco deberá abrir el escáner para examinar el aparato.
El hacerlo puede conllevar una exposición peligrosa a la luz de láser. El uso de instrumentos ópticos con el equipo láser puede
incrementar el riesgo para la vista.
Attention
L'emploi de commandes, réglages ou procédés autres que ceux décrits ici peut entraîner de graves irradiations. Le client ne doit
en aucun cas essayer d'entretenir lui-même le scanner ou le laser. Ne regardez jamais directement le rayon laser, même si vous
croyez que le scanner est inactif. N'ouvrez jamais le scanner pour regarder dans l'appareil. Ce faisant, vous vous exposez à une
rayonnement laser qú êst hazardous. L'emploi d'appareils optiques avec cet équipement laser augmente le risque
d'endommagement de la vision.
Achtung
Die Verwendung anderer als der hier beschriebenen Steuerungen, Einstellungen oder Verfahren kann eine gefährliche
Laserstrahlung hervorrufen. Der Kunde sollte unter keinen Umständen versuchen, den Laser-Scanner selbst zu warten. Sehen Sie
niemals in den Laserstrahl, selbst wenn Sie glauben, daß der Scanner nicht aktiv ist. Öffnen Sie niemals den Scanner, um in das
Gerät hineinzusehen. Wenn Sie dies tun, können Sie sich einer gefährlichen Laserstrahlung aussetzen. Der Einsatz optischer
Geräte mit dieser Laserausrüstung erhöht das Risiko einer Sehschädigung.
Attenzione
L’utilizzo di sistemi di controllo, di regolazioni o di procedimenti diversi da quelli descritti nel presente Manuale può provocare delle
esposizioni a raggi laser rischiose. Il cliente non deve assolutamente tentare di riparare egli stesso lo scanner laser. Non guardate
mai il raggio laser, anche se credete che lo scanner non sia attivo. Non aprite mai lo scanner per guardare dentro l’apparecchio.
Facendolo potete esporVi ad una esposizione laser rischiosa. L’uso di apparecchi ottici, equipaggiati con raggi laser, aumenta il
rischio di danni alla vista..

59
REGULATORY COMPLIANCE
EMC
Emissions
FCC Part 15, ICES-003, CISPR 22, EN 55022
Immunity
CISPR 24, EN 55024
Note: Immunity performance is not guaranteed for scanner cables greater than 3 meters in length when fully extended.
Changes or modifications not expressly approved by the party responsible for compliance could void the user’s authority to operate
the equipment.
Class A Devices
The following is applicable when the scanner cable is greater
Les instructions ci-dessous s’appliquent aux cables de scanner dépassant 3 métres (9.8 pieds) de long en extension
maximale:
in length than 3 meters (9.8 feet) when fully extended:
Folgendes trifft zu, wenn das Scannerkabel länger als 3 Meter ist:
This equipment has been tested and found to comply with limits for a Class A digital device, pursuant to part 15 of the FCC Rules.
These limits are designed to provide reasonable protection against harmful interference when the equipment is operated in a
commercial environment. This equipment generates, uses and can radiate radio frequency energy and, if not installed and used in
accordance with the instruction manual, may cause harmful interference to radio communications. Operation of this equipment in a
residential area is likely to cause harmful interference, in which case the user will be required to correct the interference at their
own expense. Any unauthorized changes or modifications to this equipment could void the user’s authority to operate this device.
This device complies with part 15 of the FCC Rules. Operation is subject to the following two conditions: (1) This device may not
cause harmful interference, and (2) this device must accept any interference received, including interference that may cause
undesired operation.
Notice
This Class A digital apparatus complies with Canadian ICES-003.
Remarque
Cet appareil numérique de classe A est conforme à la norme canadienne NMB-003.
Warning
This is a class A product. In a domestic environment this product may cause radio interference in which case the user may be
required to take adequate measures.
Warnung!
Dies ist eine Einrichtung der Klasse A. Diese Einrichtung kann im Wohnbereich Funkstörungen verursachen. In diesem Fall kann
vom Betreiber verlangt werden, angemessene Massnahmen durchzuführen.
Attenzione
Questo e’ un prodotto di classe A. Se usato in vicinanza di residenze private potrebbe causare interferenze radio che potrebbero
richiedere all’utilizzatore opportune misure.
Attention
Ce produit est de classe “A”. Dans un environnement domestique, ce produit peut être la cause d’interférences radio. Dans ce
cas l’utiliseteur peut être amené à predre les mesures adéquates.

60
REGULATORY COMPLIANCE
EMC
Changes or modifications not expressly approved by the party responsible for compliance could void the user’s authority to operate
the equipment.
Class B Devices
The following is applicable when the scanner cable is less than 3 meters
(9.8 feet) in length when fully extended:
Les instructions ci-dessous s’appliquent aux cables de scanner ne dépassant pas 3 métres (9.8 pieds) de long en
extension maximale:
Folgendes trifft zu, wenn das Scannerkabel kürzer als 3 Meter ist:
This device complies with Part 15 of the FCC Rules. Operation is subject to the following two conditions: (1) This device may not
cause harmful interference, and (2) this device must accept any interference received, including interference that may cause
undesired operation.
This equipment has been tested and found to comply with the limits for a Class B digital device, pursuant to Part 15 of the FCC
rules. These limits are designed to provide reasonable protection against harmful interference in a residential installation. This
equipment generates, uses and can radiate radio frequency energy and, if not installed and used in accordance with the
instructions, may cause harmful interference to radio communications. However, there is no guarantee that interference will not
occur in a particular installation. If this equipment does cause harmful interference to radio or television reception, which can be
determined by turning the equipment off and on, the user is encouraged to try to correct the interference by one or more of the
following measures:
• Reorient or relocate the receiving antenna
• Increase the separation between the equipment and receiver
• Connect the equipment into an outlet on a circuit different from that to which the receiver is connected
• Consult the dealer or an experienced radio/TV technician for help
Notice
This Class B digital apparatus complies with Canadian ICES-003.
Remarque
Cet appareil numérique de classe B est conforme à la norme canadienne NMB-003.
WEIGHTS & MEASURES
Directive 90/384/EEC, OIML R76, NIST Handbook 44 (NTEP CC#03-056)

61
LIMITED WARRANTY
Honeywell International Inc. ("HII") warrants its products and optional accessories to be free from defects in materials and
workmanship and to conform to HII’s published specifications applicable to the products purchased at the time of
shipment. This warranty does not cover any HII product which is (i) improperly installed or used; (ii) damaged by accident
or negligence, including failure to follow the proper maintenance, service, and cleaning schedule; or (iii) damaged as a
result of (A) modification or alteration by the purchaser or other party, (B) excessive voltage or current supplied to or
drawn from the interface connections, (C) static electricity or electro-static discharge, (D) operation under conditions
beyond the specified operating parameters, or (E) repair or service of the product by anyone other than HII or its
authorized representatives.
This warranty shall extend from the time of shipment for the duration published by HII for the product at the time of
purchase ("Warranty Period"). Any defective product must be returned (at purchaser’s expense) during the Warranty
Period to HII factory or authorized service center for inspection. No product will be accepted by HII without a Return
Materials Authorization, which may be obtained by contacting HII. In the event that the product is returned to HII or its
authorized service center within the Warranty Period and HII determines to its satisfaction that the product is defective
due to defects in materials or workmanship, HII, at its sole option, will either repair or replace the product without charge,
except for return shipping to HII.
EXCEPT AS MAY BE OTHERWISE PROVIDED BY APPLICABLE LAW, THE FOREGOING WARRANTY IS IN LIEU OF
ALL OTHER COVENANTS OR WARRANTIES, EITHER EXPRESSED OR IMPLIED, ORAL OR WRITTEN, INCLUDING,
WITHOUT LIMITATION, ANY IMPLIED WARRANTIES OF MERCHANTABILITY OR FITNESS FOR A PARTICULAR
PURPOSE, OR NON-INFRINGEMENT.
HII’S RESPONSIBILITY AND PURCHASER’S EXCLUSIVE REMEDY UNDER THIS WARRANTY IS LIMITED TO THE
REPAIR OR REPLACEMENT OF THE DEFECTIVE PRODUCT WITH NEW OR REFURBISHED PARTS. IN NO EVENT
SHALL HII BE LIABLE FOR INDIRECT, INCIDENTAL, OR CONSEQUENTIAL DAMAGES, AND, IN NO EVENT, SHALL
ANY LIABILITY OF HII ARISING IN CONNECTION WITH ANY PRODUCT SOLD HEREUNDER (WHETHER SUCH
LIABILITY ARISES FROM A CLAIM BASED ON CONTRACT, WARRANTY, TORT, OR OTHERWISE) EXCEED THE
ACTUAL AMOUNT PAID TO HII FOR THE PRODUCT. THESE LIMITATIONS ON LIABILITY SHALL REMAIN IN FULL
FORCE AND EFFECT EVEN WHEN HII MAY HAVE BEEN ADVISED OF THE POSSIBILITY OF SUCH INJURIES,
LOSSES, OR DAMAGES. SOME STATES, PROVINCES, OR COUNTRIES DO NOT ALLOW THE EXCLUSION OR
LIMITATIONS OF INCIDENTAL OR CONSEQUENTIAL DAMAGES, SO THE ABOVE LIMITATION OR EXCLUSION
MAY NOT APPLY TO YOU.
All provisions of this Limited Warranty are separate and severable, which means that if any provision is held invalid and
unenforceable, such determination shall not affect the validity of enforceability of the other provisions hereof. Use of any
peripherals not provided by the manufacturer may result in damage not covered by this warranty. This includes but is not
limited to: cables, power supplies, cradles, and docking stations. HII extends these warranties only to the first end-users of
the products. These warranties are non-transferable.
The duration of the limited warranty for the MS2320 is three (3) year(s). The accessories have a 90 day limited warranty
from the date of manufacture.

62
INDEX
A
AC .............................................................................. see power
application ............................................................................. 31
audible ................................................................ see indicators
AUX .............................................................................. 7, 53, 54
B
beep .................................................................... see indicators
blue LED .............................................................. see indicators
button
calibration .................................................................... 38, 40
display ................................................................................ 40
multi-function ................................................................. 7, 34
tone ................................................................................ 7, 34
volume ............................................................................ 7, 34
C
cable ....................................................................... 2, 10, 52, 53
communication .................................................. 2, 12, 16–22
EAS .................................................................................. 2, 25
pinouts.......................................................................... 54–57
power ................................................................................... 2
calibration ........................................................................ 10, 40
mode .................................................................................. 40
test ............................................................................... 37–49
capacity .................................................................................... 6
caution ........................................................... 4, 5, 9, 16–22, 58
checkout counter ................................................................... 10
class ........................................................................................ 60
compliance ........................................... 6, 16–22, 39, 42, 58, 59
components ............................................................................. 7
connector ......................................................................... 54–57
connector panel ....................................................................... 8
current ......................................................................... 6, 29, 52
customer service ...................................................................... 2
cutout ............................................................................... 14–15
D
DC .............................................................................. see power
depth of field ............................................................... 6, 26–27
diagnostic indicator .................................................................. 7
dimensions ......................................................................... 8, 10
display .............................................................. 7, 12, 31–32, 40
E
EAS ............................................................................... 7, 25, 54
EMC ........................................................................................ 59
EMI ......................................................................................... 59
emissions ............................................................................... 59
error codes ....................................................................... 31, 32
F
failure
error codes ................................................................... 31–32
indicator ............................................................................. 29
modes .......................................................................... 29, 30
flow .......................................................................................... 7
full service access mode ........................................................ 40
function ..................................................................... 52, 54–57
G
ground ............................................................................. 54–57
H
handles ................................................................................ 5, 7
host ................................................................ 29, 30, 35, 52–53
I
immunity ............................................................................... 59
indicators ................................................................................. 6
audible ....................................................... 29, 34, 35, 52–53
diagnostic ..................................................................... 31–32
error codes ................................................................... 31–32
failure ..................................................................... 30, 31–32
visual .......................................... 7, 29, 30, 29–30, 35, 52, 53
interface .............................................................................. 6, 9
RS232 ............................................................... 16–17, 54, 56
RS485 ........................................................................... 54, 56
USB ................................................................... 18–20, 54, 56
IR Activiation .......................................................................... 28
L
labels ........................................................................................ 9
laser ....................................................................................... 58
laser aperture .......................................................................... 7
LED ....................................................................... see indicators
light source .............................................................................. 6
M
maintenance .................................................................... 31, 51
manual ......................................................................... 2, 12, 29
modes .................................................................................... 33
mounting ................................................................... 10, 14–15
N
notices ................................................................................... 60
O
operation ............................................................................... 60
output window ................................................................ 31, 51
P
platter ............................... 4, 5, 7, 10, 12, 38, 39, 40, 42, 47, 48
port ........................................................................................ 53
power ..................................................... 2, 6, 10, 16–22, 52, 54
power save ...................................................................... 33, 34
protocols ................................................................................ 35

63
INDEX
R
razzberry tone .................................................................. 29, 30
regulatory compliance ..................................................... 58–60
remote display ................................................................. 40, 47
repair .......................................................................... 30, 31, 32
S
safety ............................................................................... 58, 60
scale ................................................................................... 6, 10
scan pattern ............................................................................. 6
scan speed ............................................................................... 6
scan zone ......................................................................... 26–27
scanner
pinouts.......................................................................... 54–57
seal ............................................................................. 39, 42, 48
secondary scanner ........................................................... 23, 24
SELV .................................................................................. 16–22
specifications ........................................................................... 6
storage ..................................................................................... 6
switch ..................................................................................... 25
cover ....................................................................... 39, 42, 48
T
test ............................................................................. 35, 37–49
tone ............................................................................. 7, 29, 34
transformer .............................................................. see power
U
unit of measure ............................................................... 46, 47
V
ventilation .......................................................................... 6, 10
visual ...................................................................................... 30
voltage ..................................................................... 2, 6, 16–22
volume ............................................................................... 7, 34
W
warranty .......................................................................... 52, 61
weight .................................................................... 6, 38, 46, 47
weights and measure ................................................ 37–49, 60
white LED ............................................................. see indicators
window ................................................................ 4, 5, 7, 10, 51
Z
zero ........................................................................ 7, 37, 40, 47

64
CUSTOMER SUPPORT
TECHNICAL ASSISTANCE
If you need assistance installing or troubleshooting your device, please contact us by using one of the methods below:
Knowledge Base: www.hsmknowledgebase.com
Our Knowledge Base provides thousands of immediate solutions. If the Knowledge Base cannot help, our Technical Support Portal
(see below) provides an easy way to report your problem or ask your question.
Technical Support Portal: www.hsmsupportportal.com
The Technical Support Portal not only allows you to report your problem, but it also provides immediate solutions to your technical
issues by searching our Knowledge Base. With the Portal, you can submit and track your questions online and send and receive
attachments.
Web form: www.hsmcontactsupport.com
You can contact our technical support team directly by filling out our online support form. Enter your contact details and the description
of the question/problem.
Telephone: www.honeywellaidc.com/locations
For our latest contact information, please check our website at the link above.
PRODUCT SERVICE AND REPAIR
Honeywell International Inc. provides service for all of its products through service centers throughout the world. To obtain warranty or
non-warranty service, please visit www.honeywellaidc.com and select Support > Contact Service and Repair to see your region’s
instructions on how to obtain a Return Material Authorization number (RMA #). You should do this prior to returning the product.

Honeywell Scanning & Mobility
9680 Old Bailes Road
Fort Mill, SC 29707
www.honeywellaidc.com
00-02271 Rev H
8/12
