Hottinger Baldwin Messtechnik T40S2TOS6 T40-S2TOS6 Torquemeter User Manual A3452 T40B

Hottinger Baldwin Messtechnik GmbH T40-S2TOS6 Torquemeter A3452 T40B

User Manual

Mounting Instructions | MontageanleitungEnglish DeutschT40B
Hottinger Baldwin Messtechnik GmbHIm Tiefen See 45D-64239 DarmstadtTel. +49 6151 803-0Fax +49 6151 803-9100Email: info@hbm.comInternet: www.hbm.comMat.: 7-2002.3452DVS: A3452-10.011.2014E Hottinger Baldwin Messtechnik GmbH.Subject to modifications.All product descriptions are for general information only.They are not to be understood as a guarantee of quality ordurability.Änderungen vorbehalten.Alle Angaben beschreiben unsere Produkte in allgemeinerForm. Sie stellen keine Beschaffenheits- oder Haltbarkeitsgarantie im Sinne des §443 BGB dar.
Mounting Instructions | MontageanleitungEnglish DeutschT40B
2 A3452-10.0 T40BEnglish1 Safety instructions 4........................................2 Markings used 12............................................2.1 Symbols on the transducer 12..................................2.2 The markings used in this document 12..........................3 Application 14...............................................4 Structure and mode of operation 15...........................5 Mechanical installation 21....................................5.1 Important precautions during installation 21......................5.2 Conditions on site 22..........................................5.3 Installation orientation 23......................................5.4 Installation options 23.........................................5.4.1 Installation without dismantling the antenna ring, Option 7, Code U withantenna shielding cover 24.....................................5.4.2 Installation with subsequent stator mounting, Option 7, Code S 25...5.5 Installing the rotor 26..........................................5.6 Installing the stator 29.........................................5.7 Rotational speed measuring system, reference signal (optional) 37..6 Electrical connection 39......................................6.1 General information 39........................................6.2 EMC protection 39............................................6.3 Connector pin assignment 41...................................6.4 Supply voltage 47.............................................7 Shunt signal 49..............................................8 Functionality testing 50......................................8.1 Rotor status, LED A (upper LED) 51.............................8.2 Stator status, LED B (lower LED) 52............................
T40B A3452-10.0 39 Load‐carrying capacity 53....................................10 Maintenance 54..............................................11 Waste disposal and environmental protection 55..............12 Ordering numbers, accessories 56............................13 Specifications 58............................................13.1 Nominal (rated) torque 50N·m to 500N·m 58....................13.2 Nominal (rated) torque 1kN·m to 10kN·m 66.....................14 Supplementary technical information 76......................
Safety instructions4 A3452-10.0 T40B1 Safety instructionsFCC Compliance & Advisory Statement for Option 7,Code UImportantAny changes or modification not expressly approved inwriting by by the party responsible for compliance couldvoid the user’s authority to operate the device. Wherespecified additional components or accessories elsewhere defined to be used with the installation of the product, they must be used in order to ensure compliancewith FCC regulations.This device complies with Part 15 of the FCC Rules.Operation is subject to the following two conditions: (1)this device may not cause harmful interference, and (2)this device must accept any interference received, including interference that may cause undesired operation.The FCC identifier or the unique identifier, as appropriate, must be displayed on the device.Model Measuring range FCC ID ICT40S2TOS650 Nm, 100 Nm,200 Nm2ADAT−T40S2TOS6 12438A−T40S2TOS6500 Nm, 1 kNm2 kNm, 3 kNm5 kNm10 kNm
Safety instructionsT40B A3452-10.0 5Label example with FCC ID and IC number.Model: T40S2TOS6FCC ID: 2ADAT-T40S2TOS6IC: 12438AT40S2TOS6This device complies with part 15 of the FCC Rules. Operation is subject to the following two conditions: (1) This devicemay not cause harmful interference, and (2) this device mustaccept any interference received, including interference thatmay cause undesired operation.LabelFig. 1.1 Location of the label on the stator of the deviceModel: T40S2TOS6FCC ID: 2ADAT-T40S2TOS6IC: 12438AT40S2TOS6This device complies with part 15 of the FCC Rules. Operation issubject to the following two conditions: (1) This device may notcause harmful interference, and (2) this device must accept anyinterference received, including interference that may causeundesired operation.Fig. 1.2 Example of the label
Safety instructions6 A3452-10.0 T40BIndustry Canada for Option 7, Code UDarmstadt, 2014-11-13This product has not yet received IC (Industry Canada)approval. The certification process for this product is stillunder way. HBM currently expects that IC approval willbe granted by the end of December 2014. Your local HBM contact looks forward to answer anyquestions you may have regarding IC approval.Darmstadt, le 13 novembre 2014Ce produit n'a pas encore obtenu l'approbation IC (Industrie Canada). Le produit est encore en processus decertification. Actuellement, HBM suppose que l'approbation IC sera accordée jusqu'à fin décembre 2014. Si vous avez des questions au sujet de l'approbation IC,veuillez vous adresser à votre représentation HBM surplace.This device complies with Industry Canada standardRSS210.This device complies with Industry Canadalicense−exempt RSS standard(s).Operation is subject tothe following two conditions: (1) this device may notcause interference, and (2) this device must accept anyinterference, including interference that may cause undesired operation of the device.Cet appareil est conforme aux norme RSS210 d’IndustrieCanada.Cet appareil est conforme aux normes d’exemption delicence RSS d’Industry Canada. Son fonctionnement estsoumis aux deux conditions suivantes : (1)cet appareil nedoit pas causer d’interférence et (2) cet appareil doit
Safety instructionsT40B A3452-10.0 7accepter toute interférence, notamment les interférencesqui peuvent affecter son fonctionnement.Appropriate useThe T40B torque flange is used exclusively for torque,angle of rotation and power measurement tasks withinthe load limits stipulated in the specifications. Any otheruse is not appropriate.Stator operation is only permitted when the rotor isinstalled.The torque flange may only be installed by qualified personnel in compliance with the specifications and with thesafety requirements and regulations of these mountinginstructions. It is also essential to observe the applicablelegal and safety regulations for the application concerned. The same applies to the use of accessories.The torque flange is not intended for use as a safetycomponent. Please also refer to the “Additional safetyprecautions" section. Proper and safe operation requiresproper transportation, correct storage, siting and mounting, and careful operation.Load carrying capacity limitsThe data in the technical data sheets must be compliedwith when using the torque flange. In particular, therespective maximum loads specified must never beexceeded. For example, the values stated in the specifications must not be exceeded forSlimit torque,Slongitudinal limit force, lateral limit force or limit bending moment,Storque oscillation width,
Safety instructions8 A3452-10.0 T40BSbreaking torque,Stemperature limits,Sthe limits of the electrical load‐carrying capacity.Use as a machine elementThe torque flange can be used as a machine element.When used in this manner, it must be noted that, to favorgreater sensitivity, the transducer is not designed withthe safety factors usual in mechanical engineering.Please refer here to the section “Load carrying capacitylimits" and to the specifications.Accident preventionAccording to the prevailing accident prevention regulations, once the transducers have been mounted, a covering agent or cladding has to be fitted as follows:SThe covering agent or cladding must not be free torotate.SThe covering agent or cladding should preventsqueezing or shearing and provide protection againstparts that might come loose.SCovering agents and cladding must be positioned at asuitable distance or be so arranged that there is noaccess to any moving parts within.SCovering agents and cladding must still be attachedeven if the moving parts of the torque flange areinstalled outside people's movement and workingrange.The only permitted exceptions to the above requirementsare if the torque flange is already fully protected by thedesign of the machine or by existing safety precautions.
Safety instructionsT40B A3452-10.0 9Additional safety precautionsThe torque flange cannot (as a passive transducer)implement any (safety‐relevant) cutoffs. This requiresadditional components and constructive measures, forwhich the installer and operator of the plant is responsible. The electronics conditioning the measurement signalshould be designed so that measurement signal failuredoes not subsequently cause damage.The scope of supply and performance of the transducercovers only a small area of torque measurement technology. In addition, equipment planners, installers and operators should plan, implement and respond to safety engineering considerations in such a way as to minimizeresidual dangers. Pertinent national and local regulationsmust be complied with.General dangers of failing to follow the safetyinstructionsThe torque flange corresponds to the state of the art andis reliable. Transducers can give rise to residual dangersif they are incorrectly operated or inappropriatelymounted, installed and operated by untrained personnel.Every person involved with siting, starting‐up, operatingor repairing a torque flange must have read and understood the mounting instructions and in particular the technical safety instructions. The transducers can be damaged or destroyed by non‐designated use of thetransducer or by non‐compliance with the mounting andoperating instructions, these safety instructions or anyother applicable safety regulations (BG safety and accident prevention regulations), when using the transducers.Transducers can break, particularly in the case of overloading. The breakage of a transducer can also causedamage to property or injury to persons in the vicinity ofthe transducer.
Safety instructions10 A3452-10.0 T40BIf the torque flange is not used according to the designated use, or if the safety instructions or specifications inthe mounting and operating instructions are ignored, it isalso possible that the transducer may fail or malfunction,with the result that persons or property may be adverselyaffected (due to the torques acting on or being monitoredby the torque flange).Conversions and modificationsThe transducer must not be modified from the design orsafety engineering point of view except with our expressagreement. Any modification shall exclude all liability onour part for any damage resulting therefrom.Selling onIf the torque flange is sold on, these mounting instructions must be included with the torque flange.Qualified personnelQualified personnel means persons entrusted with siting,mounting, starting up and operating the product, whopossess the appropriate qualifications for their function.This includes people who meet at least one of the threefollowing requirements:1. Knowledge of the safety concepts of automation technology is a requirement and as project personnel, youmust be familiar with these concepts.2. As automation plant operating personnel, you havebeen instructed how to handle the machinery. You arefamiliar with the operation of the equipment and technologies described in this documentation.3. As system startup engineers or service engineers,you have successfully completed the training to qual
Safety instructionsT40B A3452-10.0 11ify you to repair the automation systems. You are alsoauthorized to ground and label circuits and equipmentand place them in operation in accordance with safetyengineering standards.
Markings used12 A3452-10.0 T40B2 Markings used2.1 Symbols on the transducerRead and note the data in this manualCE markThe CE mark enables the manufacturer to guarantee thatthe product complies with the requirements of the relevant EC directives (the Declaration of Conformity can befound on the HBM website at www.hbm.com underHBMdoc).Label exampleLabel example with FCC ID and IC number, Option 7Code U. Location of the label on the stator device.2.2 The markings used in this documentImportant instructions for your safety are specificallyidentified. It is essential to follow these instructions inorder to prevent accidents and damage to property.Model: T40S2TOS6FCC ID: 2ADAT-T40S2TOS6IC: 12438AT40S2TOS6This device complies with part 15 of theFCC Rules. Operation is subject to thefollowing two conditions: (1) This devicemay not cause harmful interference, and(2) this device must accept any interference received, including interferencethat may cause undesired operation.
Markings usedT40B A3452-10.0 13Symbol SignificanceWARNING This marking warns of a potentially dangeroussituation in which failure to comply with safetyrequirements can result in death or serious physicalinjury.CAUTION This marking warns of a potentially dangeroussituation in which failure to comply with safetyrequirements can result in slight or moderate physicalinjury.Note This marking draws your attention to a situation inwhich failure to comply with safety requirements canlead to damage to property.ImportantThis marking draws your attention to importantinformation about the product or about handling theproduct.TipThis marking indicates application tips or otherinformation that is useful to you.InformationThis marking draws your attention to informationabout the product or about handling the product.EmphasisSee…. Italics are used to emphasize and highlight text andreferences to other chapters and external documents.
Application14 A3452-10.0 T40B3 ApplicationThe T40B torque flange measures static and dynamictorques on stationary and rotating shafts. Test beds canbe extremely compact because of the compact design ofthe transducer. This offers a very wide range of applications.The T40B torque flange is reliably protected against electromagnetic interference. It has been tested according toharmonized European standards and/or complies withUS and Canadian standards. The product carries theCE mark and/or FCC label.
Structure and mode of operationT40B A3452-10.0 154 Structure and mode of operationThe torque flange consists of two separate parts: therotor and the stator. The rotor comprises the measuringbody and the signal transmission elements.Strain gages (SGs) are installed on the measuring body.The rotor electronics for transmitting the bridge excitationvoltage and the measurement signal are located centrallyin the flange. The transmitter coils for contactless transmission of excitation voltage and measurement signal arelocated on the measuring body's outer circumference.The signals are sent and received by a separableantenna ring. Separable antenna ring not for Option 7,Code U. The antenna ring is mounted on a housing thatcontains the electronics for voltage adaptation and thesignal conditioning.Connector plugs for the torque and rotational speed signals, the voltage supply and digital output, are located onthe stator. The antenna segments (the antenna ring)must be mounted concentrically around the rotor (seechapter 5).
Structure and mode of operation16 A3452-10.0 T40BAntennasegmentsRotorConnector plugsStatorhousingType plateConnector plugsFig. 4.1 Mechanical construction without a rotational speedmeasuring system, Option 7, Code SThe rotational speed sensor is mounted on the stator inOption 6 with a rotational speed measuring system. Therotational speed is measured magnetically via an AMRsensor and a magnetic ring. The magnetic ring for measuring the rotational speed is welded to the flange.
Structure and mode of operationT40B A3452-10.0 17Antenna segmentsRotorConnectorplugsStator housingType plateConnector plugsSensor head for measuringrotational speedMagnetic ring for rotationalspeed measurementFig. 4.2 Mechanical construction with a rotational speedmeasuring system, Option 7, Code SIn the version with a rotational speed measuring system,the transducer can also be fitted with a sensor head for areference signal (zero index) for measuring the angle ofrotation. The magnet to be used for this is located on theinner surface of the flange. The sensor head for samplingthe reference signal is located in the bracket above therotational speed sensor.
Structure and mode of operation18 A3452-10.0 T40BAntenna segmentsRotorConnectorplugsStator housingType plateConnector plugsSensor head formeasuringrotational speedMagnetic ring for rotationalspeed measurementSensor head for thereference signalFig. 4.3 Mechanical construction with rotational speedmeasuring system and sensor for the referencesignal (zero index), Option 7, Code S
Structure and mode of operationT40B A3452-10.0 19Stator housingAntenna segments with mounted shielding platesConnector plugsFig. 4.4 Mechanical construction of Stator with mountedshielding plates without rotational speed Option 7,Code UDismounted shielding platesAxial shieldingplatesRadial shieldingplateFig. 4.5 Individual shielding plates, Option 7, Code  U
Structure and mode of operation20 A3452-10.0 T40BInformationMechanical construction with rotational speed measuringSystem is the same as in Fig. 4.2 with additional shielding plate of antenna ring see Fig. 4.4.ImportantThe use of the shielding plates are important to ensurecompliance with FCCregulations. If the shielding plateshas to be removed for any purpose (e.g. in-stallation ormaintenance), they must be replaced in the original position be-fore the product is used.
Mechanical installationT40B A3452-10.0 215 Mechanical installation5.1 Important precautions duringinstallationNoteA torque flange is a precision measuring element andtherefore needs careful handling. Dropping or knockingthe transducer may cause permanent damage. Makesure that the transducer cannot be overloaded, includingwhile it is being mounted.SHandle the transducer with care.SCheck the effect of bending moments, critical rotational speeds and natural torsional vibrations, to prevent the transducer being overloaded by resonancesharpness.SMake sure that the transducer cannot be overloaded.WARNINGThere is a danger of the transducer breaking if it is overloaded. This can cause danger for the operating personnel of the system in which the transducer is installed.Implement appropriate safety measures to avoid overloads and to protect against resulting dangers.SUse a threadlocker (medium strength, e.g. LOCTITE)to glue the screws into the counter thread to exclude
Mechanical installation22 A3452-10.0 T40Bprestressing loss due to screw slackening, in theevent of alternating loads.SComply with the mounting dimensions to enable correct operation.An appropriate shaft flange enables the T40B torqueflange to be mounted directly. It is also possible to mounta joint shaft or relevant compensating element directly onthe rotor (using an intermediate flange when required).Under no circumstances should the permissible limitsspecified for bending moments, lateral and longitudinalforces be exceeded. Due to the T40B torque flange'shigh torsional stiffness, dynamic shaft train changes arekept to a minimum.ImportantEven if the unit is installed correctly, the zero pointadjustment made at the factory can shift by up toapprox. 2% of the sensitivity. If this value is exceeded,we advise you to check the mounting conditions. If theresidual zero offset when the unit is removed is greaterthan 1% of the sensitivity, please send the transducerback to the Darmstadt factory for testing.5.2 Conditions on siteThe T40B torque flange must be protected againstcoarse dirt particles, dust, oil, solvents and moisture.There is wide ranging compensation for the effects oftemperature on the output and zero signals of the transducer (see “Specifications" section). If there are no statictemperature ratios, for example, because of the temperature differences between the measuring body and the
Mechanical installationT40B A3452-10.0 23flange, the values given in the specifications can beexceeded. In this case, ensure static temperature ratiosby cooling or heating, depending on the application. Asan alternative, check if thermal decoupling is possible,e.g. by means of heat radiating elements such as multiple disc couplings.5.3 Installation orientationThe torque flange can be installed with any orientation.With clockwise torque, the output frequency is 60 to90 kHz for Option 5, Code DU2 (Option 5, Code SU2: 10to 15 kHz; Option HU2: 240 to 360kHz). In conjunctionwith HBM amplifiers or when using the voltage output, apositive output signal (0 V to +10 V) is present. In thecase of the rotational speed measuring system, an arrowis attached to the stator housing to clearly define thedirection of rotation: if the measurement flange turns inthe direction of the arrow, connected HBM measuringamplifiers deliver a positive output signal.5.4 Installation optionsThere are basically two options for mounting the torqueflange: with or without dismantling the antenna ring. Werecommend mounting as described in Chapter 5.4.1. Ifmounting in accordance with Chapter 5.4.1 is not possible, (e.g. in the case of subsequent stator replacement),you will have to dismantle the antenna ring (only possiblefor Option 7, Code S). It is essential in this case to comply with the notes on assembling the antenna segments(see Chapter 5.4.2).
Mechanical installation24 A3452-10.0 T40B5.4.1 Installation without dismantling the antennaring, Option 7, Code U with antenna shieldingcoverMounting suppliedby customer1. Install rotor 2. Install stator3. Finish shaft train installation 4. Fit supportSupport suppliedby customer
Mechanical installationT40B A3452-10.0 255.4.2 Installation with subsequent stator mounting,Option 7, Code SFan‐typelockwashersWashers1. Install rotor 2. Install shaft train3. Dismantle antenna segment 4. Install antenna segmentSupport suppliedby customer5. Fit support
Mechanical installation26 A3452-10.0 T40B5.5 Installing the rotorTipUsually the rotor type plate is no longer visible afterinstallation. This is why we include with the rotor additional stickers with the important characteristics, whichyou can attach to the stator or any other relevanttest‐bench components. You can then refer to themwhenever there is anything you wish to know, such asthe shunt signal. To explicitly assign the data, the identification number and the size are engraved on the rotorflange, where they can be seen from outside.NoteMake sure during installation that you do not damage themeasuring zone marked in Fig. 5.1 by using it to supporttools, or knocking tools against it when tightening screws,for example. This can damage the transducer and produce measurement errors, or even destroy the transducer.
Mechanical installationT40B A3452-10.0 27without rotational speedmeasuring systemwith rotationalspeed measuringsystemFlange plane facesTransmitter winding Rotational speed measuring systemMeasuringzoneFig. 5.1 Bolted rotor connection1. Prior to installation, clean the plane faces of the transducer flange and the counter flange.For safe torque transfer, the faces must be clean andfree from grease. Use a piece of cloth or papersoaked in solvent. When cleaning, make sure that youdo not damage the transmitter winding or the rotational speed measuring system.2. For the bolted rotor connection (see Fig. 5.1), use sixor eight DIN EN ISO 4762 hexagon socket screws ofthe property class stated in Tab. 5.1, in a suitablelength (dependent on the connection geometry, seeTab. 5.1 on page 29).We recommend DIN EN ISO 4762 socket head capscrews, blackened, smooth‐headed, permitted sizeand shape variance in accordance with DINISO 4759, Part 1, product class A.
Mechanical installation28 A3452-10.0 T40B3. Fasten all screws with the specified torque (Tab. 5.1on page 29).4. There are six or eight tapped holes on the rotor forcontinuing the shaft train mounting. Again use screwsof property class 10.9 or 12.9 and tighten them withthe prescribed torque, as specified in Tab. 5.1.ImportantUse a threadlocker (medium strength, e.g. LOCTITE) toglue the screws into the counter thread to exclude prestressing loss due to screw slackening, in the event ofalternating loads.NoteComply with the maximum thread reach as per Tab. 5.1.Otherwise significant measurement errors may resultfrom torque shunt, or the transducer may be damaged.Measuring range Fastening screws Prescribed tighteningmomentNVmZ 1Property class NVm50 M8 10.9 34100 M8 10.9 34200 M8 10.9 34500 M10 10.9 671 k M10 10.9 672 k M12 10.9 1153 k M12 12.9 135
Mechanical installationT40B A3452-10.0 29Prescribed tighteningmomentFastening screwsMeasuring rangeNVmProperty classZ 1NVm5 k M14 12.9 22010 k M16 12.9 3401) DIN EN ISO 4762; black/oiled/mtot = 0.125Tab. 5.1 Fastening screwsImportantDry screw connections can result in different and higherfriction factors (see VDI 2230, for example). This meansa change to the required tightening moments. Therequired tightening moments can also change if you usescrews with a surface or property class other than thatspecified in Tab. 5.1, as this affects the friction factor.5.6 Installing the statorOn delivery, the stator has already been installed and isready for operation. The upper antenna segment can beseparated from the stator, for example, for maintenanceor to facilitate stator mounting, only for Option 7, Code S.If your application does not require the stator to be dismantled, proceed as described in points 2., 5., and 6 forOption 7, Code S.
Mechanical installation30 A3452-10.0 T40BFan‐type lockwashersHole for fixing theantenna segment,diameter 4.2 or5.2mm,depending onmaximum capacityStator housingtopAntennasegmentscrews withwashers (M5)bottomAntennasegmentsFig. 5.2 Bolted connection of the antenna segments on thestator, Option 7, Code SStator housingAntenna segments with mounted shielding platesConnector plugsFig. 5.3 Mechanical construction of Stator with mountedshielding plates without rotational speed Option 7,Code U
Mechanical installationT40B A3452-10.0 31Dismounted shielding platesAxial shieldingplatesRadial shieldingplateFig. 5.4 Individual shielding plates, Option 7, Code UImportantThe use of the shielding plates are important to ensurecompliance with FCC regulations. If the shielding plateshas to be removed for any purpose (e.g. installation ormaintenance), they must be replaced in the original position before the product is used.ImportantIf the shielding plates has to be removed for installationor maintenance, tighten the screws to fix the shieldingplates with a tightening torque of 0.6 Nm
Mechanical installation32 A3452-10.0 T40BStator housinglower antenna segmentAntenna wireT40B without a rotational speed measuring systemT40B with a rotational speed measuring systemSensor head for measuring rotational speedFig. 5.5 Stator housing and lower antenna segment withantenna wire, Option 7, Code S1. Undo and remove the bolted connections (M5) on theupper antenna segment.There are fan‐type lock washers between the antennasegments: make sure that they do not get lost.2. Use an appropriate mounting base to install the statorhousing in the shaft train, so that there is sufficientopportunity for horizontal and vertical adjustments. Donot fully tighten the screws yet.TipIf your transducer has a sensor for the reference signal,you should only fit the upper antenna segment afterstep 5.
Mechanical installationT40B A3452-10.0 333. Now use two hexagon socket screws to mount theupper antenna segment removed in Point 1 on thelower antenna segment.Make sure that the two fan‐type lock washers areinserted between the antenna segments (theseensure that there is a defined contact resistance)!ImportantTo make sure that they function perfectly, the fan‐typelock washers (A5.3-FST DIN 6798 ZN/galvanized) mustbe replaced after the bolted antenna connection hasbeen loosened three times.4. Now tighten all the bolted antenna segment connections with a tightening torque of 5 N⋅m.5. Rotational speed measurement without a sensor forthe reference signal (zero index):Align the antenna to the rotor in such a way that theantenna encloses the rotor more or less coaxially andthe antenna wire in the axial direction shows the sameposition as the center of the transmitter winding onthe rotor.To make this alignment easier, the antenna segmentand the transmitter winding on flange B have thesame width. Please comply with the permissible alignment tolerances stated in the specifications.
Mechanical installation34 A3452-10.0 T40BFig. 5.6 Alignment of the rotor with the stator (without areference signal sensor), Option 7, Code S and URotational speed measurement with a sensor for thereference signal (zero index):Tilt the stator slightly (see Fig. 5.7, left), so that thebracket with the sensor head for the reference signal(zero index) is between the two flanges. Now tip thestator over the rotor until the antenna ring completelycovers the flange with the transmitter winding (seeFig. 5.7, right).InformationIf the stator base is already securely installed, you mustremove the upper antenna segment (see steps 1, 3 and4). Otherwise proceed with the installation as shown inthe photos.
Mechanical installationT40B A3452-10.0 35Fig. 5.7 Alignment of the rotor with the stator (with areference signal sensor), Option 7, Code S and U6. Now fully tighten the bolted stator housing connection.Prevention of axial stator oscillationDepending on the operating conditions, the stator may beinduced to oscillate. This effect is dependent on:Sthe rotational speed,Sthe antenna diameter (depends in turn on the measuring range),Sthe design of the machine base.ImportantTo prevent this axial oscillation, the antenna ring requiresadditional support by the customer. There is a socket(with an M5 internal thread) on the upper antenna segment, which can be used for a suitable clamping device(see Fig. 5.8). If this is the case, the cable plug alsoneeds some support, as shown in the construction example in Fig. 5.9.
Mechanical installation36 A3452-10.0 T40BFig. 5.8 Construction example for supporting the antennaring, Option 7, Code S and UFig. 5.9 Construction example for plug clamps (for twoplugs), Option 7, Code S and U
Mechanical installationT40B A3452-10.0 375.7 Rotational speed measuring system,reference signal (optional)The optional rotational speed measuring system (alsowith the additional reference signal and zero indexoption) is integrated into the transducer at the factory, sono installation is required.Sensor headfor measuringrotationalspeedMagnetic ringfor rotationalspeedmeasurementSensor headfor thereferencesignalFig. 5.10 Torque transducer with rotational speedmeasurement and reference signal, Option 7,Code S and URotational speed measuring system sensor headalignmentIf the stator is accurately aligned for torque measurement, the rotational speed measuring system and thesensor for the reference signal (zero index) are also correctly aligned. So the two Allen screws on the sensorhead (Fig. 5.11) must not be loosened.
Mechanical installation38 A3452-10.0 T40BImportantYou must not change the position of the sensor head.ImportantThis is a magnetic rotational speed measuring system.In applications where magnetic strengths are expected tobe high (such as an eddycurrent brake), suitable actionmust be taken to ensure that the max. magnetic fieldstrength stated in the specification is not exceeded.Never loosen the screws! Sensor head formeasuring rotationalspeedFig. 5.11 Torque transducer with sensor head for rotationalspeed measurement, Option 7, Code S and U
Electrical connectionT40B A3452-10.0 396 Electrical connection6.1 General informationSWith extension cables, make sure that there is aproper connection with minimum contact resistanceand good insulation.SAll cable connectors or swivel nuts must be fully tightened.ImportantTransducer connection cables from HBM with plugsattached are identified in accordance with their intendedpurpose (Md or n). When cables are shortened, insertedinto cable ducts or installed in control cabinets, this identification can get lost or become concealed. So thecables must be marked beforehand, just in case.6.2 EMC protectionImportantThe transducers are EMC‐tested in accordance with ECdirectives and identified by CE certification. However,you must connect the shield of the connection cable onthe shielding electronics enclosure in order to achieveEMC protection for the measuring chain.Special electronic coding methods are used to protectthe purely digital signal transmission between the trans
Electrical connection40 A3452-10.0 T40Bmitter head and the rotor from electromagnetic interference.The cable shield is connected with the transducer housing. This encloses the measurement system (without therotor) in a Faraday cage when the shield is laid flat atboth ends of the cable. With other connection techniques, an EMCproof shield should be applied in thewire area, and this shielding should also be connectedextensively (also see HBM Greenline Information,brochure i1577).Electrical and magnetic fields often induce interferencevoltages in the measuring circuit. Therefore:SUse shielded, low‐capacitance measurement cablesonly (HBM cables fulfill both conditions).SOnly use plugs that meet EMC guidelines.SDo not route the measurement cables parallel topower lines and control circuits. If this is not possible,protect the measurement cable with e.g. steel conduit.SAvoid stray fields from transformers, motors and contact switches.SDo not ground the transducer, amplifier and indicatormore than once.SConnect all devices in the measuring chain to thesame protective earth conductor.SIn the case of interference due to potential differences(compensating currents), the connections betweensupply voltage zero and housing ground must be broken at the amplifier and a potential equalization lineestablished between the stator housing and the amplifier housing (copper conductor, at least 10 mm2 wirecross‐section).
Electrical connectionT40B A3452-10.0 41SShould differences in potential occur between themachine rotor and stator because of unchecked leakage, for example, this can usually be overcome byconnecting the rotor definitively to ground, e.g. with awire loop. The stator must be connected to the same(ground) potential.6.3 Connector pin assignmentThe stator housing has two 7‐pin plugs, an 8‐pin plug anda 16‐pin plug.The supply voltage connections and shunt signal connections of plugs 1 and 3 are each electrically interconnected, but are protected against compensating currentsby diodes. There is also a self‐resetting fuse (multifuse)to protect the supply connections against overload by thestator.NoteTorque flanges are only intended for operation with a DCsupply voltage. They must not be connected to olderHBM amplifiers with square‐wave excitation. This coulddestroy the connection board resistors or cause otherfaults in the amplifiers.
Electrical connection42 A3452-10.0 T40BAssignment for plug 1 - Supply voltage andfrequency output signal6157243Device plugTop viewKAB153 KAB149 KAB1781)PlugpinAssignment ColorcodeD‐SUB‐plugpinHD‐SUB‐plugpin1Torque measurement signal (frequencyoutput; 5 V2,3)wh 13 52Supply voltage 0 V; bk 5 -3Supply voltage 18 V to 30 V bu 6 -4Torque measurement signal (frequencyoutput; 5 V2,3)rd 12 105Measurement signal 0 V; symmetrical gy 8 66Shunt signal trigger 5 V to 30 V gn 14 157Shunt signal 0 V gy 8 -Shielding connected to housing ground1) Bridge between 4 + 92) RS-422 complementary signals; with cable lengths exceeding 10 m, we recommend using atermination resistor R = 120 ohms between the (wh) and (rd) wires.3) RS‐422: pin 1 corresponds to A, pin 4 corresponds to B.
Electrical connectionT40B A3452-10.0 43Assignment for plug 2 - Rotational speedmeasurement system61572438Device plugTop viewKAB154 KAB150 KAB1791)PlugpinAssignment ColorcodeD-SUB-plug pinHD-SUB-plug pin1Rotational speed measurement signal2)(pulse string, 5 V; 0°)rd 12 102Not in use bl - -3Rotational speed measurement signal2)(pulse string, 5 V; 90°phase shifted) gy 15 84Not in use bl - -5Not in use vi - -6Rotational speed measurement signal2)(pulse string, 5 V; 0°)wh 13 57Rotational speed measurement signal 2(pulse string, 5 V; 90°phase shifted) gn 14 78Operating voltage zero bk/bl 3) 8 6Shielding connected to housing ground1) Bridge between 4 + 92) RS-422 complementary signals; with cable lengths exceeding 10 m, we recommend using atermination resistor of R = 120 ohms.3) KAB163/KAB164: color code brown (bn)
Electrical connection44 A3452-10.0 T40BAssignment for plug 2 - Rotational speedmeasurement system with reference signalDevice plugTop view61572438KAB164 KAB163 KAB1811)PlugpinAssignment ColorcodeD-SUB-plug pinHD-SUB-plug pin1Rotational speed measurement signal 2)(pulse string, 5 V) rd 12 102Reference signal (1 pulse/revolution, 5 V) 2) bl 2 33Rotational speed measurement signal 2)(pulse string, 5 V; 90°phase shifted) gy 15 84Reference signal (1 pulse/revolution, 5 V) 2) bl 3 25Not in use vi - -6Rotational speed measurement signal 2)(pulse string, 5 V; 0°)wh 13 57Rotational speed measurement signal 2)(pulse string, 5 V; 90°phase shifted) gn 14 78Operating voltage zero bl 3) 8 6Shielding connected to housing ground1) Bridge between 4 + 92) RS-422 complementary signals; with cable lengths exceeding 10 m, we recommend using atermination resistor of R = 120 ohms.3) KAB163/KAB164: color code brown (bn)
Electrical connectionT40B A3452-10.0 45Pin 1Pin 6Pin 3Pin 7Pin 2Pin 4Fig. 6.1 Rotational speed signals at plug 2 (rotational speedin the direction of the arrow)
Electrical connection46 A3452-10.0 T40BPin 1Pin 6Pin 3Pin 7Pin 2Pin 4Fig. 6.2 Rotational speed signals at plug 2 (rotational speedagainst the direction of the arrow)
Electrical connectionT40B A3452-10.0 47Assignment for plug 3 - Supply voltage and voltageoutput signal6157243Device plugTop viewPlug pin Assignment1Torque measurement signal(voltage output; 0 V)2Supply voltage 0 V;3Supply voltage 18 V to 30 V DC4Torque measurement signal (voltage output;±10 V)5Not in use6Shunt signal trigger 5 V to 30 V7Shunt signal 0 V;Shielding connected to housing groundAssignment for plug 4TMC - only for connection to the TIM 40/TIM-EC TorqueInterface Module within HBM.6.4 Supply voltageThe transducer must be operated with a separatedextra‐low voltage (nominal (rated) supply voltage 18 to30 VDC). You can supply one or more torque flangeswithin a test bench at the same time. Should the devicebe operated on a DC voltage network1), additional precautions must be taken to discharge excess voltages.1) Distribution system for electrical energy with greater physical expansion (over several testbenches, for example) that may possibly also supply consumers with high nominal (rated) currents.
Electrical connection48 A3452-10.0 T40BThe information in this section relates to the self‐contained operation of the T40B, without HBM system solutions.The supply voltage is electrically isolated from signal outputs and shunt signal inputs. Connect a separatedextra‐low voltage of 18 V to 30 V to pin 3 (+) and pin 2() of plugs 1 or 3. We recommend that you use HBMcable KAB 8/00-2/2/2 and the appropriate sockets (seeAccessories). The cable can be up to 50 m long for voltages ≥24 V, otherwise it can be up to 20 m long.If the permissible cable length is exceeded, you can feedthe supply voltage in parallel over two connection cables(plugs 1 and 3). This enables you to double the permissible length. Alternatively, install an on‐site power supply.ImportantThe instant you switch on, a current of up to 4 A mayflow and this may switch off power supplies with electronic current limiters.
Shunt signalT40B A3452-10.0 497 Shunt signalThe T40B torque flange delivers an electrical shunt signalthat can be activated from the amplifier in measuringchains with HBM components. The transducer generatesa shunt signal of about 50% of the nominal (rated)torque; the precise value is specified on the type plate.After activation, adjust the amplifier output signal to theshunt signal supplied by the connected transducer toadapt the amplifier to the transducer.InformationThe transducer should not be under load when the shuntsignal is being measured, as the shunt signal is mixedadditively.Triggering the shunt signalApplying a separated extra‐low voltage of 5 to 30 V topins 6 (+) and 7 ( ) at plug 1 or 3, triggers the shuntsignal.The nominal (rated) voltage for triggering the shunt signalis 5 V (triggering at U > 2.5 V), but when voltages areless than 0.7 V, the transducer is in measuring mode.The maximum permissible voltage is 30 V, current consumption at nominal (rated) voltage is approx. 2 mA andat maximum voltage, approx. 18 mA. The voltage for triggering the shunt signal is electrically isolated from thesupply and measuring voltage.TipThe shunt signal can be triggered by the amplifier or viathe operating software in HBM system solutions.
Functionality testing50 A3452-10.0 T40B8 Functionality testingYou can check the functionality of the rotor and the statorfrom the LEDs on the stator.LED A, rotor statusLED B, stator statusFig. 8.1 LEDs on the stator housingImportantOnce the supply voltage is applied, the torque transducerneeds up to a further 4 seconds to be ready for operation.
Functionality testingT40B A3452-10.0 518.1 Rotor status, LED A (upper LED)Color SignificanceGreen (pulsating) Internal rotor voltage values okFlashing orangeRotor and stator mismatched (an increasing flashingfrequency indicates the degree of misalignment)=> Correct the rotor/stator alignmentPulsating orangeRotor status cannot be defined => Correct the rotor/stator alignmentIf the LED still pulsates orange, it is possible that there is ahardware defect. The measurement signals reflect the levelof the fault.Red (pulsating)Rotor voltage values not ok. => Correct the rotor/stator alignmentIf the LED still pulsates red, it is possible that there is ahardware defect. The measurement signals reflect the levelof the fault.Pulsating means that the LED goes dark for about 20 msevery second (sign of life), making it possible to detectthat the transducer is functioning.
Functionality testing52 A3452-10.0 T40B8.2 Stator status, LED B (lower LED)Color SignificanceGreen(permanently lit)Measurement signal transmission and internal statorvoltages okGreen, intermittentlyorange.Numeroussynchronizationdefects:permanently orangeOrange until end of defective transmission if y5 incorrectmeasured values are transmitted in succession. Themeasurement signals reflect the level of the fault for theduration of the transmission defect + for approx. another 3.3ms.Orange(permanently lit)Permanently disrupted transmission, the measurementsignals reflect the level of the fault. (fout = 0 Hz, Uout = defectlevel).=> Correct the rotor/stator alignment.Red(permanently lit)Internal stator defect, the measurement signals reflect thelevel of the fault (fout = 0 Hz, Uout = defect level).
Load‐carrying capacityT40B A3452-10.0 539 Load‐carrying capacityNominal (rated) torque can be exceeded statically up tothe limit torque. If the nominal (rated) torque is exceeded,additional irregular loading is not permissible. Thisincludes longitudinal forces, lateral forces and bendingmoments. Limit values can be found in Chapter 13“Specifications”, page 58.Measuring dynamic torqueThe torque flange can be used to measure static anddynamic torque. The following apply to the measurementof dynamic torque:SThe T40B calibration performed for staticmeasurements is also valid for dynamic torquemeasurements.SThe natural frequency f0 of the mechanical measuringarrangement depends on the moments of inertia J1and J2 of the connected rotating masses and thetorsional stiffness of the T40B.Use the equation below to approximately determine thenatural frequency f0 of the mechanical measuringarrangement:f0+12p· cT·ǒ1J1)1J2ǓǸf0= natural frequency in HzJ1, J2= mass moment of inertia in kgVm2cT= torsional stiffness in NVm/radSThe permissible mechanical oscillation width(peak‐to‐peak) can also be found in the specifications.
Maintenance54 A3452-10.0 T40B0+Mnom200% oscillation width-MnomNominal (rated) torque Mnom as a %Time tOscillation widthOscillation widthOscillation widthFig. 9.1 Permissible dynamic loading10 MaintenanceT40B torque flanges are maintenance‐free.
Waste disposal and environmental protectionT40B A3452-10.0 5511 Waste disposal and environmental protectionAll electrical and electronic products must be disposed ofas hazardous waste. The correct disposal of old equipment prevents ecological damage and health hazards.Statutory waste disposal markThe electrical and electronic devices that bear this symbol are subject to the European waste electrical and electronic equipment directive 2002/96/EC. The symbol indicates that, in accordance with national and localenvironmental protection and material recovery and recycling regulations, old devices that can no longer be usedmust be disposed of separately and not with normalhousehold garbage.As waste disposal regulations may differ from country tocountry, we ask that you contact your supplier to determine what type of disposal or recycling is legally applicable in your country.PackagingThe original packaging of HBM devices is made fromrecyclable material and can be sent for recycling. Storethe packaging for at least the duration of the warranty. Inthe case of complaints, the torque flange must bereturned in the original packaging.For ecological reasons, empty packaging should not bereturned to us.
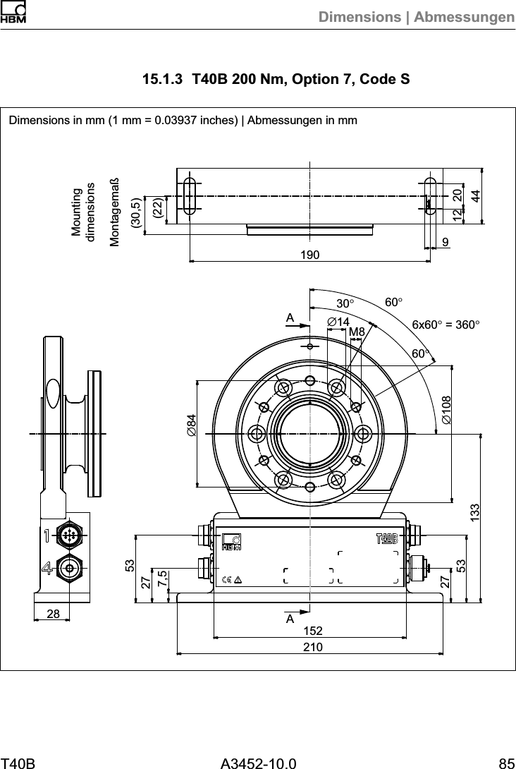
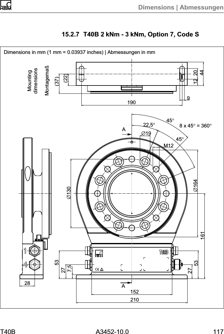
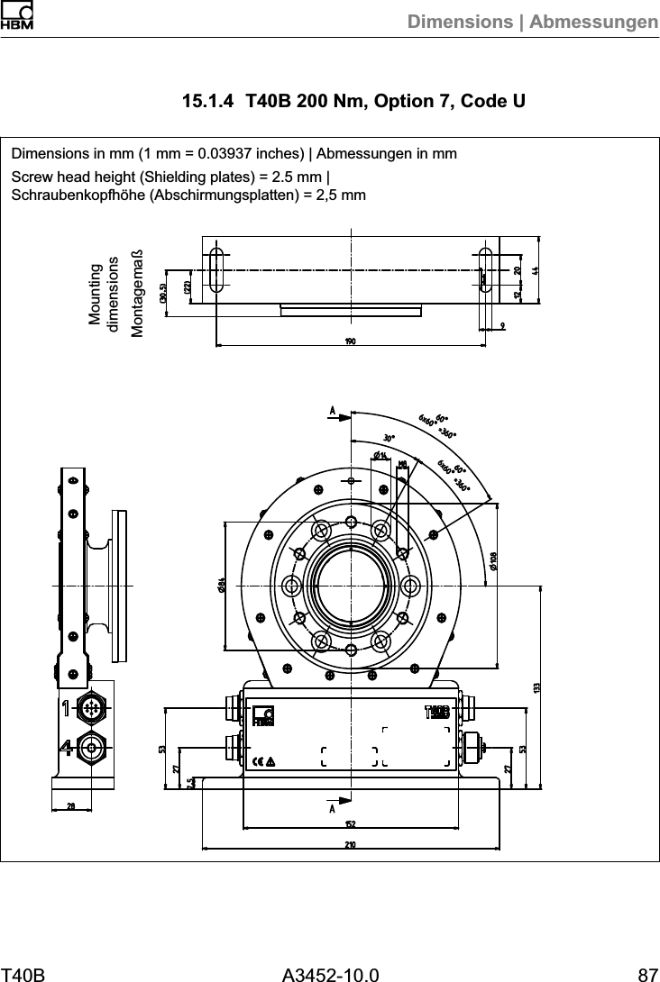
= PREFERENCE TypesOrdering numbers, accessories56 A3452-10.0 T40B12 Ordering numbers, accessoriesOrder no.K-T40B [only with Option 2 = MF / ST]Code Option 1: Measuring range up to050Q 50 N·m [only with Option 2 = MF / RO]100Q 100 N·m [only with Option 2 = MF / RO]200Q 200 N·m [only with Option 2 = MF / RO]500Q 500 N·m [only with Option 2 = MF / RO]001R 1 kN·m [only with Option 2 = MF / RO]002R 2 kN·m [only with Option 2 = MF / RO]003R 3 kN·m [only with Option 2 = MF / RO]005R 4 kN·m [only with Option 2 = MF / RO]010R 5 kN·m [only with Option 2 = MF / RO]Code Option 2: ComponentMF Measurement flange, completeRO RotorST StatorCode Option 3: AccuracySStandardCode Option 4: Nominal (rated) rotational speedMStandard rotational speedHHigh rotational speedCode Option 5: Electrical configuration [only with Option 2 = MF / RO]SU2 10 kHz ±5 kHz and ±10 V output signal, 18…30V DC supply volt.DU2 60 kHz ±30 kHz and ±10 V output signal, 18…30V DC supply volt.HU2 240 kHz ±120 kHz and ±10 V output sign., 18…30V DC sup. volt.Code Option 6: Rotational speed measuring system0Without rotational speed measuring system1Magnetic rot. speed meas. system: 1024 pulses/revolutionAMagnetic rot. speed meas. system (1024 pulses/revolution)and referenceCode Option 7: Customized modificationSNo customer-specific modificationUUS and Canada versionK-T40B - 0 0 1 R - M F - S - M - D U 2 - 0 - S
Ordering numbers, accessoriesT40B A3452-10.0 57Accessories, to be ordered separatelyArticle Order no.Connection cable, setTorque connection cable, Binder 423 - 15‐pin D‐Sub, 6 m 1-KAB149-6Torque connection cable, Binder 423 - 7‐pin, free ends, 6 m 1-KAB153-6Rotational speed connection cable, Binder 423 - 15‐pin D‐Sub, 6 m 1-KAB150-6Rotational speed connection cable, Binder 423 - 8‐pin, free ends, 6 m 1-KAB154-6Rotational speed connection cable, reference signal, Binder 423 -15‐pin D‐Sub, 6 m1-KAB163-6Rotational speed connection cable, reference signal, Binder 423 -8‐pin, free ends, 6 m1-KAB164-6TMC connection cable, Binder 423 - 16‐pin, free ends, 6 m 1-KAB174-6Cable sockets423G-7S, 7‐pin (straight) 3-3101.0247423W-7S, 7‐pin (angular) 3-3312.0281423G-8S, 8‐pin (straight) 3-3312.0120423W-8S, 8‐pin (angular) 3-3312.0282Connection cable, by the meter (min. order quantity: 10 m, price per meter)Kab8/00-2/2/2 4-3301.0071
Specifications58 A3452-10.0 T40B13 Specifications13.1 Nominal (rated) torque 50N·m to500N·mAccuracy class 0.1 0.05Torque measuring systemNominal (rated) torque Mnom NVm 50 100 200 500Nominal (rated) rotational speed rpm 20 000Nominal (rated) rotational speed,optionalrpm 24 000 22 000Non‐linearity including hysteresis,related to the nominal (rated)sensitivityFrequency outputFor a max. torque in the range:between 0% of Mnom and 20% ofMnom% <"0.01> 20% of Mnom and 60% of Mnom % <"0.02> 60% of Mnom and 100% of Mnom % <"0.03Voltage outputFor a max. torque in the range:between 0% of Mnom and 20% ofMnom% <"0.01> 20% of Mnom and 60% of Mnom % <"0.02> 60% of Mnom and 100% of Mnom % <"0.03Relative standard deviation ofrepeatabilityper DIN 1319, related to the variationof the output signalFrequency output % <"0.03Voltage output % <"0.03
SpecificationsT40B A3452-10.0 59Nominal (rated) torque Mnom 50020010050NVmTemperature effect per 10 K in thenominal (rated) temperature rangeon the output signal, related to theactual value of the signal spanFrequency output %"0.1 "0.05Voltage output %"0.4 "0.2on the zero signal, related to thenominal (rated) sensitivityFrequency output %"0.1 "0.05Voltage output %"0.2 "0.1Nominal (rated) sensitivity(span between torque = zero andnominal (rated) torque)Frequency output 10kHz / 60kHz /240kHzkHz 5/30/120Voltage output V 10Sensitivity tolerance(deviation of the actual output quantityat Mnom from the nominal (rated)sensitivity)Frequency output %"0.1Voltage output %"0.1Output signal at torque = zeroFrequency output kHz 10/60/240Voltage output V 0Nominal (rated) output signalFrequency outputwith positive nominal (rated)torquekHz 15 1) / 90 2) / 360 3) (5 V symmetrical 4))with negative nominal (rated)torquekHz 5 1) / 30 2) / 120 3)(5 V symmetrical 4))Voltage output
Specifications60 A3452-10.0 T40BNominal (rated) torque Mnom 50020010050NVmwith positive nominal (rated)torqueV +10with negative nominal (rated)torqueV -10Load resistanceFrequency output kΩ ≥ 2Voltage output kΩ ≥ 10Long‐term drift over 48 h atreference temperatureFrequency output %t"0.06 t"0.03Voltage output %t"0.06 t"0.03Measurement frequency range,-3 dBkHz 11) / 32) / 63)Group delay µst4001) / t2202) / t1503)Residual rippleVoltage output 5) mV t40Maximum modulation range 6)Frequency output kHz 2.5 to 17.5 1) / 15 to 105 2) / 60 to420 3)Voltage output V-12 to +12Energy supplyNominal (rated) supply voltage(separated extra‐low DC voltage)V18 to 30Current consumption in measuringmodeA< 1Current consumption in startup mode A< 4 (typ. 2) 50 µsNominal (rated) power consumption W< 10Maximum cable length m 50Shunt signal approx. 50% of MnomTolerance of the shunt signal,related to Mnom% <"0.05
SpecificationsT40B A3452-10.0 61Nominal (rated) torque Mnom 50020010050NVmNominal (rated) trigger voltage V 5Trigger voltage limit V 36Shunt signal ON Vmin. >2.5Shunt signal OFF Vmax. <0.7Rotational speed measuring systemMeasurement system Magnetic, via AMR sensor(Anisotropic Resistive Effect) andmagnetized plastic ring withembedded steel ringMagnetic poles 72 86Maximum position deviation of thepoles50 angular secondsOutput signal V5 V symmetrical (RS-422);2 square‐wave signals approx. 90°phase shiftedPulses per revolution 1024Minimum rotational speed forsufficient pulse stabilityrpm 0Pulse tolerance 7) degrees <"0.05Maximum permissible outputfrequencykHz 420Group delay µs <150Radial nominal (rated) distancebetween sensor head and magneticring (mechanical distance)mm 1.6Working distance range betweensensor head and magnetic ringmm 0.4 to 2.5Max. permissible axialdisplacement of the rotor to thestator 8)mm "1.5Hysteresis of reversal in the caseof relative vibrations between rotorand stator
Specifications62 A3452-10.0 T40BNominal (rated) torque Mnom 50020010050NVmTorsional vibration of the rotor degrees <approx. 0.2Horizontal stator vibrationdisplacementmm <approx. 0.5Magnetic load limitRemanent flux density mT >100Coercive field strength kA/m >100Permissible magnetic field strengthfor signal deviationskA/m <0.1Load resistance 9) kΩ≥2Reference signal measuring system (0 index)Measurement system Magnetic, with Hall sensor andmagnetOutput signal V5 V symmetrical (RS‐422)Pulses per revolution 1Minimum rotational speed forsufficient pulse stabilityrpm 2Pulse width, approx. degrees 0.088Pulse tolerance 7degrees <"0.05Group delay µs <150Axial nominal (rated) distancebetween sensor head and magneticring (mechanical distance)mm 2.0Working distance range betweensensor head and magnetic ringmm 0.4 to 2.5Max. permissible axialdisplacement of the rotor to thestator 8mm "1.5General informationEMCEmission (per FCC 47 Part 15, Subpart C) 10)-
SpecificationsT40B A3452-10.0 63Nominal (rated) torque Mnom 50020010050NVmEmission (per EN 61326-1, Section 7)RFI field strength 11) -Class BImmunity from interference (EN61326-1, Table 2)Electromagnetic field (AM) V/m 10Magnetic field A/m 100Electrostatic discharge (ESD)Contact discharge kV 4Air discharge kV 8Fast transients (burst) kV 1Impulse voltages (surge) kV 1Conducted interference (AM) V 10Degree of protection per EN60529 IP 54Reference temperature °C23Nominal (rated) temperature range °C+10 to +70Operating temperature range 12) °C-20 to +85Storage temperature range °C-40 to +85Mechanical shock perEN 60068-2-2713)Number n 1000Duration ms 3Acceleration (half sine) m/s2650Vibrational stress in threedirections per EN60068-2-6 13)Frequency range Hz 10 to 2000Duration h 2.5Acceleration (amplitude) m/s2200Load limits 14)Limit torque, related to Mnom 15) % 400 200
Specifications64 A3452-10.0 T40BNominal (rated) torque Mnom 50020010050NVmBreaking torque, related to Mnom 15) % 800 > 400Longitudinal limit force 16) kN 5 5 10 13Lateral limit force 16) kN 1 1 2 4Limit bending moment 16) N⋅m 50 50 100 200Oscillation width per DIN 50100(peak‐to‐peak) 17)N⋅m 200 200 400 1000Mechanical valuesTorsional stiffness cTkN⋅m/rad 180 180 360 745Torsion angle at Mnom degrees 0.016 0.032 0.032 0.038Stiffness in the axial direction cakN/mm 285 285 540 450Stiffness in the radial direction crkN/mm 160 160 315 560Stiffness during the bendingmoment round a radial axis cbkN⋅m/deg. 1.9 1.9 3.6 4.2Maximum deflection at longitudinallimit forcemm <0.04 <0.05Additional max. radial deviation atlateral limit forcemm <0.02Additional plumb/parallel deviationat limit bending moment (at j dB)mm <0.06 <0.11Balance quality level perDIN ISO 1940G 2.5Max. limits for relative shaftvibration (peak‐to‐peak)18)Undulations in connection flangearea, based on ISO 7919-3Normal operation (continuousoperation)µms(p*p) +9000nǸ(n in rpm)Start and stop operation/resonanceranges (temporary)µms(p*p) +13200nǸ(n in rpm)Mass moment of inertia of therotor Jv
SpecificationsT40B A3452-10.0 65Nominal (rated) torque Mnom 50020010050NVmwithout rotational speed measuringsystemkg⋅m20.0010 0.0010 0.0017 0.0039with magn. rotational speedmeasuring systemkg⋅m20.0015 0.0015 0.0022 0.0048Proportional mass moment ofinertia for the transmitter side (sideof the flange with externalcentering)without rotational speed measuringsystem% of Jv68 68 62 59with magn. rotational speedmeasuring system% of Jv44 44 48 48Max. permissible static eccentricityof the rotor (radially) to the centerpoint of the statorwithout rotational speed measuringsystemmm "2Permissible axial displacement between rotor and stator 19)without rotational speed measuringsystemmm "2WeightRotor without rotational speedmeasuring systemkg 0.7 0.7 1.1 1.9Rotor with magn. rotational speedmeasuring systemkg 0.8 0.8 1.3 2.1Stator kg 1.1 1.1 1.1 1.11) Option 5, 10"5 kHz (code SU2)2) Option 5, 60"30 kHz (code DU2)3) Option 5, 240"120 kHz (code HU2)4) RS-422 complementary signals, note termination resistance.5) Signal frequency range 0.1 to 10 kHz6) Output signal range in which there is a repeatable correlation between torque and output signal.7) At nominal (rated) conditions.8) The data refers only to a central axial alignment. Deviations lead to a change in pulse tolerance.
Specifications66 A3452-10.0 T40B9) Note the required termination resistances as per RS-422.10) Option 7, Code U11) Option 7, Code S12) Heat conductance via the stator base plate necessary over 70°C. The temperature of the baseplate must not exceed 85°C.13) The antenna ring and connector plug must be fixed.14) Each type of irregular stress (bending moment, lateral or longitudinal force, exceeding nominal(rated) torque), can only be permitted up to its specified load limit, provided none of the others canoccur at the same time. If this condition is not met, the limit values must be reduced. If 30% of thelimit bending moment and lateral limit force occur at the same time, only 40% of the longitudinallimit force is permissible and the nominal (rated) torque must not be exceeded. The effects ofpermissible bending moments, longitudinal and lateral forces on the measurement result are≤±0.3% (50Nm: ≤±0.6%) of the nominal (rated) torque. The load limits only apply for the nominal(rated) temperature range. At temperatures <10_C, the load limits must be reduced by approx.30% (strength reduction).15) With a static loading.16) Static and dynamic.17) The nominal (rated) torque must not be exceeded.18) The influence of radial run‐out deviations, impact, defects of form, notches, marks, local residualmagnetism, structural variations or material anomalies on the vibrational measurements needs tobe taken into account and isolated from the actual undulation.19) Above the nominal (rated) temperature range: ±1.5mm.13.2 Nominal (rated) torque 1kN·m to10kN·mAccuracy class 0.05Torque measuring systemNominal (rated) torque Mnom kNVm 1 2 3 5 10Nominal (rated) rotationalspeedrpm 20 000 15 000 12 000 10 000Nominal (rated) rotationalspeed, optionalrpm 22 000 16 000 14 000 12 000Non‐linearity includinghysteresis, related to thenominal (rated) sensitivityFrequency outputFor a max. torque in the range:
SpecificationsT40B A3452-10.0 67Nominal (rated) torque Mnom 105321kNVmbetween 0% of Mnom and20% of Mnom% <"0.01> 20% of Mnom and 60% ofMnom% <"0.02> 60% of Mnom and 100%of Mnom% <"0.03Voltage outputFor a max. torque in the range:between 0% of Mnom and20% of Mnom% <"0.01> 20% of Mnom and 60% ofMnom<"0.02> 60% of Mnom and 100%of Mnom<"0.03Relative standard deviationof repeatability per DIN 1319,related to the variation of theoutput signalFrequency output % <"0.03Voltage output % <"0.03Temperature effect per 10 Kin the nominal (rated)temperature rangeon the output signal, related tothe actual value of the signalspanFrequency output %"0.05Voltage output %"0.2on the zero signal, related tothe nominal (rated) sensitivityFrequency output %"0.05Voltage output %"0.1
Specifications68 A3452-10.0 T40BNominal (rated) torque Mnom 105321kNVmNominal (rated) sensitivity(span between torque = zeroand nominal (rated) torque)Frequency output 10kHz /60kHz / 240kHzkHz 5/30/120Voltage output V 10Sensitivity tolerance(deviation of the actual outputquantity at Mnom from thenominal (rated) sensitivity)Frequency output %"0.1Voltage output %"0.1Output signal at torque=zeroFrequency output kHz 10/60/240Voltage output V 0Nominal (rated) output signalFrequency outputwith positive nominal(rated) torquekHz 15 20) / 90 21) / 360 22) (5 V symmetrical23))with negative nominal(rated) torquekHz 5 20) / 30 21) / 120 22) (5 V symmetrical4))Voltage outputwith positive nominal(rated) torqueV +10with negative nominal(rated) torqueV 10Load resistanceFrequency output kΩ ≥ 2Voltage output kΩ ≥ 10Long‐term drift over 48 h atreference temperatureFrequency output %t"0.03
SpecificationsT40B A3452-10.0 69Nominal (rated) torque Mnom 105321kNVmVoltage output %t"0.03Measurement frequencyrange, -3 dBkHz 1 20) / 3 21) / 6 22)Group delay µst400 20) / t220 21) / t150 22)Residual rippleVoltage output 24) mV t40Maximum modulationrange 25)Frequency output kHz 2.5 to 17.5 20) / 15 to 105 21) /60 to 420 22))Voltage output V-12 to +12Energy supplyNominal (rated) supply voltage(separated extra‐low DCvoltage)V18 to 30Current consumption inmeasuring modeA< 1Current consumption in startupmodeA< 4 (typ. 2) 50 µsNominal (rated) powerconsumptionW< 10Maximum cable length m 50Shunt signal approx. 50% of MnomTolerance of the shuntsignal, related to Mnom% <"0.05Nominal (rated) trigger voltage V 5Trigger voltage limit V 36Shunt signal ON Vmin. >2.5Shunt signal OFF Vmax. <0.7
Specifications70 A3452-10.0 T40BNominal (rated) torque Mnom 105321kNVmRotational speed measuring systemMeasurement system Magnetic, via AMR sensor (AnisotropicResistive Effect) and magnetized plasticring with embedded steel ringMagnetic poles 86 108 126 156Maximum position deviationof the poles50 angular secondsOutput signal V5 V symmetrical (RS-422);2 square‐wave signals approx. 90° phaseshiftedPulses per revolution 1024Minimum rotational speedfor sufficient pulse stabilityrpm 0Pulse tolerance 26) degrees <"0.05Maximum permissible outputfrequencykHz 420Group delay µs <150Radial nominal (rated)distance between sensorhead and magnetic ring(mechanical distance)mm 1.6Working distance rangebetween sensor head andmagnetic ringmm 0.4 to 2.5Max. permissible axialdisplacement of the rotor tothe stator 27)mm "1.5Hysteresis of direction ofrotation reversal in the caseof relative vibrationsbetween rotor and statorTorsional vibration of the rotor degrees <approx. 0.2Horizontal stator vibrationdisplacementmm <approx. 0.5
SpecificationsT40B A3452-10.0 71Nominal (rated) torque Mnom 105321kNVmMagnetic load limitRemanent flux density mT >100Coercive field strength kA/m >100Permissible magnetic fieldstrength for signaldeviationskA/m <0.1Load resistance 28) kΩ≥2Reference signal measuring system (0 index)Measurement system Magnetic, with Hall sensor and magnetOutput signal V5 V symmetrical (RS‐422)Pulses per revolution 1Minimum rotational speedfor sufficient pulse stabilityrpm 2Pulse width, approx. degrees 0.088Pulse tolerance 26) degrees <"0.05Group delay µs <150Axial nominal (rated)distance between sensorhead and magnetic ring(mechanical distance)mm 2.0Working distance rangebetween sensor head andmagnetic ringmm 0.4 to 2.5Max. permissible axialdisplacement of the rotor tothe stator 27)mm "1.5General informationEMCEmission (per FCC PartC15,Subpart C) 29)Emission (per EN 61326-1,Section 7)
Specifications72 A3452-10.0 T40BNominal (rated) torque Mnom 105321kNVmRFI field strength 30) -Class BImmunity from interference(EN 61326-1, Table 2)Electromagnetic field (AM) V/m 10Magnetic field A/m 100Electrostatic discharge (ESD)Contact discharge kV 4Air discharge kV 8Fast transients (burst) kV 1Impulse voltages (surge) kV 1Conducted interference (AM) V 10Degree of protection perEN60529IP 54Reference temperature °C23Nominal (rated) temperaturerange °C+10 to +70Operating temperaturerange31)°C-20 to +85Storage temperature range °C-40 to +85-40 to +85Mechanical shock perEN60068-2-2732)Number n 1000Duration ms 3Acceleration (half sine) m/s2650Vibrational stress in 3 directions per EN60068-2-632)Frequency range Hz 10 to 2000Duration h 2.5Acceleration (amplitude) m/s2200Load limits 33
SpecificationsT40B A3452-10.0 73Nominal (rated) torque Mnom 105321kNVmLimit torque, related toMnom34% 200 160Breaking torque, related toMnom34%> 400 > 320Longitudinal limit force35) kN 19 30 35 60 80Lateral limit force35) kN 5 9 10 12 18Limit bending moment 35) N⋅m 220 560 600 800 1200Oscillation width perDIN 50100 (peak‐to‐peak) 36)N⋅m 2000 4000 4800 8000 16000Mechanical valuesTorsional stiffness cTkN⋅m/rad1165 2515 3210 5565 14335Torsion angle at Mnom degrees 0.049 0.046 0.054 0.051 0.040Stiffness in the axialdirection cakN/mm 580 540 570 760 960Stiffness in the radialdirection crkN/mm 860 1365 1680 2080 2940Stiffness during the bendingmoment round a radialaxis cbkN⋅m/deg. 5.9 9 9.3 20.2 45.5Maximum deflection atlongitudinal limit forcemm < 0.05 < 0.06 < 0.08 < 0.09Additional max. radialdeviation at lateral limit forcemm < 0.02Additional plumb/paralleldeviation at limit bendingmoment (at j dB)mm < 0.09 < 0.18 < 0.19 < 0.14 < 0.12Balance quality level perDIN ISO 1940G 2.5
Specifications74 A3452-10.0 T40BNominal (rated) torque Mnom 105321kNVmMax. limits for relative shaftvibration (peak‐to‐peak)37)Undulations in connectionflange area, based onISO 7919-3Normal operation (continuousoperation)µms(p*p) +9000nǸ(n in rpm)Start and stop operation/resonance ranges (temporary)µms(p*p) +13200nǸ(n in rpm)Mass moment of inertia ofthe rotor Jvwithout rotational speedmeasuring systemkg⋅m20.0039 0.0128 0.0292 0.0771with magn. rotational speedmeasuring systemkg⋅m20.0048 0.0145 0.0146 0.0333 0.0872Proportional mass momentof inertia for the transmitterside (side of the flange withexternal centering)without rotational speedmeasuring system% of Jv59 54 53 54with magn. rotational speedmeasuring system% of Jv48 48 47 48Max. permissible staticeccentricity of the rotor (radially) to thecenter point of the statorwithout rotational speedmeasuring systemmm "2Permissible axialdisplacement between rotor and stator 38)without rotational speedmeasuring systemmm "2Weight
SpecificationsT40B A3452-10.0 75Nominal (rated) torque Mnom 105321kNVmRotor without rotational speedmeasuring systemkg 1.9 3.8 3.9 6.5 10.9Rotor with magn. rotationalspeed measuring systemkg 2.1 4.1 4.1 6.9 11.7Stator kg 1.1 1.1 1.1 1.2 1.320) Option 5, 10"5 kHz (code SU2)21) Option 5, 60"30 kHz (code DU2)22) Option 5, 240"120 kHz (code HU2)23) RS-422 complementary signals, note termination resistance.24) Signal frequency range 0.1 to 10 kHz25) Output signal range in which there is a repeatable correlation between torque and output signal.26) At nominal (rated) conditions.27) The data refers only to a central axial alignment. Deviations lead to a change in pulse tolerance.28) Note the required termination resistances as per RS-422.29) Option 7, Code U30) Option 7, Code S31) Heat conductance via the stator base plate necessary over 70°C. The temperature of the baseplate must not exceed 85°C.32) The antenna ring and connector plug must be fixed.33) Each type of irregular stress (bending moment, lateral or longitudinal force, exceeding nominal(rated) torque), can only be permitted up to its specified load limit, provided none of the others canoccur at the same time. If this condition is not met, the limit values must be reduced. If 30% of thelimit bending moment and lateral limit force occur at the same time, only 40% of the longitudinallimit force is permissible and the nominal (rated) torque must not be exceeded. The effects ofpermissible bending moments, longitudinal and lateral forces on the measurement result arev"0.3% of the nominal (rated) torque. The load limits only apply for the nominal (rated)temperature range. At temperatures <10_C, the load limits must be reduced by approx. 30%(strength reduction).34) With a static loading.35) Static and dynamic.36) The nominal (rated) torque must not be exceeded.37) The influence of radial deviations, impact, defects of form, notches, marks, local residualmagnetism, structural variations or material anomalies on the vibrational measurements needs tobe taken into account and isolated from the actual undulation.38) Above the nominal (rated) temperature range: ±1.5mm.
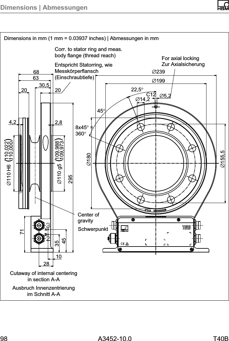
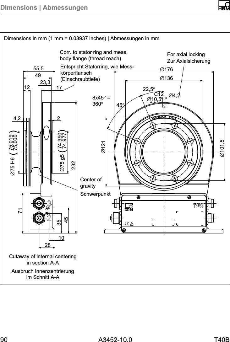
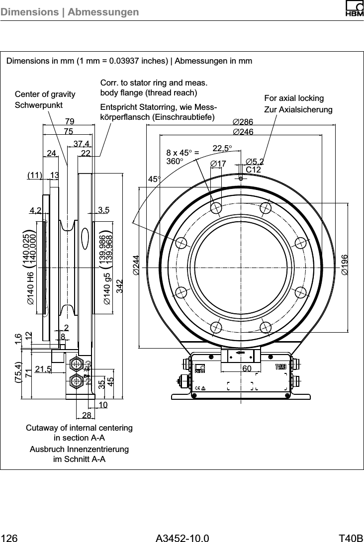
Supplementary technical information76 A3452-10.0 T40B14 Supplementary technical informationAxial and radial run‐out tolerancesInternal centeringAAxial run‐out AB BHardness 46 to 54 HRCSurface quality of the axial and radialrun‐out tolerances (A, B and AB)0.8Radial run‐out ABMeasuring range (NVm) Axial run‐out tolerance(mm)Radial run‐out tolerance(mm)50 0.01 0.01100 0.01 0.01200 0.01 0.01500 0.01 0.011 k 0.01 0.012 k 0.02 0.023 k 0.02 0.025 k 0.02 0.0210 k 0.02 0.02To ensure that the torque flange retains its propertiesonce it is installed, we recommend that the customer alsochooses the specified form and position tolerances, surface quality and hardness for the connections provided.
Mounting Instructions | MontageanleitungEnglish DeutschT40B
2 A3452-10.0 T40BDeutsch1 Sicherheitshinweise 5......................................2 Verwendete Kennzeichnungen 13.............................2.1 Auf dem Aufnehmer angebrachte Symbole 13....................2.2 In dieser Anleitung verwendete Kennzeichnungen 13..............3 Anwendung 15..............................................4 Aufbau und Wirkungsweise 16...............................5 Mechanischer Einbau 22.....................................5.1 Wichtige Vorkehrungen beim Einbau 22.........................5.2 Bedingungen am Einbauort 23..................................5.3 Einbaulage 24................................................5.4 Einbaumöglichkeiten 24.......................................5.4.1 Einbau mit nicht demontiertem Antennenring, Option 7, Code U mitAntennen-Abschirmungsabdeckung 25..........................5.4.2 Einbau mit nachträglicher Montage des Stators, Option 7, Code S 265.5 Montage des Rotors 27........................................5.6 Montage des Stators 31.......................................5.7 Drehzahlmesssystem, Referenzimpuls (optional) 39...............6 Elektrischer Anschluss 41....................................6.1 Allgemeine Hinweise 41.......................................6.2 EMV‐Schutz 41...............................................6.3 Steckerbelegung 43...........................................6.4 Versorgungsspannung 49......................................7 Shuntsignal 51..............................................8 Funktionsprüfung 53........................................8.1 Rotorstatus, LED A (obere LED) 54.............................8.2 Statorstatus, LED B (untere LED) 54............................
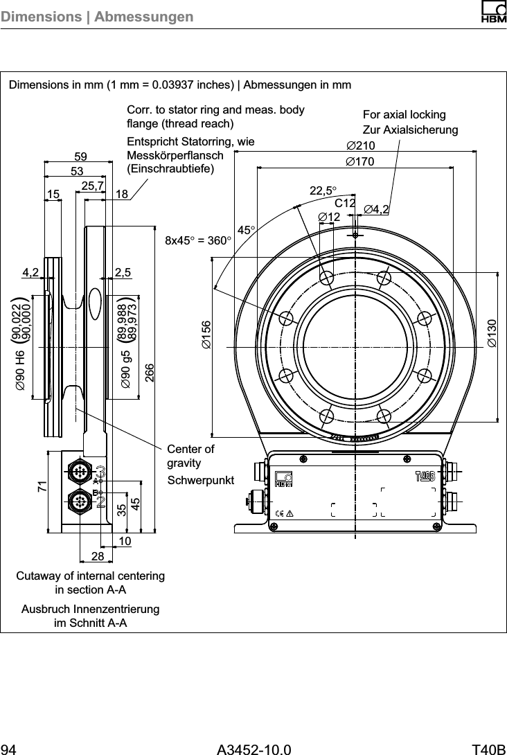
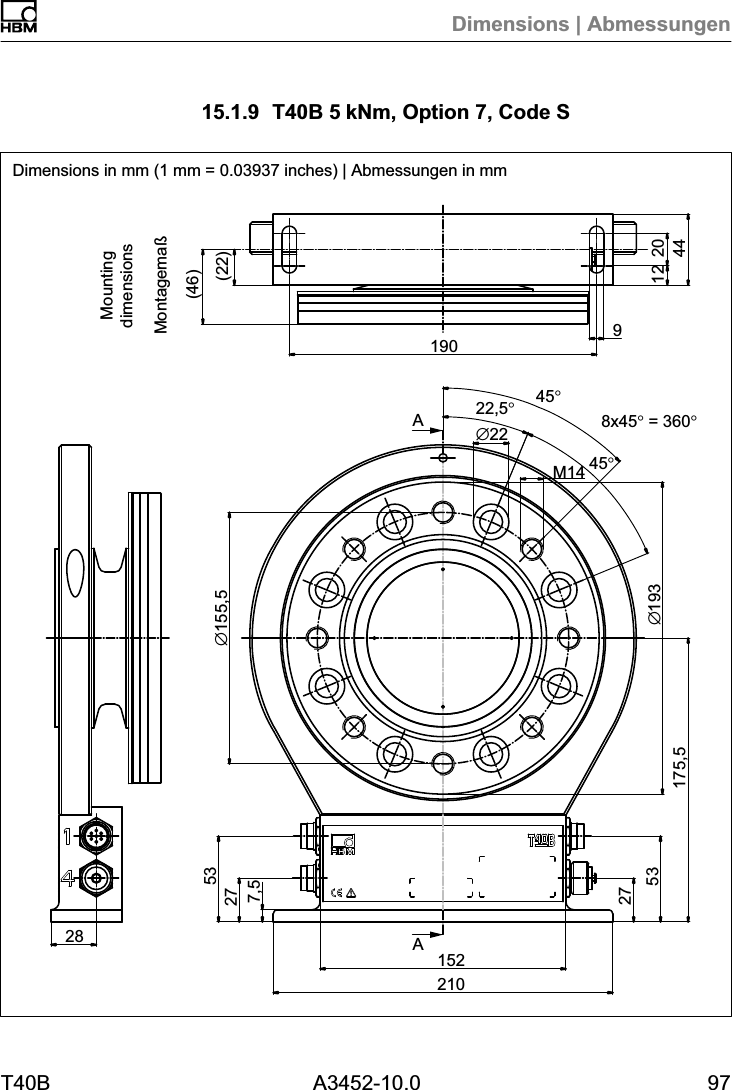
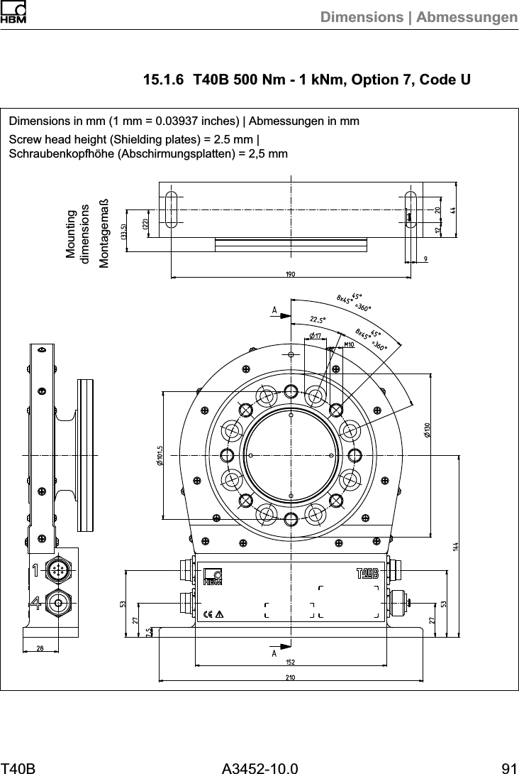
T40B A3452-10.0 39 Belastbarkeit 56.............................................10 Wartung 57..................................................11 Entsorgung und Umweltschutz 58............................12 Bestellnummern, Zubehör 59.................................13 Technische Daten 61.........................................13.1 Nenndrehmoment 50N·m bis 500N·m 61........................13.2 Nenndrehmoment 1kN·m bis 10kN·m 70........................14 Ergänzende technische Informationen 80.....................15 Dimensions | Abmessungen 81...............................15.1 T40B without rotational speed measurement | T40B ohne Drehzahlmessung 81...............................15.1.1 T40B 50Nm - 100Nm, Option 7, Code S 81.....................15.1.2 T40B 50 Nm, 100 Nm, Option 7, Code U 83......................15.1.3 T40B 200Nm, Option 7, Code S 85.............................15.1.4 T40B 200 Nm, Option 7, Code U 87.............................15.1.5 T40B 500Nm - 1kNm, Option 7, Code S 89.....................15.1.6 T40B 500 Nm - 1 kNm, Option 7, Code U 91.....................15.1.7 T40B 2kNm - 3kNm, Option 7, Code S 93.......................15.1.8 T40B 2 kNm - 3 kNm, Option 7, Code U 95......................15.1.9 T40B 5kNm, Option 7, Code S 97..............................15.1.10 T40B 5 kNm, Option 7, Code U 99..............................15.1.11 T40B 10kNm, Option 7, Code S 101.............................15.1.12 T40B 10 kNm, Option 7, Code U 103.............................15.2 T40B with rot. speed measurement and reference signal | mitDrehzahlmessung und Referenzimpuls 105........................15.2.1 T40B 50Nm - 100Nm, Option 7, Code S 105.....................15.2.2 T40B 50 kNm - 100 Nm, Option 7, Code U 107....................15.2.3 T40B 200Nm, Option 7, Code S 109.............................
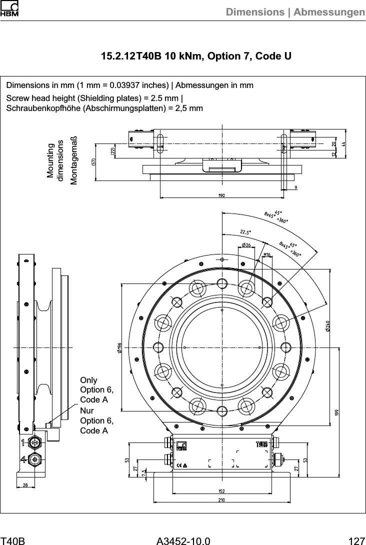
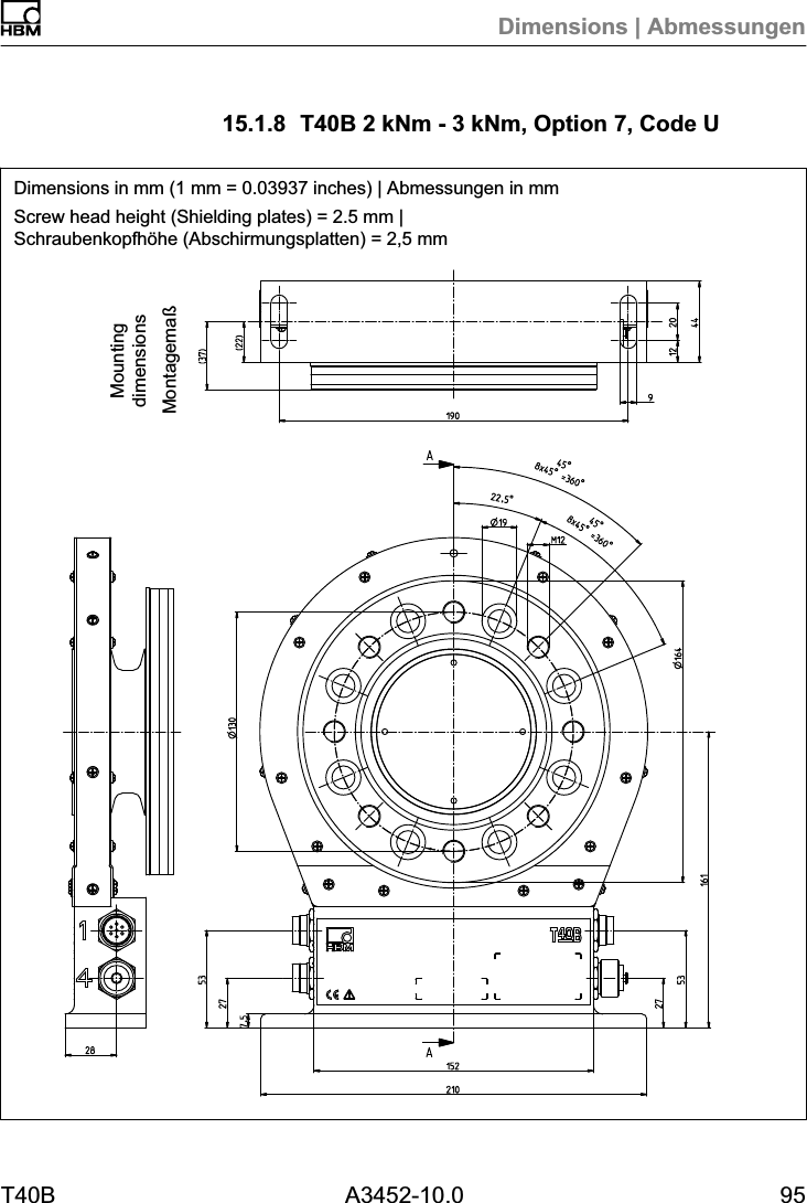
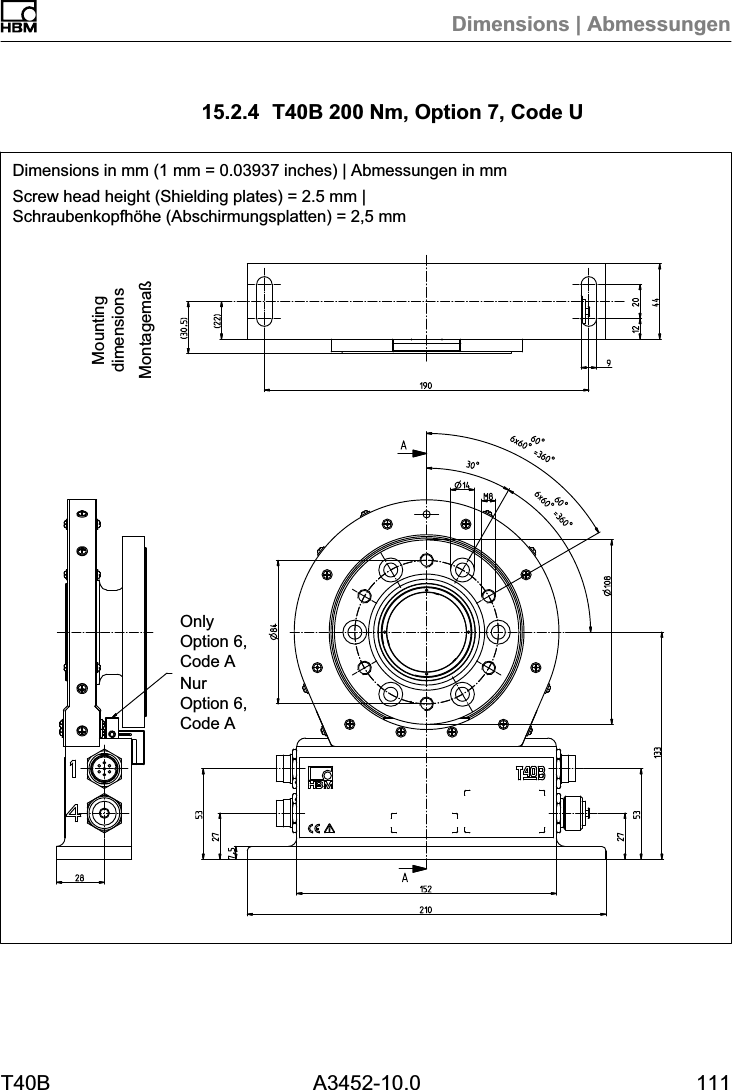
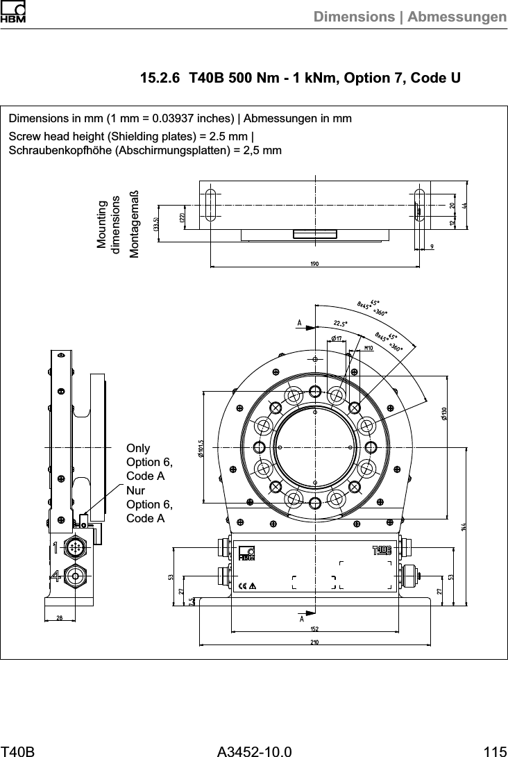
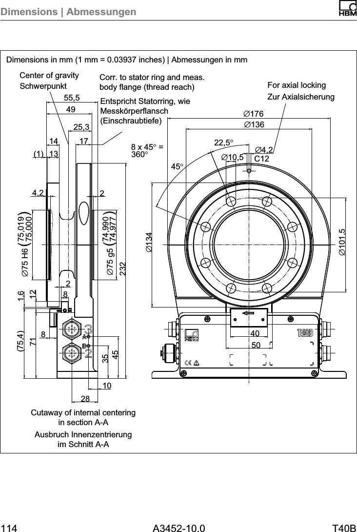
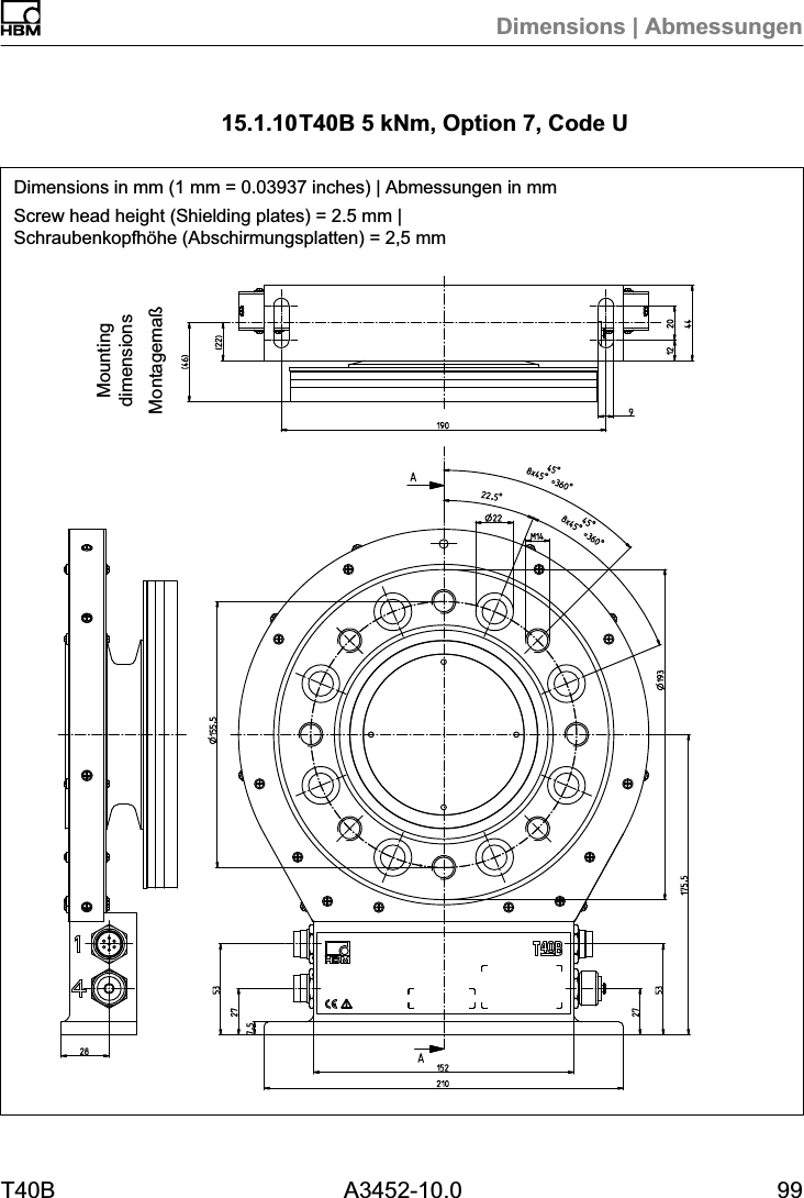
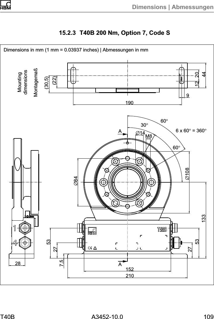
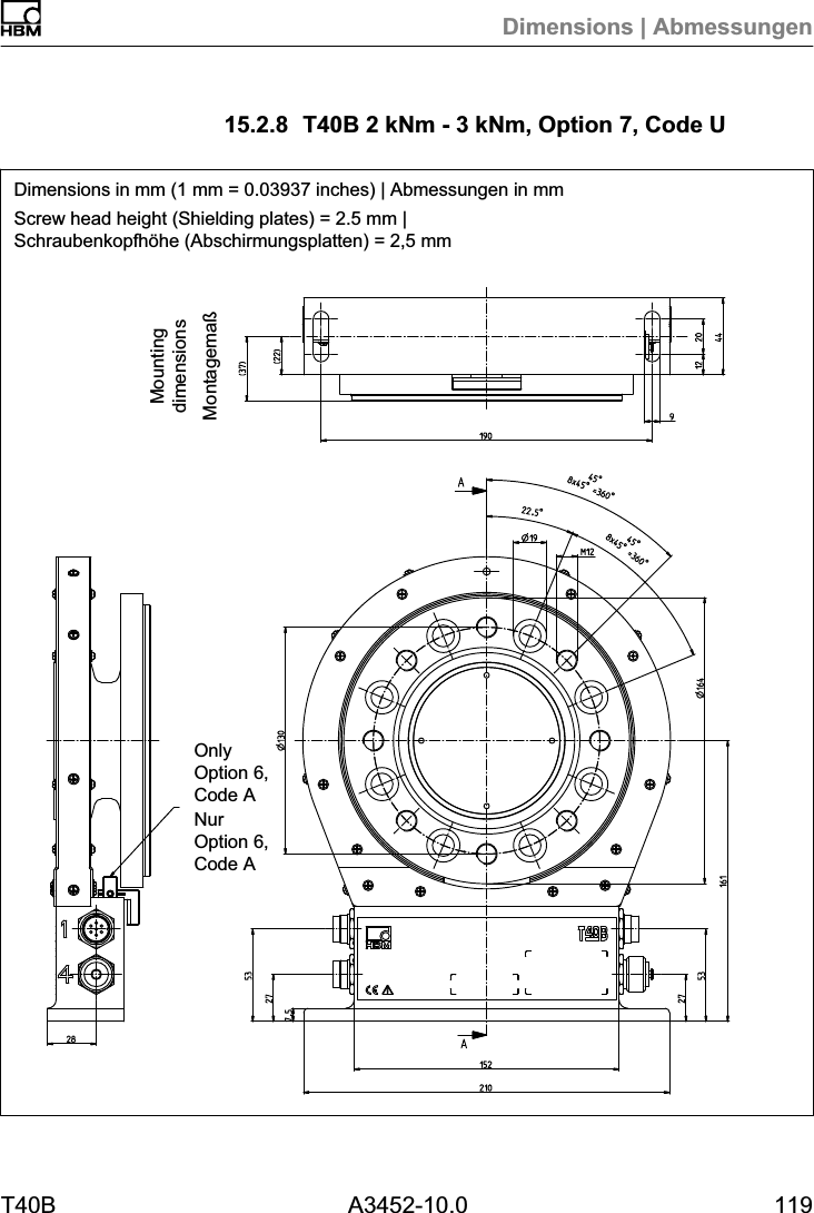
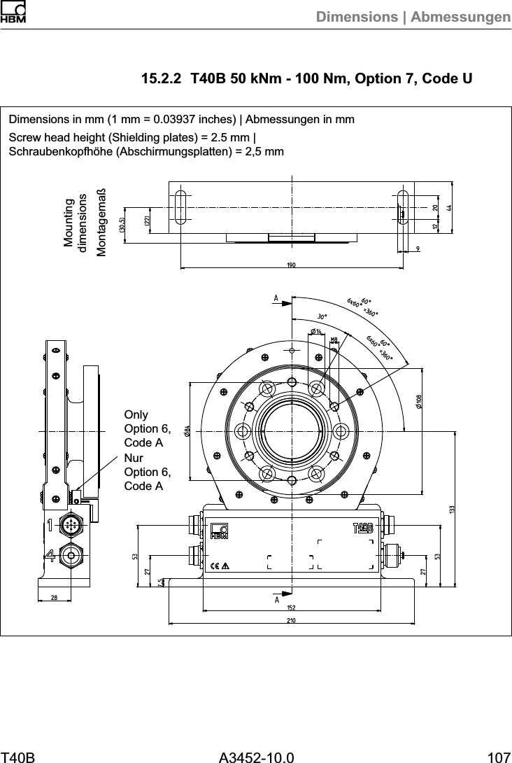
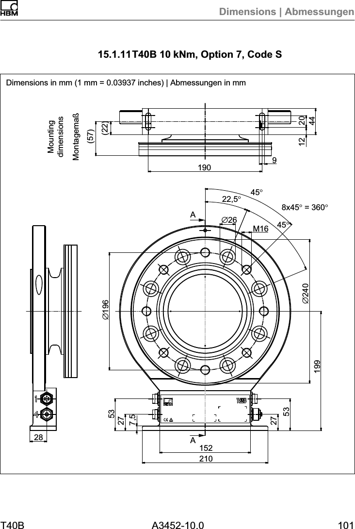
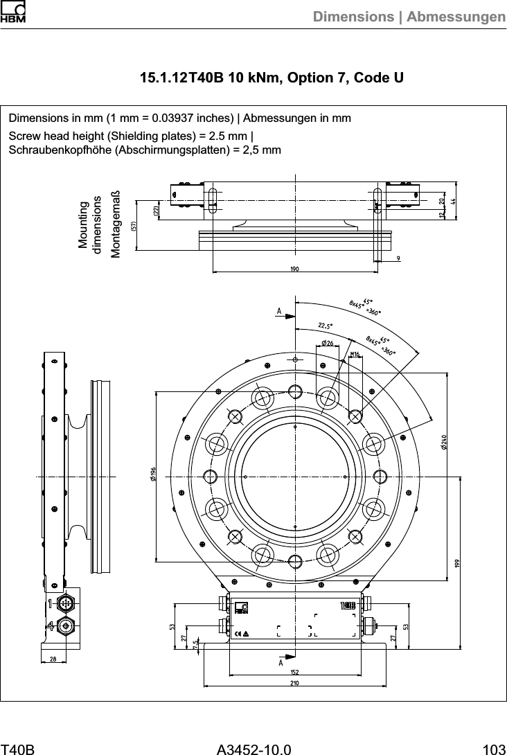
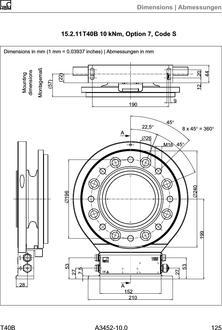
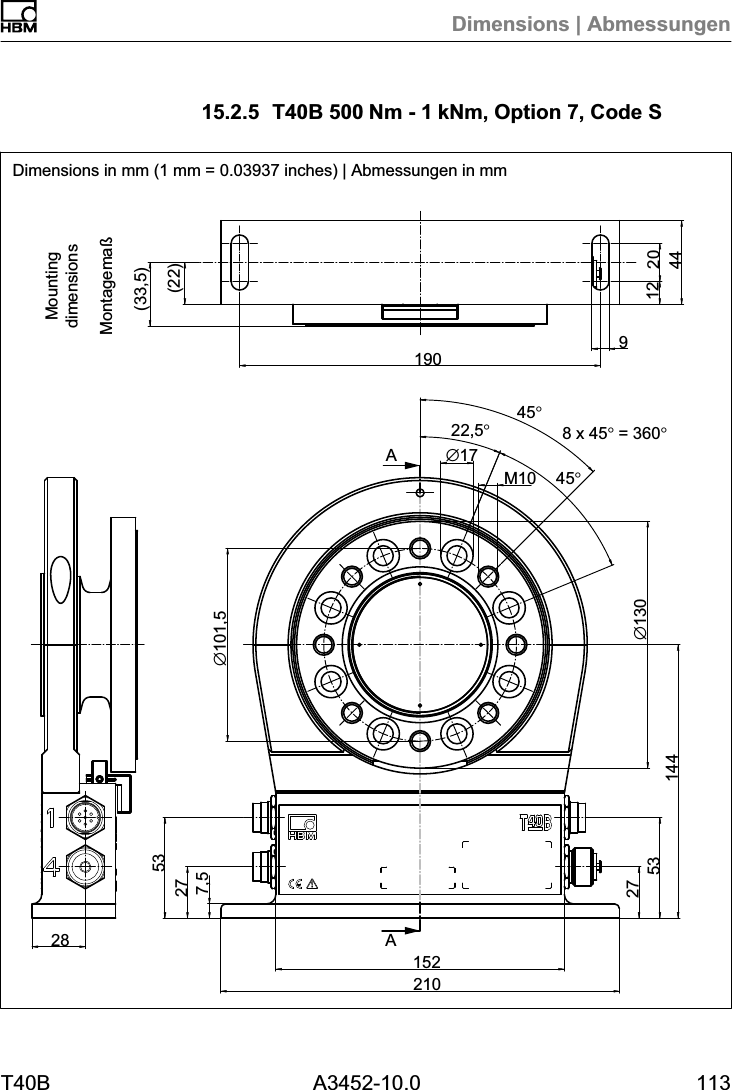
4 A3452-10.0 T40B15.2.4 T40B 200 Nm, Option 7, Code U 111.............................15.2.5 T40B 500Nm - 1kNm, Option 7, Code S 113.....................15.2.6 T40B 500 Nm - 1 kNm, Option 7, Code U 115.....................15.2.7 T40B 2kNm - 3kNm, Option 7, Code S 117.......................15.2.8 T40B 2 kNm - 3 kNm, Option 7, Code U 119......................15.2.9 T40B 5kNm, Option 7, Code S 121..............................15.2.10 T40B 5 kNm, Option 7, Code U 123..............................15.2.11 T40B 10kNm, Option 7, Code S 125.............................15.2.12 T40B 10 kNm, Option 7, Code U 127.............................
SicherheitshinweiseT40B A3452-10.0 51 SicherheitshinweiseFCC-Konformität und Hinweis für Option 7, Code UWichtigDurch Änderungen, die nicht ausdrücklich schriftlich vonder für die Konformität zuständigen Person genehmigtwurden, könnte die Berechtigung zum Betrieb des Gerätsverfallen. Sofern angegeben, müssen zusätzlicheKomponenten oder Zubehörteile, deren Verwendung beider Installation des Produkts an anderer Stelle vorgegeben ist, verwendet werden, um die Einhaltung der FCC-Vorschriften zu gewährleisten.Dieses Gerät entspricht Teil 15 der FCC-Vorschriften.Der Betrieb unterliegt den beiden nachstehendenBedingungen: (1) Dieses Gerät darf keine schädlichenStörungen verursachen und (2) dieses Gerät muss Störungen akzeptieren können, auch solche, die einunerwünschtes Betriebsverhalten zur Folge habenkönnen.Die FCC-Kennung bzw. die eindeutige Kennung mussam Gerät sichtbar sein.Modell Messbereiche FCC ID ICT40S2TOS650 Nm, 100 Nm,200 Nm2ADAT−T40S2TOS6 12438A−T40S2TOS6500 Nm, 1 kNm2 kNm, 3 kNm5 kNm10 kNm
Sicherheitshinweise6 A3452-10.0 T40BBeispiel eines Schildes mit FCC-ID und IC-Nummer.Model: T40S2TOS6FCC ID: 2ADAT-T40S2TOS6IC: 12438AT40S2TOS6This device complies with part 15 of the FCC Rules. Operation is subject to the following two conditions: (1) This devicemay not cause harmful interference, and (2) this device mustaccept any interference received, including interference thatmay cause undesired operation.SchildAbb. 1.1 Position des Schildes am Stator des GerätsModel: T40S2TOS6FCC ID: 2ADAT-T40S2TOS6IC: 12438AT40S2TOS6This device complies with part 15 of the FCC Rules. Operation issubject to the following two conditions: (1) This device may notcause harmful interference, and (2) this device must accept anyinterference received, including interference that may causeundesired operation.Abb. 1.2 Beispiel eines Schildes
SicherheitshinweiseT40B A3452-10.0 7Industry Canada für Option 7, Code UDarmstadt, 13.11.2014Dieses Produkt hat die IC-Freigabe ((Industry CanadaApproval) noch nicht erreicht. Der Zertifizierungsprozessläuft zur Zeit noch. HBM erwartet das Zertifikat bis EndeDezember 2014.Ihr lokaler HBM-Ansprechpartner wird Ihre möglichenFragen bezüglich der IC Zertifizierung gerne beantworten.Darmstadt, 2014-11-13This product has not yet received IC (Industry Canada)approval. The certification process for this product is stillunder way. HBM currently expects that IC approval willbe granted by the end of December 2014. Your local HBM contact looks forward to answer anyquestions you may have regarding IC approval.Darmstadt, le 13 novembre 2014Ce produit n'a pas encore obtenu l'approbation IC (Industrie Canada). Le produit est encore en processus decertification. Actuellement, HBM suppose que l'approbation IC sera accordée jusqu'à fin décembre 2014. Si vous avez des questions au sujet de l'approbation IC,veuillez vous adresser à votre représentation HBM surplace.Dieses Gerät entspricht der Industry-Canada-NormRSS210.Dieses Gerät entspricht der bzw. den RSS-Normen vonIndustry Canada für nicht genehmigungspflichtigeGeräte. Der Betrieb unterliegt den beiden nachstehendenBedingungen: (1) Dieses Gerät darf keine Störungen verursachen und (2) dieses Gerät muss Störungen akzep
Sicherheitshinweise8 A3452-10.0 T40Btieren können, auch solche, die ein unerwünschtesBetriebsverhalten des Geräts zur Folge haben können.This device complies with Industry Canada standardRSS210.This device complies with Industry Canadalicense‐exempt RSS standard(s).Operation is subject tothe following two conditions: (1) this device may notcause interference, and (2) this device must accept anyinterference, including interference that may cause undesired operation of the device.Cet appareil est conforme aux norme RSS210 d’IndustrieCanada.Cet appareil est conforme aux normes d’exemption delicence RSS d’Industry Canada. Son fonctionnement estsoumis aux deux conditions suivantes : (1)cet appareil nedoit pas causer d’interférence et (2) cet appareil doitaccepter toute interférence, notamment les interférencesqui peuvent affecter son fonctionnement.Bestimmungsgemäße VerwendungDer Drehmoment‐Messflansch T40B ist für Drehmoment‐, Drehwinkel‐ und Leistungs‐Messaufgaben imRahmen der durch die technischen Daten spezifiziertenBelastungsgrenzen konzipiert. Jeder andere Gebrauchist nicht bestimmungsgemäß.Der Betrieb des Stators ist nur mit montiertem Rotorzulässig.Der Drehmoment‐Messflansch darf nur von qualifiziertemPersonal ausschließlich entsprechend der technischenDaten unter Beachtung der Sicherheitsbestimmungenund Vorschriften dieser Montageanleitung eingesetztwerden. Zusätzlich sind die für den jeweiligen Anwendungsfall geltenden Rechts‐ und Sicherheitsvorschriften
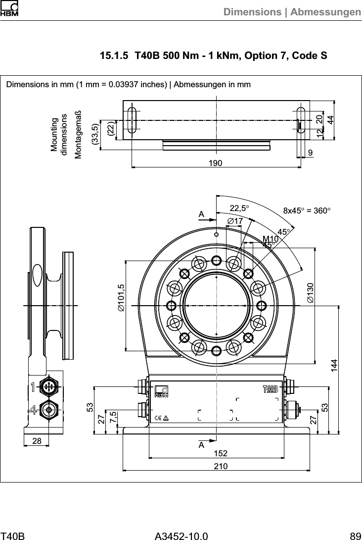
SicherheitshinweiseT40B A3452-10.0 9zu beachten. Sinngemäß gilt dies auch bei Verwendungvon Zubehör.Der Drehmoment‐Messflansch ist nicht zum Einsatz alsSicherheitsbauteil bestimmt. Bitte beachten Sie hierzuden Abschnitt „Zusätzliche Sicherheitsvorkehrungen“.Der einwandfreie und sichere Betrieb setzt sachgemäßenTransport, fachgerechte Lagerung, Aufstellung undMontage sowie sorgfältige Bedienung voraus.BelastbarkeitsgrenzenBeim Einsatz des Drehmoment‐Messflanschs sind dieAngaben in den technischen Datenblättern unbedingt zubeachten. Insbesondere dürfen die jeweils angegebenenMaximalbelastungen keinesfalls überschritten werden.Nicht überschritten werden dürfen z.B. die in dentechnischen Daten angegebenen Werte fürSGrenzdrehmoment,SGrenzlängskraft, Grenzquerkraft oder Grenzbiegemoment,SSchwingbreite des Drehmoments,SBruchdrehmoment,STemperaturgrenzen,Sdie Grenzen der elektrischen Belastbarkeit.Einsatz als MaschinenelementeDer Drehmoment‐Messflansch kann als Maschinenelement eingesetzt werden. Bei dieser Verwendung ist zubeachten, dass der Aufnehmer zu Gunsten einer hohenMessempfindlichkeit nicht mit den im Maschinenbau üblichen Sicherheitsfaktoren konstruiert wurde. BeachtenSie hierzu den Abschnitt „Belastbarkeitsgrenzen“ und dietechnischen Daten.
Sicherheitshinweise10 A3452-10.0 T40BUnfallverhütungEntsprechend den einschlägigen Unfallverhütungsvorschriften der Berufsgenossenschaften ist nach derMontage des Aufnehmers vom Betreiber eine Abdeckungoder Verkleidung wie folgt anzubringen:SAbdeckung oder Verkleidung dürfen nicht mitrotieren.SAbdeckung oder Verkleidung sollen sowohl Quetsch‐und Scherstellen vermeiden als auch vor evtl. sichlösenden Teilen schützen.SAbdeckungen und Verkleidungen müssen weit genugvon den bewegten Teilen entfernt oder so beschaffensein, dass man nicht hindurchgreifen kann.SAbdeckungen und Verkleidungen müssen auch angebracht sein, wenn die bewegten Teile des Drehmoment‐Messflanschs außerhalb des Verkehrs‐ undArbeitsbereiches von Personen installiert sind.Von den vorstehenden Forderungen darf nur abgewichenwerden, wenn der Drehmoment‐Messflansch schondurch den Aufbau der Maschine oder bereits vorhandeneSchutzvorkehrungen ausreichend gesichert ist.Zusätzliche SicherheitsvorkehrungenDer Drehmoment‐Messflansch kann (als passiver Aufnehmer) keine (sicherheitsrelevanten) Abschaltungenvornehmen. Dafür bedarf es weiterer Komponenten undkonstruktiver Vorkehrungen, für die der Errichter undBetreiber der Anlage Sorge zu tragen hat. Die das Messsignal verarbeitende Elektronik ist so zu gestalten, dassbei Ausfall des Messsignals keine Folgeschäden auftreten können.Der Leistungs‐ und Lieferumfang des Aufnehmers decktnur einen Teilbereich der Drehmoment‐Messtechnik ab.Sicherheitstechnische Belange sind vom Anlagenplaner/
SicherheitshinweiseT40B A3452-10.0 11Ausrüster/Betreiber so zu planen, zu realisieren und zuverantworten, dass Restgefahren minimiert werden. Diejeweils existierenden nationalen und örtlichen Vorschriften sind zu beachten.Allgemeine Gefahren bei Nichtbeachten derSicherheitshinweiseDer Drehmoment‐Messflansch entspricht dem Stand derTechnik und ist betriebssicher. Von dem Aufnehmerkönnen Gefahren ausgehen, wenn er von ungeschultemPersonal oder unsachgemäß montiert, aufgestellt, eingesetzt und bedient werden. Jede Person, die mit Aufstellung, Inbetriebnahme, Betrieb oder Reparatur einesDrehmoment‐Messflanschs beauftragt ist, muss dieMontageanleitung und insbesondere die sicherheitstechnischen Hinweise gelesen und verstanden haben.Bei nicht bestimmungsgemäßem Gebrauch des Aufnehmers, bei Nichtbeachtung der Montage‐ und Bedienungsanleitung, dieser Sicherheitshinweise oder sonstiger einschlägiger Sicherheitsvorschriften(Unfallverhütungsvorschriften der BG) beim Umgang mitdem Aufnehmer, kann der Aufnehmer beschädigt oderzerstört werden. Insbesondere bei Überlastungen kannes zum Bruch des Aufnehmers kommen. Durch denBruch können darüber hinaus Sachen oder Personen inder Umgebung des Aufnehmers zu Schaden kommen.Wird der Drehmoment‐Messflansch nicht seiner Bestimmung gemäß eingesetzt oder werden die Sicherheitshinweise oder die Vorgaben der Montage‐ oder Bedienungsanleitung außer Acht gelassen, kann es ferner zumAusfall oder zu Fehlfunktionen des Aufnehmers kommen,mit der Folge, dass (durch auf den Drehmoment‐Messflansch einwirkende oder durch diesen überwachte Drehmomente) Menschen oder Sachen zu Schaden kommenkönnen.
Sicherheitshinweise12 A3452-10.0 T40BUmbauten und VeränderungenDer Aufnehmer darf ohne unsere ausdrückliche Zustimmung weder konstruktiv noch sicherheitstechnischverändert werden. Jede Veränderung schließt eine Haftung unsererseits für daraus resultierende Schäden aus.VeräußerungBei einer Veräußerung des Drehmoment‐Messflanschsist diese Montageanleitung dem Drehmoment‐Messflansch beizulegen.Qualifiziertes PersonalQualifiziertes Personal sind Personen, die mit Aufstellung, Montage, Inbetriebsetzung und Betrieb des Produktes vertraut sind und die über die ihrer Tätigkeit entsprechende Qualifikationen verfügen.Dazu zählen Personen, die mindestens eine der dreifolgenden Voraussetzungen erfüllen:1. Ihnen sind die Sicherheitskonzepte der Automatisierungstechnik bekannt und Sie sind als Projektpersonal damit vertraut.2. Sie sind Bedienungspersonal der Automatisierungsanlagen und im Umgang mit den Anlagenunterwiesen. Sie sind mit der Bedienung der in dieserDokumentation beschriebenen Geräte und Technologien vertraut.3. Sie sind Inbetriebnehmer oder für den Service eingesetzt und haben eine Ausbildung absolviert, die Siezur Reparatur der Automatisierungsanlagen befähigt.Außerdem haben Sie eine Berechtigung, Stromkreiseund Geräte gemäß den Normen der Sicherheitstechnik in Betrieb zu nehmen, zu erden und zu kennzeichnen.
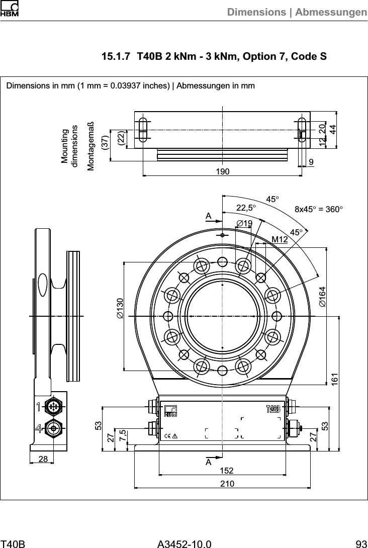
Verwendete KennzeichnungenT40B A3452-10.0 132 Verwendete Kennzeichnungen2.1 Auf dem Aufnehmer angebrachteSymboleAngaben in dieser Anleitung nachlesen undberücksichtigenCE‐KennzeichnungMit der CE‐Kennzeichnung garantiert der Hersteller, dasssein Produkt den Anforderungen der relevanten EG‐Richtlinien entspricht (die Konformitätserklärung findenSie auf www.hbm.com unter HBMdoc).Beispiel eines SchildesBeispiel eines Schildes mit FCC-ID und IC-Nummer,Option 7, Code U. Position des Schildes am Stator desGeräts.2.2 In dieser Anleitung verwendeteKennzeichnungenWichtige Hinweise für Ihre Sicherheit sind besonders gekennzeichnet. Beachten Sie diese Hinweise unbedingt,um Unfälle und Sachschäden zu vermeiden.Model: T40S2TOS6FCC ID: 2ADAT-T40S2TOS6IC: 12438AT40S2TOS6This device complies with part 15 of theFCC Rules. Operation is subject to thefollowing two conditions: (1) This devicemay not cause harmful interference, and(2) this device must accept any interference received, including interference thatmay cause undesired operation.
Verwendete Kennzeichnungen14 A3452-10.0 T40BSymbol BedeutungWARNUNG Diese Kennzeichnung weist auf eine möglichegefährliche Situation hin, die – wenn die Sicherheitsbestimmungen nicht beachtet werden – Tod oderschwere Körperverletzung zur Folge haben kann.VORSICHT Diese Kennzeichnung weist auf eine möglichegefährliche Situation hin, die – wenn die Sicherheitsbestimmungen nicht beachtet werden – leichte odermittlere Körperverletzung zur Folge haben kann.Hinweis Diese Kennzeichnung weist auf eine Situation hin,die – wenn die Sicherheitsbestimmungen nichtbeachtet werden – Sachschäden zur Folge habenkann.WichtigDiese Kennzeichnung weist auf wichtige Informationen zum Produkt oder zur Handhabung des Produktes hin.TippDiese Kennzeichnung weist auf Anwendungstippsoder andere für Sie nützliche Informationen hin.InformationDiese Kennzeichnung weist auf Informationen zumProdukt oder zur Handhabung des Produktes hin.HervorhebungSiehe …Kursive Schrift kennzeichnet Hervorhebungen imText und kennzeichnet Verweise auf Kapitel, Bilderoder externe Dokumente und Dateien.
AnwendungT40B A3452-10.0 153 AnwendungDer Drehmoment‐Messflansch T40B erfasst statischeund dynamische Drehmomente an ruhenden oder rotierenden Wellen. Der Aufnehmer ermöglicht durch seinekurze Bauweise äußerst kompakte Prüfaufbauten.Dadurch ergeben sich vielfältige Anwendungen.Der Drehmomentflansch T40B verfügt über einenzuverlässigen Schutz vor elektromagnetischen Störungen. Er wurde gemäß harmonisierten europäischenNormen getestet und/oder entspricht US-amerikanischenund kanadischen Normen. Am Produkt befindet sich dasCE-Kennzeichen und/oder das FCC-Schild.
Aufbau und Wirkungsweise16 A3452-10.0 T40B4 Aufbau und WirkungsweiseDer Drehmoment‐Messflansch besteht aus zwei getrennten Teilen, dem Rotor und dem Stator. Der Rotor setztsich zusammen aus dem Messkörper und den Signal‐Übertragungselementen.Auf dem Messkörper sind Dehnungsmessstreifen (DMS)installiert. Die Rotorelektronik für die Brückenspeisespannungs‐ und Messsignalübertragung ist zentrisch imFlansch angeordnet. Der Messkörper trägt am äußerenUmfang die Übertragerspulen für die berührungsloseÜbertragung von Speisespannung und Messsignal. DieSignale werden von einem teilbaren Antennenring gesendet bzw. empfangen. Abnehmbarer Antennenring nichtfür Option 7, Code U. Der Antennenring ist auf einemGehäuse befestigt, in dem die Elektronik für die Spannungsanpassung sowie die Signalaufbereitung untergebracht sind.Am Stator befinden sich Anschlussstecker für das Drehmoment‐ und das Drehzahlsignal, die Spannungsversorgung und den digitalen Ausgang. Die Antennensegmente(der Antennenring) müssen konzentrisch um den Rotormontiert werden (siehe Kapitel 5).
Aufbau und WirkungsweiseT40B A3452-10.0 17AntennensegmenteRotorAnschlusssteckerStatorgehäuseTypenschildAnschlusssteckerAbb. 4.1 Mechanischer Aufbau ohne Drehzahlmesssystem,Option 7, Code SBei der Option 6 mit Drehzahlmesssystem ist auf demStator der Drehzahlsensor montiert. Die Drehzahlmessung erfolgt magnetisch mittels AMR‐Sensor undMagnetring. Der Magnetring für die Drehzahlerfassung istauf dem Flansch aufgeschweißt.
Aufbau und Wirkungsweise18 A3452-10.0 T40BAntennensegmenteRotorAnschlusssteckerStatorgehäuseTypenschildAnschlusssteckerSensorkopf fürDrehzahlmessungMagnetring fürDrehzahlmessungAbb. 4.2 Mechanischer Aufbau mit Drehzahlmesssystem,Option 7, Code SBei der Ausführung mit Drehzahlmesssystem kann derAufnehmer zusätzlich mit einem Sensorkopf für einenReferenzimpuls (Null‐Index) zur Drehwinkelmessungversehen werden. Hierbei befindet sich der dazuverwendete Magnet auf der Innenseite des Flansches.Der Sensorkopf zur Abtastung des Referenzimpulsesbefindet sich in dem Bügel oberhalb des Drehzahlsensors.
Aufbau und WirkungsweiseT40B A3452-10.0 19AntennensegmenteRotorAnschlusssteckerStatorgehäuseTypenschildAnschlusssteckerSensorkopf fürDrehzahlmessungMagnetring fürDrehzahlmessungSensorkopf fürReferenzimpulsAbb. 4.3 Mechanischer Aufbau mit Drehzahlmesssystem undSensor für Referenzimpuls (Null‐Index), Option 7,Code S
Aufbau und Wirkungsweise20 A3452-10.0 T40BStatorgehäuseAntennensegmente mit montierten AbschirmungsplattenAnschlüsseAbb. 4.4 Mechanischer Aufbau des Stators mit montiertenAbschirmungsplatten ohne Drehzahlmesssystem,Option 7, Code UAbmontierte AbschirmungsplattenAxiale AbschirmungsplattenRadialeAbschirmungsplatteAbb. 4.5 Einzelne Abschmirmungsplatten, Option 7, Code U
Aufbau und WirkungsweiseT40B A3452-10.0 21InformationDer mechanische Aufbau mit Drehzahlmesssystem istmit Abb. 4.2 identisch und verfügt über eine zusätzlicheAbschirmungsplatte für den Antennenring, sieheAbb. 4.4.WichtigUm die Einhaltung der FCC-Vorschriften zu gewährleisten, müssen die Abschirmungsplatten unbedingtverwendet werden. Müssen die Abschirmungsplatten zuirgendeinem Zweck entfernt werden (z. B. zur Installationoder Wartung), müssen sie in der ursprünglichen Positionwieder angebracht werden, bevor das Gerät in Betriebgenommen wird.
Mechanischer Einbau22 A3452-10.0 T40B5 Mechanischer Einbau5.1 Wichtige Vorkehrungen beim EinbauHinweisEin Drehmoment‐Messflansch ist ein Präzisions‐Messelement und verlangt daher eine umsichtige Handhabung. Stöße oder Stürze können zu permanentenSchäden am Aufnehmer führen. Sorgen Sie dafür, dassauch bei der Montage keine Überlastung des Aufnehmers auftreten kann.SBehandeln Sie den Aufnehmer schonend.SPrüfen Sie den Einfluss von Biegemomenten, kritischen Drehzahlen und Torsionseigenschwingungen,um eine Überlastung des Aufnehmers durch Resonanzüberhöhungen zu vermeiden.SStellen Sie sicher, dass der Aufnehmer nichtüberlastet werden kann.WARNUNGBei einer Überlastung des Aufnehmers besteht dieGefahr, dass der Aufnehmer bricht. Dadurch könnenGefahren für das Bedienpersonal der Anlage auftreten, indie der Aufnehmer eingebaut ist.Treffen Sie geeignete Sicherungsmaßnahmen zurVermeidung einer Überlastung und zur Sicherung gegensich daraus ergebende Gefahren.
Mechanischer EinbauT40B A3452-10.0 23SKleben Sie die Verbindungsschrauben mit einerSchraubensicherung (mittelfest, z.B. von LOCTITE)in das Gegengewinde ein, um einen Vorspannverlustdurch Lockern auszuschließen, falls Wechsellasten zuerwarten sind.SHalten Sie die Montagemaße unbedingt ein, um eineneinwandfreien Betrieb zu ermöglichen.Der Drehmoment‐Messflansch T40B kann über einenentsprechenden Wellenflansch direkt montiert werden.Am Rotor ist auch die direkte Montage einer Gelenkwelleoder entsprechender Ausgleichselemente (bei Bedarfüber Zwischenflansch) möglich. Die zulässigen Grenzenfür Biegemomente, Quer‐ und Längskräfte dürfen jedochin keinem Fall überschritten werden. Durch die hoheDrehsteifigkeit des Aufnehmers T40B werden dynamische Veränderungen des Wellenstrangs gering gehalten.WichtigAuch bei korrektem Einbau kann sich der im Werk abgeglichene Nullpunkt bis zu ca. 2% vom Kennwert verschieben. Wird dieser Wert überschritten, empfehlen wir,die Einbausituation zu prüfen. Ist der bleibende Nullpunktversatz im ausgebauten Zustand größer als 1%vom Kennwert, senden Sie den Aufnehmer bitte zur Prüfung ins Werk Darmstadt.5.2 Bedingungen am EinbauortDer Drehmoment‐Messflansch T40B muss vor grobemSchmutz, Staub, Öl, Lösungsmitteln und Feuchtigkeitgeschützt werden.
Mechanischer Einbau24 A3452-10.0 T40BDer Aufnehmer ist in weiten Grenzen gegen Temperatureinflüsse auf das Ausgangs‐ und Nullsignal kompensiert(siehe Kapitel „Technische Daten“). Liegen keine stationären Temperaturverhältnisse vor, z.B. durch Temperaturunterschiede zwischen Messkörper und Flansch, können die in den technischen Daten spezifizierten Werteüberschritten werden. Sorgen Sie in diesen Fällen jenach Anwendungsfall durch Kühlung oder Heizung fürstationäre Temperaturverhältnisse. Prüfen Sie alternativ,ob eine Temperaturentkopplung möglich ist, z.B. durchWärme abstrahlende Elemente wie Lamellenkupplungen.5.3 EinbaulageDie Einbaulage des Drehmoment‐Messflanschs ist beliebig.Bei Rechtsdrehmoment (im Uhrzeigersinn) beträgt dieAusgangsfrequenz bei Option 5, Code DU2 60 … 90 kHz(Option 5, Code SU2: 10 … 15kHz; Option HU2: 240 …360kHz). In Verbindung mit Messverstärkern von HBModer bei Nutzung des Spannungsausgangs steht ein positives Ausgangssignal (0 V …+10 V) an. Beim Drehzahl‐Messsystem ist zum eindeutigen Bestimmen derDrehrichtung auf dem Statorgehäuse ein Pfeil angebracht: Dreht der Messflansch in Pfeilrichtung, liefernangeschlossene HBM‐Messverstärker ein positives Ausgangssignal.5.4 EinbaumöglichkeitenPrinzipiell haben Sie zwei Möglichkeiten, den Drehmoment‐Messflansch zu montieren: mit oder ohne Zerlegen des Antennenringes. Wir empfehlen die Montagenach Kapitel 5.4.1. Ist eine Montage nach Kapitel 5.4.1
Mechanischer EinbauT40B A3452-10.0 25nicht möglich (z.B. bei nachträglichem Wechsel des Stators), müssen Sie den Antennenring zerlegen (nur möglich für Option 7, Code S). Beachten Sie hierbei unbedingt die Hinweise zum Zusammenbau derAntennensegmente (siehe Kapitel 5.4.2).5.4.1 Einbau mit nicht demontiertem Antennenring,Option 7, Code U mitAntennen-AbschirmungsabdeckungKundenseitigeBefestigung1. Rotor montieren 2. Stator montieren3. Wellenstrang fertigmontieren 4. Abstützung montierenKundenseitigeAbstützung
Mechanischer Einbau26 A3452-10.0 T40B5.4.2 Einbau mit nachträglicher Montage desStators, Option 7, Code SFächerscheibenUnterlegscheiben1. Rotor montieren 2. Wellenstrang montieren3. Antennensegment demontieren 4. Antennensegment montierenKundenseitigeAbstützung5. Abstützung montieren
Mechanischer EinbauT40B A3452-10.0 275.5 Montage des RotorsTippNach der Montage ist in der Regel das Rotor‐Typenschildverdeckt. Deshalb liegen dem Rotor zusätzliche Klebeschilder mit den wichtigen Kenndaten bei, die Sie auf denStator oder andere relevante Prüfstandskomponentenaufkleben können. Sie können dann jederzeit die für Sieinteressanten Daten ablesen, z.B. das Shuntsignal. Fürdie eindeutige Zuordnung der Daten ist am Rotorflanschvon außen sichtbar eine Identifikationsnummer und dieBaugröße eingraviert.HinweisAchten Sie darauf, dass während der Montage die inAbb. 5.1 markierte Messzone nicht beschädigt wird, z.B.durch Abstützen oder Anschlagen von Werkzeugen beimAnziehen der Schrauben. Dies kann den Aufnehmerbeschädigen und damit zu Fehlmessungen führen odersogar zerstören.
Mechanischer Einbau28 A3452-10.0 T40Bohne Drehzahlmesssystem mit DrehzahlmesssystemFlanschplanflächenÜbertragerwicklung DrehzahlmesssystemMesszoneAbb. 5.1 Verschraubung des Rotors1. Reinigen Sie vor dem Einbau die Flanschplanflächendes Aufnehmers und der Gegenflansche.Die Flächen müssen für eine sichere Drehmomentübertragung sauber und fettfrei sein. Benutzen Sie mitLösungsmittel angefeuchtete Lappen oder Papier.Achten Sie beim Reinigen darauf, dass die Übertragerwicklung oder das Drehzahlmesssystem nichtbeschädigt werden.2. Verwenden Sie für die Verschraubung des Rotors(siehe Abb. 5.1) sechs bzw. achtInnensechskantschrauben DIN EN ISO 4762 derFestigkeitsklasse nach Tab. 5.1 in geeigneter Länge(abhängig von der Anschlussgeometrie, sieheTab. 5.1 auf Seite 30).Wir empfehlen Zylinderschrauben DIN EN ISO4762,geschwärzt, glatter Kopf, zulässige Maß‐ und For
Mechanischer EinbauT40B A3452-10.0 29mabweichung nach DIN ISO4759, Teil1, Produktklasse A.3. Ziehen Sie alle Schrauben mit dem vorgeschriebenenDrehmoment an (Tab. 5.1 auf Seite 30).4. Am Rotor befinden sich zur weiteren Montage desWellenstranges sechs bzw. acht Gewindebohrungen.Verwenden Sie ebenfalls Schrauben der Festigkeitsklasse 10.9 bzw. 12.9 und ziehen Sie diese mit demvorgeschriebenen Moment nach Tab. 5.1 an.WichtigKleben Sie die Verbindungsschrauben mit einer Schraubensicherung (mittelfest, z.B. von LOCTITE) in das Gegengewinde ein, um einen Vorspannverlust durchLockern auszuschließen, falls Wechsellasten zu erwartensind.HinweisHalten Sie die maximale Einschraubtiefe nach Tab. 5.1unbedingt ein. Andernfalls kann es zu erheblichen Messfehlern durch Drehmomentnebenschluss oder zurBeschädigung des Aufnehmers kommen.
Mechanischer Einbau30 A3452-10.0 T40BMessbereich Befestigungsschrauben VorgeschriebenesAnzugsmomentNVmZ 1Festigkeitsklasse NVm50 M810.934100 M8200 M8500 M10 671k M10 672k M12 1153k M1212.91355k M14 22010k M16 3401) DIN EN ISO4762; schwarz/geölt/mges=0,125Tab. 5.1 BefestigungsschraubenWichtigTrockene Schraubenverbindungen können abweichende,höhere Reibfaktoren zur Folge haben (siehe z.B.VDI 2230). Dadurch ändern sich die erforderlichenAnzugsmomente.Die erforderlichen Anzugsmomente können sich auchändern, falls Sie Schrauben mit anderer Oberfläche oderanderer Festigkeitsklasse als in Tab. 5.1 angegebenverwenden, da dies den Reibfaktor beeinflusst.
Mechanischer EinbauT40B A3452-10.0 315.6 Montage des StatorsIm Anlieferungszustand ist der Stator betriebsfertig montiert. Sie können das obere Antennensegment vom Stator trennen, zum Beispiel bei Wartungsarbeiten, oder umeine leichtere Montage des Stators zu ermöglichen, nurfür Option 7, Code S.Ist in Ihrem Fall ein Zerlegen des Stators nicht nötig, verfahren Sie nach den Punkten 2., 5., und 6 für Option 7,Code U.FächerscheibenBohrung zur Fixierung desAntennensegmentes,Durchmesser 4,2 bzw. 5,2mm,abhängig von der NennlastStatorgehäuseobenAntennensegment‐Schrauben mitUnterlegscheiben (M5)untenAntennensegmenteAbb. 5.2 Verschraubung der Antennensegmente am Stator,Option 7, Code S
Mechanischer Einbau32 A3452-10.0 T40BStatorgehäuseAntennensegmente mit montierten AbschirmungsplattenAnschlüsseAbb. 5.3 Mechanischer Aufbau des Stators mit montiertenAbschirmungsplatten ohne Drehzahlmesssystem,Option 7, Code UAbmontierte AbschirmungsplattenAxialeAbschirmungsplattenRadialeAbschirmungsplatteAbb. 5.4 Einzelne Abschirmungsplatten, Option 7, Code U
Mechanischer EinbauT40B A3452-10.0 33WichtigUm die Einhaltung der FCC-Vorschriften zu gewährleisten, müssen die Abschirmungsplatten unbedingtverwendet werden. Müssen die Abschirmungsplatten zuirgendeinem Zweck entfernt werden (z. B. zur Installationoder Wartung), müssen sie in der ursprünglichen Positionwieder angebracht werden, bevor das Gerät in Betriebgenommen wird.WichtigWenn die Abschirmungsplatten zu Installations- oderWartungszwecken entfernt werden müssen, müssen dieSchrauben bei der anschließenden Montage mit einemAnzugsmoment von 0,6 Nm festgezogen werden.Statorgehäuseunteres AntennensegmentAntennendrahtT40B ohne DrehzahlmesssystemT40B mit DrehzahlmesssystemSensorkopf für DrehzahlmessungAbb. 5.5 Statorgehäuse und unteres Antennensegment mitAntennendraht, Option 7, Code S
Mechanischer Einbau34 A3452-10.0 T40B1. Lösen und entfernen Sie die Verschraubungen (M5)am oberen Antennensegment.Zwischen den Antennensegmenten sind Fächerscheiben angeordnet: Achten Sie darauf, dass diese nichtverloren gehen.2. Montieren Sie das Statorgehäuse auf einer geeigneten Grundplatte im Wellenstrang, sodass ausreichende Einstellmöglichkeiten in horizontaler und vertikaler Richtung vorhanden sind. Ziehen Sie dieSchrauben aber noch nicht fest.TippFalls Ihr Aufnehmer einen Sensor für den Referenzimpuls besitzt, sollten Sie das obere Antennensegmenterst nach Schritt 5 montieren.3. Montieren Sie nun das unter Punkt 1. entfernte obereAntennensegment mit zwei Innensechskantschraubenauf das untere Antennensegment.Achten Sie darauf, dass zwischen den Antennensegmenten die beiden Fächerscheiben eingelegt sind(diese sorgen für einen definierten Übergangswiderstand)!WichtigUm eine einwandfreie Funktion zu gewährleisten,müssen die Fächerscheiben (A5,3‐FST DIN 6798 ZN/verzinkt) nach dreimaligem Lösen derAntennen‐Verschraubung erneuert werden.4. Ziehen Sie nun alle Verschraubungen der Antennensegmente mit einem Anzugsmoment von 5N⋅m an.
Mechanischer EinbauT40B A3452-10.0 355. Drehzahlmessung ohne Sensor für Referenzimpuls(Null‐Index):Richten Sie die Antenne zum Rotor so aus, dass dieAntenne den Rotor etwa koaxial umschließt und derAntennendraht in axialer Richtung die gleiche Positionwie die Mitte der Übertragerwicklung auf dem Rotoraufweist.Um die Ausrichtung zu erleichtern, haben das Antennensegment und der Wicklungsträger am Flansch Bdie gleiche Breite. Beachten Sie bitte die in den technischen Daten angegebenen zulässigen Ausrichtungstoleranzen.Abb. 5.6 Ausrichten des Rotors mit dem Stator (ohneReferenzimpuls‐Sensor), Option 7, Code S und UDrehzahlmessung mit Sensor für Referenzimpuls(Null‐Index):Halten Sie den Stator leicht schräg (siehe Abb. 5.7links), sodass sich der Bügel mit dem Sensorkopf fürden Referenzimpuls (Null‐Index) zwischen den beidenFlanschen befindet. Kippen Sie nun den Stator soweit über den Rotor, bis der Antennenring den
Mechanischer Einbau36 A3452-10.0 T40BFlansch mit der Übertragerwicklung vollständigüberdeckt (siehe Abb. 5.7 rechts).InformationFalls der Statorfuß bereits fest installiert ist, müssen Siedas obere Antennensegment entfernen (siehe Schritte 1,3 und 4). Andernfalls können Sie die Montage wie in denBildern gezeigt vornehmen.Abb. 5.7 Ausrichten des Rotors mit dem Stator (mitReferenzimpuls‐Sensor), Option 7, Code S und U6. Ziehen Sie jetzt die Verschraubung des Statorgehäuses fest an.
Mechanischer EinbauT40B A3452-10.0 37Vermeidung von Axialschwingungen des StatorsJe nach Betriebsbedingungen kann es vorkommen, dassder Stator zum Schwingen angeregt wird. Dieser Effektist abhängig von:Sder Drehzahl,Sdem Antennendurchmesser (abhängig vom Messbereich),Sder Konstruktion des Maschinenbettes.WichtigUm Axialschwingungen zu vermeiden, muss der Antennenring kundenseitig abgestützt werden. Hierzu befindetsich am oberen Antennensegment eine Buchse (mit M5Innengewinde), die zur Aufnahme einer entsprechendenKlemmeinrichtung dienen kann (siehe Abb. 5.8).Gleichzeitig ist in diesem Fall eine Abstützung der Kabelstecker erforderlich, ein Konstruktionsbeispiel zeigtAbb. 5.9.
Mechanischer Einbau38 A3452-10.0 T40BAbb. 5.8 Konstruktionsbeispiel für die Abstützung desAntennenrings, Option 7, Code S und UAbb. 5.9 Konstruktionsbeispiel für Steckerklemmen (für zweiStecker), Option 7, Code S und U
Mechanischer EinbauT40B A3452-10.0 395.7 Drehzahlmesssystem, Referenzimpuls(optional)Das optionale Drehzahlmesssystem (auch mit derzusätzlichen Option Referenzimpuls bzw. Null‐Index) istwerksseitig bereits in den Aufnehmer integriert, es istkeine Montage nötig.Sensorkopf fürDrehzahlmessungMagnetring fürDrehzahlmessungSensorkopf fürReferenzimpulsAbb. 5.10 Drehmomentaufnehmer mit Drehzahlmessung undReferenzimpuls, Option 7, Code S und UAusrichtung Sensorkopf des DrehzahlmesssystemsBei exakter Ausrichtung des Stators zur Drehmomentmessung ist auch das Drehzahl‐Messsystem sowie derSensor für den Referenzimpuls (Null‐Index) richtig ausgerichtet. Die beiden Inbus‐Schrauben am Sensorkopf(Abb. 5.11) dürfen deshalb nicht gelöst werden.
Mechanischer Einbau40 A3452-10.0 T40BWichtigSie dürfen die Position des Sensorkopfes nichtverändern.WichtigEs handelt sich um ein magnetisches Drehzahlmesssystem. In Applikationen bei denen mit hohen magnetischenFeldstärken zu rechnen ist (z.B. Wirbelstrombremse), istdurch geeignete Maßnahmen dafür zu sorgen, dass diemax. magnetische Feldstärke gemäß Spezifikation nichtüberschritten wird.Schrauben keinesfalls lösen!Sensorkopf fürDrehzahlmessungAbb. 5.11 Drehmomentaufnehmer mit Sensorkopf zurDrehzahlmessung, Option 7, Code S und U
Elektrischer AnschlussT40B A3452-10.0 416 Elektrischer Anschluss6.1 Allgemeine HinweiseSAchten Sie bei Kabelverlängerungen auf eine einwandfreie Verbindung mit geringstem Übergangswiderstand und guter Isolation.SAlle Kabel‐Steckverbindungen oder Überwurfmutternmüssen fest angezogen werden.WichtigAufnehmer‐Anschlusskabel von HBM mit montiertenSteckern sind ihrem Verwendungszweck entsprechendgekennzeichnet (Md oder n). Beim Kürzen der Kabel,Einziehen in Kabelkanälen oder Verlegen in Schaltschränken kann diese Kennzeichnung verloren gehenoder verdeckt sein. Kennzeichnen Sie daher die Kabel indiesen Fällen vor der Verlegung.6.2 EMV‐SchutzWichtigDie Aufnehmer sind gemäß EG‐Richtlinien EMV‐geprüftund mit einer CE‐Zertifizierung gekennzeichnet. Siemüssen jedoch den Schirm des Anschlusskabels amschirmenden Gehäuse der Elektronik anschließen, umden EMV‐Schutz der Messkette zu erreichen.
Elektrischer Anschluss42 A3452-10.0 T40BDie Signalübertragung zwischen Übertragerkopf und Rotor erfolgt rein digital und ist durch spezielle elektronischeKodierungsverfahren gegen elektromagnetische Beeinflussungen geschützt.Der Kabelschirm wird mit dem Aufnehmergehäuse verbunden. Dadurch ist das Messsystem (ohne Rotor) voneinem Faradayschen Käfig umschlossen, wenn die Schirmung an beiden Kabelenden flächig aufgelegt wird.Sehen Sie bei anderen Anschlusstechniken im Litzenbereich eine EMVfeste Abschirmung vor, bei der ebenfallsdie Schirmung flächig aufgelegt ist (siehe auchHBMGreenlineInformation, Druckschrift i1577).Elektrische und magnetische Felder verursachen oft eineEinkopplung von Störspannungen in den Messkreis.Deshalb:SVerwenden Sie nur abgeschirmte, kapazitätsarmeMesskabel (HBM‐Kabel erfüllen diese Bedingungen).SVerwenden Sie ausschließlich Stecker, die denEMVRichtlinien entsprechen.SLegen Sie die Messkabel nicht parallel zu Starkstrom‐und Steuerleitungen. Falls das nicht möglich ist,schützen Sie das Messkabel, z.B. durch Stahlpanzerrohre.SMeiden Sie Streufelder von Trafos, Motoren undSchützen.SErden Sie Aufnehmer, Verstärker und Anzeigegerätnicht mehrfach.SSchließen Sie alle Geräte der Messkette an dengleichen Schutzleiter an.SFalls Störungen durch Potenzialunterschiede (Ausgleichsströme) auftreten, trennen Sie am Messverstärker die Verbindungen zwischen Versorgungsspannungsnull und Gehäusemasse und legen Sie eine
Elektrischer AnschlussT40B A3452-10.0 43Potenzialausgleichsleitung zwischen Statorgehäuseund Messverstärkergehäuse (Kupferleitung, mindestens 10mm2 Leitungsquerschnitt).SSollten Potenzialunterschiede zwischen Rotor undStator der Maschine auftreten, z.B. durch unkontrolliertes Ableiten, hilft meist das eindeutige Erden desRotors z.B. mittels Schleifer. Der Stator muss auf dasgleiche (Erd‐)Potenzial gelegt werden.6.3 SteckerbelegungAm Statorgehäuse befinden sich zwei 7‐polige Stecker,ein 8‐poliger und ein 16‐poliger Stecker.Die Anschlüsse der Versorgungsspannung und desShuntsignals der Stecker 1 und 3 sind jeweils miteinander galvanisch verbunden aber mit Dioden gegen Ausgleichsströme geschützt. Die Anschlüsse der Versorgungsspannung sind zusätzlich mit einerselbstrückstellenden Sicherung (Multifuse) gegenÜberlast durch den Stator geschützt.HinweisDie Drehmoment‐Messflansche sind nur für den Betriebmit DC‐Versorgungsspannung vorgesehen. Sie dürfennicht an ältere HBM‐Messverstärker mit Rechteck‐Speisung angeschlossen werden. Hier könnte es zur Zerstörung von Widerständen der Anschlussplatte bzw. anderen Fehlern in den Messverstärkern kommen.
Elektrischer Anschluss44 A3452-10.0 T40BBelegung Stecker 1 - Versorgungsspannung undFrequenz‐Ausgangssignal6157243GerätesteckerDraufsichtKAB153 KAB149 KAB1781)SteckerPinBelegung AderfarbeD‐SUB‐SteckerPinHD‐SUB‐SteckerPin1Messsignal Drehmoment(Frequenzausgang; 5 V2,3)ws 13 52Versorgungsspannung 0 V sw 5 -3Versorgungsspannung 18 V …30 V bl 6 -4Messsignal Drehmoment(Frequenzausgang; 5 V2,3)rt 12 105Messsignal 0 V; symmetrisch gr 8 66Shuntsignal‐Auslösung 5 V … 30 V gn 14 157Shuntsignal 0 V gr 8Schirm an Gehäusemasse1) Brücke zwischen 4 +92) Komplementäre Signale RS‐422; ab 10m Kabellänge empfehlen wir einen Abschlusswiderstandmit R = 120Ohm zwischen den Adern (ws) und (rt).3) RS‐422: Pin 1 entspricht A, Pin 4 entspricht B.
Elektrischer AnschlussT40B A3452-10.0 45Belegung Stecker 2 - Drehzahl-Messsystem61572438GerätesteckerDraufsichtKAB154 KAB150 KAB1791)SteckerPinBelegung AderfarbeD-SUB-SteckerPinHD-SUB-SteckerPin1Messsignal Drehzahl 2) (Impulsfolge,5V; 0°)rt 12 102Nicht belegt bl - -3Messsignal Drehzahl 2 (Impulsfolge,5V; um 90° phasenverschoben) gr 15 84Nicht belegt sw - -5Nicht belegt vi - -6Messsignal Drehzahl 2) (Impulsfolge, 5V; 0°)ws 13 57Messsignal Drehzahl 2) (Impulsfolge,5V; um 90° phasenverschoben) gn 14 78 Betriebsspannungsnull sw/bl 3) 8 6Schirm an Gehäusemasse1) Brücke zwischen 4 + 92) Komplementäre Signale RS‐422; ab 10m Kabellänge empfehlen wir einen Abschlusswiderstandmit R = 120Ohm.3) Bei KAB163 / KAB164 Aderfarbe braun (bn)
Elektrischer Anschluss46 A3452-10.0 T40BBelegung Stecker 2 - Drehzahl‐Messsystem mitReferenzimpuls61572438GerätesteckerDraufsichtKAB164 KAB163 KAB1811)SteckerPinBelegung AderfarbeD-SUB-SteckerPinHD-SUB-SteckerPin1Messsignal Drehzahl 2) (Impulsfolge,5V; 0°)rt 12 102Referenzsignal (1 Impuls/Umdrehung,5V) 2) bl 2 33Messsignal Drehzahl 2) (Impulsfolge,5V; um 90° phasenverschoben) gr 15 84Referenzsignal (1 Impuls/Umdrehung,5V) 2) sw 3 25Nicht belegt vi - -6Messsignal Drehzahl 2) (Impulsfolge,5V; 0°)ws 13 57Messsignal Drehzahl 2) (Impulsfolge,5V; um 90° phasenverschoben) gn 14 78 Betriebsspannungsnull sw 3) 8 6Schirm an Gehäusemasse1) Brücke zwischen 4 + 92) Komplementäre Signale RS‐422; ab 10m Kabellänge empfehlen wir einen Abschlusswiderstandmit R = 120Ohm.3) Bei KAB163 / KAB164 Aderfarbe braun (bn)
Elektrischer AnschlussT40B A3452-10.0 47Pin 1Pin 6Pin 3Pin 7Pin 2Pin 4Abb. 6.1 Drehzahlsignale an Stecker 2 (Drehzahl inPfeilrichtung)
Elektrischer Anschluss48 A3452-10.0 T40BPin 1Pin 6Pin 3Pin 7Pin 2Pin 4Abb. 6.2 Drehzahlsignale an Stecker 2 (Drehzahl gegenPfeilrichtung)
Elektrischer AnschlussT40B A3452-10.0 49Belegung Stecker 3 - Versorgungsspannung undSpannungs‐Ausgangssignal6157243GerätesteckerDraufsichtSteckerPinBelegung1Messsignal Drehmoment(Spannungsausgang; 0 V)2Versorgungsspannung 0 V;3Versorgungsspannung 18 V … 30 V DC4Messsignal Drehmoment (Spannungsausgang,±10 V)5Nicht belegt6Shuntsignal‐Auslösung 5 V … 30 V7Shuntsignal 0 V;Schirm an GehäusemasseBelegung Stecker 4TMC - nur für HBM‐interne Verbindung zum Torque Interface Module TIM 40/TIM-EC.6.4 VersorgungsspannungDer Aufnehmer wird mit einer Schutzkleinspannung(Nenn‐Versorgungsspannung 18 … 30VDC) betrieben.Sie können einen oder mehrere Drehmoment‐Messflansche innerhalb eines Prüfstandes gleichzeitig versorgen.Treffen Sie zusätzliche Vorkehrungen für die Ableitungvon Überspannungen, falls Sie das Gerät an einemGleichspannungsnetz1) betreiben möchten.1) Verteilsystem für elektrische Energie mit einer größeren räumlichen Ausdehnung (z. B. übermehrere Prüfstände) das eventuell auch Verbraucher mit großen Nennströmen versorgt.
Elektrischer Anschluss50 A3452-10.0 T40BDie Hinweise dieses Kapitels beziehen sich auf den autarken Betrieb des T40B ohne HBM‐Systemlösungen.Die Versorgungsspannung ist von den Signalausgängenund den Shuntsignal‐Eingängen galvanisch getrennt.Schließen Sie eine Schutzkleinspannung von 18V …30V an Pin 3 (+) und Pin 2 ( ) der Stecker 1 oder 3 an.Wir empfehlen, das HBM‐Kabel KAB 8/00‐2/2/2 und entsprechende Buchsen zu verwenden (siehe Zubehör).Das Kabel darf bei Spannungen ≥24V bis zu 50m,ansonsten bis zu 20m lang sein.Wird die zulässige Kabellänge überschritten, können Siedie Versorgungsspannung über zwei Anschlusskabel(Stecker 1 und 3) parallel zuführen. Damit erreichen Sieeine Verdoppelung der zulässigen Länge. Installieren Sieandernfalls ein Netzteil vor Ort.WichtigIm Einschaltmoment kann ein Strom von bis zu 4 A fließen und damit Netzteile mit elektronischer Strombegrenzung ausschalten.
ShuntsignalT40B A3452-10.0 517 ShuntsignalDer Drehmoment‐Messflansch T40B liefert ein elektrisches Shuntsignal, das bei Messketten mit HBM‐Komponenten vom Verstärker aus aktiviert werden kann. DerAufnehmer erzeugt ein Shuntsignal von ca. 50 % desNenndrehmoments, der genaue Wert ist auf dem Typenschild vermerkt. Stellen Sie nach der Aktivierung dasVerstärkerausgangssignal auf das Shuntsignal des angeschlossenen Aufnehmers ein, ist der Messverstärker anden Aufnehmer angepasst.InformationBeim Messen des Shuntsignals sollte der Aufnehmerunbelastet sein, da das Shuntsignal additiv aufgeschaltetwird.Auslösen des ShuntsignalsDurch Anlegen einer Schutzkleinspannung von 5 … 30Van Pin 6 (+) und 7 ( ) am Stecker 1 oder 3 wird dasShuntsignal ausgelöst.Die Nennspannung für das Auslösen des Shuntsignalsbeträgt 5V (Auslösen bei U > 2,5V), bei Spannungenkleiner 0,7V ist der Aufnehmer im Messbetrieb. Die maximal zulässige Spannung beträgt 30V, bei Nennspannung beträgt die Stromaufnahme ca. 2mA, bei Maximalspannung ca. 18mA. Spannung für das Auslösen desShuntsignals ist galvanisch von der Versorgungs‐ undder Messspannung getrennt.
Shuntsignal52 A3452-10.0 T40BTippBei HBM‐Systemlösungen kann das Shuntsignal vomMessverstärker bzw. über die Bedien‐Software ausgelöstwerden.
FunktionsprüfungT40B A3452-10.0 538 FunktionsprüfungDurch LEDs am Stator kann die Funktion von Rotor undStator überprüft werden.LED A RotorstatusLED B StatorstatusAbb. 8.1 LEDs am StatorgehäuseWichtigDer Drehmomentaufnehmer benötigt nach Anlegen derVersorgungsspannung noch bis zu 4 Sekunden, bevor erbetriebsbereit ist.
Funktionsprüfung54 A3452-10.0 T40B8.1 Rotorstatus, LED A (obere LED)Farbe BedeutungGrün (pulsierend) Interne Rotor‐Spannungswerte o.k.Orange blinkendFehljustierung von Rotor und Stator (zunehmende Blinkfrequenz zeigt den Grad der Dejustierung an)=> Ausrichtung Rotor-Stator korrigierenOrange pulsierendRotorzustand nicht bestimmbar => Ausrichtung Rotor-Stator korrigierenFalls die LED daraufhin immer noch orange pulsiert, liegtmöglicherweise ein Hardwaredefekt vor. Die Messignale nehmen den Pegel des Fehlerzustands an.Rot (pulsierend)Rotor‐Spannungswerte nicht in Ordnung. => Ausrichtung Rotor-Stator korrigierenFalls die LED daraufhin immer noch rot pulsiert, liegt möglicherweise ein Hardwaredefekt vor. Die Messsignale nehmenden Pegel des Fehlerzustands an.Pulsierend bedeutet, die LED wird pro Sekunde für ca.20ms dunkel geschaltet (Lebendsignal); damit ist dasFunktionieren des Aufnehmers erkennbar.8.2 Statorstatus, LED B (untere LED)Farbe BedeutungGrün(dauerhaft leuchtend) Messsignal‐Übertragung und interne Stator‐Spannungen o.k.Grün, zeitweiseorange.Bei vielen Synchronisationsfehlern:dauerhaft orangeBei fehlerhafter Übertragung von y5 Messwerten in Folge biszum Ende der fehlerhaften Übertragung orange. Die Messsignale nehmen für die Dauer des Übertragungsfehlers + ca.weitere 3,3ms den Pegel des Fehlerzustands an.
FunktionsprüfungT40B A3452-10.0 55BedeutungFarbeOrange(dauerhaft leuchtend)Dauerhaft gestörte Übertragung, die Messignale nehmenden Pegel des Fehlerzustands an. (fout = 0 Hz, Uout = Fehlerlevel).=> Ausrichtung Rotor-Stator korrigieren.Rot(dauerhaft leuchtend)Interner Statorfehler, die Messsignale nehmen den Pegeldes Fehlerzustands an (fout = 0 Hz, Uout = Fehlerlevel).
Belastbarkeit56 A3452-10.0 T40B9 BelastbarkeitDas Nenndrehmoment darf statisch bis zum Grenzdrehmoment überschritten werden. Wird das Nenndrehmoment überschritten, sind weitere irreguläre Belastungennicht zulässig. Hierzu zählen Längskräfte, Querkräfte undBiegemomente. Die Grenzwerte finden Sie im Kapitel 13„Technische Daten“ auf Seite 61.Messen dynamischer DrehmomenteDer Drehmoment‐Messflansch eignet sich zum Messenstatischer und dynamischer Drehmomente. Beim Messendynamischer Drehmomente ist zu beachten:SDie für statische Messungen durchgeführte Kalibrierung des T40B gilt auch für dynamische Drehmomentmessungen.SDie Eigenfrequenz f0 der mechanischen Messanordnung hängt von den Trägheitsmomenten J1 und J2der angeschlossenen Drehmassen sowie der Drehsteifigkeit des T40B ab.Die Eigenfrequenz f0 der mechanischen Messanordnunglässt sich aus folgender Gleichung überschlägigbestimmen:f0+12p· cT·ǒ1J1)1J2ǓǸf0= Eigenfrequenz in HzJ1, J2= Massenträgheitsmoment in kgVm2cT= Drehsteifigkeit in NVm/radSDie zulässige mechanische Schwingbreite (Spitze-Spitze) finden Sie ebenfalls in den technischen Daten.
WartungT40B A3452-10.0 570+Mnom200 % Schwingbreite-MnomNenndrehmoment Mnom in %Zeit tSchwingbreiteSchwingbreiteSchwingbreiteAbb. 9.1 Zulässige dynamische Belastung10 WartungDie Drehmoment‐Messflansche T40B sind wartungsfrei.
Entsorgung und Umweltschutz58 A3452-10.0 T40B11 Entsorgung und UmweltschutzAlle elektrischen und elektronischen Produkte müssenals Sondermüll entsorgt werden. Die ordnungsgemäßeEntsorgung von Altgeräten beugt Umweltschäden undGesundheitsgefahren vor.Gesetzlich vorgeschriebene Kennzeichnung zurEntsorgungElektrische und elektronische Geräte, die dieses Symboltragen, unterliegen der europäischen Richtlinie2002/96/EG über elektrische und elektronische Altgeräte.Das Symbol weist darauf hin, dass nicht mehr gebrauchsfähige Altgeräte gemäß den europäischen Vorschriften für Umweltschutz und Rohstoffrückgewinnunggetrennt von regulärem Hausmüll zu entsorgen sind.Da die Entsorgungsvorschriften von Land zu Land unterschiedlich sind, bitten wir Sie, im Bedarfsfall Ihren Lieferanten anzusprechen, welche Art von Entsorgung oderRecycling in Ihrem Land vorgeschrieben ist.VerpackungenDie Originalverpackung der HBM‐Geräte besteht ausrecyclebarem Material und kann der Wiederverwertungzugeführt werden. Bewahren Sie die Verpackung jedochmindestens für den Zeitraum der Gewährleistung auf. BeiReklamationen muss der Drehmoment‐Messflansch inder Originalverpackung zurückgesandt werden.Aus ökologischen Gründen sollte auf den Rücktransportder leeren Verpackungen an uns verzichtet werden.
= VORZUGSTYPENEntsorgung und UmweltschutzT40B A3452-10.0 5912 Bestellnummern, ZubehörBestell‐Nr.K-T40B [nur mit Option 2 = MF / ST]Code Option 1: Messbereich bis050Q 50 N·m [nur mit Option 2 = MF / RO]100Q 100 N·m [nur mit Option 2 = MF / RO]200Q 200 N·m [nur mit Option 2 = MF / RO]500Q 500 N·m [nur mit Option 2 = MF / RO]001R 1 kN·m [nur mit Option 2 = MF / RO]002R 2 kN·m [nur mit Option 2 = MF / RO]003R 3 kN·m [nur mit Option 2 = MF / RO]005R 4 kN·m [nur mit Option 2 = MF / RO]010R 5 kN·m [nur mit Option 2 = MF / RO]Code Option 2: KomponenteMF Messflansch komplettRO RotorST StatorCode Option 3: GenauigkeitSStandardCode Option 4: NenndrehzahlMStandard DrehzahlHHohe DrehzahlCode Option 5: Elektrische Konfiguration [nur mit Option 2 = MF / RO]SU2 Ausg.sign. 10 kHz ±5 kHz und ±10 V, Versorg.sp. 18…30V DCDU2 Ausg.sign. 60 kHz ±30 kHz und ±10 V, Versorg.sp. 18…30V DCHU2 Ausg.sign. 240 kHz ±120 kHz u. ±10 V, Versorg.sp. 18…30V DCCode Option 6: Drehzahlmesssystem0Ohne Drehzahlmesssystem1Magnetisches Drehzahlmesssystem: 1024 Impulse/Umdreh.AMagnetisches Drehzahlmesssystem (1024 Impulse/Umdreh.)und ReferenzimpulsCode Option 7: Kundenspezifische ModifikationSKeine kundenspezifische ModifikationUUS- und Canada-VersionK-T40B - 0 0 1 R - M F - S - M - D U 2 - 0 - S
Entsorgung und Umweltschutz60 A3452-10.0 T40BZubehör, zusätzlich zu beziehenArtikel Bestell‐Nr.Anschlusskabel, konfektioniertAnschlusskabel Drehmoment, Binder 423 - 15‐polig D‐Sub, 6m 1-KAB149-6Anschlusskabel Drehmoment, Binder 423 - 7‐polig, freie Enden, 6m 1-KAB153-6Anschlusskabel Drehzahl, Binder 423 - 15‐polig D‐Sub, 6m 1-KAB150-6Anschlusskabel Drehzahl, Binder 423 - 8‐polig, freie Enden, 6m 1-KAB154-6Anschlusskabel Drehzahl, Referenzimpuls, Binder 423 - 15‐poligD‐Sub, 6m1-KAB163-6Anschlusskabel Drehzahl, Referenzimpuls, Binder 423 - 8‐polig, freieEnden, 6m1-KAB164-6Anschlusskabel TMC, Binder 423 - 16‐polig, freie Enden, 6m 1-KAB174-6Kabelbuchsen423G-7S, 7‐polig (gerade) 3-3101.0247423W-7S, 7‐polig (Winkel) 3-3312.0281423G-8S, 8‐polig (gerade) 3-3312.0120423W-8S, 8‐polig (Winkel) 3-3312.0282Anschlusskabel, Meterware (Mindestbestellmenge: 10 m, Preis pro Meter)Kab8/00-2/2/2 4-3301.0071
Technische DatenT40B A3452-10.0 6113 Technische Daten13.1 Nenndrehmoment 50N·m bis 500N·mGenauigkeitsklasse 0,1 0,05Drehmoment‐MesssystemNenndrehmoment Mnom NVm 50 100 200 500Nenndrehzahl min-1 20000Nenndrehzahl, optional min-1 24000 22000Linearitätsabweichung einschließlich Hysterese,bezogen auf den NennkennwertFrequenzausgangFür ein max. Drehmoment im Bereich:Zwischen 0% v. Mnom und 20% v.Mnom% <±0,01> 20% v. Mnom und 60% v. Mnom % <±0,02> 60% v. Mnom und 100% v. Mnom % <±0,03SpannungsausgangFür ein max. Drehmoment im Bereich:Zwischen 0% v. Mnom und 20% v.Mnom% <±0,01> 20% v. Mnom und 60% v. Mnom % <±0,02> 60% v. Mnom und 100% v. Mnom % <±0,03Rel. Standardabweichung derWiederholbarkeit,nach DIN1319, bezogen auf dieAusgangssignaländerungFrequenzausgang % <±0,03Spannungsausgang % <±0,03
Technische Daten62 A3452-10.0 T40BNenndrehmoment Mnom 50020010050NVmTemperatureinfluss pro 10 K imNenntemperaturbereichauf das Ausgangssignal, bezogen aufden Istwert der SignalspanneFrequenzausgang % ±0,1 ±0,05Spannungsausgang % ±0,4 ±0,2auf das Nullsignal, bezogen auf denNennkennwertFrequenzausgang % ±0,1 ±0,05Spannungsausgang % ±0,2 ±0,1Nennkennwert(Spanne zwischen Drehmoment = Nullund Nenndrehmoment)Frequenzausgang 10kHz / 60kHz /240kHzkHz 5/30/120Spannungsausgang V 10Kennwerttoleranz(Abweichung der tatsächlichen Ausgangsgröße bei Mnom vom Nennkennwert)Frequenzausgang % ±0,1Spannungsausgang % ±0,1Ausgangssignal beiDrehmoment = NullFrequenzausgang kHz 10/60/240Spannungsausgang V 0
Technische DatenT40B A3452-10.0 63Nenndrehmoment Mnom 50020010050NVmNennausgangssignalFrequenzausgangbei positivem Nenndrehmoment kHz 15 1) / 90 2) / 360 3)(5 V symmetrisch 4))bei negativem Nenndrehmoment kHz 5 1) / 30 2) / 120 3)(5 V symmetrisch 4))Spannungsausgangbei positivem Nenndrehmoment V +10bei negativem Nenndrehmoment V -10LastwiderstandFrequenzausgang kΩ ≥ 2Spannungsausgang kΩ ≥ 10Langzeitdrift über 48h bei ReferenztemperaturFrequenzausgang % t±0,06 t±0,03Spannungsausgang % t±0,06 t±0,03Messfrequenzbereich, -3dB kHz 11) / 32) / 63)Gruppenlaufzeit µst4001) / t2202) / t1503)RestwelligkeitSpannungsausgang 5) mV t40Maximaler Aussteuerbereich 6)Frequenzausgang kHz 2,5 … 17,5 1) / 15 … 105 2) /60 … 420 3)Spannungsausgang V -12 … +12EnergieversorgungNennversorgungsspannung(Schutzkleinspannung DC)V18 … 30Stromaufnahme im Messbetrieb A< 1Stromaufnahme im Anlaufbetrieb A< 4 (typ. 2) 50 μsNennaufnahmeleistung W < 10
Technische Daten64 A3452-10.0 T40BNenndrehmoment Mnom 50020010050NVmMaximale Kabellänge m 50Shuntsignal ca. 50 % von MnomToleranz des Shuntsignals, bezogen auf Mnom% <±0,05Nennauslösespannung V 5Grenzauslösespannung V 36Shuntsignal ein Vmin. >2,5Shuntsignal aus Vmax. <0,7Drehzahl‐MesssystemMesssystem Magnetisch, mittels AMR‐Sensor(Anisotropischer‐Resistiver‐Effekt)und magnetisiertem Kunststoffringauf abgedecktem StahlringMagnetische Pole 72 86Maximale Lageabweichung der Pole 50 WinkelsekundenAusgangssignal V5V symmetrisch (RS‐422);2 Rechtecksignale um ca. 90°phasenverschobenImpulse pro Umdrehung 1024Mindestdrehzahl für ausreichendeImpulsstabilitätmin-1 0Impulstoleranz 7) Grad <±0,05Maximal zulässigeAusgangsfrequenzkHz 420Gruppenlaufzeit µs <150Radialer Nennabstand zwischenSensorkopf und Magnetring(mechanischer Abstand)mm 1,6Arbeitsbereich des Abstandszwischen Sensorkopf undMagnetringmm 0,4 … 2,5
Technische DatenT40B A3452-10.0 65Nenndrehmoment Mnom 50020010050NVmMax. zulässige Axialverschiebungdes Rotors gegenüber dem Stator 8)mm ±1,5Hysterese derDrehrichtungsumkehr beiRelativschwingungen zwischenRotor und StatorDrehschwingungen des Rotors Grad < ca. 0,2Horizontale Schwingwege des Stators mm < ca. 0,5Magnetische BelastungsgrenzeRemanenzflussdichte mT >100Koerzitivfeldstärke kA/m >100Zulässige magnetische Feldstärkefür SignalabweichungenkA/m <0,1Lastwiderstand 9) kΩ≥2Referenzimpuls‐Messsystem (0-Index)Messsystem Magnetisch, mittels Hall‐Sensorund MagnetAusgangssignal V5V symmetrisch (RS‐422)Impulse pro Umdrehung 1Mindestdrehzahl für ausreichendeImpulsstabilitätmin-1 2Impulsbreite, ca. Grad 0,088Impulstoleranz 7) Grad <±0,05Gruppenlaufzeit µs <150Axialer Nennabstand zwischenSensorkopf und Magnetring(mechanischer Abstand)mm 2,0Arbeitsbereich des Abstandszwischen Sensorkopf undMagnetringmm 0,4 … 2,5
Technische Daten66 A3452-10.0 T40BNenndrehmoment Mnom 50020010050NVmMax. zulässige Axialverschiebungdes Rotors gegenüber dem Stator 8)mm ±1,5Allgemeine AngabenEMVEmission (nach FCC 7, Teil 15, Unterabteilung C) 10)-Emission (nach EN61326‐1, Abschnitt 7)Funkstörfeldstärke 11)-Klasse BStörfestigkeit (EN61326‐1, Tab. 2)Elektromagnetisches Feld (AM) V/m 10Magnetisches Feld A/m 100Elektrostatische Entladungen (ESD)Kontaktentladung kV 4Luftentladung kV 8Schnelle Transienten (Burst) kV 1Stoßspannungen (Surge) kV 1Leitungsgebundene Störungen (AM) V 10Schutzart nach EN60529 IP 54Referenztemperatur °C23Nenntemperaturbereich °C+10 … +70Gebrauchstemperaturbereich 12) °C-20 … +85Lagerungstemperaturbereich °C-40 … +85Mechanischer Schock nachEN60068‐2‐2713)Anzahl n 1000Dauer ms 3Beschleunigung (Halbsinus) m/s2650Schwingbeanspruchung in dreiRichtungen nach EN60068‐2‐6 13)
Technische DatenT40B A3452-10.0 67Nenndrehmoment Mnom 50020010050NVmFrequenzbereich Hz 10 … 2000Dauer h 2,5Beschleunigung (Amplitude) m/s2200Belastungsgrenzen 14)Grenzdrehmoment, bez. auf Mnom 15) % 400 200Bruchdrehmoment, bez. auf Mnom 15) % 800 > 400Grenzlängskraft 16) kN 5 5 10 13Grenzquerkraft 16) kN 1 1 2 4Grenzbiegemoment 16) N⋅m 50 50 100 200Schwingbreite nach DIN50100(Spitze/Spitze) 17)N⋅m 200 200 400 1000Mechanische WerteDrehsteifigkeit cTkN⋅m/rad 180 180 360 745Verdrehwinkel bei Mnom Grad 0,016 0,032 0,032 0,038Steifigkeit in axialer Richtung cakN/mm 285 285 540 450Steifigkeit in radialer Richtung crkN/mm 160 160 315 560Steifigkeit bei Biegemoment umeine radiale Achse cbkN⋅m/Grad1,9 1,9 3,6 4,2Maximale Auslenkung bei Grenzlängskraftmm <0,04 <0,05Zusätzlicher max. Rundlauffehlerbei Grenzquerkraftmm <0,02Zusätzliche Planparallelitätsabweichung bei Grenzbiegemoment(bei j dB)mm <0,06 <0,11Auswucht‐Gütestufe nachDIN ISO 1940G 2,5
Technische Daten68 A3452-10.0 T40BNenndrehmoment Mnom 50020010050NVmZul. max. Schwingweg des Rotors(Spitze-Spitze) 18)Wellenschwingungen im Bereich derAnschlussflansche in Anlehnung anISO7919‐3Normalbetrieb (Dauerbetrieb) µms(p*p) +9000nǸ(n in min-1)Start‐ und Stoppbetrieb/Resonanzbereiche (temporär)µms(p*p) +13200nǸ(n in min-1)Massenträgheitsmoment desRotors Jvohne Drehzahlmesssystem kg⋅m20,0010 0,0010 0,0017 0,0039mit magn. Drehzahlmesssystem kg⋅m20,0015 0,0015 0,0022 0,0048Anteiliges Massenträgheitsmomentfür Übertragerseite (Seite desFlansches mit Außenzentrierung)ohne Drehzahlmesssystem % v. Jv68 68 62 59mit magn. Drehzahlmesssystem % v. Jv44 44 48 48Zulässige max. statischeExzentrizität des Rotors (radial) zum Statormittelpunktohne Drehzahlmesssystem mm ±2Zulässiger axialer Verschiebewegzwischen Rotor und Stator 19)ohne Drehzahlmesssystem mm ±2
Technische DatenT40B A3452-10.0 69Nenndrehmoment Mnom 50020010050NVmGewichtRotor ohne Drehzahlmesssystem kg 0,7 0,7 1,1 1,9Rotor mit magn. Drehzahlmesssystem kg 0,8 0,8 1,3 2,1Stator kg 1,1 1,1 1,1 1,11) Option 5, 10 ±5 kHz (Code SU2)2) Option 5, 60 ±30 kHz (Code DU2)3) Option 5, 240 ±120 kHz (Code HU2)4) Komplementäre Signale RS‐422, Abschlusswiderstand beachten.5) Signalfrequenzbereich 0,1 bis 10kHz6) Ausgangssignalbereich, in dem ein wiederholbarer Zusammenhang zwischen Drehmoment undAusgangssignal besteht.7) Bei Nennbedingungen.8) Die Angabe bezieht sich auf eine mittig axiale Ausrichtung. Abweichungen davon führen zu einerveränderten Impulstoleranz.9) Beachten Sie die gemäß RS‐422 nötigen Abschlusswiderstände.10) Option 7, Code U11) Option 7, Code S12) Ab 70°C ist eine Wärmeableitung über die Bodenplatte des Stators erforderlich. Die Temperaturder Bodenplatte darf 85°C nicht überschreiten.13) Fixierung von Antennenring und Anschlussstecker erforderlich.14) Jede irreguläre Beanspruchung (Biegemoment, Quer‐ oder Längskraft, Überschreiten desNenndrehmoments) ist bis zu der angegebenen Belastungsgrenze nur dann zulässig, solangekeine der jeweils anderen von ihnen auftreten kann. Andernfalls sind die Grenzwerte zureduzieren. Wenn je 30 % des Grenzbiegemoments und der Grenzquerkraft vorkommen, sind nurnoch 40 % der Grenzlängskraft zulässig, wobei das Nenndrehmoment nicht überschritten werdendarf. Die Auswirkungen der zulässigen Biegemomente, Längs‐ und Querkräfte auf dasMessergebnis sind v±0,3% (50Nm: ≤±0,6%) des Nenndrehmomentes. Die Belastungsgrenzengelten nur für den Nenntemperaturbereich. Bei Temperaturen <10_C sind die Belastungsgrenzenum ca. 30% zu reduzieren (Zähigkeitsreduzierung).15) Bei statischer Belastung.16) Statisch und dynamisch.17) Das Nenndrehmoment darf nicht überschritten werden.18) Beeinflussung der Schwingungsmessungen durch Rundlauffehler, Schlag, Formfehler, Kerben,Riefen, örtlichen Restmagnetismus, Gefügeunterschiede oder Werkstoffanomalien sind zuberücksichtigen und von der eigentlichen Wellenschwingung zu trennen.19) Oberhalb des Nenntemperaturbereiches: ±1,5mm.
Technische Daten70 A3452-10.0 T40B13.2 Nenndrehmoment 1kN·m bis 10kN·mGenauigkeitsklasse 0,05Drehmoment‐MesssystemNenndrehmoment Mnom kNVm 1 2 3 5 10Nenndrehzahl U/min 20000 15000 12000 10000Nenndrehzahl, optional U/min 22000 16000 14000 12000Linearitätsabweichung einschließlich Hysterese, bezogen auf den NennkennwertFrequenzausgangFür ein max. Drehmoment imBereich:Zwischen 0% v. Mnom und20% v. Mnom% <±0,01> 20% v. Mnom und 60% v.Mnom% <±0,02> 60% v. Mnom und 100% v.Mnom% <±0,03SpannungsausgangFür ein max. Drehmoment imBereich:Zwischen 0% v. Mnom und20% v. Mnom% <±0,01> 20% v. Mnom und 60% v.Mnom% <±0,02> 60% v. Mnom und 100% v.Mnom% <±0,03Rel. Standardabweichung derWiederholbarkeit,nach DIN1319, bezogen aufdie AusgangssignaländerungFrequenzausgang % <±0,03Spannungsausgang % <±0,03
Technische DatenT40B A3452-10.0 71Nenndrehmoment Mnom 105321kNVmTemperatureinfluss pro 10 Kim Nenntemperaturbereichauf das Ausgangssignal, bezogen auf den Istwert der SignalspanneFrequenzausgang % ±0,05Spannungsausgang % ±0,2auf das Nullsignal, bezogen aufden NennkennwertFrequenzausgang % ±0,05Spannungsausgang % "0,1Nennkennwert(Spanne zwischen Drehmoment = Null und Nenndrehmoment)Frequenzausgang 10kHz /60kHz / 240kHzkHz 5/30/120Spannungsausgang V 10Kennwerttoleranz(Abweichung der tatsächlichenAusgangsgröße bei Mnom vomNennkennwert)FrequenzausgangSpannungsausgang%%±0,1±0,1Ausgangssignal beiDrehmoment = NullFrequenzausgang kHz 10/60/240Spannungsausgang V 0
Technische Daten72 A3452-10.0 T40BNenndrehmoment Mnom 105321kNVmNennausgangssignalFrequenzausgangbei positivemNenndrehmomentkHz 15 20) / 90 21) / 360 22)(5 V symmetrisch 23))bei negativemNenndrehmomentkHz 5 20) / 30 21) / 120 22) (5 V symmetrisch 4))Spannungsausgangbei positivemNenndrehmomentV +10bei negativemNenndrehmomentV -10LastwiderstandFrequenzausgang kΩ ≥ 2Spannungsausgang kΩ ≥ 10Langzeitdrift über 48h beiReferenztemperaturFrequenzausgang % t±0,03Spannungsausgang % t±0,03Messfrequenzbereich, -3dB kHz 1 20) / 3 21) / 6 22)Gruppenlaufzeit µst400 20) / t220 21) / t150 22)RestwelligkeitSpannungsausgang 24) mV t40MaximalerAussteuerbereich 25)Frequenzausgang kHz 2,5 … 17,5 20) / 15 … 105 21) /60 … 420 22)Spannungsausgang V -12 … +12
Technische DatenT40B A3452-10.0 73Nenndrehmoment Mnom 105321kNVmEnergieversorgungNennversorgungsspannung(Schutzkleinspannung DC)V18 … 30Stromaufnahme im MessbetriebA< 1Stromaufnahme im AnlaufbetriebA< 4 (typ. 2) 50 μsNennaufnahmeleistung W < 10Maximale Kabellänge m 50Shuntsignal ca. 50 % von MnomToleranz des Shuntsignals,bezogen auf Mnom% <±0,05Nennauslösespannung V 5Grenzauslösespannung V 36Shuntsignal ein Vmin. >2,5Shuntsignal aus Vmax. <0,7Drehzahl‐MesssystemMesssystem Magnetisch, mittels AMR‐Sensor (Anisotropischer‐Resistiver‐Effekt) und magnetisiertem Kunststoffring auf abgedecktemStahlringMagnetische Pole 86 108 126 156Maximale Lageabweichungder Pole50 WinkelsekundenAusgangssignal V5V symmetrisch (RS‐422);2 Rechtecksignale um ca. 90° phasenverschobenImpulse pro Umdrehung 1024Mindestdrehzahl fürausreichende Impulsstabilitätmin-1 0Impulstoleranz 26) Grad <±0,05
Technische Daten74 A3452-10.0 T40BNenndrehmoment Mnom 105321kNVmMaximal zulässigeAusgangsfrequenzkHz 420Gruppenlaufzeit µs <150Radialer Nennabstandzwischen Sensorkopf undMagnetring (mechanischerAbstand)mm 1,6Arbeitsbereich des Abstandszwischen Sensorkopf undMagnetringmm 0,4 … 2,5Max. zulässige Axialverschiebung des Rotorsgegenüber dem Stator 27)mm "1,5Hysterese derDrehrichtungsumkehr beiRelativschwingungenzwischen Rotor und StatorDrehschwingungen des Rotors Grad < ca. 0,2Horizontale Schwingwege desStatorsmm < ca. 0,5MagnetischeBelastungsgrenzeRemanenzflussdichte mT >100Koerzitivfeldstärke kA/m >100Zulässige magnetischeFeldstärke fürSignalabweichungenkA/m <0,1Lastwiderstand 28) kΩ≥2Referenzimpuls‐Messsystem (0-Index)Messsystem Magnetisch, mittels Hall‐Sensor undMagnetAusgangssignal V5V symmetrisch (RS‐422)Impulse pro Umdrehung 1
Technische DatenT40B A3452-10.0 75Nenndrehmoment Mnom 105321kNVmMindestdrehzahl fürausreichende Impulsstabilitätmin-1 2Impulsbreite, ca. Grad 0,088Impulstoleranz 26) Grad <±0,05Gruppenlaufzeit µs <150Axialer Nennabstandzwischen Sensorkopf undMagnetring (mechanischerAbstand)mm 2,0Arbeitsbereich des Abstandszwischen Sensorkopf undMagnetringmm 0,4 … 2,5Max. zulässige Axialverschiebung des Rotorsgegenüber dem Stator 27)mm "1,5Allgemeine AngabenEMVEmission (nach FCC 7,Teil 15, Unterabteilung C) 29)-Emission (nach EN61326‐1,Abschnitt 7)Funkstörfeldstärke 30) -Klasse BStörfestigkeit (EN61326‐1,Tabelle 2)Elektromagnetisches Feld (AM) V/m 10Magnetisches Feld A/m 100Elektrostatische Entladungen(ESD)Kontaktentladung kV 4Luftentladung kV 8Schnelle Transienten (Burst) kV 1Stoßspannungen (Surge) kV 1
Technische Daten76 A3452-10.0 T40BNenndrehmoment Mnom 105321kNVmLeitungsgebundene Störungen(AM)V 10Schutzart nach EN60529 IP 54Referenztemperatur °C23Nenntemperaturbereich °C+10 … +70Gebrauchstemp.bereich 31) °C-20 … +85Lagerungstemperaturbereich °C-40 … +85Mechanischer Schock nachEN60068‐2‐27 32)Anzahl n 1000Dauer ms 3Beschleunigung (Halbsinus) m/s2650Schwingbeanspruchung indrei Richtungen nachEN60068‐2‐6 32)Frequenzbereich Hz 10 … 2000Dauer h 2,5Beschleunigung (Amplitude) m/s2200Belastungsgrenzen 33)Grenzdrehmoment, bezogenauf Mnom 34)% 200 160Bruchdrehmoment, bezogenauf Mnom 34)%> 400 > 320Grenzlängskraft 35) kN 19 30 35 60 80Grenzquerkraft 35) kN 5 9 10 12 18Grenzbiegemoment 35) N⋅m 220 560 600 800 1200Schwingbreite nachDIN50100 (Spitze/Spitze) 36)N⋅m 2000 4000 4800 8000 16000Mechanische WerteDrehsteifigkeit cTkN⋅m/rad 1165 2515 3210 5565 14335
Technische DatenT40B A3452-10.0 77Nenndrehmoment Mnom 105321kNVmVerdrehwinkel bei Mnom Grad 0,049 0,046 0,054 0,051 0,040Steifigkeit in axialerRichtung cakN/mm 580 540 570 760 960Steifigkeit in radialerRichtung crkN/mm 860 1365 1680 2080 2940Steifigkeit bei Biegemomentum eine radiale Achse cbkN⋅m/Grad5,9 9 9,3 20,2 45,5Maximale Auslenkung beiGrenzlängskraftmm < 0,05 < 0,06 < 0,08 < 0,09Zusätzlicher max. Rundlauffehler bei Grenzquerkraftmm < 0,02Zusätzliche Planparallelitätsabweichung bei Grenzbiegemoment (bei j dB)mm <0,09 <0,18 <0,19 <0,14 <0,12Auswucht‐Gütestufe nachDIN ISO 1940G 2,5Zul. max. Schwingweg desRotors (Spitze-Spitze) 37)Wellenschwingungen imBereich der Anschlussflanschein Anlehnung an ISO7919‐3Normalbetrieb (Dauerbetrieb) µms(p*p) +9000nǸ(n in min‐1)Start‐ und Stoppbetrieb/Resonanzbereiche (temporär)µms(p*p) +13200nǸ(n in min‐1)Massenträgheitsmoment desRotors Jvohne Drehzahlmesssystem kg⋅m20,0039 0,0128 0,0292 0,0771mit magn. Drehzahlmesssystemkg⋅m20,0048 0,0145 0,0146 0,0333 0,0872
Technische Daten78 A3452-10.0 T40BNenndrehmoment Mnom 105321kNVmAnteiliges Massenträgheitsmoment für Übertragerseite(Seite des Flansches mitAußenzentrierung)ohne Drehzahlmesssystem % v. Jv59 54 53 54mit magn. Drehzahlmesssystem% v. Jv48 48 47 48Zul. max. stat. Exzentrizitätdes Rotors (radial) zum Statormittelpunktohne Drehzahlmesssystem mm ±2Zulässiger axialerVerschiebewegzwischen Rotor und Stator 38)ohne Drehzahlmesssystem mm ±2GewichtRotor ohne Drehzahlmesssystemkg 1,9 3,8 3,9 6,5 10,9
Technische DatenT40B A3452-10.0 79Nenndrehmoment Mnom 105321kNVmRotor mit magn. Drehzahlmesssystemkg 2,1 4,1 4,1 6,9 11,7Stator kg 1,1 1,1 1,1 1,2 1,320) Option 5, 10"5 kHz (Code SU2)21) Option 5, 60"30 kHz (Code DU2)22) Option 5, 240"120 kHz (Code HU2)23) Komplementäre Signale RS‐422, Abschlusswiderstand beachten.24) Signalfrequenzbereich 0,1 bis 10kHz25) Ausgangssignalbereich, in dem ein wiederholbarer Zusammenhang zwischen Drehmoment undAusgangssignal besteht.26) Bei Nennbedingungen.27) Die Angabe bezieht sich auf eine mittig axiale Ausrichtung. Abweichungen davon führen zu einerveränderten Impulstoleranz.28) Beachten Sie die gemäß RS‐422 nötigen Abschlusswiderstände.29) Option 7, Code U30) Option 7, Code S31) Ab 70°C ist eine Wärmeableitung über die Bodenplatte des Stators erforderlich. Die Temperaturder Bodenplatte darf 85°C nicht überschreiten.32) Fixierung von Antennenring und Anschlussstecker erforderlich.33) Jede irreguläre Beanspruchung (Biegemoment, Quer‐ oder Längskraft, Überschreiten desNenndrehmoments) ist bis zu der angegebenen Belastungsgrenze nur dann zulässig, solangekeine der jeweils anderen von ihnen auftreten kann. Andernfalls sind die Grenzwerte zureduzieren. Wenn je 30 % des Grenzbiegemoments und der Grenzquerkraft vorkommen, sind nurnoch 40 % der Grenzlängskraft zulässig, wobei das Nenndrehmoment nicht überschritten werdendarf. Die Auswirkungen der zulässigen Biegemomente, Längs‐ und Querkräfte auf dasMessergebnis sind v"0,3% des Nenndrehmomentes. Die Belastungsgrenzen gelten nur für denNenntemperaturbereich. Bei Temperaturen <10_C sind die Belastungsgrenzen um ca. 30% zureduzieren (Zähigkeitsreduzierung).34) Bei statischer Belastung.35) Statisch und dynamisch.36) Das Nenndrehmoment darf nicht überschritten werden.37) Beeinflussung der Schwingungsmessungen durch Rundlauffehler, Schlag, Formfehler, Kerben,Riefen, örtlichen Restmagnetismus, Gefügeunterschiede oder Werkstoffanomalien sind zuberücksichtigen und von der eigentlichen Wellenschwingung zu trennen.38) Oberhalb des Nenntemperaturbereiches: ±1,5mm.
Ergänzende technische Informationen80 A3452-10.0 T40B14 Ergänzende technische InformationenPlan‐ und RundlauftoleranzenInnenzentrierungAPlanlauf AB BHärte 46 ... 54 HRCOberflächengüte der Plan‐ undRundlaufflächen (A, B und AB)0,8Rundlauf ABMessbereich (NVm) Planlauftoleranz (mm) Rundlauftoleranz (mm)50 0,01 0,01100 0,01 0,01200 0,01 0,01500 0,01 0,011 k 0,01 0,012 k 0,02 0,023 k 0,02 0,025 k 0,02 0,0210 k 0,02 0,02Um die Eigenschaften des Drehmoment‐Messflanschsim eingebauten Zustand zu erhalten, empfehlen wir dieangegebenen Form‐ und Lagetoleranzen, Oberflächengüte und Härte auch für die kundenseitigen Anschlüssezu wählen.
Dimensions | AbmessungenT40B A3452-10.0 8115 Dimensions | Abmessungen15.1 T40B without rotational speed measurement | T40B ohne Drehzahlmessung15.1.1 T40B 50Nm - 100Nm, Option 7, Code SDimensions in mm (1 mm = 0.03937 inches) | Abmessungen in mmAA(22)(30,5)∅84190912 20442821015227532753133∅10830°6x60° = 360°60°∅14M87,560°MontagemaßMountingdimensions
Dimensions | Abmessungen82 A3452-10.0 T40BDimensions in mm (1 mm = 0.03937 inches) | Abmessungen in mmC1220∅847128354510210256,99056,977∅57 g5 ()4,257,01957,000∅57 H6 ()10451552,5∅9930°∅8,2∅4,2∅114∅1546x60° =360°60°Schwerpunkt Zur AxialsicherungEntspricht Statorring,wie Messkörperflansch(Einschraubtiefe)Ausbruch Innenzentrierungim Schnitt A-ACorr. to stator ring andmeas. body flange (thread reach) For axial lockingCenter of gravityCutaway of internal centeringin section A-A
Dimensions | AbmessungenT40B A3452-10.0 8315.1.2 T40B 50 Nm, 100 Nm, Option 7, Code UDimensions in mm (1 mm = 0.03937 inches) | Abmessungen in mmScrew head height (Shielding plates) = 2.5 mm |Schraubenkopfhöhe (Abschirmungsplatten) = 2,5 mmMontagemaßMountingdimensions
Dimensions | Abmessungen84 A3452-10.0 T40BCorr. to stator ring andmeas. body flange seeOption 7, Code SDimensions in mm (1 mm = 0.03937 inches) | Abmessungen in mmScrew head height (Shielding plates) = 2.5 mm |Schraubenkopfhöhe (Abschirmungsplatten) = 2,5 mmAusbruch Innenzentrierungim Schnitt A-ACutaway of internal centeringin section A-AEntspricht Statorring,wie Messkörperflanschsiehe Option 7, Code S Zur AxialsicherungFor axial lockingSchwerpunktCenter of gravity
Dimensions | AbmessungenT40B A3452-10.0 8515.1.3 T40B 200Nm, Option 7, Code SDimensions in mm (1 mm = 0.03937 inches) | Abmessungen in mmAA(22)Montagemaß(30,5)∅84190920442821015227532753133∅10830°6x60° = 360°60°∅14M87,51260°Mountingdimensions
Dimensions | Abmessungen86 A3452-10.0 T40BC1220,6∅847128354510210256,99056,977∅57 g54,257,01957,000∅57 H610451552,5∅99,630°6x60° =360°∅8,2 ∅4,2∅114∅154SchwerpunktZur AxialsicherungEntspricht Statorring,wie Messkörperflansch(Einschraubtiefe)60°()()Ausbruch Innenzentrierungim Schnitt A-ACorr. to stator ring andmeas. body flange (thread reach)For axial lockingCenter of gravityCutaway of internal centeringin section A-ADimensions in mm (1 mm = 0.03937 inches) | Abmessungen in mm
Dimensions | AbmessungenT40B A3452-10.0 8715.1.4 T40B 200 Nm, Option 7, Code UDimensions in mm (1 mm = 0.03937 inches) | Abmessungen in mmScrew head height (Shielding plates) = 2.5 mm | Schraubenkopfhöhe (Abschirmungsplatten) = 2,5 mmMontagemaßMountingdimensions
Dimensions | Abmessungen88 A3452-10.0 T40BDimensions in mm (1 mm = 0.03937 inches) | Abmessungen in mmScrew head height (Shielding plates) = 2.5 mm |Schraubenkopfhöhe (Abschirmungsplatten) = 2,5 mmAusbruch Innenzentrierungim Schnitt A-ACutaway of internal centeringin section A-ACorr. to stator ring andmeas. body flange seeOption 7, Code SEntspricht Statorring,wie Messkörperflanschsiehe Option 7, Code S Zur AxialsicherungFor axial lockingSchwerpunktCenter of gravityExternalcenteringAußenzentrierung
Dimensions | AbmessungenT40B A3452-10.0 8915.1.5 T40B 500Nm - 1kNm, Option 7, Code SAA(22)Montagemaß(33,5)∅101,5190920442821015227532753144∅13022,5°45°8x45° = 360°45°∅17M107,512MountingdimensionsDimensions in mm (1 mm = 0.03937 inches) | Abmessungen in mm
Dimensions | Abmessungen90 A3452-10.0 T40BC1223,3∅101,57128354510232274,99074,977∅75 g54,275,01975,000∅75 H6 )12491755,5∅12122,5°8x45°=360°45°∅10,5 ∅4,2∅176∅136()Dimensions in mm (1 mm = 0.03937 inches) | Abmessungen in mmSchwerpunktZur AxialsicherungEntspricht Statorring, wie Messkörperflansch(Einschraubtiefe)Ausbruch Innenzentrierungim Schnitt A-ACorr. to stator ring and meas.body flange (thread reach) For axial lockingCenter ofgravityCutaway of internal centeringin section A-A(
Dimensions | AbmessungenT40B A3452-10.0 9115.1.6 T40B 500 Nm - 1 kNm, Option 7, Code UDimensions in mm (1 mm = 0.03937 inches) | Abmessungen in mmScrew head height (Shielding plates) = 2.5 mm |Schraubenkopfhöhe (Abschirmungsplatten) = 2,5 mmMontagemaßMountingdimensions
Dimensions | Abmessungen92 A3452-10.0 T40BDimensions in mm (1 mm = 0.03937 inches) | Abmessungen in mmScrew head height (Shielding plates) = 2.5 mm |Schraubenkopfhöhe (Abschirmungsplatten) = 2,5 mmAusbruch Innenzentrierungim Schnitt A-ACutaway of internal centeringin section A-ACorr. to stator ring and meas.body flange see Option 7, Code SEntspricht Statorring, wie Messkörperflanschsiehe Option 7,Code S Zur AxialsicherungFor axial lockingSchwerpunktCenter of gravity
Dimensions | AbmessungenT40B A3452-10.0 9315.1.7 T40B 2kNm - 3kNm, Option 7, Code SAA(22)Montagemaß(37)∅130190920442821015227532753161∅16422,5°45°8x45° = 360°45°∅19M127,5MountingdimensionsDimensions in mm (1 mm = 0.03937 inches) | Abmessungen in mm12
Dimensions | Abmessungen94 A3452-10.0 T40BC12∅13025,771283545102662,589,98889,973∅90 g54,290,02290,000∅90 H615531859∅15622,5°8x45° = 360°45°∅12 ∅4,2∅210∅170()()Dimensions in mm (1 mm = 0.03937 inches) | Abmessungen in mmSchwerpunktZur AxialsicherungEntspricht Statorring, wieMesskörperflansch(Einschraubtiefe)Ausbruch Innenzentrierungim Schnitt A-ACorr. to stator ring and meas. bodyflange (thread reach) For axial lockingCenter ofgravityCutaway of internal centeringin section A-A
Dimensions | AbmessungenT40B A3452-10.0 9515.1.8 T40B 2 kNm - 3 kNm, Option 7, Code UDimensions in mm (1 mm = 0.03937 inches) | Abmessungen in mmScrew head height (Shielding plates) = 2.5 mm |Schraubenkopfhöhe (Abschirmungsplatten) = 2,5 mmMontagemaßMountingdimensions
Dimensions | Abmessungen96 A3452-10.0 T40BDimensions in mm (1 mm = 0.03937 inches) | Abmessungen in mmScrew head height (Shielding plates) = 2.5 mm |Schraubenkopfhöhe (Abschirmungsplatten) = 2,5 mmAusbruch Innenzentrierungim Schnitt A-ACutaway of internal centeringin section A-ACorr. to stator ring and meas. bodyflange see Option 7, Code SEntspricht Statorring, wie Messkörperflanschsiehe Option 7,Code S Zur AxialsicherungFor axial lockingSchwerpunktCenter of gravityExternalcenteringAußenzentrierung
Dimensions | AbmessungenT40B A3452-10.0 9715.1.9 T40B 5kNm, Option 7, Code SAA(22)Montagemaß(46)∅155,5190 912 20442821015227532753175,5∅19322,5°45°8x45° = 360°45°∅22M147,5MountingdimensionsDimensions in mm (1 mm = 0.03937 inches) | Abmessungen in mm
Dimensions | Abmessungen98 A3452-10.0 T40BC12∅155,530,571283545102952,8109,988109,973∅110 g54,2110,022110,000∅110 H620632068∅18022,5°8x45° =360°45°∅14,2 ∅5,2∅239∅199()()Dimensions in mm (1 mm = 0.03937 inches) | Abmessungen in mmSchwerpunktZur AxialsicherungEntspricht Statorring, wieMesskörperflansch(Einschraubtiefe)Ausbruch Innenzentrierungim Schnitt A-ACorr. to stator ring and meas.body flange (thread reach) For axial lockingCenter ofgravityCutaway of internal centeringin section A-A
Dimensions | AbmessungenT40B A3452-10.0 9915.1.10T40B 5 kNm, Option 7, Code UDimensions in mm (1 mm = 0.03937 inches) | Abmessungen in mmScrew head height (Shielding plates) = 2.5 mm |Schraubenkopfhöhe (Abschirmungsplatten) = 2,5 mmMontagemaßMountingdimensions
Dimensions | Abmessungen100 A3452-10.0 T40BDimensions in mm (1 mm = 0.03937 inches) | Abmessungen in mmScrew head height (Shielding plates) = 2.5 mm |Schraubenkopfhöhe (Abschirmungsplatten) = 2,5 mmAusbruch Innenzentrierungim Schnitt A-ACutaway of internal centeringin section A-ACorr. to stator ring and meas. body flange seeOption 7, Code SEntspricht Statorring, wie Messkörperflanschsiehe Option 7, Code SZur AxialsicherungFor axial lockingSchwerpunktCenter of gravityExternalcenteringAußenzentrierung
Dimensions | AbmessungenT40B A3452-10.0 10115.1.11T40B 10kNm, Option 7, Code SAA(22)Montagemaß(57)∅196190 912 20442821015227532753199∅24022,5°45°8x45° = 360°45°∅26 M167,5MountingdimensionsDimensions in mm (1 mm = 0.03937 inches) | Abmessungen in mm
Dimensions | Abmessungen102 A3452-10.0 T40BC12∅1963671283545103423,5139,986139,968∅140 g54,2140,025140,000∅140 H622752279∅22222,5°8x45° =360°45°∅17 ∅5,2∅286∅246()()Dimensions in mm (1 mm = 0.03937 inches) | Abmessungen in mmSchwerpunktZur AxialsicherungEntspricht Statorring, wieMesskörperflansch(Einschraubtiefe)Ausbruch Innenzentrierungim Schnitt A-ACorr. to stator ring and meas.body flange (thread reach) For axial lockingCenter of gravityCutaway of internal centeringin section A-A
Dimensions | AbmessungenT40B A3452-10.0 10315.1.12T40B 10 kNm, Option 7, Code UDimensions in mm (1 mm = 0.03937 inches) | Abmessungen in mmScrew head height (Shielding plates) = 2.5 mm |Schraubenkopfhöhe (Abschirmungsplatten) = 2,5 mmMontagemaßMountingdimensions
Dimensions | Abmessungen104 A3452-10.0 T40BDimensions in mm (1 mm = 0.03937 inches) | Abmessungen in mmScrew head height (Shielding plates) = 2.5 mm |Schraubenkopfhöhe (Abschirmungsplatten) = 2,5 mmAusbruch Innenzentrierungim Schnitt A-ACutaway of internal centeringin section A-ACorr. to stator ring and meas. body flange seeOption 7, Code SEntspricht Statorring, wie Messkörperflanschsiehe Option 7,Code S Zur AxialsicherungFor axial lockingSchwerpunktCenter of gravityExternalcenteringAußenzentrierung
Dimensions | AbmessungenT40B A3452-10.0 10515.2 T40B with rot. speed measurementand reference signal | mit Drehzahlmessung und Referenzimpuls15.2.1 T40B 50Nm - 100Nm, Option 7, Code SDimensions in mm (1 mm = 0.03937 inches) | Abmessungen in mmAA(22)(30,5)∅8412 204491902821015227532753133∅10830°6x60° = 360°60°∅14M87,560°MontagemaßMountingdimensions
Dimensions | Abmessungen106 A3452-10.0 T40BDimensions in mm (1 mm = 0.03937 inches) | Abmessungen in mmC12∅8424∅112∅4,230°∅8,2102835457121024,256,99056,977∅57 g5()57,01957,000∅57 H6()7,5 401,6(75,4)154552,51314∅154∅114285012SchwerpunktEntspricht Statorring, wieMesskörperflansch(Einschraubtiefe)Zur Axialsicherung6x60° =360°60°Ausbruch Innenzentrierungim Schnitt A-ACorr. to stator ring and meas.body flange (thread reach) For axial lockingCenter of gravityCutaway of internal centeringin section A-A
Dimensions | AbmessungenT40B A3452-10.0 10715.2.2 T40B 50 kNm - 100 Nm, Option 7, Code UDimensions in mm (1 mm = 0.03937 inches) | Abmessungen in mmScrew head height (Shielding plates) = 2.5 mm |Schraubenkopfhöhe (Abschirmungsplatten) = 2,5 mmMontagemaßMountingdimensionsOnlyOption 6,Code ANurOption 6,Code A
Dimensions | Abmessungen108 A3452-10.0 T40BDimensions in mm (1 mm = 0.03937 inches) | Abmessungen in mmScrew head height (Shielding plates) = 2.5 mm |Schraubenkopfhöhe (Abschirmungsplatten) = 2,5 mmAusbruch Innenzentrierungim Schnitt A-ACutaway of internal centeringin section A-ACorr. to stator ring andmeas. body flange seeOption 7, Code SEntspricht Statorring,wie Messkörperflanschsiehe Option 7, Code S Zur AxialsicherungFor axial lockingSchwerpunktCenter of gravityExternalcenteringAußenzentrierung
Dimensions | AbmessungenT40B A3452-10.0 10915.2.3 T40B 200Nm, Option 7, Code SAA(22)(30,5)∅8412 204491902821015227532753133∅10830°60°6 x 60° = 360°60°∅14M87,5MountingdimensionsDimensions in mm (1 mm = 0.03937 inches) | Abmessungen in mmMontagemaß
Dimensions | Abmessungen110 A3452-10.0 T40BC12∅8421,9∅112∅4,230°6 x 60° = 360°60°∅8,2102835457121024,256,99056,977∅57 g5()57,01957,000∅57 H6 ()7,5 401,6(75,4)154552,51314(1)∅154∅114285012Dimensions in mm (1 mm = 0.03937 inches) | Abmessungen in mmSchwerpunkt Zur AxialsicherungEntspricht Statorring, wieMesskörperflansch(Einschraubtiefe)Ausbruch Innenzentrierungim Schnitt A-ACorr. to stator ring and meas.body flange (thread reach) For axial lockingCenter of gravityCutaway of internal centeringin section A-A
Dimensions | AbmessungenT40B A3452-10.0 11115.2.4 T40B 200 Nm, Option 7, Code UDimensions in mm (1 mm = 0.03937 inches) | Abmessungen in mmScrew head height (Shielding plates) = 2.5 mm |Schraubenkopfhöhe (Abschirmungsplatten) = 2,5 mmMontagemaßMountingdimensionsOnlyOption 6,Code ANurOption 6,Code A
Dimensions | Abmessungen112 A3452-10.0 T40BDimensions in mm (1 mm = 0.03937 inches) | Abmessungen in mmScrew head height (Shielding plates) = 2.5 mm |Schraubenkopfhöhe (Abschirmungsplatten) = 2,5 mmAusbruch Innenzentrierungim Schnitt A-ACutaway of internal centeringin section A-ACorr. to stator ring andmeas. body flange seeOption 7, Code SEntspricht Statorring,wie Messkörperflanschsiehe Option 7, Code SZur AxialsicherungFor axial lockingSchwerpunktCenter of gravityExternalcenteringAußenzentrierung
Dimensions | AbmessungenT40B A3452-10.0 11315.2.5 T40B 500Nm - 1kNm, Option 7, Code S(22)(33,5)∅101,5190 912 20442827532101522753144∅13022,5°∅17M108 x 45° = 360°45°7,5AA45°MountingdimensionsDimensions in mm (1 mm = 0.03937 inches) | Abmessungen in mmMontagemaß
Dimensions | Abmessungen114 A3452-10.0 T40BC12∅101,525,3∅13440∅4,2∅10,522,5°8 x 45° =360°45°1028354571(75,4) 1,6823224,274,99074,977∅75 g5 ()75,01975,000∅75 H6 ()(1) 1314 174955,5∅176∅136501282Dimensions in mm (1 mm = 0.03937 inches) | Abmessungen in mmSchwerpunktZur AxialsicherungEntspricht Statorring, wieMesskörperflansch(Einschraubtiefe)Ausbruch Innenzentrierungim Schnitt A-ACorr. to stator ring and meas.body flange (thread reach) For axial lockingCenter of gravityCutaway of internal centeringin section A-A
Dimensions | AbmessungenT40B A3452-10.0 11515.2.6 T40B 500 Nm - 1 kNm, Option 7, Code UDimensions in mm (1 mm = 0.03937 inches) | Abmessungen in mmScrew head height (Shielding plates) = 2.5 mm |Schraubenkopfhöhe (Abschirmungsplatten) = 2,5 mmMontagemaßMountingdimensionsOnlyOption 6,Code ANurOption 6,Code A
Dimensions | Abmessungen116 A3452-10.0 T40BDimensions in mm (1 mm = 0.03937 inches) | Abmessungen in mmScrew head height (Shielding plates) = 2.5 mm |Schraubenkopfhöhe (Abschirmungsplatten) = 2,5 mmAusbruch Innenzentrierungim Schnitt A-ACutaway of internal centeringin section A-ACorr. to stator ring andmeas. body flange seeOption 7, Code SEntspricht Statorring,wie Messkörperflanschsiehe Option 7, Code SZur AxialsicherungFor axial lockingSchwerpunktCenter of gravity
Dimensions | AbmessungenT40B A3452-10.0 11715.2.7 T40B 2kNm - 3kNm, Option 7, Code S(22)(37)190 912 2044Montagemaß28∅13021015227532753161∅164∅19M1222,5°45°8 x 45° = 360°45°7,5AAMountingdimensionsDimensions in mm (1 mm = 0.03937 inches) | Abmessungen in mm
Dimensions | Abmessungen118 A3452-10.0 T40B26,810283545718,5(75,4) 1,62662,589,98889,973∅90 g54,2( )(4) 1317 1853598212 90,02290,000∅90 H6 ()8 x 45° =360°45°C12∅130∅168∅4,222,5°∅1240∅210∅17050Dimensions in mm (1 mm = 0.03937 inches) | Abmessungen in mmSchwerpunkt Zur AxialsicherungEntspricht Statorring, wieMesskörperflansch(Einschraubtiefe)Ausbruch Innenzentrierung imSchnitt A-ACorr. to stator ring and meas.body flange (thread reach)For axial lockingCenter of gravityCutaway of internal centeringin section A-A
Dimensions | AbmessungenT40B A3452-10.0 11915.2.8 T40B 2 kNm - 3 kNm, Option 7, Code UDimensions in mm (1 mm = 0.03937 inches) | Abmessungen in mmScrew head height (Shielding plates) = 2.5 mm |Schraubenkopfhöhe (Abschirmungsplatten) = 2,5 mmMontagemaßMountingdimensionsOnlyOption 6,Code ANurOption 6,Code A
Dimensions | Abmessungen120 A3452-10.0 T40BDimensions in mm (1 mm = 0.03937 inches) | Abmessungen in mmScrew head height (Shielding plates) = 2.5 mm |Schraubenkopfhöhe (Abschirmungsplatten) = 2,5 mmAusbruch Innenzentrierungim Schnitt A-ACutaway of internal centeringin section A-ACorr. to stator ring and meas. body flangesee Option 7, Code SEntspricht Statorring, wie Messkörperflanschsiehe Option 7, Code SZur AxialsicherungFor axial lockingSchwerpunktCenter of gravityExternalcenteringAußenzentrierung
Dimensions | AbmessungenT40B A3452-10.0 12115.2.9 T40B 5kNm, Option 7, Code S28∅155,521015227532753175,5∅193∅22M1422,5°45°8 x 45° = 360°45°7,5AA(22)(46)190 912 2044MontagemaßMountingdimensionsDimensions in mm (1 mm = 0.03937 inches) | Abmessungen in mm
Dimensions | Abmessungen122 A3452-10.0 T40B31,6102835457112,5(75,4) 1,62954,2 2,8109,988109,973∅110 g5 ()(9) 1322 2063688212 110,022110,000∅110 H6 ()C12∅155,5∅5,2∅14,222,5°8 x 45° =360°45°40∅197∅239∅19950Dimensions in mm (1 mm = 0.03937 inches) | Abmessungen in mmSchwerpunkt Zur AxialsicherungEntspricht Statorring, wie Messkörperflansch (Einschraubtiefe)Ausbruch Innenzentrierung imSchnitt A-ACorr. to stator ring and meas.body flange (thread reach) For axial lockingCenter of gravityCutaway of internal centering insection A-A
Dimensions | AbmessungenT40B A3452-10.0 12315.2.10T40B 5 kNm, Option 7, Code UDimensions in mm (1 mm = 0.03937 inches) | Abmessungen in mmScrew head height (Shielding plates) = 2.5 mm |Schraubenkopfhöhe (Abschirmungsplatten) = 2,5 mmMontagemaßMountingdimensionsOnlyOption 6,Code ANurOption 6,Code A
Dimensions | Abmessungen124 A3452-10.0 T40BDimensions in mm (1 mm = 0.03937 inches) | Abmessungen in mmScrew head height (Shielding plates) = 2.5 mm |Schraubenkopfhöhe (Abschirmungsplatten) = 2,5 mmAusbruch Innenzentrierungim Schnitt A-ACutaway of internal centeringin section A-ACorr. to stator ring and meas. body flangesee Option 7, Code SEntspricht Statorring, wie Messkörperflanschsiehe Option 7, Code SZur AxialsicherungFor axial lockingSchwerpunktCenter of gravityExternalcenteringAußenzentrierung
Dimensions | AbmessungenT40B A3452-10.0 12515.2.11T40B 10kNm, Option 7, Code S(22)(57)∅19628190 912442027532753210152199∅26M1622,5°45°8 x 45° = 360°45°∅2407,5AAMountingdimensionsDimensions in mm (1 mm = 0.03937 inches) | Abmessungen in mmMontagemaß
Dimensions | Abmessungen126 A3452-10.0 T40BC12∅19637,460∅5,2∅1722,5°8 x 45° =360°45°∅2441028354571(75,4)21,51,6342139,986139,968∅140 g5 ()3,54,2(11) 1324 227579 ∅286∅2468212 140,025140,000∅140 H6 ()Dimensions in mm (1 mm = 0.03937 inches) | Abmessungen in mmSchwerpunkt Zur AxialsicherungEntspricht Statorring, wie Messkörperflansch (Einschraubtiefe)Ausbruch Innenzentrierungim Schnitt A-ACorr. to stator ring and meas.body flange (thread reach) For axial lockingCenter of gravityCutaway of internal centeringin section A-A
Dimensions | AbmessungenT40B A3452-10.0 12715.2.12T40B 10 kNm, Option 7, Code UDimensions in mm (1 mm = 0.03937 inches) | Abmessungen in mmScrew head height (Shielding plates) = 2.5 mm |Schraubenkopfhöhe (Abschirmungsplatten) = 2,5 mmMontagemaßMountingdimensionsOnlyOption 6,Code ANurOption 6,Code A
Dimensions | Abmessungen128 A3452-10.0 T40BDimensions in mm (1 mm = 0.03937 inches) | Abmessungen in mmScrew head height (Shielding plates) = 2.5 mm |Schraubenkopfhöhe (Abschirmungsplatten) = 2,5 mmAusbruch Innenzentrierungim Schnitt A-ACutaway of internal centeringin section A-ACorr. to stator ring and meas. body flangesee Option 7, Code SEntspricht Statorring, wie Messkörperflanschsiehe Option 7,Code S Zur AxialsicherungFor axial lockingSchwerpunktCenter of gravityExternalcenteringAußenzentrierung
Dimensions | AbmessungenT40B A3452-10.0 129
www.hbm.comHBM Test and MeasurementTel. +49 6151 803-0Fax +49 6151 803-9100info@hbm.commeasure and predict with confidenceA3452-10.0

Navigation menu