Houston Radar PD420 FMCW Ranging Radar User Manual Houston Radar LLC
Houston Radar LLC FMCW Ranging Radar Houston Radar LLC
User Manual

This device complies with part 15 of the FCC Rules. Operation is subject to the following
two conditions: (1) this device may not cause harmful interference, and (2) this device
must accept any interference received, including interference that may cause undesired
operation.
Changes or modifications not expressly approved by the party responsible for compliance
could void the user's authority to operate the equipment.
Any modification or use other than specified in this manual will strictly void the
certification to operate the device.
This device carries FCC modular approval and as such is labeled with FCC ID
TIAPD420. If this label is not visible when the module is installed inside another device,
then the outside of the device into which the module is installed must also display a label
referring to the enclosed module. This exterior label can use wording such as the
following: “Contains Transmitter Module FCC ID: TIAPD420” or “Contains FCC ID:
TIAPD420.” Any similar wording that expresses the same meaning may be used.
This equipment has been tested and found to comply with the limits for a Class B digital
device, pursuant to part 15 of the FCC Rules. These limits are designed to provide
reasonable protection against harmful interference in a residential installation. This
equipment generates, uses and can radiate radio frequency energy and, if not installed and
used in accordance with the instructions, may cause harmful interference to radio
communications. However, there is no guarantee that interference will not occur in a
particular installation. If this equipment does cause harmful interference to radio or
television reception, which can be determined by turning the equipment off and on, the
user is encouraged to try to correct the interference by one or more of the following
measures: I) Reorient or relocate the receiving antenna. II) Increase the separation
between the equipment and receiver. III) Connect the equipment into an outlet on a
circuit different from that to which the receiver is connected. IV) Consult the dealer or an
experienced radio/TV technician for help.
This equipment complies with FCC and Industry Canada radiation exposure limits set
forth for an uncontrolled environment. This equipment should be installed and operated
with minimum distance of 20cm between the radiator and your body. This transmitter
must not be co-located or operating in conjunction with any other antenna or transmitter
not described under this FCC ID, except in accordance with FCC and Industry Canada
multi-transmitter product procedures.

Warning: PD420 radar is supplied in an open frame format with exposed antenna and
electronics and thus is a static sensitive device. Please use static precautions when
handling. Warranty does not cover damage caused by inadequate ESD procedures and
practices.
Note: Specifications may change without notice.
Note: Not liable for typographical errors or omissions.

Table Of Contents
INTRODUCTION............................................................................................................. 6
PRINCIPLE OF OPERATION ....................................................................................... 7
FMCW RADAR ................................................................................................................ 7
RADAR DETECTION ZONE ................................................................................................ 7
RADAR POINTING ............................................................................................................. 9
BACKGROUND CLUTTER .................................................................................................. 9
Clutter Map ................................................................................................................. 9
Clutter Map Time Constant ........................................................................................ 9
Choosing a CTC value .............................................................................................. 10
OPERATING MODES ....................................................................................................... 11
Highway mode (side firing only) ............................................................................... 11
Intersection mode (side or front firing) .................................................................... 11
Highway mode (front firing only) ............................................................................. 11
USER CONFIGURABLE DETECTION LANES ..................................................................... 12
Lane Definition ......................................................................................................... 12
Trigger Pulse Extension ............................................................................................ 12
Lane Status over RS232 ............................................................................................ 12
Lane Setup ................................................................................................................. 12
Historical Lane Counts ............................................................................................. 13
CO-LOCATED RADARS ................................................................................................... 13
RADAR RANGE RESOLUTION ......................................................................................... 13
RADAR CONFIGURATION AND DATA VARIABLES........................................................... 14
INTERNAL CLOCK .......................................................................................................... 15
INSTALLATION ............................................................................................................ 15
RADAR MOUNTING ........................................................................................................ 18
Beam pattern and enclosure ..................................................................................... 18
Side firing installations ............................................................................................. 18
Front firing installations ........................................................................................... 18
Mounting the PD420 (38x45 deg beam angle) ......................................................... 18
Mounting the PD420 (20x60deg beam angle) ............. Error! Bookmark not defined.
Mounting Bracket...................................................................................................... 19
Location .................................................................................................................... 19
Setback and Mounting Height ................................................................................... 19
HOOKUP ......................................................................................................................... 20
Power Input: ............................................................................................................. 20
Serial Connection...................................................................................................... 20
Connector Pinout ...................................................................................................... 21
INITIAL SETUP ................................................................................................................ 23

Selecting an Operating Mode ................................................................................... 24
Selecting Clutter Time Constant and Performing Clutter Initialization ................... 24
Defining Lanes .......................................................................................................... 24
Optimal Performance Checklist ................................................................................ 25
SYNCHRONIZING MULTIPLE RADARS ............................................................................. 26
USING WINDOWS CONFIGURATION UTILITY .................................................. 27
PD420 Basic Application Setup ................................................................................ 28
PD420 Target Verification and Lane Setup.............................................................. 29
In-Radar Lane-By-Lane Counts ................................................................................ 34
Reading Historical Counts Out Of The Radar: ........................................................ 35
Real Time Occupancy Indicators (experimental) ..................................................... 15
PD420 SPECIFICATIONS ............................................................................................ 36
GENERAL ....................................................................................................................... 36
APPROVALS ................................................................................................................... 36
DATA INTERFACES ......................................................................................................... 36
MECHANICAL ................................................................................................................. 36
APPENDIX A: USING TRIGGER OUTPUTS ........................................................... 37
APPENDIX B: OPTIONAL BREAKOUT BOARD ................................................... 39
Non-Isolated Mosfet version with PWM Brightness Control. May be used with
PD420 or SS300 radars. Light Sensor and brightness control is applicable only to
the SS300 radar......................................................................................................... 39
Isolated Solid-State Relay version, AC or DC capable. May be used with PD420 or
SS300 radars ............................................................................................................. 40
APPENDIX C: KEEPING TIME WITH AN EXTERNAL CLOCK BACKUP
BATTERY ....................................................................................................................... 41
APPENDIX D: RECOMMENDED ENCLOSURE FOR OPEN FRAME RADARS
........................................................................................................................................... 43

Introduction
Congratulations on your purchase of the Houston Radar Ranging PD420 radar. This state
of the art 24GHz K-band microwave frequency modulated continuous wave (FMCW)
radar is specifically designed for the license free battery and solar operated presence
detection market. Unlike regular Doppler radars, FMCW radars are capable of measuring
range and detecting stationary targets.
Typical applications include multi-lane traffic counters, ground loop replacement, mid-
block detectors, vehicle activated signals and intrusion detectors.
Utilizing high performance, ultra-low power DSP (Digital Signal Processing) technology
and microwave components based on a planar patch array antenna with integrated low
power PHEMT oscillator, you will find that this high quality product meets your exacting
standards for performance and reliability.
Some of the highlights of this product include:
World’s smallest and lowest power usage ranging FMCW radar. At 0.35 Watts PD420 requires 10 to 20
times less power than competing products. Well suited for solar and battery powered installations.
Up to 250ft detection range
Simultaneously detects, tracks and reports up to six individual targets.
Six user-configurable lanes allow assignment of targets to specific lanes.
Six hardware trigger outputs can be mapped to any combination of lanes.
Unmatched range resolution down to 0.25 inch (0.63cm)
1
.
Highway and intersection optimized modes allow wide variety of applications.
Companion Windows application provides intuitive GUI to set all configuration parameters and display
real time plots of the targets, lane by lane counts and accumulated count histograms.
Firmware “boot loader” allows for field upgrading of the firmware.
100% built-in self-test for high confidence.
IO break-out board available for quick evaluation.
Built-in statistics storage memory for stand-alone lane-by-lane count gathering.
Software Development Kit (SDK) with code examples for custom application development.
Full industrial temperature range. Potted for high reliability.
FCC pre-approved with CE mark.
The PD420 is not just a “front end”, rather it is a complete radar with on-board
signal processing to determine range to multiple targets and application
algorithms to enable lane-by-lane counting and storage, presence detection,
occupancy measurement and other functionality as described below.
1
For a strong, well defined target.

Principle of Operation
FMCW Radar
PD420 FMCW radars modulate the frequency of the transmit signal in a linear fashion.
The difference between the frequencies of the local oscillator and the signal returned
from the target is proportional to the time delay between these signals and thus is
proportional to the distance to target. In case of a moving target we also take into account
Doppler shift of the return signal. PD420 utilizes double linear ramp modulation, first
increasing and then decreasing the frequency of the signal. Additional information
derived from two ramps allows the radar to measure both range to target and target
velocity.
The PD420 employs advanced target tracking technique based on a proprietary algorithm
that allows it to detect, measure and track multiple targets simultaneously. It also features
advanced “application filters” pre-configured to optimize performance for a variety of
applications. The PD420 radar may be deployed as a complete product without any
further requirements for signal processing.
For a more detailed theoretical description of the principles of FMCW radar operation
please see this article on the Internet.
Radar Detection Zone
The radar detection zone has an oval shape and is defined by the beam cone (38ºx45º for
PD420, 20ºx60º for PD420) and incident angle to the road surface. Note that the beam
does not cutoff abruptly at the boundary of the detection zone but rather gradually tapers
off. Thus weak targets near the boundaries may be missed while strong targets outside
may still get detected. The strength of the target is determined by its radar cross-section
(RCS) and depends on the target material, area, shape and incident angle of the radar
beam. Large flat metallic surfaces positioned at exactly 90 degrees to the incident radar
beam make the best targets. Examples are vehicle sides, front and rear ends. Flat metal
surfaces at angles other than perpendicular to the beam tend to reflect the radar signal
away and reduce the signal strength. Two or three metal surfaces joined at 90 degree
angle, for example a corner of a pickup truck bed create perfect reflector and usually
result in a very strong return signal.
As the radar beam diverges with distance the detection zone gets wider. This can be used
to a great advantage if you need to increase the detection area. In this case, move the
radar away from the target location. This may involve, for example, mounting the radar
on the opposite side of the road or increasing setback and/or height. This kind of a setup
is often used in a loop-replacement application for intersections.

Also note that the radar beam is wider in one direction and the fundamental operation of
the radar is not affected by the mounting orientation. This fact may be used to either
widen or narrow the detection zone in the direction that matters.
For a wider horizontal detection zone, mount the radar with the wider beam in the
horizontal direction. For a narrower horizontal detection zone, mount the radar with the
narrower beam in the horizontal direction. Please consult the installation section later in
this document to determine beam width based on mounting orientation.
Important things to remember about radar detection zone:
1. The radar beam does not end abruptly at the specified angle. Per convention, we
specify “half-power” beam angles where the power falls off to half the value from
the center of the beam. Thus it is possible for the radar to detect strong targets
outside of the oval derived from a trigonometric calculation based on the beam
angle.
2. Every target has different microwave reflective characteristics. This is
characterized by the RCS and affects how much microwave energy the target
returns back to the radar. This is one of the most important factors in reliable
detection. Simple rules of thumb are:
a. Vehicle side typically has larger cross section than vehicle front
b. Vehicle rear typically has larger cross section than vehicle front
c. Larger target is likely to have larger RCS, thus a truck will provide a
stronger return signal then a passenger car or a motorcycle.
d. Metal targets have larger cross section than non-metallic targets (like
humans, animals, plastics etc.)
e. Metal surfaces joined at a 90-degree angle create perfect reflector.
f. Perfectly flat metal surface at an angle other then 90 degrees may reflect
the radar beam away and result in a weak target.
3. In a side firing configuration as the vehicle passes in front of the radar, an incident
angle momentarily becomes 90º and results in a strong return signal. This effect
manifests in a somewhat narrower detection zone compared to what may be
expected from the beam geometry.
4. Unlike in a Doppler radar, with FMCW radar there is always a fixed internal
design limit to the maximum detection range. No matter how strong the target is,
it will not be detected beyond this limit. The maximum detection range may be
found in the specification and is different for various modes of operation.

Radar Pointing
The radar beam may be pointed across the traffic at 90º to the road or in line with traffic
into incoming or outgoing traffic. Pointing the radar at an angle substantially
different from 90º or 0º is not recommended because the signal strength is severely
reduced. The industry refers to pointing the radar at 90º as a side firing installation while
pointing the radar in line with traffic is known as a front firing installation. Consult
Operating Mode section about what types of installations are supported by current
firmware.
Background Clutter
Clutter Map
Since the radar can detect stationary targets, things like fences, road curbs, lane
separators, traffic signs and other unwanted targets need to be processed and eliminated
from the output. In order to do so the radar maintains a clutter map where it stores all
these unwanted targets. The clutter map is subtracted from the signal leaving only true
targets to report.
Clutter Map Time Constant
The radar continuously adjusts the clutter map to account for changing conditions. The
rate of the adjustment is determined by clutter time constant (CTC). CTC specifies how
long does it take for an average target to fade away into the background, e.g. become part
of the clutter map and no longer be reported as a valid target. CTC is a user
programmable value and can be set from 1 second to 28 minutes. For a fast moving
traffic CTC may be set to a lower value whereas for a stopped traffic it is appropriate to
set it to a higher value. Besides automatic continuous adjustment of the clutter map, the
user can issue a command to take and store a quick snapshot of the current clutter map
and use it as a new basis the next time the radar is turned on. Typical use cases are:
1. You may issue this command during the setup when road is clear of the vehicles
so you do not have to wait for an automatic clutter map adjustment to take place.
This is especially handy in applications where a long CTC is required. A snapshot
command temporarily overrides long CTC value and speeds up clutter map
reconstruction.
2. You want the radar to start with a “mostly good” clutter map after the power cycle
in order to reduce initial adjustment time.
The clutter map adjustment rate is asymmetric. The clutter is adjusted up slowly (targets
fade away slowly) but is adjusted down fast. This facilitates improved clutter map
maintenance in situations where traffic density is high.

Choosing a CTC value
Typically you would set the CTC value to be 5 to 10 times longer than the maximum
expected presence time of real targets. Settings the CTC to too short a value may result in
real targets fading into the background thus resulting in poor detection.
Typical CTC values are 1 to 5 minutes for highway mode if vehicles are not expected to
stop in front of the radar for extended periods of time.
Typical CTC values are 10 to 30 minutes for intersection mode where vehicles may be
expected to stop in front of the radar for a few minutes at a time.
As of firmware version 127, CTC values greater than 28 minutes are not honored and are
internally limited in the radar to 28 minutes. Future versions of the radar firmware are
expected to support CTC values of up to 6 hours to allow for incident detection where
traffic may be stopped for multiple hours at a time.
You MUST issue the “Initialize Clutter” command via the provided GUI after you
have setup the radar in the intended location.
You MUST reissue this command if you change the operating mode of the radar, as
the clutter map will be considerably different.
You MUST reissue this command after you adjust the radar pointing, height or angle
on the road.
Do NOT issue “Initialize Clutter” command on a periodic basis (e.g. every hour).
First, this is not necessary. Second, the clutter map is saved to FLASH memory that
will wear out after 10000 writes.

Operating Modes
The radar can be configured to function in different operating modes that are optimized
for various applications. Current firmware supports two pre-programmed modes:
“Highway” and “Intersection”. For the best performance an appropriate mode should be
selected by the user depending on their intended application.
Highway mode (side firing only)
To take advantage of this mode the radar must be deployed in a side firing installation so
that it looks across the road and NOT directly into incoming or receding traffic.
Highway mode is used for counting, occupancy measurements and vehicle detection at
typical city and highway traffic speeds. It can easily distinguish between closely
following individual vehicles in multiple lanes. Traffic is expected to be free flowing
most of the time. If traffic does slow down and come to an occasional stop, it is
acceptable for the radar to experience brief signal dropouts as the vehicle moves across
the detection zone.
Intersection mode (side or front firing)
Intersection mode is used for presence detection of stopped or slow moving (<14mph)
vehicles. It is optimized to continuously track targets with minimal signal dropouts as the
vehicle slowly moves through the radar detection zone or comes to a complete stop for
significant length of time.
In this mode it is acceptable to miss some of the high speed targets since they appear very
different from a stopped or slow moving traffic.
Beside side-firing installation the intersection mode may also be used in a front firing
installation where the vehicle directly approaches or recedes from the radar at a slow
speed.
Highway mode (front firing only)
This mode is expected to be supported in the future via a firmware upgrade. In this mode,
the radar may be mounted such that traffic approaches or recedes from the radar at
considerable speed and both range and speed are measured.
Contact us if you have a requirement for this mode.

User Configurable Detection Lanes
Lane Definition
A lane is a user-configurable range slot within the radar’s detection zone. When a vehicle
is present within this slot, the lane gets “activated”. Lane activations are used for
presence indication whereas vehicle tracking is used for counting. For example if a
vehicle has crossed from lane to lane it will be counted once only but both lanes will be
sequentially activated. If a lane is mapped to a hardware trigger output, the radar asserts
that trigger and keeps it asserted for as long as the vehicle remains in that lane. Multiple
lanes can be mapped to the same hardware trigger output. In this case the output will be
asserted for as long as there are vehicles in any of the mapped lanes.
Trigger Pulse Extension
Trigger output duration may be extended by programming an HT variable. HT variable
represents signal extension time in milliseconds. Typical uses are:
1. Trigger pulse extension to support slow interfaces in user equipment where the
fast target that generates a very short presence pulse would otherwise be missed.
2. Lighting actuation in security systems where it is desired to have an activation
duration that is much longer than the vehicle presence time.
Lane Status over RS232
Target presence information in each lane (lane activation status) is also available in real-
time to an attached controller via the serial port. An external controller communicates
with the radar via the Houston Radar Binary protocol. The same protocol is used to
communicate to all radars (Doppler and FMCW) produced by Houston Radar. Please
contact us for an SDK (software development kit) if you wish to utilize this feature.
Additional lane information such as counts, occupancy indicators and detection events is
available through ASCII data streaming and stored data.
Lane Setup
Typically, you would configure one or more detection lanes during initial setup. Please
note that the radar measures distance along the line of view from the radar to the target
and does not correct for the mounting height. This is usually not a problem as the
supplied configuration program accumulates and displays all detected targets as a
histogram in real time regardless of lane setup and the user may simply draws the lane
boundaries around the histogram peaks. Thus no manual calculations are required.
Once lanes are configured you may map one or more of them to a hardware output. When
the radar detects target presence within a configured lane(s), it will assert the associated
hardware output.

If you have a controller board connected to the serial port of the radar, you may also
obtain lane-by-lane target presence and other lane information in real-time.
Historical Lane Counts
As of radar firmware v124 and higher (release date May 10th 2012) the radar also counts
the number of vehicles detected in each lane during every accumulation interval.
Accumulation interval is programmed in minutes via BN variable. These counts are
stored in internal memory and may be retrieved later for analysis.
Co-located Radars
When radars are located close to each other and point in the same direction they may
interfere with each other unless their frequency sweeps are synchronized. PD420 provide
facility to synchronize two or more radars in a “single master, one or more slaves”
configuration. With this arrangement, the master initiates each sweep and slaves follow
with delayed sweeps.
As an additional benefit the sweeps will have a user defined constant time lag between
them. This fact can be put to a good use in case where an external controller is looking at
data from both radars and needs to know exact delay between measurements.
Time lag should be set to a different value in each slave. A 500 us increment from master
to slave and from slave to slave is recommended but maximum lag value should not
exceed 4000 us.
The need for synchronization should be decided on a case by case base and will depend
on radar proximity to each other and beam pointing. Please see the section Synchronizing
Multiple Radars for more information.
Radar Range Resolution
The PD420 radar features an unmatched internal range measurement resolution down to
0.25 inches (0.64cm). This is achieved by utilizing a proprietary resolution enhancement
algorithm. However, there are several factors that must be considered in order to achieve
this resolution.
1. Signal strength. Very weak targets may not be able to achieve this resolution.
Target strength of 3 ‘RSS’ bars, as shown on the GUI plot is required for the best
performance.
2. Multiple return signals from same target. A large target with a complex shape
such a vehicle has many contours and surfaces that return the radar energy back to
the radar with different signal strengths. Additionally, these contours are located
at different linear distances from the radar. All these reflections are merged
together into a single range reading for that target. As the vehicle is traveling

across the radar detection zone, these combined calculations will result in a range
reading that will vary materially more than the specified resolution of the radar.
That said, the range resolution enhancement algorithm is able to achieve
significantly better effective range measurement as compared to competing
products. In many cases as much as 5 to 10x better performance can be expected.
Radar Configuration and Data Variables
The radar firmware provides uniform access method for the configuration parameters and
generated data via internal variables. Each variable is identified by a combination of its
domain and a two letter name. Persistent variables that are preserved over reboots and
power cycles belong to domain 0 while volatile variables belong to domain 2. Each
variable stores a 16-bit value. Variables with names that begin with an upper case letter
are user settable. Variables with names that begin with a lower case letter are protected
and cannot be modified by user.
Configuration parameters are stored in persistent variables. The easiest way to configure
the radar is to use supplied Houston Radar Windows Configuration Utility. It will present
you with a set of easy to understand configuration options. Once the user makes his
selection, the Configuration Utility converts user specified options into a set of
configuration variables and stores them in the radar.
Persistent variables are written to radar FLASH memory. Do NOT update settings on a
periodic basis, e.g. every second or every minute. Only change settings when the user
needs it. The FLASH memory has a limited number of write cycles and will wear out
with excessive (>20,000) number of writes. On the other hand, setting a persistent
variable to the same value repeatedly is OK because the radar recognizes that the variable
has not changed and does not update it in FLASH.
The same mechanism as used for configuring the radar is used for retrieving some of the
measurement data. Measurement data is stored in volatile variables. For example per-lane
occupancy can be retrieved from the radar as a set of six variables.
In some case an advanced user may choose to bypass Configuration Utility and access
variables directly. Radar supports both ASCII protocol for interfacing with a human
operator and binary protocol for interfacing with a computer. ASCII command interface
can be accessed via a terminal program such as Hyperterminal and is described in
Appendix E. Binary interface requires implementation of a custom software that takes
advantage of Houston Radar binary protocol SDK. An example where this may be
desired is a situation where the radar is connected to a custom controller card that cannot
run Windows applications.

Internal Clock
The radar has a built in clock/calendar function. This is used to keep the time for time
stamping historical records saved by the Advanced In-Radar traffic statistics collection
feature.
Because the radar is potted it does not feature a built-in clock backup battery. The
power must remain on for the clock to keep time. However an external clock battery
may be connected to keep time while radar goes into low power sleep mode. See
Appendix C for more details.
Real Time Occupancy Indicators (experimental)
The radar keeps real time occupancy indicators on a lane-by-lane basis. The values are
periodically re-calculated over a user-configurable time interval specified in seconds via
the TA variable and stored in O1…O6 variables in volatile domain.
An external controller may access occupancy indicators by reading variables O1 through
O6 in the volatile domain via binary protocol (requires SDK) or ASCII protocol. You
may also configure the radar to stream this data in ASCII format on a periodic basis.
Typical application of the occupancy feature is incident detection. A sudden increase in
occupancy numbers usually indicates that the traffic is slowing down or stopping.

Streaming ASCII Data
Besides lane status streaming over binary protocol, the radar may be programed to stream
certain types of data in ASCII format on its own, without receiving any further requests
from the user. The output is produced on a periodic or event driven basis. The following
data types are supported:
Per lane counts on periodic basis. Output period in seconds is programmed by TA
configuration variable. In order to enable streaming of counts, set bit 10 in MO
variable. Clear this bit to disable count streaming.
Per lane occupancy indicators on periodic basis. Output period in seconds is
programmed by TA configuration variable. In order to enable streaming of
occupancy indicators, set bit 7 in MO variable. Clear this bit to disable occupancy
indicator streaming.
Per lane realtime detection events. Detection event is declared when the vehicle
exits from the radar’s field of view. In order to enable streaming of detection
events set bit 6 in MD variable. Clear this bit to disable detection event streaming.
Note: bits are counted from 0. Bit 7 means adding (actually OR-ing) 2^7=128 to MO
value, bit 10 means adding 2^10=1024 to MO value. For example if your current MO
value is 6, you need so set it to 6+128=134 to enable count streaming. Set it back to 6 to
disable streaming.
Make sure that you do not modify reserved bits in MO variable. They are factory
reserved and changing them may disrupt normal radar operation.
Example 1
Current MO value is 6. Let’s say we want to enable both counts and occupancy indicators
printed at 10 second intervals. Using ASCII command line interface:
1. Set TA variable to value 10
set:TA 10
OK
2. Set MO variable to value 6+2^7+2^10=1158
set:MO 1158
OK
3. Observe radar output. You will see two lines of printout every ten seconds. Line
that starts with C: contains counts per lane and line starting with O: contains
occupancy indicators per lane,.
C: 0 0 0 0 0 0
O: 0 0 0 0 0 0
Example 2
Current MD value is 0. Let’s say we want to enable detection event streaming. Using
ASCII command line interface:

1. Set MD variable to value 0+2^6=64
set:MD 64
OK
2. Observe radar output. You will see LN printouts every time the radar detects a
vehicle in lane N (N=1..6). For example, if radar first detects vehicle in lane 3 and
then another vehicle in lane 5, the printout will contain two lines and look like:
L3
L5

Radar Mounting
Beam pattern and enclosure
PD420 and PD420 radars feature asymmetric beam patterns and can be supplied in either
open frame or weatherproof version. Your intended application will determine the choice
of the case type, beam pattern and beam rotation.
Side firing installations
Typically the radars will be used in a side firing installation where the radar points across
the traffic, e.g. radar beam is at 90 degree angle to the road and covers one or more lanes.
This mode must be used to detect traffic at typical highway speeds. It may also be used
for intersection and stop bars to detect stopped or slowly moving traffic.
In this mode vehicles traveling on the road at highway speeds are detected for a short
duration of time while they are crossing the beam and their velocity is mostly tangential
(at right angle to the beam) with a negligible radial (along the beam) component.
Front firing installations
Alternatively the radar may be used in a front firing mode where it is pointed up or down
the traffic. However current versions of the radar firmware do not support front firing
modes with high speed traffic. This feature will be supported in the future via a firmware
update. Avoid installing the radar where it will see the vehicles either approaching or
receding directly at/from the radar at speeds exceeding 14 mph Targets exceeding this
limit will not be detected by the radar.
Mounting the PD420
PD420-OFD is supplied in an “open frame” format. It requires a weatherproof enclosure
before it may be used outdoors. Alternatively it may be mounted as a component in
another product that already has a weatherproof enclosure
The wider beam angle in PD420 is oriented differently from wider angle of the
PD420. Make sure the orientation of the radar matches the one specified for your
radar type. Orientation can be determined by connector location in open frame units
or “Houston Radar” text on the front face of the weatherproof units.
45

Mounting Bracket
Mounting bracket should allow for sufficient adjustment of the radar pointing angle and
height. At the very minimum some degree of adjustment for the vertical angle should be
provided. The user must perform a “boresight” check to validate that the radar beam is
pointed correctly. Adding a guide fixture to facilitate boresight check is a good idea. If
boresighting is not feasible you may choose to provide means to temporarily attach an
inexpensive USB camera for the initial setup. As a last resort you may pre-calculate the
required mounting angle and make sure that the bracket provides it.
Installation must also ensure that the radar is rigidly mounted. Support structures that are
affected by wind are not a good choice. Swaying action changes radar’s field of view and
affects the performance. Note: highway mode is less susceptible then intersection mode
due to lower sensitivity and range resolution.
Location
Places that have a lot of wall area such as tunnels and overpasses are not a good location
for the radar. Walls can bounce the radar beam and create ghost targets.
Note: when beam bounce or multi-pass propagation creates ghost targets it is sometimes
possible to adjust the radar location in such way that these ghost targets would fall
outside of the user defined lanes and thus be discarded. Supplied Windows Configuration
Utility should always be used to verify the setup.
Setback and Mounting Height
In the side fire multi-lane installation the radar must be mounted in such way that it may
see over the top of the closer vehicles. This requires it to be mounted higher than the
tallest vehicle it will encounter in a closer lane. An exception to this rule is a situation
where you are detecting only the closer lane, e.g. a turn lane. In which case the radar can
be mounted at target height and pointed horizontally.
For optimal performance, the setback must be increased with the mounting height as
suggested in the table below. Insufficient setback may result in lane misdetection for the
closer lanes.
Ln 1
Ln 2
Ln 3
Ln 4
Ln 5
Ln 6
Height
Radar pointed down between one-third
and one-half of the detection zone
Acceptable range of
pointing variation.

Hookup
Power Input:
The PD420 radar features wide operating input voltage range of 5.5V-18V. In a typical
application it may be powered from a nominal 12V DC source and will feature best in
class operational power consumption of 30mA (PD420, average). There is no other
FMCW ranging radar in the world that comes close to this ultra-low power usage.
Competing products may require up to 20 times more power.
The ultra-low operational power translates directly into a longer battery life or gives you
an option to power the unit from a smaller battery and smaller solar panel.
Note: The radar employs aggressive power saving measures that include turning off parts
of the circuit that are not being used at any particular instant. To get a measure of the true
power usage, a multimeter that has an averaging function and does not suffer from
autoranging (range hunting) during measurements must be used. Otherwise you will get
instantaneous readings that will fluctuate from 3 mA to 40 mA.
Your power supply must be capable of supplying up to 40mA of current for up to 5
seconds at startup while the radar is initializing its internal systems.
Serial Connection
The radar features a true RS232 interface that is used to output target information,
indicate lane presence, access statistics data and configure the unit. RS232
2
In intersection mode when detecting only one closest lane the setback requirement can be reduced to 4 feet (1.2 m)
PD420 with vertical angle of 45º or PD420 with vertical of 60º
Number of 12
feet (4m) lanes
Minimum Setback (ft)
Highway/Intersection
Minimum Setback (m)
Highway/Intersection
Minimum
Height (ft)
Minimum
Height (m)
12
6
1.8
4
1.2
2
10
3.0
17
5.2
3
13
4.0
17
5.2
4
15
4.6
20
6.1
5
17
5.2
21
6.4
6
20
6.1
23
7.0
Radars are equipped with a green status LED. When power is applied and
radar is taking measurements this LED is blinking to indicate normal
operation.

communication parameters are factory set to the following defaults: 115200 baud, 8 data
bit, 1 stop bit and no parity. This configuration may be changed by user to some other
appropriate combination. However, be aware that when target streaming is enabled the
radar sends out massive amounts of data that cannot be transferred with low baud rate.
Target streaming is automatically enabled by Configuration Utility during lane setup to
visualize target tracks. If/once the target streaming is disabled, the baud rate may be reset
to a lower value.
The RS232 interface is factory set to “cable detect” mode and will power the
RS232 driver chip down to save power if the radar RS232 RX (receive) line is not
connected. You need to connect both receive and transmit lines in order to
communicate with the radar.
The supplied Windows configuration program can automatically detect the baud
rate of the radar serial port.
High baud rate (115200 or 230400 baud) is required for lane setup via the
supplied Configuration Utility.
Connector Pinout
Note 1: See Appendix A for detailed description on how to hookup an external device to be triggered
when radar detects presence in a user configured lane. Incorrect hookup may result in the output driver
being destroyed and will not be covered under warranty.
Note 2: Trigger outputs 3, 4, 5 and 6 are only available in units manufactured after July 2011. These
units may be identified by serial numbers of 1107xxxx or greater where ‘xxxx’ digits are don’t care.
Connector
Pin #
Signal
Name
Direction
(wrt Radar)
Description
1, marked ▲
GND
PWR
Radar GND (battery “–“ terminal)
2
N/C
N/C
Do not connect
3
Trig O/P 6
Output
“Open Drain Output 6”. See Note 1, 2.
4
Trig O/P 5
Output
“Open Drain Output 5”. See Note 1, 2.
5
Trig O/P 4
Output
“Open Drain Output 4”. See Note 1, 2, 3
6
Trig O/P 3
Output
“Open Drain Output 3”. See Note 1, 2.
7
Trig O/P 1
Output
“Open Drain Output 1”. See Note 1.
8
Trig O/P 2
Output
“Open Drain Output 2”. See Note 1.
9
RS232 TX
Output
RS232 Transmit Signal from radar
10
RS232 RX
Input
RS232 Receive Signal into radar
11
VCC
PWR
+5.5 to +18VDC Power Supply
12
GND
PWR
Radar GND (battery “-“ terminal)

Note3: O/P 4 output is not available in units that have the “SYNC” option. Instead this pin is used to
synchronize master and slave units.

Initial Setup
You must initially configure the radar for your intended application at the installation site
to ensure proper operation. At least an appropriate application mode and clutter time
constant should be selected, clutter map initialized and lanes defined.
To configure the radar, you must provide DC power within the specified requirements,
connect the radar’s RS232 interface to a Windows PC RS232 COM port (or a USB to
serial adapter) and use Houston Radar Configuration Utility or Houston Radar Stats
Analyzer.
Note: only newer versions of Configuration Utility and Stats Analyzer support PD420.
Please contact Houston Radar for the latest version if a disk was not shipped with your
radar or you have misplaced it.
Green LED flashes when radar is running giving
a visual indication of the system status. In the
PD420-OFD/PD420-OFD version green LED
may be installed on the front or the back
depending on the requested build option.

Selecting an Operating Mode
Use provided Windows Configuration Utility to set an appropriate mode of operation as
recommended in Operating Mode section.
Selecting Clutter Time Constant and Performing Clutter Initialization
Use provided Windows Configuration Utility to set clutter time constant (CTC). Clutter
time constant should be 5-10 longer than the maximum expected duration of the stopped
traffic. For example if a vehicle stops in front of the traffic light for a maximum of 1
minute, CTC should be set to 5-10 minutes. After the time constant is set, wait for clear
road and initialize clutter map. Clutter map initialization takes 15 seconds. Occupancy
should be low during this time. Clutter map initialization is not absolutely required.
Without initialization it will take the radar about ten CTC to initialize the clutter map on
its own and start operating normally but this delay will occur after every power cycle.
Do not re-initialize clutter map on a regular (e.g. every hour) basis as it is written to
internal FLASH memory that will wear out after 10000 writes.
Defining Lanes
Use provided Windows Configuration Utility to define lanes. If lanes are not defined,
counts, occupancy and lane activation features will not operate correctly. If open drain
outputs are used, make sure they are correctly mapped to lanes. You only have to define
lanes that you are interested in, other lanes may be omitted and radar will disregard traffic
in those lanes.
Clutter map must be re-initialized after switching between highway and intersection
mode and after adjusting radar pointing, height or location.
Use Highway Mode where precise counting of the vehicles is important.
Use Intersection Mode where reliable detection of the stopped or slow moving
traffic is important

Houston Radar PD420 User Manual
Page 25 of 46
Optimal Performance Checklist
Radar should be not used in enclosure that would block microwave radiation, e.g.
metal case. Some plastic and glass enclosures may too degrade the performance.
Tunnel and under overpass locations should be avoided.
The radar should be rigidly mounted to minimize wind action.
Radar should be pointed across the direction of traffic (side-firing) so that the side
of passing vehicle is visible to the radar and vertical angle adjusted to cover all
configured lanes.
Radar should be mounted high enough to “see” over the top of the highest
expected target. At least 17 feet of height is recommended in case of truck traffic.
This requirement increases as you try to detect far lanes.
Operating mode of the radar (highway or intersection) must match intended
application.
Appropriate background clutter compensation time constant must be selected and
clutter map initialized.
Lanes should be configured and stored in the radar.
Illustration of PD420 in side-firing intersection
mode with maximum depth of view.
Illustration of rotated PD420 in side-firing
intersection mode with maximum width of
view.

Synchronizing Multiple Radars
When multiple radars are co-located it may be necessary to synchronize their frequency
sweeps. If this functionality is desired, please order the radars with the “sync” option.
When ordered with this option, digital output 4 is utilized for SYNC purposes and is not
available as an open drain trigger output. The corresponding pins of the master and slave
radars must be connected together via an external harness for the master to send a sync
signal to the slave(s). Use a twisted pair (SYNC and Ground) to route synchronization
signal.
If a slave does not receive a sync signal from the master it will pause the measurements
and the green status LED on the side (or back depending on the build type) will not flash.
When sync signal is missing and the pause extends beyond 10-20s, the slave unit will be
automatically reset by a watchdog timer. The operation of the master unit is not affected.
Any unit may be configured as a master or a slave, but in a synchronized system, one and
only one unit must be configured as master and all other units must be configured as
slaves. Muster unit should have its SD variable set to 0. All slave units must have SD
variable set to different values. This variable signifies delay in microseconds between the
trigger signal and the measurement. Recommended increment from one unit to the next is
500us. Delay value for the last slave unit should not exceed 4000 us. If the SD variable is
not correctly set, the co-located radars may interfere with each other.
Please contact us if you intent to use the units in a master/slave configuration as some
other considerations must be observed and configuration settings must be adjusted
differently between the master and slave units.
SYNC is a 3.3V CMOS level signal and cannot handle high power loads that are
typically connected to the open drain outputs. Accidently connecting such load to
SYNC line may destroy the radar and is not covered under warranty.

Using Windows Configuration Utility
1. Install the provided Houston Radar Advanced Stats Analyzer (or Houston Radar
Configuration Tool) program on a Windows 2000, XP, Vista or Win 7 computer.
32 and 64 bit computers are supported.
2. Connect the radar RS232 port to the PC’s RS232 serial port. If the PC does not
have a serial port you may use a USB to serial converter dongle. These dongles
are readily available from BestBuy, Radioshack and many Internet stores.
3. Power up the radar. Ensure the green LED on the front (side or back as the case
may be) flashes.
4. Start the Houston Radar Stats Configuration tool program
5. Click on Start->Connect to Radar…
6. Click on “Connect” button.
7. Ensure you see a “Radar found on COM” message. The COM number will
depend on your computer configuration.
8. Click on OK. Now you are ready to configure the radar.
9. Use PD420 Setup tab to select and save configuration options. See a screen
snapshot below.
10. Lane configuration is done via PD420 Plot tab. See a screen snapshot below.
11. To configure any advanced options, click on “Advanced->Radar Configuration”.
In the window that comes up, enter the two letter variable name in the “Variable”
field. Enter its value in the “Value” field and click on “Set Variable” button.

Houston Radar PD420 User Manual
Page 28 of 46
PD420 Basic Application Setup
STEP #1: Select Application Mode and background clutter adjustment time
constant.
See the section on clutter map earlier for a detailed explanation of this setting.
STEP #2: Initialize clutter to correct startup value.
The PD420 continuously adjusts clutter to changes in the background with the time
constant specified above. However, to facilitate immediate view of real time targets and
lane setup, it’s advantageous to set the initial clutter level to eliminate fixed targets when
no real targets are present in the radar’s view.
To do this, ensure radar is securely mounted in desired position, wait for the field in front
of the radar to clear of any real targets and then click on the “Initialize Clutter” button in
the screen shown above. If you now click over the “PD420 Plot” window, no new targets
should be streaming from the x=0 (right most) side. Of course you may still have older
targets showing on the plot but they will scroll off eventually off the left side of the chart.
You should re-initialize clutter if you make any changes to the radar mounting
(height or angle) or operating mode (Highway or Intersection).
After connecting to the radar, click on the
PD420 Setup tab. The GUI will read the
current radar configuration and allow you
to edit and save it.
Click on “Save Changes” to
save the settings to the PD420.

PD420 Target Verification and Lane Setup
STEP #3: Check target signal strength and location on the real time range plot.
After selecting the application (“Highway” or “Intersection”) and initializing the
background clutter map in the PD420 Setup Tab, click on the “PD420 Plot” tab. This will
bring up a real time “chart recorder” type plot of tracked targets as shown below.
Please review the layout of the real time range plot above. All targets the radars detects in
front of it will be shown here as red lines. The actual real-time range is plotted. Every red
line is a target that is tracked by the radar. The plot keeps track of a specified amount of
history before targets are allowed to scroll off the left part of the screen.
Select how much history (in
seconds) is shown on the
chart.
Present (t=0) seconds.
This is what the radar is
“seeing” at this instant in
time in front of it.
Past (t = now -10 seconds).
This is what the radar “saw”
10 seconds ago. You may
change this in the box above.
PAST HISTORY. Time in seconds
Target
linear
range
from
face of
the
radar.
Right click to access
more options.
Select the “PD420
Plot” window.

Check Target Signal Strength:
Typical Real Time Chart Recorder View of “Intersection Mode”
Five targets are shown and are stationary in this view. Horizontal target lines means
distance to target is not changing over time. You may enable histogram to show all
observed targets stacked up on the left. This will provide better statistical data for lane
configuration. You should also enable the “Show RSS (received signal strength)
checkbox to view the signal strength of the return signal from the visible targets.
For every target detected the histogram grows by one pixel when the target is no longer
being tracked.
Stationary targets will meld into the background clutter and disappear from view with the
“Background Clutter Compensation” time constant. Thus it’s very important to set the
clutter time constant to a value that is at least 5 to 10 times longer than the normal
expected presence time of targets in front of the radar.
Targets are plotted in real time as red lines and
scroll from the right to the left.
Long lines as shown represent stationary
targets (this plot was taken inside a room.
Some of the top targets are double reflections
from walls and corners).
Range can be read off the scale on the right.
Alternatively click on the target for a range
reading on your screen or right click to access
plot zoom features to get a more accurate
reading.
Check “Show RSS” to show the
target Receive Signal Strength. 3 or
more solid bars out of 5 represent a
good signal. You should adjust the
radar pointing if you get 2 or less
bars to a desired target.
A very weak target. Only 5
empty RSS bars.
Will be first to fade away
into background clutter.

Typical Real Time Chart Recorder View of “Highway Mode”
Targets observed in the last 5 seconds show up as red tracks while older targets that have
already scrolled off the screen are contributing to the height of the blue histograms on the
screen left. As can be clearly seen from the histograms, traffic has created four clearly
defined groups. Each group corresponds to a lane on the four-lane highway. Defining
lanes is as simple as drawing them around the histogram peaks as shown in the next
section.
Also note excellent signal strength from each of the shown targets. Each red track (a
target) has at least 3 or more filled “RSS” bars. Lower signal strength may indicate a
problem with radar installation and pointing.
Typically, for a given target length and speed, further targets will result in longer tracks
due to the beam diverging as it propagates away from the radar. This can be seen on the
example screen shot above.
Similarly, faster targets, all other things being the same, will result in shorter tracks.
Enable “Show Histograms” to
observe where targets are
appearing on the range plot.
This will help you define lanes.
Excellent return signal
strength from this vehicle
on the road.

PD420 Live Lane Setup Step-By-Step Example:
Right click on chart background to access lane setup
context menu.
Then select either “Define new Lane” if no lanes are
present or “Edit Lane(s)…” if lanes have already been
defined and you need to adjust the start/end positions.
Real targets are streaming
by. Setting up lanes is as
easy as drawing around them
on this chart.
Place first boundary around histogram by left clicking the
mouse button, then place second boundary.
Lane is now defined between these two boundaries.
Once stop boundary is defined, lane will fill with gray.
You can also draw around
the built up histograms that
show you where the targets
are occurring.
As you move the boundary location before placing it,
you can see the distance from the radar face. This is
the direct distance from the radar to the target and not
the horizontal distance on the road. Once you place
the lane boundary, it will be rounded to the nearest
foot as lane boundaries can only be specified in
integer number of feet.

PD420 Live Lane Setup Step-By-Step Example Continued…
This road has 4 lanes (gray) with a median in
between (white).
Even though targets (sometimes double
reflections or a curb or a lane divider) may be
detected as red line in the median, they will
not affect lane counts or other lane based
data collected by the radar or trigger digital
outputs.
You can adjust the lane
locations, add or delete a lane)
by right clicking and selecting
“Edit Lanes…” and bringing up
this window.
To match the direction of the traffic, you can split the
screen in two in the center and start drawing some
lane on the right side of the split to scroll the other way
(left to right). T=0 (now) then becomes in the center as
shown here.
Note: This is a display feature for convenience only
and does NOT affect the radar at all as the radar
cannot determine traffic direction in side-fire mode.
If you wish this lane to scroll from center
split to right, draw the lane by clicking on the
right side of the split. The target will then
appear on the right side of the line and scroll
right to match the direction of traffic.
When screen is split, t=0
(now) is in the center where
the split is shown.

In-Radar Lane-By-Lane Counts
Both PD420 and PD420 can keep date/time stamped accumulated counts of vehicles in
each lane and periodically save off this data in internal non-volatile memory.
The PD420 radar with the 20x60 degree beam angle is suggested for best count accuracy.
This minimizes the merging of the target return signal of closely following vehicles in far
lanes where the radar beam has diverged past the width of a typical car.
There is adequate memory to save the last 4+ months of data. After that the log will roll
over and start overwriting the oldest data.
On a typical road with a free flowing traffic, the PD420 can be better than 98% accurate
on a lane-by-lane basis and better than 99% accurate on a direction basis.
For best accuracy, the radar should be setup in highway mode and traffic must be moving
faster than 7mph (11kph).
Note: The radar keeps approximately the last one-hour worth or records of data in
internal RAM before committing it to flash to minimize the wear of the flash memory.
This data is also committed to flash whenever the user issues an external read command
of this memory. Thus, it is advisable to issue a read command of the memory before
removing power from the radar.
The Real Time Range Chart Recorder Plot has a helpful “counts per lane” feature that you
can use to verify the accuracy of lane-by-lane counts during initial setup.
The range plot can keep track of counts on a lane-by-
lane basis to assist you in comparing with actual
counts on the road. Note: These are not the counts
logged by radar in internal memory, but counts kept by
the PC program after it has established connection to
the radar.

Reading Historical Counts Out Of The Radar:
One the data is read from the radar it is stored as a native .dat file that may be imported
later into the Houston Radar Stats Analyzer and also as a .csv file (in the same folder with
the same name but with a .csv extension) that may be imported into Excel for further
analysis.
Once you connect to the radar,
these buttons will become
active and you can use them to
erase the stats log memory, set
the time in the radar and reads
historical lane-by-lane counts
from the radar memory.
Ensure the stats package
says “Enabled”. If not, then
contact Houston Radar for a
firmware upgrade as older
versions of the firmware did
not support saving historical
logs of lane-by-lane counts.

PD420 SPECIFICATIONS
General
Operating Band K-Band
Occupied Bandwidth 24.020 GHz to 24.230 GHz
RF Power Output 5mW
Max Range 250 feet in Highway mode, 80 feet in Intersection Mode
Range Resolution 0.375 inch in Highway Mode, 0.25 inch in Intersection Mode
Polarization Linear
Supply Voltage 5.5V DC to 18V DC
Reverse Battery Protected
Power Consumption 0.35 W (PD420)
Nominal Current @12V 28 mA typ avg (PD420)
Operating Temp. -22F to +185F (-30C to +85C)
Electronics designed and tested to –40C
Weatherproof Yes, PD420-DFT/PD420-DFT build option
No, PD420-OFD/PD420-OFD build option
IR Remote Programmable No
Approvals
Approvals FCC (TIAPD420), CE Mark
Data Interfaces
Serial Communication RS232
Data Rate 1200 to 230400 baud
Data & Power Connector Open Frame: Molex “C Grid SL” series
male, shrouded, 12 pin right angle,
part #70553-0011
Mechanical
Weight approx 33 grams (1.16 oz)
Dimensions 2.1”x1.75”x0.6” (LxWxD) 52 x 46 x 16mm

Houston Radar PD420 User Manual
Page 37 of 46
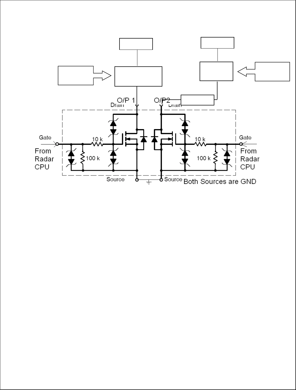
Appendix A: Using trigger outputs
The radars feature six low impedance “open drain” outputs that can trigger/turn on an
external device when a vehicle is detected in a combination of user defined lanes. When a
vehicle is detected in a lane and this lane is mapped to a trigger output, that output is
pulled down to GND and held low as long as a vehicle is tracked in that lane. The output
is released when the radar detects no further targets in that lane. The logic may be
inverted via a bit in the IO variable. The signal duration may be extended by
programming HT variable. Both of these variables may be set directly or via the supplied
configuration GUI.
The outputs are of “open drain” type and are capable of sinking 150 mA each and are
rated at 28V. They may be connected in parallel to double the current sink capacity.
Device that provides this functionality is the ON-Semi “NUD3124” relay driver. Please
refer to the datasheet for this device on detailed operating characteristics. For a quick
reference, the internal diagram of this device from the On Semi datasheet is shown
below.
The six outputs O/P1 through O/P6 are brought out on the radar connector pins. See IO
connector pinout in the manual for connector pin numbers.
Note that these are low impedance outputs and you must externally limit the maximum
current that will flow into these pins not to exceed 150mA in the worst-case scenario.
There are two ways to ensure this:
1. Connect an output device that is rated to draw no more than 150mA at your
supply voltage (+Vhead). This device can be powered up to 28VDC. For
example, this can be a 12 or 24VDC relay coil rated at more than 150 mA coil
current.
2. Connect an external resistor in series with the load. The value of this external
resistor should be calculated as follows (ohms law):
R (in K Ohms)= (Vhead –Vload drop)/150
For example this configuration may be used to drive opto-coupler input.

Houston Radar PD420 User Manual
Page 38 of 46
Load rated to draw
max of 150mA at
+Vhead max
+Vhead
Load
+Vhead
Resistor
Load
Method 1
Load
Method 2

Houston Radar PD420 User Manual
Page 39 of 46
Appendix B: Optional Breakout Board
Non-Isolated Mosfet version with PWM Brightness Control. May be used with PD420 or
SS300 radars. Light Sensor and brightness control is applicable only to the SS300 radar.
Connecting the load to the High power and trigger outputs:
You may directly connect your high power DC load + & - to J5. The load is activated via fuse F1
when the output is triggered.
You may directly connect a <150mA relay coil or other low power load to the J4 & J6 connectors.
The + load terminals are always wired to VCC. The (-) terminals are connected to GND when a
vehicle is detected and the output triggered. J5 is always triggered at the same time as J6.

Houston Radar PD420 User Manual
Page 40 of 46
Isolated Solid-State Relay version, AC or DC capable. May be used with PD420 or
SS300 radars
Optional Isolated IO Board. Note: PWM Brightness Control is NOT available with
Isolated AC/DC Relay outputs.

Appendix C: Keeping Time With an External Clock
Backup Battery
Note: Current firmware does not support sleep mode. An update will be issued to
address this issue. The content of this appendix may change depending on the
implementation.
The In-Radar traffic statistics generates time-stamped historical records that are saved in
the on-board FLASH memory. Hence, the radar needs to keep calendar date and time.
The time is initially set from an external controller, typically a PC running Houston
Radar configuration or stats analyzer software.
If the PD420 is used in a configuration that may disrupt power, an external clock backup
battery must be connected as suggested below.
Note: Alternatively the clock may be manually reset from an external controller to the
correct time once power is restored.
Step 1: Set the “Enable Low Power Sleep” mode bit in the MD variable (this is factory
default so no operation is required if you have not changed it).
The radar will now enter low power sleep mode where it will maintain the clock once the
external VCC supply voltage enters the sleep region as shown in the provided diagram.
The radar will resume normal operation once the input VCC voltage returns to the “Run”
region.
Step 2: Setup an arrangement to switch in a 4.5V to 6.8V clock backup battery into the
VCC line once main power is removed. This may be done two ways:
Method 1: “Wire OR” the backup source and the main VCC through two low drop diodes
as shown on the next page. Diode voltage drop must be taken into account when
determining backup voltage. For example if the diode voltage drop is 0.6V the backup
supply voltage must be between 5.1 and 7.4 volt. We recommend a low drop (<0.3V) low
leakage diode particularly for the clock battery when using a lithium battery that cannot
tolerate any significant reverse charging current.
Method 2: If the main supply will not be removed, but rather switched off, install a Zener
diode across the power switch such that the radar continues to receive between 4.5 and
6.8VDC when the power is turned off via the switch (with the rest dropped by the
zenner).
The power consumed by the radar in low power sleep mode is as follows:
Installed Configuration
Micro Amps
Consumed in sleep
Sleep Mode
Enter Voltage
Sleep Mode
Exit Voltage
Stand Alone PD420 Radar
165 uA 15 A
7V nominal.
6.5V min
8V nominal.
8.7V max

Houston Radar PD420 User Manual
Page 42 of 46
Note 1: Connecting a RS232 cable to the radar or forcing the RS232 interface to ON does not
affect the sleep power usage.
Note 2: The radar power usage is approximately constant regardless of the input supply voltage
in the sleep region. This is different when the radar is in the operational region where is behaves
as a constant power device (current goes down with increasing voltage).
Method 1 to provide clock backup power (Wired OR with two supplies):
Method 2 to provide clock backup power (main supply switched off but not removed):
Note 1: The zenner value should be “X” and satisfy the following two equations:
Eq1 fully charged battery: Bmax – X = 6.5 to 4.5
Eq2 fully discharged battery: Bmin – X = 6.5 to 4.5
PD420
+VCC
GND
Clock Backup Battery (4.7V
to 6.7V assuming 0.2v diode
drop).
Ensure it cannot be
removed or disconnected.
Main Battery (8.6V to
18 V.
May be removed.
Backup battery will
provide power to
maintain clock.
Low Drop voltage diodes
to Wire OR the batteries.
+
+
PD420
+VCC
GND
Main Battery (8.6V to 18
V.
May NOT be removed if
time is to be maintained
when switch is in OFF
position.
Zener diode to drop enough voltage
from main battery to supply
between 4.5V and 6.5V to PD420
+
Main power ON/OFF switch puts
PD420/PNL10 into low power sleep mode
when turned OFF. Zenner still provides
enough voltage and current to allow PD420 to
keep time with minimal power usage.
* See Note 1
Note: Please use low forward voltage drop diodes to maintain efficiency. Also carefully
consider the reverse leakage currents if using a lithium backup battery which is very
intolerant of such currents. D1 could be a signal diode that has very low reverse
currents. D2 needs to be rated for >=1A.
D1
D2

Houston Radar PD420 User Manual
Page 43 of 46
Appendix D: Recommended Enclosure for Open Frame
Radars
The PD420-OFD/PD420-OFD open frame radar needs to be enclosed in a weatherproof
enclosure for outside use. The following needs to be observed for optimal performance:
1. The front face of the radar (PCB with the golden pads) is the antenna and is the
face that must point towards traffic.
2. Any cover or window in front of the unit MUST be at least ¼” away from the
face.
3. Do NOT spray any conformal coating, paint or other substance on the antenna.
4. The optimum material to use as a front window is Lexan (Polycarbonate) plastic.
5. The optimum thickness of the polycarbonate window is half wavelength at
24.125Ghz or about 3.5 to 3.7mm (0.137” to 0.146”) thick.
a. Alternatively a thin window of any plastic material may be used. In this
case the maximum thickness should not exceed 1 mm (40 mils).
b. Standard 0.25” thick Lexan should be avoided as it has particularly high
reflection coefficient due to this specific thickness.
6. Other plastic materials may be used as a front window, but the optimum thickness
will wary with the material’s dielectric constant. Please contact us for details.
Note: for most applications a weatherproof potted version PD420-DFT/PD420-DFT is
recommended. An exception is a situation where internal space in the customer enclosure
is limited and cannot accommodate weatherproof radar.

Houston Radar PD420 User Manual
Page 44 of 46
Appendix E: ASCII Interface
Some of the radar features can be accessed from ASCII command line interface over the
serial port. For example all the radar variables can be set and queried in this fashion.
ASCII commands may be issued via an ASCII terminal program like Hyperterminal or
Teraterm Pro. Alternatively, you may issue these commands from an attached
microcontroller.
Notation:
[xxx] – optional argument
<Cr> - “Enter” key, carriage return character
Supported ASCII commands:
get - get one or more (up to 6) variables. If domain is not specified, it defaults to 0
(persistent configuration variables). When retrieving multiple variables they all must
belong to the same domain.
Syntax:
get:<name> [<name>]…[<name>] [<domain>] <Cr>
Examples:
1. Get a single variable from default domain 0
get:TC
returns
TC=5 (if value is presently set to 5).
2. Get 6 variables from domain 2
get:C1 C2 C3 C4 C5 C6 2
will get the counts for all 6 lanes. The last argument (2) specifies that you want to
read from the volatile domain. You may omit it if you are reading variables from
non-volatile domain.
set - set a variable to a supplied value
Configuration settings are written to FLASH memory and are non-volatile. Do not
update settings on a periodic basis, e.g. every second or every minute. Only change
settings when the user needs it. The FLASH memory has a limited number of write
cycles and will wear out with excessive (>10,000) number of writes. On the other
hand, setting the variable to the same value repeatedly is OK because the radar
recognizes that the variable has not changed and does not update it in FLASH.
Syntax:
set:<name> <value> [<domain>]<Cr>
Examples:
set:LO 5
alternative format:
set:LO=5

Houston Radar PD420 User Manual
Page 45 of 46
sets the low speed cutoff to 5 etc.
Note: Variables are case sensitive. Commands are not. Success is indicated by an "OK".
Failure is indicated by either:
"ERROR" - Command was recognized but some other error occurred, e.g. variable not
present, format not correct, etc.
<nothing returned> - Command was not recognized. Entire line was silently discarded.
This ensures that spurious characters like “Enter”, “Line Feed” or other ASCII chars do
not generate "ERROR" reply when you are not expecting it.
reset - reset the radar
info - print out information about the radar. Information is in the format of
<tag>=<value>. New tags may be added in the future. Order of tags is not guaranteed and
may change with firmware version.
Note: when sending the ASCII command via an attached microcontroller, the “Enter” key
press should be replaced by a carriage return and/or line feed ASCII character.
Note: the radar may support other ASCII commands. They are reserved for factory use.
Supported variables as of firmware v132:
Non-volatile variables (domain 0):
L1...L6 - lane configuration variables
RS - serial port configuration variable
TC - CTC (clutter time constant) in seconds
ST - sensitivity, percent of max
SF - tracking filter selection
KY - software key, do not change this.
MO - mode variable, contains flags for various options
io - factory set variable, specifies installed IO drivers
an - factory set assembly number
op - factory set options
M1...M6 - mapping between configured lanes and IO
AH - active high/active low configuration for IO
HT - hang (extension) time for IO, milliseconds
SD - slave delay in us, only used in dual-radar setup
BN - data saving interval, minutes
TA - time interval for computing averages, seconds
MD – mode variable, contains flags for various options
bc - reserved
Volatile variables (domain 2):
SM - binary streaming control

Houston Radar PD420 User Manual
Page 46 of 46
HO - hold
C1...C6 - realtime counts per lane
O1...O6 - realtime occupancy indicators per lane
S1...S6 – reserved
bl - reserved
sr - status variable
