Hp Color Laserjet Enterprise Cc490A Users Manual CLJ CP4020 CP4520 Service
HP Color LaserJet CP402x_CP452x HP Color LaserJet CP402x_CP452x shared.swissparts.ch - /Manuals/HP/LaserJet/Color Laserjet/
CC490A to the manual 9e6028fa-267b-48b5-9b3a-e362cf0a91c2
2015-02-09
: Hp Hp-Color-Laserjet-Enterprise-Cc490A-Users-Manual-544972 hp-color-laserjet-enterprise-cc490a-users-manual-544972 hp pdf
Open the PDF directly: View PDF
.
Page Count: 558 [warning: Documents this large are best viewed by clicking the View PDF Link!]
- Theory of operation
- Basic operation
- Engine-control system
- Laser/scanner system
- Image-formation system
- Pickup, feed, and delivery system
- Jam detection
- Optional paper feeder
- Removal and replacement
- Introduction
- Removal and replacement strategy
- Electrostatic discharge
- Required tools
- Before performing service
- After performing service
- Post-service test
- Parts removal order
- Customer self repair (CSR) components
- External panels, covers, and doors
- Internal assemblies
- Cassette feed guide
- Secondary transfer assembly
- Separation pad (Tray 1)
- Registration density (RD) sensor assembly
- Registration assembly
- Residual-toner-feed motor
- Residual-toner duct and feed assembly
- Cartridge fan and environmental sensor
- Toner-collection sensor and scanner-thermistor assembly
- Delivery fan
- Delivery assembly
- Duplex-drive assembly
- Power-supply fan
- Interconnect board (ICB)
- DC controller PCA only
- Low-voltage power supply (LVPS)
- DC controller PCA and tray
- High-voltage power supply lower (HVPS-D)
- Developing-disengagement motor
- Exhaust fan and fan duct
- Pickup motor
- Lifter-drive assembly
- Lifter base assembly
- Tray-pickup drive assembly
- Tray-pickup assembly
- Laser/scanner assembly (Y/M)
- Laser/scanner assembly (C/Bk)
- High-voltage power supply upper (HVPS-T)
- Yellow, magenta, cyan, and black drum motors
- Fuser motor
- ITB motor
- Main-drive assembly
- Fuser-drive assembly
- Optional paper feeder assemblies (1 x 500-sheet and 3 x 500-sheet)
- Front door (optional paper feeder)
- Rear cover (optional paper feeder)
- Right-front cover (optional paper feeder)
- Right door (optional paper feeder)
- Left cover (optional paper feeder)
- Right cover (optional paper feeder)
- Rear-right cover (optional paper feeder)
- Pickup assembly (optional paper feeder)
- Lifter assembly (optional paper feeder)
- Lifter-drive assembly (optional paper feeder)
- Pickup motor assembly (optional paper feeder)
- Controller PCA (optional paper feeder)
- Solve problems
- Solve problems checklist
- Menu map
- Troubleshooting process
- Tools for troubleshooting
- Individual component diagnostics
- LED diagnostics
- Engine diagnostics
- Paper-path test
- Manual sensor test (special-mode test)
- Manual sensor test 2 (special-mode test)
- O Tray 1 paper present sensor
- P Tray 2 paper present sensor
- Q Tray 2 paper surface 1 and 2 sensors
- R Tray 2 paper size switches
- S Tray 3 paper present sensor
- T Tray 3 feed sensor
- U Tray 3 paper surface 1 and 2 sensors
- V Tray 3 paper size switches
- W Tray 4 paper present sensor
- X Tray 4 feed sensor
- Y Tray 4 paper surface 1 and 2 sensors
- Z Tray 4 paper size switches
- a Tray 5 paper present sensor
- b Tray 5 feed sensor
- c Tray 5 paper surface 1 and 2 sensors
- d Tray 5 paper size switches
- 5V laser and 24V interlock and logic switches (and power switch)
- New ITB sensor
- Tray 3, 4, and 5 right door switch
- Paper-path sensors test
- Print/stop test
- Component tests
- Diagrams
- HP Easy Printer Care
- Internal print-quality test pages
- Print-quality troubleshooting tools
- Control panel menus
- Interpret control-panel messages
- Event log messages
- Individual component diagnostics
- Clear paper jams
- Solve paper-handling problems
- Product feeds multiple sheets
- Product feeds incorrect page size
- Product pulls from incorrect tray
- Paper does not feed automatically
- Paper does not feed from Tray 2, 3, 4, or 5
- Transparencies or glossy paper will not feed
- Envelopes jam or will not feed in the product
- Output is curled or wrinkled
- Product will not duplex or duplexes incorrectly
- Use manual print modes
- Solve image-quality problems
- Clean the product
- Solve performance problems
- Solve connectivity problems
- Service mode functions
- Product updates
- Parts and diagrams
- Order parts, accessories, and supplies
- Part numbers
- Screws
- How to use the parts lists and diagrams
- External covers, panels, and doors
- Right door assembly
- Front door assembly
- Internal components
- Internal components (1 of 7)
- Internal components (2 of 7)
- Internal components (3 of 7)
- Internal components (4 of 7)
- Internal components (5 of 7)
- Internal components (6 of 7)
- Internal components (7 of 7)
- Cassettes 2-5
- Paper pickup assembly
- Tray 1 paper pickup assembly
- Registration assembly
- Secondary transfer assembly
- Delivery assembly
- Fuser assembly
- PCAs
- Assessories
- Alphabetical parts list
- Numerical parts list
- Service and support
- Product specifications
- Regulatory information
- FCC regulations
- Environmental product stewardship program
- Protecting the environment
- Ozone production
- Power consumption
- Toner consumption
- Paper use
- Plastics
- HP LaserJet print supplies
- Return and recycling instructions
- Paper
- Material restrictions
- Disposal of waste equipment by users in private households in the European Union
- Chemical substances
- Material Safety Data Sheet (MSDS)
- For more information
- Declaration of Conformity
- Safety statements
- Laser safety
- Canadian DOC regulations
- VCCI statement (Japan)
- Power cord instructions
- Power cord statement (Japan)
- EMC statement (China)
- EMC statement (Korea)
- EMI statement (Taiwan)
- Laser statement for Finland
- GS statement (Germany)
- Substances Table (China)
- Restriction on Hazardous Substances statement (Turkey)
- Index

COLOR LASERJET ENTERPRISE CP4020/CP4520
SERIES PRINTER
CP4025n
CP4025dn
CP4525n
CP4525dn
CP4525xh
Service Manual

HP Color LaserJet Enterprise CP4020-
CP4520 Series Printers
Service Manual
Copyright and License
© 2009 Copyright Hewlett-Packard
Development Company, L.P.
Reproduction, adaptation, or translation
without prior written permission is prohibited,
except as allowed under the copyright laws.
The information contained herein is subject
to change without notice.
The only warranties for HP products and
services are set forth in the express warranty
statements accompanying such products
and services. Nothing herein should be
construed as constituting an additional
warranty. HP shall not be liable for technical
or editorial errors or omissions contained
herein.
Part number: CC489-90936
Edition 1, 10/2009
Trademark Credits
Adobe®, Acrobat®, and PostScript® are
trademarks of Adobe Systems Incorporated.
Corel® is a trademark or registered
trademark of Corel Corporation or Corel
Corporation Limited.
Intel® Core™ is a trademark of Intel
Corporation in the U.S. and other countries.
Java™ is a US trademark of Sun
Microsystems, Inc.
Microsoft®, Windows®, Windows® XP, and
Windows Vista® are U.S. registered
trademarks of Microsoft Corporation.
PANTONE® is Pantone, Inc's check-
standard trademark for color.
UNIX® is a registered trademark of The Open
Group.
ENERGY STAR and the ENERGY STAR
mark are registered U.S. marks.

Conventions used in this guide
TIP: Tips provide helpful hints or shortcuts.
NOTE: Notes provide important information to explain a concept or to complete a task.
CAUTION: Cautions indicate procedures that you should follow to avoid losing data or damaging the
product.
WARNING! Warnings alert you to specific procedures that you should follow to avoid personal injury,
catastrophic loss of data, or extensive damage to the product.
ENWW iii
iv Conventions used in this guide ENWW

Table of contents
1 Theory of operation
Basic operation ..................................................................................................................................... 2
Sequence of operation ......................................................................................................... 3
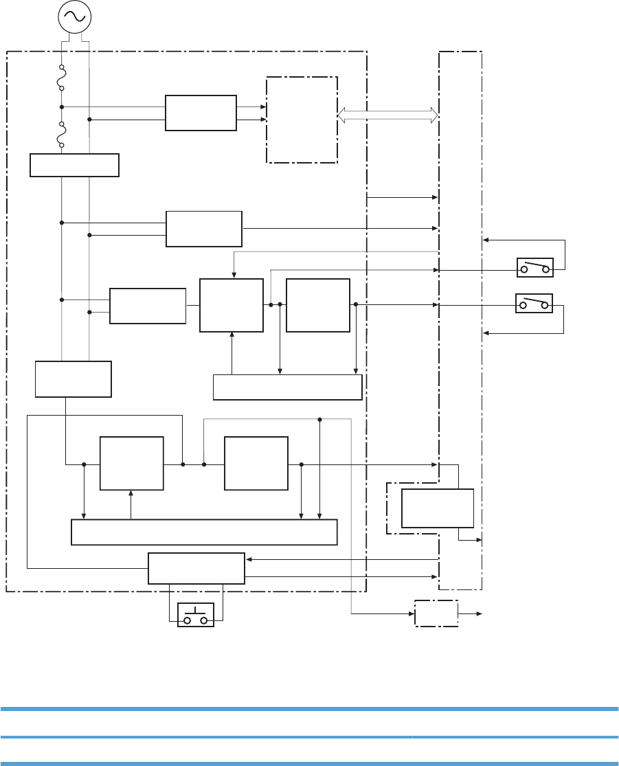
Engine-control system .......................................................................................................................... 4
DC controller ........................................................................................................................ 5
Solenoids ............................................................................................................ 5
Clutches .............................................................................................................. 6
Switches .............................................................................................................. 6
Sensors ............................................................................................................... 7
Motors ................................................................................................................. 8
Fans ..................................................................................................................................... 9
High-voltage power supply ................................................................................................ 10
Low-voltage power supply ................................................................................................. 12
Overcurrent/overvoltage protection ................................................................... 13
Safety ................................................................................................................ 13
Voltage detection .............................................................................................. 13
Sleep (powersave) mode .................................................................................. 13
Low-voltage power supply failure ...................................................................... 13
Fuser control ...................................................................................................................... 14
Fuser temperature control ................................................................................. 15
Fuser sleeve temperature protection ................................................................ 15
Failure detection ................................................................................................ 16
Fuser unit identification ..................................................................................... 17
Fuser unit life detection ..................................................................................... 17
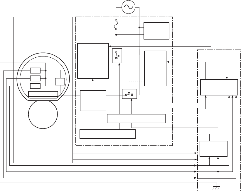
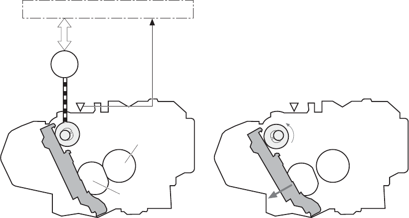
Laser/scanner system ........................................................................................................................ 18
Laser/scanner failure ......................................................................................................... 19
Protective-glass cleaners ................................................................................................... 19
Image-formation system ..................................................................................................................... 21
Image-formation process ................................................................................................... 22
Step 1: Pre-exposure ........................................................................................ 24
Step 2: Primary charging ................................................................................... 24
Step 3: Laser-beam exposure ........................................................................... 25
Step 4: Development ......................................................................................... 25
Step 5: Primary transfer .................................................................................... 26
ENWW v
Step 6: Secondary transfer ............................................................................... 26
Step 7: Separation ............................................................................................ 27
Step 8: Fusing ................................................................................................... 27
Step 9: ITB cleaning .......................................................................................... 28
Step 10: Drum cleaning ..................................................................................... 28
Print cartridge .................................................................................................................... 28
Developing-roller engagement and disengagement .......................................................... 30
Intermediate transfer belt (ITB) unit ................................................................................... 31
Primary-transfer-roller engagement and disengagement .................................. 32
ITB cleaning ...................................................................................................... 34
Calibration .......................................................................................................................... 34
Color-misregistration control ............................................................................. 35
Image-stabilization control ................................................................................ 35
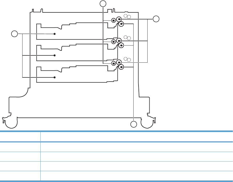
Pickup, feed, and delivery system ...................................................................................................... 37
Pickup-and-feed unit .......................................................................................................... 41
Cassette pickup ................................................................................................. 41
Cassette-presence detection ............................................................ 42
Cassette lift operation and cassette paper-presence detection ........ 43
Cassette multiple-feed prevention .................................................... 43
Multipurpose tray pickup ................................................................................... 44
Paper feed ......................................................................................................... 45
Skew-feed prevention ....................................................................... 46
Paper detection ................................................................................ 47
Feed speed control ........................................................................... 48
Fusing and delivery unit ..................................................................................................... 48
Loop control ...................................................................................................... 49
Pressure-roller pressurization control ............................................................... 50
Duplexing unit (HP Color LaserJet CP4525dn, HP Color LaserJet CP4025dn, and HP
Color LaserJet CP4525xh only) ......................................................................................... 52
Duplexing reverse and feed control .................................................................. 52
Duplex print operation ....................................................................................... 53
Jam detection ..................................................................................................................................... 55
Optional paper feeder ......................................................................................................................... 57
Motor control ...................................................................................................................... 59
Paper-feeder pickup and feed operation ........................................................................... 60
Paper-size detection and cassette-presence detection ..................................................... 62
Paper-feeder cassette lift operation ................................................................................... 63
Paper feeder jam detection ................................................................................................ 64
2 Removal and replacement
Introduction ......................................................................................................................................... 68
Removal and replacement strategy ................................................................................................... 68
Electrostatic discharge ....................................................................................................................... 69
Required tools ................................................................................................................................... 69
vi ENWW
Before performing service .................................................................................................................. 70
After performing service ..................................................................................................................... 70
Post-service test ................................................................................................................................. 71
Print-quality test ................................................................................................................. 71
Parts removal order ............................................................................................................................ 72
Customer self repair (CSR) components ........................................................................................... 74
Print cartridges ................................................................................................................... 74
Toner-collection unit .......................................................................................................... 76
Formatter PCA ................................................................................................................... 78
Hard drive .......................................................................................................................... 79
Remove the hard drive ...................................................................................... 79
Memory DIMM ................................................................................................................... 81
Remove the memory DIMM .............................................................................. 81
Enable memory ................................................................................ 82
Tray .................................................................................................................................... 84
Fuser ................................................................................................................................. 85
Feed and separation rollers (Trays 2-5) ............................................................................ 86
Pickup roller (Tray 1) ......................................................................................................... 87
Secondary transfer roller ................................................................................................... 90
Reinstall the transfer roller ................................................................................ 91
Intermediate transfer belt (ITB) .......................................................................................... 92
External panels, covers, and doors .................................................................................................... 95
Identification and location .................................................................................................. 95
Upper-left cover ................................................................................................................. 96
Power-supply cover ........................................................................................................... 98
Left cover ........................................................................................................................... 99
Remove the left cover ....................................................................................... 99
Front-top cover ................................................................................................................ 100
Remove the front-top cover ............................................................................. 100
Rear-top cover ................................................................................................................. 102
Remove the rear-top cover ............................................................................. 102
Right-front cover .............................................................................................................. 103
Remove the right-front cover ........................................................................... 103
Reinstall the power button .............................................................. 104
Control-panel assembly ................................................................................................... 105
Remove the control-panel assembly ............................................................... 105
Front-door assembly ........................................................................................................ 107
Remove the front-door assembly .................................................................... 107
Right-rear cover ............................................................................................................... 110
Remove the right-rear cover ........................................................................... 110
Rear cover ....................................................................................................................... 112
Remove the rear cover ................................................................................... 112
Right-door assembly ........................................................................................................ 113
Internal assemblies .......................................................................................................................... 118
ENWW vii
Cassette feed guide ......................................................................................................... 118
Secondary transfer assembly .......................................................................................... 119
Reinstall the secondary transfer assembly ..................................................... 120
Separation pad (Tray 1) ................................................................................................... 121
Remove the separation pad (Tray 1) .............................................................. 121
Registration density (RD) sensor assembly ..................................................................... 124
Remove the RD sensor assembly ................................................................... 124
Registration assembly ..................................................................................................... 128
Remove the registration assembly .................................................................. 129
Residual-toner-feed motor ............................................................................................... 133
Remove the residual-toner-feed motor ........................................................... 133
Residual-toner duct and feed assembly .......................................................................... 134
Remove the residual-toner duct and feed assembly ....................................... 134
Cartridge fan and environmental sensor .......................................................................... 137
Remove the cartridge fan and environmental sensor ..................................... 137
Toner-collection sensor and scanner-thermistor assembly ............................................. 141
Remove the toner-collection sensor and scanner-thermistor assembly ......... 141
Delivery fan ...................................................................................................................... 143
Remove the delivery fan ................................................................................. 143
Delivery assembly ............................................................................................................ 145
Remove the delivery assembly ....................................................................... 145
Reinstall the delivery assembly ...................................................... 149
Duplex-drive assembly .................................................................................................... 151
Remove the duplex-drive assembly ................................................................ 151
Power-supply fan ............................................................................................................. 152
Remove the power-supply fan ........................................................................ 152
Interconnect board (ICB) ................................................................................................. 153
Remove the ICB .............................................................................................. 153
DC controller PCA only .................................................................................................... 155
Remove the DC controller PCA only ............................................................... 155
Low-voltage power supply (LVPS) ................................................................................... 157
Remove the low-voltage power supply ........................................................... 157
DC controller PCA and tray ............................................................................................. 161
Remove the DC controller PCA and tray ........................................................ 161
High-voltage power supply lower (HVPS-D) .................................................................... 163
Remove the high-voltage power supply lower ................................................ 163
Reinstall the high-voltage power supply lower ............................... 167
Developing-disengagement motor ................................................................................... 168
Remove the developing-disengagement motor .............................................. 168
Exhaust fan and fan duct ................................................................................................. 169
Remove the exhaust fan and fan duct ............................................................ 169
Reinstall the exhaust fan and fan duct ............................................................ 171
Pickup motor .................................................................................................................... 172
Remove the pickup motor ............................................................................... 172
viii ENWW
Lifter-drive assembly ........................................................................................................ 173
Remove the lifter-drive assembly .................................................................... 173
Lifter base assembly ........................................................................................................ 175
Remove the lifter base assembly .................................................................... 175
Reinstall the lifter base assembly .................................................................... 176
Tray-pickup drive assembly ............................................................................................. 178
Remove the tray-pickup drive assembly ......................................................... 178
Tray-pickup assembly ...................................................................................................... 180
Remove the tray-pickup assembly .................................................................. 180
Laser/scanner assembly (Y/M) ........................................................................................ 186
Remove the laser/scanner assembly (Y/M) .................................................... 187
Laser/scanner assembly (C/Bk) ....................................................................................... 190
Remove the laser/scanner assembly (C/Bk) ................................................... 191
Reinstall the protective glass cleaner (PGC) actuators .................. 193
High-voltage power supply upper (HVPS-T) .................................................................... 196
Remove the high-voltage power supply upper ................................................ 196
Reinstall the high-voltage power supply upper ............................... 198
Yellow, magenta, cyan, and black drum motors .............................................................. 199
Remove the yellow, magenta, cyan, and black drum motors .......................... 199
Fuser motor ..................................................................................................................... 200
Remove the fuser motor .................................................................................. 201
ITB motor ......................................................................................................................... 202
Remove the ITB motor .................................................................................... 202
Main-drive assembly ........................................................................................................ 203
Remove the main-drive assembly ................................................................... 204
Reinstall the main-drive assembly .................................................. 207
Fuser-drive assembly ...................................................................................................... 211
Remove the fuser-drive assembly ................................................................... 212
Reinstall the fuser-drive assembly .................................................. 215
Optional paper feeder assemblies (1 x 500-sheet and 3 x 500-sheet) ............................................. 216
Front door (optional paper feeder) ................................................................................... 216
Rear cover (optional paper feeder) .................................................................................. 218
Right-front cover (optional paper feeder) ......................................................................... 219
Right door (optional paper feeder) ................................................................................... 220
Left cover (optional paper feeder) .................................................................................... 222
Remove the left cover (optional paper feeder) ................................................ 222
Right cover (optional paper feeder) ................................................................................. 224
Remove the right cover (optional paper feeder) .............................................. 224
Rear-right cover (optional paper feeder) .......................................................................... 225
Remove the rear-right cover (optional paper feeder) ...................................... 225
Pickup assembly (optional paper feeder) ........................................................................ 226
Remove the pickup assembly (optional paper feeder) .................................... 226
Lifter assembly (optional paper feeder) ........................................................................... 229
Remove the lifter assembly (optional paper feeder) ....................................... 229
ENWW ix
Lifter-drive assembly (optional paper feeder) .................................................................. 230
Remove the lifter-drive assembly (optional paper feeder) .............................. 230
Pickup motor assembly (optional paper feeder) ............................................................. 231
Remove the pickup motor (optional paper feeder) assembly .......................... 231
Controller PCA (optional paper feeder) ........................................................................... 232
Remove the controller PCA (optional paper feeder) ....................................... 232
3 Solve problems
Solve problems checklist .................................................................................................................. 234
Menu map ........................................................................................................................................ 236
Troubleshooting process .................................................................................................................. 237
Determine the problem source ........................................................................................ 237
Pre-troubleshooting checklist .......................................................................... 237
Troubleshooting flowchart ............................................................................... 239
Power subsystem ............................................................................................................ 240
Power-on checks ............................................................................................. 240
Power-on troubleshooting overview ............................................... 240
Tools for troubleshooting .................................................................................................................. 242
Individual component diagnostics .................................................................................... 242
LED diagnostics .............................................................................................. 242
Understand lights on the formatter ................................................. 242
Engine diagnostics .......................................................................................... 243
Defeating interlocks ........................................................................ 243
Disable cartridge check .................................................................. 244
Engine-test button .......................................................................... 244
Paper-path test ................................................................................................ 245
Manual sensor test (special-mode test) .......................................................... 246
A TOP (top of page) sensor ............................................................ 247
B and C loop sensors ..................................................................... 248
D fuser delivery sensor ................................................................... 249
E duplex re-pickup sensor .............................................................. 250
F output bin full sensor ................................................................... 251
I developer alienation ..................................................................... 252
J fuser pressure-release sensor .................................................... 253
K primary transfer-roller-disengagement sensor ............................ 254
L media sensor .............................................................................. 256
M front-door switch ......................................................................... 257
N right-door switch .......................................................................... 258
Manual sensor test 2 (special-mode test) ....................................................... 259
O Tray 1 paper present sensor ...................................................... 261
P Tray 2 paper present sensor ....................................................... 262
Q Tray 2 paper surface 1 and 2 sensors ........................................ 263
R Tray 2 paper size switches ........................................................ 264
xENWW
S Tray 3 paper present sensor ....................................................... 265
T Tray 3 feed sensor ...................................................................... 265
U Tray 3 paper surface 1 and 2 sensors ........................................ 265
V Tray 3 paper size switches .......................................................... 265
W Tray 4 paper present sensor ...................................................... 265
X Tray 4 feed sensor ...................................................................... 265
Y Tray 4 paper surface 1 and 2 sensors ........................................ 265
Z Tray 4 paper size switches .......................................................... 266
a Tray 5 paper present sensor ....................................................... 266
b Tray 5 feed sensor ....................................................................... 266
c Tray 5 paper surface 1 and 2 sensors ......................................... 266
d Tray 5 paper size switches .......................................................... 266
5V laser and 24V interlock and logic switches (and power
switch) ............................................................................................ 267
New ITB sensor .............................................................................. 271
Tray 3, 4, and 5 right door switch ................................................... 272
Paper-path sensors test .................................................................................. 273
Print/stop test .................................................................................................. 273
Component tests ............................................................................................. 274
Component test (special-mode test) ............................................... 274
Diagrams ......................................................................................................................... 277
Block diagrams ................................................................................................ 277
Plug/jack locations .......................................................................................... 280
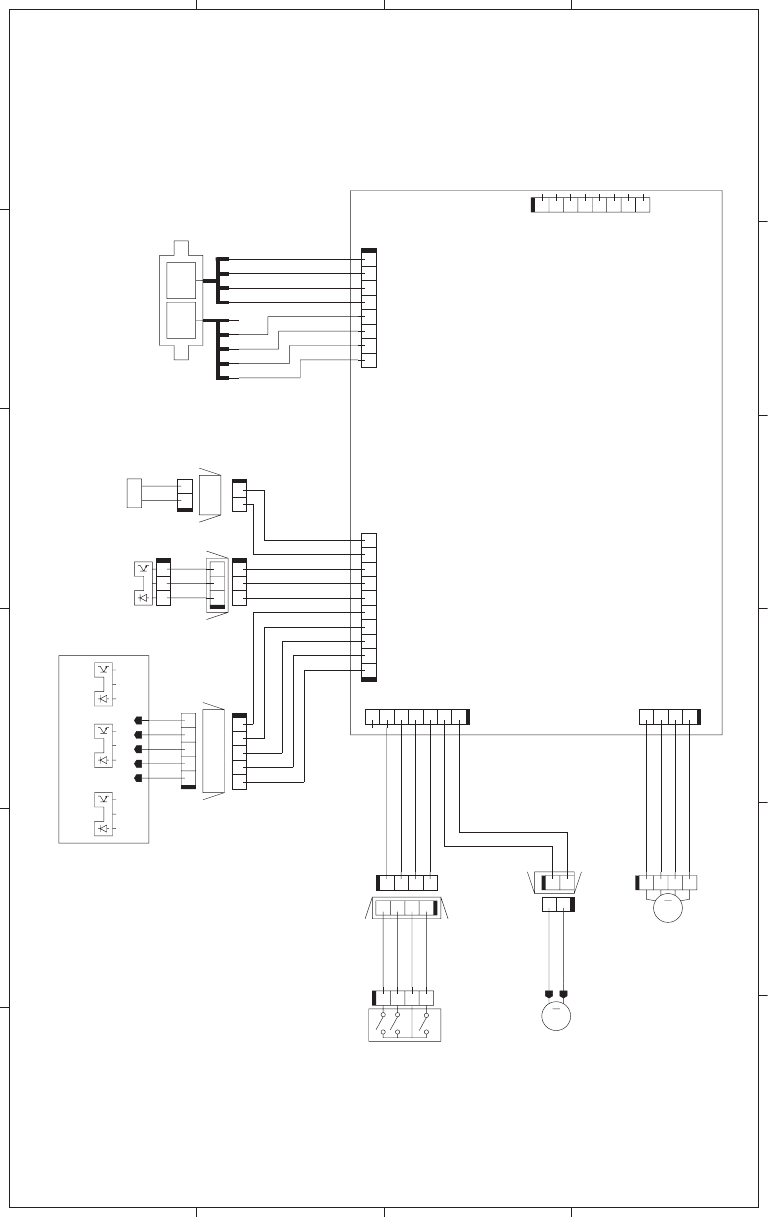
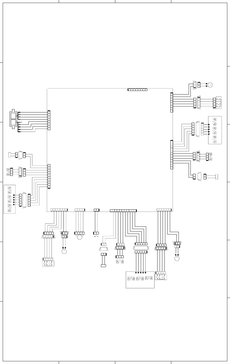
Location of connectors .................................................................................... 281
DC controller connector locations ................................................... 281
Controller PCA (1 x 500-sheet and 3 x 500-sheet optional paper
feeders) ......................................................................................... 283
Locations of major components ...................................................................... 284
General timing chart ........................................................................................ 294
Circuit diagrams .............................................................................................. 294
HP Easy Printer Care ...................................................................................................... 298
Open the HP Easy Printer Care software ....................................................... 299
HP Easy Printer Care software sections ......................................................... 299
Internal print-quality test pages ........................................................................................ 302
Print-quality-troubleshooting pages ................................................................. 302
Diagnostics page ............................................................................................. 305
Cleaning page ................................................................................................. 306
Configuration page .......................................................................................... 307
Configuration page ......................................................................... 307
HP embedded Jetdirect page ......................................................... 309
Embedded protocol page ............................................................... 310
Finding important information on the configuration pages .............. 311
Color-band test ................................................................................................ 311
Print-quality troubleshooting tools .................................................................................... 312
ENWW xi
Repetitive defects ruler ................................................................................... 312
Calibrate the product ....................................................................................... 313
Control panel menus ........................................................................................................ 314
Control panel menus ....................................................................................... 314
Show Me How menu ...................................................................... 314
Retrieve job menu .......................................................................... 314
Information menu ............................................................................ 317
Paper handling menu ..................................................................... 317
Manage supplies menu .................................................................. 318
Configure device menu ................................................................... 321
Diagnostics menu ........................................................................... 342
Service menu .................................................................................. 344
Interpret control-panel messages .................................................................................... 345
Control-panel message types ......................................................................... 345
Control-panel messages ................................................................................. 345
Event log messages ........................................................................................................ 376
Print an event log ............................................................................................ 376
Show an event log ........................................................................................... 376
Sample event log ............................................................................................ 377
Clear the event log .......................................................................................... 377
Event log message table ................................................................................. 378
Clear paper jams .............................................................................................................................. 383
Common causes of jams ................................................................................................. 383
Jam locations ................................................................................................................... 386
Clear jams in the right door .............................................................................................. 387
Clear jams in the output bin area ..................................................................................... 390
Clear jams in Tray 1 ......................................................................................................... 390
Clear jams in Tray 2 or optional Trays 3, 4, or 5 .............................................................. 392
Clear jams in the lower right door (Tray 3, 4, or 5) .......................................................... 393
Jam causes and solutions ............................................................................................... 394
Jams in the output bin ..................................................................................... 394
Jams in the fuser and transfer area ................................................................ 394
Jams in the duplex area (HP Color LaserJet CP4525dn, HP Color LaserJet
CP4025dn, and HP Color LaserJet CP4525xh only) ...................................... 397
Jams in Tray 1, Tray 2 and internal paper path .............................................. 399
Jams in Tray 3, 4, and 5 .................................................................................. 400
Change jam recovery ....................................................................................................... 402
Solve paper-handling problems ........................................................................................................ 403
Product feeds multiple sheets .......................................................................................... 403
Product feeds incorrect page size ................................................................................... 403
Product pulls from incorrect tray ...................................................................................... 403
Paper does not feed automatically .................................................................................. 404
Paper does not feed from Tray 2, 3, 4, or 5 ..................................................................... 404
Transparencies or glossy paper will not feed .................................................................. 405
xii ENWW
Envelopes jam or will not feed in the product .................................................................. 405
Output is curled or wrinkled ............................................................................................. 406
Product will not duplex or duplexes incorrectly ................................................................ 406
Use manual print modes .................................................................................................................. 408
Solve image-quality problems .......................................................................................................... 410
Image defects table ......................................................................................................... 410
Clean the product ............................................................................................................................. 416
Clean the paper path ....................................................................................................... 416
Solve performance problems ........................................................................................................... 417
Solve connectivity problems ............................................................................................................. 418
Solve direct-connect problems ........................................................................................ 418
Solve network problems .................................................................................................. 418
Service mode functions .................................................................................................................... 420
Service menu ................................................................................................................... 420
Product resets .................................................................................................................. 423
Restore factory-set defaults ............................................................................ 423
Hard disk initialization (optional) ..................................................................... 423
NVRAM initialization ........................................................................................ 423
Product cold reset .......................................................................................... 424
Product updates ............................................................................................................................... 424
4 Parts and diagrams
Order parts, accessories, and supplies ............................................................................................ 426
Part numbers .................................................................................................................................... 427
Accessories ..................................................................................................................... 427
Print cartridges and toner collection unit .......................................................................... 427
Memory ............................................................................................................................ 427
Cables and interfaces ...................................................................................................... 427
Customer self repair (CSR) parts .................................................................................... 428
Service maintenance kits ................................................................................................. 428
Unique components ......................................................................................................... 429
Screws .............................................................................................................................................. 430
How to use the parts lists and diagrams .......................................................................................... 431
External covers, panels, and doors .................................................................................................. 432
Right door assembly ......................................................................................................................... 434
Front door assembly ......................................................................................................................... 436
Internal components ......................................................................................................................... 438
Internal components (1 of 7) ............................................................................................ 438
Internal components (2 of 7) ............................................................................................ 440
Internal components (3 of 7) ............................................................................................ 442
Internal components (4 of 7) ............................................................................................ 444
Internal components (5 of 7) ............................................................................................ 446
Internal components (6 of 7) ............................................................................................ 448
ENWW xiii
Internal components (7 of 7) ............................................................................................ 450
Cassettes 2-5 ................................................................................................................... 452
Paper pickup assembly .................................................................................................... 454
Tray 1 paper pickup assembly ......................................................................................... 456
Registration assembly ..................................................................................................... 458
Secondary transfer assembly .......................................................................................... 460
Delivery assembly ............................................................................................................ 462
Fuser assembly ............................................................................................................... 464
PCAs ................................................................................................................................ 466
Assessories ...................................................................................................................................... 468
Paper feeders .................................................................................................................. 468
Paper feeder external covers, panels, and doors ............................................................ 470
1 X 500 paper feeder main body ..................................................................................... 472
3 X 500 paper feeder main body ..................................................................................... 474
Alphabetical parts list ....................................................................................................................... 476
Numerical parts list ........................................................................................................................... 484
Appendix A Service and support
Hewlett-Packard limited warranty statement .................................................................................... 494
HP's Premium Protection Warranty: LaserJet print cartridge limited warranty statement ................ 495
HP Color LaserJet Fuser Kit Limited Warranty Statement ............................................................... 496
End User License Agreement .......................................................................................................... 497
Customer self-repair warranty service .............................................................................................. 499
Customer support ............................................................................................................................. 500
Appendix B Product specifications
Physical specifications ..................................................................................................................... 502
Performance specifications .............................................................................................................. 502
Electrical specifications .................................................................................................................... 502
Acoustic specifications ..................................................................................................................... 503
Environmental specifications ............................................................................................................ 503
Skew specifications .......................................................................................................................... 504
Appendix C Regulatory information
FCC regulations ............................................................................................................................... 506
Environmental product stewardship program ................................................................................... 507
Protecting the environment .............................................................................................. 507
Ozone production ............................................................................................................ 507
Power consumption ......................................................................................................... 507
Toner consumption .......................................................................................................... 507
Paper use ........................................................................................................................ 507
Plastics ............................................................................................................................ 507
HP LaserJet print supplies ............................................................................................... 507
xiv ENWW
Return and recycling instructions ..................................................................................... 508
United States and Puerto Rico ........................................................................ 508
Multiple returns (more than one cartridge) ..................................... 508
Single returns ................................................................................. 508
Shipping .......................................................................................... 508
Non-U.S. returns ............................................................................................. 508
Paper ............................................................................................................................... 508
Material restrictions .......................................................................................................... 509
Disposal of waste equipment by users in private households in the European
Union ............................................................................................................................... 509
Chemical substances ....................................................................................................... 509
Material Safety Data Sheet (MSDS) ................................................................................ 510
For more information ....................................................................................................... 510
Declaration of Conformity ................................................................................................................. 511
Safety statements ............................................................................................................................. 512
Laser safety ..................................................................................................................... 512
Canadian DOC regulations .............................................................................................. 512
VCCI statement (Japan) .................................................................................................. 512
Power cord instructions ................................................................................................... 512
Power cord statement (Japan) ......................................................................................... 512
EMC statement (China) ................................................................................................... 513
EMC statement (Korea) ................................................................................................... 513
EMI statement (Taiwan) ................................................................................................... 513
Laser statement for Finland ............................................................................................. 513
GS statement (Germany) ................................................................................................. 514
Substances Table (China) ............................................................................................... 514
Restriction on Hazardous Substances statement (Turkey) ............................................. 514
Index ................................................................................................................................................................. 515
ENWW xv
xvi ENWW

List of tables
Table 1-1 Sequence of operation ....................................................................................................................... 3
Table 1-2 Solenoids ........................................................................................................................................... 5
Table 1-3 Switches ............................................................................................................................................. 6
Table 1-4 Sensors .............................................................................................................................................. 7
Table 1-5 Motors ................................................................................................................................................ 8
Table 1-6 Fans ................................................................................................................................................... 9
Table 1-7 High-voltage power supply circuits ................................................................................................... 10
Table 1-8 Converted DC voltages .................................................................................................................... 12
Table 1-9 Fuser components ........................................................................................................................... 14
Table 1-10 Primary-transfer-roller engagement states ..................................................................................... 32
Table 1-11 Image-stabilization controls ............................................................................................................ 36
Table 1-12 Switches and sensors for the pickup, feed, and delivery system ................................................... 38
Table 1-13 Motors and solenoids for the pickup, feed, and delivery system ................................................... 39
Table 1-14 Print mode and feed speed ............................................................................................................ 48
Table 1-15 Paper sizes .................................................................................................................................... 53
Table 1-16 Jams that the product detects ........................................................................................................ 56
Table 1-17 Electrical components for the paper feeder ................................................................................... 59
Table 1-18 Pickup feed components (1 x 500-sheet paper feeder) ................................................................. 60
Table 3-1 Pre-troubleshooting checklist ......................................................................................................... 237
Table 3-2 Troubleshooting flowchart .............................................................................................................. 239
Table 3-3 Manual sensor diagnostic tests ...................................................................................................... 246
Table 3-4 Default state of bits ........................................................................................................................ 246
Table 3-5 Manual sensor test 2 diagnostic tests ............................................................................................ 259
Table 3-6 Default state of bits ........................................................................................................................ 260
Table 3-7 Paper-path sensors diagnostic tests .............................................................................................. 273
Table 3-8 Component test details .................................................................................................................. 274
Table 3-9 Formatter PCA ............................................................................................................................... 280
Table 3-10 DC controller connectors .............................................................................................................. 281
Table 3-11 Controller PCA connectors ........................................................................................................... 283
Table 3-12 Important information on the configuration pages ........................................................................ 311
Table 3-13 Embedded Jetdirect menu ........................................................................................................... 334
Table 3-14 Control-panel messages .............................................................................................................. 345
Table 3-15 Common causes of jams (by area) .............................................................................................. 385
Table 3-16 Causes and solutions for delivery delay jam ................................................................................ 394
ENWW xvii
Table 3-17 Causes and solutions for fuser delivery delay jams ..................................................................... 394
Table 3-18 Causes and solutions for wrapping jams ..................................................................................... 394
Table 3-19 Causes and solutions for fuser delivery stationary jams .............................................................. 395
Table 3-20 Causes and solutions for residual media jams ............................................................................ 396
Table 3-21 Causes and solutions for pickup delay jams 2 ............................................................................. 396
Table 3-22 Causes and solutions for pickup stationary jams ......................................................................... 397
Table 3-23 Causes and solutions for duplexing reverse jams ...................................................................... 397
Table 3-24 Causes and solutions for duplex repick jams .............................................................................. 397
Table 3-25 Causes and solutions for residual media jams ............................................................................ 398
Table 3-26 Causes and solutions for pickup delay jam 1: tray pickup ........................................................... 399
Table 3-27 Causes and solutions for pickup stationary jams ......................................................................... 400
Table 3-28 Causes and solutions for pickup delay and pickup stationary jams ............................................. 400
Table 3-29 Causes and solutions for residual media jams ............................................................................ 401
Table 3-30 MP modes under the ADJUST PAPER TYPES sub menu ......................................................... 408
Table 3-31 MP modes under the OPTIMIZE submenu .................................................................................. 409
Table 4-1 Maintenance kits ............................................................................................................................ 428
Table 4-2 110V and 220V unique components .............................................................................................. 429
Table 4-3 Simplex and duplex unique components ....................................................................................... 429
Table 4-4 Common fasteners ........................................................................................................................ 430
Table 4-5 External covers, panels, and doors; .............................................................................................. 433
Table 4-6 Right door assembly ...................................................................................................................... 435
Table 4-7 Front door assembly ...................................................................................................................... 437
Table 4-8 Internal components (1 of 7) .......................................................................................................... 439
Table 4-9 Internal components (2 of 7) .......................................................................................................... 441
Table 4-10 Internal components (3 of 7) ........................................................................................................ 443
Table 4-11 Internal components (4 of 7) ........................................................................................................ 445
Table 4-12 Internal components (5 of 7) ........................................................................................................ 447
Table 4-13 Internal components 6 of 7 .......................................................................................................... 449
Table 4-14 Internal components 7 of 7 .......................................................................................................... 451
Table 4-15 Cassette ....................................................................................................................................... 453
Table 4-16 Paper pickup assembly ................................................................................................................ 455
Table 4-17 Tray 1 paper pickup assembly ..................................................................................................... 457
Table 4-18 Registration assembly .................................................................................................................. 459
Table 4-19 Secondary Transfer assembly ..................................................................................................... 461
Table 4-20 Delivery assembly ........................................................................................................................ 463
Table 4-21 Fuser assembly ............................................................................................................................ 465
Table 4-22 PCAs ............................................................................................................................................ 467
Table 4-23 Paper feeders ............................................................................................................................... 469
Table 4-24 Paper feeder external covers, panels, and doors ........................................................................ 471
Table 4-25 1 X 500 paper feeder main body .................................................................................................. 473
Table 4-26 3 X 500 paper feeder main body .................................................................................................. 475
Table 4-27 Alphabetical parts list ................................................................................................................... 476
Table 4-28 Numerical parts list ....................................................................................................................... 484
Table B-1 Product dimensions ....................................................................................................................... 502
xviii ENWW
Table B-2 Product dimensions, with all doors and trays fully opened ............................................................ 502
Table B-3 Power requirements ....................................................................................................................... 503
Table B-4 Power consumption (average, in watts)
1246
.................................................................................... 503
Table B-5 HP Color LaserJet Enterprise CP4020-CP4520 Series
13
.............................................................. 503
Table B-6 Media registration and image placement accuracy ....................................................................... 504
ENWW xix
xx ENWW

List of figures
Figure 1-1 Relationship between the main product systems ............................................................................. 2
Figure 1-2 Engine-control system ...................................................................................................................... 4
Figure 1-3 DC controller block diagram .............................................................................................................. 5
Figure 1-4 High-voltage power supply circuits ................................................................................................. 10
Figure 1-5 Low-voltage power-supply circuit .................................................................................................... 12
Figure 1-6 Fuser components .......................................................................................................................... 14
Figure 1-7 Fuser temperature-control circuit .................................................................................................... 15
Figure 1-8 Laser/scanner system ..................................................................................................................... 18
Figure 1-9 Protective-glass cleaners (PGCs) ................................................................................................... 20
Figure 1-10 Image-formation system ............................................................................................................... 21
Figure 1-11 Image-formation drive system ....................................................................................................... 22
Figure 1-12 Image-formation process .............................................................................................................. 23
Figure 1-13 Pre-exposure ................................................................................................................................ 24
Figure 1-14 Primary charging ........................................................................................................................... 24
Figure 1-15 Laser-beam exposure ................................................................................................................... 25
Figure 1-16 Development ................................................................................................................................. 25
Figure 1-17 Primary transfer ............................................................................................................................ 26
Figure 1-18 Secondary transfer ........................................................................................................................ 26
Figure 1-19 Separation ..................................................................................................................................... 27
Figure 1-20 Fusing ........................................................................................................................................... 27
Figure 1-21 ITB cleaning .................................................................................................................................. 28
Figure 1-22 Drum cleaning ............................................................................................................................... 28
Figure 1-23 Print-cartridge system ................................................................................................................... 29
Figure 1-24 Developing-roller engagement and disengagement control ......................................................... 30
Figure 1-25 ITB unit .......................................................................................................................................... 31
Figure 1-26 Three states of primary-transfer-roller engagement and disengagement ..................................... 33
Figure 1-27 ITB cleaning process .................................................................................................................... 34
Figure 1-28 Toner patterns for calibration ........................................................................................................ 35
Figure 1-29 Paper path .................................................................................................................................... 37
Figure 1-30 Switches and sensors for the pickup, feed, and delivery system ................................................. 38
Figure 1-31 Motors and solenoids for the pickup, feed, and delivery system .................................................. 39
Figure 1-32 Three main units of the pickup, feed, and delivery system ........................................................... 40
Figure 1-33 Pickup-and-feed unit ..................................................................................................................... 41
Figure 1-34 Cassette-pickup mechanism ......................................................................................................... 42
ENWW xxi
Figure 1-35 Cassette lift mechanism ................................................................................................................ 43
Figure 1-36 Multiple-feed prevention ................................................................................................................ 44
Figure 1-37 Multipurpose tray pickup mechanism ............................................................................................ 45
Figure 1-38 Paper-feed mechanism ................................................................................................................. 46
Figure 1-39 Skew-feed prevention ................................................................................................................... 47
Figure 1-40 Fuser and delivery unit .................................................................................................................. 49
Figure 1-41 Loop-control mechanism ............................................................................................................... 50
Figure 1-42 Pressure-roller pressurization control ........................................................................................... 51
Figure 1-43 Duplexing unit ............................................................................................................................... 52
Figure 1-44 Duplex reverse and feed control ................................................................................................... 53
Figure 1-45 Jam detection sensors .................................................................................................................. 55
Figure 1-46 1 x 500 optional paper feeder ....................................................................................................... 57
Figure 1-47 3 x 500-sheet optional paper feeder ............................................................................................. 58
Figure 1-48 Signals for the paper feeder ......................................................................................................... 58
Figure 1-49 Paper-feeder pickup and feed operation ...................................................................................... 60
Figure 1-50 Paper-feeder cassette lift ............................................................................................................. 63
Figure 1-51 Jam detection (1 x 500-sheet paper feeder) ................................................................................. 64
Figure 1-52 Jam detection (3 x 500-sheet paper feeder) ................................................................................. 65
Figure 2-1 Phillips and pozidrive screwdriver comparison ............................................................................... 69
Figure 2-2 Parts removal order (1 of 2) ............................................................................................................ 72
Figure 2-3 Parts removal order (2 of 2) ............................................................................................................ 73
Figure 2-4 Remove the print cartridge (1 of 2) ................................................................................................. 74
Figure 2-5 Remove the print cartridge (2 of 2) ................................................................................................. 75
Figure 2-6 Remove the toner-collection unit (1 of 4) ........................................................................................ 76
Figure 2-7 Remove the toner-collection unit (2 of 4) ........................................................................................ 76
Figure 2-8 Remove the toner-collection unit (3 of 4) ........................................................................................ 77
Figure 2-9 Remove the toner-collection unit (4 of 4) ........................................................................................ 77
Figure 2-10 Remove the formatter ................................................................................................................... 78
Figure 2-11 Remove the hard drive (1 of 3) ..................................................................................................... 79
Figure 2-12 Remove the hard drive (2 of 3) ..................................................................................................... 79
Figure 2-13 Remove the hard drive (3 of 3) ..................................................................................................... 80
Figure 2-14 Remove the memory DIMM (1 of 2) .............................................................................................. 81
Figure 2-15 Remove the memory DIMM (2 of 2) .............................................................................................. 82
Figure 2-16 Remove the tray (1 of 2) ............................................................................................................... 84
Figure 2-17 Remove the tray (2 of 2) ............................................................................................................... 84
Figure 2-18 Remove the fuser (1 of 2) ............................................................................................................. 85
Figure 2-19 Remove the fuser (2 of 2) ............................................................................................................. 85
Figure 2-20 Remove the Pickup and feed rollers (Trays 2-5) .......................................................................... 86
Figure 2-21 Remove the pickup roller (Tray 1) (1 of 5) .................................................................................... 87
Figure 2-22 Remove the pickup roller (Tray 1) (2 of 5) .................................................................................... 87
Figure 2-23 Remove the pickup roller (Tray 1) (3 of 5) .................................................................................... 88
Figure 2-24 Remove the pickup roller (Tray 1) (4 of 5) .................................................................................... 88
Figure 2-25 Remove the pickup roller (Tray 1) (5 of 5) .................................................................................... 89
Figure 2-26 Remove the transfer roller (1 of 3) ................................................................................................ 90
xxii ENWW
Figure 2-27 Remove the transfer roller (2 of 3) ................................................................................................ 90
Figure 2-28 Remove the transfer roller (3 of 3) ................................................................................................ 91
Figure 2-29 Reinstall the transfer roller ............................................................................................................ 91
Figure 2-30 Remove the intermediate transfer belt (1 of 4) ............................................................................. 92
Figure 2-31 Remove the intermediate transfer belt (2 of 4) ............................................................................. 92
Figure 2-32 Remove the intermediate transfer belt (3 of 4) ............................................................................. 93
Figure 2-33 Remove the intermediate transfer belt (4 of 4) ............................................................................. 94
Figure 2-34 External panels, covers, and doors; identification and location .................................................... 95
Figure 2-35 Remove the upper-left cover (1 of 3) ............................................................................................ 96
Figure 2-36 Remove the upper-left cover (2 of 3) ............................................................................................ 96
Figure 2-37 Remove the upper-left cover (3 of 3) ............................................................................................ 97
Figure 2-38 Remove the power-supply cover .................................................................................................. 98
Figure 2-39 Remove the left cover (1 of 2) ....................................................................................................... 99
Figure 2-40 Remove the left cover (2 of 2) ....................................................................................................... 99
Figure 2-41 Remove the front-top cover (1 of 3) ............................................................................................ 100
Figure 2-42 Remove the front-top cover (2 of 3) ............................................................................................ 100
Figure 2-43 Remove the front-top cover (3 of 3) ............................................................................................ 101
Figure 2-44 Remove the rear-top cover (1 of 2) ............................................................................................. 102
Figure 2-45 Remove the rear-top cover (2 of 2) ............................................................................................. 102
Figure 2-46 Remove the right-front cover (1 of 3) .......................................................................................... 103
Figure 2-47 Remove the right-front cover (2 of 3) .......................................................................................... 103
Figure 2-48 Remove the right-front cover (3 of 3) .......................................................................................... 104
Figure 2-49 Reinstall the power button .......................................................................................................... 104
Figure 2-50 Remove the control-panel assembly (1 of 2) .............................................................................. 105
Figure 2-51 Remove the control-panel assembly (2 of 2) .............................................................................. 106
Figure 2-52 Remove the front-door assembly (1 of 5) ................................................................................... 107
Figure 2-53 Remove the front-door assembly (2 of 5) ................................................................................... 108
Figure 2-54 Remove the front-door assembly (3 of 5) ................................................................................... 108
Figure 2-55 Remove the front-door assembly (4 of 5) ................................................................................... 109
Figure 2-56 Remove the front-door assembly (5 of 5) ................................................................................... 109
Figure 2-57 Remove the right-rear cover (1 of 2) ........................................................................................... 110
Figure 2-58 Remove the right-rear cover (2 of 2) ........................................................................................... 111
Figure 2-59 Remove the rear cover ............................................................................................................... 112
Figure 2-60 Remove the right-door assembly (1 of 9) ................................................................................... 113
Figure 2-61 Remove the right-door assembly (2 of 9) ................................................................................... 113
Figure 2-62 Remove the right-door assembly (3 of 9) ................................................................................... 114
Figure 2-63 Remove the right-door assembly (4 of 9) ................................................................................... 114
Figure 2-64 Remove the right-door assembly (5 of 9) ................................................................................... 115
Figure 2-65 Remove the right-door assembly (6 of 9) ................................................................................... 115
Figure 2-66 Remove the right-door assembly (7 of 9) ................................................................................... 116
Figure 2-67 Remove the right-door assembly (8 of 9) ................................................................................... 116
Figure 2-68 Remove the right-door assembly (9 of 9) ................................................................................... 117
Figure 2-69 Remove the cassette feed guide (1 of 2) .................................................................................... 118
Figure 2-70 Remove the cassette feed (2 of 2) .............................................................................................. 118
ENWW xxiii
Figure 2-71 Remove the secondary transfer assembly (1 of 3) ..................................................................... 119
Figure 2-72 Remove the secondary transfer assembly (2 of 3) ..................................................................... 119
Figure 2-73 Remove the secondary transfer assembly (3 of 3) ..................................................................... 120
Figure 2-74 Reinstall the secondary transfer assembly ................................................................................. 120
Figure 2-75 Remove the separation pad (1 of 6) ........................................................................................... 121
Figure 2-76 Remove the separation pad (2 of 6) ........................................................................................... 121
Figure 2-77 Remove the separation pad (3 of 6) ........................................................................................... 122
Figure 2-78 Remove the separation pad (4 of 6) ........................................................................................... 122
Figure 2-79 Remove the separation pad (5 of 6) ........................................................................................... 123
Figure 2-80 Remove the separation pad (6 of 6) ........................................................................................... 123
Figure 2-81 Remove the RD sensor assembly (1 of 7) .................................................................................. 124
Figure 2-82 Remove the RD sensor assembly (2 of 7) .................................................................................. 124
Figure 2-83 Remove the RD sensor assembly (3 of 7) .................................................................................. 125
Figure 2-84 Remove the RD sensor assembly (4 of 7) .................................................................................. 125
Figure 2-85 Remove the RD sensor assembly (5 of 7) .................................................................................. 126
Figure 2-86 Remove the RD sensor assembly (6 of 7) .................................................................................. 126
Figure 2-87 Remove the RD sensor assembly (7 of 7) .................................................................................. 127
Figure 2-88 Remove the registration assembly (1 of 8) ................................................................................. 129
Figure 2-89 Remove the registration assembly (2 of 8) ................................................................................. 129
Figure 2-90 Remove the registration assembly (3 of 8) ................................................................................. 130
Figure 2-91 Remove the registration assembly (4 of 8) ................................................................................. 130
Figure 2-92 Remove the registration assembly (5 of 8) ................................................................................. 131
Figure 2-93 Remove the registration assembly (6 of 8) ................................................................................. 131
Figure 2-94 Remove the registration assembly (7 of 8) ................................................................................. 132
Figure 2-95 Remove the registration assembly (8 of 8) ................................................................................. 132
Figure 2-96 Remove the residual-toner-feed motor ....................................................................................... 133
Figure 2-97 Remove the residual-toner duct and feed assembly (1 of 4) ...................................................... 134
Figure 2-98 Remove the residual-toner duct and feed assembly (2 of 4) ...................................................... 135
Figure 2-99 Remove the residual-toner duct and feed assembly (3 of 4) ...................................................... 135
Figure 2-100 Remove residual-toner duct and feed assembly (4 of 4) .......................................................... 136
Figure 2-101 Remove the cartridge fan and environmental sensor (1 of 7) ................................................... 137
Figure 2-102 Remove the cartridge fan and environmental sensor (2 of 7) ................................................... 138
Figure 2-103 Remove the cartridge fan and environmental sensor (3 of 7) ................................................... 138
Figure 2-104 Remove the cartridge fan and environmental sensor (4 of 7) ................................................... 139
Figure 2-105 Remove the cartridge fan and environmental sensor (5 of 7) ................................................... 139
Figure 2-106 Remove the cartridge fan and environmental sensor (6 of 7) ................................................... 140
Figure 2-107 Remove the cartridge fan and environmental sensor (7 of 7) ................................................... 140
Figure 2-108 Remove the toner-collection sensor and scanner-thermistor assembly (1 of 3) ....................... 141
Figure 2-109 Remove the toner-collection sensor and scanner-thermistor assembly (2 of 3) ....................... 142
Figure 2-110 Remove the toner-collection sensor and scanner-thermistor assembly (3 of 3) ....................... 142
Figure 2-111 Remove the delivery fan (1 of 2) ............................................................................................... 143
Figure 2-112 Remove the delivery fan (2 of 2) ............................................................................................... 144
Figure 2-113 Remove the delivery assembly (1 of 7) .................................................................................... 145
Figure 2-114 Remove the delivery assembly (2 of 7) .................................................................................... 146
xxiv ENWW
Figure 2-115 Remove the delivery assembly (3 of 7) .................................................................................... 146
Figure 2-116 Remove the delivery assembly (4 of 7) .................................................................................... 147
Figure 2-117 Remove the delivery assembly (5 of 7) .................................................................................... 147
Figure 2-118 Remove the delivery assembly (6 of 7) .................................................................................... 148
Figure 2-119 Remove the delivery assembly (7 of 7) .................................................................................... 148
Figure 2-120 Reinstall the delivery assembly (1 of 4) .................................................................................... 149
Figure 2-121 Reinstall the delivery assembly (2 of 4) .................................................................................... 149
Figure 2-122 Reinstall the delivery assembly (3 of 4) .................................................................................... 150
Figure 2-123 Reinstall the delivery assembly (4 of 4) .................................................................................... 150
Figure 2-124 Remove the duplex-drive assembly ......................................................................................... 151
Figure 2-125 Remove the power-supply fan .................................................................................................. 152
Figure 2-126 Remove the ICB (1 of 2) ........................................................................................................... 153
Figure 2-127 Remove the ICB (2 of 2) ........................................................................................................... 154
Figure 2-128 Remove the DC controller PCA only (1 of 2) ............................................................................ 155
Figure 2-129 Remove the DC controller PCA only (2 of 2) ............................................................................ 156
Figure 2-130 Remove the low-voltage power supply (1 of 6) ......................................................................... 157
Figure 2-131 Remove the low-voltage power supply (1 of 6) ......................................................................... 158
Figure 2-132 Remove the low-voltage power supply (2 of 6) ......................................................................... 158
Figure 2-133 Remove the low-voltage power supply (3 of 6) ......................................................................... 159
Figure 2-134 Remove the low-voltage power supply (4 of 6) ......................................................................... 159
Figure 2-135 Remove the low-voltage power supply (5 of 6) ......................................................................... 160
Figure 2-136 Remove the low-voltage power supply (6 of 6) ......................................................................... 160
Figure 2-137 Remove the DC controller PCA and tray (1 of 3) ...................................................................... 161
Figure 2-138 Remove the DC controller PCA and tray (2 of 3) ...................................................................... 162
Figure 2-139 Remove the DC controller PCA and tray (3 of 3) ...................................................................... 162
Figure 2-140 Remove the high-voltage power supply lower (1 of 7) .............................................................. 163
Figure 2-141 Remove the high-voltage power supply lower (2 of 7) .............................................................. 164
Figure 2-142 Remove the high-voltage power supply lower (3 of 7) .............................................................. 165
Figure 2-143 Remove the high-voltage power supply lower (4 of 7) .............................................................. 165
Figure 2-144 Remove the high-voltage power supply lower (5 of 7) .............................................................. 166
Figure 2-145 Remove the high-voltage power supply lower (6 of 7) .............................................................. 166
Figure 2-146 Remove the high-voltage power supply lower (7 of 7) .............................................................. 167
Figure 2-147 Reinstall the high-voltage power supply lower .......................................................................... 167
Figure 2-148 Remove the developing-disengagement motor ........................................................................ 168
Figure 2-149 Remove the exhaust fan and fan duct (1 of 3) .......................................................................... 169
Figure 2-150 Remove the exhaust fan and fan duct (2 of 3) .......................................................................... 170
Figure 2-151 Remove the exhaust fan and fan duct (3 of 3) .......................................................................... 170
Figure 2-152 Reinstall the exhaust fan and fan duct ..................................................................................... 171
Figure 2-153 Remove the pickup motor ......................................................................................................... 172
Figure 2-154 Remove the lifter-drive assembly (1 of 2) ................................................................................. 173
Figure 2-155 Remove the lifter-drive assembly (2 of 3) ................................................................................. 174
Figure 2-156 Remove the lifter-drive assembly (3 of 3) ................................................................................. 174
Figure 2-157 Remove the lifter base assembly (1 of 2) ................................................................................. 175
Figure 2-158 Remove the lifter base assembly (2 of 2) ................................................................................. 176
ENWW xxv
Figure 2-159 Reinstall the lifter base assembly (1 of 2) ................................................................................. 176
Figure 2-160 Reinstall the lifter base assembly (2 of 2) ................................................................................. 177
Figure 2-161 Remove the tray-pickup drive assembly (1 of 3) ...................................................................... 178
Figure 2-162 Remove the tray-pickup drive assembly (2 of 3) ...................................................................... 179
Figure 2-163 Remove the tray-pickup drive assembly (3 of 3) ...................................................................... 179
Figure 2-164 Remove the tray-pickup assembly (1 of 11) ............................................................................. 180
Figure 2-165 Remove the tray-pickup assembly (2 of 11) ............................................................................. 181
Figure 2-166 Remove the tray-pickup assembly (3 of 11) ............................................................................. 181
Figure 2-167 Remove the tray-pickup assembly (4 of 11) ............................................................................. 182
Figure 2-168 Remove the tray-pickup assembly (5 of 11) ............................................................................. 182
Figure 2-169 Remove the tray-pickup assembly (6 of 11) ............................................................................. 183
Figure 2-170 Remove the tray-pickup assembly (7 of 11) ............................................................................. 183
Figure 2-171 Remove the tray-pickup assembly (8 of 11) ............................................................................. 184
Figure 2-172 Remove the tray-pickup assembly (9 of 11) ............................................................................. 184
Figure 2-173 Remove the tray-pickup assembly (10 of 11) ........................................................................... 185
Figure 2-174 Remove the tray-pickup assembly (11 of 11) ........................................................................... 185
Figure 2-175 Remove the laser/scanner assembly (Y/M) (1 of 5) ................................................................. 187
Figure 2-176 Remove the laser/scanner assembly (Y/M) (2 of 5) ................................................................. 187
Figure 2-177 Remove the laser/scanner assembly (Y/M) (3 of 5) ................................................................. 188
Figure 2-178 Remove the laser/scanner assembly (Y/M) (4 of 5). ................................................................ 189
Figure 2-179 Remove the laser/scanner assembly (Y/M) (5 of 5) ................................................................. 189
Figure 2-180 Remove the laser/scanner assembly (C/Bk) (1 of 5) ................................................................ 191
Figure 2-181 Remove the laser/scanner assembly (C/Bk) (2 of 5) ................................................................ 191
Figure 2-182 Remove the laser/scanner assembly (C/Bk) (3 of 5) ................................................................ 192
Figure 2-183 Remove the laser/scanner assembly (C/Bk) (4 of 5) ................................................................ 192
Figure 2-184 Remove the laser/scanner assembly (C/Bk) (5 of 5) ................................................................ 193
Figure 2-185 Reinstall the PGC actuators (1 of 5) ......................................................................................... 193
Figure 2-186 Reinstall the PGC actuators (2 of 5) ......................................................................................... 194
Figure 2-187 Reinstall the PGC actuators (3 of 5) ......................................................................................... 194
Figure 2-188 Reinstall the PGC actuators (4 of 5) ......................................................................................... 195
Figure 2-189 Reinstall the PGC actuators (5 of 5) ......................................................................................... 195
Figure 2-190 Remove the high-voltage power supply upper (1 of 2) ............................................................. 196
Figure 2-191 Remove the high-voltage power supply upper (2 of 2) ............................................................. 197
Figure 2-192 Reinstall the high-voltage power supply upper ......................................................................... 198
Figure 2-193 Remove the yellow, magenta, cyan, and black drum motors ................................................... 199
Figure 2-194 Remove the fuser motor ........................................................................................................... 201
Figure 2-195 Remove the ITB motor (1 of 2) ................................................................................................. 202
Figure 2-196 Remove the main-drive assembly (1 of 6) ................................................................................ 204
Figure 2-197 Remove the main-drive assembly (2 of 6) ................................................................................ 204
Figure 2-198 Remove the main-drive assembly (3 of 6) ................................................................................ 205
Figure 2-199 Remove the main-drive assembly (4 of 6) ................................................................................ 205
Figure 2-200 Remove the main-drive assembly (5 of 6) ................................................................................ 206
Figure 2-201 Remove the main-drive assembly (6 of 6) ................................................................................ 206
Figure 2-202 Reinstall the main-drive assembly (1 of 7) ................................................................................ 207
xxvi ENWW
Figure 2-203 Reinstall the main-drive assembly (2 of 7) ................................................................................ 207
Figure 2-204 Reinstall the main-drive assembly (3 of 7) ................................................................................ 208
Figure 2-205 Reinstall the main-drive assembly (4 of 7) ................................................................................ 209
Figure 2-206 Reinstall the main-drive assembly (5 of 7) ................................................................................ 209
Figure 2-207 Reinstall the main-drive assembly (6 of 7) ................................................................................ 210
Figure 2-208 Reinstall the main-drive assembly (7 of 7) ................................................................................ 210
Figure 2-209 Remove the fuser-drive assembly (1 of 7) ................................................................................ 212
Figure 2-210 Remove the fuser-drive assembly (2 of 7) ................................................................................ 212
Figure 2-211 Remove the fuser-drive assembly (3 of 7) ................................................................................ 213
Figure 2-212 Remove the fuser-drive assembly (4 of 7) ................................................................................ 213
Figure 2-213 Remove the fuser-drive assembly (5 of 7) ................................................................................ 214
Figure 2-214 Remove the fuser-drive assembly (6 of 7) ................................................................................ 214
Figure 2-215 Remove the fuser-drive assembly (7 of 7) ................................................................................ 215
Figure 2-216 Reinstall the fuser-drive assembly ............................................................................................ 215
Figure 2-217 Remove the front door (optional paper feeder) (1 of 2) ............................................................ 216
Figure 2-218 Remove the front door (optional paper feeder) (2 of 2) ............................................................ 217
Figure 2-219 Remove the rear cover (optional paper feeder) ........................................................................ 218
Figure 2-220 Remove the right-front cover (optional paper feeder) .............................................................. 219
Figure 2-221 Remove the right door (optional paper feeder) (1 of 3) ............................................................ 220
Figure 2-222 Remove the right door (optional paper feeder) (2 of 3) ............................................................ 220
Figure 2-223 Remove the right door (optional paper feeder) (3 of 3) ............................................................ 221
Figure 2-224 Remove the left cover (optional paper feeder) (1 of 3) ............................................................. 222
Figure 2-225 Remove the left cover (optional paper feeder) (2 of 3) ............................................................. 223
Figure 2-226 Remove the left cover (optional paper feeder) (3 of 3) ............................................................. 223
Figure 2-227 Remove the right cover (optional paper feeder) ...................................................................... 224
Figure 2-228 Remove the rear-right cover (optional paper feeder) ............................................................... 225
Figure 2-229 Remove the pickup assembly (optional paper feeder) (1 of 5) ................................................. 226
Figure 2-230 Remove the pickup assembly (optional paper feeder) (2 of 5) ................................................. 227
Figure 2-231 Remove the pickup assembly (optional paper feeder) (3 of 5) ................................................. 227
Figure 2-232 Remove the pickup assembly (optional paper feeder) (4 of 5) ................................................. 228
Figure 2-233 Remove the pickup assembly (optional paper feeder) (5 of 5) ................................................. 228
Figure 2-234 Remove the lifter assembly (optional paper feeder) (1 of 2) ..................................................... 229
Figure 2-235 Remove the lifter assembly (optional paper feeder) (2 of 2) ..................................................... 229
Figure 2-236 Remove the lifter-drive assembly (optional paper feeder) (1 of 2) ............................................ 230
Figure 2-237 Remove the lifter-drive assembly (optional paper feeder) (2 of 2) ............................................ 230
Figure 2-238 Remove the pickup motor assembly (optional paper feeder) (1 of 2) ....................................... 231
Figure 2-239 Remove the pickup motor assembly (optional paper feeder) (2 of 2) ....................................... 231
Figure 2-240 Remove the controller PCA (optional paper feeder) (1 of 2) .................................................... 232
Figure 2-241 Remove the controller PCA (optional paper feeder) (2 of 2) .................................................... 232
Figure 3-1 Diagnostic test (1 of 2) .................................................................................................................. 243
Figure 3-2 Diagnostic test (2 of 2) .................................................................................................................. 244
Figure 3-3 Engine-test button ......................................................................................................................... 245
Figure 3-4 Test the TOP sensor (1 of 2) ........................................................................................................ 247
Figure 3-5 Test the TOP sensor (2 of 2) ........................................................................................................ 247
ENWW xxvii
Figure 3-6 Test the loop sensors .................................................................................................................... 248
Figure 3-7 Test the fuser delivery sensor (1 of 2) .......................................................................................... 249
Figure 3-8 Test the fuser delivery sensor (2 of 2) .......................................................................................... 249
Figure 3-9 Test the duplex re-pickup sensor .................................................................................................. 250
Figure 3-10 Test the output-bin-full sensor .................................................................................................... 251
Figure 3-11 Test the fuser pressure-release sensor ...................................................................................... 253
Figure 3-12 Test the primary transfer-roller-disengagement sensor (1 of 4) ................................................. 254
Figure 3-13 Test the primary transfer-roller-disengagement sensor (2 of 4) ................................................. 254
Figure 3-14 Test the primary transfer-roller-disengagement sensor (3 of 4) ................................................. 255
Figure 3-15 Test the primary transfer-roller-disengagement sensor (4 of 4) ................................................. 255
Figure 3-16 Media sensor .............................................................................................................................. 256
Figure 3-17 Test the front-door switch ........................................................................................................... 257
Figure 3-18 Test the right door switch ............................................................................................................ 258
Figure 3-19 Test the Tray 1 media-present sensor ....................................................................................... 261
Figure 3-20 Test the tray 2 paper-present sensor ......................................................................................... 262
Figure 3-21 Tray 2 paper surface 1 and 2 ...................................................................................................... 263
Figure 3-22 Test the Tray 2 paper size switches ........................................................................................... 264
Figure 3-23 Test the Tray 3 feed sensor ........................................................................................................ 265
Figure 3-24 Test the new ITB sensor ............................................................................................................. 271
Figure 3-25 Test the new ITB sensor ............................................................................................................. 271
Figure 3-26 Test the right door switch ............................................................................................................ 272
Figure 3-27 Product cross section .................................................................................................................. 277
Figure 3-28 Optional paper feeder (1 x 500-sheet) ........................................................................................ 278
Figure 3-29 Optional paper feeder (3 x 500-sheet) ........................................................................................ 279
Figure 3-30 Formatter PCA ............................................................................................................................ 280
Figure 3-31 DC controller connector locations ............................................................................................... 281
Figure 3-32 Controller PCA connectors ......................................................................................................... 283
Figure 3-33 External component locations ..................................................................................................... 284
Figure 3-34 Major component locations (1 of 3) ............................................................................................ 285
Figure 3-35 Major component locations (2 of 3) ............................................................................................ 286
Figure 3-36 Major component locations (3 of 3) ............................................................................................ 287
Figure 3-37 Motors, fans, and rollers component locations ........................................................................... 288
Figure 3-38 PCA component locations .......................................................................................................... 289
Figure 3-39 Optional paper feeder (1 x 500-sheet) component locations (1 of 2) ......................................... 290
Figure 3-40 Optional paper feeder (1 x 500-sheet) component locations (2 of 2) ......................................... 291
Figure 3-41 Optional paper feeder (3 x 500-sheet) component locations (1 of 2) ......................................... 292
Figure 3-42 Optional paper feeder (3 x 500-sheet) component locations (2 of 2) ......................................... 293
Figure 3-43 General timing chart .................................................................................................................... 294
Figure 3-44 General circuit diagram (1 of 2) .................................................................................................. 295
Figure 3-45 General circuit diagram (1 of 2) .................................................................................................. 295
Figure 3-46 Paper feeder circuit diagram (1 X 500-sheet) ............................................................................. 296
Figure 3-47 Paper feeder circuit diagram (3 X 500-sheet) ............................................................................. 297
Figure 3-48 Print-quality troubleshooting procedure ...................................................................................... 302
Figure 3-49 Yellow print-quality troubleshooting page ................................................................................... 303
xxviii ENWW
Figure 3-50 Yellow comparison page ............................................................................................................. 303
Figure 3-51 Black print-quality troubleshooting page ..................................................................................... 304
Figure 3-52 Configuration page ..................................................................................................................... 307
Figure 3-53 HP embedded Jetdirect page ..................................................................................................... 309
Figure 3-54 Embedded protocol page ........................................................................................................... 310
Figure 3-55 Repetitive defects ruler ............................................................................................................... 312
Figure 3-56 Sample event log ........................................................................................................................ 377
Figure 3-57 Common causes of jams (by area) ............................................................................................. 384
Figure 3-58 Jam locations .............................................................................................................................. 386
Figure 4-1 External covers, panels, and doors .............................................................................................. 432
Figure 4-2 Right door assembly ..................................................................................................................... 434
Figure 4-3 Front door assembly ..................................................................................................................... 436
Figure 4-4 Internal components 1 of 7 ........................................................................................................... 438
Figure 4-5 Internal components 2 of 7 ........................................................................................................... 440
Figure 4-6 Internal components 3 of 7 ........................................................................................................... 442
Figure 4-7 Internal components 4 of 7 ........................................................................................................... 444
Figure 4-8 Internal components 5 of 7 ........................................................................................................... 446
Figure 4-9 Internal components 6 of 7 ........................................................................................................... 448
Figure 4-10 Internal components 7 of 7 ......................................................................................................... 450
Figure 4-11 Cassettes 2-5 .............................................................................................................................. 452
Figure 4-12 Paper pickup assembly ............................................................................................................... 454
Figure 4-13 Tray 1 paper pickup assembly .................................................................................................... 456
Figure 4-14 Registration assembly ................................................................................................................ 458
Figure 4-15 Secondary transfer assembly .................................................................................................... 460
Figure 4-16 Delivery assembly ...................................................................................................................... 462
Figure 4-17 Fuser assembly ........................................................................................................................... 464
Figure 4-18 PCAs ........................................................................................................................................... 466
Figure 4-19 Paper feeders ............................................................................................................................. 468
Figure 4-20 Paper feeder external covers, panels, and doors ....................................................................... 470
Figure 4-21 1 X 500 paper feeder main body ................................................................................................ 472
Figure 4-22 3 X 500 paper feeder main body ................................................................................................ 474
ENWW xxix
xxx ENWW

Basic operation
The product routes all high-level processes through the formatter, which stores font information,
processes the print image, and communicates with the host computer.
The basic product operation comprises the following systems:
●The engine-control system, which includes the power supply and the DC controller printed circuit
assembly (PCA)
●The laser/scanner system, which forms the latent image on the photosensitive drum
●The image-formation system, which transfers a toner image onto the paper
●The media feed system, which uses a system of rollers and belts to transport the paper through
the product
●Option (optional paper feeder)
Figure 1-1 Relationship between the main product systems
Laser/scanner system
Image-formation system
Media-feed system
Option
Engine control system
2 Chapter 1 Theory of operation ENWW

Sequence of operation
The DC controller PCA controls the operating sequence, as described in the following table.
Table 1-1 Sequence of operation
Period Duration Description
Waiting From the time the power is turned on, the
door is closed, or when the product exits
Sleep mode until the product is ready for
printing
●Heats the fuser sleeve in the fuser
●Pressurizes the pressure roller in
the fuser
●Detects the print cartridges
●Moves the ITB and developing unit
to the home position
●Cleans the ITB and secondary
transfer roller
Standby From the end of the waiting sequence or
the last rotation until the formatter
receives a print command or until the
product is turned off
●The product is in the READY state.
●The product enters Sleep mode if
the sleep command is received
from the formatter.
●The product calibrates if it is time for
an automatic calibration.
Initial rotation From the time the formatter receives a
print command until the paper enters the
paper path
●Activates the high-voltage power
supply
●Prepares each laser/scanner unit
●Warms the fuser to the correct
temperature
Printing From the time the first sheet of paper
enters the paper path until the last sheet
has passed through the fuser
●Forms the image on the
photosensitive drums
●Transfers the toner to the paper
●Fuses the toner image onto the
paper
Last rotation From the time the last sheet of paper
exits the fuser until the motors stop
rotating
●Moves the last printed sheet into the
output bin
●Stops the high-voltage power
supply
●Stops each laser/scanner unit
●If another print command is
received, the product enters the
initial rotation period when the last
rotation is complete.
ENWW Basic operation 3

Engine-control system
The engine-control system receives commands from the formatter and interacts with the other main
systems to coordinate all product functions. The engine-control system consists of the following
components:
●DC controller
●Low-voltage power supply
●High-voltage power supply
●Fuser control
Figure 1-2 Engine-control system
MEDIA FEED SYSTEM
ENGINE CONTROL SYSTEM
DC controller
LASER SCANNER SYSTEM
IMAGE-FORMATION SYSTEM
Formatter
High-voltage power supply
Low-voltage power supply
OPTION
Fuser control
4 Chapter 1 Theory of operation ENWW

DC controller
The DC controller controls the operational sequence of the product.
Figure 1-3 DC controller block diagram
Fuser
High-voltage
power supply T
ITB unit
AC input Low-voltage
power supply
Motor
Solenoid
Photointerrupter
DC controller
Laser scanner unit Formatter
Switch
Fan
Sensor
Print cartridge
(Y/M/C/Bk)
High-voltage
power supply D
Secondary
transfer roller
Motor
Fan
Clutch
LED
Motor
Solenoid
Photointerrupter
Control panel
Option
NVRAM
ICB
Solenoids
Table 1-2 Solenoids
Component abbreviation Component name
SL1 Primary transfer roller disengagement solenoid
SL2 Duplex reverse solenoid (HP Color LaserJet CP4525dn, HP Color LaserJet CP4025dn, and
HP Color LaserJet CP4525xh only)
SL3 Multipurpose-tray pickup solenoid
SL4 Cassette pickup solenoid
ENWW Engine-control system 5

Clutches
Component abbreviation Component name
CL1 Duplex re-pickup clutch (HP Color LaserJet CP4525dn, HP Color LaserJet CP4025dn, and HP
Color LaserJet CP4525xh only)
Switches
Table 1-3 Switches
Component abbreviation Component name
SW1 5V interlock switch
SW2 24V interlock switch
SW3 Power switch
SW4 Cassette media size switch
SW5 Front door switch
SW6 Right door switch
Test print switch
6 Chapter 1 Theory of operation ENWW

Sensors
Table 1-4 Sensors
Component abbreviation Component name
NPLED Media sensor
SR1 Yellow drum home position sensor
SR2 Magenta drum home position sensor
SR3 Cyan drum home position sensor
SR4 Black drum home position sensor
SR5 Fuser delivery sensor
SR6 Output bin full sensor
SR7 Fuser pressure release sensor
SR8 MP-tray-media-presence sensor
SR9 Primary-transfer-roller disengagement sensor
SR10 New ITB sensor
SR11 Developer alienation sensor
SR14 Loop sensor 1
SR15 Loop sensor 2
SR20 TOP (top of page) sensor
SR22 Duplex re-pickup sensor (HP Color LaserJet CP4525dn, HP Color LaserJet CP4025dn, and
HP Color LaserJet CP4525xh only)
SR23 Tray 2 paper surface 1 sensor
SR24 Tray 2 paper surface 2 sensor
SR25 Tray 2 paper present sensor
RD sensor
Environment sensor (temperature and humidity)
Yellow toner-level sensor
Magenta toner-level sensor
Cyan toner-level sensor
Black toner-level sensor
Residual toner full sensor
TH4 Laser scanner temperature sensor
ENWW Engine-control system 7

Motors
The product has 13 motors. The motors drive the components in the paper-feed and image-formation
systems.
Table 1-5 Motors
Abbreviation Name Purpose Failure detection
M1 ITB motor Drives the ITB and residual
toner feed screw
Yes
M2 Fuser motor Drives the fuser sleeve,
pressure roller, fuser pressure
roller, and primary transfer
roller disengagement
Yes
M3 Y drum motor Drives the photosensitive
drum (yellow), developing
roller (yellow), and primary
charging roller (yellow)
Yes
M4 M drum motor Drives the photosensitive
drum (magenta), developing
roller (magenta), and primary
charging roller (magenta)
Yes
M5 C drum motor Drives the photosensitive
drum (cyan), developing roller
(cyan), and primary charging
roller (cyan)
Yes
M6 Bk drum motor Drives the photosensitive
drum (black), developing
roller (black), and primary
charging roller (black)
Yes
M7 Lifter motor Drives the lifter for the
cassette
Yes
M8 Cyan/black scanner motor Drives the scanner mirror in
the cyan/black laser scanner
Yes
M9 Yellow/magenta scanner
motor
Drives the scanner mirror in
the yellow/magenta laser
scanner
Yes
M10 Developing disengagement
motor
Drives the developing unit
disengagement
No
M11 Duplex reverse motor (HP
Color LaserJet CP4525dn,
HP Color LaserJet
CP4025dn , and HP Color
LaserJet CP4525xh only)
Drives the duplex reverse
roller and duplex feed roller
No
M12 Residual toner-feed motor Drives the residual toner feed
screw
Yes
M13 Pickup motor Drives the cassette pickup
roller, MP tray pickup roller,
feed roller, and cassette
separation roller
No
8 Chapter 1 Theory of operation ENWW

The DC controller determines if a motor has failed and notifies the formatter when it encounters the
following conditions:
●Startup failure: the motor does not reach a specified speed within a specified time from when the
motor starts.
●Rotational failure: the rotational speed of the motor is not in the specified range for a specified time
after the motor reaches a specified speed.
●Lock detection (for the residual toner feed motor): the value of the motor drive signal voltage is not
in the specified range for a specified time.
Fans
The product has four fans for preventing the temperature from rising in the product.
Table 1-6 Fans
Abbreviation Name Cooling area Type Speed
FM1 Power supply fan Around the power
supply unit
Intake Full/half
FM2 Cartridge fan Around the cartridges Intake Full/half
FM3 Delivery fan Around the delivery unit Intake Full/half
FM4 Exhaust fan 1 Around the cartridge Exhaust Full/half
The DC controller determines if there is a fan failure and notifies the formatter if the fan locks for a
specified time from when the fan starts.
ENWW Engine-control system 9

High-voltage power supply
The DC controller controls the high-voltage power supply to generate biases. The high-voltage power
supply delivers the high-voltage biases to the following components used to transfer toner during the
image-formation process:
●Primary-charging roller (in the cartridge)
●Developing roller (in the cartridge)
●Primary-transfer roller
●Secondary-transfer roller
Figure 1-4 High-voltage power supply circuits
Primary transfer roller
Print cartridge
Secondary transfer roller
ITB
DC controller
Secondary transfer
bias circuit
Primary charging
bias circuit
High-voltage power supply D
Primary transfer
bias circuit
Developing bias
circuit
High-voltage power supply T
The high-voltage power supply contains several separate circuits.
Table 1-7 High-voltage power supply circuits
Circuit Description
Primary-charging-bias generation The primary charging bias negatively charges the surface of the photosensitive drum
to prepare for image formation. The primary-charging-bias circuit in the high-voltage
power supply generates the biases for each color.
Developing-bias generation The developing bias adheres toner to an electrostatic latent image formed on the
photosensitive drum. The developing-bias circuit in the high-voltage power supply
generates the biases for each color.
10 Chapter 1 Theory of operation ENWW

Circuit Description
Primary-transfer-bias generation The primary transfer bias transfers the toner from each photosensitive drum onto
the ITB. The primary transfer bias circuit in the high-voltage power supply generates
the biases for each color.
Secondary-transfer-bias generation The secondary transfer bias transfers the toner image from the ITB onto the paper.
The secondary transfer bias circuit in the high-voltage power supply generates the
bias. The reversed bias transfers residual toner on the secondary transfer roller back
to the ITB. The residual toner on the ITB is deposited in the toner collection box.
Table 1-7 High-voltage power supply circuits (continued)
ENWW Engine-control system 11

Low-voltage power supply
The low-voltage power-supply circuit converts the AC power from the wall receptacle into the DC voltage
that the product components use. The product has two low-voltage power-supplies for 110 Volt or 220
Volt input.
Figure 1-5 Low-voltage power-supply circuit
+3.3V
24RMT
+24VA
+12VA
SW1
+5VC
+24VB
SW2
PWROFF
PWRSWON
ZEROX
PSTYP100
+3.3VS
+5VB
ICB
Fuse
Formatter
+3.3V
generation
circuit
Power switch
Remote switch
control circuit
+24V
generation
circuit
+5V
generation
circuit
Protection circuit
Rectifying
circuit
Zerocross
circuit
Low-voltage power supply
AC input
Fuse
Noise filter
Noise filter
Rectifying
circuit
+12V
generation
circuit
Protection circuit
Switching
circuit
DC controller
Fuser control
circuit
The low-voltage power supply converts the AC power into three DC voltages, which it then subdivides,
as described in the following table.
Table 1-8 Converted DC voltages
Main DC voltage Sub-voltage Behavior
+24 V +24 VA Constantly supplied
12 Chapter 1 Theory of operation ENWW

Main DC voltage Sub-voltage Behavior
+24 VB Interrupted when the front door or right
door open
+5 V +5 VB Constantly supplied
+5 VC Interrupted when the front door or right
door open
+3.3 V 3.3 V Constantly supplied
3.3 VS Stopped during Sleep (powersave)
mode
Overcurrent/overvoltage protection
The low-voltage power supply stops supplying the DC voltage to the product components whenever it
detects excessive current or abnormal voltage from the power source. If DC voltage is not being supplied
from the low-voltage power supply, the protective function might be running. In this case, turn the power
off and unplug the power cord. Do not turn the power switch on until the root cause is found. The DC
controller notifies the formatter of a low-voltage power supply failure when the protective function is
activated. In addition, the low-voltage power supply circuit and the fuser control unit have a fuse to
protect against overcurrent. If overcurrent flows into the AC line, the fuse blows to stop AC power.
Safety
For personal safety, the product interrupts 24 VB power to the fuser, high-voltage power supply, and
motors, in addition to +5 VC to the laser scanners when the front or right door is opened. The power
switch is on the dc line so that the ac power flows even if the power switch is turned off. Unplug the
power cord before disassembling the product.
Voltage detection
The product detects the power supply voltage that is connected to the product. The DC controller
monitors the POWER SUPPLY VOLTAGE (PSTYP100) signal and detects power supply voltage,
whether 100 V or 200 V, to control the fuser operation.
Sleep (powersave) mode
Sleep mode conserves energy by stopping the power to several components when the product is idle.
If the DC controller detects voltage that is too high when the product is in Sleep mode, it determines
that the low-voltage power supply has failed, and it notifies the formatter.
Low-voltage power supply failure
The DC controller determines a low-voltage power supply failure and notifies the formatter when the
low-voltage power supply does not supply +24 V.
Table 1-8 Converted DC voltages (continued)
ENWW Engine-control system 13

Fuser control
The fuser heater-control circuit and the fuser heater safety circuit control the fuser temperature according
to commands from the DC controller.
Figure 1-6 Fuser components
H1
TH2
TH1
TP1
TH3
FUSER TEMPERATURE signal
Pressure roller
FUSER HEATER
CONTROL signal
Fuser sleeve
Fuser heater
control circuit
Fuser heater
safety circuit
DC controller
Low-voltage power
supply unit
Table 1-9 Fuser components
Type of component Abbreviation Name Function
Heaters H1 Fuser heater Heats the fuser sleeve.
Thermistors
(Contact type)
TH1 Main thermistor Detects the center temperature of
the fuser sleeve.
TH2 Sub thermistor 1 Detects the temperature at one
end of the fuser heater.
TH3 Sub thermistor 2
Thermoswitches
(Contact type)
TP1 For the fuser heater Controls the fuser-roller main
heater
14 Chapter 1 Theory of operation ENWW

Fuser temperature control
The fuser temperature control maintains the target surface temperature of the fuser sleeve.
Figure 1-7 Fuser temperature-control circuit
FSRTH3
FSRTH2
FSRTH1
FSRD1
TP1
/RLD
TH3
TH2
TH1
CPU
H1
FSRSAFE1
FSRSAFE2
FSR_CURRMS
/ZEROX
/FSRSNS
/FSRNEW
Fuser sleeve unit
Fuser heater
safety circuit
DC controller
Fuser
Zerocross
circuit
Relay
control
circuit
Fuser control circuit
Pressure
roller
Fuse
Relay
Relay
Fuser heater
control circuit
Current
detection
circuit
Low-voltage power supply
Fuser heater safety circuit
Fuser heater safety circuit
H1: Fuser heater
TP1: Thermoswitch
TH1: Main thermistor
TH2: Sub thermistor 1
TH3: Sub thermistor 2
Fuser sleeve temperature protection
The fuser heater controls the temperature of the fuser sleeve. The DC controller detects the center area
temperature by monitoring the main thermistor. The DC controller controls the FIXING HEATER
CONTROL (FSRD1) signal, so that the fuser sleeve remains at the targeted temperature.
●Protective function: The protective function detects rising temperatures in the fuser and interrupts
power to the fuser heater. The following four protective components prevent the fuser sleeve and
pressure roller from excessive rising temperature:
◦DC controller
◦Fuser heater safety circuit
ENWW Engine-control system 15

◦Current detection circuit
◦Thermoswitch
●DC controller: The DC controller monitors the detected temperature of the main thermistor and
sub thermistors. The DC controller deactivates the FIXING HEATER CONTROL signal and
releases the relay to interrupt power supply to the fuser heater under the following conditions:
◦TH1: 230° C (446° F) or higher
◦TH2: 285° C (545° F) or higher
◦TH3: 285° C (545° F) or higher
●Fuser-heater safety circuit: The fuser heater safety circuit monitors the detected temperature of
the sub thermistors. The fuser heater safety circuit releases the relay to interrupt power supply to
the fuser heater under the following conditions:
◦TH2: 290° C (554° F) or higher
◦TH3: 290° C (554° F) or higher
●Current-detection protection circuit: The current detection circuit monitors the current flowing
through the fuser heater control circuit. The current detection circuit deactivates the fuser heater
control circuit to interrupt power supply to the fuser heater when it detects the current higher than
a specified value.
●Thermoswitch: If the temperature in the heaters is abnormally high, and the temperature in the
thermoswitches exceeds a specified value, the contact to the thermoswitch breaks. Following are
the thresholds for each thermoswitch:
◦TP1: 270° C (518° F) or higher
NOTE: When the thermoswitches reach this temperature, the temperature on the fuser rollers is about
320° C (608° F).
Failure detection
The DC controller determines a fuser unit failure, deactivates the FIXING HEATER CONTROL signal,
releases the relay to interrupt power supply to the fuser heater, and notifies the formatter of a failure
status when it encounters any of following conditions:
●Abnormally high temperatures: Temperatures are too high for any of the following components,
at any time:
◦TH1: 230° C (446° F) or higher
◦TH2: 285° C (545° F) or higher
◦TH3: 285° C (545° F) or higher
●Abnormally low temperatures: Temperatures are too low at any of the following components
after the product has initialized.
◦TH1: 120° C (248° F) or lower
◦TP2 or TP3: 100° C (212° F) or lower
●Abnormal temperature rise: The DC controller determines an abnormal temperature rise if the
detected temperature of TH1 does not rise 2° C within a specified time after the fuser motor is
16 Chapter 1 Theory of operation ENWW

turned on, or if the detected temperature of the thermistors does not rise to a specified temperature
for a specified time after the fuser motor is turned on.
●Thermistor open: The DC controller determines a thermistor open if:
◦The detected temperature of TH1 is kept at 12° C (53° F) or lower for a specified time after
the fuser motor is turned on.
◦The detected temperature of TH2 is kept at 4° C (39° F) or lower for a specified time.
◦The detected temperature of TH3 is kept at 4° C (39° F) or lower for a specified time.
●Drive-circuit failure: The DC controller determines a drive-circuit failure:
◦If the detected power supply frequency is out of a specified range when the product is turned
on or during the standby period
◦If the current detection circuit detects an out of specified current value
●Fuser discrepancy: The DC controller determines a fuser type mismatch when it detects an
unexpected power supply voltage.
Fuser unit identification
The product detects the type and presence of the fuser. The DC controller detects whether the fuser is
installed and its type by monitoring the FIXING UNIT IDENTIFICATION (FSRSNS) signal when the
product is turned on or when the right door is closed. The DC controller determines a low-voltage power
supply failure and notifies the formatter when it fails to detect the type or presence of the fuser.
NOTE: This product detects if the correct fuser for the product is installed. The fuser from a different
product (for example, the HP Color LaserJet CP 3525 Series printer) can be installed in this product,
but it will not correctly function.
Fuser unit life detection
The product detects the remaining life of a fuser. The DC controller recognizes a new fuser from the
NEW FIXING UNIT (/FSRNEW) signal. The DC controller determines a fuser's end of life and then
notifies the formatter when a specified number of pages has been printed after the fuser was replaced.
NOTE: The product detects a new fuser using a fusible link that blows after 100 pages of printing. If
a new fuser is installed for troubleshooting purposes, be sure to remove it before printing 100 pages.
ENWW Engine-control system 17

Laser/scanner system
The laser/scanner system forms the latent electrostatic image on the photosensitive drums according
to the VIDEO signals sent from the formatter. The product has two laser/scanners: one for yellow and
magenta and the other for cyan and black.
The main components of the laser/scanner system are the laser unit and the scanner motor unit, which
are controlled by the signals sent from the DC controller.
Figure 1-8 Laser/scanner system
DC controller
Formatter
Scanner mirror
Scanner motor unit
SCANNER MOTOR
CONTROL signal
VIDEO signal
LASER CONTROL signal
BDI signal
BD sensor
Laser unit
Photosensitive drum (M)
Photosensitive drum (Y)
Yellow laser
Magenta laser
Protective glass
18 Chapter 1 Theory of operation ENWW

Laser/scanner failure
The DC controller determines that a laser/scanner has failed when any of the following conditions
occurs:
●Laser failure: The detected laser intensity does not match a specified value when the product
initializes.
●Scanner motor startup failure: The scanner motor does not reach a specified rotation within a
specified period from when the laser scanner starts driving.
●Scanner-motor abnormal rotation: When a specified BD interval is not detected during a print
operation, a BD error is determined. If the BD interval does not recover within a specified period
after the BD error occurs, the product determines a scanner motor abnormal rotation.
The laser/scanner system does not have a mechanical laser shutter. For safety reason, the product has
a interlock switch. The interlock switch is turned off to interrupt +5 V power supply to the laser/scanner
system, when the front or right door is open.
Protective-glass cleaners
Each laser/scanner has two openings which allow the laser beam to pass to the surface of the
photosensitive drum. These openings are covered by protective glass. When the protective glass gets
dirty (for example, by paper dust or toner) a protective-glass cleaner (PGC) cleans them.
NOTE: When a glass is dirty, streaks appear on the printed page in the process direction.
The PGC is a cleaning pad which slides along the laser shutter. With the front door open, the laser
shutter is positioned over the glass. As a print cartridge is inserted, the cleaning pad is pushed down
and wipes the glass. When the front door is closed after cartridge insertion, the laser shutter (and PGC)
move away from the glass which allows the laser beam to pass through the glass.
When the front door is opened, the laser shutter and PGC move back into position over the glass. When
the cartridge is pulled out, the cleaning pad is returned to its starting position at the front of the cartridge
opening.
ENWW Laser/scanner system 19

Figure 1-9 Protective-glass cleaners (PGCs)
20 Chapter 1 Theory of operation ENWW

Image-formation system
The image-formation system creates the printed image on the paper. The system consists of the
following components:
●Print cartridges
●ITB
●Secondary transfer roller
●Fuser
●Laser /scanner units
The DC controller controls the laser scanner unit and each of the high-voltage power supplies to form
the toner image on the photosensitive drum surface, according to the VIDEO signals. The toner image
is then transferred to the print-media and fused.
Figure 1-10 Image-formation system
Print cartridge
Laser scanner unit
Fuser
ITB
Secondary
transfer roller
High-voltage power supply D
DC controller
High-voltage power supply T
Laser scanner unit
ENWW Image-formation system 21

Figure 1-11 Image-formation drive system
Fuser motor
M2
ITB motor
M1
M3
Developing
roller
Y drum motor
M4
M drum motor
M5
C drum motor
M6
Bk drum motor
Primary
charging
roller
Developing
roller
Primary
charging
roller
Developing
roller
Primary
charging
roller
Developing
roller
Primary
charging
roller
22 Chapter 1 Theory of operation ENWW

Image-formation process
The image-formation system consists of ten steps divided into six functional blocks.
Figure 1-12 Image-formation process
: Step
: Block
: Direction of drum rotation
: Media path
ITB cleaning
9. ITB cleaning
Developing
4. Developing
5. Primary transfer
10. Drum cleaning Drum cleaning
Latent image formation
1. Pre-exposure
2. Primary charging
3. Laser beam exposure
Pickup
Registration
Fuser
8. Fusing
Transfer
7. Separation
6. Secondary transfer
Delivery
Functional block Steps Description
Latent image formation 1. Pre-exposure
2. Primary charging
3. Laser-beam exposure
An invisible latent image forms on the
surface of the photosensitive drums.
Development 4. Development Toner adheres to the electrostatic latent
image on the photosensitive drums.
Transfer 5. Primary transfer
6. Secondary transfer
7. Separation
The toner image transfers to the ITB and
later to the paper.
Fusing 8. Fusing The toner fuses to the paper to make a
permanent image.
ITB cleaning 9. ITB cleaning Residual toner is removed from the ITB.
Drum cleaning 10. Drum cleaning Residual toner is removed from the
photosensitive drums.
ENWW Image-formation system 23

Step 1: Pre-exposure
Light from the pre-exposure LED strikes the surface of the photosensitive drum to remove any residual
electrical charges from the drum surface.
Figure 1-13 Pre-exposure
Photosensitive drum
LED
Step 2: Primary charging
The primary-charging roller contacts the photosensitive drum and charges the drum with negative
potential.
Figure 1-14 Primary charging
Primary charging roller
Primary charging bias
Photosensitive drum
24 Chapter 1 Theory of operation ENWW

Step 3: Laser-beam exposure
The laser beam strikes the surface of the photosensitive drum in the areas where the image will form.
The negative charge neutralizes in those areas, which are then ready to accept toner.
Figure 1-15 Laser-beam exposure
Laser beam
Step 4: Development
Toner acquires a negative charge as the developing cylinder contacts the developing blade. Because
the negatively charged surface of the photosensitive drums have been neutralized where they have
been struck by the laser beam, the toner adheres to those areas on the drums. The latent image
becomes visible on the surface of each drum.
Figure 1-16 Development
Developing bias
Photosensitive drum
Developing roller
Developing blade
ENWW Image-formation system 25

Step 5: Primary transfer
The positively charged primary-transfer rollers contact the ITB, giving the ITB a positive charge. The
ITB attracts the negatively charged toner from the surface of each photosensitive drum, and the
complete toner image transfers onto the ITB.
Figure 1-17 Primary transfer
ITB
Primary transfer bias
Primary transfer roller
Photosensitive
drum
Step 6: Secondary transfer
The paper acquires a positive charge from the secondary-transfer roller, and so it attracts the negatively
charged toner from the surface of the ITB. The complete toner image transfers onto the paper.
Figure 1-18 Secondary transfer
ITB
Secondary transfer bias
Secondary transfer roller
Paper
Secondary transfer
opposed roller
26 Chapter 1 Theory of operation ENWW

Step 7: Separation
The stiffness of the paper causes it to separate from the ITB as the ITB bends. The static-charge
eliminator removes excess charge from the paper to make sure that the toner fuses correctly.
Figure 1-19 Separation
ITB
Secondary transfer roller
Paper
Secondary transfer
opposed roller
Static charge
eliminator
Step 8: Fusing
To create the permanent image, the paper passes through heated, pressurized rollers to melt the toner
onto the page.
Figure 1-20 Fusing
Paper
Pressure roller
Fuser sleeve
Fuser heater
Toner
ENWW Image-formation system 27

Step 9: ITB cleaning
The cleaning blade scrapes the residual toner off the surface of the ITB. The residual toner feed screw
deposits residual toner in the toner collection box.
Figure 1-21 ITB cleaning
ITB
Cleaning blade
Residual toner feed screw
Step 10: Drum cleaning
The cleaning blade scrapes the residual toner off the surface of the photosensitive drum, and toner is
deposited in the toner collection box in the cartridge.
Figure 1-22 Drum cleaning
Cleaning blade
Photosensitive
drum
CRG toner collection box
Print cartridge
Each print cartridge is filled with toner and consists of the following components:
●Photosensitive drum
●Developing unit
●Developing roller
●Primary-charging roller
28 Chapter 1 Theory of operation ENWW

The DC controller rotates the drum motor to drive the photosensitive drum, developing roller, and the
primary-charging roller.
Figure 1-23 Print-cartridge system
Primary charging roller
SR1/SR2/SR3/SR4:
Drum home position sensor
SR11:
Developing disengagement sensor
DC controller
Developing
disengagement
motor
Memory
tag
M3/M4/M5/M6:
Drum motor
Developing roller
Developing unit
M10
The DC controller rotates the drum motor to drive the photosensitive drum, developing unit, and primary
charging roller.
The memory tag is a non-volatile memory chip that stores information about the usage for the print
cartridge. The product reads and writes the data in the memory tag.
ENWW Image-formation system 29

The DC controller determines a memory tag error and notifies the formatter when it fails to either read
from or write to the memory tag.
●Cartridge presence detection: The DC controller detects the presence of the cartridges by
monitoring the memory tag. The DC controller notifies the formatter when a cartridge is missing or
installed in the incorrect slot.
●Toner level detection: The DC controller detects the remaining toner in a cartridge by the optical
detection method and then notifies the formatter of the remaining toner level.
●Cartridge life detection: The DC controller detects the cartridge life by monitoring the total operating
time or remaining toner level of the print cartridge. The DC controller determines a cartridge end
of life and notifies the formatter when total operating time of the cartridge reaches a specified time
or the cartridge runs out of toner.
Developing-roller engagement and disengagement
The product can print in full-color mode or in black-only mode. To print in black-only mode, the product
disengages the developing rollers in the cyan, magenta, and yellow print cartridges which maximizes
the life of the cartridges.
Figure 1-24 Developing-roller engagement and disengagement control
Developing unit is disengaged
Developing
disengagement
motor
Photosensitive drum
Developing unit
Developing disengagement cam
SR11
Developing disengagement sensor
DC controller
M10
Developing unit is engaged
30 Chapter 1 Theory of operation ENWW

The developing-roller engagement and disengagement control operates as follows: When the product
is turned on and when each print job is completed, all four of the developing units are disengaged from
the photosensitive drums.
●The drive of the developing disengagement motor rotates the developing disengagement cam.
●As the cam rotates, the developing unit engages with or separates from the photosensitive drum.
When the print mode is full color, the developing units engage with the drums. When the print mode is
black-only, only the black developing units engages with the drum.
The DC controller determines a developing disengagement motor failure and notifies the formatter when
it does not detect a specified signal from the developing disengagement sensor during the developing
unit engagement and disengagement operation.
Intermediate transfer belt (ITB) unit
The ITB unit accepts the toner images from the photosensitive drums and transfers the completed image
to the paper. The ITB unit has the following main components:
●ITB
●ITB drive roller
●ITB-drive roller
●Primary-transfer roller
●ITB cleaner
The ITB motor drives the ITB drive roller, which rotates the ITB. The motion of the ITB causes the primary
transfer rollers to rotate. The ITB cleaner cleans the ITB surface.
Figure 1-25 ITB unit
Primary transfer roller
ITB drive roller
ITB
ITB cleaner
M1
DC controller
ITB motor
ENWW Image-formation system 31

Primary-transfer-roller engagement and disengagement
The sequence of the primary-transfer-roller engagement and disengagement control is as follows:
1. The fuser motor turns on the primary-transfer disengagement solenoid and rotates the primary-
transfer-roller disengagement cam.
2. As the cam rotates, the Y/M/C primary-transfer-roller slide plate or the Bk primary-transfer-roller
slide plate moves to the right or left, which causes the primary-transfer roller to move up or down.
3. The ITB engages with or separates from the photosensitive drum depending on the movement of
the primary-transfer rollers.
Depending on the requirements of the print job, the primary-transfer rollers engage with the ITB so it
can receive toner from the photosensitive drums. The primary-transfer roller has three engagement
states.
Table 1-10 Primary-transfer-roller engagement states
All rollers disengaged The ITB is disengaged from all the four photosensitive drums. This state is the home
position for the ITB unit.
All rollers engaged The ITB is engaged with all four photosensitive drums. The state for full-color
printing.
Black roller engaged The ITB is engaged with only the black photosensitive drum. The state for black-
color mode printing .
The DC controller determines a primary-transfer-roller disengagement failure and notifies the formatter
when it does not detect a signal from the primary-transfer disengagement sensor even though the
primary-transfer disengagement solenoid is turned on.
If the DC controller does not receive the expected signal from the ITB home-position sensor when the
primary-transfer-roller engages or disengages, but the primary-transfer-roller disengagement motor is
rotating, the DC controller determines that the primary-transfer-disengagement mechanism has failed,
and notifies the formatter.
The DC controller detects whether the ITB unit is new by monitoring the new ITB unit sensor. The DC
controller determines the ITB unit is at end of life and notifies the formatter when a specified number of
pages are printed after the ITB unit is replaced. If swapping ITB units between two products for
troubleshooting purposes, be sure to return the ITB units to their original products to maintain the correct
life count.
NOTE: A new ITB has a flag that causes the ITB life counter to be reset. When an ITB is installed in
the product, it cannot be removed and used again as a new ITB.
The DC controller detects the presence of an ITB unit by monitoring the primary-transfer-roller
disengagement sensor. The DC controller turns on the primary-transfer disengagement solenoid for
specified times during an initial rotation period when the following events occur:
●The product is turned on.
●The product exits sleep mode.
●The door is closed.
The DC controller determines the absences of an ITB unit and notifies the formatter when it does not
detect a specified signal from the new primary transfer-roller disengagement sensor.
32 Chapter 1 Theory of operation ENWW

Figure 1-26 Three states of primary-transfer-roller engagement and disengagement
M2
SL1
ITB
DC controller
Fuser motor
Primary transfer
disengagement solenoid
SR9:
Primary transfer
disengagement sensor
Primary transfer roller disengagement cam
Bk primary transfer roller slide plate
YMC primary transfer roller slide plate
<Only black is engaged>
<All colors are engaged>
<All colors are disengaged>
Primary transfer roller
Photosensitive drum
ENWW Image-formation system 33

ITB cleaning
The cleaning blade in the ITB cleaner scrapes the residual toner off the ITB surface. The residual toner
feed screw deposits the residual toner to the residual toner feed unit. The ITB motor and the residual
toner feed motor drive the screw. The DC control detects whether the toner collection box is full, using
the residual-toner full sensor, and then notifies the formatter.
Figure 1-27 ITB cleaning process
ITB
DC controller
ITB cleaner
Cleaning blade
Residual toner
feed screw
Residual toner full sensor Toner collection box
Residual toner feed unit
ITB motor
Residual toner
feed motor
M12
M1
Calibration
The product calibrates itself to maintain excellent print quality. Calibration corrects color-misregistration
and color-density variation.
During calibration, the product places a specific pattern of toner on the surface of the ITB. Sensors at
the end of the ITB read the toner pattern to determine if adjustments are necessary.
NOTE: The product performs a drum-speed adjustment (DSA) during the full calibration operation.
The DSA compensates for variations between each drum and the speed of the ITB surface.
34 Chapter 1 Theory of operation ENWW

Color-misregistration control
Internal variations in the laser/scanners can cause the toner images to become misaligned. The color-
misregistration control corrects the following problems:
●Horizontal scanning start position
●Horizontal scanning magnification
●Vertical scanning start position
The DC controller forms a pattern of toner on the surface of the ITB and measures a misaligned length
with the RD sensor.
Figure 1-28 Toner patterns for calibration
ITB
RD sensor
Pattern of toner
The DC controller signals the formatter to perform the color-misregistration control when one of the
following events occur:
●A cartridge or the ITB is replaced.
●A specified number of pages have printed.
●The formatter sends a command.
The DC controller determines an RD sensor failure and notifies the formatter if it detects data from the
RD sensor that is not in a specified range, when the product is turned on or when the color-
misregistration control starts.
Image-stabilization control
NOTE: The product contains a thermal sensor, located within the TCU level detection sensor, which
monitors the temperature in the cartridge area and uses this information to make adjustments during
CPR control.
ENWW Image-formation system 35

Environmental changes or deterioration of the photosensitive drums and toner can cause variations in
the image density. The image-stabilization control reduces these fluctuations.
Table 1-11 Image-stabilization controls
Image density control (DMAX) This control corrects variations in image density related to deterioration of the
photosensitive drum or the toner. The DC controller adjusts the high-voltage biases
to correct the problem under the following conditions:
The image-stabilization control calibrates each high-voltage bias to stabilize the
fluctuations in image density caused by deterioration of the photosensitive drums or
toner or because of environmental changes. The DC controller determines the
product's environment based on the surrounding temperature and humidity data
from the environment sensor. The DC controller calibrates the biases according to
the detected environment and usage condition of the print cartridge to obtain an
appropriate image. The DC controller determines an environment sensor failure and
notifies the formatter when it detects environmental data from the environment
sensor with out of specified value. The DC controller commands the formatter to
control the image density under the following conditions
●The temperature of the main thermistor is too low when the product is turned
on.
●A print cartridge or the ITB is replaced.
●A specified number of pages have printed.
●After a specific period of the completion of a previous DMAX
●The environment changes for a specified condition after a previous DMAX.
Image halftone control (DHALF) The formatter performs this control to calibrate the halftone, based on the halftone-
density measurements, under the following conditions:
●The formatter sends a command.
●DMAX is completed.
The DC controller determines an RD sensor failure and notifies the formatter if it
detects data from the RD sensor out of a specified range.
The DC controller determines a RD sensor failure and notifies the formatter if it detects an out-of-
specified-data value from the RD sensor when the product is turned on or when the color misregistration
control starts.
36 Chapter 1 Theory of operation ENWW

Pickup, feed, and delivery system
The pickup, feed, and delivery system uses a series of rollers to move the paper through the product.
Figure 1-29 Paper path
Duplex model only
Duplex media path
Simplex media path
Fuser sleeve
Pressure roller
Reverse roller
Cassette pickup roller
Cassette separation roller
MP tray pickup roller
MP tray separation pad
Secondary transfer roller
Cassette feed roller
ENWW Pickup, feed, and delivery system 37

Figure 1-30 Switches and sensors for the pickup, feed, and delivery system
Duplex model only
Media sensor
SW4 SR25
SR24
SR23
SR22
SR20
SR14
SR15
SR5
SR6
SR8
Table 1-12 Switches and sensors for the pickup, feed, and delivery system
Abbreviation Component
SR5 Fuser delivery sensor
SR6 Delivery tray media full sensor
SR8 MP tray media presence sensor
SR14 Loop sensor 1
SR15 Loop sensor 2
SR20 TOP (top of page) sensor
SR21 MP tray media-presence sensor
SR22 Duplex re-pickup sensor (duplex models only)
SR23 Cassette-media stack-surface sensor 1
SR24 Cassette-media stack-surface sensor 2
SR25 Cassette presence sensor
SW4 Cassette media size switch
Media sensor
38 Chapter 1 Theory of operation ENWW

Figure 1-31 Motors and solenoids for the pickup, feed, and delivery system
SL4
SL3
CL1
M2 M11
M1
M13
M7
Duplex model only SL2
Duplex flapper
Lifter
Pickup arm
Table 1-13 Motors and solenoids for the pickup, feed, and delivery system
Abbreviation Component
M1 ITB motor
M2 Fuser motor
M7 Lifter motor
M11 Duplex reverse motor (duplex models only)
M13 Pickup motor
CL1 Duplex re-pickup clutch (duplex models only)
SL2 Duplex reverse solenoid (duplex models only)
SL3 Multipurpose tray pickup solenoid
SL4 Cassette pickup solenoid
ENWW Pickup, feed, and delivery system 39

The pickup, feed, and delivery system is divided into the following three blocks:
●Pickup-and-feed block: From each pickup source to the fuser inlet
●Fuser-and-delivery block: From the fuser to the delivery destination
●Duplex block: From the duplex reverse unit to duplex re-pickup unit (for duplex models only)
Figure 1-32 Three main units of the pickup, feed, and delivery system
Pickup-and-feed block
Duplex block
Fusing-and-delivery block
40 Chapter 1 Theory of operation ENWW

Pickup-and-feed unit
The pickup-and-feed unit picks an individual sheet of paper from the multipurpose tray or the cassettes,
carries it through the secondary-transfer unit, and feeds it into the fuser.
Figure 1-33 Pickup-and-feed unit
Pickup-and-feed block
Duplex media path
Simplex media path
Cassette pickup
The sequence of steps for the cassette-tray pickup operation is the following:
1. The product is turned on or the cassette is inserted.
2. The cassette lift-up operation raises the lifting plate so paper can be picked up.
3. The pickup motor rotates when a print command is received from the formatter.
4. The cassette pickup roller, cassette feed roller, and cassette separation roller rotate.
5. The cassette pickup solenoid turns on at a specified time.
6. The cassette pickup cam rotates.
ENWW Pickup, feed, and delivery system 41

7. As the pickup arm lowers, the cassette pickup roller touches the surface of the paper stack.
8. One sheet of paper feeds into the product.
Figure 1-34 Cassette-pickup mechanism
M13
SL1
DC controller
Cassette separation roller
Cassette feed roller
Cassette pickup cam
Pickup arm
Cassette pickup roller
Pickup motor
Cassette pickup solenoid
Cassette pickup roller
Cassette feed roller
Pickup arm
Cassette pickup solenoid
Cassette separation roller
Cassette-presence detection
The product detects the size of the paper loaded in the cassette and the presence of the cassette by
monitoring the cassette media size switch. The DC controller notifies the formatter when it determines
the absence of the cassette.
Paper size Cassette media size switch
Top switch Center switch Bottom switch
Universal ON ON ON
A5 OFF OFF ON
B5 OFF ON ON
Executive ON OFF ON
Letter OFF ON OFF
A4 ON OFF OFF
Legal ON ON OFF
Cassette absence OFF OFF OFF
42 Chapter 1 Theory of operation ENWW

Cassette lift operation and cassette paper-presence detection
The product keeps the paper stack surface at the correct pickup position. The cassette lift-up operation
is performed under the following conditions:
●The product is turned on
●The cassette is inserted
●The paper stack surface in the cassette lowers
Figure 1-35 Cassette lift mechanism
Lifter motor
Lifter
SR1
SR23
Cassette media presence sensor lever
Cassette media stack surface sensor lever
Lifting plate
DC controller
Cassette media
presence sensor
Cassette media stack surface sensor 1
Cassette media stack surface sensor 2
SR24
M7
The operational sequence of the cassette lift-up is as follows:
1. The lifter motor rotates and the lifter moves up.
2. When the cassette-media stack surface sensor 2 detects the stack surface of media, the lifter motor
stops.
3. The lifter motor rotates again to lift the lifter when the cassette-media stack surface sensor 1 detects
the stack surface and then lowers during printing.
When a cassette-media stack surface sensors does not detect the stack surface within a specified time
period after the lifter motor starts rotating, the DC controller determines a lifter motor failure and notifies
the formatter
Cassette multiple-feed prevention
In the cassette, a separation roller prevents multiple sheets of paper from entering the paper path. The
cassette pickup roller drives the separation roller through a sheet of paper.
The rotation of the cassette feed roller through the sheet drives the cassette separation roller. Because
it is equipped with a torque limiter, only one sheet is fed into the product.
ENWW Pickup, feed, and delivery system 43

The low friction force between the sheets weakens the driving force from the cassette feed roller.
Therefore, the separation roller is driven by its own driving force and holds back any multiple-fed sheets
from the cassette.
Figure 1-36 Multiple-feed prevention
Cassette separation roller
follows the cassette feed roller
Driving force from
the pickup motor
Normal-feed
Multiple-feed
Print-media
Cassette pickup roller
Cassette separation roller
Cassette feed roller
Multipurpose tray pickup
The product picks up one sheet of paper from the MP tray.
The sequence of steps for the multipurpose tray pickup operation as follows:
1. The pickup motor reverses when a print command is received from the formatter.
2. When the DC controller turns on the MP tray pickup solenoid, the MP tray pickup roller rotates and
the lifting plate lifts.
3. As the lifting plate rises, the paper is picked up.
4. The multipurpose tray separation pad removes any multiple-fed sheets, and one sheet is fed into
the product.
44 Chapter 1 Theory of operation ENWW

The MP-tray media-presence sensor (SR8) detects whether paper is present in the MP tray.
Figure 1-37 Multipurpose tray pickup mechanism
Lifting plate
MP tray pickup roller
MP tray separation pad
SL2
SR8
M13
Pickup motor
MP tray pickup solenoid
MP tray media presence sensor
DC controller
Paper feed
After the pickup operation, the paper feeds through the product and into the fuser.
1. The paper picked up from the cassette is fed to the registration unit as the pickup motor rotates.
The paper picked up from the multipurpose tray is fed to the registration unit as the pickup motor
rotates. The duplex model has the duplex feed clutch. The driving force of the pickup motor is
transmitted to the duplex re-pickup roller by turning on the clutch.
2. The registration shutter corrects the skew-feed.
3. When the TOP sensor detects the leading edge of paper, the DC controller stops the paper so that
the media sensor detects the type of paper.
4. The DC controller controls the rotational speed of the pickup motor to align the paper with the
leading edge of the toner image on the ITB.
5. The ITB motor rotates the ITB.
6. The toner image on the ITB is transferred onto the paper, and the paper is fed to the fuser.
ENWW Pickup, feed, and delivery system 45

The DC controller notifies the formatter of a paper size mismatch error when the paper length detected
by the TOP sensor does not match the paper size specified by the formatter.
Figure 1-38 Paper-feed mechanism
TOP sensor Registration shutter
Pickup motor
SR20
Media sensor
M13
CL1
M1
ITB motor
ITB
Registration front feed roller
Duplex re-pickup roller
Duplex re-pickup clutch
DC controller
46 Chapter 1 Theory of operation ENWW

Skew-feed prevention
The product can straighten the paper without slowing the feed operation.
1. The leading edge of paper strikes the registration shutter, and the leading edge is aligned with the
shutter.
2. As the feed rollers keep pushing the paper, the paper warps.
3. When the force is great enough, the registration shutter opens, and the paper passes through and
straightens
Figure 1-39 Skew-feed prevention
Registration shutter
Paper
Registration shutter
Paper
Paper detection
The product detects the type of paper by monitoring the media sensor. The media sensor detects the
glossiness of paper by the reflected light and the thickness of paper by transmitted light. The DC
controller identifies the type of paper (for example, plain paper, light paper, heavy paper, glossy paper,
ENWW Pickup, feed, and delivery system 47

glossy film, or overhead transparency) and switches to the correct print mode. The DC controller
determines a media mismatch error and notifies the formatter under the following condition:
Simplex printing
●The specified print mode is overhead transparency (OHT), but the media sensor detects another
paper type.
●The specified print mode is not auto or OHT, but the media sensor detects OHT.
Duplex printing
●The media sensor detects OHT.
The DC controller flashes the media sensor during the initial rotation period under the following
conditions:
●The product is turned on
●The product exits Sleep mode
When the light intensity is not a specified value, the DC controller determines a media-sensor failure
and notifies the formatter.
Feed speed control
For the best print quality, the product adjusts the feed speed depending on the paper type.
Table 1-14 Print mode and feed speed
Print mode Feed speed Media sensor detection
Normal 1/1 Yes
Heavy media 1 3/4
Heavy media 2 1/2 Yes
Heavy media 3 1/3 Yes
Light media 1 1/1 Yes
Glossy media 1 1/3 Yes
Glossy media 2 1/3 Yes
Glossy media 3 1/4 Yes
Glossy film 1/4 Yes
Envelope 1/2 No
OHT 1/4 Yes
Label 1/2 No
Designated media 1 1/2 No
Fusing and delivery unit
The fusing and delivery unit fuses the toner onto the paper and delivers the printed page into the output
bin. The following controls ensure optimum print quality:
48 Chapter 1 Theory of operation ENWW

The face-down tray media full sensor on the output bin detects whether the tray is full of printed pages.
The DC controller notifies the formatter when the sensor is on for a specified time.
Figure 1-40 Fuser and delivery unit
Duplex media path
Simplex media path
SR6
Fusing-and-delivery block
Face-down tray
media full sensor
Loop control
The loop control stabilizes the paper feed operation before the paper enters the fuser. If the pressure
roller rotate slower than the secondary transfer roller, the paper loop increases and an image defect or
paper crease occurs. If the pressure roller rotate faster than the secondary transfer roller, the paper loop
decreases and a vertical scanning magnification failure occurs because the pressure roller pulls the
paper.
To prevent these problems, loop sensor 1 and loop sensor 2 detect the paper loop before the paper
enters the fuser. The DC controller adjusts the rotational speed of the fuser motor according to the output
signals from the loop sensors and maintains the paper loop. Loop sensor 1 is for light media, and loop
ENWW Pickup, feed, and delivery system 49

sensor 2 is for heavy media. The DC controller slows the fuser motor when the sensor is off and speeds
up the sensor when the sensor is on.
Figure 1-41 Loop-control mechanism
Pressure roller
The pressure roller rotates faster
than the secondary transfer roller
Loop sensor: OFF
SR14: Loop sensor 1
SR15: Loop sensor 2
Sensor flag
ITB
Loop sensor 1,2
Secondary transfer rollerr
Pressure roller
For light media
For heavy media
Sensor flag
Sensor flag
Loop sensor: ON
The pressure roller rotates slower
than the secondary transfer roller
50 Chapter 1 Theory of operation ENWW

Pressure-roller pressurization control
To prevent excessive wear on the pressure roller and help with jam-clearing procedures, the pressure
roller pressurizes only during printing and standby. The DC controller reverses the fuser motor. The
fuser motor rotates the fuser pressure-release cam.
Figure 1-42 Pressure-roller pressurization control
SR7 SR7
M2
Pressure roller
DC controller
Fuser pressure release cam
Fuser motor
Pressurized Depressurized
Fuser sleeve
The pressure roller depressurizes under the following conditions:
●The product is turned off
●Any failure occurs
●During powersave mode
●When a paper jam is detected
If the DC controller does not sense the fuser pressure-release sensor for a specified period after it
reverses the fuser motor, it notifies the formatter that a fuser pressure-release mechanism failure has
occurred.
ENWW Pickup, feed, and delivery system 51

Duplexing unit (HP Color LaserJet CP4525dn, HP Color LaserJet CP4025dn,
and HP Color LaserJet CP4525xh only)
For supported models, the duplexing unit reverses the paper and feeds it through the paper path to print
the second side.
Figure 1-43 Duplexing unit
Duplex block
Duplex media path
Simplex media path
Duplexing reverse and feed control
The duplex reverse control reverses the paper after the first side is printed and feeds it to the duplex re-
pickup position to print the second side of the page.
1. At a specified time after the first side of a page is printed, the duplex reverse motor rotates, and
the duplex reverse solenoid is turned on.
2. The duplex flapper moves, and the paper is fed to the duplex reverse unit.
3. After a specified period of time, the duplex reverse motor is reversed, and the paper is fed to the
duplex feed unit.
4. The duplex reverse motor and the pickup motor move the paper to the duplex re-pickup position.
52 Chapter 1 Theory of operation ENWW

5. The duplex reverse motor and the duplex feed clutch stop, and the paper feed operation pauses.
6. After a specified period of time, the duplex reverse motor rotates, and the duplex feed clutch is
turned on. The paper is then picked up again.
Figure 1-44 Duplex reverse and feed control
Duplex media path
Simplex media path
Duplex feed unit
Duplex re-pickup position
Duplex reverse unit
Duplex reverse motor
Duplex reverse
solenoid
M13
CL1
Pickup motor
Duplex re-pickup
clutch
SL2
M11
Duplex flapper
Duplex print operation
The product has the following two duplex-media-feed modes depending on the paper sizes:
●One-sheet mode: Prints one sheet that is printed on two sides in one duplex print operation
●Two-sheet mode: Prints two sheets that are printed on two-sides in one duplex print operation
Table 1-15 Paper sizes
Paper size Duplex media feed mode
A4 One-sheet operation
Two-sheet operation
Letter
B5
Executive
Legal One-sheet operation
ENWW Pickup, feed, and delivery system 53
The formatter specifies the duplex-media-feed mode for each two-sided print job. Duplex printable media
size (A4, Letter, B5, Legal and Executive) and designated print mode (Auto, Normal, Heavy media 1,
Heavy media 2 (120 g/m2 or lighter), Glossy media 1, Glossy media 2, Glossy media 3, Glossy film,
Designated media 1, and Designated media 2) must be specified.
54 Chapter 1 Theory of operation ENWW

Jam detection
The product uses the following sensors to detect the paper as it moves through the paper path and to
report to the DC controller if the paper has jammed.
●Fuser delivery sensor (SR5)
●TOP (top of page) sensor (SR20)
●Loop sensor 1 (SR14)
●Loop sensor 2 (SR15)
●Duplex re-pickup sensor (SR22)
Figure 1-45 Jam detection sensors
Duplex model only
SR22
SR20
SR14
SR15
SR5
Duplex media path
Simplex media path
The product determines that a jam has occurred if one of these sensors detects paper at an inappropriate
time. The DC controller stops the print operation and notifies the formatter.
ENWW Jam detection 55

Table 1-16 Jams that the product detects
Jam Description
Pickup delay jam The TOP sensor does not detect the leading edge of the paper within a
specified time (including two retries) after the pickup operation from the
cassette, multipurpose tray, or optional paper feeder starts.
Pickup stationary jam The TOP sensor does not detect the trailing edge of the paper within a
specified time from when it detects the leading edge.
Fuser delivery delay
jam
The fuser delivery sensor does not detect the leading edge of the paper
within a specified period after the TOP sensor detects the leading edge.
Fuser delivery
stationary jam
The fuser delivery sensor does not detect the trailing edge of the paper
within a specified period after it detects the leading edge.
Wrapping jam After detecting the leading edge of the paper, the fuser delivery sensor
detects the absence of paper, and it has not yet detected the trailing edge.
Residual paper jam One of the following sensors detects paper presence during the initialization
sequence:
●Fuser delivery sensor
●Loop sensor 1
●Loop sensor 2
One of the following sensors detects paper presence during the an
automatic delivery operation:
●Fuser delivery sensor
●TOP sensor
●Loop sensor 1
●Loop sensor 2
●Duplex re-pickup sensor
Door open jam A door is open while paper is moving through the product.
Duplexing re-pickup
jam 1
The duplex re-pickup sensor does not detect the leading edge of the paper
within a specified period after the media reverse operation starts in the
duplex reverse unit.
Duplexing re-pickup
jam 2
The TOP sensor does not detect the leading edge of the paper within a
specified period after the paper is re-picked.
Automatic delivery: The product automatically clears paper if the TOP sensor detects residual paper
during initialization.
56 Chapter 1 Theory of operation ENWW

Optional paper feeder
The 1 x 500-sheet paper feeder is optionally installed at bottom of the product. The paper feeder picks
up the print media and feeds it to the product. There are two types of paper feeders: 1 x 500-sheet paper
feeder and 3 x 500-sheet paper feeder. The operational sequence of the paper feeders is controlled by
the paper feeder controller.
Figure 1-46 1 x 500 optional paper feeder
PD separation roller
PD feed roller
PD pickup roller
ENWW Optional paper feeder 57

Figure 1-47 3 x 500-sheet optional paper feeder
PD feed roller
PD pickup roller
PD separation roller
Figure 1-48 Signals for the paper feeder
Paper deck
controller
Motor
Solenoid
Photointerrupter
DC controller
Switch
+24V
Paper deck
+3.3V
The input trays contain several motors, solenoids, sensors, and switches, as described in the following
table.
58 Chapter 1 Theory of operation ENWW

Table 1-17 Electrical components for the paper feeder
Component
type Abbreviation Component name
Motors M1 PD lifter motor 1
M2 PD pickup motor
M3 PD lifter motor 2 (3 x 500-sheet paper feeder only)
M4 PD lifter motor 3 (3 x 500-sheet paper feeder only)
Solenoids SL1 PD pickup solenoid 1
SL2 PD pickup solenoid 2 (3 x 500-sheet paper feeder only)
SL3 PD pickup solenoid 3 (3 x 500-sheet paper feeder only)
Sensors SR1 Tray 3 paper surface sensor 1
SR2 Tray 3 paper surface sensor 2
SR3 Tray 3 paper present presence sensor
SR4 Tray 3 feed sensor
SR5 Tray 4 paper surface sensor 1 (3 x 500-sheet paper feeder only)
SR6 Tray 4 paper present sensor (3 x 500-sheet paper feeder only)
SR7 Tray 4 feed sensor (3 x 500-sheet paper feeder only)
SR8 Tray 4 paper surface sensor 2 (3 x 500-sheet paper feeder only)
SR9 Tray 5 paper surface sensor 1 (3 x 500-sheet paper feeder only)
SR10 Tray 5 feed sensor (3 x 500-sheet paper feeder only)
SR11 Tray 5 paper present sensor (3 x 500-sheet paper feeder only)
SR12 Tray 5 paper surface sensor 2 (3 x 500-sheet paper feeder only)
Switches SW1 PD right door switch
SW2 PD media size switch 1 (3 x 500-sheet paper feeder only)
SW3 PD media size switch 2 (3 x 500-sheet paper feeder only)
SW4 PD media size switch 3 (3 x 500-sheet paper feeder only)
Motor control
The 1 x 500-sheet paper feeder has two motors, and the 3 x 500-sheet paper feeder has four motors
for feeding paper.
Component Drives Failure detection
PD lifter motor 1 M1 Lifter of the upper cassette No
PD lifter motor 2 (3 x 500-sheet paper
feeder only)
M3 Lifter of the middle cassette No
ENWW Optional paper feeder 59

Component Drives Failure detection
PD lifter motor 3 (3 x 500-sheet paper
feeder only)
M4 Lifter of the lower cassette No
PD pickup motor M2 PD pickup roller, PD feed roller, and PD
separation roller
No
Paper-feeder pickup and feed operation
The paper feeder picks up one sheet from the paper-feeder cassette and feeds it to the product.
Figure 1-49 Paper-feeder pickup and feed operation
SL1
SR4
SW2
M2
M1
Pickup arm
SR3 SR1
SR2
Table 1-18 Pickup feed components (1 x 500-sheet paper feeder)
Component
M1 PD lifter motor 1
M2 PD pickup motor
SL1 PD pickup solenoid 1
SR1 Tray 3 paper surface sensor 1
SR2 Tray 3 paper surface sensor 2
60 Chapter 1 Theory of operation ENWW

Component
SR3 Tray 3 paper presence sensor
SR4 Tray 3 paper present sensor
SW2 Tray 3 paper size switches
SL1
SL2
SL3
SR4
SW2
M2
M1
Pickup arm
SR3 SR1
SR2
SR7
SW3
M3
SR6 SR5
SR8
SR10
SW4
M4
SR11 SR12
SR9
SW1
Components
M1 PD lifter motor 1
M2 PD pickup motor
M3 PD lifter motor 2 (3 x 500-sheet paper feeder only)
M4 PD lifter motor 3 (3 x 500-sheet paper feeder only)
SL1 PD pickup solenoid 1
SL2 PD pickup solenoid 2
SL3 PD pickup solenoid 3
SR1 Tray 3 paper surface sensor 1
SR2 Tray 3 paper surface sensor 2
SR3 Tray 3 paper presence sensor
SR4 Tray 3 paper presence sensor
Table 1-18 Pickup feed components (1 x 500-sheet paper feeder) (continued)
ENWW Optional paper feeder 61

SR5 Tray 4 paper surface sensor 1 (3 x 500-sheet paper feeder only)
SR6 Tray 4 paper surface sensor 2 (3 x 500-sheet paper feeder only)
SR7 Tray 4 feed sensor (3 x 500-sheet paper feeder only)
SR8 Tray 4 media-stack-surface sensor (3 x 500-sheet paper feeder only)
SR9 Tray 5 paper surface sensor 1 (3 x 500-sheet paper feeder only)
SR10 Tray 5 feed sensor (3 x 500-sheet paper feeder only)
SR11 Tray 5 paper present sensor (3 x 500-sheet paper feeder only)
SR12 Tray 5 media-stack-surface sensor (3 x 500-sheet paper feeder only)
SW1 Tray 3, 4, and 5 right door switch
SW2 Tray 3 paper size switches (3 x 500-sheet paper feeder only)
SW3 Tray 4 paper size switches (3 x 500-sheet paper feeder only)
SW4 Tray 5 paper size switches (3 x 500-sheet paper feeder only)
Paper-size detection and cassette-presence detection
The paper feeder detects the size of paper loaded in the paper feeder and the presence of the cassette
using the PD media size switch.
Paper size Paper-feeder cassette media-size switch settings
Top switch Center switch Bottom switch
Universal ON ON ON
A5 OFF OFF ON
B5 OFF ON ON
Executive ON OFF ON
Letter OFF ON OFF
A4 ON OFF OFF
Legal ON ON OFF
No cassette OFF OFF OFF
62 Chapter 1 Theory of operation ENWW

Paper-feeder cassette lift operation
The paper feeder keeps the paper stack surface at the correct pickup position. The cassette lift operation
occurs under the following conditions:
●The product is turned on.
●The cassette is inserted.
●The paper stack surface of the cassette lowers.
The sequence occurs as follows:
1. The PD lifter motor rotates and the lifter moves up.
2. When the tray media-stack-surface sensor detects the stack surface of the paper, the PD lifter
motor stops.
3. The PD lifter motor rotates again to lift the lifter when the PD cassette media-stack-surface sensor
detects the stack surface, and then lowers during printing.
If a tray media-stack-surface sensor does not detect a stack surface within a specified period after the
PD lifter motor starts rotating, the paper feeder driver determines that the PD lifter motor has failed and
through the DC controller notifies the formatter.
Figure 1-50 Paper-feeder cassette lift
PD lifter motor
Lifter
SR3/SR6/SR11
SR1/SR5/SR12
PD cassette media presence sensor lever
PD cassette media stack surface sensor lever
Lifting plate
PD cassette media presence sensor
SR2/SR8/SR9
M
PD cassette media stack surface sensor 1
M1/M3/M4
PD cassette media stack surface sensor 2
The paper-feeder driver notifies the formatter if either of the paper-feeder media-stack surface sensors
fails to detect the stack surface within a specified period from when a lift-up operation starts.
ENWW Optional paper feeder 63

Paper feeder jam detection
The 1 x 500-sheet paper feeder uses the tray 3 paper presence sensor (SR4) to detect the presence of
paper and to check whether paper has jammed.
Figure 1-51 Jam detection (1 x 500-sheet paper feeder)
SR4
The 1 x 500-sheet paper feeder detects the following jams:
●1 x 500-sheet PD pickup delay jam: Tray 3 feed sensor does not detect the leading edge of paper
within a specified time (including two retries) after the pickup operation starts.
●1 x 500-sheet PD pickup stationary jam: Tray 3 feed sensor does not detect the trailing edge of
paper within a specified time after the sensor detects the leading edge.
●1 x 500-sheet PD residual paper jam: Tray 3 feed sensor detects the presence of paper for a
specified time during an automatic delivery operation.
The 3 x 500-sheet paper feeder uses the following sensors to detect the presence of paper and to check
whether paper has jammed.
●Tray 3 paper presence sensor (SR4)
●Tray 4 feed sensor (SR7)
●Tray 5 feed sensor (SR10)
64 Chapter 1 Theory of operation ENWW

Figure 1-52 Jam detection (3 x 500-sheet paper feeder)
SR4
SR7
SR10
The 3 x 500-sheet paper feeder detects the following jams:
●3 x 500-sheet PD pickup delay jam: One of the tray feed sensors does not detect the leading edge
of paper within a specified time (including two retries) after the pickup operation starts.
●3 x 500-sheet PD pickup delay jam 2: Tray 3 feed sensor does not detect the leading edge of paper
within a specified time (including two retries) after the pickup operation starts.
●3 x 500-sheet PD pickup stationary jam 1: Tray 4 or 5 feed sensors do not detect the trailing edge
of paper within a specified time after the sensor detects the leading edge.
●3 x 500-sheet PD pickup stationary jam 2: Tray 3 feed sensor does not detect the trailing edge of
paper within a specified time after the sensor detects the leading edge.
●3 x 500-sheet PD residual paper jam: Tray 3, 4, or 5 feed sensors detect the presence of paper for
a specified time during an automatic delivery operation.
●3 x 500-sheet PD door open jam: The door is open during paper feed operation.
ENWW Optional paper feeder 65
66 Chapter 1 Theory of operation ENWW

2 Removal and replacement
●Introduction
●Removal and replacement strategy
●Electrostatic discharge
●Required tools
●Before performing service
●After performing service
●Post-service test
●Parts removal order
●Customer self repair (CSR) components
●External panels, covers, and doors
●Internal assemblies
●Optional paper feeder assemblies (1 x 500-sheet and 3 x 500-sheet)
ENWW 67

Introduction
This chapter describes the removal and replacement of field-replaceable units (FRUs) only.
Replacing FRUs is generally the reverse of removal. Occasionally, notes and tips are included to provide
directions for difficult or critical replacement procedures.
HP does not support repairing individual subassemblies or troubleshooting to the component level.
Note the length, diameter, color, type, and location of each screw. Be sure to return each screw to its
original location during reassembly.
Incorrectly routed or loose wire harnesses can interfere with other internal components and can become
damaged or broken. Frayed or pinched harness wires can be difficult to find. When replacing wire
harnesses, always use the provided wire loops, lance points, or wire-harness guides and retainers.
Removal and replacement strategy
WARNING! Turn the product off, wait 5 seconds, and then remove the power cord before attempting
to service the product. If this warning is not followed, severe injury can result, in addition to damage to
the product. The power must be on for certain functional checks during troubleshooting. However,
disconnect the power supply during parts removal.
Never operate or service the product with the protective cover removed from the laser/scanner
assembly. The reflected beam, although invisible, can damage your eyes.
The sheet-metal parts can have sharp edges. Be careful when handling sheet-metal parts.
CAUTION: Do not bend or fold the flat flexible cables (FFCs) during removal or installation. Also, do
not straighten pre-folds in the FFCs. You must fully seat all FFCs in their connectors. Failure to fully
seat an FFC into a connector can cause a short circuit in a PCA.
NOTE: To install a self-tapping screw, first turn it counterclockwise to align it with the existing thread
pattern, and then carefully turn it clockwise to tighten. Do not overtighten. If a self-tapping screw-hole
becomes stripped, repair the screw-hole or replace the affected assembly.
TIP: For clarity, some photos in this chapter show components removed that would not be removed
to service the product. If necessary, remove the components listed at the beginning of a procedure
before proceeding to service the product.
68 Chapter 2 Removal and replacement ENWW

Electrostatic discharge
CAUTION: Some parts are sensitive to electrostatic discharge (ESD). Look for the ESD reminder
when removing product parts. Always perform service work at an ESD-protected workstation or mat, or
use an ESD strap. If an ESD workstation, mat, or strap is not available, ground yourself by touching the
sheet-metal chassis before touching an ESD-sensitive part.
Protect the ESD-sensitive parts by placing them in ESD pouches when they are out of the product.
Required tools
●#2 Phillips screwdriver with a magnetic tip and a 152-mm (6-inch) shaft length
●Small flat blade screwdriver
●Needle-nose pliers
●ESD mat or ESD strap (if one is available)
●Penlight (optional)
CAUTION: Always use a Phillips screwdriver (callout 1). Do not use a pozidrive screwdriver (callout 2)
or any motorized screwdriver. These can damage screws or screw threads.
Figure 2-1 Phillips and pozidrive screwdriver comparison
ENWW Electrostatic discharge 69

Before performing service
●Remove all media from the product.
●Turn off the power using the power switch.
●Unplug the power cable and interface cable or cables.
●Place the product on an ESD workstation or mat, or use an ESD strap (if one is available). If an
ESD workstation, mat, or strap is not available, ground yourself by touching the sheet-metal chassis
before touching an ESD-sensitive part.
●Remove the print cartridges. See Print cartridges on page 74.
●Remove the tray cassette or cassettes. See Tray on page 84.
●If the optional paper feeder is installed, separate the product from the feeder.
WARNING! The product is heavy. Do not try to separate the product from the optional paper
feeder by yourself. Three people are required to lift the product off of the feeder.
After performing service
●Plug in the power cable.
●Reinstall the print cartridges.
●Reinstall the tray cassette or cassettes.
●If the optional paper feeder was installed, place the product on the feeder.
WARNING! The product is heavy. Do not try to separate the product from the optional paper
feeder by yourself. Three people are required to lift the product off of the feeder.
70 Chapter 2 Removal and replacement ENWW
Post-service test
Perform the following test to verify that the repair or replacement was successful.
Print-quality test
1. Verify that you have completed the necessary reassembly steps.
2. Make sure that the tray contains clean, unmarked paper.
3. Attach the power cord and interface cable or interface cables, and then turn on the product.
4. Verify that the expected startup sounds occur.
5. Print a configuration page, and then verify that the expected printing sounds occur.
6. Print a demo page, and then verify that the print quality is as expected.
7. Send a print job from the host computer, and then verify that the output meets expectations.
8. If necessary, restore any customer-specified settings.
9. Clean the outside of the product with a damp cloth.
ENWW Post-service test 71

Parts removal order
Figure 2-2 Parts removal order (1 of 2)
72 Chapter 2 Removal and replacement ENWW

Figure 2-3 Parts removal order (2 of 2)
DCCA HVPS-upper
DCCA HVPS-upper
DCCA
DCCA HVPS-upper
2T assembly
DCCA HVPS-upper
DCCA HVPS-upper
ENWW Parts removal order 73

Customer self repair (CSR) components
Print cartridges
CAUTION: If toner gets on your clothing, wipe it off with a dry cloth and wash clothing in cold water.
Hot water sets toner into fabric.
1. Open the front door. Make sure that the door is completely open.
Figure 2-4 Remove the print cartridge (1 of 2)
74 Chapter 2 Removal and replacement ENWW

2. Grasp the print-cartridge handle and pull out to remove.
CAUTION: Do not touch the green roller. Doing so can damage the cartridge. Do not expose the
cartridge to strong light. Cover the cartridge with a sheet of paper to protect it from light.
Reinstallation tip Align the print cartridge with its slot and insert the print cartridge until it clicks
into place.
Figure 2-5 Remove the print cartridge (2 of 2)
ENWW Customer self repair (CSR) components 75

Toner-collection unit
NOTE: The toner-collection unit is designed for a single use. Do not try to empty the toner-collection
unit and reuse it. Doing so could cause toner to spill inside the product and result in reduced print quality.
For recycling information, see the product user guide.
1. Open the front door. Make sure that the door is completely open.
Figure 2-6 Remove the toner-collection unit (1 of 4)
2. Grasp the top of the toner-collection unit and remove it from the product.
Reinstallation tip Insert the bottom of the replacement unit into the product first and then push
the top of the unit until it clicks into place. If the toner-collection unit is installed incorrectly, the front
door will not close completely.
Figure 2-7 Remove the toner-collection unit (2 of 4)
76 Chapter 2 Removal and replacement ENWW

3. To prevent toner spills, place the blue cap (callout 1) over the blue opening at the top of the unit
(callout 2).
Figure 2-8 Remove the toner-collection unit (3 of 4)
1
2
Figure 2-9 Remove the toner-collection unit (4 of 4)
ENWW Customer self repair (CSR) components 77

Formatter PCA
CAUTION: ESD sensitive component.
1. Turn the product off and disconnect the power and interface cable or interface cables.
2. Unscrew the formatter thumb screws, and then firmly pull the formatter from the product. Place the
formatter on a clean, flat, grounded surface.
Figure 2-10 Remove the formatter
NOTE: When reinstalling the formatter, push firmly on the right side to make sure the formatter is
seated.
78 Chapter 2 Removal and replacement ENWW

Hard drive
Before proceeding, remove the following components:
●Formatter PCA. See Formatter PCA on page 78.
Remove the hard drive
CAUTION: ESD sensitive component.
1. Disconnect two connectors.
Figure 2-11 Remove the hard drive (1 of 3)
2. Release one tab.
Figure 2-12 Remove the hard drive (2 of 3)
ENWW Customer self repair (CSR) components 79

3. Rotate the hard drive assembly away from the formatter until the slots in the hinges are aligned
with the elongated hinge pins, and then slide the hard drive assembly off the hinge pins.
Figure 2-13 Remove the hard drive (3 of 3)
1
2
80 Chapter 2 Removal and replacement ENWW

Memory DIMM
Before proceeding, remove the following components:
●Formatter PCA. See Formatter PCA on page 78.
Remove the memory DIMM
CAUTION: ESD sensitive component.
NOTE: See Enable memory on page 82 after installing a new memory DIMM.
1. Place the formatter on a clean, flat, grounded surface, and then spread the latches apart on each
side of the DIMM slot.
Figure 2-14 Remove the memory DIMM (1 of 2)
ENWW Customer self repair (CSR) components 81

2. Lift the DIMM up at an angle, and pull it out.
Reinstallation tip Hold the DIMM by the edges. Align the notch on the DIMM with the bar in the
DIMM slot at an angle and firmly press the DIMM into the slot until it is fully seated. When installed
correctly, the metal contacts are not visible. Push down on the DIMM until both latches engage the
DIMM.
Figure 2-15 Remove the memory DIMM (2 of 2)
Enable memory
Windows XP, Windows Server 2003,
Windows Server 2008, and Windows
Vista
1. Click Start.
2. Click Settings.
3. Click Printers and Faxes (using the default Start menu view) or click
Printers (using the Classic Start menu view).
4. Right-click the product driver icon, and then select Properties.
5. Click the Device Settings tab.
6. Expand the area for Installable Options.
7. Next to Automatic Configuration, select Update Now.
8. Click OK.
NOTE: If the memory is not updated correctly after using the Update Now option,
you can manually select the total amount of memory installed in the product in the
Installable Options area.
The Update Now option overwrites any existing product configuration settings.
82 Chapter 2 Removal and replacement ENWW

Windows 7 1. Click Start.
2. Click Devices and Printers.
3. Right-click the product driver icon, and then select Printer properties.
4. Click the Device Settings tab.
5. Expand the area for Installable Options.
6. Next to Automatic Configuration, select Update Now.
7. Click OK.
NOTE: If the memory is not updated correctly after using the Update Now option,
you can manually select the total amount of memory installed in the product in the
Installable Options area.
The Update Now option overwrites any existing product configuration settings.
Mac OS X 10.4 1. From the Apple menu , click the System Preferences menu and then click
the Print & Fax icon.
2. Select the product in the left side of the window.
3. Click the Printer Setup button.
4. Click the Installable Options menu.
Mac OS X 10.5 and 10.6 1. From the Apple menu , click the System Preferences menu and then click
the Print & Fax icon.
2. Select the product in the left side of the window.
3. Click the Options & Supplies button.
4. Click the Driver tab.
5. Configure the installed options.
ENWW Customer self repair (CSR) components 83

Tray
NOTE: Use this procedure to remove Tray 2 and the optional Trays 3, 4, and 5.
1. Pull the tray straight out of the product until it stops.
Figure 2-16 Remove the tray (1 of 2)
2. Carefully lift up on the tray to release it, and then remove the tray.
Figure 2-17 Remove the tray (2 of 2)
84 Chapter 2 Removal and replacement ENWW

Fuser
CAUTION: The fuser might be hot. Allow enough time after turning off the product power for the fuser
to cool.
NOTE: The product detects a new fuser using a fusible link that blows after 100 pages have been
printed. If a new fuser is installed for troubleshooting purposes, be sure to remove it before printing 100
pages.
1. Open the right-door assembly.
Figure 2-18 Remove the fuser (1 of 2)
2. Grasp the handles and squeeze the blue release levers.
Pull the fuser straight out of the product to remove it.
Figure 2-19 Remove the fuser (2 of 2)
ENWW Customer self repair (CSR) components 85

Feed and separation rollers (Trays 2-5)
CAUTION: Do not touch the spongy roller surface unless you are replacing the roller. Skin oils on the
roller can cause paper pickup problems.
1. Locate the feed and separation rollers for the tray.
TIP: You do not have to separate the product from the feeder to remove these rollers. Remove
the cassette, and then reach up into the cavity to remove the rollers.
2. Release two tabs, and then remove the rollers.
Reinstallation tip When you reinstall the rollers, make sure that the rollers snap into place.
Figure 2-20 Remove the Pickup and feed rollers (Trays 2-5)
86 Chapter 2 Removal and replacement ENWW

Pickup roller (Tray 1)
CAUTION: Do not touch the spongy roller surface unless you are replacing the roller. Skin oils on the
roller can cause paper pickup problems.
1. Open Tray 1.
Figure 2-21 Remove the pickup roller (Tray 1) (1 of 5)
2. Push the top edge of the cover to release the tabs.
Figure 2-22 Remove the pickup roller (Tray 1) (2 of 5)
ENWW Customer self repair (CSR) components 87

3. Open the right-door assembly, and then remove the cover.
Figure 2-23 Remove the pickup roller (Tray 1) (3 of 5)
4. Release the two blue tabs.
Figure 2-24 Remove the pickup roller (Tray 1) (4 of 5)
88 Chapter 2 Removal and replacement ENWW

5. Rotate the roller body away from the product to remove it.
Figure 2-25 Remove the pickup roller (Tray 1) (5 of 5)
ENWW Customer self repair (CSR) components 89

Secondary transfer roller
CAUTION: Do not touch the spongy roller surface unless you are replacing the roller. Skin oils on the
roller can cause image quality problems.
1. Open the right-door assembly.
Figure 2-26 Remove the transfer roller (1 of 3)
2. Use the blue lever to lower the secondary transfer assembly.
Figure 2-27 Remove the transfer roller (2 of 3)
90 Chapter 2 Removal and replacement ENWW

3. Grasp the roller shaft collars, and lift the transfer roller off of the product.
Figure 2-28 Remove the transfer roller (3 of 3)
Reinstall the transfer roller
When you reinstall the transfer roller, make sure that the pins on the shaft collars align with the holes
in the mounting assembly. After installing the new transfer roller, remove the protective cover.
Figure 2-29 Reinstall the transfer roller
ENWW Customer self repair (CSR) components 91

Intermediate transfer belt (ITB)
CAUTION: Do not touch the black-plastic belt. Skin oils and fingerprints on the belt can cause print-
quality problems. Always place the ITB on a flat surface in a safe and protected location.
1. Open the right-door assembly.
Figure 2-30 Remove the intermediate transfer belt (1 of 4)
2. Use the blue lever to lower the secondary transfer assembly.
Figure 2-31 Remove the intermediate transfer belt (2 of 4)
92 Chapter 2 Removal and replacement ENWW

3. Grasp the small handles on the ITB and then pull the ITB out of the product until two large handles
expand along the right- and left-side of the ITB.
Figure 2-32 Remove the intermediate transfer belt (3 of 4)
ENWW Customer self repair (CSR) components 93

4. Grasp the large handles on the ITB and then pull the ITB straight out of the product to remove it.
CAUTION: The ITB is a sensitive component. Be careful when handling the ITB so that it is not
damaged. Always place the ITB in a safe and protected location.
Figure 2-33 Remove the intermediate transfer belt (4 of 4)
Reinstallation tip If you are installing a replacement ITB, make sure that you remove the packing
tape (callout 1) and the protective cover sheet (callout 2).
1
2
94 Chapter 2 Removal and replacement ENWW

External panels, covers, and doors
Identification and location
Figure 2-34 External panels, covers, and doors; identification and location
1
2
3
4
5
6
7
8
9
10
11
12
Item Description Item Description
1Rear-top cover (see Rear-top cover
on page 102)
7Power-supply cover (see Power-supply cover
on page 98)
2Right-door assembly (see Right-door assembly
on page 113)
8Rear cover (see Rear cover on page 112)
3Right-rear cover (see Right-rear cover
on page 110)
9Tray cassette (see Tray on page 84)
4Right-front cover (see Right-front cover
on page 103)
10 Front-door assembly (see Front-door assembly
on page 107)
5Upper-left cover (see Upper-left cover
on page 96)
11 Control-panel assembly (see Control-panel
assembly on page 105)
6Left cover (see Left cover on page 99)12 Front-top cover (see Front-top cover on page 100)
ENWW External panels, covers, and doors 95

Upper-left cover
1. Open the front-door assembly.
Figure 2-35 Remove the upper-left cover (1 of 3)
2. Remove one screw.
Figure 2-36 Remove the upper-left cover (2 of 3)
96 Chapter 2 Removal and replacement ENWW

3. Release two tabs, slightly push the cover upward and toward the rear of the product, pull outward
on the rear corner, and then remove the upper-left cover.
Figure 2-37 Remove the upper-left cover (3 of 3)
ENWW External panels, covers, and doors 97

Power-supply cover
▲Remove one screw (callout 1), release one tab (callout 2), and then remove the power-supply cover
(callout 3).
Figure 2-38 Remove the power-supply cover
2
1
3
98 Chapter 2 Removal and replacement ENWW

Left cover
Before proceeding, remove the following components:
●Upper-left cover. See Upper-left cover on page 96.
●Power-supply cover. See Power-supply cover on page 98.
Remove the left cover
1. Open the front-door assembly.
2. Remove four screws.
Figure 2-39 Remove the left cover (1 of 2)
3. Slide the left cover toward the rear of the product, and then remove.
Figure 2-40 Remove the left cover (2 of 2)
ENWW External panels, covers, and doors 99

Front-top cover
Before proceeding, remove the following components:
●Upper-left cover. See Upper-left cover on page 96.
Remove the front-top cover
1. Open the front-door assembly.
2. Remove three screws.
Figure 2-41 Remove the front-top cover (1 of 3)
3. Flex the back left corner of the cover and lift to release the pin.
Figure 2-42 Remove the front-top cover (2 of 3)
100 Chapter 2 Removal and replacement ENWW

4. Remove the cover.
Figure 2-43 Remove the front-top cover (3 of 3)
ENWW External panels, covers, and doors 101

Rear-top cover
Before proceeding, remove the following components:
●Upper-left cover. See Upper-left cover on page 96.
●Front-top cover. See Front-top cover on page 100.
Remove the rear-top cover
1. Remove two screws.
Figure 2-44 Remove the rear-top cover (1 of 2)
2. Open the right-door assembly.
3. Release three tabs (callout 1) and then remove the cover (callout 2).
Figure 2-45 Remove the rear-top cover (2 of 2)
1
2
102 Chapter 2 Removal and replacement ENWW

Right-front cover
Before proceeding, remove the following components:
●Upper-left cover. See Upper-left cover on page 96.
●Front-top cover. See Front-top cover on page 100.
●Rear-top cover. See Rear-top cover on page 102.
Remove the right-front cover
NOTE: Be careful. When removing the cover, do not dislodge the power button. If the button is
dislodged, see Reinstall the power button on page 104 to reinstall it.
1. Open the right-door assembly. Carefully lift the right-front cover to release one pin.
Figure 2-46 Remove the right-front cover (1 of 3)
Figure 2-47 Remove the right-front cover (2 of 3)
ENWW External panels, covers, and doors 103

2. Release two tabs, and then remove the right-front cover.
Figure 2-48 Remove the right-front cover (3 of 3)
Reinstall the power button
Snap the power button into the holders on the cover. Make sure that the spring is correctly installed.
Figure 2-49 Reinstall the power button
104 Chapter 2 Removal and replacement ENWW

Control-panel assembly
Before proceeding, remove the following components:
●Upper-left cover. See Upper-left cover on page 96.
●Front-top cover. See Front-top cover on page 100.
●Rear-top cover. See Rear-top cover on page 102.
●Right-front cover. See Right-front cover on page 103.
Remove the control-panel assembly
1. Remove two screws.
Figure 2-50 Remove the control-panel assembly (1 of 2)
ENWW External panels, covers, and doors 105

2. Disconnect one connector, and then remove the control-panel assembly.
Figure 2-51 Remove the control-panel assembly (2 of 2)
106 Chapter 2 Removal and replacement ENWW

Front-door assembly
Before proceeding, remove the following components:
●Upper-left cover. See Upper-left cover on page 96.
●Front-top cover. See Front-top cover on page 100.
●Rear-top cover. See Rear-top cover on page 102
●Right-front cover. See Right-front cover on page 103
Remove the front-door assembly
1. Open the front-door assembly.
2. Release the right link arm by pushing the two segments together and then releasing.
Figure 2-52 Remove the front-door assembly (1 of 5)
ENWW External panels, covers, and doors 107

3. Squeeze the tab on the left link arm using needle nose pliers to release it from the front door
assembly.
NOTE: Hold the link arm firmly when releasing to prevent it from snapping against the front of
the product.
Figure 2-53 Remove the front-door assembly (2 of 5)
4. Remove two screws (callout 1).
Figure 2-54 Remove the front-door assembly (3 of 5)
1
108 Chapter 2 Removal and replacement ENWW

5. Remove two screws.
Figure 2-55 Remove the front-door assembly (4 of 5)
6. Remove the front-door assembly.
Figure 2-56 Remove the front-door assembly (5 of 5)
ENWW External panels, covers, and doors 109

Right-rear cover
Before proceeding, remove the following components:
●Upper-left cover. See Upper-left cover on page 96.
●Front-top cover. See Front-top cover on page 100.
●Rear-top cover. See Rear-top cover on page 102.
Remove the right-rear cover
1. Open the right-door assembly.
2. Release one tab.
Figure 2-57 Remove the right-rear cover (1 of 2)
110 Chapter 2 Removal and replacement ENWW

3. Lift the cover to remove.
Figure 2-58 Remove the right-rear cover (2 of 2)
ENWW External panels, covers, and doors 111

Rear cover
Before proceeding, remove the following components:
●Upper-left cover. See Upper-left cover on page 96.
●Power-supply cover. See Power-supply cover on page 98,
●Front-top cover. See Front-top cover on page 100.
●Rear-top cover. See Rear-top cover on page 102.
Remove the rear cover
▲Remove two screws (callout 1), release three tabs (callout 2), and then remove the rear cover
(callout 3).
Figure 2-59 Remove the rear cover
3
1
2
112 Chapter 2 Removal and replacement ENWW

Right-door assembly
1. Open the right-door assembly.
Figure 2-60 Remove the right-door assembly (1 of 9)
2. Carefully remove the hinge cover (callout 1).
Figure 2-61 Remove the right-door assembly (2 of 9)
1
ENWW External panels, covers, and doors 113

3. Remove three screws.
Figure 2-62 Remove the right-door assembly (3 of 9)
4. Remove the hinge assembly.
Reinstallation tip When the hinge is reinstalled, make sure that the tab (callout 1) is correctly
positioned on the door.
Figure 2-63 Remove the right-door assembly (4 of 9)
1
114 Chapter 2 Removal and replacement ENWW

5. Release one pin, and then release the link arm (callout 1).
CAUTION: The link arm is spring loaded. Hold the arm securely (as shown) to prevent the spring
from abruptly retracting.
Figure 2-64 Remove the right-door assembly (5 of 9)
1
6. Release one tab, and then remove the cover (callout 1).
TIP: Lift up on the secondary transfer assembly to make removing the cover easier.
Figure 2-65 Remove the right-door assembly (6 of 9)
1
ENWW External panels, covers, and doors 115

7. Disconnect two connectors.
Figure 2-66 Remove the right-door assembly (7 of 9)
8. Lift two link arms to release.
Figure 2-67 Remove the right-door assembly (8 of 9)
116 Chapter 2 Removal and replacement ENWW

9. Slide the right-door assembly toward the front of the product and remove.
Figure 2-68 Remove the right-door assembly (9 of 9)
ENWW External panels, covers, and doors 117

Internal assemblies
TIP: For clarity, some photos in this chapter show components removed that would not be removed
to service the product. If necessary, remove the components listed at the beginning of a procedure
before proceeding to service the product.
Cassette feed guide
TIP: If a page is jammed in the product, you might be able to access it by removing this guide.
1. Open the right-door assembly.
Figure 2-69 Remove the cassette feed guide (1 of 2)
2. Remove two screws (callout 1), and then remove the cassette feed guide (callout 2).
Figure 2-70 Remove the cassette feed (2 of 2)
1
2
118 Chapter 2 Removal and replacement ENWW

Secondary transfer assembly
The secondary transfer assembly includes the transfer roller.
1. Open the right-door assembly.
Figure 2-71 Remove the secondary transfer assembly (1 of 3)
2. Release one tab and carefully remove the stopper.
NOTE: You might have to slightly lift up on the corner of the assembly to release the stopper pin
from the hole in the chassis.
Figure 2-72 Remove the secondary transfer assembly (2 of 3)
ENWW Internal assemblies 119

3. Remove the secondary transfer assembly.
CAUTION: Do not damage the blue release lever when removing the assembly.
Figure 2-73 Remove the secondary transfer assembly (3 of 3)
Reinstall the secondary transfer assembly
Press and hold the blue release lever when you reinstall the assembly.
Figure 2-74 Reinstall the secondary transfer assembly
120 Chapter 2 Removal and replacement ENWW

Separation pad (Tray 1)
Before proceeding, remove the following components:
●Pickup roller. See Pickup roller (Tray 1) on page 87.
●Right door assembly. See Right-door assembly on page 113.
Remove the separation pad (Tray 1)
1. Remove two screws (callout 1) and the cover (callout 2).
Figure 2-75 Remove the separation pad (1 of 6)
2
1
2. Remove two screws (callout 1) and separate Tray 1 (callout 2) from the door assembly.
Figure 2-76 Remove the separation pad (2 of 6)
2
1
ENWW Internal assemblies 121

3. Release two tabs (callout 1) and slide the locking cap and sub roller toward the edge of the tray.
Figure 2-77 Remove the separation pad (3 of 6)
1
4. Release two tabs (callout 1) and slide the locking cap and sub roller toward the edge of the tray.
CAUTION: Do not damage the flag (callout 2).
Figure 2-78 Remove the separation pad (4 of 6)
1
2
122 Chapter 2 Removal and replacement ENWW

5. Release one tab (callout 1) and slide the pickup-roller holder toward the edge of the tray.
CAUTION: Do not damage the flag (callout 2).
Figure 2-79 Remove the separation pad (5 of 6)
1
2
6. Release one tab (callout 1) and remove the separation pad.
Figure 2-80 Remove the separation pad (6 of 6)
1
2
ENWW Internal assemblies 123

Registration density (RD) sensor assembly
Before proceeding, remove the following components:
●Intermediate transfer belt (ITB). See Intermediate transfer belt (ITB) on page 92.
●Secondary transfer assembly. See Secondary transfer assembly on page 119.
Remove the RD sensor assembly
1. Release one tab (callout 1), and then remove the cover (callout 2).
Figure 2-81 Remove the RD sensor assembly (1 of 7)
1
2
NOTE: When reinstalling the cover, make sure that the tabs are seated correctly.
Figure 2-82 Remove the RD sensor assembly (2 of 7)
124 Chapter 2 Removal and replacement ENWW

2. Release one tab, and then remove the wire-harness cover.
TIP: Open the front door to make it easier to remove the cover.
Figure 2-83 Remove the RD sensor assembly (3 of 7)
3. Disconnect three connectors.
Figure 2-84 Remove the RD sensor assembly (4 of 7)
ENWW Internal assemblies 125

4. Remove two screws.
Figure 2-85 Remove the RD sensor assembly (5 of 7)
5. Slide the shutter toward the back side of the product. Keep the shutter in this position for the
following step.
Figure 2-86 Remove the RD sensor assembly (6 of 7)
126 Chapter 2 Removal and replacement ENWW

6. Carefully remove the assembly from the product.
CAUTION: Do not damage the shutter as it passes through the chassis.
Figure 2-87 Remove the RD sensor assembly (7 of 7)
ENWW Internal assemblies 127

Remove the registration assembly
NOTE: If a replacement registration assembly is installed, you must use the control-panel menus to
reset the registration-roller count and input the media sensor value. See Service menu on page 420
and Service menu on page 420.
1. Release one tab (callout 1), and then remove the cover (callout 2).
Figure 2-88 Remove the registration assembly (1 of 8)
1
2
NOTE: When reinstalling the cover, be sure that the tabs are seated correctly.
Figure 2-89 Remove the registration assembly (2 of 8)
ENWW Internal assemblies 129

2. Release one tab, and then remove the wire-harness cover.
TIP: To make the cover easier to remove, open the front-door assembly to close the RD-sensor
shutter.
Figure 2-90 Remove the registration assembly (3 of 8)
3. Disconnect two connectors.
Figure 2-91 Remove the registration assembly (4 of 8)
130 Chapter 2 Removal and replacement ENWW

4. Remove two screws (callout 1), and then remove the cassette feed guide (callout 2).
Figure 2-92 Remove the registration assembly (5 of 8)
1
2
5. Remove four screws.
Figure 2-93 Remove the registration assembly (6 of 8)
ENWW Internal assemblies 131

6. Release two pins and the front of the assembly.
Figure 2-94 Remove the registration assembly (7 of 8)
7. Remove the assembly from the product.
Reinstallation tip When you reinstall the registration assembly, make sure that it is correctly
positioned in the product. The tabs on the assembly must fit into the slots in the product chassis
and the assembly fits securely up against the product chassis.
Figure 2-95 Remove the registration assembly (8 of 8)
132 Chapter 2 Removal and replacement ENWW

Residual-toner-feed motor
Before proceeding, remove the following components:
●Intermediate transfer belt (ITB). See Intermediate transfer belt (ITB) on page 92.
●Upper-left cover. See Upper-left cover on page 96.
Remove the residual-toner-feed motor
Remove one screw (callout 1), disconnect one connector (callout 2), and them remove the residual-
toner-feed motor (callout 3).
Reinstallation tip When the motor (callout 3) is reinstalled, make sure that the keyed shaft on the
product and motor component are correctly aligned and engaged.
Figure 2-96 Remove the residual-toner-feed motor
1
23
ENWW Internal assemblies 133

Residual-toner duct and feed assembly
Before proceeding, remove the following components:
●Toner-collection unit. See Toner-collection unit on page 76.
●Intermediate transfer belt (ITB). See Intermediate transfer belt (ITB) on page 92.
●Upper-left cover. See Upper-left cover on page 96.
●Residual-toner-feed motor. See Residual-toner-feed motor on page 133.
Remove the residual-toner duct and feed assembly
1. Remove one screw.
Figure 2-97 Remove the residual-toner duct and feed assembly (1 of 4)
134 Chapter 2 Removal and replacement ENWW

2. Release one tab, and then remove the waste toner duct.
Figure 2-98 Remove the residual-toner duct and feed assembly (2 of 4)
3. Remove one screw.
Figure 2-99 Remove the residual-toner duct and feed assembly (3 of 4)
ENWW Internal assemblies 135

4. Push the residual-toner feed assembly into the product and then remove through the print cartridge
cavity.
CAUTION: The waste toner feed assembly contains toner. Place a cloth below the work area to
catch any spilled toner.
Figure 2-100 Remove residual-toner duct and feed assembly (4 of 4)
136 Chapter 2 Removal and replacement ENWW

Cartridge fan and environmental sensor
Before proceeding, remove the following components:
●Upper-left cover. See Upper-left cover on page 96.
●Power-supply cover. See Power-supply cover on page 98.
●Left cover. See Left cover on page 99.
Remove the cartridge fan and environmental sensor
1. Remove four screws (callout 1), and then remove the sheet-metal plate (callout 2).
Figure 2-101 Remove the cartridge fan and environmental sensor (1 of 7)
1
2
ENWW Internal assemblies 137

2. Release one spring.
TIP: Close the front-door assembly to reduce tension in the spring.
Figure 2-102 Remove the cartridge fan and environmental sensor (2 of 7)
3. Release one tab and then slide the fan assembly toward the back of the product.
Figure 2-103 Remove the cartridge fan and environmental sensor (3 of 7)
138 Chapter 2 Removal and replacement ENWW

4. Pull the fan assembly out of the product, and then disconnect two connectors.
TIP: One connector is below the sponge.
Figure 2-104 Remove the cartridge fan and environmental sensor (4 of 7)
5. Release two tabs (callout 1), and then remove the cover (callout 2).
Figure 2-105 Remove the cartridge fan and environmental sensor (5 of 7)
1
2
ENWW Internal assemblies 139

6. Disconnect one connector (callout 1), and then remove the fan (callout 2).
Figure 2-106 Remove the cartridge fan and environmental sensor (6 of 7)
1
2
7. Carefully release one tab, and then remove the environmental sensor.
CAUTION: ESD-sensitive part.
Figure 2-107 Remove the cartridge fan and environmental sensor (7 of 7)
140 Chapter 2 Removal and replacement ENWW

Toner-collection sensor and scanner-thermistor assembly
Before proceeding, remove the following components:
●Toner-collection unit. See Toner-collection unit on page 76.
●Upper-left cover. See Upper-left cover on page 96.
●Power-supply cover. See Power-supply cover on page 98.
●Left cover. See Left cover on page 99.
Remove the toner-collection sensor and scanner-thermistor assembly
1. Remove four screws (callout 1), and then remove the sheet-metal plate (callout 2).
Figure 2-108 Remove the toner-collection sensor and scanner-thermistor assembly (1 of 3)
1
2
ENWW Internal assemblies 141

2. Open the front-door assembly, and then remove one screw.
Figure 2-109 Remove the toner-collection sensor and scanner-thermistor assembly (2 of 3)
3. Disconnect two connectors (callout 1), and then remove the toner-collection sensor and scanner-
thermistor assembly (callout 2).
Figure 2-110 Remove the toner-collection sensor and scanner-thermistor assembly (3 of 3)
1
2
142 Chapter 2 Removal and replacement ENWW

Delivery fan
Before proceeding, remove the following components:
●Upper-left cover. See Upper-left cover on page 96.
●Front-top cover. See Front-top cover on page 100.
●Rear-top cover. See Rear-top cover on page 102.
Remove the delivery fan
1. Remove one screw (callout 1), disconnect one connector (callout 2), and release one wire retainer
(callout 3).
Figure 2-111 Remove the delivery fan (1 of 2)
2
1
3
TIP: When the fan is reinstalled, the air must flow into the product. Check the arrows embossed
on the fan frame that indicate air flow direction.
ENWW Internal assemblies 143

2. Release one tab (callout 1), and then remove the delivery fan (callout 2).
Figure 2-112 Remove the delivery fan (2 of 2)
2
1
144 Chapter 2 Removal and replacement ENWW

Delivery assembly
Before proceeding, remove the following components:
●Fuser. See Fuser on page 85.
●Intermediate transfer belt (ITB). See Intermediate transfer belt (ITB) on page 92.
●Upper-left cover. See Upper-left cover on page 96.
●Power-supply cover. See Power-supply cover on page 98.
●Front-top cover. See Front-top cover on page 100.
●Rear-top cover. See Rear-top cover on page 102.
●Right-front cover. See Right-front cover on page 103.
●Control-panel assembly. See Control-panel assembly on page 105
●Delivery fan. See Delivery fan on page 143.
Remove the delivery assembly
1. Remove one screw (callout 1), and disconnect one connector (callout 2), and then slide the fan
duct (callout 3) to release it from the delivery assembly.
NOTE: Do not remove the fan duct from the product.
Figure 2-113 Remove the delivery assembly (1 of 7)
1
2
3
ENWW Internal assemblies 145

2. Remove two screws (callout 1), and then remove the paper guide (callout 2).
NOTE: Duplex models only: press the duplex solenoid (callout 3) to create enough clearance to
remove the paper guide (callout 2).
TIP: The fuser delivery sensor is installed on the rear of the paper guide. Leave the sensor
attached to the guide, and rotate the paper guide toward the rear of the product to access the
delivery assembly.
Figure 2-114 Remove the delivery assembly (2 of 7)
1
2
3
3. Release the wire harness from the guides (callout 1), and then disconnect one connector (callout
2).
Figure 2-115 Remove the delivery assembly (3 of 7)
2
1
146 Chapter 2 Removal and replacement ENWW

4. Remove two screws.
Figure 2-116 Remove the delivery assembly (4 of 7)
5. Pull one tab out, and then push the tab down to release the bushing.
Figure 2-117 Remove the delivery assembly (5 of 7)
ENWW Internal assemblies 147

6. Remove two screws.
Figure 2-118 Remove the delivery assembly (6 of 7)
7. Remove the assembly.
Figure 2-119 Remove the delivery assembly (7 of 7)
148 Chapter 2 Removal and replacement ENWW

Reinstall the delivery assembly
NOTE: For duplex models, the solenoid plunger must be removed from the discarded assembly, and
then installed on the replacement assembly. For all models, the output-bin full sensor must be removed
from the discarded assembly, and then installed on the replacement assembly.
1. Duplex models only: Make sure that the solenoid plunger is correctly installed on the replacement
assembly.
Figure 2-120 Reinstall the delivery assembly (1 of 4)
2. For all models: Do the following.
a. The output-bin full sensor is held in place on the delivery assembly by one tab and two hooks
(callout 1).
Figure 2-121 Reinstall the delivery assembly (2 of 4)
1
ENWW Internal assemblies 149

b. Hold the delivery assembly with the diverter (callout 1) in the depressed position to move the
sensor flag (callout 2) away from the sensor. Release one tab (callout 3).
Figure 2-122 Reinstall the delivery assembly (3 of 4)
2
3
1
c. Slide the sensor up toward the top of the delivery assembly to release two hooks (callout 1),
and then carefully remove the sensor from the assembly.
CAUTION: Do not damage the sensor holder or sensor flag when removing the sensor from
the delivery assembly.
Figure 2-123 Reinstall the delivery assembly (4 of 4)
1
150 Chapter 2 Removal and replacement ENWW

Duplex-drive assembly
Before proceeding, remove the following components:
●Fuser. See Fuser on page 85.
●Intermediate transfer belt (ITB). See Intermediate transfer belt (ITB) on page 92.
●Upper-left cover. See Upper-left cover on page 96.
●Power-supply cover. See Power-supply cover on page 98.
●Front-top cover. See Front-top cover on page 100.
●Rear-top cover. See Rear-top cover on page 102.
●Right-front cover. See Right-front cover on page 103.
●Control-panel assembly. See Control-panel assembly on page 105.
●Delivery fan. See Delivery fan on page 143.
●Delivery assembly. See Delivery assembly on page 145.
Remove the duplex-drive assembly
▲Disconnect two connectors (callout 1), remove three screws (callout 2), and then remove the
assembly (callout 3).
Figure 2-124 Remove the duplex-drive assembly
2
1
3
ENWW Internal assemblies 151

Power-supply fan
Before proceeding, remove the following components:
●Upper-left cover. See Upper-left cover on page 96.
●Power-supply cover. See Power-supply cover on page 98.
●Front-top cover. See Front-top cover on page 100.
●Rear-top cover. See Rear-top cover on page 102.
●Right-rear cover. See Right-rear cover on page 110.
●Rear cover. See Rear cover on page 112.
Remove the power-supply fan
▲Release two tabs, and then remove the fan from the fan duct.
Reinstallation tip When the fan is reinstalled, the air must flow into the product. Check the arrows
embossed on the fan frame that indicate air flow direction.
Figure 2-125 Remove the power-supply fan
152 Chapter 2 Removal and replacement ENWW

Interconnect board (ICB)
Before proceeding, remove the following components:
●Formatter. See Formatter PCA on page 78.
●Upper-left cover. See Upper-left cover on page 96.
●Power-supply cover. See Power-supply cover on page 98.
●Front-top cover. See Front-top cover on page 100.
●Rear-top cover. See Rear-top cover on page 102.
●Rear cover. See Rear cover on page 112.
Remove the ICB
WARNING! Do not remove the ICB from a product and then install it into a different product. Failure
to follow this warning will result in severe damage to that product and cause it to be unusable. HP
recommends that if you remove and replace the ICB, you should destroy the discarded ICB so that it
can not accidentally be installed in a different product.
CAUTION: ESD-sensitive part.
1. Disconnect two connectors (callout 1), remove two screws (callout 2), and remove the test-button
clip (callout 3).
Figure 2-126 Remove the ICB (1 of 2)
2
1
3
ENWW Internal assemblies 153

2. Carefully rotate and slide the ICB up and away from the chassis, disconnect one connector, and
then remove the ICB.
Figure 2-127 Remove the ICB (2 of 2)
154 Chapter 2 Removal and replacement ENWW

DC controller PCA only
NOTE: Use the following procedure to replace only the DC controller PCA. To access components
behind the DC controller, remove the PCA and the sheet-metal backing tray. See DC controller PCA
and tray on page 161.
Before proceeding, remove the following components:
●Upper-left cover. See Upper-left cover on page 96.
●Power-supply cover. See Power-supply cover on page 98.
●Rear-top cover. See Rear-top cover on page 102.
●Rear cover. See Rear cover on page 112.
●Interconnect board (ICB). See Interconnect board (ICB) on page 153.
Remove the DC controller PCA only
CAUTION: ESD-sensitive part.
NOTE: To locate DC controller connector locations, see DC controller connector locations
on page 281.
1. Disconnect all the connectors. There are 32 connectors in all.
Reinstallation tip The connector locations J101, J102, J106, and J154 are not used.
Figure 2-128 Remove the DC controller PCA only (1 of 2)
ENWW Internal assemblies 155

2. Remove four screws (callout 1), and then remove the DC controller PCA.
Figure 2-129 Remove the DC controller PCA only (2 of 2)
156 Chapter 2 Removal and replacement ENWW

Low-voltage power supply (LVPS)
Before proceeding, remove the following components:
●Formatter. See Formatter PCA on page 78.
●Upper-left cover. See Upper-left cover on page 96.
●Power-supply cover. See Power-supply cover on page 98.
●Left cover. See Left cover on page 99.
●Front-top cover. See Front-top cover on page 100.
●Rear-top cover. See Rear-top cover on page 102.
●Rear cover. See Rear cover on page 112.
●Interconnect board (ICB). See Interconnect board (ICB) on page 153.
NOTE: The formatter cage is attached to the LVPS. Remove both components as an assembly. You
can then remove the formatter cage from the LVPS.
Remove the low-voltage power supply
CAUTION: ESD-sensitive part.
1. Remove four screws, and then slide the sheet-metal plate toward the back of the product to remove.
Figure 2-130 Remove the low-voltage power supply (1 of 6)
ENWW Internal assemblies 157

2. Disconnect five connectors, and then release the wire harnesses from the guides as necessary.
NOTE: To locate DC controller connector locations, see DC controller connector locations
on page 281.
Figure 2-131 Remove the low-voltage power supply (1 of 6)
3. Disconnect one connector, and then release the wire harness from the guide.
Reinstallation tip Make sure that you reconnect this connector when the power supply is
reinstalled.
Figure 2-132 Remove the low-voltage power supply (2 of 6)
158 Chapter 2 Removal and replacement ENWW

4. Remove three screws.
Figure 2-133 Remove the low-voltage power supply (3 of 6)
5. Remove three screws.
Reinstallation tip When the low-voltage power supply is reinstalled, make sure the tab on the
mounting bracket behind the bottom screw (callout 1), is inserted in the slot in the product chassis.
When correctly installed, the mounting bracket must be flat against the product chassis.
Figure 2-134 Remove the low-voltage power supply (4 of 6)
1
ENWW Internal assemblies 159

6. Slide the bottom of the assembly away from the product, tip the top of the assembly away from the
product, and then remove the assembly.
Figure 2-135 Remove the low-voltage power supply (5 of 6)
1
2
7. Place the assembly on a flat surface. Remove two screws (callout 1), and then separate the
formatter cage (callout 2) from the low-voltage power supply (callout 3).
NOTE: If you are removing the power supply for internal product access, you can leave the
formatter cage installed on the power supply chassis.
Figure 2-136 Remove the low-voltage power supply (6 of 6)
1
2
3
160 Chapter 2 Removal and replacement ENWW

DC controller PCA and tray
Before proceeding, remove the following components:
●Upper-left cover. See Upper-left cover on page 96.
●Power-supply cover. See Power-supply cover on page 98.
●Front-top cover. See Front-top cover on page 100.
●Rear-top cover. See Rear-top cover on page 102.
●Rear cover. See Rear cover on page 112.
●Interconnect board (ICB). See Interconnect board (ICB) on page 153.
●Low-voltage power supply. See Low-voltage power supply (LVPS) on page 157.
Remove the DC controller PCA and tray
CAUTION: ESD-sensitive part.
NOTE: To locate DC controller connector locations, see DC controller connector locations
on page 281.
1. Disconnect all the connectors. There are 32 connectors in all.
Reinstallation tip The connector locations J101, J102, J106, and J154 are not used.
Figure 2-137 Remove the DC controller PCA and tray (1 of 3)
ENWW Internal assemblies 161

2. Remove two screws.
Figure 2-138 Remove the DC controller PCA and tray (2 of 3)
3. Disengage three tabs (two along the left edge of the PCA and one at the top-right corner of the
PCA).
Figure 2-139 Remove the DC controller PCA and tray (3 of 3)
162 Chapter 2 Removal and replacement ENWW

High-voltage power supply lower (HVPS-D)
Before proceeding, remove the following components:
●Formatter. See Formatter PCA on page 78.
●Upper-left cover. See Upper-left cover on page 96.
●Power-supply cover. See Power-supply cover on page 98.
●Left cover. See Left cover on page 99.
●Front-top cover. See Front-top cover on page 100.
●Rear-top cover. See Rear-top cover on page 102.
●Rear cover. See Rear cover on page 112.
●Interconnect board (ICB). See Interconnect board (ICB) on page 153.
●Low-voltage power supply. See Low-voltage power supply (LVPS) on page 157.
Remove the high-voltage power supply lower
CAUTION: ESD-sensitive part.
1. Disconnect three connectors.
Figure 2-140 Remove the high-voltage power supply lower (1 of 7)
ENWW Internal assemblies 163

2. Remove three screws.
Figure 2-141 Remove the high-voltage power supply lower (2 of 7)
164 Chapter 2 Removal and replacement ENWW

3. Release four locking clips.
NOTE: Squeeze each locking clip to remove.
Figure 2-142 Remove the high-voltage power supply lower (3 of 7)
Figure 2-143 Remove the high-voltage power supply lower (4 of 7)
ENWW Internal assemblies 165

4. Release five tabs.
Figure 2-144 Remove the high-voltage power supply lower (5 of 7)
5. Rotate the top of the power supply away from the chassis, and then disconnect two connectors on
the back of the power supply.
NOTE: Remove the FFC (callout 1) with the high-voltage power supply PCA. Do not disconnect
this FFC.
Figure 2-145 Remove the high-voltage power supply lower (6 of 7)
1
166 Chapter 2 Removal and replacement ENWW

6. Disconnect one FFC (callout 1). Release only the wire harnesses from the guide (callout 2) and
then remove the power supply.
NOTE: Remove the FFC (callout 1) and guide (callout 2) with the PCA. Replacement high-voltage
power supply PCAs have the FFC and guide installed.
Figure 2-146 Remove the high-voltage power supply lower (7 of 7)
1
2
Reinstall the high-voltage power supply lower
When you reinstall the power supply, look through the holes in the PCA and make sure that the high-
voltage contact springs are correctly seated against the PCA.
Figure 2-147 Reinstall the high-voltage power supply lower
ENWW Internal assemblies 167

Developing-disengagement motor
Before proceeding, remove the following components:
●Formatter. See Formatter PCA on page 78.
●Upper-left cover. See Upper-left cover on page 96.
●Power-supply cover. See Power-supply cover on page 98.
●Left cover. See Left cover on page 99.
●Front-top cover. See Front-top cover on page 100.
●Rear-top cover. See Rear-top cover on page 102.
●Rear cover. See Rear cover on page 112.
●Interconnect board (ICB). See Interconnect board (ICB) on page 153.
●Low-voltage power supply. See Low-voltage power supply (LVPS) on page 157.
●High-voltage power supply lower. See High-voltage power supply lower (HVPS-D) on page 163.
Remove the developing-disengagement motor
▲Remove two screws (callout 1), disconnect one connector (callout 2), and remove the motor.
Figure 2-148 Remove the developing-disengagement motor
1
2
168 Chapter 2 Removal and replacement ENWW

Exhaust fan and fan duct
Before proceeding, remove the following components:
●Formatter. See Formatter PCA on page 78.
●Upper-left cover. See Upper-left cover on page 96.
●Power-supply cover. See Power-supply cover on page 98.
●Left cover. See Left cover on page 99.
●Front-top cover. See Front-top cover on page 100.
●Rear-top cover. See Rear-top cover on page 102.
●Rear cover. See Rear cover on page 112.
●Interconnect board (ICB). See Interconnect board (ICB) on page 153.
●Low-voltage power supply. See Low-voltage power supply (LVPS) on page 157.
●High-voltage power supply lower. See High-voltage power supply lower (HVPS-D) on page 163.
Remove the exhaust fan and fan duct
1. Remove two screws (callout 1), disconnect two connectors (callout 2), and then remove the exhaust
fan and duct (callout 3) from the product.
Figure 2-149 Remove the exhaust fan and fan duct (1 of 3)
1
2
3
ENWW Internal assemblies 169

2. Release five tabs (callout 1) and remove the cover (callout 2).
Figure 2-150 Remove the exhaust fan and fan duct (2 of 3)
1
2
3. Disconnect one connector, and then remove the fan from the duct.
Figure 2-151 Remove the exhaust fan and fan duct (3 of 3)
170 Chapter 2 Removal and replacement ENWW

Reinstall the exhaust fan and fan duct
Be sure that the toroid (callout 1) is correctly aligned in the FFC cable guide before attempting to reinstall
the exhaust fan and duct.
Figure 2-152 Reinstall the exhaust fan and fan duct
1
ENWW Internal assemblies 171

Pickup motor
Before proceeding, remove the following components:
●Formatter. See Formatter PCA on page 78.
●Upper-left cover. See Upper-left cover on page 96.
●Power-supply cover. See Power-supply cover on page 98.
●Left cover. See Left cover on page 99.
●Front-top cover. See Front-top cover on page 100.
●Rear-top cover. See Rear-top cover on page 102.
●Rear cover. See Rear cover on page 112.
●Right-rear cover. See Right-rear cover on page 110.
●Power-supply fan. See Power-supply fan on page 152
●Interconnect board (ICB). See Interconnect board (ICB) on page 153.
●Low-voltage power supply. See Low-voltage power supply (LVPS) on page 157.
Remove the pickup motor
Remove two screws (callout 1), disconnect one connector (callout 2), and then remove the motor (callout
3).
Figure 2-153 Remove the pickup motor
2
13
172 Chapter 2 Removal and replacement ENWW

Lifter-drive assembly
Before proceeding, remove the following components:
●Formatter. See Formatter PCA on page 78.
●Intermediate transfer belt (ITB). See Intermediate transfer belt (ITB) on page 92.
●Upper-left cover. See Upper-left cover on page 96.
●Power-supply cover. See Power-supply cover on page 98.
●Left cover. See Left cover on page 99.
●Front-top cover. See Front-top cover on page 100.
●Rear-top cover. See Rear-top cover on page 102.
●Rear cover. See Rear cover on page 112.
●Interconnect board (ICB). See Interconnect board (ICB) on page 153.
●Low-voltage power supply. See Low-voltage power supply (LVPS) on page 157.
●High-voltage power supply lower. See High-voltage power supply lower (HVPS-D) on page 163.
Remove the lifter-drive assembly
1. Remove one screw (callout 1), and then move the accessory-tray connector (callout 2) to access
the screw behind it.
Reinstallation tip If the product is installed on the optional paper feeder, you must slightly
separate the product and the feeder assembly to install this connector. Open the right door on the
feeder. Use the blue handle to release the product-accessory lock, and then lift up on the edge of
the product to create a slight gap between the product and the accessory.
Figure 2-154 Remove the lifter-drive assembly (1 of 2)
12
ENWW Internal assemblies 173

2. Disconnect one connector (callout 1), and then remove two screws (callout 2).
Figure 2-155 Remove the lifter-drive assembly (2 of 3)
2
1
3. Remove the lifter-drive assembly from the product.
CAUTION: The spring on the assembly is not captive. Do not lose the spring when the assembly
is removed.
Figure 2-156 Remove the lifter-drive assembly (3 of 3)
NOTE: Make sure that the lifter-drive assembly moves up and down easily after reinstalling.
174 Chapter 2 Removal and replacement ENWW

Lifter base assembly
Before proceeding, remove the following components:
●Formatter. See Formatter PCA on page 78
●Upper-left cover. See Upper-left cover on page 96.
●Power-supply cover. See Power-supply cover on page 98.
●Left cover. See Left cover on page 99.
●Front-top cover. See Front-top cover on page 100
●Right-rear cover. See Right-rear cover on page 110.
●Rear cover. See Rear cover on page 112.
●Interconnect board (ICB). See Interconnect board (ICB) on page 153.
●Low-voltage power supply. See Low-voltage power supply (LVPS) on page 157.
●High-voltage power supply lower. See High-voltage power supply lower (HVPS-D) on page 163.
Remove the lifter base assembly
1. Disconnect one connector.
Figure 2-157 Remove the lifter base assembly (1 of 2)
ENWW Internal assemblies 175

2. From inside the Tray 2 cavity, remove four screws, and then remove the lifter base assembly.
NOTE: Pull the assembly straight from the product without tipping to prevent the spring from
falling from the assembly.
Reinstallation tip If the tray does not completely close when reinstalled, push on the lever in the
opening (callout 1) with a flat blade screwdriver to reset the spring in the closing mechanism.
Figure 2-158 Remove the lifter base assembly (2 of 2)
1
Reinstall the lifter base assembly
If the spring falls from the lifter base assembly, reinstall it in the lifter before reinstalling the lifter base
assembly.
1. Make sure the black rubber end is seated on the spring.
Figure 2-159 Reinstall the lifter base assembly (1 of 2)
176 Chapter 2 Removal and replacement ENWW

2. Place the spring in the lifter before installing the assembly on the product.
Figure 2-160 Reinstall the lifter base assembly (2 of 2)
ENWW Internal assemblies 177

Tray-pickup drive assembly
Before proceeding, remove the following components:
●Formatter. See Formatter PCA on page 78.
●Upper-left cover. See Upper-left cover on page 96.
●Power-supply cover. See Power-supply cover on page 98.
●Left cover. See Left cover on page 99.
●Front-top cover. See Front-top cover on page 100.
●Rear-top cover. See Rear-top cover on page 102.
●Right-front cover. See Right-front cover on page 103.
●Rear cover. See Rear cover on page 112.
●Right-rear cover. See Right-rear cover on page 110.
●Interconnect board (ICB). See Interconnect board (ICB) on page 153.
●Low-voltage power supply. See Low-voltage power supply (LVPS) on page 157.
●High-voltage power supply lower. See High-voltage power supply lower (HVPS-D) on page 163.
Remove the tray-pickup drive assembly
NOTE: To remove the pickup motor only, see Pickup motor on page 172.
1. Release two tabs, and then remove the power-supply fan.
Figure 2-161 Remove the tray-pickup drive assembly (1 of 3)
178 Chapter 2 Removal and replacement ENWW

2. Remove two screws (callout 1), disconnect one connector (callout 2), and then remove the pickup
motor (callout 35).
Figure 2-162 Remove the tray-pickup drive assembly (2 of 3)
1
2
3
3. Remove three screws, and then remove the tray-pickup drive assembly.
NOTE: The cams on the main-drive assembly can prevent the tray-pickup drive assembly from
releasing from the product. If you cannot remove the assembly, remove the DC controller and tray
to provide additional space. See DC controller PCA and tray on page 161. You might also need to
remove the wire guide from the main-drive assembly. See Figure 2-198 Remove the main-drive
assembly (3 of 6) on page 205.
Figure 2-163 Remove the tray-pickup drive assembly (3 of 3)
ENWW Internal assemblies 179

Tray-pickup assembly
Before proceeding, remove the following components:
●Formatter. See Formatter PCA on page 78.
●Secondary transfer assembly. See Secondary transfer assembly on page 119.
●Intermediate transfer belt (ITB). See Intermediate transfer belt (ITB) on page 92.
●Upper-left cover. See Upper-left cover on page 96.
●Power-supply cover. See Power-supply cover on page 98.
●Left cover. See Left cover on page 99.
●Front-top cover. See Front-top cover on page 100.
●Rear-top cover. See Rear-top cover on page 102.
●Right-rear cover. See Right-rear cover on page 110.
●Rear cover. See Rear cover on page 112.
●Registration assembly. See Registration assembly on page 128.
●Interconnect board (ICB). See Interconnect board (ICB) on page 153.
●Low-voltage power supply. See Low-voltage power supply (LVPS) on page 157.
●High-voltage power supply lower. See High-voltage power supply lower (HVPS-D) on page 163.
Remove the tray-pickup assembly
NOTE: This task requires that you remove three feed guides on the right side of the product before
you can remove the tray-pickup assembly.
1. Remove one screw (callout 1), and then disconnect two connectors (callout 2).
Figure 2-164 Remove the tray-pickup assembly (1 of 11)
1
2
180 Chapter 2 Removal and replacement ENWW

2. From the front of the product, remove one screw (callout 1), and then remove one tray rail
(callout 2).
Figure 2-165 Remove the tray-pickup assembly (2 of 11)
1
2
3. From the right side of the product, remove two screws (callout 1) and one cover (callout 2).
Figure 2-166 Remove the tray-pickup assembly (3 of 11)
1
2
ENWW Internal assemblies 181

4. Close the right-door assembly. Push in and then push up on the stopper to release.
Figure 2-167 Remove the tray-pickup assembly (4 of 11)
5. Open the right-door assembly. Lift the two link arms (callout 1) to release from the product, and
then remove the paper guide (callout 2).
Figure 2-168 Remove the tray-pickup assembly (5 of 11)
1
2
182 Chapter 2 Removal and replacement ENWW

6. Close the right-door assembly. Push the two tabs toward each other, and then push up to release
the feed guide.
Figure 2-169 Remove the tray-pickup assembly (6 of 11)
7. Open the right-door assembly, and then remove the feed guide.
Figure 2-170 Remove the tray-pickup assembly (7 of 11)
ENWW Internal assemblies 183

8. Remove two screws (callout 1), and then remove two brackets (callout 2).
Figure 2-171 Remove the tray-pickup assembly (8 of 11)
1
2
9. Release one tab (callout 1), and then slide the feed guide (callout 2) toward the front of the product
to remove.
Figure 2-172 Remove the tray-pickup assembly (9 of 11)
1
2
184 Chapter 2 Removal and replacement ENWW

10. Remove one screw.
Figure 2-173 Remove the tray-pickup assembly (10 of 11)
11. Remove the tray-pickup assembly.
Figure 2-174 Remove the tray-pickup assembly (11 of 11)
ENWW Internal assemblies 185

Laser/scanner assembly (Y/M)
Before proceeding, remove the following components:
●Toner collection unit. See Toner-collection unit on page 76.
●Intermediate transfer belt (ITB). See Intermediate transfer belt (ITB) on page 92.
●Upper-left cover. See Upper-left cover on page 96.
●Power-supply cover. See Power-supply cover on page 98.
●Left cover. See Left cover on page 99.
●Front-top cover. See Front-top cover on page 100.
●Rear-top cover. See Rear-top cover on page 102.
●Rear cover. See Rear cover on page 112.
●Cartridge fan and environmental sensor. See Cartridge fan and environmental sensor
on page 137.
●Toner collection sensor and scanner-thermistor assembly. See Toner-collection sensor and
scanner-thermistor assembly on page 141.
●Interconnect board (ICB). See Interconnect board (ICB) on page 153.
●Low-voltage power supply. See Low-voltage power supply (LVPS) on page 157.
●High-voltage power supply lower. See High-voltage power supply lower (HVPS-D) on page 163.
●Exhaust fan and fan duct. See Exhaust fan and fan duct on page 169.
186 Chapter 2 Removal and replacement ENWW

Remove the laser/scanner assembly (Y/M)
NOTE: After installing a new laser/scanner assembly, be sure to calibrate the product. See Calibrate
the product on page 313.
1. Release one spring.
CAUTION: The spring is not captive. Do not lose the spring when it is removed. Use a pair of
needle-nose pliers to safely retain the spring when it is removed. Do not use a flat blade screwdriver
to remove the spring; the spring could forcibly leave the product and strike you.
Figure 2-175 Remove the laser/scanner assembly (Y/M) (1 of 5)
2. Disconnect one connector.
Figure 2-176 Remove the laser/scanner assembly (Y/M) (2 of 5)
ENWW Internal assemblies 187

3. Release one spring (callout 1), and then disconnect one FFC (callout 2).
Reinstallation tip When reinstalled, the toroid (callout 3) must be correctly positioned on the wire
guide (in the provided slots) so that the fan duct will fully seat in the product when it is reinstalled.
Figure 2-177 Remove the laser/scanner assembly (Y/M) (3 of 5)
1
2
3
CAUTION: The spring is not captive. Do not lose the spring when it is removed. Use a pair of
needle-nose pliers to safely retain the spring when it is removed. Do not use a flat blade screwdriver
to remove the spring; the spring could forcibly leave the product and strike you.
Reinstallation tip When you reinstall the spring, make sure that the laser/scanner fits tightly up
against the product chassis, and make sure that the FFC is fully seated in the connector. The
locator tabs on the front and rear of the scanner must be firmly seated in the slots in the chassis.
188 Chapter 2 Removal and replacement ENWW

4. Rotate the front of the laser/scanner assembly down (callout 1), and then slide it toward the right
(callout 2). Lower the left corner, and then rotate the left corner out of the product (callout 3).
Reinstallation tip When the scanner is reinstalled, make sure that the tab on the front of the
laser/scanner is inserted in the alignment hole in the product chassis. See callout 1 in Figure
2-179 Remove the laser/scanner assembly (Y/M) (5 of 5) on page 189
Figure 2-178 Remove the laser/scanner assembly (Y/M) (4 of 5).
1
32
5. Pull the laser/scanner assembly out of the product to remove it.
Reinstallation tip When the scanner is removed, locate the alignment tab (callout 1) on the front
of the laser/scanner. The tab must be inserted in the alignment hole in the product chassis when
the assembly is reinstalled.
Figure 2-179 Remove the laser/scanner assembly (Y/M) (5 of 5)
1
ENWW Internal assemblies 189

Laser/scanner assembly (C/Bk)
Before proceeding, remove the following components:
●Toner collection unit. See Toner-collection unit on page 76.
●Intermediate transfer belt (ITB). See Intermediate transfer belt (ITB) on page 92.
●Upper-left cover. See Upper-left cover on page 96.
●Power-supply cover. See Power-supply cover on page 98.
●Left cover. See Left cover on page 99.
●Front-top cover. See Front-top cover on page 100.
●Rear-top cover. See Rear-top cover on page 102.
●Rear cover. See Rear cover on page 112.
●Cartridge fan and environmental sensor. See Cartridge fan and environmental sensor
on page 137.
●Toner collection sensor and scanner-thermistor assembly. See Toner-collection sensor and
scanner-thermistor assembly on page 141.
●Interconnect board (ICB). See Interconnect board (ICB) on page 153.
●Low-voltage power supply. See Low-voltage power supply (LVPS) on page 157.
●High-voltage power supply lower. See High-voltage power supply lower (HVPS-D) on page 163.
●Exhaust fan and fan duct. See Exhaust fan and fan duct on page 169.
●Laser/scanner assembly (Y/M). See Laser/scanner assembly (Y/M) on page 186.
190 Chapter 2 Removal and replacement ENWW

Remove the laser/scanner assembly (C/Bk)
NOTE: After installing a new laser/scanner assembly, be sure to calibrate the product. See Calibrate
the product on page 313.
1. Release one spring (callout 1), and then disconnect one FFC (callout 2).
CAUTION: The spring is not captive. Do not lose the spring when it is removed. Use a pair of
needle-nose pliers to safely retain the spring when it is removed. Do not use a flat blade screwdriver
to remove the spring; the spring could forcibly leave the product and strike you.
Reinstallation tip When you reinstall the spring, make sure that the laser/scanner fits tightly up
against the product chassis, and make sure that the FFC is fully seated in the connector. The
locator tabs on the front of the scanner must be firmly seated in the slots in the chassis.
Figure 2-180 Remove the laser/scanner assembly (C/Bk) (1 of 5)
2
1
2. Disconnect one connector.
Figure 2-181 Remove the laser/scanner assembly (C/Bk) (2 of 5)
ENWW Internal assemblies 191

3. Remove five screws (callout 1), and then remove the cover (callout 2).
CAUTION: Be careful. The PGC actuators are easily dislodged when the cover is removed. See
Figure 2-185 Reinstall the PGC actuators (1 of 5) on page 193. To reinstall the actuators, see
Reinstall the protective glass cleaner (PGC) actuators on page 193.
Figure 2-182 Remove the laser/scanner assembly (C/Bk) (3 of 5)
2
1
4. Release one spring.
CAUTION: The spring is not captive. Do not lose the spring when it is removed. Use a pair of
needle-nose pliers to safely retain the spring when it is removed. Do not use a flat blade screwdriver
to remove the spring; the spring could forcibly leave the product and strike you.
Reinstallation tip When you reinstall the spring, make sure that the laser/scanner fits tightly up
against the product chassis.
Figure 2-183 Remove the laser/scanner assembly (C/Bk) (4 of 5)
192 Chapter 2 Removal and replacement ENWW

5. Rotate the corner of the assembly away from the product until you can see the PCA, and then
remove the assembly from the product.
Reinstallation tip When the laser/scanner is correctly positioned in the chassis, the plastic parts
which protrude at the front and rear of the product will be firmly seated against the locator tabs on
the chassis. Verify that the assembly is correctly seated, and then install the spring.
Figure 2-184 Remove the laser/scanner assembly (C/Bk) (5 of 5)
1
2
Reinstall the protective glass cleaner (PGC) actuators
1. The following figure shows a dislodged PGC actuator.
TIP: If the actuator and spring are only slightly dislodged, you might be able to easily push them
back into place.
Figure 2-185 Reinstall the PGC actuators (1 of 5)
ENWW Internal assemblies 193

2. Remove the actuator and spring from the product. Install the spring on the actuator.
Figure 2-186 Reinstall the PGC actuators (2 of 5)
3. Before proceeding, take note of the following:
●Callout 1: The pin on the actuator will be installed into the slot in the chassis.
●Callout 2: The pin on the pivot arm will be installed into the slot on the actuator.
●Callout 3: The end of the spring will be installed onto the tab on the chassis.
Figure 2-187 Reinstall the PGC actuators (3 of 5)
3
1
2
194 Chapter 2 Removal and replacement ENWW

4. Place the end of the actuator into the PGC rod, and then use a small flat blade screw driver to
fasten the end of the spring on the tab on the chassis.
Figure 2-188 Reinstall the PGC actuators (4 of 5)
5. Push down on the actuator to seat it into place. Verify that the actuators is correctly installed. The
PGC actuator must freely move when you push in on the actuator.
Figure 2-189 Reinstall the PGC actuators (5 of 5)
ENWW Internal assemblies 195

High-voltage power supply upper (HVPS-T)
Before proceeding, remove the following components:
●Formatter. See Formatter PCA on page 78.
●Upper-left cover. See Upper-left cover on page 96.
●Power-supply cover. See Power-supply cover on page 98.
●Left cover. See Left cover on page 99.
●Front-top cover. See Front-top cover on page 100.
●Rear-top cover. See Rear-top cover on page 102.
●Rear cover. See Rear cover on page 112.
●Interconnect board (ICB). See Interconnect board (ICB) on page 153.
●Low-voltage power supply. See Low-voltage power supply (LVPS) on page 157.
●DC controller and tray. See DC controller PCA and tray on page 161.
Remove the high-voltage power supply upper
CAUTION: ESD-sensitive part.
1. Disconnect one connector.
Figure 2-190 Remove the high-voltage power supply upper (1 of 2)
196 Chapter 2 Removal and replacement ENWW

2. Remove three screws (callout 1), release four tabs (callout 2), and then remove the power supply.
Figure 2-191 Remove the high-voltage power supply upper (2 of 2)
2
1
ENWW Internal assemblies 197

Reinstall the high-voltage power supply upper
When you reinstall the power supply, look through the holes in the PCA and make sure that the high-
voltage contact springs are correctly seated against the PCA.
NOTE: For a replacement power supply, remove one wire harness (callout 1) and then install it on the
replacement power supply.
Figure 2-192 Reinstall the high-voltage power supply upper
1
198 Chapter 2 Removal and replacement ENWW

Yellow, magenta, cyan, and black drum motors
Before proceeding, remove the following components:
●Upper-left cover. See Upper-left cover on page 96.
●Power-supply cover. See Power-supply cover on page 98.
●Left cover. See Left cover on page 99.
●Front-top cover. See Front-top cover on page 100.
●Rear-top cover. See Rear-top cover on page 102.
●Rear cover. See Rear cover on page 112.
●Interconnect board (ICB). See Interconnect board (ICB) on page 153.
●Low-voltage power supply. See Low-voltage power supply (LVPS) on page 157.
●DC controller PCA and tray. See DC controller PCA and tray on page 161.
●High-voltage power supply upper. See High-voltage power supply upper (HVPS-T) on page 196.
Remove the yellow, magenta, cyan, and black drum motors
▲For each motor, remove three screws (callout 1), disconnect one connector (callout 2), and then
remove the motor (callout 3)
Figure 2-193 Remove the yellow, magenta, cyan, and black drum motors
1
2
3
ENWW Internal assemblies 199

Fuser motor
Before proceeding, remove the following components:
●Formatter. See Formatter PCA on page 78.
●Upper-left cover. See Upper-left cover on page 96.
●Power-supply cover. See Power-supply cover on page 98.
●Left cover. See Left cover on page 99.
●Front-top cover. See Front-top cover on page 100.
●Rear-top cover. See Rear-top cover on page 102.
●Rear cover. See Rear cover on page 112.
●Interconnect board (ICB). See Interconnect board (ICB) on page 153.
●Low-voltage power supply. See Low-voltage power supply (LVPS) on page 157.
●DC controller PCA. See DC controller PCA and tray on page 161.
●High-voltage power supply upper. See High-voltage power supply upper (HVPS-T) on page 196.
200 Chapter 2 Removal and replacement ENWW

Remove the fuser motor
Remove three screws (callout 1), disconnect one connector (callout 2), and then remove the motor
(callout 3).
Figure 2-194 Remove the fuser motor
1
2
3
ENWW Internal assemblies 201

ITB motor
Before proceeding, remove the following components:
●Upper-left cover. See Upper-left cover on page 96.
●Power-supply cover. See Power-supply cover on page 98.
●Front-top cover. See Front-top cover on page 100.
●Rear-top cover. See Rear-top cover on page 102.
●Left cover. See Left cover on page 99.
●Rear cover. See Rear cover on page 112.
●Interconnect board (ICB). See Interconnect board (ICB) on page 153.
●Low-voltage power supply. See Low-voltage power supply (LVPS) on page 157.
●DC controller PCA. See DC controller PCA and tray on page 161.
●High-voltage power supply upper. See High-voltage power supply upper (HVPS-T) on page 196.
Remove the ITB motor
▲Remove three screws (callout 1), disconnect one connector (callout 2), and then remove the motor
(callout 3).
Figure 2-195 Remove the ITB motor (1 of 2)
1
2
3
202 Chapter 2 Removal and replacement ENWW

Main-drive assembly
NOTE: Removing the main-drive assembly typically requires more than 2 hours to complete.
Before proceeding, remove the following components:
●Formatter. See Formatter PCA on page 78.
●Intermediate transfer belt (ITB). See Intermediate transfer belt (ITB) on page 92.
●Upper-left cover. See Upper-left cover on page 96.
●Power-supply cover. See Power-supply cover on page 98.
●Left cover. See Left cover on page 99.
●Front-top cover. See Front-top cover on page 100.
●Rear-top cover. See Rear-top cover on page 102.
●Rear cover. See Rear cover on page 112.
●Interconnect board (ICB). See Interconnect board (ICB) on page 153.
●Low-voltage power supply. See Low-voltage power supply (LVPS) on page 157.
●DC controller PCA. See DC controller PCA and tray on page 161.
●High-voltage power supply lower. See High-voltage power supply lower (HVPS-D) on page 163.
●Exhaust fan and fan duct. See Exhaust fan and fan duct on page 169.
●High-voltage power supply upper. See High-voltage power supply upper (HVPS-T) on page 196.
●Yellow, magenta, cyan, and black drum motors. See Remove the yellow, magenta, cyan, and black
drum motors on page 199.
ENWW Internal assemblies 203

Remove the main-drive assembly
1. Remove eight connectors (callout 1), and then release the wire harnesses from the guides
(callout 2).
NOTE: Leave the wire harnesses with the product.
Figure 2-196 Remove the main-drive assembly (1 of 6)
1
2
2. Remove two screws (callout 1), disconnect one connector (callout 2), and then remove the
developing-disengagement motor.
NOTE: When the motor is reinstalled, make sure the motor PCA is positioned at the top of the
assembly.
Figure 2-197 Remove the main-drive assembly (2 of 6)
2
1
204 Chapter 2 Removal and replacement ENWW

3. Remove one screw (callout 1), and then remove the wire guide from the main-drive assembly
(callout 2).
NOTE: Leave the wire harnesses connected to the wire guide and attached to the product for
easier reinstallation.
Figure 2-198 Remove the main-drive assembly (3 of 6)
1
2
4. Remove 10 screws.
Figure 2-199 Remove the main-drive assembly (4 of 6)
1
ENWW Internal assemblies 205

5. Separate the main-drive assembly from the product.
Figure 2-200 Remove the main-drive assembly (5 of 6)
6. Release the wire harness (callout 1) from the guides, and then remove the main-drive assembly
from the product.
Reinstallation tip It might be easier to pass this harness over the edge of the assembly chassis
after the main-drive assembly is reinstalled.
Figure 2-201 Remove the main-drive assembly (6 of 6)
1
CAUTION: Be careful when you remove the assembly. The cams on the backside of the
assembly can be dislodged. If the cams become dislodged, install them on the shafts as shown in
Figure 2-202 Reinstall the main-drive assembly (1 of 7) on page 207.
The black cam must be installed on the shaft furthest away from the developing-disengagement
motor. The white cams are interchangeable.
206 Chapter 2 Removal and replacement ENWW

Reinstall the main-drive assembly
1. Locate the cams (callout 1) on the back side of the assembly.
Figure 2-202 Reinstall the main-drive assembly (1 of 7)
1
2. Slowly rotate the shaft near the black cam.
WARNING! Do not touch the plastic gears or cams. You must not wipe away any of the grease
that is applied to these components. Always rotate the gears and cams by rotating the metal drive
shaft.
Figure 2-203 Reinstall the main-drive assembly (2 of 7)
ENWW Internal assemblies 207

3. Continue to rotate the shaft until the holes in the black-cam gear align as shown below.
When correctly aligned, the bottom-most hole in the gear is aligned with a hole in the sheet-metal
chassis.
NOTE: The holes in the other cam gears have a different alignment. You must make sure that
the holes in the black-cam gear are correctly aligned.
Figure 2-204 Reinstall the main-drive assembly (3 of 7)
208 Chapter 2 Removal and replacement ENWW

4. Verify that the cams (callout 1) align correctly.
TIP: The second cam in from the right (the white cam to the left of the black cam), should have
the second hole aligned with the hole in the sheet-metal chassis.
The third cam in from the right, should have the third hole aligned with the hole in the sheet-metal
chassis.
The fourth cam in from the right (the cam nearest the developing-disengagement motor), should
have the fourth hole aligned with the hole in the sheet-metal chassis.
If the second, third, or fourth cams do not correctly align, do the following. Hold the long drive shaft,
gently tilt the cam and gear away from the shaft to allow clearance to rotate the gear until the correct
hole in the gear aligns with the hole in the chassis.
Figure 2-205 Reinstall the main-drive assembly (4 of 7)
1
5. When the cams align correctly, they easily fit into the holes in the chassis.
Figure 2-206 Reinstall the main-drive assembly (5 of 7)
ENWW Internal assemblies 209

6. When placing the assembly on the chassis, align the holes in the assembly with the holes in the
chassis.
Reinstallation tip If the upper-left corner of the assembly is difficult to seat, you might need to
rotate the ITB motor to align the gear shaft with the hole in the chassis.
Figure 2-207 Reinstall the main-drive assembly (6 of 7)
7. When the assembly is correctly installed, the tabs are flat against the chassis.
Figure 2-208 Reinstall the main-drive assembly (7 of 7)
TIP: After reassembling the product, use the DIAGNOSTICS menu to print a COLOR BAND
TEST page.
If the test page shows one or more color planes are not printing (usually in the upper left corner of
the page), the cam or cams for the missing color plane are not correctly aligned. Repeat the reinstall
the main-drive assembly procedure.
210 Chapter 2 Removal and replacement ENWW

Fuser-drive assembly
NOTE: Removing the fuser-drive assembly typically requires more than 2 hours to complete.
Before proceeding, remove the following components:
●Formatter. See Formatter PCA on page 78.
●Fuser. See Fuser on page 85.
●Upper-left cover. See Upper-left cover on page 96.
●Power-supply cover. See Power-supply cover on page 98.
●Left cover. See Left cover on page 99.
●Front-top cover. See Front-top cover on page 100.
●Rear-top cover. See Rear-top cover on page 102.
●Rear cover. See Rear cover on page 112.
●Interconnect board (ICB). See Interconnect board (ICB) on page 153.
●Low-voltage power supply. See Low-voltage power supply (LVPS) on page 157.
●DC controller PCA. See DC controller PCA and tray on page 161.
●High-voltage power supply lower. See High-voltage power supply lower (HVPS-D) on page 163.
●Exhaust fan and fan duct. See Exhaust fan and fan duct on page 169.
●High-voltage power supply upper. See High-voltage power supply upper (HVPS-T) on page 196.
●Main-drive assembly. See Main-drive assembly on page 203.
ENWW Internal assemblies 211

Remove the fuser-drive assembly
1. Remove one screw (callout 1), and then remove the cover (callout 2).
Figure 2-209 Remove the fuser-drive assembly (1 of 7)
1
2
2. Release the wire harness (callout 1) from the guides.
Figure 2-210 Remove the fuser-drive assembly (2 of 7)
1
212 Chapter 2 Removal and replacement ENWW

3. Remove two screws (callout 1), one static wire (callout 2), and one switch (callout 3).
Figure 2-211 Remove the fuser-drive assembly (3 of 7)
2
1
3
4. Release one tab, and then slide the wire harness holder (callout 1) to release it from the fuser-drive
assembly.
NOTE: Releasing the wire harness provides clearance when the assembly is removed. The
harness does not need to be removed.
Figure 2-212 Remove the fuser-drive assembly (4 of 7)
1
ENWW Internal assemblies 213

5. Disconnect two connectors.
Figure 2-213 Remove the fuser-drive assembly (5 of 7)
6. Remove three screws.
Figure 2-214 Remove the fuser-drive assembly (6 of 7)
214 Chapter 2 Removal and replacement ENWW

7. Carefully remove the assembly.
Figure 2-215 Remove the fuser-drive assembly (7 of 7)
Reinstall the fuser-drive assembly
Rotate the motor until the gears align, and the assembly is flat against the chassis.
Figure 2-216 Reinstall the fuser-drive assembly
ENWW Internal assemblies 215

Optional paper feeder assemblies (1 x 500-sheet and 3 x
500-sheet)
NOTE: For information about removing the Tray 3, 4, or 5 feed and separation rollers, see Feed and
separation rollers (Trays 2-5) on page 86.
For information about removing the Tray 3, 4, or 5 cassettes, see Tray on page 84.
For information about removing the right door (optional paper feeder), see Right door (optional paper
feeder) on page 220
The following procedures apply to both the 1 x 500-sheet optional paper feeder and the 3 x 500-sheet
optional paper unless specifically noted.
Front door (optional paper feeder)
1. Release one tab (callout 1), and then remove the stopper (callout 2).
Figure 2-217 Remove the front door (optional paper feeder) (1 of 2)
12
216 Chapter 2 Removal and replacement ENWW

2. Release the link arm (callout 1), and then remove the front door (callout 2).
Figure 2-218 Remove the front door (optional paper feeder) (2 of 2)
1
2
ENWW Optional paper feeder assemblies (1 x 500-sheet and 3 x 500-sheet) 217

Rear cover (optional paper feeder)
▲Remove two screws (callout 1), and then remove the rear cover (callout 2).
Figure 2-219 Remove the rear cover (optional paper feeder)
1
2
218 Chapter 2 Removal and replacement ENWW

Right-front cover (optional paper feeder)
▲Open the front and right doors, remove one screw (callout 1), and then lift the right-front cover
(callout 2) to remove.
Figure 2-220 Remove the right-front cover (optional paper feeder)
1
2
ENWW Optional paper feeder assemblies (1 x 500-sheet and 3 x 500-sheet) 219

Right door (optional paper feeder)
1. Open the right door, release one tab (callout 1), and then remove the stopper (callout 2)
Figure 2-221 Remove the right door (optional paper feeder) (1 of 3)
2
1
2. Close the right door slightly, and then release the upper link arm.
Figure 2-222 Remove the right door (optional paper feeder) (2 of 3)
220 Chapter 2 Removal and replacement ENWW

3. Slide the door to release the lower link arm, and then remove the right door.
Figure 2-223 Remove the right door (optional paper feeder) (3 of 3)
ENWW Optional paper feeder assemblies (1 x 500-sheet and 3 x 500-sheet) 221

Left cover (optional paper feeder)
Before proceeding, remove the following components:
●Front door (optional paper feeder). See Front door (optional paper feeder) on page 216.
●Right-front cover (optional paper feeder). See Right-front cover (optional paper feeder)
on page 219.
Remove the left cover (optional paper feeder)
1. 1 x 500 paper feeder only: Remove two screws (callout 1), and then remove two bushings (callout
2).
Figure 2-224 Remove the left cover (optional paper feeder) (1 of 3)
1
2
222 Chapter 2 Removal and replacement ENWW

2. 1 x 500 paper feeder only: Remove three screws (callout 1), and then remove the storage box
(callout 2).
Figure 2-225 Remove the left cover (optional paper feeder) (2 of 3)
1
2
3. Release five tabs (callout 1), and then remove the left cover (callout 2).
Figure 2-226 Remove the left cover (optional paper feeder) (3 of 3)
1
2
ENWW Optional paper feeder assemblies (1 x 500-sheet and 3 x 500-sheet) 223

Right cover (optional paper feeder)
Before proceeding, remove the following components:
●Right door (optional paper feeder). See Right door (optional paper feeder) on page 220.
Remove the right cover (optional paper feeder)
▲Remove two screws (callout 1), release one tab (callout 2), and then remove the right cover (callout
3).
Figure 2-227 Remove the right cover (optional paper feeder)
2
3
1
224 Chapter 2 Removal and replacement ENWW

Rear-right cover (optional paper feeder)
Before proceeding, remove the following components:
●Right door (optional paper feeder). See Right door (optional paper feeder) on page 220.
Remove the rear-right cover (optional paper feeder)
▲Remove one screw (callout 1), and then lift the rear-right cover (callout 2) to remove.
Figure 2-228 Remove the rear-right cover (optional paper feeder)
2
1
ENWW Optional paper feeder assemblies (1 x 500-sheet and 3 x 500-sheet) 225

Pickup assembly (optional paper feeder)
Before proceeding, remove the following components:
●Paper feeder right front cover. See Right-front cover (optional paper feeder) on page 219.
●Paper feeder rear cover. See Rear cover (optional paper feeder) on page 218.
NOTE: The following procedure shows steps for removing the pickup assembly for Tray 3. 3 x 500-
sheet optional paper feeder only: The steps for removing the pickup assemblies for Tray 4 and Tray
5 are the same unless noted. You must remove the pickup assemblies in sequence beginning with the
pickup assembly for Tray 5.
Remove the pickup assembly (optional paper feeder)
1. Remove one screw (callout 1), and then remove the tray rail (callout 2).
Figure 2-229 Remove the pickup assembly (optional paper feeder) (1 of 5)
1
2
226 Chapter 2 Removal and replacement ENWW

2. 1 x 500-sheet optional paper feeder only: Remove three screws (callout 1), disconnect one
connector (callout 2), and then remove the motor assembly (callout 3).
Figure 2-230 Remove the pickup assembly (optional paper feeder) (2 of 5)
2
1
3
3. 3 x 500-sheet optional paper feeder only: Remove four screws (callout 1), disconnect two
connector (callout 2), and then remove the motor assembly (callout 3).
Figure 2-231 Remove the pickup assembly (optional paper feeder) (3 of 5)
12
3
ENWW Optional paper feeder assemblies (1 x 500-sheet and 3 x 500-sheet) 227

4. Remove one screw (callout 1), and then disconnect three connectors (callout 2).
Figure 2-232 Remove the pickup assembly (optional paper feeder) (4 of 5)
1
2
5. Remove one screw (callout 1), and then remove the pickup assembly (callout 2).
Figure 2-233 Remove the pickup assembly (optional paper feeder) (5 of 5)
1
2
228 Chapter 2 Removal and replacement ENWW

Lifter assembly (optional paper feeder)
Before proceeding, remove the following components:
●Rear cover (optional paper feeder). See Rear cover (optional paper feeder) on page 218.
Remove the lifter assembly (optional paper feeder)
1. Disconnect one connector (callout 1).
Figure 2-234 Remove the lifter assembly (optional paper feeder) (1 of 2)
1
2. Remove four screws (callout 1), and then remove the lifter assembly (callout 2).
Figure 2-235 Remove the lifter assembly (optional paper feeder) (2 of 2)
1
2
ENWW Optional paper feeder assemblies (1 x 500-sheet and 3 x 500-sheet) 229

Lifter-drive assembly (optional paper feeder)
Before proceeding, remove the following components:
●Rear cover (optional paper feeder). See Rear cover (optional paper feeder) on page 218.
Remove the lifter-drive assembly (optional paper feeder)
1. Disconnect one connector (callout 1), and then release the wire harnesses (callout 3) from the
guides (callout 2).
Figure 2-236 Remove the lifter-drive assembly (optional paper feeder) (1 of 2)
2
1
3
2. Remove two screws (callout 1), and then remove the sheet-metal plate (callout 2). Remove one
spring (callout 3), and then remove the lifter drive assembly.
Figure 2-237 Remove the lifter-drive assembly (optional paper feeder) (2 of 2)
1
2
3
230 Chapter 2 Removal and replacement ENWW

Pickup motor assembly (optional paper feeder)
Before proceeding, remove the following components:
●Rear cover (optional paper feeder). See Rear cover (optional paper feeder) on page 218.
Remove the pickup motor (optional paper feeder) assembly
1. 1 x 500-sheet optional paper feeder only: Remove three screws (callout 1), disconnect one
connector (callout 2), and then remove the motor assembly (callout 3).
Figure 2-238 Remove the pickup motor assembly (optional paper feeder) (1 of 2)
2
1
3
2. 3 x 500-sheet optional paper feeder only: Remove four screws (callout 1), disconnect two
connector (callout 2), and then remove the motor assembly (callout 3).
Figure 2-239 Remove the pickup motor assembly (optional paper feeder) (2 of 2)
12
3
ENWW Optional paper feeder assemblies (1 x 500-sheet and 3 x 500-sheet) 231

Controller PCA (optional paper feeder)
Before proceeding, remove the following components:
●Rear cover (optional paper feeder). See Rear cover (optional paper feeder) on page 218.
Remove the controller PCA (optional paper feeder)
1. 1 x 500-sheet optional paper feeder only: Disconnect four connector (callout 2), and then remove
two screws (callout 1). Release three tabs (callout 3), and then remove the PCA (callout 4).
Figure 2-240 Remove the controller PCA (optional paper feeder) (1 of 2)
4
1
2
3
2. 3 x 500-sheet optional paper feeder only: Disconnect all connectors, and then remove two
screws (callout 1). Release three tabs (callout 2), and then remove the PCA (callout 3).
Figure 2-241 Remove the controller PCA (optional paper feeder) (2 of 2)
12
3
232 Chapter 2 Removal and replacement ENWW

3 Solve problems
To use the information in this chapter, you need to have a basic understanding of the HP LaserJet
printing process. Explanations of each mechanical assembly, the printer systems, and the basic theory
of operation are contained in Theory of operation on page 1. Do not perform any of these troubleshooting
processes unless you understand the function of each product component.
●Solve problems checklist
●Menu map
●Troubleshooting process
●Tools for troubleshooting
●Clear paper jams
●Solve paper-handling problems
●Use manual print modes
●Solve image-quality problems
●Clean the product
●Solve performance problems
●Solve connectivity problems
●Service mode functions
●Product updates
ENWW 233

Solve problems checklist
If the product is not responding correctly, complete the steps in the following checklist, in order. If the
product does not pass a step, follow the corresponding troubleshooting suggestions. If a step resolves
the problem, you can stop without performing the other steps on the checklist.
1. Make sure that the control-panel display shows one of the following messages: Ready,
PAUSED, or SLEEP MODE ON. If no lights are illuminated or the display does not say Ready,
PAUSED, or SLEEP MODE ON, see Power subsystem on page 240.
2. Check the cables.
a. Check the cable connection between the product and the computer or network port. Make
sure that the connection is secure.
b. Make sure that the cable itself is not faulty by using a different cable, if possible.
c. Check the network connection. See Solve connectivity problems on page 418.
3. Ensure that the print media that you are using meets specifications.
4. Print a configuration page. If the product is connected to a network, an HP Jetdirect page also
prints.
a. If the pages do not print, check that at least one tray contains print media.
b. If the page jams in the product, see Clear paper jams on page 383.
5. If the configuration page prints, check the following items.
a. If the page prints correctly, the product hardware is working. The problem is with the computer
you are using, with the printer driver, or with the program.
b. If the page does not print correctly, the problem is with the product hardware.
6. Does the image quality meet the user's requirements? If yes, see step 7. If no, check the following
items:
●Print the print-quality (PQ) troubleshooting pages. See Print-quality-troubleshooting pages
on page 302 in this chapter.
●Solve the print-quality problems, and then see step 7.
7. At the computer, check to see if the print queue is stopped, paused, or set to print offline.
Windows: Click Start, click Settings, and then click Printers or Printers and Faxes. Double-click
HP Color LaserJet CP4525.
-or-
Mac OS X: Open Printer Setup Utility, and then double-click the line for the HP Color LaserJet
CP4525.
234 Chapter 3 Solve problems ENWW
8. Verify that you have installed the HP Color LaserJet Enterprise CP4020-CP4520 Series printer
driver. Check the program to make sure that you are using the HP Color LaserJet Enterprise
CP4020-CP4520 Series printer driver.
9. Print a short document from a different program that has worked in the past. If this solution works,
the problem is with the program that you are using. If this solution does not work (the document
does not print) complete these steps:
a. Try printing the job from another computer that has the product software installed.
b. If you connected the product to the network, connect the product directly to a computer with
a USB cable. Redirect the product to the correct port, or reinstall the software, and select the
new connection type that you are using.
ENWW Solve problems checklist 235

Menu map
Print a menu map
1. Press the OK button to open the menus.
2. Use the arrow buttons to navigate to the INFORMATION submenu, and then press the OK button.
3. Use the arrow buttons to navigate to the PRINT MENU MAP submenu, and then press the OK
button to print the menu structure.
4. Press the back arrow to exit the menus.
236 Chapter 3 Solve problems ENWW

Troubleshooting process
Determine the problem source
When the product malfunctions or encounters an unexpected situation, the product control panel alerts
you to the situation. This section contains a pre-troubleshooting checklist to filter out many possible
causes of the problem. A troubleshooting flowchart helps you diagnose the root cause of the problem.
The remainder of this chapter provides steps for correcting problems.
●Use the pre-troubleshooting checklist to evaluate the source of the problem and to reduce the
number of steps that are required to fix the problem.
●Use the troubleshooting flowchart to pinpoint the root cause of hardware malfunctions. The
flowchart guides you to the section of this chapter that contains steps for correcting the malfunction.
Before beginning any troubleshooting procedure, check the following issues:
●Are supply items within their rated life?
●Does the configuration page reveal any configuration errors?
NOTE: The customer is responsible for checking supplies and for using supplies that are in good
condition.
Pre-troubleshooting checklist
The list below describes basic questions to ask the customer to help quickly define the problem or
problems.
Table 3-1 Pre-troubleshooting checklist
Environment ●Is the product installed on a solid, level surface?
●Is the product exposed to particle matter or dust?
●Is the power-supply voltage within ± 10 volts of the
specified power source?
●Is the power supply plug inserted in the product and
directly to the wall outlet (not a power strip)?
●Is the operating environment within the specified
parameters, as listed in chapter 1 of this manual?
●Is the product exposed to ammonia gas, such as that
produced by diazo copiers or office cleaning materials?
●Is the product exposed to direct sunlight?
Media ●Does the customer use only supported media?
●Is the media in good condition (contains no curls, folds,
and so forth)?
●Is the media stored correctly and within environmental
limits?
ENWW Troubleshooting process 237

Input trays ●Is the amount of media in the tray within specifications?
●Is the media correctly placed in the tray?
●Are the paper guides aligned with the stack?
●Is the paper tray correctly installed in the product?
Print cartridges ●Is each print cartridge installed correctly?
●Are original HP print cartridges installed?
●Are the cartridges damaged?
ITB and fuser ●Are the ITB and fuser correctly installed?
●Is the ITB or fuser damaged?
Covers ●Are the right and front doors closed?
Condensation ●Does condensation occur following a temperature
change (particularly in winter following cold storage)? If
so, wipe the affected area dry or leave the product on for
10 to 20 minutes.
●Was a print cartridge installed soon after being moved
from a cold to a warm room? If so, allow the product to sit
at room temperature for one to two hours.
Miscellaneous ●Check for and remove any non-HP components (print
cartridges, memory modules, and EIO cards) from the
product.
●Remove the product from the network, and make sure
that the failure is with the product before beginning
troubleshooting.
●For any print-quality issues, calibrate the product. See
Calibrate the product on page 313.
Table 3-1 Pre-troubleshooting checklist (continued)
238 Chapter 3 Solve problems ENWW

Troubleshooting flowchart
This flowchart highlights the general processes that you can follow to quickly isolate and solve product
hardware problems.
Each row depicts a major troubleshooting step. A “yes” answer to a question allows you to proceed to
the next major step. A “no” answer indicates that more testing is needed. Go to the appropriate section
in this chapter, and follow the instructions there. After completing the instructions, go to the next major
step in this troubleshooting flowchart.
Table 3-2 Troubleshooting flowchart
1
Power on
Is the product on and does a readable
message display?
Follow the power-on troubleshooting checks. See Power
subsystem on page 240.
After the control panel display is functional, see step 2.
Yes No
2
Control panel
messages
Does the message Ready display on the
control panel?
If an error message displays, see Interpret control-panel messages
on page 345.
After the errors have been corrected, go to step 3.
Yes No
3
Event log
Open the DIAGNOSTICS menu and print an
event log to see the history of errors with this
product.
Does the event log print?
If the event log does not print, see Print an event log
on page 376.
If paper jams inside the product, see Clear paper jams
on page 383.
If error messages display on the control panel when you try to print
an event log, see Interpret control-panel messages on page 345.
After successfully printing and evaluating the event log, see step 4.
Yes No
4
Information pages
Open the INFORMATION menu and print the
configuration pages to verify that all the
accessories are installed.
Are all the accessories installed?
If accessories that are installed are not listed on the configuration
page, remove the accessory and reinstall it.
After evaluating the configuration pages, see step 5.
Yes No
5
Image quality
Does the print quality meet the customer's
requirements?
Compare the images with the sample defects in the image defect
tables. See Image defects table on page 410.
After the print quality is acceptable, see step 6.
Yes No
6
Interface
Can the customer print successfully from the
host computer?
Verify that all I/O cables are connected correctly and that a valid
IP address is listed on the Jetdirect configuration page.
If error messages display on the control panel, see Interpret control-
panel messages on page 345.
When the customer can print from the host computer, this is the end
of the troubleshooting process.
Yes. This is the end of
the troubleshooting
process.
No
ENWW Troubleshooting process 239

Power subsystem
Power-on checks
The basic product functions should start up when the product is plugged into an electrical outlet and the
power switch is pushed to the on position. If the product does not start, use the information in this section
to isolate and solve the problem.
Power-on troubleshooting overview
Turn on the product power. If the control panel display remains blank, random patterns display, or
asterisks remain on the control panel display, perform power-on checks to find the cause of the problem.
During normal operation, the main cooling fan begins to spin briefly after the product power is turned
on. Place your hand over the holes in the left-side cover, near the formatter. If the fan is operating, you
will feel air passing out of the product. You can also lean close to the product and hear the fan operating.
You can also place your hand over the hole in the right-rear lower corner. If the fan is operating, you
should feel air being drawn into the product. When this fan is operational, the DC side of the power
supply is functioning correctly.
After the fan is operating, the main motor turns on (unless the right or front cover is open, a jam condition
is sensed, or the paper-path sensors are damaged). You might be able to visually and audibly determine
if the main motor is turned on.
If the fan and main motor are operating correctly, the next troubleshooting step is to isolate print engine,
formatter, and control panel problems. Perform an engine test (see Engine-test button on page 244).
If the formatter is damaged, it might interfere with the engine test. If the engine-test page does not print,
try removing the formatter and then performing the engine test again. If the engine test is then successful,
the problem is almost certainly with the formatter, the control panel, or the cable that connects them.
If the control panel is blank when you turn on the product, check the following items.
1. Make sure that the product is plugged directly into an active electrical outlet (not a power strip) that
delivers the correct voltage.
2. Make sure that the power switch is in the on position.
3. Make sure that the fan runs briefly, which indicates that the power supply is operational.
4. Make sure that the control panel display wire harness is connected.
5. Make sure that the formatter is seated and operating correctly. Turn off the product and remove
the formatter. Reinstall the formatter, and then verify that the heartbeat LED is flashing.
6. Remove any HP Jetdirect or other EIO cards, and then try to turn the product on again.
NOTE: If the control panel display is blank, but the main cooling fan runs briefly after the product power
is turned on, try printing an engine-test page to determine whether the problem is with the control-panel
display, formatter, or other product components. See Engine-test button on page 244.
Power-on timing (approximate)
●00.00 seconds; power-button LED illuminates
●00.10 seconds; control panel backlight illuminates (dim) and engine noises begin
●00:14 seconds; memory count appears on the control-panel display and fans rotate at high speed
240 Chapter 3 Solve problems ENWW
●00:36 seconds; HP logo appears on the control-panel display
●00:60 seconds; engine noises stop (you can run engine test at this point)
●00:83 seconds; Initializing continues
●00:85 fans rotate at slow speed
●00:90 seconds; product enters the Ready state
ENWW Troubleshooting process 241

Tools for troubleshooting
The section describes the tools that can help you solve problems with your device.
Individual component diagnostics
LED diagnostics
LED, engine, and individual diagnostics can identify and troubleshoot product problems.
Understand lights on the formatter
Three LEDs on the formatter indicate that the product is functioning correctly.
2
1
3
1Formatter connectivity LED (lit when formatter is correctly seated)
2HP Jetdirect LEDs
3Heartbeat LED
HP Jetdirect LEDs
The embedded HP Jetdirect print server has two LEDs. The yellow LED indicates network activity, and
the green LED indicates the link status. A blinking yellow LED indicates network traffic. If the green LED
is off, a link has failed.
For link failures, check all the network cable connections. In addition, you can try to manually configure
the link settings on the embedded print server by using the product control-panel menus.
1. Press the Home button .
2. Press the down arrow to highlight the CONFIGURE DEVICE menu, and then press the OK
button.
3. Press the down arrow to highlight the I/O menu, and then press the OK button.
242 Chapter 3 Solve problems ENWW

4. Press the down arrow to highlight the EMBEDDED JETDIRECT MENU option, and then press
the OK button.
5. Press the down arrow to highlight the LINK SPEED menu, and then press the OK button.
6. Select the appropriate link speed, and then press the OK button.
Heartbeat LED
The heartbeat LED indicates that the formatter is functioning correctly. While the product is initializing
after you turn it on, the LED blinks rapidly, and then turns off. When the product has finished the
initialization sequence, the heartbeat LED pulses on and off.
Engine diagnostics
This section provides an overview of the engine diagnostics that are available in the HP Color LaserJet
Enterprise CP4020-CP4520 Series product. The product contains extensive internal diagnostics that
help in troubleshooting print quality, paper path, noise, component, and timing issues.
Defeating interlocks
Different tests can be used to isolate different types of issues. For component or noise isolation, you
can run the diagnostic test when the front and right doors are open. To operate the product with the
doors open, the door switch levers must be depressed to simulate a closed-door position.
WARNING! Be careful when performing printer diagnostics to avoid risk of injury. Only trained service
personnel should open and run the diagnostics with the covers removed. Never touch any of the power
supplies when the printer is turned on.
1. Open the right and front doors.
2. Insert a folded piece of paper into the right-door switch slot.
Figure 3-1 Diagnostic test (1 of 2)
ENWW Tools for troubleshooting 243

3. Insert a folded piece of paper into each slot at the same time until the product is in a Ready state.
Figure 3-2 Diagnostic test (2 of 2)
Disable cartridge check
Use this diagnostic test to print internal pages or send an external job to the product when one or more
print cartridges are removed or exchanged. Consumable supply errors are ignored while the product is
in this mode. When the product is in this mode, you can navigate the menus and print internal pages or
send an external print job to the product. This test can be used isolate problems, such as noise, and to
isolate print-quality problems that are related to individual print cartridges.
NOTE: Color cartridges are not keyed and can be interchanged. The black print cartridge is keyed
and cannot fit into any other position. An error will display on the control panel if a print cartridge is
installed in the wrong position. The SUPPLIES STATUS menu will explain which print cartridge is
misplaced.
NOTE: Do not remove or exchange print cartridges and image drums until after you start the disable
cartridge check diagnostic.
1. Press the Home button.
2. Press the down arrow to highlight DIAGNOSTICS, and then press the OK button.
3. Press the down arrow to highlight DISABLE CARTRIDGE CHECK, and then press the OK
button.
To exit this diagnostic test, press Stop and then select EXIT DIAGNOSTICS.
Engine-test button
To verify that the product engine is functioning, print an engine test page. Use a small pointed object to
depress the test-page switch located on the rear of the product. The test page should have a series of
244 Chapter 3 Solve problems ENWW

horizontal lines. The test page can use only Tray 2 as the paper source, so make sure that paper is
loaded in Tray 2.
Figure 3-3 Engine-test button
Paper-path test
This diagnostic test generates one or more test pages that you can use to isolate the cause of jams.
To isolate a problem, specify which input tray to use, specify whether to use the duplex path, and specify
the number of copies to print. Multiple copies can be printed to help isolate intermittent problems. The
following options become available after you start the diagnostic feature:
●PRINT TEST PAGE. Run the paper-path test from the default settings: Tray 2, no duplex, and one
copy. To specify other settings, scroll down the menu and select the setting, and then scroll back
up and select PRINT TEST PAGE to start the test.
●SOURCE. Select Tray 1, Tray 2, or the optional tray.
●DUPLEX. Enable or disable two-sided printing.
●COPIES. Set the numbers of copies to be printed; the choices are 1,10, 50, 100, or 500.
1. Press the Home button.
2. Press the down arrow to highlight DIAGNOSTICS, and then press the OK button.
3. Press the down arrow to highlight PAPER PATH TEST, and then press the OK button.
4. Select the paper-path test options for the test you want to run.
ENWW Tools for troubleshooting 245

Manual sensor test (special-mode test)
Use this diagnostic test to manually test the product sensors and switches. Each sensor is represented
by a letter and number on the control panel display.
1. Press the Home button .
2. Press the down arrow to highlight the DIAGNOSTICS menu, and then press the OK button.
3. Press the down arrow to highlight the MANUAL SENSOR TEST option, and then press the
OK button.
To exit this diagnostic, press the Stop button , and then select EXIT DIAGNOSTICS.
Menus cannot be opened during this test, so the OK button serves the same function as the Stop button
.
Table 3-3 Manual sensor diagnostic tests
Sensor or switch name Sensor or switch number
A TOP (top of page) sensor SR20
B loop 1 sensor SR14
C loop 2 sensor SR15
D fuser delivery sensor SR5
E duplex re-pickup sensor SR22
F output bin full sensor SR6
GNot used
HNot used
I developer alienation SR11
J fuser pressure-release sensor SR7
K primary transfer-roller-disengagement sensor SR9
L media sensor SR21
M front door open SW5
N right door open SW6
When performing these tests, watch for the corresponding bit to toggle from 1 to 0 or 0 to 1. It can take
a few seconds for bits to toggle.
Table 3-4 Default state of bits
Label A B C D E F G H I J K L M N
Bit11110000010 00
246 Chapter 3 Solve problems ENWW

A TOP (top of page) sensor
1. Open the right door.
2. Insert a piece of paper to activate the TOP sensor.
Figure 3-4 Test the TOP sensor (1 of 2)
NOTE: Open the registration shutter to verify the paper activates the sensor.
Figure 3-5 Test the TOP sensor (2 of 2)
3. Check the control-panel display for sensor response.
4. If there is no response, replace the registration assembly. See Registration assembly
on page 128.
ENWW Tools for troubleshooting 247

B and C loop sensors
1. Open the right door.
2. Lower the secondary transfer assembly.
3. Slowly insert a piece of paper at the entrance of the fuser to activate the B and C loop sensors
underneath the fuser.
Figure 3-6 Test the loop sensors
4. Check the control-panel display for a sensor response.
5. If there is no response, replace fuser. See Fuser on page 85.
248 Chapter 3 Solve problems ENWW

D fuser delivery sensor
1. Open the right-door assembly.
2. Lower the secondary transfer assembly.
3. Remove the fuser, and then verify that the sensor flag on the fuser moves freely. If the sensor flag
does not move freely, replace the fuser. See Fuser on page 85.
Figure 3-7 Test the fuser delivery sensor (1 of 2)
4. Insert a piece of paper to activate the fuser delivery sensor.
Figure 3-8 Test the fuser delivery sensor (2 of 2)
5. Check the control-panel display for a sensor response.
6. If there is no response, replace the fuser delivery sensor.
ENWW Tools for troubleshooting 249

E duplex re-pickup sensor
1. Open the right door.
2. Lift the secondary-transfer assembly.
3. Press the flag to activate the sensor.
Figure 3-9 Test the duplex re-pickup sensor
4. Check the control-panel display for sensor response.
5. If there is no response, replace the registration assembly. See Registration assembly
on page 128.
250 Chapter 3 Solve problems ENWW

F output bin full sensor
NOTE: The front-top, rear-top, and right-front covers have been removed for clarity.
1. Lift the flapper on the delivery assembly to move the output-bin full sensor flag.
Figure 3-10 Test the output-bin-full sensor
2. Check the control-panel display for sensor response.
3. If there is no response, remove the right-front cover (see Right-front cover on page 103) and verify
that the flag is moving. If not, replace the delivery assembly. See Delivery assembly
on page 145. If the sensor is malfunctioning, replace the sensor.
ENWW Tools for troubleshooting 251

I developer alienation
This sensor is located inside the main-drive assembly and cannot be accessed for direct manual testing.
To test this sensor, do the following.
1. Access the manual-sensor test menu and select sensor test I.
2. Locate connector J112 on the DC controller PCA.
CAUTION: ESD sensitive component.
3. Disconnect connector J112. The value shown on the control-panel display changes from “0” to “1”
if the sensor is properly functioning.
252 Chapter 3 Solve problems ENWW

J fuser pressure-release sensor
1. Open the right-door assembly.
2. Lower the secondary transfer assembly.
3. Remove the fuser.
4. Insert a piece of paper to activate the fuser pressure-release sensor.
Figure 3-11 Test the fuser pressure-release sensor
5. Check the control-panel display for sensor response.
6. If there is no response, replace fuser pressure-release sensor.
ENWW Tools for troubleshooting 253

K primary transfer-roller-disengagement sensor
NOTE: The front-top, rear-top, and right-front covers have been removed for clarity.
1. Open the right-door assembly.
2. Lower the secondary transfer assembly, and then remove the fuser and ITB.
3. Rotate the gear (callout 1) to move the flag (callout 2). If the flag does not move, replace the ITB.
Figure 3-12 Test the primary transfer-roller-disengagement sensor (1 of 4)
1
Figure 3-13 Test the primary transfer-roller-disengagement sensor (2 of 4)
2
254 Chapter 3 Solve problems ENWW

4. From inside the ITB cavity, press up on the primary-transfer-roller-disengagement flag to activate
the sensor.
Figure 3-14 Test the primary transfer-roller-disengagement sensor (3 of 4)
5. Check the control-panel display for sensor response.
6. If there is no response, remove the rear-top cover (see Rear-top cover on page 102) and verify
that the flag is moving.
Figure 3-15 Test the primary transfer-roller-disengagement sensor (4 of 4)
7. If the flag moves correctly, replace the sensor.
ENWW Tools for troubleshooting 255

L media sensor
1. You cannot test this sensor with a manual sensor test. Test using the paper-path sensors test. See
Paper-path sensors test on page 273.
Figure 3-16 Media sensor
2. Access the paper-path sensors test.
3. Print a configuration page.
4. The media sensor (on the registration assembly) detects the type of media as it passes the sensor.
The control-panel display changes based on the media type.
NOTE: The following are examples only. The value that will display depends on the type of media
being used to print the page.
●3; displays if the media type is OHT
●4; displays if the media type is Soft gloss
●1; displays if the media type is HP multipurpose paper
●D; displays if the media type is Premium Choice 32lb
256 Chapter 3 Solve problems ENWW

M front-door switch
1. Open the front-door assembly to disengage the front-door switch.
Figure 3-17 Test the front-door switch
2. Close the front-door assembly, and then check the control panel on the product for sensor
response.
TIP: You can leave the front door open and use a slender blade screw driver or pencil to activate
the switch.
3. If there is no response, replace the front-door switch.
ENWW Tools for troubleshooting 257

N right-door switch
1. Open the right-door assembly to disengage the right-door switch.
Figure 3-18 Test the right door switch
2. Close the right-door assembly, or use your finger to depress the switch flag, and check the control
panel on the product for sensor response.
3. If there is no response, replace the right-door switch.
258 Chapter 3 Solve problems ENWW

Manual sensor test 2 (special-mode test)
Use this test to test paper-path sensors and the paper-size switches manually. The following illustrations
and table show the locations of these sensors.
1. Press the Home button .
2. Press the down arrow to highlight the DIAGNOSTICS menu, and then press the OK button.
3. Press the down arrow to highlight the MANUAL SENSOR TEST 2 option, and then press the
OK button.
Table 3-5 Manual sensor test 2 diagnostic tests
Sensor or switch name Sensor or switch number
O Tray 1 paper present sensor SR8
P Tray 2 paper present sensor SR25
Q Tray 2 paper surface 1 and 2 sensors SR23 and SR24
R Tray 2 paper size switches SW4
S Tray 3 paper present sensor SR3 (paper feeder)
T Tray 3 feed sensor SR4 (paper feeder)
U Tray 3 paper surface 1 and 2 sensors SR1 and SR2 (paper feeder)
V Tray 3 paper size switches SW2 (paper feeder)
W Tray 4 paper present sensor SR6 (paper feeder)
X Tray 4 feed sensor SR7 (paper feeder)
Y Tray 4 paper surface 1 and 2 sensors SR5 and SR8 (paper feeder)
Z Tray 4 paper size switches SW3 (paper feeder)
a Tray 5 paper present sensor SR11 (paper feeder)
b Tray 5 feed sensor SR10 (paper feeder)
c Tray 5 paper surface 1 and 2 sensor SR9 and SR12 (paper feeder)
d Tray 5 paper size switches SW4 (paper feeder)
The following items cannot be tested using the manual sensor test.
5 V laser and 24 V interlock switches SW1 and SW2
Power switch SW3
New ITB sensor SR10
Tray 3, 4, and 5 right door switch SW1 (paper feeder)
To perform these tests, do the following:
●Remove the appropriate tray.
●Watch for the corresponding bit to toggle from 1 to 0 or 0 to 1. It can take a few seconds for bits to
toggle.
ENWW Tools for troubleshooting 259

Table 3-6 Default state of bits
Label O P Q R S T U V W X Y Z a b c d
Bit 1111101110111011
●Test each switch individually.
260 Chapter 3 Solve problems ENWW

O Tray 1 paper present sensor
1. Open Tray 1.
2. Toggle the Tray 1 paper-present sensor flag.
Figure 3-19 Test the Tray 1 media-present sensor
3. Check the control-panel display for sensor response.
4. If there is no response, replace Tray 1.
ENWW Tools for troubleshooting 261

P Tray 2 paper present sensor
1. Remove Tray 2.
2. Toggle the tray 2 paper-present sensor flag.
Figure 3-20 Test the tray 2 paper-present sensor
3. Check the control-panel display for sensor response.
4. If there is no response, replace the cassette-pickup assembly. See Tray-pickup assembly
on page 180.
262 Chapter 3 Solve problems ENWW

Q Tray 2 paper surface 1 and 2 sensors
1. Remove the tray.
2. In the tray cavity, press the tray-closed tab to release the flag, and then toggle the flag.
Figure 3-21 Tray 2 paper surface 1 and 2
3. Check the control-panel display for sensor response.
4. If there is no response, replace the cassette-pickup assembly. See Tray-pickup assembly
on page 180.
ENWW Tools for troubleshooting 263

R Tray 2 paper size switches
NOTE: These switches also detect cassette presence. If these switches fail, the message TRAY <X>
OPEN could appear on the control-panel display.
1. Remove the tray. From inside the tray cavity, push any of the three buttons.
Figure 3-22 Test the Tray 2 paper size switches
2. Check the control-panel display for sensor response.
3. If there is no response, replace the lifter assembly. See Lifter base assembly on page 175.
264 Chapter 3 Solve problems ENWW

S Tray 3 paper present sensor
See P Tray 2 paper present sensor on page 262.
T Tray 3 feed sensor
1. Remove the tray.
2. Insert a piece of paper between the rollers to activate the feed sensor.
TIP: Use stiff paper when performing this test (for example a business card or index card).
Figure 3-23 Test the Tray 3 feed sensor
3. Check the control-panel display for sensor response.
4. If no response, replace the cassette-pickup assembly. See Tray-pickup assembly on page 180.
U Tray 3 paper surface 1 and 2 sensors
See Q Tray 2 paper surface 1 and 2 sensors on page 263.
V Tray 3 paper size switches
See R Tray 2 paper size switches on page 264.
W Tray 4 paper present sensor
See P Tray 2 paper present sensor on page 262.
X Tray 4 feed sensor
See T Tray 3 feed sensor on page 265.
Y Tray 4 paper surface 1 and 2 sensors
See Q Tray 2 paper surface 1 and 2 sensors on page 263.
ENWW Tools for troubleshooting 265

Z Tray 4 paper size switches
See R Tray 2 paper size switches on page 264.
a Tray 5 paper present sensor
See P Tray 2 paper present sensor on page 262.
b Tray 5 feed sensor
See T Tray 3 feed sensor on page 265.
c Tray 5 paper surface 1 and 2 sensors
See Q Tray 2 paper surface 1 and 2 sensors on page 263.
d Tray 5 paper size switches
See R Tray 2 paper size switches on page 264.
266 Chapter 3 Solve problems ENWW

5V laser and 24V interlock and logic switches (and power switch)
Location and testing
1. Press the power switch to turn the product off then on to test the switch function.
2. Remove the right-front cover. See Right-front cover on page 103.
3. Locate the link arms (callout 1) on the front and right doors (and access ports in the covers; callout
2) that actuate the front- and right-door interlock switch (behind the right-front cover).
2
1
2
1
ENWW Tools for troubleshooting 267

4. Open and close the doors to make sure that the interlock switches are correctly functioning. The
following figures show the interlock switch position with the front and right doors open and closed.
Defeating
●Front-door safety switch
◦Fold a stiff piece of paper, for example a business card or index card, into a 10 mm (.375 in)
strip, and then wedge the strip into the opening at the front of the product.
268 Chapter 3 Solve problems ENWW

●Front-door logic switch
◦Fold a stiff piece of paper, for example a business card or index card, into a 10 mm (.375 in)
strip with a bend at the end, and insert the strip into the opening at the front of the product.
●Right-door safety switch
◦Fold a stiff piece of paper, for example a business card or index card, into a 10 mm (.375 in)
strip, and then insert the strip into the opening at the right of the product.
ENWW Tools for troubleshooting 269

●Right-door logic switch
◦Use masking tape to keep the switch flag depressed.
TIP: You might have to use two pieces of tape to overcome the tension return spring on the
flag.
270 Chapter 3 Solve problems ENWW

New ITB sensor
NOTE: This sensor cannot be tested, but you can inspect the sensor, actuator, and the flag on the
ITB for damage.
1. Remove the existing ITB.
2. Inspect the new ITB sensor. Press the actuator on the sensor toward the cyan print cartridge to
verify that the actuator moves.
Figure 3-24 Test the new ITB sensor
3. On the new ITB, locate and inspect the new ITB flag (callout 1).
TIP: The new ITB flag is only present prior to installation. To see the flag on a previously installed
ITB, insert the end of a paperclip in the hole just below the handle (callout 2) and then rotate the
ITB alienation gear (callout 3).
Figure 3-25 Test the new ITB sensor
2
1
3
ENWW Tools for troubleshooting 271

Tray 3, 4, and 5 right door switch
NOTE: There is no manual sensor test for this sensor.
1. Open the paper feeder right door. Check the control-panel display for the CLOSE LOWER RIGHT
DOOR message. If the message does not display, open the door and inspect the flag for damage
(callout 1).
2. Insert a piece of paper to activate the sensor. If there is no response, replace the switch.
NOTE: Make sure that the door flag (callout 1) is not damaged or missing.
Figure 3-26 Test the right door switch
1
272 Chapter 3 Solve problems ENWW

Paper-path sensors test
This test displays the status of each paper-path sensor and allows viewing of sensor status while printing
internal pages.
1. Press the Home button.
2. Press the down arrow to highlight the DIAGNOSTICS, menu and then press the OK button.
3. Press the down arrow to highlight the PAPER PATH SENSORS option, and then press the
OK button.
4. Select the paper-path test options for the test you want to run.
NOTE: Print an internal page to view sensor activity.
Table 3-7 Paper-path sensors diagnostic tests
Sensor name Sensor number
A TOP (top of page) sensor SR20
B loop 1 sensor SR14
C loop 2 sensor SR15
D fuser delivery sensor SR5
E duplex re-pick up sensor SR22
F output bin full sensor SR6
GNot used
HNot used
I developer alienation SR11
J fuser pressure-release sensor SR7
K primary transfer-roller-disengagement sensor SR9
L media sensor
NOTE: The value for this test varies depending on the type
of media used for the test. For example, a “1” displays for HP
Multi-purpose paper; a “D” displays for HP Premium Choice
32lb paper.
SR21
Print/stop test
Use this diagnostic test to isolate the cause of problems such as image-formation defects and jams
within the engine. During this test you can stop the paper anywhere along the product paper path. The
test can be programmed to stop printing internal pages or an external print job when the paper reaches
a certain position. The test can also be programmed to stop from 0 to 60,000 ms. If the timer is set to a
value that is greater than the job-print time, you can recover the product in one of two ways.
●After the print job is completed press Stop to return to the DIAGNOSTICS menu before the timer
times out.
●After the timer times out, press Stop. Activate the door switch to restart the engine and return it to
a normal state.
ENWW Tools for troubleshooting 273

When the timer trips, the control panel display shows the message PRINTING STOPPED To continue
press OK. Pressing Home will print the previously selected job. If you do not want the previous job
to print, press Stop first, and then press Menu.
NOTE: Do not try to perform a print/stop test while the product is calibrating, because you be required
to power-cycle the product. If a jam message displays on the control panel during testing, activate the
door switch.
Component tests
Component test (special-mode test)
This test activates individual parts independently to isolate problems.
Each component test can be performed once or repeatedly. If you select CONTINUOUS from the drop-
down menu as the repeat option, the test cycles the component on and off. This process continues for
two minutes, and then the test terminates.
NOTE: The front or side door interlocks must be defeated to run the component tests. Some tests
may require that the ITB and print cartridges be removed. The control panel display prompts you to
remove some or all cartridges during certain tests.
1. Press the Home button.
2. Press the down arrow to highlight DIAGNOSTICS, and then press the OK button.
3. Press the down arrow to highlight COMPONENT TEST, and then press the OK button.
4. Select the component test options for the test you want to run.
Table 3-8 Component test details
Component test Motor or solenoid number Comments
TRANSFER MOTORS M1
M3
M4
M5
M6
Activates four drum motors and
the ITB motor (M1).
BELT ONLY M1 Activates the ITB motor.
CARTRIDGE MOTORS ●M3: yellow
●M4: magenta
●M5: cyan
●M6: black
Activates each drum motor
sequentially (K, C, M, Y).
BLACK LASER SCANNER M8 Activates the black/cyan
scanner motor for 10 seconds.
CYAN LASER SCANNER M8 Activates the black/cyan
scanner motor for 10 seconds.
MAGENTA LASER SCANNER M9 Activates the yellow/magenta
scanner motor for 10 seconds.
274 Chapter 3 Solve problems ENWW

Component test Motor or solenoid number Comments
YELLOW LASER SCANNER M9 Activates the yellow/magenta
scanner motor for 10 seconds.
FUSER MOTOR M2 Activate the fuser motor at a
specified speed for 10
seconds.
FUSER PRESSURE RELEASE MOTOR M2 reverse Reverses the fuser motor and
pressurizes or depressurizes
the fuser.
ALIENATION MOTOR M10 Activates CMYK developer
alienation in the following
sequence: All colors engaged,
all colors alienated, K-only
engaged, and K alienated.
ITB CONTACT ALIENATION MOTOR M2
SL1
Activates the fuser motor and
primary transfer solenoid to
cycle through the ITB
alienation stages.
TCU MOTOR M12 Activates the motor at a
specified speed for 10
seconds.
TRAY 1 PICKUP SOLENOID SL3 Activates the solenoid for 10
seconds.
TRAY 2 PICKUP MOTOR M13 Activates the pickup motor in
reverse for 10 seconds.
TRAY 2 PICKUP SOLENOID SL4 Activates the solenoid for 10
seconds.
TRAY 3 PICKUP MOTOR M2 Activates the motor in the
paper-feeder assembly and
drives the separation roller for
each tray in reverse.
TRAY 3 PICKUP SOLENOID SL1 Activates the solenoid for 10
seconds.
TRAY 4 PICKUP MOTOR M2 Activates the motor in the
paper-feeder assembly and
drives the separation roller for
each tray in reverse.
TRAY 4 PICKUP SOLENOID SL2 Activates the solenoid for 10
seconds.
TRAY 5 PICKUP MOTOR M2 Activates the motor in the
paper-feeder assembly and
drives the separation roller for
each tray in reverse.
TRAY 5 PICKUP SOLENOID SL3 Activates the solenoid for 10
seconds.
DUPLEX PICKUP MOTOR M11: Duplex reverse motor Activates the motor at a
specified speed for 10
seconds.
Table 3-8 Component test details (continued)
ENWW Tools for troubleshooting 275

Component test Motor or solenoid number Comments
DUPLEX REFEED CLUTCH SOLENOID SL2: duplex reverse solenoid Activates the duplex flapper
solenoid for 10 seconds
causing the switch-back
diverter to move.
REPEAT Allows you to specify the
number of times the product
sequences. The choices are
ONCE (default) and
CONTINUOUS. To terminate
the test, press STOP
Table 3-8 Component test details (continued)
276 Chapter 3 Solve problems ENWW

Diagrams
Block diagrams
Figure 3-27 Product cross section
11
12
13
14
15
16
17
18
19
22
12345
6
7
8
9
10
2021
Item Description Item Description
1ITB 12 Media sensor
2Primary transfer roller 13 Registration shutter
3Duplex flapper (duplex model) 14 MP tray pickup roller
4Duplex reverse roller (duplex model) 15 MP tray separation pad
5Pressure roller 16 Registration roller
6Fuser 17 Cassette separation roller
7Fuser sleeve 18 Cassette feed roller
8Duplex feed roller (duplex model) 19 Cassette pickup roller
9Secondary transfer roller 20 Photosensitive drum
10 ITB drive roller 21 Cassette
11 RD sensor 22 Laser/scanner assembly
ENWW Tools for troubleshooting 277

Figure 3-28 Optional paper feeder (1 x 500-sheet)
1
2
3
4
5
Item Description
1Pickup roller
2Feed roller
3Separation roller
4Storage space
5Cassette
278 Chapter 3 Solve problems ENWW

Figure 3-29 Optional paper feeder (3 x 500-sheet)
1
2
3
4
Item Description
1Pickup roller
2Feed roller
3Separation roller
4Cassette
ENWW Tools for troubleshooting 279

Plug/jack locations
12
3
4
1Hi-speed USB 2.0 printing port
2Local area network (LAN) ethernet (RJ-45) network port
3EIO interface expansion slot
4Slot for a cable-type security lock
Figure 3-30 Formatter PCA
2
1
3
4
Table 3-9 Formatter PCA
Item Description
1DIMM slot
2Internal hard drive
3USB ports
4EIO slot
280 Chapter 3 Solve problems ENWW

Location of connectors
DC controller connector locations
NOTE: The DC controller has 36 connectors: Five are for FFCs, 27 are for wire harnesses, and four
are not used.
Figure 3-31 DC controller connector locations
J130
J160
J123
J127
J162
J145
J131
J147
J115
J103
J114
J152
J110
J111
J112
J150
J126
J161
J105
J101
J120
J116
J113
J106
J129
J140 J128
J155
J121
J102
J107
J108
J151
J154
J148
J153
Table 3-10 DC controller connectors
J101: not used J115: SL4, SL23, SL24, SL25, and
HVPS lower J145: TOP (top of page) sensor (SR20)
TOP (top of page) sensor (SR20), duplex
re-pickup sensor (SR22), and duplex re-
pickup clutch (CL1) (HP Color LaserJet
CP4525dn, HP Color LaserJet
CP4025dn, and HP Color LaserJet
CP4525xh only)
J102: not used J116: HVPS upper (FFC) J147: right-door switch (SW6)
J103: laser scanner temperature sensor
(TH4) J120: yellow drum motor (M3) and
magenta drum motor (M4) J148: MP-tray-media-presence sensor
(SR8) and MP-tray pickup solenoid (SL3)
J105: interconnect board (ICB) J121: cyan drum motor (M5) and black
drum position (M6) J150: LVPS
ENWW Tools for troubleshooting 281

J106: not used J123: fuser motor (M2) J151: LVPS
J107: Tray 3, 4, and 5 lifter motors (M7),
and cassette paper size switch (SW4)
J126: memory tag connector J152: 5V interlock switch (SW1)
J108: environmental sensor J127: pre-exposure LEDs (rear), fuser
delivery sensor (SR5), New ITB sensor
(SR10)
J153: power supply fan (FM1)
J110: YM laser (FFC) J128: Delivery tray media full sensor
(SR6), Fuser pressure release sensor
(SR7), and pre-exposure LEDs (front)
J154: not used
J111: CK laser (FFC) J129: front-door switch (SW5) J155: Residual toner-feed motor (M12)
and delivery fan (FM3)
J112: cyan/black scanner motor (M8),
yellow/magenta scanner motor (M9),
and developing disengagement sensor
(SR11)
J130: registration density (RD) sensors
(front and rear) J160: fuser
J113: 24 v to high-voltage power supply
(HVPS) upper (FFC)
J131: media sensors J161: LVPS
J114: HVPS lower (FFC) J140: ITB motor (M1), yellow drum
home-position sensor (SR1), magenta
drum home-position sensor (SR2), cyan
drum home-position sensor (SR3), black
drum home-position sensor (SR4), and
primary transfer roller disengagement
solenoid (SL1)
J162: fuser
Table 3-10 DC controller connectors (continued)
282 Chapter 3 Solve problems ENWW

Controller PCA (1 x 500-sheet and 3 x 500-sheet optional paper feeders)
Figure 3-32 Controller PCA connectors
J404
J409
J407
J403
J402
J401
J410
J408
J406
J405
Table 3-11 Controller PCA connectors
J401: not used
J402: lifter motor 3 signal
J403: cassette media presence 3
J404: right door open sensor
J405: lifter motor 2 signal
J406: cassette media presence 2
J407: lifter motor 1 signal
J408: cassette media presence 1
J409: pickup motor
J410: communication (command)
ENWW Tools for troubleshooting 283

Locations of major components
Figure 3-33 External component locations
1
2
3
4
5
6
7
8
9
10
11
12
Item Description Item Description
1Rear-top cover 7Power-supply cover
2Right-door assembly 8Rear cover
3Right-rear cover 9Tray 2
4Right-front cover 10 Front-door assembly
5Upper-left cover 11 Control-panel assembly
6Left cover 12 Front-top cover
284 Chapter 3 Solve problems ENWW

Figure 3-34 Major component locations (1 of 3)
1
5
6
2
3
4
Item Description
1Main drive assembly
2Fuser
3Registration assembly
4Toner collection unit
5Laser/scanner assembly (C/Bk)
6Laser/scanner assembly (Y/M)
ENWW Tools for troubleshooting 285

Figure 3-35 Major component locations (2 of 3)
1
2
3
4
5
6
7
8
9
Item Description Item Description
1Duplex-drive assembly 6Delivery fan
2MP tray assembly 7Cartridge fan
3Delivery assembly 8Residual toner full sensor
4RD sensor assembly 9Residual-toner-feed motor
5Tray-pickup assembly
286 Chapter 3 Solve problems ENWW

Figure 3-36 Major component locations (3 of 3)
1
2
3
4
5
6
Item Description
1Fuser-drive assembly
2Tray-pickup drive assembly
3Secondary transfer assembly
4ITB
5Lifter-drive assembly
6Lifter base assembly
ENWW Tools for troubleshooting 287

Figure 3-37 Motors, fans, and rollers component locations
1
2
3
4
5
6
7
8
9
10
11
12
16
13
14
15
Ite
mDescription Item Description
1Fuser motor 9Tray 2 feed roller
2Pickup motor 10 Tray 2 separation roller
3Tray 1 separation pad 11 Tray 2 pickup roller
4Yellow drum motor 12 Secondary transfer roller
5Magenta drum motor 13 Black drum motor
6Cyan drum motor 14 Developing-disengagement motor
7ITB motor 15 Tray 1 pickup roller
8Power supply fan 16 Exhaust fan
288 Chapter 3 Solve problems ENWW

Figure 3-38 PCA component locations
1
2
3
4
5
6
Item Description Item Description
1Interconnect board (ICB) 4High-voltage power supply upper (HVPS-T)
2DC controller PCA 5High-voltage power supply lower (HVPS-D)
3Low-voltage power supply 6Environment sensor PCA
ENWW Tools for troubleshooting 289

Figure 3-39 Optional paper feeder (1 x 500-sheet) component locations (1 of 2)
1
2
3
5
6
8
4
7
Item Description Item Description
1Rear-right cover 5Rear cover
2Right door 6Right front cover
3Right cover 7Front door
4Left cover 8Tray 3
290 Chapter 3 Solve problems ENWW

Figure 3-40 Optional paper feeder (1 x 500-sheet) component locations (2 of 2)
1
2
3
5
4
Item Description Item Description
1Lifter-drive assembly 4Controller PCA
2Pickup motor 5Lifter base assembly
3Pickup assembly
ENWW Tools for troubleshooting 291

Figure 3-41 Optional paper feeder (3 x 500-sheet) component locations (1 of 2)
1
2
3
5
6
4
7
Item Description Item Description
1Rear right cover 5Rear cover
2Right door 6Right front cover
3Right cover 7Trays 3, 4, and 5
4Left cover
292 Chapter 3 Solve problems ENWW

Figure 3-42 Optional paper feeder (3 x 500-sheet) component locations (2 of 2)
1
2
3
5
4
Item Description Item Description
1Lifter-drive assembly (Trays 3, 4, and 5) 4Controller PCA
2Pickup motor 5Lifter base assembly (Trays 3, 4, and 5)
3Pickup assembly (Trays 3, 4, and 5)
ENWW Tools for troubleshooting 293

General timing chart
Figure 3-43 General timing chart
STBY STBY
Operation PRINTINTR LSTR
1Cassette pickup solenoid
2TOP sensor
3Fixing delivery sensor
Print command
9 C drum motor
10 K drum motor
Y drum motor7
5Scanner motor
8 M drum motor
6TOP signal
4Fixing motor
11 ITB motor
13 Primary charging bias Y
16 Primary charging bias K
14 Primary charging bias M
Primary charging bias C
12 Pickup motor
17 Developing bias Y
15
Developing bias M
19 Developing bias C
Primary transfer bias C
24 Primary transfer bias K
21
22 Primary transfer bias M
20 Developing bias K
18
25 Secondary transfer bias
23
Primary transfer bias Y
294 Chapter 3 Solve problems ENWW

Circuit diagrams
Figure 3-44 General circuit diagram (1 of 2)
64
5
TAG (Bk) TAG (C) TAG (M) TAG (Y)
SL
SL
23
M
M
MM
29
29
21
21
M
23 23
23
M
A4 B5
+5VB
+5VB
SGND
+3.3V
DUP_SL
+5V
+5V
+5V
+5V
RD-SNS
1TR1S
1TR2S
HVTCLK
2TRS
2TRCNT
DUPSL
DEVHP
SGND
3.3VS
PGND
24VA
PGND
24VA
/VDO12O
LD1CTRL2
LD1CTRL1
LD1CTRL0
LD2CTRL2
LD2CTRL1
LD2CTRL0
LD3CTRL2
LD3CTRL1
LD3CTRL0
LD4CTRL2
LD4CTRL1
LD4CTRL0
LD4PDOUT
LD3PDOUT
24VB
VSS4
VIN
PGND
PGND
3.3V
I2CSDA
SGND
FAN1PWM
FAN1LK
PGND
24VB
24VB
PGND
SGND
SGND
SGND
/VDO22
VDO22
VDO21
SGND
SGND
/VDO42
VDO42
SGND
24VA
24VA
PGND
PGND
DUPMPHA
DUPMI0A
DUPMI1A
DUPMPHB
DUPMI0B
DUPMI1B
ENV-SNS
VIN
VSS3
VSS1
VSS2
VIN
CSTSL
24VB
GND
+24V
GND
RT4_S
GND
RT3_S
GND
RT2_S
GND
RT1_S
CSTSIZE1
LD1PDOUT
LD2PDOUT
L_LOW_PWR
DEVMI0A
FAN2LK
DEVMI0B
FEEDMI0B
FEEDMPHB
FEEDMI1B
FEEDMIDWN
FEEDMI1A
FEEDMI0A
FEEDMPHA
WTSSNS
TONLED
/HVRESET
HVDALD
HVDACLK
HVTCLK
HVTDATA1
DSRSR
DSRDR
3.3VS
SGND
3.3VS
SGND
3.3VS
SGND
OPT_EX Z
+24VA
GND
CAN_H
CAN_L
GND
JLPWRON
GND
+24VA
+24VA
+24VA
+24VA
GND
GND
GND
IPTUCLK
I2CSCK
CSTSIZE0
GND
FAN2LK
SGND
/SCN1ACC
/SCN1DEC
/SCN2ACC
/SCN2DEC
DUPM_A
DUPM_/A
DUPM_B
DUPM_/B
+24V
+5V
+24VB
DEVMOUT0B
FEEDMOUT0A
FEEDMOUT1A
FEEDMOUT1B
FEEDMOUT0B
HVDATA2
PREEXP4
PREEXP3
PREEXP2
PREEXP1
RD-SNS
+3.3V
DEVMPHB
DEVMPHA
24VB
PGND
2TRCLK
1TR3S
1TR4S
DSFSR
DSFDR
RDSFLED
SGND
+5VB
+5VB
RDSRLED
VIN
RDSRGAIN1
SGND
SGND
FAN5LK
RDSFGAIN1
RDSFGAIN0
+5VB
+5VB
5VB
5VC
5VC
VDO31
/VDO31
VDO32
/VDO32
5VC
5VC
FPRESS
PAPFULL
TONER EMP
TCU FULL SNS
RDSRGAIN0
TO IPTU & SS
PGND
+24VA
SGND
3.3V
INPOPIN
INPOPOT
LUON
+24VB
CSTSIZE2
SGND
INPOPTMG
INPOPCLK
/BD21
VDO12O
VDO11O
/VDO11O
/VDO41
VDO41
L_LOW_PWR
/BD41
/VDO21
DUPMIDWN
3.3VS
5VB
CSTPEND
CSTPS2
CSTPS1
PSNS_PCB
FAN2PWM
ITBHPSNS
IPTUSTS
/HVRESET2
HVDALD2
HVDACLK2
RTS1SNS
RTS2SNS
RTS3SNS
RTS4SNS
/2TRNCNT
/DEV2CNT
/DEV3CNT
/DEV4CNT
/DEV1CNT
SGND
RDOORSNS
DEVMOUT1B
DEVMOUT1A
DEVMOUT0A
FAN5LK
WTSSNS
WTSLEDD
IPTUCMD
SCN_TH
GND
14 13 12 11 10 9 8 2345617
J83L
J83DH
7165432891011121314
J83D
15 14 13 12 11 10 9 8 2345617
J130
21
J81D
12
TH4
J81DH
21
J81L
12
J82D
12
J103
J79H
123
J79D
123
J264
54321
J58D
321
J79L
J59H
10 9 8 2345617
J251
321
J46
11 10 9 8 2345617
J60L
J85DH
12345678
J511
1234567
J510
123
FM4
4321
J72D
J72LH
J87LH
SW4
J56DH
7165432891011121314
J107
J55DB
J55D
J55DA
M7
17 16 15 14 13 12 11 10 9 8 2345617
J128
7165432891011
J60D
J60DH
12
J147
321
J42
123
J87L
12345678
J126
J2DH
J1DH
321
J1D
12 11 10 9 8 234576
J68L
123
J2D
J3DH
123
J4D
J4DH
321
J3L
LED5
LED6
LED7
LED8
123
J4L
123
J66L
J57LH
12
J56D
4321
J34
1234
J57L
321
J3D
J65DH
J67DH
4321
J67L
1234
J67D
1234
J108
4321
J36
J110
J501J503
1234
J39
21
J43
J68DH
M13
4321
J37
123456
J202
12
J69D
J69DH
12 11 10 2345617
J68D
J200
J116
14
J250
J114
J58LH
17 16 15 14 13 12 11 10 9 8 2345617
J115
12345
J58L
678214359101112131415161718
J263
4321
J57D
654321
J201
SR9
SR6
321
J47
123
J19
321
J2L
321
J1L
123
FM2
SR7
J71LH
4321
J71L
SR11
123
J87D
197165432 8 9 101112131415161718 20
J85D
20 18 17 16 15 14 13 12 11 10 9 8 234561719
J106
J66DH
321
J66D
21
J56L
321
J65L
123
J65D
1234
J71D
1234
J72L
4321
J41
M9
M8
1234
J40
M11
12
J69L
M10
4321
J38
12
J59L
21
J59D
1
1234
J260
1234
J261
321
FM1
29
1
2
1
123456
J113
17
SR23
SR25
J111
11 10 9 8 2345617
J112
SR24
21
SL4
4
2
3
5
6
7
8
9
10
11
12
13
14
15
16
17
18
19
20
21 21
20
19
18
17
16
15
14
13
12
11
10
9
8
7
6
5
3
2
1
4
4
1
2
3
5
6
7
8
9
10
11
12
13
14
15
16
17
18
19
20
21
22
23
4
1
2
3
5
6
7
8
9
10
11
12
13
14
15
16
17
18
19
20
21
22
23
4
1
2
3
5
6
7
8
9
10
11
12
13
14
15
16
18
19
20
21
22
23
4
1
2
3
5
6
7
8
9
10
11
12
13
14
15
16
17
18
19
20
21
22
23
4
1
2
3
5
6
7
8
9
10
11
12
13
15
16
17
18
19
20
21
22
23
24
25
26
27
28
29
28
27
26
25
24
23
22
21
20
19
18
17
16
15
14
13
12
11
10
9
8
7
6
5
3
4
123
J153
21
SL2
3
2
1
4
5
3
2
4
1
2
SW6
12
J82L
J82DH
DC Controller PCA
Laser Scanner Unit (Y/M)
Laser Scanner Unit (C/Bk)
HVT-T
HVT-D
1
ENWW Tools for troubleshooting 295

Figure 3-45 General circuit diagram (1 of 2)
A
332
B
C
D
MM
TP
M
35
CL
B7 A5
B7A5
SL
M
M
M
M
SL
MEDIA-SNS
HEATER1
NL
+5VB
+5VB
+5VB
+5VB
+24VB
FP0
FPCLK
/FPCS
SGND
PGND
+24VA
LED_ON
PREEXP1
MEDIA-SNS
PREEXP4
PREEXP3
PREEXP2
PGND
PGND
+24VA
+24VA
+24VA
+24VA
PGND
PGND
+24VA
+24VA
PGND
PGND
+24VB
+24VB
PGND
PGND
3.3VS
SGND
3.3VS
SGND
DRMHP3
DRMHP1
MPTSL
SGND
3.3VS
FSRSNS
SGND
FSRTH1
FSRTH2
SGND
3.3VS
3.3VS
PGND
/VD021
VD021
/VD022
VD022
/VDO41
VDO41
/VDO42
VDO42
/VDO31
VDO31
/VDO32
VDO32
CLEO
24VB
FSRSAFE2
FSRSAFE1
24RMT
TOPI
3.3VS
SGND
DRMHP4
N.C.
MD0
MD2
P80
P81
+3.3V
IOTR
SGND
IOTT
/FSRNEW
+12V
PGND
+24VB
PGND
PWRSWON
PWRON
GND
+12V
/BD3O
/BD4O
/BD2O
/BD1O
CAN_H
CAN_L
JLPWRON
SGND
AWAKE
SGND
/TOPO
/VCRST
SGND
VDO12I
VDO11I
ENGON
SGND
CLEI
/VDOEN
/VDO12I
/VDO11I
/FSMACC
/FSMDEC
/FSMFG
FSMFR
+24VB +24VA
+24VA
PGND
3.3VS
24VB
SGND
SW_LED
/BMFG
/BMDEC
/BMACC
24VB
3.3V
NPTRLED
REFEEDS
SGND
3.3VS
MPTPEND
SGND
FSLP2
FSLP1
FSRTH3
SGND
SGND
SGND
SGND
FP 3.3V
FP 5V
FPI
FDOORSNS
SGND
PGND
3.3VS
SGND
ITBLKSNS
CHK24V
/FSRMSTOP
INL_CURRMS
PWROFF
FSR_CURRMS
/RLD
ZEROX
FSRD1
SGND
PWRSWON
3.3VF
3.3VF
SGND
SGND
PFCRMT
PSTYP100
FAN3LK
FAN3PWM
5VB
5VC
5VB
5VB
+24VA
+24VA
PGND
PGND
/DRM3ACC
/DRM3DEC
/DRM3FG
DRMHP2
SGND
1TRSL
+24VB
SGND
NPLED
POUTSNS
100V 200V
/DRM2FG
/DRM2DEC
/DRM2ACC
DRMFR
/DRM1FG
/DRM1DEC
/DRM1ACC
DRMFR
N.C.
DRMFR
/DRM4FG
/DRM4DEC
/DRM4ACC
DRMKFR
LN
TCK
HEATERC
ACLACH
NPLED
3.3VS
RMCL
WTMSNS
NPSL_DATA
NPSL_EN
NPLED
NPSTART
/NPRST
5VA
NPSD_OUT
NPSD_RD
SGND
NPCLK
PGND
CHK24V
SR8
SL3
J52DH
12
J52D
J74DH
10 9 8 2345617
J74D
J77DH
1234
J64D
J64DH
10 9 8 2345617
J77D
14 13 12 11 10 9 8 2345617
J127
M4
J63DH
21
J63D
123
J48
J62DH
SR10
SR5
21
J63L
321
CT-3J62L
123
FM3
321
CT-3J62D
12345
J155
CT-5
65432187910
J74LS
71654328910
J27S
6543217910
J77LS
654321
J92D
21
TH3
12345678
J99
M1
12345
J14
21
J20S
123
J23S
21
J604
3
1
2
IL101
2
1
3
IL201
LED1
7165432891011
J78L
321
J44
123456
J603
21
SW3
19 7 1654328910111213141516171820
J601
TB401
21
SW2
21
J61M
21
J61F
21
FT1
12
J129
M12
12 11 10 9 8 2345617
J145
123456
J148
71654328910
J131
J53DH
123
J94D
SR4
J78DH
11 10 9 8 2345617
J78D
321
J31
321
J93D
J92LH
19 7 16543289101112131415161718
J140
J54DH
12
J54D
87654321
J123
12345678
J13
17 16 15 14 13 12 11 10 9 8 2345617
J121
87654321
J18
16 15 14 13 12 11 10 9 8 2345617
J120
M3
87654321
J15
12345678
J17
12345678
J16
321
J75D
123456
J92L 321
J93L
J93LH J94LH
123
J94L
J75DH
21
J52L
321
J28
SR1
123
J29
12
SL1
SR3
TB1TB2
123
J75L
12
SW1
21
FT2
SR22
321
J21
71654328910
J74L
21
J351
12
J51D
21
J25M
21
J25F
SOLD30
SOLD31
21
SW5
12
J45
4321
J607
1234
J161
J50LA
J50LB
4123
J50L
J50DA
J50DB
216543
J151
20 18 17 16 15 14 13 12 11 10 9 8 234561719
J150
21
J20
SR20
123
J23
CL1
54321
J84
J105
21
H1
12345
J160
1234567
J162
21
J54L
J301
7
1234567
J350
1234
J101
12345
J102
123
J22
12345678
J303
21
J304
231
J152
21
J53D
71654328910
J27
71654328910
J77L
35
34
33
32
31
30
29
28
27
26
25
24
23
22
21
20
19
18
17
16
15
14
13
12
11
10
9
8
7
6
5
4
3
2
35
34
33
4123
J50D
21
J51L
12
J53L
M2
21
J12
12
TP1
J51DH
J11
123456
J352
J10
SR15
SR14
21
TH2
12
TH1
TB201
TB202
TB501
TB502
21
FU1
SR2
1
LED2
LED3
LED4
4
1
2
3
5
6
7
8
9
10
11
12
13
14
15
16
17
18
19
20
21
22
23
24
25
26
27
28
29
30
31
32
4
1
2
3
5
6
7
5
3
2
1
4
6
5
3
2
4
4
1
2
3
5
1
123
J32
M6
M5
TB402
TB403
TB404
TB405
TB406
12
J604A
SR20
321 321
Power Supply Unit
Inter Connect Board Power SW
Control
Panel
Registration Unit
(Duplex model)
Registration Unit (Simplex model)
1
296 Chapter 3 Solve problems ENWW

Figure 3-46 Paper feeder circuit diagram (1 X 500-sheet)
A
65 4 3 2 1
B
C
D
SL
M
M
B5 A4
DCC I/F
GND
T3_PSNS
T3_PLVL_P
T3_PLVL_A
GND
T3_PATHS
+24V
T3_PICK_SL
HRD_TMG
+3.3V
GND
+24V
GND
CLK
STS
CMD
GND
T3_SIZE2
T3_SIZE1
T3_SIZE3
T3_LIFT_MTR
+24V
AOUT1
AOUT2
BOUT2
BOUT1
+3.3U
+3.3U
J11LH
12345
J11L
J18LH
1234
J17D
J17LH
J10LA
J10L
J10LB
12345678
J410
5
J15DH
12
J15D
54321
J11D
123
J13D
1234
J409
1234567
J407
21
J18D
12
J18L
SR4
4321
J17L
J13LH
12345678
J401
10982345617
J408
321
J12
SR1 SR3
4321
J16
21
J15L
SW2
M2
4321
J14
M1
12
SL1
SR2
321
J13L
4
1
2
3
4
1
2
3
1x500 PD Controller PCA
ENWW Tools for troubleshooting 297

Figure 3-47 Paper feeder circuit diagram (3 X 500-sheet)
A
65 4 3 21
B
C
D
SL
M
M
M
SL
A4B5
M
SL
J24DH
DCC I/F
+24V
GND
GND
GND
T3_PSNS
T3_PLVL_P
T3_PLVL_A
GND
T3_PATHS
+24V
T3_PICK_SL
J150DH
T3_SIZE1
T3_SIZE2
GND
T3_SIZE3
+24V
T3_LIFT_MTR
AOUT2
BOUT1
BOUT2
AOUT1
J19
T4_PICK_SL
+24V
T4_PATHS
GND
T4_PLVL_A
T4_PLVL_P
T4_PSNS
GND
T4_SIZE1
T4_SIZE2
GND
T4_SIZE3
T4_LIFT_MTR
+24V
GND
T5_PSNS
T5_PLVL_P
T5_PLVL_A
GND
T5_PATHS
T5_PICK_SL
+24V
+24V
T5_LIFT_MTR
T5_SIZE3
GND
T5_SIZE2
T5_SIZE1
CMD
STS
CLK
HRD_TMG
+3.3V
+3.3U
+3.3U
+3.3U
+3.3U
+3.3U
+3.3U
J25LH
J17LH
+3.3V
DOPEN
J11LH
J31LH
12345
J31L
J21LH
SR8
SR3
J18LH
J13LH
4321
J17L
J20LH
J30LH
J35LH
4321
J35L
21
J34L
12345678
J402
54321
J21L
1110982345617
J406
J22LH
321
J22D
123
J22L
123
J23
SR7
12
J20D
21
J20L
21
SL2
12345
J21D
4321
J14
12
M1
12
J24L
21
J24D
4321
J36
4321
J25D
1234
J25L
12
J30L
J10LB
J10L
12345678
J410
J10LA
10982345617
J408
5
4
21
J404
1234
J17D
12
J18L
1234
J35D
54321
J11D
1
21
J15L
12
J15D
21
J30D
21
J18D
123
J13D
J34DH
12
J34D
54321
J31D
123
J32D
SW1
123456
J405
321
J33
J32LH
321
J32L
12 11 10 9 8 2345617
J403
SR9
12
SL1
1234567
J407
12345678
J401
12345
J11L
321
J12
SR1
4321
J16
SW2
M2
1234
J409
SR4
SR2
321
J13L
M3
SW3
1234
J26
M4
SW4
SR6
SR5
12
SL3
SR12
SR11
SR10
4
1
2
3
2
3
3x500 PD Controller PCA
298 Chapter 3 Solve problems ENWW

HP Easy Printer Care
Open the HP Easy Printer Care software
Use one of the following methods to open the HP Easy Printer Care software:
●On the Start menu, select Programs, select Hewlett-Packard, select HP Easy Printer Care, and
then click Start HP Easy Printer Care.
●In the Windows system tray (in the lower-right corner of the desktop), double-click the HP Easy
Printer Care icon.
●Double-click the desktop icon.
HP Easy Printer Care software sections
HP Easy Printer Care software can provide information about multiple HP products that are on your
network as well as any products that are directly connected to your computer. Some of the items that
are in the following table might not be available for every product.
The Help button (?) in the upper-right corner of each page provides more detailed information about the
options on that page.
Section Options
Device List tab
When you open the software, this is the
first page that appears.
NOTE: To return to this page from any
tab, click My HP Printers in the left side
of the window.
●Devices list: Shows the products that you can select.
NOTE: The product information appears either in list form or as icons,
depending on the setting for the View as option.
●The information on this tab includes current alerts for the product.
●If you click a product in the list, the HP Easy Printer Care opens the
Overview tab for that product.
Compatible Printers Provides a list of all the HP products that support HP Easy Printer Care software.
Find Other Printers window
Add more products to the
My HP Printers list
Click the Find Other Printers link in the Devices list to open the Find Other
Printers window. The Find Other Printers window provides a utility that detects
other network printers so that you can add them to the My HP Printers list and then
monitor those products from your computer.
Overview tab
Contains basic status information for the
product
●Device Status section: This section shows product-identification information
and the product status. It indicates product-alert conditions, such as when a
print cartridge has reached is estimated end of life. After you correct a problem
with the product, click the refresh button in the upper-right corner of the
window to update the status.
●Supplies Status section: Shows detailed supplies status, such as the
estimated life remaining in the print cartridge and the status of the paper that
is loaded in each tray.
●Supplies Details link: Opens the supplies status page to view more detailed
information about product supplies, ordering information, and recycling
information.
ENWW Tools for troubleshooting 299

Section Options
Support tab
Provides links to support information
●Device Status section: This section shows product-identification information
and the product status. It indicates product-alert conditions, such as a print
cartridge that is at its estimated end of life. After you correct a problem with the
product, click the refresh button in the upper-right corner of the window to
update the status.
●Device Management section: Provides links to information about HP Easy
Printer Care, to advanced product settings, and to product usage reports.
●Troubleshooting and Help: Provides links to tools that you can use to resolve
problems, to online product support information, and to online HP experts.
Settings tab
Configure product settings, adjust print-
quality settings, and find information
about specific product features
NOTE: This tab is not available for
some products.
●About: Provides general information about this tab.
●General: Provides information about the product, such as the model number,
serial number, and the settings for date and time, if they are available.
●Information Pages: Provides links to print the information pages that are
available for the product.
●Capabilities: Provides information about product features, such as duplexing,
the available memory, and the available printing personalities. Click Change
to adjust the settings.
●Print Quality: Provides information about print-quality settings. Click
Change to adjust the settings.
●Trays / Paper: Provides information about the trays and how they are
configured. Click Change to adjust the settings.
●Restore Defaults: Provides a way to restore the product settings to the factory
defaults. Click Restore to restore the settings to the defaults.
HP Proactive Support
NOTE: This item is available from the
Overview and Support tabs.
When enabled, HP Proactive Support routinely scans your printing system to identify
potential problems. Click the more info link to configure how frequently the scans
occur. This page also provides information about available updates for product
software, firmware, and HP printer drivers. You can accept or decline each
recommended update.
Supplies Ordering button
Click the Supplies Ordering button on
any tab to open the Supplies Ordering
window, which provides access to online
supplies ordering.
NOTE: This item is available from the
Overview and Support tabs.
●Ordering list: Shows the supplies that you can order for each product. To order
a certain item, click the Order check box for that item in the supplies list. You
can sort the list by product, or by the supplies that need to be ordered the
soonest. The list contains supplies information for every product that is in the
My HP Printers list.
●Shop Online for Supplies button: Opens the HP SureSupply Web site in a
new browser window. If you have checked the Order check box for any items,
the information about those items can be transferred to the Web site, where
you will receive information on options for purchasing your selected supplies.
●Print Shopping List button: Prints the information for the supplies that have
the Order check box selected.
300 Chapter 3 Solve problems ENWW

Section Options
Alert Settings link
NOTE: This item is available from the
Overview and Support tabs.
Click Alert Settings to open the Alert Settings window, in which you can configure
alerts for each product.
●Alerting is on or off: Activates or deactivates the alerts feature.
●Printer Alerts: Select the option to receive alerts for critical errors only, or for
any error.
●Job Alerts: For products that support it, you can receive alerts for specific print
jobs.
Color Access Control
NOTE: This item is available only for
HP color products that support Color
Access Control.
NOTE: This item is available from the
Overview and Support tabs.
Use this feature to permit or restrict color printing.
ENWW Tools for troubleshooting 301

Internal print-quality test pages
Print-quality-troubleshooting pages
Use the built-in print-quality-troubleshooting pages to help diagnose and solve print-quality problems.
1. Press the Home button.
2. Press the down arrow to highlight DIAGNOSTICS, and then press the OK button.
3. Press the down arrow to highlight PQ TROUBLESHOOTING, and then press the OK button to
print the pages.
The product returns to the Ready state after printing the print-quality-troubleshooting pages. Follow the
instructions on the pages that print out.
Figure 3-48 Print-quality troubleshooting procedure
hp color LaserJet CP 4520 Printers
Print Quality Troubleshooting Procedure
1
302 Chapter 3 Solve problems ENWW

Figure 3-49 Yellow print-quality troubleshooting page
Yellow
Green
Figure 3-50 Yellow comparison page
Green
Yellow
Yellow cannot be easily seen unless combined with cyan, so half of each page is yellow and the other
half is an amplified version of yellow problems (green half). Compare the yellow on page one with the
corresponding green on page two for defects. You can also check the cyan page for defects.
ENWW Tools for troubleshooting 303

Figure 3-51 Black print-quality troubleshooting page
1
3
2
1. Grids The grids are in inches and millimeters. They are label with
letters and numbers so that defects can be described by
position and by distance between repeats.
2. Color plane registration (CPR) bars After printing, the box with no extra color in each area on each
page shows how far off the CPR of that color is. Each page
has two process direction areas and three scan direction areas
that are labeled x and y and 1–11. The page should be fed by
the long edge. Each square from the center equals 42 microns.
3. Color ramp patches Used to detect offset for the OPC or developer in the image
drum or offset in the fuser.
NOTE: To get further assistance in print quality troubleshooting, go to www.hp.com/support/
cljcp4025 or www.hp.com/support/cljcp4525 and select PQ Troubleshooting Tools.
304 Chapter 3 Solve problems ENWW

Diagnostics page
Use the diagnostics page to evaluate problems with color plane registration, EP parameters, and print
quality.
1. Press the Home button.
2. Press the down arrow to highlight DIAGNOSTICS, and then press the OK button.
3. Press the down arrow to highlight PRINT DIAGNOSTICS PAGE, and then press the OK button
to print the page.
HP Color LaserJet CP 4520 Printers
Diagnostics Page
Page 1
DD MMM YYYY XX:XX
1 3
24
5 6
87
1Calibration information
2Parameters
3Color density
4Color plane registration
5Primary colors
6Secondary colors
7Temperature values (22M)
8Humidity values (22N)
ENWW Tools for troubleshooting 305

Cleaning page
Create and use the cleaning page
1. Press the Home button .
2. Press the up arrow or down arrow / to highlight the CONFIGURE DEVICE menu, and then press
the OK button.
3. Press the up arrow or down arrow / to highlight the PRINT QUALITY menu, and then press the
OK button.
4. If the product does not have automatic two-sided printing, press the up arrow or down arrow /
to highlight the CREATE CLEANING PAGE option, and then press the OK button. If the product
has automatic two-sided printing, go to step 5.
5. Press the up arrow or down arrow / to highlight the PROCESS CLEANING PAGE option, and
then press the OK button.
6. Discard the printed page. The task is complete.
306 Chapter 3 Solve problems ENWW

Configuration page
Depending on the model, up to three pages print when you select PRINT CONFIGURATION. In addition
to the main configuration page, an embedded Jetdirect configuration page prints.
Configuration page
Use the configuration page to view current product settings, to help troubleshoot product problems, or
to verify installation of optional accessories, such as memory (DIMMs), paper trays, and printer
languages.
1. Press the Home button.
2. Press the down arrow to highlight INFORMATION, and then press the OK button.
3. Press the down arrow to highlight PRINT CONFIGURATION, and then press the OK button.
The message PRINTING CONFIGURATION displays on the control panel until the product finishes
printing the configuration page. The product returns to the Ready state after printing the configuration
page.
NOTE: If the product is configured with EIO cards (for example, an HP Jetdirect Print Server) or an
optional hard-disk drive, an additional configuration page will print that provides information about those
devices.
Figure 3-52 Configuration page
ENGLISH
HP Color LaserJet CP 4520 Printers
Configuration Page
Page 1
2
3
14
5
6
7
8
1Printer information
2Installed personalities and options
3Color density
4Calibration information
ENWW Tools for troubleshooting 307

5Memory
6Event log
7Security
8Paper trays and options
308 Chapter 3 Solve problems ENWW

HP embedded Jetdirect page
The second configuration page is the HP embedded Jetdirect page, which contains the following
information:
Figure 3-53 HP embedded Jetdirect page
HP Color LaserJet CP 4520 Printers
Embedded Jetdirect Page
Page 1
2
3
14
5
6
1HP Jetdirect Configuration indicates the product status, model number, hardware firmware version, port select, port
configuration, auto negotiation, manufacturing identification, and manufactured date.
2Security Settings information
3Network Statistics indicates the total packets received, unicast packets received, bad packets received, framing errors
received, total packets transmitted, unsendable packets, transmit collisions, and transmit late collisions.
4TCP/IP information, including the IP address
5IPv4 information
6IPv6 information
Always make sure the status line under the HP Jetdirect configuration lines indicates "I/O Card Ready".
ENWW Tools for troubleshooting 309

Embedded protocol page
The embedded protocol page contains the following information:
Figure 3-54 Embedded protocol page
HP Color LaserJet CP 3525 Printers
Embedded Protocol Page
Page 1
2
1
4
3
1IPX/SPX
2Novell/NetWare
3AppleTalk
4DLC/LLC
310 Chapter 3 Solve problems ENWW

Finding important information on the configuration pages
Certain information, such as the firmware date codes, the IP address, and the e-mail gateways, is
especially helpful while servicing the product. This information is on the various configuration pages.
Table 3-12 Important information on the configuration pages
Type of information Specific information Configuration page
Firmware date codes
When you use the remote firmware upgrade
procedure, all of these firmware components
are upgraded.
DC controller Look on the main configuration page,
under “Device Information.”
Firmware datecode Look on the main configuration page,
under “Device Information.”
Embedded Jetdirect firmware version Look on the embedded Jetdirect page,
under “HP Jetdirect Configuration.”
Accessories and internal storage
All optional devices that are installed on the
product should be listed on the main
configuration page.
In addition, separate pages print for the
optional paper handling devices and the fax
accessory. These pages list more-detailed
information for those devices.
External disk (optional) Look on the main configuration page,
under “Installed Personalities and
Options.” Shows model and capacity.
Embedded HP Jetdirect Look on the main configuration page,
under “Installed Personalities and
Options.” Shows model and ID.
Total RAM Look on the main configuration page,
under “Memory.”
Duplex unit Look on the main configuration page,
under “Paper Trays and Options.”
Additional 500-sheet feeders Additional 500-sheet feeders Look on the main configuration page,
under “Paper Trays and Options.”
Engine cycles and event logs
Total page counts and maintenance kit
counts are important for ongoing product
maintenance.
The configuration page lists only the three
most recent errors. To see a list of the 50
most recent errors, print an event log from the
DIAGNOSTICS menu.
Engine cycles Look on the main configuration page,
under “Device Information.”
Pages since last maintenance (print engine
maintenance count)
Pages since last maintenance (print
engine maintenance count)
Look on the main configuration page,
under “Device Information.”
Event-log information Event-log information Look on the main configuration page,
under “Event log.”
Color-band test
The color-band test page shows bands of colors that can indicate whether or not the product is producing
colors correctly.
1. Press the Home button.
2. Press the down arrow to highlight DIAGNOSTICS, and then press the OK button.
3. Press the down arrow to highlight COLOR BAND TEST, and then press the OK button.
4. Press the down arrow to highlight PRINT TEST PAGE, and then press the OK button.
ENWW Tools for troubleshooting 311

Print-quality troubleshooting tools
Repetitive defects ruler
If defects repeat at regular intervals on the page, use this ruler to identify the cause of the defect. Place
the top of the ruler at the first defect. The marking that is beside the next occurrence of the defect
indicates which component needs to be replaced.
Figure 3-55 Repetitive defects ruler
0 mm
27 mm
32 mm
44 mm
55 mm
48 mm
51 mm
63 mm
76 m m
80 mm
96 mm
101 mm
Distance between defects Product components that cause the defect
27 mm Print cartridge
32 mm Print cartridge
44 mm Transfer unit
48 mm Print cartridge
51 mm Transfer roller
55 mm Print engine
63 mm Transfer unit
76 mm Print cartridge
76 mm Fuser
80 mm Fuser
96 mm Print engine
101 mm Print engine
312 Chapter 3 Solve problems ENWW

Calibrate the product
Calibration is a product function that optimizes print quality. If you experience any image-quality
problems, calibrate the product.
1. Press the Home button .
2. Press the down arrow to highlight the CONFIGURE DEVICE menu, and then press the OK
button.
3. Press the down arrow to highlight the PRINT QUALITY menu, and then press the OK button.
4. Press the down arrow to highlight the FULL CALIBRATE NOW or QUICK CALIBRATE NOW
setting, and then press the OK button.
●FULL CALIBRATE NOW: takes about three minutes and performs color plane registration,
drum speed adjustment, and Dmax and Dhalf adjustments. Use FULL CALIBRATE NOW if
colors are misaligned or appear blurry. FULL CALIBRATE NOW runs automatically after a
new transfer belt is installed. FULL CALIBRATE NOW must be run manually after a laser
scanner is replaced.
●QUICK CALIBRATE NOW: takes approximately 1 minute and performs Dmax and Dhalf
calibrations. Use QUICK CALIBRATE NOW if colors are wrong, highlights are missing, or if
colors are too dark or too light.
ENWW Tools for troubleshooting 313

Control panel menus
Control panel menus
You can control the product by changing settings in the menus on the product control panel. Use the
control panel to access features not supported by the printer driver or software application, and to
configure trays for paper size and type.
Show Me How menu
The SHOW ME HOW menu prints pages that provide more information about the product. You can print
the pages and keep them near the product for convenient reference.
To display: Press the Home button , and then select the SHOW ME HOW menu.
Item Explanation
CLEAR JAMS Provides instructions for clearing jams on the product.
LOAD TRAYS Provides instructions for loading and configuring trays.
LOAD SPECIAL MEDIA Provides instructions for loading special print media such as envelopes,
transparencies, and labels.
LOAD MEDIA 4 X 6 (10 X 15CM) Provides instructions for loading 4 x 6 media.
PRINT BOTH SIDES Provides instructions for printing on both sides of the paper (duplex printing).
SUPPORTED PAPER Provides a list of the supported paper and print media.
PRINT HELP GUIDE Prints a page that shows links to additional help on the Web.
Retrieve job menu
Use the RETRIEVE JOB menu to view listings of all stored jobs.
To display: Press the Home button , and then select the RETRIEVE JOB menu.
Item Sub-item Sub-item Description
NO STORED JOBS This message appears if no jobs are
currently stored on the product.
<USER NAME> Each user who has stored jobs is listed
by name. Select the appropriate user
name to see a list of stored jobs.
314 Chapter 3 Solve problems ENWW

Item Sub-item Sub-item Description
ALL JOBS (WITH PIN) PRINT
PRINT AND DELETE
●COPIES
●JOB
●CUSTOM VALUE
DELETE
This message appears if a user has two
or more stored jobs that require a PIN. If
PRINT or PRINT AND DELETE is
selected then the PIN will be requested.
If the jobs have different PINs, only the
jobs with the PIN entered will be printed.
If the PIN does not match any of the jobs,
an error message is displayed.
Either the PRINT option or the PRINT
AND DELETE option displays,
depending on the type of jobs listed. If the
stored jobs are Personal or Proof and
Hold jobs, PRINT AND DELETE is
displayed. These jobs are deleted after
they are printed. If PRINT is displayed,
there is at least one Quick Copy or
standard stored job. When PRINT is
selected, any Personal or Proof and Hold
jobs in the list will be printed and deleted.
When PRINT or PRINT AND DELETE is
selected, the COPIES option allows you
to specify the number of copies of the job
to print. The default is 1 and the range is
from 1 to 3,200.
The following copy options are also
available:
●Select the JOB option to print the
number of copies specified in the
driver.
●Select the CUSTOM VALUE option
to specify the number of copies of
the job to be printed. The number of
copies that were specified in the
driver are multiplied by the number
of copies specified on the control
panel. For example, if you specified
two copies in the driver and specify
two copies on the control panel, a
total of four copies of the job are
printed.
ENWW Tools for troubleshooting 315

Item Sub-item Sub-item Description
ALL JOBS (NO PIN) PRINT
PRINT AND DELETE
●COPIES
●JOB
●CUSTOM VALUE
DELETE
This message appears if a user has two
or more stored jobs that do not require a
PIN.
Either the PRINT option or the PRINT
AND DELETE option displays,
depending on the type of jobs listed. If the
stored jobs are Personal or Proof and
Hold jobs, PRINT AND DELETE is
displayed. These jobs are deleted after
they are printed. If PRINT is displayed,
there is at least one Quick Copy or
standard stored job. When PRINT is
selected, any Personal or Proof and Hold
jobs in the list will be printed and deleted.
When PRINT or PRINT AND DELETE is
selected, the COPIES option allows you
to specify the number of copies of the job
to print. The default is 1 and the range is
from 1 to 3,200.
The following copy options are also
available:
●Select the JOB option to print the
number of copies specified in the
driver.
●Select the CUSTOM VALUE option
to specify the number of copies of
the job to be printed. The number of
copies that were specified in the
driver are multiplied by the number
of copies specified on the control
panel. For example, if you specified
two copies in the driver and specify
two copies on the control panel, a
total of four copies of the job are
printed.
<JOB NAME X> PRINT
PRINT AND DELETE
●COPIES
DELETE
Each individual job for the user is listed
by name.
Either the PRINT option or the PRINT
AND DELETE option displays,
depending on the type of jobs listed. If
PRINT AND DELETE is displayed, all of
the stored jobs are either Personal or
Proof and Hold jobs. These jobs are
deleted after they are printed. If PRINT is
displayed, there is at least one Quick
Copy or Standard stored job. If there are
any Personal or Proof and Hold jobs they
will be printed and deleted, even though
the PRINT option was selected.
When PRINT or PRINT AND DELETE is
selected, a COPIES option allows you to
specify the number of copies of the job to
print. The default is 1 and the range is
from 1 to 3,200.
316 Chapter 3 Solve problems ENWW

Information menu
Use the INFORMATION menu to access and print specific product information.
To display: Press the Home button , and then select the INFORMATION menu.
Item Description
PRINT MENU MAP Prints the control-panel menu map, which shows the layout and current
settings of the control-panel menu items.
PRINT CONFIGURATION Prints the product configuration pages, which show the printer settings and
installed accessories.
PRINT SUPPLIES STATUS PAGE Prints the approximate remaining life for the supplies; reports statistics on
total number of pages and jobs processed, serial number, page counts, and
maintenance information.
HP provides approximations of the remaining life for the supplies as a
customer convenience. The actual remaining supply levels might be different
than the approximations provided.
SUPPLIES STATUS Displays the approximate status of the print cartridges, transfer kit, fuser kit,
and toner collection unit in a scrollable list. Press the OK button to open help
for each item.
PRINT USAGE PAGE Prints a count of all paper sizes that have passed through the product; lists
whether they were simplex, duplex, monochrome, or color; and reports the
page count.
PRINT COLOR USAGE JOB LOG Prints the color-use statistics for the printer.
PRINT DEMO PAGE Prints a demonstration page.
PRINT RGB SAMPLES Prints color samples for different RGB values. Use the samples as a guide
for matching printed colors.
PRINT CMYK SAMPLES Prints color samples for different CMYK values. Use the samples as a guide
for matching printed colors.
PRINT FILE DIRECTORY Prints the name and directory of files stored in the product.
PRINT PCL FONT LIST Prints the available PCL fonts.
PRINT PS FONT LIST Prints the available PS fonts.
Paper handling menu
Use this menu to configure input trays by size and type. It is important to correctly configure the trays
with this menu before you print for the first time. This menu also appears when you close Trays 2-5 and
press the OK button after the prompt to set the paper size and type.
To display: Press the Home button , and then select the PAPER HANDLING menu.
NOTE: If you have used other HP LaserJet product models, you might be accustomed to configuring
Tray 1 to First mode or Cassette mode. On HP Color LaserJet Enterprise CP4020-CP4520 Series
printers, setting Tray 1 to ANY SIZE and ANY TYPE is equivalent to First mode. Setting Tray 1 to a
setting other than ANY SIZE or ANY TYPE is equivalent to Cassette mode.
ENWW Tools for troubleshooting 317

Menu item Value Description
TRAY 1 SIZE A list of available sizes appears. Allows you to configure the paper size for
Tray 1. The default is ANY SIZE. See the
product user guide for a complete list of
available sizes.
TRAY 1 TYPE A list of available types appears. Allows you to configure the paper type for
Tray 1. The default is ANY TYPE. See the
product user guide for a complete list of
available types.
TRAY <X> SIZE
X = 2 or optional 3, 4, or 5
A list of available sizes appears. Allows you to configure the paper size for
Tray 2 or optional Tray 3, 4, or 5. These
trays can detect the paper size by the
guides in the tray. See the product user
guide for a complete list of available sizes.
TRAY <X> TYPE
X = 2 or optional 3, 4, or 5
A list of available types appears. Allows you to configure the paper type for
Tray 2 or optional Tray 3, 4, or 5. The default
is PLAIN. See the product user guide for a
complete list of available types.
Manage supplies menu
Use this menu to configure how the product alerts you when supplies are approaching the estimated
end of life.
To display: Press the Home button , and then select the MANAGE SUPPLIES menu.
NOTE: Values that have an asterisk (*) are the factory-default values. Some menu items have no
default.
Menu item Sub-menu item Values Description
AT VERY LOW BLACK CARTRIDGE STOP
PROMPT TO CONTINUE*
CONTINUE
Select what the product should
do when the print cartridge is very
near the end of its estimated life.
STOP: The product stops until
you replace the cartridge.
PROMPT TO CONTINUE: The
product stops until you clear the
prompt message. After the
prompt message is cleared, there
will not be another message
indicating that the supply needs
to be replaced.
CONTINUE: The product
provides an alert message, but it
continues printing. There will not
be another message indicating
that the supply needs to be
replaced.
318 Chapter 3 Solve problems ENWW

Menu item Sub-menu item Values Description
COLOR CARTRIDGES STOP
PROMPT TO CONTINUE*
CONTINUE
PRINT IN BLACK
Select what the product should
do when the print cartridge is very
near the end of its estimated life.
STOP: The product stops until
you replace the cartridge.
PROMPT TO CONTINUE: The
product stops until you clear the
prompt message.
CONTINUE: The product
provides an alert message, but it
continues printing.
PRINT IN BLACK: The product
prints in black when a color
cartridge is near the end of its
estimated life.
TRANSFER KIT STOP
PROMPT TO CONTINUE*
CONTINUE
STOP: The product stops until
you replace the transfer kit.
PROMPT TO CONTINUE: The
product stops until you clear the
prompt message.
CONTINUE: The product
provides an alert message, but it
continues printing.
FUSER KIT STOP
PROMPT TO CONTINUE*
CONTINUE
STOP: The product stops until
you replace the fuser kit.
PROMPT TO CONTINUE: The
product stops until you clear the
prompt message.
CONTINUE: The product
provides an alert message, but it
continues printing.
TONER COLLECTION UNIT STOP*
PROMPT TO CONTINUE
CONTINUE
STOP: The product stops until
you replace the toner collection
unit.
PROMPT TO CONTINUE: The
product stops until you clear the
prompt message.
CONTINUE: The product
provides an alert message, but it
continues printing.
NOTE: Using a Toner
collection unit after a prompt or
alert message might result in
toner leakage, especially when
replacing the Toner collection
unit.
ENWW Tools for troubleshooting 319

Menu item Sub-menu item Values Description
USER DEFINED LOW YELLOW CARTRIDGE
MAGENTA CARTRIDGE
CYAN CARTRIDGE
BLACK CARTRIDGE
Range from 0–100% Use the arrow buttons to enter
the percentage of estimated
cartridge life at which you want
the product to alert you that the
cartridge is low.
TRANSFER KIT Range from 0–100%
Default is 2%
Use the arrow buttons to enter
the percentage of estimated
cartridge life at which you want
the product to alert you.
FUSER KIT Range from 0–100%
Default is 2%
Use the arrow buttons to enter
the percentage of estimated
cartridge life at which you want
the product to alert you.
SUPPLY MESSAGES LOW MESSAGE ON*
OFF
Select how the product displays
the supply information.
LOW MESSAGE: Determines
whether or not a low supply
message is displayed on the
control panel.
LEVEL GAUGE ON*
OFF
LEVEL GAUGE: Determines
whether or not a supply level
gauge appears on the control
panel.
320 Chapter 3 Solve problems ENWW

Menu item Sub-menu item Values Description
RESTRICT COLOR USE ENABLE COLOR*
COLOR IF ALLOWED
DISABLE COLOR
This menu item controls the
authorization of color printing.
DISABLE COLOR: All jobs sent
to the product print only in
monochrome.
ENABLE COLOR: All color
pages sent to the product print in
color.
COLOR IF ALLOWED: A
permissions database is
referenced to verify if color pages
are printed in color or
monochrome.
COLOR/BLACK MIX AUTO*
MOSTLY COLOR PAGES
MOSTLY BLACK PAGES
These menu selections allow you
to balance the trade-off between
supply life and performance.
AUTO: The product software
uses an algorithm based on
printing data to achieve the best
output.
MOSTLY COLOR PAGES: This
selection provides the highest
performance. If most of the
printing is in color, this selection
will not negatively affect supply
life.
MOSTLY BLACK PAGES: This
selection conserves the most
supply life and is the best choice
if most of the printing is done in
black and white.
Configure device menu
The CONFIGURE DEVICE menu allows you to change the default printing settings, adjust the print
quality, change the system configuration and I/O options, and reset the default settings.
Printing menu
These settings affect only jobs without identified properties. Most jobs identify all of the properties and
override the values set from this menu.
To display: Press the Home button , select the CONFIGURE DEVICE menu, and then select the
PRINTING menu.
NOTE: Values that have an asterisk (*) are the factory-default values. Some menu items have no
default.
ENWW Tools for troubleshooting 321

Menu item Sub-menu item Values Description
COPIES Range: 1 - 32000 Allows you to set the default
number of copies for print jobs.
The default number is 1.
DEFAULT PAPER SIZE A list of available sizes
appears.
Allows you to set the default
paper size.
DEFAULT CUSTOM PAPER
SIZE
●UNIT OF MEASURE
●X DIMENSION
●Y DIMENSION
Allows you to set the default size
for any custom print job that
does not specify the dimensions.
The default unit of measure is
MILLIMETERS.
DUPLEX OFF*
ON
Allows you to enable or disable
two-sided printing.
NOTE: This menu is available
only on models that have
automatic duplexing.
DUPLEX BINDING LONG EDGE*
SHORT EDGE
Allows you to change the binding
edge for two-sided printing.
NOTE: This menu is available
only on models that have
automatic duplexing.
OVERRIDE A4/LETTER NO
YES*
Allows you to set the product to
print an A4 job on letter-size
paper when no tray is configured
for A4 paper, or to print on A4-
size paper when no tray is
configured for letter paper.
MANUAL FEED OFF*
ON
Setting this option to ON makes
MANUAL FEED the default for
jobs that do not select a tray. The
Autoselect option in the printer
driver overrides this option.
COURIER FONT REGULAR*
DARK
Allows you to select a version of
the Courier font.
The DARK setting is an internal
Courier font available on HP
LaserJet Series III printers and
older.
WIDE A4 NO *
YES
Allows you to change the
printable area of A4 paper. If you
select NO, the printable area is
seventy-eight 10-pitch
characters on a single line. If you
select YES, the printable area is
eighty 10-pitch characters on a
single line.
PRINT PS ERRORS OFF*
ON
Allows you to select to print PS
error pages.
PRINT PDF ERRORS OFF*
ON
Allows you to select to print PDF
error pages.
322 Chapter 3 Solve problems ENWW

PCL sub-menu
This menu configures settings for the printer control language.
To display: Press the Home button , select the CONFIGURE DEVICE menu, select the PRINTING
menu, and then select the PCL menu.
NOTE: Values that have an asterisk (*) are the factory-default values. Some menu items have no
default.
Item Values Description
FORM LENGTH Range: 5-128 lines Sets vertical spacing for default paper size. The default is 60.
ORIENTATION PORTRAIT*
LANDSCAPE
Allows you to set the default page orientation to portrait or
landscape.
FONT SOURCE A list of available font sources
displays.
Selects the font source. The default is INTERNAL.
FONT NUMBER Range: 0-102 The product assigns a number to each font and lists the
numbers on the PCL font list. The default is 0.
FONT PITCH Range: 0.44-99.99 Selects the font pitch. This item might not appear, depending
on the font selected. The default is 10.00.
FONT POINT SIZE Range: 4.00-999.75 Selects the font point size. The default is 12.00.
SYMBOL SET A list of available symbol sets
displays.
Selects any one of several available symbol sets at the
product control panel. A symbol set is a unique grouping of
all the characters in a font. PC-8 or PC-850 is recommended
for line-draw characters. The default is PC-8.
APPEND CR TO LF NO*
YES
Select YES to append a carriage return to each line-feed that
is encountered in backward-compatible PCL jobs (pure text,
no job control). Some environments indicate a new line by
only the line-feed control code. Use this option to append the
required carriage return to each line feed.
SUPPRESS BLANK PAGES NO*
YES
When generating your own PCL, extra form feeds are
included that would cause a blank page to be printed. Select
YES for form feeds to be ignored if the page is blank.
MEDIA SOURCE MAPPING STANDARD*
CLASSIC
The PCL5 MEDIA SOURCE MAPPING command selects an
input tray by a number that maps to the various available
trays and feeders.
●The STANDARD numbering is based on newer
HP LaserJet printers with updated changes to the
numbering of trays and feeders.
●The CLASSIC numbering is based on HP LaserJet 4
printers and earlier models.
ENWW Tools for troubleshooting 323

Print Quality menu
To display: Press the Home button , select the CONFIGURE DEVICE menu, and then select the
PRINT QUALITY menu.
NOTE: Values that have an asterisk (*) are the factory-default values. Some menu items have no
default.
Item Sub-item Sub-item Values Description
ADJUST COLOR HIGHLIGHTS
●CYAN DENSITY
●MAGENTA DENSITY
●YELLOW DENSITY
●BLACK DENSITY
Range from +5 to
–5. Default is 0.
Adjust the darkness or lightness of
highlights on a printed page. Lower values
represent lighter highlights on a printed
page, and higher values represent darker
highlights on a printed page.
MIDTONES
●CYAN DENSITY
●MAGENTA DENSITY
●YELLOW DENSITY
●BLACK DENSITY
Range from +5 to
–5. Default is 0.
Adjust the darkness or lightness of
midtones on a printed page. Lower values
represent lighter midtones on a printed
page, and higher values represent darker
midtones on a printed page.
SHADOWS
●CYAN DENSITY
●MAGENTA DENSITY
●YELLOW DENSITY
●BLACK DENSITY
Range from +5 to
–5. Default is 0.
Adjust the darkness or lightness of
shadows on a printed page. Lower values
represent lighter shadows on a printed
page, and higher values represent darker
shadows on a printed page.
RESTORE COLOR
VALUES Restore the color settings by resetting the
density values of each color.
SET
REGISTRATION For each tray, setting the registration shifts
the margin alignment to center the image
on the page from top to bottom and from
left to right. You can also align the image
on the front with the image printed on the
back.
ADJUST TRAY <X> Perform the alignment procedure for each
tray.
When it creates an image, the product
scans across the page from side to side as
the sheet feeds from top to bottom into the
product.
PRINT TEST
PAGE Print a test page and instructions for
setting the registration of the image
location.
324 Chapter 3 Solve problems ENWW

Item Sub-item Sub-item Values Description
X1 SHIFT
Y1 SHIFT
X2 SHIFT
Y2 SHIFT
Range: -5 mm to
+5 mm
The scan direction is referred to as X. X1
is the scan direction for a single-sided
page or for the second side of a two-sided
page. X2 is the scan direction for the first
side of a two-sided page.
The feed direction is referred to as Y. Y1
is the feed direction for a single-sided page
or for the second side of a two-sided page.
Y2 is the feed direction for the first side of
a two-sided page.
AUTO SENSE
MODE TRAY 1 SENSING FULL SENSING
EXPANDED
SENSING*
TRANSPARENCY
ONLY
Sets the sensing option for Tray 1 for
paper types using AUTO SENSE mode.
When FULL SENSING is selected, the
product senses every page and switches
modes accordingly. The product can
distinguish light paper, plain paper, heavy
paper, glossy paper, tough paper, or
transparencies. Using this mode
significantly reduces print speed. Use it
only when you are printing on mixed paper
types.
When EXPANDED SENSING is selected,
the product senses only the first page and
assumes the rest of the pages are the
same type. The product can distinguish
light paper, plain paper, heavy paper,
glossy paper, tough paper, or
transparencies.
When TRANSPARENCY ONLY is
selected, the product senses only the first
page. The product can distinguish
transparencies from other paper types.
TRAY <X> SENSING EXPANDED
SENSING*
TRANSPARENCY
ONLY
Sets the sensing option for Trays 2-5 for
paper types using AUTO SENSE mode.
When EXPANDED SENSING is selected,
the product senses only the first few pages
and assumes the rest of the pages are the
same type. The product can distinguish
light paper, plain paper, heavy paper,
glossy paper, tough paper, or
transparencies. The product senses the
paper type when you turn it on and after
you open and close a tray.
When TRANSPARENCY ONLY is
selected, the product senses only the first
page. The product can distinguish
transparencies from other paper types.
ENWW Tools for troubleshooting 325

Item Sub-item Sub-item Values Description
ADJUST PAPER
TYPES A list of paper types
displays.
PRINT MODE
RESISTANCE
MODE
HUMIDITY MODE
PRE-ROTATION
MODE
FUSER TEMP
MODE
PAPER CURL
MODE
A list of print modes
displays.
Configure the print mode that is
associated with each media type.
RESTORE MODES Use this feature to return all paper type-
mode settings to the factory-default
settings.
OPTIMIZE A list of available options
displays.
Allows you to optimize various print modes
to address print quality issues.
RESTORE OPTIMIZE Use this feature to return all the settings in
the OPTIMIZE menu to the factory-default
values.
QUICK CALIBRATE
NOW Performs a partial product calibration.
FULL CALIBRATE
NOW Performs all product calibrations.
DELAY
CALIBRATION AT
WAKE/POWER-ON
NO
YES*
This menu controls the timing of the
calibration when the product wakes up or
is turned on.
●Select NO to have the product
calibrate immediately when it wakes
up or is turned on. The product will
not print any jobs until it finishes
calibrating.
●Select YES to enable a product that
is asleep to accept print jobs before it
calibrates. It may start calibrating
before it has printed all the jobs it has
received. This option allows quicker
printing when coming out of sleep
mode or when you turn the product
on, but print quality might be reduced.
NOTE: For best results, allow the
product to calibrate before printing. Print
jobs performed before calibration might
not be of the highest quality.
RESOLUTION Image REt 3600*
1200x1200 dpi
Sets the resolution at which the product
prints. The default value is Image REt
3600. Try the 1200x1200 dpi setting to
improve printing for detailed line work or
small text.
326 Chapter 3 Solve problems ENWW

Item Sub-item Sub-item Values Description
EDGE CONTROL OFF
LIGHT
NORMAL*
MAXIMUM
The Edge Control setting determines how
edges are rendered. Edge control has two
components: adaptive halftoning and
trapping. Adaptive halftoning increases
edge sharpness. Trapping reduces the
effect of color-plane misregistration by
overlapping the edges of adjacent objects
slightly.
●OFF turns off both trapping and
adaptive halftoning.
●LIGHT sets trapping at a minimal
level, and adaptive halftoning is on.
●NORMAL is the default trapping
setting. Trapping is at a medium level
and adaptive halftoning is on.
●MAXIMUM is the most aggressive
trapping setting. Adaptive halftoning
is on.
AUTO CLEANING OFF*
ON
When auto-cleaning is on, the product
prints a cleaning page when the page
count reaches the CLEANING
INTERVAL setting.
CLEANING
INTERVAL 500*
1000
2000
5000
10000
20000
Specify the number of pages that are
printed before a cleaning page is
automatically printed. This item appears
only when the AUTO CLEANING option is
set to ON.
AUTO CLEANING
SIZE LETTER*
A4
Specify the paper size that is used to print
the cleaning page. This item appears only
when the AUTO CLEANING option is set
to ON.
ENWW Tools for troubleshooting 327

Item Sub-item Sub-item Values Description
CREATE
CLEANING PAGE Prints a page of instructions for cleaning
excess toner off the pressure roller in the
fuser.
NOTE: This option is available only for
the HP Color LaserJet CP4025n printer
and the HP Color LaserJet CP4525n
printer.
PROCESS
CLEANING PAGE Allows you to create and process a
cleaning page for cleaning the pressure
roller in the fuser. When the cleaning
process runs, a cleaning page is printed.
This page can be discarded.
NOTE: For the HP Color LaserJet
CP4025n printer and the HP Color
LaserJet CP4525n printer, you must first
select the CREATE CLEANING PAGE
option.
328 Chapter 3 Solve problems ENWW

System setup menu
Use the SYSTEM SETUP menu to change product-configuration defaults such as sleep mode, product
personality (language), and jam recovery.
To display: Press the Home button , select the CONFIGURE DEVICE menu, and then select the
SYSTEM SETUP menu.
NOTE: Values that have an asterisk (*) are the factory-default values. Some menu items have no
default.
Item Sub-item Values Description
DATE/TIME DATE - - - - /[MMM]/[DD] YEAR =
[YYYY]/- - - /[DD] MONTH=
[YYYY]/[MMM]/- - DAY=
Allows you to set the correct date.
The range for the year is 2008 to
2037.
DATE FORMAT YYYY/MMM/DD*
MMM/DD/YYYY
DD/MMM/YYYY
Allows you to choose the order in
which the year, month, and day
appear in the date.
TIME - - :[MM] [PM] HOUR =
[HH]: - - [PM] MINUTE=
[HH]:[MM] - - AM/PM=
Allows you to select from various
configurations for the TIME format.
Different wizards appear
depending on the TIME FORMAT
selected.
TIME FORMAT 12 HOUR*
24 HOUR
Allows you to select 12 HOUR or
24 HOUR format.
JOB STORAGE LIMIT Continuous value
Range: 1–100
Default = 32
Allows you to specify the number
of Quick Copy jobs that can be
stored on the product. The default
value is 32. The maximum allowed
value is 100.
JOB HELD TIMEOUT OFF*
1 HOUR
4 HOURS
1 DAY
1 WEEK
Allows you to set the amount of
time that Quick Copy jobs are kept
before being automatically deleted
from the queue. This menu item
only appears when a hard disk is
installed.
SHOW ADDRESS AUTO
OFF*
This item determines whether the
product’s IP address is shown on
the display with the Ready
message.
TRAY BEHAVIOR Use this menu to control how the
product handles paper trays and
related prompts at the control
panel.
ENWW Tools for troubleshooting 329

Item Sub-item Values Description
USE REQUESTED TRAY EXCLUSIVELY*
FIRST
USE REQUESTED TRAY handles
jobs that have specified a specific
input tray. Two options are
available:
●EXCLUSIVELY: The product
never selects a different tray
when the user has indicated
that a specific tray should be
used, even if that tray is
empty.
●FIRST: The product can pull
from another tray if the
specified tray is empty, even
though the user specifically
indicated a tray for the job.
MANUALLY FEED PROMPT ALWAYS*
UNLESS LOADED
This option controls whether a
manual feed message should
appear when the type or size for a
job does not match the size or type
configured for Tray 1. Two options
are available:
●ALWAYS: A prompt always
appears before printing a
manual-feed job.
●UNLESS LOADED: A
message appears only if the
multipurpose tray is empty or
does not match the size or
type of the job.
PS DEFER MEDIA ENABLED*
DISABLED
This option affects how paper is
handled when printing from an
Adobe PS print driver.
●ENABLED uses HP’s paper-
handling model.
●DISABLED uses the Adobe
PS paper-handling model.
SIZE/TYPE PROMPT DISPLAY*
DO NOT DISPLAY
This option controls whether the
tray configuration message
appears whenever a tray is closed.
Two options are available:
●DISPLAY: This option shows
the tray configuration
message when a tray is
closed. You can configure the
tray size or type directly from
this message.
●DO NOT DISPLAY: This
option prevents the tray
configuration message from
automatically appearing.
330 Chapter 3 Solve problems ENWW

Item Sub-item Values Description
USE ANOTHER TRAY ENABLED*
DISABLED
This option turns on or off the
control-panel prompt to select
another tray when the specified
tray is empty.
ALTERNATIVE
LETTERHEAD MODE ON
OFF*
When this option is ON you can
load letterhead or preprinted paper
the same way for every job,
whether printing on one or both
sides of the page.
NOTE: This option is available
only for models that have
automatic duplexing.
DUPLEX BLANK PAGES AUTO*
YES
This option controls how the
product handles two-sided jobs
(duplexing). Two options are
available:
●AUTO: Enables Smart
Duplexing, which instructs
the product not to process
both sides if the second side
is blank. Letterhead and
prepunched paper types are
exceptions. This can improve
print speed.
●YES: Disables Smart
Duplexing and forces the
duplexer to flip the sheet of
paper even if it is printed on
only one side.
NOTE: This option is available
only for models that have
automatic duplexing.
IMAGE ROTATION STANDARD *
ALTERNATE
Select the ALTERNATE setting if
you are having trouble aligning
images on preprinted forms.
SLEEP DELAY 1 MINUTE
3 MINUTES
5 MINUTES
10 MINUTES
15 MINUTES*
30 MINUTES
45 MINUTES
60 MINUTES
90 MINUTES
2 HOURS
Reduces power consumption
when the product has been
inactive for the selected period.
NOTE: The SLEEP MODE
setting in the RESETS menu must
be on.
ENWW Tools for troubleshooting 331

Item Sub-item Values Description
WAKE TIME <DAY OF THE WEEK> OFF*
CUSTOM
Select the CUSTOM option to
configure the daily wake time for
the product to avoid warm-up or
calibration time. Select a day of the
week, set the wake time for that
day, and then choose whether the
wake time should be applied to all
days of the week.
OPTIMUM SPEED/ENERGY
USAGE FASTER FIRST PAGE*
SAVE ENERGY
SAVE MORE ENERGY
SAVE MOST ENERGY
Controls the fuser cool down
behavior.
FASTER FIRST PAGE: The fuser
maintains power and the first page
processes faster for any new job
that is sent to the product.
SAVE ENERGY: The fuser
reduces power when it is idle.
SAVE MORE ENERGY: The fuser
reduces more power than the
SAVE ENERGY option.
SAVE MOST ENERGY: The fuser
is turned off and it gradually cools
to room temperature. The SAVE
MOST ENERGY option takes the
longest time to print the first page.
DISPLAY BRIGHTNESS Range is –10 through 10. Sets the brightness of the control
panel display. The default is 0. This
item also controls the viewing
angle at which the display is
visible.
PERSONALITY AUTO*
PCL
PDF
PS
Sets the default personality to
automatic switching, PCL, PDF, or
PS modes.
CLEARABLE WARNINGS JOB*
ON
Sets whether a warning is cleared
on the control panel or when
another job is sent.
●JOB: The warning message
disappears at the end of the
job.
●ON: The warning message
remains until you press the
OK button.
332 Chapter 3 Solve problems ENWW

Item Sub-item Values Description
AUTO CONTINUE OFF
ON*
Determines product behavior
when the system generates an
Auto Continuable error.
●ON: Allows the product to
continue printing.
●OFF: Stops the product from
printing until the error is
cleared by the user.
JAM RECOVERY AUTO*
OFF
ON
Sets whether the product will
attempt to reprint pages after a
jam. If you select AUTO, the
product reprints pages if enough
memory is available for full-speed
two-sided printing.
RAM DISK AUTO*
OFF
Sets how the RAM disk feature is
configured. This is only available if
there is no hard disk installed and
the printer has at least 8 MB of
memory.
If the AUTO setting is enabled, the
product determines the optimal
RAM disk size based on the
amount of available memory.
If the OFF setting is enabled, the
RAM disk is disabled, but a
minimal RAM disk is still active.
LANGUAGE A listing of available languages
appears.
Sets the language. The default
language is ENGLISH.
ENWW Tools for troubleshooting 333

I/O menu
Items on the I/O (input/output) menu affect the communication between the product and the computer.
If the product contains an HP Jetdirect print server, you can configure basic networking parameters by
using this submenu. You can also configure these and other parameters through HP Web Jetadmin or
the embedded Web server.
For more information on these options, see the product user guide.
To display: Press the Home button , select the CONFIGURE DEVICE menu, and then select the I/
O menu.
NOTE: Values that have an asterisk (*) are the factory-default values. Some menu items have no
default.
Item Sub-item Values Description
I/O TIMEOUT Range: 5 - 300 Allows you to set the product I/O
TIMEOUT in seconds. The default
is 15 seconds.
Use this setting to adjust timeout
for the best performance. If data
from other ports appears in the
middle of your print job, increase
the timeout value.
EMBEDDED JETDIRECT MENU See the next table for a list of options.
Table 3-13 Embedded Jetdirect menu
Item Sub-item Sub-item Sub-item Description
INFORMATION PRINT SEC PAGE YES*
NO
YES: Prints a page that contains the current
security settings on the HP Jetdirect print
server.
NO: A security settings page is not printed.
TCP/IP ENABLE ON*
OFF
ON: Enable the TCP/IP protocol.
OFF: Disable the TCP/IP protocol.
HOST NAME An alphanumeric string, up to 32 characters,
used to identify the product. This name is
listed on the HP Jetdirect configuration page.
The default host name is NPIxxxxxx, where
xxxxxx is the last six digits of the LAN
hardware (MAC) address.
334 Chapter 3 Solve problems ENWW

Item Sub-item Sub-item Sub-item Description
IPV4 SETTINGS CONFIG METHOD BOOTP
DHCP*
AUTO IP
MANUAL
Specifies the method that TCP/IPv4
parameters will be configured on the
HP Jetdirect print server.
Use BOOTP (Bootstrap Protocol) for
automatic configuration from a BootP server.
Use DHCP (Dynamic Host Configuration
Protocol) for automatic configuration from a
DHCPv4 server. If selected and a DHCP
lease exists, DHCP RELEASE and DHCP
RENEW menus are available to set DHCP
lease options.
Use AUTO IP for automatic link-local IPv4
addressing. An address in the form
169.254.x.x is assigned automatically.
If you set this option to MANUAL, use the
MANUAL SETTINGS menu to configure
TCP/IPv4 parameters.
MANUAL
SETTINGS IP ADDRESS
SUBNET MASK
DEFAULT
GATEWAY
(Available only if CONFIG METHOD is set to
MANUAL) Configure parameters directly
from the product control panel:
IP ADDRESS: The unique IP address
(n.n.n.n) of the product, where n is a value
from 0 to 255.
SUBNET MASK: The subnet mask (n.n.n.n)
for the product, where n is a value from 0 to
255.
DEFAULT GATEWAY: The IP address of the
gateway or router used for communications
with other networks.
DEFAULT IP AUTO IP*
LEGACY
Specify the IP address to default to when the
print server is unable to obtain an IP address
from the network during a forced TCP/IP
reconfiguration (for example, when manually
configured to use BootP or DHCP).
NOTE: This feature assigns a static IP
address that might interfere with a managed
network.
AUTO IP: A link-local IP address 169.254.x.x
is set.
LEGACY: The address 192.0.0.192 is set,
consistent with older HP Jetdirect products.
DHCP RELEASE NO*
YES
This menu appears if CONFIG METHOD is
set to DHCP and a DHCP lease for the print
server exists.
NO: The current DHCP lease is saved.
YES: The current DHCP lease and the leased
IP address are released.
Table 3-13 Embedded Jetdirect menu (continued)
ENWW Tools for troubleshooting 335

Item Sub-item Sub-item Sub-item Description
DHCP RENEW NO*
YES
This menu appears if CONFIG METHOD is
set to DHCP and a DHCP lease for the print
server exists.
NO: The print server does not request to
renew the DHCP lease.
YES: The print server requests to renew the
current DHCP lease.
PRIMARY DNS Specify the IP address (n.n.n.n) of a Primary
DNS Server.
SECONDARY DNS Specify the IP address (n.n.n.n) of a
Secondary Domain Name System (DNS)
Server.
IPV6 SETTINGS ENABLE ON
OFF*
Use this item to enable or disable IPv6
operation on the print server.
OFF: IPv6 is disabled.
ON: IPv6 is enabled.
ADDRESS MANUAL
SETTINGS
●ENABLE
●ADDRESS
Use this item to enable and manually
configure a TCP/IPv6 address.
ENABLE: Choose ON to enable manual
configuration, or OFF to disable manual
configuration. The default is OFF.
ADDRESS: Use this item to type a 32
hexadecimal digit IPv6 node address that
uses the colon hexadecimal syntax.
DHCPV6 POLICY ROUTER
SPECIFIED
ROUTER
UNAVAILABLE*
ALWAYS
ROUTER SPECIFIED: The stateful auto-
configuration method to be used by the print
server is determined by a router. The router
specifies whether the print server obtains its
address, its configuration information, or both
from a DHCPv6 server.
ROUTER UNAVAILABLE: If a router is not
available, the print server should attempt to
obtain its stateful configuration from a
DHCPv6 server.
ALWAYS: Whether or not a router is
available, the print server always attempts to
obtain its stateful configuration from a
DHCPv6 server.
PRIMARY DNS Use this item to specify an IPv6 address for a
primary DNS server that the print server
should use.
SECONDARY DNS Use this item to specify an IPv6 address for a
secondary DNS server that the print server
should use.
Table 3-13 Embedded Jetdirect menu (continued)
336 Chapter 3 Solve problems ENWW

Item Sub-item Sub-item Sub-item Description
PROXY SERVER Specifies the proxy server to be used by
embedded applications in the product. A
proxy server is typically used by network
clients for Internet access. It caches Web
pages, and provides a degree of Internet
security, for those clients.
To specify a proxy server, enter its IPv4
address or fully-qualified domain name. The
name can be up to 255 octets.
For some networks, you might need to
contact your Internet Service Provider (ISP)
for the proxy server address.
PROXY PORT Type the port number used by the proxy
server for client support. The port number
identifies the port reserved for proxy activity
on your network, and can be a value from 0
to 65535.
IDLE TIMEOUT IDLE TIMEOUT: The time period, in seconds,
after which an idle TCP print data connection
is closed (default is 270 seconds, 0 disables
the timeout).
IPX/SPX ENABLE ON*
OFF
ON: Enable the IPX/SPX protocol.
OFF: Disable the IPX/SPX protocol.
FRAME TYPE AUTO*
EN_8023
EN_II
EN_8022
EN_SNAP
Selects the frame-type setting for your
network.
AUTO: Automatically sets and limits the
frame type to the first one detected.
EN_8023, EN_II, EN_8022, and EN_SNAP
are frame-type selections for Ethernet
networks.
APPLETALK ENABLE ON*
OFF
Configures an AppleTalk network.
DLC/LLC ENABLE ON*
OFF
ON: Enable the DLC/LLC protocol.
OFF: Disable the DLC/LLC protocol.
SECURITY SECURE WEB HTTPS REQUIRED*
HTTPS OPTIONAL
For configuration management, specify
whether the embedded Web server will
accept communications using HTTPS
(Secure HTTP) only, or both HTTP and
HTTPS.
HTTPS REQUIRED: For secure, encrypted
communications, only HTTPS access is
accepted. The print server will appear as a
secure site.
HTTPS OPTIONAL: Access using either
HTTP or HTTPS is permitted.
Table 3-13 Embedded Jetdirect menu (continued)
ENWW Tools for troubleshooting 337

Item Sub-item Sub-item Sub-item Description
IPSEC KEEP
DISABLE*
Specify the IPSec status on the print server.
KEEP: IPSec status remains the same as
currently configured.
DISABLE: IPSec operation on the print
server is disabled.
802.1X RESET
KEEP*
Specify whether the 802.1X settings on the
print server are reset to the factory defaults.
RESET: The 802.1X settings are reset to the
factory defaults.
KEEP: The current 802.1X settings are
maintained.
RESET SECURITY YES
NO*
Specify whether the current security settings
on the print server will be saved or reset to
factory defaults.
YES: Security settings are reset to factory
defaults.
NO: The current security settings are
maintained.
DIAGNOSTICS EMBEDDED TESTS This menu provides tests to help diagnose
network hardware or TCP/IP network
connection problems.
Embedded tests help to identify whether a
network fault is internal or external to the
product. Use an embedded test to check
hardware and communication paths on the
print server. After you select and enable a test
and set the execution time, you must select
EXECUTE to initiate the test.
Depending on the execution time, a selected
test runs continuously until either the product
is turned off, or an error occurs and a
diagnostic page is printed.
LAN HW TEST YES
NO*
CAUTION: Running this embedded test will
erase your TCP/IP configuration.
This test performs an internal loopback test.
An internal loopback test will send and
receive packets only on the internal network
hardware. There are no external
transmissions on your network.
Select YES to choose this test, or NO to not
choose it.
HTTP TEST YES
NO*
This test checks operation of HTTP by
retrieving predefined pages from the product,
and tests the embedded Web server.
Select YES to choose this test, or NO to not
choose it.
Table 3-13 Embedded Jetdirect menu (continued)
338 Chapter 3 Solve problems ENWW

Item Sub-item Sub-item Sub-item Description
SNMP TEST YES
NO*
This test checks operation of SNMP
communications by accessing predefined
SNMP objects on the product.
Select YES to choose this test, or NO to not
choose it.
DATA PATH TEST YES
NO*
This test helps to identify data path and
corruption problems on an HP postscript level
3 emulation product. It sends a predefined PS
file to the product, However, the test is
paperless; the file will not print.
Select YES to choose this test, or NO to not
choose it.
SELECT ALL
TESTS YES
NO*
Use this item to select all available embedded
tests.
Select YES to choose all tests. Select NO to
select individual tests.
EXECUTION TIME
[H] Use this item to specify the length of time (in
hours) that an embedded test will be run. You
can select a value from 0 to 24 hours. If you
select zero (0), the test runs indefinitely until
an error occurs or the product is turned off.
Data gathered from the HTTP, SNMP, and
Data Path tests is printed after the tests have
completed.
EXECUTE YES
NO*
NO: Do not initiate the selected tests.
YES: Initiate the selected tests.
PING TEST This test is used to check network
communications. This test sends link-level
packets to a remote network host, then waits
for an appropriate response. To run a ping
test, set the following items:
DEST TYPE IPV4
IPV6
Specify whether the target product is an IPv4
or IPv6 node.
DEST IPV4 Type the IPv4 address.
DEST IPV6 Type the IPv6 address.
PACKET SIZE Specify the size of each packet, in bytes, to
be sent to the remote host. The minimum is
64 (default) and the maximum is 2048.
TIMEOUT Specify the length of time, in seconds, to wait
for a response from the remote host. The
default is 1 and the maximum is 100.
COUNT Specify the number of ping test packets to
send for this test. Select a value from 0 to 100.
The default is 4. To configure the test to run
continuously, select 0.
Table 3-13 Embedded Jetdirect menu (continued)
ENWW Tools for troubleshooting 339

Item Sub-item Sub-item Sub-item Description
PRINT RESULTS YES
NO*
If the ping test was not set for continuous
operation, you can choose to print the test
results. Select YES to print results. If you
select NO, results are not printed.
EXECUTE YES
NO*
Specify whether to initiate the ping test.
Select YES to initiate the test, or NO to not
run the test.
PING RESULTS Use this item to view the ping test status and
results using the control panel display. You
can select the following items:
PACKETS SENT Shows the number of packets (0 - 65535)
sent to the remote host since the most recent
test was initiated or completed. The default is
0.
PACKETS
RECEIVED Shows the number of packets (0 - 65535)
received from the remote host since the most
recent test was initiated or completed. The
default is 0.
PERCENT LOST Shows the percent (0 to 100) of ping test
packets that were sent with no response from
the remote host since the most recent test
was initiated or completed. The default is 0.
RTT MIN Shows the minimum detected roundtrip-time
(RTT), from 0 to 4096 milliseconds, for packet
transmission and response. The default is 0.
RTT MAX Shows the maximum detected roundtrip-time
(RTT), from 0 to 4096 milliseconds, for packet
transmission and response. The default is 0.
RTT AVERAGE Shows the average round-trip-time (RTT),
from 0 to 4096 milliseconds, for packet
transmission and response. The default is 0.
PING IN
PROGRESS YES
NO*
Shows whether a ping test is in progress.
YES indicates a test in progress, and NO
indicates that a test completed or was not run.
Table 3-13 Embedded Jetdirect menu (continued)
340 Chapter 3 Solve problems ENWW

Item Sub-item Sub-item Sub-item Description
REFRESH YES
NO*
When viewing the ping test results, this item
updates the ping test data with current
results. Select YES to update the data, or
NO to maintain the existing data. However, a
refresh automatically occurs when the menu
times out or you manually return to the main
menu.
LINK SPEED AUTO*
10T HALF
10T FULL
100TX HALF
100TX FULL
100TX AUTO
1000T FULL
The link speed and communication mode of
the print server must match the network. The
available settings depend on the product and
installed print server. Select one of the
following link configuration settings:
CAUTION: If you change the link setting,
network communications with the print server
and network product might be lost.
AUTO: The print server uses auto-
negotiation to configure itself with the highest
link speed and communication mode
allowed. If auto-negotiation fails, either
100TX HALF or 10T HALF is set depending
on the detected link speed of the hub/switch
port. (A 1000T half-duplex selection is not
supported.)
10T HALF: 10 Mbps, half-duplex operation.
10T FULL: 10 Mbps, full-duplex operation.
100TX HALF: 100 Mbps, half-duplex
operation.
100TX FULL: 100 Mbps, full-duplex
operation.
100TX AUTO: Limits auto-negotiation to a
maximum link speed of 100 Mbps.
1000T FULL: 1000 Mbps, full-duplex
operation.
Table 3-13 Embedded Jetdirect menu (continued)
ENWW Tools for troubleshooting 341

Resets menu
The RESETS menu allows you to reset factory settings, and disable or enable sleep mode.
To display: Press the Home button , select the CONFIGURE DEVICE menu, and then select the
RESETS menu.
NOTE: Values that have an asterisk (*) are the factory-default values. Some menu items have no
default.
Item Sub-item Values Description
RESTORE FACTORY
SETTINGS Allows you to clear the page
buffer, remove all perishable
personality data, reset the
printing environment, and return
most settings to factory defaults.
CALIBRATION RESET Resets calibration values on the
formatter.
SLEEP MODE OFF
ON*
If SLEEP MODE is OFF, the
product will never enter power
save mode and no asterisk will
appear next to any item when
the user enters the menu item
SLEEP DELAY.
Diagnostics menu
The DIAGNOSTICS menu allows you to run tests that can help you identify and solve problems with
the product.
To display: Press the Home button , and then select the DIAGNOSTICS menu.
NOTE: Values that have an asterisk (*) are the factory-default values. Some menu items have no
default.
Item Sub-item Values Description
PRINT EVENT LOG Prints a report containing the last
50 entries in the product’s event
log, starting with the most recent.
SHOW EVENT LOG Displays the last 50 events, starting
with the most recent.
PQ TROUBLESHOOTING Prints a page that includes
instructions, pages for each color,
a demo page, and a configuration
page. These pages can help isolate
print-quality problems.
PRINT DIAGNOSTICS
PAGE Prints a page that can assist in
diagnosing product problems.
DISABLE CARTRIDGE
CHECK This item allows you to remove a
print cartridge to help determine
which cartridge is the source of a
problem.
342 Chapter 3 Solve problems ENWW

Item Sub-item Values Description
PAPER PATH SENSORS Performs a test on each of the
product’s sensors to determine if
they are working correctly and
displays the status of each sensor.
PAPER PATH TEST Tests the paper-handling features
of the product, such as the
configuration of the trays.
PRINT TEST PAGE Generates a page for testing the
paper-handling features. You must
define the path for the test in order
to test specific paper paths.
SOURCE ALL TRAYS
TRAY 1
TRAY 2*
TRAY 3
TRAY 4
TRAY 5
Specifies whether the test page is
printed from all trays or from a
specific tray.
DUPLEX OFF
ON
Determines whether the duplexer
is included in the test.
NOTE: This option is available
only for models that have an
automatic duplexer.
COPIES 1*
10
50
100
500
Determines how many pages
should be sent from the specified
source as part of the test.
MANUAL SENSOR TEST Performs tests to determine
whether the paper path sensors are
operating correctly.
MANUAL SENSOR TEST
2 Performs additional tests to
determine whether the paper path
sensors are operating correctly.
COMPONENT TEST A list of available components
appears.
Activate individual parts
independently to isolate noise,
leaking, and other hardware
issues.
PRINT/STOP TEST Range is 0 - 60,000 milliseconds.
The default is 0.
Isolates print quality faults more
accurately by stopping the product
in mid-print cycle, which allows you
to see where the image begins to
degrade. This causes a jam
message that might need to be
manually cleared. A service
representative should perform this
test.
ENWW Tools for troubleshooting 343

Item Sub-item Values Description
COLOR BAND TEST PRINT TEST PAGE Prints a color band test page that is
used to identify arcing in the high-
voltage power supply.
COPIES Range is 1 to 30. The default value
is 1.
Specify how many copies of the
internal page are printed.
Service menu
The SERVICE menu is locked and requires a PIN for access. This menu is intended for use by authorized
service personnel. See Service mode functions on page 420.
Product PINs
●HP Color LaserJet CP4025: 11402509
●HP Color LaserJet CP4525: 11452509
344 Chapter 3 Solve problems ENWW

Interpret control-panel messages
Control-panel message types
Four types of control-panel messages can indicate the status of or problems with the product.
Message type Description
Status messages Status messages reflect the current state of the product. They inform you of normal product operation
and require no interaction to clear them. They change as the state of the product changes. Whenever
the product is ready, not busy, and has no pending warning messages, the status message Ready
appears if the product is online.
Warning messages Warning messages inform you of data and print errors. These messages typically alternate with the
Ready or status messages and remain until OK is pressed. Some warning messages are clearable.
If CLEARABLE WARNINGS is set to JOB on the product CONFIGURE DEVICE menu, the next print
job clears these messages.
Error messages Error messages communicate that some action must be performed, such as adding paper or clearing
a jam.
Some error messages are auto-continuable. If AUTO-CONTINUE is set on the menus, the product
will continue normal operation after an auto-continuable error message appears for 10 seconds.
NOTE: Pressing any button during the 10-second auto-continuable error message overrides the
auto-continue feature, and the button function takes precedence. For example, pressing the stop
button pauses printing and offers the option to cancel the print job.
Critical-error messages Critical error messages inform you of a product failure. Some of these messages can be cleared by
turning the product off and then on. These messages are not affected by the AUTO-CONTINUE
setting. If a critical error persists, service is required.
Control-panel messages
Table 3-14 Control-panel messages
Description Recommended action
10.41.00 UNSUPPORTED SUPPLY IN USE An unsupported supply is installed. If you believe you purchased a genuine HP
supply, go to www.hp.com/go/
anticounterfeit.
10.XX.YY SUPPLY MEMORY ERROR The product cannot read or write to at least
one print cartridge memory tag or a memory
tag is missing from a print cartridge.
XX values
●00 = Memory tag memory error
●10 = Memory tag missing
YY values
●00 = Black
●01 = Cyan
●02 = Magenta
●03 = Yellow
Reinstall the print cartridge, or install a new
print cartridge.
ENWW Tools for troubleshooting 345

Description Recommended action
11.XX Internal clock error
To continue press OK
The product real-time clock has experienced
an error.
●XX = 01; clock battery failed
●XX = 02; real time clock failed
Whenever the product is turned off and then
turned on again, set the time and date at the
control panel. See System setup menu
on page 329.
If the error persists, you might need to replace
the formatter.
13.XX.YY FUSER AREA JAM A jam has occurred in the fuser area. CAUTION: The fuser can be hot while the
product is in use. Wait for the fuser to cool
before handling it.
For instructions on clearing the jam, see
Clear jams in the right door on page 387.
13.XX.YY FUSER WRAP JAM A jam has occurred in the fuser. CAUTION: The fuser can be hot while the
product is in use. Wait for the fuser to cool
before handling it.
For instructions on clearing the jam, see
Clear jams in the right door on page 387.
13.XX.YY JAM ABOVE TOP OUTPUT BIN A jam has occurred in the output area. For instructions on clearing the jam, see
Clear jams in the output bin area
on page 390.
13.XX.YY JAM IN LOWER RIGHT DOOR A jam has occurred in the lower-right door
(Tray 3).
For instructions on clearing the jam, see
Clear jams in the lower right door (Tray 3, 4,
or 5) on page 393.
13.XX.YY JAM IN RIGHT DOOR A jam has occurred in the duplex and feed
area inside the right door.
For instructions on clearing the jam, see
Clear jams in the right door on page 387.
13.XX.YY JAM IN TOP OUTPUT BIN A jam has occurred in the top output bin. For instructions on clearing the jam, see
Clear jams in the output bin area
on page 390.
13.XX.YY JAM IN TRAY 1 A jam has occurred in Tray 1. For instructions on clearing the jam, see
Clear jams in Tray 1 on page 390.
13.XX.YY JAM IN TRAY <X> A jam has occurred in the indicated tray. For instructions on clearing the jam, see
Clear jams in Tray 2 or optional Trays 3, 4, or
5 on page 392.
13.XX.YY JAMS IN RIGHT DOOR A jam has occurred in the fuser area. CAUTION: The fuser can be hot while the
product is in use. Wait for the fuser to cool
before handling it.
For instructions on clearing the jam, see
Clear jams in the right door on page 387.
20 INSUFFICIENT MEMORY
To continue press OK
The product received more data than can fit
in the available memory. You might have tried
to transfer too many macros, soft fonts, or
complex graphics.
Press the OK button to print the transferred
data (some data might be lost), and then
simplify the print job or install additional
memory.
21.X INSUFFICIENT MEMORY TO LOAD
FONTS/DATA Insufficient memory to process the print job. Install additional memory in the product.
22 EIO X BUFFER OVERFLOW
To continue press OK
Too much data was sent to the EIO card in
the specified slot (x). An incorrect
communications protocol might be in use.
Press the OK button to print the transferred
data. (Some data might be lost.)
Check the host configuration.
Table 3-14 Control-panel messages (continued)
346 Chapter 3 Solve problems ENWW

Description Recommended action
22 EMBEDDED I/O BUFFER OVERFLOW
To continue press OK
Too much data was sent to the embedded
HP Jetdirect print server.
Press the OK button to print the transferred
data. (Some data might be lost.)
Check the host configuration.
22 PARALLEL I/O BUFFER OVERFLOW
To continue press OK
The product's parallel buffer has overflowed. Press the OK button to print the transferred
data. (Some data might be lost.)
Check the host configuration.
22 PARALLEL SERIAL BUFFER
OVERFLOW
To continue press OK
The product's serial buffer has overflowed. Press the OK button to print the transferred
data. (Some data might be lost.)
Check the host configuration.
22 USB I/O BUFFER OVERFLOW
To continue press OK
The product's USB buffer has overflowed. Press the OK button to print the transferred
data. (Some data might be lost.)
Check the host configuration.
40 EIO X BAD TRANSMISSION
To continue press OK
The connection between the product and the
EIO card in the specified slot has been
broken.
Press the OK button to clear the error
message and continue printing.
Try to reinstall the EIO card.
40 EMBEDDED I/O BAD TRANSMISSION
To continue press OK
A temporary printing error has occurred. Press the OK button to clear the error
message. (Data will be lost.)
41.3 UNEXPECTED SIZE IN TRAY <X>
LOAD TRAY <X> [TYPE] [SIZE]
To use another tray press OK
This message appears even though the tray
is loaded with the correct paper size. 1. Run the sensor test in the sensor
monitor mode to verify that the cassette
media size switch is functioning
properly.
2. Reconnect the cassette media size
switch intermediate connector J57, and
connector J107 on the DC controller
PCA.
3. Replace the lifter assembly.
41.5 UNEXPECTED TYPE IN TRAY <X>
LOAD TRAY <X> [TYPE] [SIZE]
To use another tray press OK
This message appears even though the tray
is loaded with the correct paper size. 1. Reconnect the media sensor
intermediate connector J77, and
connector J131 on the DC controller
PCA.
2. Replace the registration assembly.
41.7 ERROR
To continue press OK
Printer error
●X = 2; beam detected misprint
●X = 7; media transport error
Turn the product off, and then on.
48.01 TRANSFER UNIT ERROR The transfer belt has dislocated during
printing.
Turn product off then on.
If the message persists, remove and reinstall
the transfer unit.
Table 3-14 Control-panel messages (continued)
ENWW Tools for troubleshooting 347

Description Recommended action
49.XXXX ERROR
To continue turn off then on
A firmware error has occurred. This error can be caused by corrupted print
jobs, software applications issues, non-
product specific printer drivers, poor-quality
USB or network cables, bad network
connections or incorrect configurations,
invalid firmware operations, or unsupported
accessories.
1. Turn the product off and then on.
2. If the error returns, check the following
items:
◦The error might be caused by a
network connectivity problem,
such as a bad interface cable, a
bad USB port, or an invalid network
configuration setting.
◦The error might be caused by the
print job, such as an invalid printer
driver, a problem with the software
application, or a problem with the
file you are printing.
◦Upgrading the product firmware
might help resolve the error. See
the product user guide for more
information.
50.1 FUSER ERROR Low fuser temperature. Remove the fuser and any residual paper.
Check connector J50 between the fuser and
the product. If either is damaged, replace the
connector or fuser. See Fuser on page 85.
50.2 FUSER ERROR Fuser warm-up failure 1. Reinstall the fuser.
2. Check the connector J50 between the
fuser and the product. If either is
damaged, replace the connector or
fuser. See Fuser on page 85.
3. Reconnect the connectors J160 and
J162 on the DC controller PCA and
connector J25 on the power line
between the low voltage power supply
and fuser.
4. Replace the wire harness that connects
the fuser.
5. Replace the fuser. See Fuser
on page 85.
6. If the error persists, replace the low-
voltage power supply. See Low-voltage
power supply (LVPS) on page 157.
Table 3-14 Control-panel messages (continued)
348 Chapter 3 Solve problems ENWW

Description Recommended action
50.3 FUSER ERROR High fuser temperature Reinstall the fuser. Check connector J50
between the fuser and the product. If either is
damaged, replace the connector or fuser.
See Fuser on page 85.
If the error persists, replace the low-voltage
power supply. See Low-voltage power supply
(LVPS) on page 157.
50.4 FUSER ERROR Drive circuit fault 1. Check the power source. Make sure the
power source meets product
requirements.
2. Reconnect the connector J150 on the
DC controller PCA.
3. If the message persists, replace the low-
voltage power supply. See Low-voltage
power supply (LVPS) on page 157.
50.5 FUSER ERROR The incorrect fuser was installed. CAUTION: The fuser can be hot while the
product is in use. Wait for the fuser to cool
before handling it.
1. Open the right door.
2. Remove the incompatible fuser.
3. Install the correct fuser.
4. Close the right door.
50.7 FUSER ERROR Fuser pressure-release mechanism failure 1. Reconnect the fuser-pressure release
sensor intermediate connector J60, and
connector J128 on the DC controller
PCA.
2. Run the sensor test in the sensor
monitor mode to verify that the fuser
pressure-release sensor is functioning
properly. If it is not, replace the fuser
pressure-release sensor.
3. Check the fuser pressure-release
sensor flag. If it is damaged, replace the
fuser.
4. Run the fuser pressure-release drive
test in actuator drive mode to verify that
the fuser motor is functioning properly.
If it is not, replace the fuser motor. See
Fuser motor on page 200.
5. If the message persists, replace the
fuser. See Fuser on page 85.
50.8 FUSER ERROR Low fuser temperature. Remove the fuser and any residual paper.
Check connector J50 between the fuser and
the product. If either is damaged, replace the
connector or fuser. See Fuser on page 85.
Table 3-14 Control-panel messages (continued)
ENWW Tools for troubleshooting 349

Description Recommended action
50.9 FUSER ERROR High fuser temperature. Reinstall the fuser. Check the connector J50
between the fuser and the product. If either is
damaged, replace the connector or fuser.
See Fuser on page 85.
If the error persists, replace the low-voltage
power supply. See Low-voltage power supply
(LVPS) on page 157.
50.X FUSER ERROR A fuser error has occurred. Make sure you have the correct fuser. Re-
seat the fuser. Turn the product off, and then
turn the product on.
51.XY ERROR
To continue turn off then on
A product error has occurred.
●51.20 ERROR: black laser error
●51.21 ERROR: cyan laser error
●51.22 ERROR: magenta laser error
●51.23 ERROR: yellow laser error
Turn the product off, and then turn the
product on.
52.XY ERROR
To continue turn off then on
A product error has occurred.
●52.00 ERROR: Scanner startup error
●52.20 ERROR: Scanner rotation error
●52.00 ERROR: If the laser/scanner
assembly (Y/M) does not start up,
reconnect connector J71 on the laser
driver PCA and connector J112 on the
DC controller PCA. If the laser/scanner
assembly (C/Bk) does not start up,
reconnect connector J72 on the laser
driver PCA and connector J112 on the
DC controller PCA. If the message
persists, replace the appropriate laser/
scanner assembly. See Laser/scanner
assembly (Y/M) on page 186 or Laser/
scanner assembly (C/Bk) on page 190.
●52.20 ERROR: If the laser/scanner
assembly (Y/M) does not rotate,
reconnect connector J71 on the laser
driver PCA and connector J112 on the
DC controller PCA. If the laser/scanner
assembly (C/Bk) does not rotate,
reconnect connector J72 on the laser
driver PCA and connector J112 on the
DC controller PCA. If the message
persists, replace the appropriate laser/
scanner assembly. See Laser/scanner
assembly (Y/M) on page 186 or Laser/
scanner assembly (C/Bk) on page 190.
54.XX ERROR
To continue turn off then on
Error requires that the product be turned off
then on.
Turn the product off, and then turn the
product on.
55.XX.YY DC CONTROLLER ERROR
To continue turn off then on
The print engine is not communicating with
the formatter (XX = 01; DC controller memory
error).
Turn the product off, and then turn the
product on.
If the error persists, replace the DC controller
PCA. See DC controller PCA only
on page 155.
Table 3-14 Control-panel messages (continued)
350 Chapter 3 Solve problems ENWW

Description Recommended action
56.X ERROR
To continue turn off then on
A temporary printing error has occurred (XX
= 01; illegal input).
Turn the product off, and then turn the
product on.
57.03 ERROR
To continue turn off then on
Cartridge fan (FM2) is defective. 1. Reconnect the cartridge fan connector
J65, connector J263 on the high-voltage
power supply lower, and connector J114
on the DC controller PCA.
2. Turn the product off, and then on.
Measure the voltage between
connectors J263-16 and J263-18 on the
high-voltage power supply lower
immediately after the product is turned
on. If the voltage changes from 0 V to
approximately 24 V, replace the
cartridge fan. See Cartridge fan and
environmental sensor on page 137.
57.04 ERROR
To continue turn off then on
Power-supply fan (FM1) is defective. 1. Reconnect the cartridge fan connector
J153 on the DC controller PCA.
2. Turn the product off, and then on.
Measure the voltage between
connectors J153-1 and J153-3 on DC
controller PCA immediately after the
product is turned on. If the voltage
changes from 0 V to approximately 24
V, replace the power-supply fan. See
Power-supply fan on page 152.
57.06 ERROR
To continue turn off then on
Exhaust fan (FM4) is defective. 1. Reconnect the cartridge fan connector
J79, connector J264 on the high-voltage
power supply lower, and connector J114
on the DC controller PCA.
2. Turn the product off, and then on.
Measure the voltage between
connectors J264-1 and J264-3 on the
high-voltage power supply lower
immediately after the product is turned
on. If the voltage changes from 0 V to
approximately 24 V, replace the exhuast
fan. See Exhaust fan and fan duct
on page 169.
57.XX ERROR
To continue turn off then on
A temporary printing error has occurred. Turn the product off, and then turn the
product on.
58.XX ERROR
To continue turn off then on
A temporary printing error has occurred.
●58.03 ERROR: DC controller PCA is
defective.
●58.04 ERROR: Low-voltage power
supply is defective.
●58.03 ERROR: Turn the product off, and
then turn the product on. If the message
persists, replace the DC controller PCA.
See DC controller PCA and tray
on page 161.
●58.04 ERROR: Reconnect the
connector J150 on the DC controller
PCA. If the message persists, replace
the low-voltage power supply. See Low-
voltage power supply (LVPS)
on page 157.
Table 3-14 Control-panel messages (continued)
ENWW Tools for troubleshooting 351

Description Recommended action
59.20 ERROR Motor rotation error. Perform the motor component tests in the
DIAGNOSTICS menu.
59.30 ERROR Fuser motor startup error Reconnect the connector J13 of the fuser
motor and the connector J123 on the DC
controller PCA. Perform the fuser motor
component test in the DIAGNOSTICS menu.
If the message persists, replace the fuser
motor. See Fuser motor on page 200.
59.40 ERROR Fuser motor rotation error Perform the fuser motor component test in
the DIAGNOSTICS menu. If the message
persists, replace the fuser motor. See Fuser
motor on page 200.
59.50 ERROR Black image drum motor startup error Reconnect the connector J15 of the black
drum motor and the connector J121 on the
DC controller PCA. Perform the drum-motors
component test in the DIAGNOSTICS menu.
If the message persists, replace the black
drum motor. See Yellow, magenta, cyan, and
black drum motors on page 199.
59.51 ERROR Cyan image drum motor startup error Reconnect the connector J16 of the cyan
drum motor and the connector J121 on the
DC controller PCA. Perform the drum-motors
component test in the DIAGNOSTICS menu.
If the message persists, replace the cyan
drum motor. See Yellow, magenta, cyan, and
black drum motors on page 199.
59.52 ERROR Magenta image drum motor startup error Reconnect the connector J17 of the magenta
drum motor and the connector J120 on the
DC controller PCA. Perform the drum-motors
component test in the DIAGNOSTICS menu.
If the message persists, replace the magenta
drum motor. See Yellow, magenta, cyan, and
black drum motors on page 199.
59.53 ERROR Yellow image drum motor startup error Reconnect the connector J18 of the yellow
drum motor and the connector J120 on the
DC controller PCA. Perform the drum-motors
component test in the DIAGNOSTICS menu.
If the message persists, replace the yellow
drum motor. See Yellow, magenta, cyan, and
black drum motors on page 199.
59.60 ERROR Black image drum motor rotation error Perform the drum-motors component test in
the DIAGNOSTICS menu. If the message
persists, replace the black drum motor. See
Yellow, magenta, cyan, and black drum
motors on page 199.
59.61 ERROR Cyan image drum motor rotation error Perform the drum-motors component test in
the DIAGNOSTICS menu. If the message
persists, replace the cyan drum motor. See
Yellow, magenta, cyan, and black drum
motors on page 199.
59.62 ERROR Magenta image drum motor rotation error Perform the drum-motors component test in
the DIAGNOSTICS menu. If the message
persists, replace the magenta drum motor.
See Yellow, magenta, cyan, and black drum
motors on page 199.
Table 3-14 Control-panel messages (continued)
352 Chapter 3 Solve problems ENWW

Description Recommended action
59.63 ERROR Yellow image drum motor rotation error Perform the drum-motors component test in
the DIAGNOSTICS menu. If the message
persists, replace the yellow drum motor. See
Yellow, magenta, cyan, and black drum
motors on page 199.
59.90 ERROR ITB motor startup error Reconnect the connector J14 of the ITB
motor and the connector J140 on the DC
controller PCA. Perform the ITB motor drive
component test to verify that the ITB motor is
functioning properly. If the message persists,
replace the ITB motor. See ITB motor
on page 202.
59.A0 ERROR ITB motor rotation error. Use the component test to activate the ITB
motor. If the motor does not function, replace
the motor. See ITB motor on page 202.
59.BO CLEANING MOTOR ERROR
REPLACE TONER COLLECTION UNIT
The residual-toner feed motor has failed. 1. Check the toner collection unit. If the unit
is full, replace it.
NOTE: Toner can clog the feed motor
if the toner collection unit is full.
2. Reconnect the residual-toner feed
motor connector J63 and connector
J155 on the DC controller PCA.
3. Replace the residual-toner feed motor.
See Residual-toner-feed motor
on page 133.
59.C0 ERROR Developer alienation motor rotation error 1. Reconnect intermediate connector J87
of the developing disengagement
sensor, connector J112 on the DC
controller PCA, connector J38 of the
developing disengagement motor, and
the connector J261 on the high-voltage
power supply D PCA.
2. Run the sensor test in the sensor
monitor mode to verify that the
developing disengagement sensor is
functioning properly. If it is not, replace
the main-drive assembly. See Main-
drive assembly on page 203.
3. Run the developing unit disengagement
drive test to verify that the
disengagement mechanism is
functioning properly. If it is not, replace
the developing disengagement motor.
See Developing-disengagement motor
on page 168.
Table 3-14 Control-panel messages (continued)
ENWW Tools for troubleshooting 353

Description Recommended action
59.F0 ERROR Transfer alienation failure 1. Verify that the ITB is installed.
2. Reconnect the primary-transfer
disengagement sensor J19, and
connector J128 on the DC controller
PCA .
3. Run the sensor test in the sensor
monitor mode to verify that the primary
transfer disengagement sensor is
functioning properly. If not, replace the
primary transfer disengagement sensor.
4. Perform the alienation drive component
test in the DIAGNOSTICS menu. If not,
replace the fuser motor. See Fuser
motor on page 200.
60.02 ERROR Tray 2 is not lifting correctly. 1. Reconnect connector J115 on the DC
controller PCA and the intermediate
connector J58.
2. Run the sensor test in sensor monitor
mode to verify that the cassette media
stack surface sensor is functioning
properly. If it is not, replace the pickup
assembly. See Tray-pickup drive
assembly on page 178.
3. Reconnect connector J56 of the lifter
motor. Also check J107 on the DC
controller PCA.
4. If the message persists, replace the lifter
drive assembly. See Lifter-drive
assembly on page 173.
60.03 ERROR Tray 3 is not lifting correctly. 1. Reconnect connector J408 on the paper
deck controller PCA and the
intermediate connector J11.
2. Run the sensor test in sensor monitor
mode to verify that the cassette media
stack surface sensor is functioning
properly. If it is not, replace the pickup
assembly. See Pickup assembly
(optional paper feeder) on page 226.
3. Reconnect connector J15 of the lifter
motor. Also check J407 on the paper
deck controller PCA.
4. If the message persists, replace the lifter
drive assembly. See Lifter-drive
assembly (optional paper feeder)
on page 230.
Table 3-14 Control-panel messages (continued)
354 Chapter 3 Solve problems ENWW

Description Recommended action
60.04 ERROR Tray 4 is not lifting correctly. 1. Reconnect connector J406 on the paper
deck controller PCA and the
intermediate connector J21.
2. Run the sensor test in sensor monitor
mode to verify that the cassette media
stack surface sensor is functioning
properly. If it is not, replace the pickup
assembly. See Pickup assembly
(optional paper feeder) on page 226.
3. Reconnect connector J24 of the lifter
motor. Also check J405 on the paper
deck controller PCA.
4. If the message persists, replace the lifter
drive assembly. See Lifter-drive
assembly (optional paper feeder)
on page 230.
60.05 ERROR Tray 5 is not lifting correctly. 1. Reconnect the connector J403 on the
paper deck controller PCA and the
intermediate connector J31.
2. Run the sensor test in the sensor
monitor mode to verify that the PD
cassette media stack surface sensor is
functioning properly. If it is not, replace
the middle pickup assembly. See Pickup
assembly (optional paper feeder)
on page 226.
3. Reconnect the connector J34 of the lifter
motor and the connector. Also check
J402 on the paper deck controller PCA.
4. If the message persists, replace the lifter
drive assembly. See Lifter-drive
assembly (optional paper feeder)
on page 230.
62 NO SYSTEM
To continue turn off then on
The product has an internal problem. Turn the product off and then on.
68.X PERMANENT STORAGE FULL
To continue press OK
The product NVRAM is full. Some settings
saved in the NVRAM might have been reset
to the factory defaults. Printing can continue,
but some unexpected functions might occur
if an error occurred in permanent storage.
X values
●0 = Internal memory
●1 = Removable disk
Press the OK button to clear the message. If
the message is not cleared, turn the product
off, and then turn the product on.
Table 3-14 Control-panel messages (continued)
ENWW Tools for troubleshooting 355

Description Recommended action
68.X PERMANENT STORAGE WRITE FAIL
To continue press OK
The product NVRAM is failing to write.
Printing can continue, but some unexpected
functions might occur if an error occurred in
permanent storage.
X values
●0 = Internal memory
●1 = Removable disk
Press the OK button to clear the message. If
the message is not cleared, turn the product
off, and then turn the product on.
68.X STORAGE ERROR SETTINGS
CHANGED
To continue press OK
One or more product settings are invalid and
have been reset to the factory-default
settings. Printing can continue, but some
unexpected functions might occur if an error
occurred in permanent storage.
Press the OK button to clear the message. If
the message is not cleared, turn the product
off, and then turn the product on.
69.X ERROR
To continue turn off then on
A temporary printing error occurred. Turn the product off, and then turn the
product on.
79.XXXX ERROR
To continue turn off then on
An internal product error has occurred. Turn the product off and then on.
8X.YYYY EIO ERROR This message appears in English only. It
indicates that the EIO card in slot X has failed.
Replace the EIO card.
8X.YYYY EMBEDDED JETDIRECT ERROR This message appears in English only. It
indicates that the embedded HP Jetdirect
card has failed.
<COLOR> CARTRIDGE VERY LOW
To continue press OK
The product indicates when a supply level is
low. Actual print cartridge life might vary. You
do not need to replace the print cartridge at
this time unless print quality is no longer
acceptable.
Order the indicated print cartridge.
ACCEPT BAD SIGNATURE?
Yes press OK
alternates with
ACCEPT BAD SIGNATURE?
No press
The product is performing a remote firmware
upgrade, and the code signature is invalid.
Download the correct firmware upgrade file
for this product, and then reinstall the
upgrade. See the product user guide for more
information.
Access denied MENUS LOCKED The control-panel menu that you tried to
select is currently locked.
Consult with the person who administers the
product.
Action not currently available for tray x
Tray size cannot be ANY SIZE/ANY
CUSTOM
Duplex registration is not available when the
size is set to ANY SIZE or ANY CUSTOM.
Configure the tray to a specific size, and then
set the registration for that tray.
BAD OPTIONAL TRAY CONNECTION The optional tray is not connected correctly. 1. Turn the product off.
2. Remove and then reinstall the optional
tray.
3. Reconnect the connectors for the tray.
4. If the problem persist, replace the
connector for tray.
Table 3-14 Control-panel messages (continued)
356 Chapter 3 Solve problems ENWW

Description Recommended action
Bad Signature
Upgrade cancelled
The firmware upgrade code does not match
the product signature.
Download the correct firmware upgrade file
for this product, and then reinstall the
upgrade. See the product user guide for more
information.
BLACK CARTRIDGE LOW The product indicates when a supply level is
low. Actual print cartridge life might vary. You
do not need to replace the print cartridge at
this time unless print quality is no longer
acceptable.
If print quality is no longer acceptable, replace
the print cartridge. Consider purchasing a
replacement cartridge so it is available when
the installed cartridge has reached the end of
its estimated life. See Print cartridges
on page 74.
BLACK CARTRIDGE LOW
LESS THAN XXXX PAGES
The product indicates when a supply level is
low. Actual print cartridge life might vary. You
do not need to replace the print cartridge at
this time unless print quality is no longer
acceptable. Estimated pages remaining is
based upon the historical page coverage of
this product.
If print quality is no longer acceptable, replace
the print cartridge. Consider purchasing a
replacement cartridge so it is available when
the installed cartridge has reached the end of
its estimated life. See Print cartridges
on page 74.
BLACK CARTRIDGE VERY LOW The product indicates when a supply level is
very low. Actual print cartridge life might vary.
You do not need to replace the print cartridge
at this time unless print quality is no longer
acceptable. After an HP supply has reached
the very low threshold, the HP premium
protection warranty for that supply has
ended.
If print quality is no longer acceptable, replace
the print cartridge. Consider purchasing a
replacement cartridge so it is available when
the installed cartridge has reached the end of
its estimated life. See Print cartridges
on page 74.
BLACK CARTRIDGE VERY LOW
PRINTING BLACK ONLY
The product indicates when a supply level is
very low. The product has been configured to
print using only black when the level of a color
supply is very low. The actual print cartridge
life might vary. You do not need to replace the
cartridge at this time unless print quality is no
longer acceptable. After an HP supply has
reached the very low threshold, the HP
premium protection warranty for that supply
has ended.
To stop printing black only, change the AT
VERY LOW menu item for Color Cartridges
to a setting other than PRINT IN BLACK or
replace the very low color cartridges.
Consider purchasing replacement cartridges
so they are available when the installed
cartridges have reached the end of their
estimated lives. See Print cartridges
on page 74.
BLACK CARTRIDGE VERY LOW
To continue press OK
The product indicates when a supply level is
very low. Actual print cartridge life might vary.
Consider having a replacement print
cartridge available to install when print quality
is no longer acceptable. You do not need to
replace the print cartridge at this time unless
print quality is no longer acceptable. After an
HP supply has reached the very low
threshold, the HP premium protection
warranty for that supply has ended.
Press the OK button to continue. If print
quality is no longer acceptable, replace the
print cartridge. Consider purchasing a
replacement cartridge so it is available when
the installed cartridge is empty. See Print
cartridges on page 74.
Calibrating... Displays during calibration. No action is necessary.
CALIBRATION RESET PENDING
Processing...
A calibration reset will occur when all jobs are
processed.
To begin the reset sooner, cancel all jobs by
pressing the Stop button .
Canceling... The product is canceling the current job. No action is necessary.
CARD SLOT <X> NOT FUNCTIONAL The compact flash card in slot <X> is not
working correctly.
Remove the card from the slot indicated, and
replace with a new card.
Table 3-14 Control-panel messages (continued)
ENWW Tools for troubleshooting 357

Description Recommended action
CARD SLOT DEVICE FAILURE
To clear press OK
The specified device has failed. Press the OK button to clear.
CARD SLOT FILE OPERATION FAILED
To clear press OK
A PJL file system command attempted to
perform an illogical operation.
Press the OK button to clear.
CARD SLOT FILE SYSTEM IS FULL
To clear press OK
A PJL file system command could not store
something on the file system because the file
system was full.
Press the OK button to clear.
CARD SLOT IS WRITE PROTECTED
To clear press OK
The file system device is protected and no
new files can be written to it.
Press the OK button to clear.
CARD SLOT NOT INITIALIZED This file-storage component must be
initialized before use.
Use the embedded Web server or HP Web
Jetadmin to initialize the component.
CHECKING PAPER PATH The product is checking for possible paper
jams.
No action is necessary.
CHECKING PRINTER The product is conducting an internal test. No action is necessary.
CHOSEN PERSONALITY NOT
AVAILABLE
To continue press OK
A print job requested a product language
(personality) that is not available for this
product. The job will not print and will be
cleared from memory.
Print the job by using a printer driver for a
different printer language, or add the
requested language to the product (if
possible). To see a list of available
personalities, print a configuration page. (See
Configuration page on page 307.)
CLEANING DISK <X>% COMPLETE
Do not power off
The product is cleaning the hard disk or a
compact flash disk.
Do not turn off. The product will automatically
restart when cleaning is complete. Product
functions are unavailable.
CLEANING... The product is performing an automatic
cleaning cycle. Printing will continue after the
cleaning is complete.
No action is necessary.
CLEARING EVENT LOG This message is displayed while the event log
is cleared. The product will exit the menus
once the event log has been cleared.
No action is necessary.
CLEARING PAPER PATH The product is attempting to eject jammed
paper.
Check progress at the bottom of the display.
CLOSE FRONT DOOR The front door of the product is open. 1. Close the door.
2. Run the switch test in the sensor monitor
mode to verify that the front-door switch
is functioning properly.
3. Reconnect connector J45 on the front
door switch and connector J129 on the
DC controller PCA.
4. Check the sensor flag on the front-door
assembly. If it is damaged, replace the
front-door assembly. See Front-door
assembly on page 107.
Table 3-14 Control-panel messages (continued)
358 Chapter 3 Solve problems ENWW

Description Recommended action
CLOSE LOWER RIGHT DOOR 3 x 500 optional paper feeder only
The right door on the optional paper feeder is
open.
Close the door.
If the message appears when the door is
closed:
1. Reconnect connector J19 of the PD
right door switch and connector J147 on
the controller PCA.
2. Check the right door sensor flag. If it is
damaged, replace the right-door
assembly. See Right door (optional
paper feeder) on page 220.
CLOSE RIGHT DOOR A door on the right side of the product is open. 1. Close the door.
2. Run the switch test in the sensor monitor
mode to verify that the right-door switch
is functioning properly.
3. Reconnect connectors J43 of the right-
door switch and connector J147 on the
DC controller PCA.
4. If the message persists, check the right
door sensor flag. If it is damaged,
replace the right door. See Right-door
assembly on page 113.
COLLECTION UNIT ALMOST FULL The toner collection unit is almost full. The
actual supply life remaining might vary. You
do not need to replace the toner collection
unit at this time unless print quality is no
longer acceptable.
To continue printing, either press the OK
button or replace the toner collection unit.
See Toner-collection unit on page 76.
Cooling engine The product is cooling. No action is necessary.
Creating...
CLEANING PAGE
A cleaning page is being generated. No action is necessary.
CYAN CARTRIDGE LOW The product indicates when a supply level is
low. Actual print cartridge life might vary. You
do not need to replace the print cartridge at
this time unless print quality is no longer
acceptable.
If print quality is no longer acceptable, replace
the print cartridge. Consider purchasing a
replacement cartridge so it is available when
the installed cartridge has reached the end of
its estimated life. See Print cartridges
on page 74.
CYAN CARTRIDGE LOW
LESS THAN XXXX PAGES
The product indicates when a supply level is
low. Actual print cartridge life might vary. You
do not need to replace the print cartridge at
this time unless print quality is no longer
acceptable. Estimated pages remaining is
based upon the historical page coverage of
this product.
If print quality is no longer acceptable, replace
the print cartridge. Consider purchasing a
replacement cartridge so it is available when
the installed cartridge has reached the end of
its estimated life. See Print cartridges
on page 74.
Table 3-14 Control-panel messages (continued)
ENWW Tools for troubleshooting 359

Description Recommended action
CYAN CARTRIDGE VERY LOW The product indicates when a supply level is
very low. Actual print cartridge life might vary.
Consider having a replacement print
cartridge available to install when print quality
is no longer acceptable. You do not need to
replace the print cartridge at this time unless
print quality is no longer acceptable. After an
HP supply has reached the very low
threshold, the HP premium protection
warranty for that supply has ended.
If print quality is no longer acceptable, replace
the print cartridge. See Print cartridges
on page 74.
CYAN CARTRIDGE VERY LOW
To continue press OK
The product indicates when a supply level is
very low. Actual print cartridge life might vary.
Consider having a replacement print
cartridge available to install when print quality
is no longer acceptable. You do not need to
replace the print cartridge at this time unless
print quality is no longer acceptable. After an
HP supply has reached the very low
threshold, the HP premium protection
warranty for that supply has ended.
Press the OK button to continue. If print
quality is no longer acceptable, replace the
print cartridge. See Print cartridges
on page 74.
DATA RECEIVED
To print last page press OK
The product is waiting for the command to
print the last page.
Press the OK button to print the last page.
DATE/TIME = YYYY/MMMM/DD HH:MM
To change press OK
To skip press
The current date and time set for the product. Press the OK button to set the date and time
or press the stop button to skip setup.
Deleting private jobs The product is deleting a private stored job. No action is necessary.
Deleting... The product is currently deleting the stored
job.
No action is necessary.
EIO <X> DISK INITIALIZING The specified EIO disk device is initializing. No action is necessary.
EIO <X> DISK NOT FUNCTIONAL The EIO disk in slot <X> is not working
correctly. 1. Turn the product off.
2. Remove the disk from the slot indicated.
3. Replace with a new disk.
4. Turn the product on.
EIO <X> DISK SPINNING UP EIO disk device in slot <X> is spinning up its
platter. Jobs that require disk access must
wait.
No action is necessary.
EIO DEVICE FAILURE
To clear press OK
The specified device has failed. Press the OK button to clear.
EIO FILE OPERATION FAILED
To clear press OK
A PJL file system command attempted to
perform an illogical operation.
Press the OK button to clear.
EIO FILE SYSTEM IS FULL
To clear press OK
A PJL file system command could not store
something on the file system because the file
system was full.
Press the OK button to clear.
Table 3-14 Control-panel messages (continued)
360 Chapter 3 Solve problems ENWW

Description Recommended action
EIO IS WRITE PROTECTED
To clear press OK
The file system device is protected and no
new files can be written to it.
Press the OK button to clear.
EIO NOT INITIALIZED This file-storage component must be
initialized before use.
Use the embedded Web server or HP Web
Jetadmin to initialize the component.
Event log empty No product events are in the log. No action is necessary.
EXPECTED DRIVE MISSING The product cannot find the encrypted hard
drive.
Insert the encrypted hard drive.
FUSER KIT LOW The fuser kit is low. The actual supply life
remaining might vary. You do not need to
replace the fuser kit at this time unless print
quality is no longer acceptable.
If print quality is no longer acceptable, replace
the fuser kit. Instructions are included with the
fuser kit. Consider purchasing a replacement
fuser kit so it is available when the installed
fuser kit has reached the end of its estimated
life.
FUSER KIT VERY LOW The fuser kit is very low. The actual supply life
remaining might vary. You do not need to
replace the fuser kit at this time unless print
quality is no longer acceptable. After an HP
supply has reached the very low threshold,
the HP premium protection warranty for that
supply has ended.
If print quality is no longer acceptable, replace
the fuser kit. Instructions are included with the
fuser kit.
FUSER KIT VERY LOW
To continue press OK
The fuser kit is very low and the AT VERY
LOW menu for the fuser kit is set to PROMPT
TO CONTINUE. The product stops printing
until you press the OK button or replace the
fuser kit. You do not need to replace the fuser
kit at this time unless print quality is no longer
acceptable. After an HP supply has reached
the very low threshold, the HP premium
protection warranty for that supply has
ended.
Press the OK button to clear the message. If
print quality is no longer acceptable, replace
the fuser kit. Instructions are included with the
fuser kit.
Genuine HP supplies installed You have installed more than one new print
cartridge that was manufactured by HP.
No action is necessary.
HP SECURE DRIVE DISABLED The drive has been encrypted for another
product.
Remove the drive or see the embedded Web
server for more information.
INCOMPATIBLE <COLOR> CARTRIDGE The indicated color print cartridge is not
compatible with this product.
Replace the print cartridge with one that is
designed for this product.
INCOMPATIBLE FUSER The incorrect fuser was installed. CAUTION: The fuser can be hot while the
product is in use. Wait for the fuser to cool
before handling it.
1. Open the right door.
2. Remove the incompatible fuser.
3. Install the correct fuser.
4. Close the right door.
INCOMPATIBLE SUPPLIES Print cartridges or other supply items are
installed that were not designed for this
product. The product cannot print with these
supplies installed.
Press the OK button to identify the
incompatible supplies. Install supplies that
are designed for this product.
Table 3-14 Control-panel messages (continued)
ENWW Tools for troubleshooting 361

Description Recommended action
Incorrect The PIN is incorrect. Use the up arrow and down arrow
buttons to enter the correct PIN.
Initializing The product is starting. No action is necessary. Please wait until the
Ready message appears on the display.
Initializing permanent storage Displayed when the product is turned on to
show that permanent storage is being
initialized.
No action is necessary.
INSTALL <COLOR> CARTRIDGE The print cartridge has been removed or has
been installed incorrectly.
Replace or reinstall the print cartridge
correctly to continue printing. See Print
cartridges on page 74.
INSTALL FUSER The fuser has been removed or installed
incorrectly. CAUTION: The fuser can be hot while the
product is in use. Wait for the fuser to cool
before handling it.
1. Open the right door.
2. Install or adjust the fuser.
3. Close the right door.
INSTALL SUPPLIES More than one supply is missing or is installed
incorrectly.
Press the OK button to identify which supplies
need to be replaced. Press the OK button a
second time for more information about the
specific supply. Insert the supply item or
make sure the installed supply item is fully
seated.
INSTALL TRANSFER UNIT The transfer unit has been removed or
installed incorrectly. 1. Open right door.
2. Install the transfer unit.
3. Close the right door.
4. If the error persists, use the manual
sensor test to check the ITB alienation
sensor (SR9). See Manual sensor test
(special-mode test) on page 246. This
sensor also detects the presence of the
ITB.
5. Reconnect the ITB alienation sensor
connector J78, and the connector J127
on the DC controller PCA.
INSUFFICIENT MEMORY TO LOAD
FONTSDATA The product does not have enough memory
to load the data (for example, fonts or
macros) from the location specified.
To continue without this information, press
the OK button . If the message persists, add
more memory.
Internal Disk Not Functional The internal disk is not working correctly. Replace the internal hard drive. See Hard
drive on page 79.
LOAD TRAY 1 [TYPE] [SIZE] Tray 1 is empty. Load Tray 1 with the requested paper.
If the paper is already in the Tray 1, press the
help button , and then press the OK button
to print.
To use another tray, remove paper from Tray
1, and then press the OK button to continue.
Table 3-14 Control-panel messages (continued)
362 Chapter 3 Solve problems ENWW

Description Recommended action
LOAD TRAY 1 [TYPE] [SIZE]
To continue press OK
The indicated tray is loaded and configured
for a type and size other than the one
specified in the job.
1. If the correct paper is loaded, press the
OK button.
2. Otherwise, remove the incorrect paper
and load the tray with the specified
paper.
3. If prompted, confirm the size and type of
paper loaded.
4. Confirm that the paper guides are in the
correct position.
5. To use another tray, remove paper from
the tray and then press the OK button.
LOAD TRAY 1 [TYPE] [SIZE]
To use another tray press OK
Tray 1 is empty and the other trays are
available. 1. If the correct paper is loaded, press the
OK button.
2. Otherwise, remove the incorrect paper
and load the tray with the specified
paper.
3. If prompted, confirm the size and type of
paper loaded.
4. Confirm that the paper guides are in the
correct position.
5. To use another tray, remove paper from
the tray and then press the OK button.
LOAD TRAY <X> [TYPE] [SIZE] This message appears even though there is
media loaded in the tray.
1. Use the sensor test to verify that the
cassette media present sensor is
correctly functioning.
2. Reconnect the cassette media present
sensor intermediate connector (J58)
and connector J115 on the DC controller
PCA.
3. Make sure that the sensor flag on the
media presence sensor is not damaged
and moves freely.
LOAD TRAY <X> [TYPE] [SIZE]
Media insert required in tray
This message appears when printing
100 x 150 mm (4 x 6 in) paper, which requires
the HP postcard media insert in the indicated
tray.
Install the HP postcard media insert in Tray 2,
and load the requested paper.
If you do not have the HP postcard media
insert, you can print 100 x 150 mm (4 x 6 in)
paper from Tray 1 without the insert.
LOAD TRAY <X> [TYPE] [SIZE]
Media insert required in tray
To use another tray press OK
This message appears when printing
100 x 150 mm (4 x 6 in) paper, which requires
the HP postcard media insert in the indicated
tray.
Install the HP postcard media insert in the
indicated tray.
LOAD TRAY <X> [TYPE] [SIZE]
To use another tray press OK
This message appears when the indicated
tray is selected but is not loaded, and other
paper trays are available for use.
It also appears when the tray is configured for
a different paper type or size than the print job
requires.
1. Load the correct paper in the tray.
2. If prompted, confirm the size and type of
paper loaded.
3. Otherwise, press the OK button to select
another tray.
Table 3-14 Control-panel messages (continued)
ENWW Tools for troubleshooting 363

Description Recommended action
LOADING PROGRAM <XX>
Do not power off
Programs and fonts can be stored on the
product’s file system and are loaded into
RAM when the product is turned on. The
number XX specifies a sequence number
indicating the current program being loaded.
No action necessary. Do not turn the product
off.
MAGENTA CARTRIDGE LOW The product indicates when a supply level is
low. Actual print cartridge life might vary. You
do not need to replace the print cartridge at
this time unless print quality is no longer
acceptable.
If print quality is no longer acceptable, replace
the print cartridge. Consider purchasing a
replacement cartridge so it is available when
the installed cartridge has reached the end of
its estimated life. See Print cartridges
on page 74.
MAGENTA CARTRIDGE LOW
LESS THAN XXXX PAGES
The product indicates when a supply level is
low. Actual print cartridge life might vary. You
do not need to replace the print cartridge at
this time unless print quality is no longer
acceptable. Estimated pages remaining is
based upon the historical page coverage of
this product.
If print quality is no longer acceptable, replace
the print cartridge. Consider purchasing a
replacement cartridge so it is available when
the installed cartridge has reached the end of
its estimated life. See Print cartridges
on page 74.
MAGENTA CARTRIDGE VERY LOW The product indicates when a supply level is
very low. Actual print cartridge life might vary.
Consider having a replacement print
cartridge available to install when print quality
is no longer acceptable. You do not need to
replace the print cartridge at this time unless
print quality is no longer acceptable. After an
HP supply has reached the very low
threshold, the HP premium protection
warranty for that supply has ended.
If print quality is no longer acceptable, replace
the print cartridge. See Print cartridges
on page 74.
MAGENTA CARTRIDGE VERY LOW
To continue press OK
The product indicates when a supply level is
very low. Actual print cartridge life might vary.
Consider having a replacement print
cartridge available to install when print quality
is no longer acceptable. You do not need to
replace the print cartridge at this time unless
print quality is no longer acceptable. After an
HP supply has reached the very low
threshold, the HP premium protection
warranty for that supply has ended.
Press the OK button to continue. If print
quality is no longer acceptable, replace the
print cartridge. See Print cartridges
on page 74.
MANUALLY FEED <TYPE> <SIZE> This message appears when MANUAL
FEED is selected and all trays are empty.
Load tray with requested paper. If paper is
already in tray, press the help button to exit
message and then press the OK button to
print. To use another tray, clear paper from
Tray 1, press the help button to exit the
message and then press the OK button.
MANUALLY FEED <TYPE> <SIZE>
To continue press OK
This message appears when MANUAL
FEED is selected and Tray 1 is loaded.
Load tray with requested paper.
To override the message, press the OK
button to use a type and size of paper that is
available in another tray.
MANUALLY FEED <TYPE> <SIZE>
To use another tray press OK
This message appears when MANUAL
FEED is selected, Tray 1 is not loaded, and
other trays are available.
Load tray with requested paper. If paper is
already in tray, press the help button to exit
the message and then press the OK button to
print. To use another tray, clear paper from
Tray 1, press the help button to exit the
message and then press the OK button.
Table 3-14 Control-panel messages (continued)
364 Chapter 3 Solve problems ENWW

Description Recommended action
MANUALLY FEED OUTPUT STACK
Then press OK to print second side
The product has printed the first side of a
manual duplex job and is waiting for the user
to insert the output stack to print the second
side.
1. Maintaining the same orientation,
remove document from the output bin.
2. Flip document printed side up.
3. Load document in Tray 1.
4. Press the OK button to print.
MOVING SOLENOID
To exit press
The solenoid is moving as part of a
component test.
No action is necessary.
MOVING SOLENOID AND MOTOR
To exit press
The solenoid and a motor are moving as part
of a component test.
No action is necessary.
No job to cancel You have pressed the stop button but the
product is not actively processing any jobs.
No action is necessary.
NO STORED JOBS Displayed when the user enters the
RETRIEVE JOB menu and there are no jobs
to retrieve.
No action is necessary.
NON HP SUPPLY INSTALLED The product is using a non-HP supply. This
message appears for six seconds after you
install a non-HP supply.
Any product repair required as a result of
using non-HP or unauthorized supplies is not
covered under warranty. HP cannot ensure
the accuracy or the availability of certain
features.
Paused
To return to Ready press
The product is paused, and there are no error
messages pending at the display. The I/O
continues receiving data until memory is full.
Press the stop button .
Performing upgrade
<X:YYY> % complete
Do not power off
The product is in the process of upgrading the
firmware.
Please wait until the upgrade is complete.
Performing... COLOR BAND TEST The color-band test is being performed. No action is necessary.
Performing... PAPER PATH TEST The product is performing a paper path test. No action is necessary.
Please wait The product is in the process of clearing data. No action is necessary.
Powering off... The product is shutting down. Please wait until the product shuts down.
Printing <REPORT> The product is printing an internal page. The
product will return to the online Ready state
when the page is completed.
No action is necessary.
PRINTING STOPPED
To continue press OK
Time has expired on the Print/Stop test. Press the OK button to continue.
Printing...ENGINE TEST The product is printing an engine test page. No action necessary.
Processing duplex job
Do not grab paper until job completes
Paper temporarily comes into the output bin
while printing a duplex job. Do not attempt to
remove the pages until the job is complete.
Do not grab paper as it temporarily comes
into the output bin. The message will
disappear when the job is finished.
Table 3-14 Control-panel messages (continued)
ENWW Tools for troubleshooting 365

Description Recommended action
Processing... The product is currently processing a job but
is not yet picking pages. When paper motion
begins, this message will be replaced by a
message that indicates which tray the job is
being printed from.
No action is necessary.
Processing...
CLEANING PAGE
The product is processing a cleaning page. No action is necessary.
Processing... copy <X> of <Y> The product is currently processing or
printing collated copies. The message
indicates that copy X of Y total copies is
currently being processed.
No action is necessary.
Processing... from tray <X> The product is actively processing a job from
the designated tray.
No action is necessary.
RAM DISK DEVICE FAILURE
To clear press OK
The specified device has failed. Press the OK button to clear.
RAM DISK FILE OPERATION FAILED
To clear press OK
A PJL file system command attempted to
perform an illogical operation.
Press the OK button to clear.
RAM DISK FILE SYSTEM IS FULL
To clear press OK
A PJL file system command could not store
something on the file system because the file
system was full.
Press the OK button to clear.
RAM DISK IS WRITE PROTECTED
To clear press OK
The file system device is protected and no
new files can be written to it.
Press the OK button to clear.
RAM DISK NOT INITIALIZED This file-storage component must be
initialized before use.
Use the HP Embedded Web Server or
HP Web Jetadmin to initialize the component.
Ready The product is online and ready for data. No
status or product attendance messages are
pending at the display.
No action is necessary.
Ready
IP ADDRESS
The product is online and ready. No action is necessary.
Ready Diagnostics mode
To exit press
The product is in Diagnostics mode. To stop Diagnostic mode, press the Stop
button .
Receiving Upgrade A firmware upgrade is in progress. Do not turn the product off until the product
returns to Ready.
Remove all print cartridges
To exit press
The product is testing the transfer unit
assembly.
To perform the test, remove all the print
cartridges. To cancel the test, press the stop
button .
Remove at least one print cartridge
To exit press
The product is testing the print-cartridge
motor.
To perform the test, remove at least one print
cartridge. To cancel the test, press the stop
button .
REMOVE CARTRIDGE LOCKS The cartridge shipping locks were not
removed before you turned the product on. 1. Open the front door.
2. Remove the orange cartridge locks.
Table 3-14 Control-panel messages (continued)
366 Chapter 3 Solve problems ENWW

Description Recommended action
REMOVE SHIPPING SHEET The transfer unit shipping sheet was not
removed before you turned the product on.
1. Open the right door.
2. Remove the shipping sheet.
3. Close the right door.
REPLACE <COLOR> CARTRIDGE The product indicates when a supply level is
at its estimated end of life. The actual life
remaining might be different than the
estimation. Have a replacement supply
available to install when print quality is no
longer acceptable. The supply does not need
to be replaced now unless the print quality is
no longer acceptable. After an HP supply has
reached its approximated end of life, HP’s
premium Protection Warranty on that supply
ends.
Replace the specified color cartridge. See
Print cartridges on page 74.
Or, configure the product to continue printing
by using the MANAGE SUPPLIES menu. For
more information about the MANAGE
SUPPLIES menu, see Manage supplies
menu on page 318.
REPLACE FUSER KIT The product indicates when the fuser kit is at
its estimated end of life. The actual life
remaining might be different than the
estimation. Have a replacement fuser kit
available to install when print quality is no
longer acceptable. The fuser kit does not
need to be replaced now unless the print
quality is no longer acceptable. After the fuser
kit reaches its approximated end of life, HP’s
premium Protection Warranty on that fuser kit
ends.
CAUTION: The fuser can be hot while the
product is in use. Wait for the fuser to cool
before handling it.
1. Open the right door.
2. Grasp the blue handles on both sides of
the fuser and pull straight out to remove
it.
3. Install the new fuser.
4. Close the right door.
REPLACE SUPPLIES Two or more supplies are at the estimated
end of life. The actual life remaining might be
different than the estimation. Have a
replacement supply available to install when
print quality is no longer acceptable. The
supply does not need to be replaced now
unless the print quality is no longer
acceptable. After an HP supply has reached
its approximated end of life, HP’s premium
Protection Warranty on that supply ends.
Press the OK button to see which supplies
need to be replaced.
Or, configure the product to continue printing
by using the MANAGE SUPPLIES menu. For
more information about the MANAGE
SUPPLIES menu, see Manage supplies
menu on page 318.
REPLACE SUPPLIES - Using black only You can configure the product to print using
only black when the level of a color supply
has reached its estimated end of life.
However, the color supply might still be able
to produce acceptable print quality.
The supply life remaining is used to
determine if a supply is very low. The supply
life remaining is an approximation only and
varies depending on the types of documents
printed and other factors.
No user input is required for printing to
continue in black. To continue printing in
color, either replace the supply or reconfigure
the product by using the MANAGE
SUPPLIES menu on the control panel.
For more information about ordering
supplies, see Parts and diagrams
on page 425.
For more information about the MANAGE
SUPPLIES menu, see Manage supplies
menu on page 318.
Table 3-14 Control-panel messages (continued)
ENWW Tools for troubleshooting 367

Description Recommended action
REPLACE SUPPLY
Printing black only
At least one print cartridge has reached the
very low condition and you have set the
COLOR CARTRIDGES items to the PRINT
IN BLACK option.
The supply life remaining is used to
determine if a supply is very low. The supply
life remaining is an approximation only and
varies depending on the types of documents
printed and other factors.
No action is required for printing to continue
in black. To continue printing in color, either
replace the print cartridge or reconfigure the
product by using the MANAGE SUPPLIES
menu on the control panel.
For more information about ordering
supplies, see Parts and diagrams
on page 425.
For more information about the MANAGE
SUPPLIES menu, see Manage supplies
menu on page 318.
REPLACE TONER COLLECTION UNIT The product indicates when a toner collection
unit is at its estimated end of life. The actual
life remaining might be different than the
estimation. Have a replacement toner
collection unit available to install when print
quality is no longer acceptable. The toner
collection unit does not need to be replaced
now unless the print quality is no longer
acceptable. After a toner collection unit has
reached its approximated end of life, HP’s
premium Protection Warranty on that toner
collection unit ends.
Replace the toner collection unit.
If you wish to have the toner collection unit
operate past its estimated capacity, configure
the product to continue printing by using the
MANAGE SUPPLIES menu. For more
information about the MANAGE SUPPLIES
menu, see Manage supplies menu
on page 318. This is not a recommended
option because of the risk of overfilling the
toner collection unit, which could result in the
need to service the product.
REPLACE TRANSFER KIT The product indicates when a transfer kit is at
its estimated end of life. The actual life
remaining might be different than the
estimation. Have a replacement transfer kit
available to install when print quality is no
longer acceptable. The transfer kit does not
need to be replaced now unless the print
quality is no longer acceptable. After a
transfer kit has reached its approximated end
of life, HP’s premium Protection Warranty on
that transfer kit ends.
Replace the transfer kit. Instructions are
included with the transfer kit.
Request accepted please wait The product has accepted a request to print
an internal page, but the current job must
finish printing before the internal page will
print.
No action is necessary.
Resend Upgrade The firmware upgrade was not completed
successfully.
Attempt upgrade again.
Resetting kit count You have selected the option to reset the
count for a new supply item.
No action is necessary.
Restoring factory settings The product is restoring factory settings. No action is necessary.
Restoring... The product is restoring settings. Please wait until the process is complete.
RESTRICTED FROM PRINTING IN COLOR This message appears when color printing is
disabled for the product or when it is disabled
for a particular user or print job.
To enable color printing for the product,
change the RESTRICT COLOR USE setting
in the Manage supplies menu on page 318.
ROM DISK DEVICE FAILURE
To clear press OK
The specified device has failed. Press the OK button to clear.
Table 3-14 Control-panel messages (continued)
368 Chapter 3 Solve problems ENWW

Description Recommended action
ROM DISK FILE OPERATION FAILED
To clear press OK
A PJL file system command attempted to
perform an illogical operation.
Press the OK button to clear.
ROM DISK FILE SYSTEM IS FULL
To clear press OK
A PJL file system command could not store
something on the file system because the file
system was full.
Press the OK button to clear.
ROM DISK IS WRITE PROTECTED
To clear press OK
The file system device is protected and no
new files can be written to it.
Press the OK button to clear.
Rotating <color> Motor
To exit press
A component test is in progress; the
component selected is the <color> cartridge
motor.
Press the stop button when ready to stop
this test.
Rotating Motor
To exit press
The product is executing a component test
and the component selected is a motor.
Press the stop button when ready to stop
this test.
SANITIZING DISK <X>% COMPLETE
Do not power off
The hard disk is being cleaned. Contact the network administrator.
SIZE MISMATCH IN TRAY XX The paper in the listed tray does not match
the size specified for that tray.
1. Load the correct paper.
2. Verify the paper is positioned correctly.
3. Close the tray and verify that the control
panel lists the correct paper size and
type. Reconfigure the size and type if
necessary.
Sleep mode on The product is in sleep mode. A button press,
receipt of printable data, or an error condition
will clear this message.
No action is necessary.
STANDARD TOP BIN FULL
Remove all paper from bin
The output bin is full. Empty the bin and continue printing.
SUPPLIES IN WRONG POSITION Two or more print-cartridge slots contain the
wrong color print cartridge.
From left to right, the print cartridges should
be installed in this order:
●Yellow
●Magenta
●Cyan
●Black
Install the correct color cartridge in each slot.
Table 3-14 Control-panel messages (continued)
ENWW Tools for troubleshooting 369

Description Recommended action
SUPPLIES LOW This message appears when at least two
supplies have reached the low threshold. The
actual supply life remaining might vary. You
do not need to replace the supplies at this
time unless print quality is no longer
acceptable. After an HP supply has reached
the very low threshold, the HP premium
protection warranty for that supply has
ended.
To continue printing in color, either replace
the supply or reconfigure the product by using
the MANAGE SUPPLIES menu on the
control panel.
For more information about ordering
supplies, see Parts and diagrams
on page 425.
For more information about the MANAGE
SUPPLIES menu, see Manage supplies
menu on page 318.
SUPPLIES LOW
PRINTING BLACK ONLY
This message appears when at least two
supplies have reached the low threshold. The
product has been configured to print using
only black when the level of a color supply is
low. The actual supply life might vary. You do
not need to replace the supplies at this time
unless print quality is no longer acceptable.
To continue printing in color, either replace
the supply or reconfigure the product by using
the MANAGE SUPPLIES menu on the
control panel.
For more information about ordering
supplies, see Parts and diagrams
on page 425.
For more information about the MANAGE
SUPPLIES menu, see Manage supplies
menu on page 318.
SUPPLIES VERY LOW This message appears when at least two
supplies have reached the very low
threshold. The actual supply life remaining
might vary. You do not need to replace the
supplies at this time unless print quality is no
longer acceptable. After an HP supply has
reached the very low threshold, the HP
premium protection warranty for that supply
has ended.
To continue printing in color, either replace
the supply or reconfigure the product by using
the MANAGE SUPPLIES menu on the
control panel.
For more information about ordering
supplies, see Parts and diagrams
on page 425.
For more information about the MANAGE
SUPPLIES menu, see Manage supplies
menu on page 318.
SUPPLIES VERY LOW
PRINTING BLACK ONLY
This message appears when at least two
supplies have reached the very low
threshold. The product has been configured
to print using only black when the level of a
color supply is very low. The actual supply life
might vary. You do not need to replace the
supplies at this time unless print quality is no
longer acceptable. After an HP supply has
reached the very low threshold, the HP
premium protection warranty for that supply
has ended.
To continue printing in color, either replace
the supply or reconfigure the product by using
the MANAGE SUPPLIES menu on the
control panel.
For more information about ordering
supplies, see Parts and diagrams
on page 425.
For more information about the MANAGE
SUPPLIES menu, see Manage supplies
menu on page 318.
SUPPLIES VERY LOW
To continue press OK
This message appears when at least two
supplies have reached the low threshold. The
actual supply life remaining might vary. You
do not need to replace the supplies at this
time unless print quality is no longer
acceptable. After an HP supply has reached
the very low threshold, the HP premium
protection warranty for that supply has
ended.
To continue printing in color, either replace
the supply or reconfigure the product by using
the MANAGE SUPPLIES menu on the
control panel.
For more information about ordering
supplies, see Parts and diagrams
on page 425.
For more information about the MANAGE
SUPPLIES menu, see Manage supplies
menu on page 318.
Table 3-14 Control-panel messages (continued)
370 Chapter 3 Solve problems ENWW

Description Recommended action
TONER COLLECTION UNIT LOW The toner collection unit is almost full. The
actual supply life remaining might vary. You
do not need to replace the toner collection
unit at this time unless print quality is no
longer acceptable.
To continue printing, either press the OK
button or replace the toner collection unit.
See Toner-collection unit on page 76.
TONER COLLECTION UNIT VERY LOW The toner collection unit is almost full. The
actual supply life remaining might vary. You
do not need to replace the toner collection
unit at this time unless print quality is no
longer acceptable. After an HP supply has
reached the very low threshold, the HP
premium protection warranty for that supply
has ended.
To continue printing, either press the OK
button or replace the toner collection unit.
See Toner-collection unit on page 76.
TONER COLLECTION UNIT VERY LOW
To continue press OK
The toner collection unit is almost full. The
actual supply life remaining might vary. You
do not need to replace the toner collection
unit at this time unless print quality is no
longer acceptable. After an HP supply has
reached the very low threshold, the HP
premium protection warranty for that supply
has ended.
To continue printing, either press the OK
button or replace the toner collection unit.
See Toner-collection unit on page 76.
TRANSFER KIT LOW This message appears when the transfer kit
reaches the low threshold. The actual supply
life remaining might vary. You do not need to
replace the transfer kit at this time unless print
quality is no longer acceptable.
No action is necessary to continue. If the print
quality is no longer acceptable, replace the
transfer kit. Instructions are included with the
new transfer kit.
TRANSFER KIT LOW
LESS THAN XXXX PAGES
The transfer kit is nearing the end of its
estimated useful life. The actual supply life
might vary. Estimated pages remaining is
based upon the historical page coverage of
this product. You do not need to replace the
transfer kit at this time unless print quality is
no longer acceptable.
No action is necessary to continue. If the print
quality is no longer acceptable, replace the
transfer kit. Instructions are included with the
new transfer kit.
TRANSFER KIT VERY LOW This message appears when the transfer kit
has reached the very low threshold. The
actual supply life remaining might vary. You
do not need to replace the supplies at this
time unless print quality is no longer
acceptable. After an HP supply has reached
the very low threshold, the HP premium
protection warranty for that supply has
ended.
To continue printing in color, either replace
the supply or reconfigure the product by using
the MANAGE SUPPLIES menu on the
control panel.
For more information about ordering
supplies, see Parts and diagrams
on page 425.
For more information about the MANAGE
SUPPLIES menu, see Manage supplies
menu on page 318.
TRANSFER KIT VERY LOW
To continue press OK
This message appears when the transfer kit
has reached the very low threshold. The
actual supply life remaining might vary. You
do not need to replace the supplies at this
time unless print quality is no longer
acceptable. After an HP supply has reached
the very low threshold, the HP premium
protection warranty for that supply has
ended.
To continue printing in color, either replace
the supply or reconfigure the product by using
the MANAGE SUPPLIES menu on the
control panel.
For more information about ordering
supplies, see Parts and diagrams
on page 425.
For more information about the MANAGE
SUPPLIES menu, see Manage supplies
menu on page 318.
Table 3-14 Control-panel messages (continued)
ENWW Tools for troubleshooting 371

Description Recommended action
TRAY <X> [TYPE] [SIZE]
To change size or type press OK
To accept settings press
This message states the current type and
size configuration of the tray.
To change size or type press the OK button.
To accept settings press the back arrow .
TRAY <X> EMPTY [TYPE] [SIZE] The specified tray is empty and the current
job does not need this tray to print.
Refill the tray at a convenient time.
TRAY <X> OPEN The specified tray is open or not closed
completely.
Close the tray.
NOTE: If this message appears and the
lifter-base assembly was removed or
replaced, make sure that the connector on
the assembly is correctly connected and fully
seated.
TRAY <X> OVERFILLED
Remove some paper
The tray is filled above the stack-height
marking.
Remove enough paper so that the paper
stack does not exceed the limit for the tray.
NOTE: If this message appears and the
paper-pickup assembly was removed or
replaced, make sure that the connector at the
back of the assembly is correctly connected
and fully seated.
TRAY <X> OVERFILLED
To use another tray press OK
The tray is filled above the stack-height
marking.
Remove enough paper so that the paper
stack does not exceed the limit for the tray or
press OK to use another tray.
NOTE: If this message appears and the
paper-pickup assembly was removed or
replaced, make sure that the connector at the
back of the assembly is correctly connected
and fully seated.
TRAY <X> SIZE = <Size>
Media insert required in tray
The product is set to print on a small paper
size that requires the HP postcard media-
insert to be installed in this tray.
To use this size paper, install the media insert
before loading the paper.
If you do not have the HP postcard media
insert, 100 x 150 mm (4 x 6 in) paper can be
printed from Tray 1 without the insert.
TYPE MISMATCH IN TRAY X The specified tray contains a paper type that
does not match the configured type.
The specified tray will not be used until this
condition is addressed. Printing can continue
from other trays.
1. Load the correct paper in the specified
tray.
2. Verify the type configuration.
UNABLE TO COPY JOB The product does not have enough memory
to produce multiple original prints of this job.
One copy will be printed.
Add more memory to the product. See
Memory DIMM on page 81.
UNABLE TO STORE JOB A job cannot be stored because of a memory
or configuration problem.
Install additional memory in the product.
Unsupported data on [FS] DIMM in slot x
To clear press OK
The data on the DIMM for the indicated file
system is not a type that the product supports.
[FS] can be either a ROM or Flash file system.
Press the OK button to clear the message.
Replace the DIMM. See Memory DIMM
on page 81.
Table 3-14 Control-panel messages (continued)
372 Chapter 3 Solve problems ENWW

Description Recommended action
UNSUPPORTED DRIVE INSTALLED A non-supported hard drive has been
installed.
Turn off the product, remove the hard drive,
and then turn on the product.
UNSUPPORTED SUPPLY IN USE
For help press
A non-supported supply has been installed. Turn off the product, remove the supply, and
then turn on the product.
UNSUPPORTED SUPPLY INSTALLED
To continue press OK
The print cartridge is for a different HP
product.
If print quality is no longer acceptable, replace
the print cartridge.
For a list of supported print cartridges, see
Parts and diagrams on page 425.
USB ACCESSORY ERROR This message appears when a connected
USB accessory draws too much power.
When this happens, the ACC port is disabled
and printing stops.
Remove the USB accessory, and then restart
the product
Use a USB accessory that uses less power
or that contains its own power supply.
USB ACCESSORY NOT FUNCTIONAL A USB accessory is not working correctly. 1. Turn product off.
2. Disconnect the USB accessory, and
replace with a new USB accessory.
USB ACCESSORY UNAVAILABLE
To clear press OK
The USB accessory is currently unavailable. To use the USB accessory, install the
software for the USB accessory and turn the
product off. Then, turn the product on with the
accessory attached.
USB NEEDS TOO MUCH POWER
Remove USB and turn off then on
A USB accessory is drawing too much
electrical current. Printing cannot continue.
Remove the USB accessory, and then restart
the product.
Use a USB accessory that uses less power
or that contains its own power supply.
USB STORAGE DEVICE FAILURE
To clear press OK
The specified device has failed. Press the OK button to clear.
USB STORAGE FILE OPERATION FAILED
To clear press OK
A PJL file system command attempted to
perform an illogical operation.
Press the OK button to clear.
USB STORAGE FILE SYSTEM IS FULL
To clear press OK
A PJL file system command could not store
something on the file system because the file
system was full.
Press the OK button to clear.
USB STORAGE IS WRITE PROTECTED
To clear press OK
The file system device is protected and no
new files can be written to it.
Press the OK button to clear.
USB STORAGE NOT INITIALIZED This file-storage component must be
initialized before use.
Use the embedded Web server or HP Web
Jetadmin to initialize the component.
USE TRAY [X] [TYPE] [SIZE]
To continue press OK
The specified tray type and/or size is
mismatched. 1. Use the up arrow or down arrow to
select the correct tray.
2. Press the OK button to select the tray.
USED SUPPLY INSTALLED
To continue press OK
The print cartridge has been previously used. If you believe you purchased a genuine HP
supply, go to www.hp.com/go/
anticounterfeit.
Table 3-14 Control-panel messages (continued)
ENWW Tools for troubleshooting 373

Description Recommended action
WAIT FOR PRINTER TO REINITIALIZE This message can appear for a variety of
reasons:
●The RAM DISK settings changed before
the product has restarted.
●The product is restarting after changing
external device modes.
●Diagnostics has been exited.
●A new formatter has been installed with
an old engine or a new engine has been
installed with an old formatter.
No action is necessary.
WAITING FOR TRAY <X> TO LIFT The specified tray is lifting paper for feeding. No action is necessary.
WARMING UP The product is coming out of Sleep mode. No action is necessary.
WRONG CARTRIDGE IN <COLOR> SLOT The indicated slot for a print cartridge
contains a cartridge that is not the correct
color. From left to right, the print cartridges
should be installed in this order:
●Yellow
●Magenta
●Cyan
●Black
Remove the print cartridge from that slot, and
install a cartridge that is the correct color.
YELLOW CARTRIDGE LOW The product indicates when a supply level is
low. Actual print cartridge life might vary. You
do not need to replace the print cartridge at
this time unless print quality is no longer
acceptable.
If print quality is no longer acceptable, replace
the print cartridge. Consider purchasing a
replacement cartridge so it is available when
the installed cartridge has reached the end of
its estimated life. See Print cartridges
on page 74.
YELLOW CARTRIDGE LOW
LESS THAN XXXX PAGES
The product indicates when a supply level is
low. Actual print cartridge life might vary. You
do not need to replace the print cartridge at
this time unless print quality is no longer
acceptable. Estimated pages remaining is
based upon the historical page coverage of
this product.
If print quality is no longer acceptable, replace
the print cartridge. Consider purchasing a
replacement cartridge so it is available when
the installed cartridge has reached the end of
its estimated life. See Print cartridges
on page 74.
Table 3-14 Control-panel messages (continued)
374 Chapter 3 Solve problems ENWW

Description Recommended action
YELLOW CARTRIDGE VERY LOW The product indicates when a supply level is
very low. Actual print cartridge life might vary.
Consider having a replacement print
cartridge available to install when print quality
is no longer acceptable. You do not need to
replace the print cartridge at this time unless
print quality is no longer acceptable. After an
HP supply has reached the very low
threshold, the HP premium protection
warranty for that supply has ended.
If print quality is no longer acceptable, replace
the print cartridge. See Print cartridges
on page 74.
YELLOW CARTRIDGE VERY LOW
To continue press OK
The product indicates when a supply level is
very low. Actual print cartridge life might vary.
Consider having a replacement print
cartridge available to install when print quality
is no longer acceptable. You do not need to
replace the print cartridge at this time unless
print quality is no longer acceptable. After an
HP supply has reached the very low
threshold, the HP premium protection
warranty for that supply has ended.
Press the OK button to continue. If print
quality is no longer acceptable, replace the
print cartridge. See Print cartridges
on page 74.
Table 3-14 Control-panel messages (continued)
ENWW Tools for troubleshooting 375

Event log messages
This section describes messages that only appear in the event log. For additional numeric messages,
see the control-panel message section in this manual. See Control-panel messages on page 345.
Print an event log
Use the event log to help diagnose and solve product problems.
1. Press the Home button.
2. Press the down arrow to highlight DIAGNOSTICS, and then press the OK button.
3. Press the down arrow to highlight PRINT EVENT LOG, and then press the OK button to print
the pages.
Show an event log
Use the control panel to view the event log.
1. Press the Home button.
2. Press the down arrow to highlight DIAGNOSTICS, and then press the OK button.
3. Press the down arrow to highlight SHOW EVENT LOG, and then press the OK button to print
the pages.
376 Chapter 3 Solve problems ENWW

Sample event log
Figure 3-56 Sample event log
hp color LaserJet CP 4520 Series
Event Log Page
1
1
2345 6 7
1Product information
2Event number
3Date and time
4Engine cycles
5Event log code
6Firmware version number
7Description of personality
Clear the event log
Use the SERVICE menu to clear the event log.
1. Press the Home button.
2. Press the down arrow to highlight SERVICE, and then press the OK button.
3. Press the down arrow to highlight CLEAR EVENT LOG, and then press the OK button to print
the pages.
ENWW Tools for troubleshooting 377

Event log message table
Event log message Description Comments
10.XX.00 Black toner cartridge
10.XX.01 Cyan toner cartridge
10.XX.02 Magenta toner cartridge
10.XX.03 Yellow toner cartridge
10.XX.04 Drum cartridge
10.XX.05 Black drum cartridge
10.XX.06 Cyan drum cartridge
10.XX.07 Magenta drum cartridge
10.XX.08 Yellow drum cartridge
10.XX.22 Transfer belt
10.XX.23 Fuser
10.XX.24 Transport kit
10.XX.26 Maintenance kit
10.XX.31 Cleaning bottle
10.XX.33 Transfer roller
10.XX.34 Transfer kit
10.XX99 Unkown
10.50.23 Fuser kit life reset above replacement
threshold.
10.70.23 Fuser kit
10.70.24 Transfer kit
10.81.00 Not printing black only Printing monochrome after the color
cartridge out was deactivated
13.01.00 PAPER FEED 1, PAPER LATE JAM
13.02.00 PAPER FEED 1, PAPER STOPPED
JAM
13.03.00 PAPER FEED 2, PAPER LATE JAM
13.04.00 PAPER FEED 2, PAPER STOPPED
JAM
13.05.00 FUSER OUTPUT, PAPER LATE JAM
13.06.00 FUSER OUTPUT, PAPER STOPPED
JAM
13.08.00 NON-SPECIFIC PAPER JAM
13.11.00 DUPLEX TURN AROUND, PAPER
STOPPED JAM
13.12.00 DUPLEX PATH, PAPER LATE JAM
378 Chapter 3 Solve problems ENWW

Event log message Description Comments
13.13.00 DUPLEX PATH, PAPER STOPPED JAM
13.1C.00 FUSER ACCORDION JAM
13.20.00 PRINTER COULD NOT
AUTOMATICALLY EJECT PAPER
13.21.00 DOOR OPEN JAM
13.30.00 PAPER FEED 1, PAPER LATE JAM
41.XX.00 ●X=11 Yellow laser scanner
●X=12 Magenta laser scanner
●X=13 Cyan laser scanner
●X=14. Black laser scanner
●X=15. Main drive
●X=16. Main drive
●X=17. Main drive scanner
54.01 The humidity-environment sensor is
abnormal.
Ensure the product is in a supported
environment. If the error persists, replace
the CN1 environment sensor.
54.02 Printer error Developer failure
54.03 Printer error Density sensor failure.
54.05 Printer error Media sensor out of range.
54.06 The DMAX density or OHT sensor is out
of range. 1. Press the Home button.
2. Press the down arrow to highlight
CONFIGURE DEVICE, and then
press the OK button.
3. Press the down arrow to highlight
PRINT QUALITY, and then press
the OK button.
4. Press the down arrow to highlight
QUICK CALIBRATE NOW, and
then press the OK button.
54.07 Printer error Rotary motor error
54.XX Drum phase sensor is out of range.
●XX = 07 Yellow
●XX = 08 Magenta
●XX = 09 Cyan
●XX = 0A Black
ENWW Tools for troubleshooting 379

Event log message Description Comments
54.0B.XX The density sensor is out of range.
●XX = 00 Black
●XX = 01 Cyan
●XX = 02 Magenta
●XX = 03 Yellow
54.0C.XX Halftone calibration error.
●XX = 00: Black Dhalf warning
●XX = 01: Cyan Dhalf warning
●XX = 02: Magenta Dhalf warning
●XX = 03: Yellow Dhalf warning
54.0D.XX ●XX = 00: Black density-
measurement abnormality
●XX = 01: Cyan density-
measurement abnormality
●XX = 02: Magenta density-
measurement abnormality
●XX = 03: Yellow density-
measurement abnormality
1. Press the Home button.
2. Press the down arrow to highlight
CONFIGURE DEVICE, and then
press the OK button.
3. Press the down arrow to highlight
PRINT QUALITY, and then press
the OK button.
4. Press the down arrow to highlight
QUICK CALIBRATE NOW, and
then press theOK button.
54.0F.XX ●XX=00: Black misregistration is out
of range.
●XX=01: Cyan misregistration is out
of range.
●XX=02: Magenta misregistration is
out of range.
●XX=03: Yellow misregistration is out
of range.
1. Press the Home button.
2. Press the down arrow to highlight
CONFIGURE DEVICE, and then
press the OK button.
3. Press the down arrow to highlight
PRINT QUALITY, and then press
the OK button.
4. Press the down arrow to highlight
FULL CALIBRATE NOW, and then
press the OK button.
54.12 Printer error ITB speed control sensor.
54.14 CPR sensor abnormal Replace RD sensor assembly.
54.1C Auto clean error Check RD sensors tor toner residue.
380 Chapter 3 Solve problems ENWW

Event log message Description Comments
54.1E.XX Halftone calibration error
●XX = 00 Bad internal data
●XX = 01 Bad external data
●XX = 02 Memory allocation
●XX = 03 No default tables
●XX = 04 Bad parameters
●XX = 05 Cyan data is out of range.
●XX = 06 Magenta data is out of
range.
●XX = 07 Yellow data is out of range.
●XX = 08 Black data is out of range.
●XX = 09 Cyan data is noisy.
●XX = 0A Magenta data is noisy.
●XX = 0B Yellow data is noisy.
●XX = 0C Black data is noisy.
54.20 Media sensor is not calibrated
54.21 Scanner beam adjustment warning
●XX = 01 First scanner
●XX = 02 Second scanner
54.35 Drum speed adjustment abnormality
warning
55.06.01 The DC controller NVRM has an
abnormal read/write. 1. Turn the product off then on.
2. If the error persists, replace the DC
Controller. See DC controller PCA
and tray on page 161.
55.06.02 The DC controller NVRM is not
accessible. 1. Turn the product off then on.
2. If the error persists, replace the DC
Controller. See DC controller PCA
and tray on page 161.
55.901C DCC restored DCC NVRAM was restored from the
formatter.
61.00.01 Color table error This event occurs when the color table
cannot read a table from the disk and the
component reverts to the version in
RAM. The file could be corrupt, missing,
or the disk could have failed. No
messages display on the control panel.
67.XX.00 A system variable (XX) is out of range.
68 8X04 The permanent storage date does not
match the engine.
ENWW Tools for troubleshooting 381

Event log message Description Comments
68 8X05 The permanent storage date does match
the engine.
Disk error: either the number does not
match or the write failed
74.00 New registration roller
8x7345 The disk was successfully cleaned and
sanitized.
x = slot number
8x7346 The hard disk or compact flash disk
cleaning or sanitizing failed. This is
usually caused by a failure of the disk
hardware.
x = slot number
8x7347 Some of the sanitized disk did not verify
correctly.
88.00.XX Fail code from the engine self-test
execution
99.00.01 No control panel message displays.
99.00.02 The firmware image has a CRC error.
99.00.03 A IO timeout occurred when reading the
header number and size.
99.00.04 A disk error occurred.
99.00.05 A IO timeout occurred when reading the
remaining header.
99.00.06 A IO timeout occurred when reading
image data.
99.00.07 An unexpected read error occurred when
reading the header number and size.
99.00.08 An unexpected read error occurred when
reading the remainder of the header.
99.00.09 Unexpected read error occurred when
reading image data.
99.00.10 Job canceled when reading header
number and size
99.00.11 The job was cancelled when reading the
remainder of the header.
99.00.12 The header number is one, but the
header size does not match the version
one size.
99.00.13 The header number is two, but the header
size does not match the version two size.
99.00.28 The signature was bad but the customer
accepted it anyway.
382 Chapter 3 Solve problems ENWW

Clear paper jams
Common causes of jams
The product is jammed.
Cause Solution
The paper does not meet specifications. Use only paper that meets HP specifications. See the product
user guide.
A component is installed incorrectly. Verify that the transfer belt and transfer roller are correctly
installed.
You are using paper that has already passed through a product
or copier.
Do not use paper that has been previously printed on or copied.
An input tray is loaded incorrectly. Remove any excess paper from the input tray. Make sure that
the stack is below the maximum stack height mark in the tray.
The paper is skewed. The input-tray guides are not adjusted correctly. Adjust them
so they hold the stack firmly in place without bending it.
The paper is binding or sticking together. Remove the paper, flex it, rotate it 180°, or flip it over. Reload
the paper into the input tray.
The paper is removed before it settles into the output bin. Reset the product. Wait until the page completely settles in the
output bin before removing it.
During two-sided printing, you removed the paper before the
second side of the document was printed.
Reset the product and print the document again. Wait until the
page completely settles in the output bin before removing it.
The paper is in poor condition. Replace the paper.
The internal tray rollers are not picking up the paper. If the paper is heavier than 220 g/m2 (58 lb), it might not be
picked from the tray.
The rollers are worn. Replace the rollers.
The paper has rough or jagged edges. Replace the paper.
The paper is perforated or embossed. Perforated or embossed paper does not separate easily. Feed
single sheets from Tray 1.
Paper was not stored correctly. Replace the paper in the trays. Paper should be stored in the
original packaging in a controlled environment.
ENWW Clear paper jams 383

The product is jammed.
Cause Solution
Not all product packing material was removed. Verify that the packing tape, cardboard, and plastic shipping
locks have been removed from the product.
The HP postcard media insert is installed in Tray 2, and you
are not printing on 10 x 15 cm (4 x 6 in) paper.
Or
The HP postcard media insert is not installed in Tray 2, and
you are printing on 10 x 15 cm (4 x 6 in) paper.
Always use the HP postcard media insert when printing on 10
x 15 cm (4 x 6 in) paper, but remove it when printing on other
sizes.
Figure 3-57 Common causes of jams (by area)
A
E
B
D
Tray1
Tray2
Tray3(Option Feeder1)
Tray4(Option Feeder2)
Tray5(Option Feeder3)
F
C
T
X
b
ITB
Fuser
Item Description Item Description
TSR4 (PDU) Tray 3 feed
sensor
ESR22 Duplex re-pickup
sensor (duplex models only)
384 Chapter 3 Solve problems ENWW

Item Description Item Description
XSR7 (PDU) Tray 4 feed
sensor
FSR6 Delivery tray media full
sensor
bSR10 (PDU) Tray 5 feed
sensor
X-1 Registration stop position
ASR20 Top-of-Page sensor
(TOP)
X-2 Duplex media waiting position
1 (duplex models only)
B, C SR14/15 Loop sensors 1/2 X-3 Duplex media waiting position
2 (duplex models only)
DSR5 Fuser delivery sensor
Table 3-15 Common causes of jams (by area)
Jam code Jammed media position
13.01.00 ●Leading edge of media fed from Tray 3 is stopped before T
●Leading edge of media fed from Tray 4 is stopped before X
●Leading edge of media fed from Tray 5 is stopped before b
13.30.00 ●Leading edge of media fed from Tray 1 is stopped before A
●Leading edge of media fed from Tray 2 is stopped before A
●Leading edge of media fed from Tray 3 is stopped before A
●Leading edge of media fed from Tray 4 is stopped before A
●Leading edge of media fed from Tray 5 is stopped before A
13.03.00 ●Leading edge of media fed from Tray 4 is stopped before T
●Leading edge of media fed from Tray 5 is stopped before T
13.02.00 ●Media stays at A
13.04.00 ●Media stays at T
13.05.00 ●Leading edge of media is stopped between A and D
13.06.00 ●Media stays at D
13.08.00 ●Media fed from Tray 4 stays at X
●Media fed from Tray 5 stays at b
13.12.00 ●Duplex refeed media is stopped between D and E
13.13.00 ●Duplex refeed media is stopped between E and A
13.20.00 ●At power on with door closed, media stays at D
●At auto-flushing, media stays at T, X, b, A, B/C, D, or E
13.21.00 ●Media jammed at any position
13.1C.00 ●Media fuser wrap
ENWW Clear paper jams 385

Jam locations
Use this illustration to identify locations of jams. In addition, instructions appear on the control panel to
direct you to the location of jammed paper and how to clear it.
NOTE: Internal areas of the product that might need to be opened to clear jams have green handles
or green labels.
Figure 3-58 Jam locations
2
3
5
1
4
1Output bin
2Right door
3Tray 1 area
4Tray 2, and optional Trays 3, 4, and 5
5Lower-right door
When a jam occurs, a message appears on the control-panel display that describes the location of the
jam. The following table lists the messages that can appear and provides links to the procedures for
clearing the jam.
WARNING! To avoid electrical shock, remove any necklaces, bracelets, or other metal items before
reaching into the inside of the product.
Type of jam Procedure
13.XX.YY JAM IN RIGHT DOOR
13.XX.YY JAMS IN RIGHT DOOR
13.XX.YY FUSER AREA JAM
13.XX.YY FUSER WRAP JAM
See Clear jams in the right door on page 387.
13.XX.YY JAM ABOVE TOP OUTPUT BIN See Clear jams in the output bin area on page 390.
386 Chapter 3 Solve problems ENWW

Type of jam Procedure
13.XX.YY JAM IN TRAY 1 See Clear jams in Tray 1 on page 390.
13.XX.YY JAM IN TRAY 2 See Clear jams in Tray 2 or optional Trays 3, 4, or 5
on page 392.
13.XX.YY JAM IN OPTIONAL TRAYS See Clear jams in Tray 2 or optional Trays 3, 4, or 5
on page 392.
13.XX.YY JAM IN LOWER RIGHT DOOR See Clear jams in the lower right door (Tray 3, 4, or 5)
on page 393.
Clear jams in the right door
CAUTION: The fuser can be hot while the product is in use. Wait for the fuser to cool before handling
it.
1. Open the right door.
2. Gently pull the paper out of the pickup area.
ENWW Clear paper jams 387

3. If paper is visible entering the bottom of the
fuser, gently pull downward to remove it.
CAUTION: Do not touch the rollers on the
transfer roller. Contaminants can affect print
quality.
4. If paper is jammed as it enters the output bin,
remove the fuser and gently pull the paper
downward to remove it.
5. Paper could be jammed inside the fuser where
it would not be visible. Remove the fuser to
check for jammed paper inside.
CAUTION: The fuser can be hot while the
product is in use. Wait for the fuser to cool
before handling it.
6. Grasp the fuser handles, lift up slightly, and pull
straight out to remove the fuser.
388 Chapter 3 Solve problems ENWW

7. Open the jam-access door. If paper is jammed
inside the fuser, gently pull it straight up to
remove it. If the paper tears, remove all paper
fragments.
CAUTION: Even if the body of the fuser has
cooled, the rollers that are inside could still be
hot. Do not touch the fuser rollers until they
have cooled.
8. Close the jam-access door, and push the fuser
completely into the product.
9. Close the right door.
ENWW Clear paper jams 389

Clear jams in the output bin area
1. If paper is visible from the output bin, grasp the
leading edge and remove it.
Clear jams in Tray 1
1. If jammed paper is visible in Tray 1, clear the
jam by gently pulling the paper straight out.
Press the OK button to clear the message.
2. If you cannot remove the paper, or if no jammed
paper is visible in Tray 1, close Tray 1 and open
the right door.
390 Chapter 3 Solve problems ENWW

3. Gently pull the paper out of the pick up area.
4. Close the right door.
ENWW Clear paper jams 391

Clear jams in Tray 2 or optional Trays 3, 4, or 5
CAUTION: Opening a tray when paper is jammed can cause the paper to tear and leave pieces of
paper in the tray, which might cause another jam. Be sure to clear jams before opening the tray.
1. Open Tray 2 and make sure that the paper is
stacked correctly. Remove any jammed or
damaged sheets of paper. To access jammed
paper from the tray cavity, remove Tray 2 from
the product.
2. Close the tray.
392 Chapter 3 Solve problems ENWW

Clear jams in the lower right door (Tray 3, 4, or 5)
1. Open the lower right door.
2. If paper is visible, gently pull the jammed paper
up or down to remove it.
3. Close the lower right door.
ENWW Clear paper jams 393

Jam causes and solutions
For locations of jam sensors, see Jam detection on page 55.
Jams in the output bin
Table 3-16 Causes and solutions for delivery delay jam
Cause Solution
The output-bin full sensor flag is damaged. Replace the paper delivery assembly. See Delivery assembly on page 145.
See Manual sensor test (special-mode test) on page 246 for troubleshooting
information.
Poor contact of the output-bin full sensor
connector.
Reconnect the connectors of the output-bin full sensor (SR6) (J47) to DCC PCA
(J123).
The output bin full sensor (SR6) is defective. Check the output bin full sensor (SR6) using the manual sensor test. See
Manual sensor test (special-mode test) on page 246. The output bin full sensor
is letter F in the sensor test. Toggle the sensor to determine if the value changes
for "F". If the value does not change, replace the sensor.
Poor contact of the fuser-motor (M2)
connector.
Reconnect the connectors of the fuser motor (J117), (J15), and the DC
controller PCA (J105).
The fuser motor (M2) is defective. Execute the fuser-motor driving test in the actuator-drive mode. If the motor is
defective, replace the fuser motor (M2).
Jams in the fuser and transfer area
Table 3-17 Causes and solutions for fuser delivery delay jams
Cause Solution
The fuser-delivery-sensor flag is damaged. Replace the fuser. See Fuser on page 85.
Poor contact with the fuser-delivery connector. Reconnect the connectors of the fuser-delivery sensor (J48) and the DC
controller PCA (J127).
The fuser-delivery sensor (SR5) is defective. Check the fuser-delivery sensor (SR5) with the manual sensor test. See
Manual sensor test (special-mode test) on page 246. If the sensor is defective,
replace the sensor.
Table 3-18 Causes and solutions for wrapping jams
Cause Solution
The fuser roller or pressure roller is dirty. Create and use a cleaning page. See Cleaning page on page 306.
The guide of the fuser delivery unit is dirty. Clean the guide.
The fuser roller or the pressure roller is worn
or deformed.
Replace the fuser. See Fuser on page 85.
The lever for the output bin full sensor on the
face-down tray is set incorrectly or is
damaged.
Set the lever correctly. If the lever is damaged, replace the delivery assembly.
See Delivery assembly on page 145.
The spring on the lever for the output bin full
sensor on the face-down tray is unhooked.
Reattached the spring.
394 Chapter 3 Solve problems ENWW

Cause Solution
The output bin full sensor on the face-down
tray has a poor connection.
Reconnect connector (J47) on the output bin full sensor and (J128) on the DC
controller PCA.
The output bin full sensor is defective. Run the manual sensor test to verify the output bin full sensor is functioning
properly. See F output bin full sensor on page 251. If not, replace the sensor.
Table 3-19 Causes and solutions for fuser delivery stationary jams
Cause Solution
The fuser roller or pressure roller is worn or
deformed.
Replace the fuser. See Fuser on page 85.
The fuser-delivery roller is deformed.
The gear of the fuser-delivery roller is
damaged.
The fuser-delivery sensor flag is stuck or
broken.
Check the flag to make sure it moves correctly. See Manual sensor test
(special-mode test) on page 246 for information. If the flag is damaged, replace
the fuser. See Fuser on page 85.
Poor contact of the fuser-delivery sensor
connector.
Reconnect connector (J48) of the fuser-delivery sensor and connector (J127)
on the DC controller PCA.
The fuser delivery sensor (SR5) is defective. Run the sensor test in the sensor monitor mode to verify that the fuser delivery
sensor is functioning properly. If it is not, replace the fuser delivery sensor
(SR5).
Table 3-18 Causes and solutions for wrapping jams (continued)
ENWW Clear paper jams 395

Table 3-20 Causes and solutions for residual media jams
Cause Solution
The sensor detecting a residual media jam is
not working.
One of the four sensors is reporting a residual jam. Test each sensor using the
manual sensor test. See Manual sensor test (special-mode test) on page 246
for information. If the sensor does not respond, replace the component
indicated:
●TOP sensor (SR20): Replace the registration assembly. See Registration
assembly on page 128.
●Fuser delivery sensor (SR5): Replace the sensor. See callout 3 in Figure
2-114 Remove the delivery assembly (2 of 7) on page 146 for the sensor
location.
●Loop sensor 1 or 2 (SR14 and SR15): Replace the fuser. See Fuser
on page 85.
●Duplex re-pickup sensor (SR22): Replace the registration assembly. See
Registration assembly on page 128.
If service was recently performed on the
product, a sensor connector might be
disconnected.
Run the manual sensor tests to verify which sensor detects the media. See
Manual sensor test (special-mode test) on page 246 for information. Reconnect
the corresponding sensor connector:
●TOP sensor: Connector (J74) and (J145) on the DC controller PCA
●Fuser delivery sensor: Connector (J48) and connector (J127) on the DC
controller PCA
●Loop sensor 1 or 2: Connector (J162) on the DC controller PCA
●Duplex re-pickup sensor: Intermediate connector (J74) and connector
(J145) on the DC controller PCA.
Table 3-21 Causes and solutions for pickup delay jams 2
Cause Solution
Poor contact of the pickup motor drive
connector.
Reconnect the connector (J37) of the pickup motor and connector (J260) of the
DC controller PCA .
The pickup motor is defective. Execute the pickup-motor driving test in the actuator-drive mode. If the motor is
defective, replace the pickup motor. See Pickup motor on page 172.
The pickup roller is worn or deformed. Replace the pickup roller. See Feed and separation rollers (Trays 2-5)
on page 86.
The tray 2 separation roller is worn or
deformed.
Replace the separation roller. See Feed and separation rollers (Trays 2-5)
on page 86.
Poor contact of the TOP sensor connector. Reconnect the intermediate connector (J74) of the TOP sensor and connector
(J145) on the DC controller PCA.
The TOP sensor (SR20) is defective. Run the manual sensor test to verify that the TOP sensor is functioning properly.
See Manual sensor test (special-mode test) on page 246 for information. If it is
not, replace the registration assembly. See Registration assembly
on page 128.
Poor contact of the pickup solenoid drive
connector.
Reconnect the connector (J59) of the pickup solenoid and (J115) on the DC
controller PCA.
396 Chapter 3 Solve problems ENWW

Cause Solution
The pickup solenoid is defective. Run the solenoid drive test in the actuator drive mode to verify that the pickup
solenoid is functioning properly. If it is not, replace the tray-pickup drive
assembly. See Tray-pickup drive assembly on page 178.
The pickup motor is defective. Run the pickup motor drive test in the actuator drive mode to verify that the
pickup motor is functioning properly. If it is not, replace the pickup motor. See
Pickup motor on page 172.
Table 3-22 Causes and solutions for pickup stationary jams
Cause Solution
Multiple-feed of media If the tray 2 pickup roller or separation roller are worn or deformed, replace any
defective parts. If the tray 1 pickup roller or separation pad are worn or
deformed, replace any defective parts.
The TOP sensor lever is set incorrectly or
damaged
Check the sensor lever to make sure it is set correctly. If it is damaged, replace
the registration assembly. See Registration assembly on page 128.
The spring of the TOP sensor lever is
unhooked.
Check the spring and place it in correct position.
Poor contact of the TOP sensor connector Reconnect intermediate connector (J74) of the TOP sensor and connector
(J145) on the DC controller PCA.
The TOP sensor is defective. Run the manual sensor test to verify that the TOP sensor (SR20) is functioning
properly. See Manual sensor test (special-mode test) on page 246 for
information. If it is not, replace the registration assembly. See Registration
assembly on page 128.
Jams in the duplex area (HP Color LaserJet CP4525dn, HP Color LaserJet CP4025dn,
and HP Color LaserJet CP4525xh only)
Table 3-23 Causes and solutions for duplexing reverse jams
Cause Solution
The duplex reverse roller is worn or deformed. Replace the delivery assembly. See Delivery assembly on page 145.
The duplex feed roller is worn or deformed. Replace the duplex feed unit.
Poor contact of the duplex reverse-motor
connector
Reconnect the connectors (J39) of the duplex reverse motor, connectors (J202
and J201) on the high-voltage power supply (upper) PCA, and connector
(J113) on the DC controller PCA.
The duplex reverse motor is defective. Replace the duplex drive assembly. See Duplex-drive assembly
on page 151.
Table 3-24 Causes and solutions for duplex repick jams
Cause Solution
The duplex re-pickup sensor lever is set
incorrectly or damaged.
Check the sensor lever to make sure it is set correctly. If it is damaged, replace
the right door assembly. See Right-door assembly on page 113.
The spring of the duplex re-pickup sensor
lever is unhooked.
Check the spring and place it in correct position.
Table 3-21 Causes and solutions for pickup delay jams 2 (continued)
ENWW Clear paper jams 397

Cause Solution
Poor contact of the duplex re-pickup sensor
connector
Reconnect the intermediate connector (J74) and connector (J145) on the DC
controller PCA.
The duplex re-pickup sensor (SR22) is
defective.
Run the manual sensor test to verify that the duplex re-pickup sensor (SR22)
is functioning properly. See Manual sensor test (special-mode test)
on page 246 for information. If it is not, replace the right-door assembly. See
Right-door assembly on page 113.
Poor contact of the duplex reverse solenoid
connector
Reconnect the connector (J69) of the duplex reverse solenoid, connectors
J202 and J201 on the high-voltage power supply (upper), and connector J113
on the DC controller PCA.
The duplex reverse solenoid is defective. Replace the duplex-drive assembly. See Duplex-drive assembly
on page 151.
The duplex flapper is damaged or
malfunctioning.
Replace the delivery assembly. See Delivery assembly on page 145.
Poor contact of the duplex reverse solenoid
connector
Reconnect the connector (J69) of the duplex reverse solenoid, connectors
(J202) and (J201) on the high-voltage power supply (upper), and connector
(J113) on the DC controller PCA.
The duplex reverse solenoid is defective. Replace the duplex-drive assembly. See Duplex-drive assembly
on page 151.
The duplex flapper is damaged or
malfunctioning.
Replace the delivery assembly. See Delivery assembly on page 145.
The duplex repick roller is worn or damaged. Replace the registration assembly. See Registration assembly on page 128.
Poor contact of the duplex repick clutch
connector.
Reconnect the intermediate connector (J74) of the duplex repick clutch and
connector (J145) on the DC controller PCA.
The duplex repick clutch is defective. Run the solenoid drive test in actuator drive mode to verify that the duplex
repick clutch is functioning properly. If it is not, replace the registration
assembly. See Registration assembly on page 128.
Table 3-25 Causes and solutions for residual media jams
Cause Solution
Poor contact of the loop-sensor connector and
loop sensor 1 and 2.
Reconnect the connectors of the loop 1 sensor (1 and 2):
●Loop 1 (J11, J352, J350, J50) and the DC controller (J139)
●Loop 2 (J10, J352, J350, J50) and the DC controller (J139)
The loop sensor is defective. Run the manual sensor test. See Manual sensor test (special-mode test)
on page 246 for information. If the sensor is defective, replace fuser. See
Fuser on page 85.
The spring of the fuser-delivery-sensor lever is
unhooked.
Check the spring of the fuser and right door and place it in the correct position.
The fuser-delivery sensor lever is damaged. Replace the sensor (SR5).
Poor contact of the fuser-delivery sensor
connector.
Reconnect the connectors of the fuser-delivery sensor (J46), intermediate
(J95) and the DC controller PCA (J123).
The fuser-delivery sensor is defective. Run the manual sensor test to make sure the fuser-delivery sensor is
functioning properly. See Manual sensor test (special-mode test)
on page 246 for information. If the sensor is defective, replace the fuser. See
Fuser on page 85.
Table 3-24 Causes and solutions for duplex repick jams (continued)
398 Chapter 3 Solve problems ENWW

Cause Solution
The spring of the duplex repickup sensor lever
is unhooked.
Check the spring and place it in the correct position. The sensor is located in
the right door behind the cover close to the engine side.
The duplex pickup sensor lever is damaged. Replace the right door assembly. See Right-door assembly on page 113.
Poor contact of the duplexing media-reverse-
sensor connector
Reconnect the connectors of the duplexing media-reverse sensor (J8) and
(J90) and the duplexing driver PCA (J107).
The duplex repickup sensor (SR22) is
defective.
Run the manual sensor test to verify that the duplex repickup sensor is
functioning properly. See Manual sensor test (special-mode test)
on page 246 for information. If the sensor is defective, replace the duplex
repickup sensor.
NOTE: Even if jammed paper is visible in Tray 1, clear the jam from the inside of the product by opening
the right door.
Jams in Tray 1, Tray 2 and internal paper path
Table 3-26 Causes and solutions for pickup delay jam 1: tray pickup
Cause Solution
The tray 1 pick up roller or the tray 1 separation
pad is worn or deformed.
Replace the tray 1 pickup roller and separation pad. See Pickup roller
(Tray 1) on page 87. Replace the right door. See Right-door assembly
on page 113.
Poor contact of the tray 1 media-presence-
sensor connector
Reconnect the connectors of the tray media-feed sensor (J7), intermediate
(J85), and DC controller (J107).
Poor contact of the TOP sensor connector. Reconnect the intermediate connector (J74) of the TOP sensor and connector
(J145) on the DC controller PCA.
The TOP sensor is defective. Run the manual sensor test to verify that the TOP sensor is functioning
properly. If not, replace the registration assembly. See Registration assembly
on page 128.
Poor contact of the MP-pickup-solenoid drive
connector
Reconnect the connector of the tray pickup solenoid (J52) and the DC controller
PCA (J148).
The MP-pickup solenoid is defective. Execute the tray-pickup-solenoid driving test in the actuator-drive mode. If the
solenoid is defective, replace the right door assembly. See Right-door
assembly on page 113.
Poor contact of the pickup-motor drive
connector (M13)
Reconnect the connector (J37) and connector (J260) on the DC controller PCA.
The pickup motor is defective. Execute the pickup-motor driving test in the actuator-drive mode. If the motor
is defective, replace the pickup motor. See Pickup motor on page 172.
Table 3-25 Causes and solutions for residual media jams (continued)
ENWW Clear paper jams 399

Table 3-27 Causes and solutions for pickup stationary jams
Cause Solution
Multiple feed of media Replace any worn or deformed parts (tray separation pad, tray feed roller, MP
tray pickup roller or MP tray separation pad). If replacing the MP tray separation
pad, you must replace the right door assembly. See Right-door assembly
on page 113.
Check the separation pad and MP tray separation pad to see if they are firmly
seated and coupled with the torque limiter.
Replace the separation pad and feed roller for Tray 2 and Tray 3.
If the MP tray pickup roller if defective, replace the roller. See Pickup roller
(Tray 1) on page 87. If the MP tray separation pad is defective, replace the right
door assembly. See Right-door assembly on page 113.
The secondary transfer roller is not set
correctly.
Place the secondary-transfer-roller unit in the correct position.
The secondary-transfer roller is worn or
deformed.
Replace the secondary-transfer-roller assembly. See Secondary transfer
assembly on page 119.
Poor contact of the drum 3 drive connector Reconnect the connectors of the ITB motor (J42) and the DC controller PCA
(J121).
The drum motor 3 is defective. Execute the drum 3 driving test in the actuator-drive mode. If the motor is
defective, replace the ITB motor.
The ITB does not rotate smoothly. Replace the ITB. See Intermediate transfer belt (ITB) on page 92.
Jams in Tray 3, 4, and 5
Table 3-28 Causes and solutions for pickup delay and pickup stationary jams
Cause Solution
The paper-feeder pickup roller is worn or
deformed.
Replace the pickup roller. See Feed and separation rollers (Trays 2-5)
on page 86.
The paper-feeder separation roller is worn or
deformed.
Replace the separation roller. See Feed and separation rollers (Trays 2-5)
on page 86.
The paper-feeder feed roller is worn or
deformed.
Replace the feed roller. See Feed and separation rollers (Trays 2-5)
on page 86.
Poor contact of the paper-feeder media-feed
sensor connector (1, 2, or 3)
●Tray 3: Reconnect connectors (J408) and (J13)
●Tray 4: Reconnect connectors (J406) and (J22)
●Tray 5: Reconnect connectors (J403) and (J32)
A tray feed sensor is defective. Run the manual sensor test to verify that the paper-feeder media feed sensor
is functioning properly. See Manual sensor test 2 (special-mode test)
on page 259 for information. If it is not, replace the pickup assembly of the
specific tray. See Pickup assembly (optional paper feeder) on page 226.
Poor contact of a paper-feeder pickup
solenoid drive connector (1, 2, or 3)
●Tray 3: Reconnect connectors (J408) and (J18)
●Tray 4: Reconnect connectors (J406) and (J20)
●Tray 5: Reconnect connectors (J403) and (J30)
400 Chapter 3 Solve problems ENWW

Cause Solution
The paper-feeder pickup solenoid is defective. Run the solenoid drive test in the actuator drive mode to verify that the paper-
feeder pickup solenoid is functioning properly. If it is not, replace the pickup
assembly of the specific tray. See Pickup assembly (optional paper feeder)
on page 226.
Poor contact of paper-feeder pickup motor
drive connector.
Reconnect the connector (J409) on the paper feeder driver PCA and connector
(J14).
The paper-feeder pickup motor is defective. Run the pickup motor drive test in the actuator drive mode to verify that the
paper-feeder pickup motor is functioning properly. If it is not, replace the pickup
assembly of the specific tray. See Pickup assembly (optional paper feeder)
on page 226.
Multiple feed of media If the tray 3 pickup roller, separation roller, or feed roller is worn or deformed,
replace any defective parts. See Feed and separation rollers (Trays 2-5)
on page 86.
The paper-feeder media-feed sensor lever is
set incorrectly or damaged.
Check the sensor lever to make sure it is set correctly. If it is damaged, replace
the paper-feeder assembly.
The spring of the paper-feeder media-feed
sensor lever is unhooked.
Check the spring and place it in correct position.
Poor contact of the paper-feeder media-feed
sensor connector.
Reconnect the connector (J406) on the connector PCA and connector (J22) of
the paper-feeder media feed sensor.
A tray feed sensor is defective. Run the manual sensor test to verify that the tray feed sensor is functioning
properly. See Manual sensor test 2 (special-mode test) on page 259 for
information. If it is not, replace the pickup assembly of the specific tray. See
Pickup assembly (optional paper feeder) on page 226.
Table 3-29 Causes and solutions for residual media jams
Cause Solution
The sensor that detects residual paper jams is
set incorrectly or damaged.
Run the manual sensor test to verify which sensor detects the paper. See
Manual sensor test 2 (special-mode test) on page 259 for information. Check
the sensor lever to make sure it is set correctly. If it is damaged, replace the
corresponding pickup assembly. See Pickup assembly (optional paper
feeder) on page 226.
The spring of the sensor lever that detects
residual paper jams is unhooked.
Run the manual sensor test to verify which sensor detects the paper. See
Manual sensor test 2 (special-mode test) on page 259 for information. Check
the spring of the sensor lever to make sure it is set correctly.
Poor contact exists in the sensor that detects
residual paper jams.
Run the manual sensor test to verify which sensor detects the paper. See
Manual sensor test 2 (special-mode test) on page 259 for information.
Reconnect the following corresponding sensor connectors:
●Tray 3: Reconnect connectors (J408) and (J13)
●Tray 4: Reconnect connectors (J406) and (J22)
●Tray 5: Reconnect connectors (J403) and (J32)
The sensor that detects residual paper jams is
defective.
Run the sensor test in the sensor monitor mode to verify which sensor detects
the paper. Replace media feed sensor 1, 2 or 3.
Table 3-28 Causes and solutions for pickup delay and pickup stationary jams (continued)
ENWW Clear paper jams 401

Change jam recovery
This product provides a jam recovery feature that reprints jammed pages. The following options are
available:
●AUTO — The product attempts to reprint jammed pages when enough memory is available. This
is the default setting.
●OFF — The product does not try to reprint jammed pages. Because no memory is used to store
the most recent pages, performance is optimal.
NOTE: When using this option, if the product runs out of paper and the job is being printed on
both sides, some pages can be lost.
●ON — The product always reprints jammed pages. Additional memory is allocated to store the last
few pages printed. This might cause overall performance to suffer.
Set the jam recovery feature
1. Press the Home button .
2. Press the down arrow to highlight the CONFIGURE DEVICE menu, and then press the OK
button.
3. Press the down arrow to highlight the SYSTEM SETUP menu, and then press the OK button.
4. Press the down arrow to highlight the JAM RECOVERY menu, and then press the OK button.
5. Press the down arrow or up arrow / to highlight the appropriate setting, and then press the
OK button.
6. Press the Home button to return to the Ready state.
402 Chapter 3 Solve problems ENWW

Solve paper-handling problems
Product feeds multiple sheets
Product feeds multiple sheets
Cause Solution
The input tray is overfilled. Open the tray and verify that the
paper stack is below the maximum stack height mark.
Remove excess paper from the input tray.
Print paper is sticking together. Remove paper, flex it, rotate it 180 degrees or flip it over, and
then reload it into the tray.
NOTE: Do not fan paper. Fanning can cause static electricity,
which can cause paper to stick together.
Paper does not meet the specifications for this product. Use only paper that meets HP paper specifications for this
product.
Trays are not properly adjusted. Make sure that the paper guides match the size of paper being
used.
Tray 2 feeds multiple sheets. Make sure Tray 2 is not overfilled. Open the tray and verify that
the paper stack is below the maximum stack height mark.
Remove paper from Tray 2 to avoid jams.
Product feeds incorrect page size
Product feeds incorrect page size
Cause Solution
The correct size paper is not loaded in the tray. Load the correct size paper in the tray.
The correct size paper is not selected in the software program
or printer driver.
Confirm that the settings in the software program and printer
driver are correct, because the software program settings
override the printer driver and control panel settings, and the
printer driver settings override the control panel settings.
The correct size paper for the tray is not selected in the product
control panel.
From the control panel, select the correct size paper for the
tray.
The paper size is not configured correctly for the tray. Print a configuration page or use the control panel to determine
the paper size for which the tray is configured.
The guides in the tray are not against the paper. Verify that the paper guides are touching the paper.
Product pulls from incorrect tray
Product pulls from incorrect tray
Cause Solution
You are using a driver for a different product. Use a driver for this product.
The specified tray is empty. Load paper in the specified tray.
ENWW Solve paper-handling problems 403

Product pulls from incorrect tray
Cause Solution
The paper size is not configured correctly for the input tray. Print a configuration page or use the control panel to determine
the paper size for which the tray is configured.
The guides in the tray are not against the paper. Verify that the guides are touching the paper.
Paper does not feed automatically
Paper does not feed automatically
Cause Solution
Manual feed is selected in the software program. Load Tray 1 with paper, or, if the paper is loaded, press the
checkmark button .
The correct size paper is not loaded. Load the correct size paper.
The input tray is empty. Load paper into the input tray.
Paper from a previous jam has not been completely removed. Open the product and remove any paper in the paper path.
The paper size is not configured correctly for the input tray. Print a configuration page or use the control panel to determine
the paper size for which the tray is configured.
The guides in the tray are not against the paper. Verify that the rear and width paper guides are touching the
paper.
The manual-feed prompt is set to ALWAYS. The product
always prompts for manual feed, even if the tray is loaded.
Open the tray, reload the media, and then close the tray.
Or, change the manual-feed prompt setting to UNLESS
LOADED, so that the product prompts for manual feed only
when the tray is empty.
The USE REQUESTED TRAY setting on the product is set to
EXCLUSIVELY, and the requested tray is empty. The product
will not use another tray.
Load the requested tray.
Or, change the setting from EXCLUSIVELY to FIRST on the
CONFIGURE DEVICE menu. The product can use other trays
if no media is loaded in the specified tray.
Paper does not feed from Tray 2, 3, 4, or 5
Paper does not feed from Tray 2, 3, 4, or 5
Cause Solution
The correct size paper is not loaded. Load the correct size paper.
The input tray is empty. Load paper in the input tray.
The correct paper type for the input tray is not selected in the
product control panel.
From the product control panel, select the correct paper type
for the input tray. Trays configured for a paper type with a
specific weight range will not match a print job that specifies
an exact weight, even if the specified weight is within the weight
range.
Paper from a previous jam has not been completely removed. Open the product and remove any paper in the paper path.
Closely inspect the fuser area for jams.
404 Chapter 3 Solve problems ENWW

Paper does not feed from Tray 2, 3, 4, or 5
Cause Solution
None of the optional trays appear as input tray options. The optional trays only display as available if they are installed.
Verify that any optional trays are correctly installed. Verify that
the printer driver has been configured to recognize the optional
trays.
An optional tray is incorrectly installed. Print a configuration page to confirm that the optional tray is
installed. If not, verify that the tray is correctly attached to the
product.
The paper size is not configured correctly for the input tray. Print a configuration page or use the control panel to determine
the paper size for which the tray is configured.
The guides in the tray are not against the paper. Verify that the guides are touching the paper.
Transparencies or glossy paper will not feed
Transparencies or glossy paper will not feed
Cause Solution
The correct paper type is not specified in the software or printer
driver.
Verify that the correct paper type is selected in the software or
printer driver.
The input tray is overfilled. Remove excess paper from the input tray. Do not exceed the
maximum stack height marks for the tray.
Paper in another input tray is the same size as the
transparencies, and the product is defaulting to the other tray.
Make sure that the input tray containing the transparencies or
glossy paper is selected in the software program or printer
driver. Use the product control panel to configure the tray to
the paper type loaded.
The tray containing the transparencies or glossy paper is not
configured correctly for type.
Make sure that the input tray containing the transparencies or
glossy paper is selected in the software program or printer
driver. Use the product control panel to configure the tray to
the paper type loaded.
Transparencies or glossy paper might not meet supported
paper specifications.
Use only paper that meets the HP paper specifications for this
product.
High-humidity environments may cause glossy paper not to
feed, or to feed too many sheets.
Avoid printing glossy paper in high humidity conditions. When
printing glossy paper, removing the paper from the wrapper
and letting it rest for a few hours can improve feeding into the
product. However, letting paper rest in humid environments
may also cause blisters.
Envelopes jam or will not feed in the product
Envelopes jam or will not feed in the product
Cause Solution
Envelopes are loaded in an unsupported tray. Only Tray 1 can
feed envelopes.
Load envelopes into Tray 1.
Envelopes are curled or damaged. Try using different envelopes. Store envelopes in a controlled
environment.
ENWW Solve paper-handling problems 405

Envelopes jam or will not feed in the product
Cause Solution
Envelopes are sealing because the moisture content is too
high.
Try using different envelopes. Store envelopes in a controlled
environment.
Envelope orientation is incorrect. Verify that the envelope is loaded correctly.
This product does not support the envelopes being used. Refer to the HP LaserJet Printer Family Print Media Guide.
Tray 1 is configured for a size other than envelopes. Configure Tray 1 size for envelopes.
Output is curled or wrinkled
Output is curled or wrinkled
Cause Solution
Paper does not meet the specifications for this product. Use only paper that meets the HP paper specifications for this
product.
Paper is damaged or in poor condition. Remove paper from the input tray and load paper that is in
good condition.
Product is operating in an excessively humid environment. Verify that the printing environment is within humidity
specifications.
You are printing large, solid-filled areas. Large, solid-filled areas can cause excessive curl. Try using a
different pattern.
Paper used was not stored correctly and might have absorbed
moisture.
Remove paper and replace it with paper from a fresh,
unopened package.
Paper has poorly cut edges. Remove paper, flex it, rotate it 180 degrees or turn it over, and
then reload it into the input tray. Do not fan paper. If the problem
persists, replace the paper.
The specific paper type was not configured for the tray or
selected in the software.
Configure the software for the paper (see the software
documentation). Configure the tray for the paper.
The paper has previously been used for a print job. Do not re-use paper.
Product will not duplex or duplexes incorrectly
Product will not duplex (print 2-sided jobs) or duplexes incorrectly
Cause Solution
You are trying to duplex on unsupported paper. Verify that the paper is supported for duplex printing.
The printer driver is not set up for duplex printing. Set up the printer driver to enable duplex printing.
The first page is printing on the back of preprinted forms or
letterhead.
Load preprinted forms and letterhead in Tray 1 with the
letterhead or printed side down, with the top of the page leading
into the product. For Tray 2 and 3, load the paper printed side
up with the top of the page toward the right of the product.
406 Chapter 3 Solve problems ENWW

Product will not duplex (print 2-sided jobs) or duplexes incorrectly
Cause Solution
The product model does not support automatic 2-sided
printing.
The HP Color LaserJet CP4525 and HP Color LaserJet
CP4525n models do not support automatic 2-sided printing.
The product configuration is not set for duplexing. In Windows, run the automatic configuration feature:
1. Click the Start button, point to Settings, and then click
Printers (for Windows 2000) or Printers and Faxes (for
Windows XP).
2. Right-click the HP product icon, and then click
Properties or Printing Preferences.
3. Click the Device Settings tab.
4. Under Installable Options, click Update Now in the
Automatic Configuration list.
ENWW Solve paper-handling problems 407

Use manual print modes
Try the following multi-purpose (MP) modes to see if they solve the image-quality problems. These
options can be found in the ADJUST PAPER TYPES and OPTIMIZE submenus under the PRINT
QUALITY menu on the control panel.
Table 3-30 MP modes under the ADJUST PAPER TYPES sub menu
PRINT MODE
●AUTOSENSE MODE
●NORMAL MODE
●LIGHT MODE
●LIGHT ROUGH MODE
●HEAVY MODE
●EXTRA HEAVY MODE
●CARDSTOCK MODE
●HEAVYGLOSSY MODE
●X-HVYGLOSSY MODE
●CARD GLOSSY MODE
●ROUGH MODE
●TRANSPARENCY MODE
●4MM TRNS MODE
●TRANSPARENCY2 MODE
●TOUGH MODE
●LABEL MODE
●ENVELOPE MODE
NOTE: Not all print modes are available for all paper types.
RESISTANCE MODE Set to UP to resolve print-quality issues caused by poor
secondary transfer in low-humidity environments with resistive
or rough surface media.
HUMIDITY MODE With glossy film, set to HIGH when the product is in a high-
humidity environment and print-quality defects occur on HP
Tough Paper or Opaque film.
With transparencies, set to HIGH when the product is in a high-
humidity environment and print-quality defects occur on color
transparencies on the first page of a print job.
With all other paper types, set to HIGH when the product is in
a high-humidity environment and light density occurs on the
first page of a print job.
PRE-ROTATION MODE Set this feature to ON if horizontal banding occurs on pages.
408 Chapter 3 Solve problems ENWW

FUSER TEMP MODE If you are seeing a faint image of the page repeated at the
bottom of the page or on the following page, first make sure
the Paper Type and Print Mode settings are correct for the type
of paper you are using. If you continue to see ghost images on
your print jobs, set the Fuser Temp feature to one of the
Alternate settings . Try the ALTERNATE 1 setting first and see
if it solves the problem. If you continue to see the problem, try
ALTERNATE 2 and then ALTERNATE 3. Using the
ALTERNATE 2 and ALTERNATE 3 settings might cause an
extra delay between jobs.
PAPER CURL MODE Use in high-humidity and high-temperature environments. The
REDUCED setting decreases fuser temperature and
increases the interpage gap.
Table 3-31 MP modes under the OPTIMIZE submenu
NORMAL PAPER Set to SMOOTH when printing on smooth paper of normal
weight.
HEAVY PAPER Set to SMOOTH when printing on smooth, heavy media types.
ENVELOPE MODE Set to REDUCED TEMP if envelopes are sticking due to
moisture in the envelop adhesive.
ENVIRONMENT Set to LOW TEMP if the product is operating in a low-
temperature environment and you are having problems with
print quality such as blisters in the printed image.
LINE VOLTAGE Set to LOW VOLTAGE if the product is operating in a low-
voltage environment and you are having problems with print
quality such as blisters in the printed image.
TRAY1 Set the mode to ALTERNATE if you are seeing marks on the
back side of the paper when printing from Tray 1. This sets the
product to initiate a clean sequence every time a job finishes
when the product is set for ANY SIZE and ANY TYPE for Tray
1.
BACKGROUND Set to ALTERNATIVE 1 when a background occurs all over
the page. Set to ALTERNATIVE 2 when thin vertical lines
appear on the page. Set to ALTERNATIVE 3 when the other
alternatives do not correct the problem.
UNIFORMITY CONTROL Set to ALTERNATIVE 1 to improve uniformity on any paper
type. Set to ALTERNATIVE 2 to improve uniformity on normal
and light paper types. Set to ALTERNATIVE 3 when the other
alternatives do not correct the problem.
TRACKING CONTROL Improves color stability by adjusting the bias voltage. Make
sure this mode is set to ON.
REGISTRATION Set to ALTERNATIVE when color misregistration occurs.
TRANSFER CONTROL Set to ALTERNATIVE 1 to reduce primary transfer bias and to
resolve low density or blotchy images. Set to ALTERNATIVE
2 to resolve ghosting outlines that look like a finger or fingers.
Set to ALTERNATIVE 3 when the other alternatives do not
correct the problem.
PROCESS CLEANING PAGE Generates and processes a fuser cleaning page for the dn
printer and HP Color LaserJet CP4525xh printer only.
Table 3-30 MP modes under the ADJUST PAPER TYPES sub menu (continued)
ENWW Use manual print modes 409

Solve image-quality problems
This section helps you define print-quality problems and what to do to correct them. Often print-quality
problems can be handled easily by making sure that the product is maintained, using paper that meets
HP specifications, or running a cleaning page.
Image defects table
The following examples depict letter-size paper that has passed through the product short-edge first.
These examples illustrate problems that would affect all the pages that you print, whether you print in
color or in black only. The topics that follow list the typical cause and solution for each of these examples.
Problem Sample Cause Solution
Print is light or faded on entire
page.
Poor contacts exist on the ITB
unit and the product grounding
unit.
Clean the grounding contacts. If the
problem remains after cleaning,
check the contacts for damage.
Replace any deformed or damaged
parts.
Poor secondary transfer
contacts exist on the
secondary transfer roller and
the ITB.
Clean the contacts. If the problem
remains after cleaning, check the
contacts for damage. Replace any
deformed or damaged parts.
Print is light or faded in a
particular color.
Poor primary transfer bias
contacts on the ITB unit and
product.
Clean the contacts of the color that
produces the light print. If the
problem remains after cleaning,
check the contacts for damage.
Replace any deformed or damaged
parts.
Poor primary charging bias
contacts with the print
cartridge and product.
Poor developing bias contacts
with the print cartridge and
product.
Image is too dark. The RD sensor is defective. Replace the RD sensor. See
Registration density (RD) sensor
assembly on page 124.
Page is blank. The high-voltage power-
supply lower is defective (no
developing bias output).
Replace the high-voltage power-
supply lower. See High-voltage
power supply lower (HVPS-D)
on page 163.
410 Chapter 3 Solve problems ENWW

Problem Sample Cause Solution
The page is all black or a solid
color.
Poor contact exists in the
primary charging bias or
developing bias contacts
between the print cartridge
and the product.
Clean each contact of the color that
produces the all black or solid color.
If the problem remains after
cleaning, check the contacts for
damage. Replace any deformed or
damaged parts. Replace the
affected print cartridge.
White spots appear in an image The primary transfer roller is
deformed or has deteriorated.
Replace the ITB. See Intermediate
transfer belt (ITB) on page 92.
The secondary transfer roller
is deformed or has
deteriorated.
Replace the secondary-transfer-
roller. See Secondary transfer roller
on page 90.
The back of the page is dirty. The secondary transfer roller
is dirty.
Replace the secondary transfer
roller. See Secondary transfer roller
on page 90.
The fuser inlet guide or
separation guide is dirty.
Clean the dirty parts. If the dirt does
not come off, replace the guide.
The pressure roller is dirty. Run the cleaning page several
times. If the dirt does not come off,
send a fuser cleaning kit. If the issue
persists, replace the fuser. See
Fuser on page 85.
Vertical streaks or bands appear
on the page.
Scratches are present on the
circumference of the
photosensitive drum.
Replace the print cartridge of the
color that matches the defect.
Scratches are present on the
circumference of the fuser
roller.
Replace the fuser. See Fuser
on page 85.
Scratches are present on the
circumference of the ITB.
Replace the ITB. See Intermediate
transfer belt (ITB) on page 92.
The ITB drive roller is
deformed or has deteriorated.
The ITB cleaning mechanism
is malfunctioning.
ENWW Solve image-quality problems 411

Problem Sample Cause Solution
Vertical white lines appear in a
particular color.
The laser beam window is
dirty.
Clean the window and remove any
foreign substances.
Scratches are present on the
circumference of the
developing cylinder or
photosensitive drum.
White scratch down the page
could mean the scanner glass
needs to be cleaned.
Remove the affected print cartridge
and re-install. The PGCs will clean
the glass.
If the problem persists, replace the
affected print cartridge.
The laser/scanner-unit mirror
is dirty.
Replace the laser/scanner
assembly. See Laser/scanner
assembly (Y/M) on page 186 or
Laser/scanner assembly (C/Bk)
on page 190.
Vertical white lines appear in all
colors.
Horizontal scratches on the
fuser roller.
Replace the fuser. See Fuser
on page 85.
Scratches are present on the
circumference of the ITB.
White scratch down the page
could mean the scanner glass
needs to be cleaned.
Remove the affected print cartridge
and re-install. The PGCs will clean
the glass.
Replace the ITB. See Intermediate
transfer belt (ITB) on page 92.
Horizontal lines appear on the
page.
Repetitive horizontal lines
appear.
Use the repetitive defects ruler to
identify the dirty roller. Clean the
roller. If the roller cannot be cleaned,
replace the fuser. See Fuser
on page 85.
Horizontal scratches are
present on the photosensitive
drum.
Replace the print cartridge of the
color that matches the defect.
Horizontal scratches are
present on the fuser roller.
Replace the fuser. See Fuser
on page 85.
A horizontal white line appears
on the page.
Repetitive horizontal white
lines appear.
Use the repetitive defects ruler to
identify the dirty roller. Clean the
roller. If the roller cannot be cleaned,
replace the roller.
Horizontal scratches are
present on the photosensitive
drum.
Replace the print cartridge of the
color that matches the defect.
Scratches are present on the
circumference of the ITB.
Replace the ITB. See Intermediate
transfer belt (ITB) on page 92.
412 Chapter 3 Solve problems ENWW

Problem Sample Cause Solution
Image in a particular color does
not print in the correct color.
Poor contact exists in the
primary charging bias or
developing bias contacts
between the print cartridge
and the product.
Clean each contact of the color that
produces the missing color. If the
problem remains after cleaning,
check the contacts for damage.
Replace any deformed or damaged
parts.
The print cartridge (primary
charging roller, developing
roller, or photosensitive drum)
is defective.
Replace the print cartridge of the
color that matches the defect.
The high-voltage power-
supply lower is defective (no
primary charging bias or
developing bias output).
Replace the high-voltage power-
supply lower. See High-voltage
power supply lower (HVPS-D)
on page 163.
The laser/scanner unit is
defective.
Replace the laser/scanner
assembly. See Laser/scanner
assembly (Y/M) on page 186 or
Laser/scanner assembly (C/Bk)
on page 190.
Dropouts appear. The secondary transfer roller
is deformed or has
deteriorated.
Replace the secondary-transfer-
roller. See Secondary transfer roller
on page 90.
The primary charging roller,
developing roller, or
photosensitive drum is
deformed or has deteriorated.
Replace the print cartridge of the
color that matches the defect.
The fuser roller is deformed or
has deteriorated.
Replace the fuser.
The high-voltage power-
supply T PCA is defective (no
transfer bias output).
Replace the high-voltage power-
supply upper. See High-voltage
power supply upper (HVPS-T)
on page 196.
The toner is not fully fused to the
paper.
The fuser roller or pressure
roller is scarred or deformed.
Replace the fuser. See Fuser
on page 85.
The thermistor is defective. Replace the fuser. See Fuser
on page 85.
The fuser heater is defective.
ENWW Solve image-quality problems 413

Problem Sample Cause Solution
Some color is misregistered. The product is incorrectly
calibrated.
Calibrate the product.
The ITB unit is defective. If the ITB does not rotate smoothly or
a cleaning malfunction occurs (ITB is
dirty), replace the ITB. See
Intermediate transfer belt (ITB)
on page 92.
The drive gear of the ITB
motor is worn or chipped.
Check each drive gear between the
ITB drive roller and the ITB motor. If
the gear is worn or chipped, replace
the drive unit.
The RD sensor is defective. Open and close the front door
several times to clean the RD
sensor. If the problem persists,
replace the RD sensor. See
Registration density (RD) sensor
assembly on page 124.
The laser/scanner unit is
defective.
Replace the laser/scanner
assembly. See Laser/scanner
assembly (Y/M) on page 186 or
Laser/scanner assembly (C/Bk)
on page 190.
The print cartridge is defective. Replace the print cartridge of the
affected color.
Toner smears appear on the
media.
The product has residual
media.
Remove the residual media.
The fuser inlet guide is dirty. Clean the fuser inlet guide.
The printed page contains
misformed characters.
The product is experiencing
page skew.
See the “Text or graphics are
skewed on the printed page” row in
this table.
The laser/scanner unit is
defective.
Replace the laser/scanner
assembly. See Laser/scanner
assembly (Y/M) on page 186 or
Laser/scanner assembly (C/Bk)
on page 190.
Text or graphics are skewed on
the printed page.
The registration shutter spring
is unhooked.
Check the spring and place it in the
correct position.
The registration shutter spring
is deformed.
Replace the secondary transfer
assembly. See Secondary transfer
assembly on page 119.
414 Chapter 3 Solve problems ENWW

Problem Sample Cause Solution
The printed page contains
wrinkles or creases.
The roller or media feed guide
is dirty.
Clean any dirty components.
A feed roller is deformed or
has deteriorated.
Replace any deformed or
deteriorated rollers.
The paper feed guide is
damaged.
Replace the paper-feed-guide unit.
The front of the page is dirty. The photosensitive drum is
dirty.
Replace the print cartridge.
The fuser roller or pressure
roller is dirty.
Execute a Pressure roller clean
mode. If the dirt does not come off,
replace the fuser. See Fuser
on page 85.
NOTE: Cleaning the fuser with HP
tough paper provides better results
than with plain paper. You might
need to execute the cleaning
process several times to remove all
contaminates on the fuser.
Repetitive horizontal lines See repetitive image defect ruler.
Clean the indicated roller. If the
contaminate does not come off,
replace appropriate roller or
assembly.
Pages have flecks of toner Execute a cleaning page to clean the
contaminate off the fuser. The
cleaning page may need to be run
several time to clean the fuser. Do
not replace the fuser.
NOTE: Cleaning the fuser with HP
tough paper provides better results
than with plain paper. You might
need to execute the cleaning
process several times to remove all
contaminates on the fuser.
Pages have one or more skewed
color planes (can appear on the
right or left side of the page)
Remove, and then reinstall the print
cartridge associated with the defect.
ENWW Solve image-quality problems 415

Clean the product
Over time, particles of toner and paper accumulate inside the product. This can cause print-quality
problems during printing. Cleaning the product eliminates or reduces these problems.
Clean the paper path and print-cartridge areas every time that you change the print cartridge or
whenever print-quality problems occur. As much as possible, keep the product free from dust and debris.
Clean the product
1. Turn the product off and then unplug the power cord and all interface cables.
2. Use a soft, water-moistened cloth to remove marks or spots from the surface of the product. Wipe
the surface with a soft, dry cloth.
CAUTION: Do not touch the ITB belt or the spongy surfaces of rollers. Skin oils and fingerprints
can cause print quality problems.
Clean the paper path
1. Press the Home button .
2. Press the up arrow or down arrow / to highlight the CONFIGURE DEVICE menu, and then press
the OK button.
3. Press the up arrow or down arrow / to highlight the PRINT QUALITY menu, and then press the
OK button.
4. If the product has automatic two-sided printing, go to step 5.
If the product does not have automatic two-sided printing, press the up arrow or down arrow /
to highlight the CREATE CLEANING PAGE option, and then press the OK button. Follow the
instructions on the printed page.
5. Press the up arrow or down arrow / to highlight the PROCESS CLEANING PAGE option, and
then press the OK button. The cleaning process takes several minutes.
6. Discard the printed page. The task is complete.
416 Chapter 3 Solve problems ENWW

Solve performance problems
Problem Cause Solution
Pages print but are totally blank. The document might contain blank
pages.
Check the document that you are printing
to see if content appears on all of the
pages.
The product might be malfunctioning. To check the product, print a
Configuration page.
Pages print very slowly. Heavier paper types can slow the print
job.
Print on a different type of paper.
Complex pages can print slowly. Proper fusing may require a slower print
speed to ensure the best print quality.
Large batches, narrow paper, and
special paper such as gloss,
transparency, cardstock, and HP Tough
Paper can slow the print job.
Print in smaller batches, on a different
type of paper, or on a different size of
paper.
Pages did not print. The product might not be pulling paper
correctly.
Make sure paper is loaded in the tray
correctly.
The paper is jamming in the product. Clear the jam. See Clear paper jams
on page 383.
The USB cable might be defective or
incorrectly connected.
●Disconnect the USB cable at both
ends and reconnect it.
●Try printing a job that has printed in
the past.
●Try using a different USB cable.
Other devices are running on your
computer.
The product might not share a USB port.
If you have an external hard drive or
network switchbox that is connected to
the same port as the product, the other
device might be interfering. To connect
and use the product, you must
disconnect the other device or you must
use two USB ports on the computer.
ENWW Solve performance problems 417

Solve connectivity problems
Solve direct-connect problems
If you have connected the product directly to a computer, check the cable.
●Verify that the cable is connected to the computer and to the product.
●Verify that the cable is not longer than 2 meters (6 feet). Replace the cable if necessary.
●Verify that the cable is working correctly by connecting it to another product. Replace the cable if
necessary.
Solve network problems
Check the following items to verify that the product is communicating with the network. Before beginning,
print a configuration page. See Configuration page on page 307.
1. Are there any physical connection problems between the workstation or file server and the product?
Verify that the network cabling, connections, and router configurations are correct. Verify that the
network cable lengths meet network specifications.
2. Are your network cables connected properly?
Make sure that the product is attached to the network using the appropriate port and cable. Check
each cable connection to make sure it is secure and in the right place. If the problem continues,
try a different cable or ports on the hub or transceiver. The amber activity light and the green link
status light next to the port connection on the back of the product should be lit.
3. Are the link speed and duplex settings set correctly?
Hewlett-Packard recommends leaving this setting in automatic mode (the default setting). See I/O
menu on page 334.
4. Can you "ping" the product?
Use the command prompt to ping the product from your computer. For example:
ping 192.168.45.39
Ensure that the ping displays round-trip times.
If you are able to ping the product, verify that the IP address configuration for the product is correct
on the computer. If it is correct, delete and then add the product again.
If the ping command failed, verify that the network hubs are on, and then verify that the network
settings, the product, and the computer are all configured for the same network.
5. Have any software applications been added to the network?
Make sure they are compatible and that they are installed correctly with the correct printer drivers.
6. Are other users able to print?
The problem may be workstation-specific. Check the workstation network drivers, printer drivers,
and redirection (capture in Novell NetWare).
7. If other users are able to print, are they using the same network operating system?
418 Chapter 3 Solve problems ENWW
Check your system for proper network operating system setup.
8. Is your protocol enabled?
Check the status of your protocol on the Configuration page. You can also use the embedded Web
server to check the status of other protocols. See the product user guide.
9. Does the product appear in HP Web Jetadmin or other management application?
●Verify network settings on the Network configuration page.
●Confirm the network settings for the product using the product control panel (for products with
control panels).
ENWW Solve connectivity problems 419

Service mode functions
Service menu
The SERVICE menu is PIN-protected for added security. Only authorized service people have access
to the SERVICE menu. When you select SERVICE from the list of menus, the product prompts you to
enter an eight-digit PIN number. The PINs for the HP Color LaserJet Enterprise CP4020-CP4520 Series
are 11402509 and 11452509.
1. Press the Home button.
2. Press the down arrow to highlight SERVICE, and then press the OK button.
3. Enter the eight-digit PIN using the alphanumeric keypad.
4. Press the OK button to enter the PIN and open the SERVICE menu.
The following menu items appear in the SERVICE menu:
CLEAR EVENT LOG This menu item allows you to clear the event log.
CLEAR BOOTLOADER PASSWORD This menu item allows you to clear the bootloader password if
it has been lost.
TOTAL PAGE COUNT The page count stored in NVRAM and displayed on the
configuration page represents the number of pages that the
formatter has formatted (engine test prints are not included in
this number). If it becomes necessary to repair a product by
installing a DC controller PCA, you must set the page count so
that it represents the age of the print engine rather than the age
of the DC controller PCA. When you press either the up arrow
or down arrow to change the value of the first digit, the
prompts are changed to indicate an acceptable range and the
appropriate value.
MONO CYCLE COUNT After replacing the formatter, use this item to reset the mono
page count so that the figure continues to represent the page
count for the product engine. The page count that is stored in
NVRAM and printed on the configuration page represents the
number of pages that the formatter has formatted (not
including engine-test prints). If you install a new formatter when
repairing a product, use this menu item to reset the page count
to the previous value. In this way, the page count reflects the
number of pages that the engine has printed rather than
restarting the count for the new formatter. The page count is in
two categories: total mono pages and total color pages.
COLOR CYCLE COUNT After replacing the formatter, use this item to reset the color
page count so that the figure continues to represent the page
count for the product engine. The page count that is stored in
NVRAM and printed on the configuration page represents the
number of pages that the formatter has formatted (not
including engine-test prints). If you install a new formatter when
repairing a product, use this menu item to reset the page count
to the previous value. In this way, the page count reflects the
number of pages that the engine has printed rather than
restarting the count for the new formatter. The page count is in
two categories: total mono pages and total color pages.
420 Chapter 3 Solve problems ENWW

REFURBISH PAGE COUNT The number of pages a product is set to print when it is
refurbished. The count is kept for legal purposes. If it becomes
necessary to refurbish a product, you must be able to set the
page count so that it represents the age of the print engine
when it was refurbished. This menu item allows SERVICE ID
to be reset after being refurbished, if total page count minus
refurbish page count is less than 500. Without this menu item,
SERVICE ID could not be reset, if the calculated page count
was less than 500. When you press either the When you press
either the up arrow or down arrow to change the value of
the first digit, the prompts are changed to indicate an
acceptable range and the appropriate value.
REFURBISH CYCLE COUNT Use this item to record the page count when the product was
refurbished.
SERIAL NUMBER: After replacing the formatter, use this item to reset the product
serial number.
ENWW Service mode functions 421

SERVICE ID Use this item to show the date that the product was first used
on the control panel. This eliminates the need for users to keep
paper receipts for proof of warranty.
Restore the service ID
If you replace the formatter, the date is lost. Use this menu item
to reset the date to the original date that the product was first
used. The date format is YYDDD. Use the following formula to
calculate the dates. The date 17-October-2002 is used as an
example.
1. To calculate YY, subtract 1990 from the calendar year.
For instance, if the product was first used in 2002,
calculate YY as follows: 2002 - 1990 = 12. YY = 12.
2. Subtract 1 from 10 (October is the tenth month of the
year): 10 - 1 = 9.
◦Multiply 9 by 30: 9 x 30 = 270 or add 17 to 270: 270
+ 17 = 287. Thus, DDD = 287.
Convert the service ID to an actual date
You can use the product Service ID number to determine
whether the product is still under warranty. Use the following
formula to convert the Service ID into the installation date as
follows:
1. Add 1990 to YY to get the actual year that the product
was installed.
2. Divide DDD by 30. If there is a remainder, add 1 to the
result. This is the month.
3. The remainder from the calculation in step 2 is the date.
Using the Service ID 12287 as an example, the date
conversion is as follows:
1. 12 + 1990 = 2002, so the year is 2002.
2. 287 divided by 30 = 9 with a remainder of 17. Since there
is a remainder, add 1 to 9 to get 10, which represents
October.
3. The remainder in step 2 is 17, so that is the date.
4. The complete date is 17-October-2002.
NOTE: A six-day grace period is built into the date system.
COLD RESET PAPER When you perform a cold reset, the paper size that is stored in
NVRAM is reset to the default factory setting. If you replace a
formatter board in a country/region that uses A4 as the
standard paper size, use this menu to reset the default paper
size to A4. LETTER and A4 are the only available values.
NEW REGISTRATION ROLLER Use after installing a new registration roller.
MEDIA SENSOR VALUE Use this menu item to calibrate the media sensor by selecting
a threshold value from a specified range. This calibration is
most likely to occur when a media sensor has been replaced,
but might also occur if the current sensor needs to be
optimized. The recommended media sensor threshold value
for each sensor is included in the replacement kit for the part.
422 Chapter 3 Solve problems ENWW

Product resets
Restore factory-set defaults
The RESETS menu allows you to reset factory settings, and disable or enable sleep mode.
To display: Press the Home button , select the CONFIGURE DEVICE menu, and then select the
RESETS menu.
Select RESTORE FACTORY SETTINGS from the submenu, and then press the OK button.
Hard disk initialization (optional)
A hard disk initialization will erase and reformat the product's hard disk. Perform hard disk initialization
only if an error code displays on the control panel indicating a disk error. Always try initializing the hard
disk before replacing it.
1. Turn the product on.
2. As the product performs its power-on sequence, press and hold the Home button until all three
lights on the control panel are lit.
3. Press the back arrow . The message INITIALIZE DISC displays on the control panel.
4. Press the down arrow . The product initializes the hard disk and continues its power-on sequence.
NVRAM initialization
CAUTION: Initializing NVRAM resets the serial number, the event log, the page counts, the calibration
settings, and the EIO card. Use the SERVICE menu to restore the serial number and page counts. You
also need to reconfigure any computers that print to this product to recognize the product. Initialize
NVRAM only when absolutely necessary. In most situations, use a cold reset to reset product variables
but still retain the needed values in the SERVICE menu.
NOTE: Print a configuration page before initializing NVRAM.
From the configuration page and supplies status page, gather the following information:
●Total page count and color page count
●Serial number
1. Turn the product on and watch the control panel display.
2. When the display shows the memory count, press and hold the down arrow until all three lights
on the control panel are lit.
3. Press the up arrow .
4. Press the Home button. The message SKIP DISK LOAD displays on the control panel.
5. Press the up arrow until NVRAM INIT is highlighted, and then press the OK button . The product
initializes NVRAM and then continues its power-on sequence.
ENWW Service mode functions 423

Product cold reset
Before beginning, print a configuration page and supplies status page. Use these pages to verify resets
have occurred.
1. Press the Home button.
2. Press the down arrow to highlight the CONFIGURE DEVICE menu, and then press the OK
button.
3. Press the down arrow to highlight the RESET menu, and then press the OK button.
4. Press the down arrow to highlight the RESTORE FACTORY SETTINGS menu, and then press
the OK button.
Product updates
To download the most recent firmware upgrade for the product, go to www.hp.com/go/
cljcp4025_firmware or www.hp.com/go/cljcp4525_firmware.
424 Chapter 3 Solve problems ENWW

Order parts, accessories, and supplies
You can obtain the following items directly from HP:
●Replacement parts: To order replacement parts in the U.S., go to www.hp.com/go/hpparts/.
Outside the United States, order parts by contacting your local authorized HP service center.
●Supplies and accessories: To order supplies in the U.S., go to www.hp.com/go/ljsupplies. To
order supplies worldwide, go to www.hp.com/ghp/buyonline.html. To order accessories, go to
www.hp.com/support/cljcp4025 or www.hp.com/support/cljcp4525.
426 Chapter 4 Parts and diagrams ENWW

Part numbers
The following list of accessories was current at the time of printing. Ordering information and availability
of the accessories might change during the life of the product.
Accessories
Product name Product number Part number
HP Color LaserJet 1 x 500 Paper Feeder
and stand
CC422A CC493-67902
HP Color LaserJet 3 x 500 Paper Feeder
and stand
CC423A CC493-67903
HP Postcard media insert tray CC497A CC497-67902
Print cartridges and toner collection unit
Product name
1
Product number Part number
HP Color LaserJet standard black print
cartridge (11K)
CE260A CE260-67901
HP Color LaserJet high capacity black
print cartridge (16K)
CE260X CE264-67901
HP Color LaserJet cyan print cartridge CE261A CE261-67901
HP Color LaserJet yellow print cartridge CE262A CE262-67901
HP Color LaserJet magenta print
cartridge
CE263A CE263-67901
1For more information, go to www.hp.com/go/learnaboutsupplies
Memory
Product name Product number Part number
200-pin DDR2 SODIMM x64 memory
module (256MB)
CE466A CC493-67904
200-pin DDR2 SODIMM x64 memory
module (512MB)
CE467A CC493-67905
Cables and interfaces
Product name Product number Part number
Enhanced I/O (EIO) card J7961G
USB cable 2 meter standard Q6264A
ENWW Part numbers 427

Customer self repair (CSR) parts
Product name Product number Part number Self-repair level
Formatter assembly kit CC493-69001 1A
HP postcard media insert replacement CC497-67902 1A
Feed and separation roller kit (Trays 2–5)
Includes 1 each, feed and separation rollers
CC493-67907 1A
Secondary transfer (T2) roller kit CC493-67908 1A
Tray 1 roller kit CC493-67906 1A
Toner collection unit kit CC493-67913 1A
Maintenance transfer kit
Includes ITB, transfer roller (T2), tray 1 pickup roller,
Trays 2-5 feed and separation rollers
CE249A CC493-67910 1A
Repair transfer kit
Includes ITB and transfer roller (T2)
CC493-67909 1A
110V fuser kit CE246A CC493-67911 1A
220V fuser kit CE247A CC493-67912 1A
Internal hard-disk drive kit CC493-67901 1A
Fuser cleaning kit CC468-67919 1A
Service manual CC489-90936 1A
Service maintenance kits
Product name Part number
Tray 1 separation pad RL1-1937-000CN
Trays 2-5 pickup roller Qty. 1 RL1-2099-000CN
Table 4-1 Maintenance kits
Product name Product number Part number Self-repair level
Fuser kit (110 V) CE246A CC493-67911 1A
Fuser kit (220 V) CE247A CC493-67912 1A
Transfer kit
Includes ITB, transfer roller
(T2), tray 1 pickup roller,
Trays 2-5 feed and separation
rollers
CE249A CC493-67910 1A
428 Chapter 4 Parts and diagrams ENWW

Unique components
Use the following tables as a quick reference to identify component part numbers by product voltage,
or function (simplex or duplex).
Table 4-2 110V and 220V unique components
Item Part number
Fuser kit, 110 V CC493-67911
Fuser kit, 220 V CC493-67912
Low-voltage power supply, 110 V RM1-5763-000CN
Low-voltage power supply, 220 V RM1-5764-000CN
Table 4-3 Simplex and duplex unique components
Item Part number
Registration assembly kit, simplex CC493-67916
Registration assembly kit, duplex CC493-67917
Secondary transfer assembly kit, simplex CC492-67902
Secondary transfer assembly kit, duplex CC492-67901
Guide, paper feed, simplex RC2-4566-000CN
Duplexing guide assembly, duplex RM1-5531-000CN
Fuser drive assembly, simplex RM1-6702-000CN
Fuser drive assembly, duplex RM1-5656-000CN
Simplex delivery assembly kit CC493-67918
Duplex delivery assembly kit CC493-67919
ENWW Part numbers 429

Screws
NOTE: The screw illustrations in the following table are for reference only. Screws might vary in size
and appearance from those shown in this table.
Table 4-4 Common fasteners
Example Description Size Part Number
Screw, with washer M3X8 XA9-1420-000CN
Screw, tapping, truss head M4X10 XB4-7401-005CN
Screw, tap M3X6 XA9-1503-000CN
Screw, D M3X8 XA9-1671-000CN
Screw, tooth washer M4X6 XB2–7400-606CN
Screw, step Not applicable RC3-0912-000CN
430 Chapter 4 Parts and diagrams ENWW

How to use the parts lists and diagrams
The figures in this chapter show the major subassemblies in the product and their component parts. A
parts list table follows each exploded view assembly diagram. Each table lists the item number, the
associated part number, and the description of each part. If a part is not listed in the table, then it is not
a field replacement unit (FRU).
CAUTION: Be sure to order the correct part. When looking for part numbers for electrical components,
pay careful attention to the voltage that is listed in the description column. Doing so will ensure that the
part number selected is for the correct all-in-one model.
NOTE: In this manual, the abbreviation “PCA” stands for “printed circuit-board assembly.”
Components described as a PCA might consist of a single circuit board or a circuit board plus other
parts, such as cables and sensors.
ENWW How to use the parts lists and diagrams 431

External covers, panels, and doors
Figure 4-1 External covers, panels, and doors
Front door assembly
See Figure 4-3
Right door
assembly
See Figure 4-2
1
2
3
4
5
6
7
8
9
10
11
12
14
13
15
15
16
16 15
15
15
15
15
15
*A01
432 Chapter 4 Parts and diagrams ENWW

Table 4-5 External covers, panels, and doors;
Ref Description Part number Qty
1 Grip, left front RC2-4268-000CN 1
2 Grip, left rear RC2-4269-000CN 1
3 Cover, left upper RC2-4270-000CN 1
4 Cover, right front RC2-4272-000CN 1
5 Cover, right rear RC2-4273-000CN 1
6 Cover, upper RC2-4276-000CN 1
7 Cover, left lower RC2-4300-000CN 1
8 Cover, inner RM1-5520-000CN 1
9 Tray, face-down swing RC2-4547-000CN 1
10 Cover, left rear RC2-8213-000CN 1
11 Control-panel assembly RM1-5786-000CN 1
12 Face-down tray assembly RM1-5494-000CN 1
13 Right handle cover assembly RM1-5507-000CN 1
14 Rear cover assembly RM1-5508-000CN 1
ENWW External covers, panels, and doors 433

Right door assembly
Figure 4-2 Right door assembly
2
1
3
*A01
*A02
*A03
*A04
*A05
*A06
*A06
*A06
*A06
*A06
*A07
*A08
*A09
*A09
434 Chapter 4 Parts and diagrams ENWW

Table 4-6 Right door assembly
Ref Description Part number Qty
1 Right door assembly RM1-5509-000CN 1
3 Cover, M.P. crossmember R RC2-4747-000CN 1
ENWW Right door assembly 435

Front door assembly
Figure 4-3 Front door assembly
1
*A01
*A01
*A02
*A19
*A03
*A05
*A06
*A07
*A07
*A08
*A09
*A10
*A11
*A12
*A13
*A14
*A15
*A16
*A17
*A17
*A18
*A18
*A18
436 Chapter 4 Parts and diagrams ENWW

Table 4-7 Front door assembly
Ref Description Part number Qty
1 Front door assembly RM1-5506-000CN 1
ENWW Front door assembly 437

Internal components
Internal components (1 of 7)
Figure 4-4 Internal components 1 of 7
DUPLEX MODEL
(FM3)
(J62)
(SR5)
(J48)
SIMPLEX MODEL
1
22
3
4
5
6
7
9
9
8
438 Chapter 4 Parts and diagrams ENWW

Table 4-8 Internal components (1 of 7)
Ref Description Part number Qty
1 Paper delivery fan assembly RM1-5501-000CN 1
2 Guide, paper feed, simplex RC2-4566-000CN 1
2 Duplexing guide assembly, duplex RM1-5531-000CN 1
3 Paper delivery fan duct assembly RM1-5583-000CN 1
4 Holder, cable RC2-3997-000CN 1
5 Rod, paper delivery fan RC2-4070-000CN 1
6 Spring, compression RU6-2310-000CN 1
7 Holder, right door handle RC2-4573-000CN 1
8 Photo interrupter, TLP1243 WG8-5696-000CN 6
ENWW Internal components 439

Internal components (2 of 7)
Figure 4-5 Internal components 2 of 7
A
A
PCA
See Figure 4-18
PCA
See Figure 4-18
(J1)
(J68)
(J2)
(J3)
(J4)
1
2
3
5
6
78
10
11
12
13
14
15
16
16
17
18
19
20
21
22
23
24
25
9
26
26
26
26
26
24
27
26 26
26
26
26
23
22
5
3
4
19
*A01
440 Chapter 4 Parts and diagrams ENWW

Table 4-9 Internal components (2 of 7)
Ref Description Part number Qty
1 Bushing RC2-9719-000CN 4
3 Lever, CRG. lock RC2-3986-000CN 4
4 Tray, waste toner catch RC2-4218-000CN 1
5 Spring, torsion RU6-2247-000CN 4
7 Spring, grounding RC2-4469-000CN 1
8 Bushing RC2-4470-000CN 1
12 Lifter base assembly RM1-5913-000CN 1
17 Cover RC2-4403-000CN 3
18 Cover RC2-5962-000CN 1
19 Crg. Guide lower assembly RM1-5486-000CN 4
20 Shutter assembly RM1-5488-000CN 2
21 Shutter assembly RM1-5489-000CN 2
22 Shutter arm assembly RM1-5585-000CN 4
23 Shutter arm assembly RM1-5586-000CN 4
ENWW Internal components 441

Internal components (3 of 7)
Figure 4-6 Internal components 3 of 7
Tray
See Figure 4-11
(SW2)
(FT1)
(SW5)
(J45)
(SW3)
(J84)
(SW1)
(FT2)
(SR7)
(J46)
(J60)
(J66)
(J82)
12
3
4
5
6
8
10
11
12
13
14
3
16
21 22
1517
18
20
19
23
19
25
25
25
25
25
25
25
25
25
9
724
*A01
*A02
*A04
*A04
*A04
*A03
*A05
442 Chapter 4 Parts and diagrams ENWW

Table 4-10 Internal components (3 of 7)
Ref Description Part number Qty
1 Hinge, front door RC2-4291-000CN 1
2 Hinge, front door RC2-4292-000CN 1
3 Cover RC2-4308-000CN 1
5 Lever, shutter RC2-4415-000CN 4
6 Spring, compression RU6-2316-000CN 4
7 Front inner cover upper assembly RM1-5495-000CN 1
8 Interlock assembly RM1-5496-000CN 1
9 Waste toner collection kit (includes instructions and wipe) CC493-67913 1
10 Waste toner duct assembly RM1-5519-000CN 1
11 Power switch assembly RM1-5582-000CN 1
12 Front inner cover lower assembly RM1-5598-000CN 1
13 Cassette rail right assembly RM1-6195-000CN 1
14 Cassette rail left assembly RM1-6196-000CN 1
15 Lever, crg. pressure, front RC2-3983-020CN 4
17 Spring, tension RU6-2236-000CN 4
18 Spring, grounding RU6-2237-000CN 4
19 Switch WC4-5303-000CN 2
20 Waste toner detect assembly RM1-5545-000CN 1
21 Waste toner paper feed assembly RM1-5584-000CN 1
22 High voltage holder assembly RM1-6694-000CN 1
23 Switch, push WC2-5637-000CN 1
24 Photo interrupter WG8-5696-000CN 1
ENWW Internal components 443

Internal components (4 of 7)
Figure 4-7 Internal components 4 of 7
Paper delivery
assembly
See Figure 4-16
Fuser assembly
See Figure 4-17
(FM2)
(J65)
(SR9)
(J19)
(SR6)
(J47)
(J78)
(J63)
1
2
3
4
5
6
8
9
10
12
4
11
19
13
14
17
16
15
7
18
20
20
20
20
20
20
18
*A01
*A02
*A03
*A04
*A05
*A05
444 Chapter 4 Parts and diagrams ENWW

Table 4-11 Internal components (4 of 7)
Ref Description Part number Qty
4 Spring, tension RU6-2235-000CN 4
5 Spring, tension RU6-2376-000CN 1
6 Cartridge fan assembly RM1-5499-000CN 1
8 Waste toner motor assembly RM1-5605-000CN 1
9 Laser scanner kit (includes instructions and one scanner assy.) CC493-67914 2
10 Position detect assembly RM1-5500-000CN 1
11 Front light guide assembly RM1-5492-000CN 1
12 Intermediate transfer belt kit (includes instructions, ITB, and T2
roller)
CC493-67909 1
18 Photo interrupter WG8-5696-000CN 1
ENWW Internal components 445

Internal components (5 of 7)
Figure 4-8 Internal components 5 of 7
Right door assembly
See Figure 4-2
Registration
assembly
See Figure 4-14
Secondary
transfer assembly
See Figure 4-15
Paper pickup
assembly
See Figure 4-12
(J83)
2
3
4
5
6
7
8
9
19
10
11
12
13 14
15
17
20
21
22
1
18
22
16
16
16
16
16
16
16
16
16
*A01
*A01
*A02
*A04
*A03
*A03
446 Chapter 4 Parts and diagrams ENWW

Table 4-12 Internal components (5 of 7)
Ref Description Part number Qty
2 Cover, inner RC2-3981-000CN 1
3 Shaft support (included in secondary transfer kit; see Figure 4–
15)
RC2-4162-000CN 1
4 Spacer RC2-4514-000CN 1
6 Guide RC2-4527-000CN 1
7 Link, right door RC2-4726-000CN 1
8 Guide, cassette option RC2-4741-000CN 1
9 Holder, duct cable RC2-8239-000CN 1
11 Cassette guide assembly RM1-5504-000CN 1
12 Paper feed roller assembly RM1-5525-000CN 1
13 Density detect assembly RM1-5641-000CN 1
14 Cable cover assembly RM1-6695-000CN 1
15 Cover, roller RC2-4483-000CN 1
17 Cover, M.P. cross member RC2-9189-000CN 1
19 Arm, door link supporting, right RC2-4055-000CN 1
ENWW Internal components 447

Internal components (6 of 7)
Figure 4-9 Internal components 6 of 7
DUPLEX MODEL SIMPLEX MODEL
DUPLEX MODEL
(J79)
(FM4)
(J39)
(M11)
(J37)
(M13)
(J14)
(M1)
(J38)
(M10)
(J13)
(M2)
(J13)
(M2)
(J69)
(SL2)
(M3),(J18)
(M4),(J17)
(M5),(J16)
(M6),(J15)
1
2
4
5
6
7
8
9
10
10A
11
12
13
12
9A
3
15
15
15
15
15
15
15
15
15
15 15
15
15
15
14 14
10B
6A
16
*A01
*A02
*A03
448 Chapter 4 Parts and diagrams ENWW

Table 4-13 Internal components 6 of 7
Ref Description Part number Qty
3 Duplexing drive assembly RM1-5546-000CN 1
5 Spring, tension RU6-2468-000CN 1
6A Cartridge fan RK2-2418-000CN 1
7 Flexible flat cable assembly (includes two FFC; DCC to laser/
scanner)
RM1-5498-000CN 1
8 Main DC motor assembly RM1-5521-000CN 4
9 Paper pickup drive assembly RM1-5549-000CN 1
10 Main drive assembly kit (includes instructions) CC493-67915 1
10A ITB motor assembly RM1-5777-000CN 1
10B Developing disengaging motor RK2-2415-000CN 1
12 Fuser drive assembly, simplex RM1-6702-000CN 1
12 Fuser drive assembly, duplex RM1-5656-000CN 1
13 Lifter assembly RM1-5914-000CN 1
16 Flat flexible cable (DCC to HVPS lower) RK2-2604-000CN 1
ENWW Internal components 449

Internal components (7 of 7)
Figure 4-10 Internal components 7 of 7
A
A
PCA
See Figure 4-18
PCA
See Figure 4-18
PCA
See Figure 4-18
PCA
See Figure 4-18
(J130)
(J145)
(J131)
(J148)
(J74)
(J83)
(J77)
(J64)
(J75)(J52)
(J84)
(J108)
(J103)
(J112)
(J261)
(J113)
(J129)
(J128)
(J60)
(J45)
(J19)
(J47)
(J201)
(J81)
(J71) (J67)
(J38)
(J87)
(J72)
(J115)
(J107)
(J251)
(J56)
(J85) (J106)
(J57)
(J55DA)
(J55DB) (J58)
(J59)
(J303)
(J99)
(J147)
(J43)
(FT2)
(FT1)
(J202)
(J39)
(J69)
(J152)
(J603)
(J61)
(J260) (J37)
(J79)
(J263)
(J116)
(J200)
(J264)
(J81)
(J67)
(J65)
(J36)
(J68) (J82)
(J66)
(J153)
(FM1)
(J43)
(SW6)
1
2
3
4
5
6
7
8
9
10 14
15
16
17
18
19
20
22
23
25
26
11
24
24
24
24
24
24
24
24
24
24
24
21
*A01
*A02
*A03
*A04
*A05
*A05
*A05
*A05
*A06
450 Chapter 4 Parts and diagrams ENWW

Table 4-14 Internal components 7 of 7
Ref Description Part number Qty
4 Fan RK2-2577-000CN 1
5 Cable, flexible flat, H.V.T. RK2-2603-000CN 1
7 Contact assembly RM1-5502-000CN 1
8 Fan cable assembly RM1-5821-000CN 1
9 H.V. power supply cable assembly RM1-5724-000CN 1
10 Lower main cable assembly RM1-5801-000CN 1
11 Switch, push WC2-5637-000CN 1
14 Connecting cable assembly RM1-5799-000CN 1
15 Upper main cable assembly RM1-5800-000CN 1
16 Duplexing cable assembly, duplex RM1-5803-000CN 1
17 Feed cable assembly RM1-5804-000CN 1
18 Switch cable assembly RM1-5807-000CN 1
19 Connecting cable assembly RM1-5811-000CN 1
20 Connecting cable assembly RM1-5812-000CN 1
21 Control panel cable assembly RM1-5814-000CN 1
22 Sensor cable assembly RM1-5815-000CN 1
23 Interlock switch cable assembly RM1-5816-000CN 1
ENWW Internal components 451

Cassettes 2-5
Figure 4-11 Cassettes 2-5
*A02
*A05
*A05
*A03
*A15 *A25
*A17
*A09
*A12
*A09
* A19
*A23
*A11
*A20
*A16
*A08
*A07
*A18
*A22
*A24
*A06
*A13
*A21
*A26
*A27
*A04
*A25
*A09
*A17
*A09
*A10
*A01
*A14
1
452 Chapter 4 Parts and diagrams ENWW

Table 4-15 Cassette
Ref Description Part number Qty
1 Cassette RM1-5928-000CN 1
ENWW Internal components 453

Paper pickup assembly
Figure 4-12 Paper pickup assembly
(SL4)
(J59)
(J58)
1
2
2
3
3
*A01
*A02
*A03
*A04
*A05
*A06
*A07
*A08
*A09
*A10
*A11
*A12
*A13
*A14
*A15
*A15
*A17
*A28
*A18
*A19
*A20
*A22
*A21*A23
*A24
*A25 *A38
*A26
*A27
*A29
*A30
*A31
*A32
*A33
*A34
*A35
*A37
*A36
*A16
454 Chapter 4 Parts and diagrams ENWW

Table 4-16 Paper pickup assembly
Ref Description Part number Qty
1 Roller, paper pickup RL1-2099-000CN 1
2 Paper feed roller RM1-0037-020CN 2
3 Paper pickup assembly RM1-5919-000CN 1
ENWW Internal components 455

Tray 1 paper pickup assembly
Figure 4-13 Tray 1 paper pickup assembly
(SL3)
(J52)
(J75)
(J22)
(J22)
(SR8)
1
2
*A01
*A01
*A02
*A03
*A04
*A05
*A06
*A07 *A28
*A08
*A10
*A11
*A12
*A13
*A14
*A15
*A20
*A23
*A13
*A16
*A17
*A18
*A19
*A09
*A21
*A22
*A24
*A25
*A26
*A26
*A26
*A26
*A27
*A29
*A30
*A31 *A32
*A32
*A33
*A34
456 Chapter 4 Parts and diagrams ENWW

Table 4-17 Tray 1 paper pickup assembly
Ref Description Part number Qty
1 Pickup roller (Tray 1) kit (includes instructions) CC493–67906 1
2 Separation pad (Tray 1) RL1-1937-000CN 1
ENWW Internal components 457

Registration assembly
Figure 4-14 Registration assembly
(J53)
(J23)
(J27) (J74)
(J77)
(J21)
(J20)
DUPLEX MODELSIMPLEX MODEL
(J53)
(CL1)
1
*A13
*A01
*A02
*A03
*A04
*A05 *A05
*A05
*A05
*A06
*A07
*A08
*A08
*A09
*A09
*A09
*A10
*A11
*A23
*A12
*A14
*A15
*A15
*A16
*A17
*A18
*A19
*A20
*A21
*A22
*A24
*A25 *A26
*A27
*A28
*A33
*A29
*A30
*A31
*A32
*A34
*A35
*A35
*A36
*A37
*A38
*A38
*A39
*A40
*A42
*A42
*A42
*A42
*A42
*A42
*A42
*A44
*A44
*A45
*A03
*A46
*A43
*A41
*A02
458 Chapter 4 Parts and diagrams ENWW

Table 4-18 Registration assembly
Ref Description Part number Qty
1 Registration assembly kit, simplex (includes instructions) CC493-67916 1
1 Registration assembly kit, duplex (includes instructions) CC493-67917 1
ENWW Internal components 459

Secondary transfer assembly
Figure 4-15 Secondary transfer assembly
DUPLEX MODEL
DUPLEX MODEL
DUPLEX MODEL
1
2
*A23
*A08
*A03
*A15
*A16
*A17
*A18
*A21
*A14
*A04
*A20
*A05
*A12
*A13
*A07
*A06
*A01
*A19
*A09
*A02
*A19
*A11
*A10
*A24
*A26
*A22
*A25
460 Chapter 4 Parts and diagrams ENWW

Table 4-19 Secondary Transfer assembly
Ref Description Part number Qty
1 Secondary transfer roller assembly kit (includes instructions) CC493-67908 1
2 Secondary transfer assembly, duplex kit (includes shaft-support
clip; # 3 Figure 4–8)
CC493-67901 1
2 Secondary transfer assembly, simplex kit (includes shaft-support
clip; # 3 Figure 4–8)
CC493-67902 1
ENWW Internal components 461

Delivery assembly
Figure 4-16 Delivery assembly
DUPLEX MODEL
DUPLEX MODEL
1
*A10
*A11
*A23
*A07
*A06
*A27
*A26*A13
*A16
*A24
*A22
*A09 *A05
*A02
*A03
*A07
*A16
*A08
*A21
*A27
*A19
*A27
*A17 *A20
*A23
*A04
*A18
*A01
*A26
*A15
*A14
*A12
*A30
*A29
*A25
*A28
SR6
J47
462 Chapter 4 Parts and diagrams ENWW

Table 4-20 Delivery assembly
Ref Description Part number Qty
1 Simplex delivery assembly kit CC493-67918 1
1 Duplex delivery assembly kit CC493-67919 1
ENWW Internal components 463

Fuser assembly
Figure 4-17 Fuser assembly
1
464 Chapter 4 Parts and diagrams ENWW

Table 4-21 Fuser assembly
Ref Description Part number Qty
1 Fuser 110 V assembly kit (includes instructions) CC493-67911 1
1 Fuser 220 V assembly kit (includes instructions) CC493-67912 1
ENWW Internal components 465

PCAs
Figure 4-18 PCAs
1
2
34
7
7
7
7
9
6
8
466 Chapter 4 Parts and diagrams ENWW

Table 4-22 PCAs
Ref Description Part number Qty
1 DC controller PCA assembly RM1-5758-000CN 1
2 Low voltage power supply PCA assembly, 110V RM1-5763-000CN 1
2 Low voltage power supply PCA assembly, 220V RM1-5764-000CN 1
3 High voltage power supply PCA, lower (includes FFC; DCC to
HVPS lower)
RM1-5779-000CN 1
4 High voltage power supply, upper RM1-5781-000CN 1
6 Inner connecting PCA assembly RM1-5636-020CN 1
7 Toner remain PCA assembly RM1-5771-020CN 4
8 Formatter kit (exchange; includes instructions) CC493-69001 1
ENWW Internal components 467

Assessories
Paper feeders
Figure 4-19 Paper feeders
1x500
3x500
Cassette 3
Cassette 3
Cassette 4
Cassette 5
468 Chapter 4 Parts and diagrams ENWW

Table 4-23 Paper feeders
Ref Description Part number Qty
NA Cassette RM1-5928-000CN NA
ENWW Assessories 469

Paper feeder external covers, panels, and doors
Figure 4-20 Paper feeder external covers, panels, and doors
3x500
1x500
1x500
1
2
3
4
5
6
7
8
8
9
10
11
12
13
13
17
16
15
15
14
*A01
*A01
*A03
*A01
*A02
*A02
*A05
*A01
*A01
*A01
*A04
*A01
470 Chapter 4 Parts and diagrams ENWW

Table 4-24 Paper feeder external covers, panels, and doors
Ref Description Part number Qty
4 Cover, rear lower RC2-5378-000CN 1
5 Cover, rear RC2-5379-000CN 1
7 Cover, left RC2-5393-000CN 1
8 Cover, right front, 1x500 RC2-5356-000CN 1
8 Cover, right front, 3x500 RC2-5357-000CN 1
9 Cover, right rear RC2-5380-000CN 1
11 Cover, right center RC2-5394-000CN 1
14 Right door assembly 3x500 RM1-5937-000CN 1
14 Right door assembly 1x500 RM1-5936-000CN 1
16 Door, stock, 1x500 RC2-5377-000CN 1
ENWW Assessories 471

1 X 500 paper feeder main body
Figure 4-21 1 X 500 paper feeder main body
(J410)
(J10)
(J15)
(J14)
(M2)
Cassette
See Figure 4-11
(J408)
(J409)
(J407)
(J18)
(J14)
(J15)
(J13)
(J17)
(J11)
1
2
5
6
7
8
11
9
4
3
*A04
*A05
*A06
*A07
*A08
*A09
*A11
*A12
*A13
*A14
*A32
*A15*A33
*A17
*A16 *A16
*A16
*A16
*A16
*A16
*A16
*A16
*A16
*A16
*A16
*A16
*A19
*A19
*A20
*A21
*A22
*A23
*A24
*A28
*A25
*A27
*A27
*A27
*A28 *A26
*A28
*A29
*A29
*A29
*A19
*A18
*A10
*A31 *A30
*A16
*A01
*A01
*A01
*A02
*A03
472 Chapter 4 Parts and diagrams ENWW

Table 4-25 1 X 500 paper feeder main body
Ref Description Part number Qty
3 Lifter base assembly RM1-5913-000CN 1
4 Lifter assembly RM1-5914-000CN 1
7 Paper pickup drive assembly, 1x500 RM1-5934-000CN 1
8 Feeder PCA assembly, 1x500 RM1-5854-000CN 1
9 Paper pickup assembly RM1-5929-000CN 1
ENWW Assessories 473

3 X 500 paper feeder main body
Figure 4-22 3 X 500 paper feeder main body
(J410)
(J10)
(J402)
(J403)
(J35) (J34)
(J32)
(J30)
(J31)
(J21)
(J406)
(J405)
(J25)
(J15)
(J24)
(J34)
(J24)
(J22)
(J20)
Cassette
See Figure 4-11
(J14)
(M2)
(J409)
(J408)
(J404)
(J18) (J19)
(J14)
(J15)
(J13)
(J17)
(J11)
(J407)
7
8
9
1
2
3
4
5
6
10
11
13
*A02
*A03
*A04
*A05
*A06
*A07
*A09
*A10
*A11
*A16
*A15
*A15
*A15
*A15
*A15
*A15
*A15
*A15
*A15
*A18
*A18
*A19
*A20
*A21
*A22
*A23
*A08
*A24
*A25
*A01
*A01
*A01
*A25
*A25
*A08 *A17
*A08
*A17
*A17
*A17
*A13
*A18
*A12
*A26
*A14*A27
*A15
474 Chapter 4 Parts and diagrams ENWW

Table 4-26 3 X 500 paper feeder main body
Ref Description Part number Qty
2 Lifter base assembly RM1-5913-000CN 1
3 Lifter assembly RM1-5914-000CN 1
6 Paper pickup drive assembly 3x500 RM1-5935-000CN 1
10 Feeder PCA assembly 3x500 RM1-5958-000CN 1
11 Paper pickup assembly RM1-5929-000CN 3
ENWW Assessories 475

Alphabetical parts list
Table 4-27 Alphabetical parts list
Description Part number Table and page
Arm, door link supporting, right RC2-4055-000CN Internal components (5 of 7)
on page 447
Bushing RC2-9719-000CN Internal components (2 of 7)
on page 441
Bushing RC2-4470-000CN Internal components (2 of 7)
on page 441
Cable cover assembly RM1-6695-000CN Internal components (5 of 7)
on page 447
Cable, flexible flat, H.V.T. RK2-2603-000CN Internal components 7 of 7
on page 451
Cartridge fan RK2-2418-000CN Internal components 6 of 7
on page 449
Cartridge fan assembly RM1-5499-000CN Internal components (4 of 7)
on page 445
Cassette RM1-5928-000CN Cassette on page 453
Cassette RM1-5928-000CN Paper feeders on page 469
Cassette guide assembly RM1-5504-000CN Internal components (5 of 7)
on page 447
Cassette rail left assembly RM1-6196-000CN Internal components (3 of 7)
on page 443
Cassette rail right assembly RM1-6195-000CN Internal components (3 of 7)
on page 443
Connecting cable assembly RM1-5799-000CN Internal components 7 of 7
on page 451
Connecting cable assembly RM1-5811-000CN Internal components 7 of 7
on page 451
Connecting cable assembly RM1-5812-000CN Internal components 7 of 7
on page 451
Contact assembly RM1-5502-000CN Internal components 7 of 7
on page 451
Control panel cable assembly RM1-5814-000CN Internal components 7 of 7
on page 451
Control-panel assembly RM1-5786-000CN External covers, panels, and
doors; on page 433
Cover RC2-4403-000CN Internal components (2 of 7)
on page 441
Cover RC2-5962-000CN Internal components (2 of 7)
on page 441
Cover RC2-4308-000CN Internal components (3 of 7)
on page 443
476 Chapter 4 Parts and diagrams ENWW

Description Part number Table and page
Cover, inner RM1-5520-000CN External covers, panels, and
doors; on page 433
Cover, inner RC2-3981-000CN Internal components (5 of 7)
on page 447
Cover, left RC2-5393-000CN Paper feeder external covers,
panels, and doors
on page 471
Cover, left lower RC2-4300-000CN External covers, panels, and
doors; on page 433
Cover, left rear RC2-8213-000CN External covers, panels, and
doors; on page 433
Cover, left upper RC2-4270-000CN External covers, panels, and
doors; on page 433
Cover, M.P. cross member RC2-9189-000CN Internal components (5 of 7)
on page 447
Cover, M.P. crossmember R RC2-4747-000CN Right door assembly
on page 435
Cover, rear RC2-5379-000CN Paper feeder external covers,
panels, and doors
on page 471
Cover, rear lower RC2-5378-000CN Paper feeder external covers,
panels, and doors
on page 471
Cover, right center RC2-5394-000CN Paper feeder external covers,
panels, and doors
on page 471
Cover, right front RC2-4272-000CN External covers, panels, and
doors; on page 433
Cover, right front, 1x500 RC2-5356-000CN Paper feeder external covers,
panels, and doors
on page 471
Cover, right front, 3x500 RC2-5357-000CN Paper feeder external covers,
panels, and doors
on page 471
Cover, right rear RC2-4273-000CN External covers, panels, and
doors; on page 433
Cover, right rear RC2-5380-000CN Paper feeder external covers,
panels, and doors
on page 471
Cover, roller RC2-4483-000CN Internal components (5 of 7)
on page 447
Cover, upper RC2-4276-000CN External covers, panels, and
doors; on page 433
Crg. Guide lower assembly RM1-5486-000CN Internal components (2 of 7)
on page 441
DC controller PCA assembly RM1-5758-000CN PCAs on page 467
Table 4-27 Alphabetical parts list (continued)
ENWW Alphabetical parts list 477

Description Part number Table and page
Density detect assembly RM1-5641-000CN Internal components (5 of 7)
on page 447
Developing disengaging motor RK2-2415-000CN Internal components 6 of 7
on page 449
Door, stock, 1x500 RC2-5377-000CN Paper feeder external covers,
panels, and doors
on page 471
Duplex delivery assembly kit CC493-67919 Delivery assembly
on page 463
Duplexing cable assembly, duplex RM1-5803-000CN Internal components 7 of 7
on page 451
Duplexing drive assembly RM1-5546-000CN Internal components 6 of 7
on page 449
Duplexing guide assembly, duplex RM1-5531-000CN Internal components (1 of 7)
on page 439
Face-down tray assembly RM1-5494-000CN External covers, panels, and
doors; on page 433
Fan RK2-2577-000CN Internal components 7 of 7
on page 451
Fan cable assembly RM1-5821-000CN Internal components 7 of 7
on page 451
Feed cable assembly RM1-5804-000CN Internal components 7 of 7
on page 451
Feeder PCA assembly 3x500 RM1-5958-000CN 3 X 500 paper feeder main
body on page 475
Feeder PCA assembly, 1x500 RM1-5854-000CN 1 X 500 paper feeder main
body on page 473
Flat flexible cable (DCC to HVPS lower) RK2-2604-000CN Internal components 6 of 7
on page 449
Flexible flat cable assembly (includes two FFC; DCC to laser/
scanner)
RM1-5498-000CN Internal components 6 of 7
on page 449
Formatter kit (exchange; includes instructions) CC493-69001 PCAs on page 467
Front door assembly RM1-5506-000CN Front door assembly
on page 437
Front inner cover lower assembly RM1-5598-000CN Internal components (3 of 7)
on page 443
Front inner cover upper assembly RM1-5495-000CN Internal components (3 of 7)
on page 443
Front light guide assembly RM1-5492-000CN Internal components (4 of 7)
on page 445
Fuser 110 V assembly kit (includes instructions) CC493-67911 Fuser assembly on page 465
Fuser 220 V assembly kit (includes instructions) CC493-67912 Fuser assembly on page 465
Fuser drive assembly, duplex RM1-5656-000CN Internal components 6 of 7
on page 449
Table 4-27 Alphabetical parts list (continued)
478 Chapter 4 Parts and diagrams ENWW

Description Part number Table and page
Fuser drive assembly, simplex RM1-6702-000CN Internal components 6 of 7
on page 449
Grip, left front RC2-4268-000CN External covers, panels, and
doors; on page 433
Grip, left rear RC2-4269-000CN External covers, panels, and
doors; on page 433
Guide RC2-4527-000CN Internal components (5 of 7)
on page 447
Guide, cassette option RC2-4741-000CN Internal components (5 of 7)
on page 447
Guide, paper feed, simplex RC2-4566-000CN Internal components (1 of 7)
on page 439
H.V. power supply cable assembly RM1-5724-000CN Internal components 7 of 7
on page 451
High voltage holder assembly RM1-6694-000CN Internal components (3 of 7)
on page 443
High voltage power supply PCA, lower (includes FFC; DCC to
HVPS lower)
RM1-5779-000CN PCAs on page 467
High voltage power supply, upper RM1-5781-000CN PCAs on page 467
Hinge, front door RC2-4291-000CN Internal components (3 of 7)
on page 443
Hinge, front door RC2-4292-000CN Internal components (3 of 7)
on page 443
Holder, cable RC2-3997-000CN Internal components (1 of 7)
on page 439
Holder, duct cable RC2-8239-000CN Internal components (5 of 7)
on page 447
Holder, right door handle RC2-4573-000CN Internal components (1 of 7)
on page 439
Inner connecting PCA assembly RM1-5636-020CN PCAs on page 467
Interlock assembly RM1-5496-000CN Internal components (3 of 7)
on page 443
Interlock switch cable assembly RM1-5816-000CN Internal components 7 of 7
on page 451
Intermediate transfer belt kit (includes instructions, ITB, and T2
roller)
CC493-67909 Internal components (4 of 7)
on page 445
ITB motor assembly RM1-5777-000CN Internal components 6 of 7
on page 449
Laser scanner kit (includes instructions and one scanner assy.) CC493-67914 Internal components (4 of 7)
on page 445
Lever, CRG. lock RC2-3986-000CN Internal components (2 of 7)
on page 441
Lever, crg. pressure, front RC2-3983-020CN Internal components (3 of 7)
on page 443
Table 4-27 Alphabetical parts list (continued)
ENWW Alphabetical parts list 479

Description Part number Table and page
Lever, shutter RC2-4415-000CN Internal components (3 of 7)
on page 443
Lifter assembly RM1-5914-000CN Internal components 6 of 7
on page 449
Lifter assembly RM1-5914-000CN 1 X 500 paper feeder main
body on page 473
Lifter assembly RM1-5914-000CN 3 X 500 paper feeder main
body on page 475
Lifter base assembly RM1-5913-000CN Internal components (2 of 7)
on page 441
Lifter base assembly RM1-5913-000CN 1 X 500 paper feeder main
body on page 473
Lifter base assembly RM1-5913-000CN 3 X 500 paper feeder main
body on page 475
Link, right door RC2-4726-000CN Internal components (5 of 7)
on page 447
Low voltage power supply PCA assembly, 110V RM1-5763-000CN PCAs on page 467
Low voltage power supply PCA assembly, 220V RM1-5764-000CN PCAs on page 467
Lower main cable assembly RM1-5801-000CN Internal components 7 of 7
on page 451
Main DC motor assembly RM1-5521-000CN Internal components 6 of 7
on page 449
Main drive assembly kit (includes instructions) CC493-67915 Internal components 6 of 7
on page 449
Paper delivery fan assembly RM1-5501-000CN Internal components (1 of 7)
on page 439
Paper delivery fan duct assembly RM1-5583-000CN Internal components (1 of 7)
on page 439
Paper feed roller RM1-0037-020CN Paper pickup assembly
on page 455
Paper feed roller assembly RM1-5525-000CN Internal components (5 of 7)
on page 447
Paper pickup assembly RM1-5919-000CN Paper pickup assembly
on page 455
Paper pickup assembly RM1-5929-000CN 1 X 500 paper feeder main
body on page 473
Paper pickup assembly RM1-5929-000CN 3 X 500 paper feeder main
body on page 475
Paper pickup drive assembly RM1-5549-000CN Internal components 6 of 7
on page 449
Paper pickup drive assembly 3x500 RM1-5935-000CN 3 X 500 paper feeder main
body on page 475
Paper pickup drive assembly, 1x500 RM1-5934-000CN 1 X 500 paper feeder main
body on page 473
Table 4-27 Alphabetical parts list (continued)
480 Chapter 4 Parts and diagrams ENWW

Description Part number Table and page
Photo interrupter WG8-5696-000CN Internal components (3 of 7)
on page 443
Photo interrupter WG8-5696-000CN Internal components (4 of 7)
on page 445
Photo interrupter, TLP1243 WG8-5696-000CN Internal components (1 of 7)
on page 439
Pickup roller (Tray 1) kit (includes instructions) CC493–67906 Tray 1 paper pickup assembly
on page 457
Position detect assembly RM1-5500-000CN Internal components (4 of 7)
on page 445
Power switch assembly RM1-5582-000CN Internal components (3 of 7)
on page 443
Rear cover assembly RM1-5508-000CN External covers, panels, and
doors; on page 433
Registration assembly kit, duplex (includes instructions) CC493-67917 Registration assembly
on page 459
Registration assembly kit, simplex (includes instructions) CC493-67916 Registration assembly
on page 459
Right door assembly RM1-5509-000CN Right door assembly
on page 435
Right door assembly 1x500 RM1-5936-000CN Paper feeder external covers,
panels, and doors
on page 471
Right door assembly 3x500 RM1-5937-000CN Paper feeder external covers,
panels, and doors
on page 471
Right handle cover assembly RM1-5507-000CN External covers, panels, and
doors; on page 433
Rod, paper delivery fan RC2-4070-000CN Internal components (1 of 7)
on page 439
Roller, paper pickup RL1-2099-000CN Paper pickup assembly
on page 455
Secondary transfer assembly, duplex kit (includes shaft-support
clip; # 3 Figure 4–8)
CC493-67901 Secondary Transfer assembly
on page 461
Secondary transfer assembly, simplex kit (includes shaft-support
clip; # 3 Figure 4–8)
CC493-67902 Secondary Transfer assembly
on page 461
Secondary transfer roller assembly kit (includes instructions) CC493-67908 Secondary Transfer assembly
on page 461
Sensor cable assembly RM1-5815-000CN Internal components 7 of 7
on page 451
Separation pad (Tray 1) RL1-1937-000CN Tray 1 paper pickup assembly
on page 457
Shaft support (included in secondary transfer kit; see Figure 4–
15)
RC2-4162-000CN Internal components (5 of 7)
on page 447
Table 4-27 Alphabetical parts list (continued)
ENWW Alphabetical parts list 481

Description Part number Table and page
Shutter arm assembly RM1-5585-000CN Internal components (2 of 7)
on page 441
Shutter arm assembly RM1-5586-000CN Internal components (2 of 7)
on page 441
Shutter assembly RM1-5488-000CN Internal components (2 of 7)
on page 441
Shutter assembly RM1-5489-000CN Internal components (2 of 7)
on page 441
Simplex delivery assembly kit CC493-67918 Delivery assembly
on page 463
Spacer RC2-4514-000CN Internal components (5 of 7)
on page 447
Spring, compression RU6-2310-000CN Internal components (1 of 7)
on page 439
Spring, compression RU6-2316-000CN Internal components (3 of 7)
on page 443
Spring, grounding RC2-4469-000CN Internal components (2 of 7)
on page 441
Spring, grounding RU6-2237-000CN Internal components (3 of 7)
on page 443
Spring, tension RU6-2236-000CN Internal components (3 of 7)
on page 443
Spring, tension RU6-2235-000CN Internal components (4 of 7)
on page 445
Spring, tension RU6-2376-000CN Internal components (4 of 7)
on page 445
Spring, tension RU6-2468-000CN Internal components 6 of 7
on page 449
Spring, torsion RU6-2247-000CN Internal components (2 of 7)
on page 441
Switch WC4-5303-000CN Internal components (3 of 7)
on page 443
Switch cable assembly RM1-5807-000CN Internal components 7 of 7
on page 451
Switch, push WC2-5637-000CN Internal components (3 of 7)
on page 443
Switch, push WC2-5637-000CN Internal components 7 of 7
on page 451
Toner remain PCA assembly RM1-5771-020CN PCAs on page 467
Tray, face-down swing RC2-4547-000CN External covers, panels, and
doors; on page 433
Tray, waste toner catch RC2-4218-000CN Internal components (2 of 7)
on page 441
Table 4-27 Alphabetical parts list (continued)
482 Chapter 4 Parts and diagrams ENWW

Description Part number Table and page
Upper main cable assembly RM1-5800-000CN Internal components 7 of 7
on page 451
Waste toner collection kit (includes instructions and wipe) CC493-67913 Internal components (3 of 7)
on page 443
Waste toner detect assembly RM1-5545-000CN Internal components (3 of 7)
on page 443
Waste toner duct assembly RM1-5519-000CN Internal components (3 of 7)
on page 443
Waste toner motor assembly RM1-5605-000CN Internal components (4 of 7)
on page 445
Waste toner paper feed assembly RM1-5584-000CN Internal components (3 of 7)
on page 443
Table 4-27 Alphabetical parts list (continued)
ENWW Alphabetical parts list 483

Numerical parts list
Table 4-28 Numerical parts list
Part number Description Table and page
CC493-67901 Secondary transfer assembly, duplex kit (includes shaft-support
clip; # 3 Figure 4–8)
Secondary Transfer assembly
on page 461
CC493-67902 Secondary transfer assembly, simplex kit (includes shaft-support
clip; # 3 Figure 4–8)
Secondary Transfer assembly
on page 461
CC493-67908 Secondary transfer roller assembly kit (includes instructions) Secondary Transfer assembly
on page 461
CC493-67909 Intermediate transfer belt kit (includes instructions, ITB, and T2
roller)
Internal components (4 of 7)
on page 445
CC493-67911 Fuser 110 V assembly kit (includes instructions) Fuser assembly on page 465
CC493-67912 Fuser 220 V assembly kit (includes instructions) Fuser assembly on page 465
CC493-67913 Waste toner collection kit (includes instructions and wipe) Internal components (3 of 7)
on page 443
CC493-67914 Laser scanner kit (includes instructions and one scanner assy.) Internal components (4 of 7)
on page 445
CC493-67915 Main drive assembly kit (includes instructions) Internal components 6 of 7
on page 449
CC493-67916 Registration assembly kit, simplex (includes instructions) Registration assembly
on page 459
CC493-67917 Registration assembly kit, duplex (includes instructions) Registration assembly
on page 459
CC493-67918 Simplex delivery assembly kit Delivery assembly
on page 463
CC493-67919 Duplex delivery assembly kit Delivery assembly
on page 463
CC493-69001 Formatter kit (exchange; includes instructions) PCAs on page 467
CC493–67906 Pickup roller (Tray 1) kit (includes instructions) Tray 1 paper pickup assembly
on page 457
RC2-3981-000CN Cover, inner Internal components (5 of 7)
on page 447
RC2-3983-020CN Lever, crg. pressure, front Internal components (3 of 7)
on page 443
RC2-3986-000CN Lever, CRG. lock Internal components (2 of 7)
on page 441
RC2-3997-000CN Holder, cable Internal components (1 of 7)
on page 439
RC2-4055-000CN Arm, door link supporting, right Internal components (5 of 7)
on page 447
RC2-4070-000CN Rod, paper delivery fan Internal components (1 of 7)
on page 439
RC2-4162-000CN Shaft support (included in secondary transfer kit; see Figure 4–
15)
Internal components (5 of 7)
on page 447
484 Chapter 4 Parts and diagrams ENWW

Part number Description Table and page
RC2-4218-000CN Tray, waste toner catch Internal components (2 of 7)
on page 441
RC2-4268-000CN Grip, left front External covers, panels, and
doors; on page 433
RC2-4269-000CN Grip, left rear External covers, panels, and
doors; on page 433
RC2-4270-000CN Cover, left upper External covers, panels, and
doors; on page 433
RC2-4272-000CN Cover, right front External covers, panels, and
doors; on page 433
RC2-4273-000CN Cover, right rear External covers, panels, and
doors; on page 433
RC2-4276-000CN Cover, upper External covers, panels, and
doors; on page 433
RC2-4291-000CN Hinge, front door Internal components (3 of 7)
on page 443
RC2-4292-000CN Hinge, front door Internal components (3 of 7)
on page 443
RC2-4300-000CN Cover, left lower External covers, panels, and
doors; on page 433
RC2-4308-000CN Cover Internal components (3 of 7)
on page 443
RC2-4403-000CN Cover Internal components (2 of 7)
on page 441
RC2-4415-000CN Lever, shutter Internal components (3 of 7)
on page 443
RC2-4469-000CN Spring, grounding Internal components (2 of 7)
on page 441
RC2-4470-000CN Bushing Internal components (2 of 7)
on page 441
RC2-4483-000CN Cover, roller Internal components (5 of 7)
on page 447
RC2-4514-000CN Spacer Internal components (5 of 7)
on page 447
RC2-4527-000CN Guide Internal components (5 of 7)
on page 447
RC2-4547-000CN Tray, face-down swing External covers, panels, and
doors; on page 433
RC2-4566-000CN Guide, paper feed, simplex Internal components (1 of 7)
on page 439
RC2-4573-000CN Holder, right door handle Internal components (1 of 7)
on page 439
RC2-4726-000CN Link, right door Internal components (5 of 7)
on page 447
Table 4-28 Numerical parts list (continued)
ENWW Numerical parts list 485

Part number Description Table and page
RC2-4741-000CN Guide, cassette option Internal components (5 of 7)
on page 447
RC2-4747-000CN Cover, M.P. crossmember R Right door assembly
on page 435
RC2-5356-000CN Cover, right front, 1x500 Paper feeder external covers,
panels, and doors
on page 471
RC2-5357-000CN Cover, right front, 3x500 Paper feeder external covers,
panels, and doors
on page 471
RC2-5377-000CN Door, stock, 1x500 Paper feeder external covers,
panels, and doors
on page 471
RC2-5378-000CN Cover, rear lower Paper feeder external covers,
panels, and doors
on page 471
RC2-5379-000CN Cover, rear Paper feeder external covers,
panels, and doors
on page 471
RC2-5380-000CN Cover, right rear Paper feeder external covers,
panels, and doors
on page 471
RC2-5393-000CN Cover, left Paper feeder external covers,
panels, and doors
on page 471
RC2-5394-000CN Cover, right center Paper feeder external covers,
panels, and doors
on page 471
RC2-5962-000CN Cover Internal components (2 of 7)
on page 441
RC2-8213-000CN Cover, left rear External covers, panels, and
doors; on page 433
RC2-8239-000CN Holder, duct cable Internal components (5 of 7)
on page 447
RC2-9189-000CN Cover, M.P. cross member Internal components (5 of 7)
on page 447
RC2-9719-000CN Bushing Internal components (2 of 7)
on page 441
RK2-2415-000CN Developing disengaging motor Internal components 6 of 7
on page 449
RK2-2418-000CN Cartridge fan Internal components 6 of 7
on page 449
RK2-2577-000CN Fan Internal components 7 of 7
on page 451
RK2-2603-000CN Cable, flexible flat, H.V.T. Internal components 7 of 7
on page 451
Table 4-28 Numerical parts list (continued)
486 Chapter 4 Parts and diagrams ENWW

Part number Description Table and page
RK2-2604-000CN Flat flexible cable (DCC to HVPS lower) Internal components 6 of 7
on page 449
RL1-1937-000CN Separation pad (Tray 1) Tray 1 paper pickup assembly
on page 457
RL1-2099-000CN Roller, paper pickup Paper pickup assembly
on page 455
RM1-0037-020CN Paper feed roller Paper pickup assembly
on page 455
RM1-5486-000CN Crg. Guide lower assembly Internal components (2 of 7)
on page 441
RM1-5488-000CN Shutter assembly Internal components (2 of 7)
on page 441
RM1-5489-000CN Shutter assembly Internal components (2 of 7)
on page 441
RM1-5492-000CN Front light guide assembly Internal components (4 of 7)
on page 445
RM1-5494-000CN Face-down tray assembly External covers, panels, and
doors; on page 433
RM1-5495-000CN Front inner cover upper assembly Internal components (3 of 7)
on page 443
RM1-5496-000CN Interlock assembly Internal components (3 of 7)
on page 443
RM1-5498-000CN Flexible flat cable assembly (includes two FFC; DCC to laser/
scanner)
Internal components 6 of 7
on page 449
RM1-5499-000CN Cartridge fan assembly Internal components (4 of 7)
on page 445
RM1-5500-000CN Position detect assembly Internal components (4 of 7)
on page 445
RM1-5501-000CN Paper delivery fan assembly Internal components (1 of 7)
on page 439
RM1-5502-000CN Contact assembly Internal components 7 of 7
on page 451
RM1-5504-000CN Cassette guide assembly Internal components (5 of 7)
on page 447
RM1-5506-000CN Front door assembly Front door assembly
on page 437
RM1-5507-000CN Right handle cover assembly External covers, panels, and
doors; on page 433
RM1-5508-000CN Rear cover assembly External covers, panels, and
doors; on page 433
RM1-5509-000CN Right door assembly Right door assembly
on page 435
RM1-5519-000CN Waste toner duct assembly Internal components (3 of 7)
on page 443
Table 4-28 Numerical parts list (continued)
ENWW Numerical parts list 487

Part number Description Table and page
RM1-5520-000CN Cover, inner External covers, panels, and
doors; on page 433
RM1-5521-000CN Main DC motor assembly Internal components 6 of 7
on page 449
RM1-5525-000CN Paper feed roller assembly Internal components (5 of 7)
on page 447
RM1-5531-000CN Duplexing guide assembly, duplex Internal components (1 of 7)
on page 439
RM1-5545-000CN Waste toner detect assembly Internal components (3 of 7)
on page 443
RM1-5546-000CN Duplexing drive assembly Internal components 6 of 7
on page 449
RM1-5549-000CN Paper pickup drive assembly Internal components 6 of 7
on page 449
RM1-5582-000CN Power switch assembly Internal components (3 of 7)
on page 443
RM1-5583-000CN Paper delivery fan duct assembly Internal components (1 of 7)
on page 439
RM1-5584-000CN Waste toner paper feed assembly Internal components (3 of 7)
on page 443
RM1-5585-000CN Shutter arm assembly Internal components (2 of 7)
on page 441
RM1-5586-000CN Shutter arm assembly Internal components (2 of 7)
on page 441
RM1-5598-000CN Front inner cover lower assembly Internal components (3 of 7)
on page 443
RM1-5605-000CN Waste toner motor assembly Internal components (4 of 7)
on page 445
RM1-5636-020CN Inner connecting PCA assembly PCAs on page 467
RM1-5641-000CN Density detect assembly Internal components (5 of 7)
on page 447
RM1-5656-000CN Fuser drive assembly, duplex Internal components 6 of 7
on page 449
RM1-5724-000CN H.V. power supply cable assembly Internal components 7 of 7
on page 451
RM1-5758-000CN DC controller PCA assembly PCAs on page 467
RM1-5763-000CN Low voltage power supply PCA assembly, 110V PCAs on page 467
RM1-5764-000CN Low voltage power supply PCA assembly, 220V PCAs on page 467
RM1-5771-020CN Toner remain PCA assembly PCAs on page 467
RM1-5777-000CN ITB motor assembly Internal components 6 of 7
on page 449
RM1-5779-000CN High voltage power supply PCA, lower (includes FFC; DCC to
HVPS lower)
PCAs on page 467
Table 4-28 Numerical parts list (continued)
488 Chapter 4 Parts and diagrams ENWW

Part number Description Table and page
RM1-5781-000CN High voltage power supply, upper PCAs on page 467
RM1-5786-000CN Control-panel assembly External covers, panels, and
doors; on page 433
RM1-5799-000CN Connecting cable assembly Internal components 7 of 7
on page 451
RM1-5800-000CN Upper main cable assembly Internal components 7 of 7
on page 451
RM1-5801-000CN Lower main cable assembly Internal components 7 of 7
on page 451
RM1-5803-000CN Duplexing cable assembly, duplex Internal components 7 of 7
on page 451
RM1-5804-000CN Feed cable assembly Internal components 7 of 7
on page 451
RM1-5807-000CN Switch cable assembly Internal components 7 of 7
on page 451
RM1-5811-000CN Connecting cable assembly Internal components 7 of 7
on page 451
RM1-5812-000CN Connecting cable assembly Internal components 7 of 7
on page 451
RM1-5814-000CN Control panel cable assembly Internal components 7 of 7
on page 451
RM1-5815-000CN Sensor cable assembly Internal components 7 of 7
on page 451
RM1-5816-000CN Interlock switch cable assembly Internal components 7 of 7
on page 451
RM1-5821-000CN Fan cable assembly Internal components 7 of 7
on page 451
RM1-5854-000CN Feeder PCA assembly, 1x500 1 X 500 paper feeder main
body on page 473
RM1-5913-000CN Lifter base assembly Internal components (2 of 7)
on page 441
RM1-5913-000CN Lifter base assembly 1 X 500 paper feeder main
body on page 473
RM1-5913-000CN Lifter base assembly 3 X 500 paper feeder main
body on page 475
RM1-5914-000CN Lifter assembly Internal components 6 of 7
on page 449
RM1-5914-000CN Lifter assembly 1 X 500 paper feeder main
body on page 473
RM1-5914-000CN Lifter assembly 3 X 500 paper feeder main
body on page 475
RM1-5919-000CN Paper pickup assembly Paper pickup assembly
on page 455
RM1-5928-000CN Cassette Cassette on page 453
Table 4-28 Numerical parts list (continued)
ENWW Numerical parts list 489

Part number Description Table and page
RM1-5928-000CN Cassette Paper feeders on page 469
RM1-5929-000CN Paper pickup assembly 1 X 500 paper feeder main
body on page 473
RM1-5929-000CN Paper pickup assembly 3 X 500 paper feeder main
body on page 475
RM1-5934-000CN Paper pickup drive assembly, 1x500 1 X 500 paper feeder main
body on page 473
RM1-5935-000CN Paper pickup drive assembly 3x500 3 X 500 paper feeder main
body on page 475
RM1-5936-000CN Right door assembly 1x500 Paper feeder external covers,
panels, and doors
on page 471
RM1-5937-000CN Right door assembly 3x500 Paper feeder external covers,
panels, and doors
on page 471
RM1-5958-000CN Feeder PCA assembly 3x500 3 X 500 paper feeder main
body on page 475
RM1-6195-000CN Cassette rail right assembly Internal components (3 of 7)
on page 443
RM1-6196-000CN Cassette rail left assembly Internal components (3 of 7)
on page 443
RM1-6694-000CN High voltage holder assembly Internal components (3 of 7)
on page 443
RM1-6695-000CN Cable cover assembly Internal components (5 of 7)
on page 447
RM1-6702-000CN Fuser drive assembly, simplex Internal components 6 of 7
on page 449
RU6-2235-000CN Spring, tension Internal components (4 of 7)
on page 445
RU6-2236-000CN Spring, tension Internal components (3 of 7)
on page 443
RU6-2237-000CN Spring, grounding Internal components (3 of 7)
on page 443
RU6-2247-000CN Spring, torsion Internal components (2 of 7)
on page 441
RU6-2310-000CN Spring, compression Internal components (1 of 7)
on page 439
RU6-2316-000CN Spring, compression Internal components (3 of 7)
on page 443
RU6-2376-000CN Spring, tension Internal components (4 of 7)
on page 445
RU6-2468-000CN Spring, tension Internal components 6 of 7
on page 449
WC2-5637-000CN Switch, push Internal components (3 of 7)
on page 443
Table 4-28 Numerical parts list (continued)
490 Chapter 4 Parts and diagrams ENWW

Part number Description Table and page
WC2-5637-000CN Switch, push Internal components 7 of 7
on page 451
WC4-5303-000CN Switch Internal components (3 of 7)
on page 443
WG8-5696-000CN Photo interrupter, TLP1243 Internal components (1 of 7)
on page 439
WG8-5696-000CN Photo interrupter Internal components (3 of 7)
on page 443
WG8-5696-000CN Photo interrupter Internal components (4 of 7)
on page 445
Table 4-28 Numerical parts list (continued)
ENWW Numerical parts list 491
492 Chapter 4 Parts and diagrams ENWW

Hewlett-Packard limited warranty statement
HP PRODUCT DURATION OF LIMITED WARRANTY
HP Color LaserJet CP4025n, CP4025dn, CP4525n,
CP4525dn, CP4525xh
One-year on-site warranty
HP warrants to you, the end-user customer, that HP hardware and accessories will be free from defects
in materials and workmanship after the date of purchase, for the period specified above. If HP receives
notice of such defects during the warranty period, HP will, at its option, either repair or replace products
which prove to be defective. Replacement products may be either new or equivalent in performance to
new.
HP warrants to you that HP software will not fail to execute its programming instructions after the date
of purchase, for the period specified above, due to defects in material and workmanship when properly
installed and used. If HP receives notice of such defects during the warranty period, HP will replace
software which does not execute its programming instructions due to such defects.
HP does not warrant that the operation of HP products will be uninterrupted or error free. If HP is unable,
within a reasonable time, to repair or replace any product to a condition as warranted, you will be entitled
to a refund of the purchase price upon prompt return of the product.
HP products may contain remanufactured parts equivalent to new in performance or may have been
subject to incidental use.
Warranty does not apply to defects resulting from (a) improper or inadequate maintenance or calibration,
(b) software, interfacing, parts or supplies not supplied by HP, (c) unauthorized modification or misuse,
(d) operation outside of the published environmental specifications for the product, or (e) improper site
preparation or maintenance.
TO THE EXTENT ALLOWED BY LOCAL LAW, THE ABOVE WARRANTIES ARE EXCLUSIVE AND
NO OTHER WARRANTY OR CONDITION, WHETHER WRITTEN OR ORAL, IS EXPRESSED OR
IMPLIED AND HP SPECIFICALLY DISCLAIMS ANY IMPLIED WARRANTIES OR CONDITIONS OF
MERCHANTABILITY, SATISFACTORY QUALITY, AND FITNESS FOR A PARTICULAR PURPOSE.
Some countries/regions, states or provinces do not allow limitations on the duration of an implied
warranty, so the above limitation or exclusion might not apply to you. This warranty gives you specific
legal rights and you might also have other rights that vary from country/region to country/region, state
to state, or province to province.
HP's limited warranty is valid in any country/region or locality where HP has a support presence for this
product and where HP has marketed this product. The level of warranty service you receive may vary
according to local standards. HP will not alter form, fit or function of the product to make it operate in a
country/region for which it was never intended to function for legal or regulatory reasons.
TO THE EXTENT ALLOWED BY LOCAL LAW, THE REMEDIES IN THIS WARRANTY STATEMENT
ARE YOUR SOLE AND EXCLUSIVE REMEDIES. EXCEPT AS INDICATED ABOVE, IN NO EVENT
WILL HP OR ITS SUPPLIERS BE LIABLE FOR LOSS OF DATA OR FOR DIRECT, SPECIAL,
INCIDENTAL, CONSEQUENTIAL (INCLUDING LOST PROFIT OR DATA), OR OTHER DAMAGE,
WHETHER BASED IN CONTRACT, TORT, OR OTHERWISE. Some countries/regions, states or
provinces do not allow the exclusion or limitation of incidental or consequential damages, so the above
limitation or exclusion may not apply to you.
THE WARRANTY TERMS CONTAINED IN THIS STATEMENT, EXCEPT TO THE EXTENT
LAWFULLY PERMITTED, DO NOT EXCLUDE, RESTRICT OR MODIFY AND ARE IN ADDITION TO
THE MANDATORY STATUTORY RIGHTS APPLICABLE TO THE SALE OF THIS PRODUCT TO YOU.
494 Appendix A Service and support ENWW
HP's Premium Protection Warranty: LaserJet print
cartridge limited warranty statement
This HP product is warranted to be free from defects in materials and workmanship.
This warranty does not apply to products that (a) have been refilled, refurbished, remanufactured or
tampered with in any way, (b) experience problems resulting from misuse, improper storage, or
operation outside of the published environmental specifications for the printer product or (c) exhibit wear
from ordinary use.
To obtain warranty service, please return the product to place of purchase (with a written description of
the problem and print samples) or contact HP customer support. At HP's option, HP will either replace
products that prove to be defective or refund your purchase price.
TO THE EXTENT ALLOWED BY LOCAL LAW, THE ABOVE WARRANTY IS EXCLUSIVE AND NO
OTHER WARRANTY OR CONDITION, WHETHER WRITTEN OR ORAL, IS EXPRESSED OR
IMPLIED AND HP SPECIFICALLY DISCLAIMS ANY IMPLIED WARRANTIES OR CONDITIONS OF
MERCHANTABILITY, SATISFACTORY QUALITY, AND FITNESS FOR A PARTICULAR PURPOSE.
TO THE EXTENT ALLOWED BY LOCAL LAW, IN NO EVENT WILL HP OR ITS SUPPLIERS BE
LIABLE FOR DIRECT, SPECIAL, INCIDENTAL, CONSEQUENTIAL (INCLUDING LOST PROFIT OR
DATA), OR OTHER DAMAGE, WHETHER BASED IN CONTRACT, TORT, OR OTHERWISE.
THE WARRANTY TERMS CONTAINED IN THIS STATEMENT, EXCEPT TO THE EXTENT
LAWFULLY PERMITTED, DO NOT EXCLUDE, RESTRICT OR MODIFY AND ARE IN ADDITION TO
THE MANDATORY STATUTORY RIGHTS APPLICABLE TO THE SALE OF THIS PRODUCT TO YOU.
ENWW HP's Premium Protection Warranty: LaserJet print cartridge limited warranty statement 495
HP Color LaserJet Fuser Kit Limited Warranty Statement
This HP product is warranted to be free from defects in materials and workmanship until the printer
provides a low-life indicator on the control panel.
This warranty does not apply to products that (a) have been refurbished, remanufactured or tampered
with in any way, (b) experience problems resulting from misuse, improper storage, or operation outside
of the published environmental specifications for the printer product or (c) exhibit wear from ordinary
use.
To obtain warranty service, please return the product to place of purchase (with a written description of
the problem) or contact HP customer support. At HP’s option, HP will either replace products that prove
to be defective or refund your purchase price.
TO THE EXTENT ALLOWED BY LOCAL LAW, THE ABOVE WARRANTY IS EXCLUSIVE AND NO
OTHER WARRANTY OR CONDITION, WHETHER WRITTEN OR ORAL, IS EXPRESSED OR
IMPLIED AND HP SPECIFICALLY DISCLAIMS ANY IMPLIED WARRANTIES OR CONDITIONS OF
MERCHANTABILITY, SATISFACTORY QUALITY, AND FITNESS FOR A PARTICULAR PURPOSE.
TO THE EXTENT ALLOWED BY LOCAL LAW, IN NO EVENT WILL HP OR ITS SUPPLIERS BE
LIABLE FOR DIRECT, SPECIAL, INCIDENTAL, CONSEQUENTIAL (INCLUDING LOST PROFIT OR
DATA), OR OTHER DAMAGE, WHETHER BASED IN CONTRACT, TORT, OR OTHERWISE.
THE WARRANTY TERMS CONTAINED IN THIS STATEMENT, EXCEPT TO THE EXTENT
LAWFULLY PERMITTED, DO NOT EXCLUDE, RESTRICT OR MODIFY AND ARE IN ADDITION TO
THE MANDATORY STATUTORY RIGHTS APPLICABLE TO THE SALE OF THIS PRODUCT TO YOU.
496 Appendix A Service and support ENWW
End User License Agreement
PLEASE READ CAREFULLY BEFORE USING THIS SOFTWARE PRODUCT: This End-User License
Agreement (“EULA”) is a contract between (a) you (either an individual or the entity you represent) and
(b) Hewlett-Packard Company (“HP”) that governs your use of the software product (“Software”). This
EULA does not apply if there is a separate license agreement between you and HP or its suppliers for
the Software, including a license agreement in online documentation. The term “Software” may include
(i) associated media, (ii) a user guide and other printed materials, and (iii) “online” or electronic
documentation (collectively “User Documentation”).
RIGHTS IN THE SOFTWARE ARE OFFERED ONLY ON THE CONDITION THAT YOU AGREE TO
ALL TERMS AND CONDITIONS OF THIS EULA. BY INSTALLING, COPYING, DOWNLOADING, OR
OTHERWISE USING THE SOFTWARE, YOU AGREE TO BE BOUND BY THIS EULA. IF YOU DO
NOT ACCEPT THIS EULA, DO NOT INSTALL, DOWNLOAD, OR OTHERWISE USE THE
SOFTWARE. IF YOU PURCHASED THE SOFTWARE BUT DO NOT AGREE TO THIS EULA, PLEASE
RETURN THE SOFTWARE TO YOUR PLACE OF PURCHASE WITHIN FOURTEEN DAYS FOR A
REFUND OF THE PURCHASE PRICE; IF THE SOFTWARE IS INSTALLED ON OR MADE
AVAILABLE WITH ANOTHER HP PRODUCT, YOU MAY RETURN THE ENTIRE UNUSED
PRODUCT.
1. THIRD PARTY SOFTWARE. The Software may include, in addition to HP proprietary software
(“HP Software”), software under licenses from third parties (“Third Party Software” and “Third Party
License”). Any Third Party Software is licensed to you subject to the terms and conditions of the
corresponding Third Party License. Generally, the Third Party License is located in a file such as
license.txt; you should contact HP support if you cannot find any Third Party License. If the Third Party
Licenses include licenses that provide for the availability of source code (such as the GNU General
Public License) and the corresponding source code is not included with the Software, then check the
product support pages of HP’s website (hp.com) to learn how to obtain such source code.
2. LICENSE RIGHTS. You will have the following rights provided you comply with all terms and
conditions of this EULA:
a. Use. HP grants you a license to Use one copy of the HP Software. “Use” means installing, copying,
storing, loading, executing, displaying, or otherwise using the HP Software. You may not modify the
HP Software or disable any licensing or control feature of the HP Software. If this Software is provided
by HP for Use with an imaging or printing product (for example, if the Software is a printer driver,
firmware, or add-on), the HP Software may only be used with such product (“HP Product”). Additional
restrictions on Use may appear in the User Documentation. You may not separate component parts of
the HP Software for Use. You do not have the right to distribute the HP Software.
b. Copying. Your right to copy means you may make archival or back-up copies of the HP Software,
provided each copy contains all the original HP Software’s proprietary notices and is used only for back-
up purposes.
3. UPGRADES. To Use HP Software provided by HP as an upgrade, update, or supplement (collectively
“Upgrade”), you must first be licensed for the original HP Software identified by HP as eligible for the
Upgrade. To the extent the Upgrade supersedes the original HP Software, you may no longer use such
HP Software. This EULA applies to each Upgrade unless HP provides other terms with the Upgrade. In
case of a conflict between this EULA and such other terms, the other terms will prevail.
4. TRANSFER.
a. Third Party Transfer. The initial end user of the HP Software may make a one-time transfer of the
HP Software to another end user. Any transfer will include all component parts, media, User
Documentation, this EULA, and if applicable, the Certificate of Authenticity. The transfer may not be an
indirect transfer, such as a consignment. Prior to the transfer, the end user receiving the transferred
ENWW End User License Agreement 497
Software will agree to this EULA. Upon transfer of the HP Software, your license is automatically
terminated.
b. Restrictions. You may not rent, lease or lend the HP Software or Use the HP Software for commercial
timesharing or bureau use. You may not sublicense, assign or otherwise transfer the HP Software except
as expressly provided in this EULA.
5. PROPRIETARY RIGHTS. All intellectual property rights in the Software and User Documentation are
owned by HP or its suppliers and are protected by law, including applicable copyright, trade secret,
patent, and trademark laws. You will not remove any product identification, copyright notice, or
proprietary restriction from the Software.
6. LIMITATION ON REVERSE ENGINEERING. You may not reverse engineer, decompile, or
disassemble the HP Software, except and only to the extent that the right to do so is allowed under
applicable law.
7. CONSENT TO USE OF DATA. HP and its affiliates may collect and use technical information you
provide in relation to (i) your Use of the Software or the HP Product, or (ii) the provision of support
services related to the Software or the HP Product. All such information will be subject to HP’s privacy
policy. HP will not use such information in a form that personally identifies you except to the extent
necessary to enhance your Use or provide support services.
8. LIMITATION OF LIABILITY. Notwithstanding any damages that you might incur, the entire liability of
HP and its suppliers under this EULA and your exclusive remedy under this EULA will be limited to the
greater of the amount actually paid by you for the Product or U.S. $5.00. TO THE MAXIMUM EXTENT
PERMITTED BY APPLICABLE LAW, IN NO EVENT WILL HP OR ITS SUPPLIERS BE LIABLE FOR
ANY SPECIAL, INCIDENTAL, INDIRECT, OR CONSEQUENTIAL DAMAGES (INCLUDING
DAMAGES FOR LOST PROFITS, LOST DATA, BUSINESS INTERRUPTION, PERSONAL INJURY,
OR LOSS OF PRIVACY) RELATED IN ANY WAY TO THE USE OF OR INABILITY TO USE THE
SOFTWARE, EVEN IF HP OR ANY SUPPLIER HAS BEEN ADVISED OF THE POSSIBILITY OF SUCH
DAMAGES AND EVEN IF THE ABOVE REMEDY FAILS OF ITS ESSENTIAL PURPOSE. Some states
or other jurisdictions do not allow the exclusion or limitation of incidental or consequential damages, so
the above limitation or exclusion may not apply to you.
9. U.S. GOVERNMENT CUSTOMERS. If you are a U.S. Government entity, then consistent with FAR
12.211 and FAR 12.212, Commercial Computer Software, Computer Software Documentation, and
Technical Data for Commercial Items are licensed under the applicable HP commercial license
agreement.
10. COMPLIANCE WITH EXPORT LAWS. You will comply with all laws, rules, and regulations (i)
applicable to the export or import of the Software, or (ii) restricting the Use of the Software, including
any restrictions on nuclear, chemical, or biological weapons proliferation.
11. RESERVATION OF RIGHTS. HP and its suppliers reserve all rights not expressly granted to you
in this EULA.
(c) 2007 Hewlett-Packard Development Company, L.P.
Rev. 11/06
498 Appendix A Service and support ENWW
Customer self-repair warranty service
HP products are designed with many Customer Self Repair (CSR) parts to minimize repair time and
allow for greater flexibility in performing defective parts replacement. If during the diagnosis period, HP
identifies that the repair can be accomplished by the use of a CSR part, HP will ship that part directly to
you for replacement. There are two categories of CSR parts: 1) Parts for which customer self repair is
mandatory. If you request HP to replace these parts, you will be charged for the travel and labor costs
of this service. 2) Parts for which customer self repair is optional. These parts are also designed for
Customer Self Repair. If, however, you require that HP replace them for you, this may be done at no
additional charge under the type of warranty service designated for your product.
Based on availability and where geography permits, CSR parts will be shipped for next business day
delivery. Same-day or four-hour delivery may be offered at an additional charge where geography
permits. If assistance is required, you can call the HP Technical Support Center and a technician will
help you over the phone. HP specifies in the materials shipped with a replacement CSR part whether
a defective part must be returned to HP. In cases where it is required to return the defective part to HP,
you must ship the defective part back to HP within a defined period of time, normally five (5) business
days. The defective part must be returned with the associated documentation in the provided shipping
material. Failure to return the defective part may result in HP billing you for the replacement. With a
customer self repair, HP will pay all shipping and part return costs and determine the courier/carrier to
be used.
ENWW Customer self-repair warranty service 499

Customer support
Get telephone support, free during your warranty period, for
your country/region
Have the product name, serial number, date of purchase, and
problem description ready.
Country/region phone numbers are on the flyer that was in the
box with your product or at www.hp.com/support/.
Get 24-hour Internet support www.hp.com/support/cljcp4025 or www.hp.com/support/
cljcp4525
Get support for products used with a Macintosh computer www.hp.com/go/macosx
Download software utilities, drivers, and electronic information www.hp.com/go/cljcp4025_software or www.hp.com/go/
cljcp4525_software
Order additional HP service or maintenance agreements www.hp.com/go/carepack
500 Appendix A Service and support ENWW

Physical specifications
Table B-1 Product dimensions
Product Height Depth Width Weight
HP Color LaserJet CP4025n 420 mm (16.5 in) 522 mm (20.6 in) 540 mm (21.3 in) 38.5 kg (84.6 lb)
HP Color LaserJet CP4025dn 420 mm (16.5 in) 522 mm (20.6 in) 540 mm (21.3 in) 38.5 kg (84.6 lb)
HP Color LaserJet CP4525n 420 mm (16.5 in) 522 mm (20.6 in) 540 mm (21.3 in) 38.5 kg (84.6 lb)
HP Color LaserJet CP4525dn 420 mm (16.5 in) 522 mm (20.6 in) 540 mm (21.3 in) 38.5 kg (84.6 lb)
HP Color LaserJet CP4525xh 964 mm (38.0 in) 651 mm (25.7 in) 662 mm (26.1 in) 64.1 kg (141.1 lb)
Table B-2 Product dimensions, with all doors and trays fully opened
Product Height Depth Width
HP Color LaserJet CP4025n 420 mm (16.5 in) 522 mm (20.6 in) 765 mm (30.1 in)
HP Color LaserJet CP4025dn 420 mm (16.5 in) 522 mm (20.6 in) 765 mm (30.1 in)
HP Color LaserJet CP4525n 420 mm (16.5 in) 522 mm (20.6 in) 765 mm (30.1 in)
HP Color LaserJet CP4525dn 420 mm (16.5 in) 522 mm (20.6 in) 765 mm (30.1 in)
HP Color LaserJet CP4525xh 964 mm (38.0 in) 651 mm (25.7 in) 866 mm (34.1 in)
Performance specifications
Print speed ●HP Color LaserJet CP4525: prints up to 42 pages per minute (ppm) on letter-size
paper and 40 ppm on A4-size paper
●HP Color LaserJet CP4025: prints up to 35 pages per minute (ppm) on letter-size
paper and A4-size paper
●As quick as 12 seconds to print the first page
Resolution ●600 dots per inch (dpi) with Image Resolution Enhancement technology 3600 for
optimum overall imaging
●1200 x 600 dpi for detailed line work and small text
Electrical specifications
WARNING! Power requirements are based on the country/region where the product is sold. Do not
convert operating voltages. This can damage the product and void the product warranty.
NOTE: This product has a Energy Star Typical Electricity Consumption (TEC) rating of 6.485 kw-hr/
week.
502 Appendix B Product specifications ENWW

Table B-3 Power requirements
Specification 110-volt models 220-volt models
Power requirements 100 to 127 volts (± 10%)
50/60 Hz (± 2 Hz)
220 to 240 volts (± 10%)
50/60 Hz (± 2 Hz)
Rated current 8.5 Amps 4.5 Amps
Table B-4 Power consumption (average, in watts)
1246
Product model Printing Ready Sleep Off
HP Color LaserJet CP4525 model
HP Color LaserJet CP4025 model
740 W 72 W 19 W 0.3 W
1Values subject to change. See www.hp.com/go/cljcp4025_regulatory or www.hp.com/go/cljcp4525_regulatory for current
information.
2Power numbers are the highest values measured using all standard voltages.
3Default time from Ready mode to Sleep = 30 minutes.
4Heat dissipation in Ready mode = 204.8 BTU/hour.
6HP Color LaserJet CP4525 speed is 30 ppm Letter size.
Acoustic specifications
Table B-5 HP Color LaserJet Enterprise CP4020-CP4520 Series
13
Sound power level Declared per ISO 9296
Printing LWAd= 6.9 Bels (A) [69 dB(A)]
Ready LWAd= 5.0 Bels (A) [50 dB(A)]
Sound pressure level - bystander position Declared per ISO 9296
Printing LpAm=54 dB (A)
Ready LpAm=35 dB (A)
1Values are based on preliminary data. See www.hp.com/go/cljcp4025_regulatory or www.hp.com/go/cljcp4525_regulatory for
current information.
3Configuration tested: HP Color LaserJet CP4525 printer printing on A4-size paper in simplex mode
Environmental specifications
Environmental condition Recommended Allowed
Temperature (product and print
cartridge)
17° to 27°C (62.6° to 80.6°F) 10° to 30°C (50° to 86°F)
Relative humidity 30% to 70% relative humidity (RH) 10% to 80% RH
Altitude N/A 0 m (0 ft) to 3000 m (9842 ft)
ENWW Acoustic specifications 503

Skew specifications
Table B-6 Media registration and image placement accuracy
Cut sheet simplex and automatic
duplex
1
Envelopes and postcards
Skew - vertical ≤ 1.5 mm / 260 mm
2
≤ 3.3 mm / 220 mm
First line / leading edge position 5.0 mm ± 2.0 mm 10.0 mm ± 3.0 mm
Left margin accuracy 5.0 mm ± 2.0 mm 10 mm ± 2.5 mm
Parallelism ≤ 0.75% N/A
Image or text stretching - vertical ≤ 1.0 % N/A
Image or text stretching - horizontal ≤ 1.0 % N/A
Duplex registration - vertical, horizontal ≤ 2.0 mm N/A
1Xerox 4200 (#20) should be used for measurement.
2Performance for 4x6 media fed from Tray 3 using adapter is 1.0 mm / 130 mm
504 Appendix B Product specifications ENWW

FCC regulations
This equipment has been tested and found to comply with the limits for a Class A digital device, pursuant
to Part 15 of the FCC rules. These limits are designed to provide reasonable protection against harmful
interference in a residential installation. This equipment generates, uses, and can radiate radio
frequency energy, and if not installed and used in accordance with the instruction manual, may cause
harmful interference to radio communications. Operation of this equipment in a residential area is likely
to cause harmful interference in which case the user will be required to correct the interference at his
own expense.
NOTE: Any changes or modifications to the printer that are not expressly approved by HP could void
the user’s authority to operate this equipment.
Use of a shielded interface cable is required to comply with the Class A limits of Part 15 of FCC rules.
506 Appendix C Regulatory information ENWW

Environmental product stewardship program
Protecting the environment
Hewlett-Packard Company is committed to providing quality products in an environmentally sound
manner. This product has been designed with several attributes to minimize impacts on our environment.
Ozone production
This product generates no appreciable ozone gas (O
3
).
Power consumption
Power usage drops significantly while in Ready and Sleep mode, which saves natural resources and
saves money without affecting the high performance of this product. To determine the ENERGY STAR®
qualification status for this product, see the Product Data Sheet or Specifications Sheet. Qualified
products are also listed at:
www.hp.com/go/energystar
Toner consumption
EconoMode uses less toner, which might extend the life of the print cartridge.
Paper use
This product’s optional automatic duplex feature (two-sided printing) and N-up printing (multiple pages
printed on one page) capability can reduce paper usage and the resulting demands on natural
resources.
Plastics
Plastic parts over 25 grams are marked according to international standards that enhance the ability to
identify plastics for recycling purposes at the end of the product’s life.
HP LaserJet print supplies
It’s easy to return and recycle your HP LaserJet print cartridges after use—free of charge—with
HP Planet Partners. Multilingual program information and instructions are included in every new
HP LaserJet print cartridge and supplies package. You help reduce the toll on the environment further
when you return multiple cartridges together rather than separately.
HP is committed to providing inventive, high-quality products and services that are environmentally
sound, from product design and manufacturing to distribution, customer use and recycling. When you
participate in the HP Planet Partners program, we ensure your HP LaserJet print cartridges are recycled
properly, processing them to recover plastics and metals for new products and diverting millions of tons
of waste from landfills. Since this cartridge is being recycled and used in new materials, it will not be
returned to you. Thank you for being environmentally responsible!
NOTE: Use the return label to return original HP LaserJet print cartridges only. Please do not use this
label for HP inkjet cartridges, non-HP cartridges, refilled or remanufactured cartridges or warranty
returns. For information about recycling your HP inkjet cartridges please go to http://www.hp.com/
recycle.
ENWW Environmental product stewardship program 507

Return and recycling instructions
United States and Puerto Rico
The enclosed label in the HP LaserJet toner cartridge box is for the return and recycling of one or more
HP LaserJet print cartridges after use. Please follow the applicable instructions below.
Multiple returns (more than one cartridge)
1. Package each HP LaserJet print cartridge in its original box and bag.
2. Tape the boxes together using strapping or packaging tape. The package can weigh up to 31 kg
(70 lb).
3. Use a single pre-paid shipping label.
OR
1. Use your own suitable box, or request a free bulk collection box from www.hp.com/recycle or
1-800-340-2445 (holds up to 31 kg (70 lb) of HP LaserJet print cartridges).
2. Use a single pre-paid shipping label.
Single returns
1. Package the HP LaserJet print cartridge in its original bag and box.
2. Place the shipping label on the front of the box.
Shipping
For all HP LaserJet print cartridge recycling returns, give the package to UPS during your next delivery
or pickup, or take it to an authorized UPS drop-off center. For the location of your local UPS drop-off
center, call 1-800-PICKUPS or visit www.ups.com. If you are returning via USPS label, give the package
to a U.S. Postal Service carrier or drop off at a U.S. Postal Service Office. For more information, or to
order additional labels or boxes for bulk returns, visit www.hp.com/recycle or call 1-800-340-2445.
Requested UPS pickup will be charged normal pickup rates. Information subject to change without
notice.
Residents of Alaska and Hawaii
Do not use the UPS label. Call 1-800-340-2445 for information and instructions. The U.S. Postal Service
provides no-cost cartridge return transportation services under an arrangement with HP for Alaska and
Hawaii.
Non-U.S. returns
To participate in HP Planet Partners return and recycling program, just follow the simple directions in
the recycling guide (found inside the packaging of your new product supply item) or visit www.hp.com/
recycle. Select your country/region for information on how to return your HP LaserJet printing supplies.
Paper
This product is capable of using recycled papers when the paper meets the guidelines outlined in the
HP LaserJet Printer Family Print Media Guide. This product is suitable for the use of recycled paper
according to EN12281:2002.
508 Appendix C Regulatory information ENWW

Material restrictions
This HP product does not contain added mercury.
This HP product contains a battery that might require special handling at end-of-life. The batteries
contained in or supplied by Hewlett-Packard for this product include the following:
HP Color LaserJet Enterprise CP4020-CP4520 Series
Type Carbon monofluoride lithium
Weight 0.8 g
Location On formatter board
User-removable No
For recycling information, you can go to www.hp.com/recycle, or contact your local authorities or the
Electronics Industries Alliance: www.eiae.org.
Disposal of waste equipment by users in private households in the
European Union
This symbol on the product or on its packaging indicates that this product must not be disposed of with
your other household waste. Instead, it is your responsibility to dispose of your waste equipment by
handing it over to a designated collection point for the recycling of waste electrical and electronic
equipment. The separate collection and recycling of your waste equipment at the time of disposal will
help to conserve natural resources and ensure that it is recycled in a manner that protects human health
and the environment. For more information about where you can drop off your waste equipment for
recycling, please contact your local city office, your household waste disposal service or the shop where
you purchased the product.
Chemical substances
HP is committed to providing our customers with information about the chemical substances in our
products as needed to comply with legal requirements such as REACH (Regulation EC No 1907/2006
of the European Parliament and the Council). A chemical information report for this product can be found
at: www.hp.com/go/reach.
ENWW Environmental product stewardship program 509

Material Safety Data Sheet (MSDS)
Material Safety Data Sheets (MSDS) for supplies containing chemical substances (for example, toner)
can be obtained by accessing the HP Web site at www.hp.com/go/msds or www.hp.com/hpinfo/
community/environment/productinfo/safety.
For more information
To obtain information about these environmental topics:
●Product environmental profile sheet for this and many related HP products
●HP’s commitment to the environment
●HP’s environmental management system
●HP’s end-of-life product return and recycling program
●Material Safety Data Sheets
Visit www.hp.com/go/environment or www.hp.com/hpinfo/globalcitizenship/environment.
510 Appendix C Regulatory information ENWW

Declaration of Conformity
Declaration of Conformity
according to ISO/IEC 17050–1 and EN 17050–1, DoC#: BOISB-0806-00-rel.1.0
Manufacturer's Name: Hewlett-Packard Company
Manufacturer's Address: 11311 Chinden Boulevard,
Boise, Idaho 83714-1021, USA
declares that the product
Product Name: HP Color LaserJet CP4525/CP4025 series
Regulatory Model Number:2) BOISB-0806-00
Including: CE423A — 3 x 500-Sheet Paper Tray
CE422A — 500-Sheet Paper Tray
Product Options: ALL
Print Cartridges: CE260A, CE260X, CE261A, CE262A, CE263A
conforms to the following Product Specifications:
Safety: IEC 60950-1:2001 / EN60950-1: 2001 + A11
IEC 60825-1:1993 +A1 +A2 / EN 60825-1:1994 +A1 +A2 (Class 1 Laser/LED Product)
GB4943-2001
EMC: CISPR 22:2005 / EN 55022:2006 – Class A1)3)
EN 61000-3-2:2006
EN 61000-3-3:1995 + A1 + A2
EN 55024:1998 +A1 + A2
FCC Title 47 CFR, Part 15 Class A / ICES-003, Issue 4
GB9254-1998, GB17625.1–2003
Supplementary Information:
The product herewith complies with the requirements of the EMC Directive 2004/108/EC and the Low Voltage Directive 2006/95/EC, and
carries the CE-Marking accordingly.
This Device complies with Part 15 of the FCC Rules. Operation is subject to the following two Conditions: (1) this device may not cause
harmful interference, and (2) this device must accept any interference received, including interference that may cause undesired operation.
1) The product was tested in a typical configuration with Hewlett-Packard Personal Computer Systems.
2) For regulatory purposes, this product is assigned a Regulatory model number. This number should not be confused with the product name
or the product number(s).
3) The product meets the requirements of EN55022 & CNS13438 Class A in which case the following applies: “Warning - This is a class A
product. In a domestic environment this product may cause radio interference in which case the user may be required to take adequate
measures.”
Boise, Idaho , USA
October 2009
For regulatory topics only:
European Contact: Your Local Hewlett-Packard Sales and Service Office or Hewlett-Packard GmbH, Department HQ-TRE / Standards
Europe, Herrenberger Straße 140, D-71034 Böblingen, Germany, (FAX: +49-7031-14-3143), http://www.hp.com/go/
certificates
USA Contact: Product Regulations Manager, Hewlett-Packard Company, PO Box 15, Mail Stop 160, Boise, Idaho 83707-0015, USA,
(Phone: 208-396-6000)
ENWW Declaration of Conformity 511

Safety statements
Laser safety
The Center for Devices and Radiological Health (CDRH) of the U.S. Food and Drug Administration has
implemented regulations for laser products manufactured since August 1, 1976. Compliance is
mandatory for products marketed in the United States. The device is certified as a “Class 1” laser product
under the U.S. Department of Health and Human Services (DHHS) Radiation Performance Standard
according to the Radiation Control for Health and Safety Act of 1968. Since radiation emitted inside the
device is completely confined within protective housings and external covers, the laser beam cannot
escape during any phase of normal user operation.
WARNING! Using controls, making adjustments, or performing procedures other than those specified
in this user guide may result in exposure to hazardous radiation.
Canadian DOC regulations
Complies with Canadian EMC Class A requirements.
« Conforme à la classe A des normes canadiennes de compatibilité électromagnétiques. « CEM ». »
VCCI statement (Japan)
Power cord instructions
Make sure your power source is adequate for the product voltage rating. The voltage rating is on the
product label. The product uses either 100-127 Vac or 220-240 Vac and 50/60 Hz.
Connect the power cord between the product and a grounded AC outlet.
CAUTION: To prevent damage to the product, use only the power cord that is provided with the
product.
Power cord statement (Japan)
512 Appendix C Regulatory information ENWW

EMC statement (China)
EMC statement (Korea)
EMI statement (Taiwan)
Laser statement for Finland
Luokan 1 laserlaite
Klass 1 Laser Apparat
HP Color LaserJet CP4025n, CP4025dn, CP4525n, CP4525dn, CP4525xh, laserkirjoitin on käyttäjän
kannalta turvallinen luokan 1 laserlaite. Normaalissa käytössä kirjoittimen suojakotelointi estää
lasersäteen pääsyn laitteen ulkopuolelle. Laitteen turvallisuusluokka on määritetty standardin EN
60825-1 (1994) mukaisesti.
VAROITUS !
Laitteen käyttäminen muulla kuin käyttöohjeessa mainitulla tavalla saattaa altistaa käyttäjän
turvallisuusluokan 1 ylittävälle näkymättömälle lasersäteilylle.
VARNING !
Om apparaten används på annat sätt än i bruksanvisning specificerats, kan användaren utsättas för
osynlig laserstrålning, som överskrider gränsen för laserklass 1.
HUOLTO
HP Color LaserJet CP4025n, CP4025dn, CP4525n, CP4525dn, CP4525xh - kirjoittimen sisällä ei ole
käyttäjän huollettavissa olevia kohteita. Laitteen saa avata ja huoltaa ainoastaan sen huoltamiseen
koulutettu henkilö. Tällaiseksi huoltotoimenpiteeksi ei katsota väriainekasetin vaihtamista, paperiradan
puhdistusta tai muita käyttäjän käsikirjassa lueteltuja, käyttäjän tehtäväksi tarkoitettuja ylläpitotoimia,
jotka voidaan suorittaa ilman erikoistyökaluja.
VARO !
ENWW Safety statements 513

Mikäli kirjoittimen suojakotelo avataan, olet alttiina näkymättömällelasersäteilylle laitteen ollessa
toiminnassa. Älä katso säteeseen.
VARNING !
Om laserprinterns skyddshölje öppnas då apparaten är i funktion, utsättas användaren för osynlig
laserstrålning. Betrakta ej strålen. Tiedot laitteessa käytettävän laserdiodin säteilyominaisuuksista:
Aallonpituus 775-795 nm Teho 5 m W Luokan 3B laser.
GS statement (Germany)
Das Gerät ist nicht für die Benutzung im unmittelbaren Gesichtsfeld am Bildschirmarbeitsplatz
vorgesehen. Um störende Reflexionen am Bildschirmarbeitsplatz zu vermeiden, darf dieses Produkt
nicht im unmittelbaren Gesichtsfeld platziert werden.
Substances Table (China)
Restriction on Hazardous Substances statement (Turkey)
Türkiye Cumhuriyeti: EEE Yönetmeliğine Uygundur
514 Appendix C Regulatory information ENWW

Index
Symbols/Numerics
500-sheet paper and heavy media
tray
specifications, physical 501
A
AC to DC conversion 12
accessories
ordering 426
part numbers 427
screws 430
accessories installed,
information 311
acoustic specifications 503
after-service checklist 70
AppleTalk information 310
B
bands, troubleshooting 411
batteries included 509
beam-detect (BD) failure 19
bias generation
high-voltage power supply xvii
black-only printing mode
developing roller state 30
primary transfer roller state 32
blank pages
troubleshooting 417
blank pages, troubleshooting 410
bootloader password, clear 420
both sides, printing on
Show Me How menu 314
buffer overflow errors 346
C
cabinet/stand
specifications, physical 501
cable, USB
part number 427
cables
part numbers 427
USB, troubleshooting 417
calibrate the product 187
calibration
information, printed 305
reset by NVRAM
initialization 423
Canadian DOC regulations 512
cartridges
recycling 507
removing 70
warranty 495
cartridges, print
error messages 362
part numbers 427
cassette
lift operation 43, 63
paper-level detection 43
paper-presence detection 43
pickup assembly (optional paper
feeder), removing 226
pickup operations 41
presence detection 42, 62
tray 2, removing 70
tray 3, removing 70
See also trays
cautions iii
characters, troubleshooting 414
checklists
after-service 70
preservice 70
chosen personality not
available 358
circuit diagrams
fuser temperature-control 15
general 295
high-voltage power supply 10
low-voltage power supply 12
cleaning
product 416
cleaning page
printing 306
clock
error message 346
clutches
DC controller 6
cold reset
product 424
color
calibration 34
diagnostic test 311
disengagement for black-only
printing 30
misregistration control 35
page count, reset 420
primary transfer roller state 32
troubleshooting 305, 413
components
cover, locations 284
DC controller 5
diagnostic tests 274
diagrams of 277
duplexing unit 52
engine-control system 4
fuser xvii
image formation, use
during 21
intermediate transfer belt
(ITB) 31
major, locations xxviii
motor, fan, and roller
locations xxviii
paper feeder xvii
paper feeder (1 x 500-
sheet) xxviii
paper feeder (3 x 500-
sheet) xxviii
ENWW Index 515
PCA locations xxviii
pickup, feed, and delivery 37
print cartridge 28
protection for 13, 15
configuration page 242
configuration pages
information 311
printing 307
configure device menu 321
connectors
controller PCA (optional paper
feeder) 283
DC controller PCA 281, xxviii
control panel
cleaning page, printing 416
I/O menu 334
menus 314
messages, alphabetical
list xvii
messages, numerical
list 345
messages, types of 345
Show Me How menu 314
control-panel assembly
removing 95
control-panel menus
manage supplies 318
retrieve job 314
controller (optional paper feeder)
PCA (optional paper feeder),
removing 232
PCA, connectors 283
conventions, document iii
cooling
areas and fans xvii
copying
quality, troubleshooting 410
counts
color cycle 420
mono cycle 420
page, reset 420
print engine maintenance 311
refurbish cycle 421
refurbish page 421
reset after replacing
formatter 420
reset by NVRAM
initialization 423
See also pages counts
covers
control-panel assembly,
removing 95
front door (optional paper
feeder), removing 216
front-door assembly,
removing 95
front-top, removing 95
identification and location xxiii
left cover (optional paper
feeder), removing 222
left, removing 95
locations 284
power-supply cover,
removing 95
rear cover (optional paper
feeder), removing 218
rear, removing 95
rear-right cover (optional paper
feeder), removing 225
rear-top, removing 95
right cover (optional paper
feeder), removing 224
right door (optional paper
feeder), removing 216
right-door assembly,
removing 95
right-front cover (optional paper
feeder), removing 219
right-front, removing 95
right-rear, removing 95
upper-left cover, removing 95
creases, troubleshooting 415
crooked pages
troubleshooting 414
current-detection protection
circuit 16
customer self repair, part
numbers 428
customer support
online 500
D
dark image, troubleshooting 410
date
codes for firmware 311
manufacture 309
product first used 422
DC controller
clutches 6
components 5
fans 9
motors 8
PCA and tray, removing 155
PCA only, removing 155
PCA, connectors 281, xxviii
sensors 7
solenoids 5
switches 6
temperature controls 15
voltage detection 13
DC motors xvii
DC voltages converted from
AC 12
Declaration of Conformity 511
defeating
front-door logic switch 269
front-door safety switch 268
interlocks 243
right-door logic switch 270
right-door safety switch 269
defects, repeating 312
delivery assembly
removing 145
demo page 242
density control 36
development process 25
DHCP 335
diagnostics
component 274
engine 243
LED 242
networks 338
page, printing 305
See also tests; troubleshooting
diagnostics menu 342
diagrams
components 277
DIMM
memory, removing 81
disk initialization 423
disposal, end-of-life 509
DLC/LLC 337
DLC/LLC information 310
DNS settings 336
document conventions iii
doors. See covers
double-sided printing (duplexing)
Show Me How menu 314
516 Index ENWW
drive circuit
power-supply frequency
range 17
drum cleaning 28
duplex printing (double-sided)
Show Me How menu 314
duplexer
specifications, physical 501
duplexing unit
components 52
duplex-drive assembly,
removing 151
jam causes 397
motors 8
print operation 53
See also pickup, feed, and
delivery
E
EIO cards
part number 427
reset by NVRAM
initialization 423
electrical specifications 502
electrostatic discharge (ESD) 69
embedded protocol page 310
end-of-life disposal 509
energy specifications 502
engine
diagnostics 243
test page 240
engine-control system
components 4
Enhanced I/O (EIO) card
buffer overflow 346
settings 334
Enhanced I/O card
part number 427
envelopes
jams 405
environment, specifications 503
Environmental Product
Stewardship Program 507
error messages
alphabetical list xvii
event log, listed
numerically 378
numerical list 345
types of 345
ESD (electrostatic discharge) 69
European Union, waste
disposal 509
event log
clear 377
information 311
messages, listed
numerically 378
reset by NVRAM
initialization 423
sample 377
view or print 239
exhaust fans xvii
F
faded print 410
failure detection
drive circuit 17
fuser 16
lasers and scanners 19
low-voltage power supply 13
motors xvii
See also jams
fans
cartridge, removing 137
DC controller 9
delivery, removing 143
exhaust xvii
exhaust, removing 169
intake xvii
locations xxviii
Power-supply fan,
removing 152
FCC regulations 506
feed speed control 48
feed, paper. See pickup, feed, and
delivery
Finnish laser safety
statement 513
firmware
date codes 311
version information 309
firmware, downloading new 424
flowcharts
troubleshooting 239
formatter
operations 2
PCA, removing 78
resets after replacing 420
formatter lights 242
fuser
components xvii
control-circuit function 14
discrepancy detection 17
drive assembly, removing 211
error messages 350
failure detection 16
identification 17
jam causes 394
jams 346
life detection 17
motor, removing 200
temperature control 15
See also fusing and delivery unit
fusing and delivery unit
operations 48
See also fuser; pickup, feed, and
delivery
fusing process 27
H
halftone control 36
hard disk
initialization 423
hard drive
removing 79
hard drive, removing 79
heartbeat LED 243
heat control for fuser 15
heaters, fuser 14
help
Show Me How menu 314
high-voltage power supply
bias generation xvii
circuits xvii
operations 10
removing, lower 163
removing, upper 196
HP Customer Care 500
HP Easy Printer Care
opening 299
options 299
using 299
HP Jetdirect print server
configuration page 309
lights 242
humidity requirements 503
humidity values, printed 305
ENWW Index 517
I
I/O (input/output) menu 334
I/O menu 334
image placement accuracy xix
image quality issues
examples and solutions 239
image stabilization controls 35
image-formation process
development process 25
drum cleaning 28
fusing process 27
ITB cleaning 28
laser-beam exposure 25
pre-exposure 24
primary charging 24
primary transfer process 26
secondary transfer
process 26
separation process 27
steps 23
imaging drums
color drums
disengagement 30
diagnostic test 244
information menu 317
initial rotation period 3
initializing
hard disk 423
NVRAM 423
input trays
configuring 317
optional, operations xxii
install cartridge error
message 362
installation
date calculation 422
verify for optional
accessories 307
insufficient memory 346, 362
intake fans xvii
interconnect board (ICB)
removing 153
interface ports
locating 280
interlocks
defeating 243
intermediate transfer belt (ITB)
components 31
home position 32
operations 31
internal clock errors 346
IP address 335
IPv4 information 309
IPv6 information 309
IPV6 settings 336
IPX/SPX information 310
IPX/SPX settings 337
ITB
motor, removing 202
ITB cleaning 28
J
jams
clearing 386
common causes of 383
detection in paper feeder 64
detection sensors 55
diagnostic test for 245
duplex area 397
envelopes 405
fuser 346
fuser area 394
lower right door 346
output bin 346, 394
recovery 402
right door 346
Show Me How menu 314
Tray 1 346
Tray 1 and Tray 2 399
Tray 2 346
Tray 3 346
Tray 3, 4, and 5 400
types detected xvii
Japanese VCCI statement 512
Jetdirect print server
lights 242
K
Korean EMC statement 513
L
laser safety statements 512, 513
laser-beam exposure 25
laser/scanner
assembly (C/Bk),
removing 190
assembly (Y/M),
removing 186
failure conditions 19
operations 18
protective-glass cleaners
(PGCs) 19
last rotation period 3
latent image formation 23
LEDs. See lights
left cover, removing 95
license, software 497
lifter assembly (optional paper
feeder)
removing 229
lifter base assembly
removing 175
lifter-drive assembly
removing 173
lifter-drive assembly (optional paper
feeder)
removing 230
light print, troubleshooting 410
lights
formatter 242
troubleshooting with 242
lines, troubleshooting 411
link speed settings 341
loading
Show Me How menu 314
log of events
clear 377
messages, listed
numerically 378
sample 377
view or print 239
loop control 49
loose toner, troubleshooting 413
low-voltage power supply
converted DC voltages xvii
failure detection 13
operations 12
protection for components 13
removing 157
safety provided by 13
stops and interruptions xvii
See also power supply
lower right door
jams 346
M
Macintosh
support 500
518 Index ENWW
main-drive assembly
removing 203
manage supplies menu 318
manual print modes 408
material restrictions 509
Material Safety Data Sheet
(MSDS) 510
media
Show Me How menu 314
media registration accuracy xix
media sensor value
Service menu reset 422
memory
information 307
insufficient 346, 362
NVRAM initialization 423
part numbers 427
permanent storage error
messages 355
supply errors 345
memory DIMM, removing 81
menu map
description 317
print 236
menus
configure device 321
diagnostics 342
I/O (input/output) 334
information 317
paper handling 317, 318
printing 321
resets 342
system setup 329
menus, control panel
I/O 334
Show Me How 314
menus, control-panel
manage supplies 318
retrieve job 314
mercury-free product 509
messages
alphabetical list xvii
event log, listed
numerically 378
numerical list 345
types of 345
model number 309
motor control
paper feeder 59
motors
DC controller 8
developing-disengagement,
removing 168
drum motor, removing 199
failure detection xvii
fuser, removing 200
ITB, removing 202
locations xxviii
paper feeder 59
pickup (optional paper feeder),
removing 231
pickup, feed, and delivery xvii
pickup, removing 172
residual-toner-feed,
removing 133
stepping 8
movement of paper through
product. See pickup, feed, and
delivery
multiple paper feed
prevention 43
multipurpose tray. See trays
N
networks
diagnostics 338
HP embedded Jetdirect
configuration page 309
link speed settings 341
protocols 334
security 334
settings xvii
noise specifications 503
notes iii
Novell/NetWare information 310
NVRAM (nonvolatile memory)
initialization 423
NVRAM errors 355
O
online support 500
operating environment
specifications 503
operation sequence xvii
optimize print quality
calibrate the product 187
ordering
part numbers for 427
supplies and accessories 426
output bin
jam causes 394
jams 346
overcurrent or overvoltage
protection 13
P
pages
blank 417
not printing 417
printing slowly 417
skewed 414
pages count
from product refurbish
date 421
reset 420
reset by NVRAM
initialization 423
since last maintenance 311
See also counts
paper
cassette-presence
detection 42, 62
default size reset 422
jam detection 64
level detection 43
movement sensors xvii, 55
presence detection 43
Show Me How menu 314
size detection 62
stop in path for testing 273
wrinkled 415
paper detection 47
paper feeder
cassette lift operation 63
component locations xxviii
controller PCA 283
controller PCA, removing 232
diagrams of 1 x 500-
sheet xxviii
diagrams of 3 x 500-
sheet xxviii
electrical components xvii
feed operations 45
feed speed control 48
front door, removing 216
jam detection 64
left cover, removing 222
lifter assembly, removing 229
ENWW Index 519
lifter-drive assembly,
removing 230
motor control 59
multifeed prevention 43
optional 1 x 500-sheet 57
optional 3 x 500-sheet 57
paper detection 47
pickup and feed operation 60
pickup assembly,
removing 226
pickup motor assembly,
removing 231
rear cover, removing 218
rear-right cover, removing 225
right cover, removing 224
right door, removing 216
right-front cover,
removing 219
skew feed prevention 47
See also pickup, feed, and
delivery
paper feeders
parts lists and diagrams 468,
470
paper handling menu 317
paper jams
clearing 386
paper path
diagnostic test 245
diagnostic test, manual 259
stop movement for
testing 273
paper-path
test, sensors 256
parameters, EP,
troubleshooting 305
part numbers
cables 427
fuser 429
memory 427
print cartridges 427
registration unit 429
screws 430
service kits 428
toner collection unit 427
parts 367
parts lists and diagrams
cassettes 2–5 452
covers and doors (optional
paper feeder) 470
covers, panels, and doors 432
delivery assembly 462
front door assembly 436
fuser assembly 464
internal components 438,
440, 442, 444, 446, 448,
450
paper feeders 468
paper pickup assembly 454
PCAs 466
registration assembly 458
right door assembly 434
secondary transfer
assembly 460
Tray 1 paper pickup
assembly 456
using 431
password
bootloader, clear 420
Service menu PIN 420
PCA, locations xxviii
periods of the operation
sequence 3
permanent storage errors 355
physical specifications 501
pickup, feed, and delivery
components 37
multipurpose tray pickup 44
overview 37
paper-feed operations 45
paper-feeder pickup and
feed 60
pickup-and-feed unit
operations 41
See also paper feeder; fusing
and delivery unit; duplexing
unit
pliers, required 69
port configuration
information 309
ports
locating 280
post-service tests 71
power specifications 502
power supply
frequency range for drive
circuit 17
troubleshooting 240
See also low-voltage power
supply; high-voltage power
supply
power-save mode. See sleep
settings
pre-exposure process 24
pre-troubleshooting checklist 237
preservice checklist 70
pressure-roller pressurization
control 51
primary charging process 24
print cartridges
components 28
diagnostic test 244
error conditions 30
error messages 362
operations xxi
part numbers 427
recycling 507
removing 70
warranty 495
print quality
built-in troubleshooting
pages 234
calibrate the product 187
color misregistration
control 35
image stabilization controls 35
manual print modes 408
test 71
test pages 302
troubleshooting 410
Print Quality menu options 408
printer settings
configure 321
printing
modes, manual 408
period in operation
sequence 3
process explained xxi
stop for testing 273
troubleshooting 417
printing menu 321
problem-solving
messages, types of 345
networks 338
product status
HP Easy Printer Care 299
protocols, network 334
Proxy Server settings 337
520 Index ENWW
Q
quality. See print quality
R
recycling
HP printing supplies returns and
environmental program 508
reformat product hard disk 423
registration assembly
removing 128
registration roller
Service menu reset 422
regulatory statements
Declaration of Conformity 511
environmental product
stewardship program 507
removing parts
cartridge fan 137
cassette feed guide 118
cautions for 68
checklists 70
control-panel assembly 95
controller PCA (optional paper
feeder) 232
DC controller PCA and
tray 155
DC controller PCA only 155
delivery assembly 145
delivery fan 143
developing-disengagement
motor 168
drum motors 199
duplex-drive assembly 151
environmental sensor 137
exhaust fan 169
feed and separation rollers 86
formatter PCA 78
front door (optional paper
feeder) 216
front-door assembly 95
front-top cover 95
fuser 85
fuser motor 200
fuser-drive assembly 211
hard drive 79
high-voltage power supply
lower 163
high-voltage power supply
upper 196
interconnect board (ICB) 153
intermediate transfer belt 92
ITB motor 202
laser/scanner assembly (C/
Bk) 190
laser/scanner assembly (Y/
M) 186
left cover 95
left cover (optional paper
feeder) 222
lifter assembly (optional paper
feeder) 229
lifter base assembly 175
lifter-drive assembly 173
lifter-drive assembly (optional
paper feeder) 230
low-voltage power supply 157
main-drive assembly 203
memory DIMM 81
pickup assembly (optional paper
feeder) 226
pickup motor 172
pickup motor (optional paper
feeder) 231
pickup roller (tray 1) 87
power-supply cover 95
power-supply fan 152
print cartridges 70
rear cover 95
rear cover (optional paper
feeder) 218
rear-right cover (optional paper
feeder) 225
rear-top cover 95
registration assembly 128
registration density (RD) sensor
assembly 124
residual-toner and feed
assembly 134
residual-toner-feed motor 133
right cover (optional paper
feeder) 224
right door (optional paper
feeder) 216
right-door assembly 95
right-front cover 95
right-front cover (optional paper
feeder) 219
right-rear cover 95
secondary transfer
assembly 119
secondary transfer roller 90
separation pad (Tray 1) 121
toner-collection sensor and
scanner-thermistor
assembly 141
toner-collection unit 76
tools, required 69
tray cassette 70
tray-pickup assembly 180
tray-pickup drive
assembly 178
upper-left cover 95
repeating defects,
troubleshooting 312
replacing
parts 68
reset product 424
resets menu 342
resolution
troubleshooting quality 410
retrieve job menu 314
reverse and feed control,
duplexer 52
right door
jams 346
roller
feed and separation roller (Trays
2–5), removing 86
pickup roller (Tray 1),
removing 87
rollers
locations xxviii
secondary transfer roller,
removing 119
separation pad (Tray 1),
removing 121
ruler, repetitive defect 312
S
safety features
when front door is open 13
safety statements 512, 513
scanner-motor failure 19
screwdrivers, required 69
screws
part numbers 430
replacing 68
secondary transfer processes 26
secondary transfer roller,
removing 90
ENWW Index 521
security
settings 334
security settings information 309
security slot
locating 280
sensor tests manual
5V laser and 24V interlock and
logic switches 267
developer alienation sensor
(I) 252
duplex re-pickup sensor
(E) 250
front-door switch (M) 257
fuser delivery sensor (D) 249
fuser pressure-release sensor
(J) 253
loop sensors (B and C) 248
media sensor (L) 256
new ITB sensor 271
output bin full sensor (F) 251
primary transfer-roller-
disengagement sensor
(K) 254
right-door switch (N) 258
TOP sensor (A) 247
tray 1 paper present sensor
(O) 261
tray 2 paper present sensor
(P) 262
tray 2 paper size switches
(R) 264
tray 2 paper surface 1 and 2
(Q) 263
tray 3 feed sensor (T) 265
tray 3 paper present (S) 265
tray 3 paper size switches
(V) 265
tray 3 paper surface 1 and 2
(U) 265
tray 3, 4, and 5 right door
switch 272
tray 4 feed sensor (X) 265
tray 4 paper present (W) 265
tray 4 paper size switches
(Z) 266
tray 4 paper surface 1 and 2
(Y) 265
tray 5 feed sensor (b) 266
tray 5 paper present (a) 266
tray 5 paper size switches
(d) 266
tray 5 paper surface 1 and 2
(c) 266
sensors
DC controller 7
diagnostic tests 256
environmental, removing 137
jam detection 55
paper feeder 59
pickup, feed, and delivery xvii
registration density (RD) sensor
assembly, removing 124
tests, manual 246
toner-collection sensor,
removing 141
separation process 27
sequence of operation 3
serial number
reset after replacing
formatter 421
reset by NVRAM
initialization 423
service
tools, required 69
Service ID
convert to date 422
restore 422
Service menu options 129
Show Me How menu 314
skew-feed prevention 47
skewed pages
troubleshooting 414
Sleep mode
power specifications 502
sleep settings
voltage too high during 13
smeared toner,
troubleshooting 414
software
HP Easy Printer Care 299
software license
agreement 497
solenoids
DC controller 5
paper feeder 59
pickup, feed, and delivery xvii
solve problems 233
solving
direct-connect problems 418
network problems 418
space requirements 501
specifications
acoustic 503
electrical 502
operating environment 503
physical 501
standby period 3
stapler/stacker
specifications, physical 501
static precautions 69
status
HP Easy Printer Care 299
messages, types of 345
status page 242
stepping motors xvii
stop printing for test 273
storage cabinet
specifications, physical 501
streaks, troubleshooting 411
subvoltage
low-voltage power supply
circuit 12
supplies
managing 318
memory errors 345
ordering 426
part numbers 427
recycling 507
supplies status page
description 317
supplies, status
HP Easy Printer Care 299
supply messages
configuring 318
support
online 500
switches
DC controller 6
paper feeder 59, 62
paper-size, diagnostic
test 259
pickup, feed, and delivery xvii
system setup menu 329
T
Taiwan EMI statement 513
TCP/IP information 309
522 Index ENWW
TCP/IP settings
334
technical support
online 500
temperature
control for fuser 15
thresholds for fuser
components 15, 16
values, printed 305
temperature requirements 503
tests
color band 311
component tests list and
descriptions xvii
disable cartridge check 244
engine 240
manual sensor 246
networks 338
paper path 245
paper-path sensors 256
post-service 71
print-quality 71
print/stop 273
special-mode test 259
text, troubleshooting 414
thermistors
fuser 14, 15
open detection 17
thermopiles
fuser 15
thermoswitches
fuser 14, 15
thresholds
power-supply frequency, drive
circuit 17
temperature, fuser
components 15, 16
timing chart 294
tips iii
toner
image formation, use
during 23
loose, troubleshooting 413
patterns for calibration xxi
smeared, troubleshooting 414
toner cartridges. See print
cartridges
toner collection unit
part number 427
removing 76
tools, required 69
transfer processes 26
tray
pickup assembly,
removing 180
pickup drive assembly,
removing 178
Tray 1
jams 346
Tray 2
jams 346
Tray 3
jams 346
trays
jam causes 399, 400
multipurpose, pickup
operation 44
removing 70
Show Me How menu 314
specifications, physical 501
See also cassette
trays, status
HP Easy Printer Care 299
troubleshooting
blank pages 417
checklist 234, 237
cleaning page for 306
color 305
configuration page 242
configuration pages for 307
control panel messages,
numerical 345
demo page 242
direct-connect problems 418
duplexing 406
EP parameters 305
error messages, alphabetical
list xvii
error messages, numerical
list 345
event log 242
event log, use for 376
event-log messages, numerical
list 378
flowchart 239
jams in duplex area 397
jams in fuser area 394
jams in output bin 394
jams in Tray 1 and Tray 2 399
jams in Tray 3, 4, and 5 400
lights, using 242
lines, printed pages 411
network problems 418
pages not printing 417
pages printing slowly 417
power 240
print quality issues 410
process 237
repeating defects 312
reports and tools 242
Show Me How menu 314
skewed pages 414
status page 242
text 414
toner smear 414
transparencies 405
USB cables 417
wrinkles 415
See also diagnostics
two-sided printing
Show Me How menu 314
U
updates, downloading
product 424
usage page
description 317
USB port
troubleshooting 417
V
version, hardware firmware 309
vertical lines,
troubleshooting 411
voltage detection
DC controller 13
voltage specifications 502
W
waiting period 3
warnings iii
warranty
customer self repair 499
license 497
print cartridges 495
product 494
warranty date information 422
Web sites
customer support 500
Macintosh customer
support 500
ENWW Index 523

© 2010 Hewlett-Packard Development Company, L.P.
www.hp.com
*CC489-90936*
*CC489-90936*
CC489-90936





