Huawei Technologies AP5030DN Wireless LAN Access Point User Manual Hardware Installation and Maintenance Guide
Huawei Technologies Co.,Ltd Wireless LAN Access Point Hardware Installation and Maintenance Guide
Contents
- 1. Users Manual
- 2. User manual
User manual

AP3x10xN&5x10xN&5x30xN&6x10xN&7x10xN
Hardware Installation and
Maintenance Guide
Issue 12
Date 2015-08-05
HUAWEI TECHNOLOGIES CO., LTD.

Copyright © Huawei Technologies Co., Ltd. 2015. All rights reserved.
No part of this document may be reproduced or transmitted in any form or by any means without prior written
consent of Huawei Technologies Co., Ltd.
Trademarks and Permissions
and other Huawei trademarks are trademarks of Huawei Technologies Co., Ltd.
All other trademarks and trade names mentioned in this document are the property of their respective holders.
Notice
The purchased products, services and features are stipulated by the contract made between Huawei and the
customer. All or part of the products, services and features described in this document may not be within the
purchase scope or the usage scope. Unless otherwise specified in the contract, all statements, information,
and recommendations in this document are provided "AS IS" without warranties, guarantees or representations
of any kind, either express or implied.
The information in this document is subject to change without notice. Every effort has been made in the
preparation of this document to ensure accuracy of the contents, but all statements, information, and
recommendations in this document do not constitute a warranty of any kind, express or implied.
Huawei Technologies Co., Ltd.
Address: Huawei Industrial Base
Bantian, Longgang
Shenzhen 518129
People's Republic of China
Website: http://e.huawei.com
Issue 12 (2015-08-05) Huawei Proprietary and Confidential
Copyright © Huawei Technologies Co., Ltd.
i

About This Document
Intended Audience
This document describes hardware features of AP3x10xN, 5x10xN, 5x30xN, 6x10xN and
7x10xN, and provides basic installation methods.
This document is intended for:
lNetwork planning engineers
lHardware installation engineers
lCommissioning engineers
lOnsite maintenance engineers
lSystem maintenance engineers
Symbol Conventions
The symbols that may be found in this document are defined as follows.
Symbol Description
Indicates an imminently hazardous situation
which, if not avoided, will result in death or
serious injury.
Indicates a potentially hazardous situation
which, if not avoided, could result in death or
serious injury.
Indicates a potentially hazardous situation
which, if not avoided, may result in minor or
moderate injury.
Indicates a potentially hazardous situation
which, if not avoided, could result in
equipment damage, data loss, performance
deterioration, or unanticipated results.
NOTICE is used to address practices not
related to personal injury.
AP3x10xN&5x10xN&5x30xN&6x10xN&7x10xN
Hardware Installation and Maintenance Guide About This Document
Issue 12 (2015-08-05) Huawei Proprietary and Confidential
Copyright © Huawei Technologies Co., Ltd.
ii

Symbol Description
NOTE
Calls attention to important information, best
practices and tips.
NOTE is used to address information not
related to personal injury, equipment damage,
and environment deterioration.
Change History
Changes between document issues are cumulative. The latest document issue contains all
changes made in previous issues.
Issue 12 (2015-08-05)
This version has the following updates:
Updated the packing list.
Issue 11 (2015-05-18)
This version has the following updates:
The following information is modified:
lAdded the command to check AP running status in V200R006C00.
lAdded descriptions about PoE fault troubleshooting.
Issue 10 (2014-12-05)
This version has the following updates:
The following information is added:
l1.4 Ordering Information.
Issue 09 (2014-07-30)
This version has the following updates:
The following information is modified:
lOptimized the installation steps.
The following information is added:
lLogging in to the AP using STelnet.
Issue 08 (2013-04-10)
This version has the following updates:
The following information is added:
AP3x10xN&5x10xN&5x30xN&6x10xN&7x10xN
Hardware Installation and Maintenance Guide About This Document
Issue 12 (2015-08-05) Huawei Proprietary and Confidential
Copyright © Huawei Technologies Co., Ltd.
iii

lAP5030DN and AP5130DN installation guide
lNote: The network cable cannot exceed 100 meters.
Issue 07 (2014-01-15)
This version has the following updates:
Optimized the manual.
Issue 06 (2013-09-30)
This version has the following updates:
The following information is modified:
lAP's default IP address and login password
Issue 05 (2013-06-29)
This version has the following updates:
The following information is modified:
lFigure for converting SMA connectors to type—N connectors
Issue 04 (2013-04-30)
This version has the following updates:
The following information is modified:
lFigure of the sheet metal mounting brackets delivered with APs
Issue 03 (2013-01-30)
This version has the following updates:
The following information is added:
lDescriptions about power adapters delivered with APs
lSection: Removing an AP
Issue 02 (2012-12-31)
This version has the following updates:
The following information is added:
lPower adapter cable connection figure
Issue 01 (2012-10-31)
Initial commercial release
AP3x10xN&5x10xN&5x30xN&6x10xN&7x10xN
Hardware Installation and Maintenance Guide About This Document
Issue 12 (2015-08-05) Huawei Proprietary and Confidential
Copyright © Huawei Technologies Co., Ltd.
iv

Contents
About This Document.....................................................................................................................ii
1 Indoor AP Overview.....................................................................................................................1
1.1 Device Structure.............................................................................................................................................................1
1.2 Indicator Description......................................................................................................................................................4
1.3 Basic Specifications........................................................................................................................................................7
1.4 Ordering Information....................................................................................................................................................10
2 AP Installation.............................................................................................................................14
2.1 Preparing for Installation..............................................................................................................................................14
2.2 Installation Flowchart...................................................................................................................................................15
2.3 Unpacking the Equipment............................................................................................................................................17
2.4 Determining the Installation Position...........................................................................................................................18
2.5 Installing the AP...........................................................................................................................................................19
2.5.1 Wall Mounting...........................................................................................................................................................20
2.5.2 Ceiling Mounting.......................................................................................................................................................22
2.5.3 T-rail Mounting.........................................................................................................................................................23
2.5.4 Removing an AP........................................................................................................................................................24
2.6 Connecting Cables........................................................................................................................................................25
2.7 Installing the Security Lock..........................................................................................................................................29
2.8 Checking the AP After Installation..............................................................................................................................29
2.9 Powering on the AP......................................................................................................................................................30
3 Logging In to the AP...................................................................................................................31
3.1 Logging In to the AP Through the Console Port..........................................................................................................31
3.2 Logging In to the AP Using STelnet............................................................................................................................31
3.3 Logging In to the AP Using Telnet..............................................................................................................................33
3.4 Logging In to the AP Using a Web Client....................................................................................................................34
4 Hardware Failures.......................................................................................................................35
4.1 A Device Fails to Be Powered On................................................................................................................................35
4.2 An Optical Interface Cannot Turn Up..........................................................................................................................36
5 Appendix.......................................................................................................................................38
5.1 On-site Cable Assembly and Installation.....................................................................................................................38
AP3x10xN&5x10xN&5x30xN&6x10xN&7x10xN
Hardware Installation and Maintenance Guide Contents
Issue 12 (2015-08-05) Huawei Proprietary and Confidential
Copyright © Huawei Technologies Co., Ltd.
v

5.1.1 Cable Assembly Precautions.....................................................................................................................................38
5.1.2 Assembling Power Cables.........................................................................................................................................39
5.1.3 Assembling Ethernet Cables......................................................................................................................................48
5.1.4 Installing Cable Accessories......................................................................................................................................62
5.1.5 Replacing the Mold of the Crimping Tool................................................................................................................77
5.2 Environmental Requirements for Device Operation....................................................................................................81
5.2.1 Environmental Requirements for an Equipment Room............................................................................................81
5.2.2 Requirements for Power Supply................................................................................................................................88
5.3 Equipment Grounding Specifications...........................................................................................................................91
5.3.1 General Grounding Specifications.............................................................................................................................91
5.3.2 Grounding Specifications for an Equipment Room..................................................................................................91
5.3.3 Grounding Specifications for Devices.......................................................................................................................91
5.3.4 Grounding Specifications for Communications Power Supply.................................................................................92
5.3.5 Grounding Specifications for Signal Cables.............................................................................................................93
5.3.6 Specifications for Laying Out Grounding Cables.....................................................................................................93
5.4 Engineering Labels for Cables.....................................................................................................................................94
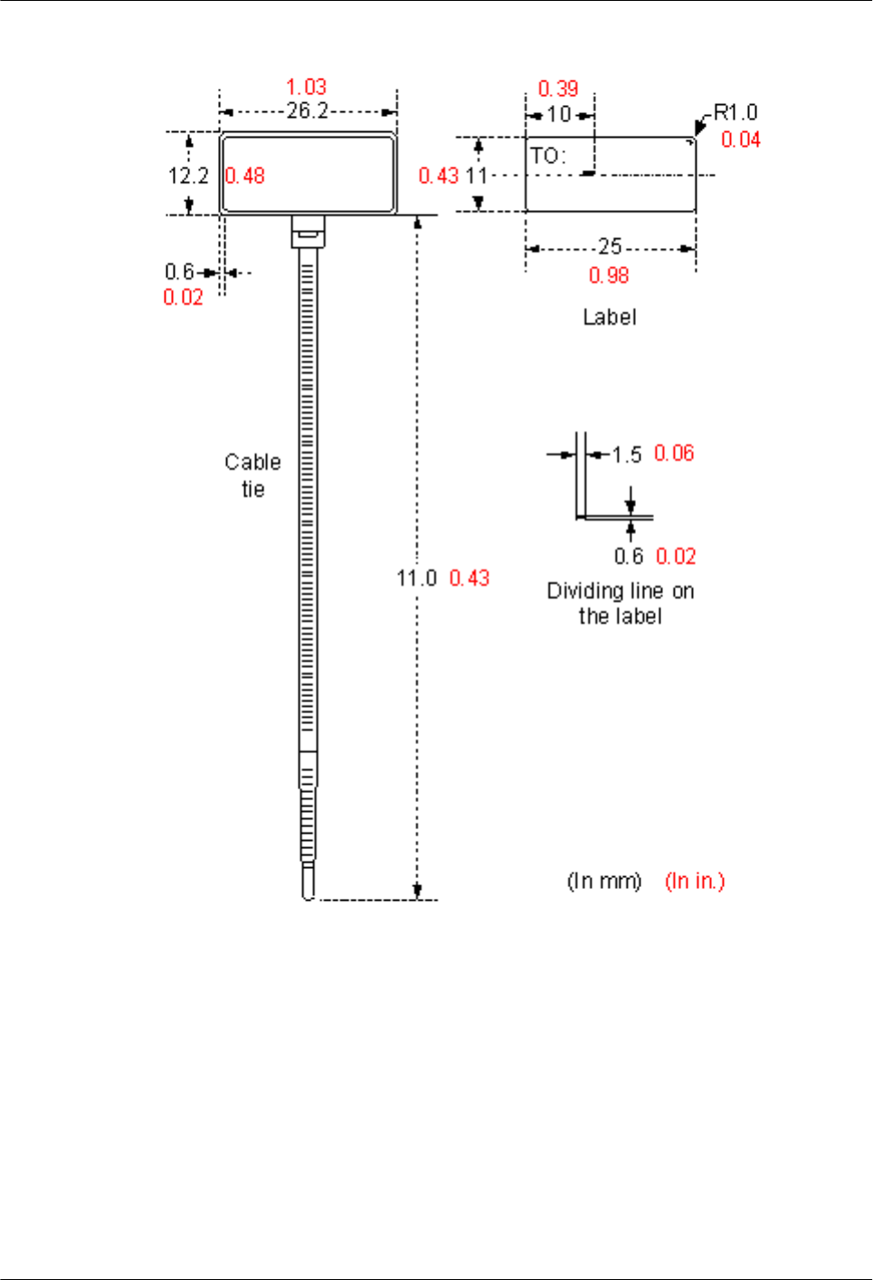
5.4.1 Introduction to Labels................................................................................................................................................94
5.4.2 Engineering Labels for Optical Fibers.....................................................................................................................102
5.4.3 Engineering Labels for Network Cables.................................................................................................................105
5.4.4 Engineering Labels for User Cables........................................................................................................................106
5.4.5 Engineering Labels for Power Cables.....................................................................................................................107
5.5 Guide to Using Optical Modules................................................................................................................................110
5.6 Fault Tag.....................................................................................................................................................................113
AP3x10xN&5x10xN&5x30xN&6x10xN&7x10xN
Hardware Installation and Maintenance Guide Contents
Issue 12 (2015-08-05) Huawei Proprietary and Confidential
Copyright © Huawei Technologies Co., Ltd.
vi

1 Indoor AP Overview
1.1 Device Structure
Figures in Table 1-1 show the appearance of indoor APs.
CAUTION
There is a scald warning label attached on some devices, warning you not to touch the device
after the device has been operating for a long time.
Table 1-1 Appearance of indoor APs
Product Model Appearance
AP3010DN-AGN
AP5010DN-AGN
AP5010SN-GN
AP6010DN-AGN
AP6010SN-GN
12367
ConsoleETH/PoEDefaultDC 12V
AP3x10xN&5x10xN&5x30xN&6x10xN&7x10xN
Hardware Installation and Maintenance Guide 1 Indoor AP Overview
Issue 12 (2015-08-05) Huawei Proprietary and Confidential
Copyright © Huawei Technologies Co., Ltd.
1

Product Model Appearance
AP5030DN
265 74 1
Console GE1 GE0/PoE DC 12V
AP5130DN
265 7
10
4 1
Console GE1 GE0/PoE DC 12V
AP6310SN-GN
2.4G Console ETH/PoE Default DC 12V
8 3 1116 2
AP3x10xN&5x10xN&5x30xN&6x10xN&7x10xN
Hardware Installation and Maintenance Guide 1 Indoor AP Overview
Issue 12 (2015-08-05) Huawei Proprietary and Confidential
Copyright © Huawei Technologies Co., Ltd.
2

Product Model Appearance
AP7110DN-AGN
9 3 1 8211 6 7
Console ETH/PoE Default DC 12V
AP7110SN-GN
Console ETH/PoE DC 12VDefault
11 6 2 73 1 8
Table 1-2 describes interfaces on indoor APs.
Table 1-2 Interfaces on indoor APs
No. Name Description
1DC 12 V DC power socket: connects a 12 V power
adapter to the AP.
2 Default Reset button: restores factory settings if you
hold down the button more than 3s.
3 ETH/PoE 10/100/1000M bit/s interface: connects to the
wired Ethernet. The interface can connect to
a PoE power supply to provide power for the
AP.
4 GE1 10/100/1000M bit/s interface: connects to the
wired Ethernet.
5 GE0/PoE 10/100/1000M bit/s interface: connects to the
wired Ethernet. The interface can connect to
a PoE power supply to provide power for the
AP.
6 Console Console interface: connects to a maintenance
terminal for AP configuration and
management.
7 Security slot Connects to a security lock.
8 2.4 GHz antenna port Connects a 2.4 GHz antenna to the AP.
AP3x10xN&5x10xN&5x30xN&6x10xN&7x10xN
Hardware Installation and Maintenance Guide 1 Indoor AP Overview
Issue 12 (2015-08-05) Huawei Proprietary and Confidential
Copyright © Huawei Technologies Co., Ltd.
3

No. Name Description
95 GHz antenna port Connects a 5 GHz antenna to the AP.
10 Dual-band antenna
port
Connects a dual-band antenna to the AP.
11 Device ground screw Connects a ground cable to the AP.
1.2 Indicator Description
Indoor AP series products provide a single indicator or multiple indicators.
lThe AP3010DN-AGN, AP5010DN-AGN, AP5010SN-GN, AP5030DN, AP5130DN,
AP6010DN-AGN, and AP6010SN-GN provide only a single indicator.
lThe AP6310SN-GN, AP7110DN-AGN, and AP7110SN-GN provide multiple indicators:
SYS indicator, Link indicator, and Wireless indicator.
The following table describes indicators on indoor APs.
NOTE
lIndicator colors may vary slightly at different temperature.
lAfter a Fit AP is powered on, you can run the led off command on the AC to turn off all AP indicators.
To restore the indicators to normal working status, run the led on command. Indicators on a Fat AP
cannot be turned off using the led off command.
Single indicator and SYS indicator
Table 1-3 Descriptions about the single indicator and SYS indicator
Type Color Status Description
Default
status after
power-on
Green Steady on The AP is just powered on and the software is not
started yet.
Software
startup
status
Green Steady on
after
blinking
once
After the system is reset and starts uploading the
software, the indicator blinks green once. Until the
software is uploaded and started, the indicator
remains steady green.
Running
status
Green Blinking
once every
2s (0.5 Hz)
lThe system is running properly, the Ethernet
connection is normal, and STAs are associated
with the AP.
lThe system enters the Uboot CLI.
Blinking
once every
5s (0.2 Hz)
The system is running properly, the Ethernet
connection is normal, and no STA is associated with
the AP. The system is in low power consumption
state.
AP3x10xN&5x10xN&5x30xN&6x10xN&7x10xN
Hardware Installation and Maintenance Guide 1 Indoor AP Overview
Issue 12 (2015-08-05) Huawei Proprietary and Confidential
Copyright © Huawei Technologies Co., Ltd.
4

Type Color Status Description
Alarm Green Blinking
once every
0.25s (4
Hz)
lThe software is being upgraded.
lAfter the software is uploaded and started, the AP
working in Fit AP mode requests to go online on
the AC and maintains this state until it goes
online successfully on the AC (before the
CAPWAP link is established).
lThe AP working in Fit AP mode fails to go online
on the AC (the CAPWAP link disconnects).
Fault Red Steady on A fault that affects services has occurred, such as a
DRAM detection failure or system software loading
failure. The fault cannot be automatically rectified
and must be rectified manually.
Link indicator
Table 1-4 Descriptions about the Link indicator
Type Color Status Description
LINK Green Steady on The system is running properly, the Ethernet
connection is normal, and no data is being
transmitted.
ACT Green Blinking The system is running properly, the Ethernet
connection is normal, and the AP is transmitting
data. The indicator blinks more quickly when more
data is being transmitted.
Wireless indicator
Table 1-5 Descriptions about the Wireless indicator in traffic volume mode
Color Status Description
Yellow/green Off Radios are disabled, and no STA is connected
to the AP.
Yellow/green Steady on The AP has STAs connected to the 2.4 GHz
radio or 5 GHz radio, but no data is being
transmitted.
AP3x10xN&5x10xN&5x30xN&6x10xN&7x10xN
Hardware Installation and Maintenance Guide 1 Indoor AP Overview
Issue 12 (2015-08-05) Huawei Proprietary and Confidential
Copyright © Huawei Technologies Co., Ltd.
5

Color Status Description
Green Blinking The AP has STAs connected to the 2.4 GHz
radio and is transmitting data. The indicator
blinks more quickly when more data is being
transmitted.
Yellow Blinking The AP has STAs connected to the 5 GHz
radio and is transmitting data. The indicator
blinks more quickly when more data is being
transmitted.
Yellow/green Blinking
alternatively
The AP has STAs connected to both the 2.4
GHz radio and 5 GHz radio. The indicator
blinks more quickly when more data is being
transmitted.
Table 1-6 Descriptions about the Wireless indicator in signal strength mode
Color Status Description
Yellow/green Off The AP is not transmitting or receiving data
or the signal strength is extremely low.
Blinking once every
2s (0.5 Hz)
The AP is transmitting or receiving data
normally, and the signal strength is low.
Blinking green once
every 0.25 seconds (4
Hz)
The AP is transmitting or receiving data
normally, and the signal strength is medium.
Steady on The AP is transmitting or receiving data
normally, and the signal strength is high.
AP3x10xN&5x10xN&5x30xN&6x10xN&7x10xN
Hardware Installation and Maintenance Guide 1 Indoor AP Overview
Issue 12 (2015-08-05) Huawei Proprietary and Confidential
Copyright © Huawei Technologies Co., Ltd.
6

NOTE
When the WDS/Mesh function is enabled on an AP, the blinking frequency of its Wireless indicator
indicates the receive signal strength on the WDS/Mesh connection by default. After you connect an AP to
a WDS/Mesh network, you can run the wifi-light { signal-strength | traffic } command on the AC to
make the Wireless indicator blinking frequency indicate receive signal strength or service traffic rate.
lwifi-light signal-strength:
lIf the Mesh function is enabled on the AP, the blinking frequency of the Wireless indicator reflects
the weakest signal strength of all neighboring APs.
lIf WDS is enabled on an AP, the blinking frequency of the Wireless indicator reflects the strength
of signals received from a WDS AP.
lIf the AP works in leaf mode, the blinking frequency of the Wireless indicator reflects the
strength of signals received from a middle AP.
lIf the AP works in middle mode, the blinking frequency of the Wireless indicator reflects the
strength of signals received from a root AP.
lIf the AP works in root mode, the blinking frequency of the Wireless indicator reflects the
weakest signal strength of middle APs.
lwifi-light traffic: allows the Wireless indicator to reflect the service traffic volume on the radio.
When an AP functions as a Fat AP, the Wireless indicator of the AP can not reflect the signal strength.
The AP6310SN-GN does not support WDS/Mesh functions; therefore, the Wireless indicator of the
AP6310SN-GN does not indicate the signal strength.
1.3 Basic Specifications
Table 1-7 Basic specifications of the AP3010DN-AGN, AP5010SN-GN, AP5010DN-AGN,
AP6010DN-AGN, and AP6010SN-GN
Item Description
Technical
specifications
Dimensions (H x W x
D)
50 mm x 180 mm x 180 mm
Weight 0.4 kg
System memory l256 MB DDR2
l32 MB flash memory
Power specifications Power input lDC 12 V ± 10%
lPoE power supply: in compliance with
IEEE 802.3af/at
NOTE
The AP6010DN-AGN and AP6010SN-GN cannot
use the PoE power supply and DC power supply
simultaneously.
AP3x10xN&5x10xN&5x30xN&6x10xN&7x10xN
Hardware Installation and Maintenance Guide 1 Indoor AP Overview
Issue 12 (2015-08-05) Huawei Proprietary and Confidential
Copyright © Huawei Technologies Co., Ltd.
7

Item Description
Maximum power
consumption
lAP3010DN-AGN: 9.5 W
lAP5010DN-AGN: 9.5 W
lAP5010SN-GN: 6.0 W
lAP6010DN-AGN: 10.2 W
lAP6010SN-GN: 6.5 W
NOTE
The actual maximum power consumption depends
on local laws and regulations.
Environment
specifications
Operating
temperature and
altitude
-60 m to +1800 m: -10°C to +50°C
1800 m to 5000 m: Temperature decreases by
1°C every time the altitude increases 300 m.
Storage temperature -40°C to +70°C
Operating humidity 5% to 95% (non-condensing)
IP grade IP31
Atmospheric
pressure
70 kPa to 106 kPa
Table 1-8 Basic specifications of the AP5030DN and AP5130DN
Item Description
Technical
specifications
Dimensions (H x W x
D)
53 mm x 220 mm x 220 mm
Weight 1.0 kg
System memory l256 MB DDR2
l32 MB flash memory
Power specifications Power input lDC 12 V ± 10%
lPoE power: -48 V DC (in compliance with
IEEE 802.3af/at)
Maximum power
consumption
12.95 W
NOTE
The actual maximum power consumption depends
on local laws and regulations.
Environment
specifications
Operating
temperature and
altitude
-60 m to +1800 m: -10°C to +50°C
1800 m to 5000 m: Temperature decreases by
1°C every time the altitude increases 300 m.
Storage temperature -40°C to +70°C
AP3x10xN&5x10xN&5x30xN&6x10xN&7x10xN
Hardware Installation and Maintenance Guide 1 Indoor AP Overview
Issue 12 (2015-08-05) Huawei Proprietary and Confidential
Copyright © Huawei Technologies Co., Ltd.
8

Item Description
Operating humidity 5% to 95% (non-condensing)
IP grade IP41
Atmospheric
pressure
70 kPa to 106 kPa
Table 1-9 Basic specifications of the AP6310SN-GN
Item Description
Technical
specifications
Dimensions (H x W x
D)
35 mm x 150 mm x 130 mm
Weight 0.6 kg
System memory l128 MB DDR2
l32 MB flash memory
Power specifications Power input lDC 12 V ± 10%
lPoE power supply: -48 V DC (in
compliance with IEEE 802.3af/at)
NOTE
The AP6310SN-GN cannot use the PoE power
supply and DC power supply simultaneously.
Maximum power
consumption
8.3 W
NOTE
The actual maximum power consumption depends
on local laws and regulations.
Environment
specifications
Operating
temperature and
altitude
-60 m to +1800 m: -10°C to +50°C
1800 m to 5000 m: Temperature decreases by
1°C every time the altitude increases 300 m.
Storage temperature -40°C to +70°C
Operating humidity 5% to 95% (non-condensing)
IP grade IP31
Atmospheric
pressure
70 kPa to 106 kPa
AP3x10xN&5x10xN&5x30xN&6x10xN&7x10xN
Hardware Installation and Maintenance Guide 1 Indoor AP Overview
Issue 12 (2015-08-05) Huawei Proprietary and Confidential
Copyright © Huawei Technologies Co., Ltd.
9

Table 1-10 Basic specifications of the AP7110SN-GN and AP7110DN-AGN
Item Description
Technical
specifications
Dimensions (H x W x
D)
45 mm x 200 mm x 200 mm
Weight 1.0 kg
System memory l256 MB DDR3
l32 MB flash memory
Power specifications Power input lDC 12 V ± 10%
lPoE power: -48 V DC
–AP7110SN-GN: IEEE 802.3af/at
–AP7110DN-AGN: IEEE 802.3at
Maximum power
consumption
lAP7110DN-AGN: 15.7 W
lAP7110SN-GN: 8.7 W
NOTE
The actual maximum power consumption depends
on local laws and regulations.
Environment
specifications
Operating
temperature and
altitude
-60 m to +1800 m: -10°C to +55°C
1800 m to 5000 m: Temperature decreases by
1°C every time the altitude increases 300 m.
Storage temperature -40°C to +70°C
Operating humidity 5% to 95% (non-condensing)
IP grade IP41
Atmospheric
pressure
70 kPa to 106 kPa
1.4 Ordering Information
To place an order, contact the Huawei local office.
Part
Number
Description
2355829 Assembling Components,AP3010DN-AGN-CN,AP3010DN-AGN
Mainframe(11n,General AP Indoor,2x2 Double Frequency,Built-in
Antenna,AC/DC adapter(CN))
2356921 Assembling Components,AP-D4-FAT-S,AP-D4-FAT-S Bundle(Including
AP3010DN-AGN-FAT-DC*4,AC/DC adapters(CN))
AP3x10xN&5x10xN&5x30xN&6x10xN&7x10xN
Hardware Installation and Maintenance Guide 1 Indoor AP Overview
Issue 12 (2015-08-05) Huawei Proprietary and Confidential
Copyright © Huawei Technologies Co., Ltd.
10

Part
Number
Description
2355547 Assembling Components,AP5010DN-AGN,AP5010DN-AGN Mainframe
(11n,General AP Indoor,2x2 Double Frequency,Built-in Antenna,No AC/
DC adapter)
2355674 Assembling Components,AP5010SN-GN,AP5010SN-GN Mainframe
(11n,General AP Indoor,2x2 Single Frequency,Built-in Antenna,No AC/DC
adapter)
2356281 Assembling Components,AP5010DN-AGN-USA,AP5010DN-AGN
Bundle(11n,General AP Indoor,2x2 Double Frequency,Built-in
Antenna,AC/DC adapter(US),United States dedicated)
2357629 Assembling Components,AP5010DN-AGN-FAT-DC,AP5010DN-AGN
Bundle(FAT AP,11n,General AP Indoor,2x2 Double Frequency,Built-in
Antenna,AC/DC adapter)
2357632 Assembling Components,AP5010SN-GN-FAT-DC,AP5010SN-GN
Bundle(FAT AP,11n,General AP Indoor,2x2 Single Frequency,Built-in
Antenna,AC/DC adapter)
2358264 Assembling Components,AP5010DN-AGN-DC,AP5010DN-AGN Bundle
(11n,General AP Indoor,2x2 Double Frequency,Built-in Antenna,AC/DC
adapter)
2358263 Assembling Components,AP5010SN-GN-DC,AP5010SN-GN Bundle
(11n,General AP Indoor,2x2 Single Frequency,Built-in Antenna,AC/DC
adapter)
2358108 Assembling Components,AP5030DN,AP5030DN Mainframe
(11ac,General AP Indoor,3x3 Double Frequency,Built-in Antenna,No AC/
DC adapter)
2358109 Assembling Components,AP5030DN-DC,AP5030DN Bundle
(11ac,General AP Indoor,3x3 Double Frequency,Built-in Antenna,AC/DC
adapter)
02350CPM Assembling Components,AP5030DN-USA,AP5030DN Bundle
(11ac,General AP Indoor,3x3 Double Frequency,Built-in Antenna,AC/DC
adapter(US),United States dedicated)
2358560 Assembling Components,AP5030DN-FAT-DC,AP5030DN Bundle(FAT
AP,11ac,General AP Indoor,3x3 Double Frequency,Built-in Antenna,AC/
DC adapter)
2358561 Assembling Components,AP5130DN,AP5130DN Mainframe
(11ac,General AP Indoor,3x3 Double Frequency,External Antenna,No AC/
DC adapter)
2358562 Assembling Components,AP5130DN-DC,AP5130DN Bundle
(11ac,General AP Indoor,3x3 Double Frequency,External Antenna,AC/DC
adapter)
AP3x10xN&5x10xN&5x30xN&6x10xN&7x10xN
Hardware Installation and Maintenance Guide 1 Indoor AP Overview
Issue 12 (2015-08-05) Huawei Proprietary and Confidential
Copyright © Huawei Technologies Co., Ltd.
11

Part
Number
Description
2358563 Assembling Components,AP5130DN-FAT-DC,AP5130DN Bundle(FAT
AP,11ac,General AP Indoor,3x3 Double Frequency,External Antenna,AC/
DC adapter)
2354196 Assembling Components,AP6010DN-AGN,AP6010DN-AGN Mainframe
(11n,General AP Indoor,2x2 Double Frequency,Built-in Antenna,No AC/
DC adapter)
2354197 Assembling Components,AP6010SN-GN,AP6010SN-GN Mainframe
(11n,General AP Indoor,2x2 Single Frequency,Built-in Antenna,No AC/DC
adapter)
2354198 Assembling Components,AP6310SN-GN,AP6310SN-GN,AP6310SN-GN
Mainframe(11n,Distributed AP Indoor,Single Frequency,No AC/DC
adapter)
2356284 Assembling Components,AP6310SN-GN-USA,AP6310SN-GN Bundle
(11n,Distributed AP Indoor,Single Frequency,AC/DC adapter(US),United
States dedicated)
2356280 Assembling Components,AP6010DN-AGN-USA,AP6010DN-AGN
Bundle(11n,General AP Indoor,2x2 Double Frequency,Built-in
Antenna,AC/DC adapter(US),United States dedicated)
2357628 Assembling Components,AP6010DN-AGN-FAT-DC,AP6010DN-AGN
Bundle(FAT AP,11n,General AP Indoor,2x2 Double Frequency,Built-in
Antenna,AC/DC adapter)
2357631 Assembling Components,AP6010SN-GN-FAT-DC,AP6010SN-GN
Bundle(FAT AP,11n,General AP Indoor,2x2 Single Frequency,Built-in
Antenna,AC/DC adapter)
2358260 Assembling Components,AP6010DN-AGN-DC,AP6010DN-AGN Bundle
(11n,General AP Indoor,2x2 Double Frequency,Built-in Antenna,AC/DC
adapter)
2358259 Assembling Components,AP6010SN-GN-DC,AP6010SN-GN Bundle
(11n,General AP Indoor,2x2 Single Frequency,Built-in Antenna,AC/DC
adapter)
2358262 Assembling Components,AP6310SN-GN-DC,AP6310SN-GN Bundle
(11n,Distributed AP Indoor,Single Frequency,AC/DC adapter)
2355553 Assembling Components,AP7110DN-AGN,AP7110DN-AGN Mainframe
(11n,Enhanced AP Indoor,3x3 Double Frequency,External Antenna,No
AC/DC adapter)
2355680 Assembling Components,AP7110SN-GN,AP7110SN-GN Mainframe
(11n,Enhanced AP Indoor,3x3 Single Frequency,External Antenna,No AC/
DC adapter)
AP3x10xN&5x10xN&5x30xN&6x10xN&7x10xN
Hardware Installation and Maintenance Guide 1 Indoor AP Overview
Issue 12 (2015-08-05) Huawei Proprietary and Confidential
Copyright © Huawei Technologies Co., Ltd.
12

Part
Number
Description
02350CVQ Assembling Components,AP7110DN-AGN-FAT-DC,AP7110DN-AGN
Bundle(FAT AP,11n,Enhanced AP Indoor,3x3 Double Frequency,External
Antenna,AC/DC adapter)
2356279 Assembling Components,AP7110DN-AGN-USA,AP7110DN-AGN
Bundle(11n,Enhanced AP Indoor,3x3 Double Frequency,External
Antenna,AC/DC adapter(US),United States dedicated)
2358266 Assembling Components,AP7110DN-AGN-DC,AP7110DN-AGN Bundle
(11n,Enhanced AP Indoor,3x3 Double Frequency,External Antenna,AC/
DC adapter)
2358265 Assembling Components,AP7110SN-GN-DC,AP7110SN-GN Bundle
(11n,Enhanced AP Indoor,3x3 Single Frequency,External Antenna,AC/DC
adapter)
AP3x10xN&5x10xN&5x30xN&6x10xN&7x10xN
Hardware Installation and Maintenance Guide 1 Indoor AP Overview
Issue 12 (2015-08-05) Huawei Proprietary and Confidential
Copyright © Huawei Technologies Co., Ltd.
13

2 AP Installation
2.1 Preparing for Installation
This section describes safety precautions and tool preparations for AP installation.
Safety Precautions
lTake proper measures to prevent injuries and device damage.
lPlace the device in a dry and flat position away from any liquid and prevent the device from
slipping.
lKeep the device clean.
lDo not put the device and tools in the aisles.
CAUTION
Only the qualified personnel are permitted to install and remove the device and its accessories.
Before installation and operation, read the safety precautions carefully.
Tool Preparation
To install indoor APs, prepare tools listed in Table 2-1.
Table 2-1 Tools
Phillips screwdriver Torque screwdriver
3mm/5mm
(M3-M6)
Marker
AP3x10xN&5x10xN&5x30xN&6x10xN&7x10xN
Hardware Installation and Maintenance Guide 2 AP Installation
Issue 12 (2015-08-05) Huawei Proprietary and Confidential
Copyright © Huawei Technologies Co., Ltd.
14

Hammer drill (φ6) Utility knife Cable cutter
Diagonal pliers RJ45 crimping tool Wire stripper
Network cable tester Multimeter Inner hexagon wrench
Ladder Adjustable wrench Rubber mallet
ESD gloves Level –
2.2 Installation Flowchart
The following figure shows the process for installing an indoor AP.
AP3x10xN&5x10xN&5x30xN&6x10xN&7x10xN
Hardware Installation and Maintenance Guide 2 AP Installation
Issue 12 (2015-08-05) Huawei Proprietary and Confidential
Copyright © Huawei Technologies Co., Ltd.
15

Figure 2-1 Installation flowchart of the AP3010DN-AGN, AP5010DN-AGN, AP5010SN-GN,
AP6010DN-AGN, AP6010SN-GN, AP6310SN-GN, AP7110SN-GN and AP7110DN-AGN
Determine the
installation location
Start
Check before installation
Install the AP
Connect the cable
Connect the security lock
to the lock hole
Power on the AP
Check after installation
End
Fix the wall-mounting
bracket to a T-rail
Fix the wall-mounting
bracket against the wall
Fix the wall-mounting
bracket against the ceiling
To a T-rail Against the ceiling
Against the wall
AP3x10xN&5x10xN&5x30xN&6x10xN&7x10xN
Hardware Installation and Maintenance Guide 2 AP Installation
Issue 12 (2015-08-05) Huawei Proprietary and Confidential
Copyright © Huawei Technologies Co., Ltd.
16

Figure 2-2 Installation flowchart of the AP5030DN and AP5130DN
Connect the cable
Start
Check before installation
Install the AP
Determine the
installation location
Connect the security lock
to the lock hole
Power on the AP
Check after installation
End
Fix the wall-mounting
bracket to a T-rail
Fix the wall-mounting
bracket against the wall
Fix the wall-mounting
bracket against the ceiling
To a T-rail Against the ceiling
Against the wall
2.3 Unpacking the Equipment
Before unpacking the carton, ensure that the packing carton is intact and not damaged or soaked.
Stop unpacking if the equipment is rusted or soggy. Then, investigate causes and contact the
supplier.
After unpacking, check items in the carton against the packing list. If any item is missing, contact
the supplier or agent.
Usually, the packing list contains the following items.
lAP device
lPower adapter (optional)
lSheet metal mounting bracket4
l2.4 GHz antenna1
l5 GHz antenna1
lDual-band antenna port2
lExpansion screws
AP3x10xN&5x10xN&5x30xN&6x10xN&7x10xN
Hardware Installation and Maintenance Guide 2 AP Installation
Issue 12 (2015-08-05) Huawei Proprietary and Confidential
Copyright © Huawei Technologies Co., Ltd.
17

lOT terminal3
lQuick Start Guide
lWarranty card
lQualification Card
lMAC address label
lSN label
NOTE
If the AT needs to be powered by an AC power supply, a PoE adapter must be independently purchased.
Pay attention to the following:
1. Three 2.4 GHz antennas and three 5 GHz antennas are contained in the AP7110DN-AGN
carton, and three 2.4 GHz antennas are contained in the AP7110SN-GN carton. Cartons of
other models do not contain these two types of antennas.
2. Only the AP5130DN carton contains three dual-band antennas.
3. Only the AP6310SN-GN and AP7110 series have OT terminals delivered.
4. Currently, two types of sheet metal mounting brackets are available: sheet metal mounting
bracket for the AP5030DN and AP5130DN, which has four mounting holes (see the left
figure in Figure 2-3), and sheet metal mounting bracket for other indoor AP models, which
has four mounting screws (see the right figure in Figure 2-3).
Figure 2-3 Sheet metal mounting brackets
2.4 Determining the Installation Position
When determining the AP installation position, comply with the following rules:
lTry to reduce the number of obstacles, such as walls, between the AP and user terminals.
lInstall the AP away from electronic devices that can cause radio interference, such as the
microwave oven.
lInstall the AP in a hidden position that does not affect daily lives and work of residents.
lInstall the AP in a site that is free from leaking or dripping water, heavy dew, and humidity,
and take protective measures to prevent water from flowing into the equipment along the
cable.
Indoor APs are usually mounted on a wall or ceiling using sheet metal mounting brackets. The
installation position is determined by the site survey. There must be at least 200 mm clearance
between the cabling end of the AP and the wall. Figure 2-4 shows space requirements.
AP3x10xN&5x10xN&5x30xN&6x10xN&7x10xN
Hardware Installation and Maintenance Guide 2 AP Installation
Issue 12 (2015-08-05) Huawei Proprietary and Confidential
Copyright © Huawei Technologies Co., Ltd.
18

Figure 2-4 Mounting an AP
≥200mm
≥200mm
≥200mm
≥200mm
Floor
Celling
Wall
2.5 Installing the AP
All cables of the AP5030DN and AP5130DN, including network cables, power supply cables,
and console cables are routed towards the same direction. Before installing an AP on the
mounting bracket, connect cables to the AP first. Figure 2-5 shows cable deployment and AP
installation.
Figure 2-5 Cable deployment and AP installation
AP3x10xN&5x10xN&5x30xN&6x10xN&7x10xN
Hardware Installation and Maintenance Guide 2 AP Installation
Issue 12 (2015-08-05) Huawei Proprietary and Confidential
Copyright © Huawei Technologies Co., Ltd.
19

NOTE
lThe AP5030DN and AP5130DN must have cables connected first before installation. Except the two
models, the procedures for installing the other models of indoor APs are the same unless otherwise
stated. The following figures use the AP7110DN-AGN as an example.
lRemove the protective film on the AP surface before installation to prevent electrostatic discharge.
2.5.1 Wall Mounting
Mounting APs on a wall requires sheet metal mounting brackets and expansion screws. The
procedures are as follows:
1. Fix the mounting bracket to the wall, adjust the installation position, and use the marker to
mark the drilling positions where expansion screws are installed.
59mm
85mm
UP UP
2. Use a 6 mm drill bit to drill 25 mm to 30 mm deep holes in the drilling positions. Hammer
the expansion tubes into the holes until the expansion tubes are completely embedded into
the wall.
25mm~30mm
1 2
3. Fix the mounting bracket to the wall and use the Phillips screwdriver to fasten three
expansion screws into the expansion tubes.
AP3x10xN&5x10xN&5x30xN&6x10xN&7x10xN
Hardware Installation and Maintenance Guide 2 AP Installation
Issue 12 (2015-08-05) Huawei Proprietary and Confidential
Copyright © Huawei Technologies Co., Ltd.
20

UP UP
0.3N•m
ST3.5
4. Align the mounting holes at the rear of the AP with the mounting screws on the mounting
bracket and hang the AP on the bracket. Press the AP downwards to secure the AP on the
wall.
AP3x10xN&5x10xN&5x30xN&6x10xN&7x10xN
Hardware Installation and Maintenance Guide 2 AP Installation
Issue 12 (2015-08-05) Huawei Proprietary and Confidential
Copyright © Huawei Technologies Co., Ltd.
21

1
2
5G 5G 5G
LABEL
NOTE
The AP5030DN and AP5130DN use a different type of sheet metal mounting bracket than other APs.
When installing an AP5030DN or AP5130DN, align the mounting screws at the rear of the AP with the
mounting holes on the sheet metal mounting bracket and then press the AP downwards to secure the AP
on the bracket.
2.5.2 Ceiling Mounting
1. Fix a locking clip at the rear of the AP with two M3x6 screws. The locking clip prevents
the AP hung on the mounting bracket from swaying.
NOTE
Only the AP6310SN-GN and AP7110 series require the locking clip during their installation.
5G
5G
5G
LABEL
SYS Link Wireless
5G
5G
5G
LABEL
SYS Link Wireless
1 2
1. M3x6 screw 2. Locking clip
2. Remove a ceiling tile, determine locations of mounting holes based on the distance between
two installation holes on the mounting bracket, use a hammer drill to drill holes on the
ceiling tile, and fix the mounting bracket to the ceiling tile.
AP3x10xN&5x10xN&5x30xN&6x10xN&7x10xN
Hardware Installation and Maintenance Guide 2 AP Installation
Issue 12 (2015-08-05) Huawei Proprietary and Confidential
Copyright © Huawei Technologies Co., Ltd.
22

35mm
UP UP
21
3
1. Ceiling tile 2. Adjustable buckle 3. M4x30 screw
NOTICE
The screws provided for ceiling-mounting of APs are 30 mm long and can be used to fix
an AP on a ceiling not thicker than 15 mm. To install APs on thicker ceilings, you need to
purchase longer screws.
3. Hang the AP on the mounting screws by aligning the mounting holes at the rear of the AP
with the mounting screws on the bracket and push the AP horizontally to secure the AP.
5G
5G
5G
LABEL
SYS Link Wireless
5G5G5G
2
1
NOTE
lEnsure that the AP is correctly installed on the mounting bracket and there must be 200 mm space
above and around the AP for maintenance.
lThe AP5030DN and AP5130DN use a different type of sheet metal mounting bracket than other APs.
When installing an AP5030DN or AP5130DN, align the mounting screws at the rear of the AP with
the mounting holes on the sheet metal mounting bracket and then press the AP downwards to secure
the AP on the bracket.
2.5.3 T-rail Mounting
1. Fix a locking clip at the rear of the AP with two M3x6 screws. For installation methods,
see step 1 in Ceiling Mounting.
AP3x10xN&5x10xN&5x30xN&6x10xN&7x10xN
Hardware Installation and Maintenance Guide 2 AP Installation
Issue 12 (2015-08-05) Huawei Proprietary and Confidential
Copyright © Huawei Technologies Co., Ltd.
23

NOTE
Only the AP6310SN-GN and AP7110 series require the locking clip during their installation.
2. Remove two ceiling tiles around the T-rail, use screws to fix the adjustable buckle to the
mounting bracket, hook the adjustable buckle to the T-rail, and secure the screw on the
adjustable buckle to fasten the mounting bracket and T-rail.
2
1
3
1. T-rail 2. Adjustable buckle 3. M3x6 screws
3. Align the mounting holes at the rear of the AP with the mounting screws on the sheet metal
mounting bracket and secure the AP on the bracket.
5G5G5G
5G
5G
5G
LABEL
SYS Link Wireless
2
1
NOTE
lEnsure that the AP is correctly installed on the mounting bracket and there must be 200 mm space
above and around the AP for maintenance.
lThe AP5030DN and AP5130DN use a different type of sheet metal mounting bracket than other APs.
When installing an AP5030DN or AP5130DN, align the mounting screws at the rear of the AP with
the mounting holes on the sheet metal mounting bracket and then press the AP downwards to secure
the AP on the bracket.
2.5.4 Removing an AP
To remove an AP, push the metal reed upward with a screwdriver and use the other hand to pull
the AP horizontally (See Figure 2-6).
NOTE
Only the AP6310SN-GN and AP7110 series require the locking clip during their installation. Therefore, the
method of removing an AP by pushing the metal reed upward applies only to the AP6310SN-GN and AP7010
series.
AP3x10xN&5x10xN&5x30xN&6x10xN&7x10xN
Hardware Installation and Maintenance Guide 2 AP Installation
Issue 12 (2015-08-05) Huawei Proprietary and Confidential
Copyright © Huawei Technologies Co., Ltd.
24

Figure 2-6 Removing an AP
5G
5G
5G
Wireless
Link
SYS
metal sheet
2
1
2.6 Connecting Cables
Figures in Table 2-2 show the appearance of indoor APs.
Table 2-2 Appearance of indoor APs (front view)
Product Model Appearance
AP3010DN-AGN
AP5010DN-AGN
AP5010SN-GN
AP6010DN-AGN
AP6010SN-GN
6 5
ConsoleETH/PoEDefaultDC 12V
AP3x10xN&5x10xN&5x30xN&6x10xN&7x10xN
Hardware Installation and Maintenance Guide 2 AP Installation
Issue 12 (2015-08-05) Huawei Proprietary and Confidential
Copyright © Huawei Technologies Co., Ltd.
25

Product Model Appearance
AP5030DN
5 6
Console GE1 GE0/PoE DC 12V
AP5130DN
3
5 6
Console GE1 GE0/PoE DC 12V
AP6310SN-GN
2.4G Console ETH/PoE Default DC 12V
2 5 46
AP3x10xN&5x10xN&5x30xN&6x10xN&7x10xN
Hardware Installation and Maintenance Guide 2 AP Installation
Issue 12 (2015-08-05) Huawei Proprietary and Confidential
Copyright © Huawei Technologies Co., Ltd.
26

Product Model Appearance
AP7110DN-AGN
1 5 6 24
Console ETH/PoE Default DC 12V
AP7110SN-GN
Console ETH/PoE DC 12VDefault
4 5 6 2
Table 2-3 describes cable connections of indoor APs.
Table 2-3 Cable connections of indoor APs
No. Cable Description
15 GHz antenna cable Connects a 5 GHz antenna to the AP to send
and receive service signals.
2 2.4 GHz antenna
cable
Connects a 2.4 GHz antenna to the AP to send
and receive service signals.
3 Dual-band antenna Connects a dual-band antenna to the AP to
send and receive service signals.
4 Ground cable Grounds the AP. The M4 connector of the
ground cable is connected to the AP and the
M6 connector is connected to the protection
ground.
5 Network cable lCAT5E cables or cables of a higher grade
are used.
lEnsure that the AP is connected to the
Ethernet using the Ethernet cable that
works properly. If the Ethernet cable is not
working properly, for example, RJ45
connectors are short-circuited, the AP
may fail to be powered on or fail to work.
Before connecting an Ethernet cable to the
AP, use the cable test tool to check
whether the cable is qualified. If the cable
is unqualified, replace it.
AP3x10xN&5x10xN&5x30xN&6x10xN&7x10xN
Hardware Installation and Maintenance Guide 2 AP Installation
Issue 12 (2015-08-05) Huawei Proprietary and Confidential
Copyright © Huawei Technologies Co., Ltd.
27

No. Cable Description
6DC power adapter lThe AP supports the PoE power supply
and DC power supply.
lTo connect the AP to a DC power source,
use the power adapter delivered with the
AP; otherwise, the AP maybe damaged.
NOTE
lDifferent power adapters are delivered with indoor AP products according to standards in the countries or
regions where the AP products are delivered. These countries and regions are identified by the barcode on
an AP's nameplate, including: EU (Europe), UK (United Kingdom), CN (China), AU (Australia), US (United
States), and USA (the AP is sold only in the U.S).
lThe AP products sold in the U.S have a fixed country code US, and the country code change function is
disabled.
lWhen PoE and power adapter power supplies are available, the devices are preferentially powered by the
power adapter.
Pay attention to the following points when installing antennas
lAntennas of the AP6310SN-GN, AP7110DN-AGN, AP7110SN-GN, and AP5130DN
must comply with local laws and regulations.
lAntennas need to be installed by qualified personnel. An AP can only use the antennas
delivered with it.
lYou need to connect external antennas to the AP7110 series, AP6310SN, and AP5130DN.
Exercise caution when bending the antennas. Misoperation may hurt your hands. Adjust
the antennas according to signal coverage.
When connecting to RF cables, the requirements of bend radius are: RG-8U RF cable: >
150 mm; 1/2" RF cable: > 50 mm; 7/8" RF cable: > 250 mm. One inch (1") equals 25.4
mm.
lWhen replacing WA633SNs with AP6310SN-GNs, you need to convert SMA connectors
to Type N connectors (see Figure a and Figure b). You can also make new feeder lines
matching the connectors of the AP6310SN-GNs (see Figure c).
abc
lWhen the RF connector of an AP becomes loose, tighten it with a maximum torque of 13
N•m.
Pay attention to the following points when installing network cables
lBefore connecting an Ethernet cable to the AP, use the cable test tool to check whether the
cable is qualified. If the cable is unqualified, replace it.
AP3x10xN&5x10xN&5x30xN&6x10xN&7x10xN
Hardware Installation and Maintenance Guide 2 AP Installation
Issue 12 (2015-08-05) Huawei Proprietary and Confidential
Copyright © Huawei Technologies Co., Ltd.
28

lDo not connect the service network cable to the console port. Otherwise, the AP may be
damaged when the PoE power supply is used.
lUse standard RJ45 connectors on network cables for the AP5010 series.
lBefore removing network cables or power cables from an AP5030DN or AP5130DN,
remove the AP from the mounting bracket first to prevent damage to the network cables or
power cables.
lThe cable cannot exceed 100 meters.
2.7 Installing the Security Lock
There is a security slot on the AP. You can lock the AP to an immovable object to prevent the
AP against theft. The detailed procedures are as follows:
1. Fasten the cable of the security lock to an immovable object around.
2. Insert the security lock into the security slot and lock it.
2.4G 2.4G 2.4G
Lock hole
Security lock
NOTE
You need to purchase the security lock separately.
2.8 Checking the AP After Installation
Table 2-4 shows the items to be checked after AP installation is complete.
Table 2-4 AP installation checklist
No. Check Item
1The AP is installed by strictly following the design draft. The installation
position meets space requirements, with maintenance space reserved.
2 The AP is securely installed.
3 The power cables and PGND cables are intact and not spliced.
4 Terminals of the power cables and PGND cables are welded or cramped
firmly.
5 All power cables or PGND cables are not short-circuited or reversely
connected and must be intact with no damage.
AP3x10xN&5x10xN&5x30xN&6x10xN&7x10xN
Hardware Installation and Maintenance Guide 2 AP Installation
Issue 12 (2015-08-05) Huawei Proprietary and Confidential
Copyright © Huawei Technologies Co., Ltd.
29

No. Check Item
6The power cables and ground cables are separated from other cables and
bundled separately.
7 The working ground, protection ground, and surge protection ground share
the same group of ground bars.
8 Connectors of signal cables are complete, intact, and tightly connected.
The signal cables are not damaged or broken.
9 Labels on cables, feeders, or jumpers are clear and correct.
2.9 Powering on the AP
Indoor APs support the DC power supply and PoE power supply. You can select the power
supply mode as required.
Checking Before Power-on
After the AP installation is complete, check the following items before powering on the AP:
lThe AP is correctly connected to the power adapter if it uses the DC power supply.
lThe PoE power supply device is well grounded if the AP uses the PoE power supply.
NOTE
lThe AP6010DN-AGN, AP6010SN-GN, and AP6310SN-GN cannot use the PoE power supply and DC
power supply simultaneously.
lDo not frequently power on and off an AP.
Indicator Status
You can check the power-on status by observing indicators on the AP. For details, see 1.2
Indicator Description.
AP3x10xN&5x10xN&5x30xN&6x10xN&7x10xN
Hardware Installation and Maintenance Guide 2 AP Installation
Issue 12 (2015-08-05) Huawei Proprietary and Confidential
Copyright © Huawei Technologies Co., Ltd.
30

3 Logging In to the AP
3.1 Logging In to the AP Through the Console Port
This section describes how to log in to the AP through the console port. After logging in to the
AP, you can configure the AP using commands.
1. Connect a PC to the AP using a console cable. Connect the RJ45 connector to the console
port of the AP and the DB9 connector to the serial port of a PC.
NOTE
If your PC's operating system provides terminal simulation software (like HyperTerminal in
Windows 2000/XP), you do not need to install additional terminal simulation software. If the PC
runs on an operating system without terminal simulation software (like Windows 7), install third-
party terminal simulation software on the PC by referring to user manual or online help.
2. Start the terminal simulation software, create a connection, select a serial port, and set
communication parameters as follows.
lBits per second (B): 9600
lData bits (B): 8
lParity (P): None
lStop bits (S): 1
lFlow control (F): None
3. Press Enter until the command line prompt of the user view, such as <Huawei>, is
displayed. Then, you enter the user configuration interface. You can run commands to
configure the AP. Enter a question mark (?) whenever you need help.
3.2 Logging In to the AP Using STelnet
This section describes how to log in to the AP using STelnet. After logging in to the AP, you
can configure the AP using commands.
Before logging in to the device through STelnet, complete the following tasks:
lStarting the device properly
lPreparing network cables used to connect device interfaces.
AP3x10xN&5x10xN&5x30xN&6x10xN&7x10xN
Hardware Installation and Maintenance Guide 3 Logging In to the AP
Issue 12 (2015-08-05) Huawei Proprietary and Confidential
Copyright © Huawei Technologies Co., Ltd.
31

lConfiguring the PC's IP address and subnet mask. The IP address must be on the network
segment 169.254.0.0/16 but cannot be 169.254.1.1. 169.254.1.100 is recommended. The
subnet mask is 255.255.0.0.
NOTE
lEnsuring that the IP address 169.254.1.1 and subnet mask 255.255.0.0 have been configured on VLANIF
1 of the device before the delivery, and GE0/0/0 has been added to VLAN 1 by default.
lBefore the device is delivered, the STelnet service has been configured on the device. The STelnet interface
number is 22, and the default user name and password are respectively admin and admin@huawei.com.
Use the SSH client software to log in to the device through STelnet from a terminal. The
third-party software PuTTY is used as an example here.
1. After the device is powered on, connect the PC's network interface to GE0/0/0 of the device
using network cables.
NOTE
Ping 169.254.1.1 from the PC to check whether the device can be pinged successfully. If the ping
operation fails, check whether the PC's IP address is correct or replace the network cable.
2. Use the PuTTY software to log in to the device, enter the device IP address, and select the
SSH protocol type.
Figure 3-1 PuTTY Configuration page
AP3x10xN&5x10xN&5x30xN&6x10xN&7x10xN
Hardware Installation and Maintenance Guide 3 Logging In to the AP
Issue 12 (2015-08-05) Huawei Proprietary and Confidential
Copyright © Huawei Technologies Co., Ltd.
32

3. Click Open. Enter the user name and password at the prompt, and press Enter. You have
logged in to the device. (The following information is only for reference.)
login as: admin
admin@169.254.1.1's password:
<Huawei>
NOTE
It is recommended that you change the initial user name and password after login.
3.3 Logging In to the AP Using Telnet
This section describes how to log in to the AP using Telnet. After logging in to the AP, you can
configure the AP using commands.
NOTE
lIn V200R005C00 and later versions, upon factory delivery, the Telnet server is disabled. Before
connecting to the device through Telnet from a user terminal, make sure that the Telnet service is
enabled on the device by the STelnet service.
lThe Telnet protocol poses a security risk, and therefore the STelnet protocol is recommended.
1. Connect a PC to the ETH/PoE interface of the AP using a network cable.
2. Configure a static IP address for the PC. The IP address must be in the same network
segment as the AP's IP address. After completing the configuration, ping the AP's IP address
from the PC. If the ping operation succeeds, the connection is set up successfully. If the
ping operation fails, check whether the network cable is faulty.
NOTE
lIn V200R002C00 and earlier versions, the IP address 192.168.0.1 and subnet mask 255.255.255.0
have been configured on VLANIF 1 of the AP before the delivery, and GE0/0/1 has been added to
VLAN 1 by default.
lIn V200R003C00 and later versions, the IP address 169.254.1.1 and subnet mask 255.255.0.0 have
been configured on VLANIF 1 of the AP before the delivery, and GE0/0/1 has been added to VLAN
1 by default.
lIf the AP working in Fit AP mode is online on the AC, the DHCP server automatically assigns an IP
address to the AP. You can remotely log in to the AC on a local terminal and run the following
command to check the AP's IP address:
lFor V200R005C30 and earlier versions: display ap-run-info id ap-id
lFor V200R006C00: display ap run-info ap-name ap-name
3. Enter the command line interface on the PC. For example, in Windows XP, choose Start
> Run and enter cmd in the displayed dialog box.
4. Use Telnet to log in to the AP.
5. Enter the default user name admin. The initial password is admin in V200R002C00 and
earlire versions and is admin@huawei.com in V200R003C00 and later versions. If the
user view is displayed, you have logged in successfully. You are advised to change the user
name and password on your first login.
AP3x10xN&5x10xN&5x30xN&6x10xN&7x10xN
Hardware Installation and Maintenance Guide 3 Logging In to the AP
Issue 12 (2015-08-05) Huawei Proprietary and Confidential
Copyright © Huawei Technologies Co., Ltd.
33

NOTE
You can run the quit command to exit from the Telnet window. When the system fails to exit from the
Telnet window:
lIf you logged in to the AP from an AC or a switch, press Ctrl+T to return to the AC or switch view.
This operation does not affect AP services.
lIf you logged in to the AP from a PC, directly close the Telnet window. This operation does not affect
AP services.
3.4 Logging In to the AP Using a Web Client
Pre-configuration Tasks
Before configuring users to log in to the AP using HTTP, complete the following task:
Configure reachable routes between the terminal and the AP.
NOTE
lThe web management system is enabled on the AP before delivery. The default IP address of the web
management system is 169.254.1.1 and the mask is 255.255.0.0. The web management system provides
a default user account, with the user name admin and password admin@huawei.com. You are advised
to change the user name and password on your first login. Assign your PC an IP address on the same
network segment as the default IP address of the web management system, and connect the PC to the
GE interface. Start the web browser on the PC and visit http://169.254.1.1 to log in to the web
management system.
lYou can only log in to the FAT AP using the web platform.
Procedure
Step 1 Open a web browser on a PC, and enter the management address in the format of http://
169.254.1.1 in the address bar. Ensure that the PC and AC can communicate with each other.
Then press Enter. Set the language, user name, and password. The HTTPS login URL is
displayed in the address box indicating that the system has gone to the HTTPS login page.
NOTE
You can also enter https://IP address in the address box to log in to the AP using HTTPS. HTTPS ensures
security of login information during login and security of data exchanged during subsequent operations.
Step 2 Click Login or press Enter. The web system home page is displayed. You can manage and
maintain the equipment. For details, see the Huawei Wireless Access Points Web-based
Configuration.
----End
AP3x10xN&5x10xN&5x30xN&6x10xN&7x10xN
Hardware Installation and Maintenance Guide 3 Logging In to the AP
Issue 12 (2015-08-05) Huawei Proprietary and Confidential
Copyright © Huawei Technologies Co., Ltd.
34

4 Hardware Failures
4.1 A Device Fails to Be Powered On
Fault Description
The SYS indicator of a device is off.
Possible Causes
Power Supply Mode Possible Cause
Power supply using a power module lThe power switch on the device is turned
off.
lThe power cable is not securely connected
to the device.
lThe power supply unit has failed.
–If the device connects to an external
power source, its power adapter may
fail.
–If the device has a built-in power
supply, the device itself may be faulty.
PoE power supply lThe power sourcing equipment does not
support the PoE function or is faulty.
lThe power sourcing equipment is
incorrectly configured (the PoE function
is disabled or the power-off time range is
improperly set).
lThe line is faulty (the network cable or
distribution frame is damaged).
lThe AP is faulty.
AP3x10xN&5x10xN&5x30xN&6x10xN&7x10xN
Hardware Installation and Maintenance Guide 4 Hardware Failures
Issue 12 (2015-08-05) Huawei Proprietary and Confidential
Copyright © Huawei Technologies Co., Ltd.
35

Troubleshooting Procedure
Power Supply Mode Troubleshooting Procedure
Power supply using a power module 1. Check that the power switch is on.
2. Check that the power cable is securely
connected to the device.
3. Check whether the power supply is
normal.
Replace the power adapter with a normal
one. If the device is powered on, the
original power adapter is faulty. Contact
Huawei technical support or Huawei
agent and ask them to replace the power
adapter.
4. If the device still cannot be powered on,
the device itself is faulty. Contact Huawei
technical support or Huawei agent and ask
them to replace the device.
PoE power supply 1. Check whether the power sourcing
equipment supports PoE or is faulty.
2. Check whether the configuration on the
power sourcing equipment causes PoE
power supply errors, such as the PoE
function is disabled or the power-off time
range is incorrectly set.
3. Check whether the network cable or
distribution frame is faulty.
4. If the device still cannot be powered on,
the device itself is faulty. Contact Huawei
technical support engineers or Huawei
agent and ask them to replace the device.
4.2 An Optical Interface Cannot Turn Up
Fault Description
After an optical interface is connected to a remote device through an optical fiber, its LINK
indicator is off.
Possible Causes
lThe optical fiber is faulty.
lThe optical module on the optical interface cannot meet the requirements.
AP3x10xN&5x10xN&5x30xN&6x10xN&7x10xN
Hardware Installation and Maintenance Guide 4 Hardware Failures
Issue 12 (2015-08-05) Huawei Proprietary and Confidential
Copyright © Huawei Technologies Co., Ltd.
36

Troubleshooting Procedure
1. Replace the optical fiber and optical module and check whether the optical interface can
turn Up. Ensure that the optical module meets the following requirements.
2. Determine optical module attributes.
lThe optical module has passed Huawei certification.
lThe transmission speed of the optical module is the same as the interface speed.
lThe wavelength of the optical module is the same as that of the remote optical module.
lThe transmission distance of the optical module is suitable for the actual distance
between the two devices.
NOTE
lThe transmission distance of an optical module is 10 km, 15 km, 20 km, 40 km, or 80 km.
The optical modules with a longer transmission distance have a higher transmit power. If an
optical module with a long transmission distance is used for short-distance transmission, the
optical interface cannot turn Up because the transmit power is too high. The high transmit
power may even burn the receiver of the remote optical module. To reduce the transmit power
in this situation, use an optical attenuator between the optical module and optical fiber.
lOptical modules with different speeds are available, for example, 155 Mbit/s, 622 Mbit/s,
and 1.25 Gbit/s. It is recommended that you use an optical module with the same speed as
the optical interface to ensure efficient optical transmission.
3. If the interface remains Down, contact Huawei technical support.
AP3x10xN&5x10xN&5x30xN&6x10xN&7x10xN
Hardware Installation and Maintenance Guide 4 Hardware Failures
Issue 12 (2015-08-05) Huawei Proprietary and Confidential
Copyright © Huawei Technologies Co., Ltd.
37

5 Appendix
5.1 On-site Cable Assembly and Installation
5.1.1 Cable Assembly Precautions
Checking the Appearance of Cables
lIf the cable jacket or insulation is visibly dirty, clean it before assembly.
lIf the jacket or insulation of a cable has visible damage, irreparable scuffing, or other
defects, do not use the cable.
lIf the shield layer of a cable is damaged, do not use the cable.
lIf the cable jacket or insulation cracks after the cable is bent or twisted, discard this cable
and check whether other cables have the same problem. If other cables have the same
problem, replace these cables.
Checking the Appearance of Connectors
lDo not use connectors with visible defects, damage, rust or scuffing.
lDo not use connectors if their shells or pins have exposed part or uneven plating, or their
pins are lost, broken, or bent.
lDo not use connectors that have dirt on their pins or in their jacks or if there are conductors
between pins or between pins and the shell.
Precautions for Assembly
lUse dedicated tools or tools delivered by Huawei and follow the methods given here during
assembly.
lHold terminals of cables instead of pulling the cables themselves when installing or
removing cable components.
lTake the following precautions when cutting or stripping cables:
–Make cables slightly longer than necessary.
AP3x10xN&5x10xN&5x30xN&6x10xN&7x10xN
Hardware Installation and Maintenance Guide 5 Appendix
Issue 12 (2015-08-05) Huawei Proprietary and Confidential
Copyright © Huawei Technologies Co., Ltd.
38

–Coil cables longer than 2 m (6.56 ft) after cutting. Bind and fasten the coils using
bundling ropes. The inner diameters of the coils should be larger than 20 times the outer
diameters of the cables.
–When stripping the jackets of cables, avoid damaging the shield layers (braid or
aluminum foil), insulation, core conductors, and other jackets that do not need to be
stripped.
–After assembling cables, cut all visible cross sections of jackets to ensure that the cross
sections are arranged neatly.
–Do not touch the core conductors of cables with your hands. Terminate exposed
conductors in a timely way after stripping off insulation so that the surface of the
conductors does not become oxidized.
lTake the following precautions when crimping and connecting cables or connectors:
–The terminals and conductors should be connected tightly after they are crimped. They
should not be moved or turned.
–Cut all the exposed copper wires.
–Try to avoid a second crimping of sleeves.
–Keep all the conductors clean and aligned.
NOTE
The connectors, cables, and tools provided by different vendors may be different. The figures in this
document are for your reference only.
5.1.2 Assembling Power Cables
Assembling the OT Terminal and Power Cable
Context
Figure 5-1 shows the components of an OT terminal and a power cable.
Figure 5-1 Components of an OT terminal and a power cable
A. Heat-shrinkable tubing B. Bare crimping terminal C. Insulation D. Conductor
AP3x10xN&5x10xN&5x30xN&6x10xN&7x10xN
Hardware Installation and Maintenance Guide 5 Appendix
Issue 12 (2015-08-05) Huawei Proprietary and Confidential
Copyright © Huawei Technologies Co., Ltd.
39

Procedure
Step 1 Based on the cross-sectional area of the cable conductor, strip a length of insulation coating C
to expose the conductor D of length L1, as shown in Figure 5-2. The recommended values of
L1 are listed in Table 5-1.
Figure 5-2 Stripping a power cable (OT terminal)
NOTICE
lWhen you strip a power cable, do not damage the conductor of the cable.
lIf the bare crimping terminal is not provided by Huawei, the value of L1 is 1 mm (0.04 in.)
to 2 mm (0.08 in.) greater than the value of L.
Table 5-1 Mapping between the cross-sectional area of the conductor and the value of L1
Cross-
Sectional Area
of Conductor
(mm2(in.2))
Value of L1 (mm
(in.))
Cross-Sectional
Area of Conductor
(mm2(in.2))
Value of L1 (mm
(in.))
1 (0.002) 7 (0.28) 10 (0.015) 11 (0.43)
1.5 (0.002) 7 (0.28) 16 (0.025) 13 (0.51)
2.5 (0.004) 7 (0.28) 25 (0.039) 14 (0.55)
4 (0.006) 8 (0.31) 35 (0.054) 16 (0.63)
6 (0.009) 9 (0.35) 50 (0.077) 16 (0.63)
AP3x10xN&5x10xN&5x30xN&6x10xN&7x10xN
Hardware Installation and Maintenance Guide 5 Appendix
Issue 12 (2015-08-05) Huawei Proprietary and Confidential
Copyright © Huawei Technologies Co., Ltd.
40

NOTE
If you are proficient in assembling OT terminals and power cables, you can obtain the value of L1 by
comparing the part to be crimped with the power cable.
Step 2 Put the heat-shrinkable (A) tubing onto the bare crimping terminal, as shown in Figure 5-3.
Figure 5-3 Putting the heat shrink tubing onto the bare crimping terminal
Step 3 Put the OT terminal B onto the exposed conductor, and ensure that the OT terminal is in good
contact with the insulation coating C, as shown in Figure 5-3.
NOTICE
After the conductor is fed into the OT terminal, the protruding part of the conductor, or L2 in
Figure 5-3, must not be longer than 2 mm (0.08 in.).
Step 4 Crimp the joint parts of the bare crimping terminal and the conductor, as shown in Figure 5-4.
NOTE
The shapes of crimped parts may vary with the crimping dies.
AP3x10xN&5x10xN&5x30xN&6x10xN&7x10xN
Hardware Installation and Maintenance Guide 5 Appendix
Issue 12 (2015-08-05) Huawei Proprietary and Confidential
Copyright © Huawei Technologies Co., Ltd.
41

Figure 5-4 Crimping the joint parts of the bare crimping terminal and the conductor (OT
terminal)
Step 5 Push the heat shrink tubing (A) toward the connector until the tube covers the crimped part, and
then use a heat gun to heat the tube, as shown in Figure 5-5.
Figure 5-5 Heating the heat shrink tubing (OT terminal)
NOTICE
Stop heating the shrink tubing when the connector is securely locked in the shrink tubing. Do
not heat the shrink tubing too long as this may damage the insulation coating.
----End
Assembling the JG Terminal and Power Cable
AP3x10xN&5x10xN&5x30xN&6x10xN&7x10xN
Hardware Installation and Maintenance Guide 5 Appendix
Issue 12 (2015-08-05) Huawei Proprietary and Confidential
Copyright © Huawei Technologies Co., Ltd.
42

Context
Figure 5-6 shows the components of a JG terminal and a power cable.
Figure 5-6 Components of a JG terminal and a power cable
A. JG terminal B. Heat-shrinkable tubing C. Insulation layer of a power cable D. Conductor of a power cable
Procedure
Step 1 Strip a part of the insulation to expose the cable conductor with a length of L, as shown in Figure
5-7. The recommended values of L are listed in Table 5-2.
NOTICE
lWhen you strip a power cable, do not damage the conductor of the cable.
lIf the bare crimping terminal is not provided by Huawei, you can adjust the value of L as
required.
Figure 5-7 Stripping a power cable (JG terminal)
AP3x10xN&5x10xN&5x30xN&6x10xN&7x10xN
Hardware Installation and Maintenance Guide 5 Appendix
Issue 12 (2015-08-05) Huawei Proprietary and Confidential
Copyright © Huawei Technologies Co., Ltd.
43

Table 5-2 Mapping between the cross-sectional area of the conductor and the value of L
Cross-Sectional Area of Conductor
(mm2(in.2))
Value of L (mm(in.))
16 (0.025) 13 (0.51)
25 (0.039) 14 (0.55)
35 (0.054) 16 (0.63)
50 (0.077) 16 (0.63)
Step 2 Put the heat shrink tubing onto the bare crimping terminal, as shown in Figure 5-8.
Figure 5-8 Putting the heat shrink tubing onto the bare crimping terminal
Step 3 Put the bare crimping terminal onto the exposed conductor, and ensure that the bare crimping
terminal is in good contact with the insulation of the power cable, as shown in Figure 5-8.
Step 4 Crimp the joint parts of the bare crimping terminal and the conductor, as shown in Figure 5-9.
Figure 5-9 Crimping the joint parts of the bare crimping terminal and the conductor (JG terminal)
Step 5 Push the heat shrink tubing toward the connector until the tube covers the crimped part, and then
use a heat gun to heat the tube, as shown in Figure 5-10.
AP3x10xN&5x10xN&5x30xN&6x10xN&7x10xN
Hardware Installation and Maintenance Guide 5 Appendix
Issue 12 (2015-08-05) Huawei Proprietary and Confidential
Copyright © Huawei Technologies Co., Ltd.
44

Figure 5-10 Heating the heat shrink tubing (JG terminal)
----End
Assembling the Cord End Terminal and the Power Cable
Context
Figure 5-11 shows the components of a cord end terminal and a power cable.
Figure 5-11 Components of a cord end terminal and a power cable
A. Cord end terminal B. Insulation layer of a power cable C. Conductor of a power cable
Procedure
Step 1 Strip a part of the insulation to expose the cable conductor with a length of L1, as shown in
Figure 5-12. The recommended values of L1 are listed in Table 5-3.
AP3x10xN&5x10xN&5x30xN&6x10xN&7x10xN
Hardware Installation and Maintenance Guide 5 Appendix
Issue 12 (2015-08-05) Huawei Proprietary and Confidential
Copyright © Huawei Technologies Co., Ltd.
45

NOTICE
When you strip a power cable, do not damage the conductor of the cable.
Figure 5-12 Stripping a power cable (cord end terminal)
Table 5-3 Mapping between the cross-sectional area of the conductor and the value of L1
Cross-
Sectional Area
of Conductor
(mm2(in.2))
Value of L1 (mm
(in.))
Cross-Sectional
Area of Conductor
(mm2(in.2))
Value of L1 (mm
(in.))
1 (0.002) 8 (0.31) 10 (0.015) 15 (0.59)
1.5 (0.002) 10 (0.39) 16 (0.025) 15 (0.59)
2.5 (0.004) 10 (0.39) 25 (0.039) 18 (0.71)
4 (0.006) 12 (0.47) 35 (0.054) 19 (0.75)
6 (0.009) 14 (0.55) 50 (0.077) 26 (1.02)
Step 2 Put the cord end terminal onto the conductor, and ensure that the conductor is aligned with the
edge of the cord end terminal, as shown in Figure 5-13.
NOTICE
After the conductor is fed into the cord end terminal, the protruding part of the conductor must
not be longer than 1 mm (0.04 in.).
AP3x10xN&5x10xN&5x30xN&6x10xN&7x10xN
Hardware Installation and Maintenance Guide 5 Appendix
Issue 12 (2015-08-05) Huawei Proprietary and Confidential
Copyright © Huawei Technologies Co., Ltd.
46

Figure 5-13 Putting the cord end terminal onto the conductor
Step 3 Crimp the joint parts of the cord end terminal and the conductor, as shown in Figure 5-14.
Figure 5-14 Crimping the cord end terminal and the conductor
Step 4 Check the maximum width of the tubular crimped terminal. The maximum width of a tubular
crimped terminal is listed in Table 5-4.
Table 5-4 Maximum width of a tubular crimped terminal
Cross-Sectional Area of Tubular
Terminal (mm2(in.2))
Maximum Width of Crimped Terminal
W1 (mm(in.))
0.25 (0.0004) 1 (0.04)
0.5 (0.0008) 1 (0.04)
1.0 (0.0015) 1.5 (0.06)
1.5 (0.0023) 1.5 (0.06)
2.5 (0.0039) 2.4 (0.09)
4 (0.006) 3.1 (0.12)
AP3x10xN&5x10xN&5x30xN&6x10xN&7x10xN
Hardware Installation and Maintenance Guide 5 Appendix
Issue 12 (2015-08-05) Huawei Proprietary and Confidential
Copyright © Huawei Technologies Co., Ltd.
47

Cross-Sectional Area of Tubular
Terminal (mm2(in.2))
Maximum Width of Crimped Terminal
W1 (mm(in.))
6 (0.009) 4 (0.16)
10 (0.015) 5.3 (0.21)
16 (0.025) 6 (0.24)
25 (0.039) 8.7 (0.34)
35 (0.054) 10 (0.39)
----End
5.1.3 Assembling Ethernet Cables
Assembling the Shielded RJ45 Connector and Ethernet Cable
Context
Figure 5-15 shows the components of an RJ45 connector and a shielded Ethernet cable.
Figure 5-15 Shielded RJ45 connector and cable
A. Jacket of connector B. Metal shell of connector C. Wire holder of connector D. Plug of connector
E. Jacket of Ethernet cable F. Shield layer of Ethernet cable G. Twisted-pair wires -
Procedure
Step 1 Fit the jacket of the connector onto the Ethernet cable, as shown in Figure 5-16.
AP3x10xN&5x10xN&5x30xN&6x10xN&7x10xN
Hardware Installation and Maintenance Guide 5 Appendix
Issue 12 (2015-08-05) Huawei Proprietary and Confidential
Copyright © Huawei Technologies Co., Ltd.
48

Figure 5-16 Fitting the jacket of the connector onto the Ethernet cable
Step 2 Remove a 30 mm (1.18 in.) long section of the jacket, cut off the nylon twine inside the jacket,
and cut a no more than 5 mm (0.20 in.) cleft in the jacket, as shown in Figure 5-17.
NOTICE
lWhen you remove a section of the jacket, do not damage the shield layer of the twisted-pair
cable.
lWhen you remove the shield layer, do not damage the insulation of the twisted-pair cable.
Figure 5-17 Removing the jacket of a twisted-pair cable (unit: mm (in.))
Step 3 Fit the metal shell onto the twisted-pair cable. The shield layer is covered by the metal shell, as
shown in Figure 5-18.
AP3x10xN&5x10xN&5x30xN&6x10xN&7x10xN
Hardware Installation and Maintenance Guide 5 Appendix
Issue 12 (2015-08-05) Huawei Proprietary and Confidential
Copyright © Huawei Technologies Co., Ltd.
49

Figure 5-18 Fitting the metal shell onto the twisted-pair cable
Step 4 Fit the metal shell onto the twisted-pair cable until the shield layer is covered completely. Along
the edge of the metal shell, cut off the aluminum foil shield layer and ensure that there is no
surplus copper wire. The exposed twisted-pair cable is about 20 mm (0.79 in.) long, as shown
in Figure 5-19.
Figure 5-19 Removing the shield layer of a twisted-pair cable (unit: mm (in.))
Step 5 Lead the four pairs of twisted-pair wires through the wire holder, as shown in Figure 5-20 and
Figure 5-21. Ensure that the colored wires are in the correct location in the cable.
Figure 5-20 Leading wires through the wire holder
C
G
AP3x10xN&5x10xN&5x30xN&6x10xN&7x10xN
Hardware Installation and Maintenance Guide 5 Appendix
Issue 12 (2015-08-05) Huawei Proprietary and Confidential
Copyright © Huawei Technologies Co., Ltd.
50

Figure 5-21 Cable locations in a wire holder
White-Green
Green
White-Orange
Orange
Blue
White-Blue
White-Brown
Brown
Step 6 Align the four pairs of cables in the holder, as shown in Figure 5-22. The connections between
the wires and the pins are shown in Figure 5-23 and listed in Table 5-5.
Figure 5-22 Four pairs of cables on a wire holder
AP3x10xN&5x10xN&5x30xN&6x10xN&7x10xN
Hardware Installation and Maintenance Guide 5 Appendix
Issue 12 (2015-08-05) Huawei Proprietary and Confidential
Copyright © Huawei Technologies Co., Ltd.
51

Figure 5-23 Connections between wires and pins
Brown
White-Brown
Green
White-Blue
Blue
White-Green
Orange
White-Orange
Pin 8
Pin 1
Table 5-5 Connections between wires and pins (using a straight-through cable as an example)
Matching Pins of Wires Wire Color
1White-Orange
2 Orange
3 White-Green
4 Blue
5 White-Blue
6 Green
7 White-Brown
8 Brown
Step 7 Cut off the surplus cables along the lower edge of the wire holder, as shown in Figure 5-24.
AP3x10xN&5x10xN&5x30xN&6x10xN&7x10xN
Hardware Installation and Maintenance Guide 5 Appendix
Issue 12 (2015-08-05) Huawei Proprietary and Confidential
Copyright © Huawei Technologies Co., Ltd.
52

Figure 5-24 Cutting off surplus cables
Step 8 Put the connector body onto the wire holder and turn the metal shell by 90°, as shown in Figure
5-25.
NOTE
Ensure that the wire holder is in good contact with the connector body.
Figure 5-25 Putting the connector body onto the wire holder
Step 9 Push the metal shell toward the connector body until the wire holder and the connector body are
engaged completely. Crimp the connector, as shown in Figure 5-26.
Figure 5-26 Crimping the connector
AP3x10xN&5x10xN&5x30xN&6x10xN&7x10xN
Hardware Installation and Maintenance Guide 5 Appendix
Issue 12 (2015-08-05) Huawei Proprietary and Confidential
Copyright © Huawei Technologies Co., Ltd.
53

Step 10 Push the jacket towards the metal shell until the metal shell is covered. This completes the
assembly of one end of the cable, as shown in Figure 5-27.
Figure 5-27 Pushing the metal shell
Step 11 To complete the assembly of the other end, repeat Step 1 through Step 10.
----End
Assembling an Unshielded RJ45 Connector and Ethernet Cable
Context
Figure 5-28 shows the components of an unshielded RJ45 connector and cable.
Figure 5-28 Components of an unshielded RJ45 connector and cable
A
B
C
A. Plug of connector B. Jacket C. Twisted-pair wires
AP3x10xN&5x10xN&5x30xN&6x10xN&7x10xN
Hardware Installation and Maintenance Guide 5 Appendix
Issue 12 (2015-08-05) Huawei Proprietary and Confidential
Copyright © Huawei Technologies Co., Ltd.
54

Procedure
Step 1 Remove a 16-mm (0.63 in.) long section of the jacket, as shown in Figure 5-29.
NOTICE
When you remove the shield layer, do not damage the insulation of the twisted-pair cable.
Figure 5-29 Removing the jacket of a twisted-pair cable (unit: mm (in.))
Step 2 Align the four pairs of wires and cut the ends neatly, as shown in Figure 5-30. The connections
between the wires and the pins are listed in Table 5-6.
Figure 5-30 Connections between wires and pins (unit: mm (in.))
C
16
White-Orange
White-Green
Orange
Blue
White-Blue
Green
White-Brown
Brown
Pin 8
Pin 1
Table 5-6 Connections between wires and pins (using a straight-through cable as an example)
Matching Pins of Wires Wire Color
1White-Orange
2 Orange
3 White-Green
4 Blue
5 White-Blue
6 Green
7 White-Brown
AP3x10xN&5x10xN&5x30xN&6x10xN&7x10xN
Hardware Installation and Maintenance Guide 5 Appendix
Issue 12 (2015-08-05) Huawei Proprietary and Confidential
Copyright © Huawei Technologies Co., Ltd.
55

Matching Pins of Wires Wire Color
8Brown
Step 3 Feed the cable into the plug, and crimp the connector, as shown in Figure 5-31.
NOTE
When inserting the cable, check from the side or bore of the plug to ensure that the cable is completely
seated in the plug.
Figure 5-31 Crimping the connector
Step 4 To complete the assembly of the other end, repeat Step 1 through Step 3.
----End
Checking the Appearance of Contact Strips
Context
lTo ensure proper contact between the crimped wires and the wire conductors, the heights
and sizes of the contact strips must be standard and the same.
lThe contact strips must be parallel to each other, with an offset of less than ± 5°. The top
margin of a strip must be parallel to the axis of the connector, with an offset of less than ±
10°.
lTo ensure conductivity, the surface of the contact strips must be clean.
lThe contact strips must be in good contact with the RJ45 socket. The plastic separators
must remain intact and be aligned.
lThe contact strip blade must extend beyond the ends of the wires. The ends of the wires
must be in contact with the edge of the RJ45. The distance between them must be less than
0.5 mm (0.02 in.).
Procedure
Step 1 Hold the crimped connector, with the front side facing you, and check whether the contact strips
are of the same height. The height should be 6.02 ± 0.13 mm (0.237 ± 0.005). If a measuring
tool is not available, you can compare the connector with a standard connector. Figure 5-32
shows an unqualified piece, and Figure 5-33 shows a qualified piece.
AP3x10xN&5x10xN&5x30xN&6x10xN&7x10xN
Hardware Installation and Maintenance Guide 5 Appendix
Issue 12 (2015-08-05) Huawei Proprietary and Confidential
Copyright © Huawei Technologies Co., Ltd.
56

NOTE
All unqualified pieces must be crimped again.
Figure 5-32 Contact strips of different heights
Figure 5-33 Contact strips of the same height
Step 2 Hold an RJ45 connector and turn it 45°. Observe the top edges of the metal contact strips. Figure
5-34 shows an unqualified piece.
Figure 5-34 Unparallel contact strips of different heights
AP3x10xN&5x10xN&5x30xN&6x10xN&7x10xN
Hardware Installation and Maintenance Guide 5 Appendix
Issue 12 (2015-08-05) Huawei Proprietary and Confidential
Copyright © Huawei Technologies Co., Ltd.
57

Step 3 Check whether the contact strips are clean. If they are not clean and the dirt cannot be removed,
replace it with a new RJ45 connector. Figure 5-35 shows an unqualified piece.
Figure 5-35 Dirt on a contract strip
Step 4 Check whether the contact strips and the plastic separators are well aligned and intact. If a
separator is skewed and cannot be fixed, replace it with a new RJ45 connector. Figure 5-36
shows an unqualified piece.
Figure 5-36 Skewed plastic separators
Step 5 Hold the connector with the side facing towards you, and check whether you can see the cross-
sections of the wires. Ensure that the ends of the wires are in good contact with the edge of the
RJ45, and that the contact strip blade extends beyond the ends of the wires and is crimped with
the wires. If not, replace the connector. Figure 5-37 shows an unqualified piece.
Figure 5-37 Wires not in good contact with the edge of the RJ45
AP3x10xN&5x10xN&5x30xN&6x10xN&7x10xN
Hardware Installation and Maintenance Guide 5 Appendix
Issue 12 (2015-08-05) Huawei Proprietary and Confidential
Copyright © Huawei Technologies Co., Ltd.
58

----End
Testing the Connection of Assembled Cables
Context
Huawei provides two types of Ethernet cables: straight-through cables and crossover cables.
lStraight-through cables are connected in a one-to-one manner. They are used to connect
terminals such as a computer or switch to network devices. Table 5-7 lists the connections
of core wires in a straight-through cable.
Table 5-7 Connections of core wires in a straight-through cable
RJ45 Connector 1 RJ45 Connector 2 Core Wire Color Twisted or Not
2 2 Orange Twisted
1 1 Orange-White
6 6 Green Twisted
3 3 Green-White
4 4 Blue Twisted
5 5 Blue-White
8 8 Brown Twisted
7 7 Brown-White
lCrossover cables are connected in a crossover manner. They are used to connect terminals
such as two computers or switches. Table 5-8 lists the connections of core wires in a
crossover cable.
Table 5-8 Connections of core wires in a straight crossover cable
RJ45 Connector 1 RJ45 Connector 2 Core Wire Color Twisted or Not
6 2 Orange Twisted
3 1 Orange-White
2 6 Green Twisted
1 3 Green-White
4 4 Blue Twisted
5 5 Blue-White
8 8 Brown Twisted
AP3x10xN&5x10xN&5x30xN&6x10xN&7x10xN
Hardware Installation and Maintenance Guide 5 Appendix
Issue 12 (2015-08-05) Huawei Proprietary and Confidential
Copyright © Huawei Technologies Co., Ltd.
59

RJ45 Connector 1 RJ45 Connector 2 Core Wire Color Twisted or Not
7 7 Brown-White
Figure 5-38 shows the pins of an RJ45 connector.
Figure 5-38 Pins of an RJ45 connector
Pin8
Pin1
Procedure
Step 1 Feed both connectors of the cable into the ports of the cable tester.
Step 2 After the connectors are properly inserted, turn on the tester. If the indicators from 1 to G turn
on simultaneously, you can infer that the pins work normally and the wires are correctly
connected.
NOTE
Turn the switch to the S position to slow down lighting of the indicators so that you can see the indicators
more clearly, as shown in Figure 5-39.
Figure 5-39 Testing the conduction and connections of wires
AP3x10xN&5x10xN&5x30xN&6x10xN&7x10xN
Hardware Installation and Maintenance Guide 5 Appendix
Issue 12 (2015-08-05) Huawei Proprietary and Confidential
Copyright © Huawei Technologies Co., Ltd.
60

Step 3 Gently shake the connector and repeat Step 2 to check whether the metal contact strips are in
good contact with the core wires and Ethernet ports, as shown in Figure 5-40.
Figure 5-40 Checking the reliability
The procedure for testing a crossover cable is the same as that for testing a straight-through cable
except for the sequence in which the indicators turn on, which depends on the wire connections
of a crossover cable.
The Ethernet cable is qualified if the indicators turn on in the following sequence:
At the master (left) section of the tester, the indicators turn on in the sequence of 1-8-G. At the
slave (right) section of the tester, the indicators turn on in the sequence of 3-6-1-4-5-2-7-8-G.
If the indicators do not come on in this sequence, the Ethernet cable is unqualified.
NOTE
If a tester is not available, you can use a multimeter to perform a simple test, as shown in Figure 5-41.
Figure 5-41 Testing the connection of an Ethernet cable
AP3x10xN&5x10xN&5x30xN&6x10xN&7x10xN
Hardware Installation and Maintenance Guide 5 Appendix
Issue 12 (2015-08-05) Huawei Proprietary and Confidential
Copyright © Huawei Technologies Co., Ltd.
61

----End
5.1.4 Installing Cable Accessories
Precautions for Installing Cable Accessories
Tools
NOTE
The illustrations in this document may differ from actual situations, but the installation methods are the
same. For example, in this document, the adapters of cable connectors have separate interfaces. In the actual
situation, the adapters may have interfaces fixed on equipment.
Use dedicated tools provided or specified by Huawei and follow the installation procedure
described here.
Bending Radius
Unless otherwise specified, bending radius (R) of cables or fibers must meet the requirements
listed in Table 5-9.
Table 5-9 Bending radius of cables or fibers
Cable or Fiber Bending Radius (R)
Ordinary cable In normal cases, R ≥ 2d. When the cable is
connected with a connector, R ≥ 5d.
Fiber R ≥ 40 mm (1.57 in.); Bending angle > 90°
NOTE
The letter d indicates the diameter of a cable or fiber.
Precautions for Installation
lHold terminals of cables instead of pulling the cables themselves when installing or
removing cable components.
lDo not insert a connector forcibly when the connector is blocked. Use a dedicated tool to
pull out the connector. Install the connector again after you check that the pins are inserted
properly.
lBefore tightening screws on cable connectors, ensure that the connectors are properly
connected to their adapters. Tighten the screw with appropriate force using a flat-head or
Phillips screwdriver instead of bare hands or an electric screwdriver. If the screw cannot
be screwed into the tapped hole, determine the reason and try again. Do not apply too much
force, or the screw or adapter may be damaged.
AP3x10xN&5x10xN&5x30xN&6x10xN&7x10xN
Hardware Installation and Maintenance Guide 5 Appendix
Issue 12 (2015-08-05) Huawei Proprietary and Confidential
Copyright © Huawei Technologies Co., Ltd.
62

lWhen removing densely aligned cables or fiber connectors, use dedicated pliers such as
cable-pulling pliers and fiber-pulling pliers.
lDo not twist, bend, stretch, or extrude fibers during installation.
lCover the idle fiber connectors with dust caps. Remove the dust caps before using the fiber
connectors.
Requirements for Cable Routing
lTo protect cables, remove the burrs in the cable through-holes or install protective rings in
the holes.
lTo ease the connection and to avoid stress, keep cable joints slack. After connecting
multiple cables to a connector that has multiple interfaces, keep the cables slack to avoid
generating stress.
lBind or clean cables gently because cable distortion affects signal quality.
lKeep cables away from moveable components such as doors.
lSharp objects must not touch cable wiring to prevent damage to cables.
lTo protect power cables, route power cables of the active and standby power modules
separately.
Installing Power Adapters
Installing the OT Terminal
Procedure
lInstall an OT terminal.
1. Align the hole of the OT terminal (conductor upward) with a connecting hole, as shown
in Figure 5-42.
Figure 5-42 Aligning the OT terminal with a connecting hole
NOTE
When you install an OT terminal, the crimping sleeve is installed as shown in Figure 5-43,
where A is correct and B is incorrect.
AP3x10xN&5x10xN&5x30xN&6x10xN&7x10xN
Hardware Installation and Maintenance Guide 5 Appendix
Issue 12 (2015-08-05) Huawei Proprietary and Confidential
Copyright © Huawei Technologies Co., Ltd.
63

Figure 5-43 Installing an OT terminal, showing the orientation of crimping sleeve
2. Place the spring washer and flat washer in turn, mount a matching screw, and fasten
it clockwise, as shown in Figure 5-44.
Figure 5-44 Installing two terminals back to back
NOTICE
Ensure that the OT terminal is not in contact with other terminals or metal components.
3. Move the cable slightly and ensure that it is securely connected, as shown in Figure
5-45.
AP3x10xN&5x10xN&5x30xN&6x10xN&7x10xN
Hardware Installation and Maintenance Guide 5 Appendix
Issue 12 (2015-08-05) Huawei Proprietary and Confidential
Copyright © Huawei Technologies Co., Ltd.
64

Figure 5-45 Installed OT terminal
lInstall two OT terminals on a post.
Before you install two OT terminals on a post, ensure that the two terminals can be installed
on the post and that the electrical connecting pieces have a large contact area. Two OT
terminals can be installed using any of these methods:
–Bend the upper OT terminal at a 45- or 90-degree angle, as shown in Figure 5-46.
–Cross the two terminals, as shown in Figure 5-47.
Figure 5-46 Bending the upper OT terminal at a 45- or 90-degree angle
Figure 5-47 Crossing two terminals
AP3x10xN&5x10xN&5x30xN&6x10xN&7x10xN
Hardware Installation and Maintenance Guide 5 Appendix
Issue 12 (2015-08-05) Huawei Proprietary and Confidential
Copyright © Huawei Technologies Co., Ltd.
65

NOTICE
If the two terminals are different sizes, place the smaller one above the bigger one. A
maximum of two terminals can be installed on a post.
lTo remove an OT terminal, loosen the screw counterclockwise.
----End
Installing the Cord End Terminal
Procedure
Step 1 Hold a cord end terminal upright and place it on a terminal jack, as shown in Figure 5-48. To
ensure bump contact and dense connection, place the plain side of the terminal outwards.
Figure 5-48 Placing a terminal on a terminal jack vertically
Step 2 Insert the terminal into the jack vertically, and turn the screw clockwise to fasten the terminal,
as shown in Figure 5-49.
Figure 5-49 Feeding the terminal into the jack
AP3x10xN&5x10xN&5x30xN&6x10xN&7x10xN
Hardware Installation and Maintenance Guide 5 Appendix
Issue 12 (2015-08-05) Huawei Proprietary and Confidential
Copyright © Huawei Technologies Co., Ltd.
66

NOTICE
lEnsure that the exposed section of the terminal is less than 2 mm (0.079 in.) in length.
lDo not press the insulation of the terminal.
lInsert only one terminal into one jack.
Step 3 Move the cable slightly and ensure that it is securely connected.
Step 4 Before you remove a cord end terminal, loosen the screw counterclockwise.
----End
Installing Ethernet Adapters
Installing a Shielded Ethernet Connector
Procedure
Step 1 Hold the male and female connectors, with the male connector facing the female connector, as
shown in Figure 5-50.
Figure 5-50 Holding the male and female shielded connectors
Step 2 Insert the male connector into the female connector, as shown in Figure 5-51.
AP3x10xN&5x10xN&5x30xN&6x10xN&7x10xN
Hardware Installation and Maintenance Guide 5 Appendix
Issue 12 (2015-08-05) Huawei Proprietary and Confidential
Copyright © Huawei Technologies Co., Ltd.
67

Figure 5-51 Feeding the male shielded connector into the female shielded connector
Step 3 When you hear a click, the cable connector is completely inserted in the port. (The clip on the
cable connector pops up to fix the connector in the port.) Pull the connector slightly and ensure
that it is securely connected, as shown in Figure 5-52.
Figure 5-52 Installed shielded Ethernet connector
Step 4 To remove an Ethernet connector, press the locking key and pull out the connector, as shown in
Figure 5-53.
Figure 5-53 Removing a shielded Ethernet connector
AP3x10xN&5x10xN&5x30xN&6x10xN&7x10xN
Hardware Installation and Maintenance Guide 5 Appendix
Issue 12 (2015-08-05) Huawei Proprietary and Confidential
Copyright © Huawei Technologies Co., Ltd.
68

----End
Installing an Unshielded Ethernet Connector
Procedure
Step 1 Hold the male and female connectors, with the male connector facing the female connector, as
shown in Figure 5-54.
Figure 5-54 Holding the male and female unshielded connectors
Step 2 Feed the male connector into the female connector, as shown in Figure 5-55.
Figure 5-55 Feeding the male connector into the female unshielded connector
Step 3 A crisp click indicates that the connector is locked by the locking key. Pull the connector slightly
and ensure that it is securely connected. Figure 5-56 shows an installed Ethernet connector.
AP3x10xN&5x10xN&5x30xN&6x10xN&7x10xN
Hardware Installation and Maintenance Guide 5 Appendix
Issue 12 (2015-08-05) Huawei Proprietary and Confidential
Copyright © Huawei Technologies Co., Ltd.
69

Figure 5-56 Installed unshielded Ethernet connector
Step 4 To remove an Ethernet connector, press the locking key and pull out the connector, as shown in
Figure 5-57.
Figure 5-57 Removing an unshielded Ethernet connector
----End
Installing Fiber Connectors
AP3x10xN&5x10xN&5x30xN&6x10xN&7x10xN
Hardware Installation and Maintenance Guide 5 Appendix
Issue 12 (2015-08-05) Huawei Proprietary and Confidential
Copyright © Huawei Technologies Co., Ltd.
70

Context
NOTICE
lAfter you remove the dustproof cap, ensure that the fiber pins are clean and install them as
soon as possible.
lWhen you disassemble fiber connectors, you must use a dedicated tool if the connectors are
densely installed.
Cleaning Fiber Connectors
Procedure
Step 1 Clean the pins of a fiber connector by using lint-free cotton and alcohol.
Step 2 Clean the pins again by using dust-free cotton. If necessary, clean the pins by using an air gun.
Ensure that the pins are free from any fiber or debris.
----End
Installing an FC Fiber Connector
Procedure
Step 1 Remove the dustproof cap of the FC connector and store it for future use.
Step 2 Align the core pin of the male connector with that of the female connector, as shown in Figure
5-58.
Figure 5-58 Aligning the male connector with the female connector
Step 3 Align the male connector with the female connector and gently push the male connector until it
is completely seated in the female connector, as shown in Figure 5-59.
AP3x10xN&5x10xN&5x30xN&6x10xN&7x10xN
Hardware Installation and Maintenance Guide 5 Appendix
Issue 12 (2015-08-05) Huawei Proprietary and Confidential
Copyright © Huawei Technologies Co., Ltd.
71

Figure 5-59 Feeding the male connector into the female connector
Step 4 Fasten the locking nut clockwise and ensure that the connector is securely installed, as shown
in Figure 5-60.
Figure 5-60 Fastening the locking nut
Step 5 To disassemble an FC fiber connector, loosen the locking nut counterclockwise, and gently pull
the male connector, as shown in Figure 5-61.
AP3x10xN&5x10xN&5x30xN&6x10xN&7x10xN
Hardware Installation and Maintenance Guide 5 Appendix
Issue 12 (2015-08-05) Huawei Proprietary and Confidential
Copyright © Huawei Technologies Co., Ltd.
72

Figure 5-61 Disassembling an FC fiber connector
----End
Installing an LC Fiber Connector
Procedure
Step 1 Remove the dustproof cap of the LC fiber connector and store it for future use.
Step 2 Align the core pin of the male connector with that of the female connector, as shown in Figure
5-62.
Figure 5-62 Aligning the male connector with the female connector
Step 3 Align the male connector with the fiber adapter and gently push the male connector until it is
completely seated in the fiber connector, as shown in Figure 5-63.
AP3x10xN&5x10xN&5x30xN&6x10xN&7x10xN
Hardware Installation and Maintenance Guide 5 Appendix
Issue 12 (2015-08-05) Huawei Proprietary and Confidential
Copyright © Huawei Technologies Co., Ltd.
73

Figure 5-63 Feeding the male connector into the female connector
Step 4 A clicking sound indicates that the male connector is locked, as shown in Figure 5-64.
Figure 5-64 Installed LC connector
Step 5 To disassemble an LC fiber connector, press the locking nut to release the locking clips from
the bore, and gently pull the male connector, as shown in Figure 5-65.
Figure 5-65 Disassembling an LC fiber connector
AP3x10xN&5x10xN&5x30xN&6x10xN&7x10xN
Hardware Installation and Maintenance Guide 5 Appendix
Issue 12 (2015-08-05) Huawei Proprietary and Confidential
Copyright © Huawei Technologies Co., Ltd.
74

----End
Installing the SC Fiber Connector
Procedure
Step 1 Remove the dustproof cap of the SC fiber connector and store it for future use.
Step 2 Align the core pin of the male connector with that of the female connector, as shown in Figure
5-66.
Figure 5-66 Aligning the male connector with the female connector
Step 3 Feed the fiber connector into the female connector, with your fingers holding the shell of the
fiber connector (not the pigtail). When you hear a click, the fiber connector is secured by the
clips (internal parts, not illustrated in the figure). Pull the fiber connector gently. If the connector
does not loosen, the installation is complete. See Figure 5-67.
Figure 5-67 Installed SC fiber connector
AP3x10xN&5x10xN&5x30xN&6x10xN&7x10xN
Hardware Installation and Maintenance Guide 5 Appendix
Issue 12 (2015-08-05) Huawei Proprietary and Confidential
Copyright © Huawei Technologies Co., Ltd.
75

Step 4 To disassemble an SC fiber connector, hold the shell of the connector (do not hold the fiber) and
gently pull the connector in the direction vertical to the adapter. Unlock the male connector, and
then separate it from the shell, as shown in Figure 5-68.
Figure 5-68 Disassembling an SC fiber connector
----End
Installing an MPO Connector
Procedure
Step 1 Remove the dustproof cap of the MPO fiber connector and store it for future use.
Step 2 Align the core pin of the male connector with that of the female connector, as shown in Figure
5-69.
Figure 5-69 Aligning the male connector with the female connector
AP3x10xN&5x10xN&5x30xN&6x10xN&7x10xN
Hardware Installation and Maintenance Guide 5 Appendix
Issue 12 (2015-08-05) Huawei Proprietary and Confidential
Copyright © Huawei Technologies Co., Ltd.
76

Step 3 Hold the shell labeled "PUSH" and feed the male connector into the female connector until you
hear a clicking sound. The male and female connectors are securely installed, as shown in Figure
5-70.
Figure 5-70 Installed MPO fiber connector
Step 4 To disassemble an MPO fiber connector, hold the shell labeled "PULL" and remove the male
connector, as shown in Figure 5-71.
Figure 5-71 Disassembling an MPO fiber connector
----End
5.1.5 Replacing the Mold of the Crimping Tool
Procedure
Step 1 Hold the handles of a pair of COAX crimping tools. Loosen the two fastening screws
counterclockwise, as shown in Figure 5-72.
AP3x10xN&5x10xN&5x30xN&6x10xN&7x10xN
Hardware Installation and Maintenance Guide 5 Appendix
Issue 12 (2015-08-05) Huawei Proprietary and Confidential
Copyright © Huawei Technologies Co., Ltd.
77

Figure 5-72 Loosening two fastening screws
Step 2 Hold the handles of the COAX crimping tools to open the self-locking mechanism. The jaw of
the COAX crimping tools opens automatically, as shown in Figure 5-73.
Figure 5-73 Pliers jaw opening automatically
Step 3 Remove the mold from the COAX crimping tools, as shown in Figure 5-74.
AP3x10xN&5x10xN&5x30xN&6x10xN&7x10xN
Hardware Installation and Maintenance Guide 5 Appendix
Issue 12 (2015-08-05) Huawei Proprietary and Confidential
Copyright © Huawei Technologies Co., Ltd.
78

Figure 5-74 Removing the mold from the COAX crimping tools
Step 4 Place the mold to be installed into the jaw of the COAX crimping tools and align the screw holes,
as shown in Figure 5-75.
Figure 5-75 Installing a new mold in the COAX crimping tool
NOTICE
Keep the short side of the mold inwards and the long side outwards, with the teeth of the mold
aligning from the larger size to the smaller size.
Step 5 Hold the handles of the COAX crimping tools tightly to match the mold and the jaw completely.
Align the screw holes, as shown in Figure 5-76.
AP3x10xN&5x10xN&5x30xN&6x10xN&7x10xN
Hardware Installation and Maintenance Guide 5 Appendix
Issue 12 (2015-08-05) Huawei Proprietary and Confidential
Copyright © Huawei Technologies Co., Ltd.
79

Figure 5-76 Aligning the screw holes
Step 6 Hold the handles of the COAX crimping tools with one hand. Tighten the two fastening screws
clockwise. Figure 5-77 and Figure 5-78shows the mold installed in the COAX crimping tool.
Figure 5-77 Mold installed in the COAX crimping tool
Figure 5-78 An installed mold
----End
AP3x10xN&5x10xN&5x30xN&6x10xN&7x10xN
Hardware Installation and Maintenance Guide 5 Appendix
Issue 12 (2015-08-05) Huawei Proprietary and Confidential
Copyright © Huawei Technologies Co., Ltd.
80

5.2 Environmental Requirements for Device Operation
5.2.1 Environmental Requirements for an Equipment Room
Requirements for Selecting a Site for an Equipment Room
When designing a project, consider the communication network planning and technical
requirements of the equipment. Also consider hydrographic, geological, seismic, power supply,
and transportation factors.
Construction, structure, heating and ventilation, power supply, lighting and fire-proof
construction of the equipment room should be designed by specialized construction designers
to suit the environmental requirements of devices. The equipment room should also follow local
regulations concerning the industrial construction, environmental protection, fire safety, and
civil air defense. Construction must conform to government standards, regulations, and other
requirements.
The equipment room should be located in a place free from high temperature, dust, toxic gases,
explosive materials, or unstable voltage. Keep the equipment room away from significant
vibrations or loud noises, as well as power transformer stations.
The specific requirements for selecting a site for an equipment room are as follows:
lThe room should be located at a distance of at least 5 km (3.11 mi.) from heavy pollution
sources such as smelting and coal mines. It should be located at a distance of at least 3.7
km (2.30 mi.) from moderate pollution sources such as chemical, rubber, and galvanization
factories. It should be located at a distance of at least 2 km (1.24 mi.) from light pollution
sources such as packinghouses and tanyards. If these pollution sources cannot be avoided,
ensure that the equipment room is upwind of the pollution sources. In addition, use a high-
quality equipment room or protection products.
lThe room should be located away from livestock farms, or be upwind of the livestock farms.
Do not use an old livestock room or fertilizer warehouse as the equipment room.
lThe equipment room must be far away from residential areas. An equipment room that is
not far away from residential areas must comply with equipment room construction
standards to avoid noise pollution.
lThe room should be located far away from industrial and heating boilers.
lThe room should be at least 3.7 km (2.30 mi.) away from the seaside or salt lake. Otherwise,
the equipment room should be airtight with cooling facilities. In addition, alkalized soil
cannot be used as the construction material. Otherwise, equipment suitable for wet
conditions must be used.
lThe doors and windows of the equipment room must be kept closed to maintain an airtight
room.
lUsing steel doors to ensure sound insulation is recommended.
lNo cracks or openings are allowed on the walls or floors. The outlet holes on the walls or
windows must be sealed. Walls must be constructed such that they are smooth, wear-
AP3x10xN&5x10xN&5x30xN&6x10xN&7x10xN
Hardware Installation and Maintenance Guide 5 Appendix
Issue 12 (2015-08-05) Huawei Proprietary and Confidential
Copyright © Huawei Technologies Co., Ltd.
81

resistant, dustproof, flame retardant, sound insulated, heat absorptive, and have
electromagnetic shielding.
lThe air vent of the room should be far from the exhaust of city waste pipes, big cesspools
and sewage treatment tanks. The room should be in the positive pressure state to prevent
corrosive gases from entering the equipment room and corroding components and circuit
boards.
lIt is recommended that the room be on or above the second floor. If this requirement cannot
be met, the ground for equipment installation in the room should be at least 600 mm (23.62
in,) above the maximum flood level.
lThe equipment room should be strong enough to resist winds and downpours.
lThe room should be located away from dusty roads or sand. If this is unavoidable, the doors
and windows of the equipment room must not face pollution sources.
lDo not place air conditioning vents near the equipment so that they blow directly on the
equipment because condensation may be blown into the equipment.
lDo not use decorative materials that contain sulfur in the equipment room.
Equipment Room Layout
An equipment room usually contains mobile switching equipment, telecommunications
equipment, power supply equipment, and other auxiliary equipment. To ensure easy
maintenance and management, place the equipment in different rooms. Figure 5-79 shows the
layout of the equipment room.
Figure 5-79 Layout of the equipment room
Control room Generator room
Transmission
room
Main communication
equipment room
Power distribution
room Battery room
Substation room
Communication cable and optical cable
Power cable
The general layout principles of the equipment room are as follows:
lIt should meet requirements for laying out and maintaining communication cables and
power cables.
lIt should reduce the cabling distance, which facilitates cable maintenance, reduces potential
communication faults, and maximizes efficiency.
AP3x10xN&5x10xN&5x30xN&6x10xN&7x10xN
Hardware Installation and Maintenance Guide 5 Appendix
Issue 12 (2015-08-05) Huawei Proprietary and Confidential
Copyright © Huawei Technologies Co., Ltd.
82

Construction Requirements for the Equipment Room
Table 5-10 describes the construction requirements for the equipment room.
Table 5-10 Construction requirements for the equipment room
Item Requirements
Area The smallest area of the equipment room can accommodate the equipment
with the largest capacity.
Net height The minimum height of the equipment room should not be less than 3 m
(9.84 ft). The minimum height of the equipment room is the net height
below overhead beams or ventilation pipes.
Floor The floor in the equipment room should be semi-conductive and dustproof.
A raised floor with an ESD covering is recommended. Cover the raised
floor tightly and solidly. The horizontal tolerance of each square meter
should be less than 2 mm (0.08 in.). If raised floors are unavailable, use a
static-electricity-conductive floor material, with a volume resistivity of 1.0
x 107 ohms to 1.0 x 1010 ohms. Ground this floor material or raised floor.
You can connect them to ground using a one megohm current-limiting
resistor and connection line.
Load-bearing
capacity
The floor must bear loads larger than 150 kg/m2 (0.21 bf/in.2).
Door and
windows
The door of the equipment room should be 2 m (6.56 ft) high and 1 m (3.28
ft) wide. One door is enough. Seal the doors and windows with dustproof
plastic tape. Use double-pane glass in the windows and seal them tightly.
Wall surface
treatment
Paste wallpaper on the wall or apply flat paint. Do not use pulverized paint.
Cable trays Use cable trays to arrange cables. The inner faces of the cable trays must
be smooth. The reserved length and width of the cable trays, and the number,
position and dimensions of the holes must comply with the requirements
of device arrangement.
Water pipe Do not pass service pipes, drainpipes, and storm sewers through the
equipment room. Do not place a fire hydrant in the equipment room, but
place it in the corridor or near the staircase.
Internal
partition wall
Separate the area where the equipment is installed from the equipment room
door. The partition wall can block some outside dust.
Installation
position of the
air conditioner
Install air conditioner vents so that the air does not blow directly on
equipment.
Other
requirements
Avoid the proliferation of mildew, and keep out rodents (like mice).
AP3x10xN&5x10xN&5x30xN&6x10xN&7x10xN
Hardware Installation and Maintenance Guide 5 Appendix
Issue 12 (2015-08-05) Huawei Proprietary and Confidential
Copyright © Huawei Technologies Co., Ltd.
83

Figure 5-80 Internal partition wall inside the equipment room
Equipment Room Environment
Dust on devices may cause electrostatic discharge and result in poor contact for connectors or
metal connection points. This problem can shorten the life span of devices and cause faults.
The equipment room must be free from explosive, conductive, magnetically-permeable, and
corrosive dust. Table 5-11 lists the requirement for dust concentration in the equipment room.
Table 5-11 Requirements for dust particles in the equipment room
Mechanical active
material
Unit Concentration
Dust particle Particle /m3≤ 3x 104
(no visible dust accumulated
on a workbench in three
days)
Suspending dust mg/m3≤0.2
Precipitable dust mg/m2·h ≤1.5
Description
lDust particle diameter ≥ 5 µm
lSuspending dust diameter ≤ 75 µm
l75 µm ≤ precipitable dust diameter ≤ 150 µm
Take the following measures to meet the requirements:
lUse dustproof materials for ground, wall, and ceiling construction.
AP3x10xN&5x10xN&5x30xN&6x10xN&7x10xN
Hardware Installation and Maintenance Guide 5 Appendix
Issue 12 (2015-08-05) Huawei Proprietary and Confidential
Copyright © Huawei Technologies Co., Ltd.
84

lUse screens on the door and windows facing outside. The outer windows should be dust-
proof.
lClean the equipment room regularly and clean the air filter monthly.
lWear shoe covers and ESD clothing before entering the equipment room.
Requirements for Corrosive Gases
The room should be free from dusts and corrosive gases, such as SO2, H2S, and NH3. Table
5-12 lists the requirements for the corrosive gas concentration.
Table 5-12 Requirements for corrosive gas concentration
Chemical active
material Unit Concentration
SO2mg/m3≤0.20
H2Smg/m3≤0.006
NH3mg/m3≤0.05
Cl2mg/m3≤0.01
Take the following measures to meet the requirements:
lAvoid constructing the room near a place where the corrosive gas concentration is high,
such as a chemical plant.
lEnsure the air intake vent of the room is in the prevailing upwind direction from any
pollution source.
lPlace batteries in different rooms.
lA professional service should monitor the corrosive gas conditions regularly.
Requirements for ESD Prevention
The absolute value of electrostatic voltage must be less than 1000 V.
Take the following measures to meet this requirement:
lTrain operators about ESD prevention.
lKeep the correct humidity level in the equipment room to reduce the impact of static
electricity.
lLay out an ESD floor in equipment rooms.
lWear ESD shoes and clothing before entering equipment room.
lUse ESD tools, such as wrist straps, tweezers, and pullers.
lGround all conductive materials in the room, including computer terminals. Use ESD
worktables.
lKeep non-ESD materials (such as common bags, foam, and rubber) at least 30 cm (11.81
in.) away from boards and ESD-sensitive components.
AP3x10xN&5x10xN&5x30xN&6x10xN&7x10xN
Hardware Installation and Maintenance Guide 5 Appendix
Issue 12 (2015-08-05) Huawei Proprietary and Confidential
Copyright © Huawei Technologies Co., Ltd.
85

Electromagnetism Requirements for the Equipment Room
All interference sources, inside or outside the equipment room, can cause equipment problems
with capacitive coupling, inductive coupling, electromagnetic wave radiation, and common
impedance (including grounding system) coupling. Prevent the interference using these
approaches:
lTake effective measures against electrical interference from the power supply system.
lDo not use the working ground of the equipment as the same ground for surge protection.
Separate them as far as possible.
lKeep the equipment far away from high-power radio transmitters, radar units, and high-
frequency and high-current equipment.
lUse electromagnetic shielding if necessary.
Requirements for Lightning Proof Grounding
Table 5-13 lists the requirements for lightning proof grounding.
Table 5-13 Requirements for lightning proof grounding
Item Requirements
Capital
construction
lUse reinforced concrete to construct the equipment room.
lInstall a lightning proof device like a lightning rod outside the room.
lThe lightning proof ground shares the same grounding body with the
protective ground of the room.
Power cables
leading in the
equipment room
need to be
equipped with a
surge protector
lAfter the low-voltage power cables are led into the room, install the
surge protector for the power cables in the AC voltage stabilizer and
the AC power distribution panel (box). Correctly ground the surge
protector nearby.
lFor an equipment room in urban area, install a power supply surge
protector with the nominal discharge current of no less than 20 kA.
For an equipment room that is built in a suburb and subject to lightning
strikes, install a power supply surge protector with the nominal
discharge current of more than 60 kA. For an equipment room that is
built in a mountain area and subject to frequent lightning strikes, or in
a separate high-rise building in a city, install a power supply surge
protector with the nominal discharge current of more than 100 kA.
lThe ground cable of the surge protector should be no longer than 1 m
(3.28 ft).
Grounding for
DC power
distribution
lConnect the DC working ground (positive pole of the -48 V DC power
supply or the negative pole of the 24 V DC power supply) with the
indoor collective ground cable nearby. The total ground cable should
meet the maximum load of the equipment.
lThe power equipment must have a DC working ground cable, which
can connect the power equipment to the collective ground cable of the
telecommunication site (or the protective ground bar of the equipment
room).
AP3x10xN&5x10xN&5x30xN&6x10xN&7x10xN
Hardware Installation and Maintenance Guide 5 Appendix
Issue 12 (2015-08-05) Huawei Proprietary and Confidential
Copyright © Huawei Technologies Co., Ltd.
86

Item Requirements
Equipotential
connection
lProperly ground the devices and auxiliary devices in the room such as
mobile base station, transmission, switching equipment, power supply
equipment, and cable distribution frame. Connect all PGND cables to
the collective protective ground bar. Connect all PGND cables in one
equipment room to one protective ground bar.
lApply joint grounding to the working ground and protective ground
of devices, which means the two share one grounding network.
lThe cable tray, rack or shell, metal ventilation pipe, metal door or
window of the equipment should be grounded for protection.
General
requirements for
grounding
lDo not connect the neutral line of the AC power cable with the
protective ground of any telecom equipment in the equipment room.
lDo not install a fuse or switch on the ground cable.
lAll ground cables should be as short as possible, and arranged in a
straight line.
Grounding
resistance
lThe grounding resistance must be lower than 1 ohm.
lThe upper end of the grounding body should be at least 0.7 m (2.30
ft) over the ground. In cold areas, bury the grounding body below the
frozen ground.
lMeasure the grounding resistance periodically to ensure effective
grounding.
Routing of signal
cable
lDo not arrange the signal cables overhead in the equipment room. All
signal cables must be led into the site underground.
lUse the cables with a metal jacket or place them into a metal pipe if
they come out/in the equipment room.
lGround the idle lines inside the cable in the equipment room.
lSignal cables should be deployed on internal walls. Do not deploy
outdoor aerial cables.
lKeep signal cables away from power cables and surge protection
devices.
Collective
ground cable
lUse a ground ring or ground bar for the collective ground cable.
lDo not use aluminum cables as ground cables. Adopt measures to
prevent electrification corrosion when connecting different metal
parts together.
lUse a copper busbar as the collective ground cable with a cross-
sectional area of no less than 120 mm2 (0.19 in.2), or use the galvanized
flat steel of the same resistance. Insulate the collective ground cable
from the reinforcing steel bars of the building.
Grounding lead-
in
The grounding lead-in should be a maximum of 30 m (98.42 ft) long. Use
the galvanized flat steel with cross-sectional area of 40 mm x 4 mm (1.58
in. x 0.158 in.) or 50 mm x 5 mm (1.97 in. x 0.197 in.).
AP3x10xN&5x10xN&5x30xN&6x10xN&7x10xN
Hardware Installation and Maintenance Guide 5 Appendix
Issue 12 (2015-08-05) Huawei Proprietary and Confidential
Copyright © Huawei Technologies Co., Ltd.
87

Item Requirements
Grounding of the
cabinet
lAll the devices including the surge protection device in the cabinet
must be connected in an equipotential manner. The ground cables can
be aggregated to the ground bar or surge protector socket first, and
then the ground bar or surge protector socket can be connected to the
ground.
lThe resistance between the device ground terminals and ground bar
cannot exceed 0.1 ohm.
lThe cabinet can be grounded using the protecting earthing (PE) wire
of the electrical network in the building, zinc-coated angle steel, or
the main steel bar of the building.
lIf the cabinet is grounded using the PE wire of the electrical network,
use a multimeter to test the grounding status. If the voltage between
the PE wire and neutral wire is lower than 5 V and the voltage between
the PE wire and live wire is about 220 V, the PE wire is grounded well.
If the tested AC voltages are not within the ranges, the cabinet must
be grounded in other ways.
lThe yellow-green ground cable contains multiple copper wires. The
cross-sectional area of the ground cable must be no less than 6 mm2
(0.0093 in.2) and the length cannot exceed 3 m (9.84 ft.).
lGround cables cannot be twisted with signal cables.
lAntirust and anticorrosion measures must be taken on the ground
terminals.
lThe fiber reinforcing rib can be directly connected to the ground bar
of the cabinet. Before wrapping the reinforcing rib with insulation
tape, cut a 0.5 m (1.64 ft.) segment from the reinforcing rib. Wrap the
reinforcing rib with at least five layers of insulation tape. Keep the
reinforcing rib at least 5 cm (1.969 in.) from the cabinet surface.
5.2.2 Requirements for Power Supply
Requirements for AC Power Supply
An AC power supply system consists of power mains, uninterruptible power supplies (UPSs),
and self-supplied electric generators. In addition to meeting the requirements of the server load,
the AC power supply must have a simple connection line, safe operation, flexible scheduling,
and easy maintenance.
The low-voltage power supply should be 3-phase, 5-wire mode or monophase 3-wire mode. This
AC power supply should be 110 V/220 V, with a frequency of 50 Hz.
The UPS should supply the same power and operate at the same phase as the power mains. The
switching time between the UPS and mains should be less than 10 ms; otherwise, the networking
devices will reboot or reset.
For power distribution capacity in the equipment room, both the working current and fault current
of the devices should be considered. Ensure that independent AC power supplies protect
AP3x10xN&5x10xN&5x30xN&6x10xN&7x10xN
Hardware Installation and Maintenance Guide 5 Appendix
Issue 12 (2015-08-05) Huawei Proprietary and Confidential
Copyright © Huawei Technologies Co., Ltd.
88

independent devices. Configure the current-carrying capacity of the protection switch of the
equipment room for more than that of the devices.
Table 5-14 lists the voltage range of the AC power supply for the devices.
Table 5-14 Voltage range of AC power supply
Item Requirements
AC power capacity to support
the devices
-10% to +5% of the rated voltage
AC power capacity to support
the power modules and
important buildings
-15% to +10% of the rated voltage
Frequency of alternating
current
-4% to +4% of the rated value
Voltage wave shape sine
distortion
Within 5% of the rated voltage
The automated electric generator must have a standard interface that supports
telecommunication protocols, remote telecommunication, monitoring, and control.
AC power cables should meet the following specifications:
lAC neutral should have a conductor with the same cross section as the phase line.
lAC cables should have non-flammable insulation. The layout of AC cables should comply
with local regulations. Low-voltage power distribution rooms should comply with local
regulations.
Recommendations for AC Power Supply
The following are recommendations for the AC power supply.
lIf the voltage of the power mains that supply power directly to devices exceeds the rated
voltage by -10% to 5%, or exceeds the voltage range that devices can support, a voltage
regulating device or voltage stabilizing device is required.
lIf the mains do not supply power for the device directly, or if the mains voltage exceeds
the rated voltage by -15% to 10% or exceeds the input voltage range of the DC power
supply, a voltage regulating device or voltage stabilizing device is required.
lA UPS or inverter power supply system is required to provide uninterrupted AC power to
support the telecommunication load.
lIf abnormalities occur on the mains, telecommunication servers should be equipped with
a self-supplied electric generator to support the key telecommunication load. The capacity
should be not less than 150% to 200% of the total uninterruptible power supply.
lStorage batteries are usually installed in a parallel connection of two groups. UPS storage
batteries are generally installed in one group. The redundancy required for the UPS can
rely on concatenation or parallel connection. When an inverter or a UPS is used, the active
inverter is determined by the maximum power and a backup inverter is required.
AP3x10xN&5x10xN&5x30xN&6x10xN&7x10xN
Hardware Installation and Maintenance Guide 5 Appendix
Issue 12 (2015-08-05) Huawei Proprietary and Confidential
Copyright © Huawei Technologies Co., Ltd.
89

Requirements for DC Power Supply
The equipment room should receive stable and reliable DC power. Deploy the power equipment
near the telecommunications equipment to make the DC feeder as short as possible. To reduce
power consumption and installation cost, the loop voltage drop from the battery port to the
equipment port should be less than 3.2 V.
lA large-scale enterprise can deploy an independent power supply system on each floor to
supply power to the telecommunications equipment room on the respective floor.
lA medium-scale enterprise can use a power room and a battery room for centralized power
supply or use distributed power supply systems.
lA small-scale enterprise can deploy an integrated power supply system in its equipment
room but must take measures to prevent corrosive gases released from batteries from
eroding circuit boards of telecommunications equipment.
Table 5-15 lists the specifications for the DC power supply.
Table 5-15 Specifications for the DC power supply
Item Requirements
DC power
capacity to
support the surge
current
Greater than 1.5 times the rated current
Regulated
voltage precision
If the AC input voltage is in the range of 85% to 110% of the rated value,
and the load current is in the range of 5% to 100% of the rated value, the
output voltage of the rectifier ranges from -46.0 V to -56.4 V, with the
regulated voltage precision less than or equal to 1%.
Overshoot
amplitude of
switch on/off
Integral value of the DC output voltage ±5%
Peak noise
voltage
≤200 mV
Dynamic
response
The recovery time is less than 200 ms. The overshoot is in the range of
the integral value of the DC output voltage ±5%.
Recommendations for DC Power Supply
The following are recommendations for the DC power supply.
lUse distributed power supply mode. Use multiple DC power supply systems and put power
equipment in multiple locations.
lAdopt a standard DC power supply system, and set the output voltage to the
communications equipment within the required range.
AP3x10xN&5x10xN&5x30xN&6x10xN&7x10xN
Hardware Installation and Maintenance Guide 5 Appendix
Issue 12 (2015-08-05) Huawei Proprietary and Confidential
Copyright © Huawei Technologies Co., Ltd.
90

lImprove reliability of the AC power supply system to reduce the necessary capacity of
storage batteries. For small offices, increase the capacity of storage batteries if it is difficult
to enhance reliability of the AC power supply system.
lThe total capacity of the high-frequency switching rectifier must satisfy the power of the
communication loading and battery charging. If there are 10 or fewer active rectifier
modules, configure one backup module. If there are more than 10 active modules, configure
one backup module for every 10 active modules.
lInstall storage batteries in two or more groups. The capacity is determined by the duration
for which the storage batteries must supply power. For most offices, the batteries should
be able to supply power for at least one hour.
5.3 Equipment Grounding Specifications
5.3.1 General Grounding Specifications
Table 5-16 shows the general grounding specifications.
Table 5-16 General grounding specifications
No. Description
1The working ground and protective ground, including the shielded ground and the
lightning-proof ground of the cable distribution frame should share the same
grounding conductor.
2 The cable trays, shells, metal ventilation pipes, metal doors and windows in the
equipment room should be grounded for protection.
3 The metal parts of the equipment which are electrically floating in normal conditions
should be grounded for protection.
4 The ground cable must be connected securely to the protective ground bar of the
equipment room.
5 Do not use other equipment as part of the ground cable or electrical connection.
5.3.2 Grounding Specifications for an Equipment Room
The grounding resistance of a comprehensive communication building should be less than or
equal to one ohm. The grounding resistance of an ordinary communication office should be less
than five ohms. The grounding resistance in an area where the earth resistance rate is high should
be less than 10 ohms.
5.3.3 Grounding Specifications for Devices
Table 5-17 lists the equipment grounding specifications.
AP3x10xN&5x10xN&5x30xN&6x10xN&7x10xN
Hardware Installation and Maintenance Guide 5 Appendix
Issue 12 (2015-08-05) Huawei Proprietary and Confidential
Copyright © Huawei Technologies Co., Ltd.
91

Table 5-17 Equipment Grounding Specifications
No. Description
1All communication devices and auxiliary devices (such as mobile base stations,
transmission and switching devices, power supply devices) in the equipment room
should be grounded for protection. Connect all protective ground for various devices
jointly to a general ground bar, and then to the same protective ground bar in the
room together with the protective ground (PGND) of the device.
2 The PGND of the equipment is shorted to the copper ground bar provided by the
customer. The short-circuiting cable used should be a yellow-green plastic insulated
cable with a copper core and a cross-sectional area greater than 25 sq. mm (0.039 sq.
in.).
3 There are grounding terminals and grounding lugs at the lower part of the front door,
rear door and side panel of the cabinet, connected to the grounding terminals of the
cabinet framework through connection cables with cross-sectional area of no less
than 1.6 sq. mm (0.002 sq. in.).
4 Ensure that all metal components of the cabinet conduct well. No insulating coating
should be sprayed on the connection part of the metal components.
5 Connect the cabinets in the same row by fastening captive screws and gaskets on the
top of the cabinets. Do not spray any coating into a rectangular area measuring 30
mm x 50 mm (1.18 in. x 1.97 in.) around the connection hole for a captive bolt.
Measures to prevent rust and corrosion must be taken for this area. Zinc electroplating
with iridescent yellow chromate conversion coating should be applied to the gasket
and nut to ensure good electrical contact.
6 When combining cabinets of the same type, short-circuiting cables are required to
connect the ground busbars (if any) of the cabinets. The cross-sectional area of the
short-circuiting cable is 6 sq. mm (0.009 sq. in.) and is no more than 300 mm (11.8
in.) long. Connect the two ends of the short-circuiting cable to the ground busbar
terminals of neighboring cabinets and fix them firmly.
5.3.4 Grounding Specifications for Communications Power Supply
Table 5-18 shows the grounding specifications for communication power supplies.
Table 5-18 Grounding specifications for communication power supplies
No. Description
1The inlet for the AC power cable at the equipment room should be equipped with a
surge protection device (C-level) with a nominal discharge current no less than 20
kA.
2 The protective ground for the power supply and that for communication equipment
share the same grounding conductor. If the power supply and the equipment are in
the same equipment room, use the same protective ground bar for them if possible.
AP3x10xN&5x10xN&5x30xN&6x10xN&7x10xN
Hardware Installation and Maintenance Guide 5 Appendix
Issue 12 (2015-08-05) Huawei Proprietary and Confidential
Copyright © Huawei Technologies Co., Ltd.
92

No. Description
3Use a surge protection circuit on the AC power interface.
4 The positive of the -48 V DC power supply or negative pole of the 24 V DC power
supply should be grounded at the output of the DC power supply.
5 The working ground and protective ground of the DC power supply equipment should
use the same grounding conductor with the protective ground of the switching
equipment. If the power supply and equipment are in the same equipment room, use
the same protection ground bar for them if possible.
6 Add surge protection on the DC power interface.
5.3.5 Grounding Specifications for Signal Cables
Table 5-19 lists the grounding specifications for signal cables.
Table 5-19 Grounding specifications for signal cables
No. Description
1Equip the cable outdoors with a metal jacket, well grounded at both ends, or connect
the ends of the metal jacket to the protective ground bar of the equipment room. For
cables inside the equipment room, install surge protection devices at the interface to
the equipment. The PGND cable for the surge protection devices should be as short
as possible.
2 The incoming and outgoing signal cables to and from the office and unused wires
inside the cable should be grounded for protection.
3 The Tone & Data Access (TDA) cable must pass through the Main Distribution
Frame (MDF) with surge protective device (SPD) when going out of the office. The
cable's shield layer should be connected to the protective ground of the MDF. The
MDF should use the same grounding conductor as the cabinet.
4 Do not route signal cables overhead.
5.3.6 Specifications for Laying Out Grounding Cables
Table 5-20 shows the specifications for the ground cable.
Table 5-20 Specifications for laying out ground cables
No. Description
1The grounding wire should not run parallel to or twist around the signal cable.
AP3x10xN&5x10xN&5x30xN&6x10xN&7x10xN
Hardware Installation and Maintenance Guide 5 Appendix
Issue 12 (2015-08-05) Huawei Proprietary and Confidential
Copyright © Huawei Technologies Co., Ltd.
93

No. Description
2Bury ground underground or arrange them indoors. Do not route ground cables
overhead.
3 Do not connect two cables together to extend the PGND cable, or add any switches
or fuses.
4 The PGND cable should be an alternating yellow and green plastic insulated one with
a copper core.
5 The neutral line of the AC power cable cannot be connected to the protective ground
of transmission and communication equipment in the equipment room.
6 A PGND cable should be as short as possible, with a length of no more than 45 m
(147.64 ft).
5.4 Engineering Labels for Cables
An engineering label serves as an identifier for on-site installation and maintenance after the
installation. Labels on the cables facilitate correct and orderly connection of cables, and easy
maintenance after installation.
Engineering labels are specialized for power cables and signal cables:
lSignal cables include network cables, optical fibers, and user cables.
lPower cables include the AC power cables and DC power cables.
NOTE
Fill in labels according to specified requirements to keep consistency of labels in the equipment room.
Make a relevant statement in the self-check report.
5.4.1 Introduction to Labels
Label Materials
Features:
lThickness: 0.09 mm (0.004 in.)
lColor: chalk white
lMaterial: polyester (PET)
lAmbient temperature: -29°C (-20.2°F) to +149°C (300.2°F)
lPrinted by a laser printer and written with a marker
lPass UL and CSA authentication
AP3x10xN&5x10xN&5x30xN&6x10xN&7x10xN
Hardware Installation and Maintenance Guide 5 Appendix
Issue 12 (2015-08-05) Huawei Proprietary and Confidential
Copyright © Huawei Technologies Co., Ltd.
94

Type and Structure
Label for Signal Cables
The label for signal cables is L-shaped with fixed dimensions, as shown in Figure 5-81.
Figure 5-81 Label for signal cables
To specify more clearly the position of a cable, use the dividing lines on the label. For example,
there is a dividing line between the cabinet number and the chassis number, and another one
between the chassis number and the slot number. Each dividing line is light blue (Pantone 656c)
and 1.5 mm x 0.6 mm (0.06 in. x 0.02 in.).
The cut dotted line helps to fold the label when affixed to the cable, and its size is 1 mm x 2 mm
(0.04 in. x 0.08 in.).
The word "TO:" (upside down in the figure) at the lower right corner of the label is used to
identify the opposite end of the cable on which the label is affixed.
Power Cable Label
The label for power cables should be attached to the identification plate on the cable ties that
are attached to the cable. The identification plate has an embossed area 0.2 mm x 0.6 mm (0.008
in. x 0.02 in.) around (symmetric on both sides), and the area in the middle is for affixing the
label, as shown in Figure 5-82.
AP3x10xN&5x10xN&5x30xN&6x10xN&7x10xN
Hardware Installation and Maintenance Guide 5 Appendix
Issue 12 (2015-08-05) Huawei Proprietary and Confidential
Copyright © Huawei Technologies Co., Ltd.
95

Figure 5-82 Power cable label
Label Printing
The contents can be printed or written on the labels. Printing is recommended for the sake of
high efficiency and eye-pleasant layout.
Template for Printing
You can obtain a template from the Huawei local office to print labels.
The template is made in Microsoft Word. Follow these instructions to use the template:
AP3x10xN&5x10xN&5x30xN&6x10xN&7x10xN
Hardware Installation and Maintenance Guide 5 Appendix
Issue 12 (2015-08-05) Huawei Proprietary and Confidential
Copyright © Huawei Technologies Co., Ltd.
96

lYou can modify the contents of the template. Do not change settings of centered characters,
direction, and fonts.
lIf many characters need to be filled in, decrease the font size, but make sure that the printouts
are clear and legible.
Merging Cells in the Template
To merge two or more cells, do as follows:
1. Select Edit/Select All.
2. Select Format/Borders and Shading/Borders. Select Box tab and click OK.
3. Drag the mouse to select cells to be merged and select the Table/Merge Cells.
Requirements on the Printer
To print labels, use a laser jet printer of any model. Before printing labels, set up the page and
try printing.
1. Try printing on ordinary paper with both sides blank. Place the blank paper over the whole
page of the label paper, and check whether the page setup conforms to the label layout.
2. Make sure the printer properties, such as "paper size" and "direction", have been set
correctly.
lIf the printout conforms to the sheet of labels, print the labels on the label paper.
lIf the printout does not conform, adjust the page setup and try printing again until the
correct printout is produced.
The method for adjusting the page setup is as follows.
1. Select File/Page Setup.
2. Select Layout and set Header and Footer as 0.
3. Select the Margins tab page. Select Left for Gutter Position and adjust the values of Top,
Bottom, Left, and Right.
NOTE
If the warning prompt as shown in Figure 5-83 appears before printing, click Ignore to continue the
printing.
Figure 5-83 Warning prompt before printing
After the page setup has been made correctly, save it for future use. This page setup is only
necessary the first time you use the template to print the labels.
AP3x10xN&5x10xN&5x30xN&6x10xN&7x10xN
Hardware Installation and Maintenance Guide 5 Appendix
Issue 12 (2015-08-05) Huawei Proprietary and Confidential
Copyright © Huawei Technologies Co., Ltd.
97

Requirements for Feeding the Printer
The label paper consists of two layers and has undergone multiple processing procedures such
as printing and cutting. No matter what model of printer you use, feed in the labels one page at
a time. To avoid jamming the labels, never use the auto-feed mode.
Feed in the label paper in the correct direction to ensure that the text is printed in a correct
position.
Requirements for the Printed Label
Make sure that the printed labels satisfy the following requirements:
lAll the printouts must be on the label, and nothing should be printed on the backing layer
of the label page.
lContents in the cells should be aligned in the center. In a single-line printout, the dividing
lines and the word "TO:" should not be covered by printed characters.
lWhen the cells are merged and the printouts are made in multiple lines, avoid covering the
word "TO:" when printing the text. Use the space bar to move the text to the next line.
Writing Labels
Writing Tools
To make sure the printouts are clear and legible, use black markers instead of ball-point pens to
write the labels.
If no marker is available, black ball-point pens are allowed, although not recommended.
Compared with ball-point pens, water-proof markers are better. When writing with a ball-point
pen, do not leave the oil on the label, which may contaminate the label and blur the words.
NOTE
The delivered marker has two nibs. Use the smaller nib to write the labels.
Font
For the sake of legibility, use standard block letters and numbers as shown in Table 5-21 (Times
New Roman).
Table 5-21 Standard typeface for handwriting
012345678
9 A B C D E F G H
I J K L M N O P Q
R S T U V W X Y Z
Determine the size of characters based on the number of letters or digits and ensure that the
characters are distinct and tidy.
AP3x10xN&5x10xN&5x30xN&6x10xN&7x10xN
Hardware Installation and Maintenance Guide 5 Appendix
Issue 12 (2015-08-05) Huawei Proprietary and Confidential
Copyright © Huawei Technologies Co., Ltd.
98

Placement of text on a label is shown in Figure 5-84.
Figure 5-84 Placement of text on a label
Attaching Labels
After printing or writing the label, remove the label from the page and attach it to the signal
cable, or the identification plate of the power cable. The methods for attaching labels are
described in the following sections.
Label for Signal Cables
lChoose the place to attach labels.
The label is attached 2 cm (0.79 in.) from the connector on a signal cable. In special cases
(for example, to avoid cable bending or affecting other cables), other positions are allowed
to attach the labels. The rectangular part with text is attached facing right or downward, as
shown in Figure 5-85. The details are as follows:
–The identification card is to the right of the cable in vertical cabling.
–The identification card should be downward when you lay out the cable horizontally.
Figure 5-85 Text area of the label
lProcedure for attaching labels
Figure 5-86 shows the methods and procedures for attaching labels.
AP3x10xN&5x10xN&5x30xN&6x10xN&7x10xN
Hardware Installation and Maintenance Guide 5 Appendix
Issue 12 (2015-08-05) Huawei Proprietary and Confidential
Copyright © Huawei Technologies Co., Ltd.
99

Figure 5-86 Label for signal cables
Power Cable Label
Remove the label from the backing page, and attach it to the identification plate on the cable tie.
The label should be attached to the rectangular flute on the identification plate, and attached to
only one side of the identification plate. The cable ties are bundled at 2 cm (0.79 in.) from the
connectors, and other positions are allowed in special circumstances.
Cable ties should be bound on both ends of a cable. After the bundling, the finished identification
plate should be on top of the cable in horizontal cabling, or on the right side of the cable in
vertical cabling, as shown in Figure 5-87. The details are as follows:
lThe identification card is to the right of the cable in vertical cabling.
lThe identification card is on the top of the cable in horizontal cabling. Make sure that the
label is facing out.
AP3x10xN&5x10xN&5x30xN&6x10xN&7x10xN
Hardware Installation and Maintenance Guide 5 Appendix
Issue 12 (2015-08-05) Huawei Proprietary and Confidential
Copyright © Huawei Technologies Co., Ltd.
100

Figure 5-87 Binding the label for the power cable
The identification card is on the
top of the cable in horizontal
cabling.
The identification card is to
the right of the cable in
vertical cabling.
TO:
B03 -48V2
TO:
B03 -48V2
Cable
Cable
Contents of Engineering Labels
Contents of Labels for Power Cables
Labels for power cables are affixed on only one side of the identification plates. On the labels,
there is information (the part after the word "TO:") about the location of the device on the other
end of the cable, like the location of control cabinet, distribution box or power socket.
Contents of Labels for Signal Cables
The two sides of the label affixed on the signal cable carry information about the location of the
ports connected to both ends of the cable. Figure 5-88 shows the information on both sides of
the labels affixed to the signal cables.
lArea 1 contains the location information of the local end of the cable.
lArea 2 (with the word "TO:") contains the location information of the opposite end of the
cable.
lArea 3 has been folded up inside the label.
Figure 5-88 Printed parts on the label for signal cables
Seen from the cabling end of the equipment, the text part of the label is on the right side of the
cable. The side with "TO:" that is facing outside carries the location information of the opposite
end; and the other side carries the location information of the local end.
AP3x10xN&5x10xN&5x30xN&6x10xN&7x10xN
Hardware Installation and Maintenance Guide 5 Appendix
Issue 12 (2015-08-05) Huawei Proprietary and Confidential
Copyright © Huawei Technologies Co., Ltd.
101

In other words, the information in Area 1 at one end is the same as the information in Area 2 at
the other end of the cable.
Precautions for Using Engineering Labels
When using labels, pay attention to the following points:
lWhen printing, writing, or attaching labels, keep the labels clean.
lSince the label paper is made of moistureproof material, ink-jet printers and ink pens cannot
be used to print and write labels.
lLabels should be attached neatly. New-type labels are L-shaped. If they are pasted at
incorrect locations or in the incorrect direction, the appearance of the device is affected.
lPower cable ties should be attached in the same positions on power cables, with
identification plates on the same side.
lThe positions of "up", "down", "left" or "right" are all based on the viewpoint of the
engineering person who is working on the label.
5.4.2 Engineering Labels for Optical Fibers
These labels are affixed to the optical fibers that connect the optical interfaces on the boards in
a chassis, or on the device boxes. There are two types of labels for optical cables:
lOne is for the fiber that connects the optical interfaces on two devices.
lThe other is for the fiber that connects the device and the ODF.
Labels for the Optical Fibers Connecting Devices
Meaning of the Label
Table 5-22 lists information on both sides of the labels affixed to the optical fibers that connect
two devices.
Table 5-22 Information on labels affixed to the fibers between two devices
Content Meaning Example
MN-B-C-D-
R/T
MN: cabinet
number
M: The cabinet rows from front to back are numbered
from A to Z.
N: The cabinet columns from left to right are numbered
from 01 to 99.
For example, A01 is the cabinet in row A and column 01.
B: chassis
number
Numbered in bottom-up order with two digits, for
example, 01.
C: physical slot
number
Numbered in top-down and left-right order starting from
01. For example, 01 is the first slot at the top left of the
chassis.
AP3x10xN&5x10xN&5x30xN&6x10xN&7x10xN
Hardware Installation and Maintenance Guide 5 Appendix
Issue 12 (2015-08-05) Huawei Proprietary and Confidential
Copyright © Huawei Technologies Co., Ltd.
102

Content Meaning Example
D: optical
interface
number.
Numbered in top-down and left-right order, consistent
with the port sequence number on the device.
R: Receiving
interface
T: optical
transmitting
interface
-
Example of the Label
Figure 5-89 shows a sample label on an optical fiber.
Figure 5-89 Sample label on an optical fiber between two devices
A01 R
TO:
01 05 01
G01 T
01 01 01
The meaning of the label is listed in Figure 5-89.
l"A01-01-05-01-R" indicates that the local end of the optical fiber is connected to the optical
receiving interface 01 in slot 5, chassis 01 in the cabinet in row A, column 01 in the machine
room.
l"G01-01-01-01-T" indicates that the opposite end of the optical fiber is connected with
optical transmitting interface 01 in slot 01, chassis 01 in the cabinet in row G, column 01
in the machine room.
Labels for the Optical Fibers Connecting the Device and an ODF
Meaning of the Labels
Table 5-23 shows information on both sides of labels attached to an optical fiber between a
device and an optical distribution frame (ODF).
Table 5-23 Information on labels affixed to a fiber between a device and an ODF
Content Meaning Example
MN-B-C-D-
R/T
MN: cabinet
number
For example, A01.
AP3x10xN&5x10xN&5x30xN&6x10xN&7x10xN
Hardware Installation and Maintenance Guide 5 Appendix
Issue 12 (2015-08-05) Huawei Proprietary and Confidential
Copyright © Huawei Technologies Co., Ltd.
103

Content Meaning Example
B: chassis
number
Numbered in bottom-up order with two digits, for
example, 01.
C: physical slot
number
Numbered in top-down and left-right order starting from
01. For example, 01 is the first slot at the top left of the
chassis.
D: optical
interface
number.
Numbered in top-down and left-right order, consistent
with the port sequence number on the device.
R: Optical
receiving
interface
T: optical
transmitting
interface
-
ODF-MN-B-
C-R/T
MN: row number
and column
number of an
ODF
M: The cabinet rows from front to back are numbered
from A to Z.
N: The cabinet columns from left to right are numbered
from 01 to 99.
For example, G01 is the ODF of row G and column 01.
B: row number of
the terminal
device
Range from 01 to 99, for example, 01-01.
C: column
number of the
terminal device
R: Optical
receiving
interface
T: optical
transmitting
interface
-
Example of the Label
Figure 5-90 shows a sample label on an optical fiber.
Figure 5-90 Sample label on an optical fiber between the device and the ODF
ODF R
TO:
G01 01 01
A01 R
01 05 01
AP3x10xN&5x10xN&5x30xN&6x10xN&7x10xN
Hardware Installation and Maintenance Guide 5 Appendix
Issue 12 (2015-08-05) Huawei Proprietary and Confidential
Copyright © Huawei Technologies Co., Ltd.
104

Meaning of the label in Figure 5-90
l"ODF-G01-01-01-R" indicates that the local end of the optical fiber is connected to the
optical receiving terminal in row 01, column 01 of the ODF in row G, column 01 in the
machine room.
l"A01-01-05-01-R" indicates that the opposite end of the optical fiber is connected to optical
receiving interface 1 in slot 05, chassis 01 in the cabinet in row A, column 01 in the machine
room.
5.4.3 Engineering Labels for Network Cables
Applicable Ranges
The labels can be applied to Ethernet cables.
Label Content
Table 5-24 shows the information on both sides of the labels affixed to Ethernet cables.
You can also decide the label content based on the actual environment. If the device is not
installed in the cabinet, for example, you can remove the cabinet number.
Table 5-24 Information on the Ethernet cables
Content Meaning Example
MN-B-C-D MN: cabinet
number
For example, A01 is the first cabinet in row A.
B: chassis number Numbered in bottom-up order with two digits, for
example, 01.
C: physical slot
number
Numbered with two digits in top-down and left-right
order. For example, 01.
D: network port
number
Numbered in top-down and left-right orders. For
example, 01.
MN-Z MN: cabinet
number
For example, B02 is the second cabinet in row B.
Z: Location
number
Fill in the location number of the terminal device on
site. If the cable is connected to a device in a cabinet,
specify the serial numbers of the cabinet, the chassis,
and the Ethernet interface of the device. For example,
B02-03-12. If the cable is connected to the Network
Management Station (NMS), specify the specific
location of the NMS.
AP3x10xN&5x10xN&5x30xN&6x10xN&7x10xN
Hardware Installation and Maintenance Guide 5 Appendix
Issue 12 (2015-08-05) Huawei Proprietary and Confidential
Copyright © Huawei Technologies Co., Ltd.
105

The contents of the labels for network cables connecting hubs and devices or agents and the
network cables for other purposes should be specified according to actual connections. The
details are as follows:
lFor a network cable connecting a hub and device, the label on the hub end should indicate
the numbers of the chassis and cabinet where the hub resides, and the serial number on the
hub. The label on the device end should indicate the number of the chassis and cabinet
where the device is located. If the device is a standalone device, provide the specific position
of the device.
lFor a network cable connecting a hub and an agent or terminal, the label on the agent or
terminal end should contain the serial number of the network interface. The definitions of
the cabinet number and chassis number are the same as those described in Table 5-24.
lIf the hub is a standalone device without a cabinet or chassis, the label should contain
specific location information that identifies the hub.
The serial number on the hub, the network interface number of the agent or terminal, and the
location of the standalone device should be specified according to actual connections.
Label Example
Figure 5-91 shows a sample label on an Ethernet cable.
Figure 5-91 Sample label on an Ethernet cable
A01
TO:
03 01 01
B02 03 01
Meaning of the label in Figure 5-91.
l"A01-03-01-01" indicates that one end of the network cable is connected to network
interface 01 in slot 01, chassis 03 of the cabinet in row A, column 01 in the equipment
room.
l"B02-03-01" indicates that another end of the network cable is connected to network
interface 01 in chassis 03 of the cabinet on row B, column 02 in the equipment room. No
slot number is given.
5.4.4 Engineering Labels for User Cables
Attach labels to both ends of a user cable to indicate the locations of the cable on the device and
main distribution frame (MDF).
Meaning of the Engineering Labels for User Cables
Table 5-25 shows the contents of the labels.
AP3x10xN&5x10xN&5x30xN&6x10xN&7x10xN
Hardware Installation and Maintenance Guide 5 Appendix
Issue 12 (2015-08-05) Huawei Proprietary and Confidential
Copyright © Huawei Technologies Co., Ltd.
106

Table 5-25 Contents of the engineering labels for user cables
Content Meaning Example
MN-B-C-D MN: cabinet
number
For example, A01 is the first cabinet in row A.
B: frame number Numbered in the bottom-up order with two digits, for
example, 03.
C: physical slot
number
Numbered with two digits in top-down and left-right
order. For example, 01.
D: cable number Numbered with two digits in top-down and left-right
order. For example, 01.
MDF-MN-B-C MN: row number
and column
number of the
MDF
M: The rows of cabinets from front to back are
numbered from A to Z. N: The columns of cabinets
from left to right are numbered from 01 to 99. For
example, G01 is the MDF of Row G and Column 01.
B: row number of
the terminal device
Ranges from 01 to 99, for example, 01-01.
C: column number
of the terminal
device
Example of the Label
Figure 5-92 shows a sample label on a user cable.
Figure 5-92 Sample label on a user cable
A01
TO:
03 01 01
MDF G01 01 01
The meaning of the label in Figure 5-92 is as follows:
l"A01-03-01-01" indicates that the local end of the user cable is connected to port 1 in slot
1, chassis 03 of the cabinet in row A, column 01 in the equipment room.
l"MDF-G01-01-01" indicates that the opposite end of the user cable is connected to the
terminal in row 01, column 01 of the MDF in row G, column 01 in the equipment room.
5.4.5 Engineering Labels for Power Cables
AP3x10xN&5x10xN&5x30xN&6x10xN&7x10xN
Hardware Installation and Maintenance Guide 5 Appendix
Issue 12 (2015-08-05) Huawei Proprietary and Confidential
Copyright © Huawei Technologies Co., Ltd.
107

Engineering Labels for DC Power Cables
These labels are affixed to the DC power cables that provide power supply for cabinets, including
the -48 V, PGND, and BGND cables. Here, the DC power cables also include power cables and
PGND cables.
The labels for DC power cables are affixed to one side of the identification plates on cable ties.
For details of the labels, see Table 5-26.
Table 5-26 Contents of the label
Content Meaning
MN(BC)-
B--48Vn
MN(BC): BC is written right under MN.
B: chassis number, numbered in bottom-up order with two digits, for
example, 01.
N: power socket number, numbered as 1 to 3 in the bottom-up and left-
to-right orders.
On the loaded cabinet side, only MN is used to identify the cabinet.
On the power cabinet side, MN identifies the row and column number
of the power distribution equipment like a control cabinet and
distribution box, and BC identifies the row and column number of the
-48 V connector. If there is no row number or column number, or the
connector can be identified without them, BC can be omitted. It is
unnecessary to identify the row and column number for BGND and
PGND.
MN(BC)-B-
BGND
MN(BC)-B-
PGND
The label only carries location information about the destination direction of the power cable
whereas information about the local end is unnecessary. That is, the label only carries location
information about the opposite equipment, the control cabinet, or the distribution box. Table
5-26 lists the information on two -48 V power supplies on the label. The information on other
DC voltages, such as 24 V and 60 V should be given in similar methods.
Make sure that labels are affixed in the correct direction. That is, after the cable ties are bundled
onto the cable, the identification plates with the labels should face up, and the text on the labels
in the same cabinet should be in the same direction. For details, see Figure 5-93.
Figure 5-93 Example of the labels for DC power cables
AP3x10xN&5x10xN&5x30xN&6x10xN&7x10xN
Hardware Installation and Maintenance Guide 5 Appendix
Issue 12 (2015-08-05) Huawei Proprietary and Confidential
Copyright © Huawei Technologies Co., Ltd.
108

The meaning of the label in Figure 5-93 is as follows:
lOn the loaded cabinet side, the label "A01/B08--48V2" on the cable indicates that the cable
is -48 V DC supply, which is from the eighth connector in row B of -48 V bus bar in the
cabinet in row A, and column 1 in the equipment room.
lOn the distribution box side, the label "B03--48V2" indicates that the cable is -48 V DC
supply, connected to DC power socket 2 in row B, column 03 in the equipment room.
NOTE
In the power distribution box or the first power cabinet of a row in a transmission equipment room, every
terminal block on the -48 V connector bar has a numeric identification. For example, in the above label of
"A01/B08--48V2", "08" (or sometimes "8") is the numeric identification of the terminal block.
PGND and BGND are two copper bars, on which the terminal blocks are short-circuited.
Therefore, it makes no difference which terminal is connected to them. It is only necessary to
give the row and column of the power distribution box, instead of giving the specific serial
number of the terminal block on the copper bar. For example, if the label on the loaded cabinet
side is "A01-BGND", it means that the power cable is a BGND that connects BGND copper bar
in the power distribution box in row A, column 01 in the machine room. Information on the
labels for PGND cables should be given in a similar way.
Engineering Labels for AC Power Cables
These labels are affixed to both ends of an AC power cable that provides AC power supply to
cabinets, including 110/220 V, PGND, and BGND cables. The 110/220 V AC cables and related
PGND and BGND cables are covered with an insulating sheath, so the labels need to contain
only the word "AC" and the cabinet numbers.
The labels for AC power cables are affixed to one side of the identification plates on cable ties.
For details, see Table 5-27.
Table 5-27 Label content
Content Meaning
MN-(B)-ACn MN: serial number of the cabinet or the socket where the power is led in
B: chassis number, numbered in bottom-up order with two digits, for
example, 01.
n: power port number, numbered as 1 to 3 in bottom-up and left-to-right
order.
Serial number of the socket where the power is led in: the location of the
socket is marked according to the actual situation. If the sockets can be
identified by row numbers and column numbers, they can be numbered
following the same rule for the cabinets. If the sockets cannot be identified
by rows and columns, specify the detailed locations to avoid confusion
with other sockets.
The label only carries location information about the opposite equipment and the power socket;
information about the local end is unnecessary.
AP3x10xN&5x10xN&5x30xN&6x10xN&7x10xN
Hardware Installation and Maintenance Guide 5 Appendix
Issue 12 (2015-08-05) Huawei Proprietary and Confidential
Copyright © Huawei Technologies Co., Ltd.
109

Make sure that labels are affixed in the correct direction. That is, after the cable ties are bundled
onto the cable, the identification plates with the labels should face up, and the text on the labels
in the same cabinet should be in the same direction, as shown in Figure 5-94.
Figure 5-94 Labels for AC power cables
Label on the loaded cabinet side
(indicating the position of the cable
on the power distribution box)
Label on the distribution box side
(indicating the position of the cable
on the loaded cabinet side)
Meaning of the label in Figure 5-94.
lOn the equipment cabinet side, the label marked "A01-AC1" indicates that the power cable
is connected to the first AC power socket of row A and column 01 in the equipment room.
lOn the power socket side, the label marked "B01-AC1" indicates that the power cable is
connected to the first AC power socket in the cabinet of row B and column 01 in the
equipment room.
5.5 Guide to Using Optical Modules
Common Faults of an Optical Module
1. An optical module is not completely installed in position.
If the optical module is not completely installed in position and the latch boss is not secured,
the device cannot identify the optical module. After the optical module works for a long
time, it will be ejected under external stress.
2. The optical receptacle on an optical module is contaminated.
If an optical module is not cleaned or protected properly, contaminants may accumulate on
the fiber pin in the optical module. As a result, the coupling efficiency is reduced, optical
signals are cut off, or even worse, the surface of the fiber pin is damaged permanently.
3. An optical module is burnt.
If high-power optical signals (caused by an optical time domain reflectometer or self-loop
test) are transmitted through an optical module that is used for long-distance transmission
but no optical attenuator is used, the optical power will exceed the overload power of the
avalanche photodiode (APD). Then the optical module is burnt.
The preceding faults lead to temporary or long-term cut-off of optical signals; or even cause
permanent damages to the optical module, affecting communication services.
AP3x10xN&5x10xN&5x30xN&6x10xN&7x10xN
Hardware Installation and Maintenance Guide 5 Appendix
Issue 12 (2015-08-05) Huawei Proprietary and Confidential
Copyright © Huawei Technologies Co., Ltd.
110

Measures to Prevent a Loosened Optical Module
1. When installing an optical module, insert it in position. If you hear a click or feel a slight
shake, it indicates that the latch boss is secured.
If the latch boss is not secured, the gold finger of the optical module is not in good contact
with the connector on the board. In this case, the link may be connected but optical signals
will be cut off or the optical module will be loosened when the optical module is shaken
or hit.
2. Figure 5-95 shows the release handle on an optical module when it is open and closed.
When inserting the optical module, make sure that the release handle is closed. At this time,
the latch boss locks the optical module. After the optical module is inserted, try pulling it
out to see if it is installed in position. If the optical module cannot be pulled out, it is secured.
Figure 5-95 State of the release handle
Close the release handle Open the release handle
Measures to Prevent Receptacle Contamination
1. Cleaning tissues must be prepared on site. You need to clean the optical connector before
inserting it in the receptacle. This protects the receptacle against contamination on the
surface of the optical connector.
Figure 5-96 Cleaning optical fibers with special cleaning tissues
NOTE
Place at least three cleaning tissues on the work bench. As shown in Figure 5-96, wipe the end of an
optical connector from left to right or from right to left on a cleaning tissue, and then move the
connector end to the unused part of the cleaning tissue to continue.
2. Cover an unused optical module with a protective cap to prevent dust, as shown in Figure
5-97.
AP3x10xN&5x10xN&5x30xN&6x10xN&7x10xN
Hardware Installation and Maintenance Guide 5 Appendix
Issue 12 (2015-08-05) Huawei Proprietary and Confidential
Copyright © Huawei Technologies Co., Ltd.
111

Figure 5-97 Installing a protective cap
If no protective cap is available, use fibers to protect the optical module, as shown in Figure
5-98.
Figure 5-98 Using fibers to protect an optical module
3. Cover unused optical connectors with protective caps, as shown in Figure 5-99, and then
lay out fibers on the fiber rack or coil them in a fiber management tray to prevent fibers
from being squeezed.
Figure 5-99 Installing a protective cap on a fiber
4. If a receptacle or an optical connector has not been used for a long time and is not covered
with a protective cap, you need to clean it before using it. Clean a receptacle with a cotton
swab, as shown in Figure 5-100. Clean an optical connector with cleaning tissues.
AP3x10xN&5x10xN&5x30xN&6x10xN&7x10xN
Hardware Installation and Maintenance Guide 5 Appendix
Issue 12 (2015-08-05) Huawei Proprietary and Confidential
Copyright © Huawei Technologies Co., Ltd.
112

Figure 5-100 Cleaning a receptacle with a cotton swab
NOTICE
When cleaning a receptacle, insert the cotton swab and turn it slowly in the receptacle. Do
not use too much strength because the receptacle may be damaged.
5. If optical signals are lost during the operation of a device, use the preceding method to
clean the receptacle or the optical connector. In this manner, the possibility of contamination
can be excluded.
Measures to Prevent an Optical Module from Being Burnt
1. Before using an optical time-domain reflectometer (OTDR) to test the connectivity or the
attenuation of optical signals, disconnect the optical fibers from the optical module.
Otherwise, the optical module will be burnt.
2. When performing a self-loop test, use an optical attenuator. Do not loosen the optical
connector instead of the optical attenuator.
Precautions
1. The optical connector should be vertically inserted in the receptacle to avoid damages to
the receptacle.
2. Fibers must be inserted into optical modules of the corresponding type. That is, multimode
fibers must be inserted into multimode optical modules, and single mode fibers must be
inserted into single mode optical modules. If a fiber is inserted into an optical module of a
different mode, faults may occur. For example, optical signals will be lost.
5.6 Fault Tag
*Customer name:
Address:
Contact person:
Tel.: Fax:
Category*: □ RMA □ Return □ Analysis
AP3x10xN&5x10xN&5x30xN&6x10xN&7x10xN
Hardware Installation and Maintenance Guide 5 Appendix
Issue 12 (2015-08-05) Huawei Proprietary and Confidential
Copyright © Huawei Technologies Co., Ltd.
113

BOM
Code
Product
Description
Bar
Code*
Fault
Occurring
Date*
Description
of the Fault
Phenomena*
Category
No.*
Software
Version*
Reasons for Repairing (Category No.):
Category No. includes the following eight types:
F001 - Wear out damaged (◊ In warranty Period ◊ Out of warranty period)
F002 - Deployment damaged
F003 - Intransit damaged
F004 - Version upgrade
F005 - Batch replace
F007 - Overdue spare parts inspecting
F008 - Others
F011 - Running circumstance change
Note:
lFor optical interface cards returned, the optical interfaces should be covered with
protection caps.
lIn general, the analysis card will not be returned to you. If you have any special
requirements, please contact Huawei.
lOne Fault Tag should be adapted in one return category, such as RMA/Return/Analysis.
lThe items marked with "*" are the mandatory fields that you must fill in.
AP3x10xN&5x10xN&5x30xN&6x10xN&7x10xN
Hardware Installation and Maintenance Guide 5 Appendix
Issue 12 (2015-08-05) Huawei Proprietary and Confidential
Copyright © Huawei Technologies Co., Ltd.
114