Hubbell Gear Drive Electric Cable Reels Sm21 Users Manual
SM21 to the manual a2d1a24c-625a-4911-a8ff-5665b3080254
2015-02-09
: Hubbell Hubbell-Gear-Drive-Electric-Cable-Reels-Sm21-Users-Manual-565640 hubbell-gear-drive-electric-cable-reels-sm21-users-manual-565640 hubbell pdf
Open the PDF directly: View PDF
.
Page Count: 4

All units are provided with right hand rotation unless otherwise
specified. This means that cable is pulled off spool top left
or bottom right (spool rotates clockwise to wind cable) when
viewing spring end of reel. See diagram on parts page.
Clock-type springs provide power for automatic cable take-
up. Spring must be pretensioned at time of installation to
ensure that tension is applied to cable at all times. A tension
adjustment ratchet wrench is provided with each reel.
INSTALLATION
1. Ensure that machinery to be serviced by reel is at position
closest to reel.
2. Securely mount reel in desired position using 1/2"(M12)
bolts. Be sure spool is aligned with cable run.
3. Position optional cable guide, if reel is so equipped. See
CABLE INSTALLATION DRAWING
4. Connect free end of cable to junction box on machine or
adjust cable stop so that desired length of cable extends
from reel.
5. Remove ratchet wrench and cover plate on spring housing
to expose shaft and spring hub. (See Figure 1).
6. Reinstall ratchet wrench (Fig 2). Use long handled wrench
to rotate arbor driver clockwise (for standard rotation).
Number of 360° turns should match last digit in model
number on serial plate. If model number includes an
"R", reel is reverse rotation and wrench must be rotated
counterclockwise. (See EXPLANATION on parts list page.)
NOTE: On reels containing more than one spring, the hubs
are connected at the factory. Therefore, by tightening the
outer spring, the inside spring(s) will be tightened.
7. Remove wrench and install on other spring stack. Add
pretension turns as in step 6, above. Springs on both sides
must be adjusted equally. Remove wrench, replace cover
plates and return wrench to stored position.
8. Remove collector cover and connect individual supply
conductors to collector terminals. See ELECTRICAL
CONNECTIONS diagram, on parts page.
Do not attempt to relieve spring tension using spanner
wrench. Doing so may result in personal injury.
WARNING
CONTINUED ON BACK PAGE
INSTALLATION and MAINTENANCE INSTRUCTIONS
SM21 GEAR DRIVE ELECTRIC CABLE REELS
MAINTENANCE
Periodically: A. Use compressed air to clean collector assembly
and inside of collector housing. Inspect collector assembly for
brush wear and pitted slip rings.
B. Inspect cable for wear and
check mounting bolts and other
hardware for tightness.
C. Check for broken springs by
pulling about 2/3 cable off reel
and observing “Broken Spring
Indicators” on sides of spring
canisters. See Fig. 3.
NOTE: Bearings and springs
are prelubricated and require no
periodic maintenance.
SPRING REPLACEMENT
The unique SAFETYCHANGE® spring motor consists of a
spring and hub sealed within a housing. A replacement spring is
supplied sealed in its housing and the old unit should be discarded
completely.
1. Turn off all electric power.
2. Disconnect cable from machine junction box.
3. Relieve all spring tension following steps under SPRING
DETENSIONING on last page.
4. Remove inspection cover from face of spring housing.
5. Rotate spool clockwise and observe spring shaft. Shaft
should rotate clockwise and hub (with spring attached) should
remain stationary.
NOTE: Do not attempt to remove spring if resistance is
met or hub tends to rotate with shaft.
Continue to rotate spool and strike end of shaft several sharp
blows with a lead hammer or rubber mallet until shaft rotates
freely and hub remains stationary.
6. Remove (4) nuts which secure spring motor(s) to frame.
7. Slide spring motor(s) off shaft and discard.
NOTE: On multi-spring reels, be sure to remove and save
dowel pins which connect one spring hub with another. Also
remove snap rings on shaft between spring housings.
8. Install replacement spring motor(s), pawls and pawl springs.
NOTE: Pawl springs must be located between the pawls
and the deepest section of the shaft grooves. Make sure that
pawls and pawl springs are inserted flush with ends of shaft and
hub or they may rub against inspection cover.
9. Tighten nuts (and extension bolts) securing spring
housing(s) to reel frame.
10. Connect free end of cable to junction box or adjust cord stop.
11. Retighten nut on spring detensioner. See SPRING
DETENSIONING, back page.
12. Tension spring with spanner wrench. Refer to
INSTALLATION section
13. Replace inspection cover and top gear access cover.
Do not attempt to remove spring from its housing. Clock-
type springs can be dangerous to handle. Removal of
spring from housing could result in personal injury.
WARNING
BROKEN SPRING
INDICATORS
“IN” with 2/3
cable off reel–
SPRING OK
“OUT” with 2/3
cable off reel–
SPRING
BROKEN
Figure 3
PAWL
SIDE VIEW END VIEW
SPRING
Install
against flat
SPRING
HUB
(Spring not
shown)
SHAFT
GROOVE
SPOOL
SHAFT
Do not exceed number of turns indicated on
serial plate. Over-tensioning can cause a
broken spring, sheared shaft or other damage.
CAUTION
For reels manufactured after April 16, 2001
!
!
!

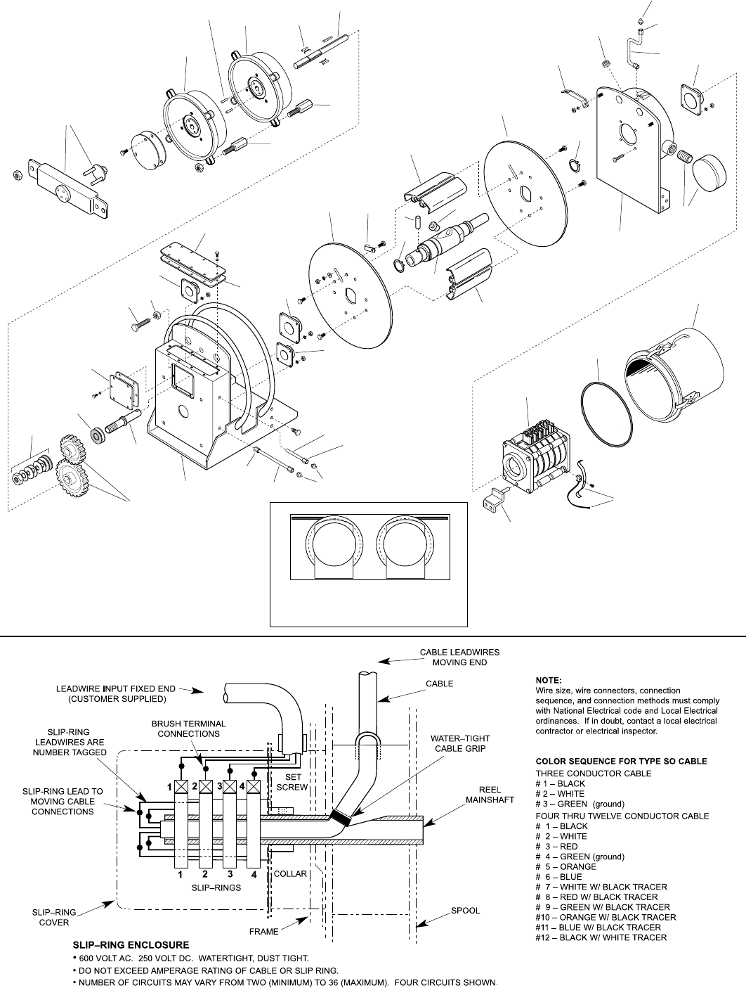
ELECTRICAL CONNECTIONS
Always specify SERIAL NUMBER &
MODEL NUMBER when ordering parts.
TO DETERMINE ROTATION OF REEL
STANDARD REVERSE
ROTATION ROTATION
Cable is payed out and retracted as shown
when viewing reel from spring motor side.
ILLUSTRATED PARTS LIST
SM-21 GEAR DRIVE ELECTRIC CABLE REELS manufactured after April 16, 2001
1
2
3
4
5
5
6
7
8
8
9
10
11
11
11
11
12 13
14
14 15
16
16
17
18
19
20
21
22
23
24
25
25
26
27
28
29
30
33
34
31
33
36
35
32 34
33
37
38

SM-21 GEAR DRIVE ELECTRIC CABLE REEL REPLACEMENT PARTS LIST
For SM-21 Gear Drive Electric Cable Reels manufactured after April 16, 2001
NOTE: Applicable mounting hardware included with each kit.
MODEL NUMBER EXPLANATION AMPACITY CODE
MAX
CODE AMPS
3 35
7 75
12 125
20 200
SPRING
REEL
FRAME
SERIES
SPRING
SERIES
NO. OF
SPRINGS *NO. OF
POLES AMPACITY CORE
DIAMETER
GEAR
RATIO
PRETENSION
TURNS
SM 21 100 4 R - 2 20 10 - V - 1
* INDICATES REVERSE ROTATION
NO LETTER INDICATES STANDARD ROTATION
ITEM KIT NO. DESCRIPTION QTY.
1 015899 Main Frame and Gear Case Assembly 1
2 015920 Vertical Frame 1
3 047565 Main Shaft 1
4 012137 Drive Pin 1
5 118322 Retaining Ring 2
6 016516 Bearing Kit - 2"" Bore
(Includes mounting hardware) 1
7 016517 Bearing Kit - 1.75"" Bore
(Includes mounting hardware) 1
8 016518 Bearing Kit - 1.25"" Bore
(Includes mounting hardware) 2
9 016519 Drive Stud Bracket Kit 1
10 015944 Stub Shaft, Drum Gear 1
11 04756601 Spool Assembly - 8"" Dia. Wrapper
(Includes two spool disks, wrapper segments & hardware) 1
11 04756602 Spool Assembly - 9" Dia. Wrapper 1
11 04756603 Spool Assembly - 10" Dia. Wrapper 1
11 04756604 Spool Assembly - 11" Dia. Wrapper 1
11 04756605 Spool Assembly - 12" Dia. Wrapper 1
11 04756606 Spool Assembly - 13" Dia. Wrapper 1
11 04756607 Spool Assembly - 14" Dia. Wrapper 1
11 04756608 Spool Assembly - 15" Dia. Wrapper 1
11 04756609 Spool Assembly - 16" Dia. Wrapper 1
11 04756610 Spool Assembly - 17" Dia. Wrapper 1
12 04169201 Cable Clamp Kit, 0.68 Dia. Cable 1
12 04169202 Cable Clamp Kit, 0.75 Dia. Cable 1
12 04169203 Cable Clamp Kit, 0.81 Dia. Cable 1
12 04169204 Cable Clamp Kit, 0.87 Dia. Cable 1
12 04169205 Cable Clamp Kit, 0.94 Dia. Cable 1
12 04169206 Cable Clamp Kit, 1.00 Dia. Cable 1
12 04169207 Cable Clamp Kit, 1.06 Dia. Cable 1
12 04169208 Cable Clamp Kit, 1.12 Dia. Cable 1
12 04169209 Cable Clamp Kit, 1.18 Dia. Cable 1
12 04169210 Cable Clamp Kit, 1.25 Dia. Cable 1
12 04169211 Cable Clamp Kit, 1.31 Dia. Cable 1
12 04169212 Cable Clamp Kit, 1.38 Dia. Cable 1
12 04169213 Cable Clamp Kit, 1.43 Dia. Cable 1
12 04169214 Cable Clamp Kit, 1.50 Dia. Cable 1
13 012459 Cable Connector, 0.38-0.50 Dia. Cable 1
13 012460 Cable Connector, 0.50-0.62 Dia. Cable 1
13 012461 Cable Connector, 0.62-0.75 Dia. Cable 1
13 012462 Cable Connector, 0.75-0.88 Dia. Cable 1
13 012463 Cable Connector, 0.88-1.00 Dia. Cable 1
13 012464 Cable Connector, 1.00-1.12 Dia. Cable 1
13 012465 Cable Connector, 1.12-1.25 Dia. Cable 1
13 012466 Cable Connector, 1.25-1.38 Dia. Cable 1
13 012467 Cable Connector, 1.38-1.50 Dia. Cable 1
14 016520
Spring Motor Kit, Standard Rotation-100
(Includes snap ring, two pawls, two springs, hub cover, and
gasket)
AR
14 016521 Spring Motor Kit, Reverse Rotation-100 AR
15 012427 Pawl Kit - 100 Spring
(Includes two pawls & two springs) 1
16 016522 Spring Mounting Kit
(Includes four extension studs) 1
17 106873 Collector Drive Access Plug 1
18 032804 Ratchet Spring Adjustment Wrench 1
NOTE: Please consult factory for optional accessories, roller guides,
ratchet lock and limit switch.
ITEM KIT NO. DESCRIPTION QTY.
19 012285 Collector Assembly, 2 Pole, 35 Amp 1
19 012286 Collector Assembly, 3 Pole, 35 Amp 1
19 012287 Collector Assembly, 4 Pole, 35 Amp 1
19 012288 Collector Assembly, 6 Pole, 35 Amp 1
19 012289 Collector Assembly, 8 Pole, 35 Amp 1
19 012290 Collector Assembly, 10 Pole, 35 Amp 1
19 012291 Collector Assembly, 12 Pole, 35 Amp 1
19 012292 Collector Assembly, 14 Pole, 35 Amp 1
19 012293 Collector Assembly, 16 Pole, 35 Amp 1
19 012298 Collector Assembly, 2 Pole, 75 Amp 1
19 012299 Collector Assembly, 3 Pole, 75 Amp 1
19 012300 Collector Assembly, 4 Pole, 75 Amp 1
19 037194 Collector Assembly, 2 Pole, 125 Amp 1
19 037294 Collector Assembly, 3 Pole, 125 Amp 1
19 037295 Collector Assembly, 4 Pole, 125 Amp 1
19 013756 Collector Assembly, 2 Pole, 200 Amp 1
19 016197 Collector Assembly, 3 Pole, 200 Amp 1
19 013757 Collector Assembly, 4 Pole, 200 Amp 1
20 012440 Brush Kit (35 Amp)
(Each kit includes 4 brushes, and 4 ngers) AR
20 012441 Brush Kit (75 Amp) AR
20 012443 Brush Kit (125 Amp / 200 Amp) AR
21 03742101 Collector Cover Kit (9.75"" long)
(Includes seal ring) 1
21 03742102 Collector Cover Kit (12.75" long) 1
21 03742103 Collector Cover Kit (14.75" long) 1
21 03742104 Collector Cover Kit (19.25" long) 1
22 016213 Seal Ring (only) 1
23 015936 Gear Detensioner Cover 1
24 015937 Gear Detensioner Cover Gasket 1
25 016525 Gear Detensioner Cover Kit
(Includes washers, pads and nut) 1
26 016527 Gear Access Cover Kit
(Includes cover and gasket) 1
27 015945 Spring Shaft, Gear, Std. Rot. (1001) 1
27 01594501 Spring Shaft, Gear, Rev. Rot. (1001) 1
27 015946 Spring Shaft, Gear, Std. Rot. (1002) 1
27 01594601 Spring Shaft, Gear, Rev. Rot. (1002) 1
27 015947 Spring Shaft, Gear, Std. Rot. (1003) 1
27 01594701 Spring Shaft, Gear, Rev. Rot. (1003) 1
27 015948 Spring Shaft, Gear, Std. Rot. (1004) 1
27 01594801 Spring Shaft, Gear, Rev. Rot. (1004) 1
28 016529 Collector Entrance Kit
(Includes wiring box, cover and gasket) 1
29 016202 Gear Kit, Ratio 'M'
(Includes one drum gear, and two spring gears) 1
29 016203 Gear Kit, Ratio 'N' 1
29 016204 Gear Kit, Ratio 'P' 1
29 016205 Gear Kit, Ratio 'Q' 1
29 016206 Gear Kit, Ratio 'R' 1
29 016207 Gear Kit, Ratio 'S' 1
29 016208 Gear Kit, Ratio 'T' 1
29 016209 Gear Kit, Ratio 'V' 1
29 016210 Gear Kit, Ratio 'W' 1
29 016211 Gear Kit, Ratio 'Y' 1
30 015958 Lube Tube, 2" Bore Bearing 1
31 015957 Lube Tube, Gearbox 1
32 016234 Lube Tube, 1.25" Bore Bearing 1
33 015955 Male Connector, 1/4" Tube x 1/8 NPT 5
34 101377 Grease Fitting 3
35 047563 Hex Hd. Cap Screw, .75-10 x 4.00 1
36 101030 Hex Nut, .75-10 1
37 015925 Hoop Brace 2
38 021762 Hub Lock Pin Kit (Includes 2 pins) 1

DO NOT insert hands into gearbox until springs are fully
detensioned. Doing so could lead to serious injury.
WARNING
Failure to relieve all spring tension prior to removing
cable could result in damage to equipment or
personal injury. Follow instructions carefully.
CAUTION
INSTALLATION
Use the following procedure to relieve spring tension prior to
cable or spring replacement.
Cycle reel thru normal operating cycle and stop when 1. maximum amount of cable is wound onto reel spool.
Set spool lock to prevent spool from turning.2.
Remove access cover from top of gearbox.3.
Using open end wrench, loosen large hex nut slowly to allow 4. springs to unwind. Fully loosen nut further with wrench until
springs are completely unwound.
Repair reel or replace springs or cable as necessary.5.
Retighten nut until definite resistance is felt and spring 6. washers are full compressed (flat). Replace cover.
NOTE: If hex nut is not adequately tightened, spring unwinding
can occur during reel operation.
Pretension reel. See 7. INSTALLATION section, front page.
CABLE INSTALLATION
Use the following procedure to replace cable or if reel was
ordered without cable. Refer to CABLE INSTALLATION
REFERENCE DRAWING, below.
Unspool new cable from shipping spool and lay out to 1.
eliminate twist.
NOTE: This step is not essential, but will aid in winding
operation of the reel and prolong cable life.
Feed one end of the cable through water-tight connector on 2.
the main shaft inside the spool and into the slip ring side (See
drawing below).
NOTE: This may require that jacket of cable be stripped to
allow conductors to pass through shaft.
Connect individual conductors to appropriate rings on 3.
collector using crimp tting or similar connection method.
Tighten water-tight connector and cable clamp in slot on spool 4.
disk. Do not over-tighten.
Wind the cable onto the reel spool by hand rotating spool in 5.
direction it turns free of spring tension.
Connect free end of cable to machine junction box.6.
Pretension reel and complete reel installation as previously 7.
described.
CABLE REMOVAL
Use the following procedure to remove worn or damaged cable
from reel prior to installation of new cable.
Move machine serviced by reel to a position closest to reel. 1. Springs will still be under pre-tension at this point.
Turn off all electric power.2.
Using spool lock. lock spool to prevent turning.3.
Disconnect cable from machine junction box.4.
Detension springs as described above.5.
Remove cable from spool. Loosen cable clamp and water-tight 6. connector and disconnect conductors from slip ring.
COLLECTOR REPLACEMENT
Turn off all power to reel.1.
Remove collector cover and gasket.2.
Disconnect electric leads to and from collector.3.
Remove drive stud bolt from bearing housing. 4.
Remove button plug from hole in side of housing. Insert long 5. 1/8" Allen wrench through hole and loosen two set screws in
collector locking collar. Set screws are at 90° to one another.
NOTE: Older reels may have lock screws which must be
removed to reach set screws holding collector to shaft.
Slide collector off shaft.6.
Install new collector by reversing7.
Printed in USA Bulletin No. 049661.b
GLEASON REEL CORP.
P.O. Box 26 • 600 South Clark St.
Mayville, WI 53050
Phone 920-387-4120 • Fax 920-387-4189
!
!