Husqvarna 289820 User Manual ZERO TURN TRACTOR Manuals And Guides L0904416
HUSQVARNA Lawn, Riding Mower Rear Engine Manual L0904416 HUSQVARNA Lawn, Riding Mower Rear Engine Owner's Manual, HUSQVARNA Lawn, Riding Mower Rear Engine installation guides
!! L0904416 Htc Lawn Mower Manuals - Lawn Mower Manuals – The Best Lawn Mower Manuals Collection
Preview ! L0904416 Htc Lawn Mower Manuals - Lawn Mower Manuals – The Best Lawn Mower Manuals Collection
User Manual: Husqvarna 289820 289820 HUSQVARNA ZERO TURN TRACTOR - Manuals and Guides View the owners manual for your HUSQVARNA ZERO TURN TRACTOR #289820. Home:Lawn & Garden Parts:Husqvarna Parts:Husqvarna ZERO TURN TRACTOR Manual
Open the PDF directly: View PDF
.
Page Count: 75

Operator Manual
RZ4219 /965881101
RZ4620 /965881201
RZ5424 /965881301
RZ5422 /965881401
RZ4619 /965921501
Please read the operator's manual carefully and make sure you
understand the instructions before using the machine, English

In order to implement improvements, specifications and designs can be altered without prior
notification.
Note that no legal demands can be placed based on the information contained in these instructions.
Use only original parts for repairs. The use of other parts voids the warranty.
Do not modify or install non-standard equipment to the unit without consent from the manufacturer.
Modifications to the unit may cause unsafe operations or damage the unit.
@2008 HTC. All rights reserved.
Beatrice, NE. Printed in U.S.A.

CONTENTS
INTRODUCTION ............................................................... 5
Driving and Transport on Public Roads ...................... 5
Towing ......................................................................... 5
Operating .................................................................... 5
Good Service .............................................................. 6
Manufacturing Number ......................................... 6
SYMBOLS AND DECALS ................................................. 7
SAFETY ............................................................................ 9
Safety Instructions ...................................................... 9
Personal Safety Equipment ...................................... 11
Slope Operation ........................................................ 11
Safe Handling of Gasoline ........................................ 13
General Maintenance ............................................... 14
Transport .................................................................. 16
CONTROLS .................................................................... 17
Control Locations ...................................................... 17
Steering Control Levers ............................................ 18
Parking Brake ........................................................... 19
Throttle Control ......................................................... 19
Blade Switch ............................................................. 19
Ignition Switch ........................................................... 20
Choke Control ........................................................... 20
Fuses ........................................................................ 20
Fuel Tank .................................................................. 21
Fuel Shut Off Valve ................................................... 22
Cutting Height Adjuster ............................................. 22
Hour Meter ................................................................ 23
Tracking Knob ........................................................... 23
OPERATION ................................................................... 24
Training ..................................................................... 24
Steering .................................................................... 24
Before Starting .......................................................... 25
Starting the Engine ................................................... 25
Jumper Cables .................................................... 28
Running .................................................................... 29
Operating On Hills .................................................... 30
Mowing Tips ............................................................. 31
Stopping the Engine ................................................. 32
Manual Transport ...................................................... 33
MAINTENANCE .............................................................. 34
Maintenance Schedule ............................................. 34
Battery ...................................................................... 36
Ignition System ......................................................... 37
Safety System ........................................................... 37
Engine Cooling Air Intake ......................................... 38
Throttle Cable ........................................................... 38
Choke Cable ............................................................. 38
Air Filter .................................................................... 39
Kohler Engine - 20 HP ........................................ 39
Kohler Engine - 24 HP ........................................ 40
Briggs & Stratton Engine - 19 HP ....................... 41
Briggs & Stratton Engine - 22 HP ....................... 43
Fuel Filter .................................................................. 44
Tire Pressures .......................................................... 45
Parking Brake ........................................................... 45
V-belts ....................................................................... 46
Deck Belt............................................................. 46
Cutting Blades .......................................................... 47
Blade replacement .............................................. 47
Adjusting the Mower Deck ........................................ 48
Leveling deck ...................................................... 48
Anti-scalp rollers ................................................. 49
Cleaning .................................................................... 50
Caster Wheels .......................................................... 50
Hardware .................................................................. 50
LUBRICATION ................................................................ 51
Cables ....................................................................... 52
Front Wheel Mount ................................................... 52
Front Wheel Bearings ............................................... 52
Deck Spindle ............................................................. 52
Deck Outer Spindle ................................................... 53
Engine Oil ................................................................. 53
Engine Oil Levels ................................................ 54
Changing Engine Oil ........................................... 54
Transmission ............................................................ 54
TROUBLESHOOTING .................................................... 55
STORAGE ....................................................................... 57
Winter Storage .......................................................... 57
Service ...................................................................... 57
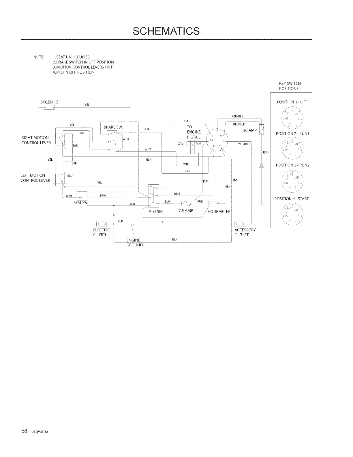
SCHEMATICS ................................................................. 58
TECHNICAL DATA .......................................................... 59
Accessories .............................................................. 65
Torque Specifications ................................................ 65
CONFORMITY CERTIFICATES ..................................... 66
WARRANTY .................................................................... 67
SERVICE JOURNAL ....................................................... 68
English-3

WARNING!
Failure to follow cautious operating practices can result in serious injury to the
operator or other persons. The owner must understand these instructions, and must
allow only trained persons who understand these instructions to operate the mower.
Each person operating the mower must be of sound mind and body and must not be
under the influence of any mind altering substance.
WARNING!
Engine exhaust, some of its constituents, and certain vehicle components contain or
emit chemicals known to the State of California to cause cancer and birth defects or
other reproductive harm.
WARNING!
Battery posts, terminals and related accessories contain lead and lead compounds,
chemicals known to the State of California to cause cancer and birth defects or other
reproductive harm. Wash hands after handling.
English-4

INTRODUCTION
Congratulations
Thank you for purchasing a Husqvarna ride-on
mower. This machine is built for superior efficiency
to rapidly mow primarily large areas. A control panel
easily accessible to the operator and a hydrostatic
transmission regulated by steering controls both
contribute to the machine's performance.
This manual is a valuable document. Read the
contents carefully before using or servicing the
machine. The following of instructions (use, service,
maintenance) by all who operate this machine is
important for the safety of the operator and others.
It can also considerably increase the life span of the
machine and increase its resale value.
If you sell your machine, be sure to give the operator's
manual to the new owner.
The final chapter of this operator's manual provides a
Service Journal. Ensure that service and repair work
are documented. A well-kept service journal reduces
service costs for the maintenance and affects the
machine's resale value. Please contact your dealer for
more information. Take the operator's manual along
when the machine is taken to your dealer for service.
General
In this operator's manual, left and right, backward and
forward are used in relation to the machine's normal
driving direction.
Continuous dedication to improve our products require
that specifications and design are subject to change
without notice.
Driving and Transport on Public Roads
Check applicable road traffic regulations before
transporting on public roads. If the machine is
transported, you must always use approved fastening
equipment and ensure that the machine is well
anchored. DO NOT operate this machine on public
roadways.
Towing
If machine is equipped with a tow hitch, use extreme
caution when towing. Never allow children or others in
or on the towed equipment. Make wide turns to avoid
jack=knifing. Travel slowly and allow extra distance to
stop.
Do not tow on sloped ground. The weight of the towed
equipment may cause loss of traction and loss of
control.
Follow the manufacturer's recommendation for weight
limits for towed equipment. Do not tow near ditches,
canals, and other hazards.
Operating
This machine is constructed only for mowing grass
on lawns and even ground without obstacles such
as stones, tree stumps, etc. The machine can also
be used for other tasks when equipped with special
accessories provided by the manufacturer. Operating
instructions for the accessories are provided with
delivery. All other types of uses are incorrect. The
manufacturer's directions concerning operation,
maintenance, and repairs must be carefully followed.
Lawn mowers and all power equipment, can be
potentially dangerous if used improperly. Safety
requires good judgement, careful use in accordance
with these instructions and common sense.
The machine must only be operated, maintained, and
repaired by persons familiar with the machine's special
characteristics and who are also knowledgeable about
the safety instructions. Use only approved repair parts
to maintain this machine.
Accident prevention regulations, other general safety
regulations, occupational safety rules, and traffic
regulations must be followed without fail.
Unauthorized modifications to the design of the
machine may absolve the manufacturer from liability
for any resulting personal injury or property damage.
Husqvarna-5

INTRODUCTION
Good Service
Husqvarna's products are sold all over the world and only in specialized retail stores with complete service. This
ensures that you as a customer receive only the best support and service. Before the product is delivered, the
machine has, for example, been inspected and adjusted by your retailer. See the certificate in the Service Journal
in this operator's manual.
When you need spare parts or support in service questions, warranty issues, etc., please consult the following
professional:
This Operator's Manual belongs to the machine with Engine Transmission
the manufacturing number:
Manufacturing Number
The machine's manufacturing number can be found on the printed plate affixed to the right side in the engine
compartment. Stated on the plate, from the top are:
The machine's type designation (I.D.).
The manufacturer's type number (Model).
The machine's serial number (Serial no.)
Please have the type designation and serial number available when ordering spare parts.
The engine's manufacturing number is stamped on one of the valve covers.
The plate states:
The engine's model.
The engine's type.
Code
Please have these available when ordering spare parts.
The wheel motors and hydrostatic pumps have a barcode decal affixed at the rear.
6-Husqvarna

SYMBOLS AND DECALS
These symbols are found on the machine and in the operator's manual.
Study them carefully so that you know what they mean.
WARNING!
Xxxx xxxxxx xxxxx xxxx
xxxxxxxxx xxxxxx xxxxxxxxx, xx
xxxxxxxx xxxx xxxxxx.
Used in this publication to notify the reader of a risk of personal injury or death, particularly if the reader should
neglect to follow instructions given in the manual.
IMPORTANT INFORMATION
Xxxx xxxxxx xxxxx xxxx xxxxxxxxx xxxxxx
xxxxxxxxx, xx xxxxxxxx xxxx xxxxxx.
Used in this publication to notify the reader of a risk of material damage, particularly if the reader should neglect
to follow instructions given in the manual. Used also when there is a potential for misuse or misassembly.
Reverse Neutral Fast Slow Choke Fuel
Parking Brake CE conformity
marking. Only for
European market
Warning!
Battery acid is corrosive, explosive and flammable
Warning! Rotating blades,
keep away from the
discharge deck
Do not stand here
Do not touch parts
Use protective glasses Use protective gloves
Noise emissions to the
surroundings in accordance with
the European Union's directive.
The machine's emission is stated
in the chapter TECHNICAL DATA
and on the decals.
Only machines for European
market
Husqvarna-7

SYMBOLS AND DECALS
Read
Operator's
Manual
Shut off engine and Keep a safe Use on slopes
remove key before distance from no greater
performing any the machine than 10°
maintenance or repair work
No passengers
A®
AAA
Whole body Severing of fingers Do not open or Careful backing up, Careful going
exposure to and toes remove safety watch for other forward, watch for
thrown objects shields while people other people
engine is running
DANGER
Moving sharp blades under cover
8-Husqvarna

SAFETY
Safety instructions
These instructions are for your safety. Read them carefully.
WARNING!
This symbol means that important safety instructions need to be emphasized. It concerns
your safety.
iMPORTANT: THIS CUTTING MACHINE IS CAPABLE OF AMPUTATING HANDS AND FEET AND THROWING
OBJECTS. FAILURE TO OBSERVE THE FOLLOWING SAFETY INSTRUCTIONS COULD RESULT IN
SERIOUS INJURY OR DEATH.
General Operation
• Read, understand, and follow all instructions on
the machine and in the manual before starting.
• Do not put hands or feet near rotating parts or
under the machine. Keep clear of the discharge
opening at all times.
• Only allow responsible adults, who are familiar
with the instructions, to operate the machine.
• Clear the area of objects such as rocks, toys, wire,
etc., which could be picked up and thrown by the
blades.
• Be sure the area is clear of bystanders before
operating. Stop machine if anyone enters the area.
• Never carry passengers. The machine is only
intended for use by one person.
• Do not mow in reverse unless absolutely
necessary. Always look down and behind before
and while backing.
• Never direct discharged material toward anyone.
Avoid discharging material against a wall or
obstruction. Material may ricochet back toward the
operator. Stop the blades when crossing gravel
surfaces.
• Do not operate machine without the entire grass
catcher, discharge guard, or other safety devices
in place and working
• Slow down before turning.
• Never leave a running machine unattended.
Always turn off blades, set parking brake, stop
engine, and remove keys before dismounting.
• Disengage blades when not mowing. Shut off
engine and wait for all parts to come to a complete
stop before cleaning the machine, removing the
grass catcher, or unclogging the discharge guard.
• Operate machine only in daylight or good artificial
light.
• Do not operate the machine while under the
influence of alcohol or drugs.
8011-512
Read the operator's manual before starting the machine
Clear the area of objects before mowing
8011-513
Husqvama-9

SAFETY
• Watch for traffic when operating near or crossing
roadways.
• Use extra care when loading or unloading the
machine into a trailer or truck.
• Always wear eye protection when operating
machine.
• Data indicates that operators age 60 years and
above are involved in a large percentage of riding
mower=related injuries. These operators should
evaluate their ability to operate the riding mower
safely enough to protect themselves and others
from serious injury.
• Follow the manufacturer's recommendation for
wheel weights or counterweights.
• Anyone who operates this machine must first read
and understand this Operation Manual. Local laws
may regulate the age of the user.
• Keep machine free of grass, leaves or other debris
buildup which can touch the hot exhaust or engine
parts and burn. Do not allow the mower deck to
plow leaves or other debris, causing buildup to
OCCUr.
• Clean any oil or fuel spillage before operating or
storing the machine.
• Allow machine to cool before storage.
Never take passengers
8011-520
WARNING!
Engine exhaust and certain vehicle
components contain or emit
chemicals considered to cause
cancer, birth defects, or other
reproductive system damage. The
engine exhaust contains carbon
monoxide, which is a odorless,
colorless, poisonous gas. Do not use
the machine in enclosed spaces.
10-Husqvarna

SAFETY
Personal Safety Equipment
_IL WARNING!
When using the machine, approved personal protective equipment (shown in illustrations)
shall be used. Personal protective equipment cannot eliminate the risk of injury but it
will reduce the degree of injury if an accident does happen. Ask your retailer for help in
choosing the right equipment.
• Make sure that you have first aid equipment close
at hand when using the machine.
• Never use the machine when barefoot.
• Always wear protective shoes or boots, preferably
with steel toe caps.
• Always wear approved protective glasses or a full
visor when assembling or driving.
• Always wear gloves when handling the blades.
• Never wear loose clothing that can get caught in
moving parts.
• Use ear protectors to avoid damage to hearing.
Slope Operation
Slopes are a major factor related to loss of control and
tip-over accidents, which can result in severe injury or
death. Operation on all slopes requires extra caution. If
you cannot back up the slope or if you feel uneasy on
it, do not mow it.
• Mow up and down slopes (10 degrees maximum),
not across.
• Watch for holes, ruts, bumps, rocks, or other
hidden objects. Uneven terrain could overturn the
machine. Tall grass can hide obstacles.
• Choose a low ground speed so that you will not
have to stop while on the slope.
• Do not mow on wet grass. Tires may lose traction.
• Avoid starting, stopping, or turning on a slope. If
the tires lose traction, disengage the blades and
proceed slowly straight down the slope.
• Keep movement on the slopes slow and gradual.
Do not make sudden changes in speed or
direction, which could cause machine to roll over.
• Use extra care while operating machine with grass
catchers or other attachments; they can affect the
stability of the machine.
• Do not use on steep slopes.
• Do not try to stabilize the machine by putting a foot
on the ground.
• Do not mow near drop-offs, ditches, or
embankments. The machine could suddenly roll
over if a wheel is over the edge or if the edge
caves in.
Personal protective equipment
8011-670a
Mow up and down, not side to side
6003-004
WARNING!
Do not drive up or down hills with
slopes greater than 10 degrees. And
do not drive across any slopes.
Husqvarna-I 1

SAFETY
Children
Tragic accidents can occur if the operator is not
alert to the presence of children. Children are often
attracted to the machine and the mowing activity.
Never assume that children will remain where you last
saw them.
• Keep children out of the mowing area and in the
watchful care of a responsible adult other than the
operator.
• Be alert and turn machine off if a child enters the
area.
• Before and while backing, look behind and down
for small children.
• Never carry children, even with the blades shut
off. They may fall off and be seriously injured or
interfere with safe machine operation. Children
who have been given rides in the past may
suddenly appear in the mowing area for another
ride and be run over or backed over by the
machine.
• Never allow children to operate the machine.
• Use extra care when approaching blind corners,
shrubs, trees, or other objects that may block your
view of a child.
Be extra cautious when driving on slopes
8011-509
Never allow children to operate the machine
8011-517
Keep children away from work area
8011-518
12-Husqvarna

SAFETY
WARNING!
The engine must not be started when the driver's floor plate or any protective plate for the
mower deck's drive belt is removed.
Safe Handling of Gasoline
To avoid personal injury or property damage, use
extreme care in handling gasoline. Gasoline is
extremely flammable and the vapors are explosive.
• Extinguish all cigarettes, cigars, pipes, and other
sources of ignition.
• Use only approved gasoline container.
• Never remove gas cap or add fuel with the engine
running. Allow engine to cool at least two (2)
minutes before refueling.
• Never fuel the machine indoors.
• Never store the machine or fuel container where
there is an open flame, spark, or pilot light such as
on a water heater or other appliance.
• Before you begin refueling, minimize the risk of
static electricity by touching a metal surface.
• Never fill containers inside a vehicle or on a
truck or trailer bed with plastic liner. Always place
containers on the ground away from the vehicle
when filling.
• Remove gas=powered equipment from the truck
or trailer and refuel it on the ground. If this is not
possible, refuel such equipment with a portable
container, rather than from a gasoline dispenser
nozzle.
• Keep the nozzle in contact with the rim of the fuel
tank or container opening at all times until fueling
is complete. Do not use a nozzle lock=open device.
• If fuel is spilled on clothing, change clothing
immediately.
• Never overfill fuel tank. Replace gas cap and
tighten securely.
• Do not start the engine near spilled fuel.
• Never use gasoline as a cleaning agent.
• If leaks arise in fuel system, engine must not be
started until problem has been resolved.
• Check the fuel level before each use and leave
space for the fuel to expand, as the heat from the
engine and the sun may otherwise cause the fuel
to expand and overflow.
Never fill the fuel tank indoors 8011-516
WARNING!
The engine and the exhaust system
become very hot during operation.
There is risk for burns if touched.
Allow engine and exhaust system to
cool at least two (2) minutes before
refueling.
Husqvarna-13

SAFETY
General Maintenance
• Never operate machine in a closed area.
• Keep all nuts and bolts tight to be sure the
equipment is in safe working condition.
• Never tamper with safety devices. Check their
proper operation regularly.
• Keep machine free of grass, leaves, or other
debris buildup. Clean oil or fuel spillage and
remove any fuel-soaked debris. Allow machine to
cool before storing.
• If you strike a foreign object, stop and inspect the
machine. Repair, if necessary, before restarting.
• Never make any adjustments or repairs with the
engine running.
• Check grass catcher components and the
discharge guard frequently and replace with
manufacturer's recommended parts, when
necessary.
• Mower blades are sharp. Wrap the blade or wear
gloves, and use extra caution when servicing
them.
• Check brake operation frequently. Adjust and
service as required.
• Maintain or replace safety and instruction labels,
as necessary.
• Do not modify safety equipment. Check regularly
to be sure it works properly. The machine must not
be driven with defective or unmounted protective
plates, protective cowlings, safety switches, or
other protective devices.
• Do not change the settings of governors and avoid
running the engine with overly high engine speeds.
If you run the engine too fast, you risk damaging
the machine components.
•Be very careful when handling battery acid. Acid
on skin can cause serious corrosive burns. If you
spill battery acid on your skin, rinse immediately
with water.
• Acid in the eyes can cause blindness, contact a
doctor immediately.
• Be careful when servicing the battery. Explosive
gases form in the battery. Never perform
maintenance on the battery when smoking or near
open flames or sparks.
• The battery can explode and cause serious injury
or damage.
• Ensure that nuts and bolts, especially the
fastening bolts for the blade attachments, are
properly tightened, torqued and that the equipment
is in good condition.
Never drive the machine in an enclosed space
8011-515
_WARNING!Use protective glasses for
maintenance work.
WARNING!
The battery contains lead and lead
compounds, chemicals that are
considered to cause cancer, birth
defects, and other reproductive
system damage. Wash your hands
after handling the battery.
14-Husqvarna

SAFETY
• Do not change the settings of governors and avoid
running the engine with overly high engine speeds.
If you run the engine too fast, you risk damaging
the machine components.
• Sparking can occur when working with the battery
and the heavy cables of the starter circuit. This
can cause battery explosion, fire or eye injury.
Sparking in this circuit can not occur after the
chassis cable (normally negative, black)is
removed from the battery.
• Use protective goggles.
• Ensure that the fuel filler cap is mounted tightly
and no flammable substances are stored in an
open vessel.
• Never work with the starter circuit if there is spilled
fuel.
WARNING!
Avoid electrical sparking and its
consequences by the following
routines:
6003-009
Do not smoke when performing maintenance on the battery.
The battery can explode and cause serious injury/damage.
• Disconnect the chassis cable from the battery first
and reconnect it last.
• Do not make a bridge short circuit across the
starter relay to run the starter.
• Never use the machine indoors or in spaces
lacking proper ventilation. The exhaust fumes
contain carbon monoxide, an odorless, poisonous,
and lethal gas.
• Stop to inspect the equipment if you run over or
into anything. If necessary, make repairs before
starting.
• Never make adjustments with the engine running.
• The machine is tested and approved only with the
equipment originally provided or recommended by
the manufacturer. Only use approved repair parts
for the machine.
• The blades are sharp and can cause cuts and
gashes. Wrap the blades or use protective gloves
when handling them.
• Check the parking brake's functionality regularly.
Adjust and service as necessary.
• The mulch blades should only be used in familiar
areas when higher quality mowing is desired.
• Reduce the risk of fire by removing grass, leaves,
and other debris that may have accumulated on
the machine. Allow the machine to cool before
putting it in storage.
Risk of sparking
8009-728
Husqvarna-I 5

SAFETY
• The blades are sharp and can cause cuts and
gashes. Wrap the blades or use protective
gloves when handling them.
• Check the parking brake's functionality
regularly. Adjust and service as necessary.
• The mulch blades should only be used in
familiar areas when higher quality mowing is
desired.
• Reduce the risk of fire by removing grass,
leaves, and other debris that may have
accumulated on the machine. Allow the
machine to cool before putting it in storage.
• Regularly clean deck and underside of
deck, avoid spraying engine and electrical
components with water.
Transport
•The machine is heavy and can cause serious
crushing injuries. Be extra cautious when it is
loaded on or unloaded from a vehicle or trailer.
• Use an approved trailer to transport the
machine. Activate the parking brake, turn off
the fuel supply, and fasten the machine with
approved fastening devices, such as bands,
chains, or straps, when transporting.
• Do not operate this machine on public
roadways.
• Check and abide by local traffic regulations
before transporting the machine on any road.
• Do not tow this machine, it may cause damage
to the drive system.
• Do not tow any trailers, etc. with this mower.
They may jackknife or overturn causing
damage to the mower and possibly serious
injury to the operator.
• Load the unit onto truck or trailer by driving up
ramps of suitable strength using a slow speed.
Do not lift! The machine is not intended to be
lifted by hand.
Regularly clean deck
8011-514
_i= ARNING!Escaping hydraulic oil under
pressure can have sufficient force
to penetrate the skin, causing
serious injury. If injured by escaping
fluid, see a doctor at once. Serious
infection or reaction can develop
if proper medical treatment is not
administered immediately.
IMPORTANT INFORMATION
The parking brake is not sufficient to lock the
machine in place during transport. Ensure that
the machine is well fastened to the transport
vehicle. Always reverse the machine onto the
transport vehicle to avoid tipping it over.
16-Husqvarna

CONTROLS
This operator's manual describes the Husqvarna Zero
Turn Rider. The rider is fitted with either a Kohler or
Briggs & Stratton four-stroke overhead valve engine
developing 19-24 horse power*.
Control Locations
7
Transmission from the engine is made via a belt-driven
hydraulic pumps. Using the left and right steering
controls, the flow is regulated and thereby the direction
and speed.
12
o©
©
1
0
11 4 5 12 10
1. Motion control levers
2. Parking brake
3. Throttle control
4. Blade switch
5. Ignition switch
6. Choke control
7. Fuses
*As rated by the engine manufacturer.
8. Fueltank cap
9. Fuel shut off valve
10. Deck lift
11. Seat adjustment lever
12. Hour meter
13. Tracking adjustment
Husqvarna-17

CONTROLS
Steering Control Levers
The machine's speed and direction are continuously
variable using the two steering controls. The steering
controls can be moved forward or backward about
a neutral position. Furthermore, there is a neutral
position, which is locked if the steering controls are
moved outward.
When both controls are in the neutral position (N), the
machine stands still.
By moving both controls an equal amount forward
or backward, the machine moves in a straight line
forward or backward respectively.
In order, for example, to turn right while moving
forward, move the right control towards the neutral
position. The rotation of the right wheel is reduced and
the machine turns to the right.
Zero turn can be achieved by moving one control
backward (behind the neutral position) and carefully
moving the other steering control forward from its
neutral position. The rotation direction when zero
turning is determined by which steering control is
moved backward behind the neutral position. If the left
steering control is pulled backward, the machine turns
to the left. Use extra care when using this maneuver.
If the steering controls are in uneven positions when
standing still or do not fit in the slots for moving the
controls outward, they can be adjusted.
Steering controls
WARNING!
The machine can turn very rapidly if
one steering control is moved much
further forward than the other.
8058-022
1. Forward
2. Neutral
3. Neutral slot, Neutral lock
4. Reverse
Motion control lever, right side
m
3
8011-7912a
18-Husqvarna

CONTROLS
Parking Brake
IMPORTANT INFORMATION
The machine must stand absolutely still when
applying the parking brake. Always set the
parking brake before dismounting. Release the
parking brake before moving the mower.
The parking brake is found on the left of the machine.
Push the release button and pull the lever backward to
activate the brake--push forward to release it.
Parking brake released
8058-020
Throttle Control
The throttle control regulates the engine speed and
thereby the rate of rotation of the blades, assuming the
blade switch is pulled out, see Engaging the Mower
Deck.
In order to increase or decrease the engine speed, the
control is moved forward or back respectively.
Avoid idling the engine for long periods, as there is a
risk of fouling the spark plugs.
USE FULL THROTTLE WHEN MOWING, for best
mower performance and battery charging.
Throttle control 8052-001
Blade Switch
In order to engage the mower deck, pull the knob out;
the mower blades are disengaged when the knob is
depressed.
CHOKE UP
DOWN
BLADES OFI
Blade switch 8052-001
Husqvarna-19

CONTROLS
ignition Switch
The ignition key is placed on the control panel and is
used to start and stop the engine,
CHOKE UP
BLADES ON
DOWN
BLADES OFF
Ignition switch
8052-001
Choke Control
The choke control is used for cold starts in order to
provide the engine with a richer fuel mixture.
For cold starts the control should be pulled out.
Choke control 8052-001
Fuses
Fuses are located on the left hand side of the machine.
They are accessed by tilting the seat forward. They are
flat pin fuses of the same type used in automobiles,
There are two fuses with ratings and functions:
20 Amp Primary fuse
7.5 Amp Mower deck coupling
20-Husqvarna
Fuses
8011-420

CONTROLS
Fuel Tank
Read the safety instructions before refueling. The
machine has one fuel tank, just behind the seat. The
tank capacity is 3 gallons (11.4 liters).
Regularly check the gas cap gasket for damage and
keep the cap properly tightened.
The engine will run on a minimum of 85=octane
unleaded gasoline (no oil mix). Environmentally
adapted alkylate gasoline can be used. See also
Technical Data concerning ethanol fuel. Methanol fuel
is not allowed. Do not use E85 alcohol based fuel.
Damage to engine and components may occur.
WARNING!
Gasoline is highly flammable.
Observe caution and fill the tank
outdoors (see the safety instruction).
Fuel tank
8058-021
WARNING!
The engine and the exhaust system,
become very hot during operation.
Risk for burns if touched.
Allow engine and exhaust system to
cool at least two (2) minutes before
refueling.
WARNING!
Fill to bottom of filler neck. Do not
overfill. Wipe off any spilled oil
or fuel. Do not store, spill or use
gasoline near an open flame.
IMPORTANT INFORMATION
Experience indicates that alcohol blended
fuels (called gasohol, ethanol or methanol) can
attract moisture which leads to separation and
formation of acids during storage. Acidic gas
can damage the fuel system of an engine while
in storage. To avoid engine problems, the fuel
system should be emptied before storage of
30 days or longer. Drain the gas tank, start the
engine and let it run until the fuel lines and
carburetor are empty. Use fresh fuel the next
season. See Storage Instructions for additional
information. Never use engine or carburetor
cleaners in the fuel tank or permanent damage
may occur.
When operating in temperatures below 32 ° F. (0° C.),
use fresh, clean winter grade gasoline to insure good
cold weather starting.
Husqvama-21

CONTROLS
Fuel Shut Off Valve
The fuel shut off valve is located at the left rear of the
seat. The valve is off when the handle tab is turned
perpendicular to the fuel line.
IMPORTANT INFORMATION
Always raise the deck to the highest position
for transport.
Fuel shut off valve in the CLOSED position
8011-419
Cutting Height Adjuster
To set the desired deck cutting height, press the
release button and move the lever forward to the
correct cutting height on the cutting plate. The cutting
height range is from 1½" (38mm) to 4" (102mm) in
½" (13mm)increments. The heights are measured
from the ground up to the blade tip with the engine not
running.
IMPORTANT INFORMATION
In order to obtain an even cutting height, it is
important that the air pressure in all tires is 15
psi /103 kPa /1 bar.
The mower deck's firing lever
8058-019
22-Husqvarna

CONTROLS
Seat Adjustment Lever
The seat can be adjusted lengthways. When making
adjustments, the lever under the right side of the
seat is pulled up, after which the seat can be moved
backward or forward.
Lengthways adjustment
8058-023
Hour Meter
The hour meter displays the total operating time.
It will flash CHG OIL (Change Oil) at 50 hour intervals,
The flash duration is one hour before and one hour
after the interval, The CHG OIL icon will come on
and shut off automatically, The hour meter cannot be
manually reset,
O
uP
BLADES ON
DOWN
BLADES OF
Hour meter
8052-001
Tracking Knob
If the mower is not tracking straight, check the air
pressure in both rear tires. Recommended air pressure
is 15 psi (103 kPa /1 bar) for all tires. Tracking must
be checked on a flat and level concrete or blacktop
surface.
Rotating the tracking knob allows fine tuning
adjustments so the machine tracks straight with the
steering control levers in the full forward position,
Rotate the knob clockwise (as viewed from the
operation position) to increase the speed on the left
lever, Rotate counterclockwise to decrease speed,
Tracking knob
8058-020
Husqvama-23

OPERATION
Read "Safety Instructions" section and following
pages, if you are unfamiliar with the machine.
Training
Zero turn mowers are far more maneuverable than
typical riding mowers due to their unique steering
capabilities.
We suggest that this section be reviewed in its entirety
prior to attempting to move the mower under its own
power. Additionally, we suggest when first operating
the mower, use a reduced throttle speed and reduced
ground speed by NOT moving control levers to the
furthest forward or reverse positions during initial
operation, or until operator becomes comfortable with
controls. We also suggest first time users, or new
users to Zero Turn mowers to become familiar with
the mower's movement on a hard surface, such as
concrete or blacktop PRIOR to attempting to operate
on turf. Until operator becomes comfortable with
mower controls and zero turning capability, they may
damage turf due to overly aggressive maneuvers.
IMPORTANT INFORMATION
When control levers are in the reverse position
they return to neutral when released. This may
cause the mower to suddenly stop.
Steering
To move forward and backward
The direction and speed of the mower's movements
is effected by the movement of the control lever(s)
on each side of mower. The left control lever controls
the left wheel. The right control lever controls the right
wheel.
First time users should push mower (see "Moving by
Hand" in the Operation section) to an open, flat area,
without other people or vehicles/obstacles nearby. In
order to move unit under its own power, the operator
must be in the seat, start engine (see "Before Starting"
in Operation section), adjust engine speed to idle,
disengage parking brake, do not engage blades at
this time, rotate control levers inward. As long as
the control levers have not been moved forward or
backwards, mower will not move. Slowly move both
control levers forward slightly. This will allow mower
to start moving forward in a straight line. Pull back on
control levers to the neutral position and mower should
stop moving. Pull back slightly on control levers, this
will allow mower to start moving backwards. Push
forward on control levers to the neutral position and
mower should stop moving.
To turn to the right
While moving in a forward direction, pull the right lever
back towards the neutral position while maintaining the
position of the left lever, this will slow the rotation of
the right wheel and cause the machine to turn in that
direction.
To turn to the left
While moving in a forward direction pull the left lever
back towards the neutral position while maintaining
the position of the right lever, this will slow the rotation
of the left wheel and cause the machine to turn in that
direction.
To zero turn
While moving in a forward direction, first pull both
control levers back until the mower stops or slows
dramatically.
Then by alternating one lever slightly to the forward
position and the other in the reverse position.
24-Husqvarna

OPERATION
Before Starting
• Read the sections Safety Instructions and Controls
before starting the machine.
• Perform the daily maintenance before starting
(see Maintenance Schedule in the Maintenance
section).
• Check that there is sufficient fuel in the fuel tank.
• Adjust the seat to the desired position.
The following conditions must be fulfilled before the
engine can be started:
• The blade switch for engaging the mower blades
must be depressed.
• The parking brake must be on.
• Both steering controls must be in the locked
(outer) neutral position,
Starting the Engine
• Sit on the seat.
• Raise the mower deck by pushing the release
button on the top of the lifting lever, Pull the lifting
lever backward to the locked (transport) position.
• Activate the parking brake by pushing the release
button in and pulling the lever fully upwards.
Mower deck tiffing lever
8058-019
Pull parking brake upwards to activate.
8058-020
Disengage the mower blades by pressing the blade
switch downwards,
Blade switch
8052-001
Husqvarna-25

OPERATION
Move the steering controls outward to the locked
(outer) neutral position.
P/ace controls in neutral position
8061-020
Move the throttle to the middle position.
Set the throttle
8052-001
If the engine is cold, the choke control should be
pulled up.
uP
DOWN
BLADES OFI
©
26-Husqvarna
Set the choke control
8052-001

OPERATION
Press in and turn the ignition key to the start position.
IMPORTANT INFORMATION
Do not run the starter for more than 5 seconds
each time. If the engine does not start, wait
approximately 10 seconds before retrying. Turn to the start position
8050-780
When the engine starts, immediately release the
ignition key back to the run position.
WARNING!
Engine exhaust and certain vehicle
components contain or emit
chemicals considered to cause
cancer, birth defects or other
reproductive system damage. The
engine exhaust contains carbon
monoxide, which is a odorless,
colorless, poisonous gas. Do not use
the machine in enclosed spaces. Return to run position
8050-781
Set the desired engine speed with the throttle. Allow
the engine to run at a moderate speed, "half throttle"
for 3-5 minutes before loading it too heavily. USE
FULL THROTTLE WHEN MOWING (no choke).
If your battery is too weak to start the engine, it should
be recharged. (See "Battery" in the Maintenance
Section.)
Set the engine speed
8056-001
Husqvama-27

OPERATION
Weak Battery
_IL ARNING!
Lead-acid batteries generate
explosive gases. Keep sparks, flame
[_] nd smoking materials away from
batteries. Always wear eye protection
when around batteries.
IMPORTANT INFORMATION
Your mower is equipped with a12-volt
negative grounded system. The other vehicle
must also be a 12-volt negative grounded
system. Do not use your mower to start other
vehicles.
If "jumper cables" are used for emergency starting,
follow this procedure:
Jumper Cables
• Connect each end of the RED cable to the
POSITIVE (+) terminal on each battery, taking care
not to short against chassis.
• Connect one end of the BLACK cable to the
NEGATIVE (-) terminal of the fully charged battery.
• Connect the other end of the BLACK cable to a
good CHASSIS GROUND on the mower with the
discharged battery, away from the fuel tank and
battery.
To remove cables, reverse order
•Remove BLACK cable first from chassis and then
from the fully charged battery.
• Remove RED cable last from both batteries.
m
Jumpercable connecdon
8011-642
28-Husqvarna

OPERATION
Running
1. Release the parking brake by pushing the top
release button in and moving the lever downward.
NOTE: The mower is equipped with an operator
presence system. When the engine is running, any
attempt by the operator to leave the seat without
first setting the parking brake will shut off the
engine.
2. Move the steering controls to the neutral position
(N).
Parking brake released
8058-020
,Set retaining pin into selected cutting height and
secure the opposite side with a cotter hairpin.
WARNING!
Ensure that no one is near mower
when engaging blade switch.
Make sure the work area is free from
objects that could be thrown by the
rotating blades.
Secure selected cutting height
8058-024
4. Push the release button on the cutting height lever
and move lever to the pin, release the button.
5. Set the cutting height with the cutting height
adjustment lever.
Mower deck tiffing lever
8058-019
Husqvama-29

OPERATION
,
7.
Engage the mower deck by pulling out the blade
switch.
Move throttle control to full throttle.
The machine's speed and direction are
continuously variable using the two steering
controls. When both controls are in the neutral
position, the machine stands still.
By moving both controls an equal amount forward
or backward, the machine moves in a straight line
forward or backward respectively.
In order, for example, to turn right while moving
forward, move the right control towards the neutral
position. The rotation of the right wheel is reduced
and the machine turns to the right.
Turning on the spot (zero turn) can be achieved by
moving one control backward (behind the neutral
position) and carefully moving the other steering
control forward from its neutral position.
F
CHOKE
Set blade engagement and throttle control
8052-001
Operating On Hills
Read the Safety Instructions "Driving on Slopes" in the
"Safety Instructions".
WARNING!
Do not drive up or down hills with
slopes greater than 10 degrees. Do
not drive across slopes.
• The slowest speed possible should be used before
starting up or down hills.
• Avoid stopping or changing speed on hills.
• If stopping is absolutely necessary, pull steering
controls into the neutral position and push to the
outside of the unit. Engage the parking brake.
IMPORTANT INFORMATION
Control levers return to neutral when released.
This may cause the mower to suddenly stop.
• To restart movement, release the parking brake.
• Pull the control levers back to the center of the
mower and press forward to regain forward
motion.
• Make all turns slowly.
Place controls in neutral position
ii
i
/
Parking brake released
8061-020
8058-020
30-Husqvarna

OPERATION
Mowing Tips
* Observe and flag rocks and other fixed objects to
avoid collisions.
* Begin with a high cutting height and reduce it
until the desired mowing result is attained. The
average lawn should be cut to 2½" (64 mm) during
the cool season and over 3" (76 mm) during
the hot months. For healthier and better looking
lawns, mow often after moderate growth. For best
cutting performance, grass over 6" (15 cm) in
height should be mowed twice. Make the first cut
relatively high, the second to the desired height.
* The mowing result will be best with a high engine
speed (the blades rotate rapidly) and low speed
(the rider moves slowly). If the grass is not
too long and dense, the driving speed can be
increased without negatively affecting the mowing
result.
* The finest lawns are obtained by mowing often.
The lawn becomes more even and the grass
clippings more evenly distributed over the mown
area. The total time taken is not increased as a
higher operating speed can be used without poor
mowing results.
* Avoid mowing wet lawns. The mowing result is
poorer because the wheels sink into the soft lawn,
clumps build, and the grass clippings fasten under
the cowling.
* Hose the mower deck underside with water after
each use. When cleaning, the mower deck shall
be raised into the transport position. Make sure
the mower is cooled and the engine is off.
* Use compressed air to clean top surface of the
deck. Avoid flooding water on top surface, engine
and electrical components.
* When the mulching kit is used, it is important that
the mowing interval is frequent.
WARNING!
Clear the lawn of stones and other
objects that can be thrown out by the
blades.
Mowing pattern
8011-603
_li ARNING!
Never drive the rider on terrain that
slopes more than 10 degrees. Mow
slopes up and down, never side
to side. Avoid sudden directional
changes.
Husqvama-31

OPERATION
Stopping the Engine
Allow the engine to idle a minute in order to attain
normal operating temperature before stopping it, if
it has been worked hard. Avoid idling the engine for
longer periods, as there is a risk of the spark plugs
fouling.
• Disengage the mower deck by depressing the
blade switch.
8052-001
Disengage the mower deck and move throttle to minimum
• Raise the mower deck by pressing the release
button on the lever and pulling fully backward to
the transport position.
• When the machine is standing still, activate the
parking brake by pushing the lever release button
and pulling the lever upward.
• Move the throttle to the minimum position (tortoise
symbol). Turn the ignition key to the stop position.
Mower deck tiffing lever
8058-019
• Move the steering controls outward.
• Remove key. Always remove key when leaving the
mower to prevent unauthorized use.
IMPORTANT INFORMATION
Leaving the ignition switch in any other
position than "OFF" will cause the battery to
be discharged.
P/ace controls in neutral position to stop
8061-020
32-Husqvarna

OPERATION
Manual Transport
When pushing or pulling the mower, engage the EZT
(Integrated Zeroturn Transaxle) bypass linkages. The
EZT bypass linkages are located on the rear of the
frame, below the rear engine guard.
1. Raise the deck into the highest cutting position.
2. Pull the EZT bypass linkages up and out of
the keyhole slots. Release the levers with the
head outside the frame and held in the bypass
position.
3. To reengage the EZT's to drive, reverse the
above procedure.
Load the machine into truck or trailer by driving up
ramps in low gear. DO NOT LIFT! The machine is not
intended to be lifted by hand. Bypass finkage, EZT engaged
8058-032
WARNING!
Make no adjustments without:
• the engine stopped,
•the ignition key removed,
•the parking brake activated
Bypass linkage, EZT locked in the bypass position
8058-032
Husqvama-33

MAINTENANCE
Maintenance Schedule
The following is a list of maintenance procedures that must be performed on the machine. For those points not
described in this manual, visit an authorized service workshop. An annual service carried out by an authorized
service workshop is recommended to maintain your machine in the best possible condition and to ensure safe
operation.
Read "Maintenance" in the Safety Instructions section.
_)First change after 5-8 hours. When operating with a heavy load or at high ambient temperatures, replace every 50 hours. 2)In dusty conditions, cleaning and
replacement are required more often. 3)For daily use, the machine should be lubricated twice weekly. 4)Performed by authorized service workshop.
• = Described in this manual
_,= Not described in this manual
Maintenance
Check the parking brake
Check the engine's oil level (every refueling)
Check the safety system
Check for fuel and oil leakages
Check/clean the engine's cooling air intake
Check the mower deck
Check for loose hardware (screws, nuts)
Clean under the mower deck
Start the engine and blades, listen for unusual sounds
Check for damage
Thoroughly clean around the engine
Clean around belts, belt pulleys
Check the tire pressures
Check battery
Sharpen/Replace mower blades
Clean the engine's cooling air intake 2)
Clean the air cleaner's pre-filter 2) (foam)
Clean the air cleaner's filter cartridge 2) (paper filter)
Check/adjust the parking brake
Inspect muffler/spark arrester
Daily
Before After
®
®
®
®
®
®
®
Weekly At Maintenance interval
least in hours
once
each 25 50 100 300
year
®
®
®
®
®
®
®
®
®
34-Husqvarna

MAINTENANCE
Maintenance
Daily
Before After
Weekly iAt
_/east
once
each
;;year
Maintenance interval
in hours
25 50 100 300
Check/adjust throttle cable •
Check the condition of belts, belt pulleys • •
Change the engine oil 1) • •
Replace the engine oil filter • •
Clean/replace the spark plugs • •
Replace the fuel filter • •
Replace the air filter (paper filter) 2) • •
Check the caster wheels (every 200 hours) •
Replace the air cleaner's pre-filter 2)(foam) •
Check/adjust the mower deck • •
Check the engine valve clearance 3) 0 0
Perform the 300-hour service 3) 0 0
1) First change after 5-8 hours. When operating with a heavy load or at high ambient temperatures, replace every 50 hours. 2) In dusty
conditions, cleaning and replacement are required more often. 3)Performed by authorized service workshop.
• = Described in this manual
0 = Not described in this manual
WARNING!
Before performing any service or adjustment checklist
• Engage the parking brake.
•Place the Blade-switch in the disengaged position.
•Turn the ignition switch to "OFF" position and remove the key.
•Make sure the blades and all moving parts have completely stopped.
•Disconnect the spark plug wire from all spark plugs and place the wire where it
cannot come in contact with the plug.
Husqvarna-35

MAINTENANCE
Battery
Your mower is equipped with a maintenance free
battery and does not need servicing. However,
periodic charging of the battery with an automotive
type battery charger will extend its life.
• Keep battery and terminals clean.
Keep battery bolts tight.
See charge for charging times.
STANDARD
BATTERY
STATE APPROXIMATE BATTERY CHARGING TIME*
TO FULL CHARGE AT 80°F /27°C
OF Maximum Rate at:
CHARGE 50Amps ! 3OAmps I 2OAmps I 10 Amps
12.6V 100% - FULL CHARGE -
12.4V 75% 20 min. 35 min. 48 min. 90 min.
12.2V 50% 45 min. 75 min. 95 min. 180 min.
12.0V 25% 65 min. 115 min. 145 min. 280 min.
11.8V 0% 85 min. 150 min. 195 min. 370 min.
*Charging time depends on battery capacity,
condition, age, temperature and efficiency of charger
WARNING!
Always wear eye protection when
around batteries.
Cleaning battery and terminals
Corrosion and dirt on the battery and terminals can
cause the battery to "leak" power.
1. Open the terminal access doors.
2. Disconnect BLACK battery cable first, then the
RED battery cable and remove the battery from
the machine.
3. Rinse the battery with plain water and dry.
4. Clean terminals and battery cable ends with wire
brush until shiny.
5. Coat terminals with grease or petroleum jelly.
6. Reinstall battery.
Replacing battery
1. Lift seat and rotate forward.
2. Using two ½" wrenches disconnect BLACK
battery cable then RED battery cable.
3. Position deck to lowest setting.
4. Front underside of frame, remove the nuts that
secure the battery hold-down.
5. Carefully remove the battery from the mower.
6. Install new battery with terminals in the same
position as the old battery.
7. Reinstall battery hold-down and secure with
nuts removed in Step 4.
8. Reconnect RED battery cable to positive (+)
battery terminal with bolt and hex nut.
9. Connect BLACK grounding cable to negative
(-) battery terminal with remaining hex bolt and
hex nut
10. Replace terminal boot cover.
11. Lower seat
36-Husqvarna
IMPORTANT INFORMATION
Do not attempt to open or remove caps or
covers. Adding or checking level of electrolyte
is not necessary.
Always use two wrenches for the terminal
screws.
WARNING!
Do not short battery terminals by
allowing a wrench or any other
object to contact both terminals at
the same time. Before connecting
battery, remove metal bracelets,
wristwatch bands, rings, etc.
Positive terminal must be connected
first to prevent sparks from
accidental grounding.
Remove battery hold-down to replace battery
8050-109

MAINTENANCE
ignition System
The engine is equipped with an electronic ignition
system. Only the spark plugs require maintenance.
For recommended spark plugs, see Technical Data.
1. Remove the ignition cable boot and clean around
the spark plug.
2. Remove the spark plug with a spark plug socket
wrench.
3. Check the spark plug. Replace the spark plug
if fouled, the electrodes are burned and if the
insulation is cracked or damaged. Clean the spark
plug with a steel brush if it is to be reused.
4. Measure the electrode gap with a gapping tool.
The gap should be .030" (0.75 mm). Adjust as
necessary by bending the side electrode.
5. Reinsert the spark plug, turning by hand to avoid
damaging the threads.
6. After the spark plug is seated, tighten it using
a spark plug wrench so that the washer is
compressed. A used spark plug should be turned
1/8of a turn from the seated position. A new spark
plug should be turned a 1¼turn from the seated
position.
7. Replace the ignition cable.
Safety System
The machine is equipped with a safety system that
prevents starting or driving under the following
conditions.
The engine can only be started when:
1. The mower deck is disengaged.
2. The steering controls are in the outer, locked
neutral position.
3. The parking brake is on.
Make daily inspections to ensure that the safety
system works by attempting to start the engine
when one of the conditions is not met. Change the
conditions and try again.
If the machine starts when one of these conditions
is not met, turn the machine off and repair the safety
system before using the machine again.
Make sure the engine stops when the park brake is not
engaged and the operator leaves the seated position.
Check that the engine stops if the mower blades are
engaged and the driver temporarily moves off the
drivers seat.
IMPORTANT INFORMATION
Fitting the wrong spark plug type can damage
the engine.
Inadequately tightened spark plugs can
cause overheating and damage the engine.
Tightening the spark plugs too hard can
damage the threads in the cylinder head.
0.028-0.031 in
'_ (0.70-0.80 mm)
Measure the electrode gap
Steering controls locked in neutral
8011-054
8058-026
IMPORTANT INFORMATION
In order to be able to drive, the driver must
sit in the seat and release the parking brake
before the steering controls can be moved into
the neutral position, otherwise the engine will
stop.
Husqvama-37

MAINTENANCE
Engine Cooling Air intake
Check that the engine's cooling air intake is free from
leaves, grass, and dirt.
If the cooling air intake is clogged, engine cooling
deteriorates, which can lead to engine damage.
The cooling air intakes rotates when the engine is
running. Keep fingers away.
Check and clean the cooling air intake
8061-014
Throttle Cable
Check that the engine responds to throttle increases
and that a good engine speed is attained at full
throttle.
If doubts arise, contact the service workshop.
If adjustments are necessary, they can be made as
follows for the lower cable:
1. Loosen the clamping screw for the cable's outer
casing and move the throttle to the full throttle
position.
2. Check that the throttle cable is mounted in the
correct hole in the lower lever, see illustration.
3. Push the throttle cable's outer casting as far to the
right as possible and tighten the clamping screw.
Adjusting the throttle cable
8011-605
Choke Cable
If the engine produces black smoke or is difficult
to start, this can be because the choke cable is
incorrectly adjusted (upper cable).
If doubts arise, contact the service workshop.
If adjustments are necessary, they can be made as
follows:
1. Loosen the clamping screw for the cable's outer
casing and push the choke control fully in.
2. Check that the choke cable is mounted in the
upper lever, see illustration. Push the choke
cable's outer casing as far to the left as possible
and tighten the clamping screw.
Adjusting the choke cable
8011-605
38-Husqvarna

MAINTENANCE
Air Filter
If the engine seems weak or runs unevenly, the air
filter may be clogged. If running with a dirty air filter,
the spark plugs can become fouled.
For this reason, it is important to replace the air filter
regularly (see the heading Maintenance Schedule for
the proper service interval).
WARNING!
The engine and the exhaust system
become very hot during operation.
Risk for burns if touched.
Allow engine and exhaust system to
cool at least two (2) minutes.
Kohler Engine - 20 HP
The standard engine is not equipped with a prefilter.
As an option, a prefilter can be installed on the inside
of the air filter cover.
1. Loosen the two retaining knobs and remove
the cover. If the engine has a prefilter, it is
mounted on the inside of the cover.
2. Clean the area around the filter element to
prevent debris from getting into the engine
when the element is removed.
Air filter cover
8011-736
IMPORTANT INFORMATION
Operating the engine with loose or damaged
air cleaner components could allow unfiltered
air into the engine causing premature wear
and failure.
IMPORTANT INFORMATION
Do not use compressed air to clean the air
filter.
Do not wash the paper filter.
Do not oil the paper filter.
Do not tap filter to clean this could cause
damage to the sealing.
3. Remove the filter element. Replace a dirty,
bent or damaged element with a new one.
Handle the new element carefully and do
not use if the sealing surfaces are bent or
damaged. If the element can be reused, tap
it against a solid surface to remove dust.
4. Check the air cleaner base. Make sure it
is secured and not bent or damaged. Also
check the air filter cover for damage or
improper fit. Replace all damaged air cleaner
components.
5. Install the filter element. Check that it fits
properly and that no air leaks occur.
6. Install the cover and tighten knobs by hand. Air filter
8011-737
Husqvama-39

MAINTENANCE
Kohler Engine - 24 HP
These engines are equipped with a replaceable, high
density paper air cleaner element. Some engines
are also equipped with an oiled, foam precleaner
surrounding the paper element.
Check the air cleaner daily or before starting the
engine. Check for a buildup of dirt and debris around
the air cleaner system. Keep this area clean. Also
check for loose or damaged components. Replace all
bent or damaged air cleaner components.
Servicing Precleaner
If so equipped, wash and re-oil the precleaner every
25 hours of operation (more often under extremely
dusty or dirty conditions). Replace the precleaner
annually, or every 100 hours.
1. Open the door on the blower housing
to access the air cleaner element and
precleaner.
2. Unhook the latch and remove the air cleaner
element assembly for servicing. Make sure
the base and the sealing areas are clean
before reassembly.
3. Wash the precleaner in warm water with
detergent. Rinse the precleaner thoroughly
until all traces of detergent are eliminated.
Squeeze out excess water (do not wring).
Allow the precleaner to air dry.
4. Saturate the precleaner with new engine oil.
Squeeze out all excess oil.
Servicing Paper Element
Check the paper element every 50 hours of operation,
(more often under extremely dusty or dirty conditions).
Clean or replace the element as necessary. Replace
the air cleaner element annually, or every 100 hours.
1. Remove the precleaner (if so equipped) from
the paper element.
2. Gently tap the paper element to dislodge
dirt. Do not wash the paper element or use
pressurized air, as this will damage the
element. Replace a dirty, bent, or damaged
element with a new one. Handle the new
element carefully; do not use if the sealing
surfaces are bent or damaged.
3. Clean the air cleaner base as required and
check condition.
4. Reinstall the precleaner (if equipped) over
the paper air cleaner element and install on
the base. Secure with the latch.
5. Close and latch the door.
IMPORTANT INFORMATION
Operating the engine with loose or damaged
air cleaner components could allow unfiltered
air into the engine causing premature wear
and failure.
1. Air cleaner access door
2. Air cleaner element
3. Latch
4. Precteaner (on some models)
Air filter cleaning and replacement
8058-028
O
Unlatch and remove element 8058-029
40-Husqvarna

MAINTENANCE
Briggs & Stratton Engine - 19 HP
1. Pull up the handle on the air filter cover.
Unhook and turn towards the engine to
remove.
2. Clean the area around the filter element to
prevent debris from getting into the engine
when the element is removed.
WARNING!
The engine and the exhaust system
become very hot during operation.
Risk for burns if touched.
Allow engine and exhaust system to
cool at least two (2) minutes.
Pull up on handle
8009-406
.Lift out the filter element. Replace a dirty,
bent or damaged element with a new one.
Handle the new element carefully and do
not use if the sealing surfaces are bent or
damaged. If the element can be reused, tap
it against a solid surface to remove dust.
IMPORTANT INFORMATION
Do not use compressed air to clean the air filter.
Filter should be assembled dry and not be oiled.
Remove air filter element
8009-409
Husqvama-41

MAINTENANCE
,
,
Carefully lift out the precleaner from the fan
housing. Clean the fan housing so debris
does not fall into the carburetor.
Install a new precleaner and the new
or cleaned air filter element into the fan
housing,
IMPORTANT INFORMATION
Operating the engine with loose or damaged
air cleaner components could allow unfiltered
air into the engine causing premature wear
and failure.
Remove precleaner
8009-408
6. Align the tabs on the cover with the slots in
the housing and replace air filter cover.
Align the tabs
8009-407
,Pull the handle outwards. Secure the handle
in the air filter cover and press inwards to
close, o
o o
Close the cover
8009-410
42-Husqvarna

MAINTENANCE
Briggs & Stratton Engine - 22 HP
1. Loosen screws and remove air filter cover.
2. Remove the filter cartridge by pulling
upwards along the outside edge.
WARNING!
The engine and the exhaust system
become very hot during operation.
Risk for burns if touched.
Allow engine and exhaust system to
cool at least two (2) minutes.
Loosen cover screws
8009-406
.Remove the foam filter (precleaner). Clean
the foam filter with mild detergent and water.
Squeeze dry in a clean cloth. Do not oil the
foam sleeve.
4. Tap the paper filter against a fixed surface to
remove dust. If the paper filter is still dirty, it
must be replaced.
5. Wipe clean the inside of air filter housing.
6. Refit the foam filter (pre filter).
IMPORTANT INFORMATION
Do not use compressed air to clean the air
filter.
Do not wash the paper filter.
Do not oil the paper filter.
/
Remove filter 8019-014
7. Mount the filter in the air filter housing.
8. Replace the cover over the air filter housing
and secure with screws.
IMPORTANT INFORMATION
Operating the engine with loose or damaged
air cleaner components could allow unfiltered
air into the engine causing premature wear
and failure.
Reinstall filter 8019-015
Husqvama-43

MAINTENANCE
Fuel Filter
Replace the line-mounted fuel filter every 100 hours
(once per season) or more regularly if it is clogged.
1. Replace the filter as follows:
2. Move the hose clamps away from the filter. Use
flat-nosed pliers.
3. Pull the filter loose from the hose ends.
4. Push the new filter into the hose ends. Position the
filter with the "FLOW" arrow pointing up toward the
fuel pump. If necessary, a soap solution can be
applied to the filter ends to ease mounting.
5. Move the hose clamps back toward the filter.
Fuel filter 8011-468
Fuel Pump Air Filter
Regularly check that the fuel pump's air filter is free
from dirt.
Remove the screws and open the pump, no hoses
need be removed.
The filter can be cleaned with a brush if necessary.
Replace the filter on the console.
Fuel pump air filter
8009-147
44-Husqvarna

MAINTENANCE
Tire Pressures
All tires should be at 15 psi /103 kPa /1 bar. \\\
\\
\
Check tire pressures
8011-564
Parking Brake
Visually check that no damage is found on the lever,
cables, or switch belonging to the parking brake.
Perform a standstill test and check that there is
sufficient braking action.
To adjust the parking brake, contact the Husqvarna
service workshop.
IMPORTANT INFORMATION
The machine must be absolutely standing still
when applying the parking brake.
WARNING!
Faulty adjustment will result in
reduced braking ability and can
cause an accident.
Parking brake
8058-020
Husqvarna-45

MAINTENANCE
V=belts
Check every 100 hours of operation, Check for severe
cracking and large nicks.
NOTE: The belt will show some small cracks in normal
operation.
The belts are not adjustable. Replace belts if they
begin to slip from wear.
Deck Belt
1. Park on a level surface. Apply parking brake.
2. Lower the deck into the lowest cutting position.
3. Remove bolts from belt shields and remove
shields.
4. Remove any dirt or grass that may have
accumulated around the cutter housings and entire
deck surface.
5. Carefully roll the belt over the top of the cutter
housing pulleys and remove belt.
Removing deck belt
Deck belt installation
NOTE: For ease in installing the deck belt, refer to
the routing decal on the top of the deck.
1. Wrap the deck belt around the electric clutch
pulley that is located on the engine shaft.
2. Route the belt forward and up onto the deck.
3. Place belt around spring loaded idler pulley.
4. Wrap the belt around the stationary idler pulley
and around the mandrel housings.
5. Push inward on the idler arm and carefully route
belt over stationary idler pulley. Once belt is
properly routed, slowly release idler arm to tension
belt.
6. Double check belt routing to make sure it matches
the decal affixed to the deck, and the belt does
not have any twist. Correct as needed.
7. Replace belt shields on both mandrel housings
and secure with fasteners.
1
2
1. Clutch pulley
2. Deck belt
Belt routing, 54" deck belt
8011-764
46-Husqvarna

MAINTENANCE
Cutting Blades
In order to attain the best mowing effect, it is important
that the blades are well sharpened and not damaged.
Bent or cracked blades or blades with large nicks
should be replaced.
IMPORTANT INFORMATION
The sharpening of blades should be carried
out by an authorized service workshop.
Damaged blades should be replaced when hitting
obstacles that result in a breakdown. Let the service
workshop decide whether the blade can be repaired/
ground or must be replaced.
Balance the blades after sharpening.
Check the blade mounts. Check the blades 8011-604-1
_1= ARNING!
Blades are sharp. Protect your hands
with gloves and/or wrap blades with
a heavy cloth when handling.
Blade replacement
1. Remove blade bolt by turning counterclockwise.
2. Install new or resharpened blade with stamped
"GRASS SIDE" facing towards ground/grass
(down) or "THIS SIDE UP" facing deck and cutter
housing.
3. Install and tighten blade bolt securely.
4. Torque blade bolt to 90 ft/Ibs (122 Nm).
IMPORTANT INFORMATION
Special blade bolt is heat treated.
Replace with a Husqvarna bolt if required.
Do not use lower grade hardware than
specified. 1. Blade
2. Blade bolt (special)
3. Cutter housing
Blade attachment
8053-027
Husqvama-47

MAINTENANCE
Adjusting the Mower Deck
Leveling deck
Adjust the deck while the mower is on a level surface.
Make sure the tires are inflated to the correct pressure.
See "Technical Data" under Transmission. If tires are
under or over inflated, the deck cannot be properly
adjusted.
The deck should be adjusted slightly higher in the rear.
NOTE: To insure accuracy of leveling procedure,
mower deck drive belt must be installed prior to
leveling deck.
1. Wear heavy gloves. Turn each outer blade tip to
align with the deck or in a side=to-side manner.
2. Measure from the floor surface up to the bottom of
the blade tip on the discharge side of the mower
deck. Retain this measurement.
3. Move to the opposite side, check that
measurement is the same. If adjustment is
required--with a ¾" or adjustable wrench, turn
the lift link adjustment nuts on either side counter
clockwise to lower or clockwise to raise. Adjust
until both side-to-side measurements are equal.
Lift link adjustment nut
8058-030
,
,
Turn any blade to align with the deck in front-to=
rear manner. If the front blade tip is not positioned
1/8"to ½" higher in the rear, follow the front
adjustment instructions that follow.
With a 8/8or adjustable wrench, turn the nuts on
the front suspension linkage. Clockwise raises the
front of the mower, counterclockwise will lower
the front. Adjust nuts until rear of mower deck is
positioned level to 1/8"higher in the rear than the
side-to-side measurement.
NOTE: This will place the mower deck in a base
measurement position. Additional adjustment may
be required to achieve desired cut for the type of
grass or conditions being mowed.
Deck front adjustment nuts
8058-031
48-Husqvarna

MAINTENANCE
Anti=scalp rollers
Anti-scalp rollers are properly adjusted when they
are just slightly off of the ground when the deck is at
the desired cutting height in the operating position.
Anti-scalp rollers then keep the deck in the proper
position to help prevent scalping in most terrain
conditions,
IMPORTANT INFORMATION
Adjust anti-scalp rollers with the mower on a
flat level surface.
The anti=scalp rollers can be set in three positions:
• Upper position 1½ to 2½" (38 to 64 mm) grass
• Middle position 2½" to 4" (64 to 102 mm) grass
• Lower position 4" to 6" (102 to 128 mm) grass,
The rollers should be approximately ¼" (6.5 mm) from
ground, Do not adjust the rollers to support the deck.
Anti-scalp milers
8050-830
IMPORTANT INFORMATION
The anti-scalp rollers must not be used for
gauge wheels or the roller and deck may be
damaged.
Husqvama-49

MAINTENANCE
Cleaning
Regular cleaning and washing, especially under the
mower deck, will increase the machine's life-span.
Make it a habit to clean the machine directly after use
(after it is cooled), before the dirt sticks.
Do not spray water on the top of the mower deck. Use
compressed air to clean the top side of mower deck.
Regularly clean deck and underside of the deck with
normal water pressure. Do not use a high pressure
washer or steam cleaner. Avoid spraying engine and
electrical components with water
Do not rinse hot surfaces with cold water. Let unit cool
before washing.
IMPORTANT INFORMATION
Use protective glasses when
cleaning and washing.
Clean regularly
8050-831
Caster Wheels
Check every 200 hours. Check that wheels rotates
freely. If wheels do not rotate freely take the unit to
your dealer for service.
Foam filled tires or solid tires will void the warranty.
IMPORTANT INFORMATION
DO NOT add any type of tire liner or foam fill
material to the tires. Excessive loads created
by foam filled tires will cause premature
failures.
Only use O.E.M. specified tires.
Removal and installation of caster wheel
Remove nut and caster bolt.
Pull the wheel out of the yoke and take care of the
spacers.
Install in reverse order. Tighten caster bolt.
Hardware
Check daily. Inspect the entire machine for loose or
missing hardware.
4
1
3 "
/
/
/
/
/
1. Caster yoke
2. Caster bolt
3. Caster long spacer
4. Caster small spacers
Caster wheels
8011-619-4
50-Husqvarna

LUBRICATION
12/12 1/52 1/365
12/12 Every year
1/52 Every Week
1/365 Every day
Lubricate with grease gun
Oil change T"
Filter change
Lubricate with oil can _
Level check
General
Remove the ignition key to prevent unintentional
movements during lubrication.
When lubricating with an oil can, it must be filled with
engine oil.
When lubricating with grease, unless otherwise stated,
use a high grade molybdenum disulphide grease.
For daily use, the machine should be lubricated twice
weekly.
Wipe away excess grease after lubrication.
It is important to avoid getting lubricant on the belts
or the drive surfaces on the belt pulleys. Should this
happen, attempt to clean them with spirits. If the belt
continues to slip after cleaning, it must be replaced.
Gasoline or other petroleum products must not be
used to clean belts.
Husqvarna-51

LUBRICATION
Cables
If possible, grease both ends of the cables and move
the controls to end stop positions when lubricating.
Refit the rubber covers on the cables after lubrication.
Cables with sheaths will bind if they are not lubricated
regularly. If a cable binds, it can disrupt operation.
If a cable binds, remove the cable and hang it
vertically. Lubricate it with light engine oil until the oil
begins to escape from the bottom.
Tip: Fill a small plastic bag with oil and tape it so that
it seals against the sheath and allow the cable to hang
vertically from the bag overnight. If you do not succeed
in lubricating the cable, it must be replaced.
Front Wheel Mount
Lubricate with a grease gun, one zerk for each wheel
mount, until the grease is forced out.
Use only good quality bearing grease.
Grease from well-known brand names (petrochemical
companies) usually maintains a good quality.
Front Wheel Bearings
Lubricate with a grease gun, one zerk for each set of
wheel bearings, until the grease is forced out.
Use only good quality bearing grease.
IMPORTANT INFORMATION
Use minimal lubrication and remove
excess lubricant so that is does not come
into contact with belts or belt pulley drive
surfaces. Lubricating the front wheels
8011-731
Deck Spindle
Lower the cutting deck completely.
If a grease gun without a rubber hose is used, the foot
plate must be removed.
Lubricate with a grease gun, one zerk, 2-3 strokes.
Use only good quality bearing grease.
\
\
Deck spindle
8011-732
52-Husqvarna

LUBRICATION
Deck Outer Spindle
Lubricate using a grease gun, one zerk, each side 2-3
strokes. Use only good quality bearing grease.
_WARNING!
Engine oil can be very hot if it is
drained directly after stopping the
engine. Allow the engine to cool to a
safe temperature before draining.
Engine Oil
Engine Oil Filter
• Drain the engine oil in accordance with the work
description under the heading Engine Oil/Change
Engine Oil.
• Remove the oil filter. If necessary, use a filter
remover.
• Wipe new, clean engine oil onto the seal for the
new filter.
• Mount the filter by hand with +¾ turn.
• Run the engine warm, then check that there are
no leaks around the oil filter seal.
• Check the oil level in the engine, fill if necessary.
The oil filter holds 0.1 qt (0.1 liters) of oil.
IMPORTANT INFORMATION
Used engine oil is a health hazard and must
not be disposed of on the ground or in nature;
it should always be disposed of at a workshop
or appropriate disposal location.
Avoid skin contact; wash with soap and water
in case of spills.
Deck outer spindle (with belt shield removed)
8061-025
Changing the oil filter
8011-734
Husqvarna-53

LUBRICATION
Engine Oil Levels
WARNING!
Engine oil can be very hot if it is
drained directly after stopping the
engine. Allow the engine to cool to a
safe temperature before draining.
Check the oil level in the engine when the machine is
standing level and the engine is stopped.
Remove the dipstick, wipe it clean, and then replace it.
The dipstick should be screwed into place.
Take the dipstick out again and read the oil level.
The oil level should lie between the markings on the
dipstick. If the level is approaching the "ADD" mark, fill
the oil to the "FULL" mark on the dipstick.
Never fill to above the "FULL" mark.
The oil is filled through the hole for the dipstick.
API class SF, SG, SH, SJ or higher must be used.
Synthetic oil SAE 5W-30 or 10W-30 is recommended
at all temperatures. Mineral oil SAE 5W-30, 10W-30
can be used between -18 °C/0 °F and +5 °C/40 °F. At
temperature above +5 °C/40 °F single grade SAE 30
must be used.
See the Technical Data section for oil amounts.
Changing Engine Oil
The engine oil should be changed for the first time
after 5-8 hours of operation. Thereafter, it should be
changed every 50 hours. The oil drain valve is located
on the left side of the unit, below the oil filter.
• Place the machine on a flat surface.
• Place a container under the engine where the oil
drain valve exits.
• Remove the valve cap.
• Allow the oil to run out into the container.
• Reinstall the oil drain valve cap.
• Replace the oil filter if necessary.
• Fill with new engine oil in accordance with
Checking the Oil Level.
• Start the engine. Run it for 3-5 minutes. Stop and
recheck the oil level.
Transmission
The transmission is maintenance free and there is no
need for level checks or oil changes. If a leak occurs,
replace the unit or contact your Husqvarna dealer.
Remove the dipstick
8011-500
The dipstick markings
8009-159
54-Husqvarna

TROUBLESHOOTING
Problem
Engine will not start
Starter does not turn the engine over
Engine runs rough
Engine seems weak
Machine vibrates
Cause
• Blade switch is engaged.
• Steering controls are not locked in the neutral position
• Parking brake is not activated
• Battery is dead
• Contamination in the carburetor or fuel line.
• Fuel supply is closed or the shutoff valve for the fuel tank is in
the wrong position
• Clogged fuel filter or fuel line
• Ignition system faulty
• Battery is dead
• Poor contact of the battery terminal cable connections
• Blown fuse
• Fault in the starter safety circuit. See Checking the Safety
System in the "Maintenance Section"
• Faulty carburetor
• Choke control is pulled out with a warm engine
• Clogged fuel filter or jet
• Clogged ventilation valve on the fuel cap
• Fuel tank nearly empty
• Fouled spark plugs
• Rich fuel mixture or fuel-air mixture.
• Wrong fuel type
• Water in fuel
• Clogged air filter
• Clogged air filter
• Fouled spark plugs
• Carburetor incorrectly adjusted
• Air trapped in hydraulic system
• Blades are loose
• Blades are incorrectly balanced
• Engine is loose
Husqvarna-55

TROUBLESHOOTING
Problem
Engine overheats
Battery not charging
The machine moves slowly, unevenly, or not at all
Mower deck not engaging
Transaxle leaks oil
Uneven mowing results
Cause
• Clogged air intake or cooling fins
• Engine overloaded
• Poor ventilation around engine
• Defective engine speed regulator
• Too little or no oil in the engine
• Contamination in the carburetor or fuel line.
• Fouled spark plugs
• Poor contact of the battery terminal cable connections
• Charging lead is disconnected
• Parking brake on
• Bypass valve on pump open
• Drive belt for the transmission slack or
has come off
• Air trapped in hydraulic system
• Drive belt for the mower deck has come loose
• Contact for the electromagnetic coupling has loosened
• Blade switch is faulty or has come loose from cable
contact
• Blown fuse
• Damaged seals, housing, or gaskets
• Air trapped in hydraulic system
• Different air pressure in tires on the left and right sides.
• Bent blades
• Suspending for the mower deck is uneven
• Blades are dull
• Driving speed too high
• Grass is too long
• Grass collected under the mower deck
56-Husqvarna

STORAGE
Winter Storage
At the end of the mowing season, the machine should
be readied for storage (or if it will not be in use for
longer than 30 days). Fuel allowed to stand for long
periods of time (30 days or more) can leave sticky
residues that can plug the carburetor and disrupt
engine function.
Fuel stabilizers are an acceptable option as regards to
the sticky residues that can occur during storage.
Add stabilizer to the fuel in the tank or in the storage
container. Always use the mixing ratios specified by
the manufacturer of the stabilizer. Run the engine for
at least 10 minutes after adding the stabilizer so that it
reaches the carburetor. Do not empty the fuel tank and
the carburetor if you have added stabilizer
WARNING!
Never store an engine with fuel
in the tank indoors or in poorly
ventilated spaces where fuel vapor
can come in contact with open
flames, sparks, or a pilot light such
as in a boiler, hot water tank, clothes
dryer, etc. Handle the fuel with
care. It is very flammable and can
cause serious personal injury and
property damage. Drain the fuel into
an approved container outdoors and
far away from open flame. Never
use gasoline for cleaning. Use
a degreaser and warm water instead.
To ready the machine for storage:
1. Thoroughly clean the machine, especially under
the mower deck. Touch up damage to the paint
and spray a thin layer of oil on the underside of the
mower deck to avoid corrosion.
2. Inspect the machine for worn or damaged parts
and tighten any nuts or screws that may have
become loose.
3. Change the engine oil; dispose of properly.
4. Empty the fuel tanks or add a fuel stabilizer. Start
the engine and allow it to run until the carburetor
is drained of fuel or the stabilizer has reached the
carburetor.
5. Remove the spark plug and pour about a
tablespoon of engine oil into the cylinder. Turn
over the engine so that the oil is evenly distributed
and then refit the spark plug.
6. Lubricate all grease zerks, joints, and axles.
7. Remove the battery. Clean, charge, and store the
battery in a cool place, but protect it from direct
cold.
8. Store the machine in a clean, dry place and cover
it for extra protection.
Service
When ordering spare parts, please specify the
purchase year, model, type, and serial number.
Always use genuine Husqvarna spare parts.
An annual check=up at an authorized service workshop
is a good way to ensure that your machine performs its
best the following season.
Husqvama-57

SCHEMATICS
NOTE: 1.SEAT UNOCCUPIED
2. BRAKESWITCH IN OFF POSITION
3. MOTION CONTROL LEVERSOUT
4. PTO IN OFF POSITION
KEY SWITCH
POSITIONS
SOLENOID YEL
.........................}_EI::.........................................., BRAKESW. i il GleN
............_ BRN -c_.. ......................................?..................................................
RIGHT MOTION _:: [ :: l_ [ WHT[
\ L
CONTROL LEVER t\ [ ............................._-°1-" . WriT
BRN ...............
i i ,
YEL J BLK
" :i* "BRN
LEFTMOT,ONi\ii _w
CONTROL LEVER ! ',;
YEL
RED/BLK
YEL/RED
ELECTRIC
CLUTCH
BLK BLK i
ACCESSORY
OUTLET
ENGINE BLK
GROUND
i
j RED
J
J
m
J
POSITION 1 - OFF
o AI i oi
POSITION 2 - RUN1
POSITION 3 - RUN2
POSITION 4 - START
58-Husqvarna

TECHNICAL DATA
RZ4219 /965881101 RZ4620 /965881201
Engine
Manufacturer Briggs & Stratton Kohler
Type Intek Courage
Power 19 hp* 20 hp*
Lubrication Pressure with oil filter Pressure with oil filter
Oil capacity excluding filter 1.34 qts /1.27 liters 1.6 qts/1.5 liters
Oil capacity including filter 1.46 qts /1.38 liters 1.7 qts /1.6 liters
Engine oil (See viscosity diagram) SAE 10W30, 10W40, 5W20, SAE 10W30, 10W40, 5W20,
5W30, API SF-SJ 5W30, API SF-SJ
Fuel Min 87 octane unleaded (Max Min 87 octane unleaded (Max
. ethanol 10%, Max MTBE 15%) ethanol 10%, Max MTBE 15%)
Fuel tank capacity 3 gallons /11.4 liters 3 gallons /11.4 liters
Spark plugs/gap Champion RC12YC Champion XC12YC
.030" /0.75 mm .030" /0.75 mm
• Cooling L Air cooled _ Air cooled
Air filter Standard Standard
Alternator 12V 12V
Starter Electric Electric
Transmission
Transmission Hydrostatic transaxles Hydrostatic transaxles
Speed and direction controls 1 Dual levers, foam gripped _ Dual levers, foam gripped
Speed forward 0-6 mph /0-9.7 km/h 0-6 mph /0-9.7 km/h
Speed reverse 0-3.5 mph /0-5.6 km/h 0-3.5 mph /0-5.6 km/h
Brakes Mechanical parking brake Mechanical parking brake
Front caster tires, smooth tread 13 x 5.0-6, 4 ply 13 x 5.0-6, 4 ply
Rear tires, turf pneumatic 18 x 7.5-8 18 x 7.5-8
Tire pressure 15 PSI /103 kPa /1 bar 15 PSI /103 kPa /1 bar
*As rated by the engine manufacturer.
Husqvarna-59

TECHNICAL DATA
RZ4219 /965881101 RZ4620 /965881201
Frame
Cutting Width 42" /107cm 46" /117cm
Cutting Height 1.5 - 4"/3.8 - 10.2 cm 1.5 - 4"/3.8 - 10.2 cm
Uncut Circle 0 0
Number of Blades 2 2
Blade Length 21"/53.3 cm 22¾" /57.8cm
Nose Rollers No No
Sprung Seat Standard Standard
Hinged Arm Rests Accessory Accessory
Hour Meter Standard Standard
Blade Engagement Electromagnetic clutch Electromagnetic clutch
Deck Construction Stamped Stamped
Productivity 2.6 acres/h /10521 m2/h 2.8 acres/h /11290 m2/h
Dimension
Weight 485 Ibs /220 kg 525 Ibs /238 kg
Base Machine Length 75"/191cm 75"/191cm
Base Machine Height 40" 102cm 40" 102cm
Base Machine Width 39.2" /100 cm 41.8" /106cm
Overall Width, Chute Up 43" /109 cm 48" /122 cm
Overall Width, Chute Down 52" /132 cm 56" /142 cm
60-Husqvarna

TECHNICAL DATA
RZ5424 /965881301 RZ5422 /965881401
Engine
Manufacturer Kohler Briggs & Stratton
Type Courage ELS
Power 24 hp* 22 hp*
Lubrication Pressure with oil filter Pressure with oil filter
Oil capacity excluding filter _ 1.78 qt /1.68 liters . 1.78 qt /1.5 liters
Oil capacity including filter 2 qts /1.89 liters 2 qts /1.89 liters
Engine oil (See viscosity diagram) SAE 10W30, 10W40, 5W20, SAE 10W30, 10W40, 5W20,
5W30, API SG-SJ 5W30, API SF-SJ
Fuel Min 87 octane unleaded (Max Min 87 octane unleaded (Max
ethanol 10%, Max MTBE 15%) _ ethanol 10%, Max MTBE 15%)
Fuel tank capacity 3 gallons /11.4 liters 3 gallons /11.4 liters
Spark plugs /gap Champion RC12YC Champion XC12YC
.030" /0.75 mm .030" /0.75 mm
• Cooling _ Air cooled Air cooled
Air filter Standard Standard
Alternator 12V 12V
Starter Electric Electric
Transmission
Transmission Hydrostatic transaxles Hydrostatic transaxles
Speed and direction controls Dual levers, foam gripped Dual levers, foam gripped
Speed forward 0-6 mph /0-9.7 km/h 0-6 mph /0-9.7 km/h
Speed reverse 0-3.5 mph /0-5.6 km/h 0-3.5 mph /0-5.6 km/h
Brakes Mechanical parking brake Mechanical parking brake
Front caster tires, smooth tread 13 x 5.0-6, 4 ply 13 x 5.0-6, 4 ply
Rear tires, turf pneumatic 18 x 9.5-8 18 x 9.5-8
Tire pressure 15 PSI /103 kPa /1 bar 15 PSI /103 kPa /1 bar
*As rated by the engine manufacturer.
Husqvama-61

TECHNICAL DATA
RZ5424 /965881301 RZ5422 /965881401
Frame
Cutting Width 54" /137cm 54" /137cm
Cutting Height 1.5 - 4"/3.8 - 10.2 cm 1.5 - 4"/3.8 - 10.2 cm
Uncut Circle 0 0
Number of Blades 2 3
Blade Length 181¼"/46.4 cm 181¼"/46.4 cm
Nose Rollers No No
Sprung Seat Standard Standard
Hinged Arm Rests Accessory Accessory
Hour Meter Standard Standard
Blade Engagement Electromagnetic clutch Electromagnetic clutch
Deck Construction Stamped Stamped
Productivity 3.3 acres/h /13354 m2/h 3.3 acres/h /13354 m2/h
Dimension
Weight 538 Ibs /244 kg 538 Ibs /244 kg
Base Machine Length 75"/191 cm 75"/191 cm
Base Machine Height 40" 102 cm 40"/102 cm
Base Machine Width 43¾" /112 cm 43¾" /112 cm
Overall Width, Chute Up 57" /145 cm 57" /145 cm
Overall Width, Chute Down 67½" /171 cm 67½" /171 cm
62-Husqvarna

TECHNICAL DATA
RZ4619 /965921501
Engine
Manufacturer Briggs & Stratton
Type Intek
Power 19 hp*
Lubrication Pressure with oil filter
Oil capacity excluding filter 1.34 qts /1.27 liters
Oil capacity including filter 1.46 qts /1.38 liters
Engine oil (See viscosity diagram) SAE 10W30, 10W40, 5W20,
5W30, API SF-SJ
Fuel Min 87 octane unleaded (Max
_ ethanol 10%, Max MTBE 15%)
Fuel tank capacity 3 gallons /11.4 liters
Spark plugs /gap Champion RC12YC
.030" /0.75 mm
• Cooling L Air cooled
Air filter Standard
Alternator 12V
Starter Electric
Transmission
Transmission Hydrostatic transaxles
Speed and direction controls Dual levers, foam gripped
Speed forward 0-6 mph /0-9.7 km/h
Speed reverse 0-3.5 mph /0-5.6 km/h
Brakes Mechanical parking brake
Front caster tires, smooth tread 13 x 5.0-6, 4 ply
Rear tires, turf pneumatic 18 x 7.5-8
Tire pressure 15 PSI /103 kPa /1 bar
*As rated by the engine manufacturer.
Husqvama-63

TECHNICAL DATA
RZ4619 /965921501
Frame
Cutting Width 46" /117cm
Cutting Height 1.5 - 4" /3.8 - 10.2 cm
Uncut Circle 0
Number of Blades 2
Blade Length 22¾"/57.8 cm
Nose Rollers No
Sprung Seat Standard
Hinged Arm Rests Accessory
Hour Meter Standard
Blade Engagement Electromagnetic clutch
Deck Construction Stamped
Productivity 2.8 acres/h /11290 m2/h
Dimension
Weight 525 Ibs /238 kg
Base Machine Length 75"/191cm
Base Machine Height 40" 102cm
Base Machine Width 41¾"/106 cm
Overall Width, Chute Up 48" /122 cm
Overall Width, Chute Down 56" /142 cm
64-Husqvarna

TECHNICAL DATA
Accessories
Collection system
Engine crankshaft bolt
Deck pulley bolts
Lug nuts
Blade bolt
Torque Specifications
50 ft/Ib (67 Nm)
150 ft/Ib (203 Nm)
75 ft/Ib (100 Nm)
90 ft/Ib (122 Nm)
Standard ¼" fasteners
Standard 5/16"fasteners
Standard s/8"fasteners
Standard 7h6"fasteners
Standard ½" fasteners
HEX HEAD CAP SCREWS
9 ft/Ib (12 Nm)
18 ft/Ib (25 Nm)
33 ft/Ib (44 Nm)
52 ft/Ib (70 Nm)
80 ft/Ib (110 Nm)
The torque values shown should be used as a general guideline when specific torque values are not given.
U.S. Standard Hardware
Grade SAE Grade 5 SAE Grade 8 Ftangetock Screw
w/Flangetock Nut
IiiiiiHiitiiiiiHili/ii
¼ 9 12 13 18
5/16 18 24 28 38 24 33
s/8 31 42 46 62 40 54
7/16 50 68 75 108
½ 75 102 115 156
._§ 9/16 110 150 165 224
.E _/8 150 203 225 305
¾ 250 339 370 502
7/8 378 513 591 801
11/8 782 1060 1410 1912
** Grade 5- Minimum commercialquality (lower quality notrecommended)
Metric Standard Hardware
m
iiiii iiHHiliItiiil
Grade Grade 8.8 Grade 10.9 Grade 12.9
M4 1.5 2 2.2 3 2.7 3.6
M5 3 4 4.5 6 5.2 7
M6 5.2 7 7.5 10 8.2 11
M7 8.2 11 12 16 15 20
M8 13.5 18 18.8 25 21.8 29
_ M10 24 32 35.2 47 43.5 58
8M12 43.5 58 62.2 83 75 100
M14 70.5 94 100 133 119 159
M 16 108 144 147 196 176 235
M 18 142 190 202 269 242 323
-_ M20 195 260 275 366 330 440
M22 276 368 390 520 471 628
M24 353 470 498 664 596 794
N M27 530 707 474 996 904 1205
Husqvarna-65

CONFORMITY CERTIFICATES
USA requirements
Labels are placed on the engine and/or in the engine compartment stating that the machine will fulfill the
requirements. This is also applicable to special requirements for any of the states, (California emission rules etc.).
Do not remove any of these labels. Certificates can also be supplied with the machine at delivery or written in the
Engine manual. Take care of them as they are valuable documents.
CE requirements
The Declaration of Conformity is included in the literature packet.
When this product is worn out and no longer used, it should be
returned to the reseller or other party for recycling.
66-Husqvarna

WARRANTY
All Husqvarna products can be registered online at www.usa.husqvarna.com quickly and easily regardless of their
model year. Click the Support tab, click on the Online Product Registration link and fill out the electronic form and
submit. Ask about Husqvarna's extended service plan!
SECTION 1 - LIMITED WARRANTY
Husqvama Professional Products, Inc ("Husqvama") warrants the original putchaser the Husqvama branded product to which this warranty apply (the
"Product") that the Product shaft be free from defects in material and workmanship from the date of purchase for the period of the applicable "Warranty
Schedule" of the Product as set forth below. Additional limitations are described in Section 2through 6, inclusive.
PRODUCT CONSUMER COMMERClAL/PROFESSlONAL RENTAL
WARRANTY SCHEDULE WARRANTY SCHEDULE WARRANTY SCHEDULE
Zero Turn Rider 3 Years or 600 Hours 1 Year or 600 Hours 90 Days
i All consumer product use must have been limited to the owner's residence. Warranted for noncommercial, nonprofessional, noninstitutional and nonincome
producing use.
SECTION 2 - HUSQVARNA'S OBLIGATIONS UNDER THE WARRANTY
Husqvama will repair or replace defective components without charge for parts or labor if a component fails because of a defect in material or workmanship
during the warranty period.
SECTION 3 - ITEMS NOT COVERED BY THIS WARRANTY
The following items are not covered by this warranty.
(1) Normal customer maintenance items which become worn through normal regular use, including, but not limited to belts, blades, blade adapters, bulbs,
clutches, clutch drums, filters (fuel line, fuel filters, air filters, oil filters), sprockets, guide bars, lubricants, rewind springs, spark plugs;
(2) Natural discoloration of material due to ultraviolet light;
(3) Engine and drive systems not manufactured by Husqvarna; these items are covered by the respective manufacturer's warranty as provided in writing with
the product information supplied at the time of purchase; all claims must be sent to the appropriate manufacturer.
(4) Lawn and garden attachments that are covered by a third party which gives a warranty, all claims for warranty should be sent to the manufacturer.
(5) Commercial or consumer mowing decks with sand abrasion damage.
(6) Emission Control System components necessary to comply with CARB-TIER II and EPA regulations which are manufactured by third party engine
manufacturer.
SECTION 4 - EXCEPTIONS AND LIMITATIONS
This warranty shall be inapplicable to defects resulting from the following:
(1)Accident, abuse, misuse, negligence and neglect, including stale fuel, dirt, abrasives, moisture, rust, corrosion, or any adverse reaction due to incorrect
storage or use habits;
(2) Failure to operate or maintain the unit in accordance with the Owner's/Operator's manual or instruction sheet furnished by Husqvarna;
(3) Alterations or modifications that change the intended use of the product or affects the product's performance, operation, safety, or durability, or causes the
product to fail to comply with any applicable laws; or:
(4) Additional damage to parts or components due to continued use occurring after any of the above.
REPAIR OR REPLACEMENTAS PROVIDED UNDER THIS WARRANTY IS THE EXCLUSIVE REMEDY OF THE PURCHASER. HUSQVARNA SHALL NOT
BE LIABLE FOR ANY INCIDENTAL OR CONSEQUENTIAL DAMAGES FOR BREACH OF ANY EXPRESS OR IMPLIED WARRANTY ON THESE PRODUCTS
EXCEPT TO THE EXTENT PROHIBITED BY APPLICABLE LAW. ANY IMPLIED WARRANTY OF MERCHANTABILITY OR FITN ESS FOR A PARTICULAR
PURPOSE ON THESE PRODUCTS IS LIMITED IN DURATION TO THE WARRANTY PERIOD AS DEFINED IN THE LIMITED WARRANTY STATEMENT.
HUSQVARNA RESERVES THE RIGHT TO CHANGE OR IMPROVE THE DESIGN OF THE PRODUCT WITHOUT NOTICE, AND DOES NOTASSUME
OBLIGATION TO UPDATE PREVIOUSLY MANUFACTURED PRODUCTS.
Some states do not allow the exclusion of incidental or consequential damages, or limitations on how long an implied warranty lasts, so the above limitations or
exclusions may not apply to you. This warranty gives you specific legal rights, and you may also have other rights which vary by state.
SECTION 5 - CUSTOMER RESPONSIBILITIES
The product must exhibit reasonable care, maintenance, operation, storage and general upkeep as written in the maintenance section of the Owner's/
Operator's manual. Should an operational problem or failure occur, the product should not be used. Failure caused by continued use is not covered by warranty.
Product should be delivered, at owners expense, as is, to an authorized Husqvama Servicing Retailer for evaluation. Proof of purchase, as explained in section
6, rests solely with the custome_
SECTION 6 - PROCEDURE TO OBTAIN WARRANTY CONSIDERATION
It is the Owner's and Retailer's responsibility to make certain that the Warranty Registration Card is properly rifled out and mailed to Husqvama. This card
should be mailed within ten (10) days from the date of purohase in order to confirm the warranty and to facilitate post-sale service. Proof of purchase must
be presented to the authorized Husqvama retailer in order to obtain warranty service. This proof must include date purchased, model number, serial number,
and complete name and address of the selling retaile_ To obtain the benefit of this warranty, the product believed to be defective must be delivered to an
authorized Husqvama retailer in atimely manner, no later than thirty (30) days from date of the operational problem or failure. The product must be delivered
at the owner's expense. Downtime, pick-up and delivery charges are not covered by this warranty. An authorized Husqvama retailer can be located by calling
1-800-HUSKY-62 or visiting www. husqvama, corn
Subject to change without notice.
Husqvarna-67

SERVICE JOURNAL
Action Date, mtr reading, stamp, sign
Delivery Service
1.
2.
3.
4.
5.
6.
7.
8.
9.
10.
Charge the battery.
Adjust the tire pressure of all wheels to 15 PSI (1 bar).
Mount the steering controls in the normal position.
Connect the contact box to the cable for the seat's safety switch.
[]
[]
[]
[]
Check that the right amount of oil is in the engine.
Adjust the position of the steering controls.
Fill with fuel and open the fuel shut off valve.
Start the engine.
Check that there is drive to both wheels.
Check the mower deck adjustment.
11. Check:
The safety switch for the parking brake.
The safety switch for the mower deck.
The safety switch in the seat.
The safety switch in the steering controls.
Parking brake functionality.
Driving forward.
Driving backward.
Engaging the blades.
12. Check the idle speed
13. Check the engine high idle speed
14. Inform the customer about:
The need and advantages of following the service
schedule.
The need and advantages of leaving the machine for
service every 300 hours.
The effects of service and maintaining a service journal on
the machine's resale value.
Application areas for mulching.
15. Fill in the sales papers
[]
[]
[]
[]
[]
[]
[]
[]
[]
[]
[]
[]
[]
[]
[]
[]
[]
Delivery service has been carried out.
No remaining notes.
Certified:
68-Husqvarna

SERVICE JOURNAL
Action
After the First 5=8 Hours
1. Change engine oil.
Date, mtr reading, stamp, sign
[]
Husqvama-69

SERVICE JOURNAL
Action Date, mtr reading, stamp, sign
25-Hour Service
1.
2.
3.
4.
5.
6.
,
Check the engine air filter.
Sharpen/Replace mower blades if required.
Check the tire pressures.
Check battery with cables.
Lubricate according to lubrication chart.
Check/clean the engine's cooling air intake.
Clean the air cleaner's prefilter (foam).
[]
[]
[]
[]
[]
[]
[]
70-Husqvarna

SERVICE JOURNAL
Action
50-Hour Service
1.
2.
Date, mtr reading, stamp, sign
Perform the 25-hour service.
Clean/replace the air cleaner's filter cartridge (paper filter)
(shorter intervals for dusty operating conditions).
[]
[]
3. Change engine oil.
4. Lubricate according to lubrication chart.
5. Check/adjust the parking brake.
6. Change hydraulic pump oil and filter.
[]
[]
[]
[]
Husqvama-71

SERVICE JOURNAL
Action Date, mtr reading, stamp, sign
100-Hour Service
1.
2.
3.
4.
5.
6.
7.
8.
,
Perform the 25-hour service.
Perform the 50-hour service.
Change the engine oil filter.
Clean/replace the spark plugs.
Replace the fuel filter.
Check V-belts.
Check tighten caster wheel axle bolts (every 200 hours).
Change the air filter's paper cartridge.
Change hydraulic pump oil and filter. (200 hours)
[]
[]
[]
[]
[]
[]
[]
[]
[]
72-Husqvarna

SERVICE JOURNAL
Action Date, mtr reading, stamp, sign
300-Hour Service
1.
2.
3.
4.
5.
6.
,
Perform the 25-hour service.
Perform the 50-hour service.
Perform the 100-hour service.
Check/adjust the mower deck.
Clean the combustion chamber and grind the valve seats.
Check the engine valve clearance.
Replace the air cleaner's prefilter (foam).
[]
[]
[]
[]
[]
[]
[]
Husqvama-73

SERVICE JOURNAL
Action Date, mtr reading, stamp, sign
At
1.
2.
3.
4.
5.
6.
7.
8.
9.
10.
Least Once Each Year
Clean the engine's cooling air intake (25 hours).
Replace the air cleaner's pre-filter (foam) (300 hours).
[]
[]
Replace the air filter's paper cartridge.
Change the engine oil (50 hours).
Replace the engine oil filter (100 hours).
Check/adjust the cutting height.
Check/adjust the parking brake (50 hours).
Clean/change the spark plugs (100 hours).
Change the fuel filter (100 hours).
Check the engine valve clearance.
[]
[]
[]
[]
[]
[]
[]
[]
74-Husqvarna

P/N 115 127127 IR 10/15/08