Husqvarna 700Drt Users Manual OM, 700 DRT, 96093000400, 2006 02, Tiller
700DRT to the manual 1291b8b9-a352-4351-acab-d04bd22de1f7
2015-01-24
: Husqvarna Husqvarna-700Drt-Users-Manual-317168 husqvarna-700drt-users-manual-317168 husqvarna pdf
Open the PDF directly: View PDF
.
Page Count: 28

700DRT
Owner's Manual

2
• Never operate the tiller without proper guards, plates,
or other safety protective devices in place.
• Keep children and pets away.
• Do not overload the machine capacity by attempting
to till too deep at too fast a rate.
• Never operate the machine at high speeds on slippery
surfaces. Look behind and use care when backing.
• Never allow bystanders near the unit.
• Use only attachments and accessories approved by
the manufacturer of the tiller.
• Never operate the tiller without good visibility or light.
• Be careful when tilling in hard ground. The tines may
catch in the ground and propel the tiller forward. If this
occurs, let go of the handlebars and do not restrain the
machine.
MAINTENANCE AND STORAGE
• Keep machine, attachments, and accessories in safe
work ing condition.
• Check shear pins, engine mounting bolts, and other
bolts at frequent intervals for proper tightness to be
sure the equip ment is in safe working condition.
• Never store the machine with fuel in the fuel tank inside
a building where ignition sources are present, such
as hot water and space heaters, clothes dryers, and
the like. Allow the engine to cool before storing in any
enclosure.
• Always refer to the operator’s guide instructions for
impor tant details if the tiller is to be stored for an ex-
tended period.
- IMPORTANT -
CAUTIONS, IMPORTANTS, AND NOTES ARE A MEANS OF
ATTRACTING ATTENTION TO IMPORTANT OR CRIT ICAL
INFORMA TION IN THIS MANUAL.
IMPORTANT: USED TO ALERT YOU THAT THERE IS A
POSSIBILITY OF DAM AG ING THIS EQUIP MENT.
NOTE: Gives essential information that will aid you to
better understand, incorporate, or execute a particular set
of instructions.
Look for this symbol to point out im-
por tant safety precautions. It means
CAUTION!!! BE COME ALERT!!! YOUR
SAFETY IS INVOLVED.
CAUTION: Always disconnect spark
plug wire and place wire where it can-
not contact spark plug in order to pre-
vent ac cidental starting when setting
up, trans port ing, adjusting or making
repairs.
SAFETY RULES
Safe Operation Practices for Walk-Behind Powered Ro tary Tillers
TRAINING
• Read the Manual care fully. Be thor oughly fa miliar with
the controls and the proper use of the equip ment.
Know how to stop the unit and disengage the controls
quickly.
• Never allow children to operate the equipment. Never
allow adults to op er ate the equipment without proper
instruction.
• Keep the area of operation clear of all persons, par-
ticular ly small children, and pets.
PREPARATION
• Thoroughly inspect the area where the equipment is
to be used and remove all foreign objects.
• Disengage all clutches and shift into neutral before
starting the engine (mo tor).
• Do not operate the equipment with out wearing ad e-
quate outer gar ments. Wear footwear that will im prove
footing on slippery surfaces.
• Handle fuel with care; it is highly fl ammable.
• Use an approved fuel container.
• Never add fuel to a running engine or hot engine.
• Fill fuel tank outdoors with extreme care. Never fi ll fuel
tank indoors.
• Replace gasoline cap securely and clean up spilled
fuel before restarting.
• Use extension cords and receptacles as specifi ed by
the manufacturer for all units with electric drive motors
or electric starting motors.
• Never attempt to make any adjustments while the
engine (motor) is running (except where specifi cally
recommended by manufacturer).
OPERATION
• Do not put hands or feet near or under rotating parts.
• Exercise extreme caution when op er ating on or cross-
ing gravel drives, walks, or roads. Stay alert for hidden
hazards or traffi c. Do not carry pas sengers.
• After striking a foreign object, stop the engine (motor),
remove the wire from the spark plug, thoroughly in spect
the tiller for any damage, and repair the damage before
restarting and op er ating the tiller.
• Exercise caution to avoid slipping or falling.
• If the unit should start to vibrate ab nor mally, stop the
engine (motor) and check immediately for the cause.
Vibra tion is generally a warning of trouble.
• Stop the engine (motor) when leaving the operating
position.
• Take all possible precautions when leav ing the ma chine
unattended. Disengage the tines, shift into neutral, and
stop the engine.
• Before cleaning, repairing, or inspecting, shut off the
engine and make certain all moving parts have stopped.
Disconnect the spark plug wire, and keep the wire away
from the plug to prevent accidental starting. Disconnect
the cord on electric motors.
• Do not run the engine indoors; exhaust fumes are
dangerous.
WARNING
The engine exhaust from this product con tains
chem icals known to the State of Cal ifor nia to
cause cancer, birth defects, or other reproduc-
tive harm.

3
CONGRATULATIONS on your purchase of a new tiller. It
has been designed, en gineered and manu fac tured to give
you the best pos sible de pendability and per form ance.
Should you experience any prob lems you can not easily
remedy, please contact your nearest authorized service
center. We have com petent, well-trained tech nicians and
the proper tools to service or repair this unit.
Please read and retain this manual. The in struc tions will
enable you to assemble and main tain your tiller prop erly.
Always observe the “SAFETY RULES”.
CUSTOMER RESPONSIBILITIES
• Read and observe the safety rules.
• Follow a regular schedule in maintaining, caring for
and using your tiller.
• Follow instructions under “Maintenance” and “Stor age”
sections of this Owner’s Manual.
WARNING: This unit is equipped with an internal com-
bustion engine and should not be used on or near any
unimproved forest-covered, brush-covered or grass covered
land unless the engine's exhaust system is equipped with
a spark arrester meeting applicable local laws (if any). If a
spark arrester is used, it should be maintained in effective
work ing order by the operator.
In the state of California, a spark arrester is required by law
(Section 4442 of the California Public Resources Code).
Other states may have similar laws. Federal laws apply
on federal lands. See your authorized service center/
DEPARTMENT for spark arrester.
MAINTENANCE ...................................................12-14
SERVICE & ADJUSTMENTS ...............................15-18
STORAGE ..................................................................19
TROUBLESHOOTING ...............................................20
WARRANTY...............................................................21
TABLE OF CONTENTS
SAFETY RULES ..........................................................2
CUSTOMER RESPONSIBILITIES...............................3
PRODUCT SPECIFICATIONS .....................................3
ASSEMBLY ...............................................................4-6
OPERATION ...........................................................7-11
MAINTENANCE SCHEDULE ....................................12
PRODUCT SPECIFICATIONS
Gasolina Capacity: 4 Quarts (2.8L)
Unleaded Reg ular
Oil (API-SG-SL): SAE 30 (Above 40°F/4°C)
(Capacity: 20 oz./0.6L) SAE 5W-30 (Below 40°F/4°C)
Spark Plug : Champion
(Gap: .030"/0.76mm) RC12YC

4
TOOLS REQUIRED FOR ASSEMBLY
A socket wrench set will make assembly easier. Standard
wrench sizes are listed.
(1) Utility knife
(1) Tire pressure gauge
(1) Pair of pliers
(1) 9/16" wrench
OPERATOR’S POSITION (See Fig. 1)
When right or left hand is mentioned in this manual, it
means when you are in the operating position (standing
behind tiller handles).
Your new tiller has been assembled at the factory with exception of those parts left unassembled for shipping purposes.
To ensure safe and proper operation of your tiller all parts and hardware you assemble must be tightened securely. Use
the correct tools as necessary to insure proper tightness.
FRONT
OPERATOR’S
POSITION
LEFT RIGHT
FIG. 1
(1) Hairpin Clip
(1) Carriage Bolt
3/8-16 UNC x 1 Grade 5 (1) Center Locknut
3/8-16 UNC
(1) Handle Lock Lever
(1) Flat Washer 13/32 x 1 x 11 Gauge
CONTENTS OF HARDWARE PACK
(2) Handle Locks
(1) Pivot Bolt
3/8-16 UNC Grade 5 Extra Shear Pins & Clips
ASSEMBLY

5
ASSEMBLY
• Grasp handle assembly. Hold in “up” position. Be sure
handle lock remains in gearcase notch. Slide handle
assembly into position.
HANDLE ASSEMBLY
"UP" POSITION
FIG. 4
UNPACKING CARTON (See Fig. 2)
CAUTION: Be careful of exposed
staples when handling or disposing
of cartoning material.
IMPORTANT: WHEN UN PAC K ING AND AS SEMBLING TILLER,
BE CAREFUL NOT TO STRETCH OR KINK CABLES.
• While holding handle assembly, cut cable ties se cur ing
handle assembly to top frame and depth stake. Let
handle assembly rest on tiller.
• Remove top frame of carton.
• Slowly ease handle assembly up and place on top of
carton.
• Cut down right hand front and right hand rear cor ners
of carton, lay side carton wall down.
• Remove packing material from handle assembly.
FIG. 2
carton_3
SHIFT ROD
INSTALL HANDLE (See Figs. 3, 4, and 5)
• Insert one handle lock (with teeth facing outward) in
gearcase notch. (Apply grease on smooth side of
handle lock to aid in keeping lock in place until handle
assembly is lowered into position.)
HANDLE
ASSEMBLY
FIG. 3
HANDLE ASSEMBLY
GEARCASE
NOTCH
HANDLE
LOCK
VIEWED FROM R.H. SIDE OF TILLER
LOOSEN HANDLE
LOCK LEVER TO MOVE
TIGHTEN HANDLE LOCK
LEVER TO HOLD
ha
ndles_34
CARRIAGE
BOLT
SLOT
GEARCASE
HANDLE
LOCK
FLAT
WASHER
HANDLE LOCK
LEVER
PIVOT BOLT
LOCKNUT
HANDLE
BASE
FIG. 5
• Rotate handle assembly down. Insert rear carriage bolt
fi rst, with bolt head on L.H. side of tiller and loosely
assemble locknut (See Fig. 5).
• Insert pivot bolt in front part of plate and tighten.
• Cut down remaining corners of carton and lay panels
fl at.
• Lower the handle assembly. Tighten nut on carriage
bolt so handle moves with some resistance. This will
allow for easier adjustment.
• Place fl at washer on threaded end of handle lock le-
ver.
• Insert handle lock lever through handle base and
gearcase. Screw in handle lock lever just enough to
hold lever in place.
• Insert second handle lock (with teeth in ward) in the
slot of the handle base (just inside of washer).
• With handle assembly in lowest position, securely
tighten handle lock lever by rotating clockwise. Leav-
ing handle assembly in lowest position will make it
easier to remove tiller from carton.

6
ASSEMBLY
SHIFT
ROD
HAIRPIN
CLIP
SHIFT
LEVER
INDICATOR
REMOVE TILLER FROM CRATE
• Make sure shift lever indicator is in “N” position (See
Fig. 7)
• Tilt tiller forward by lifting handle. Separate cardboard
cover from leveling shield.
• Rotate tiller handle to the right and pull tiller out of
carton.
CONNECT SHIFT ROD (See Fig. 7)
• Insert end of shift rod into hole of shift lever indicator.
• Insert hairpin clip through hole of shift rod to secure.
FIG. 7
FIG. 6
END OF CLUTCH
CABLE
CONTROL
BAR
CONTROL BAR
BRACKET
CONTROL BAR
BRACKET
CLUTCH
CABLE
ATTACH CLUTCH CABLE (See Fig. 6)
• Hook end of clutch cable through hole in control bar
bracket.
CHECK TIRE PRESSURE
The tires on your unit were overinfl ated at the factory for
shipping purposes. Correct and equal tire pressure is
important for best tilling performance.
• Reduce tire pressure to 20 PSI (1.4 kg/cm2).
HANDLE HEIGHT
• Handle height may be adjusted to better suit operator.
(See “TO ADJUST HANDLE HEIGHT” in the Service
and Adjustments section of this manual).

7
KNOW YOUR TILLER
READ THIS OWNER'S MANUAL AND SAFETY RULES BEFORE OPERATING YOUR TILLER.
Compare the illustrations with your tiller to familiarize yourself with the location of various controls and adjustments. Save
this manual for future reference.
These symbols may appear on your Tiller or in literature supplied with the product. Learn and understand their
meaning.
CAUTION
OR WARNING
TILLING FORWARD NEUTRAL REVERSE
FAST SLOW
ENGINE
ON
ENGINE
OFF
OILFUELCHOKE
S
T
ILLING
DRIVE
CONTROL
BAR
DEPTH STAKE
SHIFT LEVER
LEVELING
SHIELD
RECOIL
STARTER
HANDLE
SHIFT LEVER IN DICA TOR
THROTTLE
CONTROL
OUTER SIDE
SHIELD
FIG. 8
MEETS ANSI SAFETY REQUIREMENTS
Our tillers conform to the safety standards of the American National Standards Institute.
CHOKE CONTROL - Used when starting a cold engine.
DEPTH STAKE - Controls depth at which tiller will dig.
DRAG STAKE - Controls forward speed in forward rotating
till position.
DRIVE CONTROL BAR - Used to engage tines.
LEVELING SHIELD - Levels tilled soil.
OUTER SIDE SHIELD - Adjustable to protect small plants
from being buried.
RECOIL STARTER HANDLE - Used to start the engine.
SHIFT LEVER - Used to shift transmission gears.
SHIFT LEVER INDICATOR - Shows which gear the trans-
mission is in.
CHOKE CONTROL
OPERATION
DRAG
STAKE

8
OPERATION
00155
HOW TO USE YOUR TILLER
Know how to operate all controls before adding fuel and
oil or attempting to start engine.
STOPPING (See Fig. 9)
TINES AND DRIVE
• Release drive control bar to stop movement.
• Move shift lever to “N” (neutral) position.
ENGINE
• Move throttle control to “STOP” position.
• Never use choke to stop engine.
TINE OPERATION - WITH WHEEL DRIVE
• Always release drive control bar before moving shift
lever into another position.
• Tine movement is achieved by moving shift lever to either
the counter rotating ( ) till position or the forward rotat-
ing ( ) till position and engaging drive control bar.
FORWARD - WHEELS ONLY/TINES STOPPED
• Release drive control bar and move shift lever in dicator
to “F” (forward) position. Engage drive control bar and
tiller will move forward.
REVERSE - WHEELS ONLY/TINES STOPPED
• DO NOT STAND DIRECTLY BEHIND TILLER.
• Release the drive control bar.
• Move throttle control to “SLOW” position.
• Move shift lever indicator to “R” (reverse) position.
• Hold drive control bar against the handle to start tiller
movement.
HARD TO SHIFT GEARS
• Briefl y engage drive control bar and release or rock tiller
forward and backward until are able to shift gears.
DEPTH STAKE (See Fig. 10)
The depth stake can be raised or lowered to allow you more
versatile tilling and cul tivat ing, or to more easily transport
your tiller.
FIG. 9
depth_stake_2
TILLING (See Fig. 12)
• Release depth stake pin. Pull the depth stake up for
increased tilling depth. Place depth stake pin in hole
of depth stake to lock in position.
• Place shift lever indicator in counter rotating ( ) till
position .
• Hold the drive control bar against the handle to start
tilling movement. Tines and wheels will both turn.
• Move throttle control to “FAST” position for deep tilling.
To cultivate, throttle control can be set at any desired
speed, depending on how fast or slow you wish to
cultivate.
IMPORTANT: ALWAYS RELEASE DRIVE CONTROL
BAR BEFORE MOVING SHIFT LEVER INTO ANOTHER
POSITION.
TRANSPORT
POSITION
DEEPEST
TILLING
DEPTH
STAKE
SHALLOWEST
TILLING
(CULTIVATING)
FIG. 10
The operation of any tiller can result in foreign objects thrown into the eyes, which can result in
severe eye damage. Always wear safety glasses or eye shields before starting your tiller and while
tilling. We recommend a wide vision safety mask for over spectacles or standard safety glasses.
DRIVE CONTROL
BAR “ENGAGED”
POSITION
SHIFT
LEVER
DRIVE CONTROL BAR
“DISENGAGED” PO SITION
THROTTLE
CONTROL
DRAG STAKE (See Fig. 11)
The drag stake should be raised when tilling in the counter
rotating ( ) till position. The drag stake should be lowered
when tilling in the forward rotating ( )till position.
depth_stake_10
FIG. 11
LOWERED
(FOR WARD ROTATING
TILL)
RAISED
(COUNTER ROTATING
TILL)

9
depth_stake_11
OPERATION
TO TRANSPORT
CAUTION: Before lifting or trans port ing,
allow tiller engine and muffl er to cool.
Disconnect spark plug wire. Drain
gasoline from fuel tank.
AROUND THE YARD
• Release the depth stake pin. Move the depth stake
down to the top hole for transporting the tiller. Place
depth stake pin in hole of depth stake to lock in posi-
tion. This prevents tines from scuffi ng the ground.
• Place shift lever indicator in “F” (forward) position for
transporting.
• Hold the drive control bar against the handle to start
tiller movement. Tines will not turn.
• Move throttle control to desired speed.
AROUND TOWN
• Disconnect spark plug wire.
• Drain fuel tank.
• Transport in upright position to prevent oil leakage.
OIL
LEVEL
FIG. 13
NUT “B”
NUT “A”
OUTER
SIDE SHIELD
DEPTH STAKE PIN
“RELEASED” POSITION
“LOCKED”
POSITION
FIG. 12
BEFORE START ING ENGINE
IMPORTANT: BE VERY CAREFUL NOT TO ALLOW DIRT
TO ENTER THE ENGINE WHEN CHECKING OR ADDING
OIL OR FUEL. USE CLEAN OIL AND FUEL AND STORE IN
APPROVED, CLEAN, COVERED CONTAINERS. USE CLEAN
FILL FUNNELS.
CHECK ENGINE OIL LEVEL (See Fig. 13)
• The engine in your unit has been shipped, from the
factory, already fi lled with SAE 30 summer weight oil.
• With engine level, clean area around oil fi ller plug and
remove plug.
• Engine oil should be to point of overfl owing when engine
is level. For ap proxi mate capacity see “PROD UCT
SPECIFICA TIONS” on page 3 of this manual. All oil
must meet A.P.I. Service Classifi cation SG-SL.
• Reinstall engine oil cap and tighten.
• For cold weather operation you should change oil for
easier starting (See oil viscosity chart in the Mainte-
nance sec tion of this manual).
• To change engine oil, see the Maintenance section in
this manual.
TURNING
• Release the drive control bar.
• Move throttle control to “SLOW” position.
• Place shift lever indicator in “F” (forward) position. Tines
will not turn.
• Lift handle to raise tines out of ground.
• Swing the handle in the opposite direction you wish
to turn, being careful to keep feet and legs away from
tines.
• When you have completed your turn-around, release
the drive control bar and lower handle. Place shift le-
ver in (till) position and move throttle control to de sired
speed. To begin tilling, hold drive control bar against
the handle.
CULTIVATING
• Use the forward rotating tine drive when cultivating,
tilling soft ground or tilling pre-tilled soil.
• Release depth and drag stake pins. Lower drag stake.
Pull the depth stake up for increased tilling depth. Place
proper pin in hole of depth stake or drag stake to lock
in position.
• Place shift lever indicator in forward rotating ( ) till
position .
• Hold the drive control bar against the handle to start
tilling movement. Tines and wheels will both turn.
• Move throttle control "FAST" position for deep tilling.
To cultivate, throttle control can be set at any desired
speed, depending on how fast or slow you wish to
cultivate.
• Always lower the drag stake when using the for ward
rotating tine drive.
OUTER SIDE SHIELDS (See Fig. 12)
The back edges of the outer side shields are slotted so
that the shields can be raised for deep tilling and low ered
for shal low tilling to protect small plants from being buried.
Loosen nut “A” in slot and nut “B”. Move shield to desired
position (both sides). Retighten nuts.

10
RUN
CHOKE
OPERATION
TILLING HINTS (See Fig. 15)
CAUTION: Until you are accustomed to
handling your tiller, start actual fi eld use
with throttle in slow position (mid-way
between “FAST” and “IDLE”).
• Tilling is digging into, turning over, and breaking up
packed soil before planting. Loose, unpacked soil helps
root growth. Best tilling depth is 4" to 6" (10-15 cm).
A tiller will also clear the soil of unwanted vege tation.
The de composition of this vegetable mat ter enriches
the soil. Depending on the climate (rain fall and wind),
it may be advisable to till the soil at the end of the
growing season to further condition the soil.
• You will fi nd tilling much easier if you leave a row un-
tilled between passes. Then go back between tilled
rows. (See Fig. 14) There are two reasons for doing
this. First, wide turns are much easier to negotiate than
about-faces. Sec ond, the tiller won’t be pulling itself,
and you, toward the row next to it.
• Soil conditions are important for proper tilling. Tines will
not readily penetrate dry, hard soil which may con trib ute
to excessive bounce and diffi cult handling of your tiller.
Hard soil should be mois tened before tilling; however,
extremely wet soil will “ball-up” or clump during tilling.
Wait until the soil is less wet in order to achieve the
best results. When tilling in the fall, re move vines and
long grass to prevent them from wrapping around the
tine shaft and slowing your tilling operation.
FIG. 14
CHOKE CONTROL
RECOIL STARTER
HANDLE
• If engine fi res but does not start, move choke control
to half choke position. Pull recoil starter handle until
engine starts.
• When engine starts, slowly move choke control to
"RUN" position as engine warms up.
NOTE: A warm engine requires less choking to start.
• Move throttle control to desired running position.
• Allow engine to warm up for a few minutes before
engaging tines.
NOTE: If at a high altitude (3000 feet) or in cold tem per atures
(below 32°F), the carburetor fuel mixture may need to be
adjusted for best engine performance. See "TO AD JUST
CARBURETOR" in the Service and Adjustments section
of this manual.
NOTE: If engine does not start, see troubleshooting
points.
ADD GASOLINE
• Fill fuel tank to bottom of fi ller neck. Do not overfi ll.
Use fresh, clean, regular un leaded gasoline with a
minimum of 87 octane. (Use of leaded gasoline will
increase carbon and lead oxide deposits and reduce
valve life). Do not mix oil with gasoline. Purchase fuel
in quan tities that can be used within 30 days to assure
fuel freshness.
CAUTION: Fill to within 1/2 inch of top
of fuel tank to prevent spills and to allow
for fuel expansion. If gasoline is ac-
cidentally spilled, move machine away
from area of spill. Avoid creating any
source of ignition until gasoline vapors
have disappeared.
Wipe off any spilled oil or fuel. Do not
store, spill or use gasoline near an
open fl ame.
IMPORTANT: WHEN OPERATING IN TEMPERATURES
BELOW32°F(0°C), USE FRESH, CLEAN WINTER GRADE
GASOLINE TO HELP INSURE GOOD COLD WEATHER
START ING.
CAUTION: Alcohol blended fuels (called
gasohol or using ethanol or methanol) can at-
tract moisture which leads to sep aration and
for mation of acids during storage. Acidic gas
can damage the fuel system of an engine while
in storage. To avoid engine problems, the fuel
system should be emptied before stor age of
30 days or longer. Drain the gas tank, start
the engine and let it run until the fuel lines
and carburetor are empty. Use fresh fuel next
season. See Storage In structions for additional
information. Never use engine or carburetor
cleaner products in the fuel tank or permanent
damage may occur.
TO START ENGINE (See Fig. 14)
CAUTION: Keep drive control bar in
“DISENGAGED” position when start-
ing en gine.
When starting engine for the fi rst time or if engine has run
out of fuel, it will take extra pulls of the recoil starter to
move fuel from the tank to the engine.
• Make sure spark plug wire is prop er ly connected.
• Move shift lever indicator to “N” (neutral) position.
• Place throttle control in “FAST” position.
• Turn fuel shut-off valve 1/4 turn to open position.
• Move choke control to choke position.
• Grasp recoil starter handle with one hand and grasp
tiller handle with other hand. Pull rope out slowly until
engine reaches start of com pression cycle (rope will
pull slightly harder at this point).
• Pull recoil starter handle quickly. Do not let starter
handle snap back against starter.

11
• Do not lean on handle. This takes weight off the wheels
and reduces traction. To get through a really tough
section of sod or hard ground, apply upward pressure
on handle or lower the depth stake.
FIG. 15
FIG. 16
OPERATION
321
5
4
67
CULTIVATING
Cultivating is destroying the weeds between rows to pre-
vent them from robbing nourishment and moisture from the
plants. At the same time, breaking up the upper layer of
soil crust will help retain moisture in the soil. Best digging
depth is 1" to 3" (2.5-7.5 cm). Lower the outer side shields
to protect small plants from being buried.
• Cultivate up and down the rows at a speed which will
allow tines to uproot weeds and leave the ground in
rough condition, promoting no further growth of weeds
and grass (See Fig. 16).
• Do not lean on handle, this takes weight off the wheels,
reduces traction, and may cause the tiller to skip over
the ground.
• Always lower the drag stake when using the for ward
rotating tine drive.
tire_1
HAIRPIN
CLIP
FIG. 17
OUTER VIEW OF TIRE
tire_2
FIG. 18
INNER VIEW OF TIRE
CLEVIS
PIN
HAIRPIN
CLIP
ADJUST WHEELS FOR CULTIVATING
(See Figs. 17 and 18)
• Place blocks under right hand side of tiller and remove
hairpin clip and clevis pin from right hand wheel.
• Move wheel outward approximately 1 inch until hole in
inner wheel hub lines up with inner hole in axle.
• Replace clevis pin and hairpin clip on inside of wheel
and remove blocks.
• Repeat preceding steps on left hand side.
NOTE: In extremely rough conditions and while
cultivating, the wheels should be moved outward on the
axle for increased stability.
CLEVIS
PIN

12
MAINTENANCE
GENERAL RECOMMENDATIONS
The warranty on this tiller does not cover items that have
been subjected to operator abuse or negligence. To receive
full value from the warranty, the operator must main tain tiller
as instructed in this manual.
Some adjustments will need to be made periodically to
properly maintain your tiller.
All adjustments in the Service and Adjustments section
of this manual should be checked at least once each
season.
• Once a year you should replace the spark plug, clean
or replace air fi lter, and check tines and belts for wear.
A new spark plug and clean air fi lter assure proper
air-fuel mixture and help your engine run better and
last longer.
BEFORE EACH USE
• Check engine oil level.
• Check tine operation.
• Check for loose fasteners.
LUBRICATION
Keep unit well lubricated (See “LUBRICATION CHART”).
LUBRICATION CHART
MAINTENANCE
SCHEDULE
FILL IN DATES
AS YOU COMPLETE
REGULAR SERVICE
Check Engine Oil Level
Change Engine Oil
Oil Pivot Points
Inspect Air Screen
Inspect Spark Arrester / Muffler
Clean or Replace Air Cleaner Cartridge
Clean Engine Cylinder Fins
Replace Spark Plug
BEFORE EACH USE
EVERY 25 HOURS
EVERY 5 HOURS
EVERY 50 HOURS
SERVICE DATES
1,2
2
1 - Change more often when operating under a heavy load or in high ambient temperatures.
2 - Service more often when operating in dirty or dusty conditions.
EVERY SEASON
RH Gear Case Grease Fitting (1oz.)
cSAE 30 OR 10W-30 MOTOR OIL
dREFER TO MAINTENANCE “ENGINE” SECTION
eEP #1 GREASE
d ENGINE
c IDLER
BRACKET c WHEEL
HUB
c LEVELING
SHIELD
HINGES
c DEPTH
STAKE PIN
eRH GEAR CASE
GREASE FIT TING
c THROTTLE CONTROL

13
MAINTENANCE
OIL FILLER
PLUG
OIL LEVEL
OIL
DRAIN
PLUG
FIG. 19
Disconnect spark plug wire before performing any maintenance (except car bu retor adjustment) to
prevent accidental start ing of engine.
Prevent fi res! Keep the engine free of grass, leaves, spilled oil, or fuel. Re move fuel from tank
before tipping unit for maintenance. Clean muffl er area of all grass, dirt, and debris.
Do not touch hot muffl er or cylinder fi ns as contact may cause burns.
FIG. 20
TO CHANGE ENGINE OIL (See Figs. 19 and 20)
• Be sure tiller is on level surface.
• Oil will drain more freely when warm.
• Use a funnel to prevent oil spill on tiller, and catch oil
in a suitable con tainer.
• Remove drain plug.
• For easier removal of plug use 7/16 12 Pt. socket with
extension.
• Tip tiller forward to drain oil.
• After oil has drained completely, replace oil drain plug
and tighten securely.
• Remove oil fi ller plug. Be careful not to allow dirt to
enter the engine.
• Refi ll engine with oil. See “CHECK ENGINE OIL LEVEL”
in the Operation section of this manual.
ENGINE
LUBRICATION
Use only high quality detergent oil rated with API service
classifi cation SG-SL. Select the oil’s SAE vis cosity grade
according to your expected temperature.
NOTE: Although multi-viscosity oils (5W-30, 10W-30, etc.)
improve starting in cold weather, these multi-viscosity oils
will result in increased oil consumption when used above
40°F (4°C). Check your engine oil level more frequently to
avoid possible engine damage from running low on oil.
Change the oil after every 25 hours of operation or at
least once a year if the tiller is not used for 25 hours in
one year.
Check the crankcase oil level before starting the engine
and after each fi ve (5) hours of continuous use. Add SAE
30 motor oil or equivalent. Tighten oil fi ller plug securely
each time you check the oil level.
TEMPERATURE RANGE ANTICIPATED BEFORE NEXT OIL CHANGE
SAE VISCOSITY GRADES
-20 0 30 40 80 100
-30 -20 4 20 30 40
F
C-10 10
60
10W-30 / 5W-30
SAE 30
oil_visc_chart5_e(drt)
FIG. 21
COVER
KNOB
BASE
FOAM
PRECLEANER
COVER
AIR FILTER (See Fig. 21)
Your engine will not run properly using a dirty air fi lter. Clean
the foam pre-cleaner after every 25 hours of op er ation or
every season. Service paper cartridge every 100 hours of
operation or every season, which ever occurs fi rst.
Service air cleaner more often under dusty conditions.
• Remove cover screw and cover.
TO SERVICE PRE-CLEANER
• Remove foam pre-cleaner from air cleaner cover.
• Wash it in liquid detergent and water.
• Squeeze it dry in a clean cloth.
• If very dirty or damaged, replace pre-cleaner.
• Reinstall pre-cleaner into air cleaner cover.
• Reinstall cover and secure screw.
TO SERVICE CARTRIDGE
• Carefully remove cartridge to prevent debris from
enter ing carburetor. Clean base carefully to pre vent
debris from entering carburetor.
• Clean cartridge by tap ping gen tly on fl at surface. If
very dirty or damaged, replace cartridge.
• Re install cartridge, cover with pre-cleaner and se cure
with screw.
IMPORTANT: PETROLEUM SOLVENTS, SUCH AS KER OSENE,
ARE NOT TO BE USED TO CLEAN THE CAR TRIDGE. THEY
MAY CAUSE DETERIORATION OF THE CARTRIDGE. DO NOT
OIL CARTRIDGE. DO NOT USE PRESSURIZED AIR TO CLEAN
OR DRY CARTRIDGE.
AIR CLEANER
CARTRIDGE

14
MAINTENANCE
engine_art_
61
FIG. 22
AIR SCREEN
BLOW ER
HOUSING
MUFFLER
Do not operate tiller without muffl er. Do not tamper with
exhaust system. Damaged muffl ers or spark arresters could
create a fi re hazard. Inspect pe ri odically and re place if nec-
essary. If your engine is equipped with a spark arrester
screen assembly, re move every 50 hours for cleaning and
inspection. Re place if dam aged.
SPARK PLUG
Replace spark plugs at the beginning of each tilling sea-
son or after every 50 hours of use, whichever comes fi rst.
Spark plug type and gap setting is shown in “PRODUCT
SPECIFICA TIONS” on page 3 of this manual.
TRANSMISSION
Once a season, lubricate the right hand side gear case
grease fi tting with 1 oz. of EP #1 Grease.
CLEANING
Do not clean your tiller when the engine and transmission
are hot. We do not rec ommend using pressurized water
(garden hose, etc.) to clean your unit un less the gasket
area around the trans mission and the engine muf fl er, air
fi l ter and car bu retor are cov ered to keep wa ter out. Wa ter
in en gine will short en the useful life of your tiller.
• Clean engine, wheels, fi nish, etc. of all foreign mat-
ter.
• Keep fi nished surfaces and wheels free of all gas oline,
oil, etc.
• Protect painted surfaces with au tomotive type wax.
COOLING SYSTEM (See Fig. 22)
Your engine is air cooled. For proper engine performance
and long life keep your engine clean.
• Clean air screen frequently using a stiff-bristled-
brush.
• Remove blower housing and clean as nec essary.
• Keep cylinder fi ns free of dirt and chaff.

15
SERVICE AND ADJUSTMENTS
CAUTION: Disconnect spark plug wire from spark plug and place wire where it cannot come into
contact with plug.
TILLER
TO ADJUST HANDLE HEIGHT (See Fig. 23)
Select handle height best suited for your tilling conditions.
Handle height will be different when tiller digs into soil.
• First loosen handle lock lever.
• Handle can be positioned at different settings between
“HIGH” and “LOW” positions.
• Retighten handle lock lever securely after adjusting.
FIG. 23
HANDLE
(LOW POSITION)
FIG. 24
HANDLE LOCK
LEVER
HANDLE
(HIGH POSITION)
FIG. 25
SCREW
AND
WASHER
HEX NUT
AND
WASHER
(LOCATED
BEHIND
TIRE)
BELT GUARD SCREW
AND WASHER
HAIRPIN CLIP
AND CLEVIS PIN
TO REMOVE BELT GUARD (See Fig. 25)
NOTE: For ease of removal, remove hairpin clip and
clevis pin from left wheel. Pull wheel out from tiller about
1 inch.
• Remove two (2) screws from side of belt guard.
• Remove hex nut and washer from bottom of belt guard
(located behind wheel).
• Pull belt guard out and away from unit.
• Replace belt guard by reversing above procedure.
TIRE CARE
CAUTION: When mounting tires, un-
less beads are seated, over infl a tion can
cause an explosion.
• Maintain 20 pounds of tire pressure. If tire pressures
are not equal, tiller will pull to one side.
• Keep tires free of gasoline or oil which can damage
rubber.
TO REMOVE WHEEL (See Fig. 24)
• Place blocks under trans mission to keep tiller from
tipping.
• Remove hairpin clip and clevis pin from wheel.
• Remove wheel and tire.
• Repair tire and reassemble.
tire_3
CLEVIS PIN
HAIRPIN CLIP

16
SERVICE AND ADJUSTMENTS
CABLE CLIP
SCREW
DRIVE
CONTROL
CABLE
EXTENSION
SPRING
ENGINE
PULLEY
IDLER
PULLEY TRANSMISSION
PULLEY
LESS
TENSION
5/8" MORE
TENSION
FIG. 26
TO REPLACE GROUND DRIVE BELT
(See Figs. 25 and 26)
• Remove belt guard as described in “TO REMOVE BELT
GUARD”.
• Remove old belt by slipping off engine pulley fi rst then
remove from transmission pulley.
• Place new belt in groove of transmission pulley and
into engine pulley. BELT MUST BE IN GROOVE ON
TOP OF IDLER PULLEY. NOTE POSITION OF BELT
TO GUIDES.
• Check belt adjustment as described below.
• Replace belt guard.
• Reposition wheel and replace clevis pin and hairpin
clip.
GROUND DRIVE BELT ADJUSTMENT
(See Fig. 26)
For proper belt tension, the extension spring should have
about 5/8 inch (16 mm) stretch when drive control bar is
in “EN GAGED” position. This tension can be attained as
fol lows:
• Loosen cable clip screw securing the drive control
cable.
• Slide cable forward for less tension and rearward for
more tension until about 5/8 inch (16 mm) stretch is
obtained while the drive control bar is engaged.
• Tighten cable clip screw securely.

17
SERVICE AND ADJUSTMENTS
• To maintain the superb tilling performance of this ma-
chine the tines should be checked for sharpness, wear,
and bending, particularly the tines which are next to
the transmission. If the gap between the tines ex ceeds
3-1/2 inches they should be replaced or straight ened
as necessary.
• For tines that are slightly worn, the bolt ed tine and hub
assemblies can be switched between sides to continue
tilling in the same tilling mode if tilling in a different mode
is desired then the bolt ed tine and hub assemblies
should be switched back to their original side so that
the tine edge with the least wear will be used.
FIG. 27
TINE REPLACEMENT
(See Figs. 27, 28 and 29)
CAUTION: Tines are sharp. Wear
gloves or other protection when han-
dling tines.
A badly worn tine causes your tiller to work harder and dig
more shallow. Most important, worn tines cannot chop and
shred organic matter as effectively nor bury it as deeply as
good tines. A tine this worn needs to be replaced.
NEW TINE WORN TINE
FIG. 28
FIG. 29
tine_19
3-1/2" MAX
TINE
TINE
tine_20
HAIRPIN
CLIP
SHEAR PIN
SHARP EDGES SHARP EDGES
SHARP EDGES
HAIRPIN CLIP

18
SERVICE AND ADJUSTMENTS
FIG. 30
engine_art_78
THROTTLE CONTROL
CLAMP SCREW
CASING
AND WIRE
ENGINE
TO ADJUST THROTTLE CONTROL CABLE
(See Fig. 30)
The throttle control has been preset at the factory and
adjustment should not be necessary. If adjustment is
necessary, proceed as follows:
• With engine not running, move remote throttle control
lever to “FAST” position.
• If throttle lever on engine touches high speed stop, no
further adjustment is necessary. If throttle lever does
not touch high speed stop, continue with adjustment
procedure.
• Loosen cable clamp screw.
• Move throttle lever up until it touches high speed stop,
and hold in this position.
• Tighten cable clamp screw securely.
TO AD JUST CARBURETOR
The carburetor has been preset at the factory and ad justment
should not be necessary. However, engine per for mance
can be affected by dif fer ences in fuel, tem per ature, al titude
or load. If the carburetor does need ad justment, contact
your nearest authorized service center/de part ment
IMPORTANT: NEVER TAMPER WITH THE ENGINE GOVERNOR,
WHICH IS FACTORY SET FOR PROPER ENGINE SPEED.
OVER SPEEDING THE ENGINE ABOVE THE FACTORY HIGH
SPEED SETTING CAN BE DANGEROUS. IF YOU THINK THE
ENGINE-GOVERNED HIGH SPEED NEEDS ADJUSTING,
CONTACT YOUR NEAREST AUTHORIZED SERVICE CENTER/
DEPARTMENT, WHICH HAS THE PROPER EQUIP MENT AND
EXPERIENCE TO MAKE ANY NEC ESSARY ADJUSTMENTS.

19
STORAGE
ENGINE OIL
Drain oil (with engine warm) and replace with clean oil. (See
“ENGINE” in the Maintenance section of this man ual).
CYLINDER(S)
• Remove spark plug.
• Pour 1 ounce (29 ml) of oil through spark plug hole into
cylinder.
• Pull starter handle slowly several times to distribute
oil.
• Replace with new spark plug.
OTHER
• Do not store gasoline from one season to another.
• Replace your gasoline can if your can starts to rust.
Rust and/or dirt in your gasoline will cause problems.
• If possible, store your unit indoors and cover it to give
protection from dust and dirt.
• Cover your unit with a suitable pro tective cover that
does not retain moisture. Do not use plastic. Plastic
cannot breathe which allows con densation to form and
will cause your unit to rust.
IMPORTANT: NEVER COVER TILLER WHILE ENGINE AND
EXHAUST AREAS ARE STILL WARM.
Immediately prepare your tiller for storage at the end of the
season or if the unit will not be used for 30 days or more.
CAUTION: Never store the tiller with
gasoline in the tank inside a build ing
where fumes may reach an open fl ame
or spark. Allow the engine to cool before
storing in any enclosure.
TILLER
• Clean entire tiller (See “CLEANING” in the Maintenance
section of this manual).
• Inspect and replace belts, if nec essary (See belt re-
placement in struc tions in the Service and Ad justments
section of this manual).
• Lubricate as shown in the Maintenance section of this
manual.
• Be sure that all nuts, bolts and screws are securely
fastened. Inspect moving parts for damage, break age
and wear. Replace if necessary.
• Touch up all rusted or chipped paint surfaces; sand
lightly before painting.
ENGINE
FUEL SYSTEM
IMPORTANT: IT IS IMPORTANT TO PREVENT GUM DEPOSITS
FROM FORMING IN ESSENTIAL FUEL SYSTEM PARTS SUCH
AS THE CARBURETOR, FUEL FILTER, FUEL HOSE, OR TANK
DURING STORAGE. ALSO, EXPERIENCE INDICATES THAT
ALCOHOL BLENDED FUELS (CALLED GASOHOL OR USING
ETHANOL OR METHANOL) CAN ATTRACT MOISTURE WHICH
LEADS TO SEPARATION AND FORMATION OF ACIDS DURING
STORAGE. ACIDIC GAS CAN DAMAGE THE FUEL SYSTEM
OF AN ENGINE WHILE IN STORAGE.
• Empty the fuel tank by starting the engine and let it run
until the fuel lines and carburetor are empty.
• Never use engine or carburetor cleaner products in the
fuel tank or permanent.
• Use fresh fuel next season.
NOTE: Fuel stablizer is an acceptable alternative in
minimizing the formation of fuel gum deposits during
storage. Add stabilizer to gasoline in fuel tank or storage
container. Always follow the mix ratio found on stablizer
container. Run engine at least 10 minutes after adding
stablizer to allow the stabilizer to reach the carburetor.
Do not empty the gas tank and carburetor if using fuel
stabilizer.

20
TROUBLESHOOTING POINTS
Will not start 1. Out of fuel. 1. Fill fuel tank.
2. Engine not “CHOKED” properly. 2. See “TO START ENGINE” in Operation section.
3. Engine fl ooded. 3. Wait several minutes before attempting to start.
4. Dirty air cleaner. 4. Clean or replace air cleaner cartridge.
5. Water in fuel. 5. Empty fuel tank and carburetor, and refi ll tank
with fresh gasoline.
6. Clogged fuel tank. 6. Remove fuel tank and clean.
7. Loose spark plug wire. 7. Make sure spark plug wire is seated properly on
plug.
8. Bad spark plug or improper gap. 8. Replace spark plug or adjust gap.
9. Carburetor out of adjustment. 9. Make necessary adjustments.
Hard to start 1. Throttle control not set properly. 1. Place throttle control in “FAST” position.
2. Dirty air cleaner. 2. Clean or replace air cleaner cartridge.
3. Bad spark plug or improper gap. 3. Replace spark plug or adjust gap.
4. Stale or dirty fuel. 4. Empty fuel tank and refi ll tank with fresh, clean
gasoline.
5. Loose spark plug wire. 5. Make sure spark plug wire is seated properly on
plug.
6. Carburetor out of adjustment. 6. Make necessary adjustments.
Loss of power 1. Engine is overloaded. 1. Set depth stake for shallower tilling.
2. Dirty air cleaner. 2. Clean or replace air cleaner cartridge.
3. Low oil level/dirty oil. 3. Check oil level/change oil.
4. Faulty spark plug. 4. Clean and regap or change spark plug.
5. Oil in fuel. 5. Empty and clean fuel tank and refi ll, and clean
carburetor.
6. Stale or dirty fuel. 6. Empty fuel tank and refi ll fuel tank with fresh
gasoline.
7. Water in fuel. 7. Empty fuel tank and carburetor, and refi ll tank
with fresh gasoline.
8. Clogged fuel tank. 8. Remove fuel tank and clean.
9. Spark plug wire loose. 9. Connect and tighten spark plug wire.
10. Dirty engine air screen. 10. Clean engine air screen.
11. Dirty/clogged muffl er. 11. Clean/replace muffl er.
12. Carburetor out of adjustment. 12. Make necessary adjustments.
13. Poor compression. 13. Contact an authorized service centerdepartment.
Engine overheats 1. Low oil level/dirty oil. 1. Check oil level/change oil.
2. Dirty engine air screen. 2. Clean engine air screen.
3. Dirty engine. 3. Clean cylinder fi ns, air screen, and muffl er area.
4. Partially plugged muffl er. 4. Remove and clean muffl er.
5. Improper carburetor adjustment. 5. Adjust carburetor to richer position.
Excessive bounce/ 1. Ground too dry and hard. 1. Moisten ground or wait for more favorable soil
diffi cult handling conditions.
Soil balls up or clumps 1. Ground too wet. 1. Wait for more favorable soil conditions.
Engine runs but tiller 1. Drive control bar is not engaged. 1. Engage drive control.
won’t move 2. V-belt not correctly adjusted. 2. Inspect/adjust V-belt.
3. V-belt is off pulley(s). 3. Inspect V-belt.
Engine runs but labors 1. Tilling too deep. 1. Set depth stake for shallower tilling.
when tilling 2. Throttle control not properly adjusted. 2. Check throttle control setting.
3. Carburetor out of adjustment. 3. Make necessary adjustments.
Tines will not rotate 1. Shear pin(s) broken. 1. Replace shear pin(s).
Tines skip over 1. Drag Stake not lowered in forward rotating 1. Lower Drag Stake
ground till mode.
2. Improper tilling mode. 2. Forward rotating tine drive should only be used
for soft ground or for soil that has already been
tilled.
Hard to shift into gear 1. Gears not timed. 1. Briefl y engage drive control bar and release or
rock tiller forward and back ward until are able to
shift gears.
Tiller shuts off when 1. Shift lever set in between counter rotating till 1. Shift to either counter rotating till position or forward
drive control bar position and forward rotating till position. rotating till position.
engaged 2. Tines jammed. 2. Clear tines.
PROBLEM CAUSE CORRECTION

21
REPAIR PARTS
TILLER - - MODEL NUMBER 700 DRT (96093000400), PRODUCT NUMBER 960 93 00-04
HANDLE ASSEMBLY
KEY PART
NO. NO. DESCRIPTION
21 532 18 11-27 Handle
23 532 08 67-77 Screw, Hex Washer SLT
#10-24 x .50
24 532 00 94-84 Clip
26 532 15 92-31 Cable, Clutch
27 873 90 04-00 Nut, Hex Flange 1/4-20 unc
29 873 73 10-00 Nut, Keps #10-24 unc
30 532 10 41-64 Tie, Cable
31 532 15 06-96 Bolt, Pivot
33 872 14 04-04 Bolt, Carriage 1/4-20 unc x 1/2
37 532 10 26-04 Grip, Bar, Control
41 532 10 27-44 Clamp, Bar, Control
KEY PART
NO. NO. DESCRIPTION
1 532 18 06-34 Control, Throttle
2 532 00 92-66 Grip, Handle
4 532 15 92-28 Bar Assembly, Control
6 532 18 06-76 Panel, Control
8 871 19 10-08 Screw, Truss Hd. #10-24 unc x 1/2
10 532 12 47-97 Grip, Handle
11 532 12 47-88 Clip, Hairpin
12 532 08 13-28 Bolt, Shoulder
13 532 18 74-97 Handle, Shift
14 532 10 93-13 Grommet, Rubber
15 532 10 93-37 Rod, Shift
16 872 11 06-08 Bolt, Carriage 3/8-16 x 1 Gr. 5
17 532 10 92-29 Lock, Handle
18 873 68 06-00 Nut, Crownlock 3/8-16 unc
19 819 13 16-11 Washer 13/32 x 1 x 11 Ga.
20 532 10 92-28 Lever, Lock, Handle NOTE: All component dimensions given in U.S. inches.
1 inch = 25.4 mm
1
33
2
2
6
30
8
27
24 26
23
15
11
10
12 13
21
19 18
31
17
16
11
20
29
27
41
37
37
4
Handle_assy_99_19
14

22
KEY PART
NO. NO. DESCRIPTION
2 810 04 06-00 Washer, Lock 3/8
3 873 22 06-00 Nut, Hex 3/8-16
4 532 17 01-27 Shield, Inner Belt Guard RT
5 532 16 43-29 Pin Spirol Flared
6 532 16 27-56 Lever, Shift
7 872 11 04-04 Bolt, Carriage 1/4-20 x 1/2 Gr. 5
8 532 16 15-30 Plate, Shift Indicator
9 532 08 67-77 Screw, Hex, Washer Head, Slotted
#10-24 x 1/2
10 532 00 94-84 Clip
12 873 51 04-00 Nut, Keps Hex 1/4-20 unc
13 823 23 05-06 Screw, Set, Hex 5/16-18 x 3/8
14 532 11 06-52 Spacer, Split 0.327 x 0.42 x 2.09
15 819 11 11-16 Washer 11/32 x 11/16 x 16 Ga.
16 532 14 51-02 Sheave, Transmission
19 812 00 00-28 Retainer, Ring
21 532 15 61-17 Spacer, Split
22 874 77 05-08 Bolt, Fin Hex 5/16-24 unf x 1/2
23 532 10 21-90 Tire
532 15 07-40 Rim
532 12 47-18 Tire Valve
REPAIR PARTS
TILLER - - MODEL NUMBER 700 DRT (96093000400), PRODUCT NUMBER 960 93 00-04
MAINFRAME, LEFT SIDE
KEY PART
NO. NO. DESCRIPTION
24 532 12 68-75 Rivet, Drilled
25 532 12 47-88 Clip, Hairpin
26 532 19 04-53 Guard, Belt
27 532 13 28-01 Belt, V
28 532 10 46-79 Pulley, Idler
29 812 00 00-32 Ring, Klip
30 532 15 92-29 Bracket, Idler
31 532 10 23-84 Bolt, Hex 5/16-16 x 12
32 532 10 21-41 Shaft, Idler Arm
33 874 76 06-16 Bolt, Hex 3/8-16 x 1
34 532 10 23-83 Counterweight, L. H.
35 874 76 05-24 Bolt, Hex 5/16-18 x 1-1/2
36 532 10 23-31 Bracket, Reinforcement, L. H.
37 532 13 08-12 Sheave, Engine
38 874 76 05-44 Bolt, Fin Hex 5/16-18 unc x 2-3/4
39 532 14 00-62 Cap, Plunger Blk
40 532 17 04-88 Screw Hex Wsh Slt #10-24 x 1/2
44 873 80 05-00 Nut Lock Hex w/Ins 5/16-18 unc PL
65 873 97 05-00 Nut Lock Hex Flange
66 819 13 13-12 Washer 13/32 x 13/16 x 12 Ga.
NOTE: All component dimensions given in U.S. inches.
1 inch = 25.4 mm
65
32
32
65
67 34 31
30
28 3
40 26 15
66
44
40
27
19
16
38
4
21
14
32
33
36
13
37
39
6
5
8
12
7
9
10
29
22
mainframe_left_17
24
23
25

23
KEY PART
NO. NO. DESCRIPTION
KEY PART
NO. NO. DESCRIPTION
REPAIR PARTS
TILLER - - MODEL NUMBER 700 DRT (96093000400), PRODUCT NUMBER 960 93 00-04
MAINFRAME, RIGHT SIDE
2 873 97 05-00 Locknut, Hex, Flange 5/16-18
5 532 10 23-32 Bracket, Reinforcement
7 532 10 21-73 Counter Weight, R.H.
8 810 04 06-00 Washer, Lock 3/8
9 873 22 06-00 Nut, Hex 3/8-16
10 874 76 05-24 Bolt, Hex 5/16-18 x 1-1/2
11 532 12 47-88 Clip, Hairpin
12 532 12 68-75 Rivet, Drilled
13 532 10 21-90 Tire
532 15 07-40 Rim
532 12 47-18 Tire Valve
15 - - - - - - - - Engine, Briggs & Stratton
Model No. 122002 (Order parts
from Engine Manufacturer)
5
10
7
8
9
11
12
13
15
2
10
NOTE: All component dimensions given in U.S. inches
1 inch = 25.4 mm
For engine service and replacement parts, call the toll free
number for your engine manufacturer listed below:
Briggs & Stratton 1-800-233-3723
Tecumseh Products 1-800-558-5402
Honda Engines 1-800-426-7701

24
REPAIR PARTS
TILLER - - MODEL NUMBER 700 DRT (96093000400), PRODUCT NUMBER 960 93 00-04
TRANSMISSION
12
13 15
16
14
57 9
9
8
518
23
22
21
19
18
55
56
55
54
3
2
29
31
7
6
5
4
11
10
30
28
18 32 33
34
18
48
60
24
44
18
42 43
41
49
40
39
37
38
37
50
36
20
25
27
35
25 24
44
51 58
53
52
53
transmission_7
KEY PART
NO. NO. DESCRIPTION
NOTE: All component dimensions given in U.S. inches.
1 inch = 25.4 mm
KEY PART
NO. NO. DESCRIPTION
1 532 18 82-40 Trans mission Assembly (In cludes
Key Nos. 2-52)
2 532 18 82-20 Gearcase, L.H. w/Bearing
(Includes Key No. 4)
3 532 16 19-63 Gasket, Gearcase
4 532 00 50-20 Bearing, Needle
5 532 00 13-70 Washer, Thrust 5/8 x 1.10 x 1/32
6 532 16 15-20 Pinion, Input
7 532 16 15-18 Shaft, In put
8 532 00 48-95 Bearing, Needle
9 532 15 44-67 Washer, Seal
10 532 00 73-92 Ball, Steel
11 532 10 03-71 Spring, Shift, Fork
12 532 10 61-60 O-Ring
13 532 14 21-45 Arm, Shift
14 532 00 83-53 Fork, Shift
15 812 00 00-39 Ring, Klip
16 532 16 15-16 Shaft, Shift
18 532 00 43-58 Washer
19 812 00 00-40 Ring, Klip
20 532 10 21-14 Gear, As sembly, Reverse Idler
(Includes Key Nos. 21 and 22)
21 532 10 21-15 Gear, Re verse Idler
22 532 00 68-03 Bearing, Needle
23 532 16 15-27 Shaft, Re verse Idler
24 810 04 07-00 Washer, Lock 7/16
25 873 61 07-00 Nut, Hex 7/16-20
27 532 14 30-09 Bearing, Shaft, Ground Drive L.H.
28 532 10 63-90 Spacer 0.765 x 1.125 x 1.23
29 532 10 21-34 Chain #35-50 Pitch
30 532 15 07-37 Ground Shaft Assembly
31 532 14 30-08 Bearing, Shaft, Ground Drive R.H.
32 532 10 63-88 Spacer 0.70 x 1.00 x 1.150
33 532 10 21-21 Sprocket and Gear Assembly
34 532 10 21-12 Shaft, Re duction (2nd)
35 532 10 21-01 Screw, Whiz, Lock 5/16-18 x 3-1/2
36 532 16 15-24 Sprocket Assembly w/Bearing
(Includes Key Nos. 37 and 38)
37 532 10 04-13 Bearing, Needle
38 532 16 15-25 Sprocket, Tine
39 532 16 15-26 Gear, Clus ter, Red 1st & 2nd
40 532 10 53-46 Gear, Re verse
41 532 16 15-23 Shaft, Re duction (1st)
42 532 00 42-20 Washer, Thrust
43 532 10 61-46 Spacer 1.01 x 1.75 x 0.760
44 532 15 52-36 Seal Asm. OIl
48 532 18 82-35 Gearcase, R.H. w/Bearing
(Includes Key No. 8)
49 532 13 26-88 Shaft, Tine
50 532 10 61-47 Chain, Roller #50-50 Pitch
51 817 72 04-08 Screw 1/4-20 x 1/2
52 873 22 05-00 Nut, Hex 5/16-18
53 532 16 51-40 Bearing Kit, Tine Shaft
54 532 16 15-28 Gear, DRT Idler w/Bearing
(Includes Key No. 55)
55 532 00 34-00 Bearing, Needle
56 532 16 15-29 Gear, DRT Idler
57 532 16 58-89 Spacer, Split .52 x .64 x 1.04
58 532 17 95-20 Screw 1/4-20 x .875
60 532 18 32-26 Fitting Grease
- - 532 00 60-66 Grease, Plastilube #1

25
REPAIR PARTS
TILLER - - MODEL NUMBER 700 DRT (96093000400), PRODUCT NUMBER 960 93 00-04
TINE SHIELD
2
31
1
29
29
15
1
11
11
12
12
13
14
14
24
23
26
27
22
21
20
19
11
12
16
11 12
25
33
32
16
34
4
3
7
7
8
9
5
23
23
28
24
18
6
5
6
5
5
12
11
10
tine_shield_22a_in
KEY PART
NO. NO. DESCRIPTION
KEY PART
NO. NO. DESCRIPTION
NOTE: All component dimensions given in U.S. inches.
1 inch = 25.4 mm
1 873 90 05-00 Nut, Lock Hex Flange 5/16-18 unc
2 532 16 29-52 Shield, Side, Outer L. H.
3 532 00 83-93 Pin, Stake, Depth
4 812 00 00-35 Ring, Klip
5 532 18 08-47 Bolt Rdhd Sqnk 5/16-18 x 3/4
6 532 00 83-94 Spring
7 532 00 83-92 Bracket, Latch
8 532 10 92-30 Spring, Depth Stake
9 532 40 38-89 Shield, Tine
10 872 14 05-08 Bolt 5/16-18 x 1
11 873 22 05-00 Washer, Lock 5/16
12 810 04 05-00 Nut, Hex 5/16-18
13 872 11 05-10 Bolt, Carriage 5/16-18 x 1-1/4
14 532 12 43-43 Bracket, Shield Tine
15 532 16 29-53 Shield, Side, Outer R.H.
16 873 90 04-00 Nut, Hex Flange 1/4-20
18 872 04 04-10 Bolt, Carriage 1/4-20 x 1-1/4 Gr. 5
19 532 10 27-01 Grip
20 873 22 06-00 Nut, Hex 3/8-16
21 532 10 21-56 Stake, Depth
22 874 93 06-32 Bolt, Hex 3/8-16 x 2
23 532 00 44-40 Hinge
24 872 14 04-04 Bolt, Carriage 1/4-20 x 1/2
25 532 00 67-12 Cap, Vinyl
26 532 10 92-27 Pad, Idler
27 532 12 50-16 Shield, Leveling
28 532 12 05-88 Pin, Hinge
29 532 40 39-60 Shield, Side
31 532 40 39-87 Stake, Drag
32 873 22 04-00 Nut, Fin, Hex 1/4-20 unc
33 810 04 04-00 Washer Lock Hvy Helical 1/4

26
REPAIR PARTS
TILLER - - MODEL NUMBER 700 DRT (96093000400), PRODUCT NUMBER 960 93 00-04
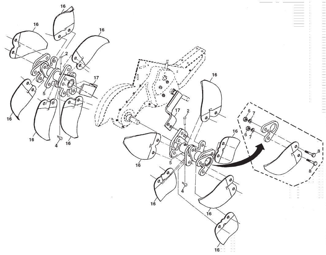
TINE ASSEMBLY
KEY PART
NO. NO. DESCRIPTION
KEY PART
NO. NO. DESCRIPTION
NOTE: All component dimensions given in U.S. inches.
1 inch = 25.4 mm
2 532 13 26-73 Pin, Shear
4 532 00 31-46 Clip, Hairpin
5 532 18 88-45 Hub Assembly
6 873 61 06-00 Nut, Hex 3/8-24
7 810 04 06-00 Washer, Lock 3/8
8 874 61 06-16 Bolt, Hex 3/8-24 x 1
16 532 16 34-99 Tine, Spade
17 532 16 35-00 Tine, Cleaning

27
1 532 18 92-32 Decal, Belt Guard
2 532 40 12-58 Decal, Console
3 532 40 12-57 Decal, Console
4 532 40 12-59 Decal, Tine Shield
5 532 11 06-14 Decal, Hand Placement
6 532 16 62-02 Decal, Shift Indicator
7 532 40 13-83 Decal, Reverse
8 532 19 11-18 Decal, Engine B&S
9 532 17 67-82 Decal, Warning, Rotating Tines
10 532 19 61-09 Decal, Engine Intek REF
11 532 17 10-78 Decal, Rewind Intek #274350
12 532 40 13-84 Decal, Forward
- - 532 40 13-60 Manual, Owner’s (English)
KEY PART
NO. NO. DESCRIPTION
3
2
6
9
REPAIR PARTS
TILLER - - MODEL NUMBER 700 DRT (96093000400), PRODUCT NUMBER 960 93 00-04
DECALS
5
7
8
10
11
4
1

SECTION 1: LIMITED WARRANTY
Husqvarna Forest & Garden Company (“Husqvarna”) warrants Husqvarna product to the original pur-
chaser to be free from defects in material and workmanship from the date of purchase for the “Warranty
Period” of the product as set forth below:
Lifetime Warranty: All tiller tines against breakage, trimmer shafts, ignition coils and modules on hand
held prod uct.
3 Year Warranty: Spindles (on Zero Turn Riders and Commercial Walk-Behinds)
2 Year COMMERCIAL-Warranty: Husqvarna Commercial Turf Equipment—zero turn riders, wide area
walks, and ground engaging commercial equipment.
2 Year NON-COMMERCIAL Warranty: Automatic Mower, Riding lawn mowers, yard and garden tractors,
walk behind mowers, tillers, chain saws, trimmers, brushcutters, clearing saws, snow blowers, handheld
blowers, backpack blowers, hedge trimmers, electrical products and power-assist collection systems for
noncommercial, nonprofessional, noninstitutional or nonincome producing use, except as herein stated.
Emission control system components necessary to comply with CARB-TIER-II and EPA regulations,
except for those components which are part of engine systems manufactured by third party engine manu-
facturers for which the purchaser has received a separate warranty with product information supplied at
time of purchase.
1 Year Warranty: Power cutters, stump grinder, pole pruners and pole saws for non-commercial, non-pro-
fessional, non-institutional or non-income producing use. All trimmers, brushcutters, clearing saws, hover-
ing trimmers, stick edgers, backpack blowers, hand held blowers, hedge trimmers, power-assist collection
systems used for commercial, institutional, professional or income producing purposes or use.
Batteries have a one-year prorated limited warranty with 100% replacement during the fi rst 6 months.
90 Day Warranty: Automatic Mower, Chain saws, power cutters, stump grinders, pole saws, pole prun-
ers, snow throwers, model series 580 & 600 walk-behind mowers and commercial turf equipment or any
Husqvarna product used for commercial, institutional, professional, or income producing purposes or use
except as otherwise provided herein.
Husqvarna Safety Apparel carries a 90-day warranty from the date of the customer’s original purchase
for defects in material and workmanship. Normal wear, tear or abuse is not covered under warranty. Prod-
uct must be returned to Charlotte with a warranty claim form. All care and maintenance instructions must
be followed as stated by the manufacturer on the care label. The fi t of the protective apparel/boot is not
covered under warranty.
30 Day Warranty: Replacement parts, accessories including bars and chains, tools and display items.
SECTION 2: HUSQVARNA’S OBLIGATIONS UNDER THE WARRANTY
Husqvarna will repair or replace defective components without charge for parts or labor if a component
fails because of a defect in material or workmanship during the warranty period.
SECTION 3: ITEMS NOT COVERED BY THIS WARRANTY
The following items are not covered by this warranty:
(1)Normal customer maintenance items which become worn through normal regular use, including,
but not limited to, belts, blades, blade adapters, bulbs, fi lters, guide bars, lubricants, rewind springs,
saw chain, spark plugs, starter ropes and tines;
(2)Natural discoloration of material due to ultraviolet light;
(3)Engine and drive systems not manufactured by Husqvarna; these items are covered by the respec
tive manufacturer’s warranty as provided in writing with the product information supplied at the time
of purchase; all claims must be sent to the appropriate manufacturer;
(4)Lawn and garden attachments are covered by a third party which gives a warranty, all claims for
warranty should be sent to the manufacturer; and
(5)Emission Control System components necessary to comply with CARB-TIER-II and EPA regula
tions which are manufactured by third party engine manufacturer.
SECTION 4: EXCEPTIONS AND LIMITATIONS
This warranty shall be inapplicable to defects resulting from the following:
(1)Accident, abuse, misuse, negligence and neglect, including stale fuel, dirt, abrasives, moisture, rust,
corrosion, or any adverse reaction due to incorrect storage or use habits;
(2)Failure to operate or maintain the unit in accordance with the Owner’s/Operator’s manual or instruc-
tion sheet furnished by Husqvarna;
(3)Alterations or modifi cations that change the intended use of the product or affects the product’s per-
formance, operation, safety, or durability, or causes the product to fail to comply with any applicable
laws; or:
(4)Additional damage to parts or components due to continued use occurring after any of the above.
REPAIR OR REPLACEMENT AS PROVIDED UNDER THIS WARRANTY IS THE EXCLUSIVE REMEDY OF
THE PUR CHASER. HUSQVARNA SHALL NOT BE LIABLE FOR ANY INCIDENTAL OR CONSEQUENTIAL
DAMAGES FOR BREACH OF ANY EXPRESS OR IMPLIED WARRANTY ON THESE PRODUCTS EXCEPT
TO THE EXTENT PROHIBITED BY APPLICABLE LAW. ANY IMPLIED WARRANTY OF MERCHANTABIL-
ITY OR FITNESS FOR A PARTICULAR PURPOSE ON THESE PRODUCTS IS LIMITED IN DURATION TO
THE WARRANTY PERIOD AS DEFINED IN THE LIMITED WARRANTY STATEMENT. HUSQVARNA RE-
SERVES THE RIGHT TO CHANGE OR IMPROVE THE DESIGN OF THE PRODUCT WITHOUT NO TICE,
AND DOES NOT ASSUME OBLIGATION TO UPDATE PREVIOUSLY MANUFACTURED PROD-
UCTS.
Some states do not allow the exclusion of incidental or consequential damages, or limitations on how long
an implied warranty lasts, so the above limitations or exclusions may not apply to you. This warranty gives
you specifi c legal rights, and you may also have other rights which vary from state to state.
SECTION 5: CUSTOMER RESPONSIBILITIES
The product must exhibit reasonable care, maintenance, operation, storage and general upkeep as written
in the maintenance section of the Owner’s/Operator’s manual. Should an operational problem or failure occur,
the product should not be used, but delivered as is to an authorized Husqvarna dealer for evaluation. Proof
of purchase, as explained in section 6, rests solely with the customer.
SECTION 6: PROCEDURE TO OBTAIN WARRANTY CONSIDERATION
It is the Owner’s and Dealer’s responsibility to make certain that the Warranty Registration Card is properly
fi lled out and mailed to Husqvarna Forest & Garden Company. This card should be mailed within ten (10) days
from the date of purchase in order to confi rm the warranty and to facilitate post-sale service.
Proof of purchase must be presented to the authorized Husqvarna dealer in order to obtain warranty ser-
vice. This proof must include date purchased, model number, serial number, and complete name and address
of the selling dealer.
To obtain the benefi t of this warranty, the product believed to be defective must be delivered to an au-
thorized Husqvarna dealer in a timely manner, no later than thirty (30) days from date of the operational
problem or failure. The product must be delivered at the owner’s expense. Pick-up and delivery charges are
not covered by this warranty. An authorized Husqvarna dealer can be normally located through the “Yellow
Pages” of the local telephone directory or by calling 1-800-HUSKY62 for a dealer in your area.
HUSQVARNA
7349 Statesville Road
Charlotte, NC 28269
531 83 81-23 2002
WARRANTY STATEMENT
532 40 13-60 Rev. 2 02.21.06 VB/TR Printed in U.S.A.