Husqvarna Lt1538 Users Manual Operator's Manual, LT 1538 A, 954569776, 2002 11, Ride Mower
2015-01-24
: Husqvarna Husqvarna-Lt1538-Users-Manual-317612 husqvarna-lt1538-users-manual-317612 husqvarna pdf
Open the PDF directly: View PDF
.
Page Count: 48

02494
LT1538
Owner's Manual

2
I. GENERAL OPERATION
• Read, understand, and follow all instructions in the
manual and on the machine before starting.
• Only allow responsible adults, who are familiar with the
in struc tions, to operate the machine.
• Clear the area of objects such as rocks, toys, wire, etc.,
which could be picked up and thrown by the blade.
• Be sure the area is clear of other people before mow-
ing. Stop machine if anyone enters the area.
• Never carry passengers.
• Do not mow in reverse unless absolutely necessary.
Always look down and behind before and while back-
ing.
• Be aware of the mower discharge direction and do not
point it at anyone. Do not operate the mower without
either the entire grass catcher or the guard in place.
• Slow down before turning.
• Never leave a running machine unattended. Always
turn off blades, set parking brake, stop engine, and
remove keys before dismounting.
• Turn off blades when not mowing.
• Stop engine before removing grass catcher or un-
clog ging chute.
• Mow only in daylight or good artifi cial light.
• Do not operate the machine while under the infl uence
of alcohol or drugs.
• Watch for traffi c when operating near or crossing road-
ways.
• Use extra care when loading or unloading the machine
into a trailer or truck.
• Data indicates that operators, age 60 years and above,
are involved in a large percentage of riding mower-re-
lated injuries. These operators should evaluate their
ability to operate the riding mower safely enough to
protect them selves and others from serious injury.
• Keep machine free of grass , leaves or other debris
build-up which can touch hot exhaust / engine parts
and burn. Do not allow the mower deck to plow leaves
or other debris which can cause build-up to occur.
Clean any oil or fuel spillage before operating or
storing the machine. Allow machine to cool before
storage.
II. SLOPE OPERATION
Slopes are a major factor related to loss-of-control and tipover
accidents, which can result in severe injury or death. All slopes
require extra caution. If you cannot back up the slope or if you
feel uneasy on it, do not mow it.
DO:
• Mow up and down slopes, not across.
• Remove obstacles such as rocks, tree limbs, etc.
• Watch for holes, ruts, or bumps. Uneven terrain could
overturn the machine.
Tall grass can hide obstacles.
• Use slow speed. Choose a low gear so that you will
not have to stop or shift while on the slope.
• Follow the manufacturer’s recommendations for wheel
weights or counterweights to improve stability.
• Use extra care with grass catchers or other at tach ments.
These can change the stability of the machine.
• Keep all movement on the slopes
slow
and
gradual
.
Do not make sudden changes in speed or direction.
• Avoid starting or stopping on a slope. If tires lose trac-
tion, disengage the blades and proceed slowly
straight
down the slope.
SAFETY RULES
DO NOT:
•
Do not
turn on slopes unless necessary, and then,
turn slowly and gradually downhill, if possible.
•
Do not
mow near drop-offs, ditches, or embankments.
The mower could suddenly turn over if a wheel is over
the edge of a cliff or ditch, or if an edge caves in.
•
Do not
mow on wet grass. Reduced traction could
cause sliding.
•
Do not
try to stabilize the machine by putting your foot
on the ground.
•
Do not
use grass catcher on steep slopes.
III. CHILDREN
Tragic accidents can occur if the operator is not alert to
the presence of children. Children are often attracted to
the ma chine and the mowing activity.
Never
assume that
children will remain where you last saw them.
• Keep children out of the mowing area and under the
watchful care of another responsible adult.
• Be alert and turn machine off if children enter the
area.
• Before and when backing, look behind and
down
for
small children.
• Never carry children. They may fall off and be seriously
injured or interfere with safe machine operation.
• Never allow children to operate the machine.
• Use extra care when approaching blind corners, shrubs,
trees, or other objects that may obscure vision.
IV. SERVICE
• Use extra care in handling gasoline and other fuels.
They are fl ammable and vapors are explosive.
- Use only an approved container.
- Never remove gas cap or add fuel with the engine
running. Allow engine to cool before refueling. Do
not smoke.
- Never refuel the machine indoors.
- Never store the machine or fuel container inside where
there is an open fl ame, such as a water heater.
• Never run a machine inside a closed area.
• Keep nuts and bolts, especially blade attachment bolts,
tight and keep equipment in good condition.
• Never tamper with safety devices. Check their proper
op er a tion regularly.
• Keep machine free of grass, leaves, or other debris
build-up. Clean oil or fuel spillage. Allow machine to
cool before storing.
• Stop and inspect the equipment if you strike an object.
Repair, if necessary, before restarting.
• Never make adjustments or repairs with the engine
run ning.
• Grass catcher components are subject to wear, dam-
age, and deterioration, which could expose moving
parts or allow objects to be thrown. Frequently check
com po nents and replace with manufacturer's rec om -
mend ed parts, when nec es sary.
• Mower blades are sharp and can cut. Wrap the blade(s)
or wear gloves, and use extra caution when servicing
them.
• Check brake operation frequently. Adjust and service
as required.
SAFE OPERATION PRACTICES FOR RIDE-ON MOWERS
IMPORTANT: THIS CUTTING MACHINE IS CAPABLE OF AMPUTATING HANDS AND FEET AND THROW ING OBJECTS. FAILURE
TO OBSERVE THE FOLLOWING SAFETY INSTRUCTIONS COULD RESULT IN SERIOUS INJURY OR DEATH.

3
Safe Operation Practices for Ride-On Mowers
SAFETY RULES
• Be sure the area is clear of other people before mowing. Stop
machine if anyone enters the area.
• Never carry passengers or children even with the blades
off.
• Do not mow in reverse unless absolutely necessary. Al ways
look down and behind before and while backing.
• Never carry children. They may fall off and be seriously injured
or interfere with safe machine operation.
• Keep children out of the mowing area and under the watchful
care of another responsible adult.
• Be alert and turn machine off if children enter the area.
• Before and when backing, look behind and down for small
children.
• Mow up and down slopes (15° Max), not across.
• Remove obstacles such as rocks, tree limbs, etc.
• Watch for holes, ruts, or bumps. Uneven terrain could over turn
the machine. Tall grass can hide obstacles.
• Use slow speed. Choose a low gear so that you will not have
to stop or shift while on the slope.
• Avoid starting or stopping on a slope. If tires lose traction,
disengage the blades and proceed slowly straight down the
slope.
• If machine stops while going uphill, disengage blades, shift
into reverse and back down slowly.
• Do not turn on slopes unless necessary, and then, turn slowly
and gradually downhill, if possible.
WARNING: In order to prevent ac-
ci den tal starting when setting up,
trans port ing, ad just ing or making re-
pairs, al ways dis con nect spark plug
wire and place wire where it can not
contact spark plug.
WARNING: Do not coast down a hill
in neutral, you may lose control of the
tractor.
WARNING: Tow only the attachments
that are rec om mend ed by and com-
ply with spec i fi ca tions of the man u -
fac tur er of your tractor. Use common
sense when towing. Operate only at
the low est possible speed when on a
slope. Too heavy of a load, while on
a slope, is dan ger ous. Tires can lose
trac tion with the ground and cause you
to lose control of your tractor.
WARNING
Engine exhaust, some of its con stit u ents, and cer-
tain vehicle com po nents contain or emit chem i cals
known to the State of Cal i for nia to cause can cer and
birth de fects or oth er re pro duc tive harm.
WARNING
Battery posts, terminals and related ac ces so ries
contain lead and lead compounds, chem i cals known
to the State of Cal i for nia to cause can cer and birth
defects or oth er re pro duc tive harm. Wash hands
after handling.

4
PRODUCT SPECIFICATIONS
GASOLINE CAPACITY 1.25 GALLONS
AND TYPE: UNLEADED REGULAR
OIL TYPE (API-SF-SJ): SAE 30 (above 32°F)
SAE 5W-30 (below 32°F)
OIL CAPACITY: 4 PINTS
SPARK PLUG: CHAMPION RC12YC
(GAP: .040")
GROUND SPEED (MPH): FORWARD:
1st 1.1
2nd 1.4
3rd 2.2
4th 3.3
5th 4.4
6th 4.9
REVERSE: 1.4
TIRE PRESSURE: FRONT: 14 PSI
REAR: 12 PSI
CHARGING SYSTEM: 15 AMPS @ 3600 RPM
BATTERY: AMP/HR: 28
MIN. CCA: 230
CASE SIZE: U1R
BLADE BOLT TORQUE: 27-35 FT. LBS.
SAFETY RULES ......................................................... 2-3
PRODUCT SPECIFICATIONS....................................... 4
CUSTOMER RESPONSIBILITIES................................. 4
ASSEMBLY ................................................................. 6-8
OPERATION ............................................................. 9-13
MAINTENANCE SCHEDULE ...................................... 14
MAINTENANCE ...................................................... 14-18
SERVICE AND AD JUST MENTS ............................ 19-23
STORAGE .................................................................... 24
TROU BLE SHOOT ING ............................................25-26
REPAIR PARTS ...................................................... 28-43
TABLE OF CONTENTS
CONGRATULATIONS on your purchase of a new tractor.
It has been designed, engineered and manu fac tured to give
you the best possible dependability and performance.
Should you experience any problem you cannot easily rem-
edy, please contact your nearest authorized service center/
department We have competent, well-trained tech ni cians
and the proper tools to service or repair this tractor.
Please read and retain this manual. The instructions will
enable you to assemble and maintain your tractor prop erly.
Always observe the “SAFETY RULES”.
CUSTOMER RESPONSIBILITIES
• Read and observe the safety rules.
• Follow a regular schedule in maintaining, caring for
and using your tractor.
• Follow the instructions under “Maintenance” and “Stor-
age” sec tions of this own er’s manual.
WARNING: This tractor is equipped with an internal com-
bus tion engine and should not be used on or near any un-
im proved forest-covered, brush-covered or grass-cov ered
land unless the en gine’s exhaust system is equipped with
a spark arrester meeting ap pli ca ble local or state laws (if
any). If a spark arrester is used, it should be maintained
in effective working order by the operator.
A spark arrester for the muffl er is available through your
nearest authorized service centre/department (See RE-
PAIR PARTS section of this manual).

5
UNASSEMBLED PARTS
Steering Wheel
Steering Wheel
Insert Steering
Boot
Steering Wheel
Adapter
(1) Bolt
(1) Washer
17/32 x 1-3/16 x 12 Gauge
Seat
(2) Keys
Slope Sheet
Keys
(1) Lock
Washer 1/2
Steering
Extension
Shaft
(1) Large Flat Washer
(1) Oil Drain Tube
For Future Use
(1) Hex Bolt 1/4-28 x 1-1/4 (1) Locknut 1/4-28
(1) Locknut 1/2-20

6
INSTALL SEAT (See Fig. 2)
Adjust seat before tightening adjustment bolt.
• Remove adjustment bolt, lock washer and fl at washer
se cur ing seat to cardboard packing and set aside for
as sem bly of seat to tractor.
• Pivot seat upward and remove from the cardboard pack-
ing. Remove the cardboard packing and discard.
• Place seat on seat pan so head of shoulder bolt is
positioned over large slotted hole in pan.
• Push down on seat to engage shoulder bolt in slot and
pull seat towards rear of tractor.
• Pivot seat and pan forward and assemble adjust-
ment bolt, lockwasher and fl at washer loosely. Do not
tighten
• Lower seat into operating position and sit on seat.
• Slide seat until a comfortable position is reached
which allows you to press clutch/brake pedal all the
way down.
• Get off seat without moving its adjusted position.
• Raise seat and tighten adjustment bolt securely.
ASSEMBLY
Your new tractor has been assembled at the factory with exception of those parts left unassembled for shipping purposes.
To ensure safe and proper operation of your tractor all parts and hardware you assemble must be tightened securely. Use
the correct tools as necessary to insure proper tightness.
HOW TO SET UP YOUR TRACTOR
TOOLS REQUIRED FOR ASSEMBLY
A socket wrench set will make assembly easier. Stan dard
wrench sizes are listed.
(2) 7/16" wrenches Pliers
(1) 3/4" wrench Tire pressure gauge
Utility knife
When right or left hand is mentioned in this man ual, it means
when you are in the operating po si tion (seated be hind the
steer ing wheel).
TO REMOVE TRACTOR FROM
CARTON
UNPACK CARTON
• Remove all accessible loose parts and parts cartons
from carton.
• Cut, from top to bottom, along lines on all four corners
of carton, and lay panels fl at.
• Check for any additional loose parts or cartons and
remove.
BEFORE REMOVING TRACTOR FROM
SKID
ATTACH STEERING WHEEL (See Fig. 1)
ASSEMBLE EXTENSION SHAFT AND BOOT
• Slide extension shaft onto lower steering shaft. Align
mount ing holes in extension and lower shafts and install
1/4 hex bolt and lock nut. Tighten securely.
IMPORTANT: TIGHTEN BOLT AND NUT SECURELY TO 10-12
FT. LBS TORQUE.
• Place tabs of steering boot over tab slots in dash and
push down to secure.
INSTALL STEERING WHEEL
• Position front wheels of the tractor so they are pointing
straight forward.
• Remove steering wheel adapter from steering wheel
and slide adapter onto steer ing shaft ex ten sion.
• Position steering wheel so cross bars are hor i zon tal
(left to right) and slide inside boot and onto adapt er.
• Assemble large fl at washer, 1/2 hex nut and tighten
se cure ly.
• Snap steering wheel insert into center of steer ing
wheel.
• Remove protective materials from tractor hood and
grill.
IMPORTANT: CHECK FOR AND RE MOVE ANY STA PLES
IN SKID THAT MAY PUNC TURE TIRES WHERE TRACTOR
IS TO ROLL OFF SKID.
FIG. 1
1/4 LOCK NUT
LOWER
STEERING
SHAFT
STEERING
BOOT
EXTENSION SHAFT
1/4 HEX BOLT
STEERING
WHEEL
INSERT
ADAPT ER
1/2 HEX NUT
LARGE FLAT
WASHER
TABS
TAB
SLOTS

7
ASSEMBLY
NOTE: You may now roll or drive your tractor off the skid.
Follow the appropriate instruction below to remove the
tractor from the skid.
FIG. 2
SEAT PAN
SHOUL-
DER BOLT
SEAT
ADJUSTMENT
BOLT
LOCK WASHER
FLAT WASHER
TO ROLL TRACTOR OFF SKID (See
Op er a tion section for location and function
of con trols)
• Press lift lever plunger and raise attachment lift lever
to its highest po si tion.
• Release parking brake by depressing clutch/brake
ped al.
• Place gearshift lever in neutral (N) po si tion.
• Roll tractor forward off skid.
• Remove banding holding defl ector shield up against
trac tor.
TO DRIVE TRACTOR OFF SKID (See Op-
er a tion section for location and func tion of
con trols)
WARNING: Before starting, read, un der stand and follow
all in struc tions in the Operation section of this manual.
SEAT PAN
LABEL
FIG. 3
CHECK BATTERY (See Fig. 3)
• Lift seat pan to raised position.
• If this battery is put into service after month and year
indicated on label (label located between terminals)
charge battery for minimum of one hour at 6-10 amps.
(See “BATTERY” in the Maintenance sec tion of this
manual for charg ing instructions).
Be sure tractor is in a well-ventilated area. Be sure the area
in front of tractor is clear of other people and objects.
• Be sure all the above assembly steps have been com-
pleted.
• Check engine oil level and fi ll fuel tank with gasoline.
• Sit on seat in operating position, depress clutch/brake
pedal and set the parking brake.
• Place gear shift lever in neutral (N) position.
• Press lift lever plunger and raise attachment lift lever
to its highest position.
• Start the engine. After engine has started, move throttle
control to idle position.
• Depress clutch/brake pedal into full "BRAKE" position
and hold. Move gearshift lever to 1st gear.
• Slowly release clutch/brake pedal and slowly drive
tractor off skid.
• Apply brake to stop tractor, set parking brake and place
gearshift lever in neutral position.
• Turn ignition key to "OFF" position.
Continue with the instructions that follow.
WING NUT
MULCHER PLATE
FLAT
WASHER
DEFLECTOR
SHIELD
HANG
TAB
LOCK
WASHER
FIG. 4
INSTALL MULCHER PLATE (See Figs. 4)
(If Previously Removed)
• Raise and hold defl ector shield in the upright posi-
tion.
• Position alignment cup over rear baffl e.
• Pivot mulcher plate forward and hook on mount ing bolt.
Be sure hang tab hooks top of deck opening.
• Assemble fl at washer, lock washer and wing nut to
mount ing bolt and tighten securely.
CAUTION: Do not remove defl ector
shield from mow er.
TO CONVERT TO BAGGING OR
DISCHARGING
Simply remove mulcher plate and store in a safe place.
Your mower is now ready for discharging or installation of
optional grass catcher accessory.
NOTE: If discharging or bagging results are unsatisfactory
with mulcher blades on mower, remove the mulcher blades
and install high performance discharging blades, which are
available at an authorized service center/department.

8
ASSEMBLY
✓
CHE CKLIST
BEFORE YOU OPERATE AND ENJOY YOUR NEW TRAC-
TOR, WE WISH TO ASSURE THAT YOU RE CEIVE THE
BEST PER FORM ANCE AND SATISFACTION FROM THIS
QUAL ITY PRODUCT.
PLEASE REVIEW THE FOLLOWING CHECKLIST:
✓ All assembly instructions have been completed.
✓ No remaining loose parts in carton.
✓ Battery is properly prepared and charged. (Minimum
1 hour at 6 amps).
✓ Seat is adjusted comfortably and tightened securely.
✓ All tires are properly infl ated. (For shipping purposes,
the tires were overinfl ated at the factory).
✓ Be sure mower deck is properly leveled side-to-side/
front-to-rear for best cutting results. (Tires must be
properly infl ated for leveling).
✓ Check mower and drive belts. Be sure they are routed
properly around pulleys and inside all belt keepers.
✓ Check wiring. See that all connections are still secure
and wires are properly clamped.
WHILE LEARNING HOW TO USE YOUR TRAC TOR, PAY
EXTRA ATTENTION TO THE FOLLOWING IM POR TA NT
ITEMS:
✓ Engine oil is at proper level.
✓ Fuel tank is fi lled with fresh, clean, regular unleaded
gas o line.
✓ Become familiar with all controls - their location and
function. Operate them before you start the engine.
✓ Be sure brake system is in safe operating condition.
CHECK TIRE PRESSURE
The tires on your tractor were overinfl ated at the factory
for shipping purposes. Correct tire pressure is important
for best cutting performance.
• Reduce tire pressure to PSI shown in “PRODUCT
SPEC I FI CA TIONS” section of this manual.
CHECK DECK LEVELNESS
For best cutting results, mower housing should be properly
leveled. See “TO LEVEL MOWER HOUSING” in the Service
and Adjustments section of this manual.
CHECK FOR PROPER POSITION OF ALL
BELTS
See the fi gures that are shown for replacing motion and
mower blade drive belts in the Service and Adjustments
sec tion of this manual. Verify that the belts are routed
correctly.
CHECK BRAKE SYSTEM
After you learn how to operate your tractor, check to see that
the brake is properly adjusted. See “TO ADJUST BRAKE”
in the Service and Adjustments section of this manual.

9
OPERATION
These symbols may appear on your tractor or in literature supplied with the product. Learn and understand their mean-
ing.
DANGER, KEEP HANDS
AND FEET AWAY
FREE WHEEL
(Automatic Models only)
OVER TEMP
LIGHT
KEEP AREA CLEAR SLOPE HAZARDS
15
15 15
(SEE SAFETY RULES SECTION)
BATTERY REVERSE FORWARD
FAST SLOW
ENGINE ON
ENGINE OFF
OIL PRESSURE
LIGHTS ON
FUEL
CHOKE
MOWER HEIGHT
PARKING BRAKE
LOCKED
PARKING BRAKE
UNLOCKED
REVERSE NEUTRAL HIGH LOW
ATTACHMENT
CLUTCH ENGAGED
PARKING BRAKE
IGNITION
ATTACHMENT
CLUTCH DISENGAGED
P
ENGINE START
MOWER LIFT
Failure to follow instructions
could result in serious injury or
death. The safety alert symbol
is used to identify safety inform-
ation about hazards which can
result in death, serious injury
and/or property damage.
DANGER indicates a hazard which, if not avoided,
will result in death or serious injury.
WARNING indicates a hazard which, if not avoided,
could result in death or serious injury.
CAUTION indicates a hazard which, if not avoided,
might result in minor or moderate injury.
CAUTION when used without the alert symbol,
indicates a situation that could result in damage
to the tractor and/or engine.
FIRE indicates a hazard which, if not avoided,
could result in death, serious injury and/or
property damage.
HOT SURFACES indicates a hazard which,
if not avoided, could result in death, serious injury
and/or property damage.

10
OPERATION
KNOW YOUR TRACTOR
READ THIS OWNER'S MANUAL AND SAFETY RULES BEFORE OPERATING YOUR TRACTOR
Compare the illustrations with your tractor to familiarize yourself with the locations of various controls and ad just ments.
Save this manual for future reference.
Our tractors conform to the safety standards of the American National Standards Institute.
ATTACHMENT
CLUTCH LEVER
ATTACHMENT CLUTCH LEVER: Used to en gage the
mow er blades, or other at tach ments mounted to your
tractor.
LIGHT SWITCH POSITION: Turns the headlights on and
off.
THROTTLE/CHOKE CONTROL: Used for starting and
controlling engine speed.
CLUTCH/BRAKE PEDAL: Used for declutching and brak-
ing the tractor and starting the engine.
PARKING BRAKE: Locks clutch/brake pedal into the brake
position.
GEARSHIFT LEVER: Selects the speed and direction
of tractor.
ATTACHMENT LIFT LEVER: Used to raise, lower, and
adjust the mower deck or other attachments mounted to
your tractor.
LIFT LEVER PLUNGER: Used to release attachment lift
lever when changing its position.
IGNITION SWITCH: Used for starting and stopping the
engine.
FIG. 5
IGNITION
SWITCH
LIFT LEVER
PLUNGER
ATTACHMENT
LIFT LEVER
MOWER DECK
HEIGHT ADJUSTMENT
POSITIONS
GEARSHIFT
LEVER
CLUTCH/
BRAKE
PEDAL
THROTTLE/CHOKE
CONTROL
LIGHT SWITCH
POSITION
PARKIN G
BRAKE

11
OPERATION
The operation of any tractor can result in foreign objects thrown into the eyes, which
can result in severe eye dam age. Always wear safety glass es or eye shields while op-
erating your tractor or per form ing any adjustments or repairs. We rec om mend a wide
vision safety mask over spectacles or stan dard safety glasses.
IMPORTANT: LEAVING THE IGNITION SWITCH IN ANY
POSITION OTHER THAN "OFF" WILL CAUSE THE BATTERY
TO BE DIS CHARGED, (DEAD).
NOTE: Under certain conditions when tractor is standing
idle with the engine running, hot engine exhaust gases may
cause “browning” of grass. To eliminate this possibility, al-
ways stop engine when stopping tractor on grass areas.
CAUTION: Always stop tractor com-
plete ly, as described above, before leav-
ing the operator's position; to empty
grass catcher, etc.
TO USE THROTTLE CONTROL (See Fig. 6)
Always operate engine at full throttle.
• Operating engine at less than full throttle reduces the
battery charging rate.
• Full throttle of fers the best bagging and mower per for -
mance.
TO MOVE FORWARD AND BACKWARD
(See Fig. 6)
The direction and speed of movement is controlled by the
gearshift lever.
• Start tractor with clutch/brake pedal depressed and
gear shift lever in neutral (N) position.
• Move gearshift lever to desired position.
• Slowly release clutch/brake pedal to start move-
ment.
IMPORTANT: BRING TRACTOR TO A COMPLETE STOP
BEFORE SHIFTING OR CHANGING GEARS. FAILURE
TO DO SO WILL SHORTEN THE USEFUL LIFE OF YOUR
TRANSAXLE.
TO ADJUST MOWER CUTTING HEIGHT
(See Fig. 6)
The position of the attachment lift lever determines the
cutting height.
• Grasp lift lever.
• Press plunger with thumb and move lever to desired
po si tion.
The cutting height range is approximately 1-1/2 to 4".
The heights are measured from the ground to the blade tip
with the engine not running. These heights are approximate
and may vary depending upon soil conditions, height of
grass and types of grass being mowed.
• The average lawn should be cut to approximately 2-1/2
inches during the cool season and to over 3 inches
during hot months. For healthier and better looking
lawns, mow often and after moderate growth.
• For best cutting performance, grass over 6 inches
in height should be mowed twice. Make the fi rst cut
relatively high; the second to desired height.
STOPPING (See Fig. 6)
MOWER BLADES -
• To stop mower blades,move attachment clutch lever
to “DIS EN GAGED” po si tion.
GROUND DRIVE -
• To stop ground drive, depress clutch/brake pedal into
full “BRAKE” po si tion.
• Move gearshift lever to neutral (N) po si tion.
ENGINE -
• Move throttle control between half and full speed (fast)
position.
NOTE: Failure to move throttle control between half and
full speed (fast) position, before stop ping may cause engine
to “back fi re”.
• Turn ignition key to “OFF” position and remove key.
Always remove key when leaving tractor to prevent
un au tho rized use.
• Never use choke to stop engine.
HOW TO USE YOUR TRACTOR
TO SET PARKING BRAKE (See Fig. 6)
Your tractor is equipped with an operator presence sens-
ing switch. When engine is running, any attempt by the
op er a tor to leave the seat without fi rst setting the parking
brake will shut off the engine.
• Depress clutch/brake pedal into full “BRAKE” position
and hold.
• Place parking brake lever in “ENGAGED” position and
re lease pressure from clutch/brake pedal. Pedal should
re main in “BRAKE” position. Make sure parking brake
will hold tractor secure.
PARKING BRAKE
"ENGAGED"
POSITION
GEARSHIFT
LE VER
THROT TLE/CHOKE
CONTROL LEVER
IGNITION KEY
"DIS EN GAGED"
POSITION
ATTACHMENT CLUTCH LEVER
"ENGAGED" POSITION
"BRAKE"
POSITION
FIG. 6
PARKING BRAKE
"DISENGAGED" POSITION
CLUTCH/BRAKE PEDAL
"DRIVE" POSITION

12
ADD GASOLINE
• Fill fuel tank to bottom of fi ller neck. Do not overfi ll.
Use fresh, clean, regular un lead ed gasoline with a
minimum of 87 octane. (Use of leaded gasoline will
increase carbon and lead oxide deposits and reduce
valve life). Do not mix oil with gasoline. Purchase fuel
in quan ti ties that can be used within 30 days to assure
fuel freshness.
CAUTION: Wipe off any spilled oil or
fuel. Do not store, spill or use gasoline
near an open fl ame.
IMPORTANT: WHEN OPERATING IN TEMPERATURES
BELOW32°F(0°C), USE FRESH, CLEAN WINTER GRADE
GAS O LINE TO HELP INSURE GOOD COLD WEATHER
START ING.
CAUTION: Alcohol blended fuels (called gasohol
or using ethanol or methanol) can attract mois-
ture which leads to sep a ra tion and for ma tion of
acids during storage. Acidic gas can damage
the fuel system of an engine while in storage. To
avoid engine problems, the fuel system should
be emptied before stor age of 30 days or longer.
Drain the gas tank, start the engine and let it run
until the fuel lines and carburetor are empty. Use
fresh fuel next season. See Storage In struc tions
for additional information. Never use engine or
carburetor cleaner products in the fuel tank or
permanent damage may occur.
OPERATION
TO OPERATE MOWER (See Fig.7)
Your tractor is equipped with an operator presence sens ing
switch. Any attempt by the operator to leave the seat with
the engine running and the attachment clutch engaged will
shut off the engine.
• Select desired height of cut.
• Start mower blades by engaging attachment clutch
control.
• TO STOP MOWER BLADES - disengage attachment
clutch con trol.
TO OPERATE ON HILLS
WARNING: Do not drive up or down
hills with slopes great er than 15° and
do not drive across any slope.
• Choose the slowest speed before starting up or down
hills.
• Avoid stopping or changing speed on hills.
• If slowing is necessary, move throttle control lever to
slower position.
• If stopping is absolutely necessary, push clutch/brake
pedal quickly to brake position and engage parking
brake.
• Move gearshift lever to 1st gear. Be sure you have
allowed room for tractor to roll slightly as you restart
movement.
• To restart movement, slowly release parking brake and
clutch/brake pedal.
• Make all turns slowly.
TO TRANSPORT
• Raise attachment lift to highest position with at tach ment
lift control.
• When pushing or towing your tractor, be sure gearshift
lever is in neutral (N) position.
• Do not push or tow tractor at more than fi ve (5) MPH.
TOWING CARTS AND OTHER
ATTACHMENTS
Tow only the attachments that are recommended by and
comply with specifi cations of the manufacturer of your trac-
tor. Use common sense when towing. Too heavy of a load,
while on a slope, is dangerous. Tires can lose traction with
the ground and cause you to lose control of your tractor.
FIG. 7
LOW
POSITION
ATTACHMENT LIFT
LEVER HIGH PO SI TION
"ENGAGED" POSITION
DE FLEC TOR
SHIELD
AT TACH MENT
CLUTCH LEVER
"DISENGAGED"
PO SI TION
CAUTION: Do not operate the mower
without either the en tire grass catcher,
on mowers so equipped, or the defl ector
shield in place.
NOTE: To protect hood from damage when transporting
your tractor on a truck or a trailer, be sure hood is closed
and secured to tractor. Use an appropriate means of tying
hood to tractor (rope, cord, etc.).
BEFORE STARTING THE ENGINE
CHECK ENGINE OIL LEVEL
• The engine in your tractor has been shipped, from the
factory, already fi lled with sum mer weight oil.
• Check engine oil with tractor on level ground.
• Unthread and remove oil fi ll cap/dipstick; wipe oil off.
Reinsert the dipstick into the tube and rest oil fi ll cap on
the tube. Do not thread the cap onto the tube. Remove
and read oil level. If necessary, add oil until “FULL”
mark on dipstick is reached. Do not overfi ll.
• For cold weather operation you should change oil for
easier starting (See “OIL VISCOSITY CHART” in the
Maintenance sec tion of this manual).
• To change engine oil, see the Maintenance section in
this manual.

13
OPERATION
MOWING TIPS
• Mower should be properly leveled for best mowing per-
for mance. See “TO LEVEL MOWER HOUSING” in the
Service and Adjustments section of this manual.
• The left hand side of mower should be used for trim-
ming.
• Drive so that clippings are discharged onto the area
that has been cut. Have the cut area to the right of the
machine. This will result in a more even dis tri bu tion of
clippings and more uniform cutting.
• When mowing large areas, start by turning to the right so
that clippings will discharge away from shrubs, fences,
drive ways, etc. After one or two rounds, mow in the
opposite direction making left hand turns until fi nished
(See Fig. 8).
FIG. 8
TO START ENGINE (See Fig. 5)
When starting the engine for the fi rst time or if the engine
has run out of fuel, it will take extra cranking time to move
fuel from the tank to the engine.
• Sit on seat in operating position, depress clutch/brake
pedal and set parking brake.
• Place gear shift lever in neutral (N) position.
• Move attachment clutch to “DISENGAGED” position.
• Move throttle control to choke position.
NOTE: Before starting, read the warm and cold starting
procedures below.
• Insert key into ignition and turn key clockwise to “START”
position and release key as soon as engine starts.
Do not run starter continuously for more than fi fteen
sec onds per minute. If the engine does not start after
several attempts, move throttle control to fast position,
wait a few minutes and try again. If engine still does
not start, move the throttle control back to the choke
position and retry.
WARM WEATHER STARTING (50° F and above)
• When engine starts, move the throttle control to the
fast position.
• The attachments and ground drive can now be used. If
the engine does not accept the load, restart the engine
and allow it to warm up for one minute using the choke
as described above.
COLD WEATHER STARTING ( 50° F and below)
• When engine starts, allow engine to run with the throt-
tle control in the choke position until the engine runs
roughly, then move throttle control to fast position.
This may require an engine warm-up period from sev-
eral seconds to several minutes, depending on the
tem per a ture.
• The attachments can also be used during the engine
warm-up period.
NOTE: If at a high altitude (above 3000 feet) or in cold
temperatures (below 32 F) the carburetor fuel mixture may
need to be adjusted for best engine performance. See “TO
ADJUST CARBURETOR” in the Service and Adjustments
section of this manual.
MULCHING MOWING TIPS
IMPORTANT: FOR BEST PERFORMANCE, KEEP MOWER
HOUSING FREE OF BUILT-UP GRASS AND TRASH. CLEAN
AFTER EACH USE.
• The spe cial mulch ing blade will recut the grass clip-
pings many times and reduce them in size so that as
they fall onto the lawn they will disperse into the grass
and not be noticed. Also, the mulched grass will biode-
grade quick ly to provide nutrients for the lawn. Always
mulch with your highest engine (blade) speed as this
will pro vide the best recutting action of the blades.
• Avoid cutting your lawn when it is wet. Wet grass tends
to form clumps and interferes with the mulch ing action.
The best time to mow your lawn is the early afternoon.
At this time the grass has dried and the newly cut area
will not be exposed to the direct sun.
• For best results, adjust the mower cutting height so
that the mower cuts off only the top one-third of the
grass blades (See Fig. 9). For ex tremely heavy mulch-
ing, re duce your width of cut on each pass and mow
slow ly.
• Certain types of grass and grass con di tions may re quire
that an area be mulched a second time to com pletely
hide the clippings. When doing a sec ond cut, mow
across or perpendicular to the fi rst cut path.
• Change your cutting pattern from week to week. Mow
north to south one week then change to east to west the
next week. This will help prevent matting and graining
of the lawn.
• If grass is extremely tall, it should be mowed twice to
reduce load and possible fi re hazard from dried clip-
pings. Make fi rst cut relatively high; the second to the
desired height.
• Do not mow grass when it is wet. Wet grass will plug
mower and leave undesirable clumps. Allow grass to
dry before mowing.
• Always operate engine at full throttle when mow-
ing to assure better mowing performance and proper
dis charge of ma te ri al. Regulate ground speed by se-
lect ing a low enough gear to give the mower cut ting
per for mance as well as the quality of cut desired.
• When operating attachments, select a ground speed
that will suit the terrain and give best performance of
the at tach ment being used.
MAX 1/3
FIG. 9

14
MAINTENANCE
BEFORE EACH USE
T
R
A
C
T
0
R
Inspect Muffler/Spark Arrester
Lubrication Chart
Check Brake Operation
Clean Air Filter
Change Engine Oil (with oil filter)
Replace Air Filter Paper Cartridge
Replace Spark Plug
Check Battery Level
Check Tire Pressure
Clean Battery and Terminals
FILL IN DATES
AS YOU COMPLETE
REGULAR SERVICE
MAINTENANCE SCHEDULE
EVERY 8 HOURS
EVERY 25 HOURS
EVERY 50 HOURS
EVERY 100 HOURS
EVERY SEASON
SERVICE DATES
Check for Loose Fasteners
BEFORE STORAGE
Check Engine Oil Level
Clean Engine Cooling Fins
Sharpen/Replace Mower Blades
Check Operator Presence and
Interlock Systems
Clean Air Screen
1 - Change more often when operating under a heavy load or
in high ambient temperatures.
2 - Service more often when operating in dirty or dusty conditions.
E
N
G
I
N
E
Replace Oil Filter (If equipped)
Check Transaxle Cooling
Check V-Belts
Replace Fuel Filter
3
2
2
2
2
3 - Replace blades more often when mowing in sandy soil.
4 - Not required if equipped with maintenance-free battery.
5 - Tighten front axle pivot bolt to 35 ft.-lbs. maximum.
Do not overti
g
hten.
1
,
1,2
2
4
5
Change Engine Oil (without oil filter) 1,2
GENERAL RECOMMENDATIONS
The warranty on this tractor does not cover items that have
been subjected to operator abuse or negligence. To receive
full value from the warranty, operator must main tain tractor
as instructed in this manual.
Some adjustments will need to be made periodically to
properly maintain your tractor.
All adjustments in the Service and Adjustments section
of this manual should be checked at least once each
season.
• Once a year you should replace the spark plug, clean
or replace air fi lter, and check blades and belts for wear.
A new spark plug and clean air fi lter assure proper
air-fuel mixture and help your engine run better and
last longer.
BEFORE EACH USE
• Check engine oil level.
• Check brake operation.
• Check tire pressure.
• Check operator presence and
interlock systems for proper operation.
• Check for loose fasteners.
LUBRICATION CHART
SAE 30 or 10w30 motor oil
General Purpose Grease
Refer to Maintenance “ENGINE” Section
IMPORTANT: DO NOT OIL OR GREASE THE PIVOT POINTS
WHICH HAVE SPECIAL NYLON BEARINGS. VISCOUS
LU BRI CANTS WILL ATTRACT DUST AND DIRT THAT WILL
SHORT EN THE LIFE OF THE SELF-LU BRI CAT ING BEARINGS.
IF YOU FEEL THEY MUST BE LU BRI CAT ED, USE ONLY A DRY,
POW DERED GRAPHITE TYPE LU BRI CANT SPARINGLY.
FRONT
WHEEL
BEARING
ZERK
ENGINE
FRONT
WHEEL
BEARING
ZERK
GEAR SHIFT
PIVOTS
SPINDLE ZERK SPINDLE ZERK
➀
➁
➁
➁
➁
➁
➂
➀
➂

15
MAINTENANCE
BLADE REMOVAL (See Fig. 10)
• Raise mower to highest position to allow access to
blades.
• Remove blade bolt, lock washer and fl at washer se-
cur ing blade.
• Install new or resharpened blade with trailing edge up
towards deck as shown.
IMPORTANT: TO ENSURE PROPER ASSEMBLY, CENTER
HOLE IN BLADE MUST ALIGN WITH STAR ON MANDREL
ASSEMBLY.
• Reassemble blade bolt, lock washer and fl at washer
in exact order as shown.
• Tight en blade bolt se cure ly (27-35 Ft. Lbs. torque).
IMPORTANT: BLADE BOLT IS GRADE 8 HEAT TREATED.
TRAILING
EDGE UP
FLAT WASHER
LOCK WASHER
BLADE
BLADE
CENTER HOLE
5/8" BOLT
OR PIN
FIG. 11
MANDREL
ASSEMBLY
*A GRADE 8 HEAT TREATED BOLT CAN BE
IDENTIFIED BY SIX LINES ON THE BOLT HEAD.
BLADE BOLT (GRADE 8)*
FIG. 10
TO SHARPEN BLADE (See Fig. 11)
NOTE: We do not recommend sharp en ing blade - but if
you do, be sure the blade is balanced.
Care should be taken to keep the blade balanced. An un-
balanced blade will cause excessive vibration and even tual
damage to mower and engine.
• The blade can be sharpened with a fi le or on a grind-
ing wheel. Do not attempt to sharpen while on the
mower.
• To check blade balance, you will need a 5/8" diameter
steel bolt, pin, or a cone balancer. (When using a
cone balancer, follow the instructions supplied with
bal anc er.)
NOTE: Do not use a nail for balancing blade. The lobes of
the center hole may appear to be centered, but are not.
• Slide blade on to an unthreaded portion of the steel bolt
or pin and hold the bolt or pin parallel with the ground.
If blade is balanced, it should remain in a horizontal
position. If either end of the blade moves downward,
sharpen the heavy end until the blade is balanced.
TRACTOR
Always observe safety rules when performing any main-
te nance.
BRAKE OPERATION
If tractor requires more than six (6) feet stopping distance
at high speed in highest gear, then brake must be adjusted.
(See “TO ADJUST BRAKE” in the Service and Ad just ments
section of this manual).
TIRES
• Maintain proper air pressure in all tires (See “PROD UCT
SPECIFICATIONS” section of this man ual).
• Keep tires free of gasoline, oil, or insect control chemi-
cals which can harm rubber.
• Avoid stumps, stones, deep ruts, sharp objects and
other hazards that may cause tire damage.
NOTE: To seal tire punctures and prevent fl at tires due to
slow leaks, tire sealant may be purchased from your local
parts dealer. Tire sealant also prevents tire dry rot and
corrosion.
OPERATOR PRESENCE SYSTEM
Be sure operator presence and interlock sys tems are work-
ing properly. If your tractor does not function as described,
repair the problem immediately.
• The engine should not start unless the clutch/brake
pedal is fully depressed and attachement clutch control
is in the disengaged position.
• When the engine is running, any attempt by the op er a tor
to leave the seat without fi rst setting the parking brake
should shut off the engine.
• When the engine is running and the at tach ment clutch
is engaged, any attempt by the operator to leave the
seat should shut off the engine.
• The attachment clutch should never operate unless
the operator is in the seat.
BLADE CARE
For best results mower blades must be kept sharp. Re place
bent or damaged blades.
CEN TER
HOLE
STAR

16
MAINTENANCE
V-BELTS
Check V-belts for deterioration and wear after 100 hours
of operation and replace if necessary. The belts are not
ad just able. Re place belts if they begin to slip from wear.
TRANSAXLE COOLING
Keep transaxle free from build-up of dirt and chaff which
can restrict cooling.
BATTERY
Your tractor has a battery charging system which is suf fi cient
for normal use. However, periodic charging of the battery
with an automotive charger will extend its life.
• Keep battery and terminals clean.
• Keep battery bolts tight.
• Keep small vent holes open.
• Recharge at 6-10 amperes for 1 hour.
NOTE: The original equipment battery on your tractor is
maintenance free. Do not attempt to open or remove caps
or covers. Adding or checking level of electrolyte is not
nec es sary.
TO CLEAN BATTERY AND TERMINALS
Corrosion and dirt on the battery and terminals can cause
the battery to “leak” power.
• Disconnect BLACK battery cable fi rst then RED bat-
tery cable and remove battery from tractor.
• Rinse the battery with plain water and dry.
• Clean terminals and battery cable ends with wire brush
until bright.
• Coat terminals with grease or petroleum jelly.
• Reinstall battery (See “REPLACING BATTERY” in the
Service and Adjustments sec tion of this manual).
ENGINE
LUBRICATION
Only use high quality detergent oil rated with API service
classifi cation SF-SJ. Select the oil’s SAE viscosity grade
according to your expected operating temperature.
Change the oil after every 50 hours of operation or at least
once a year if the tractor is not used for 50 hours in one
year.
Check the crankcase oil level before starting the engine
and after each eight (8) hours of operation.
TEMPERATURE RANGE ANTICIPATED BEFORE NEXT OIL CHANGE
SAE VISCOSITY GRADES
-20 0 30 40 80 100
-30 -20 0 20 30 40
F
C
32
-10 10
60
5W-30
10W30
FIG. 12
CLOSED
AND
LOCKED
POSITION
YELLOW
CAP DRAIN
TUBE
OIL DRAIN VALVE
FIG. 13
TO CHANGE ENGINE OIL (See Figs. 12 and 13)
Determine temperature range expected before oil change.
All oil must meet API service classifi cation SF-SJ.
• Be sure tractor is on level surface.
• Oil will drain more freely when warm.
• Catch oil in a suitable container.
• Remove oil fi ll cap/dipstick. Be careful not to allow dirt
to enter the engine when changing oil.
• Remove yellow cap from end of drain valve and install
the drain tube onto the fi tting.
• Unlock drain valve by pushing inward and turning
coun ter clock wise.
• To open, pull out on the drain valve.
• After oil has drained completely, close and lock the
drain valve by pushing inward and turning clockwise
until the pin is in the locked position as shown.
• Remove the drain tube and replace the cap onto to the
bottom fi tting of the drain valve.
• Refi ll engine with oil through oil fi ll dipstick tube. Pour
slowly. Do not overfi ll. For approximate capacity see
“PRODUCT SPECIFICATIONS” section of this man-
u al.
• Use gauge on oil fi ll cap/dipstick for checking level.
Insert dipstick into the tube and rest the oil fi ll cap on
the tube. Do not thread the cap onto the tube when
taking reading. Keep oil at “FULL” line on dipstick.
Tighten cap onto the tube securely when fi nished.

17
MAINTENANCE
CLEAN AIR SCREEN
Air screen must be kept free of dirt and chaff to prevent
engine dam age from overheating. Clean with a wire brush
or compressed air to re move dirt and stubborn dried gum
fi bers.
CLEAN AIR INTAKE/COOLING AREAS
To insure proper cooling, make sure the grass screen,
cooling fi ns, and other external surfaces of the engine are
kept clean at all times.
Every 100 hours of operation (more often under extremely
dusty, dirty conditions), remove the blower housing and
other cooling shrouds. Clean the cooling fi ns and external
surfaces as necessary. Make sure the cooling shrouds are
reinstalled.
NOTE: Operating the engine with a blocked grass screen,
dirty or plugged cooling fi ns, and/or cooling shrouds re moved
will cause engine damage due to overheating.
AIR FILTER (See Fig. 14)
Your engine will not run properly using a dirty air fi lter. Clean
the foam pre-cleaner after every 25 hours of op er a tion or
every season. Service paper cartridge every 100 hours of
operation or every season, whichever occurs fi rst.
Service air cleaner more often under dusty conditions.
• Remove knob and cover.
• Remove wing nut and air cleaner from base.
TO SERVICE PRE-CLEANER
• Slide foam pre-cleaner off cartridge.
• Wash it in liquid detergent and water.
• Squeeze it dry in a clean cloth. Allow it to dry.
• Saturate it in engine oil. Wrap it in clean, absorbent
cloth and squeeze to remove excess oil.
TO SERVICE CARTRIDGE
• Replace a dirty, bent, or damaged cartridge.
NOTE: Do not wash the paper cartridge or use pressurized
air, as this will damage the cartridge.
• Reinstall the pre-cleaner (cleaned and oiled) over the
paper cartridge.
• Reassemble air cleaner, wing nut, cover and tighten
knob securely.
FIG. 14
AIR CLEANER
COVER
AIR
SCREEN
FOAM
PRE-CLEANER
AIR CLEANER
PAPER CAR TRIDGE
OIL FILL CAP/
DIPSTICK
AIR CLEAN ER
BASE
WING NUT
COVER KNOB
RUBBER
GROMMET
ENGINE OIL FILTER
Replace the engine oil fi lter every season or every other
oil change if the tractor is used more than 100 hours in
one year.

18
MAINTENANCE
MUFFLER
Inspect and replace corroded muffl er and spark arrester
(if equipped) as it could create a fi re hazard and/or dam-
age.
SPARK PLUGS
Replace spark plugs at the beginning of each mowing
season or after every 100 hours of operation, whichever
occurs fi rst. Spark plug type and gap setting are shown in
“PROD UCT SPECIFICATIONS” section of this manual.
IN-LINE FUEL FILTER (See Fig. 15)
The fuel fi lter should be replaced once each season. If fuel
fi lter becomes clogged, ob struct ing fuel fl ow to car bu re tor,
re place ment is re quired.
• With engine cool, remove fi lter and plug fuel line sec-
tions.
• Place new fuel fi lter in position in fuel line with arrow
pointing towards carburetor.
• Be sure there are no fuel line leaks and clamps are
properly positioned.
• Immediately wipe up any spilled gasoline.
CLAMP
FUEL
FILTER
CLAMP
FIG. 15
CLEANING
• Clean engine, battery, seat, fi nish, etc. of all foreign
matter.
• Keep fi nished surfaces and wheels free of all gasoline,
oil, etc.
• Protect painted surfaces with automotive type wax.
We do not recommend using a garden hose to clean your
tractor unless the electrical system, muffl er, air fi lter and
car bu re tor are covered to keep water out. Water in engine
can result in a shortened engine life.

19
SERVICE AND ADJUSTMENTS
WARNING: TO AVIOD SE RI OUS IN JU RY, BEFORE PERFORMING ANY SERVICE OR ADJUSTMENTS:
• Depress clutch/brake pedal fully and set parking brake.
• Place gearshift lever in neutral (N) position.
• Place attachment clutch in “DISENGAGED” position.
• Turn ignition key to “STOP” and remove key.
• Make sure the blades and all moving parts have completely stopped.
• Disconnect spark plug wire from spark plug and place wire where it cannot come in contact
with plug.
TRACTOR
TO REMOVE MOWER (See Fig. 16)
Mower will be easier to remove from the right side of
tractor.
• Place attachment clutch in “DIS EN GAGED” posi-
tion.
• Move attachment lift lever forward to low er mower to
its lowest po si tion.
• Roll belt off engine pulley.
• Remove small retainer spring, and remove clutch
spring off pulley bolt.
• Remove large retainer spring, slide col lar off and push
housing guide out of brack et.
• Disconnect anti-swaybar from chas sis bracket by re-
mov ing re tain er spring.
• Disconnect suspension arms from rear deck brackets
by removing retainer springs.
• Disconnect front links from deck by re mov ing retainer
springs.
• Raise lift lever to raise suspension arms. Slide mower
out from under tractor.
IMPORTANT: IF AN ATTACHMENT OTHER THAN THE
MOWER DECK IS TO BE MOUNTED ON THE TRAC-
TOR, REMOVE THE FRONT LINKS AND HOOK THE
CLUTCH SPRING INTO SQUARE HOLE IN FRAME.
TO INSTALL MOWER (See Fig. 16)
• Raise attachment lift lever to its high est position.
• Slide mower under tractor with defl ector shield to right
side of tractor.
• Lower lift lever to its lowest po si tion.
• Connect front links to mower deck and secure with
retainer springs.
• Connect suspension arms to rear deck brackets and
secure with retainer springs.
• Connect anti-swaybar to chassis bracket and secure
with retainer spring.
• Push clutch cable housing guide into bracket, slide collar
onto guide and secure with large retainer spring.
• Place fl at washer and clutch spring on idler pulley bolt
and secure with small retainer spring.
• Install belt onto engine pulley.
38
38
42
42
SUSPENSION ARMS
RETAINER SPRING
ANTI-SWAY BAR
HOUSING GUIDE
COLLAR
LARGE
RE TAIN ER
SPRING
CLUTCH SPRING
SMALL RETAINER SPRING
BRACKET
FIG. 16
RETAINER SPRINGS
(BOTH SIDES)
FRONT LINK
ENGINE PULLEY
SQUARE HOLE
DEFLECTOR SHIELD
CLUTCH SPRING
FLAT WASHER
SMALL
RETAINER
SPRING

20
SERVICE AND ADJUSTMENTS
NUT "E"
"D"
"D"
MANDREL
FIG. 19
NUT "F"
FRONT LINKS
FIG. 20
TO LEVEL MOWER HOUSING
Adjust the mower while tractor is parked on level ground
or driveway. Make sure tires are properly infl ated (See
“PROD UCT SPECIFICATIONS” section of this manual). If
tires are over or underinfl ated, you will not properly adjust
your mower.
SIDE-TO-SIDE ADJUSTMENT (See Figs. 17 and 18)
• Raise mower to its highest position.
• At the midpoint of both sides of mower, measure height
from bot tom edge of mower to ground. Distance “A”
on both sides of mower should be the same or within
1/4" of each other.
• If adjustment is necessary, make adjustment on one
side of mower only.
• To raise one side of mower, tighten lift link ad just ment
nut on that side.
• To lower one side of mower, loosen lift link ad just ment
nut on that side.
NOTE: Three full turns of adjustment nut will change mower
height about 1/8".
• Recheck measurements after adjusting. BOTH FRONT LINKS MUST BE EQUAL IN LENGTH
FIG. 17
SUSPENSION ARM
LIFT LINK
ADJUSTMENT
NUT
FIG. 18
“A” “A”
BOTTOM EDGE OF
MOWER
TO GROUND
BOTTOM EDGE
OF MOWER
TO GROUND
GROUND LINE TRUNNION
• When distance “D” is 1/8" to 1/2" lower at front than
rear, tighten nuts “F” against trunnion on both front
links.
• To raise front of mower, loosen nut “F” from trunnion on
both front links. Tighten nut “E” on both front links an
equal number of turns. The two front links must remain
equal in length.
• When distance “D” is 1/8" to 1/2" lower at front than rear,
tighten nut “F” against trunnion on both front links.
• Recheck side-to-side adjustment.
TO REPLACE MOWER BLADE DRIVE BELT
(See Fig. 21)
The mower blade drive belt may be replaced without tools.
Park the tractor on level surface. Engage parking brake.
BELT REMOVAL -
• Place attachment clutch in “DISENGAGED” po si tion.
• Move at tach ment lift lever forward to lower mower to
its lowest position.
• Roll belt off engine pulley.
• Disconnect R.H. suspension arm from rear deck brack et
by removing retainer spring.
• Work belt off both mandrel pulleys and idler pulleys.
• Pull belt away from mower.
BELT INSTALLATION -
• Work new belt around both mandrel pulleys and idler
pulleys.
• Install new belt into engine pulley groove.
• Reconnect R.H. suspension arm and secure with re-
tain er spring.
• Make sure belt is in all pulley grooves and in side all
belt guides.
FRONT-TO-BACK ADJUSTMENT (See Figs. 19 and 20)
IMPORTANT: DECK MUST BE LEVEL SIDE-TO-SIDE. IF THE
FOLLOWING FRONT-TO-BACK ADJUSTMENT IS NECESSARY,
BE SURE TO AD JUST BOTH FRONT LINKS EQUAL LY S O
MOWER WILL STAY LEVEL SIDE-TO-SIDE.
To obtain the best cutting results, the mower housing
should be adjusted so that the front is approximately 1/8"
to 1/2" lower than the rear when the mower is in its high-
est position.
Check adjustment on right side of tractor. Measure dis tance
“D” directly in front and behind the mandrel at bottom edge
of mower housing as shown.
• Before making any necessary adjustments, check that
both front links are equal in length.
• If links are not equal in length, adjust one link to same
length as other link.
• To lower front of mower loosen nut “E” on both front
links an equal number of turns.

21
SERVICE AND ADJUSTMENTS
TO REPLACE MOTION DRIVE BELT
(See Fig. 23)
Park the tractor on level surface. En gage parking brake.
For as sis tance, there is a belt installation guide decal on
bottom side of left footrest.
BELT REMOVAL -
• Remove mower (See “TO RE MOVE MOWER” in this
section of manual).
NOTE: Observe entire motion drive belt and position of all
belt guides and keepers.
• Remove belt from stationary idler and clutching idler.
• Remove belt downward from around en gine pulley.
• Pull belt slack toward rear of trac tor. Remove belt
upwards from transaxle pulley by de fl ect ing belt keep-
ers.
• Remove belt from center span keeper and pull belt
away from tractor.
BELT INSTALLATION -
• Carefully work new belt down be tween transaxle belt
keepers and onto the input pulley.
• Slide belt into the center span keeper.
• Pull belt toward front of tractor and roll around the top
groove of engine pulley.
• Install belt through stationary idler and clutch ing
idler.
• Make sure belt is in all pulley grooves and in side all
belt guides and keep ers.
• Install mower (See “TO IN STALL MOWER” in this sec-
tion of manual).
FIG. 23
TRANSAXLE
PULLEY
STA TION ARY
IDLER
CLUTCH ING
IDLER
ENGINE
PULLEY
CENTER
SPAN
KEEPER
1-1/2"
JAM NUT
WITH PARKING BRAKE “ENGAGED”
OPERATING ARM
NUT “A”
FIG. 22
TO CHECK AND ADJUST BRAKE
(See Fig. 22)
Your tractor is equipped with an ad just able brake system
which is mounted on the right side of the transaxle.
If tractor requires more than fi ve (5) feet to stop at highest
speed in high est gear on a level, dry concrete or paved
surface, then brake must be checked and ad just ed.
TO CHECK BRAKE
• Park tractor on a level, dry concrete or paved surface,
depress clutch/brake pedal all the way down and en-
gage parking brake.
• Place gear shift lever in neutral (N) position.
The rear wheels must lock and skid when you try to manually
push the tractor forward. If the rear wheels rotate, the brake
needs to be adjusted or the pads need to be replaced.
TO ADJUST BRAKE
• Depress clutch/brake pedal all the way down and en-
gage parking brake.
• Measure distance between brake operating arm and
nut “A” on brake rod.
• If distance is other than 1-1/2", loos en jam nut and turn
nut “A” until dis tance becomes 1-1/2". Re tight en jam
nut against nut “A”.
• Road test tractor for proper stopping distance as stated
above. Readjust if nec es sary. If stopping distance is
still greater than fi ve (5) feet in high est gear, further
main te nance is nec es sary. Replace brake pads or
contact a qualifi ed service center.
38
38
42
42
MANDREL
PULLEY
RETAINER
SPRING
IDLER
PULLEYS
ENGINE
PULLEY
R.H. SUSPENSION
ARM
MANDREL
PULLEY
FIG. 21

22
FIG. 26
SERVICE AND ADJUSTMENTS
TO REMOVE WHEEL FOR REPAIRS
(See Fig. 25)
• Block up axle securely.
• Remove axle cover, retaining ring and washers to allow
wheel removal (rear wheel contains a square key - Do
not lose).
• Repair tire and reassemble.
• On rear wheels only: align grooves in rear wheel hub
and axle. Insert square key.
• Replace washers and snap retaining ring securely in
axle groove.
• Replace axle cover.
NOTE: To seal tire punctures and prevent fl at tires due to
slow leaks, tire sealant may be purchased from your local
parts dealer. Tire sealant also prevents tire dry rot and
corrosion.
REPLACING BATTERY (See Figs. 27 and 28)
WARNING: Do not short battery
ter mi nals by allowing a wrench or any
other object to contact both terminals
at the same time. Before connect-
ing battery, remove metal bracelets,
wristwatch bands, rings, etc.
Positive terminal must be connected
fi rst to prevent sparking from ac ci -
den tal grounding.
TO START ENGINE WITH A WEAK BATTERY
(See Fig. 26)
WARNING: Lead-acid batteries gen-
er ate ex plo sive gases. Keep sparks,
fl ame and smoking ma te ri als away from
bat ter ies. Always wear eye pro tec tion
when around batteries.
If your battery is too weak to start the engine, it should be
recharged. (See "BATTERY" in the Maintenance sec tion
of this man u al).
If “jumper ca bles” are used for emer gen cy starting, follow
this pro ce dure:
IMPORTANT: YOUR TRACTOR IS EQUIPPED WITH A 12 VOLT
SYSTEM. THE OTHER VEHICLE MUST ALSO BE A 12 VOLT
SYSTEM. DO NOT USE YOUR TRACTOR BATTERY TO START
OTHER VEHICLES.
TO ATTACH JUMPER CABLES -
Connect one end of the RED cable to the POSITIVE
(+) terminal of each battery(A-B), taking care not to
short against tractor chassis.
Connect one end of the BLACK ca ble to the NEGA TIVE
(-) terminal (C) of fully charged battery.
Connect the other end of the BLACK cable (D) to good
chassis ground, away from fuel tank and bat tery.
TO REMOVE CABLES, REVERSE ORDER -
BLACK cable fi rst from chassis and then from the fully
charged battery.
RED cable last from both batteries.
WEAK OR DEAD BATTERY FULLY CHARGED BATTERY
FIG. 25
RE TAIN ING RING
WASH ERS
SQUARE KEY
(REAR WHEEL ONLY)
AXLE COVER
TO AD JUST STEER ING WHEEL ALIGN-
MENT
If steering wheel crossbars are not horizontal (left to right)
when wheels are positioned straight forward, remove steer-
ing wheel and reassemble per instructions in the Assembly
section of this manual.
FRONT WHEEL TOE-IN/CAMBER
The front wheel toe-in and camber are not adjustable on
your tractor. If damage has occurred to affect the front
wheel toe-in or camber, contact your nearest authorized
service center/department.
ADJUST-
MENT BOLT
NEUTRAL
LOCK GATE
GEARSHIFT LEVER
FIG. 24
TRANSAXLE GEAR SHIFT LEVER NEU-
TRAL
ADJUSTMENT (See Fig. 24)
The transaxle should be in neutral when the gear shift
lever is in neutral (N) (lock gate) position. The adjustment
is preset at the factory; however, if adjustment is needed,
proceed as follows:
• Make sure transaxle is in neutral (N).
NOTE: When the tractor rear wheels move freely, the
transaxle is in neutral.
• Loosen adjustment bolt in front of the right rear
wheel.
• Position the gear shift lever in the neutral (N) posi-
tion.
• Tighten adjustment bolt securely.
NOTE: If additional clearance is needed to get to ad just ment
bolt, move mower deck height to the lowest position.

23
INTERLOCKS AND RELAYS
Loose or damaged wiring may cause your tractor to run
poorly, stop running, or prevent it from starting.
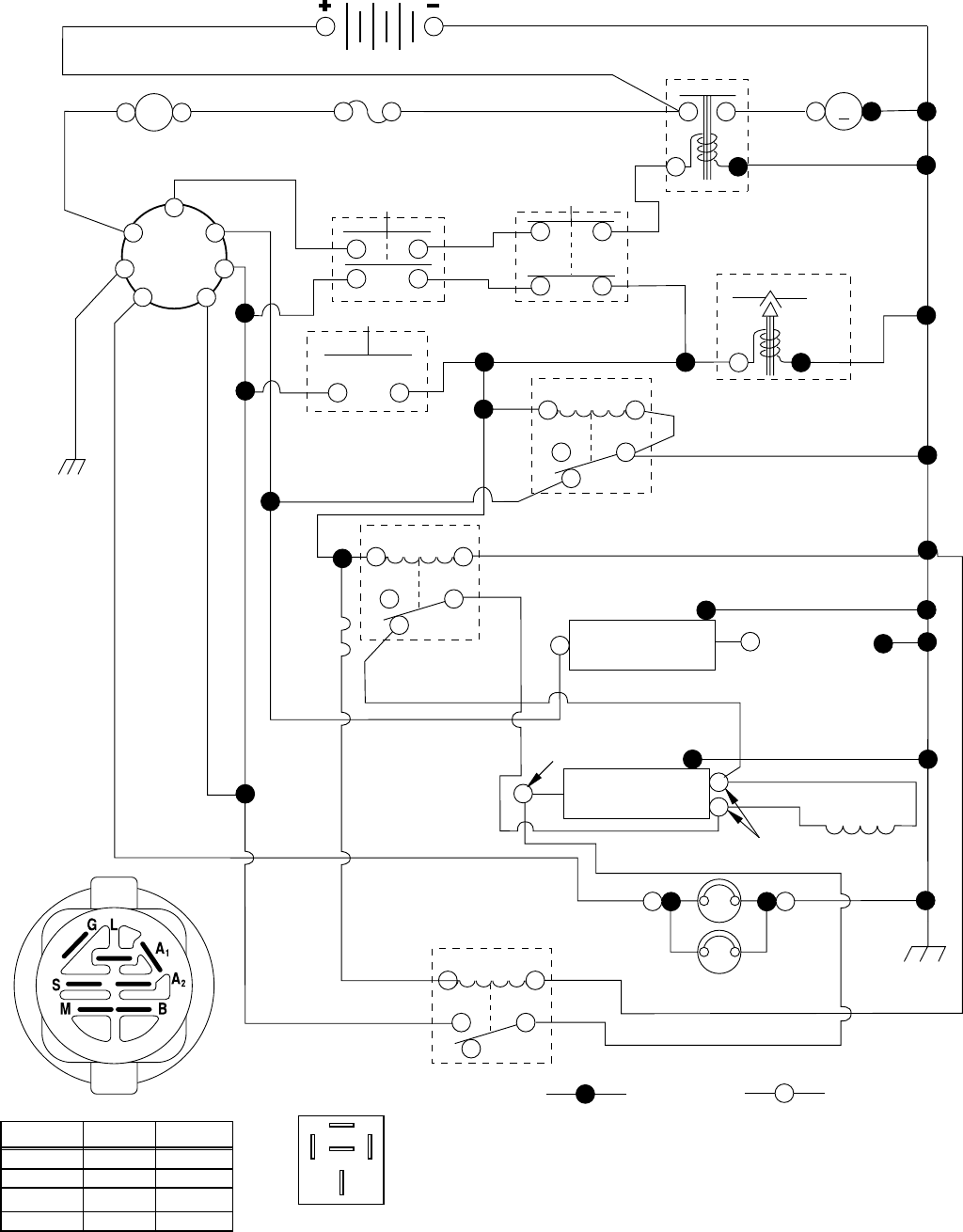
• Check wiring. See electrical wiring diagram in the
Repair Parts section.
TO REPLACE FUSE
Replace with 20 amp automotive-type plug-in fuse. The
fuse holder is located behind the dash.
TO REMOVE HOOD AND GRILL ASSEMBLY
(See Fig. 29)
• Raise hood.
• Unsnap headlight wire connector.
• Stand in front of tractor. Grasp hood at sides, tilt toward
engine and lift off of tractor.
• To replace, reverse above procedure.
FIG. 29
HEADLIGHT
WIRE
CONNECTOR
HOOD
FIG. 28
SERVICE AND ADJUSTMENTS
TO REPLACE HEADLIGHT BULB
• Raise hood.
• Pull bulb holder out of the hole in the backside of the
grill.
• Replace bulb in holder and push bulb holder securely
back into the hole in the backside of the grill.
• Close hood.
KEPS
NUT
HEX
BOLT
POSITIVE
(RED) CABLE NEGATIVE
(BLACK) CABLE
TER MI NAL
COVER
FIG. 27
SEAT PAN
• Lift seat pan to raised position.
• Disconnect BLACK battery cable fi rst then RED battery
cable and carefully remove battery from tractor.
• Install new battery with terminals in same position as
old battery.
• First connect RED battery cable to positive (+) terminal
with hex bolt and keps nut as shown. Tighten securely.
Slide terminal cover over terminal.
• Connect BLACK grounding cable to negative (-) ter-
mi nal with remaining hex bolt and keps nut. Tighten
se cure ly.
CABLE
CLAMP
SCREW
SPEED
CONTROL
BRACKET
THROTTLE LEVER
FIG. 30
ENGINE
TO AD JUST THROTTLE CON TROL CABLE
(See Fig. 30)
The throttle control has been preset at the factory and
adjustment should not be necessary. Check adjustment
as described below before loosening cable. If adjustment
is necessary, proceed as follows:
• With engine not running, move throttle control lever
from slow to choke position. Slowly move lever from
choke to fast position.
• Check to see if hole in throttle lever and hole in speed
control bracket are aligned.
• If holes are not aligned, loosen cable clamp screw and
align the holes by inserting a pencil or a 1/4" drill bit
through both holes.
• Pull throttle cable up to remove slack and tighten cable
clamp screw. Remove alignment pencil or drill bit.
TO ADJUST CARBURETOR
The carburetor has been preset at the factory and ad just ment
should not be necessary. However, minor ad just ment may be
required to compensate for differences in fuel, temperature,
altitude or load. If the carburetor does need adjustment,
see engine manual.
IHigh speed stop is factory adjusted. Do not adjust - dam-
age may result.
IMPORTANT: NEVER TAMPER WITH THE ENGINE
GOVERNOR, WHICH IS FACTORY SET FOR PROPER ENGINE
SPEED. OVER SPEED ING THE ENGINE ABOVE THE FACTORY
HIGH SPEED SETTING CAN BE DANGEROUS. IF YOU THINK
THE ENGINE-GOVERNED HIGH SPEED NEEDS ADJUSTING,
CONTACT YOUR NEAREST AUTHORIZED SERVICE CENTER/
DEPARTMENT, WHICH HAS PROPER EQUIP MENT AND
EXPERIENCE TO MAKE ANY NEC ES SARY ADJUSTMENTS.

24
STORAGE
Immediately prepare your tractor for storage at the end
of the season or if the tractor will not be used for 30 days
or more.
WARNING: Never store the trac tor with
gas o line in the tank inside a building
where fumes may reach an open fl ame
or spark. Allow the engine to cool before
storing in any en clo sure.
TRACTOR
Remove mower from tractor for winter storage. When mower
is to be stored for a period of time, clean it thor oughly, remove
all dirt, grease, leaves, etc. Store in a clean, dry area.
• Clean entire tractor (See “CLEANING” in the Mainte-
nance section of this manual).
• Inspect and replace belts, if necessary (See belt re-
place ment instructions in the Service and Adjustments
section of this manual).
• Lubricate as shown in the Maintenance sec tion of this
man ual.
• Be sure that all nuts, bolts and screws are securely
fastened. Inspect moving parts for damage, breakage
and wear. Replace if necessary.
• Touch up all rusted or chipped paint surfaces; sand
lightly before painting.
BATTERY
• Fully charge the battery for storage.
• After a period of time in storage, battery may require
re charg ing.
• To help prevent corrosion and power leakage during
long periods of storage, battery cables should be dis-
con nect ed and battery cleaned thoroughly (see “TO
CLEAN BATTERY AND TERMINALS” in the Mainte-
nance section of this manual).
• After cleaning, leave cables disconnected and place
cables where they cannot come in contact with battery
terminals.
• If battery is removed from tractor for storage, do not
store battery directly on concrete or damp surfaces.
ENGINE
FUEL SYSTEM
IMPORTANT: IT IS IMPORTANT TO PREVENT GUM DEPOSITS
FROM FORMING IN ES SEN TIAL FUEL SYSTEM PARTS SUCH
AS CARBURETOR, FUEL FIL TER, FUEL HOSE, OR TANK
DURING STORAGE. ALSO, EXPERIENCE INDICATES THAT
ALCOHOL BLENDED FUELS (CALLED GASOHOL OR USING
ETHANOL OR METHANOL) CAN ATTRACT MOIS TURE WHICH
LEADS TO SEPARATION AND FOR MA TION OF ACIDS DURING
STOR AGE. ACIDIC GAS CAN DAMAGE THE FUEL SYSTEM
OF AN ENGINE WHILE IN STORAGE.
• Drain the fuel tank.
• Start the engine and let it run until the fuel lines and
car bu re tor are empty.
• Never use engine or carburetor cleaner products in the
fuel tank or permanent damage may occur.
• Use fresh fuel next season.
NOTE: Fuel stabilizer is an acceptable alternative in mini-
mizing the formation of fuel gum deposits during stor age.
Add stabilizer to gasoline in fuel tank or storage container.
Always follow the mix ratio found on stabilizer container.
Run engine at least 10 minutes after adding stabilizer to
allow the stabilizer to reach the carburetor. Do not drain
the gas tank and carburetor if using fuel stabilizer.
ENGINE OIL
Drain oil (with engine warm) and replace with clean en-
gine oil. (See “ENGINE” in the Maintenance section of
this man ual).
CYLINDER(S)
• Remove spark plug(s).
• Pour one ounce of oil through spark plug hole(s) into
cylinder(s).
• Turn ignition key to “START” position for a few seconds
to distribute oil.
• Replace with new spark plug(s).
OTHER
• Do not store gasoline from one season to another.
• Replace your gasoline can if your can starts to rust.
Rust and/or dirt in your gasoline will cause problems.
• If possible, store your tractor indoors and cover it to
give protection from dust and dirt.
• Cover your tractor with a suitable protective cover that
does not retain moisture. Do not use plastic. Plastic
cannot breathe which allows condensation to form and
will cause your tractor to rust.
IMPORTANT: NEVER COVER TRACTOR WHILE EN GINE AND
EXHAUST AREAS ARE STILL WARM.

25
TROUBLESHOOTING POINTS
Will not start 1. Out of fuel. 1. Fill fuel tank.
2. Engine not “CHOKED” properly. 2. See “TO START ENGINE” in Operation section.
3. Engine fl ooded. 3. Wait several minutes before attempting to start.
4. Bad spark plug. 4. Replace spark plug.
5. Dirty air fi lter. 5. Clean/replace air fi lter.
6. Dirty fuel fi lter. 6. Replace fuel fi lter.
7. Water in fuel. 7. Drain fuel tank and carburetor, refi ll tank with fresh
gasoline and replace fuel fi lter.
8. Loose or damaged wiring. 8. Check all wiring.
9. Carburetor out of adjustment. 9. See “To Adjust Carburetor” in Service Adjustments
section.
10. Engine valves out of adjustment. 10. Contact an authorized service center/department.
Hard to start 1. Dirty air fi lter. 1. Clean/replace air fi lter.
2. Bad spark plug. 2. Replace spark plug.
3. Weak or dead battery. 3. Recharge or replace battery.
4. Dirty fuel fi lter. 4. Replace fuel fi lter.
5. Stale or dirty fuel. 5. Drain fuel tank and refi ll with fresh gasoline.
6. Loose or damaged wiring. 6. Check all wiring.
7. Carburetor out of adjustment. 7. See “To Adjust Carburetor” in Service Adjustments
section.
8. Engine valves out of adjustment. 8. Contact an authorized service center/department.
Engine will not turn over 1. Clutch/brake pedal not depressed. 1. Depress clutch/brake pedal.
2. Attachment clutch is engaged. 2. Disengage attachment clutch.
3. Weak or dead battery. 3. Recharge or replace battery.
4. Blown fuse. 4. Replace fuse.
5. Corroded battery terminals. 5. Clean battery terminals.
6. Loose or damaged wiring. 6. Check all wiring.
7. Faulty ignition switch. 7. Check/replace ignition switch.
8. Faulty solenoid or starter. 8. Check/replace solenoid or starter.
9. Faulty operator presence switch(es). 9. Contact an authorized service center/department.
Engine clicks but will not 1. Weak or dead battery. 1. Recharge or replace battery.
start 2. Corroded battery terminals. 2. Clean battery terminals.
3. Loose or damaged wiring. 3. Check all wiring.
4. Faulty solenoid or starter. 4. Check/replace solenoid or starter.
Loss of power 1. Cutting too much grass/too fast. 1. Set in “Higher Cut” position/reduce speed.
2. Throttle in “CHOKE” position. 2. Adjust throttle control.
3. Build-up of grass, leaves and trash under mower. 3. Clean underside of mower housing.
4. Dirty air fi lter. 4. Clean/replace air fi lter.
5. Low oil level/dirty oil. 5. Check oil level/change oil.
6. Faulty spark plug. 6. Clean and regap or change spark plug.
7. Dirty fuel fi lter. 7. Replace fuel fi lter.
8. Stale or dirty fuel. 8. Drain fuel tank and refi ll with fresh gasoline.
9. Water in fuel. 9. Drain fuel tank and carburetor, refi ll tank with fresh
gasoline and replace fuel fi lter.
10. Spark plug wire loose. 10. Connect and tighten spark plug wire.
11. Dirty engine air screen/fi ns. 11. Clean engine air screen/fi ns.
12. Dirty/clogged muffl er. 12. Clean/replace muffl er.
13. Loose or damaged wiring. 13. Check all wiring.
14. Carburetor out of adjustment. 14. See “To Adjust Carburetor” in Service Adjustments
section.
15. Engine valves out of adjustment. 15. Contact an authorized service center/department.
Excessive vibration 1. Worn, bent or loose blade. 1. Replace blade. Tighten blade bolt.
2. Bent blade mandrel. 2. Replace blade mandrel.
3. Loose/damaged part(s). 3. Tighten loose part(s). Replace damaged parts.
PROBLEM CAUSE CORRECTION

26
TROUBLESHOOTING POINTS
PROBLEM CAUSE CORRECTION
Engine continues to run 1. Faulty operator-safety presence control system. 1. Check wiring, switches and connections. If not
when operator leaves corrected, contact an authorized service center/
seat with attachment department.
clutch engaged
Poor cut - uneven 1. Worn, bent or loose blade. 1. Replace blade. Tighten blade bolt.
2. Mower deck not level. 2. Level mower deck.
3. Buildup of grass, leaves, and trash under mower. 3. Clean underside of mower housing.
4. Bent blade mandrel. 4. Replace blade mandrel.
5. Clogged mower deck vent holes from buildup of 5. Clean around mandrels to open vent holes.
grass, leaves, and trash around mandrels.
Mower blades will not 1. Obstruction in clutch mechanism. 1. Remove obstruction.
rotate 2. Worn/damaged mower drive belt. 2. Replace mower drive belt.
3. Frozen idler pulley. 3. Replace idler pulley.
4. Frozen blade mandrel. 4. Replace blade mandrel.
Poor grass discharge 1. Engine speed too slow. 1. Place throttle control in “FAST” position.
2. Travel speed too fast. 2. Shift to slower speed.
3. Wet grass. 3. Allow grass to dry before mowing.
4. Mower deck not level. 4. Level mower deck.
5. Low/uneven tire air pressure. 5. Check tires for proper air pressure.
6. Worn, bent or loose blade. 6. Replace/sharpen blade. Tighten blade bolt.
7. Buildup of grass, leaves and trash under mower. 7. Clean underside of mower housing.
8. Mower drive belt worn. 8. Replace mower drive belt.
9. Blades improperly installed. 9. Reinstall blades sharp edge down.
10. Improper blades used. 10. Replace with blades listed in this manual.
11. Clogged mower deck vent holes from buildup of 11. Clean around mandrels to open vent holes.
grass, leaves, and trash around mandrels.
Headlight(s) not working 1. Switch is “OFF”. 1. Turn switch “ON”.
(if so equipped) 2. Bulb(s) or lamp(s) burned out. 2. Replace bulb(s) or lamp(s).
3. Faulty light switch. 3. Check/replace light switch.
4. Loose or damaged wiring. 4. Check wiring and connections.
5. Blown fuse. 5. Replace fuse.
Battery will not charge 1. Bad battery cell(s). 1. Replace battery.
2. Poor cable connections. 2. Check/clean all connections.
3. Faulty regulator (if so equipped). 3. Replace regulator.
4. Faulty alternator. 4. Replace alternator.
Engine “backfi res” 1. Engine throttle control not set at “SLOW” 1. Move throttle control to “SLOW” position and allow
when turning engine position for 30 seconds before stopping engine. to idle for 30 seconds before stopping engine.
“OFF”

27
TRACTOR - - MODEL NO. LT1538 (LT1538A), PRODUCT NO. 954 56 97-76
SCHEMATIC
87
87A 8586
30
RELAY
WIRING INSULATED CLIPS
NOTE: IF WIRING INSULATED CLIPS WERE REMOVED FOR
SERVICING OF UNIT, THEY SHOULD BE REPLACED TO
PROPERLY SECURE YOUR WIRING.
NON-REMOVABLE
CONNECTIONS
REMOVABLE
CONNECTIONS
BATTERY
RED BLACK
M
SOLENOID
A
AMMETER
RED
RED
RED
RED
RED
WHITE
WHITE
WHITE
BLACK
BLACK
BLACK
YELLOW
YELLOW
BLACK
BROWN
BLUE
GREEN
GREEN
BLUE
BLUE
BLUE
BLUE
BLUE
G
BSM
A1
A2L
HEADLIGHTS
BLACK
BLACK
BROWN
SEAT SWITCH
(NOT OCCUPIED)
IGNITION
UNIT
SPARK
PLUG
GAP
(2 PLUGS ON
TWIN CYL. ENGINES)
BLACK
ORANGE
CLUTCH / BRAKE
(PEDAL UP)
(OPTIONAL)
STARTER
IGNITION
SWITCH
FUEL SHUT-OFF
SOLENOID
(IF SO EQUIPPED)
FUEL
LINE
ATT'MENT CLUTCH
(CLUTCH OFF)
OPERATOR
PRESENCE RELAY #3
85 86
30
87
87A
OPERATOR
PRESENCE RELAY #1
85 86
30
87
87A
FUSE
ALTERNATOR
YELLOW
28 VOLTS AC @ 3600 RPM
(REGULATOR DISCONNECTED)
REGULATOR
CHARGING SYSTEM OUTPUT
15 AMP DC @ 3600 RPM
B + S + A1START NONE
IGNITION SWITCH
CIRCUITPOSITION
OFF
B+A1RUN/LIGHT
M+G+A1
B+A1RUN
“MAKE”
A2+L
NONE
NONE
OPERATOR
PRESENCE RELAY #2
85 86
30
87
87A

28
REPAIR PARTS
TRACTOR - - MODEL NO. LT1538 (LT1538A), PRODUCT NO. 954 56 97-76
ELECTRICAL
28
29
26
24
42
43
27
27
25
41
27
27
40
33
30
90
8
2
1
27
52
16
16
48
22
21
81
81
81
29
REPAIR PARTS
TRACTOR - - MODEL NO. LT1538 (LT1538A), PRODUCT NO. 954 56 97-76
ELECTRICAL
KEY PART
NO. NO. DESCRIPTION
1 532 16 34-65 Battery 12 Volt 28 AMP
2 874 76 04-12 Bolt Hex Hd 1/4-20unc X 3/4
8 532 17 66-89 Battery Box
16 532 17 61-37 Switch Interlock Push-In
21 532 17 56-88 Harness Asm Light W/4152j
22 532 00 41-52 Bulb Light #1156
24 532 12 47-80 Cable Battery 6 Ga 11" red
25 532 14 61-47 Cable Battery 6 Ga 44" red w/16 wire
26 532 17 51-58 Fuse 20 AMP
27 873 51 04-00 Nut Keps Hex 1/4-20 Unc
28 532 12 47-73 Cable Ground 6 Ga 12" black
29 532 16 07-84 Switch Plunger
30 532 17 55-66 Switch Ign
33 532 14 04-01 Key Ign
40 532 17 97-22 Harness Ign.
41 871 11 04-08 Bolt Blk Fin Hex 1/4 - 20 x 1/2
42 532 13 15-63 Cover Terminal Red
43 532 17 88-61 Solenoid
48 532 14 08-44 Adapter Ammeter
52 532 14 19-40 Protection Wire Loop
81 532 10 97-48 Relay Asm.
90 532 18 04-49 Cover Terminal
NOTE: All component dimensions given in U.S. inches.
1 inch = 25.4 mm.

30
REPAIR PARTS
TRACTOR - - MODEL NO. LT1538 (LT1538A), PRODUCT NO. 954 56 97-76
CHASSIS AND ENCLOSURES
17
58
64
74
10
30
208
13
208 11
209
31
1
3
2
9
208
209
209
5
5
207
144
26
26
60
26
144
26
10
3
3
3
142
3
3
3
142
143
60
145
37
37
18
206
14
14
38
38
166
39
261
28
259
260
258
212
31
REPAIR PARTS
TRACTOR - - MODEL NO. LT1538 (LT1538A), PRODUCT NO. 954 56 97-76
CHASSIS AND ENCLOSURES
1 532 17 46-19 Chassis Stamping
2 532 17 65-54 Drawbar, 12 Ga.
3 817 06 06-12 Screw 3/8-16 x 3/4
5 532 15 52-72 Bumper Hood/Dash
9 532 18 58-66 Dash Slkscr
10 872 14 06-08 Bolt Carriage 3/8-16 x 1
11 532 17 49-96 Panel Dash Lh
13 532 18 17-19 Panel Dash Rh
14 817 49 06-08 Screw Thdrol 3/8-16 x 1/2
17 532 18 52-11 Hood LT/PL
18 532 18 49-21 Bumper Hood
26 873 80 06-00 Nut Lock Hex W/Ins 3/8-16 Unc
28 532 18 52-92 Grille/Lens Asm
30 532 18 05-07 Fender Footrest
31 532 13 99-76 Bracket Fender
37 817 49 05-08 Screw Thdrol 6/16-18 x 1/2 TYT
38 532 17 57-10 Bracket Asm Pivot Mower Rear
39 532 17 47-14 Bracket Pivot
58 532 15 01-27 Air Duct Engine P/L
60 872 14 06-06 Bolt RdHd Sqnk 3/8-16 x 3/4
64 532 15 47-98 Dash Lower STLT
74 873 68 06-00 Nut Crownlock 3/8-16
142 532 17 57-02 Plate Reinforcement STLT
143 532 15 49-66 Bracket Swaybar Chassis
144 532 17 55-82 Bracket Footrest
145 532 15 65-24 Rod Pivot Chassis/Hood
166 532 17 18-75 Screw HWHD Hi-Lo #13-16 x 3/4
206 532 17 01-65 Bolt Shoulder 5/16-18 TT
207 817 67 05-08 Screw Thdrol 5/16-18 x 1/2
208 817 67 06-08 Screw Thdrol 3/8-16x1/2 Ty-tt
209 817 00 06-12 Screw Hex Wsh Thdr. 3/8-16 x 3/4
212 532 18 35-48 Insert Lens Refl ective
258 532 18 52-14 Lens Husq. Laser LT Clear RH
259 532 18 52-13 Lens Husq. Lens LT Clear LH
260 532 18 54-29 Cover Lens Husq. Laser
261 532 18 54-33 Insert Grille
- - 532 00 54-79 Plug Button
KEY PART
NO. NO. DESCRIPTION
NOTE: All component dimensions given in U.S. inches
1 inch = 25.4 mm

32
REPAIR PARTS
TRACTOR - - MODEL NO. LT1538 (LT1538A), PRODUCT NO. 954 56 97-76
DRIVE
66
29
28
112
13
14
41
38
39
57
51
74
75
78 76
77
1
25
19 24
253
35
34
37
36 35
62
36
64
65
59
56
61
55
63
77
22 27
26
6
113
18
51
5
18
6
85
52 30
32
32 30
52
11
85
80 4
3
81
84
82
145
79
16
96
26
26 26
89
90
27
51
48
150
151
202
49
47
50
120
21
8
10
156
165
168
166
163
14
159
161
198 158
164 83
162
169
197
116
70
6
170
212
33
REPAIR PARTS
TRACTOR - - MODEL NO. LT1538 (LT1538A), PRODUCT NO. 954 56 97-76
DRIVE
KEY PART
NO. NO. DESCRIPTION
KEY PART
NO. NO. DESCRIPTION
NOTE: All component dimensions give in U.S. inches.
1 inch = 25.4 mm.
1 - - - - - - - - - Transaxle Peerless 206-545C
Order parts from transaxle manu-
facturer
2 532 14 66-82 Spring Return Brake T/a Zinc
3 532 12 36-66 Pulley Transaxle 18” tires
4 812 00 00-28 Ring Retainer # 5100-62
5 532 12 15-20 Strap Torque 30 Degrees
6 817 06 05-12 Screw Thdrol 5/16-18
8 532 16 58-66 Rod Shift Fender Adjust Lt
10 876 02 04-16 Pin Cotter 1/8 X 1 Cad
11 532 10 57-01 Washer Plate Shf 388 Sq Hole
13 874 55 04-12 Bolt 1/4-28 Unf Gr 8 W/Patch
14 810 04 04-00 Washer Lock Hvy Helical
16 873 80 05-00 Nut Lock Hex w/Ins 5/16-18
18 874 78 06-16 Bolt, Fin Hex 3/8-16 UNC x 1 Gr. 5
19 873 80 06-00 Nut Lock 3/8-16 Unc
21 532 10 69-33 Knob
22 532 13 08-04 Rod Brake Blk Zinc 26 840
24 873 35 06-00 Nut Hex Jam 3/8-16 Unc
25 532 10 68-88 Spring Rod Brake 2 00 Zinc
26 819 13 13-16 Washer 13/32 X 13/16 X 16 Ga
27 876 02 04-12 Pin Cotter 1/8 X 3/4 Cad
28 532 17 57-65 Rod Brake Parking LT/YT
29 532 07 16-73 Cap Brake Parking Black
30 532 17 49-73 Bracket Mtg Transaxle
32 874 76 05-12 Bolt Hex Hd 5/16-18unc X 3/4
34 532 17 55-78 Shaft Asm Pedal Foot
35 532 12 01-83 Bearing Nylon Blk 629 Id
36 819 21 16-16 Washer 21/32 X 1 X 16 Ga
37 532 12 49-63 Pin Roll 3/16 X 1”
38 532 17 91-14 Pulley Idler Composite
39 874 76 06-48 Bolt Fin Hex 3/8-16 Unc x 3
41 532 17 55-56 Keeper Belt Idler Flat
47 532 12 77-83 Pulley Idler V Groove Plastic
48 532 15 44-07 Bellcrank Clutch Grnd Driv
49 532 12 32-05 Retainer Belt Style Spring
50 872 11 06-12 Bolt Carr. 3/8-16 x 1-1/2 Gr. 5
51 873 68 06-00 Nut Crownlock 3/8-16 Unc
52 873 68 05-00 Nut Crownlock 5/16-18 Unc
53 532 10 57-10 Link Clutch
55 532 10 57-09 Spring Return Clutch 6 75
56 817 06 06-20 Screw 3/8-16 x 1 1/4
57 532 13 08-01 V-Belt Ground Drive 95 25
59 532 16 96-91 Keeper Belt Span Ctr
61 817 12 06-14 Screw 3/8-16 x .875
62 532 12 48-72 Cover Pedal Round
63 532 17 54-10 Engine Pulley LT/YT
64 871 17 07-64 Bolt Hex
65 810 04 07-00 Washer Lock Hvy Hlcl Spr 7/16
66 532 15 47-78 Keeper Belt Engine Foolproof
70 532 13 46-83 Guide Belt Mower Drive RH
74 532 13 70-57 Spacer Axle
75 532 12 17-49 Washer 25/32 X 1 1/4 X 16 Ga
76 812 00 00-01 E-ring #5133-75
77 532 12 35-83 Key Square 2 0 X 1845/ 1865
78 532 12 17-48 Washer 25/32 X 1-5/8 X 16 Ga
79 532 12 50-96 Key Woodruff #9 3/16 x 3/4
80 532 13 14-86 Arm Shift
81 532 16 55-94 Shaft Asm Cross
82 532 16 57-11 Spring Torsion T/a
83 819 17 12-16 Washer 17/32 X 3/4 X 16 Ga
84 532 16 62-28 Link Transaxle
85 532 15 03-60 Nut Lock Center 1/4 - 28 FNTHD
89 532 16 65-56 Console Shift STLT
90 532 12 43-46 Nut Self-thd Wsh-hd 1/4 Zinc
96 532 12 47-88 Retainer Spring 1”
112 819 09 12-10 Washer 9/32 x 3/4 x 10 Ga.
113 532 12 72-85 Strap Torque LT
116 872 14 06-08 Bolt Rdhd Sq Neck 3/8-16 x 1.0
120 873 90 06-00 Nut Lock Flg. 3/8-16 Unc
145 874 49 05-40 Bolt Hex 5/16-18 Gr. 5
150 532 17 54-56 Spacer
151 819 13 32-10 Washer 13/32 x 2 x 10 Ga.
156 532 16 60-02 Washer Srrted 5/16ID x 1.125
158 532 16 55-89 Bracket Shift Mount
159 532 16 54-94 Hub Tapered Flange Shift Lt
161 872 14 04-06 Bolt Rdhd Sqnk 1/4-20 x 3/4 Gr 5
162 873 68 04-00 Nut Crownlock 1/4-20 Unc
163 874 78 04-16 Bolt Hex Fin 1/4-20 Unc x 1 Gr 5
164 819 09 10-10 Washer 5/8 x .281 x 10 Ga
165 532 16 56-23 Bracket Pivot Lever
166 532 16 68-80 Screw 5/16-18 x 5/8
168 532 16 54-92 Bolt Shoulder 5/16-18 x .561
169 532 16 55-80 Plate Fastening Lt
170 532 17 83-94 Keeper, Belt T/A D/P
197 532 16 96-13 Nyliner Snap-In
198 532 16 95-93 Washer Nyl 7/8 ID x 105”
202 872 11 06-14 Bolt RDHD 3/8-16 x 1-3/4 Gr. 5
212 532 14 52-12 Nut, Hex Flange Lock

34
REPAIR PARTS
TRACTOR - - MODEL NO. LT1538 (LT1538A), PRODUCT NO. 954 56 97-76
STEERING ASSEMBLY
44
51 54
5
9
5
7
7
9
4
332
43
6
43
8
10
40
11
8
6
9
46
46
8
6
9
2
47
47
26
30
28
1
41
42
37
36
37
38
12
39
68 67
67
67
13
65
85
85
68
15
15
15
29
29
82
88
71
17
29
43
91
35
REPAIR PARTS
TRACTOR - - MODEL NO. LT1538 (LT1538A), PRODUCT NO. 954 56 97-76
STEERING ASSEMBLY
KEY PART
NO. NO. DESCRIPTION
1 532 17 59-04 Wheel Steering
2 532 17 51-31 Axle Asm
3 532 16 98-40 Spindle Asm LH
4 532 16 98-39 Spindle Asm RH
5 532 12 49-31 Bearing Race Thrust Harden
6 532 12 17-48 Washer 25/32 X 1-5/8 X 16 Ga
7 819 27 20-16 Washer 27/32 X 1-1/4 X 16 Ga
8 812 00 00-29 Ring Klip #t5304-75
9 532 12 49-37 Bearing Col Strg Blk
10 532 17 51-21 Link Drag
11 810 04 06-00 Washer Lock Hvy Hlcl Spr 3/8
12 873 94 08-00 Nut Hex Jam Toplock 1/2-20 Unf
13 532 13 65-18 Spacer Brg Axle Front
15 532 14 52-12 Nut Hex Flange Lock
17 532 18 06-41 Shaft Asm Strg
26 532 12 68-47 Bushing Link Drag Blk LR
28 819 13 14-16 Washer 13/32 X 7/8 X 16 Ga
29 817 06 06-12 Screw 3/8-16x3/4
30 876 02 04-12 Pin Cotter 1/8 X 3/4 Cad
32 532 13 04-65 Rod Tie Wire Form 19 75 Mech
36 532 15 50-99 Bushing Strg
37 532 15 29-27 Screw
38 532 17 59-05 Cap Wheel Steering
39 819 18 38-12 Washer 9/16 ID x 2-3/8 OD 12 Ga.
40 532 12 47-01 Lock nut
41 532 10 07-11 Adaptor Wheel Strg
42 532 16 96-33 Boot Steering Shaft
43 532 12 17-49 Washer 25/32 X 1 1/4 X 16 Ga
44 532 18 06-40 Extension Steering Shaft
46 532 12 12-32 Cap Spindle Fr Top Blk
47 532 18 32-26 Fitting Grease
51 873 54 04-00 Nut Crownlock 1/4-28
54 871 13 04-20 Bolt Hex 1/4-28 Unf x 1-1/4
65 532 16 03-67 Spacer Brace Axle
67 872 14 06-18 Bolt Rdhd Sq 3/8-16 x 2-1/4
68 532 16 98-27 Axle, Brace
71 532 17 51-46 Steering Asm
82 532 16 98-35 Bracket Susp Chassis Front
85 532 13 38-35 Fastner Christmas Tree
88 532 17 51-18 Bolt Shoulder 7/16-20
91 532 17 55-53 Clip Steering
NOTE: All component dimensions given in U.S. inches.
1 inch = 25.4 mm.

36
KEY PART
NO. NO. DESCRIPTION
KEY PART
NO. NO. DESCRIPTION
1 532 14 01-16 Seat
2 532 14 05-51 Bracket Pivot Seat 8 720
3 871 11 06-16 Bolt Fin Hex 3/8-16unc X 1
4 819 13 16-10 Washer 13/32 X 1 X 10 Ga
5 532 14 50-06 Clip Push-In
6 873 80 06-00 Nut Hex w/Ins. 3/8-16 Unc
7 532 12 41-81 Spring Seat Cprsn 2 250 Blk Zi
8 817 00 06-16 Screw 3/8-16 X 1
9 819 13 16-14 Washer 13/32 X 1 X 14 Ga.
10 532 18 24-93 Pan Seat
12 532 12 12-46 Bracket Mounting Switch
13 532 12 12-48 Bushing Snap Blk Nyl 50 Id
14 872 05 04-12 Bolt Rdhd Sqnk 1/4-20x1-1/2
15 532 13 43-00 Spacer Split 28x 96 Yel Zinc
16 532 12 12-50 Spring Cprsn 1 27 Blk Pnt
17 532 12 39-76 Nut Lock 1/4 Lge Flg Gr 5 Zinc
21 532 17 18-52 Bolt Shoulder 5/16-18 Unc-2A
22 873 80 05-00 Nut Hex Lock W/Ins 5/16-18
23 871 11 08-14 Bolt, Hex Black
24 819 17 19-12 Washer 17/32 X 1-3/16 X 12 Ga.
25 532 12 70-18 Bolt Shoulder 5/16-18 X 62
26 810 04 08-00 Washer Lock
26
23
1
24
16
15
12
13
17
25
4
3
8
9
7
8
9
7
2
6
22
21
5
10
5
14
NOTE: All component dimensions given in U.S. inches.
1 inch = 25.4 mm
REPAIR PARTS
TRACTOR - - MODEL NO. LT1538 (LT1538A), PRODUCT NO. 954 56 97-76
SEAT ASSEMBLY

37
REPAIR PARTS
TRACTOR - - MODEL NO. LT1538 (LT1538A), PRODUCT NO. 954 56 97-76
DECALS
10
4
3
9
KEY PART
NO. NO. DESCRIPTION
KEY PART
NO. NO. DESCRIPTION
1 532 05 91-92 Cap Valve Tire
2 532 06 51-39 Stem Valve
3 532 10 62-22 Tire F Ts 15 X 6 0 - 6 Service
4 532 05 99-04 Tube Front (Service Item Only)
5 532 13 83-36 Rim Asm 6"front Silver Service
6 532 12 49-57 Fit ting Grease (Front Wheel Only)
7 532 12 49-59 Bear ing Flange (Front Wheel Only)
8 532 13 83-37 Rim Asm 8"rear Silver Service
9 532 12 46-35 Tire R Ts 18 x 8 5-8 C Service
10 532 12 49-26 Tube Rear (Service Item Only)
11 532 17 50-39 Cap Axle Blk 1 50 X 1 00
- - 532 14 43-34 Sealant, Tire ( 10 oz. Tube)
8
20
14
5
1 532 15 63-69 Decal Oper. Step Thru Eng/Fr
3 532 18 51-92 Decal Hood RH
4 532 18 51-93 Decal Hood LH
5 532 18 09-41 Decal Hood Cust.
6 532 18 58-35 Decal Engine
7 532 18 51-44 Decal Replacement
8 532 17 05-63 Decal Warning
9 532 17 68-22 Decal Fender
KEY PART
NO. NO. DESCRIPTION
1
6
2
1
5,8
4,10
3,9
11
7
WHEELS & TIRES
10 532 15 71-40 Decal Fender Danger Eng/Fr
14 532 13 68-32 Decal V-Belt Schematic
20 532 14 50-05 Decal Bat Dan/Psn
- - 532 13 83-11 Decal Handle Lft Height Adjust
- - 532 17 12-85 Pad Footrest RH
- - 532 17 12-84 Pad Footrest LH
- - 532 18 43-98 Manual Owner's (English)
- - 532 18 43-99 Manual Owner's (French)
NOTE: All component dimensions given in U.S. inches
1 inch = 25.4 mm
7
6

38
REPAIR PARTS
TRACTOR - - MODEL NO. LT1538 (LT1538A), PRODUCT NO. 954 56 97-76
ENGINE
2
1
OPTIONAL EQUIPMENT
Spark Arrester
29
105 105
3
16
101
44
46
32
31
33
37
33
77
4
80
101
13
23
45
14
38
40
39
REPAIR PARTS
TRACTOR - - MODEL NO. LT1538 (LT1538A), PRODUCT NO. 954 56 97-76
ENGINE
1 532 17 08-05 Control Th/ch Flag
2 817 72 04-08 Screw Hex Thd Cut 1/4-20 x 1/2
3 - - - - - - - - Engine, Kohl CV15
(Order parts from engine manufacturer)
4 532 15 94-20 Muffl er
13 532 16 38-31 Gasket Eng
14 532 14 84-56 Tube Drain Oil Easy
16 811 05 06-00 Washer Lock Ext Tooth 3/8
23 532 16 98-37 Shield Brn/Dbr Guard
29 532 13 71-80 Kit Spark Arrestor (Flat Scrn)
31 532 10 92-02 Tank Fuel Front
32 532 14 05-27 Cap Asm Fuel W/sym Vented
33 532 12 34-87 Clamp Hose Black
37 532 13 70-40 Line Fuel 20"
38 532 18 16-54 Plug Drain Oil Easy
40 532 12 40-28 Bush ing Snap Nyl Blk Fuel Line
44 817 67 04-12 Screw Hexwsh Thdrol 1/4-20 x 3/4
45 817 00 06-12 Screw Hexwsh Thdr 3/8-16 x 3/4
46 819 09 14-16 Washer 9/32 x 7/8 x 16 Ga
77 819 10 12-16 Washer 5/16 x 3/4 x 16 Ga.
80 874 76 05-08 Bolt Hex Hd 5/16-18 x Unc x 1/2
101 532 16 33-05 Nut Flange M8-1.25
105 817 12 06-16 Screw 3/8-16 x 1
KEY PART
NO. NO. DESCRIPTION
NOTE: All component dimensions given in U.S. inches
1 inch = 25.4 mm

40
REPAIR PARTS
TRACTOR - - MODEL NO. LT1538 (LT1538A), PRODUCT NO. 954 56 97-76
MOWER DECK
86
38
42
215
14
13
11
149
10
9
8
1
21
2
29
27
23
26
28
25
24
21
87
88
21
31
40
150
45
32
33
69
55
54
56
36
36
89
123
113
53
30
109
89
122
40
89
108
146
107
68
2
16
97
101 98 99100
96
21
2
110
19
4
3
56
21
152
151
153 154
157
158
67
153
156
155 148
41
REPAIR PARTS
TRACTOR - - MODEL NO. LT1538 (LT1538A), PRODUCT NO. 954 56 97-76
MOWER DECK
KEY PART
NO. NO. DESCRIPTION
KEY PART
NO. NO. DESCRIPTION
NOTE: All component dimensions given in U.S. inches
1 inch = 25.4 mm
1 532 17 02-80 Mower Deck Assembly
2 872 14 05-06 Bolt
3 532 13 80-17 Bracket Assembly,Sway Bar
4 532 16 99-70 Bracket Sway Bar
5 532 12 46-70 Retainer Spring
6 532 17 80-24 Bar Sway Deck
8 532 85 08-57 Bolt, Hex 3/8-24 x 1.25 Gr. 8
9 810 03 06-00 Washer, Lock Hvy Hlcl 3/8
10 532 14 02-96 Washer, Hardened
11 532 13 41-48 Blade, Mower Mulching
13 532 13 76-45 Shaft Assembly, Mandrel, Vented
14 532 12 87-74 Housing, Mandrel, Vented
15 532 11 04-85 Bearing, Ball, Mandrel
16 532 17 44-93 Stripper, Mower Deck
19 532 13 28-27 Bolt, Shoulder
21 873 68 05-00 Nut Crownlock 5/16-18
23 532 13 76-07 Bracket, Mower Defl ector
24 532 10 53-04 Cap, Sleeve
25 532 12 37-13 Spring, Torsion, Defl ector
26 532 11 04-52 Nut, Push
27 532 17 59-43 Shield, Defl ector
28 819 11 10-16 Washer 11/32 x 5/8 x 16 Ga.
29 532 10 67-35 Rod, Hinge
30 532 17 39-84 Screw Thdrol Hex
31 532 12 99-63 Washer, Spacer
32 532 15 35-32 Pulley, Mandrel
33 532 17 83-42 Nut, Toplock, Flanged
36 532 13 14-94 Pulley, Idler, Flat
40 873 68 06-00 Nut Crownlock 3/8-16
45 532 12 47-88 Retainer, Spring
53 532 13 08-40 Brake Assembly
54 532 17 85-15 Washer, Hardened
55 532 13 38-40 Idler Arm Assembly
56 532 16 57-23 Spacer, Retainer
67 532 10 69-32 Knob RD 3/8-16 Plstc Thd
68 532 14 42-00 Belt
69 876 02 03-12 Pin, Cotter 3/32 x 3/4
86 532 12 50-74 Runner LH
87 532 12 87-72 Runner RH
88 819 11 12-16 Washer 11/32 x 3/4 x 16 Ga.
89 819 13 16-12 Washer 13/32 x 1 x 12 Ga
92 873 80 06-00 Nut Lock Hex 3/8-16
96 873 93 06-00 Nut Centerlock 3/8-16 Unc
97 874 93 06-20 Bolt 3/8-16 x 1-1/4
98 819 13 20-16 Washer 13/32 x 1-1/4 x 16 Ga.
99 810 04 06-00 Washer Lock 3/8
100 532 13 56-51 Nut Wing
101 532 13 28-03 Cover Asm. Mulching
107 532 13 35-02 Spacer, Retainer
108 532 13 35-03 Stiffener, Idler Arm
109 874 76 06-40 Bolt Hex Fin 3/8-16 Unc x 2-1/2
110 532 14 25-87 Upstop Deck Front
113 817 06 05-12 Screw 5/16-18 x 3/4
122 532 16 99-71 Rod, Brake, LH
123 532 13 12-89 Rod, Brake, RH
129 819 13 13-12 Washer 13/32 x 13/16 x 12 Ga.
130 874 78 06-16 Bolt Fin Hex 3/8-16 x 1.0
131 872 14 06-08 Bolt RDHD 3/8-16 x 1
146 532 16 58-91 Bolt Carriage Idler
148 532 16 90-22 Spring Return Idler
149 532 16 58-98 Retainer Spring Yellow Zinc
150 819 09 12-16 Washer 9/32 x 3/4 x 16 Ga.
151 532 16 96-70 Bracket Clutch
152 532 17 27-58 Cable Clutch
153 532 16 96-74 Washer Flat 3/8” Type B
154 532 16 96-75 Spring Retainer
155 532 16 96-71 Spring Retention Lever
156 532 16 96-72 Spacer
157 532 16 96-69 Rod Clutch
158 817 72 04-08 Screw Hex Thd Cut 1/4-20 x 1/2
- - 532 13 07-94 Mandrel Assembly (Includes Hous-
ing, Shaft and Shaft Hardware
Only-Pulley Not Included)
- - 532 17 15-91 Replacement Mower, Complete

42
REPAIR PARTS
TRACTOR - - MODEL NO. LT1538 (LT1538A), PRODUCT NO. 954 56 97-76
MOWER LIFT
15
20
1617 18 20
20
15
20
4
5
6
2
31
6
5
4
7
8
12
11
31
32
31
32
19
19
13
13
13
13
43
1 532 15 94-60 Wire Asm Inner W/plunger LT
2 532 15 94-71 Shaft Asm Lift
3 532 10 57-67 Pin Groove
4 812 00 00-02 E Ring #5133-62
5 819 21 16-21 Washer PLTD 21/32 X 1 X 21ga
6 532 12 01-83 Bearing Nylon Blk 629 Id
7 532 10 94-13 Grip Handle Bi cy cle
8 532 12 45-26 Button Plunger
11 532 13 98-65 Link Lift LH
12 532 13 98-66 Link Lift RH
13 532 12 46-70 Retainer Spring
15 532 17 32-88 Link Front
16 873 35 08-00 Nut Jam Hex 1/2-13 Unc
17 532 17 56-89 Trunnion
18 873 80 08-00 Nut Lock W/Wsh 1/2-13 Unc
19 532 13 98-68 Arm Suspension Rear
20 532 16 35-52 Spring, Retainer
31 532 16 98-65 Bearing Pvt. Lift
32 873 54 06-00 Nut Crownlock 3/8-24
KEY PART
NO. NO. DESCRIPTION
NOTE: All component dimensions given in U.S. inches
1 inch = 25.4 mm
REPAIR PARTS
TRACTOR - - MODEL NO. LT1538 (LT1538A), PRODUCT NO. 954 56 97-76
MOWER LIFT
44
45

46
SECTION 1: LIMITED WARRANTY
Husqvarna Forest & Garden Company (“Husqvarna”) warrants Husqvarna product to the original pur-
chaser to be free from defects in material and workmanship from the date of purchase for the “Warranty
Period” of the product as set forth below:
Lifetime Warranty: All tiller tines against breakage, trimmer shafts, ignition coils and modules on hand
held prod uct.
3 Year Warranty: Spindles (on Zero Turn Riders and Commercial Walk-Behinds)
2 Year COMMERCIAL-Warranty: Husqvarna Commercial Turf Equipment—zero turn riders, wide area
walks, and ground engaging commercial equipment.
2 Year NON-COMMERCIAL Warranty: Automatic Mower, Riding lawn mowers, yard and garden tractors,
walk behind mowers, tillers, chain saws, trimmers, brushcutters, clearing saws, snow blowers, handheld
blowers, backpack blowers, hedge trimmers, electrical products and power-assist collection systems for
non com mer cial, nonprofessional, noninstitutional or nonincome producing use, except as herein stated.
Emission control system components necessary to comply with CARB-TIER-II and EPA regulations,
except for those components which are part of engine systems manufactured by third party engine manu-
facturers for which the purchaser has received a separate warranty with product information supplied at
time of purchase.
1 Year Warranty: Power cutters, stump grinder, pole pruners and pole saws for non-commercial, non-pro-
fessional, non-institutional or non-income producing use. All trimmers, brushcutters, clearing saws, hover-
ing trimmers, stick edgers, backpack blowers, hand held blowers, hedge trimmers, power-assist collection
systems used for commercial, institutional, professional or income producing purposes or use.
Batteries have a one-year prorated limited warranty with 100% replacement during the fi rst 6 months.
90 Day Warranty: Automatic Mower, Chain saws, power cutters, stump grinders, pole saws, pole prun-
ers, snow throwers, model series 580 & 600 walk-behind mowers and commercial turf equipment or any
Husqvarna product used for commercial, institutional, professional, or income producing purposes or use
except as otherwise provided herein.
Husqvarna Safety Apparel carries a 90-day warranty from the date of the customer’s original purchase
for defects in material and workmanship. Normal wear, tear or abuse is not covered under warranty. Prod-
uct must be returned to Charlotte with a warranty claim form. All care and maintenance instructions must
be followed as stated by the manufacturer on the care label. The fi t of the protective apparel/boot is not
covered under warranty.
30 Day Warranty: Replacement parts, accessories including bars and chains, tools and display items.
SECTION 2: HUSQVARNA’S OBLIGATIONS UNDER THE WARRANTY
Husqvarna will repair or replace defective components without charge for parts or labor if a component
fails because of a defect in material or workmanship during the warranty period.
SECTION 3: ITEMS NOT COVERED BY THIS WARRANTY
The following items are not covered by this warranty:
(1)Normal customer maintenance items which become worn through normal regular use, including, but
not limited to, belts, blades, blade adapters, bulbs, fi lters, guide bars, lubricants, rewind springs, saw
chain, spark plugs, starter ropes and tines;
(2)Natural discoloration of material due to ultraviolet light;
(3)Engine and drive systems not manufactured by Husqvarna; these items are covered by the respective
manufacturer’s warranty as provided in writing with the product information supplied at the time of pur-
chase; all claims must be sent to the appropriate manufacturer;
(4)Lawn and garden attachments are covered by a third party which gives a warranty, all claims for war-
ranty should be sent to the manufacturer; and
(5)Emission Control System components necessary to comply with CARB-TIER-II and EPA regulations
which are manufactured by third party engine manufacturer.
SECTION 4: EXCEPTIONS AND LIMITATIONS
This warranty shall be inapplicable to defects resulting from the following:
(1)Accident, abuse, misuse, negligence and neglect, including stale fuel, dirt, abrasives, moisture, rust,
corrosion, or any adverse reaction due to incorrect storage or use habits;
(2)Failure to operate or maintain the unit in accordance with the Owner’s/Operator’s manual or instruc-
tion sheet furnished by Husqvarna;
(3)Alterations or modifi cations that change the intended use of the product or affects the product’s per-
formance, operation, safety, or durability, or causes the product to fail to comply with any applicable
laws; or:
(4)Additional damage to parts or components due to continued use occurring after any of the above.
REPAIR OR REPLACEMENT AS PROVIDED UNDER THIS WARRANTY IS THE EXCLUSIVE REMEDY OF
THE PUR CHAS ER. HUSQVARNA SHALL NOT BE LIABLE FOR ANY INCIDENTAL OR CONSEQUENTIAL
DAMAGES FOR BREACH OF ANY EXPRESS OR IMPLIED WARRANTY ON THESE PRODUCTS EXCEPT
TO THE EXTENT PROHIBITED BY APPLICABLE LAW. ANY IMPLIED WARRANTY OF MERCHANTABIL-
ITY OR FITNESS FOR A PARTICULAR PURPOSE ON THESE PRODUCTS IS LIMITED IN DURATION TO
THE WARRANTY PERIOD AS DEFINED IN THE LIMITED WARRANTY STATEMENT. HUSQVARNA RE-
SERVES THE RIGHT TO CHANGE OR IMPROVE THE DESIGN OF THE PRODUCT WITHOUT NO TICE,
AND DOES NOT ASSUME OBLIGATION TO UPDATE PREVIOUSLY MANUFACTURED PROD
UCTS.
Some states do not allow the exclusion of incidental or consequential damages, or limitations on how long
an implied warranty lasts, so the above limitations or exclusions may not apply to you. This warranty gives
you specifi c legal rights, and you may also have other rights which vary from state to state.
SECTION 5: CUSTOMER RESPONSIBILITIES
The product must exhibit reasonable care, maintenance, operation, storage and general upkeep as written
in the maintenance section of the Owner’s/Operator’s manual. Should an operational problem or failure occur,
the product should not be used, but delivered as is to an authorized Husqvarna dealer for evaluation. Proof
of purchase, as explained in section 6, rests solely with the customer.
SECTION 6: PROCEDURE TO OBTAIN WARRANTY CONSIDERATION
It is the Owner’s and Dealer’s responsibility to make certain that the Warranty Registration Card is properly
fi lled out and mailed to Husqvarna Forest & Garden Company. This card should be mailed within ten (10) days
from the date of purchase in order to confi rm the warranty and to facilitate post-sale service.
Proof of purchase must be presented to the authorized Husqvarna dealer in order to obtain warranty ser-
vice. This proof must include date purchased, model number, serial number, and complete name and address
of the selling dealer.
To obtain the benefi t of this warranty, the product believed to be defective must be delivered to an au-
thorized Husqvarna dealer in a timely manner, no later than thirty (30) days from date of the operational
problem or failure. The product must be delivered at the owner’s expense. Pick-up and delivery charges are
not covered by this warranty. An authorized Husqvarna dealer can be normally located through the “Yellow
Pages” of the local telephone directory or by calling 1-800-HUSKY62 for a dealer in your area.
HUSQVARNA
7349 Statesville Road
Charlotte, NC 28269
531 83 81-23 2002
WARRANTY STATEMENT

47
15 DEGREES MAX.
FOLD ALONG DOTTED LINE
THIS IS A 15 DEGREE SLOPE
ONLY RIDE UP AND DOWN HILL,
NOT ACROSS HILL
SUGGESTED GUIDE FOR SIGHTING SLOPES FOR SAFE OPERATION
WARNING: To avoid serious injury, operate your tractor up and
down the face of slopes, never across the face. Do not mow
slopes greater than 15 degrees. Make turns gradually to prevent
tipping or loss of control. Exercise extreme caution when
changing direction on slopes.
1. Fold this page along dotted line indicated above.
2. Hold page before you so that its left edge is vertically parallel to a tree
trunk or other upright structure.
3. Sight across the fold in the direction of hill slope you want to measure.
4. Compare the angle of the fold with the slope of the hill.

532 18 43-98 11.12.02 RH Printed in U.S.A.