Husqvarna Lz30 Lz30C Users Manual OM, LZ SERIES ZTR, 5227/ 6130/ 7230/ 6127/ 30/ 30 C/ 6130 7230 C, 968999674, 675, 676, 709, 776, 751,
!! HUSO2008_USen_O0803002_ Htc Lawn Mower Manuals - Lawn Mower Manuals – The Best Lawn Mower Manuals Collection
Preview ! HUSO2008_USen_O0803002_ Htc Lawn Mower Manuals - Lawn Mower Manuals – The Best Lawn Mower Manuals Collection
2015-01-24
: Husqvarna Husqvarna-Lz30-Lz30C-Users-Manual-317779 husqvarna-lz30-lz30c-users-manual-317779 husqvarna pdf
Open the PDF directly: View PDF
.
Page Count: 77

English
Operator Manual
LZ5227 / 968999674 LZ6130 / 968999675
LZ7230 / 968999676 LZ6127 / 968999709
LZ30 / 968999776 LZ30C / 968999751
LZ6130C / 968999752 LZ7230C / 968999753
Please read the operator’s manual carefully and make sure you
understand the instructions before using the machine.
©2007 HTC. All rights reserved.
Beatrice, NE. Printed in U.S.A.

CONTENTS
English-3
INTRODUCTION ................................................................ 5
General ........................................................................ 5
Driving and Transport on Public Roads .......................5
Towing..........................................................................5
Operating ..................................................................... 5
Good Service ...............................................................6
Manufacturing Number ................................................6
SYMBOLS AND DECALS ..................................................7
SAFETY ..............................................................................9
Safety Instructions .......................................................9
General Operation .......................................................9
Personal Safety Equipment ....................................... 11
Slope Operation ......................................................... 11
Safe Handling of Gasoline .........................................13
General Maintenance ................................................14
Transport ...................................................................16
Customer responsibilities...........................................16
Roll over Protection system (ROPS) .........................17
Spark Arresters ..........................................................17
CONTROLS ......................................................................18
Motion Control Levers................................................19
Hour meter .................................................................20
Tracking knob ............................................................20
Parking Brake ............................................................20
Blade switch...............................................................21
Ignition Switch............................................................21
Fuses ......................................................................... 21
Refueling....................................................................22
Seat Lock ...................................................................23
Fuel shut off valve ......................................................23
Seat adjustment lever ................................................23
Choke control.............................................................24
Throttle control ...........................................................24
Cutting height lift pedal ..............................................25
Pump release valves ................................................25
Accessories ...............................................................25
OPERATION .....................................................................26
Training ......................................................................26
Steering .....................................................................26
Roll bar and safety belt ..............................................27
Before Starting ...........................................................27
Starting the Engine ....................................................27
Weak battery ..............................................................31
Jumper cables ...........................................................31
Running .....................................................................32
Operating on hills .......................................................33
Mowing Tips ..............................................................34
Stopping the Engine ..................................................35
Moving by Hand .........................................................35
MAINTENANCE ...............................................................36
Battery .......................................................................38
Ignition System ..........................................................39
Safety System............................................................39
Engine’s Cooling Air Intake ........................................41
Throttle Cable ............................................................41
Choke Cable ..............................................................41
Air Filter .....................................................................42
Dust cap.....................................................................42
Air fi lter housing and fi lter ..........................................42
Engine oil cooler ........................................................43
Fuel Filter ...................................................................44
V-belts ........................................................................45
Tire Pressures ...........................................................46
Parking Brake ............................................................46
Blades ........................................................................47
Adjusting the Mower Deck .........................................48
Leveling .....................................................................48
Cutting Height ............................................................48
Cleaning and Washing ...............................................49
Caster Wheels ...........................................................49
Hardware ...................................................................49
LUBRICATION ..................................................................50
Lubrication Schedule .................................................50
Lubricating Cables .....................................................51
Lubricating with Schedule ..........................................51
Hydraulic System, Oil Level .......................................51
Driver’s Seat ..............................................................51
Engine Oil ..................................................................52
Oil Level ..................................................................53
Oil Recommendations.............................................54
Oil Type ...................................................................54
Throttle and Choke Cables, Lever Bearings ..............55
Front Wheel Mount ....................................................55
Front Wheel Bearings ................................................55
Deck belt pulleys........................................................55
Mower Deck Height Adjuster .....................................55
Steering Control Shafts..............................................56
Mower Deck Struts ....................................................56
Changing the Oil Filter ...............................................56
TROUBLESHOOTING GUIDE .........................................57
STORAGE ........................................................................59
Winter Storage ...........................................................59
Service .......................................................................59
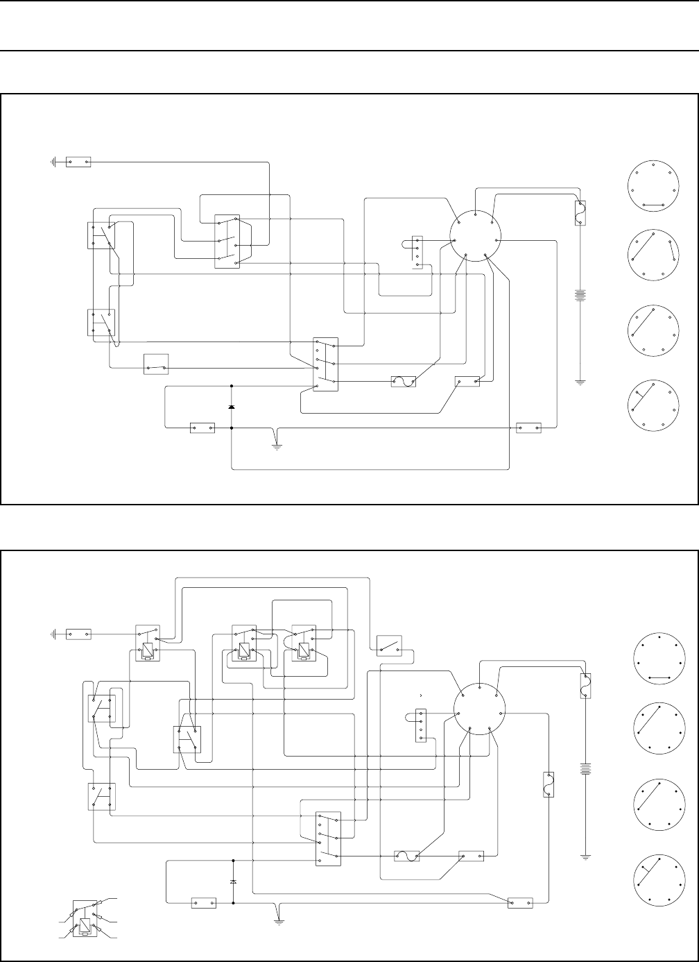
WIRING DIAGRAMS ........................................................60
TECHNICAL DATA ...........................................................61
ACCESSORIES................................................................65
TORQUE SPECIFICATIONS ...........................................65
CONFORMITY CERTIFICATES .......................................66
USA REQUIREMENTS ....................................................66
SERVICE JOURNAL ........................................................67

WARNING!
Failure to follow cautious operating practices can result in serious injury to the
operator or other persons. The owner must understand these instructions, and must
allow only trained persons who understand these instructions to operate the mower.
Each person operating the mower must be of sound mind and body and must not be
under the infl uence of any mind altering substance.
WARNING!
Engine exhaust, some of its constituents, and certain vehicle components contain
or emit chemicals known to the State of California to cause cancer and birth defects
or other reproductive harm.
WARNING!
Battery posts, terminals and related accessories contain lead and lead compounds,
chemicals known to the State of California to cause cancer and birth defects or other
reproductive harm. Wash hands after handling.
English-4

English-5
INTRODUCTION
Congratulations
Thank you for purchasing a Husqvarna ride-on mower. This machine is built for superior effi ciency to rapidly mow
primarily large areas. A control panel easily accessible to the operator and a hydrostatic transmission regulated by
steering controls both contribute to the machine’s performance.
This manual is a valuable document. Read the contents carefully before using or servicing the machine. The
following of instructions (use, service, maintenance, etc.) by all who operate this machine is important for the
safety of the operator and others. It can also considerably increase the life span of the machine and increase its
resale value.
If you sell your machine, be sure to give the operator’s manual to the new owner.
The fi nal chapter of this operator’s manual provides a Service Journal. Ensure that service and repair work are
documented. A well-kept service journal reduces service costs for the maintenance and affects the machine’s
resale value. Please contact your dealer for more information. Take the operator’s manual along when the
machine is taken to your dealer for service.
General
In this operator’s manual, left and right, backward and forward are used in relation to the machine’s normal driving
direction.
Continuous dedication to improve our products require that specifi cations and design are subject to change
without notice.
Driving and Transport on Public Roads
Check applicable road traffi c regulations before transporting on public roads. If the machine is transported, you
must always use approved fastening equipment and ensure that the machine is well anchored. DO NOT operate
this machine on public roadways.
Towing
Do not tow this machine, it may cause damage to the drive system.
Do not tow any trailers, etc. with this mower. They may jackknife or overturn causing damage to the mower and
possible serious injury to the operator.
Operating
This machine is constructed only for mowing grass on lawns and even ground without obstacles such as stones,
tree stumps, etc. The machine can also be used for other tasks when equipped with special accessories provided
by the manufacturer. Operating instructions for the accessories are provided with delivery. All other types of uses
are incorrect. The manufacturer’s directions concerning operation, maintenance, and repairs must be carefully
followed.
Lawn mowers and all power equipment, can be potentially dangerous if used improperly. Safety requires good
judgement, careful use in accordance with these instructions and common sense.
The machine must only be operated, maintained, and repaired by persons familiar with the machine’s special
characteristics and who are also knowledgeable about the safety instructions. Use only approved repair parts to
maintain this machine.
Accident prevention regulations, other general safety regulations, occupational safety rules, and traffi c regulations
must be followed without fail.
Unauthorized modifi cations to the design of the machine may absolve the manufacturer from liability for any
resulting personal injury or property damage.

English-6
INTRODUCTION
Good Service
Husqvarna’s products are sold all over the world and only in specialized retail stores with complete service. This
ensures that you as a customer receive only the best support and service. Before the product is delivered, the
machine has, for example, been inspected and adjusted by your retailer. See the certifi cate in the Service Journal
in this operator’s manual.
When you need spare parts or support in service questions, warranty issues, etc., please consult the following
professional:
Manufacturing Number
The machine’s manufacturing number can be found on the printed plate affi xed to the left in the engine
compartment. Stated on the plate, from the top are:
• The machine’s type designation (I.D.).
• The manufacturer’s type number (Model).
• The machine’s serial number (Serial no.)
Please have the type designation and serial number available when ordering spare parts.
The engine’s manufacturing number is stamped on one of the valve covers.
The plate states:
• The engine’s model.
• The engine’s type.
• Code
Please have these available when ordering spare parts.
The wheel motors and hydrostatic pumps have a barcode decal affi xed at the rear.
This Operator’s Manual belongs to the machine with
the manufacturing number:
Engine Transmission

English-7
SYMBOLS AND DECALS
These symbols are found on the machine and in the operator’s manual.
Study them carefully so that you know what they mean.
Used in this publication to notify the reader of a risk of personal injury or death, particularly if the reader should
neglect to follow instructions given in the manual.
Used in this publication to notify the reader of a risk of material damage, particularly if the reader should neglect
to follow instructions given in the manual. Used also when there is a potential for misuse or misassembly.
WARNING!
Xxxx xxxxxx xxxxx xxxx
xxxxxxxxx xxxxxx xxxxxxxxx.
xx xxxxxxxx xxxx xxxxxx.
IMPORTANT INFORMATION
Xxxx xxxxxx xxxxx xxxx xxxxxxxxx
xxxxxx xxxxxxxxx. xx xxxxxxxx xxxx
xxxxxx.
RN
Reverse Neutral Fast Slow Choke Fuel
Warning! Parking Brake CE conformity Warning! Rotating blades, Do not touch parts
marking. Only for keep away from the
European market discharge deck
Battery acid is corrosive, explosive and fl ammable Do not stand here
Noise emissions to the
surroundings in accordance with
the European Union’s directive.
The machine’s emission is stated
in the chapter TECHNICAL DATA
and on the decals.
Only machines for European
market
Use protective glasses Use protective gloves
P

English-8
SYMBOLS AND DECALS
Read Shut off engine and Keep a safe Use on slopes No passengers
Operator’s remove key before distance from no greater
Manual performing any the machine than 10°
maintenance or repair work
Whole body Severing of fi ngers Do not open or Careful backing up, Careful going
exposure to and toes remove safety watch for other forward, watch for
thrown objects shields while people other people
engine is running
Moving sharp blades under cover

English-9
SAFETY
Safety Instructions
These instructions are for your safety. Read them carefully.
IMPORTANT: THIS CUTTING MACHINE IS CAPABLE OF AMPUTATING HANDS AND FEET AND THROWING
OBJECTS. FAILURE TO OBSERVE THE FOLLOWING SAFETY INSTRUCTIONS COULD RESULT IN
SERIOUS INJURY OR DEATH.
General Operation
• Read, understand, and follow all instructions
on the machine and in the manual before
starting.
• Do not put hands or feet near rotating parts
or under the machine. Keep clear of the
discharge opening at all times.
• Only allow responsible adults, who are familiar
with the instructions, to operate the machine.
• Clear the area of objects such as rocks, toys,
wire, etc., which could be picked up and
thrown by the blades.
• Be sure the area is clear of bystanders before
operating. Stop machine if anyone enters the
area.
• Never carry passengers. The machine is only
intended for use by one person.
• Do not mow in reverse unless absolutely
necessary. Always look down and behind
before and while backing.
• Never direct discharged material toward
anyone. Avoid discharging material against a
wall or obstruction. Material may ricochet back
toward the operator. Stop the blades when
crossing gravel surfaces.
• Do not operate machine without the entire
grass catcher, discharge guard, or other safety
devices in place and working
• Slow down before turning.
• Never leave a running machine unattended.
Always turn off blades, set parking brake, stop
engine, and remove keys before dismounting.
• Disengage blades when not mowing. Shut
off engine and wait for all parts to come to a
complete stop before cleaning the machine,
removing the grass catcher, or unclogging the
discharge guard.
Read the operator’s manual before starting the machine
Clear the area of objects before mowing
8011-512
8011-513
WARNING!
This symbol means that important safety instructions need to be emphasized.
It concerns your safety.

English-10
SAFETY
WARNING!
Engine exhaust and certain
vehicle components contain
or emit chemicals considered
to cause cancer, birth defects,
or other reproductive system
damage. The engine exhaust
contains carbon monoxide,
which is a odorless, colorless,
poisonous gas. Do not use the
machine in enclosed spaces.
Never take passengers 8011-520
• Operate machine only in daylight or good
artifi cial light.
• Do not operate the machine while under the
infl uence of alcohol or drugs.
• Watch for traffi c when operating near or
crossing roadways.
• Use extra care when loading or unloading the
machine into a trailer or truck.
• Always wear eye protection when operating
machine.
• Data indicates that operators, age 60 years
and above, are involved in a large percentage
of riding mower-related injuries. These
operators should evaluate their ability to
operate the riding mower safely enough to
protect themselves and others from serious
injury.
• Follow the manufacturer’s recommendation for
wheel weights or counterweights.
• Anyone who operates this machine must fi rst
read and understand this Operation Manual.
Local laws may regulate the age of the user.
• Keep machine free of grass, leaves or other
debris buildup which can touch hot exhaust
/ engine part and burn. Do not allow the
mower deck to plow leaves or other debris
which can cause buildup to occur. Clean any
oil or fuel spillage before operating or storing
the machine. Allow machine to cool before
storage.

English-11
SAFETY
WARNING!
When using the machine, approved personal protective equipment (shown in
illustrations) shall be used. Personal protective equipment cannot eliminate the
risk of injury but it will reduce the degree of injury if an accident does happen.
Ask your retailer for help in choosing the right equipment.
Personal Safety Equipment
• Make sure that you have fi rst aid equipment
close at hand when using the machine.
• Never use the machine when barefoot.
• Always wear protective shoes or boots,
preferably with steel toe caps.
• Always wear approved protective glasses or a
full visor when assembling or driving.
• Always wear gloves when handling the blades.
• Never wear loose clothing that can get caught
in moving parts.
• Use ear protectors to avoid damage to hearing.
Slope Operation
Slopes are a major factor related to loss of control and
tip-over accidents, which can result in severe injury or
death. Operation on all slopes requires extra caution. If
you cannot back up the slope or if you feel uneasy on
it, do not mow it.
• Mow up and down slopes (10 degrees
maximum), not across.
• Watch for holes, ruts, bumps, rocks, or other
hidden objects. Uneven terrain could overturn
the machine. Tall grass can hide obstacles.
• Choose a low ground speed so that you will
not have to stop while on the slope.
• Do not mow on wet grass. Tires may lose
traction.
• Avoid starting, stopping, or turning on a slope.
If tires lose traction, disengage blades and
proceed slowly straight down the slope.
• Keep all movement on the slopes slow and
gradual. Do not make sudden changes in
speed or direction, which could cause the
machine to roll over.
• Use extra care while operating machine with
grass catchers or other attachments; they can
affect the stability of the machine.
Personal protective equipment 8011-670a
6003-004
Mow up and down, not side to side
WARNING!
Do not drive up or down hills
with slopes greater than 10
degrees. And do not drive across
any slopes.

English-12
SAFETY
Be extra cautious when driving on slopes
8011-509
Never allow children to operate the machine
8011-517
Keep children away from work area
8011-518
• Do not use on steep slopes.
• Do not try to stabilize the machine by putting
your foot on the ground.
• Do not mow near drop-offs, ditches, or
embankments. The machine could suddenly
roll over if a wheel is over the edge or if the
edge caves in.
Children
Tragic accidents can occur if the operator is not
alert to the presence of children. Children are often
attracted to the machine and the mowing activity.
Never assume that children will remain where you last
saw them.
• Keep children out of the mowing area and in
the watchful care of a responsible adult other
than the operator.
• Be alert and turn machine off if a child enters
the area.
• Before and while backing, look behind and
down for small children.
• Never carry children, even with the blades shut
off. They may fall off and be seriously injured
or interfere with safe machine operation.
Children who have been given rides in the
past may suddenly appear in the mowing area
for another ride and be run over or backed
over by the machine.
• Never allow children to operate the machine.
• Use extra care when approaching blind
corners, shrubs, trees, or other objects that
may block your view of a child.

English-13
SAFETY
Safe Handling of Gasoline
To avoid personal injury or property damage, use
extreme care in handling gasoline. Gasoline is
extremely fl ammable and the vapors are explosive.
• Extinguish all cigarettes, cigars, pipes, and
other sources of ignition.
• Use only approved gasoline container.
• Never remove gas cap or add fuel with the
engine running. Allow engine to cool at least
two (2) minutes before refueling.
• Never fuel the machine indoors.
• Never store the machine or fuel container
where there is an open fl ame, spark, or pilot
light such as on a water heater or other
appliances.
• Before you begin refueling, minimize the risk of
static electricity by touching a metal surface.
• Never fi ll containers inside a vehicle or on a
truck or trailer bed with plastic liner. Always
place containers on the ground away from your
vehicle when fi lling.
• Remove gas-powered equipment from the
truck or trailer and refuel it on the ground. If
this is not possible, then refuel such equipment
with a portable container, rather than from a
gasoline dispenser nozzle.
• Keep the nozzle in contact with the rim of the
fuel tank or container opening at all times until
fueling is complete. Do not use a nozzle lock-
open device.
• If fuel is spilled on clothing, change clothing
immediately.
• Never overfi ll fuel tank. Replace gas cap and
tighten securely.
• Do not start the engine near spilled fuel.
• Never use gasoline as a cleaning agent.
• If leaks arise in fuel system, engine must not
be started until problem has been resolved.
• Check the fuel level before each use and leave
space for the fuel to expand, because the heat
from the engine and the sun may otherwise
cause the fuel to expand and overfl ow.
WARNING!
The engine must not be started when the driver’s fl oor plate or any protective
plate for the mower deck’s drive belt is removed.
Never fi ll the fuel tank indoors
8011-516
WARNING!
The engine and the exhaust
system, become very hot
during operation.
Risk for burns if touched.
Allow engine and exhaust
system to cool at least two (2)
minutes before refueling.

English-14
SAFETY
Never drive the machine in an enclosed space
8011-515
WARNING!
The battery contains lead and
lead compounds, chemicals
that are considered to cause
cancer, birth defects, and other
reproductive system damage.
Wash your hands after handling
the battery.
Use protective glasses for
maintenance work.
General Maintenance
• Never operate machine in a closed area.
• Keep all nuts and bolts tight to be sure the
equipment is in safe working condition.
• Never tamper with safety devices. Check their
proper operation regularly.
• Keep machine free of grass, leaves, or other
debris buildup. Clean oil or fuel spillage and
remove any fuel-soaked debris. Allow machine
to cool before storing.
• If you strike a foreign object, stop and inspect
the machine. Repair, if necessary, before
restarting.
• Never make any adjustments or repairs with
the engine running.
• Check grass catcher components and the
discharge guard frequently and replace with
manufacturer’s recommended parts, when
necessary.
• Mower blades are sharp. Wrap the blade or
wear gloves, and use extra caution when
servicing them.
• Check brake operation frequently. Adjust and
service as required.
• Maintain or replace safety and instruction
labels, as necessary.
• Do not modify safety equipment. Check
regularly to be sure it works properly. The
machine must not be driven with defective
or unmounted protective plates, protective
cowlings, safety switches, or other protective
devices.
• Do not change the settings of governors and
avoid running the engine with overly high
engine speeds. If you run the engine too fast,
you risk damaging the machine components.
• Be very careful when handling battery acid.
Acid on skin can cause serious corrosive
burns. If you spill battery acid on your skin,
rinse immediately with water.
• Acid in the eyes can cause blindness, contact
a doctor immediately.
• Be careful when servicing the battery.
Explosive gases form in the battery. Never
perform maintenance on the battery when
smoking or near open fl ames or sparks.
• The battery can explode and cause serious
injury/damage.

English-15
SAFETY
• Ensure that nuts and bolts, especially the
fastening bolts for the blade attachments,
are properly tightened, torqued and that the
equipment is in good condition.
• Do not modify safety equipment. Check
regularly to be sure it works properly. The
machine must not be driven with defective
or unmounted protective plates, protective
cowlings, safety switches, or other protective
devices.
• Do not change the settings of governors and
avoid running the engine with overly high
engine speeds. If you run the engine too fast,
you risk damaging the machine components.
• Sparking can occur when working with the
battery and the heavy cables of the starter
circuit. This can cause battery explosion, fi re or
eye injury. Sparking in this circuit can not occur
after the chassis cable (normally negative,
black) is removed from the battery.
• Use protective goggles.
• Ensure that the fuel fi ller cap is mounted tightly
and no fl ammable substances is stored in an
open vessel.
• Never work with the starter circuit if there is
spilled fuel.
• Disconnect the chassis cable from the battery
fi rst and reconnect it last.
• Do not make a bridge short circuit across the
starter relay to run the starter.
• Never use the machine indoors or in spaces
lacking proper ventilation. The exhaust fumes
contain carbon monoxide, an odorless,
poisonous, and lethal gas.
• Stop and inspect the equipment if you run over
or into anything. If necessary, make repairs
before starting.
• Never make adjustments with the engine
running.
• The machine is tested and approved only
with the equipment originally provided or
recommended by the manufacturer. Only use
approved repair parts for the machine.
Do not smoke when performing maintenance on the battery.
The battery can explode and cause serious injury/damage.
6003-009
Risk of sparking 8009-728
WARNING!
Avoid electrical sparking and its
consequences by the following
routines:

English-16
SAFETY
8011-515
Clean the machine regularly
IMPORTANT INFORMATION
The parking brake is not suffi cient
to lock the machine in place during
transport. Ensure that the machine is
well fastened to the transport vehicle.
Always reverse the machine onto the
transport vehicle to avoid tipping it over.
WARNING!
This mower is equipped
with an internal combustion
engine and should not
be used on or near any
unimproved forest-covered,
bush-covered or grass-
covered land unless the
engine’s exhaust system
is equipped with a spark
arrester meeting applicable
local or state laws (if any).
If a spark arrester is used,
it should be maintained in
effective working order by
the operator.
A spark arrester for the muffl er is available through
your authorized Husqvarna dealer.
• The blades are sharp and can cause cuts and
gashes. Wrap the blades or use protective
gloves when handling them.
• Check the parking brake’s functionality
regularly. Adjust and service as necessary.
• The mulch blades should only be used in
familiar areas when higher quality mowing is
desired.
• Reduce the risk of fi re by removing grass,
leaves, and other debris that may have
accumulated on the machine. Allow the
machine to cool before putting it in storage.
• Regularly clean deck and underside of
deck, avoid spraying engine and electrical
components with water.
Transport
• The machine is heavy and can cause serious
crushing injuries. Be extra cautious when it is
loaded on or unloaded from a vehicle or trailer.
• Use an approved trailer to transport the
machine. Activate the parking brake, turn off
the fuel supply, and fasten the machine with
approved fastening devices, such as bands,
chains, or straps, when transporting.
• Do not operate this machine on public
roadways.
• Check and abide by local traffi c regulations
before transporting the machine on any road.
• Do not tow this machine, it may cause damage
to the drive system.
• Do not tow any trailers, etc. with this mower.
They may jackknife or overturn causing
damage to the mower and possibly serious
injury to the operator.
• Load the unit onto truck or trailer by driving up
ramps of suitable strength using a slow speed.
Do not lift! The machine is not intended to be
lifted by hand.
Customer responsibilities
• Read and observe the safety rules.
• Follow a regular schedule in maintaining,
caring for and using your mower.
• Follow the instructions under “Maintenance”
and “Storage” sections of this owner’s manual.

English-17
SAFETY
Roll over Protection system (ROPS)
The ROPS increases the basic weight of the unit by 42
lbs/19 kg. The ROPS on the US units are standard, on
the European units the ROPS is an accessory.
Do not use ROPS as a lifting, attaching or • anchoring point.
Do not use ROPS for wrecking or towing.•
Do not exceed Max GVW: 2822 lbs/1283 kg.•
Read machine operator´s manual before • each use.
Securely fasten your seat belt if the unit has • a ROPS.
Where possible, avoid operating the unit • near ditches, embankments and holes.
Reduce speed when turning, crossing • slopes and on rough, slick or muddy
surfaces.
Stay off slopes too steep for safe operation.•
Watch where you are going, especially at • row ends, on roads and around trees.
Do not permit others to ride.•
Operate the mower smoothly - no jerky • turns, starts or stops.
When mower is stopped, set brakes • securely and use park brake.
If any part of ROPS is damaged, the entire • ROPS must be replaced.
Check all bolts including seat belt for correct • torque before each use.
Check ROPS structure for damage before • each use.
ROPS bar is NOT intended for use in sub • zero temperatures.
Spark Arresters
A spark arrester for the muffl er is available through
your authorized Husqvarna dealer.
WARNING!
The rollover protection
system's capabilities may
be impaired by damage if
the mower is overturned
or if alteration to the ROPS
occurs. If these conditions
take place, the total structure
MUST be replaced.
WARNING!
This mower is equipped
with an internal combustion
engine and should not
be used on or near any
unimproved forested, bush
covered or grassy lands
unless the engine's system
is equipped with a spark
arrester meeting applicable
local or state laws (if any).
If a spark arrester is used,
it should be maintained in
effective working order by
the operator.

CONTROLS
English-18
Controls
This operator’s manual describes the Husqvarna Zero
Turn Rider. The rider is fi tted with a Kohler four-stroke
overhead valve engine developing 30 horse power*.
Transmission from the engine is made via two belt-
driven hydraulic pumps, which in turn drive a hydraulic
motor for each drive wheel. Using the left and right
steering controls, the fl ow is regulated and thereby the
direction and speed.
*As rated by the engine manufacturer.
8011-464
Zero Turn Rider
Control Locations
1. Motion control levers 19
2. Hour meter 20
3. Tracking knob 20
4. Parking brake 20
5. Blade switch 21
6. Ignition switch 21
7. Fuses 21
8. Fuel tank cap 22
9. Seat lock 23
10. Fuel shut-off valve 23
11. Seat adjustment lever 23
12. Choke control 24
13. Throttle control 24
14. Cutting height adjuster 25
14 13 12 11 10 9
1 2 3 4 5 6 7 8
Page Page

CONTROLS
English-19
8011-789
Steering controls
WARNING!
The machine can turn very
rapidly if one steering control
is moved much further forward
than the other.
Motion Control Levers
The machine’s speed and direction are continuously
variable using the two steering controls. The steering
controls can be moved forward or backward about
a neutral position. Furthermore, there is a neutral
position, which is locked if the steering controls are
moved outward.
When both controls are in the neutral position (N), the
machine stands still.
By moving both controls an equal amount forward
or backward, the machine moves in a straight line
forward or backward respectively.
In order, for example, to turn right while moving
forward, move the right control towards the neutral
position. The rotation of the right wheel is reduced and
the machine turns to the right.
Zero turn can be achieved by moving one control
backward (behind the neutral position) and carefully
moving the other steering control forward from its
neutral position. The rotation direction when zero
turning is determined by which steering control is
moved backward behind the neutral position. If the left
steering control is pulled backward, the machine turns
to the left. Use extra care when using this maneuver.
1
23
4
8011-7912
1. Forward
2. Neutral
3. Neutral slot, Neutral lock
4. Reverse
Motion control lever pattern (right side)

CONTROLS
English-20
Hour meter
The hour meter displays the total operating time.
It will fl ash CHG OIL (Change Oil) at 50 hour intervals.
The fl ash duration is one hour before and one hour
after the interval. The CHG OIL icon will come on
and shut off automatically. The hour meter cannot be
manually reset.
8011-749
Hour meter
Tracking knob
The tracking knob is located in front of the left control
lever. Rotating the knob allows fi ne tuning adjustments
so that the machine tracks straight with the motion
control levers in the full forward position.
Rotate the knob clockwise (as viewed from the
operating position) to increase the speed or counter
clockwise to decrease the speed on the left control
lever. For example: if the control levers are full forward
and the unit turns to the right, turn the tracking knob
counter clockwise to decrease the speed on the left
control lever.
8011-442
Tracking knob
Parking Brake
The parking brake is found below the operator's left
hand. Pull the lever backward to activate the brake
and push forward to release it.
8011-511-1
Parking brake not activated
IMPORTANT INFORMATION
The machine must stand absolutely still
when applying the parking brake. Always
set the parking brake before dismounting.
Release the parking brake before moving
the mower.

CONTROLS
English-21
Fuses
The fuses are located in a holder to the left of the
hydraulic tank. They are fl at pin fuses of the same type
used in automobiles.
There are three fuses as well as a socket for one
spare fuse.
Fuse ratings and functions:
• 20 A, Primary fuse.
• 7.5 A, Mower deck coupling.
• 7.5 A, Accessory outlet.
• Socket for spare fuse.
8011-746
Fuses
Blade switch
To engage the mower deck, pull the blade switch knob
out. The mower blades are disengaged when the knob
is pressed down fully.
8011-510
Blade Switch
Ignition Switch
The ignition key is placed on the control panel and is
used to start and stop the engine.
8011-748
Ignition Switch
WARNING!
Do not run the starter for more
than fi ve seconds each time. If
the engine does not start, wait
10 seconds before retrying.

CONTROLS
English-22
WARNING!
Gasoline is highly fl ammable.
Observe caution and fi ll the
tank outdoors (see the safety
instruction).
WARNING!
The engine and the exhaust
system, become very hot during
operation.
Risk for burns if touched.
Allow engine and exhaust
system to cool at least two (2)
minutes before refueling
WARNING!
Fill to bottom of fi ller neck. Do
not overfi ll. Wipe off any spilled
oil or fuel. Do not store, spill
or use gasoline near an open
fl ame.
IMPORTANT INFORMATION
Experience indicates that alcohol blended
fuels (called gasohol, ethanol or methanol)
can attract moisture which leads to
separation and formation of acids during
storage. Acidic gas can damage the fuel
system of an engine while in storage. To
avoid engine problems, the fuel system
should be emptied before storage of 30
days or longer. Drain the gas tank, start the
engine and let it run until the fuel lines and
carburetor are empty. Use fresh fuel the
next season. See Storage Instructions for
additional information. Never use engine
or carburetor cleaners in the fuel tank or
permanent damage may occur.
Refueling
Read the safety instructions before refueling. The
machine has two fuel tanks, one on each side just
behind the seat. The tank capacity is 3 gallons (11.4
liters).
Regularly check the gas cap gasket for damage and
keep the cap properly tightened.
The engine will run on a minimum of 85-octane
unleaded gasoline (no oil mix). Environmentally
adapted alkylate gasoline can be used. See Technical
Data concerning ethanol fuel. Methanol fuel is not
allowed. Do not use E85 alcohol based fuel. Damage
to the engine and components may occur.
When operating in temperatures below 32° F. (0° C.),
use fresh, clean winter grade gasoline to help insure
good cold weather starting.
8011-524
Fuel tanks

CONTROLS
English-23
Seat Lock
Under the rear section of the seat is a lock device
to lock the seat into a folded position. The seat has
a linked fi xture at the front edge and can be folded
forward when the lock is pushed.
8011-440
Seat lock
Fuel shut off valve
The fuel shut off valve is located at the right rear of the
seat. The valve has three positions; right tank, left tank
and center (OFF).
8011-506
Fuel shut off valve
Seat adjustment lever
The seat can be adjusted lengthways. When making
adjustments, the lever under the front edge of the seat
is moved the left (as seen by the operator in the seat).
The seat can then be moved forward or backward.
8011-441
Lengthways adjustment

CONTROLS
English-24
Lifting Lever for the Mower Deck
The lifting lever is used to place the mower deck in
the transport position or one of the 17 different cutting
height positions.
The cutting height is set by placing a peg in the hole
for the desired cutting height and the peg is then
locked on the inside (hidden in illustration) with the
supplied pin.
Pull the lever backward to the locked • position to engage the transport position.
The deck is then fully raised.
To lower, squeeze the lock handle up to the • lifting lever while moving the lever forward.
When the lever meets the set peg, the
desired height is set.
The lifting lever can also be used to • temporarily adjust the cutting height, such
as when passing over a minor bump in the
lawn.
8011-753
1. Lifting lever
2. Lock handle
3. Set peg
Mower deck lifting lever
Choke control
The choke control is used for cold starts to provide the
engine with a richer fuel mixture.
For cold starts, pull the control out to its extent.
8011-508
Choke control
Throttle control
The throttle control regulates the engine speed and
thereby the rate of rotation of the blades, assuming the
blade switch is pulled out (see Engaging the Mower
Deck).
In order to increase or decrease the engine speed, the
control is moved forward or back respectively.
Avoid idling the engine for long periods, as there is a
risk of fouling the spark plugs.
USE FULL THROTTLE WHEN MOWING, for best
mower performance and battery charging.
8011-509
Throttle control
1
2
3

CONTROLS
English-25
IMPORTANT INFORMATION
In order to obtain an even cutting height it
is important that the air pressure in all four
tires is the same 15 psi (1 bar).
Accessories
For mulching, there is a BioClip attachment
available. The BioClip is mounted underneath
the mower deck and includes control plates and
BioClip blades.
Cutting height lift pedal
On some models, there is a deck assist lift pedal to aid
in maneuvering the deck lift.
8011-465
Lift pedal
IMPORTANT INFORMATION
Only rotate the valve ¼ to ½ turn to release
the system.
Tighten the valve moderately.
Do not overtighten the valve when closing.
Overtightening can damage the valve seat.
Pump release valves
8011-507
Pump release valve
Pump release valves are located on the pumps. These
valves release the system so the machine may be
moved by hand when not running. Tilt the seat forward
to gain access to the valves. Use a 5/8" wrench to open
the valve.
8011-566
BioClip attachment

English-26English-26
OPERATION
Operation
Read the “Safety Instructions” section and the
following pages if you are unfamiliar with the machine.
Training
Zero turn mowers are far more maneuverable than
typical riding mowers due to their unique steering
capabilities.
We suggest that this section be reviewed in its entirety
prior to attempting to move the mower under its own
power. Additionally, we suggest when fi rst operating
the mower, use a reduced throttle speed and reduced
ground speed by NOT moving control levers to the
furthest forward or reverse positions during initial
operation, or until operator becomes comfortable with
controls. We also suggest fi rst time users, or new
users to Zero Turn mowers to become familiar with
the mower’s movement on a hard surface, such as
concrete or blacktop PRIOR to attempting to operate
on turf. Until operator becomes comfortable with
mower controls and zero turning capability, they may
damage turf due to overly aggressive maneuvers.
Steering
To move forward and backward
The direction and speed of the mower’s movements
is effected by the movement of the control lever(s)
on each side of mower. The left control lever controls
the left wheel. The right control lever controls the right
wheel.
First time users should push mower (see “Moving by
Hand” in the “Operation” section) to an open, fl at area,
without other people or vehicles/obstacles nearby. In
order to move unit under its own power, the operator
must be in the seat, start engine (see “Before Starting”
in “Operation” section), adjust engine speed to idle,
disengage parking brake, do not engage blades at
this time, rotate control levers inward. As long as
the control levers have not been moved forward or
backwards, mower will not move. Slowly move both
control levers forward slightly. This will allow mower
to start moving forward in a straight line. Pull back on
control levers to the neutral position and mower should
IMPORTANT INFORMATION
When control levers are in the reverse
position they return to neutral when
released. This may cause the mower to
suddenly stop.
stop moving. Pull back slightly on control levers, this
will allow mower to start moving backwards. Push
forward on control levers to the neutral position and
mower should stop moving.
To turn to the right
While moving in a forward direction, pull the right lever
back towards the neutral position while maintaining the
position of the left lever, this will slow the rotation of
the right wheel and cause the machine to turn in that
direction.
To turn to the left
While moving in a forward direction pull the left lever
back towards the neutral position while maintaining
the position of the right lever, this will slow the rotation
of the left wheel and cause the machine to turn in that
direction.
To zero turn
While moving in a forward direction, fi rst pull both
control levers back until the mower stops or slows
dramatically.
Then by alternating one lever slightly to the forward
position and the other in the reverse position.

English-27English-27
OPERATION
8011-527
Start conditions
8011-753
Raise the mower deck
Starting the Engine
1. Sit on the seat.
2. Raise the mower deck by pulling the lifting
lever backward to the locked position
(transport position).
3. Activate the parking brake.
Before Starting
• Read the sections “Safety Instructions” and
“Controls” before starting the machine.
• Perform the daily maintenance before
starting (see Maintenance Schedule in the
Maintenance section).
• Check that there is suffi cient fuel in the fuel
tank.
• Adjust the seat to the desired position.
The following conditions must be fulfi lled before the
engine can be started:
• The driver must be seated on the seat.
• The blade switch for engaging the mower
blades must be depressed.
• The parking brake must be on.
• Both steering controls must be in the locked
(outer) neutral position.
Roll bar and safety belt
Operate the unit with the roll bar in the raised and
locked position and use the seat belt. There is no
rollover protection when the roll bar is down. If it is
necessary to lower roll bar, do not wear the seat belt.
Raise the roll bar as soon as clearance permits.
WARNING!
The seat belt must be used when
the roll bar is in upright position.
8011-464
Roll bar in upright position

English-28English-28
OPERATION
4. Disengage the mower blades by depressing
the blade switch.
5. Move the steering controls outward to the
locked (outer) neutral position.
6. Move the throttle to the middle position.
8011-510
Depress the control for disengaging the mower deck
8011-526
Steering controls in the outward, locked neutral position
8011-509
Set the throttle

English-29English-29
OPERATION
7. If the engine is cold, the choke control should
be pushed forward to the choke position.
9. Press in and turn the ignition key to the start
position.
8011-742
Turn to the start position
8011-508
Set the choke control
8. Open the valve for the selected fuel tank.
8011-506
Open the fuel valve

English-30English-30
OPERATION
10. When the engine starts, immediately release
the ignition key back to the run position.
IMPORTANT INFORMATION
Do not run the starter for more than 5
seconds each time. If the engine does
not start, wait about 10 seconds before
retrying.
8011-743
Return to run position
WARNING!
Engine exhaust and certain
vehicle components contain
or emit chemicals considered
to cause cancer, birth defects
or other reproductive system
damage. The engine exhaust
contains carbon monoxide,
which is a odorless, colorless,
poisonous gas. Do not use the
machine in enclosed spaces.
12. Set the desired engine speed with the throttle.
Allow the engine to run at a moderate speed,
“half throttle”, for 3-5 minutes before loading
it too heavily. USE FULL THROTTLE WHEN
MOWING
(no choke).
8011-754
Set the engine speed
11. Push the choke control in gradually when the
engine has started.
8011-508
Press in the choke control

English-31English-31
OPERATION
WARNING!
Lead-acid batteries generate
explosive gases. Keep sparks,
fl ame and smoking materials
away from batteries. Always
wear eye protection when
around batteries.
IMPORTANT INFORMATION
Your mower is equipped with a 12-volt
negative grounded system. The other
vehicle must also be a 12-volt negative
grounded system. Do not use your mower
to start other vehicles.
To start an engine with a weak battery
If your battery is too weak to start the engine, it should
be recharged. (See “Battery” in the Maintenance
Section.)
If “jumper cables” are used for emergency starting,
follow this procedure:
To attach jumper cables
• Connect each end of the RED cable to the
POSITIVE (+) terminal on each battery, taking
care not to short against chassis.
• Connect one end of the BLACK cable to the
NEGATIVE (-) terminal of the fully charged
battery.
• Connect the other end of the BLACK cable to a
good CHASSIS GROUND on the mower with
the discharged battery, away from the fuel tank
and battery.
To remove cables, reverse order
• Remove BLACK cable fi rst from chassis and
then from the fully charged battery.
• Remove RED cable last from both batteries.
8011-642
Jumper cable connection

English-32English-32
OPERATION
WARNING!
Ensure that no one is near
mower when engaging blade
switch.
IMPORTANT INFORMATION
The mower deck’s gauge wheels should be
evenly adjusted.
8011-561
Select the cutting height
Running
1. Release the parking brake by moving the lever
downward.
Your mower is equipped with an operator
presence system. When the engine is running,
any attempt by the operator to leave the seat
without fi rst setting the parking brake will shut
off the engine.
2. Move the steering controls to the neutral
position (N).
3. Select the cutting height by placing the peg in
the corresponding hole for desired height. Lock
the peg in place on the inside with the pin.
4. Squeeze the lock handle up to the lifting lever
while moving the lever forward to meet the set
peg.
5. Make sure the work area is free from objects
that could be thrown by the rotating blades.
8011-511-1
Released parking brake
6. Engage the mower deck by pulling out the
blade switch.
7. Move throttle control to full throttle.
8. The machine’s speed and direction are
continuously variable using the two steering
controls. When both controls are in the neutral
position, the machine stands still.
By moving both controls an equal amount
forward or backward, the machine moves in a
straight line forward or backward respectively.
8011-510
Engaging the mower deck

English-33English-33
OPERATION
WARNING!
Do not drive up or down hills with
slopes greater than 10 degrees.
Do not drive across slopes.
IMPORTANT INFORMATION
Control levers return to neutral when
released. This may cause the mower to
suddenly stop.
8011-640
Stopping conditions
8011-511-1
Released parking brake
Operating on hills
Read the Safety Instructions “Driving on Slopes” in the
“Safety Instructions”.
• The slowest speed possible should be used
before starting up or down hills.
• Avoid stopping or changing speed on hills.
• If stopping is absolutely necessary, pull drive
levers into the neutral position and push to
the outside of the unit and engage the parking
brake.
• To restart movement, release the parking
brake.
• Pull the control levers back to the center of the
mower and press forward to regain forward
motion.
• Make all turns slowly.

English-34English-34
OPERATION
WARNING!
Clear the lawn of stones and
other objects that can be thrown
out by the blades.
WARNING!
Never drive the rider on terrain
that slopes more than 10 degrees.
Mow slopes up and down, never
side to side. Avoid sudden
directional changes.
8011-603a
Mowing pattern
Mowing Tips
• Observe and fl ag rocks and other fi xed objects
to avoid collisions.
• Begin with a high cutting height and reduce it
until the desired mowing result is attained.
The average lawn should be cut to 2½"
(64 mm) during the cool season and over 3"
(76 mm) during the hot months. For healthier
and better looking lawns, mow often after
moderate growth.
For best cutting performance, grass over 6"
(15 cm) in height should be mowed twice.
Make the fi rst cut relatively high; the second to
the desired height.
• The mowing result will be best with a high
engine speed (the blades rotate rapidly) and
low speed (the rider moves slowly). If the grass
is not too long and dense, the driving speed
can be increased without negatively affecting
the mowing result.
• The fi nest lawns are obtained by mowing
often. The lawn becomes more even and the
grass clippings more evenly distributed over
the mown area. The total time taken is not
increased as a higher operating speed can be
used without poor mowing results.
• Avoid mowing wet lawns. The mowing result is
poorer because the wheels sink into the soft
lawn, clumps build, and the grass clippings
fasten under the cowling.
• Hose the mower deck underside with water
after each use. When cleaning, the mower
deck shall be raised into the transport position.
Make sure the mower is cooled and the engine
is off.
• Use compressed air to clean top surface of
the deck. Avoid fl ooding water on top surface,
engine and electrical components.
• When the mulching kit is used, it is important
that the mowing interval is frequent.

English-35English-35
OPERATION
IMPORTANT INFORMATION
Leaving the ignition switch in any other
position than “OFF” will cause the battery
to be discharged and the hour meter to
accumulate hours.
8011-510
Disengaging the mower deck
8011-753
Raise the mower deck
Stopping the Engine
Allow the engine to idle a minute in order to attain
normal operating temperature before stopping it, if
it has been worked hard. Avoid idling the engine for
longer periods, as there is a risk of the spark plugs
fouling.
1. Disengage the mower deck by depressing the
blade switch.
2. Raise the mower deck by pulling the lifting
lever backward to the transport position.
3. When the machine is standing still, activate the
parking brake by pulling the lever backward.
4. Move the throttle to the minimum position
(tortoise symbol). Turn the ignition key to the
stop position. Never use the choke to stop the
engine.
5. Move the steering controls outward.
6. Remove the key when leaving the mower to
prevent unauthorized use.
WARNING!
No adjustments or maintenance
to be carried out unless:
the engine stopped•
the ignition key removed•
the parking brake activated• 8011-507
Vent screws on the hydraulic pump
Moving by Hand
When pushing or pulling the mower with the engine
turned off,the vent screws on both hydraulic pumps
must be opened ¼ - ½ turn.

English-36
MAINTENANCE
Maintenance Before After
Daily Weekly At
least
once
each
year
Maintenance interval
in hours
25 50 100 300
z
z
z
z
z
z
1) First change after 5-8 hours. When operating with a heavy load or at high ambient temperatures, replace every 50 hours. 2) In dusty
conditions, cleaning and replacement are required more often. 3) Performed by authorized service workshop.
z = Described in this manual
= Not described in this manual
Check the parking brake
Check the engine’s oil level (every refueling)
Check the hydraulic system’s oil level
Check the safety system
Check for fuel and oil leakages
Check rubber valve for sand trap
Check/clean the engine’s cooling air intake
Check the mower deck
Check hardware (screws, nuts, etc.)
Clean under the mower deck
Start the engine and blades, listen for unusual sounds
Check for damage
Thoroughly clean around the engine
Thoroughly clean around the hydraulic system
Clean around belts, belt pulleys, etc.
Check the tire pressures
Check battery
Sharpen/Replace mower blades
Check the fuel pump’s air fi lter 2)
Clean the engine’s cooling air intake 2)
Clean cyclon air fi lter dust cap
Check/adjust the parking brake
Inspect muffl er/Spark arrester
z
z
z
z
z
z
z
z
z

English-37
MAINTENANCE
WARNING!
Before performing any service or adjustment checklist:
• Engage the parking brake.
• Place the Blade-switch in the disengaged position.
• Turn the ignition switch to “OFF” position and remove the key.
• Make sure the blades and all moving parts have completely stopped.
• Disconnect the spark plug wire from all spark plugs and place the wire where it
cannot come in contact with the plug.
Maintenance Before After
Daily Weekly At
least
once
each
year
Maintenance interval
in hours
25 50 100 300
zzzz z
z
1) First change after 5-8 hours. When operating with a heavy load or at high ambient temperatures, replace every 50 hours. 2) In dusty
conditions, cleaning and replacement are required more often. 3) Performed by authorized service workshop.
z = Described in this manual
= Not described in this manual
Check/adjust throttle and choke cables
Check the condition of belts, belt pulleys, etc.
Change the engine oil 1)
Replace the engine oil fi lter (every 200 hours)
Clean/replace the spark plugs
Replace the fuel fi lter
Replace air fi lter (main cartridge) 2) (every 200 hours)
Check the caster wheels (every 200 hours)
Clean the cooling fi ns 2)
Clean fi ns of oil cooler (Kohler)
Check/adjust the mower deck
Change the hydraulic oil (every 300 hours)
Replace the hydraulic oil fi lter (every 300 hours)
Dismantle and inspect starter 3) (every 500 h)
Check the engine valve clearance 3)
Perform the 300-hour service 3)
Lubricate according to Lubrication Schedule
z
z
z
z
z
z
z
z
z
z
z
z
z
z
z
z
z
z
z
z

English-38
MAINTENANCE
Battery
Your mower is equipped with a maintenance free
battery and does not need servicing. However,
periodic charging of the battery with an automotive
type battery charger will extend its life.
• Keep battery and terminals clean.
• Keep battery bolts tight.
• Recharge at 6-10 amperes for 1 hour
To clean battery and terminals
Corrosion and dirt on the battery and terminals can
cause the battery to “leak” power.
1. Lift the seat and rotate forward.
2. Remove the red terminal guard
3. Disconnect BLACK battery cable fi rst, then
the RED battery cable and remove the battery
from the machine.
4. Rinse the battery with plain water and dry.
5. Clean terminals and battery cable ends with
wire brush until shiny.
6. Coat terminals with grease or petroleum jelly.
7. Reinstall battery.
Replacing battery
1. Lift seat and rotate forward.
2. Remove the red terminal guard.
3. Using two ½" wrenches disconnect BLACK
battery cable then RED battery cable.
4. Remove the knobs and the battery hold
downs.
5. Carefully remove the battery from the mower.
6. Install new battery with terminals in the same
position as the old battery.
7. Reinstall the battery hold downs.
8. First connect RED battery cable to positive (+)
battery terminal with hex bolt and hex nut.
9. Connect BLACK grounding cable to negative
(-) battery terminal with remaining hex bolt and
hex nut.
10. Tighten securely.
11. Replace the red terminal guard
12. Lower seat.
Always use protective glasses
when handling the battery.
IMPORTANT INFORMATION
Do not attempt to open or remove caps
or covers. Adding or checking level of
electrolyte is not necessary.
Always use two wrenches for the terminal
screws.
WARNING!
Do not short battery terminals by
allowing a wrench or any other
object to contact both terminals at
the same time. Before connecting
battery, remove metal bracelets,
wristwatch bands, rings, etc.
Positive terminal must be
connected fi rst to prevent sparks
from accidental grounding.
12
8011-466
1. Terminal guard
2. Battery hold downs
Battery installation

English-39
MAINTENANCE
Ignition System
The engine is equipped with an electronic ignition
system. Only the spark plug requires maintenance.
For recommended spark plugs, see Technical Data.
1. Remove the ignition cable boot and clean around
the spark plug.
2. Remove the spark plug with a spark plug socket
wrench.
3. Check the spark plug. Replace the spark plug
if fouled, the electrodes are burned and if the
insulation is cracked or damaged. Clean the spark
plug with a steel brush if it is to be reused.
4. Measure the electrode gap with a gapping tool.
The gap should be .030" (0.75 mm). Adjust as
necessary by bending the side electrode.
5. Reinsert the spark plug, turning by hand to avoid
damaging the threads.
6. After the spark plug is seated, tighten it using
a spark plug wrench so that the washer is
compressed. A used spark plug should be turned
1/8 of a turn from the seated position. A new spark
plug should be turned ¼ a turn from the seated
position.
7. Replace the ignition cable.
IMPORTANT INFORMATION
Fitting the wrong spark plug type can
damage the engine.
Inadequately tightened spark plugs can
cause overheating and damage the engine.
Tightening the spark plugs too hard can
damage the threads in the cylinder head.
Safety System
This machine is equipped with a safety system
that prevents starting or driving under the following
conditions.
The engine can only be started when:
1. The mower deck is disengaged.
2. The steering controls are in the outer, locked
neutral position.
3. The driver is sitting in the driver’s seat.
4. The parking brake is on.
Make daily inspections to ensure that the safety
system works by attempting to start the engine
when one of the conditions is not met. Change the
conditions and try again.
If the machine starts when one of these conditions
is not met, turn the machine off and repair the safety
system before using the machine again.
Make sure the engine stops when the park brake is not
engaged and the operator leaves the seated position.
Check that the engine stops if the mower blades are
engaged and the driver temporarily moves off the
drivers seat.
IMPORTANT INFORMATION
In order to be able to drive, the driver
must sit in the seat and release the
parking brake before the steering controls
can be moved into the neutral position,
otherwise the engine will stop.
8011-054
Measure the electrode gap
8011-527
Start conditions

English-40
MAINTENANCE
8011-553
Safety system
Start motor Works
Ignition system Does not work

English-41
MAINTENANCE
Engine Cooling Air Intake
Check that the engine’s cooling air intake is free from
leaves, grass, and dirt.
If the cooling air intake is clogged, engine cooling
deteriorates, which can lead to engine damage.
Throttle Cable
Check that the engine responds to throttle increases
and that a good engine speed is attained at full
throttle.
If doubts arise, contact the service workshop.
If adjustments are necessary, locate the engine cables
mounted under the air fi lter housing. The throttle cable
sits on the right side of the engine.
Loosen the clamping screw for the cable’s 1. outer casing and move the throttle to the full
throttle position.
Check that the throttle cable is mounted in 2. the middle hole in the throttle lever.
Push the throttle cable’s outer casing as 3. far to the left as possible and tighten the
clamping screw.
8011-780
Check and clean the cooling air intake
Choke Cable
If the engine produces black smoke or is diffi cult
to start, this can be because the choke cable is
incorrectly adjusted (upper cable).
If doubts arise, contact the service workshop.
If adjustments are necessary, they can be made
as follows:
Loosen the clamping screw for the cable’s 1. outer casing and move the choke lever to
the full choke position.
Check that the choke cable is mounted in 2. the upper lever, see illustration. Push the
choke cable’s outer casing as far to the right
as possible and tighten the clamping screw.

English-42
MAINTENANCE
Air Filter
If the engine seems weak or runs unevenly, the air
fi lter may be clogged. If running with a dirty air fi lter,
the spark plugs can become fouled.
For this reason, it is important to replace the air fi lter
regularly (see the heading Maintenance Schedule for
the proper service interval).
IMPORTANT INFORMATION
Operating the engine with loose or
damaged air cleaner components could
allow unfi ltered air into the engine causing
premature wear and failure.
8011-447
Pressing the rubber valve
IMPORTANT INFORMATION
Do not use compressed air to clean the air
fi lter.
Filter should be assembled dry and not be
oiled.
Dust cap
Check the dust cap every day by pressing the rubber
valve with two fi ngers to let out the dirt.
WARNING!
The engine and the exhaust
system, become very hot during
operation.
Risk for burns if touched.
Allow engine and exhaust
system to cool at least two (2)
minutes before servicing.
8011-448
Removing the end cover
Air fi lter housing and fi lter
Remove the end cover of the air fi lter housing by
unhooking the two retaining clips at each side.

English-43
MAINTENANCE
IMPORTANT INFORMATION
The end cover must be installed with the
rubber valve pointing downwards or the
rubber valve will not function.
Pull the main fi lter (outer) fi lter out.1.
Remove the inner fi lter.2.
Clean inside the fi lter housing, cover 3. housing and dust cap. Wipe dry only.
Reinstall or replace the inner fi lter with the 4. open end fi rst, ensuring that it enters the
housing recess. Push in to the end.
Reinstall or replace the outer fi lter with the 5. open end fi rst so that it enters the recess.
Push in to the end.
Replace the end cover with the rubber valve 6. pointing downwards and secure retaining
clips.
8011-449
Removing the main fi lter
8011-450
Removing the inner fi lter
Engine Oil Cooler
Clean the outside of fi ns with a brush.
Remove the two screws holding the cooler unit to the
blower housing.
Tilt the cooler downward.
Clean the inside of the cooler with a brush or with
compressed air.
Reinstall the oil cooler to the blower housing
8011-472
Engine oil cooler

English-44
MAINTENANCE
Fuel Filter
Replace the line-mounted fuel fi lter every 100 hours
(once per season) or more often if it becomes clogged.
Move the hose clamps away from the fi lter. Use 1. fl at-nosed pliers.
Pull the fi lter loose from the hose ends.2.
Push the new fi lter into the hose ends. Position the 3. fi lter with the “FLOW” arrow pointing up toward the
fuel pump. If necessary, a soap solution can be
applied to the fi lter ends to ease mounting.
Move the hose clamps back toward the fi lter. 4. Checking the Fuel Pump’s Air Filter
Fuel Pump Air Filter
Regularly check that the fuel pump’s air fi lter is free
from dirt.
On Kohler engines, removal of the pump screws is not
needed due to the fi lter facing outward.
Remove the screws and open the pump, no hoses
need be removed.
The fi lter can be cleaned with a brush if necessary.
Replace the fi lter on the console.
8011-468
Kohler fuel fi lter
8009-147
Fuel pump air fi lter

English-45
MAINTENANCE
Checking the V-belts
Check every 100 hours of operation. Check for severe
cracking and large nicks.
NOTE: The belt will show some small cracks in normal
operation.
The belts are not adjustable. Replace belts if they
begin to slip from wear.
Deck belt
To replace deck belt
Remove deck belt.
• Park on a level surface. Apply park brake.
• Lower the deck to the lowest cutting position.
• Remove foot plate
• Remove screws from both the left and right
belt shields, and remove shields.
• Remove any dirt or grass that may have
accumulated around the cutter housings and
entire deck surface.
• Use a ratchet with a 9/16" socket on the spring
idler bolt to relieve the tension on the belt.
• Carefully roll the belt over the top of the cutter
housing pulleys.
• Remove the belt from around the electric
clutch on the engine shaft.
• Reverse the procedure for installation. See the
decal on the top of the deck for belt routing
information.
• After installation, check the belt for twists.
8011-622
Slackening the belt tensioner
WARNING!
The idler is spring loaded. Grip
the idler arm or ratchet fi rmly and
release slowly.
8011-580
Belt routing, deck belt
1
2
3
4
5
6
7

English-46
MAINTENANCE
Pump belt
Check belt every 100 hours for excessive wear.
To replace belt. Relieve tension on the deck belt and
remove deck belt from clutch. See “Deck belt” section.
Loosen bolt on the clutch tie down and rotate out of
the way.
Using a ½" drive ratchet inserted into the square hole
in the pump idler arm, relieve the tension on the pump
belt and remove belt.
To reinstall the belt, swing pump idler pulley toward
engine to route belt around it. Then route belt around
the pulley for left pump fi rst (right hand pulley in the
illustration).
Reinstall idler spring and use the ratchet to rotate idler
so the belt may be installed all the way around the last
pulley.
8011-623
Slackening the belt tension
8011-624
Belt routing, hydraulic pumps
Checking Tire Pressures
All four tires should have a pressure of 15 psi / 103
kPa /1 bar.
WARNING!
Faulty adjustment of the parking
brake can cause an accident.
8011-511-1
Released parking brake
Checking the Parking Brake
Visually check that no damage is found on the lever,
links, or switch belonging to the parking brake.
Perform a test drive and check that there is suffi cient
braking action.
To adjust the parking brake, contact the Husqvarna
service workshop.

English-47
MAINTENANCE
Checking the Blades
In order to attain the best mowing effect, it is important
that the blades are well sharpened and not damaged.
WARNING!
Blades are sharp. Protect your
hands with gloves and/or wrap
blades with a heavy cloth when
handling.
Bent or cracked blades or blades with large nicks
should be replaced.
Damaged blades should be replaced when hitting
obstacles that result in a breakdown. Let the service
workshop decide whether the blade can be repaired/
ground or must be replaced.
Balance the blades after sharpening.
Check the blade mounts.
IMPORTANT INFORMATION
The sharpening of blades should be carried
out by an authorized service workshop.
8011-604
Check the blades
8058-013
1. Blade
2. Cutter housing
3. Lock washer
4. Blade bolt, special
Blade attachment
1
2
3
4
Blade replacement
• Remove blade bolt by turning counterclockwise.
• Install new or re-sharpened blade with stamped
“GRASS SIDE” facing towards ground/grass
(down) or “THIS SIDE UP” facing deck and cutter
housing.
• Install and tighten blade bolt securely.
• Torque blade bolt to 90 ft/lbs (122 Nm).
IMPORTANT INFORMATION
Special blade bolt is heat treated.
Replace with a Husqvarna bolt if required.
Do not use a lower grade hardware than
specifi ed.

English-48
MAINTENANCE
Adjusting the Mower Deck
WARNING!
Blades are sharp. Protect your
hands with gloves and/or wrap
blades with a heavy cloth when
handling.
WARNING!
Before performing any service or adjustment checklist:
1. Engage the parking brake.
2. Place the Blade switch in the disengaged position.
3. Turn ignition switch to “OFF” position and remove the key.
4. Make sure the blades and all moving parts have completely stopped.
5. Disconnect the spark plug wire from all spark plugs and place the wire where
it cannot come in contact with the plug.
8011-601-1
1. Front eyebolt
2. Front locknut
3. Rear locknut
4. Rear eyebolt
Leveling the mower deck
Leveling
Position the mower on a level, preferably 1. concrete, surface.
Check the pressure in all four tires. See 2. “Technical Data”.
Rotate blades to align front to back.3.
Set the cutting height to 4".4.
Measure front blade tip, should be 4" from 5. ground, if not turn locknut on top of front
eyebolt till measurement is achieved. Check
blade tip at front on opposite front blade.
Adjust locknut on front eyebolt as necessary.
Check rear blade measurement, should be 6. 4¼” from ground, if not turn locknut on top of
rear eyebolt to achieve measurement. Repeat
procedure on opposite side.
Adjusting Cutting Height
Raise and secure the deck height lever to the 1. transport position (6").
Position blade tip so it is straight forward.2.
Measure from the cutting edge of the blades 3. to a fl at level surface. The distance should be
6" (150 mm).
Drop and secure the lever at (for example) 4. the 2" cutting height. Measure as above. The
distance should be 2" (50 mm).
8011 601 1
1
2
3
4

English-49
MAINTENANCE
Cleaning and Washing
Regular cleaning and washing, especially under the
mower deck, will increase the machine’s life-span.
Make it a habit to clean the machine directly after use
(after it is cooled), before the dirt sticks.
Do not spray water on the top of the mower deck. Use
compressed air to clean the top side of mower deck.
Regularly clean deck and underside of the deck with
normal water pressure. Do not use a high pressure
washer or steam cleaner. Avoid spraying engine and
electrical components with water.
Do not rinse hot surfaces with cold water. Let unit cool
before washing.
Use protective glasses when
cleaning and washing.
IMPORTANT INFORMATION
DO NOT add any type of tire liner or foam
fi ll material to the tires. Excessive loads
created by foam fi lled tires will cause
premature failures.
Only use O.E.M. specifi ed tires.
8050-092
Cleaning
Caster Wheels
Check every 200 hours. Check that wheels rotate
freely. If not, take the unit to your dealer for service.
Foam fi lled tires or solid tires will void the warranty.
Removal and installation of caster wheel
Remove nut and caster bolt.
Pull the wheel out of the fork and take care of the
sleeve.
Install in reverse order. Tighten caster bolt.
1
8011-619
1. Caster bolt
Caster wheel
Hardware
Check daily. Inspect the entire machine for loose or
missing hardware.

English-50
LUBRICATION
Lubrication Schedule
General
Remove the ignition key to prevent unintentional movements during lubrication.
When lubricating with an oil can, it must be fi lled with engine oil.
When lubricating with grease, unless otherwise stated, use a high grade molybdenum disulphide grease.
For daily use, the machine shall be lubricated twice weekly.
Wipe away excess grease after lubrication.
It is important to avoid getting lubricant on the belts or the drive surfaces on the belt pulleys. Should this happen,
attempt to clean them with spirits. If the belt continues to slip after cleaning, it must be replaced. Gasoline or other
petroleum products must not be used to clean belts.
8011-673
Lubrication schedule and Symbol Key
12/12= Every year Lubricate with grease gun Lubricate with oil can
1/52= Every Week Oil change Level check
1/365= Every day Filter change

English-51
LUBRICATION
Lubricating the Cables
If possible, grease both ends of the cables and move the controls to end stop positions when lubricating. Refi t the
rubber covers on the cables after lubrication. Cables with sheaths will bind if they are not lubricated regularly. If a
cable binds, it can disrupt operation.
If a cable binds, remove the cable and hang it vertically. Lubricate it with light engine oil until the oil begins to
escape from the bottom.
Tip: Fill a small plastic bag with oil and tape it so that it seals against the sheath and allow the cable to hang
vertically from the bag overnight. If you do not succeed in lubricating the cable, it must be replaced.
Lubricating with the
Lubrication Schedule
Checking the hydraulic oil 8011-565
8011-571
Lubricating the lengthways adjuster under the seat
IMPORTANT INFORMATION
Use minimal lubrication and remove
excess lubricant so that is does not come
into contact with belts or belt pulley drive
surfaces.
Shaft Bushings and Linkage
Lubricate the bearing of the shafts and linkage for
brake system and steering with oil spray or oil can.
Hydraulic System, Oil Level
The hydraulic oil and fi lter must be replaced every 300
hours, and at least once a year. Contact an authorized
service workshop.
Check the oil level in the hydraulic tank daily. The level
shall be about ¾"-1" (19 - 25 mm) below the top of the
tank.
Check connections, hoses, and tubes for damage or
leaks. Replace or repair if doubtful.
Changing Oil and Filters
Oil and fi lter changes for the hydraulic system should
be carried out by an authorized service workshop due
to the risk of impurities enter the system.
Driver’s Seat
Tip the seat.
Lubricate the front hinges using an oil can.
Lubricate the lengthways adjustment mechanism with
the oil can.
Lubricate the lengthways adjustment runners with the
oil can.
WARNING!
If a leak is suspected, use a
piece of cardboard or wood, NOT
your hands, to check for leaks.
Escaping hydraulic oil under
pressure can have suffi cient force
to penetrate the skin, causing
serious injury.
If injured by escaping fl uid,
see a doctor at once. Serious
infection or reaction can develop
if proper medical treatment is not
administered immediately.

English-52
LUBRICATION
Engine Oil
Changing the Engine Oil
IMPORTANT INFORMATION
Used engine oil is a health hazard and
must not be disposed of on the ground or
in nature; it should always be disposed
of at a workshop or appropriate disposal
location.
Avoid skin contact; wash with soap and
water in case of spills.
Change oil after every 100 hours of operation (more
frequently under severe conditions). Refi ll with service
class SG, SH, SJ or higher oil as specifi ed in the
Viscosity Grades table.
Change the oil while the engine is still warm. The oil
will fl ow more freely and carry away more impurities.
Make sure the engine is level when fi lling, checking or
changing the oil.
Change the oil as follows:
1. To keep dirt, debris, etc., out of the engine,
clean the area around the oil fi ll cap/dipstick
before removing it.
2. Remove the oil drain plug and the oil fi ll cap/
dipstick. Be sure to allow ample time for
complete drainage.
3. Reinstall the drain plug. Make sure it is
tightened to 10 ft. lb. (13.6 Nm) torque.
4. Fill the crankcase, with new oil of the proper
type, to the “FULL” mark on the dipstick. Refer
to the section on Oil Type. Always check the
level with the dipstick before adding more oil.
5. Reinstall the oil fi ll cap/dipstick and tighten
securely.
6. Start the engine. Run it for a few seconds and
recheck the oil level.
IMPORTANT INFORMATION
To prevent extensive engine wear or
damage, always maintain the proper oil
level in the crankcase. Never operate the
engine with the oil level below the “ADD”
mark or over the “FULL” mark on the
dipstick.
WARNING!
Engine oil can be very hot if it is
drained directly after stopping
the engine. Allow the engine to
cool to a safe temperature fi rst.

English-53
LUBRICATION
Checking the Oil Level
8011-471
Oil dipstick
8009-159
Level marking
The importance of checking and maintaining
the proper oil level in the crankcase cannot be
overemphasized.
Check oil before each use as follows:
1. Make sure the engine is stopped, level, and
cool so the oil has had time to drain into the oil
pan.
2. To keep dirt, debris, etc., out of the engine,
clean the area around the dipstick before
removing it.
3. Unthread and remove the dipstick; wipe oil off.
Reinsert the dipstick into the tube and rest the
cap on the tube. Do not thread the cap onto
the tube.
4. Pull the dipstick out and check the oil level.
The oil level should be up to, but not over, the
“FULL” mark on the dipstick.
5. If the level is low, add oil of the proper type, up
to the “FULL” mark on the dipstick. Refer to Oil
Type, page . Always check the level with the
dipstick before adding more oil.
IMPORTANT INFORMATION
To prevent extensive engine wear or
damage, always maintain the proper oil
level in the crankcase. Never operate the
engine with the oil level below the “ADD”
mark or over the “FULL” mark on the
dipstick.

English-54
LUBRICATION
8011-046
Viscosity grades table
Oil Recommendations
Using the proper type and weight of oil in the
crankcase is extremely important. So is checking oil
daily and changing oil regularly. Failure to use the
correct oil, or using dirty oil, causes premature engine
wear and failure.
Oil Type
Use high quality detergent oil of API (American
Petroleum Institute) service class SG, SH, SJ
or higher. Select the viscosity based on the air
temperature at the time of operation.
IMPORTANT INFORMATION
Using other than service class SG, SH,
SJ or higher oil or extending oil change
intervals longer than recommended can
cause engine damage.
IMPORTANT INFORMATION
Synthetic oils meeting the listed
classifi cations may be used with oil
changes performed at the recommended
intervals. However to allow piston rings
to properly seat, a new or rebuilt engine
should be operated for at least 50 hours
using standard petroleum based oil
before switching to synthetic oil.
A logo or symbol on oil containers identifi es the API
service class and SAE viscosity grade.
Temperature range expected before next oil change
* Use of synthetic oil having 5W-20 or 5W-30 rating is
acceptable, up to 40 oF (+4 oC).
** Synthetic oils will provide better starting in extreme
cold below -10 oF (-23 oC).

English-55
LUBRICATION
Throttle and Choke Cables, Lever Bearings
Lubricate the cable ends by the carburetor with the oil
can. Move the controls to the end points and lubricate
again.
The throttle cable is also lubricated by the control
when the control console is removed.
On Kohler engine the cables are placed under the air
fi lter housing.
Front Wheel Mount
Lubricate with a grease gun, one zerk for each wheel
mount, until the grease is forced out.
Use only good quality molybdenum disulphide grease.
Grease from well-known brand names (petrochemical
companies, etc.) usually maintains a good quality.
Front Wheel Bearings
Lubricate with a grease gun, one zerk for each set of
wheel bearings, until the grease is forced out.
Use only good quality molybdenum disulphide grease.
Grease from well-known brand names (petrochemical
companies, etc.) usually maintains a good quality. Lubricating the front wheels
8011-573-
Deck belt pulley
8011-461
Lubricating the cutting height adjuster
8011-574
Deck belt pulleys
Lubricate with a grease gun two strokes.
Mower Deck Height Adjuster
Lubricate using a grease gun, one zerk, until the
grease squeezes out.
Use only good quality molybdenum disulphide grease.
Grease from well-known brand names (petrochemical
companies, etc.) usually maintains a good quality.

English-56
LUBRICATION
Steering Control Shafts
Tip the driver’s seat.
Lubricate with a grease gun, one zerk for each
steering control shaft, until the grease is forced out.
Use only good quality molybdenum disulphide grease.
Grease from well-known brand names (petrochemical
companies, etc.) usually maintains a good quality.
Mower Deck Struts
Lubricate with a grease gun, one zerk for each strut,
until the grease is forced out.
Use only good quality molybdenum disulphide grease.
Grease from well-known brand names (petrochemical
companies, etc.) usually maintains a good quality.
Lubricating the steering control shafts
8011-578
Lubricating struts
8011-577-1
Changing the Oil Filter
1. Drain the engine oil in accordance with the
work description under the heading “Engine
Oil/Change Engine Oil”.
2. Remove the oil fi lter. If necessary, use a fi lter
remover.
3. Wipe new, clean engine oil onto the seal for
the new fi lter.
4. Mount the fi lter by hand with a ¾ turn.
5. Run the engine warm, then check that there
are no leaks around the oil fi lter seal.
6. Check the oil level in the engine, top up
if necessary. The oil fi lter holds 0.2 qt.
(0.2 liters) of oil.
Changing the oil fi lter
8011-745

English-57
TROUBLESHOOTING GUIDE
Problem Cause
The engine will not start. • The blade switch is engaged.
• The steering controls are not locked in the neutral
position.
• The driver is not sitting in the driver’s seat.
• The parking brake is not activated.
• The battery is dead.
• Contamination in the carburetor or fuel line.
• The fuel supply is closed or the tap for the fuel
tank is in the wrong position.
• Clogged fuel fi lter or fuel line.
The starter does not turn the engine over. • Dead battery.
• Poor contacts on the battery terminal cable
connections.
• Fuse blown.
• Ignition system faulty.
• Fault in the starter safety circuit. See Checking the
Safety System in the “Maintenance Section,”
The engine runs rough. • Faulty carburetor.
• The choke control is pulled out with warm engine.
• Defective valves.
• Defective piston, cylinder, piston ring, or
cylinder head seal.
• The cylinder head bolts are loose.
• Clogged fuel fi lter or jet.
• Clogged ventilation valve on the fuel cap.
• Fuel tank nearly empty.
• Fouled spark plug.
• The spark plug is loose.
• Defective ignition cable.
• Defective spark plug electrode.
• Defective spark plug connection.
• Rich fuel mixture or fuel-air mixture.
• Wrong fuel type.
• Water in the fuel.
• Clogged air fi lter.
• Air trapped in hydraulic system.

English-58
TROUBLESHOOTING GUIDE
The engine seems weak. • Clogged air fi lter.
• Fouled spark plugs.
• Carburetor incorrectly adjusted.
The engine overheats. • Clogged air intake or cooling fi ns.
• Engine overloaded.
• Poor ventilation around engine.
• Defective engine speed regulator.
• Soot in the combustion chamber.
• Too little or no oil in the engine.
• Fouled spark plug.
• Pre-ignition incorrect.
Battery not charging. • Poor contact with battery terminal cable
connectors.
The machine moves slowly, unevenly, or not at all. • Parking brake on.
• Bypass valve on pump open.
• Drive belt for the transmission gears slack or has
come off.
• Defective hydraulic system.
• Air in hydraulic system.
Mower deck not engaging. • Drive belt for the mower deck has come loose.
• Contact for the electromagnetic coupling has
loosened.
• The blade switch is faulty or has come loose, from
the cable contact.
• The fuse has blown.
Transaxle leaks oil. • Damaged seals, housing, or gaskets.
• Air trapped in hydraulic system.
Uneven mowing results. • Different air pressure in the tires on the left and
right sides.
• Bent blades.
• The suspension for the mower deck is uneven.
• The blades are dull.
• Driving speed too high.
• The grass is too long.
• Grass collected under the mower deck.
The machine vibrates. • The blades are loose.
• The blades are incorrectly balanced.
• The engine is loose.
Problem Cause

English-59English-59
STORAGE
Winter Storage
At the end of the mowing season, the machine should
be readied for storage (or if it will not be in use for
longer than 30 days). Fuel allowed to stand for long
periods of time (30 days or more) can leave sticky
residues that can plug the carburetor and disrupt
engine function.
Fuel stabilizers are an acceptable option as regards to
the sticky residues that can occur during storage.
Add stabilizer to the fuel in the tank or in the storage
container. Always use the mixing ratios specifi ed by
the manufacturer of the stabilizer. Run the engine for
at least 10 minutes after adding the stabilizer so that it
reaches the carburetor. Do not empty the fuel tank and
the carburetor if you have added stabilizer
WARNING!
Never store an engine with
fuel in the tank indoors or in
poorly ventilated spaces where
fuel vapor can come in contact
with open fl ames, sparks, or a
pilot light such as in a boiler,
hot water tank, clothes drier,
etc. Handle the fuel with care.
It is very fl ammable and can
cause serious personal injury
and property damage. Drain the
fuel into an approved container
outdoors and far away from
open fl ame. Never use gasoline
for cleaning. Use a degreaser
and warm water instead.
To ready the machine for storage, follow these steps:
1. Thoroughly clean the machine, especially under
the mower deck. Touch up damage to the paint
and spray a thin layer of oil on the underside of the
mower deck to avoid corrosion.
2. Inspect the machine for worn or damaged parts
and tighten any nuts or screws that may have
become loose.
3. Change the engine oil; dispose of properly.
4. Empty the fuel tanks or add a fuel stabilizer. Start
the engine and allow it to run until the carburetor
is drained of fuel or the stabilizer has reached the
carburetor.
5. Remove the spark plug and pour about a
tablespoon of engine oil into the cylinder. Turn over
the engine so that the oil is evenly distributed and
then refi t the spark plug.
6. Lubricate all grease zerks, joints, and axles.
7. Remove the battery. Clean, charge, and store the
battery in a cool place, but protect it from direct
cold.
8. Store the machine in a clean, dry place and cover
it for extra protection.
Service
When ordering spare parts, please specify the
purchase year, model, type, and serial number.
Always use genuine Husqvarna spare parts.
An annual check-up at an authorized service workshop
is a good way to ensure that your machine performs its
best the following season.

English-60English-60
WIRING DIAGRAMS
B
S
A1
A2
L
MG
20 AMP
7.5 AMP
ELECTRIC
CLUTCH
ACCESSORY
OUTLET
HOURMETER
SOLENOID
PTO
SWITCH
B
S
A1
A2
L
MG
B
S
A1
A2
L
MG
B
S
A1
A2
L
MG
B
S
A1
A2
L
MG
ENGINE
GROUND
GRN
BLU
WHT
WHT
WHT
BLK
BRN
WHT
BLK
YEL/RED
YEL/RED
RED
BLK
BLK
BLK
YEL
PUR
PUR
RED/BLK
RED/BLK
WHT
YEL
YEL
BLU
YEL
YEL
PUR
BLU
BRN
BRN
GRN
GRN
GRY
RIGHT MOTION
CONTROL LEVER
LEFT MOTION
CONTROL LEVER
BRAKE
SWITCH TO
ENGINE
PIGTAIL
SEAT
SW.
KEY SWITCH POSITIONS
POSITION 1 - OFF
POSITION 2 - RUN1
POSITION 3 - RUN2
POSITION 4 - START
NOTES:
1. SEAT UNOCCUPIED
2. BRAKE SWITCH IN OFF POSITION
3. MOTION CONTROL LEVERS OUT
4. PTO IN OFF POSITION
B
S
A1
A2
L
MG
20 AMP
7.5 AMP
7.5 AMP
ELECTRIC
CLUTCH
ACCESSORY
OUTLET
HOURMETER
SOLENOID
PTO
SWITCH
B
S
A1
A2
L
MG
B
S
A1
A2
L
MG
B
S
A1
A2
L
MG
B
S
A1
A2
L
MG
ENGINE
GROUND
GRN
BLU
WHT
WHT
WHT
WHT
BLK
BRN
BRN
GRN
GRN
ORG
GRN
BLK
YEL/REDYEL
RED
BLK
BLK
BLK
ORG
PUR
PUR
PUR
RED/BLK
RED/BLK
GRY
WHT
ORG/WHT
ORG
OR/WH
LT. BLU
LT. BLU
LT. BLU
YEL
PUR
BLK
BLK
START
RELAY
LEFT MOTION
CONTROL LEVER
RIGHT MOTION
CONTROL LEVER
BRAKE
SWITCH
TO
ENGINE
PIGTAIL
SEAT
SW.
BRAKE
RELAY
RUN
RELAY
KEY SWITCH POSITIONS
POSITION 1 - OFF
POSITION 2 - RUN1
POSITION 3 - RUN2
POSITION 4 - START
NOTES:
1. SEAT UNOCCUPIED
2. BRAKE SWITCH IN OFF POSITION
3. MOTION CONTROL LEVERS OUT
4. PTO IN OFF POSITION
8685
87a (NC)
87 (NO)
30 (COM)
For unit produced before Serial No. 074439861
For Serial No. 074439861 and after

English-61English-61
TECHNICAL DATA
Engine
Manufacturer
Type
Power
Lubrication
Oil capacity excluding fi lter
Oil capacity including fi lter
Engine oil
(See viscosity diagram)
Fuel
Fuel tank capacity
Spark plugs / gap
Cooling
Air fi lter
Alternator
Starter
Transmission
Transmission
Speed and direction controls
Speed forward
Speed reverse
Brakes
Front caster tires, smooth tread
Rear tires, turf pneumatic
Tire pressure, front and rear
LZ6127
Kohler
CV740S
27hp* / 20.1kW
Pressure with oil fi lter
1.6 qt / 1.5 liter
1.7 qt / 1.6 liter
SAE 10W30, 5W20, 5W30
API SF-SJ
Min 87 octane unleaded (Max
ethanol 10%, Max MTBE 15%)
11.4 gallon / 43.2 liters
Champion RC12YC
.030" / 0.75 mm
Air cooled
Standard
12V
Electric
Hydrostatic transaxles
Dual levers, foam gripped
0-10.8 mph / 17.4 km/h
0-5 mph / 0-8 km/h
Hydrostatic/disk brake
13x6.5-6 4 ply
24 x 12.0-12 Tubeless
15 PSI / 103 kPa / 1 bar
*As rated by the engine manufacturer.
LZ5227
Kohler
CV740S
27hp* / 20.1kW
Pressure with oil fi lter
1.6 qt / 1.7 liters
1.8 qt / 1.9 liters
SAE 10W30, 5W20, 5W30
API SF-SJ
Min 87 octane unleaded (Max
ethanol 10%, Max MTBE 15%)
11.4 gallon / 43.2 liters
Champion RX12YC
.030” / 0.75 mm
Air cooled
Standard
12V
Electric
Hydrostatic transaxles
Duel levers, foam gripped
0-10.8 mph / 17.4 km/h
0-5 mph / 0-8 km/h
Hydrostatic/disk brake
13x6.5-6 4 ply
23 X 9.5-12 Tubeless
15 PSI / 103 kPa / 1 bar

English-62English-62
TECHNICAL DATA
Cutting Width
Cutting Height
Uncut Circle
Number of Blades
Blade Length
Nose Rollers
Sprung Seat
Hinged Arm Rests
Hour Meter
Blade Engagement
Deck Construction
Productivity
Productivity
Overall Dimensions
Weight
Base Machine Length
Base Machine Width
Base Machine Height
Overall Width, Chute Up
Overall Width, Chute Down
Z6127
61" / 156 cm
1.5 - 6” / 3.8 - 15.2 cm
0
3
21" / 53 cm
No
Standard
No
Standard
200 ft/lb Warner
12 gauge, stamped steel
5.1 acres /h 20639 m2/h
1060 lbs / 481 kg
82" / 208 cm
62" / 157 cm
55" / 140 cm
62" / 157 cm
75" / 190 cm
LZ5227
52" / 132 cm
1.5 - 6” / 3.8 - 15.2 cm
0
3
18" / 46 cm
No
Suspension
No
Standard
200 ft/lb Warner
12 gauge, stamped steel
4.3 acres /h 17402 m2/h
1030 lbs / 467 kg
82" / 208 cm
53" / 135 cm
55" / 140 cm
53" / 135 cm
66" / 168 cm

English-63English-63
TECHNICAL DATA
Engine
Manufacturer
Type
Power
Lubrication
Oil capacity excluding fi lter
Oil capacity including fi lter
Engine oil
(See viscosity diagram)
Fuel
Fuel tank capacity
Spark plugs / gap
Cooling
Air fi lter
Alternator
Starter
Transmission
Transmission
Speed and direction controls
Speed forward
Speed reverse
Brakes
Front caster tires, smooth tread
Rear tires, turf pneumatic
Tire pressure, front and rear
LZ6130
LZ6130C
Kohler
CV740S
30hp* / 22.4kW
Pressure with oil fi lter
1.6 qt / 1.7 liters
1.8 qt / 1.9 liters
SAE 10W30, 5W20, 5W30
API SF-SJ
Min 87 octane unleaded (Max
ethanol 10%, Max MTBE 15%)
11.4 gallon / 43.2 liters
Champion RX12YC
.030” / 0.75 mm
Air cooled
Standard
12V
Electric
Hydrostatic transaxles
Dual levers, foam gripped
0-11 mph / 0-17.7 km/h
0-5 mph / 0-8 km/h
Mechanical parking brake
11 x 3.5-5, 4 ply
24 x 12.0-12 Tubeless
15 PSI / 103 kPa / 1 bar
LZ7230
LZ7230C
Kohler
CV740S
30hp* / 22.4kW
Pressure with oil fi lter
1.6 qt / 1.7 liters
1.8 qt / 1.9 liters
SAE 10W30, 5W20, 5W30
API SF-SJ
Min 87 octane unleaded (Max
ethanol 10%, Max MTBE 15%)
11.4 gallon / 43.2 liters
Champion RX12YC
.030” / 0.75 mm
Air cooled
Standard
12V
Electric
Hydrostatic transaxles
Dual levers, foam gripped
0-11 mph / 0-17.7 km/h
0-5 mph / 0-8 km/h
Mechanical parking brake
11x3.5-5, 4 ply
24 x 12.0-12 Tubeless
15 PSI / 103 kPa / 1 bar
*As rated by the engine manufacturer.

English-64English-64
TECHNICAL DATA
Cutting Width
Cutting Height
Uncut Circle
Number of Blades
Blade Length
Nose Rollers
Sprung Seat
Hinged Arm Rests
Hour Meter
Blade Engagement
Deck Construction
Productivity
Productivity
Overall Dimensions
Weight
Base Machine Length
Base Machine Width
Base Machine Height
Overall Width, Chute Up
Overall Width, Chute Down
LZ7230
72" / 183 cm
1.5 - 6" / 3.8 - 15.2 cm
0
3
25" / 64 cm
No
Suspension
No
Standard
200 ft/lb Wagner
12 gauge, stamped steel
6 acres /h 24281 m2/h
1140 lbs / 517 kg
82" / 183 cm
50" / 127 cm
55” / 104 cm
50" / 127 cm
86" / 218 cm
LZ6130
61" / 155 cm
1.5 - 6" / 3.8 - 15.2 cm
0
3
21" / 53 cm
No
Suspension
No
Standard
200 ft/lb Wagner
12 gauge, stamped steel
5.1 acres /h 20639 m2/h
1060 lbs / 481 kg
82" / 183 cm
62" / 111 cm
55” / 104 cm
62" / 122 cm
75” / 190 cm

English-65English-65
TECHNICAL DATA
Engine
Manufacturer
Type
Power
Lubrication
Oil capacity excluding fi lter
Oil capacity including fi lter
Engine oil
(See viscosity diagram)
Fuel
Fuel tank capacity
Spark plugs / gap
Cooling
Air fi lter
Alternator
Starter
Transmission
Transmission
Speed and direction controls
Speed forward
Speed reverse
Brakes
Front caster tires, smooth tread
Rear tires, turf pneumatic
Tire pressure, front and rear
LZ30
LZ30C
Kohler
CV740S
30hp* / 22.4kW
Pressure with oil fi lter
1.6 qt / 1.7 liters
1.8 qt / 1.9 liters
SAE 10W30, 5W20, 5W30
API SF-SJ
Min 87 octane unleaded (Max
ethanol 10%, Max MTBE 15%)
11.4 gallon / 43.2 liters
Champion RX12YC
.030” / 0.75 mm
Air cooled
Standard
12V
Electric
Hydrostatic transaxles
Dual levers, foam gripped
0-11 mph / 0-17.7 km/h
0-5 mph / 0-8 km/h
Mechanical parking brake
11 x 3.5-5, 4 ply
24 x 12.0-12 Tubeless
15 PSI / 103 kPa / 1 bar
*As rated by the engine manufacturer.

English-66English-66
TECHNICAL DATA
Accessories
Head lights
BioClip attachment (Mulch clip)
Collection system
Torque Specifi cations
Engine crankshaft bolt 50 ft/lb (67 Nm)•
Deck pulley bolts 45 ft/lb (61 Nm)•
Lug nuts 75 ft/lb (100 Nm)•
Blade bolt 27-35 ft/lb (35-45 Nm)•
Standard ¼" fasteners 9 ft/lb (12 Nm)•
Standard • 5/16" fasteners 18 ft/lb (25 Nm)
Standard • 3/8" fasteners 33 ft/lb (44 Nm)
Standard • 7/16" fasteners 52 ft/lb (70 Nm)
Standard ½" fasteners 80 ft/lb (110 Nm)•
When this product is worn out and no longer used, it shall be returned to the reseller or other party for recycling.
In order to implement improvements, specifi cations and designs can be altered without
prior notifi cation.
Note that no legal demands can be placed based on the information contained in these
instructions.
Use only original parts for repairs. The use of other parts voids the warranty.
Do not modify or install non-standard equipment to the unit without consent from the
manufacturer. Modifi cations to the unit may cause unsafe operation or damage the unit.

English-67English-67
CONFORMITY CERTIFICATES
Conformity Certifi cates
USA requirements
Labels are placed on the engine and/or in the engine compartment stating that the machine will fulfi ll the
requirements. This is also applicable to special requirements for any of the states, (California emission rules etc.).
Do not remove any of these labels. Certifi cates can also be supplied with the machine at delivery or written in the
Engine manual. Take care of them as valuable documents.
CE requirements
Vibration data corresponding to Directive 2002/44/EC is given in the Technical Data Section.
The Declaration of Conformity is included in the literature packet.

SERVICE JOURNAL
English-68
Service Journal
Action Date, mtr reading, stamp, sign
Delivery Service
1. Charge the battery.
2. Adjust the tire pressure of all wheels to 15 PSI (1 bar).
3. Mount the steering controls in the normal position.
4. Connect the contact box to the cable for the seat’s
safety switch.
5. Check that the right amount of oil is in the engine.
6. Adjust the position of the steering controls.
7. Fill with fuel and open the fuel shut off valve.
8. Start the engine.
9. Check that there is drive to both wheels.
10. Check the mower deck adjustment.
11. Check:
The safety switch for the parking brake.
The safety switch for the mower deck.
The safety switch in the seat.
The safety switch in the steering controls.
Parking brake functionality.
Driving forward.
Driving backward.
Engaging the blades.
12. Check the idle speed
13. Check the engine high idle speed
14. Inform the customer about:
The need and advantages of following the service schedule.
The need and advantages of leaving the machine
for service every 300 hours.
The effects of service and maintaining a service journal on
the machine’s resale value.
Application areas for Mulching.
15. Fill in the sales papers, etc.
Delivery service has been carried out.
No remaining notes.
Certifi ed:

SERVICE JOURNAL
English-69
After the First 5-8 Hours
1. Change engine oil.

SERVICE JOURNAL
English-70
Action Date, mtr reading, stamp, sign
25-Hour Service
1. Check the fuel pump’s air fi lter.
2. Sharpen/Replace mower blades if required.
3. Check the tire pressures.
4. Check battery with cables.
5. Lubricate according to lubrication chart.
6. Check/clean the engine’s cooling air intake.
7. Clean the air cleaner’s pre-fi lter (foam).

SERVICE JOURNAL
English-71
Action Date, mtr reading, stamp, sign
50-Hour Service
1. Perform the 25-hour service.
2. Clean/replace the air cleaner’s fi lter cartridge (paper fi lter)
(shorter intervals for dusty operating conditions).
3. Change engine oil.
4. Lubricate according to lubrication chart.
5. Check/adjust the parking brake.

SERVICE JOURNAL
English-72
Action Date, mtr reading, stamp, sign
100-Hour Service
1. Perform the 25-hour service.
2. Perform the 50-hour service.
3. Change the engine oil fi lter.
4. Clean/replace the spark plugs.
5. Replace the fuel fi lter.
6. Clean the cooling fi ns on the engine and transmission.
7. Check V-belts.
8. Check tighten caster wheel axle bolts (every 200 hours).
9. Change the air fi lter’s paper cartridge.

SERVICE JOURNAL
English-73
Action Date, mtr reading, stamp, sign
300-Hour Service
1. Inspect the machine. Come to agreement with the customer
as to which additional work is to be carried out.
2. Perform the 25-hour service.
3. Perform the 50-hour service.
4. Perform the 100-hour service.
5. Check/adjust the mower deck.
6. Clean the combustion chamber and grind the valve seats.
7. Check the engine valve clearance.
8. Replace the air cleaner’s pre-fi lter (foam).

SERVICE JOURNAL
English-74
Action Date, mtr reading, stamp, sign
At Least Once Each Year
1. Clean the engine’s cooling air intake (25 hours).
2. Replace the air cleaner’s pre-fi lter (foam) (300 hours).
3. Replace the air fi lter’s paper cartridge.
4. Change the engine oil (50 hours).
5. Replace the engine oil fi lter (100 hours).
6. Check/adjust the cutting height.
7. Check/adjust the parking brake (50 hours).
8. Clean/Change the spark plugs (100 hours).
9. Change the fuel fi lter (100 hours).
10. Clean the cooling fi ns (100 hours).
11. Check the engine valve clearance.
12. Perform the 300-hour service at an authorized service workshop.

SERVICE JOURNAL
English-75
Action Date, mtr reading, stamp, sign

SECTION 1: LIMITED WARRANTY
Husqvarna Forest & Garden Company (“Husqvarna”) warrants Husqvarna product to the original purchaser to be free from
defects in material and workmanship from the date of purchase for the “Warranty Period” of the product as set forth below:
Lifetime Warranty (Parts and Labor): All tiller tines and trimmer shafts against breakage. Proof of purchase required.
Lifetime Warranty (“PARTS ONLY” after initial warranty expiration): Ignition coils and modules on handheld product.
Proof of purchase required.
WARRANTY SCHEDULE FOR TURF CARE Equipment - Zero Turn Riders
(New warranty applies to units sold after August 1, 2005. Also applies to units factory-equipped with R.O.P.S.
EZ Zero Turn Riders: 3 year consumer warranty or 600 hours of use (when used solely at the owner’s residence.)
EZ & MZ Zero Turn Riders: 1 year commercial warranty or 600 hours of use.
iZ, LZ & BZ Zero Turn Riders:
5 year consumer warranty or 1,500 hours of use.
iZ, LZ & BZ Zero Turn Riders: 5 year commercial warranty or 1,500 hours of use.
3 Year or 1,500 Hour Commercial Use Warranty: spindles on zero turn riders, hydraulic pumps and wheel motors.
Warranty Schedule for Turf Care Walk Behind Units - W, WG & WH Zero Turn Riders - 3 year consumer and commercial
warranty. New warranty applies to units sold after August 1, 2005. Also applies to units factory-equipped with R.O.P.S.
2 Year COMMERCIAL and CONSUMER Warranty: all Husqvarna ground-engaging commercial equipment.
WARRANTY SCHEDULE FOR CONSUMER TURF CARE EQUIPMENT
:
2 Year Consumer Warranty: Automatic mower, all Residential Zero Turn Riders, all lawn, yard and garden tractors, all
noncommercial walk behind mowers, tillers, snow blowers, electrical products and power-assist collection systems for
noncommercial, nonprofessional, noninstitutional or nonincome producing use, except as herein stated. All consumer
product use must have been limited to the owner’s residence.
WARRANTY SCHEDULE FOR CONSUMER FOREST & GARDEN EQUIPMENT
:
2 Year Consumer Warranty: all consumer chain saws, trimmers, brushcutters, clearing saws, handheld blowers, backpack
blowers, hedge trimmers, and electrical products for noncommercial, nonprofessional, noninstitutional or nonincome
producing use, except as herein stated. All consumer product use must have been limited to the owner’s residence.
2 Year or 2,000 Hour Powertrain & 1 Year or 1,000 Hour Body Warranty: Husqvarna Utility Vehicles.
1 Year Warranty: Power cutters, stump grinder, pole pruners and pole saws for non-commercial, non-professional,
noninstitutional, non-municipality or non-income producing use. All 300 series trimmers, brushcutters, clearing saws,
hovering trimmers, stick edgers, backpack blowers, hand held blowers, hedge trimmers, power-assist collection systems for
commercial, institutional, professional or income producing purposes or use.
1 Year Conditional Component Warranty: Chain saw crankshafts for commercial/professional use (parts and labor).Saw
must be operated with Husqvarna XP 2 cycle oil.
90 Day Commercial Warranty:
Automatic mower, chain saws, 100 series trimmers, power cutters, stump grinders, pole
saws, pole pruners, snow throwers, model series 580 & 600 walk-behind mowers, or any Husqvarna product used for
commercial, institutional, professional, municipality or income producing purposes or use except as otherwise provided herein.
Batteries: 1 year prorated limited warranty with 100% replacement during the first 6 months.
Rental Warranty: 90 days on all applicable professional equipment reference warranty time period charts
located in the back of the Retailer Warranty Policy & Procedure Manual.
Husqvarna Safety Apparel carries a 90-day warranty from the date of the customer’s original purchase for defects in
material and workmanship. Normal wear, tear or abuse is not covered under warranty. Product must be returned to Charlotte
with a warranty claim form. All care and maintenance instructions must be followed as stated by the manufacturer on the
care label. The fit of the protective apparel/boot is not covered under warranty.
30 Day Warranty: Replacement parts, accessories including bars and chains, tools and display items. Emission control
system components necessary to comply with CARB-TIER II and EPA regulations, except for those components which are
part of engine systems manufactured by third part engine manufacturers for which the purchaser has received a separate
warranty with product at time of purchase.
SECTION 2: HUSQVARNA’S OBLIGATIONS UNDER THE WARRANTY
Husqvarna will repair or replace defective components without charge for parts or labor if a component fails because of a
defect in material or workmanship during the warranty period.
SECTION 3: ITEMS NOT COVERED BY THIS WARRANTY
The following items are not covered by this warranty:
(1) Normal customer maintenance items which become worn through normal regular use, including, but not limited to, belts,
blades, blade adapters, bulbs, clutches, clutch drums, filters, guide bars, lubricants, rewind springs, saw chain, spark plugs,
starter ropes and tiller tines;
(2) Natural discoloration of material due to ultraviolet light;
(3) Engine and drive systems not manufactured by Husqvarna; these items are covered by the respective manufacturer’s
warranty as provided in writing with the product information supplied at the time of purchase; all claims must be sent to the
appropriate manufacturer;
(4) Lawn and garden attachments are covered by a third party which gives a warranty, all claims for warranty should be sent
to the manufacturer,
(5) Commercial or consumer mowing decks with sand abrasion damage.
(6) Emission Control System components necessary to comply with CARB-TIER II and EPA regulations which are
manufactured by third party engine manufacturer.
SECTION 4: EXCEPTIONS AND LIMITATIONS
This warranty shall be inapplicable to defects resulting from the following:
(1) Accident, abuse, misuse, negligence and neglect, including stale fuel, dirt, abrasives, moisture, rust, corrosion, or any
adverse reaction due to incorrect storage or use habits;
(2) Failure to operate or maintain the unit in accordance with the Owner’s/Operator’s manual or instruction sheet furnished
by Husqvarna;
(3) Alterations or modifications that change the intended use of the product or affects the product’s performance, operation,
safety, or durability, or causes the product to fail to comply with any applicable laws; or:
(4) Additional damage to parts or components due to continued use occurring after any of the above.
REPAIR OR REPLACEMENT AS PROVIDED UNDER THIS WARRANTY IS THE EXCLUSIVE REMEDY OF THE
PURCHASER. HUSQVARNA SHALL NOT BE LIABLE FOR ANY INCIDENTAL OR CONSEQUENTIAL DAMAGES FOR
BREACH OF ANY EXPRESS OR IMPLIED WARRANTY ON THESE PRODUCTS EXCEPT TO THE EXTENT
PROHIBITED BY APPLICABLE LAW. ANY IMPLIED WARRANTY OF MERCHANTABILITY OR FITNESS FOR A
PARTICULAR PURPOSE ON THESE PRODUCTS IS LIMITED IN DURATION TO THE WARRANTY PERIOD AS
DEFINED IN THE LIMITED WARRANTY STATEMENT. HUSQVARNA RESERVES THE RIGHT TO CHANGE OR
IMPROVE THE DESIGN OF THE PRODUCT WITHOUT NOTICE, AND DOES NO T ASSUME OBLIGATION TO UPDATE
PREVIOUSLY MANUFACTURED PRODUCTS.
Some states do not allow the exclusion of incidental or consequential damages, or limitations on how long an implied
warranty lasts, so the above limitations or exclusions may not apply to you. This warranty gives you specific legal rights, and
you may also have other rights which vary from state to state.
SECTION 5: CUSTOMER RESPONSIBILITIES
The product must exhibit reasonable care, maintenance, operation, storage and general upkeep as written in the
maintenance section of the Owner’s/Operator’s manual. Should an operational problem or failure occur, the product should
not be used, but delivered as is to an authorized Husqvarna retailer for evaluation. Proof of purchase, as explained in
section 6, rests solely with the customer.
SECTION 6: PROCEDURE TO OBTAIN WARRANTY CONSIDERATION
It is the Owner’s and Retailer’s responsibility to make certain that the Warranty Registration Card is properly filled out and
mailed to Husqvarna Forest & Garden Company. This card should be mailed within ten (10) days from the date of purchase
in order to confirm the warranty and to facilitate post-sale service.
Proof of purchase must be presented to the authorized Husqvarna retailer in order to obtain warranty service. This proof
must include date purchased, model number, serial number, and complete name and address of the selling retailer.
To obtain the benefit of this warranty, the product believed to be defective must be delivered to an authorized Husqvarna
retailer in a timely manner, no later than thirty (30) days from date of the operational problem or failure. The product must be
delivered at the owner’s expense. Downtime, pick-up and delivery charges are not covered by this warranty. An authorized
Husqvarna retailer can be normally located through the “Yellow Pages” of the local telephone directory or by calling 1-800-
HUSKY62 for a retailer in your area.
HUSQVARNA
7349 Statesville Road
Charlotte, NC 28269 2008
WARRANTY STATEMENT
539 131254 R01 08/23/07