Husqvarna Rz46I Operators Manual ManualsLib Makes It Easy To Find Manuals Online!
2014-12-11
: Husqvarna Husqvarna-Rz46I-Operators-Manual-120269 husqvarna-rz46i-operators-manual-120269 husqvarna pdf
Open the PDF directly: View PDF 
.
Page Count: 64

Operator Manual
Please read the operator manual carefully and make sure you 
understand the instructions before using the machine.
Gasoline containing up to 10% ethanol (E10) is 
acceptable for use in this machine. The use of any 
gasoline exceeding 10% ethanol (E10) will void 
the product warranty. RZ46i / 967277602

©2013. All rights reserved.
Orangeburg, SC. Printed in U.S.A.
To implement improvements, specifications and designs can be altered without prior notification.
Note that no legal demands can be placed based on the information contained in these instructions.
Use only original parts for repairs. The use of other parts voids the warranty.
Do not modify or install non-standard equipment to the unit without consent from the manufacturer. 
Modifications to the unit may cause unsafe operations or damage the unit.
When this product is worn out and no longer used, it 
should be returned to the reseller or other party for 
recycling.

CONTENTS
INTRODUCTION ............................................................... 5
Driving and Transport on Public Roads ...................... 5
Towing ......................................................................... 5
Operating .................................................................... 5
Good Service .............................................................. 6
SYMBOLS AND DECALS .................................................. 7
SAFETY ............................................................................. 9
Safety Instructions ...................................................... 9
Personal Safety Equipment ...................................... 11
Slope Operation ........................................................ 11
Safe Handling of Gasoline ........................................ 13
General Maintenance ............................................... 14
Safety System ........................................................... 16
Transport ................................................................... 17
Towing ....................................................................... 17
Spark Arrestor ........................................................... 17
CONTROLS ..................................................................... 18
Control Locations ...................................................... 18
Steering Control Levers ............................................ 19
Park Brake ................................................................ 20
Throttle Control ......................................................... 20
Cold Weather Control ......................................... 20
Blade Switch ............................................................. 21
Ignition Switch .......................................................... 21
SmartSwitch Courtesy Buttons ........................... 21
Service Minder .......................................................... 22
Tracking Knob .......................................................... 22
Seat Adjustment Lever ............................................. 22
Fuse .......................................................................... 23
Fuel Tank ................................................................... 23
Fuel Shut Off Valve ................................................... 24
Cutting Height Adjuster ............................................ 24
Bypass Linkages ...................................................... 24
OPERATION .................................................................... 25
Training ..................................................................... 25
Steering .................................................................... 25
SmartSwitch Ignition ................................................. 26
Before Starting .......................................................... 27
Starting the Engine ................................................... 28
Ignition System Faults ......................................... 31
Running .................................................................... 32
Stopping the Engine ................................................. 33
Operating On Hills .................................................... 34
Mowing Tips ............................................................. 35
Headlights ................................................................ 36
Weak Battery ............................................................ 36
Jumper Cables Use ............................................ 36
Battery Voltage Light .......................................... 37
Moving Machine By Hand ........................................ 37
MAINTENANCE ............................................................... 38
Maintenance Schedule ............................................. 38
Battery ...................................................................... 40
Safety System ........................................................... 41
Park Brake ................................................................ 41
Tire Pressures ........................................................... 42
Anti-scalp Rollers ...................................................... 42
Caster Wheels .......................................................... 42
V-belts ....................................................................... 43
Deck Belt Removal ............................................. 43
Cutting Blades .......................................................... 44
Blade replacement ............................................. 44
Adjusting the Mower Deck ....................................... 45
Leveling deck ..................................................... 45
Cleaning ................................................................... 46
Hardware .................................................................. 46
LUBRICATION ................................................................. 47
Lubrication Schedule ................................................ 47
Wheel and Deck Zerks ............................................. 48
Front Wheel Mount .............................................. 48
Front Wheel Bearings ......................................... 48
Transmission ............................................................. 48
Deck Spindles ..................................................... 48
TROUBLESHOOTING ..................................................... 49
STORAGE ....................................................................... 51
Winter Storage .......................................................... 51
Service ...................................................................... 51
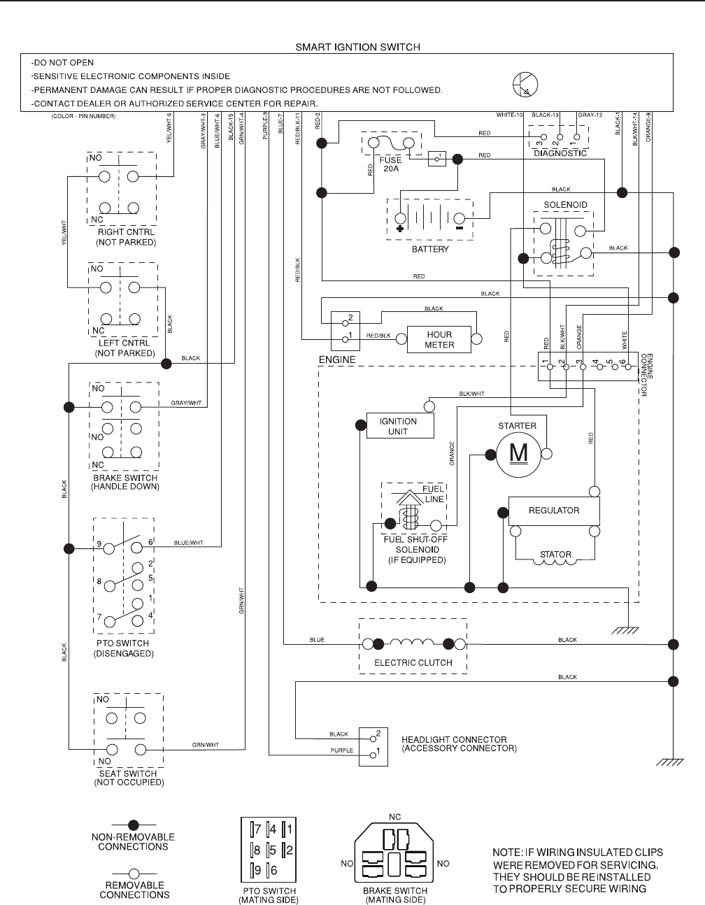
SCHEMATICS .................................................................. 52
TECHNICAL DATA .......................................................... 53
Torque Specifications ............................................... 53
Accessories .............................................................. 53
CONFORMITY CERTIFICATES ........................................ 55
SERVICE JOURNAL ........................................................ 56

WARNING!
Failure to follow cautious operating practices can result in serious injury to the operator 
or other persons. The owner must understand these instructions, and must allow only 
trained persons who understand these instructions to operate the mower.
Each person operating the mower must be of sound mind and body and must not be 
under the influence of any mind altering substance.
WARNING!
Engine exhaust, some of its constituents, and certain vehicle components contain or 
emit chemicals known to the State of California to cause cancer and birth defects or other 
reproductive harm.
WARNING!
Battery posts, terminals and related accessories contain lead and lead compounds, 
chemicals known to the State of California to cause cancer and birth defects or other 
reproductive harm. Wash hands after handling.

5
INTRODUCTION
Congratulations
Thank you for purchasing a Husqvarna ride-on 
mower. This machine is built for superior efficiency 
to rapidly mow primarily large areas. A control panel 
easily accessible to the operator and a hydrostatic 
transmission regulated by steering controls both 
contribute to the machine’s performance.
This manual is a valuable document. Read the 
contents carefully before using or servicing the 
machine. The following of instructions (use, service, 
maintenance) by all who operate this machine is 
important for the safety of the operator and others. 
It can also considerably increase the life span of the 
machine and increase its resale value.
If you sell your machine, be sure to give the operator 
manual to the new owner.
The final chapter of this operator manual provides a 
Service Journal. Ensure that service and repair work 
are documented. A well-kept service journal reduces 
service costs for the maintenance and affects the 
machine’s resale value. Please contact your dealer 
for more information. Take the operator manual along 
when the machine is taken to your dealer for service.
General
In this operator manual, left and right, backward and 
forward are used in relation to the machine’s normal 
driving direction.
Continuous dedication to improve our products 
require that specifications and design are subject to 
change without notice.
Driving and Transport on Public Roads
Check applicable road traffic regulations before 
transporting on public roads. If the machine is 
transported, you must always use approved fastening 
equipment and ensure that the machine is well 
anchored. DO NOT operate this machine on public 
roadways.
Towing
If machine is equipped with a tow hitch, use extreme 
caution when towing. Never allow children or others in 
or on the towed equipment. Make wide turns to avoid 
jack-knifing. Travel slowly and allow extra distance to 
stop.
Do not tow on sloped ground. The weight of the towed 
equipment may cause loss of traction and loss of 
control.
Follow the manufacturer's recommendation for weight 
limits for towed equipment. Do not tow near ditches, 
canals, and other hazards.
Operating
This machine is constructed only for mowing grass 
on lawns and even ground without obstacles such 
as stones, tree stumps, etc. The machine can also 
be used for other tasks when equipped with special 
accessories provided by the manufacturer. Operating 
instructions for the accessories are provided with 
delivery. All other types of uses are incorrect. The 
manufacturer’s directions concerning operation, 
maintenance, and repairs must be carefully followed.
Lawn mowers and all power equipment, can be 
potentially dangerous if used improperly. Safety 
requires good judgement, careful use in accordance 
with these instructions and common sense.
The machine must only be operated, maintained, 
and repaired by persons familiar with the 
machine’s special characteristics and who are also 
knowledgeable about the safety instructions. Use only 
approved repair parts to maintain this machine.
Accident prevention regulations, other general safety 
regulations, occupational safety rules, and traffic 
regulations must be followed without fail.
Unauthorized modifications to the design of the 
machine may absolve the manufacturer from liability 
for any resulting personal injury or property damage.

6
INTRODUCTION
Good Service
Husqvarna's products are sold only in specialized 
retail stores with complete service. This ensures that 
you as a customer receive only the best support and 
service. Before the product is delivered, the machine 
has, for example, been inspected and adjusted by 
your retailer. See the certificate in the Service Journal 
in this operator manual.
When you need spare parts or support in service 
questions, warranty issues, etc., please consult 
the following professional:
This Operator Manual belongs to the machine with 
the manufacturing number:
Engine
Manufacturing Number
The machine’s manufacturing number can be found on 
the printed plate affixed to the engine compartment.
Stated on the plate, from the top are:
•  The machine’s type designation (I.D.).
•  The manufacturer’s type number (Model).
•  The machine’s serial number (Serial no.)
Please have the type designation and serial number 
available when ordering spare parts.
The engine’s manufacturing number is stamped on 
one of the valve covers.
The plate states:
•  The engine’s model.
•  The engine’s type.
•  Code
Please have these available when ordering spare 
parts.
The wheel motors and hydrostatic pumps have a 
barcode decal affixed at the rear.

7
SYMBOLS AND DECALS
RN
These symbols are found on the machine and in the 
operator manual.
Study them carefully so that you know what they 
mean.
IMPORTANT INFORMATION
Xxxx xxxxxx xxxxx xxxx xxxxxxxxx xxxxxx 
xxxxxxxxx. xx xxxxxxxx xxxx xxxxxx.
WARNING!
Xxxx xxxxxx xxxxx xxxx xxxxxxxxx 
xxxxxx xxxxxxxxx. xx xxxxxxxx xxxx 
xxxxxx.
Used in this publication to notify the reader of a risk 
of personal injury or death, particularly if the reader 
should neglect to follow instructions given in the 
manual.
Used in this publication to notify the reader of a risk 
of material damage, particularly if the reader should 
neglect to follow instructions given in the manual. 
Used also when there is a potential for misuse or 
misassembly.
Warning! Park Brake CE conformity marking. Only 
for European market
Do not stand here
Use protective gloves
Use protective glasses
Reverse Neutral Fast Slow Cold Weather Start Fuel
Blades Steering Controls Headlights Battery

8
SYMBOLS AND DECALS
Moving sharp blades under cover
 Warning! Rotating blades, 
keep away from the 
discharge deck
Do not touch parts
Battery acid is corrosive, explosive and flammable
Read Operator Manual
Shut off engine before 
performing any 
maintenance 
or repair work
Keep a safe 
distance from 
the machine
Use on slopes no 
greater than 10° No passengers
Whole body exposure 
to thrown objects
Severing of fingers 
and toes
Do not open or remove 
safety shields while 
engine is running
Careful backing up, 
watch for other people
Careful going forward, 
watch for other people

9
SAFETY
Safety Instructions
These instructions are for your safety. Read them 
carefully.
General Operation
•  Read, understand, and follow all instructions on 
the machine and in the manual before starting.
•  It is recommended that someone be aware that 
you are mowing and can provide help in case of 
injury or accident.
•  Do not put hands or feet near rotating parts or 
under the machine. Keep clear of the discharge 
opening at all times.
•  Only allow responsible adults, who are familiar 
with the instructions, to operate the machine.
•  Clear the area of objects such as rocks, toys, wire, 
etc., which could be picked up and thrown by the 
blades.
•  Be sure the area is clear of bystanders before 
operating. Stop machine if anyone enters the 
area.
•  Never carry passengers. The machine is only 
intended for use by one person.
•  Do not mow in reverse unless absolutely 
necessary. Always look down and behind before 
and while backing.
•  Never direct discharged material toward anyone. 
Avoid discharging material against a wall or 
obstruction. Material may ricochet back toward 
the operator. Stop the blades when crossing 
gravel surfaces.
•  Do not operate machine without the entire grass 
catcher, discharge guard, or other safety devices 
in place and working
•  Slow down before turning.
•  Never leave a running machine unattended. 
Always turn off blades, set park brake and stop 
engine before dismounting.
8011-512
Read the operator manual before starting the machine
8011-513
Clear the area of objects before mowing
WARNING!
THIS CUTTING MACHINE IS CAPABLE 
OF AMPUTATING HANDS AND FEET 
AND THROWING OBJECTS. FAILURE 
TO OBSERVE THE FOLLOWING SAFETY 
INSTRUCTIONS COULD RESULT IN 
SERIOUS INJURY OR DEATH.
WARNING!
This symbol means that important safety 
instructions need to be emphasized. It 
concerns your safety.

10
SAFETY
8011-520
Never take passengers
•  Disengage blades when not mowing. Shut 
off engine and wait for all parts to come to a 
complete stop before cleaning the machine, 
removing the grass catcher, or unclogging the 
discharge guard.
•  Operate machine only in daylight or good artificial 
light.
•  Do not operate the machine while under the 
influence of alcohol or drugs.
•  Watch for traffic when operating near or crossing 
roadways.
•  Use extra care when loading or unloading the 
machine into a trailer or truck.
•  Always wear eye protection when operating 
machine.
•  Wear proper Personal Protective Equipment 
(PPE) while operating this machine, including (at 
a minimum) sturdy footwear, eye protection, and 
hearing protection.  Do not mow in shorts and/or 
footwear with open toes.
•  Data indicates that operators age 60 years and 
above are involved in a large percentage of riding 
mower-related injuries. These operators should 
evaluate their ability to operate the riding mower 
safely enough to protect themselves and others 
from serious injury.
•  Follow the manufacturer’s recommendation for 
wheel weights or counterweights.
•  Anyone who operates this machine must first read 
and understand this Operation Manual. Local laws 
may regulate the age of the user.
•  Keep machine free of grass, leaves or other 
debris buildup which can touch the hot exhaust or 
engine parts and burn.
•  Do not allow the mower deck to plow leaves or 
other debris, causing buildup to occur.
•  Clean any oil or fuel spillage before operating or 
storing the machine.
•  Allow machine to cool before storage.
WARNING!
Engine exhaust and certain vehicle 
components contain or emit chemicals 
considered to cause cancer, birth defects, 
or other reproductive system damage. 
The engine exhaust contains carbon 
monoxide, which is a odorless, colorless, 
poisonous gas. Do not use the machine 
in enclosed spaces.

11
SAFETY
Personal Safety Equipment
8011-670
Personal protective equipment
6003-004
Mow up and down, not side to side
•  Make sure that you have first aid equipment close 
at hand when using the machine.
•  Never use the machine when barefoot.
•  Always wear protective shoes or boots, preferably 
with steel toe caps.
•  Always wear approved protective glasses or a full 
visor when assembling or driving.
•  Always wear gloves when handling the blades.
•  Never wear loose clothing that can get caught in 
moving parts.
•  Use ear protectors to avoid damage to hearing.
Slope Operation
Slopes are a major factor related to loss of control and 
tip-over accidents, which can result in severe injury or 
death. Operation on all slopes requires extra caution. 
If you cannot back up the slope or if you feel uneasy 
on it, do not mow it.
•  Mow up and down slopes (10 degrees maximum), 
not across.
•  Watch for holes, ruts, bumps, rocks, or other 
hidden objects. Uneven terrain could overturn the 
machine. Tall grass can hide obstacles.
•  Choose a low ground speed so that you will not 
have to stop while on the slope.
•  Do not mow on wet grass. Tires may lose traction.
•  Avoid starting, stopping, or turning on a slope. If 
the tires lose traction, disengage the blades and 
proceed slowly straight down the slope.
•  Keep movement on the slopes slow and gradual. 
Do not make sudden changes in speed or 
direction, which could cause machine to roll over.
•  Use extra care while operating machine with 
grass catchers or other attachments; they can 
affect the stability of the machine.
•  Do not use on steep slopes.
WARNING!
When using the machine, approved 
personal protective equipment (shown 
in illustrations) shall be used. Personal 
protective equipment cannot eliminate 
the risk of injury but it will reduce the 
degree of injury if an accident does 
happen. Ask your retailer for help in 
choosing the right equipment.
WARNING!
Do not drive up or down hills with slopes 
greater than 10 degrees. And do not drive 
across any slopes.

12
SAFETY
8011-519
Be extra cautious when driving on slopes
8011-517
Never allow children to operate the machine
8011-518
Keep children away from work area
•  Do not try to stabilize the machine by putting a 
foot on the ground.
•  Do not mow near drop-offs, ditches, or 
embankments. The machine could suddenly roll 
over if a wheel is over the edge or if the edge 
caves in.
Children
Tragic accidents can occur if the operator is not 
alert to the presence of children. Children are often 
attracted to the machine and the mowing activity. 
Never assume that children will remain where you last 
saw them.
•  Keep children out of the mowing area and in the 
watchful care of a responsible adult other than the 
operator.
•  Be alert and turn machine off if a child enters the 
area.
•  Before and while backing, look behind and down 
for small children.
•  Never carry children, even with the blades shut 
off. They may fall off and be seriously injured or 
interfere with safe machine operation. Children 
who have been given rides in the past may 
suddenly appear in the mowing area for another 
ride and be run over or backed over by the 
machine.
•  Never allow children to operate the machine.
•  Use extra care when approaching blind corners, 
shrubs, trees, or other objects that may block your 
view of a child.
WARNING!
CHILDREN CAN BE INJURED BY THIS 
EQUIPMENT.  The American Academy 
of Pediatrics recommends that children 
be a minimum of 16 years of age before 
operating a riding lawn mower. Keep 
children out of the mowing area and in 
the watchful care of a responsible adult 
other than the operator.

13
SAFETY
Safe Handling of Gasoline
8011-516
Never fill the fuel tank indoors
WARNING!
The engine must not be started when 
the driver’s floor plate or any protective 
plate for the mower deck’s drive belt is 
removed.
WARNING!
The engine and the exhaust system 
become very hot during operation.
There is risk for burns if touched.
Allow engine and exhaust system to cool 
before refueling.
To avoid personal injury or property damage, use 
extreme care in handling gasoline. Gasoline is 
extremely flammable and the vapors are explosive.
•  Extinguish all cigarettes, cigars, pipes, and other 
sources of ignition.
•  Use only approved gasoline containers.
•  Never remove gas cap or add fuel with the engine 
running. Allow engine to cool before refueling.
•  Never fuel the machine indoors.
•  Never store the machine or fuel container where 
there is an open flame, spark, or pilot light such 
as on a water heater or other appliance.
•  Before you begin refueling, minimize the risk of 
static electricity by touching a metal surface.
•  Never fill containers inside a vehicle or on a truck 
or trailer bed with plastic liner. Always place 
containers on the ground away from the vehicle 
when filling.
•  Remove gas-powered equipment from the truck 
or trailer and refuel it on the ground. If this is not 
possible, refuel such equipment with a portable 
container, rather than from a gasoline dispenser 
nozzle.
•  Keep the nozzle in contact with the rim of the fuel 
tank or container opening at all times until fueling 
is complete. Do not use a nozzle lock-open 
device.
•  If fuel is spilled on clothing, change clothing 
immediately.
•  Never overfill fuel tank. Replace gas cap and 
tighten securely.
•  Do not start the engine near spilled fuel.
•  Never use gasoline as a cleaning agent.
•  If leaks arise in fuel system, engine must not be 
started until problem has been resolved.
•  Check the fuel level before each use and leave 
space for the fuel to expand, as the heat from the 
engine and the sun may otherwise cause the fuel 
to expand and overflow.

14
SAFETY
8011-515
Never drive the machine in an enclosed space
General Maintenance
•  Never operate machine in a closed area.
•  Keep all nuts and bolts tight to be sure the 
equipment is in safe working condition.
•  Never tamper with safety devices. Check their 
proper operation regularly.
•  Keep machine free of grass, leaves, or other 
debris buildup. Clean oil or fuel spillage and 
remove any fuel-soaked debris. Allow machine to 
cool before storing.
•  If you strike a foreign object, stop and inspect the 
machine. Repair, if necessary, before restarting.
•  Never make any adjustments or repairs with the 
engine running.
•  Check grass catcher components and the 
discharge guard frequently and replace with 
manufacturer’s recommended parts, when 
necessary.
•  Mower blades are sharp. Wrap the blade or wear 
gloves, and use extra caution when servicing 
them.
•  Check brake operation frequently. Adjust and 
service as required.
•  Maintain or replace safety and instruction labels, 
as necessary.
•  Do not modify safety equipment. Check regularly 
to be sure it works properly. The machine must not 
be driven with defective or unmounted protective 
plates, protective cowlings, safety switches, or 
other protective devices.
•  Do not change the settings of governors and 
avoid running the engine with overly high engine 
speeds. If you run the engine too fast, you risk 
damaging the machine components.
•  Be very careful when handling battery acid. Acid 
on skin can cause serious corrosive burns. If you 
spill battery acid on your skin, rinse immediately 
with water.
•  Acid in the eyes can cause blindness, contact a 
doctor immediately.
•  Be careful when servicing the battery. Explosive 
gases form in the battery. Never perform 
maintenance on the battery when smoking or near 
open flames or sparks.
•  The battery can explode and cause serious injury 
or damage.
•  Make sure that the equipment is in good condition 
and that all nuts and bolts, especially those 
fastening the blade attachments, are properly 
tightened and torqued.
WARNING!
The battery contains lead and lead 
compounds, chemicals that are 
considered to cause cancer, birth 
defects, and other reproductive system 
damage. Wash your hands after handling 
the battery.
CAUTION!
Use protective glasses for 
maintenance work.

15
SAFETY
Sparking can occur when working with the battery 
and the heavy cables of the starter circuit. This can 
cause battery explosion, fire or eye injury. Sparking 
in this circuit can not occur after the chassis cable 
(normally negative, black) is removed from the battery.
6003-009
Do not smoke when performing maintenance on the battery, 
the battery can explode and cause serious injury/damage
8009-728
Risk of sparking
WARNING!
Avoid electrical sparking and its 
consequences by the following routines:
•  Use protective goggles.
•  Ensure that the fuel filler cap is mounted tightly 
and no flammable substances are stored in an 
open vessel.
•  Never work with the starter circuit if there is spilled 
fuel.
•  Disconnect the chassis cable from the battery first 
and reconnect it last.
•  Do not make a bridge short circuit across the 
starter relay to run the starter.
•  Never use the machine indoors or in spaces 
lacking proper ventilation. The exhaust fumes 
contain carbon monoxide, an odorless, 
poisonous, and lethal gas.
•  Stop to inspect the equipment if you run over or 
into anything. If necessary, make repairs before 
starting.
•  Never make adjustments with the engine running.
•  The machine is tested and approved only with the 
equipment originally provided or recommended 
by the manufacturer. Only use approved repair 
parts for the machine.
•  The blades are sharp and can cause cuts and 
gashes. Wrap the blades or use protective gloves 
when handling them.
•  Check the park brake’s functionality regularly. 
Adjust and service as necessary.
•  The mulch blades should only be used in familiar 
areas when higher quality mowing is desired.
•  Reduce the risk of fire by removing grass, leaves, 
and other debris that may have accumulated on 
the machine.
•  Allow the machine to cool before putting it in 
storage.
•  Regularly clean deck and underside of deck, 
avoid spraying engine and electrical components 
with water.
8011-514
Regularly clean deck

16
SAFETY
Safety System
The machine is equipped with a safety system that 
prevents starting or driving under the following 
conditions.
The engine can only be started when:
•  The mower blades are disengaged.
•  The park brake is on.
•  The motion control levers are in neutral.
After the machine is started, the engine will continue 
to run for five minutes if the operator leaves the 
seat after setting the park brake. The blades will be 
disengaged by the safety system. This allows the 
operator to leave the machine momentarily to remove 
obstacles from the mowing path without having to re-
enter the passcode. 8058-241
Conditions for starting
8058-243
Park brake  and blade switch fault lights
8058-238
Blade switch fault light
The blade switch light will blink until the blade switch 
is disengaged. See Ignition System Faults in the 
Operation section. When the operator returns to the 
seat, the blade switch will need to be reset (pushed 
down, pulled up ) to re-engage the blades.
If the park brake is not engaged before the operator 
leaves the seat, the engine and blades will shut down 
and the blade switch and park brake lights will blink, 
signalling a safety system fault.

17
SAFETY
IMPORTANT INFORMATION
The park brake is not sufficient to lock the 
machine in place during transport. Ensure that 
the machine is well fastened to the transport 
vehicle. Always reverse the machine onto the 
transport vehicle to avoid tipping it over.
WARNING!
Escaping hydraulic oil under pressure 
can have sufficient force to penetrate the 
skin, causing serious injury. If injured 
by escaping fluid, see a doctor at once. 
Serious infection or reaction can develop 
if proper medical treatment is not 
administered immediately.
Transport
•  The machine is heavy and can cause serious 
crushing injuries. Be extra cautious when it is 
loaded on or unloaded from a vehicle or trailer.
•  Use a properly sized trailer to transport the 
machine. Activate the park brake, turn off the fuel 
supply, and fasten the machine with approved 
fastening devices, such as bands, chains, or 
straps, when transporting.
•  Do not operate this machine on public roadways.
•  Check and abide by local traffic regulations 
before transporting the machine on any road.
•  Do not tow this machine, it may cause damage to 
the drive system.
•  Load the unit onto truck or trailer by driving up 
ramps of suitable strength using a slow speed. Do 
not lift! The machine is not intended to be lifted by 
hand.
•  When loading or unloading this machine, do not 
exceed the maximum recommended operation 
angle of 10O.
WARNING!
This mower is equipped with an internal 
combustion engine and should not 
be used on or near any unimproved 
forested, bush covered or grassy lands 
unless the engine's system is equipped 
with a spark arrester meeting applicable 
local or state laws (if any). If a spark 
arrester is used, it should be maintained 
in effective working order by the 
operator.
WARNING!
Use extreme caution when loading the 
machine into a truck or trailer using 
ramps. There is the possibility of serious 
injury or death if the machine falls off the 
ramps.
Towing
If machine is equipped with a tow hitch, use extreme 
caution when towing. Never allow children or others in 
or on towed equipment.
Make wide turns to avoid jack-knifing. Travel slowly 
and allow extra distance to stop. Do not tow on sloped 
ground.  The weight of the towed equipment may 
cause loss of traction and loss of control.
Follow the manufacturer’s recommendation for weight 
limits for towed equipment. Do not tow near ditches, 
canals, and other hazards.
Spark Arrestor
This mower is equipped with an internal combustion 
engine and should not be used on or near any 
unimproved forested, bush covered or grassy lands 
unless the engine's system is equipped with a spark 
arrestor meeting applicable local or state laws (if any).
In the state of California the above is required by 
law (Section 4442 of the California Public Resources 
Code).
Other states may have similar laws. Federal laws 
apply on federal lands.
A spark arrestor for the muffler is available through 
any authorized Husqvarna dealer.

18
CONTROLS
This operator manual describes the Husqvarna Zero 
Turn Rider. The rider is fitted with a Briggs & Stratton 
four-stroke overhead valve engine.
Transmission from the engine is made via a belt-
Control Locations
driven hydraulic pumps. Using the left and right 
steering controls, the flow is regulated and thereby the 
direction and speed.
1
2
11 13
5
8912
4
10
7
6
3
5
8058-250
1. Steering control levers
2. Park brake
3. Tracking adjustment
4. Fuel shut off valve
5. Bypass Linkages
6. Fuel tank
7. Fuses
8. Seat adjustment lever
9. Service minder
10. Blade switch
11. SmartSwitchTM
12. Throttle
13. Deck lift

19
CONTROLS
8058-251
Steering controls
Steering Control Levers
The machine’s speed and direction are continuously 
variable using the two steering controls. The steering 
controls can be moved forward or backward about 
a neutral position. Furthermore, there is a neutral 
position, which is locked if the steering controls are 
moved outward.
When both controls are in the neutral position (N), the 
machine stands still.
By moving both controls an equal amount forward 
or backward, the machine moves in a straight line 
forward or backward respectively.
For example, to turn right while moving forward, move 
the right control towards the neutral position. The 
rotation of the right wheel is reduced and the machine 
turns to the right.
Zero turn can be achieved by moving one control 
backward (behind the neutral position) and carefully 
moving the other steering control forward from its 
neutral position. The rotation direction when zero 
turning is determined by which steering control is 
moved backward behind the neutral position. If the left 
steering control is pulled backward, the machine turns 
to the left. Use extra care when using this maneuver.
If the steering controls are in uneven positions when 
standing still or do not fit in the slots for moving the 
controls outward, they can be adjusted.
8011-79122
1.  Forward
2.  Neutral
3.  Neutral slot, Neutral lock
4.  Reverse
Motion control lever, right side
WARNING!
The machine can turn very rapidly if one 
steering control is moved much further 
forward than the other.

20
CONTROLS
Park Brake
8058-187
Park brake released
Throttle Control
The throttle control regulates the engine speed and 
the rate of rotation of the blades, assuming the blade 
switch is pulled up.
To increase or decrease the engine speed, the control 
is moved forward or back respectively.
Avoid idling the engine for long periods, as there is a 
risk of fouling the spark plugs.
For best mower performance and battery charging, 
USE FULL THROTTLE WHEN STARTING OR 
MOWING.
The park brake is found on the left of the machine. 
Push the release button and pull the lever backward 
to activate the brake—push forward to release it.
8058-247
Throttle control
IMPORTANT INFORMATION
The machine must be not be moving when 
engaging the park brake. Always set the park 
brake before dismounting. Release the park 
brake before moving the mower.
Cold Weather Control
In temperatures below 32OF, move the throttle control 
forward past the start detent to the snowflake symbol. 
Once the engine has started, slowly move the throttle 
control back to the full throttle position.
8058-286
Cold Weather start

21
CONTROLS
12
Blade Switch
To engage the mower deck, pull the blade switch 
knob up. The mower blades are disengaged when the 
knob is pressed down.
8058-247
Blade switch
Ignition Switch
The ignition switch is placed on the control panel and 
is used to start and stop the engine.
See SmartSwitch Ignition and Starting in the 
Operation section for instructions.
8058-247
Ignition switch
SmartSwitch Courtesy Buttons
A battery voltage light indicates that voltage is below 
the normal operating power.
Button 1 can be used to check the battery condition. 
See Battery Voltage Light in the Operation section.
Button 2 will turn on/off the headlights. See 
Headlights in the Operation section.
8058-239
1.  Battery voltage light
2.  Headlights indicator
Courtesy lights

22
CONTROLS
Seat Adjustment Lever
The seat can be adjusted lengthways. When making 
adjustments, the lever under the right side of the 
seat is pulled up, after which the seat can be moved 
backward or forward.
8058-252
Lengthways adjustment
IMPORTANT INFORMATION
Seat should not be adjusted while unit is in 
motion.
Tracking Knob
If the mower is not tracking straight, check the 
air pressure in both rear tires. Recommended air 
pressure is 15 psi (103 kPa / 1 bar) for all tires. 
Tracking must be checked on a flat and level concrete 
or blacktop surface.
Rotating the tracking knob allows fine tuning 
adjustments so the machine tracks straight with the 
steering control levers in the full forward position.
Rotate the knob counter clockwise (as viewed from 
the operation position) to increase the speed on the 
left lever. Rotate clockwise to decrease speed.
8058-187
Tracking knob
8058-247
Service minder
Service Minder
The service minder displays the total number of hours 
the engine has run and indicates when the engine 
and mower need servicing.
After every 50 hours of operation, an oil can icon will 
appear and stay on for two hours, before an automatic 
reset occurs.  To service the engine and mower, see 
the Service Journal of this manual.
Note: The service minder operates (clocks hours) only 
when the engine is running or when the SmartSwitch 
is active (unlocked).

23
CONTROLS
Fuse
The 20 amp primary fuse is located on the left 
hand side of the machine. It is accessed by tilting 
the seat forward. The fuse is a flat pin type used in 
automobiles.
8058-234
Fuse
Fuel Tank
Read the safety instructions before refueling. The 
machine has one fuel tank, just behind the console. 
The tank capacity is 3.5 gallons (13.25 liters).
Regularly check the gas cap gasket for damage and 
keep the cap properly tightened.
The engine will run on a minimum of 85-octane 
unleaded gasoline (no oil mix). Environmentally 
adapted alkylate gasoline can be used. See also 
Technical Data concerning ethanol fuel. Methanol 
fuel is not allowed. Do not use E85 alcohol based fuel. 
Damage to engine and components may occur.
When operating in temperatures below 32° F. (0° C.), 
use fresh, clean winter grade gasoline to insure good 
cold weather starting.
IMPORTANT INFORMATION
Experience indicates that alcohol blended 
fuels (called gasohol, ethanol or methanol) 
can attract moisture which leads to separation 
and formation of acids during storage. Acidic 
gas can damage the fuel system of an engine 
while in storage. To avoid engine problems, the 
fuel system should be emptied before storage 
of 30 days or longer. Drain the gas tank, start 
the engine and let it run until the fuel lines and 
carburetor are empty. Use fresh fuel the next 
season. See Storage for additional information. 
Never use engine or carburetor cleaners in the 
fuel tank or permanent damage may occur.
8058-246
Fuel tank
WARNING!
Gasoline is highly flammable. Observe 
caution and fill the tank outdoors (see 
the safety instruction).
WARNING!
The engine and the exhaust system, 
become very hot during operation.
Risk for burns if touched.
Allow engine and exhaust system to cool 
before refueling.
WARNING!
Fill to bottom of filler neck. Do not 
overfill. Wipe off any spilled oil or fuel. 
Do not store, spill or use gasoline near 
an open flame.

24
CONTROLS
Fuel Shut Off Valve
The fuel shut off valve is located at the left rear of the 
seat. The valve is off when the handle tab is turned 
perpendicular to the fuel line.
8011-419
Fuel shut off valve in the CLOSED position
Cutting Height Adjuster
To set the desired deck cutting height, press the 
release button and move the lever forward to the 
preset height pin and release the button. See Before 
Starting in the Operation section to change the 
cutting height. The cutting height range is from 1½" 
(38 mm) to 4" (102 mm) in ½" (13 mm) increments. 
The heights are measured from the ground up to the 
blade tip with the engine not running.
8058-251
Mower deck lifting lever
IMPORTANT INFORMATION
To obtain an even cutting height, it is important 
that the air pressure in all tires is 15 psi / 103 
kPa / 1 bar.
IMPORTANT INFORMATION
Always raise the deck to the highest position 
for transport.
Bypass Linkages
The levers are located on each side of the rear of the 
unit below the rear engine plate. The bypass linkage 
is used when manually pushing or pulling the unit.
See Moving Machine By Hand in the Operation 
section.
8058-0147
Left side bypass linkage
WARNING!
Bypass linkages are located close to the 
muffler. To prevent burns, the engine 
should be shut off and allowed to cool 
before the bypass linkage levers are 
handled.

25
OPERATION
Read  the Safety section and following pages, if you 
are unfamiliar with the machine.
Training
Due to unique steering capabilities, zero turn mowers 
are far more maneuverable than typical riding 
mowers.
This section should be reviewed in its entirety prior to 
attempting to move the mower under its own power. 
When first operating the mower or until becoming 
comfortable with controls, use a reduced throttle 
speed and reduced ground speed. DO NOT move 
control levers to the furthest forward or reverse 
positions during initial operation.
First time users should become familiar with the 
mower’s movement on a hard surface, such as 
concrete or blacktop PRIOR to attempting to operate 
on turf. Until the operator becomes comfortable with 
the mower controls and zero turning capability, overly 
aggressive maneuvers may damage turf.
Steering
To move forward and backward
The direction and speed of the mower’s movements 
are effected by the movement of the control lever(s) 
on each side of mower. The left control lever controls 
the left wheel. The right control lever controls the right 
wheel.
First time users should push the mower (see Moving 
Machine By Hand in the Operation section) to an 
open, flat area without other people, vehicles or 
obstacles nearby. To move the unit under its own 
power, the operator must sit in the seat and start the 
engine (see Before Starting in the Operation section). 
Adjust the engine speed to idle, disengage the park 
brake but do not engage the blades at this time. 
Rotate control levers inward. As long as the control 
levers have not been moved forward or backwards, 
the mower will not move.
Slowly move both control levers forward slightly. This 
will allow mower to start moving forward in a straight 
line. Pull the control levers back to the neutral position 
and the mower should stop moving.
Pull back slightly on control levers, allowing the mower 
to move backwards. Push the control levers forward to 
the neutral position and mower should stop moving.
To turn to the right
While moving in a forward direction, pull the right lever 
back towards the neutral position while maintaining 
the position of the left lever, this will slow the rotation 
of the right wheel and cause the machine to turn in 
that direction.
To turn to the left
While moving in a forward direction pull the left lever 
back towards the neutral position while maintaining 
the position of the right lever, this will slow the rotation 
of the left wheel and cause the machine to turn in that 
direction.
To zero turn
While moving in a forward direction, first pull both 
control levers back until the mower stops or slows 
dramatically.
Then by alternating one lever slightly to the forward 
position and the other in the reverse position, 
complete the turn.

26
OPERATION
1
2
SmartSwitch Ignition
NOTES: The default passcode [321] is preset at the 
factory. For safety and security, the passcode should 
be changed prior to use.
Resetting ignition system passcode
1.  To initialize the ignition system, press the START/
STOP (S/S) button on the ignition switch or sit on 
the seat. The blue indicator will blink, showing the 
system is operational.
2.  Using the lower buttons, press and hold the 
(1) and (3) buttons at the same time for three 
seconds. The blue indicator will then be lit 
continuously, signalling the system is ready to 
accept a new code.
3.  Using the lower buttons, enter a desired code of 
numbers from one to five digits and then press the 
S/S button. The indicator will blink green to signal 
the passcode has been accepted.
4.  If the S/S button blinks red, the passcode reset 
has not been accepted. Wait for the S/S button to 
return to blinking blue and retry the programming, 
starting at Step 1.
8058-235
1.  Start/Stop Button
2.  Numbered buttons
Press buttons to enter new passcode
8058-236
Enter passcode and then press the S/S button

27
OPERATION
Before Starting
1.  Read the sections on Safety and Controls before 
starting the machine.
2.  Perform the daily maintenance before starting 
(see Maintenance Schedule in the Maintenance 
section).
3.  Check that there is sufficient fuel in the fuel tank.
4.  Adjust the seat to the desired position.
8058-255
Secure selected cutting height
5.  Set the deck cutting height by inserting the lift pin 
into the desired cut height. 
8058-252
Lengthways adjustment
The following conditions must be fulfilled before the 
engine can be started:
•  The blade switch must be pressed downward into 
the disengaged position.
•  The park brake must be up into the activated 
position.
•  Both steering controls must be in the locked 
(outer) neutral position.

28
OPERATION
Starting the Engine
1.  Sit on the seat.
2.  Raise the mower deck by pushing the release 
button on the top of the lifting lever. Pull the lifting 
lever backward to the locked (transport) position.
3.  Activate the park brake by pushing the release 
button in and pulling the lever fully upwards.
4.  Disengage the mower blades by pressing the 
blade switch downwards.
8058-019
Mower deck lifting lever
8058-187
Pull park brake upwards to activate
8058-247
Blade switch

29
OPERATION
8058-190
Place controls in neutral position
8058-248
Full throttle position
5.  Move the steering controls outward to the locked 
(outer) neutral position.
6.  Move the throttle lever to the full throttle position. 
NOTE: There is a detent at the full throttle position 
to aid in setting the control.
If the temperature is below 32OF, move the 
throttle lever up to the cold weather (snowflake) 
starting position.
When the engine has started, move the throttle 
lever back to full throttle detent and allow the 
engine to warm up for a short period before 
operating the unit.  Failure to move the throttle 
from the cold weather starting position will result in 
poor engine performance, smoke and spark plug 
fouling.

30
OPERATION
WARNING!
Engine exhaust and certain vehicle 
components contain or emit chemicals 
considered to cause cancer, birth defects 
or other reproductive system damage. 
The engine exhaust contains carbon 
monoxide, which is a odorless, colorless, 
poisonous gas. Do not use the machine 
in enclosed spaces.
8058-253
Press S/S button to start
8.  When the S/S button displays a rapid green blink, 
press and release the button once more to start 
the engine. 
Allow the engine to run at a moderate speed, 
approximately mid throttle, for a short time before 
use. 
IMPORTANT INFORMATION
Under normal starting conditions, use a press 
and release method for the ignition start/stop 
switch. Do not press and hold.
NOTE: For the first start after the unit has sat 
idle for an extended period of time, or has been 
refueled after being run out of gas, the engine 
may require an extended start attempt to reprime 
the fuel system. Press and hold down the S/S 
switch for three seconds and then release. This 
will prompt the engine starter to attempt starting 
the engine for up to ten seconds (instead of the 
normal five seconds), allowing time for fuel to be 
pulled into the engine. 
8058-248
Press the S/S button and enter the passcode
7.  Press and release the S/S button to activate the 
ignition switch. Check that the indicator is blinking 
blue. 
IMPORTANT INFORMATION
Either of two actions will wake up the ignition 
switch—either the operator sitting on the seat 
or pressing the S/S button.
Enter the passcode and press the S/S button. 
The S/S button will flash one slow green blink if 
the code is accepted and will change to a rapid 
green blink. 
If the S/S button has accepted the code but does 
not stay lit with a rapid green blink, see Ignition 
System Faults on the following page.

31
OPERATION
8058-237
Park brake fault light
Ignition System Faults
The SmartSwitch Ignition is programmed to warn 
when any part of the safety system is not being 
followed and will not allow the unit to be started until 
all system faults are resolved.
The park brake fault light will blink if the park brake 
has not been engaged.
8058-238
Blade switch fault light
8058-239
Motion control lever fault light
The blade switch fault light will blink if the blade 
control switch has not been disengaged (down 
position) or is disconnected.
The motion control fault light will blink if the motion 
control levers are not in the neutral (outer) position.

32
OPERATION
Running
1.  Release the park brake by pushing the top 
release button in and moving the lever downward. 
NOTE: The mower is equipped with an operator 
presence system. When the engine is running, any 
attempt by the operator to leave the seat without 
first setting the park brake will shut off the engine.
2.  Move the steering controls inwards, out of the 
neutral position (N).
3.  Push the release button on the cutting height lever 
and move lever to the pin, release the button.
8058-187
Park brake released
8058-019
Mower deck lifting lever
WARNING!
Make sure that no one is near mower 
when engaging blade switch.
Make sure the work area is free from 
objects that could be thrown by the 
rotating blades.
4.  Set the engine to full throttle. 
5.  Engage the mower deck by pulling out the blade 
switch. USE FULL THROTTLE WHEN MOWING.
8058-248
Set blade engagement and throttle control

33
OPERATION
Stopping the Engine
1.  Move the throttle to the mid throttle position.
2.  Move the steering controls outward.
3.  Disengage the mower deck by pressing the blade 
switch down.
8058-249
Disengage the mower deck and move throttle to minimum
4.  When the machine is standing still, activate the 
park brake by pushing the lever release button 
and pulling the lever upward. 
If the engine has been worked hard, allow it to idle 
at least 60 seconds to attain a normal operating 
temperature before stopping. To prevent fouling 
the spark plugs, avoid idling the engine for longer 
periods.
8058-019
Raise the mower deck
5.  Press and release the S/S button to stop the 
engine. The ignition system will return to the a 
ready-to-start mode with a blinking green light.  
The electrical system will automatically shut 
down thirty seconds after the operator leaves 
the seat. It can be deactivated immediately by 
pressing and holding button 1 and button 3 
simultaneously for two seconds.
8058-278
Press the S/S button to stop the engine
Unexpected Engine Stoppage
If the engine stops unexpectedly and all of the 
SmartSwitch indicator lights flash simultaneously, 
it is an indication of a nonsafety related shutdown 
(example, running out of gas). The system will reset 
after a few moments and return to a prestart status. 
The reason for the shutdown must be identified and 
corrected prior to attempting a restart (example, refuel 
the unit).

34
OPERATION
Operating On Hills
Read the safety instructions Driving on Slopes in the 
Safety section.
8058-187
Park brake released
WARNING!
Do not drive up or down hills with slopes 
greater than 10 degrees. Do not drive 
across slopes.
8058-190
Place controls in neutral position
•  The slowest speed possible should be used 
before starting up or down hills.
•  Avoid stopping or changing speed on hills.
•  If stopping is absolutely necessary, pull steering 
controls into the neutral position and push to the 
outside of the unit. Engage the park brake.
•  To restart movement, release the park brake.
•  Pull the control levers back to the center of the 
mower and press forward to regain forward 
motion.
•  Make all turns slowly.

35
OPERATION
Mowing Tips
•  Observe and flag rocks and other fixed objects to 
avoid collisions.
•  Begin with a high cutting height and reduce it 
until the desired mowing result is attained. The 
average lawn should be cut to 2½" (64 mm) 
during the cool season and over 3" (76 mm) 
during the hot months. For healthier and better 
looking lawns, mow often after moderate growth. 
For best cutting performance, grass over 6" (15 
cm) in height should be mowed twice. Make the 
first cut relatively high, the second to the desired 
height.
•  The mowing result will be best with a high engine 
speed (the blades rotate rapidly) and low speed 
(the rider moves slowly). If the grass is not 
too long and dense, the driving speed can be 
increased without negatively affecting the mowing 
result.
•  The finest lawns are obtained by mowing often. 
The lawn becomes more even and the grass 
clippings more evenly distributed over the mown 
area. The total time taken is not increased as a 
higher operating speed can be used without poor 
mowing results.
•  Avoid mowing wet lawns. The mowing result is 
poorer because the wheels sink into the soft lawn, 
clumps build, and the grass clippings fasten 
under the cowling.
•  Hose the mower deck underside with water after 
each use. When cleaning, the mower deck shall 
be raised into the transport position. Make sure 
the mower is cooled and the engine is off.
•  Use compressed air to clean top surface of the 
deck. Avoid flooding water on top surface, engine 
and electrical components.
•  When the mulching kit is used, it is important that 
the mowing interval is frequent.
WARNING!
Clear the lawn of stones and other 
objects that can be thrown out by the 
blades.
8011-603
Mowing pattern
WARNING!
Never drive the rider on terrain that 
slopes more than 10 degrees. Mow 
slopes up and down, never side to side. 
Avoid sudden directional changes.

36
OPERATION
Headlights
Use Button 2 to turn on/off the headlights. When the 
engine is in start mode, press the button to turn the 
headlights on. A blinking Button 2 light signals that 
one or both headlights are not working.
The headlights can also be used when the ignition 
switch is not activated or the unit is not running. Press 
Button 2 and the headlights will stay lit for one minute.
For a longer headlight mode, press and hold the 
button for five seconds. The headlights will flash twice 
to acknowledge and will stay on for five minutes.
8058-239
Headlight button
Weak Battery
8011-642
Jumper cable connection
IMPORTANT INFORMATION
Your mower is equipped with a 12-volt negative 
grounded system. The other vehicle must also 
be a 12-volt negative grounded system. Do not 
use your mower to start other vehicles.
WARNING!
Lead-acid batteries generate 
explosive gases. Keep sparks, flame 
and smoking materials away from 
batteries. Always wear eye protection 
when around batteries.
If the battery is too weak to start the engine, it should 
be recharged. (See Battery in the Maintenance 
section.)
Jumper Cables Use
1.  Connect each end of the RED cable to the 
POSITIVE (+) terminal on each battery, taking 
care not to short against chassis.
2.  Connect one end of the BLACK cable to the 
NEGATIVE (-) terminal of the fully charged battery.
3.  Connect the other end of the BLACK cable to a 
good CHASSIS GROUND on the mower with the 
discharged battery away from the fuel tank and 
battery.
To remove cables, reverse order
4.  Remove BLACK cable first from chassis and then 
from the fully charged battery.
5.  Remove RED cable last from both batteries.

37
OPERATION
Moving Machine By Hand
When pushing or pulling the mower, engage the 
EZT bypass linkages. The EZT bypass linkages are 
located on the rear of the frame, below the rear engine 
guard.
1.  Raise the deck into the highest cutting position.
2.  Engage the park brake.
3.  Pull the EZT bypass linkages up and out of the 
keyhole slots. Release the levers with the head 
outside the frame and held in the bypass position.
4.  To reengage the EZT’s to drive, reverse the above 
procedure.
Load the machine into truck or trailer by driving slowly 
up the ramps. DO NOT LIFT! The machine is not 
intended to be lifted by hand. 8058-032
Left side bypass linkage, EZT engaged
8058-033
Left side bypass linkage, EZT locked in the bypass position
WARNING!
Use extreme caution when loading the 
machine into a truck or trailer using 
ramps. There is the possibility of serious 
injury or death if the machine falls off the 
ramps.
WARNING!
Bypass linkages are located close to the 
muffler. To prevent burns, the engine 
should be shut off and allowed to cool 
before the bypass linkage levers are 
handled.
8058-239
Battery voltage light
Battery Voltage Light
A battery voltage light can indicate that voltage is 
below the normal operating power.
If the battery is low when a start attempt is made, 
the battery indicator button will light up. This is an 
indication the battery should be charged. It will not 
prevent additional start attempts as long as remaining 
charge is capable of cranking the engine. The button 
can also indicate a charge system failure if it lights up 
during operation.
Checking Battery Charge System
When unit is in ready mode (blinking green), press 
and hold the battery button for three seconds. The 
S/S button indicator will show red (battery charge level 
is low), multi-colored (battery charge is marginal) or 
green (battery level is good) until the battery button 
is pressed again or is allowed to reset after ten 
seconds.

38
MAINTENANCE
Maintenance Schedule
The following is a list of maintenance procedures that 
must be performed on the machine. For those points 
not described in this manual, visit an authorized 
service workshop. An annual service carried out by 
MAINTENANCE
Daily
At least 
once 
each 
year
Maintenance interval 
in hours
Before After 25 50 100 300
Check the park brake ●
Check the engine’s oil level (every refueling) ■
Check the safety system ●
Check for fuel and oil leakages ♦
Check/clean the engine’s cooling air intake ■
Check the mower deck ●
Check for loose hardware (screws, nuts) ●
Clean under the mower deck ●
Start the engine and blades, listen for unusual sounds ♦
Check for damage ♦
Thoroughly clean around the engine ♦
Clean around belts, belt pulleys ♦
Check the tire pressures ●
Check battery connections ●
Sharpen3)/ Replace mower blades ●
Clean the engine’s cooling air intake 2) ■ ■
Clean the air cleaner’s foam pre-filter 2) ■ ■
Clean the air cleaner’s paper filter cartridge 2) ■
Check/adjust the park brake ♦ ♦
Inspect muffler/spark arrester ♦ ♦
an authorized service workshop is recommended to 
maintain your machine in the best possible condition 
and to ensure safe operation.
Read Maintenance in the Safety section.
1) First change after 8-10 hours. When operating with a heavy load 
or at high ambient temperatures, replace every 50 hours.
2)  In dusty conditions, cleaning and replacement are required more 
often.
3)  Performed by authorized service workshop.
● = Described in this manual
♦ = Not described in this manual
■ = Refer to the engine manufacturer's manual

39
MAINTENANCE
MAINTENANCE
Daily
At least 
once 
each 
year
Maintenance interval 
in hours
Before After 25 50 100 300
Check/adjust throttle cable ■
Check the condition of belts, belt pulleys ● ●
Change the engine oil 1) ■ ■
Replace the engine oil filter ■ ■
Clean/replace the spark plugs ■ ■
Replace the fuel filter ● ●
Replace paper air filter 2) ■ ■
Check the caster wheels (every 200 hours) ● ●
Replace the air cleaner’s foam pre-filter 2) ■
Check/adjust the mower deck ● ●
Check the engine valve clearance 3) ♦ ♦
Perform the 300-hour service 3) ♦ ♦
WARNING!
Before performing any service or 
adjustment checklist:
•  Engage the park brake.
•  Place the blade switch in the 
disengaged position.
•  Turn the engine off.
•  Make sure the blades and all moving 
parts have completely stopped.
1) First change after 8-10 hours. When operating with a heavy load 
or at high ambient temperatures, replace every 50 hours.
2)  In dusty conditions, cleaning and replacement are required more 
often.
3)  Performed by authorized service workshop.
● = Described in this manual
♦ = Not described in this manual
■ = Refer to the engine manufacturer's manual

40
MAINTENANCE
Battery
Your mower is equipped with a maintenance free 
battery and does not need servicing. However, 
periodic charging of the battery with an automotive 
type battery charger will extend its life.
•  Keep battery and terminals clean.
•  Keep battery bolts tight.
•  See chart for charging times.
IMPORTANT INFORMATION
Do not attempt to open or remove caps or 
covers. Adding or checking level of electrolyte 
is not necessary.
Always use two wrenches for the terminal 
screws.
WARNING!
Do not short battery terminals by 
allowing a wrench or any other object to 
contact both terminals at the same time. 
Before connecting battery, remove metal 
bracelets, wristwatch bands, rings, etc.
Positive terminal must be connected 
first to prevent sparks from accidental 
grounding.
STANDARD
BATTERY
STATE
OF
CHARGE
APPROXIMATE BATTERY CHARGING TIME* 
TO FULL CHARGE AT 80OF / 27OC
Maximum Rate at:
50 Amps 30 Amps 20 Amps 10 Amps
12.6V 100%
 - FULL CHARGE -
12.4V 75% 20 min. 35 min. 48 min. 90 min.
12.2V 50% 45 min. 75 min. 95 min. 180 min.
12.0V 25% 65 min. 115 min. 145 min. 280 min.
11.8V 0% 85 min. 150 min. 195 min. 370 min.
*Charging time depends on battery capacity, 
condition, age, temperature and efficiency of charger
Cleaning battery and terminals
Corrosion and dirt on the battery and terminals can 
cause the battery to lose power.
1.  Open the terminal access doors.
2.  Disconnect BLACK battery cable first, then the 
RED battery cable and remove the battery from 
the machine.
3.  Rinse the battery with plain water and dry.
4.  Clean terminals and battery cable ends with wire 
brush until shiny.
5.  Coat terminals with grease or petroleum jelly.
6.  Reinstall battery.
Replacing battery
1.  Lift seat and rotate forward.
2.  Using two ½" wrenches disconnect BLACK 
battery cable then RED battery cable.
3.  Position deck to lowest setting.
4.  Front underside of frame, remove the nuts that 
secure the battery hold-down.
5.  Carefully remove the battery from the mower.
6.  Install new battery with terminals in the same 
position as the old battery.
7.  Reinstall battery hold-down and secure with nuts 
removed in Step 4.
8.  Reconnect RED battery cable to positive (+) 
battery terminal with bolt and hex nut.
9.  Connect BLACK grounding cable to negative (-) 
battery terminal with remaining hex bolt and hex 
nut
10.  Replace terminal boot cover.
11.  Lower seat
8050-109
Remove battery hold-down to replace battery
CAUTION!
Always wear eye protection when 
around batteries.

41
MAINTENANCE
Safety System
The machine is equipped with a safety system that 
prevents starting or driving under the following 
conditions.
The engine can only be started when:
1.  the mower deck is disengaged,
2.  the steering controls are in the outer, locked 
neutral position,
3.  the park brake is on.
Make daily inspections to ensure that the safety 
system works by attempting to start the engine 
when one of the conditions is not met. Change the 
conditions and try again.
If the machine starts when one of these conditions 
is not met, turn the machine off and repair the safety 
system before using the machine again.
Make sure the engine stops when the park brake 
is not engaged and the operator leaves the seated 
position.
Check that the engine stops if the mower blades are 
engaged and the driver temporarily moves off the 
drivers seat.
8058-026
Steering controls locked in neutral
Park Brake
Visually check that no damage is found on the lever, 
links or switch belonging to the park brake. Perform a 
standstill test and check that there is sufficient braking 
action.
To adjust the park brake, contact the Husqvarna 
service workshop.
IMPORTANT INFORMATION
The machine must be absolutely standing still 
when applying the park brake.
8058-187
Park brake
WARNING!
Faulty adjustment will result in reduced 
braking ability and can cause an 
accident.

42
MAINTENANCE
Tire Pressures
All tires should be at 15 psi / 103 kPa / 1 bar.
8011-564
Check tire pressures
Anti-scalp Rollers
Anti-scalp rollers are properly adjusted when they are 
just slightly off of the ground when the deck is at the 
desired cutting height in the operating position. Anti-
scalp rollers then keep the deck in the proper position 
to help prevent scalping in most terrain conditions.
Anti-scalp rollers can be set in four positions. The 
rollers should be approximately ¼" (6.5 mm) from 
ground. Do not adjust the rollers to support the deck.
IMPORTANT INFORMATION
Adjust anti-scalp rollers with the mower on a 
flat level surface.
8058-135
Anti-scalp rollers
IMPORTANT INFORMATION
To avoid deck damage, the anti-scalp rollers 
must not be adjusted to support the deck.
Caster Wheels
Check every 200 hours. Check that wheels rotate 
freely. If wheels do not rotate freely take the unit to 
your dealer for service.
Foam filled tires or solid tires will void the warranty.
Removal and installation of caster wheel
1.  Remove nut and caster bolt.
2.  Pull the wheel out of the yoke and take care of the 
spacers.
3.  Install in reverse order. Tighten caster bolt.
IMPORTANT INFORMATION
DO NOT add any type of tire liner or foam fill 
material to the tires. Excessive loads created by 
foam filled tires will cause premature failures.
Only use O.E.M. specified tires.
8058-055
Caster wheels

43
MAINTENANCE
1
2
1
3
V-belts
Check every 100 hours of operation. Check for severe 
cracking and large nicks.
NOTE: The belt will show some small cracks in normal 
operation.
The belts are not adjustable. Replace belts if they 
begin to slip from wear.
Deck Belt Removal
1.  Park on a level surface. Apply parking brake.
2.  Lower the deck into the lowest cutting position.
3.  Remove bolts from belt shields and remove 
shields.
4.  Remove any dirt or grass that may have 
accumulated around the cutter housings and 
entire deck surface.
5.  Loosen the nut securing the belt guide. Note the 
position of the belt guide for reinstallation.
6.  Push inward on the idler arm to release the 
tension on the belt. 
7.  Carefully slip the belt over the top of the cutter 
housing pulleys and remove belt from the deck.
8058-108
Belt routing
Deck Belt Installation
NOTE: For ease in installing the deck belt, refer to 
the routing decal on the top of the deck.
1.  Wrap the deck belt around the electric clutch 
pulley that is located on the engine shaft.
2.  Route the belt forward and up onto the deck.
3.  Place belt around spring loaded idler pulley.
4.  Wrap the belt around the stationary idler pulley 
and around the mandrel housings.
5.  Push inward on the idler arm and carefully route 
belt over stationary idler pulley. Once the belt is 
properly routed, slowly release the idler arm to 
tension belt.
6.  Double check belt routing to make sure it 
matches the decal affixed to the deck, and the 
belt does not have any twist. Correct if needed.
7.  Tighten the belt guide and replace belt shields on 
both mandrel housings and secure with fasteners. 
NOTE: The belt guide should be perpendicular to 
the belt when installation is complete.
8058-107
1.  Belt shields
2.  Belt guide
3.  Idler arm
Removing the deck belt

44
MAINTENANCE
1
3
2
IMPORTANT INFORMATION
Special blade bolt is heat treated.
Replace with a Husqvarna bolt if required.
Do not use lower grade hardware than 
specified.
8058-129
1.  Blade
2.  Blade bolt (special)
3.  Spindle housing
Blade attachment
Cutting Blades
To attain the best mowing effect, it is important that 
blades are well sharpened and not damaged.
Replace blades that have been bent or cracked when 
hitting obstacles.
Let the service workshop should decide whether the 
blade can be repaired/ground or must be replaced. 
Balance the blades after sharpening.
Check the blade mounts.
8058-166
Check the blades
Blade replacement
1.  Remove blade bolt by turning counterclockwise.
2.  Install new or resharpened blade with stamped 
GRASS SIDE facing towards ground/grass 
(down) or THIS SIDE UP facing deck and spindle 
housing.
3.  Seat the blade opening firmly onto the spindle 
housing.
4.  Tighten blade bolt securely.
5.  Torque blade bolt to 45-55 ft/lbs (60-75 Nm).
WARNING!
Blades are sharp. Protect your hands 
with gloves and/or wrap blades with a 
heavy cloth when handling.
The sharpening of blades should be 
carried out by an authorized service 
workshop.

45
MAINTENANCE
Adjusting the Mower Deck
Leveling deck
Adjust the deck while the mower is on a level 
surface. Make sure the tires are inflated to the correct 
pressure. See Technical Data / Transmission. If 
tires are under or over inflated, the deck cannot be 
properly adjusted. Raise the deck to the highest 
(transport) position.
The deck should be adjusted slightly higher in the 
rear.
NOTE: To insure accuracy of leveling procedure, 
mower deck drive belt must be installed prior to 
leveling deck.
1.  Wear heavy gloves. Turn each outer blade tip to 
align side to side.
2.  Measure from the floor surface up to the bottom of 
the blade tip on the discharge side of the mower 
deck. Record this measurement.
3.  Move to the opposite side, check that the 
measurement is the same. If adjustment is 
required—with a ¾" or adjustable wrench, turn 
the lift link adjustment nuts on either side counter 
clockwise to lower or clockwise to raise. Adjust 
until both side-to-side measurements are equal.
8058-030
Lift link adjustment nut
8058-031
Deck front adjustment nuts
4.  Turn either blade to align with the deck front-to-
rear. If the front blade tip does not measure 1/8" to 
½" higher in the rear, follow the front adjustment 
instructions that follow.
5.  With a 5/8 or adjustable wrench, turn the nuts on 
the front suspension linkage. Clockwise raises the 
front of the mower, counterclockwise will lower 
the front. Adjust nuts until rear of mower deck is 
positioned level to 1/8" higher in the rear than the 
side-to-side measurement.
NOTE: This will place the mower deck in a 
standard measurement position. Depending on 
the type of grass being mowed or environmental 
conditions, additional adjustments may be required 
to achieve the desired cut.
80158-166
Set blades to begin alignment

46
MAINTENANCE
IMPORTANT INFORMATION
Use protective glasses when 
cleaning and washing.
Cleaning
Regular cleaning, especially under the mower deck, 
will increase the machine’s life-span. Make it a habit 
to clean the machine directly after use (after it is 
cooled), before the debris sticks.
Do not spray water on the top of the mower deck. Use 
compressed air to clean the top side of mower deck. 
Regularly clean the underside of the deck with normal 
water pressure. Do not use a high pressure washer or 
steam cleaner. Avoid spraying engine and electrical 
components with water.
For models fitted with a cleanout port, attach the quick 
connect (from the accessory packet) to any garden 
hose. After mowing, snap the hose to the cleanout 
port and turn on water supply.
Restart the mower and engage the blades to use the 
spinning action to wash away debris. Make sure the 
hose is away from the mower blades.
Do not rinse hot surfaces with cold water. Let unit cool 
before washing.
Hardware
Check daily. Inspect the entire machine for loose or 
missing hardware.
8058-084
Clean regularly
IMPORTANT INFORMATION
Make sure no children are in the area when 
using the cleanout port.

47
LUBRICATION
General
When lubricating with an oil can, it must be filled with 
engine oil.
When lubricating with grease, unless otherwise 
stated, use a high grade molybdenum disulphide 
grease.
For daily use, the machine should be lubricated twice 
weekly.
Wipe away excess grease after lubrication.
It is important to avoid getting lubricant on the belts 
or the drive surfaces on the belt pulleys. Should this 
happen, attempt to clean them with spirits. If the belt 
continues to slip after cleaning, it must be replaced. 
Gasoline or other petroleum products must not be 
used to clean belts.
Lubrication Schedule
12/12 Every year Lubricate with grease gun Filter change
1/52 Every Week
1/365 Every day Oil change Level check

48
LUBRICATION
Wheel and Deck Zerks
Use only good quality bearing grease.
Grease from well-known brand names (petrochemical 
companies, etc.) usually maintains a good quality.
Front Wheel Mount
Lubricate 3-4 strokes with a grease gun on each set of 
wheel bearings.
Front Wheel Bearings
Lubricate 3-4 strokes with a grease gun on each set of 
wheel bearings.
8058-068
Lubricating the front wheels
IMPORTANT INFORMATION
Use minimal lubrication and remove excess 
lubricant so that is does not come into contact 
with belts or belt pulley drive surfaces.
Transmission
The transmission is maintenance free with no need for 
level checks or oil changes. If a leak occurs, replace 
the unit or contact your Husqvarna dealer.
8058-136
Deck spindle
Deck Spindles
Lower the cutting deck completely.
If a grease gun without rubber hose is used, the foot 
plate must be removed.
Lubricate with a grease gun, 2-3 strokes per spindle.

49
TROUBLESHOOTING
Problem Cause
Engine will not start •  Blade switch is engaged.
•  Steering controls are not locked in the neutral position
•  Park brake is not activated
•  Battery is dead
•  Contamination in the carburetor or fuel line.
•  Fuel supply is closed
•  Clogged fuel filter or fuel line
•  Ignition system faulty
Starter does not turn the engine over •  Battery is dead
•  Poor contact of the battery terminal cable connections
•  Blown fuse
•  Fault in the starter safety circuit. See Safety System in the 
Maintenance section
Engine runs rough •  Faulty carburetor
•  Clogged fuel filter or jet
•  Clogged ventilation valve on the fuel cap
•  Throttle lever in the Cold Weather starting position
•  Fuel tank nearly empty
•  Fouled spark plugs
•  Rich fuel mixture or fuel-air mixture.
•  Wrong fuel type
•  Water in fuel
•  Clogged air filter
Engine seems weak •  Clogged air filter
•  Fouled spark plugs
•  Carburetor incorrectly adjusted
•  Air trapped in hydraulic system
Machine vibrates •  Blades are loose
•  Blades are incorrectly balanced
•  Engine is loose

50
TROUBLESHOOTING
Problem Cause
Engine overheats •  Clogged air intake or cooling fins
•  Engine overloaded
•  Poor ventilation around engine
•  Defective engine speed regulator
•  Too little or no oil in the engine
•  Contamination in the carburetor or fuel line.
•  Fouled spark plugs
Battery not charging •  Poor contact of the battery terminal cable connections
•  Charging lead is disconnected
The machine moves slowly, unevenly, or not at all •  Park brake on
•  Bypass valve on pump open
•  Drive belt for the transmission slack or has come off
•  Air trapped in hydraulic system
Mower deck not engaging •  Drive belt for the mower deck has come loose
•  Contact for the electromagnetic coupling has loosened
•  Blade switch is faulty or has come loose from cable 
contact
•  Blown fuse
Transaxle leaks oil •  Damaged seals, housing, or gaskets
•  Air trapped in hydraulic system
Uneven mowing results •  Different air pressure in tires on the left and right sides.
•  Bent blades
•  Suspension for the mower deck is uneven
•  Blades are dull
•  Driving speed too high
•  Grass is too long
•  Grass collected under the mower deck

51
STORAGE
Winter Storage
The machine should be readied for storage at the 
end of the mowing season or if it will not be in use for 
longer than 30 days. Fuel allowed to stand for long 
periods of time (30 days or more) can leave sticky 
residues that can plug the carburetor and disrupt 
engine function.
Fuel stabilizers are an acceptable option as regards 
to the sticky residues that can occur during storage.
Add stabilizer to the fuel in the tank or in the storage 
container. Always use the mixing ratios specified by 
the manufacturer of the stabilizer. Run the engine for 
at least 10 minutes after adding the stabilizer so that 
it reaches the carburetor. Do not empty the fuel tank 
and the carburetor if you have added stabilizer.
To ready the machine for storage:
1.  Thoroughly clean the machine, especially under 
the mower deck. Touch up damage to the paint 
and spray a thin layer of oil on the underside of 
the mower deck to avoid corrosion.
2.  Inspect the machine for worn or damaged parts 
and tighten any nuts or screws that may have 
become loose.
3.  Change the engine oil; dispose of properly.
4.  Empty the fuel tanks or add a fuel stabilizer. Start 
the engine and allow it to run until the carburetor 
is drained of fuel or the stabilizer has reached the 
carburetor.
5.  Remove the spark plug and pour about a 
tablespoon of engine oil into the cylinder. Turn 
over the engine so that the oil is evenly distributed 
and then refit the spark plug.
6.  Lubricate all grease zerks, joints, and axles.
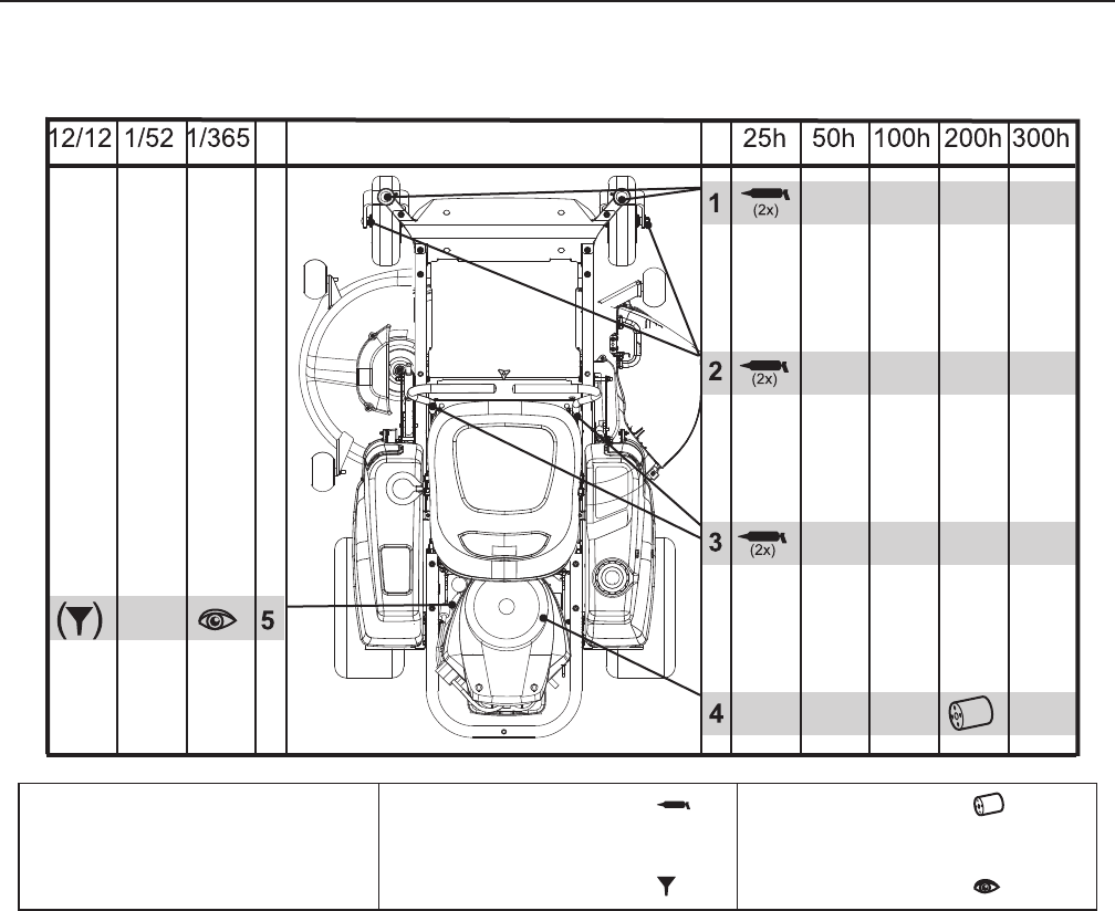
7.  Remove the battery. Clean, charge, and store the 
battery in a cool place, but protect it from direct 
cold.
8.  Store the machine in a clean, dry place and cover 
it for extra protection.
Service
When ordering spare parts, please specify the 
purchase year, model, type, and serial number.
Always use genuine Husqvarna spare parts.
An annual check-up at an authorized service 
workshop is a good way to ensure that your machine 
performs its best the following season.
WARNING!
Never store an engine with fuel in the 
tank indoors or in poorly ventilated 
spaces where fuel vapor can come in 
contact with open flames, sparks, or a 
pilot light such as in a boiler, hot water 
tank, clothes dryer, etc. Handle the 
fuel with care. It is very flammable and 
can cause serious personal injury and 
property damage. Drain the fuel into an 
approved container outdoors and store 
far away from open flame. Never use 
gasoline for cleaning. Use a degreaser 
and warm water instead.

52
SCHEMATIC

53
TECHNICAL DATA
Engine crankshaft bolt   75 ft/lb (100 Nm)
Deck pulley bolts   75 ft/lb (100 Nm)
Lug nuts   75 ft/lb (100 Nm)
Blade bolt   55 ft/lb (75 Nm)
Standard ¼" fasteners   9 ft/lb (12 Nm)
Standard 5/16" fasteners   18 ft/lb (25 Nm)
Standard 3/8" fasteners   33 ft/lb (44 Nm)
Standard 7/16" fasteners   52 ft/lb (70 Nm)
Standard ½" fasteners   80 ft/lb (110 Nm)
HEX HEAD CAP SCREWS
The torque values shown should be used as a general guideline when specific torque values are not given.
U.S. Standard Hardware
Grade SAE Grade 5 SAE Grade 8 Flangelock Screw 
w/Flangelock Nut
Size ft./lbs Nm ft./lbs Nm ft./lbs Nm
Shank Size (Diameter in inches, fine or 
coarse thread)
¼ 9 12 13 18
5/16 18 24 28 38 24 33
3/831 42 46 62 40 54
7/16 50 68 75 108
½ 75 102 115 156
9/16 110 150 165 224
5/8150 203 225 305
¾ 250 339 370 502
7/8378 513 591 801
11/8782 1060 1410 1912
** Grade 5 - Minimum commercial quality (lower quality not recommended)
Metric Standard Hardware
Grade Grade 8.8 Grade 10.9 Grade 12.9
Size ft./lbs Nm ft./lbs Nm ft./lbs Nm
Shank Size (Diameter in inches, fine or coarse thread)
M4 1.5 2 2.2 3 2.7 3.6
M5 3 4 4.5 6 5.2 7
M6 5.2 7 7.5 10 8.2 11
M7 8.2 11 12 16 15 20
M8 13.5 18 18.8 25 21.8 29
M10 24 32 35.2 47 43.5 58
M12 43.5 58 62.2 83 75 100
M14 70.5 94 100 133 119 159
M16 108 144 147 196 176 235
M18 142 190 202 269 242 323
M20 195 260 275 366 330 440
M22 276 368 390 520 471 628
M24 353 470 498 664 596 794
M27 530 707 474 996 904 1205
Accessories
Collection system, mulch kit
Torque Specifications

54
TECHNICAL DATA
Engine
Manufacturer Briggs & Stratton
Type Endurance
Power 23 hp 1,2)
Lubrication Pressure with oil filter
Fuel Min 87 octane unleaded (Max 
ethanol 10%, Max MTBE 15%)
Fuel tank capacity 3.5 gallons / 13.25 liters
Cooling Air cooled
Air filter Standard
Alternator 12V
Starter Electric
Transmission
Transmission Hydrostatic transaxles
Speed and direction controls Dual levers, foam gripped
Speed forward 0-6.5 mph / 0-10.5 km/h
Speed reverse 0-3.5 mph / 0-5.6 km/h
Brakes Mechanical park brake
Front caster tires, smooth tread 11 x 4-5
Rear tires, turf pneumatic 18 x 8.5-8
Tire pressure 15 PSI / 103 kPa / 1 bar
Frame
Cutting Width 46" / 116 cm
Cutting Height 1½ - 4" / 3.8 - 10.2 cm
Uncut Circle 0
Number of Blades 2
Blade Length 22¾" / 57.8 cm
Nose Rollers No
Sprung Seat Standard
Service Minder Digital
Blade Engagement Electromagnetic Clutch
Deck Construction Stamped
Productivity 2.4 acres/h / 9700 m2/h
Dimensions
Weight 580 lbs  / 263 kg
Base Machine Length 75" / 191 cm
Base Machine Height 40" / 102 cm
Base Machine Width 43¾" / 112 cm
Overall Width, Chute Up 48" / 123 cm
Overall Width, Chute Down 56" / 142 cm
1)  The power rating as declared by the 
engine manufacturer is the average gross 
power output at the specified RPM of a 
typical production engine for the engine 
model measured using SAE Standards for 
engine gross power. Refer to the engine 
manufacturer engine specifications.

55
CONFORMITY CERTIFICATES
USA requirements
Labels are placed on the engine and/or in the engine 
compartment stating that the machine will fulfill the 
requirements. This is also applicable to special 
requirements for any of the states, (California emission 
rules etc.). Do not remove any of these labels. 
Certificates can also be supplied with the machine at 
delivery or written in the Engine manual. Take care of 
them as they are valuable documents.

56
SERVICE JOURNAL
Action Date, mtr reading, stamp, sign
Delivery Service
Charge the battery q
Adjust the tire pressure of all wheels to 15 PSI (1 bar) q
Mount the steering controls in the normal position q
Connect the contact box to the cable for the seat’s safety switch q
Check that the right amount of oil is in the engine q
Adjust the position of the steering controls q
Fill with fuel and open the fuel shut off valve q
Start the engine q
Check that there is drive to both wheels q
Check the mower deck adjustment q
Check:
The safety switch for the park brake q
The safety switch for the mower deck q
The safety switch in the seat q
The safety switch in the steering controls q
Park brake functionality q
Driving forward q
Driving backward q
Engaging the blades q
Check the idle speed q
Check the engine high idle speed q
Inform the customer about:
The need and advantages of following the service schedule q
The need and advantages of leaving the machine for 
service every 300 hours q
The effects of service and maintaining a service journal 
on the machine’s resale value q
Application areas for mulching q
Fill in the sales papers, etc. Delivery service has 
been carried out
No remaining notes
Certified:

57
SERVICE JOURNAL
Action Date, mtr reading, stamp, sign
Action Date, mtr reading, stamp, sign
25-Hour Service
Check the fuel pump’s air filter q
Sharpen/Replace mower blades if required q
Check the tire pressures q
Check battery with cables q
Lubricate according to lubrication chart q
Check/clean the engine’s cooling air intake q
Clean the air cleaner’s foam pre-filter q
After the First 10 Hours
Change engine oil q

58
SERVICE JOURNAL
Action Date, mtr reading, stamp, sign
Action Date, mtr reading, stamp, sign
100-Hour Service
Perform the 25-hour service q
Perform the 50-hour service q
Change the engine oil filter q
Clean/replace the spark plugs q
Replace the fuel filter q
Check V-belts q
Check tighten caster wheel axle bolts (every 200 hours) q
Change the air filter’s paper cartridge q
50-Hour Service
Perform the 25-hour service q
Clean/replace the air cleaner’s paper filter cartridge 
(shorter intervals for dusty operating conditions) q
Change engine oil q
Lubricate according to lubrication chart q
Check/adjust the park brake q

59
SERVICE JOURNAL
Action Date, mtr reading, stamp, sign
Action Date, mtr reading, stamp, sign
At Least Once Each Year
Clean the engine’s cooling air intake (25 hours) q
Replace the air cleaner’s foam pre-filter (300 hours) q
Replace the air filter’s paper cartridge q
Change the engine oil (50 hours) q
Replace the engine oil filter (100 hours) q
Check/adjust the cutting height q
Check/adjust the park brake (50 hours) q
Clean/Change the spark plugs (100 hours) q
Change the fuel filter (100 hours) q
Check the engine valve clearance q
300-Hour Service
Perform the 25-hour service q
Perform the 50-hour service q
Perform the 100-hour service q
Check/adjust the mower deck q
Clean the combustion chamber and grind the valve seats q
Check the engine valve clearance q
Replace the air cleaner’s foam pre-filter q

60
SERVICE JOURNAL
Action Date, mtr reading, stamp, sign

61
SERVICE JOURNAL
Action Date, mtr reading, stamp, sign

62
SERVICE JOURNAL
Action Date, mtr reading, stamp, sign

115 646927 Rev A 2013-10-15
www.husqvarna.com