Husqvarna Sander Fs4800D Users Manual OM, FS4800D, Husqvarna, EN, 2006 04
FS4800D to the manual 50666f28-13da-40c4-a493-2b8d3cc8ee4f
2015-01-24
: Husqvarna Husqvarna-Sander-Fs4800D-Users-Manual-318059 husqvarna-sander-fs4800d-users-manual-318059 husqvarna pdf
Open the PDF directly: View PDF
.
Page Count: 112 [warning: Documents this large are best viewed by clicking the View PDF Link!]
- FS 4800 D
- Table of Contents
- WARNINGSDO’s AND DO NOT’s
- Symbol Definitions
- Technical Data - Sound Level, EMC, and HAV
- DECALS & LOCATIONS
- FS 4800 D DIESEL SPECIFICATIONS
- SPECIAL INSTRUCTIONS
- ENGINE INFORMATION
- PreRE OperationPERATION ChecHECklistLIST
- ScheduledCHEDULED MaintenanceAINTENANCE QuicUICk ReferenceEFERENCE
- FS4800 D DIESEL - BLADE SIZE CONVERSION CHART
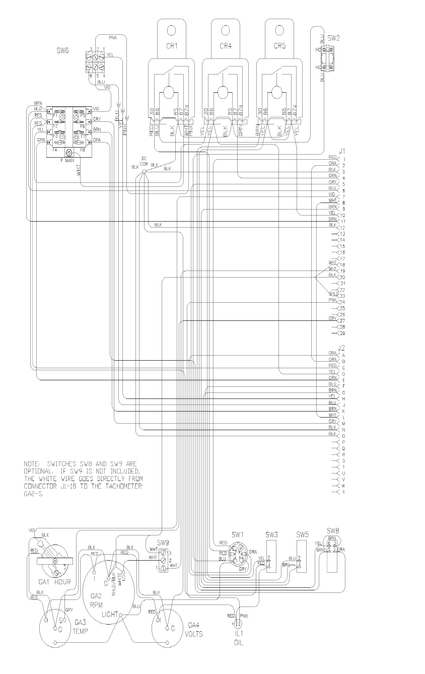
- Diagram 1: Wiring Diagram - FS4800 D Diesel-Front Pivot-Instr & Control Box
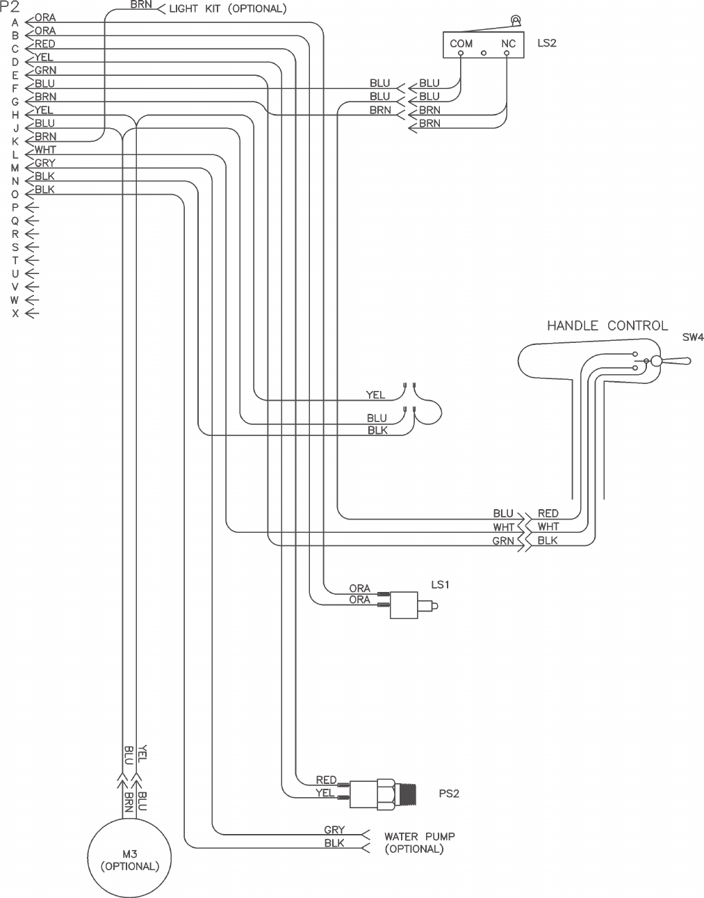
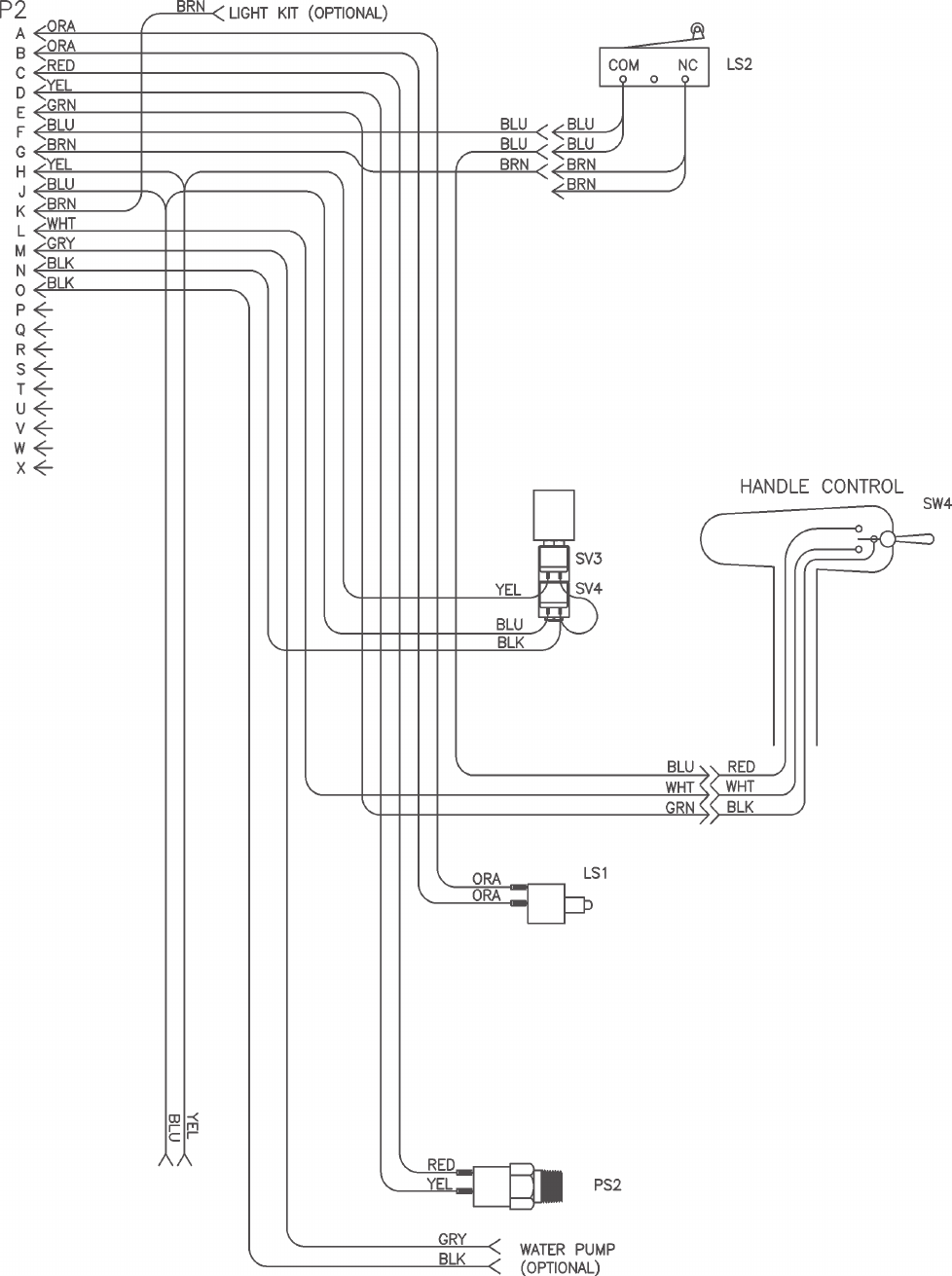
- Diagram 2: Wiring Diagram - FS4800 D Diesel-Rear Pivot Instr & Control Box
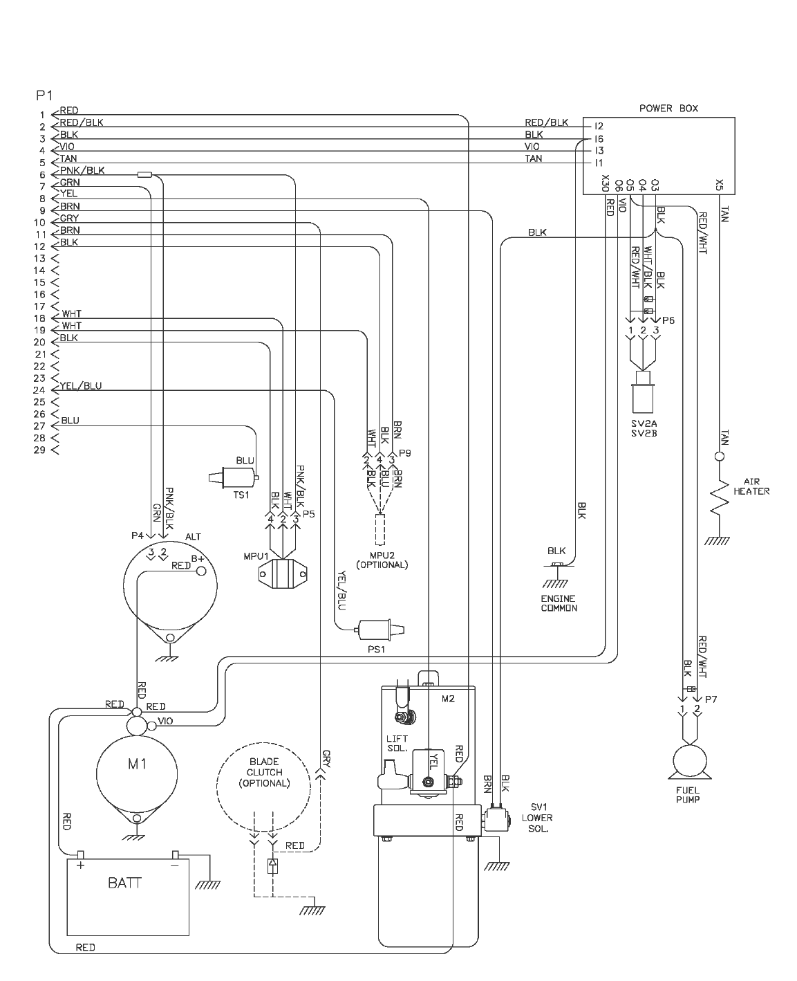
- Diagram 3: Wiring Diagram - FS4800 D Engine Wiring
- Diagram 4: Wiring Diagram - FS4800 D Diesel - Front Pivot Cowl Wiring
- Diagram 5: Wiring Diagram - FS4800 D Diesel - Rear Pivot Cowl Wiring
- Diagram 6: Ladder Diagram - FS4800 D Diesel - Front Pivot - Electrical
- Diagram 7: Ladder Diagram - FS4800 D Diesel - Rear Pivot - Electrical
- Diagram 8: Hydraulic Schematic Ł–FS4800D–FS4800D FS4800 D

Operator’s manual
Read these instructions carefully and make sure
you understand them before using the FS 4800.
Manuel d’utilisation
Veuillez lire attentivement ces instructions et assurez-vous deVeuillez lire attentivement ces instructions et assurez-vous de
bien les comprendre avant d’utiliser la machine modèle FS 4800.
Manual
del operador
Lea cuidadosamente estas instrucciones y asegúrese
de que las comprende bien antes de usar el FS 4800. FS 4800 D

2
DECLARATION OF CONFORMITY WITH THE “MACHINES” DIRECTIVE
(Directive 89/392/CEE, modied) and the rules governing its transposition
DECLARACIÓN DE CONFORMIDAD CON LA DIRECTIVA RELATIVA A “MÁQUINAS”
(Directiva 89/392/CEE, modicada) y las reglas que rigen su transposición
DÉCLARATION DE CONFORMITÉ À LA DIRECTIVE « MACHINES »
(Directive 89/392/CEE, modiée) et aux réglementations régissant sa transposition
MANUFACTURER herewith declares that the machine designed hereunder
El FABRICANTE con la presente declara que la máquina diseñada en virtud
de esto es de conformidad
LE FABRICANT déclare avec ceci que la machine conçue ci-après
FS4800 D DIESEL
conforms to the modied “MACHINES” directive (89/392/CEE), the “LOW VOLTAGE” directive (73/23/CEE), the “EMC” directive (89/336/CEE) in accordance
with European standards EN 50081/1 and EN 55022, and the “NOISE” directive (2000/14/CEE) in accordance with European standard EN-ISO-3744.
con la directiva modicada relativa a “MÁQUINAS” (89/392/CEE), la directiva relativa a “BAJA TENSIÓN”, la directiva
“EMC” (Compatibilidad electromagnética) (89/336(CEE) de acuerdo con las normas europeas EN 50081/1 y
EN 55022, y la directiva relativa a “RUIDO” (2000/14/CEE) de acuerdo con la norma europea EN-ISO-3744.
est conforme à la directive modiée « MACHINES » (89/392/CEE), à la directive « BASSE TENSION » (73/23/CEE),
à la directive « CEM » (89/336/CEE), conformément aux normes européennes EN 50081/1 et EN 55022,
et à la directive « BRUIT » (2000/14/CEE), conformément à la norme européenne EN-ISO-3744.
Made especially for:
Husqvarna Belgium S.A.
Avenue des Artisans, 50
Zoning Industriel N° 2
B - 7822 Ath, Belgium
Phone: +32 (0)68 25 12 11
Fax +32 (0)68 25 13 40
17400 West 119th Street
Olathe, Kansas 66061
USA
Husqvarna Construction
Products North America
3
NOTES:
NOTAS:
REMARQUE :
Reference Information:
Model No.: __________________________
Serial No.: ___________________________
Engine Serial No.: ____________________
Date Purchased: _____________________
Información de referencia:
N° de modelo: _______________________
N° de serie: __________________________
N° de serie del motor: _________________
Fecha de compra: ____________________
Informations de référence : ____________
Nº du modèle : _______________________
Nº de série : _________________________
Nº de série du moteur : ________________
Date d’achat : ________________________

4
EVERY MACHINE IS THOROUGHLY TESTED BEFORE LEAVING THE FACTORY. EACH MACHINE IS
SUPPLIED WITH A COPY OF THIS MANUAL. OPERATORS OF THIS EQUIPMENT MUST READ AND BE
FAMILIAR WITH THE SAFETY WARNINGS. FAILURE TO OBEY WARNINGS MAY RESULT IN INJURY OR
DEATH. FOLLOW INSTRUCTIONS STRICTLY TO ENSURE LONG SERVICE IN NORMAL OPERATION.
Table of Contents
DESCRIPTION ............................................................................................................................................ PAGE NO.
Declaration of Conformity With The “Machines” Directive ............................................................................................ 2
Warnings, Do’s and Do Not’s .................................................................................................................................... 8, 9
Symbol Denitions ...............................................................................................................................................14 - 21
Warning, Poison Exhaust Gas, Hearing Hazard ........................................................................................................ 22
Warning, Dust ............................................................................................................................................................. 23
Technical Data - Sound Level, EMC, and HAV ........................................................................................................... 24
Decals..................................................................................................................................................................32 - 35
FS4800 Diesel Specications Standard & CE ............................................................................................................ 36
FS4800 Diesel Specications Standard & CE ............................................................................................................ 37
Special Instructions For Changing Blade Speed On Concrete / Asphals Saws ......................................................... 42
Engine Speed / Blade Size ......................................................................................................................................... 42
Engine Information / Yanmar Warranty Registration .................................................................................................. 43
Pre Operation Checklist.............................................................................................................................................. 44
Scheduled Maintenance Quick Reference ................................................................................................................. 44
REFERENCE FIGURES
Figure 1 ...................................................................................................................................................................... 45
Figure 2 ...................................................................................................................................................................... 46
Figure 3-1 & Figure 3-2 .............................................................................................................................................. 47
Figure 4 ...................................................................................................................................................................... 48
Figure 5 ...................................................................................................................................................................... 48
Figure 6 & Figure 7 ..................................................................................................................................................... 49
INSTRUCTIONS
1. Uses .................................................................................................................................................................... 50
2. Moving The Machine .......................................................................................................................................... 50
3. Transport (Blade Removed) ................................................................................................................................ 51
4. Check Before Starting ......................................................................................................................................... 51
5. Fitting The Blade ................................................................................................................................................. 52
6. Starting The Saw ................................................................................................................................................. 52
7. Stopping The Saw ............................................................................................................................................... 54
8. Incidents During Sawing ...................................................................................................................................... 54
9. Adjustments: Straight Line Sawing ...................................................................................................................... 54
10. Maintenance ........................................................................................................................................................ 55
11. Blade Shaft V-Belt Tension .................................................................................................................................. 56
12. Hydraulic System................................................................................................................................................. 56
13. Important Advice .................................................................................................................................................. 56
14. Engine Speed Adjustment ................................................................................................................................... 57
15. Accessories ......................................................................................................................................................... 58
16. Repairs ................................................................................................................................................................ 58
17. Spare Parts.......................................................................................................................................................... 58
Blade Size Conversion: Husqvarna FS 4800, 1 Speed Gearbox Models .................................................................. 95
Blade Size Conversion: Husqvarna FS 4800, 3 Speed Gearbox Models .................................................................. 96
Diagram 1, Wiring Diagram - FS4800 Diesel-Front Pivot, Instrument and Control Box ........................................... 101
Diagram 2, Wiring Diagram - FS4800 Diesel-Rear Pivot, Instrument and Control Box............................................ 102
Diagram 3, Wiring Diagram - FS4800 Diesel, Engine Wiring ................................................................................... 103
Diagram 4, Wiring Diagram - FS4800 Diesel-Front Pivot, Cowl Wiring.................................................................... 104
Diagram 5, Wiring Diagram - FS4800 Diesel-Rear Pivot, Cowl Wiring .................................................................... 105
Diagram 6, Ladder Diagram - FS4800 Diesel-Front Pivot .................................................................................106-107
Diagram 7, Ladder Diagram - FS4800 Diesel-Rear Pivot .................................................................................108-109
Diagram 8, Hydraulic Schematic FS4800 FS4800 FS4800.............................................................................................................. 110

5
TODAS LAS MÁQUINAS SON SOMETIDAS A UNA PRUEBA EXHAUSTIVA ANTES DE SALIR
DE FÁBRICA. CADA MÁQUINA SE SUMINISTRA CON UN EJEMPLAR DE ESTE MANUAL. LOS
OPERADORES DE ESTE EQUIPO DEBEN LEER Y FAMILIARIZARSE CON LOS MENSAJES
DE ADVERTENCIA DE SEGURIDAD. LA INOBSERVANCIA DE TALES ADVERTENCIAS PODRÍA
RESULTAR EN LESIONES O MUERTE. SEGUIR LAS INSTRUCCIONES RIGUROSAMENTE PARA
ASEGURAR UNA LARGA VIDA ÚTIL EN CONDICIONES DE OPERACIÓN NORMALES.
íNDICE
DESCRIPCIÓN ............................................................................................................................................................................. N° DE PÁGINA
Declaración de conformidad con la directiva relativa a “Máquinas” ......................................................................................................................2
Advertencias, Lo que debe hacer y lo que no debe hacer ........................................................................................................................... 10, 11
Denición de los símbolos ............................................................................................................................................................................14 - 21
Advertencia, gas de escape venenoso, peligro para la Audición ........................................................................................................................25
Advertencia, polvo ...............................................................................................................................................................................................26
Datos técnicos - Nivel sonoro, EMC y HAV .........................................................................................................................................................27
Etiquetas .......................................................................................................................................................................................................32 - 35
Especicaciones, normales y CE del diesel FS6600 ..........................................................................................................................................38
Especicaciones, normales y CE, del diesel FS8400 .........................................................................................................................................39
Instrucciones especiales para cambiar la velocidad de la hoja en sierras para hormigón/asfalto ......................................................................42
Velocidad del motor/Tamaño de la hoja ...............................................................................................................................................................42
Información del motor / Registro de la garantía de Yanmar ................................................................................................................................43
Lista de comprobación preliminar ........................................................................................................................................................................59
Referencia rápida para el mantenimiento programado .......................................................................................................................................59
FIGURAS DE REFERENCIA
Figura 1 ...............................................................................................................................................................................................................60
Figura 2 ...............................................................................................................................................................................................................62
Figura 3 ........................................................................................................................................................................................................62 - 63
Figura 4 ...............................................................................................................................................................................................................64
Figura 5 ...............................................................................................................................................................................................................64
Figura 6 & Figura 7 ..............................................................................................................................................................................................65
INSTRUCCIONES
1. Usos ..............................................................................................................................................................................................................66
2. Traslado de la máquina .................................................................................................................................................................................66
3. Transporte (sin la hoja) ..................................................................................................................................................................................67
4. Revisión antes del arranque ..........................................................................................................................................................................68
5. Colocación de la hoja ....................................................................................................................................................................................68
6. Arranque de la sierra .....................................................................................................................................................................................69
7. Parada de la sierra ........................................................................................................................................................................................71
8. Incidentes durante el corte con sierra ...........................................................................................................................................................71
9. Ajustes: Aserrado en línea recta ....................................................................................................................................................................71
10. Mantenimiento ...............................................................................................................................................................................................72
11. Tensión de la correa trapezoidal del eje de la hoja .......................................................................................................................................73
12. Sistema hidráulico .........................................................................................................................................................................................73
13. Consejo importante .......................................................................................................................................................................................73
14. Ajuste de la velocidad del motor ....................................................................................................................................................................74
15. Accesorios .....................................................................................................................................................................................................75
16. Reparaciones ................................................................................................................................................................................................75
17. Piezas de repuesto ........................................................................................................................................................................................75
Conversión de tamaños de hojas: Modelos Husqvarna FS 4800 de caja de marchas de 1 velocidad ...............................................................97
Conversión de tamaños de hojas: Modelos Husqvarna FS 4800 con caja de marchas de 3 velocidades .........................................................98
DIAGRAMAS ESQUEMÁTICOS
Diagrama esquemático 1: Diagrama esquemático de alambrado-Caja de control e instrumentos FS4800-Model anterior de Pivote .............101
Diagrama esquemático 2: Diagrama esquemático de alambrado-Caja de control e instrumentos FS4800 - Modelo trasero de Pivotee ........102
Diagrama esquemático 3: Diagrama esquemático de alambrado-Alambrado del motor FS4800 ....................................................................103
Diagrama esquemático 4: Diagrama esquemático de alambrado-Alambrado de la cubierta del motor FS4800 - Modelo anterior de Pivote ..104
Diagrama esquemático 5: Diagrama esquemático de alambrado-Alambrado de la cubierta del motor FS4800 - Modelo trasero de Pivote ...105
Diagrama esquemático 6: Diagrama esquemático escalonado-Eléctrico FS4800 - Modelo anterior de Pivotee ......................................106-107
Diagrama esquemático 7: Diagrama esquemático escalonado-Eléctrico F4800 - Modelo trasero de Pivote ............................................108-109
Diagrama 8: Hidráulico Esquemático�FS4800�FS4800FS4800 .................................................................................................................................................. 110

6
CHAQUE MACHINE A ÉTÉ ENTIÈREMENT TESTÉE AVANT DE QUITTER L’USINE. CHAQUE MACHINE
EST FOURNIE AVEC UN EXEMPLAIRE DE CE MANUEL. LES OPÉRATEURS DE CE MATÉRIEL DOIVENT
LIRE LES CONSIGNES DE SÉCURITÉ ET BIEN LES CONNAÎTRE. LE NON-RESPECT DES CONSIGNES
DE SÉCURITÉ RISQUE D’ENTRAÎNER DES BLESSURES GRAVES OU MORTELLES. SUIVRE
EXACTEMENT LES INSTRUCTIONS POUR OBTENIR UNE LONGUE DURÉE DE SERVICE LORS DE
L’UTILISATION NORMALE.
Table des matières
DESCRIPTION .............................................................................................................................................. Nº PAGE
Déclaration de conformité à la directive « Machines » ................................................................................................. 2
Consignes de sécurité, à faire et à ne pas faire ................................................................................................... 12, 13
Explications des symboles ..................................................................................................................................14 - 21
Avertissement, gaz d’échappement toxiques, danger pour l’ouïe .............................................................................. 28
Avertissement, poussière ........................................................................................................................................... 29
Données techniques niveau sonore, CEM et VMB ................................................................................................. 30
Autocollants .........................................................................................................................................................32 - 35
Spécications FS4800 diesel standard & CE ......................................................................................................40 - 41
Instructions spéciales pour le changement de la vitesse du disque sur les scies à béton/asphalte .......................... 42
Régime moteur/taille de disque .................................................................................................................................. 42
Information sur le moteur/enregistrement de garantie Yanmar .................................................................................. 43
Liste de vérications avant utilisation ......................................................................................................................... 76
Guide rapide du calendrier d’entretien ....................................................................................................................... 76
FIGURES DE RÉFÉRENCE
Figure 1 ...................................................................................................................................................................... 77
Figure 2 ...................................................................................................................................................................... 79
Figure 3-1 & Figure 3-2 .......................................................................................................................................79 - 80
Figure 4 & Figure 5 ..................................................................................................................................................... 81
Figure 6 ...................................................................................................................................................................... 82
Figure 7 ...................................................................................................................................................................... 83
INSTRUCTIONS
1. Utilisations ............................................................................................................................................................ 84
2. Déplacement de la machine ................................................................................................................................. 84
3. Transport (disque retiré) ....................................................................................................................................... 85
4. À vérier avant de démarrer ................................................................................................................................. 86
5. Mise en place du disque ....................................................................................................................................... 86
6. Démarrage de la scie ........................................................................................................................................... 87
7. Arrêt de la scie ...................................................................................................................................................... 89
8. Incidents pouvant se produire durant le sciage .................................................................................................... 89
9. Réglages : Sciage en ligne droite ......................................................................................................................... 90
10. Entretien ............................................................................................................................................................... 90
11. Tension des courroies trapézoïdales de l’axe du disque ...................................................................................... 91
12. Circuit hydraulique ................................................................................................................................................ 92
13. Conseil important.................................................................................................................................................. 92
14. Moteur / Axe de disque / Réglage du régime de la boîte de transmission .......................................................... 92
15. Accessoires .......................................................................................................................................................... 94
16. Réparations .......................................................................................................................................................... 94
17. Pièces détachées ................................................................................................................................................. 94
Conversion des tailles de disques : Husqvarna FS 4800, boîte de transmission à 1 vitesse .................................... 99
Conversion des tailles de disques : Husqvarna FS 4800, boîte de transmission à 3 vitesses ................................. 100
SCHÉMAS
Schéma 1: Schéma de câblageInstruments et boîtier de commande FS4800-Le Modèle de Pivot de devant ..... 101
Schéma 2 : Schéma de câblage Instruments et boîtier de commande FS4800-Le Modèle postérieur de Pivot .. 102
Schéma 3 : Schéma de câblage Câblage du moteur FS4800 .............................................................................. 103
Schéma 4 : Schéma de câblage Câblage du capot FS4800-Le Modèle de Pivot de devant ................................ 104
Schéma 5 : Schéma de câblage Câblage du capot FS4800-Le Modèle postérieur de Pivot ................................ 105
Schéma 6 : Schéma échelle Circuit électrique FS4800 - Le Modèle de Pivot de devant ..............................106-107
Schéma 7 : Schéma échelle Circuit électrique FS4800 - Le Modèle postérieur de Pivot .............................. 108-109
Schéma 8: Hydraulique Schématique FS4800...................................................................................................... 110
7
NOTES:
NOTAS:
REMARQUE :

8
DO Read this entire operator’s manual before operating this machine. Understand all warnings, instructions,
and controls.
DO keep all guards in place and in good condition.
DO wear safety approved hearing, eye, head and respiratory protection.
DO read and understand all warnings and instructions on the machine.
DO read and understand the symbol denitions contained in this manual.
DO keep all parts of your body away from the blade and all other moving parts.
DO know how to stop the machine quickly in case of emergency.
DO shut off the engine and allow it to cool before refueling or doing maintenance.
DO inspect the blade, anges and shafts for damage before installing the blade.
DO use the blade ange size shown for each blade size.
DO use only steel center diamond blades manufactured for use on concrete saws.
DO use only the blade anges supplied with the saw. Never use damaged or worn blade anges.
DO use only blades marked with a maximum operating speed greater than the blade shaft speed. Verify speed by
checking blade shaft rpm and pulley diameters and blade ange diameters.
DO verify saw drive conguration by checking blade shaft RPM, pulley diameters, and blade ange diameter.
DO read all safety materials and instructions that accompany any blade used with this machine.
DO inspect each blade carefully before using it. If there are any signs of damage or unusual wear, DO NOT USE
THE BLADE.
DO mount the blade solidly and rmly, Wrench tighten the arbor nut.
DO make sure the blade and anges are clean and free of dirt and debris before mounting the blade on the saw.
DO use the correct blade for the type of work being done. Check with blade manufacturer if you do not know if
blade is correct.
DO use caution and follow the instructions when loading and unloading the machine.
DO operate this machine only in well ventilated areas. Breathing Poison Exhaust Gas could result in death.
DO instruct bystanders on where to stand while the machine is in operation.
DO establish a training program for all operators of this machine.
DO clear the work area of unnecessary people. Never allow anyone to stand in front of or behind the blade while
the engine is running.
DO make sure the blade is not contacting anything before starting the engine.
DO use caution when lifting and transporting this machine.
DO always tie down the machine when transporting.
DO use caution and follow instructions when setting up or transporting the machine.
DO have all service performed by competent service personnel
DO verify the blade arbor hole matches the machine spindle before mounting the blade.
DO always check for buried electrical cables before sawing. If unsure, contact the local utilities.
DO move the machine at least 10 feet (3 meters) from the fueling point before starting the engine and make sure
the fuel cap is on the machine and properly tightened.
DO lift only from the lift bail.
DO clean the machine after each day’s use.
DO use the proper blade ange size for each blade size. Never use damaged or worn blade anges.
DO use caution when handling fuel.
DO only cut in a straight line.
DO only saw as deep as the job specications require.
DO always give a copy of this manual to the equipment user. If you need extra copies, call TOLL FREE
1-800-288-5040 in USA, or for International, call +1-913-928-1300.
SAFETY FIRST!
WARNINGS
DO’s AND DO NOT’s
WARNING: FAILURE TO COMPLY WITH THESE WARNINGS AND OPERATING
INSTRUCTIONS COULD RESULT IN DEATH OR SERIOUS BODILY INJURY.
DO

9
*****************
This saw was designed for certain applications only. DO NOT modify this saw or use for any application other
than for which it was designed. If you have any questions relative to its application, DO NOT use the saw until
you have written Husqvarna Construction Products and we have advised you.
Husqvarna Construction Products North America
17400 West 119th Street
Olathe, Kansas 66061
USA
DO NOT operate this machine unless you have read and understood this operator’s manual.
DO NOT operate this machine without the blade guard, or other protective guards in place.
DO NOT stand behind or in front of the blade path while the engine is running.
DO NOT leave this machine unattended while the engine is running.
DO NOT work on this machine while the engine is running.
DO NOT operate this machine when you are tired or fatigued.
DO NOT use a wet blade without adequate water supply to the blade.
DO NOT exceed maximum blade speed shown for each blade size. Excessive speed could result in
blade breakage.
DO NOT operate the machine if you are uncertain of how to run the machine.
DO NOT use damaged equipment or blades.
DO NOT touch or try to stop a moving blade with your hand.
DO NOT cock, jam, wedge or twist the blade in a cut.
DO NOT transport a cutting machine with the blade mounted on the machine.
DO NOT use a blade that has been dropped or damaged.
DO NOT use carbide tipped blades.
DO NOT touch a dry cutting diamond blade immediately after use. These blades require several minutes to cool
after each cut.
DO NOT use damaged or worn blade anges.
DO NOT allow other persons to be near the machine when starting, refueling, or when the machine is in operation.
DO NOT operate this machine in an enclosed area. Breathing Poison Exhaust Gas could result in death.
DO NOT operate this machine in the vicinity of anything that is ammable. Sparks could cause a re
or an explosion.
DO NOT allow blade exposure from the guard to be more than 180 degrees.
DO NOT operate this machine with the belt guards or blade guard removed.
DO NOT operate this machine unless you are specically trained to do so.
DO NOT use a blade that has been over heated (Core has a bluish color).
DO NOT jam material into the blade.
DO NOT grind on the side of the blade.
DO NOT tow this machine behind a vehicle.
DO NOT use the tie down brackets for lifting this machine.
DO NOT operate this machine with the any guards or shields removed.
DO NOT cut deeper than 1” per pass with a dry blade. Step cut to achieve deeper cuts.
DO NOT operate this machine while under the inuence of drugs or alcohol.
SAFETY FIRST!
WARNINGS
DO’s AND DO NOT’s
WARNING: FAILURE TO COMPLY WITH THESE WARNINGS AND OPERATING
INSTRUCTIONS COULD RESULT IN DEATH OR SERIOUS BODILY INJURY.
DO NOT

10
SÍ Lea todo este manual del operador antes de manejar esta máquina. Comprenda bien todas las advertencias,
instrucciones y controles (mandos).
SÍ Mantenga todos los protectores en su lugar y en buenas condiciones
SÍ Use equipo de seguridad aprobado para los oídos, ojos, cabeza y vías respiratorias
SÍ Lea y comprenda todos los mensajes de advertencia y las instrucciones en esta máquina.
SÍ Lea y comprenda las deniciones de los símbolos que guran en este manual.
SÍ Mantenga todas las partes de su cuerpo lejos de la hoja y de todas las piezas en movimiento.
SÍ Sepa cómo detener la máquina rápidamente en caso de emergencia.
SÍ Apague el motor y deje que se enfríe antes de reabastecer de combustible o hacer trabajos de mantenimiento.
SÍ Antes de instalar la hoja, inspeccione la hoja, las bridas y los ejes para ver si hay daño.
SÍ Use el tamaño de brida de la hoja que se muestra para cada tamaño de hoja.
SÍ Use solamente hojas de diamante con centro de acero fabricadas para usar en sierras para hormigón.
SÍ Use solamente las bridas suministradas con la sierra. Nunca use bridas de hoja dañadas o desgastadas.
SÍ Use solamente hojas marcadas con una velocidad máxima de funcionamiento mayor que la velocidad del eje
de la hoja. Verique la velocidad comprobando la velocidad (rpm) del eje de la hoja y los diámetros de las
poleas y de la brida de la hoja.
SÍ Verique la conguración de accionamiento de la sierra comprobando la velocidad (rpm) del eje de la hoja,
los diámetros de las poleas y el diámetro de la brida de la hoja.
SÍ Lea todas las hojas de seguridad de materiales y las instrucciones incluidas con las hojas utilizadas en esta máquina.
SÍ Inspeccione cuidadosamente cada hoja antes de usarla. Si encuentra cualquier evidencia de daño o desgaste
fuera de lo común, NO USE LA HOJA.
SÍ Instale la hoja bien sujeta y rme. Apriete con una llave la tuerca del eje.
SÍ Cerciórese de que la hoja y las bridas estén limpias y libres de tierra y basura antes de instalar la hoja en la sierra.
SÍ Use la hoja correcta para el tipo de trabajo a realizar. Ante cualquier duda, consulte con el fabricante de la hoja.
SÍ Sea precavido y siga las instrucciones cuando suba y baje la máquina del vehículo de transporte.
SÍ Maneje esta máquina solamente en lugares con buena ventilación. El respirar gases de escape venenosos
podría causar la muerte.
SÍ Indique a los circunstantes dónde situarse mientras la máquina está funcionando.
SÍ Establezca un programa de capacitación para todos los operadores de esta máquina.
SÍ Despeje el lugar de trabajo de personas no involucradas en el trabajo. Nunca deje que nadie se sitúe delante
o detrás de la hoja mientras el motor está funcionando.
SÍ Asegúrese de que la hoja no haga contacto con ninguna cosa antes de arrancar el motor.
SÍ Tenga cuidado cuando levante y transporte esta máquina.
SÍ Siempre amarre la máquina para transportarla.
SÍ Tenga cuidado y siga las instrucciones cuando prepare o transporte la máquina.
SÍ Encargue todos los trabajos de servicio a mecánicos competentes.
SÍ Verique que el oricio de la hoja para el eje coincida con el eje de la máquina antes de instalar la hoja.
SÍ Siempre averigüe si hay cables eléctricos enterrados antes de cortar con la sierra. Ante cualquier duda,
comuníquese con las empresas de servicios públicos locales.
SÍ Aleje la máquina por lo menos 10 pies (3 metros) del punto de reabastecimiento de combustible antes de
arrancar el motor, y asegúrese de que la tapa de combustible esté puesta en la máquina y bien apretada.
SÍ Levante la máquina solamente del gancho de izada.
SÍ Limpie la máquina después de cada jornada.
SÍ Use el tamaño de brida de la hoja apropiado para cada tamaño de hoja. Nunca use bridas de hoja dañadas
o desgastadas.
SÍ Sea precavido cuando maneje el combustible.
SÍ Corte solamente en línea recta.
SÍ Corte solamente hasta la profundidad requerida en las especicaciones de la obra.
SÍ Siempre entregue un ejemplar de este manual al usuario del equipo. Si necesita más ejemplares, llama
GRATIS al 1-800-288-5040 (EEUU) o +1-913-928-1300 (internacional).
¡SEGURIDAD ANTE TODO!
ADVERTENCIAS
LO QUE DEBE HACER Y LO QUE NO DEBE HACER
ADVERTENCIA: LA INOBSERVANCIA DE ESTOS MENSAJES DE ADVERTENCIA E
INSTRUCCIONES DE INSTALACIÓN PODRÍA RESULTAR EN LESIONES GRAVES O MUERTE.
SÍ

11
*****************
Esta sierra fue diseñada para ciertas aplicaciones solamente. NO modique esta sierra ni la utilice para
ninguna otra aplicación aparte de aquellas para las cuales fue diseñada. Ante cualquier duda respecto
a su aplicación, NO utilice la sierra hasta haber escrito a Husqvarna Construction Products y nosotros
le hayamos dado la información necesaria.
Husqvarna Construction Products North America
17400 West 119th Street
Olathe, Kansas 66061
USA
NO maneje esta máquina sin antes haber leído y comprendido este manual del operador.
NO maneje esta máquina sin el protector de la hoja, u otros escudos protectores en su lugar.
NO se sitúe detrás o delante de paso de la hoja mientras el motor está funcionando.
NO deje la máquina desatendida mientras el motor está funcionando.
NO trabaje en esta máquina mientras el motor está funcionando.
NO maneje esta máquina cuando esté cansado o fatigado.
NO use una hoja de corte en húmedo sin tener conectado el suministro adecuado de agua a la hoja.
NO sobrepase la velocidad máxima de la hoja indicada para cada tamaño de hoja. La velocidad excesiva podría
causar la rotura de la hoja.
NO maneje la máquina si no está seguro de cómo hacerlo.
NO use ningún equipo u hoja que esté dañado.
NO toque ni intente parar con la mano una hoja en movimiento.
NO incline, atasque, acuñe o tuerza una hoja durante un corte.
NO transporte una máquina de corte con la hoja instalada.
NO use una hoja que se ha dejado caer o dañado
NO use hojas con puntas de carburo.
NO toque una hoja de diamante de corte en seco inmediatamente después de usarla. Estas hojas requieren
varios minutos para enfriarse después de cada corte.
NO use bridas de hoja dañadas o desgastadas.
NO permita a otras personas cerca de la máquina durante el arranque, reabastecimiento de combustible o cuando
la máquina está funcionando.
NO maneje esta máquina en un lugar encerrado. El respirar gases de escape venenosos podría causar la muerte.
NO maneje esta máquina cerca de cualquier cosa inamable. Las chispas podrían causar un incendio o una explosión.
NO permita que la hoja esté fuera del protector más de 180 grados (82.2°C).
NO maneje esta máquina sin los protectores de las correas o el protector de la hoja.
NO maneje esta máquina sin tener la capacitación especial para hacerlo.
NO use una hoja que se ha sobrecalentado (el núcleo está de color azulino).
NO apiñe material contra la hoja.
NO frote en el costado de la hoja.
NO remolque esta máquina con un vehículo.
NO use los soportes de anclaje para levantar esta máquina.
NO maneje esta máquina sin los protectores o escudos.
NO corte más profundo de 1 pulgada por pasada con una hoja de corte en seco. Corte gradualmente para lograr
cortes más profundos.
NO maneje esta máquina mientras está bajo los efectos de drogas o alcohol.
NO embrague la hoja cuando la velocidad del motor es mayor que 1200 rpm.
¡SEGURIDAD ANTE TODO!
ADVERTENCIAS
LO QUE DEBE HACER Y LO QUE NO DEBE HACER
ADVERTENCIA: LA INOBSERVANCIA DE ESTOS MENSAJES DE ADVERTENCIA E
INSTRUCCIONES DE INSTALACIÓN PODRÍA RESULTAR EN LESIONES GRAVES O MUERTE.
NO

12
A FAIRE Lire ce manuel d’utilisation en entier avant d’utiliser cette machine. Bien comprendre tous les
avertissements, toutes les instructions et le fonctionnement des commandes.
A FAIRE Laisser toutes les protections à leur place et en bon état.
A FAIRE Porter les dispositifs de protection des oreilles, des yeux, de la tête et des voies respiratoires qui sont
homologués pour la sécurité.
A FAIRE Lire tous les avertissements et toutes les instructions gurant sur la machine et bien les comprendre.
A FAIRE Lire et comprendre les explications des symboles contenues dans ce manuel.
A FAIRE N’approcher aucune partie du corps du disque et des autres pièces mobiles.
A FAIRE Savoir comment arrêter rapidement la machine en cas d’urgence.
A FAIRE Arrêter le moteur et le laisser refroidir avant d’effectuer le plein de carburant ou une opération d’entretien.
A FAIRE Inspecter le disque, les asques et les axes pour vérier qu’ils ne sont pas endommagés avant
d’installer le disque.
A FAIRE Utiliser la taille de asque de disque spéciée pour chaque taille de disque.
A FAIRE Utiliser uniquement des disques en diamant à centre en acier fabriqués spécialement pour utilisation sur
les scies à béton.
A FAIRE Utiliser uniquement les asques de disque fournis avec la scie. Ne jamais utiliser de asques de disque
endommagés ou usés.
A FAIRE Utiliser uniquement des disques marqués avec une vitesse maximale de fonctionnement supérieure
à la vitesse de l’axe du disque. Vérier la vitesse en vériant la vitesse de rotation de l’axe du disque,
le diamètre des poulies et le diamètre des asques de disque.
A FAIRE Vérier la conguration de l’entraînement de scie en vériant la vitesse de l’axe de disque, le diamètre
des poulies et le diamètre des asques de disque.
A FAIRE Lire toutes les consignes de sécurité et instructions accompagnant tout disque utilisé avec cette machine.
A FAIRE Inspecter soigneusement chaque disque avant de l’utiliser. S’il paraît endommagé ou présente une
usure inhabituelle, NE PAS UTILISER LE DISQUE.
A FAIRE Monter le disque solidement et fermement ; serrer l’écrou du mandrin avec une clé.
A FAIRE S’assurer que le disque et les asques sont propres et exempts de saleté et de débris avant de monter
le disque sur la scie.
A FAIRE Utiliser le disque approprié au type de travail à faire. En cas de doute sur le disque à utiliser, demander
conseil au fabricant de disques.
A FAIRE Rester prudent et suivre les instructions pour charger et décharger la machine.
A FAIRE N’utiliser cette machine que dans des endroits bien aérés. L’inhalation des gaz d’échappement toxiques
pourrait provoquer la mort.
A FAIRE Indiquer aux personnes présentes l’endroit où elles doivent se tenir lorsque la machine est en marche.
A FAIRE Établir un programme de formation pour tous les opérateurs de cette machine.
A FAIRE Demander aux personnes qui ne sont pas indispensables de s’éloigner du chantier. Ne jamais autoriser
qui que ce soit à se tenir devant ou derrière le disque lors du fonctionnement du moteur.
A FAIRE Vérier que le disque ne touche rien avant de faire démarrer le moteur.
A FAIRE Rester prudent lors du levage et du transport de cette machine.
A FAIRE Toujours bien arrimer la machine avant de la transporter.
A FAIRE Rester prudent et suivre les instructions pour mettre en place et transporter la machine.
A FAIRE Toutes les opérations d’entretien/réparation doivent être effectuées par un personnel compétent.
A FAIRE Vérier que le trou de mandrin du disque correspond à la broche de la machine avant de monter le disque.
A FAIRE Toujours vérier qu’il n’y a pas de câbles électriques enfouis, avant d’effectuer un sciage. En cas de
doute, contacter les services locaux appropriés.
A FAIRE Éloigner la machine d’au moins 3 mètres (10 pieds) du point du plein de carburant, avant de faire
démarrer le moteur et vérier que le bouchon du réservoir de carburant est bien refermé et serré.
A FAIRE Ne lever la machine que par l’anse de levage.
A FAIRE Nettoyer la machine après chaque journée d’utilisation.
A FAIRE Utiliser la taille de asque de disque spéciée pour chaque taille de disque. Ne jamais utiliser de
asques de disque endommagés ou usés.
A FAIRE Faire très attention lors de la manipulation du carburant.
A FAIRE Ne scier qu’en ligne droite.
A FAIRE Ne pas scier plus profondément qu’il n’est nécessaire pour le travail.
A FAIRE Toujours donner un exemplaire de ce manuel à l’utilisateur du matériel. Pour obtenir des exemplaires
supplémentaires, téléphoner au 1-800-288-5040 aux Etats Unis ou +1-913-928-1300, international.
SÉCURITÉ D’ABORD !
CONSIGNES DE SÉCURITÉ
À FAIRE ET À NE PAS FAIRE
AVERTISSEMENT : LE NON-RESPECT DE CES CONSIGNES DE SÉCURITÉ ET DES
INSTRUCTIONS D’UTILISATION RISQUE D’ENTRAÎNER DES BLESSURES GRAVES OU MORTELLES.
A FAIRE

13
*****************
Cette scie n’a été conçue que pour certaines applications. NE PAS la modier et ne pas l’utiliser dans une
application pour laquelle elle n’a pas été conçue. Pour toute question relative aux applications, NE PAS
utiliser la scie avant d’avoir écrit à Husqvarna Construction Products ni avant d’avoir reçu l’approbation.
Husqvarna Construction Products North America
17400 West 119th Street
Olathe, Kansas 66061
USA
NE PAS utiliser cette machine avant d’avoir lu le manuel d’utilisation et compris ses instructions.
NE PAS utiliser cette machine si la protection de disque et les autres dispositifs de protection ne sont pas à leur place.
NE PAS se tenir derrière ni devant le disque lors du fonctionnement du moteur.
NE PAS laisser cette machine sans surveillance lors du fonctionnement du moteur.
NE PAS travailler sur cette machine lors du fonctionnement du moteur.
NE PAS utiliser cette machine quand on est fatigué ou las.
NE PAS utiliser de disque pour sciage à l’eau sans une alimentation en eau adéquate au disque.
NE PAS faire tourner le disque à une vitesse supérieure à la vitesse maximum spéciée pour chaque taille
de disque. Une vitesse excessive pourrait faire casser le disque.
NE PAS utiliser la machine si l’on a des doutes sur son mode d’emploi.
NE PAS utiliser du matériel ni des disques endommagés.
NE PAS toucher ni essayer d’arrêter un disque en mouvement avec la main.
NE PAS enrayer, coincer, bloquer ni tordre le disque dans une entaille.
NE PAS transporter une scie lorsque le disque y est monté.
NE PAS utiliser de disque qui est tombé ou a été endommagé.
NE PAS utiliser de disques à pointes en carbure.
NE PAS toucher de disque en diamant pour sciage à sec immédiatement après son utilisation. Ces disques
mettent plusieurs minutes à refroidir après chaque sciage.
NE PAS utiliser de asques de disque endommagés ou usés.
NE PAS autoriser d’autres personnes à se tenir près de la machine lors du démarrage, du plein de carburant
ni de son fonctionnement.
NE PAS utiliser cette machine dans un endroit clos. L’inhalation des gaz d’échappement toxiques pourrait
provoquer la mort.
NE PAS utiliser cette machine à proximité de matières inammables. Des étincelles pourraient provoquer un feu
ou une explosion.
NE PAS laisser le disque exposé hors de la protection de plus de 180 degrés (82.2°C).
NE PAS utiliser cette machine lorsque la (ou les) protection(s) de courroie est (sont) retirée(s).
NE PAS utiliser cette machine si l’on n’a pas été spécialement formé pour cela.
NE PAS utiliser de disque qui a surchauffé (le centre a une couleur bleuâtre).
NE PAS coincer des matériaux dans le disque.
NE PAS meuler sur le côté du disque.
NE PAS remorquer cette machine derrière un véhicule.
NE PAS utiliser les supports d’amarrage pour soulever cette machine.
NE PAS utiliser cette machine lorsque les protections ou carters sont retirés.
NE PAS effectuer d’entaille de plus de 2,5 cm (1 po) de profondeur par passage, avec un disque pour sciage
à sec. Procéder par étapes pour effectuer des entailles plus profondes.
NE PAS utiliser cette machine lorsque l’on se trouve sous l’inuence de drogues ou d’alcool.
NE PAS engager l’embrayage du disque lorsque le régime moteur est supérieur à 1 200 tr/min.
SÉCURITÉ D’ABORD !
CONSIGNES DE SÉCURITÉ
À FAIRE ET À NE PAS FAIRE
AVERTISSEMENT : LE NON-RESPECT DE CES CONSIGNES DE SÉCURITÉ ET DES
INSTRUCTIONS D’UTILISATION RISQUE D’ENTRAÎNER DES BLESSURES GRAVES OU MORTELLES.
A NE PAS FAIRE

14
• This symbol indicates that the machine is in conformance with the applicable European directive.
• Este símbolo indica que la máquina es de conformidad con la directiva europea aplicable.
• Ce symbole indique que la machine est conforme à la directive européenne applicable.
• Please read the instructions for use prior to operating the machine for the rst time.
• Por favor lea las instrucciones de uso antes de manejar la máquina por primera vez.
• Ne pas oublier de lire les instructions d’utilisation avant d’utiliser la machine pour la première fois.
• Mandatory
• Obligatorio
• Obligatoire
• Indication
• Indicación
• Indication
• Prohibition
• Prohibición
• Interdiction
• Warning Triangle
• Triángulo de advertencia
• Triangle d’avertissement
• Wear Eye Protection
• Use protección para los ojos
• Porter une protection des yeux
Symbol Denitions
Denición de los símbolos
Explications des symboles

15
• Wear Breathing Protection
• Use protección para las vías respiratorias
• Porter une protection des voies respiratoires
• The use of ear protection is mandatory
• El uso de protección de los oídos es obligatorio
• L’utilisation d’une protection des oreilles est obligatoire
• Wear Head Protection
• Use protección para la cabeza
• Porter une protection de la tête
• Wear Safety Shoes
• Use zapatos de seguridad
• Porter des chaussures de sécurité
• Wear Appropriate Clothing
• Use vestimenta apropiada
• Porter des vêtements appropriés
• Remove the blade prior to Hoisting, Loading, Unloading and Transporting the Machine.
• Quite la hoja antes de subir, cargar, descargar y transportar la máquina.
• Retirer le disque avant de lever, charger, décharger et transporter la machine.
• Emergency Shutdown, Transmission Stop
• Parada de emergencia, parada de la transmisión
• Arrêt d’urgence, débrayage de la transmission
• Use In Well Ventilated Area
• Use en un lugar con buena ventilación
• Utiliser dans un endroit bien aéré
• Do Not Use In Flammable Areas
• No usar en lugares inamables
• Ne pas utiliser dans des lieux où se trouvent des matières inammables

16
• Machinery Hazard, Keep hands and Feet Clear.
• Peligro de maquinaria, mantenga las manos y pies alejados.
• Risques présentés par la machine ; garder les mains et les pieds éloignés.
• Mufer Hot. May Cause Burns and / or Ignition of Material. Avoid Contact.
• Silenciador caliente. Puede causar quemaduras y/o inamación de materiales. Evitar el contacto.
• Silencieux brûlant. Risque de brûlures et/ou d’inammation de matières. Éviter le contact.
• Danger, Poison Exhaust Gas
• Peligro, gases de escape venenosos
• Danger, gaz d’échappement toxiques
• No Non-working Personnel In Area
• No se permite personal extraño en la obra
• Pas de spectateurs à proximité
• No Smoking
• No fumar
• Ne pas fumer
• Do Not Operate Without Blade Guard in Place
• No manejar sin el protector de la hoja instalado
• Ne pas utiliser si la protection de disque n’est pas en place
• Always Keep All Guards In Place
• Siempre mantenga todos los protectores en su lugar
• Toujours laisser toutes les protections à leur place
• Water Supply On
• Suministro de agua conectado
• Alimentation en eau ouverte
• Water Supply Off
• Suministro de agua desconectado
• Alimentation en eau fermée

17
• Water Supply
• Suministro de agua
• Alimentation en eau
• Blade Water Safety Switch
• Interruptor de seguridad del agua de la hoja
• Interrupteur de sécurité de l’eau du disque
• Engine Coolant Temperature
• Temperatura del refrigerante del motor
• Température du liquide de refroidissement du moteur
• Keep Work Area Clean/Well Lit, Remove All Safety Hazards
• Mantenga el lugar de trabajo limpio/bien iluminado, quite todos los objetos peligrosos
• Maintenir la zone de travail propre et bien éclairée ; retirer tout ce qui constitue un risque.
• Dangerously High Noise Level
• Nivel sonoro peligrosamente alto
• Niveau de bruit élevé, dangereux
• Pay Extreme Attention to The Care And Protection Of The Machine Before Starting Up
• Preste suma atención al cuidado y protección de la máquina antes de ponerla en marcha
• Faire très attention à l’entretien et aux protections de la machine avant de la mettre en marche.
• Remove Tools From Area and Machine
• Quite todas las herramientas del lugar y la máquina
• Retirer les outils de la zone de travail et de la machine.
• Engine Oil Pressure
• Presión de aceite del motor
• Pression d’huile moteur
• Oil Required
• Requiere aceite
• Huile nécessaire

18
• Dipstick, Maintain Proper Oil Level
• Varilla de medición, mantenga el nivel de aceite correcto
• Jauge de niveau ; maintenir le niveau d’huile correct.
• Lubrication Point
• Punto de lubricación
• Point de lubrication
• High Range Travel Speed
• Velocidad alta de transporte
• Vitesse de déplacement, gamme haute
• Low Range Travel Speed
• Velocidad baja de transporte
• Vitesse de déplacement, gamme basse
• Electrical Switch-Off
• Interruptor eléctrico - apagado
• Commutateur électrique - Arrêt
• Electrical Switch-On
• Interruptor eléctrico - encendido
• Commutateur électrique - Marche
• Electrical Switch-Start
• Interruptor eléctrico - arranque
• Commutateur électrique - Démarrage
• Repairs Are To Be Done By An Authorized Dealer Only
• Las reparaciones debe hacerla un concesionario autorizado solamente
• Les réparations ne doivent être effectuées que par un concessionnaire agréé.
• Headlight
• Luz delantera
• Phare

19
• Diamond Blade
• Hoja de diamante
• Disque en diamant
• Blade Diameter
• Diámetro de la hoja
• Diamètre du disque
• Blade Engagement
• Engrane de la hoja
• Embrayage du disque
• Pulley diameter
• Diámetro de la polea
• Diamètre de poulie
• Number of Revolutions Per Minute, Rotational Speed
• Número de revoluciones por minuto, velocidad rotacional
• Nombre de tours par minute, vitesse de rotation
• Blade Flange Diameter
• Diámetro de la brida de la hoja
• Diamètre du asque de disque
• Blade Depth Stop
• Tope de profundidad de la hoja
• Butée de profondeur du disque
• Cutting Depth Indicator Depth of Cut
• Indicador de profundidad de corte Profundidad de corte
• Indicateur de profondeur de sciage profondeur d’entaille
• Parking Brake
• Freno de estacionamiento
• Frein de stationnement

20
• Parking Brake Applied
• Freno de estacionamiento aplicado
• Frein de stationnement serré
• Parking Brake Released
• Freno de estacionamiento desaplicado
• Frein de stationnement desserré
• Machine Mass (Kilograms)
• Peso de la máquina (kilogramos)
• Masse de la machine (kilos)
• Positive Battery Terminal
• Borne positivo de la batería
• Borne positive de batterie
• Blade Depth Indicator Zero
• Indicador de profundidad de la hoja cero
• Indicateur de profondeur de disque zéro
• Electric Motor
• Motor eléctrico
• Moteur électrique
• Engine
• Motor de combustión
• Moteur
• Engine Speed Revolutions/Minute
• Revoluciones por minuto, velocidad del motor
• Régime moteur, tours/minute
• Engine Start
• Arranque del motor
• Démarrage du moteur
• Differential SwitchDifferential Switch
• Interruptor de diferencial
• Commutateur différentiel

21
• Differential Switch: Pivot Position = Left
• Interruptor de diferencial: Posición de pivote = Izquierda
• Commutateur différentiel : Position du pivot = à gauche
• Differential Switch: Lock Position = Center
• Interruptor de diferencial: Posición de bloqueo = Centro.
• Commutateur différentiel : Position verrouillée = au centre
• Differential Switch: Neutral Position = Right. + Hold Switch + Engine key switch OFF.
• Interruptor de diferencial: Posición neutral = Derecha + pulsar interruptor + llave de encendido
en la posición de apagado.
• Commutateur différentiel : Position neutre = à droite + Maintenir le commutateur + Interrupteur du
moteur à OFF (Arrêt)
• Gearbox Range - Three-Speed Gearbox•
• Intervalo de la caja de marcha Caja de marchas de tres velocidades
• Boîte de transmission à trois vitesses
• Gear: Select 1, 2, 3, or Neutral as shown on proper Blade Speed Chart.
• Marcha: Seleccione 1, 2, 3 o neutral según se muestra en la Tabla de velocidades de la hoja.
• Vitesses : Sélectionner 1, 2, 3 ou point mort (N) comme le montre le Tableau de vitesse spéciée
du disque.
• Tank Full
• Tanque lleno
• Réservoir plein
• Tank One-Half Full
• Tanque _ lleno
• Réservoir à moitié plein
• Tank Empty.
• Tanque vacío
• Réservoir vide
• Lowering Speed Control Valve: Slow Lowering Speed.
• Válvula de control de disminución de velocidad: Disminución lenta de la velocidad
• Bouton de commande de vitesse d’abaissement : lente

22
General Information
Carbon monoxide (CO) has the distinction of being one of the few commonly encountered industrial gasses that is
both highly toxic (poison) and odorless. When inhaled, CO acts as a chemical asphyxiant by preferentially combin-
ing with hemoglobin in the blood stream. As a result, the hemoglobin is not able to transport its normal amount of
oxygen, which results in under-oxygenation of tissues. Symptoms of low-level CO exposure include headaches,
dizziness, confusion, and nausea. However, loss of consciousness, permanent injury and death may result
from continued or more intense exposure. Because of the health hazards associated with CO inhalation, the
Occupational Safety and Health Administration (OSHA) have imposed personal exposure limits. The OSHA exposure
limits, which are specied in the 29 CFR 1910.1000 (1998 Revision), allow for a 200 PPM Ceiling Limit and a TWA
of 35 PPM per 8-hour shift/40-hr workweek. It is strongly recommended that the OSHA 29 CFR 1910.1000 (Code
of Federal Regulations) be consulted for more information on exposure limits for various hazardous materials. If CO
Poisoning is suspected immediately remove the victim to fresh air and obtain emergency medical attention.
Proper Ventilation:
THIS SAW IS SHIPPED FROM THE FACTORY WITHOUT A CATALYTIC CONVERTER. It is important to be aware
that saws with catalytic converters reduce CO and hydrocarbon (HC) emissions. The exhaust still contains CO. If the
workspace is too conned or under-ventilated, CO may accumulate until it eventually exceeds OSHA limits. When
this happens, action must be taken to remove workers from areas of high concentration. Operators and work area
supervisors should take precautions to insure adequate ventilation of the workspace at all times. Carbon monoxide
detection monitors should be used to determine that adequate ventilation exists.
WARNING
POISON EXHAUST GAS
THIS SAW IS SHIPPED FROM THE FACTORY WITHOUT A CATALYTIC CONVERTER.
THE DIESEL ENGINE PRODUCES CARBON MONOXIDE EXHAUST EMISSIONS AND IS NOT SAFE FOR
USE IN ENCLOSED AREAS. USE OF A CATALYTIC CONVERTER REDUCES THE CARBON MONOXIDE
EXHAUST EMISSIONS, BUT STILL IS NOT SAFE FOR USE IN ENCLOSED AREAS.
USE ONLY IN WELL-VENTILATED AREAS. WORKSITE AIR QUALITY MUST COMPLY WITH
OSHA 29 CFR 1910.1000 PER TABLE Z-1, LIMITS FOR AIR CONTAMINANTS.
MONITOR WORKSPACE AIR QUALITY TO INSURE COMPLIANCE. FAILURE TO COMPLY WILL RESULT IN
DANGER TO LIFE AND CAUSE PERMANENT INJURY OR DEATH.
WARNING
HEARING HAZARD
DURING NORMAL USE OF THIS MACHINE, OPERATOR MAY BE EXPOSED TO A NOISE
LEVEL EQUAL TO 85 dB (A) OR GREATER. TEMPORARY AND/OR PERMANENT DAMAGE TO HEARING
MAY RESULT. HEARING PROTECTION REQUIRED.

23
DUST WARNING
Cutting, especially when DRY cutting, generates dust that comes from the material being cut, which
frequently contains silica. Silica is a basic component of sand, quartz, brick clay, granite and numerous other
minerals and rocks. Exposure to excessive amount of such dust can cause:
• Respiratory diseases (affecting your ability to breath), including chronic bronchitis, silicosis and
pulmonary brosis from exposure to silica. These diseases may be fatal;
• Skin irritation and rash; and
• Cancer according to NTP* and IARC*
* National Toxicology Program, International Agency for Research on Cancer
Take precautionary steps
• Avoid inhalation of and skin contact with dust, mist and fumes;
• Wet cut when feasible, to minimize dust;
• Wear and ensure that all bystanders wear appropriate respiratory protection such as dust masks
designed to lter out microscopic particles. (See OSHA 29 CFR Part 1910.1200)
California Prop 65 Warning:
Use of this product can cause exposure to materials known to the State of California to cause cancer and/or birth
defects or other reproductive harm.

24
EMC
(ElectroMagnetic Compatibility)
This equipment has been tested for EMC using the methods outlined in EN14982:98. The tests found that
the equipment did not exceed the radiated emission limits. The saw was tested in a semi-anechoic chamber at
NCEE, Lincoln, Nebraska, a FCC registered laboratory. The test report is on le at Husqvarna Construction Products,
Olathe, Kansas.
Sound Level
MODEL POWER LEVEL PRESSURE LEVEL
Lwa (dB) Lpa (dB)
EN 23744 EN ISO 11201
FS4800 D
Yanmar Diesel 119.0 94.8
48 HP (35 kW)
_
Technical Data - Sound Level, EMC, and HAV
HAV
(Hand-Arm Vibration)
This equipment has been tested for HAV in accordance with ISO 5349. The results are shown in the following chart.
Model Maximum Vibration (Aeq) in m/s2 Maximum Exposure Time
FS 4800 D 2.78 - 3.51 81%
The Aeq value is the measured continuous vibration at the extended handlebars expressed as acceleration with the
units of m/s2 (meters per second squared). The measured values were taken with a fully warmed engine, running at
maximum rated RPM. The measurement point was the grip of the extended handlebars. Instrumentation was a Larson
Davis model HVM100 Human Vibration Meter and the SEN021 Triaxial Accelerometer. The accelerometer was secured
to a hand adapter, which allows it to sense the same magnitude of vibration as the operator’s hand.
The Maximum Exposure Time is a calculated value referenced to an 8-hour workday and the “daily exposure action
value” of 2.5 m/s2 as dened in Directive 2002/44/EC of 25 June 2002.
The time weighted daily vibration exposure time can be found with the following formula:
Maximum Exposure Time = (2.5/Aeq)2 X 8 hours
Normal operation of this equipment does not require the continuous contact of the hand to the handlebar. Observation
of professional cutters using this saw has shown that the majority of operators actually hold the handle bars less than
25% of the cutting time.
Over exposure to vibrations can result in blood vessel or nerve injury to persons suffering with blood circulation problems.
Seek medical attention if you experience physical symptoms that can be related to over exposure to vibrations. Examples
of symptoms are numbness, lack of feeling, tingling, tickling, pain or a reduction of normal strength, or changes in skin
color. These symptoms normally appear in the ngers, hand or wrists.

25
Información general
El monóxido de carbono (CO) se distingue por ser uno de los pocos gases industriales más comunes que es
tanto hipertóxico (veneno) como inodoro. Al inhalarlo, el CO actúa como un asxiante químico, combinándose
preferentemente con la hemoglobina en el torrente sanguíneo. Como resultado, la hemoglobina no es capaz de
transportar su cantidad normal de oxígeno, dando por resultado una oxigenación deciente de los tejidos. Los
síntomas de una exposición a un nivel bajo de CO incluye dolor de cabeza, mareos, confusión y náuseas. Sin
embargo, puede ocurrir la pérdida del conocimiento, lesiones permanentes y la muerte cuando la
exposición es continua y más intensa. Debido a los peligros para la salud asociados con la inhalación de CO, la
Administración para la Salud y Seguridad Ocupacional (OSHA) ha impuesto límites de exposición personal. Los
límites de exposición estipulados por OSHA, los cuales son especicados en la norma 29 CFR 1910.1000 (Revisión
1998), permiten un límite máximo de 200 ppm y un promedio ponderado en el tiempo (TWA) de 35 ppm por jornada
de 8 horas/40 hrs de semana laboral. Se recomienda consultar las reglamentaciones de OSHA 29 CFR 1910.1000
(código de reglamentaciones federales) para ampliar la información sobre límites de exposición de diversos
materiales peligrosos. Si se sospecha un envenenamiento por CO, trasladar inmediatamente a la víctima al aire
fresco y pedir atención médica de urgencia.
Ventilación adecuada:
ESTA SIERRA SALE DE FÁBRICA SIN UN CONVERTIDOR CATALÍTICO. Es importante ser consciente de que
las sierras con convertidores catalíticos reducen las emisiones de CO y de hidrocarburo (HC). El gas de escape
todavía contiene CO. Si el lugar de trabajo es demasiado connado o insucientemente ventilado, es posible que
se acumule CO hasta nalmente superar los límites de la OSHA. Cuando esto sucede, deben tomarse medidas
para retirar a los obreros de las zonas de concentración alta. Los operarios y los supervisores deben tomar medidas
de precaución para asegurar una ventilación adecuada en el lugar de trabajo en todo momento. Se deben utilizar
monitores de detección de monóxido de carbono para determinar que existe ventilación adecuada.
ADVERTENCIA
GASES DE ESCAPE VENENOSOS
ESTA SIERRA SALE DE FÁBRICA SIN UN CONVERTIDOR CATALÍTICO.
EL MOTOR DIESEL PRODUCE EMISIONES DE ESCAPE DE MONÓXIDO DE CARBONO
Y NO ES SEGURO PARA UTILIZARSE EN LUGARES CERRADOS. EL USO DE UN
CONVERTIDOR CATALÍTICO REDUCE LAS EMISIONES DE ESCAPE DE MONÓXIDO
DE CARBONO, PERO AÚN ASÍ NO ES SEGURO PARA USAR EN LUGARES CERRADOS.
USAR SOLAMENTE EN LUGARES CON BUENA VENTILACIÓN. LA CALIDAD DEL AIRE
DEL LUGAR DE TRABAJO DEBE CUMPLIR CON LA NORMA OSHA 29 CFR 1910.1000
SEGÚN LA TABLA Z-1, LÍMITES EN CUANTO A CONTAMINANTES DEL AIRE.
VIGILE LA CALIDAD DEL AIRE DEL LUGAR DE TRABAJO PARA ASEGURAR
EL CUMPLIMIENTO. EL INCUMPLIMIENTO DE DICHA NORMA RESULTARÁ EN PELIGRO
PARA LA VIDA Y CAUSARÁ LESIONES PERMANENTES O LA MUERTE.
ADVERTENCIA
PELIGRO PARA LA AUDICIÓN
DURANTE EL USO NORMAL DE ESTA MÁQUINA, EL OPERADOR PUEDE ESTAR EXPUESTO
A UN NIVEL SONORO IGUAL A 85 dB (A) O MAYOR. ES POSIBLE QUE OCURRA DAÑO TEMPORAL
Y/O PERMANENTE DE LA AUDICIÓN. SE REQUIERE PROTECCIÓN DE LOS OÍDOS.

26
ADVERTENCIA RELATIVA AL POLVO
El corte, especialmente cuando se corta en seco, genera polvo proveniente del material que se está
cortando, el que frecuentemente contiene sílice. La sílice es un componente básico de la arena, cuarzo,
arcilla de ladrillos, granito y varios otros minerales y rocas. La exposición a una cantidad excesiva de dicho
polvo puede causar:
• Enfermedades respiratorias (que afectan la capacidad para respirar), incluyendo la bronquitis crónica,
silicosis y brosis pulmonar debido a exposición a la sílice. Estas enfermedades pueden ser mortales.
• Irritación y enrojecimiento de la piel; y
• Cáncer de acuerdo a NTP* e IARC*
* National Toxicology Program (Programa Nacional de Toxicología), Agencia Internacional para
Investigación del Cáncer (International Agency for Research on Cancer)
Tome medidas de precaución
• Evite la inhalación del polvo, niebla y vapores como también su contacto con la piel;
• Corte en húmedo cuando sea posible, para reducir el polvo;
• Use, tanto usted como el personal en la obra, protección respiratoria apropiada tal como máscaras
contra polvo diseñadas para ltrar las partículas microscópicas. (Consulte la reglamentación OSHA 29
CFR Parte 1910.1200)
Advertencia de la Proposición 65 del Estado de California
El uso de este producto puede causar exposición a materiales conocidos en el Estado de California como
causantes de cáncer y/o defectos congénitos u otros daños reproductivos.

27
EMC
(Compatibilidad electromagnética)
Este equipo fue probado para compatibilidad electromagnética empleando los métodos descritos en EN14982:98.
Estas pruebas encontraron que el equipo no sobrepasó los límites de emisiones radiadas. La sierra fue probada en
una cámara semianecoica en NCEE, Lincoln, Nebraska, un laboratorio registrado en la FCC. El informe de la prueba
se encuentra en archivo en Husqvarna Construction Products, Olathe, Kansas.
Nivel sonoro
MODELO NIVEL DE POTENCIA NIVEL DE PRESIÓN
Lwa (dB) Lpa (dB)
EN 23744 EN ISO 11201
FS 4800 D
Yanmar Diesel 119.0 94.8
48 HP (35 kW)
_
Datos técnicos - Nivel sonoro, EMC y HAV
HAV
(Vibración de la mano y brazo)
Este equipo fue probado para vibración de la mano y brazo (HAV) de acuerdo con la norma ISO 5349. Los
resultados se encuentran en la tabla siguiente.
Modelo Vibración máxima (Aeq) en m/s2 Tiempo máximo de exposición
FS 4800 D 2.78 - 3.51 81%
El valor Aeq es la vibración continua medida en los manillares extendidos expresada como aceleración con las
unidades de m/s2 (metros por segundo cuadrado). Los valores medidos fueron tomados con un motor caliente,
funcionando a velocidad máxima nominal (rpm). El punto de medición fue la empuñadura de los manillares extendidos.
Los instrumentos fueron un Medidor de vibración en humanos Larson Davis modelo HVM100 y el acelerómetro triaxial
SEN021. El acelerómetro fue jado a un adaptador de mano, el cual permite sentir la misma magnitud de vibración
que la mano del operador.
El tiempo máximo de exposición es un valor calculado tomando como referencia un día laboral de 8 horas y el “valor
de acción de exposición diaria” de 2.5 m/s2 como se estipula en la Directiva 2002/44/EC del 25 de junio de 2002.
El tiempo de exposición a vibración diariamente ponderada en tiempo puede calcularse con la fórmula siguiente:
Tiempo máximo de exposición = (2.5/Aeq)2 X 8 horas
El funcionamiento normal de este equipo no requiere el contacto continuo de la mano con el manillar. La observación
de cortadores profesionales utilizando esta sierra ha mostrado que la mayoría de los operadores realmente sujetan
los manillares menos de un 25% del tiempo de corte.
La sobreexposición a las vibraciones puede resultar en lesiones a los vasos sanguíneos o nervios de las personas
que sufren de trastornos de circulación sanguínea. Acuda a un médico si experimenta algún síntoma físico que
pueda estar relacionado con la sobreexposición a vibraciones. Ejemplos de los síntomas son: adormecimiento, falta de
sensación, hormigueo, cosquilleo, dolor o una reducción de la fuerza, o cambios en el color de la piel. Normalmente,
estos síntomas aparecen en los dedos manos o muñecas.

28
Information générale
L’oxyde de carbone (CO) se distingue par sa nature : il est l’un des quelques gaz industriels fréquemment
rencontrés qui est à la fois fortement toxique (poison) et sans odeur. Lorsqu’il est inhalé, l’oxyde de carbone devient
un asphyxiant chimique car il se combine de manière préférentielle à l’hémoglobine dans le sang. L’hémoglobine
ne peut alors plus transporter la quantité normale d’oxygène et les tissus sont ainsi privés d’oxygène. Parmi les
symptômes d’une exposition à une faible dose d’oxyde de carbone, on note des maux de tête, des vertiges, une
confusion et des nausées. Il faut toutefois une exposition continue ou plus intense pour provoquer une
perte de conscience, des lésions irréversibles et la mort. En raison des dangers pour la santé associés à
l’inhalation d’oxyde de carbone, l’Occupational Safety and Health Administration (OSHA) (É.-U.) (direction de la
sécurité et de l’hygiène du travail) a imposé des limites d’exposition personnelles. Ces limites d’exposition de l’OSHA
spéciées dans 29 CFR 1910.1000 (révision 1998) autorisent une valeur maximale de 200 ppm et une valeur limite
d’exposition pondérée dans le temps de 35 ppm par quart de 8 heures pour une semaine de travail de 40 heures.
Il est fortement recommandé de consulter le règlement 29 CFR 1910.1000 de l’OSHA (Code de réglementations
fédérales), ou l’organisme local approprié, pour plus d’informations sur les limites d’exposition aux diverses
substances dangereuses. Si l’on soupçonne une intoxication à l’oxyde de carbone, mettre immédiatement la victime
à l’air frais et demander une assistance médicale d’urgence.
Aération correcte :
CETTE SCIE EST EXPÉDIÉE DE L’USINE SANS CONVERTISSEUR CATALYTIQUE. Il est important de savoir
que les scies équipées de convertisseurs catalytiques ont des émissions d’oxyde de carbone et d’hydrocarbure
réduites. Mais les gaz d’échappement contiennent toujours de l’oxyde de carbone. Si l’espace de travail est trop
conné ou manque d’aération, l’oxyde de carbone risque de s’accumuler et de dépasser les limites admises. Dans
ce cas, le personnel doit s’éloigner des zones de forte concentration. Les opérateurs et le personnel de supervision
doivent prendre des précautions pour garantir en permanence une aération adéquate de l’espace de travail. Des
détecteurs d’oxyde de carbone doivent être utilisés pour s’assurer de la présence d’une aération adéquate.
AVERTISSEMENT
GAZ D’ÉCHAPPEMENT TOXIQUES
CETTE SCIE EST EXPÉDIÉE DE L’USINE SANS CONVERTISSEUR CATALYTIQUE.
CE MOTEUR DIESEL DÉGAGE DES GAZ D’ÉCHAPPEMENT CONTENANT DE L’OXYDE DE CARBONE
ET IL EST DONC DANGEREUX DE L’UTILISER DANS DES ENDROITS CLOS. L’UTILISATION D’UN
CONVERTISSEUR CATALYTIQUE RÉDUIT LES GAZ D’ÉCHAPPEMENT CONTENANT DE L’OXYDE
DE CARBONE, MAIS IL EST TOUJOURS DANGEREUX DE L’UTILISER DANS DES ENDROITS CLOS.
NE L’UTILISER QUE DANS DES ENDROITS BIEN AÉRÉS. LA QUALITÉ DE L’AIR DU CHANTIER
DOIT ÊTRE CONFORME À LA RÉGLEMENTATION 29 CFR 1910.1000 DE L’OSHA,
SELON LE TABLEAU Z-1, LIMITES DES CONTAMINANTS DE L’AIR.
SURVEILLER LA QUALITÉ DE L’AIR DU CHANTIER POUR VÉRIFIER LA CONFORMITÉ.
LE NON-RESPECT DES LIMITES ADMISES CONSTITUERA UNE MENACE POUR LA
VIE ET PROVOQUERA DES LÉSIONS ÍRRÉVERSIBLES GRAVES OU MORTELLES.
AVERTISSEMENT
DANGER POUR L’OUÏE
DURANT L’UTILISATION NORMALE DE CETTE MACHINE, L’OPÉRATEUR RISQUE D’ÊTRE EXPOSÉ À
UN NIVEAU DE BRUIT ÉGAL À 85 dB (a) OU SUPÉRIEUR. IL PEUT EN RÉSULTER DES DOMMAGES
TEMPORAIRES ET/OU IRRÉVERSIBLES. DISPOSITIF DE PROTECTION ANTIBRUIT REQUIS.

29
AVERTISSEMENT RELATIF À LA POUSSIÈRE
Le sciage et surtout le sciage À SEC produisent de la poussière qui provient du matériau taillé qui
contient fréquemment de la silice. La silice est un élément de base du sable, du quartz, de la terre argileuse,
du granit et de nombreux autres minéraux et roches. L’exposition à une quantité excessive d’une telle poussière
peut causer :
• des maladies respiratoires (affectant la capacité de respirer), parmi lesquelles la bronchite chronique, la
silicose et la brose pulmonaire résultant de l’exposition à la silice. Ces maladies peuvent être mortelles.
• Irritation de la peau, rougeurs et
• le cancer selon NTP* et IARC*
* National Toxicology Program (programme national de toxicologie), International Agency for Research
on Cancer (Centre international de recherche sur le cancer).
Prendre des mesures de précaution
• Éviter l’inhalation de poussière, vapeurs et émanations ainsi que leur contact avec la peau ;
• An de minimiser la production de poussière, scier à l’eau autant que possible ;
• Porter et s’assurer que toutes les personnes présentes portent une protection des voies respiratoires
appropriée telle qu’un respirateur antipoussières conçu pour ltrer les particules microscopiques. (Se
reporter à la réglementation 29 CFR Part 1910.1200 de l’OSHA).
Proposition 65 de Californie – Avertissement :
L’utilisation de ce produit peut provoquer une exposition à des substances reconnues, par l’état de Californie,
comme pouvant causer le cancer et/ou des malformations congénitales ou d’autres effets néfastes sur
l’appareil reproducteur.

30
VMB
(Vibrations main-bras)
Ce matériel a été testé pour les vibrations main-bras conformément à ISO 5349. Les résultats sont indiqués dans le
tableau suivant.
Modèle Vibrations maximum (Aeq) en m/s2 Durée d’exposition maximum
FS 4800 D 2.78 - 3.51 81%
La valeur Aeq représente les vibrations continues mesurées au guidon prolongé, exprimées en accélération, en
unités m/s2 (mètres par seconde au carré). Les valeurs mesurées ont été prises avec un moteur entièrement réchauffé,
fonctionnant au régime nominal maximum. Le point de mesure était la poignée du guidon prolongé. L’instrumentation
comprenait un vibromètre humain modèle HVM100 Larson Davis et l’accéléromètre triaxial SEN021. L’accéléromètre
était xé à un adaptateur manuel, ce qui lui permettait de détecter la même amplitude de vibrations que la main de
l’opérateur.
La durée d’exposition maximum est une valeur calculée comme référence à une journée de travail de 8
heures et la « valeur d’action d’exposition journalière » de 2,5 m/s2 telle que dénie dans la Directive 2002/44/EC du
25 juin 2002.
La durée d’exposition aux vibrations journalière pondérée dans le temps se trouve à l’aide de la formule suivante :
Durée d’exposition maximum = (2,5/Aeq)2 x 8 heures
L’utilisation normale de ce matériel ne nécessite pas le contact continuel de la main sur le guidon. L’observation de
travailleurs professionnels utilisant cette scie a révélé que la majorité des opérateurs ne tiennent le guidon que moins
de 25 % de la durée du sciage.
Une surexposition aux vibrations peut provoquer des lésions aux vaisseaux sanguins ou aux nerfs chez les personnes
souffrant de problèmes de circulation sanguine. Consulter un médecin en cas de présence de symptômes physiques
pouvant être liés à une surexposition aux vibrations. Exemples de ces symptômes : engourdissement, manque de
sensation, fourmillements, picotements, douleur, réduction de la force normale ou changements de la couleur de la
peau. Ces symptômes apparaissent généralement dans les doigts, les mains ou les poignets.
CEM
(Compatibilité électromagnétique)
Ce matériel a été testé pour la CEM en utilisant les méthodes décrites dans la directive EN14982:98. Les tests
ont révélé que le matériel ne dépassait pas les limites d’émissions. Cette scie a été testée dans une chambre
semi-anéchoïde, au NCEE (laboratoire enregistré auprès de la FCC) de Lincoln, au Nebraska, É.-U. Le rapport de ce
test est archivé chez Husqvarna Construction Products, Olathe, Kansas, É.-U.
Niveau sonore
MODÈLE NIVEAU DE PUISSANCE NIVEAU DE PRESSION
Lwa (dB) Lpa (dB)
EN 23744 EN ISO 11201
FS 4800 D
Yanmar Diesel 119,0 94,8
48 HP (35 kW)
_
Données techniques – niveau sonore, CEM et VMB
31
NOTES:
NOTAS:
REMARQUE :

32
DECALS & LOCATIONS
ETIQUETAS Y SU UBICACIÓN
AUTOCOLLANTS ET LEURS EMPLACEMENTS
TRANSMISSION BYPASS VALVE
RIGHT FRAME BASE NEAR VALVE
542 19 06-28
OPERATING INSTRUCTIONS
INSTRUMENT PANEL
542 20 64-77
DEPTH INDICATOR
542 20 61-95 (Inch - USA)
542 19 06-18 (CM for CE)
OPERATING INSTRUCTIONS
TOP OF COWL
542 20 61-29 Standard
542 19 06-19 CE version
WARNING: GUARDS IN PLACE
1) Top of Frame at Rear of Machine.
2) Both Sides of Engine by Lift Bail Mount
3) Top of Frame at Front of Machine - Below Right
Angle Gear Box.
542 17 62-23* (4X)
THROTTLE, DIESEL
LEFT OF INSTRUMENT PANEL
542 18 37-69*
CRUSH HAZARD
LEFT & RIGHT LOWER COWL (2X),
REAR PIVOT MODEL ONLY
542 19 05-94*
DIESEL FUEL DECAL
TOP LEFT OF COWL
542 18 10-59*
MUFFLER HOT,
Top Surface of Lift Bail, Near Mufer
542 16 90-65*
SOUND LEVEL - CE
TOP OF BLADE GUARD
542 19 60-29*

33
DECALS & LOCATIONS
ETIQUETAS Y SU UBICACIÓN
AUTOCOLLANTS ET LEURS EMPLACEMENTS
DECAL, HUSQVARNA FS4800D
SIDES OF COWL
542 19 07-03 (x2)
DECAL, 3” HSQ CROWN
FRONT OF HOOD
542 19 07-35
DECAL, HUSQVARNA, 9.5” LG
REAR OF COWL
542 19 07-33
MANUAL AXLE ADJUSTMENT
REAR OF COWL
542 19 94-35
* NOTE: Part No’s. in the manual that have an ASTRISK (*)
sufx may not be active 9-digit numbers. The ‘542’ prex has
been added temporaily to current 6-digit part numbers and ‘0’
to 8-digit part numbers.
GEARBOX RANGE
ON GEARBOX SHIFT PATTERN BRACKET,
3 SPEED GEARBOX MODELS ONLY
542 19 05-95*
GEARBOX OPERATION
FRONT OF ENGINE HOOD NEAR GEARBOX
3 Speed Gearbox Models Only
542 19 06-06
LOWERING SPEED / FUEL LEVEL
REAR OF COWL
542 19 06-16
BLADE ROTATION DIRECTION
TOP OF BLADE GUARD
542 16 72-89*
BLADE GUARD WARNING,
TOP OF BLADE GUARD
542 04 61-28*
PARKING BRAKE
LH COWL SIDE - NEAR PARKING BRAKE HANDLE
(REAR PIVOT MODEL ONLY
542 19 06-32

34
DECALS & LOCATIONS
ETIQUETAS Y SU UBICACIÓN
AUTOCOLLANTS ET LEURS EMPLACEMENTS
GEARBOX RANGE / BLADE RPM (14-20)
TOP OF INSTRUMENT PANEL,
3 Speed Gearbox Models With
4.5” (114mm) Diameter Flanges
542 19 05-96*
BLADE GUARD WARNING,
TOP OF BLADE GUARD
542 16 72-98*
GEARBOX RANGE / BLADE RPM (18-30)
TOP OF INSTRUMENT PANEL,
3 Speed Gearbox Models With
5.0” (114mm) Diameter Flanges
542 19 05-98*
GEARBOX RANGE / BLADE RPM (20-36)
TOP OF INSTRUMENT PANEL,
3 Speed Gearbox Models With
6.0” (114mm) Diameter Flanges
542 19 06-00*
BLADE RPM & SIZE
TOP OF INSTRUMENT PANEL,
1 Speed Gearbox Model
542 19 05-99*
PATENTS
542 18 04-27*

35
* NOTE: Part No’s. in the manual that have an
ASTRISK (*) sufx may not be active 9-digit numbers.
The ‘542’ prex has been added temporaily to current
6-digit part numbers and ‘0’ to 8-digit part numbers.
DECALS & LOCATIONS
ETIQUETAS Y SU UBICACIÓN
AUTOCOLLANTS ET LEURS EMPLACEMENTS
DIFFERENTIAL SWITCH
TOP OF INSTRUMENT PANEL (Rear Pivot Only)
542 19 06-07
ELECTRIC TRACKING
TOP OF INSTRUMENT PANEL,
Front Pivot Models Only
542 19 94-33
SHIFT LEVER POSITION-6.0” FLANGE
TOP OF ENGINE HOOD - NEAR SHIFT LEVER
542 20 65-46
SHIFT LEVER POSITION-4.5” FLANGE
TOP OF ENGINE HOOD - NEAR SHIFT LEVER
542 20 65-44
SHIFT LEVER POSITION-5.0” FLANGE
TOP OF ENGINE HOOD - NEAR SHIFT LEVER
542 20 65-45
TACHOMETER / BLADE RPM-6.0” FLANGE
TOP OF ENGINE HOOD - NEAR SHIFT LEVER
542 20 65-49
TACHOMETER / BLADE RPM-4.5” FLANGE
TOP OF ENGINE HOOD - NEAR SHIFT LEVER
542 20 65-47
TACHOMETER / BLADE RPM-5.0” FLANGE
TOP OF ENGINE HOOD - NEAR SHIFT LEVER
542 20 65-48

36
FS 4800 D DIESEL SPECIFICATIONS
Standard & CE Models
FS 4800 DIESEL MODEL FS 4800 D 14 FS 4800 D 18 FS 4800 D 26 FS 4800 D 30 FS 4800 D 36
Saw (Standard) -- -- -- -- --
Saw with Electric Track -- -- -- -- --
Saw with Electric Track & Clutch -- -- -- -- --
STANDARD FEATURES:
Blade Guard Capacity - in. (mm) 14 (355) 18 (457) 26 (660) 30 (762) 36 (914)
Max. Depth of Cut - in. (mm) 4.50 (114) 6.50 (165) 10.50 (267) 12.00 (305) 15 (381)
Blade Shaft RPM (Single speed
gearbox model only) 2,900 2,400 1,800 1,600 1,350
Approximate Blade Shaft Power 42 HP (31.3 KW)
Arbor Size - in. (mm) 1” (25.4) with single drive pin
Blade Shaft Diameter - in. (mm) 2” (51)
Quick Disconnect Blade Flange
Diameter - in. (mm) 4.50 (114) 5.00 (127) 5.00 (127) 5.00 (127) 6.00 (152)
IntelliSeal™ Blade Shaft System 500-hour service interval
Blade Shaft Bearings 2 radial ball bearing cartridges
Blade Shaft Drive 12 belts ( 4 each 3 band 3VX V-belts)
Blade Guard Attachment Slip-on
Blade Control
Electro-hydraulic pump raises blade; switch controlled raise/lower on speed control handle;
Automatic blade depth control switch built into depth indicator – depth can be set with auto
stop function on depth indicator. Optional electric clutch - blade drive disengagement system;
Axle Front / Rear – in (mm) 1.25” (38.1mm) diameter / 4-bolt hub mount
Wheels Front / Rear
inch (mm) 6” x 2” x 1” (203mm x 51mm x 25.4mm) / 10” x 3” (254mm x 76mm)
Handlebars / Adjustment (Patent
Pending)
Multiple positioning between -4 degrees and +30 degrees, with 15 inches (381 mm) total
height adjustment.
Transmission (All Models) Balanced dual motor hydraulic drive system.
Transmission (Rear Pivot Model) Electrically controlled hydraulic differential system locks rear wheels for positive traction to
prevent slipping.
Control Single linear control on console; forward, reverse, dynamic braking, neutral stop.
Max. Ground Speed – Front
Pivot Model Innite speeds: 0 – 200 feet per minute (61 meters / minute) forward and reverse.
Max. Ground Speed – Rear Pivot
Model
Innite speeds: 0 – 200 feet per minute (61 meters / minute) forward and reverse – differential
locked.
Innite speeds: 0 – 100 feet per minute (61 meters / minute) forward and reverse – differential
unlocked.
Electric Tracking - Optional Full time adjustable tracking operated with electric switch. (Front Pivot Model Only)
Blade Clutch - Optional Allows engine to run without blade rotation. Operated with electric switch.
Chassis Welded box section construction
Weight – lb. (Kg) – Uncrated 1,360 (617) 1,370 (621) 1,380 (626) 1,400 (635) 1,420 (644)
POWER SOURCE:
Engine Diesel
Model Yanmar
Specication 4TNV88
Max. Horsepower 48 @ 3000 RPM
Displacement (cu. in.) 133.6 cu. in. (2.19 liter)
Bore – in. (mm) 3.46 (88)
Stroke – in. (mm) 3.54 (90)
Cylinders 4
Fuel Capacity – US gallon (l) 7.8 (29.5)
Oil Capacity – quart (l) 7.8 (7.4) with lter
Air Filter Dual Element Radial Seal with restriction indicator
Starter Electric
Engine Coolant Liquid (50/50 Water/Ethyl Glycol Mix) and Air

37
FS 4800 D DIESEL SPECIFICATIONS
Standard & CE Models

38
ESPECIFICACIONES DE DIESEL FS 4800 D
Modelos estándar y CE
MODELO DIESEL FS 4800 FS 4800 D 14 FS 4800 D 18 FS 4800 D 26 FS 4800 D 30 FS 4800 D 36
Sierra (estándar) -- -- -- -- --
Sierra con seguimiento eléctrico -- -- -- -- --
Sierra con seguimiento eléctrico
y embrague -- -- -- -- --
CARACTERÍSTICAS ESTÁNDAR:
Capacidad de protección
de la hoja – pulg (mm) 14 (355) 18 (457) 26 (660) 30 (762) 36 (914)
Profundidad máx. de
corte – pulg (mm) 4,50 (114) 6,50 (165) 10,50 (267) 12,00 (305) 15 (381)
Eje de la hoja en rpm (Modelo de caja
de engranajes de una sola velocidad solamente) 2.900 2.400 1.800 1.600 1.350
Potencia aproximada del eje de
la hoja 42 HP (31,3 KW)
Tamaño del árbol – pulg (mm) 1 (25,4) con un solo pasador de mando
Diámetro del eje de
la hoja – pulg (mm) 2 (51)
Diámetro de la pestaña
de la hoja de desconexión
rápida – pulg (mm)
4,50 (114) 5,00 (127) 5,00 (127) 5,00 (127) 6,00 (152)
Sistema de eje de
la hoja IntelliSeal™ Intervalo de servicio de 500 horas.
Cojinetes del eje de la hoja 2 cartuchos de cojinetes de bolas radiales.
Mando del eje de la hoja 12 correas (correas trapeciales 3VX de 3 bandas, 4 cada uno).
Accesorio de protección de la hoja Deslizante.
Control de la hoja
La hoja sube por medio de una bomba electrohidráulica; función de subida/bajada controlada
por un interruptor en la palanca de control de velocidad; interruptor de control automático de
profundidad de la hoja integrado en el indicador de profundidad – la profundidad puede jarse con
una función de parada automática en el indicador de profundidad. Embrague eléctrico opcional
– sistema de desactivación del mando de la hoja.
Eje delantero / trasero – pulg (mm) Diámetro de 1,25” (38,1mm) / montaje de cubo con 4 pernos
Ruedas delanteras / traseras –
pulg (mm) 6” x 2” x 1” (203 x 51 x 25,4 mm) / 10” x 3” (254 x 76 mm)
Ajuste de los manillares /
(pendiente de patente) Posiciones múltiples entre -4 y +30 grados, con un ajuste de altura total de 15 pulgadas (381 mm).
Transmisión (todos los modelos) Sistema de impulsión hidráulico equilibrado de motor doble.
Transmisión (modelo
de pivote trasero)
Sistema de diferencial hidráulico controlado eléctricamente que bloquea las ruedas traseras
para lograr una tracción rme e impedir el patinaje.
Control Control lineal individual en la consola; avance, retroceso, frenado dinámico, parada neutral.
Velocidad máx. sobre el terreno –
Modelo de pivote delantero
Velocidades innitas: 0 – 200 pies por minuto (61 metros / minuto) en avance y retroceso.
Velocidad máx. sobre el terreno –
Modelo pivote trasero
Velocidades Innitas: 0 – 200 pies por minuto (61 metros / minuto) avance y retroceso –
diferencial bloqueado.
Velocidades innitas: 0 – 100 pies por minuto (61 metros / minuto) avance y retroceso –
diferencial desbloqueado.
Carril eléctrico – Opcional Seguimiento ajustable de tiempo completo operado con interruptor eléctrico.
Embrague de la hoja – Opcional Permite hacer funcionar el motor sin rotación de la hoja. Operado con un interruptor eléctrico.
Chasis Construcción soldada de sección rectangular
Peso – lb (Kg) – Sin embalar 1.360 (617) 1.370 (621) 1.380 (626) 1.400 (635) 1.420 (644)
FUENTE DE ALIMENTACIÓN:
Motor Diesel
Modelo Yanmar
Especicación 4TNV88
Potencia máxima 48 a 3.000 rpm
Cilindrada (pulg3)133,6 pulg3 (2,19 litros)
Calibre – pulg (mm) 3,46 (88)
Carrera – pulg (mm) 3,54 (90)
Cilindros 4
Capacidad de combustible –
galones de EE.UU. (l) 7,8 (29,5)
Capacidad de aceite – cuarto
de galón (l) 7.8 (7.4) con ltro
Filtro de aire Elemento doble, sello radial con indicador de restricción
Motor de arranque Eléctrico
Refrigerante del motor Líquido (mezcla 50/50 de agua/glicol etílico) y aire

39
ESPECIFICACIONES DE DIESEL FS 4800 D
Modelos estándar y CE

40
SPÉCIFICATIONS DU FS 4800 D DIESEL
Modèles standards et CE
FS 4800 MODÈLE DIÉSEL FS 4800 D 14 FS 4800 D 18 FS 4800 D 26 FS 4800 D 30 FS 4800 D 36
Scie (standard) -- -- -- -- --
Scie avec poursuite électrique -- -- -- -- --
Scie avec poursuite électrique
et embrayage -- -- -- -- --
CARACTÉRISTIQUES STANDARDS :
Capacité de la protection de
disque en po (mm) 14 (355) 18 (457) 26 (660) 30 (762) 36 (914)
Prof. d’entaille max. en po (mm) 4,50 (114) 6,50 (165) 10,50 (267) 12,00 (305) 15 (381)
Régime de l’axe de disque
(modèle doté d’une boîte de
transmission à une vitesse
uniquement)
2 900 2 400 1 800 1 600 1 350
Puissance approx. axe de disque 42 ch (31,3 kW)
Taille du mandrin en po (mm) 1 po (25,4) avec goupille d’entraînement à un seul tambour
Diam. axe de disque en po (mm) 2 po (51)
Diamètre du asque de disque à
déconnexion rapide en po (mm) 4,50 (114) 5,00 (127) 5,00 (127) 5,00 (127) 6,00 (152)
Sys. d’axe disque IntelliSeal™ Périodicité d’entretien de 500 heures
Roulements d’axe du disque 2 cartouches de roulement radial
Entraînement de l’axe de disque 12 courroies (4 courroies trapézoïdales 3VX de 3 bandes chacune)
Accessoire protection du disque Amovible
Commande du disque
Une pompe hydraulique et électrique relève le disque; le bouton de commande d’élévation
ou d’abaissement de la lame se trouve sur le levier de commande de vitesse; la commande
automatique de profondeur de sciage est intégrée à l’indicateur de profondeur du disque
(la profondeur de sciage peut être réglée à l’aide de la fonction d’arrêt automatique située
sur l’indicateur de profondeur). Embrayage électrique en option – système de débrayage
de l’entraînement du disque
Essieu avant / arrière en po (mm) Diamètre de 1,25 po (38,1 mm) / montage du moyeu à 4 boulons
Roues avant / arrières en po (mm) 6 po x 2 po x 1 po (203 mm x 51 mm x 25,4 mm) / 10 po x 3 po (254 mm x 76 mm)
Guidons / Réglage
(brevet en instance)
Réglages multiples, entre -4 degrés et +30 degrés, avec réglage de la hauteur total
à 15 po (381 mm)
Transmission (tous les modèles) Système double d’entraînement hydraulique équilibré du moteur
Transmission (modèle
à pivot arrière)
Le système différentiel hydraulique à commande électrique bloque les roues arrières
et exerce une traction hyperadhérente et antidérapante.
Commande Une seule commande linéaire sur la console; marche avant, marche arrière, intensicateur
de freinage, arrêt au point mort
Vitesse maximale d’avancement –
Modèle à pivot avant
Vitesses continues : De 0 à 61 mètres / minute (200 pieds / minute), marche avant
ou marche arrière.
Vitesse maximale d’avancement –
Modèle à pivot arrière
Vitesses continues : De 0 à 61 m / minute (200 pi / minute), marche avant ou marche arrière –
différentiel bloqué
Vitesses continues : De 0 à 30,5 m / min. (100 pi / min.), marche avant ou marche arrière –
différentiel non bloqué
Système optionnel de
poursuite électrique Poursuite réglable en prise permanente avec commande électrique
Embrayage disque – en option Permet le fonctionnement du moteur sans rotation du disque. Commande électrique
Châssis Section rectangulaire soudée
Poids en lb (kg) – décaissé 1 360 (617) 1 370 (621) 1 380 (626) 1 400 (635) 1 420 (644)
SOURCE D’ALIMENTATION :
Moteur Diésel
Modèle Yanmar
Spécication 4TNV88
Cheval-puissance maximale 48 @ 3000 tours / minute
Volume d’encombrement en po3133,6 po3 (2,19 litres)
Alésage – en po (mm) 3,46 (88)
Mouvement – en po (mm) 3,54 (90)
Cylindres 4
Contenance du réservoir
à carburant – en gallons US (l) 7,8 (29,5)
Contenance du réservoir
à huile – en chopines (l) 7.8 (7.4) avec le ltre
Filtre à air Élément double, joint radial avec indicateur de colmatage
Démarreur Électrique
Refroidissement du moteur Liquide (mélange 50/50 eau/glycol éthylique) et air

41
SPÉCIFICATIONS DU FS 4800 D DIESEL
Modèles standards et CE

42
SPECIAL INSTRUCTIONS
FOR CHANGING BLADE SPEED ON CONCRETE / ASPHALT SAWS
WARNING: Do not exceed blade shaft speed shown for each blade size. Excessive blade speed
could result in blade breakage and serious personal injury.
NOTE: As shown on the chart, some blade guards accept more than one size blade.
Engine Speed / Blade Size
Velocidad del motor / Tamaño de la hoja
Régime moteur/taille de disque
INSTRUCCIONES ESPECIALES
PARA CAMBIAR LA VELOCIDAD EN LAS SIERRAS PARA HORMIGÓN / ASFALTO
ADVERTENCIA: No sobrepase la velocidad del eje de la hoja indicada para cada tamaño
de hoja. La velocidad excesiva de la hoja podría causar la rotura de la hoja
y graves lesiones personales.
NOTA: Tal como se indica en la tabla, algunos protectores de hojas aceptan más
de una hoja de un tamaño.
INSTRUCTIONS SPÉCIALES
POUR LE CHANGEMENT DE LA VITESSE DU DISQUE SUR LES SCIES À BÉTON/ASPHALTE
AVERTISSEMENT : Ne pas faire tourner l’axe du disque à une vitesse supérieure à celle spéciée
pour chaque taille de disque. Une vitesse excessive pourrait faire casser le
disque et provoquer des blessures graves.
REMARQUE : Comme indiqué sur le tableau, certaines protections de disque conviennent
à plusieurs tailles de disques.
43
ENGINE INFORMATION
The saw is equipped with a Yanmar Diesel Engine. Yanmar strongly recommends that you
register your engine as soon as possible after purchase in order to facilitate any future warranty
matters. You can register on-line at www.yanmar.co.jp. See the Yanmar engine manual included
with the saw for more details.
INFORMACIÓN DEL MOTOR
La sierra está equipada con un motor diesel Yanmar. Yanmar le recomienda encarecidamente
que registre el motor tan pronto como sea posible después de la compra con el n de facilitar
cualquier asunto relacionado con la garantía en el futuro. Puede registrarlo on-line en www.yanmar.
co.jp. Para más detalles, consulte el manual del motor Yanmar que se incluye con el motor.
INFORMATION SUR LE MOTEUR
Cette scie est dotée d’un moteur diesel Yanmar. Yanmar recommande fortement
d’enregistrer ce moteur aussitôt que possible après l’achat an de faciliter le règlement de toute
question future concernant la garantie. Pour l’enregistrer, se rendre au site : www.yanmar.co.jp.
Pour de plus amples détails, consulter le manuel du moteur Yanmar fourni avec la scie.

44
SERVICE DAILY:
1. Check engine oil level.
2. Check blade guard for damage.
3. Check hoses and clamps for damage or looseness.
Tighten or replace as necessary.
4. Check air cleaner AIR RESTRICTION INDICATOR
(1N). Replace primary air lter if indicator is red.
5. Make sure all safety guards are in place and in
good condition.
6. Drain Water from ENGINE GEARBOX (3-1A, 3-2A)
using WATER DRAIN VALVE (3-1C, 3-2C).
SERVICE EVERY 50 HOURS:
1. Inspect Radiator Air Filter and clean as necessary.
2. Check blade drive V-belt tension. Tension both sides
evenly. DO NOT over tension!!!
3. Lubricate front wheel bearings.
4. Replace Hydraulic System Filter. (First 50
hours only.)
SERVICE EVERY 100 HOURS:
1. Replace engine oil and lter.
2. Lubricate front axle pivot bearings.
3. Check wheels for wear or damage.
4. Check rear wheel hubs and wheels for looseness.
5. Check engine air cleaner hose and clamps.
6. Check hydraulic system uid level.
SERVICE EVERY 250 HOURS:
1. Replace Hydraulic System Filter
2. Grease Blade Shaft 2 pumps each end.
SERVICE EVERY 500 HOURS:
1. Replace Engine gearbox uid.
2. Replace hydraulic system uid.
3. Replace engine fuel lter (spin-on type).
SERVICE YEARLY:
1. Replace air lter primary and safety element.
PRE OPERATION CHECKLIST
Before leaving our factory, every machine is thoroughly tested. Follow our instructions strictly
and your machine will give you long service in normal operating conditions.
Before starting up the machine, make sure you read these entire Operating Instructions and are
familiar with the operation of the machine.
MACHINE SET-UP:
ALWAYS park machine on a level surface with the engine “OFF” and the ignition switch set in the
“0” (OFF) position before performing any maintenance. Let the machine cool down!!
1. Check engine oil. Fill to the full mark on dip stick with 15W40 oil.
2. Connect battery cables.
1 - 2 HOUR OPERATION CHECK LIST:
ALWAYS park machine on a level surface with the engine “OFF” and the ignition switch set in the
“0” (OFF) position before performing any maintenance. Let the machine cool down!!
1. Check the engine air cleaner hose clamps. Tighten as required.
2. Tension the blade drive V-belts. DO NOT over tension!!
SCHEDULED MAINTENANCE QUICK REFERENCE
Before performing any maintenance, ALWAYS park the machine on a level surface with the engine
“OFF” and the ignition switch set in the “OFF” position. Let the machine cool down!!

45
Serious injury can occur to the operator or
people in the work area if the rotational speed
(n/min) of the DIAMOND BLADE (2E) exceeds
the maximum speed (n/min) marked on the
DIAMOND BLADE (2E).
1H. ENGINE START SWITCH: Start and stop the
engine using this switch. Also preheats engine
when pressed inward.
1I. VOLTAGE GAUGE: Shows the voltage of the
electrical system.
1J. AXLE ADJUSTMENT SWITCH or DIFFERENTIAL
SWITCH: AXLE ADJUSTMENT SWITCH (Front
Pivot Model Only): Toggle switch to adjust rear
drive axle. Push switch right to make saw drive
to the right. Left to make saw drive to the left.
DIFFERENTIAL SWITCH (Rear Pivot Model
Only): Three Positions to control Pivot or Straight
or Neutral Mode. Toggle switch to LEFT for Pivot
Mode. Allows saw to be pivoted on its rear wheels.
Toggle switch to CENTER for Straight Mode.
Allows saw movement in a straight line. Toggle
switch to RIGHT position (Must be held in position).
Saw must have engine OFF, and ENGINE START
SWITCH (1H) in the OFF (“0”) position. Puts saw
in “Neutral” and allows pushing the machine.
1K. RED PALM SWITCH: For EMERGENCY STOP of
the saw. Stops all systems except lights, pull OUT
to reset. Do not use for routine stopping.
1L. WATER SAFETY SWITCH: Stops engine if
water supply to blade is interrupted. Set to
activate switch.
1M. BLADE DEPTH STOP SWITCH: Activates
or overrides depth stop for repetitive cuts at
same depth.
1N. AIR RESTRICTION INDICATOR: Service air lter
elements when indicator shows a red mark. Reset
before starting engine.
1O. SPEED CONTROL LEVER: Controls forward and
reverse directions, stop, and speed of saw.
1P. RAISE/LOWER TOGGLE SWITCH: Located
on speed control lever. Use to raise and lower
saw. Push up to raise saw upward. Push down to
lower saw.
1Q. BLADE DEPTH INDICATOR: Displays cutting
depth. Sets cutting depth for BLADE DEPTH STOP
SWITCH (1M).
1R. HANDLE ADJUSTMENT LOCK: Turn Clockwise to
lock handle bar in position. Turn Counterclockwise
to unlock and reposition handlebar.
1S. WATER INLET: Connects to 3/4” garden hose for
fresh water supply.
1T. WATER VALVE: Controls water ow rate to cool
the blade.
1U. SAW LOWERING SPEED CONTROL KNOB:
Turn knob clockwise to slow lowering speed. Turn
knob counterclockwise to increase lowering speed.
Access Knob through rear of machine.
1V. BLADE CLUTCH SWITCH (If Equipped): Engages
Blades Drive. Engage only with engine RPM at
FIGURE 1
1A. KNOB: Use to tighten operator grip handles.
1B. HANDLE BARS: For operator gripping. DO NOT
use to lift the saw. (Same as 6G)
1C. HOUR METER: Records engine hours of
operation.
1D. ----
1E. WATER TEMPERATURE GAUGE: Water/Glycol
is the coolant. Monitors the engine coolant
temperature. Maximum Safe temperature
is 220° F.
1F. ENGINE THROTTLE: Controls Engine RPM.
Push Red Button to unlock. Push in to decrease
RPM. Pull out to increase RPM. Or Turn Clockwise
to increase RPM. Turn counterclockwise to
decrease RPM.
1G. TACHOMETER: Displays engine speed (RPM,
n/min), or blade shaft speed (RPM, n/min) if
equipped with TACHOMETER SELECT SWITCH
(1Z), else displays only engine speed (RPM, n/
min). Select TACHOMETER display by moving
TACHOMETER SELECT SWITCH (1Z) to desired
position (If equipped). Three-speed gearbox
models have color bands (green, yellow, and
orange), displayed around outside of tachometer,
that relate GEARBOX SHIFT LEVER (3-2O)
position (1, 2, or 3) and maximum blade diameter
(inches only). Rotational speed (RPM, n/min) of
DIAMOND BLADE (2E) should remain in the proper
color band during operation.
WARNING: Take Notice of TACHOMETER
SELECT SWITCH (1Z) position! Tachometer
can indicate Blade Speed or Engine Speed.

46
FIGURE 2
2A. BLADE SHAFT BOLT: Use to clamp DIAMOND
BLADE (2E) between the inner and outer ange.
Right side of saw has left hand threads. Left side
of saw has right hand threads.
2B. OUTER FLANGE: Use to hold DIAMOND BLADE (2E)
in position.
2C. OUTER FLANGE ARBOR: Use to support the
DIAMOND BLADE (2E).
2D. LOCKING PIN: Use to prevent the diamond blade
from rotating on the shaft during operation.
2E. DIAMOND BLADE: Used as the cutting tool for
concrete and asphalt surfaces.
2F. INNER FLANGE: Inside support used to hold
DIAMOND BLADE (2E) in position.
2G. BLADE GUARD NOSE LATCH: Use to latch the
front part of blade guard down.
2H. BLADE GUARD FRONT: Front part of the
blade guard.
2I. BLADESHAFT: Supports Blade Flanges and
blade.
2J. BLADE SHAFT WRENCH: Used to remove BLADE
SHAFT BOLT (2A). For a 36” (900mm) blade guard
the BLADE SHAFT WRENCH is used to pivot the
BLADE GUARD SPADE LATCH (2L) to the open
position, then the blade guard is removed.
2K. WIRE LANYARD: Pull wire so blade guard latch
pivots to allow removal of blade guard (Not avail-
able for CE marked European models with a 36”,
or 900mm Blade Guard).
1200 RPM or less. Blade drive is engaged when
the BLADE CLUTCH SWITCH (1V) is in the
“1” (ON) position. To disengage the blade drive,
put the BLADE CLUTCH SWITCH (1V) in the “0”
(OFF) position.
1W. OIL PRESSURE LIGHT: Lights up when engine oil
pressure is low & when key is on with engine off.
1X. AIR BLEED BOLT: Located on Oil / Water
Separator. Used to remove air from fuel lines.
See Yanmar Engine Operation Manual for
details about the AIR BLEED BOLT, and the
OIL / WATER SEPARATOR.
1Y. RADIATOR COOLANT OVERFLOW BOTTLE:
Recovers radiator coolant when engine is hot.
Should be 1/4 full when engine is off and cool.
1Z. TACHOMETER SELECT SWITCH: Can be set
to indicate either engine speed (RPM, n/min), or
blade shaft speed (RPM, n/min). Set to upper
position to indicate engine speed, lower position to
indicate blade shaft speed. Standard equipment
on machines equipped with three-speed gearbox,
optional for all others.
WARNING: Take Notice of TACHOMETER
SELECT SWITCH (1Z) position! Tachometer
can indicate Blade Speed or Engine Speed.
Serious injury can occur to the operator or
people in the work area if the rotational speed
(n/min) of the DIAMOND BLADE (2E) exceeds
the maximum speed (n/min) marked on the
DIAMOND BLADE (2E).
1AA. REAR COVER: Remove only for service of
machine. To remove, rotate GUARD LATCHES
(1EE) 270 degrees in a Counter-Clock-Wise
direction. Replace before starting engine. Is not a
safety guard, but controls air ow through machine
for proper engine performance.
1BB. STOP POSITION: The saw will stop travel
movement when speed control lever (1O) is in this
position. Engine will not start unless Speed Control
Lever (1O) is in STOP position.
1CC. MANUAL AXLE ADJUSTMENT (Front Pivot-
Manual Tracking Model Only): Turn bolt to adjust
rear drive axle. Rotating it to the right (CW) makes
saw drive to the right. Left (CCW) makes saw drive
to the left.
1DD. RADIATOR AIR FILTER ELEMENT: Must be in
place or engine damage will occur. Clean Filter as
required, or every 50 hours.
1EE. GUARD LATCH: Used to secure Guards, Shields,
and REAR COVER (1AA) in position. To remove
REAR COVER (1AA), rotate the latches 270
degrees in a Counter-Clock-Wise direction. A
slotted model of this latch is used to secure the side
guards (4 latches per side), to remove side guards,
use a tool, such as a screw driver, to rotate latches
270 degrees.

47
FIGURE 3-1
3-1A. ENGINE GEARBOX: Single Speed Model.
3-1B. WATER CONNECTION: Circulates freshwater
through gearbox to cool it. Water then ows to
the bladeguard.
3-1C. WATER DRAIN VALVE: To drain water from gear-
box: Turn Counterclockwise to open, Clockwise to
close. Drain daily to prevent corrosion or damage
due to freezing temperatures.
3-1D. HOOD LATCH: Two latches, located on the front
frame of the machine secure the ENGINE HOOD
(6E) in the lowered position. Rotate each latch 180
degrees, Counter-Clockwise, and the ENGINE
HOOD (6E) can be lifted. For European CE models,
the latch is a slotted design, and a tool, such as a
screw driver must be used to open the latch.
3-1E. FLANGE COVER: Guards against FLANGE con-
tact during operation. Always keep in place!
3-1F. BELT PROTECTOR SHIELD: Keep in place.
3-1G. BLADESHAFT TUBE ASSY: Sealed unit contains
bladeshaft, bearings and shaft seals.
3-1H. TIEDOWN LUGS: Used to tie the saw down
while transporting by vehicle. Not to be used to lift
the saw.
3-1I. ENGINE OIL DRAIN VALVE: Drains engine oil
without use of tools.
3-1J. BELT TENSIONING BOLTS:
2L. BLADE GUARD SPADE LATCH: Used to hold
the blade guard in position. To remove the blade
guard, use the WIRE LANYARD (2K) to pivot the
inner BLADE GUARD SPADE LATCH to the open
position, and then lift the blade guard up and off of
the machine.
2M. REAR BOLT: Retains Blade Guard In position
(except 36” and 900mm). REAR BOLT must
be removed before removing BLADE GUARD.
Always install REAR BOLT in blade guard before
operating machine.
3-1K. HORIZONTAL CLAMPING BOLTS:
3-1L. BLADE SHAFT PULLEY:
3-1M. V-BELTS: Set of 4, 3 Groove
3-1N. GEARBOX PULLEY:
FIGURE 3-2
3-2A. ENGINE GEARBOX: Three Speed Model.
3-2B. WATER CONNECTION: Circulates freshwater
through gearbox to cool it. Water then ows to
the bladeguard.
3-2C. WATER DRAIN VALVE: To drain water from gear-
box: Turn Counterclockwise to open, Clockwise to
close. Drain daily to prevent corrosion or damage
due to freezing temperatures.
3-2D. HOOD LATCH: Two latches, located on the front
frame of the machine secure the ENGINE HOOD
(6E) in the lowered position. Rotate each latch 180
degrees, Counter-Clockwise, and the ENGINE
HOOD (6E) can be lifted. For European CE models,
the latch is a slotted design, and a tool, such as a
screw driver must be used to open the latch.
3-2E. FLANGE COVER: Guards against FLANGE con-
tact during operation. Always keep in place!
3-2F. BELT PROTECTOR SHIELD: Keep in place.
3-2G. BLADESHAFT TUBE ASSY: Sealed unit contains
bladeshaft, bearings and shaft seals.
3-2H. TIEDOWN LUGS: Used to tie the saw down
while transporting by vehicle. Not to be used to lift
the saw.
3-2I. ENGINE OIL DRAIN VALVE: Drains engine oil
without use of tools.
3-2J. BELT TENSIONING BOLTS:
3-2K. HORIZONTAL CLAMPING BOLTS:
3-2L. BLADE SHAFT PULLEY:

48
FIGURE 4
4A. BLADESHAFT BEARING SEALS
4B. FRONT WHEEL BEARINGS
4C. FRONT AXLE PIVOT BEARINGS
4D. HYDRAULIC CYLINDER PIVOT PIN
4E. REAR AXLE
4F. HYDRAULIC WHEEL MOTOR
4G. RAISE LOWER CYLINDER
4H. LINEAR ACTUATOR
FIGURE 5
5A. AIR FILTER ASSEMBLY: Includes
a) Housing
b) Cover
c) Primary Outer Element: Clean or replace when
AIR RESTRICTION INDICATOR (1N) shows the
RED warning.
d) Inner Safety Element: DO NOT CLEAN this
lter element. Replace 1 time per year or if it
becomes damaged.
5B. ENGINE OIL DIPSTICK: Check Engine Oil Level
Here. Dipstick indicates oil level. See engine opera-
tion manual for more information.
5C. ENGINE OIL FILL: Fill engine with recommended
oil at this location. Use SAE 15W40 API Class CF,
CF-4, CG-4, or CI-4 engine oil. See engine
operation manual for more information.
5D. ENGINE OIL FILTER: See engine operation
manual for more information.
5E. FUEL TANK FILL: Fill the fuel tank at this location.
5F. FUEL FILTER:
5G. AIR FILTER RAIN CAP
5H. D.C. (direct current) LIFT PUMP: Raises and
lowers the saw.
5I. HYDRAULIC RESERVOIR FILL: Fill and check
hydraulic system uid here.
5J. HYDRAULIC OIL RESERVOIR: 1.5 Quart Capacity
(1.42 Liter)
5K. HYDRAULIC FILTER: Filters hydraulic
system uid.
5L. ----
3-2M. V-BELTS: Set of 4, 3 Groove
3-2N. GEARBOX PULLEY:
3-2O. GEARBOX SHIFT LEVER: Use to change output
speed of the ENGINE GEARBOX (3-2A). Three-
Speeds and two Neutral positions are available.
GEARBOX SHIFT LEVER positions (1, 2, and 3)
are color coded to match, among others, Gearbox
Range / Blade RPM decal. GEARBOX SHIFT
LEVER Operation:
1) Turn ENGINE START SWITCH (1H) to OFF
(“0”) position. Always turn Engine OFF before
shifting gearbox!
2) Verify that pulley size, flange size, and
blade shaft speed are correct for the blade
size being mounted.
WARNING: Serious injury can occur to the
operator or people in the work area if the
rotational speed (n/min) of the DIAMOND
BLADE (2E) exceeds the maximum speed (n/
min) marked on the DIAMOND BLADE (2E).
3) Lift GEARBOX DETENT KNOB (3-2P) and twist
to hold in “OPEN” position.
4) Move GEARBOX SHIFT LEVER (3-2O) to
required gear. A slight “rocking motion” of the
gearbox output shaft (or BLADE SHAFT) may
improve shifting.
5) Twist and lower GEARBOX DETENT KNOB
(3-2P) back to original “LOCKED” position.
3-2P. GEARBOX DETENT KNOB: Locks GEARBOX
SHIFT LEVER (3-2O) in position. See GEARBOX
SHIFT LEVER (3-2O) for operation.

49
FIGURE 6
6A. LIFTING BAIL: The saw can be lifted only
from this point. Do NOT lift the saw from any
other location.
6B. ----
6C. BELT GUARDS AND SHIELDS: Protects engine,
guards, drives, and cooling fan. Do not remove
during operation, or when engine is running!
DO NOT OPERATE ENGINE WITH SHIELDS OR
GUARDS REMOVED!
6D. FRONT GUIDE: Use to locate the path of the
diamond blade on the cutting line.
6E. ENGINE HOOD: Protects engine, cooling fan,
beltdrives and pulleys. The ENGINE HOOD is
a guard, and must be latched in the lowered
position before starting engine and operating saw.
Open ENGINE HOOD by rotating the two HOOD
LATCHES (3-1D, 3-2D) Counter-Clockwise 180
degrees. Swing upward and secure using HOOD
SUPPORT (6H).
6F. REAR GUIDE: Use to locate the path of the
diamond blade on the cutting line.
6G. HANDLEBARS: Used to maneuver the saw. Not
to be used to lift the saw. (Same as 1B)
6H. HOOD SUPPORT: Latch to secure the hood
in the open position. Always lower and secure
the hood before starting the engine or operating
the machine.
5M. ----
5N. ----
5O. ----
5P. ----
6I. RADIATOR COOLANT FILL: Fill radiator from
this point. Warning: Avoid injury! Built-up pressure
may cause explosive release of coolant when the
radiator cap is removed. Shut off the engine and
allow to cool. Do not remove the cap unless the
radiator and the engine are cool enough to touch
with bare hands. Slowly loosen the cap to the rst
stop to release all pressure. Then remove the cap.
Replace cap if damaged.
6J. TRANSMISSION BYPASS VALVE (Front Pivot
Model Only): Turn counter clockwise to open.
Turn clockwise to close. Open to allow pushing of
concrete saw.
6K. HYDROSTATIC TRANSMISSION PUMP.
6L. ALTERNATOR: See Yanmar for replacements.
6M. ALTERNATOR / WATERPUMP BELT: Self
Tensioning. See Yanmar for replacements.
FIGURE 7
7A. PARKING BRAKE (CE Models or Rear Pivot
models-If Equipped): Holds machine in parked
position on a slope of 10 degrees or less. PARKING
BRAKE (7A) located on left hand side of machine,
at rear wheel (See FIG 7).
Operation:
1) Stop machine, turn off engine.
2) To apply: Stand behind machine, push PARKING
BRAKE LEVER (7A) forward (Toward front
of machine).
3) To disengage: Stand behind machine, pull
PARKING BRAKE LEVER (7A) backwards toward
rear of machine.
CAUTION: Disengage PARKING BRAKE
LEVER (7A) before fully engaging SPEED
CONTROL LEVER (7B), else machine could
be damaged.

50
MANDATORY
INDICATION
INFORMATION
INSTRUCTION
WARNING PROHIBITION
These signs will give
advice for your safety
Before leaving our factory every machine is
thoroughly tested.
Follow our instructions strictly and your
machine will give you long service in normal
operating conditions.
1. Uses
Use: Wet sawing of old and new concrete and asphalt.
Dry sawing only with blade manufacturers approval of
specic application.
Tools: Diamond blades — water cooled, Ø: 14”(350mm),
18” (450mm), 20” (500mm),24” (600mm), 26” (650mm),
30” (750mm), and 36” (900mm) with Arbor Ø - 1”.
(For information, contact your supplier.)
Depths of Cut (Maximum):
Blade Depth Blade Depth
14” 4.5” 350mm 110mm
18” 6.5” 450mm 160mm
20” 7.5” 500mm 175mm
24” 9.5” 600mm 225mm
26” 10.5” 650mm 260mm
30” 12.5” 750mm 310mm
36” 15.0” 900mm 375mm
Before starting up the machine, make sure
you read this entire manual and are familiar
with the operation of this machine.
The working area must be completely clear,
well lit and all safety hazards removed.
The operator must
wear protective clothing
appropriate to the work
he is doing.
Any persons not involved in the work should
leave the area.
Use only blades marked with a maximum
operating speed greater than the blade
shaft speed.
2. Moving The Machine
(See Figures 1, 2 and 5)
Set The Handles To The Desired Length:
• Loosen Knob (1A), pull the Handle Bar (1B) in or out
to desired length, then tighten the Knob (1A) to adjust
Handle Bar height, Turn Handle Bar Adjustment Lock
(1R) counterclockwise to unlock. Adjust Handle Bar (1B)
to the desired height. Turn HANDLE ADJUSTMENT
LOCK (1R), clockwise to lock in place.
Front Pivot Model (with Electric Tracking System –
If equipped)
Moving The Saw With The Engine Off:
• Turn ENGINE START SWITCH (1H) to the “1”
(RUN) position.
• Raise the saw by pressing up on the TOGGLE
SWITCH (1P) on SPEED CONTROL LEVER (1O)
until the DIAMOND BLADE (2E) (if installed) clears the
pavement surface.
• Put SPEED CONTROL LEVER (1O) into the STOP
POSITION (1BB).
• Set TRANSMISSION BYPASS VALVE (6J)
counterclockwise to the up (NEUTRAL) position.
• The saw can now be moved by standing behind it and
pushing [while holding the Handle Bars (1B)].
DO NOT attempt to push the saw while it is
in NEUTRAL on a grade (or hill). The saw
operator could lose control of the saw and
cause injury to himself or other persons in
the area.
Moving The Saw With Engine On:
• Raise the saw by pressing up on the TOGGLE
SWITCH (1P) on SPEED CONTROL LEVER (1O)
until DIAMOND BLADE (2E) (if installed) clears the
pavement surface.
• Set WATER SAFETY SWITCH (1L) button to the “0”
(OFF) position.
• SPEED CONTROL LEVER (1O) must be in the STOP
POSITION (1BB) to start the saw. The engine WILL
NOT start unless SPEED CONTROL LEVER (1O) is in
the STOP POSITION (1BB).
• Check that TRANSMISSION BYPASS VALVE (6J) is
turned clockwise (DOWN) to the closed position. Do
NOT start the engine if the valve (6J) is in the Neutral
(OPEN) position.
• Turn ENGINE THROTTLE (1F) to a low speed setting.
• Set BLADE CLUTCH SWITCH (1V) (if equipped) to
“0” (OFF).
* In cold conditions (below 32° F (0° C)) push in on the
ENGINE START SWITCH (1H) for 15 seconds. This
preheats the engine for cold weather starting.
• Turn the ENGINE START SWITCH (1H) to the “2”
(START) position until the engine starts, then release
the switch. It will return to RUN position. If the engine
does not start, repeat these steps.

51
• Push the SPEED CONTROL
LEVER (1O) forward for FORWARD
saw movement, or to the rear for
REVERSE saw movement. The
further you push the lever the faster
the speed.
DO NOT OPEN the TRANSMISSION BYPASS
VALVE (6J) to neutral while the saw is parked
on a grade (or hill), The Operator will lose
control and injury or damage could occur.
Rear Pivot Model (with Differential System–
If equipped)
Moving The Saw With The Engine Off:
• Turn ENGINE START SWITCH (1H) to the “1”
(RUN) position.
• Raise the saw by pressing up on the TOGGLE SWITCH
(1P) on the SPEED CONTROL LEVER (1O) until
the DIAMOND BLADE (2E) (if installed) clears the
pavement surface.
• Turn ENGINE START SWITCH (1H) to the “0”
(STOP) position.
• Put the SPEED CONTROL LEVER (1O) into the STOP
POSITION (1BB).
• Press and hold the Differential Switch (1J) to
the Right.
• Hold one Handle Bar (1B), and Press and hold the
Differential Switch (1J) to the Right. The saw can now
be moved by standing behind it and pushing. If the
Differential Switch (1J) is released, the saw can not be
moved with the engine off.
DO NOT attempt to push the saw while it is
in NEUTRAL on a grade (or hill). The saw
operator could lose control of the saw and
cause injury to himself or other persons in
the area.
Moving The Saw With Engine On:
• Raise the saw by pressing up on the TOGGLE
SWITCH (1P) on SPEED CONTROL LEVER (1O)
until DIAMOND BLADE (2E) (if installed) clears the
pavement surface.
• Set the WATER SAFETY SWITCH (1L) button to the
“0” (OFF) position.
• SPEED CONTROL LEVER (1O) must be in the STOP
POSITION (1BB) to start the saw. The engine WILL
NOT start unless the SPEED CONTROL LEVER (1O)
is in the STOP (1BB) position.
• Turn the ENGINE THROTTLE (1F) to a low
speed setting.
• Set the BLADE CLUTCH SWITCH (1V) (if equipped)
to “0” (OFF).
* In cold conditions (below 32° F (0° C)) push in on the
ENGINE START SWITCH (1H) for 15 seconds. This
preheats the engine for cold weather starting.
• Turn the ENGINE START SWITCH (1H) to the “2”
(START) position until the engine starts, then release
the switch. It will return to RUN position. If the engine
does not start, repeat these steps.
3 Transport (Blade Removed)
(See Figures 1, 2, and 5)
Turn engine off. Set SPEED CONTROL LEVER
(1O) to STOP POSITION (1BB). Remove
DIAMOND BLADE (2E) before transport.
When moving the saw up and down ramps, with engine
on, use extreme caution.
• To go DOWN a ramp drive the saw FORWARD slowly.
• To go UP a ramp, back the saw in REVERSE slowly.
Rear Pivot Model: Machine must have DIFFERENTIAL
SWITCH (1J) in the center “Lock” position if moving
saw up or down ramps! DO NOT shift DIFFERENTIAL
SWITCH (1J) to the Left “Pivot” position if moving the
saw up or down ramps!
For steep ramps, always use a winch. Never
stand below the machine.
Lifting the Saw: The saw can only be lifted by the factory
installed Lifting Bail (6A).
To Transport By Vehicle:
• Set ENGINE START SWITCH (1H) in the OFF position.
• Set SPEED CONTROL LEVER (1O) in the STOP
POSITION (1BB).
• Push Handle Bars (1B) inward and tighten Knobs (1A).
Block the saw in place or secure it into
place using the factory installed TIE DOWN
LUGS (3-1H, 3-2H), front and rear to prevent
movement during transport.
4 Check Before Starting
Take into account the working conditions
from health and safety point of view.
• Fuel (Check the engine maintenance manual.) Use No.
2 Diesel Fuel for normal conditions. Fill tank at FUEL
TANK FILL (5E) location.
• Check that the engine oil level is correct. Because the
engine often operates at an angle, check the oil level
(with engine horizontal) frequently to ensure that the oil
level never falls below the lower mark on the ENGINE
OIL DIPSTICK (5B). SAE 15W40 CF, CF-4, CG-4, or
CI-4 engine oil is recommended.
• For start up, refer to the Yanmar engine manual.
• Push the SPEED CONTROL LEVER
(1O) forward for FORWARD saw
movement, or to rear for REVERSE
saw movement. The further you push
the lever the faster the speed.

52
Do not operate this saw without the GUARD
SPADE LATCH (2L) engaged and the bolt [18”-
30” (450-700mm) Blade Guards] installed.
Inspect blade guards and latches frequently.
Do not use if damaged.
To Remove A SLIP-ON GUARD:
• Using the BLADE SHAFT WRENCH (2J) remove the rear
retaining bolt [18”-30” (450-700mm) Blade Guards].
• For 14-30” (350-700mm) Blade Guards: Use the WIRE
LANYARD (2K) to open the BLADE GUARD SPADE
LATCH (2L).
• For 36” (900mm) Blade Guards: BLADE SHAFT
WRENCH (2J) is used to pivot the BLADE GUARD
SPADE LATCH (2L) to the open position.
• Lift guard off spade.
To Install A SLIP-ON GUARD:
• Lower guard onto spade until BLADE GUARD SPADE
LATCH (2L) engages.
• Install REAR BOLT (2M) [14”-30” (350-700mm) Blade
Guards] in rear of guard using the BLADE SHAFT
WRENCH (2J).
• Verify that machine is set up correctly for the DIAMOND
BLADE (2E) diameter required for the job. Check that
the correct Engine GEARBOX PULLEY (3-1N, 3-2N),
BLADE SHAFT PULLEY (3-1L, 3-2L), BLADE FLANGE
(2B & 2F), and BLADE GUARD (2H) are installed. For
machines equipped with the three-speed ENGINE
GEARBOX (3-2A), also check that the GEARBOX
SHIFT LEVER (3-2P) is in the correct gear. See
SECTION 14, “Engine / Blade Shaft / Gearbox Speed
Adjustment”, for more details.
5 Fitting The Blade
(See Figures 1 and 2)
• Set ENGINE START SWITCH (1H) to “1” position.
• Raise Machine to a high position using the
TOGGLE SWITCH (1P) on the SPEED CONTROL
LEVER (1O).
• Set the ENGINE START SWITCH (1H) to the “0”
(OFF) position.
• Loosen Bolt on BLADE GUARD NOSE LATCH (2G).
• Raise Front Half of BLADE GUARD (2H).
• Loosen Bladeshaft Bolt (2A) Remove OUTER
FLANGE (2B).
• Fit DIAMOND BLADE (2E) to OUTER FLANGE
ARBOR (2C).
• Install OUTER FLANGE (2B) into the BLADE SHAFT
(2I) making sure that the LOCKING PIN (2D) passes
through the DIAMOND BLADE (2E) and into the INNER
FLANGE (2F).
Note the direction of rotation of the blade.
The direction of rotation is shown by an
arrow on both the DIAMOND BLADE (2E)
and the BLADE GUARD (2H). Make sure
that the contact surfaces on the DIAMOND
BLADE (2E), INNER & OUTER FLANGES
(2B & 2F) and OUTER FLANGE ARBOR (2C)
are clean.
• Rotate OUTER FLANGE (2B) and DIAMOND
BLADE (2E) in the opposite direction of blade rotation
to remove backlash.
• Install and tighten Blade Shaft Bolt (2A) while rmly
holding the DIAMOND BLADE (2E). Tighten using the
BLADE SHAFT WRENCH (2J) provided.
• Lower front half of BLADE GUARD (2H) and tighten the
Bolt on the BLADE GUARD NOSE LATCH (2G).
The Blade Shaft Bolt (2A) on the Right Hand
side has Left Hand threads. The Blade Shaft
Bolt (2A) on the Left Hand side has Right
Hand threads.
Slip-On blade guards are provided with a
safety BLADE GUARD SPADE LATCH (2L)
which engages the support spade and a
REAR BOLT (2M) [18”-30” (450-700mm) Blade
Guards], to retain the rear of the guard.
6 Starting The Saw
(See Figures 1, 2 and 5)
Always pay extreme care and attention to the
preparation of the machine before starting.
Remove all wrenches and tools from the oor
and the machine.
Always keep blade guard, belt guards and
fan guards in place.
• Follow all operating instructions and warnings in this
manual and on the machine.
• Close the WATER VALVE (1T).
• Mark the surface to be cut by drawing a line where the
cut is to be made.
• Pull out Handle Bars (1B) to desired length and tighten
Knobs (1A).
• Lower the Front Guide (6D) and align the Front Guide
(6D), Rear Guide (6F) and DIAMOND BLADE (2E) with
the line on the surface.
• To start the saw when no water pressure is present, set
the WATER SAFETY SWITCH (1L) to “0” (OFF).
• Set SPEED CONTROL LEVER (1O) to the STOP
POSITION (1BB). Saw will not start unless the SPEED
CONTROL LEVER (1O) is in the STOP POSITION
(1BB). Check to be certain the TRANSMISSION
BYPASS VALVE (6J, Front Pivot Models Only) is closed
in the down position.
• Set the BLADE CLUTCH SWITCH (1V) (if equipped)
to “0” (OFF).

53
• Start the engine using the ENGINE START SWITCH
(1H). Follow the procedure in the engine manual. In
Cold conditions, pre-heat the engine by holding in the
ENGINE START SWITCH (1H) for 15 seconds.
• Let the engine warm up for several minutes with ENGINE
THROTTLE (1F) at the low speed setting.
• When ready, open the WATER VALVE (1T).
• Set WATER SAFETY SWITCH (1L) to “1” (ON).
Test for adequate water supply. (2.5 - 5.0
GPM) (10 - 20 Liters per Minute) Low water
ow will cause damage to diamond blades.
• For Machines without the Optional BLADE CLUTCH
SWITCH (1V): Pull ENGINE THROTTLE (1F) out to
set engine RPM at 3200, as shown on the ENGINE
TACHOMETER (1G).
See chart for the appropriate blade shaft and engine
speeds for specifc blade sizes.
• Move the saw forward or reverse (Standard and Front
Pivot Models) slowly by pushing or pulling on the Speed
Control Lever (1O). Move the saw slowly to prevent
stalling the blade. Make sure the Front Guide (6D),
Rear Guide (6F) and DIAMOND BLADE (2E) stay on
the line.
Rear Pivot Model Only: For the Rear Pivot Model, aligning
to the cutting line can be made using the pivot feature on
the machine. Simply move the DIFFERENTIAL SWITCH
(1J) to the Left position (Pivot), and then use both hands to
push down on the HANDLEBARS (6G), and the machine
can be pivoted from side to side to align with the cutting
line. After the saw is properly aligned to the cutting line,
toggle the DIFFERENTIAL SWITCH (1J) to the Center
(Lock) position.
• Set the BLADE CLUTCH SWITCH (1V) (if equipped) to
“1” (ON) to engage the Blade Drive when engine is at
IDLE SPEED (1200 RPM or less)! When clutch engages
and blade is at idle speed, pull out ENGINE THROTTLE
(1F) and set engine RPM at 3200.
• Lower the saw by pressing the TOGGLE SWITCH (1P)
on the SPEED CONTROL LEVER (1O) downward until
the DIAMOND BLADE (2E) is at the desired cutting
depth (See “Blade Cutting Depth Information”).
Be certain that water ow is abundant for
wet sawing.
Blade Cutting Depth Information:
The saw is equipped with a BLADE DEPTH INDICATOR
(1Q) which has two number ranges. The Orange and White
number ranges are used for two different purposes:
1) The “Depth” number range, indicated by the Orange
color, shows the current Cutting Depth of the DIAMOND
BLADE (2E). As the saw is lowered, the BLADE
DEPTH INDICATOR (1Q) needle travels through these
numbers in increasing order. Or
2) The “SMD” or “Set Maximum Depth” number range,
indicated by the White color, is the uncut depth of the
DIAMOND BLADE (2E). The desired maximum cutting
depth is pre-set using the BLADE DEPTH INDICATOR
(1Q). It can be used with or without the BLADE DEPTH
STOP SWITCH (1M) feature. As the saw is lowered,
the BLADE DEPTH INDICATOR (1Q) needle travels
through the White color number range in decreasing
order, indicating the unnished depth of cut. When
the BLADE DEPTH INDICATOR (1Q) needle reaches
“0” position, the desired maximum cutting depth is
reached. If the BLADE DEPTH STOP SWITCH (1M)
feature is used (“1” or “ON” position), the lowering
process stops automatically.
Using the BLADE DEPTH INDICATOR (1Q):
“Depth” Mode (Orange colored numbers show current
cutting depth):
• Turn ENGINE START SWITCH (1H) to “0” (OFF)
position to STOP engine (If running).
• Turn ENGINE START SWITCH (1H) to “1” (RUN)
position to power electrical system.
• Turn BLADE DEPTH STOP SWITCH (1M) to “0”
(OFF) position.
• Lower DIAMOND BLADE (2E) by pushing the TOGGLE
SWITCH (1P) on the SPEED CONTROL LEVER (1O)
downward until the DIAMOND BLADE (2E) touches the
surface to be cut.
• Rotate the BLADE DEPTH INDICATOR (1Q) needle to
align to the “0” depth.
• As DIAMOND BLADE (2E) is lowered into the cutting
surface, the current cutting depth will now be indicated
by the Orange text number range on BLADE DEPTH
INDICATOR (1Q) needle.
SMD or “Set Maximum Depth” Mode without
BLADE DEPTH STOP (White colored numbers show
uncut depth):
• Turn ENGINE START SWITCH (1H) to “0” (OFF)
position to STOP engine (If running).
• Turn ENGINE START SWITCH (1H) to “1” (RUN)
position to power electrical system.
• Lower DIAMOND BLADE (2E) by pushing TOGGLE
SWITCH (1P) on the SPEED CONTROL LEVER (1O)
downward until DIAMOND BLADE (2E) touches the
surface to be cut.
• Rotate the BLADE DEPTH INDICATOR (1Q) needle to
align with the desired maximum cutting depth on White
colored number range. The uncut depth will now be
indicated on the White colored number range. When
the BLADE DEPTH INDICATOR (1Q) needle gets to the
“0” position, the saw is cutting at the desired maximum
cutting depth.
• Raise the blade by pushing the TOGGLE SWITCH (1P)
on the SPEED CONTROL LEVER (1O) upward until the
DIAMOND BLADE (2E) is off of the cutting surface.
• Turn the ENGINE START SWITCH (1H) to the “0” (OFF)
position to turn off power to electrical system.

54
7 Stopping The Saw
(See Figures 1-2)
For EMERGENCY STOP, press down on the
RED PALM SWITCH (1K) on the cowl. This
will stop the engine and disconnect power
to all electrical items except lights. Reset the
RED PALM SWITCH (1K) by pulling out until
it pops up, then restart engine.
• Move the SPEED CONTROL LEVER (1O) to the STOP
POSITION (1BB).
• Raise the DIAMOND BLADE (2E) out of the cut by
pressing the TOGGLE SWITCH (1P) on the SPEED
CONTROL LEVER (1O) upward until the DIAMOND
BLADE (2E) clears the surface.
• Disengage the BLADE CLUTCH SWITCH (1V)
(if equipped).
• Turn the ENGINE THROTTLE (1F) to the LOW
IDLE position.
SMD or “Set Maximum Depth” Mode using BLADE
DEPTH STOP SWITCH (1M) (White colored numbers
show uncut depth):
• Turn ENGINE START SWITCH (1H) to “0” (OFF)
position to STOP engine (If running).
• Set the BLADE DEPTH STOP SWITCH (1M) to
the “0” (OFF) position to override the depth stop
setting. Saw will raise and lower over its full range
without stopping.
• Turn ENGINE START SWITCH (1H) to “1” (RUN)
position to power electrical system.
• Lower DIAMOND BLADE (2E) by pushing TOGGLE
SWITCH (1P) on the SPEED CONTROL LEVER (1O)
downward until DIAMOND BLADE (2E) touches the
surface to be cut.
• Rotate the BLADE DEPTH INDICATOR (1Q) needle to
align with the desired maximum cutting depth on White
colored number range.
• Set the BLADE DEPTH STOP SWITCH (1M) to “1”
(ON) position.
• Raise the blade by pushing the TOGGLE SWITCH (1P)
on the SPEED CONTROL LEVER (1O) upward until the
DIAMOND BLADE (2E) is off of the cutting surface.
• Turn the ENGINE START SWITCH (1H) to the “0” (OFF)
position to turn off power to electrical system.
• Now the maximum cutting depth is set. If the saw is
raised out of the cut surface for any reason it can now
be lowered to “Set Max. Depth” by lowering the blade
until the saw lowering movement stops.
The saw WILL NOT lower to any depth
greater than the position set on the BLADE
DEPTH STOP SWITCH (1Q). If a deeper cut is
required, the BLADE DEPTH INDICATOR (1Q)
MUST be turned to the new depth position.
Or push the BLADE DEPTH STOP SWITCH
(1M) to “0” (OFF) position to override the
Depth Stop Feature.
• Turn off the WATER VALVE (1T).
• Let the Engine run at idle for a few minutes before
shutting off.
• STOP the engine by turning the ENGINE START
SWITCH (1H) to the “0” (OFF) position.
8 Incidents During Sawing
(See Figures 1-2)
If ENGINE STOPS during sawing, check the following:
• Engine out of fuel — Check Fuel Level at FUEL TANK
FILL (5E) or at fuel level gauge at rear of machine.
• Lack of water signals the WATER SAFETY SWITCH
(1L) to stop the engine. Set WATER SAFETY SWITCH
(1L) to “0” (OFF) and then restart the engine.
• Excessively fast cutting speed will stall engine.
• RED PALM SWITCH (1K) has been pressed down.
Reset by pulling switch until it pops upward.
• CIRCUIT BREAKER (1Z) is tripped. Push to Reset
If the DIAMOND BLADE (2E) STOPS during
sawing, check:
• Drive belt tension is inadequate.
• The BLADE CLUTCH SWITCH (1V) has been pushed
to “0” OFF
• The BLADE CLUTCH (1V) (if equipped) has an electrical
failure or blown fuse.
SAW LOWERS TOO FAST:
• The lowering rate of the saw can be adjusted using
the SAW LOWERING SPEED CONTROL KNOB (1U)
at the rear of the saw. If the saw falls too quickly, turn
the knob on the SAW LOWERING SPEED CONTROL
KNOB (1U) CLOCKWISE until an adequate lowering
rate is set.
If the ENGINE or BLADE STALLS, for any reason, raise
the blade completely from the cut, inspect the machine
thoroughly before restarting the engine. When lowering
the blade into a partial cut, align the blade exactly with
the cut to prevent damage to the blade.
Entrust all repairs to your authorized
dealer only.
9 Adjustments: Straight Line Sawing
(See Figures 1 and 4)
While cutting, the saw may steer to the right from the
required straight line marked on the cutting surface (if
the DIAMOND BLADE (2E) is installed on the right hand
side). If this occurs, the Rear Axle (4E) of the saw can
be pivoted to compensate for this situation.
Front Pivot Model (Saw with Electric Tracking option):
• Push AXLE ADJUSTMENT SWITCH (1J) to the LEFT.
Small short adjustments make large changes.

55
• Adjustments can be made while sawing or not sawing.
• Visually conrm the axle movement and direction.
Standard Model Saw with Manual Axle Adjustment
• The axle (4E) is adjusted by turning the M12 MANUAL
AXLE ADJUSTMENT BOLT (1CC) located at the rear
lower left of saw frame.
• If the saw steers to the RIGHT while sawing, turn
the MANUAL AXLE ADJUSTMENT BOLT (1CC)
COUNTERCLOCKWISE.
• If the saw steers to the LEFT while sawing,
turn the MANUAL AXLE ADJUSTMENT BOLT
(1CC) CLOCKWISE.
Rear Pivot Model (Saw with Differential Pivot option):
• Simply bear against the HANDLEBARS (6G) to hold the
saw on the cutting line. DO NOT shift the DIFFERENTIAL
SWITCH (1J) from the Center “Lock” position. The Left,
“Pivot”, position of the DIFFERENTIAL SWITCH (1J) is
NOT for adjusting the straight line sawing of the saw.
10 Maintenance
(See Figures 1-6)
Before performing any maintenance, ALWAYS
park the machine on a level surface with the
Engine OFF and the ENGINE START SWITCH
(1H) in the “0” (OFF) position.
After each use CLEAN the machine.
LUBRICATION:
ENGINE OIL: Check daily (5B). Change Engine Oil and
ENGINE OIL FILTER (5D) after every 100 HOURS of
operation. See engine manual for recommended oil. SAE
15W40 API Class CF, CF-4, CG-4, or CI-4 engine oil is
generally recommended. Capacity is 7.8 quarts (7.4 liters)
with ENGINE OIL FILTER (5D). Align oil level with upper
mark on ENGINE OIL DIPSTICK (5B). Use ENGINE OIL
DRAIN VALVE (3-1I, 3-2I) to drain engine oil:
• Remove DIAMOND BLADE (2E), and then lower saw
to a horizontal position.
• Raise and secure ENGINE HOOD (6E).
• Put a container, large enough to contain the engine
oil capacity, near the end of the oil drain hose. Open
ENGINE OIL DRAIN VALVE (3-1I, 3-2I) and allow
contents to drain into the container. Dispose of the used
engine oil in an environmentally safe manner. Securely
close ENGINE OIL DRAIN VALVE (3-1I, 3-2I). Fill with
recommended oil until oil level aligns with the upper
mark on ENGINE OIL DIPSTICK (5B).
LUBRICATE EVERY 100 HOURS:
• Front Axle Pivot Bearings (4C)
LUBRICATE EVERY 250 HOURS:
• Bladeshaft Seals and Bearings (4A) 2 Pumps only
HYDRAULIC SYSTEM:
Refer to Section 12 -“Hydraulic System”
ENGINE GEARBOX (3-1A, 3-2A):
• Change oil after every 500 hours of operation. Use SAE
75W90 synthetic gear lubricant.
DO NOT OVERFILL! Fill only to “Check Port” or excess
will overow.
Single Speed ENGINE GEARBOX (3-1A): Oil Capacity
is 32 oz. (USA) (0.946 Liter)
Three Speed ENGINE GEARBOX (3-2A): Oil Capacity
is 60 oz. (USA) (1.77 Liter)
• Drain cooling water from Water Drain Valve (3-1C, 3-2C)
to prevent rust and freeze damage (Every Day).
COOLING SYSTEM:
The engine cooling uid is 50/50 anti freeze/water mixture.
See engine manual for recommendations.
• Clean the RADIATOR AIR FILTER ELEMENT (1DD)
every 50 hours or when required, replace if damaged.
Always keep RADIATOR AIR FILTER ELEMENT (1DD)
in place.
• Check hoses and hose clamps for damage and
looseness. Tighten or replace as required.
• Check Coolant Freeze Protection yearly.
• Flush and Clean radiator and cooling system every
500 hours.
• Maintain at least 1/4 full coolant level in RADIATOR
COOLANT OVERFLOW BOTTLE (1Y) when engine
is cool.
AIR FILTER:
• Clean the Air Filter Outer Element (5A) when the AIR
RESTRICTION INDICATOR (1N) Red Signal appears.
DO NOT clean the Inner Safety Element (5A)!
To change or clean the air lter element:
• Remove the Air Filter Housing (5A) by opening the
two (2) Air Filter Housing Clamps, and pulling the
housing off.
• Pull the Air Filter Outer Element out of the lter housing
and replace, or clean by using low pressure compressed
air [2.75 bars (40 psi) - MAXIMUM)] from the inside
out. DO NOT clean the lter element by tapping it
on the ground or other objects, this will damage the
lter element!
• Install the new or cleaned Air Filter Outer Element by
pushing it into the housing.
• Install the Air Filter Housing (5A) and close the two (2)
Air Filter Housing Clamps (5A).
The two (2) Air Filter Housing Clamps (5A)
can NOT be closed unless the Air Filter Outer
Element is properly installed.

56
13 Important Advice
(See Figures 2-3)
• Tighten loose nuts and bolts regularly, particularly after
several hours of operation.
• Check V-BELTS (3-1M, 3-2M) tension regularly.
Re-tighten V-BELTS (3-1M, 3-2M) as necessary.
• Remove the DIAMOND BLADE (2E) for storage. Store
it carefully.
• Check the water spray over the DIAMOND BLADE
(2E) periodically.
• Tighten the DIAMOND BLADE (2E) rmly on the OUTER
FLANGE ARBOR (2C).
• Make sure the contact faces of FLANGES (2B & 2F),
DIAMOND BLADE (2E), and BLADE SHAFT (2I)
are clean.
Store in a safe place out of reach of children.
Remove all adjustment tools and wrenches.
Store diamond tool in a safe place so it
11 Blade Shaft V-Belt Tension
(See Figures 1-3)
This saw is equipped with high tension banded V-belts.
The belts are properly tensioned at the factory but after
a few hours of operation they will stretch and become
loose. Re-tension belts as described below.
To Tension V-Belts:
• Turn ENGINE START SWITCH (1H) to the “0”
(OFF) position.
• Open ENGINE HOOD (6E) by turning each of the two
(2) HOOD LATCHES (3-1D, 3-2D) counter clockwise
for 180 degrees. For European CE models, a tool,
such as a screw driver must be used to open these
latches. Rotate the ENGINE HOOD (6E) upward,
and secure it in the open position using the HOOD
SUPPORT (6H).
• Using the BLADE SHAFT WRENCH (2J), loosen
the horizontal clamping bolts (3K) at the front of
the machine.
• Turn each of the two (2) vertical BELT TENSIONING
BOLTS (3-1J, 3-2J) [at the front of machine, below the
ENGINE GEARBOX (3-1A, 3-2A)] CLOCKWISE until
the V-BELTS (3-1M, 3-2M) are tight.
• Replace V-BELTS (3-1M, 3-2M) in complete sets only.
• For optimum V-Belt tension use Goodyear TensionRite™
Strips, P/N 542 19 13-68. TensionRite™ strips are
supplied with belts purchased from your dealer.
• Never tension V-BELTS (3-1M, 3-2M) beyond the
original factory tension. Loose V-Belts result in poor
saw performance and short belt life.
Replace all shields and guards. Never run
Saw with out all shields and guards in place.
12 Hydraulic System
(See Figures 1-6)
The hydraulic system on this saw is used to RAISE /
LOWER the DIAMOND BLADE (2E), and to propel
the saw FORWARD and REVERSE. The hydraulic
system consists of a HYDROSTATIC TRANSMISSION
PUMP (6K), (2) HYDRAULIC WHEEL MOTORS (4F),
HYDRAULIC FILTER (5K), DC LIFT PUMP (5H),
HYDRAULIC OIL RESERVOIR (5J), SAW LOWER-
ING SPEED CONTROL KNOB (1U), and HYDRAULIC
LIFT CYLINDER (4G).
• HYDRAULIC FILTER (5K) should be changed after
the rst 50 hours of operation, then every 250 hours
of operation. Fill a new HYDRAULIC FILTER (5K) with
SAE 10W30 motor oil before installation.
• Check HYDRAULIC OIL RESERVOIR (5J) uid level
periodically. Maintain oil level with SAE 10W30 motor
oil. DO NOT OVERFILL, check oil level when saw is
level.Fill oil to bottom of HYDRAULIC RESERVOIR
FILL (5I) port.
• Change hydraulic uid every 500 hours of operation.
Fill HYDRAULIC OIL RESERVOIR (5I,5J) with
approximately 2.5 quarts of SAE 10W30 motor oil. DO
NOT OVERFILL! Check oil level when saw is level. Fill oil
to bottom of HYDRAULIC RESERVOIR FILL (5I) port.
• The lowering rate of the saw can be adjusted using the
SAW LOWERING SPEED CONTROL KNOB (1U) at the
rear of the saw. If the saw falls too quickly, turn the knob
on the SAW LOWERING SPEED CONTROL KNOB (1U)
CLOCKWISE until an adequate lowering rate is set.
• Replace the Inner Safety Element once per year or if it
becomes damaged.
• Replace any damaged lters or gaskets.
• Check air hose and clamps for damage or looseness.
Tighten or replace as required.
WHEELS and HUBS:
• Check for excess wear and looseness. Tighten or
replace as required.
FUEL FILTER:
• Replace Spin-On Fuel Filter (5F) every 500 hours.

57
14 Engine / Blade Shaft / Gearbox
Speed Adjustment
(See Figures 1-6)
WARNING: Serious injury can occur to the
operator or people in the work area if the
rotational speed (n/min) of the DIAMOND
BLADE (2E) exceeds the maximum speed (n/
min) marked on the DIAMOND BLADE (2E).
ENGINE SPEED:
The engine speed on this machine does not need to
be changed from the factory set speed. The maximum
engine RPM should be 3250, no load.
BLADE SHAFT SPEED:
The blade shaft speed on this machine should be checked
before tting the DIAMOND BLADE (2E) to the machine.
Never install a DIAMOND BLADE (2E) if the blade shaft
rotational speed (n/min) of the machine is greater than
the maximum speed (n/min) marked on the DIAMOND
BLADE (2E)! The BLADE SHAFT PULLEY (3-1N,
3-2N) and BLADE SHAFT FLANGE (2B & 2F) may
need to be changed if the diameter of the Diamond Blade
is changed!
SINGLE SPEED GEARBOX MODEL:
Each saw model, as delivered from the factory, is
designed to operate with a specied range of blade sizes
inside the blade guard installed on the machine. If a blade
size outside the specied range of sizes for your model
must be used, then the saw drive conguration must
be changed.
If changing from a small to a very large DIAMOND BLADE
(2E) on a machine with a single speed gearbox, the Blade
Shaft Pulleys (3-1L), Gearbox Pulleys (3-1N), the BLADE
SHAFT FLANGES (2B & 2F), and the Blade Guard must
be changed.
For example, to change a single speed gearbox model
from a 14” (350mm) drive to a 36” (900mm) drive:
1. Change Engine Gearbox Pulley from 6.00” (152mm)
diameter to 3.50” (88.9mm) diameter.
2. Change Blade Shaft Pulley from 4.12” (114.3mm)
diameter to 5.60” (142.2mm) diameter.
3. Change Blade Flanges from 4.50” (114.3mm) diameter
to 6” (152mm) diameter.
4. Change BLADE GUARD (2H) from 14” (350mm) to
36” (900mm).
5. Engine Speed does not change.
See Blade Size Conversion charts for specific
information.
THREE SPEED GEARBOX MODEL (14-26, 18-30,
20-36):
CAUTION: Never shift the Gearbox (3-2A)
with engine running! Only shift the Gearbox
(3-2A) with engine OFF! Gearbox damage
could occur.
See “GEARBOX SHIFT LEVER (3-2O)” for details about
operating shift lever.
A machine factory equipped with a Three Speed ENGINE
GEARBOX (3-2A), while designed to minimize adjustments
required for blade size changes, will require some
adjustments. The machine is designed to operate with a
specied range of blade sizes inside the factory installed
blade guard. Color coded information on machine, and
information in operation manual, shows allowable blade
sizes for current machine drive conguration. There are
three (3) machine drive congurations: a) 14-26 for 14” to
26” (350 to 650 mm) blades, b) 18-30, for 18” to 30” (450
to 750 mm) blades, c) 20-36, for 20” to 36” (500 to 900
mm) blades. For example, to change the blade size on
a machine drive conguration 18-30 within these range,
18” to 30” (450 to 750 mm), requires only that GEARBOX
SHIFT LEVER (3-2O) be moved into the correct position
(1, 2, or 3). If the required blade size is outside of the
machine drive conguration range [below 18” (450mm) or
above 30” (750 mm) for this example], then the machine
drive conguration must be changed. This may require
shifting the GEARBOX SHIFT LEVER (3-2O), changing
BLADE SHAFT PULLEYS (3-2L), GEARBOX PULLEYS
(3-2N) and BLADE SHAFT FLANGES (2B & 2F).
Example: To change a three-speed gearbox model from a
20” (500mm) drive to a 36” (900mm) drive, rst determine
the machine drive conguration (14-26, 18-30, or 20-36).
This should correspond to the BLADE SHAFT FLANGE
(2B & 2F) diameter installed on the saw.
If the machine drive conguration is a 20-36, the FLANGE
(2B & 2F) diameter is should be 6.00” (152mm):
a) Verify proper pulley diameters are installed (See Blade
Size Conversion charts for specic information).
b) Shift the GEARBOX SHIFT LEVER (3-2O) from
3 to 1.
c) Verify that machine drive conguration and blade shaft
speed corresponds with information in operation manual,
and gearbox range decal (542 19 06-00).
If the machine drive configuration is an 18-30, the
FLANGE (2B & 2F) diameter should be 5.00” (127mm):
a) Change the BLADE SHAFT PULLEY from 4.50” (114.3
mm) diameter to 5.20” (132mm).
b) Change the BLADE SHAFT FLANGE from 5.00”
(127mm) diameter to 6.00” (152mm).
c) Shift the GEARBOX SHIFT LEVER (3-2O) from
2 to 1.
d) Verify that machine drive conguration and blade
shaft speed corresponds with 20-36 drive conguration
information in operation manual.
e) Install the 20-36 drive conguration decals (Decals
542 19 06-00, 542 20 65-46, 542 20 65-49 are required).
See the “Decals and Locations” page of this manual for
more information.
If the machine drive conguration is a 14-26, the FLANGE
(2B & 2F) diameter should be 4.50” (114.3mm):
a) Change the BLADE SHAFT PULLEY from 4.12”
(105mm) diameter to 5.20” (132mm).
b) Change the BLADE SHAFT FLANGE from 4.50”
(114.3mm) diameter to 6.00” (152mm).

58
17 Spare Parts
For quick supply of spare parts and to avoid any lost time,
it is essential to quote the data on the manufacturers
plate xed to the machine and the part number(s) and
description(s) to be replaced with every order.
Please reference Parts Lists manual (542 20 10-83):
(If you do not have a Parts List Manual, please call TOLL
FREE 1-800-288-5040 in USA, or for International, call
+1-913-928-1300.)
The instructions for use and spare parts found in this
document are for information only and are not binding. As
part of our product quality improvement policy, we reserve
the right to make any and all technical modications
without prior notice.
The manufacturer accepts no responsibility
caused by unsuitable use or modications.
16 Repairs
We carry out all repairs in the shortest possible time and
at the most economical prices. (See back page for our
address and phone numbers.) Contact you authorized
dealer concerning maintenance and repairs.
15 Accessories
BLADE GUARD CONVERSION KITS:
Use the proper size blade guard for the particular diamond
blade size being operated. The following blade guards
are available for these diamond blade sizes:
Guard Blade Sizes
36” (900mm) 24” - 36” (600 - 900mm)
30” (750mm) 18” - 30” (450 - 750mm)
26” (600mm) 14” - 26” (350 - 650mm)
18” (450mm) 14” - 18” (350 - 450mm)
14” (350mm) 14” (350mm)
See Blade Size Conversion charts for specific
information.
OPTIONAL KITS:
542 18 11-17* Dual Light Kit
c) Change the ENGINE GEARBOX PULLEY from 4.50”
(114.3mm) diameter to 4.12” (105mm).
d) Shift the GEARBOX SHIFT LEVER (3-2O) from
2 to 1.
e) Verify that machine drive conguration and blade
shaft speed corresponds with 20-36 drive conguration
information in operation manual.
f) Install the 20-36 drive conguration decals (Decals
542 19 06-00, 542 20 65-46, 542 20 65-49 are required).
See the “Decals and Locations” page of this manual for
more information.
See Blade Size Conversion charts for specific
information.
WARNING: Serious injury can occur to the
operator or people in the work area if the
rotational speed (n/min) of the DIAMOND
BLADE (2E) exceeds the maximum speed (n/
min) marked on the DIAMOND BLADE (2E).
WARNING: After Shifting Gearbox, lower
GEARBOX DETENT KNOB (3-2P) or three-
speed ENGINE GEARBOX (3-2A) could
be damaged!
If gearbox seems hard to shift, a slight movement of the
blade shaft may ease movement of GEARBOX SHIFT
LEVER (3-2O) into proper gear. Never shift the Gearbox
(3-2A) with engine running!
Two Neutral positions are available in the Three Speed
ENGINE GEARBOX (3-2A). This gearbox can be shifted
into neutral if the blade rotation needs to be eliminated
while the engine is running. If the machine is equipped
with the optional BLADE CLUTCH (1V), the BLADE
CLUTCH SWITCH (1V) can be moved to the “0” (OFF)
position to eliminate blade rotation while the engine
is running.

59
SERVICIO DIARIO:
1. Revise el nivel de aceite del motor.
2. Revise protector de la hora para ver si hay daño.
3. Revise las mangueras y abrazaderas para ver si
están dañadas o ojas. Apriete o reemplace según
sea necesario.
4. Revise el INDICADOR DE RESTRICCIÓN del ltro
de aire. Cambie el ltro de aire primario si el indicador
está rojo.
5. Cerciórese de que todos los protectores de seguridad
están en su lugar y en buenas condiciones.
6. Drene el agua de la CAJA DE ENGRANAJES
DEL MOTOR (3-1ª, 3-2ª) usando la VÁLVULA DE
DRENAJE DEL AGUA (3-1C, 3-2C).
SERVICIO CADA 50 HORAS:
1. Inspeccione el ltro de aire del radiador y limpie
según sea necesario.
2. Compruebe la tensión de la correa trapezoidal de
accionamiento de la hoja. Ajuste la tensión de ambos
lados uniformemente. ¡NO las apriete en exceso!
3. Lubrique los cojinetes de las ruedas delanteras.
4. Cambie el ltro del sistema hidráulico. (Primeras 50
horas solamente.)
SERVICIO CADA 100 HORAS:
1. Cambie el ltro y aceite del motor.
2. Lubrique los cojinetes de pivote del eje delantero.
3. Revise las ruedas para ver si están desgastadas
o dañadas.
4. Revise los cubos y las ruedas traseras para ver
si están ojos.
5. Revise las abrazaderas de las mangueras del ltro
de aire del motor.
6. Revise el nivel de uido del sistema hidráulico.
SERVICIO CADA 250 HORAS:
1. Cambie el ltro del sistema hidráulico.
2. Aplique 2 disparos de grasa a cada extremo del eje
de la hoja.
SERVICIO CADA 500 HORAS:
1. Cambie el uido de la caja de engranajes del motor.
2. Cambie el uido del sistema hidráulico.
3. Cambie el filtro de combustible del motor
(tipo atornillable)
SERVICIO ANUAL:
1. Cambie el elemento primario y de seguridad del ltro
de aire.
LISTA DE COMPROBACIÓN PRELIMINAR
Antes de salir de fábrica, todas las máquinas son probadas exhaustivamente. Siga nuestras
instrucciones rigurosamente y su máquina le dará una larga vida útil en condiciones
de operación normales
Antes de poner en marcha la máquina, asegúrese de leer todas las Instrucciones de operación
y familiarícese con el manejo de la máquina.
PREPARACIÓN DE LA MÁQUINA:
SIEMPRE estacione la máquina en una supercie plana con el motor “APAGADO” y el interruptor
de encendido puesto en la posición “0” (APAGADO) antes de hacer cualquier trabajo de
mantenimiento. ¡Deje que la máquina se enfríe!
1. Revise el aceite del motor. Llene hasta la marca “full” en la varilla de medición con aceite clase CE
o CD 15W40.
2. Conecte los cables de la batería.
LISTA DE COMPROBACIÓN DESPUÉS DE 1 A 2 HORAS DE FUNCIONAMIENTO:
SIEMPRE estacione la máquina en una supercie plana con el motor “APAGADO” y el interruptor
de encendido puesto en la posición “0” (APAGADO) antes de hacer cualquier trabajo de
mantenimiento. ¡Deje que la máquina se enfríe!
1. Revise las abrazaderas de las mangueras del ltro de aire del motor. Apriételas según sea necesario.
2. Apriete las correas trapezoidales de accionamiento de la hoja. ¡NO las apriete en exceso!
REFERENCIA RÁPIDA PARA MANTENIMIENTO PROGRAMADO
Antes de hacer cualquier trabajo de mantenimiento, SIEMPRE estacione la máquina en una
supercie plana con el motor “APAGADO” y el interruptor de encendido puesto en la posición
“0” (APAGADO). ¡Deje que la máquina se enfríe!

60
CAJA DE ENGRANAJES (3-2O) (1, 2 ó 3) y el
diámetro máximo de la hoja (pulgadas solamente).
La velocidad de rotación (RPM, n/min) de la HOJA
DE DIAMANTE (2E) debe permanecer en la banda
de color apropiada durante la operación.
ADVERTENCIA: ¡Observe la posición
del INTERRUPTOR SELECTOR DEL
TACÓMETRO (1Z)! El tacómetro puede
indicar la velocidad de la hoja o la velocidad
del motor. El operador o las personas del
área de trabajo pueden sufrir lesiones
graves si la velocidad de giro (n/min) de
la HOJA DE DIAMANTE (2E) excede la
velocidad máxima (n/min) indicada en la
HOJA DE DIAMANTE (2E).
1H. INTERRUPTOR DE ARRANQUE DEL MOTOR:
Use este interruptor para arrancar y parar el motor.
También precalienta el motor cuando se presiona
hacia adentro.
1I. MEDIDOR DE VOLTAJE: Indica el voltaje del
sistema eléctrico.
1J. INTERRUPTOR DE AJUSTE DEL EJE o
INTERRUPTOR DIFERENCIAL: INTERRUPTOR
DE AJUSTE DEL EJE (Sólo para el modelo de
pivote frontal): Mueva el interruptor para ajustar el
eje impulsor trasero. Empuje el interruptor hacia
la derecha para que la sierra avance hacia la
derecha. Hacia la izquierda para que avance hacia
la izquierda. INTERRUPTOR DIFERENCIAL (Sólo
para el modelo depivote trasero): Tres posiciones
para controlar las modalidades de Pivote, Recto
o Neutra. Mueva el interruptor a la IZQUIERDA
para la modalidad Pivote. Permite que la sierra se
pueda pivotar sobre sus ruedas traseras. Mueva el
interruptor al CENTRO para la modalidad Recto.
Permite que la sierra se mueva en línea recta.
Mueva el interruptor a la posición DERECHA (tiene
que mantenerse la posisición). El motor de la sierra
tiene que estar APAGADO y el INTERRUPTOR
DE ARRANQUE DEL MOTOR (1H) en la posición
de APAGADO (“0”). Pone la sierra en “Neutro” y
permite empujar la máquina.
1K. BOTÓN PULSADOR ROJO: Para PARADA
DE EMERGENCIA de la sierra. Su función es
interrumpir el suministro de energía a todos
los sistemas excepto las luces, TIRE del botón
para desenclavarlo. No lo utilice para paradas
de rutina.
1L. INTERRUPTOR DE SEGURIDAD DEL AGUA:
Apaga el motor si se interrumpe el suministro
de agua a la hoja. Ajústelo para activar
el interruptor.
1M. INTERRUPTOR DEL TOPE DE PROFUNDIDAD
DE LA HOJA: Activa o anula el tope de velocidad
para cortes repetitivos a la misma profundidad.
1N. INDICADOR DE RESTRICCIÓN DE AIRE: Limpiar
los elementos del ltro de aire cuando el indicador
muestra una marca roja. Reactívelo antes de
arrancar el motor.
FIGURA 1:
1A. PERILLA: Utilícela para apretar las empuñadura
de los manillares. (Igual que 6G)
1B. MANILLARES: Para que el operador se sujete.
NO se debe usar para levantar la sierra. (Igual
que en 6G)
1C. HORÓMETRO: Registra las horas de
funcionamiento del motor.
1D. ----
1E. TERMÓMETRO DEL AGUA: El refrigerante
es agua/glicol. Monitorea la temperatura del
refrigerante del motor. La temperatura máxima
segura es 220°F (104.4°C).
1F. ACELERADOR DEL MOTOR: Controla la
velocidad (rpm) del motor. Oprima el botón rojo
para desbloquear. Empuje hacia dentro para
disminuir la velocidad (rpm). Tire del botón
para aumentar la velocidad (rpm). O, gírelo en
sentido horario para aumentar la velocidad (rpm).
Gírelo en sentido contrahorario para disminuir la
velocidad (rpm).
1G. TACÓMETRO: Muestra la velocidad del motor
(RPM, n/min) o la velocidad del eje de la hoja (RPM,
n/min) si está equipado con el INTERRUPTOR
SELECTOR DEL TACÓMETRO (1Z), ya que
de lo contrario muestra solamente la velocidad
del motor (RPM, n/min). Seleccione la pantalla
del TACÓMETRO moviendo el INTERRUPTOR
SELECTOR DEL TACÓMETRO (1Z) a la posición
deseada (si lo tiene). Los modelos de caja de
engranajes de tres velocidades tienen bandas de
color (verde, amarilla y anaranjada), mostradas
alrededor del exterior del tacómetro, que relacionan
la posición de la PALANCA DE CAMBIOS DE LA

61
1O. PALANCA DE CONTROL DE VELOCIDAD:
Controla la marcha adelante y marcha atrás,
parada y velocidad de la sierra.
1P. INTERRUPTOR BASCULANTE DE ELEVAR/
BAJAR: Ubicado en la PALANCA DE CONTROL
DE VELOCIDAD. Utilícelo para elevar y bajar la
sierra. Empuje hacia arriba para elevar la sierra.
Empuje hacia abajo para bajar la sierra.
1Q. INDICADOR DE PROFUNDIDAD DE LA
HOJA: Indica la profundidad de corte. Establece
la profundidad de corte para el TOPE DE
PROFUNDIDAD DE LA HOJA.
1R. BLOQUEO DE AJUSTE DEL MANILLAR: Gírelo
en sentido horario para bloquear el manillar en
posición. Gírelo en sentido contrahorario para
desbloquear el manillar y reposicionarlo.
1S. ENTRADA DE AGUA: Se conecta a una manguera
de jardín de 3/4 pulgada para suministro de
agua dulce.
1T. VÁLVULA DE AGUA: Controla el caudal de agua
para enfriar la hoja.
1U. PERILLA DE CONTROL DE VELOCIDAD DE
BAJADA DE LA SIERRA: Gire la perilla en sentido
horario para reducir la velocidad de bajada. Gire
la perilla a la izquierda para aumentar la velocidad
de bajada. Acceda a la perilla por la parte trasera
de la máquina.
1V. INTERRUPTOR DE EMBRAGUE DE LA HOJA (si
lo tuviera). Engrana el accionamiento de la hoja.
Embrague solamente con el motor a 1200 rpm o
menos. El accionamiento de la cuchilla se engrana
cuando el INTERRUPTOR DE EMBRAGUE DE LA
HOJA está en la posición “1” (CONECTADA). Para
desengranar la cuchilla, ponga el INTERRUPTOR
DE EMBRAGUE DE LA HOJA en la posición
“0” (DESCONECTADA).
1W. LUZ INDICADORA DE PRESIÓN DE ACEITE: Se
enciende cuando la presión de aceite del motor
está baja y cuando la llave de contacto está en la
posición de encendido con el motor apagado.
1X. PERNO DE PURGA DEL AIRE: Está ubicado en el
Separador de aceite/agua. Se usa para eliminar el
aire de los tubos de alimentación de combustible.
Para más detalles, consultar el Manual de
funcionamiento del motor Yanmar sobre el PERNO
DE PURGA DEL AIRE y el SEPARADOR DE
ACEITE/AGUA.
1Y. FRASCO DE REBOSE DE REFRIGERANTE DEL
RADIADOR: Recupera el refrigerante del radiador
cuando el motor está caliente. Debe estar a 1/4
de su capacidad cuando el motor está apagado
y frío.
1Z. INTERRUPTOR SELECTOR DEL TACÓMETRO:
Puede jarse para indicar la velocidad del motor
(RPM, n/min) o la velocidad del eje de la hoja (RPM,
n/min). Fije en la posición superior para indicar la
velocidad del motor y en la posición inferior para
indicar la velocidad del eje de la hoja. Los equipos
estándar de las máquinas están equipados con una
caja de engranajes de tres velocidades, opcional
para los demás.
ADVERTENCIA: ¡Observe la posición
del INTERRUPTOR SELECTOR DEL
TACÓMETRO (1Z)! El tacómetro puede
indicar la velocidad de la hoja o la velocidad
del motor. El operador o las personas del
área de trabajo pueden sufrir lesiones
graves si la velocidad de giro (n/min) de
la HOJA DE DIAMANTE (2E) excede la
velocidad máxima (n/min) indicada en la
HOJA DE DIAMANTE (2E).
1AA. CUBIERTA TRASERA: Sólo se debe quitar para
dar servicio a la máquina. Para quitarla, gire
los PESTILLOS DEL PROTECTOR (1EE) 270
grados hacia la izquierda. Vuelva a ponerla antes
de poner el motor en marcha. No es un protector
de seguridad, pero controla el caudal de aire que
pasa por la máquina para un rendimiento apropiado
del motor.
1BB. POSICIÓN DE PARO: La sierra interrumpirá el
movimiento de avance cuando la PALANCA DE
CONTROL DE VELOCIDAD (1O) está en esta
posición. El motor no arrancará a menos que la
PALANCA DE CONTROL DE VELOCIDAD (1O)
esté en la posición de PARO.
1CC. PERNO DE AJUSTE MANUAL DEL EJE (Sólo en
el modelo de pivote frontal- seguimiento eléctrico)
: Gire el perno para ajustar el eje impulsor trasero.
Si lo gira a la derecha (sentido horario) la sierra
se dirige hacia la derecha. Hacia la izquierda
(sentido contrahorario) la sierra se dirige hacia
la izquierda.
1DD. ELEMENTO DEL FILTRO DE AIRE DEL
RADIADOR: Tiene que estar en su lugar o el
motor resultará dañado. Limpie el ltro según sea
necesario, o cada 50 horas.
1EE. PESTILLO DEL PROTECTOR: Se usa para
asegurar los protectores y los escudos y la
CUBIERTA TRASERA (1AA) en su posición. Para
quitar la CUBIERTA TRASERA (1AA), gire los
pestillos 270 grados hacia la izquierda. El modelo
ranurado de este pestillo se usa para asegurar
los protectores laterales (4 pestillos por lado).
Pata quitar los protectores laterales, use una
herramienta como un destornillador para girar los
pestillos 270 grados.

62
FIGURA 3-1
3-1A. CAJA DE ENGRANAJES DEL MOTOR: Modelo
de una velocidad.
3-1B. CONEXIÓN PARA AGUA: Hace circular agua
dulce por la caja de engranajes para enfriarla.
Desde allí el agua uye al protector de la hoja.
3-1C. VÁLVULA DE VACIADO DE AGUA: Para
vaciar el agua de la caja de engranajes: gírela a la
izquierda para abrir y a la derecha para cerrar. Vacíe
diariamente para evitar la corrosión o daño debido
a temperaturas bajo cero.
3-1D. PESTILLO DE TAPA DE MOTOR: Dos
pestillos, ubicados en el bastidor delantero de de
la máquina, aseguran la TAPA DEL MOTOR (6E)
en posición bajada. Gire cada pestillo 180 grados a
la izquierda, y la TAPA DEL MOTOR (6E), se podrá
levantar. En los modelos europeos CE, el pestillo
tiene un diseño ranurado y se tiene que usar una
herramienta, como un destornillador, para abrir
el pestillo.
3-1E. CUBIERTA DE LA BRIDA: Protege del contacto
contra la BRIDA durante la operación. Debe
matenerse siempre en su lugar.
que se quite el protector de la hoja (No se encuentra
disponible para los modelos europeos con la marca
CE con un protector de hoja de 900 mm, o 36”).
2L. PESTILLO DE PALA DEL PROTECTOR DE
LA HOJA: Se usa para mantener la hoja en
su posición. Para quitar el protector de la hoja,
use el HILO DE METAL (2K) paara pivotar
el PESTILLO DE PALA DEL PROTECTOR DE
LA HOJA interno, hasta la posición abierta, y luego
levantar el protector de la hoja hacia arriba y hacia
fuera de la máquina.
2M. PERNO TRASERO: Mantiene el protector de la
hoja en su posición (excepto en el modelo de 900
mm, 36”). El PERNO TRASERO tiene que quitarse
antes de quitar el PROTECTOR DE LA HOJA.
Instale siempre el PERNO TRASERO en el
protector de la hoja antes de operar la máquina.
FIGURA 2
2A. PERNO DEL EJE DE LA HOJA: Utilícelo para
jar la hoja de diamante entre la brida interna y
externa. El lado derecho de la sierra tiene rosca a
izquierda. El lado izquierdo de la sierra tiene rosca
a derecha.
2B. BRIDA EXTERNA: Se usa para sujetar la hoja de
diamante en posición.
2C. EJE DE BRIDA EXTERNA: Se usa para soportar
la hoja de diamante.
2D. PASADOR DE SEGURIDAD: Se usa para evitar
que la hoja de diamante gire en el eje durante el
funcionamiento.
2E. HOJA DE DIAMANTE: Se usa como herramienta
de corte para supercies de hormigón y asfalto.
2F. BRIDA INTERNA: Soporte interior utilizado para
sujetar la hoja de diamante en posición.
2G. PESTILLO DELANTERO DEL PROTECTOR
DE LA HOJA: Se usa para enganchar la parte
delantera del protector de la hoja.
2H. FRENTE DEL PROTECTOR DE LA HOJA: Parte
frontal del protector de la hoja.
2I. EJE DE LA HOJA: Soporta las bridas de la hoja
y la hoja.
2J. LLAVE PARA EL EJE DE LA HOJA: Se usa para
quitar el PERNO DEL EJE DE LA HOJA (2A). Para
un protector de hoja de 900 mm (36”), se usa la
LLAVE PARA EJE DE LA HOJA para pivotar el
PESTILLO DE PALA DEL PROTECTOR DE LA
HOJA 92L) hasta la posición abierta y luego se
quita el protector de la hoja.
2K. HILO DE METAL: Tire del cable de forma que el
pestillo del protector de la hoja pivote para permitir

63
FIGURA 3-2
3-2A. CAJA DE ENGRANAJES DEL MOTOR: Modelo
de tres velocidades.
3-2B. CONEXIÓN PARA AGUA: Hace circular agua
dulce por la caja de engranajes para enfriarla.
Desde allí el agua uye al protector de la hoja.
3-2C. VÁLVULA DE VACIADO DE AGUA: Para
vaciar el agua de la caja de engranajes: gírela a la
izquierda para abrir y a la derecha para cerrar.
Vacíe diariamente para evitar la corrosión o el
daño debido a temperaturas bajo cero.
3-2D. PESTILLO DE TAPA DE MOTOR: Dos
pestillos, ubicados en el bastidor delantero de de
la máquina, aseguran la TAPA DEL MOTOR (6E)
en posición bajada. Gire cada pestillo 180 grados
a la izquierda, y la TAPA DEL MOTOR (6E), se
podrá levantar. En los modelos europeos CE, el
pestillo tiene un diseño ranurado y se tiene que
usar una herramienta, como un destornillador,
para abrir el pestillo.
3-2E. CUBIERTA DE LA BRIDA: Protege del
contacto contra la BRIDA durante la operación.
Debe matenerse siempre en su lugar.
3-2F. ESCUDO PROTECTOR DE LA CORREA:
Mantener en su lugar.
3-2G. CONJUNTO DE TUBO DEL EJE DE LA HOJA:
Unidad sellada contiene el eje de la hoja, los
cojinetes y sellos del eje.
3-2H. ASAS DE AMARRE: Utilizadas para amarrar la
sierra durante el transporte en vehículo. No se se
debe utilizar para izar la sierra.
3-2I. VÁLVULA DE VACIADO DE ACEITE DEL
MOTOR: Para vaciar el aceite del motor sin usar
herramientas.
3-2J. PERNOS PARA TENSAR LA CORREA:
3-2K. PERNO DE FIJACIÓN HORIZONTAL:
3-2L. POLEA DEL EJE DE LA HOJA:
3-2M. CORREAS TRAPEZOIDALES: Juego de
4, 3 ranuras
3-2N. POLEA DE LA CAJA DE ENGRANAJES:
3-2O. PALANCA DE CAMBIOS DE LA CAJA DE
ENGRANAJES: Úsela para cambiar la velocidad
de salida de la CAJA DE ENGRANAJES DEL
MOTOR (3-2A). Se dispone de tres velocidades
y dos posiciones neutrales. Las posiciones de
la PALANCA DE CAMBIOS DE LA CAJA DE
ENGRANAJES (1, 2 y 3) están codicadas por
colores para adaptarse entre otras cosas a la
calcomanía de la gama de la caja de engranajes
/ RPM de la hoja. Operación de la PALANCA DE
CAMBIOS DE LA CAJA DE ENGRANAJES:
1) Gire el INTERRUPTOR DE ARRANQUE DEL
MOTOR (1H) a la posición de APAGADO (“0”).
¡Gire siempre el motor a la posición de APAGADO
antes de efectuar un cambio en la caja de
engranajes!
2) Verique que el tamaño de la polea, tamaño de la
brida y velocidad del eje de la hoja sean correctos
para el tamaño de la hoja que se vaya a montar.
ADVERTENCIA: El operador o las personas
del área de trabajo pueden sufrir lesiones
graves si la velocidad de giro (n/min) de
la HOJA DE DIAMANTE (2E) excede la
velocidad máxima (n/min) indicada en la
HOJA DE DIAMANTE (2E).
3) Levante la PERILLA DE TOPE DE LA CAJA DE
ENGRANAJES (3-2P) y gírela para mantenerla en
la posición “ABIERTA”.
4) Mueva la PALANCA DE CAMBIOS DE LA CAJA
DE ENGRANAJES (3-2O) a la marcha requerida.
Un ligero “movimiento de oscilación” del eje de
salida de la caja de engranajes (o EJE DE LA
HOJA) puede mejorar los cambios.
5) Gire y baje de nuevo la PERILLA DE TOPE DE
LA CAJA DE ENGRANAJES (3-2P) a la posición
“BLOQUEADA” original.
3-1F. ESCUDO PROTECTOR DE LA CORREA:
Mantenga en su lugar.
3-1G. CONJUNTO DE TUBO DEL EJE DE LA HOJA:
Unidad sellada contiene el eje de la hoja, los
cojinetes y sellos del eje.
3-1H. ASAS DE AMARRE: Utilizadas para amarrar la
sierra durante el transporte en vehículo. No se
utilizan para izar la sierra.
3-1I. VÁLVULA DE VACIADO DE ACEITE DEL
MOTOR: Para vaciar el aceite del motor sin
usar herramientas.
3-1J. PERNOS PARA TENSAR LA CORREA:
3-1K. PERNO DE FIJACIÓN HORIZONTAL:
3-1L. POLEA DEL EJE DE LA HOJA:
3-1M. CORREAS TRAPEZOIDALES: Juego de 4.
3-1N. POLEA DE LA CAJA DE ENGRANAJES:

64
FIGURA 5
5A. CONJUNTO DEL FILTRO DE AIRE: Incluye:
a) Caja
b) Cubierta
c) Elemento primario externo: Limpiar o cambiar
cuando el INDICADOR DE RESTRICCIÓN DEL
AIRE muestra una advertencia ROJA.
d) Elemento de seguridad interno: NO limpie
este elemento del ltro. Cámbielo 1 vez por año
o si se daña.
5B. VARILLA DE NIVEL DE ACEITE DEL MOTOR:
Compruebe aquí el nivel de aceite del motor.
La varilla indica el nivel de aceite. Para más
información, consulte el manual de funcionamiento
del motor.
5C. LLENADO DE ACEITE DEL MOTOR: Llene el
motor con el aceite recomendado en este punto.
Use aceite para motor SAE 15W40, API Clase CF,
CF-4, CG-4 o CI-4. Para más información, consulte
el manual de funcionamiento del motor.
5D. FILTRO DE ACEITE DEL MOTOR: Para más
información, consulte el manual de funcionamiento
del motor.
5E. LLENADO DEL TANQUE DE COMBUSTIBLE:
Llene el tanque de combustible por aquí.
5F. Abastezca de combustible el Filtro
5G. Tapa de Lluvia de ltro de aire
5H. BOMBA DE ELEVACIÓN C.C (corriente
continua): Eleva y baja la sierra.
5I. LLENADO DEL DEPÓSITO HIDRÁULICO: Llene
y revise el uido del sistema hidráulico aquí.
5J. DEPÓSITO HIDRÁULICO: 1.5 cuartos (1.42 litros)
de capacidad.
FIGURA 4
4A. SELLOS DE COJINETES DEL EJE DE
LA HOJA
4B. COJINETES DE LAS RUEDAS DELANTERAS
4C. COJINETES DE PIVOTE DEL EJE DELANTERO
4D. PASADOR DE PIVOTE DEL CILINDRO
HIDRÁULICO
4E. EJE TRASERO
4F. MOTOR HIDRÁULICO DE LAS RUEDAS
4G. CILINDRO DE ELEVAR Y BAJAR
4H. ACCIONADOR LINEAL
3-2P. PERILLA DE RETENCIÓN DE LA CAJA DE
ENGRANAJES: Fija la PALANCA DE CAMBIOS
DE LA CAJA DE ENGRANAJES (3-2O) en su
posición. Consulte la PALANCA DE CAMBIOS
DE LA CAJA DE ENGRANAJES (3-2O) para ver
cómo funciona.

65
5K. FILTRO HIDRÁULICO: Filtra el uido del sistema
hidráulico.
5L. ----
5M. ----
5N. ----
5O. ----
5P. ----
FIGURA 6
6A. GANCHO PARA SUBIR: La sierra sólo se puede
subrir desde este punto. NO levante la sierra desde
otro punto que no sea éste.
6B. ----
6C. PROTECTORES Y ESCUDOS DE LAS
CORREAS: Protegen el motor, los accionamientos
y el ventilador de enfriamiento. No quitarlos
durante el funcionamiento o cuando el motor esté
en marcha.
¡NO OPERAR EL MOTOR CON LOS PROTECTORES
O LOS ESCUDOS QUITADOS!
6D. GUÍA DELANTERA: Se usa para localizar la
trayectoria de la hoja de diamante en la línea
de corte.
6E. TAPA DEL MOTOR: Protegen el motor, ventilador
de refrigeración, correas y poleas. La TAPA DEL
MOTOR es una protección y tiene que estar
cerrada en posición bajada antes de arrancar el
motor y operar la sierra. La TAPA DEL MOTOR
se abre girando los dos PESTILLOS DE LA TAPA
(3-1D, 3-2D) a la izquierda 180 grados. Girar hacia
arriba y asegurar con los dos SOPORTES DE
TAPA (6H).
6F. GUÍA TRASERA: Se usa para localizar la
trayectoria de la hoja de diamante en la línea
de corte.
6G. MANILLARES: Se usan para maniobrar la sierra.
No se deben utilizar para subir la sierra. (Igual
que 1B).
6H. SOPORTE DE TAPA: Cerrar paraa asegurar la
tapa en posición abierta. Baje y asegure siempre
la tapa antes de arrancar el motor y operar
la máquina.
6I. LLENADO DEL LÍQUIDO REFIGERANTE DEL
RADIADOR: Llene el radiador deesde este
punto. Advertencia: ¡Evite las lesiones! La presión
acumulada puede causar una salida explosiva del
líquido refrigerante cuando se quita la tapa del
radiador. Apague el motor y deje que se enfríe.
No quite la tapa a menos que el radiador y el
motor estén lo sucientemente fríos al tacto con
las manos sin guantes. Aoje la tapa con cuiado
hasta el primer tope para soltar toda la presión.
Entonces puede quitar la tapa. Sustituya la tapa
si está dañada.
6J. VÁLVULA DE DERIVACIÓN DE LA TRANSMISIÓN
(Sólo en los modelos de pivote frontal): Girar
a la izquierda para abrir. Girar a la derecha
para cerrar. Abrir para poder empujar la sierra
de hormigón.
6K. BOMBA DE TRANSMISIÓN HIDROSTÁTICA.
6L. ALTERNADOR: Consultar a Yanmar para
repuestos.
6M. ALTERNADOR / CORREA DE LA BOMBA
DE AGUA: Autotensante. Consultar a Yanmar
para repuestos.
FIGURA 7
7A. FRENO DE ESTACIONAMIENTO (modelos CE o
modelos de pivote trasero – si lo tienen): Mantiene
la máquina en la posición de estacionamiento en
una pendiente de 10 grados o menos. El FRENO
DE ESTACIONAMIENTO (7A) está ubicado en el
lado izquierdo de la máquina, en la rueda trasera
(Vea la FIG 7).
Operación:
1) Pare la máquina, apague el motor.
2) Para conectar: Póngase detrás de la
máquina, empuje la PALANCA DEL FRENO DE
ESTACIONAMIENTO (7A) hacia adelante (hacia
la parte delantera de la máquina).
3) Para desconectar: Póngase detrás de la
máquina, tire de la PALANCA DEL FRENO DE
ESTACIONAMIENTO (7A) hacia atrás, hacia la
parte trasera de la máquina.
PRECAUCIÓN: Desconecte la PALANCA DEL
FRENO DE ESTACIONAMIENTO (7A) antes
de conectar completamente la PALANCA
DE CONTROL DE VELOCIDAD (7B), ya
que de lo contrario se dañará la máquina.

66
INDICACIÓN
INFORMACIÓN
INSTRUCCIONES
PROHIBICIÓN
Estos avisos le dan
consejos por su seguridad
Antes de salir de fábrica, todas las máquinas son
probadas exhaustivamente.
Siga nuestras instrucciones rigurosamente
y su máquina le dará una larga vida útil en
condiciones de operación normales.
1. Usos
Uso: Aserrado en húmedo de hormigón y asfalto viejos y
nuevos. Aserrado en seco solamente con la aprobación
del fabricante de la hoja para aplicaciones especícas.
Herramientas: Hojas de diamante –– enfriadas por agua,
Ø: 14 pulgadas (350 mm), 18 pulgadas (450 mm), 20
pulgadas 500 mm), 24 pulgadas (600 mm), 26 pulgadas
(650 mm), 30 pulgadas 750 mm) y 36 pulgadas (900 mm)
con eje de 1 pulgada de Ø.
(Para ampliar la información, póngase en contacto con
su proveedor.)
Profundidades de corte (máxima):
Hoja Profundidad Hoja Profundidad
14” 4.5” 350mm 110mm
18” 6.5” 450mm 160mm
20” 7.5” 500mm 175mm
24” 9.5” 600mm 225mm
26” 10.5” 650mm 260mm
30” 12.5” 750mm 310mm
36” 15.0” 900mm 375mm
Antes de poner en marcha la máquina,
asegúrese de leer todo este manual y
familiarícese con el manejo de la máquina.
La zona de trabajo debe estar totalmente
despejada, bien iluminada y todos los
peligros para la seguridad retirados.
El operador debe usar
vestimenta protectora
apropiada para el trabajo
que está realizando.
Toda persona no involucrada en el trabajo
debe retirarse del lugar.
Use solamente hojas marcadas con una
velocidad máxima de funcionamiento mayor
que la velocidad del eje de la hoja.
2. Traslado de la máquina
(Vea las guras 1, 2 y 5)
Ajuste de los manillares al largo que se desea:
• Aoje la perilla (1A), tire del manillar (1B) hacia dentro
o fuera al largo que desea, y después apriete la
perilla (1A). Para ajustar la altura del manillar, gire el
bloqueo (1R) de ajuste en sentido contra horario para
desbloquear. Ajuste el manillar (1B) a la altura que
desea. Gire el MANILLAR DE BLOQUEO DE AJUSTE
(1R) a la derecha para bloquearlo en su lugar.
Modelo de Pivote Frontal (con Sistema de Seguimiento
Eléctrico - Si lo tuviera)
Traslado de la sierra con el motor apagado:
• Ponga el INTERRUPTOR DE ARRANQUE DEL MOTOR
(1H) en la posición “1” (MARCHA).
• Eleve la sierra empujando hacia arriba el INTERRUPTOR
BASCULANTE (1P) en la PALANCA DE CONTROL DE
VELOCIDAD (1O) hasta que la HOJA DE DIAMANTE
(2E) (si está instalada) se aleje de la superficie
de pavimento.
• Ponga la PALANCA DE CONTROL DE VELOCIDAD
(1O) en posición de PARO (1BB).
• Ajuste la VÁLVULA DE DERIVACIÓN DE LA
TRANSMISIÓN (6J) en sentido contra horario a la
posición arriba (NEUTRO).
• Ahora, puede mover la sierra situándose detrás
de ella y empujando [mientras se sujeta de los
manillares (1B)].
NO intente empujar la sierra mientras está
en NEUTRO en una pendiente (o colina).
El operador podría perder el control de la
sierra y causar lesiones a el mismo u otras
personas en el lugar.
Traslado de la sierra con el motor encendido:
• Eleve la sierra empujando hacia arriba el INTERRUPTOR
BASCULANTE (1P) en la PALANCA DE CONTROL DE
VELOCIDAD (1O) hasta que la HOJA DE DIAMANTE
(2E) (si está instalada) se aleja de la superficie
de pavimento.
• Ponga el INTERRUPTOR DE SEGURIDAD DEL AGUA
(1L) en posición “0” (APAGADO).
• La PALANCA DE CONTROL DE VELOCIDAD (1O)
debe estar en posición de PARO (1BB) para poner en
marcha la sierra. El motor NO arrancará a menos que
la PALANCA DE CONTROL DE VELOCIDAD (1O) esté
en la posición de PARO (1BB).
• Verique que la VÁLVULA DE DERIVACIÓN DE LA
TRANSMISIÓN (6J) esté girada en sentido horario
(ABAJO) en la posición cerrada. NO arranque el motor
si la válvula (6J) está en posición neutro (ABIERTA).
OBLIGATORIO
ADVERTENCIA

67
• Gire el ACELERADOR DEL MOTOR (1F) a una posición
de velocidad baja.
• Ponga el INTERRUPTOR DE EMBRAGUE (si está
instalado) (1V) de la hoja en “0” (APAGADO).
* En condiciones de frío (bajo 32°F (0°C)) empuje
hacia dentro el INTERRUPTOR DE ARRANQUE DEL
MOTOR (1H) por 15 segundos. Esto precalienta el
motor para facilitar el arranque en clima frío.
• Ponga el INTERRUPTOR DE ARRANQUE DEL MOTOR
(1H) en la posición “2” (MARCHA) hasta que el motor
arranque, después suelte el interruptor. Regresará
a la posición MARCHA. Si el motor no arranca, repita
estos pasos.
• Empuje la PALANCA DE CONTROL
DE VELOCIDAD (1O) hacia
adelante para mover la sierra HACIA
ADELANTE, o empújela hacia atrás
para moverla HACIA ATRÁS. Cuanto
más empuje la palanca más rápida
será la velocidad.
NO ABRA la VÁLVULA DE DERIVACIÓN DE
LA TRANSMISIÓN (6J) a neutro mientras la
sierra está estacionada en una pendiente (o
colina), el operador podría perder el control
y causar lesiones o daños.
Modelo de pivote trasero (con sistema diferencial – si
está instalado)
Traslado de la sierra con el motor apagado:
• Ponga el INTERRUPTOR DE ARRANQUE DEL MOTOR
(1H) en la posición “1” (MARCHA).
• Eleve la sierra empujando hacia arriba el INTERRUPTOR
BASCULANTE (1P) en la PALANCA DE CONTROL
DE VELOCIDAD (1O) hasta que la HOJA DE
DIAMANTE (2E) (si está instalada) se aleje de la
supercie de pavimento.
• Ponga el INTERRUPTOR DE ARRANQUE DEL MOTOR
(1H) en la posición “0” de (PARO).
• Ponga la PALANCA DE CONTROL DE VELOCIDAD
(1O) en POSICIÓN DE PARO (1BB).
• Pulse y mantenga pulsado el Interruptor Diferencial
(1J) a la derecha.
• Sujete un Manillar (1B), y mantenga pulsado el
Interruptor Diferencial (1J) a la derecha. Ahora puede
mover la sierra situándose detrás de ella y empujando.
Si se suelta el Interruptor Diferencial, la sierra no se
puede mover con el motor apagado.
NO intente empujar la sierra mientras está
en NEUTRO en una pendiente (o colina).
El operador podría perder el control de la
sierra y causar lesiones a el mismo u otras
personas en el lugar.
Traslado de la sierra con el motor encendido:
• Eleve la sierra empujando hacia arriba el INTERRUPTOR
BASCULANTE (1P) en la PALANCA DE CONTROL
DE VELOCIDAD (1O) hasta que la HOJA DE
DIAMANTE (2E) (si está instalada) se aleje de la
supercie de pavimento.
3 Transporte (sin la hoja)
(Vea las guras 1, 2 y 5)
Apague el motor. Ponga la PALANCA DE
CONTROL DE VELOCIDAD (1O) en posición
de PARO (1BB). Quite la HOJA DE DIAMANTE
(2E) antes de transportar la sierra.
Tenga sumo cuidado cuando suba y baje rampas con la
sierra, con el motor funcionando.
• Para DESCENDER una rampa conduzca la sierra en
MARCHA ADELANTE lentamente.
• Para ASCENDER una rampa, retroceda con la sierra
en MARCHA ATRÁS lentamente.
Modelo de pivote trasero: La máquina tiene que tener
un INTERRUPTOR DIFERENCIAL (1J) en la posición de
“Bloqueo” central si la sierra se mueve subiendo o bajando
una rampa. NO cambie el INTERRUPTOR DIFERENCIAL
(1J) a la posición de “Pivote” izquierdo cuando mueva la
sierra subiendo o bajando una rampa.
Para rampas empinadas, siempre use
una cuña. No se sitúe jamás más abajo de
la máquina.
Subida de la sierra. La sierra puede subirse solamente
del gancho de subida (6A) instalado en fábrica.
Para transporte en vehículo:
• Ponga el INTERRUPTOR DE ARRANQUE DEL MOTOR
(1H) en posición de APAGADO.
• Ponga el INTERRUPTOR DE SEGURIDAD DEL AGUA
(1L) en posición “0” (APAGADO).
• La PALANCA DE CONTROL DE VELOCIDAD (1O)
debe estar en posición de PARO (1BB) para poner la
sierra en marcha. El motor NO arrancará a menos que
la PALANCA DE CONTROL DE VELOCIDAD (1O) esté
en la posición de PARO (1BB).
• Gire el ACELERADOR DEL MOTOR (1F) a una posición
de velocidad baja.
• Ponga el INTERRUPTOR DE EMBRAGUE DE LA HOA
(si está instalado) (1V) en “0” (APAGADO).
* En condiciones de frío (bajo 32°F (0°C)) empuje
hacia dentro el INTERRUPTOR DE ARRANQUE DEL
MOTOR (1H) por 15 segundos. Esto precalienta el
motor para facilitar el arranque en clima frío.
• Ponga el INTERRUPTOR DE ARRANQUE DEL MOTOR
(1H) en la posición “2” (MARCHA) hasta que el motor
arranque, después suelte el interruptor. Regresará
a la posición MARCHA. Si el motor no arranca, repita
estos pasos.
• Empuje la PALANCA DE CONTROL
DE VELOCIDAD (1O) hacia
adelante para mover la sierra HACIA
ADELANTE, o empújela hacia atrás
para moverla HACIA ATRÁS. Cuanto
más empuje la palanca más rápida
será a velocidad.

68
• Levante la mitad delantera del PROTECTOR DE LA
HOJA (2H).
• Aoje el perno (2A) del eje de la hoja. Retire la BRIDA
EXTERNA (2B).
• Inserte la HOJA DE DIAMANTE (2E) en el EJE DE LA
BRIDA EXTERNA (2C).
• Instale la BRIDA EXTERNA (2B) en el eje (2I) de la
hoja asegurándose de que el PASADOR DE FIJACIÓN
(2D) atraviese la HOJA DE DIAMANTE (2E) y la BRIDA
INTERNA (2F).
Observe la dirección de rotación de la hoja.
La dirección está indicada por una echa
en la HOJA DE DIAMANTE (2E) y en el
PROTECTOR (2H) DE LA HOJA. Asegúrese
de que las supercies de contacto de la HOJA
DE DIAMANTE (2E), LAS BRIDAS INTERNA
Y EXTERNA (2B y 2F) y el EJE (2C) DE LA
HOJA estén limpias.
• Para eliminar el contragolpe, haga girar la BRIDA
EXTERNA (2B) y la HOJA DE DIAMANTE (2E) en
sentido contrario a la rotación de la hoja.
• Mientras sujeta rmemente la HOJA DE DIAMANTE
(2E), instale y apriete el perno (2A) del eje de la hoja
utilizando la LLAVE DEL EJE DE LA HOJA (2J) que
se entrega.
• Baje la mitad delantera del PROTECTOR DE LA
HOJA (2H) y apriete el perno (2G) del pestillo (2G) del
protector de la hoja.
El perno (2A) del eje de la hoja en el lado
derecho tiene rosca a izquierda. El perno
(2A) del eje de la hoja en el lado izquierdo
tiene rosca a derecha.
Los protectores deslizantes de la hoja están
provistos de un PESTILLO DE PALA DEL
PROTECTOR DE LA HOJA (2L) de seguridad
que engancha la pala de soporte y un PERNO
TRASERO (2M) [Protectores de hoja de
18”-30”(450-700 mm)] para retener la parte
trasera del protector.
No maneje la sierra sin el PESTILLO DE
PALA DE PROTECTOR enganchado y el
perno [18”-30”(450-700 mm) instalado.
Inspeccione los protectores de la hoja y los
pestillos frecuentemente. No use la sierra si
están dañados.
Para quitar un PROTECTOR DESLIZANTE:
• Utilizando la LLAVE PARA EL EJE DE LA HOJA, retire
el perno de retención trasero [18”-30”(450-700 mm)] de
los protectores de hoja.
• Para los protectores de hoja de14”-30”(350-700 mm):
Use el HILO DE METAL (2K) para abrir el PESTILLO
DE PALA DEL PROTECTOR DE LA HOJA (2L).
• Para los protectores de hoja de 36” (900 mm): Use
la LLAVE DE EJE DE HOJA (2J) para pivotar el
PESTILLO DE PALA DE PROTECTOR DE HOJA (2L)
a la posición abierta
• Ponga la PALANCA DE CONTROL DE VELOCIDAD
(1O) en POSICIÓN DE PARO (1BB).
• Empuje el manillar (1B) hacia adentro y apriete las
perillas (1A).
Bloquee la sierra en posición o sujétela
utilizando las ASAS DE AMARRE (3-1H,
3-2H) instaladas en fábrica, adelante y atrás
para impedir que la máquina se mueva
durante el transporte.
4 Revisiones antes del arranque
Tome en cuenta las condiciones de
trabajo desde el punto de vista de la salud
y seguridad.
• Combustible (Consulte el manual de mantenimiento del
motor.) Use combustible diesel N°2 para condiciones
normales. Llene el tanque por el LLENADO DEL
TANQUE DE COMBUSTIBLE (5E).
• Verique que el nivel de aceite del motor está correcto.
Debido a que el motor a menudo funciona en un ángulo,
revise frecuentemente el nivel de aceite (con el motor
horizontal) para asegurarse de que el nivel nunca
baje por debajo de la marca inferior en la VARILLA
DE MEDICIÓN DE ACEITE (5B). Se recomienda usar
aceite para motor CD o CE SAE15W40 CF, CF-4, CG-4
O CI-4. (6B)
• Para el arranque, consulte el manual del
motor Yanmar.
• Verique si la máquina está preparada correctamente
para el diámetro de la HOJA DE DIAMANTE (2E) que se
requiere para el trabajo. Compruebe si se ha instalado
la POLEA DE CAJAA DE ENGRANAJES (3-1N, 3-2N),
POLEA DEL EJE DE LA HOJA 93-1L, 3-2L), BRIDA DE
LA HOJA (2B Y 2F) y el PROTECTOR DE HOJA (2H)
correctos. En las máquinas equipadas con la CAJA DE
ENGRANAJES DE MOTOR (3-2A) de 3 velocidades,
comprobar también si la PALANCA DE CAMBIOS DE
LA CAJA DE ENGRANAJES (3-2P) está en el engranaje
correcto. Para más detalles, consulte la SECCIÓN 14,
“Ajuste de la velocidad del motor, eje de la hoja y caja
de engranajes”.
5 Colocación de la hoja
(Vea las guras 1 y 2)
• Ponga el INTERRUPTOR DE ARRANQUE DEL MOTOR
(1H) en la posición “1”.
• Eleve la máquina a una posición alta utilizando el
INTERRUPTOR BASCULANRE (1P) en la PALANCA
DE CONTROL DE VELOCIDAD (1O).
• Ponga el INTERRUPTOR DE ARRANQUE DEL MOTOR
(1H) en posición de APAGADO.
• Afloje el perno del PESTILLO FRONTAL DEL
PROTECTO DE LA HOJA (2G).

69
• Levante el protector de la pala de soporte.
Para instalar un PROTECTOR DESLIZANTE:
• Baje el protector sobre la pala de soporte hasta que se
enganche el PESTILLO DE PALA DEL PROTECTOR
DE HOJA (2L).
• Instale los protectores de hoja [14”-30”(350-700 mm)]
del PERNO TRASERO en la parte trasera del protector
utilizando la LLAVE PARA EJE DE LA HOJA (2J).
6 Arranque de la sierra
(Vea las guras 1, 2 y 5)
Siempre preste mucho cuidado y atención
a la preparación de la máquina antes
del arranque.
Retire todas las llaves y herramientas del
suelo y de la máquina.
Siempre mantenga todos los protectores de
la hoja, correa y ventilador en su lugar.
• Respete todas las instrucciones de operación
y las advertencias incluidas en este manual y en
la máquina.
• Cierre la VÁLVULA DE AGUA (1T).
• Marque la supercie que va a cortar, trazando una línea
donde hará el corte.
• Tire del manillar (1B) hasta el largo que desea y apriete
las perillas (1A).
• Baje la guía delantera (6D) y alinee la guía delantera
(6D), la guía trasera (6F) y la HOJA DE DIAMANTE
(2E) con la línea trazada en la supercie.
• Para poner en marcha la sierra cuando no hay presión
de agua, ponga el INTERRUPTOR DE SEGURIDAD
DEL AGUA (1L) en posición “0” (APAGADO).
• Ponga la PALANCA DE CONTROL DE VELOCIDAD
(1O) en posición de PARADA (1BB). El motor de la
sierra no arrancará a menos que la PALANCA DE
CONTROL DE VELOCIDAD (1O) esté en la posición
de PARADA (1BB). Verifique que la VÁLVULA DE
DERIVACIÓN DE LA TRANSMISIÓN (5M) está cerrada
en la posición abajo.
• Ponga el INTERRUPTOR DE EMBRAGUE (1V) de la
hoja en “0” (APAGADO) (si lo hubiera).
• Arranque el motor utilizando el INTERRUPTOR
DE ARRANQUE DEL MOTOR (1H). Ejecute el
procedimiento descrito en el manual del motor. En
condiciones de frío, precaliente el motor manteniendo
oprimido el INTERRUPTOR DE ARRANQUE DEL
MOTOR (1H) por 15 segundos.
• Deje que el motor se caliente por varios minutos con
el ACELERADOR DEL MOTOR (1F) en posición de
velocidad baja.
• Cuando esté listo, abra la VÁLVULA DE AGUA (1T).
• Ponga el INTERRUPTOR DE SEGURIDAD DEL AGUA
(1L) de agua en posición “1” (ENCENDIDO).
Pruebe si el suministro de agua es adecuado.
(2.5 - 5.0 gal/min) (10 - 20 litros/min) Un
caudal de agua bajo dañaría las hojas
de diamante.
• En las máquinas sin INTERRUPTOR DE EMBRAGUE
DE HOJA (1V) opcional: Tire del ACELERADOR DEL
MOTOR (1F) para ajustar el motor a 3200 rpm, como
se muestra en elTACÓMETRO DEL MOTOR (1G).
Consulte la tabla para determinar las velocidades
apropiadas del eje de la hoja y del motor para los
tamaños de hoja especícos.
• Mueva la sierra hacia adelante o hacia atrás (en los
modelos estándar y de pivote frontal) empujando o
tirando la PALANCA DE CONTROL DE VELOCIDAD
(1O). Mueva la sierra lentamente para evitar que la
hoja se pare. Asegúrese de que la guía delantera (6D),
guía trasera (6F) y la HOJA DE DIAMANTE (2E) se
mantengan en la línea.
Sólo en el modelo de pivote trasero: En el modelo de
pivote trasero, el alineamiento con la línea de corte se
puede hacer usando la función de pivote de la máquina.
Sólo hay que mover el INTERRUPTOR DIFERENCIAL
(1J) a la posición izquierda (pivote) y luego usar ambas
manos para empujar sobre loss MANILLARES (6G), y
la máquina se puede pivotar de lado a lado para alinerla
con la línea de corte. Después de alinear debidamente la
máquina con la línea de corte, bascule el INTERRUPTOR
DIFERENCIAL (1J) hasta la posición central (Bloqueo).
• Ponga el INTERRUPTOR DE EMBRAGUE DE LA
HOJA (1V) (si lo tuviera) en “1” (ENCENDIDO) para
embragar el accionador de la hoja cunado el motor está
SOLAMENTE CON EL MOTOR EN MARCHA LENTA
(1200 RPM o menos). Cuando se engrana el embrague
y la hoja está a marcha lenta, tire del ACELERADOR
DEL MOTOR (1F) y ponga el motor a 3200 RPM.
• Baje la sierra pulsando el INTERRUPTOR BASCULANTE
(1P) en la PALANCA DE CONTROL DE VELOCIDAD
(1O) hasta que la HOJA DE DIAMANTE (2E) esté a
la profundidad de corte deseada (vea la “Información
sobre la profundidad de corte de la hoja”).
Cerciórese que el caudal de agua sea
abundante para cortar en húmedo.
Información sobre la profundidad de corte de
la hoja:
La sierra está equipada con un INDICADOR DE
PROFUNDIDAD DE LA HOJA (1Q), que tiene dos
escalas numéricas. Se usan escalas numéricas naranjas
y blancas con dos nalidades diferentes:
1) La escala numérica de “Profundidad”, indicada por el
color Naranja, muestra la Profundidad de corte actual
de la HOJA DE DIAMANTE (2E). A medida que se baja
a sierra, la aguja del INDICADOR DE PROFUNDIDAD
DE LA HOJA (1Q) se desplaza por estos números por
orden ascendente. O bien,
2) La escala numérica de la Profundidad máxima jada
(SMD, en inglés), indicada por el color Blanco, es la
profundidad sin cortar de la HOJA DE DIAMANTE
(2E). La profundidad de corte máxima deseada se

70
preja usando el INDICADOR DE PROFUNDIDAD
DE LA HOJA (1Q). Puede usarse con o sin el
INTERRUPTOR DE TOPE DE PROFUNDIDAD DE LA
HOJA (1M), a medida que se baja la hoja, la aguja del
INDICADOR DE PROFUNDIDAD DE LA HOJA (1Q)
se desplaza por la escala numérica de color Blanco
por orden descendente, indicando la profundidad de
corte sin terminar. Cuando la aguja del INDICADOR
DE PROFUNDIDAD DE LA HOJA (1Q) alcanza la
posición “0”, se logra la profundidad de corte máxima
deseada. Si se usa la función del INTERRUPTOR
DE TOPE DE PROFUNDIDAD DE LA HOJA
(1M) [posición “1” o “ON”], el proceso de bajada se
detiene automáticamente.
Uso del INDICADOR DE PROFUNDIDAD DE LA
HOJA (1Q):
Modalidad de “Profundidad” (Los números de color
Naranja muestran la profundidad de corte actual)
• Ponga el INTERRUPTOR DE ARRANQUE DEL MOTOR
(1H) en posición “0” (APAGADO) para PARAR el motor
(si está funcionando).
• Ponga el INTERRUPTOR DE ARRANQUE DEL MOTOR
(1H) en posición “1” (MARCHA) para suministrar energía
al sistema eléctrico.
• Gire el INTERRUPTOR DE TOPE DE PROFUNDIDAD
DE LA HOJA (1M) a la posición “0” (APAGADO).
• Baje la HOJA DE DIAMANTE (2E) empujando hacia
abajo el INTERRUPTOR BASCULANTE (1P) en la
PALANCA DE CONTROL DE VELOCIDAD (1O) hasta
que la HOJA DE DIAMANTE (2E) toque la supercie
que se va a cortar.
• Eleve la hoja empujando hacia arriba el INTERRUPTOR
BASCULANTE (1P) en la PALANCA DE CONTROL DE
VELOCIDAD (1O) hasta que la HOJA DE DIAMANTE
(2E) se aleja de la supercie a cortar.
• Gire la aguja del INDICADOR DE PROFUNDIDAD DE
LA HOJA (1Q) para alinearla con la profundidad “0”.
• A medida que se baja la HOJA DE DIAMANTE (2E)
hasta la supercie de corte, la profundidad de corte
actual vendrá indicada ahora por la escala numérica
de texto naranja en la aguja del INDICADOR DE
PROFUNDIDAD DE LA HOJA (1Q).
SMD o modalidad de Profundiddad máxima jada sin
PARADA DE PROFUNDIDAD DE LA HOJA (números de
color blanco que muestran la profundidad sin cortar)
• Ponga el INTERRUPTOR DE ARRANQUE DEL MOTOR
(1H) en posición “0” (APAGADO) para PARAR el motor
(si está funcionando).
• Ponga el INTERRUPTOR DE ARRANQUE DEL MOTOR
(1H) en posición “1” (MARCHA) para suministrar energía
al sistema eléctrico.
• Baje la HOJA DE DIAMANTE (2E) empujando hacia
abajo el INTERRUPTOR BASCULANTE (1P) en la
PALANCA DE CONTROL DE VELOCIDAD (1O) hasta
que la HOJA DE DIAMANTE (2E) toque la supercie
que se va a cortar.
• Gire la aguja del INTERRUPTOR DE PROFUNDIDAD
DE LA HOJA (1Q) para alinearla con la profundidad de
corte máximo deseado en la escala numérica de color
blanco. La profundidad sin cortar vendrá indicada ahora
en la escala numérica de color blanco. Cuando la aguja
del INDICADOR DE PROFUNDIDAD DE LA HOJA
(1Q) está en la posición “0”, la sierra está cortando a
la profundidad de corte máximo deseado.
• Eleve la hoja empujando hacia arriba el INTERRUPTOR
BASCULANTE (1P) en la PALANCA DE CONTROL DE
VELOCIDAD (1O) hasta que la HOJA DE DIAMANTE
(2E) se aleja de la supercie a cortar.
• Gire el INTERRUPTOR DE ARRANQUE DEL MOTOR
(1H) a la posición “0” (APAGADO) para desconectar el
sistema eléctrico.
SMD o modalidad de Profundiddad máxima jada usando
el INTERRUPTOR DE TOPE DE PROFUNDIDAD DE
LA HOJA (números de color blanco que muestran la
profundidad sin cortar)
• Ponga el INTERRUPTOR DE ARRANQUE DEL MOTOR
(1H) en posición “0” (APAGADO) para PARAR el motor
(si está funcionando).
• Ponga el INTERRUPTOR DE PARDA DE PROFUNDIDAD
DEL MOTOR (1M) ne la posición “0”(APAGADO)
para invalidar la tope de profundidad marcaada. La
sierra se elevará y bajará sobre su gama completa
sin detenerse.
• Ponga el INTERRUPTOR DE ARRANQUE DEL MOTOR
(1H) en posición “1” (MARCHA) para suministrar energía
al sistema eléctrico.
• Baje la HOJA DE DIAMANTE (2E) empujando hacia
abajo el INTERRUPTOR BASCULANTE (1P) en la
PALANCA DE CONTROL DE VELOCIDAD (1O) hasta
que la HOJA DE DIAMANTE (2E) toque la supercie
que se va a cortar.
• Gire la aguja del INTERRUPTOR DE PROFUNDIDAD
DE LA HOJA (1Q) para alinearla con la profundidad
de corte máximo deseado en la escala numérica de
color blanco.
• Ponga el INTERRUPTOR DE TOPE DE PROFUNDIDAD
DE LA HOJA (1M) en laa posición “1” (ENCENDIDO).
• Eleve la hoja empujando hacia arriba el INTERRUPTOR
BASCULANTE (1P) en la PALANCA DE CONTROL DE
VELOCIDAD (1O) hasta que la HOJA DE DIAMANTE
(2E) se aleja de la supercie a cortar.
• Gire el INTERRUPTOR DE ARRANQUE DEL MOTOR
(1H) a la posición “0” (APAGADO) para desconectar el
sistema eléctrico.
• Ahora está jada la profundidad de corte máxima. Si
la sierra se levanta fuera de la supercie de corte por
cualquier razón, se puede bajar ahora a la “Profundidad
máx. jada” bajando la hoja hasta que se detiene el
movimiento de bajada de la sierra.
La sierra NO se bajará a una profundidad mayor
que la posición jada en el INTERRUPTOR DE
TOPE DE PROFUNDIDAD DE LA HOJA (1Q).
Si se requiere un corte más profundo, tendrá
que jar el INDICADOR DE PROFUNDIDAD
DE LA HOJA (1Q) en la nueva posición de
profundidad, o empujar el INTERRUPTOR DE
TOPE DE PROFUNDIDAD DE LA HOJA (1M)
a la posición “0” (APAGADA) para invalidar
la función de tope de profundidad.

71
• El EMBRAGUE DE LA HOJA (1V) tiene una falla
eléctrica o un fusible quemado.
LA SIERRA DESCIENDE DEMASIADO RÁPIDO:
• La velocidad de descenso de la sierra puede ajustarse
utilizando la PERILLA DE CONTROL DE DESCENSO
DE LA SIERRA (1U) ubicada en la parte trasera de
la sierra. Si la sierra baja muy rápidamente, gire la
PERILLA DE CONTROL DE DESCENSO DE LA
SIERRA (1U) en SENTIDO HORARIO hasta jar la
velocidad de descenso adecuada.
Si por cualquier motivo el MOTOR o la HOJA SE
PARA, levante la hoja completamente fuera del corte,
inspeccione minuciosamente la máquina antes de volver
a arrancar el motor. Cuando baje la hoja a un corte
parcial, alinénela exactamente con el corte para evitar
dañar la hoja.
Encargue todas las reparaciones a su
concesionario autorizado solamente.
9 Ajustes: Corte en línea recta
(Vea las guras 1 y 4)
Durante el corte, la sierra puede desviarse hacia la derecha
de la línea recta trazada en la supercie que se está
cortando (si la HOJA DE DIAMANTE (2E) está instalada
en el lado derecho). Si esto ocurre, se puede pivotar el eje
trasero (4E) de la sierra para compensar la situación.
Modelo de pivote frontal (Sierras con la opción de
seguimiento eléctrico).
• Empuje del INTERRUPTOR DE AJUSTE DEL EJE (1J)
hacia la IZQUIERDA. Los ajustes en incrementos cortos
hacen cambios grandes.
• Los ajustes se pueden hacer durante el corte o sin
estar cortando.
• Confirme visualmente el movimiento y la dirección
del eje.
Sierras modelo estándar con ajuste manual del eje
• El eje (4E) se ajusta girando el PERNO DE AJUSTE
MANUAL M12 (1CC) ubicado en el lado inferior
izquierdo del bastidor de la sierra.
• Si la sierra se desvía hacia la DERECHA mientras está
cortando, gire el PERNO DE AJUSTE MANUAL (1CC)
en SENTIDO CONTRAHORARIO.
• Si la sierra se desvía hacia la IZQUIERDA mientras
está cortando, gire el PERNO DE AJUSTE MANUAL
en SENTIDO HORARIO.
Modelo de pivote trasero (Sierra con la opción de
pivote diferencial):
• Sólo hay que empujar contra los MANILLARES (6G)
para mantener a sierra en la línea de corte. NO cambiar
el INTERRUPTOR DIFERENCIAL (1J) de la posición
central de “Bloqueo”. La posición izquierda de “pivote”
del INTERRUPTOR DIFERENCIAL (1J) NO es para
ajustar la línea recta de serrado de la sierrra.
7 Parada de la sierra
(Vea las guras 1 y 2)
Para una PARADA DE EMERGENCIA, oprima
el BOTÓN PULSADOR ROJO (1K) en la
cubierta del motor. Esta acción parará el
motor e interrumpirá el suministro de energía
a todos los componentes eléctricos excepto
las luces. Para desenclavar (volver a poner
en servicio) el INTERRUPTOR PULSADOR
ROJO (1K), tírelo hasta que salte, después
vuelva a arrancar el motor.
• Ponga la PALANCA DE CONTROL DE VELOCIDAD
(1O) en POSICIÓN DE PARO (1BB).
• Levante la HOJA DE DIAMANTE (2E) apartándola del
corte oprimiendo el INTERRUPTOR BASCULANTE 1P)
de la PALANCA DE CONTROL DE VELOCIDAD (1O)
hacia arriba hasta que la HOJA DE DIAMANTE (2E) se
aleje de la supercie.
• Desengrane el INTERRUPTOR DEL EMBRAGUE DE
LA HOJA (1V), (si lo tuviera).
• Gire el ACELERADOR DEL MOTOR (1F) a la posición
de MARCHA LENTA.
• Cierre la VÁLVULA DE AGUA (1T).
• Deje que el motor funcione en marcha lenta unos
cuantos minutos antes de apagarlo.
• PARE el motor poniendo el INTERRUPTOR DE
ARRANQUE DEL MOTOR (1H) en la posición
“0” (APAGADO).
8 Incidentes durante el corte con sierra
(Vea las guras 1 y 2)
Si el MOTOR SE PARA durante el corte, revise
lo siguiente:
• Al motor se le agotó el combustible — Revise el nivel
de combustible en el LLENADO DEL TANQUE DE
COMBUSTIBLE (5E) o en el indicador de nivel de
combustible en la parte trasera de la máquina.
• La falta de agua le avisa al INTERRUPTOR DE
SEGURIDAD DEL AGUA (1K) que pare el motor.
Ponga el INTERRUPTOR DE SEGURIDAD DEL
AGUA (1L) en “0” (APAGADO) y después arranque el
motor nuevamente.
• Una velocidad de corte excesivamente alta parará
el motor.
• Se oprimió el PULSADOR DE PARADA DE
EMERGENCIA (1K). Reposicionar tirando del interruptor
hasta que salte.
• Saltó el DISYUNTOR DE CIRCUITO (1Z). Oprímalo
para reposicionarlo.
Si la HOJA DE DIAMANTE (2E) se PARA durante el
corte, compruebe si:
• La tensión de la correa impulsora es inadecuada.
• El INTERRUPTOR DE EMBRAGUE DE LA HOJA (1V)
está en la posición “0” APAGADO.

72
10 Mantenimiento
(Vea las guras 1 y 6)
Antes de hacer cualquier trabajo de
mantenimiento, SIEMPRE estacione la
máquina en una superficie plana con el
motor “APAGADO” y el INTERRUPTOR DE
ARRANQUE DEL MOTOR (1H) en la posición
“0” (APAGADO).
Después de cada uso LIMPIE la máquina.
LUBRICACIÓN:
ACEITE DEL MOTOR: Revise diariamente (5B).
Cambie el aceite y FILTRO DE ACEITE DEL MOTOR
(5D) después de cada 100 HORAS de funcionamiento.
Consulte el manual del motor para el tipo de aceite a usar.
Generalmente se recomienda usar aceite de la Clase API
de 15W40 CF, CF-4, CG-4 o CI-4. La capacidad es 7.8
cuartos (7.4 litros) con FILTRO DE ACEITE DEL MOTOR
(5B). Alinee el nivel de aceite con la marca superior en la
VARILLA DE NIEVEL DEL ACEITE (5B). Use la VÁLVULA
DE DRENAJE DEL ACEITE DEL MOTOR (3-1I, 3-2I)
para drenar el aceite.
• Quite la HOJA DE DIAMANTE (2E) y luego baje la sierra
a una posición horizontal.
• Levante y asegure la TAPA DEL MOTOR (6E).
• Ponga un recipiente, lo sucientemente grande para
la capacidad de aceite del motor, cerca del extremo
del tubo de drenaje del aceite. Abra la VÁLVULA DE
DRENAJE DEL ACEITE DEL MOTOR (3-1I, 3.2I) y
deje que todo el contenido se drene sobre el recipiente.
Disponga del aceite usado de una forma segura paraa
el medio ambiente. Cierre con seguridad la VÁLVULA
DE DRENAJE DEL ACEITE DEL MOTOR (3-1I, 3-2I).
Llene con aceite recomenddado hasta que el nivel del
aceite se alinee con la marca superior de la VARILLA
DE NIVEL DEL ACEITE DEL MOTOR (5B).
LUBRICAR CADA 100 HORAS:
• Cojinetes (4C) de pivote del eje delantero
LUBRICAR CADA 250 HORAS:
• Sellos y cojinetes (4A) del eje de la hoja, 2 disparos
solamente
SISTEMA HIDRÁULICO:
Referirse a la Sección 12 - “Sistema Hidráulico”
CAJA DE ENGRANAJES DEL MOTOR (3-1A, 3-2A):
• Cambie el aceite después de cada 500 horas
de funcionamiento. Use lubricante sintético para
engranajes SAE 75W90.
NO LLENAR EN EXCESO. Llenar solamentee hasta
el “punto de comprobación” o saldrá el exceso.
CAJA DE ENGRANAJES DEL MOTOR (3-1A) de
una velocidad: capacidad de 32 onzas de EE.UU.
(0.946 litros).
CAJA DE ENGRANAJES DEL MOTOR (3-2A) de
tres velocidades: capacidad de 60 onzas de EE.UU.
(1.77 litros).
• Para evitar la oxidación y el daño por congelación, vacíe
el agua de enfriamiento utilizando la válvula de vaciado
de agua (3-1C, 3-2C) todos los días.
SISTEMA DE ENFRIAMIENTO:
El líquido de enfriamiento del motor es una mezcla de
50/50 anticongelante/agua. Consulte el manual del motor
para ver las recomendaciones.
• Limpie el ELEMENTO DEL FILTRO DE AIRE DEL
RADIADOR (1DD) cada 50 horas o cuando se requiera.
Reemplácelo si está dañado. Mantenga siempre el
ELEMENTO DEL FILTRO DE AIRE DEL RADIADOR
en su lugar.
• Revise las mangueras y abrazaderas para ver si
están dañadas o ojas. Apriete o reemplace según
sea necesario.
• Anualmente, revise la protección anticongelante
del refrigerante.
• Lave y limpie el radiador y el sistema de enfriamiento
cada 500 horas.
• Mantenga el nivel de refrigerante por lo menos a 1/4
de su capacidad en el FRASCO DE RECUPERACIÓN
DEL REFRIGERANTE DEL RADIADOR (1Y) cuando
el motor está frío.
FILTRO DE AIRE:
• Limpie el elemento externo (5A) del filtro de aire
cuando aparezca la señal roja en el INDICADOR DE
RESTRICCIÓN DEL AIRE (1N). ¡NO limpie el elemento
de seguridad interno (5A)!
Para cambiar o limpiar el elemento del ltro de aire:
• Quite la caja del ltro de aire (5A), abraiendo las dos (2)
abrazaderas de la caja del ltro y extraiga la caja.
• Extraiga de la caja el elemento externo del ltro de aire
y reemplácelo o límpielo con aire comprimido a baja
presión [2.75 bars (40 psi - MÁXIMO)], soplando de
adentro hacia fuera. ¡NO limpie el elemento del ltro
golpéandolo contra el suelo u otros objetos, ya que
se dañaría!
• Instale el elemento externo del ltro de aire nuevo o
limpiado empujándolo dentro de la caja.
• Instale la caja del ltro de aire (5A) y cierre las dos (2)
abrazaderas de la caja del ltro de aire(5A).
Las dos (2) abrazaderas de la caja del ltro de
aire (5A) NO se pueden cerrar si el elemento
externo del ltro no está bien instalado.

73
Cambie todos los escudos y protectores.
Nunca haga funcionar la sierra si no tiene
insstaladoss todos los escudos.
• Cambie el elemento de seguridad interno una vez por
año o si se daña.
• Cambie los ltros o juntas que estén dañados.
• Revise las mangueras de aire y abrazaderas para ver
si están dañadas o ojas. Apriete o reemplace según
sea necesario.
RUEDAS Y CUBOS:
• Revise para ver si hay exceso de desgaste o ojedad.
Apriete o reemplace según sea necesario.
FILTRO DE COMBUSTIBLE:
• Cambie el ltro de combustible atornillable (5F) cada
500 horas.
11 Tensión de la correa trapezoidal del
eje de la hoja
(Vea las guras 1 y 3)
Esta sierra está provista de correas trapezoidales de
alta tensión. Las correas son tensadas correctamente
en la fábrica, pero después de algunas horas de
funcionamiento se estiran y aojan.
Para ajustar la tensión de las correas trapezoidales:
• Ponga el INTERRUPTOR DE ARRANQUE DEL
MOTOR (1H) en posición “0” (APAGADO).
• Abra la TAPA DEL MOTOR (6E) girando cada uno de
los dos (2) PESTILLOS DE TAPA DE MOTOR (3-1D,
3-2D) a la izquierda, 180 grados. En los modelos CE
europeos, se tiene que usar una herramienta, como
un destornillador, para abrir estos pestillos. Gire la
TAPA DEL MOTOR (6E) hacia arriba y asegúrela en
la posición abierta usando el SOPORTE DE TAPA DE
MOTOR (6H).
• Con una LLAVE PARA EL EJE DE LA HOJA (2J),
aoje los pernos de jación horizontal (3K) en la parte
delantera de la máquina.
• Gire cada uno de los dos (2) PERNOS TENSORES
VERTICALES (3J) [en la parte delantera de la
máquina, debajo de la CAJA DE ENGRANAJES
(3-1A, 3-2A)] en SENTIDO HORARIO hasta que
las CORREAS TRAPEZOIDALES (3-1M, 3-2M)
estén apretadas.
• Cambie las CORREAS TRAPEZOIDALES (3-1M,
3-2M) en juegos completos solamente.
• Para obtener una tensión óptima de la correa
trapezoidal, use tiras TensionRite™ Goodyear, N°
de pza. 542 19 13-68. Las tiras TensionRite™ se
suministran con las correas que se compran en
el distribuidor .
• Nunca ajuste la tensión de las CORREAS
TRAPEZOIDALES (3-1M, 3-2M) más allá de la
tensión original de fábrica. Las correas trapezoidales
ojas reducen el rendimiento de la sierra y acortan
su vida útil.
12 Sistema hidráulico
(Vea las guras 1 y 6)
El sistema hidráulico en la sierra se usa para ELEVAR/
BAJAR la HOJA DE DIAMANTE (2E) y para propulsar
la sierra HACIA ADELANTE y HACIA ATRÁS. El sistema
hidráulico consta de una BOMBA DE TRANSMISIÓN
HIDROSTÁTICA (6K), (2) MOTORES DE RUEDAS
HIDRÁULICOS (4F), FILTRO HIDRÁULICO (5K),
BOMBA DE ELEVACIÓN CC (5H), DEPÓSITO DE
ACEITE HIDRÁULICO (5J), PERILLAS DE CONTROL
DEL DESCENSO DE LA SIERRA (1U) y CILINDRO DE
ELEVACIÓN HIDRÁULICO (4G).
• El FILTRO HIDRÁULICO (5K) debe cambiarse después
de las primeras 50 horas de funcionamiento y de allí en
adelante cada 250 horas de funcionamiento. Llene el
FILTRO HIDRÁULICO (5K) con aceite para motor SAE
10W30 antes de la instalción.
• Revise el nivel de uido del DEPÓSITO HIDRÁULICO
(5J) periódicamente. Mantenga el nivel de aceite con
aceite para motor SAE 10W30 SAE. NO LLENE EN
EXCESO. Revise el nivel de aceite con la sierra sobre
suelo nivelado. Llene de aceite hasta el fondo del oricio
de LLENADO DEL DEPÓSITO HIDRÁULICO (5I).
• Cambie el fluido hidráulico cada 500 horas de
funcionamiento. Llene el DEPÓSITO HIDRÁULICO
(5l, 5J) con aproximadamente 2.5 cuartos (2.37 litros)
de aceite para motor SAE 10W30. ¡NO LLENE EN
EXCESO! Revise el nivel de aceite con la sierra sobre
suelo nivelado.
• La velocidad de descenso de la sierra puede ajustarse
utilizando la PERILLA DE CONTROL DE DESCENSO
DE LA SIERRA (1U) ubicada en la parte trasera de
la sierra. Si la sierra baja muy rápidamente, gire la
PERILLA DE CONTROL DE DESCENSO DE LA
SIERRA (1U) en SENTIDO HORARIO hasta jar la
velocidad de descenso adecuada.
13 Consejo importante
(Vea las guras 2 y 3)
• Apriete las tuercas y pernos flojos regularmente,
especialmente después de varias horas de
funcionamiento.
• Revise la tensión de las CORREAS TRAPEZOIDALES
(3-1M, 3-2M) regularmente. Vuelva a apretar las
CORREAS TRAPEZOIDALES (3-1M, 3-2M) según
sea necesario.
• Retire la HOJA DE DIAMANTE (2E) para guardarla.
Guárdela cuidadosamente.
• Revise el rociado de agua de la HOJA DE DIAMANTE
(2E) periódicamente.
• Apriete la HOJA DE DIAMANTE (2E) rmemente en el
EJE DE LA BRIDA EXTERNA (2C).

74
3. Cambie las bridas de la hoja de 4.50 pulgadas de
diámetro a 6 pulgadas (152 mm) de diámetro.
4. Cambie el PROTECTOR DE HOJA (2H) de
14 pulgadas (350 mm) a 36 pulgadas (900 mm).
5. La velocidad del motor no cambia.
Para obtener la información especíca, vea las tablas de
conversiones de tamaños de la hoja.
MODELO DE CAJA DE ENGRANAJES DE TRES
VELOCIDADES (14-26, 18-30, 20-36):
PRECAUCIÓN: ¡No efectúe nunca un cambio
en la caja de engranajes (3-2A) con el motor
en marcha! ¡Efectúe solamente un cambio
en la caja de engranajes (3-2A) con el motor
APAGADO! Se pueden producir daños en la
caja de engranajes.
Vea “PALANCA DE CAMBIOS DE LA CAJA DE
ENGRANAJES (3-2O)” para obtener detalles sobre la
palanca de cambios de operación.
Una máquina equipada en fábrica con una CAJA DE
ENGRANAJES DE MOTOR (3-2A) de tres velocidades,
aunque está diseñada para reducir al mínimo los ajustes
requeridos para efectuar cambios de tamaños de hojas,
requerirá algunos ajustes. La máquina está diseñada
para operar con una gama especicada de tamaños de
hojas dentro del protector de hoja instalado en fábrica. La
información de codicación de colores de la máquina, y la
información del manual de operación, muestra tamaños
de hojas permisibles para la conguración actual del
mando de la máquina. Hay tres (3) conguraciones
de mando de la máquina: a) 14-26 para hojas de 14” a
26” (350 a 650 mm), b) 18-30 para hojas de 18” a 30”
(450 a 750 mm), c) 20-36 para hojas de 20” a 36” (500
a 900 mm). Por ejemplo, para cambiar el tamaño de
la hoja de una conguración de mando de la máquina
18-30 dentro de esta gama, 18” a 30” (450 a 750 mm),
requiere solamente que se mueva la PALANCA DE
CAMBIOS DE LA CAJA DE ENGRANAJES (3-2O) a
la posición correcta (1, 2 ó 3). Si el tamaño requerido
de la hoja está fuera de la gama de conguraciones de
mando de la máquina [menor que 18” (450 mm) o mayor
que 30” (750 mm) para este ejemplo], entonces se debe
cambiar la conguración de mando de la máquina. Esto
puede requerir cambios en la PALANCA DE CAMBIOS
DE LA CAJA DE ENGRANAJES (3-2O), cambios de las
POLEAS DEL EJE DE LA HOJA (3-2L), POLEAS DE LA
CAJA DE ENGRANAJES (3-2N) y BRIDAS DEL EJE DE
LA HOJA (2B y 2F).
Ejemplo: Para cambiar un modelo de caja de engranajes
de tres velocidades de un mando de 20” (500 mm)
a un mando de 36” (900 mm), determine primero la
conguración del mando de la máquina (14-26, 18-30 ó
20-36). Esto debe corresponder al diámetro de la BRIDA
DEL EJE DE LA HOJA (2B y 2F) instalada en la sierra.
Si la conguración de mando de la máquina es 20-36,
el diámetro de la BRIDA (2B y 2F) debe ser de 6,00”
(152 mm):
a) Verique que estén instaladas poleas de diámetros
apropiados (Vea las tablas de Conversión de tamaños
de hojas para obtener información especíca).
b) Efectúe un cambio con la PALANCA DE CAMBIOS DE
LA CAJA DE ENGRANAJES (3-2O) de 3 a 1.
• Asegúrese de que las caras de contacto de las BRIDAS
(2B y 2F), la HOJA DE DIAMANTE (2E) y el EJE DE LA
HOJA (2l) estén limpios.
Guárdela en un lugar seguro lejos del
alcance de los niños. Retire todas las llaves
y herramientas de ajuste. Guarde la HOJA
DE DIAMANTE en un lugar seguro para que
no se dañe.
14 Ajuste de la velocidad del motor, eje
de la hoja y caja de engranajes
(Vea las guras 1 y 6)
Podrían ocurrir graves lesiones al operador
o a personas en el lugar de trabajo si la
velocidad rotacional (n/min) de la HOJA
DE DIAMANTE (2E) sobrepasa la velocidad
máxima (n/min) marcada en la HOJA DE
DIAMANTE (2E).
VELOCIDAD DEL MOTOR:
La velocidad del motor de esta máquina no es necesario
cambiarla con respecto a la velocidad fijada en la
fábrica. Las RPM máximas del motor deben ser de 3250,
sin carga.
VELOCIDAD DEL EJE DE LA HOJA:
Debe comprobarse la velocidad del eje de la hoja de esta
máquina antes de instalar la HOJA DE DIAMANTE (2E)
en la máquina. No instale nunca ua HOJA DE DIAMANTE
(2E) si la velocidad rotativa del eje de la hoja (n/min) de
la máquina es mayor que la velocidad máxima (n/min)
marcada en la HOJA DE DIAMANTE (2E). Puede que
haya que cambiar la POLEA DEL EJE DE LA HOJA
(3-1N, 3-2N) y la BRIDA DEL EJE DE LA HOJA (2B y 2F)
si se cambia el diámetro de l hoja de diamante.
MODELO DE CAJA DE ENGRANAJES DE UNA
VELOCIDAD
Cada modelo de sierra, como sale de fábrica, está diseñado
para funcionar con una gama especicada de tamaños de
hoja dentro del protector de hoja instalado en la máquina.
Si llegara a tener que usar un tamaño de hoja fuera de la
gama especicada para su modelo, entonces tendría que
cambiar la conguración de accionamiento de la sierra.
[Por ejemplo: Si cambia de una HOJA DE DIAMANTE (2E)
pequeña a una muy larga, en una máquina con una caja
de engranajes de una velocidad, entonces deberá cambiar
las poleas del eje de la hoja (3-1L), las poleas de la caja
de engranajes (3-1N), las BRIDAS DEL EJE DE LA HOJA
(2B y 2F) y deberá cambiar el protector de hoja.
Por ejemplo: Para cambiar un accionamiento de un
modelo de caja de engranajes de una velocidad de
14 pulgadas (350 mm) a una de 36 pulgadas (900 mm):
1. Cambie la polea de la caja de engranajes del motor
6 pulgadas (152 mm) de diámetro a 3.50 pulgadas
(88.9 mm) de diámetro.
2. Cambie la polea del eje de la hoja de 4.12 pulgadas
(114.3 mm) de diámetro a 5.60 pulgadas (142.2 mm)
de diámetro.

75
c) Verique que la conguración de mando de la máquina
y la velocidad del eje de la hoja corresponda con la
información del manual de operación y la calcomanía de
la gama de la caja de engranajes (542 19 06-00).
Si la conguración de mando de la máquina es 18-30,
el diámetro de la BRIDA (2B y 2F) debe ser de 5,00”
(127 mm):
a) Cambie la POLEA DEL EJE DE LA HOJA de un
diámetro de 4,50” (114,3 mm) a 5,20” (132 mm).
b) Cambie la BRIDA DEL EJE DE LA HOJA de un
diámetro de 5,00” (127 mm) a 6.00” (15 2mm).
c) Efectúe un cambio con la PALANCA DE CAMBIOS DE
LA CAJA DE ENGRANAJES (3-2O) de 2 a 1.
d) Verique que la conguración de mando de la máquina
y la velocidad del eje de la hoja corresponda con la
información de la conguración de mando 20-36 en el
manual de operación.
e) Instale las calcomanías de la conguración de mando
20-36 (se requieren las calcomanías 542 19 06-00, 542
20 65-46, 542 20 65-49). Vea la página de “Calcomanías
y ubicaciones” de este manual para obtener información
adicional.
Si la conguración de mando de la máquina es 14-26,
el diámetro de la BRIDA (2B y 2F) debe ser de 4,50”
(114,3 mm):
a) Cambie la POLEA DEL EJE DE LA HOJA de un
diámetro de 4,12” (105 mm) a 5,20” (132 mm).
b) Cambie la BRIDA DEL EJE DE LA HOJA de un
diámetro de 4,50” (114,3 mm) a 6,00” (152 mm).
c) Cambie la POLEA DE LA CAJA DE ENGRANAJES
DEL MOTOR de un diámetro de 4,50” (114,3 mm) a
4,12” (105 mm).
d) Efectúe un cambio de la PALANCA DE CAMBIOS DE
LA CAJA DE ENGRANAJES (3-2O) de 2 a 1.
e) Verique que la conguración de mando de la máquina
y la velocidad del eje de la hoja corresponda con la
información de conguración de mando 20-36 en el
manual de operación.
f) Instale las calcomanías de conguración de mando 20-36
(se requieren las calcomanías 542 19 06-00, 542 20 65-46,
542 20 65-49). Vea la página de “Calcomanías y ubicaciones”
de este manual para obtener información adicional.
Vea las tablas de Conversión de tamaños de hojas para
obtener información especíca.
ADVERTENCIA: El operador o las personas
del área de trabajo pueden sufrir lesiones
graves si la velocidad de giro (n/min) de
la HOJA DE DIAMANTE (2E) excede la
velocidad máxima (n/min) indicada en la
HOJA DE DIAMANTE (2E).
Advertencia: Después de hacer un cambio en
la Caja de engranajes, baje la PERILLA DE
RETENCIÓN DE LA CAJA DE ENGRANAJES
(3-2P) o se podría dañar la CAJA DE
ENGRANAJES DEL MOTOR (3-2A) de tres
velocidades.
Si parece que es difícil cambiar en la caja de engranajes,
puede que un ligero movimiento en el eje de la hoja facilite
el movimiento de la PALANCA DE CAMBIO DE LA CAJA
DE ENGRANAJES (3-2O) al engranaje apropiado. No
haga nunca un cambio en la Caja de engranajes (3-2A)
con el motor en marcha!
17 Piezas de repuesto
Para el suministro rápido de piezas de repuesto y
evitar la pérdida de tiempo, es esencial con cada
pedido proporcionar los datos que guran en la placa
del fabricante adosada a la máquina y el número
(números) de pieza y la descripción de la pieza a
ser reemplazada. Consulte el manual de listas de piezas
(542 20 10-83): (Si no tiene un manual de listas de piezas,
sírvase llamar GRATIS al 1-800-288-5040 [EE.UU.]
+1-913-928-1300 [internacional].)
Las instrucciones para el uso y las piezas de repuesto
encontradas en este documento son para información
solamente y no son requisitos obligatorios. Dado que
es norma de la empresa mejorar la calidad de nuestros
productos, nos reservamos el derecho de hacer cualquier
modicación técnica sin previo aviso.
El fabricante no acepta ninguna
responsabilidad causada por el uso o
modicaciones inadecuadas.
16 Reparaciones
Nosotros hacemos las reparaciones en el tiempo más
corto posible y a los precios más económicos. (Vea
nuestra dirección y números de teléfono en la última
página.) Póngase en contacto con su concesionario
autorizado respecto al mantenimiento y reparaciones
de la sierra.
15 Accesorios
CONJUNTOS DE CONVERSIÓN DE LOS
PROTECTORES DE LA HOJA
Use el protector apropiado para el tamaño de HOJA
DE DIAMANTE en particular en uso. Los protectores
siguientes se encuentran disponibles para estos tamaños
de hojas de diamante.
Protector Tamaños de hoja
36” (900mm) 24” - 36” (600 - 900mm)
30” (750mm) 18” - 30” (450 - 750mm)
26” (600mm) 14” - 26” (350 - 650mm)
18” (450mm) 14” - 18” (350 - 450mm)
14” (350mm) 14” (350mm)
Para obtener la información especíca, vea las tablas
de conversiones de tamaños de la hoja.
CONJUNTOS OPCIONALES:
Conjunto de luces dobles 542 18 11-17*
Se dispone de dos posiciones de Punto Muerto en la
CAJA DE ENGRANAJES DEL MOTOR (3-2A) de tres
velocidades. Esta caja de engranajes se puede cambiar
a punto muerto si tiene que eliminarse la rotación de la
hoja mientras el motor está en marcha. Si la máquina está
equipada con el EMBRAGUE DE HOJA (1V) optativo,
el INTERRUPTOR DEL EMBRAGUE DE LA HOJA (1V)
puede moverse a la posición “0” (DESCONECTADA)
para eliminar la rotación de la hoja mientras el motor
está en marcha.

76
À FAIRE CHAQUE JOUR :
1. Vérierleniveaudel’huilemoteur.
2. Vérierquelaprotectiondudisquen’estpas
endommagée.
3. Vérierquelesexiblesnesontpasendommagés
etquelescollierssontserrés.Lesserreroules
remplacerselonlebesoin.
4. VérierL’INDICATEURDECOLMATAGEdultre
àair(1N).Sil’indicateurestrouge,remplacerle
ltreàairprincipal.
5. Vérierquetouteslesprotectionssontàleurplace
etenbonétat.
6. Vidangerl’eaudelaBOITEDETRANSMISSION
DUMOTEUR(3-1A,3-2A)àl’aideduROBINET
DEVIDANGED’EAU(3-1C,3-2C).
À FAIRE TOUTES LES 50 HEURES :
1. Inspecterleltreàairduradiateuretlenettoyer
selonlebesoin.
2. Vérierlatensiondescourroiestrapézoïdales
d’entraînementdudisque.Tendrelesdeuxcôtés
demanièreégale.NEPAStroplestendre!
3. Lubrierlesroulementsderoueavant.
4. Remplacerleltreducircuithydraulique.
(50premièresheuresuniquement.)
À FAIRE TOUTES LES 100 HEURES :
1. Remplacerl’huilemoteuretleltreàhuile.
2. Lubrierlescrapaudinesd’essieuavant.
3. Vérierquelesrouesnesontniusées
niendommagées.
4. Vérierquelesmoyeuxetrouesarrièrenesont
pasdesserrés.
5. Vérierlescolliersetleexibledultreàairdumoteur.
6. Vérierleniveauduuideducircuithydraulique.
À FAIRE TOUTES LES 250 HEURES :
1. Remplacerleltreducircuithydraulique.
2. Mettre2coupsdepompedegraisseàchaque
extrémitédel’axedudisque.
À FAIRE TOUTES LES 500 HEURES :
1. Remplacerleuidedelaboîtedetransmission
dumoteur.
2. Remplacerleuideducircuithydraulique.
3. Remplacerleltreàcarburantdumoteur
(typevissable).
À FAIRE UNE FOIS PAR AN :
1. Remplacerl’élémentprincipaletl’élémentdesécurité
dultreàair.
LISTE DE VÉRIFICATION AVANT UTILISATION
Chaque machine a été entièrement testée avant de quitter l’usine. Suivre exactement les instructions
pour obtenir une longue durée de service de la machine, en conditions normales d’utilisation.
Avant de faire démarrer la machine, veiller à lire toutes les instructions d’utilisation et à bien
connaître l’utilisation de la machine.
MISE EN PLACE DE LA MACHINE :
TOUJOURS garer la machine sur une surface horizontale, avec le moteur À L’ARRÊT et la clé de contact
à la position « 0 » (ARRÊT), avant d’effectuer une opération d’entretien. Laisser la machine refroidir !
1. Vérierleniveaudel’huilemoteur.Remplirjusqu’aurepère«plein»(«full»)delajauge,avecdel’huile15W40,
classeCEouCD.
2. Brancherlescâblesdebatterie.
LISTE DE VÉRIFICATIONS TOUTES LES 1 À 2 HEURES D’UTILISATION :
TOUJOURS garer la machine sur une surface horizontale, avec le moteur À L’ARRÊT et la clé de contact
à la position « 0 » (ARRÊT), avant d’effectuer une opération d’entretien. Laisser la machine refroidir !
1. Vérierlescolliersdeexibledultreàairdumoteur.Lesserrerselonlebesoin.
2. Tendrelescourroiestrapézoïdalesd’entraînementdudisque.NEPASTROPLESTENDRE!
GUIDE RAPIDE DU CALENDRIER D’ENTRETIEN
TOUJOURS garer la machine sur une surface horizontale, avec le moteur À L’ARRÊT et la clé de contact
à la position « 0 » (ARRÊT), avant d’effectuer une opération d’entretien. Laisser la machine refroidir !

77
(enpoucesuniquement).Lavitesse de rotation
(tr/min) du DISQUE EN DIAMANT (2E) doit
resterdanslabandedecouleurcorrectedurant
lefonctionnement.
AVERTISSEMENT : Noter la position du
SÉLECTEUR DU TACHYMÈTRE (1Z) ! Le
tachymètre peut indiquer soit la vitesse du
disque, soit le régime du moteur. L’opérateur
et les personnes se trouvant dans la zone de
travail risquent de subir de graves blessures
si la vitesse de rotation (tr/min) du DISQUE
EN DIAMANT (2E) dépasse la vitesse
maximum (tr/min) marquée sur le DISQUE
EN DIAMANT (2E).
1H. CONTACTEUR DE DÉMARRAGE DU MOTEUR :
Démarrer et arrêter le moteur à l’aide de ce
contacteur.Sert aussi à préchauffer le moteur
lorsqu’ilestpresséversl’intérieur.
1I. VOLTMÈTRE : Indique la tension du circuit
électrique.
1J. COMMUTATEUR DE RÉGLAGE D’ESSIEU
ou COMMUTATEUR DIFFÉRENTIEL :
COMMUTATEUR DE RÉGLAGE D’ESSIEU
(modèleàpivotavantseulement):Commutateurà
basculepourréglerl’essieumoteurarrière.Pousser
lecommutateuràdroitepourdirigerlascievers
ladroite.Lepousseràgauchepourdirigerlascie
verslagauche.COMMUTATEURDIFFÉRENTIEL
(modèleàpivotarrièreseulement):Troispositions
pourcommanderlesmodesàpivot,enligneouau
pointmort.PousserlecommutateuràGAUCHE
pourlemodepivot.Permetdefairepivoterlascie
sursesrouesarrières.Pousserlecommutateur
versleCENTREpourlemodeenligne.Permet
dediriger la scie en ligne droite. Pousserle
commutateuràbasculeàDROITE(lecommutateur
doitêtremaintenuenposition).Lemoteurdela
sciedoitêtreÀL’ARRÊTetlaCLÉDECONTACT
(1H)àlaposition«0»(ARRÊT).Cettepositionmet
lascie«pointmort»etpermetdeladéplacer.
1K. INTERRUPTEUR À PRÉHENSION ROUGE :
Pour l’ARRÊT D’URGENCE de la scie. Coupe
tous les circuits, sauf l’éclairage ; tirer VERS
L’EXTÉRIEURpourréarmer.Nepasl’utiliserpour
l’arrêtnormal.
1L. INTERRUPTEUR DE SÉCURITÉ DE L’EAU :
Arrête le moteur en cas d’interruption de
l’alimentation en eau du disque. Régler pour
activerl’interrupteur.
1M. INTERRUPTEUR DE BUTÉE DE PROFONDEUR
DU DISQUE : Active ou contourne la butée
de profondeur pour des entailles répétées à la
mêmeprofondeur.
1N. INDICATEUR DE COLMATAGE DU FILTRE À
AIR :Fairel’entretiendesélémentsdultreàair
lorsqu’unemarquerougeparaîtàl’indicateur.Le
réarmeravantdefairedémarrerlemoteur.
1O. LEVIER DE COMMANDE DE VITESSE :
Commandelesensdemarcheversl’avant,vers
l’arrière,l’arrêtetlavitessedelascie.
FIGURE 1
1A. BOUTON : Sertàserrerlespoignéestenuespar
l’opérateur.
1B. GUIDON :L’opérateurletient.NEPASSOULEVER
lascieparleguidon.(Voir6G)
1C. COMPTEUR HORAIRE : Enregistre le nombre
d’heuresdefonctionnementdumoteur.
1D. ----
1E. T H E R M O M È T R E D U L I Q U I D E D E
REFROIDISSEMENT : Leliquidederefroidissement
estunmélangeeau/glycol.Cethermomètreindique
latempérature du liquide de refroidissementdu
moteur.Latempératuremaximumd’utilisationsans
dangerestde105ºC(220°F).
1F. ACCÉLÉRATEUR DU MOTEUR : Commande
lerégimemoteur.Pousserleboutonrougepour
déverrouiller.L’enfoncerpourdiminuerlerégime.
Tirerpouraugmenterlerégime.Outournerdansle
sensdesaiguillesd’unemontrepouraugmenterle
régime.Tournerdanslesensinversedesaiguilles
d’unemontrepourdiminuerlerégime.
1G. TACHYMÈTRE: Indique le régime du moteur
(tr/min),oulavitessedel’axededisque(tr/min)si
équipéd’unSÉLECTEURDETACHYMÈTRE(1Z),
sinon, indique uniquement le régime du moteur
(tr/min).Sélectionnerl’afchageduTACHYMÈTRE
en amenant le SÉLECTEUR (1Z) à la position
désirée(lecaséchéant).Surlesmodèlesdotés
d’uneboîte detransmissionàtrois vitesses,les
bandesdecouleur(vertes,jaunes,etorange)se
trouvantsurlepourtourextérieurdutachymètre
indiquent la position (1, 2 ou 3) du LEVIER DE
VITESSE DE LA BOÎTE DE TRANSMISSION
(3-2O)ainsiquelediamètremaximumdudisque

78
1P. COMMUTATEUR À BASCULE DE RELEVAGE /
ABAISSEMENT :Situésurlelevierdecommande
devitesse. Sert à relever et abaisserlascie.
Pousserverslehautpourreleverlascie.Pousser
verslebaspourabaisserlascie.
1Q. INDICATEUR DE PROFONDEUR DU DISQUE :
Afchelaprofondeurdesciage.Règlelaprofondeur
desciagepourl’INTERRUPTEURDEBUTÉEDE
PROFONDEURDUDISQUE(1M).
1R. VERROU DE RÉGLAGE DU GUIDON :Tourner
dansle sens des aiguilles d’une montre pour
verrouillerleguidonàuneposition.Tournerdans
lesenscontrairepourdéverrouilleretrepositionner
leguidon.
1S. ARRIVÉE D’EAU :Brancheruntuyauexiblede
2cm(3/4po)pourl’alimentationeneaudouce.
1T. ROBINET D’EAU : Contrôle le débit d’eau qui
refroiditledisque.
1U. BOUTON DE COMMANDE DE LA VITESSE
D’ABAISSEMENT DE LA SCIE : Tourner le
bouton dans le sens des aiguilles d’une montre
pourréduirelavitessed’abaissement.Tournerle
boutondanslesenscontrairepouraugmenterla
vitessed’abaissement.Onaccèdeauboutonpar
l’arrièredelamachine.
1V. COMMUTATEUR D’EMBRAYAGE DU DISQUE :
(s’il est installé) : Engage l’entraînement du
disque. N’engager l’embrayage que lorsque
le régime moteur est 1 200 tr/min ou inférieur.
L’entraînementdudisqueestengagélorsquele
COMMUTATEURD’EMBRAYAGEDU DISQUE
(1V) est en position « 1 » (MARCHE). Pour
désengagerl’entraînementdu disque, mettre le
COMMUTATEURD’EMBRAYAGEDU DISQUE
(1V)enposition«0»(ARRÊT).
1W. VOYANT DE PRESSION D’HUILE : Le voyant
s’allumelorsquelapressiondel’huilemoteurest
basseetlorsquelaclédecontactestsurmarche
alorsquelemoteurestarrêté.
1X. BOULON DE PURGE D’AIR : Situé sur le
séparateurEau /Huile.S’utilisepour retirerl’air
desconduitsdecarburant.Pourdeplusamples
détailssurleBOULONDEPURGED’AIRetsurle
SÉPARATEURHUILE/EAU,veuillezconsulterle
manueldumoteurYanmar.
1Y. BOUTEILLE DE TROP-PLEIN DU LIQUIDE DE
REFROIDISSEMENT DU RADIATEUR :Recueille
leliquidederefroidissementduradiateurquandle
moteurestchaud.Elledoitêtreà1/4pleinequand
lemoteurestarrêtéetrefroidi.
1Z. SÉLECTEUR DU TACHYMÈTRE : Peutêtreréglé
demanière à indiquer soit le régimedumoteur
(tr/min),soitlavitessedel’axededisque(tr/min).
Régler en position supérieure pour indiquer
le régime du moteur, et en position inférieure
pourindiquerla vitesse del’axededisque. En
standardsurlesmachinesdotéesd’uneboîtede
transmissionàtroisvitesses,enoptionsurtoutes
lesautresmachines.
AVERTISSEMENT : Noter la position du
SÉLECTEUR DU TACHYMÈTRE (1Z) ! Le
tachymètre peut indiquer soit la vitesse du
disque soit le régime du moteur. L’opérateur
et les personnes se trouvant dans la zone de
travail risquent de subir de graves blessures
si la vitesse de rotation (tr/min) du DISQUE
EN DIAMANT (2E) dépasse la vitesse
maximum (tr/min) marquée sur le DISQUE
EN DIAMANT (2E).
1AA PANNEAU ARRIÈRE : Ne le retirer que pour
réparerlamachine.Pourleretirer,fairepivoterles
LOQUETSDEPROTECTION(1EE)de270degrés
danslesensinversedesaiguillesd’unemontre.
Lereplaceravantdefairedémarrerlemoteur.Ce
panneaun’est pas un panneau de protection ;
il ne fait que contrôler la circulation de l’air
danslamachineand’assurerlebonrendement
dumoteur.
1BB. POSITION ARRÊT (STOP) : Lascie arrêteson
déplacementlorsqueleLEVIERDECOMMANDE
DE VITESSE (1O) est dans cette position. Le
moteur ne peut démarrer que si le LEVIER DE
COMMANDEDEVITESSE(1O)estàlaposition
ARRÊT(STOP).
1CC. BOULON DE RÉGLAGE MANUEL DE L’ESSIEU
(modèle standard seulement) :Tournerleboulon
pourrégler l’essieu moteur arrière. Tourner le
boutonàdroite(CW)pourdirigerlascieversla
droite.Lepousseràgauche(CCW)pourdirigerla
scieverslagauche.
1DD. ÉLÉMENT DU FILTRE À AIR DU RADIATEUR :
(modèle à pivot avant – poursuite manuelle
uniquement)Ildoitêtreenpositionsinonlemoteur
risquedesubirdesdégâts.Nettoyerleltreselon
lebesoinoutoutesles50heures.
1EE. LOQUET DE PROTECTION :S’utilisepourgarder
enplace les protections, les écrans protecteurs
etle PANNEAU ARRIÈRE (1AA). Pour retirer
lePANNEAU ARRIÈRE (1AA), faire pivoter les
loquetsde270degrésdanslesensinversedes
aiguillesd’unemontre.Pourposerlesprotections
latérales(4loquetsparcôté),seservird’unmodèle
àfentesdeceloquet;pourretirerlesprotections
latérales,utiliseruntournevisouautreoutiletfaire
pivoterlesloquetsde270degrés.

79
FIGURE 2
2A. BOULON D’AXE DE DISQUE : Sertàserrerle
disque en diamant entre le asque intérieur et
leasqueextérieur.Lecôtédroitdelascieaun
letageàgauche.Lecôtégauchedelascieaun
letageàdroite.
2B. FLASQUE EXTÉRIEUR :Sertàmaintenirledisque
endiamantàsaposition.
2C. MANDRIN DU FLASQUE EXTÉRIEUR : Sert à
maintenirledisqueendiamant.
2D. GOUPILLE DE VERROUILLAGE :Sertàempêcher
ledisqueendiamantdetournersurl’axedurant
lefonctionnement.
2E. DISQUE EN DIAMANT :C’estl’outildesciagedes
surfacesenbétonetenasphalte.
2F. FLASQUE INTÉRIEUR :Supportintérieurquisert
àmaintenirledisqueendiamantàsaposition.
2G. LOQUET DE NEZ DE PROTECTION DE DISQUE :
Sertàverrouillerlapartieavantdelaprotectiondu
disqueenpositionabaissée.
2H. AVANT DE LA PROTECTION DE DISQUE :La
partieavantdelaprotectiondudisque.
2I. AXE DU DISQUE : Soutient le disque et
sesasques.
2J. CLÉ D’AXE DE DISQUE :SertàretirerleBOULON
D’AXEDEDISQUE(2A).Pouruneprotectionde
disquede900mm(36po),utiliserlaCLÉD’AXE
DEDISQUE pour faire pivoter le LOQUETDE
PROTECTION DE LA BRIDE DU DISQUE (2L)
en position ouverte, puis retirer la protection
dedisque.
2K. CÂBLE D’AMARRAGE :Tirerlecâbledefaçon
queleloquetdelaprotectiondedisquepivoteet
vouspermettrederetirerlaprotectiondedisque
(noncomprissurlesmodèleseuropéensCEmunis
d’uneprotectiondedisquede900mm(36po).
2L. LOQUET DE LA BRIDE DE PROTECTION DE
DISQUE :Sertàmaintenirlaprotectiondudisque
àsaposition.Pourretirerlaprotectiondedisque,
utiliser le CÂBLE D’AMARRAGE (2K) et faire
pivoterleLOQUETINTÉRIEURDELABRIDEDE
PROTECTIONDEDISQUEenpositionouverte,
puissouleverlaprotectiondedisqueetlaretirer
delamachine.
2M. BOULON ARRIÈRE :Maintientlaprotectionde
disqueà sa position (sauf à 900mm[36 po]).
EnleverleBOULONARRIÈREavantderetirerla
PROTECTIONDEDISQUE.Toujoursinstallerle
BOULONARRIÈREdanslaprotectiondudisque
avantdefairedémarrerlamachine.
FIGURE 3-1
3-1A. BOÎTE DE TRANSMISSION DU MOTEUR : Modèle
àuneseulevitesse.
3-1B. RACCORD D’EAU :Faitcirculerl’eaudoucedans
la boîte de transmission pour la refroidir. L’eau
s’écouleensuiteverslaprotectiondudisque.
3-1C. ROBINET DE VIDANGE D’EAU :Pourvidanger
l’eaudela boîte de transmission :tournerdans
lesensdesaiguillesd’unemontrepourouvrir,et
danslesensinversedesaiguillesd’unemontre
pourfermer.Vidangerchaquejourpouréviterla
corrosionetlesdégâtsdusaugel.
3-1D. LOQUET DU CAPOT :Deuxloquets,situéssurle
bâtiavantdelamachine,maintiennentleCAPOT
DELAMACHINE(6E)enpositionabaissée.Faire
pivoterchaqueloquetde180degrésdanslesens
inversedesaiguillesd’unemontrepoursouleverle
CAPOTDELAMACHINE(6E).SurlesmodèlesCE
européens,celoquetestpourvudefentes,etun
tournevisouautreoutildoitêtreutilisépourouvrir
leloquet.

80
pivoterchaqueloquetde180degrésdanslesens
inversedesaiguillesd’unemontrepoursouleverle
CAPOTDELAMACHINE(6E).SurlesmodèlesCE
européens,celoquetestpourvudefentes,etun
tournevisouautreoutildoitêtreutilisépourouvrir
leloquet.
3-2E. COUVRE-FLASQUE : Protège de tout contact
avecleFLASQUEdurantlefonctionnementdela
machine.Toujourslesmainteniràleurplace!
3-2F. ÉCRAN PROTECTEUR DE COURROIE : Les
mainteniràleurplace.
3-2G. ENSEMBLE DE TUBE D’AXE DE DISQUE :
Ensembleétanchecontenantl’axedudisque,les
roulementsetlesjointsd’étanchéitéd’axe.
3-2H. PATTES D’ARRIMAGE :Serventàarrimerlascie
lorsdesontransportsurunvéhicule.Nepass’en
servirpourleverlascie.
3-2I. ROBINET DE VIDANGE D’HUILE MOTEUR :
Permetdevidangerl’huilemoteursansoutils.
3-2J. BOULONS DE TENSION DE COURROIE :
3-2K. BOULONS DE SERRAGE HORIZONTAL :
3-2L. POULIE D’AXE DU DISQUE :
3-2M. COURROIES TRAPÉZOÏDALES : Jeu de 4;
3rainures.
3-2N. POULIE DE BOÎTE DE TRANSMISSION :
3-2O. LEVIER DE VITESSE DE LA BOÎTE DE
TRANSMISSION : Sert à changer le régime
de sortie de la BOÎTE DE TRANSMISSION DU
MOTEUR(3-2A).Troisvitessesetdeuxpositions
au point mort sont offertes. Les positions (1, 2
et3)duLEVIERDEVITESSEDELABOÎTEDE
TRANSMISSIONsont codées couleur afin de
correspondre,entreautres,àl’autocollant«Plage
delaboîtedetransmission/vitessedudisque».
FonctionnementduLEVIERDEVITESSEDELA
BOÎTEDETRANSMISSION:
1)MettrelaCLÉDECONTACT(1H)surlaposition
OFF(«0»/ARRÊT).Toujoursmettrel’interrupteurdu
moteursur«OFF»avantdechangerdevitesse!
2)Vérierquelatailledespoulies,desasques
etlavitessedel’axededisquecorrespondentàla
tailledudisquequivaêtremonté.
AVERTISSEMENT : L’opérateur et les
personnes se trouvant dans la zone de
travail risquent de subir de graves blessures
si la vitesse de rotation (tr/min) du DISQUE
EN DIAMANT (2E) dépasse la vitesse
maximum (tr/min) marquée sur le DISQUE
EN DIAMANT (2E).
3)SouleverleBOUTONDECRANDELABOÎTE
DETRANSMISSION(3-2P)etletournerpourle
maintenirenposition«OUVERTE»(OPEN).
4)AmenerleLEVIERDEVITESSEDELABOÎTE
DETRANSMISSION(3-2O)àlavitesserequise.
Unlégermouvementde«va-et-vient»del’axe
desortie (oudel’AXEDEDISQUE) delaboîte
de transmission peut faciliter le changement
devitesse.
3-1E. COUVRE-FLASQUE : Protège de tout contact
avecleFLASQUEdurantlefonctionnementdela
machine.Toujourslesmainteniràleurplace!
3-1F. ÉCRAN PROTECTEUR DE COURROIE : Les
mainteniràleurplace.
3-1G. ENSEMBLE DE TUBE D’AXE DE DISQUE :
Ensembleétanchecontenantl’axedudisque,les
roulementsetlesjointsd’étanchéitéd’axe.
3-1H. PATTES D’ARRIMAGE :Serventàarrimerlascie
lorsdesontransportsurunvéhicule.Nepass’en
servirpourleverlascie.
3-1I. ROBINET DE VIDANGE D’HUILE MOTEUR :
Permetdevidangerl’huilemoteursansoutils.
3-1J. BOULONS DE TENSION DE COURROIE :
3-1K. BOULONS DE SERRAGE HORIZONTAL :
3-1L. POULIE D’AXE DU DISQUE :
3-1M. COURROIES TRAPÉZOÏDALES : Jeu de 4;
3rainures.
3-1N. POULIE DE BOÎTE DE TRANSMISSION :
FIGURE 3-2
3-2A. BOÎTE DE TRANSMISSION DU MOTEUR : Modèle
àtroisvitesses.
3-2B. RACCORD D’EAU :Faitcirculerl’eaudoucedans
la boîte de transmission pour la refroidir. L’eau
s’écouleensuiteverslaprotectiondudisque.
3-2C. ROBINET DE VIDANGE D’EAU :Pourvidanger
l’eaudela boîte de transmission :tournerdans
lesensdesaiguillesd’unemontrepourouvriret
danslesensinversedesaiguillesd’unemontre
pourfermer.Vidangerchaquejourpouréviterla
corrosionetlesdégâtsdusaugel.
3-2D. LOQUET DU CAPOT :Deuxloquets,situéssurle
bâtiavantdelamachine,maintiennentleCAPOT
DELAMACHINE(6E)enpositionabaissée.Faire

81
FIGURE 4
4A. JOINTS D’ÉTANCHÉITÉ DE ROULEMENT
D’AXE DU DISQUE
4B. ROULEMENTS DE ROUE AVANT
4C. CRAPAUDINES D’ESSIEU AVANT
4D. AXE DE PIVOTEMENT DU
VÉRIN HYDRAULIQUE
4E. ESSIEU ARRIÈRE
4F. MOTEUR DE ROUE HYDRAULIQUE
4G. VÉRIN DE RELEVAGE/ABAISSEMENT
4H. ACTIONNEUR LINÉAIRE
5) Tourner et abaisser le BOUTON DE
CRAN DE LA BOÎTE DE TRANSMISSION
(3-2P) et le ramener à sa position d’origine
«VERROUILLÉE»(LOCKED).
3-2P. BOUTON DE CRAN DE LA BOÎTE DE
TRANSMISSION : Verrouille le LEVIER DE
VITESSE DE LA BOÎTE DE TRANSMISSION
(3-2O). Pour consulter son fonctionnement,
voir LEVIER DE VITESSE DE LA BOÎTE DE
TRANSMISSION(3-2O).
FIGURE 5
5A. ENSEMBLE DU FILTRE À AIR : L’ensemble
comprend:
a)Boîtier
b)Couvercle
c) Élément extérieur principal :Lenettoyerou
le remplacer quand l’INDICATEUR DE
COLMATAGE (1N) DU FILTRE À AIR fait
apparaîtrel’avertissementROUGE.
d) Élément intérieur de sécurité : NE PAS
NETTOYERcetélémentltrant.Leremplacer
1foisparanous’ilsedétériore.
5B. JAUGE D’HUILE MOTEUR :Vériericileniveau
del’huilemoteur.Lajaugeindiqueleniveaud’huile.
Pour de plus amples renseignements, veuillez
consulterlemanueldumoteur.
5C. REMPLISSAGE D’HUILE MOTEUR :Remplirle
moteurd’huilerecommandéeàcetendroit.Utiliser
del’huilemoteurSAE15W40APIClasseCF,CF-4,
CG-4ouCI-4.Pourdeplusamplesrenseignements,
veuillezconsulterlemanueldumoteur.
5D. FILTRE À HUILE MOTEUR :Pourdeplusamples
renseignements, veuillez consulter le manuel
dumoteur.
5E. REMPLISSAGE DU RÉSERVOIR DE
CARBURANT : Remplirleréservoirdecarburant
àcetendroit.
5F. Alimenter le Filtre
5G. Aérer la Casquette de Pluie de Filtre

82
5H. POMPE DE RELEVAGE C.C. (courant continu) :
Relèveetabaisselascie.
5I. REMPLISSAGE DU RÉSERVOIR HYDRAULIQUE :
Rempliretvérierleniveauduuidehydrauliqueici.
5J. RÉSERVOIR D’HUILE HYDRAULIQUE :Capacité:
(1,42litre)(1,5quartsU.S.)
5K. FILTRE À FLUIDE HYDRAULIQUE :Filtreleuide
ducircuithydraulique.
5L. ----
5M. ----
5N. ----
5O. ----
5P. ----
FIGURE 6
6A. ANSE DE LEVAGE : Lascienepeutêtresoulevée
queparcepoint.NEPASSOULEVERlasciepar
unautrepoint.
6B. ----
6C. PROTECTIONS ET ÉCRANS DE COURROIE :
Protègentlemoteur,lescourroies,lesentraînements
et le ventilateur de refroidissement. Ne pas les
retirerdurantlefonctionnementdelamachineou
lorsquelemoteurestenmarche!
NE PAS FAIRE FONCTIONNER LE MOTEUR
LORSQUE LES PROTECTIONS OU LES ÉCRANS
SONT RETIRÉS !
6D. GUIDE AVANT :Sertàrepérerlatrajectoiredu
disqueendiamantsurlalignedesciage.
6E. CAPOT DU MOTEUR : Protège le moteur, le
ventilateurderefroidissement,lesentraînements
decourroieetlespoulies.LeCAPOTDUMOTEUR
estuneprotection;ildoitêtremaintenuenposition
abaissée avant de faire démarrer le moteur et
d’utiliserlascie.OuvrirleCAPOTDUMOTEUR
enfaisantpivoterlesdeuxLOQUETSDUCAPOT
(3-1D,3-2D)de180degrésdanslesensinverse
desaiguillesd’unemontre.Souleverlecapotet
lemaintenirenpositionàl’aideduSUPPORTDU
CAPOT(6H).
6F. GUIDE ARRIÈRE :Sertàrepérerlatrajectoiredu
disqueendiamantsurlalignedesciage.
6G. GUIDON :Sertàmanœuvrerlascie.Nepass’en
servirpourleverlascie.(Voir1B)
6H. SUPPORT DU CAPOT :Fermer le loquet pour
maintenir le capot en position ouverte. Toujours
abaisser et verrouiller le capot avant de
fairedémarrer lemoteuroude fairefonctionner
lamachine.
6I. REMPLISSAGE DU LIQUIDE DE
REFROIDISSEMENT DU RADIATEUR :Remplir
leradiateuràcet endroit.Avertissement:Éviter
lesblessures!Lapressionaccumuléerisquede
libérerbrusquementduliquidederefroidissement
aumomentoùlebouchonduradiateurestenlevé.
Arrêter le moteur et le laisser refroidir. Ne pas
enlever le bouchon du radiateur à moins
quecelui-ci et le moteur soient suffisamment
refroidispourêtretouchésàmainsnues.Desserrer
lentementlebouchonjusqu’aupremiercranpour
libérertoutepression.Enleverensuitelebouchon.
Remplacerlebouchons’ilestdétérioré.
6J. ROBINET DE DÉRIVATION DE LA TRANSMISSION :
(modèleàpivotavantseulement):Tournerdans
le sens inverse des aiguilles d’une montre pour
ouvrir.Tournerdans le sens des aiguilles d’une
montrepourfermer.Ouvrircerobinetpourpousser
lascieàbéton.
6K. POMPE DE TRANSMISSION HYDROSTATIQUE
6L. ALTERNATEUR :Adressez-vousàYanmarpour
obtenirunepiècederechange.
6M. COURROIE D’ALTERNATEUR/POMPE À EAU :
Àtensionautomatique.Adressez-vousàYanmar
pourobtenirunepiècederechange.

83
7A. FREIN D’IMMOBILISATION (Modèles CE ou
à pivot arrière, le cas échéant): Maintient la
machineimmobilesurunepentede10degrésou
moins.LeFREIN D’IMMOBILISATION(7A)est
situésurlecôtégauchedelamachine,auniveau
delarouearrière(voirFIGURE7).
Fonctionnement:
1)Immobiliserlamachine,arrêterlemoteur.
2)Pourserrerlefrein:Setenirderrièrelamachine,
pousser vers l’avant (l’avant de la machine) le
LEVIERDUFREIND’IMMOBILISATION(7A).
3) Pour desserrer le frein : Se tenir derrière la
machine,tirerenarrière,versl’arrièredelamachine
leLEVIERDUFREIND’IMMOBILISATION(7A).
ATTENTION : Desserrer le LEVIER DU FREIN
D’IMMOBILISATION (7A) avant d’engager
complètement le LEVIER DE COMMANDE
DE VITESSE (7B), sinon la machine risque
d’être endommagée.
FIGURE 7

84
INDICATION
INFORMATION
INSTRUCTION
INTERDICTION
Ces signes donnent des conseils
pour la sécurité.
Chaque machine a été entièrement testée avant de
quitter l’usine.
Suivre exactement les instructions pour obtenir
une longue durée de service de la machine, en
conditions normales d’utilisation.
1. Utilisations
Utilisation : Sciageàl’eaudebétonetd’asphalteanciens
etrécents.Sciageàsecuniquementavecl’autorisation
dufabricantdudisquepouruneapplicationspécique.
Outils : Disquesen diamant — refroidis à l’eau,Ø:
350 mm (14 po), 450 mm (18 po), 500 mm (20 po),
600mm(24po),650mm(26po),750mm(30po)et
900mm(36po)avecmandrinØ-25mm(1po).
(Pour plus d’informations, contacter votre fournisseur).
Profondeurs d’entaille (maximum) :
Disque Profondeur Disque Profondeur
14po 4,5po 350mm 110mm
18po 6,5po 450mm 160mm
20po 7,5po 500mm 175mm
24po 9,5po 600mm 225mm
26po 10,5po 650mm 260mm
30po 12,5po 750mm 310mm
36po 15,0po 900mm 375mm
Avant de faire démarrer la machine, veiller
à lire tout ce manuel et à bien connaître
l’utilisation de la machine.
La zone de travail doit être complètement
dégagée, bien éclairée et tous les obstacles
à la sécurité doivent avoir été retirés.
L’opérateur doit porter
des vêtements protecteurs
appropriés au travail à
effectuer.
Toute personne qui n’est pas directement
concernée par le travail doit s’éloigner.
Utiliser uniquement des disques marqués
avec une vitesse maximale de fonctionnement
supérieure à la vitesse de l’axe du disque.
2. Déplacement de la machine
(Voir les gures 1, 2 et 5)
Régler les poignées à la longueur souhaitée :
•Desserrer le bouton (1A) ; tirer le guidon (1B) vers
l’intérieur ou l’extérieur à la longueur souhaitée puis
resserrer le bouton (1A). Pour régler la hauteur du
guidon,tourner le verrou de réglage (1R)du guidon
dansle sens contraire des aiguilles d’unemontre
pourdéverrouiller.Réglerleguidon(1B)àlahauteur
souhaitée.TournerleVERROUDERÉGLAGE(1R)du
guidondanslesensdesaiguillesd’unemontrepour
verrouillerleguidonàsaplace.
Modèle à pivot avant (avec système de poursuite
électrique–silestinstallé)
Déplacement de la scie avec le moteur arrêté :
•Tourner le CONTACTEUR DE DÉMARRAGE DU
MOTEUR(1H)àlaposition«1»(MARCHE).
•Lever la scie en appuyant vers le haut sur le
COMMUTATEURÀ BASCULE (1P) du LEVIER DE
COMMANDE DE VITESSE (1O) jusqu’à ce que le
DISQUE EN DIAMANT (2E) (s’il est installé) soit
au-dessusdusol.
•MettreleLEVIERDECOMMANDEDEVITESSE(1O)
àlaPOSITIONSTOP(1BB).
•Tourner le ROBINET DE DÉRIVATION DE LA
TRANSMISSION (6J) dans le sens contraire des
aiguillesd’une montre, jusqu’à la position duhaut
(POINTMORT).
•La scie peut maintenant être déplacée en se tenant
derrière et en poussant [tout en maintenant le
guidon(1B)].
NE PAS essayer de pousser la scie quand
elle est au POINT MORT sur une pente (ou un
talus). L’opérateur pourrait perdre le contrôle
de la scie, se blesser et blesser d’autres
personnes se trouvant à proximité.
Déplacement de la scie avec le moteur en marche :
•Lever la scie en appuyant vers le haut sur le
COMMUTATEURÀ BASCULE (1P) du LEVIER DE
COMMANDE DE VITESSE (1O) jusqu’à ce que
le DISQUE EN DIAMANT (2E) (s’il est installé) soit
au-dessusdusol.
•MettreL’INTERRUPTEURDESÉCURITÉDEL’EAU
(1L)àlaposition«0»(ARRÊT).
•LeLEVIERDECOMMANDEDEVITESSE(1O)doit
êtreàlaPOSITIONSTOP(1BB)pourquelasciepuisse
démarrer.LemoteurNEPEUTDÉMARRERquesile
LEVIERDECOMMANDEDEVITESSE(1O)estàla
POSITIONARRÊT(STOP).
•Vérifier que le ROBINET DE DÉRIVATION DE LA
TRANSMISSION (6J) est tourné dans le sens des
aiguillesd’unemontre(ENBAS),àlapositionfermée.
NEPASfairedémarrerlemoteursilerobinet(6J)est
àlapositionPointmort(OUVERT).
AVERTISSEMENT
OBLIGATOIRE

85
•TournerL’ACCÉLÉRATEUR DU MOTEUR (1F) à un
réglagedebasrégime.
•Régler le COMMUTATEUR D’EMBRAYAGE DU
DISQUE(1V)(s’ilestinstallé)sur«0»(ARRÊT).
*Partempsfroid(endessousde0°C[32°F]),appuyer
surleCONTACTEURDEDÉMARRAGEDUMOTEUR
(1H)pendant15secondes.Cecipréchauffelemoteur
pourledémarragepartempsfroid.
•MettrelaCLÉDECONTACT(1H)àlaposition«2»
(DÉMARRAGE)jusqu’àcequelemoteurdémarrepuis
lerelâcher.IldoitreveniràlapositiondeMARCHE.Si
lemoteurnedémarrepas,refairecesopérations.
•PousserleLEVIERDECOMMANDE
DEVITESSE(1O)versl’avantpour
lemouvementdelascieenMARCHE
AVANToulepousservers l’arrière
pour le mouvement de la scie en
MARCHEARRIÈRE.Plusonpousse
lelevier,pluslavitesseaugmente.
NE PAS OUVRIR le ROBINET DE DÉRIVATION
(6J) au point mort lorsque la scie est
stationnée sur une pente (ou un talus), car
l’opérateur perdrait le contrôle, entraînant
des risques de blessures ou de dégâts.
Modèle avec pivot arrière (avec système différentiel –
s’il est installé)
Déplacement de la scie avec le moteur arrêté :
•Tourner le CONTACTEUR DE DÉMARRAGE DU
MOTEUR(1H)àlaposition«1»(MARCHE).
•Lever la scie en appuyant vers le haut sur le
COMMUTATEURÀ BASCULE (1P) du LEVIER DE
COMMANDE DE VITESSE (1O) jusqu’à ce que le
DISQUE EN DIAMANT (2E) (s’il est installé) soit
au-dessusdusol.
•Tourner le CONTACTEUR DE DÉMARRAGE DU
MOTEUR(1H)àlaposition«0»(ARRÊT).
•MettreleLEVIERDECOMMANDEDEVITESSE(1O)
àlaPOSITIONSTOP(1BB).
•AppuyersurleCOMMUTATEURDIFFÉRENTIEL(1J)
versladroiteetlemaintenirenfoncé.
•Maintenir l’un des guidons (1B), et appuyer sur le
commutateurdifférentiel(1J)versladroiteetlemaintenir
enfoncé.Lasciepeutmaintenantêtredéplacéeense
tenant derrière et en poussant. Si le commutateur
différentiel(1J) est relâché,lascie ne peut pas être
déplacéeaveclemoteurarrêté.
NE PAS essayer de pousser la scie quand
elle est au POINT MORT sur une pente (ou un
talus). L’opérateur pourrait perdre le contrôle
de la scie, se blesser et blesser d’autres
personnes se trouvant à proximité.
Déplacement de la scie avec le moteur en marche :
•Lever la scie en appuyant vers le haut sur le
COMMUTATEURÀ BASCULE (1P) du LEVIER DE
COMMANDE DE VITESSE (1O) jusqu’à ce que le
DISQUE EN DIAMANT (2E) (s’il est installé) soit
au-dessusdusol.
3 Transport (disque retiré)
(Voir les gures 1, 2 et 5)
Arrêter le moteur. Mettre le LEVIER DE
COMMANDE DE VITESSE (1O) à la POSITION
STOP (1BB). Retirer le DISQUE EN DIAMANT
(2E) avant le transport.
Pourfaire monter ou descendre la scie surdes
rampesaveclemoteurenmarche,faireextrêmement
attention.
•Pour DESCENDRE une rampe, conduire lascie EN
MARCHE AVANTlentement.
•Pour MONTER une rampe, conduire la scie EN
MARCHE ARRIÈRElentement.
Modèle avec pivot arrière : Le COMMUTATEUR
DIFFÉRENTIEL (1J) dela machine doit être à la
positioncentraleverrouillée(Lock)pourfairemonterou
descendrelasciesurdesrampes!NEPASMETTRE
LECOMMUTATEURDIFFÉRENTIEL(1J)àlaposition
«Pivot»(àgauche)pourfairemonteroudescendrela
sciesurdesrampes!
Pour des rampes très inclinées, toujours
utiliser un treuil. Ne jamais se tenir en
dessous de la machine.
Levage de la scie. Lascienedoitêtrelevéequepar
l’ansedelevageinstalléeenusine(6A).
•MettreL’INTERRUPTEURDESÉCURITÉDEL’EAU
(1L)àlaposition«0»(ARRÊT).
•LeLEVIERDECOMMANDEDEVITESSE(1O)doit
êtreàlaPOSITIONSTOP(1BB)pourquelasciepuisse
démarrer. Le moteur NE PEUT démarrer QUE si le
LEVIERDECOMMANDEDEVITESSE(1O)estàla
POSITIONSTOP(1BB).
•TournerL’ACCÉLÉRATEUR DU MOTEUR (1F) à un
réglagedebasrégime.
•Régler le COMMUTATEUR D’EMBRAYAGE DU
DISQUE(1V)(s’ilestinstallé)sur«0»(ARRÊT).
*Partempsfroid(endessousde0°C[32°F]),appuyer
surleCONTACTEURDEDÉMARRAGEDUMOTEUR
(1H)pendant15secondes.Cecipréchauffelemoteur
pourledémarragepartempsfroid.
•MettrelaCLÉDECONTACT(1H)àlaposition«2»
(DÉMARRAGE)jusqu’àcequelemoteurdémarrepuis
lerelâcher.IldoitreveniràlapositiondeMARCHE.Si
lemoteurnedémarrepas,refairecesopérations.
•PousserleLEVIERDECOMMANDE
DE VITESSE (1O) vers l’avant
pour le mouvement de la scie en
MARCHEAVANT ou le pousser
vers l’arrière pour le mouvement
delascieenMARCHEARRIÈRE.
Plus on pousse le levier, plus la
vitesseaugmente.

86
Transport de la machine sur un véhicule :
•Mettre le CONTACTEUR DE DÉMARRAGE DU
MOTEUR(1H)àlapositiond’ARRÊT.
•MettreleLEVIERDECOMMANDEDEVITESSE(1O)
àlaPOSITIONSTOP(1BB).
•Pousser le guidon (1B) vers l’intérieur et serrer les
boutons(1A).
Caler la scie à sa place et l’immobiliser à
l’aide des PATTES D’ARRIMAGE installées
en usine (3-1H, 3-2H), à l’avant et à l’arrière,
pour empêcher tout mouvement durant
le transport.
4 À vérier avant de démarrer
Considérer les conditions de travail du point
de vue de la santé et de la sécurité.
• Carburant (Vérierlemanueld’entretiendumoteur).
Utiliserdu carburant diesel nº 2 pour lesconditions
normales.Remplirleréservoirdecarburantàl’endroit
marqué REMPLISSAGE DU RÉSERVOIR DE
CARBURANT(FUELTANKFILL)(5E).
•Vérierqueleniveaud’huilemoteurestcorrect.Étant
donnéquelemoteurfonctionnesouventenposition
inclinée,vérifierle niveau d’huile (avec le moteur
horizontal)fréquemmentpours’assurerqu’ilnedescend
jamaisen dessous du repère inférieurde la JAUGE
D’HUILEMOTEUR(5B).Ilestrecommandéd’utiliserde
l’huilemoteurSAE15W40CF,CF-4,CG-4ouCI-4.
•Pour le démarrage, se reporter au manuel du
moteurYanmar.
•Veilleràcequelamachinesoitrégléeenfonctiondu
diamètreduDISQUEENDIAMANT(2E)requispour
effectuerletravail.VeilleràcequelaPOULIEDEBOÎTE
DETRANSMISSION(3-1N,3-2N),laPOULIED’AXE
DUDISQUE(3-1L,3-2L),leFLASQUEDEDISQUE(2B
&2F)etlaPROTECTIONDEDISQUE(2H)corrects
soientinstallés.Danslecasdesmachinespourvues
d’uneBOÎTEDETRANSMISSIONDUMOTEURàtrois
vitesses(3-2A),veillerégalementàcequeleLEVIER
DEVITESSEDELABOÎTEDETRANSMISSION(3-2P)
soitàlavitessecorrecte.Pourdeplusamplesdétailsà
cesujet,voirlaSECTION14,«Moteur/Axededisque/
Réglagedurégimedelaboîtedetransmission».
5 Mise en place du disquer
(Voir les gures 1 et 2)
•Mettre le CONTACTEUR DE DÉMARRAGE DU
MOTEUR(1H)àlaposition«1».
•Leverla machine à une positionhauteen utilisant
le COMMUTATEUR DE RELEVAGE/ABAISSEMENT
(1P) situé sur le LEVIER DE COMMANDE DE
VITESSE(1O).
•Mettre le CONTACTEUR DE DÉMARRAGE DU
MOTEUR(1H)àlapositiond’ARRÊT«0».
•Desserrer le boulon sur le LOQUET DE NEZ DE
PROTECTIONDUDISQUE(2G).
•Relever la partie avant de la PROTECTION DU
DISQUE(2H).
•Desserrerleboulon(2A)del’axedudisqueetretirerle
FLASQUEEXTÉRIEUR(2B).
•PoserleDISQUEENDIAMANT(2E)surleMANDRIN
DUFLASQUEEXTÉRIEUR(2C).
•Installer le FLASQUE EXTÉRIEUR (2B) dans l’AXE
DUDISQUE(2I),enveillantàcequelaGOUPILLEDE
VERROUILLAGE(2D)passeàtraversleDISQUEEN
DIAMANT(2E)etdansleFLASQUEINTÉRIEUR(2F).
Noter le sens de rotation du disque. Le
sens de rotation est indiqué par une èche
sur le DISQUE EN DIAMANT (2E) et sur la
PROTECTION DU DISQUE (2H). Vérifier
que les surfaces de contact du DISQUE EN
DIAMANT (2E), des FLASQUES INTÉRIEUR
ET EXTÉRIEUR (2B & 2F) et du MANDRIN DU
FLASQUE EXTÉRIEUR (2C) sont propres.
•TournerleFLASQUEEXTÉRIEUR(2B)etleDISQUE
ENDIAMANT(2E)danslesensopposéàceluidela
rotationdudisquepouréliminerlejeu.
•Poseretserrerleboulon(2A)d’axedudisquetouten
maintenantfermementleDISQUEENDIAMANT(2E).
Serrerleboulonàl’aidedelaCLÉD’AXEDUDISQUE
(2J)fournie.
•Abaisser la partie avant de la PROTECTION DE
DISQUE(2H)etserrerleboulonduLOQUETDENEZ
DEPROTECTIONDEDISQUE(2G).
Le boulon d’axe de disque (2A) du côté droit
a un filetage à gauche. Le boulon d’axe
de disque (2A) du côté gauche a un letage
à droite.
Les protections de disque amovibles sont
fournies avec un LOQUET DE BRIDE DE
PROTECTION DE DISQUE (2L) qui s’engage
dans la bride de support et un BOULON
ARRIÈRE (2M) [protections de disque de 450
à 700 mm (18 po à 30 po)] qui retient l’arrière
de la protection.

87
•MettreleLEVIERDECOMMANDEDEVITESSE(1O)
àlaPOSITIONSTOP(1BB).Lemoteurdelasciene
peut démarrer que si le LEVIER DE COMMANDE
DEVITESSE (1O) est à la POSITION STOP(1BB).
Vérierquelerobinetdedérivationdelatransmission
(6J,modèlesàpivotavantseulement)estferméàla
positionbasse.
•Régler le COMMUTATEUR D’EMBRAYAGE DU
DISQUE(1V)(s’ilestinstallé)sur«0»(ARRÊT).
•FairedémarrerlemoteurenutilisantleCONTACTEUR
DE DÉMARRAGE DU MOTEUR (1H). Suivre la
procédure décrite dans le manuel du moteur. Par
temps froid, préchauffer le moteur en maintenant le
CONTACTEURDEDÉMARRAGEDUMOTEUR(1H)
pendant15secondes.
•Laisser le moteur chauffer quelques minutes avec
l’ACCÉLÉRATEURDUMOTEUR(1F)àbasrégime.
•Unefoisprêt,ouvrirleROBINETD’EAU(1T).
•Mettre l’INTERRUPTEUR DE SÉCURITÉ DE L’EAU
(1L)sur«1»(MARCHE).
Vérifier que l’alimentation en eau est
adéquate. (10 à 20 litres/minute) (2,5 à
5,0 gallons US/minute). Un débit d’eau
insufsant provoquera des dommages aux
disques en diamant.
•Pour les machines sans le COMMUTATEUR
D’EMBRAYAGEDU DISQUE (1V) facultatif : Tirer
l’accélérateur du moteur (1F) jusqu’à ce que le
TACHYMÈTREDUMOTEUR(1G)indiqueunrégime
de3200tr/min.
Consulter le tableau pour les vitesses d’axe de disque
et régimes moteur appropriés aux diverses tailles
de disque.
•Faire avancer oureculerlascie lentement (modèles
standardetàpivot)enpoussantouentirantlelevierde
commandedevitesse(1O).Déplacerlascielentement
pouréviterdefairecalerledisque.S’assurerquele
guideavant(6D),leguidearrière(6F)etleDISQUE
ENDIAMANT(2E)restentsurlaligne.
Modèleàpivotarrièreseulement:Surlemodèleàpivot
arrière,l’alignementaveclalignedesciagepeutsefaire
àl’aidedudispositifdepivotagedelamachine.Déplacer
simplement le COMMUTATEUR DIFFÉRENTIEL (1J)
verslagauche(Pivot)puis,aveclesdeuxmains,pousser
leGUIDON(6G)versle bas, la machine pourra ainsi
pivoteràgaucheouàdroiteandes’alignersurlaligne
desciage.Lorsquelascieestbienalignéesurlaligne
desciage,mettreleCOMMUTATEURDIFFÉRENTIEL
(1J)àlapositioncentraleverrouillée(Lock).
•Régler le COMMUTATEUR D’EMBRAYAGE DU
DISQUE(1V)(s’ilestinstallé)sur«1»(MARCHE)pour
embrayerledisquelorsquelemoteurestAURALENTI
(1 200 tr/min. ou moins) ! Lorsque l’embrayage
est engagé et que le disque est au ralenti, tirer
l’ACCÉLÉRATEUR DU MOTEUR (1F) et régler le
régimeà3200tr/min.
Ne pas utiliser la scie si le LOQUET DE BRIDE
DE PROTECTION (2L) n’est pas engagé et si
le boulon [protections de disque de 450 à
700 mm (18 po à 30 po)] n’est pas en place.
Inspecter fréquemment les protections de
disque et les loquets. Ne pas utiliser la scie
s’ils sont endommagés.
Pour retirer une PROTECTION AMOVIBLE :
•RetirerleboulonderetenuearrièreaveclaCLÉD’AXE
DU DISQUE (2J) [protections de disque de 450 à
700mm(18poà30po)].
•Pourdesprotectionsdedisquede450à700mm(18po
à30po)]:UtiliserleCÂBLED’AMARRAGE(2K)pour
ouvrirle LOQUETDELABRIDEDE PROTECTION
DEDISQUE(2L).
•Pourdesprotectionsdedisquede900mm(36po):
Utiliser la CLÉ D’AXE DE DISQUE (2J) pour faire
pivoterleLOQUETDELABRIDEDEPROTECTION
DUDISQUE(2L)enpositionouverte.
•Leverlaprotectionpourlasortirdelabride.
Pour installer une PROTECTION AMOVIBLE :
•Abaisserlaprotectionsurla bride jusqu’à ce quele
LOQUETDELABRIDEDEPROTECTIONDEDISQUE
(2L)s’engage.
•Installer le BOULONARRIÈRE (2M) [protections de
disquede350à700mm(14poà30po)]danslapartie
arrièredelaprotectionàl’aidedelaCLÉD’AXEDE
DISQUE(2J).
6 Démarrage de la scie
(Voir les gures 1, 2 et 5)
Toujours faire extrêmement attention et
observer les opérations de préparation de la
machine avant de la mettre en marche.
Retirer toutes les clés et tous les outils se
trouvant au sol et sur la machine.
Toujours laisser à leur place les protections
du disque, des courroies et du ventilateur.
•Observer toutes les instructions d’utilisation et les
avertissementsdecemanueletdelamachine.
•FermerleROBINETD’EAU(1T).
•Marquerlasurfaceàentaillerentraçantunelignelàoù
lesciagedoitêtrefait.
•Tirerle guidon(1B) vers l’extérieur, à lalongueur
souhaitéeetserrerlesboutons(1A).
•Abaisserleguideavant(6D)puisalignerleguideavant
(6D),leguidearrière(6F)etleDISQUEENDIAMANT
(2E)surlalignetracéeausol.
•Pourfairedémarrerlascieenl’absencedepression
d’eau, mettre l’INTERRUPTEUR DE SÉCURITÉ DE
L’EAU(1L)sur«0»(ARRÊT).

88
•Abaisser la scie en appuyant vers le bas sur le
COMMUTATEUR À BASCULE (1P) du LEVIER DE
COMMANDE DE VITESSE (1O) jusqu’à ce que le
DISQUE EN DIAMANT (2E) soit à la profondeur de
sciagesouhaitée(Voir«Informationsurlaprofondeur
desciagedudisque»).
Vérier que le débit d’eau est abondant pour
le sciage à l’eau.
Information sur la profondeur de sciage du disque :
CettesciepossèdeunINDICATEURDEPROFONDEUR
DUDISQUE(1Q)dotédedeuxplagesdechiffres.Les
plagesde chiffresorangés etblancsservent à deux
nsdistinctes:
1)Laplagedechiffresrelativeàlaprofondeur(Depth),
indiquée par la couleur orange, représente la
profondeur actuelle de sciage du DISQUE EN
DIAMANT(2E).Àmesurequelascieestabaissée,
l’aiguille de l’INDICATEUR DE PROFONDEUR
DU DISQUE (1Q) balaie ces chiffres selon un
ordrecroissant.
2)Laplagedechiffres«SMD»(SetMaximumDepth/
Réglagede la profondeur de sciagemaximum),
indiquée par la couleur blanche, représente la
profondeur restant à entailler par le DISQUE EN
DIAMANT(2E).Laprofondeur de sciagemaximum
souhaitée est prédénie à l’aide de l’INDICATEUR
DEPROFONDEURDUDISQUE(1Q).Ilpeuts’utiliser
avec ou sans l’INTERRUPTEUR DE BUTÉE DE
PROFONDEUR DU DISQUE (1M). À mesure que
lascieestabaissée,l’aiguilledel’INDICATEURDE
PROFONDEURDUDISQUE(1Q)balaieleschiffres
dela plage blanche selon un ordredécroissant,
indiquantune profondeur d’entaille incomplète.
Lorsquel’INDICATEUR DE PROFONDEURDU
DISQUE (1Q) indique la position 0, la profondeur
desciage maximum souhaitée est atteinte. Si
l’INTERRUPTEUR DE BUTÉE DE PROFONDEUR
DU DISQUE (1M) est actionné (position « 1 »
ou « MARCHE » ), l’abaissement du disque
s’arrêteautomatiquement.
Utilisation de l’INDICATEUR DE PROFONDEUR DU
DISQUE (1Q) :
Mode«Profondeur»(leschiffresorangésreprésentent
laprofondeuractuelledesciage):
•Mettre le CONTACTEUR DE DÉMARRAGE DU
MOTEUR (1H) à la position d’ARRÊT « 0 » pour
ARRÊTERlemoteur(s’ilestenmarche).
•Tourner le CONTACTEUR DE DÉMARRAGE DU
MOTEUR(1H)àlaposition«1»(MARCHE)pourmettre
lecircuitélectriquesoustension.
•Mettre l’INTERRUPTEUR DE BUTÉE DE
PROFONDEUR DE DISQUE (1M) à la position
«0»(Arrêt).
•AbaisserleDISQUEENDIAMANT(2E)enappuyant
verslebassurleCOMMUTATEURÀBASCULE(1P)
duLEVIERDECOMMANDEDEVITESSE(1O)jusqu’à
cequeleDISQUEENDIAMANT(2E)touchelasurface
àentailler.
•Tournerl’aiguilledel’INDICATEURDEPROFONDEUR
DU DISQUE (1Q) jusqu’à ce qu’elle s’aligne sur la
profondeur«0».
•LorsqueleDISQUEENDIAMANT(2E)estabaissésur
lasurfaceàentailler,laprofondeuractuelledesciage
estalorsreprésentéeparlaplagedechiffresorangés
del’aiguilledel’INDICATEURDEPROFONDEURDU
DISQUE(1Q).
Mode « SMD » (Set Maximum Depth/Réglage de la
profondeur de sciage maximum) sans BUTÉE DE
PROFONDEUR DU DISQUE (les chiffres en blanc
représententlaprofondeurrestantàentailler):
•Mettre le CONTACTEUR DE DÉMARRAGE DU
MOTEUR (1H) à la position d’ARRÊT « 0 » pour
ARRÊTERlemoteur(s’ilestenmarche).
•Tourner le CONTACTEUR DE DÉMARRAGE DU
MOTEUR(1H)àlaposition«1»(MARCHE)pourmettre
lecircuitélectriquesoustension.
•AbaisserleDISQUEENDIAMANT(2E)enappuyant
verslebassurleCOMMUTATEURÀBASCULE(1P)
duLEVIERDECOMMANDEDEVITESSE(1O)jusqu’à
cequeleDISQUEENDIAMANT(2E)touchelasurface
àentailler.
•Tournerl’aiguilledel’INDICATEURDEPROFONDEURDU
DISQUE(1Q)jusqu’àcequ’elles’alignesurlaprofondeur
desciagemaximumsouhaitéedelaplagedechiffresen
blanc.Laprofondeurrestantàentaillerestmaintenant
indiquée sur la plage de chiffres en blanc. Lorsque
l’aiguille de l’INDICATEUR DE PROFONDEUR DU
DISQUE(1Q)atteintlaposition«0»,lasciecoupela
surfaceàlaprofondeurdesciagemaximumsouhaitée.
•Lever le disque en appuyant vers le haut sur le
COMMUTATEURÀ BASCULE (1P) du LEVIER DE
COMMANDE DE VITESSE (1O) jusqu’à ce que le
DISQUEENDIAMANT(2E)soitau-dessusdelasurface
àentailler.
•Mettre le CONTACTEUR DE DÉMARRAGE DU
MOTEUR(1H)àlaposition«0»(ARRÊT)pourmettre
lecircuitélectriquehorstension.
Mode « SMD » (Set Maximum Depth/Réglage de la
profondeurdesciagemaximum)avecINTERRUPTEUR
DE BUTÉE DE PROFONDEUR DU DISQUE (1M)
(leschiffresenblancreprésententlaprofondeurrestant
àentailler):
•Mettre le CONTACTEUR DE DÉMARRAGE DU
MOTEUR (1H) à la position d’ARRÊT « 0 » pour
ARRÊTERlemoteur(s’ilestenmarche).
•Mettre l’INTERRUPTEUR DE BUTÉE DE
PROFONDEUR DE DISQUE (1M) à la position
«0»(ARRÊT)pourcontournerleréglagedebutéede
profondeur.Lasciepeutalorssereleverets’abaisser
surtoutelaplagesanss’arrêter.
•Tourner le CONTACTEUR DE DÉMARRAGE DU
MOTEUR(1H)àlaposition«1»(MARCHE)pourmettre
lecircuitélectriquesoustension.
•AbaisserleDISQUEENDIAMANT(2E)enappuyant
verslebassurleCOMMUTATEURÀBASCULE(1P)
duLEVIERDECOMMANDEDEVITESSE(1O)jusqu’à
cequeleDISQUEENDIAMANT(2E)touchelasurface
àentailler.

89
•ARRÊTER le moteur en tournant le CONTACTEUR
DE DÉMARRAGE DU MOTEUR (1H) à la position
d’ARRÊT«0».
8 Incidents pouvant se produire
durant le sciage
(Voir les gures 1 et 2)
SiLE MOTEUR S’ARRÊTEdurantlesciage,vérierles
pointssuivants:
•Manquedecarburantdanslemoteur—Vérierleniveau
de carburant à l’endroit marqué REMPLISSAGE
DU RÉSERVOIR DE CARBURANT (FUELTANK
FILL)(5E),ousurlajaugedecarburantsituéeàl’arrière
delamachine.
•Un manque d’eau signale à l’INTERRUPTEURDE
SÉCURITÉ D’EAU (1L) d’arrêter le moteur. Mettre
l’INTERRUPTEURDESÉCURITÉD’EAU(1L)sur«0»
(ARRÊT)puisfaireredémarrerlemoteur.
•Unevitessedesciageexcessivefaitcalerlemoteur.
•L’INTERRUPTEUR DE PRÉHENSION ROUGE (1K)
a été enfoncé. Le réarmer en le tirant jusqu’à ce
qu’ilressorte.
•Le COUPE-CIRCUIT (1Z) est déclenché. Pousser
pourréarmer
SileDISQUE EN DIAMANT (2E) S’ARRÊTEdurantle
sciage,vérierlespointssuivants:
•La tension de la courroie d’entraînement est
inadéquate.
•LeCOMMUTATEURD’EMBRAYAGEDUDISQUE(1V)
aétépoussésur«0»ARRÊT.
•L’EMBRAYAGEDUDISQUE(1V)(s’ilestinstallé)aune
panneélectriqueouunfusiblegrillé.
LA SCIE S’ABAISSE TROP RAPIDEMENT :
•Lavitessed’abaissementdelasciepeutêtrerégléeà
l’aideduBOUTONDECOMMANDEDELAVITESSE
D’ABAISSEMENT DE LA SCIE (1U) situé à l’arrière
delascie.Silasciedescendtroprapidement,tourner
leBOUTONDE COMMANDEDE LA VITESSE
D’ABAISSEMENTDELASCIE(1U)DANSLESENS
DESAIGUILLESD’UNEMONTRE,jusqu’àcequela
vitesseadéquatesoitobtenue.
Si,pourquelqueraisonquecesoit,leMOTEURoule
DISQUE CALE, relever le disque complètement hors
del’entailleetinspecterentièrementlamachineavant
de faire redémarrer le moteur. Lors de l’abaissement
dudisquedansuneentaillepartielle,alignerledisque
exactement sur l’entaille pour éviter d’endommager
ledisque.
Coner toutes les réparations uniquement
au concessionnaire agréé.
•Tournerl’aiguilledel’INDICATEURDEPROFONDEUR
DU DISQUE (1Q) jusqu’à ce qu’elle s’aligne sur la
profondeurdesciagemaximumsouhaitéedelaplage
dechiffresenblanc.
•Mettrel’INTERRUPTEURDEBUTÉEDEPROFONDEUR
DEDISQUE(1M)àlaposition«1»(MARCHE).
•Lever le disque en appuyant verslehaut sur le
COMMUTATEURÀ BASCULE (1P) du LEVIER DE
COMMANDEDE VITESSE (1O) jusqu’à ce que le
DISQUE EN DIAMANT (2E) soit au-dessus de la
surfaceàentailler.
•Mettre le CONTACTEUR DE DÉMARRAGE DU
MOTEUR(1H)àlaposition«0»(ARRÊT)pourmettre
lecircuitélectriquehorstension.
•La profondeur de sciage maximum est maintenant
réglée.Silascie,pourquelqueraisonquecesoit,est
relevéehorsdelasurfaceentaillée,ellepeutdésormais
être rabaissée à cette profondeur spécifiée, en
abaissantledisquedanslasurfaceentailléejusqu’àce
quelemouvementd’abaissementdelascies’arrête.
La scie NE S’ABAISSERA PAS à une
profondeur supérieure à celle réglée par
la BUTÉE DE PROFONDEUR DE DISQUE
(1Q). Par conséquent, si une entaille plus
profonde est nécessaire, l’INDICATEUR DE
PROFONDEUR DE DISQUE (1Q) DOIT être
tourné à la nouvelle profondeur souhaitée.
Ou mettre l’INTERRUPTEUR DE BUTÉE DE
PROFONDEUR DE DISQUE (1M) à la position
« 0 » (ARRÊT) pour contourner le réglage de
butée de profondeur.
7 Arrêt de la scie
(Voir les gures 1 et 2)
Pour un ARRÊT D’URGENCE, appuyer sur
l’INTERRUPTEUR À PRÉHENSION ROUGE
(1K) sur le capot. Cela arrêtera le moteur
et coupera l’alimentation de toutes les
pièces électriques, sauf l’éclairage. Réarmer
l’INTERRUPTEUR À PRÉHENSION ROUGE
(1K) en le tirant jusqu’à ce qu’il ressorte puis
faire redémarrer le moteur.
•MettreleLEVIERDECOMMANDEDEVITESSE(1O)
àlaPOSITIOND’ARRÊT(STOP)(1BB).
•Sortir le DISQUE EN DIAMANT (2E) de l’entaille
en appuyant vers le haut sur le COMMUTATEUR À
BASCULE(1P)duLEVIERDECOMMANDE(1O)jusqu’à
cequeleDISQUEENDIAMANT(2E)soitdégagéde
lasurface.
•DésengagerleCOMMUTATEURD’EMBRAYAGEDU
DISQUE(1V)(s’ilestinstallé).
•Tourner L’ACCÉLÉRATEUR DU MOTEUR (1F) à la
positiondeRALENTI.
•FermerleROBINETD’EAU(1T).
•Laisserlemoteurtournerauralentiquelquesminutes
avantdel’arrêter.

90
9 Réglages : Sciage en ligne droite
(Voir les gures 1 et 4)
Durantlesciage,ilestpossiblequelasciedévieversla
droitedelalignedroiterequise,marquéesurlasurface
(si le DISQUE EN DIAMANT [2E] est installé du côté
droit).Sicelaseproduit,l’essieuarrière(4E)delascie
peutêtrepivotépourcompenser.
Modèle à pivot avant (avec système optionnel de
poursuiteélectrique):
•PousserleCOMMUTATEURDERÉGLAGED’ESSIEU
(1J)verslaGAUCHE.Depetitsréglagesproduisentde
grandschangements.
•Lesréglagespeuventêtreeffectuésdurantlesciage
ounon.
•Vérifier visuellement le mouvement et la direction
del’essieu.
Scie standardavecréglagemanueldel’essieu
•L’essieu (4E) se règle en tournant le BOULON DE
RÉGLAGE MANUEL DE L’ESSIEU M12 (1CC)
situéàlapartieinférieuregauchearrièreduchâssis
delascie.
•SilasciedévieverslaDROITEdurantlesciage,tourner
leBOULON DE RÉGLAGE MANUELDE L’ESSIEU
(1CC) DANS LE SENS INVERSE DESAIGUILLES
D’UNEMONTRE.
•Si la scie dévie vers la GAUCHE durant le sciage,
tourner le BOULON DE RÉGLAGE MANUEL DE
L’ESSIEU (1CC) DANS LE SENS DESAIGUILLES
D’UNEMONTRE.
Modèle à pivot arrière (scie avec pivot différentiel
optionnel):
•AppuyersimplementsurleGUIDON(6G)pourmaintenir
lasciesurlalignedesciage.NEPASDÉPLACERLE
COMMUTATEURDIFFÉRENTIEL(1J)desaposition
centrale verrouillée (LOCK). La position « pivot », à
gaucheduCOMMUTATEURDIFFÉRENTIEL(1J)ne
DOITPASSERVIRàréglerlesciageenlignedroite
delascie.
10 Entretien
(Voir les gures 1 à 6)
TOUJOURS garer la machine sur une surface
horizontale, avec le moteur À L’ARRÊT (OFF)
et le CONTACTEUR DE DÉMARRAGE DU
MOTEUR (1H) à la position « 0 » (ARRÊT),
avant d’effectuer une opération d’entretien.
Aprèschaqueutilisation,NETTOYERlamachine.
LUBRIFICATION :
HUILE MOTEUR :Vérierchaquejour(5B).Changer
l’huilemoteuretleFILTREÀHUILEMOTEUR(5D)toutes
les100HEURESd’utilisation.Consulterlemanueldu
moteurpourconnaîtreletyped’huilerecommandée.Il
estrecommandéd’utiliserdel’huilemoteurSAE15W40
APIClasseCF,CF-4,CG-4ouCI-4.Capacité:7.4litres
(7.8quartsU.S.)avecFILTREÀHUILEMOTEUR(5D).
Alignerleniveaud’huilesur le repère supérieur de la
JAUGED’HUILEMOTEUR(5B).SeservirduROBINET
DE VIDANGE D’HUILE MOTEUR (3-1I, 3-2I) pour
vidangerl’huilemoteur.Procédercommesuit:
•RetirerleDISQUEENDIAMANT(2E),puisabaisserla
sciejusqu’enpositionhorizontale.
•Ouvrir et maintenir en place le CAPOT DU
MOTEUR(6E).
•Placeruncontenant,assezgrandpourcontenirtoute
l’huileusée,prèsdel’extrémitéduexibledevidange.
OuvrirleROBINETDEVIDANGED’HUILEMOTEUR
(3-1I,3-2I)et laisser l’huile usée s’écouler dans le
contenant.Mettreau rebut de façon écologique
l’huile à moteur usée. Bien fermer le ROBINET DE
VIDANGED’HUILEMOTEUR(3-1I,3-2I).Remplirle
moteurd’huilerecommandéejusqu’àcequeleniveau
d’huile atteigne le repère supérieur de la JAUGE
D’HUILEMOTEUR(5B).
LUBRIFIER TOUTES LES 100 HEURES :
•Crapaudinesd’essieuavant(4C)
LUBRIFIER TOUTES LES 250 HEURES :
•Jointsd’étanchéitéetroulements(4A)d’axedudisque,
2coupsdepompeseulement
CIRCUIT HYDRAULIQUE :
Consulterlasection12«Circuithydraulique».
BOÎTE DE TRANSMISSION DU MOTEUR
(3-1A, 3-2A):
•C hanger l’hui le toutes les 50 0 heures de
fonctionnement.UtiliserlelubriantsynthétiqueSAE
75W90pourengrenages.
NEPASTROPREMPLIR! Neremplirque jusqu’au
«portdecontrôle»,and’éviterundébordement.
BOÎTE DE TRANSMISSION DU MOTEUR à une
seule vitesse (3-1A) : Capacité : 0,946 litre (32 oz
US)d’huile.
BOÎTE DE TRANSMISSION DU MOTEUR à trois
vitesses (3-2A) :Capacité:1,77litre(60ozUS)d’huile
•Vidanger l’eau de refroidissement par le robinetde
vidanged’eau(3-1C,3-2C)and’éviterlarouilleetles
dégâtsdusaugel(touslesjours).
CIRCUIT DE REFROIDISSEMENT :
Leliquidederefroidissementdumoteurestunmélange
àvolumeségaux(50/50)d’eauetd’antigel.Consulterle
manueldumoteurpourconnaîtreletypedeliquidede
refroidissementrecommandé.

91
11 Tension des courroies trapézoïdales
de l’axe du disque
(Voirlesgures1à3)
Cette scie est équipée de courroies trapézoïdales
en bande à forte tension. Elles sont correctement
tendues en usine, mais après quelques heures de
fonctionnement,ellessedétendentetdeviennentlâches.
Retendrelescourroiescommeindiquéci-dessous.
Pour tendre les courroies trapézoïdales :
•Tourner le CONTACTEUR DE DÉMARRAGE DU
MOTEUR(1H)àlaposition«0»(ARRÊT).
•OuvrirleCAPOTDUMOTEUR(6E)enfaisantpivoter
lesdeux (2)LOQUETSDUCAPOT(3-1D,3-2D) de
180degrés danslesensinverse desaiguillesd’une
montre.SurlesmodèlesCEeuropéens,untournevis
ouautreoutildoitêtreutilisépourouvrircesloquets.
SouleverleCAPOTDUMOTEUR(6E)etlemaintenir
enpositionàl’aideduSUPPORTDUCAPOT(6H).
•Àl’aidedelaCLÉD’AXEDEDISQUE(2J),desserrer
lesboulonsdeserragehorizontaux(3K),àl’avantde
lamachine.
•Tourner DANS LE SENS DES AIGUILLES D’UNE
MONTRE chacun des deux (2) BOULONS DE
TENSION DE COURROIE verticaux (3-1J, 3-2J),
(à l’avant de la machine, sous la BOÎTE DE
TRANSMISSIONDUMOTEUR[3-1A,3-2A]),jusqu’à
ce que les COURROIES TRAPÉZOÏDALES (3-1M,
3-2M)soienttendues.
•RemplacerlesCOURROIESTRAPÉZOÏDALES(3-1M,
3-2M)parjeuxcompletsseulement.
•Pourunetensionoptimaledescourroiestrapézoïdales,
utiliser les bandes Goodyear TensionRite™, numéro
de pièce 542 19 13-68. Ces bandes TensionRite™
sont fournies avec les courroies achetées chez
votreconcessionnaire.
•NejamaistendrelesCOURROIESTRAPÉZOÏDALES
(3-1M,3-2M)àunetensionsupérieureàcelled’origine
del’usine.Conséquencedecourroiesdétendues:une
duréedevieécourtéeetdemédiocresperformances
delascie.
Remplacer et garder à leur place toutes les
protections et tous les écrans. Ne jamais
faire fonctionner la scie sans les protections
et les écrans en place.
•Nettoyerl’ÉLÉMENTDUFILTREÀAIRDURADIATEUR
(1DD) toutes les 50 heures ou lorsque nécessaire ;
le remplacer s’il est endommagé. Toujours laisser
l’ÉLÉMENTDUFILTREÀAIRDURADIATEUR(1DD)
àsaplace.
•Vérierquelesexiblesnesontpasendommagéset
quelescollierssontserrés.Serrerouremplacerselon
lebesoin.
•Vérier chaque année la protection contre le gel du
liquidederefroidissement.
•Rincer et nettoyer le radiateur et le circuit de
refroidissementtoutesles500heures.
•Maintenir le niveau du liquide de refroidissement à
aumoins1/4delaBOUTEILLEDETROP-PLEINDU
RADIATEUR(1Y)lorsquelemoteurestfrais.
FILTRE À AIR :
•Nettoyerl’élémentextérieur(5A)dultreàairlorsque
lesignalrougedel’INDICATEURDECOLMATAGEDU
FILTREÀAIR(1N)apparaît.NEPASnettoyerl’élément
intérieurdesécurité(5A)!
Pourchangerounettoyerl’élémentdultreàair:
•Sortirleboîtierdultreàair(5A)enouvrantlesdeux
(2)colliersdeserrageduboîtierdultre,etentirant
surleboîtier.
•Sortir l’élément extérieur du boîtier du ltre à air et
leremplaceroulenettoyeràl’aircompriméàbasse
pression(2,75barres[40psi]–MAXIMUM),ensoufant
l’air de l’intérieur vers l’extérieur. NE PAS nettoyer
l’élémentdultreenletapantsurlesolousurd’autres
objetscarcelal’endommagerait!
•Installerl’élémentextérieurnettoyé,ouunnouvelélément
extérieur,enlepoussantdansleboîtierdultre.
•Remettreleboîtierdultreàair(5A)enplaceetfermer
lesdeux(2)colliersdeserrage(5A)duboîtier.
Les deux (2) colliers de serrage (5A) du boîtier
du ltre NE PEUVENT se fermer que si l’élément
extérieur est installé correctement.
•Remplacerl’élémentintérieurdesécuritéunefoispar
anous’ilestendommagé.
•Remplacertoutltreoutoutjointendommagé.
•Vérierquelesexiblesnesontpasendommagéset
quelescollierssontserrés.Serrerouremplacerselon
lebesoin.
ROUES ET MOYEUX :
•Vérierquel’usuren’estpasexcessiveetqu’ilsnesont
pasdesserrés.Serrerouremplacerselonlebesoin.
FILTRE À CARBURANT :
•Remplacerleltreàcarburantvissable(5F)toutesles
500heures.

92
12 Circuit hydraulique
(Voir les gures 1 à 6)
Le circuit hydraulique de cette scie sert à RELEVER/
ABAISSER le DISQUE EN DIAMANT (2E) et à
propulserlamachineVERSL’AVANTetVERSL’ARRIÈRE.
Le circuit hydraulique comprend : la POMPE DE
TRANSMISSION HYDROSTATIQUE (6K), deux (2)
MOTEURSHYDRAULIQUESDEROUES(4F),leFILTRE
À FLUIDE HYDRAULIQUE (5K), la POMPE DE
RELEVAGE C.C. (5H), le RÉSERVOIR D’HUILE
HYDRAULIQUE (5J), le BOUTON DE COMMANDE
DEVITESSED’ABAISSEMENTDELASCIE(1U)etle
VÉRINDERELEVAGEHYDRAULIQUE(4G).
•LeFILTREHYDRAULIQUE(5K)doitêtrechangéaprès
les50premièresheuresdefonctionnement,puistoutes
les250heures.RemplirleFILTREHYDRAULIQUE(5K)
neufd’huilemoteurSAE10W30avantl’installation.
•Vérifier régulièrement le niveau d’HUILE
HYDRAULIQUEDANSLERÉSERVOIR(5J).Maintenir
leniveauetutiliserdel’huilemoteurSAE10W30.NE
PAS TROP REMPLIR ; vérier le niveau quand la
scie est horizontale. Remplir le réservoir jusqu’à
la partie inférieure du port du RÉSERVOIR
HYDRAULIQUE(5I).
•Changer le uide hydrauliquetoutesles500 heures
de fonctionnement. Remplir le RÉSERVOIR
D’HUILE HYDRAULIQUE (5I, 5J) avec environ
2,36 litres (2,5 quarts U.S.) d’huile SAE 10W30.
NE PAS TROP REMPLIR ! Vérier le niveau quand
la scie est horizontale. Remplir le réservoir
jusqu’à la partie inférieure du port du RÉSERVOIR
HYDRAULIQUE(5I).
•Lavitessed’abaissementdelasciepeutêtrerégléeà
l’aideduBOUTONDECOMMANDEDELAVITESSE
D’ABAISSEMENT DE LA SCIE (1U) situé à l’arrière
delascie.Silasciedescendtroprapidement,tourner
le BOUTON DE COMMANDE DE LA VITESSE
D’ABAISSEMENTDELASCIE(1U)DANSLESENS
DESAIGUILLESD’UNEMONTRE,jusqu’àcequela
vitesseadéquatesoitobtenue.
13 Conseil important
(Voir les gures 2 et 3)
•Serrerrégulièrementlesécrousetboulonsdesserrés,
surtoutaprèsquelquesheuresdefonctionnement.
•Vérifier régulièrement la tension des courroies
trapézoïdales(3-1M,3-2M).RetendrelesCOURROIES
TRAPÉZOÏDALES(3-1M,3-2M)selonlebesoin.
•RetirerleDISQUEENDIAMANT(2E)pourl’entreposer.
Lerangeravecprécaution.
•Vérier périodiquement la pulvérisation d’eau sur le
DISQUEENDIAMANT(2E).
•SerrerleDISQUEENDIAMANT(2E)fermementsurle
MANDRINDUFLASQUEEXTÉRIEUR(2C).
•Vérifier que les faces de contact des FLASQUES
(2B&2F),duDISQUEENDIAMANT(2E)etd’AXEDU
DISQUE(2I)sontpropres.
Entreposer le matériel dans un lieu sûr,
hors de la portée des enfants. Retirer tous
les outils et clés de réglage. Ranger l’outil
en diamant dans un lieu sûr pour qu’il ne
soit pas abîmé.
14 Moteur / Axe de disque / Réglage du
régime de la boîte de transmission
(Voir les gures 1 à 6)
L’opérateur et les personnes se trouvant
dans la zone de travail risquent de subir de
graves blessures si la vitesse de rotation (tr/
min) du DISQUE EN DIAMANT (2E) dépasse
la vitesse maximum (tr/min) marquée sur le
DISQUE EN DIAMANT.
RÉGIME MOTEUR :
Le régime moteur de cette machine a été établi en
usineetn’apasbesoind’êtremodié.Lerégimemoteur
maximumdoitêtrede3250tr/min,sanscharge.
VITESSE DE L’AXE DU DISQUE :
Bienvérifier la vitesse de l’axe dudisque de cette
machine avant d’y installer le DISQUE EN DIAMANT
(2E).NejamaisinstallerunDISQUEENDIAMANT(2E)
silavitessederotationdel’axedudisque(tr/min)dela
machineestsupérieureàlavitessemaximum(tr/min)
indiquéesurleDISQUEENDIAMANT(2E)!Ilpeutêtre
nécessairedechangerlaPOULIED’AXEDUDISQUE
(3-1N, 3-2N) et le FLASQUE D’AXE DU DISQUE
(2B&2F)silediamètredudisqueendiamantestchangé!
BOÎTE DE TRANSMISSION À UNE SEULE VITESSE :
Chaquemodèledescietelquelivréd’usineestconçu
pourutiliseruneplagespéciquedetaillesdedisquesen
letirantjusqu’à.Siunetaillededisquehorsdelaplage
spéciéepourlemodèledoitêtreutilisée,laconguration
de l’entraînement de la scie doit être changée. Par
exemple:Sil’onpassed’unepetitetailledeDISQUEEN
DIAMANT(2E)àunetrèsgrandetaillesurunemachine
munied’uneboîtedetransmissionàuneseulevitesse,
les poulies (3-1L) d’axe de disque, les poulies (3-1N)
deboîtedetransmissionetlesFLASQUESD’AXEDE
DISQUE(2B&2F)etlesprotectionsdedisquedoivent
êtrechangés).
Par exemple, pourpasserd’unentraînementde350mm
(14po)àunentraînementde900mm(36po)surune
boîtedetransmissionàuneseulevitesse:
1.Changerlapouliedeboîtedetransmissiondumoteur
d’undiamètrede152mm(6po)à88,9mm(3,50po).
2.Changerlapoulied’axededisqued’undiamètrede
114,3mm(4,12po)à142,2mm(5,60po).
3.Changer les asques de disque d’un diamètre de
114,3mm(4,50po)à152mm(6po).

93
4.Changer la PROTECTION DE DISQUE (2H) de
350mm(14po)à900mm(36po).
5.Lerégimemoteurnechangepas.
Consulterlesinformationsspéciquesdestableauxde
conversiondestaillesdedisque.
MODÈLE DOTÉ D’UNE BOÎTE DE TRANSMISSION À
TROIS VITESSES (14-26, 18-30, 20-36):
ATTENTION : Ne jamais changer de vitesse
(3-2A) lorsque le moteur tourne ! Ne changer
de vitesse (3-2A) que lorsque le moteur est
ARRÊTÉ ! La boîte de transmission pourrait
être endommagée.
Voiràlarubrique«LEVIERDEVITESSEDELABOÎTE
DETRANSMISSION(3-2O)lesdétailsdufonctionnement
dulevierdevitesse.
Bienqu’elleaitétéconçuepourminimiserlesréglages
requis par les changements de taille de disque, une
machine dotée d’une BOÎTE DE TRANSMISSION
À TROIS VITESSES (3-2A) installée en usine peut
nécessitercertains réglages. La machine est conçue
pourfonctionnerdanslaplagespéciéepourlestailles
desdisques se trouvant à l’intérieur de laprotection
installéeenusine.Lesinformationscodéescouleurse
trouvantsurlamachineetcellesdumanuelindiquentles
taillesdedisquepermisesenfonctiondelaconguration
actuelle de l’entraînement de la machine. Il existe
trois(3)congurationsd’entraînementdelamachine:
a)14-26pourlesdisquesde350à650mm(14à26po),
b)18-30pourlesdisquesde450à750mm(18à30po),
c)20-36pourlesdisquesde500à900mm(20à36po).
Parexemple,pourinstallerundisquedetailledifférente
sur l’entraînement d’une machine de configuration
18-30danslaplage450à750mm(18à30po),ilsuft
d’amenerle LEVIER DE VITESSE DE LA BOÎTE DE
TRANSMISSION(3-2O)àlapositioncorrecte(1,2ou
3).Silataillededisquerequiseesthorsdelaplagede
congurationdel’entraînementdelamachine[danscet
exemple,endessousde450mm(18po)ouau-dessusde
750mm(30po)],lacongurationdoitêtremodiée.Pour
cela,ilpeutêtrenécessairededéplacerleLEVIERDE
VITESSEDELABOÎTEDETRANSMISSION(3-2O),de
changerLESPOULIESDEL’AXEDEDISQUE(3-2L),les
POULIESDELABOÎTEDETRANSMISSION(3-2N)et
lesFLASQUESDEL’ARBREDEDISQUE(2Bet2F).
Exemple:Pourpasserd’unentraînementde500mm
(20po)àunentraînementde900mm(36po)surune
boîtedetransmissionàtroisvitesses,déterminerd’abord
lacongurationdel’entraînementdelamachine(14-26,
18-30ou20-36).Elledevraitcorrespondreaudiamètre
duFLASQUEDEL’AXEDEDISQUE(2Bet2F)installé
surlascie.
Si la conguration de l’entraînement de la machine
est 20-36, le diamètre du FLASQUE (2B et 2F) devrait
être de 152 mm (6 po) :
a)Vérierquedespouliesdediamètreappropriésont
installées (Consulter les informations spéciques des
tableauxdeconversiondestaillesdedisque).
b)FairepasserleLEVIERDEVITESSEDELABOÎTE
DETRANSMISSION(3-2O)de3à1.
c)Vérierquelacongurationdel’entraînementdela
machineetlavitessedel’axedudisquesontconformes
aux informations contenues dans le manuel et sur
l’autocollant«Plagedelaboîtedetransmission».
Si la conguration de l’entraînement de la machine
est 18-30, le diamètre du FLASQUE (2B et 2F) devrait
être de 127 mm (5,00 po) :
a)Changer le diamètre de laPOULIEDE L’AXE DE
DISQUEde114,3mm(4,50po)à132mm(5,20po).
b) Changer le diamètre du FLASQUE DE L’AXE DE
DISQUEde127mm(5po)à152mm(6po).
c)FairepasserleLEVIERDEVITESSEDELABOÎTE
DETRANSMISSION(3-2O)de2à1.
d)Vérierquelacongurationdel’entraînementdela
machineetlavitessedel’axededisquesontconformes
auxinformationssurlacongurationdel’entraînement
20-36gurantdanslemanuel.
e)Installerlesautocollantsdecongurationd’entraînement
20-36 (autocollants 542 19 06-00, 542 20 65-46, 542
20 65-49 requis) De plus amples informations se
trouventàlapage«Autocollantsetemplacements»de
cemanuel.
Si la conguration de l’entraînement de la machine
est 14-26, le diamètre du FLASQUE (2B et 2F) devrait
être de 114,3 mm (4,50 po) :
a)Changer le diamètre de laPOULIEDE L’AXE DE
DISQUEde105mm(4,12po)à132mm(5,20po).
b) Changer le diamètre du FLASQUE DE L’AXE DE
DISQUEde114,3mm(4,50po)à152mm(6po).
c)ChangerlediamètredelaPOULIEDELABOÎTEDE
TRANSMISSIONDUMOTEURde114,3mm(4,50po)
à105mm(4,12po).
d)FairepasserleLEVIERDEVITESSEDELABOÎTE
DETRANSMISSION(3-2O)de2à1.
e)Vérierquelacongurationdel’entraînementdela
machineetlavitessedel’axededisquesontconformes
auxinformationssurlacongurationdel’entraînement
20-36gurantdanslemanuel.
f)Installerlesautocollantsdecongurationd’entraînement
20-36(autocollants5421906-00,5422065-46,54220
65-49requis)Deplusamplesinformationssetrouventà
lapage“Autocollantsetemplacements”decemanuel.

94
16 Réparations
Nouseffectuonstouteslesréparationsdanslesdélaisles
pluscourtspossibles,auxtarifslespluséconomiques.
(Sereporter à la page de dospour les adresses et
numérosdetéléphone).Contactervotreconcessionnaire
agréépourtoutbesoind’entretienetderéparations.
17 Pièces détachées
Pour obtenir rapidement des pièces détachées et
évitertoutepertede temps,ilestessentielde fournir,
pourchaquecommande,les données se trouvant sur
laplaque du fabricant xée sur lamachine, ainsi que
le(s) numéro(s) de pièce et la (les) description(s) des
composantsàremplacer.
Veuillezvous reporteraumanuel deslistesdepièces
(5422010-83):
(Si vous n’avez pas de manuel de listes de pièces,
veuilleztéléphonerau1800288-5040auxÉtatsUnis
ou+1-913-928-1300,international).
Les instructions d’utilisation et les pièces détachées
mentionnées dans ce document gurent uniquement à
titre informatif et ne doivent pas être considérées comme
un engagement. De par notre politique d’amélioration de la
qualité des produits, nous nous réservons le droit d’effectuer
des modications techniques sans avis préalable.
Le fabricant n’accepte aucune responsabilité
pour les événements résultant d’une utilisation
inappropriée ou de modications.
15 Accessoires
KITS DE CONVERSION DES PROTECTIONS
DE DISQUE :
Utiliserlaprotectiondelatailleappropriéeàlataillededisque
endiamantutilisée.Lesprotectionsdedisquesuivantessont
disponiblespourcestaillesdedisqueendiamant:
Protection Taillesdedisque
36po(900mm) 24po-36po(600-900mm)
30po(750mm) 18po-30po(450-750mm)
26po(600mm) 14po-26po(350-650mm)
18po(450mm) 14po-18po(350-450mm)
14po(350mm) 14po(350mm)
Consulter les informations spéciques des tableaux
de conversion des tailles de disque.
KITSOPTIONNELS:
5421811-17*Kitd’éclairagedouble
Consulterlesinformationsspéciquesdestableauxde
conversiondestaillesdedisque.
AVERTISSEMENT : L’opérateur et les
personnes se trouvant dans la zone
de travail risquent de subir de graves
blessures si la vitesse de rotation (tr/min)
du DISQUE EN DIAMANT (2E) dépasse la
vitesse maximum (tr/min) marquée sur le
DISQUE EN DIAMANT (2E).
Avertissement : Le passage d’une
vitesse pourrait endommager le BOUTON
DE CRAN inférieur DE LA BOÎTE DE
TRANSMISSION (3-2P) ou la BOÎTE
DE TRANSMISSION DU MOTEUR (3-2A) à
trois vitesses !
En cas de difficulté à passer les vitesses, un léger
movementdel’axedudisquepeutfaciliterlemovement
duLEVIERDELABOÎTEDETRANSMISSION(3-2O)
VERS la position correcte. Ne jamais passer une
vitesse sur la boîte de transmission (3-2A) lorsque le
moteurtourne!
LA BOÎTE DE TRANSMISSION DU MOTEUR à trois
vitesses(3-2A)estdotéededeuxpositionsaupointmort.
Cetteboîtedevitessepeutêtremiseaupointmorts’il
fautarrêterlarotationdudisquelorsdufonctionnement
dumoteur.Silamachineestdotéedel’EMBRAYAGE
DE DISQUE (1V) en option, le COMMUTATEUR
D’EMBRAYAGEDEDISQUE(1V)peutêtredéplacéàla
position«0»(ARRÊT)pourstopperlarotationdudisque
lorsdufonctionnementdumoteur.

95
FS4800 D DIESEL - BLADE SIZE CONVERSION CHART
Blade Size Conversion: Husqvarna FS 4800, 1 Speed Gearbox Models
Convert To Size
Convert From 14” (350 mm) 18” (450 mm) 26” (600 mm) 30” (800 mm) 36” (900 mm)
14”
(350mm)
No Conversion Required;
congured:
- Blade Guard 3” Wide
Slip-On – 14”
- (1) Spade & Spacer
- (2) Bladeshaft Pulley
6G3VX4.12” OD
- (2) Engine Pulley,
6G3VX6.0” OD
- Flanges, 4.50” OD
- (4) V-Belt 3VX450
3-Band
542198163 Blade Grd 2”
Wide S/O-US
542198778 Blade Grd 3”
Wide S/O-EU
541207150 (2) G-box Pul-
ley, 6G4.75
542190416 (4) V-Belt
3VX425 4-Band
542198164 Blade Guard 3”
Wide S/O-EU
541207148 (2) G-box Pul-
ley, 6G3.5
542190416 (4) V-Belt
3VX425 4-Band
542206339 Bladeshaft
Assy 26”/30”
542198165 Blade Guard 3”
Wide S/O-EU
541207148 (2) G-box Pul-
ley, 6G3.5
542190416 (4) V-Belt
3VX425 4-Band
542206339 Bladeshaft
Assy 26”/30”
542198166 Blade Grd 3”
Wide S/O-EU
541207148 (2) G-box Pul-
ley, 6G3.5
542206301 (4) V-Belt
3VX430 4-Band
542206340 Bladeshaft
Assy 36”
542206176 Attach. Grp.
Blade Gd 36”
18”
(450mm)
541208366 Blade Guard
14”
542206342 (2) Eng Pulley
6G6.0 OD
542186048 (4) V-Belt
3VX450 4-Band
No Conversion Required;
congured:
- Blade Guard 3” Wide
Slip-On – 18”
- (1) Spade & Spacer
- (2) Bladeshaft Pulley
6G3V4.12” OD
- (2) Engine Pulley,
6G3VX4.75” OD
- Flanges, 4.50” OD
-(4) V-Belt 3VX425 3-Band
542198164 Blade Guard 3”
Wide S/O-EU
541207148 (2) G-box Pul-
ley, 6G3.5
542206339 Bladeshaft
Assy 26”/30”
542198165 Blade Guard 3”
Wide S/O-EU
541207148 (2) G-box Pul-
ley, 6G3.5
542206339 Bladeshaft
Assy 26”/30”
542198166 Blade Grd 3”
Wide S/O-EU
541207148 (2) G-box Pul-
ley, 6G3.5
542206301 (4) V-Belt
3VX430 4-Band
542206340 Bladeshaft
Assy 36”
542206176 Attach. Grp.
Blade Gd 36”
26”
(600mm)
541208366 Blade Guard
14”
542206342 (2) Eng Pulley
6G6.0 OD
542186048 (4) V-Belt
3VX450 4-Band
542206338 Bladeshaft
Assy 14”/18”
542198163 Blade Grd 2”
Wide S/O-US
542198778 Blade Grd 3”
Wide S/O-EU
541207150 (2) G-box Pul-
ley, 6G4.75”
542206338 Bladeshaft
Assy 14”/18”
No Conversion Required;
congured:
- Blade Guard 3” Wide
Slip-On – 26”
- (1) Spade & Spacer
- (2) Bladeshaft Pulley
6G3V4.75” OD
- (2) Engine Pulley,
6G3VX3.50” OD
- Flanges, 5.0” OD
- (4) V-Belt 3VX425
3-Band
542198165 Blade Guard 3”
Wide S/O-EU
542198166 Blade Guard 3”
Wide S/O-EU
542206301 (4) V-Belt
3VX430 4-Band
542206340 Bladeshaft
Assy 36”
542206176 Attach. Grp.
Blade Gd 36”
30”
(800mm)
541208366 Blade Guard
14”
542206342 (2) Eng Pulley
6G6.0 OD
542186048 (4) V-Belt
3VX450 4-Band
542206338 Bladeshaft
Assy 14”
542198163 Blade Grd 2”
Wide S/O-US
542198778 Blade Grd 3”
Wide S/O-EU
541207150 (2) G-box Pul-
ley, 6G4.75
542206338 Bladeshaft
Assy 14”/18”
542198164 Blade Guard 3”
Wide S/O-EU
No Conversion Required;
congured:
- Blade Guard 3” Wide
Slip-On – 30”
- (1) Spade & Spacer
- (2) Bladeshaft Pulley
6G3V4.75” OD
- (2) Engine Pulley,
6G3V3.5” OD
- Flanges, 5.0” OD
- (4) V-Belt 3VX425
3-Band
542198166 Blade Grd 3”
Wide S/O-EU
542206301 (4) V-Belt
3VX430 4-Band
542206340 Bladeshaft
Assy 36”
542206176 Attach. Grp.
Blade Gd 36”
36”
(900mm)
541208366 Blade Guard
14”
542206342 (2) Eng
Pulley 6G6.0 OD
542186048 (4)
V-Belt 3VX450 4-Band
542206338 Bladeshaft
Assy 14”
Remove Narrow Rear
Spade
542198163 Blade Grd 2”
Wide S/O-US
542198778 Blade Grd 3”
Wide S/O-EU
541207150 (2) G-box Pul-
ley, 6G4.75
542206338 Bladeshaft
Assy 14”/18” 542190416
(4) V-Belt 3VX425 4-Band
Remove Narrow Rear
Spade
542198164 Blade Guard 3”
Wide S/O-EU
541207148 (2) G-box Pul-
ley, 6G3.5
542190416 (4) V-Belt
3VX425 4-Band
542206339 Bladeshaft
Assy 26”/30” Remove Nar-
row Rear Spade
542198165 Blade Guard 3”
Wide S/O-EU
542190416 (4) V-Belt
3VX425 4-Band
542206339 Bladeshaft
Assy 26”/30” Remove Nar-
row Rear Spade
No Conversion Required;
congured:
- Blade Guard 3” Wide
Slip-On – 36”
- (2) Spade & Spacer
- (2) Bladeshaft Pulley
6G3V5.6” OD
- (2) Engine Pulley,
6G3V3.5” OD
- Flanges, 6.0” OD
- (4) V-Belt 3VX430
3-Band

96
FS4800 D DIESEL - BLADE SIZE CONVERSION CHART
Blade Size Conversion: Husqvarna FS 4800, 3 Speed Gearbox Models
Convert To Size
Convert
From
14-26”
(350-650mm)
4 ½” (115mm) Flange
14-30”
(350-850mm)
5” (125mm) Flange
18-36”
(450-900mm)
6” (150mm) Flange
14-26”
(350-
650mm)
4 ½”
(115mm)
Flange
No Conversion Required; congured:
- Blade Guard 3” Wide Slip-On – 26”
- (1) Spade & Spacer
- (2) Bladeshaft Pulley 6G3VX4.12” OD
- (2) Engine Pulley, 6G3VX4.5” OD
- Flanges, 4.50” OD
- (4) V-Belt 3VX520 3-Band
542198165 Blade Guard 3” Wide S/O-
541207146 (2) G-box Pulley, 6G4.12
542206379 Bladeshaft Assy 5” Flange
542198166 Blade Guard 3” Wide S/O-
541207146 (2) G-box Pulley, 6G4.12
541200848 (4) V-Belt 3VX530 3-Band
542206380 Bladeshaft Assy 6” Flange
542206176 Attach. Grp. Blade Gd 36”
14-30”
(350-
850mm)
5”
(125mm)
Flange
542198164 Blade Guard 3” Wide S/O-EU
542207149 (2) Eng Pulley 6G4.5 OD
542206382 Bladeshaft Assy 4.5” Flange
No Conversion Required; congured:
- Blade Guard 3” Wide Slip-On – 30”
- (1) Spade & Spacer
- (2) Bladeshaft Pulley 6G3V4.50” OD
- (2) Engine Pulley, 6G3VX4.12” OD
- Flanges, 5.0” OD
-(4) V-Belt 3VX520 3-Band
542198166 Blade Guard 3” Wide S/O
542206380 Bladeshaft Assy 6” Flange
541200848 (4) V-Belt 3VX530 3-Band
542206176 Attach. Grp. Blade Gd 36”
18-36”
(450-
900mm)
6”
(150mm)
Flange
542198164 Blade Guard 14”
542207149 (2) Eng Pulley 6G4.5 OD
542186048 (4) V-Belt 3VX520 3-Band
542206382 Bladeshaft Assy 4.5” Flange
542198165 Blade Guard 3” Wide S/O-
542206379 Bladeshaft Assy 5” Flange
542186048 (4) V-Belt 3VX520 3-Band
No Conversion Required; congured:
- Blade Guard 3” Wide Slip-On – 36”
- (1) Spade & Spacer
- (2) Bladeshaft Pulley 6G3V5.20” OD
- (2) Engine Pulley, 6G3VX4.12” OD
- Flanges, 6.0” OD
- (4) V-Belt 3VX530 3-Band

97
FS4800 D DIESEL - TABLA DE CONVERSIONES DE TAMAÑOS DE LA
Conversión de tamaños de hojas: Modelos Husqvarna FS 4800 de caja de marchas de 1 velocidad
Convertir al tamaño
Convertir de 14” (350 mm) 18” (450 mm) 26” (600 mm) 30” (800 mm) 36” (900 mm)
14”
(350mm)
No requiere conversión;
congurada con:
- Protector de hoja de 3”
de ancho – 14”
- (1) Pala y espaciador
- (2) Polea de eje de hoja
6G3VX4.12” de DE
- (2) Polea de motor,
6G3VX6.0” de DE
- Bridas de 4.50” de DE
- (4) Correa trapecial de 3
bandas 3VX450
Protector de hoja desli-
zante de 2” de ancho para
EE.UU. 542198163
Protector de hoja desli-
zante de 3” de ancho para
la UE 542198778
(2) Polea de caja de mar-
chas 541207150, 6G4.75
(4) Correa trapecial
3VX425 de 4 bandas
542190416
Protector de hoja desli-
zante de 3” de ancho para
la UE 542198164
(2) Polea de caja de mar-
chas 6G3.5 541207148
(4) Correa trapecial
de 4 bandas 3VX425
542190416
Conj. de eje de hoja de
26”/30” 542206339
Protector de hoja desli-
zante de 3” de ancho para
la UE 542198165
(2) Polea de caja de mar-
chas 6G3.5 541207148
(4) Correa trapecial
de 4 bandas 3VX425
542190416
Conj. de eje de hoja de
26”/30” 542206339
Protector de hoja desli-
zante de 3” de ancho para
la UE 542198166
(2) Polea de caja de mar-
chas 6G3.5 541207148
(4) Correa trapecial
de 4 bandas 3VX430
542206301
Conj. de eje de hoja de 36”
542206340
Grupo accesorio para
protector de hoja de 36”
542206176
18”
(450mm)
Protector de hoja
541208366 de 14”
(2) Polea de motor 6G6.0
de DE 542206342
(4) Correa trapecial de 4
bandas 542186048
No requiere conversión;
congurada con:
- Protector de hoja desli-
zante de 3” de ancho – 18”
- (1) Pala y espaciador
- (2) Polea de eje de hoja
6G3V4.12” de DE
- (2) Polea de motor
6G3VX4.75” de DE
- Bridas de 4.50” de DE
-(4) Correa trapecial de 3
bandas 3VX425
Protector de hoja desli-
zante de 3” de ancho para
la UE 542198164
(2) Polea de caja de mar-
chas 6G3.5 541207148
Conj. de eje de hoja de
26”/30” 542206339
Protector de hoja desli-
zante de 3” de ancho para
la UE 542198165
(2) Polea de caja de mar-
chas 6G3.5 541207148
Conj. de eje de hoja de
26”/30” 542206339
Protector de hoja desli-
zante de 3” de ancho para
la UE 542198166
(2) Polea de caja de mar-
chas 6G3.5 541207148
(4) Correa trapecial
de 4 bandas 3VX430
542206301
Conj. de eje de hoja de 36”
542206340
Grupo accesorio de
protector de hoja de 36”
542206176
26”
(600mm)
Protector de hoja de 14”
541208366
(2) Polea de motor 6G6.0
de DE 542206342
(4) Correa trapecial
de 4 bandas 3VX450
542186048
Conj. de eje de hoja de
14”/18” 542206338
Protector de hoja desli-
zante de 2” de ancho para
EE.UU. 542198163
Protector de hoja desli-
zante de 3” de ancho para
la UE 542198778
(2) Polea de caja de mar-
chas 6G4.75” 541207150
Conj. de eje de hoja de
14”/18” 542206338
No requiere conversión;
congurada con:
- Protector de hoja desli-
zante de 3” de ancho – 26”
- (1) Pala y espaciador
- (2) Polea de eje de hoja
6G3V4.75” de DE
- (2) Polea de motor
6G3VX3.50” de DE
- Bridas de 5.0” de DE
- (4) Correa trapecial de 3
bandas 3VX425
Protector de hoja desli-
zante de 3” de ancho para
la UE 542198165
Protector de hoja desli-
zante de 3” de ancho para
la UE 542198166
(4) Correa trapecial
de 4 bandas 3VX430
542206301
Conj. de eje de hoja de 36”
542206340
Grupo accesorio para
protector de hoja de 36”
542206176
30”
(800mm)
Protector de hoja de 14”
541208366
(2) Polea de motor 6G6.0
de DE 542206342
(4) Correa trapecial
de 4 bandas 3VX450
542186048
Conj. de eje de hoja de 14”
542206338
Protector de hoja desli-
zante de 2” de ancho para
EE.UU. 542198163
Protector de hoja desli-
zante de 3” de ancho para
la UE 542198778
(2) Polea de caja de mar-
cha 6G4.75 541207150
Conj. de eje de hoja de
14”/18” 542206338
Protector de hoja desli-
zante de 3” de ancho para
la UE 542198164
No se necesita conversión;
congurada con:
- Protector de hoja desli-
zante de 3” ancho – 30”
- (1) Pala y espaciador
- (2) Polea de eje de hoja
6G3V4.75” de DE
- (2) Polea de motor
6G3V3.5” de DE
- Bridas de 5.0” de DE
- (4) Correa trapecial de 3
bandas 3VX425
Protector de hoja desli-
zante de 3” de ancho para
la UE 542198166
(4) Correa trapecial
de 4 bandas 3VX430
542206301
Conj. de eje de hoja de 36”
542206340
Grupo accesorio de
protector de hoja de 36”
542206176
36”
(900mm)
Protector de hoja
541208366 de 14”
Polea de motor (2)
542206342 6G6.0 de
DE (4)
Correa trapecial de 4 ban-
das 3VX450 542186048
Conj. de eje de hoja de 14”
542206338
Quite pala trasera estrecha
Protector de hoja desli-
zante de 2” de ancho para
EE.UU. 542198163
Protector de hoja desli-
zante de 3” de ancho para
la UE 542198778
(2) Polea de caja de mar-
chas 6G4.75 541207150
Conj. de eje de hoja de
14”/18” 542206338
(4) Correa trapecial
de 4 bandas 3VX425
542190416
Quite pala trasera estrecha
Protector de hoja desli-
zante de 3” de ancho para
la UE 542198164
(2) Polea de caja de mar-
chas 6G3.5 541207148
(4) Correa trapecial
de 4 bandas 3VX425
542190416
Conj. de eje de hoja de
26”/30” 542206339
Quite pala trasera estrecha
Protector de hoja desli-
zante de 3” de ancho para
la UE 542198165
(4) Correa trapecial
de 4 bandas 3VX425
542190416
Conj. de eje de hoja de
26”/30” 542206339
Quite pala trasera estrecha
No se necesita conversión;
congurada con:
- Protector de hoja desli-
zante de 3” de ancho – 36”
- (2) Pala y espaciador
- (2) Polea de eje de hoja
6G3V5.6” de DE
- (2) Polea de motor
6G3V3.5” de DE
- Bridas de 6.0” de DE
- (4) Correa trapecial de 3
bandas 3VX430

98
FS4800 D DIESEL - TABLA DE CONVERSIONES DE TAMAÑOS DE LA
Conversión de tamaños de hojas: Modelos Husqvarna FS 4800 con caja de marchas de 3 velocidades
Convertir al tamaño
Convertir de 14-26” (350-650 mm)
Brida de 4 ½” (115 mm)
14-30” (350-850 mm)
Brida de 5” (125 mm)
18-36” (450-900 mm)
Brida de 6” (150 mm)
14-26”
(350-650 mm)
Brida de 4
½” (115 mm)
No se necesita conversión; congurada con:
- Protector de hoja deslizante de 3” de ancho
– 26”
- (1) Pala y espaciador
- (2) Polea de eje de hoja 6G3VX4.12” de DE
- (2) Polea de motor , 6G3VX4.5” de DE
- Bridas de 4.50” de DE
- (4) Correa trapecial de 3 bandas 3VX520
Protector de hoja deslizante de 3” de ancho
542198165
(2) Polea de caja de marchas 6G4.12
541207146
Brida de 5” de conj. de eje de hoja 542206379
Protector de hoja deslizante de 3” de ancho
542198166
(2) Polea de caja de marchas 6G4.12
541207146
(4) Correa trapecial de 3 bandas 3VX530
541200848
Brida de 6” de conj. de eje de hoja 542206380
Grupo accesorio de protector de hoja de 36”
542206176
14-30”
(350-850 mm)
Brida de 5”
(125 mm)
Protector de hoja deslizante de 3” de ancho
para la UE 542198164
(2) Polea de motor 6G4.5 de DE 542207149
Brida de 4,5” de conj. de eje de hoja
542206382
No se necesita conversión; congurada con:
- Protector de hoja deslizante de 3” de ancho
– 30”
- (1) Pala y espaciador
- (2) Polea del eje de la hoja 6G3V4.50” de DE
- (2) Polea del motor 6G3VX4.12” de DE
- Bridas de 5,0” de DE
- (4) Correa trapecial de 3 bandas 3VX520
Protector de hoja deslizante de 3” de ancho
542198166
Brida de 6” de conj. de eje de hoja 542206380
(4) Correa trapecial 3VX530 de 3 bandas
541200848
Grupo accesorio de protector de hoja de 36”
542206176
18-36”
(450-900 mm)
Brida de 6”
(150 mm)
Protector de hoja de 14” 542198164
(2) Polea de motor 6G4.5 de DE 542207149
(4) Correa trapecial de 3 bandas 3VX520
542186048
Brida de 4,5” de conj. de eje de hoja
542206382
Protector de hoja deslizante de 3” de ancho
542198165
Brida de 5” del conj. de eje de hoja 542206379
(4) Correa trapecial de 3 bandas 3VX520
542186048
No se necesita conversión; congurada con:
- Protector de hoja deslizante de 3” de ancho
– 36”
- (1) Pala y espaciador
- (2) Pole de eje de hoja 6G3V5.20” de DE
- (2) Polea de motor 6G3VX4.12” de DE
- Bridas de 6.0” de DE
- (4) Correa trapecial de 3 bandas 3VX530

99
FS4800 D DIESEL – TABLEAU DE CONVERSION DE TAILLE DE DISQUE
Conversion des tailles de disques : Husqvarna FS 4800, boîte de transmission à 1 vitesse
jusqu’à la taille:
Depuis la
taille 350mm (14po) 450mm (18po) 600mm (26po) 800mm (30po) 900mm (36po)
350mm
(14po)
Aucune conversion requise;
conguration :
- Protection de disque,
amovible 76mm (3po) :
350mm (14po)
- (1) bride & entretoise
- (2) poulie de l’axe
de disque 6G3VX4.12
(DE:105mm)
- (2) poulie du moteur,
6G3VX6.0 (DE :150mm)
- Flasques DE :115mm
(4,5po)
- (4) courroie trapézoïdale
3VX450 3 bandes
542198163 Protection de
disque 50mm (2po) de
large, amovible-US
542198778 Protection de
disque 76mm (3po) de
large, amovible-UE
541207150 (2) Poulie de
boîte de transm., 6G4.75
(120mm)
542190416 (4) courroie
trapézoïdale 3VX425 4
bandes
542198164 Protection de
disque 76mm (3po) de
large, amovible-UE
541207148 (2) Poulie de
boîte de transm., 6G3.5
542190416 (4) courroie
trapézoïdale 3VX425 4
bandes
542206339 Axe de disque
600mm/800mm (26po/
30po)
542198165 Protection de
disque 76mm (3po) de
large, amovible-UE
541207148 (2) Poulie de
boîte de transm., 6G3.5
542190416 (4) courroie
trapézoïdale 3VX425 4
bandes
542206339 Axe de disque
600mm/800mm (26po/
30po)
542198166 Protection de
disque 76mm (3po) de
large, amovible-UE
541207148 (2) Poulie de
boîte de transm., 6G3.5
542206301 (4) courroie
trapézoïdale 3VX430 4
bandes
542206340 Axe de disque
900mm (36po)
542206176 Protection de
disque, groupe accessoires
900mm (36po)
450 mm
(18 po)
541208366 Protection de
disque 350mm (14po)
542206342 (2) Poulie du
moteur 6G6.0 DE
542186048 (4) courroie
trapézoïdale 3VX450 4
bandes
Aucune conversion requise;
conguration :
- Protection de disque
amovible 76mm (3po) de
large : 450mm (18po)
- (1) bride & entretoise
- (2) poulie de l’axe de
disque 6G3V4.12po
(DE:105mm)
- (2) poulie du moteur,
6G3VX4,75po (DE:120mm)
- Flasques, DE:115mm
(4,5po)
- (4) courroie trapézoïdale
3VX425 3 bandes
542198164 Protection de
disque 76mm (3po) de
large, amovible-UE
541207148 (2) Poulie de
boîte de transm., 6G3.5
542206339 Axe de disque
600mm/800mm (26po/
30po)
542198165 Protection de
disque 76mm (3po) de
large, amovible-UE
541207148 (2) Poulie de
boîte de transm., 6G3.5
542206339 Axe de disque
600mm/800mm (26po/
30po)
542198166 Protection de
disque 76mm (3po) de
large, amovible-UE
541207148 (2) Poulie de
boîte de transm., 6G3.5
542206301 (4) courroie
trapézoïdale 3VX430 4
bandes
542206340 Axe de disque
900mm (36po)
542206176 Protection de
disque, groupe accessoires
900mm (36po)
600 mm
(26 po)
541208366 Protection de
disque 350mm (14po)
542206342 (2) Poulie du
moteur 6G6.0 DE
542186048 (4) courroie
trapézoïdale 3VX425 4
bandes
542206338 Axe de
disque 350mm/450mm
(14po/18po)
542198163 Protection de
disque 50mm (2po) de
large, amovible-US
542198778 Protection de
disque 76mm (3po) de
large, amovible-UE
541207150 (2) Poulie de
boîte de transm., 6G4.75
(120mm)
542206338 Axe de disque
350mm/450mm (14po/
18po)
Aucune conversion requise;
conguration :
- Protection de disque
amovible 76mm (3po) :
600mm (26po)
- (1) bride & entretoise
- (2) poulie de l’axe de
disque 6G3V4.75 (DE :
120mm )
- (2) poulie du moteur,
6G3VX3.50 (DE:90mm)
- Flasques, DE:125mm
(5po)
- (4) courroie trapézoïdale
3VX425 3 bandes
542198165 Protection de
disque 76mm (3po) de
large, amovible-UE
542198166 Protection de
disque 76mm (3po) de
large, amovible-UE
542206301 (4) courroie
trapézoïdale 3VX430 4
bandes
542206340 Axe de disque
900mm (36po)
542206176 Protection de
disque, groupe accessoires
900mm (36po)
800 mm
(30 po)
541208366 Protection de
disque 350mm (14po)
542206342 (2) Poulie du
moteur 6G6.0 DE
542186048 (4) courroie
trapézoïdale 3VX425 4
bandes
542206338 Axe de disque
350mm (14po)
542198163 Protection de
disque 50mm (2po) de
large, amovible-US
542198778 Protection de
disque 76mm (3po) de
large, amovible-UE
541207150 (2) Poulie de
boîte de transm., 6G4.75
(120mm)
542206338 Axe de disque
350mm/450mm (14po/
18po)
542198164 Protection de
disque 76mm (3po) de
large, amovible-UE
Aucune conversion requise;
conguration :
- Protection de disque
amovible 76mm (3po) :
800mm (30po)
- (1) bride & entretoise
- (2) poulie de l’axe de
disque 6G3V4.75 (DE :
120mm )
- (2) poulie du moteur,
6G3VX3.5 (DE:90mm)
- Flasques, DE:125mm
(5po)
- (4) courroie trapézoïdale
3VX425 3 bandes
542198166 Protection de
disque 76mm (3po) de
large, amovible-UE
542206301 (4) courroie
trapézoïdale 3VX430 4
bandes
542206340 Axe de disque
900mm (36po)
542206176 Protection de
disque, groupe accessoires
900mm (36po)
900 mm
(36 po)
541208366 Protection de
disque 350mm (14po)
542206342 (2) Poulie du
moteur 6G6.0 DE:150mm
542186048 (4) Courroie
trapézoïdale 3VX450 4
bandes
542206338 Axe de disque
350mm (14po).
Retirer la bride étroite
arrière
542198163 Protection de
disque 50mm (2po) de
large, amovible-US
542198778 Protection de
disque 76mm (3po) de
large, amovible-UE
541207150 (2) Poulie de
boîte de transm., 6G4.75
(120mm)
542206338 Axe de disque
350mm/46c, (14po/18po)
542190416 (4) courroie
trapézoïdale 3VX425 4
bandes. Retirer la bride
étroite arrière
542198164 Protection de
disque 76mm (3po) de
large, amovible-UE
541207148 (2) Poulie de
boîte de transm., 6G3.5
542190416 (4) courroie
trapézoïdale 3VX425 4
bandes
542206339 Axe de disque
600mm/800mm (26po/
30po). Retirer la bride
étroite arrière
542198165 Protection de
disque 76mm (3po) de
large, amovible-UE
542190416 (4) courroie
trapézoïdale 3VX425 4
bandes
542206339 Axe de disque
600mm/800mm (26po/
30po). Retirer la bride
étroite arrière
Aucune conversion requise;
conguration :
- Protection de disque
amovible 76mm (3po) :
900mm (36po)
- (2) bride & entretoise
- (2) poulie de l’axe
de disque 6G3V5.6
(DE:142mm)
- (2) poulie du moteur,
6G3V3.5 (DE:90mm)
- Flasques, DE:150mm
(6po)
- (4) courroie trapézoïdale
3VX430 3 bandes

100
FS4800 D DIESEL – TABLEAU DE CONVERSION DE TAILLE DE DISQUE
Conversion des tailles de disques : Husqvarna FS 4800, boîte de transmission à 3 vitesses
jusqu’à la taille:
Depuis la
taille 14-26po (350-650mm)
Flasque 4 ½po (115mm)
14-30po (350-850mm)
Flasque 5po (125mm)
18-36po (450-900mm)
Flasque 6po (150mm)
14-26po
(350-
650mm)
Flasque
4 ½po
(115mm)
Aucune conversion requise; conguration :
- Protection de disque amovible 76mm (3po) :
650mm (26po)
- (1) bride & entretoise
- (2) poulie de l’axe de disque 6G3VX4.12
(DE:105mm)
- (2) poulie du moteur, 6G3VX4.5 (DE:115mm)
- Flasques 115mm (DE:4,5po)
- (4) courroie trapézoïdale 3VX520 3 bandes
542198165 Protection de disque 76mm (3po) de
large, amovible
541207146 (2) Poulie de boîte de transm.,
6G4.12 (105mm)
542206379 Axe de disque, asque 125mm
(5po)
542198166 Protection de disque 76mm (3po)
de large, amovible- 541207146 (2) Poulie de
boîte de transm., 6G4.12
541200848 (4) courroie trapézoïdale 3VX530 3
bandes
542206380 Axe de disque, asque 150mm
(6po)
542206176 Protection de disque, groupe ac-
cessoires 900mm (36po)
14-30po
(350-
850mm)
Flasque
5po
(125mm)
542198164 Protection de disque 76mm (3po) de
large amovible-UE
542207149 (2) Poulie du moteur 6G4.5 DE
:115mm
542206382 Axe de disque, asque 115mm
(4,5po)
Aucune conversion requise; conguration :
- Protection de disque amovible 76mm (3po) :
800mm (30po)
- (1) bride & entretoise
- (2) poulie de l’axe de disque 6G3V4.50
(DE:115mm )
- (2) poulie du moteur, 6G3VX4.12 (DE:105mm)
- Flasques, DE:125mm (5po)
- (4) courroie trapézoïdale 3VX520 3 bandes
542198166 Protection de disque 76mm (3po) de
large, amovible
542206380 Axe de disque 150mm (6po) asque
541200848 (4) courroie trapézoïdale 3VX530 3
bandes
542206176 Protection de disque, groupe ac-
cessoires 900mm (36po)
18-36po
(450-
900mm)
Flasque
6po
(150mm)
542198164 Protection de disque 350mm (14po)
542207149 (2) Poulie du moteur 6G4.5 DE
:115mm
542186048 (4) courroie trapézoïdale 3VX520
3 bandes
542206382 Axe de disque, asque 115mm
(4,5po)
542198165 Protection de disque 76mm (3po) de
large, amovible
542206379 Axe de disque 125mm (5po) asque
542186048 (4) courroie trapézoïdale 3VX520 3
bandes
Aucune conversion requise; conguration :
- Protection de disque amovible 76mm (3po) :
900mm (36po)
- (1) bride & entretoise
- (2) poulie de l’axe de disque 6G3V5.20
(DE:132mm)
- (2) poulie du moteur, 6G3VX4.12 (DE:105mm)
- Flasques, DE:150mm (6po)
- (4) courroie trapézoïdale 3VX530 3 bandes

101
Diagram 1: Wiring Diagram - FS4800 D Diesel-Front Pivot-Instr & Control Box
Diagrama esquemático 1: Diagrama esquemático de alambrado - Caja de
control e instrumentos FS4800 D - Modelo anterior de Pivote
Schéma 1 : Schéma de câblage – Instruments et boîtier de commande
FS4800 D - Le Modèle de Pivot de devant

102
Diagram 2: Wiring Diagram - FS4800 D Diesel-Rear Pivot Instr & Control Box
Diagrama esquemático 2: Diagrama esquemático de alambrado - Caja de
control e instrumentos FS4800 D-Modelo trasero de Pivote
Schéma 2 : Schéma de câblage – Instruments et boîtier de commande
FS4800 D - Le Modèle postérieur de Pivot

103
Diagram 3: Wiring Diagram - FS4800 D Engine Wiring
Diagrama esquemático 3: Diagrama esquemático de alambrado - Alambrado
del motor FS4800 D
Schéma 3 : Schéma de câblage – Câblage du moteur FS4800 D

104
Diagram 4: Wiring Diagram - FS4800 D Diesel - Front Pivot Cowl Wiring
Diagrama esquemático 4: Diagrama esquemático de alambrado - Alambrado
de la cubierta del motor FS4800 D - Modelo anterior de Pivote
Schéma 4 : Schéma de câblage – Câblage du capot FS4800 D-Le Modèle de Pivot de devant

105
Diagram 5: Wiring Diagram - FS4800 D Diesel - Rear Pivot Cowl Wiring
Diagrama esquemático 5: Diagrama esquemático de alambrado - Alambrado
de la cubierta del motor FS4800 D - Modelo trasero de Pivote
Schéma 5 : Schéma de câblage – Câblage du capot FS4800 D-Le Modèle postérieur de Pivot

106
Diagram 6: Ladder Diagram - FS4800 D Diesel - Front Pivot - Electrical
Diagrama esquemático 6: Diagrama esquemático escalonado - Eléctrico FS4800 D - Modelo anterior de
Pivote
Schéma 6 : Schéma échelle – Circuit électrique FS4800 D - Le Modèle de Pivot de devant

107
Diagram 6: Ladder Diagram - FS4800 D Diesel - Front Pivot - Electrical
Diagrama esquemático 6: Diagrama esquemático escalonado - Eléctrico
FS4800 D - Modelo anterior de Pivote
Schéma 6 : Schéma échelle – Circuit électrique FS4800 D - Le Modèle de Pivot de devant
* NOTE: Part No’s. in the manual that have an ASTRISK (*) sufx may not be active 9-digit numbers. The ‘542’ pre-
x has been added temporarily to current 6-digit part numbers and ‘0’ to 8-digit part numbers.
COMPONENT DESIGNATORS FOR FS4800
INDICADORES DE COMPONENTES PARA FS4800
CODES DE COMPOSANTS POUR FS4800

108
Diagram 7: Ladder Diagram - FS4800 D Diesel - Rear Pivot - Electrical
Diagrama esquemático 7: Diagrama esquemático escalonado - Eléctrico
F4800 D - Modelo trasero de Pivote
Schéma 7 : Schéma échelle – Circuit électrique FS4800 D-Le Modèle postérieur de Pivot

109
Diagram 7: Ladder Diagram - FS4800 D Diesel - Rear Pivot - Electrical
Diagrama esquemático 7: Diagrama esquemático escalonado - Eléctrico
FS4800 D - Modelo trasero de Pivote
Schéma 7 : Schéma échelle – Circuit électrique FS4800 D-Le Modèle postérieur de Pivot
* NOTE: Part No’s. in the manual that have an ASTRISK (*) sufx may not be active 9-digit numbers. The ‘542’ prex
has been added temporarily to current 6-digit part numbers and ‘0’ to 8-digit part numbers.
COMPONENT DESIGNATORS FOR FS4800
INDICADORES DE COMPONENTES PARA FS4800
CODES DE COMPOSANTS POUR FS4800

110
Diagram 8: Hydraulic Schematic – FS4800 D– FS4800 D FS4800 D
Diagrama 8: Hidráulico Esquemático – FS4800 D– FS4800 D FS4800 D
Schéma 8: Hydraulique Schématique – FS4800 D

111
DUST WARNING
Cutting, especially when DRY cutting, generates dust that comes from the material being cut, which
frequently contains silica. Silica is a basic component of sand, quartz, brick clay, granite and numerous other
minerals and rocks. Exposure to excessive amount of such dust can cause:
• Respiratory diseases (affecting your ability to breath), including chronic bronchitis, silicosis and
pulmonary brosis from exposure to silica. These diseases may be fatal;
• Skin irritation and rash; and
• Cancer according to NTP* and IARC*
* National Toxicology Program, International Agency for Research on Cancer
Take precautionary steps
• Avoid inhalation of and skin contact with dust, mist and fumes;
• Wet cut when feasible, to minimize dust;
• Wear and ensure that all bystanders wear appropriate respiratory protection such as dust masks
designed to lter out microscopic particles. (See OSHA 29 CFR Part 1910.1200)
California Prop 65 Warning:
Use of this product can cause exposure to materials known to the State of California to cause cancer and/or birth
defects or other reproductive harm.
Husqvarna Corporate Ofce
17400 West 119th Street
Olathe, Kansas 66061
Customer Service: 800-288-5040
Customer Serv. Fax: 800-825-0028
Corporate Ofce: 913-928-1000
Corp. Ofce Fax: 913-438-7951
Husqvarna South Carolina
Customer Service: 800-845-1312
Customer Serv. Fax: 800-257-9284
Husqvarna Canada
Customer Service: 800-461-9589
Customer Serv. Fax: 800-728-1907
Husqvarna International
Customer Service: 913-928-1300
Customer Serv. Fax: 913-438-7938

542 20 10-97
2006-44