Husqvarna Yt1942T Users Manual OM, YT 1942 T, 96043000300, 2006 05, Ride Mower
YT1942T to the manual 634f7a98-82ec-4860-94b1-1247e9e02f67
2015-01-24
: Husqvarna Husqvarna-Yt1942T-Users-Manual-317444 husqvarna-yt1942t-users-manual-317444 husqvarna pdf
Open the PDF directly: View PDF
.
Page Count: 40

03032
YT1942T
Owner's Manual

2
I. GENERAL OPERATION
• Read, understand, and follow all instructions on the
machine and in the manual before starting.
• Do not put hands or feet near rotating parts or under
the machine. Keep clear of the discharge opening at
all times.
• Only allow responsible adults, who are familiar with the
in struc tions, to operate the machine.
• Clear the area of objects such as rocks, toys, wire, etc.,
which could be picked up and thrown by the blades.
• Be sure the area is clear of bystanders before operat-
ing. Stop machine if anyone enters the area.
• Never carry passengers.
• Do not mow in reverse unless absolutely necessary.
Always look down and behind before and while back-
ing.
• Never direct discharged material toward anyone. Avoid
discharging material against a wall or obstruction. Ma-
terial may ricochet back toward the operator. Stop the
blades when crossing gravel surfaces.
SAFETY RULES
Safe Operation Practices for Ride-On Mowers
DANGER: THIS CUTTING MACHINE IS CAPABLE OF AMPUTATING HANDS AND FEET AND THROW ING OBJECTS. FAILURE
TO OBSERVE THE FOLLOWING SAFETY INSTRUCTIONS COULD RESULT IN SERIOUS INJURY OR DEATH.
WARNING: In order to prevent ac ci-
dental starting when setting up, trans-
port ing, ad justing or making repairs,
al ways dis connect spark plug wire
and place wire where it can not contact
spark plug.
WARNING: Do not coast down a hill
in neutral, you may lose control of the
tractor.
WARNING: Tow only the attachments
that are rec ommended by and comply
with spec ifications of the man ufacturer
of your tractor. Use common sense
when towing. Operate only at the low-
est possible speed when on a slope.
Too heavy of a load, while on a slope,
is dan ger ous. Tires can lose trac tion
with the ground and cause you to lose
control of your tractor.
WARNING
Engine exhaust, some of its con stituents, and cer-
tain vehicle com ponents contain or emit chem icals
known to the State of Cal ifor nia to cause can cer and
birth de fects or oth er re pro ductive harm.
WARNING
Battery posts, terminals and related ac cessories
contain lead and lead compounds, chem icals known
to the State of Cal ifor nia to cause can cer and birth
defects or oth er re pro ductive harm. Wash hands
after handling.
• Do not operate machine without the entire grass catcher,
discharge guard, or other safety devices in place and
working.
• Slow down before turning.
• Never leave a running machine unattended. Always
turn off blades, set parking brake, stop engine, and
remove keys before dismounting.
• Disengage blades when not mowing. Shut off engine
and wait for all parts to come to a complete stop before
cleaning the machine, removing the grass catcher, or
unclogging the discharge guard.
• Operate machine only in daylight or good artifi cial
light.
• Do not operate the machine while under the infl uence
of alcohol or drugs.
• Watch for traffi c when operating near or crossing road-
ways.
• Use extra care when loading or unloading the machine
into a trailer or truck.
• Always wear eye protection when operating ma-
chine.
• Data indicates that operators, age 60 years and above,
are involved in a large percentage of riding mower-re-
lated injuries. These operators should evaluate their
ability to operate the riding mower safely enough to
protect them selves and others from serious injury.
• Follow the manufacturer's recommendation for wheel
weights or counterweights.
• Keep machine free of grass , leaves or other debris
build-up which can touch hot exhaust / engine parts
and burn. Do not allow the mower deck to plow leaves
or other debris which can cause build-up to occur.
Clean any oil or fuel spillage before operating or
storing the machine. Allow machine to cool before
storage.
II. SLOPE OPERATION
Slopes are a major factor related to loss of control and
tip-over accidents, which can result in severe injury or
death. Operation on all slopes requires extra caution. If
you cannot back up the slope or if you feel uneasy on it,
do not mow it.
• Mow up and down slopes, not across.
• Watch for holes, ruts, bumps, rocks, or other hidden
objects. Uneven terrain could overturn the machine.
Tall grass can hide obstacles.
• Choose a low ground speed so that you will not have
to stop or shift while on the slope.
• Do not mow on wet grass. Tires may lose traction.
Always keep the machine in gear when going down
slopes. Do not shift to neutral and coast downhill.
• Avoid starting, stopping, or turning on a slope. If the
tires lose traction, disengage the blades and proceed
slowly straight down the slope.
• Keep all movement on the slopes slow and gradual.
Do not make sudden changes in speed or direction,
which could cause the machine to roll over.
• Use extra care while operating machine with grass
catchers or other at tach ments; they can affect the
stability of the machine. Do no use on steep slopes.
• Do not try to stabilize the machine by putting your foot
on the ground.
• Do not mow near drop-offs, ditches, or embankments.
The machine could suddenly roll over if a wheel is over
the edge or if the edge caves in.

3
• Be sure the area is clear of bystanders before operat-
ing. Stop machine if anyone enters the area.
• Never carry passengers.
• Do not mow in reverse unless absolutely necessary.
Al ways look down and behind before and while back-
ing.
• Never carry children, even with the blades shut off. They
may fall off and be seriously injured or interfere with
safe machine operation. Children who have been given
rides in the past may suddenly appear in the mowing
area for another ride and be run over or backed over
by the machine.
• Keep children out of the mowing area and in the watchful
care of a responsible adult other than the operator.
• Be alert and turn machine off if a child enters the
area.
• Before and while backing, look behind and down for
small children.
• Mow up and down slopes (15° Max), not across.
• Choose a low ground speed so that you will not have
to stop or shift while on the slope.
• Avoid starting, stopping, or turning on a slope. If the
tires lose traction, disengage the blades and proceed
slowly straight down the slope.
• If machine stops while going uphill, disengage blades,
shift into reverse and back down slowly.
• Do not turn on slopes unless necessary, and then, turn
slowly and gradually downhill, if possible.
SAFETY RULES
Safe Operation Practices for Ride-On Mowers
III. CHILDREN
Tragic accidents can occur if the operator is not alert to
the presence of children. Children are often attracted to
the ma chine and the mowing activity. Never assume that
children will remain where you last saw them.
• Keep children out of the mowing area and in the watchful
care of a responsible adult other than the operator.
• Be alert and turn machine off if a child enters the
area.
• Before and while backing, look behind and down for
small children.
• Never carry children, even with the blades shut off. They
may fall off and be seriously injured or interfere with
safe machine operation. Children who have been given
rides in the past may suddenly appear in the mowing
area for another ride and be run over or backed over
by the machine.
• Never allow children to operate the machine.
• Use extra care when approaching blind corners, shrubs,
trees, or other objects that may block your view of a
child.
IV. TOWING
• Tow only with a machine that has a hitch designed for
towing. Do not attach towed equipment except at the
hitch point.
• Follow the manufacturer's recommendation for weight
limits for towed equipment and towing on slopes.
• Never allow children or others in or on towed equip-
ment.
• On slopes, the weight of the towed equipment may
cause loss of traction and loss of control.
• Travel slowly and allow extra distance to stop.
V. SERVICE
SAFE HANDLING OF GASOLINE
To avoid personal injury or property damage, use extreme
care in handling gasoline. Gasoline is extremely fl ammable
and the vapors are explosive.
• Extinguish all cigarettes, cigars, pipes, and other
sources of ignition.
• Use only approved gasoline container.
• Never remove gas cap or add fuel with the engine run-
ning. Allow engine to cool before refueling.
• Never fuel the machine indoors.
• Never store the machine or fuel container where there
is an open fl ame, spark, or pilot light such as on a water
heater or other appliances.
• Never fi ll containers inside a vehicle or on a truck or
trailer bed with plastic liner. Always place containers
on the ground away from your vehicle when fi lling.
• Remove gas-powered equipment from the truck or trailer
and refuel it on the ground. If this is not possible, then
refuel such equipment with a portable container, rather
than from a gasoline dispenser nozzle.
• Keep the nozzle in contact with the rim of the fuel tank
or container opening at all times until fueling is complete.
Do not use a nozzle lock-open device.
• If fuel is spilled on clothing, change clothing immedi-
ately.
• Never overfi ll fuel tank. Replace gas cap and tighten
securely.
GENERAL SERVICE
• Never operate machine in a closed area.
• Keep all nuts and bolts tight to be sure the equipment
is in safe working condition.
• Never tamper with safety devices. Check their proper
operation regularly.
• Keep machine free of grass, leaves, or other debris
build-up. Clean oil or fuel spillage and remove any fuel-
soaked debris. Allow machine to cool before storing.
• If you strike a foreign object, stop and inspect the
machine. Repair, if necessary, before restarting.
• Never make any adjustments or repairs with the engine
run ning.
• Check grass catcher components and the discharge
guard frequently and replace with manufacturer's rec-
ommended parts, when necessary.
• Mower blades are sharp. Wrap the blade or wear
gloves, and use extra caution when servicing them.
• Check brake operation frequently. Adjust and service
as required.
• Maintain or replace safety and instruction labels, as
necessary.

4
PRODUCT SPECIFICATIONS
Gasoline Capacity 2.50 Gallons
and Type: Unleaded Regular
Oil Type (API-SG-SL): SAE 10W30 (above 32°F)
SAE 5W-30 (below 32°F)
Oil Capacity: W/Filter: 51 oz.
W/O Filter: 35 oz.
Spark Plug: Champion RC12YC
(Gap: .030")
Ground Speed (MPH): Forward:
1st 1.2
2nd 1.5
3rd 2.4
4th 3.5
5th 4.8
6th 5.3
Reverse: 1.5
Charging System: 15 Amps @ 3600 RPM
Battery: AMP/HR: 35
Min. CCA: 280
Case Size: U1R
Blade Torque: 27-35 FT. LBS.
CONGRATULATIONS on your purchase of a new tractor.
It has been designed, engineered and manu fac tured to give
you the best possible dependability and performance.
Should you experience any problem you cannot easily rem-
edy, please contact your nearest authorized service center/
department. We have com pe tent, well-trained tech ni cians
and the proper tools to ser vice or repair this tractor.
Please read and retain this manual. The instructions will
enable you to assemble and maintain your tractor prop erly.
Always observe the “SAFETY RULES”.
CUSTOMER RESPONSIBILITIES
• Read and observe the safety rules.
• Follow a regular schedule in maintaining, caring for
and using your tractor.
• Follow the instructions under “Maintenace” and “Stor-
age” sec tions of this own er’s manual.
SAFETY RULES ......................................................... 2-3
PRODUCT SPECIFICATIONS ....................................... 4
CUSTOMER RESPONSIBILITIES................................. 4
ASSEMBLY ................................................................. 5-6
OPERATION ............................................................. 7-12
MAINTENANCE SCHEDULE ...................................... 13
MAINTENANCE ..................................................... 13-15
SERVICE AND AD JUSTMENTS ............................16-21
STORAGE .................................................................... 22
TROU BLESHOOT ING ............................................ 23-24
REPAIR PARTS....................................................... 26-37
WARRANTY................................................................. 38
TABLE OF CONTENTS
WARNING: This tractor is equipped with an internal com-
bus tion engine and should not be used on or near any
un im proved forest-covered, brush-covered or grass-cov ered
land unless the en gine's exhaust system is equipped with
a spark arrester meeting ap pli ca ble local or state laws (if
any). If a spark arrester is used, it should be maintained
in effective working order by the operator.
In the state of California the above is required by law
(Section 4442 of the California Public Resources Code).
Other states may have similar laws. Federal laws apply
on federal lands.

5
CONTENTS OF HARDWARE PACK
(2) Keys
Slope Sheet
Key
(1) Oil Drain Tube
ASSEMBLY
When right or left hand is mentioned in this man ual, it means
when you are in the operating po si tion (seated be hind the
steer ing wheel).
TO REMOVE TRACTOR FROM
CAR TON
UNPACK CARTON
• Cut along dashed lines on all four panels of carton.
Remove end panels and lay side panels fl at.
• Check for any additional loose parts or cartons and
remove.
Your new tractor has been assembled at the factory with the exception of those parts left unassembled for shipping
puposes.
CHECK BATTERY (See Fig. 1)
• Lift seat to raised position.
NOTE: If this battery is put into service after month and year
indicated on label (L) (label is located between terminals)
charge battery for minimum of one hour at 6-10 amps.
(See "BATTERY" in Maintenance section of this manual
for charging instructions).
FIG. 1
03037
L
FIG. 2
ADJUST SEAT (See Fig. 2)
• Sit in seat.
• Lift up adjustment lever (A) and slide seat until a com-
fortable position is reached which allows you to press
clutch/brake pedal all the way down.
• Release lever to lock seat in position.
A
NOTE: You may now roll or drive your tractor off the skid.
Follow the ap pro pri ate instruction below to remove the
tractor from the skid.
WARNING: Before start ing, read, un der stand and fol low
all in struc tions in the Op er a tion section of this man u al. Be
sure tractor is in a well-ventilated area. Be sure the area in
front of tractor is clear of other peo ple and objects.
TO ROLL TRACTOR OFF SKID (See Op-
eration section for location and function of
controls)
• Raise attachment lift lever to its highest po si tion.
• Release parking brake by depressing clutch/brake
ped al.
• Place gearshift lever in neutral (N) po si tion.
• Roll tractor forward off skid.

6
ASSEMBLY
✓CHECKLIST
BEFORE YOU OPERATE YOUR NEW TRAC TOR, WE
WISH TO ASSURE THAT YOU RECEIVE THE BEST PER-
FOR MANCE AND SAT IS FAC TION FROM THIS QUALITY
PROD UCT.
PLEASE REVIEW THE FOLLOWING CHECKLIST:
✓ All assembly instructions have been completed.
✓ No remaining loose parts in carton.
✓ Battery is properly prepared and charged. (Minimum
1 hour at 6 amps).
✓ Seat is adjusted comfortably and tightened securely.
✓ All tires are properly infl ated. (For shipping purposes,
the tires were overinfl ated at the factory).
✓ Be sure mower deck is properly leveled side-to-side/
front-to-rear for best cutting results. (Tires must be
properly infl ated for leveling).
✓ Check mower and drive belts. Be sure they are routed
properly around pulleys and inside all belt keepers.
✓ Check wiring. See that all con nec tions are still secure
and wires are properly clamped.
WHILE LEARNING HOW TO USE YOUR TRACTOR, PAY
EXTRA ATTENTION TO THE FOLLOWING IMPORTANT
ITEMS:
✓ Engine oil is at proper level.
✓ Fuel tank is fi lled with fresh, clean, regular unleaded
gasoline.
✓ Become familiar with all controls, their location and
function. Operate them before you start the engine.
✓ Be sure brake system is in safe operating condition.
✓ Be sure Operator Presence System and Reverse Op-
eration System (ROS) are working properly (See the
Operation and Maintenance sections in this manual).
CHECK TIRE PRESSURE
The tires on your tractor were overinfl ated at the factory
for shipping purposes. Correct tire pressure is important
for best cutting performance.
• Reduce tire pressure to PSI shown on tires.
CHECK DECK LEVELNESS
For best cutting results, mower housing should be properly
leveled. See “TO LEVEL MOWER” in the Service and
Adjustments section of this manual.
CHECK FOR PROPER POSITION OF ALL
BELTS
See the fi gures that are shown for replacing motion and
mower blade drive belts in the Service and Adjustments
sec tion of this manual. Verify that the belts are routed
cor rect ly.
CHECK BRAKE SYSTEM
After you learn how to operate your tractor, check to see that
the brake is operating properly. See “TO CHECK BRAKE”
in the Service and Adjustments section of this manual.
TO DRIVE TRACTOR OFF SKID (See Op-
eration section for location and func tion of
controls)
WARNING: Before starting, read, un der stand and follow
all in struc tions in the Operation section of this manual. Be
sure tractor is in a well-ventilated area. Be sure the area in
front of tractor is clear of other people and objects.
• Be sure all the above assembly steps have been com-
plet ed.
• Check engine oil level and fi ll fuel tank with gasoline.
• Sit on seat in operating position, depress clutch/brake
pedal and set the parking brake.
• Place gear shift lever in neutral (N) position.
• Raise at tach ment lift lever to its highest position.
• Remove key from bag and start the engine (see "TO
START ENGINE" in the Operation section of this man-
ual). After engine has started, move throttle control to
idle (slow) position.
• Depress clutch/brake pedal into full "BRAKE" position
and hold. Move gearshift lever to 1st gear.
• Slowly release clutch/brake pedal and slowly drive
tractor off skid.
• Apply brake to stop tractor, set parking brake and place
gearshift lever in neutral position.
• Turn ignition key to "STOP" position.
Continue with the instructions that follow.

7
OPERATION
These symbols may appear on your tractor or in literature supplied with the product. Learn and understand their mean-
ing.
DANGER, KEEP HANDS
AND FEET AWAY
FREE WHEEL
(Automatic Models only)
KEEP AREA CLEAR SLOPE HAZARDS
15
15
(SEE SAFETY RULES SECTION)
BATTERY REVERSE FORWARD
FAST SLOW
ENGINE ON
ENGINE OFF
FUEL
CHOKE
MOWER HEIGHT
REVERSE NEUTRAL HIGH LOW
ATTACHMENT
CLUTCH ENGAGED
PARKING BRAKE
IGNITION SWITCH
ATTACHMENT
CLUTCH DISENGAGED
ENGINE START MOWER LIFT
Failure to follow instructions
could result in serious injury or
death. The safety alert symbol
is used to identify safety inform-
ation about hazards which can
result in death, serious injury
and/or property damage.
DANGER indicates a hazard which, if not avoided,
will result in death or serious injury.
WARNING indicates a hazard which, if not avoided,
could result in death or serious injury.
CAUTION indicates a hazard which, if not avoided,
might result in minor or moderate injury.
CAUTION when used without the alert symbol,
indicates a situation that could result in damage
to the tractor and/or engine.
FIRE indicates a hazard which, if not avoided,
could result in death, serious injury and/or
property damage.
HOT SURFACES indicates a hazard which,
if not avoided, could result in death, serious injury
and/or property damage.
REVERSE
OPERATION
SYSTEM (ROS)
LIGHTS ON CLUTCH/BRAKE
PEDAL
CRUISE CONTROL

8
OPERATION
KNOW YOUR TRACTOR
READ THIS OWNER'S MANUAL AND SAFETY RULES BEFORE OPERATING YOUR TRACTOR
Compare the illustrations with your tractor to familiarize yourself with the locations of various controls and ad just ments.
Save this manual for future reference.
(A) ATTACHMENT LIFT LEVER - Used to raise, lower,
and adjust the mower deck or other attachments mounted
to your tractor.
(B) CLUTCH/BRAKE PEDAL - Used for declutching and
brak ing the tractor and starting the engine.
(C) PARKING BRAKE - Locks clutch/brake pedal into the
brake position.
(D) THROTTLE/CHOKE CONTROL - Used for starting and
con trol ling engine speed.
(E) ATTACHMENT CLUTCH LEVER - Used to engage
the mower blades, or other attachments mounted to your
tractor.
Our tractors conform to the applicable safety standards of the American National Standards Institute.
FIG. 3
E
A
B
F
C
H
G
D
J
(F) IGNITION SWITCH - Used for starting and stopping
the engine.
(G) REVERSE OPERATION SYSTEM (ROS) “ON” POSI-
TION - Allows operation of mower deck or other powered
attachment while in reverse.
(H) LIGHT SWITCH - Turns the headlights on and off.
(J) GEARSHIFT LEVER - Selects the speed and di rec tion
of the tractor.

9
OPERATION
The operation of any tractor can result in foreign objects thrown into the eyes, which can result
in severe eye dam age. Always wear safety glass es or eye shields while operating your tractor or
perform ing any adjustments or repairs. We rec ommend a wide vision safety mask over spectacles
or stan dard safety glasses.
FIG. 4
HOW TO USE YOUR TRAC TOR
TO SET PARKING BRAKE (See Fig. 4)
Your tractor is equipped with an operator presence sens-
ing switch. When engine is running, any attempt by the
op er a tor to leave the seat without fi rst setting the parking
brake will shut off the engine.
• Depress clutch/brake pedal (B) all the way down and
hold.
• Pull parking brake lever (C) up and hold, re lease pres-
sure from clutch/brake pedal (B), then release parking
brake lever. Pedal should re main in brake position.
Make sure parking brake will hold tractor secure.
B
C
STOPPING (See Figs. 5 and 6)
MOWER BLADES -
• To stop mower blades, move at tach ment clutch clutch
lever to dis en gaged position ().
GROUND DRIVE -
• To stop ground drive, depress clutch/brake pedal all
the way down.
• Move gear shift lever (J) to neutral position.
ENGINE -
• Move throttle control (D) between half and full speed
(fast) position.
NOTE: Failure to move throttle control between half and
full speed (fast) position, before stopping, may cause en-
gine to “backfi re”.
• Turn ignition key (F) to “STOP” position and remove
key. Always remove key when leaving tractor to prevent
un au tho rized use.
• Never use choke (N) to stop engine.
IMPORTANT: Leaving the ignition switch in any position
other than "STOP" will cause the battery to discharge and
go dead.
NOTE: Under certain conditions when tractor is standing
idle with the engine running, hot engine exhaust gases may
cause “browning” of grass. To eliminate this possibility, al-
ways stop engine when stopping tractor on grass areas.
CAUTION: Always stop tractor com-
pletely, as described above, and set
parking brake before leav ing the
operator's position.
() Dis en gaged
Position
( ) Attachment
Clutch
Engage Position
TO USE THROTTLE CONTROL (D)
(See Fig. 6)
Always operate engine at full speed (fast).
• Operating engine at less than full speed (fast) reduces
engine's operating effi ciency.
• Full speed (fast) of fers the best mower per for mance.
D
F
FIG. 5
FIG. 6
E
J

10
OPERATION
FIG. 8
FIG. 7
REVERSE OPERATION SYSTEM (ROS)
Your tractor is equipped with a Reverse Operation System
(ROS). Any attempt by the operator to travel in the reverse
direction with the attachment clutch engaged will shut off
the engine unless ignition key is placed in the ROS "ON"
position.
WARNING: Backing up with the attachment clutch en-
gaged while mowing is strongly discouraged. Turning the
ROS "ON", to allow reverse operation with the attachment
clutch engaged, should only be done when the operator
decides it is necessary to reposition the machine with the
attachment engaged. Do not mow in reverse unless
absolutely necessary.
USING THE REVERSE OPERATION SYSTEM -
• Depress clutch/brake pedal all the way down and
hold.
• With engine running, turn ignition key counterclockwise
to ROS "ON" position.
• Look down and behind before backing.
• Move gear shift lever to reverse (R) po si tion and slowly
release clutch/brake pedal to start movement.
• When use of the ROS is no longer needed, turn the
ignition key clockwise to engine "ON" position.
TO MOVE FORWARD AND BACKWARD
(See Fig. 7)
The direction and speed of movement is controlled by the
gearshift lever (J).
• Start tractor with clutch/brake pedal depressed and
gearshift lever in neutral (N) position.
• Move gearshift lever to desired po si tion.
• Slowly release clutch/brake pedal to start move-
ment.
IMPORTANT: Bring tractor to a complete stop before shifting
or changing gears. Failure to do so will shorten the useful
life of your transaxle.
J
TO ADJUST MOWER CUT TING HEIGHT
(See Fig. 8)
The po si tion of the at tach ment lift le ver (A) de ter mines the
cut ting height.
• Put attachment lift lever in desired cutting height slot.
The cutting height range is ap prox i mate ly 1" to 4". The
heights are measured from the ground to the blade tip with
the engine not running. These heights are approximate
and may vary depending upon soil conditions, height of
grass and types of grass being mowed.
• The average lawn should be cut to approximately 2-1/2
inches during the cool season and to over 3 inches
during hot months. For healthier and better looking
lawns, mow often and after moderate growth.
• For best cutting performance, grass over 6 inches
in height should be mowed twice. Make the fi rst cut
relatively high; the second to de sired height.
TO ADJUST GAUGE WHEELS (See Fig. 9)
Gauge wheels are prop er ly ad just ed when they are slight ly
off the ground when mower is at the desired cutting height
in operating position. Gauge wheels then keep the deck
in proper position to help prevent scalping in most terrain
conditions.
NOTE: Adjust gauge wheels with tractor on a fl at level
surface.
• Adjust mower to desired cutting height (See “TO AD-
JUST MOWER CUT TING HEIGHT” in this sec tion of
manual).
• With mower in desired height of cut po si tion, gauge
wheels should be assembled so they are slightly off
the ground. In stall gauge wheel in ap pro pri ate hole.
Tighten se cure ly.
• Repeat for all, installing gauge wheel in same adjust-
ment hole.
FIG. 9
A

11
OPERATION
TO TRANSPORT
• Raise attachment lift to highest position with at tach ment
lift control.
• When pushing or towing your tractor, be sure gearshift
lever is in neutral (N) position.
• Do not push or tow tractor at more than fi ve (5) MPH.
NOTE: To protect hood from damage when transporting
your tractor on a truck or a trailer, be sure hood is closed
and secured to tractor. Use an appropriate means of tying
hood to tractor (rope, cord, etc.).
TOWING CARTS AND OTHER AT TACH -
MENTS
Tow only the attachments that are recommended by and
comply with specifi cations of the manufacturer of your trac-
tor. Use common sense when towing. Too heavy of a load,
while on a slope, is dangerous. Tires can lose traction with
the ground and cause you to lose control of your tractor.
ADD GASOLINE
• Fill fuel tank to bottom of fi ller neck. Do not overfi ll.
Use fresh, clean, regular un lead ed gasoline with a
minimum of 87 octane. (Use of leaded gasoline will
increase carbon and lead oxide deposits and reduce
valve life). Do not mix oil with gasoline. Purchase fuel
in quan ti ties that can be used within 30 days to assure
fuel freshness.
CAUTION: Wipe off any spilled oil or
fuel. Do not store, spill or use gasoline
near an open fl ame.
IMPORTANT: WHEN OPERATING IN TEMPERATURES
BELOW32°F(0°C), USE FRESH, CLEAN WINTER GRADE
GAS O LINE TO HELP INSURE GOOD COLD WEATHER
START ING.
0
2
8
2
8
ROS "ON" POSITION ENGINE "ON" POSITION
(NORMAL OPERATING)
TO OPERATE ON HILLS
WARNING: Do not drive up or down
hills with slopes great er than 15° and
do not drive across any slope.
• Choose the slowest speed before starting up or down
hills.
• Avoid stopping or changing speed on hills.
• If stopping is absolutely necessary, push clutch/brake
pedal quickly to brake position and engage parking
brake.
• Move gearshift lever to 1st gear. Be sure you have
allowed room for tractor to roll slightly as you restart
movement.
• To restart movement, slowly release parking brake and
clutch/brake pedal.
• Make all turns slowly.
BEFORE STARTING THE ENGINE
CHECK ENGINE OIL LEVEL
The engine in your tractor has been shipped, from the
factory, already fi lled with sum mer weight oil.
• Check engine oil with tractor on level ground.
• Pull up and remove oil fi ll cap/dipstick; wipe oil off. Re-
insert the dipstick into the tube and push down fi rmly
into place. Remove and read oil level. If necessary,
add oil until “FULL” mark on dipstick is reached. Do
not overfi ll.
• For cold weather operation you should change oil for
easier starting (See “OIL VISCOSITY CHART” in the
Maintenance sec tion of this manual).
• To change engine oil, see the Maintenance section in
this manual.
TO OPERATE MOWER (See Fig. 10)
Your tractor is equipped with an operator presence sensing
switch. Any attempt by the operator to leave the seat with
the engine running and the attachment clutch engaged
will shut off the engine. You must remain fully and centrally
positioned in the seat to prevent the engine from hesitating
or cutting off when operating your equipment on rough,
rolling terrain or hills.
• Select desired height of cut with attachment lift lever.
• Start mower blades by engaging at tach ment clutch
control.
TO STOP MOWER BLADES -
disengage at tach ment clutch con trol.
CAUTION: Do not operate the mower
without either the en tire grass catcher,
on mowers so equipped, or the defl ector
shield (S) in place.
S
FIG. 10

12
MOWING TIPS
• Mower should be properly leveled for best mowing per-
for mance. See "TO LEVEL MOWER HOUSING" in the
Service and Adjustments section of this manual.
• The left hand side of mower should be used for trim-
ming.
• Drive so that clippings are discharged onto the area
that has been cut. Have the cut area to the right of the
machine. This will result in a more even distribution of
clippings and more uniform cutting.
• When mowing large areas, start by turning to the right so
that clippings will discharge away from shrubs, fences,
drive ways, etc. After one or two rounds, mow in the
opposite direction making left hand turns until fi nished
(See Fig. 11).
FIG. 11
• If grass is extremely tall, it should be mowed twice to
reduce load and possible fi re hazard from dried clip-
pings. Make fi rst cut relatively high; the second to the
desired height.
• Do not mow grass when it is wet. Wet grass will plug
mower and leave undesirable clumps. Allow grass to
dry before mowing.
• Always operate engine at full throttle when mow-
ing to assure better mowing performance and proper
dis charge of ma te ri al. Regulate ground speed by se-
lect ing a low enough gear to give the mower cutting
per for mance as well as the quality of cut desired.
• When operating attachments, select a ground speed
that will suit the terrain and give best performance of
the attachment being used.
OPERATION
TO START ENGINE (See Fig. 3)
When starting the engine for the fi rst time or if the engine
has run out of fuel, it will take extra cranking time to move
fuel from the tank to the engine.
• Sit on seat in operating position, depress clutch/brake
pedal and set parking brake.
• Place gear shift lever in neutral (N) position.
• Move attachment clutch to “DISENGAGED” position.
• Move throttle control to choke ( ) position.
NOTE: Before starting, read the warm and cold starting
pro ce dures below.
• Insert key into ignition and turn key clockwise to “START”
position and release key as soon as engine starts.
Do not run starter continuously for more than fi fteen
sec onds per minute. If the engine does not start after
several attempts, move throttle control to fast position,
wait a few minutes and try again. If engine still does
not start, move the throttle control back to the choke (
) position and retry.
WARM WEATHER STARTING (50° F and above)
• When engine starts, move the throttle control to the
fast position.
• The attachments and ground drive can now be used. If
the engine does not accept the load, restart the engine
and allow it to warm up for one minute using the choke
as described above.
COLD WEATHER STARTING ( 50° F and below)
• When engine starts, allow engine to run with the throttle
control in the choke ( ) position until the engine runs
roughly, then move throttle control to fast position. This
may require an engine warm-up period from several
seconds to several minutes, depending on the tem-
per a ture.
• The attachments can also be used during the engine
warm-up period.
NOTE: If at a high altitude (above 3000 feet) or in cold
tem per a tures (below 32 F) the carburetor fuel mixture may
need to be adjusted for best engine performance. See “TO
ADJUST CAR BU RE TOR” in the Service and Adjustments
section of this manual.
CAUTION: Alcohol blended fuels (called gas-
ohol or using ethanol or methanol) can attract
moisture which leads to sep aration and for-
mation of acids during storage. Acidic gas can
damage the fuel system of an engine while in
storage. To avoid engine problems, the fuel
system should be emptied before stor age of
30 days or longer. Drain the gas tank, start
the engine and let it run until the fuel lines
and carburetor are empty. Use fresh fuel next
season. See Storage In structions for additional
information. Never use engine or carburetor
cleaner products in the fuel tank or permanent
damage may occur.

13
02956
MAINTENANCE
LUBRICATION CHART
cSPINDLE ZERK
cFRONT WHEEL
BEARING ZERK
c GENERAL PURPOSE GREASE
d REFER TO MAINTENANCE “ENGINE” SECTION
IMPORTANT: DO NOT OIL OR GREASE THE PIVOT POINTS WHICH
HAVE SPECIAL NYLON BEARINGS. VISCOUS LU BRI CANTS WILL
ATTRACT DUST AND DIRT THAT WILL SHORT EN THE LIFE OF
THE SELF-LU BRI CAT ING BEARINGS. IF YOU FEEL THEY MUST
BE LU BRI CAT ED, USE ONLY A DRY, POW DERED GRAPHITE TYPE
LU BRI CANT SPARINGLY.
cSPINDLE ZERK
cFRONT WHEEL
BEARING ZERK
dENGINE
T
R
A
C
T
0
R
Inspect Muffler/Spark Arrester
Clean Air Filter
Change Engine Oil (with oil filter)
Replace Air Filter Paper Cartridge
Replace Spark Plug
Check Engine Oil Level
Clean Engine Cooling Fins
Clean Air Screen
1 - Change more often when operating under a heavy load or
in high ambient temperatures.
2 - Service more often when operating in dirty or dusty conditions.
E
N
G
I
N
E
Replace Oil Filter (If equipped)
Replace Fuel Filter
3
2
2
2
2
3 - Replace blades more often when mowing in sandy soil.
4 - Not required if equipped with maintenance-free battery.
1
,
1,2
2
4
Change Engine Oil (without oil filter)
1,2
maint_sch-tractore.ROS.e
BEFORE
EACH
USE
EVERY
8
HOURS
EVERY
25
HOURS
EVERY
50
HOURS
EVERY
100
HOURS
EVERY
SEASON
BEFORE
STORAGE
Lubrication Chart
Check Brake Operation
Check Battery Level
Check Tire Pressure
Clean Battery and Terminals
MAINTENANCE
SCHEDULE
Check for Loose Fasteners
Check/Replace Mower Blades
Check Operator Presence & ROS Systems
Check Transaxle Cooling
Check V-Belts
Check Mower Levelness
GENERAL RECOMMENDATIONS
The warranty on this tractor does not cover items that have
been subjected to operator abuse or negligence. To receive
full value from the warranty, operator must main tain tractor
as instructed in this manual.
Some adjustments will need to be made periodically to
properly maintain your tractor.
At least once a season, check to see if you should make
any of the adjustments described in the Service and
Adjustments section of this manual.
• At least once a year you should replace the spark plug,
clean or replace air fi lter, and check blades and belts
for wear. A new spark plug and clean air fi lter assure
proper air-fuel mixture and help your engine run better
and last longer.
BEFORE EACH USE
• Check engine oil level.
• Check brake operation.
• Check tire pressure.
• Check operator presence and
ROS systems for proper operation.
• Check for loose fasteners.
cSTEERING
SECTOR GEAR
TEETH

14
MAINTENANCE
FIG. 12
BATTERY
Your tractor has a battery charging system which is suf fi cient
for normal use. However, periodic charging of the battery
with an automotive charger will extend its life.
• Keep battery and terminals clean.
• Keep battery bolts tight.
• Keep small vent holes open.
• Recharge at 6-10 amperes for 1 hour.
NOTE: The original equipment battery on your tractor is
maintenance free. Do not attempt to open or remove caps
or covers. Adding or checking level of electrolyte is not
nec es sary.
TO CLEAN BATTERY AND TERMINALS
Corrosion and dirt on the battery and terminals can cause
the battery to “leak” power.
• Disconnect BLACK battery cable fi rst then RED bat-
tery cable and remove battery from tractor.
• Rinse the battery with plain water and dry.
TRACTOR
Always observe safety rules when per form ing any main-
te nance.
BRAKE OPERATION
If tractor requires more than fi ve (5) feet to stop at highest
speed in high est gear on a level, dry concrete or paved
surface, then brake must be checked and ad just ed. (See
“TO ADJUST BRAKE” in the Ser vice and Ad just ments
section of this manual).
TIRES
• Maintain proper air pressure in all tires (See “PROD UCT
SPEC I FI CA TIONS” section of this man ual).
• Keep tires free of gasoline, oil, or insect control chemi-
cals which can harm rubber.
• Avoid stumps, stones, deep ruts, sharp objects and
other hazards that may cause tire damage.
NOTE: To seal tire punctures and pre vent fl at tires due to
slow leaks, tire sealant may be purchased from your local
parts dealer. Tire sealant also pre vents tire dry rot and
corrosion.
OPERATOR PRESENCE SYS TEM AND REVERSE OP-
ERATION SYSTEM (ROS)
Be sure operator presence and reverse operation sys tems
are work ing properly. If your tractor does not function as
described, repair the problem immediately.
• The engine should not start unless the brake pedal is
fully de pressed, and the attachment clutch con trol is
in the dis en gaged position.
CHECK OPERATOR PRESENCE SYSTEM
• When the engine is running, any attempt by the op er a tor
to leave the seat without fi rst setting the parking brake
should shut off the engine.
• When the engine is running and the at tach ment clutch
is engaged, any attempt by the operator to leave the
seat should shut off the engine.
• The attachment clutch should never operate unless
the operator is in the seat.
CHECK REVERSE OPERATION (ROS) SYSTEM
• When the engine is running with the ignition switch in
the engine "ON" position and the at tach ment clutch
engaged, any attempt by the operator to shift into
reverse should shut off the engine.
• When the engine is running with the ignition switch in
the ROS "ON" position and the at tach ment clutch en-
gaged, any attempt by the operator to shift into reverse
should NOT shut off the engine.
BLADE CARE
For best results mower blades must be sharp. Re place
bent, worn or damaged blades.
CAUTION: Use only a replacement blade
approved by the manufacturer of your
tractor. Using a blade not approved
by the manufacturer of your tractor is
hazardous, could damage your tractor
and void your warranty.
8
2
8
ROS "ON" POSITION ENGINE "ON" POSITION
(NORMAL OPERATING)
BLADE REMOVAL (See Fig. 12)
• Raise mower to highest position to allow access to
blades.
NOTE: Protect your hands with gloves and/or wrap blade
with heavy cloth.
• Remove blade bolt by turning coun ter clock wise.
• Install new blade with stamped "THIS SIDE UP" facing
deck and mandrel assembly.
IMPORTANT: To ensure proper as sem bly, center hole in
blade must align with star on mandrel assembly.
• Install and tighten blade bolt securely (45-55 Ft. Lbs.
torque).
IMPORTANT: Special blade bolt is heat treated.
02544
MANDREL
ASSEMBLY
BLADE
BLADE BOLT
(SPECIAL)
CENTER
HOLE
STAR

15
MAINTENANCE
V-BELTS
Check V-belts for deterioration and wear after 100 hours and
replace if necessary. The belts are not adjustable. Re place
belts if they begin to slip from wear.
TRANSAXLE COOLING
Keep transaxle free from build-up of dirt and chaff which
can restrict cooling.
FIG. 14
FIG. 13
CLOSED
AND
LOCKED
POSITION
DRAIN
TUBE
OIL DRAIN VALVE
TO CHANGE ENGINE OIL (See Figs. 13 and 14)
Determine temperature range expected before oil change.
All oil must meet API service classifi cation SG-SL.
• Be sure tractor is on level surface.
• Oil will drain more freely when warm.
• Catch oil in a suitable container.
• Remove oil fi ll cap/dipstick. Be careful not to allow dirt
to enter the engine when changing oil.
• Remove yellow cap from end of drain valve and install
the drain tube onto the fi tting.
• Unlock drain valve by pushing inward and turning
coun ter clock wise.
• To open, pull out on the drain valve.
• After oil has drained completely, close and lock the
drain valve by pushing inward and turning clockwise
until the pin is in the locked position as shown.
• Remove the drain tube and replace the cap onto to the
bottom fi tting of the drain valve.
• Refi ll engine with oil through oil fi ll dipstick tube. Pour
slowly. Do not overfi ll. For approximate capacity see
“PRODUCT SPECIFICATIONS” section of this man u al.
• Use gauge on oil fi ll cap/dipstick for checking level. For
accurate reading, insert dipstick into the tube and push
down fi rmly into place before removing. Keep oil up to,
but not over, the “FULL” line on dipstick. Push dipstick
down fi rmly into the tube when fi nished.
YELLOW CAP
ENGINE
LUBRICATION
Only use high quality detergent oil rated with API service
classifi cation SG-SL. Select the oil’s SAE viscosity grade
according to your expected operating temperature.
Change the oil after every 50 hours of operation or at least
once a year if the tractor is not used for 50 hours in one
year.
Check the crankcase oil level before starting the engine
and after each eight (8) hours of operation.
TEMPERATURE RANGE ANTICIPATED BEFORE NEXT OIL CHANGE
SAE VISCOSITY GRADES
-20 0 30 40 80 100
-30 -20 0 20 30 40
F
C
32
-10 10
60
5W-30
10W30
oil_visc_chart4_e
• Clean terminals and battery cable ends with wire brush
until bright.
• Coat terminals with grease or petroleum jelly.
• Reinstall battery (See “REPLACING BATTERY” in the
Service and Adjustment sec tion of this manual).
AIR FILTER
Your engine will not run properly using a dirty air fi lter.
Service air cleaner more often under dusty conditions. See
Engine Manual.
ENGINE OIL FILTER
Replace the engine oil fi lter every season or every other
oil change if the tractor is used more than 100 hours in
one year.
MUFFLER
Inspect and replace corroded muffl er and spark arrester
(if equipped) as it could create a fi re hazard and/or dam-
age.
SPARK PLUGS
Replace spark plugs at the beginning of each mowing sea-
son or after every 100 hours of use, whichever comes fi rst.
Spark plug type and gap setting is shown in "PROD UCT
SPECIFICATIONS" section of this manual.
CLEAN AIR SCREEN
Air screen must be kept free of dirt and chaff to prevent
engine dam age from overheating. Clean with a wire brush
or com pressed air to re move dirt and stubborn dried gum
fi bers.
IN-LINE FUEL FILTER (See Fig. 15)
The fuel fi lter should be replaced once each season. If fuel
fi lter becomes clogged, ob struct ing fuel fl ow to car bu re tor,
re place ment is re quired.
• With engine cool, remove fi lter and plug fuel line sec-
tions.
• Place new fuel fi lter in position in fuel line with arrow
pointing towards carburetor.
• Be sure there are no fuel line leaks and clamps are
properly positioned.
• Immediately wipe up any spilled gasoline.
FIG. 15
FUEL FILTER
CLAMP
CLAMP

16
MAINTENANCE
SERVICE AND ADJUSTMENTS
WARNING: TO AVOID SE RIOUS IN JURY, BEFORE PERFORMING ANY SERVICE OR ADJUST-
MENTS:
• Depress clutch/brake pedal fully and set parking brake.
• Place gearshift lever in neutral (N) position.
• Place attachment clutch in “DISENGAGED” position.
• Turn ignition key to “STOP” and remove key.
• Make sure the blades and all moving parts have completely stopped.
• Disconnect spark plug wire from spark plug and place wire where it cannot come in contact
with plug.
TRACTOR
CLEANING
• Clean engine, battery, seat, fi nish, etc. of all foreign
matter.
• Keep fi nished surfaces and wheels free of all gasoline,
oil, etc.
• Protect painted surfaces with automotive type wax.
We do not recommend using a garden hose or pressure
washer to clean your tractor unless the engine and trans-
mission are covered to keep water out. Water in engine or
transmission will shorten the useful life of your tractor. Use
compressed air or a leaf blower to remove grass, leaves
and trash from tractor and mower.
TO REMOVE MOWER (See Fig. 16)
• Place attachment clutch in “DIS EN GAGED” position.
• Lower attachment lift lever to its lowest position.
• Roll belt off engine pulley (M).
• Remove retainer spring (K), slide col lar (L) off and push
housing guide (P) out of brack et.
• Remove clutch cable spring (Q) from idler arm (R).
• Disconnect front link (E) from mower - remove retainer
spring and washer.
• Go to either side of mower and disconnect mower
suspension arm (A) from chassis pin (B) and rear lift
link (C) from rear mower bracket (D) - remove retainer
springs and washers.
• Go to other side of mower and disconnect the suspen-
sion arm and rear lift link.
CAUTION: After rear lift links are dis-
connected, the attachment lift lever will
be spring loaded. Have a tight grip on
lift lever when changing position of
the lever.
FIG. 16
D
C
B
H
E
F
M
A
R
Q
KL
P

17
SERVICE AND ADJUSTMENTS
• Slide mower out from under right side of tractor.
IMPORTANT: If an attachment other than the mower deck
is to be mounted on the trac tor, remove the front link (E)
and rear lift liks (C) from tractor.
A
B
C
D
FIG. 17
FIG. 18
TO INSTALL MOWER (See Figs. 17-21)
Be sure tractor is on level surface and engage park ing
brake.
• Lower attachment lift lever to it's lowest position.
CAUTION: Lift lever is spring loaded.
Have a tight grip on lift lever, lower it
slowly and engage in lowest position.
NOTE: Be sure mower side suspension arms (A) are point-
ing forward before sliding mower under tractor.
• Slide mower under tractor until it is centered under
tractor.
• ATTACH MOWER SIDE SUSPENSION ARMS (A) TO
CHASSIS - Position hole in arm over pin (B) on outside
of tractor chassis and secure with washer and retainer
spring.
• Repeat on opposite side of tractor.
• ATTACH REAR LIFT LINKS (C) - Lift rear corner of
mower and position slot in link assembly over pin on
rear mower bracket (D) and secure with washer and
retainer spring.
• Repeat on opposite side of tractor.
• ATTACH FRONT LINK (E) - Work from left side of trac-
tor. Insert rod end of link assembly through front hole
in tractor front suspension bracket (F).
• Insert end of link (E) into hole in front mower bracket
(H) and secure with washer and retainer spring (J).
E
F
H
J
M
FIG. 19
FIG. 21
• Push clutch cable housing guide (P) into bracket, slide
collar (L) onto guide and secure with retainer spring
(K).
• Hook end of clutch cable spring (Q) into hole in idler
arm (R).
• Install belt onto engine pulley (M).
IMPORTANT: Check belt for proper routing in all mower
pulley grooves.
FIG. 20
D
C
B
H
E
F
M
A
KL
P
R
Q
• Raise attachment lift lever to highest position.
• If necessary, adjust gauge wheels before op er at ing
mower as shown in the Operation section of this
manual.

18
SERVICE AND ADJUSTMENTS
02966
A
A
02548
BB
PRECISION SIDE-TO-SIDE ADJUSTMENT
(See Fig. 23)
• With all tires properly infl ated, park tractor on level
ground or driveway.
CAUTION: Blades are sharp. Protect
your hands with gloves and/or wrap
blade with heavy cloth.
• Raise mower to its highest position.
• At both sides of mower, position blade at side and
measure the distance (A) from bottom edge of blade
to the ground. The distance should be the same on
both sides.
• If adjustment is necessary, see steps in Visual Adjust-
ment instructions above.
• Recheck measurements, adjust if necessary until both
sides are equal.
0
2
9
4
8
A
Turn nut left
to lower mower
Turn nut right
to raise mower
FRONT-TO-BACK ADJUSTMENT (See Figs. 24 and 25)
IMPORTANT: Deck must be level side-to-side.
To obtain the best cutting re sults, the mower blades should
be adjusted so the front tip is 1/8" to 1/2" lower than the
rear tip when the mower is in its highest position.
CAUTION: Blades are sharp. Protect your
hands with gloves and/or wrap blade with
heavy cloth.
• Raise mower to highest position.
• Position any blade so the tip is pointing straight forward.
Measure distance (B) to the ground at front and rear
tip of the blade.
• If front tip of blade is not 1/8" to 1/2" lower than the rear
tip, go to the front of tractor.
• With an 11/16" or adjustable wrench, loosen jam nut
A several turns to clear adjustment nut B.
• With a 3/4" or adjustable wrench, turn front link adjust-
ment nut (B) clockwise (tighten) to raise the front of
mower, or, counterclockwise (loosen) to lower the front
mower.
FIG. 22
FIG. 23
FIG. 24
TO LEVEL MOWER
Make sure tires are properly infl ated to the PSI shown on
tires. If tires are over or under infl ated, it may affect the
appearance of your lawn and lead you to think the mower
is not adjusted properly.
VISUAL SIDE-TO-SIDE ADJUSTMENT (See Fig. 22)
• With all tires properly infl ated and if your lawn appears
unevenly cut, determine which side of mower is cutting
lower.
NOTE: As desired, you can raise the low side of mower or
lower the high side.
• Go to side of mower you wish to adjust.
• With a 3/4" or adjustable wrench, turn lift link adjust-
ment nut (A) to the left to lower the mower, or, to the
right to raise the mower.
NOTE: Each full turn of adjustment nut will change mower
height about 3/16".
• Test your adjustment by mowing some uncut grass and
visually checking the appearance. Readjust, if neces-
sary, until you are satisfi ed with the results.
B
02950
Tighten adjust nut
B to raise mower
Loosen adjust nut
B to lower mower
Loosen jam nut A fi rst
A
FIG. 25

19
SERVICE AND ADJUSTMENTS
NOTE: Each full turn of the adjustment nut will change
mower height about 1/8".
• Recheck measurements, adjust if necessary until front
tip of blade is 1/8" to 1/2" lower than the rear tip.
• Hold adjustment nut in position with wrench and tighten
jam nut securely against adjustment nut.
TO REPLACE MOWER DRIVE BELT
(See Fig. 26)
MOWER DRIVE BELT REMOVAL
• Park tractor on a level surface. En gage parking
brake.
• Lower attachment lift lever to its lowest position.
• Remove any dirt or grass clippings which may have
accumulated around mandrels and entire upper deck
surface.
• Remove belt from electric clutch pulley (M), both man-
drel pulleys (R) and all idler pulleys (S).
MOWER DRIVE BELT INSTALLATION
• Install belt around all mandrel pulleys (R) and around
idler pulleys (S) as shown.
• Install belt onto electric clutch pulley (M).
IMPORTANT: Check belt for proper routing in all mower
pulley grooves.
• Raise attachment lift lever to highest position.
TO CHECK BRAKE
If tractor requires more than fi ve (5) feet to stop at highest
speed in high est gear on a level, dry concrete or paved
surface, then brake must be serviced.
You may also check brake by:
• Park tractor on a level, dry concrete or paved surface,
depress brake pedal all the way down and engage
parking brake.
• Place gear shift lever in neutral (N) position.
The rear wheels must lock and skid when you try to manu-
ally push the tractor forward. If the rear wheels rotate, then
the brake needs to be serviced. Contact a qualifi ed service
center.
TO REPLACE MOTION DRIVE BELT
(See Fig. 27)
Park the tractor on level surface. En gage parking brake.
For as sis tance, there is a belt installation guide decal on
bottom side of left footrest.
BELT REMOVAL -
• Remove mower (See “TO RE MOVE MOWER” in this
section of manual).
NOTE: Observe entire motion drive belt and position of all
belt guides and keepers.
• Remove belt from stationary idler (A) and clutching
idler (B).
• Remove belt from centerspan idler (C).
• Pull belt slack toward rear of trac tor. Remove belt
up wards from trans axle input pulley (D).
• Remove belt downward from engine pulley (E).
• Slide belt toward rear of tractor, off the steering plate
(F) and remove from tractor.
BELT INSTALLATION -
• Install new belt from tractor rear to front, over the steer-
ing plate (F) and above clutch brake pedal shaft (G).
• Pull belt toward front of tractor and roll belt onto engine
pulley (E).
• Pull belt toward rear of tractor. Carefully work belt down
around transaxle input pulley (D). Be sure belt is inside
the belt keeper.
• Install belt on centerspan idler (C).
• Install belt through stationary idler (A) and clutch ing
idler (B).
• Make sure belt is in all pulley grooves and in side all
belt guides and keep ers.
• Install mower (See “TO IN STALL MOWER” in this sec-
tion of manual).
FIG. 26
R
R
S
M
FIG. 27
A
B
C
D
E
F
G

20
SERVICE AND ADJUSTMENTS
TO REMOVE WHEEL FOR REPAIRS
(See Fig. 28)
• Block up axle securely.
• Remove axle cover, retaining ring and washers to allow
wheel removal (rear wheel contains a square key - Do
not lose).
• Repair tire and reassemble.
• On rear wheels only: align grooves in rear wheel hub
and axle. Insert square key.
• Replace washers and snap retaining ring securely in
axle groove.
• Replace axle cover.
NOTE: To seal tire punctures and prevent fl at tires due to
slow leaks, tire sealant may be purchased from your local
parts dealer. Tire sealant also prevents tire dry rot and
corrosion.
FIG. 28
RETAIN ING
RING
WASH ERS
SQUARE KEY (REAR
WHEEL ONLY)
AXLE
COVER
TO START ENGINE WITH A WEAK BATTERY
(See Fig. 29)
WARNING: Lead-acid batteries gen-
erate ex plosive gases. Keep sparks,
fl ame and smoking ma terials away from
batteries. Always wear eye pro tection
when around batteries.
If your battery is too weak to start the engine, it should be
recharged. (See "BATTERY" in the Maintenance sec tion
of this man u al).
If “jumper ca bles” are used for emer gen cy starting, follow
this pro ce dure:
IMPORTANT: YOUR TRACTOR IS EQUIPPED WITH A 12 VOLT
SYSTEM. THE OTHER VEHICLE MUST ALSO BE A 12 VOLT
SYSTEM. DO NOT USE YOUR TRACTOR BATTERY TO START
OTHER VEHICLES.
TO ATTACH JUMPER CABLES -
• Connect one end of the RED cable to the POSITIVE
(+) terminal of each battery(A-B), taking care not to
short against tractor chassis.
• Connect one end of the BLACK ca ble to the NEGA TIVE
(-) terminal (C) of fully charged battery.
• Connect the other end of the BLACK cable (D) to good
chassis ground, away from fuel tank and bat tery.
TO REMOVE CABLES, REVERSE ORDER -
• BLACK cable fi rst from chassis and then from the fully
charged battery.
• RED cable last from both batteries.
FIG. 29
WEAK OR DEAD
BATTERY
FULLY CHARGED
BATTERY
FRONT WHEEL TOE-IN/CAM BER
Your new tractor front wheel toe-in and camber is set at the
factory and is normal. The front wheel toe-in and camber
are not adjustable. If damage has occurred to affect the
factory set front wheel toe-in or camber, contact a qualifi ed
service center.

21
03037
TO REPLACE HEADLIGHT BULB
• Raise hood.
• Pull bulb holder out of the hole in the backside of the
grill.
• Replace bulb in holder and push bulb holder securely
back into the hole in the backside of the grill.
• Close hood.
INTERLOCKS AND RELAYS
Loose or damaged wiring may cause your tractor to run
poorly, stop running, or prevent it from starting.
• Check wiring. See electrical wiring diagram in the
Repair Parts section.
TO REPLACE FUSE
Replace with 20 amp automotive-type plug-in fuse. The
fuse holder is located behind the dash.
SERVICE AND ADJUSTMENTS
FIG. 31
TO REMOVE HOOD AND GRILL ASSEMBLY
(See Fig. 31)
• Raise hood.
• Unsnap headlight wire connector.
• Stand in front of tractor. Grasp hood at sides, tilt toward
engine and lift off of tractor.
• To replace, reverse above procedure.
ENGINE
TO AD JUST THROTTLE CON TROL CABLE
The throttle control has been preset at the factory and
ad just ment should not be necessary. If adjustment is nec-
es sary, see engine manual.
TO AD JUST CHOKE CON TROL
The choke control has been preset at the factory and ad-
just ment should not be necessary. If adjustment is neces-
sary, see engne manual.
TO ADJUST CARBURETOR
Your carburetor is not adjustable. If your engine does not
operate properly due to suspected carburetor problems,
take your tractor to an authorized service center for repair
and/or adjustment.
REPLACING BATTERY (See Fig. 30)
WARNING: Do not short battery ter-
minals by allowing a wrench or any other
object to contact both terminals at the
same time. Before connecting battery,
remove metal bracelets, wristwatch
bands, rings, etc.
Positive terminal must be connected
fi rst to prevent sparking from ac cidental
grounding.
• Lift seat to raised position.
• Disconnect BLACK battery cable (A) then RED battery
cable and carefully remove battery from tractor.
• Install new battery with terminals in same position as
old battery.
• First connect RED battery cable (B) to positive (+) battery
terminal with hex bolt and keps nut as shown. Tighten
securely. Slide terminal cover (C) over terminal.
• Connect BLACK grounding cable to negative (-) bat tery
terminal with re main ing hex bolt and keps nut. Tight en
securely
Positive
(Red)
Cable
Negative
(Black)
Cable
A
C
FIG. 30
02778
HEADLIGHT
WIRE
CONNECTOR
HOOD
B

22
STORAGE
Immediately prepare your tractor for storage at the end
of the season or if the tractor will not be used for 30 days
or more.
WARNING: Never store the trac tor with
gasoline in the tank inside a building
where fumes may reach an open fl ame
or spark. Allow the engine to cool before
storing in any en clo sure.
TRACTOR
Remove mower from tractor for winter storage. When mower
is to be stored for a period of time, clean it thor oughly, remove
all dirt, grease, leaves, etc. Store in a clean, dry area.
• Clean entire tractor (See “CLEANING” in the Main te -
nance section of this manual).
• Inspect and replace belts, if necessary (See belt re-
place ment instructions in the Service and Adjustments
section of this manual).
• Lubricate as shown in the Maintenance section of this
man ual.
• Be sure that all nuts, bolts and screws are securely
fastened. Inspect moving parts for damage, breakage
and wear. Replace if necessary.
• Touch up all rusted or chipped paint surfaces; sand
lightly before painting.
BATTERY
• Fully charge the battery for storage.
• After a period of time in storage, battery may require
recharging.
• To help prevent corrosion and power leakage during
long periods of storage, battery cables should be dis-
con nect ed and battery cleaned thoroughly (see “TO
CLEAN BATTERY AND TERMINALS” in the Mainte-
nance sec tion of this manual).
• After cleaning, leave cables disconnected and place
cables where they cannot come in contact with battery
terminals.
• If battery is removed from tractor for storage, do not
store battery directly on concrete or damp surfaces.
ENGINE
FUEL SYSTEM
IMPORTANT: IT IS IMPORTANT TO PREVENT GUM DEPOSITS
FROM FORMING IN ES SEN TIAL FUEL SYSTEM PARTS SUCH
AS CARBURETOR, FUEL FIL TER, FUEL HOSE, OR TANK
DURING STORAGE. ALSO, EXPERIENCE INDICATES THAT
ALCOHOL BLENDED FUELS (CALLED GASOHOL OR USING
ETHANOL OR METHANOL) CAN ATTRACT MOIS TURE WHICH
LEADS TO SEPARATION AND FOR MA TION OF ACIDS DURING
STOR AGE. ACIDIC GAS CAN DAMAGE THE FUEL SYSTEM
OF AN ENGINE WHILE IN STORAGE.
• Empty the fuel tank by starting the engine and let it run
until the fuel lines and carburetor are empty.
• Never use engine or carburetor cleaner products in the
fuel tank or permanent damage may occur.
• Use fresh fuel next season.
NOTE: Fuel stabilizer is an acceptable alternative in mini-
mizing the formation of fuel gum deposits during stor age.
Add stabilizer to gasoline in fuel tank or storage container.
Always follow the mix ratio found on stabilizer container.
Run engine at least 10 minutes after adding stabilizer to
allow the stabilizer to reach the carburetor. Do not empty
the gas tank and carburetor if using fuel stabilizer.
ENGINE OIL
Drain oil (with engine warm) and replace with clean en-
gine oil. (See “ENGINE” in the Maintenance section of
this man ual).
CYLINDER(S)
• Remove spark plug(s).
• Pour one ounce of oil through spark plug hole(s) into
cylinder(s).
• Turn ignition key to “START” position for a few seconds
to distribute oil.
• Replace with new spark plug(s).
OTHER
• Do not store gasoline from one season to another.
• Replace your gasoline can if your can starts to rust.
Rust and/or dirt in your gasoline will cause problems.
• If possible, store your tractor indoors and cover it to
give protection from dust and dirt.
• Cover your tractor with a suitable protective cover that
does not retain moisture. Do not use plastic. Plastic
cannot breathe which allows condensation to form and
will cause your tractor to rust.
IMPORTANT: NEVER COVER TRACTOR WHILE EN GINE AND
EXHAUST AREAS ARE STILL WARM.

23
TROUBLESHOOTING POINTS
Will not start 1. Out of fuel. 1. Fill fuel tank.
2. Engine not “CHOKED” properly. 2. See “TO START ENGINE” in Operation section.
3. Engine fl ooded. 3. Wait several minutes before attempting to start.
4. Bad spark plug. 4. Replace spark plug.
5. Dirty air fi lter. 5. Clean/replace air fi lter.
6. Dirty fuel fi lter. 6. Replace fuel fi lter.
7. Water in fuel. 7. Empty fuel tank and carburetor, refi ll tank with fresh
gasoline and replace fuel fi lter.
8. Loose or damaged wiring. 8. Check all wiring.
9. Carburetor out of adjustment. 9. See “To Adjust Carburetor” in Service Adjustments
section.
10. Engine valves out of adjustment. 10. Contact an authorized service center/department.
Hard to start 1. Dirty air fi lter. 1. Clean/replace air fi lter.
2. Bad spark plug. 2. Replace spark plug.
3. Weak or dead battery. 3. Recharge or replace battery.
4. Dirty fuel fi lter. 4. Replace fuel fi lter.
5. Stale or dirty fuel. 5. Empty fuel tank and refi ll tank with fresh, clean gasoline.
6. Loose or damaged wiring. 6. Check all wiring.
7. Carburetor out of adjustment. 7. See “To Adjust Carburetor” in Service Adjustments
section.
8. Engine valves out of adjustment. 8. Contact an authorized service center/department.
Engine will not turn over 1. Clutch/brake pedal not depressed. 1. Depress clutch/brake pedal.
2. Attachment clutch is engaged. 2. Disengage attachment clutch.
3. Weak or dead battery. 3. Recharge or replace battery.
4. Blown fuse. 4. Replace fuse.
5. Corroded battery terminals. 5. Clean battery terminals.
6. Loose or damaged wiring. 6. Check all wiring.
7. Faulty ignition switch. 7. Check/replace ignition switch.
8. Faulty solenoid or starter. 8. Check/replace solenoid or starter.
9. Faulty operator presence switch(es). 9. Contact an authorized service center/department.
Engine clicks but will not 1. Weak or dead battery. 1. Recharge or replace battery.
start 2. Corroded battery terminals. 2. Clean battery terminals.
3. Loose or damaged wiring. 3. Check all wiring.
4. Faulty solenoid or starter. 4. Check/replace solenoid or starter.
Loss of power 1. Cutting too much grass/too fast. 1. Raise cutting height/reduce speed.
2. Throttle in “CHOKE” position. 2. Adjust throttle control.
3. Build-up of grass, leaves and trash under mower. 3. Clean underside of mower housing.
4. Dirty air fi lter. 4. Clean/replace air fi lter.
5. Low oil level/dirty oil. 5. Check oil level/change oil.
6. Faulty spark plug. 6. Clean and regap or change spark plug.
7. Dirty fuel fi lter. 7. Replace fuel fi lter.
8. Stale or dirty fuel. 8. Empty fuel tank and refi ll tank with fresh, clean gasoline.
9. Water in fuel. 9. Empty fuel tank and carburetor, refi ll tank with fresh
gasoline and replace fuel fi lter.
10. Spark plug wire loose. 10. Connect and tighten spark plug wire.
11. Dirty engine air screen/fi ns. 11. Clean engine air screen/fi ns.
12. Dirty/clogged muffl er. 12. Clean/replace muffl er.
13. Loose or damaged wiring. 13. Check all wiring.
14. Carburetor out of adjustment. 14. See “To Adjust Carburetor” in Service Adjustments
section.
15. Engine valves out of adjustment. 15. Contact an authorized service center/department.
Excessive vibration 1. Worn, bent or loose blade. 1. Replace blade. Tighten blade bolt.
2. Bent blade mandrel. 2. Replace blade mandrel.
3. Loose/damaged part(s). 3. Tighten loose part(s). Replace damaged parts.
PROBLEM CAUSE CORRECTION

24
TROUBLESHOOTING POINTS
PROBLEM CAUSE CORRECTION
Engine dies when 1. Reverse operation system 1. Turn ignition key to
tractor is shifted (ROS) is not "ON" while ROS "ON" position.
into reverse mower or other attachment See Operation section.
is engaged.
Engine continues to run 1. Faulty operator-safety presence control system. 1. Check wiring, switches and connections. If not
when operator leaves seat corrected, contact an authorized service center/
with attachment clutch department.
engaged
Poor cut - uneven 1. Worn, bent or loose blade. 1. Replace blade. Tighten blade bolt.
2. Mower deck not level. 2. Level mower deck.
3. Buildup of grass, leaves, and trash under mower. 3. Clean underside of mower housing.
4. Bent blade mandrel. 4. Replace blade mandrel.
5. Clogged mower deck vent holes from buildup of 5. Clean around mandrels to open vent holes.
grass, leaves, and trash around mandrels.
Mower blades will not 1. Obstruction in clutch mechanism. 1. Remove obstruction.
rotate 2. Worn/damaged mower drive belt. 2. Replace mower drive belt.
3. Frozen idler pulley. 3. Replace idler pulley.
4. Frozen blade mandrel. 4. Replace blade mandrel.
Poor grass discharge 1. Engine speed too slow. 1. Place throttle control in “FAST” position.
2. Travel speed too fast. 2. Shift to slower speed.
3. Wet grass. 3. Allow grass to dry before mowing.
4. Mower deck not level. 4. Level mower deck.
5. Low/uneven tire air pressure. 5. Check tires for proper air pressure.
6. Worn, bent or loose blade. 6. Replace/sharpen blade. Tighten blade bolt.
7. Buildup of grass, leaves and trash under mower. 7. Clean underside of mower housing.
8. Mower drive belt worn. 8. Replace mower drive belt.
9. Blades improperly installed. 9. Reinstall blades sharp edge down.
10. Improper blades used. 10. Replace with blades listed in this manual.
11. Clogged mower deck vent holes from buildup of 11. Clean around mandrels to open vent holes.
grass, leaves, and trash around mandrels.
Headlight(s) not working 1. Light switch is “OFF”. 1. Turn light switch “ON”.
(if so equipped) 2. Bulb(s) or lamp(s) burned out. 2. Replace bulb(s) or lamp(s).
3. Faulty light switch. 3. Check/replace light switch.
4. Loose or damaged wiring. 4. Check wiring and connections.
5. Blown fuse. 5. Replace fuse.
Battery will not charge 1. Bad battery cell(s). 1. Replace battery.
2. Poor cable connections. 2. Check/clean all connections.
3. Faulty regulator (if so equipped). 3. Replace regulator.
4. Faulty alternator. 4. Replace alternator.
Engine “backfi res” when 1. Engine throttle control not set between half and 1. Move throttle control between half and full speed
turning engine “OFF” full speed (fast) position before stopping engine. (fast) position before stopping engine.

25
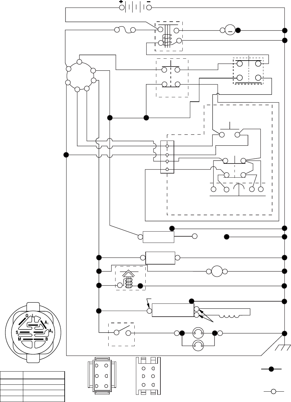
TRACTOR - - MODEL NUMBER YT1942T (96043000300), PRODUCT NO. 960 43 00-03
SCHEMATIC
M
FUSE
STARTER
SOLENOID
BATTERY
CLUTCH/BRAKE
(PEDAL UP)
REVERSE SWITCH
(NOT IN REVERSE)
SEAT SWITCH
(NOT OCCUPIED)
SHORTING
CONNECTOR
CHASSIS
HARNESS
IGNITION
UNIT
HOUR
METER
CHASSIS HARNESS
CONNECTOR
(MATING SIDE)
DASH HARNESS
CONNECTOR
(MATING SIDE)
LIGHT
SWITCH
HEADLIGHTS
FUEL
LINE
FUEL SHUT-OFF
SOLENOID
(IF SO EQUIPPED)
JUNCTION
CONNECTOR
S
M
B
G
L
2
3
1
6
A2
A1
M
63
52
41
6
5
4
3
2
1
SPARK
PLUGS GAP
(2 PLUGS ON
TWIN CYL. ENGINES)
(OPTIONAL)
NON-REMOVABLE
CONNECTIONS
REMOVABLE
CONNECTIONS
WIRING INSULATED CLIPS
NOTE: IF WIRING INSULATED
CLIPS WERE REMOVED FOR
SERVICING OF UNIT, THEY
SHOULD BE REPLACED TO
PROPERLY SECURE YOUR
WIRING.
_
IGNITION SWITCH
CIRCUITPOSITION
OFF
B+A1
RUN/OVERRIDE
B+S+A1START
M+G+A1
B+A1RUN
“MAKE”
L+A2
03101
ATTACHMENT CLUTCH
(CLUTCH OFF)
REGULATOR STATOR
28 VOLTS AC @ 3600 RPM (REGULATOR DISCONNECTED)
CHARGING SYSTEM OUTPUT
15 AMP DC @ 36 RPM
RED
BLACK
BLACK /WHITE
ORANGE
BROWN
BLUE
BLUE
BLACK
BLACK
BLACKBLACK
BLACK
BLACK
BLACK
BLACK
BLACK
RED RED
WHITE
WHITE
GRAY
GRAY
BLACK
BLACK
POWER OUTLET
(IF SO EQUIPPED)
12V

26
TRACTOR - - MODEL NUMBER YT1942T (96043000300), PRODUCT NO. 960 43 00-03
ELECTRICAL
30
33
42
40
26
28
71
194276E
29
94
93
92
34
43
25
27
27
41
B31
8
1
227
22
21
16
27
TRACTOR - - MODEL NUMBER YT1942T (96043000300), PRODUCT NO. 960 43 00-03
ELECTRICAL
KEY PART
NO. NO. DESCRIPTION
1 532 14 49-27 Battery
2 874 76 04-12 Bolt Hex Head 1/4-20 x 3/4
8 532 19 32-28 Box Battery
16 532 17 61-38 Switch Interlock Push-In
21 532 18 37-59 Harness Socket Light W/4152J
22 532 00 41-52 Bulb Light
25 532 40 16-62 Cable Starter
26 532 17 51-58 Fuse
27 873 51 04-00 Nut Keps Hex 1/4-20 unc
28 532 19 88-85 Cable, Ground
29 532 40 15-45 Switch, Seat
30 532 19 33-50 Switch, Ign
33 532 14 04-01 Key, Ignition
34 532 11 07-12 Switch Light / Reset
40 532 40 04-49 Harness Ign.
41 817 72 04-08 Screw Thd Cut 1/4-20 x 1/2
42 532 13 15-63 Cover, Terminal
43 532 19 25-07 Solenoid
55 817 49 05-08 Screw Thdrol 5/16-18 x 1/2 TYTT
71 532 40 04-51 Harness Ign. Dash
92 532 19 66-15 Harness Pigtail Reverse Switch
93 532 19 25-40 Screw Plastite 10-14 x 2.0
94 532 19 18-34 Module Reverse ROS
NOTE: All component dimensions given in U.S. inches
1 inch = 25.4 mm

28
TRACTOR - - MODEL NUMBER YT1942T (96043000300), PRODUCT NO. 960 43 00-03
CHASSIS
37
181
181
182
176
176
175
194
189
184
185
2
180
5
177
196
17
198
199
Chassis-Tex_7-Lt-Tex Elite Husq
205
130
151
14
191
191
206
18
15
25
176
176
137
179
162
162
122
150
2 532 19 42-63 Drawbar
5 532 40 29-50 Dash
14 532 18 99-77 Hood
15 532 18 99-82 Lens LH
17 817 06 06-12 Screw 3/8-16 x .75
18 532 18 82-69 Grille/Lens Asm.
25 532 18 99-81 Lens RH
37 532 40 29-53 Fender
122 532 19 25-12 Screw 10-32 x 5/8
130 532 19 16-11 Screw 10 x 3/4 Single Lead-Hex
137 532 18 49-21 Bumper Hood
138 532 40 29-54 Cupholder
150 532 19 85-13 Air Duct
151 532 17 47-14 Bracket Pivot
162 532 14 24-32 Screw
175 532 19 32-43 Crossmember
176 532 19 32-32 Screw 10-24 x 5/8
177 532 19 52-27 Bushing Steering
NOTE: All component dimensions given in U.S. inches
1 inch = 25.4 mm
KEY PART
NO. NO. DESCRIPTION
KEY PART
NO. NO. DESCRIPTION
179 532 40 07-96 Plug Cruise Control
180 532 19 42-60 Chassis
181 532 40 30-25 Bushing Mtg. Fender Crgo
182 532 19 30-57 Dash Lower
184 532 19 57-80 Spacer Fender
185 872 11 05-10 Bolt Carraige 5/16-18 x 1-1/4 Gr. 5
189 817 00 05-12 Screw 5/16-18 x 3/4
191 532 18 82-67 Insert Lens
194 873 90 05-00 Nut Lock Hex Flange 5/16-18
196 532 40 28-43 Console Asm. Deck Lift
197 532 15 65-24 Rod Pivot Chassis/Hood
198 532 40 29-55 Indicator Deck Lift
199 532 19 63-76 Plate Deck Lift
205 532 18 99-78 Skirt Side RH
206 532 18 99-79 Skirt Side LH

29
TRACTOR - - MODEL NUMBER YT1942T (96043000300), PRODUCT NO. 960 43 00-03
STEERING ASSEMBLY
6
3
55
5
13
13
53 8
9
9
8
8
7
7
3
62
4
35
16 19
63
63
57
60
59
58
28
13 22
64
50
50
70
65
68
69
67
54
67
66
54
65
15
15
14
14
21
51
26
1
20
45
61
55
2
6
steering-tex_1-vgt
KEY PART
NO. NO. DESCRIPTION
1 532 19 39-43 Wheel, Steering
2 532 19 59-68 Axle Asm., Front
3 532 18 32-26 Fitting, Grease
4 532 19 47-43 Spindle Asm., LH
5 532 19 47-44 Spindle Asm., RH
6 532 12 49-31 Bearing, Race Thrust Harden
7 532 12 17-48 Washer 25/32 x 1-5/8 x 16 Ga.
8 812 00 00-29 Ring, Klip #T5304-75
9 532 12 12-32 Cap, Spindle
13 532 12 17-49 Washer 25/32 x 1-1/4 x 16 Ga.
14 810 04 06-00 Washer, Lock Hvy Hlcl Spr 3/8
15 873 54 06-00 Nut, Crown Lock 3/8-24 unf
16 532 19 47-46 Shaft Steering
19 532 19 47-29 Plate Steering
20 532 40 29-60 Boot, Steering
21 532 18 67-37 Adapter, Wheel Steering
22 532 19 48-45 Bushing, Strg. Blk
26 532 19 36-52 Insert, Wheel Steering
28 817 00 06-12 Screw 3/8-16 x 3/4
35 532 19 47-32 Gear, Sector Plate
45 819 11 38-12 Washer 11/32 ID x 2-3/8 x 12 Ga.
48 817 06 06-12 Screw 3/8-16 x .75
50 873 90 06-00 Nut Lock 3/8-16 unc
NOTE: All component dimensions given in U.S. inches
1 inch = 25.4 mm
KEY PART
NO. NO. DESCRIPTION
51 873 94 08-00 Nut Hex Jam Toplock 1/2-20 unf
53 532 18 89-67 Washer Hardened
.793 x 1.637 x .060
54 874 76 06-36 Bolt Hex 3/8-16 unc x 2-1/4
55 532 19 76-36 Spacer Brace Axle
57 532 19 72-46 Bracket Upstop
58 532 19 47-47 Bolt Shoulder Sector Pivot CFM
59 532 19 47-48 Washer Thrust Sector Steering
60 873 97 10-00 Nut Flange Lock 5/8-11
61 532 19 47-40 Draglink LH
62 532 19 47-41 Draglink, RH
63 817 00 05-12 Screw 5/16-18 x 3/4
64 532 19 98-49 Retainer Clip Spring Steering
65 532 19 47-34 Brace Axle Front
66 871 02 07-48 Bolt Hex Fghd 7/16-14 x 3 Serr
67 532 19 47-37 Bushing PM Front Axle
68 873 90 07-00 Nut Lock Flange 7/16-14 Gr. 5
69 532 19 91-62 Washer 1.5 x .505 x .118
70 532 19 61-97 Bracket Deck Susp. Front

30
TRACTOR - - MODEL NUMBER YT1942T (96043000300), PRODUCT NO. 960 43 00-03
DRIVE
70
74
56
185
171
186
189 49
187
50
51
190
52
51
51
52
170
29
198
165166
64
188
172
172
116
120
2
73
17
26
195
125
125
125
161
35
175
192
158
134
192
157
141
140
139
176
178
174
1
22
203
15
204
184
167
160
42
drive-tex_7-lt-peerless
159
159
166
2
183 37
205 33
155
61
1
202
31
TRACTOR - - MODEL NUMBER YT1942T (96043000300), PRODUCT NO. 960 43 00-03
DRIVE
KEY PART
NO. NO. DESCRIPTION
KEY PART
NO. NO. DESCRIPTION
NOTE: All component dimensions given in U.S. inches
1 inch = 25.4 mm
1 - - - - - - Transaxle, Peerless 206-565
(Order Parts from Transaxle
Manufacturer)
2 532 12 35-83 Key Square
15 819 13 13-16 Washer 13/32 x 13/16 x 16 Ga.
17 532 19 72-97 Spring, Brake
22 532 19 76-60 Rod Shift
26 532 19 74-55 Spring Brake Return
29 532 19 72-67 Rod, Brake
33 812 00 00-01 Ring E
35 532 19 77-22 Rod, Brake, Park
37 532 12 17-49 Washer 25/32 x 1-1/4 x 16 Ga.
42 532 12 48-72 Cover, Foot Pedal
49 872 11 06-14 Bolt
50 532 19 43-27 Pulley Idler Flat
51 873 90 06-00 Lock Nut 3/8-16
52 532 19 43-26 Idler V-Groove 910" Offset
56 532 19 43-46 V-Belt, Drive
61 532 12 36-66 Pulley transaxle
64 53219 62-00 Shaft Asm. Pedal Brake Control
70 532 40 30-24 Console
73 874 49 05-44 Bolt Hex Flghd
5/16-18 x 3.0 Gr. 5
74 532 14 24-32 Screw 1/4 x 1/2
116 873 90 05-00 Nut Lock Hex Flange 5/16-18
120 817 06 05-12 Screw 5/16-18 x 3/4
125 817 00 05-12 Screw 5/16-18 x 3/4
134 532 19 76-58 Asm Shift
139 874 55 04-12 Bolt 1/4-28 unf Gr. 8 w/Patch
140 810 04 04-00 Washer Lock Hvy Helical 1/4
141 819 09 12-10 Washer 9/32 x 3/4 x 10 Ga.
155 812 00 00-28 Ring Retainer
157 532 10 57-01 Washer Plate Shift
158 532 19 43-52 Belt Keeper
159 876 02 04-12 Pin Cotter 1/8 x 3/4
160 532 16 94-84 Retainer Clip
161 532 19 54-03 Spring, Return, Clutch
165 532 19 62-12 Busing Shaft Brake Hand Control
166 532 19 72-90 Nut Push .625
167 532 19 62-11 Latch Brake Parking
170 532 19 43-22 Keeper Belt Centerspan
171 872 11 06-16 Bolt
172 532 19 76-57 Strap Torque LH
174 532 19 72-89 Nut Push
175 532 19 62-24 Shaft Asm. Shift
176 532 19 62-14 Arm Clevis Rod Shift
178 532 19 74-56 Spring Shift
183 532 13 70-57 Spacer Axle
184 532 41 12-89 Parking Brake Handle
185 872 11 06-20 Bolt
186 532 19 43-21 Spacer Retainer
187 819 13 32-10 Washer
188 532 19 43-23 Link Clutch Ground Drive
189 532 19 43-17 Bellcrank Ground Drive
190 532 19 43-18 Keeper Bellcrank Ground Drive
192 532 15 03-60 Nut Lock Center 1/4-28 Fnthd
195 532 19 73-32 Bracket Brake Rod
198 532 19 94-96 Screw 7/16-14 x 7/8
202 532 16 62-31 Link Transaxle
203 819 11 11-16 Washer 11/32 x 11/16 x 16 Ga.
204 532 19 51-61 Stud Fastener
205 532 12 17-48 Washer 25/32 x 1-5/8 16 Ga.

32
TRACTOR - - MODEL NUMBER YT1942T (96043000300), PRODUCT NO. 960 43 00-03
ENGINE
KEY PART
NO. NO. DESCRIPTION
NOTE: All component dimensions given in U.S. inches
1 inch = 25.4 mm
For engine service and replacement parts, call the toll free
number for your engine manufacturer listed below:
Briggs & Stratton 1-800-233-3723
Kohler Co. 1-800-544-2444
Tecumseh Products 1-800-558-5402
Honda Engines 1-800-426-7701
Kawasaki 1-949-460-5688
1 - - - - - - Engine Kohler Model No. SV590
2 532 18 86-55 Muffl er
9 532 19 43-19 Keeper Belt Engine
12 532 19 43-32 Pulley Engine
15 532 19 42-66 Tank Fuel 4.0
18 532 19 77-25 Cap Asm
20 532 40 15-08 Control Throttle
21 532 19 16-11 Screw 10 x 3/4 Single Lead-Hex
28 532 40 11-37 Fuel Line
29 532 13 71-80 Spark Arrester Kit
37 532 12 34-87 Clamp Hose
42 810 04 07-00 Washer Lock 7/16
43 532 17 39-37 Bolt Hex 7/16-20 x 4 Gr. 5
45 873 51 04-00 Nut Keps Hex 1/4-20 unc
64 817 00 06-12 Screw Hexwsh Thdrol 3/8-16 x 3/4
69 - - - - - - Gasket (Order From Eng. Mfgr.)
81 148456 Tube Drain Oil Easy
82 181654 Plug Drain Oil
83 532 17 18-77 Bolt 5/16-18 unc x 3/4 w/Sems
92 817 12 06-16 Screw 3/8-16 x 1
94 532 18 86-54 Tube Exhaust
99 532 19 43-29 Shield Browning/Debris
KEY PART
NO. NO. DESCRIPTION
1
12
41 9
99
64
29
SPARK ARRESTER KIT
92
45
90
37
28
37
21 20
94 86
69
engine-tex_6-kohl
18
15
2
81
82

33
TRACTOR - - MODEL NUMBER YT1942T (96043000300), PRODUCT NO. 960 43 00-03
MOWER LIFT
7
3
87
10 88
2
89
90
87
98
100
99
41
97
97
91
89
87
95
41
92
89
87
lift-tex_2-lt
2 532 19 52-23 Shaft Asm., Lift
3 532 19 52-31 Lever Asm., Lift Rh
7 532 19 64-92 Grip, Lever
10 532 19 63-14 Spring Torsion
41 532 17 59-94 Nut, 7/16-20
87 532 19 42-09 Pin Cotter 7/16 Bow Tie Lock
88 532 19 53-03 Spring Lift Assist
89 819 19 19-12 Washer Clear Zinc
90 532 19 42-08 Pin Cotter 5/16 Bow Tie Lock
KEY PART
NO. NO. DESCRIPTION
NOTE: All component dimensions given in U.S. inches
1 inch = 25.4 mm
91 532 19 51-79 Link Lift Susp Mower Rear
92 532 19 51-74 Bracket Connect Link Lift
95 532 19 51-71 Bushing Alignment Link Lift
97 817 06 06-12 Screw 3/8-16 x .75 Smgml Tap/R.Z
98 532 19 57-40 Link Lift Susp. Front Mower
99 532 19 52-63 Bushing Spherical Susp Front
100 873 36 07-00 Nut Hex Jam ASF 7/16-20 unf
KEY PART
NO. NO. DESCRIPTION

34
TRACTOR - - MODEL NUMBER YT1942T (96043000300), PRODUCT NO. 960 43 00-03
SEAT ASSEMBLY
1 532 19 75-18 Seat
2 532 18 01-66 Bracket Pivot Fender
3 532 14 06-75 Strap, Asm Fender
5 532 14 50-06 Clip, Push In, Hinged
6 873 80 06-00 Nut, Lock W/Ins. 3/8-16 unc
7 532 12 41-81 Spring, Seat Cprsn
8 532 17 18-77 Bolt 5/16-18 uncx 3/4 w/Sems
10 532 19 69-77 Pan, Seat
21 532 17 18-52 Bolt, Shoulder 5/16-18
37 873 80 05-00 Nut, Lock 5/16-18 unc
40 532 19 76-61 Handle Slide Seat
41 532 19 82-00 Spring Latch Seat
43 874760612 Bolt Fin Hex 3/8-16 unc x 3/4
44 819133812 Washer 13/32 x 2-3/8 x 12 Ga.
KEY PART
NO. NO. DESCRIPTION
KEY PART
NO. NO. DESCRIPTION
NOTE: All component dimensions given in U.S. inches
1 inch = 25.4 mm
2
6
1
40
10
37
37
21
21
3
41
7
8
7
8
8
8
seat-tex_6-tex LT
44
43

35
TRACTOR - - MODEL NUMBER YT1942T (96043000300), PRODUCT NO. 960 43 00-03
DECALS
NOTE: All component dimensions given in U.S. inches
1 inch = 25.4 mm
KEY PART
NO. NO. DESCRIPTION
6
2
1
3
11
410
59
8
7
wheel_art_1-tex
WHEELS AND TIRES
KEY PART
NO. NO. DESCRIPTION
KEY PART
NO. NO. DESCRIPTION
10
1 532 05 91-92 Cap Valve Tire
2 532 06 51-39 Stem Valve
3 532 13 83-36 Tire F T 15 x 6 0 - 6 Service
4 532 05 99-04 Tube Front (Service Item Only)
5 532 10 62-22 Rim Asm 6" front Service
6 532 12 49-57 Fitting Grease (Front Wheel Only)
7 532 12 49-59 Bear ing Flange (Front Wheel nly)
8 532 17 50-39 Cap Axle Blk 1 50 x 1 00
9 532 13 84-68 Tire R T 18 x 9.5-8 Service
10 532 12 49-26 Tube Rear (Service Item Only)
11 532 13 83-37 Rim Asm 8" rear Service
- - 532 14 43-34 Sealant, Tire (10 oz. Tube)
11
9
1 532 40 20-15 Decal, Operators
2 532 18 89-18 Decal, Hood RH
3 532 18 89-19 Decal, Hood LH
4 532 40 21-43 Decal, Hood Panel
5 532 18 09-41 Decal, Customer Respons.
6 532 40 18-59 Decal, Replacement
7 532 18 89-25 Decal, Steering Wheel
9 532 14 95-16 Decal, Battery Dnge/Poi
10 532 13 80-47 Decal, Battery
11 532 17 05-63 Decal, Warning
12 532 16 03-96 Decal, Mower V-Belt Schematic
- - 532 40 29-76 Pad, Footrest, LH
- - 532 40 29-78 Pad, Footrest, RH
- - 532 40 19-72 Manual, Owner's (English)
- - 532 40 19-73 Manual, Owner's (French)
12
72 5 6
4
3
1

36
68
30
30
30
67
151
7
87
7
7
152
186
86
187
194
197
5
37
152
42
43
60
38
63
46
147
55
64
47
192
30
32
39
57
122
123
57
31
33
54
34
56
56 57
59
62
188
189
1
69
21
21
115
115
20
40
145
42_D_man-Tex_LT_4
15
14
13
11
8
16
21
24
25
26
27
29
23
189
188
144
36
113
113
40
57
70
117
116
118
119
117
149
119
116
118
19
19
6
6
35
TRACTOR - - MODEL NUMBER YT1942T (96043000300), PRODUCT NO. 960 43 00-03
MOWER DECK
37
TRACTOR - - MODEL NUMBER YT1942T (96043000300), PRODUCT NO. 960 43 00-03
MOWER DECK
KEY PART
NO. NO. DESCRIPTION
KEY PART
NO. NO. DESCRIPTION
NOTE: All component dimensions given in U.S. inches
1 inch = 25.4 mm
1 532 40 29-99 Mower Housing
5 532 12 46-70 Retainer Spring
6 532 19 51-86 Arm Suspension
7 532 19 16-11 Screw 10 x 3/4 Single Lead Hex
8 532 19 30-03 Bolt/Washer asm 7/16-20 unf
11 532 13 89-71 Blade, 42" Hi-Lift
(For bagging or discharge)
- - 532 13 41-49 Blade, 42" Mulching Std
(For mulching mowers only)
- - 532 13 97-75 Blade, 42" Mulching Premium (For
better wear when mulching)
13 532 19 28-72 Shaft Assembly, Mandrel
14 532 18 72-81 Housing, Mandrel
15 532 11 04-85 Bearing, Ball, Mandrel
16 532 17 44-93 Stripper, Mower Deck
19 532 19 65-39 Bolt, Shoulder
20 532 15 97-70 Baffl e, Vortex
21 873 68 05-00 Nut, Crownlock 5/16-18 unc
23 532 19 25-57 Bracket, Defl ector
24 532 10 53-04 Cap, Sleeve
25 532 19 70-26 Spring, Torsion, Defl ector
26 532 11 04-52 Nut, Push
27 532 40 30-04 Shield, Defl ector
29 532 13 14-91 Rod, Hinge
30 532 17 39-84 Screw Thdrol Rolling Wsh Hd
31 532 18 76-90 Washer, Spacer
32 532 19 59-45 Pulley, Mandrel
33 532 40 02-34 Nut, Toplock, Flanged
34 872 11 06-12 Bolt Carr Sh. 3/8-16 x 1-1/2 Gr. 5
36 532 19 61-06 Pulley, Idler, Flat
37 819 13 13-16 Washer
38 532 19 91-89 Keeper Belt LH Mandrel
39 532 19 91-91 Keeper Belt RH Mandrel
40 873 90 06-00 Nut, Lock Flg. 3/8-16 unc
42 532 19 84-10 Spring Torsion Brake
43 532 19 72-56 Spring Torsion Retainer
46 532 13 77-29 Screw Thd Roll 1/4-20 x 5/8
47 532 19 72-50 Bracket Clutch Cable
54 532 17 85-15 Washer, Hardened
55 532 19 72-49 Arm, Idler
56 532 19 90-92 Spacer, Retainer
57 817 00 06-16 Screw 3/8-16 x 1
59 532 17 34-42 Guard, Tuv Idler
60 532 10 74-02 Arm Brake Mower
62 872 11 06-16 Bolt Rd Hd Sq Nk 3/8-16 unc x 2
63 532 19 94-78 Arm Brake Mower
64 532 19 73-83 Link Brake LH
65 532 19 90-92 Spacer Retainer
67 532 40 30-12 Handle Clutch Cable
68 532 19 72-53 V-Belt
69 872 14 05-05 Bolt
70 532 19 97-79 Clutch Asm Manual
86 532 19 77-98 Pin Attachment Cable
87 532 19 78-02 Switch Interlock Clutch Cable
88 532 19 32-32 Screw 10-24 x 5/8
113 817 00 05-10 Screw 5/16-18
115 872 11 05-05 Bolt Carr. 5/16-18 x 5/8
116 532 12 48-42 Bolt, Shoulder
117 532 18 86-06 Wheel, Gauge
118 873 93 06-00 Nut, Crownlock 3/8-1
119 819 12 14-14 Washer 13/32 x 7/8 x 14 Ga.
122 532 19 72-58 Keeper Belt Engine LH
123 532 19 72-59 Keeper Belt Engine RH
144 532 19 92-04 Keeper Belt
145 532 17 79-68 Pulley Idler
147 532 40 19-71 Spring Return
149 532 16 58-98 Retainer Spring
151 532 19 83-31 Bracket
152 532 19 72-57 Manual Clutch Cable
186 532 19 77-99 Arm Actuator
187 532 19 78-00 Lever Control Clutch
188 532 19 51-61 Stud Fastener
189 873 90 05-00 Nut Lock Hex Flange
192 532 19 72-60 Bracket Brake Stand LH
194 532 19 77-97 Bearing Control Lever Clutch
197 532 19 78-01 Spring Plunger Actuator
- - 532 19 28-70 Mandrel Assembly (Includes
housing, shaft and shaft hardware
only-pulley not included)
- - 532 40 20-22 Replacement Mower, Complete

38
SECTION 1: LIMITED WARRANTY
Husqvarna Forest & Garden Company (“Husqvarna”) warrants Husqvarna product to the original purchaser
to be free from defects in material and workmanship from the date of purchase for the “Warranty Period” of the
product as set forth below:
Lifetime Warranty: All tiller tines against breakage, trimmer shafts, ignition coils and modules on hand held
prod uct.
3 Year Warranty: Spindles (on Zero Turn Riders and Commercial Walk-Behinds)
2 Year COMMERCIAL-Warranty: Husqvarna Commercial Turf Equipment—zero turn riders, wide area walks,
and ground engaging commercial equipment.
2 Year NON-COMMERCIAL Warranty: Automatic Mower, Riding lawn mowers, yard and garden tractors, walk
behind mowers, tillers, chain saws, trimmers, brushcutters, clearing saws, snow blowers, handheld blowers,
backpack blowers, hedge trimmers, electrical products and power-assist collection systems for non com -
mer cial, nonprofessional, noninstitutional or nonincome producing use, except as herein stated.
Emission control system components necessary to comply with CARB-TIER-II and EPA regulations, except
for those components which are part of engine systems manufactured by third party engine manufacturers for
which the purchaser has received a separate warranty with product information supplied at time of purchase.
1 Year Warranty: Power cutters, stump grinder, pole pruners and pole saws for non-commercial, non-pro-
fessional, non-institutional or non-income producing use. All trimmers, brushcutters, clearing saws, hovering
trimmers, stick edgers, backpack blowers, hand held blowers, hedge trimmers, power-assist collection systems
used for commercial, institutional, professional or income producing purposes or use.
Batteries have a one-year prorated limited warranty with 100% replacement during the fi rst 6 months.
90 Day Warranty: Automatic Mower, Chain saws, power cutters, stump grinders, pole saws, pole pruners,
snow throwers, model series 580 & 600 walk-behind mowers and commercial turf equipment or any Husqvarna
product used for commercial, institutional, professional, or income producing purposes or use except as oth-
erwise provided herein.
Husqvarna Safety Apparel carries a 90-day warranty from the date of the customer’s original purchase for
defects in material and workmanship. Normal wear, tear or abuse is not covered under warranty. Product must
be returned to Charlotte with a warranty claim form. All care and maintenance instructions must be followed
as stated by the manufacturer on the care label. The fi t of the protective apparel/boot is not covered under
warranty.
30 Day Warranty: Replacement parts, accessories including bars and chains, tools and display items.
SECTION 2: HUSQVARNA’S OBLIGATIONS UNDER THE WARRANTY
Husqvarna will repair or replace defective components without charge for parts or labor if a component fails
because of a defect in material or workmanship during the warranty period.
SECTION 3: ITEMS NOT COVERED BY THIS WARRANTY
The following items are not covered by this warranty:
(1)Normal customer maintenance items which become worn through normal regular use, including, but
not limited to, belts, blades, blade adapters, bulbs, fi lters, guide bars, lubricants, rewind springs, saw
chain, spark plugs, starter ropes and tines;
(2)Natural discoloration of material due to ultraviolet light;
(3)Engine and drive systems not manufactured by Husqvarna; these items are covered by the respective
manufacturer’s warranty as provided in writing with the product information supplied at the time of pur-
chase; all claims must be sent to the appropriate manufacturer;
(4)Lawn and garden attachments are covered by a third party which gives a warranty, all claims for war-
ranty should be sent to the manufacturer; and
(5)Emission Control System components necessary to comply with CARB-TIER-II and EPA regulations
which are manufactured by third party engine manufacturer.
SECTION 4: EXCEPTIONS AND LIMITATIONS
This warranty shall be inapplicable to defects resulting from the following:
(1)Accident, abuse, misuse, negligence and neglect, including stale fuel, dirt, abrasives, moisture, rust,
corrosion, or any adverse reaction due to incorrect storage or use habits;
(2)Failure to operate or maintain the unit in accordance with the Owner’s/Operator’s manual or instruc-
tion sheet furnished by Husqvarna;
(3)Alterations or modifi cations that change the intended use of the product or affects the product’s per-
formance, operation, safety, or durability, or causes the product to fail to comply with any applicable
laws; or:
(4)Additional damage to parts or components due to continued use occurring after any of the above.
REPAIR OR REPLACEMENT AS PROVIDED UNDER THIS WARRANTY IS THE EXCLUSIVE REMEDY OF
THE PUR CHAS ER. HUSQVARNA SHALL NOT BE LIABLE FOR ANY INCIDENTAL OR CONSEQUENTIAL
DAMAGES FOR BREACH OF ANY EXPRESS OR IMPLIED WARRANTY ON THESE PRODUCTS EXCEPT
TO THE EXTENT PROHIBITED BY APPLICABLE LAW. ANY IMPLIED WARRANTY OF MERCHANTABILITY
OR FITNESS FOR A PARTICULAR PURPOSE ON THESE PRODUCTS IS LIMITED IN DURATION TO THE
WARRANTY PERIOD AS DEFINED IN THE LIMITED WARRANTY STATEMENT. HUSQVARNA RE SERVES
THE RIGHT TO CHANGE OR IMPROVE THE DESIGN OF THE PRODUCT WITHOUT NO TICE, AND DOES
NOT ASSUME OBLIGATION TO UPDATE PREVIOUSLY MANUFACTURED PROD UCTS.
Some states do not allow the exclusion of incidental or consequential damages, or limitations on how long
an implied warranty lasts, so the above limitations or exclusions may not apply to you. This warranty gives you
specifi c legal rights, and you may also have other rights which vary from state to state.
SECTION 5: CUSTOMER RESPONSIBILITIES
The product must exhibit reasonable care, maintenance, operation, storage and general upkeep as written
in the maintenance section of the Owner’s/Operator’s manual. Should an operational problem or failure occur,
the product should not be used, but delivered as is to an authorized Husqvarna dealer for evaluation. Proof of
purchase, as explained in section 6, rests solely with the customer.
SECTION 6: PROCEDURE TO OBTAIN WARRANTY CONSIDERATION
It is the Owner’s and Dealer’s responsibility to make certain that the Warranty Registration Card is properly
fi lled out and mailed to Husqvarna Forest & Garden Company. This card should be mailed within ten (10) days
from the date of purchase in order to confi rm the warranty and to facilitate post-sale service.
Proof of purchase must be presented to the authorized Husqvarna dealer in order to obtain warranty service.
This proof must include date purchased, model number, serial number, and complete name and address of the
selling dealer.
To obtain the benefi t of this warranty, the product believed to be defective must be delivered to an authorized
Husqvarna dealer in a timely manner, no later than thirty (30) days from date of the operational problem or
failure. The product must be delivered at the owner’s expense. Pick-up and delivery charges are not covered
by this warranty. An authorized Husqvarna dealer can be normally located through the “Yellow Pages” of the
local telephone directory or by calling 1-800-HUSKY62 for a dealer in your area.
HUSQVARNA
7349 Statesville Road
Charlotte, NC 28269
531 83 81-23 2002
WARRANTY STATEMENT

39
15 DEGREES MAX.
FOLD ALONG DOTTED LINE
THIS IS A 15 DEGREE SLOPE
ONLY RIDE UP AND DOWN HILL,
NOT ACROSS HILL
SUGGESTED GUIDE FOR SIGHTING SLOPES FOR SAFE OPERATION
WARNING: To avoid serious injury, operate your tractor up and
down the face of slopes, never across the face. Do not mow
slopes greater than 15 degrees. Make turns gradually to prevent
tipping or loss of control. Exercise extreme caution when
changing direction on slopes.
1. Fold this page along dotted line indicated above.
2. Hold page before you so that its left edge is vertically parallel to a tree
trunk or other upright structure.
3. Sight across the fold in the direction of hill slope you want to measure.
4. Compare the angle of the fold with the slope of the hill.

532 40 19-72 Rev. 7 05.24.06 TR/VB/TR Printed in U.S.A.