Husqvarna Yth1542Xpt Users Manual OM, YTH 1542 XP (YTH XPT), 96043000602, 2006 10, Ride Mower
YTH1542XPT HUSO2006_USen_O0602058_
YTH1542XPT to the manual 61b0e09f-a93d-4946-88db-06fdb873f626
2015-01-24
: Husqvarna Husqvarna-Yth1542Xpt-Users-Manual-317439 husqvarna-yth1542xpt-users-manual-317439 husqvarna pdf
Open the PDF directly: View PDF
.
Page Count: 44

03002
YTH1542XPT
Owner's Manual

2
I. GENERAL OPERATION
• Read, understand, and follow all instructions on the
machine and in the manual before starting.
• Do not put hands or feet near rotating parts or under
the machine. Keep clear of the discharge opening at
all times.
• Only allow responsible adults, who are familiar with the
in struc tions, to operate the machine.
• Clear the area of objects such as rocks, toys, wire, etc.,
which could be picked up and thrown by the blades.
• Be sure the area is clear of bystanders before operat-
ing. Stop machine if anyone enters the area.
• Never carry passengers.
• Do not mow in reverse unless absolutely necessary.
Always look down and behind before and while back-
ing.
• Never direct discharged material toward anyone. Avoid
discharging material against a wall or obstruction. Ma-
terial may ricochet back toward the operator. Stop the
blades when crossing gravel surfaces.
SAFETY RULES
Safe Operation Practices for Ride-On Mowers
DANGER: THIS CUTTING MACHINE IS CAPABLE OF AMPUTATING HANDS AND FEET AND THROW ING OBJECTS. FAILURE
TO OBSERVE THE FOLLOWING SAFETY INSTRUCTIONS COULD RESULT IN SERIOUS INJURY OR DEATH.
WARNING: In order to prevent ac-
ci den tal starting when setting up,
trans port ing, ad just ing or making re-
pairs, al ways dis con nect spark plug
wire and place wire where it can not
contact spark plug.
WARNING: Do not coast down a hill
in neutral, you may lose control of the
tractor.
WARNING: Tow only the attachments
that are rec om mend ed by and com-
ply with spec i fi ca tions of the man u -
fac tur er of your tractor. Use common
sense when towing. Operate only at
the low est possible speed when on a
slope. Too heavy of a load, while on
a slope, is dan ger ous. Tires can lose
trac tion with the ground and cause you
to lose control of your tractor.
WARNING
Engine exhaust, some of its con stit u ents, and cer-
tain vehicle com po nents contain or emit chem i cals
known to the State of Cal i for nia to cause can cer and
birth de fects or oth er re pro duc tive harm.
WARNING
Battery posts, terminals and related ac ces so ries
contain lead and lead compounds, chem i cals known
to the State of Cal i for nia to cause can cer and birth
defects or oth er re pro duc tive harm. Wash hands
after handling.
• Do not operate machine without the entire grass catcher,
discharge guard, or other safety devices in place and
working.
• Slow down before turning.
• Never leave a running machine unattended. Always
turn off blades, set parking brake, stop engine, and
remove keys before dismounting.
• Disengage blades when not mowing. Shut off engine
and wait for all parts to come to a complete stop before
cleaning the machine, removing the grass catcher, or
unclogging the discharge guard.
• Operate machine only in daylight or good artificial
light.
• Do not operate the machine while under the influence
of alcohol or drugs.
• Watch for traffic when operating near or crossing road-
ways.
• Use extra care when loading or unloading the machine
into a trailer or truck.
• Always wear eye protection when operating ma-
chine.
• Data indicates that operators, age 60 years and above,
are involved in a large percentage of riding mower-re-
lated injuries. These operators should evaluate their
ability to operate the riding mower safely enough to
protect them selves and others from serious injury.
• Follow the manufacturer's recommendation for wheel
weights or counterweights.
• Keep machine free of grass , leaves or other debris
build-up which can touch hot exhaust / engine parts
and burn. Do not allow the mower deck to plow leaves
or other debris which can cause build-up to occur.
Clean any oil or fuel spillage before operating or
storing the machine. Allow machine to cool before
storage.
II. SLOPE OPERATION
Slopes are a major factor related to loss of control and
tip-over accidents, which can result in severe injury or
death. Operation on all slopes requires extra caution. If
you cannot back up the slope or if you feel uneasy on it,
do not mow it.
• Mow up and down slopes, not across.
• Watch for holes, ruts, bumps, rocks, or other hidden
objects. Uneven terrain could overturn the machine.
Tall grass can hide obstacles.
• Choose a low ground speed so that you will not have
to stop or shift while on the slope.
• Do not mow on wet grass. Tires may lose traction.
Always keep the machine in gear when going down
slopes. Do not shift to neutral and coast downhill.
• Avoid starting, stopping, or turning on a slope. If the
tires lose traction, disengage the blades and proceed
slowly straight down the slope.
• Keep all movement on the slopes slow and gradual.
Do not make sudden changes in speed or direction,
which could cause the machine to roll over.
• Use extra care while operating machine with grass
catchers or other at tach ments; they can affect the
stability of the machine. Do no use on steep slopes.
• Do not try to stabilize the machine by putting your foot
on the ground.
• Do not mow near drop-offs, ditches, or embankments.
The machine could suddenly roll over if a wheel is over
the edge or if the edge caves in.

3
• Be sure the area is clear of bystanders before operat-
ing. Stop machine if anyone enters the area.
• Never carry passengers.
• Do not mow in reverse unless absolutely necessary.
Al ways look down and behind before and while back-
ing.
• Never carry children, even with the blades shut off. They
may fall off and be seriously injured or interfere with
safe machine operation. Children who have been given
rides in the past may suddenly appear in the mowing
area for another ride and be run over or backed over
by the machine.
• Keep children out of the mowing area and in the watchful
care of a responsible adult other than the operator.
• Be alert and turn machine off if a child enters the
area.
• Before and while backing, look behind and down for
small children.
• Mow up and down slopes (15° Max), not across.
• Choose a low ground speed so that you will not have
to stop or shift while on the slope.
• Avoid starting, stopping, or turning on a slope. If the
tires lose traction, disengage the blades and proceed
slowly straight down the slope.
• If machine stops while going uphill, disengage blades,
shift into reverse and back down slowly.
• Do not turn on slopes unless necessary, and then, turn
slowly and gradually downhill, if possible.
SAFETY RULES
Safe Operation Practices for Ride-On Mowers
III. CHILDREN
Tragic accidents can occur if the operator is not alert to
the presence of children. Children are often attracted to
the ma chine and the mowing activity. Never assume that
children will remain where you last saw them.
• Keep children out of the mowing area and in the watchful
care of a responsible adult other than the operator.
• Be alert and turn machine off if a child enters the
area.
• Before and while backing, look behind and down for
small children.
• Never carry children, even with the blades shut off. They
may fall off and be seriously injured or interfere with
safe machine operation. Children who have been given
rides in the past may suddenly appear in the mowing
area for another ride and be run over or backed over
by the machine.
• Never allow children to operate the machine.
• Use extra care when approaching blind corners, shrubs,
trees, or other objects that may block your view of a
child.
IV. TOWING
• Tow only with a machine that has a hitch designed for
towing. Do not attach towed equipment except at the
hitch point.
• Follow the manufacturer's recommendation for weight
limits for towed equipment and towing on slopes.
• Never allow children or others in or on towed equip-
ment.
• On slopes, the weight of the towed equipment may
cause loss of traction and loss of control.
• Travel slowly and allow extra distance to stop.
V. SERVICE
SAFE HANDLING OF GASOLINE
To avoid personal injury or property damage, use extreme
care in handling gasoline. Gasoline is extremely flammable
and the vapors are explosive.
• Extinguish all cigarettes, cigars, pipes, and other
sources of ignition.
• Use only approved gasoline container.
• Never remove gas cap or add fuel with the engine run-
ning. Allow engine to cool before refueling.
• Never fuel the machine indoors.
• Never store the machine or fuel container where there
is an open flame, spark, or pilot light such as on a water
heater or other appliances.
• Never fill containers inside a vehicle or on a truck or
trailer bed with plastic liner. Always place containers
on the ground away from your vehicle when filling.
• Remove gas-powered equipment from the truck or trailer
and refuel it on the ground. If this is not possible, then
refuel such equipment with a portable container, rather
than from a gasoline dispenser nozzle.
• Keep the nozzle in contact with the rim of the fuel tank
or container opening at all times until fueling is complete.
Do not use a nozzle lock-open device.
• If fuel is spilled on clothing, change clothing immedi-
ately.
• Never overfill fuel tank. Replace gas cap and tighten
securely.
GENERAL SERVICE
• Never operate machine in a closed area.
• Keep all nuts and bolts tight to be sure the equipment
is in safe working condition.
• Never tamper with safety devices. Check their proper
operation regularly.
• Keep machine free of grass, leaves, or other debris
build-up. Clean oil or fuel spillage and remove any fuel-
soaked debris. Allow machine to cool before storing.
• If you strike a foreign object, stop and inspect the
machine. Repair, if necessary, before restarting.
• Never make any adjustments or repairs with the engine
run ning.
• Check grass catcher components and the discharge
guard frequently and replace with manufacturer's rec-
ommended parts, when necessary.
• Mower blades are sharp. Wrap the blade or wear
gloves, and use extra caution when servicing them.
• Check brake operation frequently. Adjust and service
as required.
• Maintain or replace safety and instruction labels, as
necessary.

4
SAFETY RULES ......................................................... 2-3
PRODUCT SPECIFICATIONS ....................................... 4
CUSTOMER RESPONSIBILITIES ................................. 4
ASSEMBLY ................................................................. 5-6
OPERATION ............................................................. 7-13
MAINTENANCE SCHEDULE ...................................... 14
MAINTENANCE ..................................................... 14-17
SERVICE AND AD JUST MENTS ............................ 18-23
STORAGE .................................................................... 24
TROU BLE SHOOT ING ............................................ 25-26
REPAIR PARTS ...................................................... 28-43
WARRANTY ................................................................. 44
TABLE OF CONTENTS
PRODUCT SPECIFICATIONS
Gasoline Capacity 4 Gallons
and type: Unleaded Regular
Oil Type (API-SG-SL): SAE 30 (above 32°F)
SAE 5W-30 (below 32°F)
Oil Capacity: W/ Filter: 61 oz.
W/O Filter: 51 oz.
Spark Plug: Champion RCJ8Y
(Gap: .040")
Ground Speed (MPH): Forward: 0 – 5.5
Reverse: 0 – 2.4
Charging System: 14 AMPS @ 3600 RPM
Battery: AMP/HR: 35
MIN. CCA: 280
Case Size: U1R
Blade Bolt Torque: 45-55FT. LBS.
CONGRATULATIONS on your purchase of a new tractor.
It has been designed, engineered and manu fac tured to give
you the best possible dependability and performance.
Should you experience any problem you cannot easily rem-
edy, please contact your nearest authorized servicecenter/
de part ment We have competent, well-trained tech ni cians
and the proper tools to service or repair this tractor.
Please read and retain this manual. The instructions will
enable you to assemble and maintain your tractor prop erly.
Always observe the “SAFETY RULES”.
CUSTOMER RESPONSIBILITIES
• Read and observe the safety rules.
• Follow a regular schedule in maintaining, caring for
and using your tractor.
• Follow the instructions under “Maintenance” and “Stor-
age” sec tions of this own er’s manual.
WARNING: This tractor is equipped with an internal com-
bus tion engine and should not be used on or near any
un im proved forest-covered, brush-covered or grass-cov ered
land unless the en gine’s exhaust system is equipped with
a spark arrester meeting ap pli ca ble local or state laws (if
any). If a spark arrester is used, it should be maintained
in effective working order by the operator.
In the state of California the above is required by law
(Section 4442 of the California Public Resources Code).
Other states may have similar laws. Federal laws apply on
federal lands.
A spark arrester for the muffler is available through your
nearest authorized service center/department (See RE PAIR
PARTS section of this manual).

5
UNASSEMBLED PARTS
(2) Keys
Slope Sheet
Key
(1) Oil Drain Tube
ASSEMBLY
When right or left hand is mentioned in this man ual, it means
when you are in the operating po si tion (seated be hind the
steer ing wheel).
TO REMOVE TRACTOR FROM
CAR TON
UNPACK CARTON
• Remove all accessible loose parts and parts cartons
from carton.
• Cut along dashed lines on all four panels of carton.
Remove end panels and lay side panels flat.
• Check for any additional loose parts or cartons and
remove.
Your new tractor has been assembled at the factory with the exception of those parts left unassembled for shipping
puposes.
FIG. 1
02931
CHECK BATTERY (See Fig. 1)
• Lift hood to raised position.
NOTE: If this battery is put into service after month and year
indicated on label (L) (label is located between terminals)
charge battery for minimum of one hour at 6-10 amps.
(See "BATTERY" in Maintenance section of this manual
for charging instructions).
L
FIG. 2
ADJUST SEAT (See Fig. 2)
• Sit in seat.
• Lift up adjustment lever (A) and slide seat until a com-
fortable position is reached which allows you to press
clutch/brake pedal all the way down.
• Release lever to lock seat in position.
NOTE: You may now roll or drive your tractor off the skid.
Follow the ap pro pri ate instruction below to remove the
tractor from the skid.
WARNING: Before start ing, read, un der stand and fol low
all in struc tions in the Op er a tion section of this man u al. Be
sure tractor is in a well-ventilated area. Be sure the area in
front of tractor is clear of other peo ple and objects.
TO ROLL TRACTOR OFF SKID (See Op-
er a tion section for location and function of
con trols)
• Raise attachment lift lever to its highest po si tion.
A

6
ASSEMBLY
CHECK TIRE PRESSURE
The tires on your tractor were overinflated at the factory
for shipping purposes. Correct tire pressure is important
for best cutting performance.
• Reduce tire pressure to PSI shown on tires.
CHECK DECK LEVELNESS
For best cutting results, mower housing should be properly
leveled. See “TO LEVEL MOWER HOUSING” in the Service
and Adjustments section of this manual.
CHECK FOR PROPER POSITION OF ALL
BELTS
See the figures that are shown for replacing motion and
mower blade drive belts in the Service and Adjustments
sec tion of this manual. Verify that the belts are routed
cor rect ly.
CHECK BRAKE SYSTEM
After you learn how to operate your tractor, check to see that
the brake is operating properly. See “TO CHECK BRAKE”
in the Service and Adjustments section of this manual.
CHECKLIST
BEFORE YOU OPERATE YOUR NEW TRAC TOR, WE
WISH TO ASSURE THAT YOU RECEIVE THE BEST PER-
FORMANCE AND SATISFACTION FROM THIS QUALITY
PRODUCT.
PLEASE REVIEW THE FOLLOWING CHECKLIST:
All assembly instructions have been com plet ed.
No remaining loose parts in carton.
Battery is properly prepared and charged.
Seat is adjusted comfortably and tightened securely.
All tires are properly inflated. (For shipping purposes,
the tires were overinflated at the factory).
Be sure mower deck is properly leveled side-to-side/
front-to-rear for best cutting results. (Tires must be
properly inflated for leveling).
Check mower and drive belts. Be sure they are routed
properly around pulleys and inside all belt keepers.
Check wiring. See that all connections are still secure
and wires are properly clamped.
Before driving tractor, be sure free wheel control is in
“transmission engaged” position (see “TO TRANS-
PORT” in the Operation section of this man u al).
WHILE LEARNING HOW TO USE YOUR TRACTOR, PAY
EXTRA ATTENTION TO THE FOLLOWING IMPORTANT
ITEMS:
Engine oil is at proper level.
Fuel tank is filled with fresh, clean, regular unleaded
gasoline.
Become familiar with all controls, their location and
function. Operate them before you start the engine.
Be sure brake system is in safe operating condition.
Be sure Operator Presence System and Reverse Op-
eration System (ROS) are working properly (See the
Operation and Maintenance sections in this manual).
It is important to purge the transmission before op-
er at ing your tractor for the first time. Follow proper
starting and transmission purging instructions (See
“TO START EN GINE” and “PURGE TRANSMISSION”
in the Op er a tion section of this manual).
• Release parking brake by de press ing brake ped al.
• Place freewheel control in dis en gaged po si tion to dis-
en gage trans mis sion (See “TO TRANS PORT” in the
Op er a tion section of this manual).
• Roll tractor forward off skid.
TO DRIVE TRAC TOR OFF SKID (See Op-
er a tion section for location and function of
con trols)
• Be sure all the above assembly steps have been com-
pleted.
• Check engine oil level and fill fuel tank with gasoline.
• Place freewheel control in "trans mis sion engaged"
position (see "TO TRANSPORT" in Operation section
of this manual).
• Sit on seat in operating position, depress brake pedal
and set the parking brake.
• Raise attachment lift lever to its highest position.
• Remove key from bag and start the engine (see "TO
START" in the Operation section of this manual). After
engine has started, move throttle control to idle (slow)
position.
• Release parking brake.
• Slowly depress forward drive pedal and drive tractor
off skid.
• Apply brake to stop tractor and set park ing brake.
• Turn ignition key to "STOP" position.
Continue with the in struc tions that follow.

7
OPERATION
These symbols may appear on your tractor or in literature supplied with the product. Learn and understand their mean-
ing.
DANGER, KEEP HANDS
AND FEET AWAY
FREE WHEEL
(Automatic Models only)
KEEP AREA CLEAR SLOPE HAZARDS
15
15
(SEE SAFETY RULES SECTION)
BATTERY REVERSE FORWARD
FAST SLOW
ENGINE ON
ENGINE OFF
FUEL
CHOKE
MOWER HEIGHT
REVERSE NEUTRAL HIGH LOW
ATTACHMENT
CLUTCH ENGAGED
PARKING BRAKE
IGNITION SWITCH
ATTACHMENT
CLUTCH DISENGAGED
ENGINE START MOWER LIFT
Failure to follow instructions
couldresultin serious injury or
death. Thesafety alertsymbol
is usedtoidentifysafetyinform-
ationabouthazardswhich can
resultin death, serious injury
and/orpropertydamage.
DANGER indicatesahazardwhich, ifnot avoided,
will result in death or serious injury.
WARNING indicatesahazardwhich, ifnot avoided,
could result in death or serious injury.
CAUTION indicatesahazardwhich, ifnot avoided,
might result in minor or moderate injury.
CAUTION when usedwithout thealertsymbol,
indicatesasituationthatcould result in damage
to the tractor and/or engine.
FIRE indicatesahazardwhich, ifnot avoided,
could result in death, serious injury and/or
property damage.
HOT SURFACES indicatesahazardwhich,
ifnot avoided, could result in death, serious injury
and/or property damage.
REVERSE
OPERATION
SYSTEM (ROS)
LIGHTS ON CLUTCH/BRAKE
PEDAL
CRUISE CONTROL

8
OPERATION
KNOW YOUR TRACTOR
READ THIS OWNER'S MANUAL AND SAFETY RULES BEFORE OPERATING YOUR TRACTOR
Compare the illustrations with your tractor to familiarize yourself with the locations of various controls and ad just ments.
Save this manual for future reference.
Our tractors conform to the applicable safety standards of the American National Standards Institute.
FIG. 3
(A) ATTACHMENT LIFT LEVER – Used to raise and lower the
mower or other attachments mounted to your trac tor.
(B) BRAKE PEDAL – Used for brak ing the tractor and start ing
the engine.
(C) PARKING BRAKE – Locks clutch/brake pedal into the
brake position.
(D) THROTTLE CONTROL – Used for starting and controling
engine speed.
(E) ATTACHMENT CLUTCH SWITCH – Used to engage the
mow er blades, or other at tach ments mounted to your tractor.
(F) IGNITION SWITCH – Used for starting and stopping the
engine.
(G) REVERSE OPERATION SYSTEM (ROS) "ON" POSITION
– Allows operation of mower or other powered attachment
while in reverse.
(H) LIGHT SWITCH – Turns the headlights on and off.
(J) CRUISE CONTROL LEVER – Used to set forward
movement of tractor at desired speed without holding the
forward drive pedal.
(K) FORWARD DRIVE PEDAL – Used for forward movement
of tractor.
(L) REVERSE DRIVE PEDAL – Used for reverse movement of
tractor.
(M) FREEWHEEL CONTROL – Disengages transmission for
pushing or slowly tow ing the trac tor with the engine off.
(N) CHOKE CONTROL – Used when starting a cold engine.
(P) SERVICE REMINDER / HOUR METER – Indicates when
service is required for the engine and mower.
(Q) 12-VOLT POWER PORT – Used for 12-volt accessories.
E
A
B
K
F
C
H
G
P
D
M
J
L
N
Q

9
OPERATION
FIG. 4
The operation of any tractor can result in foreign objects thrown into the eyes, which can result
in severe eye dam age. Always wear safety glass es or eye shields while operating your tractor
or per form ing any ad just ments or repairs. We rec om mend standard safety glasses or a wide
vision safety mask worn over spectacles.
FIG. 6
TO USE THROTTLE CONTROL - D (See Fig. 6)
Always operate engine at full speed (fast).
• Operating engine at less than full speed (fast) reduces
engines operating efficiency.
• Full speed (fast) of fers the best bagging and mower
per for mance.
HOW TO USE YOUR TRAC TOR
TO SET PARKING BRAKE(See Fig. 4)
Your tractor is equipped with an operator presence sens-
ing switch. When engine is running, any attempt by the
op er a tor to leave the seat without first setting the parking
brake will shut off the engine.
• Depress brake pedal (B) all the way down and hold.
• Pull parking brake lever (C) up and hold, re lease pres-
sure from brake pedal (B), then release parking brake
lever. Pedal should re main in brake position. Make
sure parking brake will hold tractor secure.
B
C
STOPPING
MOWER BLADES -
• To stop mower blades, push at tach ment clutch switch in
to disengaged position (O).
GROUND DRIVE -
• To stop ground drive, depress brake pedal all the way
down.
ENGINE -
• Move throttle control (D) between half and full speed
(fast) position.
NOTE: Failure to move throttle control between half and
full speed (fast) position, before stopping, may cause en-
gine to “backfire”.
• Turn ignition key (F) to “STOP” position and remove
key. Always remove key when leaving tractor to prevent
un au tho rized use.
• Never use choke to stop engine.
IMPORTANT: Leaving the ignition switch in any position
other than "STOP" will cause the battery to discharge and
go dead.
NOTE: Under certain conditions when tractor is standing
idle with the engine running, hot engine exhaust gases may
cause “browning” of grass. To elim i nate this possibility, al-
ways stop en gine when stopping tractor on grass areas.
CAUTION: Always stop tractor com-
plete ly, as de scribed above, before
leav ing the operator's position.
TO MOVE FORWARD AND BACKWARD
(See Fig. 7)
The direction and speed of movement is controlled by the
forward and reverse drive pedals.
• Start tractor and release parking brake.
• Slowly depress forward (K) or reverse (L) drive pedal to
begin movement. Ground speed increases the further
down the pedal is depressed.
TO USE CRUISE CONTROL -J (See Fig. 7)
The cruise control feature can be used for forward travel
only.
FIG. 5
TO USE CHOKE CONTROL - N (See Fig. 6)
Use choke control whenever you are starting a cold engine.
Do not use to start a warm engine.
• To engage choke control, pull knob out. Slowly push
knob in to disengage.
D
NF
(O) PUSH-IN TO
“DIS EN GAGED”
(I) ATTACHMENT
CLUTCH SWITCH
PULL OUT TO “ENGAGE”

10
OPERATION
TO ADJUST MOWER CUT TING HEIGHT
(See Fig. 8)
The po si tion of the at tach ment lift le ver (A) de ter mines the
cut ting height.
• Put attachment lift lever in desired cutting height slot.
The cutting height range is ap prox i mate ly 1" to 4". The
heights are measured from the ground to the blade tip with
the engine not running. These heights are approximate and
may vary depending upon soil conditions, height of grass
and types of grass being mowed.
• The average lawn should be cut to approximately 2-1/2
inches during the cool season and to over 3 inches
during hot months. For healthier and better looking
lawns, mow often and after moderate growth.
• For best cutting performance, grass over 6 inches
in height should be mowed twice. Make the first cut
relatively high; the second to de sired height.
A
SYSTEM CHARACTERISTICS
The cruise control should only be used while mowing or
transporting on relatively smooth, straight surfaces. Other
con di tions such as trimming at slow speeds may cause the
cruise control to dis en gage. Do not use the cruise control
on slopes, rough terrian or while trimmimg or turning.
• With forward drive pedal depressed to desired speed,
pull cruise control lever (J) up and hold while lifting
your foot off the pedal, then release the lever.
To disengage the cruise control, depress the brake pedal
or tap on forward drive pedal.
TO ADJUST GAUGE WHEELS (See Fig. 9)
Gauge wheels are prop er ly ad just ed when they are slight ly
off the ground when mower is at the desired cutting height
in operating position. Gauge wheels then keep the deck
in proper position to help prevent scalping in most terrain
conditions.
FIG. 8
FIG.9
TO OPERATE MOWER
Your tractor is equipped with an operator presence sensing
switch. Any attempt by the operator to leave the seat with
the engine running and the attachment clutch engaged
will shut off the engine. You must remain fully and centrally
positioned in the seat to prevent the engine from hesitating
or cutting off when operating your equipment on rough,
rolling terrain or hills.
• Select desired height of cut with attachment lift lever.
• Start mower blades by engaging at tach ment clutch
control.
TO STOP MOWER BLADES -
disengage at tach ment clutch con trol.
CAUTION: Do not operate the mower
without either the en tire grass catcher,
on mowers so equipped, or the deflector
shield (S) in place.
S
FIG. 10
REVERSE OPERATION SYSTEM (ROS)
Your tractor is equipped with a Reverse Operation System
(ROS). Any attempt by the operator to travel in the reverse
direction with the attachment clutch engaged will shut off
the engine unless ignition key is placed in the ROS "ON"
position.
NOTE: Adjust gauge wheels with tractor on a flat level
surface.
• Adjust mower to desired cutting height (See “TO AD-
JUST MOWER CUT TING HEIGHT” in this sec tion of
manual).
• With mower in desired height of cut po si tion, gauge
wheels should be assembled so they are slightly off
the ground. In stall gauge wheel in ap pro pri ate hole.
Tighten se cure ly.
• Repeat for all, installing gauge wheel in same adjust-
ment hole.
K
L
J
FIG. 7

11
OPERATION
FIG. 11
TOWING CARTS AND OTHER AT TACH MENTS
Tow only the attachments that are recommended by and
comply with specifications of the manufacturer of your trac-
tor. Use common sense when towing. Too heavy of a load,
while on a slope, is dangerous. Tires can lose traction with
the ground and cause you to lose control of your tractor.
TO TRANSPORT (See Figs. 3 and 11)
When pushing or towing your tractor, be sure to disengage
transmission by placing freewheel control in free wheel ing
po si tion. Free wheel control is located at the rear drawbar
of tractor.
• Raise attachment lift to highest position with at tach ment
lift control.
• Pull freewheel control out and down into the slot and
release so it is held in the disengaged position.
• Do not push or tow tractor at more than two (2)
MPH.
• To reengage transmission, reverse above procedure.
Transmission Engaged
Transmission Disengaged
ROS "ON" POSITION ENGINE "ON" POSITION
(NORMAL OPERATING)
0
2
8
2
8
TO OPERATE ON HILLS
CAUTION: Do not drive up or down hills
with slopes greater than 15° and do not
drive across any slope.
• Choose the slowest speed before starting up or down
hills.
• Avoid stopping or changing speed on hills.
• If stopping is absolutely necessary, push brake pedal
quickly to brake position and engage parking brake.
• To restart movement, slowly release parking brake and
brake pedal.
• Slowly depress appropriate drive pedal to slowest set-
ting.
• Make all turns slowly.
SERVICE REMINDER/HOUR METER
Service reminder shows the total number of hours the
engine has run and flashes to indicate that the engine
or mower needs servicing. When service is required, the
service reminder will flash for two hours. To service engine
and mower, see the Maintenance section of this manual.
NOTE: Service reminder runs when the ignition key is in
any position but "STOP". For accurate reading, be sure
key remains in the "STOP" position when engine is not
running.
WARNING: Backing up with the attachment clutch en-
gaged while mowing is strongly discouraged. Turning the
ROS "ON", to allow reverse operation with the attachment
clutch engaged, should only be done when the operator
decides it is necessary to reposition the machine with the
attachment engaged. Do not mow in reverse unless
absolutely necessary.
USING THE REVERSE OPERATION SYSTEM -
Only use if you are certain no children or other bystanders
will enter the mowing area.
• Depress brake pedal all the way down.
• With engine running, turn ignition key counterclockwise
to ROS "ON" position.
• Look down and behind before and while backing.
• Slowly depress reverse drive pedal to start move-
ment.
• When use of the ROS is no longer needed, turn the
ignition key clockwise to engine "ON" position.
NOTE: To protect hood from damage when transporting
your tractor on a truck or a trailer, be sure hood is closed
and secured to tractor. Use an appropriate means of tying
hood to tractor (rope, cord, etc.).
BEFORE STARTING THE ENGINE
CHECK ENGINE OIL LEVEL
The engine in your tractor has been shipped, from the
factory, already filled with sum mer weight oil.
• Check engine oil with tractor on level ground.
• Unthread and remove oil fill cap/dipstick; wipe oil off.
Reinsert the dipstick into the tube and rest oil fill cap on
the tube. Do not thread the cap onto the tube. Remove
and read oil level. If necessary, add oil until “FULL”
mark on dipstick is reached. Do not overfill.
• For cold weather operation you should change oil for
easier starting (See “OIL VISCOSITY CHART” in the
Maintenance sec tion of this manual).
• To change engine oil, see the Maintenance section in
this manual.

12
ADD GASOLINE
• Fill fuel tank to bottom of filler neck. Do not overfill. Use
fresh, clean, regular un lead ed gasoline with a minimum of
87 octane. (Use of leaded gasoline will increase carbon
and lead oxide deposits and reduce valve life). Do not
mix oil with gasoline. Purchase fuel in quan ti ties that can
be used within 30 days to assure fuel freshness.
CAUTION: Wipe off any spilled oil or
fuel. Do not store, spill or use gasoline
near an open flame.
IMPORTANT: WHEN OPERATING IN TEMPERATURES
BELOW32°F(0°C), USE FRESH, CLEAN WINTER GRADE
GAS O LINE TO HELP INSURE GOOD COLD WEATHER
START ING.
CAUTION: Alcohol blended fuels (called gasohol or
using ethanol or methanol) can attract moisture which
leads to sep a ra tion and for ma tion of acids during
storage. Acidic gas can damage the fuel system of
an engine while in storage. To avoid engine problems,
the fuel system should be emptied before stor age
of 30 days or longer. Drain the gas tank, start the
engine and let it run until the fuel lines and carburetor
are empty. Use fresh fuel next season. See Storage
In struc tions for additional information. Never use
engine or carburetor cleaner products in the fuel
tank or permanent damage may occur.
OPERATION
TO START ENGINE (See Fig. 3)
When starting the engine for the first time or if the engine
has run out of fuel, it will take extra cranking time to move
fuel from the tank to the engine.
• Be sure freewheel control is in the transmission en gaged
position.
• Sit on seat in operating position, depress brake pedal
and set parking brake.
• Move attachment clutch to “DISENGAGED” position.
• Move throttle control to choke position.
NOTE: Before starting, read the warm and cold starting
procedures below.
• Insert key into ignition and turn key clockwise to “START”
position and release key as soon as engine starts.
Do not run starter continuously for more than fifteen
sec onds per minute. If the engine does not start after
several attempts, move throttle control to fast position,
wait a few minutes and try again. If engine still does
not start, move the throttle control back to the choke
position and retry.
WARM WEATHER STARTING (50° F and above)
• When engine starts, move the throttle control to the
fast position.
• The attachments and ground drive can now be used. If
the engine does not accept the load, restart the engine
and allow it to warm up for one minute using the choke
as described above.
COLD WEATHER STARTING ( 50° F and below)
• When engine starts, allow engine to run with the throttle
control in the choke position until the engine runs roughly,
then move throttle control to fast position. This may re-
quire an engine warm-up period from several seconds
to several minutes, depending on the tem per a ture.
AUTOMATIC TRANSMISSION WARM UP
• Before driving the unit in cold weather, the trans mis sion
should be warmed up as follows:
• Be sure the tractor is on level ground.
• Release the parking brake and let the brake slowly
return to operating position.
• Allow one minute for transmission to warm up. This
can be done during the engine warm up period.
• The attachments can also be used during the engine
warm-up period after the transmission has been warmed
up.
NOTE: If at a high altitude (above 3000 feet) or in cold
temperatures (below 32 F) the carburetor fuel mixture may
need to be adjusted for best engine performance. See “TO
ADJUST CARBURETOR” in the Service and Adjustments
section of this manual.
PURGE TRANSMISSION
CAUTION: Never engage or disengage
freewheel lever while the engine is run-
ning.
To ensure proper operation and performance, it is rec om -
mend ed that the transmission be purged before operating
tractor for the first time. This procedure will remove any
trapped air inside the transmission which may have de-
vel oped during shipping of your tractor.
IMPORTANT: SHOULD YOUR TRANSMISSION RE QUIRE
REMOVAL FOR SERVICE OR REPLACEMENT, IT SHOULD
BE PURGED AFTER REINSTALLATION BEFORE OPERATING
THE TRACTOR.
• Place tractor safely on level surface with engine off and
parking brake set.
• Disengage transmission by placing freewheel control
in freewheeling position (See “TO TRANSPORT” in this
section of manual).
• Sitting in the tractor seat, start engine. After the engine
is running, move throttle control to slow position. Dis-
en gage parking brake
• Depress forward drive pedal to full forward position,
hold for five (5) seconds and release pedal. Depress
reverse drive pedal to full reverse position, hold for five
(5) seconds and release pedal. Repeat this procedure
three (3) times.
NOTE: During this procedure there will be no movement
of drive wheels. The air is being removed from hydraulic
drive system.
• Shut- off engine and set parking brake.
• Engage transmission by placing freewheel control in
engaged position (See “TO TRANSPORT” in this sec-
tion of manual).

13
FIG. 12
MOWING TIPS
• Mower should be properly leveled for best mowing per-
formance. See “TO LEVEL MOWER HOUSING” in the
Service and Adjustments section of this manual.
• The left hand side of mower should be used for trim-
ming.
• Drive so that clippings are discharged onto the area
that has been cut. Have the cut area to the right of the
machine. This will result in a more even dis tri bu tion of
clippings and more uniform cutting.
• When mowing large areas, start by turning to the right so
that clippings will discharge away from shrubs, fences,
driveways, etc. After one or two rounds, mow in the
opposite direction making left hand turns until finished
(See Fig. 12).
• If grass is extremely tall, it should be mowed twice to
reduce load and possible fire hazard from dried clip-
pings. Make first cut relatively high; the second to the
desired height.
• Do not mow grass when it is wet. Wet grass will plug
mower and leave undesirable clumps. Allow grass to
dry before mowing.
• Always operate engine at full throttle when mow-
ing to assure better mowing performance and proper
dis charge of material. Regulate ground speed by se-
lect ing a low enough gear to give the mower cut ting
per for mance as well as the quality of cut desired.
• When operating attachments, select a ground speed
that will suit the terrain and give best performance of
the at tach ment being used.
• Sitting in the tractor seat, start engine. After the engine
is running, move throttle control to half (1/2) speed.
Disengage parking brake.
• Drive tractor forward for approximately five feet then
backwards for five feet. Repeat this driving procedure
three times.
Your transmission is now purged and now ready for normal
op er a tion.
OPERATION

14
MAINTENANCE
T
R
A
C
T
0
R
Inspect Muffler/SparkArrester
Clean Air Filter
ChangeEngine Oil (with oil filter)
ReplaceAir Filter Paper Cartridge
ReplaceSparkPlug
Check Engine Oil Level
Clean Engine CoolingFins
Clean Air Screen
1-Changemore often when operatingunder a heavyloador
in high ambienttemperatures.
2-Servicemore often when operatingin dirtyordustyconditions.
E
N
G
I
N
E
ReplaceOilFilter (If equipped)
ReplaceFuel Filter
3
2
2
2
2
3-Replaceblades more often when mowingin sandysoil.
4 - Not requiredifequippedwith maintenance-free battery.
1,
1,2
2
4
ChangeEngine Oil (withoutoil filter)
1,2
maint_sch-tractore.ROS.e
BEFORE
EACH
USE
EVERY
8
HOURS
EVERY
25
HOURS
EVERY
50
HOURS
EVERY
100
HOURS
EVERY
SEASON
BEFORE
STORAGE
LubricationChart
Check BrakeOperation
Check Battery Level
Check Tire Pressure
Clean Battery andTerminals
MAINTENANCE
SCHEDULE
Check forLoose Fasteners
Check/ReplaceMower Blades
Check OperatorPresence&ROSSystems
Check Transaxle Cooling
Check V-Belts
Check Mower Levelness
GENERAL RECOMMENDATIONS
The warranty on this tractor does not cover items that have
been subjected to operator abuse or negligence. To receive
full value from the warranty, operator must main tain tractor
as instructed in this manual.
Some adjustments will need to be made periodically to
properly maintain your tractor.
At least once a season, check to see if you should make
any of the adjustments described in the Service and
Adjustments section of this manual.
• At least once a year you should replace the spark plug,
clean or replace air filter, and check blades and belts
for wear. A new spark plug and clean air filter assure
proper air-fuel mixture and help your engine run better
and last longer.
BEFORE EACH USE
• Check engine oil level.
• Check brake operation.
• Check tire pressure.
• Check operator presence and
ROS systems for proper operation.
• Check for loose fasteners.
02956
LUBRICATION CHART
IMPORTANT: DO NOT OIL OR GREASE THE PIVOT POINTS
WHICH HAVE SPECIAL NYLON BEARINGS. VISCOUS
LU BRI CANTS WILL ATTRACT DUST AND DIRT THAT WILL
SHORT EN THE LIFE OF THE SELF-LU BRI CAT ING BEARINGS.
IF YOU FEEL THEY MUST BE LU BRI CAT ED, USE ONLY A DRY,
POW DERED GRAPHITE TYPE LU BRI CANT SPARINGLY.
d General Purpose Grease
eRefer to Maintenance “ENGINE” Section
dSPINDLE ZERK
dFRONT
WHEEL
BEARING
ZERK
e ENGINE
dSPINDLE ZERK
dFRONT
WHEEL
BEARING
ZERK
dSTEERING
SECTOR GEAR
TEETH

15
MAINTENANCE
FIG. 13
02544
MANDREL
ASSEMBLY
BLADE
BLADE BOLT
(SPECIAL)
CENTER
HOLE
STAR
BATTERY
Your tractor has a battery charging system which is suf fi cient
for normal use. However, periodic charging of the battery
with an automotive charger will extend its life.
• Keep battery and terminals clean.
• Keep battery bolts tight.
• Keep small vent holes open.
• Recharge at 6-10 amperes for 1 hour.
NOTE: The original equipment battery on your tractor is
maintenance free. Do not attempt to open or remove caps
or covers. Adding or checking level of electrolyte is not
necessary.
TO CLEAN BATTERY AND TERMINALS
Corrosion and dirt on the battery and terminals can cause
the battery to “leak” power.
• Remove terminal guard.
• Disconnect BLACK battery cable first then RED bat-
tery cable and remove battery from tractor.
TRACTOR
Always observe safety rules when per form ing any main-
te nance.
BRAKE OPERATION
If tractor requires more than five (5) feet to stop at highest
speed in high est gear on a level, dry concrete or paved
surface, then brake must be serviced. (See “TO CHECK
BRAKE” in the Ser vice and Ad just ments section of this
manual).
TIRES
• Maintain proper air pressure in all tires (See PSI on
tires).
• Keep tires free of gasoline, oil, or insect control chemi-
cals which can harm rubber.
• Avoid stumps, stones, deep ruts, sharp objects and
other hazards that may cause tire damage.
NOTE: To seal tire punctures and pre vent flat tires due to
slow leaks, tire sealant may be purchased from your local
parts dealer. Tire sealant also pre vents tire dry rot and
corrosion.
OPERATOR PRESENCE SYS TEM AND REVERSE OP-
ERATION SYSTEM (ROS)
Be sure operator presence and reverse operation sys tems
are work ing properly. If your tractor does not function as
described, repair the problem immediately.
• The engine should not start unless the brake pedal is
fully de pressed, and the attachment clutch con trol is
in the dis en gaged position.
CHECK OPERATOR PRESENCE SYSTEM
• When the engine is running, any attempt by the op er a tor
to leave the seat without first setting the parking brake
should shut off the engine.
• When the engine is running and the at tach ment clutch
is engaged, any attempt by the operator to leave the
seat should shut off the engine.
• The attachment clutch should never operate unless
the operator is in the seat.
CHECK REVERSE OPERATION (ROS) SYSTEM
• When the engine is running with the ignition switch in
the engine "ON" position and the at tach ment clutch
engaged, any attempt by the operator to shift into
reverse should shut off the engine.
• When the engine is running with the ignition switch in
the ROS "ON" position and the at tach ment clutch en-
gaged, any attempt by the operator to shift into reverse
should NOT shut off the engine.
BLADE CARE
For best results mower blades must be sharp. Re place
worn, bent or damaged blades.
CAUTION: Use only a replacement blade
approved by the manufacturer of your
tractor. Using a blade not approved
by the manufacturer of your tractor is
hazardous, could damage your tractor
and void your warranty.
0
2
8
2
8
ROS "ON" Position Engine "ON" Position
(Normal Operating)
BLADE REMOVAL (See Fig. 13)
• Raise mower to highest position to allow access to
blades.
NOTE: Protect your hands with gloves and/or wrap blade
with heavy cloth.
• Remove blade bolt by turning coun ter clock wise.
• Install new blade with stamped "GRASS SIDE" facing
the ground.
IMPORTANT: To ensure proper as sem bly, center hole in
blade must align with star on mandrel assembly.
• Install and tighten blade bolt securely (45-55 Ft. Lbs.
torque).
IMPORTANT: Special blade bolt is heat treated.

16
MAINTENANCE
V-BELTS
Check V-belts for deterioration and wear after 100 hours
of operation and replace if necessary. The belts are not
ad just able. Re place belts if they begin to slip from wear.
TRANSAXLE COOLING
The transmission fan and cooling fins should be kept clean
to assure proper cooling.
Do not attempt to clean fan or transmission while engine
is running or while the transmission is hot. To prevent pos-
si ble damage to seals, do not use high pressure water or
steam to clean transaxle.
• Inspect cooling fan to be sure fan blades are intact and
clean.
• Inspect cooling fins for dirt, grass clippings and other
materials. To prevent damage to seals, do not use
compressed air or high pressure sprayer to clean cool-
ing fins.
TRANSAXLE PUMP FLUID
The transaxle was sealed at the factory and fluid main te -
nance is not required for the life of the transaxle. Should
the transaxle ever leak or require servicing, contact your
near est au tho rized ser vice center/department.
FIG. 14
• Rinse the battery with plain water and dry.
• Clean terminals and battery cable ends with wire brush
until bright.
• Coat terminals with grease or petroleum jelly.
• Reinstall battery (See “REPLACING BATTERY" in
the SERVICE AND ADJUSTMENTS section of this
man u al).
CLEAN AIR SCREEN
Air screen must be kept free of dirt and chaff to prevent
engine dam age from overheating. Clean with a wire brush
or compressed air to re move dirt and stubborn dried gum
fibers.
AIR FILTER
Your engine will not run properly using a dirty air filter.
Service air cleaner more often under dusty conditions. See
Engine Manual.
FIG. 15
ENGINE
LUBRICATION
Only use high quality detergent oil rated with API service
classification SG-SL. Select the oil’s SAE viscosity grade
according to your expected operating temperature.
NOTE: Although multi-viscosity oils (5W30, 10W30 etc.)
improve starting in cold weather, they will result in increased
oil consumption when used above 32°F. Check your engine
oil level more frequently to avoid possible engine damage
from running low on oil.
Change the oil after every 50 hours of operation or at least
once a year if the tractor is not used for 50 hours in one
year.
Check the crankcase oil level before starting the engine
and after each eight (8) hours of operation. Tighten oil fill
cap/dipstick securely each time you check the oil level.
TEMPERATURE RANGE ANTICIPATEDBEFORE NEXTOIL CHANGE
SAE VISCOSITYGRADES
-20 0 30 40 80 100
-30 -20 0 20 30 40
F
C
32
-1010
60
5W-30
SAE 30
oil_visc_chart1_e
02794
DRAIN
TUBE
OIL DRAIN VALVE
TO CHANGE ENGINE OIL (See Figs. 14 and 15)
Determine temperature range expected before oil change.
All oil must meet API service classification SG-SL.
• Be sure tractor is on level surface.
• Oil will drain more freely when warm.
• Catch oil in a suitable container.
• Remove oil fill cap/dipstick. Be careful not to allow dirt
to enter the engine when changing oil.
• Install the drain tube onto the valve.
• Open drain valve by using a 10mm wrench turning
counterclockwise.
• After oil has drained completely, close the drain valve
turning clockwise. Use the 10mm wrench to apply a
small amount of torque to keep it closed. Do not over
tighten.
• Remove the drain tube and store in a safe place.
• Refill engine with oil through oil fill dipstick tube. Pour
slowly. Do not overfill. For approximate capacity see
“PRODUCT SPECIFICATIONS” section of this man-
u al.
• Use gauge on oil fill cap/dipstick for checking level.
Insert dipstick into the tube and rest the oil fill cap on
the tube. Do not thread the cap onto the tube when
taking reading. Keep oil at “FULL” line on dipstick.
Tighten cap onto the tube securely when finished.
TO CLOSE
TO OPEN

17
MAINTENANCE
MUFFLER
Inspect and replace corroded muffler and spark arrester
(if equipped) as it could create a fire hazard and/or dam-
age.
SPARK PLUGS
Replace spark plugs at the beginning of each mowing
season or after every 100 hours of operation, whichever
occurs first. Spark plug type and gap setting are shown in
“PROD UCT SPECIFICATIONS” section of this manual.
IN-LINE FUEL FILTER (See Fig. 16)
The fuel filter should be replaced once each season. If fuel
filter becomes clogged, ob struct ing fuel flow to car bu re tor,
re place ment is re quired.
• With engine cool, remove filter and plug fuel line sec-
tions.
• Place new fuel filter in position in fuel line with arrow
pointing towards carburetor.
• Be sure there are no fuel line leaks and clamps are
properly positioned.
• Immediately wipe up any spilled gasoline.
CLAMP
FUEL FILTER
CLAMP
FIG. 16
CLEANING
• Clean engine, battery, seat, finish, etc. of all foreign
matter.
• Keep finished surfaces and wheels free of all gasoline,
oil, etc.
• Protect painted surfaces with automotive type wax.
We do not recommend using a garden hose or pressure
washer to clean your tractor unless the engine and trans-
mission are covered to keep water out. Water in engine or
transmission will shorten the useful life of your tractor. Use
compressed air or a leaf blower to remove grass, leaves
and trash from tractor and mower.
ENGINE OIL FILTER
Replace the engine oil filter every season or every other
oil change if the tractor is used more than 100 hours in
one year.

18
SERVICE AND ADJUSTMENTS
FIG. 17
WARNING: TO AVOID SERIOUS INJURY, BEFORE PERFORMING ANY SER VICE OR AD JUST -
MENTS:
• Depress brake pedal fully and set parking brake.
• Place attachment clutch in “DISENGAGED” position.
• Turn ignition key to “STOP” and remove key.
• Make sure the blades and all moving parts have completely stopped.
• Disconnect spark plug wire from spark plug and place wire where it cannot come in contact
with plug.
TRACTOR
TO REMOVE MOWER (See Fig. 17)
• Place attachment clutch in “DIS EN GAGED” position.
• Lower attachment lift lever to its lowest position.
• Remove mower belt from electric clutch pulley (M).
• Disconnect front link (E) from mower - remove retainer
spring and washer.
• Go to either side of mower and disconnect mower
suspension arm (A) from chassis and rear lift link (C)
from rear mower bracket (D) - remove retainer springs
and washers.
• Go to other side of mower and disconnect the suspen-
sion arm and rear lift link.
CAUTION: After rear lift links are dis-
connected, the attachment lift lever will
be spring loaded. Have a tight grip on
lift lever when changing position of
the lever.
• Slide mower out from under right side of tractor.
D
C
B
H
E
F
M
A
TO INSTALL MOWER (See Figs. 17-21)
Be sure tractor is on level surface and engage park ing
brake.
• Lower attachment lift lever to it's lowest position.
CAUTION: Lift lever is spring loaded.
Have a tight grip on lift lever, lower it
slowly and engage in lowest position.
NOTE: Be sure mower side suspension arms (A) are point-
ing forward before sliding mower under tractor.
• Slide mower under tractor until it is centered under
tractor.
• ATTACH MOWER SIDE SUSPENSION ARMS (A) TO
CHASSIS - Position hole in arm over pin (B) on outside
of tractor chassis and secure with washer and retainer
spring.
• Repeat on opposite side of tractor.

19
SERVICE AND ADJUSTMENTS
A
B
C
D
FIG. 18
FIG. 19
• ATTACH REAR LIFT LINKS (C) - Lift rear corner of
mower and position slot in link assembly over pin on
rear mower bracket (D) and secure with washer and
retainer spring.
• Repeat on opposite side of tractor.
• ATTACH FRONT LINK (E) - Work from left side of trac-
tor. Insert rod end of link assembly through front hole
in tractor front suspension bracket (F).
• Insert end of link (E) into hole in front mower bracket
(H) and secure with washer and retainer spring (J).
E
F
H
J
M
FIG. 20
FIG. 21
• Install belt onto engine clutch pulley (M).
IMPORTANT: Check belt for proper routing in all mower
pulley grooves.
• Raise attachment lift lever to highest position.
• If necessary, adjust gauge wheels before op er at ing
mower as shown in the Operation section of this
manual.
TO LEVEL MOWER
Make sure tires are properly inflated to the PSI shown on
tires. If tires are over or under inflated, it may affect the
appearance of your lawn and lead you to think the mower
is not adjusted properly.
VISUAL SIDE-TO-SIDE ADJUSTMENT (See Fig. 22)
• With all tires properly inflated and if your lawn appears
unevenly cut, determine which side of mower is cutting
lower.
NOTE: As desired, you can raise the low side of mower or
lower the high side.
• Go to side of mower you wish to adjust.
• With a 3/4" or adjustable wrench, turn lift link adjust-
ment nut (A) to the left to lower the mower, or, to the
right to raise the mower.
NOTE: Each full turn of adjustment nut will change mower
height about 3/16".
• Test your adjustment by mowing some uncut grass and
visually checking the appearance. Readjust, if neces-
sary, until you are satisfied with the results.
0
2
9
4
8
A
Turn nut left
to lower mower
Turn nut right
to raise mower
FIG. 22

20
SERVICE AND ADJUSTMENTS
02966
A
A
02548
BB
NOTE: Each full turn of the adjustment nut will change
mower height about 1/8".
• Recheck measurements, adjust if necessary until front
tip of blade is 1/8" to 1/2" lower than the rear tip.
• Hold adjustment nut in position with wrench and tighten
jam nut securely against adjustment nut.
FRONT-TO-BACK ADJUSTMENT (See Figs. 24 and 25)
IMPORTANT: Deck must be level side-to-side.
To obtain the best cutting re sults, the mower blades should
be adjusted so the front tip is 1/8" to 1/2" lower than the
rear tip when the mower is in its highest position.
CAUTION: Blades are sharp. Protect your
hands with gloves and/or wrap blade with
heavy cloth.
• Raise mower to highest position.
• Position any blade so the tip is pointing straight forward.
Measure distance (B) to the ground at front and rear
tip of the blade.
• If front tip of blade is not 1/8" to 1/2" lower than the
rear tip, go to the front of tractor.
• With an 11/16" or adjustable wrench, loosen jam nut
A several turns to clear adjustment nut B.
• With a 3/4" or adjustable wrench, turn front link adjust-
ment nut (B) clockwise (tighten) to raise the front of
mower, or, counterclockwise (loosen) to lower the front
mower.
FIG. 23
FIG. 24
FIG. 25
TO REPLACE MOWER DRIVE BELT
(See Fig. 26)
MOWER DRIVE BELT REMOVAL
• Park tractor on a level surface. En gage parking
brake.
• Lower attachment lift lever to its lowest position.
• Remove any dirt or grass clippings which may have
accumulated around mandrels and entire upper deck
surface.
• Remove belt from electric clutch pulley (M), both mandrel
pulleys (R) and all idler pulleys (S).
MOWER DRIVE BELT INSTALLATION
• Install belt around all mandrel pulleys (R) and around
idler pulleys (S) as shown.
• Install belt onto electric clutch pulley (M).
IMPORTANT: Check belt for proper routing in all mower
pulley grooves.
• Raise attachment lift lever to highest position.
PRECISION SIDE-TO-SIDE ADJUSTMENT
(See Fig. 23)
• With all tires properly inflated, park tractor on level
ground or driveway.
CAUTION: Blades are sharp. Protect
your hands with gloves and/or wrap
blade with heavy cloth.
• Raise mower to its highest position.
• At both sides of mower, position blade at side and
measure the distance (A) from bottom edge of blade
to the ground. The distance should be the same on
both sides.
• If adjustment is necessary, see steps in Visual Adjust-
ment instructions above.
• Recheck measurements, adjust if necessary until both
sides are equal.
B
02950
Tighten adjust nut
B to raise mower Loosen adjust nut
B to lower mower
Loosen jam nut A first
A

21
SERVICE AND ADJUSTMENTS
TO REPLACE MOTION DRIVE BELT
(See Fig. 27)
Park the tractor on level surface. En gage parking brake.
For as sis tance, there is a belt installation guide decal on
bottom side of left footrest.
BELT REMOVAL -
• Remove mower (See “TO RE MOVE MOWER” in this
section of manual).
NOTE: Observe entire motion drive belt and position of all
belt guides and keepers.
• Disconnect clutch wire harness (A).
• Remove anti-rotation link (B) on right side of tractor.
• Remove belt from stationary idler (C) and clutching
idler (D).
• Remove belt from centerspan idler (E).
• Pull belt slack toward rear of trac tor. Carefully remove
belt up wards from trans mis sion input pulley and over
cooling fan blades (F).
• Remove belt downward from engine pulley and around
electric clutch (G).
• Slide belt toward rear of tractor, off the steering plate
(H) and remove from tractor.
BELT INSTALLATION -
• Install new belt from tractor rear to front, over the steer-
ing plate (H) and above clutch brake pedal shaft (J).
• Pull belt toward front of tractor and roll belt around
electric clutch and onto engine pulley (G).
• Pull belt toward rear of tractor. Carefully work belt down
around transmission cooling fan and onto the input
pulley (F). Be sure belt is inside the belt keeper.
• Install belt on centerspan idler (E).
• Install belt through stationary idler (C) and clutch ing
idler (D).
• Reinstall anti-rotation link (B) on right side of tractor.
Tighten securely.
• Reconnect clutch harness (A).
• Make sure belt is in all pulley grooves and in side all
belt guides and keep ers.
FIG. 26
R
R
S
M
• Install mower (See “TO IN STALL MOWER” in this sec-
tion of manual).
electric
02953
A
B
C
D
E
F
G
H
J
FIG. 27
TO REMOVE WHEEL FOR REPAIRS
(See Fig. 28)
• Block up axle securely.
• Remove axle cover, retaining ring and washers to allow
wheel removal (rear wheel contains a square key - Do
not lose).
• Repair tire and reassemble.
• On rear wheels only: align grooves in rear wheel hub
and axle. Insert square key.
FRONT WHEEL TOE-IN/CAM BER
Your new tractor front wheel toe-in and camber is set at the
factory and is normal. The front wheel toe-in and camber
are not adjustable. If damage has occurred to affect the
factory set front wheel toe-in or camber, contact a qualified
service center.
TO CHECK BRAKE
If tractor requires more than five (5) feet to stop at highest
speed in high est gear on a level, dry concrete or paved
surface, then brake must be serviced.
You may also check brake by:
• Park tractor on a level, dry concrete or paved surface,
depress brake pedal all the way down and engage
parking brake.
• Disengage transmission by placing freewheel control
in “transmission disengaged” position. Pull freewheel
control out and into the slot and release so it is held in
the disengaged position.
The rear wheels must lock and skid when you try to manu-
ally push the tractor forward. If the rear wheels rotate, then
the brake needs to be serviced. Contact a qualified service
center.

22
SERVICE AND ADJUSTMENTS
FIG. 28
RE TAIN ING
RING
WASH ERS
SQUARE KEY (REAR
WHEEL ONLY)
AXLE COVER
TO START ENGINE WITH A WEAK BATTERY
(See Fig. 29)
WARNING: Lead-acid batteries gen-
er ate ex plo sive gases. Keep sparks,
flame and smoking ma te ri als away from
bat ter ies. Always wear eye pro tec tion
when around batteries.
If your battery is too weak to start the engine, it should be
recharged. (See "BATTERY" in the MAINTENANCE sec-
tion of this man u al).
If “jumper ca bles” are used for emer gen cy starting, follow
this pro ce dure:
IMPORTANT: YOUR TRACTOR IS EQUIPPED WITH A 12 VOLT
SYSTEM. THE OTHER VEHICLE MUST ALSO BE A 12 VOLT
SYSTEM. DO NOT USE YOUR TRACTOR BATTERY TO START
OTHER VEHICLES.
TO ATTACH JUMPER CABLES -
• Connect one end of the RED cable to the POSITIVE
(+) terminal of each battery(A-B), taking care not to
short against tractor chassis.
• Connect one end of the BLACK ca ble to the NEGA TIVE
(-) terminal (C) of fully charged battery.
• Connect the other end of the BLACK cable (D) to good
chassis ground, away from fuel tank and bat tery.
TO REMOVE CABLES, REVERSE ORDER -
• BLACK cable first from chassis and then from the fully
charged battery.
• RED cable last from both batteries.
FIG. 29
WEAK OR DEAD
BATTERY
FULLY CHARGED
BATTERY
REPLACING BATTERY (See Fig. 30)
WARNING: Do not short battery ter mi nals by allowing
a wrench or any other object to contact both terminals at
the same time. Before connecting battery, remove metal
bracelets, wristwatch bands, rings, etc.
Positive terminal must be connected first to prevent spark-
ing from ac ci den tal grounding.
• Lift hood to raised position.
• Disconnect BLACK battery cable (A) then RED battery
cable and carefully remove battery from tractor.
• Install new battery with terminals in same position as
old battery.
• First connect RED battery cable (B) to positive (+) battery
terminal with hex bolt and keps nut as shown. Tighten
securely. Slide terminal cover (C) over terminal.
• Connect BLACK grounding cable to negative (-) bat tery
terminal with re main ing hex bolt and keps nut. Tight en
securely
• Close hood.
Positive
(Red)
Cable
Negative
(Black)
Cable
02954
A
B
C
FIG. 30
TO REPLACE HEADLIGHT BULB
• Raise hood.
• Pull bulb holder out of the hole in the backside of the
grill.
• Replace bulb in holder and push bulb holder securely
back into the hole in the backside of the grill.
• Close hood.
INTERLOCKS AND RELAYS
Loose or damaged wiring may cause your tractor to run
poorly, stop running, or prevent it from starting.
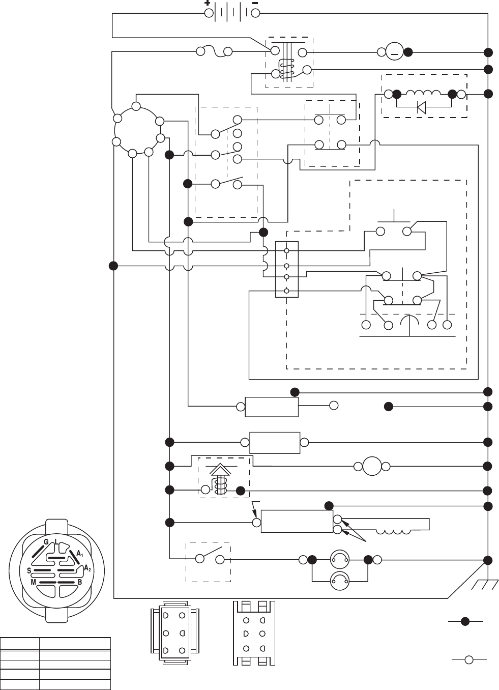
• Check wiring. See electrical wiring diagram in the
Repair Parts section.
TO REPLACE FUSE
Replace with 20 amp automotive-type plug-in fuse. The
fuse holder is located behind the dash.
• Replace washers and snap retaining ring securely in
axle groove.
• Replace axle cover.
NOTE: To seal tire punctures and prevent flat tires due to
slow leaks, tire sealant may be purchased from your local
parts dealer. Tire sealant also prevents tire dry rot and
corrosion.

23
SERVICE AND ADJUSTMENTS
TO REMOVE HOOD AND GRILL ASSEMBLY
(See Fig. 31)
• Raise hood.
• Unsnap headlight wire connector.
• Stand in front of tractor. Grasp hood at sides, tilt toward
engine and lift off of tractor.
• To replace, reverse above procedure.
02778
HEADLIGHT
WIRE
CONNECTOR
HOOD
ENGINE
TO AD JUST THROTTLE CON TROL CABLE
The throttle control has been preset at the factory and
ad just ment should not be necessary. If adjustment is nec-
es sary, see engine manual.
TO AD JUST CHOKE CON TROL
The choke control has been preset at the factory and ad-
just ment should not be necessary. If adjustment is neces-
sary, see engne manual.
TO ADJUST CARBURETOR
Your carburetor is not adjustable. If your engine does not
operate properly due to suspected carburetor problems,
take your tractor to an authorized service center for repair
and/or adjustment.
FIG. 31

24
STORAGE
Immediately prepare your tractor for storage at the end
of the season or if the tractor will not be used for 30 days
or more.
WARNING: Never store the trac tor with
gas o line in the tank inside a building
where fumes may reach an open flame
or spark. Allow the engine to cool before
storing in any en clo sure.
TRACTOR
Remove mower from tractor for winter storage. When mower
is to be stored for a period of time, clean it thor oughly, remove
all dirt, grease, leaves, etc. Store in a clean, dry area.
• Clean entire tractor (See “CLEANING” in the Mainte-
nance section of this manual).
• Inspect and replace belts, if necessary (See belt re-
place ment instructions in the Service and Adjustments
section of this manual).
• Lubricate as shown in the Maintenance sec tion of this
man ual.
• Be sure that all nuts, bolts and screws are securely
fastened. Inspect moving parts for damage, breakage
and wear. Replace if necessary.
• Touch up all rusted or chipped paint surfaces; sand
lightly before painting.
BATTERY
• Fully charge the battery for storage.
• After a period of time in storage, battery may require
re charg ing.
• To help prevent corrosion and power leakage during
long periods of storage, battery cables should be dis-
con nect ed and battery cleaned thoroughly (see “TO
CLEAN BATTERY AND TERMINALS” in the Mainte-
nance section of this manual).
• After cleaning, leave cables disconnected and place
cables where they cannot come in contact with battery
terminals.
• If battery is removed from tractor for storage, do not
store battery directly on concrete or damp surfaces.
ENGINE
FUEL SYSTEM
IMPORTANT: IT IS IMPORTANT TO PREVENT GUM DEPOSITS
FROM FORMING IN ES SEN TIAL FUEL SYSTEM PARTS SUCH
AS CARBURETOR, FUEL FIL TER, FUEL HOSE, OR TANK
DURING STORAGE. ALSO, EXPERIENCE INDICATES THAT
ALCOHOL BLENDED FUELS (CALLED GASOHOL OR USING
ETHANOL OR METHANOL) CAN ATTRACT MOIS TURE WHICH
LEADS TO SEPARATION AND FOR MA TION OF ACIDS DURING
STOR AGE. ACIDIC GAS CAN DAMAGE THE FUEL SYSTEM
OF AN ENGINE WHILE IN STORAGE.
• Empty the fuel tank by starting the engine and let it run
until the fuel lines and carburetor are empty.
• Never use engine or carburetor cleaner products in the
fuel tank or permanent damage may occur.
• Use fresh fuel next season.
NOTE: Fuel stabilizer is an acceptable alternative in mini-
mizing the formation of fuel gum deposits during stor age.
Add stabilizer to gasoline in fuel tank or storage container.
Always follow the mix ratio found on stabilizer container.
Run engine at least 10 minutes after adding stabilizer to
allow the stabilizer to reach the carburetor. Do not empty
the gas tank and carburetor if using fuel stabilizer.
ENGINE OIL
Drain oil (with engine warm) and replace with clean en-
gine oil. (See “ENGINE” in the Maintenance section of
this man ual).
CYLINDER(S)
• Remove spark plug(s).
• Pour one ounce of oil through spark plug hole(s) into
cylinder(s).
• Turn ignition key to “START” position for a few seconds
to distribute oil.
• Replace with new spark plug(s).
OTHER
• Do not store gasoline from one season to another.
• Replace your gasoline can if your can starts to rust.
Rust and/or dirt in your gasoline will cause problems.
• If possible, store your tractor indoors and cover it to
give protection from dust and dirt.
• Cover your tractor with a suitable protective cover that
does not retain moisture. Do not use plastic. Plastic
cannot breathe which allows condensation to form and
will cause your tractor to rust.
IMPORTANT: NEVER COVER TRACTOR WHILE EN GINE AND
EXHAUST AREAS ARE STILL WARM.

25
TROUBLESHOOTING POINTS
Will not start 1. Out of fuel. 1. Fill fuel tank.
2. Engine not “CHOKED” properly. 2. See “TO START ENGINE” in Operation section.
3. Engine flooded. 3. Wait several minutes before attempting to start.
4. Bad spark plug. 4. Replace spark plug.
5. Weak or dead battery. 5. Recharge or replace battery.
6. Dirty air filter. 6. Clean/replace air filter.
7. Dirty fuel filter. 7. Replace fuel filter.
8. Water in fuel. 8. Empty fuel tank and carburetor, refill tank with fresh
gasoline and replace fuel filter.
9. Loose or damaged wiring. 9. Check all wiring.
10. Carburetor out of adjustment. 10. See “To Adjust Carburetor” in Service Adjustments
section.
11. Engine valves out of adjustment. 11. Contact an authorized service center/department.
Hard to start 1. Dirty air filter. 1. Clean/replace air filter.
2. Bad spark plug. 2. Replace spark plug.
3. Weak or dead battery. 3. Recharge or replace battery.
4. Dirty fuel filter. 4. Replace fuel filter.
5. Stale or dirty fuel. 5.
Empty fuel tank and refill tank with fresh, clean gasoline.
6. Loose or damaged wiring. 6. Check all wiring.
7. Carburetor out of adjustment. 7. See “To Adjust Carburetor” in Service Adjustments
section.
8. Engine valves out of adjustment. 8. Contact an authorized service center/department.
Engine will not turn over 1. Brake pedal not depressed. 1. Depress brake pedal.
2. Attachment clutch is engaged. 2. Disengage attachment clutch.
3. Weak or dead battery. 3. Recharge or replace battery.
4. Blown fuse. 4. Replace fuse.
5. Corroded battery terminals. 5. Clean battery terminals.
6. Loose or damaged wiring. 6. Check all wiring.
7. Faulty ignition switch. 7. Check/replace ignition switch.
8. Faulty solenoid or starter. 8. Check/replace solenoid or starter.
9. Faulty operator presence switch(es). 9. Contact an authorized service center/department.
Engine clicks but will not 1. Weak or dead battery. 1. Recharge or replace battery.
start 2. Corroded battery terminals. 2. Clean battery terminals.
3. Loose or damaged wiring. 3. Check all wiring.
4. Faulty solenoid or starter. 4. Check/replace solenoid or starter.
Loss of power 1. Cutting too much grass/too fast. 1. Raise cutting height/reduce speed.
2. Throttle in “CHOKE” position. 2. Adjust throttle control.
3. Build-up of grass, leaves and trash under mower. 3. Clean underside of mower housing.
4. Dirty air filter. 4. Clean/replace air filter.
5. Low oil level/dirty oil. 5. Check oil level/change oil.
6. Faulty spark plug. 6. Clean and regap or change spark plug.
7. Dirty fuel filter. 7. Replace fuel filter.
8. Stale or dirty fuel. 8.
Empty fuel tank and refill tank with fresh, clean gasoline.
9. Water in fuel. 9. Empty fuel tank and carburetor, refill tank with fresh
gasoline and replace fuel filter.
10. Spark plug wire loose. 10. Connect and tighten spark plug wire.
11. Dirty engine air screen/fins. 11. Clean engine air screen/fins.
12. Dirty/clogged muffler. 12. Clean/replace muffler.
13. Loose or damaged wiring. 13. Check all wiring.
14. Carburetor out of adjustment. 14. See “To Adjust Carburetor” in Service Adjustments
section.
15. Engine valves out of adjustment. 15. Contact an authorized service center/department.
Excessive vibration 1. Worn, bent or loose blade. 1. Replace blade. Tighten blade bolt.
2. Bent blade mandrel. 2. Replace blade mandrel.
3. Loose/damaged part(s). 3. Tighten loose part(s). Replace damaged parts.
PROBLEM CAUSE CORRECTION

26
TROUBLESHOOTING POINTS
Engine dies when 1. Reverse operation system 1. Turn ignition key to
tractor is shifted (ROS) is not "ON" while ROS "ON" position.
into reverse mower or other attachment See Operation section.
is engaged.
Engine continues to run 1. Faulty operator-safety presence control system. 1. Check wiring, switches and connections. If not
when operator leaves seat corrected, contact an authorized service center/
with attachment clutch department.
engaged
Poor cut - uneven 1. Worn, bent or loose blade. 1. Replace blade. Tighten blade bolt.
2. Mower deck not level. 2. Level mower deck.
3. Buildup of grass, leaves, and trash under mower. 3. Clean underside of mower housing.
4. Bent blade mandrel. 4. Replace blade mandrel.
5. Clogged mower deck vent holes from buildup of 5. Clean around mandrels to open vent holes.
grass, leaves, and trash around mandrels.
Mower blades will not 1. Obstruction in clutch mechanism. 1. Remove obstruction.
rotate 2. Worn/damaged mower drive belt. 2. Replace mower drive belt.
3. Frozen idler pulley. 3. Replace idler pulley.
4. Frozen blade mandrel. 4. Replace blade mandrel.
Poor grass discharge 1. Engine speed too slow. 1. Place throttle control in “FAST” position.
2. Travel speed too fast. 2. Shift to slower speed.
3. Wet grass. 3. Allow grass to dry before mowing.
4. Mower deck not level. 4. Level mower deck.
5. Low/uneven tire air pressure. 5. Check tires for proper air pressure.
6. Worn, bent or loose blade. 6. Replace blade. Tighten blade bolt.
7. Buildup of grass, leaves and trash under mower. 7. Clean underside of mower housing.
8. Mower drive belt worn. 8. Replace mower drive belt.
9. Blades improperly installed. 9. Reinstall blades sharp edge down.
10. Improper blades used. 10. Replace with blades listed in this manual.
11. Clogged mower deck vent holes from buildup of 11. Clean around mandrels to open vent holes.
grass, leaves, and trash around mandrels.
Headlight(s) not working 1. Light switch is “OFF”. 1. Turn light switch “ON”.
(if so equipped) 2. Bulb(s) or lamp(s) burned out. 2. Replace bulb(s) or lamp(s).
3. Faulty light switch. 3. Check/replace light switch.
4. Loose or damaged wiring. 4. Check wiring and connections.
5. Blown fuse. 5. Replace fuse.
Battery will not charge 1. Bad battery cell(s). 1. Replace battery.
2. Poor cable connections. 2. Check/clean all connections.
3. Faulty regulator (if so equipped). 3. Replace regulator.
4. Faulty alternator. 4. Replace alternator.
Loss of drive 1. Freewheel control in “disengaged” position. 1. Place freewheel control in “engaged” position.
2. Motion drive belt worn, damaged, or broken. 2. Replace motion drive belt.
3. Air trapped in transmission during shipment 3. Purge transmission.
or servicing.
Engine “backfires” when 1. Engine throttle control not set between half and 1. Move throttle control between half and full speed
turning engine “OFF” full speed (fast) position before stopping engine. (fast) position before stopping engine.
PROBLEM CAUSE CORRECTION

27
M
FUSE
STARTER
SOLENOID
BATTERY
ELECTRIC CLUTCH
CLUTCH/BRAKE
(PEDAL UP)
REVERSE SWITCH
(NOT IN REVERSE)
SEATSWITCH
(NOT OCCUPIED)
SHORTING
CONNECTOR
CHASSIS
HARNESS
IGNITION
UNIT
HOUR
METER
REGULATOR
CHASSIS HARNESS
CONNECTOR
(MATING SIDE)
DASH HARNESS
CONNECTOR
(MATING SIDE)
LIGHT
SWITCH
HEADLIGHTS
STATOR
FUEL
LINE
FUEL SHUT-OFF
SOLENOID
(IF SOEQUIPPED)
POWER OUTLET
(IF SOEQUIPPED)
JUNCTION
CONNECTOR
PTO SWITCH
(DISENGAGED)
S
M
B
G
L
2
3
1
6
A2
A1
M
63
52
41
6
5
4
3
2
1
SPARK
PLUGS GAP
(2 PLUGS ON
TWIN CYL. ENGINES)
28 VOLTS AC @ 3600 RPM (REGULATORDISCONNECTED)
CHARGING SYSTEM OUTPUT
14AMPDC @ 36 RPM
(OPTIONAL)
NON-REMOVABLE
CONNECTIONS
REMOVABLE
CONNECTIONS
WIRING INSULATED CLIPS
NOTE: IF WIRING INSULATED
CLIPS WERE REMOVEDFOR
SERVICING OF UNIT,THEY
SHOULDBE REPLACEDTO
PROPERLY SECURE YOUR
WIRING.
03025-194276_Regulated-Tex(12V)
IGNITION SWITCH
CIRCUITPOSITION
OFF
B+A1
RUN/OVERRIDE
B+S+A1START
M+G+A1
B+A1RUN
“MAKE”
L+A2
03025
12V
BLACK
BLACK/WHITE
ORANGE
RED
BROWN
BLUE
BLUE
BLACK
BLACK
BLACKBLACK
BLACK
BLACK
BLACK
BLACK
BLACK
BLACK
BLACK
RED
REDRED
RED
WHITE
WHITE
WHITE
GRAY
GRAY
BLACK
BLACK
TRACTOR - MODEL NO. YTH1542XPT (96043000602), PRODUCT NO. 960 43 00-06
SCHEMATIC

28
TRACTOR - MODEL NO. YTH1542XPT (96043000602), PRODUCT NO. 960 43 00-06
ELECTRICAL
30
33
24
42
40
26
28
71
59
194276D
29
34
43
25
27
41
50
Battery_28
8
1
99
100
91
227
22
21
16
55
4646
90
29
TRACTOR - MODEL NO. YTH1542XPT (96043000602), PRODUCT NO. 960 43 00-06
ELECTRICAL
KEY PART
NO. NO. DESCRIPTION
1 532 14 49-27 Battery
2 874 76 04-12 Bolt Hex Hd 1/4-20 unc x 3/4
8 532 18 64-91 Battery Box
16 532 17 61-38 Switch Interlock
21 532 18 37-59 Harness Socket Light
22 532 00 41-52 Bulb, Light # 1156
24 532 40 02-53 Cable Battery
25 532 19 88-93 Cable Starter
26 532 17 51-58 Fuse
27 873 51 04-00 Nut Keps Hex 1/4-20 unc
28 532 14 54-91 Cable Ground 21" Blk 6 Ga.
29 532 40 15-45 Switch Seat
30 532 19 33-50 Switch Ign
33 532 14 04-01 Key Ign Molded Generic
34 532 11 07-12 Switch Light/Reset
40 532 40 11-05 Harness Ign
41 817 72 04-08 Screw Thd Cut 1/4-20 x 1/2
42 532 13 15-63 Cover Terminal Red
43 532 19 25-07 Solenoid
46 532 19 81-38 Gauge Hourmeter
50 532 17 46-51 Switch PTO
55 817 49 05-12 Screw Thdrol 5/16-18 x 3/4
59 532 40 03-03 Outlet 12-Volt
71 532 19 42-76 Harness Ign. Dash
90 532 40 07-24 Cover Terminal Battery
91 532 19 02-70 Strap Battery
99 817 67 04-12 Screw Hexwsh Thdrol 1/4-20 x 3/4
100 819 09 14-16 Washer 9/32 x 7/8 x 16 Ga.
NOTE: All component dimensions given in U.S. inches
1 inch = 25.4 mm

30
TRACTOR - MODEL NO. YTH1542XPT (96043000602), PRODUCT NO. 960 43 00-06
CHASSIS
14
214
130
130
37
194
194
52
52
181
181
182
68
68
189
216
216
176
176
176
175
178
165
228
228
183
52
184
99
152
150
202
203
204
210
208
18
15
25
207
211
209
212
180
215
217
139
139
213
213
68
218
34
130
130
5
161
36
36
199
162
177
196
221
162
176
176 205
206
58
189
189
chassis-tex_10-gt-husq
102
31
TRACTOR - MODEL NO. YTH1542XPT (96043000602), PRODUCT NO. 960 43 00-06
CHASSIS
KEY PART
NO. NO. DESCRIPTION
5 532 40 18-23 Dash
14 532 40 18-24 Hood
15 532 19 89-07 Lens LH
18 532 40 48-21 Grille
25 532 19 89-06 Lens RH
34 532 19 61-25 Plate Engine
36 817 06 05-12 Screw 5/16-18 x 3/4
37 532 40 18-25 Fender
52 873 68 05-00 Nut Crown Lock 5/16-18
58 532 19 43-14 Bracket Fender
68 817 49 05-08 Screw 5/16-18 x 1/2
99 532 40 19-96 Rod Bypass Asm.
102 532 12 47-88 Retainer Spring
130 532 19 16-11 Screw 10 x 3/4 Single Lead Hex
139 532 17 18-73 Bolt Shoulder 5/16-18
150 532 19 85-14 Duct Heat Hood
152 532 19 63-90 Shield Browning/Debris
161 532 40 18-26 Console Fuel Window
162 532 14 24-32 Screw Hex Wsh Hi-Lo 1/4 x 1/2
165 532 19 68-26 Bracket Support Tank
175 532 19 63-04 Crossmember
176 532 40 07-76 Screw 10-24 x 5/8 Rnd Qdrx
177 532 19 52-27 Bushing Steering
178 532 19 97-82 Cargo Asm. Net
180 532 40 15-59 Chassis
181 532 40 30-25 Bushing Mtg. Fender Crgo.
182 532 19 47-87 Dash Lower
NOTE: All component dimensions given in U.S. inches
1 inch = 25.4 mm
KEY PART
NO. NO. DESCRIPTION
184 532 19 57-80 Spacer
189 817 00 05-12 Screw 5/16-18 x 3/4
194 873 90 05-00 Nut Lock Hex Flange 5/16-18
196 532 40 02-99 Console Asm. Deck Lift
199 532 19 82-59 Plate Deck Lift
202 532 40 30-48 Vent Side Hood RH
203 532 40 30-76 Vent Side Hood LH
204 532 19 89-04 Vent Asm Hood Top
205 532 40 17-09 Skirt Hood Side RH
206 532 40 17-11 Skirt Hood Side LH
207 532 19 71-98 Bezel RH
208 532 19 71-99 Bezel LH
209 532 19 91-30 Insert Hex Top RH
210 532 19 91-31 Insert Hex Top LH
211 532 19 91-32 Insert Hex Bottom RH
212 532 19 91-33 Insert Hex Bottom LH
213 874 76 05-12 Bolt Hex Hd 5/16-18 unc x 3/4
214 532 19 91-45 Clip Retainer
215 532 19 80-43 Cover Chassis Front
216 817 67 05-08 Screw 5/16-18 x 1/2
217 532 15 65-24 Rod Pivot
218 532 19 63-95 Hood Stop
221 532 19 89-09 Reflector LH
228 532 19 51-61 Stud Fastner

32
TRACTOR - MODEL NO. YTH1542XPT (96043000602), PRODUCT NO. 960 43 00-06
DRIVE
56
70
74
220
74
213
171
197
196
206
26
207
209
218
216 219
143
186
189 49
187
50
51
52
51
190
51
52
208 210
170
211
166
211
64
185 188
17
161
35
184
167
160
160
42
163
214
125
215
92
125
153
222
125
226
125
125
80 125
29
159
15 159
116
221
221
225
125
116
162
162
2
2
169
169
33
205
1
116
33
37
37183
183
205
153
drive-tex_29-HusqTuffTorq
33
TRACTOR - MODEL NO. YTH1542XPT (96043000602), PRODUCT NO. 960 43 00-06
DRIVE
KEY PART
NO. NO. DESCRIPTION
KEY PART
NO. NO. DESCRIPTION
1 532 40 53-84 Transaxle, TUFFTORQ K46BN
(Internal parts not available)
2 532 12 35-83 Key 1/4 x 2.5
15 819 13 13-16 Washer 13/32 x 13/16 x 16 Ga.
17 532 40 10-72 Spring, Brake
26 532 19 96-79 Spring Return Cruise
29 532 40 38-06 Rod, Brake
33 812 00 00-01 Ring E
35 532 19 95-91 Rod, Brake, Park
37 532 12 17-49 Washer
42 532 12 48-72 Cover, Foot Pedal
49 872 11 06-14 Bolt
50 532 19 43-27 Pulley Idler Flat
51 873 90 06-00 Lock Nut 3/8-16
52 532 19 43-26 Idler V-Groove 910" Offset
56 532 13 09-69 V-Belt, Drive
64 532 19 78-65 Shaft Asm. Pedal Brake Control
70 532 40 05-30 Console Asm.
74 532 14 24-32 Screw 1/4 x 1/2
80 532 40 44-83 Strap Torque
92 874 76 05-20 Bolt Fin Hex 5/16-18 unc x 1.25
116 873 90 05-00 Nut Lock Hex Flange 5/16-18
125 817 00 05-12 Screw 5/16-18 x 3/4
143 817 49 05-08 Screw Thdrol 5/16-18 x 1/2
153 532 12 47-88 Retainer Spring
159 876 02 04-12 Pin Cotter 1/8 x 3/4
160 532 16 94-84 Retainer Clip
161 532 19 54-03 Spring, Return, Clutch
162 532 19 57-85 Spacer Transaxle
163 532 40 10-34 Rod Pedal Control
166 532 19 72-90 Nut Push .625
167 532 19 62-11 Latch Brake Parking
169 874 49 05-60 Bolt Hex Flghd 5/16-18 x 3.75
170 532 19 43-22 Keeper Belt Centerspan
171 872 11 06-16 Bolt RDHD SQNK 3/8-16UNC x 2
183 532 13 70-57 Spacer Split
184 532 40 31-18 Handle Parking Brake
185 872 11 06-20 Bolt Rdhd Sqnk 3/8-16 x 2-1/2
186 532 19 43-21 Spacer Retainer
187 819 13 32-10 Washer
188 532 19 43-23 Link Clutch Ground Drive
189 532 19 43-17 Bellcrank Ground Drive
190 532 19 43-18 Keeper Bellcrank Ground Drive
196 817 00 06-16 Screw 3/8-16 x 1
197 532 19 58-04 Bracket Clutch Anti-Rotation
205 532 12 17-48 Washer
206 532 19 78-67 Bracket Mount Latch Cruise
207 532 19 78-68 Latch Control Cruise
208 532 19 78-69 Gear Sector Control Cruise
209 532 19 95-92 Rod Control Cruise
210 532 19 78-60 Rocker Asm. Pedal Control
211 532 12 01-83 Bearing Nylon
213 532 40 31-19 Knob Control Cruise
214 532 40 17-22 Pedal Forward
215 532 40 17-23 Pedal Reverse
216 532 19 61-31 Bracket Pulley Idler
218 874 78 05-20 Bolt Fin Hex 5/16-18 unc x 1-1/4
219 532 19 57-80 Spacer Fender
220 532 19 89-08 Reflector RH
221 532 40 31-87 Retainer Spring Clip Handle
222 819 21 20-10 Washer 21/32 x 1-1/4 x 10 Ga.
225 532 40 33-19 Keeper Belt Trans.
226 532 40 08-31 Bracket Mount Touque
NOTE: All component dimensions given in U.S. inches
1 inch = 25.4 mm

34
TRACTOR - MODEL NO. YTH1542XPT (96043000602), PRODUCT NO. 960 43 00-06
STEERING ASSEMBLY
6
5
13
13
53 8
9
9
8
8
7
7
62
4
35
1619
63
63
57
60
59
58
28
1322
64
70
68
69
67
67 66
15
15
14
14
21
51
26
1
45
61
2
6
steering-tex_4-husq
KEY PART
NO. NO. DESCRIPTION
1 532 19 39-43 Wheel, Steering
2 532 19 59-68 Axle Asm., Front
4 532 40 30-87 Spindle Asm., LH
5 532 40 30-88 Spindle Asm., RH
6 532 12 49-31 Bearing, Race Thrust Harden
7 532 12 17-48 Washer 25/32 x 1-5/8 x 16 Ga.
8 812 00 00-29 Ring, Klip #T5304-75
9 532 12 12-32 Cap, Spindle
13 532 12 17-49 Washer 25/32 x 1-1/4 x 16 Ga.
14 810 04 06-00 Washer, Lock Hvy Hlcl Spr 3/8
15 873 54 06-00 Nut, Crown Lock 3/8-24 unf
16 532 19 47-46 Shaft Steering
19 532 19 47-29 Plate Steering
21 532 18 67-37 Adapter, Wheel Steering
22 532 19 48-45 Bushing, Strg. Blk
26 532 19 36-52 Insert, Wheel Steering
28 817 00 06-12 Screw 3/8-16 x 3/4
35 532 19 47-32 Gear, Sector Plate
45 819 18 38-12 Washer 9/16 x 2-3/8 x 12 Ga. NOTE: All component dimensions given in U.S. inches
1 inch = 25.4 mm
KEY PART
NO. NO. DESCRIPTION
51 873 94 08-00 Nut Hex Jam Toplock 1/2-20 unf
53 532 18 89-67 Washer Hardened .793 x 1.637 x
.060
57 532 19 72-46 Bracket Upstop
58 532 19 47-47 Bolt Shoulder Sector Pivot CFM
59 532 19 47-48 Washer Thrust Sector Steering
60 873 97 10-00 Nut Flange Lock 5/8-11
61 532 19 47-40 Draglink LH
62 532 19 47-41 Draglink, RH
63 817 00 05-12 Screw 5/16-18 x 3/4
64 532 19 98-49 Retainer Clip Spring Steering
66 871 02 07-48 Bolt Hex Fghd 7/16-14 x 3 Serr
67 532 19 47-37 Bushing PM Front Axle
68 873 90 07-00 Nut Lock Flange 7/16-14 Gr. 5
69 532 19 91-62 Washer 1.5 x .505 x .118
70 532 19 61-97 Bracket Deck Susp. Front

35
TRACTOR - MODEL NO. YTH1542XPT (96043000602), PRODUCT NO. 960 43 00-06
ENGINE
KEY PART
NO. NO. DESCRIPTION
NOTE: All component dimensions given in U.S. inches
1 inch = 25.4 mm
For engine service and replacement parts, call the toll free
number for your engine manufacturer listed below:
Briggs & Stratton 1-800-233-3723
Kohler Co. 1-800-544-2444
Tecumseh Products 1-800-558-5402
Honda Engines 1-800-426-7701
Kawasaki 1-949-460-5688
1 - - - - - - Engine Kawa Model No. FW430V
2 532 14 97-23 Muffler
9 532 19 43-20 Keeper Belt Engine
11 532 18 05-05 Clutch Electric
12 532 40 50-97 Pulley Engine
15 532 19 34-99 Tank Fuel 4.0
18 532 19 42-67 Cap Asm
20 532 18 29-37 Control Throttle
21 532 19 16-11 Screw 10 x 3/4 Single Lead Hex
22 532 18 95-41 Control Choke
28 532 40 11-35 Fuel Line
29 532 13 71-80 Spark Arrester Kit
31 532 14 50-06 Clip Push-In
37 532 12 34-87 Clamp Hose
41 532 12 61-97 Washer 1-1/2 OD x 15/32 ID x .250
42 810 04 07-00 Washer Lock 7/16
45 873 51 04-00 Nut Keps Hex 1/4-20 unc
62 532 14 66-29 Shield Heat Muffler
69 532 16 53-91 Gasket (Order part from Eng. Mfg.)
70 532 18 14-44 Tube Exhaust LH
KEY PART
NO. NO. DESCRIPTION
71 532 18 14-42 Tube Exhaust RH
81 532 14 84-56 Tube Drain Oil Easy
85 532 17 39-37 Bolt Hex 7/16-20 x 4 x Gr. 5-1.5
86 532 18 43-62 Nut Hex Flange Toplock M8-1.2
87 532 19 82-39 Bolt 5/16-18 unc x 1 w/Sems
90 817 00 06-16 Screw 3/8-16 x 1
92 817 12 06-16 Screw 3/8-16 x 1
- - 532 18 74-95 Bushing
1
92
12
11
41
42
85
929
SPARK ARRESTER KIT
92
45
90
31
37
28
37
34
20
22
62
70
71
86
69
87
2
engine-tex_5-kawa
81
18
15

36
TRACTOR - MODEL NO. YTH1542XPT (96043000602), PRODUCT NO. 960 43 00-06
SEAT ASSEMBLY
1 532 19 75-26 Seat
2 532 18 01-66 Bracket Pivot Fender
3 532 14 06-75 Strap, Asm Fender
5 532 14 50-06 Clip, Push In, Hinged
6 873 80 06-00 Nut, Lock W/Ins. 3/8-16 unc
7 532 12 41-81 Spring, Seat Cprsn
8 532 17 18-77 Bolt 5/16-18 uncx 3/4 w/Sems
10 532 19 69-77 Pan, Seat
21 532 17 18-52 Bolt, Shoulder 5/16-18
37 873 80 05-00 Nut, Lock 5/16-18 unc
40 532 19 76-61 Handle Slide Seat
41 532 19 82-00 Spring Latch Seat
43 874 76 06-12 Bolt 3/8-16 x 3/4
44 819 13 38-12 Washer 13/32 x 2-3/8 x 12 Ga.
KEY PART
NO. NO. DESCRIPTION
KEY PART
NO. NO. DESCRIPTION
NOTE: All component dimensions given in U.S. inches
1 inch = 25.4 mm
2
6
1
40
10
37
37
21
21
44
43
3
5
41
7
8
7
8
seat-tex_5-husq

37
TRACTOR - MODEL NO. YTH1542XPT (96043000602), PRODUCT NO. 960 43 00-
06
NOTE: All component dimensions given in U.S. inches
1 inch = 25.4 mm
KEY PART
NO. NO. DESCRIPTION
6
2
1
3
11
410
59
8
7
wheel_art_1-vgt
WHEELS AND TIRES
KEY PART
NO. NO. DESCRIPTION
KEY PART
NO. NO. DESCRIPTION
17
16 16
1 532 05 91-92 Cap, Valve, Tire
2 532 06 51-39 Stem, Valve
3 532 13 83-36 Rim Assembly, Front
4 532 00 81-34 Tube, Front (Ser vice Item Only)
5 532 10 62-22 Tire, Front
6 532 00 02-78 Fitting, Grease (Front Wheel Only)
7 532 00 90-40 Bearing, Flange (Front Wheel Only)
8 532 17 50-39 Cap, Axle (Front Wheel Only)
9 532 12 20-82 Tire, Rear
10 532 00 71-54 Tube, Rear (Service Item Only)
11 532 13 83-37 Rim Assembly, Rear
- - 532 14 43-34 Sealant, Tire (10 oz. Tube)
14
2
1 532 40 21-04 Decal, Operator's
2 532 40 21-28 Decal, Hood Insert
3 532 17 05-63 Decal, Warning
8 532 16 03-96 Decal, Mower Sch.
9 532 14 50-05 Decal, Battery Dnge/Poi
13 532 40 44-84 Decal, Steering Whl
14 532 40 18-22 Decal, Panel Side
15 532 18 09-41 Decal, Cust. Resp.
1
16 532 40 33-78 Decal, Hood Logo
17 532 40 54-64 Decal, Replacement
- - 532 16 69-60 Decal, Bypass
- - 532 40 17-71 Pad, Footrest, LH
- - 532 40 37-73 Pad, Footrest, RH
- - 532 40 64-54 Manual, Owner's (Eng)
- - 532 40 64-55 Manual, Owner's (Fr)
14
13
9
3
8
15

38
TRACTOR - MODEL NO. YTH1542XPT (96043000602), PRODUCT NO. 960 43 00-06
MOWER DECK
15
14
13
11
8
16
68
30
31
32
33
145
190
34
55 56
57
62
188
189
1
69
21
21
21
69
69
20
59
40
19
19
6
6
42_D_elec-Tex_5
21
24
25
26
27
29
23
189
188
36
40
117
116
118
119
117
119
116
118
113
117
116
118
119
21
2112
21
117 119
116
2
111
118
113
39
TRACTOR - MODEL NO. YTH1542XPT (96043000602), PRODUCT NO. 960 43 00-06
MOWER DECK
KEY PART
NO. NO. DESCRIPTION
KEY PART
NO. NO. DESCRIPTION
NOTE: All component dimensions given in U.S. inches
1 inch = 25.4 mm
1 532 40 29-99 Mower Deck Assembly, 42"
2 872 14 05-06 Bolt Rdhd Sqnk 5/16-18 unc x 3/4
6 532 19 51-86 Arm Susp. Rear
8 532 19 30-03 Bolt/Washer Asm 7/16-20 unf
(The following Blades are available)
11 532 13 89-71 Blade Mower 42” Hi-Lift (for bagging
and discharging)
- - 532 13 41-49 Blade, Mulching 42” Std (for mulch-
ing mowers only)
- - 532 13 97-75 Blade Mulching 42” Premium (For
better wear when mulching)
13 532 19 28-72 Shaft As sem bly, Mandrel
14 532 18 72-81 Housing, Mandrel
15 532 11 04-85 Bearing, Ball, Mandrel
16 532 17 44-93 Stripper, Mandrel Deck
19 532 19 65-39 Bolt, Shoulder
20 532 15 97-70 Baffle, Vortex
21 873 68 05-00 Nut
23 532 19 25-57 Bracket, Deflector Mower 42"
24 532 10 53-04 Cap, Sleeve 80 x 112 Blk Mower
25 532 19 70-26 Spring, Torsion, Deflector
26 532 11 04-52 Nut, Push Phos & Oil
27 532 40 30-04 Shield, Deflector 42" Blk
28 819 11 10-16 Washer 11/32 x 5/8 x 16 Ga.
29 532 13 14-91 Rod, Hinge 42" 6 75 W/G
30 532 17 39-84 Screw Thdrol
31 532 18 76-90 Washer, Spacer Mower Vented
32 532 17 34-36 Pulley, Mandrel
33 532 40 02-34 Nut, Toplock
34 872 11 06-12 Bolt Carr SH 3/8-16 x 1-1/2 Gr.5
36 532 19 61-06 Pulley, Idler, Flat
40 873 90 06-00 Nut Lock 3/8-16
45 532 17 79-68 Pulley Idler Glat
55 532 19 72-49 Arm, Idler
56 532 19 90-92 Spacer, Retainer
57 817 00 06-16 Screw 3/8-16 x 1
59 532 14 10-43 Guard TUV Idler
61 532 17 48-82 Spring Ext Elect. Clutch
62 872 11 06-16 Bolt Rdhd Sqnk 3/8-16 unc x 2
68 532 14 49-59 V-Belt, 42" Mower
69 872 14 05-05 Bolt, Carriage 5/16-18 x 5/8
111 532 17 92-92 Bracket Wh Gauge RH
112 532 17 92-93 Bracket Wh Gauge LH
113 817 00 05-10 Screw 5/16-18
116 532 00 48-98 Bolt, Shoulder
117 532 18 86-06 Wheel, Gauge
118 873 90 06-00 Nut Centerlock 3/8-16
119 819 13 20-12 Washer 13/32 x 1-1/4 x 12 Ga.
145 532 17 34-37 Pulley Idler Flat
188 532 19 51-61 Stud Fastner W/D Anti-Rotation
189 873 90 05-00 Nut Lock Hex Flange 5/16-18
190 532 19 72-51 Spring Mower Drive
- - 532 19 28-70 Mandrel Assembly (Includes Hous-
ing Shaft and Shaft Hardware Only
- Pulley Not Included)
- - 532 40 12-28 Replacement Mower, Complete
(Std. deck Order separately gauge
wheel componants Key Nos. 116-
119)

40
TRACTOR - MODEL NO. YTH1542XPT (96043000602), PRODUCT NO. 960 43 00-06
MOWER LIFT
7
3
87
1088
2
89
90
87
98
97
97
91
lift-tex_4
2 532 19 52-23 Shaft Asm., Lift
3 532 19 52-30 Lever Asm., Lift Rh
7 532 19 64-92 Grip, Lever
10 532 19 63-14 Spring Torsion
87 532 19 42-09 Pin Cotter 7/16 Bow Tie Lock
88 532 19 53-04 Spring Lift Assist
89 819 19 19-12 Washer Clear Zinc
KEY PART
NO. NO. DESCRIPTION
NOTE: All component dimensions given in U.S. inches
1 inch = 25.4 mm
KEY PART
NO. NO. DESCRIPTION
90 532 19 42-08 Pin Cotter 5/16 Bow Tie Lock
91 532 19 51-81 Link Lift Susp Mower Rear
97 817 06 06-12 Screw 3/8-16 x .75 Smgml Tap/R.Z
98 532 19 52-70 Link Lift Susp. Front Mower

41
SERVICE NOTES

42
15 DEGREES MAX.
FOLD ALONG DOTTED LINE
THIS IS A 15 DEGREE SLOPE
ONLY RIDE UP AND DOWN HILL,
NOT ACROSS HILL
SUGGESTED GUIDE FOR SIGHTING SLOPES FOR SAFE OPERATION
WARNING: To avoid serious injury, operate your tractor up and
down the face of slopes, never across the face. Do not mow
slopes greater than 15 degrees. Make turns gradually to prevent
tipping or loss of control. Exercise extreme caution when
changing direction on slopes.
1. Fold this page along dotted line indicated above.
2. Hold page before you so that its left edge is vertically parallel to a tree
trunk or other upright structure.
3. Sight across the fold in the direction of hill slope you want to measure.
4. Compare the angle of the fold with the slope of the hill.

43
SECTION 1: LIMITED WARRANTY
Husqvarna Forest & Garden Company (“Husqvarna”) warrants Husqvarna product to the original purchaser
to be free from defects in material and workmanship from the date of purchase for the “Warranty Period” of the
product as set forth below:
Lifetime Warranty: All tiller tines against breakage, trimmer shafts, ignition coils and modules on hand held
prod uct.
3 Year Warranty: Spindles (on Zero Turn Riders and Commercial Walk-Behinds)
2 Year COMMERCIAL-Warranty: Husqvarna Commercial Turf Equipment—zero turn riders, wide area walks,
and ground engaging commercial equipment.
2 Year NON-COMMERCIAL Warranty: Automatic Mower, Riding lawn mowers, yard and garden tractors, walk
behind mowers, tillers, chain saws, trimmers, brushcutters, clearing saws, snow blowers, handheld blowers,
backpack blowers, hedge trimmers, electrical products and power-assist collection systems for non com mer cial,
nonprofessional, noninstitutional or nonincome producing use, except as herein stated.
Emission control system components necessary to comply with CARB-TIER-II and EPA regulations, except
for those components which are part of engine systems manufactured by third party engine manufacturers for
which the purchaser has received a separate warranty with product information supplied at time of purchase.
1 Year Warranty: Power cutters, stump grinder, pole pruners and pole saws for non-commercial, non-pro-
fessional, non-institutional or non-income producing use. All trimmers, brushcutters, clearing saws, hovering
trimmers, stick edgers, backpack blowers, hand held blowers, hedge trimmers, power-assist collection systems
used for commercial, institutional, professional or income producing purposes or use.
Batteries have a one-year prorated limited warranty with 100% replacement during the first 6 months.
90 Day Warranty: Automatic Mower, Chain saws, power cutters, stump grinders, pole saws, pole pruners,
snow throwers, model series 580 & 600 walk-behind mowers and commercial turf equipment or any Husqvarna
product used for commercial, institutional, professional, or income producing purposes or use except as oth-
erwise provided herein.
Husqvarna Safety Apparel carries a 90-day warranty from the date of the customer’s original purchase for
defects in material and workmanship. Normal wear, tear or abuse is not covered under warranty. Product must
be returned to Charlotte with a warranty claim form. All care and maintenance instructions must be followed
as stated by the manufacturer on the care label. The fit of the protective apparel/boot is not covered under
warranty.
30 Day Warranty: Replacement parts, accessories including bars and chains, tools and display items.
SECTION 2: HUSQVARNA’S OBLIGATIONS UNDER THE WARRANTY
Husqvarna will repair or replace defective components without charge for parts or labor if a component fails
because of a defect in material or workmanship during the warranty period.
SECTION 3: ITEMS NOT COVERED BY THIS WARRANTY
The following items are not covered by this warranty:
(1)Normal customer maintenance items which become worn through normal regular use, including, but not
limited to, belts, blades, blade adapters, bulbs, filters, guide bars, lubricants, rewind springs, saw chain,
spark plugs, starter ropes and tines;
(2)Natural discoloration of material due to ultraviolet light;
(3)Engine and drive systems not manufactured by Husqvarna; these items are covered by the respective
manufacturer’s warranty as provided in writing with the product information supplied at the time of pur-
chase; all claims must be sent to the appropriate manufacturer;
(4)Lawn and garden attachments are covered by a third party which gives a warranty, all claims for war-
ranty should be sent to the manufacturer; and
(5)Emission Control System components necessary to comply with CARB-TIER-II and EPA regulations
which are manufactured by third party engine manufacturer.
SECTION 4: EXCEPTIONS AND LIMITATIONS
This warranty shall be inapplicable to defects resulting from the following:
(1)Accident, abuse, misuse, negligence and neglect, including stale fuel, dirt, abrasives, moisture, rust,
corrosion, or any adverse reaction due to incorrect storage or use habits;
(2)Failure to operate or maintain the unit in accordance with the Owner’s/Operator’s manual or instruc-
tion sheet furnished by Husqvarna;
(3)Alterations or modifications that change the intended use of the product or affects the product’s per-
formance, operation, safety, or durability, or causes the product to fail to comply with any applicable
laws; or:
(4)Additional damage to parts or components due to continued use occurring after any of the above.
REPAIR OR REPLACEMENT AS PROVIDED UNDER THIS WARRANTY IS THE EXCLUSIVE REMEDY OF
THE PUR CHAS ER. HUSQVARNA SHALL NOT BE LIABLE FOR ANY INCIDENTAL OR CONSEQUENTIAL
DAMAGES FOR BREACH OF ANY EXPRESS OR IMPLIED WARRANTY ON THESE PRODUCTS EXCEPT
TO THE EXTENT PROHIBITED BY APPLICABLE LAW. ANY IMPLIED WARRANTY OF MERCHANTABIL-
ITY OR FITNESS FOR A PARTICULAR PURPOSE ON THESE PRODUCTS IS LIMITED IN DURATION TO
THE WARRANTY PERIOD AS DEFINED IN THE LIMITED WARRANTY STATEMENT. HUSQVARNA RE-
SERVES THE RIGHT TO CHANGE OR IMPROVE THE DESIGN OF THE PRODUCT WITHOUT NO TICE,
AND DOES NOT ASSUME OBLIGATION TO UPDATE PREVIOUSLY MANUFACTURED PROD-
UCTS.
Some states do not allow the exclusion of incidental or consequential damages, or limitations on how long
an implied warranty lasts, so the above limitations or exclusions may not apply to you. This warranty gives
you specific legal rights, and you may also have other rights which vary from state to state.
SECTION 5: CUSTOMER RESPONSIBILITIES
The product must exhibit reasonable care, maintenance, operation, storage and general upkeep as written
in the maintenance section of the Owner’s/Operator’s manual. Should an operational problem or failure occur,
the product should not be used, but delivered as is to an authorized Husqvarna dealer for evaluation. Proof
of purchase, as explained in section 6, rests solely with the customer.
SECTION 6: PROCEDURE TO OBTAIN WARRANTY CONSIDERATION
It is the Owner’s and Dealer’s responsibility to make certain that the Warranty Registration Card is properly
filled out and mailed to Husqvarna Forest & Garden Company. This card should be mailed within ten (10) days
from the date of purchase in order to confirm the warranty and to facilitate post-sale service.
Proof of purchase must be presented to the authorized Husqvarna dealer in order to obtain warranty ser-
vice. This proof must include date purchased, model number, serial number, and complete name and address
of the selling dealer.
To obtain the benefit of this warranty, the product believed to be defective must be delivered to an au-
thorized Husqvarna dealer in a timely manner, no later than thirty (30) days from date of the operational
problem or failure. The product must be delivered at the owner’s expense. Pick-up and delivery charges are
not covered by this warranty. An authorized Husqvarna dealer can be normally located through the “Yellow
Pages” of the local telephone directory or by calling 1-800-HUSKY62 for a dealer in your area.
HUSQVARNA
7349 Statesville Road
Charlotte, NC 28269
531 83 81-23 2002
WARRANTY STATEMENT

532 40 64-54 10.04.06 CL Printed in U.S.A.