Husqvarna Yth2242T Users Manual OM, YTH 2242 T (917.279180), 2006 05, Ride Mower
YTH2242T to the manual 81de678a-55f6-49ed-bedb-a4d5b1616253
2015-01-24
: Husqvarna Husqvarna-Yth2242T-Users-Manual-317540 husqvarna-yth2242t-users-manual-317540 husqvarna pdf
Open the PDF directly: View PDF
.
Page Count: 48

03002
917.279180
(YTH2242T)
Owner's Manual

2
I. GENERAL OPERATION
• Read, understand, and follow all instructions on the
machine and in the manual before starting.
• Do not put hands or feet near rotating parts or under
the machine. Keep clear of the discharge opening at
all times.
• Only allow responsible adults, who are familiar with the
in struc tions, to operate the machine.
• Clear the area of objects such as rocks, toys, wire, etc.,
which could be picked up and thrown by the blades.
• Be sure the area is clear of bystanders before operat-
ing. Stop machine if anyone enters the area.
• Never carry passengers.
• Do not mow in reverse unless absolutely necessary.
Always look down and behind before and while back-
ing.
• Never direct discharged material toward anyone. Avoid
discharging material against a wall or obstruction. Ma-
terial may ricochet back toward the operator. Stop the
blades when crossing gravel surfaces.
SAFETY RULES
Safe Operation Practices for Ride-On Mowers
DANGER: THIS CUTTING MACHINE IS CAPABLE OF AMPUTATING HANDS AND FEET AND THROW ING OBJECTS. FAILURE
TO OBSERVE THE FOLLOWING SAFETY INSTRUCTIONS COULD RESULT IN SERIOUS INJURY OR DEATH.
WARNING: In order to prevent ac-
cidental starting when setting up,
transport ing, ad justing or making re-
pairs, al ways dis connect spark plug
wire and place wire where it can not
contact spark plug.
WARNING: Do not coast down a hill
in neutral, you may lose control of the
tractor.
WARNING: Tow only the attachments
that are rec ommended by and com-
ply with spec ifications of the man u-
facturer of your tractor. Use common
sense when towing. Operate only at
the low est possible speed when on a
slope. Too heavy of a load, while on
a slope, is dan ger ous. Tires can lose
traction with the ground and cause you
to lose control of your tractor.
WARNING
Engine exhaust, some of its con stituents, and cer-
tain vehicle com ponents contain or emit chem icals
known to the State of Cal ifor nia to cause can cer and
birth de fects or oth er re pro ductive harm.
WARNING
Battery posts, terminals and related ac cessories
contain lead and lead compounds, chem icals known
to the State of Cal ifor nia to cause can cer and birth
defects or oth er re pro ductive harm. Wash hands
after handling.
• Do not operate machine without the entire grass catcher,
discharge guard, or other safety devices in place and
working.
• Slow down before turning.
• Never leave a running machine unattended. Always
turn off blades, set parking brake, stop engine, and
remove keys before dismounting.
• Disengage blades when not mowing. Shut off engine
and wait for all parts to come to a complete stop before
cleaning the machine, removing the grass catcher, or
unclogging the discharge guard.
• Operate machine only in daylight or good artifi cial
light.
• Do not operate the machine while under the infl uence
of alcohol or drugs.
• Watch for traffi c when operating near or crossing road-
ways.
• Use extra care when loading or unloading the machine
into a trailer or truck.
• Always wear eye protection when operating ma-
chine.
• Data indicates that operators, age 60 years and above,
are involved in a large percentage of riding mower-re-
lated injuries. These operators should evaluate their
ability to operate the riding mower safely enough to
protect them selves and others from serious injury.
• Follow the manufacturer's recommendation for wheel
weights or counterweights.
• Keep machine free of grass , leaves or other debris
build-up which can touch hot exhaust / engine parts
and burn. Do not allow the mower deck to plow leaves
or other debris which can cause build-up to occur.
Clean any oil or fuel spillage before operating or
storing the machine. Allow machine to cool before
storage.
II. SLOPE OPERATION
Slopes are a major factor related to loss of control and
tip-over accidents, which can result in severe injury or
death. Operation on all slopes requires extra caution. If
you cannot back up the slope or if you feel uneasy on it,
do not mow it.
• Mow up and down slopes, not across.
• Watch for holes, ruts, bumps, rocks, or other hidden
objects. Uneven terrain could overturn the machine.
Tall grass can hide obstacles.
• Choose a low ground speed so that you will not have
to stop or shift while on the slope.
• Do not mow on wet grass. Tires may lose traction.
Always keep the machine in gear when going down
slopes. Do not shift to neutral and coast downhill.
• Avoid starting, stopping, or turning on a slope. If the
tires lose traction, disengage the blades and proceed
slowly straight down the slope.
• Keep all movement on the slopes slow and gradual.
Do not make sudden changes in speed or direction,
which could cause the machine to roll over.
• Use extra care while operating machine with grass
catchers or other at tach ments; they can affect the
stability of the machine. Do no use on steep slopes.
• Do not try to stabilize the machine by putting your foot
on the ground.
• Do not mow near drop-offs, ditches, or embankments.
The machine could suddenly roll over if a wheel is over
the edge or if the edge caves in.

3
• Be sure the area is clear of bystanders before operat-
ing. Stop machine if anyone enters the area.
• Never carry passengers.
• Do not mow in reverse unless absolutely necessary.
Al ways look down and behind before and while back-
ing.
• Never carry children, even with the blades shut off. They
may fall off and be seriously injured or interfere with
safe machine operation. Children who have been given
rides in the past may suddenly appear in the mowing
area for another ride and be run over or backed over
by the machine.
• Keep children out of the mowing area and in the watchful
care of a responsible adult other than the operator.
• Be alert and turn machine off if a child enters the
area.
• Before and while backing, look behind and down for
small children.
• Mow up and down slopes (15° Max), not across.
• Choose a low ground speed so that you will not have
to stop or shift while on the slope.
• Avoid starting, stopping, or turning on a slope. If the
tires lose traction, disengage the blades and proceed
slowly straight down the slope.
• If machine stops while going uphill, disengage blades,
shift into reverse and back down slowly.
• Do not turn on slopes unless necessary, and then, turn
slowly and gradually downhill, if possible.
SAFETY RULES
Safe Operation Practices for Ride-On Mowers
III. CHILDREN
Tragic accidents can occur if the operator is not alert to
the presence of children. Children are often attracted to
the ma chine and the mowing activity. Never assume that
children will remain where you last saw them.
• Keep children out of the mowing area and in the watchful
care of a responsible adult other than the operator.
• Be alert and turn machine off if a child enters the
area.
• Before and while backing, look behind and down for
small children.
• Never carry children, even with the blades shut off. They
may fall off and be seriously injured or interfere with
safe machine operation. Children who have been given
rides in the past may suddenly appear in the mowing
area for another ride and be run over or backed over
by the machine.
• Never allow children to operate the machine.
• Use extra care when approaching blind corners, shrubs,
trees, or other objects that may block your view of a
child.
IV. TOWING
• Tow only with a machine that has a hitch designed for
towing. Do not attach towed equipment except at the
hitch point.
• Follow the manufacturer's recommendation for weight
limits for towed equipment and towing on slopes.
• Never allow children or others in or on towed equip-
ment.
• On slopes, the weight of the towed equipment may
cause loss of traction and loss of control.
• Travel slowly and allow extra distance to stop.
V. SERVICE
SAFE HANDLING OF GASOLINE
To avoid personal injury or property damage, use extreme
care in handling gasoline. Gasoline is extremely fl ammable
and the vapors are explosive.
• Extinguish all cigarettes, cigars, pipes, and other
sources of ignition.
• Use only approved gasoline container.
• Never remove gas cap or add fuel with the engine run-
ning. Allow engine to cool before refueling.
• Never fuel the machine indoors.
• Never store the machine or fuel container where there
is an open fl ame, spark, or pilot light such as on a water
heater or other appliances.
• Never fi ll containers inside a vehicle or on a truck or
trailer bed with plastic liner. Always place containers
on the ground away from your vehicle when fi lling.
• Remove gas-powered equipment from the truck or trailer
and refuel it on the ground. If this is not possible, then
refuel such equipment with a portable container, rather
than from a gasoline dispenser nozzle.
• Keep the nozzle in contact with the rim of the fuel tank
or container opening at all times until fueling is complete.
Do not use a nozzle lock-open device.
• If fuel is spilled on clothing, change clothing immedi-
ately.
• Never overfi ll fuel tank. Replace gas cap and tighten
securely.
GENERAL SERVICE
• Never operate machine in a closed area.
• Keep all nuts and bolts tight to be sure the equipment
is in safe working condition.
• Never tamper with safety devices. Check their proper
operation regularly.
• Keep machine free of grass, leaves, or other debris
build-up. Clean oil or fuel spillage and remove any fuel-
soaked debris. Allow machine to cool before storing.
• If you strike a foreign object, stop and inspect the
machine. Repair, if necessary, before restarting.
• Never make any adjustments or repairs with the engine
run ning.
• Check grass catcher components and the discharge
guard frequently and replace with manufacturer's rec-
ommended parts, when necessary.
• Mower blades are sharp. Wrap the blade or wear
gloves, and use extra caution when servicing them.
• Check brake operation frequently. Adjust and service
as required.
• Maintain or replace safety and instruction labels, as
necessary.

4
SAFETY RULES ......................................................... 2-3
PRODUCT SPECIFICATIONS ....................................... 4
CUSTOMER RESPONSIBILITIES................................. 4
ASSEMBLY ................................................................. 5-6
OPERATION ............................................................. 7-13
MAINTENANCE SCHEDULE ...................................... 14
MAINTENANCE ..................................................... 14-17
SERVICE AND AD JUSTMENTS ............................17-23
STORAGE .................................................................... 24
TROU BLESHOOT ING ............................................ 25-26
REPAIR PARTS....................................................... 28-40
WARRANTY................................................................. 43
TABLE OF CONTENTS
PRODUCT SPECIFICATIONS
Gasoline Capacity 2.50 Gallons
and type: Unleaded Regular
Oil Type (API-SG-SL): SAE 30 (above 32°F)
SAE 5W-30 (below 32°F)
Oil Capacity: W/ Filter: 64 oz.
W/O Filter: 60 oz.
Spark Plug: Champion QC12YC
(Gap: .040")
Ground Speed (MPH): Forward: 0 – 5.5
Reverse: 0 – 2.4
Charging System: 16 AMPS @ 3600 RPM
Battery: AMP/HR: 35
MIN. CCA: 280
Case Size: U1R
Blade Bolt Torque: 45-55FT. LBS.
CONGRATULATIONS on your purchase of a new tractor.
It has been designed, engineered and manu fac tured to give
you the best possible dependability and performance.
Should you experience any problem you cannot easily rem-
edy, please contact your nearest authorized servicecenter/
de part ment We have competent, well-trained representa-
tives and the proper tools to service or repair this tractor.
Please read and retain this manual. The instructions will
enable you to assemble and maintain your tractor prop erly.
Always observe the “SAFETY RULES”.
CUSTOMER RESPONSIBILITIES
• Read and observe the safety rules.
• Follow a regular schedule in maintaining, caring for
and using your tractor.
• Follow the instructions under “Maintenance” and “Stor-
age” sec tions of this own er’s manual.
WARNING: This tractor is equipped with an internal com-
bus tion engine and should not be used on or near any
un im proved forest-covered, brush-covered or grass-cov ered
land unless the en gine’s exhaust system is equipped with
a spark arrester meeting ap pli ca ble local or state laws (if
any). If a spark arrester is used, it should be maintained
in effective working order by the operator.
In the state of California the above is required by law
(Section 4442 of the California Public Resources Code).
Other states may have similar laws. Federal laws apply on
federal lands.
A spark arrester for the muffl er is available through your
nearest authorized service center/department (See RE PAI R
PARTS section of this manual).

5
UNASSEMBLED PARTS
(2) Keys
Slope Sheet
Key
(1) Oil Drain Tube
ASSEMBLY
When right or left hand is mentioned in this man ual, it means
when you are in the operating po si tion (seated be hind the
steer ing wheel).
TO REMOVE TRACTOR FROM
CAR TON
UNPACK CARTON
• Remove all accessible loose parts and parts cartons
from carton.
• Cut along dashed lines on all four panels of carton.
Remove end panels and lay side panels fl at.
• Check for any additional loose parts or cartons and
remove.
Your new tractor has been assembled at the factory with the exception of those parts left unassembled for shipping
puposes.
FIG. 1
02931
CHECK BATTERY (See Fig. 1)
• Lift hood to raised position.
NOTE: If this battery is put into service after month and year
indicated on label (L) (label is located between terminals)
charge battery for minimum of one hour at 6-10 amps.
(See "BATTERY" in Maintenance section of this manual
for charging instructions).
L
FIG. 2
ADJUST SEAT (See Fig. 2)
• Sit in seat.
• Lift up adjustment lever (A) and slide seat until a com-
fortable position is reached which allows you to press
clutch/brake pedal all the way down.
• Release lever to lock seat in position.
NOTE: You may now roll or drive your tractor off the skid.
Follow the ap pro pri ate instruction below to remove the
tractor from the skid.
WARNING: Before start ing, read, un der stand and fol low
all in struc tions in the Op er a tion section of this man u al. Be
sure tractor is in a well-ventilated area. Be sure the area in
front of tractor is clear of other peo ple and objects.
TO ROLL TRACTOR OFF SKID (See Op-
eration section for location and function of
controls)
• Raise attachment lift lever to its highest po si tion.
A

6
ASSEMBLY
CHECK TIRE PRESSURE
The tires on your tractor were overinfl ated at the factory
for shipping purposes. Correct tire pressure is important
for best cutting performance.
• Reduce tire pressure to PSI shown on tires.
CHECK DECK LEVELNESS
For best cutting results, mower housing should be properly
leveled. See “TO LEVEL MOWER HOUSING” in the Service
and Adjustments section of this manual.
CHECK FOR PROPER POSITION OF ALL
BELTS
See the fi gures that are shown for replacing motion and
mower blade drive belts in the Service and Adjustments
sec tion of this manual. Verify that the belts are routed
cor rect ly.
CHECK BRAKE SYSTEM
After you learn how to operate your tractor, check to see that
the brake is operating properly. See “TO CHECK BRAKE”
in the Service and Adjustments section of this manual.
✓CHECKLIST
BEFORE YOU OPERATE YOUR NEW TRAC TOR, WE
WISH TO ASSURE THAT YOU RECEIVE THE BEST PER-
FORMANCE AND SATISFACTION FROM THIS QUALITY
PRODUCT.
PLEASE REVIEW THE FOLLOWING CHECKLIST:
✓ All assembly instructions have been com plet ed.
✓ No remaining loose parts in carton.
✓ Battery is properly prepared and charged.
✓ Seat is adjusted comfortably and tightened securely.
✓ All tires are properly infl ated. (For shipping purposes,
the tires were overinfl ated at the factory).
✓ Be sure mower deck is properly leveled side-to-side/
front-to-rear for best cutting results. (Tires must be
properly infl ated for leveling).
✓ Check mower and drive belts. Be sure they are routed
properly around pulleys and inside all belt keepers.
✓ Check wiring. See that all connections are still secure
and wires are properly clamped.
✓ Before driving tractor, be sure free wheel control is in
“transmission engaged” position (see “TO TRANS-
PORT” in the Operation section of this man u al).
WHILE LEARNING HOW TO USE YOUR TRACTOR, PAY
EXTRA ATTENTION TO THE FOLLOWING IMPORTANT
ITEMS:
✓ Engine oil is at proper level.
✓ Fuel tank is fi lled with fresh, clean, regular unleaded
gasoline.
✓ Become familiar with all controls, their location and
function. Operate them before you start the engine.
✓ Be sure brake system is in safe operating condition.
✓ Be sure Operator Presence System and Reverse Op-
eration System (ROS) are working properly (See the
Operation and Maintenance sections in this manual).
✓ It is important to purge the transmission before op er -
at ing your tractor for the fi rst time. Follow proper start-
ing and transmission purging instructions (See “TO
START EN GINE” and “PURGE TRANSMISSION” in
the Op er a tion section of this manual).
• Release parking brake by de press ing brake ped al.
• Place freewheel control in dis en gaged po si tion to dis-
en gage trans mis sion (See “TO TRANS PORT” in the
Op er a tion section of this manual).
• Roll tractor forward off skid.
TO DRIVE TRAC TOR OFF SKID (See Op-
eration section for location and function of
controls)
• Be sure all the above assembly steps have been com-
pleted.
• Check engine oil level and fi ll fuel tank with gasoline.
• Place freewheel control in "trans mis sion engaged"
position (see "TO TRANSPORT" in Operation section
of this manual).
• Sit on seat in operating position, depress brake pedal
and set the parking brake.
• Raise attachment lift lever to its highest position.
• Remove key from bag and start the engine (see "TO
START" in the Operation section of this manual). After
engine has started, move throttle control to idle (slow)
position.
• Release parking brake.
• Slowly depress forward drive pedal and drive tractor
off skid.
• Apply brake to stop tractor and set park ing brake.
• Turn ignition key to "STOP" position.
Continue with the in struc tions that follow.

7
OPERATION
These symbols may appear on your tractor or in literature supplied with the product. Learn and understand their mean-
ing.
DANGER, KEEP HANDS
AND FEET AWAY
FREE WHEEL
(Automatic Models only)
KEEP AREA CLEAR SLOPE HAZARDS
15
15
(SEE SAFETY RULES SECTION)
BATTERY REVERSE FORWARD
FAST SLOW
ENGINE ON
ENGINE OFF
FUEL
CHOKE
MOWER HEIGHT
REVERSE NEUTRAL HIGH LOW
ATTACHMENT
CLUTCH ENGAGED
PARKING BRAKE
IGNITION SWITCH
ATTACHMENT
CLUTCH DISENGAGED
ENGINE START MOWER LIFT
Failure to follow instructions
could result in serious injury or
death. The safety alert symbol
is used to identify safety inform-
ation about hazards which can
result in death, serious injury
and/or property damage.
DANGER indicates a hazard which, if not avoided,
will result in death or serious injury.
WARNING indicates a hazard which, if not avoided,
could result in death or serious injury.
CAUTION indicates a hazard which, if not avoided,
might result in minor or moderate injury.
CAUTION when used without the alert symbol,
indicates a situation that could result in damage
to the tractor and/or engine.
FIRE indicates a hazard which, if not avoided,
could result in death, serious injury and/or
property damage.
HOT SURFACES indicates a hazard which,
if not avoided, could result in death, serious injury
and/or property damage.
REVERSE
OPERATION
SYSTEM (ROS)
LIGHTS ON CLUTCH/BRAKE
PEDAL
CRUISE CONTROL

8
OPERATION
KNOW YOUR TRACTOR
READ THIS OWNER'S MANUAL AND SAFETY RULES BEFORE OPERATING YOUR TRACTOR
Compare the illustrations with your tractor to familiarize yourself with the locations of various controls and ad just ments.
Save this manual for future reference.
Our tractors conform to the applicable safety standards of the American National Standards Institute.
FIG. 3
(A) ATTACHMENT LIFT LEVER – Used to raise and lower the
mower or other attachments mounted to your trac tor.
(B) BRAKE PEDAL – Used for brak ing the tractor and start ing
the engine.
(C) PARKING BRAKE – Locks clutch/brake pedal into the
brake position.
(D) THROTTLE CONTROL – Used to control engine speed.
(E) ATTACHMENT CLUTCH SWITCH – Used to engage the
mow er blades, or other at tach ments mounted to your tractor.
(F) IGNITION SWITCH – Used for starting and stopping the
engine.
(G) REVERSE OPERATION SYSTEM (ROS) "ON" POSITION
– Allows operation of mower or other powered attachment
while in reverse.
(H) LIGHT SWITCH – Turns the headlights on and off.
(J) CRUISE CONTROL LEVER – Used to set forward
movement of tractor at desired speed without holding the
forward drive pedal.
(K) FORWARD DRIVE PEDAL – Used for forward movement
of tractor.
(L) REVERSE DRIVE PEDAL – Used for reverse movement of
tractor.
(M) FREEWHEEL CONTROL – Disengages transmission for
pushing or slowly tow ing the trac tor with the engine off.
(N) CHOKE CONTROL – Used when starting a cold engine.
(P) SERVICE REMINDER / HOUR METER – Indicates when
service is required for the engine and mower.
E
A
N
B
K
F
C
H
G
P
D
M
J
L

9
OPERATION
FIG. 4
TO USE CHOKE CONTROL - N (See Fig. 6)
Use choke control whenever you are starting a cold engine.
Do not use to start a warm engine.
• To engage choke control, pull knob out. Slowly push
knob in to disengage.
The operation of any tractor can result in foreign objects thrown into the eyes, which can result
in severe eye dam age. Always wear safety glass es or eye shields while operating your tractor
or per form ing any ad justments or repairs. We rec ommend standard safety glasses or a wide
vision safety mask worn over spectacles.
FIG. 6
TO USE THROTTLE CONTROL - D (See Fig. 6)
Always operate engine at full speed (fast).
• Operating engine at less than full speed (fast) reduces
engines operating effi ciency.
• Full speed (fast) of fers the best bagging and mower
per for mance.
HOW TO USE YOUR TRAC TOR
TO SET PARKING BRAKE(See Fig. 4)
Your tractor is equipped with an operator presence sens-
ing switch. When engine is running, any attempt by the
op er a tor to leave the seat without fi rst setting the parking
brake will shut off the engine.
• Depress brake pedal (B) all the way down and hold.
• Pull parking brake lever (C) up and hold, re lease pres-
sure from brake pedal (B), then release parking brake
lever. Pedal should re main in brake position. Make
sure parking brake will hold tractor secure.
B
C
STOPPING
MOWER BLADES -
• To stop mower blades, push at tach ment clutch switch in
to disengaged position (o).
GROUND DRIVE -
• To stop ground drive, depress brake pedal all the way
down.
ENGINE -
• Move throttle control (D) between half and full speed
(fast) position.
NOTE: Failure to move throttle control between half and
full speed (fast) position, before stopping, may cause en-
gine to “backfi re”.
• Turn ignition key (F) to “STOP” position and remove
key. Always remove key when leaving tractor to prevent
un au tho rized use.
• Never use choke (N) to stop engine.
D
NF
IMPORTANT: Leaving the ignition switch in any position
other than "STOP" will cause the battery to discharge and
go dead.
NOTE: Under certain conditions when tractor is standing
idle with the engine running, hot engine exhaust gases may
cause “browning” of grass. To elim i nate this possibility, al-
ways stop en gine when stopping tractor on grass areas.
CAUTION: Always stop tractor com-
pletely, as de scribed above, before
leav ing the operator's position.
TO MOVE FORWARD AND BACKWARD
(See Fig. 7)
The direction and speed of movement is controlled by the
forward and reverse drive pedals.
• Start tractor and release parking brake.
• Slowly depress forward (K) or reverse (L) drive pedal to
begin movement. Ground speed increases the further
down the pedal is depressed.
TO USE CRUISE CONTROL -J (See Fig. 7)
The cruise control feature can be used for forward travel
only.
FIG. 5
(o) Dis en gaged
Position
(l) Attachment Clutch
Engage Position

10
OPERATION
TO ADJUST MOWER CUT TING HEIGHT
(See Fig. 8)
The po si tion of the at tach ment lift le ver (A) de ter mines the
cut ting height.
• Put attachment lift lever in desired cutting height slot.
The cutting height range is ap prox i mate ly 1" to 4". The
heights are measured from the ground to the blade tip with
the engine not running. These heights are approximate and
may vary depending upon soil conditions, height of grass
and types of grass being mowed.
• The average lawn should be cut to approximately 2-1/2
inches during the cool season and to over 3 inches
during hot months. For healthier and better looking
lawns, mow often and after moderate growth.
• For best cutting performance, grass over 6 inches
in height should be mowed twice. Make the fi rst cut
relatively high; the second to de sired height.
A
SYSTEM CHARACTERISTICS
The cruise control should only be used while mowing or
transporting on relatively smooth, straight surfaces. Other
con di tions such as trimming at slow speeds may cause the
cruise control to dis en gage. Do not use the cruise control
on slopes, rough terrian or while trimmimg or turning.
• With forward drive pedal depressed to desired speed,
pull cruise control lever (J) up and hold while lifting
your foot off the pedal, then release the lever.
To disengage the cruise control, depress the brake pedal
or tap on forward drive pedal.
K
L
J
FIG. 7
TO ADJUST GAUGE WHEELS (See Fig. 9)
Gauge wheels are prop er ly ad just ed when they are slight ly
off the ground when mower is at the desired cutting height
in operating position. Gauge wheels then keep the deck
in proper position to help prevent scalping in most terrain
conditions.
FIG. 8
FIG.9
TO OPERATE MOWER
Your tractor is equipped with an operator presence sensing
switch. Any attempt by the operator to leave the seat with
the engine running and the attachment clutch engaged
will shut off the engine. You must remain fully and centrally
positioned in the seat to prevent the engine from hesitating
or cutting off when operating your equipment on rough,
rolling terrain or hills.
1. Select desired height of cut with attachment lift lever.
2. Start mower blades by engaging at tach ment clutch
control.
TO STOP MOWER BLADES -
disengage at tach ment clutch con trol.
CAUTION: Do not operate the mower
without either the en tire grass catcher,
on mowers so equipped, or the defl ector
shield (S) in place.
S
FIG. 10
REVERSE OPERATION SYSTEM (ROS)
Your tractor is equipped with a Reverse Operation System
(ROS). Any attempt by the operator to travel in the reverse
direction with the attachment clutch engaged will shut off
the engine unless ignition key is placed in the ROS "ON"
position.
NOTE: Adjust gauge wheels with tractor on a fl at level
surface.
• Adjust mower to desired cutting height (See “TO AD-
JUST MOWER CUT TING HEIGHT” in this sec tion of
manual).
• With mower in desired height of cut po si tion, gauge
wheels should be assembled so they are slightly off
the ground. In stall gauge wheel in ap pro pri ate hole.
Tighten se cure ly.
• Repeat for all, installing gauge wheel in same adjust-
ment hole.

11
OPERATION
FIG. 11
TOWING CARTS AND OTHER AT TACH MENTS
Tow only the attachments that are recommended by and
comply with specifi cations of the manufacturer of your trac-
tor. Use common sense when towing. Too heavy of a load,
while on a slope, is dangerous. Tires can lose traction with
the ground and cause you to lose control of your tractor.
TO TRANSPORT (See Figs. 3 and 11)
When pushing or towing your tractor, be sure to disengage
transmission by placing freewheel control in free wheel ing
po si tion. Free wheel control is located at the rear drawbar
of tractor.
• Raise attachment lift to highest position with at tach ment
lift control.
• Pull freewheel control out and down into the slot and
release so it is held in the disengaged position.
• Do not push or tow tractor at more than two (2)
MPH.
• To reengage transmission, reverse above procedure.
NOTE: To protect hood from damage when transporting
your tractor on a truck or a trailer, be sure hood is closed
and secured to tractor. Use an appropriate means of tying
hood to tractor (rope, cord, etc.).
Transmission Engaged
Transmission Disengaged
ROS "ON" POSITION ENGINE "ON" POSITION
(NORMAL OPERATING)
0
2
8
2
8
TO OPERATE ON HILLS
CAUTION: Do not drive up or down hills
with slopes greater than 15° and do not
drive across any slope.
• Choose the slowest speed before starting up or down
hills.
• Avoid stopping or changing speed on hills.
• If stopping is absolutely necessary, push brake pedal
quickly to brake position and engage parking brake.
• To restart movement, slowly release parking brake and
brake pedal.
• Slowly depress appropriate drive pedal to slowest set-
ting.
• Make all turns slowly.
SERVICE REMINDER/HOUR METER
Service reminder shows the total number of hours the
engine has run and fl ashes to indicate that the engine
or mower needs servicing. When service is required, the
service reminder will fl ash for two hours. To service engine
and mower, see the Maintenance section of this manual.
NOTE: Service reminder runs when the ignition key is in
any position but "STOP". For accurate reading, be sure
key remains in the "STOP" position when engine is not
running.
WARNING: Backing up with the attachment clutch en-
gaged while mowing is strongly discouraged. Turning the
ROS "ON", to allow reverse operation with the attachment
clutch engaged, should only be done when the operator
decides it is necessary to reposition the machine with the
attachment engaged. Do not mow in reverse unless
absolutely necessary.
USING THE REVERSE OPERATION SYSTEM -
Only use if you are certain no children or other bystanders
will enter the mowing area.
• Depress brake pedal all the way down.
• With engine running, turn ignition key counterclockwise
to ROS "ON" position.
• Look down and behind before and while backing.
• Slowly depress reverse drive pedal to start move-
ment.
• When use of the ROS is no longer needed, turn the
ignition key clockwise to engine "ON" position.
ADD GASOLINE
• Fill fuel tank to bottom of fi ller neck. Do not overfi ll. Use
fresh, clean, regular un lead ed gasoline with a minimum of
87 octane. (Use of leaded gasoline will increase carbon
and lead oxide deposits and reduce valve life). Do not mix
oil with gasoline. Purchase fuel in quan ti ties that can be
used within 30 days to assure fuel freshness.
CAUTION: Wipe off any spilled oil or
fuel. Do not store, spill or use gasoline
near an open fl ame.
IMPORTANT: WHEN OPERATING IN TEMPERATURES
BELOW32°F(0°C), USE FRESH, CLEAN WINTER GRADE
GAS O LINE TO HELP INSURE GOOD COLD WEATHER
START ING.
BEFORE STARTING THE ENGINE
CHECK ENGINE OIL LEVEL
The engine in your tractor has been shipped, from the
factory, already fi lled with sum mer weight oil.
• Check engine oil with tractor on level ground.
• Remove oil fi ll cap/dipstick and wipe clean, reinsert the
dipstick and screw cap tight, wait for a few seconds,
remove and read oil level. If necessary, add oil until
“FULL” mark on dipstick is reached. Do not overfi ll.
• For cold weather operation you should change oil for
easier starting (See “OIL VISCOSITY CHART” in the
Maintenance sec tion of this manual).
• To change engine oil, see the Maintenance section in
this manual.

12
CAUTION: Alcohol blended fuels (called gasohol or
using ethanol or methanol) can attract moisture which
leads to sep aration and for mation of acids during
storage. Acidic gas can damage the fuel system of
an engine while in storage. To avoid engine problems,
the fuel system should be emptied before stor age
of 30 days or longer. Drain the gas tank, start the
engine and let it run until the fuel lines and carburetor
are empty. Use fresh fuel next season. See Storage
Instructions for additional information. Never use
engine or carburetor cleaner products in the fuel
tank or permanent damage may occur.
OPERATION
TO START ENGINE (See Fig. 3)
When starting the engine for the fi rst time or if the engine
has run out of fuel, it will take extra cranking time to move
fuel from the tank to the engine.
• Be sure freewheel control is in the transmission en gaged
position.
• Sit on seat in operating position, depress brake pedal
and set parking brake.
• Move attachment clutch to “DISENGAGED” position.
• Move throttle control to fast position
• Pull choke control out for a cold engine start attempt.
For a warm engine start attempt the choke control may
not be needed.
NOTE: Before starting, read the warm and cold starting
procedures below.
• Insert key into ignition and turn key clockwise to
“START” position and release key as soon as engine
starts. Do not run starter continuously for more than
fi fteen sec onds per minute. If the engine does not start
after several attempts, push choke control in, wait a
few minutes and try again. If engine still does not start,
pull the choke control out and retry.
WARM WEATHER STARTING (50° F and above)
• When engine starts, slowly push choke control in until
the engine begins to run smoothly. If the engine starts
to run roughly, pull the choke control out slightly for a
few seconds and then continue to push the control in
slowly.
• The attachments and ground drive can now be used. If
the engine does not accept the load, restart the engine
and allow it to warm up for one minute using the choke
as described above.
COLD WEATHER STARTING (50° F and below)
• When engine starts, slowly push choke control in until
the engine begins to run smoothly. Continue to push
the choke control in small steps allowing the engine to
accept small changes in speed and load, until the choke
control is fully in. If the engine starts to run roughly, pull
the choke control out slightly for a few seconds and
then continue to push the control in slowly. This may
require an engine warm-up period from several sec onds
to several minutes, depending on the temperature.
AUTOMATIC TRANSMISSION WARM UP
• Before driving the unit in cold weather, the trans mis sion
should be warmed up as follows:
• Be sure the tractor is on level ground.
• Release the parking brake and let the brake slowly
return to operating po si tion.
• Allow one minute for transmission to warm up. This
can be done during the engine warm up period.
• The attachments can be used during the engine warm-up
period after the transmission has been warmed up and
may require the choke con trol be pulled out slight ly.
NOTE: If at a high altitude (above 3000 feet) or in cold
temperatures (below 32 F) the carburetor fuel mixture may
need to be adjusted for best engine performance. See “TO
ADJUST CARBURETOR” in the Service and Ad just ments
section of this manual.
PURGE TRANSMISSION
CAUTION: Never engage or disengage
freewheel lever while the engine is run-
ning.
To ensure proper operation and performance, it is rec om -
mend ed that the transmission be purged before operating
tractor for the fi rst time. This procedure will remove any
trapped air inside the transmission which may have de-
vel oped during shipping of your tractor.
IMPORTANT: SHOULD YOUR TRANSMISSION RE QUIRE
REMOVAL FOR SERVICE OR REPLACEMENT, IT SHOULD
BE PURGED AFTER REINSTALLATION BEFORE OPERATING
THE TRACTOR.
• Place tractor safely on a level surface - that is clear and
open - with engine off and parking brake set.
• Disengage transmission by placing freewheel control
in freewheeling position (See “TO TRANSPORT” in this
section of manual).
• Sitting in the tractor seat, start engine. After the engine
is running, move throttle control to slow position. Dis-
en gage parking brake
CAUTION: At any time, during step 4,
there may be movement of the drive
wheels.
• Depress forward drive pedal to full forward position,
hold for fi ve (5) seconds and release pedal. Depress
reverse drive pedal to full reverse position, hold for fi ve
(5) seconds and release pedal. Repeat this procedure
three (3) times.
• Shut- off engine and set parking brake.
• Engage transmission by placing freewheel control in
engaged position (See “TO TRANSPORT” in this sec-
tion of manual).
• Sitting in the tractor seat, start engine. After the engine
is running, move throttle control to half (1/2) speed.
Disengage parking brake.
• Drive tractor forward for approximately fi ve feet then
backwards for fi ve feet. Repeat this driving procedure
three times.
Your transmission is now purged and now ready for normal
op er a tion.

13
FIG. 12
MOWING TIPS
• Mower should be properly leveled for best mowing per-
formance. See “TO LEVEL MOWER HOUSING” in the
Service and Adjustments section of this manual.
• The left hand side of mower should be used for trim-
ming.
• Drive so that clippings are discharged onto the area
that has been cut. Have the cut area to the right of the
machine. This will result in a more even dis tri bu tion of
clippings and more uniform cutting.
• When mowing large areas, start by turning to the right so
that clippings will discharge away from shrubs, fences,
driveways, etc. After one or two rounds, mow in the
opposite direction making left hand turns until fi nished
(See Fig. 12).
• If grass is extremely tall, it should be mowed twice to
reduce load and possible fi re hazard from dried clip-
pings. Make fi rst cut relatively high; the second to the
desired height.
• Do not mow grass when it is wet. Wet grass will plug
mower and leave undesirable clumps. Allow grass to
dry before mowing.
• Always operate engine at full throttle when mow-
ing to assure better mowing performance and proper
dis charge of material. Regulate ground speed by se-
lect ing a low enough gear to give the mower cut ting
per for mance as well as the quality of cut desired.
• When operating attachments, select a ground speed
that will suit the terrain and give best performance of
the at tach ment being used.
OPERATION

14
MAINTENANCE
T
R
A
C
T
0
R
Inspect Muffler/Spark Arrester
Clean Air Filter
Change Engine Oil (with oil filter)
Replace Air Filter Paper Cartridge
Replace Spark Plug
Check Engine Oil Level
Clean Engine Cooling Fins
Clean Air Screen
1 - Change more often when operating under a heavy load or
in high ambient temperatures.
2 - Service more often when operating in dirty or dusty conditions.
E
N
G
I
N
E
Replace Oil Filter (If equipped)
Replace Fuel Filter
3
2
2
2
2
3 - Replace blades more often when mowing in sandy soil.
4 - Not required if equipped with maintenance-free battery.
1
,
1,2
2
4
Change Engine Oil (without oil filter) 1,2
maint_sch-tractore.ROS.e
BEFORE
EACH
USE
EVERY
8
HOURS
EVERY
25
HOURS
EVERY
50
HOURS
EVERY
100
HOURS
EVERY
SEASON
BEFORE
STORAGE
Lubrication Chart
Check Brake Operation
Check Battery Level
Check Tire Pressure
Clean Battery and Terminals
MAINTENANCE
SCHEDULE
Check for Loose Fasteners
Check/Replace Mower Blades
Check Operator Presence & ROS Systems
Check Transaxle Cooling
Check V-Belts
Check Mower Levelness
GENERAL RECOMMENDATIONS
The warranty on this tractor does not cover items that have
been subjected to operator abuse or negligence. To receive
full value from the warranty, operator must main tain tractor
as instructed in this manual.
Some adjustments will need to be made periodically to
properly maintain your tractor.
At least once a season, check to see if you should make
any of the adjustments described in the Service and
Adjustments section of this manual.
• At least once a year you should replace the spark plug,
clean or replace air fi lter, and check blades and belts
for wear. A new spark plug and clean air fi lter assure
proper air-fuel mixture and help your engine run better
and last longer.
BEFORE EACH USE
• Check engine oil level.
• Check brake operation.
• Check tire pressure.
• Check operator presence and
ROS systems for proper operation.
• Check for loose fasteners.
02956
LUBRICATION CHART
IMPORTANT: DO NOT OIL OR GREASE THE PIVOT POINTS
WHICH HAVE SPECIAL NYLON BEARINGS. VISCOUS
LU BRI CANTS WILL ATTRACT DUST AND DIRT THAT WILL
SHORT EN THE LIFE OF THE SELF-LU BRI CAT ING BEARINGS.
IF YOU FEEL THEY MUST BE LU BRI CAT ED, USE ONLY A DRY,
POW DERED GRAPHITE TYPE LU BRI CANT SPARINGLY.
➀ General Purpose Grease
➁ Refer to Maintenance “ENGINE” Section
➀ SPINDLE ZERK
➀ FRONT
WHEEL
BEARING
ZERK
➁ ENGINE
➀ SPINDLE ZERK
➀ FRONT
WHEEL
BEARING
ZERK
➀ STEERING
SECTOR GEAR
TETH

15
MAINTENANCE
FIG. 13
02544
MANDREL
ASSEMBLY
BLADE
BLADE BOLT
(SPECIAL)
CENTER
HOLE
STAR
BATTERY
Your tractor has a battery charging system which is suf fi cient
for normal use. However, periodic charging of the battery
with an automotive charger will extend its life.
• Keep battery and terminals clean.
• Keep battery bolts tight.
• Keep small vent holes open.
• Recharge at 6-10 amperes for 1 hour.
NOTE: The original equipment battery on your tractor is
maintenance free. Do not attempt to open or remove caps
or covers. Adding or checking level of electrolyte is not
necessary.
TO CLEAN BATTERY AND TERMINALS
Corrosion and dirt on the battery and terminals can cause
the battery to “leak” power.
• Remove terminal guard.
• Disconnect BLACK battery cable fi rst then RED bat-
tery cable and remove battery from tractor.
• Rinse the battery with plain water and dry.
• Clean terminals and battery cable ends with wire brush
until bright.
TRACTOR
Always observe safety rules when per form ing any main-
te nance.
BRAKE OPERATION
If tractor requires more than fi ve (5) feet to stop at highest
speed in high est gear on a level, dry concrete or paved
surface, then brake must be serviced. (See “TO CHECK
BRAKE” in the Ser vice and Ad just ments section of this
manual).
TIRES
• Maintain proper air pressure in all tires (See PSI on
tires).
• Keep tires free of gasoline, oil, or insect control chemi-
cals which can harm rubber.
• Avoid stumps, stones, deep ruts, sharp objects and
other hazards that may cause tire damage.
NOTE: To seal tire punctures and pre vent fl at tires due to
slow leaks, tire sealant may be purchased from your local
parts dealer. Tire sealant also pre vents tire dry rot and
corrosion.
OPERATOR PRESENCE SYS TEM AND REVERSE OP-
ERATION SYSTEM (ROS)
Be sure operator presence and reverse operation sys tems
are work ing properly. If your tractor does not function as
described, repair the problem immediately.
• The engine should not start unless the brake pedal is
fully de pressed, and the attachment clutch con trol is
in the dis en gaged position.
CHECK OPERATOR PRESENCE SYSTEM
• When the engine is running, any attempt by the op er a tor
to leave the seat without fi rst setting the parking brake
should shut off the engine.
• When the engine is running and the at tach ment clutch
is engaged, any attempt by the operator to leave the
seat should shut off the engine.
• The attachment clutch should never operate unless
the operator is in the seat.
CHECK REVERSE OPERATION (ROS) SYSTEM
• When the engine is running with the ignition switch in
the engine "ON" position and the at tach ment clutch
engaged, any attempt by the operator to shift into
reverse should shut off the engine.
• When the engine is running with the ignition switch in
the ROS "ON" position and the at tach ment clutch en-
gaged, any attempt by the operator to shift into reverse
should NOT shut off the engine.
BLADE CARE
For best results mower blades must be sharp. Re place
worn, bent or damaged blades.
0
2
8
2
8
ROS "ON" Position Engine "ON" Position
(Normal Operating)
BLADE REMOVAL (See Fig. 13)
• Raise mower to highest position to allow access to
blades.
NOTE: Protect your hands with gloves and/or wrap blade
with heavy cloth.
• Remove blade bolt by turning coun ter clock wise.
• Install new blade with stamped "GRASS SIDE" facing
the ground.
IMPORTANT: To ensure proper as sem bly, center hole in
blade must align with star on mandrel assembly.
• Install and tighten blade bolt securely (45-55 Ft. Lbs.
torque).
IMPORTANT: Special blade bolt is heat treated.
CAUTION: Use only a replacement blade
approved by the manufacturer of your
tractor. Using a blade not approved
by the manufacturer of your tractor is
hazardous, could damage your tractor
and void your warranty.

16
MAINTENANCE
V-BELTS
Check V-belts for deterioration and wear after 100 hours
of operation and replace if necessary. The belts are not
ad just able. Re place belts if they begin to slip from wear.
TRANSAXLE COOLING
The transmission fan and cooling fi ns should be kept clean
to assure proper cooling.
Do not attempt to clean fan or transmission while engine
is running or while the transmission is hot. To prevent pos-
si ble damage to seals, do not use high pressure water or
steam to clean transaxle.
• Inspect cooling fan to be sure fan blades are intact and
clean.
• Inspect cooling fi ns for dirt, grass clippings and other
materials. To prevent damage to seals, do not use
compressed air or high pressure sprayer to clean cool-
ing fi ns.
TRANSAXLE PUMP FLUID
The transaxle was sealed at the factory and fl uid main te -
nance is not required for the life of the transaxle. Should
the transaxle ever leak or require servicing, contact your
near est au tho rized ser vice center/department.
TO CHANGE ENGINE OIL (See Figs. 14 and 15)
Determine temperature range expected before oil change.
All oil must meet API service classifi cation SG-SL.
• Be sure tractor is on level surface.
• Oil will drain more freely when warm.
• Catch oil in a suitable container.
• Remove oil fi ll cap/dipstick. Be careful not to allow dirt
to enter the engine when changing oil.
• Remove yellow cap from end of drain valve and install
the drain tube onto the fi tting.
02463
CLOSED AND
LOCKED
POSITION
YELLOW
CAP DRAIN
TUBE
OIL DRAIN VALVE
FIG. 15
FIG. 14
ENGINE
LUBRICATION
Only use high quality detergent oil rated with API service
classifi cation SG-SL. Select the oil’s SAE viscosity grade
according to your expected operating temperature.
NOTE: Although multi-viscosity oils (5W30, 10W30 etc.)
improve starting in cold weather, they will result in increased
oil consumption when used above 32°F. Check your engine
oil level more frequently to avoid possible engine damage
from running low on oil.
Change the oil after every 50 hours of operation or at least
once a year if the tractor is not used for 50 hours in one
year.
Check the crankcase oil level before starting the engine
and after each eight (8) hours of operation. Tighten oil fi ll
cap/dipstick securely each time you check the oil level.
TEMPERATURE RANGE ANTICIPATED BEFORE NEXT OIL CHANGE
SAE VISCOSITY GRADES
-20 0 30 40 80 100
-30 -20 0 20 30 40
F
C
32
-10 10
60
5W-30
SAE 30
oil_visc_chart1_e
• Unlock drain valve by pushing inward and turning
coun ter clock wise.
• To open, pull out on the drain valve.
• After oil has drained completely, close and lock the
drain valve by pushing inward and turning clockwise
until the pin is in the locked position as shown.
• Remove the drain tube and replace the cap onto to the
bottom fi tting of the drain valve.
• Refi ll engine with oil through oil fi ll dipstick tube. Pour
slowly. Do not overfi ll. For approximate capacity see
“PRODUCT SPECIFICATIONS” section of this man-
u al.
• Use gauge on oil fi ll cap/dipstick for checking level.
Be sure dipstick cap is tightened securely for accurate
reading. Keep oil at “FULL” line on dipstick. Tighten cap
onto the tube securely when fi nished.
CLEAN AIR SCREEN
Air screen must be kept free of dirt and chaff to prevent
engine dam age from overheating. Clean with a wire brush
or compressed air to re move dirt and stubborn dried gum
fi bers.
AIR FILTER
Your engine will not run properly using a dirty air fi lter.
Service air cleaner more often under dusty conditions. See
Engine Manual.
ENGINE OIL FILTER
Replace the engine oil fi lter every season or every other
oil change if the tractor is used more than 100 hours in
one year.
• Coat terminals with grease or petroleum jelly.
• Reinstall battery (See “REPLACING BATTERY" in
the SERVICE AND ADJUSTMENTS section of this
man u al).

17
MAINTENANCE
MUFFLER
Inspect and replace corroded muffl er and spark arrester
(if equipped) as it could create a fi re hazard and/or dam-
age.
SPARK PLUGS
Replace spark plugs at the beginning of each mowing
season or after every 100 hours of operation, whichever
occurs fi rst. Spark plug type and gap setting are shown in
“PROD UCT SPECIFICATIONS” section of this manual.
CLAMP
FUEL FILTER
FIG. 16
CLEANING
• Clean engine, battery, seat, fi nish, etc. of all foreign
matter.
• Keep fi nished surfaces and wheels free of all gasoline,
oil, etc.
• Protect painted surfaces with automotive type wax.
We do not recommend using a garden hose or pressure
washer to clean your tractor unless the engine and trans-
mission are covered to keep water out. Water in engine or
transmission will shorten the useful life of your tractor. Use
compressed air or a leaf blower to remove grass, leaves
and trash from tractor and mower.
IN-LINE FUEL FILTER (See Fig. 16)
The fuel fi lter should be replaced once each season. If fuel
fi lter becomes clogged, ob struct ing fuel fl ow to car bu re tor,
re place ment is re quired.
• With engine cool, remove fi lter and plug fuel line sec-
tions.
• Place new fuel fi lter in position in fuel line with arrow
pointing towards carburetor.
• Be sure there are no fuel line leaks and clamps are
properly positioned.
• Immediately wipe up any spilled gasoline.

18
SERVICE AND ADJUSTMENTS
FIG. 17
WARNING: TO AVOID SERIOUS INJURY, BEFORE PERFORMING ANY SER VICE OR AD JUST -
MENTS:
• Depress brake pedal fully and set parking brake.
• Place attachment clutch in “DISENGAGED” position.
• Turn ignition key to “STOP” and remove key.
• Make sure the blades and all moving parts have completely stopped.
• Disconnect spark plug wire from spark plug and place wire where it cannot come in contact
with plug.
TRACTOR
TO REMOVE MOWER (See Fig. 17)
• Place attachment clutch in “DIS EN GAGED” position.
• Lower attachment lift lever to its lowest position.
• Remove mower belt from electric clutch pulley (M).
• Disconnect front link (E) from mower - remove retainer
spring and washer.
• Go to either side of mower and disconnect mower
suspension arm (A) from chassis and rear lift link (C)
from rear mower bracket (D) - remove retainer springs
and washers.
• Go to other side of mower and disconnect the suspen-
sion arm and rear lift link.
CAUTION: After rear lift links are dis-
connected, the attachment lift lever will
be spring loaded. Have a tight grip on
lift lever when changing position of
the lever.
• Slide mower out from under right side of tractor.
D
C
B
H
E
F
M
A
TO INSTALL MOWER (See Figs. 17-21)
Be sure tractor is on level surface and engage park ing
brake.
• Lower attachment lift lever to it's lowest position.
CAUTION: Lift lever is spring loaded.
Have a tight grip on lift lever, lower it
slowly and engage in lowest position.
NOTE: Be sure mower side suspension arms (A) are point-
ing forward before sliding mower under tractor.
• Slide mower under tractor until it is centered under
tractor.
• ATTACH MOWER SIDE SUSPENSION ARMS (A) TO
CHASSIS - Position hole in arm over pin (B) on outside
of tractor chassis and secure with washer and retainer
spring.
• Repeat on opposite side of tractor.

19
SERVICE AND ADJUSTMENTS
A
B
C
D
FIG. 18
FIG. 19
• ATTACH REAR LIFT LINKS (C) - Lift rear corner of
mower and position slot in link assembly over pin on
rear mower bracket (D) and secure with washer and
retainer spring.
• Repeat on opposite side of tractor.
• ATTACH FRONT LINK (E) - Work from left side of trac-
tor. Insert rod end of link assembly through front hole
in tractor front suspension bracket (F).
• Insert end of link (E) into hole in front mower bracket
(H) and secure with washer and retainer spring (J).
E
F
H
J
M
FIG. 20
FIG. 21
• Install belt onto engine clutch pulley (M).
IMPORTANT: Check belt for proper routing in all mower
pulley grooves.
• Raise attachment lift lever to highest position.
• If necessary, adjust gauge wheels before op er at ing
mower as shown in the Operation section of this
manual.
TO LEVEL MOWER
Make sure tires are properly infl ated to the PSI shown on
tires. If tires are over or under infl ated, it may affect the
appearance of your lawn and lead you to think the mower
is not adjusted properly.
VISUAL SIDE-TO-SIDE ADJUSTMENT (See Fig. 22)
• With all tires properly infl ated and if your lawn appears
unevenly cut, determine which side of mower is cutting
lower.
NOTE: As desired, you can raise the low side of mower or
lower the high side.
• Go to side of mower you wish to adjust.
• With a 3/4" or adjustable wrench, turn lift link adjust-
ment nut (A) to the left to lower the mower, or, to the
right to raise the mower.
NOTE: Each full turn of adjustment nut will change mower
height about 3/16".
• Test your adjustment by mowing some uncut grass and
visually checking the appearance. Readjust, if neces-
sary, until you are satisfi ed with the results.
0
2
9
4
8
A
Turn nut left
to lower mower
Turn nut right
to raise mower
FIG. 22

20
SERVICE AND ADJUSTMENTS
02966
A
A
02548
BB
NOTE: Each full turn of the adjustment nut will change
mower height about 1/8".
• Recheck measurements, adjust if necessary until front
tip of blade is 1/8" to 1/2" lower than the rear tip.
• Hold adjustment nut in position with wrench and tighten
jam nut securely against adjustment nut.
FRONT-TO-BACK ADJUSTMENT (See Figs. 24 and 25)
IMPORTANT: Deck must be level side-to-side.
To obtain the best cutting re sults, the mower blades should
be adjusted so the front tip is 1/8" to 1/2" lower than the
rear tip when the mower is in its highest position.
CAUTION: Blades are sharp. Protect your
hands with gloves and/or wrap blade with
heavy cloth.
• Raise mower to highest position.
• Position any blade so the tip is pointing straight forward.
Measure distance (B) to the ground at front and rear
tip of the blade.
• If front tip of blade is not 1/8" to 1/2" lower than the
rear tip, go to the front of tractor.
• With an 11/16" or adjustable wrench, loosen jam nut
A several turns to clear adjustment nut B.
• With a 3/4" or adjustable wrench, turn front link adjust-
ment nut (B) clockwise (tighten) to raise the front of
mower, or, counterclockwise (loosen) to lower the front
mower.
FIG. 23
FIG. 24
FIG. 25
TO REPLACE MOWER DRIVE BELT
(See Fig. 26)
MOWER DRIVE BELT REMOVAL
• Park tractor on a level surface. En gage parking
brake.
• Lower attachment lift lever to its lowest position.
• Remove any dirt or grass clippings which may have
accumulated around mandrels and entire upper deck
surface.
• Remove belt from electric clutch pulley (M), both mandrel
pulleys (R) and all idler pulleys (S).
MOWER DRIVE BELT INSTALLATION
• Install belt around all mandrel pulleys (R) and around
idler pulleys (S) as shown.
• Install belt onto electric clutch pulley (M).
IMPORTANT: Check belt for proper routing in all mower
pulley grooves.
• Raise attachment lift lever to highest position.
PRECISION SIDE-TO-SIDE ADJUSTMENT
(See Fig. 23)
• With all tires properly infl ated, park tractor on level
ground or driveway.
CAUTION: Blades are sharp. Protect
your hands with gloves and/or wrap
blade with heavy cloth.
• Raise mower to its highest position.
• At both sides of mower, position blade at side and
measure the distance (A) from bottom edge of blade
to the ground. The distance should be the same on
both sides.
• If adjustment is necessary, see steps in Visual Adjust-
ment instructions above.
• Recheck measurements, adjust if necessary until both
sides are equal.
B
02950
Tighten adjust nut
B to raise mower Loosen adjust nut
B to lower mower
Loosen jam nut A fi rst
A

21
SERVICE AND ADJUSTMENTS
TO REPLACE MOTION DRIVE BELT
(See Fig. 27)
Park the tractor on level surface. En gage parking brake.
For as sis tance, there is a belt installation guide decal on
bottom side of left footrest.
BELT REMOVAL -
• Remove mower (See “TO RE MOVE MOWER” in this
section of manual).
NOTE: Observe entire motion drive belt and position of all
belt guides and keepers.
• Disconnect clutch wire harness (A).
• Remove anti-rotation link (B) on right side of tractor.
• Remove belt from stationary idler (C) and clutching
idler (D).
• Remove belt from centerspan idler (E).
• Pull belt slack toward rear of trac tor. Carefully remove
belt up wards from trans mis sion input pulley and over
cooling fan blades (F).
• Remove belt downward from engine pulley and around
electric clutch (G).
• Slide belt toward rear of tractor, off the steering plate
(H) and remove from tractor.
BELT INSTALLATION -
• Install new belt from tractor rear to front, over the steer-
ing plate (H) and above clutch brake pedal shaft (J).
• Pull belt toward front of tractor and roll belt around
electric clutch and onto engine pulley (G).
• Pull belt toward rear of tractor. Carefully work belt down
around transmission cooling fan and onto the input
pulley (F). Be sure belt is inside the belt keeper.
• Install belt on centerspan idler (E).
• Install belt through stationary idler (C) and clutch ing
idler (D).
• Reinstall anti-rotation link (B) on right side of tractor.
Tighten securely.
• Reconnect clutch harness (A).
• Make sure belt is in all pulley grooves and in side all
belt guides and keep ers.
FIG. 26
R
R
S
M
• Install mower (See “TO IN STALL MOWER” in this sec-
tion of manual).
electric
02953
A
B
C
D
E
F
G
H
J
FIG. 27
TO REMOVE WHEEL FOR REPAIRS
(See Fig. 28)
• Block up axle securely.
• Remove axle cover, retaining ring and washers to allow
wheel removal (rear wheel contains a square key - Do
not lose).
• Repair tire and reassemble.
• On rear wheels only: align grooves in rear wheel hub
and axle. Insert square key.
FRONT WHEEL TOE-IN/CAM BER
Your new tractor front wheel toe-in and camber is set at the
factory and is normal. The front wheel toe-in and camber
are not adjustable. If damage has occurred to affect the
factory set front wheel toe-in or camber, contact a qualifi ed
service center.
TO CHECK BRAKE
If tractor requires more than fi ve (5) feet to stop at highest
speed in high est gear on a level, dry concrete or paved
surface, then brake must be serviced.
You may also check brake by:
• Park tractor on a level, dry concrete or paved surface,
depress brake pedal all the way down and engage
parking brake.
• Disengage transmission by placing freewheel control
in “transmission disengaged” position. Pull freewheel
control out and into the slot and release so it is held in
the disengaged position.
The rear wheels must lock and skid when you try to manu-
ally push the tractor forward. If the rear wheels rotate, then
the brake needs to be serviced. Contact a qualifi ed service
center.

22
SERVICE AND ADJUSTMENTS
FIG. 28
RETAIN ING
RING
WASH ERS
SQUARE KEY (REAR
WHEEL ONLY)
AXLE COVER
TO START ENGINE WITH A WEAK BATTERY
(See Fig. 29)
WARNING: Lead-acid batteries gen-
erate ex plosive gases. Keep sparks,
fl ame and smoking ma terials away from
batteries. Always wear eye pro tection
when around batteries.
If your battery is too weak to start the engine, it should be
recharged. (See "BATTERY" in the MAINTENANCE sec-
tion of this man u al).
If “jumper ca bles” are used for emer gen cy starting, follow
this pro ce dure:
IMPORTANT: YOUR TRACTOR IS EQUIPPED WITH A 12 VOLT
SYSTEM. THE OTHER VEHICLE MUST ALSO BE A 12 VOLT
SYSTEM. DO NOT USE YOUR TRACTOR BATTERY TO START
OTHER VEHICLES.
TO ATTACH JUMPER CABLES -
• Connect one end of the RED cable to the POSITIVE
(+) terminal of each battery(A-B), taking care not to
short against tractor chassis.
• Connect one end of the BLACK ca ble to the NEGA TIVE
(-) terminal (C) of fully charged battery.
• Connect the other end of the BLACK cable (D) to good
chassis ground, away from fuel tank and bat tery.
TO REMOVE CABLES, REVERSE ORDER -
• BLACK cable fi rst from chassis and then from the fully
charged battery.
• RED cable last from both batteries.
FIG. 29
WEAK OR DEAD
BATTERY
FULLY CHARGED
BATTERY
REPLACING BATTERY (See Fig. 30)
WARNING: Do not short battery ter mi nals by allowing
a wrench or any other object to contact both terminals at
the same time. Before connecting battery, remove metal
bracelets, wristwatch bands, rings, etc.
Positive terminal must be connected fi rst to prevent spark-
ing from ac ci den tal grounding.
• Lift hood to raised position.
• Disconnect BLACK battery cable (A) then RED battery
cable and carefully remove battery from tractor.
• Install new battery with terminals in same position as
old battery.
• First connect RED battery cable (B) to positive (+) battery
terminal with hex bolt and keps nut as shown. Tighten
securely. Slide terminal cover (C) over terminal.
• Connect BLACK grounding cable to negative (-) bat tery
terminal with re main ing hex bolt and keps nut. Tight en
securely
• Close hood.
Positive
(Red)
Cable
Negative
(Black)
Cable
02954
A
B
C
FIG. 30
TO REPLACE HEADLIGHT BULB
• Raise hood.
• Pull bulb holder out of the hole in the backside of the
grill.
• Replace bulb in holder and push bulb holder securely
back into the hole in the backside of the grill.
• Close hood.
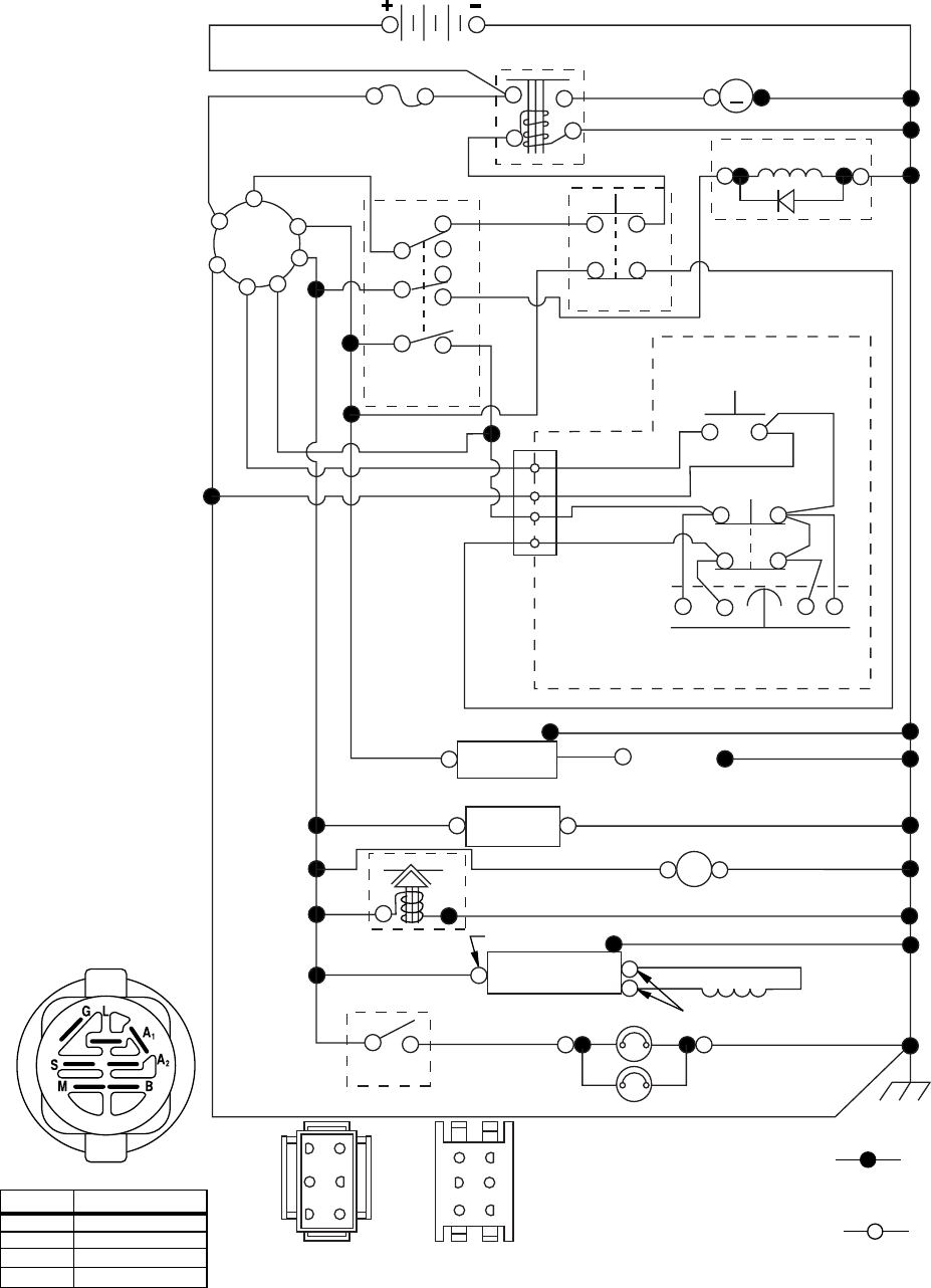
INTERLOCKS AND RELAYS
Loose or damaged wiring may cause your tractor to run
poorly, stop running, or prevent it from starting.
• Check wiring. See electrical wiring diagram in the
Repair Parts section.
TO REPLACE FUSE
Replace with 20 amp automotive-type plug-in fuse. The
fuse holder is located behind the dash.
• Replace washers and snap retaining ring securely in
axle groove.
• Replace axle cover.
NOTE: To seal tire punctures and prevent fl at tires due to
slow leaks, tire sealant may be purchased from your local
parts dealer. Tire sealant also prevents tire dry rot and
corrosion.

23
SERVICE AND ADJUSTMENTS
TO REMOVE HOOD AND GRILL ASSEMBLY
(See Fig. 31)
• Raise hood.
• Unsnap headlight wire connector.
• Stand in front of tractor. Grasp hood at sides, tilt toward
engine and lift off of tractor.
• To replace, reverse above procedure.
02778
HEADLIGHT
WIRE
CONNECTOR
HOOD
ENGINE
TO AD JUST THROTTLE CON TROL CABLE
The throttle control has been preset at the factory and
ad just ment should not be necessary. If adjustment is nec-
es sary, see engine manual.
TO AD JUST CHOKE CON TROL
The choke control has been preset at the factory and ad-
just ment should not be necessary. If adjustment is neces-
sary, see engne manual.
TO ADJUST CARBURETOR
Your carburetor is not adjustable. If your engine does not
operate properly due to suspected carburetor problems,
take your tractor to an authorized service center for repair
and/or adjustment.
FIG. 31

24
STORAGE
Immediately prepare your tractor for storage at the end
of the season or if the tractor will not be used for 30 days
or more.
WARNING: Never store the trac tor with
gasoline in the tank inside a building
where fumes may reach an open fl ame
or spark. Allow the engine to cool before
storing in any en clo sure.
TRACTOR
Remove mower from tractor for winter storage. When mower
is to be stored for a period of time, clean it thor oughly, remove
all dirt, grease, leaves, etc. Store in a clean, dry area.
• Clean entire tractor (See “CLEANING” in the Mainte-
nance section of this manual).
• Inspect and replace belts, if necessary (See belt re-
place ment instructions in the Service and Adjustments
section of this manual).
• Lubricate as shown in the Maintenance sec tion of this
man ual.
• Be sure that all nuts, bolts and screws are securely
fastened. Inspect moving parts for damage, breakage
and wear. Replace if necessary.
• Touch up all rusted or chipped paint surfaces; sand
lightly before painting.
BATTERY
• Fully charge the battery for storage.
• After a period of time in storage, battery may require
re charg ing.
• To help prevent corrosion and power leakage during
long periods of storage, battery cables should be dis-
con nect ed and battery cleaned thoroughly (see “TO
CLEAN BATTERY AND TERMINALS” in the Mainte-
nance section of this manual).
• After cleaning, leave cables disconnected and place
cables where they cannot come in contact with battery
terminals.
• If battery is removed from tractor for storage, do not
store battery directly on concrete or damp surfaces.
ENGINE
FUEL SYSTEM
IMPORTANT: IT IS IMPORTANT TO PREVENT GUM DEPOSITS
FROM FORMING IN ES SEN TIAL FUEL SYSTEM PARTS SUCH
AS CARBURETOR, FUEL FIL TER, FUEL HOSE, OR TANK
DURING STORAGE. ALSO, EXPERIENCE INDICATES THAT
ALCOHOL BLENDED FUELS (CALLED GASOHOL OR USING
ETHANOL OR METHANOL) CAN ATTRACT MOIS TURE WHICH
LEADS TO SEPARATION AND FOR MA TION OF ACIDS DURING
STOR AGE. ACIDIC GAS CAN DAMAGE THE FUEL SYSTEM
OF AN ENGINE WHILE IN STORAGE.
• Empty the fuel tank by starting the engine and let it run
until the fuel lines and carburetor are empty.
• Never use engine or carburetor cleaner products in the
fuel tank or permanent damage may occur.
• Use fresh fuel next season.
NOTE: Fuel stabilizer is an acceptable alternative in mini-
mizing the formation of fuel gum deposits during stor age.
Add stabilizer to gasoline in fuel tank or storage container.
Always follow the mix ratio found on stabilizer container.
Run engine at least 10 minutes after adding stabilizer to
allow the stabilizer to reach the carburetor. Do not empty
the gas tank and carburetor if using fuel stabilizer.
ENGINE OIL
Drain oil (with engine warm) and replace with clean en-
gine oil. (See “ENGINE” in the Maintenance section of
this man ual).
CYLINDER(S)
• Remove spark plug(s).
• Pour one ounce of oil through spark plug hole(s) into
cylinder(s).
• Turn ignition key to “START” position for a few seconds
to distribute oil.
• Replace with new spark plug(s).
OTHER
• Do not store gasoline from one season to another.
• Replace your gasoline can if your can starts to rust.
Rust and/or dirt in your gasoline will cause problems.
• If possible, store your tractor indoors and cover it to
give protection from dust and dirt.
• Cover your tractor with a suitable protective cover that
does not retain moisture. Do not use plastic. Plastic
cannot breathe which allows condensation to form and
will cause your tractor to rust.
IMPORTANT: NEVER COVER TRACTOR WHILE EN GINE AND
EXHAUST AREAS ARE STILL WARM.

25
TROUBLESHOOTING POINTS
Will not start 1. Out of fuel. 1. Fill fuel tank.
2. Engine not “CHOKED” properly. 2. See “TO START ENGINE” in Operation section.
3. Engine fl ooded. 3. Wait several minutes before attempting to start.
4. Bad spark plug. 4. Replace spark plug.
5. Weak or dead battery. 5. Recharge or replace battery.
6. Dirty air fi lter. 6. Clean/replace air fi lter.
7. Dirty fuel fi lter. 7. Replace fuel fi lter.
8. Water in fuel. 8. Empty fuel tank and carburetor, refi ll tank with fresh
gasoline and replace fuel fi lter.
9. Loose or damaged wiring. 9. Check all wiring.
10. Carburetor out of adjustment. 10. See “To Adjust Carburetor” in Service Adjustments
section.
11. Engine valves out of adjustment. 11. Contact an authorized service center/department.
Hard to start 1. Dirty air fi lter. 1. Clean/replace air fi lter.
2. Bad spark plug. 2. Replace spark plug.
3. Weak or dead battery. 3. Recharge or replace battery.
4. Dirty fuel fi lter. 4. Replace fuel fi lter.
5. Stale or dirty fuel. 5.
Empty fuel tank and refi ll tank with fresh, clean gasoline.
6. Loose or damaged wiring. 6. Check all wiring.
7. Carburetor out of adjustment. 7. See “To Adjust Carburetor” in Service Adjustments
section.
8. Engine valves out of adjustment. 8. Contact an authorized service center/department.
Engine will not turn over 1. Brake pedal not depressed. 1. Depress brake pedal.
2. Attachment clutch is engaged. 2. Disengage attachment clutch.
3. Weak or dead battery. 3. Recharge or replace battery.
4. Blown fuse. 4. Replace fuse.
5. Corroded battery terminals. 5. Clean battery terminals.
6. Loose or damaged wiring. 6. Check all wiring.
7. Faulty ignition switch. 7. Check/replace ignition switch.
8. Faulty solenoid or starter. 8. Check/replace solenoid or starter.
9. Faulty operator presence switch(es). 9. Contact an authorized service center/department.
Engine clicks but will not 1. Weak or dead battery. 1. Recharge or replace battery.
start 2. Corroded battery terminals. 2. Clean battery terminals.
3. Loose or damaged wiring. 3. Check all wiring.
4. Faulty solenoid or starter. 4. Check/replace solenoid or starter.
Loss of power 1. Cutting too much grass/too fast. 1. Raise cutting height/reduce speed.
2. Throttle in “CHOKE” position. 2. Adjust throttle control.
3. Build-up of grass, leaves and trash under mower. 3. Clean underside of mower housing.
4. Dirty air fi lter. 4. Clean/replace air fi lter.
5. Low oil level/dirty oil. 5. Check oil level/change oil.
6. Faulty spark plug. 6. Clean and regap or change spark plug.
7. Dirty fuel fi lter. 7. Replace fuel fi lter.
8. Stale or dirty fuel. 8.
Empty fuel tank and refi ll tank with fresh, clean gasoline.
9. Water in fuel. 9. Empty fuel tank and carburetor, refi ll tank with fresh
gasoline and replace fuel fi lter.
10. Spark plug wire loose. 10. Connect and tighten spark plug wire.
11. Dirty engine air screen/fi ns. 11. Clean engine air screen/fi ns.
12. Dirty/clogged muffl er. 12. Clean/replace muffl er.
13. Loose or damaged wiring. 13. Check all wiring.
14. Carburetor out of adjustment. 14. See “To Adjust Carburetor” in Service Adjustments
section.
15. Engine valves out of adjustment. 15. Contact an authorized service center/department.
Excessive vibration 1. Worn, bent or loose blade. 1. Replace blade. Tighten blade bolt.
2. Bent blade mandrel. 2. Replace blade mandrel.
3. Loose/damaged part(s). 3. Tighten loose part(s). Replace damaged parts.
PROBLEM CAUSE CORRECTION

26
TROUBLESHOOTING POINTS
Engine dies when 1. Reverse operation system 1. Turn ignition key to
tractor is shifted (ROS) is not "ON" while ROS "ON" position.
into reverse mower or other attachment See Operation section.
is engaged.
Engine continues to run 1. Faulty operator-safety presence control system. 1. Check wiring, switches and connections. If not
when operator leaves seat corrected, contact an authorized service center/
with attachment clutch department.
engaged
Poor cut - uneven 1. Worn, bent or loose blade. 1. Replace blade. Tighten blade bolt.
2. Mower deck not level. 2. Level mower deck.
3. Buildup of grass, leaves, and trash under mower. 3. Clean underside of mower housing.
4. Bent blade mandrel. 4. Replace blade mandrel.
5. Clogged mower deck vent holes from buildup of 5. Clean around mandrels to open vent holes.
grass, leaves, and trash around mandrels.
Mower blades will not 1. Obstruction in clutch mechanism. 1. Remove obstruction.
rotate 2. Worn/damaged mower drive belt. 2. Replace mower drive belt.
3. Frozen idler pulley. 3. Replace idler pulley.
4. Frozen blade mandrel. 4. Replace blade mandrel.
Poor grass discharge 1. Engine speed too slow. 1. Place throttle control in “FAST” position.
2. Travel speed too fast. 2. Shift to slower speed.
3. Wet grass. 3. Allow grass to dry before mowing.
4. Mower deck not level. 4. Level mower deck.
5. Low/uneven tire air pressure. 5. Check tires for proper air pressure.
6. Worn, bent or loose blade. 6. Replace blade. Tighten blade bolt.
7. Buildup of grass, leaves and trash under mower. 7. Clean underside of mower housing.
8. Mower drive belt worn. 8. Replace mower drive belt.
9. Blades improperly installed. 9. Reinstall blades sharp edge down.
10. Improper blades used. 10. Replace with blades listed in this manual.
11. Clogged mower deck vent holes from buildup of 11. Clean around mandrels to open vent holes.
grass, leaves, and trash around mandrels.
Headlight(s) not working 1. Light switch is “OFF”. 1. Turn light switch “ON”.
(if so equipped) 2. Bulb(s) or lamp(s) burned out. 2. Replace bulb(s) or lamp(s).
3. Faulty light switch. 3. Check/replace light switch.
4. Loose or damaged wiring. 4. Check wiring and connections.
5. Blown fuse. 5. Replace fuse.
Battery will not charge 1. Bad battery cell(s). 1. Replace battery.
2. Poor cable connections. 2. Check/clean all connections.
3. Faulty regulator (if so equipped). 3. Replace regulator.
4. Faulty alternator. 4. Replace alternator.
Loss of drive 1. Freewheel control in “disengaged” position. 1. Place freewheel control in “engaged” position.
2. Motion drive belt worn, damaged, or broken. 2. Replace motion drive belt.
3. Air trapped in transmission during shipment 3. Purge transmission.
or servicing.
Engine “backfi res” when 1. Engine throttle control not set between half and 1. Move throttle control between half and full speed
turning engine “OFF” full speed (fast) position before stopping engine. (fast) position before stopping engine.
PROBLEM CAUSE CORRECTION

27
TRACTOR - - MODEL NUMBER YTH2242T (279180)
SCHEMATIC
M
FUSE
STARTER
SOLENOID
BATTERY
ELECTRIC CLUTCH
CLUTCH/BRAKE
(PEDAL UP)
REVERSE SWITCH
(NOT IN REVERSE)
SEAT SWITCH
(NOT OCCUPIED)
SHORTING
CONNECTOR
CHASSIS
HARNESS
IGNITION
UNIT
HOUR
METER
REGULATOR
CHASSIS HARNESS
CONNECTOR
(MATING SIDE)
DASH HARNESS
CONNECTOR
(MATING SIDE)
LIGHT
SWITCH
HEADLIGHTS
STATOR
FUEL
LINE
FUEL SHUT-OFF
SOLENOID
(IF SO EQUIPPED)
JUNCTION
CONNECTOR
PTO SWITCH
(DISENGAGED)
S
M
B
G
L
2
3
1
6
A2
A1
M
63
52
41
6
5
4
3
2
1
SPARK
PLUGS GAP
(2 PLUGS ON
TWIN CYL. ENGINES)
28 VOLTS AC @ 3600 RPM (REGULATOR DISCONNECTED)
CHARGING SYSTEM OUTPUT
16AMPDC@36RPM
(OPTIONAL)
NON-REMOVABLE
CONNECTIONS
REMOVABLE
CONNECTIONS
WIRING INSULATED CLIPS
NOTE: IF WIRING INSULATED
CLIPS WERE REMOVED FOR
SERVICING OF UNIT, THEY
SHOULD BE REPLACED TO
PROPERLY SECURE YOUR
WIRING.
02929-194276_Regulated-Tex
IGNITION SWITCH
CIRCUITPOSITION
OFF
B+A1
RUN/OVERRIDE
B+S+A1START
M+G+A1
B+A1RUN
“MAKE”
L+A2
02929
BLACK
BLACK /WHITE
ORANGE
RED
BROWN
BLUE
BLUE
BLACK
BLACK
BLACKBLACK
BLACK
BLACK
BLACK
BLACK
BLACK
BLACK
BLACK
RED
RED RED
RED
WHITE
WHITE
WHITE
GRAY
GRAY
BLACK
BLACK
POWER OUTLET
(IF SO EQUIPPED)
12V

28
TRACTOR - - MODEL NUMBER YTH2242T (279180)
ELECTRICAL
30
33
24
42
40
26
28
71
194276D
29
34
43
25
27
41
50
22
21
16
Battery _28
8
1
99
100
91
227
55
4646
29
TRACTOR - - MODEL NUMBER YTH2242T (279180)
ELECTRICAL
KEY PART
NO. NO. DESCRIPTION
1 532 14 49-27 Battery
2 874 76 04-12 Bolt Hex Head 1/4-20 x 3/4
8 532 18 64-91 Box Battery
16 532 17 61-38 Switch Interlock Push-In
21 532 18 37-59 Harness Socket Light W/4152J
22 532 00 41-52 Bulb Light
24 532 40 02-53 Cable Brty
25 532 19 88-93 Cable Starter
26 532 17 51-58 Fuse
27 873 51 04-00 Nut Keps Hex 1/4-20 unc
28 532 14 54-91 Cable, Ground
29 532 40 15-45 Switch, Seat
30 532 19 33-50 Switch, Ign
33 532 14 04-01 Key, Ignition
34 532 11 07-12 Switch Light / Reset
40 532 40 11-04 Harness Ign.
41 817 72 04-08 Screw Thd Cut 1/4-20 x 1/2
42 532 13 15-63 Cover, Terminal
43 532 19 25-07 Solenoid
46 532 19 81-38 Gauge Servicereminder Hrmtr
50 532 17 46-51 Switch PTO
55 817 49 05-12 Screw Thdrol 5/16-18 x 3/4 TYTT
71 532 19 42-76 Harness Ign. Dash
90 532 40 07-24 Cover Terminal
91 532 19 02-70 Strap Battery Mount Front
99 817 67 04-12 Screw Hexwsh Thdrol 1/4-20 x 3/4
100 819 09 14-16 Washer 9/32 x 7/8 x 16 Ga.
NOTE: All component dimensions given in U.S. inches
1 inch = 25.4 mm

30
TRACTOR - - MODEL NUMBER YTH2242T (279180)
CHASSIS
37
181
181
194
36
184
183
152 159
2
180
162
196
229
230
68
222
chassis-tex_33-lt husq
217
138
99
229
165
14
214
130
130
182
176
176
176
175
178 150
202
203
204
210
208
18
15
25
207
211
209
212
130
5
177
176
176 205
206
195
219
194
219
2 532 19 42-63 Drawbar
5 532 40 18-23 Dash
14 532 40 18-24 Hood
15 532 19 89-07 Lens LH
18 532 40 02-97 Grille/Lens Asm.
25 532 19 89-06 Lens RH
36 817 06 05-12 Screw 5/16-18 x 3/4
37 532 40 47-94 Fender
68 817 49 05-08 Screw Thdrol 5/16-18 x 1/2
99 532 40 15-30 Rod Asm Bypass
130 532 19 16-11 Screw 10 x 3/4 Single Lead-Hex
138 532 40 29-54 Cupholder
150 532 19 85-13 Air Duct
152 532 19 43-29 Shield Browning
159 817 00 06-12 Screw 3/8-16 x 3/4
162 532 14 24-32 Screw
165 532 40 03-15 Support Tank Rear
175 532 19 63-04 Crossmember
176 532 40 07-76 Screw 10-24 x 5/8
177 532 19 52-27 Bushing Steering
178 532 19 97-82 Cargo Net Asm.
180 532 19 42-60 Chassis
181 532 40 47-96 Bushing Mtg. Fender Crgo
182 532 19 47-87 Dash Lower NOTE: All component dimensions given in U.S. inches
1 inch = 25.4 mm
KEY PART
NO. NO. DESCRIPTION
KEY PART
NO. NO. DESCRIPTION
183 874 78 05-20 Bolt Fin Hex 5/16-18 unc x 1-1/4
184 532 19 57-80 Spacer Fender
194 873 90 05-00 Nut Lock Hex Flange 5/16-18
195 532 40 41-37 Plug Hole Dash Lower
196 532 40 28-43 Console Asm. Deck Lift
202 532 40 30-48 Vent Side Hood RH
203 532 40 30-76 Vent Side Hood LH
204 532 19 89-04 Vent Top Hood
205 532 40 17-09 Skirt Hood Side RH
206 532 40 17-11 Skirt Hood Side LH
207 532 19 71-98 Bezel RH
208 532 19 71-99 Bezel LH
209 532 19 91-30 Insert Hex Top RH
210 532 19 91-31 Insert Hex Top Lh
211 532 19 91-32 Insert Hex Bottom RH
212 532 19 91-33 Insert Hex Bottom LH
214 532 19 91-45 Clip Retainer Tinner
217 532 15 65-24 Rod Pivot
219 532 19 51-61 Stud Fastner
222 532 13 77-29 Screw Thdrol 1/4-20 x 5/8
229 817 00 06-16 Screw Hexwsh Thdr 3/8-16 x 3/4
230 532 17 01-65 Bolt Shoulder 5/16-18

31
TRACTOR - - MODEL NUMBER YTH2242T (279180)
STEERING ASSEMBLY
6
55
5
13
13
53 8
9
9
8
8
7
7
62
4
35
16 19
63
63
57
60
59
58
28
13 22
64
50
50
70
65
68
69
67
54
67
66
54
65
15
15
14
14
21
51
26
1
45
61
55
2
6
steering-tex_5-vgt
KEY PART
NO. NO. DESCRIPTION
1 532 19 39-43 Wheel, Steering
2 532 19 59-68 Axle Asm., Front
4 532 40 30-87 Spindle Asm., LH
5 532 40 30-88 Spindle Asm., RH
6 532 12 49-31 Bearing, Race Thrust Harden
7 532 12 17-48 Washer 25/32 x 1-5/8 x 16 Ga.
8 812 00 00-29 Ring, Klip #T5304-75
9 532 12 12-32 Cap, Spindle
13 532 12 17-49 Washer 25/32 x 1-1/4 x 16 Ga.
14 810 04 06-00 Washer, Lock Hvy Hlcl Spr 3/8
15 873 54 06-00 Nut, Crown Lock 3/8-24 unf
16 532 19 47-46 Shaft Steering
19 532 19 47-29 Plate Steering
21 532 18 67-37 Adapter, Wheel Steering
22 532 19 48-45 Bushing, Strg. Blk
26 532 19 36-52 Insert, Wheel Steering
28 817 00 06-12 Screw 3/8-16 x 3/4
35 532 19 47-32 Gear, Sector Plate
45 819 18 38-12 Washer 9/16 ID x 2-3/8 OD 12 Ga.
50 873 90 06-00 Nut Lock 3/8-16 unc
51 873 94 08-00 Nut Hex Jam Toplock 1/2-20 unf
53 532 18 89-67 Washer Hardened
.793 x 1.637 x .060
NOTE: All component dimensions given in U.S. inches
1 inch = 25.4 mm
KEY PART
NO. NO. DESCRIPTION
54 874 76 06-36 Bolt Hex 3/8-16 unc x 2-1/4
55 532 19 76-36 Spacer Brace Axle
57 532 19 72-46 Bracket Upstop
58 532 19 47-47 Bolt Shoulder Sector Pivot CFM
59 532 19 47-48 Washer Thrust Sector Steering
60 873 97 10-00 Nut Flange Lock 5/8-11
61 532 19 47-40 Draglink LH
62 532 19 47-41 Draglink, RH
63 817 06 05-12 Screw 5/16-18 x 3/4
64 532 19 98-49 Retainer Clip Spring Steering
65 532 19 47-34 Brace Axle Front
66 871 02 07-48 Bolt Hex Fghd 7/16-14 x 3 Serr
67 532 19 47-37 Bushing PM Front Axle
68 873 90 07-00 Nut Lock Flange 7/16-14 Gr. 5
69 532 19 91-62 Washer 1.5 x .505 x .118
70 532 19 61-97 Bracket Deck Susp. Front

32
TRACTOR - - MODEL NUMBER YTH2242T (279180)
DRIVE
56
213
116
185
206
26
207
209
171
186
189 49
187
50
51
190
52
51
1
51
52
208 210
170
125
125
64
188
17
161
35
184
167
160
160
42
drive-tex_17
203
163
214
125
215
92
125
80
116
2
73
1
2183 205
37 33
153
197
196
221
221
29
159
15
15
159
33
TRACTOR - - MODEL NUMBER YTH2242T (279180)
DRIVE
KEY PART
NO. NO. DESCRIPTION
KEY PART
NO. NO. DESCRIPTION
NOTE: All component dimensions given in U.S. inches
1 inch = 25.4 mm
1 - - - - - - Transaxle, Hydro 356-0510
(See Breakdown)
2 532 12 35-83 Key Square
15 819 13 13-16 Washer 13/32 x 13/16 x 16 Ga.
17 532 19 72-96 Spring, Brake
26 532 19 96-79 Spring Return Cruise
29 532 19 76-59 Rod, Brake
33 812 00 00-01 Ring E
35 532 19 95-91 Rod, Brake, Park
37 532 12 17-49 Washer 25/32 x 1-1/4 x 16 Ga.
42 532 12 48-72 Cover, Foot Pedal
49 872 11 06-14 Bolt
50 532 19 43-27 Pulley Idler Flat
51 873 90 06-00 Lock Nut 3/8-16
52 532 19 43-26 Idler V-Groove 910" Offset
56 532 14 02-18 V-Belt, Drive
64 53219 78-65 Shaft Asm. Pedal Brake Control
73 874 49 05-44 Bolt Hex Flghd
5/16-18 x 3.0 Gr. 5
80 532 40 05-07 Bracket Strap Torque
92 874 76 05-20 Bolt Fin Hex 5/16-18 unc x 1.25
116 873 90 05-00 Nut Lock Hex Flange 5/16-18
125 817 00 05-12 Screw 5/16-18 x 3/4
153 532 12 47-88 Retainer Spring
159 876 02 04-12 Pin Cotter 1/8 x 3/4
160 532 16 94-84 Retainer Clip
161 532 19 54-03 Spring, Return, Clutch
163 532 19 90-00 Rod Pedal Control
167 532 19 62-11 Latch Brake Parking
170 532 19 43-22 Keeper Belt Centerspan
171 872 11 06-16 Bolt
183 532 13 70-57 Spacer Axle
184 532 40 31-18 Handle Parking Brake
185 872 11 06-20 Bolt
186 532 19 43-21 Spacer Retainer
187 819 13 32-10 Washer
188 532 19 43-23 Link Clutch Ground Drive
189 532 19 43-17 Bellcrank Ground Drive
190 532 19 43-18 Keeper Bellcrank Ground Drive
196 817 00 06-16 Screw 3/8-16 x 1
197 532 19 58-04 Link Clutch Anti-Rotation
203 819 11 11-16 Washer 11/32 x 11/16 x 16 Ga.
205 532 12 17-48 Washer 25/32 x 1-5/8 16 Ga.
206 532 19 78-67 Bracket Mount Latch Cruise
207 532 19 78-68 Latch Control Cruise
208 532 19 78-69 Gear Sector Control Cruise
209 532 19 95-92 Rod Control Cruise
210 532 19 78-60 Rockr Asm. Pedal Control
213 532 40 31-19 Knob control Cruise
214 532 40 17-22 Pad Pedal Forward
215 532 40 17-23 Pad Pedal Reverse
221 532 40 31-87 Retainer Spring Clip

34
TRACTOR - - MODEL NUMBER YTH2242T (279180)
ENGINE
KEY PART
NO. NO. DESCRIPTION
1 - - - - - - Engine B&S Model No. 441777
0284-E1 (See Breakdown)
2 532 14 97-23 Muffl er
9 532 19 43-19 Keeper Belt Engine
11 532 18 05-05 Clutch Ogura
12 532 19 43-38 Pulley Engine
15 532 19 70-24 Tank Fuel
18 532 19 59-51 Cap Asm
20 532 17 83-85 Control Throttle
21 532 19 16-11 Screw 10 x 3/4 Single Lead-Hex
22 532 19 15-96 Control Choke
28 532 40 11-35 Fuel Line
29 532 13 71-80 Spark Arrester Kit
31 532 14 50-06 Clip Push-In Hinged
37 532 12 34-87 Clamp Hose
41 532 12 61-97 Washer 1-1/2 OD x 15/32 ID x .250
42 810 04 07-00 Washer Lock 7/16
45 873 51 04-00 Nut Keps Hex 1/4-20 unc
62 532 14 66-29 Shield Heat Muffl er
69 532 16 53-91 Gasket
70 532 15 99-55 Exhaust Tube LH
71 532 16 05-89 Exhaust Tube RH
79 532 18 39-06 Screw Socket Head 5/16-18 x 1
81 532 14 84-56 Tube Drain Oil Easy
82 532 18 16-54 Plug Drain Oil
83 532 19 82-39 Bolt 5/16-18 unc x 1 w/Sems
84 817 06 06-20 Screw 3/8-16 x 1-1/4
85 532 17 39-37 Bolt Hex 7/16-20 x 4 x Gr. 5-1.5 Thr
90 817 00 06-16 Screw 3/8-16 x 1
NOTE: All component dimensions given in U.S. inches
1 inch = 25.4 mm
KEY PART
NO. NO. DESCRIPTION
1
84
12
11
41
42
85
29
SPARK ARRESTER KIT
84
45
22
21
20 62
71
70
79
69
83
2
engine-tex_26
81
82
9
90
31
37
28
37
18
15

35
TRACTOR - - MODEL NUMBER YTH2242T (279180)
MOWER LIFT
7
3
87
10 88
2
89
90
87
98
97
97
91
lift-tex_4
2 532 19 52-23 Shaft Asm., Lift
3 532 19 52-31 Lever Asm., Lift Rh
7 532 19 64-92 Grip, Lever
10 532 19 63-14 Spring Torsion
87 532 19 42-09 Pin Cotter 7/16 Bow Tie Lock
88 532 19 53-03 Spring Lift Assist
89 819 19 19-12 Washer Clear Zinc
KEY PART
NO. NO. DESCRIPTION
NOTE: All component dimensions given in U.S. inches
1 inch = 25.4 mm
90 532 19 42-08 Pin Cotter 5/16 Bow Tie Lock
91 532 19 51-81 Link Lift Susp Mower Rear
97 817 06 06-12 Screw 3/8-16 x .75 Smgml Tap/R.Z
98 532 19 52-70 Link Lift Susp. Front Mower
KEY PART
NO. NO. DESCRIPTION

36
TRACTOR - - MODEL NUMBER YTH2242T (279180)
SEAT ASSEMBLY
1 532 19 75-18 Seat
2 532 18 01-66 Bracket Pivot Fender
3 532 14 06-75 Strap, Asm Fender
5 532 14 50-06 Clip, Push In, Hinged
6 873 80 06-00 Nut, Lock W/Ins. 3/8-16 unc
7 532 12 41-81 Spring, Seat Cprsn
8 532 17 18-77 Bolt 5/16-18 uncx 3/4 w/Sems
10 532 19 69-77 Pan, Seat
21 532 17 18-52 Bolt, Shoulder 5/16-18
37 873 80 05-00 Nut, Lock 5/16-18 unc
40 532 19 76-61 Handle Slide Seat
41 532 19 82-00 Spring Latch Seat
43 874760612 Bolt Fin Hex 3/8-16 unc x 3/4
44 819133812 Washer 13/32 x 2-3/8 x 12 Ga.
KEY PART
NO. NO. DESCRIPTION
KEY PART
NO. NO. DESCRIPTION
NOTE: All component dimensions given in U.S. inches
1 inch = 25.4 mm
2
6
1
40
10
37
37
21
21
3
5
41
7
8
7
8
seat-tex_7-vgt
44
43

37
TRACTOR - - MODEL NUMBER YTH2242T (279180)
DECALS
NOTE: All component dimensions given in U.S. inches
1 inch = 25.4 mm
KEY PART
NO. NO. DESCRIPTION
6
2
1
3
11
410
59
8
7
wheel_art_1-tex
WHEELS AND TIRES
KEY PART
NO. NO. DESCRIPTION
KEY PART
NO. NO. DESCRIPTION
4
1 532 05 91-92 Cap Valve Tire
2 532 06 51-39 Stem Valve
3 532 13 83-36 Rim Asm 6" front Service
4 532 05 99-04 Tube Front (Service Item Only)
5 532 10 62-22 Tire F T 15 x 6 0 - 6 Service
6 532 12 49-57 Fitting Grease (Front Wheel Only)
7 532 12 49-59 Bearing Flange (Front Wheel nly)
8 532 17 50-39 Cap Axle Blk 1 50 x 1 00
9 532 13 84-68 Tire R T 18 x 9.5-8 Service
10 532 12 49-26 Tube Rear (Service Item Only)
11 532 13 83-37 Rim Asm 8" rear Service
- - 532 14 43-34 Sealant, Tire (10 oz. Tube)
11
9
1 532 40 21-04 Decal, Operators
2 532 40 28-32 Decal, Hood
3 532 40 35-27 Decal, Hood Panel SD
4 532 40 21-28 Decal, Hood Top Insert
5 532 18 09-41 Decal, Customer Respons.
6 532 40 35-70 Decal, Replacement
7 532 40 44-84 Decal, Steering Wheel
8 532 18 94-89 Decal, Eng. HP
9 532 14 50-05 Decal, Battery Dnge/Poi
11 532 17 05-63 Decal, Warning
12 532 16 03-96 Decal, Mower V-Belt Schematic
- - 532 16 69-60 Decal, Bypass
- - 532 40 29-76 Pad, Footrest, LH
- - 532 40 47-99 Pad, Footrest, RH
- - 532 40 40-32 Manual, Owner's (English)
- - 532 40 40-33 Manual, Owner's (French)
12
72 5 6
3
2
8
1

38
15
14
13
11
8
16
68
30
31
32
33
145
190
34
55 56
57
62
188
189
1
69
21
21
21
69
69
20
59
40
19
19
6
6
42_D_elec-Tex_8
21
24
25
26
27
29
23
189
188
36
40
117
116
40
196
117
196
116
40
TRACTOR - - MODEL NUMBER YTH2242T (279180)
MOWER DECK
39
TRACTOR - - MODEL NUMBER YTH2242T (279180)
MOWER DECK
KEY PART
NO. NO. DESCRIPTION
KEY PART
NO. NO. DESCRIPTION
NOTE: All component dimensions given in U.S. inches
1 inch = 25.4 mm
1 532 40 29-99 Mower Housing
6 532 19 51-86 Arm Suspension
8 532 19 30-03 Bolt/Washer asm 7/16-20 unf
11 532 13 89-71 Blade, 42" Hi-Lift
(For bagging or discharge)
- - 532 13 41-49 Blade, 42" Mulching Std
(For mulching mowers only)
- - 532 13 97-75 Blade, 42" Mulching Premium (For
better wear when mulching)
13 532 19 28-72 Shaft Assembly, Mandrel
14 532 18 72-81 Housing, Mandrel
15 532 11 04-85 Bearing, Ball, Mandrel
16 532 17 44-93 Stripper, Mower Deck
19 532 19 65-39 Bolt, Shoulder
20 532 15 97-70 Baffl e, Vortex
21 873 68 05-00 Nut, Crownlock 5/16-18 unc
23 532 19 25-57 Bracket, Defl ector
24 532 10 53-04 Cap, Sleeve
25 532 19 70-26 Spring, Torsion, Defl ector
26 532 11 04-52 Nut, Push
27 532 40 30-04 Shield, Defl ector
29 532 13 14-91 Rod, Hinge
30 532 17 39-84 Screw Thdrol Rolling Wsh Hd
31 532 18 76-90 Washer, Spacer
32 532 17 34-36 Pulley, Mandrel
33 532 40 02-34 Nut, Toplock, Flanged
34 872 11 06-12 Bolt Carr Sh. 3/8-16 x 1-1/2 Gr. 5
36 532 19 61-06 Pulley, Idler, Flat
40 873 90 06-00 Nut, Lock Flg. 3/8-16 unc
55 532 19 72-49 Arm, Idler
56 532 19 90-92 Spacer, Retainer
57 817 00 06-16 Screw 3/8-16 x 1
59 532 14 10-43 Guard, Tuv Idler
62 872 11 06-16 Bolt Rd Hd Sq Nk 3/8-16 unc x 2
68 532 14 49-59 V-Belt
69 872 14 05-05 Bolt
116 532 19 34-06 Bolt, Shoulder
117 532 17 48-73 Wheel, Gauge
145 532 17 79-68 Pulley Idler
188 532 19 51-61 Stud Fastener
189 873 90 05-00 Nut Lock Hex Flange
190 532 19 72-51 Spring Mower Drive
196 819 13 20-12 Washer 13/32 x 1-1/4 x 12 Ga.
- - 532 19 28-70 Mandrel Assembly (Includes
housing, shaft and shaft hardware
only-pulley not included)
- - 532 40 12-24 Replacement Mower, Complete

40
TRACTOR - MODEL NO. 917.279180 (YTH2242T)
HYDRO TRANSAXLE - - MODEL NUMBER 356-0510
900
41
TRACTOR - MODEL NO. 917.279180 (YTH2242T)
HYDRO TRANSAXLE - - MODEL NUMBER 356-0510
KEY PART
NO. NO. DESCRIPTION
1 170351 Kit, Main Housing
Main Housing, Machined
Bushing.865 X.985 X.790
2 170352 Kit, Side Housing
Side Housing, Machined
Bushing.865 X.985 X.790
Bushing.624 X.719 X.562
3 170353 Kit, Center Section
Center Section, Machined
Bushing.707 X.788 X.591
4 170354 Swashplate, Trunnion Machined
5 169898 Kit, Cylinder Block (1000)
Block - Cylinder
Piston
Spring, Compression
Washer Thrust
6 178322 Sealant Tube
7 170356 Hex Flange Screw 1/4-20 X 1.25
9 170358 Shaft, Input
10 170359 Retaining Ring
11 170360 Spacer
12 169870 Retaining Ring
13 170361 Seal, Lip.67 X 1.58 X.276
14 173158 Bearing, Ball 6203 (Bdr)
16 170362 Hex Flange Head Screw 1/4-20 X 1.25
17 170363 Seal, Lip 18 X 32 X 7
18 178781 Arm, Control
19 173159 Bearing, Thrust (10cc)
23 170420 Check Plug Assembly, .027 Washer
24 170366 Shaft Motor
27 170367 Gear, Pinion, 13t
28 170368 Gear 1 OT / 48t
29 170369 Gear, 1 OT Jackshaft
30 170370 60T Bullgear
31 170371 Sleeve Bearing.75 X 1.75 X.625
32 170389 Sleeve Bearing (Outboard).75 X 1.575 X.625
33 142991 Washer
34 170390 Lip Seal, Axle Shaft
35 170391 Shaft, Axle (Keyed, R.H.)
36 170392 Shaft, Axle (Keyed, L.H. )
37 401260 Miter Gear (Splined)
38 401261 Miter Gear
39 150809 Differential Shaft (310-0750)
40 170393 Retaining Ring
41 170394 Pin, Jackshaft
42 170395 Magnet, Ring
43 170396 Spring, Bypass
44 150797 Bolt 3/8-24 X 2-1/2
45 170397 Filter
46 170398 Base, Filter
47 170399 Actuator, Bypass
48 170400 Rod, Bypass Actuator
49 196599 Arm, Bypass
50 170402 Retaining Ring.25 External
51 170403 Seal, Lip.741 X.25 X.25
52 170404 Washer, Flat 0.050” (210-1000)
53 170405 Retaining Ring
54 170406 Bearing, Center Block
55 142977 Spring, Helical Compression
56 142978 Washer, Block Thrust
57 20vv-50 Oil
58 142929 Kit, Brake Yoke
59 170408 Rotor, Brake
60 142883 Brake Puck
61 142882 Brake Puck Plate
62 170409 Pin, Brake Actuating
63 170410 HFHCS 1/4-20 X 2 W/patch, Special Flange
65 170411 Spacer, Brake Torsion Spring
66 189386 Spring, Brake Arm Bias
68 404026 Arm-brake, RH
69 170415 Nut, Castle 5/16-24
70 170416 Pin, Cotter 3/32x3/4
71 170417 Brake Spring
72 170418 Washer (310-0750)
73 142884 Washer, Flat
74 170419 Seal, Oil
84 170425 Fitting, 5/16 X Sae 5/32 Tube
85 170426 Hose, Expansion Tank
87 401264 Cap, Barbed Vent
88 178334 Bolt, Self Tapping (BDR)
KEY PART
NO. NO. DESCRIPTION
93 170431 Spring Clip, Housing
94 178783 Bearing, Ball
95 178784 Screw, 5/16-24x 1 1/2 Socket Head Cap (310-
3000)
96 178786 Spacer, Locating
97 178787 Screw (310-3000)
98 404027 Arm, Return
99 178792 Puck, Adjusting
100 178793 Washer, .325 OD xl.6 Idx.15 Tk
101 178794 Spring, Extension
102 178795 Spacer, .56 ODx.26 ID X.87
103 178796 Bracket, Torque
107 170432 Defl ector
108 170433 Washer, Motor Shaft.71 Id X 1.150d X .03
Thick
109 170434 Plug, Straight Thread 9/16-18
110 161159 Screw, Torx Head 5/16-18 (310-3000)
111 170435 O-ring .7 X .301 ID
113 170437 Bracket, Support Expansion Tank
114 178797 Spring Guide
117 178799 Pin, Spring 5/16 X.75
119 191031 Kit, Fan - Washer - Nut
Fan, 7 In
Hex Lock Nut 1/2-20 (Nylon Insert)
Washer, OR Slotted, .53 X 1.63 X.06
120 170440 Pulley
123 401265 Belt Keeper
124 191033 Center Section Filter Bypass Assembly
Center Section
Base Filter W/ Poppet
Check Plug Assembly,.027 Washer Spring,
Bypass Actuator,
Bypass Defl ector Bottom,
Filter Bushing,.707 X.788 X.591
125 170445 Kit, Filter
Bottom, Filter Spring,
Bypass Actuator,
Bypass Defl ector
Base, Filter W/ Poppet
126 170446 Kit, Fan/pulley
Hex Jam 1/20-20
(Nylon Inser) Washer, OD Slotted, .53 X 1.63
X.06
Fan, 7 In
Pulley
127 170447 Kit, Seal
Lip Seal.67 X 1.58 X.276
Lip Seal 18 X 32 X 7
Lip Seal .706 X 1.584 X .25
Lip Seal.741 X.250 X.250 TC
Oil Seal.625 X1.0x.25
O-ring.07x.301 ID
128 401266 Kit, Expansion Tank
Tank,
Expansion Assembly Cap,
Barbed Vent
Bolt, Self Tapping 10-32 X 1/2
Bracket, Support Expansion
Tank Hose,
Expansion Tank
130 178802 Stud, Threaded Ball
131 178803 Bracket, Cruise/Damper
132 178804 Nut 5/16-18
133 184227 Damper
134 178808 Washer, 5/16 Lock
140 191030 Kit, Damper
Stud, Threaded Ball Bracket,
Cruise/Damper
Hex Nut 5/16-18 NC Damper
Washer, Helical Spring Lock 5/16, Regular
141 404030 Kit, Lt Rcs
Arm, Return
Spring Guide
Switch, RCS Activator,
RCS Switch Spring,
RCS Switch Retainer,
RCS Switch Rivet 5/32
900 400506 Transaxle Assembly-Complete
NOTE: All component dimensions given in U.S. inches 1 inch = 25.4 mm

42
REPAIR PARTS
TRACTOR - - MODEL NUMBER 917.279180
BRIGGS ENGINE - MODEL NUMBER 441777, TYPE NUMBER 0284-E1
4
10
8
213
265
267
9
11
216
222
188
265
267
1
718
3
2
25
968
26
27
29 32
847 523
28
16
27
27
842
525
287
524
219
615
1026
1024
220
1026A
1035
965
943
750
865B
447A
15
250
252
447A
447
865
703
45
12
1017
552
691 20
415
22
212
447A
53
654
447
865A
741
146
24
304
305
967
445
467
1058 OWNER’S MANUAL
1036 EMISSIONS LABEL
1330 REPAIR MANUAL
1329 REPLACEMENT ENGINE
1027
1013
50
415A
929
54
617
54A
51
163
46
45
431
467A
51
305A
929A

43
REPAIR PARTS
TRACTOR - - MODEL NUMBER 917.279180
BRIGGS ENGINE - MODEL NUMBER 441777, TYPE NUMBER 0284-E1
5
42
192
34
33
35
36
868
1022
1029
1100
798
5A 34
33
868
7
7
1022
35
36
42
1029
1100
798
192
1023 1023A
131022
1022
211
209
227
505
562
337
383
635
240
187
601
601
187A
385
387
918
788
628
914
691
552A
404
742
552A
552
616
125
163
141 231
108
633
105
51
98
135 1124
1126
418
672
1342
1353
276
117 117A
1123
160
142
1128
150
131
987
130 95
104
276
276
1127
137
947
975
133
118A 118
121 CARBURETOR OVERHAUL KIT
977 CARBURETOR GASKET SET
51 1123
137
672
276 104
1124 105 633 987
142
150
1128
51
672
137
633
150
276
1124 987
1123
278

44
REPAIR PARTS
TRACTOR - - MODEL NUMBER 917.279180
BRIGGS ENGINE - MODEL NUMBER 441777, TYPE NUMBER 0284-E1
333
668
73
851
334
474
74
1070
1005
332
75 1119
726
165
695
573
405
48
23
363
309
510
1051
783 513
802
1090
311
797A 797
803
544
310
801
697
1059
503
789
501
526
1054
789A
877
1095 VALVE GASKET SET
358 ENGINE GASKET SET
7
868
163
1022
1022
868
163
7
320
51
9
12
691
943
842
524 276
45
REPAIR PARTS
TRACTOR - - MODEL NUMBER 917.279180
BRIGGS ENGINE - MODEL NUMBER 441777, TYPE NUMBER 0284-E1
KEY PART
NO. NO. DESCRIPTION
1 699753 Cylinder Assembly
2 499585 Kit-Bushing/Seal (Magneto
Side)
3 391086s• Seal-Oil (Magneto Side)
4 699747 Sump-Engine
5 693998 Head-Cylinder (Cylinder 1)
5A 693999 Head-Cylinder (Cylinder 2)
7 693997 •+ Gasket-Cylinder Head
8 792185 Breather Assembly
9 690937 • Gasket-Breather
10 691108 Screw (Breather Assembly)
11 792184 Tube-Breather
12 697227 • Gasket-Crankcase
13 791130 Screw (Cylinder Head)
15 690946 Plug-Oil Drain
16 699700 Crankshaft
20 690947 • Seal-Oil (PTO Side)
22 694966 Screw (Engine Sump)
23 691053 Flywheel
24 222698s Key-Flywheel
25 792117 Piston Assembly (Standard)
25 792144 Piston Assembly (.020” Over-
size)
26 792026 Ring Set-Piston (Standard)
26 792073 Ring Set-Piston (.020” Oversize)
27 690975 Lock-Piston Pin
28 690229 Pin-Piston
29 699699 Rod-Connecting
32 690976 Screw (Connecting Rod)
33 499596 Valve-Exhaust
34 697464 Valve-Intake
35 690963 Spring-Valve (Intake)
36 690963 Spring-Valve (Exhaust)
42 499586 Keeper-Valve
45 690977 Tappet-Valve
46 790562 Camshaft
48 698172 Short Block
50 695241 Manifold-Intake
51 791677 • ؇ Gasket-Intake
53 690951 Stud (Carburetor)
54 699816 Screw (Intake Manifold)
54A 695239 Screw (Intake Manifold)
73 499439 Screen-Rotating
74 698425 Screw (Rotating Screen)
75 691056 Washer (Flywheel)
95 690718 Screw (Throttle Valve)
98 699721 Kit-Idle Speed
104 694918 Ø Pin-Float Hinge
105 698537 Ø Valve-Float Needle
108 699723 Valve-Choke
117 699732 Jet-Main (Standard)
117A 699733 Jet-Main (Standard)
118 699733 Jet-Main (High Altitude)(Left)
118A 699458 Jet-Main (High Altitude (Right)
KEY PART
NO. NO. DESCRIPTION
121 699734 Kit-Carburetor Overhaul
125 699709 Carburetor
127 698810 Plug-Welch
130 690993 Valve-Throttle
131 499805 Kit-Throttle Shaft
133 699724 Float-Carburetor
135 699729 Tube-Fuel Transfer
137 690994 Ø Gasket-Float Bowl
141 699722 Kit-Choke Shaft
142 699726 Nozzle-Carburetor
146 690979 Key-Timing
150 690995 Gasket-Nozzle
160 699727 Retainer-Solenoid
163 691001 Gasket-Air Cleaner
165 693148 Nut (Ring Gear)
187 791766 Line-Fuel (Cut to Required
Length)
187A 791744 Line-Fuel (Molded)
188 691108 Screw (Control Bracket)
192 690083 Adjuster-Rocker Arm
209 697674 Spring-Governor
211 691019 Spring-Governed Idle
212 695238 Link-Throttle
213 691021 Bracket-Choke Control
216 691022 Link-Choke
219 698231 Gear-Governor
220 690412 Washer (Governor Lever)
222 698761 Bracket-Control
227 792492 Lever-Governor Control
231 690718 Screw (Choke Valve)
240 691035 Filter-Fuel
250 690957 Retainer-Breather
252 690956 Collector-Oil
265 691024 Clamp-Casing
267 695134 Screw (Casing Clamp)
276 690997 Ø+ Washer-Sealing
287 691108 Screw (Dipstick Tube)
304 695277 Housing-Blower
305 691005 Screw (Blower Housing)
305A 790690 Screw (Blower Housing)
309 497595 Motor-Starter
310 690323 Bolt-Starter Motor
311 497608 Brush Set
332 691059 Nut (Flywheel)
333 691060 Armature-Magneto
334 691061 Screw (Magneto Armature)
337 491055s Plug-Spark
358 694012 Set-Engine Gasket
• Included in Engine Gasket Set, Key. No. 358
Ø Included in Carburetor Overhaul Kit, Key. No. 121
‡ Included in Carburetor Gasket Set, Key. No. 977
+ Included in Valve Gasket Set, Key. No. 1095
NOTE: All component dimensions given in U.S. inches 1
inch = 25.4 mm
46
REPAIR PARTS
TRACTOR - - MODEL NUMBER 917.279180
BRIGGS ENGINE - MODEL NUMBER 441777, TYPE NUMBER 0284-E1
KEY PART
NO. NO. DESCRIPTION
363 19203 Flywheel Puller
383 19374 Wrench-Spark Plug
385 691108 Screw (Fuel Pump)
387 808656 Pump-Fuel
404 690442 Washer (Governor Crank)
405 697820 Screw (Back Plate)
415 690283 Plug (Crankcase Cover/Sump)
415A 690283 Plug (Intake Manifold)
418 690999 Plate-Carburetor
431 790816 Elbow-Intake
445 499486s Filter-Air Cleaner Cartridge
447 691003 Screw (Air Guide Cover)
447A 691108 Screw (Air Guide Cover)
467 691008 Knob-Air Cleaner
467 790697 Knob-Air Cleaner
474 696458 Alternator
501 691185 Regulator
503 691532 Strap-Ground
505 691029 Nut (Governor Control Lever)
510 696541 Drive-Starter
513 692024 Clutch-Drive
523 691036 Dipstick
524 691032 • Seal-Dipstick Tube
525 691037 Tube-Dipstick
526 691108 Screw (Regulator)
544 692034 Armature-Starter
552 690552 Bushing-Governor Crank
552A 690553 Bushing-Governor Crank
562 690311 Bolt (Governor Control Lever)
573 790444 Plate-Back
601 691038 Clamp-Hose
615 698290 Retainer-Governor Shaft
616 691045 Crank-Governor
617 697891 Seal-O Ring (Intake Manifold)
628 691108 Screw (Fuel Pump Bracket)
633 690998 Ø Seal-Choke/Throttle Shaft
635 66538s Boot-Spark Plug
654 690958 Nut (Carburetor)
668 691215 Spacer
672 690234 Gasket-Carburetor Plate
691 790574 • Seal-Governor Shaft
695 693149 Screw (Ring Gear)
697 690372 Screw (Drive Cap)
703 691010 Clip
718 690959 Pin-Locating
726 499612 Gear-Ring
741 690980 Gear-Timing
742 690328 Retainer-E Ring
750 696999 Screw (Oil Pump Cover)
783 695708 Gear-Pinion
788 691039 Bracket-Fuel Pump
789 698330 Harness-Wiring
789A 790544 Harness-Wiring
797 691029 Nut (Brush Retainer)
797A 693167 Nut (Brush Retainer)
798 697890 Screw (Rocker Arm)
KEY PART
NO. NO. DESCRIPTION
801 691283 Cap-Drive
802 691286 Cap-End
803 693757 Housing-Starter
842 691031 • Seal-Dipstick/Tube
847 499602 Dipstick/Tube Assembly
851 493880s Terminal-Spark Plug
865 691012 Cover-Air Guide
865A 691014 Cover-Air Guide
865B 691015 Cover-Air Guide
868 690968 •+ Seal-Valve
877 399916 Wire/Connector-Alternator
914 691127 Screw (Rocker Cover)
918 694000 Hose-Vacuum
929 691003 Screw (Choke Control Bracket)
943 690589 • Seal-O Ring (Oil Pump Cover)
947 699728 Solenoid-Fuel
965 499613 Cover-Oil Pump
967 273638s Filter-Pre Cleaner
968 790689 Cover-Air Cleaner
975 499810 Bowl-Float
977 699735 Gasket Set-Carburetor
987 691000 Ø Seal-Throttle Shaft
1005 790698 Fan-Flywheel
1013 690954 Nipple-Oil Filter
1017 690770 Screen-Oil Pump
1022 690971 •+ Gasket-Rocker Cover
1023 499599 Cover-Rocker (Cylinder 1)
1023A499600 Cover-Rocker (Cylinder 2)
1024 499054 Pump-Oil
1026 690981 Rod-Push (Steel)
1026A690982 Rod-Push (Aluminum)
1027 492932s Filter-Oil
1029 690972 Arm-Rocker
1035 691042 Shaft-Pump
1036 792019 Label-Emissions
1051 691265 Ring-Retaining
1054 280275 Tie-Cable
1058 276245 Owner’s Manual
1059 698516 Kit-Screw/Washer
1070 690372 Screw (Flywheel Fan)
1090 691293 Retainer-Brush
1095 699735 Kit-Valve Overhaul
1100 791959 Pivot-Rocker Arm
1119 691183 Screw (Alternator)
1123 699725 Seal-O Ring (Solenoid Retainer)
1124 690988 Seal-O Ring (Fuel Transfer
Tu b e )
1126 690991 Screw (Fuel Transfer Tube)
1127 690992 Screw (Float Bowl)
1128 690990 Screw (Carburetor Nozzle)
1329 441777-0027 Replacement Engine
1330 273521 Repair Manual
1342 699731 Extension-Fuel Transfer Tube
• Included in Engine Gasket Set, Key. No. 358
Ø Included in Carburetor Overhaul Kit, Key. No. 121
‡ Included in Carburetor Gasket Set, Key. No. 977
+ Included in Valve Gasket Set, Key. No. 1095
NOTE: All component dimensions given in U.S. inches 1
inch = 25.4 mm

47
15 DEGREES MAX.
FOLD ALONG DOTTED LINE
THIS IS A 15 DEGREE SLOPE
ONLY RIDE UP AND DOWN HILL,
NOT ACROSS HILL
SUGGESTED GUIDE FOR SIGHTING SLOPES FOR SAFE OPERATION
WARNING: To avoid serious injury, operate your tractor up and
down the face of slopes, never across the face. Do not mow
slopes greater than 15 degrees. Make turns gradually to prevent
tipping or loss of control. Exercise extreme caution when
changing direction on slopes.
1. Fold this page along dotted line indicated above.
2. Hold page before you so that its left edge is vertically parallel to a tree
trunk or other upright structure.
3. Sight across the fold in the direction of hill slope you want to measure.
4. Compare the angle of the fold with the slope of the hill.

532 40 40-32 Rev. 3 05.16.06 TR/VB Printed in U.S.A.
SECTION 1: LIMITED WARRANTY
Husqvarna Forest & Garden Company (“Husqvarna”) warrants Husqvarna product to the original purchaser
to be free from defects in material and workmanship from the date of purchase for the “Warranty Period” of the
product as set forth below:
Lifetime Warranty: All tiller tines against breakage, trimmer shafts, ignition coils and modules on hand held
prod uct.
3 Year Warranty: Spindles (on Zero Turn Riders and Commercial Walk-Behinds)
2 Year COMMERCIAL-Warranty: Husqvarna Commercial Turf Equipment—zero turn riders, wide area walks,
and ground engaging commercial equipment.
2 Year NON-COMMERCIAL Warranty: Automatic Mower, Riding lawn mowers, yard and garden tractors, walk
behind mowers, tillers, chain saws, trimmers, brushcutters, clearing saws, snow blowers, handheld blowers,
backpack blowers, hedge trimmers, electrical products and power-assist collection systems for non com -
mer cial, nonprofessional, noninstitutional or nonincome producing use, except as herein stated.
Emission control system components necessary to comply with CARB-TIER-II and EPA regulations, except
for those components which are part of engine systems manufactured by third party engine manufacturers for
which the purchaser has received a separate warranty with product information supplied at time of purchase.
1 Year Warranty: Power cutters, stump grinder, pole pruners and pole saws for non-commercial, non-pro-
fessional, non-institutional or non-income producing use. All trimmers, brushcutters, clearing saws, hovering
trimmers, stick edgers, backpack blowers, hand held blowers, hedge trimmers, power-assist collection systems
used for commercial, institutional, professional or income producing purposes or use.
Batteries have a one-year prorated limited warranty with 100% replacement during the fi rst 6 months.
90 Day Warranty: Automatic Mower, Chain saws, power cutters, stump grinders, pole saws, pole pruners,
snow throwers, model series 580 & 600 walk-behind mowers and commercial turf equipment or any Husqvarna
product used for commercial, institutional, professional, or income producing purposes or use except as oth-
erwise provided herein.
Husqvarna Safety Apparel carries a 90-day warranty from the date of the customer’s original purchase for
defects in material and workmanship. Normal wear, tear or abuse is not covered under warranty. Product must
be returned to Charlotte with a warranty claim form. All care and maintenance instructions must be followed
as stated by the manufacturer on the care label. The fi t of the protective apparel/boot is not covered under
warranty.
30 Day Warranty: Replacement parts, accessories including bars and chains, tools and display items.
SECTION 2: HUSQVARNA’S OBLIGATIONS UNDER THE WARRANTY
Husqvarna will repair or replace defective components without charge for parts or labor if a component fails
because of a defect in material or workmanship during the warranty period.
SECTION 3: ITEMS NOT COVERED BY THIS WARRANTY
The following items are not covered by this warranty:
(1)Normal customer maintenance items which become worn through normal regular use, including, but
not limited to, belts, blades, blade adapters, bulbs, fi lters, guide bars, lubricants, rewind springs, saw
chain, spark plugs, starter ropes and tines;
(2)Natural discoloration of material due to ultraviolet light;
(3)Engine and drive systems not manufactured by Husqvarna; these items are covered by the respective
manufacturer’s warranty as provided in writing with the product information supplied at the time of pur-
chase; all claims must be sent to the appropriate manufacturer;
(4)Lawn and garden attachments are covered by a third party which gives a warranty, all claims for war-
ranty should be sent to the manufacturer; and
(5)Emission Control System components necessary to comply with CARB-TIER-II and EPA regulations
which are manufactured by third party engine manufacturer.
SECTION 4: EXCEPTIONS AND LIMITATIONS
This warranty shall be inapplicable to defects resulting from the following:
(1)Accident, abuse, misuse, negligence and neglect, including stale fuel, dirt, abrasives, moisture, rust,
corrosion, or any adverse reaction due to incorrect storage or use habits;
(2)Failure to operate or maintain the unit in accordance with the Owner’s/Operator’s manual or instruc-
tion sheet furnished by Husqvarna;
(3)Alterations or modifi cations that change the intended use of the product or affects the product’s per-
formance, operation, safety, or durability, or causes the product to fail to comply with any applicable
laws; or:
(4)Additional damage to parts or components due to continued use occurring after any of the above.
REPAIR OR REPLACEMENT AS PROVIDED UNDER THIS WARRANTY IS THE EXCLUSIVE REMEDY OF
THE PUR CHAS ER. HUSQVARNA SHALL NOT BE LIABLE FOR ANY INCIDENTAL OR CONSEQUENTIAL
DAMAGES FOR BREACH OF ANY EXPRESS OR IMPLIED WARRANTY ON THESE PRODUCTS EXCEPT
TO THE EXTENT PROHIBITED BY APPLICABLE LAW. ANY IMPLIED WARRANTY OF MERCHANTABILITY
OR FITNESS FOR A PARTICULAR PURPOSE ON THESE PRODUCTS IS LIMITED IN DURATION TO THE
WARRANTY PERIOD AS DEFINED IN THE LIMITED WARRANTY STATEMENT. HUSQVARNA RE SERVES
THE RIGHT TO CHANGE OR IMPROVE THE DESIGN OF THE PRODUCT WITHOUT NO TICE, AND DOES
NOT ASSUME OBLIGATION TO UPDATE PREVIOUSLY MANUFACTURED PROD UCTS.
Some states do not allow the exclusion of incidental or consequential damages, or limitations on how long
an implied warranty lasts, so the above limitations or exclusions may not apply to you. This warranty gives you
specifi c legal rights, and you may also have other rights which vary from state to state.
SECTION 5: CUSTOMER RESPONSIBILITIES
The product must exhibit reasonable care, maintenance, operation, storage and general upkeep as written
in the maintenance section of the Owner’s/Operator’s manual. Should an operational problem or failure occur,
the product should not be used, but delivered as is to an authorized Husqvarna dealer for evaluation. Proof of
purchase, as explained in section 6, rests solely with the customer.
SECTION 6: PROCEDURE TO OBTAIN WARRANTY CONSIDERATION
It is the Owner’s and Dealer’s responsibility to make certain that the Warranty Registration Card is properly
fi lled out and mailed to Husqvarna Forest & Garden Company. This card should be mailed within ten (10) days
from the date of purchase in order to confi rm the warranty and to facilitate post-sale service.
Proof of purchase must be presented to the authorized Husqvarna dealer in order to obtain warranty service.
This proof must include date purchased, model number, serial number, and complete name and address of the
selling dealer.
To obtain the benefi t of this warranty, the product believed to be defective must be delivered to an authorized
Husqvarna dealer in a timely manner, no later than thirty (30) days from date of the operational problem or
failure. The product must be delivered at the owner’s expense. Pick-up and delivery charges are not covered
by this warranty. An authorized Husqvarna dealer can be normally located through the “Yellow Pages” of the
local telephone directory or by calling 1-800-HUSKY62 for a dealer in your area.
HUSQVARNA
7349 Statesville Road
Charlotte, NC 28269
531 83 81-23 2002
WARRANTY STATEMENT