Husqvarna Yth2348 2010 12 532441716 Naen 96045002701 Owner S Manual OM, HUSQVARNA, YTH2348, 12, 532441716, NAen,
!! HUSO2010_NAen_YTH2348_532441716 Turning Technologies Lawn Mower Manuals - Lawn Mower Manuals – The Best Lawn Mower Manuals Collection
Preview ! HUSO2010_NAen_YTH2348_532441716 Turning Technologies Lawn Mower Manuals - Lawn Mower Manuals – The Best Lawn Mower Manuals Collection
2014-07-06
: Husqvarna Husqvarna-Yth2348-2010-12-532441716-Naen-96045002701-Owner-S-Manual husqvarna-yth2348-2010-12-532441716-naen-96045002701-owner-s-manual husqvarna pdf
Open the PDF directly: View PDF
.
Page Count: 48

YTH2348
Owner's Manual
07002
532 44 17-16
"This machine is approved by the EPA for E10 (10% ethanol) and lower fuel only.
Do not use any fuel >E10 in this machine."

2
SAFETY RULES
Safe Operation Practices for Ride-On Mowers
DANGER: THIS CUTTING MACHINE IS CAPABLE OF AMPUTATING HANDS AND FEET AND THROW ING OBJECTS. FAILURE
TO OBSERVE THE FOLLOWING SAFETY INSTRUCTIONS COULD RESULT IN SERIOUS INJURY OR DEATH.
I. GENERAL OPERATION
• Read, understand, and follow all instructions on the
machine and in the manual before starting.
• Do not put hands or feet near rotating parts or under
the machine. Keep clear of the discharge opening at
all times.
• Only allow responsible adults, who are familiar with
the in struc tions, to operate the machine.
• Clear the area of objects such as rocks, toys, wire, etc.,
which could be picked up and thrown by the blades.
• Be sure the area is clear of bystanders before
operating. Stop machine if anyone enters the area.
• Never carry passengers.
• Do not mow in reverse unless absolutely necessary.
Always look down and behind before and while
back ing.
• Never direct discharged material toward anyone. Avoid
discharging material against a wall or obstruction.
Material may ricochet back toward the operator. Stop
the blades when crossing gravel surfaces.
• Do not operate machine without the entire grass catcher,
discharge chute, or other safety devices in place and
working.
WARNING: In order to prevent ac ci den tal
starting when setting up, trans port ing,
ad just ing or making repairs, al ways
dis con nect spark plug wire and place
wire where it can not contact spark plug.
WARNING: Do not coast down a hill in neu-
tral, you may lose control of the tractor.
WARNING: Tow only the attachments that
are rec om mend ed by and comply with
spec i fi ca tions of the man u fac tur er of your
tractor. Use common sense when towing.
Operate only at the low est possible speed
when on a slope. Too heavy of a load,
while on a slope, is dan ger ous. Tires
can lose trac tion with the ground and
cause you to lose control of your tractor.
WARNING
Engine exhaust, some of its con stit u ents, and cer tain
vehicle com po nents contain or emit chem i cals
known to the State of Cal i for nia to cause can cer
and birth de fects or oth er re pro duc tive harm.
WARNING
Battery posts, terminals and related ac ces so ries
contain lead and lead compounds, chem i cals known
to the State of Cal i for nia to cause can cer and birth
defects or oth er re pro duc tive harm. Wash hands
after handling.
• Slow down before turning.
• Never leave a running machine unattended. Always
turn off blades, set parking brake, stop engine, and
remove keys before dismounting.
• Disengage blades when not mowing. Shut off engine
and wait for all parts to come to a complete stop before
cleaning the machine, removing the grass catcher, or
unclogging the discharge chute.
• Operate machine only in daylight or good artificial
light.
• Do not operate the machine while under the influence
of alcohol or drugs.
• Watch for traffic when operating near or crossing
road ways.
• Use extra care when loading or unloading the machine
into a trailer or truck.
• Always wear eye protection when operating
machine.
• Data indicates that operators, age 60 years and above,
are involved in a large percentage of riding mower-
related injuries. These operators should evaluate their
ability to operate the riding mower safely enough to
protect them selves and others from serious injury.
• Follow the manufacturer's recommendation for wheel
weights or counterweights.
• Keep machine free of grass , leaves or other debris
build-up which can touch hot exhaust / engine parts
and burn. Do not allow the mower deck to plow leaves
or other debris which can cause build-up to occur.
Clean any oil or fuel spillage before operating or storing
the machine. Allow machine to cool before storage.
II. SLOPE OPERATION
Slopes are a major factor related to loss of control and
tip-over accidents, which can result in severe injury or
death. Operation on all slopes requires extra caution. If
you cannot back up the slope or if you feel uneasy on it,
do not mow it.
• Mow up and down slopes, not across.
• Watch for holes, ruts, bumps, rocks, or other hidden
objects. Uneven terrain could overturn the machine.
Tall grass can hide obstacles.
• Choose a low ground speed so that you will not have
to stop or shift while on the slope.
• Do not mow on wet grass. Tires may lose traction.
Always keep the machine in gear when going down
slopes. Do not shift to neutral and coast downhill.
• Avoid starting, stopping, or turning on a slope. If the
tires lose traction, disengage the blades and proceed
slowly straight down the slope.
• Keep all movement on the slopes slow and gradual.
Do not make sudden changes in speed or direction,
which could cause the machine to roll over.
• Use extra care while operating machine with grass
catchers or other at tach ments; they can affect the
stability of the machine. Do no use on steep slopes.
• Do not try to stabilize the machine by putting your foot
on the ground.
• Do not mow near drop-offs, ditches, or embankments.
The machine could suddenly roll over if a wheel is over
the edge or if the edge caves in.

3
SAFETY RULES
Safe Operation Practices for Ride-On Mowers
• Be sure the area is clear of bystanders before operat-
ing. Stop machine if anyone enters the area.
• Never carry passengers.
• Do not mow in reverse unless absolutely necessary.
Al ways look down and behind before and while back-
ing.
• Never carry children, even with the blades shut off. They
may fall off and be seriously injured or interfere with
safe machine operation. Children who have been given
rides in the past may suddenly appear in the mowing
area for another ride and be run over or backed over
by the machine.
• Keep children out of the mowing area and in the watchful
care of a responsible adult other than the operator.
• Be alert and turn machine off if a child enters the
area.
• Before and while backing, look behind and down for
small children.
• Mow up and down slopes (15° Max), not across.
• Choose a low ground speed so that you will not have
to stop or shift while on the slope.
• Avoid starting, stopping, or turning on a slope. If the
tires lose traction, disengage the blades and proceed
slowly straight down the slope.
• If machine stops while going uphill, disengage blades,
shift into reverse and back down slowly.
• Do not turn on slopes unless necessary, and then, turn
slowly and gradually downhill, if possible.
III. CHILDREN
Tragic accidents can occur if the operator is not alert to
the presence of children. Children are often attracted to
the ma chine and the mowing activity. Never assume that
children will remain where you last saw them.
• Keep children out of the mowing area and in the watchful
care of a responsible adult other than the operator.
• Be alert and turn machine off if a child enters the
area.
• Before and while backing, look behind and down for
small children.
• Never carry children, even with the blades shut off. They
may fall off and be seriously injured or interfere with
safe machine operation. Children who have been given
rides in the past may suddenly appear in the mowing
area for another ride and be run over or backed over
by the machine.
• Never allow children to operate the machine.
• Use extra care when approaching blind corners, shrubs,
trees, or other objects that may block your view of a
child.
IV. TOWING
• Tow only with a machine that has a hitch designed for
towing. Do not attach towed equipment except at the
hitch point.
• Follow the manufacturer's recommendation for weight
limits for towed equipment and towing on slopes.
• Never allow children or others in or on towed
equipment.
• On slopes, the weight of the towed equipment may
cause loss of traction and loss of control.
• Travel slowly and allow extra distance to stop.
V. SERVICE
SAFE HANDLING OF GASOLINE
To avoid personal injury or property damage, use extreme
care in handling gasoline. Gasoline is extremely flammable
and the vapors are explosive.
• Extinguish all cigarettes, cigars, pipes, and other
sources of ignition.
• Use only approved gasoline container.
• Never remove gas cap or add fuel with the engine
running. Allow engine to cool before refueling.
• Never fuel the machine indoors.
• Never store the machine or fuel container where there
is an open flame, spark, or pilot light such as on a water
heater or other appliances.
• Never fill containers inside a vehicle or on a truck or
trailer bed with plastic liner. Always place containers
on the ground away from your vehicle when filling.
• Remove gas-powered equipment from the truck or
trailer and refuel it on the ground. If this is not possible,
then refuel such equipment with a portable container,
rather than from a gasoline dispenser nozzle.
• Keep the nozzle in contact with the rim of the fuel tank or
container opening at all times until fueling is complete.
Do not use a nozzle lock-open device.
• If fuel is spilled on clothing, change clothing immedi-
ately.
• Never overfill fuel tank. Replace gas cap and tighten
securely.
GENERAL SERVICE
• Never operate machine in a closed area.
• Keep all nuts and bolts tight to be sure the equipment
is in safe working condition.
• Never tamper with safety devices. Check their proper
operation regularly.
• Keep machine free of grass, leaves, or other debris
build-up. Clean oil or fuel spillage and remove any fuel-
soaked debris. Allow machine to cool before storing.
• If you strike a foreign object, stop and inspect the
machine. Repair, if necessary, before restarting.
• Never make any adjustments or repairs with the engine
run ning.
• Check grass catcher components and the discharge
chute frequently and replace with manufacturer's rec-
ommended parts, when necessary.
• Mower blades are sharp. Wrap the blade or wear
gloves, and use extra caution when servicing them.
• Check brake operation frequently. Adjust and service
as required.
• Maintain or replace safety and instruction labels, as
necessary.

4
SAFETY RULES ......................................................... 2-3
PRODUCT SPECIFICATIONS ....................................... 4
CUSTOMER RESPONSIBILITIES ................................. 4
ASSEMBLY ................................................................. 5-6
OPERATION ............................................................. 7-13
MAINTENANCE SCHEDULE ...................................... 14
MAINTENANCE ..................................................... 14-17
SERVICE AND AD JUST MENTS ............................ 18-24
STORAGE .................................................................... 25
TROU BLE SHOOT ING ............................................ 26-27
REPAIR PARTS ...................................................... 28-42
WARRANTY ............................................................ 43-46
TABLE OF CONTENTS
PRODUCT SPECIFICATIONS
Gasoline Capacity 3 Gallons
and type: Unleaded Regular
Oil Type (API-SG-SL): SAE 30 (above 32°F)
SAE 5W-30 (below 32°F)
Oil Capacity: w/Filter: 64 oz
w/o Filter: 60 oz
Spark Plug: Champion QC12YC
(Gap: .040")
Ground Speed (MPH): Forward: 0 – 5.2
Reverse: 0 – 2.9
Charging System: 16 AMPS @ 3600 RPM
Battery: AMP/HR: 28
MIN. CCA: 230
Case Size: U1R
Blade Bolt Torque: 45-55 FT. LBS.
CONGRATULATIONS on your purchase of a new tractor.
It has been designed, engineered and manu fac tured to give
you the best possible dependability and performance.
Should you experience any problem you cannot easily rem-
edy, please contact your nearest authorized servicecenter/
de part ment We have competent, well-trained tech ni cians
and the proper tools to service or repair this tractor.
Please read and retain this manual. The instructions will
enable you to assemble and maintain your tractor prop erly.
Always observe the “SAFETY RULES”.
CUSTOMER RESPONSIBILITIES
• Read and observe the safety rules.
• Follow a regular schedule in maintaining, caring for
and using your tractor.
• Follow the instructions under “Maintenance” and “Stor-
age” sec tions of this own er’s manual.
WARNING: This tractor is equipped with an internal com-
bus tion engine and should not be used on or near any un-
im proved forest-covered, brush-covered or grass-cov ered
land unless the en gine’s exhaust system is equipped with
a spark arrester meeting ap pli ca ble local or state laws (if
any). If a spark arrester is used, it should be maintained
in effective working order by the operator.
In the state of California the above is required by law
(Section 4442 of the California Public Resources Code).
Other states may have similar laws. Federal laws apply
on federal lands.
A spark arrester for the muffler is available through your
nearest authorized service center/department (See RE PAIR
PARTS section of this manual).

5
UNASSEMBLED PARTS
(2) Keys
Slope Sheet
Key
(1) Oil Drain Tube
ASSEMBLY
Fig. 2
ADJUST SEAT (See Fig. 2)
• Sit in seat.
• Lift up adjustment lever (A) and slide seat until a com-
fortable position is reached which allows you to press
clutch/brake pedal all the way down.
• Release lever to lock seat in position.
NOTE: You may now roll your tractor off the skid. Follow
the ap pro pri ate instruction below to remove the tractor
from the skid.
WARNING: Before start ing, read, un der stand and fol low
all in struc tions in the Op er a tion section of this man u al. Be
sure tractor is in a well-ventilated area. Be sure the area in
front of tractor is clear of other peo ple and objects.
TO ROLL TRACTOR OFF SKID (See Op-
er a tion section for location and function of
con trols)
• Raise attachment lift lever to its highest po si tion.
• Release parking brake by de press ing brake ped al.
• Place freewheel control in dis en gaged po si tion to dis-
en gage trans mis sion (See “TO TRANS PORT” in the
Op er a tion section of this manual).
• Roll tractor forward off skid.
Continue with the in struc tions that follow.
TOOLS REQUIRED FOR ASSEMBLY
A socket wrench set will make assembly easier. Stan dard
wrench sizes are listed.
(1) 1/2" wrench Tire pressure gauge
(2) 7/16" wrenches Utility knife Pliers
When right or left hand is mentioned in this man ual, it means
when you are in the operating po si tion (seated be hind the
steer ing wheel).
TO REMOVE TRACTOR FROM CARTON
UNPACK CARTON
• Remove all accessible loose parts and parts cartons
from carton .
• Cut along dotted lines on all four panels of carton.
Remove end panels and lay side panels flat.
• Check for any additional loose parts or cartons and
remove.
BEFORE REMOVING TRACTOR FROM
SKID
TO CHECK BATTERY (See Fig. 1)
• Lift hood to raised position.
NOTE: If this battery is put into service after month and
year indicated on label (label is located between terminals)
charge battery for minimum of one hour at 6-10 amps.
(See "BATTERY" in Maintenance section of this manual
for charging instructions).
• For battery and battery cable installation see "RE-
PLACING BATTERY" in the "Service and Adjustments"
section in this manual.
Fig. 1
LABEL
Your new tractor has been assembled at the factory with exception of those parts left unassembled for shipping purposes.
A

6
ASSEMBLY
CHECK TIRE PRESSURE
The tires on your tractor were overinflated at the factory
for shipping purposes. Correct tire pressure is important
for best cutting performance.
• Reduce tire pressure to PSI shown on tires.
CHECK DECK LEVELNESS
For best cutting results, mower housing should be prop-
erly leveled. See “TO LEVEL MOWER HOUSING” in the
Service and Adjustments section of this manual.
CHECK FOR PROPER POSITION OF ALL
BELTS
See the figures that are shown for replacing motion and
mower blade drive belts in the Service and Adjustments
sec tion of this manual. Verify that the belts are routed
cor rect ly.
CHECK BRAKE SYSTEM
After you learn how to operate your tractor, check to see that
the brake is operating properly. See “TO CHECK BRAKE”
in the Service and Adjustments section of this manual.
✓CHECKLIST
BEFORE YOU OPERATE YOUR NEW TRAC TOR, WE
WISH TO ASSURE THAT YOU RECEIVE THE BEST
PERFORMANCE AND SATISFACTION FROM THIS
QUALITY PRODUCT.
PLEASE REVIEW THE FOLLOWING CHECKLIST:
✓ All assembly instructions have been com plet ed.
✓ No remaining loose parts in carton.
✓ Battery is properly prepared and charged.
✓ Seat is adjusted comfortably and tightened securely.
✓ All tires are properly inflated. (For shipping purposes,
the tires were overinflated at the factory).
✓ Be sure mower deck is properly leveled side-to-side/
front-to-rear for best cutting results. (Tires must be
properly inflated for leveling).
✓ Check mower and drive belts. Be sure they are routed
properly around pulleys and inside all belt keepers.
✓ Check wiring. See that all connections are still secure
and wires are properly clamped.
✓ Before driving tractor, be sure free wheel control is in
“transmission engaged” position (see “TO TRANS-
PORT” in the Operation section of this man u al).
WHILE LEARNING HOW TO USE YOUR TRACTOR, PAY
EXTRA ATTENTION TO THE FOLLOWING IMPORTANT
ITEMS:
✓ Engine oil is at proper level.
✓ Fuel tank is filled with fresh, clean, regular unleaded
gasoline.
✓ Become familiar with all controls, their location and
function. Operate them before you start the engine.
✓ Be sure brake system is in safe operating condition.
✓ Be sure Operator Presence System and Reverse Op-
eration System (ROS) are working properly (See the
Operation and Maintenance sections in this manual).
✓ It is important to purge the transmission before op er at-
ing your tractor for the first time. Follow proper start-
ing and transmission purging instructions (See “TO
START EN GINE” and “PURGE TRANSMISSION” in
the Op er a tion section of this manual).

7
OPERATION
These symbols may appear on your tractor or in literature supplied with the product. Learn and understand their meaning.
DANGER, KEEP HANDS
AND FEET AWAY
FREE WHEEL
(Automatic Models only)
KEEP AREA CLEAR SLOPE HAZARDS
15
15
(SEE SAFETY RULES SECTION)
BATTERY REVERSE FORWARD
FAST SLOW
ENGINE ON
ENGINE OFF
FUEL
CHOKE
MOWER HEIGHT
REVERSE NEUTRAL HIGH LOW
ATTACHMENT
CLUTCH ENGAGED
PARKING BRAKE
IGNITION SWITCH
ATTACHMENT
CLUTCH DISENGAGED
ENGINE START MOWER LIFT
Failure to follow instructions
could result in serious injury or
death. The safety alert symbol
is used to identify safety inform-
ation about hazards which can
result in death, serious injury
and/or property damage.
DANGER indicates a hazard which, if not avoided,
will result in death or serious injury.
WARNING indicates a hazard which, if not avoided,
could result in death or serious injury.
CAUTION indicates a hazard which, if not avoided,
might result in minor or moderate injury.
CAUTION when used without the alert symbol,
indicates a situation that could result in damage
to the tractor and/or engine.
FIRE indicates a hazard which, if not avoided,
could result in death, serious injury and/or
property damage.
HOT SURFACES indicates a hazard which,
if not avoided, could result in death, serious injury
and/or property damage.
REVERSE
OPERATION
SYSTEM (ROS)
LIGHTS ON CLUTCH/BRAKE
PEDAL
CRUISE CONTROL

8
OPERATION
KNOW YOUR TRACTOR
READ THIS OWNER'S MANUAL AND SAFETY RULES BEFORE OPERATING YOUR TRACTOR
Compare the illustrations with your tractor to familiarize yourself with the locations of various controls and ad just ments.
Save this manual for future reference.
Our tractors conform to the applicable safety standards of the American National Standards Institute.
Fig. 3
(A) ATTACHMENT LIFT LEVER – Used to raise and lower the
mower or other attachments mounted to your trac tor.
(B) BRAKE PEDAL – Used for brak ing the tractor and start ing
the engine.
(C) PARKING BRAKE – Locks clutch/brake pedal into the
brake position.
(D) THROTTLE/CHOKE CONTROL - Used for starting and
controlling engine speed.
(E) ATTACHMENT CLUTCH SWITCH – Used to engage the
mow er blades, or other at tach ments mounted to your tractor.
(F) IGNITION SWITCH – Used for starting and stopping the
engine.
(G) REVERSE OPERATION SYSTEM (ROS) "ON" POSITION
– Allows operation of mower or other powered attachment while
in reverse.
(H) LIGHT SWITCH – Turns the headlights on and off.
(J) CRUISE CONTROL LEVER – Used to set forward
movement of tractor at desired speed without holding the
forward drive pedal.
(K) FORWARD DRIVE PEDAL – Used for forward movement
of tractor.
(L) REVERSE DRIVE PEDAL – Used for reverse movement
of tractor.
(M) FREEWHEEL CONTROL – Disengages transmission for
pushing or slowly tow ing the trac tor with the engine off.
(P) SERVICE REMINDER / HOUR METER – Indicates when
service is required for the engine and mower.
E
A
B
K
F
C
H
G
P
D
M
J
L

9
OPERATION
Fig. 4
The operation of any tractor can result in foreign objects thrown into the eyes, which can result
in severe eye dam age. Always wear safety glass es or eye shields while operating your tractor
or per form ing any ad just ments or repairs. We rec om mend standard safety glasses or a wide
vision safety mask worn over spectacles.
Fig. 6
HOW TO USE YOUR TRAC TOR
TO SET PARKING BRAKE (See Fig. 4)
Your tractor is equipped with an operator presence sens-
ing switch. When engine is running, any attempt by the
op er a tor to leave the seat without first setting the parking
brake will shut off the engine.
• Depress brake pedal (B) all the way down and hold.
• Pull parking brake lever (C) up and hold, re lease pres-
sure from brake pedal (B), then release parking brake
lever. Pedal should re main in brake position. Make
sure parking brake will hold tractor secure.
B
C
D
F
TO MOVE FORWARD AND BACKWARD
(See Fig. 7)
The direction and speed of movement is controlled by the
forward and reverse drive pedals.
• Start tractor and release parking brake.
• Slowly depress forward (K) or reverse (L) drive pedal to
begin movement. Ground speed increases the further
down the pedal is depressed.
TO USE CRUISE CONTROL (J) (See Fig. 7)
The cruise control feature can be used for forward travel
only.
Fig. 5
GROUND DRIVE -
• To stop ground drive, depress brake pedal into full
“BRAKE” position.
IMPORTANT: FORWARD AND REVERSE DRIVE PEDALS
RETURN TO NEUTRAL POSITION WHEN NOT DEPRESSED.
ENGINE -
• Move throttle control (D) between half and full speed
(fast) position.
NOTE: Failure to move throttle control between half and full
speed (fast) position, before stop ping may cause engine
to “backfire”.
STOPPING (See Fig. 5)
MOWER BLADES -
• To stop mower blades, place attachment clutch control
in the “DIS EN GAGED” position ( ).
• Turn ignition key (F) to “STOP” position and remove key.
Always remove key when leaving tractor to prevent
un author ized use.
• Never use the choke to stop the engine.
IMPORTANT: LEAVING THE IGNITION SWITCH IN ANY
POSITION OTHER THAN "STOP" WILL CAUSE THE BATTERY
TO BE DIS CHARGED, (DEAD).
NOTE: Under certain conditions when tractor is standing
idle with the engine running, hot en gine exhaust gases may
cause “browning” of grass. To eliminate this possibility, al-
ways stop engine when stopping tractor on grass areas.
CAUTION: Always stop tractor com-
plete ly, as described above, and set
parking brake before leav ing the op er a-
tor's position.
( ) ATTACHMENT
CLUTCH SWITCH
“ENGAGED”
( ) ATTACHMENT
CLUTCH SWITCH
“DIS EN GAGED”
TO USE THROTTLE CONTROL (D) (See Fig. 6)
Always operate engine at full speed (fast).
• Operating engine at less than full speed (fast) reduces
the engine's operating efficiency.
• Full speed (fast) of fers the best mower per for mance.

10
TO OPERATE MOWER
Your tractor is equipped with an operator presence sensing
switch. Any attempt by the operator to leave the seat with
the engine running and the attachment clutch engaged will
shut off the engine. You must remain fully and centrally
positioned in the seat to prevent the engine from hesitat-
ing or cutting off when operating your equipment on rough,
rolling terrain or hills.
1. Select desired height of cut with attachment lift lever.
2. Start mower blades by engaging at tach ment clutch
control.
TO STOP MOWER BLADES -
Disengage at tach ment clutch con trol.
CAUTION: Do not operate the mower
without either the en tire grass catcher,
on mowers so equipped, or the deflector
shield (S) in place. (See Fig. 10)
OPERATION
TO ADJUST MOWER CUT TING HEIGHT
(See Fig. 8)
The po si tion of the at tach ment lift le ver (A) de ter mines the
cut ting height.
• Put attachment lift lever in desired cutting height slot.
The cutting height range is ap prox i mate ly 1" to 4". The
heights are measured from the ground to the blade tip with
the engine not running. These heights are approximate
and may vary depending upon soil conditions, height of
grass and types of grass being mowed.
• The average lawn should be cut to approximately
2-1/2 " during the cool season and to over 3"during hot
months. For healthier and better looking lawns, mow
often and after moderate growth.
• For best cutting performance, grass over 6" in height
should be mowed twice. Make the first cut relatively
high; the second to de sired height.
A
SYSTEM CHARACTERISTICS
The cruise control should only be used while mowing or
transporting on relatively smooth, straight surfaces. Other
con di tions such as trimming at slow speeds may cause the
cruise control to dis en gage. Do not use the cruise control
on slopes, rough terrian or while trimmimg or turning.
• With forward drive pedal depressed to desired speed,
pull cruise control lever (J) up and hold while lifting
your foot off the pedal, then release the lever.
To disengage the cruise control, depress the brake pedal
or tap on forward drive pedal.
K
L
J
Fig. 7
TO ADJUST GAUGE WHEELS (See Fig. 9)
Gauge wheels are prop er ly ad just ed when they are slight ly
off the ground when mower is at the desired cutting height
in operating position. Gauge wheels then keep the deck
in proper position to help prevent scalping in most terrain
conditions.
Fig. 8
Fig. 9
NOTE: Adjust gauge wheels with tractor on a flat level
surface.
• Adjust mower to desired cutting height (See “TO AD-
JUST MOWER CUT TING HEIGHT” in this sec tion of
manual).
• With mower in desired height of cut po si tion, gauge
wheels should be assembled so they are slightly off
the ground. In stall gauge wheel in ap pro pri ate hole.
Tighten se cure ly.
• Repeat for all, installing gauge wheel in same adjust-
ment hole.

11
S
Fig. 10
OPERATION
Fig. 11
TOWING CARTS AND OTHER AT TACH MENTS
Tow only the attachments that are recommended by and
comply with specifications of the manufacturer of your trac-
tor. Use common sense when towing. Too heavy of a load,
while on a slope, is dangerous. Tires can lose traction with
the ground and cause you to lose control of your tractor.
TO TRANSPORT (See Figs. 3 and 11)
When pushing or towing your tractor, be sure to disengage
transmission by placing freewheel control in free wheel ing
po si tion. Free wheel control is located at the rear drawbar
of tractor.
• Raise attachment lift to highest position with at tach ment
lift control.
• Pull freewheel control out and down into the slot and
release so it is held in the disengaged position.
• Do not push or tow tractor at more than two (2)
MPH.
• To reengage transmission, reverse above procedure.
NOTE: To protect hood from damage when transporting
your tractor on a truck or a trailer, be sure hood is closed
and secured to tractor. Use an appropriate means of tying
hood to tractor (rope, cord, etc.).
Transmission Engaged
Transmission Disengaged
REVERSE OPERATION SYSTEM (ROS)
Your tractor is equipped with a Reverse Operation System
(ROS). Any attempt by the operator to travel in the reverse
direction with the attachment clutch engaged will shut off
the engine unless ignition key is placed in the ROS "ON"
position.
WARNING: Backing up with the attachment clutch en-
gaged while mowing is strongly discouraged. Turning the
ROS "ON", to allow reverse operation with the attachment
clutch engaged, should only be done when the operator
decides it is necessary to reposition the machine with the
attachment engaged. Do not mow in reverse unless
absolutely necessary.
USING THE REVERSE OPERATION SYSTEM -
Only use if you are certain no children or other bystanders
will enter the mowing area.
• Depress brake pedal all the way down.
• With engine running, turn ignition key counterclockwise
to ROS "ON" position.
• Look down and behind before and while backing.
• Slowly depress reverse drive pedal to start movement.
• When use of the ROS is no longer needed, turn the
ignition key clockwise to engine "ON" position.
ROS "ON" POSITION ENGINE "ON" POSITION
(NORMAL OPERATING)
0
2
8
2
8
TO OPERATE ON HILLS
CAUTION: Do not drive up or down
hills with slopes greater than 15° and
do not drive across any slope.
• Choose the slowest speed before starting up or down
hills.
• Avoid stopping or changing speed on hills.
• If stopping is absolutely necessary, push brake pedal
quickly to brake position and engage parking brake.
• To restart movement, slowly release parking brake and
brake pedal.
• Slowly depress appropriate drive pedal to slowest set-
ting.
• Make all turns slowly.
SERVICE REMINDER/HOUR METER
Service reminder shows the total number of hours the engine
has run and flashes to indicate that the engine or mower
needs servicing. When service is required, the service
reminder will flash for two hours. To service engine and
mower, see the Maintenance section of this manual.
NOTE: Service reminder runs when the ignition key is in
any position but "STOP". For accurate reading, be sure
key remains in the "STOP" position when engine is not
running.

12
OPERATION
BEFORE STARTING THE ENGINE
CHECK ENGINE OIL LEVEL
The engine in your tractor has been shipped, from the
factory, already filled with sum mer weight oil.
• Check engine oil with tractor on level ground.
• Remove oil fill cap/dipstick and wipe clean, reinsert the
dipstick and screw cap tight, wait for a few seconds,
remove and read oil level. If necessary, add oil until
“FULL” mark on dipstick is reached. Do not overfill.
• For cold weather operation you should change oil for
easier starting (See “OIL VISCOSITY CHART” in the
Maintenance sec tion of this manual).
• To change engine oil, see the Maintenance section in
this manual.
ADD GASOLINE
• Fill fuel tank to bottom of filler neck. Do not overfill. Use
fresh, clean, regular un lead ed gasoline with a minimum
of 87 octane. (Use of leaded gasoline will increase
carbon and lead oxide deposits and reduce valve life).
Do not mix oil with gasoline. Purchase fuel in quan ti ties
that can be used within 30 days to assure fuel freshness.
CAUTION: Wipe off any spilled oil or
fuel. Do not store, spill or use gasoline
near an open flame.
IMPORTANT: WHEN OPERATING IN TEMPERATURES BELOW
32°F (0°C), USE FRESH, CLEAN WINTER GRADE GAS O LINE
TO HELP ENSURE GOOD COLD WEATHER START ING.
CAUTION: Alcohol blended fuels (called gas o hol
or using ethanol or methanol) can attract mois-
ture which leads to sep a ra tion and for ma tion of
acids during storage. Acidic gas can damage
the fuel system of an engine while in storage. To
avoid engine problems, the fuel system should
be emptied before stor age of 30 days or longer.
Drain the gas tank, start the engine and let it run
until the fuel lines and carburetor are empty. Use
fresh fuel next sea son. See Storage In struc tions
for additional information. Never use engine or
carburetor cleaner products in the fuel tank or
permanent damage may occur.
TO START ENGINE (See Fig. 3)
When starting the engine for the first time or if the engine
has run out of fuel, it will take extra cranking time to move
fuel from the tank to the engine.
• Be sure freewheel control is in the transmission en gaged
position.
• Sit on seat in operating position, depress brake pedal
and set parking brake.
• Move attachment clutch to “DISENGAGED” position.
• Move throttle control to choke position.
NOTE: Before starting, read the warm and cold starting
procedures below.
• Insert key into ignition and turn key clockwise to “START”
position and release key as soon as engine starts.
Do not run starter continuously for more than fifteen
sec onds per minute. If the engine does not start after
several attempts, move throttle control to fast position,
wait a few minutes and try again. If engine still does
not start, move the throttle control back to the choke
position and retry.
WARM WEATHER STARTING (50°F/10°C and above)
• When engine starts, move the throttle control to the
fast position.
• The attachments and ground drive can now be used. If
the engine does not accept the load, restart the engine
and allow it to warm up for one minute using the choke
as described above.
COLD WEATHER STARTING (50°F/10°C and below)
• When engine starts, allow engine to run with the
throttle control in the choke position until the engine
runs roughly, then move throttle control to fast posi-
tion. This may require an engine warm-up period from
several seconds to several minutes, depending on the
tem per a ture.
AUTOMATIC TRANSMISSION WARM UP
• Before driving the unit in cold weather, the trans mis sion
should be warmed up as follows:
• Be sure the tractor is on level ground.
• Release the parking brake and let the brake slowly
return to operating position.
• Allow one minute for transmission to warm up. This
can be done during the engine warm up period.
• The attachments can also be used during the engine
warm-up period after the transmission has been warmed
up.
NOTE: If at a high altitude (above 3000 feet) or in cold
temperatures (below 32°F/0°C) the carburetor fuel mixture
may need to be adjusted for best engine performance. See
“TO ADJUST CARBURETOR” in the Service and Adjust-
ments section of this manual.

13
OPERATION
PURGE TRANSMISSION
CAUTION: Never engage or disengage
freewheel lever while the engine is run ning.
To ensure proper operation and performance, it is rec om-
mend ed that the transmission be purged before operating
tractor for the first time. This procedure will remove any
trapped air inside the transmission which may have de vel-
oped during shipping of your tractor.
IMPORTANT: SHOULD YOUR TRANSMISSION RE QUIRE
REMOVAL FOR SERVICE OR REPLACEMENT, IT SHOULD
BE PURGED AFTER REINSTALLATION BEFORE OPERATING
THE TRACTOR.
1. Place tractor safely on a level surface - that is clear
and open - with engine off and parking brake set.
2. Disengage transmission by placing freewheel control
in disengaged position (See “TO TRANSPORT” in this
section of manual).
3. Sitting in the tractor seat, start engine. After the en-
gine is running, move throttle control to slow position.
Dis en gage parking brake
CAUTION: At any time, during step 4, there
may be movement of the drive wheels.
4. Depress forward drive pedal to full forward position,
hold for five (5) seconds and release pedal. Depress
reverse drive pedal to full reverse position, hold for five
(5) seconds and release pedal. Repeat this procedure
three (3) times.
5. Shut- off engine and set parking brake.
6. Engage transmission by placing freewheel control in
engaged position (See “TO TRANSPORT” in this sec-
tion of manual).
7. Sitting in the tractor seat, start engine. After the engine
is running, move throttle control to half (1/2) speed.
Disengage parking brake.
8. Drive tractor forward for approximately five feet then
backwards for five feet. Repeat this driving procedure
three times.
Your transmission is now purged and now ready for normal
op er a tion.
MOWING TIPS
• Tire chains cannot be used when the mower hous ing
is attached to tractor.
• Mower should be properly leveled for best mowing
performance. See “TO LEVEL MOWER HOUSING”
in the Service and Adjustments section of this manual.
• The left hand side of mower should be used for trim ming.
• Drive so that clippings are discharged onto the area
that has been cut. Have the cut area to the right of
the tractor. This will result in a more even dis tri bu tion
of clippings and more uniform cutting.
• When mowing large areas, start by turning to the right
so that clippings will discharge away from shrubs,
fences, driveways, etc. After one or two rounds, mow
in the opposite direction making left hand turns until
finished (See Fig. 12).
Fig. 12
• If grass is extremely tall, it should be mowed twice to
reduce load and possible fire hazard from dried clip-
pings. Make first cut relatively high; the second to the
desired height.
• Do not mow grass when it is wet. Wet grass will plug
mower and leave undesirable clumps. Allow grass to
dry before mowing.
• Always operate engine at full throttle when mow-
ing to assure better mowing performance and proper
dis charge of material. Regulate ground speed by
se lect ing a low enough gear to give the mower cut ting
per for mance as well as the quality of cut desired.
• When operating attachments, select a ground speed
that will suit the terrain and give best performance of
the at tach ment being used.

14
MAINTENANCE
GENERAL RECOMMENDATIONS
The warranty on this tractor does not cover items that have
been subjected to operator abuse or negligence. To receive
full value from the warranty, operator must main tain tractor
as instructed in this manual.
Some adjustments will need to be made periodically to
properly maintain your tractor.
At least once a season, check to see if you should make
any of the adjustments described in the Service and
Adjustments section of this manual.
• At least once a year you should replace the spark
plug, clean or replace air filter, and check blades and
belts for wear. A new spark plug and clean air filter
assure proper air-fuel mixture and help your engine
run better and last longer.
BEFORE EACH USE
• Check engine oil level.
• Check brake operation.
• Check tire pressure.
• Check operator presence and
ROS systems for proper operation.
• Check for loose fasteners.
02956
LUBRICATION CHART
IMPORTANT: DO NOT OIL OR GREASE THE PIVOT POINTS
WHICH HAVE SPECIAL NYLON BEARINGS. VISCOUS
LU BRI CANTS WILL ATTRACT DUST AND DIRT THAT WILL
SHORT EN THE LIFE OF THE SELF-LU BRI CAT ING BEARINGS.
IF YOU FEEL THEY MUST BE LU BRI CAT ED, USE ONLY A DRY,
POW DERED GRAPHITE TYPE LU BRI CANT SPARINGLY.
➀ General Purpose Grease
➁ Refer to Maintenance “ENGINE” Section
➀ SPINDLE ZERK
➀ FRONT
WHEEL
BEARING
ZERK
➁ ENGINE
➀ MANDREL
ZERKS
➀ SPINDLE ZERK
➀ FRONT
WHEEL
BEARING
ZERK
➀ STEERING
SECTOR GEAR
TETH
T
R
A
C
T
0
R
1 - Change more often when operating under a heavy load or in high ambient temperatures.
2 - Service more often when operating in dirty or dusty conditions.
E
N
G
I
N
E
3
2
2
2
2
3 - Replace blades more often when mowing in sandy soil.
4 - Not required if equipped with maintenance-free battery.
5 - See Cleaning in Maintenance Section.
1
,
1,2
2
4
5
1,2
BEFORE
EACH
USE
EVERY
8
HOURS
EVERY
25
HOURS
EVERY
50
HOURS
EVERY
100
HOURS
EVERY
SEASON
BEFORE
STORAGE
Inspect Muffler/Spark Arrester
Clean Air Filter
Change Engine Oil (with oil filter)
Replace Air Filter Paper Cartridge
Replace Spark Plug
Check Engine Oil Level
Clean Engine Cooling Fins
Clean Air Screen
Replace Oil Filter (If equipped)
Replace Fuel Filter
Change Engine Oil (without oil filter)
Lubrication Chart
Check Brake Operation
Check Battery Level
Check Tire Pressure
Clean Battery and Terminals
MAINTENANCE
SCHEDULE
Check for Loose Fasteners
Check/Replace Mower Blades
Che
Clean Debris Off Steering Plate
ck Transaxle Cooling
Che
Check Operator Presence & ROS Systems
ck V-Belts
Check Mower Levelness

15
MAINTENANCE
Fig. 13
TRACTOR
Always observe safety rules when per form ing any main-
te nance.
BRAKE OPERATION
If tractor requires more than five (5) feet to stop at highest
speed in high est gear on a level, dry concrete or paved sur-
face, then brake must be serviced. (See “TO CHECK BRAKE”
in the Ser vice and Ad just ments section of this manual).
TIRES
• Maintain proper air pressure in all tires (See PSI on
tires).
• Keep tires free of gasoline, oil, or insect control chemi-
cals which can harm rubber.
• Avoid stumps, stones, deep ruts, sharp objects and
other hazards that may cause tire damage.
NOTE: To seal tire punctures and pre vent flat tires due
to slow leaks, tire sealant may be purchased from your
local parts dealer. Tire sealant also pre vents tire dry rot
and corrosion.
OPERATOR PRESENCE SYS TEM AND REVERSE OP-
ERATION SYSTEM (ROS)
Be sure operator presence and reverse operation sys tems
are work ing properly. If your tractor does not function as
described, repair the problem immediately.
• The engine should not start unless the brake pedal is
fully de pressed, and the attachment clutch con trol is
in the dis en gaged position.
CHECK OPERATOR PRESENCE SYSTEM
• When the engine is running, any attempt by the op er a tor
to leave the seat without first setting the parking brake
should shut off the engine.
• When the engine is running and the at tach ment clutch
is engaged, any attempt by the operator to leave the
seat should shut off the engine.
• The attachment clutch should never operate unless
the operator is in the seat.
CHECK REVERSE OPERATION (ROS) SYSTEM
• When the engine is running with the ignition switch in
the engine "ON" position and the at tach ment clutch
engaged, any attempt by the operator to shift into
reverse should shut off the engine.
• When the engine is running with the ignition switch in
the ROS "ON" position and the at tach ment clutch en-
gaged, any attempt by the operator to shift into reverse
should NOT shut off the engine.
BLADE CARE
For best results mower blades must be sharp. Re place
worn, bent or damaged blades.
0
2
8
2
8
ROS "ON" Position Engine "ON" Position
(Normal Operating)
BLADE REMOVAL (See Fig. 13)
• Raise mower to highest position to allow access to
blades.
NOTE: Protect your hands with gloves and/or wrap blade
with heavy cloth.
• Remove blade bolt by turning coun ter clock wise.
• Install new blade with stamped "GRASS SIDE" facing
the ground.
IMPORTANT: To ensure proper as sem bly, center hole in
blade must align with star on mandrel assembly.
• Install and tighten blade bolt securely (45-55 Ft. Lbs.
torque).
IMPORTANT: Special blade bolt is heat treated.
CAUTION: Use only a replacement
blade approved by the manufacturer of
your tractor. Using a blade not approved
by the manufacturer of your tractor is
hazardous, could damage your tractor
and void your warranty.
BATTERY
Your tractor has a battery charging system which is suf fi cient
for normal use. However, periodic charging of the battery
with an automotive charger will extend its life.
• Keep battery and terminals clean.
• Keep battery bolts tight.
• Keep small vent holes open.
• Recharge at 6-10 amperes for 1 hour.
NOTE: The original equipment battery on your tractor is
maintenance free. Do not attempt to open or remove caps
or covers. Adding or checking level of electrolyte is not
necessary.
TO CLEAN BATTERY AND TERMINALS
Corrosion and dirt on the battery and terminals can cause
the battery to “leak” power.
• Remove terminal guard.
• Disconnect BLACK battery cable first then RED bat-
tery cable and remove battery from tractor.
• Rinse the battery with plain water and dry.
• Clean terminals and battery cable ends with wire brush
until bright.
• Coat terminals with grease or petroleum jelly.
• Reinstall battery (See “REPLACING BATTERY" in
the SERVICE AND ADJUSTMENTS section of this
man u al).
BLADE
BLADE BOLT
(SPECIAL)
CENTER HOLE
STAR
MANDREL ASSEMBLY

16
MAINTENANCE
TRANSAXLE COOLING
The transmission fan and cooling fins should be kept clean
to assure proper cooling.
Do not attempt to clean fan or transmission while engine
is running or while the transmission is hot. To prevent pos-
si ble damage to seals, do not use high pressure water or
steam to clean transaxle.
• Inspect cooling fan to be sure fan blades are intact and
clean.
• Inspect cooling fins for dirt, grass clippings and other
materials. To prevent damage to seals, do not use
compressed air or high pressure sprayer to clean
cooling fins.
TRANSAXLE PUMP FLUID
The transaxle was sealed at the factory and fluid main te -
nance is not required for the life of the transaxle. Should
the transaxle ever leak or require servicing, contact your
near est au tho rized ser vice center/department.
TO CHANGE ENGINE OIL (See Figs. 14 and 15)
Determine temperature range expected before oil change.
All oil must meet API service classification SG-SL.
• Be sure tractor is on level surface.
• Oil will drain more freely when warm.
• Catch oil in a suitable container.
Fig. 15
Fig. 14
ENGINE
LUBRICATION
Only use high quality detergent oil rated with API service
classification SG-SL. Select the oil’s SAE viscosity grade
according to your expected operating temperature.
NOTE: Although multi-viscosity oils (5W30, 10W30 etc.)
improve starting in cold weather, they will result in increased
oil consumption when used above 32°F/0°C. Check your
engine oil level more frequently to avoid possible engine
damage from running low on oil.
Change the oil after every 50 hours of operation or at least
once a year if the tractor is not used for 50 hours in one
year.
Check the crankcase oil level before starting the engine
and after each eight (8) hours of operation. Tighten oil fill
cap/dipstick securely each time you check the oil level.
TEMPERATURE RANGE ANTICIPATED BEFORE NEXT OIL CHANGE
SAE VISCOSITY GRADES
-20 0 30 40 80 100
-30 -20 0 20 30 40
F
C
32
-10 10
60
5W-30
SAE 30
oil_visc_chart1_e
CLEAN AIR SCREEN
Air screen must be kept free of dirt and chaff to prevent
engine dam age from overheating. Clean with a wire brush
or compressed air to re move dirt and stubborn dried gum
fibers.
AIR FILTER
Your engine will not run properly using a dirty air filter.
Service air cleaner more often under dusty conditions.
See Engine Manual.
MUFFLER
Inspect and replace corroded muffler and spark arrester (if
equipped) as it could create a fire hazard and/or damage.
SPARK PLUGS
Replace spark plugs at the beginning of each mowing
season or after every 100 hours of operation, whichever
occurs first. Spark plug type and gap setting are shown in
“PROD UCT SPECIFICATIONS” section of this manual.
• Refill engine with oil through oil fill dipstick tube. Pour
slowly. Do not overfill. For approximate capacity see
“PRODUCT SPECIFICATIONS” section of this man u al.
• Use gauge on oil fill cap/dipstick for checking level.
Insert dipstick into the tube and rest the oil fill cap on
the tube. Do not thread the cap onto the tube when
taking reading. Keep oil at “FULL” line on dipstick.
Tighten cap onto the tube securely when finished.
ENGINE COOLING SYSTEM
To insure proper cooling, make sure the grass screen,
cooling fins, and other external surfaces of the engine are
kept clean at all times.
• Remove oil fill cap/dipstick. Be careful not to allow dirt
to enter the engine when changing oil.
• Remove yellow cap from end of drain valve and install
the drain tube onto the fitting.
• Unlock drain valve by pushing inward and turning
coun ter clock wise.
• To open, pull out on the drain valve.
• After oil has drained completely, close and lock the
drain valve by pushing inward and turning clockwise
until the pin is in the locked position as shown.
• Remove the drain tube and replace the cap onto to the
bottom fitting of the drain valve.
02463
CLOSED
AND
LOCKED
POSITION
DRAIN
TUBE
OIL DRAIN VALVE
YEL LOW CAP
V-BELTS
Check V-belts for deterioration and wear after 100 hours
of operation and replace if necessary. The belts are not
ad just able. Re place belts if they begin to slip from wear.
ENGINE OIL FILTER
Replace the engine oil filter every season or every other oil
change if the tractor is used more than 100 hours in one
year. See engine man u al.

17
CLAMP
FUEL FILTER
Fig. 16
IN-LINE FUEL FILTER (See Fig. 16)
The fuel filter should be replaced once each season. If fuel
filter becomes clogged, ob struct ing fuel flow to car bu re tor,
re place ment is re quired.
• With engine cool, remove filter and plug fuel line sec-
tions.
• Place new fuel filter in position in fuel line with arrow
pointing towards carburetor.
• Be sure there are no fuel line leaks and clamps are
properly positioned.
• Immediately wipe up any spilled gasoline.
MAINTENANCE
Fig. 18
• Keep finished surfaces and wheels free of all gasoline,
oil, etc.
• Protect painted surfaces with automotive type wax.
We do not recommend using a garden hose or pressure
washer to clean your tractor unless the engine and trans-
mission are covered to keep water out. Water in engine or
transmission will shorten the useful life of your tractor. Use
compressed air or a leaf blower to remove grass, leaves
and trash from tractor and mower.
CLEANING
• Clean engine, battery, seat, finish, etc. of all foreign
matter.
• Clean debris from steering plate. Debris can restrict
clutch/brake pedal shaft movement, causing belt slip
and loss of drive.
CAUTION: Avoid all pinch points and
movable parts (See Fig. 18)
CLUTCH/BRAKE PEDAL
STEERING
PLATE
STEERING SYSTEM,
DASH, FENDER AND
MOWER NOT SHOWN
CLEAN TOP SIDE
CAUTION:
PINCH
POINTS
DECK WASHOUT PORT (See Fig. 17)
Your tractor’s deck is equipped with a washout port on
its surface as part of its deck wash system. It should be
utilized after each use.
1. Drive the tractor to a level, clear spot on your lawn, near
enough to a water spigot for your garden hose to reach.
IMPORTANT: Make certain the tractor’s discharge chute is
directed AWAY from your house, garage, parked cars, etc.
Remove bagger chute or mulch cover if attached.
2. Make sure the attachment clutch control is in the
“DIS EN GAGED” position, set the parking brake, and
stop the engine.
3. Thread the nozzle adapter (packaged with your tractor’s
Operator’s Manual) onto the end of your garden hose.
4. Pull back the lock collar of the nozzle adapter and push
the adapter onto the deck washout port at the left end
of the mower deck. Release the lock collar to lock the
adapter on the nozzle.
WASHOUT
PORT
NOZZLE ADAPTER
HOSE
IMPORTANT: Recheck the area making certain the area
is clear.
7. Move the tractor’s attachment clutch control to the “EN-
GAGED” position. Remain in the operator’s position with
the cutting deck engaged until the deck is cleaned.
8. Move the tractor’s attachment clutch control to the
“DIS EN GAGED” position. Turn the ignition key to the
STOP position to turn the tractor’s engine off. Turn the
water off.
9. Pull back the lock collar of the nozzle adapter to discon-
nect the adapter from the nozzle washout port.
10. Move the tractor to a dry area, preferably a concrete or
paved area. Place the attachment clutch control in the
“ENGAGED” position to remove excess water and to
help dry before putting the tractor away.
WARNING: A broken or missing washout
fitting could expose you or others to
thrown objects from contact with the blade.
• Replace broken or missing washout fitting
immediately, prior to using mower again.
• Plug any holes in mower with bolts and locknuts.
Fig. 17
Every 100 hours of operation (more often under extremely
dusty, dirty conditions), remove the blower housing and
other cooling shrouds. Clean the cooling fins and external
surfaces as necessary. Make sure the cooling shrouds
are reinstalled.
NOTE: Operating the engine with a blocked grass screen,
dirty or plugged cooling fins, and/or cooling shrouds re moved
will cause engine damage due to overheating.
IMPORTANT: Tug hose ensuring connection is secure.
5. Turn the water on.
6. While sitting in the operator’s position on the tractor,
re-start the engine and place the throttle lever in the
Fast " " position.

18
WARNING: TO AVOID SERIOUS INJURY, BEFORE PERFORMING ANY SER VICE OR AD JUST -
MENTS:
• Depress brake pedal fully and set parking brake.
• Place attachment clutch in “DISENGAGED” position.
• Turn ignition key to “STOP” and remove key.
• Make sure the blades and all moving parts have completely stopped.
• Disconnect spark plug wire from spark plug and place wire where it cannot come in contact
with plug.
SERVICE AND ADJUSTMENTS
Fig. 19
LIFT
LEVER
Fig. 21
TO INSTALL MOWER (See Figs. 19 - 31)
1. SET PARKING BRAKE LEVER AND LOWER AT-
TACHMENT LIFT LEVER (See Fig. 20 and 21)
• Depress clutch/brake pedal all the way down and hold.
• Pull parking brake lever up and hold, re lease pres sure
from clutch/brake pedal, then release parking brake
lever. Pedal should re main in brake position. Ensure
parking brake will hold tractor secure.
PARKING
BRAKE
LEVER
Fig. 20
CAUTION: Lift lever is spring loaded. Have a
tight grip on lift lever, lower it slowly and en-
gage in lowest position. Lift lever is located
on left side of fender.
TO REMOVE MOWER (See Fig. 19)
• Place attachment clutch in “DIS EN GAGED” position.
• Lower attachment lift lever to its lowest position.
• Disengage belt tension rod (K) from lock bracket (L).
CAUTION: Belt tension rod is spring
loaded. Have a tight grip on rod and
release slowly.
• Remove mower belt from electric clutch pulley (M).
• Disconnect front link (E) from mower - remove retainer
spring and washer.
• Go to either side of mower and disconnect mower suspen-
sion arm (A) from chassis and rear lift link (C) from rear
mower bracket (D) - remove retainer springs and washers.
• Go to other side of mower and disconnect the suspen-
sion arm and rear lift link.
CAUTION: After rear lift links are discon-
nected, the attachment lift lever will be
spring loaded. Have a tight grip on lift le-
ver when changing position of the lever.
• From right side of mower, disconnect anti-sway bar (S)
from right rear mower bracket (D) - remove retainer
spring and washer and pull mower toward you until the
bar falls from the hole in bracket.
• Turn tractor steering wheel to the left as far as it will go.
• Slide mower out from under right side of tractor.
A. MOWER SIDE SUSPENSION
ARMS
B. RETAINER SPRING
C. REAR LIFT LINK(S)
D. RIGHT SIDE REAR MOWER
BRACKET
E. FRONT LIFT LINK ASSEMBLY
F. FRONT SUSPENSION BRACKET
H. FRONT MOWER BRACKET
I. LEFT SIDE REAR MOWER
BRACKET
K. BELT TENSION ROD
L. LOCKING BRACKET
M. ENGINE CLUTCH PULLEY
Q. DEFLECTOR SHIELD
S. ANTI-SWAY BAR
W. FRONT GAUGE WHEEL
E
A
MF
B
K
C
C
S
W
H
Q
I
D
L

19
SERVICE AND ADJUSTMENTS
TRANSAXLE
02965
FRONT
BACK
ENGINE
Q. DEFLECTOR
SHIELD
Q
Fig. 23
90° END INTEGRATED WASHER END
ANTI-SWAY BAR (S)
TOWARDS TOWARDS
TRANSAXLE MOWER DECK
5. INSTALL ANTI-SWAY BAR (S) (IF EQUIPPED)
(See Fig. 25- 27)
Fig. 25
02965
A. MOWER SIDE
SUSPENSION
ARMS
Q. DEFLECTOR
SHIELD
Q
A
Fig. 24
4. SLIDE MOWER UNDER TRACTOR (See Fig. 24)
• Bring belt forward and check belt for proper routing in
all mower pulley grooves.
NOTE: Be sure mower side suspension arms (A) are point-
ing forward before sliding mower under tractor.
• Slide mower under tractor until it is centered under
tractor.
H. FRONT MOWER
BRACKET
W. FRONT GAUGE
WHEEL
X. SHOULDER
BOLT
Y. 1-1/4 O.D.
WASHER
Z. 3/8-16 LOCKNUT
Fig. 22
Y
Z
W
H
X
3. TURN STEERING WHEEL LEFT AND POSITION
MOWER (See Fig. 23)
• Turn steering wheel to the left as far as it will go and
position mower on right side of tractor with deflector
shield (Q) to the right.
2. ASSEMBLE FRONT GAUGE WHEEL (W) TO FRONT
OF MOWER (See Fig. 22)
NOTE: Depending on model, bracket (T) may be differ-
ent than shown but hole for anti-sway bar will be in same
position/location.
• From right side of mower, first insert 90° end of anti-sway
bar (S) into hole in transaxle bracket (T), located near
left rear tire in front of transaxle.
NOTE: Flashlight may be helpful.
ANTI-SWAY BAR
(S) LOCATION TRANSAXLE
BRACKET (T)
LOCATED
BETWEEN REAR
TIRES
PLACE 90° END INTO HOLE
PLACE 90° END INTO HOLE
S
TS. ANTI-SWAY BAR
T. TRANSAXLE BRACKET
Fig. 26
S
D
T
D. RIGHT SIDE
REAR MOWER
BRACKET
S. ANTI-SWAY BAR
T. TRANSAXLE
BRACKET
Fig. 27
• Pivot the integrated washer end of anti-sway bar (S)
towards mower deck bracket on right side of mower.
Insert integrated washer end of bar into hole in rear
mower bracket (D). Move mower as needed to insert
integrated washer end of bar into rear mower bracket (D).
• Secure with small washer and small retainer spring as
shown.

20
SERVICE AND ADJUSTMENTS
6. ATTACH MOWER SIDE SUSPENSION ARMS (A) TO
CHASSIS (See Fig. 28)
• Position front hole in side suspension arm (A) over
pin on outside of tractor chassis and secure with large
washer and large retainer spring (B).
• Repeat on opposite side of tractor.
B
D
A
A. MOWER SIDE SUSPENSION ARMS
B. RETAINER SPRING
D. RIGHT SIDE REAR MOWER BRACKET
Fig. 28
8 ATTACH FRONT LINK (E) (See Fig.30)
• Turn steering wheel to position wheels straight forward.
• From front of tractor, insert rod end of front link (E)
through front hole in tractor front suspension bracket (F).
• Move to left side of mower and and insert large retainer
spring (G) through hole in front link (E) behind front
suspension bracket (F).
Fig. 30
FRONT LINK
LOCATION
E
G
F
M
E. FRONT LIFT LINK ASSEMBLY
F. FRONT SUSPENSION BRACKET
G. LARGE RETAINER SPRING
H. FRONT MOWER BRACKET
J. SMALL RETAINER SPRING
M. ENGINE CLUTCH PULLEY
J
H
Fig. 29
7. ATTACH REAR LIFT LINKS (C) (See Fig. 29)
• Insert rod end of rear lift link (C) into hole (U) in tractor
lift shaft suspension arm and pivot link down to mower.
• Lift rear corner of mower and position slot in link as-
sembly over pin on rear mower bracket (D) and secure
with large washer and large retainer spring.
• Repeat on opposite side of tractor.
C. REAR LIFT LINK(S)
D. RIGHT SIDE REAR MOWER BRACKET
U. HOLE
D
C
U
9 INSTALL BELT ON ENGINE CLUTCH PULLEY (M)
(See Fig. 19 & 31)
• Disengage belt tension rod (K) from locking bracket (L).
• Install belt onto engine clutch pulley (M).
M. ENGINE
CLUTCH PULLEY
M
Fig. 31
IMPORTANT: Check belt for proper routing in all mower
pulley grooves and under mandrel covers.
• Engage belt tension rod (K) on locking bracket (L).
CAUTION: Belt tension rod is spring loaded.
Have a tight grip on rod and engage slowly.
• Raise attachment lift lever to highest position.
• If necessary, adjust gauge wheels before op er at ing
mower as shown in the Operation section of this manual.
• Insert other end of link (E) into hole in front mower
bracket (H) and secure with washer and small retainer
spring (J).
NOTE: Requires deck lifting.

21
SERVICE AND ADJUSTMENTS
FRONT-TO-BACK ADJUSTMENT (See Figs. 34 and 35)
IMPORTANT: Deck must be level side-to-side.
To obtain the best cutting re sults, the mower blades should
be adjusted so the front tip is 1/8" to 1/2" lower than the
rear tip when the mower is in its highest position.
CAUTION: Blades are sharp. Protect
your hands with gloves and/or wrap
blade with heavy cloth.
• Raise mower to highest position.
• Position any blade so the tip is pointing straight forward.
Measure distance (B) to the ground at front and rear tip
of the blade.
• If front tip of blade is not 1/8" to 1/2" lower than the rear
tip, go to the front of tractor.
• With an 11/16" or adjustable wrench, loosen jam nut A
several turns to clear adjustment nut B.
• With a 3/4" or adjustable wrench, turn front link adjust-
ment nut (B) clockwise (ltighten) to raise the front of
mower, or, counterclockwise (loosen) to lower the front
mower.
TO LEVEL MOWER
Make sure tires are properly inflated to the PSI shown on
tires. If tires are over or under inflated, it may affect the
appearance of your lawn and lead you to think the mower
is not adjusted properly.
VISUAL SIDE-TO-SIDE ADJUSTMENT (See Fig. 32)
• With all tires properly inflated and if your lawn appears un-
evenly cut, determine which side of mower is cutting lower.
NOTE: As desired, you can raise the low side of mower
or lower the high side.
• Go to side of mower you wish to adjust.
• With a 3/4" or adjustable wrench, turn lift link adjust-
ment nut (A) to the left to lower the mower, or, to the
right to raise the mower.
NOTE: Each full turn of adjustment nut will change mower
height about 3/16".
• Test your adjustment by mowing some uncut grass
and visually checking the appearance. Readjust, if
necessary, until you are satisfied with the results.
A
Turn nut left
to lower mower
Turn nut right
to raise mower
Fig. 32
PRECISION SIDE-TO-SIDE ADJUSTMENT (See Fig. 33)
• With all tires properly inflated, park tractor on level
ground or driveway.
CAUTION: Blades are sharp. Protect
your hands with gloves and/or wrap
blade with heavy cloth.
• Raise mower to its highest position.
• At both sides of mower, position blade at side and
measure the distance (A) from bottom edge of blade
to the ground. The distance should be the same on
both sides.
NOTE: Each full turn of the adjustment nut will change
mower height about 1/8".
• Recheck measurements, adjust if necessary until front
tip of blade is 1/8" to 1/2" lower than the rear tip.
• Hold adjustment nut in position with wrench and tighten
jam nut securely against adjustment nut.
Fig. 33
02548
BB
Fig. 34
B
02950
Tighten adjust
nut B to raise
mower
Loosen adjust
nut B to lower
mower
Loosen jam nut A first
A
Fig. 35
02966
A A
• If adjustment is necessary, see steps in Visual Adjust-
ment instructions above.
• Recheck measurements, adjust if necessary until both
sides are equal.

22
SERVICE AND ADJUSTMENTS
TO REPLACE MOTION DRIVE BELT
(See Fig. 37)
Park the tractor on level surface. En gage parking brake.
For as sis tance, there is a belt installation guide decal on
bottom side of left footrest.
BELT REMOVAL -
• Remove mower (See “TO RE MOVE MOWER” in this
section of manual).
NOTE: Observe entire motion drive belt and position of all
belt guides and keepers.
• Disconnect clutch wire harness (A).
• Remove anti-rotation link (B) on right side of tractor.
• Remove belt from stationary idler (C) and clutching
idler (D).
• Remove belt from centerspan idler (E).
• Pull belt slack toward rear of trac tor. Carefully remove
belt up wards from trans mis sion input pulley and over
cooling fan blades (F).
• Remove belt downward from engine pulley and around
electric clutch (G).
• Slide belt toward rear of tractor, off the steering plate
(H) and remove from tractor.
electric
02953
A
B
C
D
E
F
G
H
J
Fig. 37
Fig. 36
V
Q
P
M
K
L
R
P
Q
R
R
TO REPLACE MOWER BLADE DRIVE BELT
(See Fig. 36)
MOWER DRIVE BELT REMOVAL
• Park tractor on a level surface. En gage parking brake.
• Lower attachment lift to its lowest position.
• Disengage belt tension rod (K) from lock bracket (L).
CAUTION: Belt tension rod is spring
loaded. Have a firm grip on rod and
release slowly.
• Remove screws (P) from mandrel covers (Q) and
remove covers.
• Remove any dirt or grass clippings which may have accu-
mulated around mandrels and entire upper deck surface.
• Remove belt from electric clutch pulley (M), both man-
drel pulleys (R) and all idler pulleys (V).
MOWER DRIVE BELT INSTALLATION
• Install belt around all mandrel pulleys (R) and around
idler pulleys (V) as shown.
• Install belt onto electric clutch pulley (M).
IMPORTANT: Check belt for proper routing in all mower
pulley grooves.
• Reassemble mandrel covers (Q). Securely tighten all
screws.
• Engage belt tension rod (K) on locking bracket (L).
CAUTION: Belt tension rod is spring
loaded. Have a tight grip on rod and
engage slowly.
• Raise attachment lift to highest position.

23
SERVICE AND ADJUSTMENTS
TO REMOVE WHEEL FOR REPAIRS
(See Fig. 38)
• Block up axle securely.
• Remove axle cover, retaining ring and washers to allow
wheel removal (rear wheel contains a square key - Do
not lose).
• Repair tire and reassemble.
• On rear wheels only: align grooves in rear wheel hub
and axle. Insert square key.
• Replace washers and snap retaining ring securely in
axle groove.
• Replace axle cover.
NOTE: To seal tire punctures and prevent flat tires due to
slow leaks, tire sealant may be purchased from your local
parts dealer. Tire sealant also prevents tire dry rot and
corrosion.
FRONT WHEEL TOE-IN/CAM BER
Your new tractor front wheel toe-in and camber is set at the
factory and is normal. The front wheel toe-in and camber
are not adjustable. If damage has occurred to affect the
factory set front wheel toe-in or camber, contact a qualified
service center.
TO CHECK BRAKE
If tractor requires more than five (5) feet to stop at highest
speed in high est gear on a level, dry concrete or paved
surface, then brake must be serviced.
You may also check brake by:
• Park tractor on a level, dry concrete or paved surface,
depress brake pedal all the way down and engage
parking brake.
• Disengage transmission by placing freewheel control
in “transmission disengaged” position. Pull freewheel
control out and into the slot and release so it is held in
the disengaged position.
The rear wheels must lock and skid when you try to manu-
ally push the tractor forward. If the rear wheels rotate,
then the brake needs to be serviced. Contact a qualified
service center.
BELT INSTALLATION -
• Install new belt from tractor rear to front, over the steer-
ing plate (H) and above clutch brake pedal shaft (J).
• Pull belt toward front of tractor and roll belt around
electric clutch and onto engine pulley (G).
• Pull belt toward rear of tractor. Carefully work belt down
around transmission cooling fan and onto the input
pulley (F). Be sure belt is inside the belt keeper.
• Install belt on centerspan idler (E).
• Install belt through stationary idler (C) and clutch ing
idler (D).
• Reinstall anti-rotation link (B) on right side of tractor.
Tighten securely.
• Reconnect clutch harness (A).
• Make sure belt is in all pulley grooves and in side all
belt guides and keep ers.
• Install mower (See “TO IN STALL MOWER” in this sec-
tion of manual).
Fig. 38
RE TAIN ING
RING
WASH ERS
SQUARE KEY (REAR
WHEEL ONLY)
AXLE COVER
TO START ENGINE WITH A WEAK BATTERY
(See Fig. 39)
WARNING: Lead-acid batteries gen-
er ate ex plo sive gases. Keep sparks,
flame and smoking ma te ri als away from
bat ter ies. Always wear eye pro tec tion
when around batteries.
If your battery is too weak to start the engine, it should be
recharged. (See "BATTERY" in the MAINTENANCE sec-
tion of this man u al).
If “jumper ca bles” are used for emer gen cy starting, follow
this pro ce dure:
IMPORTANT: YOUR TRACTOR IS EQUIPPED WITH A 12
VOLT SYSTEM. THE OTHER VEHICLE MUST ALSO BE A 12
VOLT SYSTEM. DO NOT USE YOUR TRACTOR BATTERY TO
START OTHER VEHICLES.
TO ATTACH JUMPER CABLES -
• Connect one end of the RED cable to the POSITIVE
(+) terminal of each battery(A-B), taking care not to
short against tractor chassis.
• Connect one end of the BLACK ca ble to the NEGA TIVE
(-) terminal (C) of fully charged battery.
• Connect the other end of the BLACK cable (D) to good
chassis ground, away from fuel tank and bat tery.
TO REMOVE CABLES, REVERSE ORDER -
• BLACK cable first from chassis and then from the fully
charged battery.
• RED cable last from both batteries.
Fig. 39
WEAK OR DEAD
BATTERY
FULLY CHARGED
BATTERY

24
07002
SERVICE AND ADJUSTMENTS
TO REPLACE HEADLIGHT BULB
• Raise hood.
• Pull bulb holder out of the hole in the backside of the
grill.
• Replace bulb in holder and push bulb holder securely
back into the hole in the backside of the grill.
• Close hood.
INTERLOCKS AND RELAYS
Loose or damaged wiring may cause your tractor to run
poorly, stop running, or prevent it from starting.
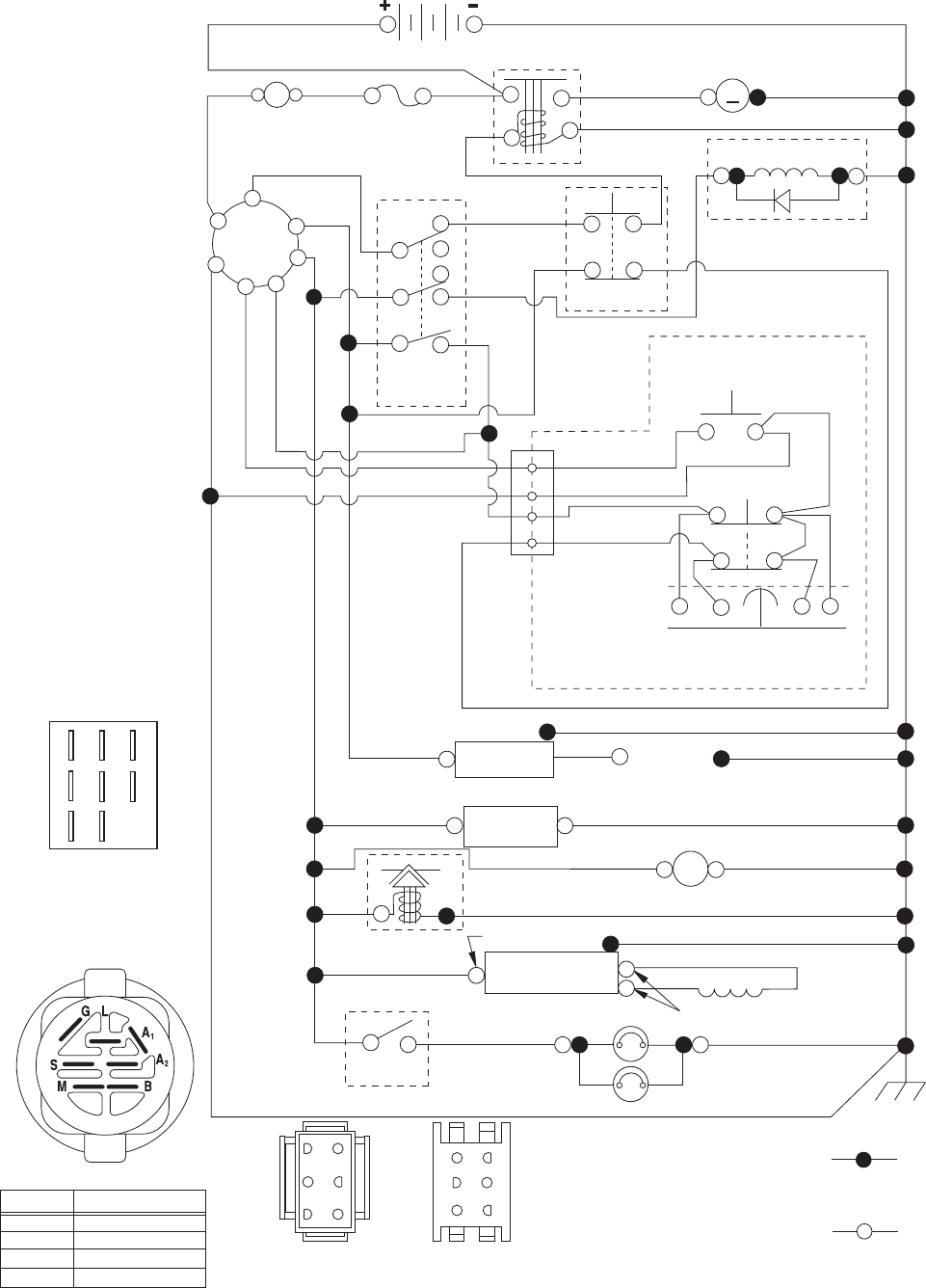
• Check wiring. See electrical wiring diagram in the
Repair Parts section.
TO REMOVE HOOD AND GRILL ASSEMBLY
(See Fig. 41)
• Raise hood.
• Unsnap headlight wire connector.
• Stand in front of tractor. Grasp hood at sides, tilt toward
engine and lift off of tractor.
• To replace, reverse above procedure.
ENGINE
TO AD JUST THROTTLE CON TROL CABLE
The throttle control has been preset at the factory and
ad just ment should not be necessary. If adjustment is
nec es sary, see engine manual.
TO AD JUST CHOKE CON TROL
The choke control has been preset at the factory and ad-
just ment should not be necessary. If adjustment is neces-
sary, see engne manual.
TO ADJUST CARBURETOR
Your carburetor is not adjustable. If your engine does not
operate properly due to suspected carburetor problems,
take your tractor to an authorized service center for repair
and/or adjustment.
Fig. 41
TO REPLACE FUSE
Replace with 20 amp automotive-type plug-in fuse. The
fuse holder is located behind the dash.
HEADLIGHT
WIRE
CONNECTOR
HOOD
TRANSMISSION
REMOVAL/RE PLACE MENT
Should your transmission require removal for service or
re place ment, it should be purged after reinstallation and
before operating the tractor. See “PURGE TRANS MIS SION”
in the Operation section of this manual.
REPLACING BATTERY (See Fig. 40)
WARNING: Do not short battery ter mi-
nals by allowing a wrench or any other
object to contact both terminals at the
same time. Before connecting battery,
remove metal bracelets, wristwatch
bands, rings, etc. Positive terminal
must be connected first to prevent
sparking from ac ci den tal grounding.
• Lift hood to raised position.
• Remove terminal cover.
• Disconnect BLACK battery cable then RED battery
cable and carefully remove battery from tractor.
• Install new battery with terminals in same position as
old battery.
• Reinstall terminal cover.
• First connect RED battery cable to positive (+) battery
terminal with bolt and nut as shown. Tighten securely.
• Connect BLACK grounding cable to negative (-) bat tery
terminal with remaining bolt and nut. Tighten securely
• Close hood.
POSITIVE
(RED)
CABLE
TERMINAL
COVER
NEGATIVE
(BLACK)
CABLE
Fig. 40

25
STORAGE
Immediately prepare your tractor for storage at the end
of the season or if the tractor will not be used for 30 days
or more.
WARNING: Never store the trac tor with
gas o line in the tank inside a building
where fumes may reach an open flame
or spark. Allow the engine to cool before
storing in any en clo sure.
TRACTOR
Remove mower from tractor for winter storage. When
mower is to be stored for a period of time, clean it thor-
oughly, remove all dirt, grease, leaves, etc. Store in a
clean, dry area.
• Clean entire tractor (See “CLEANING” in the Mainte-
nance section of this manual).
• Inspect and replace belts, if necessary (See belt re-
place ment instructions in the Service and Adjustments
section of this manual).
• Lubricate as shown in the Maintenance sec tion of this
man ual.
• Be sure that all nuts, bolts and screws are securely
fastened. Inspect moving parts for damage, breakage
and wear. Replace if necessary.
• Touch up all rusted or chipped paint surfaces; sand
lightly before painting.
BATTERY
• Fully charge the battery for storage.
• After a period of time in storage, battery may require
re charg ing.
• To help prevent corrosion and power leakage during
long periods of storage, battery cables should be dis-
con nect ed and battery cleaned thoroughly (see “TO
CLEAN BATTERY AND TERMINALS” in the Mainte-
nance section of this manual).
• After cleaning, leave cables disconnected and place
cables where they cannot come in contact with battery
terminals.
• If battery is removed from tractor for storage, do not
store battery directly on concrete or damp surfaces.
ENGINE
FUEL SYSTEM
IMPORTANT: IT IS IMPORTANT TO PREVENT GUM DEPOSITS
FROM FORMING IN ES SEN TIAL FUEL SYSTEM PARTS SUCH
AS CARBURETOR, FUEL FIL TER, FUEL HOSE, OR TANK
DURING STORAGE. ALSO, EXPERIENCE INDICATES THAT
ALCOHOL BLENDED FUELS (CALLED GASOHOL OR USING
ETHANOL OR METHANOL) CAN ATTRACT MOIS TURE WHICH
LEADS TO SEPARATION AND FOR MA TION OF ACIDS DURING
STOR AGE. ACIDIC GAS CAN DAMAGE THE FUEL SYSTEM
OF AN ENGINE WHILE IN STORAGE.
• Empty the fuel tank by starting the engine and let it run
until the fuel lines and carburetor are empty.
• Never use engine or carburetor cleaner products in
the fuel tank or permanent damage may occur.
• Use fresh fuel next season.
NOTE: Fuel stabilizer is an acceptable alternative in mini-
mizing the formation of fuel gum deposits during stor age.
Add stabilizer to gasoline in fuel tank or storage container.
Always follow the mix ratio found on stabilizer container.
Run engine at least 10 minutes after adding stabilizer to
allow the stabilizer to reach the carburetor. Do not empty
the gas tank and carburetor if using fuel stabilizer.
ENGINE OIL
Drain oil (with engine warm) and replace with clean engine
oil. (See “ENGINE” in the Maintenance section of this
man ual).
CYLINDER(S)
• Remove spark plug(s).
• Pour one ounce of oil through spark plug hole(s) into
cylinder(s).
• Turn ignition key to “START” position for a few seconds
to distribute oil.
• Replace with new spark plug(s).
OTHER
• Do not store gasoline from one season to another.
• Replace your gasoline can if your can starts to rust.
Rust and/or dirt in your gasoline will cause problems.
• If possible, store your tractor indoors and cover it to
give protection from dust and dirt.
• Cover your tractor with a suitable protective cover that
does not retain moisture. Do not use plastic. Plastic
cannot breathe which allows condensation to form and
will cause your tractor to rust.
IMPORTANT: NEVER COVER TRACTOR WHILE EN GINE
AND EXHAUST AREAS ARE STILL WARM.

26
TROUBLESHOOTING POINTS
PROBLEM CAUSE CORRECTION
Will not start 1. Out of fuel. 1. Fill fuel tank.
2. Engine not “CHOKED” properly. 2. See “TO START ENGINE” in Operation section.
3. Engine flooded. 3. Wait several minutes before attempting to start.
4. Bad spark plug. 4. Replace spark plug.
5. Dirty air filter. 5. Clean/replace air filter.
6. Dirty fuel filter. 6. Replace fuel filter.
7. Water in fuel. 7. Empty fuel tank and carburetor, refill tank with fresh
gasoline and replace fuel filter.
8. Loose or damaged wiring. 8. Check all wiring.
9. Carburetor out of adjustment. 9. See “To Adjust Carburetor” in Service Adjustments
section.
10. Engine valves out of adjustment. 10. Contact an authorized service center/department.
Hard to start 1. Dirty air filter. 1. Clean/replace air filter.
2. Bad spark plug. 2. Replace spark plug.
3. Weak or dead battery. 3. Recharge or replace battery.
4. Dirty fuel filter. 4. Replace fuel filter.
5. Stale or dirty fuel. 5. Empty fuel tank and refill tank with fresh, clean gas.
6. Loose or damaged wiring. 6. Check all wiring.
7. Carburetor out of adjustment. 7. See “To Adjust Carburetor” in Service Adjustments
section.
8. Engine valves out of adjustment. 8. Contact an authorized service center/department.
Engine will not
turn over
1. Brake pedal not depressed. 1. Depress brake pedal.
2. Attachment clutch is engaged. 2. Disengage attachment clutch.
3. Weak or dead battery. 3. Recharge or replace battery.
4. Blown fuse. 4. Replace fuse.
5. Corroded battery terminals. 5. Clean battery terminals.
6. Loose or damaged wiring. 6. Check all wiring.
7. Faulty ignition switch. 7. Check/replace ignition switch.
8. Faulty solenoid or starter. 8. Check/replace solenoid or starter.
9. Faulty operator presence switch(es). 9. Contact an authorized service center/department.
Engine clicks but
will not start
1. Weak or dead battery. 1. Recharge or replace battery.
2. Corroded battery terminals. 2. Clean battery terminals.
3. Loose or damaged wiring. 3. Check all wiring.
4. Faulty solenoid or starter. 4. Check/replace solenoid or starter.
Loss of power 1. Cutting too much grass/too fast. 1. Raise cutting height/reduce speed.
2. Throttle in “CHOKE” position. 2. Adjust throttle control.
3. Build-up of grass, leaves, trash under mower. 3. Clean underside of mower housing.
4. Dirty air filter. 4. Clean/replace air filter.
5. Low oil level/dirty oil. 5. Check oil level/change oil.
6. Faulty spark plug. 6. Clean and regap or change spark plug.
7. Dirty fuel filter. 7. Replace fuel filter.
8. Stale or dirty fuel. 8. Empty fuel tank and refill tank with fresh, clean gas.
9. Water in fuel. 9. Empty fuel tank and carburetor, refill tank with fresh
gasoline and replace fuel filter.
10. Spark plug wire loose. 10. Connect and tighten spark plug wire.
11. Dirty engine air screen/fins. 11. Clean engine air screen/fins.
12. Dirty/clogged muffler. 12. Clean/replace muffler.
13. Loose or damaged wiring. 13. Check all wiring.
14. Carburetor out of adjustment. 14. See “To Adjust Carburetor” in Service Adjustments
15. Engine valves out of adjustment. 15. Contact an authorized service center/department.
Excessive
vibration
1. Worn, bent or loose blade. 1. Replace blade. Tighten blade bolt.
2. Bent blade mandrel. 2. Replace blade mandrel.
3. Loose/damaged part(s). 3. Tighten loose part(s). Replace damaged parts.

27
TROUBLESHOOTING POINTS
PROBLEM CAUSE CORRECTION
Engine continues
to run when oper-
ator leaves seat
with attachment
clutch engaged
1. Faulty operator-safety presence control
system.
1. Check wiring, switches and connections. If not
corrected, contact an authorized service center/
department.
Poor cut - uneven 1. Worn, bent or loose blade. 1. Replace blade. Tighten blade bolt.
2. Mower deck not level. 2. Level mower deck.
3. Buildup of grass, leaves, trash under mower. 3. Clean underside of mower housing.
4. Bent blade mandrel. 4. Replace blade mandrel.
5. Clogged mower deck vent holes from
buildup of grass, leaves, and trash around
mandrels.
5. Clean around mandrels to open vent holes.
Mower blades will
not rotate
1. Obstruction in clutch mechanism. 1. Remove obstruction.
2. Worn/damaged mower drive belt. 2. Replace mower drive belt.
3. Frozen idler pulley. 3. Replace idler pulley.
4. Frozen blade mandrel. 4. Replace blade mandrel.
Poor grass
discharge
1. Engine speed too slow. 1. Place throttle control in “FAST” position.
2. Travel speed too fast. 2. Shift to slower speed.
3. Wet grass. 3. Allow grass to dry before mowing.
4. Mower deck not level. 4. Level mower deck.
5. Low/uneven tire air pressure. 5. Check tires for proper air pressure.
6. Worn, bent or loose blade. 6. Replace blade. Tighten blade bolt.
7. Buildup of grass, leaves, trash under mower. 7. Clean underside of mower housing.
8. Mower drive belt worn. 8. Replace mower drive belt.
9. Blades improperly installed. 9. Reinstall blades sharp edge down.
10. Improper blades used. 10. Replace with blades listed in parts manual.
11. Clogged mower deck vent holes from buildup
of grass, leaves, trash around mandrels.
11. Clean around mandrels to open vent holes.
Headlight(s) not
working
(if so equipped)
1. Switch is “OFF”. 1. Turn switch “ON”.
2. Bulb(s) or lamp(s) burned out. 2. Replace bulb(s) or lamp(s).
3. Faulty light switch. 3. Check/replace light switch.
4. Loose or damaged wiring. 4. Check wiring and connections.
5. Blown fuse. 5. Replace fuse.
Battery will not
charge
1. Bad battery cell(s). 1. Replace battery.
2. Poor cable connections. 2. Check/clean all connections.
3. Faulty regulator (if so equipped). 3. Replace regulator.
4. Faulty alternator. 4. Replace alternator.
Loss of drive 1. Freewheel control in “disengaged” position. 1. Place freewheel control in “engaged” position.
2. Debris on steering plate (if equipped). 2. See "CLEANING" in the maintenance section.
3. Motion drive belt worn, damaged, or broken. 3. Replace motion drive belt.
4. Air trapped in transmission during
shipment or servicing.
4. Purge transmission.
5. Axle key missing. 5. Install axle key at rear wheel. See "TO REMOVE
WHEEL" in the Service and Adjustments section.
Engine "back-
fires” when turn-
ing engine “OFF”
1. Engine throttle control not set between
half and full speed (fast) position before
stopping engine.
1. Move throttle control between half and full speed
(fast) position before stopping engine.
Engine dies when
tractor is shifted
into reverse
1. Reverse operation system (ROS) is not "ON"
while mower or other attachment is engaged.
1. Turn ignition key to ROS "ON" position. See
Operation section.

28
17
16 16
14
8
1
14
9
6
5
15
4
TRACTOR - MODEL NO. YTH2348 (96045002701), PRODUCT NO. 960 45 00-27
DECALS
NOTE: All component dimensions given in U.S. inches
1 inch = 25.4 mm
6
2
1
3
11
4
10
5
9
8
7
wheel_art_1-vgt
WHEELS AND TIRES
1 532 05 91-92 Cap, Valve, Tire
2 532 06 51-39 Stem, Valve
3 532 13 83-36 Rim Assembly, Front
4 532 05 99-04 Tube, Front (Ser vice Item Only)
5 532 10 62-22 Tire, Front
6 532 12 49-57 Fitting, Grease (Front Wheel Only)
7 532 12 49-59 Bearing, Flange (Front Wheel Only)
8 532 17 50-39 Cap, Axle
9 532 13 84-68 Tire, Rear
10 532 12 49-26 Tube, Rear (Service Item Only)
11 532 13 83-37 Rim Assembly, Rear
- - 532 14 43-34 Sealant, Tire (10 oz. Tube)
1 532 41 91-38 Decal, Operator's
4 532 19 15-54 Decal, Fender
5 532 17 84-55 Decal, Caution
6 532 42 95-57 Decal, Eng. HP
8 532 19 87-85 Decal, Mower Sch.
9 532 14 50-05 Decal, Battery Dnge/Poi
14 532 43 95-83 Decal, Panel Side
15 532 42 38-29 Decal, Cust. Resp.
16 532 42 91-96 Decal, Hood Logo
17 532 43 84-82 Decal, Replacement
- - 532 16 69-60 Decal, Bypass
- - 532 43 96-81 Pad, Footrest, LH
- - 532 43 96-82 Pad, Footrest, RH
- - 532 44 17-16 Manual, Owner's (English)
- - 532 44 17-17 Manual, Owner's (Spanish)
KEY PART
NO. NO. DESCRIPTION
KEY PART
NO. NO. DESCRIPTION
KEY PART
NO. NO. DESCRIPTION

29
NOTES
M
FUSE
STARTER
SOLENOID
BATTERY
ELECTRIC CLUTCH
CLUTCH/BRAKE
(PEDAL UP)
REVERSE SWITCH
(NOT IN REVERSE)
SEAT SWITCH
(NOT OCCUPIED)
SHORTING
CONNECTOR
CHASSIS
HARNESS
IGNITION
UNIT
HOUR
METER
REGULATOR
CHASSIS HARNESS
CONNECTOR
(MATING SIDE)
DASH HARNESS
CONNECTOR
(MATING SIDE)
LIGHT
SWITCH
HEADLIGHTS
STATOR
FUEL
LINE
FUEL SHUT-OFF
SOLENOID
(IF EQUIPPED)
JUNCTION
CONNECTOR
PTO SWITCH
(DISENGAGED)
S
M
B
G
L
2
3
1
6
A2
A1
M
6
3
52
41
6
5
4
3
2
1
SPARK
PLUGS GAP
(2 PLUGS ON
TWIN CYL. ENGINES)
28 VOLTS AC @ 3600 RPM (REGULATOR DISCONNECTED)
CHARGING SYSTEM OUTPUT
9-16AMPDC@3600 RPM
(OPTIONAL)
NON-REMOVABLE
CONNECTIONS
REMOVABLE
CONNECTIONS
WIRING INSULATED CLIPS
NOTE: IF WIRING INSULATED
CLIPS WERE REMOVED FOR
SERVICING OF UNIT, THEY
SHOULD BE RE-INSTALLED TO
PROPERLY SECURE YOUR
WIRING.
SCH12
IGNITION SWITCH
CIRCUIT
POSITION
OFF
B+A1
RUN/OVERRIDE
B+S+A1
START
M+G+A1
B+A1RUN
“MAKE”
L+A2
POWER OUTLET
(OPTIONAL)
12V
A
AMMETER
(OPTIONAL)
BLACK
BLACK /WHITE
ORANGE
RED
BROWN
BLUE
BLUE
BLACK
BLACK
BLACKBLACK
BLACK
BLACK
BLACK
BLACK
BLACK
BLACK
BLACK
RED
RED
RED
RED
WHITE
WHITE
WHITE
GRAY
GRAY
BLACK
BLACK
B
A
G
H
D
FC
E
PTO SWITCH
B
A
H
D
C
E
BLUE BLACK
TRACTOR - MODEL NO. YTH2348 (96045002701), PRODUCT NO. 960 45 00-27
SCHEMATIC

30
TRACTOR - MODEL NO. YTH2348 (96045002701), PRODUCT NO. 960 45 00-27
ELECTRICAL
8
1
99
100
91
227
90
28
55
26
43
41
24
27
25
30
33
22
79 21
40
71
34
With Service Minder Option
4646
With 12V Outlet Option
59
103
16
42
T11S
102
29
105
31
TRACTOR - MODEL NO. YTH2348 (96045002701), PRODUCT NO. 960 45 00-27
ELECTRICAL
KEY PART
NO. NO. DESCRIPTION
1 532 16 34-65 Battery
2 874 76 04-12 Bolt Hex Hd 1/4-20 unc x 3/4
8 532 18 64-91 Battery Box
16 532 17 61-38 Switch Interlock
21 532 40 02-52 Harness Socket Light
22 532 00 41-52 Bulb, Light #1156
24 532 40 02-53 Cable Battery
25 532 41 28-95 Cable Starter
26 532 17 51-58 Fuse
27 873 51 04-00 Nut Keps Hex 1/4-20 unc
28 532 14 54-91 Cable Ground 21" Blk 6 Ga.
29 532 40 15-45 Switch Seat
30 532 19 33-50 Switch Ign
33 532 41 19-33 Key/Chain
34 532 11 07-12 Switch Light/Reset
40 532 40 11-04 Harness Ign. Dash
41 817 72 04-08 Screw Thd Cut 1/4-20 x 1/2
42 532 13 15-63 Cover Terminal Red
43 532 19 25-07 Solenoid
46 532 40 17-63 Gauge Hourmeter
50 532 19 61-12 Switch PTO
55 817 06 05-12 Screw Thdrol 5/16-18 x 3/4
71 532 19 42-76 Harness Ign
79 532 17 52-42 Socket Asm. Bulb Twistlock
90 532 43 53-95 Cover Terminal Battery
91 532 19 02-70 Strap Battery
99 817 67 04-12 Screw Hexwsh Thdrol 1/4-20 x 3/4
100 819 09 14-16 Washer 9/32 x 7/8 x 16 Ga.
102 532 40 44-54 Harness Pigtail
105 532 40 75-68 Switch Reverse TT Pedal Control
NOTE: All component dimensions given in U.S. inches
1 inch = 25.4 mm

32
TRACTOR - MODEL NO. YTH2348 (96045002701), PRODUCT NO. 960 45 00-27
CHASSIS
chassis-tex_GT HUSQ II_5
68
68
165
228
228
183
194
236
180
68
68
213
52
218
34
189
189
152
217
235
233
233
37
194
194
285
162
282
282
36
36
286
283
199
284
287
161
182
176
176
175
177 150
130
130
195
176
14
202
203
5
176
176 205
151
206
234
234
137
137
214
130
130
130
208
18 15
25
207
3
204
130
33
TRACTOR - MODEL NO. YTH2348 (96045002701), PRODUCT NO. 960 45 00-27
CHASSIS
3 532 43 97-52 Logo
5 532 43 74-71 Dash
14 532 44 11-77 Hood
15 532 43 97-33 Lens LH
18 532 43 77-62 Grille
25 532 43 97-32 Lens RH
34 532 19 61-25 Plate Engine
36 817 06 05-12 Screw 5/16-18 x 3/4
37 532 44 11-78 Fender
52 873 68 05-00 Nut Lock 5/16-18
68 817 49 05-08 Screw 5/16-18 x 1/2
130 532 41 63-58 Screw #10 x 0.750 BOS Thread
137 532 40 75-90 Bumper Dash
150 532 43 97-74 Air Duct
151 532 43 66-70 Bracket Pivot
152 532 19 95-35 Shield Browning
161 532 43 97-81 Window Fuel
162 532 14 24-32 Screw
165 532 19 68-26 Support Tank Rear
175 532 19 63-04 Crossmember
176 532 40 07-76 Screw 10-24 x 5/8
177 532 19 52-27 Bushing Steering
180 532 19 54-57 Chassis
182 532 40 68-59 Dash Lower
183 874 52 05-20 Bolt Fin Hex 5/16-18 unc x 1-1/4
189 817 00 05-12 Screw 5/16-18 x 3/4
191 532 43 74-55 Insert Reflective RH
194 873 90 05-00 Nut Lock Hex Flange 5/16-18
195 532 40 41-37 Plug Hole Dash Lower NOTE: All component dimensions given in U.S. inches
1 inch = 25.4 mm
KEY PART
NO. NO. DESCRIPTION
199 532 41 34-85 Plate Deck Lift
202 532 43 97-28 Vent Side Hood RH
203 532 43 97-27 Vent Side Hood LH
204 532 43 57-14 Vent Top Hood
205 532 43 97-30 Skirt Hood Side RH
206 532 43 97-29 Skirt Hood Side LH
207 532 43 97-34 Bezel RH
208 532 43 97-35 Bezel LH
213 874 76 05-12 Bolt 5/16-18 unc x 3/4
214 532 19 91-45 Clip Retainer Tinner
217 532 40 91-67 Rod Pivot
218 532 19 63-95 X-Piece Hood Stop
228 532 19 51-61 Stud Fastner
233 532 19 65-39 Bolt, Shoulder
235 532 40 61-29 Spacer Fender
236 873 93 05-00 Nut Lock 5/16-18 unc
282 532 41 41-10 Clip Retainer Console
283 532 43 98-61 Console Asm. Decklift
284 532 43 98-23 Console Asm.
285 532 41 63-15 Console Insert RH
286 532 41 63-17 Console Insert LH
287 817 60 04-06 Screw Hex Washead 1/4-20 x 3/8
297 532 43 74-56 Insert Reflective LH
- - 532 43 18-83 Kit Bumper
KEY PART
NO. NO. DESCRIPTION

34
TRACTOR - MODEL NO. YTH2348 (96045002701), PRODUCT NO. 960 45 00-27
DRIVE
52
51
170
171
225
125
drive-tex_K46_pedal_8_r3
2
2
73
73 33
205
1
116
33
230
230
183
183
205
116
56
213
221
160
206
26
207
209
92 125
116
64
188
161
35
184
167
160
42
29
15
159
159
221
186
189
49
187
50
51
52
51
190
185
125
226
227
125
80 125
208
210
214
125
215
153
166
211
211
222
17
163
153
99
216
143
197
196
35
TRACTOR - MODEL NO. YTH2348 (96045002701), PRODUCT NO. 960 45 00-27
DRIVE
KEY PART
NO. NO. DESCRIPTION
KEY PART
NO. NO. DESCRIPTION
1 - - - - - - - - - Transaxle, TUFFTORQ K46 BT
(Internal parts not available)
2 532 12 35-83 Key
15 819 13 13-16 Washer 13/32 x 13/16 x 16 Ga.
17 532 41 36-78 Spring, Brake
26 532 19 96-79 Spring Return Cruise
29 532 40 38-06 Rod, Brake
33 812 00 00-01 Ring E
35 532 43 54-86 Rod, Brake, Park
42 532 12 48-72 Cover, Foot Pedal
49 872 11 06-14 Bolt
50 532 19 43-27 Pulley Idler Flat
51 873 90 06-00 Lock Nut 3/8-16
52 532 19 43-26 Idler V-Groove 910" Offset
56 532 13 09-69 V-Belt, Drive
64 532 19 78-65 Shaft Asm. Pedal Brake Control
73 874 49 05-40 Bolt Hex Flghd 5/16-18 x 2 1/2 G5
80 532 41 00-24 Strap Torque
92 874 76 05-20 Bolt Fin Hex 5/16-18 unc x 1.25
99 532 41 57-42 Rod Asm. Bypass
116 873 90 05-00 Nut Lock Hex Flange 5/16-18
125 817 00 05-12 Screw 5/16-18 x 3/4
143 817 49 05-08 Screw 5/16-18 x 1/2
153 532 12 47-88 Retainer Spring
159 876 02 04-12 Pin Cotter 1/8 x 3/4
160 532 16 94-84 Retainer Clip
161 532 10 57-09 Spring, Return, Clutch
163 532 40 10-34 Rod Pedal Control
166 532 42 91-64 Nut Push
167 532 40 52-57 Latch Brake Parking
170 532 19 43-22 Keeper Belt Centerspan
171 872 11 06-16 Bolt RDHD SQNK 3/8-16 unc x 2
183 532 13 70-57 Spacer Split
184 532 40 31-18 Handle Parking Brake
185 872 11 06-22 Bolt Rdhd Sqnk 3/8-16 x 2-3/4 Gr. 5
186 532 19 43-21 Spacer Retainer
187 819 13 32-10 Washer
188 532 19 43-23 Link Clutch Ground Drive
189 532 19 43-17 Bellcrank Ground Drive
190 532 19 43-18 Keeper Bellcrank Ground Drive
196 817 00 06-16 Screw 3/8-16 x 1
197 532 19 58-04 Bracket Clutch Anti-Rotation
205 532 12 17-48 Washer
206 532 19 78-67 Bracket Mount Latch Cruise
207 532 19 78-68 Latch Control Cruise
208 532 19 78-69 Gear Sector Control Cruise
209 532 19 95-92 Rod Control Cruise
210 532 40 09-80 Rocker Asm. Pedal Control
211 532 12 01-83 Bearing Nylon
213 532 40 31-19 Knob Control Cruise
214 532 42 12-63 Pedal Forward Pad
215 532 40 17-23 Pedal Reverse
216 532 19 61-31 Bracket Pulley Idler
221 532 40 31-87 Retainer Spring Clip Handle
222 879 21 20-10 Washer 21/32 x 1-1/4 x 10 Ga.
225 532 40 33-19 Keeper Belt Trans.
226 532 40 15-64 Bracket Mount Torque
227 817 49 05-12 Screw Thdrol 5/16-18 x 3/4
230 532 18 89-67 Washer Hardened
NOTE: All component dimensions given in U.S. inches
1 inch = 25.4 mm

36
TRACTOR - MODEL NO. YTH2348 (96045002701), PRODUCT NO. 960 45 00-27
ENGINE
1
84
12
11
42
85
29
SPARK ARRESTER KIT
45
21
20
62
71
70
79
69
87
2
engine-tex_bs-2cyl_72
81
37
28
37
111
18
15
9
90
91
82
41
37
TRACTOR - MODEL NO. YTH2348 (96045002701), PRODUCT NO. 960 45 00-27
ENGINE
KEY PART
NO. NO. DESCRIPTION
NOTE: All component dimensions given in U.S. inches
1 inch = 25.4 mm
For engine service and replacement parts, call the toll free
number for your engine manufacturer listed below:
Briggs & Stratton 1-800-233-3723
1 - - - - - - Engine Briggs Model No. 445577-2187-G1
2 532 14 97-23 Muffler
9 532 19 43-20 Keeper Belt Engine
11 532 40 00-08 Clutch Electric
12 532 40 50-97 Pulley Engine
15 532 43 80-80 Tank Fuel
18 532 43 92-08 Cap Fuel
20 532 42 35-02 Control Throttle
21 532 41 63-58 Screw #10 x 0.750 BOS Thread
28 532 40 11-35 Fuel Line
29 532 13 71-80 Spark Arrester Kit
37 532 12 34-87 Clamp Hose
41 532 12 61-97 Washer 1-1/2 OD x 15/32 ID x .250
42 810 04 07-00 Washer Lock 7/16
45 873 51 04-00 Nut Keps Hex 1/4-20 unc
62 532 43 40-17 Shield Heat Muffler
69 532 16 53-91 Gasket
70 532 15 99-55 Tube Exhaust LH
71 532 16 05-89 Tube Exhaust RH
79 532 18 39-06 Screw Socket Head 5/16-18 x 1
81 532 14 84-56 Tube Drain Oil Easy
82 532 42 82-87 Valve Oil Drain
84 817 06 06-20 Screw 3/8-16 x 1-1/4
85 532 17 39-37 Bolt Hex 7/16-20 x 4 Gr. 5
87 532 17 18-77 Bolt 5/16-18 unc x 1 w/Sems
90 817 00 06-16 Screw 3/8-16 x 1
91 532 18 74-95 Bushing
111 532 41 41-19 Purge Line Carb 3/16
Engine Power Rating Information
The gross power rating for individual gas engine models is labeled in accordance with SAE (Society of Automotive Engi-
neers) code J1940 (Small Engine Power & Torque Rating Procedure), and rating performance has been obtained and cor-
rected in accordance with SAE J1995 (Revision 2002-05). Torque values are derived at 3060 RPM; horsepower values are
derived at 3600 RPM. Actual gross engine power will be lower and is affected by, among other things, ambient operating
conditions and engine-to-engine variability. Given both the wide array of products on which engines are placed and the va-
riety of environmental issues applicable to operating the equipment, the gas engine will not develop the rated gross power
when used in a given piece of power equipment (actual “on-site” or net power). This difference is due to a variety of factors
including, but not limited to, accessories (air cleaner, exhaust, charging, cooling, carburetor, fuel pump, etc.), application
limitations, ambient operating conditions (temperature, humidity, altitude), and engine-to-engine variability. Due to manu-
facturing and capacity limitations, Briggs & Stratton may substitute an engine of higher rated power for this Series engine.

38
TRACTOR - MODEL NO. YTH2348 (96045002701), PRODUCT NO. 960 45 00-27
STEERING ASSEMBLY
6
5
13
13
53 8
9
9
8
8
7
7
62
4
35
16 19
63
63
57
60
59
58
28
13 22
64
70
68
69
67
67 66
15
15
14
14
21
51
26
1
45
61
2
6
steering-tex_LEGND2_18_r1
KEY PART
NO. NO. DESCRIPTION
KEY PART
NO. NO. DESCRIPTION
1 532 43 97-40 Wheel, Steering
2 532 19 59-68 Axle Asm., Front
4 532 40 30-87 Spindle Asm., LH
5 532 40 30-88 Spindle Asm., RH
6 532 12 49-31 Bearing, Race Thrust Harden
7 532 12 17-48 Washer 25/32 x 1-5/8 x 16 Ga.
8 812 00 00-29 Ring, Clip #T5304-75
9 532 12 12-32 Cap, Spindle
13 532 12 17-49 Washer 25/32 x 1-1/4 x 16 Ga.
14 810 04 06-00 Washer, Lock Hvy Hlcl Spr 3/8
15 873 54 06-00 Nut, Crown Lock 3/8-24 unf
16 532 40 82-19 Shaft Steering
19 532 19 47-29 Plate Steering
21 532 18 67-37 Adapter, Wheel Steering
22 532 42 05-37 Steering, Support Lower
26 532 43 97-43 Insert, Wheel Steering
28 817 00 06-12 Screw 3/8-16 x 3/4
35 532 19 47-32 Gear, Sector Plate
45 819 18 38-12 Washer 9/16 x 2-3/8 x 12 Ga.
NOTE: All component dimensions given in U.S. inches
1 inch = 25.4 mm
51 873 94 08-00 Nut Hex Jam Toplock 1/2-20 unf
53 532 18 89-67 Washer Hardened .793 x 1.637 x .060
57 532 19 72-46 Bracket Upstop
58 532 19 47-47 Bolt Shoulder Sector Pivot CFM
59 532 19 47-48 Washer Thrust Sector Steering
60 873 97 10-00 Nut Flange Lock 5/8-11
61 532 19 47-40 Draglink, LH
62 532 19 47-41 Draglink, RH
63 817 00 05-12 Screw 5/16-18 x 3/4
64 532 19 98-49 Retainer Clip Spring Steering
66 871 02 07-48 Bolt Hex Fghd 7/16-14 x 3 Serr
67 532 19 47-37 Bushing PM Front Axle
68 873 90 07-00 Nut Lock Flange 7/16-14 Gr. 5
69 532 19 91-62 Washer 1.5 x .505 x .118
70 532 19 61-97 Bracket Deck Susp. Front

39
TRACTOR - MODEL NO. YTH2348 (96045002701), PRODUCT NO. 960 45 00-27
SEAT ASSEMBLY
1 532 42 40-68 Seat
2 532 18 01-66 Bracket Pivot Fender
3 532 14 06-75 Strap, Asm Fender
6 873 80 06-00 Nut, Lock w/Ins. 3/8-16 unc
7 532 12 41-81 Spring, Seat Cprsn
8 532 17 18-77 Bolt 5/16-18 unc x 3/4 w/Sems
10 532 19 69-77 Pan, Seat
21 532 17 18-52 Bolt, Shoulder 5/16-18
37 873 80 05-00 Nut, Lock 5/16-18 unc
40 532 19 76-61 Handle Slide Seat
41 532 19 82-00 Spring Latch Seat
43 874 76 06-12 Bolt 3/8-16 x 3/4
44 819 13 38-12 Washer 13/32 x 2-3/8 x 12 Ga.
KEY PART
NO. NO. DESCRIPTION
KEY PART
NO. NO. DESCRIPTION
NOTE: All component dimensions given in U.S. inches
1 inch = 25.4 mm
2
6
1
40
10
37
37
21
21
3
41
7
8
7
8
8
8
seat-tex_6.5SL_2
44
43

40
TRACTOR - MODEL NO. YTH2348 (96045002701), PRODUCT NO. 960 45 00-27
MOWER DECK
241
242
47
7
50
46
32
33
31
30
1
33
48
52
43
54
97
33
49
39
185
46
46
6
21
122
114
98
31
32
25 26
24
27
194
113
17
21
49
187
190
188
190
187
120
117
116
189
21
18
13
14
15
22
20
11
8
29
48_Deck_tex_22_r1
12
16
19
41
TRACTOR - MODEL NO. YTH2348 (96045002701), PRODUCT NO. 960 45 00-27
MOWER DECK
KEY PART
NO. NO. DESCRIPTION
KEY PART
NO. NO. DESCRIPTION
NOTE: All component dimensions given in U.S. inches
1 inch = 25.4 mm
1 532 44 00-48 Deck Weldment Mower
6 532 19 72-48 Cover Mandrel LH
7 532 19 91-02 Cover Mandrel RH
8 532 19 30-03 Bolt 7/16 Asm. Blade
11 532 18 00-54 Blade High Lift
12 532 40 48-51 Rod Anti-Sway
13 532 18 72-91 Shaft Asm. w/Lower Bearing
14 532 18 72-81 Housing, Mandrel
15 532 11 04-85 Bearing, Ball, Mandrel
16 819 13 13-12 Washer 13/32 x 13/16 x 12 Ga.
17 872 11 05-05 Bolt 5/16-18 x 5/8
18 872 14 05-05 Bolt RdHd 5/16-18 unc x 5/8
19 532 19 42-08 Pin Cotter 5/16 Bow Tie Lock
20 532 17 43-78 Baffle Vortex
21 873 68 05-00 Nut, Crownlock 5/16-18 unc
22 532 17 44-93 Stripper Mandrel
24 532 10 53-04 Cap Sleeve
25 532 17 81-02 Spring, Torsion
26 532 11 04-52 Nut, Push
27 532 18 17-07 Deflector Shield
29 532 13 14-91 Rod, Hinge
30 532 17 39-84 Screw, Thdroll Washer Head
31 532 18 76-90 Washer, Spacer Mower Vented
32 532 15 35-32 Pulley, Mandrel
33 532 40 02-34 Nut, Flg. Top Lock
39 532 19 73-80 Pulley, Idler, 4.50 Hub
43 532 19 60-65 Arm, Idler
46 532 13 77-29 Screw, Thdroll. 1/4-20 x 5/8
47 532 19 72-42 Belt Deck Drive
48 532 19 73-79 Pulley Idler 4.50 RAW
49 873 90 06-00 Nut, Lock Flg. 3/8-16 unc
50 817 49 06-36 Screw TT 3/8-16 x 2-1/4
52 532 19 31-97 Pulley Idler 48" Primary
54 872 11 06-12 Bolt Carr. Sh 3/8-16 x 1-1/2 Gr. 5
97 532 17 85-15 Washer Hardened
98 532 19 61-05 Spring Drive
113 872 11 05-08 Bolt Rdhd Sqnk 5/16-18 x 3/4
114 532 19 74-51 Rod Tension Relief
116 532 19 34-06 Bolt, Shoulder
117 532 17 48-73 Gauge Wheel
120 819 13 20-12 Washer 13/32 x 1-1/4 x 12 Ga.
122 532 18 75-57 Bushing Tension Relief
185 873 90 07-00 Nut Lock Flange 7/16-14 Gr. 5
187 532 19 51-61 Stud Fastener w/"D" Anti-Rotation
188 873 90 05-00 Nut Lock Hex Flange
189 532 19 51-85 Arm Susp. Mower Rear
190 532 19 65-39 Bolt Shoulder
194 874 49 07-36 Bolt 7/16 - 24
241 532 15 29-27 Screw TT #10-32.5 3/8 Flange
242 532 41 55-98 Port, Washout
- - 532 18 72-92 Mandrel Assembly (Includes hous-
ing, shaft assembly, and bearing
only - pulley/nut/washer and blade
bolt/washers not included)
- - 532 43 96-44 Replacement Mower, Complete
- - 532 41 64-05 Coupling Quick Connect

42
TRACTOR - MODEL NO. YTH2348 (96045002701), PRODUCT NO. 960 45 00-27
MOWER LIFT
7
3
87
10 88
2
89
90
87
98
97
97
91
lift-tex_3
91
89
87
89
87
2 532 42 20-27 Shaft Asm. Cross, Lift
3 532 19 52-31 Lever Asm., Lift
7 532 41 15-55 Grip, Lever
10 532 19 63-14 Spring Torsion
87 532 19 42-09 Pin Cotter 7/16 Bow Tie Lock
88 532 41 07-10 Spring Lift Assist
89 819 19 19-12 Washer Clear Zinc
KEY PART
NO. NO. DESCRIPTION
NOTE: All component dimensions given in U.S. inches
1 inch = 25.4 mm
KEY PART
NO. NO. DESCRIPTION
90 532 19 42-08 Pin Cotter 5/16 Bow Tie Lock
91 532 19 51-81 Link Lift Susp Mower Rear
97 817 00 06-12 Screw 3/8-16 x .75
98 532 19 52-64 Link Lift Susp. Front Mower

43
&RQVXPHU:KHHOHG3URGXFWV±/LPLWHG:DUUDQW\
+XVTYDUQDZDUUDQWVWRWKHRULJLQDOUHWDLOSXUFKDVHUWKDWWKLV+XVTYDUQDSURGXFWLVIUHHIURPGHIHFWVLQPDWHULDORUZRUNPDQVKLS
XQGHUQRUPDOXVHDQGPDLQWHQDQFHIURPWKHGDWHRIUHWDLOSXUFKDVHIRUWKHDSSOLFDEOH:DUUDQW\3HULRGVKRZQRQ([KLELW$&HUWDLQ
FRPSRQHQWVHJHQJLQHVDQGWUDQVPLVVLRQVDUHH[FOXGHGIURPFRYHUDJHDQGRWKHUOLPLWDWLRQVDSSO\DVGHVFULEHGLQWKLVGRFXPHQW
+XVTYDUQDZLOOUHSDLURUUHSODFHDWLWVGLVFUHWLRQDQ\GHIHFWLYHSURGXFWRUSDUWFRYHUHGE\WKH/LPLWHG:DUUDQW\IUHHRIFKDUJHDWDQ\
DXWKRUL]HG +XVTYDUQD 6HUYLFLQJ 'HDOHU&HQWHU XVLQJ RULJLQDO 2(0 +XVTYDUQD UHSODFHPHQW SDUWV VXEMHFW WR WKH OLPLWDWLRQV DQG
H[FOXVLRQVGHVFULEHGEHORZ+XVTYDUQDGRHVQRWRIIHUDQRYHUWKHFRXQWHUH[FKDQJHSURJUDP
7+,6 /,0,7(' :$55$17< ,6 7+( 62/( (;35(66 :$55$17< 3529,'(' %< +8649$51$ $1< :$55$17<
7+$7 0$< %( ,03/,(' %< /$: ,1&/8',1* $1< ,03/,(' :$55$17< 2) ),71(66 )25 $ 3$57,&8/$5
385326( 25 86( $1' ,03/,(' :$55$17< 2) 0(5&+$17$%,/,7< ,6 /,0,7(' 72 7+( '85$7,21 2) 7+(
$33/,&$%/( :$55$17< 3(5,2' 81'(5 7+,6 /,0,7(' :$55$17< 7+,6 /,0,7(' :$55$17< 0$< %(
02',),(' 21/< %< +8649$51$ 620( 67$7(6 '2 127 $//2: /,0,7$7,216 21 +2: /21* $1 ,03/,('
:$55$17< /$676 62 7+($%29( /,0,7$7,216 0$< 127 $33/< 72 <28 7+,6 /,0,7(' :$55$17< *,9(6
<2863(&,),&/(*$/5,*+76$1'<280$<$/62+$9(27+(55,*+76:+,&+9$5<)52067$7(7267$7(
7+,6:$55$17<,6*,9(121/<%<+8649$51$7+($%29(5(0(',(6$5(7+((;&/86,9(5(0(',(6)25
$1< %5($&+ 2) 7+,6 /,0,7(' :$55$17< +8649$51$ $1' ,76 $)),/,$7(' &203$1,(6 6+$// 127 %(
/,$%/( )25 $1< 63(&,$/ ,1&,'(17$/ 25 &216(48(17,$/ '$0$*( ,1&/8',1* /267 352),76 5(68/7,1*
)520$1<68&+%5($&+$1'$//68&+'$0$*(6$5(+(5(%<',6&/$,0('620(67$7(6'2127$//2:
7+((;&/86,2125/,0,7$7,212),1&,'(17$/25&216(48(17,$/'$0$*(6627+($%29(/,0,7$7,216
0$<127$33/<72<28
/,0,7$7,216$1'(;&/86,216
(QJLQHV7UDQVPLVVLRQVDQGFHUWDLQRWKHUFRPSRQHQWVDUH127FRYHUHG 7KLV/LPLWHG:DUUDQW\GRHVQRWFRYHUDQ\RIWKH
IROORZLQJ
D (QJLQHVDQG$WWDFKPHQWV([FHSWZKHUHRWKHUZLVHLQGLFDWHGRQ([KLELW$DOO(QJLQHVDQG$WWDFKPHQWVDUHQRWFRYHUHGE\
WKLVZDUUDQW\,QPRVWFDVHVWKHVHLWHPVDUH127PDQXIDFWXUHGE\+XVTYDUQDLQZKLFKFDVHWKH\PD\EHFRYHUHGVHSDUDWHO\E\
WKHLU UHVSHFWLYH PDQXIDFWXUHU¶VZDUUDQWLHV LI RQH LV SURYLGHG DQG LQFOXGHG ZLWK WKH SURGXFW DW WKH WLPH RI SXUFKDVH $OO VXFK
FODLPV PXVW EH VXEPLWWHG DQG VHQW WR WKH DSSURSULDWH PDQXIDFWXUHU RU DV RWKHUZLVH GLUHFWHG LQ WKRVH VHSDUDWH ZDUUDQWLHV
+XVTYDUQDLV QRW DXWKRUL]HG WRKDQGOHZDUUDQW\DGMXVWPHQWVRU UHSDLUVRQHQJLQHVPDQXIDFWXUHG E\%ULJJV6WUDWWRQ+RQGD
.DZDVDNLRU.RKOHUH[FHSWLRQ±PRGHOVHTXLSSHGZLWK/&7HQJLQHV+XVTYDUQDGRHVQRWDVVXPHDQ\ZDUUDQW\REOLJDWLRQRI
WKHRWKHUPDQXIDFWXUHU¶VHQJLQHV
E 7UDQVPLVVLRQV([FHSWZKHUHRWKHUZLVHLQGLFDWHGRQ([KLELW$7UDQVPLVVLRQ7UDQVD[OHLQFOXGLQJ'ULYH6\VWHPVDUHQRW
FRYHUHGE\WKLVZDUUDQW\,QPRVWFDVHVWKHVHLWHPVDUH127PDQXIDFWXUHGE\+XVTYDUQDLQZKLFKFDVHWKH\PD\EHFRYHUHG
VHSDUDWHO\E\WKHLUUHVSHFWLYHPDQXIDFWXUHU¶VZDUUDQWLHVLIRQHLVSURYLGHGDQGLQFOXGHGZLWKWKHSURGXFWDWWKHWLPHRISXUFKDVH
7KH IROORZLQJ WUDQVPLVVLRQ WUDQVD[OH PDQXIDFWXUHUV 'DQD+\GUR*HDU 7XII7RUT SURYLGH D ZDUUDQW\ IRU WKH WUDQVPLVVLRQ
WUDQVD[OHWRWKHXOWLPDWHSXUFKDVHURUWR+XVTYDUQD+XVTYDUQDZLOODVVLJQWKHWUDQVPLVVLRQWUDQVD[OHPDQXIDFWXUHU¶VZDUUDQW\
RUDQ\ULJKWVWKHUHRI WR WKH RULJLQDOSXUFKDVHURIWKHXQLW7RREWDLQWUDQVPLVVLRQ WUDQVD[OH ZDUUDQW\VHUYLFHILUVWFRQWDFW WKH
UHWDLOHUZKR\RXSXUFKDVHGWKHXQLWIURP6KRXOG\RXUHTXLUHDVVLVWDQFHRUKDYHDQ\TXHVWLRQVFRQFHUQLQJWUDQVPLVVLRQWUDQVD[OH
ZDUUDQW\ FRYHUDJH FRQWDFW +XVTYDUQD GLUHFWO\ DW RXU ZHEVLWH ZZZKXVTYDUQDFRP RU FDOO IRU DQ DXWKRUL]HG
+XVTYDUQDVHUYLFHSURYLGHU$OOVXFKFODLPVPXVWEHVXEPLWWHGDQGVHQWWRWKHDSSURSULDWHPDQXIDFWXUHURUDVRWKHUZLVHGLUHFWHG
LQWKRVHVHSDUDWHZDUUDQWLHV+XVTYDUQDLVQRWDXWKRUL]HGWRKDQGOHZDUUDQW\DGMXVWPHQWVRUUHSDLUVRQWUDQVPLVVLRQVRUWUDQVD[OHV
+XVTYDUQDGRHVQRWDVVXPHDQ\ZDUUDQW\REOLJDWLRQRIWKHDERYHOLVWHGPDQXIDFWXUHUVIRUH[FHSWLRQV±VHH([KLELW$
F ([SHQGDEOH 3DUWV 7KLV /LPLWHG :DUUDQW\ GRHV QRW FRYHU JHQHUDO PDLQWHQDQFH SDUWV DQG LWHPV ³([SHQGDEOH 3DUWV´
LQFOXGLQJZLWKRXWOLPLWDWLRQVSDUNSOXJVEXOEVILOWHUVOXEULFDQWVVWDUWHUFRUGVEHOWVEODGHVDQGEODGHDGDSWHUV
G (PLVVLRQV&RQWURO&RPSRQHQWV7KLV/LPLWHG:DUUDQW\GRHVQRWFRYHU(PLVVLRQVFRQWUROHTXLSPHQWDQGFRPSRQHQWVWRWKH
H[WHQWUHJXODWHGE\WKH86(QYLURQPHQWDO3URWHFWLRQ $JHQF\ RU VLPLODUVWDWHDJHQFLHV 6XFK HTXLSPHQW DQGFRPSRQHQWVDUH
FRYHUHGE\DVHSDUDWHHPLVVLRQFRQWUROZDUUDQW\VWDWHPHQWVXSSOLHGZLWK\RXUQHZSURGXFW3OHDVHFRQVXOWWKLVVHSDUDWHZDUUDQW\
VWDWHPHQWIRUGHWDLOV
$Q\ &200(5&,$/ ,16,787,21$/ $*5,&8/785$/ ,1'8675,$/ ,1&20( 352'8&,1* RU 5(17$/ XVH ZLOO UHVXOW LQ HLWKHU 1R
:DUUDQW\RUD6KRUWHQHG:DUUDQW\3HULRG'HSHQGLQJRQWKHSURGXFWWKHUHLVHLWKHU12:$55$17<RUDUHGXFHGZDUUDQW\LIWKHSURGXFWLVXVHGIRUFRPPHUFLDO
LQVWLWXWLRQDODJULFXOWXUDOLQGXVWULDOLQFRPHSURGXFLQJRUUHQWDOSXUSRVHV3OHDVHUHIHUWR([KLELW$
2ZQHU¶V<RXU5HVSRQVLELOLWLHV7RSUHVHUYH\RXUULJKWVXQGHUWKLV/LPLWHG:DUUDQW\\RXPXVWGHPRQVWUDWHUHDVRQDEOHFDUH
DQGXVHRIWKHSURGXFWLQFOXGLQJIROORZLQJWKHSUHYHQWDWLYHPDLQWHQDQFHVWRUDJHIXHODQGRLOXVDJHVDVSUHVFULEHGLQWKHHQFORVHG
RSHUDWRU¶VPDQXDO)RUH[DPSOHWKHIROORZLQJLWHPVDUHWKH2ZQHU¶VUHVSRQVLELOLW\DQGDUHQRWFRYHUHGE\WKLV/LPLWHG:DUUDQW\
D 6HWXSDQGSUHGHOLYHU\VHUYLFHDQGHQJLQHWXQHXSV
E $GMXVWPHQWVDIWHUWKHILUVWWKLUW\GD\VRISXUFKDVHDQGEH\RQGVXFKDVWKURWWOHFDEOHEHOWJXLGHVDGMXVWPHQWV

44
F 3UHYHQWDWLYHPDLQWHQDQFHDVRXWOLQHGLQWKHRSHUDWRU¶VPDQXDO
,QDGGLWLRQ\RXPXVWFHDVHXVLQJWKHSURGXFWLPPHGLDWHO\XSRQDQ\IDLOXUHRUGDPDJH7KHSURGXFWVKRXOGEHWDNHQWRDQDXWKRUL]HG
+XVTYDUQDVHUYLFLQJGHDOHUSULRUWRDQ\IXUWKHUXVH
'DPDJHV UHVXOWLQJ IURP QRUPDO DJLQJ ZHDU DQG WHDU RU QHJOHFW DUH 127 FRYHUHG 7KH /LPLWHG :DUUDQW\ GRHV QRW FRYHU
GDPDJH RWKHU WKDQ WKDW UHVXOWLQJ IURP GHIHFWV LQ PDWHULDO RU ZRUNPDQVKLS 7KH IROORZLQJ DUH 127 FRQVLGHUHGGHIHFWV LQ PDWHULDO RU
ZRUNPDQVKLSDQGWKHUHIRUHDUH127FRYHUHG
D $EUDVLRQWRPRZHUGHFNV
E 7LUHVGDPDJHGE\H[WHUQDOSXQFWXUHV
F 1DWXUDOGLVFRORUDWLRQRIPDWHULDOVGXHWRXOWUDYLROHWOLJKW
G 'DPDJHWRFXWWLQJHTXLSPHQWE\ZD\RIFRQWDFWZLWKURFNVRURWKHUQRQDSSURYHGPDWHULDOVDQGRUVWUXFWXUHV
,QDGGLWLRQWKLV /LPLWHG:DUUDQW\GRHV QRWFRYHUGDPDJHVPDOIXQFWLRQV RUIDLOXUHVUHVXOWLQJIURPDEXVHRUQHJOHFWRI WKHSURGXFW
UHODWHGWRRULQFOXGLQJDQ\RIWKHIROORZLQJ
H )DLOXUHWRSURYLGHRUSHUIRUPUHTXLUHGPDLQWHQDQFHVHUYLFHVDVSUHVFULEHGLQWKHRSHUDWRU¶VPDQXDO
I $EXVHPLVXVHQHJOHFWPRGLILFDWLRQVDOWHUDWLRQVQRUPDOZHDULPSURSHUVHUYLFLQJXVHRIXQDXWKRUL]HGDWWDFKPHQWV/DFNRI
OXEULFDWLRQRUHQJLQHIDLOXUHGXHWRWKHXVHRIRLOVWKDWGRQRWPHHW(QJLQHPDQXIDFWXUHU¶VVSHFLILFDWLRQV
J 8VHRIJDVRKROFRQWDLQLQJPHWKDQROZRRGDOFRKRO *DVRKRO ZKLFK FRQWDLQV D PD[LPXPHWKDQROJUDLQDOFRKRORU
07%(PHWK\OWHUWLDU\EXW\OHWKHULVDSSURYHG
K 8VHRIHWKHURUDQ\VWDUWLQJIOXLGV
L 3UHVVXUHFOHDQLQJRUVWHDPFOHDQLQJWKHSURGXFW
M 8VHRIVSDUNSOXJVRWKHUWKDQWKRVHPHHWLQJHPLVVLRQSHUIRUPDQFHUHTXLUHPHQWVOLVWHGLQWKHRSHUDWRU¶VPDQXDO
N 7DPSHULQJ ZLWK HQJLQH VSHHG JRYHUQRU RU HPLVVLRQ FRPSRQHQWV RU UXQQLQJ HQJLQHV DERYH VSHFLILHG DQG UHFRPPHQGHG
HQJLQHVSHHGVDVOLVWHGLQ\RXURSHUDWRU¶VPDQXDO
O 2SHUDWLRQRIWKHXQLWZLWKLPSURSHUO\LQVWDOOHGUHPRYHGRUPRGLILHGFXWWLQJVKLHOGVJXDUGVRUVDIHW\GHYLFHV
P $Q\ UHPRYHGGDPDJHG DLU ILOWHU H[FHVVLYH GLUW DEUDVLYHV VDOW ZDWHU PRLVWXUH FRUURVLRQ UXVW YDUQLVK VWDOH IXHO RU DQ\
DGYHUVHUHDFWLRQGXHWRLQFRUUHFWVWRUDJHSURFHGXUHV
Q )DLOXUHVGXHWRLPSURSHUVHWXSSUHGHOLYHU\ VHUYLFH RU UHSDLU VHUYLFH E\ DQ\RQH RWKHU WKDQ DQ DXWKRUL]HG +XVTYDUQD
VHUYLFLQJGHDOHUGXULQJWKHZDUUDQW\SHULRG
R 'LUW FRQWDPLQDWHG JUHDVH RU RLO XVH RI LQFRUUHFW W\SH RI JUHDVHV RU RLOV IDLOXUH WR FRPSO\ ZLWK UHFRPPHQGHG JUHDVLQJ
LQWHUYDOVZDWHURUPRLVWXUHGDPDJHDQGRULPSURSHUVWRUDJH
S 6SUD\HUVSXPSLQJRUVSUD\LQJFDXVWLFRUIODPPDEOHPDWHULDOVODFNRIRUEURNHQVWUDLQHUVRU
T &RQWLQXHGXVHRISURGXFWDIWHULQLWLDORSHUDWLRQDOSUREOHPRUIDLOXUHRFFXUV
+2:722%7$,16(59,&(
$XWKRUL]HG +XVTYDUQD 6HUYLFLQJ 'HDOHU&HQWHU ,Q RUGHU WR REWDLQ ZDUUDQW\ FRYHUDJH LW LV \RXU UHVSRQVLELOLW\ DW \RXU
H[SHQVHWRGHOLYHURUVKLS\RXU+XVTYDUQDXQLWWRDQDXWKRUL]HG+XVTYDUQD6HUYLFLQJ'HDOHU&HQWHUDQGDUUDQJHIRUSLFNXSRUUHWXUQ
RI\RXUXQLWDIWHUWKHUHSDLUVKDYHEHHQPDGH,I\RXGRQRWNQRZWKHORFDWLRQRI\RXUQHDUHVWDXWKRUL]HG+XVTYDUQD6HUYLFLQJ'HDOHU
FDOO+XVTYDUQDDWGXULQJ WKHKRXUVRI $0 WR30(DVWHUQ6WDQGDUG7LPHRU YLVLWZZZKXVTYDUQDFRP
6KRXOG\RXUHTXLUHDVVLVWDQFHRUKDYHTXHVWLRQVFRQFHUQLQJWKLV/LPLWHG:DUUDQW\\RXPD\FRQWDFWXVDWGXULQJWKH
KRXUVRI$0WR30(DVWHUQ6WDQGDUG7LPHRUFRQWDFWXVWKURXJKWKHZHEDWZZZKXVTYDUQDFRP
'RFXPHQWDWLRQ5HTXLUHG<RXPXVWPDLQWDLQDQGSUHVHQW3URRIRISXUFKDVHLQFOXGLQJGDWHSURGXFWPRGHODQGLIDSSOLFDEOH
HQJLQH VHULDO QXPEHU WR DQ DXWKRUL]HG +XVTYDUQD 6HUYLFLQJ 'HDOHU IRU ZDUUDQW\ VHUYLFH XQGHU WKLV /LPLWHG :DUUDQW\ 3URRI RI
SXUFKDVH UHVWV VROHO\ ZLWK WKH RZQHUFXVWRPHU +XVTYDUQD HQFRXUDJHV \RX WR UHJLVWHU \RXU SURGXFW RQOLQH DW
ZZZXVDKXVTYDUQDFRPWR KHOS HQVXUHDPRQJRWKHUWKLQJVWKDW\RX FDQEHQRWLILHGRILPSRUWDQWSURGXFW LQIRUPDWLRQ+RZHYHU
UHJLVWHULQJ\RXUSURGXFWLVQRWDFRQGLWLRQRIZDUUDQW\VHUYLFH
+XVTYDUQD&RQVXPHU2XWGRRU3URGXFWV1$,QF+XVTYDUQD3URIHVVLRQDO3URGXFWV,QF
+DUULV&RUQHUV3DUNZD\&KDUORWWH1&
5

45
&RQVXPHU:KHHOHG:DUUDQW\&KDUW
([KLELW$
&RQVXPHU SHUVRQDO
KRXVHKROGXVHRQO\
&RPPHUFLDO DQ\FRPPHUFLDO
SURIHVVLRQDOLQVWLWXWLRQDO
DULJFXOXWUDORULQFRPHSURGXFLQJ
XVHRWKHUWKDQ5HQWDO8VH
5HQWDO DQ\UHQWDO
XVDJH
5LGLQJ/DZQ7UDFWRUV
)UDPH&KDVVLV)URQW$[OH <HDUV 12:$55$17< 12:$55$17<
(QJLQH
7UDQVPLVVLRQLIPDGHE\
+XVTYDUQD3HHUOHVV <HDUV 12:$55$17< 12:$55$17<
7UDQVPLVVLRQLIWKLUGSDUW\
%DWWHU\ <HDU3URUDWHG 12:$55$17< 12:$55$17<
2WKHU1RQ([SHQGDEOH&RPSRQHQWV <HDUV 12:$55$17< 12:$55$17<
(QJLQH
7UDQVPLVVLRQ 12:$55$17< 12:$55$17<
%DWWHU\ <HDU3URUDWHG 12:$55$17< 12:$55$17<
2WKHU1RQ([SHQGDEOH&RPSRQHQWV <HDUV 12:$55$17< 12:$55$17<
(QJLQH
7UDQVPLVVLRQ
%DWWHU\ <HDU3URUDWHG <HDU3URUDWHG 12:$55$17<
2WKHU1RQ([SHQGDEOH&RPSRQHQWV <HDUV <HDU 12:$55$17<
/((GJHU
(QJLQH
2WKHU1RQ([SHQGDEOH&RPSRQHQWV <HDUV GD\V GD\V
:DON%HKLQG0RZHUV
(QJLQH
%DWWHU\ <HDU3URUDWHG 12:$55$17< 12:$55$17<
2WKHU1RQ([SHQGDEOH&RPSRQHQWV <HDUV 12:$55$17< 12:$55$17<
6QRZ7KURZHUV
(QJLQH
5HVLGHQWLDO=HUR7XUQ0RZHUV 0=(=
3URGXFW&RPSRQHQW
5HVLGHQWLDO=HUR7XUQ0RZHUV 5=2QO\
(QJLQH
2WKHU1RQ([SHQGDEOH&RPSRQHQWV <HDUV GD\V GD\V
7LOOHUV
(QJLQH
%DWWHU\ <HDU3URUDWHG 12:$55$17< 12:$55$17<
2WKHU1RQ([SHQGDEOH&RPSRQHQWV <HDUV 12:$55$17< 12:$55$17<
7LOOHU7LQHV 12:$55$17< 12:$55$17<
+RYHULQJ7ULPPHUV
(QJLQH
2WKHU1RQ([SHQGDEOH&RPSRQHQWV <HDUV <HDU GD\V
&RQVXPHU &RPPHUFLDO 5HQWDO
6HH6HSDUDWH(QJLQH0DQXIDFWXUHUVRU0DQXIDFWXUHUVZDUUDQW\
/&7(QJLQHVRQVSHFLILF6QRZ7KURZHUV7LOOHUVZDUUDQW\WKURXJK+XVTYDUQD
/LPLWHG/LIHWLPH:DUUDQW\RQ7LOOHUWLQHVLVIRUWKHOLIHRIWKHSURGXFWRUVHYHQ\HDUVDIWHUWKHODVWGDWHRIWKHFRPSOHWH
XQLWVILQDOSURGXFWLRQZKLFKHYHUFRPHVILUVW
6HHUHIHUHQFHERIWKHZDUUDQW\VWDWHPHQW
5=7ZR<HDU&RQVXPHUZDUUDQW\SDUWVODERUZLWK+\GUR*HDU'LVWULEXWRUQHWZRUN
(=2QH<HDU&RPPHUFLDOZDUUDQW\SDUWVODERUZLWK+XVTYDUQD
7ZR<HDU&RQVXPHUZDUUDQW\SDUWVODERUZLWK+\GUR*HDU'LVWULEXWRUQHWZRUN
0=7ZR<HDU&RPPHUFLDOZDUUDQW\SDUWVODERUZLWK+\GUR*HDU'LVWULEXWRUQHWZRUN

46
&RQVXPHU:KHHOHG:DUUDQW\&KDUW
([KLELW$
&RQVXPHU SHUVRQDO
KRXVHKROGXVHRQO\
&RPPHUFLDO DQ\FRPPHUFLDO
SURIHVVLRQDOLQVWLWXWLRQDO
DULJFXOXWUDORULQFRPHSURGXFLQJ
XVHRWKHUWKDQ5HQWDO8VH
5HQWDO DQ\UHQWDO
XVDJH
3URGXFW&RPSRQHQW
)URQW0RXQWHG'HFN5LGHUV
(QJLQH
7UDQVPLVVLRQ <HDUV 12:$55$17< 12:$55$17<
%DWWHU\ <HDU3URUDWHG 12:$55$17< 12:$55$17<
2WKHU1RQ([SHQGDEOH&RPSRQHQWV <HDUV 12:$55$17< 12:$55$17<
&XOWLYDWRUV
%DWWHU\ <HDU3URUDWHG 12:$55$17< 12:$55$17<
2WKHU1RQ([SHQGDEOH&RPSRQHQWV <HDUV 12:$55$17< 12:$55$17<
3UHVVXUH:DVKHUV
0RGHO3:
(QJLQH
3XPS <HDUV 12:$55$17< 12:$55$17<
2WKHU1RQ([SHQGDEOH&RPSRQHQWV <HDUV 12:$55$17< 12:$55$17<
(QJLQH
3XPS <HDUV <HDUV 12:$55$17<
2WKHU1RQ([SHQGDEOH&RPSRQHQWV <HDUV <HDUV 12:$55$17<
*HQHUDWRUV
(QJLQH
2WKHU1RQ([SHQGDEOH&RPSRQHQWV
<HDUVQG<HDU
3DUWV2QO\
<HDUV*1QG<HDU
3DUWV2QO\ 12:$55$17<
6SUHDGHUV
6SUHDGHU <HDU <HDU <HDU
5RERWLF0RZHUV
5RERWLF0RZHU <HDUV GD\V GD\V
%DWWHU\ <HDU <HDU <HDU
3W$ L LI K G
$OORWKHU3UHVVXUH:DVKHUV3:3:3:
3DUWV$FFHVVRULHVLISXUFKDVHG
$FFHVVRULHVHJJUDVVFDWFKHUEXPSHU
JXDUGDFFHVVRULHVHWF <HDU 12:$55$17< 12:$55$17<
3DUWVHJEHOWVEODGHVHWF GD\V 12:$55$17< 12:$55$17<
3DUWV$FFHVVRULHVLIUHSODFHGLQ:DUUDQW\6HUYLFH
5HSODFHPHQWSDUWVDQGRUDFFHVVRULHV
SURYLGHGXQGHUWKLV/LPLWHG:DUUDQW\DUH
ZDUUDQWHGRQO\IRUWKH%$/$1&(RIWKH
ZDUUDQW\SHULRGDSSOLFDEOHWRWKHSDUWRU
DFFHVVRU\WKDWZDVUHSODFHG 6HHWROHIW 6HHWROHIW 6HHWROHIW
&RQVXPHU &RPPHUFLDO 5HQWDO
6HH6HSDUDWH(QJLQH0DQXIDFWXUHUVRU0DQXIDFWXUHUVZDUUDQW\
/&7(QJLQHVRQVSHFLILF6QRZ7KURZHUV7LOOHUVZDUUDQW\WKURXJK+XVTYDUQD
/LPLWHG/LIHWLPH:DUUDQW\RQ7LOOHUWLQHVLVIRUWKHOLIHRIWKHSURGXFWRUVHYHQ\HDUVDIWHUWKHODVWGDWHRIWKHFRPSOHWH
XQLWVILQDOSURGXFWLRQZKLFKHYHUFRPHVILUVW
6HHUHIHUHQFHERIWKHZDUUDQW\VWDWHPHQW
5=7ZR<HDU&RQVXPHUZDUUDQW\SDUWVODERUZLWK+\GUR*HDU'LVWULEXWRUQHWZRUN
(=2QH<HDU&RPPHUFLDOZDUUDQW\SDUWVODERUZLWK+XVTYDUQD
7ZR<HDU&RQVXPHUZDUUDQW\SDUWVODERUZLWK+\GUR*HDU'LVWULEXWRUQHWZRUN
0=7ZR<HDU&RPPHUFLDOZDUUDQW\SDUWVODERUZLWK+\GUR*HDU'LVWULEXWRUQHWZRUN

47
15 DEGREES MAX.
FOLD ALONG DOTTED LINE
THIS IS A 15 DEGREE SLOPE
ONLY RIDE UP AND DOWN HILL,
NOT ACROSS HILL
SUGGESTED GUIDE FOR SIGHTING SLOPES FOR SAFE OPERATION
WARNING: To avoid serious injury, operate your tractor up and
down the face of slopes, never across the face. Do not mow
slopes greater than 15 degrees. Make turns gradually to prevent
tipping or loss of control. Exercise extreme caution when
changing direction on slopes.
1. Fold this page along dotted line indicated above.
2. Hold page before you so that its left edge is vertically parallel to a tree
trunk or other upright structure.
3. Sight across the fold in the direction of hill slope you want to measure.
4. Compare the angle of the fold with the slope of the hill.

12-10-10 JA Printed in the U.S.A.