Husqvarna Yth2448 Owners Manual IPL, YTH 2448 (917.279080), 960130007, 2004 12, Ride Mower
2014-08-26
: Husqvarna Husqvarna-Yth2448-Owners-Manual husqvarna-yth2448-owners-manual husqvarna pdf
Open the PDF directly: View PDF
.
Page Count: 17

2004-12
I0402064
YTH2448
Illustrated
Parts List
Repair Parts Manual
Ride Mower
(917.279080), 960130007

29
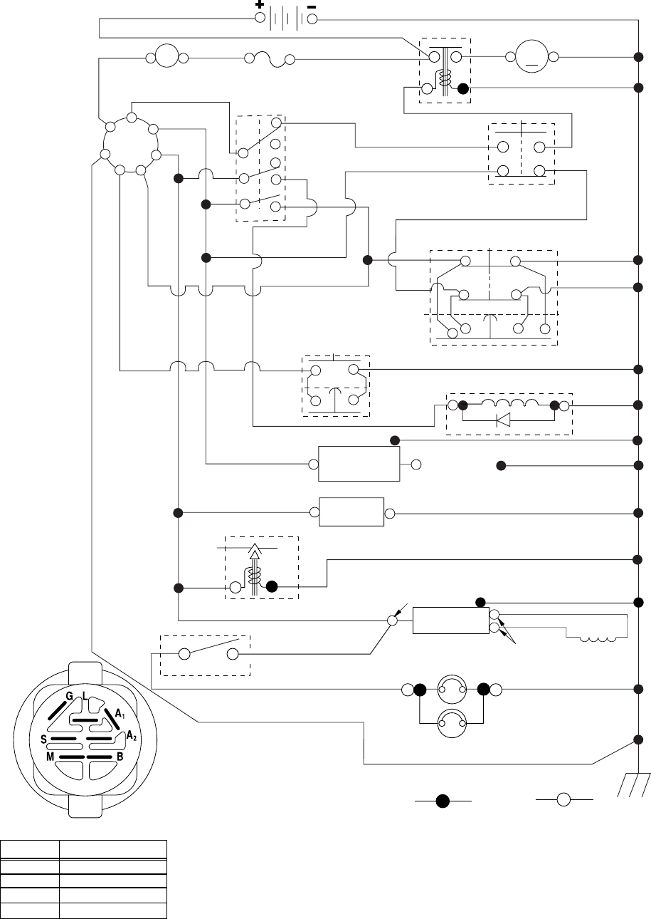
BATTERY
FUSE
SOLENOID
A M
AMMETER
(OPTIONAL)
HEADLIGHTS
CLUTCH / BRAKE
(PEDAL UP)
PTO
(DISENGAGED)
REVERSE SWITCH
NOT IN REVERSE
ELECTRIC CLUTCH
SEAT SWITCH
(NOT OCCUPIED)
SHORTING CONNECTOR
HOUR
METER
(OPTIONAL)
STARTER
IGNITION SWITCH
BSM
G
LA2
A1
IGNITION
UNIT
SPARK PLUGS
GAP
(2 PLUGS
ON TWIN CYL. ENGINES)
LIGHT SW
FUEL
LINE
FUEL SHUT-OFF
SOLENOID
RED
RED
RED
ORANGE
BROWN
RED RED
WHITE
WHITE
BLACK
GRAY
GRAY
BLACK
BLACK
BLACK
BLACK / WHITE
BLACK
BLACK
BLACK
BLACK
BLACK
BLUE
BLUE
BLACK
(IF SO EQUIPPED)
REMOVABLE
CONNECTIONS
NOTE
YOUR TRACTOR IS
EQUIPPED WITH A SPECIAL
ALTERNATOR SYSTEM.
THE LIGHTS ARE NOT
CONNECTED TO THE
BATTERY, BUT HAVE THEIR
OWN ELECTRICAL SOURCE.
BECAUSE OF THIS, THE
BRIGHTNESS OF THE LIGHTS
WILL CHANGE WITH ENGINE
SPEED. AT IDLE THE LIGHTS
WILL DIM. AS THE ENGINE IS
SPEEDED UP, THE LIGHTS
WILL BECOME THEIR BRIGHTEST.
WIRING INSULATED CLIPS
NOTE: IF WIRING INSULATED CLIPS
WERE REMOVED FOR SERVICING OF
UNIT, THEY SHOULD BE REPLACED
TO PROPERLY SECURE YOUR WIRING.
IGNITION SWITCH
CIRCUITPOSITION
OFF
B+A1
RUN/OVERRIDE
B+S+A1START
M+G+A1
B+A1RUN
“MAKE”
L+A2
NON-REMOVABLE
CONNECTIONS
02833
ALTERNATOR
YELLOW
28 VOLTS AC @ 3600 RPM
(REGULATOR DISCONNECTED)
REGULATOR
CHARGING SYSTEM OUTPUT
16 AMP DC @ 3600 RPM
TRACTOR-MODEL NUMBER YTH2448 (279080), PRODUCT NO. 960 13 00-07
SCHEMATIC

30
REPAIR PARTS
TRACTOR-MODEL NUMBER YTH2448 (279080), PRODUCT NO. 960 13 00-07
ELECTRICAL
193376 ROS
28
29
94
93
26
24
42
43
27
27
25
41
27
27
40
33
30 92
34
50
22
21
D.C. AMPERES
45
Battery _27
8
1
91
227
46
89
16
90
31
KEY PART
NO. NO. DESCRIPTION
NOTE: All component dimensions given in U.S. inches.
1 inch = 25.4 mm.
1 532 14 49-27 Battery
2 874 76 04-12 Bolt Hex Hd 1/4-20 unc x 3/4
8 532 18 64-91 Cable Starter
16 532 17 61-38 Switch Interlock Push-In
21 532 18 37-59 Harness Asm Light W/Bulbs
22 532 00 41-52 Bulb Light
24 532 12 47-80 Cable Starter
25 532 14 61-48 Cable Battery
26 532 17 51-58 Fuse
27 873 51 04-00 Nut Keps Hex 1/4-20 unc
28 532 14 54-91 Cable Ground
29 532 19 27-49 Switch Seat
30 532 19 33-50 Switch Ign
33 532 14 04-01 Key Ign
34 532 11 07-12 Switch Light/Reset
40 532 19 33-76 Harness Ign.
41 871 11 04-08 Bolt 1/4-20 x 1/2
42 532 13 15-63 Cover Terminal
43 532 17 88-61 Solenoid
45 532 12 28-22 Ammeter Rectangular
46 532 16 96-35 Hourmeter Snap-In
50 532 17 46-51 Switch, PTO
55 817 49 05-08 Screw Thdrol 5/16-18 x 1/2
89 532 16 96-39 Bracket Snap-In Hourmeter
90 532 18 04-49 Cover Terminal Battery
91 532 19 02-70 Strap Battery
92 532 19 34-65 Harness Pigtail Reverse Switch
93 532 19 25-40 Screw Plastite 10-1/4 x 2.0
94 532 19 18-34 Module Reverse Switch
REPAIR PARTS
TRACTOR-MODEL NUMBER YTH2448 (279080), PRODUCT NO. 960 13 00-07
ELECTRICAL

32
REPAIR PARTS
TRACTOR-MODEL NUMBER YTH2448 (279080), PRODUCT NO. 960 13 00-07
CHASSIS AND ENCLOSURES
10
214
30
277
276
209
31
1
9
53
278
278
209
209
55
280
280
26
144
26
10
209
142
209
142
58
208
13
208 11
143
60
145
37
37
14
14
38
38
278
39
209
2
74
159
chassis_elite husqy_4
17
212
212
213
28
259
258
144
26
26
60
217
64
209
158
90
33
NOTE: All component dimensions given in U.S. inches
1 inch = 25.4 mm
1 532 17 46-19 Chassis
2 532 17 65-54 Drawbar
9 532 19 54-20 Dash
10 872 14 06-08 Bolt 3/8-16 x 1
11 532 17 49-96 Panel Dash Lh
13 532 17 18-19 Panel Dash Rh
14 817 49 06-08 Screw Thdrol 3/8-16 x 1/2
17 532 18 99-77 Hood
26 873 80 06-00 Nut Lock Hex W/Ins 3/8-16 unc
28 532 18 82-69 Grille/Lens Asm (Includes Key Nos. 212, 258, 259)
30 532 19 48-06 Fender
31 532 13 99-76 Bracket Fender
37 817 49 05-08 Screw Thdrol 6/16-18 x 1/2 TYT
38 532 17 57-10 Bracket, Asm. Pivot Mower Rear
39 532 17 47-14 Bracket Pivot
53 532 18 83-73 Bracket Dash Lh
55 532 18 83-72 Bracket Dash Rh
58 532 18 93-52 Duct Hood
60 872 14 06-06 Bolt RdHd Sqnk 3/8-16 unc x 3/4
64 532 17 49-97 Dash Lower
74 873 68 06-00 Nut Crownlock 3/8-16 unc
90 532 12 43-46 Nut Self-Thd Wsh-Hd 1/4 Zinc
142 532 17 57-02 Plate Reinforcement STLT
143 532 18 66-89 Bracket Swaybar Chassis
144 532 17 55-82 Bracket Footrest
145 532 15 65-24 Rod Pivot Chassis/Hood
154 532 16 18-97 Bracket Dash Rh
155 532 16 19-00 Bracket Dash Lh
158 532 16 20-37 Bracket Parking Brake
159 532 19 24-04 Cupholder
208 817 67 06-08 Screw Thdrol 3/8-16 x 1/2
209 817 00 06-12 Screw Hexwsh Thdrol 3/8-16 x 3/4
212 532 18 82-67 Insert Lens
213 532 18 99-79 Skirt Grille LH
214 532 18 99-78 Skirt Grille RH
217 532 18 54-36 Console Fuel Window
258 532 18 99-81 Lens RH
259 532 18 99-82 Lens LH
276 532 18 92-74 Bumper Hood RH
277 532 18 92-75 Bumper Hood LH
278 532 19 16-11 Screw 10 x 3/4 Single Lead Hex
280 817 00 06-16 Screw 3/8-16 x 1
REPAIR PARTS
TRACTOR-MODEL NUMBER YTH2448 (279080), PRODUCT NO. 960 13 00-07
CHASSIS AND ENCLOSURES
KEY PART
NO. NO. DESCRIPTION

34
REPAIR PARTS
TRACTOR-MODEL NUMBER YTH2448 (279080), PRODUCT NO. 960 13 00-07
DRIVE
29
28
30
52
32
37
53
35
55
36
62
35
36
22
34
16
1
77
77
84
16
263
71
200
73 16
263
199
32
30
52
57
96
26
25 19 24
26
26
95
76
78
75
74
27
26
59
61
38
41
39
56
9
63
65
17
64
66
15
89
120
27
51
48
150
151
202
49
47
50
120
81
156 166
165
82
168
163
14
112
21
8
10
83
159
161
198
158
162
169
197
16
drive-hydro.stlt_73
23
254
69
35
KEY PART
NO. NO. DESCRIPTION
KEY PART
NO. NO. DESCRIPTION
NOTE: All component dimensions give in U.S. inches.
1 inch = 25.4 mm
REPAIR PARTS
TRACTOR-MODEL NUMBER YTH2448 (279080), PRODUCT NO. 960 13 00-07
DRIVE
1 - - - - - - Transaxle (See Breakdown)
Hydro Gear Model 314-0510
8 532 19 25-02 Rod Shift
9 532 17 93-34 Clutch Electric
10 876 02 04-16 Pin Cotter 1/8 x 1 CAD
14 810 04 04-00 Washer Lock Hvy. Helical
15 874 49 05-44 Bolt, Hex FLGHD 5/16-18 Gr. 5
16 873 80 05-00 Nut Lock Hex W/Ins 5/16-18 unc P
17 532 12 61-97 Washer 1-1/2 OD x 15/32 ID x 2.50
19 873 80 06-00 Nut Lock Hex W/Wsh 3/8-16 unc
21 532 14 08-45 Knob
22 532 16 94-98 Rod, Brake Hydro
23 532 19 07-36 Bracket Anti-Rotation
24 873 35 06-00 Nut Hex Jam 3/8-16
25 532 10 68-88 Spring, Brake Rod
26 819 13 13-16 Washer
27 876 02 04-12 Pin Cotter 1/8 x 3/4 CAD.
28 532 17 57-65 Rod, Parking Brake
29 532 07 16-73 Cap, Parking Brake
30 532 16 95-92 Bracket, Transaxle
32 874 76 05-12 Bolt Hex Hd 5/16-18 unc x 3/4
34 532 17 55-78 Shaft, Foot Pedal Nibbed
35 532 12 01-83 Bearing, Nylon
36 819 21 16-16 Washer 21/32 x 1 x 16 Ga.
37 532 12 49-63 Pin, Roll 3/16 x 1
38 532 17 91-14 Pulley, Idler, Composite
39 872 11 06-22 Bolt 3/8-16unc x 2-3/4
41 532 17 55-56 Keeper, Belt Retainer
47 532 12 77-83 Pulley, Idler, V-Groove
48 532 15 44-07 Bellcrank Clutch Grnd Drv STL
49 532 12 32-05 Retainer, Belt
50 872 11 06-12 Bolt Carr Sh 3/8-16 x 1-1/2 Gr.5
51 873 68 06-00 Nut Crownlock 3/8-16 unc
52 873 68 05-00 Nut Crownlock 5/16-18 unc
53 532 10 57-10 Link, Clutch
55 532 10 57-09 Spring, Return, Clutch
56 817 06 06-20 Screw 3/8-16 x 1.0
57 532 14 02-94 V-Belt, Ground Drive
59 532 16 96-91 Keeper, Center Span
61 817 12 06-14 Screw 3/8-16 x 3/4
62 532 12 48-72 Cover, Pedal
63 532 17 46-07 Pulley, Engine
64 532 17 39-37 Bolt, Hex
65 810 04 07-00 Washer Lock Hvy Hlcl Spr. 7/16
66 532 15 47-78 Keeper Belt Engine
69 532 14 24-32 Screw
71 532 16 91-83 Strap Torque Lh Hydro
73 532 16 91-82 Strap Torque Rh Hydro
74 532 13 70-57 Spacer, Split
75 532 12 17-49 Washer 25/32 x 1-1/4 x 16 Ga.
76 812 00 00-01 E-Ring
77 532 12 35-83 Key, Square
78 532 12 17-48 Washer 25/32 x 1-5/8 x 16 Ga.
81 532 16 55-96 Shaft Asm. Cross
82 532 16 57-11 Spring Torsion
83 819 17 12-16 Washer 17/32 x 3/4 x 16 Ga.
84 532 16 95-94 Link, Transaxle
89 532 19 48-10 Console, Shift
95 532 17 02-01 Control Asm Bypass Hydro
96 532 12 47-88 Retainer Spring 1" Zinc/Cad
112 819 09 12-10 Washer 9/32 x 3/4 x 10 Ga.
120 873 90 06-00 Nut Lock Flg 3/8-16 unc
151 819 13 32-10 Washer 13/32 x 2 x 10 Ga.
150 532 17 54-56 Spacer Retainer
156 532 16 60-02 Washer Srrted 5/16 ID x 1 x .125
158 532 16 55-89 Bracket Shift Mount
159 532 18 39-00 Hub Shift
161 872 14 04-06 Bolt Rdhd Sqnk 1/4-20 x 3/4 Gr. 5
162 873 68 04-00 Nut Crownlock 1/4-20 unc
163 874 78 04-16 Bolt Hex Fin 1/4-20 unc x 1 Gr. 5
165 532 16 56-23 Bracket Pivot Lever
166 817 49 05-10 Screw 5/16-18 x 5/8
168 532 16 54-92 Bolt Shoulder 5/16-18 x .561
169 532 16 55-80 Plate Fastening LT
197 532 16 96-13 Nyliner Snap-In 5/8" ID
198 532 16 95-93 Washer Nyl 7/8" ID x .105"
199 532 16 96-12 Bolt Shoulder 5/16-18 unc
200 872 14 05-08 Bolt Rdhd Sqnk 5/16-18 unc x 1
202 872 11 06-14 Bolt 3/8-16 x 1-3/4 Gr. 5
254 817 00 06-16 Screw 3/8-16 x 1
263 817 00 06-12 Screw 3/8-16 x .75

36
REPAIR PARTS
TRACTOR-MODEL NUMBER YTH2448 (279080), PRODUCT NO. 960 13 00-07
STEERING ASSEMBLY
5
5
4
3
43
95
43
8
10
40
32
11
8
6
87
46
46
8
6
87
29
88
71
17
43
91
2
94
40
11
68 67
67
67
13
65
68
15
15
15
29
29
82
38
12
39
1
41
37
36
37
steering_pl.lt_54
37
KEY PART
NO. NO. DESCRIPTION
NOTE: All component dimensions given in U.S. inches.
1 inch = 25.4 mm.
REPAIR PARTS
TRACTOR-MODEL NUMBER YTH2448 (279080), PRODUCT NO. 960 13 00-07
STEERING ASSEMBLY
1 532 19 36-51 Wheel Steering
2 532 18 47-06 Axle
3 532 16 98-40 Spindle Asm LH
4 532 16 98-39 Spindle Asm RH
5 532 12 49-31 Bearing Race Thrust Harden
6 532 12 17-48 Washer 25/32 x 1-5/8 x 16 Ga.
8 812 00 00-29 Ring Klip #t5304-75
10 532 17 51-21 Link Drag
11 810 04 06-00 Washer Lock Hvy Hlcl Spr 3/8
12 873 94 08-00 Nut Hex Jam Toplock 1/2-20 unf
13 532 13 65-18 Spacer Brg Axle Front
15 532 14 52-12 Nut Hex Flange Lock
17 532 17 78-83 Shaft Asm Strg
29 817 00 06-12 Screw 3/8-16 x 3/4
32 532 18 05-80 Rod Tie
36 532 15 51-05 Bushing Strg
37 532 15 29-27 Screw TT #32.5 x 5 x 3/8 Flange
38 532 19 36-52 Cap Wheel Steer
40 873 54 06-00 Nut Crownlock 3/8-24
41 532 18 67-37 Adaptor Wheel Strg
43 532 12 17-49 Washer 25/32 x 1 1/4 x 16 Ga.
46 532 12 12-32 Cap Spindle Fr Top Blk
65 532 16 03-67 Spacer Brace Axle
67 872 11 06-18 Bolt Rdhd Sqn 3/8-16 x 2-1/4
68 532 16 98-27 Brace, Axle
71 532 17 51-46 Steering Asm.
72 819 18 38-12 Washer 9/16 ID x 2-3/8 OD 12 Ga.
82 532 16 98-35 Bracket Susp Chassis Front
87 532 17 39-66 Washer Flat .781 x 1-1/2 x .14
88 532 17 51-18 Bolt Shoulder 7/16-20 unc
91 532 17 55-53 Clip
94 819 12 14-14 Rod Tie
95 532 18 89-67 Washer Hardened

38
REPAIR PARTS
TRACTOR-MODEL NUMBER YTH2448 (279080), PRODUCT NO. 960 13 00-07
ENGINE
2
1
OPTIONAL EQUIPMENT
Spark Arrester
29
10
6
5
72
13
25
4
8
23
45
32
31
33
37
33
engine-bs.twin_43
41
112
17 17
3
81
14
38
1 532 19 04-54 Control Throttle
2 817 72 04-08 Screw 1/4-20 x 1/2
3 - - - - - - - - Engine, Briggs Model 446677
(Order parts from engine mfg.)
4 532 14 97-23 Muffl er Asm Twin Lo-Tone
5 532 15 99-55 Pipe Exhaust LH
6 532 16 05-89 Pipe Exhaust RH
8 532 17 18-77 Bolt 5/16-18 unc x 3/4 w/Sems
10 532 16 27-97 Shield
13 532 16 53-91 Muffl er Gasket
14 532 14 84-56 Tube Drain Oil Easy
17 817 06 06-24 Screw Thdrol 3/8-16 x 1-1/2
23 532 16 98-37 Shield Heat
25 532 13 27-82 Choke Control
29 532 13 71-80 Kit Spark Arrestor (Flat Scrn)
31 532 17 90-22 Tank Fuel 4.0 Rear
32 532 18 18-03 Cap Asm Fuel
33 532 12 34-87 Clamp Hose Black
NOTE: All component dimensions given in U.S. inches
1 inch = 25.4 mm
For engine service and replacement parts, call the toll free
number for your engine manufacturer listed below:
Briggs & Stratton 1-800-233-3723
Kohler Co. 1-800-544-2444
Tecumseh Products 1-800-558-5402
Honda Engines 1-800-426-7701
Kawasaki 1-949-460-5688
KEY PART
NO. NO. DESCRIPTION KEY PART
NO. NO. DESCRIPTION
37 532 14 21-58 Line Fuel
38 532 18 16-54 Plug Drain Oil
41 532 13 92-77 Stem Tank Fuel
45 917 00 06-12 Screw Hexwsh Thdr 3/8-16 x 3/4
72 532 18 39-06 Screw Socket Head 5/16-18 x 1
112 532 12 49-52 Bushing
116 532 18 43-62 Nut Hex Flange Toplock M8-1.25

39
1
24
16
15
12
13
17
25
4
3
8
9
7
8
9
7
11
2
6
22
21
5
10
5
14
seat_lt.knob_13
REPAIR PARTS
TRACTOR-MODEL NUMBER YTH2448 (279080), PRODUCT NO. 960 13 00-07
SEAT ASSEMBLY
KEY PART
NO. NO. DESCRIPTION
1 532 18 87-15 Seat
2 532 14 05-51 Bracket Pivot Seat 8 720
3 871 11 06-16 Bolt Fin Hex 3/8-16 unc x 1
4 819 13 16-10 Washer Flat 13/32 x 1 x 10 Ga.
5 532 14 50-06 Clip Push-In
6 873 80 06-00 Nut Hex w/Ins. 3/8-16 unc
7 532 12 41-81 Spring Seat Cprsn 2 250 Blk Zi
8 817 00 06-16 Screw 3/8-16 x 1
9 819 13 16-14 Washer 13/32 x 1 x 14 Ga.
10 532 18 24-93 Pan Seat
11 532 16 63-69 Knob Seat Adj. Wingnut
12 532 17 46-48 Bracket Mounting Switch NOTE: All component dimensions given in U.S. inches.
1 inch = 25.4 mm
13 532 12 12-48 Bushing Snap Blk Nyl 50 Id
14 872 05 04-12 Bolt Rdhd Sqnk 1/4-20 x 1-1/2
15 532 12 12-49 Spacer Split
16 532 12 37-40 Spring Cprsn
17 532 12 39-76 Nut Lock 1/4 Lge Flg Gr. 5 Zinc
21 532 17 18-52 Bolt Shoulder 5/16-18 unc
22 873 80 05-00 Nut Hex Lock W/Ins 5/16-18
24 819 17 19-12 Washer 17/32 x 1-3/16 x 12 Ga.
25 532 12 70-18 Bolt Shoulder 5/16-18 x 62
KEY PART
NO. NO. DESCRIPTION

40
10
3
16
KEY PART
NO. NO. DESCRIPTION
KEY PART
NO. NO. DESCRIPTION
1 532 05 91-92 Cap Valve Tire
2 532 06 51-39 Stem Valve
3 532 10 62-22 Tire F T 15 x 6 0 - 6 Service
4 532 05 99-04 Tube Front (Service Item Only)
5 532 13 83-36 Rim Asm 6"front Service
6 532 12 49-57 Fitting Grease (Front Wheel Only)
7 532 12 49-59 Bearing Flange (Front Wheel Only)
8 532 13 83-37 Rim Asm 8"rear Service
9 532 13 84-68 Tire R T 20 x 8-8 C Service
10 532 12 49-26 Tube Rear (Service Item Only)
11 532 17 50-39 Cap Axle 1 50 x 1 00
- - 532 14 43-34 Sealant, Tire ( 10 oz. Tube)
8
14
2
1 532 18 92-43 Decal Dash
2 532 17 84-82 Decal Heavy Duty
3 532 18 89-19 Decal Hood LH
4 532 19 54-87 Decal Side Panel
5 532 19 55-49 Decal Engine
8 532 17 05-63 Decal Warning Mower
10 532 15 71-40 Decal Fender Danger E/F
11 532 18 89-25 Decal Ins Strg Whl
12 532 19 39-39 Decal Fender Oper
13 532 18 09-41 Decal Hood Cust Resp.
KEY PART
NO. NO. DESCRIPTION
1
6
2
1
5,8
4,10
3,9
11
7
wheel_1
WHEELS & TIRES
14 532 17 52-91 Decal V-Belt Schematic
15 532 19 54-59 Decal Replacement
16 532 18 89-18 Decal Hood Rh
20 532 14 50-05 Decal Bat Dan/Psn
- - 532 16 69-60 Decal By Pass
- - 532 18 82-52 Pad Footrest Lh
- - 532 18 82-53 Pad Footrest Rh
- - 532 13 83-11 Decal Height Adjustment
- - 532 19 58-39 Manual, Owners English
- - 532 19 58-40 Manual, Owners French
NOTE: All component dimensions given in U.S. inches
1 inch = 25.4 mm
11 4
20
REPAIR PARTS
TRACTOR-MODEL NUMBER YTH2448 (279080), PRODUCT NO. 960 13 00-07
DECALS
4
5
12
15
13

41
REPAIR PARTS
TRACTOR-MODEL NUMBER YTH2448 (279080), PRODUCT NO. 960 13 00-07
MOWER LIFT
4
5
6
2
31
6
5
4
7
18
17
16
15
54
54
13
12
11
13
13
31
53
32
32
13
52
49
49
51
51
13
13
20
8
lift-rh.1piece_21
1 532 15 94-60 Plunger Asm.
2 532 15 94-71Shaft Asm Lift RH w/Inf
3 532 10 57-67 Pin Groove
4 812 00 00-02 E Ring #5133-62
5 819 21 16-21 Washer 21/32 x 1 x 21 Ga.
6 532 12 01-83 Bearing Nylon Blk 629 Id
7 532 12 56-31 Grip Handle
8 532 12 45-26 Button Plunger
11 532 17 53-70 Link Lift LH
12 532 17 53-71 Link Lift RH
13 532 12 46-70 Retainer Spring
15 532 17 55-62 Plate Asm. Suspension Front
16 873 35 08-00 Nut Jam Hex 1/2-13 unc
KEY PART
NO. NO. DESCRIPTION
NOTE: All component dimensions given in U.S. inches
1 inch = 25.4 mm
KEY PART
NO. NO. DESCRIPTION
17 532 17 56-89 Trunnion Front Susp.
18 873 80 08-00 Nut Lock w/Wsh 1/2-13 unc
20 532 16 35-52 Retainer Spring
31 532 17 62-05 Trunnion Susp. Arm
32 532 17 59-94 Nut Lift Link 7/16-20
49 532 14 52-12 Nut Hex Flange Lock
51 819 17 14-16 Washer 17/32 x 7/8 x 16 Ga.
52 532 17 53-78 Arm Susp. Rear LH
53 532 17 58-02 Arm Susp. Rear RH
54 532 17 55-60 Pin

42
REPAIR PARTS
TRACTOR-MODEL NUMBER YTH2448 (279080), PRODUCT NO. 960 13 00-07
MOWER DECK
132
91
94
182
95
183
132
54/48_nose_roller
57
56
118
116
119
5
117
46
45
33
46
45
33
30
30
32
21
20
18
21
31
49
49
131
37
130
43
42
49
49
42
99
21
113
100
97 111
110
50
50
97
98
121
126
30
39
52
1
32
31
24
25
26
27
28
29
18
8
11
13
16
19
5
3
6
14
15
17
47
48
184
55
54
72
92
92
mower_deck.48_standard_1
43
KEY PART
NO. NO. DESCRIPTION
KEY PART
NO. NO. DESCRIPTION
NOTE: All component dimensions given in U.S. inches
1 inch = 25.4 mm
1 532 18 18-48 Deck Weldment Mower 48
3 532 13 80-17 Bracket Asm., Sway Bar
5 532 12 46-70 Retainer Spring
6 532 17 80-24 Arm, Suspension, Rear Sway Bar
Deck
8 532 17 43-65 Bolt 7/16 Asm. Blade
(The following blades are available)
11 532 18 00-54 Blade, 48" Hi-Lift (For bagging and
discharging)
- - 532 17 39-21 Blade, 48" Mulching (For mulching
mowers only)
13 532 17 43-60 Shaft Asm. w/Lower Bearing
14 532 17 43-58 Mandrel Asm. Housing
15 532 11 04-85 Bearing, Ball, Mandrel
16 532 17 44-93 Stripper Mandrel Deck
17 872 11 06-10 Bolt RDHD Sq Neck 3/8-16 x 1.25
18 872 14 05-05 Bolt, Carriage 5/16-18 x 5/8
19 532 13 28-27 Bolt, Hex Hd, Shoulder 5/16-18
20 532 17 43-78 Baffl e, Vortex Mower
21 873 68 05-00 Nut, Crownlock 5/16-18 unc
24 532 10 53-04 Cap, Sleeve
25 532 17 81-02 Spring, Torsion
26 532 11 04-52 Nut, Push
27 532 18 17-07 Defl ector Shield
28 819 11 10-16 Washer 11/32 x 5/8 x 16 Ga.
29 532 13 14-91 Rod, Hinge
30 532 17 39-84 Screw, Thdroll Washer Head
31 532 18 76-90 Washer, Spacer
32 532 17 34-36 Pulley, Mandrel
33 532 17 83-42 Nut, Flg. Top Lock Cntr. 9/16
37 532 17 79-68 Pulley, Idler, Flat
39 532 17 43-75 Pulley, Idler, Driven
42 532 12 20-52 Spacer, Retainer
43 532 17 43-73 Arm, Idler Secondary
45 532 18 08-06 Cover, Mandrel Deck
46 532 13 77-29 Screw, Thdroll. 1/4-20 x 5/8
47 532 18 08-08 V-Belt, Mower, Secondary
48 532 17 43-68 V-Belt, Mower, Primary
49 873 90 06-00 Nut, Lock 3/8-16 unc
50 872 11 06-12 Bolt, Carr. 3/8-16 x 1-1/2 Gr. 5
52 532 17 58-20 Pulley Idler Flat
54 874 78 06-16 Bolt Fin Hex 3/8-16 x 1
55 872 14 06-08 Bolt Carriage Sqnk. 3/8-16 x 1
56 532 15 59-86 Bar Pnt Adj.
57 532 15 69-41 Pin Head Rivet
72 819 13 13-12 Washer 13/32 x 13/16 x 12 Ga.
91 532 18 05-35 Bracket, Asm Noseroller, RH
92 873 80 06-00 Nut Lock Hex 3/8-16
94 532 17 60-66 Noseroller
95 532 18 05-34 Bracket, Asm Noseroller LH
97 532 17 85-15 Washer Hardened
98 532 17 94-79 Spring Primary Drive
99 532 18 99-93 Pulley Idler"V"
100 872 11 06-16 Bolt RDHD Sqnk 3/8-16 unc x 2
110 532 17 50-16 Arm Spring Break
111 532 17 46-10 Arm Spring Field Tension
113 872 11 05-06 Bolt 5/16-18 x 3/4
116 532 19 34-06 Bolt, Shoulder
117 532 17 48-73 Gauge Wheel
118 873 93 06-00 Nut, Centerlock 3/8-16 unc
119 819 12 14-14 Washer 3/8 x 7/8 x 14 Ga.
121 532 17 43-71 Spring Secondary Drive
126 532 17 43-72 Arm, Idler, Primary Deck
130 817 00 06-16 Screw 3/8-16 x 1.0
131 819 13 16-06 Washer 13/32 x 1.00 x 6 Ga.
132 817 00 06-12 Screw 3/8-16 x .75
182 532 17 91-27 Rod Roller Nose
183 532 16 35-52 Retainer Spring
184 532 17 39-79 Keeper Belt Idler
- - 532 17 43-56 Mandrel Asm. Service
(Includes Key Nos. 13-15 and 33)
- - 532 18 99-06 Relplacement Mower, Complete
(Std. Deck - Order separately nose
roller components key nos. 91, 94,
95, 132, 182, and 183)
REPAIR PARTS
TRACTOR-MODEL NUMBER YTH2448 (279080), PRODUCT NO. 960 13 00-07
MOWER DECK