Husqvarna YTH22V42 OM, YTH22V42, 2010 05, TRACTORS/RIDE MOWERS, 917289620 User Manual To The 00327955 0a9f 494c B507 8c801b73ea41
User Manual: Husqvarna YTH22V42 to the manual
Open the PDF directly: View PDF  .
.
Page Count: 52

Owner's Manual
532 43 65-05
917.289620
(YTH22V42)

2
SAFETY RULES
Safe Operation Practices for Ride-On Mowers
DANGER:  THIS CUTTING MACHINE IS CAPABLE OF AMPUTATING HANDS AND FEET AND THROW ING OBJECTS.  FAILURE 
TO OBSERVE THE FOLLOWING SAFETY INSTRUCTIONS COULD RESULT IN SERIOUS INJURY OR DEATH.
I. GENERAL OPERATION 
•  Read, understand, and follow all instructions on the 
machine and in the manual before starting.
•  Do not put hands or feet near rotating parts or under 
the machine. Keep clear of the discharge opening at 
all times.
•  Only allow responsible adults, who are familiar with 
the in struc tions, to operate the machine.
•  Clear the area of objects such as  rocks, toys, wire, etc.,  
which could be picked up and thrown by the blades.
•  Be sure the area is clear of bystanders before 
operating.  Stop machine if anyone enters the area.
•  Never carry passengers.
•  Do not mow in reverse unless absolutely necessary.  
Always look down and behind before and while 
back ing.
•  Never direct discharged material toward anyone. Avoid 
discharging material against a wall or obstruction. 
Material may ricochet back toward the operator. Stop 
the blades when crossing gravel surfaces.
•  Do not operate machine without the entire grass catcher, 
discharge chute, or other safety devices in place and 
working.
WARNING:  In order to prevent ac ci den tal 
starting when setting up, trans port ing, 
ad just ing or making repairs, al ways 
dis con nect spark plug wire and place 
wire where it can not contact spark plug. 
WARNING:  Do not coast down a hill in neu-
tral, you may lose control of the tractor.
WARNING:  Tow only the attachments that 
are rec om mend ed by and comply with 
spec i fi ca tions of the man u fac tur er of your 
tractor. Use common sense when towing. 
Operate only at the low est possible speed 
when on a slope.  Too heavy of a load, 
while on a slope, is dan ger ous.  Tires 
can lose trac tion with the ground and 
cause you to lose control of your tractor.
WARNING
Engine exhaust, some of its con stit u ents, and cer tain 
vehicle com po nents contain or emit chem i cals 
known to the State of Cal i for nia to cause can cer 
and birth de fects or oth er re pro duc tive harm.
WARNING
Battery posts, terminals and related ac ces so ries 
contain lead and lead compounds, chem i cals known 
to the State of Cal i for nia to cause can cer and birth 
defects or oth er re pro duc tive harm. Wash hands 
after handling.
•  Slow down before turning.
•  Never leave a running machine unattended.  Always 
turn off blades, set parking brake, stop engine, and 
remove keys before dismounting.
•  Disengage blades when not mowing. Shut off engine 
and wait for all parts to come to a complete stop before 
cleaning the machine, removing the grass catcher, or 
unclogging the discharge chute.
•  Operate machine only in daylight or good artificial 
light.
•  Do not operate the machine while under the influence 
of alcohol or drugs.
•  Watch for traffic when operating near or crossing 
road ways.
•  Use extra care when loading or unloading the machine 
into a trailer or truck.
•  Always wear eye protection when operating 
machine.
•  Data indicates that operators, age 60 years and above, 
are involved in a large percentage of riding mower-
related injuries.  These operators should evaluate their 
ability to operate the riding mower safely enough to 
protect them selves and others from serious injury.
•  Follow the manufacturer's recommendation for wheel 
weights or counterweights.
•  Keep machine free of grass , leaves or other debris 
build-up which can touch hot exhaust / engine parts 
and burn. Do not allow the mower deck to plow leaves
or other debris which can cause build-up to occur. 
Clean any oil or fuel spillage before operating or storing 
the machine. Allow machine to cool before storage.
II. SLOPE OPERATION
Slopes are a major factor related to loss of control and 
tip-over accidents, which can result in severe injury or 
death.  Operation on all slopes requires extra caution.  If 
you cannot back up the slope or if you feel uneasy on it, 
do not mow it.
•  Mow up and down slopes, not across.
•  Watch for holes, ruts, bumps, rocks, or other hidden 
objects.  Uneven terrain could overturn the machine.  
Tall grass can hide obstacles.
•  Choose a low ground speed so that you will not have 
to stop or shift while on the slope.
•  Do not mow on wet grass. Tires may lose traction.
  Always keep the machine in gear when going down 
slopes. Do not shift to neutral and coast downhill.
•  Avoid starting, stopping, or turning on a slope.  If the 
tires lose traction,  disengage the blades and proceed 
slowly straight down the slope.
•  Keep all movement on the slopes slow and gradual.  
Do not make sudden changes in speed or direction, 
which could cause the machine to roll over.
•  Use extra care while operating machine with grass 
catchers or other at tach ments; they can affect the 
stability of the machine. Do no use on steep slopes.
•  Do not  try to stabilize the machine by putting your foot 
on the ground.
•  Do not mow near drop-offs, ditches, or embankments.  
The machine could suddenly roll over if a wheel is over 
the edge or if the edge caves in.

3
SAFETY RULES
Safe Operation Practices for Ride-On Mowers
•  Be sure the area is clear of bystanders before operat-
ing.  Stop machine if anyone enters the area.
•  Never carry passengers.
•  Do not mow in reverse unless absolutely necessary. 
Al ways look down and behind before and while back-
ing.
•  Never carry children, even with the blades shut off.  They 
may fall off and be seriously injured or interfere with 
safe machine operation. Children who have been given 
rides in the past may suddenly appear in the mowing 
area for another ride and be run over or backed over 
by the machine.
•  Keep children out of the mowing area and in the watchful 
care of a responsible adult other than the operator.
•  Be alert and turn machine off if a child enters the 
area.
•  Before and while backing, look behind and down for 
small children.
•  Mow up and down slopes (15° Max), not across.
•  Choose a low ground speed so that you will not have 
to stop or shift while on the slope.
•  Avoid starting, stopping, or turning on a slope.  If the 
tires lose traction,  disengage the blades and proceed 
slowly straight down the slope.
•  If machine stops while going uphill, disengage blades, 
shift into reverse and back down slowly.
•  Do not turn on slopes unless necessary, and then, turn 
slowly and gradually downhill, if possible.
III. CHILDREN
Tragic accidents can occur if the operator is not alert to 
the presence of children.  Children are often attracted to 
the ma chine and the mowing activity.  Never assume that 
children will remain where you last saw them.
•  Keep children out of the mowing area and in the watchful 
care of a responsible adult other than the operator.
•  Be alert and turn machine off if a child enters the 
area.
•  Before and while backing, look behind and down for 
small children. 
•  Never carry children, even with the blades shut off.  They 
may fall off and be seriously injured or interfere with 
safe machine operation. Children who have been given 
rides in the past may suddenly appear in the mowing 
area for another ride and be run over or backed over 
by the machine.
•  Never allow children to operate the machine.
•  Use extra care when approaching blind corners, shrubs, 
trees, or other objects that may block your view of a 
child.
IV. TOWING
•  Tow only with a machine that has a hitch designed for 
towing. Do not attach towed equipment except at the 
hitch point.
•  Follow the manufacturer's recommendation for weight 
limits for towed equipment and towing on slopes.
•  Never allow children or others in or on towed 
equipment.
•  On slopes, the weight of the towed equipment may 
cause loss of traction and loss of control.
•  Travel slowly and allow extra distance to stop. 
V. SERVICE
SAFE HANDLING OF GASOLINE
To avoid personal injury or property damage, use extreme 
care in handling gasoline. Gasoline is extremely flammable 
and the vapors are explosive.
•  Extinguish all cigarettes, cigars, pipes, and other 
sources of ignition.
•  Use only approved gasoline container.
•  Never remove gas cap or add fuel with the engine 
running. Allow engine to cool before refueling.
•  Never fuel the machine indoors.
•  Never store the machine or fuel container where there 
is an open flame, spark, or pilot light such as on a water 
heater or other appliances.
•  Never fill containers inside a vehicle or on a truck or 
trailer bed with plastic liner. Always place containers 
on the ground away from your vehicle when filling.
•  Remove gas-powered equipment from the truck or 
trailer and refuel it on the ground. If this is not possible, 
then refuel such equipment with a portable container, 
rather than from a gasoline dispenser nozzle.
•  Keep the nozzle in contact with the rim of the fuel tank or 
container opening at all times until fueling is complete. 
Do not use a nozzle lock-open device.
•  If fuel is spilled on clothing, change clothing immedi-
ately.
•  Never overfill fuel tank. Replace gas cap and tighten 
securely.
GENERAL SERVICE
•  Never operate machine in a closed area.
•  Keep all nuts and bolts tight to be sure the equipment 
is in safe working condition.
•  Never tamper with safety devices. Check their proper 
operation regularly.
•  Keep machine free of grass, leaves, or other debris 
build-up.  Clean oil or fuel spillage and remove any fuel-
soaked debris.  Allow machine to cool before storing.
•  If you strike a foreign object, stop and inspect the 
machine. Repair, if necessary, before restarting.
•  Never make any adjustments or repairs with the engine 
run ning.
•  Check grass catcher components and the discharge 
chute frequently and replace with manufacturer's rec-
ommended parts, when necessary.
•  Mower blades are sharp.  Wrap the blade or wear 
gloves, and use extra caution when servicing them.
•  Check brake operation frequently.  Adjust and service 
as required.
•  Maintain or replace safety and instruction labels, as 
necessary.

4
SAFETY RULES ......................................................... 2-3
PRODUCT SPECIFICATIONS ....................................... 4
CUSTOMER RESPONSIBILITIES ................................. 4
ASSEMBLY ................................................................. 5-6
OPERATION ............................................................. 7-13
MAINTENANCE SCHEDULE ...................................... 14
MAINTENANCE .....................................................   14-17
SERVICE AND AD JUST MENTS ............................ 18-23
STORAGE .................................................................... 24
TROU BLE SHOOT ING ............................................ 25-26
REPAIR PARTS ...................................................... 27-49
TABLE OF CONTENTS
PRODUCT SPECIFICATIONS
Gasoline Capacity  2.50 Gallons     
and type:  Unleaded Regular
Oil Type (API-SG-SL):  SAE 30 (above 32°F)     
  SAE 5W-30 (below 32°F)
Oil Capacity:  w/Filter:  64 oz.     
  w/o Filter:  60 oz.
Spark Plug:  Champion QC12YC     
  (Gap:  .030") 
Ground Speed (MPH):  Forward:  0 - 5.2     
  Reverse:  0 - 2.9
Charging System:  5 AMPS BATTERY     
  3 AMPS HEADLIGHTS  
Battery: AMP/HR: 28   
 MIN. CCA: 230   
 Case Size: U1R
Blade Bolt Torque:  45-55 Ft. Lbs.
CONGRATULATIONS on your purchase of a new tractor.  
It has been designed, engineered and manu fac tured to give 
you the best possible dependability and performance.
Should you experience any problem you cannot easily rem-
edy, please contact your nearest authorized servicecenter/
de part ment  We have competent, well-trained tech ni cians 
and the proper tools to service or repair this tractor.
Please read and retain this manual.  The instructions will 
enable you to assemble and maintain your tractor prop erly.  
Always observe the “SAFETY RULES”.
CUSTOMER RESPONSIBILITIES
•  Read and observe the safety rules.
•  Follow a regular schedule in maintaining, caring for 
and using your tractor.
•  Follow the instructions under “Maintenance” and “Stor-
 age” sec tions of this own er’s manual.
WARNING:  This tractor is equipped with an internal com-
 bus tion engine and should not be used on or near any un-
 im proved forest-covered, brush-covered or grass-cov ered 
land unless the en gine’s exhaust system is equipped with 
a spark arrester meeting ap pli ca ble local or state laws (if 
any).  If a spark arrester is used, it should be maintained 
in effective working order by the operator.
In the state of California the above is required by law 
(Section 4442 of the California Public Resources Code). 
Other states may have similar laws. Federal laws apply 
on federal lands.
A spark arrester for the muffler is available through your 
nearest authorized service center/department  (See RE PAIR 
PARTS section of this manual).

5
(2) Keys
Slope Sheet
Key
(1) Oil Drain Tube 
Your new tractor has been assembled at the factory with the exception of those parts left unassembled for shipping purposes.
Fig. 1
Fig. 2
ADJUST SEAT (See Fig. 2)
•  Sit in seat.
•  Lift up adjustment lever (A) and slide seat until a com-
fortable position is reached which allows you to press 
clutch/brake pedal all the way down.
•  Release lever to lock seat in position.
ASSEMBLY
UNASSEMBLED PARTS
A
TO REMOVE TRACTOR FROM CARTON
UNPACK CARTON
•  Remove all accessible loose parts and parts cartons  
from carton .
•  Cut along dotted lines on all four panels of carton. 
Remove end panels and lay side panels flat.
•  Check for any additional loose parts or cartons and 
remove.
BEFORE REMOVING TRACTOR FROM 
SKID
TOOLS REQUIRED FOR ASSEMBLY
A socket wrench set will make assembly easier.  Stan dard 
wrench sizes are listed.
(1)  1/2" wrench  Tire pressure gauge
(2)  7/16" wrenches  Utility knife     Pliers
When right or left hand is mentioned in this man ual, it means 
when you are in the operating po si tion (seated be hind the 
steer ing wheel).
TO CHECK BATTERY (See Fig. 1)
•  Lift seat to raised position.
NOTE: If this battery is put into service after month and 
year indicated on label (label is located between terminals) 
charge battery for minimum of one hour at 6-10 amps. 
(See "BATTERY" in Maintenance  section of this manual 
for charging instructions).
•  For battery and battery cable installation see "RE-
PLACING BATTERY" in the "Service and Adjustments" 
section in this manual.
LABEL

6
CHECK TIRE PRESSURE
The tires on your tractor were overinflated at the factory 
for shipping purposes.  Correct tire pressure is important 
for best cutting performance.
•  Reduce tire pressure to PSI shown on tires.
CHECK DECK LEVELNESS
For best cutting results, mower housing should be prop-
erly leveled.  See “TO LEVEL MOWER HOUSING” in the 
Service and Adjustments section of this manual.
CHECK FOR PROPER POSITION OF ALL 
BELTS
See the figures that are shown for replacing motion and 
mower blade drive belts in the Service and Adjustments 
sec tion of this manual.  Verify that the belts are routed 
cor rect ly.
CHECK BRAKE SYSTEM
After you learn how to operate your tractor, check to see that 
the brake is operating properly.  See “TO CHECK BRAKE” 
in the Service and Adjustments section of this manual.
✓CHECKLIST
BEFORE YOU OPERATE YOUR NEW  TRAC TOR, WE 
WISH TO ASSURE THAT YOU RECEIVE THE BEST 
PERFORMANCE AND SATISFACTION FROM THIS 
QUALITY PRODUCT.
PLEASE REVIEW THE FOLLOWING CHECKLIST:
✓  All assembly instructions have been com plet ed.
✓  No remaining loose parts in carton.
✓  Battery is properly prepared and charged. 
✓  Seat is adjusted comfortably and tightened securely.
✓  All tires are properly inflated.  (For shipping purposes, 
the tires were overinflated at the factory).
✓  Be sure mower deck is properly leveled side-to-side/
front-to-rear for best cutting results.  (Tires must be 
properly inflated for leveling).
✓  Check mower and drive belts.  Be sure they are routed 
properly around pulleys and inside all belt keepers.
✓  Check wiring.  See that all connections are still secure 
and wires are properly clamped.
✓  Before driving tractor, be sure free wheel control is in 
“transmission engaged” position (see “TO TRANS-
 PORT” in the Operation section of this man u al).
WHILE LEARNING HOW TO USE YOUR TRACTOR, PAY 
EXTRA ATTENTION TO THE FOLLOWING IMPORTANT 
ITEMS:
✓  Engine oil is at proper level.
✓  Fuel tank is filled with fresh, clean, regular unleaded 
gasoline.
✓  Become familiar with all controls, their location and 
function.  Operate them before you start the engine.
✓  Be sure brake system is in safe operating condition.
✓ Be sure Operator Presence System and Reverse Op-
eration System (ROS) are working properly (See the 
Operation and Maintenance sections in this manual).
✓ It is important to purge the transmission before op er at-
 ing your tractor for the first time.  Follow proper start-
ing and transmission purging instructions (See “TO 
START EN GINE” and “PURGE TRANSMISSION” in 
the Op er a tion section of this manual).
ASSEMBLY
NOTE: You may now roll your tractor off the skid. Follow the 
instructions below to remove the tractor from the skid.
  WARNING: Before start ing, read, un der stand and fol low 
all in struc tions in the Op er a tion section of this man u al. Be 
sure tractor is in a well-ventilated area. Be sure the area in  
front of tractor is clear of other peo ple and objects.
TO ROLL TRACTOR OFF SKID  (See Op er a tion 
section for location and function of con trols)
•  Raise attachment lift lever to its highest po si tion.
•  Release parking brake by de press ing clutch/brake ped al.
•  Place freewheel control in "trans mis sion dis en gaged" 
position (See “TO TRANS PORT” in the Op er a tion 
section of this manual).
•  Roll tractor forward off skid.
•  Remove banding holding the deflector shield up against 
tractor.
Continue with the instructions that follow.

7
These symbols may appear on your tractor or in literature supplied with the product.  Learn and understand their meaning.
DANGER, KEEP HANDS
AND FEET AWAY
 FREE WHEEL
(Automatic Models only)
KEEP AREA CLEAR  SLOPE HAZARDS
15 
15 
(SEE SAFETY RULES SECTION)
BATTERY REVERSE FORWARD
FAST SLOW
ENGINE ON
ENGINE OFF
FUEL
CHOKE
MOWER HEIGHT
REVERSE NEUTRAL HIGH LOW
ATTACHMENT
CLUTCH ENGAGED
PARKING BRAKE
IGNITION SWITCH
ATTACHMENT
CLUTCH DISENGAGED
ENGINE START MOWER LIFT
Failure to follow instructions
could result in serious injury or
death. The safety alert symbol
is used to identify safety inform-
ation about hazards which can
result in death, serious injury
and/or property damage.
DANGER indicates a hazard which, if not avoided,
will result in death or serious injury.
WARNING indicates a hazard which, if not avoided,
could result in death or serious injury.
CAUTION indicates a hazard which, if not avoided,
might result in minor or moderate injury.
CAUTION when used without the alert symbol,
indicates a situation that could result in damage
to the tractor and/or engine.
FIRE indicates a hazard which, if not avoided,
could result in death, serious injury and/or
property damage.
HOT SURFACES indicates a hazard which,
if not avoided, could result in death, serious injury
and/or property damage.
REVERSE
OPERATION
SYSTEM (ROS)
LIGHTS ON CLUTCH/BRAKE
PEDAL
CRUISE CONTROL
OPERATION

8
KNOW YOUR TRACTOR
READ THIS OWNER'S MANUAL AND SAFETY RULES BEFORE OPERATING YOUR TRACTOR
Compare the illustrations with your tractor to familiarize yourself with the locations of various controls and ad just ments.  
Save this manual for future reference.
Our tractors conform to the applicable safety standards of the American National Standards Institute. 
Fig. 3
(A) ATTACHMENT LIFT LEVER - Used to raise and lower 
the mower or other attachments mounted to your trac tor.
(B) BRAKE PEDAL - Used for brak ing the tractor and 
start ing the engine.
(C) PARKING BRAKE - Locks clutch/brake pedal into the 
brake position.
(D) THROTTLE/CHOKE CONTROL - Used for starting 
and controlling engine speed. 
(E) ATTACHMENT CLUTCH LEVER - Used to engage 
the mow er blades, or other at tach ments mounted to your 
tractor.
(F) IGNITION SWITCH - Used for starting and stopping 
the engine.
(G) REVERSE OPERATION SYSTEM (ROS) "ON" 
POSITION - Allows operation of mower or other powered 
attachment while in reverse.
(H) LIGHT SWITCH - Turns the headlights on and off.
(J) CRUISE CONTROL LEVER - Used to set forward 
movement of tractor at desired speed without holding the 
forward drive pedal.
(K) FORWARD DRIVE PEDAL - Used for forward move-
ment of tractor.
(L) REVERSE DRIVE PEDAL - Used for reverse move-
ment of tractor.
(M) FREEWHEEL CONTROL - Disengages transmission 
for pushing or slowly  tow ing the trac tor with the engine off.
(P) SERVICE REMINDER / HOUR METER - Indicates 
when service is required for the engine and mower.
OPERATION
E
A
M
F
B
JK
G
C
H
D
P
L

9
Fig. 4
HOW TO USE YOUR TRAC TOR
TO SET PARKING BRAKE (See Fig. 4)
Your tractor is equipped with an operator presence sens-
 ing  switch.  When engine is running, any attempt by the 
op er a tor to leave the seat without first setting the parking 
brake will shut off the engine.
•  Depress brake pedal (B) all the way down and hold.
•  Pull parking brake lever (C) up and hold, re lease pres-
 sure from brake pedal (B), then release parking brake 
lever.  Pedal should re main in brake position.  Make 
sure parking brake will hold tractor secure.
Fig. 5
GROUND DRIVE -
•  To stop ground drive, depress brake pedal into full 
“BRAKE” position.
IMPORTANT: FORWARD AND REVERSE DRIVE PEDALS 
RETURN TO NEUTRAL POSITION WHEN NOT DEPRESSED.
STOPPING (See Fig. 5)
MOWER BLADES -
•  To stop mower blades, place attachment clutch control 
in the “DIS EN GAGED” position ( ).
ENGINE - 
•  Move throttle control (D) between half and full speed 
(fast) position.
NOTE: Failure to move throttle control between half and full 
speed (fast) position, before stop ping may cause engine 
to “backfire”.
•  Turn ignition key (F) to “STOP” position and remove key. 
Always remove key when leaving tractor to prevent 
un author ized use.
•  Never use the choke to stop the engine.
IMPORTANT:  LEAVING THE IGNITION SWITCH IN ANY 
POSITION OTHER THAN "STOP" WILL CAUSE THE BATTERY 
TO BE DIS CHARGED, (DEAD).
NOTE: Under certain conditions when tractor is standing 
idle with the engine running, hot en gine exhaust gases may 
cause “browning” of grass. To eliminate this possibility, al-
 ways stop engine when stopping tractor on grass areas.
CAUTION: Always stop tractor com-
 plete ly, as described above, and set 
parking brake before leav ing the op er a-
 tor's position.
OPERATION
The operation of any tractor can  result in foreign objects thrown into the eyes, which can 
result in severe eye dam age.  Always wear safety glass es or eye shields while operating 
your tractor or per form ing any ad just ments or repairs.  We rec om mend standard safety 
glasses or a wide vision safety mask worn over spectacles.
TO MOVE FORWARD AND BACKWARD 
(See Fig. 7)
The direction and speed of movement is controlled by the 
forward and reverse drive pedals.
•  Start tractor and release parking brake.
•  Slowly depress forward (K) or reverse (L) drive pedal to 
begin movement. Ground speed increases the further 
down the pedal is depressed.
B
C
( ) ATTACHMENT 
CLUTCH LEVER  
“ENGAGED”
( ) ATTACHMENT 
CLUTCH LEVER 
“DIS EN GAGED”
TO USE THROTTLE CONTROL (D) (See Fig. 6)
Always operate engine at full speed (fast).
•  Operating engine at less than full speed (fast) reduces 
the engine's operating efficiency.
•  Full speed (fast) of fers the best mower per for mance.
D
F
Fig. 6

10
TO ADJUST MOWER CUT TING HEIGHT  
(See Fig. 8)
The po si tion of the at tach ment lift le ver (A) de ter mines the 
cut ting height.
•  Put attachment lift lever in desired cutting height slot.
The cutting  height  range is  ap prox i mate ly 1" to  4".  The 
heights are measured from the ground to the blade tip with 
the engine not running.  These heights are approximate 
and may vary depending upon soil conditions, height of 
grass and types of grass being mowed.
•  The average lawn should be cut to approximately 
2-1/2 " during the cool season and to over 3"during hot 
months.  For healthier and better looking lawns, mow 
often and after moderate growth.
•  For best cutting performance, grass over 6" in height 
should be mowed twice.  Make the first cut relatively 
high; the second to de sired height.
SYSTEM CHARACTERISTICS
The cruise control should only be used while mowing or 
transporting on relatively smooth, straight surfaces. Other 
con di tions such as trimming at slow speeds may cause the 
cruise control to dis en gage. Do not use the cruise control 
on slopes, rough terrian or while trimmimg or turning.
•  With forward drive pedal depressed to desired speed, 
pull cruise control lever (J) up and hold while lifting 
your foot off the pedal, then release the lever.
To disengage the cruise control, depress the brake pedal 
or tap on forward drive pedal.
Fig. 7
TO ADJUST GAUGE WHEELS (See Fig. 9)
Gauge wheels  are prop er ly ad just ed when they are slight ly 
off the ground when mower is at the desired cutting height in 
operating position. Gauge wheels then keep the deck in prop-
er position to help prevent scalping in most terrain conditions. 
NOTE: Adjust gauge wheels with tractor on a flat level 
surface.
•  Adjust mower to desired cutting height (See “TO AD-
 JUST MOWER CUT TING HEIGHT” in this sec tion of 
manual).
•  With mower in desired height of cut po si tion, gauge 
wheels should be assembled so they are slightly off 
the ground. In stall gauge wheel in ap pro pri ate hole. 
Tighten se cure ly.
•  Repeat for all, installing gauge wheel in same adjust-
ment hole.
Fig. 8
Fig. 9
OPERATION
TO USE CRUISE CONTROL (J) (See Fig. 7)
The cruise control feature can be used for forward travel 
only.
J
K
L
A
TO OPERATE MOWER
Your tractor is equipped with an operator presence sensing 
switch.  Any attempt by the operator to leave the seat with 
the engine running and the attachment clutch engaged will 
shut off the engine. You must remain fully and centrally 
positioned in the seat to prevent the engine from hesitat-
ing or cutting off when operating your equipment on rough, 
rolling terrain or hills.
•  Select desired height of cut (see "TO ADJUST MOWER 
CUTTING HEIGHT")
•  Start mower blades by engaging at tach ment clutch 
control.
CAUTION:  Do not operate the mower 
without either the en tire grass catcher, on 
mowers so equipped, or the deflector shield 
(S) in place (See Fig. 10).
TO STOP MOWER BLADES
• Disengage at tach ment clutch con trol.
Fig. 10
S

11
Fig. 11
TOWING CARTS AND OTHER AT TACH MENTS
Tow only the attachments that are recommended by and 
comply with specifications of the manufacturer of your trac-
tor. Use common sense when towing. Too heavy of a load, 
while on a slope, is dangerous. Tires can lose traction with 
the ground and cause you to lose control of your tractor.
TO TRANSPORT (See Figs. 3 and 11)
When pushing or towing your tractor, be sure to disengage 
transmission by placing freewheel control in free wheel ing  
po si tion.  Free wheel control is located at the rear drawbar 
of tractor.
•  Raise attachment lift to highest position with at tach ment 
lift control. 
•  Pull freewheel control out and down into the slot and 
release so it is held in the disengaged position.
•  Do not push or tow tractor at more than two (2) MPH.
•  To reengage transmission, reverse above procedure.
NOTE:  To protect hood from damage when transporting 
your tractor on a truck or a trailer, be sure hood is closed 
and secured to tractor.  Use an appropriate means of tying 
hood to tractor (rope, cord, etc.).
REVERSE OPERATION SYSTEM (ROS)
Your tractor is equipped with a Reverse Operation System 
(ROS). Any attempt by the operator to travel in the reverse 
direction with the attachment clutch engaged will shut off 
the engine unless ignition key is placed in the ROS "ON" 
position.
 WARNING:  Backing up with the attachment clutch en-
gaged while mowing is strongly discouraged. Turning the 
ROS "ON", to allow reverse operation with the attachment 
clutch engaged, should only be done when the operator 
decides it is necessary to reposition the machine with the 
attachment engaged. Do not mow in reverse unless 
absolutely necessary.
USING THE REVERSE OPERATION SYSTEM -
Only use if you are certain no children or other bystanders 
will enter the mowing area.
•  Depress brake pedal all the way down.
•  With engine running, turn ignition key counterclockwise 
to ROS "ON" position.
•  Look down and behind before and while backing.
•  Slowly depress reverse drive pedal to start movement.
•  When use of the ROS is no longer needed, turn the 
ignition key clockwise to engine "ON" position.
ROS "ON" POSITION ENGINE "ON" POSITION
(NORMAL OPERATING)
0
2
8
2
8
TO OPERATE ON HILLS 
CAUTION:  Do not drive up or down 
hills with slopes greater than 15° and 
do not drive across any slope.
•  Choose the slowest speed  before starting up or down 
hills.
•  Avoid stopping or changing speed on hills.
•  If stopping is absolutely necessary, push brake pedal 
quickly to brake position and engage parking brake.
•  To restart movement, slowly release parking brake and 
brake pedal.
•  Slowly depress appropriate drive pedal to slowest set-
 ting.
•  Make all turns slowly.
OPERATION
TRANSMISSION ENGAGED
TRANSMISSION DISENGAGED
SERVICE REMINDER/HOUR METER
Service reminder shows the total number of hours the engine 
has run and flashes to indicate that the engine or mower 
needs servicing. When service is required, the service 
reminder will flash for two hours. To service engine and 
mower, see the Maintenance section of this manual.
NOTE: Service reminder runs when the ignition key is in 
any position but "STOP". For accurate reading, be sure key 
remains in the "STOP" position when engine is not running. 

12
CAUTION:  Alcohol blended fuels (called gasohol 
or using ethanol or methanol) can attract moisture 
which leads to sep a ra tion and for ma tion of acids 
during storage.  Acidic gas can damage the fuel 
system of an engine while in storage.  To avoid engine 
problems, the fuel system should be emptied before 
stor age of 30 days or longer.  Drain the gas tank, 
start the engine and let it run until the fuel lines and 
carburetor are empty.  Use fresh fuel next season.  
See Storage In struc tions for additional information.  
Never use engine or carburetor cleaner products in 
the fuel tank or permanent damage may occur.
ADD GASOLINE 
•  Fill fuel tank to bottom of filler neck. Do not overfill.  Use 
fresh, clean, regular un lead ed gasoline with a minimum of 
87 octane.  (Use of  leaded gasoline will increase carbon 
and lead oxide deposits and reduce valve life).  Do not 
mix oil with gasoline.  Purchase fuel in quan ti ties that can 
be used within 30 days to assure fuel freshness.
CAUTION:  Wipe off any spilled oil or 
fuel.  Do not store, spill or use gasoline 
near an open flame.
IMPORTANT:  WHEN OPERATING IN TEMPERATURES BELOW 
32°F(0°C), USE FRESH, CLEAN WINTER GRADE GAS O LINE 
TO HELP ENSURE GOOD COLD WEATHER START ING.
BEFORE STARTING THE ENGINE
CHECK ENGINE OIL LEVEL
The engine in your tractor  has been shipped, from the 
factory, already filled with sum mer weight oil.  
•  Check engine oil with tractor on level ground.  
•  Remove oil fill cap/dipstick and wipe clean, reinsert the 
dipstick and screw cap tight, wait for a few seconds, 
remove and read oil level.  If necessary, add oil until  
“FULL” mark on dipstick is reached.  Do not overfill.
•  For cold weather operation you should change oil for 
easier starting (See “OIL VISCOSITY CHART” in the 
Maintenance sec tion of this manual).   
•  To change engine oil, see the Maintenance section in 
this manual.
OPERATION
TO START ENGINE (See Fig. 3)
When starting the engine for the first time or if the engine 
has run out of fuel, it will take extra cranking time to move 
fuel from the tank to the engine.
•  Be sure freewheel control is in the transmission en gaged 
position.
•  Sit on seat in operating position, depress brake pedal 
and set parking brake.
•  Move attachment clutch to “DISENGAGED” position.
•  Move throttle control to choke position.
NOTE: Before starting, read the warm and cold starting 
procedures below.
•  Insert key into ignition and turn key clockwise to “START” 
position and release key as soon as engine starts. 
Do not run starter continuously for more than fifteen 
sec onds per minute. If the engine does not start after 
several attempts, move throttle control to fast position, 
wait a few minutes and try again. If engine still does 
not start, move the throttle control back to the choke 
position and retry.
WARM WEATHER STARTING (50°F/10°C and above)
•  When engine starts, move the throttle control to the 
fast position.
•  The attachments and ground drive can now be used. If 
the engine does not accept the load, restart the engine 
and allow it to warm up for one minute using the choke 
as described above.
COLD WEATHER STARTING (50°F/10°C and below)
•  When engine starts, allow engine to run with the 
throttle control in the choke position until the engine 
runs roughly, then move throttle control to fast posi-
tion. This may require an engine warm-up period from 
several seconds to several minutes, depending on the 
tem per a ture.
AUTOMATIC TRANSMISSION WARM UP
•  Before driving the unit in cold weather, the trans mis sion 
should be warmed up as follows:
•  Be sure the tractor is on level ground.
•  Release the parking brake and let the brake slowly 
return to operating position.
•  Allow one minute for transmission to warm up. This 
can be done during the engine warm up period.
•  The attachments can also be used during the engine warm-
up period after the transmission has been warmed up.
NOTE: If at a high altitude (above 3000 feet) or in cold 
temperatures (below 32°F/0°C) the carburetor fuel mixture 
may need to be adjusted for best engine performance. See 
“TO ADJUST CARBURETOR” in the Service and Adjust-
ments section of this manual.

13
PURGE TRANSMISSION
CAUTION:  Never engage or disengage 
freewheel lever while the engine is 
run ning.
To ensure proper operation and performance, it is rec om-
 mend ed that the transmission be purged before operating 
tractor for the first time. This procedure will remove any 
trapped air inside the transmission which may have de vel-
 oped during shipping of your tractor.
IMPORTANT:  SHOULD YOUR TRANSMISSION RE QUIRE 
REMOVAL FOR SERVICE OR REPLACEMENT, IT SHOULD 
BE PURGED AFTER REINSTALLATION BEFORE OPERATING 
THE TRACTOR.
•  Place tractor safely on level surface with engine off and 
parking brake set.
•  Disengage transmission by placing freewheel control 
in freewheeling position (See “TO TRANSPORT” in 
this section of manual).
•  Sitting in the tractor seat, start engine. After the engine 
is running, move throttle control to slow position. Dis-
 en gage parking brake
•  Depress forward drive pedal to full forward position, 
hold for five (5) seconds and release pedal. Depress 
reverse drive pedal to full reverse position, hold for five 
(5) seconds and release pedal. Repeat this procedure 
three (3) times.
NOTE:  During this procedure there will be no movement 
of drive wheels. The air is being removed from hydraulic 
drive system.
•  Shut- off engine and set parking brake.
•  Engage transmission by placing freewheel control in 
engaged position (See “TO TRANSPORT” in this sec-
 tion of manual).
•  Sitting in the tractor  seat, start engine. After the engine 
is running, move throttle control to half (1/2) speed. 
Disengage parking brake.
•  Drive tractor forward for approximately five feet then 
backwards for five feet. Repeat this driving procedure 
three times.
Your transmission is now purged and now ready for normal 
op er a tion.
Fig. 12
 MOWING TIPS
•  Mower should be properly leveled for best mowing 
performance.  See “TO LEVEL MOWER HOUSING” in 
the Service and Adjustments section of this manual.
•  The left hand side of mower should be used for trim-
 ming.
•  Drive so that clippings are discharged onto the area 
that has been cut.  Have the cut area to the right of the 
machine.  This will result in a more even dis tri bu tion of 
clippings and more uniform cutting.
•  When mowing large areas, start by turning to the right 
so that clippings will discharge away from shrubs, 
fences, driveways, etc.  After one or two rounds, mow 
in the opposite direction making left hand turns until 
finished (See Fig. 12).
•  If grass is extremely tall, it should be mowed twice to 
reduce load and possible fire hazard from dried clip-
 pings.  Make first cut relatively high; the second to the 
desired height.
•  Do not mow grass when it is wet.  Wet grass will plug 
mower and leave undesirable clumps.  Allow grass to 
dry before mowing.
•  Always operate engine at full throttle when mow-
ing to assure better mowing performance and proper 
dis charge of material.  Regulate ground speed by 
se lect ing a low enough gear to give the mower cut ting 
per for mance as well as the quality of cut desired.
•  When operating attachments, select a ground speed 
that will suit the terrain and give best performance of 
the at tach ment being used.
OPERATION

14
MAINTENANCE
T
R
A
C
T
0
R
1 - Change more often when operating under a heavy load or in high ambient temperatures.
2 - Service more often when operating in dirty or dusty conditions.
E
N
G
I
N
E
3
2
2
2
2
3 - Replace blades more often when mowing in sandy soil.
4 - Not required if equipped with maintenance-free battery.
5 - See Cleaning in Maintenance Section.
1
,
1,2
2
4
5
1,2
BEFORE
EACH
USE
EVERY
8
HOURS
EVERY
25
HOURS
EVERY
50
HOURS
EVERY
100
HOURS
EVERY
SEASON
BEFORE
STORAGE
Inspect Muffler/Spark Arrester
Clean Air Filter
Change Engine Oil (with oil filter)
Replace Air Filter Paper Cartridge
Replace Spark Plug
Check Engine Oil Level
Clean Engine Cooling Fins
Clean Air Screen
Replace Oil Filter (If equipped)
Replace Fuel Filter
Change Engine Oil (without oil filter)
Lubrication Chart
Check Brake Operation
Check Battery Level
Check Tire Pressure
Clean Battery and Terminals
MAINTENANCE 
SCHEDULE
Check for Loose Fasteners
Check/Replace Mower Blades
Che
Clean Debris Off Steering Plate
ck Transaxle Cooling
Che
Check Operator Presence & ROS Systems
ck V-Belts
Check Mower Levelness
LUBRICATION CHART
GENERAL RECOMMENDATIONS
The warranty on this tractor does not cover items that have 
been subjected to operator abuse or negligence.  To receive 
full value from the warranty, operator must main tain tractor 
as instructed in this manual.
Some adjustments will need to be made periodically to 
properly maintain your tractor.
At least once a season, check to see if you should make 
any of the adjustments described in the Service and 
Adjustments section of this manual.
•  At least once a year you should replace the spark plug, 
clean or replace air filter, and check blades and belts 
for wear.  A new spark plug and clean air filter assure 
proper air-fuel mixture and help your engine run better 
and last longer.
BEFORE EACH USE
•  Check engine oil level.
•  Check brake operation.
•  Check tire pressure.
•  Check operator presence and ROS systems for proper 
operation.
•  Check for loose fasteners.
IMPORTANT:  DO NOT OIL OR GREASE THE PIVOT POINTS 
WHICH HAVE SPECIAL NYLON BEARINGS.  VISCOUS 
LU BRI CANTS WILL ATTRACT DUST AND DIRT THAT WILL 
SHORT EN THE LIFE OF THE SELF-LU BRI CAT ING BEARINGS.  
IF YOU FEEL THEY MUST BE LU BRI CAT ED, USE ONLY A DRY, 
POW DERED GRAPHITE TYPE LU BRI CANT SPARINGLY.
➀ General Purpose Grease
➁  Refer to Maintenance “ENGINE” Section
01965
➁ ENGINE
➀ FRONT 
WHEEL 
BEARING 
ZERK
➀ STEERING 
SECTOR 
GEAR 
TEETH
➀ FRONT 
WHEEL 
BEARING 
ZERK
➀ SPINDLE ZERK ➀ SPINDLE ZERK

15
MAINTENANCE
TRACTOR
Always observe safety rules when per form ing any 
main te nance.
BRAKE OPERATION
If tractor requires more than five (5) feet to stop at highest 
speed in high est gear on a level, dry concrete or paved 
surface, then brake must be checked and ad just ed. (See 
“TO CHECK BRAKE” in the Ser vice and Ad just ments 
section of this manual).
TIRES
•  Maintain proper air pressure in all tires (See the sides 
of tires for proper PSI).
•  Keep tires free of gasoline, oil, or insect control 
chemi cals which can harm rubber.
•  Avoid stumps, stones, deep ruts, sharp objects and 
other hazards that may cause tire damage.
NOTE: To seal tire punctures and pre vent flat tires due 
to slow leaks, tire sealant may be purchased from your 
local parts dealer. Tire sealant also pre vents tire dry rot 
and corrosion.
OPERATOR PRESENCE SYS TEM AND REVERSE 
OPERATION SYSTEM (ROS) (See Fig. 13)
Be sure operator presence and reverse operation sys tems 
are work ing properly.  If your tractor does not function as 
described, repair the problem immediately.
•  The engine should not start unless the brake pedal is 
fully de pressed, and the attachment clutch con trol is 
in the dis en gaged position.
CHECK OPERATOR PRESENCE SYSTEM
•  When the engine is running, any attempt by the op er a tor 
to leave the seat without first setting the parking brake 
should shut off the engine.
•  When the engine is running and the at tach ment clutch 
is engaged, any attempt by the operator to leave the 
seat should shut off the engine.
•  The attachment clutch should never operate unless 
the operator is in the seat.
CHECK REVERSE OPERATION (ROS) SYSTEM
•  When the engine is running with the ignition switch in 
the engine "ON" position and the at tach ment clutch 
engaged, any attempt by the operator to shift into 
reverse should shut off the engine.
•  When the engine is running with the ignition switch 
in the ROS "ON" position and the at tach ment clutch 
engaged, any attempt by the operator to shift into 
reverse should NOT shut off the engine.
BLADE CARE
For best results mower blades must be kept sharp.  Re place 
bent or damaged blades.
CAUTION: Use only a replacement blade ap-
proved by the manufacturer of your tractor. 
Using a blade not approved by the manu-
facturer of your tractor is hazardous, could 
damage your tractor and void your warranty.
BATTERY
Your tractor has a battery charging system which is suf fi cient 
for normal use.  However, periodic charging of the battery 
with an automotive charger will extend its life.
•  Keep battery and terminals clean.
•  Keep battery bolts tight.
•  Keep small vent holes open.
•  Recharge at  6-10 amperes for 1 hour.
NOTE: The original equipment battery on your tractor is main-
tenance free. Do not attempt to open or remove caps or cov-
ers. Adding or checking level of electrolyte is not necessary.
TO CLEAN BATTERY AND TERMINALS
Corrosion and dirt on the battery and terminals can cause 
the battery to “leak” power.
• Raise seat.
•  Disconnect BLACK battery cable first  then RED  bat-
 tery cable and remove battery from tractor.
•  Rinse the battery with plain water and dry.
•  Clean terminals and battery cable ends with wire brush 
until bright.
•  Coat terminals with grease or petroleum jelly.
•  Reinstall battery (See “REPLACING BATTERY" in the 
SERVICE AND ADJUSTMENTS section of this man u al).
Fig. 13
BLADE REMOVAL (See Fig. 14)
•  Raise mower to highest position to allow access to blades.
NOTE: Protect your hands with gloves and/or wrap blade 
with heavy cloth.
•  Remove blade bolt by turning counterclockwise.
•  Install new or resharpened blade with stamped "THIS 
SIDE UP" facing deck and mandrel assembly.
IMPORTANT: TO ENSURE PROPER ASSEMBLY, CENTER HOLE 
IN BLADE MUST ALIGN WITH STAR ON MANDREL ASSEMBLY.
•  Install and tighten blade bolt securely (45-55 Ft. Lbs. 
torque).
IMPORTANT:  SPECIAL BLADE BOLT HEAT TREATED.
Fig. 14
ROS "ON" 
POSITION
ENGINE "ON" POSITION
(NORMAL OPERATING)
0
2
8
2
8
BLADE
BLADE BOLT 
(SPECIAL)
CENTER HOLE
STAR
MANDREL ASSEMBLY

16
V-BELTS
Check V-belts for deterioration and wear after 100 hours 
of operation and replace if necessary. The belts are not 
ad just able. Re place belts if they begin to slip from wear.
TRANSAXLE COOLING
The transmission fan and cooling fins should be kept clean 
to assure proper cooling.
Do not attempt to clean fan or transmission while engine 
is running or while the transmission is hot. To prevent pos-
 si ble damage to seals, do not use high pressure water or 
steam to clean transaxle.
•  Inspect cooling fan to be sure fan blades are intact and 
clean.
•  Inspect cooling fins for dirt, grass clippings and other 
materials. To prevent damage to seals, do not use 
compressed air or high pressure sprayer to clean 
cooling fins.
TRANSAXLE PUMP FLUID 
The transaxle was sealed at the factory and fluid main te-
 nance is not required for the life of the transaxle.  Should 
the transaxle ever leak or require servicing, contact your 
near est au tho rized ser vice center/department.
Fig. 16
Fig. 15
CLEAN AIR SCREEN 
Air screen must be kept free of dirt and chaff to prevent 
engine dam age from overheating.  Clean with a wire brush or 
compressed air to re move dirt and stubborn dried gum fibers.
AIR FILTER 
Your engine will not run properly using a dirty air filter. Ser-
vice air cleaner more often under dusty conditions.
MAINTENANCE
ENGINE COOLING SYSTEM
To ensure proper cooling, make sure the grass screen, 
cooling fins, and other external surfaces of the engine are 
kept clean at all times.
Every 100 hours of operation (more often under extremely 
dusty, dirty conditions), remove the blower housing and other 
cooling shrouds. Clean the cooling fins and external surfaces 
as necessary. Ensure the cooling shrouds are reinstalled.
NOTE: Operating the engine with a blocked grass screen, 
dirty or plugged cooling fins, and/or cooling shrouds re moved 
will cause engine damage due to overheating.
SPARK PLUGS 
Replace spark plugs at the beginning of each mowing 
season or after every 100 hours of operation, whichever 
occurs first.  Spark plug type and gap setting are shown in 
“PROD UCT SPECIFICATIONS” section of this manual.
TEMPERATURE RANGE ANTICIPATED BEFORE NEXT OIL CHANGE
SAE VISCOSITY GRADES
-20 0 30 40  80  100 
-30  -20 0  20 30 40 
 F
 C
32 
-10  10 
60 
5W-30
SAE 30
ENGINE
LUBRICATION
Only use high quality detergent oil rated with API service 
classification SG-SL.  Select the oil’s SAE viscosity grade 
according to your expected operating temperature.
NOTE:  Although multi-viscosity oils (5W30, 10W30 etc.) 
improve starting in cold weather, they will result in increased 
oil consumption when used above 32°F.  Check your engine 
oil level more frequently to avoid possible engine damage 
from running low on oil.
Change the oil after every 50 hours of operation or at least 
once a year if the tractor is not used for 50 hours in one year.
Check the crankcase oil level before starting the engine 
and after each eight (8) hours of operation.  Tighten oil fill 
cap/dipstick securely each time you check the oil level.    
02463
CLOSED 
AND 
LOCKED 
POSITION
DRAIN 
TUBE
OIL DRAIN VALVE
YEL LOW CAP
TO CHANGE ENGINE OIL (See Fig. 15 & 16) 
Determine temperature range expected before oil change.  
All oil must meet API service classification  SG-SL..
•  Be sure tractor is on level surface.
•  Oil will drain more freely when warm.
•  Catch oil in a suitable container.
•  Remove oil fill cap/dipstick.  Be careful not to allow dirt 
to enter the engine when changing oil.
•  Remove yellow cap from end of drain valve and install 
the drain tube onto the fitting. 
•  Unlock drain valve by pushing inward and turning 
coun ter clock wise. 
•  To open, pull out on the drain valve. 
•  After oil has drained completely, close and lock the 
drain valve by pushing inward and turning clockwise 
until the pin is in the locked position as shown. 
•  Remove the drain tube and replace the cap onto to the 
bottom fitting of the drain valve. 
•  Refill engine with oil through oil fill dipstick tube.  Pour 
slowly.  Do not overfill.  For approximate capacity see 
“PRODUCT SPECIFICATIONS” section of this man u al.
•  Use gauge on oil fill cap/dipstick for checking level.  
Be sure dipstick cap is tightened securely for accurate 
reading.  Keep oil at “FULL” line on dipstick. Tighten 
cap onto the tube securely when finished.
ENGINE OIL FILTER
Replace the engine oil filter every season or every other oil 
change if the tractor is used more than 100 hours in one 
year.  See engine man u al.

17
CLAMP
FUEL FILTER
CLAMP
Fig. 17
MAINTENANCE
Fig. 18
•  Keep finished surfaces and wheels free of all gasoline, 
oil, etc.
•  Protect painted surfaces with automotive type wax.
We do not recommend using a garden hose or pressure 
washer to clean your tractor unless the engine and trans-
mission are covered to keep water out. Water in engine or 
transmission will shorten the useful life of your tractor.  Use 
compressed air or a leaf blower to remove grass, leaves 
and trash from tractor and mower.
CLEANING
•  Clean engine, battery, seat, finish, etc. of all foreign 
matter.
•  Clean debris from steering plate.  Debris can restrict 
clutch/brake pedal shaft movement, causing belt slip 
and loss of drive.
CAUTION:  Avoid all pinch points and 
movable parts (See Fig. 18)
CLUTCH/BRAKE PEDAL
STEERING 
PLATE
STEERING SYSTEM, 
DASH, FENDER AND 
MOWER NOT SHOWN
CLEAN TOP SIDE
CAUTION:
PINCH 
POINTS
MUFFLER   
Inspect and replace corroded muffler and spark arrester (if 
equipped) as it could create a fire hazard and/or damage.
IN-LINE FUEL FILTER  (See Fig. 17)
The fuel filter should be replaced once each season.  If fuel 
filter becomes clogged, ob struct ing fuel flow to car bu re tor, 
re place ment is re quired.
•  With engine cool, remove filter and plug fuel line sec tions.
•  Place new fuel filter in position in fuel line with arrow 
pointing towards carburetor.
•  Be sure there are no fuel line leaks and clamps are 
properly positioned.
•  Immediately wipe up any spilled gasoline.
DECK WASHOUT PORT (See Fig. 19)
Your tractor’s deck is equipped with a washout port on 
its surface as part of its deck wash system. It should be 
utilized after each use. 
1.  Drive the tractor to a level, clear spot on your lawn, near 
enough to a water spigot for your garden hose to reach.
IMPORTANT: Make certain the tractor’s discharge chute is 
directed AWAY from your house, garage, parked cars, etc. 
Remove bagger chute or mulch cover if attached.
2. Make sure the attachment clutch control is in the 
“DIS EN GAGED” position, set the parking brake, and 
stop the engine.
3.  Thread the nozzle adapter (packaged with your tractor’s 
Operator’s Manual) onto the end of your garden hose. 
4.  Pull back the lock collar of the nozzle adapter and push 
the adapter onto the deck washout port at the left end 
of the mower deck. Release the lock collar to lock the 
adapter on the nozzle. 
WASHOUT 
PORT
NOZZLE ADAPTER
HOSE
IMPORTANT: Tug hose ensuring connection is secure.
5.  Turn the water on.
6.  While sitting in the operator’s position on the tractor, 
re-start the engine and place the throttle lever in the 
Fast " " position. 
IMPORTANT: Recheck the area making certain the area 
is clear. 
7.  Move the tractor’s attachment clutch control to the “EN-
GAGED” position. Remain in the operator’s position with 
the cutting deck engaged until the deck is cleaned. 
8. Move the tractor’s attachment clutch control to the 
“DIS EN GAGED” position. Turn the ignition key to the 
STOP position to turn the tractor’s engine off. Turn the 
water off.
9.  Pull back the lock collar of the nozzle adapter to discon-
nect the adapter from the nozzle washout port. 
10. Move the tractor to a dry area, preferably a concrete or 
paved area. Place the attachment clutch control in the 
“ENGAGED” position to remove excess water and to 
help dry before putting the tractor away. 
  WARNING: A broken or missing washout 
fitting could expose you or others to 
thrown objects from contact with the blade.
•  Replace broken or missing washout fitting 
immediately, prior to using mower again. 
•  Plug any holes in mower with bolts and locknuts.
Fig. 19

18
SERVICE AND ADJUSTMENTS
WARNING: TO AVOID SERIOUS INJURY, BEFORE PERFORMING ANY SER VICE OR AD JUST MENTS:
•  Depress brake pedal fully and set parking brake.
•  Place attachment clutch  in “DISENGAGED” position.
•  Turn ignition key to “STOP” and remove key.
•  Make sure the blades and all moving parts have completely stopped.
•  Disconnect spark plug wire from spark plug and place wire where it cannot come in contact  with plug.
TO REMOVE MOWER (See Fig. 20)
•  Place attachment clutch in “DIS EN GAGED” position.
•  Lower attachment lift lever to its lowest position.
•  Roll belt off engine pulley (M) and belt keepers (G).
•  Remove retainer spring (K), slide col lar (L) off and 
push housing guide (P) out of brack et.
•  Remove clutch cable spring (Q) from idler arm (R).
•  Disconnect front link (E) from mower - remove retainer 
spring and washer.
•  Go to either side of mower and disconnect mower 
suspension arm (A) from chassis pin (B) and rear lift 
link (C) from rear mower bracket (D) - remove retainer 
springs and washers. 
CAUTION: AFTER REAR LIFT LINKS 
ARE DISCONNECTED, THE ATTACH-
MENT LIFT LEVER WILL BE SPRING 
LOADED. HAVE A TIGHT GRIP ON LIFT 
LEVER WHEN CHANGING POSITION 
OF THE LEVER.
•  Slide mower out from under right side of tractor.
IMPORTANT: IF AN ATTACHMENT OTHER THAN THE 
MOWER IS TO BE MOUNTED ON THE TRAC TOR, 
REMOVE THE FRONT LINK (E) AND REAR LIFT LINKS 
(C) FROM TRACTOR AND HOOK THE CLUTCH SPRING 
(Q) INTO THE CABLE GUIDE ON FRONT EDGE OF 
LOWER DASH.
TO INSTALL MOWER (See Fig. 20-25)
Be sure tractor is on level surface and engage park ing 
brake.
•  Lower attachment lift lever to its lowest position.
CAUTION: LIFT LEVER IS SPRING 
LOADED. HAVE A TIGHT GRIP ON 
LIFT LEVER, LOWER IT SLOWLY AND 
ENGAGE IN LOWEST POSITION.
NOTE: Be sure mower side suspension arms (A) are point-
ing forward before sliding mower under tractor.
•  Slide mower under tractor until it is centered under 
tractor. 
E
F
C
G
Q
R
D
K
G
P
B
L
M
A
Fig. 20

19
SERVICE AND ADJUSTMENTS
E
F
C
G
Q
R
D
K
G
P
B
L
M
A
IMPORTANT:  CHECK BELT FOR PROPER ROUTING 
IN ALL MOWER PULLEY GROOVES.
•  Raise attachment lift lever to highest position.
•  If necessary, adjust gauge wheels before op er at ing 
mower as shown in the Operation section of this manual.
E
F
H
J
M
Fig. 23
Fig. 24
A
B
D
C
Fig. 21
Fig. 22
•  ATTACH MOWER SIDE SUSPENSION ARMS (A) TO 
CHASSIS - Position hole in arm over pin (B) on outside 
of tractor chassis and secure with retainer spring.
•  Repeat on opposite side of tractor.
•  ATTACH REAR LIFT LINKS (C) - Lift rear corner of 
mower and position slot in link assembly over pin (D) 
on rear mower bracket and secure with washer and 
retainer spring.
•  Insert end of link (E) into hole in front mower bracket 
and secure with washer and retainer spring (J).
•  Hook end of clutch cable spring (Q) into hole in idler 
arm (R).
•  Push clutch cable housing guide (P) into bracket, slide 
collar (L) onto guide and secure with retainer spring (K).
•  Install belt on engine pulley (M), in belt keepers (G).
•  ATTACH FRONT LINK (E) - Work from left side of trac-
tor. Insert rod end of link assembly through front hole 
in tractor front suspension bracket (F).
Fig. 25

20
SERVICE AND ADJUSTMENTS
•  If adjustment is necessary, see step in Visual Adjust-
ment instructions above.
•  Recheck measurements, adjust if necessary until both 
sides are equal.
FRONT-TO-BACK ADJUSTMENT (See Figs. 28 & 29)
IMPORTANT: Deck must be level side-to-side.
To obtain the best cutting re sults, the mower blades should 
be adjusted so the front tip is 1/8" to 1/2" lower than the 
rear tip when the mower is in its highest position.
CAUTION: Blades are sharp. Protect 
your hands with gloves and/or wrap 
blade with heavy cloth.
•  Raise mower to highest position.
•  Position blade so the tip is pointing straight forward. 
Measure distance (B) to the ground at front and rear 
tip of the blade.
TO LEVEL MOWER
Make sure tires are properly inflated to the PSI shown on 
tires. If tires are over or under inflated, it may affect the 
appearance of your lawn and lead you to think the mower 
is not adjusted properly.
VISUAL SIDE-TO-SIDE ADJUSTMENT (See Fig. 26)
•  With all tires properly inflated and if your lawn appears 
unevenly cut, determine which side of mower is cutting 
lower.
•  With a 3/4" or adjustable wrench, turn lift link adjust-
ment nut (A) to the left to lower LH side of mower, or, 
to the right to raise LH side of mower.
NOTE: Each full turn of adjustment nut will change mower 
height about 3/16".
•  Test your adjustment by mowing some uncut grass 
and visually checking the appearance. Readjust, if 
necessary, until you are satisfied with the results.
PRECISION SIDE-TO-SIDE ADJUSTMENT (See Fig. 27)
•  With all tires properly inflated, park tractor on level 
ground or driveway.
CAUTION: Blades are sharp. Protect 
your hands with gloves and/or wrap 
blade with heavy cloth.
•  Raise mower to its highest position.
•  At both sides of mower, position blade at side and 
measure the distance (A) from bottom edge of blade 
to the ground. The distance should be the same on 
both sides.
NOTE: Each full turn of the adjustment nut will change 
mower height about 1/8".
•  Recheck measurements, adjust if necessary until front 
tip of blade is 1/8" to 1/2" lower than the rear tip.
•  Hold adjustment nut in position with wrench and tighten 
jam nut securely against adjustment nut.
02966
A
A
Fig. 27
•  If front tip of blade is not 1/8" to 1/2" lower than the rear 
tip, go to the front of tractor.
•  With an 11/16" or adjustable wrench, loosen jam nut A 
several turns to clear adjustment nut B.
•  With a 3/4" or adjustable wrench, turn front link adjust-
ment nut (B) clockwise (tighten) to raise the front of 
mower, or, counterclockwise (loosen) to lower the front 
mower.
Fig. 29
B
02950
A
TIGHTEN ADJUST 
NUT B TO RAISE 
MOWER
LOOSEN 
ADJUST NUT 
B TO LOWER 
MOWER
LOOSEN JAM NUT A FIRST
Fig. 26
0
2
9
4
8
A
Turn nut left
to lower mower
Turn nut right
to raise mower
BB
Fig. 28

21
TO CHECK BRAKE 
If tractor requires more than five (5) feet to stop at highest 
speed in high est gear on a level, dry concrete or paved 
surface, then brake must be serviced.
You may also check brake by:
•  Park tractor on a level, dry concrete or paved surface, 
depress brake pedal all the way down and engage 
parking brake.
•  Disengage transmission by placing freewheel control 
in “transmission disengaged” position. Pull freewheel 
control out and into the slot and release so it is held in 
the disengaged position.
The rear wheels must lock and skid when you try to manu-
ally push the tractor forward. If the rear wheels rotate, 
then the brake needs to be serviced. Contact a  qualified 
service center.
SERVICE AND ADJUSTMENTS
TO REPLACE MOWER BLADE DRIVE BELT 
(See Fig. 30)
The mower blade drive belt may be replaced without tools.  
Park the tractor on level surface.  Engage parking brake.  
BELT REMOVAL -
•  Remove mower from tractor (See “TO REMOVE 
MOW ER” in this section of manual).
•  Work belt off both mandrel pulleys and idler pulleys.
•  Pull belt away from mower. 
BELT INSTALLATION -
•  Work belt around both mandrel pulleys and idler pulleys.
•  Make sure belt is in all pulley grooves and in side all 
belt guides.
•  Install mower (See "TO INSTALL MOWER" in this 
section of manual).
Fig. 30
MANDREL
PULLEY
IDLER
PUL LEYS
MANDREL
PULLEY
TO REPLACE MOTION DRIVE BELT 
(See Fig. 31)
Park the tractor on level surface. En gage parking brake. 
For as sis tance, there is a belt installation guide decal on 
bottom side of left footrest.
BELT REMOVAL -
•  Remove mower (See “TO REMOVE MOWER” section 
in this manual).
NOTE: Observe entire motion drive belt and position of all 
belt guides and keepers.
•  Remove belt from stationary idler (A) and clutching 
idler (B).
•  Remove belt from centerspan idler (C).
•  Pull belt slack toward rear of trac tor. Carefully remove 
belt up wards from trans mis sion input pulley and over 
cooling fan blades (D).
•  Remove belt downward from engine pulley (E).
•  Slide belt toward rear of tractor, off the steering plate 
(F) and remove from tractor.
BELT INSTALLATION -
•  Install new belt from tractor rear to front, over the steer-
ing plate (F) and above clutch brake pedal shaft (G).
•  Pull belt toward front of tractor and roll belt onto engine 
pulley (E).
•  Pull belt toward rear of tractor. Carefully work belt down 
around transmission cooling fan and onto the input 
pulley (D). Be sure belt is inside the belt keeper.
•  Install belt on centerspan idler (C).
•  Install belt through stationary idler (A) and clutch ing 
idler (B).
•  Make sure belt is in all pulley grooves and in side all 
belt guides and keep ers.
•  Install mower (See “TO INSTALL MOWER” section in 
this manual).
02952
A
B
C
D
E
F
G
Fig. 31

22
TO REMOVE WHEEL (See Fig.  32)
•  Block up axle securely.
•  Remove axle cover, retaining ring and washers to allow 
wheel removal (rear wheel contains a square key - Do 
not lose).
•  Repair tire and reassemble.
•  On rear wheels only:  align grooves in rear wheel hub 
and axle.  Insert square key.
•  Replace washers and snap retaining ring securely in 
axle groove.
•  Replace axle cover.
NOTE: To seal tire punctures and prevent flat tires due 
to slow leaks, tire sealant may be purchased from your 
local parts dealer. Tire sealant also prevents tire dry rot 
and corrosion.
FRONT WHEEL TOE-IN/CAM BER
Your new tractor front wheel toe-in and camber is set at the 
factory and is normal. The front wheel toe-in and camber 
are not adjustable.  If damage has occurred to affect the 
factory set front wheel toe-in or camber, contact a qualified 
service center.
Fig. 32
RE TAIN ING 
RING
WASH ERS
SQUARE KEY (REAR 
WHEEL ONLY)
AXLE 
COVER
TO START ENGINE WITH A WEAK BATTERY 
(See Fig. 33) 
WARNING:  Lead-acid batteries gen er ate 
ex plo sive gases.  Keep sparks, flame and 
smoking ma te ri als away from bat ter ies.  
Always wear eye pro tec tion when around 
batteries.
If your battery is too weak to start the engine, it should be 
recharged. (See "BATTERY" in the MAINTENANCE sec-
 tion of this man u al).
If “jumper ca bles” are used for emer gen cy starting, follow 
this pro ce dure:
IMPORTANT:  YOUR TRACTOR IS EQUIPPED WITH A 12 
VOLT SYSTEM. THE OTHER VEHICLE MUST ALSO BE A 12 
VOLT SYSTEM. DO NOT USE YOUR TRACTOR BATTERY TO 
START OTHER VEHICLES. 
TO ATTACH JUMPER CABLES -
 •  Connect one end of the RED cable to the POSITIVE 
(+) terminal of each battery(A-B), taking care not to 
short against tractor chassis.
  •  Connect one end of the BLACK ca ble to the NEGA TIVE 
(-) terminal (C) of fully charged battery.
 •  Connect the other end of the BLACK cable (D) to good 
chassis ground,  away from fuel tank and bat tery.
WEAK OR 
DEAD BATTERY
FULLY CHARGED
BATTERY
Fig. 33
TO REMOVE CABLES, REVERSE ORDER -
 •  BLACK cable first from chassis and then from the fully 
charged battery.
 •  RED cable last from both batteries.
SERVICE AND ADJUSTMENTS
REPLACING BATTERY (See Fig. 34)
WARNING:  Do not short battery ter mi-
 nals by allowing a wrench or any other 
object to contact both terminals at the 
same time. Before connecting battery, 
remove metal bracelets, wristwatch 
bands, rings, etc.  Positive terminal 
must be connected first to prevent 
sparking from ac ci den tal grounding.
•  Lift seat pan to raised position.
•  Disconnect BLACK battery cable first then RED battery 
cable and carefully remove battery from tractor.
•  Install new battery with terminals in same position as 
old battery.
•  First connect RED battery cable to positive (+) terminal 
with bolt and nut as shown. Tighten securely. Slide 
terminal cover over terminal.
•  Connect BLACK grounding cable to negative (-) ter-
 mi nal with remaining bolt and nut. Tighten se cure ly.
•  Lower seat pan.
Fig. 34
02603
SEAT PAN
NUT
POSITIVE 
(RED) 
CABLE
NEGATIVE 
(BLACK) 
CABLE
BOLT
TERMINAL 
COVER

23
TO REPLACE HEADLIGHT BULB
• Raise hood.
•  Pull bulb holder out of the hole in the backside of the grill.
•  Replace bulb in holder and push bulb holder securely 
back into the hole in the backside of the grill.
• Close hood.
INTERLOCKS AND RELAYS
Loose or damaged wiring may cause your tractor to run 
poorly, stop running, or prevent it from starting.
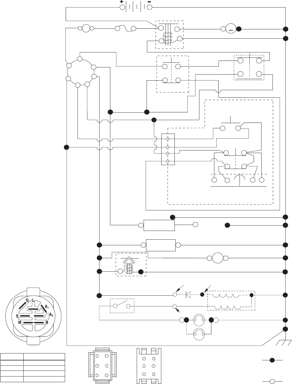
•  Check wiring. See electrical wiring diagram in the Repair 
Parts section.
TO REPLACE FUSE
Replace with 20 amp automotive-type plug-in fuse.  The 
fuse holder is located behind the dash.
TO REMOVE HOOD AND GRILL ASSEMBLY 
(See Fig. 35)
• Raise hood.
•  Unsnap headlight wire connector.
•  Stand in front of tractor.  Grasp hood at sides, tilt toward 
engine and lift off of tractor.
•  To replace, reverse above procedure.
ENGINE
TO AD JUST THROTTLE CON TROL CABLE 
The throttle control has been preset at the factory and 
ad just ment should not be necessary. If adjustment is nec-
 es sary, see engine manual.
TO AD JUST CHOKE CON TROL 
The choke control has been preset at the factory and ad just-
 ment should not be necessary. If adjustment is necessary, 
see engne manual.
TO ADJUST CARBURETOR  
Your carburetor is not adjustable. If your engine does not 
operate properly due to suspected carburetor problems, 
take your tractor to an authorized service center for repair 
and/or adjustment.
Fig. 35
HEADLIGHT
WIRE
CONNECTOR
HOOD
02778
TRANSMISSION 
REMOVAL/RE PLACE MENT
Should your transmission require removal for service or 
re place ment, it should be purged after reinstallation and 
before operating the tractor.  See “PURGE TRANS MIS SION” 
in the Operation section of this manual.
SERVICE AND ADJUSTMENTS

24
STORAGE
Immediately prepare your tractor for storage at the end 
of the season or if the tractor will not be used for 30 days 
or  more.
WARNING:  Never store the trac tor with 
gas o line in the tank inside a building 
where fumes may reach an open flame 
or spark.  Allow the engine to cool before 
storing in any en clo sure.
TRACTOR
Remove mower from tractor for winter storage.  When mower 
is to be stored for a period of time, clean it thor oughly, remove 
all dirt, grease, leaves, etc.  Store in a clean, dry area.
•  Clean entire tractor (See “CLEANING” in the 
Main te nance section of this manual).
•  Inspect and replace belts, if necessary (See belt 
re place ment instructions in the Service and Adjustments 
section of this manual).
•  Lubricate as shown in the Maintenance section of this 
man ual.
•  Be sure that all nuts, bolts and screws are securely 
fastened.  Inspect moving parts for damage, breakage 
and wear.  Replace if necessary.
•  Touch up all rusted or chipped paint surfaces; sand 
lightly before painting.
BATTERY
•  Fully charge the battery for storage.
•  After a period of time in storage, battery may require 
recharging.
•  To help prevent corrosion and power leakage during 
long periods of storage, battery cables should be 
dis con nect ed and battery cleaned thoroughly (see 
“TO CLEAN BATTERY AND TERMINALS” in the 
Maintenance  sec tion of this manual).
•  After cleaning, leave cables disconnected and place 
cables where they cannot come in contact with battery 
terminals.
•  If battery is removed from tractor for storage, do not 
store battery directly on concrete or damp surfaces.
ENGINE
FUEL SYSTEM
IMPORTANT:  IT IS IMPORTANT TO PREVENT GUM DEPOSITS 
FROM FORMING IN ES SEN TIAL FUEL SYSTEM PARTS SUCH 
AS CARBURETOR, FUEL FIL TER, FUEL HOSE, OR TANK 
DURING STORAGE.  ALSO, EXPERIENCE INDICATES THAT 
ALCOHOL BLENDED FUELS (CALLED GASOHOL OR USING 
ETHANOL OR METHANOL) CAN ATTRACT MOIS TURE WHICH 
LEADS TO SEPARATION AND FOR MA TION OF ACIDS DURING 
STOR AGE.  ACIDIC GAS CAN DAMAGE THE FUEL SYSTEM 
OF AN ENGINE WHILE IN STORAGE.
•  Empty the fuel tank by starting the engine and let it run 
until the fuel lines and carburetor are empty.
•  Never use engine or carburetor cleaner products in 
the fuel tank or permanent damage may occur.
•  Use fresh fuel next season.
NOTE:   Fuel stabilizer is an acceptable alternative in 
minimizing the formation of fuel gum deposits during stor age.  
Add stabilizer to gasoline in fuel tank or storage container.  
Always follow the mix ratio found on stabilizer container.  
Run engine at least 10 minutes after adding stabilizer to 
allow the stabilizer to reach the carburetor.  Do not empty  
the gas tank and carburetor if using fuel stabilizer.
ENGINE OIL
Drain oil (with engine warm) and replace with clean engine oil.  
(See “ENGINE” in the Maintenance section of this man ual).
CYLINDER(S)
•  Remove spark plug(s).
•  Pour one ounce of oil through spark plug hole(s) into 
cylinder(s).
•  Turn ignition key to “START” position for a few seconds 
to distribute oil.
•  Replace with new spark plug(s).
OTHER
•  Do not store gasoline from one season to another.
•  Replace your gasoline can if your can starts to rust.  
Rust and/or dirt in your gasoline will cause problems.
•  If possible, store your tractor indoors and cover it to 
give protection from dust and dirt.
•  Cover your tractor with a suitable protective cover that 
does not  retain moisture.  Do not use plastic.  Plastic 
cannot breathe which allows condensation to form and 
will cause your tractor to rust.
IMPORTANT:   NEVER COVER TRACTOR WHILE EN GINE  
AND EXHAUST AREAS ARE STILL WARM.

25
PROBLEM CAUSE CORRECTION
Will not start 1. Out of fuel. 1. Fill fuel tank.
2. Engine not “CHOKED” properly. 2. See “TO START ENGINE” in Operation section.
3. Engine flooded. 3. Wait several minutes before attempting to start.
4. Bad spark plug. 4. Replace spark plug.
5. Dirty air filter. 5. Clean/replace air filter.
6. Dirty fuel filter. 6. Replace fuel filter.
7. Water in fuel. 7. Empty fuel tank and carburetor, refill tank with fresh 
gasoline and replace fuel filter.
8. Loose or damaged wiring. 8. Check all wiring.
9. Carburetor out of adjustment. 9. See “To Adjust Carburetor” in Service Adjustments 
section.
10. Engine valves out of adjustment. 10. Contact an authorized service center/department.
Hard to start 1. Dirty air filter. 1. Clean/replace air filter.
2. Bad spark plug. 2. Replace spark plug.
3. Weak or dead battery. 3. Recharge or replace battery.
4. Dirty fuel filter. 4. Replace fuel filter.
5. Stale or dirty fuel. 5. Empty fuel tank and refill tank with fresh, clean gas.
6. Loose or damaged wiring. 6. Check all wiring.
7. Carburetor out of adjustment. 7. See “To Adjust Carburetor” in Service Adjustments 
section.
8. Engine valves out of adjustment. 8. Contact an authorized service center/department.
Engine will not 
turn over
1. Brake pedal not depressed. 1. Depress brake pedal.
2. Attachment clutch is engaged. 2. Disengage attachment clutch.
3. Weak or dead battery. 3. Recharge or replace battery.
4. Blown fuse. 4. Replace fuse.
5. Corroded battery terminals. 5. Clean battery terminals.
6. Loose or damaged wiring. 6. Check all wiring.
7. Faulty ignition switch. 7. Check/replace ignition switch.
8. Faulty solenoid or starter. 8. Check/replace solenoid or starter.
9. Faulty operator presence switch(es). 9. Contact an authorized service center/department.
Engine clicks but 
will not start
1. Weak or dead battery. 1. Recharge or replace battery.
2. Corroded battery terminals. 2. Clean battery terminals.
3. Loose or damaged wiring. 3. Check all wiring.
4. Faulty solenoid or starter. 4. Check/replace solenoid or starter.
Loss of power 1. Cutting too much grass/too fast. 1. Raise cutting height/reduce speed.
2. Throttle in “CHOKE” position. 2. Adjust throttle control.
3. Build-up of grass, leaves, trash under mower. 3. Clean  underside  of  mower  housing.
4. Dirty air filter. 4. Clean/replace air filter.
5. Low oil level/dirty oil. 5. Check oil level/change oil.
6. Faulty spark plug. 6. Clean and regap or change spark plug.
7. Dirty fuel filter. 7. Replace fuel filter.
8. Stale or dirty fuel. 8. Empty fuel tank and refill tank with fresh, clean gas.
9. Water in fuel. 9. Empty fuel tank and carburetor, refill tank with fresh 
gasoline and replace fuel filter.
10. Spark plug wire loose. 10. Connect and tighten spark plug wire.
11. Dirty engine air screen/fins. 11. Clean engine air screen/fins.
12. Dirty/clogged muffler. 12. Clean/replace muffler.
13. Loose or damaged wiring. 13. Check all wiring.
14. Carburetor out of adjustment. 14. See “To Adjust Carburetor” in Service Adjustments 
15. Engine valves out of adjustment. 15. Contact an authorized service center/department.
Excessive 
vibration
1. Worn, bent or loose blade. 1. Replace blade. Tighten blade bolt.
2. Bent blade mandrel. 2. Replace blade mandrel.
3. Loose/damaged part(s). 3. Tighten loose part(s).  Replace damaged parts.
TROUBLESHOOTING

26
PROBLEM CAUSE CORRECTION
Engine continues 
to run when oper-
ator leaves seat 
with attachment 
clutch engaged
1. Faulty operator-safety presence control 
system.
1. Check wiring, switches  and connections.  If not 
corrected, contact an authorized service center/ 
department.
Poor cut - uneven 1. Worn, bent or loose blade. 1. Replace blade.  Tighten blade bolt.
2. Mower deck not level. 2. Level mower deck.
3. Buildup of grass, leaves, trash under mower. 3. Clean underside of mower housing.
4. Bent blade mandrel. 4. Replace blade mandrel.
5. Clogged mower deck vent holes from 
buildup of grass, leaves, and trash around 
mandrels.
5. Clean around mandrels to open vent holes.
Mower blades will 
not rotate
1. Obstruction in clutch mechanism. 1. Remove obstruction.
2. Worn/damaged mower drive belt. 2. Replace mower drive belt.
3. Frozen idler pulley. 3. Replace idler pulley.
4. Frozen blade mandrel. 4. Replace blade mandrel.
Poor grass 
discharge
1. Engine speed too slow. 1. Place throttle control in “FAST” position.
2. Travel speed too fast. 2. Shift to slower speed.
3. Wet grass. 3. Allow grass to dry before mowing.
4. Mower deck not level. 4. Level mower deck.
5. Low/uneven tire air pressure. 5. Check tires for proper air pressure.
6. Worn, bent or loose blade. 6. Replace blade.  Tighten blade bolt.
7. Buildup of grass, leaves, trash under mower. 7. Clean underside of mower housing.
8. Mower drive belt worn. 8. Replace mower drive belt.
9. Blades improperly installed. 9. Reinstall blades sharp edge down.
10. Improper blades used. 10. Replace with blades listed in parts manual.
11. Clogged mower deck vent holes from buildup 
of grass, leaves, trash around mandrels.
11. Clean around mandrels to open vent holes.
Headlight(s) not 
working
(if so equipped)
1. Switch is “OFF”. 1. Turn switch “ON”.
2. Bulb(s) or lamp(s) burned out. 2. Replace bulb(s) or lamp(s).
3. Faulty light switch. 3. Check/replace light switch.
4. Loose or damaged wiring. 4. Check wiring and connections.
5. Blown fuse. 5. Replace fuse.
Battery will not 
charge
1. Bad battery cell(s). 1. Replace battery.
2. Poor cable connections. 2. Check/clean all connections.
3. Faulty regulator (if so equipped). 3. Replace regulator.
4. Faulty alternator. 4. Replace alternator.
Loss of drive 1. Freewheel control in “disengaged” position. 1. Place freewheel control in “engaged” position.
2. Debris on steering plate (if equipped). 2. See "CLEANING" in the maintenance section.
3. Motion drive belt worn, damaged, or broken. 3. Replace motion drive belt.
4. Air trapped in transmission during 
shipment or servicing.
4. Purge transmission.
5. Axle key missing. 5. Install axle key at rear wheel.  See "TO REMOVE 
WHEEL" in the Service and Adjustments section.
Engine "back-
fires” when turn-
ing engine “OFF”
1. Engine throttle control not set between 
half and full speed (fast) position before 
stopping engine.
1. Move throttle control between half and full speed 
(fast) position before stopping engine.
Engine dies when 
tractor is shifted 
into reverse
1. Reverse operation system (ROS) is not "ON" 
while mower or other attachment is engaged.
1. Turn ignition key to ROS "ON" position. See 
Operation section.
TROUBLESHOOTING

27
TRACTOR - - MODEL NUMBER YTH22V42 (289620)
SCHEMATIC    
M
FUSE
STARTER
SOLENOID
BATTERY
CLUTCH/BRAKE
(PEDAL UP)
REVERSE SWITCH
(NOT IN REVERSE)
SEAT SWITCH
(NOT OCCUPIED)
SHORTING
CONNECTOR
CHASSIS
HARNESS
IGNITION
UNIT
HOUR
METER
CHASSIS HARNESS
CONNECTOR
(MATING SIDE)
DASH HARNESS
CONNECTOR
(MATING SIDE)
FUEL
LINE
FUEL SHUT-OFF
SOLENOID
(IF SO EQUIPPED)
JUNCTION
CONNECTOR
S
M
B
G
L
2
3
1
6
A2
A1
M
63
52
41
6
5
4
3
2
1
SPARK
PLUGS GAP
(2 PLUGS ON
TWIN CYL. ENGINES)
(OPTIONAL)
NON-REMOVABLE
CONNECTIONS
REMOVABLE
CONNECTIONS
WIRING INSULATED CLIPS
NOTE: IF WIRING INSULATED
CLIPS WERE REMOVED FOR
SERVICING OF UNIT, THEY
SHOULD BE RE-INSTALLED TO
PROPERLY SECURE YOUR
WIRING.
SCH11
IGNITION SWITCH
CIRCUIT
POSITION
OFF
B+A1
RUN/OVERRIDE
B+S+A1START
M+G+A1
B+A1RUN
“MAKE”
L+A2
ATTACHMENT CLUTCH
(CLUTCH OFF)
BLACK
BLACK /WHITE
BLUE
BLUE BLACK
BLACKBLACK
BLACK
BLACK
BLACK
BLACK
BLACK
DER
RED
WHITE
WHITE
GRAY
GRAY
BLACK
BLACK
POWER OUTLET
(OPTIONAL)
12V
BLACK
A
AMMETER
(OPTIONAL)
RED
BLACK
BROWN
HEADLIGHTS
LIGHT SWITCH
ORANGE
LIGHTING SYSTEM OUTPUT
5 AMP AC @ 3600 RPM
ALTERNATOR
14 VOLTS AC MIN. @ 3600 RPM (LIGHTS OFF)
DIODE
28 VOLTS AC MIN. @ 3600 RPM
(CHARGING SYSTEM DISCONNECTED)
CHARGING SYSTEM OUTPUT
3 AMP DC @ 3600 RPM
NOTE
YOUR TRACTOR IS
EQUIPPED WITH A SPECIAL
ALTERNATOR SYSTEM.
THE LIGHTS ARE NOT
CONNECTED TO THE
BATTERY, BUT HAVE THEIR
OWN ELECTRICAL SOURCE.
BECAUSE OF THIS, THE
BRIGHTNESS OF THE LIGHTS
WILL CHANGE WITH ENGINE
SPEED. AT IDLE THE LIGHTS
WILL DIM. AS THE ENGINE IS
SPEEDED UP, THE LIGHTS
WILL BECOME THEIR
BRIGHTEST.

28
TRACTOR - - MODEL NUMBER YTH22V42 (289620)
ELECTRICAL    
30
33
34
22
79 21
41
42
26
43
27
40
71
16
87
25
T06S
90
28
55
With 12V Outlet Option
59
103
With Service Minder Option
4646
102
29
2
105
29
TRACTOR - - MODEL NUMBER YTH22V42 (289620)
ELECTRICAL    
KEY PART
NO.  NO.    DESCRIPTION
1  532 16 34-65  Battery
2  874 76 04-12  Bolt Hex Head 1/4-20 x 3/4
8  532 19 32-28  Box Battery
16  532 17 61-38  Switch Interlock Push-In
21  532 18 37-59  Harness Socket Light w/4152J
22  532 00 41-52  Bulb Light
25  532 41 28-95  Cable Starter
26  532 17 51-58  Fuse
27  873 51 04-00  Nut Keps Hex 1/4-20 unc
28  532 19 88-85  Cable, Ground
29  532 40 15-45  Switch, Seat 
30  532 19 33-50  Switch, Ign
33  532 41 19-33  Key/Chain
34  532 11 07-12  Switch Light/Reset
40  532 40 10-98  Harness Ign. Dash
41  817 72 04-08  Screw Thd Cut 1/4-20 x 1/2
42  532 13 15-63  Cover, Terminal
43  532 19 25-07  Solenoid
46  532 40 17-63  Gauge Serviceminder Hrmtr
55  817 06 05-12  Screw Thdrol 5/16-18 x 3/4 TYTT
71  532 40 04-49  Harness Ign.
79  532 17 52-42  Socket Asm. Bulb
87  532 19 78-02  Switch Interlock
90  532 40 07-25  Cover Terminal
102  532 40 44-54  Harness Pigtail
105  532 40 75-68  Switch Reverse
NOTE: All component dimensions given in U.S. inches
  1 inch = 25.4 mm

30
TRACTOR - - MODEL NUMBER YTH22V42 (289620)
CHASSIS    
chassis-tex_TEX GT HUSQ_68
 
52
217
189
189
152
68
68
213
218
228
228
194
180
58
189
189
159
159
31
TRACTOR - - MODEL NUMBER YTH22V42 (289620)
CHASSIS    
KEY PART   
NO. NO.  DESCRIPTION
3  532 40 50-12  Logo
5  532 40 87-03  Dash
14  532 41 10-46  Hood
15  532 19 89-07  Lens LH
18  532 40 86-07  Grille/Lens Asm.
25  532 19 89-06  Lens RH
34  532 19 61-25  Plate Engine
36  817 06 05-12  Screw 5/16-18 x 3/4
37  532 41 87-14  Fender
52  873 68 05-00  Nut Lock 5/16-18
58  532 41 22-80  Drawbar Upper 2PC Sml. Fender
68  817 49 05-08  Screw Thdrol 5/16-18 x 1/2
130  532 41 63-58  Screw #10 x 0.750
137  532 40 75-90  Bumper Dash
138  532 40 29-54  Cupholder
150  532 19 85-12  Air Duct
152  532 19 95-35  Shield Browning
159  817 00 06-12  Screw Hexwsh Thrd 3/8-16 x 3/4
162  532 14 24-32  Screw
175  532 19 63-04  Crossmember Plate
176  532 40 07-76  Screw 10-24 x 5/8
177  532 19 52-27  Bushing Steering
180  532 41 50-63  Chassis
181  532 40 30-25  Bushing Mtg. Fender Crgo
182  532 40 68-59  Dash Lower
183  874 52 05-20  Bolt Fin Hex 5/16-18 unc x 1-1/4
189  817 00 05-12  Screw 5/16-18 x 3/4
194  873 90 05-00  Nut Lock Hex Flange 5/16-18
NOTE: All component dimensions given in U.S. inches
       1 inch = 25.4 mm
195  532 40 41-37  Plug Hole Dash Lower
196  532 41 45-80  Console Asm. Deck Lift
202  532 40 30-48  Vent Side Hood RH
203  532 40 30-76  Vent Side Hood LH
204  532 41 66-13  Vent Top Hood
205  532 40 17-09  Skirt Hood Side RH
206  532 40 17-11  Skirt Hood Side LH
207  532 19 71-98  Bezel RH
208  532 19 71-99  Bezel LH
209  532 19 91-30  Insert Hex Top RH
210  532 19 91-31  Insert Hex Top LH
211  532 19 91-32  Insert Hex Bottom RH
212  532 19 91-33  Insert Hex Bottom LH
213  874 76 05-12  Bolt 5/16-18 x 3/4
214  532 19 91-45  Clip Retainer Tinner
217  532 40 91-67  Rod Pivot
218  532 19 63-95  X-Piece Hood Stop
228  532 19 51-61  Stud Fastner
234  532 40 47-42  Bumper Hood
235  532 40 61-29  Spacer Fender
236  873 93 05-00  Nut Lock 5/16-18 unc
238  532 40 86-06  Trim
239  532 11 04-52  Nut, Push
287  817 60 04-06  Screw 1/4-20 x 3/8
KEY PART   
NO. NO.  DESCRIPTION

32
TRACTOR - - MODEL NUMBER YTH22V42 (289620)
DRIVE    
231
51
170
225
125
drive-tex_K46_pedal_48_r1
2
2
73
73 33
205
1
116
33
230
230
183
183
205
116
64
188
161
35 
184
167
160
42
29
15
159
159
221
186
189
49
187
50
51
52
51
190
185
125
226
227
125
80 125
208
210
214
125
215
153
166
211
211
222
17
163
153
99
216
143 185
56
213
221
160
206
26
207
209
92 125
116
33
TRACTOR - - MODEL NUMBER YTH22V42 (289620)
DRIVE    
NOTE: All component dimensions given in U.S. inches
  1 inch = 25.4 mm
1  - - -  - -  - - - -  Transaxle, Tufftorq K46BT
2  532 12 35-83  Key Square
15  819 13 13-16  Washer 13/32 x 13/16 x 16 Ga.
17  532 41 36-78  Spring, Brake
26  532 19 96-79  Spring Return Cruise
29  532 40 38-06  Rod, Brake
33  812 00 00-01  Ring E 
35  532 19 95-91  Rod, Brake, Park
42  532 12 48-72  Cover, Foot Pedal
49  872 11 06-14  Bolt
50  532 19 43-27  Pulley Idler Flat
51  873 90 06-00  Lock Nut 3/8-16
52  532 19 43-26  Idler V-Groove 910" Offset
56  532 13 09-69  V-Belt, Drive
64  532 19 78-65  Shaft Asm. Pedal Brake Control
73  874 49 05-40  Bolt Hex 5/16-18 Gr. 5
80  532 41 00-24  Strap Torque
92  874 76 05-20  Bolt Fin Hex 5/16-18 unc x 1.25
99  532 41 57-42  Rod Spring Bypass
116  873 90 05-00  Nut Lock Hex Flange 5/16-18
125  817 00 05-12  Screw 5/16-18 x 3/4
143  817 49 05-08  Screw 5/16-18 x 1/2
153  532 12 47-88  Retainer Spring 1"
159  876 02 04-12  Pin Cotter 1/8 x 3/4
160  532 16 94-84  Retainer Clip
161  532 10 57-09  Spring, Return, Clutch
163  532 40 10-34  Rod Control
166  532 42 91-64  Nut Push
167  532 40 52-57  Latch Brake Parking
170  532 41 34-30  Keeper V-Idler
183  532 13 70-57  Spacer Axle
KEY PART
NO. NO.  DESCRIPTION
KEY PART
NO. NO.  DESCRIPTION
184  532 40 31-18  Handle Parking Brake
185  872 11 06-22  Bolt
186  532 19 43-21  Spacer Retainer
187  819 13 32-10  Washer
188  532 19 43-23  Link Clutch Ground Drive
189  532 19 43-17  Bellcrank Ground Drive
190  532 19 43-18  Keeper Bellcrank Ground Drive
205  532 12 17-48  Washer 25/32 x 1-5/8 x 16 Ga.
206  532 19 78-67  Bracket Mount Latch Cruise
207  532 19 78-68  Latch Control Cruise
208  532 19 78-69  Gear Sector Control Cruise
209  532 19 95-92  Rod Control Cruise
210  532 40 09-80  Rocker Asm. Pedal Control
211  532 12 01-83  Bearing Nylon
213  532 40 31-19  Knob Control Cruise
214  532 42 12-63  Pedal Forward Pad
215  532 40 17-23  Pedal Reverse
216  532 19 61-31  Bracket Pulley Idler
221  532 40 31-87  Retainer Spring Clip Handle
222  879 21 20-10  Washer 21/32 x 1-1/4 10 Ga.
225  532 40 33-19  Keeper Belt Transaxle
226  532 40 15-64  Bracket Mount Torque
227  817 49 05-12  Screw 5/16-18 x 3/4
230  532 18 89-67  Washer Harden .793 x 1.637 x 060
231  532 40 72-87  Idler V-Groove 1.688" Offset

34
1
84
29
SPARK ARRESTER KIT
84
45
21
20
62
71
70
79
69
2
ENGINETEX?BSCYL?
9
12
42
85
82
81
TRACTOR - - MODEL NUMBER YTH22V42 (289620)
ENGINE    
35
TRACTOR - - MODEL NUMBER YTH22V42 (289620)
ENGINE    
Engine Power Rating Information
The gross power rating for individual gas engine models is labeled in accordance with SAE (Society of Automotive 
Engineers) code J1940 (Small Engine Power & Torque Rating Procedure), and rating performance has been obtained 
and corrected in accordance with SAE J1995 (Revision 2002-05). Torque values are derived at 3060 RPM; horsepower 
values are derived at 3600 RPM. Actual gross engine power will be lower and is affected by, among other things, ambi-
ent operating conditions and engine-to-engine variability. Given both the wide array of products on which engines are 
placed and the variety of environmental issues applicable to operating the equipment, the gas engine will not develop 
the rated gross power when used in a given piece of power equipment (actual “on-site” or net power). This difference is 
due to a variety of factors including, but not limited to, accessories (air cleaner, exhaust, charging, cooling, carburetor, 
fuel pump, etc.), application limitations, ambient operating conditions (temperature, humidity, altitude), and engine-to-
engine variability. Due to manufacturing and capacity limitations, Briggs & Stratton may substitute an engine of higher 
rated power for this Series engine.
KEY PART   
NO. NO.  DESCRIPTION
NOTE:  All component dimensions given in U.S. inches 
1 inch = 25.4 mm
For engine service and replacement parts, call the toll free 
number for your engine manufacturer listed below:
Briggs & Stratton  1-800-233-3723
1  - - - - - -  Engine Briggs Model No. 407777-1195-B1
2  532 14 97-23  Muffler
9  532 19 43-20  Keeper Belt Engine
12  532 40 54-71  Pulley Engine
15  532 40 74-89  Tank Fuel 
18  532 43 02-20  Cap Asm
20  532 42 35-02  Control Throttle
21  532 41 63-58  Screw #10 x 0.750 BOS Thread 
28  532 40 11-37  Fuel Line
29  532 13 71-80  Spark Arrester Kit
37  532 12 34-87  Clamp Hose
42  810 04 07-00  Washer Lock 7/16
45  873 51 04-00  Nut Keps Hex 1/4-20 unc
62  532 14 66-29  Shield Heat
69  532 16 53-91  Gasket
70  532 15 99-55  Exhaust Tube LH
71  532 16 05-89  Exhaust Tube RH
79  532 18 39-06  Screw 5/16-18 x 1
81  532 14 84-56  Tube Drain Oil Easy
82  532 42 82-87  Valve Drain Oil
83  532 17 18-77  Bolt 5/16-18 unc x 3/4 w/sems
84  817 06 06-20  Screw 3/8-16 x 1/4
85  532 17 39-37  Bolt Hex 7/16-20 x 4 Gr. 5
90  817 00 06-16  Screw 3/8-16 x 1
96  819 09 14-16  Washer 9/32 x 7/8 x 16 Ga.
97  817 67 04-12  Screw 1/4-20 x 3/4

36
TRACTOR - - MODEL NUMBER YTH22V42 (289620)
STEERING ASSEMBLY    
steering-tex_HUSQHR_1_r1
6
5
13
13
53 8
9
87
9
87
62
4
70
68
69
67
67 66
15
15
14
14
61
2
6
35
59
58
16
28
13 22
64
21
51
26
1
45
19 60 63
57
57
63
37
KEY PART
NO. NO.  DESCRIPTION
1  532 41 64-80  Wheel, Steering
2  532 19 59-68  Axle Cast Iron 
4  532 40 30-87  Spindle Asm., LH
5  532 40 30-88  Spindle Asm., RH
6  532 12 49-31  Washer, Thrust
7  532 12 17-48  Washer 25/32 x 1-5/8 x 16 Ga.
8  812 00 00-29  Ring, Klip #T5304-75
9  532 12 12-32  Cap, Spindle
13  532 12 17-49  Washer 25/32 x 1-1/4 x 16 Ga.
14  810 04 06-00  Washer, Lock Hvy Hlcl Spr 3/8
15  873 54 06-00  Nut, Crown Lock 3/8-24 unf
16  532 40 82-19  Shaft Steering
19  532 19 47-29  Plate Steering
21  532 18 67-37  Adapter, Wheel Steering
22  532 42 05-37  Steering Support Lower
26  532 41 59-87  Insert, Wheel Steering
28  817 00 06-12  Screw 3/8-16 x 3/4
35  532 19 47-32  Gear, Sector Plate
45  819 18 38-12  Washer 9/16 ID x 2-3/8 OD 12 Ga.
51  873 94 08-00  Nut Hex Jam Toplock 1/2-20 unf
53  532 18 89-67  Washer Hardened .793 x 1.637 x .060
57  532 40 74-65  Bracket Upstop
58  532 19 47-47  Bolt Shoulder Sector Pivot CFM
59  532 19 47-48  Washer Thrust Sector Steering
60  873 97 10-00  Nut Flange Lock 5/8-11
61  532 19 47-40  Draglink, LH
62  532 19 47-41  Draglink, RH
63  817 00 05-12  Screw 5/16-18 x 3/4
64  532 19 98-49  Retainer Clip Spring Steering
66  871 02 07-48  Bolt Hex Fghd 7/16-14 x 3 Serr
67  532 19 47-37  Bushing PM Front Axle
68  873 90 07-00  Nut Lock Flange 7/16-14 Gr. 5
69  532 19 91-62  Washer 1.5 x .505 x .118
70  532 19 61-97  Bracket Deck Susp. Front
NOTE: All component dimensions given in U.S. inches
1 inch = 25.4 mm
TRACTOR - - MODEL NUMBER YTH22V42 (289620)
STEERING ASSEMBLY    

38
TRACTOR - - MODEL NUMBER YTH22V42 (289620)
MOWER DECK     
68
30
42
43
60
38
63
46
147
55
64
47
30
30
32
38
195
122
123
195
31
33
34
56
56 57
59
62
188
189
1
69
21
21
69
69
20
40
145
42_D_man-tex_LT_33_r3
15
14
13
11
8
21
24
25
26
27
29
23
189
188
144
36
113
113
40
57
19
19
6
6
242
192
241
70
7
7
37
67
152
117
116
40 119
117 119
116
40
39
TRACTOR - - MODEL NUMBER YTH22V42 (289620)
MOWER DECK     
KEY  PART   
NO.   NO.          DESCRIPTION
NOTE: All component dimensions given in U.S. inches
     1 inch = 25.4 mm
1  532 40 29-99  Mower Housing
2  532 40 55-06  Cover Mandrel RH
3  532 40 55-07  Cover Mandrel LH
6  532 19 51-86  Arm Suspension
7  532 41 63-58  Screw # 10 x 0.750
8  532 19 30-03  Bolt/Washer asm 7/16-20 unf
11  532 13 89-71  Blade Mower Hi Lift
13  532 19 28-72  Shaft Assembly, Mandrel
14  532 18 72-81  Housing, Mandrel
15  532 11 04-85  Bearing, Ball, Mandrel
19  532 19 65-39  Bolt, Shoulder
21  873 68 05-00  Nut 
23  532 19 25-57  Bracket, Deflector
24  532 10 53-04  Cap, Sleeve
25  532 19 70-26  Spring, Torsion, Deflector
26  532 11 04-52  Nut, Push
27  532 40 53-57  Shield, Deflector
29  532 13 14-91  Rod, Hinge
30  532 17 39-84  Screw Thdrol Rolling Wsh Hd
31  532 18 76-90  Washer, Spacer
32  532 19 74-73  Pulley, Mandrel
33  532 40 02-34  Nut, Toplock, Flanged
34  872 11 06-12  Bolt Carr Sh. 3/8-16 x 1-1/2 Gr. 5
36  532 19 73-79  Pulley, Idler, Flat
37  819 13 13-16  Washer 13/32 x 13/16 x 16 Ga.
38  532 19 91-89  Keeper Belt LH Mandrel
40  873 90 06-00  Nut, Lock Flg. 3/8-16 unc 
42  532 19 84-10  Spring Torsion Brake
43  532 19 72-56  Spring Torsion Retainer
46  532 13 77-29  Screw
47  532 19 72-50  Bracket Clutch Cable
55  532 19 72-49  Arm, Idler
56  532 19 90-92  Spacer, Retainer
57  817 00 06-16  Screw Hexwsh Thd 3/8-16 x 1
59  532 14 10-43  Guard, Tuv Idler (94)
60  532 19 94-71  Arm Brake Mower LH
63  532 19 94-77  Arm Brake Mower
64  532 19 99-18  Linkage Brake
67  532 40 30-12  Handle, Clutch Cable
68  532 40 51-43  V-Belt
69  872 14 05-05  Bolt
70  532 40 65-63  Clutch Asm. Cable
113  817 00 05-10  Screw 5/16-18
116  532 19 34-06  Bolt, Shoulder
117  532 17 48-73  Wheel, Gauge
119  819 13 20-12  Washer 13/32 x 1-1/4 x 12 Ga.
122  532 19 72-58  Keeper Belt Eng. LH
123  532 19 72-59  Keeper Belt Eng. RH
144  532 19 92-04  Keeper Belt 
145  532 19 31-97  Pulley Idler 
147  532 40 18-72  Spring Return
152  532 43 51-10  Cable Clutch Manual w/Spr.
188  532 19 51-61  Stud Fastener
189  873 90 05-00  Nut Lock Hex Flange
195  817 00 06-12  Screw 3/8-16 x 3/4
197  819 13 13-12  Washer 13/32 x 13/16 x 12 Ga.
198  532 40 31-49  Baffle Center Front
199  532 40 31-50  Baffle Front RH
200  532 41 35-24  Washer 13/32 x 1 x 1/2 11 Ga.
240  874 52 06-36  Bolt 3/8-16 unc x 2-1/4 Gr. 5
241  532 15 29-27  Screw
242  532 41 55-98  Washout Port
- -  532 19 28-70  Mandrel Assembly (Includes hous-
ing, shaft assembly, and bearing 
only - pulley/nut/washer and blade 
bolt/washers not included)
- -  532 40 20-22  Replacement Mower, Complete
- -  532 41 64-05  Copling Quick Connect
- -  532 13 41-49  Blade 42" Mulching Standard
- -  532 13 97-75  Blade 42" Mulching Premium
- -  532 42 47-52  Blade 42SP" 3N1 Standard
- -  532 42 27-19  Blade 42SP" 3N1 Premium
KEY  PART   
NO.   NO.          DESCRIPTION

40
TRACTOR - - MODEL NUMBER YTH22V42 (289620)
MOWER LIFT     
7
3
87
10
88
2
89
90
87
98
97
97
lift-tex_22
91
101*
89 87
100
*Key 91 may be substituted for Key 101
2  532 42 20-27  Shaft Asm., Lift 
3  532 19 52-31  Lever Asm., Lift RH
7  532 41 15-55  Grip, Lever
10  532 19 63-14  Spring Torsion
87  532 19 42-09  Pin Cotter 7/16 Bow Tie Lock
88  532 41 07-10  Spring Lift Assist
89  819 19 19-12  Washer Clear Zinc
90  532 19 42-08  Pin Cotter 5/16 Bow Tie Lock
91  532 19 51-81  Link Lift Susp Mower Rear
KEY PART   
NO. NO.  DESCRIPTION
NOTE: All component dimensions given in U.S. inches
   1 inch = 25.4 mm
97  817 00 06-12  Screw 3/8-16 x .75 Smgml Tap/R.Z
98  532 19 52-70  Link Lift Susp. Front Mower
100  873 93 06-00  Nut Center Lock 3/8-16 unc
101  532 40 70-03  Link Asm Lift Fixed
KEY PART   
NO. NO.  DESCRIPTION

41
TRACTOR - - MODEL NUMBER YTH22V42 (289620)
SEAT ASSEMBLY     
1  532 42 40-68  Seat
2  532 18 01-66  Bracket Pivot Fender
3  532 14 06-75  Strap, Asm Fender
6  873 80 06-00  Nut, Lock w/Ins. 3/8-16 unc
7  532 12 41-81  Spring, Seat Cprsn
8  532 17 18-77  Bolt 5/16-18 unc x 3/4 w/Sems
10  532 19 69-77  Pan, Seat
21  532 17 18-52  Bolt, Shoulder 5/16-18
37  873 80 05-00  Nut, Lock 5/16-18 unc
40  532 19 76-61  Handle Slide Seat
41  532 19 82-00  Spring Latch Seat
43  874 76 06-12  Bolt Fin Hex 3/8-16 unc x 3/4
44  819 13 38-12  Washer 13/32 x 2-3/8 x 12 Ga.
KEY PART
NO. NO.  DESCRIPTION
KEY PART
NO. NO.  DESCRIPTION
NOTE: All component dimensions given in U.S. inches
     1 inch = 25.4 mm
2
6
1
40
10
37
37
21
21
3
41
7
8
7
8
seat-tex_6.5SL_3
44
43
8
8
6

42
TRACTOR - - MODEL NUMBER YTH22V42 (289620)
DECALS    
NOTE: All component dimensions given in U.S. inches
      1 inch = 25.4 mm
KEY PART   
NO. NO.  DESCRIPTION
6
2
1
3
11
4
10
5
9
8
7
wheel_art_1-tex
WHEELS AND TIRES
KEY PART   
NO. NO.  DESCRIPTION
KEY PART   
NO. NO.  DESCRIPTION
1  532 05 91-92  Cap Valve Tire        
2  532 06 51-39  Stem Valve          
3  532 13 83-36  Rim Front
4  532 05 99-04  Tube Front (Service Item Only)  
5  532 10 62-22  Tire Front 15 x 6.0-6
6  532  12  49-57  Fitting  Grease  (Front  Wheel  Only)        
7  532 12 49-59  Bearing Flange (Front Wheel Only)        
8  532 17 50-39  Cap Axle Blk 1 50 x 1 00
9  532 42 05-31  Tire R 18 x 9.5-8 Turf Saver LT
10  532 12 49-26  Tube Rear (Service Item Only)   
11  532 13 83-37  Rim Asm 8" Rear
- -  532 14 43-34  Sealant, Tire (10 oz. Tube)
1   532 41 16-58  Decal, Fender Warning
2   532 42 91-96  Decal, Hood 
3   532 43 31-45  Decal, Hood Panel SD
4   532 42 95-56  Decal, Engine H.P.
5   532 42 38-29  Decal, Customer Respons.
6   532 43 65-54  Decal, Replacement
7   532 17 05-63  Decal, Mower Warn. Keep Hands 
Away
9  532 14 50-05  Decal, Battery Dnge/Poi
12  532 16 03-96  Decal, Mower V-Belt Schematic
- -  532 16 69-60  Decal, Bypass
- -  532 41 08-05  Pad, Footrest, LH
- -  532 41 08-06  Pad, Footrest, RH
- -  532 43 65-05  Manual, Owner's (English)
- -  532 43 65-07  Manual, Owner's (French)
9
12
4
2 5 6
3
2
7
1

43
1058 OPERATOR’S MANUAL 1329 REPLACEMENT ENGINE 1330 REPAIR MANUAL
48 SHORT BLOCK
LIQUID GASKET AND THE BREATHER GASKET ARE INTERCHANGEABLE
8
252
10
9
11
3
2
1
250
22
943
750
965
718 415 20
1013
1017
12
15
850
1024
1027
616
691
742
742
552
552A
552A
404
45
46
287
177
524
523
525
847
1022
868
1095 VALVE GASKET SET
7
163
883
121 CARBURETOR OVERHAUL KIT
104
105 137
987
633
1124
150
276 672
276A
1353
883
1022
12
9
7
3
358 ENGINE GASKET SET
868
842
691
524
20
163
163
51 51
51A
1036 EMISSIONS LABEL
24
26
28 25
27
27
741
146
16
32
29
50
929
212
163
54
415
617
51
186
51A
617
 TRACTOR - - MODEL NUMBER YTH22V42 (289620)
BRIGGS ENGINE - MODEL NUMBER 407777, TYPE NUMBER 1195-B1

44
337
635
13
798
42
192
1022
1100
1029
7
36
35
33
34
868
798
5A
883
1022
1100
1029
7
36
35
33
5
42
192
1023A
1023
1022
883
1022
1026
45
1026A
914
617
617
40
42
40
34
868
42 40
40
914
118A
118 387
628
385
788
918
240
601A
601
187
447
865
573
304
967
445
865A
865B
447A
405
703
431
305
305B
305A
467
968
1040
163
216
209
211
188
222
265
267
 TRACTOR - - MODEL NUMBER YTH22V42 (289620)
BRIGGS ENGINE - MODEL NUMBER 407777, TYPE NUMBER 1195-B1

45
276
1127
137
104
987
95
150
1128
105
1126
1124
160
1353
276
633
108
672
418
163
135
231
130
98
947
141
125
975
133
131
142
276
117A117
1342
51
51A
1070
75
332
668
74
73
220
1090 311
802
310
801
1051
783
513
309
510
697
1005
544
803
562
505
227
278
212
615
219
23
851
334
635
333
1054
877
789
474 1059
1119
 TRACTOR - - MODEL NUMBER YTH22V42 (289620)
BRIGGS ENGINE - MODEL NUMBER 407777, TYPE NUMBER 1195-B1
46
 TRACTOR - - MODEL NUMBER YTH22V42 (289620)
BRIGGS ENGINE - MODEL NUMBER 407777, TYPE NUMBER 1195-B1
KEY   PART
NO.   NO.   DESCRIPTION
KEY   PART
NO.   NO.   DESCRIPTION
1  795118  Cylinder Assembly
2    499585   Bushing/Seal Kit (Magneto Side)
3  •  391086s   Seal-Oil (Magneto Side)
4  796230  Sump-Engine
5    796231   Head-Cylinder (Cylinder #1)
5A    796232   Head-Cylinder (Cylinder #2)
7 •♦ 693997   Gasket-Cylinder Head
8  792185  Breather Assembly
9  •  690937   Gasket-Breather (Liquid Gasket 
      and The Breather Gasket Are 
    Interchangeable)
10  697551  Screw (Breather Assembly)
11  792184  Tube-Breather 
12 • 697227  Gasket-Crankcase 
13    793988   Screw (Cylinder Head)
15  690946  Plug-Oil Drain
16  796540  Crankshaft
20  •  795389   Seal-Oil (PTO Side)
22    694966   Screw (Crankcase Cover/Sump)
23  691054  Flywheel
24  222698s  Key-Flywheel
25  793647  Piston Assembly (Standard)
    793648   Piston Assembly (020” Oversize)
26    791787   Ring Set (Standard)
    791792   Ring Set (.020” Oversize)
27  690975  Lock-Piston Pin
28  696581  Pin-Piston
29  699699  Rod-Connecting 
32    690976   Screw (Connecting Rod)
33  697576  Valve-Exhaust 
34  792200  Valve-Intake 
35  694865  Spring-Valve (Intake)
36  694865  Spring-Valve (Exhaust)  
40  690964  Retainer-Valve
42  499586  Keeper-Valve
45  690977  Tappet-Valve
46  792555  Camshaft 
48  698172  Short Block 
50  695241  Manifold-Intake 
51 •♦♣ 795123   Gasket-Intake
51A •♦♣ 690950   Gasket-Intake
53  690951  Stud (Carburetor)
54    699816   Screw (Intake Manifold)
73  494439  Screen-Rotating
74    698425   Screw (Rotating Screen)
75  691056  Washer (Flywheel)
95    690718   Screw (Throttle Valve)
98  699721  Kit-Idle Speed
104  ♣ 694918  Pin-Float Hinge
105  ♣ 698537  Valve-Float Needle
108   699723  Valve-Choke
117    791501   Jet-Main (Standard) (Left)
117A    791502   Jet-Main (Standard) (Right)
118    695415   Jet-Main (High Altitude) (Left)
118A    843099   Jet-Main (High Altitude) (Right)
121   792455  Kit-Carburetor Overhaul
125   796259  Carburetor
130   690993  Valve-Throttle
131   499805  Kit-Throttle Shaft
133   699724  Float-Carburetor
135   699729  Tube-Fuel Transfer
137  ♣ 690994  Gasket-Float Bowl
141   796228  Kit-Choke Shaft
142   699726  Nozzle-Carburetor
146   690979  Key-Timing
150   690995  Gasket-Nozzle
160   699727  Retainer-Solenoid (Brass)
163   691001  Gasket-Air Cleaner
177    691031   Seal-O Ring (Dipstick)
186    796532    Hose-Connector (Oil Drain Hose)
187    791766   Line-Fuel  (Cut to Required 
     Length)
188    697551   Screw (Control Bracket) 
192   690083  Adjuster-Rocker Arm
197    697820   Screw (Back Plate)
209   796224  Spring-Governor (Yellow/Black)
211    796225   Spring-Governed Idle (Orange)
212   695238  Link-Throttle
216   796229  Link-Choke
217   695409  Spring-Choke Return
219   793338  Gear-Governor
220    690412   Washer (Governor Gear)
221   841026  Cup-Governor
222   796226  Bracket-Control
227   796223  Lever-Governor Control
231    690718   Screw (Choke Valve)
240   691035  Filter-Fuel
250   690957  Retainer-Breather
252   690956  Collector-Oil
265   691024  Clamp-Casing
267    792629   Screw (Casing Clamp)
276   794271  Washer-Sealing (Aluminum)
278    792651    Washer (Governor Control Lever)
287   691108  Screw (Dipstick Tube)
304   796597  Housing-Blower
305    691005   Screw (Blower Housing)
305A    698336   Screw (Blower Housing)
305B    790690   Screw (Blower Housing) 
       (Blower Housing to Intake    
     Elbow)
309   497595  Motor-Starter
310    690323   Screw (Starter Motor)
332   691059  Nut (Flywheel)
333   691060  Armature-Magneto
334   691061  Screw (Magneto Armature)
337   491055s  Plug-Spark
358   694012  Gasket Set-Engine
385    697551   Screw (Fuel Pump)
387   808656  Pump-Fuel
404    690442   Washer (Governor Crank)
415    794903   Plug (Oil Pressure Switch Hole)
415A    690283   Plug (Intake Manifold)
418   795912  Plate-Carburetor
431   790816  Elbow-Intake
445    499486s   Filter-Air Cleaner Cartridge
447    691003   Screw (Air Guide Cover) (Long)
447A    697551   Screw (Air Guide Cover) (Short)
462    691261   Washer (Starter Cable)
467   691008  Knob-Air Cleaner
474   696459  Alternator
505    691029   Nut (Governor Control Lever)
510   696541  Drive-Starter
512   796530  Hose-Oil Drain
513   692024  Clutch-Drive
523   691036  Dipstick
524 • 691032  Seal-Dipstick Tube
47
 TRACTOR - - MODEL NUMBER YTH22V42 (289620)
BRIGGS ENGINE - MODEL NUMBER 407777, TYPE NUMBER 1195-B1
525   691037  Tube-Dipstick
544       Armature-Starter (Service by 
       497595 Starter Motor Only,    
       Reference 309)
552   690552  Bushing-Governor Crank
552A   690553   Bushing-Governor Crank
562    690311   Screw (Governor Control Lever)
573   790444  Plate-Back
601   791850  Hose-Clamp (Green)
601A   691038   Hose-Clamp (Black)
615   698290  Retainer-Governor Shaft
616   691045  Crank-Governor
617 •♣  697891   Seal-O Ring (Intake Manifold) 
     (Red)
628    697551   Screw (Fuel Pump Bracket)
633    699813   Seal-Choke/Throttle Shaft    
     (Choke Shaft)
635   66538s  Boot-Spark Plug
654   690958  Nut (Carburetor)
668    691215   Spacer (Rotating Screen)
672   690234  Gasket-Carburetor Plate
691 • 790574  Seal-Governor Shaft
697    690372   Screw (Drive Cap)
703   691010  Clip
718   690959  Pin-Locating
742   690328  Retainer-E Ring
750    796208   Screw (Oil Pump Cover)
783   695708  Gear-Pinion
788   793145  Bracket-Fuel Pump
789   698330  Harness-Wiring
798   697890  Screw (Rocker Arm)
801   691283  Cap-Drive
802   691286  Cap-End
803       Housing-Starter (Service by 
       497595 Starter Motor Only,    
     Reference 309)
847   499602  Dipstick/Tube Assembly
850    100106   Sealant-Liquid (Used to Seal 
       Breather Assembly and Rocker   
     Cover)
851   493880s  Terminal-Spark Plug
865    691012   Cover-Air Guide (Cylinder #1)
865A    796541   Cover-Air Guide (Cylinder #2)
865B    691015   Cover-Air Guide (Cylinder #3)
868  ♦• 690968   Seal-Valve
877   790544  Wire/Connector-Alternator
883 • 690970  Gasket-Exhaust
914    691127   Screw (Rocker Cover)
918   793147  Hose-Vacuum
943  •  796222   Seal-O Ring (Oil Pump Cover)
947   699728  Solenoid-Fuel
965   796221  Cover-Oil Pump
967   273638s  Filter-Pre Cleaner
968   791242  Cover-Air Cleaner
975   499810  Bowl-Fuel
987  ♣ 691000  Seal-Throttle Shaft
1005   791236   Fan-Flywheel
1013   690954   Nipple-Oil Filter
1017   796214   Screen-Oil Pump
1022  ♦•  690971   Gasket-Rocker Cover (Liquid 
       Gasket and Rocker Cover Gas   
       ket are Interchangeable)
1023    793146   Cover-Rocker (Cylinder #1)
1023A    499600   Cover-Rocker (Cylinder #2)
1024   796220   Pump-Oil
1026   690981   Rod-Push (Steel)
1026A   690982   Rod-Push (Aluminum)
1027   492932s  Filter-Oil
1029   690972   Arm-Rocker
1036      Label-Emissions (Available 
       from a Briggs & Stratton    
     Authorized Dealer)
1051   691265   Ring-Retaining
1054   280275   Tie-Cable
1058   276245   Operator’s Manual
1059   698516   Kit-Screw/Washer
1070    791680   Screw (Flywheel Fan)
1090   691293   Retainer-Brush
1095   694013   Gasket Set-Valve
1000   791959   Pivot-Rocker Arm
1119   691183   Screw (Alternator)
1124    690988   Seal-O Ring (Fuel Transfer Tube)
1126    690991   Screw (Fuel Transfer Tube)
1127    690992   Screw (Float Bowl)
1128    690990   Screw (Carburetor Nozzle)
1329      44L7770037  Replacement Engine
1330   273521   Repair Manual
1342    699731   Extension-Fuel Transfer Tube
1353    699725   Seal-O Ring (Fuel Transfer 
     Tube Extension)
•  Included in Engine Gasket Set, Key. No. 358
♦  Included in Valve Gasket Set, Key No. 1095
♣  Included in Carburetor Overhaul Kit, Key, No. 121
NOTE:  All component dimensions given in U.S. inches, 
  1 inch = 25.4 mm
KEY   PART
NO.   NO.   DESCRIPTION
KEY   PART
NO.   NO.   DESCRIPTION

48
 TRACTOR - - MODEL NUMBER YTH22V42 (289620)
TUFFTORQ TRANSAXLE MODEL NUMBER K46BT
MODEL K46BT
7A646084180
33
16
20
10
34
34
35
19
13
90
95
34
76
80
81
84
87
86
8
9
15
7
82
78
82
85
83
ACTUAL PARTS
MAY NOT APPEAR
AS SHOWN
117
115
116
91
55
59
60
58
96
53
72
72
49
 TRACTOR - - MODEL NUMBER YTH22V42 (289620)
TUFFTORQ TRANSAXLE MODEL NUMBER K46BT
7  532 41 43-95  Vent Valve 15
8  532 41 43-96  Magnet
9  532 41 43-97  Magnet Holder
10  532 41 59-23  Pump Shaft/Bearing Kit
13  532 41 43-98  Bypass Lever
15  532 41 43-99  Sealing Cap 30
16  532 41 44-00  Snap Ring  C 35
19  532 41 44-01  O-Ring  1a P10a
20  532 41 44-02  Seal  Tc 153507
33  532 41 44-03  Pump Shaft (Standard)
34  532 41 44-04  E-Ring 15
35  532 41 44-05  Bearing  6202c3
53  532 41 44-31  Control Lever F
55  532 41 59-24  Washer 12
58  532 41 59-25  Roll Pin  6 * 40
59  532 41 59-26  O-Ring  1a P14
60  532 41 59-27  Nut 12
72  532 41 44-07  Seal  19 * 32 * 8
76  532 41 44-08  Brake Lever
78  532 41 44-09  Brake Return Spring
80  532 41 44-10  Spring PIn  5 * 32
81  532 41 44-11  0-Ring  1a P12
82  532 41 44-12  Spring Pin  4 * 16
83  532 41 44-13  Spine Collar
84  532 41 44-14  Pulley L
85  532 41 44-15  Fan, Black
86  532 41 44-16  Wave Washer
87  532 41 44-17  Snap Ring  
90  532 41 44-18  Spring Pin  3.0a * 20
91  532 41 44-19  Oil Seal  16 * 22 *.03
95  532 41 48-50  Spring Pin  3.0a*16
96  532 41 44-20  Roll Pin  3.5 * 40
115  532 41 59-28  Switch  6440-11 Delta
116  532 41 59-29  Switch Bracket
117  532 41 59-30  Tapping Screw  8 * 20
NOTE:  All component dimensions given in U.S. inches.
  1 inch = 25.4 mm
KEY PART   
NO. NO.  DESCRIPTION

50
SERVICE NOTES

51
15 DEGREES MAX.
FOLD ALONG DOTTED LINE
THIS IS A 15 DEGREE SLOPE
ONLY RIDE UP AND DOWN HILL,
NOT ACROSS HILL
SUGGESTED GUIDE FOR SIGHTING SLOPES FOR SAFE OPERATION
WARNING: To avoid serious injury, operate your tractor up and 
down the face of slopes, never across the face. Do not mow
slopes greater than 15 degrees. Make turns gradually to prevent
tipping or loss of control. Exercise extreme caution when
changing direction on slopes.
1. Fold this page along dotted line indicated above.
2. Hold page before you so that its left edge is vertically parallel to a tree
    trunk or other upright structure.
3. Sight across the fold in the direction of hill slope you want to measure.
4. Compare the angle of the fold with the slope of the hill.  

05.05.10 JA  Printed in the U.S.A.