ICP Package Units(both Units Combined) Manual L0909099
User Manual: ICP ICP Package Units(both units combined) Manual ICP Package Units(both units combined) Owner's Manual, ICP Package Units(both units combined) installation guides
Open the PDF directly: View PDF
.
Page Count: 37

Installation Instructions
PGD4 /PGS4 Series
PACKAGED GAS/ELECTRIC UNIT
InternationalComfortProducts,LLC
Lewisburg,TN.37091 462 01 2002 01 04-09-09

TABLE OF CONTENTS
PAGE
SAFETY CONSIDERATIONS ............................ 1
INTRODUCTION ....................................... 2
RECEIVING AND INSTALLATION ........................ 2
Check Equipment ..................................... 2
Identify Unit ........................................ 2
Inspect Shipment ................................... 2
Provide Unit Support .................................. 2
Roof Curb ......................................... 2
Slab Mount ........................................ 2
Field Fabricate Ductwork .............................. 2
Provide Clearances ................................... 6
Rig and Place Unit .................................... 6
Inspection ......................................... 6
Rigging/Lifting ...................................... 6
Connect Condensate Drain ............................ 9
Install Flue Hood ..................................... 9
Install Gas Piping ..................................... 9
Install Duct Connections .............................. 10
Configuring Units for Downflow (Vertical)
Discharge ........................................ 10
Install Electrical Connections .......................... 11
High-Voltage Connections .......................... 12
Special Procedures for 208-V Operation .............. 12
Control Voltage Connections ........................ 12
Standard Connection ............................... 12
Heat Anticipator Setting ............................. 12
Transformer Protection ............................. 12
PRE-START-UP ...................................... 13
START-UP ........................................... 13
Check for Refrigerant Leaks ........................... 13
Start-Up Heating & Make Adjustments .................. 13
Check Heating Control ............................. 14
Check Gas Input ................................... 14
Adjust Gas Input ................................... 15
Check Burner Flame ............................... 15
Normal Operation .................................. 19
Airflow and Temperature Rise ........................ 19
Heating Sequence of Operation ...................... 19
Limit Switches ..................................... 19
Rollout Switch ..................................... 19
Start-Up Cooling & Make Adjustments .................. 19
Checking Cooling Control Operation .................. 19
Checking & Adjusting Refrigerant Charge ............. 19
Indoor Airflow and Airflow Adjustments ................ 20
Continuous Fan Operation .......................... 21
Cooling Sequence of Operation ...................... 21
MAINTENANCE ....................................... 28
Air Filter .......................................... 28
Indoor Blower and Motor ............................ 28
Induced Draft (Combustion Air) Blower ................ 29
Flue Gas Passageways ............................ 29
Limit Switch ....................................... 29
Burner Ignition ..................................... 29
Main Burners ...................................... 29
Removal of Gas Train .............................. 29
Outdoor Coil, Indoor Coil, & Condensate Drain Pan ..... 29
Outdoor Fan ...................................... 30
Electrical Controls and Wiring ........................ 31
Refrigerant Circuit .................................. 31
Gas Input ......................................... 31
Evaporator Airflow ................................. 31
R-410A Items ..................................... 32
TROUBLESHOOTING ................................. 32
START-UP CHECKLIST ............................... 32
NOTE: Read the entire instruction manual before starting the
installation.
NOTE: Installer: Make sure the Owner's Manual and Service
Instructions are left with the unit after installation.
Fig. 1 -Unit PGD4 /PGS4 (Low NOx models available)
SAFETY CONSIDERATIONS
Improper installation, adjustment, alteration, service
maintenance, or use can cause explosion, fire, electrical shock,
or other conditions which may cause death, personal injury, or
property damage. Consult a qualified installer, service agency, or
your distributor or branch for information or assistance. The
qualified installer or agency must use factory-authorized kits or
accessories when modifying this product. Refer to the individual
instructions packaged with the kits or accessories when
installing.
Follow all safety codes. Wear safety glasses, protective clothing,
and work gloves. Have a fire extinguisher available. Read these
instructions thoroughly and follow all warnings or cautions
included in literature and attached to the unit. consult local
building codes, the current editions of the National Fuel Gas
Code (NFGC) NFPA 54/ANSI Z223.1, and the National Electrical
Code (NEC) NFPA 70.
In Canada refer to the current editions of the National Standards
of Canada CAN/CSA-B149.1 and .2 Natural Gas and Propane
Installation codes, and Canadian Electrical Code CSA O22.1
Recognize safety information. This is the safety-alert symbol/_
When you see this symbol on the unit and in instructions or
manuals, be alert to the potential for personal injury. Understand
these signal words: DANGER, WARNING, and CAUTION.
These words are used with the safety-alert symbol. DANGER
identifies the most serious hazards which will result in severe
personal injury or death. WARNING signifies hazards which
could result in personal injury or death. CAUTION is used to
identify unsafe practices which may result in minor personal
injury or product and property damage. NOTE is used to
highlight suggestions which will result in enhanced installation,
reliability, or operation.
ELECTRICALSHOCKHAZARD
Failure to follow this warning could result in personal injury or
death.
Before installing or servicing system, always turn off main
power to system and install lockout tag. There may be more
than one disconnect switch. Turn off accessory heater power
switch if applicable.
2 462 01 2002 01

FIRE, EXPLOSION, ELECTRICAL SHOCK AND CARBON
MONOXIDE POISONING HAZARD
Failure to follow this warning could result in personal injury or
unit damage.
A qualified installer or agency must use only
factory-authorized kits or accessories when modifying this
product.
CUT HAZARD
Failure to follow this caution may result in personal injury.
When removing access panels or performing maintenance
functions inside your unit, be aware of sharp sheet metal parts
and screws. Although special care is taken to reduce sharp
edges to a minimum, be extremely careful when handling
parts or reaching into the unit.
INTRODUCTION
The PGD4 /PGS4 units (see Fig. 1) are a fully self-contained,
combination Category I gas heating/electric cooling unit
designed for outdoor installation (See Fig. 3 and 4 for unit
dimensions). All unit sizes have return and discharge openings
for both horizontal and downflow configurations, and are factory
shipped with all downflow duct openings covered. Units may be
installed either on a rooftop or on a cement slab. (See Fig. 5 for
roof curb dimensions).
Models with the number "1" in the 13th position of the model
number are dedicated Low NOx units designed for California
installations. These models meet the California maximum oxides
of nitrogen (NOx) emissions requirements of 40 nanograms/joule
or less as shipped from the factory and must be installed in
California Air Quality Management Districts or any other regions
in North America where a Low NOx rule exists.
NOTE: Low NOx requirements apply only to natural gas
installations.
RECEIVING AND INSTALLATION
Step 1 -- Check Equipment
Identify Unit
The unit model number and serial number are stamped on the
unit information plate. Check this information against shipping
papers.
Inspect Shipment
Inspect for shipping damage before removing packaging
materials. If unit appears to be damaged or is torn loose from its
anchorage, have it examined by transportation inspectors before
removal. Forward claim papers directly to transportation
company. Manufacturer is not responsible for any damage
incurred in transit. Check all items against shipping list.
Immediately notify the nearest equipment distribution office if
any item is missing. To prevent loss or damage, leave all parts in
original packages until installation.
Step 2 -- Provide Unit Support
IMPORTANT: The unit must be secured to the curb by installing
screws through the bottom of the curb flange and into the unit
base rails. When installing large base units onto the common
curb, the screws must be installed before allowing the full weight
of the unit to rest on the curb. A minimum of six screws are
required for large base units. Failure to secure unit properly
could result in an unstable unit. See Warning near Rigging/Lifting
information and accessory curb instructions for more details.
For hurricane tie downs, contact distributor for details and PE
(Professional Engineering) Certificate if required.
Roof Curb
Install accessory roof curb in accordance with instructions
shipped with curb (See Fig. 5). Install insulation, cant strips,
roofing, and flashing. Ductwork must be attached to curb.
IMPORTANT: The gasketing of the unit to the roof curb is critical
for a water tight seal. Install gasketing material supplied with the
roof curb. Improperly applied gasketing also can result in air
leaks and poor unit performance.
Curb should be level to within 1/4 in. (6 mm). This is necessary
for unit drain to function properly. Refer to accessory roof curb
installation instructions for additional information as required.
Slab Mount
Place the unit on a solid, level concrete pad that is a minimum of
4 in. (102 mm) thick with 2 in. (51 mm) above grade. The slab
should extend approximately 2 in. (51 mm) beyond the casing on
all 4 sides of the unit. (See Fig. 2.) Do not secure the unit to the
slab except when required by local codes.
Fig. 2 -Slab Mounting Details
oPT,O,ALr,
t RETURN _ SUPPLY
AIR AIR
_ttll it
\
IIIII [#]iI _ ._/-_( _ tl
NIII 1//IIH _ _, _ !// II
..... ',WJ._rl_j_-'-_-,/_---Jb_/-----_tt
I liill \\'_ V"_ /// "
I IIIII "I_ /f )/4 IIII
I IIIII _%.1,1 //// IIII
2 11 dEIJ _---- / /// Nil
(50.8mm) 1 ___ _ J/7
±L
EVAR COIL COND. COIL
Step 3 -- Field Fabricate Ductwork
Secure all ducts to roof curb and building structure on vertical
discharge units. Do not connect ductwork to unit. For horizontal
applications, unit is provided with flanges on the horizontal
openings. All ductwork should be secured to the flanges.
Insulate and weatherproof all external ductwork, joints, and roof
openings with counter flashing and mastic in accordance with
applicable codes.
Ducts passing through an unconditioned space must be
insulated and covered with a vapor barrier.
If a plenum return is used on a vertical unit, the return should be
ducted through the roof deck to comply with applicable fire
codes.
Read unit rating plate for any required clearances around
ductwork. Cabinet return-air static shall not exceed -.25 IN.
W.C.
462 01 2002 01 3

UNIT
3O
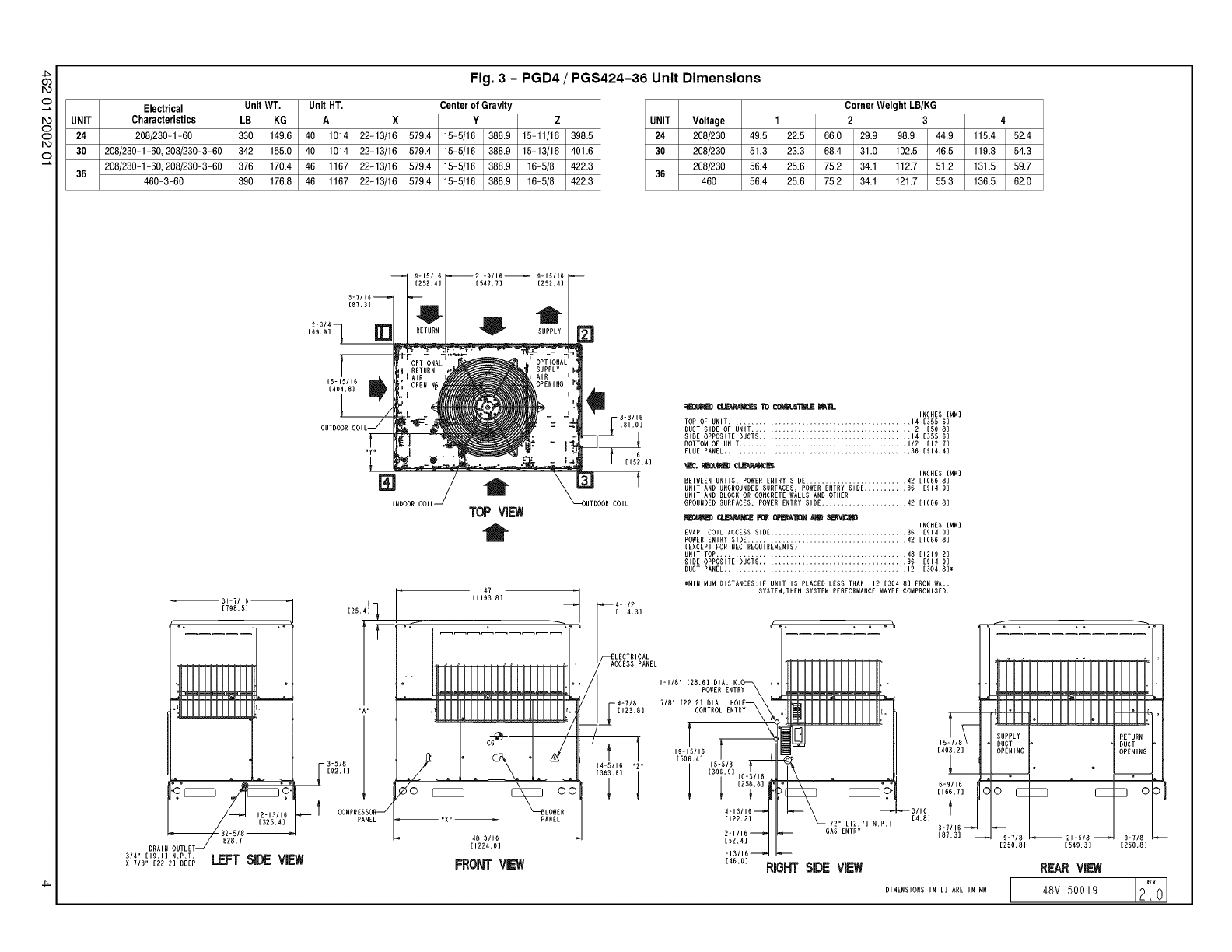
Fig. 3 -PGD4 /PGS424-36 Unit Dimensions
Electrical
Characteristics
208/230=1-60
208/230=1-60,208/230=3=60
208/230=1-60,208/230=3=60
460=3=60
UnitWT. Unit HT. Center of Gravity
LB KG A X Y Z
330 149.6 40 1014 22-13/16 579.4 15=5/16 388.9 15=11/16 398.5
342 155.0 40 1014 22-13/16 579.4 15=5/16 388.9 15=13/16 401.6
376 170.4 46 1167 22-13/16 579.4 15=5/16 388.9 16=5/8 422.3
390 176.8 46 1167 22-13/16 579.4 15=5/16 388.9 16=5/8 422.3
Corner Weight LB/KG
UNIT Voltage 1 2 3 4
24 208/230 49.5 22.5 66.0 29.9 98.9 44.9 115.4 52.4
30 208/230 51.3 23.3 68.4 31.0 102.5 46.5 119.8 54.3
208/230 56.4 25.6 75.2 34.1 112.7 51.2 131.5 59.7
36 460 56.4 25.6 75.2 34.1 121.7 55.3 136.5 62.0
DRAIN
3/4" [IH,I] N,P,T,
N7/B" [B2,2] DEEP
1--
15-15/16
[]
[TRB.5]
LEFT SiDE ViEW
i
TOP ViEW
t
[1224,0]
FRONTViEW
u
[152,4]
]
INCHES [MN]
TOP OF UNIT ............................................... 14 [355.N]
DUET SIDE OF UNIT ......................................... D [50.8]
SIDE OPPOSITE DUCTS....................................... 14 [3DB.U]
BOTTOM OF UNIT ........................................... 112 [12,7]
FLUE PANEL ................................................ 36 [914,4]
INCHES [MN]
BETWEEN UNITS, POWERENTRY SIDE .......................... 42 [1066.G]
UNIT AND UNGROUNDEDSURFACES, POWERENTRY SIDE ........... 3B [914.0]
UNIT AND BLOCK OR CONCRETE WALLS AND OTHER
GROUNDEDBURFACEB, POWERENTRY SIDE ...................... 42 [IOUU.G]
INCHES [MN]
EVAP, COIL ACCESS SIDE ................................... 36 [914.0]
POWERENTRYBIDE ......................................... 4B [IO66.G]
{EXCEPT FOR NEC REQUIREMENTS)
UNIT TOP ................................................. 48 [IDI9.D]
SIDE OPPOSITE DUCTS...................................... 3D [914.0]
DUCT PANEL............................................... 12 [3BN,G]_
_MINIMUM DISTANCES: IF UNIT IS PLACED LESS THAN 12 [304,8] PROMWALL
SYSTEM,THEN SYSTEM PERFORMANCEMAYBE COMPROMISED,
4-lIB
[114,3]
ELECTRICAL
CCESS PANEL
I-I/G" [DG,6] DIA.
/4-71G 7/8' [22.2] DIA. HOLE_
[123.8] CONTROL ENTRY
1N-15/16
14-5/1U 'Z" 1
[363,6] ,f
[4U,O] RIGHTSiDE VIEW
DIMENSIONS IN [] ARE IN MN
[250,8] 21-5/8 _ 9-7/8
[BNB.3] [250,G]
REAR VIEW
48VL500191 _Riv0

._ Fig. 4 -PGD4 /PGS442-60 Unit Dimensions
4_
C
I',:
C
C
Pc
C
Electrical UnitWT. Unit HT. Center of Gravity
UNIT Characteristics LB KG A X Y Z
208/230-1-60,208/230-3-60 463 210.1 50 1267 22-13/16 579.4 18 457.2 17-1/8 435
42 460-3-60 477 216.5 50 1267 22-13/16 579.4 18 457.2 17-1/8 435
208/230-1-60, 208/230-3-60 481 218.3 50 1267 22-13/16 579.4 18 457.2 17-3/8 441
48 460-3-60 495 224.6 50 1267 22-13/16 579.4 18 457.2 17-3/8 441
208/230-1-60, 208/230-3-60 509 231.0 54 1368 22-13/16 579.4 18 457.2 17-5/8 448
60 460-3-60 523 237.3 54 1368 22-13/16 579.4 18 457.2 17-5/8 448
Corner Weight LB/KG
UNIT Voltage 12 3 4
208/230 69.5 31.5 92.6 42.1 139.0 63.1 162.1 73.6
42 460 69.5 31.5 92.6 42.1 148.0 67.2 167.1 75.9
208/230 72.2 32.8 96.2 43.7 144.4 65.5 168.4 76.5
48 460 72.2 32.8 96.2 43.7 153.4 69.6 173.4 78.7
208/230 76.4 34.7 101.8 46.2 152.9 69.4 178.2 80.9
60 460 76.4 34.7 101.8 46.2 161.8 73.4 183.2 83.2
4R-IN/16
[IOUO,U]
3/4" [I9,1]N.P.T,
X7/8" [22,2] DEEP
44-1/8
[1122,4]
[328,U]
LEFT SiDEViEW
[71,4]
(S0.B!
F
"A"
-3-11/IN w
[U3.7]
COMPRESSOR j
PANEL
47
[119B.8]
o
\ o,O,EN°°
PANEL
4D-S/IN
[1224.03
FRONTVIEW
INCHES [MM]
TOP OF UNIT ............................................ 14 [355,6]
DUCT $1DE OF UNIT ....................................... D [5U,83
$10E OPPOSITE DUCTS ..................................... 14 [355,6]
BOTTOM OF UNIT......................................... I12 [IU,7]
FLUE PANEL ............................................. 3N [R14.43
tU(:_
INCHES INN]
BETWEEN UNITD, POWER ENTRY SIDE ........................ 42 [IOG6,8]
UNIT AND UNGROUNDED SURFACES, POWER ENTRY SIDE......... 3S [914,03
UNIT AND BLOCK OR CONCRETE WALLS AND OTHER
GROUNDED SURFACES, POWER ENTRY SIDE ................... 4U [IOGN,D]
llIBi_Ui_IR}C_ RTR _'INOil Al_IbBIm_VK::ING
INCHES INN]
EVAP. COIL ACCESS SIDE................................. 3N [91K,O]
POWER ENTRY SIDE....................................... 42 [1066,8]
(EXCEPT FOR NEC REQUIREMENTS)
UNIT TOP ............................................... 4B [IZlU,D]
U-13116 SIDE OPPOSITE DUCTS .................................... 36 [91N,O]
[173.03 DUCT PANEL ............................................. IZ [304.83_
I_NINIMUM DISTANCES:IF UNIT IS PLACED LESS THAN 12 [3UK,B]FRON WALL
SYUTEN,TUEN SYDTEM PERFORNANDE NAYBE DOMPRONISED.
EAR.U] RIGHTSiDEVIEW
DIMENSIONS IN [] ARE IN MN
6-5/8
[168,3]
f
SUPPLY
DUCT
OPENING
13-5/8
[BAG,I]
RETURN
DUCT
OPENING
o
3-3/8_
[87.3]
13-718 _ _ 13-718
[SBZ,4] [SBZ,4]
REAR VIEW
48VL500192 2"iVO

Fig. 5 - Roof Curb Dimensions
ROOF CURB DETAIL
COMMON CURB
Dashed Lines show cross suppori
location for barge basepan units.
A09096
E
SMALL
BASE
UNIT
/
LARGE
BASE
UNIT
LARGE CURB /
A09095
UNIT PLACEMENT ON
COMMON CURB
SMALL OR LARGE BASE UNIT
A09094
UNIT SIZE
Small or
Large
Large
CATALOG
NUMBER
CPRFCURB010A00
CPRFCURB011A00
CPRFCURB012A00
CPRFCURB013A00
A
IN. (mm)
11 (279)
14 (356)
11 (279)
14 (356)
B(small base) B (large base) CD E F
IN. (mm)* IN. (mm)* IN. (mm) IN. (mm) IN. (mm) IN. (mm)
10 (254)
N/A
14 (356) 16 (406) 47.8 (1214)
32.4 (822)
43.9 (1116)
2.7 (69)
* Part Numbers CPRFCURB010A00 and CPRFCURB011A00 can be used on both small and large basepan units. The cross supports must be located based on whether the
unit is a small basepan or a large basepan.
NOTES:
1. Roof curb must be set up for unit being installed.
2. Seal strip must be applied, as required, to unit being installed.
3. Roof curb is made of 16-gauge steel.
4. Attach ductwork to curb (flanges of duct rest on curb).
5. Insulated panels: 1-in. (25.4 mm) thick fiberglass 1 Ib. density.
d 462 01 2002 01

Step 4 mProvide Clearances
The required minimum operating and service clearances are
shown in Fig. 3 and 4. Adequate combustion, ventilation and
condenser air must be provided.
IMPORTANT: Do not restrict outdoor airflow. An air restriction at
either the outdoor-air inlet or the fan discharge may be
detrimental to compressor life.
The condenser fan pulls air through the condenser coil and
discharges it through the top grille. Be sure that the fan
discharge does not recirculate to the condenser coil. Do not
locate the unit in either a corner or under an overhead
obstruction. The minimum clearance under a partial overhang
(such as a normal house overhang) is 48-in. (1219 mm) above
the unit top. The maximum horizontal extension of a partial
overhang must not exceed 48-in. (1219 mm).
Do not place the unit where water, ice, or snow from an
overhang or roof will damage or flood the unit. Do not install the
unit on carpeting or other combustible materials. Slab-mounted
units should be at least 4 in. (102 mm) above the highest
expected water and runoff levels. Do not use unit if it has been
under water.
Step 5 mRig and Place Unit
Rigging and handling of this equipment can be hazardous for
many reasons due to the installation location (roofs, elevated
structures, etc.).
Only trained, qualified crane operators and ground support staff
should handle and install this equipment.
When working with this equipment, observe precautions in the
literature, on tags, stickers, and labels attached to the
equipment, and any other safety precautions that might apply.
Training for operators of the lifting equipment should include, but
not be limited to, the following:
Follow atl applicable safety codes. Wear safety shoes and work
gloves.
1. Application of the lifter to the load, and adjustment of the
lifts to adapt to various sizes or kinds of loads.
2. Instruction in any special operation or precaution.
3. Condition of the load as it relates to operation of the lifting
kit, such as balance, temperature, etc.
Inspection
Prior to initial use, and at monthly intervals, atl rigging shackles,
clevis pins, and straps should be visually inspected for any
damage, evidence of wear, structural deformation, or cracks.
Particular attention should be paid to excessive wear at hoist
hooking points and load support areas. Materials showing any
kind of wear in these areas must not be used and should be
discarded.
UNIT FALLING HAZARD
Failure to follow this warning could result in personal injury or
death.
Never stand beneath rigged units or lift over people.
PROPERTY DAMAGE HAZARD
Failure to follow this warning could result in personal
injury/death or property damage.
When straps are taut, the clevis should be a minimum of 36
in. (914 mm) above the unit top cover.
Rigging/Lifting of Unit (See Fig. 6)
UNIT FALLING HAZARD
Failure to follow this warning could result in personal injury
or death.
Large base units must be secured to common curb before
allowing full weight of unit to rest on curb. Install screws
through curb into unit base rails while rigging crane is still
supporting unit.
Lifting holes are provided in base rails as shown in Fig. 3 and 4.
1. Leave top shipping skid on the unit for use as a spreader
bar to prevent the rigging straps from damaging the unit. If
the skid is not available, use a spreader bar of sufficient
length to protect the unit from damage.
2. Attach shackles, clevis pins, and straps to the base rails
of the unit. Be sure materials are rated to hold the weight
of the unit. (See Fig. 6).
3. Attach a clevis of sufficient strength in the middle of the
straps. Adjust the clevis location to ensure unit is lifted
level with the ground.
After the unit is placed on the roof curb or mounting pad, remove
the top skid.
462 01 2002 01 7

Fig. 6 -PGD4 /PGS4 Unit Suggested Rigging
.......y
j
J
J
J
J
J
M{NIMUM HEIGHT: 36" (9!4.4 ram)
HAUTEUR MiNiMUM
DUCTS_
DETAIL A
VOIR DIETAIL A
SEAL STRtP MUST BE IN BANDE SCELLANT DOlT ETRE
PLACE BEFORE PLACING EN PL,_CE AVANT DE PLACER
UNIT ON ROOF CURB L:UNITE SUR LA BASE DE TO_T
50CY502286 2,0
SMALL CABINET
24 30 36
Unit * Ib kg Ib kg Ib kg
Rigging Weight 337 153 349 158 383 174
*For 460 volt units add 14 Ib (6.35 kg) to the rigging weight.
NOTE: See dimensional drawing for corner weights.
LARGE CABINET
42 48 60
Unit * Ib kg Ib kg Ib kg
Rigging Weight 472 214 490 222 518 235
8 462 01 2002 01

UNIT SIZE
NOMINAL CAPACITY (ton)
SHIPPING WEIGHT"* lb.
SHIPPING WEIGHT** (kg)
COMPRESSORS
Quantity
REFRIGERANT (R-410A)
Quantity lb.
Quantity (kg)
REFRIGERANT METERING DEVICE
Table 1 - Physical Data -Unit PGD4 /PGS4
24040 24060 30040 30060
2 2 2-1/2 2-1/2
337 337 349 349
153 153 158 158
Scroll
1
36060 36090 42060 42090
3 3 3-1/2 3-1/2
383 383 472 472
174 174 214 214
6.0 6.0 5.6 5.6 9.5 9.5 8.8 8.8
2.7 2.7 2.5 2.5 4.3 4.3 4.0 4.0
TXV
OUTDOOR COIL
Rows...Fins/in. 1..21 1...21 1...21 1...21 2...21 2...21 2...21 2...21
Face Area (sqft) 11.9 11.9 13.6 13.6 15.4 15.4 13.6 13.6
OUTDOOR FAN
Nominal CFM 2500 2500 2700 2700 2800 2800 3000 3000
Diameter in. 24 24 24 24 24 24 26 26
Diameter (mm) 609.6 609.6 609.6 609.6 609.6 609.6 660.4 660.4
Motor Hp (Rpm) 1/10 (810) 1/10(810) 1/10 (810) 1/10 (810) 1/5 (810) 1/5 (810) 1/5 (810 1/5 (810)
INDOOR COIL
Rows...Fins/in. 2...17 2...17 3...17 3...17 3...17 3...17 3...17 3...17
Face Area (sqft) 3.7 3.7 3.7 3.7 3.7 3.7 4.7 4.7
INDOOR SLOWER
Nominal Cooling Airflow (Cfm) 800 800 1000 1000 1200 1200 1400 1400
Size in. 10x10 10x10 10x10 10x10 1lx10 1lx10 1lx10 1lx10
Size (mm.) 254x254 254x254 254x254 254x254 279,4x254 279,4x254 279,4x254 279,4x254
Motor HP (RPM) 1/2 (1050) 1/2 (1050) 1/2 (1050) 1/2 (1050) 3/4 (1000) 3/4 (1000) 3/4 (1075) 3/4 (1075)
FURNACE SECTION*
Burner Orifice No. (Qty._Drill Size)
Natural Gas 2...44 2...38 2...44 2...38 2...38 3...38 2...38 3...38
Propane Gas 2...55 2...53 2...55 2...53 2...53 3...53 2...53 3...53
HIGH-PRESSURE SWITCH 650 +/- 15
(psi9) Cut-out Reset (Auto) 420 +/- 25
LOSS-OF-CHARGE /LOW-PRESSURE SWITCH 20 +/- 5
(Liquid Line) (psi9) cut-out Reset (auto) 45 +/- 10
RETURN-AIR FILTERSI_:
Throwaway Size in. 20x20x1 20x24x1 24x30x1
(mm) 508x508x25 508x610x25 610x762x25
Table 1--Physical Data Con't - Unit PGD4 PGS4
48090 48115 48130 60090 60115 60130
4 4 4 5 5 5
490 490 490 518 518 518
222 222 222 235 235 235
Scroll
UNIT SIZE
NOMINAL CAPACITY (ton)
SHIPPING WEIGHT** Ib
SHIPPING WEIGHT** kg
COMPRESSORS
Quantity
REFRIGERANT (R-410A)
Quantity Ib
Quantity (kg.)
REFRIGERANT METERING DEVICE
OUTDOOR COIL
Rows...Fins/in.
Face Area (sqft)
OUTDOOR FAN
Nominal Cfm
Diameter in.
Diameter (mm)
Motor Hp (Rpm)
INDOOR COIL
Rows...Fins/in.
Face Area (sqft)
INDOOR BLOWER
Nominal Cooling Airflow (Cfm)
Size in.
Size (mm)
Motor HP (RPM)
FURNACE SECTION*
Burner Orifice No. (Qty._Drill Size)
Natural Gas
Propane Gas
HIGH-PRESSURE SWITCH
(psi9) Cut-out Reset (Auto)
9.4 9.4 9.4 12.5 12.5 12.5
4.3 4.3 4.3 5.7 5.7 5.7
TXV
2...21 2...21 2...21 2...21 2...21 2...21
17.5 17.5 17.5 21.4 21.4 21.4
3200 3200 3200 3600 3600 3600
26 26 26 26 26 26
660.4 660.4 660.4 660.4 660.4 660.4
1/5(810) 1/5 (810) 1/5 (810) 1/5 (810) 1/5(810) 1/5 (810)
3...17 3...17 3...17 3...17 3...17 3...17
4.7 4.7 4.7 5.7 5.7 5.7
1600 1600 1600 1750 1750
11x10 11x10 11x10 11x10 11x10 1750
279.4x254 279.4x254 279.4x254 279.4x254 279.4x254 1lx10
1.0 (1075) 1.0 (1075) 1.0 (1075) 1.0 (1040) 1.0 (1040) 279.4x254
1.0 (1040)
3...38 3...33 3...31 3...38 3...33 3...31
3...53 3...51 3...49 3...53 3...51 3...49
650 +/- 15
420 +/- 25
LOSS-OF-CHARGE /LOW-PRESSURE SWITCH 20 +/- 5
(Liquid Line) (psig) cut-out Reset (auto) 45 +/- 10
RETURN-AIR FILTERS Throwawayt$ in. 24x36x1
(mm) 61 Oxg14x25
*Based on altitude of 0 to 2000 ft (0-610 m).
1- Required filter sizes shown are based on the larger of the ARI (Air Conditioning and Refrigeration Institute) rated cooling airflow or the heating airflow velocity of 300 ft/min-
ute for throwaway type. Air filter pressure drop for non-standard filters must not exceed 0.08 IN. W.C.
If using accessory filter rack refer to the filter rack installation instructions for correct filter sizes and quantity.
** For 460 volt units, add 14 Ibs (6.35 kg) to the shipping weight.
462 01 2002 01 9

Step 6 1Connect Condensate Drain
NOTE: When installing condensate drain connection be sure to
comply with local codes and restrictions.
Unit disposes of condensate water through a 3/4 in. NPT fitting
which exits through the base on the evaporator coil access side.
See Fig. 3 & 4 for location.
Condensate water can be drained directly onto the roof in
rooftop installations (where permitted) or onto a gravel apron in
ground level installations. Install a field-supplied 2-in. (51 mm)
condensate trap at the end of condensate connection to ensure
proper drainage. Make sure that the outlet of the trap is at least 1
in. (25 mm) lower than the drain-pan condensate connection to
prevent the pan from overflowing (See Fig. 7). Prime the trap
with water. When using a gravel apron, make sure it slopes away
from the unit.
Connect a drain tube using a minimum of 3/4-in. PVC or 3/4-in.
copper pipe (all field-supplied) at the outlet end of the 2-in. (51
mm) trap. Do not undersize the tube. Pitch the drain tube
downward at a slope of at least 1-in. (25 mm) for every 10 ft (3.1
m) of horizontal run. Be sure to check the drain tube for leaks.
Fig. 7 -Condensate Trap
t-in. (25 ram) rain.
TRAP
OUTLET
ram) rain.
Step 7 1Install Flue Hood
The flue assembly is secured and shipped in the return air duct.
Remove duct cover to locate the assembly (See Fig. 9).
NOTE: Dedicated low NOx models MUST be installed in
California Air Quality Management Districts where a Low NOx
rule exists.
These models meet the California maximum oxides of nitrogen
(NOx) emissions requirements of 40 nanograms/joule or less as
shipped from the factory.
NOTE: Low NOx requirements apply only to natural gas
installations.
CARBON MONOXIDE POISONING HAZARD
Failure to follow this warning could result in personal injury or
death.
The venting system is designed to ensure proper venting. The
flue hood assembly must be installed as indicted in this
section of the unit installation instructions.
Install
1.
2,
3,
the flue hood as follows:
This installation must conform with local building codes
and with NFPA 54/ANSI Z223.1 National Fuel Gas Code
(NFGC), (in Canada, CAN/CGA B149.1, and B149.2)
latest revision. Refer to Provincial and local plumbing or
wastewater codes and other applicable local codes.
Remove flue hood from shipping location (inside the return
section of the blower compartment-see Fig. 9 & 10). Re-
move the return duct cover to locate the flue hood. Place
flue hood assembly over flue panel. Orient screw holes in
flue hood with holes in the flue panel.
Secure flue hood to flue panel by inserting a single screw
on the top flange and the bottom flange of the hood.
Step 8 1Install Gas Piping
The gas supply pipe enters the unit through the access hole
provided. The gas connection to the unit is made to the 1/2-in.
(12.7 mm) FPT gas inlet on the gas valve.
Install a gas supply line that runs to the heating section. Refer to
the NFGC for gas pipe sizing. Do not use cast-iron pipe. It is
recommended that a black iron pipe is used. Check the local
utility for recommendations concerning existing lines. Size gas
supply piping for 0.5 in. wc maximum pressure drop. Never use
pipe smaller than the 1/2-in. (12.7 mm) FPT gas inlet on the unit
gas valve.
For natural gas applications, the gas pressure at unit gas
connection must not be less than 4.0 in. wc or greater than 13 in.
wc while the unit is operating. For propane applications, the gas
pressure must not be less than 11.0 in. wc or greater than 13 in.
wc at the unit connection.
A 1/8-in. (3.2 mm) NPT plugged tapping, accessible for test
gauge connection, must be installed immediately upstream of
the gas supply connection to the gas valve.
When installing the gas supply line, observe local codes
pertaining to gas pipe installations. Refer to the NFPA 54/ANSI
Z223.1 latest edition (in Canada, CAN/CGA B149.1).
NOTE: In the state of Massachusetts:
1. Gas supply connections MUST be performed by a
licensed plumber or gas fitter.
2. When flexible connectors are used, the maximum length
shall not exceed 36 inches (915 mm).
3. When lever handle type manual equipment shutoff valves
are used, they shall be T-handle valves.
4. The use of copper tubing for gas piping is NOT approved
by the state of Massachusetts.
In the absence of local building codes, adhere to the following
pertinent recommendations:
1. Avoid low spots in long runs of pipe. Grade all pipe 1/4 in.
(6.35 mm) for every 15 ft (4.6 m) of length to prevent traps.
Grade all horizontal runs downward to risers. Use risers to
connect to heating section and to meter.
2. Protect all segments of piping system against physical
and thermal damage. Support all piping with appropriate
straps, hangers, etc. Use a minimum of one hanger every
6 ft (1.8 m). For pipe sizes larger than 1/2 in., follow
recommendations of national codes.
3. Apply joint compound (pipe dope) sparingly and only to
male threads of joint when making pipe connections. Use
only pipe dope that is resistant to action of liquefied
petroleum gases as specified by local and/or national
codes. Never use Teflon tape.
4. Install sediment trap in riser leading to heating section
(See Fig. 8). This drip leg functions as a trap for dirt and
condensate.
5. Install an accessible, external, manual main shutoff valve
in gas supply pipe within 6 ft (1.8 m) of heating section.
6. Install ground-joint union close to heating section
between unit manual shutoff and external manual main
shut-off valve.
7. Pressure test all gas piping in accordance with local and
national plumbing and gas codes before connecting piping
to unit.
10 462 01 2002 01

Table 2 - Maximum Gas Flow Capacity*
NOMINAL INTERNAL LENGTHOF PIPEFT (m)t
IRONPIPE DIAMETER 10 20 30 40 50 60 70 80 90 100 125 150 175 200
SIZE (IN,) (IN,) (3) (6) (9) (12) (15) (18) (21) (24) (27) (30) (38) (46) (53) (61)
1/2 .622 175 120 97 82 73 66 61 57 53 50 44 40 -- --
3/4 .824 360 250 200 170 151 138 125 118 110 103 93 84 77 72
1 1.049 680 465 375 320 285 260 240 220 205 195 175 160 145 135
1-1/4 1.380 1400 950 770 600 580 530 490 460 430 400 360 325 300 280
1-1/2 1.610 2100 1460 1180 990 900 810 750 690 650 620 550 500 460 430
*Capacity of pipe in cu ft of gas per hr for gas pressure of 0.5 psig or less. Pressure drop of O.5-in. wc (based on a 0.60 specific gravity gas). Refer to Table, National Fire
Protection Association NFPA 54.
1-This length includes an ordinary number of fittings.
Fig. 8 -Sediment Trap Step 9 -- Install Duct Connections
IN The unit has duct flanges on the supply- and return-air
rm 3
TEE
_ NIPPLE
j CAP
NOTE: Pressure test the gas supply system after the gas supply
piping is connected to the gas valve. The supply piping must be
disconnected from the gas valve during the testing of the piping
systems when test pressure is in excess of 0.5 psig. Pressure
test the gas supply piping system at pressures equal to or less
than 0.5 psig. The unit heating section must be isolated from the
gas piping system by closing the external main manual shutoff
valve and slightly opening the ground-joint union.
FIRE OR EXPLOSION HAZARD
Failure to follow this warning could result in personal
injury, death and/or property damage.
-Connect gas pipe to unit using a backup wrench to
avoid damaging gas controls.
-Never purge a gas line into a combustion chamber.
Never test for gas leaks with an open flame. Use a
commercially available soap solution made specifically
for the detection of leaks to check all connections.
-Use proper length of pipe to avoid stress on gas
control manifold.
-If a flexible connector is required or allowed by
authority having jurisdiction, black iron pipe shall be
installed at furnace gas valve and extend a minimum of
2 in. (51 mm) outside furnace casing.
-If codes allow a flexible connector, always use a new
connector, do not use a connector which has
previously serviced another gas appliance.
8. Check for gas leaks at the field-installed and
factory-installed gas lines after all piping connections
have been completed. Use a commercially available soap
solution (or method specified by local codes and/or
regulations).
openings on the side and bottom of the unit. For downshot
applications, the ductwork connects to the roof curb (See Fig. 3
and 4 for connection sizes and locations).
Configuring Units for Downflow (Vertical) Discharge
ELECTRICAL SHOCK HAZARD
Failure to follow this warning could result in personal
injury or death.
Before installing or servicing system, always turn off
main power to system and install lockout tag. There
may be more than one disconnect switch.
1. Open all electrical disconnects before starting any service
work.
2. Remove horizontal (metal) duct covers to access vertical
(downflow) discharge duct knockouts in unit basepan.
3. Starting in a corner as shown in Fig. 10, score the panel in
both directions from the corner. Tap the panel out from the
scored corner using a small hammer. Be careful and not
damage any other part of the unit.
4. If unit ductwork is to be attached to vertical opening
flanges on the unit base (jackstand applications only), do
so at this time.
PROPERTY DAMAGE HAZARD
Failure to follow this caution may result in property
damage.
Collect ALL screws that were removed. Do not leave
screws on rooftop as permanent damage to the roof
may occur.
5. It is recommended that the base insulation around the
perimeter of the vertical return-air opening be secured to
the base with aluminum tape. Applicable local codes may
require aluminum tape to prevent exposed fiberglass.
6. Reinstall both horizontal duct covers. Ensure opening is
air- and watertight.
7. After completing unit conversion, perform all safety checks
and power up unit.
NOTE: The design and installation of the duct system must be
in accordance with the standards of the NFPA for installation of
nonresidence-type air conditioning and ventilating systems,
NFPA 90A or residence-type, NFPA 90B; and/or local codes
and ordinances.
462 01 2002 01 11

Fig. 9 - Supply and Return Duct Opening
Basepan
Downflow
(Vertical)
Supply _.
Knockout
Horizontal Duct Covers Jl
Basepan
Downflow
Return
Knockout
Fig. 10- Vertical (Downflow) Discharge Duct Knockouts
INSTRUCTIONS FOR REMOVING DOWNSHOT PANELS
1 Score groove in corner 1 in both directions as far as you can reach
2 Starting in corner 1 tap out atl sides with a smatl hammer, Be careful
not to damage any other part of unit
3. If side from corner 3 to 4 is not accessible due to heat exchanger.
pivot panel up and down by hand until remaining side breaks off
A09054
Adhere to the following criteria when selecting, sizing, and
installing the duct system:
1. Units are shipped for horizontal duct installation (by
removing duct covers).
2. Select and size ductwork, supply-air registers, and
return-air grilles according to American Society of
Heating, Refrigeration and Air Conditioning Engineers
(ASHRAE) recommendations.
3. Use flexible transition between rigid ductwork and unit to
prevent transmission of vibration. The transition may be
screwed or bolted to duct flanges. Use suitable gaskets to
ensure weather-tight and airtight seat.
4. All units must have field-supplied filters or accessory filter
rack installed in the return-air side of the unit.
Recommended sizes for filters are shown in Table 1.
5. Size all ductwork for maximum required airflow (either
heating or cooling) for unit being installed. Avoid abrupt
duct size increases or decreases or performance may be
affected.
6. Adequately insulate and weatherproof all ductwork located
outdoors. Insulate ducts passing through unconditioned
space, and use vapor barrier in accordance with latest
issue of Sheet Metal and Air Conditioning Contractors
National Association (SMACNA) and Air Conditioning
Contractors of America (ACCA) minimum installation
standards for heating and air conditioning systems.
Secure all ducts to building structure.
7. Flash, weatherproof, and vibration isolate all openings in
building structure in accordance with local codes and
good building practices.
Step 10 m Install Electrical Connections
ELECTRICALSHOCKHAZARD
Failure to follow this warning could result in personal injury or
death.
The unit cabinet must have an uninterrupted, unbroken
electrical ground. This ground may consist of an electrical
wire connected to the unit ground screw in the control
compartment, or conduit approved for electrical ground when
installed in accordance with NFPA 70 (NEC) (latest edition)
(in Canada, Canadian Electrical Code CSA C22.1) and local
electrical codes.
UNIT COMPONENT DAMAGE HAZARD
Failure to follow this caution may result in damage to the unit
being installed.
1. Make all electrical connections in accordance withh
NFPA 70 (NEC) (latest edition) and local electrical
codes governing such wiring. In Canada, all electrical
connections must be in accordance with CSA
standard C22.1 Canadian Electrical Code Part 1 and
applicable local codes. Refer to unit wiring diagram.
2. Use only copper conductor for connections between
field-supplied electrical disconnect switch and unit.
DO NOT USE ALUMINUM WIRE.
3. Be sure that high-voltage power to unit is within
operating voltage range indicated on unit rating plate.
On 3-phase units, ensure phases are balanced within
2 percent. Consult local power company for correction
of improper voltage and/or phase imbalance.
4. Insulate low-voltage wires for highest voltage
contained within conduit when low-voltage control
wires are in same conduit as high-voltage wires.
5. Do not damage internal components when drilling
through any panel to mount electrical hardware,
conduit, etc.
12 462 01 2002 01

High-Voltage Connections
When routing power leads into unit, use only copper wire
between disconnect and unit. The high voltage leads should be
in a conduit until they enter the duct panel; conduit termination at
the duct panel must be watertight.
The unit must have a separate electrical service with a
field-supplied, waterproof disconnect switch mounted at, or
within sight from, the unit. Refer to the unit rating plate, NEC and
local codes for maximum fuse/circuit breaker size and minimum
circuit amps (ampacity) for wire sizing.
The field-supplied disconnect switch box may be mounted on
the unit over the high-voltage inlet hole when the standard
power and low-voltage entry points are used (See Fig. 3 and 4
for acceptable location).
See unit wiring label (Fig. 15, 16 and 17) and Fig. 11 for
reference when making high voltage connections. Proceed as
follows to complete the high-voltage connections to the unit.
Single phase units:
1. Run the high-voltage (L1, L2) and ground lead into the
control box.
2. Connect ground lead to chassis ground connection.
3. Locate the black and yellow wires connected to the line
side of the contactor (if equipped).
4. Connect field L1 to black wire on connection 11 of the
compressor contactor.
5. Connect field wire L2 to yellow wire on connection 23 of
the compressor contactor.
Three-phase units:
1. Run the high-voltage (L1, L2, L3) and ground lead into the
control box.
2. Connect ground lead to chassis ground connection.
3. Locate the black and yellow wires connected to the line
side of the contactor (if equipped).
4. Connect field L1 to black wire on connection 11 of the
compressor contactor.
5. Connect field wire L3 to yellow wire on connection 13 of
the compressor contactor.
6. Connect field wire L2 to blue wire from compressor.
Special Procedures for 208-v Operation
ELECTRICAL SHOCK HAZARD
Failure to follow this warning could result in personal injury or
death.
Make sure the power supply to the unit is switched OFF and
install lockout tag. before making any wiring changes. With
disconnect switch open, move black wire from transformer
(3/16 in. [4.8 mm]) terminal marked 230 to terminal marked
208. This retaps transformer to primary voltage of 208 vac.
ELECTRICAL SHOCK FIRE/EXPLOSION HAZARD
Failure to follow this warning could result in personal injury or
death and property damage.
Before making any wiring changes, make sure the gas
supply is switched off first. Then switch off the power supply
to the unit and install lockout tag.
Control Voltage Connections
Do not use any type of power-stealing thermostat. Unit control
problems may result.
Use no. 18 American Wire Gage (AWG) color-coded, insulated
(35_'C minimum) wires to make the control voltage connections
between the thermostat and the unit. If the thermostat is located
more than 100 ft (30.5 m) from the unit (as measured along the
control voltage wires), use no. 16 AWG color-coded, insulated
(35_'C minimum) wires.
Standard Connection
Run the low-voltage leads from the thermostat, through the inlet
hole, and into unit low-voltage splice box.
Locate six (seven for 3-phase) 18-gage wires leaving control
box. These low-voltage connection leads can be identified by
the colors red, green, yellow, brown, blue, and white (See Fig.
11). A gray wire is standard on 3-phase units for connection to
an economizer. Ensure the leads are long enough to be routed
into the low-voltage splice box (located below right side of
control box). Route leads through hole in bottom of control box
and make low-voltage connections (See Fig. 11). Secure all cut
wires, so that they do not interfere with operation of unit.
HIGH VOLTAGE |
POWER LEADS _c=
(SEE UNIT WIRtNG 1
LABEL) _:_
3-PHASE SHOWN
1-PHASE USES L_
TWO POWER
LEADS EQUIP GR
Fig. 11 - High- and Control-Voltage Connections
FIELD-SUPPLIED
FUSED DISCONNECT
CONTROL BOX
r
O=
O_
O-
O-
SPLICE BOX
LOW-VO LTAG E __
POWER LEADS
(SEE UNIT
WIRING LABEL)
dHTLVVZ)"_=@
GR_ O=Q
_--ED4%.D=@
B_nN(C)_
BLU4"D--H)9"_-Ph_
Dn]y
Heat Anticipator Setting (Electro-Mechanical Thermostats
on__eLv3
The room thermostat heat anticipator must be properly adjusted
to ensure proper heating performance. Set the heat anticipator,
using an ammeter between the W and R terminals to determine
the exact required setting.
NOTE: For thermostat selection purposes, use 0.18 amp for the
approximate required setting. Failure to make a proper heat
anticipator adjustment will result in improper operation,
discomfort to the occupants of the conditioned space, and
inefficient energy utilization; however, the required setting may
be changed slightly to provide a greater degree of comfort for a
particular installation.
Transformer Protection
The transformer is of the energy-limiting type, however a direct
short will likely blow a secondary fuse. If an overload or short is
present, correct overload condition and check for blown fuse on
Indoor Fan board or Integrated Gas Controller. Replace fuse as
required with correct size and rating.
462 01 2002 01 13

PRE-START-UP
ENVIRONMENTAL, FIRE, EXPLOSION, ELECTRICAL
SHOCK HAZARD
Failure to follow this warning could result in personal injury or
death.
1. Follow recognized safety practices and wear protective
goggles when checking or servicing refrigerant system.
2. Do not operate compressor or provide any electric
power to unit unless compressor plug is in place and
secured.
3. Do not remove ccompressor plug until all electrical
sources are disconnected and tagged.
4. Relieve and recover all refrigerant from system before
touching or disturbing compressor plug if refrigerant
leak is suspected around compressor terminals.
5. Never attempt to repair soldered connection while
refrigerant system is under pressure.
6. Do not use torch to remove any component. System
contains oil and refrigerant under pressure.
To remove a component, wear protective goggles and
proceed as follows:
a. Shut off electrical power to unit and install lockout
tag.
b. Relieve and reclaim all refrigerant from system
using both high- and low-pressure ports.
c. Cut component connecting tubing with tubing cutter
and remove component from unit.
d. Carefully unsweat remaining tubing stubs when
necessary. Oil can ignite when exposed to torch
flame.
Use the Start-Up Checklist supplied at the end of this book and
proceed as follows to inspect and prepare the unit for initial
start-up:
1. Remove access panels.
2. Read and follow instructions on all DANGER, WARNING,
CAUTION, and INFORMATION labels attached to, or
shipped with unit.
3. Make the following inspections:
a. Inspect for shipping and handling damage, such as
broken lines, loose parts, disconnected wires, etc.
b. Inspect for oil at all refrigerant tubing connections and
on unit base. Detecting oil generally indicates a
refrigerant leak.
c. Leak-test all refrigerant tubing connections using
electronic leak detector, or liquid-soap solution. If a
refrigerant leak is detected, see following Check for
Refrigerant Leaks section.
d. Inspect all field- and factory-wiring connections. Be
sure that connections are completed and tight.
e. Ensure wires do not touch refrigerant tubing or sharp
sheet metal edges.
f. Inspect coil fins. If damaged during shipping and
handling, carefully straighten fins with a fin comb.
FIRE, EXPLOSION HAZARD
Failure to follow this warning could result in personal injury,
death or property damage.
Do not purge gas supply into the combustion chamber. Do
not use a match or other open flame to check for gas leaks.
Use a commercially available soap solution made specifically
for the detection of leaks to check all connections.
4. Verify the following conditions:
a. Make sure gas line is free of air. Before lighting the unit
for the first time, perform the following with the gas
valve in the OFF position:
NOTE: If the gas supply pipe was not purged before connecting
the unit, it will be full of air. It is recommended that the ground
joint union be loosened, and the supply line be allowed to purge
until the odor of gas is detected. Never purge gas lines into a
combustion chamber. Immediately upon detection of gas odor,
retighten the union. Allow 5 minutes to elapse, then light unit.
b. Ensure fan hub is positioned correctly with respect to
motor housing.
c. Make sure that air filter(s) is in place.
d. Make sure that condensate drain trap is filled with
water to ensure proper drainage.
e. Make sure that all tools and miscellaneous loose parts
have been removed.
START-UP
Step 1 m Check for Refrigerant Leaks
Proceed as follows to locate and repair a refrigerant leak and to
charge the unit:
1. Locate leak and make sure that refrigerant system
pressure has been relieved and reclaimed from both high-
and low-pressure ports.
2. Repair leak following accepted practices.
NOTE: Install a filter drier whenever the system has been
opened for repair.
3. Add a small charge of R-410A refrigerant vapor to system
and leak-test unit.
4. Recover refrigerant from refrigerant system and evacuate
to 500 microns if no additional leaks are found.
5. Charge unit with R-410A refrigerant, using an accurate
scale. Refer to unit rating plate for required charge.
Step 2 mStart-up Heating and Make Adjustments
Complete the required procedures given in the Pre-Start-Up
section before starting the unit. Do not jumper any safety devices
when operating the unit. Make sure that burner orifices are
properly aligned. Unstable operation my occur when the burner
orifices inthe manifold are misaligned.
Follow the lighting instructions on the heating section operation
label (located on the inside of the control access panel) to start
the heating section.
NOTE: Make sure that gas supply has been purged, and that all
gas piping has been checked for leaks.
14 462 01 2002 01

Fig. 12 - Burner Assembly
Fig. 13 - Monoport Burner
"Manifold
BURNER FLAME
BURNER
MANIFOLD
Check Heatinq Control
Start and check the unit for proper heating control operation as
follows (see furnace lighting instructions located on the inside of
the control access panel):
1. Place room thermostat SYSTEM switch in the HEAT
position and the fan switch is placed in AUTO position.
2. Set the heating temperature control of the thermostat
above room temperature.
3. The induced-draft motor will start.
4. On a call for heating, the main burner should light within 5
sec. of the spark being energized. If the burners do not
light, there is a 22-sec. delay before another 5-sec. try. If
the burners still do not light, this sequence is repeated. If
the burners do not light within 15 minutes from the initial
call for heat, there is a lockout. To reset the control, break
the 24-v power to W.
5. The evaporator fan will turn on 45 sec. after the flame has
been established. The evaporator fan wilt turn off 45 sec.
after the thermostat has been satisfied. Please note that
the integrated gas unit controller (IGC) has the capability
to automatically reduce the evaporator "ON" delay and in-
crease the evaporator "OFF" delay in the event of high
duct static and/or partially-clogged filter.
Check Gas Input
Check gas input and manifold pressure after unit start-up (See
Table 4). If adjustment is required proceed as follows:
• The rated gas inputs shown in Table 4 are for altitudes from
sea level to 2000 ft (610 m) above sea level. These inputs are
based on natural gas with a heating value of 1025 Btu/ft 3 at
0.60 specific gravity, or propane gas with a heating value of
2500 Btu/ft 3 at 1.5 specific gravity.
IN THE U.S.A.:
The input rating for altitudes above 2,000 ft (610 m) must be
reduced by 4% for each 1,000 ft (305 m) above see level.
For installations below 2,000 ft (610 m), refer to the unit rating
plate.
For installations above 2,000 ft (610 m). multiply the input by on
the rating plate by the derate multiplier in Table 3 for correct input
rate.
Table 3- Altitude Derate Multiplier for U.S.A.*
DERATEMULTIPLIER
ALTITUDEFT (M) PERCENTOF DERATE FACTOR1"
0-2000
(0-610) 0 1.00
2001-3000*
(610-914) 8-12 0.90
3001-4000
(915-1219) 12-16 0.86
4001-5000
(1220-1524) 16-20 0.82
5001-6000
(1524-1829) 20-24 0.78
6001-7000
(1829-2134) 24-28 0.74
7001-8000
(2134-2438) 28-32 0.70
8001-9000
(2439-2743) 32-36 0.66
9001-10,000 36-40 0.62
(2744-3048)
*In Canada see Canadian Altitude Adjustment.
1-Derate multiplier factors are based on midpoint altitude for altitude
range.
IN CANADA:
The input rating for altitudes from 2,000 (610 m) to 4,500 ft (1372
m) above sea level must be derated 10% by an authorized Gas
Conversion Station or Dealer.
EXAMPLE:
90,000 Btu/hr Input Furnace Installed at 4300 ft.
FurnaceInputRateatSea X DerateMultiplier = FurnaceInputRateat In-
Level Factor stallationAltitude
90,000 X 0.90 = 81,000
When the gas supply being used has a different heating value or
specific gravity, refer to national and local codes, or contact your
distributor to determine the required orifice size.
462 01 2002 01 15

HEATING INPUT
(BTUH)
40,000
60,000
90,000
115,000
130,000
NUMBEROF
ORIFICES
2
2
3
3
3
Min
4.0
4.0
4.0
4.0
4.0
Table 4 - Heating Inputs
GASSUPPLYPRESSURE(IN.W.C.)
Naturall-
Max
13.0
13.0
13.0
13.0
13.0
Propane*l-
Min
11.0
11.0
11.0
11.0
11.0
Max
13.0
13.0
13.0
13.0
13.0
MANIFOLDPRESSURE
(IN.W.C.)
Natural1-
3.2-3.8
3.2-3.8
3.2-3.8
3.2-3.8
3.2-3.8
Propane*f
10.0-1 l.O
10,0-11.0
10,0-11.0
10,0-11.0
10,0-11.0
*When a unit is converted to propane, different size orifices must be used. See separate, natural-to-propane conversion kit instructions.
1-Based on altitudes from sea level to 2000 ft (610 m) above sea level. For altitudes above 2000 ft (610 m), reduce input rating 4 percent for each additional
1000 ft (305 m) above sea level. In Canada, from 2000 ft (610 m) above sea level to 4500 ft (1372 m) above sea level, derate the unit 10 percent.
UNIT DAMAGE HAZARD
Failure to follow this caution may result in reduced unit and/or
component life.
Do Not redrill an orifice. Improper drilling (burrs,
out-of-round holes, etc.) can cause excessive burner noise
and misdirection of burner flame. If orifice hole appears
damaged or it is suspected to have been redrilted, check
orifice hole with a numbered drill bit of correct size.
Adjust Gas Input
The gas input to the unit is determined by measuring the gas
flow at the meter or by measuring the manifold pressure.
Measuring the gas flow at the meter is recommended for natural
gas units. The manifold pressure must be measured to
determine the input of propane gas units.
Measure Gas Flow (Natural Gas Units)
Minor adjustment to the gas flow can be made by changing the
manifold pressure. The manifold pressure must be maintained
between 3.2 and 3.8 IN. W.C.
Fig. 14 - Single-Stage Gas Valve
PLASTIC
(NATURAL- SILVER)
MAN_FOLD
PRESSURE TAP
If larger adjustments are required, change main burner orifices
following the recommendations of national and local codes.
NOTE: All other appliances that use the same meter must be
turned off when gas flow is measured at the meter.
Proceed as follows:
1. Turn off gas supply to unit.
2. Remove pipe plug on manifold (See Fig. 12) and connect
manometer. Turn on gas supply to unit.
3. Record number of seconds for gas meter test dial to make
one revolution.
4. Divide number of seconds in Step 3 into 3600 (number of
seconds in one hr).
5. Multiply result of Step 4 by the number of cubic feet (cu ft)
shown for one revolution of test dial to obtain cubic feet
(cu ft) of gas flow per hour.
6. Multiply result of Step 5 by Btu heating value of gas to
obtain total measured input in Btuh. Compare this value
with heating input shown in Table 4 (Consult the local gas
supplier if the heating value of gas is not known).
EXAMPLE: Assume that the size of test dial is 1 cu ft, one
revolution takes 32 sec, and the heating value of the gas is 1050
Btu/ft 3. Proceed as follows:
1. 32 sec. to complete one revolution.
2. 3600 + 32 = 112.5.
3. 112.5 x 1 =112.5 ft3 of gas flow/hr.
4. 112.5 x 1050 = 118,125 Btuh input.
If the desired gas input is 115,000 Btuh, only a minor change in
the manifold pressure is required.
Observe manifold pressure and proceed as follows to adjust gas
input:
1. Remove regulator cover screw over plastic adjustment
screw on gas valve (See Fig. 14).
2. Turn plastic adjustment screw clockwise to increase gas
input, or turn plastic adjustment screw counterclockwise to
decrease input (See Fig. 14). Manifold pressure must be
between 3.2 and 3.8 IN. WC.
FIRE AND UNIT DAMAGE HAZARD
Failure to follow this warning could result in personal injury or
death and/or property damage.
Unsafe operation of the unit may result if manifold pressure is
outside this range.
3. Replace regulator cover screw on gas valve (See Fig. 14).
4. Turn off gas supply to unit. Remove manometer from
pressure tap and replace pipe plug on gas valve. (See
Fig. 12.) Turn on gas to unit and check for leaks.
Measure Manifold Pressure (Propane Units)
Refer to propane kit installation instructions for properly checking
gas input.
NOTE: For installations below 2,000 ft (610 m), refer to the unit
rating plate for proper propane conversion kit. For installations
above 2,000 ft (610 m), contact your distributor for proper
propane conversion kit.
Check Burner Flame
With control access panel removed, observe the unit heating
operation. Watch the burner flames to see if they are light blue
and soft in appearance, and that the flames are approximately
the same for each burner. Propane will have blue flame (See
Fig. 13). Refer to the Maintenance section for information on
burner removal.
16 462 01 2002 01

Fig. 15 - 208/230-1-60 Wiring Diagram
q_
C)
0
_ 3 £ r
, ,, Z_IZIIII _
I................ --
<_ _} }_ <_ _ .._ g_s_7 ......................................................................................................................................................
462 01 2002 01 17

<:%
<%
dC_
Z
C%
L_J
C_'h
<:C
C_
z
F---
Z
i
5i
0i
t_
z i
cf>
z4
_p
c:>
L_J
O
CC3
CZ:::
_J
O
C_
_P
Z
Z
O
C.J
O0
, 4
<%
C>
J
<::C
_P
, 4
F--
_P
J
_J
Z
<:C.
Fig. 16- 208/230-3-60 Wiring Diagram
;8 462 01 2002 01

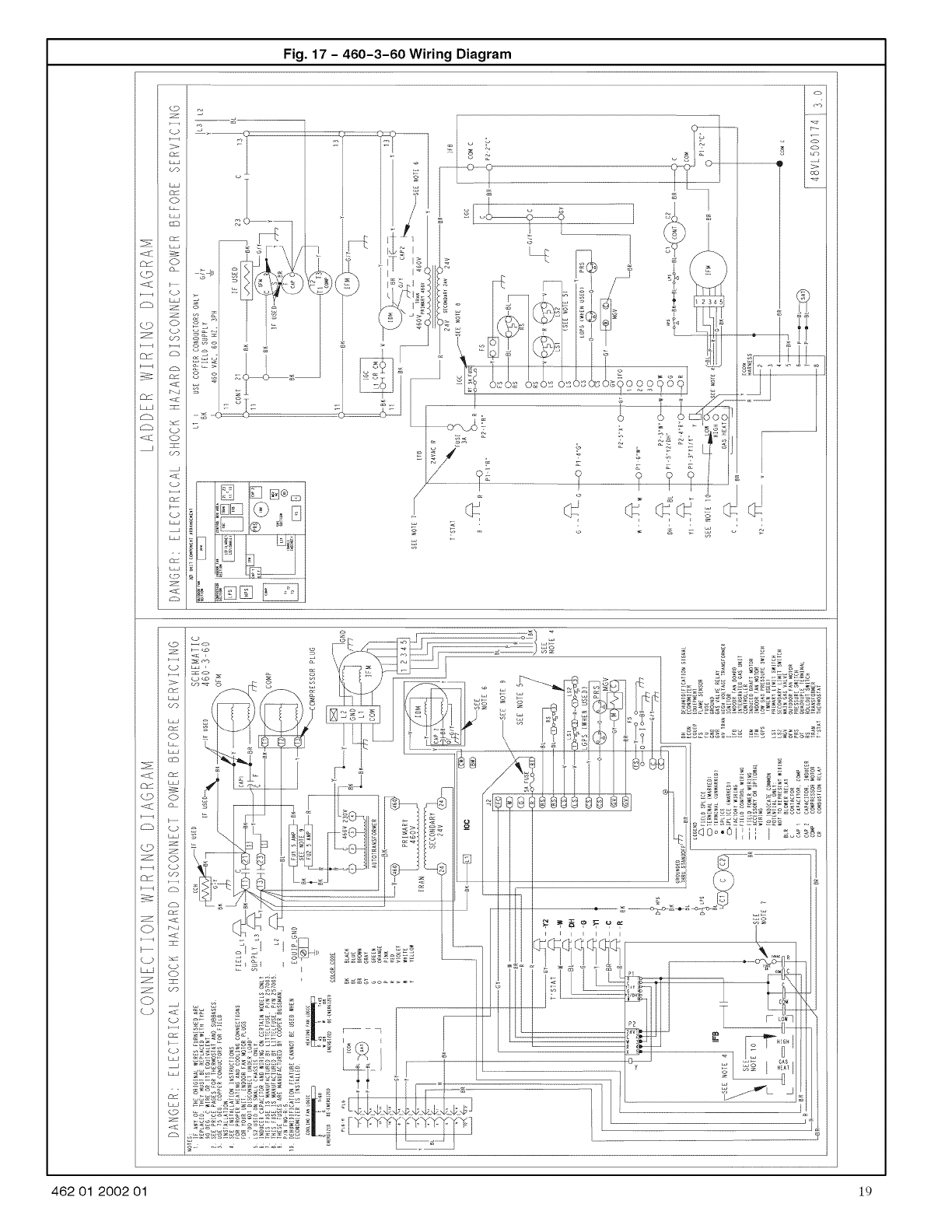
Fig. 17- 460-3-60 Wiring Diagram
Z
z
L..J
z
_3
z
z_
i
%
/
462 01 2002 01 19

Normal Operation
An LED (light-emitting diode) indicator is provided on the
integrated gas unit controller (IGC) to monitor operation. The IGC
is located by removing the control access panel. During normal
operation, the LED is continuously on (See Table 5 for error
codes).
Airflow and Temperature Rise
The heating section for each size unit is designed and approved
for heating operation within the temperature-rise range stamped
on the unit rating plate.
Table 9 shows the approved temperature rise range for each
heating input, and the air delivery cfm at various temperature
rises for a given external static pressure. The heating operation
airflow must produce a temperature rise that falls within the
approved range.
Refer to Indoor Airflow and Airflow Adjustments section to adjust
heating airflow when required.
Heating Sequence of Operation
(See Fig. 15-17 and unit wiring label.)
On a call for heating, terminal W of the thermostat is energized,
starting the induced-draft motor. When the pressure switch
senses that the induced-draft motor is moving sufficient
combustion air, the burner sequence begins. This function is
performed by the integrated gas unit controller (IGC). The indoor
(evaporator)-fan motor is energized 45 sec after flame is
established. When the thermostat is satisfied and W is
de-energized, the burners stop firing and the indoor (evaporator)
fan motor shuts off after a 45-sec time-off delay. Please note
that the IGC has the capability to automatically reduce the
indoor fan motor on delay and increase the indoor fan motor off
delay in the event of high duct static and/or partially-clogged
filter.
Limit Switches
Normally closed limit switch (LS) completes the control circuit.
Should the leaving-air temperature rise above the maximum
allowable temperature, the limit switch opens and the control
circuit "breaks." Any interruption in the control circuit instantly
closes the gas valve and stops gas flow to the burners and pilot.
The blower motor continues to run until LS resets.
When the air temperature at the limit switch drops to the
low-temperature setting of the limit switch, the switch closes and
completes the control circuit. The direct-spark ignition system
cycles and the unit returns to normal heating operation.
Table 5 - LED Indications
STATUS CODE LED INDICATION
Normal Operation 2 On
No Power or Hardware Failure Off
Limit Switch Fault 2 Flashes
Flame Sense Fault 3 Flashes
Four Consecutive Limit Switch Faults 4 Flashes
Ignition Lockout Fault 5 Flashes
Pressure Switch Fault 6 Flashes
Rollout Switch Fault 7 Flashes
Internal Control Fault 8 Flashes
Temporary 1 hr auto reset I9 Flashes
NOTES:
1 .This code indicates an internal processor fault that will reset itself in one
hr. Fault can be caused by stray RF signals in the structure or nearby.
This is a UL requirement.
2. LED indicates acceptable operation. Do not change ignition control
board.
3. When W is energized the burners will remain on for a minimum of 60
sec.
4. If more than one error code exists they will be displayed on the LED in
sequence.
Rollout Switch
The function of the rollout switch is to close the main gas valve in
the event of flame rollout. The switch is located above the main
burners. When the temperature at the rollout switch reaches the
maximum allowable temperature, the control circuit trips, closing
the gas valve and stopping gas flow to the burners. The indoor
(evaporator) fan motor (IFM) and induced draft motor continue to
run until switch is reset. The IGC LED will display FAULT CODE
7.
Step 3 mStart-up Cooling and Make Adjustments
Complete the required procedures given in the Pre-Start-Up
section before starting the unit. Do not jumper any safety devices
when operating the unit. Do not operate the compressor when
the outdoor temperature is below 40°F (4.4°0) (unless
accessory low-ambient kit is installed). Do not rapid-cycle the
compressor. Allow 5 minutes between on cycles to prevent
compressor damage.
Checking Cooling Control Operation
Start and check the unit for proper cooling control operation as
follows:
1. Place room thermostat SYSTEM switch in OFF position.
Observe that blower motor starts when FAN switch is
placed in ON position and shuts down when FAN switch is
placed in AUTO position.
2. Place SYSTEM switch in COOL position and FAN switch
in AUTO position. Set cooling control below room
temperature. Observe that compressor, condenser fan,
and evaporator blower motors start. Observe that cooling
cycle shuts down when control setting is satisfied. The
evaporator fan will continue to run for 90 sec.
IMPORTANT: Three-phase, scroll compressors are direction
oriented. Unit must be checked to ensure proper compressor
3-phase power lead orientation. If not corrected within 5
minutes, the internal protector will shut off the compressor. The
3-phase power leads to the unit must be reversed to correct
rotation. When turning backwards, the difference between
compressor suction and discharge pressures will be minimal.
Checkinq and Adjustinq Refriqerant Charge
The refrigerant system is fully charged with R-410A refrigerant
and is tested and factory sealed. Allow system to operate a
minimum of 15 minutes before checking or adjusting charge.
NOTE: Adjustment of the refrigerant charge is not required
unless the unit is suspected of not having the proper R-410A
charge.
The charging label and the tables shown refer to system
temperatures and pressures in cooling mode only. A refrigerant
charging label is attached to the inside of the compressor access
panel. The chart includes the required liquid line temperature at
given discharge line pressures and outdoor ambient
temperatures.
An accurate thermocouple- or thermistor-type thermometer,
and a gauge manifold are required when using the subcooling
charging method for evaluating the unit charge. Do not use
mercury or small dial-type thermometers because they are not
adequate for this type of measurement.
UNIT DAMAGE HAZARD
Failure to follow this caution may result in unit damage.
When evaluating the refrigerant charge, an indicated
adjustment to the specified factory charge must always be
very minimal. If a substantial adjustment is indicated, an
abnormal condition exists somewhere in the cooling system,
such as insufficient airflow across either coil or both coils.
20 462 01 2002 01

Proceed as follows:
1. Remove caps from low- and high-pressure service
fittings.
2. Using hoses with valve core depressors, attach tow- and
high-pressure gauge hoses to low- and high-pressure
service fittings, respectively.
3. Start unit in Cooling Mode and let unit run until system
pressures stabilize.
4. Measure and record the following:
a. Outdoor ambient-air temperature (°F [°C] db).
b. Liquid line temperature (°F [°C]).
c. Discharge (high-side) pressure (psig).
d. Suction (low-side) pressure (psig) (for reference only).
5. Using "Cooling Charging Charts," compare outdoor-air
temperature(°F [°C] db) with the discharge line pressure
(psig) to determine desired system operating liquid line
temperature (See Table 7).
6. Compare actual liquid line temperature with desired liquid
line temperature. Using a tolerance of _+2°F (_+1.1°C), add
refrigerant if actual temperature is more than 2°F (1.1°C)
higher than proper liquid line temperature, or remove
refrigerant if actual temperature is more than 2°F (1.1°C)
lower than required liquid line temperature.
NOTE: If the problem causing the inaccurate readings is a
refrigerant leak, refer to the Check for Refrigerant Leaks section.
Indoor Airflow and Airflow Adjustments
UNIT OPERATION HAZARD
Failure to follow this caution may result in unit damage.
For cooling operation, the recommended airflow is 350 to
450 cfm for each 12,000 Btuh of rated cooling capacity. For
heating operation, the airflow must produce a temperature
rise that falls within the range stamped on the unit rating
plate.
NOTE: Be sure that all supply-and return-air grilles are open,
free from obstructions, and adjusted properly.
ELECTRICAL SHOCK HAZARD
Failure to follow this warning could result in personal injury or
death.
Disconnect electrical power to the unit and install lockout tag
before changing blower speed.
This unit has independent fan speeds for gas heating and
cooling. In addition, this unit has the field-selectable capability to
run two different cooling fan speeds: A normal cooling fan speed
(350-400 CFM/Ton) and an enhanced dehumidification fan
speed (As low as 320 CFM/Ton) for use with either a
dehumidistat or a thermostat that supports dehumidification.
This unit is factory-set up for use with a single cooling fan speed.
The cooling speed is marked "LOW" on the interface fan board
(IFB)(Fig. 18) . The factory-shipped settings are noted in Table
9. There are 3 additional speed tap wires available for use in
either gas heating or cooling (For color coding on the indoor fan
motor leads, see Table 6). The additional 3 speed tap wires are
shipped loose with vinyl caps and are located in the control box,
near the interface fan board (IFB) (Fig. 18).
Gas Heating Fan Speed Set-up
To change the gas heating speed:
1. Remove the vinyl cap off of the desired speed tap wire
(Refer to Table 6 for color coding). Table 9 shows the
temperature rise associated with each fan speed for a
given static pressure. Make sure that the speed chosen
delivers a temperature rise within the rise range listed on
the unit rating plate.
2. Remove the current speed tap wire from the "GAS HEAT"
terminal on the interface fan board (IFB) (Fig.18) and
place vinyl cap over the connector on the wire.
3. Connect the desired speed tap wire to the "GAS HEAT"
terminal on the interface fan board (IFB).
Single Cooling Fan Speed Set-up (Dehumidification feature
not used)
To change cooling speed:
1. Remove the vinyl cap off of the desired speed tap wire
(Refer to Table 6 for color coding). Add the wet coil
pressure drop in Table 10 to the system static to
determine the correct cooling airflow speed in Table 9 that
will deliver the nominal cooling airflow as listed in Table 1
for each size.
2. Remove the current speed tap wire from the "LOW"
terminal on the interface fan board (IFB) (Fig. 18) and
place vinyl cap over the connector on the wire.
3. Connect the desired speed tap wire to the "LOW" terminal
on the interface fan board (IFB).
Two Cooling Fan Speeds Set-up (Dehumidification feature)
IMPORTANT: Dehumidification control must open control circuit
on humidity rise above set point.
Use of the dehumidification cooling fan speed requires use of
either a 24 VAC dehumidistat or a thermostat which includes
control of a 24 VAC dehumidistat connection. In either case, the
dehumidification control must open the control circuit on humidity
rise above the dehumidification set point. Dehumidification
controls are available with the reverse logic; these must not be
used.
1. Remove fan speed tap wire from the "LOW" terminal on
the interface fan board (IFB) (Fig. 18).
2. Determine correct normal cooling fan speed for unit and
application. Add the wet coil pressure drop in Table 10 to
the system static to determine the correct cooling airflow
speed in Table 9 that will deliver the nominal cooling
airflow as listed in Table 1 for each size.
3. Remove the vinyl cap off of the desired speed tap wire
(Refer to Table 6 for color coding) for the normal cooling
fan speed and place desired speed tap wire on "HIGH" on
the interface board.
4. Refer to airflow tables (Table 9) to determine allowable
speeds for the dehumidification cooling fan speed. In
Table 9, speeds that are not allowed for dehumidification
cooling are shaded.
5. Remove the vinyl cap off of the desired speed tap wire
(Refer to Table 6 for color coding) for the dehumidification
cooling fan speed and place desired speed tap wire on the
"LOW" connection on the interface board (IFB). Verify that
static pressure is in the acceptable range for the speed
tap to be used for dehumidification cooling.
6. Use any spare vinyl plugs to cap any unused speed tap
wires.
NOTE: For cooling operation, the recommended airflow is 350 to
450 CFM for each 12,000 Btuh of rated cooling capacity.
462 01 2002 01 21

Continuous Fan Operation
When the DEHUM feature is not used, the continuous fan speed
will be the same as cooling fan speed. When the DEHUM
feature is used, the continuous fan will operate on IFB "LOW"
speed when the DH control lead is not energized, or IFB "HIGH"
speed when the DH lead is energized. (See Figure 18).
Fig. 18- Interface Fan Board (IFB)
JW4
Table 6-Color Coding for Indoor Fan Motor Leads
Black = High Speed
Orange = Med-High Speed
Red = Med Speed
Pink = Med-Low Speed
Blue = Low Speed
Cooling Sequence of Operation
With the room thermostat SYSTEM switch in the COOL position
and the FAN switch in the AUTO position, the cooling sequence
of operation is as follows:
1. When the room temperature rises to a point that is slightly
above the cooling control setting of the thermostat, the
thermostat completes the circuit between thermostat
terminal R to terminals Y and G.
2. The normally open contacts of energized contactor (C)
close and complete the circuit through compressor motor
(COMP) to condenser (outdoor) fan motor (OFM). Both
motors start instantly.
3. The set of normally open contacts on the interface fan
board (IFB) are closed which energizes a circuit to the
indoor fan motor (IFM).
NOTE: Once the compressor has started and then stopped, it
should not be started again until 5 minutes have elapsed. The
cooling cycle remains on until the room temperature drops to a
point that is slightly below the cooling control setting of the room
thermostat. At this point, the thermostat breaks the circuit
between thermostat terminal R to terminals Y and G. These
open circuits deenergize contactor coil C. The condenser and
compressor motors stop. After a 90-sec. delay, the blower motor
stops. The unit is in a standby condition, waiting for the next call
for cooling from the room thermostat.
22 462 01 2002 01

Table 7 - Cooling Charging Chart
_1 I
"Ol I
n, I
m
r_
oo o o
"o
(D
== =_ ==
o '_ _
,=
_=_ __ _.
o_
E
o
E
o
>
LU
r_
462 01 2002 01 23

FILTER SIZE
in. (ram)
20X20X1
(508X508X25)
20X24X1
(508X610)(25)
24X30X1
(610X762x25)
24X36X1
(610X914X25)
Table 8 - Filter Pressure Drop Table (IN. W.C.)
CFM
500 600 700 800 900 1000 1100 1200 1300 1400 1500 1600 1700 1800 1900 2000 2100 2200 2300
0.05 0.07 0.08 0.1 0.12 0.13 0.14 0.15 ...........
-- 0.06 0.07 0.07 0.08 0.09 0.09 0.10 0.11 0.12 0.13 0.14 0.14
.... 0.09 0.10 0.11 0.13 0.14 0.15 0.16 .....
-- -- -- 0.04 0.05 0.06 0.07 0.07 0.08 0.09 0.1 .....
UNIT
Size
24040
24060
HEATING
RISERANGE
OF(oc)
30 - 60
(17- 33)
25 - 55
(14 - 31)
Table 9 - Dry Coil Air Delivery* - Horizontal and Downflow Discharge - Unit PGD4 /PGS4
MOTOR WIRE EXTERNALSTATICPRESSURE(IN. W.C.)
SPEED COLOR
Low
Med-Low
Medium2
CFM
Heating
Blue Rise(°F)
Heating
Rise(°C)
CFM
Heating
Pink Rise(°F)
Heating
Rise(°C)
CFM
Heating
Red Rise(°F)
Heating
Rise(°C)
CFM
Heating
Orange Rise(°F)
Heating
Rise(°C)
CFM
Heating
Black Rise(°F)
Heating
Rise(°C)
CFM
Heating
Blue Rise(°F)
Heating
Rise(°C)
CFM
Heating
Pink Rise(°F)
Heating
Rise(°C)
CFM
Heating
Red Rise(°F)
Heating
Rise(°C)
CFM
Heating
Orange Rise(°F)
Heating
Rise(°C)
CFM
Heating
Rise(OF)
Heating
Rise(°C)
Med-High1
High
Low
Med-Low
Medium2
Med-High
High1 Black
0.1 0.2 0.3 0.4 0.5 0.6 0.7 0.8 0.9
754 650
40 46 56 NA NA NA NA NA NA
22 26 31 NA NA NA NA NA NA
777 675 ! _75::, _
36 39 45 51 NA NA NA NA NA
20 22 25 28 NA NA NA NA NA
_t ,! _!: .... 774 684 _ _
32 36 39 44 52 NA NA NA NA
18 20 22 25 29 NA NA NA NA
759 667 !!!H!i!!!!!!ili_i_!!!!!!!i!!i!!!i
30 33 36 40 45 52 NA NA NA
17 18 20 22 25 29 NA NA NA
!!!!H!i!!!!;;!i!!;!i_i_:_i_!!!_i!!!!i!i!!!i!i!!!!H!I!!!!;;!i!!;!i_!_i_i:__!!_;!!;!;!!i!i!;!!i!i!;iiiiiiiiii;;iiii;;i;i_i_ii_iiiiiiiiiiiiiiiiiiil !!!i!!!!;;!i!_!!i_!!;i!!i!!i!i!i!!ii!i;i!!i!!!!;;!i!i7a_!iii;i_ii;!;i!iiii;!!!i!!i!!!!;;!!!_i!!!!!;!i!!;;!!!i!;
NA NA NA NA 31 34 37 41 47
NA 17NA NA NA 19 21 23 26
754 650
NA NA NA NA NA NA NA NA NA
NA NA NA NA NA NA NA NA NA
777 675
52 NA NA NA NA NA NA NA NA
29 NA NA NA NA NA NA NA NA
!!!!H}i!!!!!!ii!!i!ii_!i!!!!!!}!!!!!:!!:!!:!!!!!:,!!!i}i}!!!!!ii!!i!ii!!851:!!!!!i!!:!!:!!!!!!!!!!!i.... 774 684 !!H}i!!!!!!ii!_;!!;!i!!:i!i,!i!:,iiiiiiiiiiiiiil_iiiiiiiiiiiliiiH_iiiiiii_iiii_ii!iii_iiiiiiiiiiiiiii_Hiiii_}iiiiiii_ii_i_iiiii_iiiiiiiiii,iiiHliiiiiiilliiii_ii!iiiiiiiiiiiiiiiiiii
47 52 NA NA NA NA NA NA NA
26 29 NA NA NA NA NA NA NA
759 667
44 48 53 NA NA NA NA NA NA
24 27 29 NA NA NA NA NA NA
, i !
36 38 40 43 46 50 54 NA NA
20 21 22 24 25 28 30 NA NA
24 462 O1 2002 O1

Table 9 - Dry Coil Air Delivery* - Horizontal and Downflow Discharge - Unit PGD4 /PGS4
UNIT
HEATING
RISERANGE
OF(oc)
30 - 60
30040 (17 -33)
25- 55
30060 (14- 31)
25- 55
36060 (14- 31)
MOTOR WIRE
SPEED COLOR
CFM
Heating
Low Blue Rise (°F)
Heating
Rise(°C)
CFM
Heating
Ned-Low1 Pink Rise (°F)
Heating
Rise(°C)
CFM
Heating
Medium Red Rise (°F)
Heating
Rise(°C)
CFM
Heating
Ned-High2 Orange Rise (°F)
Heating
Rise(°C)
CFM
Heating
High Black Rise (°F)
Heating
Rise(°C)
CFM
Heating
Low Blue Rise (°F)
Heating
Rise(°C)
CFM
Heating
Ned-Low Pink Rise(°F)
Heating
Rise(°C)
CFM
Heating
Medium Red Rise (°F)
Heating
Rise(°C)
CFM
Heating
Ned-High2 Orange Rise (°F)
Heating
Rise(°C)
CFM
Heating
High1 Black Rise(°F)
Heating
Rise(°C)
CFM
Heating
Low1 Blue Rise(°F)
Heating
Rise(°C)
CFM
Heating
Ned-Low Pink Rise(°F)
Heating
Rise(°C)
CFM
Heating
Medium2 Red Rise (°F)
Heating
Rise(°C)
CFM
Heating
Rise(OF)
Heating
Rise(°C)
Ned-High Orange
EXTERNALSTATICPRESSURE(IN,W.C.)
0.1 0.2 0.3 0.4 0.5 0.6 0.7 0.8 0.9
41 47 55 NA NA NA NA NA NA
23 26
973 887
31 34
17 19
_888 , _023
NA 30
NA 16
NA NA
NA NA
31 NA NA NA NA NA NA
823 !!!!i!i!}!!iii!iZ3_;!il;!!ii!i!!!!i!,!!!'!!!!!!iii!ii!!66_!!i!!!:i!!i!!!!i!i:!!!!!!!!!ii!!i!!_538!_!!!!i!!!!i!!i!i_!.iiiHiiiiiiiiii_i_ii!_iiiii}i_i!_i_iiiiiiiiiiiii_iiiiiiii_i_iiiiiiiii_iiii_iiiiiiiiii!i_i_iiiiiiiiii_iiiii_i_iiiiiiiii_iiii_iiiiiiii
37 41 45 56 NA NA NA
20 23 25 31 NA NA NA
954 881 800 !!!i}i!!!!i',!'i!723!i11!_!i!!!!!}!!iiiHiiiii',i'iii658;i;;i;ii:i:iil,iiiiiii;iiiii;i:',i',151631i}ii!:_ii!i!:iiiiiiiiiiii:',i'}i_6i_iii!,ii_ii!i!iiii
32 34 38 42 46 54 NA
18 19 21 23 26 30 NA
996 915 840 !!!i!i!!!!i',!'i!758!;i!;!!:i:i!i,!!!ii!iiiiiiiiii',i'iii68!ili,i,i!ii!iiii!ii!iiiiiiii}:',i'}5164iii!ii,_{{!il,}iii!iiiiii;},i'}i_80%iiiii
30 33 36 40 44 54 NA
17 18 20 22 24 30 NA
NA NA NA 30 31 34 37 41 48
NA NA NA 17 17 19 21 23 27
NA NA NA NA NA NA NA NA NA
NA NA
973 887
46 50
25 28
_88:, _023
41 43
23 24
39 42
22 23
NA NA NA NA NA NA NA
823 !!!!i!i!}!!iii!iZ3_;!il;!!ii!i!!!!i!,!!!'!!!!!!iii!ii!!_6_!!i!!!:i!!i!!!!i!i:!!!!!!!!!ii!!i!!_538!_!!!!i!!!!i!!i!i_!_iiiHiiiiiiiiii_i_ii!;iiiii}i_i!_i_iiiiiiiiiiiii_iiiiiiii_i_iiiiiiiii_iiii_iiiiiiiiii!i_i_iiiiiiiiii_iiiii_i_iiiiiiiii_iiii_iiiiiiii
54 NA NA NA NA NA NA
30 NA NA NA NA NA NA
954 881 800 !!!i}i!!!!i',!'i!723!i11!_!i!!!!!}!!iiiHiiiii',i'iii_58;i;;i;ii:i:iil,iiiiiii;iiiii;i:',i',151631i}ii!:_ii!i!:iiiiiiiiiiii:',i'}i_6i_iii!,ii_ii!i!iiii
47 50 NA NA NA NA NA
26 28 NA NA NA NA NA
996 915 840 !!!!}!!!!!i',!'=!_58!!!!i!!i!i,!!!!i{!!!i!!!!i',i'ili,i68_iiiiiiiiliiiiii;iii_i}iii``i`i_i_!ii!iiiiii`!`i!;_i`_iiiiiiiii``i`i_i48_i_iii_i`i`i`i_i`i`i`i_i`i
45 49 53 NA NA NA NA
25 27 29 NA NA NA NA
37 39 41 44 46
21 22 23 24 26
_234 1168 1093 1021 961
36 38 41 44 46
20 21 23 24 26
_290, _'2_8 1154 1090 1027
34 36 39 41 43
19 20 21 23 24
1158 1102
33 34 36 38 40
18 19 20 21 22
50 55 NA NA
28 30 NA NA
89_: _25_
50 54 NA NA
28 30 NA NA
977 !!!i!i!!!!i_!_i_!89_!_!!!!!!!i!;!!:!!;!_28_ :'_ii_i_62,i,i,iii,liiiii'liiii{i
45 50 54 NA
25 28 30 NA
1046 981 !!i}i!}!!i',!'i!_'8!,!!!!i!!!!:i!i{!!i!!!!i',!'i!!,_i;i;i{;!i!!!!i!i!!!!
42 45 48 53
24 25 27 29
28 29 30 31 32 34 35 37 39
15 16 17 17 18 19 20 20 22
27 28 29 30 32 33 35 37 39
15 16 16 17 18 18 19 20 22
High Black
CFM
Heating
Rise(OF)
Heating
Rise(°C)
462 O1 2002 O1 25

Table 9 - Dry Coil Air Delivery* - Horizontal and Downflow Discharge - Unit PGD4 /PGS4
HEATING EXTERNALSTATICPRESSURE(IN,W.C.)
RISE MOTOR WIRE
UNIT RANGE SPEED COLOR
36090
42060
42090
Low
Med-Low
OF(oc)
35 - 65
(19 - 36) Medium 2
Med-High
High1
Low 1
0.1 0.2 0.3 0.4 0.5 0.6 0.7 0.8 0.9
_234 1168 1093 1021 961 _25 759 ;68
55 58 62 NA NA NA NA NA NA
31 32 35 NA NA NA NA NA NA
_90 , _223 1154 1090 1027 977 89_ _8 _6_
53 56 59 62 NA NA NA NA NA
29 31 33 35 NA NA NA NA NA
1158 1102 1046 981
50 53 55 59 62 65 NA NA NA
NA
Med-Low
25 - 55 Medium
(14 - 31)
Med-High2
High
Low
Med-Low
35 - 65 Medium1
(19- 36)
CFM
Heating
Blue Rise (°F)
Heating
Rise(°C)
CFM
Heating
Pink Rise (°F)
Heating
Rise(°C)
CFM
Heating
Red Rise (°F)
Heating
Rise(°C)
CFM
Heating
Orange Rise (°F)
Heating
Rise(°C)
CFM
Heating
Black Rise (°F)
Heating
Rise(°C)
CFM
Heating
Blue Rise (°F)
Heating
Rise(°C)
CFM
Heating
Pink Rise (°F)
Heating
Rise(°C)
CFM
Heating
Red Rise (°F)
Heating
Rise(°C)
CFM
Heating
Orange Rise (°F)
Heating
Rise(°C)
CFM
Heating
Black Rise (°F)
Heating
Rise(°C)
CFM
Heating
Blue Rise (°F)
Heating
Rise(°C)
CFM
Heating
Pink Rise (°F)
Heating
Rise(°C)
CFM
Heating
Red Rise (°F)
Heating
Rise(°C)
CFM
Heating
Med-High2 Orange Rise (°F)
Heating
Rise(°C)
High Black
28 29 31 33 34 36 NA NA
42 44 46 48 50 52 54 56
24 24 25 26 28 29 30 31
1140
60
33
42 43 45 46
23 24 25 26
1295 1234 1182 1126
34 36 38 39 41
19 20 21 22 23
1345 1282 1235 1194 1140
33 35 36 37 39
18 19 20 21 22
1358 1323
30 31 31 33 34
16 17 17 18 19
1362
29 30 31 31 33
16 17 17 17 18
48 51 53 56 60
27 28 30 31 33
!!!!i!_!!!!i`_!!_i!o_5_!!!!_!!!_i!_!!!!i!x!!i`_!`_!_i!oi_!!_6iiiiiiii!!!!_!!!_!!!!!!!!!i`_!`_!_i_55_!!i!_!_!!!!!!!!!!_i1i_iiiii``i`_i`898i;_iii_iii_J_ii_ii;iiii:;,;,_i,;,ii_iiiil;
44 47 49 52
24 26 27 29
_69_
41 43 46 48
23 24 25 27
1282 1234 1169 1130
35 36 38 39
19 20 21 22
1313 1278 1231 1188
34 35 36 37
19 19 20 21
26 27 28 28 29 30 31 32 33
14 15 15 16 16 17 17 18 18
1295 1234 1182 1126 !!!!!f!!!!!iii!ii_i!;_75!i!!!!i!i!!i!!i!,iiiiiiiiiiiiiiiii_il;0!_!!_!iiiii!ii!iiiii_i
53 55 58 60 63 NA NA NA NA
29 31 32 34 35 NA NA NA NA
1345 1282 1235 1194 1140 !!!!!!!!!!!iii!ii_i!;09_!!!!i!i!!i!!i!!
51 53 55 57 60 62 NA NA NA
28 29 31 32 33 35 NA NA NA
1358 1323 1282 1234 1169 1130
45 47 48 50 51 53 55 58 60
25 26 27 28 29 29 31 32 33
1362 1313 1278 1231 1188
44 46 47 48 50 52 53 55 57
24 25 26 27 28 29 30 31 32
CFM
Heating
Rise (OF)
Heating
Rise(°C)
40 41 42 43 45 46 47 48 50
22 23 24 24 25 25 26 27 28
26 462 O1 2002 O1

Table 9 - Dry Coil Air Delivery* - Horizontal and Downflow Discharge - Unit PGD4 /PGS4
UNIT
48090
48115
48130
HEATING
RISE
RANGE
OF(oc)
35 -65
(19- 36)
MOTOR WIRE
SPEED COLOR
Low 1
Med-Low
Medium2
EXTERNALSTATICPRESSURE(IN,W.C.)
Med-High
High
Low
Med-Low
30 - 60 Medium 2
(17 - 33)
Med-
High 1
High
Low
Med-Low
35 - 65 Medium 2
(19 - 36)
Med-
High 1
High
Blue
Pink
Red
Orange
Black
Blue
Pink
Red
Orange
Black
Blue
Pink
Red
Orange
Black
CFM
Heating
Rise (°F)
Heating
Rise (°C)
CFM
Heating
Rise (OF)
Heating
Rise (°C)
CFM
Heating
Rise (OF)
Heating
Rise (°C)
CFM
Heating
Rise (OF)
Heating
Rise (°C)
CFM
Heating
Rise (OF)
Heating
Rise (°C)
CFM
Heating
Rise (OF)
Heating
Rise (°C)
CFM
Heating
Rise (OF)
Heating
Rise (°C)
CFM
Heating
Rise (OF)
Heating
Rise (°C)
CFM
Heating
Rise (OF)
Heating
Rise (°C)
CFM
Heating
Rise (OF)
Heating
Rise (°C)
CFM
Heating
Rise (OF)
Heating
Rise (°C)
CFM
Heating
Rise (OF)
Heating
Rise (°C)
CFM
Heating
Rise (OF)
Heating
Rise (°C)
CFM
Heating
Rise (OF)
Heating
Rise (°C)
CFM
Heating
Rise (OF)
Heating
Rise (°C)
0.1 0.2 0.3
1402 1351 1311
49 50 52
27 28 29
1457 1404 1367
47 48 50
26 27 28 29
!!!i!_!!!!i_!_61!!!!!!!1!_!!_!!!!!!!_g_:i:i:!!_!!!_:_:_!1!_!!!!!_42,_!!!_!:!;!_!!!i!_!!!!i_0!_!!!_!!!!!!_
39 40 41 42
22 22 23 24
0.4 0.5 0.6 0.7 0.8 0.9
!!!i!i!!!!i_i!2o_!_i:!;!!!!_!,!!!!i!!!!i'_!'_!_i!_!_!!i!!i!i!!!iiiiiiiiiii',i'_;i_i_ii'ii_ii;iiiill
54 56 58 60 63 65
30 31 32 33 35 36
1318 1284 !!!i!i!!!!i_!!_i!23_;!i:!!!;!!i!iiiiiiiii_,i_,_;i_i:iS_iiiiiiiiili,!iiiiiiiiiii_,i_,_;i_i_,li,_,i_,liiiiiiiiiiiiiiiii_,i_,_;i_i04!i!iliiiiiiil
52 53 55 57 59 62
29 31 32 33 34
1553 1512 1465 1427 1381
44 45 46 48 49
24 25 26 26 27
NA NA NA NA NA 35 36 36 38
NA NA NA NA NA 19 20 20 21
_234_, _230_, :2258, :220_ :, _I _803
NA NA NA NA NA NA NA 36 38
NA NA NA NA NA NA NA 20 21
1402 1351 1311
NA NA NA NA NA NA NA NA NA
NA NA NA
1457 1404 1367
60 NA NA
NA NA NA NA NA NA
1318 1284 !!!i!_!!!!_!_!_23_i_i!ii!_ii_i_iiiii_iiii'_'i_iiii_97ii_i_i_iii_iii_iiii'_'i_iiii_ill_iii_iliiJiiiii_iiii'_'i_iiii_iii_ii_iiiii_i_i_i
NA NA NA NA NA NA
33 NA NA NA NA NA NA NA NA
_36:, _69_:, 64_, _60_ 1553 1512 1465 1427 1381
50 51 53 54 56 57 59 NA NA
28 28 29 30 31 32 33 NA NA
_79_
40 41 42 43 44 45 46 47 48
22 23 23 24 24 25 25 26 27
!!!i!_!!!2344_!_!:_!!_!!i!!i.!!i!_!!i!2306!i!!i!!!_!i!.!!!!_!!i!2259!_!_!_!_!!i!i!i!!_!!.!!!_!!_i!22_3!_!!_!!!_!.!!!!_!!!!_!_!_!!!!_!!!!_!_.!_iiiiiiiiii_ii20_0_i_i_i_i_iiiiiiiii:iiii_iiiii_ii_iii_i!i!i!iiiiii_i_.?i_iiiii_ii_iii9_ii!iiii!!iiiii)iiiii_iiiii_ii_iii8_ii!iiiiiii!
37 38 38 39 41 42 44 46 48
21 21 21 22 23 23 24 25 27
1402 1351 1311 !!!i!i!!_!!!26_i!i!!i!!!i!,!!!!i!!!!i_i!_i_!!!224ii_!ii!!!!!i!iiiiiiiiii_ii_i_iii_iii_iiii_i_iiiiii,li iiiiiiiiiiii,ii_iiiS#_iiiiiiiiiiiiiiii:
NA NA NA NA NA NA NA NA NA
NA NA NA NA NA NA NA NA NA
1457 1404 1367 1318 1284
NA NA NA NA NA NA NA NA NA
NA NA NA NA NA NA NA NA NA
1553 1512 1465 1427 1381
55 57 59 60 62 64 NA NA NA
31 32 33 33 34 35 NA NA NA
_79_
45 46 47 48 49 50 51 52 54
25 25 26 26 27 28 28 29 30
!!!i!_!!!2344_!_!:_!!_!!i!!i.!!i!_!!i!2306!i!!i!!!_!i!.!!!!_!!i!2259!_!_!_!_!!i!i!i!!_!!.!!!_!!_i!22_3!_!!_!!!_!.!!!!_!!!!_!_!_!!!!_!!!!_!_.!_iiiiiiiiii_ii20_0_i_i_i_i_iiiiiiiii:iiii_iiiii_ii_iii_i!i!i!iiiiii_i_.?i_iiiii_ii_iii9_ii!iiii!!iiiii)iiiii_iiiii_ii_iii88_ii!iiiiiii!
41 42 43 44 45 47 48 51 53
23 23 24 24 25 26 27 28 30
462 01 2002 01 27

Table 9 - Dry Coil Air Delivery* - Horizontal and Downflow Discharge - Unit PGD4 /PGS4
UNIT
60090
60115
HEATING
RISE
RANGE
OF (oc)
35 - 65
(19 - 36)
30 - 60
(17 - 33)
35 -65
(19 - 36)
MOTOR WIRE
SPEED COLOR
CFM
Heating
Low 1 Blue Rise (°F)
Heating
Rise (°C)
CFM
Heating
Med-Low Pink Rise (°F)
Heating
Rise (°C)
CFM
Heating
Medium 2 Red Rise (°F)
Heating
Rise (°C)
CFM
Heating
Med-High Orange Rise (°F)
Heating
Rise (°C)
CFM
Heating
High Black Rise (°F)
Heating
Rise (°C)
CFM
Heating
Low Blue Rise (°F)
Heating
Rise (°C)
CFM
Heating
Med-Low Pink Rise (°F)
Heating
Rise (°C)
CFM
Heating
Medium 2 Red Rise (°F)
Heating
Rise (°C)
CFM
Med- Heating
High1 Orange Rise (°F)
Heating
Rise (°C)
CFM
Heating
High Black Rise (°F)
Heating
Rise (°C)
CFM
Heating
Low Blue Rise (°F)
Heating
Rise (°C)
CFM
Heating
Ned-Low Pink Rise (°F)
Heating
Rise (°C)
CFM
Heating
Medium 2 Red Rise (°F)
Heating
Rise (°C)
CFM
Heating
Ned-High 1 Orange Rise (°F)
Heating
Rise (°C)
CFM
Heating
High Black Rise (°F)
Heating
Rise (°C)
60130
*Air delivery values are without air filter and are for dry coil
1 Factory-shipped heating speed
2 Factory-shipped cooling speed
"NA" = Not allowed for heating speed
EXTERNAL STATIC PRESSURE (IN. W.C.)
0.1 0.2 0.3 0.4 0.5 0.6 0.7 0.8 0.9
47 49 51 53 55 57 60 63 NA
26 27 28 29 31 32 33 35 NA
1678 1635 1602 _ , _51!3 _4_ _438 _40_ _34_
41 42 42 44 45 46 47 48 50
19 20 20 20 21 22 22 23 23
:2_ :2_ _6_ :2_ _98_ ::, _ _,888 _,86_ _85
NA NA NA NA NA 35 36 37 38
NA NA NA NA NA 19 20 20 21
NA NA NA NA NA NA NA 35 36
NA NA NA NA NA NA NA 19 20
_4_, _89 ,i_34_, 28_, _236 ::, _!,89
60 NA NA NA NA NA NA NA NA
33 NA NA NA NA NA NA NA NA
1678 1635 1602 !!!!i!_!!!_!!_i!ii_ii!ii_ii'!!!!_!!!!_i_!_!!51i_iii!ii!_ii_i_iii!_!
Table 10 - PGD4 /PGS4 Wet Coil Pressure Drop (IN. W.C.)
UNIT STANDARDCFM (S.C.F.M)
SIZE 600 700 800 900 1000 1100 1200 1300 1400 1500 1600 1700 1800 1900 2000
24 0.030 0.037 0.044 0.053 0.063 - -
30 - 0.037 0.044 0.053 0.063 0.072 0.081 0.105 - -
36 - - 0.055 0.060 0.090 0.100 0.110 0.140 -
42 - - 0.045 0.050 0.060 0.065 0.075 0.080 0.090 0.094 0.110
48 - - 0.041 0.063 0.085 0.100 0.104 0.110 0.120 0.130
60 - - - 0.060 0.065 0.072 0.077 0.085 0.100
and Economizer
UNITSIZE 0.1 0.8 0.9 1.0
36 1333 1035 997 950
42 1612 1317 1278 1242
48 2166 1467 1270 988
60 2298 1777 1697 1591
Table 11 - Wet Coil Air Delivery -- Downflow -- High Speed with 1-in. Filter
EXTERNALSTATICPRESSURE(in.W.C.)
0.2 0.3 0.4 0.5 0.6 0.7
1289 1256 1214 1152 1118 1076
1569 1527 1481 1451 1393 1351
2085 2002 1919 1798 1709 1582
2239 2180 2110 2044 1951 1862
MAINTENANCE
To ensure continuing high performance and to minimize the
possibility of premature equipment failure, periodic maintenance
must be performed on this equipment. This unit should be
inspected at least once each year by a qualified service person.
To troubleshoot unit, refer to Table 12-14, Troubleshooting
Chart.
NOTE TO EQUIPMENT OWNER: Consult your local dealer
about the availability of a maintenance contract.
PERSONAL INJURY AND UNIT DAMAGE HAZARD
Failure to follow this warning could result in personal injury
or death and unit component damage.
The ability to properly perform maintenance on this
equipment requires certain expertise, mechanical skills,
tools and equipment. If you do not possess these, do not
attempt to perform any maintenance on this equipment,
other than those procedures recommended in the Owner's
Manual.
ELECTRICAL SHOCK HAZARD
Failure to follow these warnings could result in personal
injury or death:
1. Turn off electrical power to the unit and install lock
out tag before performing any maintenance or
service on this unit.
2. Use extreme caution when removing panels and
parts.
3. Never place anything combustible either on or in
contact with the unit.
UNIT OPERATION HAZARD
Failure to follow this caution may result in improper
operation.
Errors made when reconnecting wires may cause
improper and dangerous operation. Label all wires prior to
disconnecting when servicing.
ENVIRONMENTAL HAZARD
Failure to follow this caution may result in environmental
pollution.
Remove and re-cycle all components or materials (i.e. oil,
refrigerant, etc) before unit final disposal.
The minimum maintenance requirements for this equipment are
as follows:
1. Inspect air filter(s) each month. Clean or replace when
necessary.
2. Inspect indoor coil, drain pan, and condensate drain each
cooling season for cleanliness. Clean when necessary.
3. Inspect blower motor and wheel for cleanliness at the
beginning of each heating and cooling season. Clean
when necessary. For first heating and cooling season,
inspect blower wheel bi-monthly to determine proper
cleaning frequency.
4. Check electrical connections for tightness and controls for
proper operation each heating and cooling season.
Service when necessary.
5. Ensure electric wires are not in contact with refrigerant
tubing or sharp metal edges.
6. Check and inspect heating section before each heating
season. Clean and adjust when necessary.
7. Check flue hood and remove any obstructions, if
necessary.
Air Filter
IMPORTANT: Never operate the unit without a suitable air filter
in the return-air duct system. Always replace the filter with the
same dimensional size and type as originally installed. See
Table 1 for recommended filter sizes.
Inspect air filter(s) at least once each month and replace
(throwaway-type) or clean (cleanable-type) at least twice during
each cooling season and twice during the heating season, or
whenever the filter becomes clogged with dust and lint.
Indoor Blower and Motor
NOTE: All motors are pre-lubricated. Do not attempt to lubricate
these motors.
For longer life, operating economy, and continuing efficiency,
clean accumulated dirt and grease from the blower wheel and
motor annually.
462 01 2002 01 29

ELECTRICAL SHOCK HAZARD
Failure to follow this warning could result in personal injury
or death.
Disconnect and tag electrical power to the unit before
cleaning the blower motor and wheel.
To clean the blower motor and wheel:
1. Remove and disassemble blower assembly as follows:
a. Remove blower access panel.
b. Disconnect 5 pin plug and 4 pin plug from indoor
blower motor. Remove capacitor if required.
c. On all units remove blower assembly from unit.
Remove screws securing blower to blower partition
and slide assembly out. Be careful not to tear
insulation in blower compartment.
d. Ensure proper reassembly by marking blower wheel
and motor in relation to blower housing before
disassembly.
e. Loosen setscrew(s) that secures wheel to motor shaft,
remove screws that secure motor mount brackets to
housing, and slide motor and motor mount out of
housing.
2. Remove and clean blower wheel as follows:
a. Ensure proper reassembly by marking wheel
orientation.
b. Lift wheel from housing. When handling and/or
cleaning blower wheel, be sure not to disturb balance
weights (clips) on blower wheel vanes.
c. Remove caked-on dirt from wheel and housing with a
brush. Remove lint and/or dirt accumulations from
wheel and housing with vacuum cleaner, using soft
brush attachment. Remove grease and oil with mild
solvent.
d. Reassemble wheel into housing.
e. Reassemble motor into housing. Be sure setscrews
are tightened on motor shaft flats and not on round
part of shaft. Reinstall blower into unit. Reinstall capa-
citor.
f. Connect 5 pin plug and 4 pin plug to indoor blower
motor.
g. Reinstall blower access panel.
3. Restore electrical power to unit. Start unit and check for
proper blower rotation and motor speeds during heating
and cooling cycles.
Induced Draft (combustion air) Blower Assembly
The induced-draft blower assembly consists of the inducer
motor, the blower housing, and the induced-draft blower wheel.
Clean periodically to assure proper airflow and heating efficiency.
Inspect blower wheel every fall and periodically during the
heating season. For the first heating season, inspect blower
wheel bimonthly to determine proper cleaning frequency.
To inspect blower wheel, remove draft hood assembly. Shine a
flashlight into opening to inspect wheel. If cleaning is required,
remove induced-draft blower assembly as follows:
1. Remove control access panel.
2. Remove the 5 screws that attach induced-draft blower as-
sembly to the flue collector box cover.
3. Slide the assembly out of the unit. Clean the blower
wheel. If additional cleaning is required, continue with
Steps 4 and 5.
4. To remove blower wheel, remove 2 setscrews.
5. To remove inducer motor, remove screws that hold the
inducer motor to the blower housing.
6. To reinstall, reverse the procedure outlined above.
Flue Gas Passageways
To inspect the flue collector box and upper areas of the heat
exchanger:
1. Remove the induced draft blower assembly according to
directions in the Induced Draft Blower Assembly section.
2. Remove the 11 screws holding the flue collector box cover
(See 19) to the heat exchanger assembly. Inspect the heat
exchangers.
3. Clean all surfaces, as required, using a wire brush.
Limit Switch
Remove blower access panel. Limit switch is located on the fan
partition.
Burner Ignition
Unit is equipped with a direct spark ignition 100 percent lockout
system. Ignition module (IGC) is located in the control box (See
19). Module contains a self-diagnostic LED. During servicing,
refer to label diagram or Table 5 in these instructions for LED
interpretation.
If lockout occurs, unit may be reset by either momentarily
interrupting power supply to unit or by turning selector switch to
OFF position at the thermostat.
Main Burners
At the beginning of each heating season, inspect for
deterioration or blockage due to corrosion or other causes.
Observe the main burner flames and adjust, if necessary.
Removal of Gas Train
To remove the gas train for servicing:
1. Shut off main gas valve.
2. Shut off power to unit and install lockout tag.
3. Remove controlaccess panel (See Fig. 20).
4. Disconnect gas piping at unit gas valve.
5. Remove fan partition mounting bracket (2 screws located
on the left side of the control compartment on the fan parti-
tion panel). Slide bracket forward, bottom first, to remove
(See Fig. 19 & 20).
6. Remove wires connected to gas valve. Mark each wire.
7. Remove ignitor and sensor wires at the ignitor module.
8. Remove the mounting screw that attaches the burner rack
to the unit base (See Fig. 19).
9. Slide the burner rack out of the unit (See Fig. 19 and 22).
10. To reinstall, reverse the procedure outlined above.
Outdoor Coil, Indoor Coil, and Condensate Drain Pan
Inspect the condenser coil, evaporator coil, and condensate
drain pan at least once each year.
The coils are easily cleaned when dry; therefore, inspect and
clean the coils either before or after each cooling season.
Remove all obstructions, including weeds and shrubs, that
interfere with the airflow through the condenser coil.
Straighten bent fins with a fin comb. If coated with dirt or lint,
clean the coils with a vacuum cleaner, using the soft brush
attachment. Be careful not to bend the fins. If coated with oil or
grease, clean the coils with a mild detergent and water solution.
Rinse coils with clear water, using a garden hose. Be careful not
to splash water on motors, insulation, wiring, or air filter(s). For
best results, spray condenser coil fins from inside to outside the
unit. On units with an outer and inner condenser coil, be sure to
clean between the coils. Be sure to flush all dirt and debris from
the unit base.
Inspect the drain pan and condensate drain line when inspecting
the coils. Clean the drain pan and condensate drain by removing
all foreign matter from the pan. Flush the pan and drain trough
with clear water. Do not splash water on the insulation, motor,
wiring, or air filter(s). If the drain trough is restricted, clear it with a
"plumbers snake" or similar probe device.
30 462 01 2002 01

Outdoor Fan
UNIT OPERATION HAZARD
Failure to follow this caution may result in damage to
unit components.
Keep the condenser fan free from all obstructions to
ensure proper cooling operation. Never place articles
on top of the unit.
1. Remove 6 screws holding outdoor grille and motor to top
cover.
2. Turn motor/grille assembly upside down on top cover to
expose fan blade.
3. Inspect the fan blades for cracks or bends.
4. If fan needs to be removed, loosen setscrew and slide fan
off motor shaft.
5. When replacing fan blade, position blade as shown in Fig.
23.
6. Ensure that setscrew engages the flat area on the motor
shaft when tightening.
7. Replace grille.
Fig. 19 - Blower Housing and Flue Collector Box
Roflout
Collector Inducel Burner Mounting Switch
Box Blower Rack Screw
Housing
FanPartitionMountingBracket
Integrated
Gas Unit
(IGO)
Auto Transformer
fuses used on 460
only.
(Hidden)
Fan
Board (IFB)
Induced Draft
Motor
Fig. 20 - Unit Access Panels
Fig. 21 -Removal of Motor and Blower Wheel
BLOWER
HOUSING
2 SETSCREWS
(HIDDEN)
Fig. 22 -Burner Rack Removed
462 01 2002 01 31

T
A
Fig. 23 - Fan Blade Position
FAN GRILLE
/
MOTOR SHAFT
SIZE
24
30
36
42
48
60
MAX DISTANCE BETWEEN TOP OF FAN GRILLE AND BOTTOM OF FAN BLADE
"A"
IN.
6.3
6.3
7.3
7.6
7.6
7.6
MM
160
160
185
193
193
193
Electrical Controls and Wiring
Inspect and check the electrical controls and wiring annually. Be
sure to turn off the electrical power to the unit.
Remove access panels to locate all the electrical controls and
wiring. Check all electrical connections for tightness. Tighten all
screw connections. If any smoky or burned connections are
noticed, disassemble the connection, clean all the parts, re-strip
the wire end and reassemble the connection properly and
securely.
After inspecting the electrical controls and wiring, replace all the
panels. Start the unit, and observe at least one complete cooling
cycle to ensure proper operation. If discrepancies are observed
in operating cycle, or if a suspected malfunction has occurred,
check each electrical component with the proper electrical
instrumentation. Refer to the unit wiring label when making these
checks.
Refriqerant Circuit
Annually inspect all refrigerant tubing connections and the unit
base for oil accumulations. Detecting oil generally indicates a
refrigerant leak.
EXPLOSION, SAFETY AND ENVIRONMENTAL HAZARD
Failure to follow this warning could result in personal injury,
death or property damage.
System under pressure. Relieve pressure and recover all
refrigerant before system repair or final unit disposal. Use all
service ports and open all flow-control devices, including
solenoid valves.
If oil is detected or if low cooling performance is suspected,
leak-test all refrigerant tubing using an electronic leak-detector,
halide torch, or liquid-soap solution. If a refrigerant leak is
detected, refer to the Check for Refrigerant Leaks section.
If no refrigerant leaks are found and low cooling performance is
suspected, refer to the Checking and Adjusting Refrigerant
Charge section.
Gas Input
The gas input does not require checking unless improper
heating performance is suspected. If a problem exists, refer to
the Start-Up section.
Evaporator Airflow
The heating and/or cooling airflow does not require checking
unless improper performance is suspected. If a problem exists,
be sure that all supply- and return-air grilles are open and free
from obstructions, and that the air filter is clean. When
necessary, refer to the Indoor Airflow and Airflow Adjustments
section to check the system airflow.
R-410A Items
Metering Device (Thermostatic Expansion Valve )
This metering device is a hard shutoff, balance port TXV. The
TXV maintains a constant superheat at the evaporator exit
resulting in higher overall system efficiency.
Pressure Switches
Pressure switches are protective devices wired into control
circuit (low voltage). They shut off compressor if abnormally high
or low pressures are present in the refrigeration circuit. These
pressure switches are specifically designed to operate with
R-410A systems. R-22 pressure switches must not be used as
replacements for the R-410A system.
Loss of Charqe Switch
This switch is located on the liquid line and protects against low
suction pressures caused by such events as loss of charge, low
airflow across indoor coil, dirty filters, etc. It opens on a pressure
drop at about 20 psig. If system pressure is above this, switch
should be closed. To check switch:
1. Turn off all power to unit.
2. Disconnect leads on switch.
3. Apply ohm meter leads across switch. You should have
continuity on a good switch.
NOTE: Because these switches are attached to refrigeration
system under pressure, it is not advisable to remove this device
for troubleshooting unless you are reasonably certain that a
problem exists. If switch must be removed, remove and recover
32 462 01 2002 01

all system charge so that pressure gauges read 0 psig. Never
open system without breaking vacuum with dry nitrogen.
High-Pressure Switch
The high-pressure switch is located in the discharge line and
protects against excessive condenser coil pressure. It opens at
650 psig.
High pressure may be caused by a dirty outdoor coil, failed fan
motor, or outdoor air recirculation. To check switch:
1. Turn off all power to unit.
2. Disconnect leads on switch.
3. Apply ohm meter leads across switch. You should have
continuity on a good switch.
Copeland Scroll Compressor (R-410A Refrigerant)
The compressor used in this product is specifically designed to
operate with R-410A refrigerant and cannot be interchanged.
The compressor is an electrical (as well as mechanical) device.
Exercise extreme caution when working near compressors.
Power should be shut off, if possible, for most troubleshooting
techniques. Refrigerants present additional safety hazards.
FIRE/EXPLOSION HAZARD
Failure to follow this warning could result in personal injury
or death and/or property damage.
Wear safety glasses and gloves when handling refrigerants.
Keep torches and other ignition sources away from
refrigerants and oils.
The scroll compressor pumps refrigerant throughout the system
by the interaction of a stationary and an orbiting scroll. The scroll
compressor has no dynamic suction or discharge valves, and it
is more tolerant of stresses caused by debris, liquid slugging,
and flooded starts. The compressor is equipped with a noise
reducing shutdown device and an internal pressure relief port.
The pressure relief port is a safety device, designed to protect
against extreme high pressure. The relief port has an operating
range between 550 (26.34 kPa) and 625 psi (29.93 kPa)
differential pressure.
EXPLOSION, ENVIRONMENTAL SAFETY HAZARD
Failure to follow this warning could result in personal injury,
death or equipment damage.
This system uses R-410A refrigerant which has higher
operating pressures than R-22 and other refrigerants. No
other refrigerant may be used in this system. Gauge set,
hoses, and recovery system must be designed to handle
R-410A. If you are unsure, consult the equipment
manufacturer.
Refrigerant System
This information covers the refrigerant system of the PGD4 /
PGS4, including the compressor oil needed, servicing systems
on roofs containing synthetic materials, the filter drier and
refrigerant charging.
Compressor Oil
The Copeland scroll compressor uses 3MAF POE oil. If
additional oil is needed, use Uniqema RL32-3MAF. If this oil is
not available, use Copeland Ultra 32 CC or Mobil Arctic EAL22
CC. This oil is extremely hygroscopic, meaning it absorbs water
readily. POE oils can absorb 15 times as much water as other
oils designed for HCFC and CFC refrigerants. Take all
necessary precautions to avoid exposure of the oil to the
atmosphere.
Servicing Systems on Roofs with Synthetic Materials
POE (polyolester) compressor lubricants are known to cause
long term damage to some synthetic roofing materials.
Exposure, even if immediately cleaned up, may cause
embrittlement (leading to cracking) to occur in one year or more.
When performing any service that may risk exposure of
compressor oil to the roof, take appropriate precautions to
protect roofing. Procedures which risk oil leakage include, but
are not limited to, compressor replacement, repairing refrigerant
leaks, replacing refrigerant components such as filter drier,
pressure switch, metering device, coil, accumulator, or reversing
valve.
Synthetic Roof Precautionary Procedure
1. Cover extended roof working area with an impermeable
polyethylene (plastic) drip cloth or tarp. Cover an
approximate 10 X 10 ft. (3.1 m X 3.1 m) area.
2. Cover area in front of the unit service panel with a terry
cloth shop towel to absorb lubricant spills and prevent
run-offs, and protect drop cloth from tears caused by tools
or components.
3. Place terry cloth shop towel inside unit immediately under
component(s) to be serviced and prevent lubricant
run-offs through the Iouvered openings in the unit base.
4. Perform required service.
5. Remove and dispose of any oil contaminated material per
local codes.
Liquid Line Filter Drier
This filter drier is specifically designed to operate with R-410A.
Use only factory-authorized components. Filter drier must be
replaced whenever the refrigerant system is opened. When
removing a filter drier, use a tubing cutter to cut the drier from the
system. Do not unsweat a filter drier from the system. Heat from
unsweating will release moisture and contaminants from drier
into system.
R-410A Refriqerant Charqinq
Refer to unit information plate and charging chart. Some R-410A
refrigerant cylinders contain a dip tube to allow liquid refrigerant
to flow from cylinder in upright position. For cylinders equipped
with a dip tube, charge R-410A units with cylinder in upright
position and a commercial metering device in manifold hose.
Charge refrigerant into suction-line.
TROUBLESHOOTING
Use the Troubleshooting Guides (See Tables 12-14) if problems
occur with these units.
START-UP CHECKLIST
Use Start-Up checklist to ensure proper start-up procedures are
followed.
462 01 2002 01 33

R-410A QUICK REFERENCE GUIDE
• R-410A refrigerant operates at 50-70 percent higher pressures than R-22. Be sure that servicing equipment and
replacement components are designed to operate with R-410A
• R-410A refrigerant cylinders are rose colored.
• Recovery cylinder service pressure rating must be 400 psig, DOT 4BA400 or DOT BW400.
• R-410A systems should be charged with liquid refrigerant. Use a commercial type metering device in the manifold
hose when charging into suction line with compressor operating
• Manifold sets should be minimum 700 psig high side and 180 psig low side with 550 psig low-side retard.
• Use hoses with minimum 700 psig service pressure rating.
• Leak detectors should be designed to detect HFC refrigerant.
• R-410A, as with other HFCs, is only compatible with POE oils.
• Vacuum pumps will not remove moisture from oil.
• Do not use liquid-line filter driers with rated working pressures less than 600 psig.
• Do not leave R-410A suction line filter driers in line longer than 72 hrs.
• Do not install a suction-line filter drier in liquid line.
• POE oils absorb moisture rapidly. Do not expose oil to atmosphere.
• POE oils may cause damage to certain plastics and roofing materials.
• Wrap all filter driers and service valves with wet cloth when brazing.
• A factory approved liquid-line filter drier is required on every unit.
• Do NOT use an R-22 TXV.
• Never open system to atmosphere while it is under a vacuum.
• When system must be opened for service, recover refrigerant, evacuate then break vacuum with dry nitrogen and
replace filter driers. Evacuate to 500 microns prior to recharging.
• Do not vent R-410A into the atmosphere.
• Observe all warnings, cautions, and bold text.
• All indoor coils must be installed with a hard shutoff R-410A TXV metering device.
34 462 01 2002 01

SYMPTOM
Compressor and condenser fan will not start.
Compressor will not start but condenser fan
runs
Three-phase scroll compressor
makes excessive noise, and there may be alow
pressure differential.
Compressor cycles (other than normally satisfy-
ing thermostat)
Compressor operates continuously
Excessive head pressure
Head pressure too low
Excessive suction pressure
Suction pressure too low
Table 12- Troubleshooting Chart
CAUSE
Power failure
Fuse blown or circuit breaker tripped
Defective contactor, transformer, or high-pressure, loss-
of-charge or low-pressure switch
Insufficient line voltage
Incorrect or faulty wiring
Thermostat setting too high
Faulty wiring or loose connections in compressor circuit
Compressor motor burned out, seized, or
internal overload open
Defective run/start capacitor, overload, start relay
One leg of 3-phase power dead
Low input voltage
Scroll compressor is rotating in the wrong direction
Refrigerant overcharge or undercharge
Defective compressor
Insufficient line voltage
Blocked outdoor coil
Defective run/start capacitor
Faulty outdoor fan motor or capacitor
Restriction in refrigerant system
Dirty air filter
Unit undersized for load
Thermostat temperature set too low
Low refrigerant charge
Air in system
Outdoor coil dirty or restricted
Dirty air filter
Dirty condenser coil
Refrigerant overcharged
Air in system
Condenser air restricted or air short-cycling
Low refrigerant charge
Restriction in liquid tube
Refrigerant overcharged
Dirty air filter
Low refrigerant charge
Metering device or low side restricted
Insufficient evaporator airflow
Temperature too low in conditioned area
Outdoor ambient below 55°F (13°C)
Filter drier restricted
Table 13- Troubleshooting Guide-Heating
SYMPTOM CAUSE
Water in gas line
No power to furnace
No 24-v power supply to control circuit
Burners will not ignite Mis-wired or loose connections
Misaligned spark electrodes
No gas at main burners
Dirty air filter
Gas input to furnace too low
Unit undersized for application
Inadequate heating Restricted airflow
Limit switch cycles main burners
Poor flame characteristics Incomplete combustion results in: Aldehyde odors, carbon
monoxide, sooting flame, floating flame
REMEDY
Call power company
Replace fuse or reset circuit breaker
Replace component
Determine cause and correct
Check wiring diagram and rewire correctly
Lower thermostat temperature setting below room
temperature
Check wiring and repair or replace
Determine cause
Replace compressor
Determine cause and replace
Replace fuse or reset circuit breaker
Determine cause
Determine cause and correct
Correct the direction of rotation by reversing the
3-phase power leads to the unit. Shut down unit to
allow pressures to equalize.
Recover refrigerant, evacuate system, and recharge
to capacities shown on rating plate
Replace and determine cause
Determine cause and correct
Determine cause and correct
Determine cause and replace
Replace
Locate restriction and remove
Replace filter
Decrease load or increase unit size
Reset thermostat
Locate leak, repair, and recharge
Recover refrigerant, evacuate system, and recharge
Clean coil or remove restriction
Replace filter
Clean coil
Recover excess refrigerant
Recover refrigerant, evacuate system, and recharge
Determine cause and correct
Check for leaks, repair, and recharge.
Remove restriction
Recover excess refrigerant
Replace filter
Check for leaks, repair and recharge
Remove source of restriction
Increase air quantity
Check filter-replace if necessary
Reset thermostat
Install low-ambient kit
Replace filter
REMEDY
Drain. Install drip leg.
Check power supply fuses, wiring or circuit breaker.
Check transformer.
NOTE: Some transformers have internal over-current protection that
requires a cool-down period to reset.
Check all wiring and wire nut connections
Check flame ignition and sense electrode positioning.
Adjust as necessary.
1. Check gas line for air. Purge as necessary. NOTE: After purging
gas line of air, wait at least 5 minutes for any gas to dissipate before
attempting to light unit.
2. Check gas valve.
Clean or replace filter as necessary
Check gas pressure at manifold match with that on unit nameplate
Replace with proper unit or add additional unit
Clean or replace filter. Remove any restriction.
Check rotation of blower, temperature rise of unit. Adjust as neces-
sary.
1. Tighten all screws around burner compartment
2. Cracked heat exchanger. Replace.
3. Unit over-fired. Reduce input (change orifices or adjust gas line or
manifold pressure).
4. Check burner alignment.
5. Inspect heat exchanger for blockage. Clean as necessary.
462 01 2002 01 35

Table 14- Troubleshooting Guide-LED Status Codes
SYMPTOM CAUSE REMEDY
Check 5-amp fuse son IGC*, power to unit, 24-v circuit breaker, and
No Power or Hardware failure transformer. Units without a 24-v circuit breaker have an internal
(LED OFF) Loss of power to control module (IGC)*. overload in the 24-v transformer. If the overload trips, allow 10 min-
utes for automatic reset.
Limit switch faults Check the operation of the indoor (evaporator) fan motor. Ensure that
(LED 2 flashes) High temperature limit switch is open. the supply-air temperature rise is in accordance with the range on the
unit nameplate. Clean or replace filters.
Flame sense fault The IGC* sensed flame that should not be present. Reset unit. If problem persists, replace control board.
(LED 3 flashes)
4 consecutive limit switch faults Check the operation of the indoor (evaporator) fan motor and that
(LED 4 flashes) Inadequate airflow to unit. supply-air temperature rise agrees with range on unit nameplate
information.
Ignition lockout fault Check ignitor and flame sensor electrode spacing, gaps, etc. Ensure
(LED 5 flashes) Unit unsuccessfully attempted ignition for 15 minutes, that fame sense and ignition wires are properly terminated. Verify that
unit is obtaining proper amount of gas.
Verify wiring connections to pressure switch and inducer motor. Verify
Pressure switch fault pressure switch hose is tightly connected to both inducer housing and
(LED 6 flashes) Open pressure switch, pressure switch. Verify inducer wheel is properly attached to inducer
motor shaft. Verify inducer motor shaft is turning.
Rollout switch will automatically reset, but IGC* will continue to lockout
Rollout switch fault unit. Check gas valve operation. Ensure that induced-draft blower
(LED 7 flashes) Rollout switch has opened, wheel is properly secured to motor shaft. Inspect heat exchanger.
Reset unit at unit disconnect.
Internal control fault Microprocessor has sensed an error in the software or
(LED 8 flashes) hardware. If error code is not cleared by resetting unit power, replace the IGC*.
Temporary 1 hr auto reset fault I Reset 24-v. to control board or turn thermostat off, then on again.
(LED 9 flashes) Electrical interference impeding IGC software Fault will automatically reset itself in one (1) hour.
*WARNING _'_ ." If the IGC must be replaced, be sure to ground yourself to dissipate any electrical charge that my be present before handling new control board. The IGC is
sensitive to static electricity and my be damaged if the necessary precautions are not taken.
IMPORTANT: Refer to Table 12-Troubleshooting Guide-Heating for additional troubleshooting analysis.
LEGEND
IGC--Integrated Gas Unit Controller
LED--Light-Emitting Diode
3d 462 01 2002 01

I. PRELIMINARY INFORMATION
MODEL NO.:
SERIAL NO.:
DATE:
TECHNICIAN:
START-UP CHECKLIST
(Remove and Store in Job Files)
II. PRESTART-UP (Insert check mark in box as each item is completed)
() VERIFY THAT ALL PACKING MATERIALS HAVE BEEN REMOVED FROM UNIT
( ) REMOVE ALL SHIPPING HOLD DOWN BOLTS AND BRACKETS PER INSTALLATION INSTRUCTIONS
( ) CHECK ALL ELECTRICAL CONNECTIONS AND TERMINALS FOR TIGHTNESS
( ) CHECK GAS PIPING FOR LEAKS (WHERE APPLICABLE)
( ) CHECK THAT INDOOR (EVAPORATOR) AIR FILTER IS CLEAN AND IN PLACE
() VERIFY THAT UNIT INSTALLATION IS LEVEL
( ) CHECK FAN WHEEL, AND PROPELLER FOR LOCATION IN HOUSING/ORIFICE AND SETSCREW TIGHTNESS
III. START-UP
ELECTRICAL
SUPPLY VOLTAGE
COMPRESSOR AMPS
INDOOR (EVAPORATOR) FAN AMPS
TEMPERATURES
OUTDOOR (CONDENSER) AIR TEMPERATURE_DB
RETURN-AIR TEMPERATURE DB
COOLING SUPPLY AIR DB
GAS HEAT SUPPLY AIR
PRESSURES
GAS INLET PRESSURE IN. W.C.
GAS MANIFOLD PRESSURE IN. W.C.
REFRIGERANT SUCTIONPSIG, SUCTION LINE TEMP*
REFRIGERANT DISCHARGE_PSIG, LIQUID TEMPt
( ) VERIFY REFRIGERANT CHARGE USING CHARGING CHARTS
GAS HEAT TEMPERATURE RISE
TEMPERATURE RISE (See Literature) RANGE
MEASURED TEMPERATURE RISE
*Measuredat suction inlet to compressor
1- Measuredat liquid line leaving condenser.
WB
WB
462 01 2002 01 37