IDTECK STAR100R Door Access Controller User Manual Manual

ID-Teck Co Ltd Door Access Controller Manual

Manual

MODEL : STAR100RACCESS CONTROLLEROWNER’S MANUALPlease read this instruction manual carefully
Contents1. Important safety instructions ---------------- 32. General ---------------- 43. Features ---------------- 44. Specification ---------------- 55. Connection ---------------- 56. Wire color table ---------------- 67. Operation ---------------- 78. FCC Registration information ---------------- 139. Warranty and service ---------------- 14
      - 2 -1. IMPORTANT SAFETY INSTRUCTIONSWhen using your door access controller, basing safety precautions should always be followed to reduce the riskof fire, electrical shock, and injury to persons including following:1. Read and understand all instructions.2. Follow all warnings and instructions marked on the product3. Do not use liquid cleaners, or aerosol cleaners. Use a damp cloth for cleaning. if necessary, use a mild soap.4. Do not use this product near water, for example near a bath tub, wash bowl, kitchen sink, or laundry tub, in awet basement, or near a swimming pool.5. This product should be operated only from the type of power source indicated on the marking label. if you arenot sure of the type of power supply to your home, consult your dealer or local power company.6. Never push objects of any kind into this product though the cabinet slots as they may touch voltage points orshort out parts that could result in a risk of fire or electric shock. Never spill liquid of any kind on the product.7. To reduce the risk of electric shock, do not disassemble this product, but take it to a qualified servicemanwhen some service or repair work is required. Opening or removing covers may expose you to dangerousvoltages or other risks. incorrect reassembly can cause electric shock when the appliance is subsequently used.8. Unplug this product from the wall outlet and refer to qualified service personnel under the  followingconditions:  a. When the power supply cord or plug is damaged or frayed.  b. If liquid has been spilled into the product  c. If the product has exposed to rain or water.  d. If the product doses not operate normally by following the operating instructions.    Adjust only those controls, that are covered by the operating instructions. Improper    adjustment of other controls in damage and will often require extensive work by  a qualified    technician to restore the to normal operation.  e. If the product exhibit a distinct change in performance.
      - 3  -2. GeneralSTAR100R is an intelligent one door Access Controller based on powerful 8 bit Microprocessorto meet a simple and cost-effective access control market requirement. User friendly deviceallows you to register max. 127 USER RFID and easy to add or delete USER RFID.Built in Proximity reader gives you 2 different operating mode such as RF ONLY MODE orRF+PASSWORD MODE. There are 5 inputs to connect EXIT Button, door contact, PIRsensor , Fire sensor extra and you can program related output sources and activate timing fromthe front keypads. System will make alarm in case of number of times wrong entry and Temperswitch opens and one TTL output can be connected to Auto-dialer (option) will make a call tothe pre-defined phone numbers (max 4ch) and report the alarm to Police, Fire station and/or toyour cellular phone by voice message. All event transaction report to the computer by RS232Ccommunication.The modern design and easy installation will provide you an accurate access control for singledoor and 3 LED indicators informs you all system operating at real time. STAR100R will giveyou field proven reliability and cost-effective solution anywhere the access controls and highsecurity is required.3. Features- One door Access Controller- Powerful 8 bit Microprocessor- Built in 4 inch reading range Proximity Reader- 128 USER Access RFID(including one Master RFID)- RF ONLY MODE or RF+PASSWORD MODE- User define 4 digits PASSWORD for RF+PASSWORD MODE- Independent  5 inputs and 4 outputs including 2 output Relays- All I/Os and activating Times user front programmable- Door Lock and Unlock function- Setting for Safe/Secure mode- Numbers of Try error Alarm- Optional 4ch Voice Auto-dialer- 3 LEDs for system operation status- Modern design and easy operation
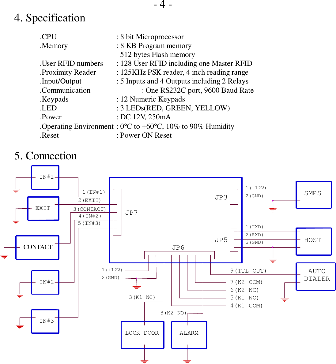
      - 4 -4. Specification.CPU : 8 bit Microprocessor.Memory : 8 KB Program memory  512 bytes Flash memory.User RFID numbers : 128 User RFID including one Master RFID.Proximity Reader : 125KHz PSK reader, 4 inch reading range.Input/Output : 5 Inputs and 4 Outputs including 2 Relays.Communication : One RS232C port, 9600 Baud Rate.Keypads : 12 Numeric Keypads.LED : 3 LEDs(RED, GREEN, YELLOW).Power : DC 12V, 250mA.Operating Environment : 0°C to +60°C, 10% to 90% Humidity.Reset : Power ON Reset5. Connection1(+12V)2(GND) SMPSHOST1(TXD)2(RXD)3(GND)LOCK DOOR ALARM1(+12V)2(GND)9(TTL OUT)7(K2 COM)6(K2 NC)5(K1 NO)4(K1 COM)8(K2 NO)3(K1 NC)JP6JP7JP3JP5AUTODIALERIN#1IN#2IN#3EXITCONTACT1(IN#1)2(EXIT)3(CONTACT)4(IN#2)5(IN#3)
      - 5 -6. WIRE COLOR TABLE< JP3 >  POWERNO   FUNCTION           COLOR 1 +12V RED 2 GND BLACK< JP5 >  RS232CNO   FUNCTION            COLOR 1 TXD YELLOW 2RXD BLUE 3 GND GRAY< JP6 >  OUTPUTNO   FUNCTION           COLOR 1 +12V RED WITH WHITE LINE 2 GND BLACK WITH WHITE LINE 3 K1 NC(DOOR) BLUE WITH WHITE LINE 4 K1 COM(DOOR) GRAY WITH RED LINE 5 K1 NO(DOOR) WHITE WITH RED LINE 6 K2 NC(ALARM) PURPLE WITH WHITE LINE 7 K2 COM(ALARM) WHITE 8 K2 NO(ALARM) PURPLE 9 TTL OUT ORANGE WITH WHITE LINE < JP7 >  INPUTNO   FUNCTION           COLOR 1 IN1 ORANGE 2 EXIT YELLOW WITH RED LINE 3 CONTACT GREEN 4 IN2 GREEN WITH WHITE LINE 5 IN3 BROWN
      - 6 -7. Operation7.1 INITIAL SETTINGS:STAR100R HAS COMPLETELY BLANK WHEN IT IS DELIVERED TOCUSTOMER. THE UNIT AUTOMATICALLY ENTERS TO INITIAL SETTINGMODE WHEN IT IS POWERED ON.   (YOU MAY ALSO ERASE ALL MEMORYBY CLOSING A JUMPER ON "JP3" OF MAIN P.C.BOARD)PROGRAMMING SEQUENCE IS AS FOLLOWS;   - Connect 12V DC Power supply to RED(+) and BLACK(-) cable.   - Power switch on. (RED LED will lit and YELLOW LED is blinking every seconds).   - Press the keypads as follow.“01”+(ENT) RF only mode  Present Master RFID on the cabinet Register Master RFID    Present User RFID Register User RFID     ... “     ... “     ... “    … “Present Master RFID on the cabinet Finish RFID registration“xxxx”+(ENT) Register 4 digits PASSWORD   Note: Master RFID can be used for setting changes and add/delete User RFID so you must keep             Master RFID to SECURE LOCATION.   THE UNIT NOW ENTERS TO NORMAL OPERATING MODE.WITH ABOVE SEQUENCE YOU ALREADY REGISTERED "MASTER RFID" AND "USERRFIDs" AND THE OTHER DEFAULT SETTINGS ARE AUTOMATICALLY SET AND STOREDINTO FLASH MEMORY.
      - 7 -   THE DEFAULT SETTINGS ARE;   - When User RFID Granted:     Output RELAY#1 activates for 3 seconds     Green LED activates for 3 seconds   - Exit Input entered:     Output RELAY#1 activates for 3 seconds     Green LED activates for 3 seconds   - When User RFID denied:(within Try-out count, default 5 times)     Output RELAY#2 activates for 1 second   - When Try-out error occures:(from 6th Try-out)     Output RELAY2 activates for 5 second   - Numbers of Try-out counter set to 5 times   - Keypad input limit time set for 10 seconds   - Silent operation mode off7.2 NORMAL OPERATION   RED LED always lit and YELLOW LED is blinking every seconds.   A) OPERATING OUTPUTS        Present User RFID      ...If User RFID is granted, RELAY#1 activates.(SAFE MODE)                                                ...If User RFID is denied,  RELAY#2 activates.   B) EXIT INPUT ENTERED           ...RELAY#1 activates.(SAFE MODE)   C) “77”+(ENT)       …Enter to SECURE MODE
      - 8 -7.3 SETTING CHANGES   - ADD NEW USER ID:     (Master RFID)+(12)+(ENT)+(New USER RFID)   - DELETE USER ID:     (Master RFID)+(13)+(ENT)+(USER ID number to be deleted)+(ENT)   - OUTPUT RELAY#1 LATCH(unconditional ON):     (Master RFID)+(41)+(ENT)   - OUTPUT RELAY#2 LATCH(unconditional ON):     (Master RFID)+(42)+(ENT)   - GREEN LED LATCH(unconditional ON):     (Master RFID)+(44)+(ENT)   - RELEASE ALL OUTPUTS(unconditional OFF, RESET all Outputs):     (Master RFID)   - OUTPUT TEST when USER ID granted:     (Master RFID)+(31)+(ENT)   - OUTPUT TEST when USER ID denied:     (Master RFID)+(32)+(ENT)    - OUTPUT TEST when TRY-OUT ERROR:     (Master RFID)+(33)+(ENT)    - OUTPUT TEST when CONTACT ERROR:     (Master RFID)+(34)+(ENT)   - OUTPUT TEST when INPUT#1 ENTERED:     (Master RFID)+(35)+(ENT)   - OUTPUT TEST when INPUT#2 ENTERED:     (Master RFID)+(36)+(ENT)
   - OUTPUT TEST when INPUT#3 ENTERED:     (Master RFID)+(37)+(ENT)      - 9 -   - SILENT MODE SET:     (Master RFID)+(51)+(ENT)   - SILENT MODE RESET:     (Master RFID)+(52)+(ENT)   - CONTACT TIME SET:     (Master RFID)+(81)+(ENT)+(time)+(ENT) time = 00~99 (second)   - TRY-OUT COUNT SET:     (Master RFID)+(82)+(ENT)+(number)+(ENT) number  = 00~99 (times)   - KEYPAD INPUT LIMIT TIME SET:     (Master RFID)+(83)+(ENT)+(time)+(ENT) time = 00~99 (second)   - ALARM PORT SET:     (Master RFID)+(84)+(ENT)+(port)+(ENT) port = 01~16 (port No.)   - CHANGE PASSWORD:     (Master RFID)+(85)+(ENT)+(NEW PASSWORD)+(ENT)   - TEMPER ENABLE:     (Master RFID)+(88)+(ENT)   - ERASE ALL MEMORY AND INITIALIZE SETTINGS:     (Master RFID)+(99)+(ENT)
      - 10 -7.4  OUTPUT CONFIGURATION CHANGE   - OUTPUT CONFIGURATION CHANGE when User ID is granted     (Master RFID)+(21)+(ENT)+(oo)+(ENT)     +(t1)+(ENT)+(t2)+(ENT)+(t3)+(ENT)+(t4)+(ENT)+(t5)+(ENT)     oo = Output numbers     t1 = OUTPUT RELAY#1 activate time     t2 = OUTPUT RELAY#2 activate time     t3 = TTL OUTPUT activate time     t4 = GREEN LED activate time     t5 = BUZZER activate time   Note:  Output numbers(add all numbers below which you want to activate)          1      ...activate OUTPUT RELAY#1          2      ...activate OUTPUT RELAY#2          4      ...activate TTL OUTPUT8      ...activate BUZZER16 …activate GREEN LED50    …activate on SAFE MODE   EX) If you want RELAY#1 and GREEN LED activate then 1+8+50=59 as output numbers              and you put "59" for (oo) format.          Activate time for t1 through t4 is "00" to "99" seconds.   EX) If you put "03" for t1 then OUTPUT RELAY#1 will activates for 3 seconds.- OUTPUT CONFIGURATION CHANGE when User ID is denied     (Master RFID)+(22)+(ENT)+(oo)+(ENT)     +(t1)+(ENT)+(t2)+(ENT)+(t3)+(ENT)+(t4)+(ENT)+(t5)+(ENT)EX) If you want OUTPUT RELAY#2 activate then 2+50=52 as output numbers              and you put "52" for (oo) format.          Activate time for t1 through t4 is "00" to "99" seconds.
EX) If you put "05" for t2 then OUTPUT RELAY#2 will activates for 5 seconds.       - 11 -- OUTPUT CONFIGURATION CHANGE when TRY-OUT ERROR occurs     (Master RFID)+(23)+(ENT)+(oo)+(ENT)     +(t1)+(ENT)+(t2)+(ENT)+(t3)+(ENT)+(t4)+(ENT)+(t5)+(ENT)EX) If you want OUTPUT RELAY#2 and TTL Output activate in SECURE MODE then 2+4=06 as       output numbers and you put "06" for (oo) format.          Activate time for t1 through t4 is "00" to "99" seconds.EX) If you put "05" for t2 and t3 then OUTPUT RELAY#2 and TTL Output will activates for       5 seconds.- OUTPUT CONFIGURATION CHANGE when CONTACT ERROR occurs     (Master RFID)+(24)+(ENT)+(oo)+(ENT)     +(t1)+(ENT)+(t2)+(ENT)+(t3)+(ENT)+(t4)+(ENT)+(t5)+(ENT)EX) If you want OUTPUT RELAY#2 activate then 2+50=52 as output numbers       and you put "52" for (oo) format.          Activate time for t1 through t4 is "00" to "99" seconds.EX) If you put "10" for t2 then OUTPUT RELAY#2 will activates for 10 seconds.- OUTPUT CONFIGURATION CHANGE when INPUT#1 enters     (Master RFID)+(25)+(ENT)+(oo)+(ENT)     +(t1)+(ENT)+(t2)+(ENT)+(t3)+(ENT)+(t4)+(ENT)+(t5)+(ENT)- OUTPUT CONFIGURATION CHANGE when INPUT#2 enters     (Master RFID)+(26)+(ENT)+(oo)+(ENT)     +(t1)+(ENT)+(t2)+(ENT)+(t3)+(ENT)+(t4)+(ENT)+(t5)+(ENT)- OUTPUT CONFIGURATION CHANGE when INPUT#3 enters     (Master RFID)+(27)+(ENT)+(oo)+(ENT)     +(t1)+(ENT)+(t2)+(ENT)+(t3)+(ENT)+(t4)+(ENT)+(t5)+(ENT)
      - 12 -FCC REGISTRATION INFORMATIONFCC REQUIREMENTS PART 15Caution: Any changes or modifications in construction of this device which are not expressly approvedby the responsible for compliance cold void the user's authority to operate the equipment.NOTE: This device complies with part 15 of the FCC Rules.Operation is subject to the following two conditions:1. This device may not cause harmful interference, and2. This device must accept any interference received, including interference that may cause  undesired operation.Note : This equipment has been tested and found to comply with the limits for a Class A digital device, pursuantto part 15 of the FCC Rules. These limits are designed to provide reasonable protection against harmfulinterference when the equipment is operated in a commercial environment. This equipment generates, uses, andcan radiate radio frequency energy and, if not installed and used in accordance with the instruction manual, maycause harmful interference to radio communications. Operation of this equipment in a residential area is likely tocause harmful interference in which case the user will be required to correct the interference at his own expense.
       - 13 -WARRANTY AND SERVICEThe following warranty and service information applies only to the U.S. For information in othercountries, please contact your local distributor.To obtain in or out of warranty service, please prepay shipment and return the unit to the appropriatefacility listed below.IN THE UNITED STATESRF LOGICS, INC.  Service center3026 SCOTT BLVD,SANTA CLARA, CA 95054Tel. : (408) 980-0001Fax.: (408) 980-8060Email: webmaster@rflogics.comWebsite : www.rflogics.comOUTSIDE OF THE UNITED STATESID TECK CO., LTD.  Service center4F ACE TECHNOTOWER BLDG.684-1 DUNGCHON-DONG, GANSUH-KUSEOUL 157-030, KOREATel. : 82-2-659-0055Fax.: 82-2-659-0086Email: webmaster@id-teck.comWebsite : www.id-teck.comPlease use the original container, or pack the unit(s) in a sturdy carton with sufficient packing toprevent damage. Include the following information:1. A proof-of-purchase indicating model number and date of purchase.2. Bill-to address3. Ship-to address4. Number and description of units shipped5. Name and telephone number of person to call, should contact be necessary6. Reason for return and description of the problem.  Damage occurring during shipment is deemed the responsibility of the carrier, and claims  should be made directly with the carrier.
     - 14 -

Navigation menu