Ibm Handbook 150 Users Manual
260 to the manual 24482e7a-a0cb-4f56-8b7d-fbf10e7035d0
2015-02-02
: Ibm Ibm-Handbook-150-Users-Manual-431665 ibm-handbook-150-users-manual-431665 ibm pdf
Open the PDF directly: View PDF
.
Page Count: 286 [warning: Documents this large are best viewed by clicking the View PDF Link!]
- Contents
- Figures
- Tables
- Preface
- Chapter 1. RS/6000 Introduction
- Chapter 2. Hardware Overview
- Chapter 3. Detailed Product Descriptions
- Chapter 4. Storage Architectures and Devices
- Chapter 5. Adapters, Overview and Configuration
- 5.1 Communication Adapters
- 5.2 Graphics Adapters
- 5.2.1 POWER GXT120P (# 2838)
- 5.2.2 POWER GXT250P (# 2851) and POWER GXT255P (# 2852)
- 5.2.3 POWER GXT550P (# 2845)
- 5.2.4 POWER GXT3000P Graphics Accelerator (# 2825)
- 5.2.5 Graphics Adapter Feature Comparison
- 5.2.6 Graphics Adapters Attachment Cables
- 5.2.7 Multiple Adapter Support
- 5.2.8 Accessing the Second Display
- 5.3 Adapter and Device Configuration on PCI-Based RS/6000 Systems
- 5.4 Summary Chart of Adapters
- Chapter 6. Diagnostics and System Management Services
- Chapter 7. Service Processor
- Chapter 8. Hints and Tips
- Appendix A. RS/6000 43P 7043 Model 140
- Appendix B. Special Notices
- Appendix C. Related Publications
- How to Get ITSO Redbooks
- List of Abbreviations
- Index
- ITSO Redbook Evaluation

SG24-5144-00
International Technical Support Organization
http://www.redbooks.ibm.com
RS/6000 43P 7043 Models 150 and 260 Handbook
Volker Haug, Adnan Ikram, Heather Osbourne

RS/6000 43P 7043 Models 150 and 260 Handbook
October 1998
SG24-5144-00
International Technical Support Organization

© Copyright International Business Machines Corporation 1998. All rights reserved
Note to U.S Government Users – Documentation related to restricted rights – Use, duplication or disclosure is
subject to restrictions set forth in GSA ADP Schedule Contract with IBM Corp.
First Edition (October 1998)
This edition applies to the RS/6000 43P 7043 Models 150 and 260 workstations and workgroup servers
for use with AIX Version 4.2.1, AIX Version 4.3.2, and subsequent releases of the operating system.
Comments may be addressed to:
IBM Corporation, International Technical Support Organization
Dept. JN9B Building 045 Internal Zip 2834
11400 Burnet Road
Austin, Texas 78758-3493
When you send information to IBM, you grant IBM a non-exclusive right to use or distribute the
information in any way it believes appropriate without incurring any obligation to you.
Before using this information and the products it supports, be sure to read the general information in
Appendix B, “Special Notices” on page 247.
Take Note!

© Copyright IBM Corp. 1998 iii
Contents
Figures. . . . . . . . . . . . . . . . . . . . . . . . . . . . . . . . . . . . . . . . . . . . . . . . . . . .ix
Tables. . . . . . . . . . . . . . . . . . . . . . . . . . . . . . . . . . . . . . . . . . . . . . . . . . . . .xi
Preface. . . . . . . . . . . . . . . . . . . . . . . . . . . . . . . . . . . . . . . . . . . . . . . . . . .xiii
The Team That Wrote This Redbook . . . . . . . . . . . . . . . . . . . . . . . . . . . . . . . . xiii
Comments Welcome . . . . . . . . . . . . . . . . . . . . . . . . . . . . . . . . . . . . . . . . . . . . xv
Chapter 1. RS/6000 Introduction . . . . . . . . . . . . . . . . . . . . . . . . . . . . . . . 1
1.1 RS/6000 Workstation Offerings . . . . . . . . . . . . . . . . . . . . . . . . . . . . . . 1
1.2 RS/6000 43P 7043 Model 140 Overview . . . . . . . . . . . . . . . . . . . . . . . 3
1.3 RS/6000 43P 7043 Model 150 Overview . . . . . . . . . . . . . . . . . . . . . . . 3
1.3.1 RS/6000 43P 7043 Model 150 Key Attributes . . . . . . . . . . . . . . . . 4
1.3.2 RS/6000 43P 7043 Model 150 Feature Summary . . . . . . . . . . . . . 5
1.4 RS/6000 43P 7043 Model 260 Overview . . . . . . . . . . . . . . . . . . . . . . . 6
1.4.1 RS/6000 43P 7043 Model 260 Key Attributes . . . . . . . . . . . . . . . . 7
1.4.2 RS/6000 43P 7043 Model 260 Feature Summary . . . . . . . . . . . . . 8
1.5 Performance Results . . . . . . . . . . . . . . . . . . . . . . . . . . . . . . . . . . . . . . 9
1.5.1 SPEC95 Software Benchmark . . . . . . . . . . . . . . . . . . . . . . . . . . 10
1.5.2 Performance Summary. . . . . . . . . . . . . . . . . . . . . . . . . . . . . . . . 13
1.6 Industry Trends and Directions. . . . . . . . . . . . . . . . . . . . . . . . . . . . . . 13
1.6.1 Microprocessor Future . . . . . . . . . . . . . . . . . . . . . . . . . . . . . . . . 13
1.6.2 Universal Serial Bus . . . . . . . . . . . . . . . . . . . . . . . . . . . . . . . . . . 14
1.6.3 The Accelerated Graphics Port. . . . . . . . . . . . . . . . . . . . . . . . . . 14
1.6.4 IEEE 1394 . . . . . . . . . . . . . . . . . . . . . . . . . . . . . . . . . . . . . . . . . 15
1.7 Workgroup Conferencing . . . . . . . . . . . . . . . . . . . . . . . . . . . . . . . . . . 15
1.8 Year 2000 . . . . . . . . . . . . . . . . . . . . . . . . . . . . . . . . . . . . . . . . . . . . . 18
Chapter 2. Hardware Overview . . . . . . . . . . . . . . . . . . . . . . . . . . . . . . . 21
2.1 The RS/6000 Platform Architecture . . . . . . . . . . . . . . . . . . . . . . . . . . 21
2.1.1 The RS/6000 Platform Architecture Introduction . . . . . . . . . . . . . 21
2.1.2 Platform Topology . . . . . . . . . . . . . . . . . . . . . . . . . . . . . . . . . . . 22
2.1.3 RS/6000 Platform Architecture Achievements. . . . . . . . . . . . . . . 24
2.1.4 RPA Minimum System Requirements . . . . . . . . . . . . . . . . . . . . . 25
2.2 The Hardware Design. . . . . . . . . . . . . . . . . . . . . . . . . . . . . . . . . . . . . 26
2.2.1 Hardware Design for the RS/6000 43P 7043 Model 150 . . . . . . . 26
2.2.2 Hardware Design for the RS/6000 43P 7043 Model 260 . . . . . . . 29
2.3 Bus Architecture. . . . . . . . . . . . . . . . . . . . . . . . . . . . . . . . . . . . . . . . . 32
2.3.1 The PCI Bus Architecture . . . . . . . . . . . . . . . . . . . . . . . . . . . . . . 32
2.3.2 The ISA Bus Architecture . . . . . . . . . . . . . . . . . . . . . . . . . . . . . . 33
2.3.3 The 60X and 6XX Bus . . . . . . . . . . . . . . . . . . . . . . . . . . . . . . . . 34
iv RS/6000 43P 7043 Models 150 and 260 Handbook
2.3.4 The 6XX-MX I/O Bus . . . . . . . . . . . . . . . . . . . . . . . . . . . . . . . . . 34
2.3.5 The X-Bus . . . . . . . . . . . . . . . . . . . . . . . . . . . . . . . . . . . . . . . . . 35
2.4 The Processor Subsystem . . . . . . . . . . . . . . . . . . . . . . . . . . . . . . . . . 35
2.4.1 The POWER3 Microprocessor . . . . . . . . . . . . . . . . . . . . . . . . . . 35
2.4.2 The PowerPC 604e Microprocessor . . . . . . . . . . . . . . . . . . . . . . 37
2.5 SMP Hardware Characteristics. . . . . . . . . . . . . . . . . . . . . . . . . . . . . . 39
2.5.1 Memory Hierarchy . . . . . . . . . . . . . . . . . . . . . . . . . . . . . . . . . . . 39
Chapter 3. Detailed Product Descriptions . . . . . . . . . . . . . . . . . . . . . . 49
3.1 IBM RS/6000 43P 7043 Model 150 Product Description . . . . . . . . . . . 49
3.1.1 Standard Features . . . . . . . . . . . . . . . . . . . . . . . . . . . . . . . . . . . 50
3.1.2 Reliability, Availability, and Serviceability (RAS) . . . . . . . . . . . . . 56
3.1.3 Supported Optional Features . . . . . . . . . . . . . . . . . . . . . . . . . . . 58
3.1.4 RS/6000 43P 7043 Model 150 Adapter Placement Guidelines . . 66
3.1.5 Service Package . . . . . . . . . . . . . . . . . . . . . . . . . . . . . . . . . . . . 67
3.2 RS/6000 43P 7043 Model 260 Product Description . . . . . . . . . . . . . . 68
3.2.1 Model 260 System Architecture . . . . . . . . . . . . . . . . . . . . . . . . . 69
3.2.2 Standard Features . . . . . . . . . . . . . . . . . . . . . . . . . . . . . . . . . . . 69
3.2.3 Reliability, Availability, and Serviceability (RAS) . . . . . . . . . . . . . 79
3.2.4 Supported Optional Features . . . . . . . . . . . . . . . . . . . . . . . . . . . 82
3.2.5 RS/6000 43P 7043 Model 260 Adapter Placement Guidelines . . 92
3.2.6 Service Package . . . . . . . . . . . . . . . . . . . . . . . . . . . . . . . . . . . . 94
3.3 IBM Multimedia Kit for RS/6000 . . . . . . . . . . . . . . . . . . . . . . . . . . . . . 95
Chapter 4. Storage Architectures and Devices . . . . . . . . . . . . . . . . . . 97
4.1 Storage Boot Devices. . . . . . . . . . . . . . . . . . . . . . . . . . . . . . . . . . . . . 97
4.2 SCSI Overview. . . . . . . . . . . . . . . . . . . . . . . . . . . . . . . . . . . . . . . . . . 97
4.2.1 SCSI-I . . . . . . . . . . . . . . . . . . . . . . . . . . . . . . . . . . . . . . . . . . . . 97
4.2.2 SCSI-II . . . . . . . . . . . . . . . . . . . . . . . . . . . . . . . . . . . . . . . . . . . . 98
4.2.3 SCSI-III . . . . . . . . . . . . . . . . . . . . . . . . . . . . . . . . . . . . . . . . . . . 99
4.2.4 SCSI Terminology . . . . . . . . . . . . . . . . . . . . . . . . . . . . . . . . . . 102
4.2.5 SCSI Repeaters . . . . . . . . . . . . . . . . . . . . . . . . . . . . . . . . . . . . 104
4.2.6 Summary of SCSI Specifications . . . . . . . . . . . . . . . . . . . . . . . 105
4.3 SCSI Cabling . . . . . . . . . . . . . . . . . . . . . . . . . . . . . . . . . . . . . . . . . . 105
4.3.1 General SCSI Cabling Considerations . . . . . . . . . . . . . . . . . . . 106
4.3.2 Cabling the PCI Single-Ended Ultra SCSI Adapter . . . . . . . . . . 109
4.3.3 Cabling the PCI Differential-Ended Ultra SCSI Adapter . . . . . . 113
4.4 Serial Storage Architecture Overview . . . . . . . . . . . . . . . . . . . . . . . . 118
4.5 Comparison between SCSI and SSA Architecture . . . . . . . . . . . . . . 119
4.6 Internal SCSI Devices . . . . . . . . . . . . . . . . . . . . . . . . . . . . . . . . . . . 120
4.6.1 Disk Drives for the Model 150 and Model 260. . . . . . . . . . . . . . 120
4.6.2 Internal CD-ROM Drive. . . . . . . . . . . . . . . . . . . . . . . . . . . . . . . 121
4.6.3 Internal Tape Drives . . . . . . . . . . . . . . . . . . . . . . . . . . . . . . . . . 122
v
4.7 Internal SSA devices . . . . . . . . . . . . . . . . . . . . . . . . . . . . . . . . . . . . 123
4.8 PCI Storage Adapters . . . . . . . . . . . . . . . . . . . . . . . . . . . . . . . . . . . 124
4.8.1 SCSI Adapters . . . . . . . . . . . . . . . . . . . . . . . . . . . . . . . . . . . . . 124
4.8.2 SSA Adapter. . . . . . . . . . . . . . . . . . . . . . . . . . . . . . . . . . . . . . . 124
4.8.3 Storage Adapter Placement Guidelines for Model 150 and 260 126
4.9 External SCSI and SSA Storage Devices . . . . . . . . . . . . . . . . . . . . . 126
Chapter 5. Adapters, Overview and Configuration. . . . . . . . . . . . . . . 127
5.1 Communication Adapters . . . . . . . . . . . . . . . . . . . . . . . . . . . . . . . . . 127
5.1.1 Token-Ring Adapter . . . . . . . . . . . . . . . . . . . . . . . . . . . . . . . . . 127
5.1.2 Ethernet Adapters . . . . . . . . . . . . . . . . . . . . . . . . . . . . . . . . . . 128
5.1.3 ISDN Adapters . . . . . . . . . . . . . . . . . . . . . . . . . . . . . . . . . . . . . 128
5.1.4 FDDI Adapters . . . . . . . . . . . . . . . . . . . . . . . . . . . . . . . . . . . . . 129
5.1.5 ATM Adapters . . . . . . . . . . . . . . . . . . . . . . . . . . . . . . . . . . . . . 131
5.1.6 Multiple Port Adapters . . . . . . . . . . . . . . . . . . . . . . . . . . . . . . . 133
5.1.7 WAN Adapters . . . . . . . . . . . . . . . . . . . . . . . . . . . . . . . . . . . . . 133
5.1.8 Miscellaneous Adapters . . . . . . . . . . . . . . . . . . . . . . . . . . . . . . 134
5.2 Graphics Adapters . . . . . . . . . . . . . . . . . . . . . . . . . . . . . . . . . . . . . . 135
5.2.1 POWER GXT120P (# 2838) . . . . . . . . . . . . . . . . . . . . . . . . . . . 135
5.2.2 POWER GXT250P (# 2851) and POWER GXT255P (# 2852) . 136
5.2.3 POWER GXT550P (# 2845) . . . . . . . . . . . . . . . . . . . . . . . . . . . 137
5.2.4 POWER GXT3000P Graphics Accelerator (# 2825) . . . . . . . . . 138
5.2.5 Graphics Adapter Feature Comparison. . . . . . . . . . . . . . . . . . . 140
5.2.6 Graphics Adapters Attachment Cables . . . . . . . . . . . . . . . . . . . 142
5.2.7 Multiple Adapter Support . . . . . . . . . . . . . . . . . . . . . . . . . . . . . 143
5.2.8 Accessing the Second Display . . . . . . . . . . . . . . . . . . . . . . . . . 145
5.3 Adapter and Device Configuration on PCI-Based RS/6000 Systems 146
5.3.1 Device Types . . . . . . . . . . . . . . . . . . . . . . . . . . . . . . . . . . . . . . 146
5.3.2 PCI Adapter Configuration . . . . . . . . . . . . . . . . . . . . . . . . . . . . 150
5.4 Summary Chart of Adapters . . . . . . . . . . . . . . . . . . . . . . . . . . . . . . . 152
Chapter 6. Diagnostics and System Management Services . . . . . . . 155
6.1 Diagnostics Operating Considerations . . . . . . . . . . . . . . . . . . . . . . . 155
6.2 Stand-Alone Diagnostics . . . . . . . . . . . . . . . . . . . . . . . . . . . . . . . . . 157
6.2.1 Booting the Stand-Alone Diagnostics CD-ROM . . . . . . . . . . . . 157
6.2.2 Running Stand-Alone Diagnostics in Concurrent Mode. . . . . . . 158
6.3 On-line Diagnostics . . . . . . . . . . . . . . . . . . . . . . . . . . . . . . . . . . . . . 158
6.3.1 Service Mode . . . . . . . . . . . . . . . . . . . . . . . . . . . . . . . . . . . . . . 159
6.3.2 Concurrent Mode . . . . . . . . . . . . . . . . . . . . . . . . . . . . . . . . . . . 160
6.3.3 Single-User Mode. . . . . . . . . . . . . . . . . . . . . . . . . . . . . . . . . . . 161
6.4 Diagnostic Tasks and Service Aids. . . . . . . . . . . . . . . . . . . . . . . . . . 162
6.5 Understanding the Firmware . . . . . . . . . . . . . . . . . . . . . . . . . . . . . . 166
6.5.1 General RS/6000 Boot Sequence. . . . . . . . . . . . . . . . . . . . . . . 166
vi RS/6000 43P 7043 Models 150 and 260 Handbook
6.5.2 Typical Boot Sequence for RS/6000 43P 7043 Model 150 . . . . 167
6.5.3 Typical Boot Sequence for RS/6000 43P 7043 Model 260 . . . . 168
6.6 Power-On Self-Test . . . . . . . . . . . . . . . . . . . . . . . . . . . . . . . . . . . . . 170
6.6.1 Processor POST. . . . . . . . . . . . . . . . . . . . . . . . . . . . . . . . . . . . 170
6.6.2 Memory DIMM and L2 Cache POST. . . . . . . . . . . . . . . . . . . . . 170
6.6.3 Graphics Adapter POST . . . . . . . . . . . . . . . . . . . . . . . . . . . . . . 171
6.6.4 Keyboard and Mouse Controller POST . . . . . . . . . . . . . . . . . . . 172
6.6.5 SCSI Subsystem POST . . . . . . . . . . . . . . . . . . . . . . . . . . . . . . 172
6.7 System Management Services (SMS) . . . . . . . . . . . . . . . . . . . . . . . 172
6.7.1 SMS Start-Up . . . . . . . . . . . . . . . . . . . . . . . . . . . . . . . . . . . . . . 173
6.7.2 SMS Graphical Main Menu . . . . . . . . . . . . . . . . . . . . . . . . . . . . 174
6.7.3 SMS ASCII Main Menu. . . . . . . . . . . . . . . . . . . . . . . . . . . . . . . 180
6.7.4 SMS Firmware Update . . . . . . . . . . . . . . . . . . . . . . . . . . . . . . . 180
6.7.5 SMS Firmware Checkpoints . . . . . . . . . . . . . . . . . . . . . . . . . . . 184
Chapter 7. Service Processor . . . . . . . . . . . . . . . . . . . . . . . . . . . . . . . 185
7.1 Introduction to the Service Processor . . . . . . . . . . . . . . . . . . . . . . . . 185
7.2 Customize and Access the Service Processor Menus . . . . . . . . . . . 186
7.2.1 How to Customize the Service Processor . . . . . . . . . . . . . . . . . 186
7.2.2 How to Access Service Processor Menus Locally. . . . . . . . . . . 187
7.2.3 How to Access Service Processor Menus Remotely . . . . . . . . . 187
7.3 Security Within the Service Processor . . . . . . . . . . . . . . . . . . . . . . . 187
7.4 Service Processor Operational Phases . . . . . . . . . . . . . . . . . . . . . . 188
7.4.1 Pre-Standby Phase . . . . . . . . . . . . . . . . . . . . . . . . . . . . . . . . . 189
7.4.2 Standby Phase . . . . . . . . . . . . . . . . . . . . . . . . . . . . . . . . . . . . . 189
7.4.3 Bring-Up Phase . . . . . . . . . . . . . . . . . . . . . . . . . . . . . . . . . . . . 190
7.4.4 Run-time Phase . . . . . . . . . . . . . . . . . . . . . . . . . . . . . . . . . . . . 190
7.5 Main Menu . . . . . . . . . . . . . . . . . . . . . . . . . . . . . . . . . . . . . . . . . . . . 191
7.5.1 Service Processor Setup Menu. . . . . . . . . . . . . . . . . . . . . . . . . 192
7.5.2 System Power Control Menu . . . . . . . . . . . . . . . . . . . . . . . . . . 195
7.5.3 System Information Menu. . . . . . . . . . . . . . . . . . . . . . . . . . . . . 197
7.5.4 Language Selection Menu . . . . . . . . . . . . . . . . . . . . . . . . . . . . 202
7.5.5 CALL-IN/CALL-OUT Setup Menu . . . . . . . . . . . . . . . . . . . . . . . 202
7.5.6 Set System Name. . . . . . . . . . . . . . . . . . . . . . . . . . . . . . . . . . . 209
7.6 General User Menu . . . . . . . . . . . . . . . . . . . . . . . . . . . . . . . . . . . . . 209
7.6.1 Power-On System . . . . . . . . . . . . . . . . . . . . . . . . . . . . . . . . . . 210
7.6.2 Read VPD Image from Last System Boot . . . . . . . . . . . . . . . . . 210
7.6.3 Read Progress Indicators from Last System Boot. . . . . . . . . . . 210
7.6.4 Read Service Processor Error Logs . . . . . . . . . . . . . . . . . . . . . 210
7.6.5 Read System POST Errors. . . . . . . . . . . . . . . . . . . . . . . . . . . . 210
7.6.6 View System Environmental Conditions . . . . . . . . . . . . . . . . . . 210
7.7 Service Processor Firmware Update . . . . . . . . . . . . . . . . . . . . . . . . 210
7.7.1 Updating Firmware from the Service Processor Menus. . . . . . . 211
vii
7.7.2 Updating Firmware from the SMS Utilities . . . . . . . . . . . . . . . . 212
7.7.3 Updating Firmware from the Service Aids. . . . . . . . . . . . . . . . . 212
7.7.4 Updating Firmware from AIX. . . . . . . . . . . . . . . . . . . . . . . . . . . 212
7.8 Service Processor Checkpoints . . . . . . . . . . . . . . . . . . . . . . . . . . . . 213
Chapter 8. Hints and Tips . . . . . . . . . . . . . . . . . . . . . . . . . . . . . . . . . . 215
8.1 Electronic Key-Switch Function . . . . . . . . . . . . . . . . . . . . . . . . . . . . 215
8.1.1 bootlist Command. . . . . . . . . . . . . . . . . . . . . . . . . . . . . . . . . . 215
8.2 Entering Debug Mode. . . . . . . . . . . . . . . . . . . . . . . . . . . . . . . . . . . . 216
8.3 Backup and Cloning . . . . . . . . . . . . . . . . . . . . . . . . . . . . . . . . . . . . . 216
8.3.1 The bootinfo Command . . . . . . . . . . . . . . . . . . . . . . . . . . . . . . 216
8.3.2 Creating a System Backup . . . . . . . . . . . . . . . . . . . . . . . . . . . . 217
8.3.3 Restoring Your System Backup . . . . . . . . . . . . . . . . . . . . . . . . 217
8.3.4 Cloning. . . . . . . . . . . . . . . . . . . . . . . . . . . . . . . . . . . . . . . . . . . 218
8.3.5 Cloning on AIX Version 4.2 and 4.3 . . . . . . . . . . . . . . . . . . . . . 223
8.4 Configuration Information . . . . . . . . . . . . . . . . . . . . . . . . . . . . . . . . . 227
8.4.1 Information about the Processor. . . . . . . . . . . . . . . . . . . . . . . . 234
8.4.2 Information about the Service Processor . . . . . . . . . . . . . . . . . 235
8.4.3 Information about the Environmental Sensors . . . . . . . . . . . . . 235
8.5 Network Boot Support . . . . . . . . . . . . . . . . . . . . . . . . . . . . . . . . . . . 236
8.6 Using the Error Logging Facility . . . . . . . . . . . . . . . . . . . . . . . . . . . . 237
8.7 Booting Problems. . . . . . . . . . . . . . . . . . . . . . . . . . . . . . . . . . . . . . . 238
8.7.1 Booting from CD-ROM . . . . . . . . . . . . . . . . . . . . . . . . . . . . . . . 238
8.7.2 System Hangs during AIX Boot Process. . . . . . . . . . . . . . . . . . 238
8.7.3 Recovering a System with No Bootable Media . . . . . . . . . . . . . 239
Appendix A. RS/6000 43P 7043 Model 140. . . . . . . . . . . . . . . . . . . . . . . 241
A.1 RS/6000 43P 7043 Model 140 Key Attributes . . . . . . . . . . . . . . . . . . . . 241
A.2 RS/6000 43P 7043 Model 140 Feature Summary . . . . . . . . . . . . . . . . . 242
A.3 Standard Features . . . . . . . . . . . . . . . . . . . . . . . . . . . . . . . . . . . . . . . . . 243
A.4 Supported Optional Features . . . . . . . . . . . . . . . . . . . . . . . . . . . . . . . . . 244
A.4.1 Storage Devices . . . . . . . . . . . . . . . . . . . . . . . . . . . . . . . . . . . . . . . 244
A.4.2 AIX Operating System . . . . . . . . . . . . . . . . . . . . . . . . . . . . . . . . . . 244
A.4.3 Year 2000 . . . . . . . . . . . . . . . . . . . . . . . . . . . . . . . . . . . . . . . . . . . . 245
Appendix B. Special Notices . . . . . . . . . . . . . . . . . . . . . . . . . . . . . . . . . . 247
Appendix C. Related Publications. . . . . . . . . . . . . . . . . . . . . . . . . . . . . . 251
C.1 International Technical Support Organization Publications . . . . . . . . . . 251
C.2 Redbooks on CD-ROMs . . . . . . . . . . . . . . . . . . . . . . . . . . . . . . . . . . . . . 251
C.3 Other Publications . . . . . . . . . . . . . . . . . . . . . . . . . . . . . . . . . . . . . . . . . 251
C.4 Web Resources . . . . . . . . . . . . . . . . . . . . . . . . . . . . . . . . . . . . . . . . . . . 252
viii RS/6000 43P 7043 Models 150 and 260 Handbook
How to Get ITSO Redbooks . . . . . . . . . . . . . . . . . . . . . . . . . . . . . . . . . 253
How IBM Employees Can Get ITSO Redbooks . . . . . . . . . . . . . . . . . . . . . . . 253
How Customers Can Get ITSO Redbooks. . . . . . . . . . . . . . . . . . . . . . . . . . . 254
IBM Redbook Order Form . . . . . . . . . . . . . . . . . . . . . . . . . . . . . . . . . . . . . . . 255
List of Abbreviations. . . . . . . . . . . . . . . . . . . . . . . . . . . . . . . . . . . . . . . 257
Index . . . . . . . . . . . . . . . . . . . . . . . . . . . . . . . . . . . . . . . . . . . . . . . . . . . 259
ITSO Redbook Evaluation. . . . . . . . . . . . . . . . . . . . . . . . . . . . . . . . . . . 267

© Copyright IBM Corp. 1998 ix
Figures
1. RS/6000 PCI Workstation/Server Family. . . . . . . . . . . . . . . . . . . . . . . . . . . 2
2. RS/6000 43P 7043 Model 150 (without Peripherals). . . . . . . . . . . . . . . . . . 4
3. RS/6000 43P 7043 Model 260 (without Peripherals). . . . . . . . . . . . . . . . . . 7
4. IEEE 1394 Connections. . . . . . . . . . . . . . . . . . . . . . . . . . . . . . . . . . . . . . . 15
5. RS/6000 Hardware for Workgroup Conferencing . . . . . . . . . . . . . . . . . . . 16
6. RS/6000 Models 150 and 260 are Year 2000 Ready . . . . . . . . . . . . . . . . 19
7. General Platform Topology . . . . . . . . . . . . . . . . . . . . . . . . . . . . . . . . . . . . 23
8. Planar Block Diagram of the RS/6000 Model 150 . . . . . . . . . . . . . . . . . . . 27
9. RS/6000 High Level System Block Diagram (Model 260) . . . . . . . . . . . . . 30
10. POWER3 Microprocessor Logical Block Diagram. . . . . . . . . . . . . . . . . . . 36
11. PowerPC 604e Microprocessor Logical Block Diagram . . . . . . . . . . . . . . 38
12. Memory Hierarchy . . . . . . . . . . . . . . . . . . . . . . . . . . . . . . . . . . . . . . . . . . . 40
13. The 4-Way Set Associative PowerPC/POWER2 L1 Data Cache . . . . . . . 41
14. The 128-Way Set Associative POWER3 L1 Data Cache . . . . . . . . . . . . . 42
15. Loading Instructions from Memory to a Floating-Point Register . . . . . . . . 43
16. SMP Cache Coherency Problem. . . . . . . . . . . . . . . . . . . . . . . . . . . . . . . . 44
17. False Sharing. . . . . . . . . . . . . . . . . . . . . . . . . . . . . . . . . . . . . . . . . . . . . . . 46
18. RS/6000 43P 7043 Model 150 (with Peripherals) . . . . . . . . . . . . . . . . . . . 49
19. RS/6000 43P 7043 Model 150 - System Board Locations. . . . . . . . . . . . . 51
20. RS/6000 43P 7043 Model 150 - Front View . . . . . . . . . . . . . . . . . . . . . . . 53
21. RS/6000 43P 7043 Model 150 - Rear View. . . . . . . . . . . . . . . . . . . . . . . . 54
22. RS/6000 43P 7043 Model 260 (with Peripherals, and Spaceball). . . . . . . 68
23. RS/6000 43P 7043 Model 260 - System Planar & I/O Board . . . . . . . . . . 71
24. RS/6000 43P 7043 Model 260 - Operator Panel . . . . . . . . . . . . . . . . . . . . 73
25. RS/6000 43P 7043 Model 260 - Front View . . . . . . . . . . . . . . . . . . . . . . . 75
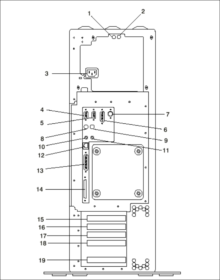
26. RS/6000 43P 7043 Model 260 - Rear View. . . . . . . . . . . . . . . . . . . . . . . . 77
27. Slot Configuration on Memory Card. . . . . . . . . . . . . . . . . . . . . . . . . . . . . . 84
28. Model 150 with Multimedia Kit for RS/6000. . . . . . . . . . . . . . . . . . . . . . . . 95
29. SCSI III Standards Overview . . . . . . . . . . . . . . . . . . . . . . . . . . . . . . . . . . 100
30. SCSI Differential Example . . . . . . . . . . . . . . . . . . . . . . . . . . . . . . . . . . . . 104
31. Piggy Back Connectors . . . . . . . . . . . . . . . . . . . . . . . . . . . . . . . . . . . . . . 107
32. Differential External Narrow Bus . . . . . . . . . . . . . . . . . . . . . . . . . . . . . . . 116
33. Differential External Wide Bus . . . . . . . . . . . . . . . . . . . . . . . . . . . . . . . . . 117
34. Comparison between SCSI and SSA Subsystem . . . . . . . . . . . . . . . . . . 119
35. Devices Location Codes . . . . . . . . . . . . . . . . . . . . . . . . . . . . . . . . . . . . . 149
36. System Management Services - Main Menu . . . . . . . . . . . . . . . . . . . . . . 174
37. SMS Submenu Multiboot . . . . . . . . . . . . . . . . . . . . . . . . . . . . . . . . . . . . . 176
38. SMS Submenu Utilities . . . . . . . . . . . . . . . . . . . . . . . . . . . . . . . . . . . . . . 176
39. SMS Submenu - Firmware Passwords . . . . . . . . . . . . . . . . . . . . . . . . . . 178
40. Service Processor - Operational Phase Status Flow. . . . . . . . . . . . . . . . 188

© Copyright IBM Corp. 1998 xi
Tables
1. SPEC and LINPACK Performance. . . . . . . . . . . . . . . . . . . . . . . . . . . . . . . 13
2. Multiuser Performance. . . . . . . . . . . . . . . . . . . . . . . . . . . . . . . . . . . . . . . . 13
3. RPA Minimum System Requirements . . . . . . . . . . . . . . . . . . . . . . . . . . . . 25
4. PowerPC and Bus Specification . . . . . . . . . . . . . . . . . . . . . . . . . . . . . . . . 33
5. RS/6000 43P 7043 Model 150 - System Board Components Location. . . 52
6. Publications Shipped with the Model 150 . . . . . . . . . . . . . . . . . . . . . . . . . 55
7. Optional Memory for Model 150. . . . . . . . . . . . . . . . . . . . . . . . . . . . . . . . . 59
8. List of Orderable Monitors for Model 150. . . . . . . . . . . . . . . . . . . . . . . . . . 61
9. Adapter Placement Guidelines for Model 150 . . . . . . . . . . . . . . . . . . . . . . 66
10. RS/6000 43P 7043 Model 260 - System Planar & I/O Board Components 71
11. RS/6000 43P 7043 Model 260 - Operator Panel Components . . . . . . . . . 73
12. Storage Device Features . . . . . . . . . . . . . . . . . . . . . . . . . . . . . . . . . . . . . . 74
13. RS/6000 43P 7043 Model 260 - Rear View Components . . . . . . . . . . . . . 76
14. Publications Shipped with the Model 260 . . . . . . . . . . . . . . . . . . . . . . . . . 78
15. Available Publications for Model 260 . . . . . . . . . . . . . . . . . . . . . . . . . . . . . 78
16. List of Orderable Monitors for Model 260. . . . . . . . . . . . . . . . . . . . . . . . . . 86
17. RS/6000 43P 7043 Model 260 - Adapter Placement Guidelines . . . . . . . . 93
18. Overview of SCSI-III Standards. . . . . . . . . . . . . . . . . . . . . . . . . . . . . . . . 101
19. Differential SCSI Modes. . . . . . . . . . . . . . . . . . . . . . . . . . . . . . . . . . . . . . 105
20. Single-Ended Ultra SCSI Adapter-to-First Device Cables . . . . . . . . . . . . 111
21. Device-to-Device Cables for Single-Ended Installations . . . . . . . . . . . . . 112
22. 16-Bit SCSI-II System-To-System Cable. . . . . . . . . . . . . . . . . . . . . . . . . 113
23. Terminators for Single-Ended Installations . . . . . . . . . . . . . . . . . . . . . . . 113
24. Differential-Ended Ultra SCSI Adapter-to-First Device Cables . . . . . . . . 114
25. Device-to-Device Cables for Differential-Ended Installations . . . . . . . . . 114
26. Terminator For Description-Ended Installations. . . . . . . . . . . . . . . . . . . . 116
27. Cabling for the PCI Differential Ultra SCSI Adapter. . . . . . . . . . . . . . . . . 117
28. Comparing SSA and SCSI. . . . . . . . . . . . . . . . . . . . . . . . . . . . . . . . . . . . 120
29. Internal Disk Drives for the Models 150 and 260. . . . . . . . . . . . . . . . . . . 121
30. Internal CD-ROM Drives for Models 150 and 260 . . . . . . . . . . . . . . . . . . 122
31. Internal Tape Drive for Model 150 . . . . . . . . . . . . . . . . . . . . . . . . . . . . . . 122
32. Internal Tape Drives for Model 260 . . . . . . . . . . . . . . . . . . . . . . . . . . . . . 123
33. Placement of PCI Storage Adapters into the Models 150 and 260 . . . . . 126
34. Graphics Adapters . . . . . . . . . . . . . . . . . . . . . . . . . . . . . . . . . . . . . . . . . . 140
35. Display Cable Feature Code Matrix. . . . . . . . . . . . . . . . . . . . . . . . . . . . . 142
36. Accessing a Second Display . . . . . . . . . . . . . . . . . . . . . . . . . . . . . . . . . . 145
37. Communication, Graphics, and Storage Adapters Summary . . . . . . . . . 152
38. Settings of Privileged and General Access Password . . . . . . . . . . . . . . . 188
39. Valid Serial Port Speeds . . . . . . . . . . . . . . . . . . . . . . . . . . . . . . . . . . . . . 206
40. Results of bootinfo -p. . . . . . . . . . . . . . . . . . . . . . . . . . . . . . . . . . . . . . . . 217

© Copyright IBM Corp. 1998 xiii
Preface
In an effort to provide customers with suitable products and solutions to help
their business grow, IBM announced in October of 1998 two new additions to
its RS/6000 workstation family. They are the RS/6000 43P 7043 Models 150
and 260. These products are an enhancement to the current line of entry
workstations that are ready for your mission-critical business applications.
This redbook gives a detailed understanding of the RS/6000 43P 7043
Models 150 and 260, providing all the technical information that is generally
requested by decision-makers during the pre-sale cycle. It is suitable as a
single-source of reference for both technical and non-technical professionals
and may therefore be useful to:
• Customers
• System administrators
• System engineers
• Customer engineers
The reader will find:
• An overview of the RS/6000 43P 7043 Models 150 and 260
• Discussion of hardware architecture
• Detailed product description
• Information on storage and communication features
• Discussion on diagnostics and the service processor
Availability, reliability, and performance features are also described.
The introduction of the RS/6000 43P 7043 Models 150 and 260 will expand
the range of possible applications available on entry level workstations,
providing industry-leading performance at an affordable price.
The Team That Wrote This Redbook
This redbook was produced by a team of specialists from around the world
working at the International Technical Support Organization Austin Center.
Volker Haug is an Advisory I/T Specialist in Stuttgart, Germany. He has eight
years of experience in the RS/6000 and AIX field. He holds a degree in
Business Management from the Berufsakademie in Stuttgart. Volker has
xiv RS/6000 43P 7043 Models 150 and 260 Handbook
worked with UNIX systems for ten years. His areas of expertise include
RS/6000 workstations and workgroup servers, graphics, and AIX systems
management.
Adnan Ikram is a Product Specialist (AIX, RS/6000, Networking) in Karachi,
Pakistan. He has 3 and 1/2 years of experience in the RS/6000 and AIX field.
He holds a degree in Electronics (B.E.) from NED University of Engineering
and Technology, Karachi. Adnan has worked with UNIX systems for eight
years. His areas of expertise include technical marketing and support of the
RS/6000 product family, along with second level AIX support. He is also
involved in conducting AIX courses from Basic to Advanced levels at IBM’s
Education Center.
Heather Osbourne is an I/T Availability Specialist in Kingston, Jamaica. She
has six years of experience in the RS/6000 and AIX field. She holds a degree
in Computer Science and Physics (B.Sc.) from the University of the West
Indies. Her areas of expertise include AIX support, RS/6000 project services
implementation, networking and communications. She is also involved in
conducting AIX courses from Basic to Advanced levels at IBM’s Education
Center.
The project that produced this publication was coordinated by:
Scott Vetter International Technical Support Organization, Austin
Center
We would also like to acknowledge the professionals who took the time to
provide invaluable advice and guidance during this project:
Aranda, Ricardo IBM Austin
Arroyo, Ron IBM Austin
Baldwin, Wayne IBM Austin
Bluethman, Robert IBM Austin
Bringol, Ron IBM Austin
Capps, Louis IBM Austin
Gschell, Verena IBM Munich
Goodman, Marvin IBM Austin
Henson, Tracey IBM Austin
James, Joey V. IBM Austin
Lehmann, Norma IBM Austin
Maule, Warren IBM Austin

xv
Nguyen, Thoi IBM Austin
Patel, Raj IBM Austin
Peterson, Earl IBM Austin
Randall, Dave IBM Austin
Thurber, Steve IBM Austin
Walton, Scott IBM Austin
Comments Welcome
Your comments are important to us!
We want our redbooks to be as helpful as possible. Please send us your
comments about this or other redbooks in one of the following ways:
• Fax the evaluation form found in “ITSO Redbook Evaluation” on page 267
to the fax number shown on the form.
• Use the electronic evaluation form found on the Redbooks Web sites:
For Internet users http://www.redbooks.ibm.com
For IBM Intranet users http://w3.itso.ibm.com
• Send us a note at the following address:
redbook@us.ibm.com
xvi RS/6000 43P 7043 Models 150 and 260 Handbook

© Copyright IBM Corp. 1998 1
Chapter 1. RS/6000 Introduction
Throughout 1997 IBM greatly simplified its RS/6000 product line by
eliminating redundant offerings and introducing new models that cover a
broad range of price and performance. In 1998, IBM continued this mission
by enhancing its server line with better performance and by offering bundled
solutions that target high availability markets and customers requiring
outstanding graphics performance.
The RS/6000 family is a scalable, compatible line of RISC UNIX workstations,
servers, and supercomputers that are reshaping the way companies operate.
This economical family of systems fulfills the computing requirements of
many small businesses, workgroups, and large enterprises. Powered by
IBM’s award winning AIX operating system, the RS/6000 has the advanced
technology and architecture needed to grow and adapt to your customer’s
ever changing workloads.
This publication covers the IBM RS/6000 43P 7043 Models 150 and 260
entry-level and technical workstations. The RS/6000 Models 150 and 260 are
workstations that are intended to enhance the RS/6000 family’s competitive
product line for the price-conscious UNIX market. The RS/6000 Models 150
and 260 are the systems targeted toward those customers looking for a
reliable, highly expandable system.
1.1 RS/6000 Workstation Offerings
Figure 1 on page 2 shows the current range of IBM RS/6000 PCI-based
workstation and server offerings. The workstations that are the topic of this
publication are shown in the shaded area.
The selected workstations share the following characteristics:
• Powered by the PowerPC 604e and POWER3
• Contain PCI adapter slots
• Offer more performance than the Model 140

2 RS/6000 43P 7043 Models 150 and 260 Handbook
•
Figure 1. RS/6000 PCI Workstation/Server Family
The RS/6000 naming convention is patterned similarly to many of IBM’s
product lines. A product is represented as a four digit machine code followed
by a model number. A unique machine code is assigned to each series of
machines that fit together using similar designs or customer solutions. The
first character of the model number groups machines with a specific
enclosure together, and the remaining digits are typically used to indicate
performance within similar models. This convention is not without variations.
However, with this in mind, you can determine that the Models 140 and 150
are related, with the 150 being more powerful. This is also valid for the
Models 240 and 260.

RS/6000 Introduction 3
The following sections provide an overview of the models that are the subject
of this publication.
1.2 RS/6000 43P 7043 Model 140 Overview
The main purpose of summarizing the IBM RS/6000 43P 7043 Model 140 in
this publication is to provide you with some background of this system. The
Model 140 is one of the most successful RS/6000 products that IBM has
announced in the workstation marketplace. Over 10,000 applications are
supported on this platform.
On October 6, 1997, IBM announced the PowerPC 604e 332 MHz
microprocessor option for the RS/6000 43P 7043 Model 140 as a new
member of the RS/6000 workstation and server family. The PowerPC 604e
332 MHz microprocessor is an easy upgrade from the current microprocessor
available with 200 MHz and 233 MHz processor options. The PowerPC 604e
332 MHz microprocessor option shows IBM’s commitment to improve the
value of its products and to protect existing investment.
More detailed information about the Model 140 can be found in Appendix A,
“RS/6000 43P 7043 Model 140” on page 241.
1.3 RS/6000 43P 7043 Model 150 Overview
The IBM RS/6000 43P 7043 Model 150 is an entry-level desktop RS/6000
workstation or workgroup server offered at an affordable price. The Model
150 provides a continuation of the successful line of entry workstations,
offering enhanced performance over the Model 140.
The Model 150 is a uni-processor system that provides enhanced
performance by utilizing a 375 MHz PowerPC 604e processor and an
enhanced memory controller. With this memory controller, the Model 150
uses SDRAM memory and an 83 MHz memory bus speed. The system
memory can be expanded up to 1 GB.
With Ethernet and Ultra SCSI controllers integrated on the planar, five PCI
slots and bays, the Model 150 is ready for expansion and growth.
The Model 150 is shown in Figure 2 on page 4.

4 RS/6000 43P 7043 Models 150 and 260 Handbook
Figure 2. RS/6000 43P 7043 Model 150 (without Peripherals)
The Model 150 supports a variety of 2D and 3D graphics adapters including
the advanced 3D GXT3000P graphics adapter, providing excellent graphics
price performance. In addition, a robust set of disk drive and communications
features are available. The AIX Version 4.2.1 or 4.3.2 operating system for
one- to two-users is included in the cost of the Model 150 and can be
pre-installed, if desired.
1.3.1 RS/6000 43P 7043 Model 150 Key Attributes
The following is a list of the key attributes of the RS/6000 Model 150:
• Excellent graphics workstation that is ideal for running MCAD and other
technical applications.
• Powerful server that is ideal for running small-business and departmental
applications.
• Small footprint to fit into your department or work area.
RS/6000 Introduction 5
• UItra SCSI and SSA storage options for improved data transfer
performance and high availability.
• Exceptional AIX operating system with reliability, availability, and
system-management features.
The Model 150 is designed to help customers run many mission-critical
business applications and networks twenty-four hours a day, seven days a
week.
1.3.2 RS/6000 43P 7043 Model 150 Feature Summary
The following is a summary of the key RS/6000 Model 150 features:
• Standard configuration:
• Microprocessor: 375 MHz PowerPC 604e processor
• Level 2 (L2) cache: 1 MB
• RAM (memory): 128 MB of ECC SDRAM memory
• Memory slots: Four
• Ports: One parallel and two serial
• Internal disk drive: 4.5 GB Ultra SCSI disk drive
• Disk/media bays: Five
• Expansion slots: 5 PCI slots
• PCI bus speed: 33 MHz
• Standard features:
• 32X max speed CD-ROM
• 1.44 MB 3.5-inch diskette drive
• Integrated 10/100 Mbps Ethernet controller (IEEE 802.3 compliant)
• Integrated Ultra SCSI controller
• Tablet port
• AIX operating system:
• Version 4.2.1 or Version 4.3.2 (1-2 user server license is standard)

6 RS/6000 43P 7043 Models 150 and 260 Handbook
• System expansion:
• RAM: Up to 1 GB
• Internal storage: 27.3 GB max
• External disk storage:
• Maximum external SCSI with expansion units: Up to 254.8 GB
• Maximum external SSA with expansion units: Up to 873.6 GB
• System dimensions:
• 6.5" H x 16.5" W x 18.1" D (165 mm x 420 mm x 460 mm)
• Weight: 14.5 kg (32 lbs)-Base configuration; 18.0 kg (40 lbs)-Full
featured configuration
• Operating environment
• Temperature: 16 to 32 degrees C (60 to 90 F)
• Relative Humidity: 8 to 80 (percent)
• Operating Voltage: 100 to 125 V AC or 200 to 245 V AC 50/60 Hz
(manual switch)
• Warranty:
• On-site for one year
1.4 RS/6000 43P 7043 Model 260 Overview
The RS/6000 43P 7043 Model 260 is a one-way or two-way symmetric
multiprocessing (SMP) system with the power to run complex commercial,
business and engineering applications.
The Model 260 provides enhanced performance over its predecessor, the
Model 240, by utilizing a 200 MHz POWER3 processor and an enhanced
memory controller. With this memory controller, the Model 260 uses ECC
SDRAM memory and a 100 MHz memory bus speed. The system memory
can be expanded up to 4 GB.
With Ethernet and Ultra SCSI controllers integrated on the planar, the Model
260 also contains five PCI slots and bays for expansion and growth capability.
Designed with reliability, availability, and serviceability (RAS) features
typically found in higher-priced systems, such as Error Checking and
Correcting (ECC) memory and an integrated service processor, the Model
260 can help keep your mission-critical business, technical applications, and
networks running twenty-four hours a day, seven days a week.

RS/6000 Introduction 7
Figure 3. RS/6000 43P 7043 Model 260 (without Peripherals)
The Model 260 supports a variety of 2D and 3D graphics adapters including
the advanced 3D GXT3000P graphics adapter, offering excellent graphics
price and performance. In addition, a robust set of disk drive and
communications features are available. The AIX Version 4.2.1 or 4.3.2
operating system for one- to two-users is included in the cost of the Model
260 and can be available pre-installed, if desired.
The Model 260 is an ideal product for customers with a need for either an
entry or mid-range 2D or 3D graphics workstations or as an entry workgroup
server.
1.4.1 RS/6000 43P 7043 Model 260 Key Attributes
The following is a list of the key attributes of the Model 260.
• Powerful one- to two-way symmetric multiprocessor (SMP) desk-side
server with superior commercial and technical application
price/performance.
8 RS/6000 43P 7043 Models 150 and 260 Handbook
• Outstanding reliability with ECC SDRAM memory and ECC Level 2 (L2)
cache, plus a standard service processor.
• UItra SCSI and SSA storage options for improved data transfer
performance and high availability.
• Enhanced disk bays for improved system availability.
• Exceptional AIX operating system with reliability, availability, and
system-management features.
The Model 260 is specially designed to help customers run many
mission-critical business applications and networks twenty-four hours a day,
seven days a week.
1.4.2 RS/6000 43P 7043 Model 260 Feature Summary
The following is a summary of the key Model 260 features:
• Standard configuration:
• Microprocessor: 200 MHz POWER3 processor
• Level 1 (L1) cache: 64 KB data / 32 KB instruction
• Level 2 (L2) cache on each processor: 4 MB
• RAM (memory): 260 MB of ECC Synchronous DRAM memory
• Memory slots: Two (each memory card can contain up to 16 DIMMs)
• Ports: One parallel and two serial
• Internal disk drive: 4.5 GB Ultra SCSI disk drive
• Disk/media bays: Five
• Expansion slots: Five PCI slots (Two 64-bit PCI slots and three 32-bit
slots)
• PCI bus speed: 33 MHz for the 32-bit and 50 MHz for the 64-bit slots
• Standard features:
• 32X max speed CD-ROM
• 1.44 MB 3.5-inch diskette drive
• Integrated 10/100 Mbps Ethernet controller (IEEE 802.3 compliant)
• Integrated Ultra SCSI controller
• Tablet port
• AIX operating system:
• Version 4.2.1 or Version 4.3.2 (1-2 user server license is standard)

RS/6000 Introduction 9
• System expansion:
• RAM: Up to 4 GB
• Internal storage: 27.3 GB max
• External disk storage:
• Maximum external SCSI with expansion units: Up to 254.8 GB
• Maximum external SSA with expansion units: Up to 873.6 GB
• System dimensions:
• 24.2" H x 13.4" W x 26.8" D (610 mm x 340 mm x 713 mm)
• Weight: 36.2 kg (80 lbs.) - minimum configuration; 43.9 kg (97 lbs.) -
maximum configuration
• Operating environment
• Temperature: 16 to 32 degrees C (60 to 90 F)
• Relative Humidity: 8 to 80 percent
• Operating Voltage: 100 to 127 V AC or 200 to 240 V AC 50/60 Hz
(autoranging)
• Warranty:
• On-site for one year
1.5 Performance Results
This section contains the results of several industry standard performance
measurements for the RS/6000 Models 150 and 260.
The performance benchmarks and the values shown here were derived using
particular, well configured development-level computer systems. Unless
otherwise indicated for a system, the values were derived using 32-bit
applications and external cache, if external cache is supported on the system.
All performance benchmark values are provided "AS IS" and no warranties or
guarantees are expressed or implied by IBM. Actual system performance
may vary and is dependent upon many factors including system hardware
configuration, and software design and configuration. Buyers should consult
other sources of information to evaluate the performance of systems they are
considering buying and should consider conducting application-oriented
testing. For additional information about the performance benchmarks, values
and systems tested, please contact your IBM local Branch Office or IBM
Authorized Reseller or access the following on the Web:
10 RS/6000 43P 7043 Models 150 and 260 Handbook
SPEC http://www.specbench.org
Linpack http://www.netlib.no/netlib/benchmark/performance.ps
Unless otherwise indicated for a system, the performance benchmarks were
conducted using AIX Version 4.2 or Version 4.3. IBM C for AIX Version
4.1.0.1 and XL Fortran Version 5.1.1.1 were the compilers used in the
benchmark tests. The preprocessors used in the benchmark tests include
KAP 3.2 for Fortran and KAP/C 1.4.2 from Kuck & Associates and VAST-2
Version 4.01X8 from Pacific-Sierra Research. The preprocessors were
purchased separately from these vendors.
1.5.1 SPEC95 Software Benchmark
SPEC95 is the forward step in the performance measurement of the core of
the system. It covers the CPU, caches, memory, and compiler. The programs
and data sets that make up the suite cannot load entirely into cache, making
the benchmark more representative of real workloads. SPEC has also
standardized the compiler settings so that the results for base measurements
are more comparable between suppliers.
SPEC95 is a software benchmark produced by the Standard Performance
Evaluation Corp. (SPEC), a non-profit group of computer vendors, systems
integrators, universities, research organizations, publishers, and consultants
throughout the world. It was designed to provide measures of performance
for comparing computational-intensive workloads on different computers
systems.
SPEC95 contains two suites of benchmarks:
CINT95 Measures and compares computational-intensive integer
performance
CFP95 Measures and compares computational-intensive floating point
performance
The two groups of programs are referred to as component-level benchmark
suites because they test the core of the system, CPU, caches, memory, and
compiler, but not the I/O sub-system.
One of the goals of SPEC95 is increased portability; the current offering from
SPEC is for UNIX only, although the member companies have indicated that
the benchmark programs are portable to various flavors of UNIX, Windows
NT, and Open VMS.
RS/6000 Introduction 11
SPEC95 introduces a new reference platform against which other systems
are measured, changing from the out-dated VAX 11/780 to a SPARCstation
10/40 with 64 MB memory but without Level 2 cache. This is more
representative of the types of systems being sold today, but it is also a
machine that will beat few, if any, of the machines being benchmarked.
The rules have also changed. Each benchmark must be run a minimum of
three times to get a valid result, with the median time for all runs being used
as the benchmark time.
The SPEC base metric (for example, SPECint_base95) are required for all
reported results and have set guidelines for compilation (for example, the
same four flags must be used in the same order for all benchmarks). The
non-base metrics (for example, SPECint95) are optional and have less
restrictive requirements (for example, different compiler options may be used
on each benchmark).
There are several different ways to measure computer performance. One way
is to measure how fast the computer completes a single task. This is a speed
measure. Another way is to measure how many tasks a computer can
accomplish in a certain amount of time. This is called a throughput, capacity,
or rate measure. The SPEC speed metrics (for example, SPECint95) are
used for comparing the ability of a computer to complete single tasks. The
SPEC rate metrics (for example, SPECint_rate95) measure the throughput or
rate of a machine carrying out a number of tasks.
The following SPEC and Linpack benchmarks reflect the performance of the
microprocessor, memory architecture, and compiler of the tested system.
SPECint95 SPEC component-level benchmark that measures
integer performance. Result is the geometric
mean of eight tests that comprise the CINT95
benchmark suite. All of these are written in C
language.
SPECint_base95 The result of the same tests in CINT95 with a
maximum of four compiler flags that must be used
in all eight tests.
SPECint_rate95 Geometric average of the eight SPEC rates from
the SPEC integer tests (CINT95).
SPECint_base_rate95 Geometric average of the eight SPEC rates from
the SPEC integer tests (CINT95) with the
restrictive compiler options.
12 RS/6000 43P 7043 Models 150 and 260 Handbook
SPECfp95 SPEC component-level benchmark that measures
floating point performance. Result is the geometric
mean of ten tests that comprise the CFP95
benchmark suite. All of these are written in
FORTRAN.
SPECfp_base95 Result of the same tests in CFP95 with a
maximum of four compiler flags that must be used
in all ten tests.
SPECfp_rate95 Geometric average of the ten SPEC rates from
SPEC floating point tests (CFP95).
SPECfp_base_rate95 Geometric average of the ten SPEC rates from the
SPEC floating-point tests (CFP95) with the
restrictive compiler options.
SPECweb96 Maximum number of Hypertext Transfer Protocol
(HTTP) operations per second achieved on the
SPECweb96 benchmark without significant
degradation of response time. The Web server
software is ZEUS v1.1 from Zeus Technology Ltd.
LINPACK SP Single precision, n=100 results with AIX XL
FORTRAN compiler with optimization. Units are
megaflops (MFLOPS).
LINPACK DP Double precision, n=100 results with AIX XL
FORTRAN compiler with optimization. Units are
megaflops (MFLOPS).
LINPACK TPP Toward Peak Performance, n=1000 results with
AIX XL FORTRAN compiler with optimization.
Units are megaflops (MFLOPS). ESSL Version
3.1.1 was used in this test.
Relative on-line transaction processing (ROLTP) is an estimate of commercial
processing performance derived from an IBM analytical model. The model
simulates some of the system’s operations such as CPU, cache, and
memory. However, the model does not simulate disk or network I/O
operations. Although general database and operating systems parameters
are used, the model does not reflect specific databases or AIX version or
releases. Unless otherwise indicated for a system, the model assumes the
use of 32-bit applications. ROLTP is estimated only at the time the system is
introduced, unless otherwise indicated for a system. An IBM RS/6000 Model
250 is the baseline reference system and has a value of 1.0.

RS/6000 Introduction 13
Although ROLTP may be used to compare estimated RS/6000 commercial
processing performance, actual system performance may vary and is
dependent upon many factors including system hardware configuration, and
software design and configuration. All performance estimates are provided
"AS IS" and no warranties or guarantees are expressed or implied by IBM.
1.5.2 Performance Summary
Table 1 and Table 2 provide, at time of publication, the related performance
values.
Table 1. SPEC and LINPACK Performance.
Table 2. Multiuser Performance
1.6 Industry Trends and Directions
There are many emerging trends and directions in the UNIX hardware
marketplace. Some will be determined as frivolous, and others will become
industry standards. In this section there is a discussion of some key emerging
technologies that may, in the opinion of the authors, become pervasive in the
marketplace.
1.6.1 Microprocessor Future
As applications grow more complex, more processor power is required to give
you acceptable performance. It is easy to predict the following developments
pertaining to the growth of computing power available for the RS/6000.
• Moore’s law will remain true. 1000 MHz processors are already running in
the lab. More importantly, IBM’s use of copper technology and
complementary metal oxide semiconductor (CMOS) fabrication
Model CPU Clock
Rate
(MHz)
L1
(KB) L2
(MB) SPEC
int95 SPEC
int_
base95
SPEC
fp95 SPEC
fp_
base95
LINPACK
DP LINPACK
SP LINPACK
TPP
150 604e 375 32/32 1 15.1 14.5 10.1 9.85 64.8 151.2 255.7
260 POWER3 200 32/64 4 13.2 12.5 30.1 27.6 236.5 248.1 630.0
Model CPU Clock
Rate
(MHz)
L1
Cache
(KB)
L2
Cache
(MB)
Relative
OLTP
Perf.
SPEC
int_
rate95
SPEC
int_base
rate95
SPEC
fp_
rate95
SPEC
fp_base
rate95
150604e37532/3216.0----
260 POWER3
(1-way) 200 32/64 4 10.5 116 111 266 243
260 POWER3
(2-way) 200 32/64 4 21.0 232 222 509 468
14 RS/6000 43P 7043 Models 150 and 260 Handbook
techniques will continue to bring significant enhancements to the
PowerPC.
• The POWER3 architecture provides a significant impact to the market by:
• Providing SMP scalability not found with POWER2
• Redefining the versatility of a departmental computing solution by
providing outstanding float-point performance with solid integer
performance
• Providing an affordable entry-level 32-bit and 64-bit solution
1.6.2 Universal Serial Bus
The Universal Serial Bus (USB) is a plug and play peripheral connection for
devices such as keyboards, mice, joysticks, scanners, tablets, printers, and
digital cameras, to name a few. USB could replace the serial and parallel
ports with a single bus.
USB supports many peripherals at one time. Special USB hubs will allow
devices to be daisy-chained together. USB also distributes power to the
attached devices, eliminating the need for dedicated peripheral power
supplies.
Data flow in a USB is bidirectional. Devices can make use of this two-way
communication to report status, or control other peripherals.
1.6.3 The Accelerated Graphics Port
The Accelerated Graphics Port (AGP) is a high-bandwidth 32-bit PC bus
architecture introduced in 1997 by Intel. It provides up to 528 MB/s memory
access to a graphics controller, yielding the bandwidth necessary for complex
tasks such as texturing directly from system memory. AGP is physically
different from the PCI bus and does not replace PCI. AGP uses a
combination of frame-buffer memory local to the graphics controller, as well
as system memory for graphics data storage.
Although the AGP interface is very popular in the PC world, it has not become
a standard. However, the importance of images, video, and graphics is
growing. The next step in this evolutionary path is visual computing.
Visual computing is the convergence of high-performance 3D graphics, video,
and digital imaging technologies to deliver a new class of interactive, intuitive,
and life-like computing experiences to users.

RS/6000 Introduction 15
1.6.4 IEEE 1394
IEEE 1394 is a transport protocol standard for a high performance serial bus
(also known as FireWire) that is a bus technology for the digital age. More
than 50 companies are supporting this standard. FireWire was originally
developed by Apple Computer. It was started as a specification for the
transmission of digitized video and audio quickly, reliably, and at low cost.
The architecture is scalable and hot-pluggable. Industry consortiums are
moving toward a 1 gigabit data transfer rate.
Like USB, 1394 enables plug-and-play peripheral connectivity and supports
isochronous data transfers. The major difference is data rate. USB ideally
supports slow-speed devices like keyboards. IEEE 1394 is able to handle all
I/O, including printers, DASD, PCI, and IDE devices, as shown in Figure 4.
Figure 4. IEEE 1394 Connections
1.7 Workgroup Conferencing
Workgroup Conferencing Version 1.1.0 for AIX (commonly referred to as
Workgroup) is IBM’s first interoperable and industry standards-based desktop
conferencing product that unleashes the real-time videoconferencing

16 RS/6000 43P 7043 Models 150 and 260 Handbook
capabilities of IP-based intranet or Internet network environments on
RS/6000 and AIX systems. This full-function AIX videoconferencing
application features an easy-to-use user interface to setup and manage
spontaneous videoconferencing sessions between RS/6000 and other
desktop conferencing products, such as Microsoft NetMeeting, on Windows
and other UNIX systems.
Figure 5. RS/6000 Hardware for Workgroup Conferencing
Customer benefits of this application include:
• Flexibility
Workgroup provides full-function desktop videoconferencing for a variety
of different application scenarios.
• Features
Workgroup was developed using a feature-rich implementation of the
dominant International Telecommunications Union (ITU) Recommendation
H.323 Version 2 industry standards for Packet-Based Multimedia
Communications Systems.
• Interoperability
RS/6000 Introduction 17
Workgroup was designed to interoperate with AIX, other UNIX, and
Windows H.323-based conferencing systems including other desktop
videoconferencing systems such as Microsoft NetMeeting Version 2.1,
H.323/PSTN Gateways and Gatekeepers.
• Scalability
Workgroup supports point-to-point and multiparty calls in a peer-to-peer
mode. WorkGroup was also designed to participate in large group,
server-based conferencing sessions.
• Ease of use
Workgroup features simple point-and-click dialing access to other desktop
conferencing users with personalized speed-dial or popular directory
server applications.
Workgroup breaks down the barriers of distance:
• Workgroup delivers full-function desktop videoconferencing. By simply
configuring an RS/6000 system with a video capture card, camera, and
connection to an IP network, Workgroup enables AIX Version 4.3.2
customers to host small group videoconferencing sessions without the
expense or complexity of sophisticated videoconferencing equipment or
conferencing servers.
• This new IBM application provides easy access to a variety of
videoconferencing call setup and management features. Using a
high-level user interface, initiating a person-to-person or multi-party
Workgroup videoconference call is almost as easy as dialing a telephone
number. Workgroup features speed-dialing support for frequently called
locations and an automated call history log that contains an ongoing
record of all incoming calls. All necessary speaker, microphone,
do-not-disturb, and video controls are available in an easy-to-use Call
Center workspace. Local and remote video windows are easily detached
from the Call Center workspace and can be resized using certain RS/6000
graphics accelerators, from original size up to full screen video window.
• By exploiting a feature-rich implementation of the ITU-T Recommendation
H.323 Version 2, Workgroup is designed to provide full-function
videoconferencing and interoperates with other H.323 standards-based
videoconferencing systems on AIX, other UNIX, and Windows systems. In
addition, IBM participates in worldwide H.323 interoperability events to
promote Workgroup compatibility with other videoconferencing systems
based on this dominant standard for highly interactive, multimedia
teleconferencing products and services. These H.323 standards, among
others, are also promoted by the International Multimedia

18 RS/6000 43P 7043 Models 150 and 260 Handbook
Teleconferencing Consortium, Inc. (IMTC), a non profit corporation
composed of more than 150 members and affiliates from North America,
Europe, and Asia/Pacific. The IMTC organization is actively involved in
promoting open international standards in the development of
interoperable, full-function multimedia teleconferencing solutions.
• Workgroup contains support for popular Lightweight Directory Access
Protocol (LDAP) and Microsoft Internet Locator Service (ILS) database
server applications that reveal other users available for on-line,
videoconference sessions within a corporate intranet or public Internet
network environment.
• WorkGroup Conferencing for AIX, Version 1.1.0 features a full-function
user interface designed for both videoconferencing and the addition of
future desktop conferencing features.
Workgroup Conferencing for AIX, Version 1.1.0 is included in the Bonus Pack
for AIX 4.3.2 CD, which is shipped with the base AIX operating system.
1.8 Year 2000
As a global organization, IBM has been supporting customers around the
world in all the major phases of Year 2000 transition period. The reach of
information systems has continued to expand at a rapidly increasing pace
and the breadth of the information that can be distributed is growing at an
equally rapid rate. Keeping in mind the Year 2000 challenges, the pressure
on the IT organization is increasing. As business must achieve unmatched
levels of customer satisfaction and competitive advantage, the IT
organization is challenged to continue to deliver advanced uses of
information technology.
The IBM RS/6000 43P 7043 Models 150 and 260 do not have date
dependencies and are therefore Year 2000 ready. When used in accordance
with its associated documentation, it is capable of correctly processing,
providing, and/or receiving date data within and between the 20th and 21st
centuries, provided all other products (for example, software, hardware and
firmware) used with the product properly exchange accurate date data with it.
For more information about WorkGroup, visit the following Web site:
http://www.rs6000.ibm.com/solutions/interactive
Note

RS/6000 Introduction 19
Further information can be found on IBM’s Year 2000 webpage at:
http://www.ibm.com/year2000.
Figure 6. RS/6000 Models 150 and 260 are Year 2000 Ready
20 RS/6000 43P 7043 Models 150 and 260 Handbook

© Copyright IBM Corp. 1998 21
Chapter 2. Hardware Overview
This chapter introduces the standards and architectures that are shared
between the RS/6000 43P Series systems. The discussion encompasses the
following topics:
• PowerPC microprocessor RS/6000 Platform Architecture (RPA)
• Hardware design
• Processor subsystem
• SMP hardware characteristics
The general architectures discussed in these sections help build an overall
appreciation for RS/6000 hardware.
2.1 The RS/6000 Platform Architecture
The RS/6000 Platform Architecture (RPA) introduces a comprehensive
computer system hardware-to-software interface definition, combined with
minimum system requirements, that enables the development and porting of
software to a range of compatible computer systems from portables through
servers. These systems are based on the PowerPC microprocessor, as
defined in the
PowerPC Architecture: A Specification for a New Family of RISC
Processors. Both the RS/6000 43P 7043 Model 150 and Model 260 are RPA
compliant.
2.1.1 The RS/6000 Platform Architecture Introduction
The RPA is essentially a combination of its predecessor, the PowerPC
Microprocessor Common Hardware Reference Platform (shortened by the
industry to be known as the PowerPC Platform) and some IBM architecture
extensions. This platform architecture officially came into being in August of
1997.
Prior to IBM’s RPA, an alliance existed between Apple, IBM, and Motorola
that developed a common hardware platform with the purpose of defining a
system that would become the pervasive open industry standard, from single
user to server configurations. As a result of this alliance, the PowerPC
Platform emerged. The PowerPC Platform, previously known as CHRP, is a
superset of the earlier PowerPC Platform Specification (PRep) system
architecture. The Apple, IBM, and Motorola alliance is no longer functional.
A key benefit of the RPA specification is the ability of hardware platform
developers to have degrees of freedom of implementation below the level of
22 RS/6000 43P 7043 Models 150 and 260 Handbook
architected interfaces and therefore have the opportunity for adding unique
value. This flexibility is achieved through architecture facilities including:
• Device drivers
• Open Firmware (OF)
• Run-Time Abstraction Services (RTAS)
• Hardware abstraction layers
2.1.2 Platform Topology
Figure 7 on page 23 shows a general platform topology of the RS/6000
Platform Architecture. All platforms (from notebooks to high-end servers)
consist of one or more PowerPC microprocessors, a volatile system memory
separate from other subsystems, and a number of I/O devices, that may
initiate transactions to system memory.
The processors are linked over the primary processor bus/switch to each
other, to the system memory, and to one or more host bridges (host bridge 0
must be a PCI host bridge).
In general, I/O devices do not connect to the primary processor bus/switch.
The host bridges connect to secondary buses that have I/O devices
connected to them. In turn, one or more bus bridges may be employed to
tertiary buses (for instance ISA or PCI) with additional I/O devices connected
to them. Typically, the bus speeds and throughput decrease and the number
of supportable loads increases as one progresses from the primary processor
bus to more remote buses.
There are variations to this topology that are likely to occur and are therefore
worth describing in the following list. The architecture describes interfaces
not implementation. The logical software model must remain the same, even
if the physical topology is different.
• In a smaller platform, the host bridge, memory, or an I/O device may be
integrated into a single chip. In this case, the topology would not look like
Figure 7 on page 23, from a chip point of view, but, instead, would be
integrated onto the single chip.
• In a larger platform, secondary buses may be implemented, with two or
more host bridges, as two or more parallel expansion buses for
performance reasons. Similarly, tertiary buses may be two or more parallel
expansion buses off each secondary bus. This is indicated by the dots
near the host bridge and the bus bridge.

Hardware Overview 23
• In a high performance platform, with multiple processors and multiple
memories, a switch may be employed to allow multiple parallel accesses
by the processors to memory. The path through the switches would be
decided by the addressing of memory.
Figure 7. General Platform Topology
Primary Processor Bus/Switch
System Memory Host Bridge
Secondary Bus (PCI)
. . .
. . . . . .
. . .
PowerPC Processor
(L1/L2 Cache)
PowerPC Processor
(L1/L2 Cache)
Tertiary Bus (ISA or PCI)
I/O Device I/O Device
. . .
I/O Device
I/O Device Bus
Bridge
24 RS/6000 43P 7043 Models 150 and 260 Handbook
2.1.3 RS/6000 Platform Architecture Achievements
The RS/6000 Platform Architecture specification achieves the following:
• Creates a stable platform architecture to be used by all RS/6000 platforms
based on PowerPC processors and PCI I/O bus (and may contain other
I/O buses in addition to the PCI bus).
• Creates an architecture that allows platforms to operate with a previous
version of AIX (n-1 capability).
• Leverages existing and future industry-standard buses and interfaces.
Existing bus architectures have a proven level of performance and
function. Established industry-standard interfaces (for example, SCSI,
IDE, LocalTalk, Ethernet) and newer bus architectures, interfaces, and
protocols (PCI, PC Card, IrDA, to name a few) provide higher levels of
performance or utility that are not achievable by the older standards. The
architecture allows platform and system designers to determine which
buses, interfaces, and protocols best suit their target environment.
• Provides a flexible address map. Another key attribute of this specification
is the relocatability of devices and subsystems within the PowerPC
address space. Subsystem address information, which defines where I/O
devices reside, is detected by the Open Firmware and passed to the
operating systems in the device tree. The architecture accommodates the
use of multiple identical buses and adapters in the same platform without
address conflicts.
• Builds upon the Open Firmware boot environment defined in IEEE 1275,
IEEE Standards for Boot (Initialization Configuration) Firmware, Core Requirements and
Practices, IEEE part number DS02683, ISBN 1-55937-426-8. (To order
copies of IEEE standards, load the following Web site:
http://standards.ieee.org/index.html).
In the past, the abstraction approach for the operating system used
platform description information discovered by a legacy boot process and
passed it to the operating system in data structures.
• Architects the control of power management by the operating system. It is
important that the combination of hardware and software be allowed to
minimize power consumption through automatic or programmed
power-saving methods. Power management of systems will reduce the
operational cost for the user and reduce the impact of the system on the
environment.
• Provides an architecture that can evolve as technology changes.
• Minimizes the support cost for multiple AIX versions through the definition
of common platform abstraction techniques. Common and compatible

Hardware Overview 25
approaches to the abstraction of hardware will reduce the burden on
hardware developers who produce differentiated machines.
• Architects a mechanism for error handling, error reporting, and fault
isolation. The architecture provides for the implementation of more robust
systems if desired by the system developers.
• Architects a mechanism for dynamic reconfiguration of the hardware.
2.1.4 RPA Minimum System Requirements
Table 3 contains the RPA compliance, minimum system requirements for the
workstations addressed in this publication.
Table 3. RPA Minimum System Requirements
SUBSYSTEM SPECIFICATION REQUIRED SUPPORT
Processor PowerPC microprocessor R Yes
Minimum system memory 8 MB expandable to at least 32
MB R Yes (128 MB min)
Firmware storage Sized as needed R Yes (1 MB Flash)
Non-volatile memory 8 KB R Yes (64 KB)
External cache Recommended for performance O Yes (1 MB)
Hard disk1SCSI R Yes
Floppy1
3.5" 1.44 MB MFM
Media sense
Manual eject
O
R
R
R
Yes
Yes
Not supported
Yes
CD ROM 4X speed
ISO9660
Multi-session
O
R
R
R
Yes
Yes 32X Speed
Yes
Yes
Alphanumeric input device1
PS/2 keyboard interface
Terminal
R
R
O
Yes
Yes
Yes
Pointing device1
2 buttons
PS/2 Interface
R
R
R
Yes
Yes (3 button)
Yes
Required definition
R - Required
O - Optional

26 RS/6000 43P 7043 Models 150 and 260 Handbook
1See the published CHRP document for the original value of this row for
platforms that need to support Apple Mac OS.
2.2 The Hardware Design
The designs of the Model 150 and the Model 260 differ slightly and will
therefore be addressed in separate sections.
2.2.1 Hardware Design for the RS/6000 43P 7043 Model 150
The RS/6000 Model 150 is a uni-processor system that utilizes the PowerPC
604e processor running at 375 MHz. It supports an integrated 1 MB
Audio 16-bit stereo, 22.05 and 44.1
KHz, full duplex RYes
Tone R Yes
Graphics default
1024x768
Bi-Endian
640x480x8 LFB
VGA
R
R
R
R
O
Yes
Yes
Yes
Yes
Yes
Real-time clock R Yes
Serial port1
16550 R
RYes
Yes
Parallel port P1284 + ECP mode R Yes
Network O Yes
(Ethernet 10/100)
Interrupt controller Open PIC
8259 tree R
RYes
Yes
Direct memory access
(DMA) ISA R Yes
Power management States as defined O NO
Infrared IrDA O NO
SUBSYSTEM SPECIFICATION REQUIRED SUPPORT
Required definition
R - Required
O - Optional

Hardware Overview 27
parity-checked synchronous L2 cache. The Model 150 also features an
enhanced memory controller that uses ECC SDRAM memory.
The local system bus on the RS/6000 Model 150 is a 60X bus running at 83
MHz. This bus is 64 bits wide (with an additional 8 bits for parity) and is
synchronous. The processor clock and regulator card reside as one unit,
namely the OVdd/Vdd/PLL card. This is illustrated in the planar design of the
Model 150 in Figure 8.
Figure 8. Planar Block Diagram of the RS/6000 Model 150
In the Model 150, the 60X bus runs from the PowerPC 604e processor and
connects to an enhanced memory controller chip, which has a processor
Integrated 1 MB
Parity L2 Cache
IPGA
604e-375 MHz
OVdd/Vdd/PLL
IBM
Card
Ctrl/Buffer
ECC
PCIB/MC
ECC SDRAM
DIMM
100/10
Ethernet
Ultra SCSI
Enet RJ45
Enet AUI
Local bus 83 MHz
Int Ultra SCSI
Repeater
Ext Ultra SCSI
RISER
PCI/PCI
Bridge &
Clock
Drivers
Tablet
Parallel
Serial 1
Serial 2
Floppy
Keyboard
Mouse
National
PC87308
National
Secondary
Business
Audio
IBM MPIC
Controller
Headphone
Speaker
Line Out
Line In
Microphone
1 MB
Flash
ROM
32 KB
NVRAM Logic Front Panel
Controller Enhanced
Security Power
Mgmt
PCI Bus 33 MHz ISA Bus 8 MHz
PCI-to-ISA
Bridge
Unit
UART 16550
PCI Bridge
PCI Slot 1
PCI Slot 4
PCI Slot 5
PCI Slot 2
PCI Slot 3
28 RS/6000 43P 7043 Models 150 and 260 Handbook
system interface of a 64-bit data bus and a 32-bit address bus. This highly
integrated chip acts as both a PCI bridge and a memory controller. It contains
the system bus arbitration, provides support for full memory coherency, and
pipelining of processor accesses.
Information may be routed from the memory chip to main memory, using the
memory bus, or to I/O devices using the I/O bus.
In the Model 150, the memory bus runs at 83 MHz. The memory subsystem
supports up to four industry-standard DIMM sockets with supported
capacities of 64, 128 and 256 MB. The memory DIMM can be populated in
any order. An ECC controller/buffer, running at 83 MHz, handles high
performance ECC operation with SDRAM memory, and parity operation on
the system bus. Single bit errors are corrected, while double bit errors are
detected.
For access to I/O devices, the PCI bus is used, running at 33 MHz. Devices
such as the integrated Ethernet adapter, the integrated Ultra SCSI controller
and the IBM Multiprocessor Interrupt Controller (MPIC) are all attached to the
PCI bus. This bus also leads to the PCI-to-ISA bridge, which the Model 150
uses as the system I/O bridge. The PCI-to-ISA bridge supports a PCI bus
controller interface to enhanced IDE drives, an ISA bus bridge, and an
XD-bus interface (for support of flash EPROM).
The ISA bus runs at 8 MHz and provides support for the following:
• Business audio controller
• Tablet port
• Native I/O controller (for diskette controller, serial ports, parallel port)
• 1 MB Flash ROM (to contain the IPLROS Open Firmware)
Hardware Overview 29
2.2.2 Hardware Design for the RS/6000 43P 7043 Model 260
Figure 9 on page 30 shows the system block diagram for the Model 260. This
workstation is a 1- or 2-way symmetric multiprocessing system using the
64-bit 200 MHz POWER3 processor. The processor subsystem is
implemented on pluggable processor cards. If two cards are installed in the
system, they must both be the same type or the system will not power on.
The POWER3 processor card has two main components:
• POWER3 chip itself
• 4MB L2 cache
The controller for the L2 cache is integrated on the POWER3 chip, so there is
no need for the separate X5 cache that exists on some RS/6000 systems,
such as the Model F50.
Three main buses are used in this system design, namely:
• System bus
• Memory bus
• I/O bus
The system bus within the RS/6000 Model 260 is an SMP 6XX high
performance bus. The POWER3 processor delivers the SMP server bus
directly, and therefore can have direct connectivity to the memory controller
chip. Each POWER3 CPU has two paths leading from the processor, namely
an address bus (64-bit) and a data bus (128-bit), highlighting the true split
transaction capability of the 6XX bus. The address bus of one CPU merges
with the address bus of the other to create a single input to the Address
Controller unit. Similarly, the data bus of one CPU merges with the data bus
of the other, creating a single input to the Data Controller unit.
The Address Controller unit and the Data Controller unit, both semi-custom
CMOS5S chips, are separate partitions of a recently developed enhanced
memory controller unit. This chipset supports running the bus at 100 MHz. A
clock distribution chip was designed and placed on each memory card to
achieve 100 MHz performance.

30 RS/6000 43P 7043 Models 150 and 260 Handbook
Figure 9. RS/6000 High Level System Block Diagram (Model 260)
The memory controller chip can act as the system interrupt controller, or can
pass interrupts through to an external device. Two distinct interrupt protocols
POWER3
200 MHz
4 MB L2
32 bytes
@ 200 MHz
256 MB - 2 GB
PCI Bridge PCI Bridge
6XX Data Bus
16 Bytes
100 MHz
6XX Address
100 MHz
3 cycle tenure
Memory Data Bus
16 bytes @ 100 MHz
6XX-MX Bus
66 MHz
3 PCI Slots
32-Bit / 33 MHz
2 PCI Slots
64-Bit / 50 MHz
Memory
Address
ISA Bridge
W83C553
Super I/OAudio
Integrated
POWER3
CPU Card
planar A
planar B
Memory Card
AB4
Clock
Service Processor
256 MB - 2 GB
Memory Card
POWER3
200 MHz
4 MB L2
32 bytes
@ 200 MHz
POWER3
CPU Card
Data
U-SCSIU-SCSI10/100 ETH
Addr/Cntl
Hardware Overview 31
are supported, namely the RISC System/6000, or the industry standard
OpenPIC.
Special attention was given to providing support for the memory controller
unit in the Model 260:
• Benchmark traces were used to fine-tune the buffer structure and queue
depths.
• The traces were also utilized to remove any wasted or unused cycles
internal to the memory controller.
The output from the memory controller function may be routed to main
memory, using the memory bus, or to I/O devices, using the I/O bus.
To transport addressing information from the address controller to main
memory, the memory address bus is used. Data is passed from the data
controller to main memory using the memory data bus.This bus supports
sustainable memory bursts across a 128-bit data bus, which translates to a
read bandwidth of 1.6 GB/s at 100 MHz. The memory bus drives up to four
memory cards populated with non-buffered synchronous dynamic random
access memory (DRAM) standard dual in-line memory modules (DIMMs).
The SDRAM sizes supported are 16 MB, 64 MB, 128 MB, and 256 MB, with
64 MB being the minimum total system memory supported. Two error
checking and correction (ECC) codes are supported by this memory
controller unit. The first supports single bit correction, double bit detection,
and four bit packet detection. The second supports single bit correction, two
bit packet correction, and double packet detection.
For access to I/O devices, the 6XX-MX I/O bridge bus is used. This bus is a
64-bit, time-multiplexed address and data bus, and can attach a variety of I/O
bridge chips. It runs asynchronously to the system and memory bus, and will
support speeds up to 75 MHz, translating to a sustainable read bandwidth of
533 MB/s. From the 6XX-MX bus, information passes through the PCI bridge
chip, where it is converted to PCI format for use with PCI devices. Each PCI
controller is able to communicate with a limited number of slots, so additional
PCI controllers are required to support a large number of PCI cards. Also,
specifications for 64-bit slots and standard 32-bit slots will often require
specialized PCI controllers.
The ISA bridge located on the I/O backplane allows conversion from PCI to
ISA, enabling the use of native ISA devices. The integrated service
processor, also located on the I/O backplane, allows for improved reliability,
availability, and serviceability features.

32 RS/6000 43P 7043 Models 150 and 260 Handbook
2.3 Bus Architecture
The following sections cover the different bus architectures that exist on the
RS/6000 43P 7043 Models 150 and 260.
2.3.1 The PCI Bus Architecture
The Peripheral Component Interconnect (PCI) is a specification standard for
computer bus implementation developed by the PCI Special Interest Group
(PCI-SIG), led by a group of companies including Compaq, Digital, IBM, Intel,
and NCR. There are now over 300 companies in the PCI-SIG supporting the
architecture and currently producing PCI products.
The goal is to provide a common system-board bus that could be used in
personal computers, from laptops to servers. It is envisioned as a local
system-board bus that would serve as a common design point, supporting
different system processors as the various processors evolve over time. This
is much like operating systems that have defined application binary interfaces
(ABIs) so that applications need not change with each generation of the
operating system. The PCI local bus would serve as a common hardware
interface that would not change with different versions of microprocessors.
2.3.1.1 PCI Specification Revisions
According to PCI Specification Revision 2.0, the PCI bus operates on 32- or
64-bits of data at a clock speed of 33 MHz. However, as the speed of
processors continues to increase and devices such as video adapters require
more bandwidth, bus speeds must also increase to avoid data bottlenecks.
Consequently, PCI Specification Revision 2.0 has been superseded by PCI
Local Bus Specification Revision 2.1, which introduces support for a 66 MHz
bus operation speed, doubling the throughput of the former 33 MHz standard.
The RS/6000 43P Model 260 complies with PCI Local Bus Specification
Revision 2.1. IBM’s implementation of the 64-bit bus slot uses a clock speed
of 50 MHz. The Model 150 is PCI 2.0 compliant.
Under PCI Specification Revision 2.1, the 66 MHz bus operation speed is an
optional feature and is backward-compatible with 33 MHz PCI devices and
buses. If a 66 MHz capable PCI device is installed in a 33 MHz PCI bus, the
device must operate at 33 MHz. Likewise, if any 33 MHz PCI devices are
installed into a 66 MHz PCI bus, the PCI bus must operate at 33 MHz.

Hardware Overview 33
2.3.1.2 PCI Features and Benefits
The PCI bus architecture has many advantages including the following:
• High data transfer speed
• Processor independence
• Cross-platform compatibility
• Multi-bus support
• Plug and Play
• Investment protection
2.3.2 The ISA Bus Architecture
The Industry Standard Architecture (ISA) is the most widely used system bus
in the PC industry. Initially, it had no official definitions or standards. However,
its specifications have since been defined by the Institute of Electrical and
Electronics Engineers (IEEE) standards group.
The ISA bus allows a transfer rate of up to 8.3 MB/s. Transfers over the ISA
bus are synchronized around 8 MHz, and they usually take a minimum of two
cycles of the bus clock to perform a data transfer. Since the data path of an
ISA bus is 16 bits wide, up to 2 bytes may be transferred during each
transaction.
On the RS/6000 43P Series Model 150 and Model 260 computers, the ISA
bus is used to attach internal devices such as the diskette drive. No ISA slots
are provided for the addition of non-native ISA devices.
There is a disadvantage in trying to connect the processor to the ISA bus
directly. The processor's speed is reduced to match the slow ISA bus speed.
Thus, the systems cannot take advantage of a fast processor.
To avoid this disadvantage, the PCI local bus is used as the primary system
bus and the ISA bus as an expansion bus. This way, the system can take
advantage of the high-speed data transfer provided by the PCI bus when
communicating with the processor and memory. On the other side, through
the PCI-ISA bridge, the bus clock can be reduced to match the ISA bus
requirements.
Table 4 provides the bus specification for different architectures and
compares them to the PowerPC processor's speed.
Table 4. PowerPC and Bus Specification
Specification PowerPC PCI ISA(8) ISA(16) EISA
Procssor
Speed 166, 200
233, 375

34 RS/6000 43P 7043 Models 150 and 260 Handbook
2.3.3 The 60X and 6XX Bus
The 60X bus was designed to provide a common interface that supplies
communication between processors, memory controllers, and high-speed I/O
devices. Arbitration on the bus is performed by a central, off-chip arbitrator.
The 60X bus provides the capability to build an SMP system with the MESI
protocol. This bus is also known as the MP System Bus.
The 60X bus uses separate address and data buses and a variety of control
and status signals. The address bus is 32 bits wide (with 4 bits parity) and the
data bus is 64 bits wide (with 8 bits parity). These separate address and data
buses run independently, allowing split transactions. The bus is synchronous,
with all timing relative to the rising edge of the bus clock. Inputs are sampled,
and outputs are driven from this edge.
It is through this bus that the two-way SMP’s processors are attached,
memory is accessed, and cache snooping is achieved.
2.3.4 The 6XX-MX I/O Bus
The 6XX-MX I/O bus is a high-performance bus designed to be used as a
high-end I/O bus for mid- and high-range systems. It will accommodate both
32- and 64-bit processors with real memory addressing extending beyond 32
bits.
The requests and replies are tagged, allowing for out-of-order replies, which
are common for programmed I/O to another bus or in a non-uniform memory
access (NUMA) environment.
This bus must have a bridge chip to translate a 6XX or 60X transaction with
the corresponding operation. Due to the 66 MHz PCI capability as defined in
the PCI Local Bus Specification (Revision 2.1), local bus performance has
increased from 264 MB/s to 528 MB/s for 64-bit transfers.
Data Bus 64 64 8 16 16/32
Address Bus 32 64 20 24 24/43
Bus Clock 66 MHz
83 MHz
100 MHz
33 MHz
(32-bit) 4.7 MHz 8.3 MHz 8.3 MHz
Interrupts 4 6 11 11
DMA Channel busmaster 3 7 7
Specification PowerPC PCI ISA(8) ISA(16) EISA

Hardware Overview 35
2.3.5 The X-Bus
The X-Bus is an 8-bit ISA subset bus used to attach several common
subsystems to the PCI-based RS/6000 servers. The following components
are attached to this bus:
• The Keyboard/Mouse controller
• Real-Time Clock and Non-volatile RAM
The functions of Real-Time Clock (RTC) and Non-volatile RAM (NVRAM)
are integrated into a single component in the PCI-based RS/6000 servers.
This component also supplies the logic required to perform the function of
powering the system on at a designated time. The component is operated
from a lithium battery on the board so that all time-keeping functions
continue to work while system power is turned off.
• Mini-Support Processor (I2C Controller)
The Mini-Support Processor is a minicontroller that is imbedded into the
I/O planar of the PCI-based RS/6000 servers. It allows the PowerPC
processor access to VPD, operator panels and other I2C bus-attached
devices.
2.4 The Processor Subsystem
Since its inception, the RS/6000 product line has used a number of different
processor designs, the original implementation being the POWER
architecture. The most recent development, however, is the POWER3
processor that is implemented in the RS/6000 43P 7043 Model 260. The
Model 150 uses the PowerPC 604e chip.
2.4.1 The POWER3 Microprocessor
The POWER3 microprocessor introduces a new generation of 64-bit
processors especially designed for high performance and visual computing
applications. POWER3 processors will replace the POWER2 and the
POWER2 Super Chips (P2SC) in high-end RS/6000 workstations and
technical servers.The RS/6000 43P 7043 Model 260 workstation features the
POWER3 microprocessor.
2.4.1.1 Processor Overview
The POWER3 implementation of the PowerPC architecture provides
significant enhancements compared to the POWER2 architecture. The SMP
capable POWER3 design allows for concurrent operation of fixed-point
instructions, load/store instructions, branch instructions, and floating-point
instructions. Compared to the P2SC, which reaches its design limits at a

36 RS/6000 43P 7043 Models 150 and 260 Handbook
clock frequency of 160 MHz, POWER3 is targeting up to 600 MHz by
exploiting more advanced chip manufacturing processes, such as copper
technology. The first POWER3 based system, RS/6000 43P 7043 Model 260,
runs at 200 MHz.
Features of the POWER3, exceeding its predecessor (P2SC), include:
• A second load-store unit
• Improved memory access speed
• Speculative execution
Figure 10 shows the POWER3 microprocessor architecture.
Figure 10. POWER3 Microprocessor Logical Block Diagram
Hardware Overview 37
The two additional execution units give POWER3 a peak instruction rate of
eight instructions per cycle (two floating-point, two load/store, two
single-cycle integer, a multi-cycle integer, and a branch instruction).
Significant investments in the chip’s memory interface have been made in
order for the POWER3 to have a sustainable execution rate of four
instructions per cycle (two load instructions and two floating-point). Although
its 64 KB data cache is only half the size of the P2SC’s, its advanced core, a
dedicated second level (L2) cache, and aggressive prefetching mechanisms
improve the memory access speed. The initial POWER3 implementation
applies 4 MB (L2) cache.
POWER3 is defined by the following specifications:
• POWER3 microprocessor running at:
– 200 MHz on RS/6000 Model 260
• Superscalar design with integrated integer, floating-point, and branch units
• 32 KB instruction cache
• 64 KB 128-way set associative data cache
• 64-bit memory interface with 64-bit addressing
• Real memory support for up to 4 GB (3 GB on AIX 4.2.1)
2.4.2 The PowerPC 604e Microprocessor
The RS/6000 43P 7043 Model 150 workstation features the PowerPC 604e
microprocessor. The 604e is an equivalent, but enhanced derivative of the
604. Enhancements to the PowerPC 604e, exceeding its predecessor
(PowerPC 604), include:
• Doubled L1 cache (instruction and data)
• Higher clock frequencies
• Built-in performance monitor
The superscalar design of the 604e provides up to four instructions to be
dispatched per cycle and four to complete at once, with one store and one
branch per cycle.
Figure 11 on page 38 shows the PowerPC 604e microprocessor architecture.

38 RS/6000 43P 7043 Models 150 and 260 Handbook
Figure 11. PowerPC 604e Microprocessor Logical Block Diagram
A 604e is defined by the following specifications:
• PowerPC 604e microprocessor running at:
– 375 MHz on RS/6000 Model 150
• Superscalar design with integrated integer, floating-point, and branch units
Instruction MMU/Cache Unit
Decode/Dispatch & Completion
Units
Fetch Unit
Branch Unit
Dispatch/Completion Buses
Integer
Unit
Floating
Point Unit Load/Store
Unit
Floating Point
Register File
Rename Buffer
General Purpose
Register File
Rename Buffer
Memory Queues Data MMU/Cache
COP/JTAG Bus Interface Unit
JTAG Bus Address Bus Data Bus

Hardware Overview 39
• 32 KB four-way set-associative instruction cache
• 32 KB four-way set-associative data cache
• 64-bit memory interface with 32-bit addressing
• Virtual memory support for up to 4 petabytes (252)
• Real memory support for up to 4 gigabytes
• ˜5.1 million transistors
• Nap power management mode
• JTAG bus (IEEE 1149.1) for RAS
2.5 SMP Hardware Characteristics
Sharing resources is probably the main technical issue in the design of a
symmetric multiprocessor (SMP) system. To support symmetric
multiprocessing, specific techniques must be provided at the hardware level
and the software level. This section introduces the memory hierarchy concept
and some of the techniques used to solve resource-sharing and contention
issues.
2.5.1 Memory Hierarchy
In order to improve the hardware performance of a system (uniprocessor
(UP) or mulitprocessor (MP), different levels of memory are used. These
different levels of memory can be ordered according to their access time and
capacity.
If you look at the different types of memory available on a typical system, you
will find the CPU registers at one end. They are fast but small, and have a
high cost per bit. At the other end, you will find the disks, which are slow but
have a very low cost per bit, allowing for high disk storage capacity.
In most UP or SMP implementations, a first level of cache (L1) lies between
these two ends. L1 cache is a fast form of memory with a small capacity. The
number of CPU cycles that are needed for the processor to load data from L1
depends on the L1 implementation, In the PowerPC implementation, L1 is on
the CPU chip itself, so it takes only one cycle to load data from L1. When the
L1 cache is outside the processor chip, several cycles are required to load
data from L1. A typical L1 capacity is around 32 to 64 KB.
You might also find a second level of cache (L2), which is another form of
high-speed memory. It takes about two to ten cycles to load data from L2.

40 RS/6000 43P 7043 Models 150 and 260 Handbook
The main memory is the third level of memory. Its access time is slow in
comparison to L1 and L2, but much faster than disks. Twenty to fifty CPU
clock cycles are needed to load data from the memory, and the capacity can
reach several gigabytes.
Figure 12 shows the relationship between proximity of memory to the
processor versus the number of cycles required to access it.
Figure 12. Memory Hierarchy
2.5.1.1 Cache Hit versus Cache Miss
When a CPU fetches a memory address, if the data is found in the cache, it is
a cache hit. Otherwise, it is a cache miss. If a cache miss occurs, the data is
loaded from main memory to the CPU and stored in the cache to take
advantage of the higher speed of the cache for a future fetch of the same
memory address. The hit ratio is the percentage of cache hits. Logically, the
higher the hit ratio, the better the system performance. All RISC System/6000
computers use a scheme called set associativity to reduce the number of cache
misses.
L1 Cache
1 cycle 32-64 KB
Processor
20-100 cycles n X GBs
2-10 cycles
L2 Cache
Memory
750 K - 1.5 M cycles n X TBs
Disk
256 KB - 4 MB

Hardware Overview 41
2.5.1.2 Set Associativity
Set associativity is a mechanism that allows for more efficient sharing of the
L1 data cache among multiple programs running simultaneously. One of the
main differences between the POWER3 and the POWER2 (also PowerPC)
architectures is the way set associativity is implemented. PowerPC has a
4-way set-associative data cache, while POWER3 has a 128-way
set-associative data cache.
To gain a better understanding of set associativity, the concept of cache lines
needs to be introduced. A cache line is the basic unit of transfer between
main memory of cache. It is 128 bytes long on POWER3.
Conceptually, memory is sectioned into contiguous 128-byte lines, each one
starting on a cache-line boundary whose hardware address is a multiple of
128. The cache is similarly sectioned and all data transfer between cache and
memory is in units of these lines. If, for example, a particular floating point
number is required to be loaded into a floating point register, so that
computation may be done with it, then the whole cache line containing that
number is transferred from memory to cache.
Figure 13 shows the L1 data cache mapped onto memory, using POWER2,
while Figure 14 on page 42 shows it using POWER3.
Figure 13. The 4-Way Set Associative PowerPC/POWER2 L1 Data Cache

42 RS/6000 43P 7043 Models 150 and 260 Handbook
Figure 14. The 128-Way Set Associative POWER3 L1 Data Cache
Each cell represents a cache line; each column is called a congruence class.
Figure 13 on page 41 contains 128 congruence classes. There are four rows
in the cache area of the figure. Each of these rows contains 128 cache lines
of 128 bytes each (128 x 128 = 16 KB).
Any particular line from memory may only be loaded into a cache line in the
same congruence class: for POWER2, into one of only four locations; for
POWER3, into one of 128 locations.
Generally, when a new line from memory is loaded into the cache, existing
data must be displaced. If the previous contents of the line have been
modified, the line must be stored back into memory. The algorithm used by
the hardware for selecting which cache line to use is an approximation of
Least Recently Used on POWER2, and is Round-Robin on POWER3.
The set associative structure of the cache can lead to a reduction in its
effective size. Suppose successive data elements are being processed that
are regularly spaced in memory (that is with a constant stride). With the
POWER2 cache, the worst case is when the stride is exactly 16 KB (128 lines
X 128 bytes each) or a multiple of 16 KB. In this case, all elements will lie in
the same congruence class and the effective cache size will be only four

Hardware Overview 43
cache lines (since any particular line from memory may only be loaded into a
cache line in the same congruence class). This effect happens with strides
that are a multiple of a power of two.
The POWER3 cache, with its much greater degree of set associativity, is
much less susceptible to this problem than the POWER2 cache. Strides of
multiples of 1024 bytes will cause all the data to be in the same congruence
class but will only cause a reduction in apparent cache size of a factor of 4.
Odd multiples of 512 will halve this effective size. This is, however, minor
compared with the possible reduction by a factor of 128 on POWER2.
2.5.1.3 Effects of L1 Cache Misses on Performance
The effects of cache misses on performance for POWER3 (the Model 260)
can be illustrated in Figure 15. A load instruction is to be performed to a
floating-point register (assume data is already resident in memory).
Figure 15. Loading Instructions from Memory to a Floating-Point Register
If the data is in memory only, it takes about 36 cycles; if it is in L1 cache, it
takes one cycle. That is, the cost of a cache miss to memory is 35 cycles. The
same timing applies to storing data from registers into memory. If the store is
L1 cache?
Is the data in L2 cache?
No
Yes
Load in Floating-
Point Register
(Takes 1 cycle)
No
Load in Floating-
Point Register
(Takes 6-7 cycles)
Is the data in
Data in memory
only. Load in
Floating-Point
Register.
(Takes 36 cycles)
Yes

44 RS/6000 43P 7043 Models 150 and 260 Handbook
into a previously unreferenced line, the complete line must be fetched from
memory first before the new value can be stored into it. If a cache line is
overwritten by newly accessed data, then, if the data from the old line is
needed again, it must be reloaded and another cache miss taken.
2.5.1.4 Cache Line Prefetch
Because of the relatively large number of cycles needed for a cache miss,
POWER3 has a mechanism for mitigating the performance impact for
sequentially accessed data. For up to four streams of data, the hardware
attempts to detect sequential access and initiates the loading of subsequent
lines in parallel, so they stream into cache behind the first line without waiting
for the miss to occur. This important feature of POWER3 is not present on
POWER2.
2.5.1.5 Cache Coherency Problem
In an SMP, all of the processors have their own cache to improve data
locality. Only the main memory is shared. Since caches are not shared, it is
necessary to keep all the processors’ caches coherent. The coordination of
current versus stale data between processors is called cache coherency and is
one of the most important issues when designing an SMP system.
Consider an application that runs on two processors, processor 1 and
processor 2, as shown in Figure 16.
Figure 16. SMP Cache Coherency Problem
processor 1
cache A
processor 2
cache B
A
0123:
memory
Hardware Overview 45
Assume that processor 1 loads into its cache memory address 0x0123, which
happens to contain the character A. Then processor 2 writes B into address
0x0123. If processor 1 wants to load address 0x0123 again, what will
happen? In a naive implementation, processor 1 will see the value A in its
cache and load that value because it does not know that processor 2 has
already changed the same memory address in its cache. This is called the
cache coherency problem.
2.5.1.6 Snooping
One solution to the cache coherency problem is snooping. Snooping is
hardware logic that is added to the processor and is affiliated with normal
memory reads. While a memory operation is in process, the other caches in
the system are interrogated (snooped) to see if the data currently resides
there. If one processor needs to write into a cache, a message is broadcast
which causes that entry to be invalidated in all other caches. This is called a
cross invalidate. Cross invalidate reminds the processor that the value in the
cache is not valid. In this case, there is a cache miss. The processor must
then look for the correct value in another cache or in the main memory.
Since cross invalidate increases cache misses and the snooping protocol
adds to the bus traffic, solving the cache consistency problem reduces the
performance and scalability of all SMP systems. In other words, because
latency time for a request can be widely variable due to the location of data
and snooping activity, adding more processors is not always the best thing to
do in an attempt to improve response time for a given request.
The POWER3 processor has this extra logic. In fact, all PowerPC processors
except the 603, POWER and POWER2 have this function.
Bus snooping is used to drive a MESI four-state protocol as it is described in
the following section.
2.5.1.7 MESI Protocol
The unit of storage in the cache is the cache line. The size of the cache line is
implementation dependent. The PowerPC has a cache line size that is 64
bytes. This cache line is divided into two 32-byte sectors. The POWER3 has
a 128-byte cache line and a single sector.
The PowerPC maintains cache coherency on a cache sector basis by using
the four-state MESI protocol. Each sector has two state bits. The four states
are:

46 RS/6000 43P 7043 Models 150 and 260 Handbook
M (modified) The addressed sector is valid in this cache only. The value in
this sector has been changed in the cache, but the change is
not yet reflected in memory.
E (exclusive) The addressed sector is valid in this cache only. The data is
consistent with system memory.
S (shared) The addressed sector is valid in this cache and at least one
other cache. It is still consistent with system memory.
I (invalid) The addressed sector is not valid in the cache.
2.5.1.8 False Sharing
Figure 17 illustrates false sharing. Here, a whole cache unit of storage (a
cache sector in the case of the IBM SMP systems) is represented.
Figure 17. False Sharing
Suppose processor 1 and processor 2 loaded the same memory address in
their cache. If processor 1 changes only a portion of the cache sector, d1 for
example, the cache consistency logic will invalidate all the sectors in the
processor 2 cache. Then, if processor 2 tries to modify another portion of its
cache sector, d2, for example, which is still invalid since the whole sector is
invalid, a cache miss will occur. This is called false sharing.
Processor 1 Processor 2
Memory
Cache:
d1 d2...
Cache:
d1 d2...
Hardware Overview 47
Thus, false sharing increases cache misses and bus traffic, and this may
cause the SMP throughput to be reduced. The bigger the size of the cache
line, the higher the miss rate. Some implementations have a 256-byte cache
line. Both 64-byte and 128-byte cache line sizes are supported by the IBM
SMP design, and these cache line sizes are equivalent to the coherency size
of the system.
48 RS/6000 43P 7043 Models 150 and 260 Handbook

© Copyright IBM Corp. 1998 49
Chapter 3. Detailed Product Descriptions
This chapter takes an in-depth look at the hardware packaging and features
that comprise the IBM RS/6000 43P 7043 Model 150 and Model 260
workstations. These workstations use the PowerPC and POWER3
architectures and offer large memory capacities, better I/O performance,
powerful graphics, and flexible configurations.
3.1 IBM RS/6000 43P 7043 Model 150 Product Description
The IBM RS/6000 43P 7043 Model 150 is a powerful PowerPC 604e
uni-processor with a 32-bit implementation of the PowerPC architecture. The
Model 150 is well-suited for demanding 3-D applications including MCAD
engineering analysis, petroleum, and seismic interpretation. It can also be
deployed as a workgroup server or stand-alone business system, providing
function that includes internet, database, application, and print/file serving.
Figure 18 shows a Model 150 with available monitor, keyboard, and mouse.
Figure 18. RS/6000 43P 7043 Model 150 (with Peripherals)
50 RS/6000 43P 7043 Models 150 and 260 Handbook
The RS/6000 43P 7043 Model 150 is designed to allow for system growth in
memory, disk, and media devices as the customer’s needs grow. By
combining AIX reliability and function with industry standard bus
architectures, the Model 150 offers exceptional value for multi-user
applications and provides an excellent solution in the entry to mid-range
workstation marketplace.
3.1.1 Standard Features
In this section, the standard features of the Model 150 and their most
important characteristics are described.
3.1.1.1 Processor Subsystem
The PCI-based IBM RS/6000 43P Model 150 features the PowerPC 604e
microprocessor with the internal clock speed of 375 MHz. With the internal
processor clock to system bus clock frequency ratio set at 9:2, the system
bus is run at 83 MHz. The processor 604e can support bus clock ratios of 1:1,
3:2, 2:1, 5:2, 3:1, 7:2, 4:1, 9:2 and 5:1.
The 604e integrated L1 cache is split into separate instruction and data
caches. Each of them contains 32 KB four-way set associative data arrays
organized as 32-byte cache lines with no sectoring.
The Model 150 L2 cache subsystem consists of a L2 cache controller and L2
memory. L2 cache memory consists of on-board Tag-Ram and 1 MB parity
synchronous pipelined burst SRAM.
The Model 150 has two cache copy-back write buffers.
3.1.1.2 System Planar Board
One planar is installed in every 7043-150. It provides the system bus and
card connections for the riser card, a voltage regulator and clock module, four
memory DIMM slots. Power supply connections, I/O connections, and a
pin-grid array socket for the PowerPC processor. Only single processor
boards are available.
Figure 19 on page 51 shows the system board location for a Model 150, Table
5 on page 52 lists the purpose of the various connections.

Detailed Product Descriptions 51
.
Figure 19. RS/6000 43P 7043 Model 150 - System Board Locations

52 RS/6000 43P 7043 Models 150 and 260 Handbook
Table 5. RS/6000 43P 7043 Model 150 - System Board Components Location
3.1.1.3 Memory Subsystem
The Model 150 comes standard with a 128 MB of ECC SDRAM memory. It
supports four industry standard DIMM sockets and can support up to 1 GB of
system memory. Memory DIMM size includes 64 MB, 128 MB, or 256 MB.
The memory DIMMs can be populated in any order.
Location Description Location Description
B1 Battery connector J27, J30 System fan connector
J2 5x5 Auxiliary 5v connector J28 Memory connector #2
J3 Audio input connector J32 Privileged-access password
jumper
J4 Internal SCSI Conn. #2 J33 Internal SCSI 16-bit conn.
J5 CD-ROM connector J35, J36 SCSI security jumper
J6 CD-ROM audio connector J38 External SCSI jumper
J7, J8 Power connector J39 Riser card connector
J10 Media fan connector J40 Power switch connector
J11 Memory connector J41 Op panel connector
J13 Audio output connector J42 Power indicator LED conn.
J15 Remote power-up jumper J43 HDD activity LED connector
J16 Diskette drive connector J44 Voltage regulator connector
J17 Microphone jack J45 Ethernet twisted pair conn.
J18 Reset connector J46 Internal speaker connector
J19 Memory connector #3 J49 Parallel port connector
J20 Power-on password
jumper J50 Ethernet AUI
J22 Headphone jack J53 Ethernet EPROM connector
J23 Serial port connector #2 J56 Mouse port connector
J24 Serial port connector #1 J59 Keyboard connector
J25 Table port connector J139 Memory connector #4
J26 CPU fansink connector

Detailed Product Descriptions 53
3.1.1.4 Bays
The system contains five bays, three of which accommodate the following
standard devices:
• 3.5-inch diskette drive bay
It accommodates the standard 1.44 MB diskette drive.
• 5.25-inch CD-ROM drive bay
It accommodates the standard 32X CD-ROM drive with the convenience
of loading a CD without a caddy.
• 5.25-inch disk drive bay.
It accommodates the standard 4.5 GB Ultra SCSI disk drive that can be
upgraded in the initial machine order to 9.1 GB Ultra SCSI disk. For more
detailed information about the disk drives see Table 29 on page 121.
Figure 20. RS/6000 43P 7043 Model 150 - Front View
The empty bays can accommodate a second CD-ROM, tape drive or other
media device. A 4.5 GB (# 2900) or 9.1 GB (# 2908) hard disk can be
installed in bay 3 with a mounting kit (# 6509).
3.1.1.5 Internal CD-ROM Drive
The 32X SCSI-2 Internal CD-ROM Drive is a tray loading CD-ROM drive
providing up to 4800 KB/s maximum media data transfer rate. It is a 5.25 inch
half-high form factor, single ended, 8 bit, multi-session capable, CD-ROM
drive that provides state-of-the-art performance and supports existing 600
MB CD-ROM discs. It supports either the standard 12 cm or the smaller 8 cm
CD-ROM disk.

54 RS/6000 43P 7043 Models 150 and 260 Handbook
For more detailed technical information about the CD-ROM drive, refer to
Table 30 on page 122.
3.1.1.6 Standard I/O Ports
The system provides the following standard I/O ports:
Keyboard port The optional Quiet Touch Keyboard may plug into this
port.
Mouse port A port is provided to support an optional three-button
mouse.
Tablet port If required, a tablet can be connected.
Serial port Two 9-pin D-shell serial connectors are available for
external RS232 access.
Parallel port One 25-pin parallel port is provided that maintains
complete compatibility with machines containing ISA,
EISA, and Micro Channel parallel ports.
3.1.1.7 PCI Adapter Slots
The Model 150 contains five 32-bit PCI slots. Following is a brief description
according to their slots number.
• Slots 1 and 5 are short slots
• Slots 2, 3, and 4 are long slots
• Slots 2, and 3 are connected to the primary PCI bus on the planar
• Slots 1, 4, and 5 are on the secondary PCI bus provided by the bridge chip
on the riser card.
Figure 21. RS/6000 43P 7043 Model 150 - Rear View
Thick Connector Twisted-Pair Connector

Detailed Product Descriptions 55
3.1.1.8 Integrated Ethernet Adapter
An integrated 10/100 Mbps Ethernet AUI/RJ45 port (10Base5/100BaseT) is
part of the base system.
3.1.1.9 Integrated Ultra SCSI Controller
The Model 150 has an integrated Ultra SCSI controller, which is operated at a
speed of 40 MB/s.
3.1.1.10 AIX Operating System
The RS/6000 Model 150 includes one to two user license, for a full-function
AIX Version 4.2.1 or Version 4.3.2 package at no additional charge.
3.1.1.11 Year2000 and EuroReady
The IBM RS/6000 43P 7043 Model 150 is Year 2000 ready. Please refer also
to 1.8, “Year 2000” on page 18 for details.
When used with AIX 4.3.2, this product is EuroReady.
3.1.1.12 Publications
The following publications will be shipped with the Model 150.
Table 6. Publications Shipped with the Model 150
1 The CD-ROM is not orderable, it is shipped only at manufacturing. No form
number is available.
Only the ship-pack publications appear in the sales manual. A complete list of
publications is provided in the PUBS section of HONE.
Order Number Title
SA38-0510 7043 43P Series Setup Instructions
SA38-0511 7043 43P Series Users Guide
SA23-2690 (USA customers only) Customer Support Information
SA23-2652 System Unit Safety Information
SA38-0538 PCI Adapter Placement Reference Guide
Customer Installable Options Library CD-ROM
Warranty Booklet (USA customers only)1
56 RS/6000 43P 7043 Models 150 and 260 Handbook
3.1.2 Reliability, Availability, and Serviceability (RAS)
Following are the features that provide the IBM RS/6000 Model 150 reliability,
availability, and serviceability.
3.1.2.1 Reliability, Fault Tolerance, and Data Integrity
The reliability of the Model 150 system starts with reliable components,
devices, and subsystems. During the design and the development process,
subsystems go through rigorous verification and integration testing
processes. During system manufacturing, systems go through a testing
process to ensure the highest product quality level.
The Model 150 system memory offers ECC (Error-Checking and Correcting)
fault-tolerant features. ECC corrects environment-induced single-bit
intermittent memory failures. As well as single hard failures. With ECC, the
majority of memory failures will not impact system operation. ECC also
provides double-bit memory error detection which protects data integrity in
the event of the double-bit memory failures. The system bus and PCI buses
are designed with parity error detection.
Disk mirroring and disk controller duplexing capability are provided by the AIX
operating system.
The journaled file system (JFS) of AIX operating system maintains file system
consistency and prevents data loss when the system is abnormally halted
due to a power failures.
An available RAID hardware feature external to the system provides data
integrity and fault tolerance in the event of the disk failure.
3.1.2.2 Fault Monitoring Functions
Following are the functions used to monitor faults during the boot process.
• POST (Power-on-Self Test) that checks the processor, L2 cache, memory
and associated hardware that are required for proper booting of the
operating system every time the system is powered on. If a non-critical
error is detected, or if the error(s) occur in the resources that can be
removed from the system configuration, the booting process will proceed
to completion. The error(s) are logged in the system Non Volatile RAM.
• Disk drive fault tracking is a facility that can alert the system administrator
of an impending disk failure before it impacts customer operation.
• AIX log facility where hardware and software failures are recorded and
analyzed (by the Error Log Analysis routine) to provide warning to the
system administrator on the causes of system problems. This also
Detailed Product Descriptions 57
enables IBM service representatives to bring along needed replacement
hardware components during a service, thus minimize system repair time.
3.1.2.3 Environment Monitoring Functions
Following is a list of the provided environment monitoring functions.
• Fan speed monitoring to provide warning and orderly system shutdown
when the speed is out of operational specification.
• AC power loss sensing to provide orderly system shutdown.
3.1.2.4 Error Handling and Reporting
In an unlikely event of system hardware or environmental induced failure, the
system Run-Time Error Capture capability will systematically analyze the
hardware error signature to determine the cause(s) of failure. The analysis
result will be stored in system Non Volatile RAM (NVRAM). When the system
can be successfully rebooted either manually or automatically, the error will
be automatically reported to AIX operating system. The Error Log Analysis
(ELA) can be used to display the failure cause and the physical location of
failure hardware.
3.1.2.5 Availability Enhancement Functions
On-line (concurrent) Diagnostics with Error Log Analysis and Service Aids
allow administrators or IBM service representatives to diagnose potential
system malfunction without interrupting end-user operation.
The auto-restart (reboot) option, when enabled, automatically reboots the
system following an unrecoverable software error or hardware failure.
3.1.2.6 Serviceability
The Model 150 is designed for customer setup of the machine and for
subsequent addition of most features (adapters/devices). The Model 150
supports personnel to remotely log into a system to review error logs and
perform remote maintenance.
The diagnostics consists of Stand-Alone Diagnostics (system dedicated to
service) and on-line diagnostics. On-line diagnostics, when installed, are
resident with AIX on the disk or system. They can be booted in single user
mode (service mode), run in maintenance mode, or run concurrently
(concurrent mode) with other applications. They have access to the AIX Error
Log and the AIX configuration data.
Service Mode allows checking of system devices and features.
58 RS/6000 43P 7043 Models 150 and 260 Handbook
Concurrent Mode allows the normal system functions to continue while
selected resources are being checked.
Maintenance Mode allows checking of most system resources.
The System Management Service (SMS) error log is accessible from the
SMS menu for tests performed through SMS programs.
3.1.2.7 Service Director for RS/6000
The Service Director for RS/6000 is available at no additional charge if the
RS/6000 processor is covered by an IBM Warranty or IBM Maintenance
Service Agreement. When installed on the RS/6000, the Service Director for
RS/6000 can enhance IBM’s ability to provide the system with maintenance
service. The Service Director for RS/6000 is responsible for the following
operations:
• Monitors and analyzes system errors, and if needed, can automatically
place a service call to IBM without customer intervention.
• Can reduce the effect of business disruptions due to unplanned system
outages and failures.
• Performs problem analysis on a subset of hardware-related problems and,
with customer authorization, can automatically report the results to IBM
service.
3.1.2.8 On-line Customer Support (OCS)
On-line Customer Support for hardware problem reporting may be performed
through remote login by RS/6000 specialists using normal AIX facilities. The
Service Director for RS/6000 software can also be used for this capability.
AIX support offerings will be under AIXSERV and Service Director for
RS/6000.
3.1.3 Supported Optional Features
In this section,
optional features
are defined as internal optional devices,
external adapters, and external subsystems that can be configured on the
RS/6000 Model 150.
3.1.3.1 Memory
RS/6000 Model 150 comes standard with 128 MB of ECC SDRAM memory.
The Model 150 can expanded up to 1 GB of memory. This allows the
customer to easily upgrade the processor cards by selecting one to four

Detailed Product Descriptions 59
memory DIMMs (64 MB, 128 MB, and 256 MB). The available memory
specifications are shown in Table 7.
Table 7. Optional Memory for Model 150
3.1.3.2 Internal Disk Drives
Three internal Ultra SCSI disks drives can be accommodated in the internal
bays of the system. For more detailed information about the disk drives see
Table 29 on page 121.
3.1.3.3 Internal CD-ROM Drive
One additional 32X CD-ROM drive can be added to the system (# 2624) into
media bay 3. For this the Media Bay Disk Drive Mounting Kit (# 6509) is
required. You can find more detailed technical information about the CD-ROM
drive in Table 30 on page 122.
3.1.3.4 Internal Tape Drive
One 12 / 24 GB 4 mm internal tape drives can be installed in the internal bay
of the system. For detailed information about the internal tape drives, refer to
the Table 31 on page 122.
3.1.3.5 Keyboard
New Stealth Black Quiet Touch Keyboards (# 87xx1) are available in 37
languages. They have the same quiet and soft touch as the Pearl White Quiet
Touch Keyboards (# 66xx1). Like their predecessors, these keyboards have
removable wrist rests for added comfort, and a 3-meter cable for added
flexibility.
(1 xx depends on the country)
Memory Density (SDRAM DIMM) 256 MB 128 MB 64 MB
Feature Code # 4169 # 4150 # 4149
Average Seek Time 10 ns 10 ns 10 ns
Number of PINs 168 168 168
Type Buffered
SDRAM Buffered
SDRAM Buffered
SDRAM
The DIMMs do not have to be installed in pairs.
Note

60 RS/6000 43P 7043 Models 150 and 260 Handbook
The present Pearl White Quiet Touch Keyboards will also continue to be
available with black systems giving users maximum flexibility in choosing
their desktop color scheme.
There is Euro currency symbol support on appropriate national language
versions.
3.1.3.6 Mouse
A Stealth Black 3-Button (# 8741) mouse is available. The new mouse has a
3-meter cable with a standard 6-pin mini-DIN connector providing the
flexibility users want. It is also still available in pearl white (# 6041).
3.1.3.7 Graphics Adapters
For 2D graphics applications the Model 150 offers the POWER GXT120P,
GXT250P, and GXT255P accelerator cards. The GXT120P meet the graphics
needs for many commercial applications and provides an entry point for
workstation users. It is also a good price/performance choice for server
environments.
For advanced graphics functions, the GXT3000P graphics accelerator for 3D
visualization marks a breakthrough in performance and functionality for
design and visualization solutions.
Refer to 3.1.4, “RS/6000 43P 7043 Model 150 Adapter Placement
Guidelines” on page 66 or to 5.2, “Graphics Adapters” on page 135 for more
information.
3.1.3.8 Graphic Peripheral Devices
The following graphic peripheral devices are officially supported:
• 6093-011 CursorPad Tablet
• 6093-012 Large Tablet
• 6093-021 IBM Tablet Model 021
• 6094-010 Dials
• 6094-020 Lightened Programming Function Keyboard (LPFK)
• 6094-030 Spaceball
• 6094-031 Spaceball
GXT3000P requires AIX 4.3.2. Support for AIX 4.2.1 is planned for a later
date.
Note

Detailed Product Descriptions 61
• 6094-040 Spaceball
• 6094-600 Magellan Enhanced Input Device
3.1.3.9 Monitors
The IBM P72, P92, and P202 color monitors are the premium graphics
monitors for RS/6000 workstations. These monitors are for customers who
demand image accuracy in a large screen format combined with
performance, quality, reliability, and connectivity.
Table 8. List of Orderable Monitors for Model 150
3.1.3.10 Personal Microphone
The IBM personal microphone (# 6308) is a lightweight microphone and
headset that conveniently mounts over and behind the user’s ear. The
microphone element is attached to the earpiece with a thin tubular boom. The
IBM personal microphone allows adjustments to be made to position the
microphone and headset for either the left or right ear.
The IBM personal microphone is suitable for a wide range of applications, but
is especially suited for speech recognition applications including dictation and
navigation in an office environment. The microphone allows consistent
performance by providing for an optimum distance between the voice source
and the microphone element and by providing concurrent feedback to the
user through the personal headset.
3.1.3.11 Software Pre-Install
Licensed programs may be pre-installed on the media selected. To order this
option, specify code (# 5005) on the initial system order. The pre-installed
licensed programs will be at the same release level as programs being
shipped from the program libraries at the time the system is manufactured.
Description Feature
Code Screen Size
(in inches)
P72 Color Monitor, Stealth Black # 3623 17.0
P72 Color Monitor, Pearl White # 3620 17.0
P92 Color Monitor, Stealth Black # 3625 19.0
P92 Color monitor, Pearl White # 3621 19.0
P202 Color Monitor, Stealth Black # 3626 21.0
P202 Color Monitor, Pearl White # 3622 21.0
62 RS/6000 43P 7043 Models 150 and 260 Handbook
3.1.3.12 PCI Storage Adapters
The following PCI SCSI adapters are supported in the Model 150
• PCI Single-Ended Ultra SCSI Adapter
• PCI Differential Ultra SCSI Adapter
• Serial Storage Architecture (SSA)
PCI Single-Ended Ultra SCSI Adapter (# 6206)
The PCI Single-Ended Ultra SCSI has a maximum data transfer rate of 40
MB/s which is two times the maximum data transfer rate of Fast/Wide
adapters and requires one PCI slot
PCI SCSI-2 Differential Ultra SCSI Adapter (# 6207)
The PCI Differential Ultra SCSI adapter is the next generation of SCSI-2
performance with a maximum data transfer rate of 40 MB/s and occupies one
PCI slot.
PCI SSA Multi-Initiator/RAID EL Adapter (# 6215)
The PCI SSA Multi-Initiator/RAID EL adapter allows up to eight RS/6000 to
attach to an SSA loop in non-RAID mode and two RS/6000 to attach in
RAID-5 mode and requires one PCI slot.
You can find more detailed information about the PCI storage adapters in 4.8,
“PCI Storage Adapters” on page 124.
3.1.3.13 Communications Adapters
The following communications adapters are officially supported in Model 150.
• IBM PCI Token-Ring adapter (# 2920)
• IBM PCI 10/100 Mbps Ethernet adapter (# 2968)
• ATM adapters
• Turboways 155 UTP PCI ATM Adapter (# 2963)
• Turboways 155 MMF PCI ATM Adapter (# 2988)
• Turboways 25 ATM PCI ATM Adapter (# 2998)
• FDDI adapters
• SysKonnect SK-NET FDDI-LP SAS PCI Adapter (# 2741)
• SysKonnect SK-NET FDDI-LP DAS PCI Adapter (# 2742)
• SysKonnect SK-NET FDDI-UP SAS PCI Adapter (# 2743)
• Asynchronous adapters
• PCI 8-Port Asynchronous Adapter EIA-232/RS-422 (# 2943)
• PCI 128-Port Asynchronous Controller (# 2944)
Detailed Product Descriptions 63
• 2-Port Multiprotocol PCI Adapter (# 2962)
• Eicon ISDN DIVA PRO 2.0 PCI S/T Adapter (# 2708)
3.1.3.14 Supported Devices
The following is a list of the external subsystems that are officially supported
by the RS/6000 Model 150.
External Disk Subsystems
• 7131-105 Multi-Storage Tower
• 7131-405 SSA Multi-Storage Tower
• 7133-010 SSA Disk Subsystem (Rack-Mounted)
• 7133-020 SSA Disk Subsystem (Rack-Mounted)
• 7133-500 SSA Disk Subsystem
• 7133-600 SSA Disk Subsystem
• 7137-412 Disk Array Subsystem (1.97 - 6.91 GB)
• 7137-413 Disk Array Subsystem (3.94 - 13.77 GB)
• 7137-414 Disk Array Subsystem (8.39 - 29.36 GB)
• 7137-415 Disk Array Subsystem (17.7 - 70.83 GB)
• 7203-001 Portable Disk Drive
• 7204-010 1 GB Disk Drive
• 7204-112 1.1 GB Fast/Wide Disk Drive
• 7204-113 2.2 GB Fast/Wide Disk Drive
• 7204-114 4.5 GB Fast/Wide Disk Drive
• 7204-118 18 GB SE External Disk Drive
• 7204-139 9.1 GB Fast/Wide Disk Drive
• 7204-215 2 GB Differential Disk Drive
• 7204-315 2 GB Differential Fast/Wide Disk Drive
• 7204-317 2.2 GB Differential Fast/Wide Disk Drive
• 7204-325 4.5 GB Differential Fast/Wide Disk Drive
• 7204-339 9.1 GB External Disk Drive
• 7204-402 External 2.2 GB Disk Drive
• 7204-404 External 4.5 GB Disk Drive
• 7204-418 18 GB DE External Disk Drive
64 RS/6000 43P 7043 Models 150 and 260 Handbook
External SCSI Devices
• 3995-C60 Optical Library Dataserver (1 Drive)
• 3995-C62 Optical Library Dataserver (2 Drives)
• 3995-C64 Optical Library Dataserver (2 Drives)
• 3995-C66 Optical Library Dataserver (4 Drives)
• 3995-C68 Optical Library Dataserver (4 Drives)
• 7209-002 Optical Disk Drive
• 7209-003 Optical Disk Drive
• 7210-005 CD-ROM Drive
• 7210-010 CD-ROM Drive (Quad speed)
• 7210-015 CD-ROM Drive (8x speed)
Tape Drive Subsystems
• 3490-F00 IBM Magnetic Tape Subsystem
• 3490-F01 IBM Magnetic Tape Subsystem
• 3494-L12 Tape Library Dataserver
• 3570-B00 IBM Magstar MP Tape Subsystem
• 3570-B01 IBM Magstar MP Tape Subsystem (Floor Library, 1 Drive)
• 3570-B02 Tape Subsystem (2 Drives)
• 3570-B11 IBM Magstar MP Tape Subsystem (Rack Mounted, 1 Drive)
• 3570-B12 IBM Magstar MP Tape Subsystem (Rack Mounted, 2 Drives)
• 3570-B1A IBM Magstar MP Tape Drive Model B1A
• 3570-C00 Magstar Magnetic Tape Subs * 1 Tape Lib (1), SCSI
• 3570-C01 Magstar Magnetic Tape Subs * 1 Tape Lib (20), SCSI
• 3570-C02 Magstar Magnetic Tape Subs * 2 Tape Lib (20), SCSI
• 3570-C11 Magstar Magnetic Tape Subs * 1 Tape Lib (20), SCSI
• 3570-C12 Magstar Magnetic Tape Subs * 2 Tape Lib (20), SCSI
• 3575-L06 IBM Magstar MP Tape Library DataServer - 60 Cartridge
• 3575-L12 IBM Magstar MP Tape Library DataServer - 120 Cartridge
• 3575-L18 IBM Magstar MP Tape Library DataServer - 180 Cartridge
• 3575-L24 IBM Magstar MP Tape Library DataServer - 240 Cartridge
• 3575-L32 IBM Magstar MP Tape Library DataServer - 320 Cartridge
Detailed Product Descriptions 65
• 3590-B11 High Performance Tape Subsystem
• 3590-B1A High Performance Tape Subsystem
• 3590-C12 Silo Compatible Tape Subsystem
• 7205-311 DLT Tape Drive Bridge Box
• 7206-005 4 GB 4mm Tape Drive
• 7206-110 Cartridge Autoloader 4mm, DDS-3, SCSI-2, DAT
• 7207-011 525 MB 1/4" Tape Drive
• 7207-012 1.2 GB 1/4" Tape Drive
• 7207-122 4 GB External SLR5 QIC Tape Drive
• 7207-315 13 GB 1/4" Tape Drive
• 7208-011 5 GB 8mm Tape Drive
• 7208-341 20 GB External 8mm Tape Drive
• 7331-205 8mm Tape Library
• 7331-305 8mm Tape Library
• 7332-005 4mm DDS-2 Tape Autoloader
• 7332-310 4mm Tape Autoloader
• 7336-205 4mm Tape Library
• 7337-305 Digital Linear Tape Subsystem
• 7337-306 Digital Linear Tape Subsystem
• 9348-012 1/2" 9-Track Magnetic Tape Unit
Communications Subsystems
• 7318 Model P10 Serial Communication Network Server
• 7318 Model S20 Serial Communication Network Server
Printers, Plotters and ASCII Terminals
These devices are all supported through standard ports. Refer to the list of
supported devices in the appropriate section of the AIX sales manual pages.
Modems
• IBM 5841, 5853, 5865
• Hayes compatible
• Recal-Vadic compatible

66 RS/6000 43P 7043 Models 150 and 260 Handbook
3.1.4 RS/6000 43P 7043 Model 150 Adapter Placement Guidelines
This machine is designed for customers to install adapters.Use the following
table to identify specific slot location options for the following adapters in your
7043 Model 150 system.
When determining a slot in which to place a new adapter, you should start
from the top of Table 9. The list of slot numbers represent the order in which
the slots should be used.
Table 9. Adapter Placement Guidelines for Model 150
Adapter Feature
Code max.
Quan
tity
Slot Usage
Ultimedia Video Capture 2639 1 Any Slot
Eicon ISDN DIVA PRO 2.0 PCI S/T Adapter 2708 1 Any Slot
PCI SysKonnect SK-NET FDDI-LP SAS 22741 2 Any Slot
PCI SysKonnect SK-NET FDDI-LP DAS 22742 2 Any Slot
PCI SysKonnect SK-NET FDDI-UP SAS 22743 2 Any Slot
POWER GXT3000P 2825 1 Slot 3
POWER GXT120P 12838 4 Any Slot
POWER GXT550P 2845 1 Slot 2, 3
POWER GXT255P 12852 4 Any Slot
PCI Token Ring Adapter 2920 4 Any Slot
PCI 8-Port Asynchronous EIZ-232/RS-422A 2943 2 Any Slot
PCI 128-Port Asynchronous Controller 2944 2 Any Slot
PCI 2-Port Multiprotocol 2962 2 Slots 5, 4, 1
PCI 155 TURBOWAYS ATM UTP 2963 2 Any Slot
PCI 10/100 Mbps Ethernet Tx 2968 4 Any Slot
PCI 155 TURBOWAYS ATM MMF 2988 2 Any Slot
PCI 25 TURBOWAYS ATM 2998 4 Any Slot
PCI Single-Ended Ultra SCSI 6206 2 Any Slot
PCI Differential Ultra SCSI 6207 2 Any Slot
PCI SSA Multi-Initiator/RAID EL 6215 1 Slots 2, 3
Detailed Product Descriptions 67
1 If both the POWER GXT120P and the POWER GXT255P are installed, the
POWER GXT255P must be installed in slot 2 or 3.
2 If two SysKonnect SK-NET FDDI PCI adapters are installed, they cannot be
installed in slots next to each other.
3.1.5 Service Package
Service package kit (# 3752) contains service publications, wrap plugs, and
diagnostic CD-ROM. It also includes Maintenance Analysis Procedures
(MAPs) that are not common to other RS/6000 systems. The
Diagnostics
Information for Multiple Bus Systems,
SA38-0509 contains information
common to all multiple bus units and is used primarily for problem isolation by
a customer’s service specialist trained on the unit being serviced.
These publications are intended to be used in the customer’s enterprise by
the customer’s own service specialists, and not by IBM Service personnel.
Two wrap plugs are included for use in diagnostic testing of the following
connections to the system units:
• RS-232 serial I/O port
• Parallel I/O port
This kit also contains a system diagnostic CD-ROM, along with a test diskette
for use by the customer service specialist (not by IBM service personnel).
3.1.5.1 Options Library (Hard Copy)
A hard copy version of the options publications (# 3753) can be obtained.
This hard copy is also available through PUBORDER (
CIO - Option Pubs
Library English,
SK2T-7452).

68 RS/6000 43P 7043 Models 150 and 260 Handbook
3.2 RS/6000 43P 7043 Model 260 Product Description
The IBM RS/6000 43P 7043 Model 260 is a new addition to the RS/6000
workstation and workgroup server family. The Model 260 is an affordable
64-bit symmetric multiprocessing (SMP) system with true multi-threaded
application support and extended floating-point capabilities. This is IBM’s first
announced 64-bit workstation and workgroup server. With the new
GXT3000P graphics adapter, it provides significant performance
enhancements over the Model 150 and the Model 240.
Figure 22. RS/6000 43P 7043 Model 260 (with Peripherals, and Spaceball)
The Model 260 is a 1- or 2-way SMP system utilizing the 64-bit 200 MHz
POWER3 processor with 4 MB of Level 2 (L2) cache per processor. The
system memory can be expanded up to 4 GB. Ethernet, Ultra SCSI, and a
service processor are integrated within the Model 260. The Model 260 also
contains five PCI slots and five bays. Two of the slots are 64-bit slots and
three are 32-bit slots. A 1.44 MB 3.5-inch diskette drive and a 32X maximum
speed CD-ROM occupy two of the bays. A variety of 2D and 3D graphics
adapters, including a new advanced 3D graphics adapter, are available for
the Model 260. This graphics capability, along with excellent price and
Detailed Product Descriptions 69
performance, position the Model 260 as a single-seat MCAD design and
analysis solution.
In addition, the Model 260’s SMP capability and robust set of disk drive and
communications features make it an excellent entry technical and commercial
server. It is the lowest cost 64-bit SMP server in the RS/6000 family of
products. The AIX Version 4.2.1 or 4.3.2 operating system is included with
each system and can be pre-installed, if desired.
The Model 260 is designed for use as a mid- to high-range graphics
workstation, or as an entry server. It supports MCAD, CAE, Geophysical, and
entry technical server customers. It is also well suited for use as an entry
SMP/64-bit server for ISVs and customers who want a cost-effective
development platform for developing and testing applications that will run on
larger RS/6000 systems. The dual processing power of the Model 260 and its
small package make it an excellent solution for Internet service providers and
customers that need or want a stand-alone internet server.
The system is designed for customer setup of the machine and for
subsequent addition of most features (adapters/devices).
3.2.1 Model 260 System Architecture
The RS/6000 43P 7043 Model 260 is the first product of the RS/6000 family
based on the POWER3 architecture. The design incorporates high-speed
processor and memory buses, a more efficient 4 MB Level 2 (L2) cache
design, a high-performance memory-I/O controller, and fast Synchronous
Dynamic Random Access Memory (SDRAM).
For more information about the POWER3 Architecture refer to 2.4.1, “The
POWER3 Microprocessor” on page 35.
3.2.2 Standard Features
In this section, the standard features of the Model 260 and their most
important characteristics are described.
3.2.2.1 Processor Subsystem
The PCI-based RS/6000 43P 7043 Model 260 features the POWER3 64-bit
microprocessor at 200 MHz. The processor includes an L1 cache split into 32
KB instruction and a 64 KB data cache. Each processor has 4 MB of Level 2
(L2) cache. Systems with only one processor must have installed the CPU
card in slot 1.
70 RS/6000 43P 7043 Models 150 and 260 Handbook
The processor subsystem is implemented on pluggable cards. Two processor
card slots are available. If two processor cards are installed in the system,
they must both be the same type or the system will not power on.
3.2.2.2 System Planar Board
One planar is installed in a Model 260. It provides the system bus and card
connections for the riser card, a voltage regulator, and clock module and four
memory DIMM slots. Power supply connections, I/O connections, and a
pin-grid array socket for the PowerPC processor.
One or two 200 MHz POWER3 processors can be installed.
Figure 23 shows the location of the I/O board components, Table 10 lists their
attributes.

Detailed Product Descriptions 71
Figure 23. RS/6000 43P 7043 Model 260 - System Planar & I/O Board
Table 10. RS/6000 43P 7043 Model 260 - System Planar & I/O Board Components
Location Description Location Description
J1 Operator panel power
connector J2 Operator panel audio
connector
Memory
Cards
Processor
Card
Processor Card
(primary)

72 RS/6000 43P 7043 Models 150 and 260 Handbook
3.2.2.3 Memory Subsystem
The base configuration comes with 256 MB Error Checking and Correcting
(ECC) SDRAM (2 x 128 MB DIMMs).
The Model 260 has an enhanced memory controller running at 100 MHz
memory bus speed. See 3.1.3.1, “Memory” on page 58 for more information
how the memory can be expanded.
Synchronous DRAM
The SDRAM operates faster than conventional DRAM. The SDRAM can
supply data every 10 nanosecond clock cycle once its initial access time of 60
nanoseconds has been satisfied. As with conventional memory, the SDRAM
banks have a period of latency after an access. During this period, the
memory bank would be designated as busy. To achieve better performance,
another memory bank (already precharged) needs to be accessed during that
period of latency. The memory I/O controller uses heavy queueing to be able
to make an intelligent decision on which memory bank to access next. The
controller will queue up to eight read commands and eight write commands
and attempts to schedule all reads to non-busy banks. It fills in with writes
when no reads are pending.
J3 PCI fan connector J4 I/O board connector to
system board
J5 VPD module connector J6 ESP external connector
J7 Internal SCSI connector J8, J9 64-bit PCI connectors
J10 CD ROM Audio J11 Battery connector
J12, J13, J14 32-bit PCI connectors J15 Service processor
external connector
J16 Power connector J17 Diskette drive connector
J18 Tablet connector J19 Power connector
J20 AUI Ethernet connector J21 Cec fan connector
J23 Serial port connector J24 Keyboard/Mouse
connector
J25 RJ45 Ethernet connector J26 Audio in/out
J27 Parallel port connector J28 External SCSI connector
Location Description Location Description

Detailed Product Descriptions 73
3.2.2.4 Operator Panel
The operator panel on the front of the Model 260 contains a power-on switch
(on/off), a reset button, a power-on light, a hard disk drive in use light, and an
LCD display for function and diagnostic feedback.
Table 11 lists the operator panel components shown in Figure 24.
Table 11. RS/6000 43P 7043 Model 260 - Operator Panel Components
Figure 24. RS/6000 43P 7043 Model 260 - Operator Panel
Number # Description
1Power-On Switch: Turns computer power on and off.
2Reset Switch: Resets your system unit.
3Power-On LED: Glows when computer is on.
4Hard Disk Drive Status LED: Glows when computer is reading from
or writing to the disk drive.
5Operator Panel Display: Displays current status of system unit startup,
or diagnostic information in the event of a hardware problem.
6Headset Receptacle: For connecting audio headphones.
7Microphone Receptacle: For connecting audio microphone.

74 RS/6000 43P 7043 Models 150 and 260 Handbook
3.2.2.5 Bays
Five bays are available for the system, as shown in Figure 25. One is
reserved for the diskette drive (bay 1) and one for the internal CD-ROM drive
(bay 2).
The Model 260 comes with a standard Ultra-SCSI 16-bit Disk Drive installed
in bay 4. Up to three internal disks can be installed in the system.
Bay 3, a 5.25 inch bay, can accommodate a second CD-ROM, tape drive, or
other disk device. If you want to install a 4.5 GB Ultra SCSI Disk Drive
(# 2900) or a 9.1 GB Ultra SCSI 16-Bit 1-Inch High Disk Drive (# 2908), you
have to use the 5.25 inch Media Bay Mounting Kit (# 6508).
Bays 4 and 5, which are both 3.5 inch bays, can contain a 4.5 GB Ultra SCSI
Disk Drive (# 3028) or 9.1 GB Ultra SCSI Disk Drive (# 3029).
Table 12 lists a summary of the different storage devices and in which bay
they can be installed:
Table 12. Storage Device Features
For more detailed information about the disk drives, see Table 29 on page
121.
Feature Code Device Max.
Quantity Bay #
2624 600 MB 32X CD-ROM 2 2, 3
2900 4.5 GB Ultra SCSI Disk 1 3
2908 9.1 GB Ultra SCSI Disk 1 3
3028 4.5 GB Ultra SCSI Disk 2 4, 5
3029 9.1 GB Ultra SCSI Disk 2 4, 5
6156 8 mm 20/40 GB Tape Drive 1 3
6159 4 mm 12/24 GB Tape Drive 1 3
6508 5 1/4" Media Bay Mounting Kit 1 3
The Model 260 cannot boot from drives connected to SCSI external
connector.
Note

Detailed Product Descriptions 75
Figure 25. RS/6000 43P 7043 Model 260 - Front View
3.2.2.6 Internal CD-ROM Drive
The 32X SCSI-2 Internal CD-ROM Drive is a tray-loading CD-ROM drive
providing up to 4800 KB/s maximum media data transfer rate. It is a 5.25
inch, half-high form factor, single ended, 8 bit, multi-session capable,
CD-ROM drive that provides state-of-the-art performance and supports
existing 600 MB CD-ROM discs. It supports either the standard 12 cm or the
smaller 8 cm CD-ROM disk.
For more detailed technical information about the CD-ROM drive, refer to
Table 30 on page 122.
Bay 3
Bay 5
Bay 4
Bay 1
Bay 2

76 RS/6000 43P 7043 Models 150 and 260 Handbook
3.2.2.7 Rear Bulkhead Connections and Components
Table 13 lists the connections and components found on the rear bulkhead as
shown in Figure 26.
Table 13. RS/6000 43P 7043 Model 260 - Rear View Components
3.2.2.8 Standard I/O Ports
The system provides the following standard I/O ports:
Keyboard port The quiet touch keyboard, an optional feature, can be
plugged into this standard 6-pin mini-DIN port.
Mouse port A port is provided to support an optional three-button
mouse.
Serial port Two serial ports are provided for a TTY terminal, Modem
and other serial devices.
Parallel port One parallel port is provided.
3.2.2.9 PCI Adapter Slots
There are five PCI slots in the Model 260:
• Slots 1 and 2 are 64-bit and run at 50 MHz.
• Slots 3, 4 and 5 are 32-bit and run at 33 MHz.
• All slots are long slots.
Number # Description Number # Description
1 Power Supply LED 2 Power Supply Test Switch
3 Power Connector 4 Serial Connector S1
5 Serial Connector S2 6 AUI Ethernet Connector
7 Tablet Connector 8 Keyboard Connector
9 Mouse Connector 10 Audio Line Out
11 Audio Line In 12 RJ45 Ethernet Connector
13 Parallel Connector 14 External SCSI Connector
15 PCI Slot 5 (32-bit) 16 PCI Slot 4(32-bit)
17 PCI Slot 3 (32-bit) 18 PCI Slot 2 (64-bit)
19 PCI Slot 2 (64-bit)

Detailed Product Descriptions 77
Figure 26. RS/6000 43P 7043 Model 260 - Rear View
3.2.2.10 Integrated Ethernet Adapter
An integrated 10/100 Mbps Ethernet AUI/RJ45 port (10Base5/100BaseT) is
part of the base system.

78 RS/6000 43P 7043 Models 150 and 260 Handbook
3.2.2.11 Integrated Ultra SCSI Controller
The Model 260 has two integrated Ultra SCSI controllers. One for internal and
one for external connections. Both are operated at a speed of 40 MB/s.
3.2.2.12 AIX Operating System
The RS/6000 43P 7043 Model 260 includes a one to two user, full-function
AIX Version 4.2.1 or 4.3.2 package at no additional charge.
3.2.2.13 Year 2000 and EuroReady
The RS/6000 43P 7043 Model 260 is Year 2000 ready. Please refer also to
1.8, “Year 2000” on page 18.
When used with AIX 4.3.2, this product is EuroReady.
3.2.2.14 Publications
Table 14 provides the publications shipped with the Model 260 (additional
copies are available):
Table 14. Publications Shipped with the Model 260
Table 15 provides the additional publications that are available. To order,
contact your IBM representative.
Table 15. Available Publications for Model 260
Order Number Title
SA38-0555 7043 Model 260 Hardware Setup
SA38-0553 7043 Model 260 User's Guide
SA23-2690 Customer Support Information (US
customers only)
SA23-2652 System Unit Safety Information
SA38-0538 PCI Adapter Placement Reference
Guide
Order Number Title
SA38-0554 7043 Model 260 Service Guide
SA38-0509 Diagnostics Information for Multiple
Bus Systems
SA38-0516 IBM RS/6000 Adapters, Devices
and Cables Information for Multiple
Bus Systems
Detailed Product Descriptions 79
3.2.3 Reliability, Availability, and Serviceability (RAS)
The RS/6000 43P 7043 Model 260 integrates key reliability, availability, and
serviceability attributes that are described in the following sections.
3.2.3.1 Reliability, Fault Tolerance, and Data Integrity
The reliability of the Model 260 system starts with reliable components,
devices, and subsystems. During the design and development process,
subsystems go through rigorous verification and integration testing
processes. During system manufacturing, systems go through a thorough
testing process to ensure the highest product quality level.
The Model 260 system L2 Cache and system memory offers Error Checking
and Correcting (ECC) fault-tolerant features. ECC corrects environmentally
induced single-bit intermittent memory failures, as well as single-bit hard
failures. With ECC, the likelihood of memory failures will be substantially
reduced. ECC also provides double-bit memory error detection that protects
data integrity in the event of a double-bit memory failure. System memory
also provides 4-bit packet error detection that helps protect data integrity in
the event of a DRAM chip failure. The system bus, I/O bus, and PCI buses
are designed with parity error detection.
Disk mirroring and disk controller duplexing capability are also provided by
the AIX operating system.
The Journaled File System of the AIX operating system maintains file system
consistency and reduces the likelihood of data loss when the system is
abnormally halted due to a power failure.
An available RAID hardware feature for the system provides data integrity
and fault tolerance in the event of disk drive failure.
3.2.3.2 Service Processor
A service processor is included in the system, providing an immediate means
to diagnose, check status, and sense operational conditions of a remote
system, even when the main processor is inoperable. The service processor
enables firmware and operating system surveillance, several remote power
controls, environmental monitoring, reset and boot features, along with
remote maintenance and diagnostic activities, including console mirroring.
The service processor can place calls to report surveillance failures, critical
environmental faults and critical processing faults.
For more information about the Service Processor please refer to Chapter 7,
“Service Processor” on page 185.
80 RS/6000 43P 7043 Models 150 and 260 Handbook
3.2.3.3 Fault Monitoring Functions
Built-in Self-Test (BIST) and Power-on Self-Test (POST) checks processor,
L2 cache, memory and associated hardware, that are required for proper
booting of the operating system every time the system is powered on. If a
non-critical error is detected, or if the error(s) occur in the resources which
can be removed from the system configuration, the booting process will
proceed to completion. The error(s) are logged in the system non-volatile
RAM.
Disk drive fault tracking that can alert the system administrator of potential
disk failure before it impacts customer operation.
The AIX log facility where hardware and software failures are recorded and
analyzed (by Error Log Analysis routine) to provide warning to the system
administrator on the causes of system problems. This also enables IBM
service representatives to bring along needed replacement hardware
components when a service call is placed, thus minimizing system repair
time.
3.2.3.4 Mutual Surveillance
The service processor can monitor the operation of the firmware during the
boot process, and it can monitor the operating system for loss of control. It
also allows the operating system to monitor for service processor activity. The
service processor can take appropriate action, including calling for service,
when it detects that the firmware or the operating system has lost control.
Likewise, the operating system can request a service processor repair action
if necessary.
3.2.3.5 Environmental Monitoring Functions
The following is a list of the environmental monitoring functions.
• Temperature monitoring that increases the fan speed rotation when
ambient temperature is above the normal operating range
• Temperature monitoring to warn the system administrator of potential
environmental related problems (for example, air conditioning and air
circulation around the system) so that appropriate corrective actions can
be taken before a critical failure threshold is reached, and to provide
orderly system shutdown when operating temperature exceeds the critical
level
• Fan speed monitoring to provide warning and an orderly system shutdown
when the speed is out of operational specification
• DC voltages monitoring to provide warning and an orderly system
shutdown when the voltage(s) are out of operational specification
Detailed Product Descriptions 81
• AC power loss sensing to provide an orderly system shutdown
3.2.3.6 Error Handling and Reporting
In the unlikely event of system hardware or environmentally induced failure,
the system Run-Time Error Capture capability systematically analyzes the
hardware error signature to determine the cause of failure. The analysis
result will be stored in system Non-Volatile RAM (NVRAM). When the system
can be successfully rebooted either manually or automatically, the error will
be reported to the AIX operating system. The Error Log Analysis (ELA) can
be used to display the failure cause and the physical location of failing
hardware.
With the integrated service processor, the system has the ability to
automatically send out an alert through the phone line to a pager, or call for
service in the event of critical system failure.
Environmental and Power Warnings (EPOW) is an option that is implemented
in the Model 260. This option provides environmental conditions of the
system to the user in order to try and minimize damage to the system if limits
are close to being exceeded. This option also indicates failure conditions to
AIX for appropriate action.
3.2.3.7 Availability Enhancement Functions
The following enhancements provide additional system availability function.
• On-line (Concurrent) Diagnostics with Error Log Analysis and Service Aids
that allow administrators or IBM service representatives to diagnose
potential system malfunction without interrupting end-user operation
• Auto-restart (reboot) option, when enabled, to automatically reboot the
system following an unrecoverable software error, software hang,
hardware failure, or environmental-induced (AC power) failure
3.2.3.8 Serviceability
The Model 260 is designed for Customer setup of the machine and for
subsequent addition of most features (adapters/devices). For a fee, IBM
Service can perform the installation.
The Model 260 allows support personnel to remotely log into a system to
review error logs and perform remote maintenance. The Model 260 Service
Processor enables the analysis of a system that will not boot.
The diagnostics consist of Stand-alone Diagnostics (system dedicated to
service) and On-line Diagnostics. On-line Diagnostics, when installed, are
resident with AIX on the disk or system. They can be booted in single user
82 RS/6000 43P 7043 Models 150 and 260 Handbook
mode (service mode), run in maintenance mode, or run concurrently
(concurrent mode) with other applications. They have access to the AIX Error
Log and the AIX Configuration Data.
Service Mode allows checking of system devices and features. Concurrent
Mode allows the normal system functions to continue while selected
resources are being checked. Maintenance Mode allows checking of most
system resources.
The System Management Services (SMS) error log is accessible from the
SMS menu for tests performed through SMS programs. The Service
Processor error log is accessible from the Service Processor menu for results
of Service Processor tests.
3.2.3.9 Service Director for RS/6000
The Service Director for RS/6000 is available at no additional charge if the
RS/6000 processor is covered by an IBM Warranty or IBM Maintenance
Service Agreement. When installed on the RS/6000, the Service Director for
RS/6000 can enhance IBM’s ability to provide the system with maintenance
service.
The Service Director for RS/6000:
• Monitors and analyzes system errors, and if needed, can automatically
place a service call to IBM without customer intervention
• Can reduce the effect of business disruptions due to unplanned system
outages and failures
• Performs problem analysis on a subset of hardware-related problems and,
with customer authorization, automatically reports the results to IBM
Service
3.2.3.10 On-line Customer Support (OCS)
On-line Customer Support for hardware problem reporting may be performed
by remote login by RS/6000 specialists using normal AIX facilities. The
Service Director for RS/6000 software can also be used for this capability.
AIX Support offerings will be under AIXSERV and Service Director for
RS/6000.
3.2.4 Supported Optional Features
In this section, optional features are defined as internal optional devices.
Adapters are described in more detail in Chapter 5, “Adapters, Overview and

Detailed Product Descriptions 83
Configuration” on page 127 and storage subsystems are described in
Chapter 4, “Storage Architectures and Devices” on page 97.
3.2.4.1 Additional Processor
Two processor card slots are available on the system board. Since the
system comes with one standard POWER3 processor, a second processor
can be added (# 4342). As already mentioned, if two processor cards are
installed in the system, they must both be the same type or the system will
not power on.
3.2.4.2 Memory
The RS/6000 43P 7043 Model 260 comes standard with 256 MB of ECC
SDRAM memory and can be expanded up to 4 GB.
The DIMMs can be installed in one or two memory cards. Each card can
contain 16 DIMMs, which are available as 32 MB DIMMs (# 4107) or 128 MB
DIMMs (# 4110). If you need more than 16 DIMMs, you have to order the
Memory Expansion Feature (# 4098).
The first memory card must be installed in memory card slot 2. Memory
DIMMs must be ordered and installed in pairs on the memory cards. They
must be installed starting at the bottom of each card (card slot J1 and J2).
See Figure 27 for the memory card configuration.
As a 64 bit operating system, AIX 4.3.2 fully supports the maximum
memory configuration. AIX 4.2.1, however, limits support to a maximum of
3 GB of real memory to allow mapping of I/O in the address space.
Note

84 RS/6000 43P 7043 Models 150 and 260 Handbook
Figure 27. Slot Configuration on Memory Card
3.2.4.3 Internal Disk Drives
The system comes with a standard 4.5 GB Enhanced Ultra SCSI Disk. There
is also a 9.1 GB Enhanced Ultra SCSI Disk available. You can add one
additional 4.5 GB (# 3028) or 9.1GB (# 3029) disk into the second media bay.
A third 4.5 GB (# 2900) or 9.1 GB (# 2908) disk can be installed into bay 3
with the Media Bay Mounting Kit (# 6508).
For more detailed information about the disk drives, see Table 29 on page
121.
3.2.4.4 Internal CD-ROM Drive
One additional 32X CD-ROM drive can be added to the system (# 2624) into
media bay 3, with the Media Bay Disk Drive Mounting Kit (# 6508).
More detailed information about the CD-ROM drive can be found on Table 30
on page 122.
3.2.4.5 Internal Tape Drives
Two internal tape drives are available:
• 20/40 GB 16-Bit 8mm Internal Tape Drive (Black Bezel) (# 6156)
This feature consists of a 5.25-inch half-high, single-ended, 16-bit tape
drive. This drive provides a high capacity tape drive for save/restore and
archiving functions. This tape drive uses IBM 8 mm data cartridges and is
compression capable, providing a capacity of up to 40 GB, a 400 percent
increase over the previous 5/10 GB 8mm internal tape drive.
Detailed Product Descriptions 85
• 12/24 GB 4 mm Internal Tape Drive (# 6159)
The 12/24 GB 4 mm Internal Tape Drive is a 5.25 inch, half-high,
single-ended 8-bit tape drive, which provides a high capacity for
save/restore and achieve functions. This tape drive uses IBM 4 mm data
cartridges and is compression capable, providing a capacity of up to 24
GB, a significant increase in capacity over the previous 4/8 4-mm internal
tape drives (when using DDS-3 media).
For more information about the tape drives, see Table 32 on page 123.
3.2.4.6 Keyboard
Stealth Black Quiet Touch Keyboards (# 87xx1) are available in 37
languages. They have the same quiet and soft touch as the Pearl White Quiet
Touch Keyboards (# 66xx1). Like their predecessors, these keyboards have
removable wrist rests to add comfort, and a 3-meter cable to add flexibility.
(1 xx depends on the country)
The Pearl White Quiet Touch Keyboards will continue to be available with
black systems giving users maximum flexibility in choosing their desktop
color scheme.
There is Euro currency symbol support on appropriate national language
versions.
3.2.4.7 Mouse
A Stealth Black 3-Button (# 8741) mouse has a 3-meter cable with a standard
6-pin mini-DIN connector providing the flexibility users want. It is still
available in pearl white (# 6041).
3.2.4.8 Graphics Adapters
For 2D graphics applications, the Model 260 offers the POWER GXT120P,
GXT250P, and GXT255P accelerator cards. The GXT120P meets the
graphics need for many commercial applications and provides an entry point
for workstation users. It is also a good price/performance choice for server
environments.
For advanced graphics functions, the GXT3000P graphics accelerator for 3D
visualization marks a breakthrough in performance and functionality for
design and visualization solutions. This graphics accelerator, matched with
IBM POWER3 workstation, utilizes IBM’s multi-threaded PHIGS and OpenGL
libraries, which exploit the 260’s SMP architecture to provide excellent speed
and performance for demanding applications in:

86 RS/6000 43P 7043 Models 150 and 260 Handbook
1. Mechanical Computer-Aided Design (MCAD) and engineering for
aerospace and automotive
2. Petroleum exploration and production
3. Scientific visualization
4. Other technical industries
Refer to 3.2.5, “RS/6000 43P 7043 Model 260 Adapter Placement
Guidelines” on page 92, or to 5.2, “Graphics Adapters” on page 135 for more
information.
3.2.4.9 Graphics Peripheral Devices
The following graphic peripheral devices are officially supported:
• 6093-011 CursorPad Tablet
• 6093-012 Large Tablet
• 6093-021 IBM Tablet Model 021
• 6094-010 Dials
• 6094-020 Lightened Programming Function Keyboard (LPFK)
• 6094-030 Spaceball
• 6094-031 Spaceball
• 6094-040 Spaceball
• 6094-600 Magellan Enhanced Input Device
3.2.4.10 Monitors
Three monitor types are provided. Each of them can be obtained in pearl
white and black color:
Table 16. List of Orderable Monitors for Model 260
Description Feature Code Screen Size
IBM P72 Color Monitor # 3620 17"
IBM P72 Color Monitor, Stealth
Black, Captured Cable # 3623 17"
IBM P92 Color Monitor # 3621 19"
The GXT3000P requires AIX 4.3.2. Support for AIX 4.2.1 is planned for a
later date.
Note

Detailed Product Descriptions 87
All monitors include the following features:
• Video Electronics Standards Association (VESA) Display Data Channel
(DDC) capability for Plug and Play and asset tracking when the attaching
system unit's hardware and software is DDC-enabled
• Energy Star guidelines meet energy efficiency
• Power management capability to meet the power consumption
requirements of Swedish National Board for Industrial and Technical
Development (NUTEK)
• TCO-95 compliant - incorporates a universal power supply with power
factor correction (EN 61000-3-2:1995) providing worldwide operating
capability in many instances
• Microprocessor-controlled, multi-frequency operation so that you can
change, replace, or upgrade most system units without replacing these
monitors
• Timings for the VESA 85 Hz non-interlaced refresh rate display modes for
640 x 480, 800 x 600, and 1024 x 768 addressabilities supported
Also earlier announced displays, like the 5081, 6091-19i, PowerDisplay17,
PowerDisplay20, P50, P70, P200, or P201, are supported.
To attach a 5081 or 6091 display, the 6091 attachment cable (# 4217) is
required, which is 1.8 meters (6 feet) in length.
3.2.4.11 Personal Microphone
The IBM Personal Microphone (# 6308) is a lightweight microphone and
headset that conveniently mounts over and behind the user's ear. The
microphone element is attached to the earpiece with a thin tubular boom. The
IBM Personal Microphone allows adjustments to be made to position the
microphone and headset for either the left or right ear.
The IBM Personal Microphone is a perfect addition to the microphone
supplied with you system unit. It will allow each user to have their own
microphone.
IBM P92 Color Monitor, Stealth
Black, Captured Cable # 3625 19"
IBM P202 Color Monitor # 3622 21"
IBM P202 Color Monitor, Stealth
Black, Captured Cable # 3626 21"
Description Feature Code Screen Size
88 RS/6000 43P 7043 Models 150 and 260 Handbook
The microphone is suitable for a wide range of applications, but is especially
suited for speech recognition applications including dictation and navigation
in an office environment. The microphone allows consistent performance by
providing for by an optimum distance between the voice source and the
microphone element and providing concurrent feedback to the user through
the personal headset.
3.2.4.12 Software Pre-Install
Licensed programs may be pre-installed on the media selected. To order this
option, specify code (# 5005) on the initial system order. The pre-installed
licensed programs will be at the same release level as programs being
shipped from the program libraries at the time the system is manufactured.
3.2.4.13 PCI Storage Adapters
The following PCI SCSI adapters are supported in the Model 260:
• PCI Single-Ended Ultra SCSI Adapter
• PCI Differential Ultra SCSI Adapter
• Serial Storage Architecture (SSA)
PCI Single-Ended Ultra SCSI Adapter (# 6206)
The PCI Single-Ended Ultra SCSI has a maximum data transfer rate of 40
MB/s, which is two times the maximum data transfer rate of Fast/Wide
adapters and requires one PCI slot.
PCI SCSI-2 Differential Ultra SCSI Adapter (# 6207)
The PCI Differential Ultra SCSI adapter is the next generation of SCSI-2
performance with a maximum data transfer rate of 40 MB/s. It occupies one
PCI slot.
PCI SSA Multi-Initiator/RAID EL Adapter (# 6215)
The PCI SSA Multi-Initiator/RAID EL adapter allows up to eight RS/6000 to
attach to an SSA loop in non-RAID mode and two RS/6000 to attach in
RAID-5 mode and requires one PCI slot.
You can find more detailed information about the PCI storage adapters in 4.8,
“PCI Storage Adapters” on page 124.
Detailed Product Descriptions 89
3.2.4.14 Communications Adapters
The following communication adapters are officially supported:
• IBM PCI Token-Ring Adapter (# 2920)
• PCI Ethernet adapters
• IBM 10/100 Mbps Ethernet PCI Adapter (# 2968)
• Gigabit Ethernet - SX PCI Adapter (# 2969)
• ATM adapters
• Turboways 155 PCI UTP ATM Adapter (# 2963)
• Turboways 155 PCI MMF ATM Adapter (# 2988)
• Turboways 25 ATM PCI Adapter (# 2998)
• FDDI adapters
• SysKonnect SK-NET FDDI-LP SAS PCI (# 2741)
• SysKonnect SK-NET FDDI-LP DAS PCI (# 2742)
• SysKonnect SK-NET FDDI-UP SAS PCI (# 2743)
• Asynchronous adapters
• 8-Port Asynchronous Adapter EIA-232/RS-422 PCI (# 2943)
• 128-Port Asynchronous Controller (# 2944)
• 2-Port Multiprotocol PCI Adapter (# 2962)
• Eicon ISDN DIVA PRO 2.0 PCI S/T Adapter (# 2708)
• ARTIC960Hx 4-Port T1/E1 PCI Adapter (# 2948)
More detailed technical information about these PCI adapters can be found in
5.1, “Communication Adapters” on page 127.
For more information about the adapter placement guidelines, see 3.2.5,
“RS/6000 43P 7043 Model 260 Adapter Placement Guidelines” on page 92.
3.2.4.15 Supported Devices
The following is a list of the external subsystems that are officially supported
by the RS/6000 Model 260. This list is not all-inclusive. Please refer to the
sales manual of the external machine type for further attach support
information.
External Disk Subsystems
• 7131-105 Multi-Storage Tower
• 7131-405 SSA Multi-Storage Tower
90 RS/6000 43P 7043 Models 150 and 260 Handbook
• 7133-010 SSA Disk Subsystem (Rack-Mounted)
• 7133-020 SSA Disk Subsystem (Rack-Mounted)
• 7133-500 SSA Disk Subsystem
• 7133-600 SSA Disk Subsystem
• 7137-412 Disk Array Subsystem (1.97 - 6.91 GB)
• 7137-413 Disk Array Subsystem (3.94 - 13.77 GB)
• 7137-414 Disk Array Subsystem (8.39 - 29.36 GB)
• 7137-415 Disk Array Subsystem (17.7 - 70.83 GB)
• 7203-001 Portable Disk Drive
• 7204-010 1 GB Disk Drive
• 7204-112 1.1 GB Fast/Wide Disk Drive
• 7204-113 2.2 GB Fast/Wide Disk Drive
• 7204-114 4.5 GB Fast/Wide Disk Drive
• 7204-118 18 GB SE External Disk Drive
• 7204-139 9.1 GB Fast/Wide Disk Drive
• 7204-215 2 GB Differential Disk Drive
• 7204-315 2 GB Differential Fast/Wide Disk Drive
• 7204-317 2.2 GB Differential Fast/Wide Disk Drive
• 7204-325 4.5 GB Differential Fast/Wide Disk Drive
• 7204-339 9.1 GB External Disk Drive
• 7204-402 External 2.2 GB Disk Drive
• 7204-404 External 4.5 GB Disk Drive
• 7204-418 18 GB DE External Disk Drive
External SCSI Devices
• 3995-C60 Optical Library Dataserver (1 Drive)
• 3995-C62 Optical Library Dataserver (2 Drives)
• 3995-C64 Optical Library Dataserver (2 Drives)
• 3995-C66 Optical Library Dataserver (4 Drives)
• 3995-C68 Optical Library Dataserver (4 Drives)
• 7209-002 Optical Disk Drive
• 7209-003 Optical Disk Drive
Detailed Product Descriptions 91
• 7210-005 CD-ROM Drive
• 7210-010 CD-ROM Drive (Quad speed)
• 7210-015 CD-ROM Drive (8x speed)
Tape Subsystems
• 3490-F00 IBM Magnetic Tape Subsystem
• 3490-F01 IBM Magnetic Tape Subsystem
• 3494-L12 Tape Library Dataserver
• 3570-B00 IBM Magstar MP Tape Subsystem
• 3570-B01 IBM Magstar MP Tape Subsystem (Floor Library, 1 Drive)
• 3570-B02 Tape Subsystem (2 Drives)
• 3570-B11 IBM Magstar MP Tape Subsystem (Rack Mounted, 1 Drive)
• 3570-B12 IBM Magstar MP Tape Subsystem (Rack Mounted, 2 Drives)
• 3570-B1A IBM Magstar MP Tape Drive Model B1A
• 3570-C00 Magstar Magnetic Tape Subs * 1 Tape Lib (1), SCSI
• 3570-C01 Magstar Magnetic Tape Subs * 1 Tape Lib (20), SCSI
• 3570-C02 Magstar Magnetic Tape Subs * 2 Tape Lib (20), SCSI
• 3570-C11 Magstar Magnetic Tape Subs * 1 Tape Lib (20), SCSI
• 3570-C12 Magstar Magnetic Tape Subs * 2 Tape Lib (20), SCSI
• 3575-L06 IBM Magstar MP Tape Library DataServer - 60 Cartridge
• 3575-L12 IBM Magstar MP Tape Library DataServer - 120 Cartridge
• 3575-L18 IBM Magstar MP Tape Library DataServer - 180 Cartridge
• 3575-L24 IBM Magstar MP Tape Library DataServer - 240 Cartridge
• 3575-L32 IBM Magstar MP Tape Library DataServer - 320 Cartridge
• 3590-B11 High Performance Tape Subsystem
• 3590-B1A High Performance Tape Subsystem
• 3590-C12 Silo Compatible Tape Subsystem
• 7205-311 DLT Tape Drive Bridge Box
• 7206-005 4 GB 4mm Tape Drive
• 7206-110 Cartridge Autoloader 4mm, DDS-3, SCSI-2, DAT
• 7207-011 525 MB 1/4" Tape Drive
• 7207-012 1.2 GB 1/4" Tape Drive
92 RS/6000 43P 7043 Models 150 and 260 Handbook
• 7207-122 4 GB External SLR5 QIC Tape Drive
• 7207-315 13 GB 1/4" Tape Drive
• 7208-011 5 GB 8 mm Tape Drive
• 7208-341 20 GB External 8 mm Tape Drive
• 7331-205 8 mm Tape Library
• 7331-305 8 mm Tape Library
• 7332-005 4 mm DDS-2 Tape Autoloader
• 7332-310 4 mm Tape Autoloader
• 7336-205 4 mm Tape Library
• 7337-305 Digital Linear Tape Subsystem
• 7337-306 Digital Linear Tape Subsystem
• 9348-012 1/2" 9-Track Magnetic Tape Unit
Communications Subsystems
• 7318 Model P10 Serial Communication Network Server
• 7318 Model S20 Serial Communication Network Server
Printers, Plotters and ASCII Terminals
These devices are all supported through standard ports. Refer to the list of
supported devices in the appropriate section of the AIX sales manual pages.
Modems
• IBM 5841, 5853, 5865
• Hayes compatible
• Recal-Vadic compatible
3.2.5 RS/6000 43P 7043 Model 260 Adapter Placement Guidelines
Table 17 lists the slot plugging guidelines for the Model 260 system.

Detailed Product Descriptions 93
When determining a slot in which to place a new adapter, you should start
from the top of the table. The list of slot numbers represent the order in which
the slots should be used.
Table 17. RS/6000 43P 7043 Model 260 - Adapter Placement Guidelines
Adapter Feature
Code Slot Usage max.
Quan-
tity
POWER GXT120P # 2838 Any slot 2
POWER GXT250P # 2851 Any slot 4
POWER GXT255P # 2852 Any slot 4
POWER GXT3000P # 2825 Slot 2 1
PCI Single Ended Ultra SCSI # 6206 Any slot 2
PCI Differential Ultra SCSI # 6207 Any slot 2
SysKonnect SK-NET FDDI-LP SAS PC # 2741 Any slot 2
SysKonnect SK-NET FDDI-LP DAS PCI # 2742 Any slot 2
SysKonnect SK-NET FDDI-UP SAS PC # 2743 Any slot 2
Token Ring PCI # 2920 Any slot 4
10/100 Mbps Ethernet PCI # 2968 Any slot 4
1 GB Ethernet PCI # 2969 Slot 1, 2 2
Eicon ISDN DIVA PRO 2.0 PCI S/T # 2708 Any slot 1
2-Port Multiprotocol PCI # 2962 Any slot 2
ARTIC960Hx 4-Port Selectable PCI # 2947 Any slot 2
ARTIC960Hx 4-Port T1/E1 PCI # 2948 Slots 4, 3, 2 2
8-Port Asynchronous EIA-232E/RS-422A PCI # 2943 Any slot 2
128-Port Async Controller PCI # 2944 Any slot 2
155 TURBOWAYS ATM PCI MMF # 2988 Any slot 2
TURBOWAYS 25 ATM PCI # 2998 Any slot 4
155 TURBOWAYS ATM PCI UTP # 2963 Any slot 2
PCI SSA Multi-Initiator/RAID EL # 6215 Any slot 1
Ultimedia Video Capture # 2639 Any slot 1
94 RS/6000 43P 7043 Models 150 and 260 Handbook
For more information on the adapter refer to Chapter 5, “Adapters, Overview
and Configuration” on page 127 or see PCI Adapter Placement Reference,
SA38-0538.
3.2.6 Service Package
This kit (# 3752) contains service publications, wrap plugs, and a diagnostic
CD-ROM. It also includes Maintenance Analysis Procedures (MAPs) that are
not common to other RS/6000 systems.
The Diagnostics Information for Multiple Bus Systems, SA38-0509, contains
information common to all multiple bus system units and is used primarily for
problem isolation by a customer's service specialist trained on the unit being
serviced. These publications are intended to be used in the customer's
enterprise by the customer's own service specialists.
Two wrap plugs are included for use in diagnostic testing of the following
connections to the system unit:
• RS-232 serial I/O port
• Parallel I/O port
This kit also contains a system diagnostic CD-ROM, along with a test
diskette, for use by the customer's service specialist.
3.2.6.1 Options Library (Hard Copy)
A hard copy version of the options publications (# 3753) can be obtained.
This hard copy is also available as
CIO - Option Pubs Library English,
SK2T-7452.

Detailed Product Descriptions 95
3.3 IBM Multimedia Kit for RS/6000
The IBM Multimedia Kit for RS/6000 (# 8679) consists of a video camera,
speakers, and connecting cables, as shown in Figure 28.
Figure 28. Model 150 with Multimedia Kit for RS/6000
The following are part of the package:
• Philips Desktop Video Camera
• Flicker-free picture mode (shutter speed is fixed to avoid noticeable
flickering in environments with fluorescent lighting)
• Microphone for live audio (connection with a 3.5 mm miniature audio
plug)
• Capability to focus manually close to 0 cm
• Back-light compensation (improved image with back-light situations)
• White-balance fixed mode (for optimal color stability)
• An LED that shows the camera is on
• Camera output through an RCA composite video connection connects
to the Ultimedia Video Capture Adapter

96 RS/6000 43P 7043 Models 150 and 260 Handbook
• NTSC format
• High-power output speaker system includes two premium Infinity(R) sound
quality speakers specially designed to fit and match IBM equipment.
With the Multimedia Kit for RS/6000 and the Ultimedia Video Capture adapter
(# 2639), IBM provides the hardware you need to capture and display video
contents within IBM Workgroup Conferencing for AIX and Ultimedia Services.
Both software products are included in the AIX Bonus Pack CD, which is
shipped with the base operating system.
For more information about Workgroup Conferencing see Chapter 1.7,
“Workgroup Conferencing” on page 15.
The Multimedia Kit (# 8679) was announced in October 1998 and will be
available in the US and Latin America. IBM plans to announce the
Multimedia Kit for other countries at a later date.
Note

© Copyright IBM Corp. 1998 97
Chapter 4. Storage Architectures and Devices
In this chapter, the internal storage features of the Models 150 and 260 are
described. Storage standards, SCSI, and SSA are covered. The different
technologies are discussed, and additional information is provided in the
cabling sections. As well, a description of the storage devices and adapters
follows as well.
4.1 Storage Boot Devices
The system boot image can be executed from the following base storage
devices:
• SCSI CD-ROM
• SCSI DASD devices connected to a base SCSI controller
• SCSI tape drives
4.2 SCSI Overview
A Small Computer System Interface (SCSI) is a bus-level interface.
Computers may communicate with a large number of devices of different
types connected to the system unit through a SCSI controller and
daisy-chained cable. The attached devices include such peripherals as fixed
disks, CD-ROMs, printers, plotters, and scanners. The SCSI controller may
be in the form of an adapter, or may be integrated on the motherboard. There
are several terms and concepts used in discussing SCSI technology that
require definition.
4.2.1 SCSI-I
SCSI is a standard defined by the American National Standards Institute
(ANSI). The original SCSI standard is defined in ANSI standard X3.131-1986.
It defines an 8-bit interface with a burst-transfer rate of 5 MB/s and a 5 MHz
clock (1 byte transferred per clock cycle).
The American National Standards Institute (ANSI) refers to the different
SCSI specifications using the SCSI-I and SCSI-II type nomenclature. IBM
uses SCSI-1 and SCSI-2 nomenclature in official product names.
Note
98 RS/6000 43P 7043 Models 150 and 260 Handbook
It is sometimes referred to as SCSI-I to differentiate it from the generic term
SCSI. SCSI-I was the first of all SCSI technologies to come about and was
the fastest controller interface at the time.
4.2.2 SCSI-II
The SCSI-II specification gained final approval from ANSI in 1994 as
standard X3T9.2/375R Revision 10K. SCSI-II allowed far better performance
than SCSI-I. It defines extensions to SCSI that allow for 16- and 32-bit
devices, a 10 MB/s synchronous transfer rate for 8-bit transfers and 20 MB/s
for 16-bit transfers. Other enhancements are discussed in the text that
follows. SCSI-II comes in many varieties, such as SCSI-II, SCSI-II Fast and
SCSI-II Fast/Wide.
The interface for SCSI-II also defined additional control signals, as well as
additional data signals. This meant that the maximum number of devices
supported by one SCSI channel was increased from 8 to 16.
4.2.2.1 Common Command Set
The SCSI-II standard defines a set of commands that must be interpreted by
all devices that are attached to a SCSI bus. This is called the common
command set. Unique devices may implement their own commands, which
can be sent by a device driver and interpreted by the device. The advantage
of this architecture is that the SCSI adapter does not have to change when
new devices with new capabilities are introduced.
4.2.2.2 Tagged Command Queuing
Tagged Command Queuing (TCQ) is a SCSI-II enhancement. It increases
performance in disk-intensive server environments. With SCSI-I systems,
only two commands could be sent to a fixed disk. The disk would store one
command while operating on the other. With TCQ, it is possible to send
multiple commands to the hard disk because the disk stores the commands
and executes each command in the sequence that gives optimal
performance.
Also with TCQ, the adapter has more control over the sequence of disk
operations. For example, the adapter can tell the device to execute the next
command immediately, or it can instruct it to finish everything it already has
been given before completing the new command.
4.2.2.3 Disconnect/Reconnect
Some commands take a relatively long time to complete (for example, a seek
command could take roughly 10 ms). With this feature, the target can
disconnect from the bus while the device is positioning the heads (seeking).
Storage Architectures and Devices 99
Then, when the seek is complete and data is ready to be transferred, the
device can arbitrate for the bus and then reconnect with the controller to
transfer the data.
If the device is very efficient, it will even begin reading the data and place it
into a buffer before it reconnects. This allows it to burst the data across the
SCSI bus, thereby minimizing the time it needs to use or own the bus.
These techniques result in a more efficient use of the available SCSI bus
bandwidth. If the controller held onto the bus while waiting for the device to
seek, then the other devices would be locked out.
Since, in effect, multiple operations can occur simultaneously, this is also
known as overlapped operations or multi-threaded I/O on the SCSI bus. This
feature is very important in multi-tasking environments.
If you only have one SCSI device, then disable this feature. You will gain a
small amount of performance since there is a slight overhead associated with
the disconnect/reconnect sequence.
4.2.3 SCSI-III
ANSI continues to develop the SCSI-II specification to address issues of
cable definition, termination, confusing SCSI-II commands, and electrical and
signal timing definitions. The SCSI-III architecture encompasses the following
commands, interconnects, and protocols:
• The SCSI-III command set consists of five command sets that are derived
from SCSI-II command sets and a new SCSI-III command set for RAID
controllers.
• The interconnect technologies for SCSI-III specifications are:
• Fibre Channel Physical and Signaling Interface (FC)
• IEEE 1394 High Performance Serial Bus (FireWire)
• SCSI-III Parallel Interface (SPI)
• Serial Storage Architecture Bus (SSA)
• The SCSI-III protocol standards are:
• SCSI-III Interlock Protocol (SIP)
• SCSI-III Serial Storage Protocol (SSP)
• SCSI-III Serial Bus Protocol (SBP)
• Fiber Channel Protocol for SCSI (FCP)

100 RS/6000 43P 7043 Models 150 and 260 Handbook
Currently, SCSI-III has a transfer rate of 40 MB/s and includes Fast-20
Narrow and Fast-20 Wide.
SCSI-III will be a major step forward in the development of disk subsystems.
It further enhances the SCSI-II interface in the following ways:
• Provides three new physical interface layers, SSA, FC and FireWire.
These new layers provide better performance, higher availability and more
expendability to SCSI.
• Divides SCSI into more than 15 standards, each dealing with a separate
part. Because SCSI had become a very large standard, the separation
makes the SCSI standard easier to maintain and better to work with. It
also allows parts of SCSI-III to be formalized much sooner.
4.2.3.1 Overview of SCSI-III Standards
The breakdown of the SCSI-III standards is shown in Figure 29 and is
described in Table 18.
.
Figure 29. SCSI III Standards Overview
Medium Changer
Commands
Graphics
Commands
Controller
Commands
Multimedia
Commands
Block
Commands
Stream
Commands
Parallel
Fibre Channel
IEEE 1394
Serial Storage
Architecture
Interlocked
Protocol
Fibre Channel
Protocol
Serial Bus
Protocol
Serial Storage
Protocol
Architecture
Model Command
Primary
Set
Physical Interface
Layer Protocol
Layer
Device Model
Layer
Command Set
Layer

Storage Architectures and Devices 101
Table 18. Overview of SCSI-III Standards
For clarity, the SCSI-III interconnects are discussed. There are four SCSI-III
interconnect technologies:
• SCSI-III Parallel Interface (SPI)
• Fibre Channel Physical and Signaling Interface (FC-PH)
• IEEE 1394 High Performance Serial Bus
• Serial Storage Architecture Bus (SSA-PH)
SPI is as close to SCSI-II technology as we can get because both are parallel
technologies. FC-PH, SSA-PH and IEEE 1394 introduce serial data transfer
into the SCSI mix.
Standards Abbrev Function
SCSI-III Interlocked Protocol SIP Describes the protocols used on the SPI bus
Fibre Channel Protocol FCP Describes the protocols used on the FC bus
Serial Bus Protocol SBP Describes the protocols used on the IEEE
1394 bus
Serial Storage Protocol SSP Describes the protocols used on the SSA
bus
SCSI-III Architecture Model SAM Describes the architecture of the SCSI-III
model (includes the SCSI-III device models)
SCSI-III Primary Commands SPC Describes the commands that all SCSI
devices must implement
SCSI-III Block Commands SBC Describes the commands used to transmit
blocks of data
SCSI-III Stream Commands SSC Describes the commands used to transmit
streams of data
SCSI-III Medium Changer
Commands SMC Describes the commands used to change a
medium in a device
SCSI-III Graphic Commands SGC Describes the commands that involve
graphics
SCSI-III Controller
Commands SCC Describes the commands used to configure
and test the controller of a device
SCSI-III Multimedia
Commands MMC Describes commands that involve
multimedia data, such as audio and video
102 RS/6000 43P 7043 Models 150 and 260 Handbook
These three serial SCSI interfaces have two major differences over their
parallel sibling:
• The cable has only six wires
• The connectors are simplified into six pins
These new physical properties translate into lower costs for users and
manufacturers.
You should take note that SCSI-III Parallel Interface (SPI) is backwardly
compatible with SCSI-I and SCSI-II. It is ideal for those users that have
sizable investments in SCSI-II equipment because SPI integrates SCSI-II and
SCSI-III devices on the same chain. The use of SCSI-III provides much more
function due to the improvements in the command set and data transfer rates.
The migration from SCSI-II to SPI is relatively simple because all the
connectors, cables and terminators essentially remain the same.
The SCSI-III Parallel Interface specification uses the terms Fast-20 Narrow and
Fast-20 Wide. Fast-20 Narrow is an 8-bit bus with a maximum data transfer rate
of 20 MB/s. Fast-20 Wide is a 16-bit bus with a maximum data transfer rate of
40 MB/s. The
20
in Fast-20 refers to the clock speed of bus: 20 MHz, which is
double the speed of SCSI-II Fast.
The term Ultra SCSI is another name for Fast-20 Wide. Ultra SCSI is not
equivalent to SCSI-III, but is a subset of the SCSI-III Parallel Interface (SPI).
4.2.4 SCSI Terminology
The terminology of SCSI products can sometimes be confusing. Here are
some definitions to help your understanding.
4.2.4.1 General Terminology
The following is a list of general terminology for SCSI.
Fast Fast refers to the doubling of the data transfer rate from
the SCSI 5 MB/s to 10 MB/s by doubling the clock rate.
SCSI (that is, the original SCSI specification, or SCSI-I) is
5 MB/s, which is produced by a clock speed of 5 MHz
sending data down eight wires. SCSI-II Fast achieves 10
MB/s by doubling the clock speed to 10 MHz.
Wide Wide is used in reference to the width of the SCSI parallel
bus between the adapter and the device. Wide means
wider than the original 8-bit path defined in SCSI-I, usually
16-bit. 32-bit transmission is possible within the
specification but there are no "Wide-32" devices on the

Storage Architectures and Devices 103
market. With a 16-bit path, the data rate is double that of
an 8-bit device for the same clock speed.
Fast/Wide Fast/Wide refers to a 16-bit data path running at 10 MHz
producing a maximum data transfer rate (or burst rate) of
20 MB/s.
Fast-20 Fast-20 is a bus running at double the clock speed of Fast,
or 20 MHz. Fast-20 typically refers to an 8-bit bus and can
also be called Fast-20 Narrow. Fast-20 Wide is the 16-bit
version, also known as Ultra SCSI.
Ultra SCSI Ultra SCSI, as described above, is a subset of the SCSI-III
specification. It is effectively a Fast SCSI bus running at
20 MHz. Ultra SCSI can produce a maximum transfer of
20 MB/s over an 8-bit data path. Wide Ultra SCSI, the
16-bit version of Ultra SCSI, can transmit a maximum of
40 MB/s.
Ultra2 SCSI Ultra-2 is the latest extension to the SCSI-III specification
that allows transfers to take place at 80 MB/s on a wide
bus, or 40 MB/s for narrow. At twice the speed of the
current Ultra SCSI, and comparable with SSA, it has the
advantage of complete backwards compatibility with
existing peripherals. The cable length maximum, as
defined by the standard, is 12 meters. This standard
requires Low Voltage Differential (LVD).
4.2.4.2 Asynchronous versus Synchronous
An asynchronous device must acknowledge each byte as it comes from the
controller. Synchronous devices may transfer data in bursts, and the
acknowledgments happen after the fact. Synchronous is much faster than
asynchronous, and most newer devices support the synchronous mode of
operation. The adapters negotiate with devices on the SCSI bus to ensure
that the mode and data transfer rates are acceptable to both the host adapter
and to the devices. This process prevents data from being lost and ensures
that data transmission is error free.
Wide refers to the width of the bus between the SCSI adapter and its
attached devices. Do not confuse this with the width of the host bus
interface (for example, a 32-bit PCI or Micro Channel bus).
Note

104 RS/6000 43P 7043 Models 150 and 260 Handbook
4.2.4.3 SCSI Differential
Normally, there is one wire in a SCSI cable for each signal. However, over
long distances and with high clocking rates, the signals can degrade and
errors can occur. To solve this, SCSI Differential was developed, which uses
two wires for each signal.
Consider Figure 30 on page 104 as an example. Signal A is transmitted along
two wires, A+ and A-. A- is the mirror image of A+. When some line noise
appears such as a signal spike, the spike will be of the same polarity on both
A+ and A-. On the receiving end, the signals are subtracted, and the result is
A+/A- as shown in the diagram. The spike is canceled out by the subtraction.
Figure 30. SCSI Differential Example
With SCSI Differential, longer cable lengths, up to 25 meters, can be
maintained. The trade-off is the additional cost of the cables, connectors and
the circuitry needed to perform the calculations. SCSI Differential is not
commonly used for long distances. However, SCSI repeaters, as described in
the below section, are more common.
4.2.5 SCSI Repeaters
A SCSI repeater is a device that enhances the signal quality of a SCSI bus
and allows the bus to be physically longer. The repeater can be in the form of
either an adapter or an external "black box."
As noted in Table 19 on page 105, the maximum length of the SCSI bus for a
SCSI-II F/W configuration is 3.0 meters. With a repeater, it is possible to
extend this distance.
A+
A -
1
0
1
0
1
0
A+

Storage Architectures and Devices 105
4.2.6 Summary of SCSI Specifications
SCSI defines many different modes of operation, including several different
data transfer modes. The most common are shown in Table 19.
Table 19. Differential SCSI Modes
4.3 SCSI Cabling
It is very likely that you will face problems regarding configuration and
installation of SCSI adapters and devices.
SCSI cabling can be one of the most confusing topics to encounter. Some of
the questions that may arise are:
• How many SCSI devices can be attached to a single SCSI adapter?
• What are the right cable features to attach more SCSI devices on the
same SCSI chain?
• What is the right SCSI cabling for an HACMP configuration?
In this section, the main SCSI cabling features used with PCI-based RS/6000
systems are described, answering some of the questions mentioned above.
Mode Bandwidth Frequency Max. data
Transfer
Rate
Max. Cable
Length
Single Ended
SCSI-I 8-bit 5 MHz 5 MB/s 6 meters
Fast SCSI 8-bit 10 MHz 10 MB/s 3 meters
Fast/Wide SCSI 16-bit 10 MHz 20 MB/s 3 meters
Ultra SCSI (or
Fast-20 SCSI) 8-bit 20 MHz 20 MB/s 1.5 meters
Wide Ultra (or
FAST-20 Wide
SCSI)
16-bit 20 MHz 40 MB/s 1.5 meters
Ultra2 SCSI 16-bit 40 MHz 80 MB/s 12 meters
The single-ended length refers to the length of the SCSI cable without
using devices and their main characteristics.
Note

106 RS/6000 43P 7043 Models 150 and 260 Handbook
The following describes the SCSI cabling of the two PCI SCSI adapters
supported by the Model 150 and 260 entry workstation and workgroup
servers:
• PCI Single-Ended Ultra SCSI Adapter (# 6206)
• PCI Differential Ultra SCSI Adapter (# 6207)
4.3.1 General SCSI Cabling Considerations
Before describing SCSI cabling features, it is necessary to understand the
following primary specifications of SCSI technology:
• Default SCSI cable routing
• Maximum SCSI bus length
• SCSI terminators
• SCSI device addresses
• SCSI bus width
4.3.1.1 Default SCSI Cable Routing
SCSI IDs for the storage devices are defined by the location in which they are
installed. The standard SCSI cable is used for all combinations. SCSI
termination is done on the system planar. Termination setting of all internal
SCSI devices must be set to OFF.
4.3.1.2 SCSI Bus Length
SCSI bus length is defined as the distance between terminators at either end
of a SCSI bus. The SCSI specifications allow the following maximum bus
length for each SCSI bus:
• SCSI-II Single Ended: 6 meters (20 feet)
• SCSI-II Fast/Wide Single Ended: 3 meters (10 feet)
• SCSI-II Fast/Wide Differential: 25 meters (80 feet)
For configurations using both internal and external cabling, length restrictions
apply to the length from the end of the internal cable to the terminator on the
last device on the external bus.
Refer to the publication
IBM RS/6000 Adapters, Devices and Cables
information for Multiple Bus Systems
, SA38-0516, for specific SCSI cabling
information.
Note

Storage Architectures and Devices 107
Devices that have two SCSI connectors have internal cabling that must be
included when calculating the total cable length. When attaching these
devices to a SCSI chain, connect one cable to one connector and the other
cable to the other connector. Do not piggy back the second cable/terminator
onto the first as you would with a device that had only one SCSI connector as
shown in Figure 31.
Figure 31. Piggy Back Connectors
A dedicated adapter should be used for attachment of any external enclosure
containing multiple SCSI devices.
4.3.1.3 SCSI Terminators
There must be exactly two terminators on the SCSI bus, and they must be
located at each end of the bus.
• For SCSI adapters with external devices only, make sure the appropriate
SCSI terminator is connected to the last device on the bus.
• For SCSI adapters with internal devices only, make sure that the
appropriate SCSI terminator is connected to the end of the internal SCSI
cable.
• For SCSI adapter with both internal and external devices, make sure the
appropriate SCSI terminator is connected to the last device on the
external bus and that the end of the internal SCSI cable has been properly
terminated.
one connector device two connector device
Use this connector
to attach a cable
or terminator
Single-Ended External Narrow Bus
This "piggy back" connector is
not to be used if it is attached
to a two connector device.

108 RS/6000 43P 7043 Models 150 and 260 Handbook
4.3.1.4 SCSI Device Addresses
The Ultra SCSI adapters support a maximum of 16 SCSI addresses,
including devices and adapters. The default address for an adapter is 7, but it
can easily be changed if necessary.
• All devices on the SCSI bus must have a unique SCSI ID.
• The SCSI bus address determines priority on the bus. Address priority
from highest to lowest is as follows:
• The addresses 7, 6, 5, 4, 3, 2, 1, 0 and 15, 14, 13, 12, 11, 10, 9, 8, with
addresses 15 through 8 being used in 16-bit configurations only.
• Generally, the highest priority is assigned to the adapter.
• For any single adapter in an 8-bit configuration, a maximum of seven
devices are permitted, provided that the supported configuration-specific
bus lengths are not exceeded.
• For any single adapter in a 16-bit configuration, a maximum of 15 devices
are permitted, provided that the supported configuration-specific bus
lengths are not exceeded.
• The default ID of the SCSI adapter in a single adapter configuration is 7.
All devices on that bus must have a unique ID from 0 to 6 (8 to 15 are also
valid if SCSI-wide); two different devices may not have the same SCSI ID.
In the high-availability configurations, the second adapter must have its
address changed to avoid conflicts.
• If a SCSI address is changed after the operating system is loaded, the
operating system must be stopped and loaded again to have the correct
configuration, or cfgmgr run.
• Stand-alone diagnostics always default to a SCSI ID of 7 when testing
SCSI adapters and devices. Choosing SCSI IDs other than 7 for both
adapters prevents problems when using stand-alone diagnostics on
systems in HA clusters or in multi-initiator configurations.
• Check the documentation for your specific SCSI subsystem to insure that
there are no SCSI ID conflicts if the adapters are addressed at ID(s) other
than 6 or 7.
The SCSI address switch for each device must be set while power to
the system unit is off. If the SCSI device is an external type, the external
device must be powered off only while switching the address. The
operating system determines the system configuration during IPL (or
during execution of cfgmgr).
Note
Storage Architectures and Devices 109
4.3.1.5 SCSI Bus Width
Operation of both 8-bit and 16-bit devices on the same external SCSI bus is
not supported due to the termination and cabling restrictions.
Operation of both 8-bit and 16-bit devices on the same internal bus is
supported concurrently as long as 16-bit internal cable and 68-pin to 50-pin
interposers are used.
Mixed-width internal attachment is supported concurrently with single-width
external attachment as long as maximum cable length restrictions are not
exceeded.
4.3.2 Cabling the PCI Single-Ended Ultra SCSI Adapter
The maximum supported cable length for the PCI single-ended Ultra SCSI
adapter (# 6206) depends on what type of devices are attached and where
they are attached (to the internal or external connector). Device types are
classified as:
• Ultra SCSI SE – maximum transfer rate of 40 MB/s (one byte transfers)
• Ultra SCSI Wide – maximum transfer rate of 40 MB/s (two byte transfers)
For this adapter:
• The maximum supported cable length for configurations without any
SCSI-II Fast or Ultra SCSI devices is 6 meters (approximately 20 feet).
• The maximum supported cable length for configurations that include
SCSI-II Fast (but not Ultra) is 3 meters (approximately 10 feet) with the
exception of the 7027-HSC High Capacity Drawer, which can be attached
with up to 6 meters of cable.
• To ensure optimum signal quality for Ultra SCSI transfers, attachment of
multiple Ultra SCSI devices is only recommended for devices mounted
inside the system unit. To ensure optimum signal quality for Ultra SCSI
transfers, it is recommended that only Ultra SCSI devices be attached to a
backplane that is driven by a PCI Single-Ended Ultra SCSI adapter.
This default setting can be changed (using SMIT or the chdev command) to
allow attachment of external Ultra SCSI devices, with the restriction that there
are no SCSI devices attached to the internal connector.
The Ultra SCSI Adapter (# 6206) has the following supported configurations:
• Internal Ultra devices running at Ultra speeds:
• Up to six Ultra devices attached to the internal port (dependent on
internal configuration and cabling)
110 RS/6000 43P 7043 Models 150 and 260 Handbook
• No external attachments are allowed
• External Ultra devices running at Ultra speeds:
• No internal attachments allowed.
• Up to four external Ultra wide (16-bit) devices can be attached to the
external port. Maximum cable length must not exceed 3 meters.
• Up to three external Ultra (8-bit) devices can be attached to the
external port. Maximum cable length must not exceed 3 meters.
• Ultra or SCSI-II Fast devices running at SCSI-II Fast speeds,
• Up to six devices attached to the internal port (dependent on internal
system configuration and cabling).
• External attachment of up to four independent physical enclosures is
allowed, provided each physical enclosure presents only one load to
the SCSI bus. The total bus length must not exceed 3 meters. Total bus
length includes internal and external cable length.
• Multiple SCSI-II Fast devices in external enclosures:
• No internal attachments allowed.
• Maximum combined internal (to enclosure) and external cable length is
3 meters.
• Loads on the cable (cable length between devices). They must be 0.1
meters apart at a minimum.
• No mixing of bus widths (8-bit and 16-bit) unless the 68-pin-to-50-pin
interposer (PN 92F2565 or equivalent) is used.
The following tables describe the cables and terminator features, part
numbers, and lengths for the PCI Single-Ended Ultra SCSI Adapter (# 6206).
Cables and Terminators for Single-Ended SCSI Adapters
In the following tables, the cables and terminators of the following
single-ended SCSI adapters are listed:
• PCI Single-Ended Ultra SCSI Adapter (# 6206)

Storage Architectures and Devices 111
Adapter-to-First Device Cables
Table 20 on page 111 describes the cables for the Single-Ended Ultra SCSI
Adapter for connection to the first device.
Table 20. Single-Ended Ultra SCSI Adapter-to-First Device Cables
Note: When cables are ordered by feature code (FC), the appropriate
terminator is included with the order. When cables are ordered by part
number, only the cable is included.
The external connector on these adapters are the SCSI-III standard, 68-pin P
cable connector. Many of the 16-bit SCSI devices also use this connector
type, and as a result, some cables can be used as either adapter-to-first
device or device-to-device cables, depending upon what type of SCSI
connectors are present on the devices.
M/T FC Part
Number Length
(meters) Cable Description
Host
System 2111 06H6037 1.0 Adapter-to-first device (where
first device has two connectors),
8-bit narrow bus
Host
System 2112 06H6037 1.0 Adapter-to-first device (where
first device has two connectors),
8-bit narrow bus
Host
System 2113 52G0174 1.5 Adapter-to-first device (where
first device has one connector),
8-bit narrow bus
Host
System 2114 52G0173 .94 16-bit Y-cable
Host
System 2115 06H6036 1.0 Adapter-to-first device (where
first device has two connectors),
16-bit wide bus
Host
System 2116 06H6036 1.0 Adapter-to-first device (where
first device has two connectors),
16-bit wide bus

112 RS/6000 43P 7043 Models 150 and 260 Handbook
Device-to-Device Cables
Table 21 describes the device-to-device cables for single-ended applications.
Table 21. Device-to-Device Cables for Single-Ended Installations
Note: Most feature codes for cables are only orderable against the
attachment device (7204, 7206, 7208, and so on.). For some cables, the
feature codes have been made available on the system units. In these cases,
the system feature code will be listed. Otherwise, the attachment device
feature codes will be used.
System-To-System Cables
Table 22 on page 113 provides a 16-bit connection between any two
differential or single ended SCSI devices having 68-pin connectors. It can be
Machine
Type FC Part
Number Length
(meters) Cable Description
SE External
Device 2840 33F4607 0.7 Device-to-Device (where second
device has two connectors), 8-bit
narrow bus
SE External
Device 3130 31F4222 0.66 Device-to-Device (where second
device has one connector), 8-bit
narrow bus
SE External
Device 2860
/9139 52G9921 0.3 Device-to-Device (where second
device has two connectors), 16-bit
wide bus
SE External
Device 2884
/9160 52G4291 0.6 Device-to-Device (where second
device has two connectors), 16-bit
wide bus
SE External
Device 2883
/9150 52G4233 2.5 Device-to-Device (where second
device has two connectors), 16-bit
wide bus
7027 HST 2425
7027 HST 3132 40H7351 6.0 Device-to-Device (where second
device has two connectors), 16-bit
wide bus

Storage Architectures and Devices 113
used to attach an external SCSI device to a SCSI adapter card in an RS/6000
system.
Table 22. 16-Bit SCSI-II System-To-System Cable
Terminators for Use with These Adapters
Table 23 describes the terminators for single-ended installations.
Table 23. Terminators for Single-Ended Installations
4.3.3 Cabling the PCI Differential-Ended Ultra SCSI Adapter
To understand the cabling for the PCI differential-ended Ultra SCSI adapter (#
6207), first read 4.3.1, “General SCSI Cabling Considerations” on page 106
and then read the following for specific information.
SCSI Differential Cable Lengths Using This Adapter
The maximum supported cable length for configurations is 25 meters
(approximately 80 feet).
Machine
Type FC Length
(meters0 Cable Description
SE External
Devices 2424 0.6 16-bit SCSI-II system-to-system cable
SE External
Devices 2425 2.5 16-bit SCSI-II system-to-system cable
M/T FC Part Number Connector Terminator
Description
SE External
Devices Part of cable
FC 52G4260 50-pin low
density 8-bit external FPT18C
terminator
SE External
Devices Part of cable
FC 92F0432
(52G9907) 68-pin high
density 16-bit external Boulay
terminator
SE External
Devices Part of cable
FC 92F0322
(92G2566) 68-pin high
density 16-bit external bus
terminator

114 RS/6000 43P 7043 Models 150 and 260 Handbook
Adapter-to-First Device Cables
Table 24 provides a list of adapter to first device cables.
Table 24. Differential-Ended Ultra SCSI Adapter-to-First Device Cables
Note: When cables are ordered by feature code, the appropriate terminator in
included with the order. When cables are ordered by part number, only the
cable is included. For terminator part numbers, refer to the Table 26 on page
116.
For this adapter, the same cable can be used for either single-ended or
differential attachments. The difference in feature code orders is the
terminator type.
The external connector on this adapter is the SCSI-III standard, 68-pin "P"
cable connector. Many of the 16-bit SCSI devices also use this connector
type, and, as a result, some cables can be used as either adapter-to-first
devices or device-to-device cables, depending upon what type of SCSI
connectors are present on the devices.
Device-to-Device Cables
Table 25 provides a list of device-to-device cables.
Table 25. Device-to-Device Cables for Differential-Ended Installations
M/T FC Part
Number Length
(Meters) Cable Description
Host
System 2112 06H6037 1.0 Adapter-to-first device (where first
device has two connectors), 8-bit
narrow bus
Host
System 2114 52G0173 0.94 16-bit Y-cable
Host
System 2116 06H6036 1.0 Adapter-to-first device (where first
device has two connectors), 16-bit
wide bus
M/T FC Length
(Meters) Part
Number Cable Description
DE External
Device 2848
/9134 0.6 74G8511 Device-to-device (where second
device has two connectors), 8-bit
narrow bus
DE External
Device 2860
/9139 0.3 52G9921 Device-to-device (where second
device has two connectors),
16-bit wide bus

Storage Architectures and Devices 115
Note: Most feature codes for cables are only orderable against the
attachment device (7204, 7206, 7208). For some cables, the feature codes
have been made available on the system units. In these cases the system
feature code is listed otherwise the attachment device feature code is used.
9xxx feature codes are used for new build orders, whereas 2xxx feature
codes are used for MES orders.
Terminators for Use With This Adapter
This adapter has on-card SCSI terminators that must be removed before the
adapter can be used in a high-availability configuration. The high-availability
configuration is implemented by removing the three on-card differential
terminating resistors (labeled RN1, RN2, and RN3) on the adapter, then
attaching the middle leg connector of the high-availability configuration
DE External
Device 2884
/9160 0.6 52G4291 Device-to-device (where second
device has two connectors),
16-bit wide bus
DE External
Device 2846
/9132 2.5 52G4233 Device-to-device (where second
device has two connectors),
16-bit wide bus
7027 2425
DE External
Device 2885
/9161 4.5 88G5749 Device-to-device (where second
device has two connectors),
16-bit wide bus
7027-HSD 3132 6.0 40H7351 Device-to-device (where second
device has two connectors),
16-bit wide bus
DE External
Device 2870
/9146 12.0 88G5747 Device-to-device (where second
device has two connectors),
16-bit wide bus
7027 HSD 3125
DE External
Device 2869
/9145 14.0 88G5748 Device-to-device (where second
device has two connectors),
16-bit wide bus
DE External
Device 2868
/9144 18.0 88G5746 Device-to-device (where second
device has two connectors),
16-bit wide bus
7027 HSD 3136
M/T FC Length
(Meters) Part
Number Cable Description

116 RS/6000 43P 7043 Models 150 and 260 Handbook
Y-cable to the adapters 68-pin external connector. The remaining two legs of
the Y-cable are used to attach other systems and devices to the SCSI bus.
If the PCI Differential Ultra SCSI adapter is at the end of the SCSI bus, the
shorter leg of the Y-cable must be terminated with the appropriate terminator.
Note: The high-availability configuration (Y-cable with a terminator on the
shorter leg) allows disconnection of the adapter from a
live
SCSI bus by
removal of the external bus connection (the middle leg of the Y-cable).
Although termination and SCSI bus continuity is maintained during removal of
the adapter, the noise generated may create undetected data errors if the bus
is in use during the time of removal. To maintain data integrity, the SCSI bus
should be inactive during the removal of adapters, cables, or terminators.
Table 26 provides a list of required terminators.
Table 26. Terminator For Description-Ended Installations
Cabling Examples for the PCI Differential Ultra SCSI Adapter
Figure 32 and Figure 33 shows how to cable the PCI Differential Ultra SCSI
Adapter.
Figure 32. Differential External Narrow Bus
M/T FC Part
Number Connector Terminator Description
DE External
Devices Part of cable
FC 87G1356 50-pin low
density 8-bit external bus
terminator
DE External
Devices Part of cable
FC 61G8324 68-pin high
density 16-bit external bus
terminator
13
5

Storage Architectures and Devices 117
Figure 33. Differential External Wide Bus
Table 27 provides a list of available cables for differential adapters.
Table 27. Cabling for the PCI Differential Ultra SCSI Adapter
Item
Number Part
Number Length
(Meters) Description
1 06H6037 1.0 Adapter-to-dual-connector device (narrow
8-bit)
2 06H6036 1.0 Adapter-to-dual-connector device (wide
16-bit)
3 74G8511 0.6 Device-to-dual-connector device (narrow
8-bit)
4 52G4291 0.6 Device-to-dual-connector device
(wide16-bit)
52G9921 0.3
5 87G1356 Terminator (8-bit)
6 61G8324 Terminator (16-bit)
24
6

118 RS/6000 43P 7043 Models 150 and 260 Handbook
4.4 Serial Storage Architecture Overview
Serial Storage Architecture (SSA) is a high-speed serial interface that IBM
originally developed as a proprietary interface. The interface was
standardized in 1994 under the control of the ANSI X3T10.1 committee. SSA
is designed to overcome the bottlenecks of existing SCSI bus architectures.
SSA is a single I/O interface that can effectively address the storage
requirements of a variety of computers, from PCs to supercomputers.
Combining the highest performance of a direct disk interface with low cost
connectivity and flexibility of network-wide attachment, SSA offers a reliable
and robust storage interface. Compared to newer interfaces such as Fibre
Channel-Arbitrated Loop (FC-AL) connection, which IBM announced in
October 1998 for the RS/6000 Enterprise Server model S7A, SSA is more
cost-effective while delivering equal or better performance. Compared to
today’s parallel interfaces such SCSI, SSA serial link connectivity provides
many benefits:
• Enables hot-swapping and automatic configuration of new devices (with
out interrupting file service to users)
• Supports up to 128 total devices (including multiple initiator) in a single
SSA configuration, compared to a maximum of 16 devices for SCSI
• Provides configuration flexibility with up to 25 meters of separation
between devices
• Maximizes data transfer, currently enabling 80 MB/s of available
bandwidth
SSA uses shielded twisted pair (STP) cabling as a transport medium. There
are five conductors in the cable. Four are used for signal transmission, and
one is used as a shield. The twists in the cable eliminate crosstalk, and the
shielding eliminates electromagnetic interference (EMI). Thus, SSA can
function reliably with its nodes placed 25 m apart. IBM offers a fiber optic
extender that can extend this limit to 2400 m. The fiber optic extenders are
supplied in pairs to complete a string.

120 RS/6000 43P 7043 Models 150 and 260 Handbook
Table 28. Comparing SSA and SCSI
4.6 Internal SCSI Devices
The following section gives an overview of the internal SCSI devices for the
Models 150 and 260, and their main characteristics:
• Disk drives
• CD-ROM drives
• Tape drives
4.6.1 Disk Drives for the Model 150 and Model 260
Table 29 on page 121 shows the main characteristics of the internal disk
drives that are available for the Models 150 and 260. When you want to install
a 4.5 GB (# 2900) or a 9.1 GB (# 2908) hard disk in bay 3 you have to use the
Media Bay Disk Drive Mounting Kit (# 6509).
If you want to install the disk drives in bay 4 or 5, you have to use either the
4.5 GB (# 3028) or the 9.1 GB (# 3029) hard disk.
Feature SCSI SSA
Cable Type 68 conductor shielded
cable (SCSI-II Differential
Fast/Wide)
4 conductor twisted-pair
Maximum Cable Lengths 25 Meters Total 25 meters between devices,
Up to 2500 Meters between
devices with the use of a
Fiber Optic Extender
Cable Costs Significant Low
Individual drive addressing Must be set manually Dynamic
Cable Termination Electrical terminator
must be at the end of the
SCSI-bus
No termination required,
closed serial loops
Fault Tolerance If single data path (bus) is
compromised, access is
lost
No single point of failure.
Multiple data paths prevents
a single loop from causing
loss of access to information
Maximum Throughput Up to 40 MB/s Up to 160 MB/s

Storage Architectures and Devices 121
4.6.1.1 4.5 GB Ultra SCSI 16-Bit Disk Drive (# 2900)
The 4.5 GB Ultra SCSI 16-bit disk drive is a high performance disk drive that
provides 4.5 GB capacity that supports the Ultra SCSI interface speed of 40
MB/s. To operate at 40 MB/s, Ultra-SCSI adapter (# 6206) is required.
4.6.1.2 4.5 GB Ultra SCSI 16-Bit Enhanced Disk Drive (# 3028)
The 4.5 GB Ultra SCSI 16-bit Enhanced Disk Drive is a high-performance
disk drive that provides 4.5 GB capacity that supports the Ultra SCSI
interface speed of 40 MB/s. It requires Ultra SCSI adapter (# 6206) to operate
at 40 MB/s (only available for Model 260).
4.6.1.3 9.1 GB Ultra-SCSI 16-Bit 1-Inch High Disk Drive (# 2908)
The 9.1 GB Ultra SCSI 16-Bit 1-inch (25 mm) high disk drive offers high
performance that provides 9.1 GB of storage capacity and supports the
industry Ultra SCSI interface speed of 40 MB/s. To operate at 40 MB/s, Ultra
SCSI adapter (# 6206) is required.
4.6.1.4 9.1GB Ultra SCSI 16-Bit Enhanced Disk Drive (# 3029)
The 9.1 GB Ultra SCSI 16-bit 1-inch (25 mm) High Disk Drive offers
high-performance that provides 9.1 GB of storage capacity and supports the
industry Ultra -SCSI interface speed of 40 MB/s. It requires an Ultra SCSI
adapter (# 6206) to operate at 40 MB/s (only available for Model 260).
Table 29. Internal Disk Drives for the Models 150 and 260
4.6.2 Internal CD-ROM Drive
Table 30 on page 122 provides an overview of the supported CD-ROM drives
for the Models 150 and 260. The 32X max SCSI-II Internal CD-ROM drive is a
tray loading CD-ROM drive providing up to 4800 KB/sec maximum media
data transfer rate. It is a 5.25 inch half-high form factor, single-ended, 8-bit,
multi-session capable, CD-ROM drive that provides state-of-the-art
Capacity 4.5 GB 9.1 GB
Feature Code # 2900 or # 3028 # 2908 or # 3029
Maximum Media Data Transfer Rate 13.7 MB/s 22.4 MB/s
Average Seek Time 7.9 ms 6.7 ms
Rotational Speed 7200 RPM 7200 RPM
Average Latency 4.17 ms 4.17 ms
SCSI Interface Ultra SCSI Ultra SCSI
Data Width 16-bit, single-ended 16-bit, single-ended

122 RS/6000 43P 7043 Models 150 and 260 Handbook
performance and supports existing 600 MB CD-ROM discs. It will operate in
either the verticle or horizontal positions.
Table 30. Internal CD-ROM Drives for Models 150 and 260
4.6.3 Internal Tape Drives
Table 31 and Table 32 show detailed technical information about the available
internal tape drives for the Models 150 and 260.
Table 31. Internal Tape Drive for Model 150
CD-ROM Speed 32X
Feature Code # 2624
Interface SCSI-II, 8-bit single-ended
Interface Speed (average) 4800 KB/s
Average Random Access Time 90 ms
Buffer memory 512 KB
Bays 1 half-height
Product Name 12/24 GB 4 mm Internal Tape Drive
Feature Code # 6159
Tape Capacity (Native Mode) 12 GB
Tape Capacity (Compression Mode) 24 GB
Type of Cartridge IBM 4 mm DDS-3 Data Cartridge
Data Transfer Rate 1.1 MB/s Native Mode,
2.2 MB/s Compression Mode
Interface SCSI-II (Single-Ended)
Form Factor 5.25-Inch Half-High
Compatibility 2 GB Mode (R/W)
4 GB Compression (R/W)
4 GB Mode (R/W)
8 GB Compression (R/W)
12 GB Mode (R/W)
24 GB Compression (R/W)

Storage Architectures and Devices 123
Table 32. Internal Tape Drives for Model 260
4.7 Internal SSA devices
There are no internal SSA storage devices available for the Model 150 and
260. However, you can attach external SSA devices through the PCI SSA
Multi-Initiator/RAID EL adapter (# 6215).
For more information about this adapter see 4.8.2, “SSA Adapter” on page
124.
Product Name 12/24 GB 4 mm Internal
Tape Drive 20/40 GB 8 mm Internal
Tape Drive
Feature Code # 6159 # 6156
Tape Capacity
(Native Mode) 12 GB 20 GB
Tape Capacity
(Compression Mode) 24 GB 40 GB
Type of Cartridge IBM 4 mm DDS-3 data
cartridge IBM 8 mm Data Cartridge
Data Transfer Rate 1.1 MB/s Native Mode,
2.2 MB/s Compression
Mode
3 MB/s Native Mode,
6 MB/s Compression Mode
Interface SCSI-II (Single-Ended) SCSI-II 16-bit (Single-Ended)
Form Factor 5.25 Inch Half-High 5.25 Inch Half-High
Compatibility 2 GB Mode (R/W)
4 GB Compression (R/W)
4 GB Mode (R/W)
8 GB Compression (R/W)
12 GB Mode (R/W)
24 GB Compression (R/W)
2.3 GB Mode (R/O)
2.3 GB Mode Compression (R/O)
5 GB Mode (R/O)
5 GB Compression (R/O)
7 GB Mode (R/O)
7 GB Compression (R/O)
20 GB Mode (R/W)
20 GB Compression (R/W)

124 RS/6000 43P 7043 Models 150 and 260 Handbook
4.8 PCI Storage Adapters
IBM RS/6000 43P Models 150 and 260 support the following PCI-based
storage SCSI and SSA adapters:
• PCI Single-Ended Ultra SCSI adapter (# 6206)
• PCI Differential Ultra SCSI adapter (# 6207)
• PCI SSA Multi-Initiator/RAID EL Adapter (# 6215) with SSA Fast-Write
Cache option card (# 6222)
4.8.1 SCSI Adapters
This section describes the available SCSI adapters for the Models 150 and
260.
4.8.1.1 PCI Single-Ended Ultra SCSI Adapter (# 6206)
The PCI Single-Ended Ultra SCSI adapter is an ideal solution for applications
requiring large block data transfers (> 64 KB block size) in multi-disk drive
environments utilizing SCSI-II protocol. This adapter has a maximum data
transfer rate of 40 MB/s which is two times the maximum data transfer rate of
Fast/Wide adapters. This adapter requires one PCI slot.
This adapter (# 6206) will automatically sense the presence of an external
device. The default mode of operation is for the adapter to limit negotiations
to fast (10 MB/s for 8-bit, 20 MB/s for 16-bit) operation whenever there is an
external attached.
4.8.1.2 PCI Differential Ultra SCSI Adapter (# 6207)
The PCI Differential Ultra SCSI adapter is the next generation of SCSI-II
performance with a maximum data transfer rate of 40 MB/s. This adapter
allows connection to external differential SCSI-II F/W of Ultra SCSI type
devices up to 25 meters away. This adapter will negotiate with each external
device and transfer data at the fastest SCSI data transfer rate capable by the
external device. Some external Differential Ultra SCSI devices include the
7137 Disk Array subsystem model and certain external disk drives models of
the 7204 family. The adapter conforms to SCSI-II standard and the Fast-20
(Ultra) documentation.
4.8.2 SSA Adapter
The PCI SSA Multi-Initiator/RAID EL Adapter (# 6215) is supported in the
Model 150 and 260. It is also supported by other PCI models in the IBM
RS/6000 family, including Models E30, F40, F50, H50, and S70.
Storage Architectures and Devices 125
4.8.2.1 PCI SSA Multi-Initiator/RAID EL Adapter
The PCI SSA Multi-Initiator/RAID EL Adapter (# 6215) can be configured as
either a two-initiator non-RAID, or one-initiator RAID adapter. It also has been
enabled to support an optional 4 MB Fast-Write Cache card that improves
write performance in both RAID 5 or non-RAID (one-initiator configurations)
operations. The PCI SSA Multi-Initiator/RAID EL Adapter has four ports, two
SSA loops, and a supported configuration of 48 SSA disk drives per loop, or
96 SSA disk drives. The adapter supports target mode operations and
HACMP.
The PCI SSA Multi-Initiator/RAID EL Adapter, when operated in a RAID 5
configuration, will support (2+P) to (32+P) arrays and up to six (15+P) arrays.
The adapter also supports Hot Spares in RAID 5 mode. All models of the
7133 are supported, as well as the 7131-405 and internal RS/6000 SSA disk
drive configurations. The SSA Fiber optic Extender is also supported. It
requires one PCI adapter slot. Only AIX 4.2.1 and later version of AIX support
this adapter.
The SSA Fast-Write Cache Option Card (# 6222) is a 4 MB fast-write optional
feature that will plug into either SSA Multi-Initiator/RAID EL Adapter. It utilizes
non-volatile RAM and has a data memory retention of over seven years.
During the unlikely event of an SSA Multi-Initiator/RAID EL Adapter failure, a
new SSA Multi-Initiator/RAID EL Adapter can be installed and the SSA
Fast-Write Cache Option Card can be removed from the failing adapter and
installed in the new SSA Multi-Initiator/RAID EL Adapter insuring data
integrity and continuous operation.
The SSA Fast-Write Cache Option Card (# 6222) can provide as much as
10-times improvement of data throughput and response time during certain
sequence write operations compared to SSA RAID adapters without the SSA
Fast-Write Cache. The response time and data transfer improvement using
the option card (# 6222) will vary depending upon the data block sizes, the
percentage of sequential writes, machine type/model, and application
parameters.
The SSA Fast-Write Cache Option Card (# 6222) plugged into SSA
Multi-Initiator/RAID EL Adapter (# 6215) will operate in either non-RAID or
RAID 5 mode, in a one-initiator configuration.
4.8.2.2 SSA Device Drivers
Two types of device drivers provide support for all SSA subsystems:
• The SSA adapter device driver, which deals with the SSA adapter.

126 RS/6000 43P 7043 Models 150 and 260 Handbook
• The SSA head device drivers, which deal with devices that are attached to
the SSA adapter. The SSA disk device driver is an example of an SSA
head device driver.
For subsystems that use PCI SSA Multi-Initiator/RAID EL Adapters or Micro
Channel Enhanced SSA Multi-Initiator/RAID EL Adapters, the Target-Mode
SSA (TMSSA) device driver is also available. This device driver provides
support for communications from using system to using system.
4.8.3 Storage Adapter Placement Guidelines for Model 150 and 260
Table 33 provides information about the placement of the PCI storage
adapters in the Models 150 and 260.
Table 33. Placement of PCI Storage Adapters into the Models 150 and 260
4.9 External SCSI and SSA Storage Devices
There many external SCSI and SSA storage devices available which can be
attached to the Model 150 and 260.
See also 3.1.3.14, “Supported Devices” on page 63 for details about the
Model 150 and 3.2.4.15, “Supported Devices” on page 89 for details about
the Model 260 supported devices.
Further information can be found on the Web at:
http://www.storage.ibm.com
Adapter Slot Usage
Model 150 Slot Usage
Model 260 System
Maximum
PCI Single-Ended Ultra SCSI
(# 6206) Any slot Any slot 2
PCI Differential Ultra SCSI
(# 6207) Any slot Any slot 2
PCI SSA Multi-Initiator/RAID EL
(# 6215) 2P, 3P Any slot 1

© Copyright IBM Corp. 1998 127
Chapter 5. Adapters, Overview and Configuration
This chapter introduces the major communication and graphics adapters that
are used with the RS/6000 43P 7043 Model 150 and Model 260. Following
the introduction, a discussion of PCI adapter configuration is given.
For a complete summary of the adapters supported on the Model 150 and the
Model 260, refer to Table 37 on page 152.
5.1 Communication Adapters
In this section, an introduction to various communication adapters is provided
including:
• Token-Ring
• Ethernet
•ISDN
• FDDI
•ATM
• Multiple Port
•WAN
• Miscellaneous
5.1.1 Token-Ring Adapter
In this section, information on the available token-ring adapter is given.
5.1.1.1 PCI IBM Token-Ring Adapter (# 2920)
The IBM PCI Token-Ring Adapter is a high performance 32-bit bus master
card designed to operate on selected RS/6000 models that incorporate the
PCI bus interface. The following is a list of attributes for this card:
• Enhanced system interface for higher throughput and lower system
utilization, coupled with RJ-45 and DB9 connectors
• Handles LAN environment requirements of today’s servers and high-end
workstations running I/O intensive applications on the network
• Operates at either 16 Mbps or 4 Mbps over unshielded twisted pair (UTP)
or shielded twisted pair (STP)
• Automatic ring-speed detection
• External status LEDs providing visual indication of adapter and ring status

128 RS/6000 43P 7043 Models 150 and 260 Handbook
• Full duplex LAN operation
• Supports system boot over token-ring
5.1.2 Ethernet Adapters
In this section, information on the available Ethernet adapters is provided.
5.1.2.1 PCI IBM 10/100 Mbps Ethernet Adapter (# 2968)
The IBM 10/100 Mbps Ethernet PCI adapter provides a 10 Mbps (10BaseT)
or 100 Mbps (100BaseTx) full-duplex Ethernet LAN connection. The adapter
supports 32-bit bus master PCI connection to the host system for enhanced
data throughput and lower bus utilization. The adapter supports Category-5
unshielded twisted pair cabling.
5.1.2.2 PCI Gigabit Ethernet - SX Adapter (# 2969)
The Gigabit Ethernet - SX PCI Adapter provides a 1 Gbps (1000BaseT)
full-duplex Ethernet LAN connection. With a ten-time increase in performance
over Fast Ethernet, Gigabit Ethernet enables customers to move data to and
from their servers with ease, at only a fraction of the cost. This adapter
provides a full-duplex 1000Base-SX fiber connection to a Gigabit Ethernet
switch.
5.1.3 ISDN Adapters
In this section, information on the available ISDN adapter is given.
5.1.3.1 PCI Eicon ISDN DIVA PRO 2.0 S/T Adapter (# 2708)
The Eicon ISDN DIVA PRO 2.0 PCI S/T Adapter connects PCI RS/6000
systems to worldwide ISDN networks. The adapter comes from Eicon
Technology, the world leader in ISDN technology, as a fully supported IBM
feature. The Eicon ISDN DIVA PRO 2.0 PCI S/T Adapter for the PowerPC
Systems provides basic rate 2B + D with 64 Kbps on each B channel. It
requires connection to NT-1 (Network Terminator -1) from the phone line
provider. TCP/IP applications are supported.
AIX 4.3.2 or later is required for hardware checksum and jumbo frame
support.
Note

Adapters, Overview and Configuration 129
5.1.4 FDDI Adapters
In this section, information on the available FDDI adapters is given.
5.1.4.1 PCI SysKonnect SK-NET FDDI-LP SAS (# 2741)
This adapter provides single attachment to an FDDI concentrator (or
point-to-point) using fiber optic cabling (not supplied with the adapter). It also
offers high speed, low latency, low CPU and bus utilization, and occupies a
single PCI slot.
Features include:
• Occupies single PCI bus slot
• Compatible with the FDDI-ANSI X3T12 specification and FDDI Standard
Series
• SMT 7.3 compliance
• AMD SUPERNET3 single chip FDDI design
• SysKonnect designed custom ASIC for the buffer management with
minimal CPU and bus load
• Four independent 128-byte FIFOs for buffering between PCI bus and
buffer memory
• 128 KB static RAM on board
AIX drivers are shipped on diskette with the hardware feature. Systems
ordered with AIX preinstalled will have the device drivers installed on the
hard disk drive.
Note
The sum of the following adapters may be used in any combination, but
must not exceed four (4) total per system: # 2741, # 2742, # 2743, and
# 2988 (SysKonnect FDDI and TURBOWAYS MMF ATM).
AIX drivers are shipped on diskette with the hardware feature. Systems
ordered with AIX preinstalled will have the device drivers installed on the
hard disk drive.
NIM is supported on using FDDI with AIX 4.2.1 and later.
Note
130 RS/6000 43P 7043 Models 150 and 260 Handbook
• Support under AIX SMIT and diagnostic routines
• Supports remote IPL and NIM with the appropriate system firmware
• Connects to fiber FDDI concentrator ports using fiber optic cable with an
FDDI SC (low cost fiber) connection
5.1.4.2 PCI SysKonnect SK-NET FDDI-LP DAS (# 2742)
This fiber optical FDDI dual-attach station adapter provides either dual
attachment to the main ring path or dual homing to one or two FDDI
concentrators using fiber optic cabling (not supplied with the adapter). It also
offers high speed, low latency, low CPU and bus utilization, and occupies a
single PCI bus slot.
Features include:
• Occupies single PCI bus slot
• Compatible with the FDDI-ANSI X3T12 specification and FDDI Standard
Series
• SMT 7.3 compliance
• AMD SUPERNET3 single chip FDDI design
• SysKonnect-designed custom ASIC for buffer management with minimal
CPU and bus load
• Four independent 128-byte FIFOs for buffering between PCI bus and
buffer memory
• 128 KB static RAM on board
• Support under AIX SMIT and diagnostic routines
• Supports remote IPL and NIM with the appropriate system firmware
• Connects to fiber FDDI concentrator ports using fiber optic cable with an
FDDI SC (low cost fiber) connection
5.1.4.3 PCI SysKonnect SK-NET FDDI-UP SAS (# 2743)
This copper FDDI single-attach station adapter provides single attachment to
a FDDI concentrator (or point-to-point) using Category-5 unshielded twisted
pair (UTP) cabling (not supplied with the adapter).
Features include:
• Occupies single PCI bus slot
• Compatible with the FDDI-ANSI X3T12 specification and FDDI Standard
Series

Adapters, Overview and Configuration 131
• SMT 7.3 compliance
• AMD SUPERNET3 single chip FDDI design
• SysKonnect-designed custom ASIC for buffer management with minimal
CPU and bus load
• Four independent 128-byte FIFOs for buffering between PCI bus and
buffer memory
• 128 KB static RAM on board
• Support under AIX SMIT and diagnostic routines
• Supports remote IPL and NIM with the appropriate system firmware
• Connects to Category-5 unshielded twisted pair FDDI concentrator ports
using a shielded RJ-45 connector
5.1.5 ATM Adapters
In this section, information on the available ATM adapters is provided.
5.1.5.1 PCI TURBOWAYS 155 UTP ATM Adapter (# 2963)
The TURBOWAYS 155 PCI UTP ATM Adapter provides dedicated, 155 Mbps
full-duplex connection to ATM networks over either permanent virtual circuits
(PVC) or switched virtual circuits (SVC). This adapter enables TCP/IP to run
over an ATM network with Category-5 Unshielded Twisted Pair (UTP). It also
supports communication with devices located on an ATM network or bridged
to a token-ring, Ethernet, or other LAN.
5.1.5.2 PCI TURBOWAYS 155 MMF ATM Adapter (# 2988)
The TURBOWAYS 155 PCI MMF ATM Adapter provides direct access to ATM
networks. The TURBOWAYS 155 PCI MMF ATM Adapter provides dedicated
155 Mbps full-duplex connection using PVCs or SVCs and enables TCP/IP to
run over an ATM network. The adapter also supports communication with
The AIX Device Driver diskette is shipped with the adapter.
Limitation: A configuration using more than one SysKonnect FDDI adapter
(# 2741, # 2742, or # 2743), where any one of them is feature # 2743
(SysKonnect SK-NET FDDI-UP SAS PCI), constitutes a Class A system.
NIM is supported on this system using FDDI on AIX Version 4.2.1 and later.
Note

132 RS/6000 43P 7043 Models 150 and 260 Handbook
devices located on an ATM network or bridged to a token ring, Ethernet, or
other LAN.
The TURBOWAYS 155 PCI MMF ATM Adapter is compatible with:
• IBM 8285 ATM Workgroup Switch
• IBM 8260 ATM Subsystem
• IBM 8282 ATM Concentrator
• IBM 8281 ATM LAN Bridge
A maximum of four high-speed networking adapters are supported per
system in any combination. This limitation includes the following adapters:
• TURBOWAYS 155 PCI MMF ATM Adapter (# 2988)
• SysKonnect SK-NET FDDI-LP SAS PCI for PowerPC Systems (# 2741)
• SysKonnect SK-NET FDDI-LP DAS PCI for PowerPC Systems (# 2742)
• SysKonnect SK-NET FDDI-UP SAS PCI for PowerPC Systems (# 2743
5.1.5.3 PCI TURBOWAYS 25 ATM Adapter (# 2998)
The TURBOWAYS 25 ATM PCI Adapter is for direct access to ATM networks.
This adapter provides dedicated 25 Mbps full-duplex connection using PVCs
or SVCs and enables TCP/IP to run over an ATM network. The TURBOWAYS
25 ATM PCI Adapter also supports communication with devices located on an
ATM network or bridged to a token ring, Ethernet, or other LAN.
TURBOWAYS 25 ATM PCI Adapter is compatible with:
• IBM 8285 ATM Workgroup Switch
• IBM 8260 ATM Subsystem
• IBM 8282 ATM Concentrator
Systems ordered with AIX preinstalled will have the device drivers installed
on the hard disk drive
Note
AIX drivers are shipped on diskette with the hardware feature. Systems
ordered with AIX preinstalled will have the device drivers installed on the
hard disk drive.
Note
Adapters, Overview and Configuration 133
• IBM 8281 ATM LAN Bridge
5.1.6 Multiple Port Adapters
In this section, information on the available multi-port asynchronous adapters
is provided.
5.1.6.1 PCI 8-Port Asynchronous Adapter EIA-232/RS-422 (# 2943)
The 8-Port Asynchronous Adapter EIA-232/RS-422 is used for connection of
up to eight asynchronous EIA-232 or RS-422 devices. All eight ports are
software programmable to support either EIA-232E or RS-422A protocols at
up to 230 Kbps.
5.1.6.2 PCI 128-Port Asynchronous Controller (# 2944)
The 128-Port Asynchronous Adapter subsystem provides attachment for a
high concentration of asynchronous lines (up to 128) from a single PCI bus
slot. This gives the system the ability to serve a large number of EIA-232 or
RS-422 devices such as terminals, printers, and modems.
Two 2.4 Mbps synchronous channels link the adapter to a maximum of eight
16-Port Remote Asynchronous Nodes (RANs).Up to four RANs can be linked
to each synchronous channel.
These RANs provide 16 EIA-232 (# 8137) or 16 RS-422 (# 8138) ports,
yielding a total of 128-ports in a maximum configuration. Previous RANs
feature # 8130, 8134, or 8136 can also be used with this adapter. If these
RANs are connected to the synchronous channel, the data rate drops down to
1.2 Mbps. For best results, keep the previous and current RANs on separate
synchronous channels.
5.1.7 WAN Adapters
In this section, information on the available WAN adapters is given.
5.1.7.1 PCI 2-Port Mulitprotocol Adapter (# 2962)
The 2-Port Multiprotocol Adapter provides high-speed connections to wide
area networks (WANs) through two 2 Mbps ports. To access WAN lines, the
adapter connects through an external communications controller, such as a
synchronous modem, Data Service Unit (DSU), or Channel Service Unit
(CSU). With the appropriate cable, this adapter is compatible with the
following specifications:
• X.21
• V.24

134 RS/6000 43P 7043 Models 150 and 260 Handbook
• V.35
• V.36
5.1.7.2 PCI IBM ARTIC960HX 4-Port Selectable Adapter (# 2947)
The IBM ARTIC960HX 4-Port Selectable PCI Adapter is a one slot, standard
length, 32-bit PCI card. The adapter provides four ports, supporting EIA-232,
EIA530, RS-449, X.21 and V.35 specifications. Each port will attach to data
networks at speeds up to 2.0 Mbps.
The adapter provides support of WAN protocols such as X.25, SNA, SDLC
and Bisync. Software support is provided by ARTIC960 Support for AIX,
Developer’s Kit, AIX 4.2.1 + PTF, AIX V4.3.2 or later.
5.1.7.3 PCI IBM ARTIC960HX 4-Port T1/E1 Adapter (# 2948)
The IBM ARTIC960HX 4-Port T1/E1 PCI Adapter is a one slot, standard
length, 32-bit PCI card. The adapter provides four ports of channelized
T1/E1. This adapter also provides SCbus external TDM interface and switch,
and is intended for use with the DT/6000 DTQA adapter.
Software support is provided by ARTIC960 Support for AIX, Developer’s Kit,
AIX 4.2.1, AIX 4.3.2 or later.
5.1.8 Miscellaneous Adapters
In this section, information on the available miscellaneous adapters is given.
5.1.8.1 PCI Ultimedia Video Capture Adapter/S (# 2639)
The Ultimedia Video Capture Adapter/S is a PCI-based adapter that allows
the capture of live video and still images. It supports three industry-standard
video formats:
•NTSC
•PAL
• SECAM
This adapter, coupled with Ultimedia Services and the appropriate optional
hardware, can be used for entry-level video conferencing, security
monitoring, security identification, and other image applications.
The combination of feature numbers 2947 and 2948 must not exceed
seven.
Note

Adapters, Overview and Configuration 135
5.2 Graphics Adapters
In this section, the available graphics adapters are discussed, and a table
summarizing their features follows.
IBM offers a broad range of versatile graphics accelerators to meet your
customer’s application needs, from entry 2D design and drafting to complex
3D solid modeling. These accelerators provide a consistent implementation
of open APIs that help ensure application compatibility across the entire
family of graphics products.
For entry- to high-performance 2D graphics requirements, IBM has a range of
industry-leading 2D accelerators designed for the RS/6000 workstation your
customer chooses. These accelerators support the X Window System and
provide acceleration for key 2D functions and operations. In addition, most of
IBM’s family of 2D graphics accelerators provide support for popular 3D
application programming interfaces (APIs) when combined with optional IBM
software.
From entry to high-end 3D graphics needs, IBM offers a wide range of 3D
graphics accelerators that support key open APIs, like OpenGL. These
graphics accelerators are designed to offload the system processor by
providing varying amounts of hardware acceleration.
This section discusses the following graphics accelerators:
• GXT120P
• GXT250P and GXT255P
• GXT550P
• GXT3000P
Be sure to check the RS/6000 configurator for the application and availability
of any RS/6000 adapter.
5.2.1 POWER GXT120P (# 2838)
The POWER GXT120P is a versatile, low-priced graphics accelerator for
RS/6000 43P Series systems. It accelerates X Windows graphics
applications, such as displaying business graphics, data base status, CASE
tools, and activity for securities trading. The GXT120P can support a network
control display for monitoring activity and assisting in load balancing,
performance analysis and capacity planning.
136 RS/6000 43P 7043 Models 150 and 260 Handbook
The GXT120P is also ideal for process control, where, in selected
configurations, up to four monitors can be operated concurrently from the
same RS/6000 system for displaying graphics and text for dozens of process
points. For decision support systems, the GXT120P provides opportunities
for rapid, simultaneous display of large amounts of critical information at high
resolution on up to four screens.
The GXT120P accelerates UMS/6000 video playback on RS/6000 systems
with up to 640 Mbps memory bandwidth. UMS/6000 is an IBM Licensed
Program Product that includes video capture, multiple window playbacks and
video scaling. Both X and Y interpolative scaling are implemented by the
accelerator for zooming and mapping to windows. It can support up to three
video streams concurrently. The video scaling feature can be used for
collaborative computing and playback of live and stored video.
The GXT120P supports screen resolutions of 640x480, 800x600, 1024x768,
and 1280x1024 all at 8-bits per pixels. It satisfies the ISO 9241 standard of
visual quality at all these resolutions, refreshing the screen at up to 85 Hz for
all resolutions, including the 1280x1024 8-bit resolution.
The GXT120P graphics accelerator is a half-length PCI card with a standard
15-pin DIN output connector.
5.2.2 POWER GXT250P (# 2851) and POWER GXT255P (# 2852)
The POWER GXT250P and GXT255P graphics accelerators provide solid
graphics performance at an attractive price. These accelerators supply
excellent 2D 8-bit, 16-bit, or 24-bit graphics performance for the RS/6000 43P
Series systems. The POWER GXT250P provides a high level of 8-bit 2D
graphics performance, while the GXT255P provides 3D graphics
performance at entry 2D graphics prices. When coupled with IBM’s
Softgraphics implementation of the OpenGL, graPHIGS, and PEX 3D APIs,
these accelerators offer an exciting level of 3D performance. With
high-quality 8-bit double buffer or 24-bit single buffer performance, these
graphics accelerators help provide sharper graphical imagery on your screen.
The POWER GXT250P supports 8-bit color depth that allows simultaneous
display of up to 256 colors from a palette of approximately 16.7 million colors.
With its 3 MB of VRAM (2 MB frame buffer plus 1 MB auxiliary buffer), the
POWER GXT250P can meet the demanding needs of most popular graphics
applications.
The POWER GXT255P graphics accelerator extends the graphics capability
to 24-bit true color required in many high-tech design applications such as
Adapters, Overview and Configuration 137
MCAD, GIS and ECAD. The GXT255P has 8-bit, 16-bit and 24-bit true color
depth and allows simultaneous display of the entire palette of approximately
16.7 million colors. The GXT255P features three hardware color maps for
multi-window graphics without technicolor effects. Its 8 MB of VRAM (6 MB
frame buffer plus 2 MB auxiliary buffer) provides outstanding high-end
graphics applications.
The GXT250P and GXT255P graphics accelerators are each packaged as a
single card that attaches to the local PCI bus slot. The GXT250P and
GXT255P provide hardware acceleration for points, lines, triangles,
rectangles, quadrilaterals and bit-block transfer, rectangular and
non-rectangular clipping, and pattern fill.
These accelerators support display resolutions of 1024x768 and 1280x1024
that are software selectable – no switches required. The POWER GXT255P
also supports a display resolution of 1600x1280. Refresh rates are 60 to 85
Hz to comply with Part 3 of the ISO ergonomic standard. When used with
compliant monitors, this standard provides improved viewing, reduced flicker,
minimized reflections, and sharper characters. The POWER GXT250P and
GXT255P automatically adjust to the highest resolution and fastest refresh
rate of the attached monitor, supporting the DDC2B VESA standard.
5.2.3 POWER GXT550P (# 2845)
The POWER GXT550P graphics accelerator offers exceptional and
affordable 3D graphics for the PCI-based RS/6000 43P Model 150. Coupled
with IBM's implementation of many of the industry's most popular APIs, it is
an excellent fit for today's most demanding 3D graphic applications, such as
mechanical design and analysis, petroleum exploration and production,
molecular modeling, and scientific research.
The GXT550P further establishes IBM as a leader in providing
price/performance solutions for a wide range of demanding customer
application requirements. The GXT550P combines 3D rasterization with the
strength of the latest PowerPC microprocessors. This rasterization
technology provides customers with a cost-effective solution that delivers
excellent 3D graphics acceleration that scales with the PowerPC processor
performance of the RS/6000 workstation.
The POWER GXT550P provides hardware acceleration for the OpenGL,
PHIGS, and IBM GL 3.2 3D APIs, and additionally supports the PEX API
through software. IBM is a leader in the industry by offering native support of
OpenGL and PHIGS on the same accelerator. This adapter accelerates
advanced 3D graphics functions, such as Gouraud shading, antialiasing,
138 RS/6000 43P 7043 Models 150 and 260 Handbook
hidden surface removal, depth-cueing, and transparency. This enables your
3D applications to run more quickly and with good interactive performance.
For OpenGL, texture maps up to 1024x1024, and a 64-bit accumulation
buffer are also supported through software.
The GXT550P offers highly flexible frame buffers that can be dynamically
configured to provide a broad set of color and feature options. When using
OpenGL, PHIGS and GL 3.2, the GXT550P supports 8-bit, 12-bit, and 24-bit
double-buffered color and also includes 8-bits of double-buffered alpha
buffers for more realistic transparency control.
The GXT550P provides 8-bit overlay buffers, which enhance the speed of a
graphical user interface (GUI), 8-bit stencil buffers, and 24-bit Z-buffer for
hidden surface removal operations. This accelerator provides for the display
of up to 16.7 million simultaneous colors from a palette of 16.7 million colors
and four hardware color maps.
The GXT550P graphics accelerator is a 32-bit PCI cards that plugs into a
single PCI slot. It supports display resolutions of 1280x1024 and 1024x768
and refresh rates from 60 Hz to 85 Hz, including refresh rates that comply
with the ISO 9241 Part 3 ergonomic standard. When used with other
compliant components, including monitors, this standard provides improved
viewing, reduced flicker, reduced reflection and sharper characters. These
features, coupled with IBM’s powerful RS/6000 43P Models, make the
POWER GXT550P an ideal solution for demanding 3D application needs.
5.2.4 POWER GXT3000P Graphics Accelerator (# 2825)
The POWER GXT3000P Graphics Accelerator for 3D visualization marks a
breakthrough in performance and functionality for design and visualization
solutions. It is the highest performing IBM graphics accelerator available for
RS/6000 workstations. The graphics subsystem, combined with IBM’s
POWER3 and PowerPC-based workstations, delivers outstanding speed and
3D performance for demanding applications in mechanical design and
engineering, for aerospace and automotive, petroleum exploration and
production, scientific visualization and other technical industries.
The GXT3000P is well suited for users with applications that require
high-performance 3D graphics. It delivers significant improvement in
functionality and performance (up to three times the performance of its
predecessor, the POWER GXT800P graphics adapter) at a lower cost.
The GXT3000P provides hardware acceleration for the new OpenGL 1.2
version of the API. This adapter accelerates advanced 3D graphics functions

Adapters, Overview and Configuration 139
such as Gouraud shading, antialiasing, depth buffering, fog and atmospheric
effects, and blending. This should enable your 3D applications to run more
quickly and with good interactive performance. Additional benefits to using
the POWER GXT3000P graphics accelerator are:
• Increased subpixel addressing over previously supported adapters
• Face culling support
• OpenGL polygon offset support
• OpenGL polygon mode support
• OpenGL specular lighting support in hardware
• Trilinear texture mapping
Featured hardware enhancements over the POWER GXT800P Graphics
Adapter include:
• OpenGL and graPHIGS lighting mode
• 3D texture mapping
• Video scaling
• Stereo in a window
The POWER GXT3000P offers a highly flexible frame buffer that can be
dynamically configured to provide a broad set of color and feature options.
When using OpenGL and graPHIGS APIs, the GXT3000P offers support for
8-bit and 24-bit double-buffered color, and also includes 8-bits of
double-buffered alpha buffers for more realistic transparency control. In
addition, this accelerator provides 8-bit overlay buffers that enhance the
speed of a graphical user interface (GUI), 8-bit stencil buffers, 8-bit window
ID buffer, and a 24-bit Z-buffer for hidden surface removal operations. The
POWER GXT3000P allows for the display of up to 16.7 million simultaneous
colors.
The GXT3000P graphics accelerator is a single 64-bit PCI card that attaches
to one 64-bit PCI slot in the RS/6000 Models 150 or 260, but covers the slot
adjacent to it (uses two slots of space).
Stereo viewing requires additional equipment, such as emitter, cable and
glasses, in addition special software support.
Note

140 RS/6000 43P 7043 Models 150 and 260 Handbook
The GXT3000P supports display resolutions of up to 1280x1024 at 85 Hz
refresh rate, including monitors that comply with the ISO 9241 Part 3
ergonomic standard.
5.2.5 Graphics Adapter Feature Comparison
Table 34 provides the specifications and features for the RS/6000 graphics
accelerators currently available on the RS/6000 43P 7043 Model 150 and
Model 260 systems.
Table 34. Graphics Adapters
Adapter POWER
GXT120P POWER
GXT250P POWER
GXT255P POWER
GXT550P POWER
GXT3000P
Feature
code # 2838 # 2851 # 2852 # 2845 # 2825
Class 2D only 2D;3D
(Soft) 2D;3D
(Soft) 3D 3D
PCI slots
occupied 11 112
2
Max/system 414411
ISO
compliant Yes Yes Yes Yes Yes
Only one GXT3000P 3D graphics adapter may be installed per supported
workstation. GXT3000P slot limitations are as follows:
• Slot 3 in the RS/6000 7043 Model 150
• Slot 2 in the RS/6000 7043 Model 260
The same GXT3000P card can be put in either the Model 150 or 260.
Note
The Model 150 supports all the graphics adapters listed in the table. The
Model 260 supports the GXT120P, GXT250P, GXT255P and GXT3000P
graphics adapters.
Note

Adapters, Overview and Configuration 141
Resolution 640 x 480
800 x 600
1024 x768
1280x1024
1024 x 768
1280 x 1024 1024 x 768
1280 x 1024 1024 x 768
1280 x 1024 1280 x 1024
Frame
buffer 8-bit single 8-bit single
(1280 x 1024);
8-bit double
(1024 x 768)
8-bit double
(up to 1280 x
1024);
24-bit single
8-, 12-, 24-bit
double 8/24-bit double
Color
palette 16.7 million 16.7 million 16.7 million 16.7 million 16.7 million
Concurrent
colors 256 256 Up to 16.7
million Up to 16.7
million Up to 16.7
million
Z-buffer No No No 24-bit 24-bit
HW color
map 13 34 8
Overlay
buffer 0-bit 0-bit 8-bit 8-bit 8-bit
Dithering No Yes Yes Yes No
Depth
cueing No No No Yes Yes
Antialiasing No No No Yes Yes
Gouraud
shading No No No Yes Yes
Local
lighting No No No No3No3
NURBS No No No No3No3
Texture
mapping No No No HA4Yes
Alpha buffer No No No 8-bit double 8-bit double
Stencil buffer No No No 8-bit 8-bit
Accumu-
lation
buffer
No No No No3No3
Adapter POWER
GXT120P POWER
GXT250P POWER
GXT255P POWER
GXT550P POWER
GXT3000P

142 RS/6000 43P 7043 Models 150 and 260 Handbook
1The Model 150 can accommodate up to four POWER GXT120P adapters,
while the maximum on the Model 260 is two.
2The GXT3000P adapter is attaches to one 64-bit slot in the RS/6000 Models
150 and 260, but covers the slot adjacent to it (uses two slots of space).
3Through Softgraphics, this graphics accelerator supports lighting, NURBs,
alpha buffer, stenciling, and accumulation buffering.
4Texture Mapping is accomplished in software, but with hardware
acceleration (HA) by the graphics board.
5The current version of AIX (V4.3.2) no longer supports PEX and GL 3.2.
5.2.6 Graphics Adapters Attachment Cables
Table 35 provides a display cable feature number matrix for the graphics
adapters.
Table 35. Display Cable Feature Code Matrix
Supported
APIs Xlib Xlib, OpenGL,
GL 3.2,
PHIGS/PEX5
Xlib, OpenGL,
GL 3.2,
PHIGS/PEX5
Xlib,
OpenGL,
PHIGS5
Xlib, OpenGL ,
PHIGS5
Displays GXT120P
(15D/DDC)
GXT250P/
GXT255P
(15D/DDC)
GXT550P
(13W3/DDC)
GXT3000P
(15D/DDC)
G521Display2NS3NS NS
P501Display Display 4213 Display
P70 4238 4238 4240 4238
P200 4238 4238 4240 4238
P201 4237 4237 4241 4237
P721Display Display 4213 Display
P924Display Display 4240 Display
P2024Display Display 4240 Display
6091-19I NS 4239 4219 4217
Adapter POWER
GXT120P POWER
GXT250P POWER
GXT255P POWER
GXT550P POWER
GXT3000P

Adapters, Overview and Configuration 143
1Captured 15-pin D-shell cable.
2Display - The appropriate cable is included with the display.
3NS = Not Supported - The display/adapter combination is not supported.
4Dual input 15-pin D-shell and 13W3 soft switchable via screen menu; ships
with 15-pin D-shell.
5.2.7 Multiple Adapter Support
The RS/6000 43P 7043 Model 150 and 260 machines can support multiple
graphics adapters, depending on the adapter. Check the adapter
documentation to determine if there are model specific limitations. This
section discusses how to configure a second adapter.
5.2.7.1 Configuring a Second PCI Graphics Adapter
Installing and using a second graphics adapter is very simple:
1. Shut down and power-off the RS/6000.
2. Install the second graphics card (refer to the system’s User Guide that is
provided with your system).
3. Power-on the RS/6000.
During the firmware boot phase, only one monitor will display the POST
icons.
After the AIX boot image takes control in the boot process, the system will
present the following message on the first display:
******* Please define the System Console *******
Type the F1 key and press Enter to use this display as the
system console.
The following message will appear on the second display:
POWERDP17 4217 4239 4219 4217
POWERDP20 4217 4239 4219 4217
9516 4217 4217 4214 4217
Displays GXT120P
(15D/DDC)
GXT250P/
GXT255P
(15D/DDC)
GXT550P
(13W3/DDC)
GXT3000P
(15D/DDC)
144 RS/6000 43P 7043 Models 150 and 260 Handbook
******* Please define the System Console *******
Type the F2 key and press Enter to use this display as the
system console.
This process sets the default system console for the current session and
for subsequent reboots. Upon subsequent reboots, the request to define
the system console will not appear.
The graphics adapter should have been configured by AIX automatically and
can be used immediately. To determine if the graphics adapter has been
installed, you can run the lsdisp command. This will show the graphics
adapters available in your system:
lsdisp
DEV_NAME SLOT BUS ADPT_NAME DESCRIPTION
======== ==== === ========= ===========
gga0 02 pci GXT120 IBM Personal Computer Power Series
GXT120 Graphics Adapter
gga1 05 pci GXT120 IBM Personal Computer Power Series
GXT120 Graphics Adapter
Default display = gga0
5.2.7.2 Changing the Default Display
In the previous example, the gga0 device is the default graphics adapter. This
can be changed to gga1 by using the chdisp command. By using this
command, you can temporarily change the default display or change the
default display for all subsequent reboots. You can change the default display
to gga1 for the current session by typing the following:
chdisp -d gga1
To change the display permanently for all subsequent reboots:
chdisp -p gga1
If you are using the Common Desktop Environment (CDE), things are slightly
different. To change the display, you have to drop down to a command line
login; you cannot run the chdisp command from the desktop. From there, you
can change the current session with the -d option, but when you log out and
return to the CDE login, the previous display will be used. To change the
current CDE login display to a different adapter, you have to drop down to the
command line and run the chdisp command with the -p option. When you log

Adapters, Overview and Configuration 145
out, the CDE login window will appear on the new display. This will also
change the default display for subsequent reboots.
5.2.8 Accessing the Second Display
If you have the CDE desktop installed and have another screen attached to
the second adapter, you can access the adapter immediately. By addressing
the adapter with the DISPLAY variable, you can open X Windows on the
second screen. The last digit in the DISPLAY determines on which screen the
X client will be displayed. This is shown in Table 36.
Table 36. Accessing a Second Display
The mouse can be used to move between the current desktop screen on the
default adapter and the screen displayed by the second adapter. While you
can access the second display by moving the mouse off the first, it is not
possible to drag windows with the mouse from the first screen to the second.
The following is an example of using the second display:
1. Open an xterm on the second display:
xterm -display hostname:0.1
2. Move the mouse off the right of the default screen. The mouse should
appear on the other screen. You can now gain focus on the X Window.
From here, you use the new window or open more windows.
Accessing a second display by using standard X Windows and Motif is also
very easy. You can start X Windows and access the second display using the
same method described above. In addition, you can stack the screens in any
order you like. So, for example, you could have the two screens in a vertical
environment. You can start X Windows in a vertical environment by running
the command:
xinit -- -P21 gga0 -P11 gga1
This will display the first screen, using gga0, and the second below the first,
using gga1. To access the second display in this environment, you would
move the mouse off the bottom of the screen.
Since the CDE environment allows virtual screens, having a separate display
does not provide a large benefit. There are, however, some applications
DISPLAY Variable Description
DISPLAY=hostname:0.0 Displays on the default monitor
DISPLAY=hostname:0.1 Displays on the second monitor

146 RS/6000 43P 7043 Models 150 and 260 Handbook
where this can be very useful. In situations where some data or application
must be permanently visible, this setup can be used. This option provides
more screen area and will allow you to have more windows visible without
obscuring the desktop.
5.3 Adapter and Device Configuration on PCI-Based RS/6000 Systems
This section includes step-by-step procedures explaining how to configure
devices on the PCI-based RS/6000 systems. It also provides cable types and
cabling information that are necessary on most adapters.
5.3.1 Device Types
PCI-based RS/6000 43P systems support the attachment of devices using
the following buses:
•SCSI
•PCI
• ISA (limited to built-in support)
Devices on PCI-based RS/6000 systems can be of two types: native devices,
such as the integrated SCSI controller and the serial controller, or attached
(non-native) devices, such as the supported PCI adapters.
The device information required to configure the integrated devices is
contained in the firmware and is passed to the operating system through the
residual data written to NVRAM. Thus, integrated devices are configured
automatically to AIX after system reboot.
Attached PCI devices and adapters can be configured automatically because
the PCI Local Bus Specification defines a configuration method for PCI
components. Provided that the device support software is installed, PCI and
SCSI devices are configured automatically whenever the configuration
manager program, cfgmgr, is run at system boot or run time, and when no
conflict (for example, the same SCSI ID for two different SCSI devices) is
found.
The ISA/EISA bus has no standard method of identifying adapters or their
configuration requirements.
5.3.1.1 Device Configuration Database
Device information is contained in a predefined database or in a customized
database that makes up the Device Configuration Database managed by the
Object Data Manager (ODM).
Adapters, Overview and Configuration 147
The predefined database contains configuration data for all possible devices
configurable for the system.
The customized database contains configuration data for all currently defined
devices in the system.
The device information stored in the Device Configuration Database allows
the automatic configuration PCI devices on PCI-based RS/6000 systems
whenever the Configuration Manager (cfgmgr) program is run at system boot
and run time.
The Device Configuration Database that is currently used by the system is
located in the directory that is specified by the ODMDIR environment
variable. This is normally the /etc/objrepos directory.
In AIX Version 3.2, all device software was installed when the operating
system was installed. In AIX Version 4, only those software packages for
devices that were detected at the installation time are automatically installed.
Refer to
Managing AIX V.4 on PCI-Based RS/6000 Workstations (40P/43P)
,
SG24-2581, or to the AIX Version 4 product documentation for more
information on device management and enhancements to the Device
Configuration Database.
5.3.1.2 Device Location Codes
Location codes are defined slightly differently depending on the type of
device they are used for, non-SCSI or SCSI.
For planars, cards and non-SCSI devices, the location code is defined as:
AB-CD-EF-GH
For SCSI devices, the location code is defined as:
AB-CD-EF-G,H
While AB-CD-EF have the same meaning for both non-SCSI and SCSI devices,
the last two letters identify different codes.
AB identifies a bus type, and it can assume the following values:
00 for resources attached to the processor bus, such as system
planar, processor, memory, L2 cache, and primary PCI bus.
01 for resources attached to ISA buses, such as diskette drive,
mouse adapter, mouse, and keyboard.
148 RS/6000 43P 7043 Models 150 and 260 Handbook
04 for resources attached to PCI buses, such as ISA bus, SCSI
controller, CD-ROM drive, hard disks, and graphics adapter.
• For SSA, these values are always zero.
CD identifies a slot or adapter number.
• The possible values for CD depend on the adapter or card. For pluggable
adapters or cards, this will be a two-digit slot number in the range from 01
to 99.
• For integrated adapters, the first character in CD will be a letter in the
range from A to Z. The letter is based on the order that the integrated
adapters are defined in residual data and ensures unique location codes
for the integrated adapters. The second character, D, will be set to 0.
Any adapter or card is defined only with AB-CD. SSA adapters will show
the system I/O bus identifier here.
EF is the connector identifier.
• On adapters with multiple connectors, it is used to identify the adapter
connector that a resource is attached to. For SSA, this will show the
physical disk drive module and the logical disk drive.
GH for non-SCSI devices is a port identifier, address, DIMM, devices or a
Field Replaceable Unit (FRU). It has several meanings, depending upon the
resource type.
G,H for SCSI devices defines the following:
• G defines the control-unit address of the device
• H defines the logical-unit address of the device
Figure 35 shows an example of PCI-based RS/6000 systems' location codes.

Adapters, Overview and Configuration 149
Figure 35. Devices Location Codes
name status location description
sys0 Available 00-00 System Object
sysplanar0 Available 00-00 System Planar
pci0 Available 00-fef00000 PCI Bus
pci1 Available 00-fee00000 PCI Bus
isa0 Available 10-58 ISA Bus
siota0 Available 01-Q1 Tablet Adapter
ppa0 Available 01-R1 CHRP IEEE1284 (ECP) Parallel Port Adapter
sa0 Available 01-S1 Standard I/O Serial Port
sa1 Available 01-S2 Standard I/O Serial Port
siokma0 Available 01-K1 Keyboard/Mouse Adapter
fda0 Available 01-D1 Standard I/O Diskette Adapter
scsi0 Available 10-60 Wide/Fast-20 SCSI I/O Controller
ent0 Available 10-80 IBM 10/100 Mbps Ethernet PCI Adapter (23100020)
scsi1 Available 10-88 Wide/Ultra-2 SCSI I/O Controller
mtn0 Available 20-60 GXT3000P Graphics Adapter
sioka0 Available 01-K1-00 Keyboard Adapter
sioma0 Available 01-K1-01 Mouse Adapter
fd0 Available 01-D1-00-00 Diskette Drive
rmt0 Available 10-60-00-0,0 SCSI 4mm Tape Drive
cd0 Available 10-60-00-1,0 SCSI Multimedia CD-ROM Drive
hdisk0 Available 10-60-00-8,0 16 Bit SCSI Disk Drive
kbd0 Available 01-K1-00-00 PS/2 keyboard
mouse0 Available 01-K1-01-00 3 button mouse
lvdd Available LVM Device Driver
mem0 Available 00-00 Memory
proc0 Available 00-00 Processor
proc2 Available 00-02 Processor
L2cache0 Available 00-00 L2 Cache
pmc0 Available 00-00 Power Management Controller
lft0 Available Low Function Terminal Subsystem
rootvg Defined Volume group
hd5 Defined Logical volume
hd6 Defined Logical volume
hd8 Defined Logical volume
hd4 Defined Logical volume
hd2 Defined Logical volume
hd9var Defined Logical volume
hd3 Defined Logical volume
hd1 Defined Logical volume
inet0 Available Internet Network Extension
en0 Available Standard Ethernet Network Interface
et0 Defined IEEE 802.3 Ethernet Network Interface
lo0 Available Loopback Network Interface
pty0 Available Asynchronous Pseudo-Terminal
gxme0 Available Graphics Data Transfer Assist Subsystem
rcm0 Available Rendering Context Manager Subsystem
aio0 Defined Asynchronous I/O
hd7 Defined Logical volume
catia Defined Logical volume
catadm Defined Logical volume
150 RS/6000 43P 7043 Models 150 and 260 Handbook
5.3.1.3 Configuration Information
Information about the PCI adapters can be obtained by running the lscfg
command.
To determine how much memory you have in your machine, run the following
command:
lsattr -El mem0
This will show the size of memory in your machine and how much usable
memory there is.
You can also see the size of the L2 cache installed in your system by using
the lsattr command:
lsattr -El L2cache0
5.3.2 PCI Adapter Configuration
If the required device drivers are installed, PCI adapters are configured
automatically at system restart or by using the cfgmgr command.
When you install the AIX operating system, it will query the PCI bus to identify
all AIX supported adapters. The installation process will install the required
device drivers and diagnostic support (if available), and the system will
automatically configure the PCI adapters.
If you have a system installed and running, you can use smit cfgmgr. This
method will require you to put the AIX installation media in place (CD-ROM,
tape, and so forth) before configuring the adapters. The media will be used
only if the device drivers for your adapters are not currently installed.
You can also manually install the device drives and diagnostics before
running cfgmgr or rebooting the system for automatic PCI adapter
configuration.
When using PCI adapters, the slot number is important. If you change an
adapter from slot A to slot B, the original adapter information for slot A will be
kept in a defined state; a new definition will be created for slot B, and a new
device will be configured.
5.3.2.1 Configuring Non-Graphic PCI Adapters
Configuring PCI adapters is very easy because they are actually configured
automatically when their driver software is installed and the cfgmgr command
is run.

Adapters, Overview and Configuration 151
The easiest way to configure non-graphic PCI adapters (such as LAN
adapters, and so on) installed after IPL is to proceed using SMIT, enter:
smit devices
-> Install/Configure Devices Added After IPL
You may have to provide a source for the device driver software package for
the new PCI device if it is not yet installed.
If, for whatever reason, you need to install software but you are unable to
boot from hard disk or you have no working display, you may install the
software while in maintenance mode.
5.3.2.2 Configuring SCSI Devices
The RS/6000 43P Series systems have at least one integrated Ultra SCSI
Interface.
The process of configuring SCSI devices on the 7043 Series is exactly the
same as it is on other RS/6000 Systems. This means you can use the SMIT
support to configure devices that are added after IPL, enter the cfgmgr
command, or reboot the system. However, remember that unlike with AIX
Version 3.2, on AIX Version 4 the software support for the device you are
adding may not yet be installed. Thus, check to see if the device driver for
your SCSI device is installed. If not, use SMIT to configure the device and
provide an input device or directory where the installation software can be
accessed.
The Web-Based System Management tool, wsm, provides a similar function
as SMIT, but using a visually rich GUI and task oriented dialogs.
Do not use the above procedure if you want to add or replace graphic
adapters because if anything goes wrong (for example, a required device
driver is not yet installed, and so forth) you will disable your graphics
console.
To add or change PCI graphic adapters, proceed as described in 5.2,
“Graphics Adapters” on page 135.
Note

152 RS/6000 43P 7043 Models 150 and 260 Handbook
5.4 Summary Chart of Adapters
Table 37 summarizes the adapters (communication, graphics, and storage)
available on the RS/6000 43P 7043 Model 150 and Model 260 systems.
Table 37. Communication, Graphics, and Storage Adapters Summary
Adapter Feature Code On Model 150 On Model 260
Token Ring PCI # 2920 Yes Yes
10/100 Mbps Ethernet PCI # 2968 Yes Yes
Gigabit Ethernet-SX PCI # 2969 NO Yes
ISDN Basic Rate PCI # 2708 Yes Yes
SysKonnect SK-NET
FDDI-LP SAS PCI # 2741 Yes Yes
SysKonnect SK-NET
FDDI-LP DAS PCI # 2742 Yes Yes
SysKonnect SK-NET
FDDI-UP SAS PCI # 2743 Yes Yes
TURBOWAYS 155 UTP ATM
PCI # 2963 Yes Yes
TURBOWAYS 155 MMF ATM
PCI # 2988 Yes Yes
TURBOWAYS 25 ATM PCI # 2998 Yes Yes
8-Port Asynchronous
EIA-232/RS-422 PCI # 2943 Yes Yes
128-Port Asynchronous
Controller PCI # 2944 Yes Yes
2-Port Multiprotocol PCI # 2962 Yes Yes
ARTIC960Hx 4-Port Selectable
PCI # 2947 NO Yes
ARTIC960Hx 4-Port T1/E1 PCI # 2948 NO Yes
Ultimedia Video Capture PCI # 2639 Yes Yes
POWER GXT120P # 2838 Yes Yes
POWER GXT250P # 2851 Yes Yes

Adapters, Overview and Configuration 153
POWER GXT255P # 2852 Yes Yes
POWER GXT550P # 2845 Yes NO
POWER GXT3000P # 2825 Yes Yes
PCI Single-ended Ultra SCSI # 6206 Yes Yes
PCI Differential Ultra SCSI # 6207 Yes Yes
PCI SSA Multi-Initiator/RAID EL # 6215 Yes Yes
Adapter Feature Code On Model 150 On Model 260
154 RS/6000 43P 7043 Models 150 and 260 Handbook

© Copyright IBM Corp. 1998 155
Chapter 6. Diagnostics and System Management Services
One of the most important features provided by the PCI-based RS/6000
workstations and servers is support of the AIX diagnostics programs.
Workstations, and especially servers, should by their nature, provide
enhanced reliability, availability, and serviceability (RAS) features. Access to
AIX diagnostics, stand-alone and on-line, helps provide these features.
In addition to providing diagnostic support for new PCI devices available for
the PCI-based RS/6000 systems, a major change had to be made to the
firmware. An extra function had to be added to the firmware to allow a logical
representation of the keyswitch that would allow the system to either boot in
normal or service mode. The Models 150 and 260 have an electronic
keyswitch function (see 8.1, “Electronic Key-Switch Function” on page 215)
and the system can either be booted in Normal or Service mode by pressing
a function key during the firmware POST stage. Additionally, support was
added to enable the system to load diagnostics from a CD-ROM.
Two methods of running diagnostics are supported on the PCI-based
RS/6000 systems:
• Stand-Alone Diagnostics
• On-line Diagnostics
Both of these methods are described in this chapter.
6.1 Diagnostics Operating Considerations
The following items identify some issues to consider before using the
diagnostics programs.
• Device Diagnostics
If diagnostics support is not installed on your system and you install this
option, device support for devices physically installed in your machine will
not be automatically installed. Diagnostics support is, however,
automatically installed when you install from an AIX Version 4 CD-ROM
(check with the lslpp -L command if bos.diag.* and bos.rte.diag filesets
are already installed on your system since they are required). The On-line
Diagnostics test list will display entries for all the devices in your system
that have diagnostic support.
156 RS/6000 43P 7043 Models 150 and 260 Handbook
• Selecting a Console Display
When you run Stand-Alone Diagnostics, you will have to select the
console display. The diagnostic program displays instructions on graphics
displays and on terminals attached to the S1 serial port.
• Identifying the Terminal Type to Diagnostics
When you run diagnostics, the diagnostic program must know what type of
terminal you are using. If the terminal type is not known when the Function
Selection menu is displayed, the diagnostics will not allow you to continue
until a terminal is selected from the Define Terminal option menu.
• Undefined Terminal Type
If an undefined terminal type from the Define Terminal option menu is
entered, the menu will prompt you to enter a valid terminal type, and the
menu will be re-displayed until a valid type is entered or you exit from the
option.
• Resetting the Terminal
If you enter a valid terminal (according to the Define Terminal option), but
it is not the correct type for the ASCII terminal being used, difficulty may
be encountered in reading the screen, using the functions keys, or the
Enter key. These difficulties can be bypassed by pressing Ctl-c to reset
the terminal. The screen display that results from this resetting action
varies with the mode in which the system is being run:
• On-line Concurrent or Single-User Mode - the command prompt
appears
• Stand-Alone Mode or On-line Service Mode - the terminal type will be
reset to dumb, the diagnostics operation instruction panel will be
displayed, and you will be required to go through the Define Terminal
process again
• Running Diagnostics from a TTY Terminal
The following should be considered when running diagnostics using a tty
terminal as the console display:
• Support for some tty terminals is optionally installed. If you attach a tty
terminal to a system to run diagnostics, be aware that it may not work
properly since AIX support for the terminal may not be installed.
• See the operator manual provided with your terminal to find the key
sequences required to respond to the diagnostics.
• When the diagnostics present display information through the S1 port,
certain attributes are used. These attributes are set as if the

Diagnostics and System Management Services 157
diagnostics were using an IBM 3161 display terminal. The attributes for
the 3151, 3161 and 3164 are listed in the
Diagnostics Information for
Multiple Bus Systems,
SA38-0509, Appendix D.
6.2 Stand-Alone Diagnostics
Stand-Alone Diagnostics provides a method of testing the system without
running AIX or without having diagnostics installed. This is useful when
On-line Diagnostics are not available, when devices which are in use during
the operation of AIX are to be tested, or if the system is in a state where the
On-line Diagnostics cannot be run.
The stand-alone diagnostics are packaged on removable media. They must
be booted or mounted before they can be run. If booted, you have no access
to the AIX error log or to the AIX configuration data, but you can test all the
components in your system except for the SCSI adapter used to boot the
diagnostics CD-ROM. If the diagnostics are run in concurrent mode using
stand-alone diagnostics (the CD-ROM is mounted while AIX is running), then
you have access to the AIX error log and the AIX configuration data, but you
are limited to the devices you can test.
The following are some considerations that you should make when running
stand-alone diagnostics:
• The diagnostics disc must remain in the CD-ROM drive for the entire time
that diagnostics are executing. The disc can only be ejected after the
system has been turned off and then turned on again (stand-alone mode),
or after the diagnostics program has terminated (on-line concurrent
mode).
• The CD-ROM drive from which diagnostics are loaded cannot be tested.
• The SCSI adapter (or circuitry) controlling the CD-ROM drive from which
diagnostic are loaded cannot be tested.
6.2.1 Booting the Stand-Alone Diagnostics CD-ROM
To start the stand-alone diagnostics, perform the following steps:
1. Remove all diskettes and CD-ROMs.
2. Turn the system unit's power on.
3. Insert the diagnostics CD-ROM into the CD-ROM drive.
4. When the keyboard POST indicator appears, press F5 on the directly
attached keyboard, or the number 5 key on the ASCII terminal keyboard,

158 RS/6000 43P 7043 Models 150 and 260 Handbook
to indicate to the system that the default Boot Device Order List is to be
used.
5. Enter any requested password, if set. (Power-On or Privileged-Access).
6. Follow the instructions to select the console.
7. Follow the displayed instructions to test the desired resources.
8. When testing is complete, use the F3 key to return to the Diagnostic
Operation Instructions screen.
6.2.2 Running Stand-Alone Diagnostics in Concurrent Mode
There might be a situation where on-line diagnostics is not available, but you
have access to the stand-alone diagnostics CD-ROM. To keep the system
available to the users, however, you do not want to reboot and run the
diagnostics programs in service mode. In this case, you can mount the
CD-ROM and run diagnostics concurrently. The procedure for this is
explained as follows:
1. From the command line, type:
diag
2. If you already have a CD-ROM in the CD-ROM drive, unmount any file
systems on the CD-ROM and remove the CD-ROM.
3. You will be asked whether you want to run diagnostics from CD-ROM.
Answer y.
4. Insert the CD-ROM.
5. Press Enter if you want to use the default CD-ROM drive. If you are using
a CD-ROM that is not the default, enter its name.
Diagnostics will then mount the CD-ROM, and you can access diagnostics as
if they were loaded on your system. When you exit diagnostics from the
CD-ROM, the CD-ROM will be unmounted automatically.
6.3 On-line Diagnostics
The on-line diagnostics are an AIX Version 4 installable package. They are
packaged under bos.diag (you will also need to have the bos.rte.diag fileset
installed). There is a separate, installable option for each device or adapter
supported by diagnostics. If you install your system from an AIX Version 4
CD-ROM, diagnostics will be automatically installed on your system,
including diagnostics support for any PCI devices that are physically installed
in your system. In addition, if you install any PCI devices and configure them
Diagnostics and System Management Services 159
to the system using cfgmgr -i (or use SMIT -> Devices -> Install/Configure
Devices Added After IPL), specifying an installation device, then diagnostics
support for the device (if available) will be automatically installed. Running
on-line diagnostics provides you with access to the AIX error log and the AIX
configuration data, but again, the devices you can test are limited.
If the diagnostics package, bos.diag is installed on your system, you can
determine which devices in your system have diagnostic support loaded by
performing the following steps:
1. Enter diag.
2. Press Enter on the main screen, and then select Task Selection.
3. Select Display Configuration and Resource List.
If a device installed in your system is not listed, refer to your installation
media to see if the device comes with a diagnostics support fileset.
On-line Diagnostics can be run in the following three modes:
• Service Mode allows checking of most system resources.
• Concurrent Mode allows the normal system functions to continue while
selected resources are being checked.
• Single-User Mode allows checking of most system resources.
These three modes are discussed in the following sections.
6.3.1 Service Mode
Running diagnostics in service mode provides the most thorough test of the
system resources available with On-line Diagnostics. As in the concurrent
mode, however, there are resources that cannot be tested. These resources
are the SCSI adapter and disks used for paging. You can also analyze the
error log in this mode by selecting the Problem Determination option on the
Diagnostic Routine Selection menu.
To access diagnostics from Service mode, perform the following steps:
1. Stop all programs including the AIX operating system (shutdown -F).
2. Remove all tapes, diskettes and CD-ROM discs.
3. Turn the system unit’s power off and wait for at least 30 seconds.
4. Turn the system unit’s power on again.
5. After the first POST indicator appears on the system unit’s console, press
F6 on the directly attached keyboard, or the number 6 key on the ASCII
160 RS/6000 43P 7043 Models 150 and 260 Handbook
terminal keyboard, to indicate to the system that the customized Boot
Device Order List is to be used. Normally, the first boot device in this list is
your boot disk, which should also contain the bos.diag package.
Note: The term POST indicator refers to the Icons (graphic display), or
device mnemonics (ASCII display) that are displayed while the POST are
executing.
6. Enter any requested password, if set (Power-On or Privileged-Access).
7. Select the terminal type (for example ibm3151 or lft).
Once diagnostics has loaded, you can follow the instructions given on the
console to test your system. After you have tested your system, you should
exit diagnostics by pressing the F3 key and follow the instructions displayed
to shut down AIX. Failure to shut down AIX could result in damage to data on
your disks.
6.3.2 Concurrent Mode
The concurrent mode provides a way to run on-line diagnostics on the system
resources while AIX is up and running.
Since the system is running in normal operation, some resources cannot be
tested in concurrent mode. The following list shows which resources cannot
be tested:
• SCSI adapters used by disks connected to paging devices
• The disk drives used for paging
• Memory
• Processor
There are three levels of testing in concurrent mode:
• The Share-test level tests a resource while it is being shared by programs
running in normal operation. This test is mostly limited to normal
commands that test for the presence of a device or adapter.
• The Sub-test level tests a portion of a resource while the remaining part of
the resource is being used in normal operation. For example, this test
could test one port of a multiport device while the other ports are being
used in normal operation.
• The Full-test level requires the device not be assigned to, or used by,
another operation. This level of test on a disk drive may require the use of
the varyoff operation. The diagnostics display menus allow you to vary off
the desired resource.

Diagnostics and System Management Services 161
Error Log Analysis can be performed in Concurrent mode by selecting the
Problem Determination option on the Diagnostic Routine Selection menu.
To run On-line Diagnostics in Concurrent mode, just enter the following
command as root:
diag
After a period of time (up to three minutes), you will be presented with the
diagnostics initial screen.
6.3.3 Single-User Mode
Diagnostics can run from single-user mode (maintenance mode - although
this is different from booting into maintenance mode from a CD-ROM or a
tape). You can shut down your system into a single-user mode, which will
allow testing of many of your system resources that would normally be in use
while AIX is running. All the system resources, except the SCSI adapters and
disks used for paging, memory and processors, can be tested. Error log
analysis is available in this mode. Other users will not be allowed to log into
the system while the system is in single-user mode.
Logged on as root, you can enter diagnostics in single-user (maintenance)
mode by performing the following:
1. Stop all applications and log all users off the system.
2. Enter cd / to change into the root directory.
3. Enter the shutdown -m command.
4. When you see a screen similar to this one:
the system prompts you for the root password (if set).
5. Enter the root password.
6. At the command prompt (#), enter the diag command.
7. When the Diagnostic Operating Instructions area is displayed, follow the
instructions to check the desired resources.
After you have completed testing the system, press F3 to return to the
diagnostic operating instructions. Press F3 again to return to the AIX
operating system prompt. Press the Ctrl-D key sequence to log off from root.
Init: Single User Mode
Password:

162 RS/6000 43P 7043 Models 150 and 260 Handbook
The following messages appears:
Just press Enter to go back to the default runlevel.
6.4 Diagnostic Tasks and Service Aids
The AIX diagnostic package contains programs that are called tasks. This
section describes the tasks available in AIX diagnostics Version 4.2 or later
(screen output is based on your installed hardware). For more detailed
information, refer to 7043-150 User’s Guide, SA38-0512 or 7043-260 User’s Guide,
SA38-0553. The tasks are as follows:
• Add Resource to Resource List:
Use this task to add resources back to the resource list.
• Analyze Adapter Internal Log:
The PCI RAID adapter has an internal log that logs information about the
adapter and the disk drives attached to the adapter. Whenever data is
logged in the internal log, the device driver copies the entries to the AIX
system error log and clears the internal log.
• Backup and Restore Media:
This service aid allows verification of backup media and devices.
• Certify Media:
This task allows the selection of diskette or hardfiles to be certified.
• Change Hardware Vital Product Data:
Use this service aid to display the Display/Alter VPD Selection Menu. The
menu lists all resources installed on the system.
• Configure Dials and LPFKeys:
This service aid provides a tool for configuring and removing dials/LPFKs
to the asynchronous serial ports.
• Configure Reboot Policy:
This service aid controls how the system tries to recover from a system
crash.
Do you wish to leave single user mode?
Enter (Y)es, (N)o or <cr> for the default runlevel:
Diagnostics and System Management Services 163
• Configure Remote Maintenance Policy:
This policy includes modem configurations and phone numbers to use for
remote maintenance support.
• Configure Ring Indicate Power-On Policy:
This service aid allows you to power-on a system by telephone from a
remote location (runs only on CHRP/RPA system units).
• Configure Surveillance Policy:
This task monitors the system for hang conditions, that is, hardware or
software failures that cause operating system inactivity.
• Create Customized Configuration Diskette:
A Stand-alone Diagnostic Package Configuration Diskette is created in
order to change the default refresh rate for an LFT from the console.
• Delete Resource from Resource List:
Use this task to delete resources from the resource list.
• Disk Maintenance:
You can make a disk to disk copy to another SCSI drive of similar size, as
well as display and alter information on disk sectors.
• Display Configuration and Resource List:
This service aid displays the item header only for all installed resources.
• Display Firmware Device Node Information:
This task displays the firmware device node information that appears on
CHRP/RPA platforms.
• Display Hardware Error Report:
A tool for viewing the hardware error log is provided.
• Display Hardware Vital Product Data:
This service aid displays all installed resources, along with any VPD for
those resources.
• Display Microcode Level:
The current level of microcode on an adapter or device can be displayed.
• Display or Change Bootlist:
This service aid allows the bootlist to be displayed, altered, or erased.
164 RS/6000 43P 7043 Models 150 and 260 Handbook
• Display or Change Diagnostic Run Time Options:
The Display or Change Diagnostic Run Time Options task allows the
diagnostic run time options to be set.
• Display Previous Diagnostic Results:
Each time the diagnostics produce a service request number (SRN) to
report a problem, information about that problem is logged. The service
representative can look at this log to see which SRNs are recorded.
• Display Resource Attributes:
This task displays the Customized Device Attributes associated with a
selected resource.
• Display Service Hints:
This service aid reads and displays the information in the CEREADME file
from the diagnostics media.
• Display Software Product Data:
This task invokes SMIT to display information about the installed software.
• Display System Environmental Sensors:
This service aid displays the environmental sensors implemented on a
CHRP/RPA system.
• Display Test Patterns:
This task provides a means of adjusting system display units by providing
displayable test patterns.
• Download Microcode:
This service aid provides a way to copy microcode to an adapter or
device.
• Flash SK-NET FDDI Firmware:
This task allows the Flash firmware on the SysKonnect SK-NET FDDI
adapter to be updated.
• Format Media:
The selection of diskettes, hardfiles, or optical media can be formatted.
• Generic Microcode Download:
This service aid provides a means of executing a generic script from a
diskette. The intended purpose for this generic script is to load microcode
to a supported resource.
Diagnostics and System Management Services 165
• Local Area Network Analyzer:
This selection is used to exercise the LAN communications adapters, such
as Token-Ring, Ethernet, and Fiber Distributed Data Interface (FDDI).
• Periodic Diagnostics:
This selection provides a tool for configuring periodic diagnostics and
automatic error log analysis.
• Run Diagnostics:
The Run Diagnostics task invokes the Resource Selection List menu.
When the commit key is pressed, diagnostics are run on all selected
resources.
• Run Error Log Analysis:
The Run Error Log Analysis task also invokes the Resource Selection List
menu. When the commit key is pressed, Error Log Analysis is run on all
selected resources.
• Save or Restore Hardware Management Policies:
Use this service aid to save or restore the settings from Ring Indicate
Power On Policy, Surveillance Policy, Remote Maintenance Policy and
Reboot Policy.
• SCSI Bus Analyzer:
This service aid provides a means to diagnose a SCSI bus problem in a
free-lance mode.
• SCSI Device Identification and Removal:
This service aid allows you to choose a SCSI device or location from a
menu and to identify a device located in a system unit that uses a SCSI
Enclosure Services (SES) backplane.
• SCSD Tape Drive Service Aid:
This task provides a means to obtain the status or maintenance
information from a SCSD tape drive.
• Spare Sector Availability:
This selection checks the number of spare sectors available on the optical
disk.
• SSA Service Aid:
This service aid provides tools for diagnosing and resolving problems on
SSA attached devices.

166 RS/6000 43P 7043 Models 150 and 260 Handbook
• Update Disk Based Diagnostics:
Use this service aid to apply fixes (APARs) on your system.
• Update System or Service Processor Flash:
This selection updates the system or service processor flash for
CHRP/RPA system units.
6.5 Understanding the Firmware
The firmware is the first code to execute when the machine is powered on.
This code resides on the hardware, and it is loaded at the factory.
The firmware uses the console and the speaker as a means to communicate
the results of certain tests. By default, the firmware uses the serial port S1 to
display logos, messages, and errors. In case a supported graphics adapter is
installed in the machine, the firmware will redirect the output to this adapter
instead of the serial port.
6.5.1 General RS/6000 Boot Sequence
RS/6000 CHRP and RPA platforms will display a graphical or text message
(hereafter referred to as the boot prompt) after the banner step that identifies
the platform and communicates to the user that there are options that may be
invoked to alter the boot process.
Once the boot prompt is displayed, the System Management Services (SMS)
menu can be invoked (by pressing the F1 key). SMS provides a user interface
for utilities, configuration, and the Multiboot Menu for boot/install and the
Open Firmware command interpreter.
For boot failures related to firmware trying to access a boot device, it is
appropriate for the platform to retry the boot operation, especially in the case
of booting from a network device. However, in platforms that have a service
processor (Model 260), there are several other types of detected errors for
which a reboot retry may be appropriate, For example, check-stops or loss of
communication between firmware and the service processor. The service
processor configuration provides a user setting for the number of retries that
should be attempted in case of boot failures (see also 7.5.2.3,
“Reboot/Restart Policy Setup Menu” on page 196).
The following sections describe the boot phase of operation.
Diagnostics and System Management Services 167
6.5.1.1 Identify and Configure System Components
The firmware must, by various means, become aware of every component in
the system and configure or reset those components into a known state.
Components include all bridges and device controllers, but may exclude
devices that are not involved in the boot process.
Firmware is generally written with a hardware platform in mind so that some
components and their configuration data can be hardcoded. Examples of
these components are: number and type of processors, cache
characteristics, and the use of components on the planar. This hardcoding is
not a requirement, only a practical approach to a part of this task.
Certain system information must come from walking the I/O buses. This is a
technique that will yield identification of I/O device controllers and bridges
that reside on modern, well-behaved buses such as PCI.
6.5.1.2 Generate a Device Tree
The firmware will build a device tree. Certain configuration information
(configuration variables) may be stored in non-volatile memory.
6.5.1.3 Initialize/Reset System Components
The AIX operating system requires devices to be in a known state at the time
control is transferred from the firmware. Firmware may gain control of the
hardware in various states depending on what has initiated the boot process.
6.5.1.4 Locate an OS Boot Image
A device and filename can be specified directly from the AIX boot command.
Once the boot image is located, the device path is set in the device tree as
the bootpath property of the chosen node.
If multi-boot (multiple bootable operating systems residing on the same
hardware platform) is supported, a configuration variable instructs the
firmware to display a multi-boot menu from which the OS and bootpath are
selected.
6.5.1.5 Load the Boot Image into Memory
After locating the image, it is loaded into memory at the location given by a
configuration variable or as specified by the OS load image format.
6.5.2 Typical Boot Sequence for RS/6000 43P 7043 Model 150
After the system unit power is turned on, the system firmware tests the
system memory and identifies failing memory cards and memory module
locations. System firmware checks to see what devices are in the system and

168 RS/6000 43P 7043 Models 150 and 260 Handbook
performs a simple test on them. The system firmware displays the device
name or device icon being tested. After the keyboard name or icon appears,
you can enter the Systems Management Services menu by hitting the 1 key
(on a ASCII terminal) or the F1 key (on a graphics terminal).
You can also enter one of the following:
• 5 (on a ASCII terminal) or F5 (on a graphics terminal) to start the
Stand-Alone Diagnostics (CD).
• 6 (on a ASCII terminal) or F6 to start the On-line Diagnostics (Hard Disk)
Depending on the boot device, a checkpoint may be displayed on the
operator panel for an extended period of time while the boot image is
retrieved from the device. If a bootable image is found, then the system unit
loads and starts the operating system.The AIX Boot code indicates LED
progress codes in the range from 05XX to 09XX. After the AIX Boot is
completed, the AIX login prompt appears on the main console.
If no bootable operating system image is found on any of the storage devices
listed in the system firmware boot list, then the system unit attempts to boot
again. With each attempt, you have the opportunity to start the System
Management Services (SMS) as described in 6.7.1, “SMS Start-Up” on page
173.
6.5.3 Typical Boot Sequence for RS/6000 43P 7043 Model 260
Because of its integrated service processor, the boot sequence of the Model
260 is different than the Model 150.
After the A/C power is turned on, the System Support Controller (SSC)
start-up begins, and releases reset to the service processor. If the SSC
cannot communicate with the service processor, the LED displays a
4BA00000 code. If the service processor is not present, the LED displays
4BA00001.
For more information about the progress codes, refer to
Diagnostic
Information for Multiple Bus Systems,
SA38-0509, Be sure to read the
chapter on Diagnostics Numbers and Codes.
Note
Diagnostics and System Management Services 169
Service Processor Self-Test
The service processor card performs a self test and NVRAM initialization.
The LED Code range is E000 - E07F and the LED shows OK code when
complete.
Service processor in Standby Mode
You can enter the service processor menus whenever the LED code is OK,
STBY, or has an eight digit error code on the LED display by pressing the Enter
key on an ASCII terminal connected to serial port S1.
Built-In-Self-Test (BIST)
The service processor initiates a Built-In-Self-Test (BIST) on the Central
Electronics Complex (CEC) chips when the power button is pressed. The
VPD is read, the CRC is done, and the processor compatibility test is run.
LED Code range is E0A0 - E0E1.
System Initialization
System firmware begins to execute and then initializes system registers after
LED code E0E1. LED Code range is E1XX - E2XX.
Memory Test
The system firmware tests the system memory and identifies failing memory
cards and memory module locations. LED Code range is E3XX.
Device Configuration and Test
System firmware checks to see what devices are in the system and performs
a simple test on them.
The system firmware displays the device name or device icon being tested.
After the keyboard name or icon appears, you can enter the Systems
Management Services menu by hitting the 1 key (if using a ASCII terminal) or
the F1 key (if using a Graphics terminal).
You can also enter one of the following:
• 5 key (on an ASCII terminal) or F5 (on a graphics terminal) to start the
Stand-Alone Diagnostics (CD).
• 6 key (on an ASCII terminal) or F6 (on a graphics terminal) to start the
On-line Diagnostics (Hard Disk)
IPL Boot Code
The system firmware attempts to boot from the devices listed in the Boot List.
The LED Code range is E1XX.

170 RS/6000 43P 7043 Models 150 and 260 Handbook
Boot Image Execution
Once a boot image is located on a device in the Boot List, the system
firmware code hands off control to the AIX Boot code.
• LED Code E105 for Normal Boot or
• E15B for Service Mode Boot.
The AIX Boot code indicates LED progress codes in the range from 05XX to
09XX.
AIX Boot Complete
The AIX login prompt appears on the main console.
6.6 Power-On Self-Test
Power On Self Test (POST) is the process by which the firmware tests those
areas of the hardware that are critical to its ability to carry out the boot
process. It is not intended to be all-inclusive or to be sophisticated by how it
communicates with the user. Diagnostics with these characteristics will
generally be provided as a service aid.The following power-on self tests are
performed by the firmware on PCI-based RS/6000 systems:
6.6.1 Processor POST
The firmware tests the processor very briefly. If there is a failure, the system
will stop, and the initial beep of the speaker will not be heard.
6.6.2 Memory DIMM and L2 Cache POST
The firmware RAM POST tests all the memory, it is done in segments. After
the initial short beep, if the system stops with the hard file indicator on solid,
this is the indication that no memory was found. If some memory is found,
then a working 2 KB continuous segment is sought. If the 2 KB segment
cannot be found, the system stops with the hard file indicator on solid.
The L2 cache is tested. If it fails, there will be a momentary indication when
the display becomes available. The error is also written to the Error Log.
During the system initialization, when icons are being displayed for the
For more information about the progress codes, refer to
Diagnostic
Information for Multiple Bus Systems,
SA38-0509. Be sure to read the
chapter on Diagnostics Numbers and Codes.
Note
Diagnostics and System Management Services 171
individual subsystems, one of the icons will be the memory icon. During the
display of this icon, an 8-digit error code will be displayed if the L2 cache is
not fully functional.
The remainder of memory is also tested, and if a failure is detected, an 8-digit
error code is posted. This error indicates which Dual Inline Memory Module
(DIMM) slot is at fault. The basic algorithm for the system memory
configuration is as follows:
1. Query each memory slot to see if there is a memory DIMM installed.
• If yes, determine its size. Identify each DIMM as IBM or non-IBM, ECC,
or parity. This is done by querying special identification registers in the
DIMMs themselves.
• If the DIMM could not be identified, display the memory slot number, as
well as a warning saying that a DIMM could not be identified. Proceed
with the next DIMM.
2. Test the DIMM.
• If this is an IBM DIMM and it passes the test, make it available and add
its size to the available memory quantity. If it does not pass the test,
keep the DIMM out of the system configuration and display a warning
on the screen reporting the faulty DIMM slot number.
• If this is a non-IBM DIMM and passes the test, make it available and
add its size to the available memory quantity. In addition, display a
message on the screen reporting that a non-supported, non-IBM
memory DIMM has been found, tested, and correctly configured. If the
DIMM does not pass the test, display a warning on the screen reporting
that a non-IBM memory module was found and failed to pass the test.
3. Proceed with the next DIMM.
At the end of this process, the system will have available all the memory it
could configure (IBM branded or not).
6.6.3 Graphics Adapter POST
The firmware tests the graphics adapter but not the display. The system will
give a speaker beep sequence when the graphics adapter is found to be
non-functional. The beep sequence is one long beep, followed by one short
beep. The error is logged, and the system boot continues.

172 RS/6000 43P 7043 Models 150 and 260 Handbook
6.6.4 Keyboard and Mouse Controller POST
The keyboard/mouse controller has a built-in Power-On Self Test, and the
firmware checks the result. If an error is detected, an 8-digit error code is
displayed. The error is written to the Error Log, and the system continues.
6.6.5 SCSI Subsystem POST
The SCSI POST opens the adapter and runs several test scripts that check
and exercise the various functions related to the chips on the integrated SCSI
adapter, such as DMA, simulated mailbox commands, and so on. If an error is
detected, an 8-digit error code is displayed, the error is written to the Error
Log, and the system continues.
6.7 System Management Services (SMS)
The SMS programs make it possible for you to view information about your
computer, run memory tests, and set the device from which the server will
boot.
By default, the firmware uses the serial port S1 to display logos, messages,
errors, and also as the interface to the SMS programs. If a supported
graphics adapter is installed in the machine, the firmware will redirect the
output to this adapter instead of the serial port. This means, if you have
installed a graphics adapter but you want to use an ASCII terminal attached
to serial port S1 as the console for the SMS programs, you will have to
remove the graphics adapter first.
The SMS programs provide two types of interfaces: a graphical user interface
(GUI) that can be used on a graphical display and an ASCII interface that can
be used either on an ASCII terminal or on a graphical display.
Note: The ASCII interface provides more functions than the graphical
interface.
The 8-digit POST error codes are listed and described in the Service Guide
for the corresponding PCI-based RS/6000 system:
RS/6000 7043 43P Series Service Guide,
SA38-0512
RS/6000 7043 Model 260 Service Guide,
SA38-0554
Note

Diagnostics and System Management Services 173
To start the programs:
1. Turn on or shut down and restart your computer.
2. When the first screen appears, press the F1 key to use the GUI. On an
ASCII terminal, you can press either the number 1 key.
Note: You must press keys listed above before the last indicator appears.
6.7.1 SMS Start-Up
During the boot process, function keys can be pressed to alter the electronic
key-switch and determine which boot list to use during the boot procedure.
There are four function keys that can be pressed that determine the type of
boot that will occur. These are described as follows:
F1-Key (1 with an ASCII terminal)
The F1 key pressed on a directly attached keyboard will invoke the SMS GUI
interface. Press the 1 key at an ASCII terminal, and it will invoke the SMS
ASCII interface. The electronic key-switch will be set to Normal mode.
F5-Key (5 with ASCII terminal)
The F5 key will cause the default firmware boot list to be used. The electronic
key-switch is set to Service mode. This mode attempts to boot from the first
device of each found in the list. It does not search for other bootable devices
of that type if the first device is not bootable. Instead, it continues to the next
device type in the list. If after one pass through the boot list no boot record is
found, the firmware will invoke the SMS program.
F6-Key (6 with ASCII terminal)
When F6 is selected, the firmware looks for a boot record according to the
custom boot list that was set up by SMS or by using the bootlist command. If
the boot list was not customized, the default boot list is used. The electronic
key-switch is set to Service mode. Again, if after a pass through the custom
boot list no boot record is found, the firmware will invoke the SMS program.
F8-Key (8 with ASCII terminal)
Press F8 to access the Open Firmware OK> prompt. This has no influence on
the selection of the boot list or key-switch.
Booting from a tape (to restore a mksysb tape or boot into maintenance
mode) requires SMS. From SMS, you can select an alternative boot device
which includes a tape drive if one is installed.
Mksysb Booting

174 RS/6000 43P 7043 Models 150 and 260 Handbook
6.7.2 SMS Graphical Main Menu
The graphical System Management Services main menu offers the following
tasks, as shown in Figure 36:
Config Enables you to view your system setup
Multiboot Enables you to set and view the default operating system,
modify the boot sequence, access the Open Firmware
command prompt, and other options
Utilities Provides several tools to set and remove passwords, to set the
unattended start mode, to update the firmware, to set the IP
addresses for network booting, and other utilities
Figure 36. System Management Services - Main Menu
When AIX is installed on a machine, it automatically sets the customized
boot list to the installed hard disk. The customized boot list is thereafter
used by the system when booting in Normal mode.
Note
Diagnostics and System Management Services 175
6.7.2.1 SMS Submenu Config
Selecting this icon makes it possible for you to view information about the
setup of your system unit. A list similar to the following appears when you
select the Config icon. If more than one screen of information is available, a
blue arrow in the top right corner of the screen appears. Use the Page Up
and Page Down keys to scroll through the pages.
6.7.2.2 SMS Submenu Multiboot
The options, as shown in Figure 37, available from this screen allow you to
view and set various options regarding the operating system and boot
sequence:
Select Software The Select Software option allows you to choose which
operating system to use.
Software Default This option enables you to select an operating system as
the default operating system for your system unit.
Install From Enables you to select a media drive from which to install
an operating system.
Boot Sequence Enables you to view and change the custom bootlist (the
sequence in which devices are searched for operating
system code).
OK Prompt Enables you to go directly to the Open Firmware
command prompt. The Open Firmware command prompt
is used for debugging and device driver development.
Multiboot Start Clicking on this button toggles whether the Multiboot
menu will appear automatically at start-up.
Diagnostics and System Management Services 177
1. Firmware Passwords
You can limit access to the system by using passwords. The passwords
can be up to eight characters long and are stored in NVRAM. There are
three categories of restricted access:
• Power-On Password
When the system is powered on, it checks whether a power-on
password (POP) is present. If there is one present and the unattended
start mode is not set, it means the machine's owner does not want the
system to be used unless the POP password is supplied. In this case,
the system will prompt for the POP password. You are given three
attempts to enter the correct password. If you fail to supply the correct
password, the system will go into a hung state and must be
powered-off before continuing.
• Privileged Access Password
The Privileged Access Password (PAP) is used to limit access to the
System Management Services (SMS) programs (also called the
Supervisory Password). When you press one of the keys to access
SMS, the system will check to see if a Privileged Access password
exists, if it does, you are prompted to enter the Privileged Access
password. You are given three attempts to supply the correct
password. If you fail to do so, the system will go into a hung state and
must be powered-off before continuing.

178 RS/6000 43P 7043 Models 150 and 260 Handbook
• Unattended Start Mode
To use this mode, a power-on password must be previously specified. If
unattended start mode is enabled, the system will boot from the
defined boot device without requiring the you to enter the power-on
password. While the system can be booted without entering the POP
password, the keyboard controller will be programmed to lock up until
the POP password is provided. This mode is ideal for servers that run
unattended. After an electrical power failure, for example, the operating
system will be rebooted without waiting for you to enter the power-on
password.
Figure 39 shows the SMS submenu where you can set the password.
Figure 39. SMS Submenu - Firmware Passwords

Diagnostics and System Management Services 179
2. Hard Disk Spin Up Delay
Enables you to change the spin up delay for SCSI hard disk drives
attached to your system. Spin up delay values can be entered manually, or
else a default setting can be used. All values are measured in seconds.
The default is two seconds.
3. Error Log
Error Log enables you to view and clear the firmware error log information
for your system unit.
4. RIPL (Remote Initial Program Load)
Enables you to select a remote system from which to load programs via a
network adapter when your system unit is first turned on. This option also
allows you to configure network adapters that require setup. You can ping
a remote adapter to check if the network hardware is working correctly.
5. SCSI ID
Allows you to view and change the addresses (IDs) of the SCSI controllers
attached to your system unit.
6. Update
Allows you to update the system firmware program. Refer to 6.7.4, “SMS
Firmware Update” on page 180.
7. Console
If you have more than one keyboard and display attached to your system
unit, or if you have an ASCII terminal attached to your system unit in
addition to a keyboard and display, this tool allows you to define which one
is active.
For details about enabling and disabling the power-on password and
privileged access password, refer to the relevant chapter in the appropriate
service guide:
RS/6000 7043 43P Series Service Guide,
SA38-0512
RS/6000 7043 Model 260 Service Guide,
SA38-0554
Note
180 RS/6000 43P 7043 Models 150 and 260 Handbook
6.7.3 SMS ASCII Main Menu
The ASCII version of the System Management Services includes an
additional function in the main menu not found in the graphical version. The
following languages are supported:
• English
• French
• German
• Italian
• Spanish
• Swedish
All menus and options, as well as the button titles, have been translated. Your
ACSII terminal must support the ISO8859-1 character set in order to properly
display languages other than English.
6.7.3.1 ACSII Terminal Settings
If you have a graphics adapter in your system, then System Management
Services will only display information using that adapter. If you have an ASCII
terminal attached and have a graphics adapter installed, nothing will be
displayed on the ASCII terminal during the firmware boot process. To be able
to use the ASCII terminal to access System Management Services, you will
have to physically remove the graphics adapter from the system. If there are
no terminals or graphics adapters attached, the system will still be able to
boot up.
If you are using an ASCII terminal, the following parameters should be used:
• 9600 baud
•8-bit
• No parity
• 1 stop bit
• 24 lines by 80 columns
• Echo mode on
6.7.4 SMS Firmware Update
There are several situations where a firmware update may be required. For
example, an update may be required after a field EC (engineering change) to
provide firmware support for new adapters and peripherials or to enhance
functions for existing peripherials.
Diagnostics and System Management Services 181
6.7.4.1 How to Determine the Current SMS Firmware Version
The firmware version is displayed on the initial start-up screen on a graphical
display and at the top of each System Management Services (SMS) menu on
an ASCII Terminal display. It can also be found on the configuration display
under the SMS menus.
To access the SMS menus, power-on the system if it is off, or shutdown and
re-start the system if it is on. On a graphical display, the firmware version is
displayed in the lower right corner of the initial display. Press the F1 key while
the start-up icons are displayed to stop at the SMS menus.
On an ASCII Terminal display, press the 1 key at the initial display when the
ASCII icons are displayed at the bottom of the screen. Note the firmware
version at the top of the menus.
Select Configuration from the initial SMS menu to see the system’s
configuration. The firmware version is near the bottom of this list.
6.7.4.2 How to Obtain the SMS Firmware Update
In order to create a firmware diskette with the latest level of SMS firmware
available, download the newest firmware for your machine from:
http://www.rs6000.ibm.com/support/micro
There are two types of archives currently being distributed: one for AIX and
one for DOS-compatible operating systems such as DOS, OS/2, and
Windows. Both archives are self-extracting executables that will unpack
themselves when run.
To unpack the AIX archive, filename.bin, execute the following commands:
chmod +x filename.bin
./filename.bin
To unpack the DOS-compatible archive, filename.exe, execute the archive:
filename1
(1For example: 7043140. This depends on the model for which you want to
download the firmware).
6.7.4.3 How to Create the SMS Firmware Diskette
The method of creating the firmware update diskette will vary depending on
the operating system being used and the distribution archive. In all cases,
1.44 MB DOS-formatted diskettes should be used. For AIX users, DD images
should be provided. To create a firmware update diskette, insert a blank
182 RS/6000 43P 7043 Models 150 and 260 Handbook
diskette into the drive of the system being used. If a makefw script is
provided, execute it. Otherwise, type the following command:
dd if=filename.dd of=/dev/rfd0
For users of DOS-compatible operating systems, discrete files will be
provided with a batch file named makefw to copy the appropriate files to
diskette. Run the batch file to create the diskette:
makefw
6.7.4.4 How to Perform the SMS Firmware Update
Once you have a firmware update diskette available, you are ready to
perform the update. Follow the steps below carefully.
The procedure below will guide you through soft-loading the new firmware
which loads it into memory and runs it. This is a very important step which will
ensure that your new firmware is not corrupted and will run on your system as
it is configured
before
the new firmware is permanently flashed into the
system. If the soft-load fails,
DO NOT
flash the new firmware.
1. Power-on the system, if off, or shutdown and re-start.
2. Go to the open firmware ok prompt:
• From a graphics display, press F8 when the icons appear at start-up.
• From an ASCII terminal, press 8 when the ASCII icons appear during
start-up.
3. Insert the diskette with the firmware image and soft-load it by typing the
following commands at the ok prompt:
•> setenv load-base 600000
•> boot floppy:1,\name_of_firmware_level.img
Note: name_of_firmware_level depends on the system for which you
want to update the firmware (For example: tig98153).
4. A console selection may be run at this time to allow you to choose a
display. A number will appear on each display that can be used for the
firmware icons and SMS menus. Press the number of the display you wish
to use. A graphics display is preferable.
5. Go to the SMS menu:
• From a graphics display, press F1 when the icons appear at start-up.
• From an ASCII terminal, press 1 when the ASCII icons appear during
start-up.

Diagnostics and System Management Services 183
6. Verify that the new firmware is currently running. See 6.7.4.1, “How to
Determine the Current SMS Firmware Version” on page 181. If the new
firmware is not running, something went wrong. Go back to step one and
try again. If the new firmware IS running correctly, continue to the next
steps to permanently flash the new firmware image.
7. From a graphics display, use the firmware update utility. Select Utilities
from the menu, then Update and follow the on-screen instructions to
complete the update procedure.
8. From an ASCII terminal, use the firmware update utility. Select Utilities
from the main menu, then Update system firmware and follow the
on-screen instructions to complete the procedure.
6.7.4.5 SMS Firmware Recovery
If the system will not boot up fully, and the checkpoint display reads FEB, the
firmware is partially corrupted, but should be recoverable. Make a copy of the
firmware update diskette, rename the .img file on this diskette to
PRECOVER.IMG and insert this recovery diskette in the drive when the FEB
appears on the checkpoint display.
If the system drops to the ok prompt at checkpoint F4D, this may also be a
partial corruption of the firmware. Use the ok prompt to attempt the soft-load
procedure and re-flash the new firmware. Start at step three under 6.7.4.4,
“How to Perform the SMS Firmware Update” on page 182.
If the checkpoint display reads 888 when the power button is pushed, the
system firmware is completely corrupted. Report the problem to your service
organization.
If power is lost during the firmware update procedure, the system could be
rendered inoperable. To avoid this, DO NOT POWER OFF the system
during the Firmware Update, and take any steps to ensure that power is not
interrupted during the update procedure.
Note
The diskette containing the new firmware update will be your firmware
recovery diskette.
Note
184 RS/6000 43P 7043 Models 150 and 260 Handbook
6.7.5 SMS Firmware Checkpoints
Firmware Checkpoints are intended to let users and service personal know
what the system is doing, in some detail, as it initializes. These checkpoints
occur during system start-up and are not intended to be error indicators, but
in some cases a system could hang at one of the checkpoints. The most
appropriate action is included with each checkpoint.
6.7.5.1 RS/6000 43P 7043 Model 150 Firmware Checkpoints
The firmware for the Model 150 uses progress codes (checkpoints) in the
range of E1xx to EFFF. The Exxx-Codes are documented in the
RS/6000
7043 43P Series Service Guide,
SA38-0512.
6.7.5.2 RS/6000 43P 7043 Model 260 Firmware Checkpoints
The firmware for the Model 260 uses progress codes (checkpoints) in the
range of E1xx to EFFF. The Exxx-Codes for the Model 260 are documented in
the
RS/6000 7043 Model 260 Service Guide,
SA38-0554.

© Copyright IBM Corp. 1998 185
Chapter 7. Service Processor
This chapter gives you an overview of the functionality of the Service
Processor (SP) and how to use the SP. The SP is currently available on the
Model 260, but not the Model 150.
7.1 Introduction to the Service Processor
The Service Processor is a hardware component that is imbedded onto the
I/O planar of the Model 260.
The SP has the capability to control the system NVRAM and real time clock
interface. The SP card has a interface to assist with the bring-up and testing
of complex processor systems. In addition, the SP has the capability to take
over either S1 or S2 serial ports on the I/O planar.
The SP card can use S1 or S2 to make a call home through an externally
attached modem when it detects one of the following conditions:
• System firmware surveillance failure
• Operating system surveillance failure
• Critical environmental failures
• Restarts
The SP also has the capability to answer modem calls and generate a host
interface to an external caller. The host functions of the SP card are
contained in flash memory, resident on the SP card. The host modes are
password protected and feature many levels of menus with support for
several languages.
Machine diagnostics can be launched from the host session, allowing you to
remotely diagnose the status of the server. Almost all of this function is
available even if the main processor is completely dead. The SP provides an
immediate means to diagnose, check status, and sense the operational
conditions of a remote server.
The Model 260 can also be booted remotely, and a remote user may enter the
Systems Management Services (SMS) screens (only in ASCII mode).

186 RS/6000 43P 7043 Models 150 and 260 Handbook
7.2 Customize and Access the Service Processor Menus
The SP menus enable you to configure SP options and to enable and disable
functions. Service Processor menus are available using an ASCII terminal
when the server is powered off and the Service Processor is operating with
standby power. SP menus are also available when server power is on and the
SP has detected a server problem (such as loss of surveillance). During the
first power up (when the power cord is plugged into the outlet), Service
Processor menus are not available for 45 seconds while the SP is running
self-tests and initializing the server. If the server powers down, SP menus
become available after 15 seconds.
The Service Processor menus are divided into two groups:
• General user menus
• Privileged user menus
To prevent loss of control in unstable power environments, the Service
Processor leaves the menu mode after 5 minutes of inactivity. Menus may be
resumed by pressing any key on the terminal, local or remote.
7.2.1 How to Customize the Service Processor
There are two methods through which the service processor's functions can
be customized:
• SP menus can be customized while AIX is up and running (use the diag
command) through Service Aid in AIX Diagnostics. Although accessible
using concurrent AIX diagnostics, the SP functions you can customize
there are relatively few.
• SP menus are accessible when AIX is not running, either locally or
remotely.
The following chapters cover how to customize the SP when AIX is not
running.
You must have a ASCII terminal or a modem to access the SP menus.
There is no graphical interface.
Note

Service Processor 187
7.2.2 How to Access Service Processor Menus Locally
Service Processor menus may be accessed locally by connecting an ASCII
terminal to either serial port. You must press a key on the ASCII terminal to
confirm the presence of the Service Processor. The SP then prompts you for
a password (if set), and when verified, displays the SP menus.
7.2.3 How to Access Service Processor Menus Remotely
Service Processor menus may be accessed remotely by connecting a modem
to serial port 1 or serial port 2.
1. Power-off the server, unplug the power cord, and press the power button
to drain capacitance while power is disconnected.
2. Connect the modem to the appropriate serial port and turn the modem on.
3. Plug in the server.
Note: Your modem has to be configured. For modem configurations, see
7.5.5.1, “Modem Configuration Menu” on page 203.
With a terminal or terminal emulator, call the server's modem. The Service
Processor prompts you for a password (if set), and when verified, displays
the SP menus.
7.3 Security Within the Service Processor
For security purposes, the Service Processor counts the number of attempts
to enter correct passwords. The results of not recognizing a correct password
within this error threshold are different, depending on whether the attempts
are being made locally (at the server) or remotely (using a modem). The error
threshold is three.
If the error threshold is reached by someone entering passwords at the
server, the Service Processor exits the menus. This action is taken based on
the assumption that the server is in an adequately secure location with only
authorized users having access. Such users must still successfully enter a
login password to access AIX.
If the error threshold is reached by someone entering passwords remotely,
the Service Processor disconnects the modem to prevent potential security
attacks on the server by unauthorized remote users.
There are two different kind of passwords:
• Privileged Access Password

188 RS/6000 43P 7043 Models 150 and 260 Handbook
• General Access Password
Passwords can be any combination of up to 8 alphanumeric characters. You
can enter longer passwords, but the entries are truncated to include only the
first 8 characters. Passwords can be set from the Service Processor menu or
from the SMS menus.
Table 38 illustrates which menu can be can accessed with the Privileged
Access Password and the General Access Password.
Table 38. Settings of Privileged and General Access Password
7.4 Service Processor Operational Phases
This section provides a high-level flow of the phases of the SP, as shown in
Figure 40.
Figure 40. Service Processor - Operational Phase Status Flow
Privileged Access
Password General Access
Password Resulting Menu
None None MAIN MENU displayed
None Set MAIN MENU displayed
Set None Users with passwords see the MAIN
MENU, others users see the GENERAL
USER MENU
Set Set Users see menus associated with the
entered password
Service Processor 189
7.4.1 Pre-Standby Phase
This phase is entered when the server is connected to a power source. The
server may or may not be fully powered on. This phase is exited when the
Power-On Self-Tests (POST) and configurations tasks are completed. The
Pre-Standby phase components are:
• SP Initialization
SP performs any necessary hardware and software initializations.
• SP POST
SP conducts Power-On Self Tests on its various work and code areas.
• SP Unattended Start Mode Checks
To assist fault recovery, if unattended start mode is set, the SP
automatically reboots the server. SP does not wait for a user-input or
power-on command, but moves straight through the phase and into the
Bring-up Phase. The unattended start mode can be reset by accessing
SMS menus, or SP menus.
7.4.2 Standby Phase
The standby phase can be reached in two ways:
1. With the server OFF and power connected (the normal path), recognized
by OK in the LED display.
2. With the server ON after an operating system fault, recognized by STBY
or an 8-digit code in the LED display.
In the Standby phase, the SP takes care of some automatic duties and is
available for menus operation. The SP remains in the standby phase until a
power-on request is detected.
The Standby phase components are:
• Modem Configuration
SP will configure the modem (if installed) so that incoming calls may be
received, or outgoing calls may be placed.
• Dial In
Monitor incoming phone line to answer calls, prompt for a password, verify
the password and remotely display the standby menu. The remote session
can be mirrored on the local ASCII console if the server is so equipped
and the user enables this function.
190 RS/6000 43P 7043 Models 150 and 260 Handbook
• Menus
The SP menus are password protected. Before you can access them you
need to know either General User (Power-On Password or POP) or
Privileged User (Privileged Access Password or PAP).
7.4.3 Bring-Up Phase
This phase is entered upon power-on, and exited upon loading of the
operating system. The Bring-Up phase components are:
• Retry Request Check
The SP checks to see if the previous IPL attempt failed. If two consecutive
fails are detected, the SP displays an error code and places an outgoing
call to notify an external party if the user has enabled this option.
• Dial Out
The SP can dial a pre-programmed telephone number in the event of an
IPL failure. The SP issues an error report with the last reported IPL status
indicated and any other available error information.
• Update Operator Panel
The SP displays Operator Panel data on the ASCII terminal if a remote
connection is active.
• Environmental Monitoring
Environmental Monitoring is now controlled by the SP instead of the base
system, with expanded error recording and reporting.
• System Firmware Surveillance (Heartbeat Monitoring)
The SP monitors and time the interval between system firmware
heartbeats.
• Responding to System Processor Commands
The SP responds to any command issued by the system processor.
7.4.4 Run-time Phase
This phase includes the tasks that the SP performs during steady-state
execution of the operating system.
• Environmental Monitoring
The SP monitors voltages, temperatures, and fan speeds.
• Responding to System Processor Commands
The SP responds to any command issued by the system processor.

Service Processor 191
• Run-Time Surveillance (Heartbeat Monitoring)
If the device driver is installed and surveillance enabled, the SP monitors
the system heartbeat. If the heartbeat times out, the SP places an
outgoing call. This is different from the Bring-Up phase scenario where
two reboot attempts are made before placing an outgoing call.
7.5 Main Menu
At the top of the MAIN Menu is a listing containing:
• Your Service Processor's current firmware version
• The firmware copyright notice
• The system name given to your server during setup
You need the firmware version for reference when you either update or repair
the functions of your service processor.
Following is an example of the SP Main Menu:
Note: The Service Processor prompt reads either 1> or 2> to indicate which
serial port on the system unit is being used to communicate with the SP.
The following sections cover the different submenus.
Service Processor Firmware
SP Level: px980902
EPROM: 19980902
FLASH: 19980902
Copyright 1997, IBM Corporation
SYSTEM NAME
MAIN MENU
1. Service Processor Setup Menu
2. System Power Control Menu
3. System Information Menu
4. Language Selection Menu
5. Call-In/Call-Out Setup Menu
6. Set System Name
99. Exit from Menus
1>

192 RS/6000 43P 7043 Models 150 and 260 Handbook
7.5.1 Service Processor Setup Menu
The service processor setup menu appears as follows:
7.5.1.1 Change Privileged Access Password
Set or change the Privileged Access Password. It provides you with the
capability to access all Service Processor functions. This password is usually
used by the system administrator or root user.
7.5.1.2 Change General Access Password
Set or change the General Access Password. It provides limited access to SP
menus, and is usually available to all users who are allowed to power-on the
server.
7.5.1.3 Enable/Disable Console Mirroring
When Console Mirroring is enabled, the Service Processor sends information
to both serial ports. This capability may be enabled by local or remote users.
This provides local users the capability to monitor remote sessions. Console
mirroring may be enabled for the current session only and ends when the SP
releases control of the serial ports to the system firmware.
7.5.1.4 Start Talk Mode
In a console mirroring session, it is useful for those that are monitoring the
session to be able to communicate with each other. Selecting this menu item
activates the keyboards and displays for such communications while console
mirroring is established. This is a full duplex link, so message interference is
possible. Alternating messages between users works best.
7.5.1.5 OS Surveillance Setup Menu
This option may be used to setup operating system surveillance. If the
surveillance is currently disabled you have to enabled it before you can
Service Processor SETUP MENU
1. Change Privileged Access Password
2. Change General Access Password
3. Enable/Disable Console Mirroring:
Currently Disabled
4. Start Talk Mode
5. OS Surveillance Setup Menu
6. Reset Service Processor
7. Reprogram Service Processor Flash EPROM
98. Return to Previous Menu
99. Exit from Menus
1>

Service Processor 193
change the surveillance time interval or the surveillance delay, as shown in
the following example.
Surveillance
May be set to Enabled or Disabled. You can switch between those two options
by simply entering 1 and then press Enter.
Surveillance Time Interval:
May be set to any number from 2 to 255 minutes.
Surveillance Delay:
May be set to any number from 0 to 255 minutes.
Surveillance is a function in which the SP monitors the system, and the
system monitors the Service Processor. This monitoring is accomplished by
periodic samplings called heartbeats.
Surveillance is available during two phases:
1. System firmware bringup (automatic)
Provides the SP with a means to detect boot failures while the system
firmware is running. System firmware surveillance is automatically
enabled during system power-on. It cannot be disabled with a user
selectable option. If the SP detects no heartbeats during system IPL (for 7
minutes), it cycles the system power to attempt a reboot. The maximum
number of retries is set from the SP menus. If the fail condition repeats,
the SP leaves the machine powered on, logs an error and offers menus to
the user. If Call-out is enabled, the SP calls to report the failure and
displays the operating system surveillance failure code on the operator
panel.
2. Operating system run time (optional)
OS Surveillance Setup Menu
1. Surveillance:
Currently Enabled
2. Surveillance Time Interval:
Currently 5
3. Surveillance Delay:
Currently 1
98. Return to Previous Menu
1>
194 RS/6000 43P 7043 Models 150 and 260 Handbook
Provides the SP with a means to detect hang conditions, hardware or
software failures while the operating system is running. It also provides
the operating system with a means to detect the SP failure by the lack of a
return heartbeat. Operating system surveillance is enabled by default.
This allows you to run operating systems that do not support this Service
Processor option. Operating system surveillance can be enabled and
disabled through:
• Service Processor Menus
• Service Processor Service Aids
Three parameters must be set for operating system surveillance:
• Surveillance enable/disable
• Surveillance interval
This is the maximum time in minutes the Service Processor should wait
for a heartbeat from the operating system before timeout.
• Surveillance delay
This is the length of time in minutes for the Service Processor to wait
from when the operating system is started to when the first heartbeat is
expected.
Surveillance takes effect immediately after setting the parameters from the
SP menus. If operating system surveillance is enabled (and system
firmware has passed control to the operating system), and the Service
Processor does not detect any heartbeats from the operating system, the
Service Processor assumes the system is hung. The machine is left
powered on and the Service Processor enters standby phase, displaying
the operating system surveillance failure code on the operator panel. If
Call-out is enabled, the Service Processor calls to report the failure.
7.5.1.6 Reset Service Processor
Allows you to reinitialize the Service Processor.
7.5.1.7 Reprogram Service Processor Flash EPROM
This is an automatic process. An update diskette can be acquired from the
RS/6000 Support page on the Internet or from your service team. The
Internet address is:
http://www.rs6000.ibm.com/support/micro
For more information how to update the SP firmware refer to the README file
that comes with the firmware update and 7.7, “Service Processor Firmware
Update” on page 210.

Service Processor 195
7.5.2 System Power Control Menu
The following shows a system power control menu.
7.5.2.1 Enable/Disable Unattended Start Mode
This option may be used to instruct Service Processor to immediately
power-on the server after a power failure, bypassing power-on password
verification. Unattended Start Mode can also be set using SMS Menus. It is
intended to be used on servers that require automatic power-on after a power
failure.
7.5.2.2 Ring Indicate Power-On Menu
Ring Indicate Power-On is an alternate method of dialing in, without
establishing a Service Processor session. If the system is powered off, Ring
Indicate Power-On is enabled, the server is powered on at the predetermined
number of rings. If the server is already on, no action is taken. In either case,
the telephone call is not answered. The caller receives no feedback that the
server powered-on. The Ring Indicator Power-On Menu and defaults are
shown in the following example:
• Ring Indicate Power-On may be set to Enabled or Disabled.
• Number of Rings may be set to any number from 1 to 255.
SYSTEM POWER CONTROL MENU
1. Enable/Disable Unattended Start Mode:
Currently Disabled
2. Ring Indicate Power-On Menu
3. Reboot/Restart Policy Setup Menu
4. Power-On System
5. Power-Off System
6. Enable/Disable Fast System Boot:
Currently Disabled
98. Return to Previous Menu
99. Exit from Menus
1>
Ring Indicator Power-On Menu
1. Ring Indicate Power-On:
Currently Disabled
2. Number of Rings:
Currently 6
98. Return to Previous Menu
1>

196 RS/6000 43P 7043 Models 150 and 260 Handbook
7.5.2.3 Reboot/Restart Policy Setup Menu
Reboot describes bringing the system hardware back up from scratch, for
example, from a system reset or power on. The boot process ends when
control passes to the operating system process.
Restart describes activating the operating system after the system hardware
reinitialized. Restart must follow a successful reboot.
The following is an example of the Reboot/Restart Policy Setup Menu.
Number of Reboot Attempts
If the server fails to successfully complete the boot process, it attempts to
reboot the number of times specified. Entry values equal to or greater than 0
are valid. Only successive failed reboots attempts count, not reboots that
occur after a restart attempt. At restart, the counter is set to 0.
Use OS-Defined Restart Policy
This lets the SP react or not react the same as the operating system to major
system faults, by reading the setting of the operating system parameter
Automatically Restart/Reboot After a System Crash. This parameter may, or
may not be defined depending on the operating system or its version/level. If
the operating system automatic restart setting is defined, then it may be set to
respond to a major fault by restarting or by not restarting. See your operating
system documentation for details on setting up operating systems automatic
restarts. The default value is YES.
Enable Supplemental Restart Policy
The default setting is NO. If set to YES, the SP restarts the system when the
system loses control as detected by the SP surveillance, and either:
Reboot/Restart Policy Setup Menu
1. Number of reboot attempts:
Currently 3
2. Use OS-Defined restart policy?
Currently Yes
3. Enable supplemental restart policy?
Currently No
4. Call-Out before restart:
Currently Disabled
98. Return to Previous Menu
1>

Service Processor 197
1. The Use OS-Defined restart policy is set to NO.
OR
2. The Use OS-Defined restart policy is set to YES and the operating system
has
no
automatic restart policy.
Call-Out Before Restart (Enabled/Disabled)
If a restart is necessary due to a system fault, you can enable the SP to call
out and report the event. This item is valuable if the number of these events
becomes excessive, signalling a bigger problem.
7.5.2.4 Power-On System
Lets you power-on the system immediately.
7.5.2.5 Power-Off System
Allows you to power-off the server following a surveillance failure.
7.5.2.6 Enable/Disable Fast System Boot
Allows you to perform a fast boot. With disabling the fast boot the system
needs a longer time in order to do a much more detailed BIST. You will see
the E0B0 code with a spinning cursor for a longer time on the LED.
7.5.3 System Information Menu
The following is a sample of the system information menu.
7.5.3.1 Read VPD Image from Last System Boot
Displays the VPD information that was in effect after the last system boot.
This information is usually identical with the results from the menu selection
Read VPD, but in the case of configuration updates or certain faults, this
SYSTEM INFORMATION MENU
1. Read VPD Image from Last System Boot
2. Read Progress Indicators from Last System Boot
3. Read Service Processor Error Logs
4. Read System POST Errors
5. Read NVRAM
6. Read Service Processor Configuration
7. View System Environmental Conditions
8. Processor Configuration/Deconfiguration Menu
9. Memory Configuration/Deconfiguration Menu
98. Return to Previous Menu
99. Exit from Menus
1>

198 RS/6000 43P 7043 Models 150 and 260 Handbook
historical comparison can be useful to System Administrators and service
personnel.
7.5.3.2 Read Progress Indicators from Last System Boot
Displays the boot progress indicators (check points), up to a maximum of
100, from the system boot prior to the one in progress now. This historical
information may be useful to help diagnose system faults.
7.5.3.3 Read Service Processor Error Logs
Displays error conditions detected by the Service Processor.
7.5.3.4 Read System POST Errors
Selecting this item lets you review the results of the POST (Power-On Self
Test). Your system unit may be able to start in the presence of POST errors if
there is sufficient working system resources.
7.5.3.5 Read NVRAM
Displays non-volatile random access memory (NVRAM) contents. The SP will
prompt you for an address. Enter 0 as a start address or any other.
7.5.3.6 Read Service Processor Configuration
The following menu shows you a summary of all SP settings. You are not able
to change anything in these three screens. To change the settings you have
to go into the different menus.
Current Service Processor Configuration
SYSTEM POWER CONTROL MENU
1. Enable/Disable Unattended Start Mode: Currently Disabled
6. Enable/Disable Fast System Boot: Currently Enabled
OS Surveillance Setup Menu
1. Surveillance: Currently Disabled
2. Surveillance Time Interval: Not Applicable
3. Surveillance Delay: Not Applicable
Ring Indicate Power-On Menu
1. Ring indicate power-on: Currently Disabled
2. Number of rings: Currently 6
Reboot/Restart Policy Setup Menu
1. Number of reboot attempts: Currently 3
2. Use OS-Defined restart policy? Currently Yes
3. Enable supplemental restart policy? Currently No
4. Call-Out before restart: Currently Disabled
(Press Return to Continue)

Service Processor 199
Press Enter to continue and you will see the second screen.
Now press Enter to see the last screen.
7.5.3.7 View System Environmental Conditions
The SP reads all environmental sensors and reports the results. This option
is most useful when surveillance fails, since it allows you to determine the
environmental conditions that may be related to the failure. The following is
Current Service Processor Configuration
Serial Port Selection Menu
1. Serial Port 1 Call-Out: Currently Disabled
2. Serial Port 2 Call-Out: Currently Disabled
3. Serial Port 1 Call-In: Currently Disabled
4. Serial Port 2 Call-In: Currently Disabled
Call-Out Policy Setup Menu
1. Call-Out policy (First/All): Currently First
2. Remote timeout, (in seconds): Currently 120
3. Remote latency, (in seconds): Currently 2
4. NUmber of retires: Currently 2
Telephone Number Setup Menu
1. Service Center Telephone Number: Currently Unassigned
2. Customer Administration Center Telephone Number: Currently Unassigned
3. Digital Pager Number: Currently Unassigned
4. Customer Voice Telephone Number: Currently Unassigned
5. Customer System Telephone Number: Currently Unassigned
(Press Return to Continue)
Current Service Processor Configuration
Customer Account Setup Menu
1. Customer Account Number: Currently Unassigned
2. Customer RETAIN login userid: Currently Unassigned
3. Customer RETAIN login password: Currently Unassigned
Serial Port Speed Setup Menu
1. Serial port 1 speed: Currently 9600
2. Serial port 2 speed: Currently 9600
Modem Configuration Menu
Port 1 Modem Configuration File Name:
Port 2 Modem Configuration File Name:
SERVICE PROCESSOR SETUP MENU
3. Enable/Disable Console Mirroring: Currently Disabled
(Press Return to Continue)

200 RS/6000 43P 7043 Models 150 and 260 Handbook
an example of the system environmental conditions screen and depends on
your system:
7.5.3.8 Processor Configuration/Deconfiguration Menu
This option allows you to see and modify processor configuration. The
following is an example of the Processor Configuration/Deconfiguration
Menu:
You can manually configure or deconfigure any processor, regardless of
failure status, through this SP menu. The configuration process takes place
during the system power-up. Therefore, the configuration displayed in
STANDBY mode reflects the configuration during the last boot. To view the
current configuration, access the SP menu after the system boots up. When
you select a processor, its state toggles between configured and
deconfigured.
Processors that are not present are not listed. A processor can be in any of
the following four states:
System Environmental Conditions
(System Power is currently off.)
Fan 0: A stopped fan detected
Fan 1: A stopped fan detected
Fan 2: A stopped fan detected
Fan 3: A stopped fan detected
MEM Temperature is operating within normal tolerances
I/O Temperature is operating within normal tolerances
CPU Temperature is operating within normal tolerances
5.0 Volts: A low 5.0 Voltage reading detected
3.3 Volts: A low 3.3 Voltage reading detected
5.0 Standby Volts: is operating within normal tolerance
+12.0 Volts: A low +12.0 voltage reading detected
-12.0 Volts: A high -12.0 voltage reading detected
(Press Return to Continue)
PROCESSOR CONFIGURATION/DECONFIGURATION MENU
Processor Number
0. Configured by system (0x11)
2. Configured by system (0x11)
98. Return to Previous Menu
To change the configuration, select the processor number
1>

Service Processor 201
Configured by System The processor is present, and has not exceeded
the number of failures threshold. It is configured
by the system and is available.
Deconfigured by System The processor is present, but has exceeded the
number of failures threshold. It is deconfigured
by the system and is currently unavailable.
Manually configured The processor is present and available. It is
configured by the user through the Service
Processor menus.
Manually deconfigured The processor is present, but unavailable. It has
been deconfigured by the user through the
Service Processor menus.
7.5.3.9 Memory Configuration/Deconfiguration Menu
This option allows you to see and modify memory configuration. The following
is an example of the Processor Configuration/Deconfiguration Menu:
You can manually configure or deconfigure any memory DIMM, regardless of
failure status, through this SP menu. The configuration process takes place
during the system power-up. Therefore, the configuration displayed in
You can also disable the second processor with the following steps:
1. Power-on the system and go into the Open Firmware mode (see 6.7.1,
“SMS Start-Up” on page 173.)
2. After the ok> prompt appeared enter: boot -scpu=1
This will automatically disable the second processor and cause the system
to continue the boot process. After a reboot the second processor will be
automatically enabled by the system.
Note
MEMORY CONFIGURATION/DECONFIGURATION MENU
DIMMs on Memory Card #0:
DIMMs on Memory Card #1:
1. Configured by system (0x0)
98. Return to Previous Menu
Enter card number _AND_ DIMM number separated by a space.
1>

202 RS/6000 43P 7043 Models 150 and 260 Handbook
STANDBY mode reflects the configuration during the last boot. To view the
current configuration, access the SP menu after the system boots up. When
you select a memory DIMM, its state will toggle between configured and
deconfigured. Memory DIMMs that are not present are not listed. A memory
DIMM can be in any of the following four states:
Configured by System The memory DIMM is present, and has not
exceeded the number of failures threshold. It is
configured by the system and is available.
Deconfigured by System The memory DIMM is present, but has exceeded
the number of failures threshold. It is
deconfigured by the system and is currently
unavailable.
Manually configured The memory DIMM is present and available. It is
configured by the user through the Service
Processor menus.
Manually deconfigured The memory DIMM is present, but unavailable. It
has been deconfigured by the user through the
Service Processor menus.
7.5.4 Language Selection Menu
The following is an example of the Language Selection Menu.
Note: Your ASCII terminal must support the ISO-8859 character set in order
to properly display languages other than English. This menu allows selecting
languages into which Service Processor and System Firmware menus and
messages are displayed.
7.5.5 CALL-IN/CALL-OUT Setup Menu
The Following is an example of a Call-In/Call-Out Setup Menu.
LANGUAGE SELECTION MENU
1. English
2. Francais
3. Deutsch
4. Italiano
5. Espanol
6. Svenska
98. Return to Previous Menu
99. Exit from Menus
1>

Service Processor 203
7.5.5.1 Modem Configuration Menu
The first two lines of the Modem Configuration Menu (shown following) are
status lines showing the current selections. Selections are made in the two
sections labeled Modem Ports and Modem Configuration File Name. Select
the serial port that you want to activate and then select the modem
configuration file for the modem on the port. If you wish to set up both serial
ports with modems, make your selections one port at a time.
To configure the modem, you first have to choose the serial port on which
your modem is connected to the system. Press 1 or 2 for the appropriate
CALL-IN/CALL-OUT SETUP MENU
1. Modem Configuration Menu
2. Serial Port Selection Menu
3. Serial Port Speed Setup Menu
4. Telephone Number Setup Menu
5. Call-Out Policy Setup Menu
6. Customer Account Setup Menu
7. Call-Out Test
8. Ring Indicate Power-On Menu
98. Return to Previous Menu
99. Exit from Menus
1>
Modem Configuration Menu
Port 1 Modem Configuration File Name:
Port 2 Modem Configuration File Name:
To make changes, First select the port and then the configuration
file name
Modem Ports:
1. Serial port 1
2. Serial port 2
Modem Configuration File Name:
3. none
4. modem_f_sp 9. modem_m0_sp
5. modem_f0_sp 10. modem_m1_sp
6. modem_f1_sp
7. modem_z_sp
8. modem_z0_sp
30. Save configuration to NVRAM and Configure modem
98. Return to Previous Menu
1>

204 RS/6000 43P 7043 Models 150 and 260 Handbook
serial port. The SP will mark your choice with an arrow (Port 2 was used in
the example for on the following screen).
Then you have to select a modem type. For example, if you have a Hayes
Smart Modem 300 you have to select option 7 modem_z_sp. For more
information about modem configurations and customization, please see the
RS/6000 7043 Model 260 User’s Guide, SA38-0553 or the RS/6000 7043 Model 260
Service Guide, SA38-0554.
Modem Configuration Menu
Port 1 Modem Configuration File Name:
--> Port 2 Modem Configuration File Name:
To make changes, First select the port and then the configuration
file name
Modem Ports:
1. Serial port 1
2. Serial port 2
Modem Configuration File Name:
3. none
4. modem_f_sp 9. modem_m0_sp
5. modem_f0_sp 10. modem_m1_sp
6. modem_f1_sp
7. modem_z_sp
8. modem_z0_sp
30. Save configuration to NVRAM and Configure modem
98. Return to Previous Menu
1>

Service Processor 205
You will see your choices selected in the following screen:
7.5.5.2 Serial Port Selection Menu
In any combination, the call-in and call-out functions of each serial port can
be enabled and/or disabled, as shown in the following screen. The call-in for
serial port 1 or 2 must be disabled if you want to activate the ring indicate
power-on functionality. You cannot activate both functions.
Modem Configuration Menu
Port 1 Modem Configuration File Name:
--> Port 2 Modem Configuration File Name: modem_z_sp
To make changes, First select the port and then the configuration
file name
Modem Ports:
1. Serial port 1
2. Serial port 2
Modem Configuration File Name:
3. none
4. modem_f_sp 9. modem_m0_sp
5. modem_f0_sp 10. modem_m1_sp
6. modem_f1_sp
7. modem_z_sp
8. modem_z0_sp
30. Save configuration to NVRAM and Configure modem
98. Return to Previous Menu
1>
Serial Port Selection Menu
1. Serial Port 1 Call-Out:
Currently Disabled
2. Serial Port 2 Call-Out:
Currently Disabled
3. Serial Port 1 Call-In:
Currently Disabled
4. Serial Port 2 Call-In:
Currently Disabled
98. Return to Previous Menu
1>

206 RS/6000 43P 7043 Models 150 and 260 Handbook
7.5.5.3 Serial Port Speed Setup Menu
The Serial Port Speed Setup Menu appears as follows:
The serial port speed can be set for terminal performance or to accommodate
modem capabilities. A speed of 9600 baud or higher is recommended. Valid
serial port speeds are shown below:
Table 39. Valid Serial Port Speeds
7.5.5.4 Telephone Number Setup Menu
The Telephone Number Setup Menu appears as follows:
50 75 110 134 150 300 600 1200
1800 2000 2400 3600 4800 7200 9600 19200
38000 57600 115200
Serial Port Speed Setup Menu
1. Serial Port 1 Speed:
Currently 9600
2. Serial Port 2 Speed:
Currently 9600
98. Return to Previous Menu
1>
Telephone Number Setup Menu
1. Service Center Telephone Number:
Currently Unassigned
2. Customer Administration Center Telephone Number:
Currently Unassigned
3. Digital Pager Telephone Number:
Currently Unassigned
4. Customer Voice Telephone Number:
Currently Unassigned
5. Customer System Telephone Number:
Currently Unassigned
98. Return to Previous Menu
1>

Service Processor 207
This menu may be used to set or change the telephone numbers for reporting
a system failure. The SP allows setting or changing telephone numbers for:
Service Center Telephone Number
The number of the service center computer. The service center usually
includes a computer that takes calls from servers with call-out capability. This
computer is referred to as the
catcher
. The catcher expects messages in a
specific format to which Service Processor conforms. For more information
about the format and catcher computers, refer to the README file in the AIX
/usr/samples/syscatch directory.
Customer Administration Center Telephone Number
The number of the System Administration Center computer (catcher) that
receives problem calls from servers.
Digital Pager Telephone Number
The number for a pager carried by someone who responds to problem calls
from your server.
Customer System Telephone Number
The telephone number of a phone near the server or answered by someone
responsible for the server. This is the telephone number left on the pager for
callback.
7.5.5.5 Call-Out Policy Setup Menu
The Call-Out Policy Setup Menu appears as follows.
CALL-OUT POLICY SETUP MENU
1. Call-Out policy (First/All):
Currently First
2. Remote timeout, (in seconds):
Currently 120
3. Remote latency, (in seconds):
Currently 2
4. Number of retries:
Currently 2
98. Return to Previous Menu
1>

208 RS/6000 43P 7043 Models 150 and 260 Handbook
Call-Out Policy (First/All)
The Call Out policy may be set to first or all. If the call out policy is set to first,
the SP stops at the first successful call out to one of the following numbers in
the order listed:
1. Service Center Customer
2. Admin Center
3. Pager
If the call out policy is set to all, the Service Processor attempts a call out to
all the following numbers in the order listed:
1. Service Center
2. Customer Admin Center
3. Pager
Remote Timeout, (in Seconds) and Remote Latency, (in seconds)
Remote timeout and Remote latency are functions of your service provider’s
catcher computer. You should take the defaults or contact your service
provider for recommended settings.
Number of Retries
Number of retries is the number of times you want the server to retry calls
that resulted in busy signals or other error messages.
7.5.5.6 Customer Account Setup Menu
The following is an example of a Customer Account Setup Menu.
Customer Account Number
This number is assigned by your service provider for record keeping and
billing. If you have an account number, enter it here. Otherwise, leave this
field blank.
Customer Account Setup Menu
1. Customer Account Number:
Currently Unassigned
2. Customer RETAIN Login UserID:
Currently Unassigned
3. Customer RETAIN Login Password:
Currently Unassigned
98. Return to Previous Menu
1>

Service Processor 209
Customer RETAIN Login User ID & Customer RETAIN Login Password
Both apply to a service function to which your service provider may or may
not have access. Leave these fields blank if your service provider does not
use RETAIN.
7.5.5.7 Call-Out Test
Allows you to test the call-out functionality, which has been set in the
telephone number setup menu (see 7.5.5.4, “Telephone Number Setup
Menu” on page 206).
7.5.5.8 Ring Indicate Power-On Menu
Please refer to 7.5.2.2, “Ring Indicate Power-On Menu” on page 195.This is a
additional possibility to activate ring indicate power-on.
7.5.6 Set System Name
The System Name, an optional field, is the name your server reports in
problem messages. This name helps your support team, (for example, your
system administrator, network administrator, or service representative) to
more quickly identify the location, configuration, and history of your server.
7.6 General User Menu
The menu options presented to the General user are a subset of the options
available to the Privileged user, as shown in the following screen. You must
know the General Access Password in order to access these menus (if set).
Note: The Service Processor prompt reads either 1> or 2> to indicate which
serial port on the system unit is being used to communicate with the SP.
GENERAL USER MENU
1. Power-On System
2. Read VPD Image from Last System Boot
3. Read Progress Indicators from Last System Boot
4. Read Service Processor Error Logs
5. Read System POST Errors
6. View System Environmental Conditions
99. Exit from Menus
1>

210 RS/6000 43P 7043 Models 150 and 260 Handbook
7.6.1 Power-On System
Allows you to power-on the system.
7.6.2 Read VPD Image from Last System Boot
Displays the Vital Product Data (VPD) information that was in effect after the
last system boot. This information is usually identical with the results from the
menu selection Read VPD, but in the case of configuration updates or certain
faults, this historical comparison can be useful to System Administrators and
service personnel.
7.6.3 Read Progress Indicators from Last System Boot
Displays the boot progress indicators (check points), up to a maximum of
100, from the system boot prior to the one in progress now. This historical
information may be useful to help diagnose system faults.
7.6.4 Read Service Processor Error Logs
Displays the Service Processor error logs.
7.6.5 Read System POST Errors
Selecting this item lets you review the results of the POST (Power-On
Self-Test). Your server may be able to start in the presence of POST errors if
there is sufficient working system resources. If POST errors occur during
start-up, this error log helps to isolate faults when used with the diagnostics.
7.6.6 View System Environmental Conditions
On selection of this menu, the Service Processor reads all environmental
sensors and reports the results. This option maybe useful when surveillance
fails, since it allows you to determine the environmental conditions that may
be related to the failure.
7.7 Service Processor Firmware Update
The Service Processor EPROM may need to be updated for two different
reasons:
1. The UPDATE (composite) portion of the EPROM has become corrupted.
2. The Service Processor firmware upgrades, without any corruption present.
The use of a Flash EPROM allows updates to occur without physically
replacing the memory.
Service Processor 211
The firmware in your server can be updated using one of four available
initiation processes:
1. Service Processor initiation
2. SMS Utilities initiation
3. Service Aids initiation
4. AIX initiation
Each initiation method is described below. In each case, the process prompts
you for your authority and shows the contents of the update media. Verify the
file with which to perform the update, and follow any other instructions that
may appear. After initiation, the processes are identical and automatic.
There are two areas in each firmware module that may need updating:
1. The gold code or base code or EPROM area
2. The custom or main program or FLASH area
Each update file contains matching gold and custom firmware, so it is not
possible to update to a conflicting set.
Before the update process begins, the versions of each of the two areas of
the target firmware module are compared to the versions on the update
diskette. Only the area(s) that need updating are updated. In most cases,
only the custom area is updated.
An update diskette can be acquired from the RS/6000 Support page on the
Internet or from your service team. The Internet address is:
http://www.rs6000.ibm.com/support/micro
The update files must be downloaded to a DOS-formatted diskette. You
should format the diskette just prior to receiving the download, to be sure it is
clean. Reformatting is worth the time and effort.
7.7.1 Updating Firmware from the Service Processor Menus
The Service Processor Menus are available while the server is powered off.
From the Service Processor Main Menu, select Service Processor Setup to
bring up a menu containing the item, Reprogram Service Processor Flash
EPROM. Selecting that item starts the update process. The process requests
the update diskette(s) as needed. After inserting the first diskette and
informing the system, the process continues automatically. If the process
requires user assistance, it is requested.
212 RS/6000 43P 7043 Models 150 and 260 Handbook
7.7.2 Updating Firmware from the SMS Utilities
From a powered-down or reset condition, bring up the SMS Utilities and
select the menu item for updating firmware. The process requests the update
diskette(s) as needed. After inserting the first diskette and informing the
system, the process continues automatically. If the process requires user
assistance, it is requested.
Refer also to 6.7.4.4, “How to Perform the SMS Firmware Update” on page
182 and the README file that comes with the firmware update.
7.7.3 Updating Firmware from the Service Aids
Note: This service aid is only supported for On-line Diagnostics.
This service aid allows you to update the system or service processor flash.
Additional update and recovery instructions may be provided. You also need
to know the fully qualified path and file name of the flash update image file. If
the flash update image file is on a diskette, you need the AIX DOS utilities
package to process the diskette. You can use the dosdir command to find out
the name of the update image file. This service aid uses the dosread
command to put the file into the /var file system.
Using this service aid to update the system or service processor flash does
not save the current contents of the flash. The flash image file will be copied
in the /var file system. If there is not enough space in the /var file system for
the flash update image file, an error is reported. If this occurs, exit the service
aid, increase the size of the /var file system and retry the service aid. After
the file is copied, a warning screen asks for confirmation to continue the flash
update. Continuing the flash update eventually causes the system to reboot
and return to the AIX login prompt. After the system unit reboots, the file
/var/update_flash_image can be removed to conserve space in the /var file
system.
7.7.4 Updating Firmware from AIX
You must delete the file /var/update_flash_image before proceeding.
The flash update image file must have already been placed in the /var file
system. This could have been done with a file transfer from another server or
with the dosread command of the AIX DOS Utilities, for example. With the
flash update image in place, issuing the following AIX command shutdown -u
/var/
<filename>
\.img initiates the update process. Where
<filename>
is the
name of the flash update image. During the process, the server powers down

Service Processor 213
and reboots. You know the process is complete when the login prompt
reappears.
7.8 Service Processor Checkpoints
SP Checkpoints are intended to let users and service personal know what the
service processor is doing, in some detail, as it initializes. These checkpoints
are not intended to be error indicators, but in some cases a server could hang
at one of the checkpoints without displaying an 8-character error code. It is
for these hang conditions, only, that any action should be taken with respect
to checkpoints. The most appropriate action is included with each checkpoint.
Before taking actions listed with a checkpoint, it is a good idea to look for
better symptoms in the service processor error log.
Service processor checkpoints are in the range E010 to E0FF. The message
OK indicates successful service processor testing and initialization. The
E0xx-Codes for the SP are documented in
RS/6000 7043 Model 260 Service
Guide
, SA38-0554.
214 RS/6000 43P 7043 Models 150 and 260 Handbook

© Copyright IBM Corp. 1998 215
Chapter 8. Hints and Tips
This chapter provides useful hints and tips, not only for the Models 150 and
260, but for all RS/6000 models.
8.1 Electronic Key-Switch Function
One of the main differences between Micro Channel-based RS/6000 systems
and PCI-based RS/6000 systems is the omission of a physical key. On all
Micro Channel-based RS/6000 systems, there is a physical key that can be in
one of three positions:
• Normal
•Service
• Secure
Although the Models 150 and 260 (and also the other PCI-based RS/6000
models) do not have this physical key, they have an electronic key-switch
instead. Currently, this provides the ability to boot the machine in Normal or
Service mode. The electronic key-switch is a logical key-switch, separate
from a physical one, that the platform firmware knows about. Its state is
communicated from the firmware to AIX through a residual data environment
variable. Currently, only the firmware can set the electronic key-switch.
8.1.1 bootlist Command
The bootlist command can be used to alter or display the boot list. For
example, you can set the customized boot list with the following command:
# bootlist -m normal hdisk0
This would set the customized boot list in the NVRAM to hdisk0. hdisk0 would
then be used to attempt a boot in Normal mode.
The service bootlist can be determined with the command:
# bootlist -m service -o
The output is as follows and depends on your settings:
fd0
cd0
rmt0
hdisk0
ent0

216 RS/6000 43P 7043 Models 150 and 260 Handbook
There are two other ways to alter the boot lists: System Management
Services (SMS) and the AIX tool diag.
8.2 Entering Debug Mode
On a Micro Channel-based RS/6000 system, you can enter debug mode, lldb,
by switching the key to Service and pressing one of the following key
combinations:
• ctl-alt-numpad4 (on a graphical console)
• CTL-\ (on an ASCII display)
The CTL-\ key combination is valid on most OEM terminals. On some IBM
3151 terminals, using a cartridge, you may have to press CTL-NUMPAD4.
Since the Models 150 and 260 have a static electronic key that is set to
Normal during the normal operation of AIX, the above key sequences will not
work unless the debugger, lldb, is pinned. You can do this by entering the
following command and rebooting your machine:
# bosboot -D -a -d /dev/hdiskx
Where hdiskx is the disk containing the boot logical volume. After rebooting
your machine, using either of the two key sequences shown above will invoke
the debugger on an ASCII terminal (although the debugger can be invoked
with a graphical display keyboard, an ASCII terminal must be attached to use
the debugger). Be aware that anyone using either a graphical or ASCII
console will be able to make the machine unavailable to other users.
8.3 Backup and Cloning
This section describes how to create system backups that will be restored on
the same or different machines (cloning).
8.3.1 The bootinfo Command
The type of machine (platform type) being used can be determined with the
bootinfo command. This command uses the device configuration databases
to obtain information. In addition, the bootinfo command uses the values that
are stored in NVRAM.
To determine the platform of a running machine, use the bootinfo -p
command if the machine is running AIX Version 4.2 or later. If the machine is
running AIX Version 4.1, use the bootinfo -T command. However, with

Hints and Tips 217
bootinfo -p, you will get different results for PReP and CHRP/RPA machines.
The result of bootinfo -T is always rspc for every PCI-based machine.
The results of bootinfo with the -p option are shown in Table 40.
Table 40. Results of bootinfo -p
8.3.2 Creating a System Backup
Creating a system backup, or mksysb, is very simple. If you were using a tape
drive, for example rmt0, you could easily create a system backup from the
command line by typing:
# mksysb -i /dev/rmt0
This would create a bootable image of your system that can be used to either
re-create the system or to restore files.
Alternatively, you can use SMIT to create your system image. To do this, you
can use the SMIT fastpath:
# smit mksysb
8.3.3 Restoring Your System Backup
You can restore your mksysb by booting from the tape that you have created
and following the instructions that are displayed. To boot from the tape, you
have to press F1 (or 1 on an ASCII terminal) during the firmware boot, and
select the tape device to boot from. Alternatively, you can place the tape drive
as the first device in the customized boot list so that the tape will
automatically boot when the machine is powered-on or rebooted.
Platform Description
chrp CHRP-compliant PCI-based RS/6000 machines
rspc PReP-compliant PCI-based RS/6000 machines
rs6k Micro Channel-based RS/6000 machines
Creating a system backup with the mksysb command only saves data in the
rootvg volume group. If you want to also save data from a non-root volume
group you have to use the savevg command or the SMIT fastpath:
# smit savevg
Note

218 RS/6000 43P 7043 Models 150 and 260 Handbook
When the installation of the backup has finished, the installation program
reconfigures the Object Data Manager (ODM) on the target system. If the
target system does not have exactly the same hardware configuration as the
source system, the program may modify device attributes in the following
target system files:
• All files in the /etc/objrepos file beginning with the letters CU
• All files in the /dev directory
The data restored from the mksysb-tape will only be the data from the rootvg
volume group. If you want to restore data from a non-root volume group you
have to run the restorevg command or use SMIT fastpath smit restvg.
Although the mksysb command will create a bootable tape on the PCI-based
RS/6000 servers, the tapes will not boot on Micro Channel-based
uni-processor or Micro Channel-based symmetric multiprocessor machines.
Additionally, mksysb tapes created on Micro Channel-based uni-processor and
Micro Channel-based symmetric multiprocessor machines will not boot on
PCI-based machines.
8.3.4 Cloning
This section also covers AIX 4.1 since there are many customers still using
AIX 4.1.
The term cloning describes the installation of a system backup (created with
the mksysb command on one system) on different systems in order to make
the software configuration of all systems as identical as possible. Using a
backup of one machine to install several other machines can be very useful
and will save the time taken to perform multiple installations.
8.3.4.1 Cloning on AIX 4.1
AIX 4.1 has been packaged so that only the devices that are needed are
actually installed on the system. This has made the cloning process difficult.
In AIX 4.1, the devices is separated from the base in separate filesets,
devices.* (such as devices.scsi.disk). This, coupled with all the new hardware
When cloning systems, please keep in mind that you will also clone IP
addresses. If both machines are connected to the network at the same
time, this will cause problems on the network. In this case, you have to
comment the tcpip entry in the /etc/inittab file.
Note
Hints and Tips 219
that has been released in the last few years (RSPC, SMP, graphics adapters,
disks, and so on) has made cloning machines almost impossible. Up to this
point the only method of cloning was to install all the device drivers on a
machine before you created a mksysb image. If you have a limited disk space
you may run out of space. However, it is recommended to install most of the
available device drivers in order to avoid cloning problems.
If you want to clone for example a PCI-based machine to a Micro Channel
(MCA) based machine and you don’t have the MCA device drivers installed
on your mksysb-tape, there is a way to do a clone, but you still need the
product media at the same level as your mksysb. This procedure will be very
important not only for cloning systems, but also for developers to create a
snapshot of the system in order to reproduce the environment in which a
problem was detected.
In AIX Version 4.1, there are two kinds of platforms, rs6k and rspc, and two
different kernels for uniprocessor (UP) and multiprocessor (MP). The rs6k
boot images differ from the rspc boot images, and one will not boot the other.
The rspc boot image has some specific boot information at the front of the
image that the rs6k does not understand. So, to avoid this boot image
mismatch problem, we advise using the product media, preferably a
CD-ROM, because it contains both boot images and can boot any system.
To determine what platform type your machine is, enter:
# bootinfo -T rsk6 or rspc
To determine what kernel your system uses, enter:
# bootinfo -z 0 = UP 1 = MP
This method allows you to clone with physical media, meaning with CD-ROM
product media, a mksysb tape and a customized diskette.
If you are installing a UP mksysb to an MP system with these levels, and you
are using, for example, the base 4.1.4.0 media, then the bos.rte.mp fileset
that will be installed by the cloning script will only be level 4.1.4.0. When the
system reboots, you may not be able to log in. The error you will receive will
be Failed setting user credentials. To fix this problem, you will need to boot
into maintenance mode from the 4.1.4.0 media and update the bos.rte.mp
fileset to at least the 4.1.4.6 level. The libs and kernel will then be in sync and
you will be able to log in.
So, if you can check the level of the bos.rte.up kernel before you create your
mksysb (if you are going to clone to an MP system), you can install the MP
kernel and its updates before you create your mksysb. If you are not in that
220 RS/6000 43P 7043 Models 150 and 260 Handbook
position, you may just need to boot into maintenance mode after the install
and install the MP kernel updates.
8.3.4.2 On the System You Want to Clone
1. Create a mksysb tape on the system you want to clone.
Note: If your system was created from D5 install media, it can only be
restored to another system that supports D5 code. To prevent problems
with code levels, make sure that your system is installed from G5 media
prior to creating the mksysb. Then use a G5 install CD-ROM for the steps
later.
2. Create a customized diskette.
# mkdir /tmp/clone
# cd /tmp/clone
# echo data > signature
# cp /usr/lpp/bosinst/bosinst.template bosinst.data
# vi bosinst.data
Make sure that the control_flow stanza has this entry set. This is the most
important part of the bosinst.data for this procedure:
CUSTOMIZATION_FILE = cloner
This will tell bos install to run the cloner script after it has restored the
mksysb image.
Also, the target_disk_data stanza should be zeroed out as shown, so that
the bos install program will install on the best fit disks.
Here is a sample bosinst.data file:
control_flow:
CONSOLE =
INSTALL_METHOD = overwrite
PROMPT = yes
EXISTING_SYSTEM_OVERWRITE = yes
INSTALL_X_IF_ADAPTER = yes
RUN_STARTUP = yes
RM_INST_ROOTS = no
ERROR_EXIT =
CUSTOMIZATION_FILE = cloner
TCB = no
INSTALL_TYPE =
BUNDLES =
target_disk_data:
LOCATION =
Hints and Tips 221
SIZE_MB =
HDISKNAME =
locale:
BOSINST_LANG = C
CULTURAL_CONVENTION = C
MESSAGES = en_US
KEYBOARD = en_US
3. Create the customization script using an editor.
# vi cloner
Sample Script:
#!/usr/bin/ksh
set -x
RV=$(bootinfo -z)
if [ "$RV" -eq 1 ]
then
installp -abcgXd/../SPOT/usr/sys/inst.images bos.rte.mp
ln -fs /usr/lib/boot/unix_mp /usr/lib/boot/unix
fi
if [ "$RV" -eq 0 ]
then
installp -abcgXd/../SPOT/usr/sys/inst.images bos.rte.up
ln -fs /usr/lib/boot/unix_up /usr/lib/boot/unix
fi
devinstall -b -d /../SPOT/usr/sys/inst.images -f /../tmp/device.pkgs
cfgmgr -v -i /../SPOT/usr/sys/inst.images
BLVDISK=‘lslv -l hd5 | grep hdisk | head -1 | cut -d’ ’ -f1‘
ln -f /dev/r$BLVDISK /dev/ipldevice
bosboot -a -d /dev/ipldevice
bootlist -m normal $BLVDISK
rm -f /etc/firstboot
sync
sync
sync
exit 0
4. Backup the three files to a diskette:
# find . -print | backup -ivqf/dev/rfd0

222 RS/6000 43P 7043 Models 150 and 260 Handbook
8.3.4.3 On the System You Want to Install
Insert the diskette and the AIX 4.1.4 CD and boot the target machine (the one
you want to install on) from the CD product media and go into the installation
main menu.
• On a PCI-based machine, just press F5 when the icons appear on the
screen. This will cause the default firmware boot list to be used.
• On a MCA-based machine, turn the key to the service mode and then.
power-on the machine.
Make sure the tape drive is turned on, but do not insert the tape yet since it
might try to boot from the tape. Press the F1 when the console screen comes
up; then press Enter when the language screen comes up (to get English).
When the following screen comes up, choose option 3. Start Maintenance
Mode for System Recovery.
Then choose option 4. Install from a System Backup from the Maintenance
Mode for the System Recovery submenu.
Put the mksysb tape in the tape drive and close the door. Select the tape
drive from that menu and press Enter. You will then see the system access
the tape drive and restore it from the diskette drive. Then the confirmation
screen will come up. Choose 1 or 2, press Enter, then press Enter, then
press Enter again to confirm the install. If you are using AIX 4.1.3, you will
see the language menu come up after the tape is read and the diskette is
restored. Just press Enter for the default English, and you will get the
confirmation install screen. Choose 0 and press Enter to start the install.
Welcome to Base Operating System
Installation and Maintenance
Type the number of your choice and press ENTER.
1. Start Installation Now with Default Settings
2. Change/Show Installation Settings and Install
3. Start Maintenance Mode for System Recovery
88 Help ?
Choice:
Hints and Tips 223
You can then turn the key (if there is a key) to normal at this time so the
machine will reboot when the install is complete.
You should see the mksysb being restored, and then you should see installp
called later when cfgmgr is called from the script to install any additional
devices it detects.
Warning for AIX Version 4.1.4 or Prior
When installing a mksysb on a different platform type (for example, an rs6k
mksysb to an rs6ksmp or an rs6k to an rspc), the first bosboot that BOS
install attempts will fail, and a message will be printed out to ask if you want
to do maintenance or continue. You should just continue at this point, and the
cloner script will run. You will not see any output until the copyright screen at
the end and the machine reboots. This step may last over half an hour.
This problem has been fixed in 4.1.5.0. The system will check to see if there
is a cloner customization script in the bosinst.data file, and if there is, it will
not stop when the bosboot fails. It will continue the install and run the cloner
script, knowing that the cloner script will run the bosboot.
8.3.5 Cloning on AIX Version 4.2 and 4.3
The following sections describe how to clone disk images on AIX Version 4.2
and later.
8.3.5.1 What has been changed since AIX 4.1
The procedure for cloning a AIX 4.2 or 4.3 system has been greatly
simplified. All you need is the AIX V4.2 or 4.3 CD-ROM and the AIX V4.2 or
4.3 mksysb tape that you wish to restore.
The mksysb images enable you to clone one system image onto multiple
target systems. The target systems might not contain the same hardware
devices or adapters, require the same kernel (uniprocessor or
microprocessor), or be the same hardware platform (rs6k, rspc, or chrp) as
the source system.
You do not need a separate diskette or allocated customization script to clone
a system in 4.2 or 4.3. Cloning was incorporated into the main 4.2 BOS install
program (bi_main). When booting from CD-ROM and installing a mksysb
tape, bi_main will automatically determine if there are additional device
filesets needed to be installed and install them from the CD-ROM. Also, the
capability to boot from a product tape to install any additional device support
is added.
Since AIX 4.2 there are a three new stanzas for the bosinst.data file:
224 RS/6000 43P 7043 Models 150 and 260 Handbook
• SWITCH_TO_PRODUCT_TAPE
This stanza allows you to boot from a product tape, then switch to a
mksysb tape to install. You can then switch back to the product tape at the
end of the installation if you need to install additional device filesets for
support on the target machine. This procedure is usually used for cloning
systems. The possible values are no (default) and yes.
Normally, you would boot from a CD-ROM (to ensure that you have the
correct device support and boot image) then tell BOS install to install from
the mksysb tape. At the end of the install, BOS install automatically
verifies that all device support is installed on the system and installs
additional device support from the CD-ROM.
If you are booting from a product tape and switching to a mksysb tape,
BOS install does not automatically assume you want to do cloning and will
not prompt you for the product tape again. If you want a prompt for the
product tape to verify all the device support is installed, you must set this
variable to yes in your bosinst.data file.
• RECOVER_DEVICES
Specifies whether to reconfigure the devices. For mksysb installs, the
ODM configuration database is saved in the image. The device names and
attributes are automatically extracted from the database, and the BOS
install program attempts to recreate the devices the same way they were
on the machine the mksysb was created on. This is normally what you
would do for regular mksysb restores on the same system. However, for
cloning, you may not want these devices configured this way, especially
for network configuration. The possible values are yes (default) and no if
you do not want device reconfiguration.
• BOSINST_DEBUG
Specifies whether to show debug output during BOS installation. The
value yes will send set -x debug output to the screen during BOS
installation. The possible values are no (default) and yes.
8.3.5.2 Cloning Your System
This procedure is used to install a mksysb on a target system it was not
created on. Be sure to boot from the product media appropriate for your
system and at the same maintenance level of BOS as the original system the
mksysb was made on. For example, you can use BOS Version 4.2.1 product
media with a mksysb from a BOS Version 4.2.1 system.
After booting from your chosen product media, complete the following steps
when the following menu appears:

Hints and Tips 225
The Welcome to the Base Operating System Installation and Maintenance
screen is displayed.
1. Select 3. Start Maintenance Mode for System Recovery option from the
installation main menu.
2. Select the Install from a System Backup option.
3. Select the drive containing the backup tape and insert the tape.
The system reads the tape and begins the installation.
You will be prompted again for the BOS install language, and the Welcome
screen is displayed. Continue with the Prompted Installation. Cloning is
not supported in a non-prompted installation.
4. If you are cloning from the product CD, do not remove the CD from the
CD-ROM drive.
Notes:
a. Booting from tape product media is not supported on rspc platform
systems. You must use CD product media. To determine what your
platform system is, enter the following command:
# bootinfo -p
a. If you are cloning from the product tape, create a diskette that contains
a ./bosinst.data file with SWITCH_TO_PRODUCT_TAPE=yes in the control_flow
stanza if this was not set prior to making the mksysb.
a. If SWITCH_TO_PRODUCT_TAPE is set to yes, the system will prompt you to
remove the mksysb tape and insert the product tape after the mksysb
cloning has been restored.
Welcome to Base Operating System
Installation and Maintenance
Type the number of your choice and press ENTER.
1. Start Installation Now with Default Settings
2. Change/Show Installation Settings and Install
3. Start Maintenance Mode for System Recovery
88 Help ?
Choice:
226 RS/6000 43P 7043 Models 150 and 260 Handbook
After the mksysb installation completes, the installation program
automatically installs additional devices and the kernel (uniprocessor or
microprocessor) on your system using the original product media you booted
from. Information is saved in BOS installation log files. To view BOS
installation log files, enter cd /var/adm/ras and view the devinst.log file in this
directory.
If the source system does not have the correct passwords and network
information, you may make modifications on the target system now. Also,
some products ship device-specific files such as graPHIGS. If your graphics
adapter is different on the target system, verify that the device-specific
filesets for graphics-related LPPs are installed.
If the system you have cloned is using OpenGL or PEX_PHIGS, there may be
some device filesets from these LPPs that must be installed after a clone.
OpenGL and PEX_PHIGS have graphics adapter-specific filesets, so if you
cloned onto a system with a different graphics adapter, you will need to create
a bundle as follows:
# echo OpenGL.OpenGL_X.dev >
/usr/sys/inst.data/user_bundles/graphic_dev.bnd
# echo PEX_PHIGS.dev >>
/usr/sys/inst.data/user_bundles/graphic_dev.bnd
Next use smitty install_bundle to install this bundle. If any new filesets are
installed, you may want to reboot your system before using OpenGL and
PEX_PHIGS. Otherwise, you may experience performance problems with
these applications.
The above procedure is required because the OpenGL and PEX_PHIGS
LPPs are on a separate media, and therefore the normal cloning procedure
cannot automatically install any missing device filesets.
The Network Installation Management (NIM) mksysb installation also
supports cloning. If you are using NIM and you have OpenGL and
PEX_PHIGS in your lpp_source, you can create a separate bundle as
described, and allocate it when you install the mksysb. The device filesets will
be installed automatically.
8.3.5.3 How to Interrupt a Non-prompted Installation
If you are restoring a system using the non-prompted installation, that means
you are using the PROMPT = no stanza in the bosinst.data file and the
system will not show you the installation main menu to allow you to change
any settings.

Hints and Tips 227
You can interrupt the non-prompted installation as described below:
During the boot, after a few seconds, you will see three zeroes (000) and a
spinning cursor on your screen, just enter again three zeroes (000)
immediately and press Enter. This causes the system to interrupt the
non-prompted installation, start the installation main menu, and allows you to
change the settings.
8.4 Configuration Information
Use the lscfg command to display the vital product data (VPD) of the system
such as part numbers, serial numbers, and engineering change levels from
either the Customized VPD object class or platform-specific areas.
If the command is run on a Model 260, it will output data similar to the
following (extracted list):
lscfg -vp
INSTALLED RESOURCE LIST WITH VPD
The following resources are installed on your machine.
Model Architecture: chrp
Model Implementation: Multiple Processor, PCI bus
sysplanar0 00-00System Planar
mem0 00-00 Memory
proc0 00-00 Processor
Device Specific.(YL)........P1-C1
L2cache0 00-00 L2 Cache
pmc0 00-00 Power Management Controller
proc2 00-02 Processor
Device Specific.(YL)........P1-C2
pci1 00-fee00000 PCI Bus
Device Specific.(YL)........P2
mtn0 20-60 GXT3000P Graphics Adapter
GXT3000P 3D Graphics Adapter:
EC Level....................12605059
FRU Number..................24L0030
Manufacture ID..............IBM97N
Part Number.................08L1172
Serial Number...............198016
Version.....................RS6K
Displayable Message.........GXT3000P
ROM Level.(alterable).......00
Device Driver Level.........00
Diagnostic Level............00
228 RS/6000 43P 7043 Models 150 and 260 Handbook
Product Specific.(Z0).......0001105A
Device Specific.(YL)........P2-I2
pci0 00-fef00000 PCI Bus
Device Specific.(YL)........P2
isa0 10-58 ISA Bus
Device Specific.(YL)........P2
fda0 01-D1 Standard I/O Diskette Adapter
Device Specific.(YL)........P2/D1
fd0 01-D1-00-00 Diskette Drive
siokma0 01-K1 Keyboard/Mouse Adapter
Device Specific.(YL)........P2/K1
sioka0 01-K1-00 Keyboard Adapter
kbd0 01-K1-00-00 PS/2 keyboard
sioma0 01-K1-01 Mouse Adapter
mouse0 01-K1-01-00 3 button mouse
siota0 01-Q1 Tablet Adapter
Device Specific.(YL)........P2/Q1
paud0 01-Q2 Ultimedia Integrated Audio
Device Specific.(YL)........P2/Q2
ppa0 01-R1 CHRP IEEE1284 (ECP) Parallel Port Adapter
Device Specific.(YL)........P2/R1
sa0 01-S1 Standard I/O Serial Port
Device Specific.(YL)........P2/S1
tty0 01-S1-00-00 Asynchronous Terminal
sa1 01-S2 Standard I/O Serial Port
Device Specific.(YL)........P2/S2
scsi0 10-60 Wide/Fast-20 SCSI I/O Controller
Device Specific.(YL)........P2/Z1
cd0 10-60-00-1,0 SCSI Multimedia CD-ROM Drive (650 MB)
Manufacturer................IBM
Machine Type and Model......CDRM00203
ROS Level and ID............1_00
Device Specific.(Z0)........058002028F000018
Part Number.................97H7608
EC Level....................F15213
FRU Number..................97H7610
hdisk0 10-60-00-11,0 16 Bit SCSI Disk Drive (9100 MB)
Manufacturer................IBM
Machine Type and Model......DCHS09U
Hints and Tips 229
FRU Number..................76H2698
ROS Level and ID............36333633
Serial Number...............68048A97
EC Level....................488638
Part Number.................93G3160
Device Specific.(Z0)........000002029F00003E
Device Specific.(Z1)........RAMR6063
Device Specific.(Z2)........09RI
Device Specific.(Z3)........97350
Device Specific.(Z4)........0001
Device Specific.(Z5)........22
Device Specific.(Z6)........E29526
hdisk1 10-60-00-12,0 16 Bit SCSI Disk Drive (4500 MB)
Manufacturer................IBM
Machine Type and Model......DCHS04W
FRU Number..................93G2970
ROS Level and ID............32383238
Serial Number...............68223287
EC Level....................488630
Part Number.................93G2854
Device Specific.(Z0)........000002029F00003E
Device Specific.(Z1)........RAMUR26C
Device Specific.(Z2)........09RI
Device Specific.(Z3)........97051
Device Specific.(Z4)........0001
Device Specific.(Z5)........22
Device Specific.(Z6)........484537
ent0 10-70 IBM PCI Ethernet Adapter (22100020)
Network Address.............0207011CC86D
Displayable Message.........PCI Ethernet Adapter (22100020)
Device Specific.(YL)........P2-I4
tok0 10-78 IBM PCI Tokenring Adapter (14103e00)
Loadable Microcode Level....001PX11B2
Part Number.................093H9181
EC Level....................00E76815
Serial Number...............007E9237
FRU Number..................093H6594
Manufacturer................9BM982
Network Address.............0004AC487F7C
Displayable Message.........IBM PCI Token-Ring
Device Specific.(YL)........P2-I5
ent1 10-80 IBM 10/100 Mbps Ethernet PCI Adapter (23100020)
Network Address.............006094E90507
Displayable Message.........PCI Ethernet Adapter (23100020)
Device Specific.(YL)........P2/E1
scsi1 10-88 Wide/Ultra-2 SCSI I/O Controller
Device Specific.(YL)........P2/Z2
PLATFORM SPECIFIC
Name: IBM,7043-260
Model: IBM,7043-260
Node: /
230 RS/6000 43P 7043 Models 150 and 260 Handbook
Device Type: chrp
Processor Card:
Part Number.................08L1200
EC Level....................22605061
Serial Number...............L608182062
FRU Number..................08L0858
Manufacture ID..............1980
Version.....................RS6K
Product Specific.(ZC).......PS=000BEBC200,LB=000BEBC200,
SB=0005F5E100,NP=01,L2=04096,
PF=654,CL=4,SV=2,VR=3,ER=00
Product Specific.(ZB).......BC=30602,SG=
Physical Location: P1-C1
Processor Card:
Part Number.................08L1200
EC Level....................22605061
Serial Number...............L608182061
FRU Number..................08L0858
Manufacture ID..............1980
Version.....................RS6K
Product Specific.(ZC).......PS=000BEBC200,LB=000BEBC200,
SB=0005F5E100,NP=01,L2=04096,
PF=654,CL=4,SV=2,VR=3,ER=00
Product Specific.(ZB).......BC=30602,SG=
Physical Location: P1-C2
MEMORY CARD:
Part Number.................08L0947
EC Level....................E77526
Serial Number...............15281E0046
FRU Number..................07L7065
Manufacture ID..............091
Version.....................RS6K
Product Specific.(ZM).......CL=4,VR=2,DE=2,EM=0100020209
1010120304 0406111412160508060A1318141A070C080E15
1C161E
Physical Location: P1-M2
I/O Planar:
Part Number.................08L0808
EC Level....................E77739A
Serial Number...............L408199043
FRU Number..................07L8509
Manufacture ID..............1980
Version.....................RS6K
Product Specific.(ZB).......BC=10601,SG=¢0Ic+…
Physical Location: P2
System Planar:
Part Number.................08L0824
EC Level....................12605050
Serial Number...............L208170063
FRU Number..................08L0823
Manufacture ID..............1980
Version.....................RS6K Product
Specific.(ZM).......MF=4,CL=4,VR=5,ES=8,EM=01F001F001F001F
001F001F001F001F002RC02RC02RC02RC02RC0 2RC02RC02RC
Product Specific.(ZB).......BC=10701,SG=âI”®P
Product Specific.(ZB).......BC=10701,SG=² Izj÷Q
Product Specific.(ZB).......BC=11W01,SG=² I*E
Physical Location: P1
Hints and Tips 231
System:
Machine/Cabinet Serial No...7043265887
Machine Type and Model......7043-260
Manufacture ID..............1980
Version.....................RS6K
Physical Location: L1
Op Panel:
Part Number.................07L7234
EC Level....................F15535
Serial Number...............1328000190
FRU Number..................24L0000
Manufacture ID..............1980
Version.....................RS6K
Physical Location: L1
NOT_VALID_VPD:
System Info Specific.(YL)...V1
Name: memory-controller
Model: IBM, Racer/Whip, Rev-id ?.?
Node: memory-controller@ff001000
Physical Location: P1
Name: nvram
Node: nvram@ff800000
Physical Location: P2
Name: IBM,sp
Node: IBM,sp@ff880000
Physical Location: P2
SP_CARD_:
ROM Level.(non-alterable)...px980902
Name: rom
Model: AM29F040-PLCC
Node: rom@fff00000
Physical Location: P2
System Firmware:
ROM Level.(alterable).......SPX98244
Version.....................RS6K
System Info Specific.(YL)...P2
Name: interrupt-controller
Model: IBM, Racer/Whip, Open-PIC, 00
Node: interrupt-controller@ffc00000
Device Type: open-pic
Physical Location: P1
Name: openprom
Model: IBM,SPX98244
Node: openprom
Name: pci
Model: IBM, Python, Rev-id 3.0
Node: pci@fef00000 Physical Location: P2
Name: pci
Model: IBM, Python, Rev-id 3.0
Node: pci@fee00000 Physical Location: P2
232 RS/6000 43P 7043 Models 150 and 260 Handbook
Name: PowerPC,POWER3
Node: PowerPC,POWER3@0
Device Type: cpu Physical Location: P1-C1
Name: PowerPC,POWER3
Node: PowerPC,POWER3@2
Device Type: cpu Physical
Location: P1-C2
Name: IBM,memory-module
Node: IBM,memory-module@12
Physical Location: P1-M2.9
Memory DIMM:
Part Number.................20H1565
Manufacture ID..............190F
EC Level....................3020
Serial Number...............17213454
Version.....................RS6K
Size........................128
Product Specific.(ZM).......JI4800897267856128272957464
7746817994055691678104060682014053005120000000000000000
0000000000000000000000000000000 00000000000000389JMa400
000000000000JL 91JP$32304831353635202020202020202020
2020JD9200
System Info Specific.(YL)...P1-M2.9
Name: IBM,memory-module
Node: IBM,memory-module@13
Physical Location: P1-M2.10
Memory DIMM:
Part Number.................20H1565
Manufacture ID..............190F
EC Level....................3020
Serial Number...............17209a60
Version.....................RS6K
Size........................128
Product Specific.(ZM).......JI48008972678561282729574647
746817994 0556916781040606820140530051200000000000000000
00000000000000000000000000000000000000000000389JMa400000
000000000JL 91JP$32304831353635202020202020202020
2020JD9300
System Info Specific.(YL)...P1-M2.10
Name: isa
Model: WINB,W83C553
Node: isa@b
Physical Location: P2
Name: scsi
Node: scsi@c
Device Type: scsi-2
Physical Location: P2/Z1
Name: ethernet
Model: AMD,am79C970a
Node: ethernet@e
Device Type: network
Physical Location: P2-I4
Name: token-ring
Hints and Tips 233
Model: IBM,41H8862
Node: token-ring@f
Device Type: network
Physical Location: P2-I5
Name: ethernet
Model: AMD,am79C971
Node: ethernet@10
Device Type: network
Physical Location: P2/E1
Name: scsi
Node: scsi@11
Device Type: scsi-2
Physical Location: P2/Z2
Name: display
Node: display@c
Physical Location: P2-I2
GXT3000P 3D Graphics Adapter:
EC Level....................12605059
FRU Number..................24L0030
Manufacture ID..............IBM97N
Part Number.................08L1172
Serial Number...............198016
Version.....................RS6K
Displayable Message.........GXT3000P
ROM Level.(alterable).......00
Device Driver Level.........00
Diagnostic Level............00
Product Specific.(Z0).......0001105A
Name: l2-cache
Node: l2-cache
Device Type:cache
Physical Location: P1-C1
Name: l2-cache
Node: l2-cache
Device Type: cache
Physical Location: P1-C2
Name: IBM,tablet-port
Node: IBM,tablet-port@i898
Device Type: serial
Physical Location: P2/Q1
Name: rtc
Node: rtc@i70
Physical Location: P2
Name: parallel
Node: parallel@i378
Physical Location: P2/R1
Name: serial
Node: serial@i3f8
Physical Location: P2/S1
Name: serial
Node: serial@i2f8
Physical Location: P2/S2
234 RS/6000 43P 7043 Models 150 and 260 Handbook
Name: sound
Model: CS4236B
Node: sound@i534
Physical Location: P2/Q2
Name: 8042
Node: 8042@i60
Physical Location: P2/K1
Name: fdc
Model: National,PC87308
Node: fdc@i3f0
Physical Location: P2/D1
Name: timer
Model: WINB,W83C553
Node: timer@i40
Device Type: IBM,timer
Physical Location: P2
Name: interrupt-controller
Model: WINB,W83C553
Node: interrupt-controller@i20
Physical Location: P2
Name: dma-controller
Model: WINB,W83C553
Node: dma-controller@i0
Physical Location: P2
Name: keyboard
Node: keyboard@0
Physical Location: P2-K1
Name: mouse
Node: mouse@1
Physical Location: P2-O1
Name: disk
Node: disk@0
Device Type: block
Physical Location: P2-D1
The output gives more detailed information about the inventory of your
system.
8.4.1 Information about the Processor
You can find detailed information about the processor speed if you search for
the Processor Card entry in the lscfg -vp output.
Processor Card:
Product Specific.(ZC).......PS=000BEBC200,LB=000BEBC200,
SB=0005F5E100,NP=01,L2=04096,
PF=654,CL=4,SV=2,VR=3,ER=00
• PS is the processor speed in hex-number digit.
Hints and Tips 235
(0x000BEBC200 = 200000000 Hz = 200 MHz)
• L2=04096 shows you the size of the Level 2 cache (= 4 MB).
8.4.2 Information about the Service Processor
You can determine the actual level of the service processor firmware if you
search for the System Firmware entry in the lscfg -vp output.
System Firmware:
ROM Level.(alterable).......SPX98244
8.4.3 Information about the Environmental Sensors
On CHRP/RPA systems (see 8.3.1, “The bootinfo Command” on page 216)
there is a utility available that displays the status of the environmental
sensors. The information displayed is the sensor name, physical location
code, literal value of the sensor status, and the literal value of the sensor
reading.
The sensor status can be any one of the following:
• Normal: The sensor reading is within the normal operating range.
• Critical High: The sensor reading indicates a serious problem with the
device. Run diagnostics on sysplanar0 to determine what repair action is
needed.
• Critical Low: The sensor reading indicates a serious problem with the
device. Run diagnostics on sysplanar0 to determine what repair action is
needed.
• Warning High: The sensor reading indicates a problem with the device.
This could become a critical problem if action is not taken. Run
diagnostics on sysplanar0 to determine what repair action is needed.
• Warning Low: The sensor reading indicates a problem with the device.
This could become a critical problem if action is not taken. Run
diagnostics on sysplanar0 to determine what repair action is needed.
• Hardware Error: The sensor could not be read because of a hardware
error. Run diagnostics on sysplanar0 in problem determination mode to
determine what repair action is needed.
• Hardware Busy: The system has repeatedly returned a busy indication,
and a reading is not available. Try the service aid again. If the problem
continues, run diagnostics, on sysplanar0 in problem determination mode
to determine what repair action is needed.

236 RS/6000 43P 7043 Models 150 and 260 Handbook
To get the information, run the following command
/usr/lpp/diagnostics/bin/uesensor -l
and you will see a output similar to the this:
The status of the environmental sensors can also be shown by using the
diagnostics service aid. To start diagnostics, enter: diag
8.5 Network Boot Support
If you are booting over the network, follow these steps:
1. Begin with your machine turned off or shut down your system properly if it
is already running.
2. Power on the machine and enter the System Management Services (SMS)
by pressing the F1 key.
3. The SMS menu displays on your screen. Select the Utilities option.
4. From the System Management Services Utilities menu, select the Remote
Initial Program Load (RIPL) option.
5. From the screen, select the Set Address option.
6. Set or change the values displayed so they are correct for your client
system.
Specify the IP address of:
• The client machine you are booting in the client address field.
Sensor = Fan Speed
Status = Normal
Value = 2436 RPM
Location Code = F1
Sensor = Power Supply
Status = Normal
Value = Present and operational
Location Code = V1
Sensor = Power Supply
*Status = Critical low
Value = Present and not operational
Location Code = V2

Hints and Tips 237
• Your SPOT server in the bootp server address field.
• Your client's gateway in the gateway address field. If broadcasting will be
used to obtain a boot image, leave these IP address fields empty.
• Specify the subnet mask for your client machine if you are prompted for
one in the subnet mask field. All machines in your subnet have the
same subnet mask.
7. After you specify the addresses, press Enter to save the addresses and
continue.
8. The RIPL screen is displayed. Select the Ping option and try to ping the
server.
9. Go back to the SMS main menu and select the Multiboot function. Enter
the Boot Sequence menu and select the network adapter to be used as
the client's boot device.
10.After making your selections, you can boot the machine over the network.
8.6 Using the Error Logging Facility
Problem determination is much easier when you have some information
about the nature of the problem that occurs. To enable access to more
detailed information about problems that occur in your system, you should
install the AIX error logging feature of AIX.
The error logging features are provided with the bos.sysmgt.serv_aid fileset.
Once this fileset is installed, you will be able to use the errpt command to
look at the AIX error log. The command:
errpt -a |more
will display all the information in the error log starting from the most recent
entry. Not all entries in the error log are errors. For example, every time the
system is powered on, an entry will be logged to say that the error log has
been turned on.
The error log is useful for resolving problems before they make an impact on
your system. By regularly checking the error log, for example, you could
discover that your hard disk was receiving temporary errors and was
performing block relocations. If the errors were frequent (for example, every
day), you could take actions to replace the disk without impacting the users.
To clear the error log, you can use the errclear command. For example, to
clear all the entries from the error log, you would run the command:

238 RS/6000 43P 7043 Models 150 and 260 Handbook
errclear 0
8.7 Booting Problems
After the firmware has passed control of the system to AIX, problems which
occur are, in most cases, the same as for any other RS/6000. In this section,
several problems during booting are discussed.
8.7.1 Booting from CD-ROM
While AIX supports installation from external CD-ROM, the CD-ROM drives,
7210-001 and 7210-010, cannot be used as a boot device.
8.7.2 System Hangs during AIX Boot Process
The AIX booting process on the PCI-based RS/6000 is similar to the Micro
Channel-based RS/6000 systems. This means that the boot process can be
monitored by the LEDs. If the system hangs, you will have to perform system
maintenance and try to determine the cause of the problem by using the
standard AIX LED recovery procedures. Typically, the procedure to follow is:
1. Boot the system into Maintenance mode by using either a CD-ROM or
bootable tape.(if your are booting from a tape make sure that the
PROMPT stanza in the bosinst.data is set to YES. Otherwise, a mksysb
restore will occur, unless interrupted as described in 8.3.5.3, “How to
Interrupt a Non-prompted Installation” on page 226.
2. Select the option to access the root volume group and start a shell before
the file systems are mounted.
3. Check the root volume group file systems:
fsck -y /dev/hd1
fsck -y /dev/hd2
fsck -y /dev/hd3
fsck -y /dev/hd4
fsck -y /dev/hd9var
4. Format the Journaled File System (JFS) log:
logform /dev/hd8
Answer YES when asked if you want to destroy the log.
5. Type exit to mount the root file systems.
6. Check the inittab file for any entries which may be causing problems.
7. Check for any full file systems (particularly /, /tmp, /var and /usr).
Hints and Tips 239
8. Check the following files for any modification or problems with
permissions:
/.profile
/etc/environment
/etc/profile
/etc/inittab
In addition, check that the files can be executed without problems, for
example:
/usr/bin/sh /etc/environment
9. Recreate the bootimage:
bosboot -a -d /dev/hdiskx
Where hdiskx is the hard disk containing the boot logical volume. You can
determine which disk has the boot logical volume by running:
lslv -m hd5
The boot disk will be shown in the PV1 column.
If, after trying the above the problem persists, then either contact your
support organization or restore from a system backup.
8.7.3 Recovering a System with No Bootable Media
If your system hangs during the AIX boot process, you can use the CD-ROM
or tape drive to boot into Maintenance mode using suitable media. If your
system hangs and you do not have media, then you can still gain access to a
limited maintenance shell.
By using the hardware diagnostics on the hard drive, you can access an AIX
shell which will allow you access to the file systems in the system. The file
systems will, however, be mounted so you will be unable to run fsck. From
this shell, you can edit /etc/inittab or do whatever is necessary and possible
to fix the problem. To access the shell, perform the following:
1. Turn on the RS/6000.
2. Press F5 during the firmware boot-up sequence (or 5 on an ASCII
terminal) to enter Service mode.
3. If diagnostics loads, select Service Aids.
4. Select AIX Shell Prompt.
5. Enter the root password.
240 RS/6000 43P 7043 Models 150 and 260 Handbook
6. Perform maintenance work. Remember to set the $TERM variable so that
you can use full-screen editors, for example if you are using an ibm3151
ASCII terminal:
TERM=ibm3151
export TERM
7. Shut down and restart the system.
If problems persist, then you may require media to boot into Maintenance
mode, or you may have to restore the system.

© Copyright IBM Corp. 1998 241
Appendix A. RS/6000 43P 7043 Model 140
The RS/6000 43P 7043 Model 140 is the volume leader of the RS/6000
product line. This appendix collects a general outline of this entry-level
system to help introduce it to those not familiar with RS/6000 servers.
A.1 RS/6000 43P 7043 Model 140 Key Attributes
The RS/6000 43P 7043 Model 140 is a desktop system that provides
outstanding performance for a graphics workstation or entry-level workgroup
server. A wide range of options, including choice of processor speed, storage
devices, and communications features enables you to configure a system
suited to your business environment.
With its graphics capability, the Model 140 is an excellent workstation solution
for demanding 2D or high-function 3D applications. The Model 140 allows
business to be securely conducted on the Internet with an affordable, yet
powerful, entry e-business server, together with the appropriate security
software. It offers the opportunity to start simply, and can easily grow with the
business through processor upgrades or through the creation of clusters of
e-business servers.
Outstanding expansion capabilities provide confidence that an investment in
a Model 140 system can keep pace with the ever-growing needs of
businesses. Memory can be expanded from the base 64 MB to 768 MB. the
Model 140 can handle tough 3D solid modeling, wireframe, and drafting
applications. The 2.1 GB of a standard SCSI-2 Fast/Wide internal disk
capacity can be increased up to 27.3 GB to satisfy the storage requirements
of many entry-level server applications.
To help increase your system performance and value, the PowerPC 604e 332
MHz microprocessor is available on new orders for RS/6000 7043 Model 140.
Upgrading from the base 200 MHz microprocessor to the 233 MHz or 332
MHz option is accomplished by removing the existing processor and plugging
in a new one.
The Model 140 supports the MVP Power Multi-monitor adapter that allows
attachment of two monitors to view multiple data sets simultaneously. This is
especially beneficial for applications such as security trading, financial
analysis, and software engineering. The unique design of this adapter lets a
single mouse move seamlessly between the two monitors for easy operation.

242 RS/6000 43P 7043 Models 150 and 260 Handbook
Figure 41. RS/6000 43P 7043 Model 140
The Model 140 has many of the reliability, availability and serviceability (RAS)
features essential to today’s computing environments. The Error Checking
and Correcting (ECC) memory helps detect and correct many single-bit
errors. An LED operator status panel on the front of the system helps keep
you informed of the system status. Concurrent diagnostics enable you to
troubleshoot minor problems that may occur without requiring system
shutdown.
A.2 RS/6000 43P 7043 Model 140 Feature Summary
The Model 140 optional processor features provide:
• High-end performance
• Modular processor design to help protect your investment
• Easy user installation upgrade from the current microprocessor to the
PowerPC 604e 332 MHz microprocessor

RS/6000 43P 7043 Model 140 243
Some of the standard configurations and features are described Table 41.
Table 41. RS/6000 43P 7043 Model 140 Standard Configuration
A.3 Standard Features
Standard features are as follows.
• Vertical stand
• LED operator panel
• 20X SCSI-2 CD-ROM drive
• 1.44 MB 3.5-inch diskette drive
• Integrated SCSI-2 Fast/Wide controller
• Integrated Ethernet adapter
• AIX Version 4 1-2 user server license
Table 42 lists the upgrades available for the standard features.
Table 42. RS/6000 43P 7043 Model 140 System Expansion
Standard Configuration
Microprocessor 200 MHz PowerPC 604e
Level 1 (L1) cache 32 KB data/32 KB instruction
Level 2 (L2) cache 1 MB
RAM (Memory) 64 MB ECC DIMM
Memory bus width 64-bit
Internal disk drive 2.1 GB SCSI-2
Disk/Media Bay Five (one disk and one media available)
Expansion slots Five (three 32-bit and two shared PCI/ISA)
PCI bus width 32-bit
Memory slots Six
Ports Tablet, keyboard, mouse, Ethernet, SCSI-2 F/W, serial
ports (2), parallel port (1), and stereo audio
System Expansion
Processor upgrades 233/332 MHz PowerPC 604e

244 RS/6000 43P 7043 Models 150 and 260 Handbook
A.4 Supported Optional Features
The RS/6000 43P 7043 Model 140 supports a wide range of optional features
and devices, such as:
• Communications adapters for 25/155 Mbps ATM, ISDN, Token-Ring,
10/100 Mbps Ethernet, FDDI, X.25, SDLC, and asynchronous
environments
• Graphics accelerators for 8-bit entry 2D, 24-bit true-color 2D, production
quality 3D, and high-performance 3D graphics
• Color displays of various sizes and resolutions
• ASCII terminals and the IBM Network Stations
• Input devices, including dials, LPF keys and spaceball
• IBM and non-IBM printers, plotters and modems
• Multimedia devices, including a personal microphone and amplifies
speakers
A.4.1 Storage Devices
By using common industry storage interfaces, the Model 140 enables
attachment of many available storage devices. In addition to the popular and
widely-used SCSI-2 interfaces, the Serial Storage Architecture (SSA) and
Ultra SCSI storage interfaces are supported. SSA disks deliver outstanding
performance for transaction-intensive applications and offer redundancy
features to help keep your data safe. Ultra SCSI disks offer significant
improvements in data transfer rates over traditional SCSI to provide the
performance required by many popular e-business data-intensive
applications.
A.4.2 AIX Operating System
The computing power of the Model 140 is strengthened by its operating
system. AIX Version 4 adds real value over other UNIX operating systems in
terms of reliability, availability, and system management. It also offers
exceptional scalability with the multi-tasking, multi-user functionality for
RAM (Memory) Up to 768 MB
Internal disk storage Up to 27.3 MB
External disk storage Up to 291 GB SCSI-2; Up to 873.6 GB SSA
System Expansion
RS/6000 43P 7043 Model 140 245
technical and commercial distributed environments. With a vast portfolio of
available commercial and technical applications, AIX can provide solutions
just right for your business, regardless of its size.
The AIX operating system for 1-2 users license is now available with all
models of IBM RS/6000 at no additional cost. A Bonus Pack CD is also
provided as a part of operating system.
The Model 140 is supported with AIX 4.1.5, 4.2.1 and 4.3.
A.4.3 Year 2000
The Model 140 is Year 2000 ready. For more information about Year 2000
refer to 1.8, “Year 2000” on page 18.
246 RS/6000 43P 7043 Models 150 and 260 Handbook

© Copyright IBM Corp. 1998 247
Appendix B. Special Notices
This publication is intended to help technical and non-technical professionals
market, support, configure, and manage the RS/6000 43P 7043 Models 150
and 260. The information in this publication is not intended as the
specification of any programming interfaces that are provided by these
systems. See the PUBLICATIONS section of the IBM Programming
Announcement for RS/6000 43P 7043 Model 150, and RS/6000 43P 7043
Model 260 for more information about what publications are considered to be
product documentation.
References in this publication to IBM products, programs or services do not
imply that IBM intends to make these available in all countries in which IBM
operates. Any reference to an IBM product, program, or service is not
intended to state or imply that only IBM’s product, program, or service may be
used. Any functionally equivalent program that does not infringe any of IBM’s
intellectual property rights may be used instead of the IBM product, program
or service.
Information in this book was developed in conjunction with use of the
equipment specified, and is limited in application to those specific hardware
and software products and levels.
IBM may have patents or pending patent applications covering subject matter
in this document. The furnishing of this document does not give you any
license to these patents. You can send license inquiries, in writing, to the IBM
Director of Licensing, IBM Corporation, 500 Columbus Avenue, Thornwood,
NY 10594 USA.
Licensees of this program who wish to have information about it for the
purpose of enabling: (i) the exchange of information between independently
created programs and other programs (including this one) and (ii) the mutual
use of the information which has been exchanged, should contact IBM
Corporation, Dept. 600A, Mail Drop 1329, Somers, NY 10589 USA.
Such information may be available, subject to appropriate terms and
conditions, including in some cases, payment of a fee.
The information contained in this document has not been submitted to any
formal IBM test and is distributed AS IS. The information about non-IBM
("vendor") products in this manual has been supplied by the vendor and IBM
assumes no responsibility for its accuracy or completeness. The use of this
information or the implementation of any of these techniques is a customer
responsibility and depends on the customer’s ability to evaluate and integrate
248 RS/6000 43P 7043 Models 150 and 260 Handbook
them into the customer’s operational environment. While each item may have
been reviewed by IBM for accuracy in a specific situation, there is no
guarantee that the same or similar results will be obtained elsewhere.
Customers attempting to adapt these techniques to their own environments
do so at their own risk.
Any pointers in this publication to external Web sites are provided for
convenience only and do not in any manner serve as an endorsement of
these Web sites.
Any performance data contained in this document was determined in a
controlled environment, and therefore, the results that may be obtained in
other operating environments may vary significantly. Users of this document
should verify the applicable data for their specific environment.
The following document contains examples of data and reports used in daily
business operations. To illustrate them as completely as possible, the
examples contain the names of individuals, companies, brands, and
products. All of these names are fictitious and any similarity to the names and
addresses used by an actual business enterprise is entirely coincidental.
Reference to PTF numbers that have not been released through the normal
distribution process does not imply general availability. The purpose of
including these reference numbers is to alert IBM customers to specific
information relative to the implementation of the PTF when it becomes
available to each customer according to the normal IBM PTF distribution
process.
The following terms are trademarks of the International Business Machines
Corporation in the United States and/or other countries:
The following companies are subsidiaries of IBM Corporation whose
trademarks have been included in this publication:
AIX® PowerPC Architecture
AS/400® PowerPC 604
BookManager® POWER2 Architecture
eNetwork POWER3 Architecture
IBM ® RETAIN®
IBMLink RISC System/6000®
Magstar® RS/6000®
Micro Channel® Service Director®
Network Station SP
OS/2® System/390
POWERparallel® TURBOWAYS®
PowerPC® VisualAge®
Special Notices 249
Lotus Development Corporation
Cambridge, Massachusetts
Tivoli Systems, Inc.
9442 Capitol of Texas Highway, North
Plaza 1, Suite 500
Austin, Texas 78759
The following terms are trademarks of other companies:
C-bus is a trademark of Corollary, Inc.
Java and HotJava are trademarks of Sun Microsystems, Incorporated.
Microsoft, Windows, Windows NT, and the Windows 95 logo are trademarks
or registered trademarks of Microsoft Corporation.
PC Direct is a trademark of Ziff Communications Company and is used
by IBM Corporation under license.
Pentium, MMX, ProShare, LANDesk, and ActionMedia are trademarks or
registered trademarks of Intel Corporation in the U.S. and other
countries.
UNIX is a registered trademark in the United States and other
countries licensed exclusively through X/Open Company Limited.
Other company, product, and service names may be trademarks or
service marks of others.
250 RS/6000 43P 7043 Models 150 and 260 Handbook

© Copyright IBM Corp. 1998 251
Appendix C. Related Publications
The publications listed in this section are considered particularly suitable for a
more detailed discussion of the topics covered in this redbook.
C.1 International Technical Support Organization Publications
For information on ordering these ITSO publications see “How to Get ITSO
Redbooks” on page 253.
•
Managing AIX V4 on PCI-Based RISC System/6000 Workstations
(40P/43P)
, SG24-2581
•
RS/6000 Models E30, F40, F50, and H50 Handbook
, SG24-5143
•
A Technical Introduction to PCI-Based RS/6000 Servers
, SG24-4690
•
A Practical Guide to Serial Storage Architecture for AIX
, SG24-4599
C.2 Redbooks on CD-ROMs
Redbooks are also available on CD-ROMs. Order a subscription and
receive updates 2-4 times a year at significant savings.
C.3 Other Publications
These publications are also relevant as further information sources:
•
Exploring IBM RS/6000 Computers
, GA23-2674-07
CD-ROM Title Subscription
Number Collection Kit
Number
System/390 Redbooks Collection SBOF-7201 SK2T-2177
Networking and Systems Management Redbooks Collection SBOF-7370 SK2T-6022
Transaction Processing and Data Management Redbook SBOF-7240 SK2T-8038
Lotus Redbooks Collection SBOF-6899 SK2T-8039
Tivoli Redbooks Collection SBOF-6898 SK2T-8044
AS/400 Redbooks Collection SBOF-7270 SK2T-2849
RS/6000 Redbooks Collection (HTML, BkMgr) SBOF-7230 SK2T-8040
RS/6000 Redbooks Collection (PostScript) SBOF-7205 SK2T-8041
RS/6000 Redbooks Collection (PDF Format) SBOF-8700 SK2T-8043
Application Development Redbooks Collection SBOF-7290 SK2T-8037

252 RS/6000 43P 7043 Models 150 and 260 Handbook
•
PowerPC Architecture: A Specification for a New Family of RISC
Processors
, Second Edition, Morgan Kaufmann Publishers, Inc., San
Francisco, CA, ISBN 1-55860-316-6
•
IEEE 1275, IEEE Standard for Boot (Initialization Configuration) Firmware,
Core Requirements and Practices
, IEEE part number DS02683, ISBN
1-55937-426-8
•
AIX Version 4.3 Installation Guide
, SC23-4112
•
7043
Model 260 Hardware Setup
, SA38-0555
•
7043 Model 260 User’s Guide
, SA38-0553
•
7043 Model 260 Service Guide
, SA38-0554
•
Customer Support Information
, SA23-2690
•
System Unit Safety Information
, SA23-2652
•
PCI Adapter Placement Reference Guide
, SA38-0538
•
CIO - Option Pubs Library English,
SK2T-7452
•
Diagnostics Information for Multiple Bus Systems
, SA38-0509
•
IBM RS/6000 Adapters, Devices, and Cable Information for Multiple Bus
Systems
, SA38-0516
•
7043 43P Series Service Guide
, SA38-0512
•
7043 43P Series Users Guide
, SA38-0511
•
AIX Version 4.3 Network Installation Management Guide and Reference
,
SC23-4113
C.4 Web Resources
These links will provide you with a stimulating look at UNIX server
technology.
• http://www.rs6000.ibm.com
• http://www.tpc.org
• http://www.specbench.org
• http://www.netlib.no/netlib/benchmark/performance.ps
• http://www.chips.ibm.com/products/ppc

© Copyright IBM Corp. 1998 253
How to Get ITSO Redbooks
This section explains how both customers and IBM employees can find out about ITSO redbooks,
CD-ROMs, workshops, and residencies. A form for ordering books and CD-ROMs is also provided.
This information was current at the time of publication, but is continually subject to change. The latest
information may be found at http://www.redbooks.ibm.com/.
How IBM Employees Can Get ITSO Redbooks
Employees may request ITSO deliverables (redbooks, BookManager BOOKs, and CD-ROMs) and
information about redbooks, workshops, and residencies in the following ways:
• Redbooks Web Site on the World Wide Web
http://w3.itso.ibm.com/
• PUBORDER – to order hardcopies in the United States
• Tools Disks
To get LIST3820s of redbooks, type one of the following commands:
TOOLCAT REDPRINT
TOOLS SENDTO EHONE4 TOOLS2 REDPRINT GET SG24xxxx PACKAGE
TOOLS SENDTO CANVM2 TOOLS REDPRINT GET SG24xxxx PACKAGE (Canadian users only)
To get BookManager BOOKs of redbooks, type the following command:
TOOLCAT REDBOOKS
To get lists of redbooks, type the following command:
TOOLS SENDTO USDIST MKTTOOLS MKTTOOLS GET ITSOCAT TXT
To register for information on workshops, residencies, and redbooks, type the following command:
TOOLS SENDTO WTSCPOK TOOLS ZDISK GET ITSOREGI 1998
• REDBOOKS Category on INEWS
• Online – send orders to: USIB6FPL at IBMMAIL or DKIBMBSH at IBMMAIL
For information so current it is still in the process of being written, look at "Redpieces" on the
Redbooks Web Site (http://www.redbooks.ibm.com/redpieces.html). Redpieces are redbooks in
progress; not all redbooks become redpieces, and sometimes just a few chapters will be published
this way. The intent is to get the information out much quicker than the formal publishing process
allows.
Redpieces

254 RS/6000 43P 7043 Models 150 and 260 Handbook
How Customers Can Get ITSO Redbooks
Customers may request ITSO deliverables (redbooks, BookManager BOOKs, and CD-ROMs) and
information about redbooks, workshops, and residencies in the following ways:
• Online Orders – send orders to:
• Telephone Orders
• Mail Orders – send orders to:
• Fax – send orders to:
• 1-800-IBM-4FAX (United States) or (+1) 408 256 5422 (Outside USA) – ask for:
Index # 4421 Abstracts of new redbooks
Index # 4422 IBM redbooks
Index # 4420 Redbooks for last six months
• On the World Wide Web
In United States
In Canada
Outside North America
IBMMAIL
usib6fpl at ibmmail
caibmbkz at ibmmail
dkibmbsh at ibmmail
Internet
usib6fpl@ibmmail.com
lmannix@vnet.ibm.com
bookshop@dk.ibm.com
United States (toll free)
Canada (toll free) 1-800-879-2755
1-800-IBM-4YOU
Outside North America
(+45) 4810-1320 - Danish
(+45) 4810-1420 - Dutch
(+45) 4810-1540 - English
(+45) 4810-1670 - Finnish
(+45) 4810-1220 - French
(long distance charges apply)
(+45) 4810-1020 - German
(+45) 4810-1620 - Italian
(+45) 4810-1270 - Norwegian
(+45) 4810-1120 - Spanish
(+45) 4810-1170 - Swedish
IBM Publications
Publications Customer Support
P.O. Box 29570
Raleigh, NC 27626-0570
USA
IBM Publications
144-4th Avenue, S.W.
Calgary, Alberta T2P 3N5
Canada
IBM Direct Services
Sortemosevej 21
DK-3450 Allerød
Denmark
United States (toll free)
Canada
Outside North America
1-800-445-9269
1-800-267-4455
(+45) 48 14 2207 (long distance charge)
Redbooks Web Site
IBM Direct Publications Catalog http://www.redbooks.ibm.com
http://www.elink.ibmlink.ibm.com/pbl/pbl
For information so current it is still in the process of being written, look at "Redpieces" on the
Redbooks Web Site (http://www.redbooks.ibm.com/redpieces.html). Redpieces are redbooks in
progress; not all redbooks become redpieces, and sometimes just a few chapters will be published
this way. The intent is to get the information out much quicker than the formal publishing process
allows.
Redpieces

255
IBM Redbook Order Form
Please send me the following:
We accept American Express, Diners, Eurocard, Master Card, and Visa. Payment by credit card not
available in all countries. Signature mandatory for credit card payment.
Title Order Number Quantity
First name Last name
Company
Address
City Postal code
Telephone number Telefax number VAT number
Invoice to customer number
Country
Credit card number
Credit card expiration date SignatureCard issued to
256 RS/6000 43P 7043 Models 150 and 260 Handbook

© Copyright IBM Corp. 1998 257
List of Abbreviations
ABI
application binary
interface
AC
alternating current
AIX
Advanced Interactive
Executive
ANSI
American National
Standards Institute
APAR
authorized program
analysis report
AGP
Accelerated Graphics
Port
ASCII
American National
Standards Code for
Information
Interchange
BIST
built-in self-test
BOS
base operating system
CAE
computer-aided
engineering
CEC
central electronics
complex
CHRP
Common Hardware
Reference Platform
CMOS
complimentary metal
oxide semiconductor
CPU
central processing unit
CRC
cyclic redundancy
check
DC
direct current
DDC
display data channel
DIMM
dual in-line memory
module
DMA
direct memory access
DOS
disk operating system
DRAM
dynamic random
access memory
EC
engineering change
ECC
error checking and
correction
EEPROM
electrically erasable
programmable read
only memory
EISA
extended industry
standard architecture
ELA
error log analysis
EPOW
environmental and
power warning
FCP
Fibre Channel Protocol
FDDI
fiber distributed data
interface
FRU
field replaceable unit
GB
gigabytes
Hz
hertz
HTTP
Hypertext Transfer
Protocol
ID
identification
IDE
integrated device
electronics
IEEE
Institute of Electrical
and Electronics
Engineers
I
2
C
inter integrated-circuit
communications
I/O
input/output
IP
internetwork protocol
(OSI)
IPL
initial program load
IrDA
infrared data
association (which sets
standards for infrared
support including
protocols for data
interchange)
258 RS/6000 43P 7043 Models 150 and 260 Handbook
ISA
Industry Standard
Architecture
ISDN
integrated-services
digital network
ISV
independent software
vendor
ITSO
International Technical
Support Organization
LAN
local area network
LED
light emitting diode
MAP
Maintenance Analysis
Procedure
MCA
micro channel
architecture
MCAD
mechanical
computer-aided design
MP
multiprocessor
NUMA
non-uniform memory
access
NTSC
National Technical
Support Center
NVRAM
non-volatile random
access memory
OCS
on-line customer
support
ODM
Object Data Model
PAP
privileged access
password
POP
power-on password
POST
power-on self-test
POWER
performance
optimization with
enhanced RISC
(architecture)
PCI
peripheral component
interconnect
P2SC
Power2 Super Chip
RAM
random access
memory
RAS
reliability, availability,
and serviceability
RAID
redundant array of
independent disks
RIPL
remote initial program
load
ROLTP
Relative On-line
Transaction Processing
RPA
RS/6000 Platform
Architecture
RTC
real-time clock
SCSI
small computer system
interface
SDRAM
Synchronous Dynamic
Random Access
Memory
SDLC
synchronous data link
control
SMS
system management
services
SMP
Symmetric
multiprocessing
SP
service processor
SPEC
Standard Performance
Evaluation Corp.
SPOT
shared product object
tree
SSC
system support
controller
SSA
Serial Storage
Architecture
STP
shielded twisted pair
TCQ
tagged command
queuing
UP
uniprocessor
USB
Universal Serial Bus
VESA
Video Electronics
Standards Association
VPD
vital product data

© Copyright IBM Corp. 1998 259
Index
Numerics
1000Base-SX 128
1000BaseT Ethernet 128
100BaseTx Ethernet 128
10BaseT Ethernet 128
2639 ultimedia video capture adapter 134
2708 Eicon ISDN DIVA PRO adapter 128
2741 SysKonnect FDDI-LP adapter (SAS) 129
2742 SysKonnect FDDI-LP adapter (DAS) 130
2743 SysKonnect FDDI-UP adapter (SAS) 130
2825 GXT3000P graphics accelerator 138
2838 GXT120P graphics adapter 135
2845 GXT550P graphics adapter 137
2851 GXT250P graphics adapter 136
2852 GXT255P graphics adapter 136
2900 4.5 GB Ultra SCSI 16-bit disk drive 53
2908 9.1 GB Ultra SCSI 16-bit disk drive 53
2920 PCI token-ring adapter 127
2943 8-port asynchronous adapter 133
2944 128-port asynchronous controller 133
2947 ARTIC960HX 4-port selectable adapter 134
2948 ARTIC960HX 4-port T1/E1 adapter 134
2962 2-port multiprotocol adapter 133
2963 TURBOWAYS 155 UTP ATM adapter 131
2968 PCI 10/100 Mbps Ethernet adapter 128
2969 Gigabit Ethernet adapter 89, 128
2988 TURBOWAYS 155 MMF ATM adapter 131
2998 TURBOWAYS 25 ATM adapter 132
3620 IBM P72 color monitor, pearl white 61
3621 IBM P92 color monitor, pearl white 61
3622 IBM P202 color monitor, pearl white 61
3623 IBM P72 color monitor, stealth black 61
3625 IBM P92 color monitor, stealth black 61
3626 IBM P202 color monitor, stealth black 61
3752 service package 67, 94
4098 memory expansion feature 83
4107 64MB (2X 32 MB) SDRAM DIMMs (Model
260) 83
4110 256 MB (2X 128 MB) SDRAM DIMMs (Model
260) 83
4149 64 MB SDRAM DIMM (Model 150) 59
4150 128 MB SDRAM DIMM (Model 150) 59
4169 256 MB SDRAM DIMM (Model 150) 59
5005 software pre-install 61, 88
6041 3-button mouse, pearl white 60
604e design 37
60X bus 34
6156 20/40 GB 16-bit 8mm internal tape drive (black
bezel) 84
6159 12/24 GB 4mm internal tape drive 85
6206 PCI single-ended Ultra SCSI adapter 62, 88,
106, 109, 110, 124
6207 PCI differential Ultra SCSI adapter 62, 88,
106, 124
6215 PCI SSA Multi-Initiator/RAID EL adapter 62,
88, 125
6222 SSA fast write cache option card 125
6308 personal microphone 61, 87
6508 media bay disk drive mounting kit (Model 260)
84
6509 media bay disk drive mounting kit (Model 150)
53
6XX bus 34
6XX-MX bus 34
8130 16-port remote EIA-232 async. node 133
8134 16-port (non-US) remote EIA-232 async. node
133
8136 16-port rack mountable remote EIA-232
async. node 133
8137 16-port enhanced remote EIA-232 node 133
8138 16-port enhanced remote RS-422 node 133
8679 multimedia kit 95
8741 3-button mouse, stealth black 60
A
accelerated graphics port 14
adapter placement guidelines
Model 150 66
Model 260 92
adapters
128-port async 133
16-port enhanced remote EIA-232 node 133
8-port async EIA-232/RS-422 133
ATM 131
communication 127
Ethernet 128
FDDI 129
ISDN 128
multiple port 133
PCI SCSI-2 single-ended Ultra SCSI 124
PCI SSA Multi-Initiator/RAID EL 125
token-ring 127
ultimedia video capture 134
260 RS/6000 43P 7043 Models 150 and 260 Handbook
WAN 133
AGP 14
ANSI standard
X3.131-1986 97
X3T9.2/375R Revision 10K 98
Apple Inc., regarding CHRP 21
architecture
ISA 33
PCI 32
POWER3 35
PowerPC 604e 37
SCSI-III 99
asynchronous communication, SCSI 103
ATM adapters 131
B
bays
Model 150 53, 54
Model 260 74
boot
from CD-ROM 238
problems 238
recover from a system hang 238
recovering with no bootable media 239
boot sequence
in general 166
Model 150 167
Model 260 168
bootinfo, command 216, 219
bootlist, command 215
bosboot, command 216
bosinst.data
BOSINST_DEBUG stanza 224
RECOVER_DEVICES stanza 224
SWITCH_TO_PRODUCT_TAPE stanza 224
BOSINST_DEBUG stanza 224
bus60X 34
6XX 34
6XX-MX 34
ISA 35
bus architecture 32
C
Cables
display 142
cables, SCSI (various types) 110
cabling the pci differential Ultra SCSI adapter 113
cache
coherency 44
hit 40
L1 39
L2 39
miss 40
set associativity 40
cache line 41
boundary 41
prefetch 44
CALL-IN 202
CALL-OUT 202
cfgmgr, command 150, 159, 223
chdisp, command 144
cloner, script 223
cloning
AIX 4.1 218
AIX 4.2 and 4.3 223
command
bootinfo 216, 219
bootlist 215
bosboot 216
cfgmgr 150, 159, 223
chdisp 144
diag 158, 161
errclear 238
errpt 237
fsck 238
logform 238
lsattr 150
lscfg 150, 227
lsdisp 144
lslv 239
mksysb 217
savevg 217
shutdown 161
uesensor 236
xinit 145
common command set, SCSI 98
communication adapters 127, 128
ATM 131
FDDI 129
multiple port 133
token-ring 127
communications adapters
ISDN 128
Model 260 89
WAN 133
Compaq, regarding PCI involvement 32
261
comparison between SSA and SCSI architecture
119
configuration information 227
congruence class 42
console mirroring 192
cross invalidate 45
customer account setup 208
customization
cloner 223
D
debug mode 216
device-to-device cables 114
diag, command 158, 161
diagnostics
considerations 155
on-line 158
running from a tty 156
stand-alone 157
tasks and service aids 162
differential Ultra SCSI adapter, PCI 124
differential, SCSI 104
Digital (DEC), regarding PCI involvement 32
disconnect/reconnect, SCSI 98
display cable
feature number matrix 142
E
electronic key-switch 215
errclear, command 238
errpt, command 237
Ethernet adapter
Gigabit 89, 128
integrated 55, 77
Model 260 55, 77
Ethernet adapters 128
external SCSI and SSA storage devices 126
F
F1-key, boot function 173
F5-key, boot function 173
F6-key, boot function 173
F8-key, boot function 173
false sharing 46
fast SCSI 102
fast system boot 197
fast/wide, regarding SCSI-2 103
fast-20 wide
SCSI 103
fast-20, SCSI 103
FDDI adapters 129
feature code
2639 ultimedia video capture adapter 134
2708 Eicon ISDN DIVA PRO 128
2741 SysKonnect FDDI-LP adapter 129
2742 SysKonnect FDDI-LP adapter (DAS) 130
2743 SysKonnect FDDI-UP adapter 130
2825 GXT3000P graphics accelerator 138
2838 GXT120P graphics adapter 135
2845 GXT550P graphics adapter 137
2851 GXT250P graphics adapter 136
2852 GXT255P graphics adapter 136
2900 4.5 GB Ultra SCSI 16-bit disk drive 53
2908 9.1 GB Ultra SCSI 16-bit disk drive 53
2920 PCI token-ring adapter 127
2943 8-port asynchronous adapter 133
2944 128-port asynchronous controller 133
2947 ARTIC960HX 4-port selectable adapter
134
2948 ARTIC960HX 4-port T1/E1 adapter 134
2962 2-port multiprotocol adapter 133
2963 TURBOWAYS 155 UTP ATM adapter
131
2968 PCI 10/100 Mbps Ethernet adapter 128
2969 Gigabit Ethernet adapter 89, 128
2988 TURBOWAYS 155 MMF ATM adapter
131
2998 TURBOWAYS 25 ATM adapter 132
3620 IBM P72 color monitor, pearl white 61
3621 IBM P92 color monitor, pearl white 61
3622 IBM P202 color monitor, pearl white 61
3623 IBM P72 color monitor, stealth black 61
3625 IBM P92 color monitor, stealth black 61
3626 IBM P202 color monitor, stealth black 61
3752 service package 67, 94
4098 memory expansion feature 83
4107 64MB (2X32 MB) SDRAM DIMMs (Model
260) 83
4110 256 MB (2X 128 MB) SDRAM DIMMs
(Model 260) 83
4149 64 MB SDRAM DIMM (Model 150) 59
4150 128 MB SDRAM DIMM (Model 150) 59
4169 256 MB SDRAM DIMM (Model 150) 59
5005 software pre-install 61, 88
6041 3-button mouse, pearl white 60
6156 20/40 GB 16-bit 8mm internal tape drive
262 RS/6000 43P 7043 Models 150 and 260 Handbook
(black bezel) 84
6159 12/24 GB 4mm internal tape drive 85
6206 PCI single-ended Ultra SCSI adapter 62,
88, 106, 109, 110, 124
6207 PCI differential Ultra SCSI adapter 62, 88,
106, 124
6215 PCI SSA Multi-Initiator/RAID EL adapter
62, 88, 125
6222 SSA fast write cache option card 125
6308 personal microphone 61, 87
6508 media bay disk drive mounting kit (Model
260) 84
6509 media bay disk drive mounting kit (Model
150) 53
8130 16-port remote EIA-232 async. node 133
8134 16-port (non-US) remote EIA-232 async.
node 133
8136 16-port rack mountable remote EIA-232
async. node 133
8137 16-port enhanced remote EIA-232 node
133
8138 16-port enhanced remote RS-422 node
133
8679 multimedia kit 95
8741 3-button mouse, stealth black 60
firmware
checkpoints 184
introduction 166
recovery 183
update (service processor) 210
update (SMS) 180
fsck, command 238
G
general access password 188, 192
general SCSI consideration 106
graphic peripheral devices
Model 150 60
Model 260 86
graphics adapter
Model 150 140
Model 260 140
graphics adapters
Model 150 60
Model 260 85
graphics support matrix 142
GXT120P, graphics adapter 135, 140
GXT250P, graphics adapter 136
GXT250P,graphics adapter 140
GXT255P, graphics adapter 136, 140
GXT3000P, graphics adapter 138, 140
GXT550P, graphics adapter 137, 140
H
H.323 standard 16, 17
hard disk spin up delay 179
hardware
design 26
overview 21
heartbeat 193
hit ratio 40
I
I/O ports
Model 150 54
Model 260 76
IBM, regarding PCI involvement 32
IDE, industry-standard interface 24
IEEE 1149.1 39
IEEE 1275 24
IEEE 1394 15
industry trends and directions 13
information about the processor 234
information about the system 227
integrated Ethernet adapter
Model 260 55, 77
Intel, regarding PCI involvement 32
internal CD-ROM drive
Model 150 59
Model 260 75, 84
internal disk drives
Model 150 59
Model 260 84
internal SCSI devices 120
internal SSA devices 120, 123
internal tape drive
Model 150 59
internal tape drives
Model 260 84
IrDA, protocol 24
ISAbus architecture 33
ISDN adapters 128
263
K
keyboard 59, 85
L
L1 cache 39
Least Recently Used 42
Round-Robin 42
set associativity 40
L2 cache 39
LINPACK DP description 12
LINPACK SP description 12
LINPACK TPP description 12
LocalTalk, industry-standard interface 24
logform, command 238
lsattr, command 150
lscfg, command 150, 227
lsdisp, command 144
lslv, command 239
M
Memory
hierarchy 39
memory configuration 201
memory deconfiguration 201
memory slot configuration for Model 260 84
memory subsystem
Model 150 52
Model 260 72
MESI protocol 45
microphone 61, 87
Microprocessor Common Hardware Reference Plat-
form 21
microprocessor future 13
mksysb
create 217
restore 217
mksysb, command 217
Model 140
key attributes 241
multi-monitor adapter 241
optional features 244
overview 3
standard features 243
Model 150
adapter placement guidelines 66
boot sequence 167
communications adapter 62
firmware checkpoints 184
graphic peripheral devices 60
graphics adapters 60
internal CD-ROM drive 59
internal disk drives 59
internal tape drive 59
key attributes 4
memory subsystems 52
optional features 58
overview 3
PCI storage adapters 62
performance 13
processor subsystem 50
reliability, availability, and serviceability 56
standard features 50
supported devices 63
Model 260
adapter placement guidelines 92
boot sequence 168
communications adapters 89
fast system boot 197
firmware checkpoints 184
graphic peripheral devices 86
graphics adapters 85
I/O board components 71
integrated Ethernet adapter 55, 77
internal CD-ROM drive 75, 84
internal disk drives 84
internal tape drives 84
key attributes 7
memory configuration/deconfiguration 201
memory subsystem 72
optional features 82
overview 6
PCI storage adapters 88
performance 13
processor configuration/deconfiguration 200
processor subsystem 69
rear view 77
reliability, availability, and serviceability 79
standard features 69
supported devices 89
system architecture 69
monitors 61, 86
Motorola Inc., regarding CHRP 21
mouse 60, 85
multiple port adapters 133
multiprocessing
cache coherency problem 44
cache hit versus cache miss 40
264 RS/6000 43P 7043 Models 150 and 260 Handbook
cache line prefetch 44
concepts 39
cross invalidate 45
false sharing 46
hardware characteristics 39
memory hierarchy 39
MESI protocol 45
set associativity 41
sharing resources 39
snooping 45
N
NCR, regarding PCI involvement 32
network boot 236
NUMA 34
O
on-line diagnostics 158
concurrent mode 160
service mode 159
single-user mode 161
open firmware 173, 182
optional features
Model 150 58
Model 260 82
overview
adapter 127
hardware 21
P
PC card, protocol 24
PCIbus architecture 32
features and benefits 33
Special Interest Group 32
specification revision 2.0 32
specification revision 2.1 32
PCI differential Ultra SCSI adapter 124
PCI single-ended Ultra SCSI adapter 124
PCI slots
Model 150 54
Model 260 76
PCI storage adapters
Model 150 62
Model 260 88
performance summary 13
personal microphone 61, 87
POST 170
POWER3 design 35
POWER3 microprocessor 35
power-on password 177
power-on self test 170
PowerPC
introduction 21
PowerPC 604e microprocessor 37
PowerPC Platform Specification (PRep) 21
printers
Model 150 65
Model 260 92
privileged access password
service processor 187, 192
SMS 177
processor
mini-support 35
POWER3 35
PowerPC 604e 37
processor configuration 200
processor deconfiguration 200
processor speed 234
processor subsystem
Model 150 50
Model 260 69
POWER3 35
PowerPC 604e 37
progress indicators 198
publications
Model 150 55
Model 260 78
R
RAS 56, 79
reboot policy 196
RECOVER_DEVICES stanza 224
reliability, availability, and serviceability
Model 150 56
Model 260 79
repeaters, SCSI 104
restart policy 196
ring indicate power-on 195
RIPL 179
RPA
achievements 24
description of 21
goals of 21
history of 21
265
introduction 21
minimum systems requirements 25
platform topology 22
RS/6000 43P 7043 Model 150
hardware design 26
RS/6000 43P 7043 Model 260
hardware design 29
RS/6000 Platform Architecture (RPA) 21
rs6k platform 223
rs6ksmp platform 223
S
savevg, command 217
SCSI
asynchronous 103
common command set 98
differential 104
disconnect/reconnect 98
repeaters 104
specifications summary 105
summary of specifications 105
synchronous 103
table of modes/rates 105
tagged command queuing 98
Ultra 102
SCSI, location codes 147
SCSI-III 99
service center telephone number 207
service package 67, 94
service processor
checkpoints 213
customize and access 186
error log 198
firmware update 210
general access password 188, 192
general user menu 209
introduction 185
list configuration 198
local access 187
main menu 188, 191
modem configuration 203
operational phases 188
privileged access password 187, 192
remote access 187
reset 194
ring indicate power-on 195
security 187
self test 169
standby mode 169
system environmental conditions 199
unattended start mode 195
set associative, 128-way 41
set associative, 4-way 41
set associativity
L1 cache 40
shutdown, command 161
single-ended Ultra SCSI adapter, PCI 124
single-user mode 161
SMP hardware characteristics 39
SMS 172
ASCII main menu 180
F1-key 173
F5-key 173
F6-key 173
F8-key 173
firmware checkpoints 184
firmware recovery 183
firmware update 180
graphical main menu 174
power-on password 177
privileged access password 177
start-up 172, 173
snooping 45
SPECfp_base_rate95 description 12
SPECfp_base95 description 12
SPECfp_rate95 description 12
SPECfp95 description 12
SPECint_base_rate95 description 11
SPECint_base95 description 11
SPECint_rate95 description 11
SPECint95 description 11
SPECweb96 description 12
stand-alone diagnostics 157
standard features
Model 150 50
Model 260 69
standards
ANSI X3.131-1986 97
X3T9.2/375R Revision 10K 98
storage boot devices 97
stride 42
supported devices
Model 150 63
Model 260 89
surveillance
setup menu 192
SWITCH_TO_PRODUCT_TAPE stanza 224
266 RS/6000 43P 7043 Models 150 and 260 Handbook
synchronous, SCSI 103
system backup
create 217
restore 217
system environmental conditions 199
system management services 172
T
tagged command queuing, SCSI 98
talk mode 192
token-ring adapter 127
topology, general platform (RPA) 23
U
uesensor, command 236
ultimedia video capture adapter 134
Ultra SCSI 102
Ultra SCSI adapter, PCI differential 124
Ultra SCSI adapter, PCI single-ended 124
Ultra SCSI Wide vs Ultra SCSI 103
Ultra SCSI, defined 103
unattended start mode 195
universal serial bus 14
USB 14
V
vital product data 197
VPD 197
W
WAN adapters 133
Web-Based System Management 151
wide SCSI 103
workgroup conferencing 15
workstation family 1
workstation offering 1
X
X-bus 35
xinit, command 145
Y
Year 2000 18

© Copyright IBM Corp. 1998 267
ITSO Redbook Evaluation
RS/6000 43P 7043 Models 150 and 260 Handbook
SG24-5144-00
Your feedback is very important to help us maintain the quality of ITSO redbooks. Please complete
this questionnaire and return it using one of the following methods:
• Use the online evaluation form found at http://www.redbooks.ibm.com
• Fax this form to: USA International Access Code + 1 914 432 8264
• Send your comments in an Internet note to redbook@us.ibm.com
Which of the following best describes you?
_ Customer _ Business Partner _ Solution Developer _ IBM employee
_ None of the above
Please rate your overall satisfaction with this book using the scale:
(1 = very good, 2 = good, 3 = average, 4 = poor, 5 = very poor)
Overall Satisfaction __________
Please answer the following questions:
Was this redbook published in time for your needs? Yes___ No___
If no, please explain:
What other redbooks would you like to see published?
Comments/Suggestions: (THANK YOU FOR YOUR FEEDBACK!)

Printed in the U.S.A.
SG24-5144-00
RS/6000 43P 7043 Models 150 and 260 Handbook SG24-5144-00

