Ice O Matic Iceu150 Users Manual ICEU 150 220 225 226
ICEU150 to the manual be77eea0-7f6f-4c10-ac13-e68e0ef680b3
2015-03-11
: Ice-O-Matic Ice-O-Matic-Iceu150-Users-Manual-577680 ice-o-matic-iceu150-users-manual-577680 ice-o-matic pdf
Open the PDF directly: View PDF
.
Page Count: 12

SERVICE PARTS MANUAL
The ICE Series Undercounter Cubers
MODEL-ICEU150, ICEU220, ICEU225, ICEU226
ICE-O-Matic
11100 East 45th Av
e
Denver, Colorado 80239
Part Number 9081333-01 8/06
*
X
ICE Undercounter Service Parts
This parts list contains the service parts available for the ICE Undercounter icemakers.
Check the model number on the data plate and refer to the correct listing for the specific component.
Check carefully that the correct part is identified and ordered.
Table of Contents Page 1
Bin and Exterior Components Page 2 - 3
Refrigeration System Page 4 - 5
Harvest Assist Assembly Page 6
Control Box Page 7
Evaporator Page 8
Water Pump Page 9
Wiring Diagram Page 10
ICE-O-Matic
11100 East 45th Ave.
Denver Co. 80239
866-PUREICE
The ICE Series Service Manual is available seperately, Part Number 9081270-01
R 8/06 Page 1

ICE Undercounter Service Parts Bin and Exterior Components
R 8/06 Page 2

ICE Undercounter Service Parts Bin and Exterior Components
Item Description ICEU150 ICEU220 ICEU225 ICEU226
1 Front Grill Panel 9051515-01 9051515-01 9051515-01 9051515-01
2 Grill Panel Screw #8 x 11/2 9031098-02 9031098-02 9031098-02 9031098-02
3 Trim Strip RH 3021875-01 3021875-01 3021875-01 3021875-01
4 Trim Strip LH 3021875-02 3021875-02 3021875-02 3021875-02
5 Side Panel S/S 3021874-01 3021874-01 3021874-01 3021874-01
6 Bin Assembly (Includes Item # 7) 2101275-01S 2101275-01S 2101275-01S 2101275-01S
7 Elbow, 3/4MPT x ½ 9091122-02 9091122-02 9091122-02 9091122-02
8 Plastic Hose Clamp 9021010-03 9021010-03 9021010-03 9021010-03
9 Leg Set (4 ea.) 9021095-01 9021095-01 9021095-01 9021095-01
10 Bin Door, Black 9051310-01 9051310-01 9051310-01 9051310-01
11 Owners Manual 9081264-01 9081264-01 9081264-01 9081264-01
12 Top Panel 3021540-02 3021540-02 3021540-02 3021540-02
13 Top Panel Screw 9031023-10 9031023-10 9031023-10 9031023-10
14 Top Panel Screw 9031019-07 9031019-07 9031019-07 9031019-07
15 Strain Relief 9121015-04 9121015-04 N/A N/A
16 Power Cord 9101242-01 9101242-01 N/A N/A
17 Panel, Rear Access 3012149-01 3012149-01 3012149-01 3012149-01
18 Screw #10-16 x ½ 9031046-01 9031046-01 9031046-01 9031046-01
19 Screw Hex Head 9031112-01 9031112-01 9031112-01 9031112-01
20 Control Box Cover 3013161-01 3013161-01 3013161-01 3013161-01
21 Ice Scoop 9051127-02 9051127-02 9051127-02 9051127-02
22 Rear Panel 3013164-01 3013164-01 3013164-01 3013164-01
23 Name Plate 9071974-01 9071974-01 9071974-01 9071974-01
R 8/06 Page 3

ICE Undercounter Service Parts Refrigeration
PLEASE NOTE UNDERCOUNTER UNITS DO NOT UTILIZE A SPLASH CURTAIN
Item Description ICEU150 ICEU220 ICEU225 ICEU226
1 Compressor Kit 9181115-11 9181115-12 9181115-13 9181115-14
2 Expansion Valve-Alco 9151134-03 9151134-07 9151134-07 9151134-07
3 Drier 9151004-02 9151004-02 9151004-02 9151004-02
4 Service Valve Core 9091086-02 9091086-02 9091086-02 9091086-02
Service Valve Cap 9091086-03 9091086-03 9091086-03 9091086-03
5 Hot Gas Valve Body 9151123-06 9151123-06 9151123-06 9151123-06
6 Hot Gas Valve Coil 9151123-03 9151123-03 9151123-04 9151123-04
7 Purge Valve 9041086-04 9041086-04 9041086-05 9041086-05
Compressor Components ICEU150 ICEU220 ICEU225 ICEU226
Compressor Kit 9181115-11 9181115-12 9181115-13 9181115-14
Overload 9181005-42 9181005-38 9181005-40 9181005-41
Start Capacitor 9181003-43 9181003-42 9181003-29 9181003-41
Compressor Relay 9181004-24 9181004-24 9181004-20 9181004-28
R 8/06 Page 4

ICE Undercounter Service Parts Refrigeration
Item Description ICEU150 ICEU220 ICEU225 ICEU226
8 Flat Washer 9031004-02 9031004-02 9031004-02 9031004-02
9 Grommet 9181002-10 9181002-10 9181002-10 9181002-10
10 Lock Nut 9031118-02 9031118-02 9031118-02 9031118-02
11 Sleeve Compressor Mounting 9181002-11 9181002-11 9181002-11 9181002-11
12 Lock Nut (Leg) 9031012-02 9031012-02 9031012-02 9031012-02
13 Base Assembly 2021623-01 2021623-01 2021623-01 2021623-01
14 Water Condenser 9041022-01 9041022-01 9041022-01 9041022-01
15 Water Trough Assembly 2101151-01S 2101151-01S 2101151-01S 2101151-01S
16 Water Trough Screws 9031122-02 9031122-02 9031122-02 9031122-02
17 Fan Bracket 3013250-01 3013250-01 3013250-01 3013250-01
18 Fan Motor 9161028-01 9161112-01 9161112-02 9161112-02
19 Fan Blade 9131446-01 9131446-01 9131446-01 9131446-01
20 Fan Shroud 3013254-01 3013254-01 3013254-01 3013254-01
21 Air Condenser 9141126-01 9141126-01 9141126-01 9141126-01
22 Purge Drain Tube 9051280-08 9051280-08 9051280-08 9051280-08
23 Hose Clamp 9021010-05 9021010-05 9021010-05 9021010-05
24 Barbed Tee 9091024-01 9091024-01 9091024-01 9091024-01
25 Tubing 9/16 x 20 Inches Long 3051222-20 3051222-20 3051222-20 3051222-20
26 Hose Clamp 9021010-04 9021010-04 9021010-04 9021010-04
27 Drain Adapter 9091138-01 9091138-01 9091138-01 9091138-01
28 Rear Panel 3013164-01 3013164-01 3013164-01 3013164-01
29 Water Regulator 9041059-01 9041059-01 9041059-01 9041059-01
30 Drop Adapter Fitting 9091063-02 9091063-02 9091063-02 9091063-02
31 Water Iinlet Fitting 9091135-01 9091135-01 9091135-01 9091135-01
32 Flanged Lock Nut 9031118-05 9031118-05 9031118-05 9031118-05
33 High Temperature Safety Control 9041087-03 9041087-03 9041087-03 9041087-03
R 8/06 Page 5

ICE Undercounter Service Parts Harvest Assist Assembly
Item Description ICEU150 ICEU220 ICEU225 ICEU226
1 Bracket, Probe Motor 3013170-01 3013170-01 3013170-01 3013170-01
2 Gear Motor 9161030-01 9161030-01 9161031-01 9161031-01
3 Clutch Assembly, 60 Degree 9131190-03 9131190-03 9131190-03 9131190-03
4 Snap Bushing 9051001-13 9051001-13 9051001-13 9051001-13
5 Snap Bushing 9051001-03 9051001-03 9051001-03 9051001-03
6 #6-32 x 1/2 Screw 9031019-08 9031019-08 9031019-08 9031019-08
7 Connecting Rod 9051057-01 9051057-01 9051057-01 9051057-01
8 Probe, Single Length 9021102-01 9021102-01 9021102-01 9021102-01
9 Flat Washer 9031003-03 9031003-03 9031003-03 9031003-03
10 Shoulder Screw 9031119-01 9031119-01 9031119-01 9031119-01
11 Spacer, Cam Switch 9051519-01 9051519-01 9051519-01 9051519-01
12 Cam Switch 9101160-01 9101160-01 9101160-01 9101160-01
13 Insulator 3051145-02 3051145-02 3051145-02 3051145-02
14 Pan head Screw 9031008-44 9031008-44 9031008-44 9031008-44
15 Speed Nut Plate 9031120-01 9031120-01 9031120-01 9031120-01
Complete Assembly 2061962-05S 2061962-05S 2061962-07S 2061962-07S
R 8/06 Page 6

ICE Undercounter Service Parts Control Box
Item Description ICEU150 ICEU220 ICEU225 ICEU226
1 Water Pump Connector 9101218-01 9101218-01 9101218-01 9101218-01
2 Terminal Block 9101037-01 9101037-01 9101037-01 9101037-01
3 Switch-Purge 9101139-03 9101139-03 9101139-03 9101139-03
4 Ice/Off/Wash Switch 9101195-01 9101195-01 9101195-01 9101195-01
5 Thermostat-Bin Control 9041004-02 9041004-02 9041004-02 9041004-02
6 Low Pressure Control (Timer Initiate) 9041094-01 9041094-01 9041094-01 9041094-01
7 High Pressure Control 9041095-01 9041095-01 9041095-01 9041095-01
8 Timing Module 9101148-01 9101148-01 9101148-01 9101148-01
9 Relay 9101084-01 9101084-01 9101084-02 9101084-02
10 Socket-Relay 9101083-01 9101083-01 9101083-01 9101083-01
11 Hold Down Spring - Relay 9101083-02 9101083-02 9101083-02 9101083-02
12 High Temperature Safety Control 9041087-03 9041087-03 9041087-03 9041087-03
R 8/06 Page 7

ICE Undercounter Service Parts Evaporator
Item Description ICEU150 ICEU220 ICEU225 ICEU226
1 Evaporator-Half Cube (Shown) 2051231-02S 2051231-02S 2051231-02S 2051231-02S
1 Evaporator-Full Cube 2051231-01S 2051231-01S 2051231-01S 2051231-01S
2 Water Distribution Tube 2041338-01 2041338-01 2041338-01 2041338-01
3 Thumbscrew 9031122-01 9031122-01 9031122-01 9031122-01
4 Rubber Washer 9031004-19 9031004-19 9031004-19 9031004-19
5 Spillway 9051135-05 9051135-05 9051135-05 9051135-05
6 Left Side Evaporator Mounting Panel 9051136-07 9051136-07 9051136-07 9051136-07
7 Right Side Evaporator Mounting Panel 9051136-08 9051136-08 9051136-08 9051136-08
8 Water Return 9051135-04 9051135-04 9051135-04 9051135-04
R 8/06 Page 8

ICE Undercounter Service Parts Water Pump
Item Description ICEU150 ICEU220 ICEU225 ICEU226
1 Water Pump 9161076-01 9161076-01 9161076-02 9161076-02
Thumbscrew for Pump (2 Req) 9161076-101 9161076-101 9161076-101 9161076-101
2 Pump Bracket 3012847-01 3012847-01 3012847-01 3012847-01
3 Plastic Nut 9031141-01 9031141-01 9031141-01 9031141-01
4 Float 9131111-01 9131111-01 9131111-01 9131111-01
5 Cap Plug 9131026-02 9131026-02 9131026-02 9131026-02
6 Plastic Barbed Tee 5/8 9091024-01 9091024-01 9091024-01 9091024-01
7 Plastic Clamp 9021010-04 9021010-04 9021010-04 9021010-04
8 Hose PVC 9/16 (Formed) 9051280-05 9051280-05 9051280-05 9051280-05
9 Hose PVC 5/8 - 1.50 Inch Required 6021015-04 6021015-04 6021015-04 6021015-04
10 Tube-Polyethylene - 8 Inches Required 6021032-01 6021032-01 6021032-01 6021032-01
11 Barrel Fitting 9091080-01 9091080-01 9091080-01 9091080-01
12 Sleeve 9091081-01 9091081-01 9091081-01 9091081-01
13 Plastic Clamp 9021010-03 9021010-03 9021010-03 9021010-03
14 Water Inlet Fitting 9091135-01 9091135-01 9091135-01 9091135-01
15 Lock Nut 9031118-05 9031118-05 9031118-05 9031118-05
Please note: Thumbscrews are shipped with the Water Pump when ordered as a
service replacement part.
R 8/06 Page 9

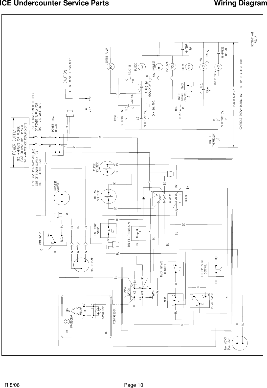
ICE Undercounter Service Parts Wiring Diagram
R 8/06 Page 10