Ice O Matic Iceu200 Users Manual ICEU 150 200 205 206
ICEU205 to the manual f98a597f-95e0-41eb-95b3-07362c586f80
2015-03-11
: Ice-O-Matic Ice-O-Matic-Iceu200-Users-Manual-577682 ice-o-matic-iceu200-users-manual-577682 ice-o-matic pdf
Open the PDF directly: View PDF
.
Page Count: 17

SERVICE PARTS MANUAL
ICE UNDERCOUNTER SERIES CUBERS
MODEL-ICEU150, ICEU200, ICEU205, ICEU206
ICE-O-Matic
11100 East 45th Av
e
Denver, Colorado 80239
Part Number 9081300-01 Rev 4/06
*
ICE Undercounter Service Parts
This parts list contains the service parts available for the ICE Undercounter icemakers.
Check the model number on the data plate and refer to the correct listing for the specific component.
Check carefully that the correct part is identified and ordered.
Table of Contents Page 1
Bin and Exterior Components Page 2 - 3
Evaporator Assembly and Water System Page 4 - 5
Refrigeration System-Air Cooled Page 6 - 7
Refrigeration System-Water Cooled Page 8 - 9
Control Box Assembly Page 10 -11
Water Pump Assembly Page 12
Old Style Harvest Assist Components Page 13
New Style Harvest Assist Components Page 14 - 15
Ice-O-Matic
11100 East 45th Ave.
Denver Co. 80239
866-PUREICE
Thr ICE Series Service Manual is available seperately, Part Number 9081270-01
Page 1

ICE Undercounter Service Parts Bin and Exterior Components
Page 2

ICE Undercounter Service Parts Bin and Exterior Components
Item Description ICEU150 ICEU200 ICEU205 ICEU206
1 Front Grill Panel 9051515-01 9051515-01 9051515-01 9051515-01
2 Grill Panel Screw #8 x 11/2 9031074-02 9031074-02 9031074-02 9031074-02
3 Trim Strip RH 3021410-01 3021410-01 3021410-01 3021410-01
4 Trim Strip LH 3021410-02 3021410-02 3021410-02 3021410-02
5 Side Panel S/S 3021717-01 3021717-01 3021717-01 3021717-01
6 Bin Assembly (Includes Item # 7) 2101275-01S 2101275-01S 2101275-01S 2101275-01S
7 Elbow, 3/4MPT x ½ 9091122-02 9091122-02 9091122-02 9091122-02
8 Plastic Hose Clamp 9021010-03 9021010-03 9021010-03 9021010-03
9 Leg Set (4 ea.) 9021095-01 9021095-01 9021095-01 9021095-01
10 Bin Door, Black 9051310-01 9051310-01 9051310-01 9051310-01
11 Owners Manual 9081264-01 9081264-01 9081264-01 9081264-01
12 Top Panel 3021540-02 3021540-02 3021540-02 3021540-02
13 Top Panel Screw #8-32 x 3/8 9031023-10 9031023-10 9031023-10 9031023-10
14 Top Panel Screw #8-32 x ½ 9031019-07 9031019-07 9031019-07 9031019-07
15 Strain Relief 9121015-04 9121015-04 N/A N/A
16 Power Cord 9101242-01 9101242-01 N/A N/A
17 Panel, Rear Access 3012149-01 3012149-01 3012149-01 3012149-01
18 Screw #10-16 x ½ 9031046-01 9031046-01 9031046-01 9031046-01
19 Screw Hex Head #8-32 x 3/8 9031112-01 9031112-01 9031112-01 9031112-01
20 Lockwasher #8 External 9031042-02 9031042-02 9031042-02 9031042-02
21 Ice Scoop 9051127-02 9051127-02 9051127-02 9051127-02
N/A = Not Applicable
Page 3

ICE Undercounter Service Parts Evaporator and Water System
PLEASE NOTE UNDERCOUNTER UNITS DO NOT ULITIZE A SPLASH CURATIN
Page 4

ICE Undercounter Service Parts Evaporator and Water System
Item Description ICEU150 ICEU200 ICEU205 ICEU206
1Evaporator Full Cube 2051157-81 2051157-81 2051157-81 2051157-81
Evaporator Full Cube (Beg. Ser. G239-03907-Z) 2051231-01
Evaporator Full Cube (Beg. Ser. H2) 2051231-01 2051231-01 2051231-01
1Evaporator Half Cube 2051157-82 2051157-82 2051157-82 2051157-82
Evaporator Half Cube (Beg. Ser. G239-03907-Z) 2051231-02
Evaporator Half Cube (Beg Ser. H2) 2051231-02 2051231-02 2051231-02
2 Evaporator RH Side Panel 9051136-04 9051136-04 9051136-04 9051136-04
3 Evaporator LH Side Panel 9051136-03 9051136-03 9051136-03 9051136-03
4 Evaporator Water Return 9051135-02 9051135-02 9051135-02 9051135-02
5 Evaporator Water Spillway 9051135-01 9051135-01 9051135-01 9051135-01
6 Thumbscrew #8-32 x 3/8 9031122-01 9031122-01 9031122-01 9031122-01
7 Rubber Washer 9031004-19 9031004-19 9031004-19 9031004-19
8 Hose Clamp 9021010-04 9021010-04 9021010-04 9021010-04
9 Water Trough Assembly 2101151-01S 2101151-01S 2101151-01S 2101151-01S
10 Water Distribution Tube Assembly 2041338-01 2041338-01 2041338-01 2041338-01
11 Thumbscrew #10-32 x 5/8 9031122-02 9031122-02 9031122-02 9031122-02
12 Screw #10-16 x 1/2 S/S 9031046-01 9031046-01 9031046-01 9031046-01
13 Hose PVC 5/8 I.D 45.0 Inches 6021015-04 6021015-04 6021015-04 6021015-04
14 Hose Clamp 9021010-05 9021010-05 9021010-05 9021010-05
15 Drain Fitting 9091119-01 9091119-01 9091119-01 9091119-01
16 Water Pump Connector 9101218-01 9101218-01 9101218-01 9101218-01
17 Hose PVC 9/16 I.D. 13.5 Inches 6021015-06 6021015-06 6021015-06 6021015-06
18 Purge Drain Tube 9051280-05 9051280-05 9051280-05 9051280-05
19 Purge Valve 9041086-04 9041086-04 9041086-05 9041086-05
20 #8-18 x 1/2 Sems S.M. Screw 9031081-01 9031081-01 9031081-01 9031081-01
21 8A Tinnerman Speed Nut 9031035-01 9031035-01 9031035-01 9031035-01
22 Drop Adapter Fitting 9091074-01 9091074-01 9091074-01 9091074-01
23 Water Inlet Fitting 9091083-01 9091083-01 9091083-01 9091083-01
Page 5

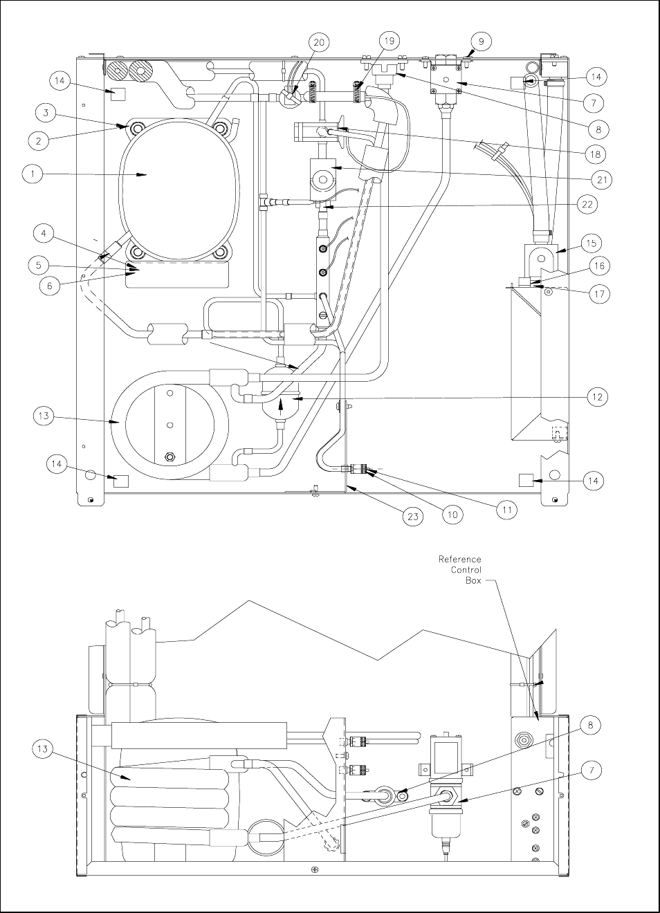
ICE Undercounter Service Parts Refrigeration System-Air Cooled
Page 6

ICE Undercounter Service Parts Refrigeration System Air Cooled
Item Description ICEU150 ICEU200 ICEU205 ICEU206
1 Compressor Kit 9181115-11 9181113-11 9181084-13 9181084-13
2 Grommet 9181002-10 9181002-07 9181061-80 9181061-80
3 Sleeve 9181002-11 9181002-08 9181061-80 9181061-80
4 Start Capacitor 9181003-43 9181003-35 9181003-27 9181003-27
5 Relay 9181004-24 9181004-22 9181004-15 9181004-15
6 Overload 9181005-42 9181005-29 N/A N/A
7 Fan Blade 9131046-01 9131370-01 9131370-01 9131370-01
8 Fan Motor 9161028-01 9161112-01 9161112-02 9161112-02
9 Fan Bracket 3012869-01 3012869-01 3012869-01 3012869-01
10 Valve Cap 9091086-03 9091086-03 9091086-03 9091086-03
11 Valve Core 9091086-02 9091086-02 9091086-02 9091086-02
12 Filter Drier 9151004-02 9151004-02 9151004-02 9151004-02
13 Air Condenser 9141081-01 9141081-01 9141081-01 9141081-01
14 1/2-13 Self Anchoring Nut Retainer 9031012-02 9031012-02 9031012-02 9031012-02
15 Purge Valve 9041086-04 9041086-04 9041086-05 9041086-05
16 #8-18 x 1/2 SEMS S.M. Screw 9031081-01 9031081-01 9031081-01 9031081-01
17 8A Tinnerman Nut 9031035-01 9031035-01 9031035-01 9031035-01
18 Expansion Valve 9151006-16 9151006-16 9151006-10 9151006-10
18 Expansion Valve (Beg. Ser. J1) 9151134-03 9151134-06
18 Expansion Valve Kit (Includes Drier) 9151006-116 9151006-116 9151006-110 9151006-110
18 Expansion Valve Kit (Includes Drier)(Beg. Ser. J1) 9151134-103 9151134-106
19 Expansion Valve Thermal Bulb Clamp 9021033-04 9021033-04 9021033-04 9021033-04
20 High Temperature Safety Control 9041087-03 9041087-03 9041087-03 9041087-03
21 Hot Gas Valve Coil 9151123-03 9151123-03 9151123-04 9151123-04
22 Hot Gas Valve Body 9151123-01 9151123-05 9151123-01 9151123-01
22 Hot Gas Valve Body Kit (Includes Drier) 9151123-101 9151123-105 9151123-101 9151123-101
23 Bracket, Front Condenser 3012901-01 3012901-01 3012901-01 3012901-01
24 Bracket, Rear Condenser 3012849-01 3012849-01 3012849-01 3012849-01
25 Fan Shroud 2021519-01 2021519-01 2021519-01 2021519-01
Compressor Components
Description ICEU150 ICEU200 ICEU205 ICEU206
Compressor Kit 9181115-11 9181113-11 9181084-13 9181084-13
Overload 9181005-42 9181005-29 N/A N/A
Start Capacitor 9181003-43 9181003-35 9181003-27 9181003-27
Compressor Relay 9181004-24 9181004-22 9181004-15 9181004-15
Page 7

ICE Undercounter Service Parts Refrigeration System-Water Cooled
Page 8

ICE Undercounter Service Parts Refrigeration System-Water Cooled
Item Description ICEU150 ICEU200 ICEU205 ICEU206
1 Compressor Kit 9181115-11 9181113-11 9181084-13 9181084-13
2 Grommet 9181002-10 9181002-07 9181061-80 9181061-80
3 Sleeve 9181002-11 9181002-08 9181061-80 9181061-80
4 Start Capacitor 9181003-36 9181003-35 9181003-27 9181003-27
5 Relay 9181004-24 9181004-22 9181004-15 9181004-15
6 Overload 9181005-33 9181005-29 N/A N/A
7 Water Valve 9041059-01 9041059-01 9041059-01 9041059-01
7 Water Valve Kit (includes Drier) 9041059-101 9041059-101 9041059-101 9041059-101
8 Drain Fitting (Water Condenser) 3051201-01 3051201-01 3051201-01 3051201-01
9 Screw #8-32 x 1/2 SS 9031008-07 9031008-07 9031008-07 9031008-07
10 Valve Cap 9091086-03 9091086-03 9091086-03 9091086-03
11 Valve Core 9091086-02 9091086-02 9091086-02 9091086-02
12 Filter Drier 9151004-02 9151004-02 9151004-02 9151004-02
13 Water Condenser 9141022-01 9141022-01 9141022-01 9141022-01
14 1/2-13 Self Anchoring Nut Retainer 9031012-02 9031012-02 9031012-02 9031012-02
15 Purge Valve 9041086-04 9041086-04 9041086-05 9041086-05
16 #8-18 x 1/2 SEMS S.M. Screw 9031081-01 9031081-01 9031081-01 9031081-01
17 8A Tinnerman Nut 9031035-01 9031035-01 9031035-01 9031035-01
18 Expansion Valve 9151006-16 9151006-16 9151006-10 9151006-10
18 Expansion Valve (Beg. Ser. J1) 9151134-03 9151134-06
18 Expansion Valve Kit (Includes Drier) 9151006-116 9151006-116 9151006-110 9151006-110
18 Expansion Valve Kit (Includes Drier)(Beg. Ser. J1) 9151134-103 9151134-106
19 Expansion Valve Thermal Bulb Clamp 9021033-04 9021033-04 9021033-04 9021033-04
20 High Temperature Safety Control 9041087-03 9041087-03 9041087-03 9041087-03
21 Hot Gas Valve Coil 9151123-03 9151123-03 9151123-04 9151123-04
22 Hot Gas Valve Body 9151123-01 9151123-05 9151123-01 9151123-01
22 Hot Gas Valve Body Kit (Includes Drier) 9151123-101 9151123-105 9151123-101 9151123-101
23 Bracket, Service Valve 3012848-01 3012848-01 3012848-01 3012848-01
Compressor Components
Description ICEU150 ICEU200 ICEU205 ICEU206
Compressor Kit 9181115-11 9181113-11 9181084-13 9181084-13
Overload 9181005-33 9181005-29 N/A N/A
Start Capacitor 9181003-26 9181003-03 9181003-27 9181003-27
Compressor Relay 9181004-24 9181004-22 9181004-15 9181004-15
Page 9

ICE Undercounter Service Parts Control Box Assembly
Page 10

ICE Undercounter Service Parts Control Box Assembly
Item Description ICEU150 ICEU200 ICEU205 ICEU206
1 Water Pump Connector 9101218-01 9101218-01 9101218-01 9101218-01
2 Terminal Block 9101037-01 9101037-01 9101037-01 9101037-01
3 Switch-Purge 9101139-03 9101139-03 9101139-03 9101139-03
4 Ice/Off/Wash Switch 9101195-01 9101195-01 9101195-01 9101195-01
5 Thermostat-Bin Control 9041004-02 9041004-02 9041004-02 9041004-02
6 Screw 8-32 x 3/8 9031008-02 9031008-02 9031008-02 9031008-02
7 Low Pressure Control (Timer Initiate) 9041094-01 9041094-01 9041094-01 9041094-01
7 Low Pressure Control (Includes Drier) 9041094-101 9041094-101 9041094-101 9041094-101
8 Screw 6-32 x 3/8 9031008-22 9031008-22 9031008-22 9031008-22
9 High Pressure Control 9041095-01 9041095-01 9041095-02 9041095-02
9 High Pressure Control (Includes Drier) 9041095-101 9041095-101 9041095-102 9041095-102
10 Screw 6-32 x 3/8 9031008-22 9031008-22 9031008-22 9031008-22
11 Timing Module 9101148-01 9101148-01 9101148-01 9101148-01
12 Screw #8 x 1 S.M. 9031046-06 9031046-06 9031046-06 9031046-06
13 Relay 9101084-01 9101084-01 9101084-02 9101084-02
14 Socket-Relay 9101083-01 9101083-01 9101083-01 9101083-01
15 Screw #6 x 1/2 S.M. 9031046-05 9031046-05 9031046-05 9031046-05
16 Purge Valve 9041086-04 9041086-04 9041086-05 9041086-05
16A Purge Valve Coil Only 9041086-91 9041086-91 9041086-92 9041086-92
17 8A Tinnerman Speed Nut 9031035-01 9031035-01 9031035-01 9031035-01
18 #8-18 x 1/2 Sems S.M. Screw 9031081-01 9031081-01 9031081-01 9031081-01
19 Hold Down Spring - Relay 9101083-02 9101083-02 9101083-02 9101083-02
20 Tube Conduit, Plastic 3051192-01 3051192-01 3051192-01 3051192-01
Page 11

ICE Undercounter Service Parts Water Pump Assembly
Item Description ICEU150 ICEU200 ICEU205 ICEU206
1 Water Pump 115 V 9161076-01 9161076-01
1 Water Pump 230 V 9161076-02 9161076-02
Thumbscrew for Water Pump (2 Req) 9161076-101 9161076-101 9161076-101 9161076-101
2 Pump Bracket 3012847-01 3012847-01 3012847-01 3012847-01
3 Plastic Nut 9031141-01 9031141-01 9031141-01 9031141-01
4 Float 9131111-01 9131111-01 9131111-01 9131111-01
5 Cap Plug 9131026-02 9131026-02 9131026-02 9131026-02
6 Plastic Barbed Tee 5/8 9091024-01 9091024-01 9091024-01 9091024-01
7 Plastic Clamp 9021010-04 9021010-04 9021010-04 9021010-04
8 Hose PVC 9/16 (Formed) 9051280-05 9051280-05 9051280-05 9051280-05
9 Hose PVC 5/8 - 1.25 Inch Required 6021015-04 6021015-04 6021015-04 6021015-04
10 Tube-Polyethylene - 11 Inches Required 6021032-01 6021032-01 6021032-01 6021032-01
11 Barrel Fitting 9091080-01 9091080-01 9091080-01 9091080-01
12 Sleeve 9091081-01 9091081-01 9091081-01 9091081-01
13 Plastic Clamp 9021010-03 9021010-03 9021010-03 9021010-03
Please note: Thumbscrews are shipped with the Water Pumps when ordered as a
service replacement part.
Page 12

ICE Undercounter Service Parts Old Style Harvest Assist Assembly
Item Description ICEU150 ICEU200 ICEU205 ICEU206
1 Probe Motor Bracket 3012890-01 3012890-01 3012890-01 3012890-01
2 Gear Motor 115 V 9161030-01 9161030-01
2 Gear Motor 230 V 9161031-01 9161031-01
3 Clutch Assembly 9131190-01 9131190-01 9131190-01 9131190-01
4 Connecting Rod 9051057-01 9051057-01 9051057-01 9051057-01
5 Probe Shaft 9131189-01 9131189-01 9131189-01 9131189-01
6 Limit Switch 9101160-01 9101160-01 9101160-01 9101160-01
7 Swivel for 9131189-01 Shaft 9021017-02 9021017-02 9021017-02 9021017-02
8 Switch Insulator 3051145-01 3051145-01 3051145-01 3051145-01
9 Shoulder Screw 9031119-01 9031119-01 9031119-01 9031119-01
10 Screw #6-32 x 1/2 Fillister Head 9031019-08 9031019-08 9031019-08 9031019-08
11 Pan Head Machine Screw #4-40 x 3/4 S/S 9031008-16 9031008-16 9031008-16 9031008-16
12 Snap Bushing 9051001-13 9051001-13 9051001-13 9051001-13
13 Speed Nut Plate 9031120-01 9031120-01 9031120-01 9031120-01
14 Hex Nut #10-32 9031005-03 9031005-03 9031005-03 9031005-03
15 Washer #10 9031003-03 9031003-03 9031003-03 9031003-03
Harvest Asssist Assembly (Complete) 2061962-01S 2061962-01S 2061962-02S 2061962-02S
OLD STYLE HARVEST
ASSIST ASSEMBLY W/
PROBE SHAFT, SWIVEL
AND LOCKING NUT
Page 13

ICE Series Service Parts New Style Harvest Assist Assembly
NEW STYLE HARVEST
ASSIST ASSEMBLY W/
SINGLE LENGTH PROBE
SHAFT
Page 14

ICE Series Service Parts New Style Harvest Assist Assembly
Item Description ICEU150 ICEU200 ICEU205 ICEU206
1 Bracket, Probe Motor 3013170-01 3013170-01 3013170-01 3013170-01
2 Gear Motor 9161030-01 9161030-01 9161031-01 9161031-01
3 Clutch Assembly 9131190-01 9131190-01 9131190-01 9131190-01
4 Snap Bushing 9051001-13 9051001-13 9051001-13 9051001-13
5 Snap Bushing 9051001-03 9051001-03 9051001-03 9051001-03
6 #6-32 x 1/2 Screw 9031019-08 9031019-08 9031019-08 9031019-08
7 Connecting Rod 9051057-01 9051057-01 9051057-01 9051057-01
8 Probe, Single Length 9021102-01 9021102-01 9021102-01 9021102-01
9 Flat Washer 9031003-03 9031003-03 9031003-03 9031003-03
10 Shoulder Screw 9031119-01 9031119-01 9031119-01 9031119-01
11 Spacer, Cam Switch 9051519-01 9051519-01 9051519-01 9051519-01
12 Cam Switch 9101160-01 9101160-01 9101160-01 9101160-01
13 Insulator 3051145-02 3051145-02 3051145-02 3051145-02
14 Pan Head Screw 9031008-44 9031008-44 9031008-44 9031008-44
15 Speed Nut Plate 9031120-01 9031120-01 9031120-01 9031120-01
Complete Assembly 2061962-01S 2061962-01S 2061962-01S 2061962-01S
Page 15