Icom Ic R100 Users Manual
PDF ICOM_R100 Wideband Reciever_Manual T E X T F I L E S
ICOM_R100 Wideband Reciever_Manual ICOM_R100 Wideband Reciever_Manual
2015-02-05
: Icom Icom-Ic-R100-Users-Manual-357541 icom-ic-r100-users-manual-357541 icom pdf
Open the PDF directly: View PDF
.
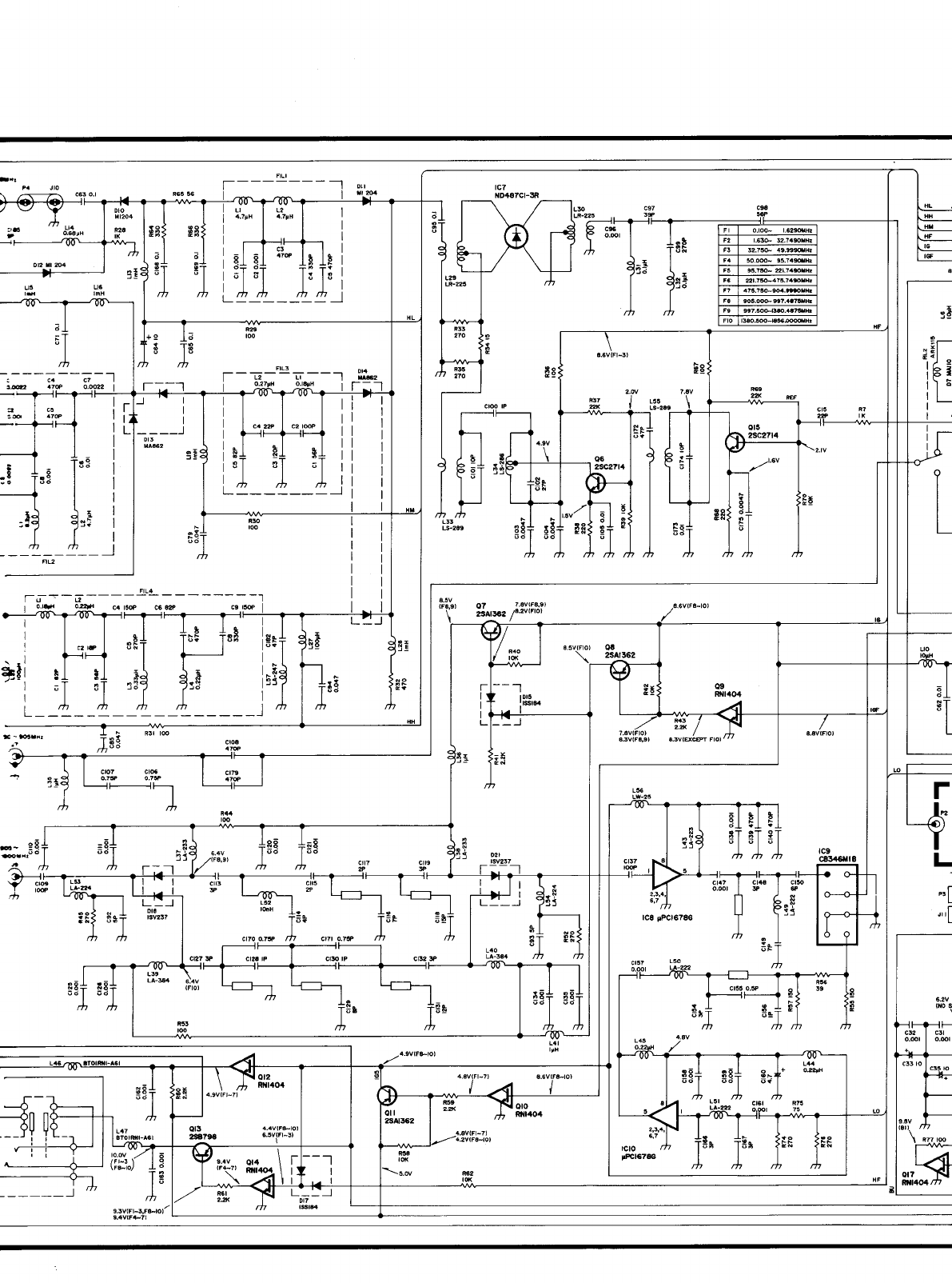
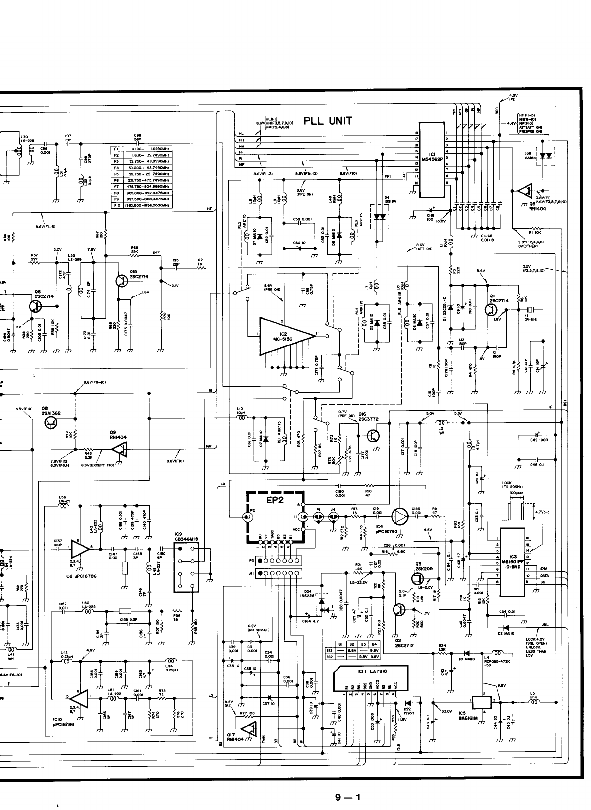
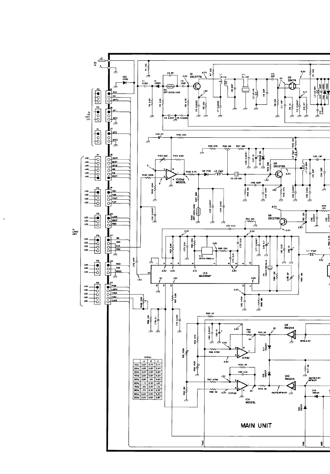
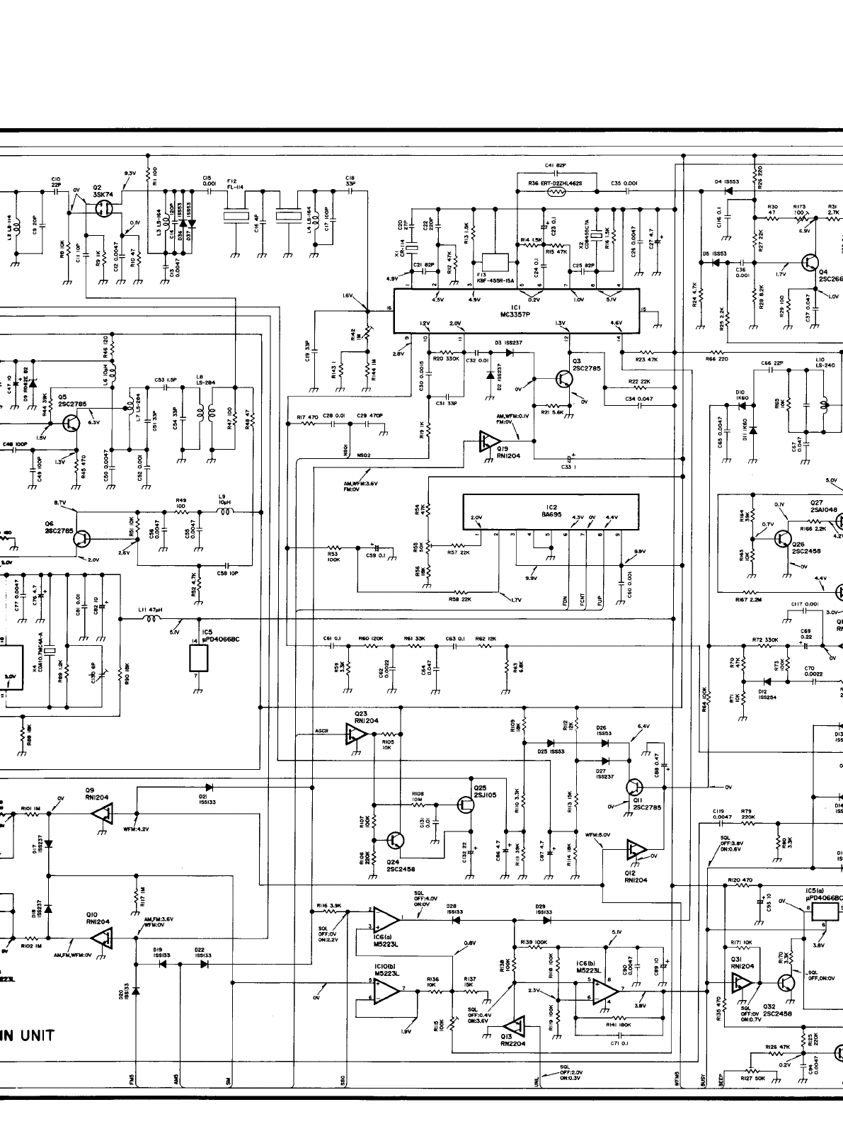
Page Count: 53




















































