Impex Fitness Apex Tc 2210 Users Manual PARTS LIST
Impex-Fitness-Tc-2210-Owners-Manual-746660 impex-fitness-tc-2210-owners-manual-746660
Impex-Fitness-Tc-2210-Owner-S-Manual impex-fitness-tc-2210-owner-s-manual
TC-2210 to the manual edfcc90c-b195-408e-b204-cc15ea57a617
2015-01-24
: Impex-Fitness Impex-Fitness-Apex-Tc-2210-Users-Manual-341600 impex-fitness-apex-tc-2210-users-manual-341600 impex-fitness pdf
Open the PDF directly: View PDF
.
Page Count: 12
- BEFORE YOU BEGIN...................................................................................... 1
- IMPORTANT SAFETY NOTICES..................................................................... 2
- HARDWARE IDENTIFIER.....…....................................................................... 4
- ASSEMBLY INSTRUCTIONS........................................................................... 5
- EXPLODED DIAGRAM……………………………………………………………… 9
- PARTS LIST...................................................................................................... 10
- WARRANTY.................................................................................................…. 11
- ORDERING PARTS.......................................................................................… 11
- WARNING LABEL REPLACEMENT
- HARDWARE PACK
- 4
- ASSEMBLY INSTRUCTION
- Attach a Diagonal Support (#4) to the Lower Upright Beam (#5) and the Right Base Frame (#2). Secure it to the Lower Upright Beam with two M10 x 3” Carriage Bolts (#20), Ø 1 ¼” Bent Washers (#22), and M10 Aircraft Nuts (#18). Secure it to the Right Base F
- Attach a Dip Support (#9) to the Lower Upright Beam. Align the holes and secure them with two M10 x 3 1/8” Carriage Bolts (#21), one Curve Bracket (#11), and two M10 Aircraft Nuts (#18). Repeat the same stop to install the other side.
- Attach two Upper Upright Beams (#6) onto the Lower Upright Beams (#5).
- Connect the two Upright Beams with a Cross Brace (#7) in the middle. Secure each side with two M10 x 3” Carriage Bolts (#20), ( 1 ¼” Bent Washers (#22) and M10 Aircraft Nuts (#18). Do NOT tighten all the Nuts and Bolts yet.
- Attach a Vertical Handle (#8) to the Dip Support. Secure it with one M10 x 1” Allen Bolt (#31) and Ø ¾” Bent Washer (#24). Repeat to install the other side.
- STEP 3 (See Diagram 3)
- Attach the Chin-up Bar (#10) to the top opening on the two Upper Upright Beams. Secure the Chin-up Bar to each opening with one M8 x 1 5/8” Allen Bolt (#27) and Ø ½” Bent Washer (#34). Cover each opening with an Upright Beam End Cap (#30).
- Attach the two Arm Pads (#15) onto the Dip Supports. Secure each Arm Pad with two M8 x 2 ½” Allen Bolts (#16) and Ø 5/8” Bent Washers (#26).
- Attach the Backrest Board (#14) to the Cross Brace (#7). Secure it with two M8 x ¾” Allen Bolts (#29) and Ø 5/8” Washers (#28).
- Securely tighten all Nuts and Bolts previously installed.
- EXPLODED DIAGRAM
- Parts list
- KEY NO. DESCRIPTION Q’ty

NOTE:
Please read all instructions
carefully before using this
product
Safety Notice
Hardware Identifier
Assembly Instruction
Parts List
Warranty
Ordering Parts
Model
TC-2210
Retain This
Manual for
Reference
4-14-08
OWNER'S
MANUAL
APEX
POWER TOWER
TC-2210
IMPEX INC.
14777 DON JULIAN RD., CITY OF INDUSTRY, CA 91746
Tel: (800) 999-8899 Fax: (626) 961-9966
www.impex-fitness.com
info@impex-fitness.com

TABLE OF CONTENTS
BEFORE YOU BEGIN...................................................................................... 1
IMPORTANT SAFETY NOTICES..................................................................... 2
HARDWARE IDENTIFIER.....…....................................................................... 4
ASSEMBLY INSTRUCTIONS........................................................................... 5
EXPLODED DIAGRAM……………………………………………………………… 9
PARTS LIST...................................................................................................... 10
WARRANTY.................................................................................................…. 11
ORDERING PARTS.......................................................................................… 11
BEFORE YOU BEGIN
Thank you for selecting the APEX POWER TOWER TC-2210 by IMPEX
INC. For your safety and benefit, read this manual carefully before using
the machine. As a manufacturer, we are committed to provide you
complete customer satisfaction. If you have any questions, or find there
are missing or damaged parts, we guarantee you complete satisfaction
through direct assistance from our factory. To avoid unnecessary delays,
please call our TOLL-FREE customer service number. Our Customer
Service Agents will provide immediate assistance to you.
1
Toll-Free Customer Service Number
1-800-999-8899
Mon. - Fri. 9 a.m. - 5 p.m. PST
www.impex-fitness.com
info@impex-fitness.com

IMPORTANT SAFETY NOTICE
PRECAUTIONS
This exercise machine is built for optimum safety. However, certain precautions apply
whenever you operate a piece of exercise equipment. Be sure to read the entire manual
before you assemble or operate your machine. In particular, note the following safety
precautions:
1. Keep children and pets away from the machine at all times. DO NOT
leave children unattended in the same room with the machine.
2. Only one person at a time should use the machine.
3. If the user experiences dizziness, nausea, chest pain, or any other abnormal
symptoms, STOP the workout at once. CONSULT A PHYSICIAN IMMEDIATELY.
4. Position the machine on a clear, leveled surface. DO NOT use the machine
near water or outdoors.
5. Keep hands away from all moving parts.
6. Always wear appropriate workout clothing when exercising. DO NOT wear
robes or other clothing that could become caught in the machine. Running
or aerobic shoes are also required when using the machine.
7. Use the machine only for its intended use as described in this manual. DO
NOT use attachments not recommended by the manufacturer.
8. Do not place any sharp object around the machine.
9. Disabled person should not use the machine without a qualified person or
physician in attendance.
10. Before using the machine to exercise, always do stretching exercises to
properly warm up.
11. Never operate the machine if the machine is not functioning properly.
CARE AND MAINTENANCE
1. Inspect and tighten all parts before using the machine.
2. The machine can be cleaned using a damp cloth and mild non-abrasive detergent.
DO NOT use solvents.
3. Maximum User’s Weight: 300 lbs.
WARNING: BEFORE BEGINNING ANY EXERCISE PROGRAM, CONSULT YOUR
PHYSICIAN. THIS IS ESPECIALLY IMPORTANT FOR INDIVIDUALS OVER THE
AGE OF 35 OR PERSONS WITH PRE-EXISTING HEALTH PROBLEMS. READ ALL
INSTRUCTIONS BEFORE USING ANY FITNESS EQUIPMENT. IMPEX INC.
ASSUMES NO RESPONSIBILITY FOR PERSONAL INJURY OR PROPERTY
DAMAGE SUSTAINED BY OR THROUGH THE USE OF THIS PRODUCT.
SAVE THESE INSTRUCTIONS.
2

WARNING LABEL REPLACEMENT
The Warning Label shown here has been placed on the Base Frame. If the label is missing or illegible,
please call customer service at 1-800-999-8899 for replacement. Apply the label in location shown.
3

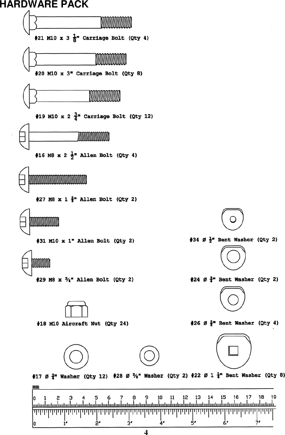
HARDWARE PACK
4

ASSEMBLY INSTRUCTION
Tools Required Assembling the Machine: Two Adjustable Wrenches and Allen Wrenches
NOTE: It is strongly recommended two or more people assembling this machine to avoid
possible injury.
STEP 1 (See Diagram 1)
A.) Connect the Left and Right Base Frame (#1 & #2) with the Stabilizer (#3) in the mid-span.
Secure each end with two M10 x 2 ¾” Carriage Bolts (#19), ∅ ¾” Washers (#17), and M10
Aircraft Nuts (#18). Do NOT tighten the Nuts and Bolts yet.
B.) Attach a Lower Upright Beam (#5) onto the Right Stabilizer (#2). Secure it with two M10 x 2 ¾”
Carriage Bolts (#19), one 5 ½” Bracket (#12), two ∅ ¾” Washers (#17), and two M10 Aircraft
Nuts (#18). Repeat the same procedure to install the other side. NOTE: Do NOT tighten all
the nuts and bolts yet. DIAGRAM 1
5
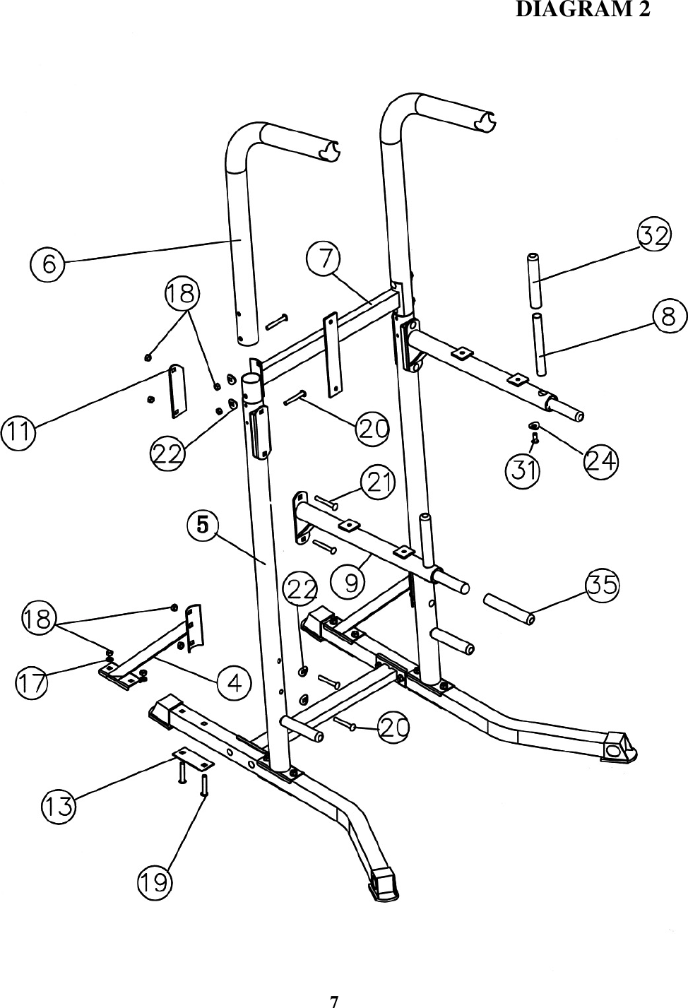
STEP 2 (See Diagram 2)
A.) Attach a Diagonal Support (#4) to the Lower Upright Beam (#5) and the Right Base
Frame (#2). Secure it to the Lower Upright Beam with two M10 x 3” Carriage Bolts
(#20), Ø 1 ¼” Bent Washers (#22), and M10 Aircraft Nuts (#18). Secure it to the
Right Base Frame with two M10 x 2 ¾” Carriage Bolts (#19), one 4 ¾” Bracket
(#13), two Ø ¾” Washers (#17), and two M10 Aircraft Nuts (#18).
B.) Attach a Dip Support (#9) to the Lower Upright Beam. Align the holes and secure
them with two M10 x 3 1/8” Carriage Bolts (#21), one Curve Bracket (#11), and two
M10 Aircraft Nuts (#18). Repeat the same stop to install the other side.
C.) Attach two Upper Upright Beams (#6) onto the Lower Upright Beams (#5).
D.) Connect the two Upright Beams with a Cross Brace (#7) in the middle. Secure each
side with two M10 x 3” Carriage Bolts (#20), ∅ 1 ¼” Bent Washers (#22) and M10
Aircraft Nuts (#18). Do NOT tighten all the Nuts and Bolts yet.
E.) Attach a Vertical Handle (#8) to the Dip Support. Secure it with one M10 x 1” Allen
Bolt (#31) and Ø ¾” Bent Washer (#24). Repeat to install the other side.
6

DIAGRAM 2
7

STEP 3 (See Diagram 3)
A.) Attach the Chin-up Bar (#10) to the top opening on the two Upper Upright Beams.
Secure the Chin-up Bar to each opening with one M8 x 1 5/8” Allen Bolt (#27) and Ø ½”
Bent Washer (#34). Cover each opening with an Upright Beam End Cap (#30).
B.) Attach the two Arm Pads (#15) onto the Dip Supports. Secure each Arm Pad with two
M8 x 2 ½” Allen Bolts (#16) and Ø 5/8” Bent Washers (#26).
C.) Attach the Backrest Board (#14) to the Cross Brace (#7). Secure it with two M8 x ¾”
Allen Bolts (#29) and Ø 5/8” Washers (#28).
D.) Securely tighten all Nuts and Bolts previously installed.
8

EXPLODED DIAGRAM
9
Parts list
KEY NO. DESCRIPTION Q’ty
1 Left Base Frame 1
2 Right Base Frame 1
3 Stabilizer 1
4 Diagonal Support 2
5 Lower Upright Beam 2
6 Upper Upright Beam 2
7 Cross Brace 1
8 Vertical Handle 2
9 Dip Support 2
10 Chin-up Bar 1
11 Curve Bracket 2
12 5 ½” Bracket 2
13 4 ¾” Bracket 2
14 Backrest Board 1
15 Arm Pad 2
16 M8 x 2 ½” Allen Bolt 4
17 Ø ¾” Washer 12
18 M10 Aircraft Nut 24
19 M10 x 2 ¾” Carriage Bolt 12
20 M10 x 3” Carriage Bolt 8
21 M10 x 3 1/8” Carriage Bolt 4
22 Ø 1 ¼” Bent Washer 8
23 2” Base Frame End Cap 4
24 Ø ¾” Bent Washer 2
25 Ø 2” Sleeve 2
26 Ø 5/8” Bent Washer 4
27 M8 x 1 5/8” Allen Bolt 2
28 Ø 5/8” Washer 2
29 M8 x ¾” Allen Bolt 2
30 Upright Beam End Cap 2
31 M10 x 1” Allen Bolt 2
32 6 ¾” Grip 4
33 6” Grip 2
34 Ø ½” Bent Washer 2
35 5” Grip 2
10

IMPEX INC.
LIMITED WARRANTY
IMPEX Inc. ("IMPEX") warrants this product to be free from defects in workmanship and material, under
normal use and service conditions, for a period of two years on the Frame from the date of purchase. This
warranty extends only to the original purchaser. IMPEX's obligation under this Warranty is limited to
replacing or repairing, at IMPEX's option.
All returns must be pre-authorized by IMPEX. Pre-authorization may be obtained by calling IMPEX Customer
Service Department at 1-800-999-8899. All freights on products returned to IMPEX must be prepaid by the
customer. This warranty does not extend to any product or damage to a product caused by or attributable to
freight damage, abuse, misuse, improper or abnormal usage or repairs not provided by an IMPEX authorized
service center or for products used for commercial or rental purposes. No other warranty beyond that
specifically set forth above is authorized by IMPEX.
IMPEX is not responsible or liable for indirect, special or consequential damages arising out of or in
connection with the use or performance of the product or other damages with respect to any economic loss,
loss of property, loss of revenues or profits, loss of enjoyments or use, costs of removal, installation or other
consequential damages or whatsoever natures. Some states do not allow the exclusion or limitation of
incidental or consequential damages. Accordingly, the above limitation may not apply to you.
The warranty extended hereunder is in lieu of any and all other warranties and any implied warranties of
merchantability or fitness for a particular purpose is limited in its scope and duration to the terms set forth
herein. Some states do not allow limitations on how long an implied warranty lasts. Accordingly, the above
limitation may not apply to you.
This warranty gives you specific legal right. You may also have other rights which vary from state to state.
Register on-line www.impex-fitness.com
IMPEX INC.
14777 Don Julian
City of Industry, CA 91746
ORDERING REPLACEMENT PARTS
Replacement parts can be ordered by calling our Customer Service Department toll-free at 1-800-999-8899
during our regular business hours: Monday through Friday, 9 am until 5 pm Pacific standard time.
info@impex-fitness.com
When ordering replacement parts, always give the following information.
1. Model
2. Description of Parts
3. Part Number
4. Date of Purchase
11