Impex Fitness Wm 1501 Users Manual PARTS LIST
WM-1501 to the manual 687d0b9c-e1f3-4237-8455-9911d0d802f6
2015-01-24
: Impex-Fitness Impex-Fitness-Wm-1501-Users-Manual-341504 impex-fitness-wm-1501-users-manual-341504 impex-fitness pdf
Open the PDF directly: View PDF
.
Page Count: 20
- BEFORE YOU BEGIN....................................................................................……….. 1
- IMPORTANT SAFETY NOTICES...................................................................……….. 2
- HARDWARE PACK……….....….....................................................................……….. 3
- ASSEMBLY INSTRUCTIONS.........................................................................……….. 6
- PARTS LIST………………………………………………………………………………….. 17
- RESISTANCE CHART………….......................................................................………. 18
- WARRANTY.................................................................................................…………. 19
- ORDERING PARTS.......................................................................................………… 19
- HARDWARE PACK
- HARDWARE PACK
- PARTS LIST
- KEY NO. DESCRIPTION Q’ty

NOTE:
Please read all instructions
carefully before using this
product
Table of Contents
Safety Notice
Hardware Identifier
Assembly Instruction
Parts List
Resistance Chart
Warranty
Ordering Parts
Model
WM-1501
Retain This
Manual for
Reference
06-02-03
OWNER'S
MANUAL
POWERHOUSE HOME GYM
WM-1501
IMPEX FITNESS PRODUCTS
14777 DON JULIAN RD., CITY OF INDUSTRY, CA 91746
Tel: (800) 999-8899 Fax: (626) 961-9966
www.impex-fitness.com
info@impex-fitness.com

TABLE OF CONTENTS
BEFORE YOU BEGIN....................................................................................……….. 1
IMPORTANT SAFETY NOTICES...................................................................……….. 2
HARDWARE PACK……….....….....................................................................……….. 3
ASSEMBLY INSTRUCTIONS.........................................................................……….. 6
PARTS LIST………………………………………………………………………………….. 17
RESISTANCE CHART………….......................................................................………. 18
WARRANTY.................................................................................................…………. 19
ORDERING PARTS.......................................................................................………… 19
BEFORE YOU BEGIN
Thank you for selecting the POWERHOUSE WM-1501 HOME GYM by
IMPEX FITNESS PRODUCTS. For your safety and benefit, read this
manual carefully before using the machine. As a manufacturer, we are
committed to provide you complete customer satisfaction. If you have any
questions, or find there are missing or damaged parts, we guarantee you
complete satisfaction through direct assistance from our factory. To avoid
unnecessary delays, please call our TOOL-FREE customer service
number. Our Customer Service Agents will provide immediate assistance
to you.
Toll-Free Customer Service Number
1-800-999-8899
Mon. – Fri. 9 a.m. – 5 p.m. PST
www.impex-fitness.com
info@impex-fitness.com
1

IMPORTANT SAFETY NOTICE
PRECAUTIONS
This exercise machine is built for optimum safety. However, certain precautions apply
whenever you operate a piece of exercise equipment. Be sure to read the entire manual
before you assemble or operate your machine. In particular, note the following safety
precautions:
1. Keep children and pets away from the machine at all times. DO NOT
leave children unattended in the same room with the machine.
2. Only one person at a time should use the machine.
3. If the user experiences dizziness, nausea, chest pain, or any other abnormal
symptoms, STOP the workout at once. CONSULT A PHYSICIAN
IMMEDIATELY.
4. Position the machine on a clear, leveled surface. DO NOT use the machine
near water or outdoors.
5. Keep hands away from all moving parts.
6. Always wear appropriate workout clothing when exercising. DO NOT wear
robes or other clothing that could become caught in the machine. Running
or aerobic shoes are also required when using the machine.
7. Use the machine only for its intended use as described in this manual. DO
NOT use attachments not recommended by the manufacturer.
8. Do not place any sharp object around the machine.
9. Disabled person should not use the machine without a qualified person or
physician in attendance.
10. Before using the machine to exercise, always do stretching exercises to
properly warm up.
11. Never operate the machine if the machine is not functioning properly.
12. A spotter is recommended during exercise.
WARNING: BEFORE BEGINNING ANY EXERCISE PROGRAM, CONSULT YOUR
PHYSICIAN. THIS IS ESPECIALLY IMPORTANT FOR INDIVIDUALS OVER THE
AGE OF 35 OR PERSONS WITH PRE-EXISTING HEALTH PROBLEMS. READ
ALL INSTRUCTIONS BEFORE USING ANY FITNESS EQUIPMENT. IMPEX INC.
ASSUMES NO RESPONSIBILITY FOR PERSONAL INJURY OR PROPERTY
DAMAGE SUSTAINED BY OR THROUGH THE USE OF THIS PRODUCT.
SAVE THESE INSTRUCTIONS.
2

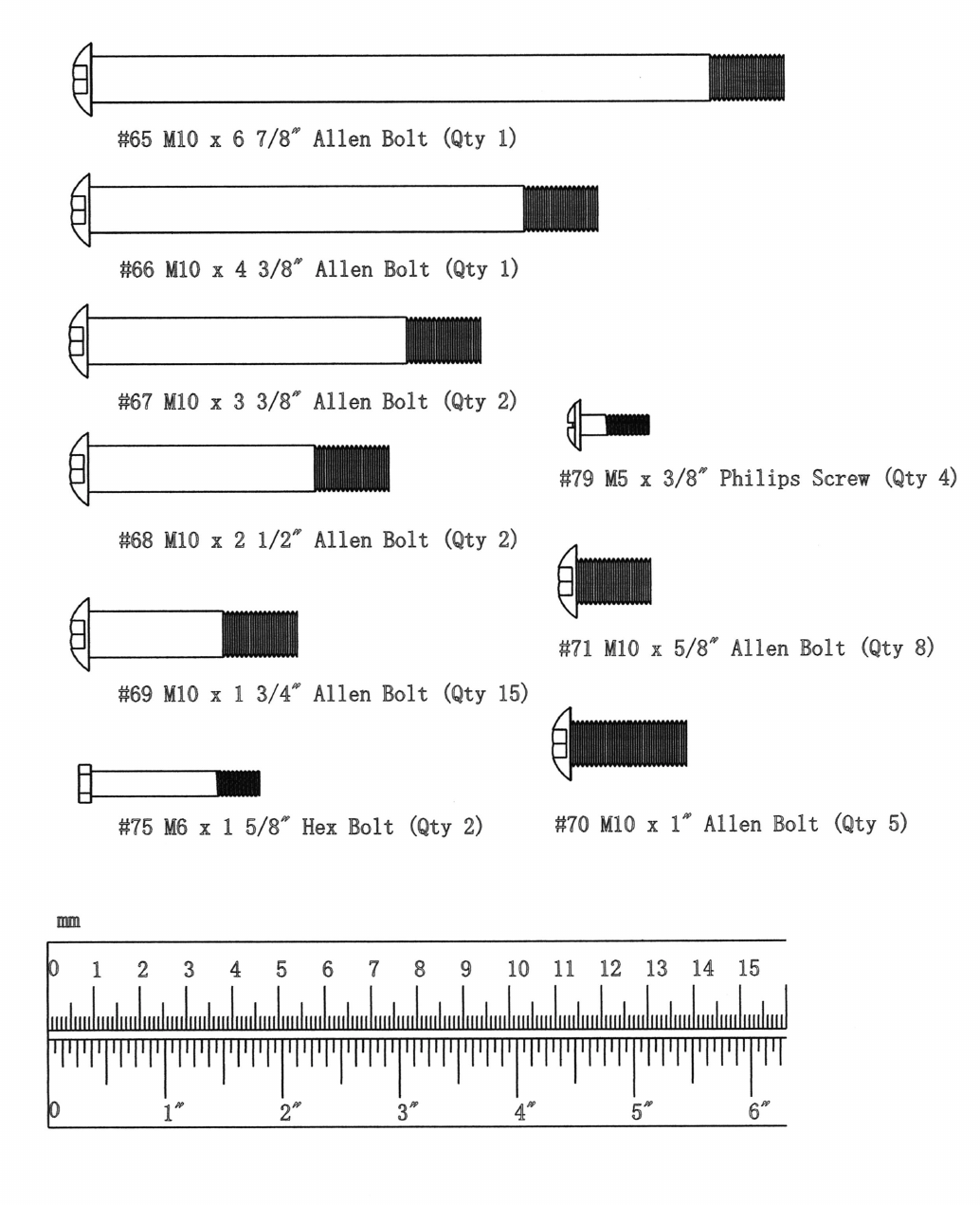
HARDWARE PACK
3

HARDWARE PACK
4

HARDWARE PACK
5

ASSEMBLY INSTRUCTION
Tools Required Assembling the Machine: Two Adjustable Wrenches, two Allen Wrenches,
and one Philips Screwdriver. NOTE: It is strongly recommended this machine to be
assembled by two or more people to avoid possible injury.
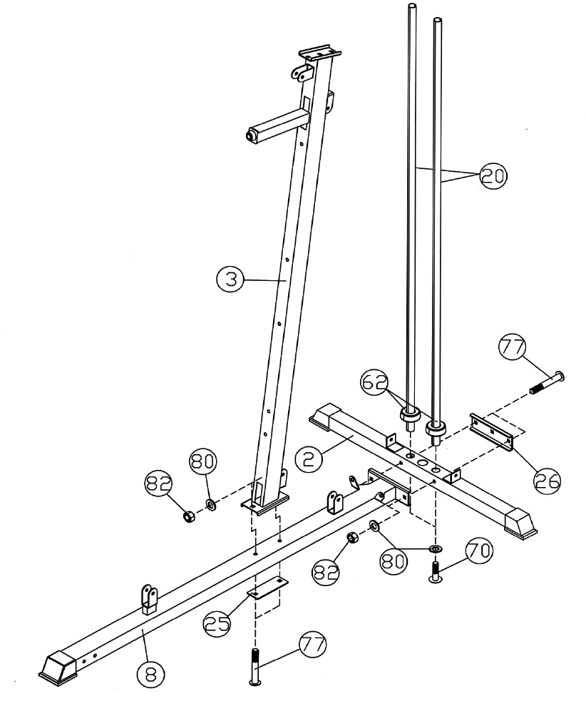
STEP 1 (See Diagram 1)
A.) Attach the Front Vertical Frame (#3) to the Main Base Frame (#8). Secure it with two M10 x 2
¾” Carriage Bolts (#77), one 5 ½” x 2” Bracket (#25), two Ø ¾” Washers (#80), and two M10
Aircraft Nuts (#82). DO NOT tighten all the nuts and bolts yet.
B.) Push two Ø 2 ½” Guide Rod Rubber Bumpers (#62) onto the Guide Rods (#20) from the
bottom. Insert the Guide Rods into the holes on the Rear Base Frame (#2). Secure it with two
M10 x 1” Allen Bolts (#70) and Ø ¾” Washers (#80) from the bottom of the Rear Base Frame.
C.) Connect the Main Base Frame (#8) to the Rear Base Frame (#2). Secure it with two M10 x 2
¾” Carriage Bolts (#77), one Rear Base Frame Bracket (#26), two Ø ¾” Washers (#80), and
two M10 Aircraft Nuts (#82).
6

STEP 2 (See Diagram 2)
A.) Slide the 9 Weight Plates (#29) onto the Guide Rods (#20). Align the holes of the Weight
Plates. Insert the Selector Rod (#13) through the center hole. Use a L-shaped Pin (#30) to
select the number of plates.
B.) Slide the Selector Stem (#28) onto the Guide Rods.
C.) Attach the Upper Frame (#4) to the two Guide Rods. Place the Upper Frame onto the Front
Vertical Frame (#3).
D.) Secure the Upper Frame to the Guide Rods with two M10 x 1” Allen Bolts (#70) and Ø ¾”
Washers (#80).
E.) Secure the Upper Frame to the Front Vertical Frame with two M10 x 3 ½” Carriage Bolts
(#76), one 5 ½” x 2” Bracket (#25), two Ø ¾” Washers (#80), and two M10 Aircraft Nuts
(#82). Tighten all bolts and nuts previously installed.
7

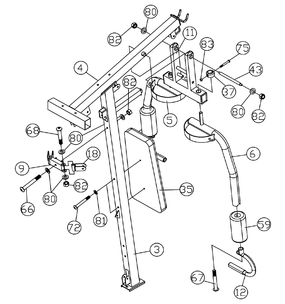
STEP 3 (See Diagram 3)
A.) Attach the Front Press Base (#11) to the Upper Frame (#4). Secure it with one Long Axle
(#43), two Ø ¾” Washers (#80), and two M10 Aircraft Nuts (#82).
B.) Attach the Right Butterfly (#6) to the Front Press Base. Secure it with one M6 x 1 5/8” Hex
Bolt (#75), Lock Ring (#37), and M6 Aircraft Nut (#83).
C.) Slide a Butterfly Foam Roll (#59) onto the Right Butterfly arm. Attach a Front Press Handle
(#12) to the Right Butterfly. Secure it with a M10 x 3 3/8” Allen Bolt (#67).
D.) Repeat the Step B&C above to install the Left Butterfly (#5).
E.) Attach the Butterfly Pulley Bracket (#9) to the Front Vertical Frame (#3). Secure it with one
M10 x 4 3/8” Allen Bolt (#66), two Ø ¾” Washers (#80), and one M10 Aircraft Nut (#82).
F.) Attach Swivel Pulley Brackets (#18) to each end of the Butterfly Pulley Bracket (#9). Secure
each Bracket with one M10 x 2 ½” Allen Bolt (#68), two Ø ¾” Washers (#80), and one M10
Aircraft Nut (#82). Do Not over tighten; make sure the bracket (#18) is able to swivel freely.
G.) Attach the Backrest Board (#35) to the Front Vertical Frame (#3). Secure it with two M8 x 3
3/8” Allen Bolts (#72) and Ø 5/8” Washers (#81).
8

STEP 4 (See Diagram 4)
A.) Attach the Main Seat Support (#1) to the Front Vertical Frame (#3). Secure it with two M10 x
3 ½” Carriage Bolts (#76), one 4 ¾” x 2” Bracket (#24), two ∅ ¾” Washers (#80), and two
M10 Aircraft Nuts (#82).
B.) Attach the Leg Developer (#7) to the bracket on the Main Seat Support. Secure it with a Leg
Developer Axle (#44), two M10 x 5/8” Allen Bolts (#71), and two Ø ¾” Washers (#80).
C.) Insert two Foam Tubes (#23) halfway through the holes on the Leg Developer and Main Seat
Support. Push four Foam Rolls (#58) onto the Foam Tubes from both ends. Plug four Foam
Roll End Caps (#57) onto the ends.
D.) Place the Seat (#34) onto the Main Seat Support (#1). Secure it with two M8 x 2 ½” Allen
Bolts (#73) and Ø 5/8” Washers (#81).
E.) Attach the Arm Curl Pad (#36) to the Arm Curl Stand (#10). Secure it with two M8 x 5/8”
Allen bolts (#74) and Ø 5/8” Washers (#81). Insert the Arm Curl Stand into the front opening
on the Main Seat Support. Secure it with a Lock Knob (#40).
F.) Attach two Foot Plates (#27) to the Main Base Frame (#8). Secure them with two M10 x 3 ½”
Carriage Bolts (#76), Ø ¾” Washers (#80), and M10 Aircraft Nuts (#82). DIAGRAM 4
9

CABLE LOOP DIAGRAM
10
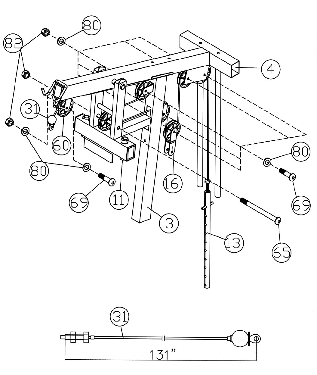
STEP 5 (See Diagram 5 & Cable Loop Diagram)
A.) Attach the 131” Upper Cable (#31) to the opening at the front of the Upper
Frame (#4). Note: The Ball Stopper on the cable should be underneath the
Frame.
B.) Attach a Pulley (#60) to the open bracket. Secure it with one M10 x 1 ¾” Allen
Bolt (#69), two Ø ¾” Washers (#80), and one M10 Aircraft Nut (#82).
C.) Draw the Cable towards the back of the machine to the open bracket on the
Upper Frame. Repeat step B above to install a Pulley.
D.) Draw the Cable around the Pulley then pull back towards the opening on the
Front Press Base (#11).
E.) Attach a Pulley to the opening on the Front Press Base. Secure the Pulley with
one M10 x 6 7/8” Allen Bolt (#65) and one M10 Aircraft Nut (#82).
F.) Draw the Cable around the Pulley and through the opening to the open bracket
on the Front Vertical Beam (#3). Repeat step B above to install another Pulley.
G.) Draw the Cable around the Pulley then pull the Cable downwards. Attach the
Cable to a Double Floating Pulley Bracket (#16). Install another Pulley. Let the
bracket hanging for now.
H.) Pull the Cable upward to the open bracket on the back of Upper Frame. Install
two pulleys to the bracket.
I.) Pull the Cable downward between the two Guide Rods to the Selector Rod
(#13). Thread the bolt at the end of the Cable into the opening on top of the
Selector Rod (#13) to secure the Cable.
11

DIAGRAM 5
12

STEP 6 (See Diagram 6 & Cable Loop Diagram)
A.) Attach one end of the 119” Butterfly Cable (#33) to the hook on the Right Butterfly (#6).
B.) Draw the Cable to the right Swivel Pulley Bracket (#18).
C.) Attach a Pulley to the bracket. Secure it with one M10 x 1 ¾” Allen Bolt (#69), two Ø ¾”
Washers (#80), and one M10 Aircraft Nut (#82).
D.) Draw the Cable around the Pulley then downward. Attach the Cable to a Crossed
Double Floating Pulley Bracket (#17). Install another Pulley. Let the Bracket hanging for
now.
E.) Pull the Cable around the Pulley then upward to the left Swivel Pulley Bracket. Repeat
Step C above to install a Pulley.
F.) Draw the Cable to the left Butterfly. Attach the end to the hook on the Left Butterfly.
DIAGRAM 6
13
STEP 7 (See Diagram 7 & Cable Loop Diagram)
A.) Attach the 128” Lower Cable (#32) to the open bracket on the bottom of the Leg
Developer (#7).
B.) Attach a Pulley to the bracket. Secure it with one M10 x 1 ¾” Allen Bolt (#69), two Ø
¾” Washers (#80), and one M10 Aircraft Nut (#82).
C.) Draw the Cable underneath the Pulley to the open bracket on the Main Base Frame
(#8). Repeat Step B above to install a Pulley.
D.) Draw the Cable underneath the Pulley along the top of the Main Base Frame through
the hole on the bottom of the Front Vertical Frame to an open bracket. Install
another Pulley.
E.) Pull the Cable upward to the Crossed Double Floating Pulley Bracket (#17)
previously installed in Step-6. Install another Pulley.
F.) Draw the Cable around the Pulley then downward to the open bracket on the Main
Base Frame. Install another Pulley.
G.) Pull the Cable around the Pulley then upward to the Double Floating Pulley Bracket
(#16) previously installed in Step-5. Install another Pulley.
H.) Draw the Cable around the Pulley then pull downward. Connect the Cable to a C-clip
(#50) then connect the C-clip to a Short Chain (#46).
I.) Connect the Short Chain to the bracket on the back of the Front Vertical Frame.
Secure it with one M10 x 1” Allen Bolt (#70), two Ø ¾” Washers (#80), and one M10
Aircraft Nut (#82).
J.) Adjust the tension of the Cable by adjusting the length of the Short Chain. For best
performance of the machine, adjust the Chain so the Selector Stem (Top Plate) on
the weight stack is ¼” above the first plate. While adjusting the weight stack, push
down on the Selector Stem to close up the gap then pin the plates. This will remove
the slag in the cable system so the range of motion is smooth and tight.
14

DIAGRAM 7
15

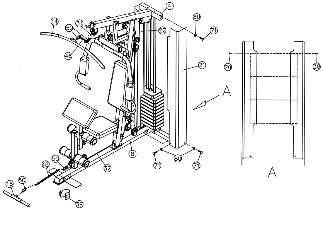
STEP 8 (See Diagram 8)
A.) Attach a Short Chain (#46) to the Upper Cable (#31) by using a C-clip (#50). Attach
the Lat Bar (#14) to the Chain by using another C-clip. Adjust the length of the Chain
to obtain desired Lat Bar exercise.
B.) Attach a Long Chain (#45) to the Lower Cable (#32) by using a C-clip (#50). Attach
the Arm Curl Handle (#15) to the Chain by using another C-clip. Adjust the length of
the Chain to obtain the desired Arm Curl exercise. Remove the Chain and the Handle
when using the Leg Developer.
C.) Attach Left & Right Weight Stack Covers (#21 & #22) to the Upper Frame (#4), Main
Base Frame (#8), and Rear Base Frame (#2). Secure them with six M10 x 5/8” Allen
Bolts (#71) and ∅ ¾” Washers (#80).
D.) From the back of the Covers, secure the two covers together with four M5 x 3/8”
Philips Screws and M5 Aircraft Nuts (#38).
DIAGRAM 8
16
PARTS LIST
KEY NO. DESCRIPTION Q’ty
1 Main Seat Support 1
2 Rear Base Frame 1
3 Front Vertical Frame 1
4 Upper Frame 1
5 Left Butterfly 1
6 Right Butterfly 1
7 Leg Developer 1
8 Main Base Frame 1
9 Butterfly Pulley Bracket 1
10 Arm Curl Stand 1
11 Front Press Base 1
12 Front Press Handle 2
13 Selector Rod 1
14 Lat Bar 1
15 Arm Curl Handle 1
16 Double Floating Pulley Bracket 1
17 Crossed Double Floating Pulley Bracket1
18 Swivel Pulley Bracket 2
19 Arm Curl Handle Tube 1
20 Guide Rod 2
21 Left Weight Stack Cover 1
22 Right Weight Stack Cover 1
23 Foam Tube 2
24 4 ¾” x 2” Bracket 1
25 5 ½” x 2” Bracket 2
26 Rear Base Frame Bracket 1
27 Foot Plate 2
28 Selector Stem 1
29 Weight Plate 9
30 L-shaped Pin 1
31 Upper Cable (131”) 1
32 Lower Cable (128”) 1
33 Butterfly Cable (119”) 1
34 Seat 1
35 Backrest Board 1
36 Arm Curl Pad 1
37 Lock Ring 2
38 M5 Aircraft Nut 4
39 Ankle Strap 1
40 Lock Knob 1
41 Ø 1 1/8” Bushing 2
42 Ø 1 ½” Bushing 2
43 Long Axle 1
44 Leg Developer Axle 1
45 Long Chain 1
46 Short Chain 2
47 Sliding Sleeve 1
48 Handle Grip 4
49 Lat Bar Grip 2
50 C-clip 5
17
51 Front Base Frame End Cap 1
52 Rear Base Frame End Cap 2
53 2” x 1” End Cap 2
54 2 ¾” x 2” End Cap 3
55 2” Square End Cap 2
56 Ø 1” Cone-shaped End Cap 3
57 Foam Roll End Cap 4
58 Foam Roll 4
59 Butterfly Foam Roll 2
60 Pulley 16
61 Ø 1 ½” Rubber Bumper 1
62 Ø 2 ½” Guide Rod Rubber Bumper 2
63 Ø 1 ¾” Rubber Bumper 1
64 Ø 1” Bushing 8
65 M10 x 6 7/8” Allen Bolt 1
66 M10 x 4 3/8” Allen Bolt 1
67 M10 x 3 3/8” Allen Bolt 2
68 M10 x 2 ½” Allen Bolt 2
69 M10 x 1 ¾” Allen Bolt 15
70 M10 x 1” Allen Bolt 5
71 M10 x 5/8” Allen Bolt 8
72 M8 x 3 3/8” Allen Bolt 2
73 M8 x 2 ½” Allen Bolt 2
74 M8 x 5/8” Allen Bolt 2
75 M6 x 1 5/8” Hex Bolt 2
76 M10 x 3 ½” Carriage Bolt 6
77 M10 x 2 ¾” Carriage Bolt 4
78 M6 x 5/8” Philips Screw 2
79 M5 x 3/8” Philips Screw 4
80 Ø ¾” Washer 62
81 Ø 5/8” Washer 6
82 M10 Aircraft Nut 32
83 M6 Aircraft Nut 2

18

IMPEX INC.
LIMITED WARRANTY
IMPEX Inc. ("IMPEX") warrants this product to be free from defects in workmanship and material,
under normal use and service conditions, for a period of two years on the Frame from the date of
purchase. This warranty extends only to the original purchaser. IMPEX's obligation under this
Warranty is limited to replacing or repairing, at IMPEX's option.
All returns must be pre-authorized by IMPEX. Pre-authorization may be obtained by calling
IMPEX Customer Service Department at 1-800-999-8899. All freights on products returned to
IMPEX must be prepaid by the customer. This warranty does not extend to any product or
damage to a product caused by or attributable to freight damage, abuse, misuse, improper or
abnormal usage or repairs not provided by an IMPEX authorized service center or for products
used for commercial or rental purposes. No other warranty beyond that specifically set forth
above is authorized by IMPEX.
IMPEX is not responsible or liable for indirect, special or consequential damages arising out of or
in connection with the use or performance of the product or other damages with respect to any
economic loss, loss of property, loss of revenues or profits, loss of enjoyments or use, costs of
removal, installation or other consequential damages or whatsoever natures. Some states do not
allow the exclusion or limitation of incidental or consequential damages. Accordingly, the above
limitation may not apply to you.
The warranty extended hereunder is in lieu of any and all other warranties and any implied
warranties of merchantability or fitness for a particular purpose is limited in its scope and duration
to the terms set forth herein. Some states do not allow limitations on how long an implied
warranty lasts. Accordingly, the above limitation may not apply to you.
This warranty gives you specific legal right. You may also have other rights which vary from state
to state. Register on-line at www.impex-fitness.com
IMPEX INC.
14777 Don Julian
City of Industry, CA 91746
ORDERING REPLACEMENT PARTS
Replacement parts can be ordered by calling our Customer Service Department toll-free at 1-800-
999-8899 during our regular business hours: Monday through Friday, 9 am until 5 pm Pacific
standard time.
info@impex-fitness.com
When ordering replacement parts, always give the following information.
1. Model
2. Description of Parts
3. Part Number
4. Date of Purchase
19