Ingenu NODE102 Wireless network module User Manual microNode Integration Specification
On-Ramp Wireless Wireless network module microNode Integration Specification
Ingenu >
User Manual

TOTAL REACH NETWORK
On-Ramp Wireless Confidential and Proprietary. This document is not to be used, disclosed, or distributed to
anyone without express written consent from On-Ramp Wireless, Inc. The recipient of this document shall respect the
security of this document and maintain the confidentiality of the information it contains. The master copy of this
document is stored in electronic format, therefore any hard or soft copy used for distribution purposes must be
considered as uncontrolled. Reference should be made to On-Ramp Wireless, Inc. to obtain the latest revision.
microNode Integration
Specification
On-Ramp Wireless, Inc.
10920 Via Frontera, Suite 200
San Diego, CA 92127
U.S.A.
Copyright © 2015 On-Ramp Wireless, Inc.
All Rights Reserved.
The information disclosed in this document is proprietary to On-Ramp Wireless, Inc. and is not to be used
or disclosed to unauthorized persons without the written consent of On-Ramp Wireless, Inc. The recipient
of this document shall respect the security of this document and maintain the confidentiality of the
information it contains. The master copy of this document is stored in electronic format, therefore any
hard or soft copy used for distribution purposes must be considered as uncontrolled. Reference should
be made to On-Ramp Wireless, Inc. to obtain the latest version. By accepting this material the recipient
agrees that this material and the information contained therein is to be held in confidence and in trust and
will not be used, copied, reproduced in whole or in part, nor its contents revealed in any manner to others
without the express written permission of On-Ramp Wireless, Inc.
On-Ramp Wireless, Inc. reserves the right to make changes to the product(s) or information contained
herein without notice. No liability is assumed for any damages arising directly or indirectly by their use or
application. The information provided in this document is provided on an “as is” basis.
This document contains On-Ramp Wireless, Inc. proprietary information and must be shredded when
discarded.
This documentation and the software described in it are copyrighted with all rights reserved. This
documentation and the software may not be copied, except as otherwise provided in your software
license or as expressly permitted in writing by On-Ramp Wireless, Inc.
Any sample code herein is provided for your convenience and has not been tested or designed to work
on any particular system configuration. It is provided “AS IS” and your use of this sample code, whether
as provided or with any modification, is at your own risk. On-Ramp Wireless, Inc. undertakes no liability or
responsibility with respect to the sample code, and disclaims all warranties, express and implied,
including without limitation warranties on merchantability, fitness for a specified purpose, and
infringement. On-Ramp Wireless, Inc. reserves all rights in the sample code, and permits use of this
sample code only for educational and reference purposes.
This technology and technical data may be subject to U.S. and international export, re-export or transfer
(“export”) laws. Diversion contrary to U.S. and international law is strictly prohibited.
RPMA® (Random Phase Multiple Access) is a registered trademark of On-Ramp Wireless, Inc.
Other product and brand names may be trademarks or registered trademarks of their respective owners.
microNode Integration Specification
014-0033-00 Rev. H
April 8, 2015

On-Ramp Wireless, Inc. iii 014-0033-00 Rev. H
Contents
1 Overview ................................................................................................................ 1
1.1 On-Ramp Total Reach Wireless Network .................................................................................. 1
1.2 microNode .................................................................................................................................. 2
1.3 Referenced Documents ............................................................................................................. 3
2 DC and AC Characteristics .................................................................................. 4
2.1 Absolute Maximum Ratings ....................................................................................................... 4
2.2 Recommended Operating Conditions ........................................................................................ 4
2.3 Effects of Temperature and Voltage .......................................................................................... 6
3 Electrical Interface .............................................................................................. 10
3.1 Signal Descriptions .................................................................................................................. 12
3.1.1 VBATT ............................................................................................................................ 12
3.1.2 POWER_ON ................................................................................................................... 12
3.1.3 RESET_N ....................................................................................................................... 12
3.1.4 MRQ ............................................................................................................................... 13
3.1.5 SRDY .............................................................................................................................. 13
3.1.6 SRQ ................................................................................................................................ 13
3.1.7 USTATUS ....................................................................................................................... 13
3.1.8 SPI System ..................................................................................................................... 13
3.1.9 ANT_SEL ........................................................................................................................ 13
3.1.10 UART_SIN .................................................................................................................... 13
3.1.11 UART_SOUT ................................................................................................................ 13
3.1.12 TOUT ............................................................................................................................ 14
3.1.13 RF_PAEN_EXT ............................................................................................................ 14
3.1.14 RF_TXENA ................................................................................................................... 14
3.1.15 RF_SHDN ..................................................................................................................... 14
3.1.16 RF ................................................................................................................................. 14
3.2 Environmental .......................................................................................................................... 14
3.2.1 ESD ................................................................................................................................ 14
3.2.2 Harsh Environments ....................................................................................................... 15
4 SPI Interface and Sequences ............................................................................. 16
4.1 SPI System Interface Overview ............................................................................................... 16
4.2 SPI Mode and Timing............................................................................................................... 17
4.3 Host Initialization ...................................................................................................................... 17
4.4 Startup (Power On) Sequence ................................................................................................. 17
4.5 Wake Sequence ....................................................................................................................... 19

microNode Integration Specification Contents
On-Ramp Wireless, Inc. iv 014-0033-00 Rev. H
4.5.1 Wake Sequence (Synchronous) ..................................................................................... 19
4.5.2 Wake Sequence (Asynchronous) ................................................................................... 20
4.6 Host-Driven Reset Sequence .................................................................................................. 21
4.7 Host MRQ Release/microNode Allowed to Sleep Sequence .................................................. 22
5 Power States ....................................................................................................... 23
5.1 Operating States ...................................................................................................................... 23
5.1.1 Power Off State .............................................................................................................. 23
5.1.2 Deep Sleep State ........................................................................................................... 24
5.1.3 Oscillator Calibration State ............................................................................................. 24
5.1.4 Idle State ........................................................................................................................ 25
5.1.5 RX State ......................................................................................................................... 25
5.1.6 TX State .......................................................................................................................... 25
5.2 System ..................................................................................................................................... 25
6 Messaging Protocol ............................................................................................ 27
6.1 Arbitration ................................................................................................................................. 27
6.2 Message Protocol .................................................................................................................... 27
6.3 Host Interface SPI Bus State Machine..................................................................................... 30
6.4 SPI Bus Timing Example ......................................................................................................... 31
6.5 Host Message SPI Example .................................................................................................... 32
6.6 Host Message “Connect” SPI Example ................................................................................... 34
7 microNode Provisioning .................................................................................... 37
8 Antenna Diversity ............................................................................................... 38
8.1 Antenna Design Considerations .............................................................................................. 39
8.2 Diversity Considerations .......................................................................................................... 39
9 Regulatory Considerations ................................................................................ 40
9.1 Block Diagram .......................................................................................................................... 40
9.2 Antennas .................................................................................................................................. 41
9.3 Certifications ............................................................................................................................ 42
9.4 FCC Warnings .......................................................................................................................... 43
9.5 IC Warnings ............................................................................................................................. 43
9.6 ETSI Warnings ......................................................................................................................... 44
9.7 Usage ....................................................................................................................................... 44
9.7.1 Product Labels ................................................................................................................ 44
9.7.2 RF Exposure Statement ................................................................................................. 45
9.8 WEEE Directive ........................................................................................................................ 45
9.9 REACH Directive ...................................................................................................................... 45
9.10 RoHS Directive ....................................................................................................................... 46
9.11 Export Compliance ................................................................................................................. 46

microNode Integration Specification Contents
On-Ramp Wireless, Inc. v 014-0033-00 Rev. H
10 Manufacturing Considerations ........................................................................ 47
10.1 Mechanical Outline................................................................................................................. 47
10.2 Host PCB Constraints ............................................................................................................ 47
10.3 Handling Procedures for microNode ...................................................................................... 47
11 Errata ................................................................................................................. 48
Appendix A Abbreviations and Terms ................................................................. 49
Appendix B PCB Land Pattern and Vias .............................................................. 51
Appendix C REACH AND RoHS Compliance....................................................... 52
Appendix D On-Ramp Wireless RMA Process .................................................... 53
Appendix E microNode Mechanical Drawing ...................................................... 54
Figures
Figure 1. On-Ramp Total Reach Wireless Network ......................................................................... 1
Figure 2. microNode (Top and Bottom Views) ................................................................................. 2
Figure 3. Typical Application Diagram ............................................................................................. 3
Figure 4. microNode Deep Sleep Power Consumption (mW Power vs VBATT Input) ................... 7
Figure 5. RX State Power Consumption (mW Power vs VBATT Input) .......................................... 8
Figure 6. microNode1: TX Power Consumption at 20.8 dBm (mW Power vs VBATT Input) .......... 8
Figure 7. microNode2: TX Power Consumption at 23.3 dBm (Watts Power vs VBATT
Input) .......................................................................................................................................... 9
Figure 8. SPI Timing, CPOL = 0, CPHA = 0 .................................................................................. 17
Figure 9. microNode Power-up Timing Sequence ......................................................................... 18
Figure 10. Host-Initiated microNode Wake Sequence – SRDY Low (Synchronous) .................... 19
Figure 11. Host-Initiated microNode Wake Sequence – SRDY High (Asynchronous) .................. 20
Figure 12. Host-Driven Reset Sequence ....................................................................................... 21
Figure 13. Host MRQ Release/microNode Allowed to Sleep Sequence ....................................... 22
Figure 14. microNode Oscillator Calibration: Current (Amps) vs Time (Seconds) ........................ 24
Figure 15. Representative Current Consumption During Deep Sleep, Idle, RX, and TX;
x16 Spreading Factor (Amps vs Seconds) .............................................................................. 26
Figure 16. SPI Master and Slave Message Sequences ................................................................ 29
Figure 17. Host Interface SPI Bus State Machine ......................................................................... 30
Figure 18. SPI Timing Example ..................................................................................................... 31
Figure 19. Host Message on SPI – MMsg Pair .............................................................................. 32

microNode Integration Specification Contents
On-Ramp Wireless, Inc. vi 014-0033-00 Rev. H
Figure 20. Host Message on SPI – MHdr Pair ............................................................................... 33
Figure 21. Antenna Diversity Circuit .............................................................................................. 38
Figure 22. microNode Block Diagram ............................................................................................ 41
Figure 23. Product Label ................................................................................................................ 45
Figure 24. microNode PCB Land Pattern ...................................................................................... 51
Figure 25. microNode/Host Vias .................................................................................................... 51
Figure 26. microNode Mechanical Dimensions ............................................................................. 54
Tables
Table 1. microNode Version Comparison ........................................................................................ 2
Table 2. Absolute Maximum Ratings ............................................................................................... 4
Table 3. Operating Conditions ......................................................................................................... 4
Table 4. Operating Characteristics .................................................................................................. 4
Table 5. microNode Pin Descriptions ............................................................................................. 10
Table 6. ESD Information ............................................................................................................... 14
Table 7. microNode1: On-Ramp Wireless EMC Certified Antennas ............................................. 41
Table 8. microNode2: On-Ramp Wireless EMC Certified Antenna ............................................... 42
Table 9. microNode Certifications .................................................................................................. 42
Table 10. RF Certification IDs ........................................................................................................ 44
Table 11. Label Statements ........................................................................................................... 45
Table 12. ECCN and CCATS Information...................................................................................... 46

On-Ramp Wireless, Inc. vii 014-0033-00 Rev. H
Revision History
Revision Release Date Change Description
A January 18, 2012 Initial release.
B March 13, 2012
Expanded information for regulatory considerations and
certifications.
Removed errata section that is no longer relevant.
C May 24, 2012
Updated DC and AC characteristics.
Added new antenna information to the certification chapter.
D July 11, 2012 Updated the Maximum RF Conducted Power.
E September 14, 2012 Added more detail about the microNode in the Overview chapter.
Updated notes below the Operating Characteristics table relating to
transmit power configuration during provisioning.
F May 13, 2014
Clarified Absolute Maximum Ratings (Input Voltage), pin and
signal descriptions, SPI Interface overview, configuration
information, antenna diversity information, and manufacturing
considerations.
Updated regulatory information and added conformance and
compliance information.
Added appendices for:
− On-Ramp Wireless RMA information.
− microNode Tray mechanical drawing
Updated document references.
Updated to current publishing standards.
G September 29, 2014 Updated manufacturing considerations and recommendations for
cleaning the microNode.
H April 8, 2015
Updated for microNode2 and MTBF.
Updated appendices for regulatory and manufacturing
considerations.

On-Ramp Wireless, Inc. 1 014-0033-00 Rev. H
1 Overview
This document provides a brief overview of the On-Ramp Total Reach wireless network as well
as guidelines allowing an integrator to design a Host product that utilizes the microNode and
ensures that the system meets all of its technical objectives and requirements.
1.1 On-Ramp Total Reach Wireless Network
The On-Ramp Total Reach wireless network is comprised of microNodes and Access Points (AP).
The microNode is designed to easily integrate, through standard interfaces, with sensors
enabling robust wireless communication with one or more Access Points interfaced with a
customer’s local or wide area network.
Figure 1. On-Ramp Total Reach Wireless Network

microNode Integration Specification Overview
On-Ramp Wireless, Inc. 2 014-0033-00 Rev. H
1.2 microNode
The microNode is a small form factor wireless network module that easily integrates with
various devices and sensors using an industry standard Serial Peripheral Interface (SPI). There
are two versions of the microNode. The primary difference between the two versions of the
microNode is transmit power. The following table summarizes the differences and
recommendations.
Table 1. microNode Version Comparison
Version Transmit Power Benefits Comments
microNode1
(PN 550-0006-00) +20.8 dBm (max) This is the first version of the
microNode and is not
recommended for new
designs.
microNode2
(PN 550-0075-00) +23.3 dBm (max)
More power efficient for
its transmitter functions
More liberal on its FCC
allowances
This is the second version of
microNode and is the
recommended version for new
designs.
NOTE: This document refers to both microNode1 and microNode2 generically as “microNode.”
Where there are differences, the microNode version is specified (i.e., microNode1 or
microNode2).
The top side of the printed circuit board (PCB) is enclosed with a radio frequency (RF) shield. The
microNode is soldered directly onto a host board via SMT processes. For details, see Appendix B.
Dimensions (per unit): 54.40 mm long by 26.40 mm wide
Weight (per unit): 0.30 oz (8.5 g)
For more details about the microNode, refer to the mechanical drawing in Appendix E. To
order, use the part numbers provided in Table 1.
Figure 2. microNode (Top and Bottom Views)

microNode Integration Specification Overview
On-Ramp Wireless, Inc. 3 014-0033-00 Rev. H
The following figure shows how a microNode interfaces with a Host application.
Figure 3. Typical Application Diagram
1.3 Referenced Documents
The following documents are referenced and provide more detail.
EMC Compliance Guide (010-0037-00)
Provides information for “driving” the Node through various modes in order to perform
regulatory tests for FCC and ETSI.
ATE Transmit Test Mode Guide (010-0089-00)
This guide provides commands for factory testing the device’s transmitter and antenna
ports.
Provisioning Guide (010-0074-00)
Describes the function and use of the software packages used to configure a node for a
particular application and target network.
RMA Request Form (007-0003-00)
This is the form to use for returning material/product to On-Ramp Wireless for repair and/or
replacement.
microNode Label Specification (014-0031-00)
This document specifies label and revision information for the microNode.
rACM Developer Guide (010-0105-00)
Describes the necessary steps to build, download, and test the reference Application
Communication Module (rACM) software. It is used by external partners in the development
of a sensor application on the reference host platform using On-Ramp Total Reach wireless
technology. The rACM software serves as a design template and is optimized for very low
power usage applications and battery-powered systems.
Host Common Software Integration Application Note (010-0024-00)
Describes the software interfaces and implementation considerations regarding the On-
Ramp Wireless Total Reach Host Common software component – a library of portable C
code which facilitates all interactions between a host application and an On-Ramp Wireless
Total Reach Network node.

On-Ramp Wireless, Inc. 4 014-0033-00 Rev. H
2 DC and AC Characteristics
2.1 Absolute Maximum Ratings
Operating outside of these ranges may damage the unit.
The microNode is MSL 3-rated and should be handled as an MSL 3 device per IPC/JEDEC J-STD-
033 (latest revision). See section 10.3 for further information.
Table 2. Absolute Maximum Ratings
Parameter Min Max Unit
Storage Temperature -40 85 ⁰C
Operating Temperature -40 85 ⁰C
Input Voltage 2.2 6.0 V
3 Digital Interface Signals, 3.3V nominal 3.6 V
2.2 Recommended Operating Conditions
Table 3. Operating Conditions
Parameter Min Max Unit
Input voltage, VBATT 2.2 5.5 V
Ambient Temperature, Ta -40 85 ⁰C
The following characteristics apply across the -40°C to +85°C temperature range unless
otherwise noted.
Table 4. Operating Characteristics
Description Min Typ Max Units
DC Characteristics
Voltage – VBATT 2.2 3.6 5.5 Volt
Off Current – Note 1 0.05 0.1 2.0 µA
Deep Sleep Current - Note 1 10 20 40 µA
Idle Current – Note 1 10 15 25 mA
Receive Current – Note 1 75 85 90 mA
microNode1: Transmit Current – Note 2 200 245 280 mA
microNode2: Transmit Current – Note 2 220 250 280 mA
Digital
VOL – Voltage Output, Low (4mA sink) 0 0.1 V
VOH – Voltage Output High (4mA source) 2.4 3.2 V
SPI Clock – Note 11 0.1 8.6 MHz

microNode Integration Specification DC and AC Characteristics
On-Ramp Wireless, Inc. 5 014-0033-00 Rev. H
Description Min Typ Max Units
Environmental
Operating Temperature -40 +85 °C
Storage Temp -40 +85 °C
Humidity – non-condensing 5 95 %
Ramp Temperature (maximum rate at which operating
temperature should change) 30 °C/Hr.
MTBF (microNode1) 10.5 MHrs
MTBF (microNode2) 6.4 MHrs
Receiver
Receiver Sensitivity – Note 3 -130 -133 -135 dBm
Receiver Image Reject 38 45 50 dB
Noise Figure 3.5 5.0 6.7 dB
Input IP3 (high LNA gain mode) -11 dBm
Maximum RF input level for specification compliance -20 dBm
General RF Characteristics
Frequency Range – Note 4 2402 ~2482 MHz
Channel Spacing N/A 1.99 N/A MHz
Transmitter
Maximum RF Conducted Power –Note 5
FCC/IC markets:
ETSI markets:
20.0
8.5
20.4
9.5
20.8
10.0
dBm
dBm
Carrier Rejection -35 -40 -50 dBc
Signal Modulation DSSS-
DBPSK
Signal Bandwidth 1.0 MHz
BT Factor 0.3
Peak to Average Ratio 2.3 dB
Spectral bandwidth at maximum RF power:
-6dB BW
-20dB BW
0.96
1.75
MHz
MHz
ACPR – Note 6 -30 dBc
Harmonics – Note 7 -43 dBm
Transmit Power Level Accuracy – Note 8 ±1.5 dB
Transmitter Spurious Outputs – Note 9
30MHz to 2400MHz:
2482MHz to 8000MHz:
< -43
< -43
dBm
dBm
VSWR Tolerance
Maximum VSWR for spec compliance – Note 10:
Maximum VSWR for stability.
1.5:1
9:1
NOTES:
1. Tested at 3.6V input, +25C. Please note the following:

microNode Integration Specification DC and AC Characteristics
On-Ramp Wireless, Inc. 6 014-0033-00 Rev. H
a. There are power differences between the Voltage/Current numbers in this table and the
data provided in Figure 4, Figure 5, and Figure 6. These figures show representative
characterization of Power over Voltage/Temperature characterization and are only
representative behavior.
b. The Table 4 refers to a maximal current draw that the Host system should be designed
to accommodate.
2. Measured at:
microNode1: +20.8 dBm TX output (Typ=50Ω), 3.6V, range includes VSWR ≤ 1.5:1 (Po
not compensated).
microNode2: +23.3dBm TX output (Typ=50Ω), 3.6V, range includes VSWR ≤ 1.5:1 (Po
not compensated).
3. Sensitivity at maximum spreading factor of 13 (2048) with 10% FER.
4. The upper frequency range is market dependent:
a. FCC/IC: CH38; 2475.63 MHz.
b. ETSI: CH40; 2479.61 MHz.
c. Japan: CH41; 2481.60 MHz.
5. Maximum TX RF power:
microNode1: This is limited by FCC/IC grant to 20.8 dBm in these markets. Transmit
power is configured during the provisioning process to meet country-specific
deployment and regulatory requirements. The configurable range is 0 – 20.8 dBm.
microNode2: This is limited by FCC/IC grant to 23.3 dBm in these markets. Transmit
power is configured during the provisioning process to meet country-specific
deployment and regulatory requirements. The configurable range is 0 – 20.8 dBm.
6. Spec and test method comes from FCC 15.247(d); Band Edge Emissions, 2 MHz offset.
7. At any TX power level, VSWR ≤ 3:1. Harmonics fall into FCC restricted bands.
8. Estimated sum of all contributors with VSWR ≤ 1.5:1. Normal link mode.
9. At any TX power level, VSWR ≤ 3:1. Applies to spurious, not ACPR or harmonics. Generally
the largest spurious output outside the 2.40-2.48GHz band is at 2/3LO and 4/3LO.
10. Maximum VSWR for spec compliance applies at 25°C only. Slightly degraded ACPR/mask and
power variation can be expected at temperature extremes.
11. The SPI clock has a maximum rate of 26 MHz/3 and a minimum of 100 kHz. There is no
physical limitation on the minimum clock rate but the 100 kHz is deemed “marginal” and is
not absolute. Depending on the data traffic model and level of debug traffic, 100 kHz may
cause a backup of SPI traffic, which then causes buffer overflow conditions. The application
must be validated to ensure that the SPI clock is sufficient to support required traffic.
2.3 Effects of Temperature and Voltage
The microNode is based largely on Complementary Metal–Oxide–Semiconductor (CMOS)
technology. The current drain of CMOS circuitry can vary substantially over Temperature. The RF
circuitry and its performance also vary substantially over Temperature.
The microNode utilizes two main power domains when it is functioning:

microNode Integration Specification DC and AC Characteristics
On-Ramp Wireless, Inc. 7 014-0033-00 Rev. H
1. LDO Regulators that work from 2.2V up to 5.5V.
These are enabled when the POWER_ON signal for the microNode is active. These can act as
a linear load as voltage increases from minimum to maximum – although these circuits do
not normally consume much power.
2. Switching power domains.
When the microNode wakes up to communicate with the Host or for networking events, its
switching regulators are enabled. These buck-boost switching regulators supply the 3.3V
and other logic supplies over the input range of 2.2-5.5V. The power efficiency of these
regulators change dramatically over input voltage, load levels, and temperature. Nominally,
the power efficiency is best at 3-4.0V. The efficiency becomes poor below 3.0V and is
moderately efficient at the higher input levels.
The following graphs show the relative differences across the operating voltages and their effect
on current consumption.
Figure 4. microNode Deep Sleep Power Consumption (mW Power vs VBATT Input)
0
0.05
0.1
0.15
0.2
0.25
22.5 33.5 44.5 55.5
-40C Sleep
-30C Sleep
-20C Sleep
-10C Sleep
0C Sleep
10C Sleep
20C Sleep
30C Sleep
40C Sleep
50C Sleep
60C Sleep
70C Sleep

microNode Integration Specification DC and AC Characteristics
On-Ramp Wireless, Inc. 8 014-0033-00 Rev. H
Figure 5. RX State Power Consumption (mW Power vs VBATT Input)
Figure 6. microNode1: TX Power Consumption at 20.8 dBm (mW Power vs VBATT Input)
300
310
320
330
340
350
360
370
380
22.5 33.5 44.5 55.5
-40C RX
-30C RX
-20C RX
-10C RX
0C RX
10C RX
20C RX
30C RX
40C RX
50C RX
60C RX
70C RX
890
910
930
950
970
990
1010
1030
22.5 33.5 44.5 55.5
-40C TX max
-30C TX max
-20C TX max
-10C TX max
0C TX max
10C TX max
20C TX max
30C TX max
40C TX max
50C TX max
60C TX max
70C TX max
80C TX max
85C TX max

microNode Integration Specification DC and AC Characteristics
On-Ramp Wireless, Inc. 9 014-0033-00 Rev. H
Figure 7. microNode2: TX Power Consumption at 23.3 dBm (Watts Power vs VBATT Input)
0.6
0.65
0.7
0.75
0.8
0.85
0.9
0.95
1
1.05
1.1
1.5 2.5 3.5 4.5 5.5 6.5
-40C
-20C
0
+25C
+50C
+85C

On-Ramp Wireless, Inc. 10 014-0033-00 Rev. H
3 Electrical Interface
This chapter describes the electrical interface of the microNode and how the Host processor
controls the microNode.
Table 5. microNode Pin Descriptions
Pin # Pin Name Signal
Direction
Relative to
microNode
Signal
Type Comment
1, 2, 3, 4, 7, 10 Ground Power Power Ground return. Should be low RF
impedance to a solid ground plane
of the Host
11,14, 17, 20, 21,
26, 30, 31, 34, 35,
37, 38, 40
Ground Power Power
5, 6 VBATT Power Power Input power to the microNode. It is
recommended that the Host
integrator allow for decoupling of
the microNode by placing space
for up to a 100 µF (47 µF nominal)
ceramic capacitor. Bypass with an
additional 0.1 µF capacitor. This
may or may not be required,
depending on the Host's power
supply and its impedance.
8 SRQ Output CMOS_O Slave Request
9 SRDY Output CMOS_O Slave Ready
12 SCLK Input CMOS_I SPI Clock
13 MISO Output CMOS_O SPI Master Input Slave Output
15 CS Input CMOS_I SPI Chip Select
16 MOSI Input CMOS_I SPI Master Output Slave Input
18 MRQ Input CMOS_I Master Request
19 3V3 Output CMOS_O 3.3V Switcher output from the
Node
22 RESET_N Input OC_1 RESET input
23 USTATUS I/O CMOS_O,
CMOS_I USTATUS. To be used by the
microNode as a GPIO. Undefined
at this time. Float for now.
24 POWER_ON Input CMOS_A This is used to turn ON/OFF the
Internal Power supplies of the
microNode.
25 ANT_SEL Output CMOS_O This is used by the microNode to
control its antennas for diversity.
27 UART_SIN Input CMOS_I UART Serial input. Not supported
at this time.

microNode Integration Specification Electrical Interface
On-Ramp Wireless, Inc. 11 014-0033-00 Rev. H
Pin # Pin Name Signal
Direction
Relative to
microNode
Signal
Type Comment
28 UART_SOUT Output CMOS_O UART Serial output. Not
supported at this time.
29 TOUT Output CMOS_O TOUT is a normally low signal that
pulses high in response to specific
Network Timing Events
32 RF_PAEN_EXT Input CMOS_I This is used to force the PA off. It
is internally pulled low. Do not
connect at this time.
33 RF_TXENA Output CMOS_O This signal is used to indicate
status of the Power Amplifier for
the microNode: Low = OFF, High
= Enabled (Transmitting).
36 RF RF RX/TX 50 Ohm This is the RF input/output for the
microNode. It is a 50 Ohm
castellated “pin.”
39 RF_SHDN RF Shutdown CMOS_O This pin indicates the status of the
RF Transceiver for the
microNode: Low= Shutdown, High
= Active
NOTES:
1. The VDD of the internal logic of the microNode is 3.3Volt.
2. The Host is the SPI Master and the microNode is the SPI Slave.
3. OC_1
The pin-type is unique for the RESET line. Internal to the microNode, this is a simple RC
circuit that Resets to GND (0 Volts) and rises to 1.8Volts (maximum). Externally, it is required
to drive this pin via an Open Collector/Drain (States: Ground = microNode Reset, or
float = microNode Active). Most Host CPUs have programmable I/Os that allow setting as an
output (low) and as input (tri-state or float). A pull-up is not permitted. Voltages above 1.8V
can damage the Reset line of the microNode or place the microNode in a latchup state.
4. CMOS_A
a. The CMOS_A pin is used to control two Analog Regulators and their Enable pins.
b. The pin has hysteresis.
Going High (Active): V input High is 1.2V
Going Low (OFF): V input Low is 0.4V
c. When the microNode is ON, this pin consumes a nominal 0.2 µA but as maximum of 2
µA over the entire temperature range.

microNode Integration Specification Electrical Interface
On-Ramp Wireless, Inc. 12 014-0033-00 Rev. H
5. VBATT
a. The microNode operating voltage is 2.2V - 5.5V, which drives a buck/boost regulator
(3.3V) internal to the microNode.
b. The internal 3.3V regulator drives the RF and PA circuitry of the microNode which also
drives its operating CMOS I/O voltages.
6. CMOS_I
The Node input voltages are 3.3V CMOS levels. VIH = 2.0V (minimum) and VIL = 0.8V
(maximum).
7. CMOS_O
The Node output voltages are 3.3V CMOS levels (4mA). VOH = 2.4V (minimum) and
VOL = 0.4V (maximum).
8. SPI inputs to the node (SCLK, MOSI, CS) must be tri-stated or driven low when the node may
be sleeping (MRQ and SRQ are both low). See section 4: SPI Interface and Sequences for
more details.
3.1 Signal Descriptions
3.1.1 VBATT
This is the main power to the microNode. This needs a low impedance source to the Host’s
power source. It is recommended that the Host have provision for up to a 100 µF (47 µF nominal)
low ESR capacitor. Use an additional 0.1 µF capacitor to bypass the large bulk capacitor. These
capacitors help shunt high frequency noise (0.1 µF) and aid in smoothing surge currents as the
Node turns itself ON/OFF during normal operations.
3.1.2 POWER_ON
This signal controls the power-on of the LDO circuitry for the microNode. It must be shut off
prior to starting the microNode power-up sequence as defined in section 4.4: Startup (Power
On) Sequence. After the microNode is powered up, this signal is to remain logic high during
normal operational modes.
3.1.3 RESET_N
The microNode has a basic RC Reset circuit that should be cleared during the startup sequence
for the microNode. This signal is an Open Collector/Drain style of signal that can be cleared
(grounded) for Reset and allowed to float when the microNode is operational.
CAUTION: This pin should never be exposed to a voltage greater than 1.8V. Signals greater
than 1.8 V could damage the Node.

microNode Integration Specification Electrical Interface
On-Ramp Wireless, Inc. 13 014-0033-00 Rev. H
3.1.4 MRQ
The MRQ (Master Request) is the Host’s normal way of waking the microNode to initiate SPI
communications. Logic “High” forces the microNode awake.
3.1.5 SRDY
SRDY (Slave Ready) is an indication from the microNode that it has fully booted its internal
Firmware image, initialized its Hardware and Interfaces, and is ready for communication
(arbitration) with the Host. Logic “High” indicates the microNode is ready for communications.
3.1.6 SRQ
The SRQ (Slave Request) signal is an indication from the microNode that it wants the Host’s
attention. When SRQ is asserted “High,” the Host must read the Status registers of microNode. If
SRQ is “High,” SRDY will also be “High.”
3.1.7 USTATUS
USTATUS is currently undefined. In software it can be either an Input or Output. Currently it is
configured as an input. The Host should not use this signal.
3.1.8 SPI System
The SPI system is the generic term used for all SPI signals (MOSI, MISO, CS, SCLK) to be set up for
SPI communications to occur between Host and microNode.
The microNode SPI is the Slave in the Master/Slave communications and is defined in section
4.2: SPI Mode and Timing.
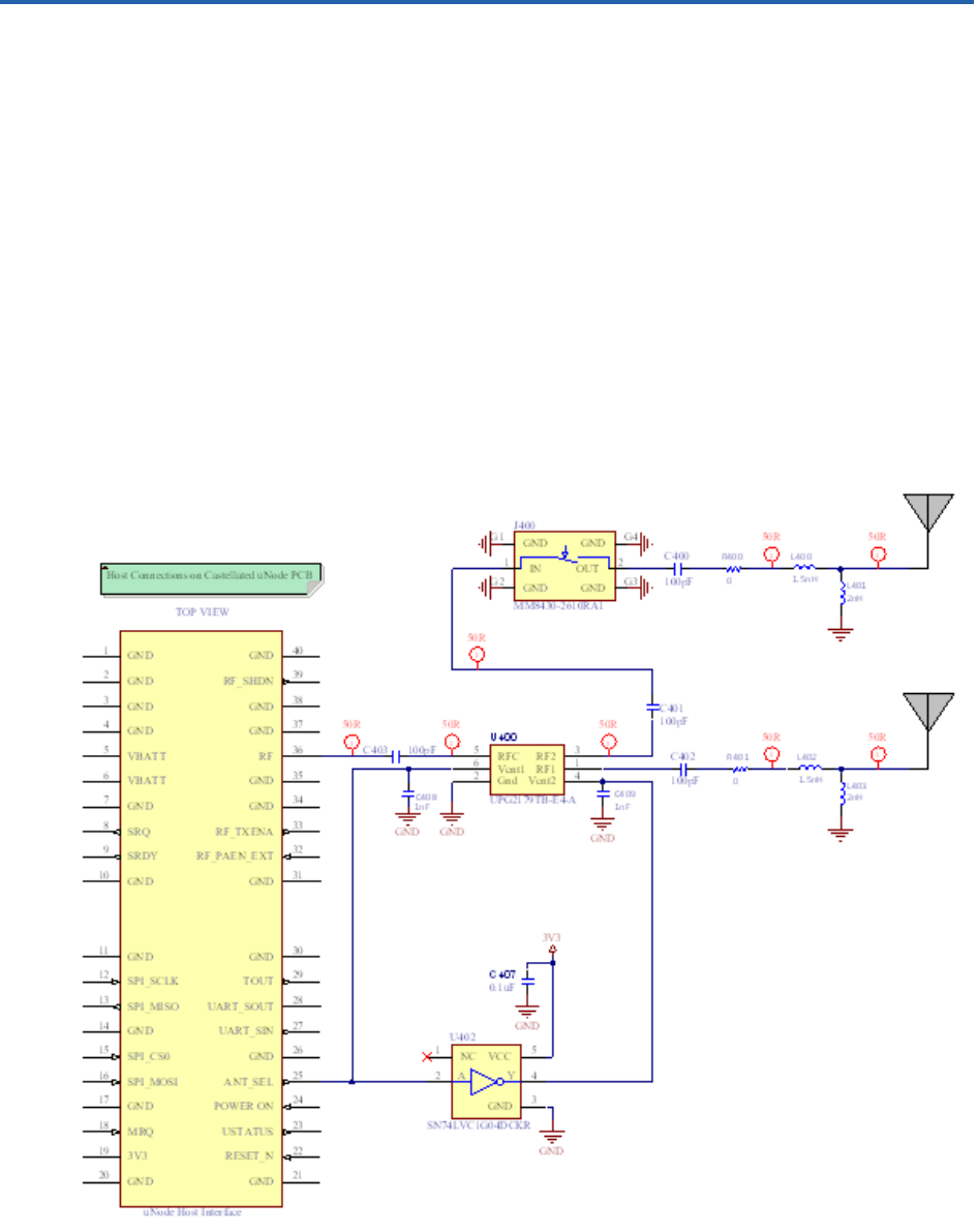
3.1.9 ANT_SEL
The Antenna Select (microNode output) signal is used to control a RF T/R signal to allow
Antenna Diversity. This is more fully defined in Chapter 8: Antenna Diversity.
3.1.10 UART_SIN
This UART_SIN is a microNode UART input signal. It is reserved for future use and should not be
used by the Host. Leave unconnected.
3.1.11 UART_SOUT
The UART_SOUT is a UART output signal that is currently reserved. The Host should not use this
pin.

microNode Integration Specification Electrical Interface
On-Ramp Wireless, Inc. 14 014-0033-00 Rev. H
3.1.12 TOUT
This signal is a Time Synchronizing signal that pulses high upon specific network timing events.
3.1.13 RF_PAEN_EXT
The RF_PAEN_EXT signal is a direct hardware signal that can be used to disable the Power
Amplifier (PA) for the microNode. This signal is pulled low (100k to ground) to allow the PA to
work as normal. A microNode external device can temporarily assert this signal high to de-key
the PA for the microNode. The purpose of this direct control is to allow simple coexistence
algorithms with other RF devices. If the external device is transmitting, its transmitter signal can
disable the PA for the microNode thus avoiding a TX collision.
3.1.14 RF_TXENA
This signal is a status output of the microNode that allows other RF devices to monitor when the
microNode is transmitting. In a simple RF coexistence scheme, the RF_TXENA can disable a
coexisting radio’s transmitter, while the microNode is transmitting. The RF_TXENA signal goes
active high when transmitting.
3.1.15 RF_SHDN
This microNode output indicates status of the RF Transceiver of the microNode. If low, the
transceiver sleeps (no RX and no TX). Using RF_SHDN and RF_TXENA in combination, co-existing
RF devices can determine the absolute state of the RF Transceiver of the microNode.
3.1.16 RF
This is the RF port (TX and RX) for the microNode. It is a nominal 50 Ohm port. For best results
ensure the load termination (antenna) has a VSWR of 1.5:1 or better (return loss < -10 dB).
3.2 Environmental
3.2.1 ESD
The microNode is designed to be a truly embedded module and can almost be considered an IC.
The microNode is to be placed as a direct-connect to the Host CPU. Therefore, the microNode
has inherent minimal electrostatic discharge (ESD) protection on its I/O.
Table 6. ESD Information
ESD Model Class and Minimum Voltage
HBM Class 1C ( >1000V)
MM Class A (>100V)

microNode Integration Specification Electrical Interface
On-Ramp Wireless, Inc. 15 014-0033-00 Rev. H
The RF port does have some protection in the form of an inductor to ground, thus allowing
some robustness to direct ESD strikes.
If the application is intended for harsh ESD or lightning strike scenarios it is recommended that
the Integrator take extra precautions to guard against accidental resets or ESD damage.
3.2.2 Harsh Environments
The microNode employs miniature surface-mounted components in its assembly. If the target
design is intended for high humidity or salt environments and intended to have a long service
life, it is recommended that the designer take necessary precautions to guard against prolonged
exposure to moisture and other contaminants. A sealed enclosure (IP67 or IP68) or potting may
be required in extreme environments.

On-Ramp Wireless, Inc. 16 014-0033-00 Rev. H
4 SPI Interface and Sequences
4.1 SPI System Interface Overview
The SPI slave interface is currently the only supported interface for Host-to-Node communication.
NOTE: The microNode must be the only SPI slave on the bus.
The SPI slave interface provides communication with an external Host through a 7-wire interface.
The Host is the SPI master and the microNode is the SPI slave. In addition to the four standard SPI
signals, three additional signals are used to complement the SPI bus: MRQ, SRQ, and SRDY. The
additional signals are included to support microNode state transitions and bi-directional message
traffic.
The SPI signals include four that are controlled by the master and three that are controlled by the
slave.
Master-controlled Signals (Host)
MOSI
SCLK
CS
MRQ
Slave-controlled Signals (microNode)
MISO
SRQ
SRDY
When MRQ and SRQ are low, the remaining Master controlled signals (MOSI, SCLK, and CS) must
be held low or tri-stated. This is to prevent these signals from back-driving the microNode (Slave)
that may be in deep sleep. When either MRQ or SRQ assert high, the Master should set each of
the three signals appropriately according to their standard usage. No pull-up resistors should ever
be applied to any signals on the microNode since it often needs to fall into a Deep Sleep mode (all
internal regulators turned off).

microNode Integration Specification SPI Interface and Sequences
On-Ramp Wireless, Inc. 17 014-0033-00 Rev. H
4.2 SPI Mode and Timing
MOSI
(from master)
1
NSS
(to slave)
MISO
(from slave)
SPCK
(CPOL = 0)
2 3 4 5 6 7 8
SPCK Cycle
(for reference)
MSB
MSB
LSB
LSB *
6 5 4 3 2 1
6 5 4 3 2 1
Figure 8. SPI Timing, CPOL = 0, CPHA = 0
4.3 Host Initialization
What is described here is the initialization of the Host, its operating software, and the control
sequences used to drive the microNode.
Due to specific clock and memory requirements, the microNode must go through specific
Initialization and Wake sequences.
NOTE: Some CPUs have internal pull-up resistors that are active after Power On Reset. Through
CMOS leakage, the Host CPU can supply voltages to the microNode I/O bus prior to the
Host CPU fully initializing and disabling the pull-up resistors. It must be noted that during
the brief initialization period, the POWER_ON signal must be “low.” Activating the
POWER_ON signal with other microNode signals being pulled “high” can cause CMOS
latchup within the microNode.
4.4 Startup (Power On) Sequence
During, and immediately after Power On Reset (POR), the Host has no control of its I/O power
states. For instance, some CPUs have GPIO that tri-state or act as inputs during power up. Other
CPU brands have programmable pull-ups on its I/O and need the Host CPU to disable those pull-
ups for the Host’s GPIO to work correctly with the microNode. This setup and configuration of
GPIO takes a finite time during the Host boot process. This is detailed in the following figure.
Whereas the power-up sequence is described here, it is recommended the Integrator not attempt
this entire startup sequence without assistance. On-Ramp Wireless offers a formal and controlled
library to help with this startup and communication interface. For more information, refer to the
rACM Developer Guide (010-0105-00) and the Host Common Software Integration Application
Note (010-0024-00). These documents are described in section 1.3: Referenced Documents.

microNode Integration Specification SPI Interface and Sequences
On-Ramp Wireless, Inc. 18 014-0033-00 Rev. H
t
0
t
1
t
2
t
3
t
4
t
5
t
6
1000 ms 10 ms 4 ms
t
6
– t
4
< 300 ms or error
SRDY
SPI
System
MRQ
Reset_N
Power On
Host Init
(not a signal)
V
BATT
Hi-Z
100 ms
Figure 9. microNode Power-up Timing Sequence
The timing sequence shown in Figure 9 above is described below. NOTE: The timing shown in the
figure is not to scale.
t0
t1 This phase is where the Host’s System power has been applied and the Host
Software must power up and initialize the GPIO interfaces for the microNode to
the required states defined at time t1. The t1 state becomes “TRUE” indicating the
Host sets all the GPIO to a known and controlled state (Low).
t2 At t2 state, all the output signals to the microNode are set low and the Power On
Signal is set high. This turns on the internal LDO regulators of the microNode to
initiate a power up sequence. The time between t1-t2 is approximately 100 ms, or
longer.
t3 t3 is when the Host releases the microNode from its Reset state. This time allows
the 32 kHz of the microNode to turn on and stabilize. The time between t2-t3 is 1
second, or longer.
t4 t4 signals the start of the Host wanting to initiate communications (arbitration)
with the microNode. The Host raises MRQ to turn on various circuitries. The time
between t3-t4 is 10 ms, or longer.

microNode Integration Specification SPI Interface and Sequences
On-Ramp Wireless, Inc. 19 014-0033-00 Rev. H
t5 After the assertion of t4, the microNode begins its “wake sequence.” The
microNode must boot, initialize its operating system and hardware and when it is
ready for communications it raises its SRDY signal back to the Host. At this point,
communications (Arbitration) can begin.
t6 At this point the microNode signals its readiness by asserting the SRDY pin. The
Host can now begin communications with the microNode.
4.5 Wake Sequence
The microNode can be awakened in two manners:
MRQ assertion from the Host. The Host desires communications with the microNode and
awakens the microNode by asserting the MRQ line. This is a Synchronous Wake Sequence.
The microNode can “self-awaken” due to network events. In this case, a timer internal to the
microNode “pops” and triggers the microNode to “wake.” When the microNode is awake it
asserts its SRDY as a matter of course to indicate to the Host (if it needs to) that it can start
communicating with the microNode while it is awake. This is an Asynchronous Wake
Sequence.
4.5.1 Wake Sequence (Synchronous)
The following sequence demonstrates the timing required of the Host to awaken the microNode
from a sleep state.
Assumptions:
The microNode has been previously Powered On and Arbitrated.
The power (VBATT) has remained stable and the microNode has not been Reset (Reset is set
to tri-state/float).
t0t1t2t3
SRDY
SPI
System
MRQ
Hi-Z
4 ms
(Driven as appropriate)
3 ms
Figure 10. Host-Initiated microNode Wake Sequence – SRDY Low (Synchronous)

microNode Integration Specification SPI Interface and Sequences
On-Ramp Wireless, Inc. 20 014-0033-00 Rev. H
The timing sequence shown in Figure 10 above is described below. NOTE: The timing shown in the
figure is not to scale.
t0 The Host desires to wake the microNode and asserts MRQ high.
t0
t1 After MRQ has gone High, the Host’s SPI system and other I/O can be enabled.
Asserting the MRQ has enabled the internal I/O power supply of the microNode
and the Host’s SPI can be enabled 4 ms after the rise of MRQ.
t1
t2 After the initial assertion of MRQ, the microNode has to internally power up and
initialize its systems. When it is ready to communicate it will assert its SRDY line to
signal it is now ready for SPI interaction. From MRQ assertion until the microNode
is ready, takes about 80 ms.
t3 The microNode is now ready to communicate with the Host.
4.5.2 Wake Sequence (Asynchronous)
In this scenario, the microNode is already awake due to a networking event (SRDY is already High)
and the Host wants to communicate with the microNode while it is awake. The Host asserts MRQ
to ensure that the microNode stays awake during its communication cycle.
NOTE: The timing shown in the figure is not to scale.
t0t1t2t3
SRDY
SPI
System
MRQ
Hi-Z (Driven as appropriate)
< 250 μs
Figure 11. Host-Initiated microNode Wake Sequence – SRDY High (Asynchronous)

microNode Integration Specification SPI Interface and Sequences
On-Ramp Wireless, Inc. 21 014-0033-00 Rev. H
4.6 Host-Driven Reset Sequence
If the microNode fails to communicate (or similar), it may be necessary to Reset the microNode.
The following figure shows the proper sequence to reset the device.
NOTE 1: Resetting the device causes it to go through a Cold Acquisition process to reacquire the
network.
NOTE 2: The timing shown in the figure is not to scale.
Power On
t0t1t2t3t4t5t6
1000 ms 10 ms 4 ms
SRDY
SPI
System
MRQ
Reset_N
VBATT
Hi-Z
100 ms
(Driven as appropriate)
Figure 12. Host-Driven Reset Sequence

microNode Integration Specification SPI Interface and Sequences
On-Ramp Wireless, Inc. 22 014-0033-00 Rev. H
4.7 Host MRQ Release/microNode Allowed to Sleep Sequence
If the Host determines there are no more messages or SPI transactions required, it nominally de-
asserts the MRQ to allow the microNode to fall back to Deep Sleep (lowest power mode). The
figure below shows how this is sequenced by the Host/microNode. A small delay in de-asserting
SRDY is enforced to prevent quick toggling (waking) of the microNode.
NOTE: The timing shown in the figure is not to scale.
t
0
t
1
t
2
SRDY
SPI
System
MRQ
Hi-Z
10 ms3 ms
Figure 13. Host MRQ Release/microNode Allowed to Sleep Sequence

On-Ramp Wireless, Inc. 23 014-0033-00 Rev. H
5 Power States
The microNode has a number of states it runs through during its various operating modes.
General comments:
1. The microNode accepts a wide input voltage range (2.2-5.5V).
2. The microNode has low drop out (LDO) regulators that will operate 100% of the time the
microNode is powered (POWER_ON signal set high).
3. There are 3.3V/1.2V Buck/Boost Switching regulators that use the wide input range to drive
key RF and Digital circuits. The 3.3V regulator is only turned on in certain active operating
states of the microNode.
The microNode always tries to minimize its power consumption but is largely driven by network
operating states and modes of operation. This document does not describe all of the modes in
detail but, in general, there are two main operating modes for the microNode:
Continuous Mode
In this mode, the microNode is ON (awake) at least 50% of the time (100% of its RX cycle).
The microNode starts up, searches for the network, locks on, and Joins. In this mode, the
microNode nominally is either in RX or TX modes (radio is ON and in a high power
consumption state), or in an Idle state where the clocks and CPU are ON but the radio is OFF
(moderately low power mode). The continuous mode is usually for applications where the
Host and microNode are AC-powered and system current consumption is not an issue.
Slotted Mode
This mode has the microNode falling into a Deep Sleep state – the lowest power state of the
microNode. In this mode, the microNode is mostly powered down – except for a couple of
low power LDO Regulators. The microNode can sleep for hours at a time if the network is
configured to allow this.
The power states are described in the following sections.
5.1 Operating States
This section describes the various operating states within the operational modes.
5.1.1 Power Off State
When the microNode is totally non-functional, the Host can set the POWER_ON signal Low to
deactivate the circuitry of the microNode. This should NOT be confused with Deep Sleep states
where the microNode mostly sleeps yet maintains key network timers to wake up synchronously
with network activity. If awakened from the Power Off state, the microNode must go through a
very power-hungry search/acquisition algorithm to re-acquire the On-Ramp Total Reach
Network.

microNode Integration Specification Power States
On-Ramp Wireless, Inc. 24 014-0033-00 Rev. H
5.1.2 Deep Sleep State
The microNode shuts off all its power regulators except a couple low quiescent LDO regulators.
These regulators keep a minimal amount of circuitry alive for tracking network timers, enable a
32 kHz clock, and some minor interface circuitry.
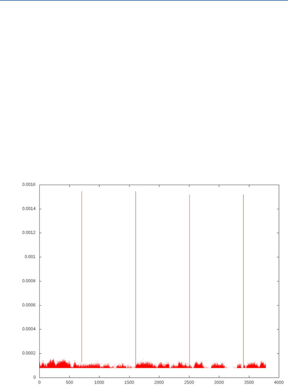
5.1.3 Oscillator Calibration State
When the microNode is in Deep Sleep state, it attempts to maintain accuracy of its low power
32 kHz clock to enable faster network synchronizing when it wakes up. The CPU of the
microNode is not activated during this calibration state. The microNode will periodically (and
briefly) wake up in a very low power mode to calibrate its 32 kHz clock to its very accurate 26
MHz clock. This is especially important when the temperature varies substantially causing the 32
kHz oscillator to drift. This is illustrated in the following figure.
This plot is an example of the microNode performing a self-calibration of its 32 kHz oscillator.
The pulses represent the TCXO being turned on periodically to perform the calibration. The
microNode wakes itself from Deep Sleep, Calibrates, and then falls back to sleep. Minimal power
is consumed during this self-calibration process. As can be seen, the microNode does this
approximately every 900 seconds.
Figure 14. microNode Oscillator Calibration: Current (Amps) vs Time (Seconds)

microNode Integration Specification Power States
On-Ramp Wireless, Inc. 25 014-0033-00 Rev. H
5.1.4 Idle State
Idle state has various sub-states but generally refers to a state where the microNode is “awake”
and its system clock is on, the CPU is awake, but the RF is OFF.
5.1.5 RX State
The microNode turns on all its clocks, the main CPU and the RF in an RX-only state. The RF
transceiver, in RX state, consumes a moderate amount of power.
5.1.6 TX State
When the microNode transmits, it uses a variable transmit power that is correlated to its
received RSSI. In this state, the microNode is likely at its highest power states, but this is
somewhat dependent on RSSI. The worst case state (maximum power) is shown in Figure 15.
This is at approximately 20.8 dBm output power. This is the highest power state for the
microNode.
5.2 System
As noted, the microNode can go through various states of Deep Sleep, Idle, RX, and TX. The plot
shown in the following figure provides a representative microNode waking up and going through
these states and transitions.
All systems are different and current consumption is affected by many factors.
Network coverage. How much TX power does a microNode need to transmit its data?
Temperature range
Operating Voltage
Continuous mode vs Slotted mode: What is the Uplink Interval?
Amount of data in the data model
Quality of Service (QoS) for data delivery
All of the factors indicated above must be examined carefully and plotted to understand the end
result in current profiles and expected battery life projections.

microNode Integration Specification Power States
On-Ramp Wireless, Inc. 26 014-0033-00 Rev. H
Figure 15. Representative Current Consumption During Deep Sleep, Idle, RX, and TX; x16
Spreading Factor (Amps vs Seconds)
The plot shown in the figure above represents the nominal transitions for the microNode from
Deep Sleep, Idle, Receive, and Transmit states. In this case, a TX spreading factor of 16 is used. It
is important that the Host designer understand the System operating profile, operating voltages,
different operating modes of the microNode and the ultimate effect on System power
consumption. Of course, this is especially true if a battery powered device is being considered.

On-Ramp Wireless, Inc. 27 014-0033-00 Rev. H
6 Messaging Protocol
The details of Host/Node messaging are typically not necessary for integrators to implement;
however, low-level understanding of the SPI protocol used may be critical in resolving Host
interface issues. For mid-level details of the messages that may be sent over this interface, refer
to Node Host Message Specification (014-0020-00).
6.1 Arbitration
Arbitration is the process a Host uses to signal to the Node that it supports the On-Ramp
Wireless bi-directional messaging protocol. The arbitration sequence is designed to reduce the
probability that an arbitrary non-Host transfer sequence can mirror a valid arbitration sequence.
Arbitration consists of both Host and Node transmitting an arbitration request/reply pair. After a
defined turn-around delay, both transmit a validation request/reply. The turn-around delay
avoids race conditions between Host and Node and provides enough time to allow ISR execution
to complete before the next SPI transfer.
If the Node does not reply to the Host request, the Host needs to wait for a turn-around delay
and retry the arbitration request.
The Host must perform the arbitration sequence before any other SPI Bus communication can
take place between the Host and the Node.
The Host must initiate this arbitration sequence on boot up. Additionally, the Host must perform
the arbitration sequence when the Node sends to the Host an arbitration message. This can
occur due to the Node going into Deep Sleep and then waking up. Since the Node requires the
arbitration sequence after waking from Deep Sleep and since the Host is not aware of when the
Node goes to Deep Sleep, the Host must be able to detect that the Node is requesting
arbitration and the Host must then reset its Host interface state machine and perform
arbitration. For more information on the Host interface SPI bus state machine, refer to section
6.3: Host Interface SPI Bus State Machine.
6.2 Message Protocol
Host-to-Node transfers use master message command pairs and Node-to-Host transfers use
slave message command pairs. Both transfers use identical command sequences with only the
encoding of the commands differing. The command sequence for a message transfer consists of
a request/acknowledgement pair followed by a defined turn-around delay and then a message
composed of a header pair and a payload.
Variable length payloads are supported by encoding the payload size in the second half of the
message request. The second half of the message reply contains the available receive buffer
size. If the message payload size exceeds the receive buffer size, then a new request must be
made after a turn-around delay with a payload size that does not exceed the receive buffer size.

microNode Integration Specification Messaging Protocol
On-Ramp Wireless, Inc. 28 014-0033-00 Rev. H
After a successful message request transfer, the Host waits a turn-around delay and then
initiates the transfer with a message header command. The payload immediately follows the
header and, if necessary, is zero padded to match the payload size indicated in the message
request.
After the payload, the Host waits a turn-around delay before proceeding with any other further
messages.
The Host interface SPI bus is a standard SPI bus (with MISO, MOSI, CS, and SCLK) with the
addition of three lines (MRQ, SRQ, and SRDY). These three additional lines are used to provide
the Host with the ability to wake up the Node over the SPI Bus as well as providing the Node
with the ability to prompt the Host to begin a SPI Bus transaction. The Node is also exceptional
in that it must be the only slave present on the SPI Bus, since MOSI, CS, and SCLK must be
undriven (tri-stated) any time that MRQ is low.
Before any message is communicated over the SPI Bus, the MRQ and SRDY lines must be high.
The Host guarantees this by pulling the MRQ line high and waiting for the Node to pull the SRDY
line high. The Host cannot proceed with SPI Bus communication until both of these lines are
high. Once MRQ and SRDY are high, the Host, being SPI Bus master, can continue with a normal
SPI Bus transaction.
When the Node wishes to communicate with the Host, it pulls the SRQ line high. The Host must
have the ability to detect this and start a SPI Bus transaction (by first pulling the MRQ high and
waiting for SRDY to go high). A standard SPI Bus transaction is described and illustrated in Figure
18.
Message exchanges between Host and Node are shown below in Figure 16.

microNode Integration Specification Messaging Protocol
On-Ramp Wireless, Inc. 29 014-0033-00 Rev. H
MRQ=1
Node
SRDY=1
Host
Slave
Request
Slave Ready
ArbREQ
ArbACK
ValREQ
ValACK
Arbitration
Request
Arbitration
Acknowledge
Validation
Acknowledge Validation
Request
MMsgREQ+Size
MMsgACK+Size
MHdrREQ
MHdrACK
Master Message
Request
Master Message
Acknowledge
Master Header
Request
Master Header
Acknowledge
Payload
Transmit
Payload
Receive
SMsgREQ+Size
SMsgACK+Size
SHdrREQ
SHdrACK
Slave Message
Request Slave Message
Acknowledge
Slave Header
Request Slave Header
Acknowledge
Payload
Transmit Payload
Receive
Repeat 6 steps above
PAYLOAD
SRQ=1
Slave
Request
Arbitration
Host-to- Node
Message
Transfer
Node-to-Host
Message
Transfer
wait
wait
wait
wait
wait
wait
wait = Turn-around Delay
MRQ=1
SRDY=1
MRQ=1
SRDY=1
wait
wait
PAYLOAD
Repeat 5 steps above
if needed
Figure 16. SPI Master and Slave Message Sequences
In each of the request/acknowledge command pairs shown, the top command is transmitted by
the Host (master) and the bottom command is transmitted by the Node (slave). The wait

microNode Integration Specification Messaging Protocol
On-Ramp Wireless, Inc. 30 014-0033-00 Rev. H
bubbles indicate a predefined turn-around delay which provides ISR processing time and avoids
race conditions between Host and Node.
6.3 Host Interface SPI Bus State Machine
This section illustrates the sequence of messages that can take place on the Host interface SPI
bus. The design and implementation of the actual state machine on the Host software is up to
the Host software designer. This diagram is provided to demonstrate the message sequence
over the SPI Bus. Note the usage of the turn-around delay, which is required in between each
step of message exchange. This delay is required by the Node and is currently defined as having
a time of 200 µs.
ARBITRATION
NIL
VALIDATION
IDLE
MMSG_REQ SMSG_REQ
MMSG_PAYLOAD SMSG_PAYLOAD
A
A
B
B
Turn-around
Delay
A
Turn-around
Delay
Turn-around
Delay
Turn-around
Delay
Turn-around
Delay
B
BOOT
Exchange of Arbitration
Message
Exchange of
Validation Message
Any
Non-Validation
Exchange of MHDR Message Exchange of SHDR Message
Exchange of MMSG
Message
Any
Other SPI Bus
Traffic
Any
Other SPI Bus
Traffic
Exchange of SMSG
Message
Host (Master) Has
Message to Send
SRQ Asserted by
Slave (Node)
Non-Arbitration
Response
Unexpected
SMSG_RSP
Figure 17. Host Interface SPI Bus State Machine

microNode Integration Specification Messaging Protocol
On-Ramp Wireless, Inc. 31 014-0033-00 Rev. H
6.4 SPI Bus Timing Example
This section provides an example illustration of an exchange of messages first from master
(Host) to slave (Node) and then from slave (Node) to master (Host). Each step in the timing
sequence is described below:
SRQ
MRQ
SRDY
CS
SCLK
MISO
MOSI
6
9
510
11
1
2
3478
Figure 18. SPI Timing Example
Note that MRQ state transitions must respect the timing requirements shown in Chapter 4.
The following items pertain to the numbered bubbles above:
1. Host has a message that it desires to send to Node. The first thing that it does is drive MRQ
and CS high.
2. The Host then waits for the Node to drive SRDY high. No SPI bus transaction with the Node
can occur before this.
3. After SRDY is high, the Host can start with the SPI data transaction. This is accomplished by
driving the Node CS line low and then having the Host toggle the SCLK, and MOSI lines and
having the Node toggle the MISO line according to the data to be transferred. The SPI Host
interface specifies that first a MMsg pair is exchanged.
4. A MHdr pair is exchanged. Note that the payload of the message is appended to the MHdr.
5. The Host detects that the transaction is complete and that it does not wish to send more
messages to the Node at this time. It drives the MRQ line low. Since MRQ is low, CS, SCLK
and MOSI are tri-stated.

microNode Integration Specification Messaging Protocol
On-Ramp Wireless, Inc. 32 014-0033-00 Rev. H
6. At some time in the future, the Node desires to send a message to the Host. It indicates this
to the Host by driving SRQ high. Since SRQ is high, the Host drives MRQ and then CS high. It
then waits for SRDY to go high, which it already is.
7. The Host starts the SPI data transaction. This is accomplished by driving the Node CS line low
and then having the Host toggle the SCLK, and MOSI lines and having the Node toggle the
MISO line according to the data to be transferred. The SPI Host interface specifies that first a
SMsg pair is exchanged.
8. A SHdr pair is exchanged. Note that the payload of the message is appended to the SHdr.
9. The Node detects that the transaction is complete and that it does not wish to send more
messages to the Host at this time. It drives the SRQ line low.
10. The Host detects that SRQ has gone low and that it does not have any messages to send to
the Node. It drives the MRQ line low. Since MRQ is low, CS, SCLK and MOSI are tri-stated.
11. The Node drives the SRDY line low after MRQ goes low.
6.5 Host Message SPI Example
This section provides an example Host message exchange from master (Host) to slave (Node). In
this example, the Host is sending a version request message.
This example is a zoomed-in view of the example provided previously in Figure 18. This section
covers what happens in step 3, which includes the two SPI exchanges initiated by the Host.
With any SPI Host interface message, first an MMsg or SMsg pair must be exchanged. This pair
contains information on how big the message is (from the message originator) and how much
message queue space is available (on the message destination).
The following diagram shows such an example:
SCLK
MISO
MOSI
0 1 1 0 1 0 0 1 1 1 1 1 1 1 1 1
1 0 1 0 1 0 0 1 1 0 0 0 0 0 0 0
Figure 19. Host Message on SPI – MMsg Pair
The SPI clock edging is configurable with a polarity and phase. In order to communicate with the
Node, the SPI clock polarity must be set to “the inactive state value of SPI clock is logic level
zero” and the SPI clock phase must be set to “data is captured on the leading edge of SPI clock
and changed on the following edge of SPI clock.” This means that the data lines (both MISO and

microNode Integration Specification Messaging Protocol
On-Ramp Wireless, Inc. 33 014-0033-00 Rev. H
MOSI) are read on the SCLK rising edge and are set or cleared on the SCLK falling edge, and is
commonly referred to as CPOL=0, CPHA=0.
This illustration shows that the bit streams for MISO and MOSI are:
MISO: 0110100111111111
MOSI: 1010100100000100
These bits indicate:
MISO: from slave to master (01)
length of message=2 (10)
opcode=MMsgACK (1001)
buffer size=255 (11111111)
MOSI: from master to slave (10)
length of message=2 (10)
opcode =MMsgREQ (1001)
payload size=4 (00000100)
An MMsg pair or SMsg pair is immediately followed by the corresponding MHdr pair or SHdr
pair. This is illustrated below:
SCLK
MISO
MOSI
. . .
0
1
1
0
1
0
1
0
0
0
1
0
1
0
1
0
1
0
0
0
. . .
. . .
0
1
0
1
0
0
0
0
Figure 20. Host Message on SPI – MHdr Pair
For purpose of brevity, this timing diagram shows only a portion of the data exchange. The
complete bit streams for MISO and MOSI are as follows:
MISO: 01101010000000010000000000000000000000000000000000000000000000000000
000000000000
MOSI: 10101010000000010000100000000000000101010100000011110000111100001010
010110100101
These bits indicate:
MISO: from slave to master (01)
length of message=2 (10)

microNode Integration Specification Messaging Protocol
On-Ramp Wireless, Inc. 34 014-0033-00 Rev. H
opcode=MHdrACK (1010)
Hard coded byte=1 (00000001)
Unused Extra Data (0000…...0)
MOSI: from master to slave (10)
length of message=2 (10)
opcode =MhdrREQ (1010)
Hard coded byte=1 (00000001)
Payload:
length=8 (0000100000000000)
message type=VERSION (0001010101000000)
trailing sequence (11110000111100001010010110100101)
T
The payload is Little Endian. The least significant byte is transmitted over SPI first.
All MHdr and SHdr payloads are terminated by the fixed trailing sequence
11110000111100001010010110100101.
The example above shows a message going from master to slave, thereby having a
payload in the master to slave direction appended at the end of the MhdrREQ and no
payload appended at the end of the MhdrACK.
6.6 Host Message “Connect” SPI Example
This section provides an example Host message exchange of the CONNECT message from
master/Host to slave/Node and subsequent response from the slave to the master.
The timing is similar to the timing illustrated in the previous section, but the data and length of
data is different.
The steps involved in this exchange are as follows:
The Host desires to send the CONNECT message to the Node. As described in the previous
section, this starts with an MmsgREQ/MmsgACK exchange over the SPI bus.
MISO: 0110100111111111
MOSI: 1010100100000110
These bits indicate:
MISO: from slave to master (01)
length of message=2 (10)
opcode=MMsgACK (1001)
buffer size=255 (11111111)
MOSI: from master to slave (10)
length of message=2 (10)

microNode Integration Specification Messaging Protocol
On-Ramp Wireless, Inc. 35 014-0033-00 Rev. H
opcode =MmsgREQ (1001)
payload size=6 (00000110)
The MMsg exchange is followed by the MHdr exchange, which includes the payload of the
CONNECT message.
MISO: 01101010000000010000000000000000000000000000000000000000000000000000
00000000000000000000000000000000000000000000
MOSI: 10101010000000010000110000000000001100100100000000000001000000000000
00000000000011110000111100001010010110100101
These bits indicate:
MISO: from slave to master (01)
length of message=2 (10)
opcode=MHdrACK (1010)
Hard coded byte=1 (00000001)
Unused Extra Data (0000…...0)
MOSI: from master to slave (10)
length of message=2 (10)
opcode =MhdrREQ (1010)
Hard coded byte=1 (00000001)
Payload:
length=12 (0000110000000000)
message type=CONNECT (0011001001000000)
host interface=True (00000001000000000000000000000000)
trailing sequence (11110000111100001010010110100101)
The payload of the message includes first the length, which is the number of bytes in the
payload including the length and the trailing sequence.
It is followed by the message type, which in this case is 0x4032, and corresponds with CONNECT.
The CONNECT message has a 4-byte field that is a Boolean flag specifying whether or not the
Node should send asynchronous SPI messages to the Host. To specify that the Node should send
messages to the Host, the value of 0x00000001 is used.
It is then followed by the standard fixed trailing sequence.
This message exchange is followed by a Node-initiated message exchange for the purpose of
sending an ACK of the CONNECT message to the Host. This starts with a SmsgREQ/SMsgACK
exchange over the SPI bus.
MISO: 0110101100000100
MOSI: 1010101111111111

microNode Integration Specification Messaging Protocol
On-Ramp Wireless, Inc. 36 014-0033-00 Rev. H
These bits indicate:
MISO: from slave to master (01)
length of message=2 (10)
opcode=SMsgACK (1011)
buffer size=255 (11111111)
payload size=4 (00000100)
MOSI: from master to slave (10)
length of message=2 (10)
opcode =SmsgREQ (1011)
buffer size=255 (11111111)
The SMsg exchange is followed by the SHdr exchange, which includes the payload of the ACK
message.
MISO: 01101100000000010000100000000000001100000000000011110000111100001010
010110100101
MOSI: 10101100000000010000000000000000000000000000000000000000000000000000
000000000000
These bits indicate:
MISO: from slave to master (01)
length of message=2 (10)
opcode=SHdrACK (1100)
Hard coded byte=1 (00000001)
Payload:
length=8 (0000100000000000)
message type=ACK (0011000000000000)
trailing sequence (11110000111100001010010110100101)
MOSI: from master to slave (10)
length of message=2 (10)
opcode =ShdrREQ (1100)
Hard coded byte=1 (00000001)
Unused Extra Data (0000…...0)

On-Ramp Wireless, Inc. 37 014-0033-00 Rev. H
7 microNode Provisioning
Provisioning a node consists of updating (if necessary) node firmware version, applying a
configuration to the node, and providing security keys to the node. The node configuration and
security keys must match the target network where the node will be deployed and, after
provisioning, the node-specific key must be provided to the network operator.
The provisioning software package is used to perform these steps. For further information,
please see the provisioning documentation in the Provisioning Guide (0010-0074-00).

On-Ramp Wireless, Inc. 38 014-0033-00 Rev. H
8 Antenna Diversity
The microNode supports Antenna Diversity for optimal System performance. In many cases, the
microNode and Host system are mounted in fixed locations that often experience nulls in the RF
coverage. Antenna Diversity can help with optimization of the RX and TX paths. In marginal
coverage areas, an RF null could easily disadvantage the microNode to force it to transmit at a
higher TX Power (more current) or cause network loss and frequent rescanning to reacquire the
network (again, more current). These scenarios produce customer dissatisfaction as well as
increased battery drain. On-Ramp Wireless has designed numerous diversity solutions and has
found the circuit in shown in the following figure to work well.
NOTES:
1. It is not normally recommended to use the Node’s 3V3 output. However, this is
one ideal case for its use. VCC of U402 can use the Node’s 3V3 to allow optimal
power consumption. If the Node turns off its 3V3 supply, it cannot use its RF path
and the entire diversity circuit powers down.
2. The antennas (and associated matching values) are dependent on the antennas
used and the PCB layout.
3. The U400 CEL part crosses to a Skyworks AS214-92LF.
Figure 21. Antenna Diversity Circuit

microNode Integration Specification Antenna Diversity
On-Ramp Wireless, Inc. 39 014-0033-00 Rev. H
8.1 Antenna Design Considerations
Good antenna design is also crucial to success. It is important to consider some pertinent issues.
Ceramic antennas can work well but may sometimes have issues. Careful testing must be
done to ensure desired gains and radiation patterns.
The product must be researched in conjunction to the Access Point, its deployment, and its
antenna radiation pattern. Nominally the Access Point will be mounted on a tower or
mountain with a downward tilt. The microNode and System may be mounted vertically or
horizontally—forcing requirements on the optimal radiation pattern of the microNode.
The antenna must be well matched and with low loss between microNode and antenna. It is
important to follow the manufacturer’s recommendations. The use of low tolerance ceramic
capacitors and low tolerance thin film inductors are recommended. Examples include the
Murata GJM series of capacitors and LQP series of inductors. If using stripline RF port feeds,
care must be employed to ensure low loss and proper impedance. The antenna match may
change when fully integrated into a product. Is advised to recheck the match after full
integration. During tuning this may require the use of so called “RF pigtails” in an ad hoc
fashion. If the Bill of Materials (BOM) cost will allow, a special connector can be
implemented to support this verification/optimization.
Metallic objects nearby to the antenna can affect radiation gains, patterns, and power
match. Typically anything within about 4-5 inches can affect the match significantly
particularly if the nearby metal is resonant at 2.4 GHz. A little pattern distortion usually is
not of too much concern unless deep wide angular nulls in the antenna pattern results.
Other types of pattern distortion can be caused by absorptive losses due to lossy dielectrics
nearby the antenna, which represents real power loss dissipated as heat in the loss object.
This represents power that is completely lost and not radiated in a useful direction.
Noisy System clocks with harmonics can fall into the operating band of the microNode and
can be picked up by the antennas—degrading sensitivity, or causing Electromagnetic
Compatibility (EMC) regulatory failures.
8.2 Diversity Considerations
The operating frequency of the microNode is the ISM 2.4GHz band. This has a wavelength of
12.3 cm in air. For optimal null/peak diversity detection, the antennas must be separated by at
least 2.5” (5cm). It is a good idea on the diversity antenna to orient it 90 degrees from the main
antenna in order to improve on polarization diversity between antennas in addition to spatial
de-correlation.
Practical ground plane-independent antennas are preferable to those that require the printed
circuit board (PCB) copper for the antenna counterpoise. Examples of these are dipole antennas
and some chip patch antennas. However these can be cost adders in certain cases. It should be
noted however that some chip antennas that use the PCB for ground return have been shown to
produce reasonable performance.

On-Ramp Wireless, Inc. 40 014-0033-00 Rev. H
9 Regulatory Considerations
The microNode uses a castellation for its RF port. This lowers the unit cost and provides greater
host configuration flexibility in the final application. On-Ramp Wireless has obtained modular
certifications (FCC, IC, ETSI, Japan and others) for the microNode. The existence of the modular
certification minimizes cost and time to market for our customers. The certification documents
and the results of the certification tests are available to system integrators upon request.
The modular certification of the microNode can be re-used by customers that utilize an
equivalent layout and stack-up as our reference design platform known as the reference
Application Communication Module (rACM). In doing so, the customer must use the same RF
path to the antennas as does rACM, that is, 50 Ohm traces, SPDT RF switch, and antennas of the
same type with gain less than or equal to the approved antennas. Additional testing for
verification purposes may still be required per FCC or other regulatory body guidelines and
requirements but will vary on a case-by-case basis. Customers are advised to consult with the
regulatory compliance test house of their choice for the best way to proceed. For details about
the rACM, refer to the rACM Developer Guide (010-0105-00).
Additionally, On-Ramp Wireless has prepared certification guidelines on how to use the
software and system tools required for certification. Some markets (such as FCC/IC) are fairly
straight forward for certification and are largely TX Spectrum-based. Other markets may require
a much more sophisticated FER process involving an Access Point and Quick Start System. These
procedures are defined in the document entitled EMC Compliance Guide (010-0037-00). This
document also includes hints and recommendations to help make the process as easy as
possible. For more information about this document, see section 1.3: Referenced Documents.
9.1 Block Diagram
Some regulatory domains require a block diagram of the module for their documentation similar
to that shown in the following figure.

microNode Integration Specification Regulatory Considerations
On-Ramp Wireless, Inc. 41 014-0033-00 Rev. H
Figure 22. microNode Block Diagram
9.2 Antennas
This microNode has been certified to operate with the antennas listed below. To adhere to
these certifications requires the antennas to be of the types specified below and of lower
gain. In all instances, the combinations of microNode maximum transmit power and antenna
gain must not exceed the regulatory Effective Isotropic Radiated Power (EIRP). Antennas that
are not of the specified type or are of greater gain are strictly prohibited for use with the
microNode, per On-Ramp Wireless’ EMC certifications. The required antenna impedance is 50
ohms.
Table 7. microNode1: On-Ramp Wireless EMC Certified Antennas
Manufacturer Part Number Gain Type Connector Comment
L-com HG2402RD-RSF 2 dBi Monopole RP-SMA Plug MMCX Plug to RP-SMA
Jack adaptor required.
Ethertronics 1001013 2.1 dBi Monopole Internal PCB
chip antenna
Embedded
Antenna
Design (EAD)
FZTP35095-
SFP-XX-B 1dBi Monopole MMCX Plug to RP-SMA
Jack adaptor required.

microNode Integration Specification Regulatory Considerations
On-Ramp Wireless, Inc. 42 014-0033-00 Rev. H
Table 8. microNode2: On-Ramp Wireless EMC Certified Antenna
Manufacturer Part Number Gain Type Connector Comment
Alfa Network ARS-N19 9 dBi Monopole RP-SMA Plug MMCX Plug to RP-SMA
Jack adaptor required.
Customers are free to follow one of two paths in their final product:
Customers can use one of On-Ramp Wireless’ approved antenna types shown above that
are of equal and lesser gain. This path allows customers to use On-Ramp Wireless’
certifications. While ideal from the perspective of program cost and schedule, the ability to
reuse this antenna is highly dependent on the application.
Customers can recertify the final product with any antenna type and gain desired. In the
case of FCC/IC EMC certifications, if a different antenna type or higher gain antenna is used,
it is required that the final product be recertified with the microNode.
NOTE: For customers opting to re-certify on their own with different layout, stack-ups, and
antennas, etc., it is important that the microNode is presented with a 50Ω load. To
that end, it is recommended that the RF trace from the microNode to the antenna
be outfitted with a Pi network, near the antenna, for matching during the
development phase of a host board.
9.3 Certifications
The microNode is designed to meet regulations for world-wide use. It is certified in the United
States, Canada, and Europe as a Limited Single Module. The certifications currently achieved are
listed in the following table.
Table 9. microNode Certifications
Country Certifying Agency Certification(s)
United States Federal
Communications
Commission (FCC)
15.207 for powerline conducted emissions.
15.215 for RF TX bandwidth, power, conducted
and radiated emissions.
Canada Industry Canada (IC)
RSS210e, includes FCC tests and IC-specific
tests (RX radiated emissions).
Europe European
Telecommunications
Standards Institute
(ETSI)
300 440-1 and 440-2, ETSI Emissions.
301 489-1, ETSI Immunity.
Additional details can be found in the document entitled EMC Compliance Guide (010-0037-00)
referenced in Chapter 1: Overview.
The integrator of the final product is often required to do additional compliance tests. The
integration application and market will determine specifics. The integrator is advised to consult
with local experts in compliance certifications for complete information.
FCC/IC
The microNode is Single-Modular Certified, therefore the final product may only need Class

microNode Integration Specification Regulatory Considerations
On-Ramp Wireless, Inc. 43 014-0033-00 Rev. H
B unintentional radiator and powerline conducted emissions tests. This should be done with
the actual production antenna.
ETSI
Europe’s system is a self-declaration system. There are no documents to submit or
certification grants to obtain. One must have the passing test results available for all
applicable requirements at any time if challenged.
Other countries will vary.
9.4 FCC Warnings
This device complies with part 15 of the Federal Communications Commission (FCC) Rules.
Operation is subject to the following two conditions:
1. This device may not cause harmful interference.
2. This device must accept any interference received, including interference that may cause
undesired operation.
Changes or modifications not expressly approved by the manufacturer could void the user’s
authority to operate the equipment.
NOTE:
This equipment has been tested and found to comply with the limits for a Class B
digital device, pursuant to Part 15 of the FCC Rules. These limits are designed to
provide reasonable protection against harmful interference in a residential
installation.
WARNING:
This equipment generates, uses, and can radiate radio frequency energy. If not
installed and used in accordance with the instructions, this equipment may cause
harmful interference to radio communications. However, there is no guarantee
that inter
ference will not occur in a particular installation. If this equipment does
cause harmful interference to radio or television reception, which can be
determined by turning the equipment off and on, the user is encouraged to try to
correct the interference
by one or more of the following measures:
Re-orient or relocate the receiving antenna.
Increase the separation between the equipment and receiver.
Connect the equipment into an outlet on a circuit different from that to which
the receiver is connected.
Consult the dealer or an experienced radio/TV technician for help.
9.5 IC Warnings
The installer of this radio equipment must ensure that the antenna is located or pointed so that
it does not emit RF field in excess of Health Canada limits for the general population. Consult
Safety Code 6 which is obtainable from Health Canada’s website http://www.hc-sc.gc.ca/index-
eng.php.

microNode Integration Specification Regulatory Considerations
On-Ramp Wireless, Inc. 44 014-0033-00 Rev. H
Operation is subject to the following two conditions:
1. This device may not cause harmful interference.
2. This device must accept any interference received, including interference that may cause
undesired operation.
To reduce potential radio interference to other users, select the antenna type and its gain so
that the equivalent isotropically radiated power (EIRP) is not more than that permitted for
successful communication.
Canadian Two Part Warning Statement:
This device complies with Industry Canada licence-exempt RSS standard(s). Operation is subject
to the following two conditions: (1) this device may not cause interference, and (2) this device
must accept any interference, including interference that may cause undesired operation of the
device.
Le présent appareil est conforme aux CNR d'Industrie Canada applicables aux appareils radio
exempts de licence. L'exploitation est autorisée aux deux conditions suivantes : (1) l'appareil ne
doit pas produire de brouillage, et (2) l'utilisateur de l'appareil doit accepter tout brouillage
radioélectrique subi, même si le brouillage est susceptible d'en compromettre le
fonctionnement.
9.6 ETSI Warnings
None known.
9.7 Usage
This device is only authorized for use in fixed and mobile applications. To meet FCC and other
national radio frequency (RF) exposure requirements, the antenna for this device must be
installed to ensure a separation distance of at least 20cm (8 inches) from the antenna to a
person.
Table 10. RF Certification IDs
microNode Version RF Certification ID
microNode1 FCC ID: XTE-ULPU100
IC ID: 8655A-ULPU100
microNode2 FCC ID: XTE-NODE102
IC ID: 8655A-NODE102
9.7.1 Product Labels
If the microNode is visible in a product, the label showing the FCC ID and IC designators (listed
above) must be visible from the exterior of the product. A representative label is shown below.

microNode Integration Specification Regulatory Considerations
On-Ramp Wireless, Inc. 45 014-0033-00 Rev. H
Figure 23. Product Label
If the microNode is contained within a product and is not visible, a label showing the FCC ID and
IC designators (listed above) must be affixed to the exterior of the device containing the
microNode. The exterior label must state the following:
Table 11. Label Statements
microNode Version RF Certification ID
microNode1 Contains FCC ID: XTE-ULPU100, IC: 8655A-ULPU100
microNode2 Contains FCC ID: XTE-NODE102, IC: 8655A-NODE102
9.7.2 RF Exposure Statement
The air interface supports operation on channels in the 2402 MHz – 2476 MHz range for FCC/IC
regulatory domains and 2402 MHz – 2481 MHz for the ETSI regulatory domain.
Before the microNode becomes operational, it must undergo a commissioning procedure,
during which critical information required for operation is entered into the device and stored in
non-volatile storage. It is during the initial commissioning procedure that the regulatory domain,
under which the device will operate, is set. Subsequent configuration of the device during
operation is checked against the commissioned regulatory domain and non-permitted channels
or transmit power levels are rejected and the device will not transmit until a permissible
configuration per the commissioned regulatory domain is set.
9.8 WEEE Directive
The WEEE directives do not apply to microNodes as they are not considered “end products” that
would put them under the WEEE initiatives in the EU.
9.9 REACH Directive
The microNodes are REACH compliant under 1907/2006/EC. This certification is located in
Appendix C.

microNode Integration Specification Regulatory Considerations
On-Ramp Wireless, Inc. 46 014-0033-00 Rev. H
9.10 RoHS Directive
The microNodes comply with RoHS directive 2002/95/EC. On-Ramp Wireless has received
Certificates of Conformance (CoC) for all components, printed circuit boards, and contract
manufacturers for the microNodes. The RoHS Certification of Conformance is provided in
Appendix C.
9.11 Export Compliance
The microNode complies with the export requirements of the Bureau of Industry and Security
and relevant information is provided below. For details relating to export compliance for the
microNode, refer to the CCATS numbers provided in the following table.
Table 12. ECCN and CCATS Information
microNode Version ECCN CCATS
microNode1 ECCN 5A002a.1 G137225
microNode2 ECCN 5A002a.1 G159589

On-Ramp Wireless, Inc. 47 014-0033-00 Rev. H
10 Manufacturing Considerations
This section deals with manufacturing details such as:
Design of Host PCB for mounting the microNode
The manufacturing process and soldering profile
The validation and configuration of the microNode after the assembly process.
10.1 Mechanical Outline
The microNode is a bottom termination component (BTC) that is designed to be directly surface-
mounted onto a Host PCB. All signals (including power, grounds, RF, and digital interface) are
brought through the 40 bottom terminations of the module. The mechanical outline of the PCB
is detailed in Appendix E: microNode Mechanical Drawing.
10.2 Host PCB Constraints
For Host layout, please refer to Appendix B: PCB Land Pattern. It is important to use the
recommended land pattern as well as consider coplanarity of the Host in order to get optimal
yield in manufacturing. Coplanarity is defined as the bow and twist of the microNode and Host
PCBs. Careful measurements of the microNode have been made such that it meets flatness
specifications.
10.3 Handling Procedures for microNode
microNodes are packaged in trays that are then sealed in moisture-barrier bags. The microNode
printed circuit assemblies are moisture sensitive to MSL Class III per IPC/JEDEC J-STD-033.
The microNode is manufactured using lead free, no clean processes. It is recommended that the
module not be washed due to the difficulty of ensuring cleanliness after processing.
All processes used to manufacture the microNode are RoHS compliant. The following is
recommended:
Solder Type: SAC305 ROLO/No Clean per IPC J-STD-004
Solder Wire Type: SAC305 ROLO/No Clean per IPC-J-STD-006
SMT Reflow Profile: Per IPC-7530
Workmanship: Per IPC-A-610
Cleaning and Cleanliness Testing: Per J-STD-001 (Requirements for Soldered Electrical
Electronic Assemblies)

On-Ramp Wireless, Inc. 48 014-0033-00 Rev. H
11 Errata
Degraded RF Channels
The microNode uses a Channel scheme such as the following:
Channel 1 = 2402 MHz and each successive channel is 1.99 MHz offset to that Channel 1.
Channel 2 = 2403.99 MHz
Channel 3 = 2405.98 MHz
Etc.
The microNode uses a 26 MHz reference clock for processing and for the direct conversion
radio. It has been found that 26 MHz harmonics can create strong tones that cause some RF
sensitivity degradation on these harmonic channels.
93*26 MHz = 2418 MHz. This affects channel 9.
94*26 MHz = 2444 MHz. This affects channel 22.
95*26 MHz = 2470 MHz. This affects channel 35.
System integrators should NOT use these 3 channels as microNode RX sensitivity can be
degraded by a nominal 3-10 dB.
Refer to On-Ramp Wireless Issues #2319 and #2616.

On-Ramp Wireless, Inc. 49 014-0033-00 Rev. H
Appendix A Abbreviations and Terms
Abbreviation/Term Definition
AGC Automatic Gain Control
ALC Automatic Level Control
AP Access Point
API Application Programming Interface
ASIC Application-Specific Integrated Circuit
BOM Bill of Materials
BW Bandwidth
CCATS Commodity Classification Automated Tracking System. An
alphanumeric code assigned by the Bureau of Industry and Security
(BIS) to products that it has classified against the Export Administration
Regulations (EAR).
CMOS Complementary Metal-Oxide-Semiconductor
CPOL Clock Polarity (for SPI)
CPU Central Processing Unit
DFS Dynamic Frequency Selection
DPLL Digital Phase-Locked Loop
EMC Electromagnetic Compatibility
ESD Electrostatic Discharge
ETSI European Telecommunications Standards Institute
EVM Error Vector Magnitude
FCC Federal Communications Commission
FER Frame Error Rate
GND Ground
GPIO General Purpose Input/Output
HBM Human Body Model
IC Industry Canada
IIP3 Input Third-Order Intercept Point
LDO Low Drop Out
LNA Low Noise Amplifier
LO Local Oscillator
microNode A second generation, small form factor, wireless network module
developed by On-Ramp Wireless that works in combination with
various devices and sensors and communicates data to an Access
Point.
MISO Master Input, Slave Output
MM Machine Model
MOSI Master Output, Slave Input
MRQ Master Request
MSL Moisture Sensitivity Level

microNode Integration Specification Abbreviations and Terms
On-Ramp Wireless, Inc. 50 014-0033-00 Rev. H
Abbreviation/Term Definition
Node The generic term used interchangeably with microNode.
On-Ramp Total Reach The On-Ramp Wireless’ proprietary wireless communication
technology and network.
OTA Over-the-Air
PA Power Amplifier
PAPR Peak-to-Average Power Ratio
PCB Printed Circuit Board
POR Power On Reset
QoS Quality of Service
RF Radio Frequency
RFIC Radio Frequency Integrated Circuit
RoHS Restriction of Hazardous Substances
RSSI Receive Signal Strength Indicator
RT Remote Terminal
RTC Real Time Clock
RX Receive/Receiver
SCLK Serial Clock
SMT Surface Mount Technology
SNR Signal-to-Noise Ratio
SPI Synchronous Peripheral Interface
SRDY Slave Ready
SRQ Slave Request
TX Transmit/Transmitter
UART Universal Asynchronous Receiver/Transmitter
VCO Voltage Controlled Oscillator
VCTCXO Voltage Controlled Temperature Compensated Crystal Oscillator
VSWR Voltage Standing Wave Ratio
XO Crystal Oscillator

On-Ramp Wireless, Inc. 51 014-0033-00 Rev. H
Appendix B PCB Land Pattern and Vias
KEEP OUT AREA
(See the note below.)
KEEP OUT AREA NOTE:
There are exposed vias on the bottom of the microNode to facilitate reflow soldering of
components with thermal paddles. Traces and vias on the microNode host board should be
minimized under the microNode. To avoid potential shorts between the microNode and the
host board, the host board should not have signal vias with exposed copper that can come into
contact with the un-tented vias on the microNode.
Figure 24. microNode PCB Land Pattern
Figure 25. microNode/Host Vias

On-Ramp Wireless, Inc. 52 014-0033-00 Rev. H
Appendix C REACH AND RoHS Compliance

On-Ramp Wireless, Inc. 53 014-0033-00 Rev. H
Appendix D On-Ramp Wireless RMA Process
For full details about On-Ramp Wireless’ Return Material Authorization (RMA) process, refer to the
document entitled Return Material Authorization Procedure (008-0013-00).To obtain an RMA Request
Form, contact your On-Ramp Wireless representative and request document number 007-0003-00.

On-Ramp Wireless, Inc. 54 014-0033-00 Rev. H
Appendix E microNode Mechanical Drawing
The mechanical drawing provides the dimensions of the microNode only and does not reflect the current labeling of the product.
Figure 26. microNode Mechanical Dimensions