Ingersoll Rand 2934 Users Manual Parts Information Manual, Air Impact Wrench, And 2940 Series (D Handle)
2940 to the manual f0f38ca7-f844-4c20-9f0a-d3b44935373c
2015-01-23
: Ingersoll-Rand Ingersoll-Rand-2934-Users-Manual-342519 ingersoll-rand-2934-users-manual-342519 ingersoll-rand pdf
Open the PDF directly: View PDF
.
Page Count: 8

04584447
Edition 3
October 2009
Save These Instructions
Air Impact Wrench
2934 and 2940 Series (D handle)
Parts Information

2 04584447_ed3
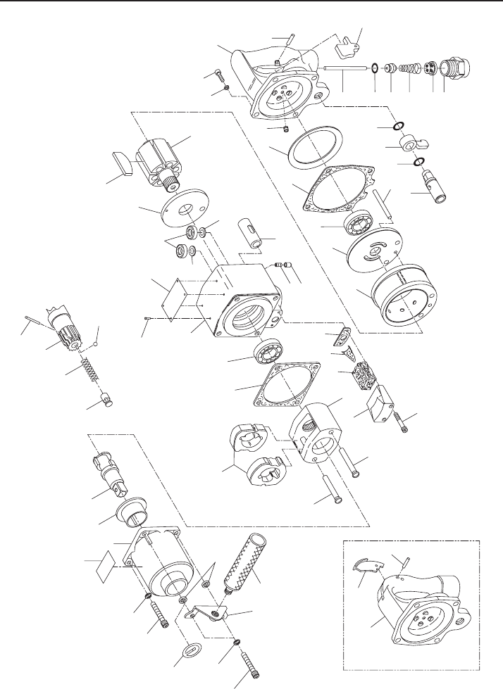
2934 and 2940 Series (D handle) Air Impact Wrench Exploded Diagram
Spline Drive Anvil Assembly
36
37
49
36
37
34A
33
34 48
54 53
55
45
46
43
47
44
41
42
41
40
35 23
25
27G 27F
26A
27
22
20
27
19
26
30
29
27B 27C 27D
27A
27E
21
17
18
15
16 2
39 38
1
6
5
7
9
8
10
12
11
31
32
28
13
24
50
51
52
Outside Trigger Handle
(Dwg. TPA1333-3)

04584447_ed3 3
2934 and 2940 Series (D handle) Air Impact Wrench Parts List
Item Part Description Part Number Item Part Description Part Number
1 Inside Trigger Handle Assembly 2934-A92A * Oversize Hammer Case Bushing
2 Grease Fitting 130SR-188 .005” oversize 293-641-5
5 Trigger 834-93A .010” oversize 2934-641-10
6 Trigger Pin 534-265 .015” oversize 2934-641-15
7 Throttle Valve Plunger 2934-302 † 35 Hammer Case Gasket 2934-36
8 Throttle Valve Assembly 2934-A50 36 Hammer Case Cap Screw (4) 834-638
† • 9 Throttle Valve Face 2934-159 37 Hammer Case Cap Screw Lock Washer (4) 34U-58
† 10 Throttle Valve Spring 834-51 38 Handle Cap Screw (4) 510-638
11 Straight Inlet 845-565 39 Handle Cap Screw Lock Washer (4) 8U-58
† • 12 Air Strainer Screen 434-61 40 Hammer Frame Assembly
† • 13 Reverse Valve Seal R00BR-210 for 2934 2934-A703
† • 15 Handle Gasket 2934-283 for 2940 2940-A703
16 Motor Clamp Washer 2934-207 41 Hammer Pin (2)
17 Rear End Plate 2934-12 for 2934 2934-704
† 18 Rear Rotor Bearing 508-97 for 2940 2940-704
19 Rotor 42 Hammer (2)
for 2934 2934-53 for 2934 2934-724
for 2940 2940-53 for 2940 2940-724
† • 20 Vane Packet (set of 6 Vanes) 43 Spline Drive Anvil Assembly
for 2934 2934-42-6 for 2934 2934-A526
for 2940 2940-42-6 for 2940 2940-A526
21 Cylinder 44 Socket Retaining Ball D04-280
for 2934 2934-3 45 Retaining Ball Plunger 845-230
for 2940 2940-3 46 Retaining Plunger Spring 2940-231
22 Front End Plate 2934-11 47 Plunger Retaining Pin 845-128
† 23 Front Rotor Bearing 810-97 48 1” Square Drive Anvil Standard Length
24 Cylinder Dowel for 2934 2934-726
for 2934 2934-98 for 2940 2940-726
for 2940 2940-98 6” Extended Length
25 Motor Housing Assembly for 2934 2934-314-6
for 2934 2934-A40A for 2940 2940-314-6
for 2940 2940-A40 49 Socket Retainer RR10015S
26 Reverse Valve Bushing 2934-330S 50 Outside Trigger Handle Assembly 2934-A1
† • 26A Air Port Gasket (2) R44H-210A 51 Trigger 844-78
† 27 Air Port Gasket Retainer (2) 2940-200 52 Trigger Pin F02-15
27A Exhaust Deector 2934-23A Also includes illustrated parts 2, 7, 8, ---
† 27B Exhaust Silencer 2940P-311 9, 10, 11, 12 and 13
27C Exhaust Bae 2934-124 53 Dead Handle 834-48
27D Exhaust Gasket 2934-223 54 Dead Handle Bracket 2934-364
27E Deector Screw (2) R43F-104 55 Dead Handle Bracket Spacer (2) 2934-140
27F Nameplate * Horizontal Hanger 2934-366
for 2934 2934-301 * Horizontal Hanger Spacer (2) 2934-140
for 2940 2940-301 * Side Spade Handle T15-41
27G Nameplate Screw (4) C32-302 * Side Spade Handle Stud 534-448
28 Reverse Lever 2934-658A * Side Spade Handle Stud Nut 107-73A
† 29 Reverse Lock Plunger 4U-663B * Grease Gun R000A2-228
† 30 Reverse Lock Plunger Spring 4U-664 * Tune-up Kit (includes illustrated parts
31 Reverse Valve Assembly 2934-A329 3, 9, 10, 12, 13, 15, 18, 20, 23, 26A [2],
† • 32 Reverse Valve Bushing Seal 85H-167 27 [2], 27B, 29, 30, 32 and 35)
33 Hammer Case Assembly for 2934 2934-TK3
for 2934 2934-A727 for 2940 2940-TK3
for 2940 2940-A727 * Exhaust Deector Kit (includes illustrated 2934-K23
34 Hammer Case Bushing 2934-641 parts 27A thru 27E)
34A Hammer Case Label
for 2934 WARNING-2-99
for 2940
* Not Illustrated
† Indicates Tune-up Kit part.
• To keep downtime to a minimum, it is desirable to have on hand certain repair parts. We recommend that you stock one (pair or set) of each
part indicated by a bullet (•) for every four tools in service.

4 04584447_ed3
Model 2934B9 Air Impact Wrench with No. 2934A90 Angle Attachment
100
101
102
103
104
105 106
107
107
108
109
110
111
112
113
114
116
117
118
119
115
115
(Dwg. TPC357-1)
The 2934 Series Air Impact Wrench can be furnished with a 1” square drive 2934A90 Angle Attachment and when so furnished is designated
as 2934B9. Following are the parts used only in the 2934B9. All parts not listed are the same as for a 2934 Series Air Impact Wrench with Inside
Trigger Handle, Side Spade Handle and a 1” square drive standard length Anvil.
Item Part Description Part Number Item Part Description Part Number
100 Hammer Case Assembly 2934-A827 109 Bevel Pinion Driver 2934A90-563
101 Hammer Case Bushing 2934-641 110 Bevel Pinion Clamp Washer (4) 808-207
* Hammer Case Label WARNING-2-99 111 Bevel Gear 436A90-601
Angle Attachment Assembly 2934A90 112 Bevel Gear Spindle 436A90-607
102 Angle Housing Assembly 436A90-A600 113 Bevel Gear Bearing Retainer 436A90-632
103 Grease Fitting 130SR-188 114 Angle Housing Connector 436A90-680
104 Bevel Pinion Assembly 436A90-A602 115 Connector Lock Pin (2) 436A90-609
105 Retainer Plunger 8U-715 116 Connector Retaining Sleeve 436A90-681
106 Retainer Plunger Spring 5UHD-718 117 Retaining Sleeve Spring 436A90-682
107 Bevel Pinion Bearing or Bevel Gear 436A90-593 118 Connector Retaining Sleeve Stop 3BM-303
Bearing (2) 119 Connector Retaining Ball (3) 8U-722
108 Bevel Pinion Spacer 436A90-608 * Socket Retainer RR10015S
* Not illustrated.
Parts and Maintenance
When the life of the tool has expired, it is recommended that the tool be disassembled, degreased and parts be separated by material so
that they can be recycled.
Tool repair and maintenance should only be carried out by an authorized Service Center.
Refer all communications to the nearest Ingersoll Rand Oce or Distributor.
Related Documentation
For additional information refer to:
Air Impact Wrench Product Safety Information Manual 04580916.
Air Impact Wrench Product Information Manual 04584835.
Air Impact Wrench Maintenance Information Manual 04584298.
Manuals can be downloaded from www.ingersollrandproducts.com.

Notes:

Notes:

Notes:

www.ingersollrandproducts.com
© 2009 Ingersoll Rand Company