Ingersoll Rand Pd15X Xxx Users Manual PD15X_X_X_15_
PD15X-XXX-XXX pd15x-xxx-xxx-en
PD15X-XXX-XXX to the manual d1bc18d3-e3df-44a4-8a4d-71960e28617f
2015-01-23
: Ingersoll-Rand Ingersoll-Rand-Pd15X-Xxx-Xxx-Users-Manual-342609 ingersoll-rand-pd15x-xxx-xxx-users-manual-342609 ingersoll-rand pdf
Open the PDF directly: View PDF
.
Page Count: 8

E2010 CCN 15197213
(800)495-0276 DFAX (800) 892-6276
INGERSOLL RAND COMPANY LTD
209 NORTH MAIN STREET -- BRYAN, OHIO 43506
1-1/2” DIAPHRAGM PUMP
OPERATOR’S MANUAL PD15X-XXX-XXX
RELEASED: 8-7-03
REVISED: 5-12-10
(REV. 16)
INCLUDING: OPERATION, INSTALLATION & MAINTENANCE
1:1 RATIO (METALLIC)
READ THIS MANUAL CAREFULLY BEFORE INSTALLING,
OPERATING OR SERVICING THIS EQUIPMENT.
It is the responsibility of the employer to place this information in the hands of the operator. Keep for future reference.
PE15X-XXX-XXX
SERVICE KITS
Refer to Model Description Chart to match the pump material options.
637389 for air section repair (see page 6).
637375-XX for fluid section repair (see page 4). NOTE: This kit also con-
tains several air motor seals which will need to be replaced.
637390-X major air valve assembly (see page 7).
PUMP DATA
Models see Model Description Chart for “-XXX”..............
Pump Type Metallic Air Operated Double Diaphragm..........
Material see Model Description Chart..............
Weight PX15R-XAX-XXX 37.65 lbs (17.08 kgs)... .......
PX15R-XCX-XXX 73.2 lbs (33.2 kgs)......
PX15R-XHX-XXX 86.9 lbs (39.4 kgs)......
PX15R-XSX-XXX 61.2 lbs (27.8 kgs).......
add 2.14 lbs (0.97 kg) for aluminum air motor section
add 18.14 lbs (8.23 kg) for stainless steel air motor section
Maximum Air Inlet Pressure 120 p.s.i.g. (8.3 bar).........
Maximum Material Inlet Pressure 10 p.s.i.g. (0.69 bar).....
Maximum Outlet Pressure 120 p.s.i.g. (8.3 bar)..........
Maximum Flow Rate (flooded inlet)123 g.p.m. (465.6 l.p.m.)....
Displacement / Cycle @ 100 p.s.i.g. 0.617 gal. (2.34 lit.)...
Maximum Particle Size 1/4” dia. (6.4 mm)............
Maximum Temperature Limits (diaphragm / ball / seal material)
E.P.R. / EPDM -60_to 280_F(-51_to 138_C)...........
HytrelR-20_to 150_F(-29_to 66_C)...............
Nitrile 10_to 180_F(-12_to 82_C).................
Polypropylene 35_to 175_F(2_to 79_C)...........
SantopreneR-40_to 225_F(-40_to 107_C)...........
PTFE 40_to 225_F(4_to 107_C).................
VitonR-40_to 350_F(-40_to 177_C)................
Dimensional Data see page 8................
Mounting Dimension 9” x 11.75” (228.6 mm x 298.5 mm).......
Noise Level @ 70 p.s.i., 60 c.p.m. 82.8 db(A){.....
The pump sound pressure levels published here have been updated to an Equivalent
Continuous Sound Level (LAeq) to meet the intent of ANSI S1.13-1971, CAGI-PNEU-
ROP S5.1 using four microphone locations.
NOTICE: All possible options are shown in the chart, however, certain
combinations may not be recommended, consult a representative or the
factory if you have questions concerning availability.
MODEL DESCRIPTION CHART
PX15 X -X X X -X X X
PX15X - XXX - X X X
637375 - X X
DiaphragmBall
FLUID SECTION SERVICE KIT SELECTION
EXAMPLE: Model # PD15A-ASP-SAA
Fluid Section Service Kit # 637375-AA
Seat Material
A - Santoprene G - Nitrile
C - Hytrel H - Hard 440 Stainless Steel
E - Carbon Steel L - Hastelloy - C
F - Aluminum S - 316 Stainless Steel
Diaphragm Material
A - Santoprene M - Medical Grade Santoprene
C - Hytrel V - Viton
G - Nitrile T - PTFE / Santoprene
Hardware Material
P - Plated Steel S - Stainless Steel
Fluid Caps & Manifold Material
A - Aluminum H - Hastelloy - C
C - Cast Iron S - Stainless Steel
Fluid Connection
A - 1-1/2 - 11-1/2 N.P.T.F.
B - Rp 1-1/2 (1-1/2 - 11 BSP, parallel)
Y - 1-1/2” A.N.S.I. / DIN Flange
Center Section Material
A - Aluminum
R - Polypropylene
S - Stainless Steel
Ball Material
A - Santoprene S - 316 Stainless Steel
C - Hytrel T - PTFE
G - Nitrile V - Viton
Electronic Interface
D - None E - Available
www.ingersollrandproducts.com
Figure 1

PD15X-XXX-XXX (en)Page 2 of 8
OPERATING AND SAFETY PRECAUTIONS
READ, UNDERSTAND, AND FOLLOW THIS INFORMATION TO AVOID INJURY AND PROPERTY DAMAGE.
EXCESSIVE AIR PRESSURE
STATIC SPARK
HAZARDOUS MATERIALS
HAZARDOUS PRESSURE
WARNING EXCESSIVE AIR PRESSURE. Can cause person-
al injury, pump damage or property damage.
SDo not exceed the maximum inlet air pressure as stated on the
pump model plate.
SBe sure material hoses and other components are able to with-
stand fluid pressures developed by this pump. Check all hoses
for damage or wear. Be certain dispensing device is clean and
in proper working condition.
WARNING STATIC SPARK. Can cause explosion resulting in
severe injury or death. Ground pump and pumping system.
S
Sparks can ignite flammable material and vapors.
S
The pumping system and object being sprayed must be
grounded when it is pumping, flushing, recirculating or spray-
ing flammable materials such as paints, solvents, lacquers,
etc. or used in a location where surrounding atmosphere is
conducive to spontaneous combustion. Ground the dispens-
ing valve or device, containers, hoses and any object to which
material is being pumped.
SSecure pump, connections and all contact points to avoid
vibration and generation of contact or static spark.
SConsult local building codes and electrical codes for specific
grounding requirements.
SAftergrounding,periodicallyverifycontinuityofelectricalpath
to ground. Test with an ohmmeter from each component (e.g.,
hoses, pump, clamps, container, spray gun, etc.) to ground to
insure continuity. Ohmmeter should show 0.1 ohms or less.
SSubmerse the outlet hose end, dispensing valve or device in
the material being dispensed if possible. (Avoid free streaming
of material being dispensed.)
SUse hoses incorporating a static wire.
SUse proper ventilation.
SKeep inflammables away from heat, open flames and sparks.
SKeep containers closed when not in use.
WARNING Pump exhaust may contain contaminants. Can
causesevereinjury.Pipeexhaust away from work areaandper-
sonnel.
SIn the event of a diaphragm rupture, material can be forced out
of the air exhaust muffler.
SPipe the exhaust to a safe remote location when pumping haz-
ardous or inflammable materials.
SUse a grounded 3/4” minimum i.d. hose between the pump and
the muffler.
WARNING HAZARDOUS PRESSURE. Can result in serious
injury or property damage. Do not service or clean pump,
hoses or dispensing valve while the system is pressurized.
SDisconnect air supply line and relieve pressure from the sys-
tem by opening dispensing valve or device and / or carefully
and slowly loosening and removing outlet hose or piping from
pump.
WARNING HAZARDOUS MATERIALS. Cancauseseriousin-
jury or property damage. Do not attempt to return a pump to the
factory or service center that contains hazardous material.
Safe handling practices must comply with local and national
laws and safety code requirements.
SObtain Material Safety Data Sheets on all materials from the
supplier for proper handling instructions.
WARNING EXPLOSION HAZARD. Models containing alumi-
num wetted parts cannot be used with III.-Trichloroethane, Me-
thylene Chloride or other Halogenated Hydrocarbon solvents
which may react and explode.
SCheck pump motor section, fluid caps, manifolds and all
wetted parts to assure compatibility before using withsolvents
of this type.
WARNING MISAPPLICATION HAZARD. Do not use models
containing aluminum wetted parts with food products for hu-
man consumption. Plated parts can contain trace amounts of
lead.
CAUTION Verify the chemical compatibility of the pump
wetted parts and the substance being pumped, flushed or re-
circulated. Chemical compatibility may change with tempera-
ture and concentration of the chemical(s) within the
substances being pumped, flushed or circulated. For specific
fluid compatibility, consult the chemical manufacturer.
CAUTION Maximum temperatures are based on mechani-
cal stress only. Certain chemicals will significantly reduce
maximum safe operating temperature. Consult the chemical
manufacturer for chemical compatibility and temperature lim-
its.RefertoPUMPDATAonpage1ofthismanual.
CAUTION Be certain all operators of this equipment have
been trained for safe working practices, understand it’s limita-
tions, and wear safety goggles / equipment when required.
CAUTION Do not use the pump for the structural support of
the piping system. Be certain the system components are
properly supported to prevent stress on the pump parts.
SSuction and discharge connections should be flexible connec-
tions (such as hose), not rigid piped, and should be compatible
with the substance being pumped.
CAUTION Prevent unnecessary damage to the pump. Do
not allow pump to operate when out of materialfor long periods
of time.
SDisconnect air line from pump when system sits idle for long
periods of time.
CAUTION Use only genuine ARO
R
replacement parts to
assure compatible pressure rating and longest service life.
NOTICE RE-TORQUE ALL FASTENERS BEFORE OPERA-
TION. Creep of housing and gasket materials may cause fas-
teners to loosen. Re-torque all fasteners to insure against fluid
or air leakage
WARNING
CAUTION
NOTICE
= Hazards or unsafe practices which could
result in severe personal injury, death or
substantial property damage.
= Hazards or unsafe practices which could
result in minor personal injury, product
or property damage.
= Important installation, operation or
maintenance information.

Page 3 of 8PD15X-XXX-XXX (en)
GENERAL DESCRIPTION
The ARO diaphragm pump offers high volume delivery even at low air
pressure and a broad range of material compatibility options available.
Refer to the model and option chart. ARO pumps feature stall resistant
design, modular air motor / fluid sections.
Air operated double diaphragm pumps utilize a pressure differential in
the air chambers to alternately create suction and positive fluid pressure
in the fluid chambers, ball checks insure a positive flow of fluid.
Pump cycling will begin as air pressure is applied and it will continue to
pump and keep up with the demand. It will build and maintain line pres-
sure and will stop cycling once maximum line pressure is reached (dis-
pensing device closed) and will resume pumping as needed.
AIR AND LUBE REQUIREMENTS
WARNING EXCESSIVE AIR PRESSURE. Can cause pump
damage, personal injury or property damage.
SA filter capable of filtering out particles larger than 50 microns should
be used on the air supply. There is no lubrication required other than
the “O” ring lubricant which is applied during assembly or repair.
SIf lubricated air is present, make sure that it is compatible with the “O”
rings and seals in the air motor section of the pump.
INSTALLATION
SVerify correct model / configuration prior to installation.
SRetorque all external fasteners per specifications prior to start up.
SPumps are tested in water at assembly. Flush pump with compatible
fluid prior to installation.
SWhen the diaphragm pump is used in a forced-feed (flooded inlet)
situation, it is recommended that a “Check Valve” be installed at the
air inlet.
SMaterial supply tubing should be at least the same diameter as the
pump inlet manifold connection.
SMaterial supply hose must be reinforced, non-collapsible type com-
patible with the material being pumped.
SPiping must be adequately supported. Do not use the pump to sup-
port the piping.
SUse flexible connections (such as hose) at the suction and dis-
charge. These connections should not be rigid piped and must be
compatible with the material being pumped.
SSecure the diaphragm pump legs to a suitable surface (level and
flat) to insure against damage by vibration.
SPumps that need to be submersed must have both wet and non-wet
components compatible with the material being pumped.
SSubmersed pumps must have exhaust pipe above liquid level. Ex-
haust hose must be conductive and grounded.
SFlooded suction inlet pressure must not exceed 10 p.s.i.g. (0.69
bar).
OPERATING INSTRUCTIONS
SAlways flush the pump with a solvent compatible with the material
being pumped if the material being pumped is subject to “setting up”
when not in use for a period of time.
SDisconnect the air supply from the pump if it is to be inactive for a few
hours.
PARTS AND SERVICE KITS
Refer to the part views and descriptions as provided on page 4 through 7
for parts identification and Service Kit information.
SCertain ARO “Smart Parts” are indicated which should be available
for fast repair and reduction of down time.
SService kits are divided to service two separate diaphragm pump
functions:1.AIRSECTION,2.FLUIDSECTION.TheFLUIDSEC-
TION is divided further to match typical part MATERIAL OPTIONS.
MAINTENANCE
SProvide a clean work surface to protect sensitive internal moving
parts from contamination from dirt and foreign matter during service
disassembly and reassembly.
SKeep good records of service activity and include pump in preven-
tive maintenance program.
SBefore disassembling, empty captured material in the outlet man-
ifold by turning the pump upside down to drain material from the
pump.
FLUID SECTION DISASSEMBLY
1. Remove (61) outlet manifold and (60) inlet manifold.
2. Remove (22) balls, (19) “O” rings (if applicable) and (21) seats.
3. Remove (15) fluid caps.
NOTE: Only PTFE diaphragm models use a primary diaphragm (7) and
a backup diaphragm (8). Refer to the auxiliary view in the Fluid Section
illustration.
4. Remove the (14) screw, (6) diaphragm washer, (7) or (7 / 8) dia-
phragms, and (5) backup washer.
NOTE: Do not scratch or mar the surface of (1) diaphragm rod.
FLUID SECTION REASSEMBLY
SReassemble in reverse order. Refer to the torque requirements on
page 5.
SClean and inspect all parts. Replace worn or damaged parts with
new parts as required.
SLubricate (1) diaphragm rod and (144) “U” cup with LubriplateR
FML-2 grease (94276 grease packet is included in service kit).
SFor models with PTFE diaphragms: Item (8) Santoprenediaphragm
is installed with the side marked “AIR SIDE” towards the pump cen-
ter body. Install the PTFE diaphragm (7) with the side marked
“FLUID SIDE” towards the (15) fluid cap.
SRe-check torque settings after pump has been re-started and run a
while.
SHytrelRand VitonRare registered trademarks of the DuPont Company SKynarRis a registered trademark of Arkema Inc. SLoctiteRand 242Rare registered trademarks of Henkel Loctite Corporation S
SSantopreneRis a registered trademark of Monsanto Company, licensed to Advanced Elastomer Systems, L.P. SLubriplateRis a registered trademark of Lubriplate Division (Fiske Brothers Refining Company) S
SARORis a registered trademark of Ingersoll-Rand Company S271tis a trademark of Henkel Loctite Corporation S

MATERIAL CODE
[A] = Aluminum
[B] = Nitrile
[C] = Carbon Steel
[CI] = Cast Iron
[Co] = Copper
[E] = E.P.R.
[H] = Hytrel
[Ha] = Hastelloy-C
[K] = KynarRPVDF
[MSp] = Medical Grade Santoprene
[P] = Polypropylene
[SH] = Hard Stainless Steel
[Sp] = Santoprene
[SS] = Stainless Steel
[T] = PTFE
[V] = Viton
PD15X-XXX-XXX (en)Page 4 of 8
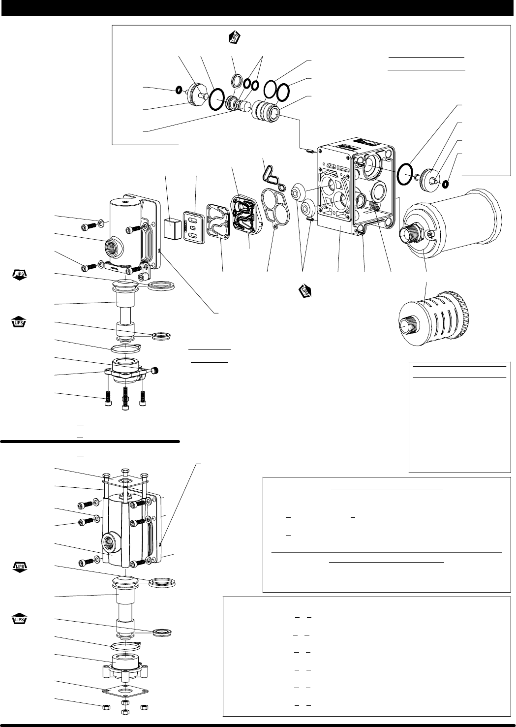
PARTS LIST / PX15X-XXX-XXX FLUID SECTION
L637375-XX FLUID SECTION SERVICE KITS INCLUDE: BALLS (see Ball Option, refer to -XX in Service Kit chart below), DIAPHRAGMS (see Diaphragm
Option, refer to -XX in Service Kit chart below), and items 19, 70, 144, 175 and 180 (listed below) plus 174 and 94276 Lubriplate FML-2 grease (page 6).
SEAT OPTIONS PX15X-XXX-XXX BALL OPTIONS PX15X-XXX-XXX
“21” L“22” (2” dia.)
-XXX Seat Qty [Mtl] -XXX Seat Qty [Mtl] -XXXBall Qty [Mtl] -XXXBall Qty [Mtl]
-AXX 95825-A (4) [Sp] -GXX 95825-G (4) [B] -XAX 95826-A (4) [Sp] -XSX 95878 (4) [SS]
-CXX 95825-C (4) [H] -HXX 95891 (4) [SH] -XCX 95826-C (4) [H] -XTX 95826-4 (4) [T]
-EXX 95893 (4) [C] -LXX 95947 (4) [Ha] -XGX 95826-2 (4) [B] -XVX 95826-3 (4) [V]
-FXX 95892 (4) [A] -SXX 95877 (4) [SS]
DIAPHRAGM OPTIONS PX15X-XXX-XXX
LService Kit L“7” L“8” L“19” (1/8” x 3-1/8” o.d.)
-XXX
-XX = (Ball)
-XX = (Diaphragm) Diaphragm Qty [Mtl] Diaphragm Qty [Mtl] Gasket Qty [Mtl]
-XXA 637375-XA 96166-A (2) [Sp] ----- --- --- 95992 (4) [E]
-XXC 637375-XC 96166-C (2) [H] ----- --- --- Y327-233 (4) [V]
-XXG 637375-XG 96166-G (2) [B] ----- --- --- Y325-233 (4) [B]
-XXM 637375-XM 96166-M (2) [MSp] ----- --- --- Y328-233 (4) [T]
-XXT 637375-XT 96165-T (2) [T] 96164-A (2) [Sp] Y328-233 (4) [T]
-XXV 637375-XV 95820-3 (2) [V] ----- --- --- Y327-233 (4) [V]
CENTER SECTION OPTIONS PX15X-XXX-XXX
PD15A-X PE15A-X PD15R-X PE15R-X PD15S-X PE15S-X
Item Description (size) Qty Part No. Part No. [Mtl] Part No. Part No. [Mtl] Part No. Part No. [Mtl]
28 Washer (0.406” i.d. x 1” o.d. x 0.093”) (4) ----- ----- --- 93360-1 93360-1 [SS] ----- ----- ---
43 Ground Lug (1) 93004 93004 [Co] ----- ----- --- 93004 93004 [Co]
68 Air Cap (1) 95822-1 95822-3 [A] 95971-1 95971-3 [P] 95889-1 95889-3 [SS]
69 Air Cap (1) 95822-2 95822-4 [A] 95971-2 95971-4 [P] 95889-2 95889-4 [SS]
74 Pipe Plug (1/4 - 18 N.P.T. x 7/16”) (2) ----- Y17-51-S [SS] ----- 93832-3 [K] ----- Y17-51-S [SS]
76 Pipe Plug (1/8 - 27 N.P.T. x 0.27”) (1) ----- Y17-50-S [SS] ----- Y17-50-S [SS] ----- Y17-50-S [SS]
131 Screw (M10 x 1.5 - 6g x 100 mm) (4) 95934 95934 [C] ----- ----- --- 96657 96657 [SS]
(M10x1.5-6gx110mm) (4) ----- ----- --- 96056 96056 [SS] ----- ----- ---
n180 Washer (4) 94098 94098 [Co] ----- ----- --- 94098 94098 [Co]
Ln“O” Ring (3mmx15mmo.d.) (8) ----- ----- --- 96291 96291 [B] ----- ----- ---
195 Nut (M10x1.5-6h) (4) 93010 93010 [SS] 94992 94992 [SS] 93010 93010 [SS]
MANIFOLD / FLUID CAP MATERIAL OPTIONS PX15X-XXX-XXX
PX15X-XAX-X PX15X-XCX-X PX15X-YHX-X PX15X-XSX-X PX15X-YSX-X
PD15X-XSX-
Item Description (size) Qty Part No. [Mtl] Part No. [Mtl] Part No. [Mtl] Part No. [Mtl] Part No. [Mtl]
5Backup Washer (2) 95819-3 [C] 95819-3 [C] 95819-1 [SS] 95819-1 [SS] 95819-1 [SS]
6Diaphragm Washer (2) 95819-3 [C] 95819-3 [C] 95819-2 [Ha] 95819-1 [SS] 95819-1 [SS]
9Washer (2) Y13-8-T [SS] Y13-8-T [SS] 95993 [Ha] Y13-8-T [SS] Y13-8-T [SS]
14 Screw (M14x2-6gx45mm) (2) 95883 [SS] 95883 [SS] 95952 [Ha] 95883 [SS] 95883 [SS]
15 Fluid Cap (2) 95821 [A] 95953 [CI] 95949 [Ha] 95890 [SS] 95890 [SS]
60 Inlet Manifold (1) 95828-[z][A] 95940-[z][CI] 95954 s[Ha] 95900-[z][SS] 95943 s[SS]
61 Outlet Manifold (1) 95827-[z][A] 95937-[z][CI] 95956 s[Ha] 95899-[z][SS] 95945 s[SS]
63 Pipe Plug (1-1/2 N.P.T.) (2) Y17-127 [A] Y17-57-S [SS] ----- --- Y17-57-S [SS] ----- ---
(R 1-1/2) (2) 95902-2 [A] 95902-1 [SS] ----- --- 95902-1 [SS] ----- ---
zFor N.P.T.F. thread models (PX15X-AXX-XXX), use “-1” zFor BSP thread models (PX15X-BXX-XXX), use “-2” sFlange models
EXTERNAL HARDWARE OPTIONS PX15X-XXX-XXX COMMON PARTS
PX15X-XXP-PX15S-XXS-PX15R-XXS-
PX15S-XXS-
Item Description (size) Qty Part No. Mtl
Item Description (size) Qty Part No. Mtl Part No. Mtl Part No. Mtl 1Rod (1) 95824 [C]
26 Screw (M10x1.5-6gx30mm) (8) 95884-1 [C] 95884 [SS] 95884 [SS] Ln70 Gasket (2) 95843 [B]
27 Bolt (M8x1.25-6gx40mm) (20) 95896-1 [C] 95896 [SS] Ln144 “U” Cup (3/16” x 1-1/4” o.d.) (2) Y186-50 [B]
(M8x1.25-6gx50mm) (20) 96163 [SS] Ln175 “O” Ring (3/32” x 13/16” o.d.) (2) Y325-114 [B]
29 Hex Flange Nut (M8x1.25-6h) (20) 95879-1 [C] 95879 [SS] 95879 [SS]
nItems included in air section service kit, see page 6.

Page 5 of 8PD15X-XXX-XXX (en)
PARTS LIST / PX15X-XXX-XXX FLUID SECTION
COLOR CODE
15
FOR THE
AIR MOTOR SECTION
SEE PAGES 6 & 7
Santoprene 8
PTFE 7
131 ,x
175 k
Figure 2
View of two piece PTFE diaphragm
29 ,
144 k
70 k
.TORQUE REQUIREMENTS ,
NOTE: DO NOT OVERTIGHTEN FASTENERS.
ALL FASTENERS ARE METRIC.
(14) screw, tighten to 50 - 55 ft lbs (67.8 - 74.6 Nm).
(26) screws, 20 - 25 ft lbs (27.1 - 33.9 Nm).
(29) nuts, 15 - 20 ft lbs (20.3 - 27.1 Nm).
(131) screws, 12 - 17 ft lbs (16.3 - 23.0 Nm).
LUBRICATION / SEALANTS
kApply Lubriplate FML-2 grease to all “O” rings, “U” Cups & mating
parts.
xApply Loctite
R
242
R
to threads at assembly.
-Apply PTFE tape to threads at assembly.
~Apply Loctite 271
t
to threads at assembly.
UApply anti-seize compound to threads and bolt and nut flange heads
which contact pump case when using stainless steel fasteners.
Y
Not used with PX15X-XXX-AXX, -CXX and -GXX.
ZLubriplate FML-2 is a white food grade petroleum grease.
DIAPHRAGM BALL
MATERIAL COLOR COLOR
Hytrel Cream Cream
Nitrile Black Red (S)
Santoprene Tan Tan
Santoprene Green N / A
(Backup)
PTFE White White
Viton Yellow (-) Yellow (S)
(-) Dash (S)Dot
8
1
2
7
Torque Sequence
22
21
19
Y
26 ,U
61 (models PX15X-AXX-XXX
and PX15X-BXX-XXX)
22
19
Y
21
144 k
70 k69
1k
5
7
6
10
6
4
9
5
3
9195
14 ,~
180 k
27 U
68
175 k
61 (models PX15X-YXX-XXX)
60 (models PX15X-AXX-XXX
and PX15X-BXX-XXX)
60 (models PX15X-YXX-XXX)
63 -
26 ,U
76 -
43
74 -
k180
28
AUXILIARY VIEW A-A
(models PX15R-XXX-XXX)
A
A
-
B
B
180 k
AUXILIARY VIEW B-B
(models PX15R-XXX-XXX)
195

PD15X-XXX-XXX (en)Page 6 of 8
PARTS LIST / PX15X-XXX-XXX AIR SECTION
nIndicates parts included in 637389 Air Section Service Kit shown below and items (70), (144), (175) and (180) shown on page 4.
AIR MOTOR PARTS
Item Description (size) Qty Part No. [Mtl] Item Description (size) Qty Part No. [Mtl]
101 Center Body (PX15A-X) (1) 95888 [A]
(PX15R-X) (1) 95970 [P]
(PX15S-X) (1) 95901 [SS]
103 Bushing (1) 95823 [D]
105 Screw (M6x1-6g)
(PX15A-X and PX15S-X) (16 mm long) (4) 95991 [SS]
(PX15R-X) (130 mm long) (4) 95886 [SS]
107 End Plate (PX15R-X only) (2) 95840 [SS]
111 Spool (PX15A-X and PX15S-X) (1) 95835 [D]
(PX15R-X) (1) 96293 [D]
118 Actuator Pin (2) 95839 [SS]
121 Sleeve (2) 95123 [D]
128 Pipe Plug (1/8 - 27 N.P.T. x 0.27”)
(PX15A-X and PX15S-X only)
(1) Y17-50-S [SS]
n132 Gasket (1) 96170 [B]
133 Washer (1/4”) (PX15A-X) (3) Y117-416-C [C]
(M6) (PX15R-X) (6) 95931 [SS]
(1/4”) (PX15S-X) (3) Y14-416-T [SS]
134 Screw (M6 x 1 - 6g x 20 mm) (PX15R-X) (6) 95887 [SS]
(PX15A-X and PX15S-X) (4) 95887 [SS]
135 Valve Block (PD15A-X) (1) 95942-1 [Z]
(PD15R-X) (1) 95834-1 [P]
(PD15S-X) (1) 95939-1 [SS]
(PE15A-X) (1) 95942-2 [Z]
(PE15R-X) (1) 95834-2 [P]
(PE15S-X) (1) 95939-2 [SS]
136 End Cap (PX15A-X) (1) 95941 [Z]
(PX15R-X) (1) 95833 [P]
(PX15S-X) (1) 95938 [SS]
n137 Gasket (1) 95844 [B]
n138 “U” Cup (3/16” x 1-5/8” o.d.) (1) Y186-53 [B]
n139 “U” Cup (3/16” x 1-1/8” o.d.) (1) Y186-49 [B]
140 Valve Insert (1) 95838 [AO]
141 Valve Plate (1) 95837 [AO]
n166 Gasket (1) 96171 [B]
n167 Pilot Piston (includes 168 and 169) (1) 67164 [D]
168 “O” Ring (3/32” x 5/8” o.d.) (2) 94433 [U]
169 “U” Cup (1/8” x 7/8” o.d.) (1) Y240-9 [B]
170 Piston Sleeve (1) 94081 [Br]
n171 “O” Ring (3/32” x 1-1/8” o.d.) (1) Y325-119 [B]
n172 “O” Ring (1/16” x 1-1/8” o.d.) (1) Y325-22 [B]
n173 “O” Ring (3/32” x 1-3/8” o.d.) (2) Y325-123 [B]
Kn174 “O” Ring (1/8” x 1/2” o.d.) (2) Y325-202 [B]
n176 Diaphragm (check valve) (2) 95845 [SP]
181 Roll Pin (5/32” o.d. x 1/2” long) (4) Y178-52-S [SS]
n200 Gasket (PX15A-X and PX15S-X) (1) 96172 [B]
(PX15R-X) (1) 95842 [B]
201 Muffler (PX15R-X) (1) 93139 [P]
(PX15A-X and PX15S-X) (1) 350-568 ---
233 Adapter Plate (1) 95832 [P]
236 Nut (M6x1-6g)(PX15R-X only) (4) 95924 [SS]
LnLubriplate FML-2 Grease (1) 94276
Lubriplate Grease Packets (10) 637308
KItems included in fluid section service kit, see page 4.
AIR MOTOR SECTION SERVICE
Service is divided into two parts - 1. Pilot Valve, 2. Major Valve.
GENERAL REASSEMBLY NOTES:
SAir Motor Section Service is continued from Fluid Section repair.
SInspect and replace old parts with new parts as necessary. Look for
deep scratches on surfaces, and nicks or cuts in “O” rings.
STake precautions to prevent cutting “O” rings upon installation.
SLubricate “O” rings with Lubriplate FML-2 grease.
SDo not over-tighten fasteners, refer to torque specification block on
view.
SRe-torque fasteners following restart.
SSERVICE TOOLS -- To aid in the installation of (168) “O” rings onto the
(167) pilot piston, use tool # 204130-T, available from ARO.
PILOT VALVE DISASSEMBLY
1. A light tap on (118) should expose the opposite (121) sleeve, (167) pilot
piston and other parts.
2. Remove (170) sleeve, inspect inner bore of sleeve for damage.
PILOT VALVE REASSEMBLY
1. Clean and lubricate parts not being replaced from service kit.
2. Install new (171 and 172) “O” rings, replace (170) sleeve.
3. Install new (168) “O” rings and (169) seal - Note the lip direction. Lubri-
cate and replace (167).
4. Reassemble remaining parts, replace (173 and 174) “O” rings.
MAJOR VALVE DISASSEMBLY
1. Remove (135) valve block and (233) adapter plate, exposing (132 and
166) gaskets and (176) checks.
2. Insert a small flat blade screwdriver into the notch in the side of (135)
valve block and push in on tab to remove (233) adapter plate, releasing
(140) valve insert, (141) valve plate, (200) gasket.
3. Remove (136) end cap and (137) gasket, releasing (111) spool.
MAJOR VALVE REASSEMBLY
1. Install new (138 and 139) “U” cups on (111) spool -- LIPS MUST FACE
EACH OTHER.
2. Insert (111) spool into (135) valve block.
3. Install (137) gasket on (136) end cap and assemble end cap to (135)
valve block, securing with (107) end plates (where applicable) and
(105) screws.
4. Install (140) valve insert and (141) valve plate into (135) valve block.
NOTE: Assemble (140) valve insert with “dished” side toward (141)
valve plate. Assemble (141) valve plate with part number identification
toward (140) valve insert.
5. Assemble (200) gasket and (233) adapter plate to (135) valve block.
NOTE: Assemble (233) adapter plate with notched side down.
6. Assemble (132 and 166) gaskets and (176) checks to (101) body.
7. Assemble (135) valve block and components to (101) body, securing
with (134) screws.

Page 7 of 8PD15X-XXX-XXX (en)
PARTS LIST / PX15X-XXX-XXX AIR SECTION
168 k
.TORQUE REQUIREMENTS ,
NOTE: DO NOT OVERTIGHTEN FASTENERS.
ALL FASTENERS ARE METRIC.
PX15A-XXX-XXX and PX15S-XXX-XXX: Torque (105 and 134) screws to 40 - 50
in. lbs (4.5 - 5.6 Nm).
PX15R-XXX-XXX: Torque (134) screw to 30 - 40 in. lbs (3.4 - 4.5 Nm) and (236)
nut to 35 - 40 in. lbs (4.0 - 4.5 Nm).
LUBRICATION / SEALANTS
kApply Lubriplate FML-2 grease to “O” rings, “U” Cups & mating parts.
-Apply PTFE tape to threads at assembly.
UApply anti-seize compound to threads at assembly.
U.134
135
133
174 k
121
118
173 k
169 k
172 k
171 k
170
167
121
k174
118
166 k
132 k
141 k
140
200 k
233
176 k
PILOT VALVE
PART GROUP
MAJOR
VALVE
A replacement Major Valve Service Assembly is available separately, which includes the following:
637390-1 for models PD15R-XXX-XXX: 105 (4), 107 (2), 111, 132, 135, 136, 137, 138, 139, 140,
141, 166, 176 (2), 200, 233 and 236 (4).
637390-2 for models PE15R-XXX-XXX: 76, 105 (4), 107 (2), 111, 132, 135, 136, 137, 138, 139, 140,
141, 166, 176 (2), 200, 233 and 236 (4).
637390-3 for models PD15A-XXX-XXX: 105 (4), 111, 128, 132, 135, 136, 137, 138, 139, 140, 141,
166, 176 (2), 200 and 233.
637390-4 for models PE15A-XXX-XXX: 76, 105 (4), 111, 128, 132, 135, 136, 137, 138, 139, 140,
141, 166, 176 (2), 200 and 233.
637390-5 for models PD15S-XXX-XXX: 105 (4), 111, 128, 132, 135, 136, 137, 138, 139, 140, 141,
166, 176 (2), 200 and 233.
637390-6 for models PE15S-XXX-XXX: 76, 105 (4), 111, 128, 132, 135, 136, 137, 138, 139, 140,
141, 166, 176 (2), 200 and 233.
Figure 3
101 181 103 201
173 k
136
-128
U.105
U.134
135
133
136
107
U105
107
.236
Models PX15A-XXX-XXX
PX15S-XXX-XXX
Models PX15R-XXX-XXX
MATERIAL CODE
[A] = Aluminum
[AO] = Alumina Oxide
[B] = Nitrile
[Br] = Brass
[C] = Carbon Steel
[D] = Acetal
[P] = Polypropylene
[SP] = Santoprene
[SS] = Stainless Steel
[U] = Polyurethane
[Z] = Zinc
k137
k139
k138
111
k137
k139
111
k138
Insert screwdriver here to remove (233) adapter plate.
Insert screwdriver here to remove (233) adapter plate.
Notch

PD15X-XXX-XXX (en)Page 8 of 8
TROUBLE SHOOTING
Product discharged from exhaust outlet.
SCheck for diaphragm rupture.
SCheck tightness of (14) diaphragm screw.
Air bubbles in product discharge.
SCheck connections of suction plumbing.
SCheck “O” rings between intake manifold and inlet side fluid caps.
SCheck tightness of (14) diaphragm screw.
Motor blows air or stalls.
SCheck (176) check valve for damage or wear.
SCheck for restrictions in valve / exhaust.
Low output volume, erratic flow, or no flow.
SCheck air supply.
SCheck for plugged outlet hose.
SCheck for kinked (restrictive) outlet material hose.
SCheck for kinked (restrictive) or collapsed inlet material hose.
SCheck for pump cavitation -- suction pipe should be sized at least as
large as the inlet thread diameter of the pump for proper flow if high
viscosity fluids are being pumped. Suction hose must be a non-col-
lapsing type, capable of pulling a high vacuum.
SCheck all joints on the inlet manifolds and suction connections.
These must be air tight.
SInspect the pump for solid objects lodged in the diaphragm chamber
or the seat area.
DIMENSIONAL DATA
(Dimensions shown are for reference only, they are displayed in inches and millimeters (mm).
Figure 4
Air Inlet 1/2 - 14 N.P.T.
Inlet
Outlet
Exhaust Port 3/4 - 14 N.P.T.
1-1/2” A.N.S.I. / DIN Flange
(PX15X-YXX-XXX)
C
L
B
D
K
C
A
P
Q
D
N
B
G
M
R
L
SH
J
L
F
E
1-1/2 - 11-1/2 N.P.T.F. - 1 (PX15X-AXX-XXX)
Rp 1-1/2 (1-1/2 - 11 BSP) (PX15X-BXX-XXX)
A - see below F - 10-1/4” (260.4 mm) L - see below R - 21-7/16” (543.9 mm)
B - 18-3/8” (466.7 mm) G - 19-5/8” (498.1 mm) M - 1/4” (6.4 mm) S - see below
C - 11-3/4” (298.5 mm) H - 9” (228.6 mm) N - 9-11/16” (246.0 mm) T - see below
D - 2-3/4” (69.9 mm) J - 10” (254.0 mm) P - see below
E - see below K - 1/2” (12.7 mm) Q - see below
DIMENSIONS
“A” “L” “P” “Q” “S”
PX15X-XAX-XXX 14-7/8” (377.8 mm) 1-3/4” (44.5 mm) 7-7/32” (183.4 mm) 14-23/32” (373.9 mm) 1/2” (12.7 mm)
PX15X-XCX-XXX 14-5/8” (371.5 mm) 1-3/4” (44.5 mm) 7-3/16” (182.6 mm) 14-1/2” (368.3 mm) 1/4” (6.4 mm)
PX15X-XHX-XXX 14-9/16” (370.0 mm) 3-1/8” (79.4 mm) 7-3/16” (182.6 mm) 14-1/2” (368.3 mm) 1/4” (6.4 mm)
PX15X-ASX-XXX, -BSX 14-25/32” (375.5 mm) 1-3/4” (44.5 mm) 7-9/32” (185.0 mm) 14-13/16” (375.5 mm) 15/32” (11.4 mm)
PX15X-YSX-XXX 14-9/16” (370.0 mm) 3-1/8” (79.4 mm) 7-9/32” (185.0 mm) 14-9/16” (370.0 mm) 15/32” (11.4 mm)
T
1-1/2 - 11-1/2 N.P.T.F. - 1 (PX15X-AXX-XXX)
Rp 1-1/2 (1-1/2 - 11 BSP) (PX15X-BXX-XXX)
“E” “T”
PX15A-XXX-XXX N / A 14-1/32” (356.2 mm)
PX15R-XXX-XXX 11-3/32” (281.3 mm) N / A
PX15S-XXX-XXX N / A 13-7/8” (352.4 mm)
PN 97999-1056