Intel 440Gx Users Manual GX_DG_1
440GX to the manual 46d38b97-5b7f-4a27-b3b0-304d93463ea6
2015-02-02
: Intel Intel-440Gx-Users-Manual-432685 intel-440gx-users-manual-432685 intel pdf
Open the PDF directly: View PDF
.
Page Count: 118 [warning: Documents this large are best viewed by clicking the View PDF Link!]
- Intel ® 440GX AGPset
- Contents
- Revision History
- Introduction
- Motherboard Layout and Routing
- Design Checklist
- 3.1 Overview
- 3.2 Pull-up and Pull-down Resistor Values
- 3.3 Intel ® Pentium ® II Processor Checklist
- 3.4 Intel ® 440GX AGPset Clocks
- 3.5 82443GX Host Bridge
- 3.6 Intel ® 440GX AGPset Memory Interface
- 3.7 82371EB (PIIX4E)
- 3.8 PCI Bus Signals
- 3.9 ISA Signals
- 3.10 ISA and X-Bus Signals
- 3.11 USB Interface
- 3.12 IDE Interface
- 3.13 Flash Design
- 3.14 System and Test Signals
- 3.15 Power Management Signals
- 3.16 Miscellaneous
- 3.17 82093AA (IOAPIC)
- 3.18 Manageability Devices
- 3.19 Software/BIOS
- 3.20 Thermals / Cooling Solutions
- 3.21 Mechanicals
- 3.22 Electricals
- 3.23 Layout Checklist
- 3.24 Applications and Add-in Hardware
- Debug Recommendations
- Third-Party Vendor Information
- Intel ®440GX AGPset Platform Reference

Intel® 440GX AGPset
Design Guide
March 1999
Order Number: 290651-001

Intel
®
440GX AGPset Design Guide
Information in this document is provided in connection with Intel products. No license, express or implied, by estoppel or otherwise, to any intellectual
property rights is granted by this document. Except as provided in Intel's Terms and Conditions of Sale for such products, Intel assumes no liability
whatsoever, and Intel disclaims any express or implied warranty, relating to sale and/or use of Intel products including liability or warranties relating to
fitness for a particular purpose, merchantability, or infringement of any patent, copyright or other intellectual property right. Intel products are not
intended for use in medical, life saving, or life sustaining applications.
Intel may make changes to specifications and product descriptions at any time, without notice.
Contact your local Intel sales office or your distributor to obtain the latest specifications and before placing your product order.
The Intel
® 440GX AGPset may contain design defects or errors which may cause the products to deviate from published specifications. Current
characterized errata are available on request.
I2C is a two-wire communications bus/protocol developed by Philips. SMBus is a subset of the I2C bus/protocol and was developed by Intel.
Implementations of the I2C bus/protocol or the SMBus bus/protocol may require licenses from various entities, including Philips Electronics N.V. and
North American Philips Corporation.
Copies of documents which have an ordering number and are referenced in this document, or other Intel literature may be obtained by:
calling 1-800-548-4725 or
by visiting Intel's website at http://www.intel.com.
Copyright © Intel Corporation, 1999
*Third-party brands and names are the property of their respective owners.

Intel
®
440GX AGPset Design Guide
iii
Contents
1 Introduction ................................................................................................................1-1
1.1 About This Design Guide..............................................................................1-1
1.2 References....................................................................................................1-2
1.3 Intel® Pentium® II Processor / Intel® 440GX AGPset Overview...................1-3
1.3.1 Intel® Pentium® II Processor............................................................1-3
1.3.2 Intel® 440GX AGPset ......................................................................1-4
1.3.2.1 System Bus Interface......................................................1-5
1.3.2.2 DRAM Interface ..............................................................1-5
1.3.2.3 Accelerated Graphics Port Interface...............................1-5
1.3.2.4 PCI Interface...................................................................1-6
1.3.2.5 System Clocking.............................................................1-6
1.3.3 PCI-to-ISA/IDE Xcelerator (PIIX4E).................................................1-6
1.3.3.1 Instrumentation...............................................................1-7
1.3.3.2 Remote Service Boot......................................................1-7
1.3.3.3 Remote Wake-Up ...........................................................1-8
1.3.3.4 Power Management........................................................1-8
1.4 Design Recommendations............................................................................1-8
1.4.1 Voltage Definitions...........................................................................1-8
1.4.2 General Design Recommendations.................................................1-9
1.4.3 Transitioning from Intel“ 440BX AGPset to Intel“ 440GX
AGPset Design ................................................................................1-9
2 Motherboard Layout and Routing Guidelines ............................................................2-1
2.1 BGA Quadrant Assignment...........................................................................2-1
2.2 Board Description .........................................................................................2-3
2.3 Routing Guidelines........................................................................................2-5
2.3.1 GTL+ Description.............................................................................2-6
2.3.2 GTL+ Layout Recommendations .....................................................2-6
2.3.3 Single Processor Design..................................................................2-6
2.3.3.1 Single Processor Network Topology and Conditions......2-6
2.3.3.2 Single Processor Recommended Trace Lengths ...........2-7
2.3.4 Dual Processor Systems..................................................................2-8
2.3.4.1 Dual Processor Network Topology and Conditions ........2-8
2.3.4.2 Dual Processor Recommended Trace Lengths..............2-8
2.3.5 Single Processor Systems—Single-End Termination (SET) ...........2-8
2.3.5.1 Set Network Topology and Conditions ...........................2-8
2.3.5.2 SET Trace Length Requirements ...................................2-9
2.3.6 Additional Guidelines .....................................................................2-10
2.3.6.1 Minimizing Crosstalk.....................................................2-10
2.3.6.2 Practical Considerations...............................................2-10
2.3.7 Design Methodology ......................................................................2-11
2.3.8 Performance Requirements...........................................................2-12
2.3.9 Topology Definition ........................................................................2-13
2.3.10 Pre-Layout Simulation (Sensitivity Analysis)..................................2-13
2.4 Placement & Layout....................................................................................2-14
2.5 Post-Layout Simulation...............................................................................2-14
2.5.1 Crosstalk and the Multi-Bit Adjustment Factor...............................2-15

iv
Intel
®
440GX AGPset Design Guide
2.6 Validation ....................................................................................................2-15
2.6.1 Flight Time Measurement ..............................................................2-15
2.6.2 Signal Quality Measurement..........................................................2-16
2.7 Timing Analysis...........................................................................................2-17
2.8 AGP Layout and Routing Guidelines ..........................................................2-19
2.8.1 AGP Connector (“Up Option) Layout Guidelines ...........................2-19
2.8.2 On-board AGP Compliant Device (“Down” Option)
Layout Guidelines ..........................................................................2-20
2.9 82443GX Memory Subsystem Layout and Routing Guidelines..................2-22
2.9.1 100 MHz 82443GX Memory Array Considerations........................2-22
2.9.1.1 Matching the Reference Planes ...................................2-23
2.9.1.2 Adding Additional Decoupling Capacitor ......................2-23
2.9.1.3 Trace Width vs. Trace Spacing ....................................2-24
2.9.2 Memory Layout & Routing Guidelines ...........................................2-24
2.9.3 4 DIMM Routing Guidelines [NO FET]...........................................2-30
2.9.4 PCI Bus Routing Guidelines ..........................................................2-30
2.9.5 Decoupling Guidelines: Intel® 440GX AGPset Platform ...............2-31
2.9.6 Intel® 440GX AGPset Clock Layout Recommendations................2-32
2.9.6.1 Clock Routing Spacing .................................................2-32
2.9.6.2 System Bus Clock Layout.............................................2-32
2.9.6.3 PCI Clock Layout..........................................................2-33
2.9.6.4 SDRAM Clock Layout...................................................2-33
2.9.6.5 AGP Clock Layout ........................................................2-34
3 Design Checklist........................................................................................................3-1
3.1 Overview.......................................................................................................3-1
3.2 Pull-up and Pull-down Resistor Values.........................................................3-1
3.3 Intel® Pentium® II Processor Checklist.........................................................3-2
3.3.1 Intel® Pentium® II Processor ...........................................................3-2
3.3.2 Intel® Pentium® II Processor Clocks................................................3-5
3.3.3 Intel® Pentium® II Processor Signals...............................................3-5
3.3.4 Uni-Processor (UP) Slot 1 Checklist................................................3-7
3.3.5 Dual-Processor (DP) Slot 1 Checklist..............................................3-7
3.3.6 Slot 1 Decoupling Capacitors ..........................................................3-7
3.3.7 Voltage Regulator Module, VRM 8.2 ...............................................3-7
3.4 Intel® 440GX AGPset Clocks........................................................................3-8
3.4.1 CK100 - 100 MHz Clock Synthesizer...............................................3-8
3.4.2 CKBF - SDRAM 1 to 18 Clock Buffer...............................................3-9
3.4.3 GCKE and DCLKWR Connection....................................................3-9
3.5 82443GX Host Bridge.................................................................................3-10
3.5.1 82443GX Interface.........................................................................3-10
3.5.2 82443GX GTL+ Bus Interface .......................................................3-12
3.5.3 82443GX PCI Interface..................................................................3-12
3.5.4 82443GX AGP Interface ................................................................3-13
3.6 Intel® 440GX AGPset Memory Interface ....................................................3-14
3.6.1 SDRAM Connections.....................................................................3-14
3.6.2 DIMM Solution With FET Switches................................................3-15
3.6.3 Registered SDRAM .......................................................................3-15

Intel
®
440GX AGPset Design Guide
v
3.7 82371EB (PIIX4E).......................................................................................3-16
3.7.1 PIIX4E Connections.......................................................................3-16
3.7.2 IDE Routing Guidelines..................................................................3-20
3.7.2.1 Cabling..........................................................................3-20
3.7.2.2 Motherboard .................................................................3-20
3.7.3 PIIX4E Power And Ground Pins ....................................................3-22
3.8 PCI Bus Signals..........................................................................................3-22
3.9 ISA Signals .................................................................................................3-23
3.10 ISA and X-Bus Signals................................................................................3-23
3.11 USB Interface..............................................................................................3-24
3.12 IDE Interface...............................................................................................3-24
3.13 Flash Design...............................................................................................3-25
3.13.1 Dual-Footprint Flash Design ..........................................................3-25
3.13.2 Flash Design Considerations .........................................................3-25
3.14 System and Test Signals ............................................................................3-28
3.15 Power Management Signals.......................................................................3-28
3.15.1 Power Button Implementation........................................................3-30
3.16 Miscellaneous .............................................................................................3-31
3.17 82093AA (IOAPIC)......................................................................................3-32
3.18 Manageability Devices................................................................................3-33
3.18.1 Max1617 Temperature Sensor ......................................................3-33
3.18.2 LM79 Microprocessor System Hardware Monitor..........................3-33
3.18.3 82558B LOM Checklist ..................................................................3-34
3.18.4 Wake On LAN (WOL) Header........................................................3-35
3.19 Software/BIOS ............................................................................................3-35
3.19.1 USB and Multi-processor BIOS .....................................................3-35
3.19.2 Design Considerations...................................................................3-36
3.20 Thermals / Cooling Solutions ......................................................................3-36
3.20.1 Design Considerations...................................................................3-36
3.21 Mechanicals ................................................................................................3-36
3.21.1 Design Considerations...................................................................3-37
3.22 Electricals....................................................................................................3-37
3.22.1 Design Considerations...................................................................3-37
3.23 Layout Checklist..........................................................................................3-38
3.23.1 Routing and Board Fabrication ......................................................3-38
3.23.2 Design Consideration.....................................................................3-38
3.24 Applications and Add-in Hardware..............................................................3-38
3.24.1 Design Consideration.....................................................................3-38
4 Debug Recommendations .........................................................................................4-1
4.1 Slot 1 Test Tools...........................................................................................4-1
4.2 Debug/Simulation Tools................................................................................4-1
4.2.1 Logic Analyzer Interface (LAI)..........................................................4-1
4.2.2 In-Target Probe (ITP).......................................................................4-1
4.2.3 Bus Functional Model (BFM) ...........................................................4-2
4.2.4 I/O Buffer Models .............................................................................4-2
4.2.5 FLOTHERM* Model .........................................................................4-2

vi
Intel
®
440GX AGPset Design Guide
4.3 Debug Features ............................................................................................4-2
4.3.1 Intel® Pentium® II Processor LAI Issue ...........................................4-2
4.3.2 Debug Logic Recommendations......................................................4-4
4.3.2.1 Debug Considerations....................................................4-5
4.3.3 Debug Layout ..................................................................................4-5
4.3.3.1 Design Considerations ...................................................4-5
4.3.4 Debug Procedures...........................................................................4-5
5 Third-Party Vendor Information .................................................................................5-1
5.1 Processors....................................................................................................5-1
5.1.1 Voltage Regulator Modules .............................................................5-2
5.1.2 Voltage Regulator Control Silicon....................................................5-2
5.2 Intel® 440GX AGPset ...................................................................................5-3
5.2.1 Clock Drivers ...................................................................................5-3
5.2.2 Power Management Components ...................................................5-3
5.2.3 FET Switches(4 DIMM/FET Design)................................................5-3
5.3 Other Processor Components ......................................................................5-4
5.3.1 Slot 1 Connector ..............................................................................5-4
5.3.2 Mechanical Support .........................................................................5-4
5.3.3 Heat sinks ........................................................................................5-4
5.3.4 Heat sink attachment: Rivscrews* and associated tools..................5-4
5.3.5 Thermal interface materials .............................................................5-4
A Intel® 440GX AGPset Platform Reference Design ................................................... A-1

Intel
®
440GX AGPset Design Guide
vii
Figures
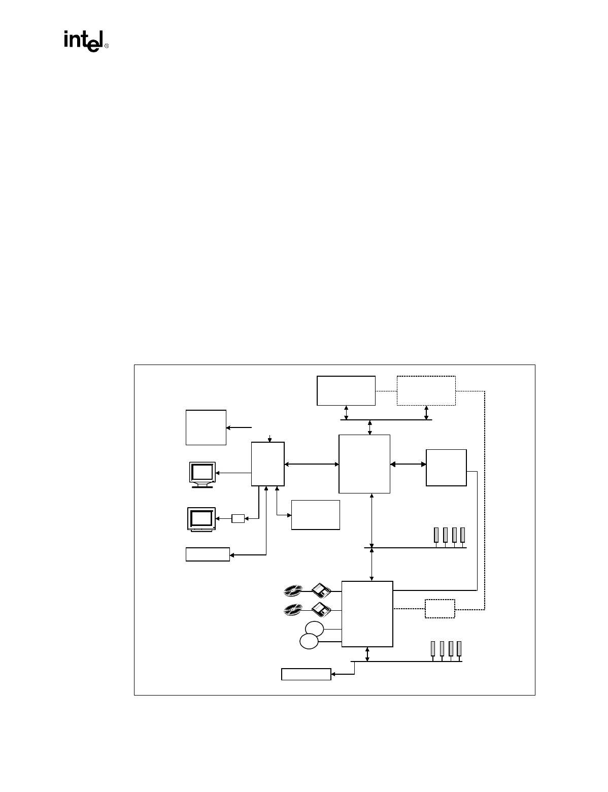
1-1 Intel® Pentium® II Processor / Intel® 440GX AGPset
System Block Diagram..................................................................................1-4
2-1 Major Signal Sections (82443GX Top View).................................................2-1
2-2 Example ATX Placement for a UP Pentium® II processor/
Intel® 440GX AGPset Design .......................................................................2-2
2-3 Example NLX Placement for a UP Intel® Pentium® II processor /
Intel® 440GX Design.....................................................................................2-3
2-4 Four Layer Board Stack-up...........................................................................2-4
2-5 Six Layer Board Stack-up With 4 Signal Planes and 2 Power Planes..........2-4
2-6 Six Layer Board Stack-up With 3 Signal Planes and 3 Power Planes..........2-5
2-7 Recommended Topology for Single Processor Design ................................2-6
2-8 Solution Space for Single Processor Design (Based on Results
of Parametric Sweeps)..................................................................................2-7
2-9 Recommended Topology for Dual Processor Design...................................2-8
2-10 Topology for Single Processor Designs With Single-End
Termination (SET).........................................................................................2-9
2-11 Solution Space for Single Processor Designs With Single-End
Termination (SET).........................................................................................2-9
2-12 GTL+ Design Process.................................................................................2-12
2-13 Pre-layout simulation process.....................................................................2-14
2-14 AGP Connector Layout Guidelines.............................................................2-19
2-15 On-board AGP Compliant Device Layout Guidelines .................................2-21
2-16 FET Switch Example...................................................................................2-22
2-17 Registered SDRAM DIMM Example...........................................................2-23
2-18 Matching the Reference Planes and Adding Decoupling Capacitor ..........2-24
2-19 4 DIMMs (Single or Double-Sided) .............................................................2-24
2-20 Motherboard Model—Data (MDxx), 4 DIMMs.............................................2-25
2-21 Motherboard Model—DQMA[0,2:4,6:7], 4 DIMMs ......................................2-26
2-22 Motherboard Model—DQM_A[1,5], 4 DIMMs.............................................2-26
2-23 Motherboard Model—DQM_A[1,5], 4 DIMMs.............................................2-26
2-24 Motherboard Model—DQM_B[1,5], 4 DIMMs.............................................2-27
2-25 Motherboard Model—CS_A#/CS_B#, 4 DIMMs .........................................2-27
2-26 Motherboard Model—SRAS_A#, 4 DIMMs.................................................2-27
2-27 Motherboard Model—Data (MDxx) Lines, 4 DIMMs (No FET) ...................2-30
2-28 PCI Bus Layout Example............................................................................2-31
2-29 82443GX Decoupling..................................................................................2-31
2-30 Clock Trace Spacing Guidelines.................................................................2-32
2-31 AGP Clock Layout.......................................................................................2-34
3-1 Pull-up Resistor Example..............................................................................3-2
3-2 GCKE & DCLKWR Connections...................................................................3-9
3-3 Current Solution With Existing FET Switches.............................................3-15
3-4 Series Resistor Placement for Primary IDE Connectors.............................3-21
3-5 Dual Footprint Flash Layouts......................................................................3-25
3-6 nterfacing Intel’s Flash with PIIX4E in Desktop ..........................................3-26
3-7 Interfacing Intel’s Flash with PIIX4E in Desktop .........................................3-28
3-8 PWRGOOD & PWROK Logic.....................................................................3-29
4-1 LAI Probe Input Circuit..................................................................................4-3

viii
Intel
®
440GX AGPset Design Guide
Tables
2-1 Recommended Trace Lengths for Single Processor Design........................2-7
2-2 Recommended Trace Lengths for Dual Processor Designs2.......................2-8
2-3 SET Trace Length Requirements .................................................................2-9
2-4 Recommended 100 MHz System Flight Time Specs .................................2-13
2-5 System Timing Requirements for Validating Setup/Hold Windows ............2-16
2-6 Ringback Guidelines at the Intel® Pentium® II Processor Edge Fingers ...2-16
2-7 Intel® Pentium® II Processor and Inte®l 440GX AGPset
System Timing Equations ...........................................................................2-17
2-8 Intel® Pentium® II Processor and Intel® 440GX AGPset
System Timing Terms.................................................................................2-17
2-9 Intel® Pentium® II Processor and Intel® 440GX AGPset 100 MHz
Timing Specifications..................................................................................2-18
2-10 Recommended 100 MHz System Timing Parameters................................2-18
2-11 Recommended 100 MHz System Flight Time Specs .................................2-18
2-12 Data and Associated Strobe .......................................................................2-19
2-13 Source Synchronous Motherboard Recommendations ..............................2-20
2-14 Control Signal Line Length Recommendations ..........................................2-20
2-15 Source Synchronous Motherboard Recommendations ..............................2-21
2-16 Control Signal Line Length Recommendations ..........................................2-21
2-17 MDx lines Reference Planes Routing .........................................................2-23
2-18 FET Switch DQ Route Example .................................................................2-25
2-19 Motherboard Model: SRAS_B#, 4 DIMMs ..................................................2-28
2-20 Motherboard Model: SCAS_A#, 4 DIMMs ..................................................2-28
2-21 Motherboard Model: SCAS_B#, 4 DIMMs ..................................................2-28
2-22 Motherboard Model: WE_A#, 4 DIMMs ......................................................2-29
2-23 Motherboard Model: WE_B#, 4 DIMMs ......................................................2-29
2-24 Motherboard Model: MA_A[14:0], 4 DIMMs ...............................................2-29
2-25 Motherboard Model: MA_B[12,11,9:0]#, MA_B[14,13,10], 4 DIMMs..........2-30
3-1 Slot Connectivity...........................................................................................3-2
3-2 GND & Power Pin Definition .........................................................................3-4
3-3 Processor Frequency Select.........................................................................3-8
3-4 82443GX Connectivity ................................................................................3-10
3-5 Strapping Options .......................................................................................3-13
3-6 SDRAM Connectivity ..................................................................................3-14
3-7 PIIX4E Connectivity ....................................................................................3-16
3-8 IDE Series Termination...............................................................................3-20
3-9 PIIX4E PWR & GND...................................................................................3-22
3-10 Non-PIIX4E PCI Signals .............................................................................3-23
3-11 Non-PIIX4E ISA Signals .............................................................................3-23
3-12 Non-PIIX4E IDE..........................................................................................3-24
3-13 Flash Vpp Recommendations....................................................................3-27
5-1 Slot 1 Connector ...........................................................................................5-1
5-2 Retention Mechanism, Retention Mechanism Module
Attach Sink Suppor .......................................................................................5-1
5-3 GTL+ Bus Slot 1 Terminator Cards ..............................................................5-1
5-4 Voltage Regulator Modules ..........................................................................5-2
5-5 Voltage Regulator Control Silicon Vendors ..................................................5-2
5-6 Clock Driver Vendors....................................................................................5-3
5-7 Power Management Component Vendors....................................................5-3
5-8 FET Switch Vendors.....................................................................................5-3

Intel
®
440GX AGPset Design Guide
ix
Revision History
Date Revision Description
3/99 -001 Initial Release.

x
Intel
®
440GX AGPset Design Guide

1
Introduction


Intel
®
440GX AGPset Design Guide
1-1
Introduction
Introduction
1
This document provides design guidelines for developing Intel® Pentium® II processor / Intel®
440GX AGPset based systems. Motherboard and memory subsystem design guidelines are
covered. Special design recommendations and concerns are presented. Likely design issues have
been identified and included here in a checklist format to alleviate problems during the debug
phase. One reference board design is presented:
•Dual Processor (DP), 4 DIMM design
These designs use the Intel® Pentium® II processor and Intel® 440GX AGPset consisting of the
82443GX Host Bridge and the 82371EB PIIX4E.
Note: The Intel® Pentium® II processor may be installed in a Slot 1 connector. The Intel® Pentium® II
processor will also be offered as an Intel boxed processor, intended for system integrators who
build systems from motherboards and other components. Some hints for early debug problems are
also included.
1.1 About This Design Guide
This document is intended for hardware design engineers who are experienced in the design of PC
motherboards or memory subsystem. This document is organized as follows:
Chapter 1, Introduction. This chapter provides an overview of the features on reference design.
Chapter 1 also provides a general component overview of the Intel® Pentium® II processor and
Intel 440GX AGPset. The Wired for Management Initiative is also discussed which is an Intel®
initiative to improve the manageability of desktop, mobile, and server systems. This chapter also
provides design recommendations which Intel feels will provide flexibility to cover a broader range
of products within a market segment.
Chapter 2, Motherboard Layout and Routing Guidelines. This Chapter provides detailed
layout, routing, and placement guidelines for the motherboard and memory subsystem. Design
guidelines for each bus (Host GTL+, PCI, DRAM, and AGP) are covered. This chapter provides
details on design methodology, Timing analysis, simulation, and design validation.
Chapter 3, Design Checklist. This chapter provides a design checklist that is intended to be used
when reviewing your Intel® 440GX AGPset design. The checklist is based on the Intel® 440GX
AGPset reference design provided in this Design Guide. Items which have been found to be
incorrect on previous designs are provided as a tool to allow the quick debug of Intel® Pentium® II
processor based systems.
Chapter 4, Debug Recommendations. This chapter presents debug recommendations that may
assist in the development of the Intel® Pentium® II processor, Intel® 440GX AGPset, and products
utilizing them. This chapter also provides tool information, logic suggestions, technical support
options, and a summary of the problems which have been found to be associated with system
debug.
Chapter 5, Third Party Vendor Information. This chapter includes information regarding
various third-party vendors who provide products to support the Intel® 440GX AGPset.
Appendix A, Intel® 440GX AGPset Reference Design Schematics. This appendix provides the
schematics used in the single processor and dual processor reference designs.

Intel
®
440GX AGPset Design Guide
1-2
Introduction
1.2 References
•Intel® Pentium® II Processor Datasheet
•Intel® 440GX AGPset Datasheet (WWW; order number 290638)
•Intel 82371EB PCI-to-ISA/IDE Xcelerator (PIIX4) Datasheet (WWW; order number 290562)
•Intel Architecture Software Developer’s Manual, Volume 1; Basic Architecture
(order number 243190)
•Intel Architecture Software Developer’s Manual, Volume 2; Instruction Set Reference
(order number 243191)
•Intel Architecture Software Developer’s Manual, Volume 3; System Programming Guide
(order number 243192)
•Intel Architecture MMX™ Technology Developer’s Guide (order number 243006)
•AP-485 CPUID Application Note (WWW; order number 41618)
•AP-585 Layout Application Note (WWW; order number 243330)
•AP-586 Thermal Application Note (WWW; order number 243331)
•AP-587 Power Application Note (WWW; order number 243332)
•AP-589 EMI (WWW; order number 243334)
•AP-524 Intel® Pentium® Pro Processor GTL+ Layout Guidelines (order number 242765)
•AP-525 Intel® Pentium® Pro Processor Thermal Design Guidelines (order number 242766)
•Multi-Processor Specification 1.4 (order number 242016)
•+ Processor Fan/Heat Sink Target Specification, Revision 1.0 or later
•+ Slot 1 Test Kit User’s Guide, Revision 1.0 or later
•+ Slot 1 Processor Enabling Technologies Supplier Guide, Revision 3.0
•PCI Local Bus Specification, Revision 2.1
•Universal Serial Bus Specification, Revision 1.0

Intel
®
440GX AGPset Design Guide
1-3
Introduction
1.3 Intel® Pentium® II Processor / Intel® 440GX AGPset
Overview
The following is a list of features that a Intel® Pentium® II processor / Intel® 440GX System will
provide:
•Full Support for up to two Intel® Pentium® II processors, with system bus frequencies of
100 MHz
•Intel® 440GX AGPset
— 82443GX Host Bridge Controller (GX)
— 82371EB PCI ISA IDE Accelerator (PIIX4E)
•100 MHz Memory Interface: A wide range of DRAM support including
— 64-bit memory data interface plus 8 ECC bits and hardware scrubbing
— SDRAM (Synchronous) DRAM Support
— 16Mbit, 64Mbit, 128Mbit, and 256Mbit DRAM Technologies
•4 PCI Add-in Slots
— PCI Specification Rev 2.1 Compliant
•1 AGP Slot:
— AGP Interface Specification Rev 1.0 Compliant
— AGP 66/133 MHz, 3.3V device support
•Integrated IDE Controller with Ultra DMA/33 support
— PIO Mode 4 transfers
— PCI IDE Bus Master support
•Integrated Universal Serial Bus (USB) Controller with 2 USB ports
•Integrated System Power Management Support
•On-board Floppy, Serial, Parallel Ports, ISA Add-in slots
•I/O APIC device support for MP interrupt support
1.3.1 Intel® Pentium® II Processor
The Intel® Pentium® II processor is a follow-on to the Intel® Pentium® Pro processor. This high
performance Intel Architecture processor offers features that can be designed into products for the
following market segments:
Desktop Home Market Segment
Desktop Corporate Market Segment
Workstation Market Segment
Server Market Segment
New applications and hardware add-ins from third party vendors are being developed that take
advantage of the MMX™ technology incorporated into the Intel® Pentium® processor. Please
contact your local Intel field sales representative for information on IHVs and ISVs utilizing Intel’s
MMX™ technology.

Intel
®
440GX AGPset Design Guide
1-4
Introduction
Intel introduced the Intel® Pentium® II processor as 350/100 and 400/100 speeds with 512 KB L2
cache versions.
1.3.2 Intel® 440GX AGPset
•The Intel® 440GX AGPset is the fourth generation chipset based on the Intel® Pentium® Pro
processor architecture. It has been designed to interface with the Intel® Pentium® II
processor’s system bus at 100 MHz. Along with its Host-to-PCI bridge interface, the 82443GX
host bridge controller has been optimized with a 100 MHz SDRAM memory controller and
data path. The 82443GX also features the Accelerated Graphics Port (AGP) interface. The
82443GX component includes the following functions and capabilities:
•Support for single and dual Intel® Pentium® II processor configurations
•64-bit GTL+ based system data bus Interface
•32-bit system address bus support
•64/72-bit main memory interface with optimized support for SDRAM
•32-bit PCI bus interface with integrated PCI arbiter
•AGP interface with up to 133 MHz data transfer rate
•Extensive data buffering between all interfaces for high throughput and concurrent operations
Figure 1-1. Intel® Pentium® II Processor / Intel® 440GX AGPset S
y
stem Block Dia
g
ram
sys_blk.vsd
TV
Video BIOS
Host Bus
82443GX
Host Bridge Main
Memory
Pentium
®
II
Processor
Pentium
®
II
Processor
SDRAM Support
72 Bit
w/ECO
2X AGP Bus
Graphics
Device
Display
ISA Bus
ISA Slots
System BIOS
System Mgnt (SM) Bus
2 IDE Ports
(Ultra DMA/33)
2 USB
Ports
USB
USB
IO
APIC
82371EB
(PIIX4E)
(PCI-to-ISA
Bridge)
Primary PCI Bus
(PCI Bus #0)
PCI Slots
Encoder
Graphics
Local Memory
Video
- DVD
- Camera
- VCR
- VMI
- Video Capture
100 MHz

Intel
®
440GX AGPset Design Guide
1-5
Introduction
Figure 1-1 shows a block diagram of a typical platform based on the Intel® 440GX AGPset. The
82443GX system bus interface supports up to two Intel® Pentium® II processors at the maximum
bus frequency of 100 MHz. The physical interface design is based on the GTL+ specification and is
compatible with the Intel® 440GX AGPset solution. The 82443GX provides an optimized 72-bit
DRAM interface (64-bit Data plus ECC). This interface supports 3.3V DRAM technologies.
The 82443GX is designed to support the PIIX4E I/O bridge. The PIIX4E is a highly integrated
multifunctional component that supports the following functions and capabilities:
•PCI Rev 2.1 compliant PCI-to-ISA Bridge with support for 33 MHz PCI operations
•ACPI Desktop Power Management Support
•Enhanced DMA controller and standard interrupt controller and timer functions
•Integrated IDE controller with Ultra DMA/33 support
•USB host interface with support for 2 USB ports
•System Management Bus (SMB) with support for DIMM Serial Presence Detect
•Support for an external I/O APIC component
1.3.2.1 System Bus Interface
The Intel® Pentium® II processor supports a second level cache size of 512 KB with ECC. All
cache control logic is provided on the processor. The 82443GX supports a maximum of 32 bit
address or 4 GB memory address space from the processor perspective. The 82443GX provides bus
control signals and address paths for transfers between the processors bus, PCI bus, Accelerated
Graphics Port and main memory. The 82443GX supports a 4-deep in-order queue (i.e., it provides
support for pipelining of up to 4 outstanding transaction requests on the system bus).
For system bus-to-PCI transfers, the addresses are either translated or directly forwarded on the
PCI bus, depending on the PCI address space being accessed. If the access is to a PCI configuration
space, the processor I/O cycle is mapped to a PCI configuration space cycle. If the access is to a
PCI I/O or memory space, the processor address is passed without modification to the PCI bus.
Certain memory address range (later referred in a document as a Graphics Aperture) are dedicated
for a graphics memory address space. If this space or portion of it is mapped to main DRAM, then
the address will be translated via the AGP address remapping mechanism and the request
forwarded to the DRAM subsystem. A portion of the graphics aperture can be mapped on AGP and
corresponding system bus cycles that hit that range are forwarded to AGP without any translation.
Other system bus cycles forwarded to AGP are defined by the AGP address map.
1.3.2.2 DRAM Interface
The 82443GX integrates a main memory controller that supports a 64/72-bit DRAM interface
which operates at 100 MHz. The integrated DRAM controller features: supports up to 4 double-
sided DIMMs, 8M to 256M using 16Mbit technology, 1 GB using 64Mbit technology, and 2 GB
using 128M or 256M technology, two copies of MAxx are provided for optimized timing, and ECC
with hardware scrubbing.
1.3.2.3 Accelerated Graphics Port Interface
The 82443GX supports an AGP interface. The AGP interface can reach a maximum theoretical
~532 Mbytes/sec transfer rate.

Intel
®
440GX AGPset Design Guide
1-6
Introduction
1.3.2.4 PCI Interface
The 82443GX PCI interface is 33 MHz Revision 2.1 compliant and supports up to five external
PCI bus masters in addition to the I/O bridge (PIIX4E).
1.3.2.5 System Clocking
The 82443GX operates the system bus interface at 100 MHz, PCI at 33 MHz and AGP at
66/133 MHz. The 443GX clocking scheme uses an external clock synthesizer which produces
reference clocks for the system bus and PCI interfaces. The 82443GX produces a single 100 MHz
SDRAM clock output which is fed to a 1 to 18 clock buffer to support 1 to 4 DIMMs.
1.3.3 PCI-to-ISA/IDE Xcelerator (PIIX4E)
The PCI-to-ISA/IDE Xcelerator (PIIX4E) is a multi-function PCI device implementing a PCI-to-
ISA bridge function, a PCI IDE function, a Universal Serial Bus host/hub function, and an
Enhanced Power Management function. As a PCI-to-ISA bridge, the PIIX4E integrates many
common I/O functions found in ISA-based PC systems; a seven channel DMA Controller, two
82C59 Interrupt Controllers, an 8254 Timer/Counter, and a Real Time Clock. In addition to
Compatible transfers, each DMA channel also supports Type F transfers.
The PIIX4E contains full support for both PC/PCI and Distributed DMA protocols implementing
PCI based DMA. The Interrupt Controller has Edge or Level sensitive programmable inputs and
fully supports the use of an external I/O Advanced Programmable Interrupt Controller (APIC) and
Serial Interrupts. Chip select decoding is provided for BIOS, Real Time Clock, Keyboard
Controller, second external Microcontroller, as well as 2 Programmable Chip Selects. The PIIX4E
provides full Plug and Play compatibility. The PIIX4E can be configured as a Subtractive Decode
bridge or as a Positive Decode bridge.
The PIIX4E supports two IDE connectors for up to four IDE devices providing an interface for
IDE/EIDE hard disks and CD ROMs. Up to four IDE devices can be supported in Bus Master
mode. The PIIX4E contains support for “Ultra DMA/33” synchronous DMA compatible devices.
The PIIX4E contains a Universal Serial Bus (USB) Host Controller that is Universal Host
Controller Interface (UHCI) compatible. The Host Controller’s root hub has two programmable
USB ports.
The PIIX4E supports Enhanced Power Management, including full Clock Control, Device
Management for up to 14 devices, and Suspend and Resume logic with Power On Suspend,
Suspend to RAM or Suspend to Disk. It fully supports Operating System Directed Power
Management via the Advanced Configuration and Power Interface (ACPI) specification. The
PIIX4E integrates both a System Management Bus (SMBus) Host and Slave interface for serial
communication with other devices.
For more information on the PIIX4E, please refer to thePIIX4 datasheet.
1.3.4 Wired for Mana
g
ement Initiative
Wired for Management (WfM) is an Intel initiative to improve the manageability of desktop, and
server systems. The goal of WfM is to reduce the Total Cost of Ownership (TCO) through
improved manageability in the following four technology areas:
•Instrumentation
•Remote Service Boot
•Remote Wake-Up
•Power Management

Intel
®
440GX AGPset Design Guide
1-7
Introduction
Manageability features in each of these four technology areas combine to form the Wired for
Management Baseline Specification. A copy of the Wired for Management Baseline Specification
can be obtained from:
ftp://download.intel.com/ial/wfm/baseline.pdf
An on-line Design Guide is available at:
http://developer.intel.com/ial/WfM/design/index.htm
Future versions of the specification, which preserve today's investments, will be available at this
site.
1.3.3.1 Instrumentation
A component's instrumentation consists of code that maintains attributes with up-to-the-minute
values and adjusts the component's operational characteristics based on these values. By providing
instrumentation, the platform provides accurate data to management applications, so those
applications can make the best decisions for managing a system or product.
The WfM 1.1a Baseline requires that compliant desktop and mobile platforms utilize the DMI
Version 2.00 Management Interface (MI) and Component Interface (CI) application programming
interfaces and host a DMI v2.00 Service Provider, as defined by the DMTF. Intel's DMI 2.0 Service
Provider Software Development Kit (SDK) provides a DMI Service Provider and binaries that
support DMI Version 2.00. This kit is available at:
http://developer.intel.com/ial/WfM/tools/sdk/index.htm.
Intel's LANDesk© Client Manager product includes the Service Provider and component
instrumentation. Information regarding this product can be found at:
http://developer.intel.com/ial/WfM/tools/ldcm/index.htm
The WfM Baseline Instrumentation specification identifies specific DMI standard groups,
including event generation groups, that must be instrumented for a Baseline-compliant platform.
This reference design provides support for the SMBIOS revision 2.0 specification which along
with appropriate component instrumentation will supply some of the required data in the specified
DMI 2.0 groups. This reference design also provides additional optional instrumentation hardware
support with the LM79 and Maxim MAX1617 components.
1.3.3.2 Remote Service Boot
The WfM Baseline specifies the protocols by which a client requests and downloads an executable
image from a server and the minimum requirements on the client execution environment when the
downloaded image is executed. The Baseline specification includes a set of APIs for the particular
network controller used. The code supporting the Preboot eXecution Environment (PXE) and the
network controller is provided on the EtherExpress© PRO/100 WFM adapters Option ROM.
Two implementation options are available: 1) NIC with Option ROM and Wake on LAN Header or
2) a LAN on Motherboard implementation. For the second option, the Preboot execution
environment and the network controller code must be incorporated into the system BIOS.
In addition, the BIOS must provide the _SYSID_ and _UUID_ data structures. The details of the
BIOS requirements can be obtained from the Intel web site.
http://developer.intel.com/ial/WfM/design/pxedt/index.htm

Intel
®
440GX AGPset Design Guide
1-8
Introduction
1.3.3.3 Remote Wake-Up
If a PC supports a reduced power state, it must be possible to bring the system to a fully powered
state in which all management interfaces are available. Typically, the LAN adapter recognizes a
special packet as a signal to wake up the system. This reference design utilizes a Wake on LAN
(WOL) Header to provide standby power to the NIC and the interface for the wake up signal. The
physical connection to the NIC and motherboard is via a WOL Cable provided with the design kit.
See the WOL Header Recommendations document at:
ftp://download.intel.com/ial/wfm/wol_v14.pdf.
The system BIOS must enable the wake event and provide wake up status. The details of the BIOS
requirements can be obtained from the Intel Corporation web site:
http://developer.intel.com/ial/WfM/design/rwudt/index.htm
1.3.3.4 Power Management
WfM Baseline compliant systems have four distinct power states: Working, Sleeping, Soft Off, and
Mechanical Off. Soft off is usually provided by a user accessible switch that will send a soft off
request to the system. The PIIX4 provides the power button input for this purpose and
implementation details are described in the schematics. A second optional “override” switch
located in a less obvious place (or removal of the power cord) stops current flow forcing the
platform into the mechanical off state without OS consent. Note that a second “override” switch is
required for legal reasons in some jurisdictions (for example, some European countries). The BIOS
may support the power management requirement either through the APM revision 1.2 or ACPI
revision 1.0 specifications. This reference design’s BIOS implementation incorporates both
interfaces. The PIIX4 provides hardware level register support for both the APM and ACPI
specifications. See Intel's web site for additional information:
http://developer.intel.com/ial/WfM/design/pmdt/index.htm.
1.4 Design Recommendations
1.4.1 Voltage Definitions
For the purposes of this document the following nominal voltage definitions are used:
Vcc 5.0V
Vcc3.3 3.3V
VccCORE Voltage is dependent on the five bit VID setting
Vcc2.5 2.5V
VTT 1.5V
VREF 1.0V

Intel
®
440GX AGPset Design Guide
1-9
Introduction
1.4.2 General Design Recommendations
1. Intel recommends using an industry standard programmable Voltage Regulator Module
(VRM) installed in a VRM header or an onboard programmable voltage regulator designed for
Intel® Pentium® II processors.
2. Systems should be capable of varying the system bus to processor core frequency ratio per the
System Bus to Core Frequency Multiplier Configuration table of the Intel® Pentium® II
processor datasheet. The Intel® Pentium® II processor uses the following signals to configure
the internal clock multiplier ratio: LINT[0]/INTR, IGNNE#, A20M#, LINT[1]/NMI. Follow
the recommendations in this document to ensure that adequate hold times are met on the
strapping signals. Ensure the output of the strapping logic is a Vcc2.5 logic level for connection
to the Slot 1 connector. This can be accomplished using an open-drain output driver with pull-
ups to Vcc2.5.
3. Please prepare for additional thermal margin for increases of 1-5W for higher performance or
otherwise enhanced processor.
4. Motherboard designs targeted for system integrators should design to the Boxed Intel®
Pentium® II processor electrical, mechanical and thermal specifications provided in the Intel®
Pentium® II processor datasheet, most notably the required fan power header, fan/heatsink
physical clearance on the motherboard.
5. Motherboard designs should incorporate a retention mechanism, retention mechanism attach
mount and heatsink support mounting holes and keep out areas for the Intel® Pentium® II
processor and boxed Intel® Pentium® II processor.
1.4.3 Transitioning from Intel 440BX AGPset to Intel 440GX
AGPset Design
1. The 82443GX supports 2GB using 128M or 256M memory technology. The design guidelines
for MAA14 and MAB14 are the same as MAA-13 and MAB-13 on the 82443BX.
2. Intel® 440GX AGPset supports 100 MHz system bus and 100 MHz SDRAM Memory only.
3. There is no 3 DIMM support with the Intel 440GX AGPset.

Introduction
1-10
Intel
®
440GX AGPset Design Guide

2
Motherboard Design


Intel
®
440GX AGPset Design Guide
2-1
Motherboard Layout and Routing Guidelines
Motherboard Layout and Routing
Guidelines
2
This chapter describes layout and routing recommendations to insure a robust design. Follow these
guidelines as closely as possible. Any deviations from the guidelines listed here should be
simulated to insure adequate margin is still maintained in the design
2.1 BGA Quadrant Assignment
Intel assigned pins on the 82443GX to simplify routing and keep board fabrication costs down, by
permitting a motherboard to be routed in 4-layers. Figure 2-1 shows the 4 signal quadrants of the
82443GX. The component placement on the motherboard should be done with this general flow in
mind. This simplifies routing and minimizes the number of signals which must cross. The
individual signals within the respective groups have also been optimized to be routed using only 2
PCB layers.
Note: The Intel® 82443GX AGPset Datasheet contains a complete list of signals and Ball assignments.
Figure 2-1. Major Signal Sections (82443GX Top View)
Pin #1 Corner
1 2 3 4 5 6 7 8 9 10 11 12 13 14 15 16 17 18 19 20 21 22 23
24 25 26
A
B
C
D
E
F
G
H
J
K
L
M
N
P
R
T
U
V
W
Y
AA
AB
AC
AD
AE
AF
AGP
Quadrant
PCI
Quadrant GTL+
Quadrant
SDRAM
Quadrant
v001

Motherboard Layout and Routing Guidelines
2-2
Intel
®
440GX AGPset Design Guide
Figure 2-2 and Figure 2-3 show the proposed component placement for a single processor for both
ATX and NLX form factor designs.
ATX Form Factor:
1. The ATX placement and layout below is recommended for single (UP) Intel® Pentium® II
processor / Intel® 440GX AGPset system design.
2. The example placement below shows 4 PCI slots, 2 ISA slots, 4 DIMM sockets, and one AGP
connector.
3. For an ATX form factor design, the AGP compliant graphics device can be either on the
motherboard (device down option), or on an AGP connector (up option).
4. The trace length limitation between critical connections will be addressed later in this
document.
5. The figure below is for reference only and the trade-off between the number of PCI and ISA
slots, number of DIMM socket, and other motherboard peripherals need to be evaluated for
each design.
Figure 2-2. Example ATX Placement for a UP Pentium® II processor/Intel® 440GX AGPset
Design
82443GX
PIIX4E
I/O Ports
Pentium
®
II
Slot 1
IDE 0/1
SDRAM DIMMs
PCI0 AGP/PCI1
CKBF
CK100
v002
AGP Interface
PCI Interface
SDRAM Interface
Host Interface

Intel
®
440GX AGPset Design Guide
2-3
Motherboard Layout and Routing Guidelines
NLX Form Factor:
1. The NLX placement and layout below is recommended for a single (UP) Intel® Pentium® II
processor / Intel® 440GX AGPset system design.
2. The example placement below shows one Slot 1 connector, 4 DIMM sockets, and an AGP
compliant device down.
3. For an NLX form factor design, the AGP compliant graphics device may readily be integrated
on the motherboard (device down option).
4. The trace length limitation between critical connections will be addressed later in this
document.
5. Figure 2-3 is for reference only and the trade-off between the number of DIMM sockets, and
other motherboard peripherals need to be evaluated for each design.
2.2 Board Description
For a single processor / Intel® 440GX AGPset motherboard design, a 4 layer stack-up arrangement
is recommended. The stack up of the board is shown in Figure 2-4. The impedance of all the signal
layers are to be between 50 and 80 ohms. Lower trace impedance will reduce signal edge rates,
over & undershoot, and have less cross-talk than higher trace impedance. Higher trace impedance
will increase edge rates and may slightly decrease signal flight times.
Figure 2-3. Example NLX Placement for a UP Intel® Pentium® II processor / Intel® 440GX
Design
82443GX
PIIX4E
AGP
Pentium
®
II
Slot 1
I/O Ports
SDRAM DIMMs
PCI0/ISA Riser
CK100
CKBF
v003
Host Interface
PCI Interface
AGP Interface
SDRAM
Interface

Motherboard Layout and Routing Guidelines
2-4
Intel
®
440GX AGPset Design Guide
Note: The top and bottom routing layers specify 1/2 oz. cu. However, by the time the board is plated, the
traces will end about 1 oz. cu. Check with your fabrication vendor on the exact value and insure
that any signal simulation accounts for this value.
Note: A thicker core may help reduce board warpage issues.
For a dual processor / Intel® 440GX AGPset design, a 6 layer stack-up is recommended. Two
examples are shown below. Figure 2-5 has 4 signal plane layers and 2 power plane layers.
Figure 2-6 shows 3 signal plane layers and 3 power plane layers. The second option makes it easier
to accommodate all of the power planes required in a Intel® 440GX AGPset design.
If a 6 layer stack-up is used, then it is recommended to route most of the GTL+ bus signals on the
inner layers. The primary and secondary signal layer can be used for GTL+ signals where needed.
Routes on the two inner layers should be orthogonal to reduce crosstalk between the layers.
Figure 2-4. Four Layer Board Stack-up
Primary Signal Layer (1/2 oz. cu.)
Ground Plane (1 oz. cu.)
Power Plane (1 oz. cu)
Secondary Signal Layer (1/2 oz. cu)
5 mils
47 mils
5 mils
PREPREG
CORE
PREPREG
Z = 60 ohms
Z = 60 ohms
Total board thickness = 62.6
Figure 2-5. Six Layer Board Stack-up With 4 Signal Planes and 2 Power Planes
Primary Signal Layer (1/2 oz. cu.)
Ground Plane (1 oz. cu.)
Inner Layer #1 (1 oz. cu.)
Inner Layer #2 (1 oz. cu)
Power Plane (1 oz. cu)
Secondary Signal Layer (1/2 oz. cu)
6 mils
18 mils
6 mils
18 mils
6 mils
PREPREG
PREPREG
PREPREG
CORE
CORE
Z = 66 ohms
Z = 73 ohms
Z = 66 ohms
Total board thickness = 62.4

Intel
®
440GX AGPset Design Guide
2-5
Motherboard Layout and Routing Guidelines
Additional guidelines on board buildup, placement and layout include:
•For a 4-layer single processor design, double ended termination is recommended for GTL+
signals. One termination resistor is present on the processor substrate, and the other
termination resistor is needed on the motherboard. It may be possible to use single-ended
termination, if the trace lengths can tightly be controlled to 1.5” minimum and 4.0” maximum.
•For a 6-layer dual processor design, no termination is required on the motherboard for GTL+
signals, as each end of the GTL+ bus is terminated on each processor. If a single Slot 1 is
populated in a DP design, the second Slot 1 must be populated with a termination card.
•The termination resistors on the GTL+ bus should be 56 ohms.
•The board impedance (Z) should be between 50 and 80 ohms (65 ohms ±20%)
•FR-4 material should be used for the board fabrication.
•The ground plane should not be split on the ground plane layer. If a signal must be routed for a
short distance on a power plane, then it should be routed on a VCC plane, not the ground
plane.
•Keep vias for decoupling capacitors as close to the capacitor pads as possible.
2.3 Routing Guidelines
This section lists guidelines to be followed when routing the signal traces for the board design. The
order of which signals are routed first and last will vary from designer to designer. Some designers
prefer routing all of the clock signals first, while others prefer routing all of the high speed bus
signals first. Either order can be used, as long as the guidelines listed here are followed. If the
guidelines listed here are not followed, it is very important that your design is simulated, especially
on the GTL+ signals. Even when the guidelines are followed, it is still a good idea to simulate as
many signals as possible for proper signal integrity, flight time and cross talk.
Figure 2-6. Six Layer Board Stack-up With 3 Signal Planes and 3 Power Planes
Primary Signal Layer (1/2 oz. cu.)
Ground Plane (1 oz. cu.)
Inner Layer #1 (1 oz. cu.)
Power Plane #1 (1 oz. cu)
Power Plane #2 (1 oz. cu)
Secondary Signal Layer (1/2 oz. cu)
5 mils
18 mils
8 mils
18 mils
5 mils
PREPREG
CORE
PREPREG
CORE
PREPREG
Z = 60 ohms
Z = 59 ohms
Z = 60 ohms
Total board thickness = 62.4

Motherboard Layout and Routing Guidelines
2-6
Intel
®
440GX AGPset Design Guide
2.3.1 GTL+ Description
GTL+ is the electrical bus technology used for the Intel® Pentium® Pro processor and Intel®
Pentium® II processor system bus. GTL+ is a low output swing, incident wave switching, open-
drain bus with external pull-up resistors that provide both the high logic level and termination at the
end of the bus. The complete GTL+ specification is contained in the Pentium II processor
databook. The specification defines:
•Termination voltage, VTT
•Termination resistance, RTT
•Maximum output low voltage, VOL, and output low current, IOL
•Output driver edge rate when driving the GTL+ reference load
•Receiver high and low voltage level, VIL and VIH
•Receiver reference voltage, VREF, as a function of the termination voltage
•Receiver ringback tolerance
Refer to the 100 MHz GTL+ layout Guidelines for the Pentium® II Processor and Intel® 440GX
AGPset for more details.
2.3.2 GTL+ Layout Recommendations
This section contains the layout recommendations for the GTL+ signals. The layout
recommendations are derived from pre-layout simulations that Intel has run using the methodology
described in Section 2.3.7, “Design Methodology” on page 2-11. Results from the pre-layout
simulations are included in this section.
See the Intel® Pentium® II Processor Specification Update for workarounds for any errata that may
be present on the particular stepping of the processor used.
2.3.3 Single Processor Design
2.3.3.1 Single Processor Network Topology and Conditions
The recommended topology for single processor systems is shown in Figure 2-7. In addition to the
termination resistor on the Pentium II processor substrate, a termination resistor is placed on the
system board. The recommended value for the termination resistor is 56Ω ± 5%.
Figure 2-7. Recommended Topology for Single Processor Design
Slot 1
Intel®
440GX
AGPset
L1
L2
L4 L3
RTT
V
TT

Intel
®
440GX AGPset Design Guide
2-7
Motherboard Layout and Routing Guidelines
2.3.3.2 Single Processor Recommended Trace Lengths
Single processor trace length recommendations are summarized in Table 2-1. The recommended
lengths are derived from the parametric sweeps and Monte Carlo analysis described in the
following section.
NOTE:
1. Refer to the
Intel
®
Pentium
®
II
Processor Specification Update
(
order number 243337
)
; Specificall
y
, erratum
#42: workaround L1=4.5”.
Intel strongly recommends running analog simulations using the available I/O buffer models
together with layout information extracted from your specific design. Simulation will confirm that
the design adheres to the guidelines.
Table 2-1. Recommended Trace Lengths for Single Processor Design
Trace Minimum Length Maximum Length
L1 1.50” 6.75” 1
L3 0.00” 1.50”
L4 0.00” 2.50” 2
Figure 2-8. Solution Space for Single Processor Design (Based on Results of Parametric
Sweeps)
0123456789101112
0
1
2
L2 [in]
L3 [in]
PASS FAIL

Motherboard Layout and Routing Guidelines
2-8
Intel
®
440GX AGPset Design Guide
2.3.4 Dual Processor Systems
2.3.4.1 Dual Processor Network Topology and Conditions
2.3.4.2 Dual Processor Recommended Trace Lengths
The recommended trace lengths for dual processor designs are summarized in Table 2-2. Intel’s
simulations have shown that it is desirable to control the amount of imbalance in the network to
meet ringback specifications at the Intel® Pentium® II processor when the Intel® 440GX AGPset
drives. This control is reflected in the recommendations of Table 2-2.
NOTES:
1. L4 & L5 are interchangeable
2. It is possible to find working solutions outside the recommendations of Table 2 -2, as the solution space plot
show. Intel strongly recommends that any traces that fall outside the recommended lengths be simulated to
ensure they meeting timing and signal quality specs.
2.3.5 Single Processor Systems—Single-End Termination (SET)
2.3.5.1 Set Network Topology and Conditions
Removal of the termination resistors from the system board can reduce system cost, at the expense
of increased ringing and reduced solution space. Intel has simulated this topology, known as single
end termination (SET), and found that it can work. However, the topology has some limitations
which are discussed below.
Figure 2-9. Recommended Topology for Dual Processor Design
Slot 1
Intel®
440GX
AGPset
L5
L4
Slot 1
L3
Table 2-2. Recommended Trace Lengths for Dual Processor Designs2
Trace Minimum Length Maximum Length
L3 0.50” 1.50”
L411.50” 4.00”
L52L4 - 1.00”, but L4+L5 must be at least 4.00” L4 + 1.00”, but not greater than 5.00”

Intel
®
440GX AGPset Design Guide
2-9
Motherboard Layout and Routing Guidelines
In the SET topology, the only termination is on the Intel® Pentium® II processor substrate. There is
no termination present at the other end of the network. Due to the lack of termination, SET exhibits
much more ringback than the dual terminated topology. Extra care is required in SET simulations
to make sure that the ringback specs are met under the worst case signal quality conditions.
In addition, since there is only one pull-up resistor per net the rising edge response is substantially
degraded when using slow corner buffers. This effect manifests itself as a degraded flight time,
which results in a reduced maximum trace length that meets the 100 MHz timing requirements.
This loss of design flexibility must be carefully weighed against the cost savings from removing
the resistors.
2.3.5.2 SET Trace Length Requirements
Intel has performed sensitivity analysis on the SET topology. The required trace lengths for
operation at 100 MHz with the SET topology are based on the sensitivity analysis results, and are
listed in Table 2-3. Intel’s SET simulations were performed assuming a four layer system board, so
that all traces used the microstrip propagation velocity range. The slower propagation of stripline
transmission line structures is not included in the recommendations of Table 2-3.
Figure 2-10. Topology for Single Processor Designs With Single-End Termination (SET)
Slot 1
Intel®
440GX
AGPset
L1
Table 2-3. SET Trace Length Requirements
Trace Minimum Length Maximum Length
L1 1.50” 4.00”
Figure 2-11. Solution Space for Single Processor Designs With Single-End Termination (SET)
0.0 1.0 2.0 3.0 4.0 5.0
1.5
2.0
2.5
L1 [in]
SUBSTRATE
TRACE LENGTH
[IN]

Motherboard Layout and Routing Guidelines
2-10
Intel
®
440GX AGPset Design Guide
2.3.6 Additional Guidelines
2.3.6.1 Minimizing Crosstalk
The following general rules will minimize the impact of crosstalk in the high speed GTL+ bus
design:
•Maximize the space between traces. Maintain a minimum of 0.010” between traces wherever
possible. It may be necessary to use tighter spacings when routing between component pins.
•Avoid parallelism between signals on adjacent layers.
•Since GTL+ is a slow signal swing technology, it is important to isolate GTL+ signals from
other signals by at least 0.025”. This will avoid coupling from signals that have larger voltage
swings, such as 5V PCI.
•Select a board stack-up that minimizes the coupling between adjacent signals.
•Route GTL+ address, data and control signals in separate groups to minimize crosstalk
between groups. The Pentium II processor uses a split transaction bus. In a given clock cycle,
the address lines and corresponding control lines could be driven by a different agent than the
data lines and their corresponding control lines.
2.3.6.2 Practical Considerations
•Distribute VTT with a wide trace. A 0.050” minimum trace is recommended to minimize DC
losses. Route the VTT trace to all components on the system bus. Be sure to include
decoupling capacitors. Guidelines for VTT distribution and decoupling are contained in Intel®
Pentium® II Processor Power Distribution Guidelines.
•Place resistor divider pairs for VREF generation at the Intel® 440GX AGPset component. No
VREF generation is needed at the processor(s). VREF is generated locally on the processor. Be
sure to include decoupling capacitors. Guidelines for VREF distribution and decoupling are
contained in P Intel® Pentium® II Processor Power Distribution Guidelines.
•There are six GTL+ signals that can be driven by more than one agent simultaneously. These
signals may require extra attention during the layout and validation portions of the design.
When a signal is asserted (driven low) by two agents on the same clock edge, the two falling
wave fronts will meet at some point on the bus. This can create a large undershoot, followed by
ringback which may violate the ringback specifications. This “wired-OR” situation should be
simulated for the following signals: AERR#, BERR#, BINIT#, BNR#, HIT#, and HITM#.
•Lossless simulations can overstate the amount of ringing on GTL+ signals. Lossy simulations
may help to make your results less pessimistic if ringing is a problem. Intel has found the
resistivity of copper in printed circuit board signal layers higher than the value of
0.662 Ω-mil2/in that has been published for annealed copper. Intel recommends using a value
of 1.0 Ω-mil2/in for lossy simulations.
•Higher RTT values tend to increase the amount of ringback on the rising edge, while smaller
values tend to increase the amount of ringback on the falling edge. It is not necessary to budget
for RTT variation if your simulations comprehend the expected manufacturing variation.
•I/O Buffer models for the fast corner correspond to the minimum Tco. Slow corner buffers will
be at least 500 ps slower. Therefore, it is only necessary to ensure that the minimum flight time
is met when the network is driven by fast buffer models.
•I/O Buffer models for the slow corner correspond to the maximum Tco. Fast corner buffers will
be at least 500 ps faster. It is only necessary to ensure that the maximum flight time is met
when the network is driven by slow buffer models, as long as no ringback problems exist.

Intel
®
440GX AGPset Design Guide
2-11
Motherboard Layout and Routing Guidelines
2.3.7 Design Methodology
Intel recommends using the following design methodology when designing systems based on one
or two Intel® Pentium® II processors and one Intel® 440GX AGPset. The methodology evolved
from Intel’s experience developing and validating high speed GTL+ bus designs for the Intel®
Pentium® Pro and Intel® Pentium® II processors.
The methodology provides a step-by-step process which is summarized in Figure 2-12. The
process begins with an initial timing analysis and topology definition. Timing and topology
recommendations are included in this section. The heart of the methodology is structured around
extensive simulations and analysis prior to board layout. This represents a significant departure
from traditional design methods. The pre-layout simulations provide a detailed picture of the
working “solution space” for the design. By basing the board layout guidelines on the solution
space, the need to iterate between layout and post-layout simulation is minimized. The
methodology includes specific recommendations for analytical techniques and simulation
conditions. Following layout, simulation with the extracted design database is used to verify that
the design meets flight time and signal quality requirements prior to building hardware. Finally,
validation verifies that the system meets 100 MHz timing and signal quality requirements with
actual hardware.

Motherboard Layout and Routing Guidelines
2-12
Intel
®
440GX AGPset Design Guide
2.3.8 Performance Requirements
Prior to performing interconnect simulations, establish the minimum and maximum flight time
requirements. Setup and hold requirements determine the flight time bounds for the host bus. The
system contains multiple paths which must be considered:
•Intel® Pentium® II processor driving an AGPset component
•AGPset component driving a Intel® Pentium® II processor
•Intel® Pentium® II processor driving a Intel® Pentium® II processor
(dual processor systems only)
Figure 2-12. GTL+ Design Process
Establish System
Performance
Requirements
(Timing Analysis)
Define Topologies
Perform Pre-Layout
Simulations
(Sensitivity Analysis)
Define Routing Rules
Place & Route Board
Perform Post-Layout
Simulations
(Verification)
Meet
Requirements?
Validate Design
Yes
No

Intel
®
440GX AGPset Design Guide
2-13
Motherboard Layout and Routing Guidelines
Section 2.7, “Timing Analysis” on page 2-17 describes the timing analysis for the 100 MHz host
bus in more detail. Table 2-4 provides recommended flight time specifications for single and dual
Intel® Pentium® II processor systems. Flight times are measured at the Intel® Pentium® II
processor edge fingers. See the Pentium® II Processor Developer’s Manual
(order number 243502), Chapter 8, “GTL+ Interface Specifications“, for information on GTL+
timing measurements and signal quality specifications.
2.3.9 Topology Definition
GTL+ is sensitive to transmission line stubs, which can result in ringing on the rising edge caused
by the high impedance of the output buffer in the high state. GTL+ signals should be connected in a
daisy chain, keeping transmission line stubs to the Intel® 440GX AGPset under 1.5 inches. Intel®
Pentium® II processors should be placed at the end of the bus to properly terminate the GTL+
signals.
For a single Intel® Pentium® II processor design, Intel recommends that termination resistors be
placed at the other (AGPset) end of the bus. This provides the most robust signal integrity
characteristics and maximizes the range of trace lengths that will meet the flight time requirements.
The recommended termination resistor value is 56Ω ± 5%.
For dual Intel® Pentium® II processor based designs, a termination card must be placed in the
unused slot when only one processor is populated. This is necessary to ensure that signal integrity
requirements are met. Refer to Slot 1 Bus Termination Card Design Guidelines for details.
2.3.10 Pre-Layout Simulation (Sensitivity Analysis)
After an initial timing analysis has been completed, simulations should be performed to determine
the bounds on system layout. The layout recommendations in Section 4, “Debug
Recommendations” on page 4-1 are based on results of pre-layout simulations conducted by Intel.
GTL+ interconnect simulations using transmission line models are recommended to determine
signal quality and flight times for proposed layouts. Recommended parameter values can be
obtained if your supplier’s specific capabilities are known. The corner values should comprehend
the full range of manufacturing variation. Intel® Pentium® II processor models include the I/O
buffer models, core package parasitics, and substrate trace length, impedance and velocity. Intel®
440GX AGPset models include the I/O buffers and package traces. Termination resistors should be
controlled to within ± 5%.
2.3.11 Simulation Methodolo
gy
Pre-layout simulation allows the system “solution space” that meets flight time and signal quality
requirements to be understood before any routing is undertaken. Determining the layout
restrictions prior to physical design removes iteration cycles between layout and post layout
simulation, as shown in Figure 2-13.
Table 2-4. Recommended 100 MHz System Flight Time Specs
Driver Receiver Tflight,min [ns] Tflight,max [ns]
Intel® Pentium® II processor AGPset 0.36 2.13
Intel® 440GX AGPset Intel® Pentium® II processor 0.37 1.76
Intel® Pentium® II processor Intel® Pentium® II processor 1.23 2.39

Motherboard Layout and Routing Guidelines
2-14
Intel
®
440GX AGPset Design Guide
The methodology that Intel recommends is known as “Sensitivity Analysis”. In sensitivity analysis,
interconnect parameters are varied to understand how they affect system timing and signal
integrity. Sensitivity analysis can be further broken into two types of analysis, parametric sweeps
and Monte Carlo analysis, which are described below.
2.4 Placement & Layout
Once the pre-layout simulation is completed, route the board using the solution space resulting
from the sensitivity analysis.
2.5 Post-Layout Simulation
Following layout, extract the traces and run simulations to verify that the layout meets timing and
noise requirements. A small amount of trace “tuning” may be required, but experience at Intel has
shown that sensitivity analysis dramatically reduces the amount of tuning required.
The post layout simulations should take into account the expected variation for all interconnect
parameters. For timing simulations, use a VREF of 2/3 VTT ± 2% for both the Intel® Pentium® II
processor and Intel® 440GX AGPset components. Flight times measured from the Pentium II
processor edge fingers to other system components use the standard flight time method.
Figure 2-13. Pre-layout simulation process
1
1.75
2.5
3.25
4
4.75
5.5
6.25
7
7.75
8.5
9.25
10
10.75
11.5
1
1.25
1.5
1.75
2
2.25
2.5
2.75
3
3.25
3.5
3.75
4
4.25
4.5
4.75
5
5.25
5.5
5.75
6
-101
L1
PCard#1 to 82440FX Separation Distance (in)
L2
PCar d#2 to 82440F X Se
p
aration Dist ance
(
in
)
DUAL KLAMA TH PROCE SSOR CARD SOL UTION SPACE
Rt = 56
Ω +/- 5%
Solution space
MAX Fli
g
ht Time
LPC = 2.51 inches
LFX = 1 .5 inches
LRT = 1.5 inches
MIN Fli
g
ht Ti me
LPC = 0.44 inches
LFX = 0 .0 inches
LRT = 1.5 inches
Villations caused b
y
maximum fli
g
ht time
Villations caused b
y
minimum fli
g
ht time
1
1.75
2.5
3.25
4
4.75
5.5
6.25
7
7.75
8.5
9.25
10
10.75
11.5
1
1.75
2.5
3.25
4
4.75
5.5
0
0.2
0.4
0.6
0.8
1
1.2
L1
PCar d#1 t o 8244 0FX Se
p
arati on Distanc e
(
in
)
L2
PCar d#2 t o 8244 0FX
Se
p
aratio n Dis tance
(
in
)
DUAL KLAMATH FLIGHT TIME
MAX FT
LPC = 2.51 inch es
LFX = 1.5 inches
LRT = 1.5 inches
Rt = 53.5 ohms
MIN FT
LPC = 0.44 inch es
LFX = 0.0 inches
LRT = 1.5 inches
Rt = 53.5 ohms
82440F X to KLAMATH MIN FT RISING (fast silicon - fast board)
1
1.75
2.5
3.25
4
4.75
5.5
6.25
7
7.75
8.5
9.25
10
10.75
11.5
1
1.75
2.5
3.25
4
4.75
5.5
0
0.5
1
1.5
2
2.5
3
3.5
4
4.5
5
L1
PCard#1 to 8244 0FX Se
p
aratio n Dista nce
(
in
)
L2
PCard#2 to 8244 0FX
Se
p
aratio n Distance
(
in
)
DUAL KLAMATH FLIGHT TIME
MAX FT
LPC = 2 .51 in ches
LFX = 1.5 inches
LRT = 1.5 inches
Rt = 5 8.5 ohm s
MIN FT
LPC = 0 .44 in ches
LFX = 0.0 inches
LRT = 1.5 inches
Rt = 5 8.5 ohm s
82440F X to KLA MATH MAX FT RISING (slow silicon - slow board) DUAL KLAMATH PROCESSOR CARD SOLUTION SPACE
Monte Carlo
0
1
2
3
4
5
6
7
8
9
10
11
12
0123 45 67 89101112
PCard to 82440FX Sep aration Distance (in)
PCard to 82440FX Separation Distance (in)
Pas s
Pas s
Fail
Fail
Sensitivity Analyses
= KLAMATH1 X3
= KLAMATH1PIN X3
= KLAMATH2 X3
= KLAMATH2PIN X3
= 82440FXPIN 33
= ALL OTHERS= ALL OTHERS
0.25v
0.75v
1.25v
1.75v
0.00ns 20.00ns 40.00ns
X = 0.00ns y = +0.000v xdelta = 0.000ns
NET: SLOWDPNM_LS_12_6, DRIVER: KLAMATH1 TRACKING: KLAMATH1 X3 = KLAMATH1 X3
= KLAMATH1PIN X3
= KLAMATH2 X3
= KLAMATH2PIN X3
= 82440FXPIN 33
= ALL OTHERS= ALL OTHERS
0.25v
0.75v
1.25v
1.75v
0.00ns 20.00ns 40.00ns
X = 0.00ns y = +0.000v xdelta = 0.000ns
NET: SLOWDPNM_LS_12_6, DRIVER: KLAMATH2 TRACKING: KLAMATH1 X3 = KLAMATH1 X3
= KLAMATH1PIN X3
= KLAMATH2 X3
= KLAMATH2PIN X3
= 82440FXPIN 33
= ALL OTHERS= ALL OTHERS
0.25v
0.75v
1.25v
1.75v
0.00ns 20.00ns 40.00ns
X = 0.00ns y = +0.000v xdelta = 0.000ns
NET: SLOWDPNM_LS_12_6, DRIVER: KLAMATH1 TRACKING: KLAMATH1 X3 = KLAMATH1 X3
= KLAMATH1PIN X3
= KLAMATH2 X3
= KLAMATH2PIN X3
= 82440FXPIN 33
= ALL OTHERS= ALL OTHERS
0.25v
0.75v
1.25v
1.75v
0.00ns 20.00ns 40.00ns
X = 0.00ns y = +0.000v xdelta = 0.000ns
NET: SLOWDPNM_LS_12_6, DRIVER: KLAMATH2 TRACKING: KLAMATH1 X3
Interconnect Simulations (Transmission-Line)
Performance as function of Length
(flight time, signal quality, etc.) Monte Carlo
(pass/fail as function of length)
Solution Space

Intel
®
440GX AGPset Design Guide
2-15
Motherboard Layout and Routing Guidelines
2.5.1 Crosstalk and the Multi-Bit Adjustment Factor
Coupled lines should be included in the post-layout simulations. The flight times listed in Table 2-4
apply to single bit simulations only. They include an allowance for crosstalk. Crosstalk effects are
accounted for, as part of the multi-bit timing adjustment factor, Tadj, that is defined in Table 2-8.
The recommended timing budget includes 400 ps for the adjustment factor.
Use caution in applying Tadj to coupled simulations. This adjustment factor encompasses other
effects besides board coupling, such as processor and package crosstalk, and ground return
inductances. In general, the additional delay introduced by coupled simulations should be less than
400 ps.
2.6 Validation
2.6.1 Flight Time Measurement
The timings for the Intel® Pentium® II processor are specified at the processor edge fingers. In
systems, the processor edges fingers are not readily accessible. In most cases, measurements must
be taken at the system board solder connection to the Slot 1 connector. To effectively correlate
delay measurements to values at the Pentium II processor edge fingers, the Slot 1 connector delay
must be incorporated.
Flight time is defined as the difference between the delay of a signal at the input of a receiving
agent (measured at VREF), and the delay at the output pin of the driving agent when driving the
GTL+ reference load.
However, the driver delay into the reference load is not readily available, thus making flight time
measurement unfeasible. There are three options for dealing with this limitation:
•The first option is to subtract the delay of the driver in the system environment (at the Slot 1
connection to the board) from the delay at the receiver. Such a measurement will introduce
uncertainty into the measurement due to differences between the driver delay in the reference
and system loads. If simulations indicate that your design has margin to the flight time
specifications, this approach will allow you to verify that the design is robust.
•The second option is to subtract the simulated reference delay from the delay at the receiver.
The limitation of this option is that there may be 1 ns or more of uncertainty between the actual
driver delay and the results from a simulation. This approach is less accurate that the first
option.
•The final option is to simply use the measured delay from driver to receiver (Tmeasured) to
validate that the system meets the setup and hold requirements. In this approach, the sum of
the driver delay and the flight time must fit within the “valid window” for setup and hold. The
timing requirements for satisfying the valid window are shown below.

Motherboard Layout and Routing Guidelines
2-16
Intel
®
440GX AGPset Design Guide
2.6.2 Signal Quality Measurement
Signal integrity is specified at the processor core, which is not accessible. Intel has found that there
can be substantial miscorrelation between ringback at the edge finger versus the core. The
miscorrelation creates instances where a signal fails to satisfy ringback requirements at the edge
finger, but passes the ringback specification at the core. For this reason, signal integrity is specified
at the core. Ringback guidelines are supplied at the edge finger, as shown in Table 2-6. Any
measurement at the edge finger that violates the guidelines should be simulated to verify that it
meets the specification at the core.
NOTE:
1. Rin
g
back specifications follow the methodolo
gy
described in
Intel
®
Pentium
II
Processor at 233 MHz, 266
MHz, 300 MHz and 333 MHz
Datasheet.
Table 2-5. System Timing Requirements for Validating Setup/Hold Windows
Driver Receiver Equation
Pentium® II
processor AGPset
AGPset Pentium® II
processor
Pentium® II
processor Pentium® II
processor
TTTTT
measured hold skew CLK skew PCB clk
≥+ + +
, , ,max
TTTTTTTT
measured cycle su skew CLK skew PCB jit adj clk
≤−− − −−+
,, ,min
TTTTT
measured hold skew CLK skew PCB clk
≥+ + −
, , ,min
TTTTTTTT
measured cycle su skew CLK skew PCB jit adj clk
≤−− − −−−
,, ,max
TTTT
measured hold skew CLK skew PCB
≥+ +
,,
TTTTTTT
measured cycle su skew CLK skew PCB jit adj
≤−− − −−
,,
Table 2-6. Rin
g
back Guidelines at the Intel® Pentium® II Processor Ed
g
e Fin
g
ers
Edge Guideline @ Processor Edge
Finger Spec @ Processor Core
Rising 1.29V 1.12V1
Falling 0.71V 0.88V

Intel
®
440GX AGPset Design Guide
2-17
Motherboard Layout and Routing Guidelines
2.7 Timing Analysis
To determine the available flight time window perform an initial timing analysis. Analysis of setup
and hold conditions will determine the minimum and maximum flight time bounds for the host bus.
Use the following equations to establish the system flight time limits.
The terms used in the equations are described in Table 2-8.
Table 2-7. Intel® Pentium® II Processor and Inte®l 440GX AGPset System Timing Equations
Driver Receiver Equation
Pentium® II
processor AGPset
AGPset Pentium® II
processor
Pentium® II
processor Pentium® II
processor
TTTTTT
flight hold co skew CLK skew PCB clk
,min ,min , , ,max
≥− + + +
TTTTTTTTT
flight cycle co su skew CLK skew PCB jit adj clk
,max ,max , , ,min
≤− −− − −−+
TTTTTT
flight hold co skew CLK skew PCB clk
,min ,min , , ,min
≥− + + −
TTTTTTTTT
flight cycle co su skew CLK skew PCB jit adj clk
,max ,max , , ,max
≤− −− − −−−
TTTTT
flight hold co skew CLK skew PCB
,min ,min ,,
≥− + +
TTTTTTTT
flight cycle co su skew CLK skew PCB jit adj
,max ,max , ,
≤− −− − −−
Table 2-8. Intel® Pentium® II Processor and Intel® 440GX AGPset System Timing Terms
Term Description
Tcycle System cycle time. Defined as the reciprocal of the frequency
Tflight,min Minimum system flight time. Flight time is defined in Section 4, “Debug Recommendations” on
page 4-1.
Tflight,max Maximum system flight time. Flight time is defined in Section 4, “Debug Recommendations” on
page 4-1.
Tco,max Maximum driver delay from input clock to output data.
Tco,min Minimum driver delay from input clock to output data.
Tsu Minimum setup time. Defined as the time for which the input data must be valid prior to the input
clock.
ThMinimum hold time. Defined as the time for which the input data must remain valid after the input
clock.
Tskew,CLK Clock generator skew. Defined as the maximum delay variation between output clock signals
from the system clock generator.
Tskew,PCB PCB skew. Defined as the maximum delay variation between clock signals due to system board
variation and Intel® 440GX AGPset loading variation.
Tjit Clock jitter. Defined as the maximum edge to edge variation in a given clock signal.
Tadj
Multi-bit timing adjustment factor. This term accounts for the additional delay that occurs in the
network when multiple data bits switch in the same cycle. The adjustment factor includes such
mechanisms as package and PCB crosstalk, high inductance current return paths, and
simultaneous switching noise.
Tclk,min Minimum clock substrate delay. Defined as the minimum adjustment factor that accounts for the
delay of the clock trace on the Pentium II processor substrate.
Tclk,max Minimum clock substrate delay. Defined as the maximum adjustment factor that accounts for the
delay of the clock trace on the Pentium II processor substrate.

Motherboard Layout and Routing Guidelines
2-18
Intel
®
440GX AGPset Design Guide
Notice that the timing equations include an extra term to account for the delay due to routing of the
BCLK trace on the processor substrate from the processor edge fingers and the processor core.
Adding the BCLK adjustment to the timing calculations between processor and chipset guarantees
host clock synchronization between the AGPset and processor core. The minimum and maximum
values for this term are contained in Table 2-9.
Component timings for the Intel® Pentium® II processor and Intel® 440GX AGPset are contained
in Table 2-10. The timing specifications are contained in the Intel® Pentium® II processor and
Intel® 440GX AGPset Datasheets. These timing are for reference only.
Recommended values for system timings are contained in Table 2-10. Skew and jitter values for the
clock generator device come from the CK97 clock driver specification. The PCB skew spec is
based on the results of extensive simulations at Intel. The Tadj value is based on Intel’s experience
with systems that use the Intel® Pentium® Pro processor and Intel® Pentium® II processor.
The flight time requirements that result from using the component timing specifications and
recommended system timings are summarized in Table 2-11. All component values should be
verified against the current specifications before proceeding with analysis.
Table 2-9. Intel® Pentium® II Processor and Intel® 440GX AGPset 100 MHz Timing
Specifications
Timing Term Intel® Pentium II Processor Intel® 440GX AGPset
Tco,max [ns] 4.66 4.45
Tco,min [ns] 0.71 0.80
Tsu [ns] 1.97 3.00
Th [ns] 1.61 -0.10
Tclk,min [ns] 0.77 Not applicable
Tclk,max [ns] 0.84 No applicable
Table 2-10. Recommended 100 MHz System Timing Parameters
Timing Term Value
Tskew,CLK [ns] 0.18
Tskew,PCB [ns] 0.15
Tjit [ns] 0.25
Tadj [ns] 0.40
Table 2-11. Recommended 100 MHz System Flight Time Specs
Driver Receiver Tflight,min Tflight,max
Intel® Pentium® II processor AGPset 0.36 2.13
AGPset Intel® Pentium® II
processor 0.37 1.76
Intel® Pentium® II processor Intel® Pentium® II
processor 1.23 2.39

Intel
®
440GX AGPset Design Guide
2-19
Motherboard Layout and Routing Guidelines
2.8 AGP Layout and Routing Guidelines
For the definition of AGP Interface functionality (protocols, rules and signaling mechanisms, as
well as the platform level aspects of AGP functionality), refer to the latest AGP Interface
Specification rev 1.0 and the AGP Platform Design Guide. These documents focus only on specific
Intel® 440GX AGPset platform recommendations for the AGP interface.
In this document the term “data” refers to AD[31:0], C/BE[3:0]# and SAB[7:0]. The term “strobe”
refers to AD_STB[1:0] and SB_STB. When the term data is used, it is referring to one of three
groups of data as seen in Table 2-12. When the term strobe is used it is referring to one of the three
strobes as it relates to the data in its associated group.
2.8.1 AGP Connector (“Up Option) Layout Guidelines
The maximum line length is dependent on the routing rules used on the motherboard. These routing
rules were created to give freedom for designs by making trade-offs between signal coupling
(trace spacing) and line lengths. These routing rules are divided by trace spacing. In 1:1 spacing,
the distance between the traces (air gap) is the same as the -width of the trace. In 1:2 spacing, the
distance between the traces is twice the width of the trace.
For trace lengths that are between 1.0 inch and 4.5 inches, a 1:1 trace spacing is recommended for
data lines. The strobe requires a 1:2 trace spacing. This is for designs that require less than 4.5
inches between the AGP connector and the AGP target.
Longer lines have more crosstalk. Therefore, to maintain skew, longer line lengths require a greater
amount of spacing between traces. For line lengths greater than 4.5” and less than 9.5”, 1:2 routing
is recommended for all data lines as well as the strobes. For all designs, the line length mismatch
must be less than 0.5” and the strobe must be the longest signal of the group.
Table 2-12. Data and Associated Strobe
Data Associated Strobe
AD[15:0] and C/BE[1:0]# AD_STB0
AD[31:16] and C/BE[3:2]# AD_STB1
SBA[7:0] SB_STB
Figure 2-14. AGP Connector Layout Guidelines
AGP
Compliant
Graphics
Device
82443GX
Always 1:2 Strobe Routing
AGP Signal Bundle
1.0” - 4.5”
1:1 (Data) Routing
4.5” - 9.5”
1:2 (Data) Routing
AGP
Connector

Motherboard Layout and Routing Guidelines
2-20
Intel
®
440GX AGPset Design Guide
It is always best to reduce the line length mismatch wherever possible to insure added margin. It is
also best to separate the traces by as much as possible to reduce the amount of trace to trace
coupling.
The clock lines on the motherboard can couple with other traces. It is recommended that the clock
spacing (air gap) be at least two times the trace width to any other traces. It is also strongly
recommended that the clock spacing be at least four times the trace width to any strobes.
The clock lines on the motherboard need to be simulated to determine the their proper line length.
The motherboard needs to be designed to the type of clock driver that is being used and
motherboard trace topology. These clocks need to meet the loading of the receiving device as well
as the add-in trace length.
Additionally, control signals less than 8.5 inches can be routed 1:1, while control signals greater
than 8.5 inches should be routed 1:2.
Some of the control signals require pull-up resistors to be installed on the motherboard. AGP
signals must be pulled up to VCC3.3 using 8.2K to 10K pull-up resistors (refer to Section 3.5.1,
“82443GX Interface” on page 3-10). Pull-up resistors should be discrete resistors, as resistor packs
will need longer stub lengths and may break timing. The stub to these pull-up resistors needs to be
controlled. The maximum stub length on a strobe trace is < 0.1 inch. The maximum stub trace
length on all other traces is < 0.5 inch.
2.8.2 On-board AGP Compliant Device (“Down” Option) Layout
Guidelines
Routing guidelines for the device ‘down’ option are very similar to those when the device is ‘up’.
Some modifications need to be made when placing the graphics device on the motherboard, due to
the various trace spacing.
Table 2-13. Source Synchronous Motherboard Recommendations
Width:Space Trace Line Length Line Length Matching
1:1 (Data) / 1:2 (Strobe) Data / Strobe 1.0 in < line length < 4.5 in -0.5 in, strobe longest trace
1:2 Data / Strobe 1.0 in < line length < 9.5 in -0.5 in, strobe longest trace
Table 2-14. Control Signal Line Length Recommendations
Width:Space Board Trace Line Length Pull-up Stub Length
1:1 Motherboard Control signals 1.0 in < line length < 8.5 in < 0.5 in (Strobes < 0.1in)
1:2 Motherboard Control signals 1.0 in < line length < 10.0 in < 0.5 in (Strobes < 0.1in)
1:2 (1:4 to Strobe) Motherboard Clock

Intel
®
440GX AGPset Design Guide
2-21
Motherboard Layout and Routing Guidelines
For trace lengths that are between 1.0 inch and 4.5 inches, a 1:1 trace spacing is recommended for
data lines. The strobe requires a 1:2 trace spacing. This is for designs that require less than 4.5
inches between the AGP device and the AGP target.
Longer lines have more crosstalk. Therefore, to maintain skew, longer line lengths require a greater
amount of spacing between traces. For line lengths greater than 4.5” and less than 12.0”, 1:2
routing is recommended for all data lines and the strobes. For all designs, the line length mismatch
must be less than 0.5” and the strobe must be the longest signal of the group.
In all cases it is best to reduce the line length mismatch wherever possible to insure added margin.
It is also best to separate the traces by as much as possible to reduce the amount of trace to trace
coupling.
The clock lines on the motherboard can couple with other traces. It is recommended that the clock
spacing (air gap) be at least two times the trace width to any other traces. It is also strongly
recommended that the clock spacing be at least four times the trace width to any strobes.
The clock lines on the motherboard need to be simulated to determine the their proper line length.
The motherboard needs to be designed to the type of clock driver that is being used and
motherboard trace topology. These clocks need to meet the loading of the receiving device as well
as the add-in trace length.
Additionally, control signals less than 8.5 inches can be routed 1:1, while control signals greater
than 8.5 inches should be routed 1:2.
Figure 2-15. On-board AGP Compliant Device Layout Guidelines
AGP
Compliant
Graphics
Device
82443GX
Always 1:2 Strobe Routing
1.0” - 4.5” 1:1 (Data) Routing
1” - 12” 1:2 (Data) Routing
Table 2-15. Source Synchronous Motherboard Recommendations
Width:Space Trace Line Length Line Length Matching
1:1(Data) / 1:2 (Strobe) Data / Strobe 1.0 in < line length < 4.5 in -0.5 in, strobe longest trace
1:2 Data / Strobe 1.0 in < line length < 12.0 in -0.5 in, strobe longest trace
Table 2-16. Control Signal Line Length Recommendations
Width:Space Board Trace Line Length Pull-up Stub Length
1:1 Motherboard Control
signals 1.0 in < line length < 8.5 in < 0.5 in (Strobes < 0.1in)
1:2 Motherboard Control
signals 1.0 in < line length < 12.5 in < 0.5 in (Strobes < 0.1in)
1:2 (1:4 to Strobe) Motherboard Clock

Motherboard Layout and Routing Guidelines
2-22
Intel
®
440GX AGPset Design Guide
Some of the control signals require pull-up resistors to be installed on the motherboard. AGP
signals must be pulled up to VCC3.3 using 8.2K to 10K ohm pull-up resistors (refer to
Section 3.5.1, “82443GX Interface” on page 3-10). Pull-up resistors should be discrete resistors, as
resistor packs will need longer stub lengths and may break timing. The stub to these pull-up
resistors needs to be controlled. The maximum stub length on a strobe trace is < 0.1 inch. The
maximum stub trace length on all other traces is < 0.5 inch.
Note: Under certain layouts, crosstalk and ground bounce can be observed on the AD_STB signals of the
AGP interface. Although Intel has not observed system failures due to this issue, we have improved
noise margin by enhancing the AGP buffers on the 82443GX. For new designs, additional margin
can be obtained by following these AGP layout guidelines.
2.9 82443GX Memory Subsystem Layout and Routing
Guidelines
2.9.1 100 MHz 82443GX Memory Array Considerations
Designing a reliable and high performance memory system will be challenging. Careful
consideration of motherboard routing and stackup topologies, DIMM topology, impedance, and
trace lengths must all be taken into account.
The 82443GX when configured with 4 double-sided DIMMs have heavy DQ loading. To offset the
heavy loading on the DQ lines, a FET switch mux is recommended to reduce the loading for
memory driving the 82443GX, and vice versa. An alternative NO-FET solution is also provided but
this solution has more strict routing restrictions.
To build large capacity DIMMs (i.e., 512 MB) using present day technology, x4 SDRAM devices
must be used. The loading on the control lines (MA/GXx, CS#, DQM, CK, etc.) are now twice the
loading of a x8 device. A DIMM which “registers” these control lines must be produced to meet
100 MHz timings (note that a PLL must be added to the registered DIMM and the additional PLL
jitter must be factored into the overall timing analysis). Electrical, thermal and layout topologies
for these registered DIMMs can be founded at the following Web address:
http://www.intel.com/design/pcisets/memory/index.htm
Figure 2-16. FET Switch Example
A2
to 82443GX MDs & MECCs A1 B1
B2
to DIMM[1:0] DQs
to DIMM[3:2] DQs

Intel
®
440GX AGPset Design Guide
2-23
Motherboard Layout and Routing Guidelines
There are also “population” rules which need to be observed. To properly adjust memory timings
for 100 MHz operation, it is asked of the OEM and end user to populate the motherboard starting
with the DIMM located the furthest from the 82443GX.
2.9.1.1 Matching the Reference Planes
Providing a good return path for the AC currents induced on the power and ground planes is critical
to reducing signal noise. The best way to provide a low inductance return path is to “match” the
BGA and motherboard reference planes for a given signal. For example, MD0 is routed on the
BGA next to the ground plane. To “match” the reference planes, MD0 should be routed on the
Motherboard such that it is closest to the motherboard ground plane. Routing the memory signals
in this manner will provide the best possible path for the return currents.
2.9.1.2 Adding Additional Decoupling Capacitor
Another way to provide a low inductance path for return currents is to provide additional
decoupling capacitors next to signal vias. It is not possible to route all the MD lines on a single
layer. As a result, some of the MD lines will transition between signal layers through vias. The
return currents associated with these signals also require a low inductance path between Vcc and
ground. This low inductance path is provided by decoupling capacitors between Vcc and ground.
These decoupling capacitors should be placed as close as possible to the signal vias.
Figure 2-17. Registered SDRAM DIMM Example
SDRAM
SDRAM
SDRAM
SDRAM
SDRAM
SDRAM
SDRAM
SDRAM
Register PLL Register
Data Control Clock
Table 2-17. MDx lines Reference Planes Routing
Memory Data Line 82443GX BGA
Reference Layer Motherboard
Reference Plane
MD0,MD1,MD2,MD3, MD4, MD7, MD11, MD14,
MD15, MD16, MD17, MD19, MD20, MD21, MD22,
MD23, MD27, MD28, MD29, MD31, MD33, MD36,
MD37, MD38, MD40, MD41, MD42, MD43, MD 44,
MD45, MD48, MD49, MD52, MD53,MD55, MD56,
MD 57, MD 58, MD61, MD62, MD63, MECC[6:0]
GND layer GND plane
MD5, MD6, MD8, MD9, MD10, MD12, MD13, MD18,
MD24, MD25, MD26, MD30, MD32, MD34, MD35,
MD39, MD46, MD47, MD50, MD51, MD54, MD59,
MD60, MECC7
3.3v VCC layer 3.3v power plane

Motherboard Layout and Routing Guidelines
2-24
Intel
®
440GX AGPset Design Guide
2.9.1.3 Trace Width vs. Trace Spacing
To minimize the crosstalk, a 1:2 trace width vs. trace spacing routing (e.g., 6 mils on 9 mils or 5
mils on 10 mils) should be used for all memory interface signals.
2.9.2 Memory Layout & Routing Guidelines
Layout Guidelines: All signals require careful routing for both min and max trace lengths
Figure 2-18. Matching the Reference Planes and Adding Decoupling Capacitor
Figure 2-19. 4 DIMMs (Single or Double-Sided)
CS_A[7:6]#,CS_B[7:6]#
CS_A[5:4]#,CS_B[5:4]#
CS_A[3:2]#,CS_B[3:2]#
CS_A[1:0]#,CS_B[1:0]#
SMB_CLK
SMB_DATA
DIMM_CLK[3:0]
DIMM_CLK[7:4]
DIMM_CLK[11:8]
DIMM_CLK[15:12]
SRAS_A#
SRAS_B#
SCAS_A#
SCAS_B#
WE_A#
WE_B#
DQM_B[1,5]
MAA[14:0]
MAB[12, 11, 9:0]#, MAB[14, 13,10]
MECC[7:0]
MD[63:0]
DQM_A[1,5]
DQM_A[7,6,4:2,0]
~ 16212
~ 16212
FENA
Group 0 Group 1

Intel
®
440GX AGPset Design Guide
2-25
Motherboard Layout and Routing Guidelines
.
Table 2-18. FET Switch DQ Route Example
Figure 2-20. Motherboard Model—Data (MDxx), 4 DIMMs
v004
0.6”
82443GX
1.1” - 2.0”
0.7” - 2.4
”
0.3” - 1.0” 0.6”
FET SW
82443GX 0.7” - 2.4”
0.4” - 0.6”
DIMM Module 2
DIMM Module 1
FET
Switch
16212
0.4” - 0.6”
DIMM Module 3
DIMM Module 4
1.1” - 2.0”0.3” - 1.0”

Motherboard Layout and Routing Guidelines
2-26
Intel
®
440GX AGPset Design Guide
Figure 2-21. Motherboard Model—DQMA[0,2:4,6:7], 4 DIMMs
Figure 2-22. Motherboard Model—DQM_A[1,5], 4 DIMMs
82443GX 1.0” - 3.25”
0.4” - 0.6”
DIMM Module 1
DIMM Module 2
0.4” - 0.6”
DIMM Module 3
DIMM Module 4
0.4” - 0.6”
82443GX 1.0” - 3.25” 0.4” - 0.6”
DIMM Module 1
DIMM Module 2
Figure 2-23. Motherboard Model—DQM_A[1,5], 4 DIMMs
82443GX 1.0” - 3.25” 0.4” - 0.6”
DIMM Module 3
DIMM Module 4

Intel
®
440GX AGPset Design Guide
2-27
Motherboard Layout and Routing Guidelines
Figure 2-24. Motherboard Model—DQM_B[1,5], 4 DIMMs
82443GX 1.0” - 3.25” 0.4” - 0.6”
DIMM Module 3
DIMM Module 4
Figure 2-25. Motherboard Model—CS_A#/CS_B#, 4 DIMMs
Figure 2-26. Motherboard Model—SRAS_A#, 4 DIMMs
82443GX 1.0” - 4.0”
DIMM Module x
82443GX 1.0” - 3.0” 0.4” - 0.6”
DIMM Module 1
DIMM Module 2

Motherboard Layout and Routing Guidelines
2-28
Intel
®
440GX AGPset Design Guide
Table 2-19. Motherboard Model: SRAS_B#, 4 DIMMs
Table 2-20. Motherboard Model: SCAS_A#, 4 DIMMs
Table 2-21. Motherboard Model: SCAS_B#, 4 DIMMs
82443GX 1.0” - 3.0” 0.4” - 0.6”
DIMM Module 3
DIMM Module 4
82443GX 1.0” - 3.0” 0.4” - 0.6”
DIMM Module 1
DIMM Module 2
82443GX 1.0” - 3.0” 0.4” - 0.6”
DIMM Module 3
DIMM Module 4

Intel
®
440GX AGPset Design Guide
2-29
Motherboard Layout and Routing Guidelines
Table 2-22. Motherboard Model: WE_A#, 4 DIMMs
Table 2-23. Motherboard Model: WE_B#, 4 DIMMs
Table 2-24. Motherboard Model: MA_A[14:0], 4 DIMMs
82443GX 1.0” - 3.0” 0.4” - 0.6”
DIMM Module 1
DIMM Module 2
82443GX 1.0” - 3.0” 0.4” - 0.6”
DIMM Module 3
DIMM Module 4
82443GX 1.0” - 3.0” 0.4” - 0.6”
DIMM Module 1
DIMM Module 2

Motherboard Layout and Routing Guidelines
2-30
Intel
®
440GX AGPset Design Guide
2.9.3 4 DIMM Routing Guidelines [NO FET]
2.9.4 PCI Bus Routing Guidelines
The 82443GX provides a PCI Bus interface that is compliant with the PCI Local Bus Specification.
The implementation is optimized for high-performance data streaming when the 82443GX is
acting as either the target or the initiator on the PCI bus. For more information on the PCI Bus
interface, refer to the Intel® 440GX AGPset Datasheet.
An Intel® 440GX AGPset PCI Bus design is basically the same as the Intel® 440BX AGPset. The
Intel® 440GX AGPset supports 5 PCI Bus masters (excluding the Intel® 440GX AGPset and
PIIX4E), by the support of 5 PREQ# and PGNT# lines.
Table 2-25. Motherboard Model: MA_B[12,11,9:0]#, MA_B[14,13,10], 4 DIMMs
Figure 2-27. Motherboard Model—Data (MDxx) Lines, 4 DIMMs (No FET)
82443GX 1.0” - 3.0”
DIMM Module 3
VCC3
10 KΩ
Max stub to 10 KΩ
pullup/pulldown at end
of line:
0.2” - MAB12#
0.5” - MAB[11,9]#
(only applies to straps)
0.4” - 0.6”
DIMM Module 4
82443GX 2” - 3”
0.4”
DIMM Module 1
DIMM Module 2
0.4”
DIMM Module 3
DIMM Module 4
0.2” 0.2”
NOTE:
1. Route using ≤ 6 mil trace and ≥ 12 mil spacing. Route on outer layers.
Trace impedance Z = 60–80 ohms.
Trace velocity = 1.6–2.2 ns/ft

Intel
®
440GX AGPset Design Guide
2-31
Motherboard Layout and Routing Guidelines
Because of the specifics of an ATX layout, it is recommended that the PIIX4E component is at the
“END” of the PCI bus, as shown in Figure 2-28. This insures proper “termination” of the PCI Bus
signals.
2.9.5 Decoupling Guidelines: Intel® 440GX AGPset Platform
Decoupling caps should be placed at the corners of the 443GX(BGA Package). A minimum of four
0.1uF and four 0.01 uF are recommended. The system bus, AGP, PCI, and DRAM interface can
“break-out” from the BGA package on all four sides. Additional caps will also help reduce EMI
and cross-talk.
Note: There are other discrete components for VTT, GTL Ref Voltages that must be also considered when
routing around the 82443GX.
Figure 2-28. PCI Bus Layout Example
82443GX
PIIX4E
Figure 2-29. 82443GX Decoupling
82443GX
Host Brid
g
e
Controller
492 BGA
0.1uF
0.01uF 0.1uF
0.01uF
0.1uF
0.01uF
0.1uF
0.01uF
v006

Motherboard Layout and Routing Guidelines
2-32
Intel
®
440GX AGPset Design Guide
2.9.6 Intel® 440GX AGPset Clock Layout Recommendations
2.9.6.1 Clock Routing Spacing
A Intel® Pentium® II processor / Intel® 440GX AGPset platform requires a clock synthesizer for
supplying 100 MHz system bus clocks, PCI clocks, APIC clocks, and 14 MHz clocks. These clocks
are supplied by a CK100 clock synthesizer as defined by the CK97 clock/driver specification. The
100 MHz SDRAM DIMM clocks are generated from an I2C controlled clock buffer (CKBF) which
produces 18 DIMM clock outputs from a single DCLK output provided by the 82443GX.
To minimize the impact of crosstalk, a minimum of 0.014” spacing should be maintained between
the clock traces and other traces. A minimum spacing of 0.018” is recommended for serpentines.
2.9.6.2 System Bus Clock Layout
System bus clock nets should be routed as point-to-point connections with a 22 Ohm series resistor
that is to be placed as close to the output pins on the clock driver as possible (<0.5”).
In a UP system, clock skew between the 82443GX and the processor can be reduced by tying the
clock driver pins together at the clock chip and driving the processor and 82443GX from this net
with a 10 Ohm resistor at the driver for each. Trace lengths still match the specs defined below.
Layout guidelines: Match trace lengths to the longest trace.
Figure 2-30. Clock Trace Spacing Guidelines
Clock
0.014”
0.018”
Net Trace length min max Substrate
Clock chip - Processor H 1.0” 9.0” 3.25”
Clock chip - 82443GX H + 3.25” 1.0” 12.0” NA
Clock chip - ITP H + 4.00” 1.0” 13.0” NA

Intel
®
440GX AGPset Design Guide
2-33
Motherboard Layout and Routing Guidelines
2.9.6.3 PCI Clock Layout
PCI clock nets should be routed a point-to-point connections with a 22 Ohm series resistor that is to
be placed as close to the output pins on the clock driver as possible (<0.5”). Layout guidelines:
Match trace lengths to the longest trace.
2.9.6.4 SDRAM Clock Layout
Series Termination: No series termination is required for the SDRAM clocks between the CKBF
and the DIMMs. For DCLKO (between 82443GX and CKBF), two termination resistors are
required: A 22 Ohm series resistor located at the driver, and a 47 Ohm series resistor located at the
receiver.
Layout guidelines:
Note: A single clock output from CKBF is used to drive DCLKWR at the 82443GX. The single clock net
should be “T”d as close as possible to the 82443GX. An additional capacitive load of 20pF is also
required. The capacitor should also be located as close to the 82443GX as possible.
The 82443GX does not have an internal connection for pin AB22. Existing designs connected
DCLKWR & AB22 nets on the motherboard. Since the 82443GX does not have an internal
connection for pin AB22, it will cause a slightly reduced load capacitance on the net. To avoid
additional clock skew on existing designs, a discrete capacitor larger than the 20pF capacitor
recommended may be required.
Net Trace length min max Substrate
Clock chip - PCI connector H + 4.8” 1.0” 12.5” 2.5”
Clock chip - PIIX4E H + 7.3” 1.0” 15.0” NA
Clock chip -440GX H + 7.3” 1.0” 15.0” NA
Net Trace Length Min Max Cap
440GX - CKBF (DLKO) NA 1.0” 10.0” NA
CKBF - DIMM (SDRAM Clocks) A 1.0” 3.0” NA
CKBF - 82443GX (DCLKWR) A+2.5” 3.5”5.5” 20pF

Motherboard Layout and Routing Guidelines
2-34
Intel
®
440GX AGPset Design Guide
2.9.6.5 AGP Clock Layout
Series Termination: 22 Ohm series termination should be used for the AGP clocks.
Layout guidelines: The feedback clock trace length equals the standard clock motherboard trace
length plus the card trace length.
Note: One driver. The signal splits at the 82443GX, each half of the trace goes through a 22 Ohm resistor,
and then to their respective loads. If the graphics chip is down on the motherboard, the trace length
to the graphics chip and the feedback trace length to the 82443GX will both be the same length.
Figure 2-31. AGP Clock Layout
Net Trace Length Min Max Card Trace
Length
22 Ohm resistor - AGP connector A 0.5” 12” ~3.3”
22 Ohm resistor - 82443GX (feedback) A + 3.3” 0.5” 15.3” NA
GCLKOUT
GCLKIN
AGPCLK
BX
22ohm
22ohm

3
Design Checklist


Intel
®
440GX AGPset Design Guide
3-1
Design Checklist
Design Checklist
3
3.1 Overview
The following checklist is intended to be used for schematic reviews of Intel® 440GX AGPset
desktop designs. It does not represent the only way to design the system, but provides
recommendations based on the Intel® 440GX AGPset reference platform.
3.2 Pull-up and Pull-down Resistor Values
Pull-up and pull-down values are system dependent. The appropriate value for your system can be
determined from an AC/DC analysis of the pull-up voltage used, the current drive capability of the
output driver, input leakage currents of all devices on the signal net, the pull-up voltage tolerance,
the pull-up/pull-down resistor tolerance, the input high/low voltage specifications, the input timing
specifications (RC rise time), etc. Analysis should be done to determine the minimum/maximum
values that may be used on an individual signal. Engineering judgment should be used to determine
the optimal value. This determination can include cost concerns, commonality considerations,
manufacturing issues, specifications and other considerations.
A simplistic DC calculation for a pull-up value is:
RMAX = (VccPU MIN - VIH MIN) / ILeakage MAX
RMIN = (VccPU MAX - VIL MAX) / IOL MAX
Since ILeakage MAX is normally very small, RMAX may not be meaningful. RMAX is also
determined by the maximum allowable rise time. The following calculation allows for t, the
maximum allowable rise time, and C, the total load capacitance in the circuit, including input
capacitance of the devices to be driven, output capacitance of the driver, and line capacitance. This
calculation yields the largest pull-up resistor allowable to meet the rise time t.
A simplistic AC calculation for a pull-up value is:=
RMAX = -t / ( C * ln( 1 - (VIH MIN / VccPU MIN) ) )

Intel
®
440GX AGPset Design Guide
3-2
Design Checklist
3.3 Intel® Pentium® II Processor Checklist
3.3.1 Intel® Pentium® II Processor
Figure 3-1. Pull-up Resistor Example
Table 3-1. Slot Connectivity (Sheet 1 of 3)
Processor Pin Pin Connection
100/66#
UP: Connected to CK100. 10K ohm series resistor to MAB#12. 200 ohm pull-up to 3.3V at
CK100.
DP: connect between CPUs (Logic may be provided to detect a frequency match).
A[35:32]#,
A[31:3] Leave as NC, connect A[31:3]# to 82443GX.
A20M# 150 ohm - 330 ohm pull-up to 2.5V.
ADS# UP: Connect to 82443GX; DP: Connect CPUs and 82443GX
AERR# Leave as NC.
AP[1:0]# Leave as NC.
BCLK Connect to CK100. 22 ohm series resistor.
BERR# Leave as NC.
BINIT# Leave as NC.
BNR# UP: Connect to 82443GX; DP: Connect CPUs and 82443GX
BP[3:2]# Leave as NC.
BPM[1:0] Leave as NC.
BPRI# UP: Connect to 82443GX; DP: Connect CPUs and 82443GX.
BREQ[1:0]# UP: Connect BREQ0# to 82443GX. Leave BREQ1# as NC. DP: Connect BREQ0# of
each CPU to BREQ1# of the other. Connect one of these to 82443GX.
D[63:0]# UP: Connect to 82443GX; DP: Connect CPUs and 82443GX.
VIH MIN
VccPU MIN
RMAX
VIL MAX
VccPU MAX
RMIN
ILeaka
g
e MAX
IOLMAX

Intel
®
440GX AGPset Design Guide
3-3
Design Checklist
DBSY# UP: Connect to 82443GX; DP: Connect CPUs and 82443GX.
DEFER# UP: Connect to 82443GX; DP: Connect CPUs and 82443GX.
DEP[7:0] No connect.
DRDY# UP: Connect to 82443GX; DP: Connect CPUs and 82443GX.
EMI Connect to GND.
FERR# UP: Connect to PIIX4E, 220 ohm pull-up to 2.5V.
DP: Connect CPUs and PIIX4E, 220 ohm pull-up to 2.5V.
FLUSH# UP: 510 ohm pull-up to 2.5V. DP: Connect CPUs and 510 ohm pull-up.
FRCERR# Leave as NC.
HIT# Connect between CPUs and 82443GX.
HITM# Connect between CPUs and 82443GX.
IERR# Leave as NC.
IGNNE# UP: 330 ohm pull-up to 2.5V. Connected to bus frequency strapping circuit. DP: Connect
CPUs, bus frequency strapping unit, and 330 ohm pull-up to 2.5V.
INIT# UP: Connect to PIIX4E, 330 ohm pull-up to 2.5V.
DP: Connect CPUs and PIIX4E, 330 ohm pull-up to 2.5V.
LINT[1:0] UP: 150 ohm - 330 ohm pull-up to 2.5V. DP: Connect CPUs and 150 ohm - 330 ohm pull-
up to 2.5V.
LOCK# UP: Connect to 82443GX; DP: Connect CPUs and 82443GX.
PICCLK Connect to CK100. 22 ohm series resistor.
PICD[1:0] UP: 150 ohm pull-up to 2.5V. DP: Connect CPUs and IOAPIC and 150 ohm pull-up to
2.5V.
PRDY# 240 ohm series resistor to ITP.
PREQ# Connected to ITP. 330 ohm pull-up to 2.5V.
PWRGOOD UP: Requires 330 ohm pull-up to 2.5V. DP: Connect between CPUs.
REQ[4:0]# UP: Connect to 82443GX; DP: Connect CPUs and 82443GX.
RESET# UP: Connect to 82443GX, 240 ohm series resistor to ITP.
DP: Connect CPUs and ITP with 240 ohm series resistor.
RP# Leave as NC.
RS[2:0]# UP: Connect to 82443GX; DP: Connect CPUs and 82443GX.
RSP# Leave as NC.
SLOTOCC# UP: Tie to GND.
DP: Part of PWRGD logic, 8.2K ohm pull-up to 3.3V.
SLP# UP: 150 ohm - 330 ohm pull-up to 2.5V. Connect to PIIX4E.
DP: Connect CPUs and PIIX4E with 150 ohm - 330 ohm pull-up to 2.5V.
SMI#
UP: Connect to PIIX4E, 430 ohm pull-up to 2.5V.
DP: Connect CPUs and run to jumper on APC_SMI# and PX4_SMI# (on IOAPIC). 430
ohm pull-up to 2.5V.
STPCLK# UP: Connect to PIIX4E, 430 ohm pull-up to 2.5V.
DP: Connect CPUs and PIIX4E, 430 ohm pull-up.
TCK UP: 1K ohm pull-up to 2.5V. 47 ohm series resistor to ITP. DP: Separate series resistors
then hooked together to ITP. 1K ohm pull-up to 2.5V.
Table 3-1. Slot Connectivity (Sheet 2 of 3)
Processor Pin Pin Connection

Intel
®
440GX AGPset Design Guide
3-4
Design Checklist
TDO UP: Connected to ITP. 150 ohm pull-up to 2.5V.
DP: Connected to jumpers between ITP and CPU signals. See DP schematics for details.
TDI UP: Connected to ITP. 150 ohm - 330 ohm pull-up to 2.5V.
DP: Connected to jumpers between ITP and CPU signals. See DP schematics for details.
TESTHI UP: 4.7K ohm pull-up to 2.5V. DP: Connect CPUs and 4.7K ohm pull-up to 2.5V.
THERMTRIP# UP: NC if not used. 220 ohm pull-up to 2.5V if used. DP: Connect CPUs and 220 ohm
pull-up to 2.5V.
TMS UP: 1K ohm pull-up to 2.5V. 47 ohm series resistor to ITP. DP: Separate 47 ohm series
resistors then hooked together to ITP. 1K ohm pull-up to 2.5V.
TRDY# UP: Connect to 82443GX. DP: Connect CPUs and 82443GX.
TRST# UP: Connect to ITP. 680 ohm pull-down. DP: Connect CPUs and 680 ohm pull-down.
VID[4:0] 8.2K ohm pull-up to 5V is the default for VRM use. Optional override could be used. Also
connect to optional LM79.
Table 3-2. GND & Power Pin Definition
GND VccCORE Vtt (1.5V) VCC3 (3.3V) Reserved (NC) Vcc (5V)
A2 A62 B13 B89 A1 B113 A16 B109
A6 A66 B17 B93 A3 B117 A47
A10 A70 B25 B97 B5 B121 A88
A14 A74 B29 B105 B9 A113
A18 A78 B33 A116
A22 A82 B37 B12
A26 A86 B45 B20
A30 A90 B49 B112
A34 A94 B53
A38 A98 B57
A42 A102 B65
A46 A106 B69
A50 A110 B73
A54 A114 B77
A58 A118 B85
Table 3-1. Slot Connectivity (Sheet 3 of 3)
Processor Pin Pin Connection

Intel
®
440GX AGPset Design Guide
3-5
Design Checklist
3.3.2 Intel® Pentium® II Processor Clocks
•Include a circuit for the system bus clock to core frequency ratio to the processor. The ratio
should be configurable as opposed to hard wired. The bus frequency select straps will be
latched on the rising edge of CRESET#.
•CRESET# is used as the selection signal for muxing A20M#, IGNNE#, INTR, and NMI with
the processor bus/core frequency selection jumpers. A ‘244 buffer maybe used as a mux. The
outputs of the ‘244 device are fed to open collector buffers for voltage translation to the CPU.
See the reference board schematics for specific implementation.
•PICCLK must be driven by a clock even if an I/O APIC is not being used. This clock can be as
high as 33.3 MHz in a UP system. A DP system utilizing Intel’s I/O APIC (82093AA) has a
maximum PICCLK frequency of 16.666 MHz.
3.3.3 Intel® Pentium® II Processor Signals
•Dual termination (56 ohm) to Vtt of the GTL+ bus is required if the trace length restrictions of
a SET (single-ended termination) environment cannot be met.
•THERMTRIP# must be pulled-up to Vcc2.5 (150 ohm to 10K ohm) if used by system logic.
The signal may be wire-OR’ed and does not require an external gate. It may be left as NC if it
is not used. See the Debug Recommendations for further information that may affect the
resistor values.
•The FERR# output must be pulled up to Vcc2.5 (150 ohm to 10K ohm) and connected to the
PIIX4E. The reference schematics uses 220 ohms. See the Debug Recommendations for
further information that may affect these resistor values.
•PICD[1:0]# must have 150 ohm pull-ups to Vcc2.5 even if an I/O APIC is not being used. See
the Debug Recommendations for further information that may affect these resistor values.
•All CMOS inputs should be pulled up to Vcc2.5 (150 ohm to 10K ohm). See the Debug
Recommendations for further information that may affect these resistor values.
•Be sure the Slot 1 inputs are not being driven by 3.3V or 5V logic. Logic translation of 3.3V or
5V signals may be accomplished by using open-drain drivers pulled-up to Vcc2.5.
•The PWRGOOD input should be driven to the appropriate level from the active-high “AND”
of the Power-Good signals from the 5V, 3.3V and VccCORE supplies. The output of any logic
used to drive PWRGOOD should be a Vcc2.5 level to the processor.
•No VREF should be generated for the Intel® Pentium® II processor. VREF is locally generated
on the processor card.
•Vtt must have adequate bulk decoupling based on the reaction time of the regulator used to
generate Vtt. It must provide for a current ramp of up to 8A/uS while maintaining the voltage
tolerance defined in the Intel® Pentium® II Processor datasheet.
•If an on-board voltage regulator is used instead of a VRM, VccCORE must have adequate bulk
decoupling based on the reaction time of the regulator used to generate VccCORE. It must
provide for a current ramp of up to 30A/uS while maintaining the VRM 8.2 DC-DC Converter
Specification.
•The VID lines should have pull-up resistors ONLY if they are required by the Voltage
Regulator Module or on board regulator that you have chosen. The pull-up voltage used should
be to the regulator input voltage (5V or 12V). However, if 12V is used, a resistor divider
should be utilized to lower the VID signal to CMOS/TTL levels. The VID signals may be used
to detect the presence of a processor core. A pull-up is not required unless the VID signals are

Intel
®
440GX AGPset Design Guide
3-6
Design Checklist
used by other logic requiring CMOS/TTL logic levels. The VID lines on the Slot 1 connector
are 5V tolerant.
•Vcc (±5%) should be provided to the Slot 1 signal Vcc pin B109. This power connection is not
used by the Intel® Pentium® II processor. It is required for the Slot 1 EMT tool and may be
required by future Boxed processors.
•The JTAG port must be properly terminated even if it is not used. See the Debug
Recommendations for further information that may affect these resistor values.
•The EMI pins of the Slot 1 connector (pins B1, B41, B61, B81 and B100) should be connected
to system or chassis ground through zero ohm resistors. The determination to install these
resistors is design dependent and can be determined through empirical methods.
•TRST# must be driven low during reset to all components with TRST# pins. Connecting a
pull-down resistor to TRST# will accomplish the reset of the port.
•If two Vtt regulators are used, one at each end of the bus, Intel recommends connecting the two
regulator outputs together with a wide trace that runs the along the same basic path as the
GTL+ signals (beware of crosstalk). VREF should be generated at each AGPset component
from this combined VTT. This is simply a recommendation to minimize the effects of noise.
See AP-523 Intel® Pentium® Pro Processor Power Distribution Guidelines for more
information.
•A single VTT regulator may be used. For a UP system a simplistic calculation for maximum
worst case current is 5.0A. This takes into consideration that some signals are not used by the
Intel® 440GX AGPset.
•Motherboards planning to support the Boxed Intel® Pentium® II processor must provide a
matched power header for the Boxed Intel® Pentium® II processor fan/heatsink power cable
connector. The power header must be positioned within close proximity to the Slot 1
connector.
•The Slot 1 connector signal SLOTOCC# (Pin B101) is a ground on the Slot 1 processor. The
presence of a CPU core can be determined from a combination of non-zero VID signals, (all
ones designates “No Core”) and if the state of SLOTOCC# is low.
•ITPREQ[1:0]#, ITPRDY[1:0]# can individually be hooked to either CPU. The ITP .inf file
must match the connections.
•DBRESET (ITP Reset signal) requires a 240 ohm pull-up to VCC3.

Intel
®
440GX AGPset Design Guide
3-7
Design Checklist
3.3.4 Uni-Processor (UP) Slot 1 Checklist
•A UP system must connect BREQ0# of the Slot 1 connector to the 82443GX’s BREQ0#
signal. This will assign an agent ID of 0 to the processor. BREQ1# on the Slot 1 connector is
left as a no connect.
•For a UP design, one set of GTL+ termination resistors (56 ohm) are recommended on the
motherboard (dual ended termination). The second set of terminations are provided on the
Intel® Pentium® II processor. Single ended termination (processor termination only) may be
achieved provided the trace lengths adhere to the very restrictive lengths given in the layout
guidelines.
•FRCERR# may be left as a no connect for a UP design. On board termination resistors are not
required since they are provided on the Intel® Pentium® II processor.
3.3.5 Dual-Processor (DP) Slot 1 Checklist
•A DP system must cross connect BREQ[1:0]# of the Slot 1 connector to the 82443GX’s
BREQ0# signal, i.e. BREQ0# should be tied to BREQ1# on the other processor.
•No onboard termination is required because termination is provided on the Intel® Pentium® II
processor.
•FRCERR# may be left as a no connect for a DP design if FRC mode is not supported. On
board termination resistors are not required since they are provided on the Intel® Pentium® II
processors.
•Each processor site should have an isolated VccCORE power plane. Contact your VRM vendor
for availability of VRMs with current sharing capabilities if desired.
•The SLOTOCC# signal can be used to block the system from booting if two sets of GTL+
termination resistors are not present. The Slot 1 VID lines from each of the connectors can be
used to determine if a non-functional processor core or terminator card is present.
•The IOAPIC clock is T’d and distributed to the CPUs through 22 ohm series resistors.
3.3.6 Slot 1 Decoupling Capacitors
•Additional VccCORE decoupling capacitance, high frequency or bulk, may be required for a
properly designed Slot 1 power delivery plane and VRM. For designs utilizing a local
regulator on the motherboard, adequate bulk decoupling is required. This bulk decoupling is
dependent upon the regulator reaction time. Contact your regulator vendor for bulk decoupling
recommendations that will meet the VRM 8.2 DC-DC Converter Specification.
•Decoupling capacitor traces should be as short and wide as possible.
3.3.7 Voltage Regulator Module, VRM 8.2
•Pin A5, formerly a reserved pin, is now 12VIN.
•Pin B3, formerly a reserved pin, is now 5VIN.
•ISHARE can be used in a DP design using the same manufacturer’s VRM to share the current
load between the two VRMs.
•VRM 8.2 is modified from VRM 8.1 to provide up to 18A of ICC for future processors.
•VID (voltage identification) pins from the processor will determine the VccCORE output of the
VRM.

Intel
®
440GX AGPset Design Guide
3-8
Design Checklist
3.4 Intel® 440GX AGPset Clocks
3.4.1 CK100 - 100 MHz Clock Synthesizer
•The system clock which provides 100 MHz to the processor and the Intel® 440GX AGPset,
and the clocks for the APIC must be +2.5V.
•If implemented in the clock chip, pin 28, when strapped low, provides a spread spectrum
modulation effect which may help reduce EMI. The modulation will be “down spread” only,
meaning that the nominal 100/66 MHz frequencies will be modulated 0.25% to 0.5% below
100/66. While this may help EMI testing, performance will be impacted. Check with your
clock vendor for availability of this feature.
•SEL pins on CK100 can be used to select special functionality using 8.2K ohm pull-ups to V
•Unused clocks should be terminated to ground with 22 ohm resistors.
•22 ohm series resistors are recommended on the CPU, PCI, and IOAPIC clock outputs.
•In a UP system, clock skew between the 82443GX and the CPU can be reduced by tying the
clock driver pins together at the clock chip and driving the CPU and 82443GX from this net
with a 10 Ohm resistor at the driver for each.
•10K ohm pull-ups to VCC3.3 are recommended on PCI_STP#, CPU_STP#, PWRDWN#. If
POS is not supported, connecting these signals to the PIIX4E is not required. On reset, SUSA#
(connected to PWRDWN#) is asserted, which causes the clock outputs to stop. This may cause
problems with the ITP when connected. Zero ohm stuffing options can be used to select the
functionality.
•Check with your clock vendor and the reference schematics for special layout and decoupling
considerations. The reference schematics implement an LC filter on the supply pins to reduce
noise.
Table 3-3. Processor Frequency Select
SEL100/66# SEL1 SEL0 Function
0 0 0 Tri-state
100Test Mode
0 1 1 Active 66MHz
1 1 1 Active 100MHz

Intel
®
440GX AGPset Design Guide
3-9
Design Checklist
3.4.2 CKBF - SDRAM 1 to 18 Clock Buffer
•A 4.7K ohm pull-up to VCC3.3 on the OE pin is needed to enable the buffer.
•Note that DCLKRD pin has been changed to a no connect (NC). The DCLKRD functionality
has been combined with DCLKWR. If desire to remove the trace going to DCLKRD pin, the
capacitor value should be adjusted to compensate for the capacitance change.
•An I2C interface is provided which allows the BIOS to disable unused SDRAM clocks to
reduce EMI and power consumption. It is recommended that the BIOS disable unused clocks.
•No series termination is required for the SDRAM clocks between the CKBF and the DIMMs.
•DCLKO from the 82443GX to the CKBF should have a 22 ohm series resistor placed at the
82443GX, and a 47 ohm series resistor placed at the CKBF. This has been shown in
simulations to improve the signal integrity of this signal.
•Check with your clock vendor and the reference schematics for special layout and decoupling
considerations. The reference schematics implement an LC filter on the supply pins to reduce
noise.
3.4.3 GCKE and DCLKWR Connection
•See the diagram below for implementation of the 16-bit flip-flop for CKE generation for 4
DIMMs.
•GCKE trace length from the 82443GX to the flip-flop is recommended to be 1” MIN to 4”
MAX. CKE trace lengths from the flip-flop to the DIMMS is recommended to be 3”.
NOTES:
1. The above circuitry only applies to unbuffer DIMMS. GCKE needs to be disabled for register DIMMS.
2. Pin AB22 has been changed to a no connect (NC), The 82443GX does not have an internal connection for
pin AB22. Existing designs connected DCLKWR & AB22 nets on the motherboard. Since the 82443GX does
not have an internal connection for pin AB22, it will cause a slightly reduced load capacitance on the net. To
avoid additional clock skew on existing designs, a discrete capacitor larger than the 20pF capacitor
recommended may be required.
Figure 3-2. GCKE & DCLKWR Connections
74LVCH16374
1D1
1D2
1D3
1D4
1D5
1D6
1D7
1D8
2D1
2D2
2D3
2D4
2D5
2D6
2D7
2D8
1Q1
1Q2
1Q3
1Q4
1Q5
1Q6
1Q7
1Q8
2Q1
2Q2
2Q3
2Q4
2Q5
2Q6
2Q7
2Q8
1 EN
2 EN
C1
C2
82443GX
CKBF
GND
1D3, 1D4
1D5, 1D6
1D7, 1D8
2D1, 2D2
2D3, 2D4
2D5, 2D6
2D7, 2D8
CKE7
CKE6
CKE5
CKE4
CKE3
CKE2
CKE1
CKE0
GCKE
DCLKWR
NC (AB22)
20pF
27pF
v007
- Clock signals fed back into 82443GX and
D-FF must ‘T’-off with equal trace length
and as close as possible to the 82443GX and
D-FF.
- The capacitors must be placed close to the
node where the clock signals are ‘T’-ed.
- The capacitor values are shown.

Intel
®
440GX AGPset Design Guide
3-10
Design Checklist
3.5 82443GX Host Bridge
3.5.1 82443GX Interface
Table 3-4. 82443GX Connectivity (Sheet 1 of 3)
SIGNAL CONNECTION
AD#[31:0] Connected to PCI bus.
ADS# Connected to CPUs.
AGPREF Connected to be 0.4 of VCC3.3. Can be performed by a voltage divider.
BNR# Connected to CPUs.
BPRI# Connected to CPUs.
BREQ0# Connected to CPUs.
GXPWROK Connected to PIIX4E PWROK pin.
C/BE[3:0]# Connected to PCI bus.
FENA 4DIMM Design: Connected to FET-switches as an enable pin.
GCKE
GCKE needs to be disabled for re
g
ister DIMMS.
GCKE is a NC unless connected to SN74ALVCH16374 16-bit D flip-flop. See
reference schematics for details.
CLKRUN# If not connected to the PIIX4E, pull down through a 100 ohm resistor at both
82443GX and PIIX4E.
CPURST# Connected to CPUs and ITP (240 ohm series resistor).
CRESET# 10K ohm pull-up to 3.3V. Controls the mux for the CPU strapping signals.
CSA[5:0]# Connect to DIMMs; two to each
CSA[7:6]# Connect CSA[7:6]# to DIMM 3.
CSB[5:0]# Connect to DIMMs; two to each
CSB[7:6]# Connect CSB[7:6]# to DIMM 3
DBSY#, DRDY# Connected to CPUs.
DCLKO Connected to CKBF. 22 ohm series resistor placed next to 443GX and 47 ohm series
resistor placed next to CKBF.
DCLKWR,
Pin AB22 (NC) Driven by single clock from CKBF. See Clock section
DEFER# Connected to CPUs.
DEVSEL# 2.7K ohm pull-up to 5V. Connected to PCI bus.
DQMA[7:0] Connected to all DIMMs.
DQMB5, DQMB1 4 DIMM: Connected to DIMM2 and DIMM3.
FRAME# 2.7K ohm pull-up to 5V. Connected to PCI bus.
GAD[31:0], GC/
BE[3:0]# Connected to AGP connector.
GCLKIN Connected to GCLKOUT through 22 ohm resistor.
GCLKOUT Connected to AGP connector through 22 ohm series resistor.

Intel
®
440GX AGPset Design Guide
3-11
Design Checklist
GADSTBA,
GADSTBB,
GDEVSEL#,
GFRAME#, GGNT#,
GIRDY#, GREQ#,
GSTOP#, GTRDY#,
8.2K ohm pull-ups to 3.3V. Connected to AGP connector.
GPAR 100K ohm pull-down required. Connect to AGP connector.
GTLREFA, GTLREFB GTL buffer voltage reference input (1.0V = 2/3 vtt)
HA[31:3]# Connected to CPUs.
HCLKIN Connected to CK100 through 22 ohm series resistor.
HD[63:0]# Connected to the CPUs.
HIT#, HITM# Connected to CPUs.
HLOCK# Connected to CPUs.
HREQ[4:0]# Connected to CPUs.
HTRDY# Connected to CPUs.
IRDY# 2.7K ohm pull-up to 5V. Connected to PCI bus.
MAA[14:0] Connected to DIMM0 and DIMM1.
MAB[14, 13, 10],
MAB[11, 9:0]# Connected to DIMM2 and DIMM3.
MD[63:0], MECC[7:0] Connected to each DIMM. FET Switch Design: Connected to FET switches.
PAR Connected to PCI bus.
PCIRST# Connected to PIIX4E, AGP connector, and PCI connectors.
PCLKIN Connected to CK100 through 22 ohm series resistor.
PGNT[4:0]# 8.2K ohm pull-ups to 3.3V. Connected to PCI connectors.
PHLDA# 8.2K ohm pull-up to 3.3V. Connected to PIIX4E.
PHOLD# 8.2K ohm pull-up to 3.3V. Connected to PIIX4E.
PIPE# 8.2K ohm pull-ups to 3.3V. Connected to AGP connector.
PLOCK# 2.7K ohm pull-up to 5V. Connected to PCI connectors.
PREQ[4:0]# 2.7K ohm pull-ups to 5V. Connected to PCI connectors (except PREQ4#).
RBF# 8.2K ohm pull-up to 3.3V. Connected to AGP connector.
REFVCC5 PCI 5V reference voltage for 5V tolerant buffers.
RS[2:0]# Connected to CPUs.
SBA[7:0] Connected to AGP connector.
SBSTB 8.2K ohm pull-up to 3.3V. Connected to AGP connector.
SCAS[B:A]# Each connected to up to 2 DIMMs.
SERR# 2.7K ohm pull-up to 5V. Connected to PCI bus.
SRAS[B:A]# Each connected to up to 2 DIMMs.
ST[2:0] Connected to AGP connector.
STOP# 2.7K ohm pull-up to 5V. Connected to PCI bus.
SUSTAT# 10K ohm pull-up to 3.3V. Connect to PIIX4E for POS implementation.
TESTIN# 8.2K ohm pull-up to 3.3V which may be removed if validation permits.
Table 3-4. 82443GX Connectivity (Sheet 2 of 3)
SIGNAL CONNECTION

Intel
®
440GX AGPset Design Guide
3-12
Design Checklist
•GTLREFx pins are driven from independent voltage dividers which set the GTLREFx pins to
VTT*2/3 using a 75 ohm and 150 ohm resistor ratio.
•The 82443GX GTL_REF[B:A] pins should be adequately decoupled.
•The 82443GX component is a 3.3V component. All pins labeled as VDD should be connected
to VCC3.3.
•VDD_AGP pins have been changed to VDD pins.
•The VSSA pin has been changed to VSS.
•The 82443GX REFVCC5 pin can be connected to the same power sequencing circuit used by
the PIIX4E. See the PIIX4E section for further information on sharing this circuit.
•The 82443GX AGPREF pin is required to be 0.4 of VCC3.3, this can be performed by a
voltage divider.
•The 82443GX GX_PWROK can be connected to the PIIX4E PWROK pin.
•The 22 ohm series resistors on GCLKOUT and GCLKIN should be placed next to the driver
GCLKOUT.
•CRESET# is used to control the reset values of A20M#, IGNNE#, and LINT[1:0] and
determine the ratio of core and bus frequencies. This signal is delayed to provide the two
BCLK hold requirement. A 10K ohm pull-up to 3.3V is recommended.
•TESTIN# should be pulled up to VCC3.3 with an 8.2K ohm resistor. The internal pull-up may
prove to be sufficient, however the first rev of boards should include the external pull-up to be
safe.
3.5.2 82443GX GTL+ Bus Interface
•The Intel® 440GX AGPset does not support the entire Intel® Pentium® II processor GTL+
bus. For a UP design, on board termination resistors are recommended for the following
signals: HD[63:0]#, A[31:3]#, HREQ[4:0]#, RS[2:0]#, HTRDY#, BREQ[0]#, BNR#, BPRI#,
DBSY#, DEFER#, DRDY#, ADS#, HIT#, HITM#, HLOCK#, CPURST#. The second set of
terminations are provided on the Intel® Pentium® II processor.
•The Intel® 440GX AGPset does not support the entire Intel® Pentium® II processor GTL+
bus. For a DP design, on board termination resistors are NOT required for the following
signals: HD[63:0]#, A[31:3]#, HREQ[4:0]#, RS[2:0]#, HTRDY#, BREQ[0]#, BNR#, BPRI#,
DBSY#, DEFER#, DRDY#, ADS#, HIT#, HITM#, HLOCK#, CPURST#. The second set of
terminations are provided on the second Intel® Pentium® II processor or terminator card. An
empty Slot 1 connector is not allowed.
3.5.3 82443GX PCI Interface
•If boundary scan is not supported on the motherboard: (See the PCI Specification Rev 2.1
Section 4.3.3 for more information)
TRDY# 2.7K ohm pull-up to 5V. Connected to PCI bus.
VTTA, VTTB GTL threshold voltage for early clamps.
WE[B:A]# Each connected to up to 2 DIMMs.
WSC# UP: Leave as a NC. DP: Connected to IOAPIC. No pull-up resistor is needed.
Table 3-4. 82443GX Connectivity (Sheet 3 of 3)
SIGNAL CONNECTION

Intel
®
440GX AGPset Design Guide
3-13
Design Checklist
— TMS (connector pin A3) and TDI (connector pin A4) should be independently bussed and
pulled up with 5K ohm (approximate) resistors.
— TRST# (connector pin A1) and TCK (connector pin B2) should be independently bussed
and pulled down with 5K ohm (approximate) resistors.
— TDO (connector pin B4) should be left open.
3.5.4 82443GX AGP Interface
•The following will help reduce the AGPREF margin needed when data is being written or read
via the AGP bus interface.
— Use only two 1% resistors for the AGPREF voltage divider on the 82443GX boards. This
will limit the AGPREF margin needed to 100mV below 40% of Vcc. If 5% resistors are
used, the AGPREF margin needed would be 160mV.
— Have “at least” 2x spacing around Strobe A and B to decrease crosstalk inductive coupling
from adjacent GAD signals. This could reduce crosstalk by as much as 100-300 mV.
•The AGP interface is designed for a 3.3V operating environment, and both the master and
target AGP compliant devices must be driven by the same supply line.
•No external termination for signal quality is required by the AGP spec., but can be added to
improve signal integrity provided the timing constraints are still satisfied.
•AGP interrupts may be shared with PCI interrupts similar to the recommendations in the PCI
2.1 spec. For example, in a system with 3 PCI slots and one AGP slot, interrupts should be
connected such that each of the four INTA# lines hooks to a unique input on the PIIX4E. It is
recommended that the interrupts be staggered. It is also recommended that each PIRQ be
programmed to a different IRQ if possible.
•It is the requirement of the motherboard designer to properly interface the AGP interrupts to
the PCI bus. In this reference design, the AGP interrupts are pulled up to 3.3V, and a buffer is
used to isolate the 5V environment from the AGP bus.
•To minimize the impact of any mismatch between the motherboard and the add-in card, a
board impedance of 65 ±15 ohms is strongly recommended.
•At each component that requires it, AGP_Vref should be generated locally from the AGP
interface Vddq rail.
NOTES:
1. MAB[9]# is connected to internal 50K ohm pull-down resistors. MAB[12:11] are connected to internal 50K
ohm pull-up resistors.
2. Note that strapping signals are not driven by the 82443GX during reset sequence. Proper strapping must be
used to define logical values for these signals. Default values provided by the internal pull-up or pull-down
resistors can be overridden by an external resistor.
3. When AGP is disabled, all AGP signals are tri-stated and isolated. They do not need external pull-up
resistors. The AGP signals are PIPE#, SBA[7:0], RBF#, ST[2:0], GADSTBA, GADSTBB, SBSTB, GFRAME#,
GIRDY#, GTRDY#, GSTOP#, GDEVSEL#, GREQ#, GGNT#, GAD[31:0], FC/BE[3:0]#, GPAR.
4. When AGP is disabled, tie AGP_Vref to ground.
Table 3-5. Strapping Options
Signal Description Register Pulled to ‘0’ Pulled to ‘1’
MAB9# AGP Signals PMCR[1] AGP Enabled (Default) AGP Disabled
MAB11# In Order Queue
Depth MGXCFG[2] Non-Pipelined Maximum Queue Depth
Enabled (Default)
MAB12# Host Frequency NGXCFG[13] Reserved 100MHz (Default)

Intel
®
440GX AGPset Design Guide
3-14
Design Checklist
3.6 Intel® 440GX AGPset Memory Interface
3.6.1 SDRAM Connections
NOTES:
1. Some of the pin ranges above are dependent on which DIMM is being reviewed. “x” and “y” indicate signal
copies.
2. MAAxx address lines need to be routed to the two DIMM sockets closest to the 82443GX. MABxx# will be
routed to the one or two DIMM sockets furthest from the 82443GX. Selected MABxx# lines will also require
strapping options to properly configure the 82443GX.
3. Can either be a FET or no-FET solution. A FET solution will require the use of six 56-pin FET switch
multiplexers. The most common FET switches available are of the 5V family. A no-FET solution must adhere
to the strict no-FET design layout guidelines.
4. The MD, MECC and the DQM lines require “T” routing for load balancing.
5. Copies of SRAS#, SCAS#, WE# should be evenly distributed throughout the memory array.
6. MABxx# pins (except for MAB10, MAB13, and MAB14) are inverted for signal integrity reasons. MAB10,
MAB13, and MAB14 are not inverted to maintain correct SDRAM commands.
7. Series termination resistors are not required on the motherboard for DIMM signals (MD, MA, DQM, CS, etc.).
8. See the SDRAM Serial Presence Detect Data Structure specification for information on the EEPROM register
contents.
9. The
PC SDRAM Unbuffered DIMM Specification, Rev 1.0, dated Feb 1998
, shows pin 81 of the DIMM
module is the WP (write protect) pin for the SPD EEPROM. The block diagrams show there is a 47K pull-
down resistor tied to the WP pin. This allows the DIMM manufacturers to write SPD data to the EEPROM. An
OEM may wish to use the SPD EEPROM to write information into the DIMMs at production for system level
checkout to identify the DIMM installed as being shipped with the system. For this reason, the OEM may wish
to include some logic to control the level on pin 81 of the DIMM modules so that after the DIMM is tagged,
they can be write protected again. If this pin is pulled high on the motherboard, the DIMM SPD EEPROM is
write protected. Pin 81 of the DIMM sockets on the 82443GX dual processor reference schematics currently
shows a “NC”, no connects. If an OEM wishes to write protect the SDRAM SPD EEPROMS, then these pins
should be pulled high.
Table 3-6. SDRAM Connectivity
82443GX Pins/Connection DIMM Pins Pin Function
CKBF buffer outputs DCLK[x:y] CK[3:0] (4 DCLKs per DIMM) Clock
CS_A[7:0]# S#[1:0] (2 CS per DIMM) Chip Select
CS_B[7:0]# S#[3:2] (2 CS per DIMM) Chip Select
GND A13 Address
MAx[9:0]#, MAx10 A[10:0] Address
MAx11# BA0 Address
Max12# BA1 Address
MAA13#, MAB13 A11 Address
MAA14, MAB14 A12 Address
MDx[63:0] (from FET)
MD[63:0] (NO FET) DQ[63:0] Data
MECC[7:0] CB[7:0] Error Checking and Correction
Strap for SMBus individual
Address SA[2:0] SMBus Address
SMBDATA SDA SMBus Data
SMBCLK SCL SMBus Clock
SCASx# CAS# SDRAM Column Address Select
SRASx# RAS# SDRAM Row Address Select
WEx# WE0# Write Enable

Intel
®
440GX AGPset Design Guide
3-15
Design Checklist
3.6.2 DIMM Solution With FET Switches
•With existing 64Mbit technology, 512 MB, 1 GB and 2 GB support for servers and
workstations must have 4 double sided DIMMs.
•500 ohm - 1K ohm pull-down resistors on each of the second inputs (1A2, 2A2, etc.) are
recommended on the FET switches (500 ohms is recommended based on simulation) to
prevent a direct short to ground while switching.
•All 72 DQ lines are fed through the FET switch.
•The current FET switch is Pericom PI5C16212A, package type A56. See third-party vendor
list for more FET switch vendors.
•12 functional units per part requires 6 devices on motherboard.
3.6.3 Registered SDRAM
•There may be power and thermal considerations for registered DIMMs. If a design is going to
support registered DIMMs, the DIMM spacing may need to be evaluated based on mechanical
and cooling issues.
•REGE, pin 147 on all the DIMMs needs a 0 ohm pull-up to enable registered DIMMs.
•Data lines are directly connected to the SDRAM components, while all address and control
signals are registered. The clock signal is routed via a PLL to all the SDRAM devices.
•Access to registered DIMMs requires an additional clock of leadoff latency, programmable in
the 82443GX.
Figure 3-3. Current Solution With Existing FET Switches
82443GX
FET
SW
R0 R71
DQ 0-71 DQA 0-71
DQB 0-71
D
I
M
M
0
FENA
D
I
M
M
4
v009.vsd

Intel
®
440GX AGPset Design Guide
3-16
Design Checklist
3.7 82371EB (PIIX4E)
3.7.1 PIIX4E Connections
Table 3-7. PIIX4E Connectivity (Sheet 1 of 4)
Signal Names Connection
48MHz Connect to CK100 through a 22 ohm series resistor.
A20GATE Connected to SIO. 8.2K ohm pull-up to VCC3.
A20M# Part of CPU/bus frequency circuit. 2.7K ohm pull-up to VCC3.
AD[31:0] Connect to PCI slots and 82443GX.
AEN Connect to SIO and ISA slots.
APICACK# / GPO12 UP: Leave as a NC. DP: Connect to IOAPIC.
APICCS# / GPO13 UP: Leave as a NC. DP: Connected to IOAPIC. 8.2K ohm pull-up to VCC3.
APICREQ# / GPO15 8.2K ohm pull-up to VCC3. DP: Connected to IOAPIC.
BALE Connect to ISA slots.
BATLOW# / GPI9 8.2K ohm pull-up to 3VSB if BATLOW# is not used.
BIOSCS# Connect to Flash.
C/BE#[3:0] Connect to PCI slots and 82443GX.
CLOCKRUN# 100 ohm pull-down.
CONFIG1 8.2K ohm pull-up to 3VSB.
CONFIG2 8.2K ohm pull-down.
CPURST Leave as a NC.
CPU_STP# / GPO17 No connect, or connected to CK100 with 10K ohm pull-up to 3VSB.
DACK#[7:0] Connect to ISA slots. DACK#[3:0] also connect to SIO.
DEVSEL# 2.7K ohm pull-up to 5V or 10K ohm pull-up to 3V. Connect between 82443GX,
PCI slots, and PIIX4E.
DREQ[7:0] Connected to ISA slots. 5.6K ohm pull-down.
EXTSMI# Connected to LM79. 8.2K ohm pull-up to 3VSB.
FERR# Connect between CPUs. 220 ohm pull-up to 2.5V.
FRAME# 2.7K ohm pull-up to 5V or 10K ohm pull-up to 3V. Connect between 82443GX,
PCI slots, and PIIX4E.
GNT[C:A]# / GPO[11:9] No connect.
GPI1 Used as PCI_PME. 8.2K ohm pull-up to 3VSB. Pull-up to 3VSB is also required
when not using this pin.
GPI[x:y] (Unused) 2.7K ohm pull-up to VCC3.
GPO[x:y] (Unused) No connect.
IDSEL 100 ohm resistor to AD18.
IGNNE# Part of CPU/bus frequency circuit. 2.7K ohm pull-up to VCC3.
INIT# Connected to CPUs. 330 ohm pull-up to 2.5V.
INTR Part of CPU/bus frequency circuit. 2.7K ohm pull-up to VCC3.
DP: Connected to IOAPIC.

Intel
®
440GX AGPset Design Guide
3-17
Design Checklist
IOCHCK# Connected to ISA slots. 4.7K ohm pull-up to VCC.
IOCHRDY Connected to ISA slots and Ultra I/O. 1K ohm pull-up to VCC.
IOCS16# Connected to ISA slots. 1K ohm pull-up to VCC.
IOR# Connected to ISA slots, Ultra I/O, LM79. 8.2K ohm pull-up to VCC.
IOW# Connected to ISA slots, Ultra I/O, LM79. 8.2K ohm pull-up to VCC.
IRDY# 2.7K ohm pull-up to 5V or 10K ohm pull-up to 3V. Connect between 82443GX,
PCI slots, and PIIX4E.
IRQ0 / GPO14 UP: No connect. DP: Connected to INTIN2 of IOAPIC.
IRQ8# 8.2K ohm pull-up to 3VSB. DP: Connected to IOAPIC through tri-state buffer.
IRQ[1,3:7] 8.2K ohm pull-up to VCC. Connected to ISA slots and Ultra I/O.
DP: Connected to IOAPIC.
IRQ[15:14] Connected to ISA slots, Ultra I/O, IDE. 8.2K ohm pull-up to VCC.
DP: Connected to IOAPIC.
IRQ[9:12] Connected to ISA slots, Ultra I/O. 8.2K ohm pull-up to VCC.
DP: Connected to IOAPIC.
KBCCS# / GPO26 No Connect.
LA[17:23] Connected to ISA slots. 8.2K ohm pull-up to VCC.
LID / GPI10 8.2K ohm pull-down if LID is not used. Connect to wake on LAN Header if used.
MCCS# No connect.
MEMCS16# Connected to ISA slots. 1K ohm pull-up to VCC.
MEMR#,
MEMW#
Connected to ISA slots and Flash. 8.2K ohm pull-up to VCC.
DP: Connected to IOAPIC.
NMI Part of CPU/bus frequency circuit. 2.7K ohm pull-up to 3V.
OCx Driven by USB overcurrent detection voltage divider.
OSC Connect to CK100.
PAR Connect to PCI slots and 82443GX.
PCICLK Connect to CK100.
PCIRST# Connect to AGP, PCI, and 82443GX.
PCI_STP# / GPO18 No connect, or connected to CK100 with 10K ohm pull-up to 3VSB.
PCS1# Connected to IDE connector through 33 ohm series resistor.
PCS3# Connected to IDE connector through 33 ohm series resistor.
PDA[2:0] Connected to IDE connector through 33 ohm series resistors.
PDD[15:0] Connected to IDE connector through 33 ohm series resistors. It is
recommended that PDD[7] have a 10K ohm pull-down resistor.
PDDACK# Connected to IDE connector through 33 ohm series resistor.
PDIOR# Connected to IDE connector through 33 ohm series resistor.
PDIOW# Connected to IDE connector through 33 ohm series resistor.
PDREQ Connected to IDE through 33 ohm series resistor. 5.6K ohm pull-down on the
PIIX4E side of the series resistor.
PGCS#0 No connect.
PGCS#1 8.2K ohm pull-up to VCC3. Connected to LM79.
Table 3-7. PIIX4E Connectivity (Sheet 2 of 4)
Signal Names Connection

Intel
®
440GX AGPset Design Guide
3-18
Design Checklist
PHLD# Connected to 82443GX. 8.2K ohm pull-up to VCC3.
PHLDA# Connected to 82443GX. 8.2K ohm pull-up to VCC3.
PIORDY Connected to IDE through 47 ohm series resistor. 1K ohm pull-up to VCC on
the PIIX4E side of the series resistor.
PIRQ[D:A]# 2.7K ohm pull-up to 5V or 10K ohm pull-up to 3V. Connect between 443GX, PCI
slots, and PIIX4E. PIRQ[A:B]# also go to AGP. DP: PIRQ[A:D]# connected to
IOAPIC.
PWRBT# From power button circuitry.
PWROK Connect to 82443GX and power up logic.
RCIN# 8.2K ohm pull-up to VCC3. Connect to SIO.
REFRESH# Connected to ISA slots. 1K ohm pull-up to VCC.
REQ[C:A]# / GPI[4:2] 8.2K ohm pull-up to VCC3.
REQ[3:0]# Connect to corresponding REQ[3:0]# signals on the Host Bridge(443GX) and
PCI connectors. 8.2K-ohm pull-up to VCC.
RI# / GPI12 Connected to AGP connector AGP_PME# (pin A48). 8.2K ohm pull-up to 3VSB.
RSMRST# From ATX connector buffer/delay circuitry.
RSTDRV Connect to Ultra I/O, ISA slots, and IDE (through a Schmitt trigger).
RTCALE / GPO25 No connect.
RTCCS# / GPO24 No connect.
RTCX1 Connect to RTC crystal.
RTCX2 Connect to RTC crystal.
SA[0:19] Connected to ISA slots, Ultra I/O, Flash, LM79. 8.2K ohm pull-up to VCC. DP:
Connected to IOAPIC.
SBHE# Connect to ISA slots.
SCS1# Connected to IDE connector through 33 ohm series resistor.
SCS3# Connected to IDE connector through 33 ohm series resistor.
SD[0:15] Connected to ISA slots, Ultra I/O, LM79. 8.2K ohm pull-up to VCC. DP:
Connected to IOAPIC.
SDA[2:0] Connected to IDE connector through 33 ohm series resistors.
SDDACK# Connected to IDE connector through 33 ohm series resistor.
SDD[15:0] Connected to IDE connector through 33 ohm series resistors. It is
recommended that PDD[7] have a 10K ohm pull-down resistor.
SDIOR# Connected to IDE connector through 33 ohm series resistor.
SDIOW# Connected to IDE connector through 33 ohm series resistor.
SDREQ Connected to IDE through 33 ohm series resistor. 5.6K ohm pull-down on the
PIIX4E side of the series resistor.
SERIRQ / GPI7 2.7K ohm pull-up to VCC3.
SERR# 2.7K ohm pull-up to 5V or 10K ohm pull-up to 3V. Connect between 82443GX,
PCI slots, and PIIX4E.
SIORDY Connected to IDE through 47 ohm series resistor. 1K ohm pull-up to VCC on
the PIIX4E side of the series resistor.
SLP# Connected to CPUs. 330 ohm pull-up to 2.5V.
SMBALERT# / GPI11 Connect to MAX1617. 8.2K ohm pull-up to 3VSB.
Table 3-7. PIIX4E Connectivity (Sheet 3 of 4)
Signal Names Connection

Intel
®
440GX AGPset Design Guide
3-19
Design Checklist
SMBCLK,
SMBDATA
Connect to all devices on SMBus. 2.7K ohm pull-up to VCC3. This value may
need to be adjusted based on bus loading.
SMEMR#, SMEMW# Connected to ISA slots. 1K ohm pull-up to VCC.
SMI# 430 ohm pull-up to 2.5V. This is an open drain output from PIIX4E. UP:
Connected to CPU. DP: Connected to IOAPIC.
SPKR Connect to speaker circuit.
STOP# 2.7K ohm pull-up to 5V or 10K ohm pull-up to 3V. Connect between 82443GX,
PCI slots, and PIIX4E.
STPCLK# Connected to CPUs. 430 ohm pull-up to 2.5V. This is an open drain output from
the PIIX4E.
SUSA# No connect, or connected to CK100 power down control with 10K ohm pull-up
to VCC3.
SUSB# / GPO15 No connect.
SUSC# / GPO16 Controls ATX power supply.
SUSCLK No Connect
SUS_STAT[2:1]# /
GPO[21:20] No Connect
SYSCLK Connect to LM79 and ISA slots.
TC Connect to SIO and ISA slots.
TEST# 8.2K ohm pull-up to 3VSB.
THERM# / GPI8 Connected to LM75. 8.2K ohm pull-up to VCC3.
TRDY# 2.7K ohm pull-up to 5V or 10K ohm pull-up to 3V. Connect between 82443GX,
PCI slots, and PIIX4E.
USBPx+- 47pF cap to ground with 27 ohm series resistor to USB port. These should be
placed as close as possible to the PIIX4E.
VBAT Connect to battery circuit.
VREF Connect to 82443GX and power supply sequencing circuit. See PIIX4E data
sheet.
XDIR# / GPO22 Connect to SIO.
XOE# / GPO23) Connect to SIO.
ZEROWS# Connected to ISA slots. 1K ohm pull-up to VCC.
ZZ / GPO19 No connect.
Table 3-7. PIIX4E Connectivity (Sheet 4 of 4)
Signal Names Connection

Intel
®
440GX AGPset Design Guide
3-20
Design Checklist
3.7.2 IDE Routing Guidelines
This section contains guidelines for connecting and routing the PIIX4E IDE interface. The PIIX4E
has two independent IDE channels. This section provides guidelines for IDE connector cabling and
motherboard design, including component and resistor placement, and signal termination for both
IDE channels. The current recommendations use 33 ohm resistors on all the signals running to the
two ATA connectors, while the remaining signals use resistors between 22 and 47 ohm resistors.
3.7.2.1 Cabling
1. Length of cable: Each IDE cable must be equal to or less than 18 inches.
2. Capacitance: Less than 30 pF.
3. Placement: A maximum of 6 inches between drive connectors on the cable. If a single drive is
placed on the cable it should be placed at the end of the cable. If a second drive is placed on the
same cable it should be placed on the next closest connector to the end of the cable
(6” from the end of the cable).
4. Grounding: Provide a direct low impedance chassis path between the motherboard ground
and hard disk drives.
3.7.2.2 Motherboard
1. PIIX4E Placement: The PIIX4E should be placed as close as possible to the ATA
connector(s).
2. Resistor Location: When the distance between the PIIX4E and the ATA connectors exceeds 4
inches, the series termination resistors should be placed within 1 inch of the PIIX4E. Designs
that place the PIIX4E within 4 inches of the ATA connectors can place the series resistors
anywhere along the trace.
3. PC97 requirement: Support Cable Select for master-slave configuration is a system design
requirement for Microsoft* PC97. CSEL signal needs to be ground at host side by using a 470
ohm pull-down resistor for each ATA connector.
4. Capacitance: The capacitance of each pin of the IDE connector on the host should be below
25 pF when the cables are disconnected from the host.
5. Series Termination: The following resistor values are the current recommendations.
Table 3-8. IDE Series Termination
Signal Resistor Signal Resistor
PDD[15:0] 33 ohm SDD[15:0] 33 ohm
PDA[2:0] 33 ohm SDA[2:0] 33 ohm
PDIOR# 33 ohm SDIOR# 33 ohm
PDIOW# 33 ohm SDIOW# 33 ohm
PDDREQ 33 ohm SDDREQ 33 ohm
PDCS1# 33 ohm SDCS1# 33 ohm
PDCS3# 33 ohm SDCS3# 33 ohm
PDDACK# 33 ohm SDDACK# 33 ohm
IRQ14 22-47 ohm IRQ15 22-47 ohm
RESET# 22-47 ohm

Intel
®
440GX AGPset Design Guide
3-21
Design Checklist
One resistor per IDE connector is recommended for all signals. For signals labeled as 22-47Ω, the
correct value should be determined for each unique motherboard design, based on signal quality.
RESET comes from the PIIX4E RSTDRV signal through a Schmitt trigger
The design consideration shown above illustrates the series resistor placement for trace lengths not
exceeding 4 inches. Note that if the trace length between the PIIX4E and the IDE header exceeds 4
inches, the series resistors should be placed within 1 inch of the PIIX4E. The series termination
resistors are required in either design.
Figure 3-4. Series Resistor Placement for Primary IDE Connectors
PDD
[
15:0
]
PDDREQ
PDIOR#
PDIOW#
PIORDY
IRQ14
PDDACK#
PDA
[
2:0
]
PDCS1#
PDCS3#
33 ohm
33 ohm
33 ohm
33 ohm
1k ohm
33 ohm
33 ohm
22 - 47 ohm
22 - 47 ohm
470 ohm
5.6k ohm
5V
Reset#
Primary IDE Connector
CSEL
Pin32,34
74HCT14
RSTDRV
22 - 47 ohm
PIIX4E
N.C.
10K ohm
PDD7
v010
33 ohm

Intel
®
440GX AGPset Design Guide
3-22
Design Checklist
3.7.3 PIIX4E Power And Ground Pins
•Vcc, Vcc(RTC), Vcc(SUS), and Vcc(USB) must be tied to 3.3V.
•VREF must be tied to 5V in a 5V tolerant system. This signal must be power up before or
simultaneous to Vcc, and it must be power down after or simultaneous to Vcc. For the layout
guidelines, refer to the Pin Description section of the PIIX4E datasheet. The VREF circuitry
can be shared between 82443GX and the PIIX4E. If the circuitry is placed close to the PIIX4E,
then ensure that an extra 1uF capacitor is placed on the VREF pin of the 82443GX.
— STR support: For systems implementing STR support, a separate VREF circuit must be
used for each of the two devices since the PIIX4E Core and the 82443GX Host Bridge
should be supplied by the different power planes.
— No STR support: The VREF circuitry can be shared between 82443GX and the PIIX4E. If
the circuitry is placed close to the PIIX4E, then ensure that an extra 1uF capacitor is
placed on the VREF pin of the 82443GX.
•Use a Schottky diode in the VREF circuit for a minimum voltage drop from VCC3.3 to VREF
because there is an internal diode in parallel to the Schottky diode that does not have high
current capability. The Schottky diode will begin to conduct first, therefore carrying the high
current.
•VREF can be tied to Vcc in a non-5V tolerant system.
•Tie Vss and Vss(USB) to ground.
3.8 PCI Bus Signals
A specific board sensitivity has been identified that may result in a low going glitch on a deasserted
PCIRST# signal when it is lightly loaded. This glitch may occur as a result of VCC droop caused
by simultaneous switching of most/all AD[31:0] signals from 0 to 1. This glitch can in some
designs be low enough (below 1.7V) to interfere with proper operation of the Host PCI Bridge
Controller component.
This sensitivity manifests itself on designs where PCIRST# is lightly loaded with less than
approximately 50pF, or is not driving the entire PCI bus. Design features that could aggravate the
problem are; an in-line active component on the PCIRST# signal, such as an AND gate or, lack of a
series termination resistor on the PCIRST# signal at the PIIX4 or PIIX4E.
There are several improvements that can be implemented individually or in any combination. First,
a series termination resistor between 22 and 33 ohms placed close to the PIIX4/PIIX4E will help
reduce the glitch. Second, an external capacitor of approximately 47pF will help reduce the glitch.
Table 3-9. PIIX4E PWR & GND
VCC VCC(RTC) VCC(SUS) VCC(USB) VSS(USB) VSS
E9 F15 L16 N16 K5 J5 D10 L9-L12
E11 G6 R16 E7 M9-M12
E12 P15 E13
E16 R6 J9-J12
F5 R7 K9-K12
F6 R15
F14 T6

Intel
®
440GX AGPset Design Guide
3-23
Design Checklist
Third, if the design currently uses an in-line active gate/buffer on PCIRST# to drive the PCI bus,
consider removal of this gate/buffer entirely. The PIIX4/PIIX4E is designed to drive the entire PCI
bus.
3.9 ISA Signals
3.10 ISA and X-Bus Signals
•The PIIX4E will support a maximum of 5 ISA slots.
• XOE# and XDIR# are connected to the ULTRA I/O device.
•If internal RTC is used, RTCALE and RTCCS# are no connect or become general purpose
outputs by programming the General Configuration Register(GENCFG) in the Function 0,
offset B0h–B3h.
•The LM79 is connected to the X-Bus due to the functionality of the PGCS[1:0]# pins on the
PIIX4E.
Table 3-10. Non-PIIX4E PCI Signals
SIGNAL CONNECTION
ACK64#,
PERR#,
PLOCK#,
REQ64#
(5V PCI environment) 2.7K ohm pull-up resistors to 5V.
(3V PCI environment) 10K ohm pull-up resistors to 3.3V.
PERR# and PLOCK# can be connected together across PCI slots and pulled
up by single resistor.
Each REQ64# and ACK64# requires its own pull-up.
GNT[3:0]# Connected between PCI slots and 82443GX. 8.2K ohm pull-up to VCC3.
IDSEL lines to PCI connectors 100 ohm series resistor recommended per the PCI spec.
SBO#,
SDONE 5.6K ohm pull-up to VCC.
Table 3-11. Non-PIIX4E ISA Signals
SIGNAL CONNECTION
OSC1 Connected to CK100 through 22 ohm resistor.
RMASTER# 1K ohm pull-up to VCC.

Intel
®
440GX AGPset Design Guide
3-24
Design Checklist
3.11 USB Interface
•Contact your local Intel Field Sales representative for the following Application Note:
82371AB PIIX4 Application Note #1: USB Design Guide And Checklist Rev 1.1. This
document discusses details of the PIIX4/PIIX4E implementation of the Universal Serial Bus.
Included in the discussion are motherboard layout guidelines, options for USB connector
implementation, USB clocking guidelines and a design checklist.
•The AGP OVRCNT# pin should be pulled up with a 330K ohm resistor to 3.3V on the
motherboard to prevent this line from floating when there is no add-in card present.
3.12 IDE Interface
•Support Cable Select(CSEL) is a PC97 requirement. The state of the cable select pin
determines the master/slave configuration of the hard drive at the end of the cable.
•Primary IDE connector uses IRQ14 and the secondary IDE connector uses IRQ15.
•Layout - Proper operation of the IDE circuit depends on the total length of the IDE bus. The
total signal length from the IDE drivers to the end of the IDE cables should not exceed 18”.
Therefore, the PIIX4E should be located at close as possible to the ATA connectors to allow
the IDE cable to be as long as possible.
•Use ISA reset signal RSTDRV from PIIX4E through a Schmitt trigger for RESET# signals.
•IDEACTP# and IDEACTS# each need a 10K ohm (approximate) pull-up resistor to Vcc.
•There is no internal pull-up or down on PDD7 or SDD7 of the PIIX4E. The ATA3
specification recommends a 10K ohm pull-down resistor on DD7. Devices shall not have a
pull-up resistor on DD7. It is recommended that a host have a 10K ohm pull-down resistor on
PDD7 and SDD7 to allow the host to recognize the absence of a device at power-up. This pull-
down resistor allows the BIOS to recognize the absence of an IDE slave device. Without this
pull-down, some BIOSs may take up to 30 seconds to recognize that there is no slave device,
or some BIOSs may hang the system.
•If no IDE is implemented with the PIIX4E, the input signals (xDREQ and xIORDY) can be
grounded, and the output signals left as no connects. Unused ports can be tri-stated using the
General Configuration Register, address offset B0h–B3h, function 0.
Table 3-12. Non-PIIX4E IDE
Pin Connection
Pin 28 of IDE connector (CSEL) 470 ohm pull-down.
Pin 19, 2, 22, 24, 26, 30, 40 of both ATA connectors Tie to Ground.
Pin 20, 32, 34of both ATA connectors Leave as a NC.

Intel
®
440GX AGPset Design Guide
3-25
Design Checklist
3.13 Flash Design
3.13.1 Dual-Footprint Flash Design
New features are coming to the PC continue to increase the size of BIOS code, pushing the limits
of the 1 Mbit boundary. OEMs have already converted many PC designs to 2 Mbit BIOS and
higher, and more will follow. Since it is difficult to predict when BIOS code will exceed 1 Mbit,
OEMs should design motherboards to be flexible. Design in a dual-footprint on the motherboard
that accepts both Intel’s 1 Mbit flash chips and 2 Mbit boot block chips. This will make the 1M-to-
2M transition easier by removing the need for PCB changes to accommodate higher density
components. Intel provides various layout tools to help OEMs design in the dual-footprint. These
tools are available from Intel’s BBS, WWW (http://www.intel.com/design/flcomp/devtools/
flas4.html), and literature distribution center. Look for Application Note AP-623 Multi-Site Layout
Planning with Intel's Boot Block Flash Memory (Order #: 292178). This document provides
detailed information on flexible layouts. Shown below are three of the reference layouts that Intel
furnishes to customers. These layouts are described in AP-623 and are available electronically
(Gerber and Postscript formats). Note the small amount of extra board space needed to implement
the dual-footprint layouts.
3.13.2 Flash Design Considerations
The Intel’s flash devices (GX/BL/BV/B5) use an Address Transition Detection (ATD) mechanism
to improve their performance. When interfacing flash devices that employ the ATD mechanism, the
designer needs to make sure that the address transition time is not more than 10 ns while CE# is
active (low). If the address transition time is more than 10 ns invalid data can result on the data bus.
When flash devices are interfaced to the ISA bus they can be exposed to address transitions in
excess of 10 ns. Other types of interfacing considerations, specific to flash, can be referenced in
Application Note AP-636 “Preventing BIOS Failures Using Intel’s Boot Block Flash Memory”
(Order# 292192 or on WWW).
Figure 3-5. Dual Footprint Flash Layouts
PLCC32 to TSOP40 PLCC32 to PSOP44 PDIP32 to TDIP40

Intel
®
440GX AGPset Design Guide
3-26
Design Checklist
Following are general layout guidelines for using the Intel’s boot block flash memories
(28F001GX/28F002BC) in the system:
•If adding a switch on VPP for write protection, switch to GND instead of VCC.
•Connect the DU pin of the 2Mbit devices to GND if anticipating to use the Intel SmartVoltage
boot block flash memory family in the future.
•Use A16 inversion for 1Mbit devices and A17 inversion for 2Mbit devices to differentiate
between recovery and normal modes. For systems needing a 1Mb to 2Mb upgrade path, A16
can be used for both devices alleviating the need for a board redesign.
•Use a 0.01mf - 0.1mf ceramic capacitor connected between each Vcc and GND, and between
its Vpp and GND. These high frequency, inherently low inductance capacitors should be
placed as close as possible to the package leads.
Figure 3-6 illustrates the recommended layout for using Intel’s flash devices in desktop designs.
Simplified 2.7/3V/5V Design Considerations
Following are general layout guidelines for the Intel’s SmartVoltage/Smart 5 boot block flash
memory (2/4Mbit BV/B5) in 3V or 5V designs:
•Connect 2.7V, 3V or 5V to VCC and connect 5V or 12V to VPP (program/erase levels) for BV
devices.
•Connect 5V only to VCC and connect 5V or 12V to VPP (program/erase levels) for B5 devices.
•If adding a switch on VPP for write protection, switch to GND instead of VCC.
•Connect WP# to VCC, GND, or a general purpose output GPO[x] control signal. This pin
should not be left floating. WP# pin replaces a DU pin and is used in conjunction with the VPP
and RP# pins, as detailed in the table below, to control write protection of the boot block.
Figure 3-6. nterfacing Intel’s Flash with PIIX4E in Desktop
0.01uf
0.01uf
SD
[
7:0
]
XDIR#
XOE#
XD[7:0]
DIR
G
LS245
AB
SA16/
SA17
MEMW#
MEMR#
BIOSCS#
Vpp
RP#
Vcc
DU
Vcc
+12V
+12V Vcc
CE#
OE#
WE#
SA16/
SA17
1
2
3
1
2
3
1
2
3
1Mbit uses SA16
2Mbit uses SA17
J1
J2
J3
1Mbit/2Mbit
Flash
Mode J1 J2
Pro
g
ram 1-2 1-2
PnP 1-2 2-3
Non-PnP 2-3 x
J3
Mode POS
Recover
y
1-2
Normal 2-3
PIIX4
PIIX4E

Intel
®
440GX AGPset Design Guide
3-27
Design Checklist
(WP# pin not available on 8-Mbit 44-lead PSOP. In this package, treat as if the WP# pin is
internally tied low, effectively eliminating the last row of the table below.)
•Use either A16 or A17 inversion for both the 2Mbit or 4Mbit to differentiate between recovery
and normal modes.
•If migrating a BV design to the lower cost B5 device, Application Brief AB-65 “Migrating
SmartVoltage Boot Block Flash Designs to Smart 5 Flash” is available (Order#292194).
NOTES:
1. VPPLK is specified at 1.5V(maximum).
2. VIL is specified at logic low.
3. VIH is specified at logic high.
4. VHH is specified at 12V±5%.
•Use SUSA# to drive the flash RP# pin into the deep power-down mode when system is in the
suspend states.
•(SUSA# Alternative) Use system “POWEROK” or “POWERGOOD” signal to drive flash RP#
to keep device in deep power down during power-up only (write protection). For systems not
needing power saving modes.
•Connect BYTE# to GND for byte-wide mode operation if x16 device is used.
•Use a 0.01mf - 0.1mf ceramic capacitor connected between each Vcc and GND, and between
its Vpp and GND. These high frequency, inherently low inductance capacitors should be
placed as close as possible to the package leads.
•Add information on how BIOSCS# elevates the need for control logic and GPO[x] control on
WE#
•Add information on ISA load consideration and the reduction of the X-bus drivers/control
Figure 3-7 illustrates the recommended layout for Intel’s flash devices in desktop designs:
Table 3-13. Flash Vpp Recommendations
VPP RP# WP# Write Protection
VIL X X All Blocks Locked (Programming)
≥ VPPLK VIL X All Blocks Locked (All operations)
≥ VPPLK VHH X All Blocks Unlocked (All operations)
≥ VPPLK VIH VIL Boot Block Locked (Programming)
≥ VPPLK VIH VIH All Blocks Unlocked (All operations)

Intel
®
440GX AGPset Design Guide
3-28
Design Checklist
3.14 System and Test Signals
•8.2K ohm pull-up resistor is recommended on the TEST# pin of the PIIX4E.
3.15 Power Management Signals
•A power button is required by the ACPI specification.
•PWRBTN# is connected to the front panel on/off power button. The PIIX4E integrates 16msec
debouncing logic on this pin.
•All power button logic should be powered using 3VSB.
•PS_POK from the ATX connector goes to AC power loss circuitry. This circuitry allows
control of whether the PIIX4E will power up after a power loss or remain off. The PIIX4E
defaults to powering up the system, which may cause system model implementation issues.
This circuit allows the user/BIOS to determine what will happen when a system is plugged in.
See PIIX4E Application Note #7, System Power Control, for details.
•It is highly recommended that the PS_POK signal from the power supply connector not be
connected directly to logic on the board without first going through a Schmitt trigger input to
square-off and maintain its signal integrity.
•PS_POK logic from the power supply connector can be powered from the core voltage supply.
•RSMRST# logic should be powered by a standby supply, making sure that the input to the
PIIX4E is at a 3V level. The RSMST# signal requires a minimum time delay of 1 millisecond
from the rising edge of the standby power supply voltage. A Schmitt trigger circuit is
recommended to drive the RSMRST# signal. To provide the required rise time, the 1
millisecond delay should be placed before the Schmitt trigger circuit. The reference design
implements a 20ms delay at the input of the Schmitt trigger to ensure the Schmitt trigger
inverters have sufficiently powered up before switching the input. Also ensure that voltage on
RSMRST# does not exceed VCC(RTC). Refer to schematics for implementation details. If
Figure 3-7. Interfacing Intel’s Flash with PIIX4E in Desktop
0.01uf
0.01 uf
SD
[
7:0
]
SUSA#
GPO
[
x
]
SD[7:0]
SA
[
17:0
]
MEMW#
MEMR#
BIOSCS#
Vpp
RP#
Vcc
WP# Vcc
+5V
CE#
OE#
WE#
SA
[
17:0
]
2/4Mbit
BV/B5
Flash
BYTE#
DQ
[
7:0
]
DQ
[
14:8
]
N.C.
PIIX4
PIIX4E

Intel
®
440GX AGPset Design Guide
3-29
Design Checklist
standby voltage is not provided by the power supply, then tie PWROK signal on the PIIX4E to
the RSMRST# signal.
•If an 8.2K ohm resistor divider is used to divide the RSMRST# signal down to a 3V level for
input to the PIIX4E, the rise time of this signal will be approximately 170ns (based on the
input capacitance of the PIIX4E), which is within the maximum 250ns requirement of the
PIIX4E. It is important that if any other components are connected to RSMRST#, the resistor
divider values may need to be adjusted to meet a faster rise time required by the other devices
and increased loading. 3V driving devices, such as an 74LVC14 could also be used as a
replacement for the voltage divider.
•It is important to prevent glitches on the PWROK signal while the core well is being powered
up or down. To accommodate this, the reference schematics shows a pull-up resistor to 3VSB
in the last stage of this circuitry to keep PWROK from glitching when the core supply goes out
of regulation.
•All logic and pull-ups in the path of PWRGOOD to the CPU, and PWROK to the PIIX4E
(with the above exception) can be powered from the core supply.
•The PWROK signal to the chipset is a 3V signal.
•The core well power valid to PWROK asserted at the chipset is a minimum of 1msec.
•PWROK to the chipset must be deasserted a minimum of 0ns after RSMRST#.
•PWRGOOD signal to CPU is driven with an open collector buffer pulled up to 2.5V using a
330 ohm resistor.
•Below is a simplified diagram of the PWRGOOD and PWROK logic which is connected to the
CPU slots and PIIX4E respectively in a DP system. The circuitry checks for both slots
occupied, both CPU VRMs powered up, and the PS_POK signal from the ATX power supply
connector before asserting PWRGOOD and PWROK to the CPU and PIIX4E. A reset button
override pull-down is also included, causing the PWRGOOD and PWROK signals to get
deasserted when pressed.
•The following should be considered when implementing a RESET BUTTON for desktop
based systems:
Figure 3-8. PWRGOOD & PWROK Logic
A_SLOTOCC
B_SLOTOCC
VRM1_PWRGD
VRM2_PWRGD
ITP_RESET
ATX_PS_POK
Note: The polarities have
been altered to simplif
y
drawin
g
.
4.7K
VCC3
PWRGOOD to CPU
(
2.5V
)
PWROK to PIIX4E
(
3.3V
)
Simplified
PWRGOOD and PWROK
g
eneration lo
g
ic
v011

Intel
®
440GX AGPset Design Guide
3-30
Design Checklist
•The system reset button has typically been connected indirectly to the PWROK input of the
PIIX4/PIIX4E. This technique will not reset the suspend well logic, which includes the
SMBus Host and Slave controllers. To reset the hardware in the suspend well, the reset button
should be connected to the RSMRST# input of the PIIX4/PIIX4E. Assertion of RSMRST#,
via a reset button, will result in a complete system reset. RSMRST# assertion will cause
SUS[A-C]# to assert which results in the deassertion of PWROK if SUS[A:C]# controls the
power supply PS-ON control signal. The deassertion of PWROK will cause the PIIX4/PIIX4E
to assert PCIRST#, RSTDRV, and CPURST.
•In the reference schematics, 3VSB is generated from 5VSB on the power supply connector.
The Zener diode, MMBZ5226BL, acts as a voltage regulator which clamps the standby
voltage at 3.3V. The 0.1uF and 10uF caps are for noise decoupling and the 56 ohm series
resistor is used for current limiting. This Zener diode and 56 ohm resistor should be validated
to make sure the standby voltage is clamped to 3.3V. The series resistor may need to be tuned
based on the standby current requirements of the board. As the 3VSB is required to supply
more current, the voltage will drop slightly. Also note that the Zener being used requires
approximately 20mA to sustain 3.3V, however a different Zener diode requiring less current
may be used. Refer to the schematics for implementation details.
•RI# can be connected to the modem if this feature is used. To implement ring indicate as a
wake event, the source driving the RI# signal must be powered when the PIIX4E suspend well
is powered.
•SUSC# is connected to PS-ON (pin 14) of the power supply connector through an inverter to
control the remote-off function.
•PCIREQ[3:0]# is connected between the PIIX4E and the PCI bus. Bus master request are
considered as power management events.
•Connect SMBCLK and SMBDATA to 2.7K ohm (approximate) pull-up resistors to VCC3, and
route to all DIMM sockets, PIIX4E, CKBF, LM79, LM75, and MAX1617. The 2.7K pull-up
may not be sufficient for all these loads and their associated trace lengths. This needs to be
considered on a design by design basis.
•SMBALERT# is pulled up to 3VSB with an 8.2K ohm (approximate) resistor.
3.15.1 Power Button Implementation
The items below should be considered when implementing a power management model for a
desktop system. The power states are as follows:
S1 - POS (Power On Suspend - CPU context not lost)
S2 - POSCCL (Power On Suspend CPU Context Lost)
S3 - STR (Suspend To RAM)
S4 - STD (Suspend To Disk)
S5 - Soft-off
•Wake: Pressing the power button wakes the computer from S1-S5.
•Sleep: Pressing the power button signals software/firmware in the following manner:
•If SCI is enabled, the power button will generate an SCI to the OS.
•The OS will implement the power button policy to allow orderly shutdowns.
•Do not override this with additional hardware.
•If SCI is not enabled:
•Enable the power button to generate an SMI and go directly to soft-off or a supported sleep
state.

Intel
®
440GX AGPset Design Guide
3-31
Design Checklist
•Poll the power button status bit during POST while SMIs are not loaded and go directly to soft-
off if it gets set.
•Always install an SMI handler for the power button that operates until ACPI is enabled.
•Emergency Override: Pressing the power button for 4 seconds goes directly to S5.
•This is only to be used in EMERGENCIES when software is locked-up.
•This will cause user data to be lost in most cases.
•Do not promote pressing the power button for 4 seconds as the normal mechanism to power
the machine off - this violates ACPI.
•To be compliant with the latest PC97 Specification, machines must appear off to the user when
in the S1-S4 sleeping states. This includes:
•All lights except a power state light must be off.
•The system must be inaudible: Silent or stopped fan; drives are off.
•Note: Contact Microsoft* for the latest information concerning PC97 and Microsoft* Logo
programs.
3.16 Miscellaneous
•The 32 kHz oscillator is always required by the PIIX4/PIIX4E, even if the internal RTC is not
used. Also, if the internal RTC in the PIIX4/PIIX4E is not used, an on board battery is not
required at the PIIX4/PIIX4E, but is required for an external implementation of the RTC (e.g.,
RTC in the Super I/O). In this case, connect VCC(RTC) pin of the PIIX4/PIIX4E directly to
3VSB voltage.
•With the exception of GPI1, all unused GPIx inputs on the PIIX4E should be tied high through
pull-up resistors (8.2K ohm - 10K ohm) to a power plane. Tying directly to the power plane is
also acceptable. GPI1, if not used, should be tied to 3VSB through an 8.2K ohm resistor. If
GPI1 is left floating, this will violate ACPI compliance by preventing the GPI_STS bit
(register base + 0Ch, bit 9) from functioning properly. Note that GPI1 is tied to the resume
well.
•To maintain RTC accuracy, the external capacitor values for the RTC crystal circuit should be
chosen to provide the manufacturer’s specified load capacitance for the crystal when combined
with the parasitic capacitance of the trace, socket (if used), and package, which can vary from
0pF to 8pF. When choosing the capacitors, the following equation can be used:
Specified Crystal Load = (Cap1 * Cap2)/(Cap1 + Cap2) + parasitic
capacitance
•The reference board uses 18pF capacitors and an Ecliptek EC38T crystal, which has a
specified load of 12.5pF.
•When the PIIX4/PIIX4E internal RTC is used, ensure that the VBAT pin of the SMC Ultra IO
device, FDC37932FR, is connected to ground through a pull-down resistor between 1K and 0
ohms. Consult your IO device vendor for implementation guidelines for this or other IO
devices.
•Recommendations for New Board Designs to minimize ESD events that may cause loss of
CMOS contents:
— Provide a 1uF X5R dielectric, monolithic, ceramic capacitor between the VCCRTC pin of
the PIIX4/PIIX4E and the ground plane. This capacitor’s positive connection should not

Intel
®
440GX AGPset Design Guide
3-32
Design Checklist
be stubbed off the trace run and must be as close as possible to the PIIX4/PIIX4E. The
capacitor must be no further than 0.5 inch from the PIIX4/PIIX4E. If a stub is required, it
should be kept to a few mm maximum length. The ground connection should be made
through a via to the ground plane, with no or minimal trace between the capacitor pad and
the via.
— Place the battery, 1K Ohm series current limit resistor, and the common-cathode isolation
diode very close to the PIIX4/PIIX4E. If this is not possible, place the common-cathode
diode and the 1K Ohm resistor as close to the 1uF capacitor as possible. Do not place
these components between the capacitor and the PIIX4. The battery can be placed
remotely from the PIIX4/PIIX4E.
— On boards that have chassis-intrusion utilizing external logic powered by the VCCRTC
pin, place the inverters as close to the common-cathode diode as possible. If this is not
possible, keep the trace run near the center of the board.
— Keep the PIIX4/PIIX4E VCCRTC trace away from the board edge. If this trace must run
from opposite ends of the board, keep the trace run towards the board center, away from
the board edge where contact could be made by people and equipment that handle the
board.
•Recommendations for Existing Board Designs to minimize ESD events that may cause loss of
CMOS contents:
— The effectiveness of adding a 1uF capacitor, as identified above, needs to be determined
by examining the routing and placement. For example, placing the capacitor far from the
PIIX4 reduces its effectiveness.
3.17 82093AA (IOAPIC)
•An I/O APIC is required for a DP system and is optional for a UP system.
•The I/O APIC is a 5V device. All Vcc pins must be connected to 5V. Pins 19, 51 and 64 are 5V
power, and pins 1, 33 and 52 are ground pins.
•APICCLK may be at 2.5V, 3.3V or 5V levels. If it is shared with the Slot 1 PICCLK then it
must be 2.5V. The maximum frequency is 16.666 MHz while the minimum is 14.3 MHz.
•APICACK2# (pin 8) - This pin is connected to the Intel® 440GX AGPset WSC# signal.
•CLK is compatible with 2.5V, 3.3V or 5V input levels. It is typically connected to the APIC
clocks that are 2.5V. The maximum frequency is 33 MHz while the minimum is 25 MHz.
•SMI support - The option to route SMI through the IOAPIC in a Dual-Processor system is not
recommended due to timing constraints between the PIIX4E and the Slot 1 processors.
•RTC Alarm Interrupt - When an IOAPIC is enabled, the IRQ8# output signal on the PIIX4E
reflects the state of IRQ8. IRQ8# resides in the PIIX4E suspend well and connects to INTIN8
on the IOAPIC. If the system is put in a STD or SOFF state, the PIIX4E will continue to drive
IRQ8 to the IOAPIC which could damage the IOAPIC if it is not powered. For this reason a
74LVC125 buffer is included in the schematics to isolate the IOAPIC's INTIN8 signal from the
PIIX4E's IRQ8# signal when the system is suspended.
•System Timer Interrupt - When an IOAPIC is enabled, the PIIX4E IRQ0 output signal reflects
the state of the system timer interrupt. This signal should be connected to INTIN2 on the
IOAPIC, with no pull-up.
•SCI and SMB Interrupts - The IRQ9OUT# output signal on the PIIX4E reflects the state of the
internally generated IRQ9 interrupt. The SCI and SMB interrupts are hardwired to IRQ9 in the

Intel
®
440GX AGPset Design Guide
3-33
Design Checklist
PIIX4E. For ACPI compliance, this signal must be connected to the IOAPIC. There are two
different routing options:
— INTIN9: IRQ9OUT# can be connected to INTIN9 on the IOAPIC. The ACPI BIOS will
report to the OS that the SCI uses IRQ9 for both PIC and APIC enabled platforms.
However, for this solution ISA IRQ9 must be left unconnected. The could create an ISA
legacy incompatibility with ISA cards that must only use IRQ9. Note that this conflict
exists in all PIC enabled systems. The PIIX4E automatically masks ISA IRQ9 when
SCI_EN is set.
— INTIN20 - INTIN22: IRQ9OUT# can be connected to any available IOAPIC interrupt
(e.g. INTIN20-INTIN22 or INTIN13). This solution eliminates the IRQ9 ISA legacy
conflict described in the INTIN9 routing option. However, this routing option creates a
new issue. The ACPI BIOS needs to report to the OS which interrupt is used to generate
an SCI. In a PIC enabled OS (like Windows 98*) the platform would use the PIIX4E
internal IRQ9. In an APIC enabled OS (like NT) the platform would use INTIN20, for
example. The ACPI BIOS has the job of telling the OS which one to use, but the BIOS
does not know which OS will load. If the platform only supports an APIC enabled OS
(Windows NT*-only) there is no issue since the BIOS will just report IRQ20. If the
platform needs to support both PIC and APIC operating systems (NT & Windows 98*),
the BIOS will require a setup screen option that selects between APIC OS (IRQ20) and
PIC OS (IRQ9) so the BIOS can properly report to the OS which interrupt is assigned to
the SCI.
•The SMI# signal from the PIIX4/PIIX4E should be connected directly to both processors in a
DP system. The option to generate an SMI using the SMIOUT# signal from the IOAPIC is not
recommended because of timing delays through the IOAPIC.
3.18 Manageability Devices
3.18.1 Max1617 Temperature Sensor
•Sensing temperature on the Slot1 processor is provided by the THRMDP# and THRMDN#
signals. These are connected to a thermal diode on the processor core.
•Consult the MAX1617 data sheet for the manufacturer’s specifications and layout
recommendations for using this device.
•D+ and D- are used to connect to the Slot 1 pins B14 and B15 respectively. The MAX1617
measures changes in the voltage drop across the diode and converts the drop into a temperature
reading. An external NPN transistor, connected as a diode may be used on an external cable as
well.
3.18.2 LM79 Microprocessor System Hardware Monitor
•Consult the LM79 data sheet for the manufacturer’s specifications and recommendations for
using this device.
•ISA bus interface signals allow access to internal status and control registers such as POST
codes and RAM which stores A/D information. The LM79 internal registers are accessed by
writing a register offset value to IO address 05h followed by a read of IO address 06h.
•VID[4:0]: These inputs allow storage of the voltage identification pin bits for Intel® Pentium®
II processors to allow the BIOS to record voltage specification variations.
•Fan inputs can be used with system fans having tachometer outputs.

Intel
®
440GX AGPset Design Guide
3-34
Design Checklist
•Analog inputs feed inverting op-amp stages, useful for monitoring power supply regulation.
•The LM79 is a 5V part, however SMBus requires a 3.3V interface. Level translation circuitry
is required. See the reference schematics for an example circuit.
•CHASSIS_INTRU and FAN3 are pulled down and SMI_IN# is pulled up with 10K ohm
resistors.
•The LM79 is connected to a programmable chip select on the PIIX4E. This assumes that the
LM79 is tied to the X-Bus. See PIIX4 Datasheet for more details.
3.18.3 82558B LOM Checklist
•Refer to Application Note # 383, Intel 82558 LAN on Motherboard Design Guide, for
recommended PHY conformance testing (i.e., IEEE testing) and additional LOM design
details.
•The PWR_GOOD circuitry (shown in Ap-Note 383) should be implemented if the power
supply dose not provide this signal.
•Additional logic is needed to ensure that at least 4 clock cycles occur between ALTRST# and
ISOLATE# assertion.
•The distance between “Magnetics” (i.e., Cat-3 or Cat-5 wire) and RJ-45 connector should be
kept to less than one inch.
•Symmetrical 100 ohm traces should be used (differential impedance) for TDP/TDN and RDP/
RDN.
•The 82558 requires decoupling on the power pins. At minimum, 3 capacitors
(2 x 0.1uF and 1 x 4.7uF) should be implemented on each side.
•High speed traces between the 82558 to magnetic or magnetic to RJ45 should be routed
between layers to protect from EMI.
Pull-up resistors and values are recommended for the following pins:
Pull-down resistors and values are recommended for the following pins:
Pin Number Pin Name Resistor Value Comment
15 ZREF 10K (5%) Required in both A and B stepping designs
Pin Number Pin Name Resistor Value Comment
30 TEST 1K (5%)
153 FLD4 10K (5%) Not required for B-stepping designs
154 FLD3 10K (5%) Not required for B-stepping designs
171 RDP 49.9 (1%)
172 RDN 49.9 (1%)
180 VREF 220 (5%)
181 RBIAS10 768 (1%)
182 RBIAS100 634 (1%)
187 TDN 49.9 (1%)
204 AUXPWR# 220 (5%)

Intel
®
440GX AGPset Design Guide
3-35
Design Checklist
3.18.4 Wake On LAN (WOL) Header
•A 3-pin WOL header interconnects the NIC and motherboard, and requires a 5VSB to pin1.
•The WOL supports the MP_Wakeup pulse, allowing it to turn on the system via a signal pulse.
The LID input on the PIIX4E requires a 16ms debounce signal.
•The MP_Wakeup signal, to the PIIX4E LID pin, requires a 5V to 3V translation. NOTE: The
LID pin will be configured as an active high signal through BIOS for this specific
implementation. If other logic is used for the 5V to 3V translation, make sure BIOS configures
the LID pin appropriately.
•Maximum current provided by the power supply should be no less than 600mA.
•BIOS support for boot-from-LAN (BIOS Boot Spec), if required.
•See Wake on LAN* Leader Recommendations (order number 712940)
3.19 Software/BIOS
See the Intel® Pentium® Pro Processor BIOS Writers Guide for details regarding the following
responsibilities of the BIOS.
•The Intel® Pentium® II processor L2 cache must be initialized and enabled by the BIOS.
•The BIOS must load the BIOS Update to the Intel® Pentium® II processor as early as possible
in the POST during system boot up. The BIOS update signature mechanism should be used to
validate that the BIOS Update has been accepted by the processor.
•It is recommended that the BIOS implement the minimum update API interface to allow the
BIOS Update stored in BIOS to be updated. Of the two Intel-defined update APIs, it is
recommended that the full real mode INT15h interface be implemented. An API calling utility
and test tool is available for this interface. Contact your local Intel Field Sales representative
for a copy.
•Before starting a Flash update routine, use the MTRRs to disable caching, or only allow WT
mode. This prevents a WBINVD instruction from writing stale data to the Flash memory.
•MTRR 6 & 7 must be left unprogrammed and are reserved for Operating System use.
3.19.1 USB and Multi-processor BIOS
•Initialize the USB function properly in the PIIX4E component, if USB connectors are
provided.
•Enable USB interrupt routing to one of the IRQ inputs. This should be set to Level Trigger
Mode.
•When running Virtual-Wire mode, configure this through the I/O APIC. See page 3-10 of the
MultiProcessor Specification 1.4.
•DP systems must construct an MPS table, see the MultiProcessor Specification 1.4 for details.

Intel
®
440GX AGPset Design Guide
3-36
Design Checklist
3.19.2 Design Considerations
•For UP systems to support both the current Intel® Pentium® II processor and future
processors, it is highly recommended that storage space for two (or more) BIOS Updates be
provided. This will allow manufacturing flexibility to install either processor, the BIOS should
detect the processor and load the correct BIOS Update.
•For DP systems, it is recommended that storage for two (or more) BIOS Updates be reserved
for the case where two different steppings of Slot 1 processors are installed. This will allow
both processors to have BIOS Updates applied.
3.20 Thermals / Cooling Solutions
•For the Intel® Pentium® II processor, an adequate heat sink and air ventilation must be
provided to ensure that the processor TPLATE specification documented in the datasheet is
met. See the Intel® Pentium® II Processor Power Distribution Guidelines, and Intel®
Pentium® II Processor Thermal Design Guidelines for thermal design information.
•For the Boxed processor, the system must have adequate air ventilation to ensure that the air
intake temperature to the fan/heatsink is less than the maximum allowable fan preheat
temperature (TPH) at the system maximum ambient temperature, measured 0.3” above the
center of the fan. See the Intel® Pentium® II Processor Datasheet for the TPH Specification.
•Verify that all major components, including the 82443GX can be cooled the way they are
placed. Contact your local Intel Field Sales representative for the following Application Note:
FW82443BX/FW82443GX PCI/AGP Controller Application Note #2: Thermal Design
Considerations. This thermal application note contains thermal specifications, thermal
solutions and the thermal test methodology for the 82443GX component.
3.20.1 Design Considerations
•Could anything block the air flow to or from the processor card (I/O cards, VRM etc.)?
•Is there anything between the processor and the air intake that may preheat the air flowing into
the fan/heatsink?
•If a system fan (other than the power supply fan) is used, have all recirculation paths been
eliminated?
•What is the air flow through the PSU/system fan?
•What is the maximum ambient operation temperature of the system?
3.21 Mechanicals
•For the Intel® Pentium® II processor: The physical space requirements of the processor must
be met. See the Intel® Pentium® II Processor Datasheet for details.
•For the Intel® Pentium® II processor: The physical space requirements of your heat sink must
be met.
•For the Boxed processor: The physical space requirements of the Boxed Intel® Pentium® II
Processor processor fan/heatsink must be met. See the Intel® Pentium® II Processor Datasheet
for details.

Intel
®
440GX AGPset Design Guide
3-37
Design Checklist
3.21.1 Design Considerations
•The Intel® Pentium® II processor retention mechanism, retention mechanism attach mount
and heat sink support is an optional support structure for retaining the Slot 1 processor in the
system during shock and vibration situations. If these Intel enabled retention solutions are
used, the motherboard keep out zones and mounting hole requirements must be met. See the
Intel® Pentium® II Datasheet for details.
•The Boxed Intel® Pentium® II processor requires the implementation of the heatsink support
holes for the heatsink support structure as defined in the Intel® Pentium® II Datasheet to
properly support the Boxed Intel® Pentium® II processor fan/heatsink.
3.22 Electricals
3.22.1 Design Considerations
•It is recommended that simulations be performed on the GTL+ bus to ensure that proper bus
timings and signal integrity are met, especially if the layout guideline recommendations in this
document are not followed.
•It is recommended that simulations be performed to ensure proper timings and signal integrity
is met, especially if the non GTL+ (CMOS) layout guideline recommendations in this
document are not followed.
•Verify the voltage range and tolerance of your VRM or onboard regulator adequately cover the
VccCORE requirements of the Slot 1 processor(s) is supported.
•Verify the maximum current value your VRM or on board regulator can support at VccCORE.
This should meet the value specified by the VRM 8.2 DC-DC Converter Specification.
•Verify the voltage tolerance of your VRM or on board regulator at VccCORE. This should meet
the value specified by the VRM 8.2 DC-DC Converter Specification.
•Adequate 5V and/or 3.3V decoupling should be provided for all components.
•VREF for the AGPset should be decoupled to VTT with 0.001mF capacitors at each voltage
divider. It should be decoupled to ground, to ensure an even better solution.
•It is recommended that AC/DC analysis be performed to determine proper pull-up and pull-
down values.

Intel
®
440GX AGPset Design Guide
3-38
Design Checklist
3.23 Layout Checklist
3.23.1 Routing and Board Fabrication
•VRM 8.2 Support: Is the VccCORE trace/power plane sufficient to ensure VccCORE meets
specification. See the Intel® Pentium® II Datasheet for trace/power plane resistance and length
requirements.
•VTT should be routed with at least a 50 mil (1.25mm) wide trace.
•VREF traces should be isolated to minimize the chance of cross-talk.
•VccCORE from the voltage regulator to Slot 1 should be an “island” as opposed to a trace.
•Decoupling capacitor traces should be as short and wide as possible.
•GTL+ signals should follow the layout guidelines, see AP-524 Intel® Pentium® Pro Processor
GTL+ Layout Guidelines for further information. If the recommendations are not followed,
simulations should be been run using the actual layout.
•GTL+ lines should be spaced as far apart as possible (at least 10 mils). Running GTL+ signals
closer together (5 mils) for less than 1” (2.5cm) is acceptable.
•There should be no CMOS/TTL signals running parallel to GTL+ signals. If they must run in
parallel, separate them on different layers with a well decoupled power or ground plane. If they
must run parallel on the same layer, then separate the traces by a minimum of 25 mils.
•Proper operation of the IDE circuit depends on the total length of the IDE bus. The total signal
length from the IDE drivers (PIIX4E pins) to the end of the IDE cables should not exceed 18”.
Therefore, the PIIX4E should be located at close as possible to the IDE headers to allow the
IDE cable to be as long as possible.
3.23.2 Design Consideration
• The BCLK trace to the ITP562 connector is not required to have a matched trace length to the
other BCLK signals to the Slot 1 connector or AGPset.
3.24 Applications and Add-in Hardware
3.24.1 Design Consideration
•See the MMX™ Technology Developer’s Guide for information on the definition and use of
Intel’s MMX™ technology instruction set extension. This guide provides optimization
guidelines for developers of software utilizing the performance enhancement the instruction
set offers.
•Contact your local Intel field sales representative for information on IHVs and ISVs utilizing
Intel’s MMX™ technology.
•Contact your local Intel Field Sales representative for information on utilizing Intel’s latest
AGP technology.

4
Debug
Recommendations


Intel
®
440GX AGPset Design Guide
4-1
Debug Recommendations
Debug Recommendations
4
This chapter provides tool information, logic suggestions, technical support options and a summary
of the problems which have been found to be associated with system debug. Although not
comprehensive in scope, the recommendations are included to preclude unnecessary expenditures
of time and effort during the early stages of debug. While the methodologies suggested are those
which Intel believes are most likely to be successful, they are not a substitute for correct design
practices nor are they a substitute for other Intel references.
4.1 Slot 1 Test Tools
The Slot 1 Test Kit, consists of the following test tools:
•The Slot 1 Electrical/Mechanical/Thermal (EMT) Test Tool, which provides mechanical,
thermal and voltage transient testing capabilities
•The Slot 1 Continuity Test Tool (CTT), which provides continuity testing capabilities for the
Slot 1 connector.
See the Slot 1 Test Kit User’s Guide for more information on these tools.
4.2 Debug/Simulation Tools
4.2.1 Logic Analyzer Interface (LAI)
Logic analyzer interface modules provide a way to connect your logic analyzer to signals on the
processor system bus. They are available from two logic analyzer vendors:
•Hewlett-Packard Co. for their HP-16500B* series logic analyzers. Contact your local Field
Sales representative to set up a three way non-disclosure agreement to begin discussions with
Hewlett-Packard on their product. This product is purchased directly from Hewlett-Packard.
•Tektronix for their DAS/NT*, DAS/XP*, and TDS 700 series logic analyzers. Contact your
local Field Sales representative for availability of the LAI565T interface module for the Intel®
Pentium® II processor from Intel. The LAI562T interface module is designed for the Intel®
Pentium® II processor. The DAS* software is available directly from Tektronix.
Contact your local Intel Field Sales representative to complete the proper non-disclosure agreement
required to receive the LAI.
4.2.2 In-Target Probe (ITP)
The ITP565 provides a software debug capability allowing the setting/clearing of hardware/
software breakpoints, assembly/disassembly of code, display/modification of the processor register
set, display/modification of system memory, display/modification of I/O space and includes a
macro language for custom debug procedure creation, etc. Contact your local Field Sales
representative for availability of this tool from Intel.

Intel
®
440GX AGPset Design Guide
4-2
Debug Recommendations
Contact your local Intel Field Sales representative to complete the proper software license
agreement and non-disclosure agreement required to receive the ITP.
4.2.3 Bus Functional Model (BFM)
A bus functional model for the Intel® Pentium® II processor system bus is available from third
party vendors and requires a special non-disclosure agreement. Contact your local Intel Field Sales
representative for information on the bus functional model vendors and to complete the appropriate
non-disclosure agreements.
4.2.4 I/O Buffer Models
IBIS Models are available from Intel for:
•Intel® Pentium® II processor (QUAD only, IBIS models TBD)
•82443GX IBIS Models
•PIIX4E PCI ISA IDE Xcelerator IBIS Models
Contact your local Intel Field Sales representative for a copy of these models and to complete the
appropriate non-disclosure agreements.
4.2.5 FLO
THERM
* Model
A FLOTHERM* Model is available for the Intel® Pentium® II processor.
4.3 Debug Features
These suggestions are for debug purposes only on initial prototype systems, and are not required
for production level systems. Some of these features may be desirable test functions that you may
incorporate onto production boards.
4.3.1 Intel® Pentium® II Processor LAI Issue
Note: If the LAI562 tool is not being used, this issue can be ignored. However, be aware that if you send
a system to Intel for debug, the absence of the required workarounds will prohibit
debugassistance from Intel.
To maintain backward compatibility with Intel® Pentium® II processor, Intel suggests the
following circuitry to be considered. The LAI562 integration tool has been designed such that an
extra load will be presented on the CMOS signals connected to the Slot 1 connector. The following
list of signals are affected:
PREQ#, TCK, TDI, TDO, TMS, TRST#, INIT#, FLUSH#, STPCLK#, PICCLK, PICD[1:0]#,
LINT[0]/INTR, LINT[1]/NMI, IERR#, SMI#, PWRGOOD, THERMTRIP#, SLP#, FERR#,
IGNNE# and A20M#.
Figure 4-1 describes the CMOS probe signals of the LAI562.

Intel
®
440GX AGPset Design Guide
4-3
Debug Recommendations
The extra loading of the LAI562 requires stronger pull-up values on the target system. However,
due to the current limitations of some signal drivers, this stronger value may not be feasible.
Calculation of the correct pull-up resistor value for each of the CMOS signals should include a load
analysis based on the pull-up voltage, pull-up voltage tolerance, pull-up resistor tolerance, V IH and
V IL specifications, driver current rating, input current leakage, input timings, etc. The resulting
values may conflict.
As a result of the extra loading the following compromise pull-ups to Vcc 2.5 are recommended.
The actual value required by your system may vary depending on the logic connected and the drive
strength of the signal to the Slot 1 connector.
Inputs to the Slot 1 connector from the ITP562 Port:
•PREQ# 150 - 330 ohm
•TDI 150 - 330 ohm
•TMS, TCK 1 Kohm
•TRST# 470 - 680 ohm
(
A pull-down is recommended but a pull-up ma
y
be used
)
Inputs to the Slot 1 connector from the PIIX4E:
•STPCLK# 430 ohm
•SMI# 430 ohm
•SLP# 150 - 330 ohm
Outputs from the Slot 1 connector:
•TDO 150 ohm
•THERMTRIP# 150 - 220 ohm
•FERR# 150 - 220 ohm
Figure 4-1. LAI Probe Input Circuit

Intel
®
440GX AGPset Design Guide
4-4
Debug Recommendations
Inputs to the Slot 1 connector, from system logic (assuming a 14mA driver):
•PWRGOOD 150 - 330 ohm
•INIT# 150 - 330 ohm
•LINT
[
0
]
/INTR 150 - 330 ohm
•LINT
[
1
]
/NMI 150 - 330 ohm
•IGNNE# 150 - 330 ohm
•A20M# 150 - 330 ohm
Bi-directional signal to/from the Slot 1 connector:
•PICD
[
0
]
# 150 ohm
•PICD
[
1
]
# 150 ohm
Inputs to the Slot 1 connector, only pull-up:
•FLUSH# 510 ohm
4.3.2 Debug Logic Recommendations
Debug Recommendations are intended to assist in the development of the Intel® Pentium® II
processor system and products utilizing it. The following are strongly recommended for early
prototype designs only.
•Provide a push button reset circuit, do not rely on power-on reset from the power supply. A
push-button reset usually results in more repeatable results when debugging initialization
problems.
•Include a Intel® Pentium® II processor debug port connector. Intel cannot provide debug
assistance without this connection. See the Integration tools chapter of the processor
datasheet for schematics and a signal checklist. Be sure it is the proper 0.050” x .100”
(1.27mm x 4mm) spacing connector.
•Provide the capability to measure the processor’s case temperature (Tplate) to ensure that the
maximum temperature specification per processor Intel® Pentium® II Processor Datasheet.
•Place an SMA style (or similar) coaxial connector on the power plane between the VRM
Header or on board voltage regulator and Slot 1 connector so that power plane noise can be
monitored on systems. Note: an SMA to BNC cable for an oscilloscope may be needed as
well. This component would only be placed during design evaluation.
•For DP systems, an empty Slot 1 connector is not allowed because one end of the bus
termination would be missing.
•The ITP565 requires a complete boundary scan chain. For a DP system It is recommended
that jumpers be placed on the motherboard to allow the boundary scan chain to bypass an
“empty processor slot”.
•TRST# must be driven low during reset to all components with TRST# pins. Connecting a
pull-down resistor to TRST# will accomplish the reset of the port.

Intel
®
440GX AGPset Design Guide
4-5
Debug Recommendations
4.3.2.1 Debug Considerations
•As technology drives better low power modes, the VccCORE current demand could approach 0
Amps. This may cause a regulator to go out of regulation. Place pads for a load resistance on
the VccCORE regulator in the event the regulator cannot approach 0 Amps.
•After meeting the guidelines in the Intel® Pentium® II Processor Datasheet, add as many extra
high frequency and bulk decoupling capacitance sites as will fit near the processor slot.
•Intel recommends using industry standard Voltage Regulator Modules designed for the
processor. However, previous VRM modules may not support future processors for Slot 1
unless built to VRM 8.2 specifications..
4.3.3 Debug Layout
•Pay close attention to the keep out zones for the Logic Analyzer Interface (LAI). These keep
out zones are required to ensure that the LAI can be installed within a system.
4.3.3.1 Design Considerations
•Plan as much space as possible for the Intel® Pentium® II processor(s). This will allow for
additional cooling or other requirements for early Intel® Pentium® II processor(s).
4.3.4 Debug Procedures
•When using an ITP565 In-Target Probe for the processor a common error is that the boundary
scan chain order in the ITP565.INI input file is not correct. Check the file to ensure that the
scan chain connections on your motherboard match the order provided the tool in this file.
This file needs to change based on what components are in the boundary scan chain. In DP
systems, the processor with PREQ0# and PRDY0# is considered processor 0, even if it is not
the first one in the chain. Processor 0 should be placed in its proper place in the order.
•TCK noise may limit ITP speed or cause functional problems. Observe this signal with an
oscilloscope. The TCK speed may be changed from 10MHz to 1250Hz using the keyword,
TCLK = “value”, in the [Debug Port] section of the ITP565.INI file. See the ITP HELP menu
“Changing the TCLK Signal Frequency” for the valid values. If you are having difficulty
initializing the ITP562, try slowing TCK.
•ITP macros are available for the Intel® 440GX AGPset to assist in debugging your system. A
number of macros are provided (e.g., utilities to read/write any PCI configuration register) a
macro display POST codes and stop on a specified code, macros to dump the 82443GX and
PIIX4E register sets as well as processor specific registers, etc.
•TDO out of each processor should have a 150 Ω pull-up. PICD0# and PICD1# should each
have a 150Ω pull-up (IERR# might be asserted during the APIC/MP message generation if an
insufficient pull-up is used.).
•Watch out for incorrect clock voltages. BCLK, TCK, and PICCLK are all Vcc2.5 signals.
•PICCLK must be driven even if APIC is not used. The APIC bus executes MP initialization
even in a uni-processor system.
•APIC may be disabled in BIOS for initial debug by clearing bit 11 in the APIC base MSR
(1Bh).
•Be sure boundary scan chains are properly reset using the TRST# pin of each device in the
debug port chain.

Intel
®
440GX AGPset Design Guide
4-6
Debug Recommendations
•The Global Descriptor Table (GDT) must be aligned. The GDT must be located on a DWord
boundary, or else setting the PE bit and branching will cause a SHUTDOWN transaction.
•The ITP “pins” command may be used to check reset configuration pin states. Be aware,
however, that observing pin state during reset will not reveal anything about the stability or
timing of the configuration signals around the reset edge.
•You can expect the following processor system bus activity after reset: BNR# stops toggling
approximately 2.8 million BCLKs after the deassertion of RESET#, if BIST is not configured
to run. If BIST is configured to run, BNR# will continue to toggle until BIST completion.
After BNR# stops toggling, the PICD[1:0]# signals begin the MP initialization to determine
the bootstrap processor. In a single processor boot, two 21-cycle short messages are
transmitted on the APIC. (Refer to the Intel® Pentium® Pro Family Developer’s Manual, Vol.
III). The following fields are expected and all others are “don’t care.” Note that PICD[1:0]#
are active low so the pin electrical levels will be the complement of the numbers presented
here.
Interrupt Vector = 0x4N for the first cycle and 0x1N for the second cycle.
Where “N” is the processor number
DM = 0, D3-D0 = 1111 (all including self shorthand)
Trigger Mode = 1 (edge)
Level = 0 (deasserted)
Delivery Mode = 000 (fixed)

5
Third Party Vendors


Intel
®
440GX AGPset Design Guide
5-1
Third-Party Vendor Information
Third-Party Vendor Information
5
This design guide has been compiled to give an overview of important design considerations while
providing sources for additional information. This chapter includes information regarding various
third-party vendors who provide products to support the Intel® 440GX AGPset. The list of vendors
can be used as a starting point for the designer. Intel does not endorse any one vendor, nor
guarantee the availability or functionality of outside components. Contact the manufacturer for
specific information regarding performance, availability, pricing, and compatibility.
5.1 Processors
Table 5-1. Slot 1 Connector
Supplier Contact Phone
AMP Incorporated Mike Mullen 717-592-2352
Framatome Connectors Leonard Dore 717-767-8006
Foxconn (USA) Julia Jiang 408-749-1228, x232
Hon Hai Precision Ind. Co. LTD. (Taiwan) Jack Hou 886-2-268-3466, x376
Molex Jim McGrath 708-527-4037
Table 5-2. Retention Mechanism, Retention Mechanism Module Attach Sink Suppor
Supplier Contact Phone
AAVID Thermal Products, Inc. Chapman 603-223-1721
AMP Incorporated Mike Mullen 717-592-2352
Foxconn (USA) Julia Jiang 408-749-1228, x232
Hon Hai Precision Ind. Co. LTD. (Taiwan) Jack Hou 886-2-268-3466, x376
InteSys Technologies, Inc Steve Daniggelis 602-497-3178
Molex Jim McGrath 708-527-4037
Table 5-3. GTL+ Bus Slot 1 Terminator Cards
Supplier Contact Phone
AMP Incorporated Ron Mcdowell 717-592-3468

Intel
®
440GX AGPset Design Guide
5-2
Third-Party Vendor Information
5.1.1 Voltage Regulator Modules
The following vendors are developing DC-DC converter modules for Intel® Pentium® II processor
voltage and current requirements per the VRM 8.2 DC-DC Converter Design Guidelines.
5.1.2 Voltage Regulator Control Silicon
The following vendors are developing DC-DC converter silicon and reference designs for Intel®
Pentium® II processor voltage and current requirements. Generally, VRM 8.1 (5-bit VID) control
silicon supports VRM 8.2 requirements.
Table 5-4. Voltage Regulator Modules
Supplier,
Intel CNDA Contact Phone
Celestica Dariusz Basarab 416-448-5841
Corsair Microsystems John Beekley 408-559-1777
Delta Electronics
North America: Delta Products Corp.
Colin Weng
Maurice Lee
886-2-7164822, x233
(Taiwan)
510-770-0660, x111
LinFinity Andrew Stewart 714-372-8383
Raytheon Hubert Engle Brechten 415-962-7982
Semtech
European CNDA Alan Moore 805-498-2111, x291
VXI Electronics Joe Chang 503-652-7300
Astec Tichard To 852-2411-7429
Switch Power Jeff Van Skike 408-871-2400
Table 5-5. Volta
g
e Re
g
ulator Control Silicon Vendors
Supplier,
Intel CNDA Contact Phone
Cherry Semiconductor Barbara Gibson 401-886-3895
Elantee Steve Sacarisen 408-945-1323, x345
Harris Dean Henderson 919-405-3603
International Rectifie Chris Davis 310-252-7111
Linear Technology Jim MacDonald 408-432-1900, x2361
LinFinity Andrew Stewart 714-372-8383
Maxim David Timm 408-737-7600
Micro Linear Doyle Slack 408-433-5200
Motorola Stan Livingston 503-641-6881
atheon Dave McIntyre 415-962-7734
Semtech Alan Moore 805-498-2111, x291
Sharp See Sharp Web site
Siliconix Howard Chen 408-567-8151
Unisem Reza Amirani 714-453-1008
Unitrode Larry Spaziani 603-424-2410

Intel
®
440GX AGPset Design Guide
5-3
Third-Party Vendor Information
5.2 Intel® 440GX AGPset
5.2.1 Clock Drivers
Intel has supplied specifications to clock driver vendors, including the following. The
specifications define requirements for Intel® Pentium® II processor-based systems with Intel®
440GX AGPset. Intel tests some clock devices to verify the ability of the industry to meet the Intel
specification; there is no formal component qualification.
5.2.2 Power Management Components
The following vendors are developing hardware monitors (LM79,75) and thermal sensors
(MAXIM1617) for the Intel® 440GX AGPset reference designs with a Intel® Pentium® II
processor. The thermal sensors will be used to monitor processor and board temperature. In
addition, the hardware monitor will be used to monitor voltage regulation and fan RPM.
5.2.3 FET Switches(4 DIMM/FET Design)
Intel is recommending that OEMs contact the particular vendor for pricing and availability of
sample and production units.
Table 5-6. Clock Driver Vendors
Supplier,
Intel CNDA Contact Phone
Capella Microsystems Brian Kuo 408-260-3400
Cypress John Wunner 206-821-9202 x325
ICS Raju Shah 408-925-9493
IC Works Sales 408-922-0202
Integrated Device Technology Val Liva 408-654-6479
IMI Elie Ayache 408-263-6300, x235
Motorola Carlos Obregon 602-732-3248
Texas Instruments Murali Kadiyata 972-480-4834
Table 5-7. Power Management Component Vendors
Supplier,
Intel CNDA Contact Phone
National Semiconductor Jorge E. Moguel 503-968-1285
MAXIM Bruce Moore 408-737-7600
Table 5-8. FET Switch Vendors
Supplier,
Intel CNDA Contact Phone
Pericom Kay Annamalai 408-435-0800, x279
IDT Stan Hronik 408-492-8408
Fairchild Semiconductor Myron Miske 207-775-8722

Third-Party Vendor Information
5-4
Intel
®
440GX AGPset Design Guide
5.3 Other Processor Components
5.3.1 Slot 1 Connector
Public information; see Intel® Pentium® II Processor Support Components Web page:
http://developer.intel.com/design/PentiumII/components/index.htm
5.3.2 Mechanical Support
Public information; see Intel® Pentium® Processor Support Components Web page. These
components include the Slot 1 retention mechanism, dual retention mechanism, retention
mechanism attach mount, and heat sink supports.
5.3.3 Heat sinks
Public information; see Intel® Pentium® Processor Support Components Web page. Mechanical
dimensions are public; an MP-CITR is required to discuss Intel® Pentium® processor power
levels.
5.3.4 Heat sink attachment: Rivscrews* and associated tools
Public information; see Intel® Pentium® Processor Support Components Web page:
http://developer.intel.com/design/PentiumII/components/index.htm
5.3.5 Thermal interface materials
Public information; see Intel® Pentium® Processor Support Components Web page:
http://developer.intel.com/design/PentiumII/components/index.htm

A
Reference Design
Schematics


Intel
®
440GX AGPset Design Guide
A-1
Intel
®
440GX AGPset Platform Reference Design
Intel
®
440GX AGPset Platform Reference
Design A
This section describes the DP/Intel® 440GX AGPset 4-DIMM Reference Design Schematics. The
description of each schematic page is named by the logic block shown on that page. The numbers
after the schematic page name list the page number of the dual processor design.
Cover Sheet 1
The Cover Sheet shows the Schematic page titles, page numbers and disclaimers.
Block Diagram 2
This page shows a block diagram overview of the Intel® Pentium® II / Intel® 440GX AGPset
system design. Also included is a device table listing every major component in the design, its
reference designator, and location.
Intel® Pentium® II Slot 1 processor connector (part 1) 3 and 5
This page shows the first part of the Slot 1 connector (up to the key). SLP# connection comes
directly from the PIIX4E. Intel recommends placing 0 ohm resistors on the EMI signals. A thermal
sensor (the MAX 1617 ME) which connects to an internal processor diode has been included to
monitor processor temperature.
Intel® Pentium® II Slot 1 processor connector (part 2) 4 and 6
This page shows the remaining part Slot 1connector. Also shown are the optional connections for
overriding the VID pins from the processor.
Clock Synthesizer and ITP connector 7
This page shows the new clock synthesizer component the CK100 plus recommended decoupling.
The clock synthesizer components must meet all of the system bus, PCI and other system clock
requirements. Several vendors offer components that can be used in this design.
This page also shows the In Target Probe (ITP) Connector. The ITP connector is recommended in
order to use the In Target Probe tool available from Intel and other tool vendors for Intel®
Pentium® II Processor based platform debug.
Note: Some logic analyzer vendors also support the use of the ITP connector. This connector is optional.
It is recommended to design these headers into the system for initial system debug and
development, and leave the connector footprints unpopulated for production.

Intel
®
440GX AGPset Platform Reference Design
A-2
Intel
®
440GX AGPset Design Guide
82443GX Component (System bus and DRAM Interfaces) 8
This page shows the 82443GX component, System bus and DRAM Interfaces. The 82443GX
connects to the lower 32 bits of the CPU address bus and the CPU control signals, and generates
DRAM control signals for the memory interface. In this design, the 82443GX is configured to
interface to a memory array of 4 DIMMs for a DP design.
The CKBF is also shown on this page. The 82443GX delivers a single SDRAM clock to the CKBF
which is a 18 output buffer, with an I2C interface which may be used to disable unused clock
outputs for EMI reduction. It outputs 4 clocks to each DIMM socket, and 1 back to the 82443GX
for data timings. The last clock is used for the Global Clock Enable (GCKE) logic.
82443GX Component (PCI and AGP Interfaces) 9
This page shows the 82443GX component, PCI and AGP Interfaces. The definition of pin AF3 has
been changed from SUSCLK to GX-PWROK. Like PIIX4E PWROK, it is connected to the
PWROK logic from the Power Connector page (Page 32). Note the GCLKIN and GCLKOUT
trace length requirements on the AGP interface.
82443GX Component (Memory and System Data Bus Interfaces) 10
This page shows the 82443GX component, Memory and System Data Bus Interfaces. GTL_REF
signal are also shown on this page. Ideally, the GTL_REF signals should be decoupled separately,
and as close as possible to the 82443GX component, but this is not a requirement.
The GCKE shift register circuit is also shown.
FET Switch Component 11 and 12
These FET switches are used for a 4 DIMM memory configuration. 500 ohm series resistors have
been added to all of the grounded xA2 input pins.
DIMM Connectors 0, 1, 2 and 3 for the DP 4-DIMM schematics 13-16
These three pages show the DRAM interface connections from the 82443GX to the DRAM array.
The serial presence detect pins are addressed as 1010-000,001,011 respectively. 82443GX strap
pull-up/pull-downs will be located on selected MAB# lines. REGE (pin 147) on each DIMM
socket should be pulled high to enable registered DIMMs,
PIIX4E Component 17
This page shows the PIIX4E component. The PIIX4E component connects to the PCI bus, dual
IDE connectors, and the ISA bus. This reference design supports a subset of the power
management features of the PIIX4E.
PIIX4E Component 18
This page shows the PIIX4E component Interrupts, USB, DMA, power management, X-Bus, and
GPIO interfaces. Also shown is the CLOCKRUN# pull-down and the external logic needed to
handle a power loss condition.
IOAPIC Component 19
This sheet shows the connection for the IOAPIC controller to the various PIIX4E and processor
interrupts.

Intel
®
440GX AGPset Design Guide
A-3
Intel
®
440GX AGPset Platform Reference Design
Ultra I/O Component 20
This page shows the Ultra I/O component. The RTC may optionally be used. An Infra Red Header
Port is also optional.
AGP Connector 21
This page shows the AGP connector. In this design, AGP INTA and INTB are connected to the PCI
INTA and INTB through a buffer/driver. The interrupt signals are open-collector, and pulled up to
VCC3.3.
PCI Connectors 22-23
These pages show the PCI connectors. In this design, four PCI connectors are used. AD 26, 27, 29
and 31 are the preferred lines for the PCI slot IDSELs.
ISA Connectors 24
This page shows the ISA connectors.
PCI IDE Connectors 25
This page shows the IDE Connectors. No special logic is required to support Ultra DMA/33 hard
drives.
USB Headers 26
This page shows the USB Headers. Note, the voltage divider on the open circuit signals provides
logic level transitions for the PIIX4E. Note the placement requirements for the capacitors and
series resistors at the bottom left.
Flash BIOS Component 27
This page shows the 28F002BC-T Flash BIOS component which provides 128K bytes of BIOS
memory. A jumper is used to provide the option for allowing the BIOS to be programmed in the
system for BIOS upgrades and/or for programming plug and play information into the Flash
device.
Note that a 2 Meg Flash device may be required for certain applications (motherboard devices such
as graphics, SCSI or LAN).
Parallel Port/ Serial and Floppy/ Keyboard & Mouse 28-30
Nothing new here.
VRM 31
The top of this page shows the voltage regulator modules (VRM 8.2) connectors. The VRM 8.2
module provides 5V to VCCcore voltage conversion for the processor. The bottom of this page
shows two voltage regulators, one for generating the 1.5V GTL+ terminating voltage (VTT), the
other is a 2.5V regulator. The VTT generation circuit must be able to provide about 5.0 amps of
current under worst case conditions. Note: that two LT1587-1.5s (@ 3A) are recommended.

Intel
®
440GX AGPset Platform Reference Design
A-4
Intel
®
440GX AGPset Design Guide
Power Connectors Front Panel Jumpers 32
This page shows the system ATX power connector, hardware reset logic, and standard chassis
connectors for the hard disk, power LEDs, and speaker output. Included on this page are the dual-
color LED circuit required to indicate the system state (either ON, OFF, or any of the suspend
states), the 6-pin optional ATX connector, and the Wake-On-LAN header. Note: a CPU Fan Header
is required for the Intel Boxed processor. The dual-color LED circuit is also used to reduce the
voltage going to the power supply fan, thus decreasing its speed and quieting the system.
Pull-up and Pull-down Resistors 34-35
These pages show pull-up and pull-down resistors for PCI signals, PIIX4E, Slot 1(CMOS), ISA,
and AGP signals. Also shown are spare gates.
Decoupling Capacitors 36-37
Decoupling Caps 38
These pages show de-coupling capacitance used in these schematics as well as the voltage dividers
used to provide the GTL reference voltage.
Hardware system manager 39
The LM79 is a hardware system monitor. It monitors voltage regulation, fan RPM and stores POST
codes. The device can be accessed via the X-Bus bus or through the PIIX4E SMBus interface. Note
the voltage level translation circuitry between the 5-Volt LM79 and the rest of the 3.3-Volt SMBus.
Revision History 40
Changes made to the schematics are listed here underneath the revision where they first appeared
and by page number.