Invacare 5M900 Users Manual
4M900 to the manual d6f2a36f-219c-bab4-11a5-10ee4649f76d
2015-02-02
: Invacare Invacare-5M900-Users-Manual-433150 invacare-5m900-users-manual-433150 invacare pdf
Open the PDF directly: View PDF .
Page Count: 253 [warning: Documents this large are best viewed by clicking the View PDF Link!]

Yes, you can. ™
Action Series
Arrow® 4M900/5M900
Ranger X™ M3900
Ranger II™ RM900
Power Wheelchairs
Parts Catalog Issued: May 28, 2008

The information contained in this document is subject to change without notice. This catalog contains
service parts for Form No. 94-108. If you have any questions regarding this catalog, please contact one
of our Customer Service Representatives.
For Customer Service Support Call:
1-800-333-6900
For Faxed In Orders Call:
1-800-678-4682 or
1-440-366-0709
For Technical Service Call:
1-800-832-4707
Literature Can Be Found at:
www.invacare.com or
1-800-828-6272
SYMBOL DEFINITION
Throughout this catalog you will notice letters to draw your attention to specific footnotes which are located at the
bottom of the page or below specified charts.
HARDWARE MEASUREMENTS
Examples:
= Special Comments
= General information pertaining to that specific page
= No Longer Available
NOTE:
NLA
The measurements for the hardware will be listed as follows:
Screws, Bolts
Washers
Spacers
For your convenience, we have supplied an area for you to list your Invacare Representatives.
A,B,C etc.
Diameter X Thread Count/Pitch X Length
Inside Diameter X Outside Diameter X Thickness
Inside Diameter X Outside Diameter X Length
Name Phone Numbers
©2008 Invacare Corporation. Elyria, Ohio. Invacare, Yes, you can., the Blue Medallion Design, and Arrow are registered trademarks. Ranger X and Ranger II
are trademarks of Invacare Corporation. Otto Bock is a registered trademark of Otto Bock Orthopaedische Industrie GMBH & Co.. Tash is a registered
trademark of Tash International Inc.. Therafin is a registered trademark of W/R/ Medical Electronics Co.. Bussman is a registered trademark of Cooper
Industries. Dynamic is a registered trademark of Dynamic Controls Limited.
Parts Catalog Usage Guide
1
Form No. 94-108
To order call toll free 1-800-333-6900, or www.invacare.com

Accessories, Head Support - Adjustable .................................................................................. 71
Accessories, Miscellaneous .................................................................................................... 250
Accessories, Power Wheelchair Tool Kit .................................................................................. 248
Accessories, Solid Clip-On Seat (CSSP) 1/2" Wood Base ...................................................... 66
Accessories, Solid Clip-On Seat (SHSHP) - 3/4" Wood Base ................................................. 67
Accessories, Solid Clip-On Seat (SHSP) ................................................................................ 69
Accessories, Solid Seat Inserts (9120) .................................................................................... 65
Accessories, Torso Support - Adjustable ................................................................................. 73
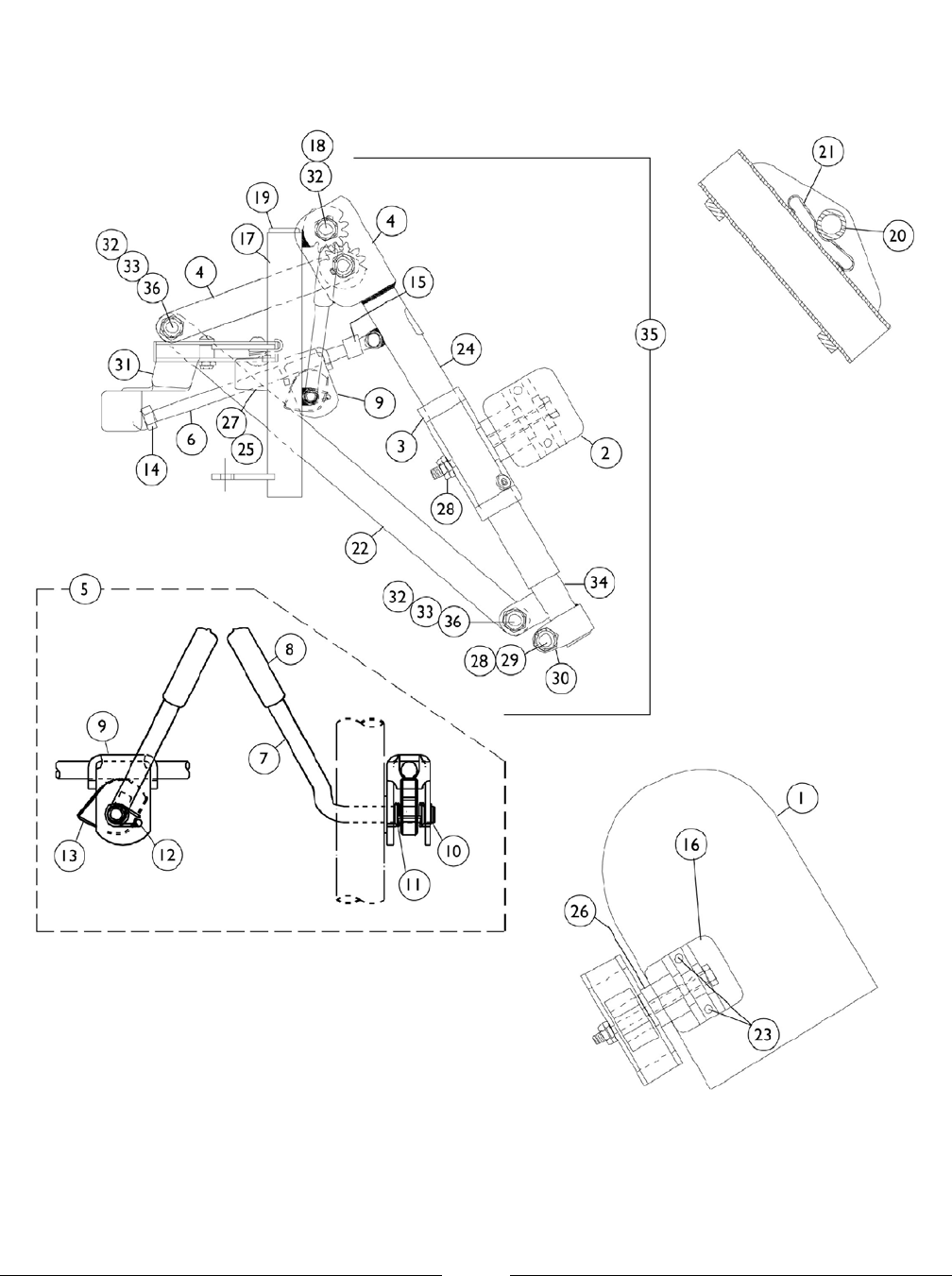
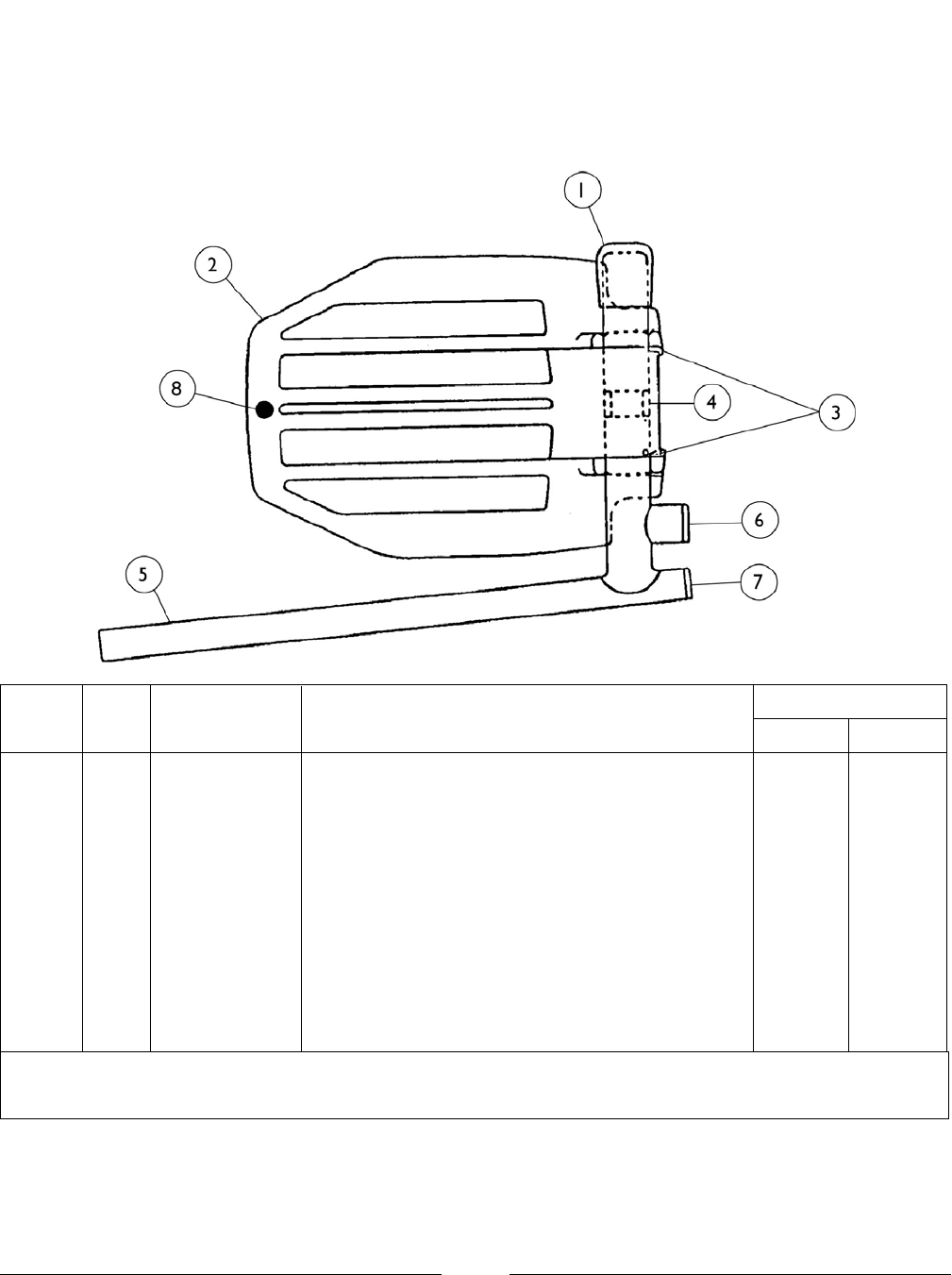
Anti-Tipper Assembly ............................................................................................................... 95
Arms, Desk Length ................................................................................................................... 78
Arms, Full and Desk Length 2" Lower ...................................................................................... 81
Arms, Full and Desk Length 4" Deeper by Construction ......................................................... 84
Arms, Full Length ..................................................................................................................... 75
Arms, Trough .......................................................................................................................... 86
Back Canes .............................................................................................................................. 44
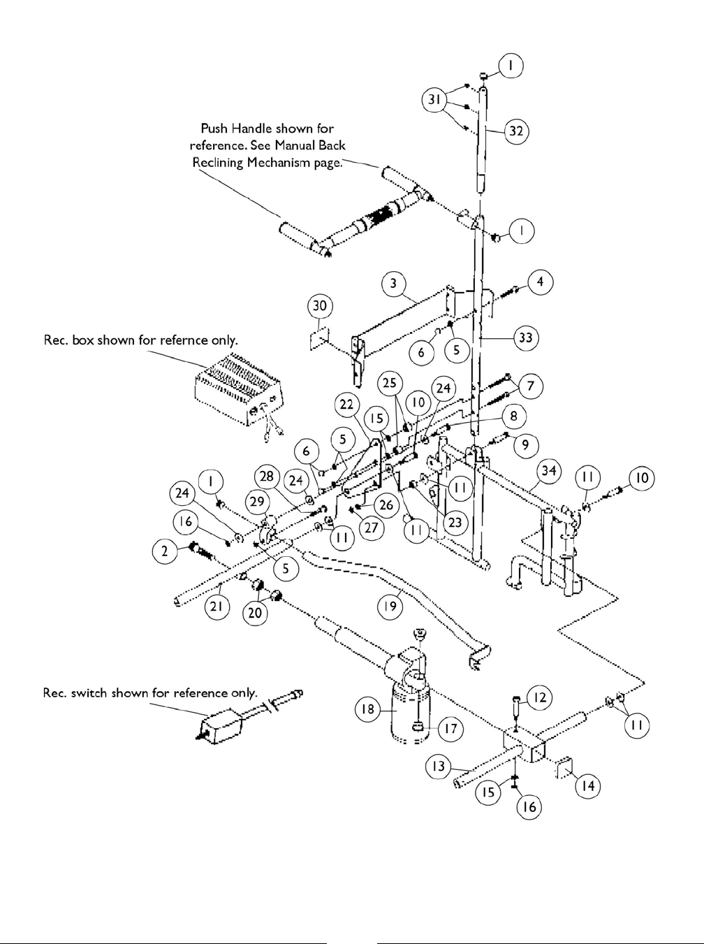
Back, Manual Reclining Mechanism ........................................................................................ 46
Back, Power Reclining Mechanism .......................................................................................... 48
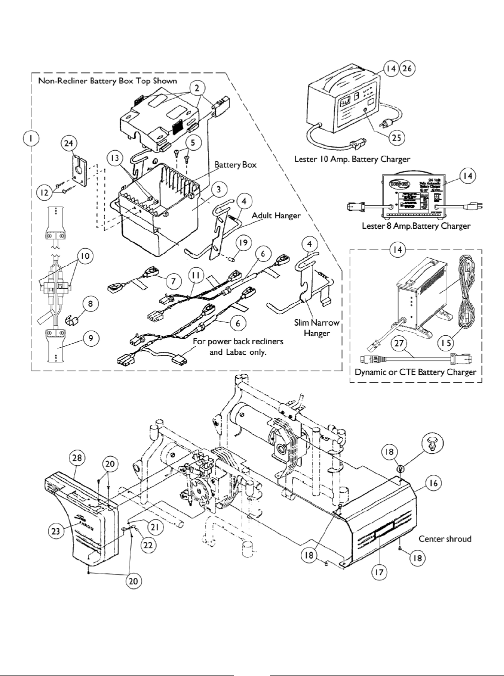
Battery Box Hangers ................................................................................................................ 187
Battery Box, Chargers, and Cables-Multi-Function Frame ....................................................... 97
Battery Box, Shrouds, Chargers and Cables ........................................................................... 183
Belt Tensioning Device ............................................................................................................. 177
TABLE of CONTENTS
Description
Page
Number
2
To order call toll free 1-800-333-6900, or www.invacare.com
Form No. 94-108

Caster, Front and Forks ........................................................................................................... 88
Crossbrace Hardware .............................................................................................................. 32
Crossbraces without Hardware - 2" Lower Height ................................................................... 36
Crossbraces without Hardware - Standard Height ................................................................... 34
Crossbraces, Dual without Hardware 14-18" Wide .................................................................. 38
Crossbraces, Dual without Hardware 19-24" Wide .................................................................. 41
Electronics - Displays ............................................................................................................... 209
Electronics - Joystick Options .................................................................................................. 201
Electronics - MCC RII Controller .............................................................................................. 215
Electronics - MCCX Joystick and Controller ............................................................................. 211
Electronics - MCCX Switch Option Interface ............................................................................ 213
Electronics - Micro Control Replacement Boards ..................................................................... 195
Electronics - Mid-Line Swing Bracket Assembly ...................................................................... 207
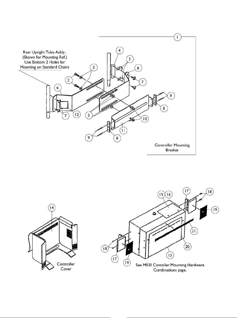
Electronics - MKIII Arrow Controllers without Mounting Hardware ........................................... 190
Electronics - MKIII Arrow Joystick and Hardware .................................................................... 198
Electronics - MKIII Controller Mounting Hardware ................................................................... 192
Electronics - MKIII Controller Mounting Hardware Combinations ............................................ 194
Electronics - MKIII R.I.M. Head Control and Mounting Hardware ............................................ 217
Electronics - MKIV Controller, Programmer and Mounting Hardware ...................................... 233
Electronics - MKIV Displays ..................................................................................................... 237
Electronics - MKIV Joystick - PS, PSF and PSR ...................................................................... 222
TABLE of CONTENTS
Description
Page
Number
3
To order call toll free 1-800-333-6900, or www.invacare.com
Form No. 94-108

Electronics - MKIV Joystick Mounting Hardware and Joystick Accessories ............................ 224
Electronics - MKIV Joystick Options ......................................................................................... 243
Electronics - MKIV Joysticks - RII, RX, A, A+, TCHJOY .......................................................... 219
Electronics - MKIV R.I.M. Head Control Assembly (1500M4) .................................................. 241
Electronics - MKIV R.I.M. Head Control Mounting Hardware (1500M4) .................................. 239
Electronics - MKIV Recliner Control and Recliner Cable ......................................................... 236
Electronics - MKIV Sip-N-Puff/Digital Interface and COM12, COM34 ..................................... 235
Electronics - MKIV Swivel Joystick Mount ................................................................................ 226
Electronics - Quad Link (QLA) After 4/06/06 ............................................................................ 231
Electronics - Quad Link Assembly Before 4/07/06 ................................................................... 227
Electronics - Switch Options ..................................................................................................... 203
Electronics - Swivel Joystick Mount ......................................................................................... 205
Electronics - Tash and Therafin Accessories ........................................................................... 246
Frame Finishes, Touch-Up Paints, Upholstery Options and Accent Packages ....................... 8
Frame Hardware ...................................................................................................................... 13
Frame, Carriage Assembly For Multi-Function Frame ............................................................. 100
Frame, Multi-Function ............................................................................................................. 96
Frame, Support and Hardware For Multi-Function Frame ....................................................... 101
Frames with Hardware - Black ................................................................................................. 14
Frames with Hardware - Black - Large - 10 Degree Bend ....................................................... 22
Frames with Hardware - Black - Large - Straight ..................................................................... 20
TABLE of CONTENTS
Description
Page
Number
4
To order call toll free 1-800-333-6900, or www.invacare.com
Form No. 94-108

Frames with Hardware - Chrome ............................................................................................. 16
Frames with Hardware - Chrome - Large - 10 Degree Bend .................................................. 26
Frames with Hardware - Chrome - Large - Straight ................................................................. 24
Frames with Hardware - Color ................................................................................................. 18
Frames with Hardware - Color - Large - 10 Degree Bend ........................................................ 30
Frames with Hardware - Color - Straight .................................................................................. 28
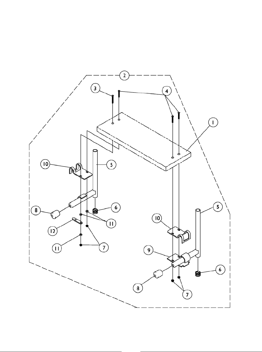
Front Rigging - Footrest and Legrest Accessories ................................................................... 170
Front Rigging - Footrest Supports - 93-Black, Chrome, Color ................................................. 103
Front Rigging - Footrest Supports - 93E Black, Chrome, Color ............................................... 106
Front Rigging - Footrest Supports - 93M .................................................................................. 109
Front Rigging - Footrest Supports - 93M2 ................................................................................ 112
Front Rigging - Footrest Supports - 93ST ................................................................................ 115
Front Rigging - Footrest Supports - H93 .................................................................................. 118
Front Rigging - Footrest Supports - H93E ................................................................................ 121
Front Rigging - Footrest Supports - H93M ............................................................................... 124
Front Rigging - Footrest Supports - H93M2 ............................................................................. 127
Front Rigging - Legrest Supports - 94BK ................................................................................. 130
Front Rigging - Legrest Supports - 94BKR ............................................................................... 136
Front Rigging - Legrest Supports - 96BK ................................................................................. 139
Front Rigging - Legrest Supports - AHL4 & AHS4 ................................................................... 145
Front Rigging - Legrest Supports - AS4 & AL4 ........................................................................ 148
TABLE of CONTENTS
Description
Page
Number
5
To order call toll free 1-800-333-6900, or www.invacare.com
Form No. 94-108

Front Rigging - Legrest Supports - H94BK ............................................................................... 133
Front Rigging - Legrest Supports - H96BK ............................................................................... 142
Front Rigging - One Piece Wooden Footboard and Hardware - S1263 ................................... 167
Front Rigging - Pivot Slide Tube w/ Footplate - 93E, 93M, 93M2, H93E, H93M ...................... 153
Front Rigging - Pivot Slide Tube w/ Footplate - 94BKR, 96BK, H94, H96 ............................... 163
Front Rigging - Pivot Slide Tube w/ Footplate for 93, H93 ....................................................... 154
Front Rigging - Pivot Slide Tube w/ Footplate for 93, H93 (14-15") ......................................... 156
Front Rigging - Pivot Slide Tube w/ Footplate for 93E, 93M, 93M2, H93E, H93M, H93M2 ..... 151
Front Rigging - Pivot Slide Tube w/ Footplate for 93ST (15-17") ............................................. 159
Front Rigging - Pivot Slide Tube w/ Footplate for 93ST (18-19") ............................................. 160
Front Rigging - Pivot Slide Tube w/ Footplate for 93ST (20-24") ............................................. 158
Front Rigging - Pivot Slide Tube w/ Footplate for 94BK, 94BKR, 96BK, H94, H94BKR, H96BK 161
Front Rigging - Pivot Slide Tube w/ Footplate for 94BK, 94BKR, 96BK, H94, H96BK ............. 162
Front Rigging - Pivot Slide Tube w/ Footplate for AL4A, AHL4A ............................................. 166
Front Rigging - Pivot Slide Tube w/ Footplate for AS4A, AHS4A ............................................. 165
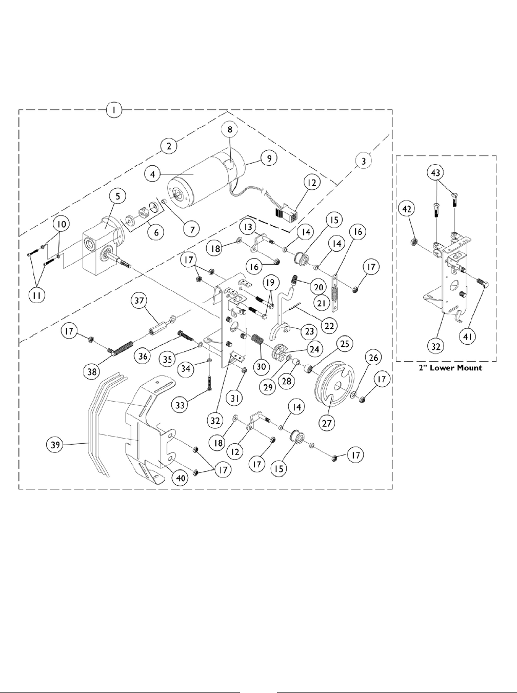
Motors, Gearboxes and Clutch Assembly ................................................................................ 172
Motors, Gearboxes and Clutch Assembly - Modified Chairs Serial/Model Numbers ............... 181
Motors, Gearboxes, Clutch Assembly - X.P.R. ........................................................................ 178
Packaging and Literature ......................................................................................................... 11
Upholstery, Back and Headrest ................................................................................................ 50
Upholstery, Seat ....................................................................................................................... 56
TABLE of CONTENTS
Description
Page
Number
6
To order call toll free 1-800-333-6900, or www.invacare.com
Form No. 94-108

Upholstery, Seat - For Multi-Function Frame ........................................................................... 63
Wheel Lock Assembly .............................................................................................................. 94
Wheels, Rear ............................................................................................................................ 91
TABLE of CONTENTS
Description
Page
Number
7
To order call toll free 1-800-333-6900, or www.invacare.com
Form No. 94-108

Frame Finishes and Touch-Up Paint
Color Number Part Number Bottle Size Color
Pink Pearl.6 oz.103145202P
Mercury.6 oz.103144903P
Super Teal.6 oz.103145406P
Deep Purple.6 oz.103145608P
ChromeN/AN/A15P
Cobalt Blue.6 oz.104631917P
Anthracite.6 oz.103337622P
Tennis Ball YellowN/AN/A25P
White.6 oz.103144729P
Sunny Yellow.6 oz.103144830P
Lollipop Pink.6 oz.103145331P
True Blue.6 oz.1031451-NLA32P
Red.6 oz.103145533P
Flat Black.6 oz.104632734P
Pewter.6 oz.110129635P
Silver Metallic.6 oz.110131860P
Electric Red.6 oz.104632161PP
Electric Blue.6 oz.104632062PP
Metallic Blue.6 oz.104632464P
Metallic Green.6 oz.104632365P
Passion Purple.6 oz.104632266PP
Teflon Black.6 oz.1101320-NLA69P
Frame Finishes, Touch-Up Paints, Upholstery Options and
Accent Packages
8
To order call toll free 1-800-333-6900, or www.invacare.com
Form No. 94-108

Frame Finishes, Touch-Up Paints, Upholstery Options and
Accent Packages
Veil Color Options
Color Number Color
Dark Purple13VV NLA
Grey Splatter15VV NLA
Green Veil19VV NLA
Gold Veil67VV NLA
Upholstery Options
Vinyl Colors
See Note(s) A Nylon Colors
U240 BlackU67 Black
U75 Dove Grey
U86 Ruby
U97 Sky Blue
U88 Camel
U85 Dark Blue
U98 Earthtone
A - Grey accent trimming is used with all Vinyl upholstery colors, except for U67 black. NOTE:
9
To order call toll free 1-800-333-6900, or www.invacare.com
Form No. 94-108

Frame Finishes, Touch-Up Paints, Upholstery Options and
Accent Packages
Accent Package
Part Number Lock RingPackage Color Front
Hub Cap Rear
Hub Cap Release
Lever Tip Clutch/Lock
Grip Cap
24224Grey All1030393
24224Teal and Black1030394
24224Red and Black1030395-NLA
24224Grey and Black1030396-NLA
24224
Lavender
and Teal
1030397
10
To order call toll free 1-800-333-6900, or www.invacare.com
Form No. 94-108

Packaging and Literature
11
To order call toll free 1-800-333-6900, or www.invacare.com
Form No. 94-108

Packaging and Literature
Non-Recliners
For 18" Wide and Under
Item
Number Part Number DescriptionNote
Quantity Per
Package Assembly
1030364 Carton, Cover 1 11
1023612 Paper Tube 1 12
1030359-NLA Foam Block 1 13
1030362 Carton, Tray 1 14
See Note See Footnote -- --5 A
See Note See Footnote -- --6 B
1030442-NLA Owner's Manual 1 17
1025573 Wheelchair User's Guide 1 18
1015609-NLA Bag, Poly (28" W x 44" D x 80" H) 1 19
See Note See Footnote -- --10 C
00077X031 Warranty Card 1 111
98007X005 Cable Tie (11-1/2" Long) 1 112
A - Wood Skid is not supplied
B - Zip Lip Bag is not supplied
C - Warranty Registration is not supplied
NOTE:
When adjusting or replacing parts, please refer to your owner's manual for assistance.
NOTE:
Recliners
For 18" Wide and Under
Item
Number Part Number DescriptionNote
Quantity Per
Package Assembly
1031682 Carton, Cover 1 11
1023612 Paper Tube 1 12
1030359-NLA Foam Block 1 13
1030362 Carton, Tray 1 14
See Note See Footnote -- --5 A
See Note See Footnote -- --6 B
1030442-NLA Owner's Manual 1 17
1025573 Wheelchair User's Guide 1 18
1015609-NLA Bag, Poly (28" W x 44" D x 80" H) 1 19
See Note See Footnote -- --10 C
00077X031 Warranty Card 1 111
98007X005 Cable Tie (11-1/2" Long) 1 112
A - Wood Skid is not supplied
B - Zip Lip Bag is not supplied
C - Warrenty Registration is not supplied
NOTE:
When adjusting or replacing parts, please refer to your owner's manual for assistance.
NOTE:
12
To order call toll free 1-800-333-6900, or www.invacare.com
Form No. 94-108

Item
Number Part Number DescriptionNote
Quantity Per
Package Assembly
See Page See Footnote 1 11 A
47471X074 Spring, Arm Lock 1 12
1028594 Pin, Arm Lock 1 13
1090768 Kit, Lock Handle w/Rivets (both LT & RT side) 2 24
1027095 Plug Button, Black (7/8") 1 15
See Page See Footnote 1 16 B
A - See pages titled "Frames with Hardware".
B - See page titled "Back Canes".
NOTE
: Items 2 thru 5 now come with frames.
NOTE:
Frame Hardware
13
To order call toll free 1-800-333-6900, or www.invacare.com
Form No. 94-108

Unmodified Frames
Frame Type Sectional Recliner 2" Lower
Sectional 2" Lower
Recliner
1038671-NLA1038726-NLA1029145-NLA1030071-NLA
Standard
14-18" W -Right
1038672-NLA1038727-NLA1029146-NLA1030072-NLA
Standard
14-18" W -Left
N/AN/ASpecials1039310-NLA
Tall
16-18" W -Right
N/AN/ASpecials1039311-NLA
Tall
16-18" W -Left
SpecialsN/ASpecialsN/A
Large
19-22" W -Right
SpecialsN/ASpecialsN/A
Large
19-22" W -Left
1039804-NLA1038726-NLA
1039794-NLA
1030071-NLA
Labac
14-18" W -Right See Note(s) A
1039805-NLA1038727-NLA
1039795-NLA
1030072-NLA
Labac
14-18" W -Left See Note(s) A
A - Also used on 20" wide chairs. NOTE:
Frames with Hardware - Black
14
To order call toll free 1-800-333-6900, or www.invacare.com
Form No. 94-108

Frames with Hardware - Black
Modified Frames
Frame
Type Sectional
Tall
Sectional
Standard Recliner
Standard 2" Lower 2" Lower
Sectional Sectional
w/ Deeper 2"
Special1039206-NLA1038683-NLA1038744-NLA1038762-NLA1038750-NLA
Will Accept
Dual X-Braces
14-18" W -Right
Special1039207-NLA1038684-NLA1038745-NLA1038763-NLA1038751-NLA
Will Accept
Dual X-Braces
14-18" W -Left
N/AN/A1038689-NLA1038732-NLA1040675-NLA1040699-NLA
Gusset
4 Places
14-18" W -Right
N/AN/A1038690-NLA1038733-NLA1040676-NLA1040700-NLA
Gusset
4 Places
14-18" W -Left
8881040681-NL
A
1040693-NLA1038677-NLA1038738-NLA1038768-NLA1038756-NLA
Will Accept
Dual X-Braces.
Gusseted
4 Places
14-18" W -Right
8881040682-NL
A
1040694-NLA1038678-NLA1038739-NLA1038769-NLA1038757-NLA
Will Accept
Dual X-Braces.
Gusseted
4 Places
14-18" W -Left
15
To order call toll free 1-800-333-6900, or www.invacare.com
Form No. 94-108

Unmodified Frames
Frame Type Sectional Recliner 2" Lower
Sectional 2" Lower
Recliner
1038673-NLA1038728-NLA10297341030073
Standard
14-18" W -Right
1038674-NLA1038729-NLA10297351030074
Standard
14-18" W -Left
N/AN/ASpecials1039312-NLA
Tall
16-18" W -Right
N/AN/ASpecials1039313-NLA
Tall
16-18" W -Left
SpecialsN/ASpecialsN/A
Large
19-22" W -Right
SpecialsN/ASpecialsN/A
Large
19-22" W -Left
1039806-NLA1038728-NLA
1039796-NLA
1030073
Labac
14-18" W -Right See Note(s) A
1039807-NLA1038729-NLA
1039797-NLA
1030074
Labac
14-18" W -Left
See Note(s) A
A - Also used on 20" wide chairs. NOTE:
Frames with Hardware - Chrome
16
To order call toll free 1-800-333-6900, or www.invacare.com
Form No. 94-108

Frames with Hardware - Chrome
Modified Frames
Footplate
Type Sectional
Tall
Sectional
Standard Recliner
Standard 2" Lower 2" Lower
Recliner Sectional
w/ Deeper 2"
Special1039208-NLA1038685-NLA1038746-NLA1038764-NLA1038752-NLA
Will Accept
Dual X-Braces
14-18" W -Right
Special1039209-NLA1038686-NLA1038747-NLA1038765-NLA1038753-NLA
Will Accept
Dual X-Braces
14-18" W -Left
N/AN/A1038691-NLA1038734-NLA1040677-NLA1040701-NLA
Gusset
4 Places
14-18" W -Right
N/AN/A1038692-NLA1038735-NLA1040678-NLA1040702-NLA
Gusset
4 Places
14-18" W -Left
1040683-NLA1040695-NLA1038679-NLA1038740-NLA1038770-NLA1038758-NLA
Will Accept
Dual X-Braces.
Gusseted
4 Places
14-18" W -Right
1040684-NLA1040696-NLA1038680-NLA1038741-NLA1038771-NLA1038759-NLA
Will Accept
Dual X-Braces.
Gusseted
4 Places
14-18" W -Left
17
To order call toll free 1-800-333-6900, or www.invacare.com
Form No. 94-108

Unmodified Frames
Frame Type Sectional Recliner 2" Lower
Sectional 2" Lower
Recliner
1038675-NLA1038730-NLA88810297361030075-NLA
Standard
14-18" W -Right
1038676-NLA1038731-NLA88810297371030076-NLA
Standard
14-18" W -Left
N/AN/ASpecials8881039314
Tall
16-18" W -Right
N/AN/ASpecials8881039315
Tall
16-18" W -Left
SpecialsN/ASpecialsN/A
Large
19-22" W -Right
SpecialsN/ASpecialsN/A
Large
19-22" W -Left
1039808-NLA1038730-NLA
1039798-NLA
1030075-NLA
Labac
14-18" W -Right See Note(s) A
1039809-NLA1038731-NLA
1039799-NLA
1030076-NLA
Labac
14-18" W -Left
See Note(s) A
A - Also used on 20" wide chairs. NOTE:
Frames with Hardware - Color
NOTE: Specify frame color when ordering.
18
To order call toll free 1-800-333-6900, or www.invacare.com
Form No. 94-108

Frames with Hardware - Color
NOTE: Specify frame color when ordering.
Modified Frames
Frame
Type Sectional
Tall
Sectional
Standard Recliner
Standard 2" Lower
Sectional 2" Lower
Recliner Sectional
w/ Deeper 2"
Special
8881039210-NL
A
1038687-NLA1038748-NLA1038766-NLA1038754-NLA
Will Accept
Dual X-Braces
14-18" W -Right
Special
8881039211-NL
A
1038688-NLA1038749-NLA1038767-NLA1038755-NLA
Will Accept
Dual X-Braces
14-18" W -Left
N/AN/A1038693-NLA1038736-NLA1040679-NLA1040703-NLA
Gusset
4 Places
14-18" W -Right
N/AN/A1038694-NLA1038737-NLA1040680-NLA1040704-NLA
Gusset
4 Places
14-18" W -Left
8881040681
8881040697-NL
A
1038681-NLA1038742-NLA1038772-NLA1038760-NLA
Will Accept
Dual X-Braces.
Gusseted
4 Places
14-18" W -Right
8881040682
8881040698-NL
A
1038682-NLA1038743-NLA1038773-NLA1038761-NLA
Will Accept
Dual X-Braces.
Gusseted
4 Places
14-18" W -Left
19
To order call toll free 1-800-333-6900, or www.invacare.com
Form No. 94-108

Without Gussets
Seat Depth
x
Back Height
Without Spreader
Bar Insert
Right
Without Spreader
Bar Insert
Left
With Spreader
Bar Insert
Right
With Spreader
Bar Insert
Left
1038873-NLA1038872-NLA1038843-NLA1038842-NLA16" x 16"
1038879-NLA1038878-NLA1038849-NLA1038848-NLA16" x 17"
1038885-NLA1038884-NLA1038855-NLA1038854-NLA16" x 18"
1038891-NLA1038890-NLA1038861-NLA1038860-NLA16" x 19"
1038897-NLA1038896-NLA1038867-NLA1038866-NLA16" x 20"
1038993-NLA1038992-NLA1038693-NLA1038692-NLA18" x 16"
1038999-NLA1038998-NLA1038969-NLA1038968-NLA18" x 17"
1039005-NLA1039004-NLA1038975-NLA1038974-NLA18" x 18"
1039011-NLA1039010-NLA1038981-NLA1038980-NLA18" x 19"
1039017-NLA1039016-NLA1038987-NLA1038986-NLA18" x 20"
1039113-NLA1039112-NLA1039083-NLA1039082-NLA20" x 16"
1039119-NLA1039118-NLA1039089-NLA1039088-NLA20" x 17"
1039125-NLA1039124-NLA1039095-NLA1039094-NLA20" x 18"
1039131-NLA1039130-NLA1039101-NLA1039100-NLA20" x 19"
1039137-NLA1039136-NLA1039107-NLA1039106-NLA20" x 20"
Frames with Hardware - Black
Large Non-Sectional Back Frames
Straight Back Cane
NOTE: All frames listed are manufactured for dual crossbraces
20
To order call toll free 1-800-333-6900, or www.invacare.com
Form No. 94-108

Frames with Hardware - Black
Large Non-Sectional Back Frames
Straight Back Cane
NOTE: All frames listed are manufactured for dual crossbraces
With Gussets
Seat Depth
x
Back Height
Without Spreader
Bar Insert
Right
Without Spreader
Bar Insert
Left
With Spreader
Bar Insert
Right
With Spreader
Bar Insert
Left
1040424-NLA1040423-NLA1040394-NLA1040393-NLA16" x 16"
1040430-NLA1040429-NLA1040400-NLA1040399-NLA16" x 17"
1040436-NLA1040435-NLA1040406-NLA1040405-NLA16" x 18"
1040442-NLA1040441-NLA1040412-NLA1040411-NLA16" x 19"
1040448-NLA1040447-NLA1040418-NLA1040417-NLA16" x 20"
1040544-NLA1040543-NLA1040514-NLA1040513-NLA18" x 16"
1040550-NLA1040549-NLA1040520-NLA1040519-NLA18" x 17"
1040556-NLA1040555-NLA1040526-NLA1040525-NLA18" x 18"
1040562-NLA1040561-NLA1040532-NLA1040531-NLA18" x 19"
1040568-NLA1040567-NLA1040538-NLA1040537-NLA18" x 20"
1039173-NLA1039172-NLA1040604-NLA1040603-NLA20" x 16"
1039179-NLA1039178-NLA1040610-NLA1040609-NLA20" x 17"
1039185-NLA1039184-NLA1040616-NLA1040615-NLA20" x 18"
1039191-NLA1039190-NLA1040622-NLA1040621-NLA20" x 19"
1039201-NLA1039200-NLA1040628-NLA1040627-NLA20" x 20"
21
To order call toll free 1-800-333-6900, or www.invacare.com
Form No. 94-108

Without Gussets
Seat Depth
x
Back Height
Without Spreader
Bar Insert
Right
Without Spreader
Bar Insert
Left
With Spreader
Bar Insert
Right
With Spreader
Bar Insert
Left
1038813-NLA1038812-NLA1038697-NLA1038696-NLA16" x 16"
1038819-NLA1038818-NLA1038703-NLA1038702-NLA16" x 17"
1038825-NLA1038824-NLA1038709-NLA1038708-NLA16" x 18"
1038831-NLA1038830-NLA1038715-NLA1038714-NLA16" x 19"
1038837-NLA1038836-NLA1038721-NLA1038720-NLA16" x 20"
1038933-NLA1038932-NLA1038903-NLA1038902-NLA18" x 16"
1038939-NLA1038938-NLA1038909-NLA1038908-NLA18" x 17"
1038945-NLA1038944-NLA1038915-NLA1038914-NLA18" x 18"
1038951-NLA1038950-NLA1038921-NLA1038920-NLA18" x 19"
1038957-NLA1038956-NLA1038927-NLA1038926-NLA18" x 20"
1039053-NLA1039052-NLA1039023-NLA1039022-NLA20" x 16"
1039059-NLA1039058-NLA1039029-NLA1039028-NLA20" x 17"
1039065-NLA1039064-NLA1039035-NLA1039034-NLA20" x 18"
1039071-NLA1039070-NLA1039041-NLA1039040-NLA20" x 19"
1039077-NLA1039076-NLA1039047-NLA1039046-NLA20" x 20"
Frames with Hardware - Black
Large Non-Sectional Back Frames
with 10 Degree Bend in Back Cane
NOTE: All frames listed are manufactured for dual crossbraces.
22
To order call toll free 1-800-333-6900, or www.invacare.com
Form No. 94-108

Frames with Hardware - Black
Large Non-Sectional Back Frames
with 10 Degree Bend in Back Cane
NOTE: All frames listed are manufactured for dual crossbraces.
With Gussets
Seat Depth
x
Back Height
Without Spreader
Bar Insert
Right
Without Spreader
Bar Insert
Left
With Spreader
Bar Insert
Right
With Spreader
Bar Insert
Left
1040364-NLA1040363-NLA1040150-NLA1040149-NLA16" x 16"
1040370-NLA1040369-NLA1040156-NLA1040155-NLA16" x 17"
1040376-NLA1040375-NLA1040162-NLA1040161-NLA16" x 18"
1040382-NLA1040381-NLA1040168-NLA1040167-NLA16" x 19"
1040388-NLA1040387-NLA1040174-NLA1040173-NLA16" x 20"
1040484-NLA1040483-NLA1040454-NLA1040453-NLA18" x 16"
1040490-NLA1040489-NLA1040460-NLA1040459-NLA18" x 17"
1040496-NLA1040495-NLA1040466-NLA1040465-NLA18" x 18"
1040502-NLA1040501-NLA1040472-NLA1040471-NLA18" x 19"
1040508-NLA1040507-NLA1040478-NLA1040477-NLA18" x 20"
1039143-NLA1039142-NLA1040574-NLA1040573-NLA20" x 16"
1039149-NLA1039148-NLA1040580-NLA1040579-NLA20" x 17"
1039155-NLA1039154-NLA1040586-NLA1040585-NLA20" x 18"
1039161-NLA1039160-NLA1040592-NLA1040591-NLA20" x 19"
1039167-NLA1039166-NLA1040598-NLA1040597-NLA20" x 20"
23
To order call toll free 1-800-333-6900, or www.invacare.com
Form No. 94-108

Without Gussets
Seat Depth
x
Back Height
Without Spreader
Bar Insert
Right
Without Spreader
Bar Insert
Left
With Spreader
Bar Insert
Right
With Spreader
Bar Insert
Left
1038875-NLA1038874-NLA1038845-NLA1038844-NLA16" x 16"
1038881-NLA1038880-NLA1038851-NLA1038850-NLA16" x 17"
1038887-NLA1038886-NLA1038857-NLA1038856-NLA16" X 18"
1038893-NLA1038892-NLA1038863-NLA1038862-NLA16" X 19"
1038899-NLA1038898-NLA1038869-NLA1038868-NLA16" X 20"
1038995-NLA1038994-NLA1038965-NLA1038964-NLA18" X 16"
1039001-NLA1039000-NLA1038971-NLA1038970-NLA18" X 17"
1039007-NLA1039006-NLA1038977-NLA1038976-NLA18" x 18"
1039013-NLA1039012-NLA1038983-NLA1038982-NLA18" x 19"
1039019-NLA1039018-NLA1038989-NLA1038988-NLA18" x 20"
1039115-NLA1039114-NLA1039085-NLA1039084-NLA20" x 16"
1039121-NLA1039120-NLA1039091-NLA1039090-NLA20" x 17"
1039127-NLA1039126-NLA1039097-NLA1039096-NLA20" x 18"
1039133-NLA1039132-NLA1039103-NLA1039102-NLA20" x 19"
1039139-NLA1039138-NLA1039109-NLA1039108-NLA20" x 20"
Frames with Hardware - Chrome
Large Non-Sectional Back Frames
Straight Back Cane
NOTE: All frames listed are manufactured for dual crossbraces.
24
To order call toll free 1-800-333-6900, or www.invacare.com
Form No. 94-108

Frames with Hardware - Chrome
Large Non-Sectional Back Frames
Straight Back Cane
NOTE: All frames listed are manufactured for dual crossbraces.
With Gussets
Seat Depth
x
Back Height
Without Spreader
Bar Insert
Right
Without Spreader
Bar Insert
Left
With Spreader
Bar Insert
Right
With Spreader
Bar Insert
Left
1040426-NLA1040425-NLA1040396-NLA1040395-NLA16" x 16"
1040432-NLA1040431-NLA1040402-NLA1040401-NLA16" x 17"
1040438-NLA1040437-NLA1040408-NLA1040407-NLA16" x 18"
1040444-NLA1040443-NLA1040414-NLA1040413-NLA16" x 19"
1040450-NLA1040449-NLA1040420-NLA1040419-NLA16" x 20"
1040546-NLA1040545-NLA1040516-NLA1040515-NLA18" x 16"
1040552-NLA1040551-NLA1040522-NLA1040521-NLA18" x 17"
1040558-NLA1040557-NLA1040528-NLA1040527-NLA18" x 18"
1040564-NLA1040563-NLA1040534-NLA1040533-NLA18" x 19"
1040570-NLA1040569-NLA1040540-NLA1040539-NLA18" x 20"
1039175-NLA1039174-NLA1040606-NLA1040605-NLA20" x 16"
1039181-NLA1039180-NLA1040612-NLA1040611-NLA20" x 17"
1039187-NLA1039186-NLA1040618-NLA1040617-NLA20" x 18"
1039193-NLA1039192-NLA1040624-NLA1040623-NLA20" x 19"
1039203-NLA1039202-NLA1040630-NLA1040629-NLA20" x 20"
25
To order call toll free 1-800-333-6900, or www.invacare.com
Form No. 94-108

Without Gussets
Seat Depth
x
Back Height
Without Spreader
Bar Insert
Right
Without Spreader
Bar Insert
Left
With Spreader
Bar Insert
Right
With Spreader
Bar Insert
Left
1038815-NLA1038814-NLA1038699-NLA1038698-NLA16" x 16"
1038821-NLA1038820-NLA1038705-NLA1038704-NLA16" x 17"
1038827-NLA1038826-NLA1038711-NLA1038710-NLA16" x 18"
1038833-NLA1038832-NLA1038717-NLA1038716-NLA16" x 19"
1038839-NLA1038838-NLA1038723-NLA1038722-NLA16" x 20"
1038935-NLA1038934-NLA1038905-NLA1038904-NLA18" x 16"
1038941-NLA1038940-NLA1038911-NLA1038910-NLA18" x 17"
1038947-NLA1038946-NLA1038917-NLA1038916-NLA18" x 18"
1038953-NLA1038952-NLA1038923-NLA1038922-NLA18" x 19"
1038959-NLA1038958-NLA1038929-NLA1038928-NLA18" x 20"
1039055-NLA1039054-NLA1039025-NLA1039024-NLA20" x 16"
1039061-NLA1039060-NLA1039031-NLA1039030-NLA20" x 17"
1039067-NLA1039066-NLA1039037-NLA1039036-NLA20" x 18"
1039073-NLA1039072-NLA1039043-NLA1039042-NLA20" x 19"
1039079-NLA1039078-NLA1039049-NLA1039048-NLA20" x 20"
Frames with Hardware - Chrome
Large Non-Sectional Back Frames
with 10 Degree Bend in Back Cane
NOTE: All frames listed are manufactured for dual crossbraces.
26
To order call toll free 1-800-333-6900, or www.invacare.com
Form No. 94-108

Frames with Hardware - Chrome
Large Non-Sectional Back Frames
with 10 Degree Bend in Back Cane
NOTE: All frames listed are manufactured for dual crossbraces.
With Gussets
Seat Depth
x
Back Height
Without Spreader
Bar Insert
Right
Without Spreader
Bar Insert
Left
With Spreader
Bar Insert
Right
With Spreader
Bar Insert
Left
1040366-NLA1040365-NLA1040152-NLA1040151-NLA16" x 16"
1040372-NLA1040371-NLA1040158-NLA1040157-NLA16" x 17"
1040378-NLA1040377-NLA1040164-NLA1040163-NLA16" x 18"
1040384-NLA1040383-NLA1040170-NLA1040169-NLA16" x 19"
1040390-NLA1040389-NLA1040176-NLA1040175-NLA16" x 20"
1040486-NLA1040485-NLA1040456-NLA1040455-NLA18" x 16"
1040492-NLA1040491-NLA1040462-NLA1040461-NLA18" x 17"
1040498-NLA1040497-NLA1040468-NLA1040467-NLA18" x 18"
1040504-NLA1040503-NLA1040474-NLA1040473-NLA18" x 19"
1040510-NLA1040509-NLA1040480-NLA1040479-NLA18" x 20"
1039145-NLA1039144-NLA1040576-NLA1040575-NLA20" x 16"
1039151-NLA1039150-NLA1040582-NLA1040581-NLA20" x 17"
1039157-NLA1039156-NLA1040588-NLA1040587-NLA20" x 18"
1039163-NLA1039162-NLA1040594-NLA1040593-NLA20" x 19"
1039169-NLA1039168-NLA1040600-NLA1040599-NLA20" x 20"
27
To order call toll free 1-800-333-6900, or www.invacare.com
Form No. 94-108

Without Gussets
Seat Depth
x
Back Height
Without Spreader
Bar Insert
Right
Without Spreader
Bar Insert
Left
With Spreader
Bar Insert
Right
With Spreader
Bar Insert
Left
1038877-NLA1038876-NLA1038847-NLA1038846-NLA16" x 16"
1038883-NLA1038882-NLA1038853-NLA1038852-NLA16" x 17"
1038889-NLA1038888-NLA1038859-NLA1038858-NLA16" x 18"
1038895-NLA1038894-NLA1038865-NLA1038864-NLA16" x 19"
1038901-NLA1038900-NLA1038871-NLA1038870-NLA16" x 20"
1038997-NLA1038996-NLA1038967-NLA1038966-NLA18" x 16"
1039003-NLA1039002-NLA1038973-NLA1038972-NLA18" x 17"
1039009-NLA1039008-NLA1038979-NLA1038978-NLA18" x 18"
1039015-NLA1039014-NLA1038985-NLA1038984-NLA18" x 19"
1039021-NLA1039020-NLA1038991-NLA1038990-NLA18" x 20"
1039117-NLA1039116-NLA1039087-NLA1039086-NLA20" x 16"
1039123-NLA1039122-NLA1039093-NLA1039092-NLA20" x 17"
1039129-NLA1039128-NLA1039099-NLA1039098-NLA20" x 18"
1039135-NLA1039134-NLA1039105-NLA1039104-NLA20" x 19"
1039141-NLA1039140-NLA1039111-NLA1039110-NLA20" x 20"
Frames with Hardware - Color
Large Non-Sectional Back Frames
Straight Back Cane
NOTE: All frames listed are manufactured for dual crossbraces.
28
To order call toll free 1-800-333-6900, or www.invacare.com
Form No. 94-108

Frames with Hardware - Color
Large Non-Sectional Back Frames
Straight Back Cane
NOTE: All frames listed are manufactured for dual crossbraces.
With Gussets
Seat Depth
x
Back Height
Without Spreader
Bar Insert
Right
Without Spreader
Bar Insert
Left
With Spreader
Bar Insert
Right
With Spreader
Bar Insert
Left
1040428-NLA1040427-NLA8881040398888104039716" x 16"
1040434-NLA1040433-NLA8881040404888104040316" x 17"
1040440-NLA1040439-NLA8881040410888104040916" x 18"
1040446-NLA1040445-NLA1040416-NLA1040415-NLA16" x 19"
1040452-NLA1040451-NLA1040422-NLA1040421-NLA16" x 20"
1040548-NLA1040547-NLA1040518-NLA1040517-NLA18" x 16"
1040554-NLA1040553-NLA1040524-NLA1040523-NLA18" x 17"
1040560-NLA1040559-NLA1040530-NLA1040529-NLA18" x 18"
1040566-NLA1040565-NLA1040536-NLA1040535-NLA18" x 19"
1040572-NLA1040571-NLA1040542-NLA1040541-NLA18" x 20"
8881039177-NLA8881039176-NLA1040608-NLA1040607-NLA20" x 16"
8881039183-NLA8881039182-NLA1040614-NLA1040613-NLA20" x 17'"
8881039189-NLA8881039188-NLA1040620-NLA1040619-NLA20" x 18"
8881039195-NLA8881039194-NLA1040626-NLA1040625-NLA20" x 19"
8881039205-NLA8881039204-NLA1040632-NLA1040631-NLA20" x 20"
29
To order call toll free 1-800-333-6900, or www.invacare.com
Form No. 94-108

Without Gussets
Seat Depth
x
Back Height
Without Spreader
Bar Insert
Right
Without Spreader
Bar Insert
Left
With Spreader
Bar Insert
Right
With Spreader
Bar Insert
Left
1038817-NLA1038816-NLA1038701-NLA1038700-NLA16" x 16"
1038823-NLA1038822-NLA1038707-NLA1038706-NLA16" x 17"
1038829-NLA1038828-NLA1038713-NLA1038712-NLA16" x 18"
1038835-NLA1038834-NLA1038719-NLA1038718-NLA16" x 19"
1038841-NLA1038840-NLA1038725-NLA1038724-NLA16" x 20"
1038937-NLA1038936-NLA1038907-NLA1038906-NLA18" x 16"
1038943-NLA1038942-NLA1038913-NLA1038912-NLA18" x 17"
1038949-NLA1038948-NLA1038919-NLA1038918-NLA18" x 18"
1038955-NLA1038954-NLA1038925-NLA1038924-NLA18" x 19"
1038961-NLA1038960-NLA1038931-NLA1038930-NLA18" x 20"
1039057-NLA1039056-NLA1039027-NLA1039026-NLA20" x 16"
1039063-NLA1039062-NLA1039033-NLA1039032-NLA20" x 17"
1039069-NLA1039068-NLA1039039-NLA1039038-NLA20" x 18"
1039075-NLA1039074-NLA1039045-NLA1039044-NLA20" x 19"
1039081-NLA1039080-NLA1039051-NLA1039050-NLA20" x 20"
Frames with Hardware - Color
Large Non-Sectional Back Frames
with 10 Degree Bend in Back Cane
NOTE: All frames listed are manufactured for dual crossbraces.
30
To order call toll free 1-800-333-6900, or www.invacare.com
Form No. 94-108

Frames with Hardware - Color
Large Non-Sectional Back Frames
with 10 Degree Bend in Back Cane
NOTE: All frames listed are manufactured for dual crossbraces.
With Gussets
Seat Depth
x
Back Height
Without Spreader
Bar Insert
Right
Without Spreader
Bar Insert
Left
With Spreader
Bar Insert
Right
With Spreader
Bar Insert
Left
888104036888810403678881040154-NLA8881040153-NLA16" x 16"
888104037488810403738881040160888104015916" x 17"
888104038088810403798881040166888104016516" x 18"
888104038688810403858881040172888104017116" x 19"
888104039288810403918881040178888104017716" x 20"
1040488-NLA1040487-NLA1040458-NLA1040457-NLA18" x 16"
1040494-NLA1040493-NLA1040464-NLA1040463-NLA18" x 17"
1040500-NLA1040499-NLA1040470-NLA1040469-NLA18" x 18"
1040506-NLA1040505-NLA1040476-NLA1040475-NLA18" x 19"
1040512-NLA1040511-NLA1040482-NLA1040481-NLA18" x 20"
1039147-NLA1039146-NLA1040578-NLA1040577-NLA20" x 16"
1039153-NLA1039152-NLA1040584-NLA1040583-NLA20" x 17"
1039159-NLA1039158-NLA1040590-NLA1040589-NLA20" x 18"
1039165-NLA1039164-NLA1040596-NLA1040595-NLA20" x 19"
1039171-NLA1039170-NLA1040602-NLA1040601-NLA20" x 20"
31
To order call toll free 1-800-333-6900, or www.invacare.com
Form No. 94-108

Crossbrace Hardware
32
To order call toll free 1-800-333-6900, or www.invacare.com
Form No. 94-108

Crossbrace Hardware
Item
Number Part Number DescriptionNote
Quantity Per
Package Assembly
See Page See Footnote 1 11 B
1028598 Seat Guides, Black, Front, All Models 1 22
1028599 Seat Guides, Black, Rear Non-Recliners, STD, No
Modifications 1 22 C
1034907-NLA Seat Guides, Black, Rear Non-Recliners, 2" Lower 1 22 C
1031090 Seat Guides, Black, Rear Non-Recliners 1 22 D
Special See Footnote 1 22 E
1029148 Seat Guides, Black, Rear Recliners 1 22 F
Special See Footnote 1 22 G
1029254-NLA Seat Guides, Black Rear, Recliners 1 22 H
1028601 Spacer, Non Recliners 1 23
1029149 Spacer, Recliners 1 23
1027095 Plug Button, Black (7/8") 1 24
47236X001 Tension Spring 1 25
1027097 Plug Button, Black (3/4") 1 26
1028600 Screw, Hex Head (5/16-24 x 3") 1 27 A
7930330 Locknut (5/16-24) 25 18 A
1002088-NLA Lower Insert Tube 1 29
7930332 Locknut, High Profile (#10-32) 25 410
7930327 Screw, Phillips Pan Head (#10-32 x 1-1/8") 25 411
A - Chairs that have dual crossbraces will use 2 each of the bolt and nut.
B - See Crossbraces without Hardware pages.
C - 14-16" or 18" Wide
D - (14-16" or 18" Wide - Talls) (20 or 22" Wide - Large) (All Widths Modified)
E - 20 or 22" Wide - Large, 2" Lower, Modified
F - All Chairs - Except 2" Lowers
G - 2" Lower
H - With Dual Crossbraces
NOTE:
33
To order call toll free 1-800-333-6900, or www.invacare.com
Form No. 94-108

Item #I Standard - Non-Recliner
Seat Width x Seat Depth Right Left
1024232102423314" x 16"
1035837-NLA1035836-NLA14" x 18"
1035833-NLA1035832-NLA15" x 16"
1035839-NLA1035838-NLA15" x 18"
1024226-NLA1024225-NLA16" x 16"
1035841-NLA1035840-NLA16" x 18"
1035835-NLA1035834-NLA17" x 16"
1035843103584217" x 18"
1024236102423518" x 16"
1035845-NLA1035844-NLA18" x 18"
NOTE: For chairs 19" wide crossbraces must be special ordered.
Item #I Standard - Recliner
Seat Width x Seat Depth Right Left
1036020888103601914" x 17"
N/AN/A15" x 17"
1030689-NLA1030688-NLA16" x 17"
N/AN/A17" x 17"
1030693-NLA1030692-NLA18" x 17"
NOTE: For chairs 19" wide crossbraces must be special ordered.
Crossbraces without Hardware
Standard Height - Black Coated
34
To order call toll free 1-800-333-6900, or www.invacare.com
Form No. 94-108

Crossbraces without Hardware
Standard Height - Black Coated
Item #I Tall - Non-Recliner
Seat Width x Seat Depth Right Left
1035841-NLA1035840-NLA16" x 18"
1035845-NLA1035844-NLA18" x 18"
NOTE: For chairs 19" wide cross braces must be special ordered.
Item #1 Tall - Recliner
Seat Width x Seat Depth Right Left
SpecialSpecial16" x 18"
SpecialSpecial18" x 18"
NOTE: For chairs 19" wide crossbraces must be special ordered.
Item #1 Larger - Non-Recliner
Seat Width x Seat Depth Right Left
See Dual Crossbraces without
Hardware page.
See Dual Crossbraces without
Hardware page.
20" x 16"
See Dual Crossbraces without
Hardware page.
See Dual Crossbraces without
Hardware page.
22" x 16"
NOTE: For chairs 19" wide crossbraces must be special ordered.
Item #1 Larger - Recliner
Seat Width x Seat Depth Right Left
SpecialSpecial20" x 16"
SpecialSpecial22" x 16"
NOTE: For chairs 19" wide crossbraces must be special ordered.
35
To order call toll free 1-800-333-6900, or www.invacare.com
Form No. 94-108

Item #I Standard - Non-Recliner
Seat Width x Seat Depth Right Left
1035088-NLA1035087-NLA14" x 16"
N/AN/A15" x 16"
1035086-NLA1035085-NLA16" x 16"
N/AN/A17" x 16"
1035084-NLA1035083-NLA18" x 16"
NOTE: For chairs 19" wide crossbraces must be special ordered.
Item #I Standard - Recliner
Seat Width x Seat Depth Right Left
1035082-NLA1035081-NLA14" x 17"
N/AN/A15" x 17"
1035080-NLA1035079-NLA16" x 17"
N/AN/A17" x 17"
1035078-NLA1035077-NLA18" x 17"
NOTE: For chairs 19" wide crossbraces must be special ordered.
Item #I Tall - Non-Recliner
Seat Width x Seat Depth Right Left
N/AN/A16" x 18"
N/AN/A18" x 18"
NOTE: For chairs 19" wide cross braces must be special ordered.
Crossbraces without Hardware
2" Lower Height - Black Coated
36
To order call toll free 1-800-333-6900, or www.invacare.com
Form No. 94-108

Crossbraces without Hardware
2" Lower Height - Black Coated
Item #1 Tall - Recliner
Seat Width x Seat Depth Right Left
N/AN/A16" x 18"
N/AN/A18" x 18"
NOTE: For chairs 19" wide crossbraces must be special ordered.
Item #1 Larger - Non-Recliner
Seat Width x Seat Depth Right Left
SpecialSpecial20" x 16"
SpecialSpecial20" x 17"
SpecialSpecial22" x 16"
SpecialSpecial22" x 17"
NOTE: For chairs 19" wide crossbraces must be special ordered.
Item #1 Larger - Recliner
Seat Width x Seat Depth Right Left
N/AN/A20" x 16"
N/AN/A20" x 17"
N/AN/A22" x 16"
N/AN/A22" x 17"
NOTE: For chairs 19" wide crossbraces must be special ordered.
37
To order call toll free 1-800-333-6900, or www.invacare.com
Form No. 94-108

Item #I Standard - Non-Recliner
Seat Width x Seat Depth Right Left
1034817-NLA1034816-NLA14" x 16"
10348391034838-NLA14" x 18"
1034861103486014" x 20"
1034815-NLA1034814-NLA15" x 16"
1034837-NLA1034836-NLA15" x 18"
1034859-NLA1034858-NLA15" x 20"
1034813103481216" x 16"
1034835-NLA1034834-NLA16" x 18"
1034857103485616" x 20"
1034811103481017" x 16"
10348331034832-NLA17" x 18"
1034855-NLA1034854-NLA17" x 20"
1034809103480818" x 16"
1034831-NLA1034830-NLA18" x 18"
1034853103485218" x 20"
Dual Crossbraces without Hardware
Black Coated
38
To order call toll free 1-800-333-6900, or www.invacare.com
Form No. 94-108

Dual Crossbraces without Hardware
Black Coated
Item #I Standard - Recliner
Seat Width x Seat Depth Right Left
1035874103587314" x 17"
SpecialSpecial15" x 17"
1035872103587116" x 17"
SpecialSpecial17" x 17"
1035870103586918" x 17"
Item #I (2" Lower) Non-Recliner
Seat Width x Seat Depth Right Left
1035044103504314" x 16"
N/AN/A15" x 16"
1035042103504116" x 16"
N/AN/A17" x 16"
1035040103503918" x 16"
39
To order call toll free 1-800-333-6900, or www.invacare.com
Form No. 94-108

Dual Crossbraces without Hardware
Black Coated
Item #1 (2" Lower) Recliner
Seat Width x Seat Depth Right Left
N/AN/A14" x 17"
N/AN/A15" x 17"
1035048103504716" x 17"
N/AN/A16" x 18"
N/AN/A17" x 17"
1035046103504518" x 17"
N/AN/A18" x 18"
40
To order call toll free 1-800-333-6900, or www.invacare.com
Form No. 94-108

Item #I Standard - Non-Recliner
Seat Width x Seat Depth Right Left
1034807103480619" x 16"
1034829103482819" x 18"
1034851103485019" x 20"
1034805103480420" x 16"
1034827103482620" x 18"
1034849103484820" x 20"
1034803103480221" x 16"
1034825103482421" x 18"
1034847103484621" x 20"
1034801103480022" x 16"
1034823103482222" x 18"
1034845
1034844
22" x 20" See Note(s) A See Note(s) A
1034799103479823" x 16"
1034821103482023" x 18"
1034843
1034842
23" x 20" See Note(s) A See Note(s) A
1034797-NLA1034796-NLA24" x 16"
1034819103481824" x 18"
1034841
1034840
24" x 20" See Note(s) A See Note(s) A
A - Crossbraces are gusseted as well. NOTE:
Dual Crossbraces without Hardware
Black Coated
41
To order call toll free 1-800-333-6900, or www.invacare.com
Form No. 94-108

Dual Crossbraces without Hardware
Black Coated
Item #I Standard - Recliner
Seat Width x Seat Depth Right Left
SpecialSpecial19" x 17"
SpecialSpecial20" x 17"
SpecialSpecial21" x 17"
SpecialSpecial22" x 17"
SpecialSpecial23" x 17"
SpecialSpecial24" x 17"
Item #I (2" Lower) Non-Recliner
Seat Width x Seat Depth Right Left
N/AN/A19" x 16"
N/AN/A20" x 16"
N/AN/A21" x 16"
N/AN/A22" x 16"
N/AN/A23" x 16"
N/AN/A24" x 16"
42
To order call toll free 1-800-333-6900, or www.invacare.com
Form No. 94-108

Dual Crossbraces without Hardware
Black Coated
Item #1 (2" Lower) Recliner
Seat Width x Seat Depth Right Left
N/AN/A20" x 17"
N/AN/A22" x 17"
N/AN/A23" x 17"
N/AN/A24" x 17"
43
To order call toll free 1-800-333-6900, or www.invacare.com
Form No. 94-108

Item
Number Part Number DescriptionNote
Quantity Per
Package Assembly
See Chart #1 Cane w/Handgrip, Threaded Insert, & Spring -
Action Ranger & Multi-Function Frames 1 11 B,B1
See Chart #1 Cane w/Handgrip, Threaded Insert, and Spring -
Arrow Action 1 11
1024761-NLA Grip, Cane - Black 1 12 A,C
1032246 Grip, Cane 1 12 D
1027095 Plug Button, Black (7/8") 1 13
40188X002 Release Spring 1 14
1005834 Threaded Insert 1 15
1028484 Screw, Phillips Pan Head Tap (#10-32 x 1/2") 1 16
1026108 Lockwasher (1/4 x 15/32 x 1/64") 1 17
1007219 Screw, Socket Head Cap (1/4-20 x 3/4") 1 18
A - Item number 3 is only used with Cane Grip part number 1024761.
B - Hemi's and L-2's (Sectional Backs) are manufactured with a 1" shorter back height.
B1 - Example: A 2" Lower Chair with a 16" back height will actually have a 15" high canes and back upholstery. The end
result (16") will be the same when the back upholstery is put back onto the chairs canes.
C - Before 7/92
D - After 6/92
NOTE:
Item #1 Cane w/Handgrip, Threaded Insert, and Spring
Arrow Action
Back Canes
44
To order call toll free 1-800-333-6900, or www.invacare.com
Form No. 94-108

Back Canes
Item #1 Cane w/Handgrip, Threaded Insert, and Spring
Arrow Action
12" Height 19" Height 20" Height14" Height 15" Height 16" Height 17" Height 18" Height
10310871031086103108510310841031083103108210310811031080
NOTE: For All Widths
Item #1 Cane w/ Handgrip, Threaded Insert, & Spring
Action Ranger & Multi-Function Frames
12" Height 19" Height 20" Height14" Height 15" Height 16" Height 17" Height 18" Height
1031056-NLA1031055-NLA1031054-NLA1031053-NLA1031052-NLA1031051-NLA1031050-NLA1031049-NLA
NOTE: For All Widths
45
To order call toll free 1-800-333-6900, or www.invacare.com
Form No. 94-108

Manual Back Reclining Mechanism
46
To order call toll free 1-800-333-6900, or www.invacare.com
Form No. 94-108

Manual Back Reclining Mechanism
Item
Number Part Number DescriptionNote
Quantity Per
Package Assembly
1029097 Handle Assembly, Adjustable Push 1 11 E
1034868 Handle Assembly, Adjustable Push 1 11 F
1029096 Handgrip (Black) 1 22
40197X000 Roll Pin (3/16 x 7/8") 1 23
1029087 Handle 1 24
1029090-NLA Tube, Adjuster - Right 1 15 E
1029093 Tube, Adjuster - Left 1 15 F
1029274 Tube, Adjuster - Right 1 15 E
1029275-NLA Tube, Adjuster - Left 1 15 F
47340X006 Handle Tie Rod 1 16
15680X013 Anti-Rattle (1") 1 27
1029099 Handgrip Center 1 18
40187X014 Pin, Roll (3/16 x 1") 1 19
1029095 Cover, Strut 1 110
04419X011 Rod, Adjusting 1 111
1029134 Screw, Shoulder (1/2 x 1-1/4") 1 112
1025704 Washer, Flat (5/16 x 5/8 x 1/16") 1 213
1028486 Locknut, Low Profile (3/8-16) 1 214
1029098 Tube, Rear 1 115
1029128 Rod, Threaded Locking 1 116
1029127-NLA Spacer Tube, Full Recline 1 117
1029139 Spacer Tube, Semi-Recline 1 117
7930331 Locknut (7/16-20") 25 118
1029133 Handle, Locking 1 119
1029135 Acorn Nut (7/16-20") 1 120
47376X025 Plastic Tip (Black) 1 121
1026160 Spacer (5/16 x 7/16 x 3/8") 1 122
7930330 Locknut (5/16-24) 25 123
1029130 Tube, Recliner Back, Right 1 124
1029131 Tube, Recliner Back, Left 1 124
1037481-NLA Tube, Headrest Extension (Black)
w/Snap Buttons 1 125 B,C
1037482-NLA Tube, Headrest Extension (Black) w/ Heat Shrink
Tape 1 125 B,D
47447X009 Screw, Phillips (#8 x 3/8") 1 126
1027095 Plug Button, Black (7/8") 1 327
See Page See Footnote 1 128 A
A - See Frames with Hardware page.
B - Includes items 26 and 27
C - After 9/92
D - Before 10/92
E - 14" to 18" Wide
F - 19" to 24" Wide
NOTE:
47
To order call toll free 1-800-333-6900, or www.invacare.com
Form No. 94-108

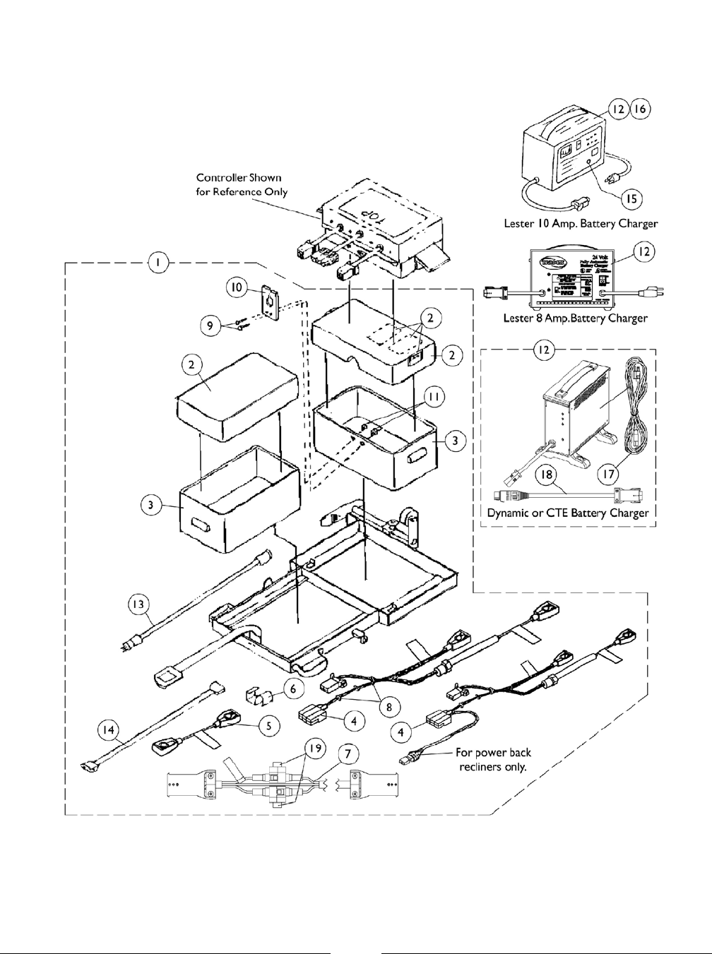
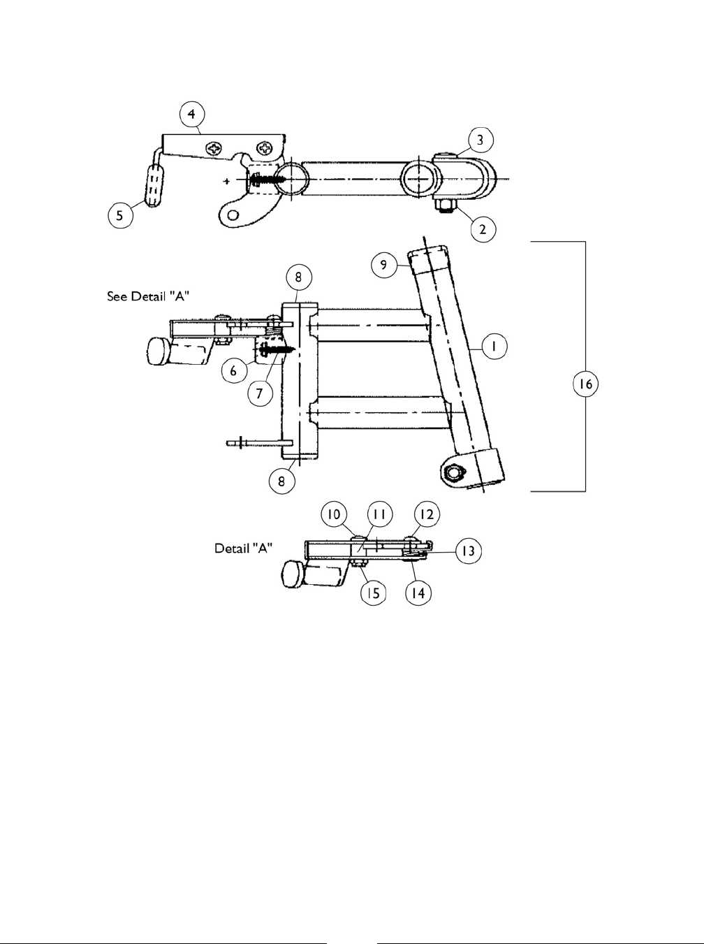
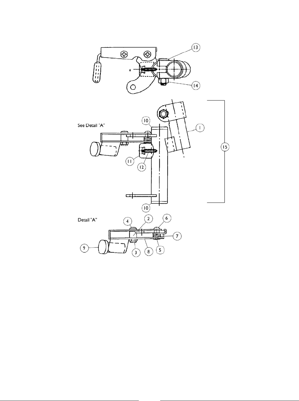
Power Back Reclining Mechanism
48
To order call toll free 1-800-333-6900, or www.invacare.com
Form No. 94-108

Power Back Reclining Mechanism
Item
Number Part Number DescriptionNote
Quantity Per
Package Assembly
1027095 Plug Button, Black (7/8") 1 61
60284X005-NLA Screw, Socket Head Cap (1/2-20 x 1-1/4") 1 22
1031658 Bracket, Adult Controller Mount (18" Wide) 1 23
1031659 Bracket, Narrow Adult Controller Mount (16" Wide) 1 23
1028514 Screw, Hex Head (5/16-24 x 1-1/2") 1 24
50200X000-NLA Locknut (5/16-24) 1 85
1028496 Acorn Nut (5/16-24) 1 66
1031891 Screw, Hex Head (5/16-24 x 2") 1 47
1031664-NLA Screw, Socket Head Shoulder (3/8 x 1") 1 28
1031886 Screw, Socket Head Shoulder (1/2 x 1-3/4") 1 29
60282X011 Screw, Socket Head Shoulder (3/8 x 1-1/4") 1 410
1031673 Washer, Nylon (35/64 x 1 x 1/16") 1 1411
1031665 Screw, Socket Head Shoulder (3/8 x 1-1/2") 1 112
1029268 Rod, Adult Motor Mount (18" Wide) 1 113
1029270 Rod, Narrow Adult Motor Mount (16" Wide) 1 113
14190X000-NLA Plug Button, Square (1-7/16") 1 114
1025704 Washer, Flat (5/16 x 5/8 x 1/16") 1 515
1028769 Locknut (5/16-18) 1 316
50000X346 Mount, Spacer/ Flange 1 117
1024220 Actuator Assembly, Drive 1 118
1029262 Extender, Leg 1 219
1026163 Nut, Hex Jam. (1/2-20) 1 220
1029266 Rod, Adult Rear Actuator (18" Wide) 1 121
1029264 Rod, Narrow Adult Rear Actuator (16" Wide) 1 121
1031885 Plate, Pivot (Black) 1 222
1031892 Spacer 1 123
1012371 Washer, Nylon (3/8 x 7/8 x 1/16") 1 624
47183X046 Spacer (11/32 x 5/8 x 1/2") 1 425
16325X000 Washer (3/8 x 13/16 x 1/16") 1 226
1028486 Locknut, Low Profile (3/8-16) 1 227
1031026 Screw w/ Lug (5/16-24 x 1-3/8") 1 228
1029255-NLA Bushing Clamp 1 229
1013149 Label, Caution 1 130
47447X009 Screw, Phillips (#8 x 3/8") 1 631
1037481-NLA Tube, Headrest Extension (Black)
w/Snap Buttons 1 232 B,C
1037481-NLA Tube, Headrest Extension (Black)
w/Snap Buttons 1 232 B,D
1029130 Tube, Recliner Back, Right 1 233
1029131 Tube, Recliner Back, Left 1 233
See Page See Footnote -- --34 A
A - See Frames with Hardware page.
B - Includes items 1 and 31
C - Without Heat-Shrink Tape - After 9/92
D - With Heat Shrink Tape - Before 10/92
NOTE:
49
To order call toll free 1-800-333-6900, or www.invacare.com
Form No. 94-108

Back and Headrest Upholstery
50
To order call toll free 1-800-333-6900, or www.invacare.com
Form No. 94-108

Back and Headrest Upholstery
Item
Number Part Number DescriptionNote
Quantity Per
Package Assembly
See Chart #1 Nylon Fabric without Hardware - 2" Lower 1 11
See Chart #1 Nylon Fabric without Hardware - Modified -
Wider and Higher by Construction 1 11
See Chart #1 Nylon Fabric without Hardware - Modified -
Wider by Construction 1 11
See Chart #1 Nylon Fabric without Hardware - Standard or Tall
Sizes - No Modifications 1 11
See Chart #1 Vinyl Fabric without Hardware - 2" Lower 1 11
See Chart #1 Vinyl Fabric without Hardware - Modified - Wider
and Higher by Construction 1 11
See Chart #1 Vinyl Fabric without Hardware - Modified - Wider
by Construction 1 11
See Chart #1 Vinyl Fabric without Hardware - Standard or Tall
Sizes - No Modifications 1 11
1076284 Screw w/ washer (#10 x 7/8") 1 12
1029154 Kit, Back Upholstery Hardware - Screws w/
Washers (#10 x 7/8") 12 12 L
1031095 Screws with Washers (#10-16 x 7/8") 4 12 M
1026298 Screws with Washers (#10 x 7/8") 2 12 B
98007X005 Cable Tie (11-1/2" Long) 1 23
50000X403 Clamp, (Black) Plastic 1 24
8881054647 Headrest, Vinyl without Hardware, Adult 1 15 A,C
8881054648 Headrest, Vinyl without Hardware, Narrow Adult 1 15 A,D
8881054649 Headrest, Vinyl without Hardware, Slim Narrow 1 15 A,E
Special See Footnote 1 15 A,F
88804644X008 Headrest Pillow 1 16 A,H
88804644X002-
NLA Headrest Pillow 1 16 A,I
Special See Footnote 1 16 A,J
8881013877 Recliner Back Upholstery without Hardware, Tall 1 17 A,C
8881013874 Headrest, Vinyl without Hardware, Tall Narrow 1 17 A,D
1035124 Headrest, Vinyl without Hardware, Slim Narrow
(U98) 1 17 E
8881013877 Recliner Back Upholstery without Hardware, Tall 1 17 A,C
8881013874 Headrest, Vinyl without Hardware, Tall Narrow 1 17 A,C
Special See Footnote -- --7 A,G
51
To order call toll free 1-800-333-6900, or www.invacare.com
Form No. 94-108

Back and Headrest Upholstery
A - Specify upholstery color when ordering, see Frame Finishes Touch-Up Paints, Upholstery Options and Accent Packages
page.
B - For Nylon Standard Back
C - 18" Wide
D - 16" Wide
E - 14" Wide
F - Tall, Tall Narrow, Large, and Large Narrow
G - Large and Large Narrow 20" and 22" Wide
H - Adult and Narrow Adult
I - Slim Narrow
J - Large and Large Narrow
L - For Recliner Back
M - For Vinyl Standard Back
NOTE:
Nylon Fabric without Hardware
Item #1 Standard or Tall Sizes - No Modifications
Height 14" Wide 16" Wide 18" Wide 20" Wide 22" Wide
N/AN/A10357051035703103570112"
N/AN/A10357151035713103571114"
N/AN/A10357201035718103571615"
1030324103032210303201030318103031616"
N/AN/A10357251035723103572117"
52
To order call toll free 1-800-333-6900, or www.invacare.com
Form No. 94-108

Back and Headrest Upholstery
Nylon Fabric without Hardware
Item #1 Standard or Tall Sizes - No Modifications
Height 14" Wide 16" Wide 18" Wide 20" Wide 22" Wide
N/AN/A10303311030329103032718"
N/AN/A10357361035734103573219"
N/AN/A10357471035745103574320"
NOTE: Specify upholstery colors when ordering.
NOTE: 15", 17", 19", 21" widths not available.
Nylon Fabric without Hardware
Item #1 Modified - Wider by Construction
Height 15" Wide 17" Wide 19" Wide 21" Wide
103032310303211030319103031716"
NOTE: Specify upholstery colors when ordering.
NOTE: 14", 16", 18", 20" and 22" widths not available.
Nylon Fabric without Hardware
Item #1 Modified - Wider and Higher by Construction
Height 22" Wide15" Wide 17" Wide 19" Wide 20" Wide 21" Wide
10357291035728103572710357261035724-NLA1035722-NLA17"
10303351030334103033310303321030330103032818"
10357401035739103573810357371035735-NLA1035733-NLA19"
103575110357501035749103574810357461035744-NLA20"
NOTE: Specify upholstery colors when ordering.
NOTE: 14", 16" and 18" widths not available.
53
To order call toll free 1-800-333-6900, or www.invacare.com
Form No. 94-108

Back and Headrest Upholstery
Nylon Fabric without Hardware
Item #1 (2" Lower)
Height 14" Wide 16" Wide 18" Wide
10357101035708103570614"
10357151035713103571115"
10357201035718103571616"
10303201030318103031617"
10357251035723103572118"
10303311030329103032719"
10357361035734103573220"
NOTE: Hemi's/L-2's (Sectional Backs) are manufactured with 1" shorter back height. Example: A 2" Lower Chair with 16" back height will
actually have a 15" high canes and back upholstery. The end result (16") will be the same when the back upholstery is put on the chair.
NOTE: Specify upholstery colors when ordering.
NOTE: 15", 17", 19", 20", 21" and 22" widths not available.
Vinyl Fabric without Hardware
Item #1 Standard or Tall Sizes - No Modifications
Height 14" Wide 16" Wide 18" Wide
888102421008015X078-NLA08015X079-NLA12"
888102420988808015X07608015X080-NLA14"
888102420688808015X21088808015X08115"
888102420288808015X15288808015X12116"
888102419588808015X22308015X082-NLA17"
888102420088808015X22888808015X12618"
888102419488808015X08608015X084-NLA19"
888102419188808015X07788808015X08920"
NOTE: Specify upholstery color when ordering.
NOTE: 15", 17", 19", 20", 21", 22" widths not available.
54
To order call toll free 1-800-333-6900, or www.invacare.com
Form No. 94-108

Back and Headrest Upholstery
Vinyl Fabric without Hardware
Item #1 Modified - Wider by Construction
Height 22" Wide15" Wide 17" Wide 19" Wide 20" Wide 21" Wide
8881024201888103518488810242038881035183SpecialSpecial16"
NOTE: Specify upholstery color when ordering.
NOTE: 14", 16", 18" widths not available.
Vinyl Fabric without Hardware
Item #1 Modified - Wider and Higher by Construction
Height 22" Wide15" Wide 17" Wide 19" Wide 20" Wide 21" Wide
8881024198888103537588810241968881035374SpecialSpecial17"
8881024197888103538188810241998881035380SpecialSpecial18"
8881024190888103538788810241898881035386SpecialSpecial19"
8881024193888103539388810241928881035392SpecialSpecial20"
NOTE: Specify upholstery color when ordering.
NOTE: 14", 16", 18" widths not available.
Vinyl Fabric without Hardware
Item #1 (2" Lower)
Height 14" Wide 16" Wide 18" Wide
88810354008881035398888103539614"
888102420988808015X07608015X080-NLA15"
888102420688808015X21088808015X08116"
888102420288808015X15288808015X12117"
888102419588808015X22308015X082-NLA18"
888102420088808015X22888808015X12619"
888102419488808015X08608015X084-NLA20"
NOTE: Hemi's/L-2's (Sectional Backs) are manufactured with 1" shorter back height. Example: A 2" Lower Chair with 16" back height will
actually have 15" high canes and back upholstery. The end result (16") will be the same when the back upholstery is put on the chair.
NOTE: Specify upholstery color when ordering.
NOTE: 15", 17", 19", 20", 21", 22" widths not available.
55
To order call toll free 1-800-333-6900, or www.invacare.com
Form No. 94-108

Seat Upholstery
56
To order call toll free 1-800-333-6900, or www.invacare.com
Form No. 94-108

Seat Upholstery
Extensions and Hardware
Item
Number Part Number DescriptionNote
Quantity Per
Package Assembly
See Chart #1 Nylon Fabric without Hardware - Modified -
Wider and Deeper by Construction 14"-18" 1 11
See Chart #1 Nylon Fabric without Hardware - Modified -
Wider and Deeper by Construction 19"-22" 1 11
See Chart #1 Nylon Fabric without Hardware - Modified -
Deeper Extension 1 11
See Chart #1 Nylon Fabric without Hardware - Standard or Tall
Sizes - No Modifications 1 11
See Chart #1 Vinyl Fabric without Hardware - Modified -
Deeper by Extension Kit 1 11
See Chart #1 Vinyl Fabric without Hardware - Modified - Wider
and Deeper by Construction 14"-18" 1 11
See Chart #1 Vinyl Fabric without Hardware - Modified - Wider
and Deeper by Construction 19"-22" 1 11
See Chart #1 Vinyl Fabric without Hardware - Standard or Tall
Sizes - No Modifications 1 11
1028547 Hardware Package, Standard 1 12 B
1029153 Hardware Package, Recliner 1 12 C
1034905 Hardware Package, Deeper by Extension 1 12 A
7930325 Washer (1/4 x 3/4 x 3/32") 25 83
7930332 Locknut, High Profile (#10-32) 25 84
1028476 Screw, Phillips Pan Head (#10-32 x 1-3/8") 1 85
1029236 Screw, Phillips Oval Pan Head (#10-32 x 1-1/2") 1 26
See Chart Seat Extensions 1 1D
A - 12 each of items 3 and 4, 10 each of item 5, and 2 each of item 6.
B - 8 each of items 3, 4, and 5.
C - 10 each of items 3, 5, and 5.
D - Not Shown
NOTE:
Seat Extensions
Chair Style Standard Depth 1031905
See Note(s) A
1031906
See Note(s) A
2" Extension = 18" Depth1" Extension = 17" Depth16"Sectional or Fixed Backs
2" Extension = 19" Depth1" Extension = 18" Depth17"Reclining Back
A - Contains 2 each extension tubes. NOTE:
57
To order call toll free 1-800-333-6900, or www.invacare.com
Form No. 94-108

Seat Upholstery
Vinyl Fabric without Hardware
Item #1 Standard or Tall Sizes - No Modifications
Depth 14" Wide 16" Wide 18" Wide 20" Wide 22" Wide
88808014X00488808014X00388808014X00188808014X00288808014X00716"
N/AN/A
88808014X010
88808014X011
8881035293
17" See Note(s) A See Note(s) A See Note(s) A
8881035261888103525988808014X00588808014X006888103525518"
A - Standard Recliner NOTE:
NOTE: Specify upholstery color when ordering.
NOTE: 15", 17", 19", 21" widths not available.
Vinyl Fabric without Hardware
Item #1 Modified - Wider and Deeper by Construction 14"-18"
Depth 14" Wide 15" Wide 16" Wide 17" Wide 18" Wide
N/ASpecialN/A8881035227N/A16"
8881035237N/A88808014X011N/A888103523317"
88808014X005N/A88808014X0068881035256888103525518"
Special888103526788810352668881035265888103526419"
8881035279888103527888810352778881035276888103527520"
8881035288888103528788810352868881035285888103528421"
58
To order call toll free 1-800-333-6900, or www.invacare.com
Form No. 94-108

Seat Upholstery
Vinyl Fabric without Hardware
Item #1 Modified - Wider and Deeper by Construction 14"-18"
Depth 14" Wide 15" Wide 16" Wide 17" Wide 18" Wide
N/AN/AN/AN/ASpecial22"
NOTE: Specify upholstery color when ordering.
59
To order call toll free 1-800-333-6900, or www.invacare.com
Form No. 94-108

Seat Upholstery
Vinyl Fabric without Hardware
Item #1 Modified - Wider and Deeper by Construction 19"-22"
Depth 19"
WIDTH 20"
WIDTH 21"
WIDTH 22"
WIDTH
N/A8881035230N/A888103522916"
888103524188810352408881035239888103523817"
888103526188810352608881035259888103525818"
N/AN/AN/AN/A19"
888103528388810352828881035281888103528020"
888103529288810352918881035290888103528921"
SpecialSpecialSpecialSpecial22"
NOTES: Specify upholstery color when ordering.
Vinyl Fabric without Hardware
Item #1 Modified - Deeper by Extension Kit
Depth 14" Wide 16" Wide 18" Wide 20" Wide 22" Wide
8881035241888103523988810352378881035235888103523317"
8881035252888103525088810352488881035246888103524418"
N/AN/A
8881035296
8881035295
8881035294
18" See Note(s) A See Note(s) A See Note(s) A
N/AN/A8881035268N/AN/A19"
N/AN/A88810353038881035302888103530120"
A - Standard Recliner NOTE:
NOTE: Specify upholstery color when ordering.
NOTE: 15", 17", 19", 21" widths not available.
60
To order call toll free 1-800-333-6900, or www.invacare.com
Form No. 94-108

Seat Upholstery
Nylon Fabric without Hardware
Item #1 Standard or Tall Sizes - No Modifications
Width 16" Deep 18" Deep
1029995102999314" Wide
1030002-NLA1030000-NLA15" Wide
1030009103000716" Wide
10300161030014-NLA17" Wide
1030023103002118" Wide
1030030103002819" Wide
1030037103003520" Wide
1030044103004221" Wide
1030051103004922" Wide
NOTE: 17" Depth not available.
NOTE: Specify upholstery color when ordering.
Nylon Fabric without Hardware
Item #1 Modified - Wider and Deeper by Construction 14"-18"
Depth 14" Wide 15" Wide 16" Wide 17" Wide 18" Wide
1030023103001610300091030002-NLA102999518"
10300241030017-NLA10300101030003-NLA102999619"
10300251030018-NLA10300111030004-NLA102999720"
10300261030019-NLA10300121030005-NLA102999821"
1030027103002010300131030006102999922"
NOTE: 16" and 17" Depths not available.
NOTE: Specify upholstery color when ordering.
61
To order call toll free 1-800-333-6900, or www.invacare.com
Form No. 94-108

Seat Upholstery
Nylon Fabric without Hardware
Item #1 Modified - Wider and Deeper by Construction 19"-22"
Depth 19" Wide 20" Wide 21" Wide 22" Wide
103004910300421030035103002816"
103005010300431030036103002917"
103005110300441030037103003018"
103005210300451030038103003119"
103005310300461030039103003220"
103005410300471030040103003321"
1030055-NLA1030048-NLA1030041-NLA1030034-NLA22"
NOTE: Specify upholstery color when ordering.
Nylon Fabric without Hardware
Item #1 Modified - Deeper Extension
Width 17" Deep 18" Deep
10355591039994-NLA14" Wide
1035560-NLA1030001-NLA15" Wide
1035561103000816" Wide
1035562-NLA1030015-NLA17" Wide
1035563103002218" Wide
1035564-NLA103002919" Wide
1035565103003620" Wide
1035566-NLA103004321" Wide
1035567103005022" Wide
NOTE: 19" and 20" Depths not available.
NOTE: Specify upholstery color when ordering.
62
To order call toll free 1-800-333-6900, or www.invacare.com
Form No. 94-108

Seat Upholstery for Multi-Function Frame
63
To order call toll free 1-800-333-6900, or www.invacare.com
Form No. 94-108

Seat Upholstery for Multi-Function Frame
Item
Number Part Number DescriptionNote
Quantity Per
Package Assembly
8881013857 Solid Seat with Hardware 1 11 A,B
8881013931 Solid Seat with Hardware 1 11 A,C
8881013995 Solid Seat with Hardware 1 11 A,D
8881013933 Solid Seat with Hardware 1 11 A,E
8881012998 Solid Seat without Hardware 1 12 A,B
8881013886 Solid Seat without Hardware 1 12 A,C
8881013853 Solid Seat without Hardware 1 12 A,D
8881013892 Solid Seat without Hardware 1 12 A,E
1009768 Seat Clamp, Rear 1 23
1008432 Screw, Socket Button Head (1/4-20 x 1-1/4") 1 24
47324X011-NLA Bushing Pivot (5/16 x 7/8 x 3/4") 1 25
7930364 Package, Locknut (1/4-20) 25 26
18858X007 Screw, Phillips Pan Head (#10-32X3/4") 1 47
1009886 Seat Guide, Front 1 28
A - Specify color when ordering, see Frame Finishes, Touch-Up Paints, Upholstery Options and Accent Packages page.
B - 16" Wide x 16" Deep
C - 16" Wide x 17" Deep
D - 18" Wide x 16" Deep
E - 18" Wide x 17" Deep
NOTE:
64
To order call toll free 1-800-333-6900, or www.invacare.com
Form No. 94-108

Non-Recliners Width x Depth Recliners Width x Depth
14 x 17888103465514 x 168881034646
16 x 17888103465716 x 168881034648
18 x 17888103465918 x 168881034650
20 x 17888103466120 x 168881034652
22 x 17888103466322 x 168881034654
16 x 19888103467516 x 188881034666
18 x 19888103467718 x 188881034668
NOTE: Solid Seat inserts are not available in sizes over 24" wide x 20" deep.
NOTE: Specify upholstery color when ordering.
Non-Recliners Modified
Width x Depth Recliners Modified
Width x Depth
19 x 20888103468714 x 188881034664
19 x 211035362-NLA14 x 198881034673
20 x 18888103467014 x 208881034682
20 x 19888103467914 x 218881035357-NLA
20 x 20888103468815 x 168881034647
20 x 211035363-NLA15 x 178881034656
21 x 16888103465315 x 188881034665
21 x 17888103466215 x 198881034674
21 x 18888103467115 x 208881034683
21 x 19888103468015 x 21Special
21 x 20888103468916 x 208881034684
21 x 218881035364-NLA16 x 218881035359
22 x 18888103467217 x 168881034649
22 x 19888103468117 x 178881034658
22 x 20888103469017 x 188881034667
22 x 218881035365-NLA17 x 198881034676
23 x 16888103486917 x 208881034685
23 x 17888103487117 x 211035360-NLA
23 x 18888103487318 x 208881034686
23 x 19888103487518 x 218881035361
24 x 16888103487019 x 168881034651
24 x 17888103487219 x 178881034660
24 x 18888103487419 x 188881034669
24 x 19888103487619 x 198881034678
NOTE: Solid Seat inserts are not available in sizes over 24" wide x 20" deep.
NOTE: Specify upholstery color when ordering.
Solid Seat Inserts (9120)
65
To order call toll free 1-800-333-6900, or www.invacare.com
Form No. 94-108

Non-Recliners
(Hardware Not Included)
Width 21" Deep16" Deep 17" Deep 18" Deep 19" Deep 20" Deep
88810349218881033859888103346488810334578881033447888103344014" Wide
88810349228881033886888103388488810338828881033880888103387815" Wide
88810349238881033860888103346588810334588881033448888103344116" Wide
88810349248881033887888103388588810338838881033881888103387917" Wide
88810349258881033861888103346688810334598881033449888103344218" Wide
NOTE: Specify upholstery color when ordering.
Recliners
(Hardware Not Included)
Width 17" Deep
888103345414" Wide
888103345516" Wide
888103345618" Wide
NOTE: Specify upholstery color when ordering.
Hardware Package
Part Number Description
Package Includes:1033821-NLA
Screw, Pan Head (10-32 x 1-1/8") (Pkg. of 25)7930327
Screw, Pan Head (10-32 x 11/16") (Pkg. of 25)7930328
Locknut, (10-32) (Pkg. of 25)7930332
Washer, Nylon (13/64 x 7/16 x 1/8")1026034
Seat Hinge Clip1025378
Solid Clip-On Seat
(CSSP) 1/2" Wood Base
66
To order call toll free 1-800-333-6900, or www.invacare.com
Form No. 94-108

Non-Recliner
(Hardware not Included)
Width 16" Deep 17" Deep 18" Deep 19" Deep 20" Deep
SpecialN/AN/AN/AN/A14" Wide
SpecialN/AN/AN/AN/A15" Wide
SpecialN/AN/AN/AN/A16" Wide
SpecialN/AN/AN/AN/A17" Wide
888103386188810334668881033459N/AN/A18" Wide
8881033862888103346788810334608881033450888103344319" Wide
8881033863888103346888810334618881033451888103344420" Wide
8881033864888103346988810334628881033452888103344521" Wide
8881033865888103347088810334638881033453888103344622" Wide
8881033866888103398188810339798881033977888103397523" Wide
8881033867888103398288810339808881033978888103397624" Wide
NOTE: Specify upholstery color when ordering.
Recliner
(Hardware not Included)
Width 17" Deep
Special20" Wide
Special22" Wide
Special24" Wide
NOTE: Specify upholstery color when ordering.
Solid Clip-On Seat
(SHSHP) 3/4" Wood Base
67
To order call toll free 1-800-333-6900, or www.invacare.com
Form No. 94-108

Solid Clip-On Seat
(SHSHP) 3/4" Wood Base
Hardware Package
Part Number Description
Package Includes:1033821-NLA
Screw, Pan Head (10-32 x 1-1/8") (Pkg. of 25)7930327
Screw, Pan Head (10-32 x 11/16") (Pkg. of 25)7930328
Locknut (10-32) (Pkg of 25)7930332
Washer, Nylon (13/64 x 7/16 x 1/8")1026034
Seat Hinge Clip1025378
68
To order call toll free 1-800-333-6900, or www.invacare.com
Form No. 94-108

Non-Recliners
(Hardware Not Included)
Width 16" Deep 17" Deep 18" Deep 19" Deep 20" Deep
N/A88810338288881033825Special888103383114" Wide
N/A1033902-NLA1033900-NLA1033898-NLA1033896-NLA15" Wide
N/A88810338298881033826Special888103383216" Wide
N/A1033903-NLA1033901-NLA1033899-NLA1033897-NLA17" Wide
N/A88810338308881033827Special888103383318" Wide
NOTE: Specify upholstery color when ordering.
Recliners
(Hardware Not Included)
Width 17" Deep
888103382214" Wide
888103382316" Wide
888103382418" Wide
NOTE: Specify upholstery color when ordering.
Solid Clip-On Seat
(SHSP) 1/2" Wood Base
69
To order call toll free 1-800-333-6900, or www.invacare.com
Form No. 94-108

Solid Clip-On Seat
(SHSP) 1/2" Wood Base
Hardware Package
Part Number Description
Package Includes:1033849-NLA
Hook1016767
Screw, Pan Head (10-32 x 1-1/8') (Pkg. of 25)7930327
Screw, Pan Head, (10-32 x 11/16") (Pkg. of 25)7930328
Locknut (10-32) (Pkg. of 25)7930332
Washer, Nylon (13/64 x 7/16 x 1/8")1026034
Screw, Phillip Head (10-32 x 1-5/8")1028483-NLA
Wheel, Lock Link1028579-NLA
Screw, Pan Head (10-32 x 5/8")1028755
70
To order call toll free 1-800-333-6900, or www.invacare.com
Form No. 94-108

Adjustable Head Support
71
To order call toll free 1-800-333-6900, or www.invacare.com
Form No. 94-108

Adjustable Head Support
Item
Number Part Number DescriptionNote
Quantity Per
Package Assembly
7930360 Screw, Phillips Pan Head (#10-32 x 11/16") 25 21
88804529X040 Pad Headrest 1 12 A
7930330 Locknut (5/16-24) 25 13
1028481 Screw, Socket Head (1/4-20 x 1/2") 1 24
1028758 Bracket, Clamp, Black - Right 1 15
1028759 Bracket, Clamp, Black - Left 1 15
03018X042 Bracket Assembly, Chrome 1 16
1031026 Screw w/ Lug (5/16-24 x 1-3/8") 1 17
03018X045 Bracket, Pad Support, Chrome 1 18 C
03018X044 Bracket, Pad Support, Chrome 1 18 D
8881044754 Head Support Assembly, Adjustable, Non-Recliner
(Pair) 2 19 A
8881044756 Head Support Assembly, Adjustable, Recliner (Pair) 2 19 A
1023610 Instruction Sheet 1 1B
A - Specify color when ordering, see Frame Finishes, Touch-Up Paints, Upholstery Options and Accent Packages page.
B - Not Shown
C - Non-Recliner
D - Recliner
NOTE:
72
To order call toll free 1-800-333-6900, or www.invacare.com
Form No. 94-108

Adjustable Torso Support
73
To order call toll free 1-800-333-6900, or www.invacare.com
Form No. 94-108

Adjustable Torso Support
Item
Number Part Number DescriptionNote
Quantity Per
Package Assembly
88804529X040 Pad Headrest 1 11 A
1028481 Screw, Socket Head (1/4-20 x 1/2") 1 22
88804529X043 Cover Torso Bracket 1 13 A
1028758 Bracket, Clamp, Black - Right 1 14
1028759 Bracket, Clamp, Black - Left 1 14
03018X041 Bracket, Pad Support, Chrome 1 15
1031026 Screw w/ Lug (5/16-24 x 1-3/8") 1 16
7930330 Locknut (5/16-24) 25 17
03018X016 Bracket, Support, Chrome 1 18
7930328 Screw, Phillips Pan Head (#10-32 x 11/16") 25 29
03018X012-NLA Rod Support w/ Guide Tube 1 110
8881044753 Torso Support Assembly, Adjustable, Non-Recliner
(Pair) 2 111 A
8881044755 Torso Support Assembly, Adjustable, Recliner (Pair) 2 111 A
1023610 Instruction Sheet 1 1B
A - Specify color when ordering, see Frame Finishes, Touch-Up Paints, Upholstery Options and Accent Packages page.
B - Not Shown
NOTE:
74
To order call toll free 1-800-333-6900, or www.invacare.com
Form No. 94-108

Arm Assemblies - Full
For Standard, Tall, and Wide Chairs
75
To order call toll free 1-800-333-6900, or www.invacare.com
Form No. 94-108

Arm Assemblies - Full
For Standard, Tall, and Wide Chairs
Item
Number Part Number DescriptionNote
Quantity Per
Package Assembly
1029729-NLA Arm Tube with Clothing Guard, Fixed Height
(Chrome) Right or Left 1 11 A,E
1028573-NLA Arm Tube with Clothing Guard, Fixed Height (Black)
Right or Left 1 11 A,E
1030351 Arm Pad, Full Length Urethane, Grey (15" L x 2" W) 1 12
1117328 Arm Pad, Full Length, Urethane Waterfall with
Screws, Black
(13" L x 2-5/8" W)
1 12 D
1110818 Arm Pads, Full Length, Urethane Waterfall
with Screws, Black (13" L x 2-5/8" W) (Pair) 2 12
8881015932 Arm Pad, Vinyl, Full Length (14" L x 2" W) - Right 1 12 B
8881015933 Arm Pad, Vinyl, Full Length (14" L x 2" W) - Left 1 12 B
7930327 Screw, Phillips Pan Head (#10-32 x 1-1/8") 25 23 H
1026107 Screw, Phillips Pan Head (#10-32 x 1-3/8") 1 23 I
1094270 Screw, Phillips Pan Head (#10-32 x 1-1/4") (Pair) 2 13 J,K
1027095 Plug Button, Black (7/8") 1 14
1029201 Cover, Clothing Guard with Pocket, Full Fixed Arm 1 15
1029200 Cover, Clothing Guard with Pocket, Adjustable Arm 1 15
47234X001 Guard Clothing, (Chrome) Full Fixed Arm 1 16
47234X045 Guard Clothing, (Chrome) 1 16
47234X064-NLA Guard, Clothing (Black) Full Fixed Arm 1 16
47234X066 Guard, Clothing (Black) Adjustable Arm 1 16
1025729 Screw, Self Tapping Pan Head (#8-32 x 3/8") 1 47
1030345 Arm Assembly, Lower Adjustable Height, Silver Vein
- Right 1 18 F,L
1030346 Arm Assembly, Lower Adjustable Height, Silver Vein
- Left 1 18 F,L
1028646 Arm Assembly, Lower Adjustable Height (Black),
Right 1 18 F
1028647 Arm Assembly, Lower Adjustable Height (Black),
Left 1 18 F
1041522 Arm Tube, Upper with Plug Buttons (Black) - Full
Length 1 19 G
10351X001 Rivet 1 410
1090768 Kit, Lock Handle w/Rivets (both LT & RT side) 2 111
47471X074 Spring, Arm Lock 1 112
1028594 Pin, Arm Lock 1 113
1032245 Grip, Foam Hand (6-7/8" Long) 1 114 C
76
To order call toll free 1-800-333-6900, or www.invacare.com
Form No. 94-108

Arm Assemblies - Full
For Standard, Tall, and Wide Chairs
A - Arm tubes are universal (right or left) after July 1992. Arm tube is retrofitable.
B - Specify upholstery color when ordering, see Frame Finishes, Touch-Up Paints, Upholstery Options and Accent Packages
page.
C - Foam Grip 1 Pad with ribbed edges are no longer available
D - As of 1/3/02 upholstered waterfall armpads were replaced with black urethane waterfall armpads. Order in pairs with
screws for chairs serviced before 1/3/02.
E - Includes items 6 and 7
F - Includes items 6 and 10-13
G - Includes item 4
H - Vinyl Arm Pad
I - Urethane Pad, Grey
J - Pair
K - For Black Urethane Waterfall Arms Pads Only
L - As of 7/6/07, chrome finish option is discontinued and no longer available.
NOTE:
77
To order call toll free 1-800-333-6900, or www.invacare.com
Form No. 94-108

Arm Assemblies - Desk
For Standard, Tall, and Wide Chairs
78
To order call toll free 1-800-333-6900, or www.invacare.com
Form No. 94-108

Arm Assemblies - Desk
For Standard, Tall, and Wide Chairs
Item
Number Part Number DescriptionNote
Quantity Per
Package Assembly
1029731 Arm Tube with Clothing Guard, Fixed Height, Desk
Length (Chrome) - Right 1 11 D
1029732 Arm Tube with Clothing Guard, Fixed Height, Desk
Length (Chrome) - Left 1 11 D
1028637 Arm Tube with Clothing Guard, Fixed Height
(Black), Right 1 11 D
1028638 Arm Tube with Clothing Guard, Fixed Height
(Black), Left 1 11 D
1030352 Arm Pad, Desk Length Urethane , Grey (9"L x 2"W) 1 12
1117327 Arm Pad, Desk Length, Urethane Waterfall with
Screws, Black
(9" L x 2-5/8" W)
1 12 C
1110817 Arm Pads, Desk Length, Urethane Waterfall with
Screws, Black (9" L x 2-5/8" W) (Pair) 2 12
8881011811 Arm Pad, Vinyl, Desk Length (9" L x 2" W) 1 12 A
7930327 Screw, Phillips Pan Head (#10-32 x 1-1/8") 25 23 H
1026107 Screw, Phillips Pan Head (#10-32 x 1-3/8") 1 23 I
1094270 Screw, Phillips Pan Head (#10-32 x 1-1/4") (Pair) 2 13 G
1027095 Plug Button, Black (7/8") 1 24
1029200 Cover, Clothing Guard with Pocket, Adjustable Arm 1 15
47234X002 Guard Clothing, (Chrome) Desk Fixed Arm 1 16
47234X045 Guard Clothing, (Chrome) 1 16
47234X065 Guard, Clothing (Black) Desk Fixed Arm 1 16
47234X066 Guard, Clothing (Black) Adjustable Arm 1 16
1025729 Screw, Self Tapping Pan Head (#8-32 x 3/8") 1 47
1030345 Arm Assembly, Lower Adjustable Height, Silver Vein
- Right 1 18 E
1030346 Arm Assembly, Lower Adjustable Height, Silver Vein
- Left 1 18 E
1028646 Arm Assembly, Lower Adjustable Height (Black),
Right 1 18 E
1028647 Arm Assembly, Lower Adjustable Height (Black),
Left 1 18 E
1070859 Arm Tube, Upper with Plug Buttons (Black) - Desk
Length 1 19 F
10351X001 Rivet 1 410
1090768 Kit, Lock Handle w/Rivets (both LT & RT side) 2 111
47471X074 Spring, Arm Lock 1 112
1028594 Pin, Arm Lock 1 113
1032245 Grip, Foam Hand (6-7/8" Long) 1 114 B
79
To order call toll free 1-800-333-6900, or www.invacare.com
Form No. 94-108

Arm Assemblies - Desk
For Standard, Tall, and Wide Chairs
A - Specify upholstery color when ordering, see Frame Finishes, Touch-Up Paints, Upholstery Options and Accent Packages
page.
B - Foam Grip/Pad with ribbed edges are no longer available. 1032245 is retrofittable.
C - As of 1/3/02 upholstered waterfall armpads were replaced with black urethane waterfall armpads. Order in pairs with
screws for chairs serviced before 1/3/02.
D - Includes items 6 and 7
E - Includes items 6 and 10-13
F - Includes item 4
G - For Black Urethane Waterfall Arm Pads only
H - Vinyl Arm Pad
I - Urethane Pad, Grey
NOTE:
80
To order call toll free 1-800-333-6900, or www.invacare.com
Form No. 94-108

Arm Assemblies
Full and Desk For 2" Lower Arms
NOTE: Desk length arms shown for reference. This page refers to both full and desk length 2" lower arm
assemblies.
81
To order call toll free 1-800-333-6900, or www.invacare.com
Form No. 94-108

Arm Assemblies
Full and Desk For 2" Lower Arms
NOTE: Desk length arms shown for reference. This page refers to both full and desk length 2" lower arm
assemblies.
Item
Number Part Number DescriptionNote
Quantity Per
Package Assembly
1035475 Desk Arm Tube with Clothing Guard, Fixed Height
(Chrome) Right 1 11 E
1035476 Desk Arm Tube with Clothing Guard, Fixed Height
(Chrome) Left 1 11 E
1035473-NLA Desk Arm Tube with Clothing Guard, Fixed Height
(Black) Right 1 11 E
1035474-NLA Desk Arm Tube with Clothing Guard, Fixed Height
(Black) Left 1 11 E
1030351 Arm Pad, Full Length Urethane, Grey (15" L x 2" W) 1 12
1117328 Arm Pad, Full Length, Urethane Waterfall with
Screws, Black
(13" L x 2-5/8" W)
1 12 D
1110818 Arm Pads, Full Length, Urethane Waterfall
with Screws, Black (13" L x 2-5/8" W) (Pair) 2 12
8881015932 Arm Pad, Vinyl, Full Length (14" L x 2" W) - Right 1 12 A
8881015933 Arm Pad, Vinyl, Full Length (14" L x 2" W) - Left 1 12 A
1030352 Arm Pad, Desk Length Urethane , Grey (9"L x 2"W) 1 12
1117327 Arm Pad, Desk Length, Urethane Waterfall with
Screws, Black
(9" L x 2-5/8" W)
1 12 D
1110817 Arm Pads, Desk Length, Urethane Waterfall with
Screws, Black (9" L x 2-5/8" W) (Pair) 2 12
8881011811 Arm Pad, Vinyl, Desk Length (9" L x 2" W) 1 12 A
7930327 Screw, Phillips Pan Head (#10-32 x 1-1/8") 25 23 J
1026107 Screw, Phillips Pan Head (#10-32 x 1-3/8") 1 23 K
1094270 Screw, Phillips Pan Head (#10-32 x 1-1/4") (Pair) 2 13 F
1027095 Plug Button, Black (7/8") 1 24
1035065 Cover, Clothing Guard with Pocket - For Fixed
Height Desk Length & Adjustable Height Full/Desk
Length
1 15
1034635 Guard Clothing (Chrome) Desk Fixed Arm 1 16
1064130 Clothing Guard 1 16 C,L
1035472 Clothing Guard, Desk Length 1 16
1064130 Clothing Guard 1 16 C,L
1025729 Screw, Self Tapping Pan Head (#8-32 x 3/8") 1 47
1034936-NLA Arm Assembly, Lower Adjustable Height (Chrome),
Right 1 18 C,G
1034937-NLA Arm Assembly, Lower Adjustable Height (Chrome),
Left 1 18 C,G
1034934 Arm Assembly, Lower Adjustable Height (Black),
Right 1 18 C,G
1034935 Arm Assembly, Lower Adjustable Height (Black),
Left 1 18 C,G
82
To order call toll free 1-800-333-6900, or www.invacare.com
Form No. 94-108

Arm Assemblies
Full and Desk For 2" Lower Arms
NOTE: Desk length arms shown for reference. This page refers to both full and desk length 2" lower arm
assemblies.
Item
Number Part Number DescriptionNote
Quantity Per
Package Assembly
1041522 Arm Tube, Upper with Plug Buttons (Black) - Full
Length 1 49 H
1070859 Arm Tube, Upper with Plug Buttons (Black) - Desk
Length 1 19 H
1028645 Rivet 1 610 I
1090768 Kit, Lock Handle w/Rivets (both LT & RT side) 2 111
47471X074 Spring, Arm Lock 1 112
1028594 Pin, Arm Lock 1 113
1032245 Grip, Foam Hand (6-7/8" Long) 1 114 B
A - Specify upholstery color when ordering, see Frame Finishes, Touch-Up Paints, Upholstery Options and Accent Packages
page.
B - Foam grip 1 pad with ribbed edges are no longer available. 1032245 is retrofittable.
C - Stainless steel clothing guards were replaced with ABS plastic. Chairs manufactured before 7/30/97 should be ordered in
pairs to match.
D - As of 1/3/02 upholstered waterfall armpads were replaced with black urethane waterfall armpads. Order in pairs with
screws for chairs serviced before 1/3/02.
E - Includes items 6 and 7
F - For Black Urethane Waterfall Arm Pads only.
G - Includes items 6 and 10-13
H - Includes item 4
I - Adjustable height arms require quantity of 6
J - Vinyl Arm Pad
K - Urethane Pad, Grey
L - Used for both Chrome and Black
NOTE:
83
To order call toll free 1-800-333-6900, or www.invacare.com
Form No. 94-108

Arm Assemblies
For 4" Deeper by Construction Chairs
84
To order call toll free 1-800-333-6900, or www.invacare.com
Form No. 94-108

Arm Assemblies
For 4" Deeper by Construction Chairs
Item
Number Part Number DescriptionNote
Quantity Per
Package Assembly
1034901 Desk Arm Tube with Guard, Fixed Height without
Arm Pad, Guard Cover and Plug Button (Chrome),
Right
1 11
1034902 Desk Arm Tube with Guard, Fixed Height without
Arm Pad, Guard Cover and Plug Button (Chrome),
Left
1 11
1034903 Desk Arm Tube with Guard, Fixed Height without
Arm Pad, Guard Cover and Plug Button (Black),
Right
1 11
1034904 Desk Arm Tube with Guard, Fixed Height without
Arm Pad, Guard Cover and Plug Button (Black), Left 1 11
1034891 Arm Base Assembly with Guard, Adjustable Height
without Arm Top (Chrome), Right 1 12
1034892 Arm Base Assembly with Guard, Adjustable Height
without Arm Top (Chrome), Left 1 12
1034893 Arm Base Assembly with Guard, Adjustable Height
without Arm Top (Black), Right 1 12
1034894 Arm Base Assembly with Guard, Adjustable Height
without Arm Top (Black), Left 1 12
NOTE: Individual arm parts are called out on the "Arm Assemblies - Full" page.
85
To order call toll free 1-800-333-6900, or www.invacare.com
Form No. 94-108

Trough Arms
86
To order call toll free 1-800-333-6900, or www.invacare.com
Form No. 94-108

Trough Arms
Item
Number Part Number DescriptionNote
Quantity Per
Package Assembly
05501X068 Cantilever Arm, Right 1 11 A
05501X067-NLA Cantilever Arm, Left 1 11 A
60285X013 Screw, Socket Button Head (#10-32 x 1/2") 1 42
47071X406-NLA Arm Trough 1 13
43022X183 Foam Pad 1 14
1002850 Arm Trough Cover, Right 1 15
1002849 Arm Trough Cover, Left 1 15
1029258-NLA Arm Tube 1 16
A - Items 2-6 not included
NOTE:
87
To order call toll free 1-800-333-6900, or www.invacare.com
Form No. 94-108

Front Caster and Forks
88
To order call toll free 1-800-333-6900, or www.invacare.com
Form No. 94-108

Front Caster and Forks
Item
Number Part Number DescriptionNote
Quantity Per
Package Assembly
1001843 Cap, Head Tube (Black) 1 11
7930331 Locknut (7/16-20") 1 12
40014X044 Washer, Nylon (7/16 x 1 x 1/8") 1 13
1006049 Bearing (7/16") 1 14
57768X030 Sleeve, Aluminum 1 15
1029703 Sleeve Bottom with Bearing 1 16
7930330 Locknut (5/16-24) 1 17
1016289 Washer, Caplugs (15/32" I.D. x 1-3/32" O.D.) 1 18 C
1028491 Washer, Caplugs (11/32" I.D. x 1" O.D.) 1 18 B
7930312 Washer 1 29 A,C
1027794 Washer, Flat 1 29 A,B
1025726 Screw, Hex Head (7/16-20 x 3-1/4") 1 110 C
1027795 Axle, Hex Head (5/16-24 x 4") 1 110 B
1027712 Axle Reducer 1 111 B
See Chart #12 Caster Forks 1 112
See Chart #13 Caster Wheels 1 113
1013466 Hub with Bearings 1 414
1024426 Nut, Hex (5/16-24) 1 415
1024442 Washer, Lock (5/16 x 9/16 x 1/16") 1 116
1025399 Rim, Outer/Inner half with Hardware-9" 1 117
1028669 Boot Fork 1 118
1028490 Hub Cap, Grey 1 119
1028488 Hub Cap, Teal 1 119
1028489-NLA Hub Cap, Lavender 1 119
1028835 Cap, Hub (Black) 1 119 D
1015610 Bearing with Grip Ring (5/8") 1 120
A - Used with Accent Hub Caps
B - For 9" Wheel
C - For 8" Wheel
D - For the Red Accent Package
NOTE:
Item #12 Caster Forks
Description Black Finish Chrome Finish Color Finish
N/AN/A
1029705
Ranger Fork See Note(s) A
8881040340
04540X251
1040339
Shock Absorbing Fork for 8"
Wheel See Note(s) B
8881040338N/A1040337Fork for 9" Wheel
A - Standard on Ranger
B - Chrome forks do not come with fork boot, they must be ordered separately.
NOTE:
89
To order call toll free 1-800-333-6900, or www.invacare.com
Form No. 94-108

Front Caster and Forks
Item #13 Caster Wheels
Description
8 x 1-3/4" Wheel,
Semi-Pneumatic 8 x 1-3/4" Wheel,
Semi-Pneumatic 8 x 2" Wheel, Full
Pneumatic 9x2-3/4" Wheel,
Full Pneumatic 9x2-3/4" Wheel,
w/Flat Free Insert
N/AN/AN/A
1071666
Before
6/9/97
Wheel w/Bearings
Pair See Note(s) B
102987110254001002002
1070811
1006058-NLA
Wheel w/Bearings
Piece See Note(s) B
1028896102741840176X034N/AN/A
Replacement
Tire
N/A
10274171034942N/AN/A
Replacement
Tube See Note(s) A
N/AN/A100604910060491006049
Hub
Bearing
N/AN/A102059210205921020592Hub Spacer
A - Tire comes with insert molded inside.
B - For chairs manufactured before 6/9/97, order the replacement number 1071666.
NOTE:
90
To order call toll free 1-800-333-6900, or www.invacare.com
Form No. 94-108

Rear Wheels
91
To order call toll free 1-800-333-6900, or www.invacare.com
Form No. 94-108

Rear Wheels
Item
Number Part Number DescriptionNote
Quantity Per
Package Assembly
See Chart Rear Wheels, Tires and Tube Insert 1 11-3 C
1029749 Screw, Hex Head ( 5/8-18 x 5-3/4") 1 14
1028554 Screw, Hex Head (5/8-18 x 5") 1 14 A
1028551 Spacer (5/8 x 7/8 x 1-3/4") 1 15
1028556 Washer, Flat (21/32 x 1-5/16 x 3/32") 1 26
1028555 Spacer (5/8 x 7/8 x 3/8") 1 17
1028550 Locknut (5/8-18) 1 18
1028667-NLA Pulley Cover, Standard (10-17/32") Diameter 1 19
1028668-NLA Pulley Cover, P.P.8 (7-25/32") Diameter 1 19
1004093 Pulley, Standard (10-17/32") Diameter 1 110 F
1007102-NLA Pulley, P.P.8 (7-25/32") Diameter 1 110 F
1004107 V-Belt, Standard (4M & 5M Size AX51) 1 111
1005900 V-Belt, 2" Lower (4M & 5M Size AX52) 1 111
1007299-NLA V-Belt, P.P.8 (4M & 5M Size AX46 ) 1 111
1004855 V-Belt, Recliner (4M & 5M Size AX56) 1 111
50000X356 V-Belt, Recliner, 2" Lower (4M & 5M Size AX55) 1 111
1038379 Screw, Socket Head Cap w/ Patch (1/4-20 x 1-1/2") 1 512
1013970 Lockwasher, High Collar (1/4") 1 513
1013971 Washer, Nylon (1/4 x 7/16 x 5/64") 1 514
1028553 Spacer (1/4 x 3/8 x 3/4") 1 515 E
1029286-NLA Spacer (1/4 x 3/8 x 5/8") 1 115 D
1027954-NLA Hub Cap, Grey 1 116
1027955-NLA Hub Cap, Teal 1 116
1027953-NLA Hub Cap, Black Hub 1 116 B
1035423 O'Ring (5/16 x 5/8") 1 517
1029752-NLA Lock Ring, Hub Cap 1 118
1027794 Washer, Flat 1 219 G
40117X006 Bearing (5/8") 1 1H
1004313-NLA Spacer, Nylon 1 1H
A - Used on MFF, Manual Recline and Slim Narrow
B - Black hub caps are used when red or lavender caps are requested
C - Rear wheel is supplied with 2 bearings (40117X006) and 1 spacer (1004313 NLA)
D - P.P.8 Pully
E - Standard Pully
F - 20" Wheel
G - 2" lower chairs ONLY
H - Not Shown
NOTE:
Rear Wheels, Tires and Tube Insert
Description
20" Wheel with
Item #1
20" Wheel Only
No Pulley
Item #1
20" Wheel
Standard Pulley
& Pulley Cover
Item #1
20" Wheel
with PP8 Pulley
& Pulley Cover
Item #2
Tire Part Item #3
Tube Insert
40176X071-NLA1006858-NLA1037182-NLA1037179-NLA1030407-NLATreaded Tire
92
To order call toll free 1-800-333-6900, or www.invacare.com
Form No. 94-108

Rear Wheels
Rear Wheels, Tires and Tube Insert
Description
20" Wheel with
Item #1
20" Wheel Only
No Pulley
Item #1
20" Wheel
Standard Pulley
& Pulley Cover
Item #1
20" Wheel
with PP8 Pulley
& Pulley Cover
Item #2
Tire Part Item #3
Tube Insert
40176X071-NLA40176X072-NLA1037183-NLA1037180-NLA1030406-NLAKnobby Tire
1010905-NLA1006858-NLA1037184-NLA1037181-NLA1030408-NLA
Treaded Tire
w/ Flat Free Insert
93
To order call toll free 1-800-333-6900, or www.invacare.com
Form No. 94-108

Item
Number Part Number DescriptionNote
Quantity Per
Package Assembly
1028585-NLA Wheel Lock, Less Lever Grip and Tip, Standard
Configuration, Pull to Lock, Right 1 11
1028586-NLA Wheel Lock, Less Lever Grip and Tip, Standard
Configuration, Pull to Lock, Left 1 11
1043324-NLA Wheel Lock, Less Lever Grip and Tip, Tall
Configuration, Push to Lock, Right 1 11
1043323-NLA Wheel Lock, Less Lever Grip and Tip, Tall
Configuration, Push to Lock, Left 1 11
1034932-NLA Wheel Lock, Less Lever Grip and Tip, 2" Lower
Configuration, Push to Lock, Right 1 11
1034933-NLA Wheel Lock, Less Lever Grip and Tip, 2" Lower
Configuration, Push to Lock, Left 1 11
1028782 Wheel Lock Extension Handle 1 12
1026030 Screw, Lug (5/16-24 x 1-3/8") 1 23
7930330 Locknut (5/16-24) 25 24
1027956 Lever Grip without Tip for Wheel Lock 1 15
1027957 Lever Grip without Tip for Extension Handle 1 15
1030347-NLA End Cap, Grey 1 16
1030348 End Cap, Teal 1 16
1030349 End Cap, Red 1 16
1030350-NLA End Cap, Lavender 1 16
Wheel Lock Assembly
94
To order call toll free 1-800-333-6900, or www.invacare.com
Form No. 94-108

Item
Number Part Number DescriptionNote
Quantity Per
Package Assembly
1029235 Anti-Tippers, All Models Except Talls or P.P.8 2 11
1028564 Anti-Tippers, Models with P.P.8 2 11
1035536 Anti-Tippers, Tall Models Only 2 11
15680X012 Collar, Anti-Rattle (7/8") 1 22
Anti-Tipper Assembly
95
To order call toll free 1-800-333-6900, or www.invacare.com
Form No. 94-108

Item
Number Part Number DescriptionNote
Quantity Per
Package Assembly
1014370 Screw, Socket Head Cap (1/2 x 3-1/2") 1 11
1031673 Washer, Nylon (35/64 x 1 x 1/16") 1 12
1013930-NLA Spacer (1/2 x 3/4 x 1-3/4") 1 13
90070X000-NLA Nut (1/2-13) 1 14
1014371 Lockwasher (1/2") 1 15
7930323 Package, Locknut (1/4-20) 25 16
1013925 Spacer (1/2 x 3/4 x 7/16") 1 17
1013923-NLA Mounting Plate 1 18
60274X011 Screw, Hex Cap (1/4-20 x 1/2") 1 19
60282X006 Bolt, Socket Head Shoulderr (1/2 x 1-3/4") 1 110
1000134-NLA Screw, Socket Button Head (1/2-13 x 1") 1 111
48323X013 Washer (5/8 x 7/8 x 1/8") 1 112
Multi-Function Frame
Motor Mounting Hardware
(When Using Power Reclining Back)
96
To order call toll free 1-800-333-6900, or www.invacare.com
Form No. 94-108

Battery Box, Chargers, and Cables
Multi-Function Frame
97
To order call toll free 1-800-333-6900, or www.invacare.com
Form No. 94-108

Battery Box, Chargers, and Cables
Multi-Function Frame
Item
Number Part Number DescriptionNote
Quantity Per
Package Assembly
1033953-NLA Battery Box with Carriage and Cables, Manual Back
Recliner 1 11
1014798-NLA Battery Box with Carriage and Cables, Power Back
Recliner 1 11
1029685 Battery Box Lid 1 12
1030443-NLA Battery Box Lid 1 12
1013033-NLA Battery Box Lid, Lid Only 1 12
1007406 Keepers 1 32 D,A
16348X010 Rivet (1/8") 1 42 D,A
16348X007 Rivet Washer (1/8 x 3/8 x 1/16") 1 42 D,A
47375X277 Fastener, Loop with Adhesive Back
(1" Wide x 4" Long) 1 22 D,A
1013309-NLA Bottom Box 1 13
1023702 Battery Harness with Fuse 1 14
1104225 Battery Harness with Fuse, Power Back Recliner 1 14
50000X123 Cable, Battery Jumper 1 15
1010681 Clamp Plug 1 16
1013399 Charger Extension Cable 1 17
1095503 Package, Cable Ties (5-5/8" Long) 10 18
7930335 Screw, Phillips Pan Head (#10-32 x 1/2") 25 29
50000X060-NLA Cable Guide 1 110
7930332 Locknut, High Profile (#10-32) 25 211
1014758-NLA Battery Charger, 10 Amp. 115vac (Off Board)
Dual Mode Square Plug, Lester 1 112
1085685-NLA Battery Charger, 8 Amp. 115vac (Off Board)
Dual Mode Square Plug w/ AC Power Line Cord,
Dynamic
1 112
1053163 Battery Charger, 8 Amp. 115vac (Off Board)
Dual Mode Square Plug, Lester 1 112
1062556 Battery Charger, 8 Amp. 115vac (Off Board)
Single Mode Round Plug w/ AC Power Line Cord
and Square Plug Adapter Cable, CTE Corp.
1 112 D,D1
1013582-NLA Remote Extension Cable 1 113
1014284-NLA Actuator Extension Cable 1 114
1029291-NLA Fuse Holder, 1559 Dual Mode Charger 1 115
1028809 Timer, 1559 Dual Mode Charger 1 116
1089627 Cord, AC Power Line 115vac (2-prong off-board
11'6"L) 1 117
1053831 Cable, Adapter 1 118
1098892 Fuse, 15 Amp. (Buss ATC-15) 1 219 B
1090117 Fuse, 15 Amp. (Buss Mini ATM-15) 1 219 C
98
To order call toll free 1-800-333-6900, or www.invacare.com
Form No. 94-108

Battery Box, Chargers, and Cables
Multi-Function Frame
A - Part numbers 1007406, 16348X010, 16348X007, and 47375X277 are available for individual sale or as part of
Miscellaneous Lid Hardware.
B - Before 3/11/03
C - After 3/10/03
D - CTE charger introduced 4/1/04. Used on Gel Cell or AGM (Absorbed Glass Mat) batteries. For wet cell batteries refer to
the Lester charger.
D1 - CTE charger looks exactly the same as Dynamic's charger except for the company name that is silk screened on the
narrow side panel, where the charger plug is (hard wired) attached. Serial number starts with 04A00000001.
NOTE:
99
To order call toll free 1-800-333-6900, or www.invacare.com
Form No. 94-108

Item
Number Part Number DescriptionNote
Quantity Per
Package Assembly
1009778-NLA Carriage Assembly Complete 1 11
1009769-NLA Handle 1 12
40187X026 Roll Pin (1/8 x 3/4") 1 13
1014397 Plunger Pin Assembly 1 14
1014393 Plunger Pin 1 14 A
1014396 Plunger Pin Housing 1 14 A
40014X020 Knob, Plunger 1 14 A
40314X001 Ring, Retaining 1 14 A
47471X002 Spring, Compression 1 14 A
1001659 Jam Nut (1/2-20) 1 15
40014X044 Washer, Nylon (7/16 x 1 x 1/8") 1 16
1009761-NLA Clevis Arm 1 17
1011819-NLA Strap, Plain 1 18
1003177 Rivet 1 49
10092X000 Locknut (1/4-2) 1 110
10509X001 Wheel, 2" 1 111
1000212 Screw, Shoulder (1/4 x 1-1/4") 1 112
1009776-NLA Roller 1 213
1012371 Washer, Nylon (3/8 x 7/8 x 1/16") 1 214
1011821 Strap with Buckel 1 115
A - Part numbers 1014393, 1014396, 40014X020, 40314X001, and 47471X002 are available for individual sale.
NOTE:
Multi-Function Frame
Carriage Assembly
100
To order call toll free 1-800-333-6900, or www.invacare.com
Form No. 94-108

Multi-Function Frame
Support Frame and Attaching Hardware
101
To order call toll free 1-800-333-6900, or www.invacare.com
Form No. 94-108

Multi-Function Frame
Support Frame and Attaching Hardware
Item
Number Part Number DescriptionNote
Quantity Per
Package Assembly
1012987 Support Frame Complete, Non-Recliner 1 11
1013936 Support Frame Complete, Recliner 1 11
11232X009 Screw, Lug (5/16-24 x 1-3/8") 1 22
47311X001 Clamp 1 23
7930361 Screw, Phillips Round Head (#10-32 x 1-1/8") 25 24
1012804 Rear Mount Bracket 1 25
60264X010 Screw, Hex Head (1/4-20 x 3/4") 1 46
7930364 Package, Locknut (1/4-20) 25 97
1012962 Screw, Socket Button Head (5/16-24 x 5/8") 1 68
16348X009 Washer (3/16 x 9/16 x 1/16") 1 69
1003400 Screw, Socket Head Cap (1/4-20 x 7/8") 1 410
1007453 Lockwasher, Split (1/4") 1 411
1009746 Support Tube 1 212
1008432 Screw, Socket Button Head (1/4-20 x 1-1/4") 1 213
1009744 Support Adjustment Tube 1 214
1009739 Support Frame ONLY 1 115
1012984 Spacer Tube 1 216
1002088-NLA Lower Insert Tube 1 217
7930365 Locknut (#10-32) 25 218
7930363 Package, Locknut (5/16"-24) 25 219
1012805 Front Mounting Bracket 1 220
1013045 Screw, Hex Head (5/16-20 x 3/4") 1 221
102
To order call toll free 1-800-333-6900, or www.invacare.com
Form No. 94-108

Footrest Support Assembly
93-Black, Chrome and Color
103
To order call toll free 1-800-333-6900, or www.invacare.com
Form No. 94-108

Footrest Support Assembly
93-Black, Chrome and Color
Item
Number Part Number DescriptionNote
Quantity Per
Package Assembly
1028846 Rivnut (#10-32) 1 11
1028707 Spring, Release - Right 1 12
1028708 Spring, Release - Left 1 12
7930332 Locknut, High Profile (#10-32) 25 13
7930335 Screw, Phillips Pan Head (#10-32 x 1/2") 25 14
7930328 Screw, Phillips Pan Head (#10-32 x 11/16") 25 15
1035539 Handle, Release (Black) - Right 1 16
1035540 Handle, Release (Black) - Left 1 16
47565X057 Bushing (7/32 x 3/8 x 11/32") 1 17
1020719 Anti-Rattle, Black 1 18
1030288 Footrest Support Only (Black), Right 1 19
1030289 Footrest Support Only (Black), Left 1 19
1020418 Footrest Support Only (Chrome), Right 1 19
1020419 Footrest Support Only (Chrome), Left 1 19
8881037846 Footrest Support Only (Color), Right 1 19 A
8881037847 Footrest Support Only (Color), Left 1 19 A
1107321 Nut, Low Cap (5/16"-24) 1 110
1026030 Screw, Lug (5/16-24 x 1-3/8") 1 111
1028826 Tip, Release Handle, Grey 1 1B,C
1028823 Tip, Release Handle, Teal 1 1B,C
1028824 Tip, Release Handle, Lavender 1 1B,C
1028825-NLA Tip, Release Handle, Red 1 1B,C
1037848 Footrest Support Assembly, Adult, Black - Right 1 112 D
1037849 Footrest Support Assembly, Adult, Black - Left 1 112 D
1030708 Footrest Support Assembly, Adult, Silver Vein -
Right 1 112 D
1030709 Footrest Support Assembly, Adult, Silver Vein - Left 1 112 D
8881035779 Footrest Support Assembly, Adult, Color - Right 1 112 A,D
8881035780 Footrest Support Assembly, Adult, Color - Left 1 112 A,D
See Chart Pivot Slide Tubes with Aluminum Footplates 1 1C
A - Specify frame color when ordering, see Frame Finishes, Touch-Up Paints, Upholstery Options and Accent Packages
page.
B - Before 10/1/00 only
C - Not Shown
D - Assembly includes Release Handle, Tip, Bolt, and Locknut.
NOTE:
104
To order call toll free 1-800-333-6900, or www.invacare.com
Form No. 94-108

Footrest Support Assembly
93-Black, Chrome and Color
Pivot Slide Tubes with Aluminum Footplates
Description Size Right Left
1028893
1028892
(16" to 24")
Adult, and Narrow Adult
and Large Adult
(Rubber Edged Plate) See Note(s) A See Note(s) A
1058574
1058573
(14" and 15")
Slim Narrow
(Plain Aluminum Plate) See Note(s) B See Note(s) B
A - Front Riggings built before 12/93 had footplates with a flat black finish. After 11/93 the finish is "Wrinkle Black." For Front
Riggings before 12/93, order in pairs to match.
B - Aluminum footplates on chairs built before 2/96 had a "Bright Aluminum" finish. Footplates after 1/96 now have a black finish.
For Front Riggings before 2/96, order in pairs to match.
NOTE:
105
To order call toll free 1-800-333-6900, or www.invacare.com
Form No. 94-108

Footrest Support Assembly
93E - Black, Chrome and Color
106
To order call toll free 1-800-333-6900, or www.invacare.com
Form No. 94-108

Footrest Support Assembly
93E - Black, Chrome and Color
Item
Number Part Number DescriptionNote
Quantity Per
Package Assembly
1037685 Footrest Support Only (Black), Right 1 11
1037686 Footrest Support Only (Black), Left 1 11
1016724 Footrest Support Only (Chrome) Right 1 11
1016725 Footrest Support Only (Chrome) Left 1 11
8881037689 Footrest Support Only (Color), Right 1 11 A
8881037690 Footrest Support Only (Color), Left 1 11 A
1107321 Nut, Low Cap (5/16"-24) 1 12
11232X009 Screw, Lug (5/16-24 x 1-3/8") 1 13
1035539 Handle, Release (Black) - Right 1 14
1035540 Handle, Release (Black) - Left 1 14
1006490 Tip, Plastic, Black 1 15 B
1022874 Bumper 1 16
1030979 Screw, Phillips Pan Head Tap (#10-32 x 3/4") 1 17
1027095 Plug Button, Black (7/8") 1 28
15680X012 Collar, Anti-Rattle (7/8") 1 19
7930360 Screw, Phillips Pan Head (#10-32 x 11/16") 25 110
47565X057 Bushing (7/32 x 3/8 x 11/32") 1 111
40163X002 Screw, Phillips Round Head (#10-32 x 1/2") 1 112
1008935 Spring, Release - Right 1 113
1008936 Spring, Release - Left 1 113
67005X000 Rivnut (#10-32) 1 114
7930365 Locknut (#10-32) 25 115
1037687 Footrest Support Assembly, Adult, Black - Right 1 116 C
1037688 Footrest Support Assembly, Adult, Black - Left 1 116 C
1030994 Footrest Support Assembly, Adult, Chrome - Right 1 116 C
1030995 Footrest Support Assembly, Adult, Chrome - Left 1 116 C
8881037691 Footrest Support Assembly, Adult, Color - Right 1 116 A,C
8881037692 Footrest Support Assembly, Adult, Color - Left 1 116 A,C
See Chart Pivot Slide Tubes with Aluminum Footplates 1 1D
A - Specify frame color when ordering, see Frame Finishes, Touch-Up Paints, Upholstery Options and Accent Packages
page.
B - Before 10/1/00 only
C - Assembly includes Release Handle, Tip, Bolt, and Locknut.
D - Not Shown
NOTE:
107
To order call toll free 1-800-333-6900, or www.invacare.com
Form No. 94-108

Footrest Support Assembly
93E - Black, Chrome and Color
Pivot Slide Tubes with Aluminum Footplates
Description Size Right Left
1028906
1028905
(16-24")
Adult, and Narrow Adult
and Large Adiult
(Rubber Edged Plate) See Note(s) A See Note(s) A
1033507
1033506
(14" - 15")
Slim Narrow
(Plain Aluminum Plate) See Note(s) B See Note(s) B
A - Front Riggings built before 12/93 had footplates with a flat black finish. After 11/93 the finish is " Wrinkle Black." For Front
Riggings before 12/93, order in pairs to match.
B - Aluminum footplates on chairs built before 2/96 had a "Bright Aluminum" finish. Footplates after 1/96 now have a black finish.
For Front Riggings before 2/96, order in pairs to match.
NOTE:
108
To order call toll free 1-800-333-6900, or www.invacare.com
Form No. 94-108

Footrest Support Assembly
93M - Black, Chrome, and Color
109
To order call toll free 1-800-333-6900, or www.invacare.com
Form No. 94-108

Footrest Support Assembly
93M - Black, Chrome, and Color
Item
Number Part Number DescriptionNote
Quantity Per
Package Assembly
1037693 Footrest Support Only (Black), Right 1 11
1037694 Footrest Support Only (Black), Left 1 11
04706X035 Footrest Support Only (Chrome) Right 1 11
04706X036 Footrest Support Only (Chrome) Left 1 11
8881037697 Footrest Support Only (Color), Right 1 11 A
8881037698 Footrest Support Only (Color), Left 1 11 A
47565X057 Bushing (7/32 x 3/8 x 11/32") 1 12
7930365 Locknut (#10-32) 25 13
7930360 Screw, Phillips Pan Head (#10-32 x 11/16") 25 14
67005X000 Rivnut (#10-32) 1 15
7930359 Screw, Phillips Pan Head (#10-32 x 1/2") 25 16
1008935 Spring, Release - Right 1 17
1008936 Spring, Release - Left 1 17
1035539 Handle, Release (Black) - Right 1 18
1035540 Handle, Release (Black) - Left 1 18
1006490 Tip, Plastic, Black 1 19 B
1027095 Plug Button, Black (7/8") 1 210
1022874 Bumper 1 111
1030979 Screw, Phillips Pan Head Tap (#10-32 x 3/4") 1 112
11232X009 Screw, Lug (5/16-24 x 1-3/8") 1 113
1107321 Nut, Low Cap (5/16"-24) 1 114
1037695 Footrest Support Assembly, Adult, Black - Right 1 115 C
1037696 Footrest Support Assembly, Adult, Black - Left 1 115 C
1031191 Footrest Support Assembly, Adult, Chrome - Right 1 115 C
1031192 Footrest Support Assembly, Adult, Chrome - Left 1 115 C
8881037836 Footrest Support Assembly, Adult, Color - Right 1 115 A,C
8881037837 Footrest Support Assembly, Adult, Color - Left 1 115 A,C
See Chart Pivot Slide Tubes with Aluminum Footplates 1 1
A - Specify color when ordering from Frame Finishes, Touch-Up Paints, Upholstery Options and Accent Packages page.
B - Before 10/1/00 only
C - Assembly includes Release Handle, Tip, Bolt, and Locknut.
NOTE:
110
To order call toll free 1-800-333-6900, or www.invacare.com
Form No. 94-108

Footrest Support Assembly
93M - Black, Chrome, and Color
Pivot Slide Tubes with Aluminum Footplates
Description Size Right Left
1028906
1028905
(16"-24")
Adult and Narrow Adult
and Large Adult
(Rubber Edged Plate) See Note(s) A See Note(s) A
1033507
1033506
(14"-15")
Slim Narrow
(Plain Aluminum Plate) See Note(s) B See Note(s) B
A - Front Riggings built before 12/93 had footplates with a flat black finish. After 11/93 the finish is "Wrinkle Black." For Front
Riggings before 12/93, order in pairs to match.
B - Aluminum footplates on chairs built before 2/96 had a "Bright Aluminum" finish. Footplates after 1/96 now have a black finish.
For Front Riggings before 2/96, order in pairs to match.
NOTE:
111
To order call toll free 1-800-333-6900, or www.invacare.com
Form No. 94-108

Footrest Support Assembly
93M2 - Black, Chrome, and Color
112
To order call toll free 1-800-333-6900, or www.invacare.com
Form No. 94-108

Footrest Support Assembly
93M2 - Black, Chrome, and Color
Item
Number Part Number DescriptionNote
Quantity Per
Package Assembly
7930360 Screw, Phillips Pan Head (#10-32 x 11/16") 25 11
7930359 Screw, Phillips Pan Head (#10-32 x 1/2") 25 12
67005X000 Rivnut (#10-32) 1 13
1008935 Spring, Release - Right 1 14
1008936 Spring, Release - Left 1 14
47565X057 Bushing (7/32 x 3/8 x 11/32") 1 15
7930365 Locknut (#10-32) 25 16
1035539 Handle, Release (Black) - Right 1 17
1035540 Handle, Release (Black) - Left 1 17
11232X009 Screw, Lug (5/16-24 x 1-3/8") 1 18
7930363 Package, Locknut (5/16"-24) 25 19
1022874 Bumper 1 110
1030979 Screw, Phillips Pan Head Tap (#10-32 x 3/4") 1 111
1027095 Plug Button, Black (7/8") 1 212
1006490 Tip, Plastic, Black 1 113 B
1037838 Footrest Support Only (Black), Right 1 114
1037839 Footrest Support Only (Black), Left 1 114
1035888 Footrest Support Only (Chrome) Right 1 114
1035889 Footrest Support Only (Chrome) Left 1 114
8881037842 Footrest Support Only (Color), Right 1 114 A
8881037843 Footrest Support Only (Color), Left 1 114 A
1037840 Footrest Support Assembly, Adult, Black - Right 1 115 C
1037841 Footrest Support Assembly, Adult, Black - Left 1 115 C
1035890 Footrest Support Assembly, Adult, Chrome - Right 1 115 C
1035891 Footrest Support Assembly, Adult, Chrome - Left 1 115 C
8881037844 Footrest Support Assembly, Adult, Color - Right 1 115 A,C
8881037845 Footrest Support Assembly, Adult, Color - Left 1 115 A,C
See Chart Pivot Slide Tubes with Aluminum Footplates 1 1D
A - Specify color when ordering from Frame Finishes, Touch-Up Paints, Upholstery Options and Accent Packages page.
B - Before 10/1/00 only
C - Assembly includes Release Handle, Tip, Bolt, and Locknut.
D - Not Shown
NOTE:
113
To order call toll free 1-800-333-6900, or www.invacare.com
Form No. 94-108

Footrest Support Assembly
93M2 - Black, Chrome, and Color
Pivot Slide Tubes with Aluminum Footplates
Description Size Right Left
1028906
1028905
(16"-24")
Adult and Narrow Adult
and Large Adult
(Rubber Edged Plate) See Note(s) A See Note(s) A
1033507
1033506
(14"-15")
Slim Narrow (Plain
Aluminum Plate) See Note(s) B See Note(s) B
A - Front Riggings built before 12/93 had footplate with a flat black finish. After 11/93 the finish is "Wrinkle Black." For Front
Riggings before 12/93, order in pairs to match.
B - Aluminum footplates on chairs built before 2/96 had a "Bright Aluminum" finish. Footplates after 1/96 now have a black finish.
For Front Riggings before 2/96, order in pairs to match.
NOTE:
114
To order call toll free 1-800-333-6900, or www.invacare.com
Form No. 94-108

Footrest Support Assembly
93ST - Black, Chrome, and Color
115
To order call toll free 1-800-333-6900, or www.invacare.com
Form No. 94-108

Footrest Support Assembly
93ST - Black, Chrome, and Color
Item
Number Part Number DescriptionNote
Quantity Per
Package Assembly
1035539 Handle, Release (Black) - Right 1 11
1035540 Handle, Release (Black) - Left 1 11
47565X057 Bushing (7/32 x 3/8 x 11/32") 1 12
7930328 Screw, Phillips Pan Head (#10-32 x 11/16") 25 13
7930335 Screw, Phillips Pan Head (#10-32 x 1/2") 25 14
7930332 Locknut, High Profile (#10-32) 25 15
1028846 Rivnut (#10-32) 1 16
1028707 Spring, Release - Right 1 17
1028708 Spring, Release - Left 1 17
1030435 Cover, Foam Cushion 1 18
1030434 Cushion, Tubular Foam 1 19
1028013 Footrest Support Only (Black), Right 1 110
1028014 Footrest Support Only (Black), Left 1 110
1027980 Footrest Support Only (Chrome) Right 1 110
1027981 Footrest Support Only (Chrome) Left 1 110
8881037852 Footrest Support Only (Color), Right 1 110 A
8881037853 Footrest Support Only (Color), Left 1 110 A
1020534 Insert, Threaded 1 111
1026099 Spacer, Coved (1/4 x 11/16 x 1/2") 1 112
7930326 Screw, Hex Head (1/4-20 x 3/4") 25 113
1028826 Tip, Release Handle, Grey 1 1B,C
1028823 Tip, Release Handle, Teal 1 1B,C
1028824 Tip, Release Handle, Lavender 1 1B,C
1028825-NLA Tip, Release Handle, Red 1 1B,C
1028015 Footrest Support Assembly, Adult, Black - Right 1 114 D
1028016 Footrest Support Assembly, Adult, Black - Left 1 114 D
1027992 Footrest Support Assembly, Adult, Chrome - Right 1 114 D
1027993 Footrest Support Assembly, Adult, Chrome - Left 1 114 D
8881037854 Footrest Support Assembly, Adult, Color - Right 1 114 A,D
8881037855 Footrest Support Assembly, Adult, Color - Left 1 114 A,D
See Chart Pivot Slide Tube with Composite Footplate 1 1C
A - Specify frame color when ordering, see Frame Finishes, Touch-Up Paints, Upholstery Options and Accent Packages
page.
B - Before 10/1/00 only
C - Not Shown
D - Assembly includes Release Handle, Tip, Bolt, and Locknut.
NOTE:
116
To order call toll free 1-800-333-6900, or www.invacare.com
Form No. 94-108

Footrest Support Assembly
93ST - Black, Chrome, and Color
Pivot Slide Tube with Composite Footplate
Description Size Right Left
1028392102839116"Narrow Adult
1028388102838718" Adult
1028384102838320"Large Narrow
117
To order call toll free 1-800-333-6900, or www.invacare.com
Form No. 94-108

Footrest Support Assembly
H93 - Black, Chrome, and Color
118
To order call toll free 1-800-333-6900, or www.invacare.com
Form No. 94-108

Footrest Support Assembly
H93 - Black, Chrome, and Color
Item
Number Part Number DescriptionNote
Quantity Per
Package Assembly
1025716 Screw, Phillips Pan Head (#10-32 x 11/16") 1 11
1026114 Screw, Phillips Pan Head (#10-32 x 1/2") 1 12
1028846 Rivnut (#10-32) 1 13
1028707 Spring, Release - Right 1 14
1028708 Spring, Release - Left 1 14
47565X057 Bushing (7/32 x 3/8 x 11/32") 1 15
1025735 Locknut (#10-32) 1 16
1035539 Handle, Release (Black) - Right 1 17
1035540 Handle, Release (Black) - Left 1 17
11232X009 Screw, Lug (5/16-24 x 1-3/8") 1 18
60264X001 Locknut (5/16-24) 1 19
1020719 Anti-Rattle, Black 1 110
1028826 Tip, Release Handle, Grey 1 1B,C
1028823 Tip, Release Handle, Teal 1 1B,C
1028824 Tip, Release Handle, Lavender 1 1B,C
1028825-NLA Tip, Release Handle, Red 1 1B,C
1035161 Footrest Support Only (Black), Right 1 111
1035162 Footrest Support Only (Black), Left 1 111
1035150 Footrest Support Only (Chrome), Right 1 111
1035151 Footrest Support Only (Chrome), Left 1 111
8881037880 Footrest Support Only (Color), Right 1 111 A
8881037881 Footrest Support Only (Color), Left 1 111 A
1035163 Footrest Support Assembly, Hemi, Black - Right 1 112 D
1035164 Footrest Support Assembly, Hemi, Black - Left 1 112 D
1035152 Footrest Support Assembly, Hemi, Chrome - Right 1 112 D
1035153 Footrest Support Assembly, Hemi, Chrome - Left 1 112 D
8881037882 Footrest Support Assembly, Hemi, Color - Right 1 112 A,D
8881037883 Footrest Support Assembly, Hemi, Color - Left 1 112 A,D
See Chart Pivot Slide Tubes with Aluminum Footplates 1 1C
A - Specify frame color when ordering, see Frame Finishes, Touch-Up Paints, Upholstery Options and Accent Packages
page.
B - Before 10/1/00 only
C - Not Shown
D - Assembly includes Release Handle, Tip, Bolt, and Locknut.
NOTE:
119
To order call toll free 1-800-333-6900, or www.invacare.com
Form No. 94-108

Footrest Support Assembly
H93 - Black, Chrome, and Color
Pivot Slide Tubes with Aluminum Footplates
Description Size Right Left
1028893
1028892
(16"-24")
Adult and Narrow Adult
and Large Adult
(Rubber Edged Plate) See Note(s) A See Note(s) A
1058574
1058573
(14"-15")
Slim Narrow
(Plain Aluminum Plate) See Note(s) B See Note(s) B
A - Front Riggings built before 12/93 had footplates with a flat black finish. After 11/93 the finish is "Wrinkle Black." For Front
Riggings before 12/93, order in pairs to match.
B - Aluminum footplates on chairs built before 2/96 had a "Bright Aluminum" finish. Footplates after 1/96 now have a black finish.
For Front Riggings before 2/96, order in pairs to match.
NOTE:
120
To order call toll free 1-800-333-6900, or www.invacare.com
Form No. 94-108

Footrest Support Assembly
H93E - Black, Chrome, and Color
121
To order call toll free 1-800-333-6900, or www.invacare.com
Form No. 94-108

Footrest Support Assembly
H93E - Black, Chrome, and Color
Item
Number Part Number DescriptionNote
Quantity Per
Package Assembly
7930360 Screw, Phillips Pan Head (#10-32 x 11/16") 25 11
7930359 Screw, Phillips Pan Head (#10-32 x 1/2") 25 12
67005X000 Rivnut (#10-32) 1 13
1008935 Spring, Release - Right 1 14
1008936 Spring, Release - Left 1 14
47565X057 Bushing (7/32 x 3/8 x 11/32") 1 15
7930365 Locknut (#10-32) 25 16
1035539 Handle, Release (Black) - Right 1 17
1035540 Handle, Release (Black) - Left 1 17
11232X009 Screw, Lug (5/16-24 x 1-3/8") 1 18
1107321 Nut, Low Cap (5/16"-24) 1 19
1022874 Bumper 1 110
1030979 Screw, Phillips Pan Head Tap (#10-32 x 3/4") 1 111
1027095 Plug Button, Black (7/8") 1 212
15680X012 Collar, Anti-Rattle (7/8") 1 113
1006490 Tip, Plastic, Black 1 114 B
1037856 Footrest Support Only (Black), Right 1 115
1037857 Footrest Support Only (Black), Left 1 115
1035144 Footrest Support Tube, Chrome - Right 1 115
1035145 Footrest Support Tube, Chrome - Left 1 115
8881037860 Footrest Support Only (Color), Right 1 115 A
8881037861 Footrest Support Only (Color), Left 1 115 A
1037858 Footrest Support Assembly, Hemi, Black - Right 1 116 C
1037859 Footrest Support Assembly, Hemi, Black - Left 1 116 C
1035525 Footrest Support Assembly, Hemi, Chrome - Right 1 116 C
1035524 Footrest Support Assembly, Hemi, Chrome - Left 1 116 C
8881037862 Footrest Support Assembly, Hemi, Color - Right 1 116 A,C
8881037863 Footrest Support Assembly, Hemi, Color - Left 1 116 A,C
See Chart Pivot Slide Tubes with Aluminum Footplates -- --D
A - Specify frame color when ordering, see Frame Finishes, Touch-Up Paints, Upholstery Options and Accent Packages
page.
B - Before 10/1/00 only
C - Assembly includes Release Handle, Tip, Bolt, and Locknut.
D - Not Shown
NOTE:
122
To order call toll free 1-800-333-6900, or www.invacare.com
Form No. 94-108

Footrest Support Assembly
H93E - Black, Chrome, and Color
Pivot Slide Tubes with Aluminum Footplates
Description Size Right Left
1028906
1028905
(16" - 24")
Adult and Narrow Adult
and Large Adult
Rubber Edged Plate) See Note(s) A
10335071033506(14" - 15")
Slim Narrow (Plain
Aluminum Plate)
A - Front Riggings built before 12/93 had footplates with a flat black finish. After 11/93 the finish is "Wrinkle Black." For Front
Riggings before 12/93, order in pairs to match.
NOTE:
123
To order call toll free 1-800-333-6900, or www.invacare.com
Form No. 94-108

Footrest Support Assembly
H93M - Black, Chrome, and Color
124
To order call toll free 1-800-333-6900, or www.invacare.com
Form No. 94-108

Footrest Support Assembly
H93M - Black, Chrome, and Color
Item
Number Part Number DescriptionNote
Quantity Per
Package Assembly
7930360 Screw, Phillips Pan Head (#10-32 x 11/16") 25 11
7930359 Screw, Phillips Pan Head (#10-32 x 1/2") 25 12
67005X000 Rivnut (#10-32) 1 13
1008935 Spring, Release - Right 1 14
1008936 Spring, Release - Left 1 14
47565X057 Bushing (7/32 x 3/8 x 11/32") 1 15
7930365 Locknut (#10-32) 25 16
1035539 Handle, Release (Black) - Right 1 17
1035540 Handle, Release (Black) - Left 1 17
11232X009 Screw, Lug (5/16-24 x 1-3/8") 1 18
1107321 Nut, Low Cap (5/16"-24) 1 19
1022874 Bumper 1 110
1030979 Screw, Phillips Pan Head Tap (#10-32 x 3/4") 1 111
1027095 Plug Button, Black (7/8") 1 212
1006490 Tip, Plastic, Black 1 113 B
1037864 Footrest Support Only (Black), Right 1 114
1037865 Footrest Support Only (Black), Left 1 114
1035141 Support Only, Footrest (Chrome), Right, 1 114
1035140 Support Only, Footrest (Chrome), Left 1 114
8881037868 Footrest Support Only (Color), Right 1 114 A
8881037869 Footrest Support Only (Color), Left 1 114 A
1037866 Footrest Support Assembly, Hemi, Black - Right 1 115 C
1037867 Footrest Support Assembly, Hemi, Black - Left 1 115 C
1035172 Footrest Support Assembly, Hemi, Chrome - Right 1 115 C
1035171 Footrest Support Assembly, Hemi, Chrome - Left 1 115 C
8881037870 Footrest Support Assembly, Hemi, Color - Right 1 115 A,C
8881037871 Footrest Support Assembly, Hemi, Color - Left 1 115 A,C
See Chart Pivot Slide Tubes with Aluminum Footplates 1 1D
A - Specify frame color when ordering, see Frame Finishes, Touch-Up Paints, Upholstery Options and Accent Packages
page.
B - Before 10/1/00 only
C - Assembly includes Release Handles, Tip, Bolt, and Locknut.
D - Not Shown
NOTE:
125
To order call toll free 1-800-333-6900, or www.invacare.com
Form No. 94-108

Footrest Support Assembly
H93M - Black, Chrome, and Color
Pivot Slide Tubes with Aluminum Footplates
Description Size Right Left
1028906
1028905
(16" - 24")
Adult and Narrow Adult
and Large Adult
(Rubber Edged Plate) See Note(s) A See Note(s) A
1033507
1033506
(14" - 15")
Slim Narrow
(Plain Aluminum Plate) See Note(s) B See Note(s) B
A - Front Riggings built before 12/93 had footplates with a flat black finish. After 11/93 the finish is "Wrinkle Black." For Front
Riggings before 12/93, order in pairs to match.
B - Aluminum footplates on chairs built before 2/96 had a "Bright Aluminum" finish. Footplates after 1/96 now have a black finish.
For Front Riggings before 2/96, order in pairs to match.
NOTE:
126
To order call toll free 1-800-333-6900, or www.invacare.com
Form No. 94-108

Footrest Support Assembly
H93M2 - Black, Chrome, and Color
127
To order call toll free 1-800-333-6900, or www.invacare.com
Form No. 94-108

Footrest Support Assembly
H93M2 - Black, Chrome, and Color
Item
Number Part Number DescriptionNote
Quantity Per
Package Assembly
7930360 Screw, Phillips Pan Head (#10-32 x 11/16") 25 11
7930359 Screw, Phillips Pan Head (#10-32 x 1/2") 25 12
67005X000 Rivnut (#10-32) 1 13
1008935 Spring, Release - Right 1 14
1008936 Spring, Release - Left 1 14
47565X057 Bushing (7/32 x 3/8 x 11/32") 1 15
7930365 Locknut (#10-32) 25 16
1035539 Handle, Release (Black) - Right 1 17
1035540 Handle, Release (Black) - Left 1 17
11232X009 Screw, Lug (5/16-24 x 1-3/8") 1 18
7930363 Package, Locknut (5/16"-24) 25 19
1022874 Bumper 1 110
1030979 Screw, Phillips Pan Head Tap (#10-32 x 3/4") 1 111
1027095 Plug Button, Black (7/8") 1 212
1006490 Tip, Plastic, Black 1 113 B
1037872 Footrest Support Only (Black), Right 1 114
1037873 Footrest Support Only (Black), Left 1 114
1035491 Footrest Support Only (Chrome) Right 1 114
1035490 Footrest Support Only (Chrome) Left 1 114
8881037876 Footrest Support Only (Color), Right 1 114 A
8881037877 Footrest Support Only (Color), Left 1 114 A
1037874 Footrest Support Assembly, Hemi, Black - Right 1 115 C
1037875 Footrest Support Assembly, Hemi, Black - Left 1 115 C
1035492 Footrest Support Assembly, Hemi, Chrome - Left 1 115 C
1035493 Footrest Support Assembly, Hemi, Chrome - Right 1 115 C
8881037878 Footrest Support Assembly, Hemi, Color - Right 1 115 A,C
8881037879 Footrest Support Assembly, Hemi, Color - Left 1 115 A,C
See Chart Pivot Slide Tubes with Aluminum Footplates 1 1D
A - Specify frame color when ordering, see Frame Finishes, Touch-Up Paints, Upholstery Options and Accent Packages
page.
B - Before 10/1/00 only
C - Assembly includes Release Handle, Tip, Bolt, and Locknut.
D - Not Shown
NOTE:
128
To order call toll free 1-800-333-6900, or www.invacare.com
Form No. 94-108

Footrest Support Assembly
H93M2 - Black, Chrome, and Color
Pivot Slide Tubes with Aluminum Footplates
Description Size Right Left
1028906
1028905
(16" - 24")
Adult and Narrow Adult
and Large Adult
(Rubber Edged Plate) See Note(s) A See Note(s) A
1033507
1033506
(14" - 15")
Slim Narrow (Plain
Aluminum Plate) See Note(s) B See Note(s) B
A - Front Riggings built before 12/93 had footplates with a flat black finish. After 11/93 the finish is "Wrinkle Black." For Front
Riggings before 12/93, order in pairs to match.
B - Aluminum footplates on chairs built before 2/96 had a "Bright Aluminum" finish. Footplates after 1/96 now have a black finish.
For Front Riggings before 2/96, order in pairs to match.
NOTE:
129
To order call toll free 1-800-333-6900, or www.invacare.com
Form No. 94-108

NOTE: Legrest pad and attaching hardware not included with support assembly. See item 28.
Legrest Support Assembly
94BK
130
To order call toll free 1-800-333-6900, or www.invacare.com
Form No. 94-108

Legrest Support Assembly
94BK
(14" - 24" Wide Chairs)
Item
Number Part Number DescriptionNote
Quantity Per
Package Assembly
1023428 Handle, Release, Chrome - Right 1 11
1023431 Handle, Release, Chrome - Left 1 11
1027095 Plug Button, Black (7/8") 1 12
1030948 Screw, Truss Head (5/16-24 x 1-1/2") 1 13
1095433 Plug Button, Black (7/8") 1 14
1046328 Ratchet Assembly Kit 2 15 A,C
7930336 Nut, Acorn (5/16-24) 25 16
04528X002 Bracket, Release (Chrome) 1 17 A
42326X001 Bar, Ratchet 1 18
1040831 Snap Ring 1 19 B,D
40187X000 Roll Pin 1 19 B,E
1037485 Spring, Release 1 110 A
1037125 Cam, Legrest 1 111 A
7930310 Washer, Nylon (5/16 x 11/16 x 1/16") 25 112
1014807 Screw, Hex Head (5/16-24 x 3-1/4") 1 113
04526X019 Plate, Legrest Pad 1 114
1091220 Spacer 1 115
47328X003 Bushing, Pivot (5/16 x 7/16 x 7/8") 1 116
48823X008 Spring, Leaf 1 117
1025104 Bracket, Legrest (Chrome) 1 118
11232X009 Screw, Lug (5/16-24 x 1-3/8") 1 119
7930363 Package, Locknut (5/16"-24) 25 220
1031358 Support Tube, Elevating Legrest, Chrome - Right 1 121 M
1031359 Support Tube, Elevating Legrest, Chrome - Left 1 121 M
1149473 Support Tube, Elevating Legrest, Silver Vein - Right 1 121 N
1149474 Support Tube, Elevating Legrest, Silver Vein - Left 1 121 N
1096773 Nut, Push Dome (5/16") 1 122
1031581 Legrest Support w/ Release Handle and Bumper
Right 1 123
1031582 Legrest Support w/ Release Handle and Bumper
Left 1 123
1107321 Nut, Low Cap (5/16"-24) 1 124
1037126 Handle, Release 1 125 A
1040060 Tip, Black Plastic 1 126 D
1006490 Tip, Plastic, Black 1 126 E
1031579 Legrest Support Assembly, Adult, Silver Vein -
Right 1 127 K,O
1031580 Legrest Support Assembly, Adult, Chrome - Left 1 127 K,O
88804529X003 Pad, Legrest Vinyl - Right 1 128 H,I
88804529X004 Pad, Legrest Vinyl - Left 1 128 H,I
8881091759 Pad w/Cover and Screws, Legrest Vinyl (Pair) 2 128 F,H
131
To order call toll free 1-800-333-6900, or www.invacare.com
Form No. 94-108

Legrest Support Assembly
94BK
Item
Number Part Number DescriptionNote
Quantity Per
Package Assembly
8881091764 Pad, Legrest Vinyl - Right/Left 1 128 G,H
01446X000-NLA Two Piece Plastic Pad 1 128 J
01415X000-NLA Cover, Legrest Pad 1 128 J
1066591 Screws, Phillips Head (#10-32 x 11/16") 2 129
See Chart Pivot Slide Tubes with Aluminum Footplates 1 1L
A - Due to product improvement - items 7, 10, 11 and 25 are no longer available for chairs built before 6/94. Ratchet bar kit
(item 5) must be ordered for these chairs.
B - After 5/94, the snap ring replaced the roll pin to attach the ratchet handle to the ratchet.
C - Includes items 6-12 and 26 (Pair)
D - After 5/94
E - Before 6/94
F - Before 9/5/00 (16-24" Wide) (Pair)
G - After 9/4/00 (16-24" Wide) (Single)
H - Specify upholstery color when ordering, see Frame Finishes, Touch-Up Paints, Upholstery Options and Accent Packages
page.
I - 14-15" Wide
J - 16-24"
K - Less Legrest Pad
L - Not Shown
M - Before 7/6/07
N - After 7/5/07
O - After 7/5/07 Color changed from chrome to silver vein. It is recommended to order in pairs to match
NOTE:
Pivot Slide Tubes with Aluminum Footplates
Description Size Right Left
1031217
1031216
(16" - 24")
Adult and Narrow Adult
and Large Adult
(Rubber Edged Plate) See Note(s) A See Note(s) A
1030913
1030912
(14" - 15")
Slim Narrow
(Plain Aluminum Plate) See Note(s) B See Note(s) B
10319351031934(16" - 24")
Extra Large
(Black Aluminum Plate)
A - Front Riggings built before 12/93 had footplates with a flat black finish. After 11/93 the finish is "Wrinkle Black." For Front
Riggings before 12/93, order in pairs to match.
B - Aluminum Footplates on chairs built before 2/96 had a "Bright Aluminum" finish. Footplates after 1/96 now have a black finish.
For Front Riggings before 2/96, order in pairs to match.
NOTE:
132
To order call toll free 1-800-333-6900, or www.invacare.com
Form No. 94-108

NOTE: Legrest pad and attaching hardware not included with support assembly. See item 1.
Legrest Support Assembly
H94BK
(14" - 24" Wide Chairs)
133
To order call toll free 1-800-333-6900, or www.invacare.com
Form No. 94-108

Legrest Support Assembly
H94BK
(14" - 24" Wide Chairs)
Item
Number Part Number DescriptionNote
Quantity Per
Package Assembly
88804529X003 Pad, Legrest Vinyl - Right 1 11 A,I
88804529X004 Pad, Legrest Vinyl - Left 1 11 A,I
8881091759 Pad w/Cover and Screws, Legrest Vinyl (Pair) 2 11 A,D
8881091764 Pad, Legrest Vinyl - Right/Left 1 11 A,E
01446X000-NLA Two Piece Plastic Pad 1 11 J
01415X000-NLA Cover, Legrest Pad 1 11 J
04526X019 Plate, Legrest Pad 1 12
1025104 Bracket, Legrest (Chrome) 1 13
04526X040 Tube, Elevating Support (Chrome) - Right 1 14 L
04526X041 Tube, Elevating Support (Chrome) - Left 1 14 L
1149366 Tube, Elevating Support (Silver Vein) - Right 1 14 M
1149367 Tube, Elevating Support (Silver Vein) - Left 1 14 M
1046328 Ratchet Assembly Kit 2 15 B,F
42326X001 Bar, Ratchet 1 16
1037126 Handle, Release 1 17 B
1040060 Tip, Black Plastic 1 18 G
1006490 Tip, Plastic, Black 1 18 H
04528X002 Bracket, Release (Chrome) 1 19 B
1040831 Snap Ring 1 110 C,G
40187X000 Roll Pin 1 110 C,H
7930310 Washer, Nylon (5/16 x 11/16 x 1/16") 25 111
1037485 Spring, Release 1 112 B
1037125 Cam, Legrest 1 113 B
7930336 Nut, Acorn (5/16-24) 25 114
1014807 Screw, Hex Head (5/16-24 x 3-1/4") 1 115
1031210 Support Legrest w/ Release Handle and Bumper
Right 1 116 N
1031211 Support Legrest w/ Release Handle and Bumper
Left 1 116 N
1030948 Screw, Truss Head (5/16-24 x 1-1/2") 1 117
1027095 Plug Button, Black (7/8") 1 118
47328X003 Bushing, Pivot (5/16 x 7/16 x 7/8") 1 119
48823X008 Spring, Leaf 1 120
1066591 Screws, Phillips Head (#10-32 x 11/16") 2 121
7930363 Package, Locknut (5/16"-24) 25 222
11232X009 Screw, Lug (5/16-24 x 1-3/8") 1 123
1107321 Nut, Low Cap (5/16"-24) 1 124
1025133 Spacer, Legrest Pad 1 125
1023428 Handle, Release, Chrome - Right 1 126
1023431 Handle, Release, Chrome - Left 1 126
134
To order call toll free 1-800-333-6900, or www.invacare.com
Form No. 94-108

Legrest Support Assembly
H94BK
(14" - 24" Wide Chairs)
Item
Number Part Number DescriptionNote
Quantity Per
Package Assembly
1042874 Legrest Support Assembly, Hemi, Silver Vein -
Right 1 127 N
1042875 Legrest Support Assembly, Hemi, Silver Vein - Left 1 127 N
See Chart Pivot Slide Tubes with Aluminum Footplates 1 1K
A - Specify upholstery color when ordering, see Frame Finishes, Touch-Up Paints, Upholstery Options and Accent Packages
page.
B - Due to product improvement - items 7, 9, 12 and 13 are NLA for chairs built before 6/94. Ratchet bar kit (item 5) must be
ordered for those chairs.
C - After 5/94, the snap ring replaced the roll pin to attach the ratchet handle to the ratchet.
D - Before 9/5/00 (16-24" Wide) (Pair)
E - After 9/4/00 (16-24" Wide) (Single)
F - Includes items 6-14 (Pair)
G - After 5/94
H - Before 6/94
I - 14-15" Wide
J - 16-24"
K - Not Shown
L - Before 7/6/07
M - After 7/5/07
N - After 7/5/07 Color changed from chrome to silver vein. It is recommended to order in pairs to match
NOTE:
Pivot Slide Tubes with Aluminum Footplates
Description Size Right Left
1031217
1031216
(16" - 24")
Adult and Narrow Adult
and Large Adult
(Rubber Edged Plate) See Note(s) A See Note(s) A
1030913
1030912
(14" - 15")
Slim Narrow
(Plain Aluminum Plate) See Note(s) B See Note(s) B
10319351031934(16" - 24")
Extra Large
(Black Aluminum Plate)
A - Front Riggings built before 12/93 had footplates with a flat black finish. After 11/93 the finish is "Wrinkle Black." For Front
Riggings before 12/93, order in pairs to match.
B - Aluminum footplates on chairs built before 2/96 had a "Bright Aluminum" finish. Footplates after 1/96 now have a black finish.
For Front Riggings before 2/96, order in pairs to match.
NOTE:
135
To order call toll free 1-800-333-6900, or www.invacare.com
Form No. 94-108

Legrest Support Assembly
94BKR
(16" to 24" Wide Chairs)
136
To order call toll free 1-800-333-6900, or www.invacare.com
Form No. 94-108

Legrest Support Assembly
94BKR
(16" to 24" Wide Chairs)
Item
Number Part Number DescriptionNote
Quantity Per
Package Assembly
1023428 Handle, Release, Chrome - Right 1 11
1023431 Handle, Release, Chrome - Left 1 11
1031469 Handle, Release (Black) - Right 1 11 A
1031470 Handle, Release (Black) - Left 1 11 A
7930359 Screw, Phillips Pan Head (#10-32 x 1/2") 25 1B
67005X000 Rivnut (#10-32) 1 1B
1008935 Spring, Release - Right 1 1B
1008936 Spring, Release - Left 1 1B
47565X057 Bushing (7/32 x 3/8 x 11/32") 1 1B
1027095 Plug Button, Black (7/8") 1 12
1030948 Screw, Truss Head (5/16-24 x 1-1/2") 1 13
1095433 Plug Button, Black (7/8") 1 14
1017021 Stud 1 15
1031358 Support Tube, Elevating Legrest, Chrome - Right 1 16 C
1031359 Support Tube, Elevating Legrest, Chrome - Left 1 16 C
1149473 Support Tube, Elevating Legrest, Silver Vein - Right 1 16 D
1149474 Support Tube, Elevating Legrest, Silver Vein - Left 1 16 D
11232X009 Screw, Lug (5/16-24 x 1-3/8") 1 17
7930365 Locknut (#10-32) 25 28
7930363 Package, Locknut (5/16"-24) 25 19
47071X405 Leg Trough 1 110
43022X182 Foam 1 111
1002848 Cover 1 112
7930360 Screw, Phillips Pan Head (#10-32 x 11/16") 25 213
04526X019 Plate, Legrest Pad 1 114
1091220 Spacer 1 115
1025104 Bracket, Legrest (Chrome) 1 116
1014807 Screw, Hex Head (5/16-24 x 3-1/4") 1 117
48823X008 Spring, Leaf 1 118
47328X003 Bushing, Pivot (5/16 x 7/16 x 7/8") 1 119
1031581 Legrest Support w/ Release Handle and Bumper
Right 1 120
1031582 Legrest Support w/ Release Handle and Bumper
Left 1 120
1033965 Legrest Support w/ Release Handle and Bumper,
Right 1 120 A,E
1033966 Legrest Support w/ Release Handle and Bumper,
Left 1 120 A,E
1022874 Bumper 1 121
1030979 Screw, Phillips Pan Head Tap (#10-32 x 3/4") 1 122
137
To order call toll free 1-800-333-6900, or www.invacare.com
Form No. 94-108

Legrest Support Assembly
94BKR
(16" to 24" Wide Chairs)
Item
Number Part Number DescriptionNote
Quantity Per
Package Assembly
1031583 Legrest Support Assembly, Adult, Silver Vein -
Right 1 123 E
1031584 Legrest Support Assembly, Adult, Silver Vein - Left 1 123 E
1034602 Legrest Support Assembly, Adult, Silver Vein -
Right 1 123 A,E
1034603 Legrest Support Assembly, Adult, Silver Vein - Left 1 123 A,E
See Chart Pivot Slide Tube with Aluminum Footplate 1 1B
A - Only used on Power Back Recliners with Multi-Function Frames.
B - Not Shown
C - Before 7/6/07
D - After 7/5/07
E - After 7/5/07 Color changed from chrome to silver vein. It is recommended to order in pairs to match
NOTE:
Pivot Slide Tube with Aluminum Footplate
Description Size Right Left
1031217
1031216
(16" - 24")
Adult, Narrow Adult
and Large Adult
(Rubber Edged Plate) See Note(s) A See Note(s) A
1030913
1030912
(14" - 15")
Slim Narrow
(Plain Aluminum Plate) See Note(s) B See Note(s) B
1031935103193416" - 24")
Extra Large
(Black Aluminum Plate)
A - Front Riggings built before 12/93 had footplates with a flat black finish. After 11/93 the finish is "Wrinkle Black." For Front
Riggings before 12/93, order in pairs to match.
B - Aluminum footplates on chairs built before 2/96 had a "Bright Aluminum" finish. Footplates after 1/96 now have a black finish.
For Front Riggings before 2/96, order in pairs to match.
NOTE:
138
To order call toll free 1-800-333-6900, or www.invacare.com
Form No. 94-108

NOTE: Legrest pad and attaching hardware not included with support assembly. See item 1.
Legrest Support Assembly
96BK
(14" - 24" Wide Chairs)
139
To order call toll free 1-800-333-6900, or www.invacare.com
Form No. 94-108

Legrest Support Assembly
96BK
(14" - 24" Wide Chairs)
Item
Number Part Number DescriptionNote
Quantity Per
Package Assembly
88804529X003 Pad, Legrest Vinyl - Right 1 11 A,I
88804529X004 Pad, Legrest Vinyl - Left 1 11 A,I
8881091759 Pad w/Cover and Screws, Legrest Vinyl (Pair) 2 11 A,D
8881091764 Pad, Legrest Vinyl - Right/Left 1 11 A,D
01446X000-NLA Two Piece Plastic Pad 1 11 J
01415X000-NLA Cover, Legrest Pad 1 11 J
04526X019 Plate, Legrest Pad 1 12
1025104 Bracket, Legrest (Chrome) 1 13
04526X040 Tube, Elevating Support (Chrome) - Right 1 14 L
04526X041 Tube, Elevating Support (Chrome) - Left 1 14 L
1149366 Tube, Elevating Support (Silver Vein) - Right 1 14 M
1149367 Tube, Elevating Support (Silver Vein) - Left 1 14 M
1046328 Ratchet Assembly Kit 2 15 B,F
42326X001 Bar, Ratchet 1 16
1037126 Handle, Release 1 17 B
1040060 Tip, Black Plastic 1 18 G
1006490 Tip, Plastic, Black 1 18 H
04528X002 Bracket, Release (Chrome) 1 19 B
1040831 Snap Ring 1 110 C,G
40187X000 Roll Pin 1 110 C,H
7930310 Washer, Nylon (5/16 x 11/16 x 1/16") 25 111
1037485 Spring, Release 1 112 B
1037125 Cam, Legrest 1 113 B
7930336 Nut, Acorn (5/16-24) 25 114
47330X003 Spacer (5/16 x 1/2 x 3/8") 1 115
1014807 Screw, Hex Head (5/16-24 x 3-1/4") 1 116
1031475 Legrest Support w/ Release Handle & Bumper Right 1 117 N
1031476 Legrest Support w/ Release Handle & Bumper Left 1 117 N
11919X000 Screw, Truss Head (3/8-16 x 1-1/2") 1 118
1027095 Plug Button, Black (7/8") 1 119
47328X003 Bushing, Pivot (5/16 x 7/16 x 7/8") 1 120
48823X008 Spring, Leaf 1 121
1066591 Screws, Phillips Head (#10-32 x 11/16") 2 122
7930363 Package, Locknut (5/16"-24) 25 223
11232X009 Screw, Lug (5/16-24 x 1-3/8") 1 124
1025133 Spacer, Legrest Pad 1 125
1023428 Handle, Release, Chrome - Right 1 126
1023431 Handle, Release, Chrome - Left 1 126
40363X000 Hex Nut (3/8"-16) 1 127
140
To order call toll free 1-800-333-6900, or www.invacare.com
Form No. 94-108

Legrest Support Assembly
96BK
(14" - 24" Wide Chairs)
Item
Number Part Number DescriptionNote
Quantity Per
Package Assembly
1016346 Cap, Tube End (7/8") 1 128
1031713 Legrest Support Assembly, Adult, Silver Vein -
Right 1 129 N
1031714 Legrest Support Assembly, Adult, Silver Vein - Left 1 129 N
See Chart PIvot Slide Tubes with Aluminum Footplates 1 1K
A - Specify upholstery color when ordering, see Frame Finishes, Touch-Up Paints, Upholstery Options and Accent Packages
page.
B - Due to product improvement - items 7, 9, 12 and 13 are NLA for chairs built before 6/94. Ratchet bar kit (item 5) must be
ordered for those chairs.
C - After 5/94, the snap ring replaced the roll pin to attach the ratchet handle to the ratchet.
D - Before 9/5/00 (16-24" Wide) (Pair)
F - Includes items 6-15 (Pair)
G - After 5/94
H - Before 6/94
I - 14-15" Wide
J - 16-24"
K - Not Shown
L - Before 7/6/07
M - After 7/5/08
N - After 7/5/07 Color changed from chrome to silver vein. It is recommended to order in pairs to match
NOTE:
PIvot Slide Tubes with Aluminum Footplates
Description Size Right Left
1031217
1031216
(16" - 24")
Adult and Narrow Adult
and Large Adult
(Rubber Edged Plate) See Note(s) A See Note(s) A
1030913
1030912
(14" - 15")
Slim Narrow
(Plain Aluminum Plate) See Note(s) B See Note(s) B
10319351031934(16" - 24")
Extra Large
(Black Aluminum Plate)
A - Front Riggings built before 12/93 had footplateswith a black finish. After 11/93 the finish is "Wrinkle Black." For Front Riggings
before 12/93, order in pairs to match.
B - Aluminum footplates on chairs built before 2/96 had a "Bright Aluminum" finish. Footplates after 1/96 now have a black finish.
For Front Riggings before 2/96, order in pairs to match.
NOTE:
141
To order call toll free 1-800-333-6900, or www.invacare.com
Form No. 94-108

NOTE: Legrest pad and attaching hardware not included with support assembly. See item 1.
Legrest Support Assembly
H96BK
(14" - 24" Wide Chairs)
142
To order call toll free 1-800-333-6900, or www.invacare.com
Form No. 94-108

Legrest Support Assembly
H96BK
(14" - 24" Wide Chairs)
Item
Number Part Number DescriptionNote
Quantity Per
Package Assembly
88804529X003 Pad, Legrest Vinyl - Right 1 11 A,I
88804529X004 Pad, Legrest Vinyl - Left 1 11 A,I
8881091759 Pad w/Cover and Screws, Legrest Vinyl (Pair) 2 11 A,D
8881091764 Pad, Legrest Vinyl - Right/Left 1 11 A,E
01446X000-NLA Two Piece Plastic Pad 1 11 J
01415X000-NLA Cover, Legrest Pad 1 11 J
04526X019 Plate, Legrest Pad 1 12
1025104 Bracket, Legrest (Chrome) 1 13
04526X040 Tube, Elevating Support (Chrome) - Right 1 14 L
04526X041 Tube, Elevating Support (Chrome) - Left 1 14 L
1149366 Tube, Elevating Support (Silver Vein) - Right 1 14 M
1149367 Tube, Elevating Support (Silver Vein) - Left 1 14 M
1046328 Ratchet Assembly Kit 2 15 B,F
42326X001 Bar, Ratchet 1 16
1037126 Handle, Release 1 17 B
1040060 Tip, Black Plastic 1 18 G
1006490 Tip, Plastic, Black 1 18 H
04528X002 Bracket, Release (Chrome) 1 19 B
1040831 Snap Ring 1 110 C,G
40187X000 Roll Pin 1 110 C,H
7930310 Washer, Nylon (5/16 x 11/16 x 1/16") 25 111
1037485 Spring, Release 1 112 B
1037125 Cam, Legrest 1 113 B
7930336 Nut, Acorn (5/16-24) 25 114
47330X003 Spacer (5/16 x 1/2 x 3/8") 1 115
1014807 Screw, Hex Head (5/16-24 x 3-1/4") 1 116
1031225 Legrest Support w/ Release Handle & Bumper Right 1 117 N
1031226 Legrest Support w/ Release Handle & Bumper Left 1 117 N
11919X000 Screw, Truss Head (3/8-16 x 1-1/2") 1 118
1027095 Plug Button, Black (7/8") 1 119
47328X003 Bushing, Pivot (5/16 x 7/16 x 7/8") 1 120
48823X008 Spring, Leaf 1 121
1066591 Screws, Phillips Head (#10-32 x 11/16") 2 122
7930363 Package, Locknut (5/16"-24) 25 223
11232X009 Screw, Lug (5/16-24 x 1-3/8") 1 124
1025133 Spacer, Legrest Pad 1 125
1023428 Handle, Release, Chrome - Right 1 126
1023431 Handle, Release, Chrome - Left 1 126
40363X000 Hex Nut (3/8"-16) 1 127
1016346 Cap, Tube End (7/8") 1 128
143
To order call toll free 1-800-333-6900, or www.invacare.com
Form No. 94-108

Legrest Support Assembly
H96BK
(14" - 24" Wide Chairs)
Item
Number Part Number DescriptionNote
Quantity Per
Package Assembly
1042872 Legrest Support Assembly, Hemi, Silver Vein -
Right 1 129 N
1042873 Legrest Support Assembly, Hemi, Silver Vein - Left 1 129 N
See Chart Pivot Slide Tubes with Aluminum Footplates 1 1K
A - Specify upholstery color when ordering, see Frame Finishes, Touch-Up Paints, Upholstery Options and Accent Packages
page.
B - Due to product improvement - items 7, 9, 12 and 13 are NLA for chairs built before 6/94. Ratchet bar kit (item 5) must be
ordered for those chairs.
C - After 5/94, the snap ring replaced the roll pin to attach the ratchet handle to the ratchet.
D - Before 9/5/00 (16-24" Wide) (Pair)
E - After 9/4/00 (16-24" Wide) (Single)
F - Includes items 6-15 (Pair)
G - After 5/94
H - Before 6/94
I - 14-15" Wide
J - 16-24"
K - Not Shown
L - Before 7/6/07
M - After 7/5/07
N - After 7/5/07 Color changed from chrome to silver vein. It is recommended to order in pairs to match
NOTE:
Pivot Slide Tubes with Aluminum Footplates
Description Size Right Left
1031217
1031216
(16" - 24")
Adult and Narrow Adult
and Large Adult
(Rubber Edged Plate) See Note(s) A
10309131030912(14" - 15")
Slim Narrow
(Plain Aluminum Plate)
A - Front Riggings built before 12/93 had footplates wiht a flat black finish. After 11/93 the finish is "Wrinkle Black." For Front
Riggings before 12/93, order in pairs to match.
NOTE:
144
To order call toll free 1-800-333-6900, or www.invacare.com
Form No. 94-108

NOTE: Legrest pad and attaching hardware not included with support assemblies. See item 1.
Legrest Support Assembly
AHL4 & AHS4
145
To order call toll free 1-800-333-6900, or www.invacare.com
Form No. 94-108

Legrest Support Assembly
AHL4 & AHS4
Item
Number Part Number DescriptionNote
Quantity Per
Package Assembly
8881091759 Pad w/Cover and Screws, Legrest Vinyl (Pair) 2 11 A,J
8881091764 Pad, Legrest Vinyl - Right/Left 1 11 A,J
8881091700 Pad, Legrest 1 11 A,J
01415X000-NLA Cover, Legrest Pad 1 11 A,J
88804529X003 Pad, Legrest Vinyl - Right 1 11 A,K
88804529X004 Pad, Legrest Vinyl - Left 1 11 A,K
04526X019 Plate, Legrest Pad 1 12
1025104 Bracket, Legrest (Chrome) 1 13
1022877 Tube Support and Drive Link - Right 1 14
1022878 Tube Support and Drive Link - Left 1 14
1046329 Kit, Elevating Legrest Ratchet Hardware 2 15 B,F
42326X004 Bar, Ratchet - Right/Left 1 16
1037126 Handle, Release 1 17 B
1040060 Tip, Black Plastic 1 18 G
1006490 Tip, Plastic, Black 1 18 H
04528X002 Bracket, Release (Chrome) 1 19 B
1040831 Snap Ring 1 110 A,G
40187X000 Roll Pin 1 110 A,H
7930310 Washer, Nylon (5/16 x 11/16 x 1/16") 25 111
1037485 Spring, Release 1 112 B
1037125 Cam, Legrest 1 113 B
7930336 Nut, Acorn (5/16-24) 25 114
47328X003 Bushing, Pivot (5/16 x 7/16 x 7/8") 1 115
1014807 Screw, Hex Head (5/16-24 x 3-1/4") 1 116
1023090 Legrest Support Only, Right 1 117
1023091 Legrest Support Only, Left 1 117
1023092 Legrest Support with Handle and Bumper (Chrome)
- Right 1 117
1023093 Legrest Support with Handle and Bumper (Chrome)
- Left 1 117
1022854 Screw, Slotted Head Shoulder (1/2 x 1-1/8") 1 118
1027097 Plug Button, Black (3/4") 1 119 G
40144X001 Plug Button, Chrome (3/4") 1 119 H
47328X003 Bushing, Pivot (5/16 x 7/16 x 7/8") 1 120
48823X008 Spring, Leaf 1 121
1022846 Bar, Link, Chrome 1 122
1066591 Screws, Phillips Head (#10-32 x 11/16") 2 123
1024911 Decal, Smartleg 1 124
1030979 Screw, Phillips Pan Head Tap (#10-32 x 3/4") 1 125
1025133 Spacer, Legrest Pad 1 126
1022874 Bumper 1 127
7930363 Package, Locknut (5/16"-24) 25 228
1107321 Nut, Low Cap (5/16"-24) 1 128
11232X009 Screw, Lug (5/16-24 x 1-3/8") 1 129
146
To order call toll free 1-800-333-6900, or www.invacare.com
Form No. 94-108

Legrest Support Assembly
AHL4 & AHS4
Item
Number Part Number DescriptionNote
Quantity Per
Package Assembly
1027377 Washer (#20) 1 130
1031235 Handle, Release, Chrome - Right 1 131
1031236 Handle, Release, Chrome - Left 1 130
40363X000 Hex Nut (3/8"-16) 1 332
1022866 Screw, Socket Button Head (3/8-16 x 3/4") 1 233
1022848 Slide Tube, Articulating (Chrome) - Right 1 134
1031437 Legrest Support Assembly, Articulating, Hemi,
Chrome - Right 1 135
1031438 Legrest Support Assembly, Articulating, Hemi,
Chrome - Left 1 136
1049527 Washer, Nylon (3/8 x 3/4 x 1/16") 1 137
See Chart Pivot Slide Tube with Aluminum Footplate 1 1I
A - Specify upholstery color when ordering, see Frame Finishes, Touch-Up Paints, Upholstery Options and Accent Packages
page.
B - Due to product improvement, items 7, 9, 12 and 13 are NLA for chairs built before 6/94. Ratchet bar kit (item 5) must be
ordered for those chairs.
F - Includes items 6-15 (Pair)
G - After 5/94
H - Before 6/94
I - Not Shown
J - Used on AHL4 only.
K - Used on AHS4 only.
NOTE:
Pivot Slide Tube with Aluminum Footplate
Description Size Right Left
1023908
1023907
(16" - 24")
Adult and Narrow
(Plain Aluminum Plate) See Note(s) A 1023906
1023905
(14" - 15")
Slim Narrow
(Plain Aluminum Plate) See Note(s) A See Note(s) A
A - Aluminum footplates on chairs built before 2/96 had a "Bright Aluminum" finish. Footplates after 1/96 now have a black finish.
For Front Riggings before 2/96, order in pairs to match.
NOTE:
147
To order call toll free 1-800-333-6900, or www.invacare.com
Form No. 94-108

Legrest Support Assembly
AS4 & AL4
NOTE: Legrest pad and attaching hardware are not included with the support assembly. See item #1.
148
To order call toll free 1-800-333-6900, or www.invacare.com
Form No. 94-108

Legrest Support Assembly
AS4 & AL4
NOTE: Legrest pad and attaching hardware are not included with the support assembly. See item #1.
Item
Number Part Number DescriptionNote
Quantity Per
Package Assembly
88804529X003 Pad, Legrest Vinyl - Right 1 11 A,I
88804529X004 Pad, Legrest Vinyl - Left 1 11 A,I
8881091759 Pad w/Cover and Screws, Legrest Vinyl (Pair) 1 11 A,J,K
8881091764 Pad, Legrest Vinyl - Right/Left 1 11 A,J,L
8881091700 Pad, Legrest 1 11 A,J
01415X000-NLA Cover, Legrest Pad 1 11 A,J
04526X019 Plate, Legrest Pad 1 12
1025104 Bracket, Legrest (Chrome) 1 13
1022877 Tube Support and Drive Link - Right 1 14
1022878 Tube Support and Drive Link - Left 1 14
1046329 Kit, Elevating Legrest Ratchet Hardware 1 15 B,D
42326X004 Bar, Ratchet - Right/Left 2 16
1037126 Handle, Release 1 17 B
1040060 Tip, Black Plastic 1 18 E
1006490 Tip, Plastic, Black 1 18 F
04528X002 Bracket, Release (Chrome) 1 19 B
1040831 Snap Ring 1 110 C,E
40187X000 Roll Pin 1 110 C,F
7930310 Washer, Nylon (5/16 x 11/16 x 1/16") 1 111
1037485 Spring, Release 25 112 B
1037125 Cam, Legrest 1 113 B
7930336 Nut, Acorn (5/16-24) 1 114
47328X003 Bushing, Pivot (5/16 x 7/16 x 7/8") 1 115
1014807 Screw, Hex Head (5/16-24 x 3-1/4") 1 116
1022862 Legrest Support Only - Right 1 117
1022863 Legrest Support Only - Left 1 117
1022871 Support with Handle & Bumper, Legrest - Right 1 117
1022872 Support with Handle & Bumper, Legrest - Left 1 117
1022854 Screw, Slotted Head Shoulder (1/2 x 1-1/8") 1 118
1027097 Plug Button, Black (3/4") 1 119 E
40144X001 Plug Button, Chrome (3/4") 1 119 F
47328X003 Bushing, Pivot (5/16 x 7/16 x 7/8") 1 120
48823X008 Spring, Leaf 1 121
1022846 Bar, Link, Chrome 1 122
1066591 Screws, Phillips Head (#10-32 x 11/16") 2 123
1024911 Decal, Smartleg 1 124
1030979 Screw, Phillips Pan Head Tap (#10-32 x 3/4") 1 125
1025133 Spacer, Legrest Pad 1 126
1022874 Bumper 1 127
7930363 Package, Locknut (5/16"-24) 25 228
11232X009 Screw, Lug (5/16-24 x 1-3/8") 1 129
1027377 Washer (#20) 1 130
149
To order call toll free 1-800-333-6900, or www.invacare.com
Form No. 94-108

Legrest Support Assembly
AS4 & AL4
NOTE: Legrest pad and attaching hardware are not included with the support assembly. See item #1.
Item
Number Part Number DescriptionNote
Quantity Per
Package Assembly
1031235 Handle, Release, Chrome - Right 1 131
1031236 Handle, Release, Chrome - Left 1 131
40363X000 Hex Nut (3/8"-16) 1 332
1022866 Screw, Socket Button Head (3/8-16 x 3/4") 1 233
1022848 Slide Tube, Articulating (Chrome) - Right 1 134
1031498 Legrest Support Assembly, Articulating, Adult,
Chrome - Right 1 135 G
1031499 Legrest Support Assembly, Articulating, Adult,
Chrome - Left 1 135 G
1049527 Washer, Nylon (3/8 x 3/4 x 1/16") 1 136
See Chart Pivot Slide Tube with Aluminum Footplate 1 1H
A - Specify upholstery color when ordering, see Frame Finishes, Touch-Up Paints, Upholstery Options and Accent Packages
page.
B - Due to product improvement - items 7, 9, 12 and 13 are NLA for chairs built before 6/94. Ratchet bar kit (item 5) must be
ordered for those chairs.
C - After 5/94, the snap ring replaced the roll pin to attach the ratchet handle to the ratchet.
D - Includes items 6 through 15 (Pair)
E - After 5/94
F - Before 6/94
G - Less Legrest Pad
H - Not Shown
I - Used on AS4 only.
J - Used on AL4 only.
K - Before 9/5/00 (16-24" Wide Chairs) (Pair)
L - After 9/4/00 (16-24" Wide Chairs) (Single)
NOTE:
Pivot Slide Tube with Aluminum Footplate
Description Size Right Left
1023906
1023905
(14" - 15")
Slim Narrow
(Plain Aluminum Plate) See Note(s) A See Note(s) A
1023908
1023907
(16" - 24")
Adult and Narrow
(Plain Aluminum Plate) See Note(s) A See Note(s) A
A - Aluminum footplates on chairs built before 2/96 had a "Bright Aluminum" finish. Footplates after 1/96 now have a black finish.
For Front Riggings before 2/96, order in pairs to match.
NOTE:
150
To order call toll free 1-800-333-6900, or www.invacare.com
Form No. 94-108

Pivot Slide Tube with Footplates
For 93E, 93M, 93M2, H93E, H93M, H93M2 Assemblies
(16" to 24" Chairs)
151
To order call toll free 1-800-333-6900, or www.invacare.com
Form No. 94-108

Pivot Slide Tube with Footplates
For 93E, 93M, 93M2, H93E, H93M, H93M2 Assemblies
(16" to 24" Chairs)
Item
Number Part Number DescriptionNote
Quantity Per
Package Assembly
7500084 Pivot Slide Tube with Plug Button (Chrome) 1 11
1027097 Plug Button, Black (3/4") 1 22
1044213 Footplate with Rubber Edge (Pair) 2 13 A
1043659 Footplate, Aluminum - Deluxe (8" W x 5-3/4" L) -
Right 1 13
1043660 Footplate, Aluminum - Deluxe (8" W x 5-3/4" L) -
Left 1 13
7930354 Package, Phillips Head Screw (#8-32 x 3/8") 25 14
1036120 Spring 1 25
1028905 Pivot Slide Tube w/ Rubber Edge Footplate Right 1 1A,B
1028906 Pivot Slide Tube w/ Rubber Edge Footplate Left 1 1A,B
A - Front Riggings built before 12/93 had footplates with a flat black finish. After 11/93 the finish is "Wrinkle Black." For Front
Riggings before 12/93, order in pairs to match.
B - Not Shown
NOTE:
152
To order call toll free 1-800-333-6900, or www.invacare.com
Form No. 94-108

Item
Number Part Number DescriptionNote
Quantity Per
Package Assembly
7500004-NLA Pivot Slide Tube with Plug Button 1 11
1027097 Plug Button, Black (3/4") 1 22
7930354 Package, Phillips Head Screw (#8-32 x 3/8") 25 23
1006981 Spring, Leaf 1 14
1016346 Cap, Tube End (7/8") 1 15
44200X059 Footplate, Aluminum - Small (6-3/4" W x 6" L) 1 16 A,C
1033506 Pivot Slide Tube Assembly w/ Aluminum Footplate
Right 1 1A,B
1033507 Pivot Slide Tube Assembly w/ Aluminum Footplate
Left 1 1A,B
A - Aluminum footplates on chairs built before 2/96 had a "Bright Aluminum" finish. Footplates after 1/96 now have a black
finish. For Front Riggings before 2/96, order in pairs to match.
B - Not Shown
C - Right or left
NOTE:
Pivot Slide Tube with Footplate
For 93E, 93M, 93M2, H93E, H93M Assemblies
(14" to 15" Chairs)
153
To order call toll free 1-800-333-6900, or www.invacare.com
Form No. 94-108

Pivot Slide Tube with Footplate
For 93, H93 Assemblies
(16" to 24" Chairs)
154
To order call toll free 1-800-333-6900, or www.invacare.com
Form No. 94-108

Pivot Slide Tube with Footplate
For 93, H93 Assemblies
(16" to 24" Chairs)
Item
Number Part Number DescriptionNote
Quantity Per
Package Assembly
1041525 Pivot/Slide Tube with Plug Button - Deluxe
Aluminum 1 11
1027097 Plug Button, Black (3/4") 1 22
1044213 Footplate with Rubber Edge (Pair) 2 13 A
1043659 Footplate, Aluminum - Deluxe (8" W x 5-3/4" L) -
Right 1 13
1043660 Footplate, Aluminum - Deluxe (8" W x 5-3/4" L) -
Left 1 13
7930354 Package, Phillips Head Screw (#8-32 x 3/8") 25 14
1036120 Spring 1 15
1028892 Pivot/Slide Tube Assembly w/ Footplate Deluxe
Aluminum, Right 1 1A,B
1028893 Pivot/Slide Tube Assmebly w/ Footplate Deluxe
Aluminum, Left 1 1A,B
A - Front Riggings built before 12/93 had footplates with a flat black finish. After 11/93 the finish is a "Wrinkle Black." For
Front Riggings before 12/93, order in pairs to match.
B - Not Shown
NOTE:
155
To order call toll free 1-800-333-6900, or www.invacare.com
Form No. 94-108

Pivot Slide Tube with Footplate
For 93, H93 Assemblies
(14" to 15" Chairs)
156
To order call toll free 1-800-333-6900, or www.invacare.com
Form No. 94-108

Pivot Slide Tube with Footplate
For 93, H93 Assemblies
(14" to 15" Chairs)
Item
Number Part Number DescriptionNote
Quantity Per
Package Assembly
1041527 Pivot/Slide Tube with Plug Button (Black) 1 11
44200X059 Footplate, Aluminum - Small (6-3/4" W x 6" L) 1 12 A
1016346 Cap, Tube End (7/8") 1 13
1025729 Screw, Self Tapping Pan Head (#8-32 x 3/8") 1 24
1006981 Spring, Leaf 1 15
1027097 Plug Button, Black (3/4") 1 16
1058573 Pivot/ Slide Tube w/ Footplate Assembly Aluminum,
Right 1 1A,B
1058574 Pivot/ Slide Tube w/ Footplate Assembly Aluminum,
Left 1 1A,B
A - Aluminum footplates on chairs before 2/96 had a "Bright Aluminum" finish. Footplates after 1/96 now have a black finish.
For Front Riggings before 2/96, order in pairs to match.
B - Not Shown
NOTE:
157
To order call toll free 1-800-333-6900, or www.invacare.com
Form No. 94-108

Item
Number Part Number DescriptionNote
Quantity Per
Package Assembly
7930366 Screw, Socket Head Cap (1/4-20 x 2-1/4") 25 11
1027097 Plug Button, Black (3/4") 1 12
1025457 Spacer, Coved (1/4 x 3/4 x 11/32") 1 23
1120382 Pivot Slide Tube, Curved End - Long (9-7/8" Long) 1 14
1026881 Footplate, Composite - Large (8" W x 6" L) 1 15
7930323 Package, Locknut (1/4-20) 25 16
1028383 Pivot Slide Tube w/ Footplate Composite Right 1 1A
1028384 Pivot Slide Tube w/ Footplate Composite Left 1 1A
A - Not Shown
NOTE:
Pivot Slide Tube with Footplate
For 93ST Assemblies
(20" to 24" Chairs)
158
To order call toll free 1-800-333-6900, or www.invacare.com
Form No. 94-108

Item
Number Part Number DescriptionNote
Quantity Per
Package Assembly
7930366 Screw, Socket Head Cap (1/4-20 x 2-1/4") 25 11
1027097 Plug Button, Black (3/4") 1 12
1025457 Spacer, Coved (1/4 x 3/4 x 11/32") 1 23
1120382 Pivot Slide Tube, Curved End - Long (9-7/8" Long) 1 14
1026879 Footplate, Composite - Small (6" W x 6" L) 1 15
7930323 Package, Locknut (1/4-20) 25 16
1028391 Pivot Slide Tube w/ Composite Footplate -Right 1 1A
1028392 Pivot Slide Tube w/ Composite Footplate, Left 1 1A
A - Not Shown
NOTE:
Pivot Slide Tube with Footplate
For 93ST Assemblies
(15" to 17" Chairs)
159
To order call toll free 1-800-333-6900, or www.invacare.com
Form No. 94-108

Item
Number Part Number DescriptionNote
Quantity Per
Package Assembly
7930366 Screw, Socket Head Cap (1/4-20 x 2-1/4") 25 11
1027097 Plug Button, Black (3/4") 1 12
1025457 Spacer, Coved (1/4 x 3/4 x 11/32") 1 23
1120382 Pivot Slide Tube, Curved End - Long (9-7/8" Long) 1 14
1026880 Footplate, Composite - Medium (7" W x 6" L) 1 15
7930323 Package, Locknut (1/4-20) 25 16
1028387 Pivot Slide Tube and Medium Composite Footplate,
Right 1 1A
1028388 Pivot Slide Tube and Medium Composite Footplate,
Left 1 1A
A - Not Shown
NOTE:
Pivot Slide Tube with Footplate
For 93ST Assemblies
(18" to 19" Chairs)
160
To order call toll free 1-800-333-6900, or www.invacare.com
Form No. 94-108

Item
Number Part Number DescriptionNote
Quantity Per
Package Assembly
1044213 Footplate with Rubber Edge (Pair) 2 11 A
1043659 Footplate, Aluminum - Deluxe (8" W x 5-3/4" L) -
Right 1 11
1043660 Footplate, Aluminum - Deluxe (8" W x 5-3/4" L) -
Left 1 11
1036120 Spring 1 12
7930354 Package, Phillips Head Screw (#8-32 x 3/8") 25 13
1027097 Plug Button, Black (3/4") 1 14
7500083 Pivot Slide Tube with Plug Button 1 15
1031216 Pivot Slide Tube w/ Rubber Edge Footplate Right 1 1A,B
1031217 Pivot Slide Tube w/ Rubber Edge Footplate Left 1 1A,B
A - Front Riggings built before 12/93 had footplates with a flat black finish. After 11/93, the finish is "Wrinkle Black." For Front
Riggings before 12/93, order in pairs to match.
B - Not Shown
NOTE:
Pivot Slide Tube with Footplate
For 94BK, 94BKR, 96BK, H94, H94BKR, H96BK
Assemblies
(16" to 24" Chairs)
161
To order call toll free 1-800-333-6900, or www.invacare.com
Form No. 94-108

Item
Number Part Number DescriptionNote
Quantity Per
Package Assembly
7500085-NLA Pivot Slide Tube with Plug Button - Chrome 1 11
44200X059 Footplate, Aluminum - Small (6-3/4" W x 6" L) 1 12 A
1016346 Cap, Tube End (7/8") 1 13
7930354 Package, Phillips Head Screw (#8-32 x 3/8") 1 24
1006981 Spring, Leaf 1 15
1027097 Plug Button, Black (3/4") 1 26
1030912 Pivot Slide Tube with Aluminum Footplate, Right 1 1A,B
1030913 Pivot Slide Tube with Aluminum Footplate, Left 1 1A,B
A - Aluminum footplates on chairs built before 2/96 had a "Bright Aluminum" finish. Footplates after 1/96 now have a black
finish. For Front Riggings before 2/96, order in pairs to match.
B - Not Shown
NOTE:
Pivot Slide Tube with Footplate
For 94BK, 94BKR, 96BK, H94, H96BK Assemblies
(14" to 15" Chairs)
162
To order call toll free 1-800-333-6900, or www.invacare.com
Form No. 94-108

Pivot/Slide Tube and Footplate
Side Standard 2" Longer 4" Longer
108653810865371031934Right
108654010865391031935Left
Pivot Slide Tube with Footplate
For 94BKR, 96BK, H94, H96 Assemblies
(16" to 24" Chairs)
163
To order call toll free 1-800-333-6900, or www.invacare.com
Form No. 94-108

Pivot Slide Tube with Footplate
For 94BKR, 96BK, H94, H96 Assemblies
(16" to 24" Chairs)
Item
Number Part Number DescriptionNote
Quantity Per
Package Assembly
7500085-NLA Pivot Slide Tube with Plug Button - Chrome 1 11
1086447 Pivot Slide Tube with Plug Button, 2" Longer -
Chrome 1 11
1086448 Pivot Slide Tube with Plug Button, 4" Longer -
Black 1 11
7930354 Package, Phillips Head Screw (#8-32 x 3/8") 25 22
1027095 Plug Button, Black (7/8") 1 13
44200X025 Footplate, Aluminum - Extra Large (8" W x 8-1/2" L)
- Right 1 14 A
44200X026 Footplate, Aluminum - Extra Large (8" W x 8-1/2" L)
- Left 1 14 A
1027097 Plug Button, Black (3/4") 1 25
1036123 Spring, Leaf 1 16
See Chart Pivot Slide Tube with Footplate 1 1B
A - Wrinkle Black Finish
B - Not Shown
NOTE:
164
To order call toll free 1-800-333-6900, or www.invacare.com
Form No. 94-108

Item
Number Part Number DescriptionNote
Quantity Per
Package Assembly
1016346 Cap, Tube End (7/8") 1 11
44200X059 Footplate, Aluminum - Small (6-3/4" W x 6" L) 1 12 A,C
7930354 Package, Phillips Head Screw (#8-32 x 3/8") 1 13
1006981 Spring, Leaf 25 24
1041526 Pivot/Slide Tube with Plug Button (Steel) 1 15
1027097 Plug Button, Black (3/4") 1 16
1018133 Plug Button, Black (5/8") 1 17
1023905 Pivot/ Slide Tube w/ Footplate Aluminum, Right 1 1B
1023906 Pivot/ Slide Tube w/ Footplate Aluminum, Left 1 1B
A - Aluminum footplates on chairs built before 2/96 had a "Bright Aluminum" finish. Footplates after 1/96 now have a black
finish. For Front Riggings before 2/96, order in pairs to match.
B - Not Shown
C - Right or Left
NOTE:
Pivot Slide Tube with Footplate
For AS4A, AHS4A Assemblies
(14" to 15" Chairs)
165
To order call toll free 1-800-333-6900, or www.invacare.com
Form No. 94-108

Item
Number Part Number DescriptionNote
Quantity Per
Package Assembly
1016346 Cap, Tube End (7/8") 1 11
44200X027 Footplate, Aluminum - Medium (7-3/4" W x 6" L) 1 12 A,C
7930354 Package, Phillips Head Screw (#8-32 x 3/8") 1 13
1006981 Spring, Leaf 25 24
1041526 Pivot/Slide Tube with Plug Button (Steel) 1 15
1027097 Plug Button, Black (3/4") 1 16
1018133 Plug Button, Black (5/8") 1 17
1070168 Push Plug, Footplate 1 18
1023907 Pivot/Slide Tube and Aluminum Footplate Assembly
- Right 1 1A,B
1023908 Pivot/Slide Tube and Aluminum Footplate Assembly
- Left 1 1A,B
A - Aluminum footplates on chairs built before 2/96 had a "Bright Aluminum" finish. Footplates after 1/96 now have a black
finish. For Front Riggings before 2/96, order in pairs to match.
B - Not Shown
C - Right or Left
NOTE:
Pivot Slide Tube with Footplate
For AL4A, AHL4A Assemblies
(16" to 24" Chairs)
166
To order call toll free 1-800-333-6900, or www.invacare.com
Form No. 94-108

S1263 One Piece Wooden Footboard and Hardware
167
To order call toll free 1-800-333-6900, or www.invacare.com
Form No. 94-108

S1263 One Piece Wooden Footboard and Hardware
Item
Number Part Number DescriptionNote
Quantity Per
Package Assembly
See Chart #1 One Piece Wooden Footboard 1 11
See Chart Heel Loop Hardware Packages (not shown) 1 1A
1032013 Kit, Wooden Footboard Mounting Hardware 1 12 B
Screw, Phillips Oval Head (#10-32 x 1-1/2") 1 13
Screw, Phillips Oval Head (#10-32 x 1-1/4") 1 34
Tube, Slide - Right 1 15
Tube, Slide - Left 1 15
Plug Button, Black (3/4") 1 26
Locknut (#10-32) 1 47
Cap, Tube End (7/8") 1 28
Lock, Pad Plate, Legrest 1 19
Clamp 1 210
Washer, Nylon (3/16 x 7/16 x 1/8") 1 311
Link, Locking 1 112
A - Not Shown.
B - Includes items 3-12
NOTE:
#1 One Piece Wooden Footboard
NOTE: When selecting a wooden footboard for 93ST Tapered Footrest, order a 3" narrower footboard to
accommodate the 1.5" footrest taper per side. Example: 17" wide chair will use a 14" wide chair
footboard. S1263 option is not available for tapered footrest less than 17" wide.
Footrest-
Footboard w/
Heel Loop Holes
Part Number
Legrest-
Footboard w/o
Heel Loop Holes
Part Number
Chair
Width Footboard
Width Footboard
Depth
6"11-5/8"14"48247X0031034245
6"12-1/2"15"10319101034246
6"13-3/4"16"48247X0011034247
6"14-1/2"17"10319111034248
6"15-9/16"18"48247X0001034249
6"16-1/2"19"10319121034250
6"17-1/2"20"10319131034251
6"18-1/2"21"10319141034252
6"19-1/2"22"10319151034253
6"20-1/2"23"10319161034254
6"21-1/2"24"10319171034255
168
To order call toll free 1-800-333-6900, or www.invacare.com
Form No. 94-108

S1263 One Piece Wooden Footboard and Hardware
Heel Loop Hardware Packages (not shown)
(All hardware is included to attach heel loops to footboard.)
Chair Width Part Number Package
Includes
2 each Heel Loops
4 each Screw,
PPH (1/4-20 x 3")
4 each Spacer
(1/4 x 11/32 x 1-3/4")
4 each Locknut
(1/4-20)
103390414-15" Wide
2 each Heel Loops
4 each Screw,
PPH (1/4-20 x 3")
4 each Spacer
(1/4 x 11/32 x 1-3/4")
4 each Locknut
(1/4-20)
103390516"-24" Wide
169
To order call toll free 1-800-333-6900, or www.invacare.com
Form No. 94-108

Footplate
Type
Heel Loop w/
Ankle Strap
Pair #
Attaching
Hardware
Pair #
Chair
Width Heel Loop
Single # Heel Loop
Pair #
Heel Loop w/
Ankle Strap
Single # Rt.
Heel Loop w/
Ankle Strap
Single # Lt.
103593110359061035909103590810359121028412
15-17" W
Tapered
Composite
Small
(1651)
103593110359181035920103591910359171017621
18-19" W
Tapered
Composite
Medium
(1651)
103593110359301035933103593210359171017621
20-24" W
Tapered
Composite
Large
(1651)
10359071035906103590910359081035905102523414-15" W
Standard
Aluminum
(1650)
10359071035918103592010359191035917101762116-24" W
Standard
Aluminum
(1650)
10861121035918103592010359191035917101762116-24" W
Deluxe
Aluminum
(1450)
10552411035918103592010359191035917101762116-24" W
X-Large
Aluminum
(1350)
Footrest and Legrest Accessories
170
To order call toll free 1-800-333-6900, or www.invacare.com
Form No. 94-108

Footrest and Legrest Accessories
Attaching Hardware Part Numbers
Footplate
Type Part
Number
Part
Number
Consists of
2 each Screw, PPH
(1/4-20 x 2-1/4")
2 each Spacer
(1/4 x 11/32 x 1-3/4")
2 each Locknut (1/4-20)
1035931
Composite
(1651)
2 each Screw, PPH
(1/4-20 x 2-1/2")
2 each Spacer
(1/4 x 11/32 x 1-3/4")
2 each Locknut (1/4-20)
1035907
Standard
Aluminum
(1650)
2 each Screw, PPH
(1/4-20 x 2-1/2")
2 each Spacer
(1/4 x 11/32 x 1-3/4")
2 each Locknut (1/4-20)
1086112
Deluxe
Aluminum
(1450)
2 each Screw, PPH
(1/4-20 x 2-1/4")
2 each Spacer
(1/4 x 11/32 x 1-3/4")
2 each Locknut (1/4-20)
1055241
X-Large
Aluminum
(1350)
Toe Loops (1345) and Attaching Hardware
Footplate
Type
Toe Loop
w/o Hardware
Single #
Toe Loop
w/o Hardware
Pair #
Attaching
Hardware
Part Number
Attaching
Hardware
Consists of
4 each Screw, PPH
(10-32 x 7/8")
4 each Washer
(1/4 x 3/4 x 3/32")
4 each Locknut
(10-32)
1037089103708704572X025
1651,
1650,
1450,
1350,
Footplates
171
To order call toll free 1-800-333-6900, or www.invacare.com
Form No. 94-108

Motors, Gearboxes and Clutch Assembly
4M Power Chairs
172
To order call toll free 1-800-333-6900, or www.invacare.com
Form No. 94-108

Motors, Gearboxes and Clutch Assembly
4M Power Chairs
Item # Description Side Arrow, Ranger X
and Ranger II Ranger II
5/94 - 12/95
N/A1030422-NLARight
Motor Clutch
and Gearbox
Standard Height
1
N/A1030423Left
N/A1035021-NLARight2" Lower1
N/A1035022-NLALeft
1060625-NLA1048549-NLARightMotor and Gearbox2
N/A1048550-NLALeft
N/A1061577-NLARight
Clutch Kit
Standard Height
3
N/A1061578Left
N/A1061579-NLARight2" Lower3
N/A1061580-NLALeft
1061007-NLA
1040734
Right and Left
Motor with Brake
Left and Right
4See Note(s) A
A - It is recommended that dealer also purchase a left or right decal, item number 12. NOTE:
173
To order call toll free 1-800-333-6900, or www.invacare.com
Form No. 94-108

Motors, Gearboxes and Clutch Assembly
4M Power Chairs
For Standard and 2" Lower Height Configurations
Item
Number Part Number DescriptionNote
Quantity Per
Package Assembly
1048545-NLA Gearbox, Right 1 15 A
1048546-NLA Gearbox, Left 1 15 A
5165204-NLA Coupling w/ Cup (1" Diameter) 1 16 F
50000X007 Coupling w/ Cup (1-5/16" Diameter) 1 16 G
50000X341-NLA Spacer 1 17
1022651-NLA Motor Brush with Cap 1 18 B,B1,D
1044044 Motor Brush with Cap 2 18 B,B1,E
1012129-NLA Brake Assembly without Cover 1 19
1028530-NLA Brake Cover 1 19
10141X012 Washer, Lock (3/16 x 5/16 x 1/16") 1 210
1029237 Screw, Socket Head Cap w/ Patch (#10-32 x 7/8") 1 211
60106X062 Decal, Motor Lead - Right 1 112
60106X061 Decal, Motor Lead - Left 1 112
1028525-NLA Idler Sub-Assembly 1 113
47183X047 Spacer (5/16 x 1/2 x 3/16") 1 414
1025377-NLA Idler Pulley 1 115
1045866-NLA Belt Tension Spring Replacement Kit 2 116 C
1046749-NLA Spring and Plate Assembly 1 216
1025730 Locknut (5/16-24) 1 416
1045865-NLA Instruction Sheet Auto Tension 1 116
7930330 Locknut (5/16-24) 25 817
1013971 Washer, Nylon (1/4 x 7/16 x 5/64") 1 218
1028514 Screw, Hex Head (5/16-24 x 1-1/2") 1 219
1027957 Lever Grip without Tip for Extension Handle 1 120
1030347-NLA End Cap, Grey 1 121
1030348 End Cap, Teal 1 121
1030349 End Cap, Red 1 121
1030350-NLA End Cap, Lavender 1 121
40187X033 Roll Pin 1 122
1028524 Fork Shifter Handle Standard Height 1 123
1034908-NLA Fork Shifter Handle 2" Lower Height 1 123
1003530 Drive Collar 1 124
50000X401-NLA Needle Bearing 1 125
1036256 D-Washer 1 126
1016938-NLA Drive Pulley w/ Bearing 1 127
50000X400-NLA Inner Race 1 128
50000X397-NLA Spacer, Bearing 1 129
1011511 Spring, Compression (1") 1 130
174
To order call toll free 1-800-333-6900, or www.invacare.com
Form No. 94-108

Motors, Gearboxes and Clutch Assembly
4M Power Chairs
Item
Number Part Number DescriptionNote
Quantity Per
Package Assembly
1028515 Locknut (#10-32) 1 131
1030088-NLA Motor Mounting Bracket, Right 1 132
1030089-NLA Motor Mounting Bracket, Left 1 232
1035018-NLA 2" Lower Mounting Bracket, Right 1 232
1035019-NLA 2" Lower Mounting Bracket, Left 1 132
1025708 Bolt, Hex Head Cap (1/4-20 x 3/4") 1 133
1013971 Washer, Nylon (1/4 x 7/16 x 5/64") 1 134
1028516 Washer (3/16 x 7/16 x 1/16") 1 135
1028513 Screw, Socket Head (#10-32 x 1-1/4") 1 136
1028519 Turn Buckle 1 137
1028518 Threaded Stud 1 138
1028006 Bellow, Shroud 1 139
1029750 Front Shroud Bracket, Right 1 140
1029751 Front Shroud Bracket, Left 1 140
1025752 Screw, Hex Head (1/4-20 x 1-1/2") 1 141
1025195 Locknut (1/4-20) 1 142
1031026 Screw w/ Lug (5/16-24 x 1-3/8") 1 243
See Chart Motors, Gearboxes and Clutch Assembly 1 1H
A - Includes items 16 and 25. Due to product improvement 14133X000 grip ring has been replaced by a D-washer and
locknut. Current gear boxes now come with a threaded drive shaft
B - To identify the difference between Indiana General and Invacare motors note that Invacare motors have Invacare labels,
black textured finish and a brush retainer that is raised approximately 1/4".
B1 - Indiana General's motors have a smooth finish and the bush retainer is flush with the motor surface. See pictorial on the
following page for reference.
C - Part Numbers 1046749, 1025730, and 1045865 are available for individual sale or as part of the "Belt Tension Spring
Replacement Kit".
D - Indiana General Motor Brushes are no longer available from Invacare Corporation. Brushes are available by calling the
National Power Chair Company at 1-800-444-3528
E - Invacare Motors (Pair)
F - For chairs made before 11/12/01 - use part # 50000X007 as a direct replacement for this part.
G - After 11/11/01 Coupling with Cup was resized from approximately 1" to 1-5/16" diameter and can be used as a direct
replacement for part number 5165204
H - Not Shown
NOTE:
175
To order call toll free 1-800-333-6900, or www.invacare.com
Form No. 94-108

Motors, Gearboxes and Clutch Assembly
4M Power Chairs
NOTE: To identify the difference between Indiana General and Invacare motors, see the following motor
assembly pictorial.
176
To order call toll free 1-800-333-6900, or www.invacare.com
Form No. 94-108

Item
Number Part Number DescriptionNote
Quantity Per
Package Assembly
1045866-NLA Belt Tension Spring Replacement Kit 1 11 A
1046749-NLA Spring and Plate Assembly 1 21
1025730 Locknut (5/16-24) 1 41
1045865-NLA Instruction Sheet Auto Tension 1 11
A - Part Numbers 1046749, 1025730, and 1045865 are available for individual sale or as part of the "Belt Tension Spring
Replacement Kit".
NOTE:
Belt Tensioning Device
177
To order call toll free 1-800-333-6900, or www.invacare.com
Form No. 94-108

Motors, Gearboxes and Clutch Assembly
X.P.R. (Extended Power and Range)
5M Power Chairs
178
To order call toll free 1-800-333-6900, or www.invacare.com
Form No. 94-108

Motors, Gearboxes and Clutch Assembly
X.P.R. (Extended Power and Range)
5M Power Chairs
Item
Number Part Number DescriptionNote
Quantity Per
Package Assembly
1028540 Motor and Clutch Assembly, Right 1 11
1028541 Motor and Clutch Assembly, Left 1 11
1041779-NLA Motor, Gearbox, Right 1 12
1041780 Motor, Gearbox, Left 1 12
1012129-NLA Brake Assembly without Cover 1 13
1028530-NLA Brake Cover 1 13
1022651-NLA Motor Brush with Cap 1 24 F
1044044 Motor Brush with Cap 2 14
7930326 Screw, Hex Head (1/4-20 x 3/4") 25 25
1013971 Washer, Nylon (1/4 x 7/16 x 5/64") 1 26
1040733 Motor and Brake Assembly, Right 1 17
1040733E-NLA Motor and Brake Assembly, Right, Refurbished 1 17
1040734 Motor and Brake Assembly, Left 1 17 A
1040734E-NLA Motor and Brake Assembly, Left, Refurbished 1 17 A
60106X062 Decal, Motor Lead - Right 1 18
60106X061 Decal, Motor Lead - Left 1 18
50000X341-NLA Spacer 1 19
5165204-NLA Coupling w/ Cup (1" Diameter) 1 110 B
50000X007 Coupling w/ Cup (1-5/16" Diameter) 1 110 G
1041778 Gearbox 1 111
10141X012 Washer, Lock (3/16 x 5/16 x 1/16") 1 212
1029237 Screw, Socket Head Cap w/ Patch (#10-32 x 7/8") 1 213
1028006 Bellow, Shroud 1 114
1025730 Locknut (5/16-24) 1 915
1029142 Threaded Stud 1 116
1028519 Turn Buckle 1 117
1029750 Front Shroud Bracket, Right 1 118
1029751 Front Shroud Bracket, Left 1 118
1028515 Locknut (#10-32) 1 119
1028521 Motor Mounting Bracket, Right 1 120
1028522 Motor Mounting Bracket, Left 1 120
1028516 Washer (3/16 x 7/16 x 1/16") 1 121
1028513 Screw, Socket Head (#10-32 x 1-1/4") 1 122
1013971 Washer, Nylon (1/4 x 7/16 x 5/64") 1 123
1028525-NLA Idler Sub-Assembly 1 124
1025377-NLA Idler Pulley 1 125
47183X047 Spacer (5/16 x 1/2 x 3/16") 1 226
1036256 D-Washer 1 127 C
50000X397-NLA Spacer, Bearing 1 127 D
60355X000 Locknut (3/8-24) 1 128 C
1030951 Retaining Ring 1 128 D
179
To order call toll free 1-800-333-6900, or www.invacare.com
Form No. 94-108

Motors, Gearboxes and Clutch Assembly
X.P.R. (Extended Power and Range)
5M Power Chairs
Item
Number Part Number DescriptionNote
Quantity Per
Package Assembly
1016938-NLA Drive Pulley w/ Bearing 1 129
50000X401-NLA Needle Bearing 1 130
50000X400-NLA Inner Race 1 131
50000X397-NLA Spacer, Bearing 1 132
1003530 Drive Collar 1 133
1011511 Spring, Compression (1") 1 134
40187X033 Roll Pin 1 135
1028524-NLA Fork Shifter Handle Standard Height 1 136
1034908-NLA Fork Shifter Handle 2" Lower Height 1 136
1028514 Screw, Hex Head (5/16-24 x 1-1/2") 1 237
1027957 Lever Grip without Tip for Extension Handle 1 138
1030347-NLA End Cap, Grey 1 139
1030348 End Cap, Teal 1 139
1030349 End Cap, Red 1 139
1030350-NLA End Cap, Lavender 1 139
1045866-NLA Belt Tension Spring Replacement Kit 2 140 E
A - Effective 11/93 Indiana General Motors were replaced by Invacare motors. Motors purchased after this date should be
purchased with a right or left I.D. label. It is recommended that dealers affix the right or left label to its perspective motor
plug.
B - Coupling with Cup for chairs manufactured before 11/12/01 - use part # 50000X007 as a direct replacement for this part.
C - After 01/15/95
D - Before 01/16/95
E - See page titled "Belt Tensioning Device" for kit assembly.
F - Indiana General Motor Brushes are no longer available from Invacare Corporation. Brushes are available by calling the
National Power Chair Company at 1-800-444-3528
G - After 11/11/01 Coupling with Cup was resized from approximately 1" to 1-5/16" diameter and can be used as a direct
replacement for part number 5165204
NOTE:
180
To order call toll free 1-800-333-6900, or www.invacare.com
Form No. 94-108

Serial
Number Serial
Number Model
Number
Model
Number Serial
Number Model
Number Serial
Number Model
Number
RMN92993D92390M3N92993D720224M929-2LN93D51371M391893C08555
RM91993D92391M3SN92993D72023M3N92993D56304RM92993C11362
RM92893D923924M929-2LN93D72024SRMN92893D56629M391993C11375
RM91993D923934M929-LN93D72028RM91893D566304M92993C15745
RMN91893D923944M92993D72030RMXN92993D566324M92993C99542
RM92893D92395M392993D72107M392993D56635RMN92893D08034
M3928-293D92398RMN91993D74319M392893D56638RM92893D08040
M3N91993D92399RM91993D74320SM3N91993D56639RM92993D08041
M392993D92400RMN92993D743214M929-2LN93D56650RM91893D08042
4MT92993D92405SRM91993D74322M3XN92993D57383SRM92993D08044
4MXN91893D92407SRMSN92993D74323M3TN91993D59406M392993D08045
4M929-2LN93D92409M3T92993D74324SRM929-293D59683M3N92993D08046
M391993D94645M3TN929-293D74326RMXN92893D59684M3XN92993D08049S
RM91993D94836M3929-2LN93D74328RM92993D59685M3N91993D08051
M3TN91993D94838M3N929-293D74329M3N92993D59686M3TN91993D08052
M3N91993D94839M3929-2LN93D7433M3T92993D59688SM3N92993D08053
RMN91893D98261S4M91993D74332M3XN929-293D59689S4M91993D08054
RM92993D982624M929-2LN93D74339M392993D596904M929-2LN93D08058
RM92993D98263RM929-293D81346M3N92993D596914MN92993D08065
M3XN91993D98264SRMN91993D81347M392993D59692M392993D11003
M392993D98267RMN92893D813484M91993D597064M92893D11011
M392993D98269RM92893D81349RMN92993D70097RMN92893D18453
M392993D98270M3N92993D81350RMN92993D70098M392993D18454
4MN92993D98272M392993D81351RMN92993D70099M3N92993D18455
4M929-293D98278M3929-LN93D81352RMN9293D70100M3929-LN93D18456
4M92993D98279M3929-LN93D81353RM91993D70101M3N91993D18457
4M929-LN93D98287M3N92993D81354RM92893D701024M929-LN93D18465
4M92993E22388M3T91993D81355M3N92993D70103M392993D18525S
4MN929-293E26993M3929-2LN93D81356M3TN92993D70104SM392993D19312
RM91993E26994M392993D81357M3SN92993D70105M392993D19316
M392993E26996M3X91993D81358M392993D70106RMXN92893D19544
M392993E26997M3N92993D81360M3N91993D70108RM92993D19548
4M929-2LN93E270094MN91993D813624M92993D70112RMXN92993D19549
M392993E29366S4MSN91993D81363M3XN91993D70500SM3TN92893D19553S
RM92993E312564M91993D81366RMN92993D72012M392993D19556
M3SN92993E312584M929-2LN93D81367RMXN91993D72013M392893D19558
M392993E442934M929-2L993D81368RM929-293D72014M3919-293D19559
----RMXN92893D87362RMXN91993D720154M92993D27878
----M3XN92893D87363SRMN92993D720164M92893D27883
Motors, Gearboxes and Clutch Assembly
Modified Action Power Chairs
with 5M Motors, Gearboxes and Clutch Set-Up
181
To order call toll free 1-800-333-6900, or www.invacare.com
Form No. 94-108

Motors, Gearboxes and Clutch Assembly
Modified Action Power Chairs
with 5M Motors, Gearboxes and Clutch Set-Up
Serial
Number Serial
Number Model
Number
Model
Number Serial
Number Model
Number Serial
Number Model
Number
----M3929-LN93D87365RM92893D72017M3T92993D29368S
----M3929-2LN93D87366RM92893D72018RM92993D31885S
----M3929-2L993D87369RM92893D720194M92993D31897
----4M929-LN93D87382RM92993D72020M3XN92993D45948S
----M3SN92993D91284RM92993D72021RMXN92893D48326
------------M3T91993D51356
182
To order call toll free 1-800-333-6900, or www.invacare.com
Form No. 94-108

Battery Box, Shrouds, Chargers and Cables
183
To order call toll free 1-800-333-6900, or www.invacare.com
Form No. 94-108

Battery Box, Shrouds, Chargers and Cables
Item
Number Part Number DescriptionNote
Quantity Per
Package Assembly
1030426-NLA Battery Box with Harness 1 11 E
1030427-NLA Battery Box with Harness 1 11 F
1033964-NLA Battery Box with Harness 1 11 G
1035477-NLA Battery Box with Harness 1 11 H
1033963-NLA Battery Box with Harness 1 11 I
1030426-NLA Battery Box with Harness 1 11 J
1030429-NLA Battery Box with Harness 1 11 K
1030428-NLA Battery Box with Harness 1 11 L
1035478-NLA Battery Box with Harness 1 11 M
1034614-NLA Battery Box with Harness 1 11 N
1030429-NLA Battery Box with Harness 1 11 O
1035222-NLA Battery Box with Harness 1 11 P
1034862-NLA Battery Box with Harness 1 11 Q
1029685 Battery Box Lid 1 12 R
1030443-NLA Battery Box Lid 1 12 S
1035221-NLA Battery Box Lid 1 12 T
50000X025 Lock Over Latch Clip 1 22 U
1019694-NLA Slide Over Clip (Black) 1 42 U
1029687 Slide Over Clip (Grey) 1 42 U
1010578 Spacer (3/16 x 5/8 x 2-5/8") 1 22 U
1010701 Rivet 1 42 U
16348X005 Washer (5/32 x 3/8 x 1/32") 1 22 U
47375X277 Fastener, Loop with Adhesive Back
(1" Wide x 4" Long) 1 22 U
1029686-NLA Bottom Box 1 13
See Page See Footnote 1 24 V
12642X000 Screw (#8-15 x 5/8") 1 15
1023702 Battery Harness with Fuse 1 16 R,S
1104224 Battery Harness with Fuse 1 16 T,W
50000X166 Fuse, 60 Amp (Buss 2-1/4" Long) 1 16
1042740 Fuse, 30/50 amp (Shaumut 1-1/2") 1 16
50000X123 Cable, Battery Jumper 1 17
1010681 Clamp Plug 1 18
1013399 Charger Extension Cable 1 19
1098892 Fuse, 15 Amp. (Buss ATC-15) 1 210 Z
1090117 Fuse, 15 Amp. (Buss Mini ATM-15) 1 210 Y
1095503 Package, Cable Ties (5-5/8" Long) 10 111
7930335 Screw, Phillips Pan Head (#10-32 x 1/2") 25 212
7930332 Locknut, High Profile (#10-32) 25 213
1014758-NLA Battery Charger, 10 Amp. 115vac (Off Board)
Dual Mode Square Plug, Lester 1 114 D
1053163 Battery Charger, 8 Amp. 115vac (Off Board)
Dual Mode Square Plug, Lester 1 114 B,D
184
To order call toll free 1-800-333-6900, or www.invacare.com
Form No. 94-108

Battery Box, Shrouds, Chargers and Cables
Item
Number Part Number DescriptionNote
Quantity Per
Package Assembly
1085685-NLA Battery Charger, 8 Amp. 115vac (Off Board)
Dual Mode Square Plug w/ AC Power Line Cord,
Dynamic
1 114 D
1062556 Battery Charger, 8 Amp. 115vac (Off Board)
Single Mode Round Plug w/ AC Power Line Cord
and Square Plug Adapter Cable, CTE Corp.
1 114 B1,B2,
D
1089627 Cord, AC Power Line 115vac (2-prong off-board
11'6"L) 1 115
1027965-NLA Center Shroud 14" Wide 1 116 X
1027966-NLA Center Shroud 15" Wide 1 116 X
1027967-NLA Center Shroud 16" Wide 1 116 X
1027968-NLA Center Shroud 17" Wide 1 116 X
1027969-NLA Center Shroud 18" Wide 1 116 X
1027970-NLA Center Shroud 19" Wide 1 116 X
1027971-NLA Center Shroud 20" Wide 1 116 X
1027972-NLA Center Shroud 21" Wide 1 116 X
1027973-NLA Center Shroud 22" Wide 1 116 X
1028019-NLA Decal, Center Shroud 1 117
1028362-NLA Snap Rivet 1 118
1010424 Anti-Wear Cap 1 119
1022597 Screw, Phillips Pan Head Tap (#10-32 x 3/8") 1 220
1027263 Washer, Lock Tooth (3/16 x 3/8 x 1/32") 1 121
1030340-NLA Bottom Shroud Mounting Bracket, Standard Height 1 122
1034906-NLA Bottom Shroud Mounting Bracket, 2" Lower 1 122
1030444-NLA Decal, Pulley/ Clutch Shroud, Action Arrow 1 123
1028020 Decal, Pulley/ Clutch Shroud, Action Ranger X 1 123
1028021 Decal, Pulley/ Clutch Shroud, Action Ranger II 1 123
1022649 Cable Guide, Battery Box 1 124
1029291-NLA Fuse Holder, 1559 Dual Mode Charger 1 125
1028809 Timer, 1559 Dual Mode Charger 1 126
1027962-NLA Screw, Phillips Flat Head Countersunk (10-32 x
1/2") 1 1A,C
1030446-NLA Shroud Mounting Bracket 1 1A,C
1053831 Cable, Adapter 1 127
See Chart # 28 Pulley/Clutch Shroud - Grey 1 128
185
To order call toll free 1-800-333-6900, or www.invacare.com
Form No. 94-108

Battery Box, Shrouds, Chargers and Cables
A - On 2" Lower Chairs ONLY, the mounting bracket is used as a spacer to align the shroud when attaching to the chair.
When using a 2" lower recliner, the screws are used to mount the bracket in a specific location prior to mounting the
shroud.
B - On 7/18/01, Lester 8 amp. battery charger was reinstated for service parts.
B1 - CTE charger introduced 4/1/04. Used on Gel Cell or AGM (Absorbed Glass Mat) batteries. For wet cell batteries refer to
the Lester charger.
B2 - CTE charger looks exactly the same as Dynamic's charger except for the company name that is silk screened on the
narrow side panel, where the charger plug is (hard wired) attached. Serial number starts with 04A00000001.
C - Not Shown
D - See Pictorial
E - Non-Recliners, 16" to 18" Wide with Sectional Back
F - Non-Recliners, 14" and 15" Wide with Sectional Back
G - Non-Recliners, 20" to 24" Wide with Permanent Uprights and Dual Crossbraces
H - 2" Lower Manual Recliners, 14" Wide
I - 2" Lower Manual Recliners, 16" Wide
J - 2" Lower Manual Recliners, 18" Wide
K - Manual Recliners, 16" to 18" Wide
L - Manual Recliners, 14" and 15" Wide
M - 2" Lower Manual Recliners, 14" Wide
N - 2" Lower Manual Recliners, 16" Wide
O - 2" Lower Manual Recliners, 18" Wide
P - Power Back Recliners, 16" to 18" Wide
Q - Labac, 16" to 18" Wide
R - Sectional Backs
S - Manual Recliners
T - Power Back Recliners
U - Part numbers 50000X025, 1019694, 1029687, 1010578, 1010701, 16348X005, and 47375X277 are available for
individual sale or as part of "Miscellaneous Lid Hardware".
V - See page titled "Battery Box Hangers".
W - Labac
X - Introduced After 1/17/92
Y - After 3/10/03
Z - Before 3/11/03
NOTE:
Item # 28 Pulley/Clutch Shroud - Grey
Side Non-Recline
Standard Height Non-Recline
2" Lower Height Recliner
Standard Height Recliner
Tall Recliner
2" Lower Height
1035132-NLA10432531028683-NLA10318811037648-NLARight
1035133-NLA1043254102868410318821037649-NLALeft
NOTE: Chairs manufactured after 1/17/92 went from black pulley/clutch shrouds to a grey. Shrouds should be ordered in pairs along with
items 20, 21, 22 for chairs made before 1/18/92.
186
To order call toll free 1-800-333-6900, or www.invacare.com
Form No. 94-108

Chair Description Side 14" or 15" Wide 16" thru 18" Wide 19" thru 24" Wide
1033959-NLA1027935-NLA1029690-NLARight
4M or 5M with
Standard Crossbraces
Sectional Back or
Manual Recliner
1033960-NLA1027936-NLA1029691-NLALeft
1033959-NLA1033961-NLA1035848-NLARight
4M or 5M with
Dual Crossbraces
or Depth over 20"
Sectional,
Non-Sectional
or Manual Recliner
1033960-NLA1033962-NLA1035849-NLALeft
N/A1033961-NLA1035576-NLARight
4M with L-2P and
Standard Crossbraces
Sectional Back or
Manual Recliner
N/A1033962-NLA1035577-NLALeft
1033959-NLA1033961-NLA1035576-NLARight
4M with L-2P and
Dual Crossbraces
Sectional Back
1033960-NLA1033962-NLA1035577-NLALeft
1027935-NLA1033961-NLA1035997-NLARight
4M with L-2P and
Standard Crossbraces
Manual Recliner
1027936-NLA1033962-NLA1035996-NLALeft
N/A1033961-NLAOrder as a SpecialRight
4M with L-2P and
Dual Crossbraces
Manual Recliner
N/A1033962-NLAOrder as a SpecialLeft
N/A1027935-NLAN/ARight
4M with
Standard Crossbraces
Power Back Recliner
N/A1027936-NLAN/ALeft
Battery Box Hangers
NOTE: LABAC Chairs use the same configurations as the Non-LABAC Chairs.
187
To order call toll free 1-800-333-6900, or www.invacare.com
Form No. 94-108

Battery Box Hangers
NOTE: LABAC Chairs use the same configurations as the Non-LABAC Chairs.
Mounting Bracket to Raise Battery Box
Sectional Backs and Manual Recline Chairs Over 14" Wide
188
To order call toll free 1-800-333-6900, or www.invacare.com
Form No. 94-108

Battery Box Hangers
NOTE: LABAC Chairs use the same configurations as the Non-LABAC Chairs.
Description Part Number
1027604
Barrier Plate (Not Shown)
2 each needed when raising box.
Used to protect batteries from rivets.
16348X003Washer 3/16"
1034093Mounting Bracket
60284X006-NLAScrew
1007094Pop Rivet
189
To order call toll free 1-800-333-6900, or www.invacare.com
Form No. 94-108

MKIII Arrow Controllers without Mounting Hardware
Before 4/1/96
190
To order call toll free 1-800-333-6900, or www.invacare.com
Form No. 94-108

MKIII Arrow Controllers without Mounting Hardware
Before 4/1/96
Controllers Before 12/91
Part Number Description Package Quantity
1
Without E.C.U. - Repair
only/Reconditioned
1027378E-NLA
1
With E.C.U. - Repair
only/Reconditioned
1027419E
Controllers After 11/91
Part Number Description Package Quantity
1
Without E.C.U. W/Keypad - Repair
only/Reconditioned
1027378E-NLA
1
Without E.C.U. W/O Keypad - Repair
only/Reconditioned
1032681E
See Note(s) A
1
With E.C.U. W/Keypad - Repair
Only/Reconditioned
1027419E
1
With E.C.U. W/O Keypad - Repair
Only/Reconditioned
1032682-NLA
See Note(s) A
A - Controllers without keypads can only be programmed with a 1026634 Remote Keypad. NOTE:
191
To order call toll free 1-800-333-6900, or www.invacare.com
Form No. 94-108

MKIII Controller Mounting Hardware
Before 4/1/96
192
To order call toll free 1-800-333-6900, or www.invacare.com
Form No. 94-108

MKIII Controller Mounting Hardware
Before 4/1/96
Item
Number Part Number DescriptionNote
Quantity Per
Package Assembly
1029175 Bracket, Complete Control Adjustment 1 11 A,E
1029174 Bracket, Complete Control Adjustment 1 11 A,F
1029232 Screw, Socket Button Head (5/16-24 x 1") 1 22
1025704 Washer, Flat (5/16 x 5/8 x 1/16") 1 23
1029168 Clamp Plate 1 14
50000X403 Clamp, (Black) Plastic 1 25 B
1034031 Plate, Control Adjustment 1 26 G
1034032 Plate, Control Adjustment 1 26 F
1031095 Screws with Washers (#10-16 x 7/8") 4 47
1007406 Keepers 1 28
1003177 Rivet 1 49
7930330 Locknut (5/16-24) 25 210
1028023 Bracket, Main Control 1 111
1013149 Label, Caution 1 112
See Page See Footnote 1 113 C
1012814 Controller Cover 1 114
1026552 Key Pad Cover 1 115
1023102-NLA Key Pad 1 116
50000X025 Lock Over Latch Clip 1 217
1009083 Screw, Flat Head (#6-32 x 3/8") 1 418
1029228 Fastener, Hook Self Adhesive (2" x 2-15/16") 1 219
1029231 Decal, Micro Hook-Up 1 120
1029230 Hook Material (9-15/16" x 5/8") 1 121
1046117-NLA Printer and Interface 1 1D
1026572-NLA Paper, Printer 1 1D
1027280-NLA Harness, Printer Wiring 1 1D
A - Also used to mount Ranger X controllers
B - Clamp color alternated between black and white
C - See page titled "MKIII Controller Mounting Hardware Combinations".
D - Not Shown
E - 14" or 16" Widths
F - 17" thru 22" Wide Chairs
G - 14" thru 16" Wide
NOTE:
193
To order call toll free 1-800-333-6900, or www.invacare.com
Form No. 94-108

Description XTPart Number Sectional Backs Manual
Recliner Power Back
Recliner Multi-Function
Frame
1029852-NLA1031035-NLA1036113-NLA10310331036113-NLA
Hardware
Package
Part Numbers
XXX50000X025Latch Clip
X1007406Keeper
X1010578Spacer
X1030900-NLA
Screw
(6-32 x 18")
XXX1009083
Screw
(6-32 x 3/8")
X1009351
Screw
(6-32 x 5/8")
X1011980
Screw
(6-32 x 3/4")
XXXXX1020054-NLACaution Label
XX1029228
Velcro Hook
(2 x 3")
XX1029230
Velcro Hook
(5/8 x 10")
XXXXX1029231
Decal -
Hook-Up
X1022498-NLAGrip Stud
X1013496Washer
X1028917
Controller
Mnt. Brkt.
X1008834Lock Washer
X1014285Foam Pad
X1022500
Push on
Retainer
MKIII Controller Mounting Hardware Combinations
194
To order call toll free 1-800-333-6900, or www.invacare.com
Form No. 94-108

Chair Series E.P.R.O.M.
Rev. Level
Serial Numbers Control Logic
Board Power Board E.C.U. Board E.P.R.O.M. I.C.
Chip
2.031023105-NLA10208241023104-NLA
1025585E
89A-90BArrow - MK I See Note(s) C, A
3.051025584-NLA10208241023104-NLA
1025585E
90C - 90JArrow - MK I See Note(s) B, C
4.06102431110208241023104-NLA
1023116-NLA
After 90JArrow - MK II See Note(s) C
N/AN/AN/AN/AN/ARanger XArrow - MK II
N/AN/AN/AN/AN/ARanger IIArrow - MK II
5.051032294102082410301571030919-NLA91L - 92I
Action Arrow -
MK III
6.11038514102082410301571030919-NLA92J - Present
Action Arrow -
MK III
1.041032295N/A1030157103737791L - 92H
Action Ranger
X - MCC X
2.31037366N/A10301571037377921 - 92J
Action Ranger
X - MCC X
3.21038513N/A1030157103737792K - Present
Action Ranger
X - MCC X
1.041032296N/A1030157103092191L - 92H
Action Ranger II
- MCCR II
2.31037365N/A1030157103092192I - 92J
Action Ranger II
- MCCR II
3.21038512N/A1030157103092192K - Present
Action Ranger II
- MCCR II
A - To upgrade MK I to a MK II, Serial Numbers 89A thru 90B, change out control boad with # 123116E.
B - To upgrade MK I to a MK II, Serial Numbers 90C thru 90J, change out E.P.R.O.M. with # 1024311.
C - Repair only.
NOTE:
Electronics
Micro Control Replacement Boards
(Order Each Part Separately As Needed)
195
To order call toll free 1-800-333-6900, or www.invacare.com
Form No. 94-108

Electronics
Micro Control Replacement Boards
(Order Each Part Separately As Needed)
Description Part Number
1023116ERecon Logic Board MKII
1024311E.P.R.O.M. Chip MKII Rev. 4.06
Micro Control Board Replacement Tools
Description Part Number
1031552-NLAStatic Cuff w/Alligator Clip
1031546Repair Video Tape w/Instruction Sheet
1015976Simulator Test Box w/Leads
1020823Anti-Static Shipping Pouch for PC Boards
1031551Instruction Book
196
To order call toll free 1-800-333-6900, or www.invacare.com
Form No. 94-108

Electronics
Micro Control Replacement Boards
(Order Each Part Separately As Needed)
Instruction Sheets
Description Arrow MK II Action Arrow MK III Action Ranger X
MCC X Action Ranger II
MCCR II
1031551103155110315471022990Control/Logic Board
1031551103155110315471022991Power Stage Board
N/AN/A10208221020822E.C.U. Board
N/AN/AN/A1022992
E.P.R.O.M I.C. Chip
Serial Numbers
Before 90C
1026440102644010264401026440
E.P.R.O.M I.C. Chip
Serial Numbers
After 90B
197
To order call toll free 1-800-333-6900, or www.invacare.com
Form No. 94-108

MKIII Arrow Joystick and Hardware
Before 4/1/96
198
To order call toll free 1-800-333-6900, or www.invacare.com
Form No. 94-108

MKIII Arrow Joystick and Hardware
Before 4/1/96
Item
Number Part Number DescriptionNote
Quantity Per
Package Assembly
1031039-NLA Joystick with Tube 1 11 B
1028750-NLA Joystick with Tube 1 11 A,C
1035609-NLA Joystick with Tube 1 11 A,E
1032697 Inductive Joystick 1 12
1006191 Knob with Tolerance Ring 1 12
50000X364 Joystick, Boot 1 12
1007309 Screw, Phillip Pan Head (#4-40 x 1") 1 42
1013235 Spacer Pad, Inductive Joystick 1 12
1028872-NLA Joystick Box Top, Grey 1 13
1028871-NLA Joystick Box, Bottom, Grey 1 14
1020390-NLA Screw, Phillips Flat Head (1 x 7/64") 1 45
1010051 Horn (8-16V) 1 16
1010358 Washer, Panel Seal (16/32 x 5/8 x 7/64") 1 47
1010042 Switch, Toggle SPDT 1 28 G
1018433 Switch, Center Return 1 19
1028017 Decal, Joystick Face 1 110
1003502 Decal, Reflective 1 111
1005891-NLA Plug Button, Switch Hole 1 112
1028877 Control Bracket 1 113
1028477-NLA Screw, Self Tapping (#6 x 1/2") 1 414
1027095 Plug Button, Black (7/8") 1 115
1027268 Screw, Allen Head (1/4-20 x 1") 1 316
1027266 Half Clamp, Non-Threaded Holes 1 117
1027267 Half Clamp, Threaded Holes 1 118
1030890 Bracket, Joystick Mounting 1 119
1027274 Lock, Adjustment (Black) 1 120
1029260 Joystick Mounting Bracket 1 121 F
1029256 Half Clamp, Un-Threaded Holes 1 122 F
11008X014 Screw, Phillips Round Head (#10-32 x 1") 1 223
1016401 Screw, Phillips Round Head (#10-32 x 3/8") 1 224
1030343 Joystick Bracket Assembly 1 125
1024064-NLA Joystick Box, Top and Bottom 1 126
1028914 Switch, Hi / Lo / Off (Black) 1 127
1024151 Label, Battery 1 128
1024066-NLA Label, Drive A - B 1 129
1006271 Joystick Extension - Straight Style (1561)
(1/2" Wide x 5" Long) 1 1D
1006270 Joystick Extension - "T" Style (1560)
(4" Wide x 5-1/2" Long) 1 1D
199
To order call toll free 1-800-333-6900, or www.invacare.com
Form No. 94-108

MKIII Arrow Joystick and Hardware
Before 4/1/96
A - Service is repair only. Retrofitable with 1031039.
B - After 10/93
C - Before 11/93 - Grey Box
D - Not Shown
E - Before 11/91 - Black Box
F - Trough Arm
G - Black Switch is no longer available. The Chrome Switch part number 1010042 serves as a direct replacement
NOTE:
200
To order call toll free 1-800-333-6900, or www.invacare.com
Form No. 94-108

Joystick Options
Before 4/1/96
201
To order call toll free 1-800-333-6900, or www.invacare.com
Form No. 94-108

Joystick Options
Before 4/1/96
Item
Number Part Number DescriptionNote
Quantity Per
Package Assembly
1030343 Joystick Bracket Assembly 1 11
1027274 Lock, Adjustment (Black) 1 12
1027268 Screw, Allen Head (1/4-20 x 1") 1 33
1027252 Joystick Mounting Bracket 1 14
1027266 Half Clamp, Non-Threaded Holes 1 15
1027267 Half Clamp, Threaded Holes 1 16
1032697 Inductive Joystick 1 17
1006191 Knob with Tolerance Ring 1 17
50000X364 Joystick, Boot 1 17
1028914 Switch, Hi / Lo / Off (Black) 1 18
1010042 Switch, Toggle SPDT 1 19 G
1042367 Knob (Screw-on) 1 110
1010942-NLA Push Button Cap 1 111
1028802 SPDT Switch 1 112 A
1010941-NLA SPDT Switch 1 112 B
1025588 Directional Control Joystick Switch 1 113
1044918 Joystick Tube 1 114
1025245 Bracket, Upright -Right 1 115
1027095 Plug Button, Black (7/8") 1 116
1027274 Lock, Adjustment (Black) 1 117
1026298 Screws with Washers (#10 x 7/8") 2 218
1076284 Screw w/ washer (#10 x 7/8") 1 218
1044917 Hardware, Rear Cane Mount (1673/RCM) 1 119 C
1052309 Arm Mount Tube with Plug Button 1 120
1024067-NLA Joystick, Remote 1 1D,E
1041544-NLA Joystick, Heavy Duty 1 1D,E
1026559-NLA Joystick, Dual Option 1 1D,E
1044917 Hardware, Rear Cane Mount (1673/RCM) 1 1D
1052309 Arm Mount Tube with Plug Button 1 1D
1030110-NLA Display with Switches and Flextube, MK III 1 1D
1020818 Switch, Red Flex Ribbon (Tape) Reset 1 1D
1123276 Kit, Switch, Black Egg Reset, with Hook/Loop
Adhesive Back Fastener & Attaching Screws
(EGSBLK)
1 1F
A - After 7/91
B - Before 8/91
C - Includes items 14-18
D - See pictorial
E - Ribbon Reset Switch (1020818) may be required.
F - Not Shown. After 5/23/04 the Egg Reset Switch became available as a service part and can be used as a direct
replacement for the tape reset switch part # 1020818.
G - Black Switch is no longer available. The Chrome Switch part number 1010042 serves as a direct replacement
NOTE:
202
To order call toll free 1-800-333-6900, or www.invacare.com
Form No. 94-108

Switch Options
Before 4/1/96
203
To order call toll free 1-800-333-6900, or www.invacare.com
Form No. 94-108

Switch Options
Before 4/1/96
Item
Number Part Number DescriptionNote
Quantity Per
Package Assembly
1022471 SPDT Switch 1 1B
1031031 Pneumatic Switch Control, Off Chair 1 1A,B
1030110-NLA Display with Switches and Flextube, MK III 1 1B
1010636 Recliner Interface Cable 1 1A,B
1005151 Cable, Recliner 1 1A,B
1026251-NLA Recline/Actuator Control Box, Off Chair 1 1A,B
1031038-NLA Recliner Interface Cable, Off Chair 1 1A,B
1020818 Switch, Red Flex Ribbon (Tape) Reset 1 1B
1123276 Kit, Switch, Black Egg Reset, with Hook/Loop
Adhesive Back Fastener & Attaching Screws
(EGSBLK)
1 1C
A - Ribbon Reset Switch (1020818) may be required)
B - See pictorial
C - Not Shown. After 5/23/04 the Egg Reset Switch became available as a service part and can be used as a direct
replacement for the tape reset switch part # 1020818.
NOTE:
204
To order call toll free 1-800-333-6900, or www.invacare.com
Form No. 94-108

Swivel Joystick Mount
Before 4/1/96
205
To order call toll free 1-800-333-6900, or www.invacare.com
Form No. 94-108

Swivel Joystick Mount
Before 4/1/96
Item
Number Part Number DescriptionNote
Quantity Per
Package Assembly
1027095 Plug Button, Black (7/8") 1 11
1035990 Tube, Swivel Joystick 1 12
1020551 Washer, Flat (1/4 x 3/8 x 1/16") 1 13
1005844 Bushing 1 24
1002511 Spring, Hitch Bracket 1 15
1023670 Knob, Clamping 1 16
1035988 Joystick, Swivel Bracket 1 17 A
1042373 Joystick, Swivel Bracket 1 17 B
1035993 Joystick, Swivel Bracket 1 17 C
1023784 Plug Button, Black (5/8") 1 18
1035986 Swivel Joystick Tube with Hardware 1 19
1020387 Screw, Phillips Pan Head (#6 x 1/2") 1 410
1016401 Screw, Phillips Round Head (#10-32 x 3/8") 1 211
A - Before 11/93
B - After 10/93 (Short standard 1810M)
C - Ranger X (MCC X)
NOTE:
206
To order call toll free 1-800-333-6900, or www.invacare.com
Form No. 94-108

Mid-Line Swing Bracket Assembly
NOTE: Joystick tube with 90 degree bend replaces the standard tube when joysticks PSF, PSR and (RII
part number 1092610) are used. Joystick Tube with 90 degree bend must be ordered as a special when a
replacement is needed.
207
To order call toll free 1-800-333-6900, or www.invacare.com
Form No. 94-108

Mid-Line Swing Bracket Assembly
NOTE: Joystick tube with 90 degree bend replaces the standard tube when joysticks PSF, PSR and (RII
part number 1092610) are used. Joystick Tube with 90 degree bend must be ordered as a special when a
replacement is needed.
Item
Number Part Number DescriptionNote
Quantity Per
Package Assembly
1035528 Adjustment Tube, (Inside) Mid-Line 1 11
1016778 Spring, Extension 1 12
1035860 Adjustment Tube, (Outside) Mid-Line 1 13
1027274 Lock, Adjustment (Black) 1 14
1027095 Plug Button, Black (7/8") 1 25
1035857 Joystick Mounting Tube 1 16 A,B
1038425 Joystick Mounting Tube 1 16 A,C
1035855 Joystick Mounting Tube 1 16 A,G
1035852 Swing Bracket Assembly, Mid-Line 1 17 D
1016401 Screw, Phillips Round Head (#10-32 x 3/8") 1 38
7930349 Screw, Hex Head (1/4-20 x 1-1/8") 25 39
1027274 Lock, Adjustment (Black) 1 110
1049582 Bracket, Joystick Mounting 1 111
1027266 Half Clamp, Non-Threaded Holes 1 112
1027267 Half Clamp, Threaded Holes 1 113
1049591 Hardware, Joystick Tube Mounting 1 114 E
1092610 Joystick, RII 1 1F
A - Left side is not a stock item and must be ordered as a special.
B - Arrow Before 11/93 - Right
C - Arrow After 10/93 - Right
D - Does not include items 5, 6 or 8
E - Includes items 9-13
F - Not Shown
G - Ranger X (MCC X)
NOTE:
208
To order call toll free 1-800-333-6900, or www.invacare.com
Form No. 94-108

Displays
Before 4/1/96
209
To order call toll free 1-800-333-6900, or www.invacare.com
Form No. 94-108

Displays
Before 4/1/96
Item
Number Part Number DescriptionNote
Quantity Per
Package Assembly
1027303 Toggle Switch 1 31
1030105 Tube, Flex 1 12
1032696 Joystick, Inductive 1 13
50000X364 Joystick, Boot 1 14
1025048 Clamp 1 15
1021460 Screw, Socket Button Head (#10-32 x 5/16") 1 46
1025045 Clamp, Mounting 1 17
1027089 Screw, Socket Head Cap (#10-24 x 1/2") 1 18
1026273 Spacer, Split (3/8" I.D.) 1 19
1108012 Hardware, Dual/Compact Joystick Clamp Mounting 1 110
1017545 Chin Cup 1 111
1017612 Screw, Adaptor 1 112
90032X000 Screw, Socket Set (#8-32 x 1/4") 1 113
1020392 Chin Cup Assembly (1826) 1 114
1020818 Switch, Red Flex Ribbon (Tape) Reset 1 1A,B
1123276 Kit, Switch, Black Egg Reset, with Hook/Loop
Adhesive Back Fastener & Attaching Screws
(EGSBLK)
1 1C
1030109-NLA Display without Switches and Flextube, MK III 1 1A,B
1024067-NLA Joystick, Remote 1 1B
1030110-NLA Display with Switches and Flextube, MK III 1 1A,B
1031031 Pneumatic Switch Control, Off Chair 1 1B
1011033 Heavy Duty Joystick 1 2B
1031037-NLA Chin Joystick with Display 1 1A,B
A - Ribbon reset switch (1020818) may be required.
B - See pictorial
C - Not Shown. After 5/23/04 the Egg Reset Switch became available as a service part and can be used as a direct
replacement for the tape reset switch part # 1020818.
NOTE:
210
To order call toll free 1-800-333-6900, or www.invacare.com
Form No. 94-108

MCCX Joystick and Controller
Before 4/1/96
211
To order call toll free 1-800-333-6900, or www.invacare.com
Form No. 94-108

MCCX Joystick and Controller
Before 4/1/96
Item
Number Part Number DescriptionNote
Quantity Per
Package Assembly
1027409 Joystick with Tube 1 11 A
1006715-NLA Joystick with Tube 1 11 B
1032696 Joystick, Inductive 1 12
1006191 Knob with Tolerance Ring 1 12
50000X364 Joystick, Boot 1 12
1028079 Screw, Phillips Pan Head (#4 x 5/8") 1 42
1027267 Half Clamp, Threaded Holes 1 13
1027266 Half Clamp, Non-Threaded Holes 1 14
1027274 Lock, Adjustment (Black) 1 15
1027268 Screw, Allen Head (1/4-20 x 1") 1 36
1027252 Joystick Mounting Bracket 1 17
16348X004 Rivet 1 48
50000X025 Lock Over Latch Clip 1 29 G
1027263 Washer, Lock Tooth (3/16 x 3/8 x 1/32") 1 310
1027264 Screw, Phillips Pan Head (#8-32 x 1/2") 1 311
50000X403 Clamp, (Black) Plastic 1 112
1027238-NLA Controller Bracket without Hardware 1 113
1037178-NLA Controller Bracket with Hardware 1 113
1036494-NLA Controller without Bracket 1 114 C
1026451-NLA Controller without Bracket 1 114 D,F
1006271 Joystick Extension - Straight Style (1561)
(1/2" Wide x 5" Long) 1 1E
1006270 Joystick Extension - "T" Style (1560)
(4" Wide x 5-1/2" Long) 1 1E
1036494E Controller without Bracket, MCCX 1 1E
A - After 11/91
B - Before 12/91- Repair Only
C - After 10/92
D - Before 11/92
E - Not Shown
F - Repair only or use 1036494E reconditioned
G - For Keeper
NOTE:
212
To order call toll free 1-800-333-6900, or www.invacare.com
Form No. 94-108

MCCX Switch Option Interface
Before 4/1/96
213
To order call toll free 1-800-333-6900, or www.invacare.com
Form No. 94-108

MCCX Switch Option Interface
Before 4/1/96
Item
Number Part Number DescriptionNote
Quantity Per
Package Assembly
1036493 Switch Option with Instructions 1 11
1025516 Knob, Speed Control 1 12
1028083 Speed Pot Decal 1 13
1010049 Boot, Switch 1 14
1010048 Switch Push Button SPST 1 14
1010042 Switch, Toggle SPDT 1 15 C
1011719 Tri-Colored LED Light with Wires 1 16
1011699-NLA Tri-Colored LED Light without wires 1 16 A
1028529 Screw, Phillips Pan Head (#8-32 x 3/8") 1 87
1020818 Switch, Red Flex Ribbon (Tape) Reset 1 18
1123276 Kit, Switch, Black Egg Reset, with Hook/Loop
Adhesive Back Fastener & Attaching Screws
(EGSBLK)
1 18 B
A - Order 1011719 with wires
B - Not Shown. After 5/23/04 the Egg Reset Switch became available as a service part and can be used as a direct
replacement for the tape reset switch part # 1020818.
C - Black Switch is no longer available. The Chrome Switch part number 1010042 serves as a direct replacement
NOTE:
214
To order call toll free 1-800-333-6900, or www.invacare.com
Form No. 94-108

MCC RII Controller
Before 8/15/95
215
To order call toll free 1-800-333-6900, or www.invacare.com
Form No. 94-108

MCC RII Controller
Before 8/15/95
Item
Number Part Number DescriptionNote
Quantity Per
Package Assembly
1027267 Half Clamp, Threaded Holes 1 11
1027266 Half Clamp, Non-Threaded Holes 1 12
1034155 Screw, Socket Button Head (1/4-20 x 1") 1 23
1027095 Plug Button, Black (7/8") 1 14
1034153 Lockwasher (1/8" x 3/4" x 1/16") 1 25
1035412 Controller Bracket, Universal 1 16
1038787 Foam Pad 1 17
1027390-NLA Joystick/ Controller w/o Hardware (Repair Only) 1 18 A
1032696 Joystick, Inductive 1 19
1006191 Knob with Tolerance Ring 1 19
50000X364 Joystick, Boot 1 19
1028079 Screw, Phillips Pan Head (#4 x 5/8") 1 49
1005891-NLA Plug Button, Switch Hole 1 110
1025516 Knob, Speed Control 1 111
1025517 10K Speed Pot 1 111
1010048 Switch Push Button SPST 1 112
1010049 Boot, Switch 1 112
1011701 On/ Off Switch Label 1 112
7930349 Screw, Hex Head (1/4-20 x 1-1/8") 25 313
1035414 Controller Bracket Tube 1 114
1027274 Lock, Adjustment (Black) 1 115
05501X053-NLA Connector Boot/ Rain Cover 1 1B
1027390-NLA Joystick/ Controller w/o Hardware (Repair Only) 1 1B
A - MKIV RII joystick and controller used after 8/13/95 can be used in place of joystick/controller part number 1027390. New
MKIV joystick and controller mounting hardware must be ordered as well.
B - Not Shown
NOTE:
216
To order call toll free 1-800-333-6900, or www.invacare.com
Form No. 94-108

MKIII R.I.M. Head Control and Mounting Hardware
(1500/1500H)
Before 4/1/96
217
To order call toll free 1-800-333-6900, or www.invacare.com
Form No. 94-108

MKIII R.I.M. Head Control and Mounting Hardware
(1500/1500H)
Before 4/1/96
Item
Number Part Number DescriptionNote
Quantity Per
Package Assembly
1025258 Rod, Cushion 1 11
1025263-NLA Bar, Control 1 12
1018113 Linear Bearing 1 13
40314X003 Spring Clip, Rotor 1 14
1025238-NLA Rod, Pivot 1 15
1022420-NLA Handle, Rim Control 1 16
1025269-NLA Bearing, Pillow Block 1 17
1025271 Ribbon Reset Switch and Bracket 1 18
1020818 Switch, Red Flex Ribbon (Tape) Reset 1 18
1025270-NLA Push Rod Assembly 1 19 A
1016428 Guard, Axle 1 19
1001625 Tie Rod End 1 110
1025281-NLA Hardware Assembly, Rim Control 1 111 C
1025265-NLA Hardware Assembly, Rim Control 1 111 D
1025266-NLA Hardware Assembly, Rim Control 1 111 E
1025267-NLA Hardware Assembly, Rim Control 1 111 F
1025248-NLA Rod, Joystick Mounting 1 112
1025250-NLA Bracket, Rod Mounting 1 113
7930363 Package, Locknut (5/16"-24) 1 214
11232X009 Screw, Lug (5/16-24 x 1-3/8") 25 215
1025241-NLA Block, Bearing 1 116
1025277-NLA Tube, Support Upright 1 117 C
1025276 Tube, Support Upright 1 117 D
1025278 Tube, Support Upright 1 117 E
1025280 Tube, Support Upright 1 117 F
12592X000 Lock Adjustment 1 118
1025245 Bracket, Upright -Right 1 119
1025246 Upright Bracket - Left 1 119
1030105 Tube, Flex 1 120
1030109-NLA Display without Switches and Flextube, MK III 1 121
1025264 Joystick, Remote 1 122
1010042 Switch, Toggle SPDT 1 123 G
1028914 Switch, Hi / Lo / Off (Black) 1 124
1031614 Instruction Sheet, R.I.M. 1 1B
A - Includes: push rod cap, collar with set screw, spring, push rod, nut and tie rod end.
B - Not Shown
C - 12" Wide Chair
D - 14" Wide Chair
E - 16" Wide Chair
F - 18" Wide Chair
G - Black Switch is no longer available. The Chrome Switch part number 1010042 serves as a direct replacement
NOTE:
218
To order call toll free 1-800-333-6900, or www.invacare.com
Form No. 94-108

MKIV Joysticks
RII, RX, A, A+, TCHJOY
219
To order call toll free 1-800-333-6900, or www.invacare.com
Form No. 94-108

MKIV Joysticks
RII, RX, A, A+, TCHJOY
Item
Number Part Number DescriptionNote
Quantity Per
Package Assembly
1080723-NLA Joystick/Controller, MKIV RII 1 1C
1095269 Controller, MKIV RII Retro 1 1B
1109091 Programmer, Remote 1 1B
See Chart MKIV Joysticks 1 1B
B - Not Shown
C - For joystick inductive and switch components, refer to chart under RII joystick assembly part number 1092610
NOTE:
Item Number A+
4/1/96-
3/31/98
TCHJOY
Available
Service Part
After 10/1/00
Description RII
After 4/30/00
RX
4/1/96-
3/31/98
A
4/1/96-
8/31/96
A
9/1/96-
3/31/98
1095289103860810659441038604-NLA1038603-NLA1092610
Joystick
Assembly
See Pictorial
N/A10402171040217104021710402171040217
Knob,
Joystick
1
N/A10402181040218104021810402181040218Skirt, Joystick2
N/A
1036764
1036764
1036764
1036764
1036764
Inductive,
Joystick
3See Note(s) B See Note(s) C See Note(s) B See Note(s) C See Note(s) B
N/AN/A
1104397
N/A
1104397
N/A
Inductive,
Joystick
3See Note(s) D See Note(s) D
N/A50000X36450000X36450000X36450000X36450000X364
Boot,
Joystick
4
N/A1036776104019010401901038642
1049692-NLA
Overlay,
Joystick
Decal
5
See Note(s) A
N/A
1036750
1036750
1036750
1036750
N/A
Cable
Assembly
6See Note(s) A See Note(s) C See Note(s) B See Note(s) C See Note(s) B
N/AN/A
1104205
N/A
1104205
N/A
Cable
Assembly
6See Note(s) D See Note(s) D
N/AN/A
1040225
N/A
1040225
1040225
Potentiometer
,
Speed
7
See Note(s) B See Note(s) C See Note(s) C
N/AN/A
1115518
N/A
1115518
N/A
Potentiometer
,
Speed
7
See Note(s) D See Note(s) D
1025516N/A1025516N/A10255161025516
Knob,
Potentiometer
8
N/A
1040185
1040185
1040185
N/AN/A
Switch,
On/Off
Momentary
9
See Note(s) B See Note(s) C See Note(s) B
N/AN/A
1115523
N/AN/AN/A
Switch,
On/Off
Momentary
9
See Note(s) D
220
To order call toll free 1-800-333-6900, or www.invacare.com
Form No. 94-108

MKIV Joysticks
RII, RX, A, A+, TCHJOY
Item Number A+
4/1/96-
3/31/98
TCHJOY
Available
Service Part
After 10/1/00
Description RII
After 4/30/00
RX
4/1/96-
3/31/98
A
4/1/96-
8/31/96
A
9/1/96-
3/31/98
N/AN/AN/AN/A
1038627
N/A
Switch,
Off/ 1-2
10 See Note(s) C
N/AN/AN/AN/A
1115521
N/A
Switch,
Off/ 1-2
10
See Note(s) D
N/A
1040186
N/AN/AN/AN/A
Switch,
Program
11 See Note(s) B
N/AN/AN/AN/AN/A
1010042
Switch,
Toggle SPDT
12 See Note(s) B
A - Cable assembly and joystick overlay decal for RII joystick before 10/01/02 and after 9/30/02 are not available.
B - Item requires soldering
C - Before 10/01/02 item requires soldering
D - After 9/30/02 item has a non-solder connector.
NOTE:
221
To order call toll free 1-800-333-6900, or www.invacare.com
Form No. 94-108

MKIV Joystick
PS, PSF and PSR
NOTE: PSR STANDARD joystick configuration below show the on/off switch on the left side for part #
1075196. When the on/off switch is required on the right side, refer to part number 8881075196 and order
as a configurated part.
222
To order call toll free 1-800-333-6900, or www.invacare.com
Form No. 94-108

MKIV Joystick
PS, PSF and PSR
NOTE: PSR STANDARD joystick configuration below show the on/off switch on the left side for part #
1075196. When the on/off switch is required on the right side, refer to part number 8881075196 and order
as a configurated part.
Item Number Description PS
4/1/96-
11/30/97
PSF
12/1/97-
3/31/98
PSR
After 11/30/97
1075196N/AN/A
Joystick
Assembly
See Pictorial
888107519688810751951058468-NLA
Joystick
Assembly
See Pictorial
1070542N/AN/A
Joystick
Assembly
See Pictorial
1070543N/AN/A
Joystick
Assembly
See Pictorial
1070544N/AN/A
Joystick
Assembly
See Pictorial
104021710402171040217Knob, Joystick1
104021810402181040218Skirt, Joystick2
103676410367641036764Inductive, Joystick3
50000X36450000X36450000X364Boot, Joystick4
107992510750341058460-NLA
Overlay, Joystick
Decal
5
103675010367501036750Cable Assembly6
10402251040225N/A
Potentiometer
Speed
7
10255161025516N/A
Knob
Potentiometer
8
104018510401851040185
Switch, On/Off
Momentary
9
10100471010047N/A
Switch, Push Button
SPST Momentary
10
1010048N/AN/A
Switch, Push Button
SPST
11
10100491010049N/ABoot, Switch12
105846410584641058464Boot, Switch13
223
To order call toll free 1-800-333-6900, or www.invacare.com
Form No. 94-108

MKIV Joystick Mounting Hardware and Joystick
Accessories
224
To order call toll free 1-800-333-6900, or www.invacare.com
Form No. 94-108

MKIV Joystick Mounting Hardware and Joystick
Accessories
Item
Number Part Number DescriptionNote
Quantity Per
Package Assembly
1092604 Kit, Straight Joystick Tube with Hardware 1 11 A
1052719 Kit, Straight Joystick Tube with Hardware 1 11 B
1043568 Kit, Straight Joystick Tube with Hardware 1 11 C
1093069 Kit, 1/2" Offset Joystick Tube with Hardware 1 12 D,D1,E
1027095 Plug Button, Black (7/8") 1 13 F
1052041 Screw, Phillips Pan Head (#4-40 x 3/8") 1 44
1095502 Package, Cable Ties (11-1/2" Long) 10 15
1093063 Spacer, Joystick Tube 1 16
7930327 Screw, Phillips Pan Head (#10-32 x 1-1/8") 1 17
1049591 Hardware, Joystick Tube Mounting 1 18 G
1093071 Clamp, Fixed Height Joystick Tube 1 19 D,D1,H
1139422 Clamp, Height Adjustable Joystick Tube (ARM250) 1 19 I
1027267 Half Clamp, Threaded Holes 1 110
1027266 Half Clamp, Non-Threaded Holes 1 111
1027274 Lock, Adjustment (Black) 1 112
1049582 Bracket, Joystick Mounting 1 113
16690X004 Screw, Hex Head (1/4-20 x 1-1/8") 1 314
1055736 Toggle Switch Extension Kit 1 115
1016401 Screw, Phillips Round Head (#10-32 x 3/8") 1 316
1006270 Joystick Extension - "T" Style (1560)
(4" Wide x 5-1/2" Long) 1 1J
1006271 Joystick Extension - Straight Style (1561)
(1/2" Wide x 5" Long) 1 1J
A - For TCHJOY Touch Pad "A" or TCPDM4 Touch Pad Joystick and includes the joystick tube, items 3 and 4
B - For PS joystick before 12/1/97 and includes the joystick tube, items 3 and 16
C - For MKIV RII, RX, A, A+, PSF/PSR joysticks before 10/4/00 and includes the joystick tube, items 3 and 5-7
D - The joystick straight tube changed to an offset joystick tube on 10/4/00. The joystick tube mounting hardware also
changed to a new fixed height clamp assembly to allow an individual to use an
D1 - adjustment lever to securely hold the joystick tube in place. The fixed height joystick tube clamp can be used as a direct
replacement in the field for the joystick tube mounting hardware part number 1049591 manufactured for chairs before
10/4/00.
E - For MKIV RII, RX, A, A+, PSF/PSR joysticks after 10/3/00 and includes the offset joystick tube, items 3 and 5-7
F - The Touch Pad joystick tube takes a quantity of 2 plug buttons
G - For (PS joystick before 12/1/97), TCHJOY and MKIV RII, RX, A, A+, PSF/PSR joystick before 10/4/00 and includes items
10-14
H - For MKIV RII, RX, A, A+, PSF/PSR joystick after 10/3/00. Individual components are non-saleable
I - Can be used to replace a Fixed Height Joystick Tube Clamp in the field. Individual components are non-saleable
J - Not Shown
NOTE:
225
To order call toll free 1-800-333-6900, or www.invacare.com
Form No. 94-108

Item
Number Part Number DescriptionNote
Quantity Per
Package Assembly
1093063 Spacer, Joystick Tube 1 11
7930327 Screw, Phillips Pan Head (#10-32 x 1-1/8") 25 32
1049962 Swivel Joystick Bracket, MKIV 1 13
1049963 Swivel Joystick Bracket with Hardware 1 14
1035986 Swivel Joystick Tube with Hardware 1 15
1020551 Washer, Flat (1/4 x 3/8 x 1/16") 1 16
1005844 Bushing 1 27
1002511 Spring, Hitch Bracket 1 18
1023670 Knob, Clamping 1 19
1035990 Tube, Swivel Joystick 1 110
1027095 Plug Button, Black (7/8") 1 111
MKIV Swivel Joystick Mount
226
To order call toll free 1-800-333-6900, or www.invacare.com
Form No. 94-108

Quad Link Assembly
Before 4/07/06
227
To order call toll free 1-800-333-6900, or www.invacare.com
Form No. 94-108

Quad Link Assembly
Before 4/07/06
Item
Number Part Number DescriptionNote
Quantity Per
Package Assembly
1027222 Kit, Quad Link Assembly - Right
For MCC MKIII 1 11 A
Ball Plunger with Lock Washer Assembly 2 12
Locknut (#10-32) 1 23
Screw, Socket Head (#10-32 x 1/2") 1 44
Bushing, Bronze (3/16 x 1/4 x 1/4") 1 45
Stud Plate, Quad Link
MCC MKIII 1 18
Screw, Hex Head (1/4-20 x 1-1/2") 1 39
Spacer (1/4 x 3/8 x 3/16") 1 310
Half Clamp, Non-Threaded Holes 1 111
Half Clamp, Threaded Holes 1 112
Cover Plate, MCC MKIII Joystick 1 115
Screw, Phillips Head (#4 x 3/8") 1 116
Screw, Phillips Flat Head (#6 x 5/8") 1 417
1052402 Kit, Quad Link Assembly - Right 1 11 B
Ball Plunger with Lock Washer Assembly 2 12
Locknut (#10-32) 1 23
Screw, Socket Head (#10-32 x 1/2") 1 44
Bushing, Bronze (3/16 x 1/4 x 1/4") 1 45
Screw, Phillips Pan Head (#10-32 x 1-1/8") 1 46
Spacer, Joystick Tube 1 17
Stud Plate, Quad Link 1 18
Screw, Hex Head (1/4-20 x 1-1/2") 1 39
Spacer (1/4 x 3/8 x 3/16") 1 310
Half Clamp, Non-Threaded Holes 1 111
Half Clamp, Threaded Holes 1 112
1115372 Kit, Quad Link Assembly - Left 1 11 B
Ball Plunger with Lock Washer Assembly 2 12
Locknut (#10-32) 1 23
Screw, Socket Head (#10-32 x 1/2") 1 44
Bushing, Bronze (3/16 x 1/4 x 1/4") 1 45
Screw, Phillips Pan Head (#10-32 x 1-1/8") 1 46
Spacer, Joystick Tube 1 17
Stud Plate, Quad Link 1 18
Screw, Hex Head (1/4-20 x 1-1/2") 1 39
Spacer (1/4 x 3/8 x 3/16") 1 310
Half Clamp, Non-Threaded Holes 1 111
Half Clamp, Threaded Holes 1 112
1034703-NLA Kit, Quad Link Assembly - Right 1 11 C,G
Ball Plunger with Lock Washer Assembly 2 12
Locknut (#10-32) 1 23
228
To order call toll free 1-800-333-6900, or www.invacare.com
Form No. 94-108

Quad Link Assembly
Before 4/07/06
Item
Number Part Number DescriptionNote
Quantity Per
Package Assembly
Screw, Socket Head (#10-32 x 1/2") 1 44
Bushing, Bronze (3/16 x 1/4 x 1/4") 1 45
Stud Plate, Quad Link For 1556 Heavy Duty
Joystick 1 18
Screw, Hex Head (1/4-20 x 1-1/2") 1 39
Spacer (1/4 x 3/8 x 3/16") 1 310
Half Clamp, Non-Threaded Holes 1 111
Half Clamp, Threaded Holes 1 112
Screw, Phillips Flat Head Countersunk (#10-32 x
1-1/8") 1 213
1114866 Kit, Quad Link Assembly - Left 1 11 C
Ball Plunger with Lock Washer Assembly 2 12
Locknut (#10-32) 1 23
Screw, Socket Head (#10-32 x 1/2") 1 44
Bushing, Bronze (3/16 x 1/4 x 1/4") 1 45
Stud Plate, Quad Link For 1556 Heavy Duty
Joystick 1 18
Screw, Hex Head (1/4-20 x 1-1/2") 1 39
Spacer (1/4 x 3/8 x 3/16") 1 310
Half Clamp, Non-Threaded Holes 1 111
Half Clamp, Threaded Holes 1 112
Screw, Phillips Flat Head Countersunk (#10-32 x
1-1/8") 1 213
1102027 Kit, Quad Link Assembly - Right
For TCHJOY/TCPDM4 Touchpad 1 11 D
Ball Plunger with Lock Washer Assembly 2 12
Locknut (#10-32) 1 23
Screw, Socket Head (#10-32 x 1/2") 1 44
Bushing, Bronze (3/16 x 1/4 x 1/4") 1 45
Screw, Phillips Pan Head (#10-32 x 1-1/8") 1 26
Stud Plate, Quad Link
MKIV TCHJOY/TCPDM4 1 18
Screw, Hex Head (1/4-20 x 1-1/2") 1 39
Spacer (1/4 x 3/8 x 3/16") 1 310
Half Clamp, Non-Threaded Holes 1 111
Half Clamp, Threaded Holes 1 112
Screw, Phillips Flat Head Countersunk (#4-40 x
3/8") 1 414
1106191-NLA Kit, Quad Link Assembly - Right
For PS joystick 1 11 E
Ball Plunger with Lock Washer Assembly 2 12
Locknut (#10-32) 1 23
Screw, Socket Head (#10-32 x 1/2") 1 44
Bushing, Bronze (3/16 x 1/4 x 1/4") 1 45
229
To order call toll free 1-800-333-6900, or www.invacare.com
Form No. 94-108

Quad Link Assembly
Before 4/07/06
Item
Number Part Number DescriptionNote
Quantity Per
Package Assembly
Stud Plate, Quad Link
P.S. Joystick 1 18
Screw, Hex Head (1/4-20 x 1-1/2") 1 39
Spacer (1/4 x 3/8 x 3/16") 1 310
Half Clamp, Non-Threaded Holes 1 111
Half Clamp, Threaded Holes 1 112
Screw, Phillips Pan Head (#10-32 x 3/4") 1 218
1077298-NLA Kit, Quad Link Assembly - Right
For MCCX MKIII 1 11 F
Ball Plunger with Lock Washer Assembly 2 12
Locknut (#10-32) 1 23
Screw, Socket Head (#10-32 x 1/2") 1 44
Bushing, Bronze (3/16 x 1/4 x 1/4") 1 45
Stud Plate, Quad Link 1 18
Screw, Hex Head (1/4-20 x 1-1/2") 1 39
Spacer (1/4 x 3/8 x 3/16") 1 310
Half Clamp, Non-Threaded Holes 1 111
Half Clamp, Threaded Holes 1 112
Screw, Phillips Flat Head Countersunk (#10-32 x
1-1/8") 1 219
1114863 Ball Plunger with Lock Washer Assembly 2 12
A - Includes the Quad Link, items 2-5, 8-12, 15-17 and used with a MCC MKIII. For left side mounted Quad Link, order as a
special.
B - Includes the Quad Link, items 2-12 and used with MKIV RII, RX, A, A+, PSF/PSR joysticks.
C - Includes the Quad Link, items 2-5, 8-13 and used with a 1810 STD. and 1556 Heavy Duty joystick.
D - Includes the Quad Link, items 2-6, 8-12, 14 and used with MKIV TCHJOY/TCPDM4 joysticks. For left side mounted Quad
Link, order as a special.
E - Includes the Quad Link, items 2-5, 8-12, 18 and used with a PS joystick.
F - Includes the Quad Link, items 2-5, 8-12, 19 and used with a MCCX MKIII joystick.
G - Quad Link Assembly is no longer available. Please see Quad Link Assembly (After 4/06/06) category and use new Quad
LInk design as a replacement.
NOTE:
230
To order call toll free 1-800-333-6900, or www.invacare.com
Form No. 94-108

Quad Link (QLA)
After 4/06/06
When converting an old style Quad Link that attaches to a mounting plate or (a Flex Tube or Touch Pad
Joystick Tube) is currently on the chair then order the following:
Quad Link Mtg. Hdwr. (item 4), Quad Link (item 1) & Ht. Adj. Joystick Tube Clamp (item 11)
NOTE: Substitute (item 4) with 2 ea. of the PPH Screws (item 5) when an offset joystick tube is currently
on the chair. Additional Joystick Mtg. Hdwr. must be ordered when a 1556 Heavy Duty or TCPD Touch
Pad are used.
231
To order call toll free 1-800-333-6900, or www.invacare.com
Form No. 94-108

Quad Link (QLA)
After 4/06/06
When converting an old style Quad Link that attaches to a mounting plate or (a Flex Tube or Touch Pad
Joystick Tube) is currently on the chair then order the following:
Quad Link Mtg. Hdwr. (item 4), Quad Link (item 1) & Ht. Adj. Joystick Tube Clamp (item 11)
NOTE: Substitute (item 4) with 2 ea. of the PPH Screws (item 5) when an offset joystick tube is currently
on the chair. Additional Joystick Mtg. Hdwr. must be ordered when a 1556 Heavy Duty or TCPD Touch
Pad are used.
Item
Number Part Number DescriptionNote
Quantity Per
Package Assembly
1140896 Quad Link with Adjustable Joystick Tray (QLA) and
Instruction Sheet - Right 1 11
1140897 Quad Link with Adjustable Joystick Tray (QLA) and
Instruction Sheet - Left 1 11
1140425 Kit, Quad Link Latch Hardware 1 12 A
1140424 Kit, Quad Link Screw Fastener Hardware 1 13 B
1139416 Kit, ASBA/ADJASBA Quad Link Mounting Hardware 1 14 C,C1
Screw, Phillips Pan Head w/ Patch (10-32 x 3/4") 1 25
Screw, Phillips Pan Head (#10-32 x 1-1/8") 1 26
Cable Tie (11-1/2" Long) 1 17
Spacer, Joystick Tube 1 18
Tube, Joystick 1/2" Offset 1 19
Plug Button, Black (7/8") 1 110
1105414 Screw, Phillips Pan Head w/ Patch (10-32 x 3/4") 1 25
1139422 Clamp, Height Adjustable Joystick Tube (ARM250) 1 111 G
1139925-NLA Kit, 1556 Heavy Duty Joystick To Quad Link
Mounting Hardware 1 112 D
Screw, Phillips Pan Head (#10-32 x 1/2") 1 213
Plate, 1556 HD Joystick Quad Link 1 114
1139683 Kit, TCPD Touch Pad To Quad Link Mounting
Hardware 1 115 E
Plate, TCPD Touch Pad Quad Link 1 116
Screw, Phillips Pan Head (#4-40 x 3/8") 1 417
1134844 Instruction Sheet, Quad Link 1 1F
A - Latch Kit includes 4 ea. Button Head Cap Screws (10-32 x 3/8"), 2 ea. Latch Spring Assembly, 4 ea. Phillips Flat C'Sunk
Head Screws, 2 ea. Spring Catch Plates, 2 ea. Socket Head Set Screws (10-32 x 3/8")
B - Screw Fastener Kit includes 4 ea. Socket Head Shoulder Screws (3/8 x 3/8"), 2 ea. Socket Head Cap Screws (1/4-20 x
3/8"), 2 ea. Socket Head Set Screws (1/4-20 x 1/2"), 4 ea. Socket Head Set Screws (10-32 x 1/8")
C - Includes items 5-10. The Quad Link Mounting Hardware accommodates MKIV RII, RX, A, A+, PSF/PSR joysticks.
C1 - When ordering the Quad Link for the first time, Additional hardware is required for 1556 Heavy Duty and TCPD Touch
Pad joysticks. See pictorial for reference.
D - Includes items 13 and 14
E - Includes items 16 and 17
F - Not Shown
G - Individual components are non-saleable
NOTE:
232
To order call toll free 1-800-333-6900, or www.invacare.com
Form No. 94-108

NOTE: See the MKIII Controller Mounting Hardware page for information on mounting the MKIV controller
on the back canes.
MKIV Controller, Programmer and Mounting Hardware
233
To order call toll free 1-800-333-6900, or www.invacare.com
Form No. 94-108

MKIV Controller, Programmer and Mounting Hardware
Item
Number Part Number DescriptionNote
Quantity Per
Package Assembly
1039860 Screw, Hex Head Cap with Patch (5/16-18 x 3/4") 1 21
1037943 Controller Mounting Bracket w/Keepers 1 12
1026158 Locknut (5/16-18) 1 23
1021260 Cable Tie (5-5/8" Long) 1 14
1105707 Controller, MKIV Quad Pulse 1 15
1095269 Controller, MKIV RII Retro 1 15 A,G
16348X004 Rivet 1 46
50000X025 Lock Over Latch Clip 1 27 H
1013149 Label, Caution 1 18
1027239 Controller Mounting Bracket 1 19
1109091 Programmer, Remote 1 110 B
1020818 Switch, Red Flex Ribbon (Tape) Reset 1 111
1123276 Kit, Switch, Black Egg Reset, with Hook/Loop
Adhesive Back Fastener & Attaching Screws
(EGSBLK)
1 111 I
1064404-NLA Virtual Service Modem Kit 1 1C,D
1091631-NLA Virtual Service Software Kit 1 1C,E
1046117-NLA Printer and Interface 1 1C,F
1095204 Cable, Virtual Service Charger/Modem 1 1C
1091980-NLA Disk, 3.5 H.D. Floppy with V.S. Software 1 1C
1091637-NLA Adaptor, Null Modem 1 1C
1091636-NLA Service Manual - V.S. Software Kit 1 1C
1026572-NLA Paper, Printer 1 1C
1027280-NLA Harness, Printer Wiring 1 1C
1092610 Joystick, RII 1 1C
A - RII retro controller after 4/30/00 and RII joystick part number 1092610 are direct replacements for joystick/controller part
number 1080723.
B - Remote Programmer part number 1109091 with the connectors (3-pin and 5-pin) is the only programmer functionable with
the new RII joystick part number 1092610.
C - Not Shown
D - Part number 1095204 is available for individual sale.
E - Part numbers 1095204, 1091980, 1091637, and 1091636 are available for individual sale.
F - Part numbers 1026572 and 1027280 are available for individual sale.
G - After 4/30/00
H - For Keeper
I - Not Shown. After 5/23/04 the Egg Reset Switch became available as a service part and can be used as a direct
replacement for the tape reset switch part # 1020818.
NOTE:
234
To order call toll free 1-800-333-6900, or www.invacare.com
Form No. 94-108

Item
Number Part Number DescriptionNote
Quantity Per
Package Assembly
1038635 Sip-N-Puff with Digital Interface 1 18
1038639 Communication Module, COM12/AUX12 1 19
1086241 Communication Module, COM34/AUX34 1 19
1049592 Kit, COM12/AUX12 and COM34/AUX34 Mounting
Hardware 1 110 A
Half Clamp, Threaded Holes 1 11
Half Clamp, Non-Threaded Holes 1 12
Screw, Hex Head (1/4-20 x 1-1/8") 1 23
Fastener, Dual Lock Hook and Loop Adhesive
(2" W x 12" L) 1 14
Mounting Plate, COM12/AUX12 and
COM34/AUX34 1 15
1049593 Kit, SNP/DI, MK5 SAC, 4WSB, S4WSB, GTAM,
AUX12M6, AUX34M6 Mtg. Hdwr. 1 111 B
Half Clamp, Threaded Holes 1 11
Half Clamp, Non-Threaded Holes 1 12
Screw, Hex Head (1/4-20 x 1-1/8") 1 23
Screw, Phillips Pan Head (#4-40 x 3/8") 1 26
Plate, Mounting 1 17
A - Mounting hardware includes items 1-5. Item 4 that is packaged with the kit will only be a 4" long "loop" fastener. Hook and
Loop Fastener replaced the screws shown when the holes were removed from the communication module 7/1/97
B - Includes items 1-3 and 6-7
NOTE:
MKIV Sip-N-Puff/Digital Interface and COM12 and COM 34
4/1/96 thru 3/31/98
235
To order call toll free 1-800-333-6900, or www.invacare.com
Form No. 94-108

Item
Number Part Number DescriptionNote
Quantity Per
Package Assembly
1054376 Control, Recliner 1 11
1095501 Fastener, Dual Lock Hook and Loop Adhesive
(2" W x 12" L) 1 12
1005151 Cable, Recliner 1 1A
A - Not Shown
NOTE:
MKIV Recliner Control and Recliner Cable
4/1/96 Thru 3/31/98
236
To order call toll free 1-800-333-6900, or www.invacare.com
Form No. 94-108

MKIV Displays
4/1/96 Thru 3/31/98
237
To order call toll free 1-800-333-6900, or www.invacare.com
Form No. 94-108

MKIV Displays
4/1/96 Thru 3/31/98
Item
Number Part Number DescriptionNote
Quantity Per
Package Assembly
1108490 Display without Switches 1 11
1108489 Display with Switches 1 12
1049594 Flex Tube with Screws 1 13 A
1052041 Screw, Phillips Pan Head (#4-40 x 3/8") 1 44
1049591 Hardware, Joystick Tube Mounting 1 15 B
1027267 Half Clamp, Threaded Holes 1 16
1027266 Half Clamp, Non-Threaded Holes 1 17
1027274 Lock, Adjustment (Black) 1 18
1049582 Bracket, Joystick Mounting 1 19
16690X004 Screw, Hex Head (1/4-20 x 1-1/8") 1 310
1093071 Clamp, Fixed Height Joystick Tube 1 111 C
1139422 Clamp, Height Adjustable Joystick Tube (ARM250) 1 112 F
1020818 Switch, Red Flex Ribbon (Tape) Reset 1 113 D
1123276 Kit, Switch, Black Egg Reset, with Hook/Loop
Adhesive Back Fastener & Attaching Screws
(EGSBLK)
1 114 E
A - Includes the Flex Tube and item 4
B - Before 10/4/00 and includes items 6-10
C - After 10/3/00 and can be used as a direct replacement for the Joystick Tube Mounting Hardware part number 1049591 in
the field
D - Before 5/24/04
E - After 5/23/04 the Egg Reset Switch replaced the Red Flex Ribbon (Tape) Reset Switch
F - Can be used to replace a Fixed Height Joystick Tube Clamp in the field. Individual components are non-saleable
NOTE:
238
To order call toll free 1-800-333-6900, or www.invacare.com
Form No. 94-108

MKIV R.I.M. Head Control
Mounting Hardware (1500M4)
4/1/96 Thru 3/31/98
239
To order call toll free 1-800-333-6900, or www.invacare.com
Form No. 94-108

MKIV R.I.M. Head Control
Mounting Hardware (1500M4)
4/1/96 Thru 3/31/98
Item
Number Part Number DescriptionNote
Quantity Per
Package Assembly
1055149 Nylon Cover 1 11 A
1055151 Nylon Cover 1 11 B
1055148 Clamp with Knob, Two-Piece 1 12
1003645 Screw, Socket Button Head (#10-32 x 3/4") 1 43
7930326 Screw, Hex Head (1/4-20 x 3/4") 25 84
1054931 Bracket, Attaching - 12-18" Wide 1 15 A
1054933 Bracket, Attaching - 19-24" Wide 1 15 B
1031095 Screws with Washers (#10-16 x 7/8") 4 16
1076284 Screw w/ washer (#10 x 7/8") 1 46
1054929 Bracket, Wing 1 27
1026907 Washer (1/4 x 1/2 x 1/16") 1 88
7930333 Locknut (1/4-20) 25 89
1026034 Washer, Nylon (3/16 x 7/16 x 1/8") 1 410
7930332 Locknut, High Profile (#10-32) 25 411
1056347 Rim Control Mounting Hardware (RIMHW) - 12-18"
Wide 1 112 A
1056348 Rim Control Mounting Hardware (RIMHW) - 19-24"
Wide 1 112 B
A - 12-18" Wide
B - 19-24" Wide
NOTE:
240
To order call toll free 1-800-333-6900, or www.invacare.com
Form No. 94-108

MKIV R.I.M. Head Control Assembly (1500M4)
4/1/96 Thru 3/31/98
241
To order call toll free 1-800-333-6900, or www.invacare.com
Form No. 94-108

MKIV R.I.M. Head Control Assembly (1500M4)
4/1/96 Thru 3/31/98
Item
Number Part Number DescriptionNote
Quantity Per
Package Assembly
1001625 Tie Rod End 1 11
48095X000 Locknut (#10-32) 1 12
1025275 Set Screw with Nylock (#8-32 x 1/4") 1 13
2001139 O-Ring (1/2" I.D.) 1 14
1028529 Screw, Phillips Pan Head (#8-32 x 3/8") 1 25
1055002 Washer, Nylon 1 26
1056206 Block, Pivot 1 17
1054939 Snap Ring 1 28
1018113 Linear Bearing 1 19
1055014 Shield, Push Rod 1 110
7930318 Screw, Phillips Pan Head (#4-40 x 1/2") 25 411
1055031 Bracket, Headrest Mounting 1 112
40127X002 Screw, Phillips Oval Head (#10-32 x 3/4") 1 113
1055145 Spring, Compression 1 114
1055016 Push Rod 1 115
1026728 Screw, Phillips Pan Head (#6-32 x 1/4") 1 116
1010398 Washer, Nylon (1/4 x 1/2 x 1/16") 1 217
1025236 Collar, Shoulder 1 118
50000X364 Joystick, Boot 1 119
1055017 Rod Pivot 1 120
11008X014 Screw, Phillips Round Head (#10-32 x 1") 1 121
1038256 Wire Tie 1 122
1037373 Cover, Splash 1 123
1003766 Washer, Plain (1/2 x 1 x 1/8") 1 424
1056210 Joystick, Remote Head 1 125
1055023 Clamp, Horizontal Pivot 1 126
1055024 Clamp, Threaded, Horizontal Pivot 1 127
1055144 Screw, Socket Head (M6 x 25) 1 628
1055028 Slide Tube, Square, -Short 1 129
1055025 Clamp, Vertical Pivot 1 130
1055026 Clamp, Threaded, Vertical Pivot 1 131
1055027 Slide Tube, Square, -Long 1 132
1056213 Hardware, Adjustment 1 133
1005383 Screw, Socket Button Head (#10-32 x 1") 1 334
1056211 Headrest with Hardware, -Small (Otto Bock) 1 135
1005310 Screw, Socket Head (#10-32 x 3/8") 1 436
1056212 Headrest with Hardware, - Large (La Bac) 1 137
242
To order call toll free 1-800-333-6900, or www.invacare.com
Form No. 94-108

MKIV Joystick Options
243
To order call toll free 1-800-333-6900, or www.invacare.com
Form No. 94-108

MKIV Joystick Options
Item
Number Part Number DescriptionNote
Quantity Per
Package Assembly
1038634 Joystick, Remote 1 11
1010848 Clamp, Universal Swivel 1 12
12595X000 Lock Handle 1 13
40204X000 Nut, Hex (1/4-20) 1 14
1044928 Joystick Tube with Plug Button 1 15
1027095 Plug Button, Black (7/8") 1 16
1025590 Joystick, Attendant Control (1552M) 1 17
1041544-NLA Joystick, Heavy Duty 1 18
1052719 Kit, Straight Joystick Tube with Hardware 1 19 A
1016401 Screw, Phillips Round Head (#10-32 x 3/8") 1 310
1027095 Plug Button, Black (7/8") 1 111
1044917 Hardware, Rear Cane Mount (1673/RCM) 1 112 B
1027095 Plug Button, Black (7/8") 1 113
1027274 Lock, Adjustment (Black) 1 114
1025245 Bracket, Upright -Right 1 115
1044918 Joystick Tube 1 116
1076284 Screw w/ washer (#10 x 7/8") 2 117
1052309 Arm Mount Tube with Plug Button 1 118 C
1027095 Plug Button, Black (7/8") 1 119
1038638 Joystick, MKIV Dual/Compact 1 120
1108012 Hardware, Dual/Compact Joystick Clamp Mounting 1 121 D
1025048 Clamp 1 122
1021460 Screw, Socket Button Head (#10-32 x 5/16") 1 423
1025045 Clamp, Mounting 1 124
1027089 Screw, Socket Head Cap (#10-24 x 1/2") 1 125
1026273 Spacer, Split (3/8" I.D.) 1 126
1020392 Chin Cup Assembly (1826) 1 127 E
1017545 Chin Cup 1 128
1017612 Screw, Adaptor 1 129
90032X000 Screw, Socket Set (#8-32 x 1/4") 1 230
1091353 Touchpad, Joystick Assembly 1 131
1092604 Kit, Straight Joystick Tube with Hardware 1 132 F
1027095 Plug Button, Black (7/8") 1 233
1052041 Screw, Phillips Pan Head (#4-40 x 3/8") 1 434
1049591 Hardware, Joystick Tube Mounting 1 135 G
1027267 Half Clamp, Threaded Holes 1 136
1027266 Half Clamp, Non-Threaded Holes 1 137
1027274 Lock, Adjustment (Black) 1 138
1049582 Bracket, Joystick Mounting 1 139
16690X004 Screw, Hex Head (1/4-20 x 1-1/8") 1 340
1093071 Clamp, Fixed Height Joystick Tube 1 141 H
1139422 Clamp, Height Adjustable Joystick Tube (ARM250) 1 142 I
1020818 Switch, Red Flex Ribbon (Tape) Reset 1 143 J
244
To order call toll free 1-800-333-6900, or www.invacare.com
Form No. 94-108

MKIV Joystick Options
Item
Number Part Number DescriptionNote
Quantity Per
Package Assembly
1123276 Kit, Switch, Black Egg Reset, with Hook/Loop
Adhesive Back Fastener & Attaching Screws
(EGSBLK)
1 144 K
1108489 Display with Switches 1 1L
1108490 Display without Switches 1 1M
A - Includes the joystick tube and items 10 and 11
B - Includes items 13-17
C - For On-Chair model numbers 1678 and 1679. Includes the joystick tube and item 19
D - Includes items 22-26
E - Includes items 28-30
F - Includes the joystick tube, items 33 and 34
G - Before 10/4/00 and includes items 36-40
H - After 10/3/00. Individual components are non-saleable. Can be used as a direct replacement in the field for the Joystick
Tube Mounting Hardware part number 1049591.
I - Can be used to replace a Fixed Height Joystick Tube Clamp in the field. Individual components are non-saleable
J - Before 5/24/04
K - After 5/23/04. The Egg Reset Switch replaced the Red Flex Ribbon (Tape) Reset Switch
L - Not Shown and used with the Heavy Duty and Touch Pad Joystick
M - Not Shown and used with the Remote Joystick
NOTE:
245
To order call toll free 1-800-333-6900, or www.invacare.com
Form No. 94-108

Tash and Therafin Accessories
246
To order call toll free 1-800-333-6900, or www.invacare.com
Form No. 94-108

Tash and Therafin Accessories
Therafin
(Not Shown)
Item
Number Part Number DescriptionNote
Quantity Per
Package Assembly
1142362 Bib Assembly (PKG32669) 1 1
P21456 Adaptor Clamp - Tash 1 1
P21457 Adaptor Clamp - Invacare 1 1
P21460 Midline Swingway System 1 1
1140824 Sip-N-Puff, 16" Fixed (PKG32666)
Includes: 3 Air Tube Straws, 2 Saliva Traps, Tubing,
Pivot Shaft/Flexible Metal Gooseneck Assembly,
and Extruded Figure "8" Clamp to fit 7/8"
Wheelchair Frame Tubing. Extruded Back Cane
Adapter Clamp also included.
1 1
P5820 Switch, Red Soft 1 1C
P5821 Switch, Green Soft 1 1C
P5018 Wafer Board (5018) 1 1A,C
P5026 Star Control 1 1A,C
P5020 Mini Joystick with Push (5020) 1 1A,C
P4337 Multi-Ability Cable 1 1C
P4353 CA5 Multi-Connector Box 1 1C
P5970 "U" Clamp 1 1C
1030110-NLA Display with Switches and Flextube, MK III 1 1B
1108489 Display with Switches 1 1B
A - Must be used with 1551M (1030110) MKIII display with switches or MKIV display with switches part number 1108489.
Verify the type of electronics before ordering.
B - Not Shown
C - See Pictorial
NOTE:
For more information on Tash and Therafin products, please contact one of our Rehab Specialists.
NOTE:
247
To order call toll free 1-800-333-6900, or www.invacare.com
Form No. 94-108

Power Wheelchair Tool Kit
248
To order call toll free 1-800-333-6900, or www.invacare.com
Form No. 94-108

Power Wheelchair Tool Kit
Item
Number Part Number DescriptionNote
Quantity Per
Package Assembly
1125222 Kit, Power Wheelchair Tool
Includes:
1 ea. Multimeter with Leads
1 ea. Locator, Protractor/Angle Magnetic Base
1 ea. Instructions, MKIV Programmer
1 ea. Wire, Grounding with Hand Strap and Clip
1 ea. Leads, 1" Test
1 ea. Light, Pen with Invacare Logo
1 ea. Tape Measure, Compact with Invacare Logo
1 ea. Screwdriver, Pen-Size Phillips/Flat Head
1 ea. Cable, Virtual Service Charger/Modem
1 11
249
To order call toll free 1-800-333-6900, or www.invacare.com
Form No. 94-108

Positioning Straps
Description 14-18" Wide Chairs 20-22" Wide Chairs 23-24" Wide Chairs
103475310347521034625.
Auto Style
Push Button
103462210346251004310Airline Style
N/A10347451034744
Hook and Loop
(Chest Only)
Description 14"-15" Wide Chairs 16"-18" Wide Chairs 19"-22" Wide Chairs
103200110320021032003H-Strap
Upholstered Support Panel
Description 14" - 16" Wide Chairs 17" - 19" Wide Chairs 20" - 22" Wide Chairs
888100672788810067268881006725Footrest
888103581888810358178881035816Legrest
NOTE: Specify upholstery color when ordering.
Miscellaneous Accessories
250
To order call toll free 1-800-333-6900, or www.invacare.com
Form No. 94-108

Miscellaneous Accessories
Item
Number Part Number DescriptionNote
Quantity Per
Package Assembly
1034206 Non-Removable Device (1820) 1 1
1032003 "H" Heel Strap 1 1A
40176X010 Tire Pump 1 1
See Chart H-Strap 1 1B
See Chart Miscellaneous Accessories 1 1B
See Chart Support Panel, Upholstered 1 1B
A - Calf Strap, All Widths
B - Not Shown
NOTE:
251
To order call toll free 1-800-333-6900, or www.invacare.com
Form No. 94-108

Yes, you can. ™
Invacare Corporation www.invacare.com
One Invacare Way
Elyria, Oh USA
44036-2125
800-333-6900
Technical Support
800-832-4707
Florida Technical Support
407-321-5630
Customer Service
800-333-6900
Form No.
94-108
©2008 Invacare Corporation. Elyria, Ohio.
All rights reserved. Trademarks are
identified by the symbols ™ and ®. All
trademarks are owned by or licensed to
Invacare Corporation unless otherwise
noted. Otto Bock is a registered trademark
of Otto Bock Orthopaedische Industrie
GMBH & Co.. Tash is a registered
trademark of Tash International Inc..
Therafin is a registered trademark of W/R/
Medical Electronics Co.. Bussman is a
registered trademark of Cooper Industries.
Dynamic is a registered trademark of
Dynamic Controls Limited. (Revised 5/28/08)