Invacare Mobility Aid Fdx Users Manual 1163181D
FDX-CG to the manual 0489ef68-8724-4837-a603-d196b6848893
2015-02-02
: Invacare Invacare-Invacare-Mobility-Aid-Fdx-Users-Manual-433244 invacare-invacare-mobility-aid-fdx-users-manual-433244 invacare pdf
Open the PDF directly: View PDF 
.
Page Count: 100
- Invacare® FDX®
- 1 General 7
 - 2 Safety 11
- General Guidelines 11
 - Operation Information 12
 - Setup 12
 - Driving 12
 - Transport - Wheelchair Tie-Down Restraints and Seat Restraints (TRRO or TRBKTS) 13
 - Stairways and Escalators 14
 - Repair or Service Information 15
 - Safety/Handling 16
 - A Note to Wheelchair Assistants 17
 - Stability and Balance 18
 - Coping with Everyday Obstacles 20
 - Footplates and Front Rigging 21
 - Reaching, Leaning and Bending - Forward 21
 - Reaching, Bending - Backward 22
 - Transferring To and From Other Seats 23
 - Storage 24
 - Electrical - Grounding Instructions 25
 - Electrical - Batteries 25
 - Electrical - Charging Batteries 26
 - Weight Training 27
 - Weight Limitation 27
 - Electromagnetic Interference (EMI) From Radio Wave Sources 27
 - Powered Wheelchair Electromagnetic Interference (EMI) 28
 
 - 3 Label Locations 30
 - 4 Technical Data 33
 - 5 Wheelchair Operation 36
- Preparing the Joystick for Use 36
 - Operating the Wheelchair 37
 - Turning the Power On/Off 37
 - Using the Joystick to Drive the Wheelchair 38
 - SPJ+, MK6i™ SPJ+ w/PSS and MK6i SPJ+ w/ACC Joystick Switches and Indicators 40
 - On/Off Button 41
 - Speedometer 41
 - Speed Control Buttons 41
 - Joystick 42
 - Charger/Programming Input 42
 - Information Gauge Display 42
 - Service Indicator 42
 - MPJ+ Joystick Switches and Indicators 43
 - On/Off - Drive Select Toggle Switch 43
 - Speed Control 44
 - Joystick 44
 - Charger/Programming Input 44
 - LCD Display Screens 44
 - User Settings 48
 - Programmable Mono Ports 1 and 2 with External Mode Switch 50
 - Remote On/Off Switch 50
 - Mode Switch 51
 - Memory Card Slot 51
 - When to Charge Batteries 51
 - SPJ+, SPJ+ w/PSS and SPJ+ w/ACC Joysticks 52
 - MPJ+ Joystick 52
 - Charging Batteries 53
 - Description and Use of Battery Chargers 54
 - Running Lights 56
 - Running Lights Through MPJ+ Joystick 56
 - Running Lights Through Single Function Switch 56
 
 - 6 Motor Locks/Wheel Locks 57
 - 7 Transport Ready Option (TRRO) 60
 - 8 Setup/Maintenance 70
- Setup/Delivery Inspection 70
 - User/Attendant Inspection Checklists 71
 - Inspect/Adjust Weekly 71
 - Inspect/Adjust Monthly 72
 - Inspect/Adjust Periodically 72
 - Service Inspection 73
 - Six Month Inspection 73
 - Inspect/Adjust Every 18 Months 75
 - Batteries 76
 - Using the Proper Batteries 77
 - Removing/Installing the Batteries 78
 - Removing/Installing the Front Battery 79
 - Removing/Installing the Rear Battery 80
 - Replacing the Batteries and/or Battery Cables 83
 - Disconnecting Battery Cables 83
 - Connecting Battery Cables 84
 - Anti-Tippers 86
 - Adjusting Forks 87
 - Repositioning Joystick 88
 - Disconnecting/Connecting the Joysticks 89
 - SPJ+ Joysticks 89
 - MPJ+ Joysticks 90
 
 - 9 Troubleshooting 91
 - Notes 98
 - 1 General
 
 - i
- Gives useful tips, recommendations and information for efficient, trouble-free use.
 - 1.2 Reference Documents
 - Manual
 - Part number
- 1.3 Global Limited Warranty (Excluding Canada)
- PLEASE NOTE: THE WARRANTY BELOW HAS BEEN DRAFTED TO COMPLY WITH FEDERAL LAW APPLICABLE TO PRODUCTS MANUFACTURED AFTER JULY 4, 1975.
 - This warranty is extended only to the original purchaser who purchases this product within any country excluding CANADA when new and unused from Invacare or a dealer. This warranty is not extended to any other person or entity and is not transferable...
 - This warranty gives you specific legal rights and you may also have other legal rights which vary from state to state.
 - Invacare warrants the base frame to be free from defects in materials and workmanship for a period of five (5) years from the date of purchase from Invacare or a dealer, with a copy of the seller’s invoice required for coverage under this warranty....
 - For warranty service, please contact the dealer from whom you purchased your Invacare product. In the event you do not receive satisfactory warranty service, please write directly to Invacare at the address on the bottom of the back cover. Provide de...
 - Limitations and Exclusions: The foregoing warranty shall not apply to serial numbered products if the serial number has been removed or defaced, products subject to negligence, accident, improper operation, maintenance or storage, commercial or insti...
 - The foregoing express warranty is exclusive and in lieu of any other warranties whatsoever, whether express or implied, including the implied warranties of merchantability and fitness for a particular purpose, and the sole remedy for violations of an...
 - THIS WARRANTY SHALL BE EXTENDED TO COMPLY WITH STATE/PROVINCIAL LAWS AND REQUIREMENTS.
 
 - 1.4 Canada Limited Warranty
- This warranty is extended only to the original purchaser who purchases this product within Canada when new and unused from Invacare or a dealer. This warranty is not extended to any other person or entity and is not transferable or assignable to any ...
 - This warranty gives you specific legal rights and you may also have other legal rights which vary from state to state.
 - Invacare warrants the base frame to be free from defects in materials and workmanship for a period of five (5) years from the date of purchase from Invacare or a dealer, with a copy of the seller’s invoice required for coverage under this warranty....
 - For warranty service, please contact the dealer from whom you purchased your Invacare product. In the event you do not receive satisfactory warranty service, please write directly to Invacare at the address on the bottom of the back cover. Provide de...
 - Limitations and Exclusions: The foregoing warranty shall not apply to serial numbered products if the serial number has been removed or defaced, products subject to negligence, accident, improper operation, maintenance or storage, commercial or insti...
 - The foregoing express warranty is exclusive and in lieu of any other warranties whatsoever, whether express or implied, including the implied warranties of merchantability and fitness for a particular purpose, and the sole remedy for violations of an...
 - THIS WARRANTY SHALL BE EXTENDED TO COMPLY WITH STATE/PROVINCIAL LAWS AND REQUIREMENTS.
 
 - 2 Safety
- The safety section contains important information for the safe operation and use of this product.
 - 2.1 General Guidelines
- m
 - Warning
- Do not use this product or any available optional equipment without first completely reading and understanding these instructions and any additional instructional material such as owner’s manuals, service manuals or instruction sheets supplied with...
 - Procedures other than those described in this manual must be performed by a qualified technician.
 
 - accessories Warnings
- Invacare products are specifically designed and manufactured for use in conjunction with Invacare accessories. Accessories designed by other manufacturers have not been tested by Invacare and are not recommended for use with Invacare products.
 - Do not connect any medical devices such as ventilators, life support machines, etc., directly to the batteries used to power the wheelchair. This could cause unexpected failure of the device and the wheelchair.
 
 - notice
- The information contained in this document is subject to change without notice.
 - Check all parts for shipping damage and test before using. In case of damage, do NOT use. Contact Invacare/Carrier for further instruction.
 - As a manufacturer of wheelchairs, Invacare endeavors to supply a wide variety of wheelchairs to meet many needs of the end user. However, final selection of the type of wheelchair to be used by an individual rests solely with the user and his/ her he...
 
 
 - 2.1 Operation Information
- Setup
 - Warning
- A qualified technician must perform the initial set up of this wheelchair. Also, a qualified technician must perform all procedures in the service manual.
 - Performance adjustments should only be made by professionals of the healthcare field or persons fully conversant with this process and the driver's capabilities. Incorrect settings could cause injury to the driver, bystanders, damage to the wheelchai...
 - After the wheelchair has been set-up/adjusted, check to make sure that the wheelchair performs to the specifications entered during the set-up procedure. If the wheelchair does not perform to specifications, turn the wheelchair Off immediately and re...
 
 - Driving
 - Warning
 - Transport - Wheelchair Tie-Down Restraints and Seat Restraints (TRRO or TRBKTS)
 - Warning
- Only use the transport brackets included with TRRO or TRBKTS for the purposes described in this manual.
 - TRRO (Transport Ready Option) - TRRO includes four factory-installed transport brackets and a wheelchair anchored pelvic belt. TRRO has been crash-tested in accordance with ANSI/RESNA WC Vol 1 Section 19 Frontal Impact Test requirements for wheelchai...
 - TRBKTS (Wheelchair Transport Brackets) - TRBKTS includes four factory-installed wheelchair transport brackets. TRBKTS has not been crash-tested in accordance with WC 19. Use these transport brackets only to secure an unoccupied wheelchair during tran...
 - As of this date, the Department of Transportation has not approved any tie-down systems for transportation of a user while in a wheelchair, in a moving vehicle of any type. It is Invacare’s position that users of wheelchairs should be transferred i...
 - Battery support brackets MUST be installed at all times. Otherwise, the wheelchair will not be WC19 compliant. Refer to Transport Ready Option (TRRO) on page 60.
 
 - Stairways and Escalators
 - Warning
- DO NOT attempt to move an occupied power wheelchair between floors using a stairway. Use an elevator to move an occupied power wheelchair between floors.
 - If moving a power wheelchair between floors by means of a stairway, the occupant MUST be removed and transported independently of the power wheelchair.
 - Extreme caution is advised when it is necessary to move an unoccupied power wheelchair up or down the stairs. Invacare recommends using two assistants and making thorough preparations. Make sure to use ONLY secure, non-detachable parts for hand-hold ...
 - DO NOT use an escalator to move a wheelchair between floors. Serious bodily injury may occur.
 - DO NOT attempt to lift the wheelchair by any removable (detachable) parts. Lifting by means of any removable (detachable) parts of a wheelchair may result in injury to the user or damage to the wheelchair.
 - The weight of the wheelchair without the user and without batteries is between 220 and 300 lbs. Use proper lifting techniques (lift with your legs) to avoid injury.
 - Follow this procedure for moving the wheelchair between floors when an elevator is NOT available:
 
 
 
 
 - 1.3 Global Limited Warranty (Excluding Canada)
 
 - i
- When using a stairway to move the wheelchair and any accessories, move all wheelchair components away from the stairway prior to reassembly.
 - 1. Remove the occupant from the wheelchair.
 - 2. Remove the batteries from wheelchair. Refer to Batteries on page 76.
 - 3. Bend your knees and keep your back straight.
 - 4. Using non-removable (non-detachable) parts of the wheelchair, lift the wheelchair off of the ground and transfer the wheelchair up or down the stairs.
 - 5. The wheelchair should not be lowered until the last stair has been negotiated and the wheelchair has been carried away from the stairway.
 - Repair or Service Information
 - Warning
- Wheelchair users: DO NOT service or operate this equipment without first reading and understanding (1)the owner’s operator and maintenance manual and (2) the seating system’s manual (if applicable). If you are unable to understand the warnings, c...
 - Dealers and qualified technicians: DO NOT service or operate this equipment without first reading and understanding (1) the owner’s operator and maintenance manual, (2) the service manual (if applicable) and (3) the seating system’s manual (if ap...
 - Set-up of the Electronics Control Unit is to be performed only by a qualified technician. The final adjustments of the controller may affect other activities of the wheelchair. Damage to the equipment could occur if improperly set-up or adjusted.
 - Except for programming, DO NOT service or adjust the wheelchair while occupied, unless otherwise noted.
 - Before adjusting, repairing or servicing the wheelchair, Always turn the wheelchair power Off, otherwise, injury or damage may occur.
 - Wheelchairs should be examined during maintenance for signs of corrosion (water exposure, incontinence, etc.). Electrical components damaged by corrosion should be replaced immediately.
 - Wheelchairs that are used by incontinent users and/or are frequently exposed to water may require replacement of electrical components more frequently.
 - DO NOT overtighten hardware attaching to the frame. This could cause damage to the frame tubing.
 - Transport ready packages are not retrofittable to existing models and are not field serviceable.
 
 - 2.2 Safety/Handling
- “Safety and Handling” of the wheelchair requires the close attention of the wheelchair user as well as the assistant. This manual points out the most common procedures and techniques involved in the safe operation and maintenance of the wheelchai...
 - Use this information only as a “basic” guide. The techniques that are discussed on the following pages have been used successfully by many.
 - Users and assistants must be aware that the handling and maneuverability characteristics of front wheel drive wheelchairs are inherently different from center and rear wheel drive wheelchairs. Handling and maneuverability differences will be most not...
 - Individual wheelchair users often develop skills to deal with daily living activities that may differ from those described in this manual. Invacare recognizes and encourages each individual to try what works best for him/her in overcoming architectur...
 - Invacare strongly recommends that initial use of front wheel drive wheelchairs be supervised by an assistant.
 - Warning
- The seat positioning strap is a positioning strap only. It is not designed for use as a safety device withstanding high stress loads such as auto or aircraft safety straps. If signs of wear appear, strap must be replaced immediately.
 - DO NOT leave the power button On when entering or exiting your wheelchair.
 - DO NOT go up or down ramps or traverse slopes greater than 9°.
 - Never leave an unoccupied wheelchair unattended on an incline.
 - DO NOT attempt to move up or down an incline with water, ice or oil film.
 
 - Warning
- Do determine and establish your particular safety limits by practicing bending, reaching and transferring activities in the presence of a qualified healthcare professional before attempting active use of the wheelchair.
 - DO NOT attempt to reach objects if you have to move forward in your seat.
 - Always shift your weight in the direction you are turning. Do not shift your weight in the opposite direction of the turn. Shifting your weight in the opposite direction of the turn may cause the inside drive wheel to lose traction and the wheelchair...
 - DO NOT shift your weight or sitting position toward the direction you are reaching as the wheelchair and/or seating system (if any) may tip over.
 - Always keep hands and fingers clear of moving parts to avoid injury.
 - DO NOT use with a broken or missing joystick knob.
 - DO NOT use if joystick does not spring back to the neutral position or becomes sticky or sluggish.
 - DO NOT use if joystick boot is torn or damaged.
 - Always check foam grips for looseness before using the wheelchair. If loose, contact a qualified technician for instructions.
 - DO NOT attempt to stop a moving wheelchair with the wheel locks. Wheel locks are not brakes.
 - DO NOT engage or disengage the motor locks until the power is in the off position.
 
 - A Note to Wheelchair Assistants
- When assistance to the wheelchair user is required, remember to use good body mechanics. Keep your back straight and bend your knees whenever tilting wheelchair or traversing curbs or other impediments.
 - Also, be aware of detachable parts such as arms or legrests. These must NEVER be used to move the wheelchair or as lifting supports, as they may be inadvertently released, resulting in possible injury to the user and/or assistant(s).
 - When learning a new assistance technique, have an experienced assistant help you before attempting it alone.
 
 - Stability and Balance
 - Warning
- ALWAYS wear your seat positioning strap. The seat positioning strap is a positioning strap only. It is not designed for use as a safety device withstanding high stress loads such as auto or aircraft safety straps. If signs of wear appear, strap must ...
 - The drive behavior initially experienced by the user may be different from other wheelchairs previously used. The following warnings apply specifically when using this front wheel drive wheelchair.
 - ALWAYS reduce speed when traveling up or down an incline or over obstacles and rough terrain. Traveling under these conditions may shift the users weight forward resulting in reduced stability.
 - Exercise caution and avoid sudden stops when traveling up or down an incline or over obstacles and rough terrain. If stopping becomes necessary under these driving conditions, release the joystick and allow the wheelchair to come to a full stop. Then...
 - Do not traverse down ramps at high speed. Doing so will reduce traction and increase stopping distance.
 - DO NOT leave elevating legrests in the fully extended position when proceeding down ramps or slopes.
 
 - Warning
- To determine and establish your particular safety limits, practice use of this product on various sloping surfaces in the presence of a qualified healthcare provider before attempting active use of this wheelchair. Other general warnings listed withi...
 - Be aware that carrying heavy objects on your lap while occupying the wheelchair may adversely affect the stability of the wheelchair, resulting in serious bodily injury to the user, damage to the wheelchair and surrounding property.
 - This wheelchair has been designed to accommodate one individual. If more than one individual occupies the wheelchair this may adversely affect the stability of the wheelchair, resulting in serious bodily injury to the user and passenger and damage to...
 - Many activities require the wheelchair user to reach, bend and transfer in and out of the wheelchair. These movements will cause a change to the normal balance, center of gravity, and weight distribution of the wheelchair. To determine and establish ...
 - DO NOT stand on the frame of the wheelchair.
 - To assure stability and proper operation of your wheelchair, you must at all times maintain proper balance. Your wheelchair has been designed to remain upright and stable during normal daily activities as long as you DO NOT move beyond the center of ...
 
 - Coping with Everyday Obstacles
- Coping with the irritation of everyday obstacles can be somewhat alleviated by learning how to manage your wheelchair. Keep in mind your center of gravity to maintain stability and balance.
 - While the wheelchair is designed for use primarily in and around the home, the provider should determine whether this wheelchair is suitable for the actual environment in which the wheelchair will be used.
 
 - Warning
 - caution
 
 
 - i
- Do not go down a ramp at full speed. Some seat/ back positions will cause the wheelchair to feel unstable.
 - Bump/Threshold
- FIGURE 1 Coping with Everyday Obstacles
 - Footplates and Front Rigging
 - Warning
- If the wheelchair dips forward and the footplates touch the ground while the wheelchair is in motion, please contact your dealer for an inspection and avoid use of the wheelchair if possible. Otherwise the user could be injured.
 - ALWAYS maintain a minimum of 3-inches between bottom of the front riggings and the floor/ground while the wheelchair is in motion to ensure proper ground clearance. If necessary, adjust the front rigging height or tilt seat to achieve proper ground c...
 - DO NOT use the footplates as a platform. When getting in or out of the wheelchair, make sure that the footplates are in the upward position or swing footrests towards the outside of the wheelchair.
 
 - warning
 
 
 - i
- For this procedure, refer to FIGURE 2.
 - Reaching, Bending - Backward
 - warning
- DO NOT lean over the top of the back upholstery. This will change your center of gravity and may cause you to tip over.
 - Proper positioning is essential for your safety. When reaching, leaning, bending or bending backward, it is important to use the casters as a tool to maintain stability and balance.
 
 
 - i
 - i
- For this procedure, refer to FIGURE 4.
 - Adequate mobility and upper body strength is required to perform this activity independently.
- 1. Position the wheelchair to minimize the gap distance between the wheelchair seat and the seat to which you are transferring.
 - 2. Ensure the casters are aligned parallel with the object.
 - 3. Engage motor locks. Refer to Disengaging/Engaging Motor Lock Levers on page 57.
 - 4. Shift body weight into seat with transfer.
 
 
 - i
- During independent transfer, little or no seat platform will be beneath you. Use a transfer board if at all possible.
 - Minimize Gap Distance
- FIGURE 4 Transferring To and From Other Seats
 - Storage
 - Warning
- Avoid storing or using the wheelchair near open flame or combustible products. Serious injury or damage to property may result.
 - Invacare has tested its power wheelchairs in accordance with ISO 7176 “Rain Test”. This provides the end user or his/her attendant sufficient time to remove his/her power wheelchair from a rain storm and retain wheelchair operation.
 - DO NOT leave power wheelchair in a rain storm of any kind.
 - DO NOT use power wheelchair in a shower.
 - DO NOT leave power wheelchair in a damp area for any length of time.
 - Direct exposure to rain or dampness will cause the wheelchair to malfunction electrically and mechanically; may cause the wheelchair to prematurely rust or may damage the upholstery.
 - Check to ensure that the battery covers are secured in place, joystick boot is NOT torn or cracked where water can enter and that all electrical connections are secure at all times.
 - DO NOT use if the joystick boot is torn or cracked. If the joystick boot becomes torn or cracked, replace IMMEDIATELY.
 
 - Electrical - Grounding Instructions
 - Warning
 - Electrical - Batteries
 - Warning
- The warranty and performance specifications contained in this manual are based on the use of deep cycle gel cell batteries. Invacare strongly recommends their use as the power source for this unit.
 - Carefully read battery/battery charger information prior to installing, servicing or operating your wheelchair.
 
 - Electrical - Charging Batteries
 - danger
- When using an extension cord, use an extension cord having at least 16 AWG (American Wire Gauge) wire and the same or higher electrical rating as the device being connected. Use of improper extension cord could result in a risk of fire and electric s...
 - Warning
 - Never attempt to recharge the batteries by attaching cables directly to the battery terminals.
 - DO NOT attempt to recharge the batteries and operate the wheelchair at the same time.
 - DO NOT operate wheelchair with extension cord attached to the AC cable.
 - DO NOT attempt to recharge the batteries when the wheelchair has been exposed to any type of moisture.
 - DO NOT attempt to recharge the batteries when the wheelchair is outside.
 - DO NOT sit in the wheelchair while charging the batteries.
 - READ and CAREFULLY follow the manufacturer’s instructions for each charger (supplied or purchased). If charging instructions are not supplied, consult a qualified technician for proper procedures.
 - Ensure the pins of the extension cord plug are the same number, size, and shape as those on the charger.
 - DO NOT under any circumstances cut or remove the round grounding plug from the charger AC cable plug or the extension cord plug.
 
 - Weight Training
 - Warning
 - Weight Limitation
 - Warning
 - 2.3 Electromagnetic Interference (EMI) From Radio Wave Sources
- Powered wheelchairs and motorized scooters (in this text, both will be referred to as powered wheelchairs) may be susceptible to electromagnetic interference (EMI), which is interfering electromagnetic energy (EM) emitted from sources such as radio s...
 - There are a number of sources of relatively intense electromagnetic fields in the everyday environment. Some of these sources are obvious and easy to avoid. Others are not apparent and exposure is unavoidable. However, we believe that by following th...
 - The sources of radiated EMI can be broadly classified into three types:
 - 1. Hand-held Portable transceivers (transmitters-receivers with the antenna mounted directly on the transmitting unit. Examples include: citizens band (CB) radios, “walkie talkie”, security, fire and police transceivers, cellular telephones, and ...
 
 
 
 - i
- Some cellular telephones and similar devices transmit signals while they are ON, even when not being used.
 - 2. Medium-range mobile transceivers, such as those used in police cars, fire trucks, ambulances and taxis. These usually have the antenna mounted on the outside of the vehicle; and
 - 3. Long-range transmitters and transceivers, such as commercial broadcast transmitters (radio and TV broadcast antenna towers) and amateur (HAM) radios.
 
 - i
- Other types of hand-held devices, such as cordless phones, laptop computers, AM/FM radios, TV sets, CD players, cassette players, and small appliances, such as electric shavers and hair dryers, so far as we know, are not likely to cause EMI problems ...
 - Powered Wheelchair Electromagnetic Interference (EMI)
- Because EM energy rapidly becomes more intense as one moves closer to the transmitting antenna (source), the EM fields from hand-held radio wave sources (transceivers) are of special concern. It is possible to unintentionally bring high levels of EM ...
 - Electromagnetic interference (EMI) from sources such as radio and TV stations, amateur radio (HAM) transmitters, two-way radios, and cellular phones can affect powered wheelchairs and motorized scooters.
 - Following the warnings listed below should reduce the chance of unintended brake release or powered wheelchair movement which could result in serious injury.
 
 - warning
- 1) DO NOT operate hand-held transceivers (transmitters receivers), such as citizens band (CB) radios, or turn ON personal communication devices, such as cellular phones, while the powered wheelchair is turned ON;
 - 2) Be aware of nearby transmitters, such as radio or TV stations, and try to avoid coming close to them;
 - 3) If unintended movement or brake release occurs, turn the powered wheelchair OFF as soon as it is safe;
 - 4) Be aware that adding accessories or components, or modifying the powered wheelchair, may make it more susceptible to EMI (Note: There is no easy way to evaluate their effect on the overall immunity of the powered wheelchair); and
 - 5) Report all incidents of unintended movement or brake release to the powered wheelchair manufacturer, and note whether there is a source of EMI nearby.
 - 1) 20 volts per meter (V/m) is a generally achievable and useful immunity level against EMI (as of May 1994) (the higher the level, the greater the protection);
 - 2) This device has been tested to a radiated immunity level of 20 volts per meter.
 - 3) The immunity level of the product is unknown.
 
 - 3 Label Locations
 - Serial Number Label is located on the right side of the wheelchair base frame.
 - Label located under the front shroud.
 - Also on opposite side of wheelchair.
 - FDX
 - FDX
 - FDX
 - FDX
 - FDX
 
 - i
- All dimensions are ± .50 inches unless otherwise indicated.
 - Weight limitation is total weight (user weight plus any additional items that the user may require [back pack, etc.]). Example: If weight limitation of the wheelchair is 300 lbs and additional items equal 25 lbs, subtract 25 lbs from 300 lbs this mea...
 - 5 Wheelchair Operation
- m
 - Warning
- After ANY adjustments, repair or service and before use, make sure that all attaching hardware is tightened securely - otherwise injury or damage may result.
 - Set-up of the Electronic Control Unit is to be performed only by a qualified technician. The final adjustments of the controller may affect other activities of the wheelchair. Damage to the equipment could occur under these circumstances.
 
 - 5.1 Preparing the Joystick for Use
 
 
 - i
 - i
 - i
 - i
- For this procedure, refer to FIGURE 3 on page 39.
 - The joystick is located on the joystick housing and provides smooth control of speed and direction. It is equipped with 360 degrees of mobility for ease of operation. The joystick is spring-loaded, and automatically returns to the upright (neutral) p...
 - The joystick has proportional drive control, meaning that the further it is pushed from the upright (neutral) position, the faster the wheelchair moves. The maximum speed, however, is limited by the setting of the speed-control knob.
 - To slow the wheelchair to a stop, simply release the joystick. The wheelchair has automatic speed and direction compensation to minimize corrections.
 - When first learning to drive, select a slow speed and try to drive the wheelchair as slowly as possible by pushing the joystick slightly forward. This exercise will help you learn to utilize the full potential of the proportional control and allow yo...
 - To drive the wheelchair, perform the following:
 - 1. Adjust speed control knob to the appropriate setting.
 - 2. Turn the power On. Refer to Turning the Power On/Off on page 37.
 - 3. Maneuver the joystick in the following manner:
 - Movement
 - action
 
 - i
 - i
- For this procedure, refer to FIGURE 4.
 - On/Off Button
- FIGURE 4 SPJ+, MK6i™ SPJ+ w/PSS and MK6i SPJ+ w/ACC Joystick Switches and Indicators
 - On/Off Button
 - Speedometer
 - Speed Control Buttons
- The speed control buttons (tortoise button () and hare button ()) are used to set and adjust the maximum speed.
 - 1. To adjust the speed, perform one of the following:
- • Adjust Speed in 20% Increments (5 Speed Mode) - Press the tortoise button () or hare button () to decrease/increase the speed in 20% increments. The larger bars in the speedometer will light.
 - • Adjust Speed in Smaller Increments (VSP Mode) - Perform the following steps:
 - i. Press and hold both the tortoise button () and hare button () until the joystick beeps.
 - ii. Perform one of the following:
- • Press the tortoise button () or hare button () to decrease/increase the speed in 20% increments. The larger bars in the speedometer will light.
 - • Press and hold the tortoise button () or hare button () to decrease/increase the speed in smaller increments. The smaller bars in the speedometer will light.
 
 
 
 - Joystick
- The joystick has proportional drive control, meaning that the further the joystick is pushed from the upright (neutral) position, the faster the wheelchair or seat moves. Your top speed, however, is limited by the programmed settings.
 - To slow the wheelchair to a stop, simply release the joystick. The wheelchair has automatic speed and direction compensation to minimize corrections.
 
 - Charger/Programming Input
 - Information Gauge Display
- The information gauge display is located on the front of the joystick housing and provides the following information to the user on the status of the wheelchair:
 - 1. Power is On.
 - 2. True state-of-battery-charge, including notification of when the battery requires charging:
 
 - Service Indicator
 - 5.4 MPJ+ Joystick Switches and Indicators
 
 
 - i
- For this procedure, refer to FIGURE 5.
 - On/Off - Drive Select Toggle Switch
- The drive select toggle switch is located on the left side, below the LCD. The drive select position is momentary, meaning that it will return to the neutral position after a selection is made.
 - This switch allows the operator to select the type of operation or performance which best suits a particular control need or situation. The DRIVE 1 program uses performance values which are independent of those used for the DRIVE 2 or 3 or 4 program....
- Selecting the Drive Mode
- 1. Move the toggle up and release. DRIVE 1 will appear on LCD.
 - 2. Move the toggle up and release again. DRIVE 2 will appear on LCD.
 - 3. Move the toggle up and release again. DRIVE 3 will appear on LCD.
 - 4. Move the toggle up and release again. DRIVE 4 will appear on LCD.
 - 5. Move the toggle up and release one more time to select DRIVE 1.
 
 
 - Selecting the Drive Mode
 
 - Joystick
- FIGURE 5 MPJ+ Joystick Switches and Indicators
 - Speed Control
 - Joystick
- The joystick has proportional drive control, meaning that the further the joystick is pushed from the upright (neutral) position, the faster the wheelchair or seat moves. Your top speed, however, is limited by the programmed settings.
 - To slow the wheelchair to a stop, simply release the joystick. The wheelchair has automatic speed and direction compensation to minimize corrections.
 
 - Charger/Programming Input
 - LCD Display Screens
 
 
 - i
 - i
- For this procedure, refer to FIGURE 7 on page 47.
 - During normal operation, the active drive is displayed in the upper half of the LCD display. Battery charge level is shown in the Battery Gauge Display (BGD) located on the right side of the LCD display. At full charge, solid blocks fill in all ten s...
 - The lower half of the LCD display is the Information Center. The Information Center displays current data on the wheelchair.
 - Refer to LCD Display table on page 45 for descriptions of information shown.
 - item
 - description
 
 - i
 - i
 - i
- For this procedure, refer to FIGURE 9.
 - This screen is displayed if the Mode Select switch is held active for about 10 seconds. This screen shows an icon that represents any additional devices that are connected to the chair.
 - Icon
 - Description
- FIGURE 9 LCD Display Screens - Connected Devices Screen
 - Programmable Mono Ports 1 and 2 with External Mode Switch
- The programmable mono port with external mode switch input is located at the rear of the joystick on the left side. The programmable mono port input offers the choice of three options:
 - The single switch functions operate through mono port 1. An optional y-cable allows a second programmable function through mono port 2.
 - Remote Stop Switch
 
 - Remote On/Off Switch
 - Mode Switch
- The mode switch is used to select the operating mode for the wheelchair. The mode switch is located on the joystick. A mode switch is needed whenever any of the following operating modes are programmed:
 - If any of the above modes are selected, the control will require activation of the switch immediately after the power switch is turned On in order to enter the drive mode. The second line of the LCD will display - PRESS RESET.
 
 
 
 - i
 - i
 - i
 - i
- For this procedure, refer to FIGURE 11.
 - Battery Gage Display
- FIGURE 11 MPJ+ Joystick
 - 5.6 Charging Batteries
- m
 - Warning
- Never attempt to recharge the batteries by attaching cables directly to the battery terminals or clamps. Always use the recharging plug located on the front of the joystick.
 - DO NOT sit in the wheelchair while charging the batteries.
 - DO NOT attempt to recharge the batteries and operate the power wheelchair at the same time.
 - During use and charging, unsealed batteries will vent hydrogen gas which is explosive in the right concentration with air.
 - caution
 - Always charge new batteries before initial use or battery life will be reduced.
 
 
 
 
 - i
- For this procedure, refer to FIGURE 12 on page 55.
 - New batteries MUST be fully charged prior to initial use of the wheelchair.
 - As a general rule, batteries should be recharged daily to assure the longest possible life and minimize the required charging time. Plan to recharge the batteries when it is anticipated the wheelchair will not be used for a long period of time.
 - The range per battery charge using recommended batteries should be approximately 5 to 9 hours of typical operation. Extensive use on inclines may substantially reduce per charge mileage.
 - Description and Use of Battery Chargers
- The charger automatically reduces the charge from an initially high rate to a zero reading at a fully charged condition. If left unattended, the charger should automatically shut-off when full charge is obtained or enter a trickle charge mode to main...
 - There are some basic concepts which will help you understand this automatic process. They are:
 - Once the charger has been connected to the wheelchair and wall outlet and, if necessary, the charger has been turned on, the battery charger indicator lights will flash and light to show the battery charger status and condition of batteries to be cha...
 
 - Warning
 
 - i
 - i
- Allow eight hours for normal charging. Larger batteries (greater than 55 ampere-hours) or severely discharged batteries may require up to sixteen hours to be properly charged and equalized.
 - It is advantageous to recharge frequently rather than only when necessary. In fact, a battery’s life is extended if the charge level is maintained well above a low condition.
 - If the batteries need to be charged more often or take longer to charge than normal, they may need to be replaced. Contact an Invacare dealer for service.
 - MPJ+ Joystick
 
 - i
- For this procedure, refer to FIGURE 13.
 - The running lights offered on this product are an option intended to increase the visibility of the vehicle and user. Running lights are NOT intended to be used as automobile head/signal lights.
 - Inasmuch as this product may be equipped with running lights, this product is NOT intended for use on roads, streets or highways.
 
 - i
 - i
- For this procedure, refer to FIGURE 1 on page 58.
 - Motor lock disengagement/engagement allows free-wheeling or joystick controlled operation. Free-wheeling allows an assistant to maneuver the wheelchair without power.
 - Motor lock levers are located between the rear caster assembly and drive wheel on both sides of the wheelchair.
 - 1. Perform one of the following as if viewing the motors from behind the wheelchair (Detail “A”):
 - Rear Caster
 
 - i
- For this procedure, refer to FIGURE 2.
 - Use the wheel locks whenever the clutches are disengaged and the wheelchair is being pushed.
 - Wheel lock levers are located between the rear caster assembly and drive wheel on both sides of the wheelchair.
 - 1. Perform one of the following as if viewing the motors from behind the wheelchair (Detail “A”):
 - Drive Wheel
- FIGURE 2 Disengaging/Engaging Motor Lock Levers
 - 7 Transport Ready Option (TRRO)
- m
 - Warning
- This section applies only to wheelchairs equipped with TRRO (Transport Ready Option).
 - Contact Invacare Corporation (800-333-6900) with any questions about using this wheelchair for seating in a motor vehicle.
 - When feasible, wheelchair occupants should transfer into the vehicle seat and use the OEM (Original Equipment Manufacturer) vehicle-installed restraint system.
 - This wheelchair has been dynamically tested in a forward-facing mode with the specified crash test dummy restrained by BOTH pelvic and upper-torso strap(s) (shoulder straps), and that BOTH pelvic and upper torso strap(s) should be used to reduce the ...
 - Use ONLY Wheelchair Tie-down and Occupant Restraint Systems (WTORS) which meet the requirements of the SAE (Society of Automotive Engineers) J2249 Recommended Practice during travel in a motor vehicle.
 - This wheelchair has been tested for seating in a motor vehicle with the factory installed seating system only.
 - This wheelchair MUST be in a forward facing position during travel in a motor vehicle.
 - This wheelchair is equipped, and has been dynamically tested to rely on WHEELCHAIR-ANCHORED pelvic straps. If desired, vehicle-anchored pelvic straps may be used.
 - IT IS STRONGLY RECOMMENDED THAT BOTH PELVIC AND UPPER-TORSO STRAP(S) BE USED TO REDUCE THE RISK OF INJURY.
 - To reduce the potential of injury to vehicle occupants, wheelchair-mounted accessories, including but not limited to IV poles, trays, respiratory equipment, backpacks, and other personal items should be removed and secured separately.
 - Postural supports, positioning devices, and/or strap(s) should not be relied on for occupant restraint. These items may be used in addition to the wheelchair-anchored or vehicle-anchored straps.
 
 - Warning
- Seat angle is factory set at time of shipment. Adjustments to the wheelchair may void WC 19 compliance. To maintain compliance, refer to wheelchair service manual before making any adjustments.
 - DO NOT alter or substitute wheelchair frame parts, components, or seating systems.
 - A sudden stop and/or collision may structurally damage your wheelchair. Wheelchairs involved in such incidents should be replaced.
 - Spill proof batteries, such as “gel cells”, should be installed on wheelchairs to be used during travel in a motor vehicle.
 - Transport ready packages are not retrofittable to existing models and are not field serviceable.
 
 - 7.1 About Transport Ready Packages
- TRRO includes four factory-installed transport brackets and a wheelchair anchored pelvic belt. TRRO has been crash-tested in accordance with ANSI/ RESNA WC Vol 1 Section 19 Frontal Impact Test requirements for wheelchairs with a 130 lb crash test dum...
 - As of this date, the Department of Transportation has not approved any tie-down systems for transportation of a user while in a wheelchair, in a moving vehicle of any type. It is Invacare’s position that users of wheelchairs should be transferred i...
 
 - 7.2 Compliance Information
 
 
 
 - i
- ANSI = American National Standards Institute, RESNA= Rehabilitation Engineering and Assistive Technology Society of North America.
 - This wheelchair has been dynamically tested in a forward-facing mode with a 130 lb crash test dummy, which corresponds to a person with a weight of 125 to 165 lbs. for Junior seat sizes or a 168 lb crash dummy, which corresponds to a person with a we...
 - 7.3 Specifications
 - MODEL
 - MOTOR
 - SEATING SYSTEM
 - WEIGHT LIMIT
- FDX
 - FDX Jr.
 - Positioning the Wheelchair in the Vehicle
 - Warning
- This wheelchair MUST be in a forward facing position during travel in a motor vehicle.
 - The recommended clear zones for wheelchair seated occupants restrained by both pelvic and upper torso belt(s) and only by a pelvic belt are shown in the diagrams and described below.
 - Frontal Clear Zones (FCZ) need to be LARGER when upper torso belt(s) are NOT used.
 - The rear clear zone of 16-inches is measured from the rearmost point on an occupant’s head.
 - The frontal clear zone is measured from the frontmost point on an occupant’s head and is 26-inches with pelvic and upper- torso belt(s) and 37-inches with ONLY a pelvic belt.
 - The frontal clear zone may not be achievable for wheelchair-seated drivers.
 - The estimated seated height (HHT) from the ground or floor to the top of the wheelchair-seated occupant’s head ranges from approximately 47-inches for a small adult female to about 61-inches for a tall adult male
 
 - Side View
 
 
 - i
 - i
- A copy of SAE J2249 Wheelchair Tie-down and Occupant Restraint Systems (WTORS) for use in Motor Vehicles can be obtained from: SAE International, 400 Commonwealth Drive, Warrendale, PA 15096-0001, (877) 606-7232 or (724) 776-4970.
 - Attach WTORS to the tie-down brackets in accordance with the manufacturer's instructions and SAE J2249.
 - 7.4 Securing the Occupant
 
 - i
- For this procedure, refer to FIGURE 2 on page 66.
 - The wheelchair has been provided with a pelvic belt which meets the requirements of ANSI/RESNA WC/19.
 - The pelvic belt provided by Invacare has been designed to accommodate use on either side of the vehicle. If necessary, follow the instructions below to reverse the orientation of the pelvic belt to accommodate the vehicle-anchored upper torso belt.
 - 1. Install the pelvic belt pin (Detail “A”) into slot in the pelvic belt bracket (Detail “B”). Pull upwards until it snaps into place.
 
 - i
 - i
- For this procedure, refer to FIGURE 3.
 - rating
 - description
- a
 - b
 - c
 - D
 - • FDX Adult - 0.476 in (12.1 mm)
 - • FDX Junior - 0.445 in (11.3 mm)
 - NOTE: Rear view of wheelchair and human surrogate secured on test platform and tilted to 45 degrees.
 - Seating System
 - Warning
- This wheelchair has been tested for seating in a motor vehicle with the factory installed seating system only.
 - When feasible, wheelchair occupants should transfer into the vehicle seat and use the OEM (Original Equipment Manufacturer) vehicle-installed restraint system
 - Ensure that the factory installed seating system is secured to the wheelchair frame before operation. Refer to the seating system owner’s manual.
 
 - Positioning Belts
 - Warning
 
 
 - i
- For this procedure, refer to FIGURE 4 on page 69.
 - 1. The pelvic belt should be worn low across the front of the pelvis.
 - 2. Position the upper torso belt(s) over the shoulders.
 - 3. The belt(s) should not be held away from the body by wheelchair components or parts, including but not limited to wheelchair armrests or wheels. Refer to FIGURE 4 for proper and improper positioning of the belts.
 - 4. Ensure the belt(s) are not twisted.
 - 5. Adjust belts as firmly as possible, being mindful of user comfort.
 - do position belts inside of armrests, wheels, etc.
 
 - i
- Setup/delivery inspection should be performed by dealer at time of delivery/set up.
 - Initial adjustments should be made to suit your personal body structure needs and preference. Thereafter weekly, monthly and periodic inspections should be performed by user/attendant between the six month service inspections. Refer to User/ Attendan...
 - Every six months, and as necessary, take your wheelchair to a qualified technician for a thorough inspection and servicing. Refer to Service Inspection on page 73.
- Check all parts for shipping damage. In case of damage, DO NOT use.
 - Ensure wheelchair rolls straight (no excessive drag or pull to one side).
 - Ensure clothing guards are secure
 - Ensure arms are secure but easy to release and adjustment levers engage properly.
 - Adjustable height arms operate and lock securely.
 - Ensure axle nut or bolt and wheel mounting nuts are secure on drive wheels.
 - Ensure caster/anti-tipper wheels are free of debris, and all mounting hardware is secure and not damaged/missing.
 - Check that cables are routed and secured properly to ensure that cables do NOT become entangled and damaged during normal operation of seating system.
 - Ensure proper operation of powered functions (Example: drive, seating and legrests).
 
 - 8.2 User/Attendant Inspection Checklists
 
 - i
- Every six months, and as necessary, take your wheelchair to a qualified technician for a thorough inspection and servicing. Service Inspection on page 73.
 - Weekly, monthly and periodic inspections should be performed by user/attendant between the six month service inspections.
 - Regular cleaning will reveal loose or worn parts and enhance the smooth operation of your wheelchair. To operate properly and safely, your wheelchair must be cared for just like any other vehicle. Routine maintenance will extend the life and efficien...
 - caution
 - Inspect/Adjust Weekly
 - Inspect/Adjust Monthly
- Clean upholstery and armrests.
 - Clean dirt and lint from axles.
 - Clean dirt and lint from bearings.
 - Ensure that the casters are free of debris.
 - Inspect seat positioning strap for any signs of wear. Ensure buckle latches. Verify hardware that attaches strap to frame is secure and undamaged. Replace if necessary.
 
 - Inspect/Adjust Periodically
- Ensure wheelchair rolls straight (no excessive drag or pull to one side).
 - Inspect all fasteners.
 - Inspect TRBKTS fasteners and hardware.
 - Ensure clothing guards are secure.
 - Ensure arms are secure but easy to release and adjustment levers engage properly.
 - Adjustable height arms operate and lock securely.
 - Ensure upholstery does not have any rips or tears.
 - Armrest pad sits flush against arm tube.
 - Ensure that the casters are free of debris.
 - Inspect foam handgrips for damage. If damaged, have them replaced by a qualified technician.
 - Check center mount front riggings for loose fasteners. Replace /tighten if necessary.
 - Check that all labels are present and legible. Replace if necessary.
 
 - 8.3 Service Inspection
 
 - i
- Every six months take your wheelchair to a qualified technician for a thorough inspection and servicing.
 - Service inspections MUST be performed by a qualified technician.
 - Warning
 - caution
- As with any vehicle, the wheels and tires should be checked periodically for cracks and wear, and should be replaced.
 - The following are recommended items to inspect during regular service inspections performed by a qualified technician. Actual items to be inspected during the service inspection may vary according to the specific wheelchair:
 
 - Six Month Inspection
- Clean upholstery and armrests.
 - Clean dirt and lint from axles.
 - Clean dirt and lint from bearings.
 - Check that all labels are present and legible. Replace if necessary.
 - Ensure clothing guards are secure.
 - Ensure adjustable height arms operate and lock securely.
 - Ensure upholstery does not have any rips or tears.
 - Ensure armrest pad sits flush against arm tube.
 - Ensure arms are secure but easy to release and adjustment levers engage properly.
 - Inspect seat positioning strap for any signs of wear. Ensure buckle latches. Verify hardware that attaches strap to frame is secure and undamaged. Replace if necessary.
 - Ensure wheelchair rolls straight (no excessive drag or pull to one side).
 - Ensure that there is no excessive side movement or binding when drive wheels are lifted and spun when disengaged (free-wheeling).
 - Ensure axle nut or bolt and wheel mounting nuts are secure on drive wheels.
 - Inspect tires for flat spots and wear.
 - Ensure that the casters are free of debris.
 - Ensure wheels/casters have proper tension when wheels/casters are spun (when free-wheeling). Wheels/casters should come to a gradual stop.
 - Loosen/tighten caster locknut if wheel wobbles noticeably or binds to a stop.
 - Ensure all caster/wheel/fork/headtube fasteners are secure and not damaged/missing.
 - Inspect the anti-tippers for loose hardware or damage.
 - Ensure the anti-tipper wheels are properly installed and located in the proper mounting position.
 - Ensure wheel locks DO NOT interfere with tires when rolling.
 - Ensure wheel lock pivot point are free of wear and looseness.
 - Ensure wheel locks are easy to engage.
 - Check center mount front riggings for loose fasteners. Replace /tighten if necessary.
 - Check that cables are routed and secured properly to ensure that cables do NOT become entangled and damaged during normal operation of seating system.
 - Ensure proper operation of powered functions (drive, seating, legrests, ect...).
 - Inspect motor brushes and gearbox coupling.
 - Inspect electrical components for signs of corrosion. Replace if corroded or damaged.
 - Inspect battery terminals for loose cable connection. Tighten if necessary.
 - Inspect all fasteners.
 - Inspect TRBKTS fasteners and hardware.
 - Inspect foam handgrips for damage. If damaged, have them replaced by a qualified technician.
 - Ensure swingarm stops are in place and not deteriorated or damaged. Replace if necessary.
 
 - Inspect/Adjust Every 18 Months
 - 8.4 Batteries
- m
 - Warning
- The use of rubber gloves is recommended when working with batteries.
 - Invacare strongly recommends that battery installation and battery replacement always be done by a qualified technician.
 - After ANY adjustments, repair or service and before use, make sure all attaching hardware is tightened securely - otherwise injury or damage may result.
 - GP34 batteries weigh 42 pounds each. Use proper lifting techniques (lift with your legs) to avoid injury.
 - DO NOT lift batteries by the hook and loop battery strap. The hook and loop battery strap should be used to assist in removing the batteries from the wheelchair base frame.
 - DO NOT tip the batteries. Keep the batteries in an upright position.
 - NEVER allow any of your tools and/or battery cable(s) to contact BOTH battery post(s) at the same time. An electrical short may occur and serious personal injury or damage may occur.
 - When tightening the clamps, always use a box wrench. Pliers will “round off” the nuts. NEVER wiggle the battery terminal(s)/post(s) when tightening. The battery may become damaged.
 - The POSITIVE (+) RED battery cable MUST connect to the POSITIVE (+) battery terminal(s)/post(s), otherwise serious damage will occur to the electrical system.
 - Install protective caps on POSITIVE (+) and NEGATIVE (-) battery terminals.
 - Do not remove fuse or mounting hardware from POSITIVE (+) red battery cable mounting screw.
 - Unless otherwise indicated, make sure power to the wheelchair is OFF before performing these procedures.
 - After ANY adjustments, repair or service and before use, make sure all attaching hardware is tightened securely - otherwise injury or damage may occur.
 
 
 
 - i
- If there is battery acid in the bottom of the battery box or on the sides of the battery(ies), apply baking soda to these areas to neutralize the battery acid. Before reinstalling the existing or new battery(ies), clean the baking soda from the batte...
 - 8.5 Using the Proper Batteries
 - FOR WHEELCHAIRS USing GP34 BATTERIES
- Batteries with terminal configuration (positive on the left and negative on the right) as shown below MUST be used. Batteries that have the reverse terminal configuration MUST not be used - otherwise injury and damage may occur.
 - Terminals must have a threaded insert in them as shown below.
 - proper batteries to use
 
 
 - i
- If there is battery acid in the bottom of the battery tray or on the sides of the battery, apply baking soda to these areas to neutralize the battery acid. Before reinstalling the existing or new battery, clean the baking soda from the battery tray o...
 - A battery cable secured to the top of the wheelchair base frame connects the front battery connector to the rear battery connector. It is unnecessary to remove the battery cable when removing or installing the batteries.
 - Have the following tools available.
 - TOOL
 - QTY
 - COMMENTS
 
 - i
- For this procedure, refer to FIGURE 1.
 - Reverse this procedure to install the front battery.
- 1. Place the wheelchair in a well ventilated area where work can be performed without risking damage to carpeting or floor covering.
 - 2. If necessary, elevate the seat to the up most position.
 - 3. Verify the joystick On/Off switch is in the Off position and disconnect joystick cable (not shown). Refer to Disconnecting/ Connecting the Joysticks on page 89.
 - 4. Remove the two thumb screws securing the front shroud/battery retention bracket to the wheelchair base frame.
 - 5. Remove the front shroud/battery retention bracket from the wheelchair base frame.
 - 6. Disconnect the front battery connector from the front connector of the battery cable.
 - 7. Remove the front battery from the wheelchair base frame.
 
 - Front Battery
 
 - i
 - i
- Take note of position and orientation of the tie-wraps and wiring bundles before cutting necessary tie-wraps and repositioning the wiring bundles.
 - 3. Locate the two wiring bundles, one on each side of the controller and if necessary, cut the tie-wraps securing the wiring bundles to the controller bracket.
 - Wheelchair Base Frame
- FIGURE 2 Removing the Rear Shroud
- 4. Remove the tie-wraps securing the right side wiring bundle together (FIGURE 3, Detail “A”).
 - 5. Remove the two mounting screws securing the controller bracket to the wheelchair base frame (FIGURE 2).
 - 6. Lifting up on the controller bracket, disengage the controller bracket from the wheelchair base frame.
 - 7. Using one hand to support the controller bracket, use the other hand to disconnect the two motor connectors, the rear battery wiring connector, the joystick connector and the auxiliary wiring harness connector (if equipped with power seating syste...
 - 8. Set the controller bracket aside.
 - 9. Disconnect the rear battery wiring connector from the rear battery connector (FIGURE 3, Detail “B”).
 
 - Warning
- When removing or installing the rear battery, DO NOT allow the controller bracket to come in contact with the top of the battery. ALWAYS remove the controller bracket from the wheelchair base frame when removing the batteries - otherwise injury or da...
 - 10. Remove the rear battery from the wheelchair base frame.
 
 
 - FIGURE 2 Removing the Rear Shroud
 - Right Side Wiring Bundle
 
 - i
 - i
- Perform STEPS 2-5 on one battery at a time.
 - 2. Cut the tie-wrap that secures the battery terminal cap in place.
 - 3. Slide terminal caps up onto the battery cables.
 - 4. Remove the mounting screw and two lock washers securing the POSITIVE (+) battery cable L-bracket to the POSITIVE (+) battery terminal.
 - 5. Remove the mounting screw and two lock washers securing the Negative (-) battery cable to the NEGATIVE (-) battery terminal.
 - 6. Repeat STEPS 2-5 to remove the battery cables from the remaining battery.
 - Warning
- NEVER allow any of your tools and/or battery cables to contact both battery terminals at the same time. An electrical short may occur and serious personal injury or damage may occur.
 - Connect same color connectors to each other (Gray to gray, black to black).
 - Do not remove fuse or mounting hardware from positive (+) battery cable mounting screw. To replace the fuse, obtain and replace battery harness with fuse.
 
 - Connecting Battery Cables
 - Warning
- The positive (+) battery cable must connect to the positive (+) battery terminal, otherwise serious damage will occur to the electrical system.
 - The use of rubber gloves is recommended when working with batteries.
 - Battery terminal configuration as shown in Detail “A” of FIGURE 4 MUST be used. Batteries that have the terminal configuration reversed MUST NOT be used - otherwise serious injury or damage may occur.
 - Install protective caps on POSITIVE (+) and NEGATIVE (-) terminals.
 - All battery terminal covers (two on the front battery and two on the rear battery) must be installed prior to use.
 - caution
 - When connecting the battery cables to the battery, the battery cables MUST be connected to the battery terminals, as shown in FIGURE 4, otherwise damage to the battery cable may result when installing battery terminal caps.
 
 
 - i
- Perform STEP 1 on one battery at a time.
 - 1. Secure the battery cables to the battery terminals as described below. Securely tighten:
 - 2. Repeat STEP 1 to connect the battery cables to the remaining battery.
 - 3. Verify all battery cables are correctly installed and securely tightened.
 - 4. Slide terminal caps down battery cables and onto battery terminals.
 - 5. Secure each terminal cap in place with a tie-wrap (use tie-wraps 11-1/2-inches long).
 - 6. Position the batteries into the wheelchair. Refer to Removing/Installing the Batteries on page 78.
 
 - i
 - i
 - i
- For this procedure, refer to FIGURE 6.
 - This procedure must be performed by a qualified technician.
 - This procedure applies to both Forks.
 - a. Tip the wheelchair forward, toward the floor.
 - b. Pivot both forks and casters to top of their arc simultaneously.
 - c. Let casters drop to bottom of arc (wheels should swing once to one-side, then immediately rest in a straight downward position).
 - d. Adjust locknuts according to freedom of caster swing.
 - Locknut
 
 - i
- For this procedure, refer to FIGURE 7.
 - This procedure must be performed by a qualified technician.
 - 1. Turn the adjustment lock lever to release the joystick mounting tube from the mounting bracket.
 - 2. Remove the joystick from the wheelchair.
 - 3. Remove the three hex screws that secure both halves of the mounting bracket to the arm tube.
 - 4. Reposition mounting bracket on opposite arm tube ensuring the threaded plate of the mounting bracket is on the inside of the arm tube as shown in FIGURE 7.
 - 5. Using the three hex mounting screws and washers, secure both halves of the mounting bracket to the arm tube.
 - 6. Slide the joystick mounting tube through the mounting bracket to the desired position.
 - 7. Turn the adjustment lock lever to secure the joystick mounting tube into the mounting bracket.
 - Washers
 
 - i
 - i
 - i
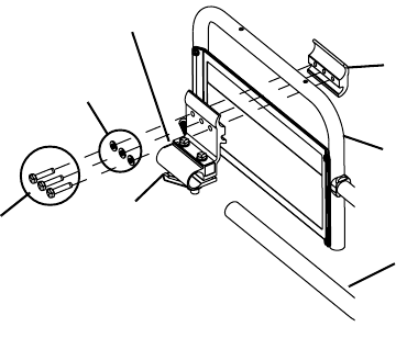
- Ensure the gaskets are installed in the top connector cap and between network connectors.
- 1. Ensure the latch is pulled away from the network connector.
 - 2. Connect the network connector to the other connectors.
 - 3. Top and Bottom Connectors - Install connector caps onto the network connector.
 - 4. Push the latch in to secure the network connectors and caps.
 - 5. If necessary secure excess cable using tie-wraps.
 
 - Top Connector Cap
 - wheelchair veers left/right
 - sluggish turn/ performance
 - casters flutter
 - squeaks and rattles
 - looseness in wheelchair
 - wheelchair 3 wheels
 - solutions
 - Display
 - description
 - definition
 - comments
 
 - Ensure the gaskets are installed in the top connector cap and between network connectors.
 - i
 - Notes
- USA
 - One Invacare Way
 - Elyria, Ohio USA
 - 44036-2125
 - 800-333-6900
 - Canada
 - 570 Matheson Blvd E Unit 8
 - Mississauga Ontario
 - L4Z 4G4 Canada
 - 800-668-5324
 - © 2011 Invacare Corporation. All rights reserved. Republication, duplication or modification in whole or in part is prohibited without prior written permission from Invacare. Trademarks are identified by ™ and ®. All trademarks are owned by or li...
 - For more information regarding Invacare products, parts, and services, please visit www.invacare.com.
 
 

User Manual EN
This manual MUST be given to the user of the product.
BEFORE using this product, read this manual and save for future reference.
Invacare® FDX®
Power Wheelchair Base
FDX, FDX-CG, FDX-MCG

CONTENTS
Invacare® FDX® 2Part No 1163181
1 GENERAL ...............................................................................................................................................................................................7
Symbols .................................................................................................................................................................................................................................................... 7
Warnings............................................................................................................................................................................................................................................ 7
Reference Documents.......................................................................................................................................................................................................................... 8
Global Limited Warranty (Excluding Canada)................................................................................................................................................................................. 8
Canada Limited Warranty.................................................................................................................................................................................................................. 10
2 SAFETY ................................................................................................................................................................................................11
General Guidelines .............................................................................................................................................................................................................................. 11
Operation Information ....................................................................................................................................................................................................................... 12
Setup ................................................................................................................................................................................................................................................. 12
Driving.............................................................................................................................................................................................................................................. 12
Transport - Wheelchair Tie-Down Restraints and Seat Restraints (TRRO or TRBKTS)............................................................................................ 13
Stairways and Escalators............................................................................................................................................................................................................... 14
Repair or Service Information .................................................................................................................................................................................................... 15
Safety/Handling ..................................................................................................................................................................................................................................... 16
A Note to Wheelchair Assistants.............................................................................................................................................................................................. 17
Stability and Balance...................................................................................................................................................................................................................... 18
Coping with Everyday Obstacles................................................................................................................................................................................................ 20
Footplates and Front Rigging....................................................................................................................................................................................................... 21
Reaching, Leaning and Bending - Forward ............................................................................................................................................................................... 21
Reaching, Bending - Backward .................................................................................................................................................................................................... 22
Transferring To and From Other Seats.................................................................................................................................................................................... 23
Storage.............................................................................................................................................................................................................................................. 24
Electrical - Grounding Instructions............................................................................................................................................................................................ 25
Electrical - Batteries ...................................................................................................................................................................................................................... 25
Electrical - Charging Batteries..................................................................................................................................................................................................... 26
Weight Training.............................................................................................................................................................................................................................. 27
Weight Limitation.......................................................................................................................................................................................................................... 27

CONTENTS
Part No 1163181 3Invacare® FDX®
Electromagnetic Interference (EMI) From Radio Wave Sources.............................................................................................................................................. 27
Powered Wheelchair Electromagnetic Interference (EMI).................................................................................................................................................. 28
3 LABEL LOCATIONS ..........................................................................................................................................................................30
4 TECHNICAL DATA  ...........................................................................................................................................................................33
Typical Product Parameters .............................................................................................................................................................................................................. 33
Models .............................................................................................................................................................................................................................................. 33
Overall Dimensions....................................................................................................................................................................................................................... 33
Seat.................................................................................................................................................................................................................................................... 34
Wheels ............................................................................................................................................................................................................................................. 34
Driving.............................................................................................................................................................................................................................................. 34
Weight.............................................................................................................................................................................................................................................. 35
5 WHEELCHAIR OPERATION ............................................................................................................................................................36
Preparing the Joystick for Use .......................................................................................................................................................................................................... 36
Operating the Wheelchair................................................................................................................................................................................................................. 37
Turning the Power On/Off.......................................................................................................................................................................................................... 37
Using the Joystick to Drive the Wheelchair............................................................................................................................................................................ 38
SPJ+, MK6i™ SPJ+ w/PSS and MK6i SPJ+ w/ACC Joystick Switches and Indicators........................................................................................................... 40
On/Off Button ................................................................................................................................................................................................................................ 41
Speedometer................................................................................................................................................................................................................................... 41
Speed Control Buttons................................................................................................................................................................................................................. 41
Joystick ............................................................................................................................................................................................................................................. 42
Charger/Programming Input........................................................................................................................................................................................................ 42
Information Gauge Display.......................................................................................................................................................................................................... 42
Service Indicator ............................................................................................................................................................................................................................ 42

CONTENTS
Invacare® FDX® 4Part No 1163181
MPJ+ Joystick Switches and Indicators............................................................................................................................................................................................ 43
On/Off - Drive Select Toggle Switch ........................................................................................................................................................................................ 43
Speed Control ................................................................................................................................................................................................................................ 44
Joystick ............................................................................................................................................................................................................................................. 44
Charger/Programming Input........................................................................................................................................................................................................ 44
LCD Display Screens .................................................................................................................................................................................................................... 44
User Settings................................................................................................................................................................................................................................... 48
Programmable Mono Ports 1 and 2 with External Mode Switch....................................................................................................................................... 50
Remote On/Off Switch................................................................................................................................................................................................................. 50
Mode Switch ................................................................................................................................................................................................................................... 51
Memory Card Slot......................................................................................................................................................................................................................... 51
When to Charge Batteries ................................................................................................................................................................................................................ 51
SPJ+, SPJ+ w/PSS and SPJ+ w/ACC Joysticks........................................................................................................................................................................... 52
MPJ+ Joystick .................................................................................................................................................................................................................................. 52
Charging Batteries ............................................................................................................................................................................................................................... 53
Description and Use of Battery Chargers ............................................................................................................................................................................... 54
Running Lights....................................................................................................................................................................................................................................... 56
Running Lights Through MPJ+ Joystick ..................................................................................................................................................................................... 56
Running Lights Through Single Function Switch..................................................................................................................................................................... 56
6 MOTOR LOCKS/WHEEL LOCKS  ....................................................................................................................................................57
Disengaging/Engaging Motor Lock Levers...................................................................................................................................................................................... 57
Disengaging/Engaging Wheel Lock Levers...................................................................................................................................................................................... 59
7 TRANSPORT READY OPTION (TRRO) .........................................................................................................................................60
About Transport Ready Packages.................................................................................................................................................................................................... 61
Compliance Information..................................................................................................................................................................................................................... 62

CONTENTS
Part No 1163181 5Invacare® FDX®
Specifications......................................................................................................................................................................................................................................... 62
Positioning the Wheelchair in the Vehicle............................................................................................................................................................................... 63
Securement Points......................................................................................................................................................................................................................... 64
Securing the Wheelchair.............................................................................................................................................................................................................. 64
Securing the Occupant ....................................................................................................................................................................................................................... 65
Wheelchair-Anchored Belts........................................................................................................................................................................................................ 65
Vehicle-Anchored Belts................................................................................................................................................................................................................ 67
Seating System ................................................................................................................................................................................................................................ 67
Positioning Belts............................................................................................................................................................................................................................. 68
8 SETUP/MAINTENANCE ...................................................................................................................................................................70
Setup/Delivery Inspection.................................................................................................................................................................................................................. 70
User/Attendant Inspection Checklists ............................................................................................................................................................................................ 71
Inspect/Adjust Weekly.................................................................................................................................................................................................................. 71
Inspect/Adjust Monthly................................................................................................................................................................................................................. 72
Inspect/Adjust Periodically........................................................................................................................................................................................................... 72
Service Inspection................................................................................................................................................................................................................................ 73
Six Month Inspection .................................................................................................................................................................................................................... 73
Inspect/Adjust Every 18 Months................................................................................................................................................................................................. 75
Batteries ................................................................................................................................................................................................................................................. 76
Using the Proper Batteries................................................................................................................................................................................................................ 77
Removing/Installing the Batteries ..................................................................................................................................................................................................... 78
Removing/Installing the Front Battery....................................................................................................................................................................................... 79
Removing/Installing the Rear Battery........................................................................................................................................................................................ 80
Replacing the Batteries and/or Battery Cables ............................................................................................................................................................................. 83
Disconnecting Battery Cables..................................................................................................................................................................................................... 83
Connecting Battery Cables.......................................................................................................................................................................................................... 84
Anti-Tippers .......................................................................................................................................................................................................................................... 86

CONTENTS
Invacare® FDX® 6Part No 1163181
Adjusting Forks..................................................................................................................................................................................................................................... 87
Repositioning Joystick ......................................................................................................................................................................................................................... 88
Disconnecting/Connecting the Joysticks ........................................................................................................................................................................................ 89
SPJ+ Joysticks .................................................................................................................................................................................................................................. 89
MPJ+ Joysticks................................................................................................................................................................................................................................. 90
9 TROUBLESHOOTING .......................................................................................................................................................................91
Driving Performance .......................................................................................................................................................................................................................... 91
Electrical................................................................................................................................................................................................................................................. 91
SPJ™+, SPJ+ w/PSS or SPJ+ w/ACC Joysticks ........................................................................................................................................................................ 91
MPJ™+, PSR+, PSF+ Joysticks or Displays .............................................................................................................................................................................. 94
Checking Battery Charge Level ........................................................................................................................................................................................................ 97
NOTES .........................................................................................................................................................................................................98

1   GENERAL
Part No 1163181 7Invacare® FDX®
1 General
1.1 Symbols
Warnings
Signal words are used in this manual and apply to hazards or unsafe practices which could result in personal injury or property damage. 
See the information below for definitions of the signal words.
DANGER
Danger indicates an imminently hazardous situation which, if not avoided, will result in death or serious injury.
WARNING
Warning indicates a potentially hazardous situation which, if not avoided, could result in death or serious injury.
CAUTION
Caution indicates a potentially hazardous situation which, if not avoided, may result in property damage or minor injury or 
both.
!IMPORTANT
Indicates a hazardous situation that could result in damage to property if it is not avoided.
Gives useful tips, recommendations and information for efficient, trouble-free use.

1   GENERAL
Invacare® FDX® 8Part No 1163181
1.2 Reference Documents
Refer to the table below for part numbers of additional documents which are referenced in this manual.
1.3 Global Limited Warranty (Excluding Canada)
PLEASE NOTE: THE WARRANTY BELOW HAS BEEN DRAFTED TO COMPLY WITH FEDERAL LAW APPLICABLE TO PRODUCTS 
MANUFACTURED AFTER JULY 4, 1975.
This warranty is extended only to the original purchaser who purchases this product within any country excluding CANADA when new and unused 
from Invacare or a dealer. This warranty is not extended to any other person or entity and is not transferable or assignable to any subsequent purchaser 
or owner. Coverage under this warranty will end upon any such subsequent sale or other transfer of title to any other person. For product purchased in 
Canada, please refer to the Canada Limited Warranty.
This warranty gives you specific legal rights and you may also have other legal rights which vary from state to state.
Invacare warrants the base frame to be free from defects in materials and workmanship for a period of five (5) years from the date of purchase from 
Invacare or a dealer, with a copy of the seller’s invoice required for coverage under this warranty. Invacare warrants all electronics and electrical 
components (excluding batteries), motors, powered seating actuators and gearboxes to be free from defects in materials and workmanship for a period 
of one (1) year from the date of purchase from Invacare or a dealer, with a copy of the seller’s invoice required for coverage under this warranty. 
Invacare warrants all batteries to be free from defects in materials and workmanship for a period of six (6) months from the date of purchase from 
Invacare or a dealer, with a copy of the seller’s invoice required for coverage under this warranty. Invacare warrants all remaining components 
(excluding all upholstered materials, padded materials, tires and wheels) to be free from defects in materials and workmanship for a period of one (1) 
year from the date of purchase from Invacare or a dealer, with a copy of the seller’s invoice required for coverage under this warranty. If within such 
warranty period any such product shall be proven to be defective, such product shall be repaired or replaced, at Invacare's option, with refurbished or 
new parts. This warranty does not include any labor or shipping charges incurred in replacement part installation or repair of any such product. Product 
repairs shall not extend this warranty - coverage for repaired product shall end when this limited warranty terminates. Invacare's sole obligation and 
your exclusive remedy under this warranty shall be limited to such repair and/or replacement. 
For warranty service, please contact the dealer from whom you purchased your Invacare product. In the event you do not receive satisfactory warranty 
service, please write directly to Invacare at the address on the bottom of the back cover. Provide dealer's name address, date of purchase, indicate 
nature of the defect and, if the product is serialized, indicate the serial number. Do not return products to our factory without our prior consent.
MANUAL PART NUMBER
MK6i™ Electronics Programming Guide 1141471
Adjustable ASBA Owner’s Manual 1143192
Van Seat Owner’s Manual 1143195
Formula™ CG Seating System 1143155
Adjustable ASBA Service Manual 1143238
1   GENERAL
Part No 1163181 9Invacare® FDX®
LIMITATIONS AND EXCLUSIONS: THE FOREGOING WARRANTY SHALL NOT APPLY TO SERIAL NUMBERED PRODUCTS IF THE SERIAL 
NUMBER HAS BEEN REMOVED OR DEFACED, PRODUCTS SUBJECT TO NEGLIGENCE, ACCIDENT, IMPROPER OPERATION, 
MAINTENANCE OR STORAGE, COMMERCIAL OR INSTITUTIONAL USE, PRODUCTS MODIFIED WITHOUT INVACARE'S EXPRESS 
WRITTEN CONSENT (INCLUDING, BUT NOT LIMITED TO, MODIFICATION THROUGH THE USE OF UNAUTHORIZED PARTS OR 
ATTACHMENTS); PRODUCTS DAMAGED BY REASON OF REPAIRS MADE TO ANY COMPONENT WITHOUT THE SPECIFIC CONSENT OF 
INVACARE, OR TO A PRODUCT DAMAGED BY CIRCUMSTANCES BEYOND INVACARE'S CONTROL, AND SUCH EVALUATION WILL BE 
SOLELY DETERMINED BY INVACARE. THE WARRANTY SHALL NOT APPLY TO PROBLEMS ARISING FROM NORMAL WEAR AND TEAR 
OR FAILURE TO ADHERE TO THE PRODUCT INSTRUCTIONS. A CHANGE IN OPERATING NOISE, PARTICULARLY RELATIVE TO MOTORS 
AND GEARBOXES DOES NOT CONSTITUTE A FAILURE OR DEFECT AND WILL NOT BE REPAIRED; ALL DEVICES WILL EXHIBIT 
CHANGES IN OPERATING NOISE DUE TO AGING. 
THE FOREGOING EXPRESS WARRANTY IS EXCLUSIVE AND IN LIEU OF ANY OTHER WARRANTIES WHATSOEVER, WHETHER EXPRESS 
OR IMPLIED, INCLUDING THE IMPLIED WARRANTIES OF MERCHANTABILITY AND FITNESS FOR A PARTICULAR PURPOSE, AND THE 
SOLE REMEDY FOR VIOLATIONS OF ANY WARRANTY WHATSOEVER, SHALL BE LIMITED TO REPAIR OR REPLACEMENT OF THE 
DEFECTIVE PRODUCT PURSUANT TO THE TERMS CONTAINED HEREIN. THE APPLICATION OF ANY IMPLIED WARRANTY 
WHATSOEVER SHALL NOT EXTEND BEYOND THE DURATION OF THE EXPRESS WARRANTY PROVIDED HEREIN AND INVACARE 
SHALL NOT BE LIABLE FOR ANY CONSEQUENTIAL OR INCIDENTAL DAMAGES WHATSOEVER; SOME STATES DO NOT ALLOW THE 
EXCLUSION OR LIMITATION OF INCIDENTAL OR CONSEQUENTIAL DAMAGE, OR LIMITATION OF HOW LONG AN IMPLIED 
WARRANTY LASTS, SO THE ABOVE EXCLUSION AND LIMITATION MAY NOT BE APPLICABLE.
THIS WARRANTY SHALL BE EXTENDED TO COMPLY WITH STATE/PROVINCIAL LAWS AND REQUIREMENTS.
1   GENERAL
Invacare® FDX® 10 Part No 1163181
1.4 Canada Limited Warranty
This warranty is extended only to the original purchaser who purchases this product within Canada when new and unused from Invacare or a dealer. 
This warranty is not extended to any other person or entity and is not transferable or assignable to any subsequent purchaser or owner. Coverage under 
this warranty will end upon any such subsequent sale or other transfer of title to any other person. 
This warranty gives you specific legal rights and you may also have other legal rights which vary from state to state.
Invacare warrants the base frame to be free from defects in materials and workmanship for a period of five (5) years from the date of purchase from 
Invacare or a dealer, with a copy of the seller’s invoice required for coverage under this warranty. Invacare warrants all electronics and electrical 
components (excluding batteries), powered seating actuators, 2-pole motors and gearboxes to be free from defects in materials and workmanship for a 
period of two (2) years from the date of purchase from Invacare or a dealer, with a copy of the seller’s invoice required for coverage under this warranty. 
Invacare warrants all batteries to be free from defects in materials and workmanship for a period of six (6) months from the date of purchase from 
Invacare or a dealer, with a copy of the seller’s invoice required for coverage under this warranty. Invacare warrants all remaining components 
(excluding all upholstered materials, padded materials, tires and wheels) to be free from defects in materials and workmanship for a period of one (1) 
year from the date of purchase from Invacare or a dealer, with a copy of the seller’s invoice required for coverage under this warranty. If within such 
warranty period any such product shall be proven to be defective, such product shall be repaired or replaced, at Invacare's option, with refurbished or 
new parts. This warranty does not include any labor or shipping charges incurred in replacement part installation or repair of any such product. Product 
repairs shall not extend this warranty - coverage for repaired product shall end when this limited warranty terminates. Invacare's sole obligation and 
your exclusive remedy under this warranty shall be limited to such repair and/or replacement.
For warranty service, please contact the dealer from whom you purchased your Invacare product. In the event you do not receive satisfactory warranty 
service, please write directly to Invacare at the address on the bottom of the back cover. Provide dealer's name address, date of purchase, indicate 
nature of the defect and, if the product is serialized, indicate the serial number. Do not return products to our factory without our prior consent.
LIMITATIONS AND EXCLUSIONS: THE FOREGOING WARRANTY SHALL NOT APPLY TO SERIAL NUMBERED PRODUCTS IF THE SERIAL 
NUMBER HAS BEEN REMOVED OR DEFACED, PRODUCTS SUBJECT TO NEGLIGENCE, ACCIDENT, IMPROPER OPERATION, 
MAINTENANCE OR STORAGE, COMMERCIAL OR INSTITUTIONAL USE, PRODUCTS MODIFIED WITHOUT INVACARE'S EXPRESS 
WRITTEN CONSENT (INCLUDING, BUT NOT LIMITED TO, MODIFICATION THROUGH THE USE OF UNAUTHORIZED PARTS OR 
ATTACHMENTS); PRODUCTS DAMAGED BY REASON OF REPAIRS MADE TO ANY COMPONENT WITHOUT THE SPECIFIC CONSENT OF 
INVACARE, OR TO A PRODUCT DAMAGED BY CIRCUMSTANCES BEYOND INVACARE'S CONTROL, AND SUCH EVALUATION WILL BE 
SOLELY DETERMINED BY INVACARE. THE WARRANTY SHALL NOT APPLY TO PROBLEMS ARISING FROM NORMAL WEAR AND TEAR 
OR FAILURE TO ADHERE TO THE PRODUCT INSTRUCTIONS. A CHANGE IN OPERATING NOISE, PARTICULARLY RELATIVE TO MOTORS 
AND GEARBOXES DOES NOT CONSTITUTE A FAILURE OR DEFECT AND WILL NOT BE REPAIRED; ALL DEVICES WILL EXHIBIT 
CHANGES IN OPERATING NOISE DUE TO AGING. 
THE FOREGOING EXPRESS WARRANTY IS EXCLUSIVE AND IN LIEU OF ANY OTHER WARRANTIES WHATSOEVER, WHETHER EXPRESS 
OR IMPLIED, INCLUDING THE IMPLIED WARRANTIES OF MERCHANTABILITY AND FITNESS FOR A PARTICULAR PURPOSE, AND THE 
SOLE REMEDY FOR VIOLATIONS OF ANY WARRANTY WHATSOEVER, SHALL BE LIMITED TO REPAIR OR REPLACEMENT OF THE 
DEFECTIVE PRODUCT PURSUANT TO THE TERMS CONTAINED HEREIN. THE APPLICATION OF ANY IMPLIED WARRANTY 
WHATSOEVER SHALL NOT EXTEND BEYOND THE DURATION OF THE EXPRESS WARRANTY PROVIDED HEREIN AND INVACARE 
SHALL NOT BE LIABLE FOR ANY CONSEQUENTIAL OR INCIDENTAL DAMAGES WHATSOEVER; SOME STATES DO NOT ALLOW THE 
EXCLUSION OR LIMITATION OF INCIDENTAL OR CONSEQUENTIAL DAMAGE, OR LIMITATION OF HOW LONG AN IMPLIED 
WARRANTY LASTS, SO THE ABOVE EXCLUSION AND LIMITATION MAY NOT BE APPLICABLE.
THIS WARRANTY SHALL BE EXTENDED TO COMPLY WITH STATE/PROVINCIAL LAWS AND REQUIREMENTS.

2   SAFETY
Part No 1163181 11 Invacare® FDX®
2 Safety
The safety section contains important information for the safe operation and use of this product.
2.1 General Guidelines
WARNING
DO NOT use this product or any available optional equipment without first completely reading and understanding these 
instructions and any additional instructional material such as owner’s manuals, service manuals or instruction sheets 
supplied with this product or optional equipment. If you are unable to understand the warnings, cautions or instructions, 
contact a healthcare professional, dealer or technical personnel before attempting to use this equipment - otherwise, injury 
or damage may occur.
Procedures other than those described in this manual must be performed by a qualified technician.
ACCESSORIES WARNINGS
Invacare products are specifically designed and manufactured for use in conjunction with Invacare accessories. Accessories 
designed by other manufacturers have not been tested by Invacare and are not recommended for use with Invacare 
products.
DO NOT connect any medical devices such as ventilators, life support machines, etc., directly to the batteries used to 
power the wheelchair. This could cause unexpected failure of the device and the wheelchair.
!NOTICE
THE INFORMATION CONTAINED IN THIS DOCUMENT IS SUBJECT TO CHANGE WITHOUT NOTICE.
Check all parts for shipping damage and test before using. In case of damage, DO NOT use. Contact Invacare/Carrier for 
further instruction.
As a manufacturer of wheelchairs, Invacare endeavors to supply a wide variety of wheelchairs to meet many needs of the 
end user. However, final selection of the type of wheelchair to be used by an individual rests solely with the user and his/
her healthcare professional capable of making such a selection. Invacare highly recommends working with a certified rehab 
technology supplier and/or a member of NRRTS or RESNA.

2   SAFETY
Invacare® FDX® 12 Part No 1163181
2.1 Operation Information
Setup
Driving
WARNING
A qualified technician must perform the initial set up of this wheelchair. Also, a qualified technician must perform all 
procedures in the service manual.
Performance adjustments should only be made by professionals of the healthcare field or persons fully conversant with this 
process and the driver's capabilities. Incorrect settings could cause injury to the driver, bystanders, damage to the 
wheelchair and to surrounding property.
After the wheelchair has been set-up/adjusted, check to make sure that the wheelchair performs to the specifications 
entered during the set-up procedure. If the wheelchair does not perform to specifications, turn the wheelchair Off 
immediately and reenter set-up specifications. Repeat this procedure until the wheelchair performs to specifications.
WARNING
DO NOT operate on roads, streets or highways.
Wheelchairs Equipped with Running Lights - Running lights are for increased user visibility ONLY and are NOT intended 
for use as automobile head/signal lights.

2   SAFETY
Part No 1163181 13 Invacare® FDX®
Transport - Wheelchair Tie-Down Restraints and Seat Restraints (TRRO or TRBKTS)
WARNING
Only use the transport brackets included with TRRO or TRBKTS for the purposes described in this manual.
TRRO (Transport Ready Option) - TRRO includes four factory-installed transport brackets and a wheelchair anchored 
pelvic belt. TRRO has been crash-tested in accordance with ANSI/RESNA WC Vol 1 Section 19 Frontal Impact Test 
requirements for wheelchairs with a 168 lb crash dummy, which corresponds to a person with a weight of 165 to 300 lbs.
TRBKTS (Wheelchair Transport Brackets) - TRBKTS includes four factory-installed wheelchair transport brackets. 
TRBKTS has not been crash-tested in accordance with WC 19. Use these transport brackets only to secure an unoccupied 
wheelchair during transport.
As of this date, the Department of Transportation has not approved any tie-down systems for transportation of a user 
while in a wheelchair, in a moving vehicle of any type. It is Invacare’s position that users of wheelchairs should be transferred 
into appropriate seating in vehicles for transportation and use be made of the restraints made available by the auto industry. 
Invacare cannot and does not recommend any wheelchair transportation systems.
Battery support brackets MUST be installed at all times. Otherwise, the wheelchair will not be WC19 compliant. Refer to 
Transport Ready Option (TRRO) on page 60.

2   SAFETY
Invacare® FDX® 14 Part No 1163181
Stairways and Escalators
Follow this procedure for moving the wheelchair between floors when an elevator is NOT available:
1. Remove the occupant from the wheelchair.
2. Remove the batteries from wheelchair. Refer to Batteries on page 76.
3. Bend your knees and keep your back straight.
4. Using non-removable (non-detachable) parts of the wheelchair, lift the wheelchair off of the ground and transfer the wheelchair up or down the 
stairs.
5. The wheelchair should not be lowered until the last stair has been negotiated and the wheelchair has been carried away from the stairway.
WARNING
DO NOT attempt to move an occupied power wheelchair between floors using a stairway. Use an elevator to move an 
occupied power wheelchair between floors. 
If moving a power wheelchair between floors by means of a stairway, the occupant MUST be removed and transported 
independently of the power wheelchair.
Extreme caution is advised when it is necessary to move an unoccupied power wheelchair up or down the stairs. Invacare 
recommends using two assistants and making thorough preparations. Make sure to use ONLY secure, non-detachable 
parts for hand-hold supports. 
DO NOT use an escalator to move a wheelchair between floors. Serious bodily injury may occur.
DO NOT attempt to lift the wheelchair by any removable (detachable) parts. Lifting by means of any removable 
(detachable) parts of a wheelchair may result in injury to the user or damage to the wheelchair.
The weight of the wheelchair without the user and without batteries is between 220 and 300 lbs. Use proper lifting 
techniques (lift with your legs) to avoid injury.
When using a stairway to move the wheelchair and any accessories, move all wheelchair components away from the 
stairway prior to reassembly.

2   SAFETY
Part No 1163181 15 Invacare® FDX®
Repair or Service Information
WARNING
Wheelchair users: DO NOT service or operate this equipment without first reading and understanding (1)the owner’s 
operator and maintenance manual and (2) the seating system’s manual (if applicable). If you are unable to understand the 
warnings, cautions, and instructions, contact Invacare technical support before attempting to service or operate this 
equipment - otherwise injury or damage may result.
Dealers and qualified technicians: DO NOT service or operate this equipment without first reading and understanding (1) 
the owner’s operator and maintenance manual, (2) the service manual (if applicable) and (3) the seating system’s manual (if 
applicable). if you are unable to understand the warnings, cautions and instructions, contact Invacare technical support 
before attempting to service or operate this equipment - otherwise, injury or damage may result.
Set-up of the Electronics Control Unit is to be performed only by a qualified technician. The final adjustments of the 
controller may affect other activities of the wheelchair. Damage to the equipment could occur if improperly set-up or 
adjusted. 
Except for programming, DO NOT service or adjust the wheelchair while occupied, unless otherwise noted.
Before adjusting, repairing or servicing the wheelchair, ALWAYS turn the wheelchair power Off, otherwise, injury or 
damage may occur.
Wheelchairs should be examined during maintenance for signs of corrosion (water exposure, incontinence, etc.). Electrical 
components damaged by corrosion should be replaced immediately.
Wheelchairs that are used by incontinent users and/or are frequently exposed to water may require replacement of 
electrical components more frequently.
DO NOT overtighten hardware attaching to the frame. This could cause damage to the frame tubing.
Transport ready packages are not retrofittable to existing models and are not field serviceable. 

2   SAFETY
Invacare® FDX® 16 Part No 1163181
2.2 Safety/Handling
“Safety and Handling” of the wheelchair requires the close attention of the wheelchair user as well as the assistant. This manual points out the most 
common procedures and techniques involved in the safe operation and maintenance of the wheelchair. It is important to practice and master these 
safe techniques until you are comfortable in maneuvering around the frequently encountered architectural barriers.
Use this information only as a “basic” guide. The techniques that are discussed on the following pages have been used successfully by many.
Users and assistants must be aware that the handling and maneuverability characteristics of front wheel drive wheelchairs are inherently different from 
center and rear wheel drive wheelchairs. Handling and maneuverability differences will be most noticeable when traveling down declines (Example: 
ramps and slopes) or over obstacles and rough terrain as this may shift the users center of mass forward resulting in decreased stability. ALWAYS 
reduce speed and wear the seat positioning strap when driving under these conditions.
Individual wheelchair users often develop skills to deal with daily living activities that may differ from those described in this manual. Invacare recognizes 
and encourages each individual to try what works best for him/her in overcoming architectural obstacles that they may encounter. However all 
warnings and cautions given in this manual MUST be followed. Techniques in this manual are a starting point for the new wheelchair user and assistant 
with “safety” as the most important consideration for all.
Invacare strongly recommends that initial use of front wheel drive wheelchairs be supervised by an assistant.
WARNING
The seat positioning strap is a positioning strap ONLY. It is not designed for use as a safety device withstanding high stress 
loads such as auto or aircraft safety straps. If signs of wear appear, strap MUST be replaced IMMEDIATELY.
DO NOT leave the power button On when entering or exiting your wheelchair.
DO NOT go UP or DOWN ramps or traverse slopes greater than 9°.
NEVER leave an unoccupied wheelchair unattended on an incline.
DO NOT attempt to move up or down an incline with water, ice or oil film.

2   SAFETY
Part No 1163181 17 Invacare® FDX®
A Note to Wheelchair Assistants
When assistance to the wheelchair user is required, remember to use good body mechanics. Keep your back straight and bend your knees whenever 
tilting wheelchair or traversing curbs or other impediments.
Also, be aware of detachable parts such as arms or legrests. These must NEVER be used to move the wheelchair or as lifting supports, as they may 
be inadvertently released, resulting in possible injury to the user and/or assistant(s).
When learning a new assistance technique, have an experienced assistant help you before attempting it alone.
WARNING
DO determine and establish your particular safety limits by practicing bending, reaching and transferring activities in the 
presence of a qualified healthcare professional before attempting active use of the wheelchair.
DO NOT attempt to reach objects if you have to move forward in your seat.
ALWAYS shift your weight in the direction you are turning. DO NOT shift your weight in the opposite direction of the 
turn. Shifting your weight in the opposite direction of the turn may cause the inside drive wheel to lose traction and the 
wheelchair to tip over.
DO NOT shift your weight or sitting position toward the direction you are reaching as the wheelchair and/or seating 
system (if any) may tip over.
ALWAYS keep hands and fingers clear of moving parts to avoid injury.
DO NOT use with a broken or missing joystick knob.
DO NOT use if joystick does not spring back to the neutral position or becomes sticky or sluggish.
DO NOT use if joystick boot is torn or damaged.
ALWAYS check foam grips for looseness before using the wheelchair. If loose, contact a qualified technician for 
instructions.
DO NOT attempt to stop a moving wheelchair with the wheel locks. Wheel locks are not brakes.
DO NOT engage or disengage the motor locks until the power is in the off position.

2   SAFETY
Invacare® FDX® 18 Part No 1163181
Stability and Balance
WARNING
ALWAYS wear your seat positioning strap. The seat positioning strap is a positioning strap ONLY. It is not designed for use 
as a safety device withstanding high stress loads such as auto or aircraft safety straps. If signs of wear appear, strap MUST be 
replaced IMMEDIATELY.
The drive behavior initially experienced by the user may be different from other wheelchairs previously used. The following 
warnings apply specifically when using this front wheel drive wheelchair.
•   DO NOT use on inclines greater than 9°.
•   DO NOT use on inclines with wet, slippery, icy or oily surfaces. This may include certain painted or otherwise treated 
wood surfaces.
•   DO NOT traverse down ramps at high speed. Doing so will reduce traction and increase stopping distance.
•   ALWAYS traverse down ramps at a reduced, constant speed to maintain stability and to avoid hard braking or sudden 
stops.
•   The end user’s weight can materially affect traction on sloped surfaces. Great care should be taken when traversing such 
slopes.
ALWAYS reduce speed when traveling up or down an incline or over obstacles and rough terrain. Traveling under these 
conditions may shift the users weight forward resulting in reduced stability.
Exercise caution and avoid sudden stops when traveling up or down an incline or over obstacles and rough terrain. If 
stopping becomes necessary under these driving conditions, release the joystick and allow the wheelchair to come to a full 
stop. Then proceed at a slower speed.
DO NOT traverse down ramps at high speed. Doing so will reduce traction and increase stopping distance.
DO NOT leave elevating legrests in the fully extended position when proceeding down ramps or slopes.

2   SAFETY
Part No 1163181 19 Invacare® FDX®
To assure stability and proper operation of your wheelchair, you must at all times maintain proper balance. Your wheelchair has been designed to 
remain upright and stable during normal daily activities as long as you DO NOT move beyond the center of gravity. DO NOT lean forward out of 
the wheelchair any further than the length of the armrests.
WARNING
To determine and establish your particular safety limits, practice use of this product on various sloping surfaces in the 
presence of a qualified healthcare provider before attempting active use of this wheelchair. Other general warnings listed 
within this document also apply.
Be aware that carrying heavy objects on your lap while occupying the wheelchair may adversely affect the stability of the 
wheelchair, resulting in serious bodily injury to the user, damage to the wheelchair and surrounding property.
This wheelchair has been designed to accommodate one individual. If more than one individual occupies the wheelchair this 
may adversely affect the stability of the wheelchair, resulting in serious bodily injury to the user and passenger and damage 
to the wheelchair and surrounding property.
Many activities require the wheelchair user to reach, bend and transfer in and out of the wheelchair. These movements will 
cause a change to the normal balance, center of gravity, and weight distribution of the wheelchair. To determine and 
establish your particular safety limits, practice bending, reaching and transferring activities in several combinations in the 
presence of a qualified healthcare professional before attempting active use of the wheelchair.
DO NOT stand on the frame of the wheelchair.

2   SAFETY
Invacare® FDX® 20 Part No 1163181
Coping with Everyday Obstacles
Coping with the irritation of everyday obstacles can be somewhat alleviated by learning how to manage your wheelchair. Keep in mind your center 
of gravity to maintain stability and balance.
While the wheelchair is designed for use primarily in and around the home, the provider should determine whether this wheelchair is suitable for the 
actual environment in which the wheelchair will be used.
FIGURE1     Coping with Everyday Obstacles
WARNING
DO NOT attempt to drive over curbs or obstacles greater than 3 inches. Doing so may cause your wheelchair to turn 
over and cause bodily harm or damage to the wheelchair. Always stop before climbing an obstacle. Approach slowly until 
front anti-tip wheels are approximately 18 inches away from the obstacle. Slowly apply power to move forward, over the 
obstacle.
CAUTION
Be aware of the condition of the ramp. Traction will be diminished/nonexistent on a slippery surface. Proceed with caution.
Do not go down a ramp at full speed. Some seat/
back positions will cause the wheelchair to feel 
unstable.
Bump/Threshold

2   SAFETY
Part No 1163181 21 Invacare® FDX®
Footplates and Front Rigging
Reaching, Leaning and Bending - Forward
.
Engage motor locks and turn power off before reaching, leaning or 
bending only as far as your arm will extend without changing your sitting 
position.
FIGURE2     Reaching, Leaning and Bending - Forward
WARNING
If the wheelchair dips forward and the footplates touch the ground while the wheelchair is in motion, please contact your 
dealer for an inspection and avoid use of the wheelchair if possible. Otherwise the user could be injured.
ALWAYS maintain a minimum of 3-inches between bottom of the front riggings and the floor/ground while the wheelchair 
is in motion to ensure proper ground clearance. If necessary, adjust the front rigging height or tilt seat to achieve proper 
ground clearance.
DO NOT use the footplates as a platform. When getting in or out of the wheelchair, make sure that the footplates are in 
the upward position or swing footrests towards the outside of the wheelchair.
WARNING
DO NOT attempt to reach objects if you have to 
move forward in the seat or pick them up from 
the floor by reaching down between your knees.
Proper positioning is essential for your safety. 
Improper positioning while leaning or bending 
could cause the wheelchair to tip forward onto 
anti-tippers.
For this procedure, refer to FIGURE2.

2   SAFETY
Invacare® FDX® 22 Part No 1163181
Reaching, Bending - Backward
Position wheelchair as close as possible to the desired object. Position 
the casters so that they are extended away from the drive wheels to 
create the longest possible wheelbase, engage the motor locks and turn 
power off. Reach back only as far as your arm will extend without 
changing your sitting position.
FIGURE3     Reaching, Bending - Backward
WARNING
DO NOT lean over the top of the back 
upholstery. This will change your center of gravity 
and may cause you to tip over.
Proper positioning is essential for your safety. 
When reaching, leaning, bending or bending 
backward, it is important to use the casters as a 
tool to maintain stability and balance.
For this procedure, refer to FIGURE3.

2   SAFETY
Part No 1163181 23 Invacare® FDX®
Transferring To and From Other Seats
1. Position the wheelchair to minimize the gap distance between the 
wheelchair seat and the seat to which you are transferring.
2. Ensure the casters are aligned parallel with the object.
3. Engage motor locks. Refer to Disengaging/Engaging Motor Lock 
Levers on page 57.
4. Shift body weight into seat with transfer. 
FIGURE4     Transferring To and From Other Seats
WARNING:
ALWAYS turn the wheelchair power OFF and engage the motor locks/clutches to prevent the wheels from moving before 
attempting to transfer in or out of the wheelchair. Also make sure every precaution is taken to reduce the gap distance. 
Align both casters parallel with the object you are transferring onto.
For this procedure, refer to FIGURE4.
Adequate mobility and upper body strength is 
required to perform this activity independently.
During independent transfer, little or no seat 
platform will be beneath you. Use a transfer board 
if at all possible.
Minimize Gap 
Distance
Front View
Seat
Wheelchair 
Seat
Minimize Gap Distance
Top View
Seat Wheelchair 
Seat

2   SAFETY
Invacare® FDX® 24 Part No 1163181
Storage
WARNING
Avoid storing or using the wheelchair near open flame or combustible products. Serious injury or damage to property may 
result.
Invacare has tested its power wheelchairs in accordance with ISO 7176 “Rain Test”. This provides the end user or his/her 
attendant sufficient time to remove his/her power wheelchair from a rain storm and retain wheelchair operation.
DO NOT leave power wheelchair in a rain storm of any kind.
DO NOT use power wheelchair in a shower. 
DO NOT leave power wheelchair in a damp area for any length of time.
Direct exposure to rain or dampness will cause the wheelchair to malfunction electrically and mechanically; may cause the 
wheelchair to prematurely rust or may damage the upholstery.
Check to ensure that the battery covers are secured in place, joystick boot is NOT torn or cracked where water can enter 
and that all electrical connections are secure at all times.
DO NOT use if the joystick boot is torn or cracked. If the joystick boot becomes torn or cracked, replace 
IMMEDIATELY.

2   SAFETY
Part No 1163181 25 Invacare® FDX®
Electrical - Grounding Instructions
Electrical - Batteries
WARNING
DO NOT, under any circumstances, cut or remove the round grounding prong from any plug used with or for Invacare 
products. Some devices are equipped with three-prong (grounding) plugs for protection against possible shock hazards. 
Where a two-prong wall receptacle is encountered, it is the personal responsibility and obligation of the customer to 
contact a qualified electrician and have the two-prong receptacle replaced with a properly grounded three-prong wall 
receptacle in accordance with the National Electrical Code. If you must use an extension cord, use only a three-wire 
extension cord having the same or higher electrical rating as the device being connected. In addition, Invacare has placed 
RED/ORANGE warning tags on some equipment. DO NOT remove these tags.
WARNING
The warranty and performance specifications contained in this manual are based on the use of deep cycle gel cell batteries. 
Invacare strongly recommends their use as the power source for this unit.
Carefully read battery/battery charger information prior to installing, servicing or operating your wheelchair.

2   SAFETY
Invacare® FDX® 26 Part No 1163181
Electrical - Charging Batteries
DANGER
When using an extension cord, use an extension cord having at least 16 AWG (American Wire Gauge) wire and the same 
or higher electrical rating as the device being connected. Use of improper extension cord could result in a risk of fire and 
electric shock.
WARNING
NEVER attempt to recharge the batteries by attaching cables directly to the battery terminals.
DO NOT attempt to recharge the batteries and operate the wheelchair at the same time.
DO NOT operate wheelchair with extension cord attached to the AC cable.
DO NOT attempt to recharge the batteries when the wheelchair has been exposed to any type of moisture.
DO NOT attempt to recharge the batteries when the wheelchair is outside.
DO NOT sit in the wheelchair while charging the batteries.
READ and CAREFULLY follow the manufacturer’s instructions for each charger (supplied or purchased). If charging 
instructions are not supplied, consult a qualified technician for proper procedures.
Ensure the pins of the extension cord plug are the same number, size, and shape as those on the charger.
DO NOT under any circumstances cut or remove the round grounding plug from the charger AC cable plug or the 
extension cord plug.

2   SAFETY
Part No 1163181 27 Invacare® FDX®
Weight Training
Weight Limitation
2.3 Electromagnetic Interference (EMI) From Radio Wave Sources
Powered wheelchairs and motorized scooters (in this text, both will be referred to as powered wheelchairs) may be susceptible to electromagnetic 
interference (EMI), which is interfering electromagnetic energy (EM) emitted from sources such as radio stations, TV stations, amateur radio (HAM) 
transmitters, two way radios, and cellular phones. The interference (from radio wave sources) can cause the powered wheelchair to release its brakes, 
move by itself, or move in unintended directions. It can also permanently damage the powered wheelchair's control system. The intensity of the 
interfering EM energy can be measured in volts per meter (V/m). Each powered wheelchair can resist EMI up to a certain intensity. This is called its 
"immunity level." The higher the immunity level, the greater the protection. At this time, current technology is capable of achieving at least a 20 V/m 
immunity level, which would provide useful protection from the more common sources of radiated EMI.
There are a number of sources of relatively intense electromagnetic fields in the everyday environment. Some of these sources are obvious and easy 
to avoid. Others are not apparent and exposure is unavoidable. However, we believe that by following the warnings listed below, your risk to EMI 
will be minimized. 
WARNING
Invacare DOES NOT recommend the use of its wheelchairs as a weight training apparatus. Invacare wheelchairs have 
NOT been designed or tested as a seat for any kind of weight training. If occupant uses said wheelchair as a weight training 
apparatus, INVACARE SHALL NOT BE LIABLE FOR BODILY INJURY AND THE WARRANTY IS VOID.
WARNING
Refer to Technical Data on page 33 to determine the weight limit (total combined weight of user and any attachments) of 
your wheelchair model. DO NOT exceed the limit - otherwise, injury or damage may result.
2   SAFETY
Invacare® FDX® 28 Part No 1163181
The sources of radiated EMI can be broadly classified into three types:
1. Hand-held Portable transceivers (transmitters-receivers with the antenna mounted directly on the transmitting unit. Examples include: citizens 
band (CB) radios, “walkie talkie”, security, fire and police transceivers, cellular telephones, and other personal communication devices). 
2. Medium-range mobile transceivers, such as those used in police cars, fire trucks, ambulances and taxis. These usually have the antenna mounted 
on the outside of the vehicle; and
3. Long-range transmitters and transceivers, such as commercial broadcast transmitters (radio and TV broadcast antenna towers) and amateur 
(HAM) radios.
Powered Wheelchair Electromagnetic Interference (EMI)
Because EM energy rapidly becomes more intense as one moves closer to the transmitting antenna (source), the EM fields from hand-held radio wave 
sources (transceivers) are of special concern. It is possible to unintentionally bring high levels of EM energy very close to the powered wheelchair's 
control system while using these devices. This can affect powered wheelchair movement and braking. Therefore, the warnings listed below are 
recommended to prevent possible interference with the control system of the powered wheelchair.
Electromagnetic interference (EMI) from sources such as radio and TV stations, amateur radio (HAM) transmitters, two-way radios, and cellular 
phones can affect powered wheelchairs and motorized scooters. 
FOLLOWING THE WARNINGS LISTED BELOW SHOULD REDUCE THE CHANCE OF UNINTENDED BRAKE RELEASE OR POWERED 
WHEELCHAIR MOVEMENT WHICH COULD RESULT IN SERIOUS INJURY.
Some cellular telephones and similar devices transmit signals while they are ON, even when not being used.
Other types of hand-held devices, such as cordless phones, laptop computers, AM/FM radios, TV sets, CD players, cassette 
players, and small appliances, such as electric shavers and hair dryers, so far as we know, are not likely to cause EMI 
problems to your powered wheelchair.

2   SAFETY
Part No 1163181 29 Invacare® FDX®
WARNING
1) DO NOT operate hand-held transceivers (transmitters receivers), such as citizens band (CB) radios, or turn ON 
personal communication devices, such as cellular phones, while the powered wheelchair is turned ON;
2) Be aware of nearby transmitters, such as radio or TV stations, and try to avoid coming close to them;
3) If unintended movement or brake release occurs, turn the powered wheelchair OFF as soon as it is safe;
4) Be aware that adding accessories or components, or modifying the powered wheelchair, may make it more 
susceptible to EMI (NOTE: There is no easy way to evaluate their effect on the overall immunity of the powered 
wheelchair); and
5) Report all incidents of unintended movement or brake release to the powered wheelchair manufacturer, and 
note whether there is a source of EMI nearby.
Important Information
1) 20 volts per meter (V/m) is a generally achievable and useful immunity level against EMI (as of May 1994) (the 
higher the level, the greater the protection);
2) This device has been tested to a radiated immunity level of 20 volts per meter.
3) The immunity level of the product is unknown.
Modification of any kind to the electronics of this wheelchair as manufactured by Invacare may adversely affect the EMI 
immunity levels.

3   LABEL LOCATIONS
Invacare® FDX® 30 Part No 1163181
3 Label Locations
Serial Number Label is 
located on the right side 
of the wheelchair base 
frame.
Weight Capacity 
Label located here
(Base Only)
Located under the controller.
Located on the inside of the controller bracket.
Labels located under the rear shroud.
Located on each side 
of wheelchair.
Located on each motor.

3   LABEL LOCATIONS
Part No 1163181 31 Invacare® FDX®
Refer to Owner's Manual
for proper anti-tipper
setting.
1085379
WARNING
WARNING
DO NOT OPERATE WITHOUT
THE ANTI-TIP TUBES
INSTALLED.
REV. 5/98 P/N 60106X144
Label located under the front shroud.
Auto style seat positioning strap 
shown. This label is also on the airline 
style seat positioning strap.
Wheelchairs with 
elevating seats.
User/Attendant Information card secured 
to joystick at time of shipment.
Wheelchairs without TRRO.

3   LABEL LOCATIONS
Invacare® FDX® 32 Part No 1163181
Also on opposite 
side of wheelchair.
Also on opposite 
side of wheelchair.
Wheelchairs with TRRO
WARNING
Lights are for increased visibility of user and 
are NOT intended for use as automobile lights.
DO NOT operate this product on roads, streets 
or highways - otherwise, serious injury or 
damage may occur.
1171793 Rev A
Wheelchairs with Running Lights

4   TECHNICAL DATA
Part No 1163181 33 Invacare® FDX®
4 Technical Data
4.1 Typical Product Parameters
Models
Overall Dimensions
FDX FDX, FDX-CG, FDX-MCG
FDX
Base Width (Without Joystick): 24 in
Base Length (Without Front Rigging): 43 in 
Seat-to-Floor Height -
ADJASBA
Low:
Medium:
High:
With Elevate:
Powered Seating Without Elevate:
Low:
Medium:
High:
All Powered Seating With Elevate:
0° Seat Angle
15.75 in Adult, 16.00 in Jr.
17.75 in Adult, 18.00 in Jr.
19.75 in Adult, 20.00 in Jr.
16.00 in Adult and Jr.
16.5 in Adult and Jr.
17.5 in Adult and Jr.
18.5 in Adult and Jr.
17.75 in Adult and Jr.
5° Seat Angle
16.75 in Adult, 17.00 in Jr.
18.75 in Adult, 19.00 in Jr.
20.75 in Adult, 21.00 in Jr.
17.00 in Adult and Jr.
17.5 in Adult and Jr.
18.5 in Adult and Jr.
N/A
18.75 in Adult and Jr.

4   TECHNICAL DATA
Invacare® FDX® 34 Part No 1163181
Seat
Wheels
Driving
FDX
Rehab (ASBA) -
Seat Width (1 in Increments):
Seat Depth (1 in Increments):
Back Angle (5° Increments):
12 in - 22 in
12 in - 22 in
85° - 105°
FDX
Rear Caster: 8 x 2 in Foam Filled with Precision Sealed Bearings
Drive Wheel: 14 x 3 in Foam Filled
FDX
Speed Range: 0 - 5 mph (Standard 2 Pole Motor), 0 - 6.8 mph (Optional 4 Pole Motor)
Maximum Incline Capability: 9°
Turning Radius: 23 in

4   TECHNICAL DATA
Part No 1163181 35 Invacare® FDX®
Weight
FDX
Base Weight (Without Batteries): 245 lbs
Battery Weight: 42 lbs Each (Use GP 34 Batteries Only)
Maximum Weight Limitation -
With ASBA seat:
With ASBA Jr. seat
With Formula™ CG Powered Seating -
Tilt, Tilt/Recline:
Elevate, Tilt/Elevate, Tilt/Recline/
Elevate:
16 and 17 in Seat Depth:
Up to 300 lbs
Up to 165 lbs
Up to 250 lbs 
(Excluding Tall Seat-to-Floor Height)
Up to 250 lbs
18 in Seat Depth:
Up to 300 lbs
Up to 165 lbs
Up to 300 lbs
Up to 300 lbs
All dimensions are ± .50 inches unless otherwise indicated.
Weight limitation is total weight (user weight plus any additional items that the user may require [back pack, etc.]). 
Example: If weight limitation of the wheelchair is 300 lbs and additional items equal 25 lbs, subtract 25 lbs from 300 lbs this 
means the maximum weight limitation of the user is 275 lbs.

5   WHEELCHAIR OPERATION
Invacare® FDX® 36 Part No 1163181
5 Wheelchair Operation
5.1 Preparing the Joystick for Use
1. Turn the adjustment lock lever to release the adjustment lock from 
joystick mounting tube.
2. Slide joystick mounting tube to the desired position.
3. Turn the adjustment lock lever to secure the adjustment lock to the 
joystick mounting tube. FIGURE1     Preparing the Joystick for Use
WARNING
After ANY adjustments, repair or service and before use, make sure that all attaching hardware is tightened securely - 
otherwise injury or damage may result.
Set-up of the Electronic Control Unit is to be performed only by a qualified technician. The final adjustments of the 
controller may affect other activities of the wheelchair. Damage to the equipment could occur under these circumstances. 
For this procedure, refer to FIGURE1.
The joystick is factory installed on the right side of 
the wheelchair. To reposition the joystick onto the 
left side of the wheelchair, refer to Repositioning 
Joystick on page 88.
Joystick not shown.
Joystick Mounting 
Tube
Adjustment Lock Lever

5   WHEELCHAIR OPERATION
Part No 1163181 37 Invacare® FDX®
5.2 Operating the Wheelchair
Turning the Power On/Off
1. To turn the power On, perform one of the following steps: 
2. Turning the power Off can be achieved by performing one of the 
following steps:
FIGURE2     Turning the Power On/Off
For this procedure, refer to FIGURE2.
JOYSTICK ACTION
MPJ+ Move the On/Off switch Forward to the On 
position.
SPJ+ Press the On/Off button.
JOYSTICK ACTION
MPJ+ Move the On/Off switch Back to the Off position.
SPJ+ Press the On/Off button.
MPJ+ Joystick
On/Off 
Switch
SPJ+ Joysticks
On/Off 
Button

5   WHEELCHAIR OPERATION
Invacare® FDX® 38 Part No 1163181
Using the Joystick to Drive the Wheelchair
The joystick is located on the joystick housing and provides smooth control of speed and direction. It is equipped with 360 degrees of mobility for 
ease of operation. The joystick is spring-loaded, and automatically returns to the upright (neutral) position when released. Pushing the joystick in a 
given direction causes the wheelchair to move in that direction. 
The joystick has proportional drive control, meaning that the further it is pushed from the upright (neutral) position, the faster the wheelchair moves. 
The maximum speed, however, is limited by the setting of the speed-control knob.
To slow the wheelchair to a stop, simply release the joystick. The wheelchair has automatic speed and direction compensation to minimize 
corrections.
When first learning to drive, select a slow speed and try to drive the wheelchair as slowly as possible by pushing the joystick slightly forward. This 
exercise will help you learn to utilize the full potential of the proportional control and allow you to start and stop smoothly.
To drive the wheelchair, perform the following:
1. Adjust speed control knob to the appropriate setting.
2. Turn the power On. Refer to Turning the Power On/Off on page 37.
3. Maneuver the joystick in the following manner:
For this procedure, refer to FIGURE3 on page 39.

5   WHEELCHAIR OPERATION
Part No 1163181 39 Invacare® FDX®
FIGURE3     Using the Joystick to Drive the Wheelchair
• SPJ+, MK6i™ SPJ+ w/PSS and MK6i SPJ+ w/ACC Joystick Switches and Indicators on page 40.
• MPJ+ Joystick Switches and Indicators on page 43.
MOVEMENT ACTION
FORWARD Push joystick forward, towards the front of the 
wheelchair.
REVERSE Pull joystick back, towards the rear of the 
wheelchair.
Turn RIGHT Move joystick toward the right side of the 
wheelchair.
Turn LEFT Move joystick toward the left side of the 
wheelchair.
STOP Release the joystick and the wheelchair will slow 
to a stop.
To Move 
Right
To Move Forward
To Move 
Left
To Move Backward
Joystick
Front of 
Wheelchair
Rear of 
Wheelchair
For specific information about the joystick installed on the wheelchair, refer to one of these procedures:

5   WHEELCHAIR OPERATION
Invacare® FDX® 40 Part No 1163181
5.3 SPJ+, MK6i™ SPJ+ w/PSS and MK6i SPJ+ w/ACC Joystick Switches and Indicators
FIGURE4   SPJ+, MK6i™ SPJ+ w/PSS and MK6i SPJ+ w/ACC Joystick Switches and Indicators
For this procedure, refer to FIGURE4.
On/Off Button
Charger/
Programming 
Input
Speedometer
Joystick
GREEN LED
Information 
Gauge Display
Service Indicator
Decrease Speed Button 
(Tortoise) Increase Speed Button 
(Hare)
Mode Button*
Additional Input for 
Powered Seating 
Switch
Active
(If Programed)
*The mode button is only present on SPJ+ w/ACC joystick.

5   WHEELCHAIR OPERATION
Part No 1163181 41 Invacare® FDX®
On/Off Button
This button is located at the front of the joystick housing. It is used to turn the wheelchair On and Off.
Speedometer
The speedometer is used to show the maximum speed. The right-most LED indicates current maximum speed setting. The bottom left GREEN LED 
flashes to indicate that the joystick is in speed limit mode. Speed limit mode limits the drive speed to a pre-programmed value, typically when the seat 
has been elevated and the wheelchair is required to drive at 20% speed.
Speed Control Buttons
The speed control buttons (tortoise button ( ) and hare button ( )) are used to set and adjust the maximum speed.
1. To adjust the speed, perform one of the following:
• Adjust Speed in 20% Increments (5 Speed Mode) - Press the tortoise button ( ) or hare button ( ) to decrease/increase the speed 
in 20% increments. The larger bars in the speedometer will light.
• Adjust Speed in Smaller Increments (VSP Mode) - Perform the following steps:
i. Press and hold both the tortoise button ( ) and hare button ( ) until the joystick beeps.
ii. Perform one of the following:
• Press the tortoise button ( ) or hare button ( ) to decrease/increase the speed in 20% increments. The larger bars in the 
speedometer will light.
• Press and hold the tortoise button ( ) or hare button ( ) to decrease/increase the speed in smaller increments. The smaller 
bars in the speedometer will light.

5   WHEELCHAIR OPERATION
Invacare® FDX® 42 Part No 1163181
Joystick
The joystick has proportional drive control, meaning that the further the joystick is pushed from the upright (neutral) position, the faster the 
wheelchair or seat moves. Your top speed, however, is limited by the programmed settings.
To slow the wheelchair to a stop, simply release the joystick. The wheelchair has automatic speed and direction compensation to minimize 
corrections.
Charger/Programming Input
The charger/programming input is located at the front of the joystick housing. This provides easy access for charging the wheelchair batteries. This 
port also serves as the Remote Programmer Communication connection. Driving is prevented while the system is charging.
Information Gauge Display
The information gauge display is located on the front of the joystick housing and provides the following information to the user on the status of the 
wheelchair:
1. Power is On.
2. True state-of-battery-charge, including notification of when the battery requires charging:
A. GREEN LEDs are lit, indicating well charged batteries.
B. AMBER LEDs are lit, indicating batteries are moderately charged. Recharge batteries before taking a long trip.
C. RED LEDs are lit, indicating batteries are running out of charge. Recharge batteries as soon as possible. 
The Information Gauge display also serves as a system diagnostic device when a fault is detected by the control module. A specific number of flashes 
of the LEDs indicate the type of fault detected. Refer to Information Gauge Display Diagnostics on page 92 for the diagnostic indications of the 
wheelchair status.
Service Indicator
The AMBER service indicator   will light when an error or fault occurs. Refer to Service Indicator Light Diagnostics on page 93 for a listing of the 
flash codes and what they indicate.

5   WHEELCHAIR OPERATION
Part No 1163181 43 Invacare® FDX®
5.4 MPJ+ Joystick Switches and Indicators
On/Off - Drive Select Toggle Switch
The drive select toggle switch is located on the left side, below the LCD. The drive select position is momentary, meaning that it will return to the 
neutral position after a selection is made.
This switch allows the operator to select the type of operation or performance which best suits a particular control need or situation. The DRIVE 1 
program uses performance values which are independent of those used for the DRIVE 2 or 3 or 4 program. As an example, an operator may have a 
control need for spasticity in the morning and a very different need in the afternoon. DRIVE 1 can be programmed for higher speeds and quicker 
response while DRIVE 2 can be programmed for slower speeds and less responsiveness or vise versa. The other two drive programs could be indoor 
and outdoor versions of DRIVE 1 and DRIVE 2.
Selecting the Drive Mode
1. Move the toggle up and release. DRIVE 1 will appear on LCD.
2. Move the toggle up and release again. DRIVE 2 will appear on LCD.
3. Move the toggle up and release again. DRIVE 3 will appear on LCD.
4. Move the toggle up and release again. DRIVE 4 will appear on LCD.
5. Move the toggle up and release one more time to select DRIVE 1.
FIGURE5     MPJ+ Joystick Switches and Indicators
For this procedure, refer to FIGURE5.
Joystick
Remote On/
Off Input
Programmable Mono 
Port 1/2 or External 
Mode Switch To Controller
Drive Select 
Toggle Switch
LCD Display
Speed Control 
Knob
Charger/Programming 
Input (Front of Joystick)
Memory Card Slot
Mode Switch

5   WHEELCHAIR OPERATION
Invacare® FDX® 44 Part No 1163181
Speed Control
The speed control knob is located on the side of the joystick housing. 
1. Rotate the knob clockwise (forward) to increase the speed of the wheelchair to the programmed max speed.
2. Rotate the knob counterclockwise (backward) to decrease the speed of the wheelchair to the programmed max speed.
Joystick
The joystick has proportional drive control, meaning that the further the joystick is pushed from the upright (neutral) position, the faster the 
wheelchair or seat moves. Your top speed, however, is limited by the programmed settings.
To slow the wheelchair to a stop, simply release the joystick. The wheelchair has automatic speed and direction compensation to minimize 
corrections.
Charger/Programming Input
The charger/programming input is located at the front of the joystick housing. This provides easy access for charging the wheelchair batteries. This 
port also serves as the Remote Programmer Communication connection. Driving is prevented while the system is charging.
LCD Display Screens
The LCD Display is located in front of the joystick and provides 
information on the status of the wheelchair through a backlit display. The 
LCD display is readable in both bright sunlight and complete darkness.
Splash Screen
This screen is displayed at startup of the joystick for about 2 seconds. 
This screen displays the software version and date information.
After this screen, the joystick displays the Main Screen. FIGURE6     LCD Display Screens - Splash Screen
For this procedure, refer to FIGURE6.

5   WHEELCHAIR OPERATION
Part No 1163181 45 Invacare® FDX®
Main Screen
During normal operation, the active drive is displayed in the upper half of the LCD display. Battery charge level is shown in the Battery Gauge Display 
(BGD) located on the right side of the LCD display. At full charge, solid blocks fill in all ten segments between E (Empty) and F (Full). As the battery 
becomes discharged, the top most segments will progressively disappear until no segments appear between E and F. At this level, the user should 
charge the batteries as soon as possible.
The lower half of the LCD display is the Information Center. The Information Center displays current data on the wheelchair.
Refer to LCD Display table on page 45 for descriptions of information shown.
LCD DISPLAY
For this procedure, refer to FIGURE7 on page 47.
ITEM DESCRIPTION
DRIVE NAME This field shows the currently selected Drive’s Name. 
Available choices are as follows:
*NOTE: Drive names can be customized. Actual drive names may display differently.
Drive 1* Drive 2*
Drive 3*
Drive 4* “No Drive” selected 
via the programmer
BATTERY 
LEVEL 
INDICATOR
This symbol shows the Battery Level and will change depending on the available battery power.
This indicator is shown on every screen.
STATUS 
MESSAGE
This area displays status or instructions.

5   WHEELCHAIR OPERATION
Invacare® FDX® 46 Part No 1163181
CLOCK Displays current time. 
STATUS 
INDICATOR
The status indicator will show a “Warning” (exclamation point inside a triangle) indicator when the chair has a condition 
that requires attention.
The status indicator will show a “STOP” sign when a serious condition exists. The chair will not be allowed to operate.
The status indicator shows an Attendant Icon if the attendant’s override switch is active.
MODES The dotted-box shows the area that contains the available “modes” in the currently selected drive. The modes are 
programmed for each drive and are based upon the configuration of the chair.
These modes are highlighted when the Mode is active. The operator changes modes by pressing the Mode Select Switch.
The available modes are as follows:
Digital 3 Speed 1 - 3 RIM Mode No Driving Automatic Positioning Powered Seating
4-Switch Level 2
(L2, L2 Latched)
Drive Select ECU Output 
Activated
ASM 1 ASM 2
Infrared Mouse Mouse B Running Lights
ITEM DESCRIPTION
to
to

5   WHEELCHAIR OPERATION
Part No 1163181 47 Invacare® FDX®
FIGURE7   LCD Display Screens - Main Screen
Driving Screen
This screen is shown when the operator issues a drive command and the 
Drive Icon on the main screen was highlighted.
FIGURE8     LCD Display Screens - Driving Screen
Available Modes in this Drive 
(Must be Programmed. Top, Highlighted Icon 
Indicates Selected Mode)
Clock
Battery Gauge 
Display
Status/Info Message Area
Status Indicator
Drive Profile Name
For this procedure, refer to FIGURE8.
The Drive’s name, warning/info message, status 
icon and battery indicator are displayed on this 
screen.

5   WHEELCHAIR OPERATION
Invacare® FDX® 48 Part No 1163181
User Settings
Depress the mode button of the MPJ+ joystick for 10 seconds and the User Settings screen will appear with three choices. Move the joystick forward 
or reverse to scroll through list. Move the joystick to the right to select a user setting.
USER SETTINGS
SET DATE AND TIME SET DATE AND TIME - Sets the clock on the color MPJ+ joystick. Adds date and time stamp 
to error codes.
• Move the joystick Up or Down to change the highlighted value (hour, minute, AM/
PM, month, day, year)
• Move the joystick Right or Left to select a value or the Set icon.
• Highlight the Set icon and move the joystick forward to enter new date and time.
BATTERY VOLTAGE BATTERY VOLTAGE - Displays current battery voltage. This is a diagnostic test a user can 
perform prior to a service call.
CONNECTED DEVICES CONNECTED DEVICES - Displays device connections. Refer to Connected Devices Screen 
on page 49.
User Settings Set Date and Time Battery Voltage Connected Devices

5   WHEELCHAIR OPERATION
Part No 1163181 49 Invacare® FDX®
Connected Devices Screen
This screen is displayed if the Mode Select switch is held active for about 10 seconds. This screen shows an icon that represents any additional devices 
that are connected to the chair.
FIGURE9   LCD Display Screens - Connected Devices Screen
For this procedure, refer to FIGURE9.
ICON DESCRIPTION
Intelligent Tilt 
Actuator
Intelligent Recline 
Actuator
Intelligent Center 
Leg Actuator
Elevate Actuator
Generic Tilt 
Actuator
Generic Recline 
Actuator
Connected 
Devices 
Screen
ICON DESCRIPTION
Generic Leg 
Actuators
Generic Right Leg 
Actuator
Generic Left Leg 
Actuator
Intelligent CG Tilt
Shark Power 
Module (SPM) 
Actuator
SANODE or Single 
Actuator Control 
Interface
4-way Switch Box
Multiple Actuator 
Control Box
ICON DESCRIPTION
RIM Control
ECU 1/2 and ECU 
3/4
Proportional 
Attendant Control
Compact Joystick
Sip and Puff control
Digital Attendant 
Control
Micro Extremity 
Control
Peachtree Control
ASL Digital Control
ICON DESCRIPTION
Generic Analog 
Control
This is displayed if 
the controller 
supports G-Trac
Mouse Only
IR/Mouse
Light Mode

5   WHEELCHAIR OPERATION
Invacare® FDX® 50 Part No 1163181
Programmable Mono Ports 1 and 2 with External Mode Switch
The programmable mono port with external mode switch input is located at the rear of the joystick on the left side. The programmable mono port 
input offers the choice of three options:
• Remote drive select
• Remote stop/mode (reset) input
• Single actuator input
The single switch functions operate through mono port 1. An optional y-cable allows a second programmable function through mono port 2.
Remote Stop Switch
The remote reset switch may be used to stop the wheelchair if the wheelchair is in motion.
The remote reset switch also functions in the same way as the joystick mode switch when the wheelchair is not in motion. Refer to Mode Switch on 
page 51.
Remote On/Off Switch
The remote On/Off switch input is located at the rear of the joystick on the right side and allows the power switch to be operated by an ability switch 
(normally open momentary switch with mono plug). To use the remote On/Off feature, the Drive Select/On/Off switch must be in the On position. 
Each activation of the ability switch will alternately turn the joystick On or Off.
5   WHEELCHAIR OPERATION
Part No 1163181 51 Invacare® FDX®
Mode Switch
The mode switch is used to select the operating mode for the wheelchair. The mode switch is located on the joystick. A mode switch is needed 
whenever any of the following operating modes are programmed:
• Environmental Controls (ECU 1, ECU 2, ECU 3, ECU 4)*
• 3 Speed Mode in Digital 3 Speed (Slow, Medium, Full)
• Sleep Mode
•RIM Mode*
• Remote Drive Selection Mode*
• Tilt/Recline Mode*
• Information Center Display Selection (does not require Reset activation at power up)
• Running Lights (ON/Off)
If any of the above modes are selected, the control will require activation of the switch immediately after the power switch is turned On in order to 
enter the drive mode. The second line of the LCD will display - PRESS RESET.
Memory Card Slot
The memory card slot is used with the basic or professional memory card for saving or reading wheelchair parameters.
5.5 When to Charge Batteries
*In these modes, Standby Select allows the reset switch to be bypassed for users unable to activate the switch.
Keep Batteries charged. When possible, DO NOT allow battery charge to empty.
If battery charge becomes so low that no battery indicators are lit, allow the batteries to charge overnight.

5   WHEELCHAIR OPERATION
Invacare® FDX® 52 Part No 1163181
SPJ+, SPJ+ w/PSS and SPJ+ w/ACC Joysticks
The Information Gauge Display located on the front of the joystick 
housing, it provides the state-of-battery charge, including notification of 
when the battery requires charging. It also provides the following 
information to the user on the status of the wheelchair:
A. GREEN LEDs are lit, indicating well charged batteries.
B. AMBER LEDs are lit, indicating batteries are moderately 
charged. Recharge batteries before taking a long trip.
C. RED LEDs are lit, indicating batteries are running out of 
charge. Recharge batteries as soon as possible.  FIGURE10     SPJ+, SPJ+ w/PSS and SPJ+ w/ACC Joysticks
MPJ+ Joystick
The far right side of the display screen is the Battery Gauge Display 
(BGD). It provides information on the remaining charge in the batteries. 
At full charge, solid blocks fill in battery gauge. As the battery becomes 
discharged, the segments will progressively disappear starting on the 
right and moving towards the left a bar at a time until no segments 
appear. At this level the user should charge the batteries as soon as 
possible. FIGURE11     MPJ+ Joystick
For this procedure, refer to FIGURE10.
Battery Charger/
Programming Port
Batteries Full
Batteries 
Empty
Information Gauge Display
For this procedure, refer to FIGURE11.
Battery Gage 
Display
Display Screen
Batteries Full
Batteries Empty

5   WHEELCHAIR OPERATION
Part No 1163181 53 Invacare® FDX®
5.6 Charging Batteries
The range per battery charge using recommended batteries should be approximately 5 to 9 hours of typical operation. Extensive use on inclines may 
substantially reduce per charge mileage.
WARNING
NEVER attempt to recharge the batteries by attaching cables directly to the battery terminals or clamps. ALWAYS use the 
recharging plug located on the front of the joystick.
DO NOT sit in the wheelchair while charging the batteries.
DO NOT attempt to recharge the batteries and operate the power wheelchair at the same time.
During use and charging, unsealed batteries will vent hydrogen gas which is explosive in the right concentration with air.
CAUTION
Always charge new batteries before initial use or battery life will be reduced.
For this procedure, refer to FIGURE12 on page 55.
New batteries MUST be fully charged prior to initial use of the wheelchair.
As a general rule, batteries should be recharged daily to assure the longest possible life and minimize the required charging 
time. Plan to recharge the batteries when it is anticipated the wheelchair will not be used for a long period of time.

5   WHEELCHAIR OPERATION
Invacare® FDX® 54 Part No 1163181
Description and Use of Battery Chargers
The charger automatically reduces the charge from an initially high rate to a zero reading at a fully charged condition. If left unattended, the charger 
should automatically shut-off when full charge is obtained or enter a trickle charge mode to maintain the batteries depending on charger model.
There are some basic concepts which will help you understand this automatic process. They are:
Once the charger has been connected to the wheelchair and wall outlet and, if necessary, the charger has been turned on, the battery charger indicator 
lights will flash and light to show the battery charger status and condition of batteries to be charged. Refer to owner’s manual shipped with battery 
charger. 
WARNING
NEVER leave the charger unattended when the breaker has tripped. A fault condition exists. Unplug and discontinue using 
immediately. Contact an Invacare dealer.
If performing the charging procedures, READ and CAREFULLY follow the individual instructions for each charger (supplied 
or purchased).
If charging instructions are not supplied, consult a qualified service technician for proper procedures.

5   WHEELCHAIR OPERATION
Part No 1163181 55 Invacare® FDX®
Required Items:
1. Attach the battery charger connector to the charger port on the joystick.
2. Plug the charger’s AC power cord, or extension, into the grounded 120 VAC wall outlet.
3. Wait until charging is complete.
FIGURE12   Charging Batteries
TOOL QUANTITY COMMENTS
Battery Charger 1 Supplied
Allow eight hours for normal charging. Larger batteries (greater than 55 ampere-hours) or severely discharged batteries 
may require up to sixteen hours to be properly charged and equalized.
It is advantageous to recharge frequently rather than only when necessary. In fact, a battery’s life is extended if the charge 
level is maintained well above a low condition.
If the batteries need to be charged more often or take longer to charge than normal, they may need to be replaced. 
Contact an Invacare dealer for service.
MPJ+ Joystick
SPJ+, SPJ+ w/PSS and 
SPJ+ w/ACC Joysticks
Charger/
Programming 
Port Charger/
Programming 
Port 
(On Front of 
Joystick)
Display
Charger/
Programming 
Port 
(On Back of 
Display)
Mini-Display
Charger/
Programming 
Port 
(On Back of 
Display)

5   WHEELCHAIR OPERATION
Invacare® FDX® 56 Part No 1163181
5.7 Running Lights
Running Lights Through MPJ+ Joystick
1. Use the mode switch to select the light mode. Refer to Mode 
Switch on page 51.
2. Move the joystick to turn the lights on or move and hold the 
joystick for 3 seconds to turn the lights on in strobe mode.
3. Move the joystick again to turn lights off. 
Running Lights Through Single Function Switch
1. Press the single function switch to turn the lights on or hold the 
single function switch for 3 seconds to turn the lights on in strobe 
mode.
2. Press the single function switch again to turn lights off.
FIGURE13     Preparing the Joystick for Use
WARNING
Running lights are for increased user visibility ONLY and are NOT intended for use as automobile head/signal lights.
DO NOT operate vehicle on roads, streets or highways - otherwise, serious injury or damage may occur.
For this procedure, refer to FIGURE13.
The running lights offered on this product are an option intended to increase the visibility of the vehicle and user. Running 
lights are NOT intended to be used as automobile head/signal lights.
Inasmuch as this product may be equipped with running lights, this product is NOT intended for use on roads, streets or 
highways.
Location of single function switch will depend on 
wheelchair configuration.
Single Function 
Switch
Connects to 
Lighting Module
MPJ+ Joystick Single 
Function 
Switch
Mode Switch

6   MOTOR LOCKS/WHEEL LOCKS
Part No 1163181 57 Invacare® FDX®
6 Motor Locks/Wheel Locks
6.1 Disengaging/Engaging Motor Lock Levers
1. Perform one of the following as if viewing the motors from behind the wheelchair (Detail “A”):
• Engage (DRIVE) - Move the motor lock levers DOWN to engage the motors and drive the wheelchair.
• Disengage (PUSH) - Move the motor lock levers UP to disengage the motors and push the wheelchair.
WARNING
After ANY adjustments, repair or service and before use, make sure that all attaching hardware is tightened securely - 
otherwise injury or damage may result.
CAUTION
As with any vehicle, the wheels and tires should be checked periodically for cracks and wear, and should be replaced.
WARNING
DO NOT engage or disengage motor locks until the power is in the OFF position.
For this procedure, refer to FIGURE1 on page 58.
Motor lock disengagement/engagement allows free-wheeling or joystick controlled operation. Free-wheeling allows an 
assistant to maneuver the wheelchair without power.
Motor lock levers are located between the rear caster assembly and drive wheel on both sides of the wheelchair.

6   MOTOR LOCKS/WHEEL LOCKS
Part No 1163181 59 Invacare® FDX®
6.2 Disengaging/Engaging Wheel Lock Levers
1. Perform one of the following as if viewing the motors from behind the wheelchair (Detail “A”):
• Engage (LOCKED) - Move the wheel lock levers DOWN to engage the wheel locks.
• Disengage (UNLOCKED) - Move the wheel lock levers UP to disengage the wheel locks.
FIGURE2   Disengaging/Engaging Motor Lock Levers
ACCESSORIES WARNING
Wheel locks are optional on this wheelchair. Invacare products are specifically designed and manufactured for use in 
conjunction with Invacare accessories. Accessories designed by other manufacturers have not been tested by Invacare and 
are not recommended for use with Invacare products.
WARNING
DO NOT use the wheel locks when the wheelchair power is on and the motor locks are engaged - otherwise damage to 
the wheelchair may result.
For this procedure, refer to FIGURE2.
Use the wheel locks whenever the clutches are disengaged and the wheelchair is being pushed.
Wheel lock levers are located between the rear caster assembly and drive wheel on both sides of the wheelchair.
Drive Wheel
DISENGAGE
ENGAGE
Motor Lock Lever
Wheel Lock Drive 
Wheel
Wheel Lock Lever

7   TRANSPORT READY OPTION (TRRO)
Invacare® FDX® 60 Part No 1163181
7 Transport Ready Option (TRRO)
WARNING
This section applies only to wheelchairs equipped with TRRO (Transport Ready Option).
Contact Invacare Corporation (800-333-6900) with any questions about using this wheelchair for seating in a motor vehicle.
When feasible, wheelchair occupants should transfer into the vehicle seat and use the OEM (Original Equipment 
Manufacturer) vehicle-installed restraint system.
This wheelchair has been dynamically tested in a forward-facing mode with the specified crash test dummy restrained by 
BOTH pelvic and upper-torso strap(s) (shoulder straps), and that BOTH pelvic and upper torso strap(s) should be used to 
reduce the possibility of head and chest impacts with vehicle components.
Use ONLY Wheelchair Tie-down and Occupant Restraint Systems (WTORS) which meet the requirements of the SAE 
(Society of Automotive Engineers) J2249 Recommended Practice during travel in a motor vehicle.
This wheelchair has been tested for seating in a motor vehicle with the factory installed seating system only.
This wheelchair MUST be in a forward facing position during travel in a motor vehicle.
This wheelchair is equipped, and has been dynamically tested to rely on WHEELCHAIR-ANCHORED pelvic straps. If 
desired, VEHICLE-ANCHORED pelvic straps may be used.
IT IS STRONGLY RECOMMENDED THAT BOTH PELVIC AND UPPER-TORSO STRAP(S) BE USED TO REDUCE THE 
RISK OF INJURY.
To reduce the potential of injury to vehicle occupants, wheelchair-mounted accessories, including but not limited to IV 
poles, trays, respiratory equipment, backpacks, and other personal items should be removed and secured separately.
Postural supports, positioning devices, and/or strap(s) should NOT be relied on for occupant restraint. These items may be 
used IN ADDITION TO the wheelchair-anchored or vehicle-anchored straps.

7   TRANSPORT READY OPTION (TRRO)
Part No 1163181 61 Invacare® FDX®
7.1 About Transport Ready Packages
TRRO includes four factory-installed transport brackets and a wheelchair anchored pelvic belt. TRRO has been crash-tested in accordance with ANSI/
RESNA WC Vol 1 Section 19 Frontal Impact Test requirements for wheelchairs with a 130 lb crash test dummy, which corresponds to a person with 
a weight of 125 to 165 lbs. for Junior seat sizes or a 168 lb crash dummy, which corresponds to a person with a weight of 165 to 300 lbs. for Adult 
seat sizes.
As of this date, the Department of Transportation has not approved any tie-down systems for transportation of a user while in a wheelchair, in a 
moving vehicle of any type. It is Invacare’s position that users of wheelchairs should be transferred into appropriate seating in vehicles for 
transportation and use be made of the restraints made available by the auto industry. Invacare cannot and does not recommend any wheelchair 
transportation system.
WARNING
Seat angle is factory set at time of shipment. Adjustments to the wheelchair may void WC 19 compliance. To maintain 
compliance, refer to wheelchair service manual before making any adjustments.
DO NOT alter or substitute wheelchair frame parts, components, or seating systems.
A sudden stop and/or collision may structurally damage your wheelchair. Wheelchairs involved in such incidents should be 
replaced.
Spill proof batteries, such as “gel cells”, should be installed on wheelchairs to be used during travel in a motor vehicle.
Transport ready packages are not retrofittable to existing models and are not field serviceable.

7   TRANSPORT READY OPTION (TRRO)
Invacare® FDX® 62 Part No 1163181
7.2 Compliance Information
This wheelchair conforms with the requirements of the ANSI/RESNA WC/Vol. 1 - Section 19 (Frontal Impact Test)
This wheelchair has been dynamically tested in a forward-facing mode with a 130 lb crash test dummy, which corresponds to a person with a weight 
of 125 to 165 lbs. for Junior seat sizes or a 168 lb crash dummy, which corresponds to a person with a weight of 165 to 300 lbs. for Adult seat 
sizes, restrained by Both pelvic and upper-torso belts in accordance with ANSI/RESNA wc Vol 1 Section 19. Both pelvic and upper-torso belts should 
be used to reduce the possibility of head and chest impacts with vehicle components.
7.3 Specifications
ANSI = American National Standards Institute, RESNA= Rehabilitation Engineering and Assistive Technology Society of 
North America.
MODEL MOTOR SEATING SYSTEM WEIGHT LIMIT
FDX 2 Pole/4 Pole Adult ADJASBA 300 lbs
FDX Jr. 2 Pole/4 Pole Jr. ADJASBA 165 lbs

7   TRANSPORT READY OPTION (TRRO)
Part No 1163181 63 Invacare® FDX®
Positioning the Wheelchair in the Vehicle
.
WARNING
This wheelchair MUST be in a forward facing position during travel in a motor vehicle.
The recommended clear zones for wheelchair seated occupants restrained by BOTH pelvic and upper torso belt(s) and 
ONLY by a pelvic belt are shown in the diagrams and described below.
Frontal Clear Zones (FCZ) need to be LARGER when upper torso belt(s) are NOT used.
The rear clear zone of 16-inches is measured from the rearmost point on an occupant’s head. 
The frontal clear zone is measured from the frontmost point on an occupant’s head and is 26-inches with pelvic and upper-
torso belt(s) and 37-inches with ONLY a pelvic belt.
The frontal clear zone may not be achievable for wheelchair-seated drivers.
The estimated seated height (HHT) from the ground or floor to the top of the wheelchair-seated occupant’s head ranges 
from approximately 47-inches for a small adult female to about 61-inches for a tall adult male
Side View
HHT
(Frontal Clear Zone)
16in. FCZ
Top View
8in.
8in.
FCZ
(Frontal Clear Zone)
16in.

7   TRANSPORT READY OPTION (TRRO)
Invacare® FDX® 64 Part No 1163181
Securement Points
FIGURE1   Securement Points
Securing the Wheelchair
This wheelchair is to be used only with Wheelchair Tie-down and Occupant Restraint Systems (WTORS) that have been installed in accordance with 
the manufacturer's instructions and SAE J2249.
Attach WTORS to the tie-down brackets in accordance with the manufacturer's instructions and SAE J2249.
For this procedure, refer to FIGURE1.
A copy of SAE J2249 Wheelchair Tie-down and Occupant Restraint Systems (WTORS) for use in Motor Vehicles can be 
obtained from: SAE International, 400 Commonwealth Drive, Warrendale, PA 15096-0001, (877) 606-7232 or 
(724) 776-4970.
Tie-Down 
Bracket
Tie-Down 
Brackets

7   TRANSPORT READY OPTION (TRRO)
Part No 1163181 65 Invacare® FDX®
7.4 Securing the Occupant
Wheelchair-Anchored Belts
The wheelchair has been provided with a pelvic belt which meets the requirements of ANSI/RESNA WC/19. 
The pelvic belt provided by Invacare has been designed to accommodate use on either side of the vehicle. If necessary, follow the instructions below 
to reverse the orientation of the pelvic belt to accommodate the vehicle-anchored upper torso belt.
1. Install the pelvic belt pin (Detail “A”) into slot in the pelvic belt bracket (Detail “B”). Pull upwards until it snaps into place.
2. Repeat STEP 1 for the opposite pelvic belt bracket.
3. Install the vehicle-anchored upper torso belt onto the pin located at either end of the pelvic belt.
WARNING
The pelvic belt that is provided by Invacare has been tested for use in a motor vehicle on this wheelchair only. Do not 
replace the pelvic belt with a different style pelvic belt. 
For this procedure, refer to FIGURE2 on page 66.
Both ends of the pelvic belt have a pin which is used to secure the vehicle-anchored upper torso belt. 

7   TRANSPORT READY OPTION (TRRO)
Part No 1163181 67 Invacare® FDX®
Vehicle-Anchored Belts
This wheelchair has an overall rating of “A” with regard to 
accommodating the use and fit of vehicle-anchored belts. This rating is 
scored as follows:
The test for Lateral Stability Displacement for Point (P) is shown in 
FIGURE 3.
The average test result for point (P) is:
• FDX Adult - 0.476 in (12.1 mm)
• FDX Junior - 0.445 in (11.3 mm)
FIGURE 3   Vehicle-Anchored Belts
Seating System
Ensure that the factory installed seating system is secured to the wheelchair frame before operation. Refer to the seating system owner’s manual.
For this procedure, refer to FIGURE 3.
RATING DESCRIPTION
AExcellent
BGood
CFair
DPoor
NOTE: Rear view of wheelchair and human surrogate 
secured on test platform and tilted to 45 degrees.
Rear View
Test
Platform
Point (P)
45°
WARNING
This wheelchair has been tested for seating in a motor vehicle with the factory installed seating system only. 
When feasible, wheelchair occupants should transfer into the vehicle seat and use the OEM (Original Equipment 
Manufacturer) vehicle-installed restraint system

7   TRANSPORT READY OPTION (TRRO)
Invacare® FDX® 68 Part No 1163181
Positioning Belts
WARNING
The angle of the pelvic belt should be within the preferred zone of 
45 to 75 degrees to the horizontal OR within the optional zone of 
30 to 45 degrees to the horizontal.
Steeper side-view pelvic belt angles are especially important if the 
pelvic belt is intended to be used for postural support in addition 
to occupant restraint in a frontal crash. Steeper angles will 
reduce the tendency for a vertical gap to develop between the 
user and the belt due to compliance of seat cushions and belt 
movement, thereby reducing the tendency for the user to slip 
under the belt and for the belt to ride up on the soft abdomen 
during normal use
Steeper belt angles also reduce the tendency for upper-torso 
belts to pull the pelvic belt onto the abdomen during frontal 
impact loading.
For this procedure, refer to FIGURE4 on page 69.
45°
30°
Preferred Zone
Optional Zone
75°
Side View

7   TRANSPORT READY OPTION (TRRO)
Part No 1163181 69 Invacare® FDX®
1. The pelvic belt should be worn low across the front of the pelvis.
2. Position the upper torso belt(s) over the shoulders.
3. The belt(s) should not be held away from the body by wheelchair components or parts, including but not limited to wheelchair armrests or 
wheels. Refer to FIGURE4 for proper and improper positioning of the belts.
4. Ensure the belt(s) are not twisted.
5. Adjust belts as firmly as possible, being mindful of user comfort.
FIGURE4   Positioning Belts
DO position belts INSIDE of 
armrests, wheels, etc.
DO NOT position belts OUTSIDE 
of armrests, wheels, etc.

8   SETUP/MAINTENANCE
Invacare® FDX® 70 Part No 1163181
8 Setup/Maintenance
8.1 Setup/Delivery Inspection
Check all parts for shipping damage. In case of damage, DO NOT use.
Ensure wheelchair rolls straight (no excessive drag or pull to one side).
Ensure clothing guards are secure
Ensure arms are secure but easy to release and adjustment levers engage properly.
Adjustable height arms operate and lock securely.
Ensure axle nut or bolt and wheel mounting nuts are secure on drive wheels.
Ensure caster/anti-tipper wheels are free of debris, and all mounting hardware is secure and not damaged/missing.
Check that cables are routed and secured properly to ensure that cables DO NOT become entangled and damaged during normal operation of 
seating system.
Ensure proper operation of powered functions (Example: drive, seating and legrests).
Setup/delivery inspection should be performed by dealer at time of delivery/set up.
Initial adjustments should be made to suit your personal body structure needs and preference. Thereafter weekly, monthly 
and periodic inspections should be performed by user/attendant between the six month service inspections. Refer to User/
Attendant Inspection Checklists on page 71
Every six months, and as necessary, take your wheelchair to a qualified technician for a thorough inspection and servicing. 
Refer to Service Inspection on page 73.

8   SETUP/MAINTENANCE
Part No 1163181 71 Invacare® FDX®
8.2 User/Attendant Inspection Checklists
Inspect/Adjust Weekly
Ensure that the casters are free of debris.
Inspect tires for flat spots and wear.
Inspect all fasteners.
Inspect TRBKTS fasteners and hardware.
Inspect the anti-tippers for loose hardware or damage.
Ensure proper operation of powered functions (Example: drive, seating and legrests).
Every six months, and as necessary, take your wheelchair to a qualified technician for a thorough inspection and servicing. 
Service Inspection on page 73.
Weekly, monthly and periodic inspections should be performed by user/attendant between the six month service 
inspections.
Regular cleaning will reveal loose or worn parts and enhance the smooth operation of your wheelchair. To operate 
properly and safely, your wheelchair must be cared for just like any other vehicle. Routine maintenance will extend the life 
and efficiency of your wheelchair.
CAUTION
As with any vehicle, the wheels and tires should be checked periodically for cracks and wear, and should be replaced.
8   SETUP/MAINTENANCE
Invacare® FDX® 72 Part No 1163181
Inspect/Adjust Monthly
Clean upholstery and armrests.
Clean dirt and lint from axles.
Clean dirt and lint from bearings.
Ensure that the casters are free of debris.
Inspect seat positioning strap for any signs of wear. Ensure buckle latches. Verify hardware that attaches strap to frame is secure and undamaged. 
Replace if necessary.
Inspect/Adjust Periodically
Ensure wheelchair rolls straight (no excessive drag or pull to one side).
Inspect all fasteners.
Inspect TRBKTS fasteners and hardware.
Ensure clothing guards are secure.
Ensure arms are secure but easy to release and adjustment levers engage properly.
Adjustable height arms operate and lock securely.
Ensure upholstery does not have any rips or tears.
Armrest pad sits flush against arm tube.
Ensure that the casters are free of debris.
Inspect foam handgrips for damage. If damaged, have them replaced by a qualified technician.
Check center mount front riggings for loose fasteners. Replace /tighten if necessary.
Check that all labels are present and legible. Replace if necessary.

8   SETUP/MAINTENANCE
Part No 1163181 73 Invacare® FDX®
8.3 Service Inspection
The following are recommended items to inspect during regular service inspections performed by a qualified technician. Actual items to be inspected 
during the service inspection may vary according to the specific wheelchair:
Six Month Inspection
Clean upholstery and armrests.
Clean dirt and lint from axles.
Clean dirt and lint from bearings.
Check that all labels are present and legible. Replace if necessary.
Every six months take your wheelchair to a qualified technician for a thorough inspection and servicing.
Service inspections MUST be performed by a qualified technician.
WARNING
After ANY adjustments, repair or service and before use, make sure that all attaching hardware is tightened securely - 
otherwise injury or damage may result.
CAUTION
As with any vehicle, the wheels and tires should be checked periodically for cracks and wear, and should be replaced.
8   SETUP/MAINTENANCE
Invacare® FDX® 74 Part No 1163181
Ensure clothing guards are secure.
Ensure adjustable height arms operate and lock securely.
Ensure upholstery does not have any rips or tears.
Ensure armrest pad sits flush against arm tube.
Ensure arms are secure but easy to release and adjustment levers engage properly.
Inspect seat positioning strap for any signs of wear. Ensure buckle latches. Verify hardware that attaches strap to frame is secure and undamaged. 
Replace if necessary.
Ensure wheelchair rolls straight (no excessive drag or pull to one side).
Ensure that there is no excessive side movement or binding when drive wheels are lifted and spun when disengaged (free-wheeling).
Ensure axle nut or bolt and wheel mounting nuts are secure on drive wheels.
Inspect tires for flat spots and wear.
Ensure that the casters are free of debris.
Ensure wheels/casters have proper tension when wheels/casters are spun (when free-wheeling). Wheels/casters should come to a gradual stop.
Loosen/tighten caster locknut if wheel wobbles noticeably or binds to a stop.
Ensure all caster/wheel/fork/headtube fasteners are secure and not damaged/missing.
Inspect the anti-tippers for loose hardware or damage.
Ensure the anti-tipper wheels are properly installed and located in the proper mounting position.
Ensure wheel locks DO NOT interfere with tires when rolling.
Ensure wheel lock pivot point are free of wear and looseness.
Ensure wheel locks are easy to engage.
8   SETUP/MAINTENANCE
Part No 1163181 75 Invacare® FDX®
Check center mount front riggings for loose fasteners. Replace /tighten if necessary.
Check that cables are routed and secured properly to ensure that cables DO NOT become entangled and damaged during normal operation of 
seating system.
Ensure proper operation of powered functions (drive, seating, legrests, ect...).
Inspect motor brushes and gearbox coupling.
Inspect electrical components for signs of corrosion. Replace if corroded or damaged.
Inspect battery terminals for loose cable connection. Tighten if necessary.
Inspect all fasteners.
Inspect TRBKTS fasteners and hardware.
Inspect foam handgrips for damage. If damaged, have them replaced by a qualified technician.
Ensure swingarm stops are in place and not deteriorated or damaged. Replace if necessary.
Inspect/Adjust Every 18 Months
Replace motor brushes and gearbox coupling.

8   SETUP/MAINTENANCE
Invacare® FDX® 76 Part No 1163181
8.4 Batteries
WARNING
The use of rubber gloves is recommended when working with batteries.
Invacare strongly recommends that battery installation and battery replacement always be done by a qualified technician.
After ANY adjustments, repair or service and before use, make sure all attaching hardware is tightened securely - 
otherwise injury or damage may result.
GP34 batteries weigh 42 pounds each. Use proper lifting techniques (lift with your legs) to avoid injury.
DO NOT lift batteries by the hook and loop battery strap. The hook and loop battery strap should be used to assist in 
removing the batteries from the wheelchair base frame.
DO NOT tip the batteries. Keep the batteries in an upright position.
NEVER allow any of your tools and/or battery cable(s) to contact BOTH battery post(s) at the same time. An electrical 
short may occur and serious personal injury or damage may occur.
When tightening the clamps, always use a box wrench. Pliers will “round off” the nuts. NEVER wiggle the battery 
terminal(s)/post(s) when tightening. The battery may become damaged.
The POSITIVE (+) RED battery cable MUST connect to the POSITIVE (+) battery terminal(s)/post(s), otherwise serious 
damage will occur to the electrical system.
Install protective caps on POSITIVE (+) and NEGATIVE (-) battery terminals.
Do not remove fuse or mounting hardware from POSITIVE (+) red battery cable mounting screw.
Unless otherwise indicated, make sure power to the wheelchair is OFF before performing these procedures.
After ANY adjustments, repair or service and before use, make sure all attaching hardware is tightened securely - 
otherwise injury or damage may occur. 

8   SETUP/MAINTENANCE
Part No 1163181 77 Invacare® FDX®
8.5 Using the Proper Batteries
1. Position battery on ground/flat surface as shown below.
2. Visually inspect the battery to ensure proper polarity:
If there is battery acid in the bottom of the battery box or on the sides of the battery(ies), apply baking soda to these areas 
to neutralize the battery acid. Before reinstalling the existing or new battery(ies), clean the baking soda from the battery 
tray or battery(ies) being sure to avoid contact with skin and eyes. Determine source of contamination. NEVER install/
reinstall a battery with a cracked or otherwise damaged case.
WARNING
FOR WHEELCHAIRS USING GP34 BATTERIES
Batteries with terminal configuration (POSITIVE on the left and NEGATIVE on the right) as shown below MUST be used. 
Batteries that have the reverse terminal configuration MUST not be used - otherwise injury and damage may occur.
Terminals MUST have a threaded insert in them as shown below.
PROPER BATTERIES TO USE DO NOT USE THIS TYPE OF BATTERY 
POSITIVE (+) 
Battery 
Terminal/Post
NEGATIVE (-) 
Battery Terminal/
Post
POSITIVE (+) 
Battery Terminal/
Post
NEGATIVE (-) 
Battery 
Terminal/Post
Threaded Insert 
Terminal

8   SETUP/MAINTENANCE
Invacare® FDX® 78 Part No 1163181
8.6 Removing/Installing the Batteries
WARNING
DO NOT lift batteries by the hook and loop battery strap. The hook and loop battery strap should be used to assist in 
removing the batteries form the wheelchair base frame.
DO NOT tip the batteries. Keep the batteries in an upright position.
If there is battery acid in the bottom of the battery tray or on the sides of the battery, apply baking soda to these areas to 
neutralize the battery acid. Before reinstalling the existing or new battery, clean the baking soda from the battery tray or 
battery being sure to avoid contact with skin and eyes. Determine source of contamination. NEVER install/reinstall a battery 
with a cracked or otherwise damaged case.
A battery cable secured to the top of the wheelchair base frame connects the front battery connector to the rear battery 
connector. It is unnecessary to remove the battery cable when removing or installing the batteries.
Have the following tools available.
TOOL    QTY COMMENTS
7/16-INCH (6PT) BOX WRENCH  1 Not Supplied
DIAGONAL CUTTERS  1 Not Supplied

8   SETUP/MAINTENANCE
Part No 1163181 79 Invacare® FDX®
Removing/Installing the Front Battery
1. Place the wheelchair in a well ventilated area where work can be 
performed without risking damage to carpeting or floor covering.
2. If necessary, elevate the seat to the up most position.
3. Verify the joystick On/Off switch is in the Off position and 
disconnect joystick cable (not shown). Refer to Disconnecting/
Connecting the Joysticks on page 89.
4. Remove the two thumb screws securing the front shroud/battery 
retention bracket to the wheelchair base frame.
5. Remove the front shroud/battery retention bracket from the 
wheelchair base frame.
6. Disconnect the front battery connector from the front connector 
of the battery cable.
7. Remove the front battery from the wheelchair base frame.
.
FIGURE1     Removing/Installing the Batteries
For this procedure, refer to FIGURE1.
Reverse this procedure to install the front battery.
Front Battery
Wheelchair Base Frame
Front Shroud/Battery 
Retention Bracket
Mounting 
Screws
Front Battery 
Connector
Front Connector of Battery of 
Battery Cable Located Here

8   SETUP/MAINTENANCE
Invacare® FDX® 80 Part No 1163181
Removing/Installing the Rear Battery
1. Remove the two thumb screws securing the rear shroud to the rear shroud stand offs (FIGURE2).
2. Remove the rear shroud from the wheelchair base frame.
3. Locate the two wiring bundles, one on each side of the controller and if necessary, cut the tie-wraps securing the wiring bundles to the controller 
bracket.
FIGURE2   Removing the Rear Shroud
For this procedure, refer to FIGURE2 and FIGURE3 on page 82.
Reverse this procedure to install the rear battery.
Take note of position and orientation of the tie-wraps and wiring bundles before cutting necessary tie-wraps and 
repositioning the wiring bundles. 
Wheelchair Base Frame
Mounting Screws
Controller Bracket
Rear Shroud
Mounting Screw
Mounting Screw
Stand Offs
Stand Offs
Wheelchair Base Frame

8   SETUP/MAINTENANCE
Part No 1163181 81 Invacare® FDX®
4. Remove the tie-wraps securing the right side wiring bundle together (FIGURE3, Detail “A”).
5. Remove the two mounting screws securing the controller bracket to the wheelchair base frame (FIGURE2).
6. Lifting up on the controller bracket, disengage the controller bracket from the wheelchair base frame.
7. Using one hand to support the controller bracket, use the other hand to disconnect the two motor connectors, the rear battery wiring 
connector, the joystick connector and the auxiliary wiring harness connector (if equipped with power seating system, running light package or 
other powered accessory) from the controller (FIGURE3, Detail “A”).
8. Set the controller bracket aside.
9. Disconnect the rear battery wiring connector from the rear battery connector (FIGURE3, Detail “B”).
10. Remove the rear battery from the wheelchair base frame.
WARNING
When removing or installing the rear battery, DO NOT allow the controller bracket to come in contact with the top of 
the battery. ALWAYS remove the controller bracket from the wheelchair base frame when removing the batteries - 
otherwise injury or damage may occur.

8   SETUP/MAINTENANCE
Invacare® FDX® 82 Part No 1163181
FIGURE3   Removing/Installing the Batteries
Right Side Wiring 
Bundle
Rear Battery 
Connector 
Rear Battery
Rear Battery Wiring 
Connector
Right Motor 
Connector
Left Motor 
Connector
Joystick 
Connector
Auxiliary Wiring Harness Connector
Controller
Tie-wraps
Wheelchair Base Frame
Rear Battery Wiring 
Connector
DETAIL “A” DETAIL “B”

8   SETUP/MAINTENANCE
Part No 1163181 83 Invacare® FDX®
8.7 Replacing the Batteries and/or Battery Cables
Disconnecting Battery Cables
1. Remove the batteries. Refer to Removing/Installing the Batteries on page 78.
2. Cut the tie-wrap that secures the battery terminal cap in place. 
3. Slide terminal caps up onto the battery cables. 
4. Remove the mounting screw and two lock washers securing the POSITIVE (+) battery cable L-bracket to the POSITIVE (+) battery terminal.
5. Remove the mounting screw and two lock washers securing the NEGATIVE (-) battery cable to the NEGATIVE (-) battery terminal.
6. Repeat STEPS 2-5 to remove the battery cables from the remaining battery.
WARNING
The use of rubber gloves is recommended when working with batteries.
NEVER allow any of your tools and/or battery cables to contact both battery terminals at the same time. An electrical short 
may occur and serious personal injury or damage may occur.
For this procedure, refer to FIGURE4 on page 85.
Perform STEPS 2-5 on one battery at a time.
WARNING
NEVER allow any of your tools and/or battery cables to contact both battery terminals at the same time. An electrical short 
may occur and serious personal injury or damage may occur.
Connect same color connectors to each other (GRAY to GRAY, BLACK to BLACK).
DO NOT remove fuse or mounting hardware from POSITIVE (+) battery cable mounting screw. To replace the fuse, 
obtain and replace battery harness with fuse.

8   SETUP/MAINTENANCE
Invacare® FDX® 84 Part No 1163181
Connecting Battery Cables
1. Secure the battery cables to the battery terminals as described below. Securely tighten:
A. Using the mounting screw and two lock washers, secure the POSITIVE (+) battery cable L-bracket to the POSITIVE (+) battery terminal.
B. Using the mounting screw and two lock washers, secure the NEGATIVE (-) battery cable to the NEGATIVE (-) battery terminal.
2. Repeat STEP 1 to connect the battery cables to the remaining battery.
3. Verify all battery cables are correctly installed and securely tightened. 
4. Slide terminal caps down battery cables and onto battery terminals.
5. Secure each terminal cap in place with a tie-wrap (use tie-wraps 11-1/2-inches long). 
6. Position the batteries into the wheelchair. Refer to Removing/Installing the Batteries on page 78.
WARNING
The positive (+) battery cable must connect to the positive (+) battery terminal, otherwise serious damage will occur to the 
electrical system.
The use of rubber gloves is recommended when working with batteries.
Battery terminal configuration as shown in Detail “A” of FIGURE4 MUST be used. Batteries that have the terminal 
configuration reversed MUST NOT be used - otherwise serious injury or damage may occur.
Install protective caps on POSITIVE (+) and NEGATIVE (-) terminals.
All battery terminal covers (two on the front battery and two on the rear battery) must be installed prior to use.
CAUTION
When connecting the battery cables to the battery, the battery cables MUST be connected to the battery terminals, as 
shown in FIGURE4, otherwise damage to the battery cable may result when installing battery terminal caps.
Perform STEP 1 on one battery at a time.

8   SETUP/MAINTENANCE
Part No 1163181 85 Invacare® FDX®
7. If necessary, charge the battery. Refer to Charging Batteries on page 53.
FIGURE4   Replacing the Batteries and/or Battery Cables
New batteries MUST be fully charged before using, otherwise the life of the batteries will be reduced.
POSITIVE (+) 
Battery Terminal
NEGATIVE (-) 
Battery Cable
NEGATIVE (-) Battery Terminal
Lock Washer
Front Battery
Rear Battery
Mounting Screw
Tie-Wrap
POSITIVE (+) 
Battery Cable 
L-Bracket
Terminal Caps
Mounting Screw
Lock Washer
Tie-Wrap
Terminal 
Cap
Tie-Wraps
Terminal Cap
NEGATIVE (-) 
Battery Cable
Mounting 
Screw
Lock 
Washers
POSITIVE (+) Battery 
Terminal
Lock Washer
Mounting Screw
POSITIVE (+) 
Battery Cable 
L-Bracket
NEGATIVE (-) 
Battery 
Terminal
Tie-Wraps Front Battery
Rear Battery
Lock Washer
Lock 
Washer
Lock Washer

8   SETUP/MAINTENANCE
Invacare® FDX® 86 Part No 1163181
8.8 Anti-Tippers
FIGURE5     Anti-Tippers
WARNING
DO NOT Operate the wheelchair without anti-
tippers installed - otherwise injury or damage may 
result
For this procedure, refer to FIGURE5.
The anti-tipper wheels MUST be mounted in the 
correct location according to the seat size and 
occupant weight to maintain wheelchair stability.
WARNING
DO NOT reposition the anti-tipper wheel. 
Changing the anti-tipper wheel location will effect 
the wheelchair stability and injury or damage may 
result
Anti-Tipper
Anti-Tipper Wheel
18 in Seat Depth
19 in and Deeper Seat 
Depths
16 and 17 in Seat 
Depths

8   SETUP/MAINTENANCE
Part No 1163181 87 Invacare® FDX®
8.9 Adjusting Forks
1. Remove the mounting screw securing the suspension arm shroud 
to the suspension arm.
2. Remove the suspension arm shroud from the suspension arm and 
caster headtube.
3. To properly tighten caster journal system and guard against flutter, 
perform the following check:
A. Tip the wheelchair forward, toward the floor.
B. Pivot both forks and casters to top of their arc simultaneously.
C. Let casters drop to bottom of arc (wheels should swing once 
to one-side, then immediately rest in a straight downward 
position).
D. Adjust locknuts according to freedom of caster swing.
4. Test wheelchair for maneuverability.
5. Readjust locknuts if necessary, and repeat STEPS 1-3 until correct.
6. Reverse STEPS 1 and 2 to reinstall the suspension arm shroud. FIGURE6     Adjusting Forks
For this procedure, refer to FIGURE6.
This procedure must be performed by a qualified technician.
This procedure applies to both Forks.
Locknut
Fork
Caster 
Headtube
Suspension Arm 
Shroud
Suspension Arm
Mounting Screw

8   SETUP/MAINTENANCE
Invacare® FDX® 88 Part No 1163181
8.10 Repositioning Joystick
1. Turn the adjustment lock lever to release the joystick mounting tube from the mounting bracket.
2. Remove the joystick from the wheelchair.
3. Remove the three hex screws that secure both halves of the mounting bracket to the arm tube.
4. Reposition mounting bracket on opposite arm tube ensuring the threaded plate of the mounting bracket is on the inside of the arm tube as shown 
in FIGURE7.
5. Using the three hex mounting screws and washers, secure both halves of the mounting bracket to the arm tube.
6. Slide the joystick mounting tube through the mounting bracket to the desired position.
7. Turn the adjustment lock lever to secure the joystick mounting tube into the mounting bracket.
FIGURE7   Repositioning Joystick
For this procedure, refer to FIGURE7.
This procedure must be performed by a qualified technician.
Washers
Hex Mounting 
Screws
Mounting Bracket
Adjustment Lock 
Lever
Joystick 
Mounting 
Tube
Mounting 
Bracket 
(Threaded 
Plate)
Arm Tube
Joystick not shown.

8   SETUP/MAINTENANCE
Part No 1163181 89 Invacare® FDX®
8.11 Disconnecting/Connecting the Joysticks
SPJ+ Joysticks
Disconnecting
1. Hold the light GREY collar portion of the joystick connector with one hand and the controller connector on the wheelchair in the other and 
disconnect them by pulling them apart.
Connecting
1. Hold the light GREY collar portion of the joystick connector with 
one hand and the controller connector on the wheelchair in the 
other and align them.
2. Lightly push to engage the joystick connector and the controller 
connector.
FIGURE8     Disconnecting/Connecting the Joysticks - SPJ+ Joysticks
For this procedure, refer to FIGURE8.
The joystick connector is located at the rear of the seat frame.
WARNING
The joystick connector and controller connector 
fit together in one way only. DO NOT force them 
together. 
Joystick 
Connector
Light Grey 
Collar
Controller 
Connector

8   SETUP/MAINTENANCE
Invacare® FDX® 90 Part No 1163181
MPJ+ Joysticks
Disconnecting
1. Pull the latch away from the joystick connector.
2. Disconnect the joystick connector from the remaining connectors
Connecting
1. Ensure the latch is pulled away from the network connector.
2. Connect the network connector to the other connectors.
3. Top and Bottom Connectors - Install connector caps onto the 
network connector.
4. Push the latch in to secure the network connectors and caps.
5. If necessary secure excess cable using tie-wraps.
FIGURE9     Disconnecting/Connecting the Joysticks - 
MPJ+ Joysticks
For this procedure, refer to FIGURE9.
Ensure the gaskets are installed in the top 
connector cap and between network connectors.
Top Connector
Cap
Latch
Gasket
Network
Connectors
Gasket
Controller
Cable
Gasket
Bottom 
Connector 
Cap

9   TROUBLESHOOTING
Part No 1163181 91 Invacare® FDX®
9 Troubleshooting
9.1 Driving Performance 
9.2 Electrical
NOTE: For additional troubleshooting information and explanation of error codes, refer to the individual Electronics Manual supplied with each wheelchair.
SPJ™+, SPJ+ w/PSS or SPJ+ w/ACC Joysticks
The joystick information gauge and the service indicator give indications of the type of fault or error detected by the control module. When a fault is 
detected, the wheelchair may stop and not drive. The LEDs on the information gauge may flash in a particular pattern or the service indicator light 
will flash. The number or type of flashes indicates the nature of the error. If multiple errors are found, only the first error encountered by the control 
module will be displayed.
WHEELCHAIR
VEERS
LEFT/RIGHT
SLUGGISH
TURN/
PERFORMANCE
CASTERS
 FLUTTER
SQUEAKS AND
 RATTLES
LOOSENESS IN
WHEELCHAIR
WHEELCHAIR 3
 WHEELS
SOLUTIONS
XXX Check for loose stem nuts/bolts, bearings or signs of wear.
XXXXX
Check for uneven tire wear, bent fork/frame or loose hardware.

9   TROUBLESHOOTING
Invacare® FDX® 92 Part No 1163181
Information Gauge Display Diagnostics
DISPLAY DESCRIPTION DEFINITION COMMENTS
All LEDs are off. Power is off.
All LEDs are on. Power is on. Fewer than three LEDs on implies reduced 
battery charge.
Left RED LED is flashing. Battery charge is low. The batteries should be charged as soon as 
possible.
Left to Right “chase” alternat-
ing with steady display.
Joystick is in programming, inhibit 
and/or charging mode.
The steady LEDs indicate the current state 
of the battery charge.
All LEDs are flashing slowly. Joystick has detected Out-of-
Neutral-at-Power-Up mode. 
Release the joystick back to Neutral.
Information 
Gauge Display

9   TROUBLESHOOTING
Part No 1163181 93 Invacare® FDX®
Service Indicator Light Diagnostics
FIGURE1   Service Indicator Light Diagnostics
For this procedure, refer to FIGURE1.
NUMBER OF 
FLASHES
ERROR CODE 
DESCRIPTION
POSSIBLE SOLUTION
1 User Fault Release joystick to neutral and try again.
2 Battery Fault Charge the batteries. Refer to Charging Batteries on page 53.
Check that battery cables are connected properly. If necessary, replace batteries. Refer to 
Replacing the Batteries and/or Battery Cables on page 83.
3Left Motor Fault
Contact Invacare/Dealer for service.
4 Right Motor Fault Contact Invacare/Dealer for service.
5 Left Park Brake Fault Ensure brake lever is in the drive position before turning on the wheelchair. Ensure motor cable is 
plugged into the controller.
Contact Invacare/Dealer for service.
6 Right Park Brake Fault Ensure brake lever is in the drive position before turning on the wheelchair. Ensure motor cable is 
plugged into the controller.
Contact Invacare/Dealer for service.
Service Indicator Light

9   TROUBLESHOOTING
Invacare® FDX® 94 Part No 1163181
MPJ™+, PSR+, PSF+ Joysticks or Displays
7 Remote Fault Check to make sure joystick is connected properly. Turn Joystick off then on.
Contact Invacare/Dealer for service.
8 Controller Fault Contact Invacare/Dealer for service.
9 Communications Fault Check joystick cable connections. Check joystick cable and connectors for damage.
Contact Invacare/Dealer for service.
10 General Fault Contact Invacare/Dealer for service.
11 Incompatible or 
incorrect Remote
Wrong type of remote connected. Contact Invacare/Dealer for service.
SYMPTOM PROBABLE CAUSE SOLUTIONS
 LEFT BRAKE FAULT or RIGHT BRAKE 
FAULT displays and wheelchair does not 
drive.
Motor lock levers disengaged (Error 
code E9 or E10).
Engage motor lock levers. Refer to Disengaging/Engaging 
Motor Lock Levers on page 57.
CHARGER PLUGGED IN displays. Battery charger connected (Error 
code E28). 
Unplug battery charger from the wheelchair. Refer to 
Charging Batteries on page 53.
BATTERY FAULT displays and the wheelchair 
does not drive.
Batteries need to be charged (Error 
code E14).
Charge batteries. Refer to Charging Batteries on page 53. If 
batteries fail to charge properly, check battery charger or 
replace batteries. Refer to Replacing the Batteries and/or 
Battery Cables on page 83.
 JOYSTICK TIMEOUT displays and the 
wheelchair does not drive.
Joystick or input device is 
disconnected (Error code 32).
Turn off power, reconnect the joystick of input device and 
turn power on.
NUMBER OF 
FLASHES
ERROR CODE 
DESCRIPTION
POSSIBLE SOLUTION

9   TROUBLESHOOTING
Part No 1163181 95 Invacare® FDX®
JOYSTICK FAULT displays and the 
wheelchair does not drive.
The joystick or input device is 
sending a value outside of the 
reverse, forward, left or right limits 
(Error codes E01, E02, E03 or E04).
Replace joystick or input device.
NEUTRAL TESTING displays. The joystick neutral test has failed 
(Error code E18).
Release the joystick and try to get the joystick back into the 
center-most position.
BAD JOYSTICK CAL VALUES displays and 
the wheelchair does not drive.
The joystick calibration values are 
outside of the expected range 
(Error code E19).
Recalibrate the joystick (joystick throw procedure).
CTRL NOT CONNECTED The MPJ or Display module is not 
communicating with the control 
module (Error code E200).
Check the connections between the joystick or display and 
the controller. Turn the power off and then back on. Replace 
the controller if necessary.
CTRL COM FAULT displays and the 
wheelchair drives slowly.
The controller has determined a 
fault during a previous turn-off 
process (Error code E41).
Turn the wheelchair off and back on.
MISSING CONFIGURATION displays at 
power up.
One or more devices have been 
removed or disconnected from the 
wheelchair.
Reconnect the device.
ATTENDANT ACTIVE and   displays.
The Proportional or Digital 
Attendant control is active and can 
be used to drive the chair.
This is normal behavior.
Batteries draw excessive current when 
charging.
Battery failure.
Electrical malfunction.
Have batteries checked for shorted cell. Replace if necessary.
Contact Dealer/Invacare for service.
SYMPTOM PROBABLE CAUSE SOLUTIONS

9   TROUBLESHOOTING
Invacare® FDX® 96 Part No 1163181
Battery indicator flashes the charge level is 
low - immediately after recharge.
Battery failure.
Malfunctioning battery charger.
Electrical malfunction.
Check batteries for shorted cell. Replace if necessary.
Contact Dealer/Invacare for Service.
Contact Dealer/Invacare for Service.
Battery indicator flashes the charge level is 
low - too soon after being recharged.
Batteries not charged.
Weak batteries.
Have charger checked.
Replace batteries if necessary. Refer to Replacing the 
Batteries and/or Battery Cables on page 83.
Motor “chatters” or runs irregular. Motor/gearbox malfunction. Stop use of Wheelchair. Contact Dealer/Invacare for Service.
Joystick erratic or does not respond as 
desired.
Damaged motor coupling.
Electrical malfunction.
Controller programmed 
improperly.
Contact Dealer/Invacare for Service.
Contact Dealer/Invacare for Service.
Contact Dealer/Invacare to have controller reprogrammed.
Wheelchair does not respond to commands. Electrical malfunction. Contact Dealer/Invacare for Service.
Power indicator off - even after recharging. Poor battery terminal connection. Have terminals cleaned.
SYMPTOM PROBABLE CAUSE SOLUTIONS

9   TROUBLESHOOTING
Part No 1163181 97 Invacare® FDX®
9.3 Checking Battery Charge Level
The following “Do’s” and “Don’ts” are provided for your convenience and safety.
DON’T DO
Don’t perform any installation or maintenance without first 
reading this manual.
Read and understand this manual and any service information that accompanies 
a battery and charger before operating the wheelchair.
Don’t perform installation or maintenance of batteries in an 
area that could be damaged by battery spills.
Move the wheelchair to a work area before cleaning terminals, or opening bat-
tery box.
Don’t make it a habit to discharge batteries to the lowest level. Recharge as frequently as possible to maintain a high charge level and extend 
battery life.
Don’t use randomly chosen batteries or chargers. Follow recommendations in this manual when selecting a battery or charger.
Don’t put new batteries into service before charging. Fully charge a new battery before using.
Don’t tip or tilt batteries. Use a carrying strap to remove, move or install a battery.
Don’t tap on clamps and terminals with tools. Push battery clamps on the terminals. Spread clamps wider if necessary.
Don’t mismatch your battery and chargers. Use ONLY a GEL charger for a GEL battery.

Invacare Corporation www.invacare.com
USA
One Invacare Way
Elyria, Ohio USA
44036-2125
800-333-6900
Canada
570 Matheson Blvd E Unit 8
Mississauga Ontario
L4Z 4G4 Canada
800-668-5324
© 2011 Invacare Corporation. All rights 
reserved. Republication, duplication or 
modification in whole or in part is prohibited 
without prior written permission from 
Invacare. Trademarks are identified by ™ and 
®. All trademarks are owned by or licensed to 
Invacare Corporation or its subsidiaries unless 
otherwise noted. 
For more information regarding Invacare  products, parts, and 
services, please visit www.invacare.com.
Part No 1163181 Rev D - 02/11

