JCM Technologies U RADIOBAND-R Remote Control Transceiver User Manual
JCM Technologies, S.A. Remote Control Transceiver
User Manual
RADIOBAND SYSTEM INSTALLATION MANUAL V2.2 / 1
JCM TECHNOLOGIES S.A. ALL RIGHTS RESERVED
RADIOBAND SYSTEM INSTALLATION MANUAL
RADIOBAND SYSTEM INSTALLATION MANUAL V2.2 / 2
JCM TECHNOLOGIES S.A. ALL RIGHTS RESERVED
CONTENTS
CONTENTS ...................................................................................................................... 2
1. INTRODUCTION ......................................................................................................... 3
1.1 System description............................................................................................... 3
1.2 Normative requirements ...................................................................................... 3
2. THE SYSTEM .............................................................................................................. 6
2.1 RADIOBAND/T...................................................................................................... 6
2.2 RADIOBAND/R ..................................................................................................... 9
2.3 RADIOBAND/RC-RCS ........................................................................................ 16
2.4 COMPATIBILITY TABLE .................................................................................... 20
3. AUTO-TEST FUNCTION........................................................................................... 21
3.1 AUTO-TEST DESCRIPTION............................................................................... 21
3.2 RADIOBAND/RCS CONNECTIONS................................................................... 22
4. RADIOBAND SYSTEM INSTALLATION RECOMMENDATIONS........................... 23
4.1 Installation on roller door with control panel and RADIOBAND/R. ............... 23
4.2 Installation on two-leafed swing door with control panel and
RADIOBAND/RC-RCS. .............................................................................................. 23
4.3 Installation on horizontal sectional door with control panel and
RADIOBAND/R. ......................................................................................................... 24
4.4. Installation on angled sectional door with control panel and RADIOBAND/R.
.................................................................................................................................... 24
4.5 Installation on stackable sectional door with control panel and
RADIOBAND/R. ......................................................................................................... 25
4.6 Installation on one-leafed residential folding door with control panel with
RADIOBAND/RC-RCS card connector..................................................................... 25
4.7 Installation on one-leafed folding door for communities with control panel
and RADIOBAND/R................................................................................................... 26
4.8 Installation on one-leafed sliding door with control panel and RADIOBAND/R.
.................................................................................................................................... 26
4.9 Installation on sliding door with control panel and RADIOBAND/RC-RCS
card connector........................................................................................................... 27
4.10 Installation on guillotine door with control panel and RADIOBAND/R....... 27
5. JCM CONTROL PANEL DIAGRAM FOR CONNECTION TO THE RADIOBAND
SYSTEM.......................................................................................................................... 28
RADIOBAND SYSTEM INSTALLATION MANUAL V2.2 / 3
JCM TECHNOLOGIES S.A. ALL RIGHTS RESERVED
1. INTRODUCTION
1.1 System description
The Radioband system is designed for installation with a safety edge in garage door
installations.
This system allows for wireless safety edge – control panel connection.
To install this system, you must follow the advice included in this manual and take
the requirements of the applicable normative into account.
1.2 Normative requirements
The directives applicable to this system are:
- 98/37/EC Machines Directive
- 73/23/EEC Low Voltage Directive
- 2004/108/EC Electromagnetic Compatibility Directive
- R&TTE 1999/5/EC Radio and telecommunication terminal equipment
Directive
Below are some of the requirements of the applicable harmonised standards:
In accordance with the European low voltage directive, you are informed of the
following requirements:
· For permanently connected equipment, an easily accessible connection device
must be incorporated into the cabling.
· This equipment must be installed in a vertical position and firmly fixed to the
structure of the building.
· This equipment may only be handled by a specialized installer, by maintenance
staff or by a properly instructed operator.
· The instructions for use of this equipment must always remain in the possession
of the user.
· Terminals with a maximum section of 3.8mm2 must be used to connect the
cables.
- The frequency of the Radioband system does not interfere in any way with the
868 MHz remote control systems. However a signal centred at 868,9MHz may
cause a delay on the reaction of the system.
- Always connect the door structure and metal parts to an earthing connection.
- Do not share the power and signal supply.
RADIOBAND SYSTEM INSTALLATION MANUAL V2.2 / 4
JCM TECHNOLOGIES S.A. ALL RIGHTS RESERVED
JCM TECHNOLOGIES, S.A. declares herewith that the product RADIOBAND/T,
RADIOBAND/R, RADIOBAND/RC-RCS complies with the relevant fundamental
requirements as per Article 3 of the R&TTE Directive 1999/5/EG, insofar as the product is
used correctly.
This device complies with Part 15 of the FCC Rules. Operation is subject to the following
two conditions: (1) this device may not cause harmful interference, and (2) this device
must accept any interference received, including interference that may cause undesired
operation.
To comply with FCC rules, adjustment or modifications of this receiver and/or transmitter
are prohibited, except for changing the code setting or replacing the battery. THERE ARE
NO OTHER USER SERVICEABLE PARTS. Any other changes made, not expressly
approved by JCM Technologies, S A could void the user's authority to operate the
equipment.

RADIOBAND SYSTEM INSTALLATION MANUAL V2.2 / 5
JCM TECHNOLOGIES S.A. ALL RIGHTS RESERVED
The Radioband system is in line with the Machines Directive under EN 954-1,
Category 2.

RADIOBAND SYSTEM INSTALLATION MANUAL V2.2 / 6
JCM TECHNOLOGIES S.A. ALL RIGHTS RESERVED
2. THE SYSTEM
2.1 RADIOBAND/T
Operating frequency 868.90MHz
Power supply 3V DC (2 x 1.5V LR03 AAA)
Op. consumption 12mA
Radiated power < 25mW
Op. temperature -20ºC - +55ºC
Seal IP67
Dimensions 85 x 53 x 36mm
Range (guaranteed) 10m
Battery life 2 years
Minimum time between two
RADIOBAND/T activations (for
complying with the R&TTE
Directive)
7 min
RADIOBAND SYSTEM INSTALLATION MANUAL V2.2 / 7
JCM TECHNOLOGIES S.A. ALL RIGHTS RESERVED
INSTALLATION AND CONNECTIONS
Fix the back of the box to the door. Install the transmitter following the technical
manual and avoid placing metallic surfaces between the receiver and the
transmitter. Pass the cables through the bottom of the transmitter. Connect a
resistive 8K2 safety band directly to terminal B1 and ensure that the safety edge
keeps totally waterproof. Fix the front of the transmitter to the back with the screws
supplied for the purpose.
N.B.: If a non-resistive element (with a contact normally closed) needs to be
connected, the jumper JP4 must be bridged. This application does not comply with
safety standard EN 12453 for the use of motorised garage doors, since the
connection of the resistive element to the RADIOBAND/T is not checked.
OPERATION
The receiver checks that all the programmed bands are working properly. If a band
is activated or if there is an error in its operation, the receiver activates the output
relay.
PROGRAMMING RADIOBAND/T
If the receiver is in programming, press the transmitter button to programme it into
the receiver.
TRANSMITTER BATTERY LOW INDICATOR (RADIOBAND/T)
If the battery of a transmitter programmed into the receiver becomes low, it will
give out 4 short signals every 20 seconds. If there is more than one transmitter
programmed, the safety band must be activated to check whether the receiver then
makes these 4 short signals. If this is the case, the transmitter connected to the
activated safety band will be the one with the low battery. Change it.
CHANGING THE BATTERY
Remove the box cover. The batteries are positioned on the back of the cover.
Replace the two used batteries with new ones, taking into account the polarity
indicated by the connector. Check that the new batteries support the same
temperature range as those they are replacing.

RADIOBAND SYSTEM INSTALLATION MANUAL V2.2 / 8
JCM TECHNOLOGIES S.A. ALL RIGHTS RESERVED
INSTALLATION ADVICE
I
nsta
ll
t
h
e equ
i
pment so t
h
at
the cable outlet is at the bottom
Do not fit the equipment
at ground level
In installations likely to have range problems
between the transmitter and the receiver,
the antenna must stand vertically from
the hole in the gland
Do not place metal surfaces between
the transmitter and the receiver
The transmitter and receiver anten a
must be parallel to each other for
optimum signal reception
n
* Once the system has been installed, check it works correctly by enabling the
safety edge on the ends of the door.

RADIOBAND SYSTEM INSTALLATION MANUAL V2.2 / 9
JCM TECHNOLOGIES S.A. ALL RIGHTS RESERVED
2.2 RADIOBAND/R
Frequency 868.90MHz
Memory 6 Radioband-T (3 on relay 1, 3 on relay 2)
Number of relays 2 relays
Power supply 12/24V AC/DC
Power supply range 9-35V DC
8-28V AC
Relay contacts 1A
Consumption: idle/op. 18mA/80mA
Self-test input 2 0/12/24V AC/DC inputs with selectable polarity
Power < 25mW
Op. temperature -20ºC to +85ºC
Seal IP54 (with IP65 cable seals)
Box size 82 x 190 x 40mm
Range (guaranteed) 10 metres

RADIOBAND SYSTEM INSTALLATION MANUAL V2.2 / 10
JCM TECHNOLOGIES S.A. ALL RIGHTS RESERVED
INSTALLATION AND CONNECTIONS
Fix the back of the box to the wall, using the wall plugs and screws supplied.
Install the receiver, close to the door and avoid metal surfaces between the
receiver and the transmitter. Pass the cables through the bottom of the receiver.
Connect the power cables to the terminals of the printed circuit, following the
indications of the connections diagram. Store RADIOBAND-T. Fix the front of the
receiver to the back with the screws supplied for the purpose.
1- Power supply 12/24V AC/DC: (+)
2- Power supply 12/24V AC/DC (-)
3,4- R1: Connection to the safety band input of the control panel
(resistive contact 8.2kΩ) with jumper in position BS1 (see
CONNECTIONS Figure 1). Or to the control panel safety contact input
(NC) with jumper in position CS1 (see CONNECTION Figure 2).
5,6- R2: Connection to a second safety band input of the control panel
(resistive contact 8.2kΩ) with jumper in position BS2. Or to the control
panel safety contact input (NC) with jumper in position CS2.
7- AUTOTEST: Common connection safety self-test (-). See
CONNECTIONS Figure 3 and table POLARIZED SELF-TEST.
8- AUTOTEST: Self-test connection for R1. See CONNECTIONS Figure
3 and table POLARIZED AUTO-TEST.
9- AUTOTEST: Self-test connection for R2. See CONNECTIONS Figure
3 and table POLARIZED AUTO-TEST.
POLARIZED AUTO-TEST
Check the auto-test output on the control panel, in standby, to see whether the
voltage is 0V (inverted test input) or 12/24V AC/DC (positive polarity). The auto-
test signal of the panel must remain at its maximum for 2 seconds.
Autotest
output in
standby
Autotest
output
activated
Polarity
type
Jumper
ATEST POL
ATEST1 ATEST2
0V 12/24V Positive OFF Connecte
d*
Connecte
d*
Connection to a
equipment with
autotest
12/24V 0V inverted ON Connecte
d*
Connecte
d*
Connection to a
equipment without
autotest**
--- --- --- OFF No
connected
No
connected
* N.B.: Only connect the auto-test output to be used.
** Where the auto-test is not used, the system is not checked at the start of the operation,
which means that security normative EN 12453 regarding the use of motorised garage
doors is, in some cases, not complied with.

RADIOBAND SYSTEM INSTALLATION MANUAL V2.2 / 11
JCM TECHNOLOGIES S.A. ALL RIGHTS RESERVED
LIGHT INDICATORS
RADIOBAND/R-
RC-RCS
In operation In programming
Relay 1 LED Normally off.
Indicates the status of the relay output.
If R1 is not connected, on.
On. Indicates the channel to be
programmed.
Relay 2 LED Normally off.
Indicates the status of the relay output.
If R2 is not connected, on.
On. Indicates the channel to be
programmed.
OPERATION
The receiver checks that all the programmed bands are working properly. If a band
is activated or if there is an error in its operation, the receiver activates the output
relay.
MANUAL PROGRAMMING
RADIOBAND-R makes it possible to store 6 RADIOBAND-Ts (3 on Relay 1 and 3
on Relay 2).
Press the receiver programming PROG button for 1s; a sound signal will be heard.
The receiver will go into programming the first relay. If the programming button is
kept pressed, the receiver will go into programming the second relay, moving
cyclically from one really to another. Once the programming relay has been chosen
for the transmitter you want to start using, send the programming code by pressing
the transmitter. Every time a transmitter is programmed, the receiver will emit a
sound signal for 0.5s. If 10 seconds pass without programming, the receiver will
go out of programming mode, emitting two 1s sound signals. If, when
programming a transmitter, the receiver's memory is full, it will emit 7 sound
signals lasting 0.5s and come out of programming.
Note: For a right operation of the system, the transmitter has to be programmed
in one receiver only.
RADIOBAND/T replacement: In case you need to replace a RADIOBAND/T, it is
necessary to reset the system and reprogram all RADIOBAND/T used in the
installation.
SYSTEM CHECK
This function is used to check the operation and range of all the devices once the
installation has been carried out.
Press the receiver’s CHECK button for at least 1 second to enter check mode. The
indicator light will come on and four beeps will be heard.
Perform a complete door opening and closing manoeuvre. During the system
check a beep will be heard every 1,5 seconds.
CORRECT OPERATION OF THE SYSTEM
If no other acoustic signal is heard on completing the manoeuvre, the system is
operating correctly. Either press the CHECK button again or wait 5 minutes and the
RADIOBAND/R will exit checking automatically, indicating with two beeps that the
check has been correct. The check indicator light will go out.

RADIOBAND SYSTEM INSTALLATION MANUAL V2.2 / 12
JCM TECHNOLOGIES S.A. ALL RIGHTS RESERVED
DETECTION OF BAND FAILURE
If the communication with a RADIOBAND/T fails during checking, or the
communication is deficient (for instance, too many communication retries or poor
coverage), the RADIOBAND/R emits three consecutive beeps, indicating that an
error has occurred. Halt the door manoeuvre and press the safety bands installed
to detect what has failed.
- If a single beep is heard on pressing a band, this means that the band is
correct.
- If three consecutive beeps are heard on pressing the band, this means that
the band has failed.
In this event, it is recommended changing the orientation of the
transmitting-receiving aerials or installing an AED-868 or FLAT-868 outdoor
aerial to ensure the desired range.
On exiting check mode, seven consecutive beeps will be heard and the indicator
light will flash continuously.
Perform another system check until the result is correct.
Signal coverage
On pressing each of the installed bands, continuous flashes, ranging from 1 to 5,
indicate the signal coverage for each of these.
Number of check LED
flashes
Coverage Result of check
1 Very weak Band failure
2 Weak OK
3 Normal OK
4 Good OK
5 Very good OK
TOTAL RESET
In programming mode, keep the programming PROG button pressed down and
make a bridge with the "MR" reset jumper for 3s. The receiver will emit 10 warning
sound signals and then more at a faster frequency, indicating that the operation
has been carried out. The receiver will stay in programming mode.
If 10 seconds elapse without programming, or if you press the programming button
quickly, the receiver will go out of programming mode, emitting two 1s sound
signals.
TRANSMITTER BATTERY LOW INDICATOR (RADIOBAND/T)
If the battery of a transmitter programmed into the receiver becomes low, it will
give out 4 short signals every 20 seconds. If there is more than one transmitter
programmed, the safety band must be activated to check whether the receiver then
makes these 4 short signals. If this is the case, the transmitter connected to the
activated safety band will be the one with the low battery. Change it.

RADIOBAND SYSTEM INSTALLATION MANUAL V2.2 / 13
JCM TECHNOLOGIES S.A. ALL RIGHTS RESERVED
INSTALLATION ADVICE
Do not fit the equipment
at ground level
The transmitter and receiver antenna
must be parallel to each other for
optimum signal reception
Do not place metal surfaces between
the transmitter and the receiver
The transmitter and receiver anten a
must be parallel to each other for
optimum signal reception
n

RADIOBAND SYSTEM INSTALLATION MANUAL V2.2 / 14
JCM TECHNOLOGIES S.A. ALL RIGHTS RESERVED
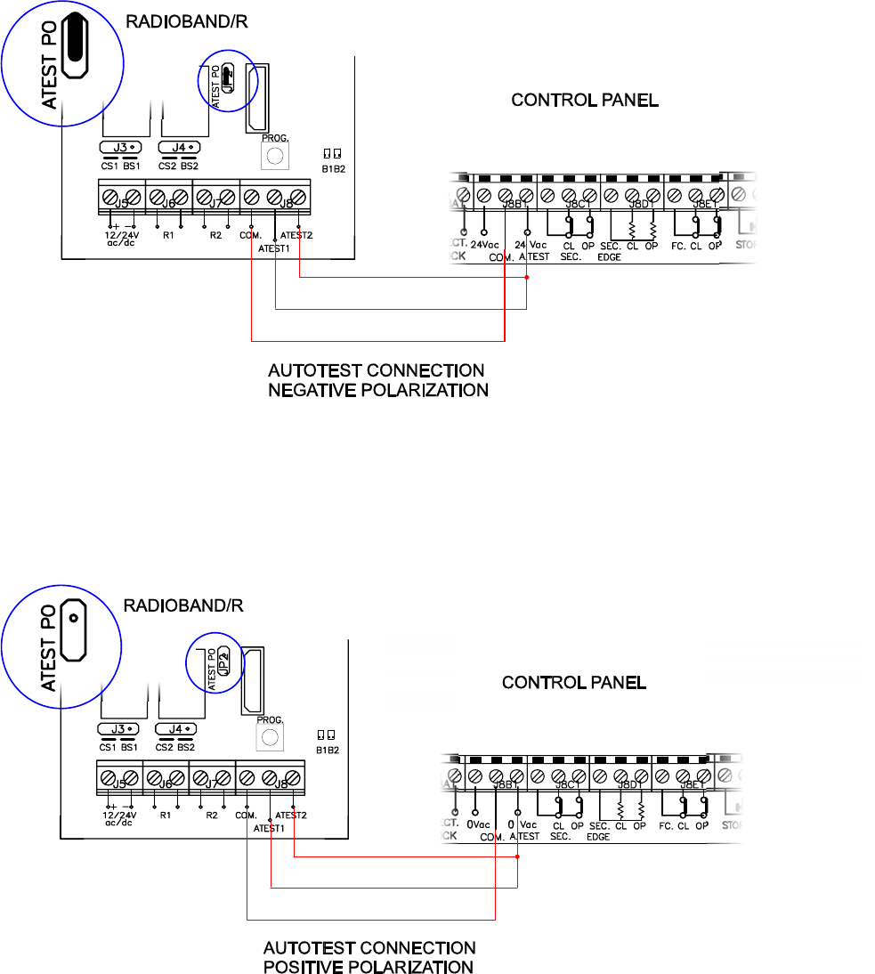
a) Connection to safety edge inlet
b) Connection to security contact inlet

RADIOBAND SYSTEM INSTALLATION MANUAL V2.2 / 15
JCM TECHNOLOGIES S.A. ALL RIGHTS RESERVED
c) Auto-test connection with negative polarisation
d) Auto-test connection with positive polarisation
* Once the system has been installed, check it works correctly by enabling the
safety edge on the ends of the door.

RADIOBAND SYSTEM INSTALLATION MANUAL V2.2 / 16
JCM TECHNOLOGIES S.A. ALL RIGHTS RESERVED
2.3 RADIOBAND/RC-RCS
Frequency 868.90MHz
Memory 6 Radioband-T
Power supply pluggable
Power supply range ---
Consumption: idle/op. 18mA
Self-test input incorporated
Power < 25mW
Op. temperature -20ºC to +85ºC
Seal IP20
Box size 50x20x17mm
Range (guaranteed) 10 metres

RADIOBAND SYSTEM INSTALLATION MANUAL V2.2 / 17
JCM TECHNOLOGIES S.A. ALL RIGHTS RESERVED
INSTALLATION AND CONNECTIONS
Connection to a control panel using a connector for safety devices.
LIGHT INDICATORS
RADIOBAND/R-
RC-RCS
In operation In programming
Relay 1 LED Normally off.
Indicates the status of the relay output.
If R1 is not connected, on.
On. Indicates the channel to be
programmed.
Relay 2 LED Normally off.
Indicates the status of the relay output.
If R2 is not connected, on.
On. Indicates the channel to be
programmed.
OPERATION
The receiver checks that all the programmed bands are working properly. If a band
is activated or if there is an error in its operation, the receiver activates the output
relay.
MANUAL PROGRAMMING
RADIOBAND/RC-RCS makes it possible to store 6 RADIOBAND-Ts (3 on Relay 1
and 3 on Relay 2).
Press the receiver programming PROG button for 1s; a sound signal will be heard.
The receiver will enter safety band closing programming mode (BSC). If the
programming button is kept pressed, the receiver will enter safety band opening
programming mode (BSO), moving cyclically from one really to another. Once the
programming relay has been chosen for the transmitter you want to start using,
send the programming code by pressing the transmitter. Every time a transmitter is
programmed, the receiver will emit a sound signal for 0.5s. If 10 seconds pass
without programming, the receiver will go out of programming mode, emitting two
1s sound signals. If, when programming a transmitter, the receiver's memory is full,
it will emit 7 sound signals lasting 0.5s and come out of programming.
Note: For a right operation of the system, the transmitter has to be programmed
in one receiver only.
RADIOBAND/T replacement: In case you need to replace a RADIOBAND/T, it is
necessary to reset the system and reprogram all RADIOBAND/T used in the
installation.
SYSTEM CHECK
This function is used to check the operation and range of all the devices once the
installation has been carried out.
Press the receiver’s CHECK button for at least one second to enter check mode.
The indicator light will come on and four beeps will be heard.
Perform a complete door opening and closing manoeuvre. During the system
check a beep will be heard every 1,5 seconds.
CORRECT OPERATION OF THE SYSTEM
If no other acoustic signal is heard on completing the manoeuvre, the system is
operating correctly. Either press the CHECK button again or wait 5 minutes and the

RADIOBAND SYSTEM INSTALLATION MANUAL V2.2 / 18
JCM TECHNOLOGIES S.A. ALL RIGHTS RESERVED
RADIOBAND/RC-RCS will exit checking automatically, indicating with two beeps
that the check has been correct. The check indicator light will go out.
DETECTION OF BAND FAILURE
If the communication with a RADIOBAND/T fails during checking, or the
communication is deficient (for instance, too many communication retries or poor
coverage), the RADIOBAND/RC-RCS emits three consecutive beeps, indicating that
an error has occurred. Halt the door manoeuvre and press the safety bands
installed to detect what has failed.
- If a single beep is heard on pressing a band, this means that the band is
correct.
- If three consecutive beeps are heard on pressing the band, this means that
the band has failed.
In this event, it is recommended changing the orientation of the
transmitting-receiving aerials or installing an AED-868 or FLAT-868 outdoor
aerial to ensure the desired range.
On exiting check mode, seven consecutive beeps will be heard and the indicator
light will flash continuously.
Perform another system check until the result is correct.
Signal coverage
On pressing each of the installed bands, continuous flashes, ranging from 1 to 5,
indicate the signal coverage for each of these.
Number of check LED
flashes
Coverage Result of check
1 Very weak Band failure
2 Weak OK
3 Normal OK
4 Good OK
5 Very good OK
TOTAL RESET
In programming mode, keep the programming PROG button pressed down and
make a bridge with the "MR" reset jumper for 3s. The receiver will emit 10 warning
sound signals and then more at a faster frequency, indicating that the operation
has been carried out. The receiver will stay in programming mode.
If 10 seconds elapse without programming, or if you press the programming button
quickly, the receiver will go out of programming mode, emitting two 1s sound
signals.

RADIOBAND SYSTEM INSTALLATION MANUAL V2.2 / 19
JCM TECHNOLOGIES S.A. ALL RIGHTS RESERVED
INSTALLATION ADVICE
Where an antenna extension
is not installed, place the receiver
card antenna in vertical
p
osition
A
n AED-868 or FLAT 868 antenna extension
to 868 MHz should be installed for greater range
868MHz AED-868 or FLAT 86
8
antenna extension with
RG 58 coaxial cable
* Once the system has been installed, check it works correctly by enabling the
safety edge on the ends of the door.

RADIOBAND SYSTEM INSTALLATION MANUAL V2.2 / 20
JCM TECHNOLOGIES S.A. ALL RIGHTS RESERVED
2.4 COMPATIBILITY TABLE
RADIOBAND/R-RC-RCS (C) RADIOBAND/R-RC-RCS (D)
RADIOBAND/T (A) No check function No check function
RADIOBAND/T (B) No check function With check function
A: model without outdoor antenna (WBAND-Ba board)
B: model with outdoor antenna (WBAND-Bb board and later)
C: model without CHECK button (/R WBAND-Ia to WBAND-Id board; /RC-RCS WBAND-
Qa and WBAND-Qb board)
D: model with CHECK button (/R WBAND-Ie board and later; /RC-RCS WBAND-Qc board
and later)
N.B.: It is possible to combine RADIOBAND/T units A and B in the same
installation, providing the first units programmed are A. This option does not permit
the system check function.

RADIOBAND SYSTEM INSTALLATION MANUAL V2.2 / 21
JCM TECHNOLOGIES S.A. ALL RIGHTS RESERVED
3. AUTO-TEST FUNCTION
3.1 AUTO-TEST DESCRIPTION
Before starting operations, the control panel must check that the entire security
system is working correctly.
To make this check, the panel must act on the auto-test signal.
• AUTO-TEST timing correct
• AUTO-TEST timing error
While the auto-test is being run to learn of the status of the RADIOBAND/T, the
RADIOBAND/R questions the status of the different Safety edges. This process
ensures the correct working order of the following parts:
• Safety edge
• RADIOBAND/T (1 or several).
• RF Channel (if there is any interference)
• RADIOBAND/R (control and RF)
Autotest
CS
RADIOBAND/T status
Auto-test carried out
Autotest OK
Tautotest T
end
The operation can now be
carried out
Autotest
CS
RADIOBAND/T status
Auto-test carried out
Autotest Error
TMAXautotest T
end
THE OPERATION CANNOT BE STARED AS
THE AUTO-TEST HAS NOT BEEN
SUCCESSFULLY COMPLETED

RADIOBAND SYSTEM INSTALLATION MANUAL V2.2 / 22
JCM TECHNOLOGIES S.A. ALL RIGHTS RESERVED
Switching the status of the output relay outlet means that the control status and
the correct working order of the RADIOBAND/R output relays can be checked.
Description Tmin Ttype Tmax
Tauto-test 10ms 375ms 750ms
TMAXauto-test 1500ms
Tend 50 ms
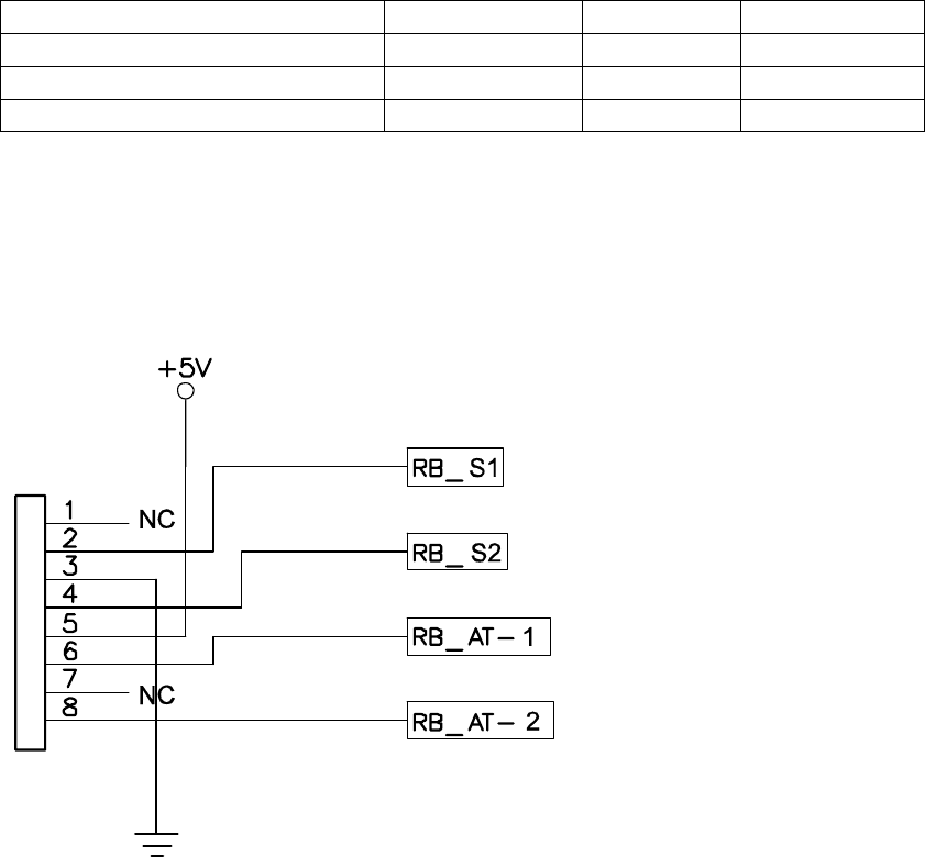
3.2 RADIOBAND/RCS CONNECTIONS
1- Not connected
2- RB_S1: Outlet 1 Radioband activation
3- Mass
4- RB_S2 Outlet 2 Radioband activation
5- 5Vdc power supply
6- RB_AT-1: Inlet 1 Radioband auto-test
7- Not connected
8- RB_AT-2: Inlet 2 Radioband auto-test

RADIOBAND SYSTEM INSTALLATION MANUAL V2.2 / 23
JCM TECHNOLOGIES S.A. ALL RIGHTS RESERVED
4. RADIOBAND SYSTEM INSTALLATION
RECOMMENDATIONS
4.1 Installation on roller door with control panel and RADIOBAND/R.
4.2 Installation on two-leafed swing door with control panel and
RADIOBAND/RC-RCS.

RADIOBAND SYSTEM INSTALLATION MANUAL V2.2 / 24
JCM TECHNOLOGIES S.A. ALL RIGHTS RESERVED
4.3 Installation on horizontal sectional door with control panel and
RADIOBAND/R.
4.4. Installation on angled sectional door with control panel and
RADIOBAND/R.

RADIOBAND SYSTEM INSTALLATION MANUAL V2.2 / 25
JCM TECHNOLOGIES S.A. ALL RIGHTS RESERVED
4.5 Installation on stackable sectional door with control panel and
RADIOBAND/R.
4.6 Installation on one-leafed residential folding door with control
panel with RADIOBAND/RC-RCS card connector.
M

RADIOBAND SYSTEM INSTALLATION MANUAL V2.2 / 26
JCM TECHNOLOGIES S.A. ALL RIGHTS RESERVED
4.7 Installation on one-leafed folding door for communities with
control panel and RADIOBAND/R.
4.8 Installation on one-leafed sliding door with control panel and
RADIOBAND/R.
M

RADIOBAND SYSTEM INSTALLATION MANUAL V2.2 / 27
JCM TECHNOLOGIES S.A. ALL RIGHTS RESERVED
4.9 Installation on sliding door with control panel and
RADIOBAND/RC-RCS card connector.
M
4.10 Installation on guillotine door with control panel and
RADIOBAND/R.

RADIOBAND SYSTEM INSTALLATION MANUAL V2.2 / 28
JCM TECHNOLOGIES S.A. ALL RIGHTS RESERVED
5. JCM CONTROL PANEL DIAGRAM FOR CONNECTION TO
THE RADIOBAND SYSTEM
SINGLE-PHASE PANELS
JCM Control
panels Applications Description Compatibility with
Radioband system
START-EU
Roller for
residential and
commercial
use
Semi-automatic
operations. 433 or
868 MHz radio card
connection. Start
button and safety
edge connection.
RADIOBAND/R with external
power supply
RESIDENT+DCS
Roller for
residential use
Semi-automatic and
automatic operations.
Built-in 433 MHz
receiver. Start/stop
button connection,
limit switches and
security contact on
close. Possible to
connect the TBAND
card. 24Vac outlet
Garage light contact
RADIOBAND/R
ROLLER-
MOTION
Roller for
residential and
commercial
use
“Dead-man”
operations (using GO-
BUTTON or GO-
SWITCH), semi-
automatic. Built-in
868 MHz receiver.
Start button
and safety edge
connection.
RADIOBAND/R with external
power supply
BASIC-EU
Sliding for
residential and
community use
Semi-automatic and
automatic operations.
433 or 868 MHz
radio card connector.
Start, pedestrian and
stop button
connection. Limit
switch, safety edge
and security contact
connection. Garage
light contact 12Vdc
outlet
RADIOBAND/R
MAIN-1T-EU
Swing, folding
and sliding for
residential and
community use
Semi-automatic and
automatic operations.
433 or 868 MHz
radio card connector.
Start and stop button
connection. Limit
switch,
safety edge and
security contact
connection. Traffic
light or signal card
connector.
Garage light contact
24Vac outlet Electro-
lock connection.
RADIOBAND/R
MAIN-2T-EU Same as
MAIN-1T-EU Same as MAIN-1T-EU
for 2 motors RADIOBAND/R

RADIOBAND SYSTEM INSTALLATION MANUAL V2.2 / 29
JCM TECHNOLOGIES S.A. ALL RIGHTS RESERVED
ADVANCE
Swing, folding
and sliding for
residential and
intensive use.
Semi-automatic and
automatic operations.
Digital programming.
Gentle stop.
RADIOBAND and
other force limiting
device (FORCELIMIT
and T-HALL)
connector. 433 or
868 MHz card
connector. Start and
stop button
connection. Limit
switch,
Limit switch, safety
edge and security
contact connection.
Electro-lock
connection. Traffic
light card or signal
card connector.
Garage light contact
24Vac outlet Auto-
test outlet.
RADIOBAND/RC or
RADIOBAND/R with negative
polarisation auto-test
function
STANDARD-1T-
EU
Swing, folding
and sliding for
residential and
community use
Semi-automatic and
automatic operations.
Gentle stop. 433 or
868 MHz radio card
connector. Start,
pedestrian, stop, open
and close button
connection. Limit
switch, safety edge
and security contact
connection. Traffic
light connector.
Garage light and
signal contact 24Vac
outlet Electro-lock
connection.
RADIOBAND/R
STANDARD-2T-
EU Same as
STANDARD-
1T-EU
Same as STANDARD-
1T-EU for 2 motors
RADIOBAND/R
D.C. PANELS

RADIOBAND SYSTEM INSTALLATION MANUAL V2.2 / 30
JCM TECHNOLOGIES S.A. ALL RIGHTS RESERVED
D.C. PANELS
JCM Control
panels Applications Description Compatibility with
Radioband system
CONTINUE-EU Sectional, swing,
folding and
sliding for
residential and
community use
Semi-automatic and
automatic operations by
limit switch or with Hall
sensor. Time control.
Electronic motor power
limitation without the need
for additional devices. 433
or 868 MHz radio card
connector. Start and stop
button connection. Limit
switch, safety edge and
security contact connection.
Garage light
contact. 24Vac outlet
RADIOBAND/R
NUA
THREE-PHASE PANELS
JCM Control
panels Applications Description Compatibility with
Radioband system
UNIVERSAL-EU
Sectional, swing
and guillotine for
community use
Semi-automatic and
automatic operations. 433
or 868 MHz radio card
connector. Open, start and
stop button connection.
Limit switch and security
contact connection. Signal
or traffic light card
connector. Garage light
contact 24Vac outlet
Electro-lock connection.
Auto-test outlet.
RADIOBAND/R with
positive polarisation
auto-test function
TRIBASIC-
MOTION
Winding and
sectional
for industrial use
“Dead-man” operations
Built-in 868 MHz receiver.
Open, close, start and stop
button connection. Limit
switch and security
contact connection. Signal
or traffic light card
connector.
Garage light contact 24Vac
outlet
RADIOBAND/R
TRIBASIC
Sectional, swing
and sliding for
community use
Semi-automatic and
automatic operations. 433
or 868 MHz radio card
connector. Start and stop
button connection. Limit
switch,
safety edge and security
contact connection. Signal
or traffic light card
connector. Garage
light contact. 24Vac outlet
Auto-test outlet.
RADIOBAND/R

RADIOBAND SYSTEM INSTALLATION MANUAL V2.2 / 31
JCM TECHNOLOGIES S.A. ALL RIGHTS RESERVED
TRIBASIC-S/I Same as
TRIBASIC Same as TRIBASIC
without ON/OFF switch.
Auto-test outlet.
RADIOBAND/R
TRIBASIC-IND Same as
TRIBASIC
Same as TRIBASIC but in
INDUSTRIAL box. Auto-
test outlet.
RADIOBAND/R
INDUSTRIAL-
MAN
Swing for
industrial use
“Dead-man” operations
433 or 868 MHz radio
card connector. Open, start
and stop button
connection. Limit switch
connection. Signal
or traffic light card
connector. Garage light
contact 24Vac outlet
Electro-lock connection.
INDUSTRIAL box with
general circuit breaker
switch.
RADIOBAND/R
INDUSTRIAL-EU
Swing,
sectional,
sliding and
guillotine
for industrial use
Semi-automatic and
automatic operations. 433
or 868 MHz radio card
connector. Open, start and
stop button connection.
Limit switch and security
contact connection. Signal
or traffic light card
connector. Garage light
contact 24Vac outlet
Electro-lock connection.
INDUSTRIAL box with
general circuit breaker
switch. Auto-test outlet.
RADIOBAND/R with
positive polarisation
auto-test function
TRI-ADVANCE Fast doors
Semi-automatic and
automatic operations. 433
or 868 MHz radio card
connector. Open, start and
stop button connection.
Limit switch, security
contact and safety edge
connection. Hall sensor
connection. Signal or
traffic light card / garage
light connector. Connector
for magnetic sensor card.
24Vac outlet Electro-break
outlet. INDUSTRIAL box
with general circuit breaker
switch. Auto-test outlet.
RADIOBAND/RCS
or RADIOBAND/R
with negative
polarisation auto-
test function