JCM Technologies U RBAND-UMS Transceiver for automatic door safety edges User Manual

JCM Technologies, S.A. Transceiver for automatic door safety edges

User manual

COD. 1248033-GB / 1.1 RBAND/UMS - RBAND/CSM   - 1 -                                                                                   • INTRODUCTION  DESCRIPTION The RadioBand system is designed of Industrial, Commercial and Domestic door and gate applications where a safety edge is used. The system provides a wireless system replacing spiral cables or energy chain systems to provide the safety signal to the door or gate control panel. The receiver monitors the status of transmitters connected to it.  Up to three transmitters per output can be connected to the receiver. There are two outputs on each receiver. The system is compatible with 8K2 monitored safety edges, opto safety edges and volt free safety contacts. Two inputs available in the transmitter.   The system complies with EN ISO 13849-1 as long as the current detector is not connected to J13.   USE OF THE SYSTEM This equipment is designed to be installed with a safety edge for door and gate installations. It is not guaranteed for directly activating equipment other than that specified. The manufacturer reserves the right to change the specification of the equipment without prior warning.   • TECHNICAL CHARACTERISTICS  System non compatible with  RADIOBAND 1G.  RBAND/UMS RBAND/CSM Frequency  Multifrequency system (433 MHz, 868 MHz)  Multifrequency system (433 MHz, 868 MHz) Memory  6 transmitters (3 on relay 1, 3 on relay 2)  6 transmitters (3 on relay 1, 3 on relay 2) Relay numbers  2 relays  --- Power supply  12/24V ac/dc  pluggable Power supply range  9-35V dc 8-28V ac --- Relay contacts  1A  1A Consumption standby/operating Max 255mA  Max 20mA Autotest signal input   Two 0/12/24V ac/dc inputs with selectable polarity  integrated Radiated power  < 25mW  < 25mW Operating temperature  -40ºC a +85ºC  -40ºC a +85ºC Seal  IP54 (with IP65 cable seals)  IP20 Box size  82 x 190 x 40mm  50 x 47 x 14mm Range  10 metres  10 metres
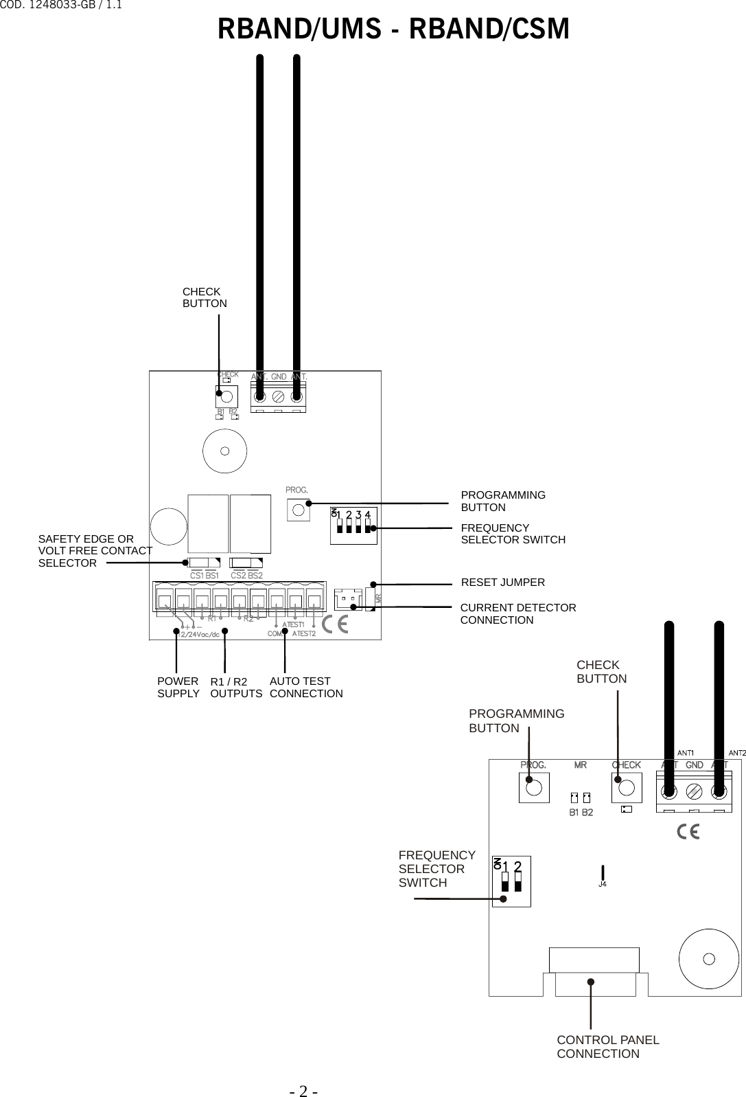
COD. 1248033-GB / 1.1 RBAND/UMS - RBAND/CSM   - 2 -                                                                                  CHECK BUTTONPROGRAMMING BUTTONFREQUENCY SELECTOR SWITCHCONTROL PANELCONNECTIONCHECK BUTTONSAFETY EDGE OR VOLT FREE CONTACT SELECTORPROGRAMMING BUTTONFREQUENCY SELECTOR SWITCHRESET JUMPERPOWERSUPPLYR1 / R2 OUTPUTSAUTO TESTCONNECTIONCURRENT DETECTORCONNECTION
COD. 1248033-GB / 1.1 RBAND/UMS - RBAND/CSM   - 3 -                                                                                  • INSTALLATION PROCEDURE AND BASIC WIRING   MECHANICAL INSTALLATION RBAND/UMS  Fix the back of the box to the wall, using the wall plugs and screws supplied. Install the receiver, close to the door and avoid metal surfaces between the receiver and the transmitter. Pass the cables through the bottom of the receiver. Connect the power cables to the terminals of the printed circuit, following the indications of the connections diagram. Store transmitters. Fix the front of the receiver to the back with the screws supplied for the purpose.   INSTALLATION ADVISES Use the cable entry at the bottom of the receiver for the power supply and control connections.  The transmitter and receiver antenna must be parallel to each other for optimum signal reception.  Fit the batteries ensuring the correct polarity. After programming the transmitter re-fit the front cover of the transmitter and the receiver.        MECHANICAL INSTALLATION RBAND/CSM Connect to a control panel using a connector for safety devices. The power supply must be disconnected.  OPTIONS SELECTOR Option No  ON  OFF 1 – Channel selection  See table Multifrequency system  See table Multifrequency system 2 – Channel selection  See table Multifrequency system  See table Multifrequency system 3 – Autotest polarity  Negative polarity  Positive polarity 4 – Relay 2 function  Low battery indicator  Normal function Nota: Options 3 and 4 non available in RBAND/CSM             >20cm
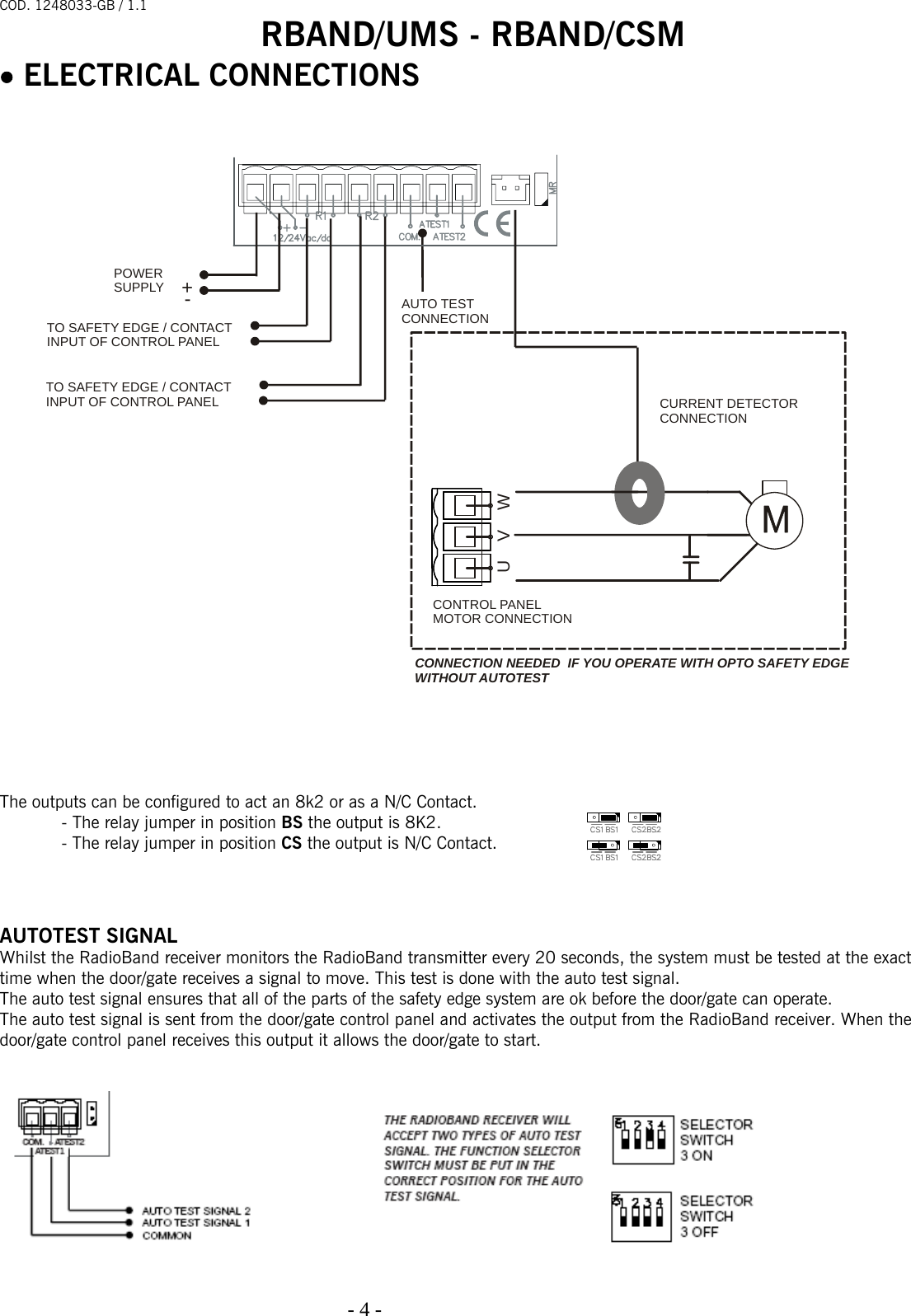
COD. 1248033-GB / 1.1 RBAND/UMS - RBAND/CSM   - 4 -                                                                                  • ELECTRICAL CONNECTIONS                                   The outputs can be configured to act an 8k2 or as a N/C Contact. - The relay jumper in position BS the output is 8K2. - The relay jumper in position CS the output is N/C Contact.    AUTOTEST SIGNAL Whilst the RadioBand receiver monitors the RadioBand transmitter every 20 seconds, the system must be tested at the exact time when the door/gate receives a signal to move. This test is done with the auto test signal. The auto test signal ensures that all of the parts of the safety edge system are ok before the door/gate can operate. The auto test signal is sent from the door/gate control panel and activates the output from the RadioBand receiver. When the door/gate control panel receives this output it allows the door/gate to start.     AUTO TESTCONNECTIONPOWERSUPPLY+-TO SAFETY EDGE / CONTACT INPUT OF CONTROL PANELTO SAFETY EDGE / CONTACT INPUT OF CONTROL PANELUVWCURRENT DETECTORCONNECTIONCONTROL PANELMOTOR CONNECTIONCONNECTION NEEDED  IF YOU OPERATE WITH OPTO SAFETY EDGE WITHOUT AUTOTEST
COD. 1248033-GB / 1.1 RBAND/UMS - RBAND/CSM   - 5 -                                                                                   The RadioBand receiver will accept two types of auto test signal. The function selector switch must be put in the correct position for the auto test signal.  1- Positive autotest: A 0V signal which switches to 12/24V ac/dc for the auto test.    2- Negative autotest: A 12/24V ac/dc signal which switches to 0V for the auto test.  Both autotest inputs must be connected althought one of them is not used.  The auto-test signal from the control panel must only remain activated for up to 3 seconds.  In order to comply with the EN ISO 13849-1 safety standard, it is necessary to connect the autotest signal.       • PROGRAMMATION  Each safety edge transmitter must be learnt into the appropriate channel of the safety edge receiver.   Mode  Configuration of transmitter programming in the receiver. Led R1 Led R2 1  By pressing the transmitter, relay 1 on the receiver will be activated ON OFF 2  By pressing the transmitter, relay 2 on the receiver will be activated  OFF  ON 3  By pressing the transmitter, the two relays will be activated at the same time  ON  ON 4  The relays are activated 1st relay by channel 1 (operate as normal operation for connecting a safety element) and 2nd relay by channel 2 (operates as a normally open contact for connecting an auxiliary input) (connection of an auxiliary input, the sender transmits the status of the auxiliary input to the second relay of the receiver) Flashing Flashing Notes: - Modes 1, 2 and 3: Up to 6 transmitters (3 on output R1 and 3 on output R2) can be connected to the receiver in modes 1, 2 and 3.  - Mode 4:  In this mode only 3 transmitters can be connected to the receiver. The second relay cannot make the function of indicating low battery. - Each transmitter can be configured independently on the receiver.  - A Transmitter should only be connected to one receiver.
COD. 1248033-GB / 1.1 RBAND/UMS - RBAND/CSM   - 6 -                                                                                  If 10 seconds pass without programming a transmitter, the receiver will exit the programming mode. If when programming a transmitter the receiver’s memory is full then it will emit 7 beeps of 0.5 sec and exit the programming mode.  MULTIFREQUENCY CHANNEL For a better communication between the devices of the system and to avoid possible interferences, the system incorporates 4 communication channels selectable by the users. Moreover, it incorporates a security channel that will be used for guarantee the functioning in front of possible communications failures on the selected channel.  Channels  Frequency bands (MHz)  Switch 1  Switch 2 Channel 1 (*)  868,700 – 869,200   OFF  OFF Channel 2  868,000 – 868,600  ON  OFF Channel 3  869,400 – 890,650  OFF  ON Channel 4  869,700 – 870,000  ON  ON Security channel  433,050 – 434,790  ---  --- (*) Default recommended channel  In front of low levels of signal (see function CHECK) or interferences on the selected channel, it could be possible to select another communication channel, being necessary to program again all the transmitters.   • MAINTENANCE   SYSTEM CHECK This function has to be used to check the operation and range of all the devices once the installation has been carried out.   Press the receiver’s CHECK button for at least 1 second to enter check mode. The indicator light will come on and four beeps will be heard.  Perform a complete door opening and closing manoeuvre.  During the system check a beep will be heard every 1,5 seconds.  CORRECT OPERATION OF THE SYSTEM If no other acoustic signal is heard on completing the manoeuvre, the system is operating correctly. Either press the CHECK button again or wait 5 minutes and the receiver will exit checking automatically, indicating with two beeps that the check has been correct. The check indicator light will go out.  DETECTION OF TRANSMISSION FAILURE If the communication with a transmitter fails during checking, or the communication is deficient (for instance, too many communication retries or poor coverage), the receiver emits three consecutive beeps, indicating that an error has occurred. Halt the door manoeuvre and press the safety edges installed to detect what has failed.  - If a single beep is heard on pressing a safety edge, this means that the safety edge is correct.  - If three consecutive beeps are heard on pressing the safety edge, this means that the safety edge has failed.  In this event, it is recommended changing the orientation of the transmitting-receiving aerials or installing an AED-868 or FLAT-868 outdoor aerial to ensure the desired range. On exiting check mode, seven consecutive beeps will be heard and the indicator light will flash continuously. Perform another system check until the result is correct.  Signal coverage After pressing one of the installed safety edges, continuous flashes, ranging from 1 to 5, indicate the signal coverage for this safety edge at the time it was pressed. Number of check LED flashes Coverage Result of check 1  Very weak  Safety edge failure 2 Weak OK 3 Normal OK 4 Good OK 5 Very good OK
COD. 1248033-GB / 1.1 RBAND/UMS - RBAND/CSM   - 7 -                                                                                  TOTAL RESET In programming mode, keep the programming PROG button pressed down and make a bridge with the “MR” reset jumper for 3s. The receiver will emit 10 warning sound signals and then more at a faster frequency, indicating that the operation has been carried out. The receiver will stay in programming mode. Wait for the receiver to exit the programming mode.  The receiver will exit the programming mode emitting two 1 sec beeps.  If 10 seconds pass without programming a transmitter, the receiver will exit the programming mode.   TRANSMITTER BATTERY LOW INDICATOR In normal conditions the battery should operate for two years.  If the battery of a transmitter programmed into the receiver becomes low, the receiver will beep 4 times every 20 seconds. If there is more than one transmitter programmed, each safety edge should be activated to identify, hearing the 4 beeps, which transmitter has a low battery. If the battery power is low, replace it immediately.  When the second relay of the receiver is not used for a safety edge, it can be used as a battery low indicator. It will activate the output relay when a transmitter with low battery is detected, useful to trigger an alarm. In this case the receiver will not indicate low battery with the beeps. Put dipswitch 4 on the function selector to ON. Note: Only available in mode 1 and in RBAND/UMS model.   REPLACING THE TRANSMITTER BATTERY Remove the box cover. Replace the two used batteries with new ones, taking into account the polarity indicated by the connector. Check that the new batteries support the same temperature range as those they are replacing.   REPLACING A TRANSMITTER If a transmitter becomes damaged the whole system must be re-set and replacement and non-damaged transmitters must then be re-programmed into the receiver.   IMPORTANT ANNEX Disconnect the power supply whenever you proceed to the installation or repair of the control panel. In accordance with the European low voltage directive, you are informed of the following requirements: · For permanently connected equipment, an easily accessible connection device must be incorporated into the cabling. · This system must only be installed by a qualified person that has experience with automatic doors/gates and knowledge of the relevant EU standards. · The instructions for use of this equipment must always remain in the possession of the user. · Terminals with a maximum section of 3.8mm2 must be used to connect the cables. · The frequency of the RadioBand system does not interfere in any way with the 868 MHz remote control systems.   JCM TECHNOLOGIES, S.A. declares herewith that the product RBAND/UMS, RBAND/CSM complies with the requirements of the 1999/5/ CEE R&TTE Directive, 2004/108/EC Directive on electromagnetic compatibility and 2006/95/EC on low voltage, insofar as the product is used correctly.  This device complies with Part 15 of the FCC Rules. Operation is subject to the following two conditions: (1) this device may  not cause harmful interference, and (2) this device must accept any interference received, including interference that may  cause undesired operation.  To comply with FCC rules, adjustment or modifications of this receiver and/or transmitter are prohibited, except for  changing the code setting or replacing the battery. THERE ARE NO OTHER USER SERVICEABLE PARTS. Any  other changes made, not expressly approved by JCM Technologies, S A could void the user’s authority to operate the equipment.  CE CONFORMITY DECLARATION See web www.motion-line.com

Navigation menu