JET OPTOELECTRONICS 3010DABOX02 3010DADA User Manual
JET OPTOELECTRONICS CO.,LTD. 3010DADA Users Manual
Users Manual

3010-DADA P/N. : 620004
USER'S MANUAL

一、 Wiring :Power Supply 12~16 DCV
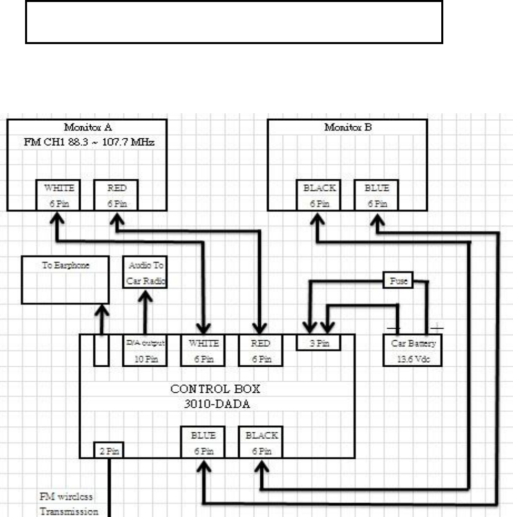
MODULE Connection instructional diagram
1 This product is car audio and video control box
2 Recommendations Please installation by professional technicians
3
Will pick a good line monitor A and monitor B、
each placed within the head restraint is being co-pilot。
4
Will take a good line Ccontrol Box,
Placed in the bottom of the co-pilot seat chairs。
3010-DADA P/N. : 620004 Page 1
3010-DADA User’s manual

二、Explanation & Specification:
Monitor A Monitor B
3010-DADA P/N. : 620004 Page 2
Monitor A
Monitor B

1
2
3
4
5
6
7
8
FM Transmitter frequency : 88.3MHz ~107.7 MHz
3010-DADA P/N. : 620004 Page 3
WIRE CABLE FUNCTION NAME
To Power supply DCV:12V~16V
To Monitor A Red Connector Power & AV Output
To Monitor A White Connector AV Input & I2C
To Ear phome Audio Aux Output
To FM Antenna Output 88.3 MHz ~107.7 MHz
To Monitor B Black Connector Power & AV Output
To Monitor B Blue Connector AV Input & I2C
Differential Audio output to Panasonic Monitor(NA)
1
2
3
4
5
6
7

三、 Operating Instructions
A. POWER ON/OFF
1. Press the Power key, opened the Monitor A and Monitor B. The look at the screen is normal
B.
Monitor A SOURCE button to switch the screen (Monitor A.Monitor B. AUX. TV).
Or press the Monitor B SOURCE button to switch the screen (Monitor B. AUX. TV.Monitor A).
To each other to see the picture and sound are normal.
C. FM Modulator Playback
1
2
The radio automatically search the radio to find the same with the Monitor A channel.
Listen to the radio, the sound is clear with or without noise or interference
(AUDIO sound source only from the Monitor A)
3010-DADA P/N. : 620004 Page 4
stereo system aim the remote at the driver’s side monitor and simply press the
can be changed by pressing the Sound Around (Select) button on the remote. Tune the vehicle’s
radio to the corresponding station to listen to the source that is displayed
frequency as follows:
the Driver's side headrest will now be audible through the vehicle's stereo. If a
different audible source is desired, press the Sound Around (ON / OFF) button again to select
Fm output ON and OFF. Once the desired audible source
has been selected, the transmitting frequency the FM modulator transmits on
(1. 88.3, 2. 88.7 , 3. 89.1 , 4. 89.5 , 5.89.9 , 6.90.3MHZ Circulating).
To listen to the audio portion of the viewed source though the vehicle’s
Sound Around (ON / OFF) button to turn the FM modulator on. The screen will now display
FM SOURCE: Monitor A . The Audio portion of the source originating from
on the driver’s side monitor.
To change the transmitting frequency, aim the remote at the driver’s side
monitor and press the Sound Around (Select) button. Each press of the button advances the

3And then CH + / CH-(UP / DOWN) key, press the remote control
the Sound Around(SELECT)button to start the FM the OSD Office.
Each time you press a frequency increment or decrement 200kHz.
The whole frequency range of FM of CH 88.3 to FM CH 107.7MHz.
Using full-frequency (before 88.3 , 99.5 , 107.7 three)
radio must also channel the correct position.
3010-DADA P/N. : 620004 Page 5
Sound Around (ON/OFF)
Sound Around (SELECT)
CH+/CH-
(UP/DOWN)
按壓一次跳200KHZ

4When you want to leave when not in use,
Press the power the key to turn off the Monitor A and Monitor B Power.
5This video product is designed and intended for positioning in back seating
areas of a vehicle where it cannot be viewed directly or indirectly by the driver
and possibly cause him/her to be distracted from the task of operating the
vehicle. Driver distraction is a major cause of accidents and for this reason
many states specifically prohibit the viewing of motion video within view of the
driver while the vehicle is in motion.
The REV-LT system features auxiliary component RCA input jacks on the
A/V Control Module. Devices connected to this input can be viewed on
either screen (independently or simultaneously), as well as output through
the vehicle stereo via the 3010-DADA Control Box FM Transmitter. To view this input press
the SOURCE button until EXT. AUX is displayed.
NOTE: Consult your installer to determine how to access this input.
3010-DADA P/N. : 620004 Page 6
This Class B digital apparatus complies with Canadian ICES-003.
Cet appareil numérique de la classe B conforme á la norme NMB-003 du Canada.
This device complies with Industry Canada license-exempt RSS standard(s). Operation is subject to the
following twoconditions: (1) this device may not cause interference, and (2) this device must accept
any interference, including interference that may cause undesired operation of the device.
Le présent appareil est conforme aux CNR d'Industrie Canada applicables aux appareils radio exempts
L'exploitation est autorisée aux deux conditions suivantes:(1) l'appareil ne doit pas produire de brouillage,
et(2) l'utilisateur de l'appareil doit accepter tout brouillage radioélectrique subi,
même si le brouillage est susceptible d'en compromettre le fonctionnement.
For product available in the USA/Canada market, only channel 1~11 can be operated. Selection of other
channels is not possible.
This device and its antenna(s) must not be co-located or operation in conjunction with any other
antenna or transmitter.
Under Industry Canada regulations, this radio transmitter may only operate using an antenna of a
type and maximum (or lesser) gain approved for the transmitter by Industry Canada. To reduce potential
radio interference to other users, the antenna type and its gain should be so chosen that the equivalent
isotropically radiated power (e.i.r.p.) is not more than that necessary for successful communication.
Federal Communication Commission Interference Statement
This equipment has been tested and found to comply with the limits for a Class B digital device,
pursuant to Part 15 of the FCC Rules. These limits are designed to provide reasonable protection
against harmful interference in a residential installation. This equipment generates, uses and can radiate
radio frequency energy and, if not installed and used in accordance with the instructions, may cause
harmful interference to radio communications. However, there is no guarantee that interference will not
occur in a particular installation. If this equipment does cause harmful interference to radio or television
reception, which can be determined by turning the equipment off and on, the user is encouraged to
try to correct the interference by one or more of the following measures:
● Reorient or relocate the receiving antenna.
This device complies with Part 15 of the FCC Rules. Operation is subject to the following two conditions:
(1) This device may not cause harmful interference, and
(2) this device must accept any interference received,
including interference that may cause undesired operation.
3010-DADA P/N. : 620004 Page 7
● Consult the dealer or an experienced radio/TV technician for help.
● Increase the separation between the equipment and receiver.
● Connect the equipment into an outlet on a circuit different from that to which the receiver is connected.
3010-DADA P/N. : 620004 Page 8
NOTE: THE GRANTEE IS NOT RESPONSIBLE FOR ANY CHANGES OR
MODIFICATIONS NOT EXPRESSLY APPROVED BY THE PARTY
RESPONSIBLE FOR COMPLIANCE. SUCH MODIFICATIONS COULD VOID
THE USER’S AUTHORITY TO OPERATE THE EQUIPMENT.