JTS PROFESSIONAL PT36BG2 UHF PLL Body-Pack Transmitter User Manual Exhibit 8 Users Manual rev

JTS Professional Co Ltd UHF PLL Body-Pack Transmitter Exhibit 8 Users Manual rev

Exhibit 8 Users Manual_rev

US-36G2 / Mh-36G2 / PT-36BG259508-043-011856
Instruction ManualUHF PLLTRue DIversity       WIRELESS SYSTEMSUS-36G2
ank you for choosing the JTS wireless system. In order to obtain the best eciency from the system, you are recommended to take few minutes to read this instruction manual carefully.
1. Important Caution         2. Features                                                          3. Specication3-1  Receiver// US-36G23-2  Handheld Transmitter // Mh-36G23-3  Body-pack Transmitter // PT-36BG23-4 Optional Condenser Microphone4. Part Identication & Accessories4-1  Receiver // US-36G24-2  Handheld Transmitter // Mh-36G24-3  Body-pack Transmitter // PT-36BG24-4 Optional Condenser Microphone4-5  Accessories5. Preparing Procedures & Basic Operation5-1  Receiver// US-36G25-2  Handheld Transmitter // Mh-36G2 5-3  Body-pack Transmitter // PT-36BG25-4  Installation of Condenser Microphones6. Recommendation7.  Important Notice1122233667891314141719202222INDEX
WIRELESS MICROPHONE SYSTEM11. Important Caution2. FeaturesAlways make all connections before plugging the unit into an AC power outlet. • Do not leave the devices in a place neither with high temperature nor high humidity.• Always do not handle the power cord with wet hands !• Keep the devices away from re and heat sources. • Due to the PLL synthesized technology, the system can oer up to 1441 selectable frequencies • for choosing simultaneously.6 groups, maximum 23 channels in one group.• e true diversity reception with 2 independent RF receivers ensure the stable transmission and • reception.Adjustable Pilot tone squelch control can eectively reduce the noise. • Equipped with S.A.W. lter benets the interference-resistant. • Tuned antennas can benet the stable RF reception.• Built-in Noise Squelch circuity & Mute function are available to restrain the interference for • signals.  Rugged metal housing can pass through the dicult environment. • Equipped with balanced XLR and balanced output allow great convenience.• Anti-interference design is available to work with every computer device.• Transmission power selectable between 10 and 50mW (depends on local regulation).•
23. Specication3-1 Receiver // US-36G23-2 Handheld Transmitter // Mh-36G2Frequency Preparation........Carrier Frequency RangeS/N Ratio.....................................T.H.D...............................................Display.............................................Display Contents.....................Controls.........................................Audio Output Level..............AF Output Impedance........Squelch...........................................Operation Voltage..................Output Connector.................Dimension(m/m).................PLL Synthesized Control 470.0~607.950MHz, 614.050~697.950MHz> 105dB<0.6%@1KHzLCD / LEDGroup, Channel, Frequency, Antenna A/B, Mute Display, AFMeter (LED BAR), RF Meter (LED BAR)  , Baery StatusPower On/O, Group, Channel, Frequency Up/Down, Frequency Scan, Audio Level, Lock-on, Output Pad-12dB600ΩPilot Tone & Noise Mute12V,  500mA1 XLR Balanced  Socket 1 Ø6.3mm Unbalanced phone jack212.3mm (W)* 38.3mm (H)* 144mm (D)Frequency Preparation.............Carrier Frequency Range.......RF Outputs......................................Stability Frequency.....................Deviation...........................................LCD Display....................................Controls..............................................Spurious Emissions....................Audio Frequency ResponseBaery..................................................PLL Synthesized Control470.0~607.950MHz, 614.050~697.950MHz10mW / 50mW(Depend on Local Regulation)<±10KHz±48KHz (Peak)Group, Channel, Frequency, Baery Status, Sensitivity Power On/O, Mode Seing, AF Level, Frequency Up/Down, Lock-on Mode<-50 dBC50~16,000 HzUM3, AA 1.5V*2
WIRELESS MICROPHONE SYSTEM33-3 Body-pack Transmitter // PT-36BG23-4 Optional Condenser MicrophoneModel No...............................Connector..............................Option Connector...........Frequency Response......Polar Paern..........................Sensitivity (at 1000Hz)Impedance.............................Max. SPL for 1% THD Dimension(mm)..............Net Weight............................CM-5014P Mini XLR100~15,000 HzCardioid-60±3 dB2.2kΩ 130dB Ø10.1mm(W)* 26.4mm(H)21.5gCM-201i201C4 (4P Mini XLR)201C3 (3P Mini XLR)201CS (3.5 stereo plug)201CR60~15,000 HzOmni-directional-60±3 dB2.2kΩ130dBØ5mm(W)* 9mm(H)20.7gCM-125i201C4 (4P Mini XLR)201C3 (3P Mini XLR)201CS (3.5 stereo plug)201CR50~18,000 HzOmni-directional-53±3 dB4.4kΩ130dBØ4mm(W)* 11mm(H)7g (cable excluded)Lavaliere MicrophoneFrequency Preparation..............Carrier Frequency Range........RF Outputs.......................................Stability Frequency...................... Deviation............................................LCD Display.....................................Controls...............................................Output connector.........................Spurious Emissions.....................Audio Frequency Response...Baery...................................................PLL Synthesized Control470.0~607.950MHz, 614.050~697.950MHz10mW / 50mW(Depend on Local Regulation)<±10KHz±48KHz (Peak)Group, Channel, Frequency, Baery Status, Sensitivity Power On/O, AF Level, Group, Channel, Frequency Up/Down, Lock-on Mode4P mini XLR<-50 dBC50Hz~18k HzUM3, AA  Alkaline x2
4Headset MicrophoneModel No...............................Connector..............................Frequency Response......Polar Paern..........................Sensitivity (at 1000Hz)Impedance.............................Max. SPL for 1% THD Dimension(mm)..............Net Weight............................CM-235801C4 (4P Mini XLR )       50~18,000 HzOmni-directional-53±3 dB1.8kΩ130dB   155mm(W) * 134mm(H) * 157mm(D)17g (cable excluded)CX-5044P Mini XLR      30~18,000 HzCardioid-68±3 dB680Ω  130dB  285mm(W) * 55mm(H) * 111.3mm(D)56.3gModel No...............................Connector...............................Option Connector...........Frequency Response......Polar Paern..........................Sensitivity (at 1000Hz)Impedance.............................Max. SPL for 1% THD Dimension(mm)..............Net Weight............................CM-214801C4 (4P Mini XLR) 801C3 (3P Mini XLR)801CS (3.5 stereo plug)801CR60~15,000 HzOmni-directional-60±3 dB1.8kΩ130dB125mm(W) * 134mm(H) * 157mm(D)32.9gCM-214U4P Mini XLR     30~18,000 HzCardioid-68±3 dB680Ω130dB   205mm(W) * 134mm(H) * 157mm(D)38.4gCM-214UL801C3 (3P Mini XLR)801C4 (4P Mini XLR)801CS (3.5 stereo plug)801CR100 ~ 18,000HzCardioid-65±3 dB1.8kΩ120dB125mm(W) * 134mm(H) * 157mm(D)18g (cable excluded)
WIRELESS MICROPHONE SYSTEM5Ear-hook MicrophoneModel No...............................Connector..............................Option Connector...........Frequency Response......Polar Paern..........................Sensitivity (at 1000Hz)Impedance.............................Max. SPL for 1% THD CM-801/CM-804i801C4 (4P Mini XLR)801C3 (3P Mini XLR)801CS (3.5 stereo plug)801CR60~15,000 HzOmni-directional-64±3 dB1.8kΩ130dBCM-8015/CM-825i801C4 (4P Mini XLR)801C3 (3P Mini XLR)801CS (3.5 stereo plug)801CR50~18,000 HzOmni-directional-53±3 dB1.8kΩ130dBModel No...............................Connector..............................Frequency Response......Polar Paern..........................Sensitivity (at 1000Hz)Impedance.............................Max. SPL for 1% THD Good For.................................Model No...............................Connector..............................Frequency Response......Polar Paern..........................Sensitivity (at 1000Hz)Impedance.............................Max. SPL for 1% THD Good For.................................CX-5004P Mini XLR20~20,000 HzOmni-directional-58±3dB1.5kΩ130 dBViolinCX-508W4P Mini XLR50~18,000 HzCardioid-67±3 dB220Ω130 dBWindsCX-500F4P Mini XLR20~20,000 HzOmni-directional-58±3dB1.5kΩ130 dBFlutesCX-5204P Mini XLR50~16,500 HzSupercardioid-78±3dB600Ω148 dBHarmonicaCX-516W4P Mini XLR30~18,000 HzCardioid-67±3 dB220Ω130 dBAccordionCompatible Instrument Microphone
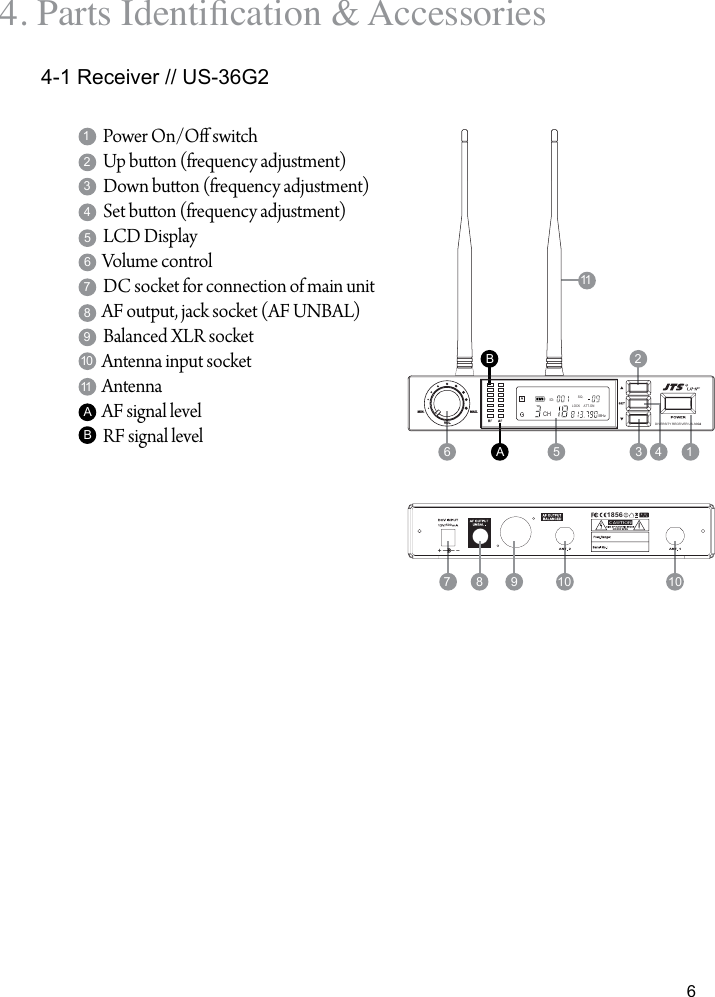
64. Parts Identication & Accessories4-1 Receiver // US-36G2Power On/O switchUp buon (frequency adjustment)Down buon (frequency adjustment) Set buon (frequency adjustment)LCD DisplayVolume controlDC socket for connection of main unitAF output, jack socket (AF UNBAL)Balanced XLR socketAntenna input socketAntennaAF signal levelRF signal level147101125836913 411256VOL.MIN. MAX.DIVERSITY RECEIVER US-36G2ID:SQ.LOCK ATT.ONCHMHz7 10 1050018568 9AABB
WIRELESS MICROPHONE SYSTEM7Interchangeable capsuleLCD displayDown buonUP buonSet buon Baery tray buonBaery trayPower On/O switch4-2 Handheld Transmitter // Mh-36G2121513161814171912191718G2Mh-36G2Mh-3613151614
8UH F  P LL  T r a ns mi tt erPOWER/MUTE4-3 Body-pack Transmitter // PT-36BG2LCD DisplayBaery TraySet buon: set the conguration of bodypack transmierUp buon: select the seings of transmierDown buon: select the seings of transmierPower  Switch / Mute4 Pin mini XLR mic. input AntennaBelt ClipLCD Panel of the Body-Pack TransmitterBaery status: display  baery statusGroup & Channel30292827202123242526222021282627232522243029
WIRELESS MICROPHONE SYSTEM9Clip4 Pin Mini XLR3 Pin Mini XLR3.5 Stereo Plug4Pin Hirose connecterWindscreen3133343536324-4 Optional Condenser MicrophoneLavaliere Microphone // CM-501 CM-201i CM-125iCM-501 CM-201i CM-125i36 36 363131 3132 33 34 35Option Option Option
10Headset Microphone // CM-214 / CM-214U / CM-214UL / CM-235 /                                       CX-504GooseneckAdjustable headbandHeadband4 Pin Mini XLRWindscreenCM-214 CM-214UCM-235 CX-5043838 38383839404141 414141413737373737373940CM-214ULStandard :4 Pin Mini XLR3 Pin Mini XLR3.5 Stereo Plug
WIRELESS MICROPHONE SYSTEM11BoomAdjustable HeadbandAdjustable ear hookDetchable CableCable ClipWindscreen 4 Pin Mini XLR3 Pin Mini XLR3.5 Stereo Plug4Pin Hirose connecterEar-hook Microphone // CM-801 / CM-804i / CM-8015 / CM-825i474949485051   50444648454243CM-825i 464742444543Option Option Option CM-8014647424445CM-804i 464742444543CM-801546     4742444551
1257GooseneckClipBracketVolume ControlWindscreen4 Pin Mini XLR5556575453565652CX-520CX-500FCX-50052Compatible Instrument Microphone // CX-500 / CX-500F / CX-520 /                                                             CX-508W / CX-516W5355 CX-508W CX-516W535256 565254
WIRELESS MICROPHONE SYSTEM13AC/DC adaptor       Switching Power Supply(100V~240V , 50~60Hz)       Linear Power Supply (220V , 50Hz)       Linear Power Supply (220V , 60Hz)ScrewdriverDR-900 Dual Rack AdaptorRP-900 Panel CoverAF output cable (with Φ6.3 plug at both ends) GC-80/GC-100 Guitar CableGC-80L/GC-100L Guitar Cable4-5 Accessories61636460625958616063 64625958Option Option Option Option Option Option ABCAB C
145. Preparing Procedures & Basic Operation 5-1 Receiver // US-36G2(1) Power output connectorPlug in one end of AC/DC adaptor cable to DC input socket in the rear panel of receiver, and plug another end into an AC outlet.(Step 1)   (2) Audio Output Connector Connect one end of the AF output cable to the AF output socket in the rear panel, then plug another end to the “MIC IN” input socket of a mixer or amplier.(Step 2)Receiver equipped with balanced XLR output and Unbalanced φ6.3mm output, choose the proper way for use.MIXERAC/DC ADAPTORAC POWER SOCKETAUDIO OUTPUTDC INPUT215001856
WIRELESS MICROPHONE SYSTEM155001856(3) LCD panelRF signal levelAF signal levelMain displayDiversity display (A or B antenna)Baery gauge of the transmier (4) Seing the rubber padFour self-adhesive rubber pads are provided to ensure the stability. ey are to be placed on the boom side of the receiver.(5) Connecting the antennase user-friendly receiver antenna comes with easy mount on socket for eortless connection.  Connect two antennas on the back of the receiver and align them upward.(6) Connecting the main unitPlug in the DC connector on the back of the receiver (DCV INPUT).(7) Connecting the amplier/mixer consolePlug in the amplier/mixer console to the (AF OUT UNBAL / BAL ) sockets.67696668656765 6668 69ANT.1 / ANT.2DCV INPUTAF OUT UNBAL/BALTurning the receive on and o by pressing the POWER buon.Press the SET buon for 3 seconds to select group/frwquency scan, squelch, and output level.Press the SET buon again to store once you make any changes.Press the UP or DOWN buon to adjust the seing.50018565001856ID:SQ.LOCK ATT.ONCHMHz
16(8) Turning the receiver on/oTurn the receiver on by pressing the Powerbuon.(9) Adjusting the AF output levelUse the AF output level control located on the front side of the receiver to adjushe AF signal level that appears at output.(10) Dual Rack Adaptor sete dual rack adaptor is available to unify the half rack space into a standard EIA size with single or dual units.AF OUTPUT LEVELPOWERPOWERVOL.MIN. MAX.DIVERSITY RECEIVER US-36G2ID: SQ.LOCK ATT.ONCHMHzVOL.MIN. MAX.DIVERSITY RECEIVER US-36G2ID: SQ.LOCK ATT.ONCHMHz
WIRELESS MICROPHONE SYSTEM17(1) Turning the transmier on/o        e on/o switch is located on the boom of  the microphone.  (2) Inserting and changing the baery        1.  Loosen the microphone head counter-clockwise. (Figure 1)        2.  Push both baery tray buon to release it. (Figure 2)        3.  Insert 2 pieces of  UM-3 1. 5 V baeries, remember to match               correct polarity. (step1 of  Figure3)        4.  Push the baery tray back. (step2 of  Figure3)        5.  Aim the connectors exactly for screwing on the microphone              head clockwise. (Figure 4)(3) LCDpanel              Main display              Baery indicator  5-2 Handheld Transmitter // Mh-36G270717071G2Mh-3621Figure 1Figure 2Figure 3Figure 4
18(4) Press the SET buon to select between frequency /group/ sensitivity / RF outputs.  1.  Frequency adjusting        Press the UP or DOWN buon to adjust the seing of a menu.        1-1 Hold SET buon for 3 seconds to activate frequency.        1-2 Once you see ”MHz” blinking , you are ready to select your desired frequency                 by using UP and DOWN buons.        1-3 Press the SET buon again to store your changes.  2.  Group adjusting        2-1 Press“Set” buon         for  3  seconds, the group (G) will ash. (Figure 5)        2-2 Presss“      Up        ” or “      Down        ”buon to select a desired group.        2-3 Press “Set” again and the Channel (CH) will ash.         2-4 Press “      Up” or “        Down” buon to select a desired channel.         2-5 Aer seing, press “Set” again to save the seing.  3.  Sensitivity adjusting        3-1 Press the SET buon twice to select sensitivity. Lasting for 3 seconds at the rst                  press, then 1 second for the second press, and the display appears                     .        3-2 Use UP and DOWN buons to adjust changes.        3-3 Finally press SET buon again to store your changes.  4.  RF Outputs adjusting        4-1 Push the “Set” buon        several times until the “rF Lo “ or “rF Hi” ashes.        4-2 en push “      Up        ” to choose “Hi” for high transmiing power and push                 “        Down        ”to choose “Lo” for low transmiing power.        4-3 Selectable transmission power betwem 10mW & 50mW.        4-4 Push the “Set” again to save the seing.1616151415 14SET  DOWN  UPFigure 5
WIRELESS MICROPHONE SYSTEM195-3 Body-pack Transmitter // PT-36BG2(1) Press the SET buon to select between frequency /group/ sensitivity / RF outputs.           (depends on country)  1.  Frequency adjusting        Press the UP or DOWN buon to adjust the seing of a menu.        1-1 Hold SET buon for 3 seconds to activate frequency.        1-2 Once you see ”MHz” blanking , you are ready to select your desired frequency                 by using UP and DOWN buons.        1-3 Press the SET buon again to store your changes.  2.  Group adjusting        2-1 Press“Set” buon         for  3  seconds, the group (G) will ash. (Figure 6)        2-2 Presss“      Up        ” or “      Down        ”buon to select a desired group.        2-3 Press “Set” again and the Channel (CH) will ash.         2-4 Press “      Up” or “        Down” buon to select a desired channel.         2-5 Aer seing, press “Set” again to save the seing.  3.  Sensitivity adjusting        3-1 Press the SET buon twice to select sensitivity. Lasting for 3 seconds at the rst                  press, then 1 second for the second press, and the display appears                     .        3-2 Use UP and DOWN buons to adjust changes.        3-3 Finally press SET buon again to store your changes.  4.  RF Outputs adjusting        4-1 Push the “Set” buon        several times until the “rF Lo “ or “rF Hi” ashes.        4-2 en push “      Up        ” to choose “Hi” for high transmiing power and push                 “        Down        ”to choose “Lo” for low transmiing power.        4-3 Selectable transmission power betwem 10mW & 50mW.        4-4 Push the “Set” again to save the seing.2222232423 24Figure 63”
205-4 Installation of Condenser Microphones(1) Lavaliere microphone Aach lavaliere microphone to a tie, lapel, where is suitable for sound pick-up.  Plug the connector into input socket on the body-pack transmier. (2) Headset microphone     Put the headband behind your head, and x the temples on your ears as shows, then adjust the gooseneck to have best miking.  Plug the connector into input socket on the body-pack transmier. (3) Instrument Microphones                e system is compatible with JTS various instrument microphones.                For detail please refer to user’s manuals of these microphones.MIC IN
WIRELESS MICROPHONE SYSTEM21(6) Ear-hook Microphone1. Lightweight Dual Ear Hook MicrophoneTry on whether the headset is t.Adjust the headband to a suitable width.Tighten or loosen the curve of the ear-hook by twisting the loop or expanding it.Curve and bend the boom to t your face.Aach the detachable cable to a suitable place by a cable clip.2. Lightweight Single Ear Hook MicrophoneTry on whether the original curve is tight or loose.Re-try and push the xed curve against your earlobe.Curve and Bend the boom to t your face.Aach the detachable cable to a suitable place by a cable clip.
226. Recommendation(1) In order to achieve the optimum reception condition and also extend the operating distance, please leave a “open space” between the receiver and transmier.(2) Keep the devices away from the metal objects or any interference sources, at least 50 cm.(3) To avoid the feed-back eect, don’t leave the mic. to aim at the speakers directly.(4) For best pick-up paern, please hold the middle of the mic. body.(5) Remove baeries from the baery compartment when the transmier will not be used for a long time.(6)When you need to replace the baeries, please replace both baeries at the same time with new ones. 7. Important Notice(1) JTS oers wireless systems in a selection of bands that conform to the dierent government regulations of specic nations or geographic regions. ese regulations help limit radio          frequency (RF) interference among dierent wireless devices and prevent interference with local public communications channels, such as television and emergency broadcasts.(2) For information on bands available in your area, consult your local dealer or phone JTS.         More information is also available at JTS’s website (www.jts.com.tw).(3) is Radio apparatus may be capable of operating on some frequencies not authorized in         your region. Please contact your national authority to obtain information on authorized frequencies and RF power levels for wireless microphone products.Notice:The changes or modifications not expressly approved by the party responsible for compliancecould void the user’s authority to operate the equipmentIMPORTANT NOTE:To comply with the FCC RF exposure compliance requirements, no change to the antennaor the device is permitted. Any change to the antenna or the device could result in thedevice exceeding the RF exposure requirements and void user’s authority to operate thedevice.

Navigation menu