JVC KD G824UI Instal1 2_KD G824_[UI]f User Manual GET0361 002A
KD-G824UI KD-G824UI INSTALLATION MANUAL GET0361-002A
User Manual: JVC KD-G824UI KD-G824UI English, INSTALLATION MANUAL
Open the PDF directly: View PDF
.
Page Count: 2

WARNINGS
To prevent short circuits, we recommend that you disconnect the battery’s negative terminal and make all
electrical connections before installing the unit.
• Be sure to ground this unit to the car’s chassis again after installation.
Notes:
• Replace the fuse with one of the specified rating. If the fuse blows frequently, consult your JVC car audio
dealer.
• It is recommended to connect to the speakers with maximum power of more than 50 W (both at the rear
and at the front, with an impedance of 4 Ω to 8 Ω). If the maximum
power is less than 50 W, change “Amp Gain” setting to prevent the
speakers from being damaged (see page 18 of the INSTRUCTIONS).
• To prevent short-circuit, cover the terminals of the UNUSED leads
with insulating tape.
• The heat sink becomes very hot after use. Be careful not to touch it
when removing this unit.
Heat sink
KD-G824
Installation/Connection Manual
GET0361-002A
[UI]
0106DTSMDTJEIN
EN
This unit is designed to operate on 12 V DC, NEGATIVE ground electrical systems. If your vehicle does
not have this system, a voltage inverter is required, which can be purchased at JVC car audio dealers.
1
© 2006 Victor Company of Japan, Limited
When installing the unit without
using the sleeve
In a Toyota car for example, first remove the car
radio and install the unit in its place.
When using the optional stay
Note:
When installing the unit on the mounting
bracket, make sure to use the 8 mm-long screws.
If longer screws are used, they could damage the
unit.
Flat type screws
(M5 × 8 mm)*2
Pocket
Flat type screws (M5 × 8 mm)*2
Screw (option)
Stay (option)
Fire wall
Dashboard
Install the unit at an angle of less than 30˚.
Removing the unit
Before removing the unit, release the rear section.
Insert the two handles, then pull them as
illustrated so that the unit can be removed.
Parts list for installation and connection
The following parts are provided for this unit. If any item is missing, consult your JVC car audio
dealer immediately.
A / B
Hard case/Control panel
C
Sleeve
D
Trim plate
F
Washer (ø5)
J
Handles
I
Rubber cushion
Do the required electrical
connections.
*1 When you stand the unit,
be careful not to damage
the fuse on the rear.
Bend the appropriate tabs
to hold the sleeve firmly in
place.
INSTALLATION (IN-DASH MOUNTING)
The following illustration shows a typical installation. If you have any questions or require information
regarding installation kits, consult your JVC car audio dealer or a company supplying kits.
• If you are not sure how to install this unit correctly, have it installed by a qualified technician.
PRECAUTIONS on power supply and speaker connections:
• DO NOT connect the speaker leads of the power cord to the car battery; otherwise, the unit
will be seriously damaged.
• BEFORE connecting the speaker leads of the power cord to the speakers, check the speaker wiring in
your car.
G
Lock nut (M5)
H
Mounting bolt
(M5 × 20 mm)
E
Power cord
Bracket*2
Bracket*2
K
Remote controller
L
Battery
M
CD-ROM
(Image Converter: Ver. 3.0)
TROUBLESHOOTING
• The fuse blows.
* Are the red and black leads connected correctly?
• Power cannot be turned on.
* Is the yellow lead connected?
• No sound from the speakers.
* Is the speaker output lead short-circuited?
• Sound is distorted.
* Is the speaker output lead grounded?
* Are the “–” terminals of L and R speakers grounded in common?
• Noise interfere with sounds.
* Is the rear ground terminal connected to the car’s chassis using shorter and thicker cords?
• This unit becomes hot.
* Is the speaker output lead grounded?
* Are the “–” terminals of L and R speakers grounded in common?
• This unit does not work at all.
* Have you reset your unit?
*2 Not supplied
for this unit.
Instal1-2_KD-G824_[UI]f.indd 1Instal1-2_KD-G824_[UI]f.indd 1 12/29/05 3:24:33 PM12/29/05 3:24:33 PM

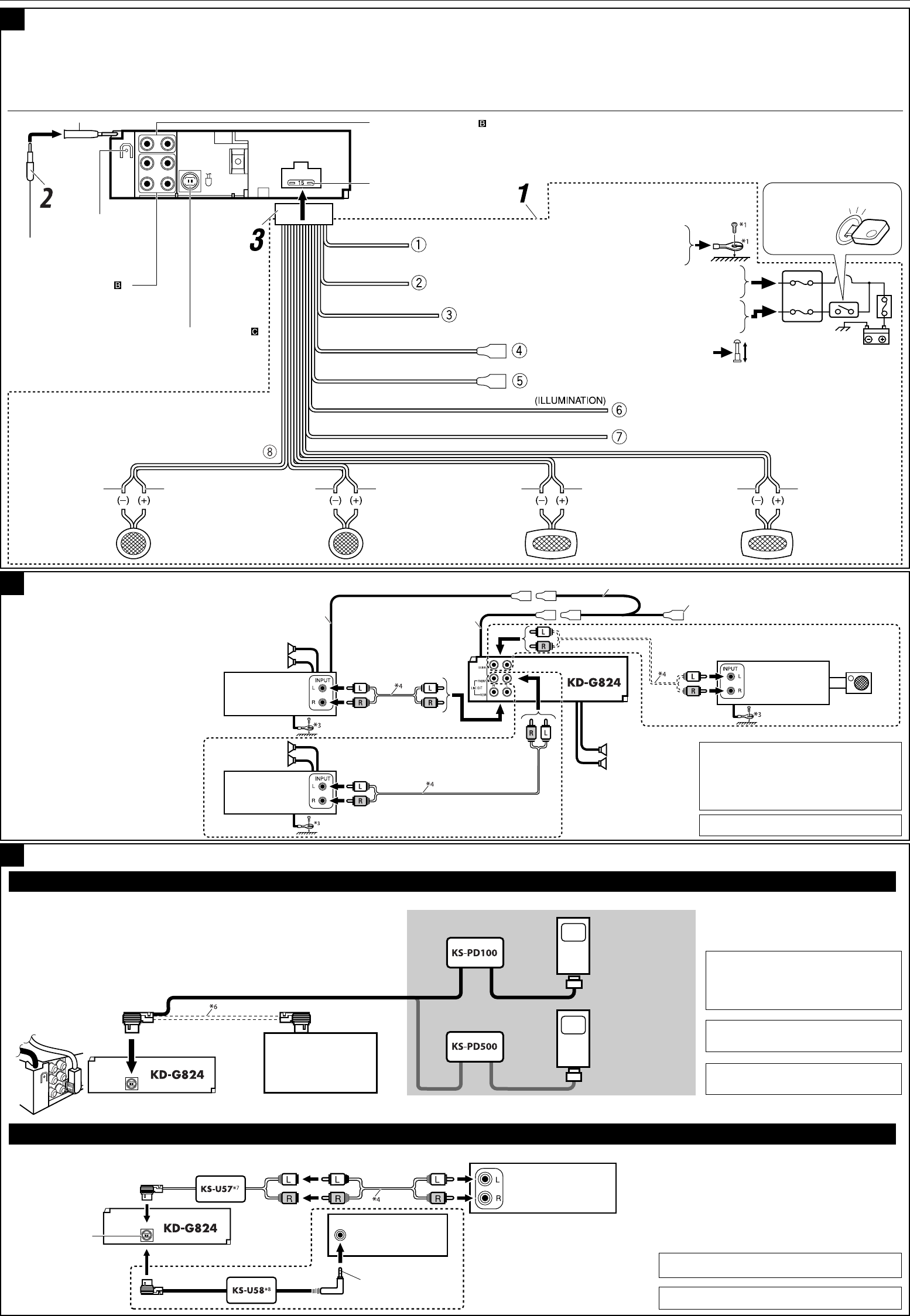
Typical connections
Before connecting: Check the wiring in the vehicle carefully. Incorrect connection may cause serious damage to this unit.
The leads of the power cord and those of the connector from the car body may be different in color.
1 Connect the colored leads of the power cord in the order specified in the illustration below.
2 Connect the antenna cord.
3 Finally connect the wiring harness to the unit.
PurplePurple with black stripeGreenGreen with black stripeGrayGray with black stripeWhiteWhite with black stripe
A
ELECTRICAL CONNECTIONS
To the automatic antenna if any
(250 mA max.)
To the remote lead of other equipment (200 mA max.)
To metallic body or chassis of the car
To a live terminal in the fuse block connecting to the car battery
(bypassing the ignition switch) (constant 12 V)
To an accessory terminal in the fuse block
Right speaker (rear)Left speaker (rear)Right speaker (front)Left speaker (front)
*2
Before checking the operation of this unit prior to installation,
this lead must be connected, otherwise power cannot be
turned on.
15 A fuse
Line out (see diagram )
Rear ground terminal
*1 Not supplied for this unit. Ignition switch
Fuse block
Black
Red
Yellow *2
Blue
Connecting the external amplifiers and/or subwoofer
You can connect amplifiers to upgrade
your car stereo system.
• Connect the remote lead (blue with
white stripe) to the remote lead of
the other equipment so that it can be
controlled through this unit.
• Disconnect the speakers from this
unit, connect them to the amplifier.
Leave the speaker leads of this unit
unused.
– The line output level of this unit is
kept high to maintain the hi-fi sounds
reproduced from this unit.
When connecting an external
amplifier to this unit, turn down the
gain control on the external amplifier
to obtain the best performance from
this unit.
*3 Firmly attach the ground wire to the metallic
body or to the chassis of the car—to the place
uncoated with paint (if coated with paint,
remove the paint before attaching the wire).
Failure to do so may cause damage to the unit.
B
Rear speakers
Remote lead Remote lead (Blue with white stripe)
To the remote lead of other equipment or automatic
antenna if any
Y-connector (not supplied for this unit)
Front speakers
Subwoofer
JVC Amplifier
JVC Amplifier
To CD changer or another external component (see diagram )
To subwoofer (see diagram )
To car light control switch
To cellular phone system
Blue with white stripe
Orange with white stripe
Brown
JVC Amplifier
2
Connecting the external components
C
CD changer, Apple iPod®, or JVC D. player
CAUTION:
Before connecting the external
components, make sure that the unit is
turned off.
CD changer jack
JVC CD changer
• Set “Changer” for the external input setting (see page 18 of the INSTRUCTIONS.)
You can connect these components as illustrated below. The iPod*5 or D. player can be
connected using an interface adapter (not supplied)—KS-PD100 (for iPod) or KS-PD500
(for D. player).
Apple iPod (separately
purchased)
JVC D. player (separately
purchased)
or
Other external component
CD changer jack
External component
External component
*7 Line Input Adapter KS-U57 (not supplied for this unit)
*8 AUX Input Adapter KS-U58 (not supplied for this unit)
3.5 mm stereo mini plug
*5 iPod is a trademark of Apple Computer, Inc.,
registered in the U.S. and other countries.
*6 Connecting cord supplied for your CD
changer
• Set “Ext In” for the external input setting (see page 18 of the INSTRUCTIONS.)
*4 Signal cord (not supplied for this unit)
Front speakers
Antenna connector
Instal1-2_KD-G824_[UI]f.indd 2Instal1-2_KD-G824_[UI]f.indd 2 12/29/05 3:24:39 PM12/29/05 3:24:39 PM