JVC KD NXD505J NXD505[J]Installation Manual User LVT1774 002A
KD-NXD505J KD-NXD505J INSTALLATION MANUAL LVT1774-002A
User Manual: JVC KD-NXD505J KD-NXD505J English, French, Spanish, INSTALLATION MANUAL
Open the PDF directly: View PDF
.
Page Count: 6

1
KD-NXD505
Installation/Connection Manual
Manual de instalación/conexión
Manuel d’installation/raccordement
LVT1774-002A
[J]
0707NSMMDWJEIN
EN, SP, FR
©2007 Victor Company of Japan, Limited
ENGLISH
This unit is designed to operate on 12 V DC, NEGATIVE ground electrical
systems. If your vehicle does not have this system, a voltage inverter is
required, which can be purchased at JVC car audio dealers.
WARNINGS
• DO NOT install any unit in locations where:
– it may obstruct the steering wheel and gearshift lever operations.
– it may obstruct the operation of safety devices such as air bags.
– it may obstruct visibility.
• DO NOT operate the unit while driving. If you need to operate the unit
while driving, be sure to look ahead carefully.
• The driver must not watch the monitor while driving.
• This unit has a built-in HDD, which is a device to read minute magnetic
changes. The inside of the device is precision components, requiring you to
notice the following when installing the unit:
Install the unit at a place where the following conditions are satisfied:
– Dry and neither too hot nor too cold—between 5°C (41°F) and 35°C
(95°F). If the temperature is too low, the HDD will not work. Wait until
the temperature in the car becomes normal before operating the unit.
– At an altitude between –300 m (–980 ft) below sea level and +3000 m
(9800 ft) above sea level.
– With adequate ventilation to prevent internal heat buildup in the unit.
K
Rubber cushion
Cojín de goma
Amortisseur en
caoutchouc
G
Crimp connectors
Conectores de sujeción
Raccord à sertir
H
Washer (ø5)
Arandela (ø5)
Rondelle (ø5)
I
Lock nut (M5)
Tuerca de seguridad (M5)
Ecrou d’arrêt (M5)
J
Mounting bolt—
M5 x 20 mm
(M5 x 13/16")
Perno de montaje—
M5 x 20 mm
(M5 x 13/16 pulgada)
Boulon de montage—
M5 x 20 mm
(M5 x 13/16 pouces)
C
Sleeve
Cubierta
Manchon
E
Power cord
Cordón de alimentación
Cordon d’alimentation
Parts list for installation and connection
The following parts are provided for this unit. If anything is missing, contact
your dealer immediately.
L
Handles
Manijas
Poignées
A / B
Hard case/Control panel
Estuche duro/Panel de
control
Etui de transport/Panneau
de commande
Lista de piezas para instalación y conexión
Con esta unidad se suministran las siguientes piezas.
Después de inspeccionarlas, colóquelas correctamente.
Liste des pièces pour l’installation et raccordement
Les pièces suivantes sont fournies avec cet appareil.
Après vérification, veuillez les placer correctement.
O
Batteries
Pilas
Piles
ESPAÑOL
Esta unidad está diseñada para funcionar con 12 V de CC, con sistemas
eléctricos de masa NEGATIVA. Si su vehículo no posee este sistema,
será necesario un inversor de tensión, que puede ser adquirido en los
concesionarios de JVC de equipos de audio para automóviles.
FRANÇAIS
Cet appareil est conçu pour fonctionner sur des sources de courant continu de
12 V à masse NEGATIVE. Si votre véhicule n’offre pas ce type d’alimentation,
il vous faut un convertisseur de tension, que vous pouvez acheter chez un
revendeur d’autoradios JVC.
ADVERTENCIAS
• NO instale la unidad en los siguientes sitios:
– puede obstaculizar las maniobras del volante de dirección y de la palanca
de cambios.
– puede obstaculizar la operación de los dispositivos de seguridad, como
por ejemplo, bolsas de aire.
– Donde pueda obstruir la visibilidad.
• NO opere la unidad mientras maneja. Si es necesario operar la unidad
mientras maneja, asegúrese de no apartar la vista de la carretera.
• El conductor no debe mirar el monitor mientras conduce.
• Esta unidad dispone de un HDD incorporado, que es un dispositivo que
lee los cambios magnéticos diminutos. En el interior del dispositivo hay
componentes de precisión y por lo tanto, se deberá tener en cuenta lo
siguiente al instalar la unidad.
Instale la unidad en un lugar que cumpla con las siguientes condiciones:
– Nivelado y seco, ni demasiado frío ni demasiado caluroso—entre 5°C (41°F)
y 35°C (95°F). El HDD no funcionará si la temperatura es muy baja. Antes de
operar la unidad, espere hasta que la temperatura del habitáculo se normalice.
– A una altitud entre –300 m (–980 pie) por debajo del nivel del mar y
+3000 m (9800 pie) por encima del nivel del mar.
– Con una ventilación adecuada para evitar la generación de calor en el
interior de la unidad.
AVERTISSEMENTS
• N’INSTALLEZ aucun appareil dans les endroits suivants où:
– il peut gêner l’utilisation du volant ou du levier de vitesse.
– il peut gêner le fonctionnement de dispositifs de sécurité tels que les coussins
de sécurité.
– il peut gêner la visibilité.
• NE manipulez pas l’appareil quand vous conduisez. Si vous devez commander
l’appareil pendant que vous conduisez, assurez-vous de bien regarder devant vous.
• Le conducteur ne doit pas regarder le moniteur lorsqu’il conduit.
• Cet appareil contient un disque dur intégré, qui est dispositif permettant de
lire les charges magnétiques minuscules. L’intérieur de l’appareil est composé
de dispositifs de précision, vous demandant de prendre les précautions
suivantes lors de l’installation de l’appareil:
Installez l’appareil dans un endroit où les conditions suivantes sont satisfaites:
– Sec et ni trop chaud ni trop froid—entre 5°C (41°F) et 35°C (95°F). Si la
température est trop basse, le disque dur ne fonctionne pas. Attendez que la
température dans la voiture redevienne normale avant d’utiliser l’appareil.
– À une altitude située entre –300 m (–980 pied) au-dessous du niveau de la
mer et +3000 m (9800 pied) au-dessus du niveau de la mer.
– Avec une ventilation suffisante pour éviter tout échauffement interne de
l’appareil.
D
Trim plate
Placa de guarnición
Plaque d’assemblage
P
Extension leads
Cable prolongador
Cordon rallonge
TROUBLESHOOTING
• The fuse blows.
* Are the red and black leads connected correctly?
• Power cannot be turned on.
* Is the yellow lead connected?
• No sound from the speakers.
* Is the speaker output lead short-circuited?
• Sound is distorted.
* Is the speaker output lead grounded?
* Are the “–” terminals of L and R speakers grounded in common?
• Noise interfere with sounds.
* Is the rear ground terminal connected to the car’s chassis using shorter and
thicker cords?
• No playback picture appears while an AV source is selected.
* Is the parking brake lead properly connected?
• Unit becomes hot.
* Is the speaker output lead grounded?
* Are the “–” terminals of L and R speakers grounded in common?
• This unit does not work at all.
* Have you reset your unit?
LOCALIZACION DE AVERIAS
• El fusible se quema.
* ¿Están los conductores rojo y negro correctamente conectados?
• No es posible conectar la alimentación.
* ¿Está el cable amarillo conectado?
• No sale sonido de los altavoces.
* ¿Está el cable de salida del altavoz cortocircuitado?
• El sonido presenta distorsión.
* ¿Está el cable de salida del altavoz conectado a masa?
* ¿Están los terminales “–” de los altavoces L y R conectados a una masa
común?
• Perturbación de ruido.
* ¿El terminal de tierra trasero está conectado al chasis del automóvil utilizando
los cordones más corto y más grueso?
• No aparece la reproducción de imágenes mientras se selecciona la
fuente de AV.
* ¿Se ha conectado correctamente el cable del freno de estacionamiento?
• La unidad se calienta.
* ¿Está el cable de salida del altavoz conectado a masa?
* ¿Están los terminales “–” de los altavoces L y R conectados a una masa
común?
• Este receptor no funciona en absoluto.
* ¿Reinicializó el receptor?
EN CAS DE DIFFICULTES
• Le fusible saute.
* Les fils rouge et noir sont-ils racordés correctement?
• L’appareil ne peut pas être mise sous tension.
* Le fil jaune est-elle raccordée?
• Pas de son des enceintes.
* Le fil de sortie d’enceinte est-il court-circuité?
• Le son est déformé.
* Le fil de sortie d’enceinte est-il à la masse?
* Les bornes “–” des enceintes gauche et droit sont-elles mises ensemble à la
masse?
• Interférence avec les sons.
* La prise arrière de mise à la terre est-elle connectée au châssis de la voiture
avec un cordon court et épais?
• Aucune image de lecture n’apparaît lors de la sélection d’une
source audio-vidéo.
* Le fil de sortie du frein de stationnement est-il connecté correctement?
• L’appareil devient chaud.
* Le fil de sortie d’enceinte est-il à la masse?
* Les bornes “–” des enceintes gauche et droit sont-elles mises ensemble à la
masse?
• Cet appareil ne fonctionne pas du tout.
* Avez-vous réinitialisé votre appareil?
Q/R
GPS antenna/Attachment mat
Antena GPS/Estera de fijación
Antenne GPS/Feuille de fixation
S
Measuring gauge
Calibrador de
medición
Gabarit de mesure
F
AV I/O cords
Cables de E/S AV
Cordons entrée/sortie audio-vidéo
RM-RK250
M
Remote controller/Holder
Control remoto/Soporte
Télécommande/Support
R03(UM-4)/
AAA(24F) x 2
N
Double-sided adhesive tape
Cinta adhesiva de doble cara
Ruban adhésif double face
6 mm (1/4")
3 mm (1/8")
5 mm (1/4")
5 mm (1/4")
Required space for installation / Espacio requerido para la instalación / Espace
nécessaire pour l’installation
Control panel
Panel de control
Panneau de commande
Dashboard
Tablero de instrumentos
Tableau de bord
Trim plate is detached on this illustration
for explanation.
Para fines explicativos, se ha retirado la
placa de guarnición en esta ilustración.
La plaque de garniture est montrée
détachée sur cette illustration pour les
besoins de l’explication.
Caution when installing / Precaución en la
instalación / Précautions lors de l’installation
Fit the unit into the mounting sleeve
by using four corners of the trim
plate.
• DO NOT press the panel (shaded
in the illustration).
Introduzca el receptor en la manga
de montaje utilizando las cuatro
esquinas de la placa decorativa.
• NO presione el panel (sombreado en la ilustración).
Fixez l’autoradio sur le manchon de montage en utilisant les
quatre coins de la plaque de garniture.
• NE POUSSEZ PAS sur le panneau (en gris sur l’illustration).
• You cannot install the unit on the
car which has any obstacles in the
diagonally shaded areas.
• No es posible instalar la unidad en el
coche si hay obstáculos en las zonas
sombreadas laterales.
• Vous ne pouvez pas installer l’unité
dans une voiture comportant des
obstacles dans les zones ombrées sur
l’illustration.
Installing the remote controller/
Instalación del control remoto/
Installation de la télécommande
Holder/Soporte/Support
Remote controller
Control remoto
Télécommande
N
Instal_NXD505_J.indd 1Instal_NXD505_J.indd 1 07.6.22 5:25:56 PM07.6.22 5:25:56 PM

2
*1 When you stand the unit, be careful not to damage the fuse on the rear.
*1 Al poner la unidad vertical, tenga cuidado de no dañar el fusible provisto en la
parte posterior.
*1 Lorsque vous mettez l’appareil à la verticale, faire attention de ne pas endommager
le fusible situé sur l’arrière.
Do the required electrical connections.
Realice las conexiones eléctricas requeridas.
Réalisez les connexions électriques.
Bend the appropriate tabs to hold the sleeve firmly
in place.
Doble las lengüetas apropiadas para retener
firmemente la manga en su lugar.
Tordez les languettes appropriées pour maintenir le
manchon en place.
When using the optional stay / Cuando emplea un soporte
opcional / Lors de l’utilisation du hauban en option
When installing the unit without using the sleeve / Instalación de la unidad sin utilizar la cubierta / Lors de
l’installation de l’appareil sans utiliser de manchon
In a car having the “Required space for installation” (see page 1), first remove the car radio and install the unit in its place.
En un automóvil que dispone del “Espacio requerido para la instalación” (véase página 1), primero desmonte el autorradio e instale la unidad en su lugar.
Dans une voiture possédant l’“Espace nécessaire pour l’installation” (voir page 1), retirez d’abord l’autoradio d’origine et installer cet appareil à sa place.
Screw (option)
Tornillo (opción)
Vis (en option)
Stay (option)
Soporte (opción)
Hauban (en option)
Fire wall
Tabique a prueba de incendios
Cloison
Dashboard
Tablero de
instrumentos
Tableau de bord
Bracket *2
Ménsula *2
Support *2
*2 Not included for this unit.
*2 No suministrado con esta unidad.
*2 Non fourni avec cet appareil.
Flat type screws—M5 x 8 mm
(M5 x 3/8") *2
Tornillos tipo plano—M5 x 8 mm
(M5 x 3/8 pulgada) *2
Vis à tête plate—M5 x 8 mm
(M5 x 3/8 pouces) *2
Flat type screws—M5 x 8 mm
(M5 x 3/8") *2
Tornillos tipo plano—M5 x 8 mm
(M5 x 3/8 pulgada) *2
Vis à tête plate—M5 x 8 mm
(M5 x 3/8 pouces) *2
Note : When installing the unit on the mounting bracket, make sure to use the 8 mm (3/8") -long screws. If longer screws are used,
they could damage the unit.
Nota : Cuando instala la unidad en la ménsula de montaje, asegúrese de utilizar los tornillos de 8 mm (3/8 pulgada) de longitud. Si se
utilizan tornillos más largos, éstos pueden dañar la unidad.
Remarque : Lors de l’installation de l’appareil sur le support de montage, s’assurer d’utiliser des vis d’une longueur de 8 mm (3/8 pouces). Si
des vis plus longues sont utilisées, elles peuvent endommager l’appareil.
Do not block the fan.
No tape las rendijas de ventilación.
Ne bloquez pas le ventilateur.
INSTALLATION (IN-DASH MOUNTING)
The following illustration shows a typical installation. If you have any
questions or require information regarding installation kits, consult your JVC
car audio dealer or a company supplying kits.
• If you are not sure how to install this unit correctly, have it installed by a
qualified technician.
• Make sure not to block the fan on the rear panel to maintain proper
ventilation when installed.
INSTALACION (MONTAJE EN EL TABLERO DE
INSTRUMENTOS)
La siguiente ilustración muestra una instalación típica. Si tiene alguna pregunta
o necesita información acerca de las herramientas para instalación, consulte
con su concesionario de JVC de equipos de audio para automóviles o a una
compañía que suministra tales herramientas.
• Si usted no está seguro de cómo instalar correctamente la unidad, hágala
instalar por un técnico cualificado.
• Asegúrese de no bloquear las rendijas de ventilación del panel trasero, para
poder mantener una buena ventilación una vez instalado.
INSTALLATION (MONTAGE DANS LE TABLEAU
DE BORD)
L’illustration suivante est un exemple d’installation typique. Si vous avez des
questions ou avez besoin d’information sur des kits d’installation, consulter votre
revendeur d’autoradios JVC ou une compagnie d’approvisionnement.
• Si l’on n’est pas sûr de pouvoir installer correctement cet appareil, le faire
installer par un technicien qualifié.
• Lors de l’installation assurez-vous de ne pas bloquer le ventilateur à l’arrière
afin de permettre une ventilation correcte.
Bracket *2
Ménsula *2
Support *2
-5˚
17˚
23˚
28˚
32˚
-5˚
17˚
23˚
28˚
32˚
Install the unit at an angle of less than 30˚ vertically and of less than 5˚ horizontally.
• After installation, confirm the vertical angle of the unit using the supplied measuring gauge.
Instale la unidad a un ángulo de menos de 30° en sentido vertical, y de menos de 5° en sentido horizontal.
• Después de la instalación, confirme el ángulo vertical de la unidad con el calibrador de medición suministrado.
Installez l’appareil avec un angle vertical de moins de 30˚ et un angle horizontal de moins de 5˚.
• Après l’installation, vérifiez l’angle vertical de l’appareil en utilisant le gabarit de mesure fourni.
Assembling the measuring gauge / Montaje del calibrador de medición / Assemblage
du gabarit de mesure
• Keep the gauge handy for the future use.
• Mantenga a mano el calibrador para uso futuro.
• Conservez le gabarit à portée de main pour une utilisation future.
-5˚ 17˚ 23˚28˚ 32˚
: 1
: 2
: 3
: 4
Measure this angle.
Mida este ángulo.
Mesurez cet angle.
5˚
30˚
1
2
12
Mesure de l’angle d’installation
AVANT de commencer, assurez-vous que...
• Vous avez garé votre voiture dans un endroit où elle n’est
pas inclinée. (Elle doit être garée horizontalement.)
1 Détachez le panneau de commande.
2 Mesurez l’angle.
• Attachez le gabarit de mesure étroitement et à plat sur
l’unité principale (partie ombrée sur l’illustration de
gauche).
3 Notez l’angle mesuré.
1: –5,0 à 1,0˚
2: 1,0 à 6,0˚
3: 6,0 à 14,0˚
4: 14,0 à 32,0˚*
* Il n’est pas recommandé d’installer l’apareil avec un
angle de plus de 30˚; sinon, cela peut entraîner un
mauvais fonctionnement.
Quand vous utilisez l’autoradio pour la première fois après
l’installation...
Suivez la procédure décrite aux pages 8 et 9 du MANUEL
D’INSTRUCTIONS (volume séparé).
Measuring the installation angle
BEFORE starting, make sure...
• You have parked the car where it cannot be inclined. (It
should be parked horizontally.)
1 Detach the control panel.
2 Measure the angle.
• Attach the measuring gauge closely and flatly to the
main unit (to the portion shaded in the illustration on
the left).
3 Note your measured angle.
1: –5.0 to 1.0˚
2: 1.0 to 6.0˚
3: 6.0 to 14.0˚
4: 14.0 to 32.0˚*
* It is not recommended to install the main unit at an
angle of more than 30˚; otherwise, the malfunction
may result.
When you use the Navigation System for the first time after
installation...
Follow the procedure described on pages 8 and 9 of the
INSTRUCTIONS (separate volume).
Medición del ángulo de instalación
ANTES de empezar, compruebe que...
• Ha estacionado el automóvil en un sitio no inclinado.
(Estacionar sobre una superficie plana.)
1 Desmonte el panel de control.
2 Mida el ángulo.
• Acople el patrón de medida de forma que quede plano
y cerca de la unidad principal, en la parte sombreada
que se muestra en la parte izquierda de la ilustración.
3 Anote el ángulo medido.
1: –5,0 a 1,0˚
2: 1,0 a 6,0˚
3: 6,0 a 14,0˚
4: 14,0 a 32,0˚*
* Se recomienda no instalar la unidad principal a un
ángulo de más de 30° pues de lo contrario, podrían
producirse fallos de funcionamiento.
Cuando utilice el sistema de navegación por primera vez
después de la instalación...
Realice el procedimiento descrito en las páginas 8 y 9 del
MANUAL DE INSTRUCCIONES (volumen separado).
Instal_NXD505_J.indd 2Instal_NXD505_J.indd 2 07.6.22 5:26:07 PM07.6.22 5:26:07 PM

3
Removing the unit
Before removing the unit, release the rear section.
Extracción de la unidad
Antes de extraer la unidad, libere la sección trasera.
Insert the two handles, then pull them as
illustrated so that the unit can be removed.
Inserte las dos manijas y, a continuación,
extráigalas de la manera indicada en la
ilustración para poder desmontar la unidad.
Insérez les deux poignées, puis tirez de la façon
illustrée de façon à retirer l’appareil.
Retrait de l’appareil
Avant de retirer l’appareil, libérer la section arrière.
ELECTRICAL CONNECTIONS
To prevent short circuits, we recommend that you disconnect the battery’s
negative terminal and make all electrical connections before installing the unit.
• Be sure to ground this unit to the car’s chassis again after
installation.
Notes:
• Replace the fuse with one of the specified rating. If the fuse blows frequently,
consult your JVC car audio dealer.
• It is recommended to connect to the speakers with maximum power of more
than 50 W (both at the rear and at the front, with an impedance of 4 Ω to
8 Ω). If the maximum power is less than 50 W, change “Amplifier Gain”
setting to prevent the speakers from being damaged (see page 95 of the
INSTRUCTIONS).
• To prevent short-circuit, cover the terminals of the UNUSED leads with
insulating tape.
• The heat sink becomes very hot after use. Be careful not to touch it when
removing this unit.
CONEXIONES ELECTRICAS
Para evitar cortocircuitos, recomendamos que desconecte el terminal negativo
de la batería y que efectúe todas las conexiones eléctricas antes de instalar la
unidad.
• Asegúrese de volver a conectar a masa esta unidad al chasis del
automóvil después de la instalación.
Notas:
• Reemplace el fusible por uno con la corriente especificada. Si el fusible se
quemase frecuentemente consulte con su concesionario de JVC de equipos
de audio para automóviles.
• Se recomienda conectar los altavoces con una potencia máxima de más
de 50 W (tanto atrás como adelante, con una impedancia de 4 Ω a 8 Ω).
Si la potencia máxima es de menos de 50 W, cambie “Gcia.amplific.” para
evitar daños en los altavoces (consulte la página 95 del MANUAL DE
INSTRUCCIONES).
• Para evitar cortocircuitos, cubra los cables NO UTILIZADOS con cinta aislante.
• El sumidero térmico estará muy caliente después del uso. Asegúrese de no
tocarlo al desmontar esta unidad.
RACCORDEMENTS ELECTRIQUES
Pour éviter tout court-circuit, nous vous recommandons de débrancher la borne
négative de la batterie et d’effectuer tous les raccordements électriques avant
d’installer l’appareil.
• Assurez-vous de raccorder de nouveau la mise à la masse de cet
appareil au châssis de la voiture après l’installation.
Remarques:
• Remplacer le fusible par un de la valeur précisée. Si le fusible saute souvent,
consulter votre revendeur d’autoradios JVC.
• Il est recommandé de connecter des enceintes avec une puissance de plus
de 50 W (les enceintes arrière et les enceintes avant, avec une impédance
comprise entre 4 Ω et 8 Ω). Si la puissance maximum est inférieure à 50 W,
changez “Gain amplific.” pour éviter d’endommager vos enceintes (voir page
95 du MANUEL D’INSTRUCTIONS).
• Pour éviter les court-circuits, couvrir les bornes des fils qui ne sont PAS
UTILISÉS avec de la bande isolante.
• Le dissipateur de chaleur devient très chaud après usage. Faire attention de ne
pas le toucher en retirant cet appareil.
Heat sink
Sumidero térmico
Dissipateur de chaleur
Installing the GPS antenna
• People who use pacemakers should avoid a physical contact with the
magnetic antenna and should not handle it themselves. This causes
malfunctions of the pacemakers.
• Keep the magnetic antenna away from the storage media such as disks,
credit cards; otherwise, its data will be collapsed.
• The antenna should be attached so firmly that it cannot be detached in the
event of a collision or sudden braking.
Installation de l’antenne GPS
• Les personnes utilisant un stimulateur cardiaque doivent éviter tout contact
physique avec l’antenne magnétique et ne doivent pas la manipuler elles-
même. Cela pourrait entraîner un dysfonctionnement du stimulateur
cardiaque.
• Tenez l’antenne magnétique à distance des supports de mémoire tels que les
disques, les cartes de crédit; sinon, les données pourraient être corrompues.
• L’antenne doit être fixée suffisamment solidement pour qu’elle ne puisse pas se
détacher en cas de choc ou de coup de frein brutal.
Å Inside the car
Beneath a non-metallised* window, fix the
attachment mat (R) on the dashboard, then place
the antenna (Q) on the mat.
• Make sure that the antenna is not covered by
any components and parts of the car and it can
receive the signals from all directions.
* The windows with screen antenna, windshield
heating or thermally insulated screens will
interfere with GPS reception, and will degrade
the reliability of the Navigation System.
Å À l’intérieur de la voiture
Derrière une fenêtre non métallisée*, fixez la feuille
de fixation (R) sur le tableau de bord, puis placez
l’antenne (Q) sur la feuille.
• Assurez-vous que l’antenne n’est recouverte
par aucun composant ou aucune partie de la
voiture et peut recevoir les signaux de toutes les
directions.
* Les vitres avec une antenne incrustée, les
chauffages de pare-brise ou les écrans d’isolation
thermique interfèrent avec la réception GPS et
réduisent la fiabilité du système de navigation.
Q
R
PRECAUTIONS on power supply and speaker
connections:
• DO NOT connect the speaker leads of the power cord to the car
battery; otherwise, the unit will be seriously damaged.
• BEFORE connecting the speaker leads of the power cord to the speakers,
check the speaker wiring in your car.
PRECAUCIONES sobre las conexiones de la fuente de
alimentación y de los altavoces:
• NO conecte los conductores de altavoz del cable de alimentación a
la batería de automóvil, pues podrían producirse graves daños en la
unidad.
• ANTES de conectar a los altavoces los conductores de altavoz del cable de
alimentación, verifique el conexionado de altavoz de su automóvil.
PRECAUTIONS sur l’alimentation et la connexion des
enceintes:
• NE CONNECTEZ PAS les fils d’enceintes du cordon d’alimentation à
la batterie; sinon, l’appareil serait sérieusement endommagé.
• AVANT de connecter les fils d’enceintes du cordon d’alimentation aux
enceintes, vérifiez le câblage des enceintes de votre voiture.
ı Outside the car
Fix the antenna (Q) to a pre-washed, flat, metallic
surface.
• Wire the antenna cord so as not to allow the rain
to leak in.
• The antenna magnetically attached will be
used even at a speed of 180 km/h (110 mi/h)
(maximum). The antenna must be specially
secured for higher speeds.
• Detach the antenna before you wash the car with
the car-wash facilities.
Instalación de la antena GPS
• Las personas portadoras de marcapasos deben evitar el contacto físico con
la antena magnética, y deben abstenerse de intentar su manejo. Esto puede
producir un fallo de funcionamiento en el marcapasos.
• Mantenga la antena magnética alejada de los medios de almacenaje como
por ejemplo disquetes, tarjetas de crédito, y otros, pues se dañarán los datos.
• Sujete la antena firmemente, para evitar que se salga en el caso eventual de
un choque o de un frenado brusco.
ı À l’extérieur de la voiture
Fixez l’antenne (Q) sur une surface métallique
plate.
• Câblez le cordon d’antenne de façon à empêcher
la pluie de pénétrer à l’intérieur.
• Une fois fixée, l’antenne magnétique ne se
détachera pas même à une vitesse de 180 km/h
(110 mi/h) (maximum). L’antenne doit être fixée
spécialement pour les vitesses plus élevées.
• Détachez l’antenne avant de laver votre voiture
dans un poste de lavage.
Å Dentro del automóvil
Detrás de un cristal no metalizado*, fije la estera
de fijación (R) sobre el cubretablero y ponga la
antena (Q) sobre la estera.
• Asegúrese de no tapar la antena con ningún
componente ni pieza del automóvil, y de que la
recepción de la señal es posible desde todas las
direcciones.
* Las ventanillas que cuentan con antenas con
pantalla, calefacción en el cristal del parabrisas o
pantallas térmicamente aisladas interfieren con
la recepción GPS, y disminuirán la confiabilidad
del sistema de navegación.
ı Fuera del automóvil
Fije la antena (Q) sobre una superficie metálica
plana, previamente lavada.
• Procure tender el cable de antena para no
permitir la entrada de lluvia.
• La antena fijada magnéticamente puede
utilizarse incluso a velocidades del orden de
180 km/h (110 mi/h) (máximo). Para velocidades
superiores, la antena deberá estar especialmente
asegurada.
• Desmonte la antena antes de lavar el automóvil
en un lavacoches automático.
Q
Instal_NXD505_J.indd 3Instal_NXD505_J.indd 3 07.6.22 5:26:11 PM07.6.22 5:26:11 PM

4
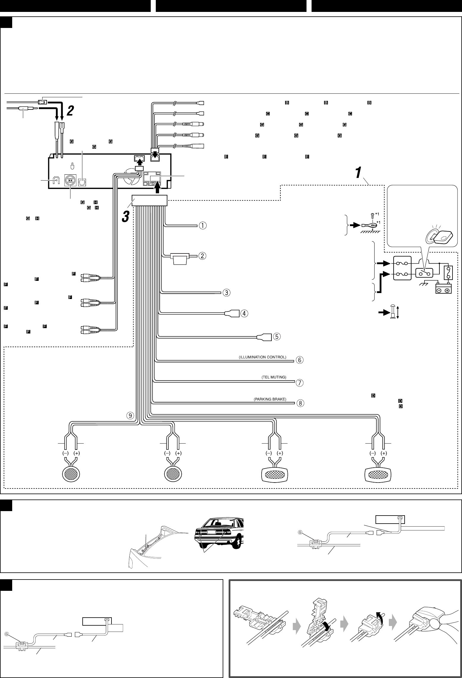
REVERSE GEAR SIGNAL
KD-NXD505
ENGLISH ESPAÑOL FRANÇAIS
ATypical Connections / Conexiones tipicas / Raccordements typiques
Before connecting: Check the wiring in the vehicle carefully. Incorrect
connection may cause serious damage to this unit.
The leads of the power cord and those of the connector from the car body
may be different in color.
1 Connect the colored leads of the power cord in the order
specified in the illustration below.
2 Connect the antenna cord and the GPS antenna.
3 Finally connect the wiring harness to the unit.
Antes de la conexión: Verifique atentamente el conexionado del vehículo.
Una conexión incorrecta podría producir daños graves en la unidad.
Los cordones del cable de alimentación y los del conector procedentes de la
carrocería del automóvil podrían ser de diferentes en color.
1 Conecte los conductores de color del cable de alimentación en
el orden especificado en la ilustración de abajo.
2 Conecte el cable de antena y la antena GPS.
3 Por último, conecte el cable de alimentación a la unidad.
Avant de commencer la connexion: Vérifiez attentivement le câblage du
véhicule. Une connexion incorrecte peut endommager sérieusement l’appareil.
Le fil du cordon d’alimentation et ceux des connecteurs du châssis de la
voiture peuvent être différents en couleur.
1 Connectez les fils colorés du cordon d’alimentation dans l’ordre
spécifié sur l’illustration ci-dessous.
2 Connectez le cordon d’antenne et l’antenne GPS.
3 Finalement, connectez le faisceau de fils à l’appareil.
SUBWOOFER OUT (see diagram
/ véase diagrama / voir le
diagramme )
15 A fuse
Fusible de 15 A
Fusible 15 A
Rear ground
terminal
Terminal de tierra
posterior
Borne arrière de
masse
LINE OUT (FRONT) (see diagram /
véase diagrama / voir le diagramme
)
*1 Not included for this unit
*1 No suministrado con esta unidad
*1 Non fourni avec cet appareil Ignition switch
Interruptor de encendido
Interrupteur d’allumage
Fuse block
Bloque de fusibles
Porte-fusible
White with black stripe
Blanco con rayas negras
Blanc avec bande noire
White
Blanco
Blanc
Gray with black stripe
Gris con rayas negras
Gris avec bande noire
Gray
Gris
Gris
Green with black stripe
Verde con rayas negras
Vert avec bande noire
Green
Verde
Vert
Purple with black stripe
Púrpura con rayas negras
Violet avec bande noire
Purple
Púrpura
Violet
Left speaker (front)
Altavoz izquierdo (frontal)
Enceinte gauche (avant)
Right speaker (front)
Altavoz derecho (frontal)
Enceinte droit (avant)
Left speaker (rear)
Altavoz izquierdo (trasero)
Enceinte gauche (arrière)
Right speaker (rear)
Altavoz derecho (trasero)
Enceinte droit (arrière)
To metallic body or chassis of the car
A un cuerpo metálico o chasis del automóvil
Vers corps métallique ou châssis de la voiture
To a live terminal in the fuse block connecting to the car battery (bypassing the
ignition switch) (constant 12 V)
A un terminal activo del bloque de fusibles conectado a la batería del automóvil
(desviando el interruptor de encendido) (12 V constantes)
A une borne sous tension du porte-fusible connectée à la batterie de la voiture (en
dérivant l’interrupteur d’allumage) (12 V constant)
To an accessory terminal in the fuse block
A un terminal accesorio del bloque de fusibles
Vers borne accessoire du porte-fusible
To car light control switch
Al interruptor de control de las luces del automóvil
À l’interrupteur d’éclairage de la voiture
To cellular phone system
Al sistema de teléfono celular
Al cellulare
To parking brake (see diagram )
Al freno de estacionamiento (véase diagrama )
Au frein de stationnement (voir le diagramme )
Black
Negro
Noir
Yellow *2
Amarillo *2
Jaune *2
Red / Rojo / Rouge
Blue with white stripe
Azul con rayas blancas
Bleu avec bande blanche
Orange with white stripe
Naranja con rayas blancas
Orange avec bande blanche
Brown / Marrón / Marron
Light green / Verde claro / Vert clair
VIDEO IN (see diagram / véase diagrama / voir le diagramme )
REVERSE GEAR SIGNAL (see diagram / véase diagrama / voir le diagramme )
VIDEO OUT (see diagram / véase diagrama / voir le diagramme )
OE REMOTE
Steering wheel remote input/ Entrada del control remoto del volante de dirección/ Entrée de la télécommande de volant (see
diagram / véase diagrama / voir le diagramme )
Blue / Azul / Bleu To automatic antenna if any (250 mA max.)
A la antena automática, si hubiere (250 mA máx.)
À l’antenne automatique s’il y en a une (250 mA max.)
SPEED SIGNAL (see diagram / véase diagrama / voir le diagramme )
*3 Connecting the crimp connector / Conexión del conector de presión / Connexion de la cosse sertie
Connecting the reverse gear signal lead / Conexión del cable de señal del engranaje de marcha atrás / Connexion du fil de signal de marche arrière
Locate the reverse lamp lead in the
trunk.
Localice el conductor de la luz trasera
en el compartimiento de equipajes.
Localisez le fil des feux de recul dans le
coffre.
To reverse lamp
A la luz trasera
Aux feux de recul
Reverse lamp lead
Conductor de la luz trasera
Fil des feux de recul
Reverse lamp lead
Conductor de la luz trasera
Fil des feux de recul
To car battery
A la batería del automóvil
À la batterie de la voiture
*3
Purple with white stripe
Conductor de la luz trasera
Violet avec bande blanche
Contact the metallic part of the crimp to the wires inside.
Conecte la parte metálica del engarce a los cables interiores.
Mettez en contact la partie métallique de la cosse à sertir et des fils intérieurs.
Pinch the crimp firmly.
Apriete firmemente el engarce.
Pincez la cosse à sertir fermement.
LINE OUT (REAR) (see diagram /
véase diagrama / voir le diagramme
)
KD-NXD505
SPEED
SINGAL
Connecting the speed signal lead / Conexión del cable de señal de velocidad /
Connexion du fil de signal de vitesse
B
• This connection is necessary to use the Navigation System.
• Esta conexión es necesaria para poder usar el sistema de navegación.
• Cette connexion est nécessaire pour pouvoir utiliser le système de navigation.
Signal lead from the speedometer
Conductor del velocímetro
Fil de signal de l’indicateur de vitesse
Pink/Rosa/Rose
To the remote lead of other equipment (200 mA max.)
Al conductor remoto del otro equipo (200 mA máx.)
Au fil de télécommande d’un autre appareil (200 mA max.)
To an external component (see diagram and )
A un componente externo (véase diagrama y )
Pour connecter un appareil extérieur (voir le
diagramme et )
GPS antenna
Antena GPS
Antenne GPS
*3
DIGITAL OUT (see diagram
/ véase diagrama / voir le
diagramme )
Radio antenna
Antena de radio
Antenne radio
Reverse lamps
Luces traseras
Feux de recul
C
P
P
• If your car does not have a speed signal lead,
use JVC’s Speed Pulse Generator KV-PG1
(separately purchased).
• Si su coche no dispone de un conductor de
la señal de velocidad, utilice el Generador de
impulsos de velocidad KV-PG1 de JVC (vendido
separadamente).
• Si votre voiture ne possède de pas de fil de signal
de vitesse, utilisez le Générateur d’impulsions
de vitesse KV-PG1 de JVC (vendu séparément).
*2 Before checking the operation of this unit prior to
installation, this lead must be connected, otherwise power
cannot be turned on.
*2 Antes de comprobar el funcionamiento de esta unidad
previa a de la instalación, es necesario conectar este cable,
de lo contrario no se podrá conectar la alimentación.
*2 Pour vérifier le fonctionnement de cet appareil avant
installation, ce fil doit être raccordé, sinon l’appareil ne peut
pas être mis sous tension.
Instal_NXD505_J.indd 4Instal_NXD505_J.indd 4 07.6.22 5:26:16 PM07.6.22 5:26:16 PM

5
KD-NXD505
LINE OUT (REAR)
LINE OUT (FRONT)
SUBWOOFER OUT
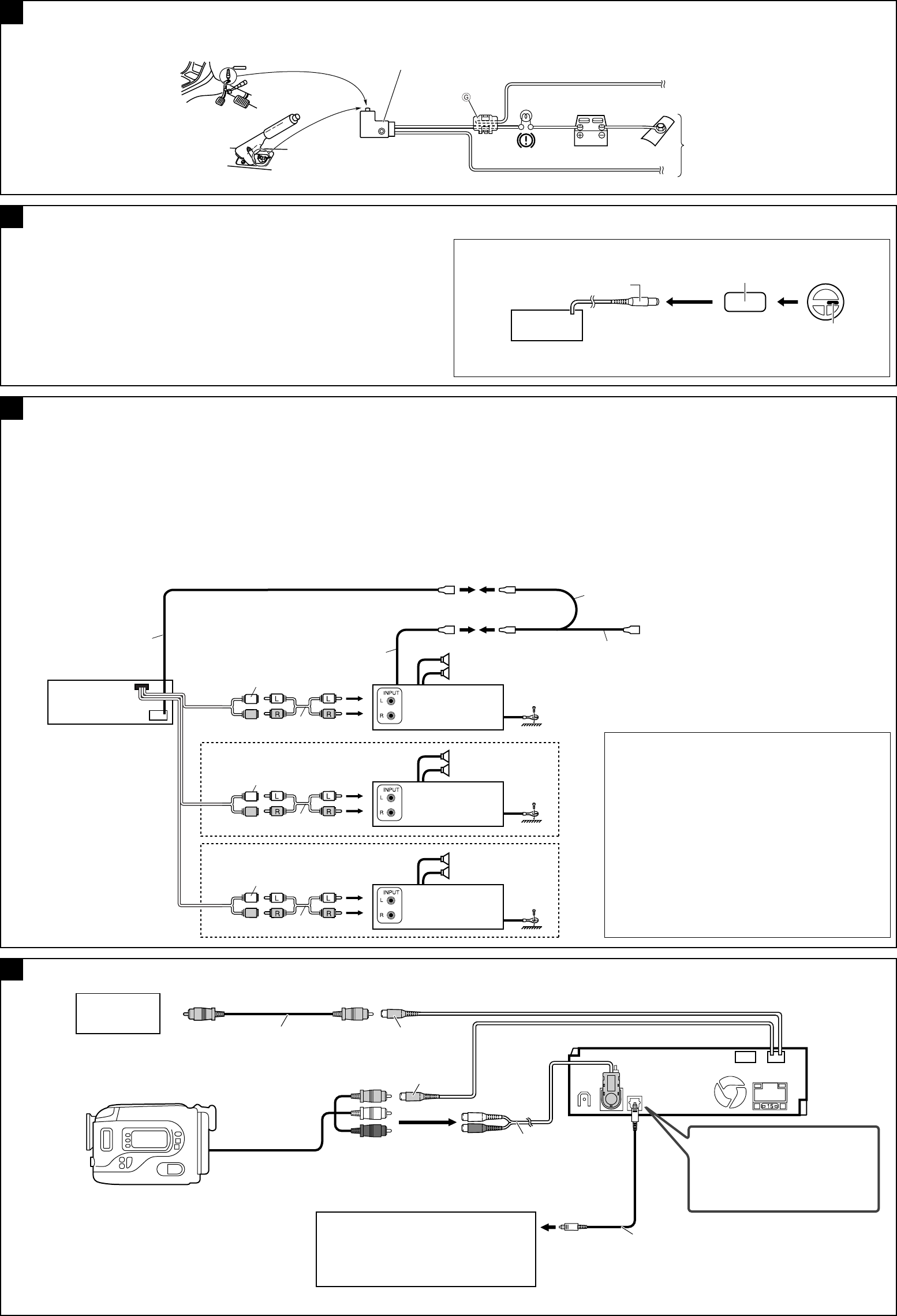
FConnecting the external amplifiers / Conexión a los amplifi cadores externos / Connexion d’amplifi cateurs extérieurs
You can connect amplifiers to upgrade your car stereo system.
• Connect the remote lead (blue with white stripe) to the remote lead of the
other equipment so that it can be controlled through this unit.
• Disconnect the speakers from this unit, and connect them to the
amplifier. Leave the speaker leads of this unit unused.
• You can switch off the built-in amplifier and send the audio signals only
to the external amplifier(s) to get clear sounds and to prevent internal heat
built-up inside the unit. See page 95 of the INSTRUCTIONS (separate
volume).
• Guidance voice comes out only through the front speakers (and the front
line out on the rear).
*4 Signal cord (not supplied for this unit)
*4 Cable de señal (no suministrado con esta unidad)
*4 Cordon de signal (non fourni avec cet appareil)
*5 Firmly attach the ground wire to the metallic body or to the chassis
of the car—to the place not coated with paint (if coated with paint,
remove the paint before attaching the wire). Failure to do so may cause
damage to the unit.
*5 Fije firmemente el cable de tierra a la carrocería metálica o al chasis—a
un lugar no cubierto con pintura (si está cubierto con pintura, quítela
antes de fijar el cable). De lo contrario, se podrían producir daños en la
unidad.
*5 Attachez solidement le fil de mise à la masse au châssis métallique de
la voiture—à un endroit qui n’est pas recouvert de peinture (s’il est
recouvert de peinture, enlevez d’abord la peinture avant d’attacher le fil).
L’appareil peut être endommagé si cela n’est pas fait correctement.
Usted podrá conectar amplificadores para mejorar el sistema estéreo de su
automóvil.
• Conecte el conductor remoto (azul con rayas blancas) al conductor remoto
del otro equipo para poderlo controlar a través de esta unidad.
• Desconecte los altavoces de esta unidad y conéctelos al
amplificador. Los cables de los altavoces de esta unidad quedan sin
usar.
• Podrá desconectar el amplificador incorporado y enviar las señales de audio
solamente al(los) amplificador(es) externo(s) para obtener sonidos nítidos
y evitar que se caliente el interior de la unidad. Véase la página 95 de las
MANUAL DE INSTRUCCIONES (volumen separado).
• La guía de voz se escucha sólo a través de los altavoces delanteros (y la salida
de línea delantera en la parte trasera).
Vous pouvez connecter des amplificateurs pour améliorer votre système
autoradio.
• Connectez le fil de commande à distance (bleu avec bande blanche) au
fil de commande à distance de l’autre appareil de façon qu’il puisse être
commandé via cet appareil.
• Déconnectez les enceintes de cet appareil et connectez-les à
l’amplificateur. Laissez les fils d’enceintes de cet appareil inutilisés.
• Vous pouvez désactiver l’amplificateur intégré et envoyer les signaux audio
uniquement à un ou plusieurs amplificateurs extérieurs afin d’obtenir un
son clair et pour éviter un échauffement interne de l’appareil. Référez-vous à
la page 95 du MANUEL D’INSTRUCTIONS (volume séparé).
• La voix de guidage sort uniquement par les enceintes avant (et la sortie de
ligne à l’arrière).
Remote lead
Cable remoto
Fil d’alimentation à distance
JVC Amplifier
Amplificador de JVC
JVC Amplificateur
Remote lead (Blue with white stripe)
Cable remoto (Azul con rayas blancas)
Fil d’alimentation à distance (Bleu
avec bande blanche) To the remote lead of other equipment
Al conductor remoto de otro equipo
Au fil de télécommande de l’autre appareil
Y-connector (not supplied for this unit)
Conector en Y (no suministrado con esta unidad)
Connecteur Y (non fourni avec cet appareil)
Subwoofer
Subwoofer
Caisson de grave
Rear speakers
Altavoces posteriores
Enceintes arrière
Front speakers
Altavoces delanteros
Enceintes avant
EConnecting to the steering wheel remote controller / Conexión al control remoto del volante de dirección / Connexion de la télécommande de volant
If your car is equipped with the steering wheel remote controller, you can operate this unit using the controller. For
connection, an exclusive remote adapter (not supplied) which matches your car is required. For details, consult the
same car audio dealer as where the unit is purchased.
Si su vehículo está equipado con control remoto en el volante de dirección, podrá hacer funcionar este receptor
utilizando dicho control. Para la conexión, se requiere un adaptador remoto exclusivo (no suministrado) que sea
adecuado para su automóvil. Para los detalles, consulte con el concesionario car audio donde compró el receptor.
Si votre voiture est munie d’une télécommande de volant, vous pouvez commander cet autoradio en utilisant la
télécommande. Pour la connexion, un adaptateur de télécommande exclusif (non fourni) correspondant à votre voiture
est requis. Pour en savoir plus, consultez le revendeur autoradio auprès duquel vous avez acheté cet autoradio.
KD-NXD505
Remote adapter (not supplied)
Adaptador para control remoto (no suministrado)
Adaptateur pour télécommande au volant (non fourni)
Steering wheel remote controller (equipped in the car)
Control remoto del volante de dirección (equipado en el
vehículo)
Télécommande de volant (installée dans la voiture)
OE REMOTE
Steering wheel remote input/ Entrada del
control remoto del volante de dirección/
Entrée de la télécommande de volant
JVC Amplifier
Amplificador de JVC
JVC Amplificateur
JVC Amplifier
Amplificador de JVC
JVC Amplificateur
Connections for external component playback / Conexiones para la reproducción del componente externo / Connexions pour un appareil de lecture extérieur
G
Connecting the parking brake lead / Conexión del cable del freno de estacionamiento / Connexion du cordon de frein de stationnement
Parking brake lead of the power cord (light green)
Cable del freno de estacionamiento del cable de
alimentación (verde claro)
Fil du frein de stationnement du cordon
d’alimentation (vert clair)
To metallic body or chassis of the car
A un cuerpo metálico o chasis del automóvil
Vers corps métallique ou châssis de la voiture
Parking brake
Freno de estacionamiento
Frein de stationnement
*3
D
Parking brake switch (inside the car)
Interruptor del freno de estacionamiento (dentro del automóvil)
Commutateur de frein de stationnement (intérieur de la voiture)
KD-NXD505
R
L
Video cord (not supplied)
Cordón de video (no suministrado)
Cordon vidéo (non fourni)
VIDEO OUT
VIDEO IN
Audio/video control amplifier or the decoder compatible
with the multichannel digital sources
Amplificador de control de audio/vídeo o el decodificador
compatibles con las fuentes digitales multicanal
Amplificateur de commande audio/vidéo ou décodeur
compatible avec les sources numériques multicanaux
Digital optical cable (not supplied)
Cable óptico digital (no suministrado)
Câble optique numérique (non fourni)
DIGITAL OUT
See page 106 of the INSTRUCTIONS.
Consulte la página 106 del MANUAL DE
INSTRUCCIONES.
Voir la page 106 du MANUEL
D’INSTRUCTIONS.
KS-U57
(not supplied)
(no suministrado)
(non fourni)
External monitor
Monitor externo
Moniteur extérieur
*4
*4
*4 *5
*5
*5
Camcorder, rear view camera, etc.
• Set “External Input” to “Ext Input,” and “Video Input” to “Video”
or “Camera” (see page 93 of the INSTRUCTIONS).
Videocámera, cámera de retrovisión, etc.
• Cambie la configuración de “Entrada externa” a “Entr. ext.” y de
“Entrada de vídeo” a “Vídeo” o “Cámara” (consulte la página 93 de las
MANUAL DE INSTRUCCIONES).
Caméscope, caméra de recul, etc.
• Définir “Entrée ext.” sur “EntréeExt.” et “Entrée Vidéo” sur “Vidéo”
ou “Caméra” (voir la page 93 des MANUEL D’INSTRUCTIONS).
Connect the parking brake lead
to the parking brake system built
in the car.
Conecte el cable del freno de
estacionamiento al sistema de
freno de estacionamiento del
automóvil.
Connectez le fil de frein de
stationnement au système de
frein de stationnement.
Instal_NXD505_J.indd 5Instal_NXD505_J.indd 5 07.6.22 5:26:21 PM07.6.22 5:26:21 PM

6
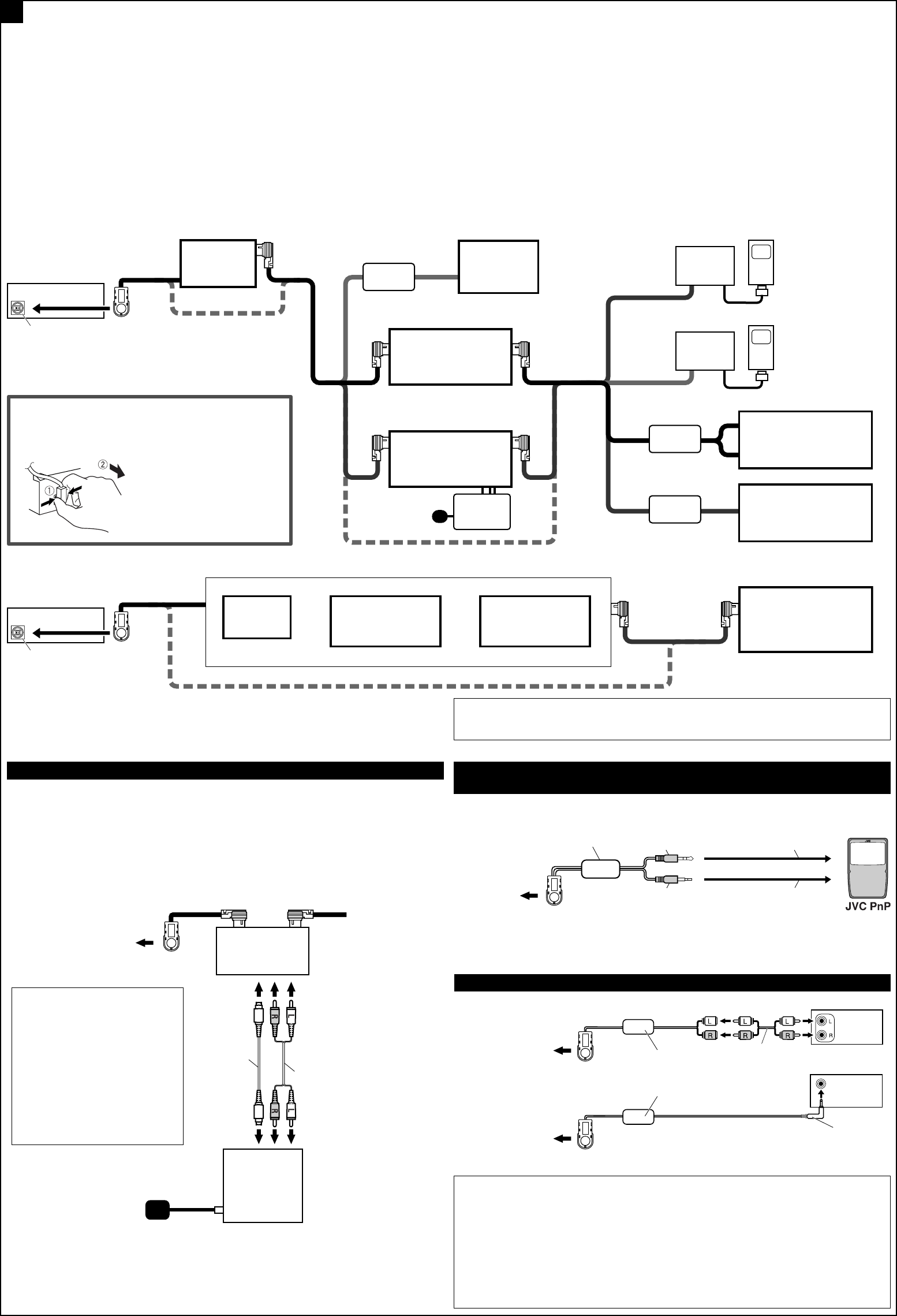
H
External component / Componente exterior / Appareil extérieur
*8 Line Input Adapter KS-U57 (separately purchased)
*8 Adaptador de entrada de línea KS-U57 (adquirido opcionalmente)
*8 Adaptateur pour entrée de ligne KS-U57 (vendu séparément)
KD-NXD505
KD-NXD505
Connecting other external components / Conexión de otros componentes externos / Connexion d’un autre appareil extérieur
KS-U57 *8
JVC PnP (Plug and Play) / PnP (“Plug and Play”) JVC / PnP (“Plug and Play”)
JVC
KS-U100K
Stereo mini plug
Miniclavija estéreo
Fiche stéré mini
DC power plug
Clavija de alimentación de CC
Fiche d’alimentation CC
To DC IN jack
Al jack DC IN
À la prise DC IN
To headphones jack
Al jack para auriculares
À la prise du casque d’écoute
KS-U58 *9
*9 Aux Input Adapter KS-U58 (separately purchased)
*9 Adaptador de entrada auxiliar KS-U58 (adquirido opcionalmente)
*9 Adaptateur pour entrée auxiliaire KS-U58 (vendu séparément)
3.5 mm stereo mini plug
Miniclavija estéreo de 3,5 mm
Mini-fiche stéréo de 3,5 mm
To disconnect the connector
Para desconectar el cable
Pour déconnecter le connecteur
Hold the connector top tightly (1),
then pull it out (2).
Sujete firmemente la parte superior
del conector (1) y seguidamente,
extráigalo (2).
Tenez fermement le connecteur par-
dessus (1) et tirez vers l’extérieur (2).
CAUTION:
Before connecting the external components, make sure that the unit is
turned off.
PRECAUCION:
Antes de conectar el cambiador dee componentes externos,
asegúrese de que el receptor esté apagado.
PRECAUTION:
Avant de connecter votre appareil extérieur, assurez-vous que l’autoradio
est hors tension.
XM Satellite radio / radio satelital XM / radio satellite XM
• For listening to the XM Satellite radio, connect XMDirectTM Universal Tuner Box (separately purchased) to this
unit using JVC Smart Digital Adapter—XMDJVC100 (not supplied).
• Para escuchar la radio satelital XM, también puede conectar el Sintonizador universal XMDirectTM (adquirido por
separado) al receptor mediante un adaptador Smart Digital XMDJVC100 de JVC (no suministrado).
• Pour écouter la radio satellite XM, vous pouvez aussi connecter le tuner universel XMDirectTM (vendu séparément) à
cet appareil en utilisant l’adaptateur numérique intelligent JVC—XMDJVC100 (non fourni).
Antenna (supplied with XMDirectTM
Universal Tuner Box)
Antena (suministrada con el Sintonizador
universal XMDirectTM)
Antenne (fournie avec le tuner universel
XMDirectTM)
*6 Signal cord supplied with your Smart
Digital Adapter
*6 Cable de señal suministrado con el
adaptador Smart Digital
*6 Cordon de signal fourni avec votre
adaptateur numérique intelligent
*7 Audio signal cord supplied with your
Smart Digital Adapter
*7 Cable de señal de audio suministrado
con el adaptador Smart Digital
*7 Cordon audio fourni avec votre
adaptateur numérique intelligent
• To use JVC CD changer, Apple iPod or JVC D. player, set “External
Input” to “Changer” (see page 93 of the INSTRUCTIONS).
• To use other external components via KS-U57, KS-U58, or
KS-U100K, set “External Input” to “Ext Input” (see page 93 of the
INSTRUCTIONS).
or
o
ou
iPod is a trademark of Apple Inc., registered in the U.S. and other countries.
iPod es una marca comercial de Apple Inc., registrada en los EE.UU. y otros países.
iPod est une marque de commerce d’Apple Inc., enregistrée aux États-Unis et dans les autres pays.
To KS-BTA200, JVC
DLP, XMDJVC100 or
KD-NXD505
A KS-BTA200, JVC
DLP, XMDJVC100, o
KD-NXD505
Au KS-BTA200, JVC
DLP, XMDJVC100 ou
KD-NXD505
XMDJVC100
To KS-BTA200 or KD-NXD505
A KS-BTA200 o KD-NXD505
Au KS-BTA200 ou KD-NXD505
*6
*7
*10
*10 Signal cord (not supplied)
*10 Cable de señal (no suministrado)
*10 Cordon de signal (non fourni)
KS-U57
KS-U58
KS-U100K
SIRIUS®
JVC PnP
KS-BTA200
CD changer jack
Jack para el cambiador de CD
Prise du changeur de CD
SIRIUS®
JVC DLP
DLP JVC
Processeur DLP JVC
XMDirectTM Universal
Tuner Box
Sintonizador universal
XMDirectTM
Tuner universel XMDirectTM
External component
Componente exterior
Appareil extérieur
You can connect external components in series as shown in the diagram
below.
• All the components, adapters or signal cords need to be purchased
separately.
JVC CD changer
Cambiador de CD de JVC
Changeur de CD JVC
External component
Componente exterior
Appareil extérieur
JVC D. player
Reproductor D. JVC
Lecteur D. JVC
Apple iPod
Apple iPod
iPod Apple
Los componentes externos se pueden conectar en serie, tal como se muestra
en el diagrama siguiente.
• Todos los componentes, adaptadores o cables de señal se deben comprar
separadamente.
Vous pouvez connecter des appareils extérieurs en série comme montré sur
l’illustration ci-dessous.
• Tous les composants, adaptateurs ou cordons de signal doivent être achetés
séparément.
XMDJVC100
or / o / ou
or / o / ou
KS-PD500
KS-PD100
or / o / ou
or / o / ou
or / o / ou
To KS-BTA200 or KD-NXD505
A KS-BTA200 o KD-NXD505
Au KS-BTA200 ou KD-NXD505
or / o / ou
• Pour utiliser un changeur de CD JVC, un iPod Apple ou le lecteur D.
de JVC, réglez “Entrée ext.” sur “Changeur” (voir page 93 du MANUEL
D’INSTRUCTION).
• Pour utiliser d’autres appareils extérieurs via le KS-U57, KS-U58 ou
KS-U100K, réglez “Entrée ext.” sur “EntréeExt.” (voir page 93 du
MANUEL D’INSTRUCTION).
• Para utilizar un cambiador de CD JVC, Apple iPod o reproductor D. de
JVC, ajuste “Entrada externa” a “Cambiador” (véase la página 93 del
MANUAL DE INSTRUCCIONES).
• Para utilizar otros componentes externos a través de KS-U57, KS-U58 o
KS-U100K, ajuste “Entrada externa” a “Entr. ext.” (véase la página 93
del MANUAL DE INSTRUCCIONES).
JVC DLP
DLP JVC
Processeur DLP JVC
KS-BTA200 XMDJVC100
CD changer jack
Jack para el cambiador de CD
Prise du changeur de CD
or
o
ou
Instal_NXD505_J.indd 6Instal_NXD505_J.indd 6 07.6.22 5:26:26 PM07.6.22 5:26:26 PM