JVC KD R805U THInstall_KD R805.indb User Manual GET0599 006B
KD-R805U KD-R805U INSTALLATION MANUAL GET0599-006B
User Manual: JVC KD-R805U KD-R805U English, Thai, INSTALLATION MANUAL
Open the PDF directly: View PDF
.
Page Count: 4

1
KD-R805
Installation/Connection Manual
°“√µ‘¥µ—Èß/§ŸË¡◊Õ°“√µ‘¥µ—Èß
GET0599-006B
[U]
F
Handles
§—π∫—ß§—∫
A / B
Hard case/Control panel
≈—ß∫√√®ÿ
/
ÀπÈ“ªí¥
C
Sleeve
ª≈Õ°ÀÿÈ¡
D
Trim plate
·ºËπ‚≈À–¢Õ∫·µËß
E
Power cord
“¬‡§‡∫‘≈°”≈—ß
ENGLISH
This unit is designed to operate on 12 V DC, NEGATIVE ground electrical systems. If your vehicle does
not have this system, a voltage inverter is required, which can be purchased at JVC car audio dealers.
Parts list for installation and connection
The following parts are provided for this unit. If any item is missing, consult your JVC car audio dealer
immediately.
J
Remote controller
√’‚¡µ§Õπ‚∑√≈
K
Battery
·∫µ‡µÕ√
0409DTSMDTJEIN
EN, TH
© 2009 Victor Company of Japan, Limited
WARNINGS
To prevent short circuits, we recommend that you disconnect the battery’s negative terminal and make all
electrical connections before installing the unit.
• Be sure to ground this unit to the car’s chassis again after installation.
Notes:
• Replace the fuse with one of the specified rating. If the fuse blows frequently, consult your JVC car audio
dealer.
• It is recommended to connect speakers with a maximum power of more than 50 W (both at the
rear and at the front, with an impedance of 4 Ω to 8 Ω). If the maximum power is less than 50 W,
change <Amplifier Gain> setting to prevent the speakers from being damaged (see page 27 of the
INSTRUCTIONS).
• To prevent short circuits, cover the terminals of the UNUSED leads with insulating tape.
• The heat sink becomes very hot after use. Be careful not to touch it when removing this unit.
Heat sink / ·ºËπ√–∫“¬§«“¡√ÈÕπ
G
USB Bluetooth adapter
Õÿª°√≥å√—∫—≠≠“≥∫≈Ÿ∑Ÿ∏·∫∫ USB
H
Microphone
‰¡‚§√‚øπ
I
Microphone clips
∑’ËÀπ’∫‰¡‚§√‚øπ
PRECAUTIONS on power supply and speaker connections:
• DO NOT connect the speaker leads of the power cord to the car battery; otherwise, the unit
will be seriously damaged.
• BEFORE connecting the speaker leads of the power cord to the speakers, check the speaker wiring in
your car.
‰∑¬
™ÿ¥ª√–°Õ∫π’ȉ¥È√—∫°“√ÕÕ°·∫∫¡“‡æ◊ËÕ„™Èß“π°—∫√–∫∫ °√–·‰øøÈ““¬¥‘π¢—È«≈∫°√–·µ√ß 12 ‚«≈∑Ï À“°√∂¬πµÏ¢Õß§ÿ≥‰¡ò‰
¥È„™È√–∫∫π’È µÈÕß„™È‡§√◊ËÕß·ª≈ß°√–·‰ø™Ë«¬ ´÷Ëß“¡“√∂À“´◊ÈÕ‰¥È®“°√È“π¢“¬‡§√◊ËÕ߇’¬ß√∂¬πµÏ JVC
§”‡µ◊Õπ
‡æ◊ËÕªÈÕß°—π°“√‡°‘¥‰øøÈ“≈—¥«ß®√ ¢Õ·π–π”„ÀȪ≈¥¢—È«·∫µ‡µÕ√’Ë≈∫ÕÕ° ·≈È«®÷ßµËÕ“¬‰ø°ËÕ𵑥µ—È߇§√◊ËÕß
• µ√«®Õ∫„ÀÈ·πË„®«Ë“‰¥È‡¥‘𓬥‘πµËÕ√–À«Ë“߇§√◊ËÕß°—∫µ—«∂—ß √∂¬πµÏ„À¡Ë·≈È«À≈—ß®“°µ‘¥µ—Èß
À¡“¬‡Àµÿ:
• „™Èæ‘°—¥®”‡æ“–·∑πøî« À“°øî«Ï¢“¥∫ËÕ¬ „ÀȪ√÷°…“√È“ π¢“¬‡§√◊ËÕ߇’¬ß√∂¬πµÏ JVC
• ¢Õ·π–π”„ÀȵËÕ≈”‚æß ∑’Ë¡’°”≈—ߢ—∫ßÿ¥‡°‘π°«Ë“ 50 W (∑—ÈߥȓπÀπÈ“·≈–¥È“πÀ≈—ß ¡’§Ë“§«“¡µÈ“π∑“π 4 Ω ∂÷ß∂÷ß 8 Ω)
∂È“°”≈—ߢ—∫µË”°«Ë“ 50 W „Àȇª≈’ˬπ§Ë“ <Amplifier Gain> ‡æ◊ËÕªÈÕß°—π‰¡Ë„ÀÈ≈”‚æß™”√ÿ¥ (¥ŸÀπÈ“ 27 §”·π–π”)
• °“√ªÈÕß°—π°“√≈—¥«ß®√ ®–µÈÕßæ—π¢—È«“¬µ–°—Ë« ∑’ˉ¡Ë„™È·≈È«¥È«¬‡∑ ªæ—𓬉ø
• ·ºËπ√–∫“¬§«“¡√ÈÕπ®–√ÈÕπ¡“°À≈—ß®“°„™È √–¡—¥√–«—ßլ˓‰ª —¡º—‡¡◊ËÕ∂Õ¥™ÿ¥ª√–°Õ∫π’È
¢ÈÕ§«√√–«—ß”À√—∫°“√µËÕ·À≈Ë߮˓¬°”≈—ß·≈–≈”‚æß:
• լ˓µËÕ“¬µ–°—Ë«‡§‡∫‘≈°”≈—ߢÕß≈”‚æß‡¢È“°—∫·∫µ‡µÕ√’Ë√∂¬πµÏ ¡‘©–π—Èπ ™ÿ¥ª√–°Õ∫®–‰¥È√—∫§«“¡‡’¬À“¬¡“°
• °ËÕπ∑’Ë®–µËÕ“¬µ–°—Ë«‡§‡∫‘≈°”≈—ߢÕß≈”‚æß‡¢È“°—∫≈”‚æß „Àȵ√«®Õ∫°“√‡¥‘𓬉ø≈”‚æß„π√∂¢Õß§ÿ≥„Àȇ√’¬∫√ÈÕ¬‡’¬°ËÕπ
TROUBLESHOOTING
• The fuse blows.
* Are the red and black leads connected correctly?
• Power cannot be turned on.
* Is the yellow lead connected?
• No sound from the speakers.
* Is the speaker output lead short-circuited?
• Sound is distorted.
* Is the speaker output lead grounded?
* Are the “–” terminals of L and R speakers grounded in common?
• Noise interfere with sounds.
* Is the rear ground terminal connected to the car’s chassis using shorter and thicker cords?
• This unit becomes hot.
* Is the speaker output lead grounded?
* Are the “–” terminals of L and R speakers grounded in common?
• This unit does not work at all.
* Have you reset your unit?
°“√µ√«®Õ∫ªí≠À“¢—¥¢ÈÕß
• øî«Ï¢“¥
* ¡’°“√‡™◊ËÕ¡ “¬µ–°—Ë«’¥”·≈–’·¥ßլ˓ß∂Ÿ°µÈÕßÀ√◊Õ‰¡Ë
• ‰¡Ë“¡“√∂‡ªî¥‡§√◊ËÕ߉¥È
* ¡’°“√‡™◊ËÕ¡“¬µ–°—Ë«’‡À≈◊ÕßÀ√◊Õ‰¡Ë
• ‰¡Ë¡’‡’¬ßÕÕ°®“°≈”‚æß
* “¬µ–°—˫˫π∑’ËÕÕ°∑“ß≈”‚æß‡°‘¥‰øøÈ“≈—¥«ß®√À√◊Õ‰¡Ë
• ‡’¬ß‡æ’Ȭπ
* “¬µ–°—˫˫π∑’ËÕÕ°∑“ß≈”‚æßµËÕ≈ߥ‘πÀ√◊Õ‰¡Ë
* “¬¢—È«≈∫ “–” ¢Õß≈”‚æß¥È“π´È“¬·≈–¢«“µËÕ≈ߥ‘πµ“¡ª°µ‘À√◊Õ‰¡Ë
• ‡’¬ß√∫°«π
* ¡’°“√„™È“¬—ÈπÊ À√◊ÕÀπ“Ê µËÕ®“°‡§√◊ËÕß«π∑’˵‘¥µ—Èß ‰«È∫πæ◊Èπ¥È“πÀ≈—ß°—∫µ—«∂—ß√∂¬πµÏÀ√◊Õ‰¡Ë
• ™ÿ¥ª√–°Õ∫√ÈÕπ¢÷Èπ
* “¬µ–°—˫˫π∑’ËÕÕ°∑“ß≈”‚æßµËÕ≈ߥ‘πÀ√◊Õ‰¡Ë
* “¬¢—È«≈∫ “–” ¢Õß≈”‚æß¥È“π´È“¬·≈–¢«“µËÕ≈ߥ‘πµ“¡ª°µ‘À√◊Õ‰¡Ë
• ‡§√◊ËÕß√—∫π’È∑”ß“π‰¡
* ∑Ë“π‰¥Èµ—È߇§√◊ËÕß„À¡Ë·≈È«À√◊Õ¬—ß
√“¬°“√Ë«πª√–°Õ∫”À√—∫µ‘¥µ—Èß·≈–‡™◊ËÕ¡µËÕ°—π
Ë«πª√–°Õ∫µËÕ‰ªπ’È„ÀÈ¡“°—∫™ÿ¥ª√–°Õ∫π’È À“°¡’‘Ëß„¥‰¡Ë§√∫ °√ÿ≥“ª√÷°…“µ—«·∑π®”ÀπË“¬‡§√◊ËÕ߇’¬ßµ‘¥√∂¬πµÏ JVC ‚¥¬∑—π∑’
THInstall1-2_KD-R805_006B.indd 1THInstall1-2_KD-R805_006B.indd 1 4/14/09 12:11:29 PM4/14/09 12:11:29 PM

2
¿“æµ—«Õ¬Ë“ßµËÕ‰ªπ’È·¥ß∂÷ß°“√µ‘¥µ—Èß·∫∫∑—Ë«‰ª À“°§ÿ≥¡’ªí≠À“À√◊ÕµÈÕß°“√¢ÈÕ¡Ÿ≈‡°’ˬ«°—∫™ÿ¥µ‘¥µ—Èß °√ÿ≥“ª√÷°…“°—∫ºŸÈ¢“¬‡§√◊ËÕ߇’
¬ß√∂¬πµÏ JVC ¢Õß∑Ë“πÀ√◊Õ∫√‘…—
• ™ÿ¥ª√–°Õ∫ ∂È“§ÿ≥‰¡Ë·πË„®«Ë“µ‘¥µ—Èß™ÿ¥ª√–°Õ∫π’È∂Ÿ°µÈÕßÀ√◊Õ‰¡Ë „ÀÈÀ“™Ë“ߺŸÈ‡™’ˬ«™“≠‡ªìπºŸÈµ‘¥µ—Èß
When using the optional stay / ‡¡◊ËÕ„™Èµ—«¬÷¥·∫∫‡≈◊Õ°‰¥È
Bracket *6
·∑Ëπ√Õß√—∫ *6
Pocket
°–‡ª“–
Flat head screws (M5 × 8 mm)*6
°√ŸÀ—«‡√’¬∫ (M5 × 8 ¡¡.)*6
Screw (option)
°√Ÿ (‡≈◊Õ°‰¥È)
Stay (option)
µ—«¬÷¥ (‡≈◊Õ°‰¥È)
Fire wall
ºπ—ß°—π‰ø
Dashboard
·ºßÀπÈ“ªí∑¡á
Install the unit at an angle of less than 30˚.
µ‘¥µ—Èß™ÿ¥ª√–°Õ∫∑’Ë¡ÿ¡µË”°«Ë“ 30˚ Õß»“
Removing the unit
Before removing the unit, release the rear section.
Insert the two handles, then pull them as
illustrated so that the unit can be removed.
„˧—π∫—ß§—∫ 2 Õ —π≈ß„π√ËÕß”À√—∫„™Èæ—π≈«¥ ¥—ß¿“æ ®“°π—Èπ
„Àȇ≈◊ËÕπ™ÿ¥ª√–°Õ∫ÕÕ° „π¢≥–∑’˧ËÕ¬ Ê ¥÷ß§—π∫—ß§—∫∑—Èß
Õß Õ—πÕÕ°®“°°—π
Do the required electrical connections.
µËÕ“¬‰øµ“¡∑’˰”À𥉫È∑—ÈßÀ¡¥
Bend the appropriate tabs to hold the
sleeve firmly in place.
ßÕ·ºËπ‡æ◊ËÕ¬÷¥ª≈Õ°„ÀȵËÕ°—π‡¢È“∑’Ë
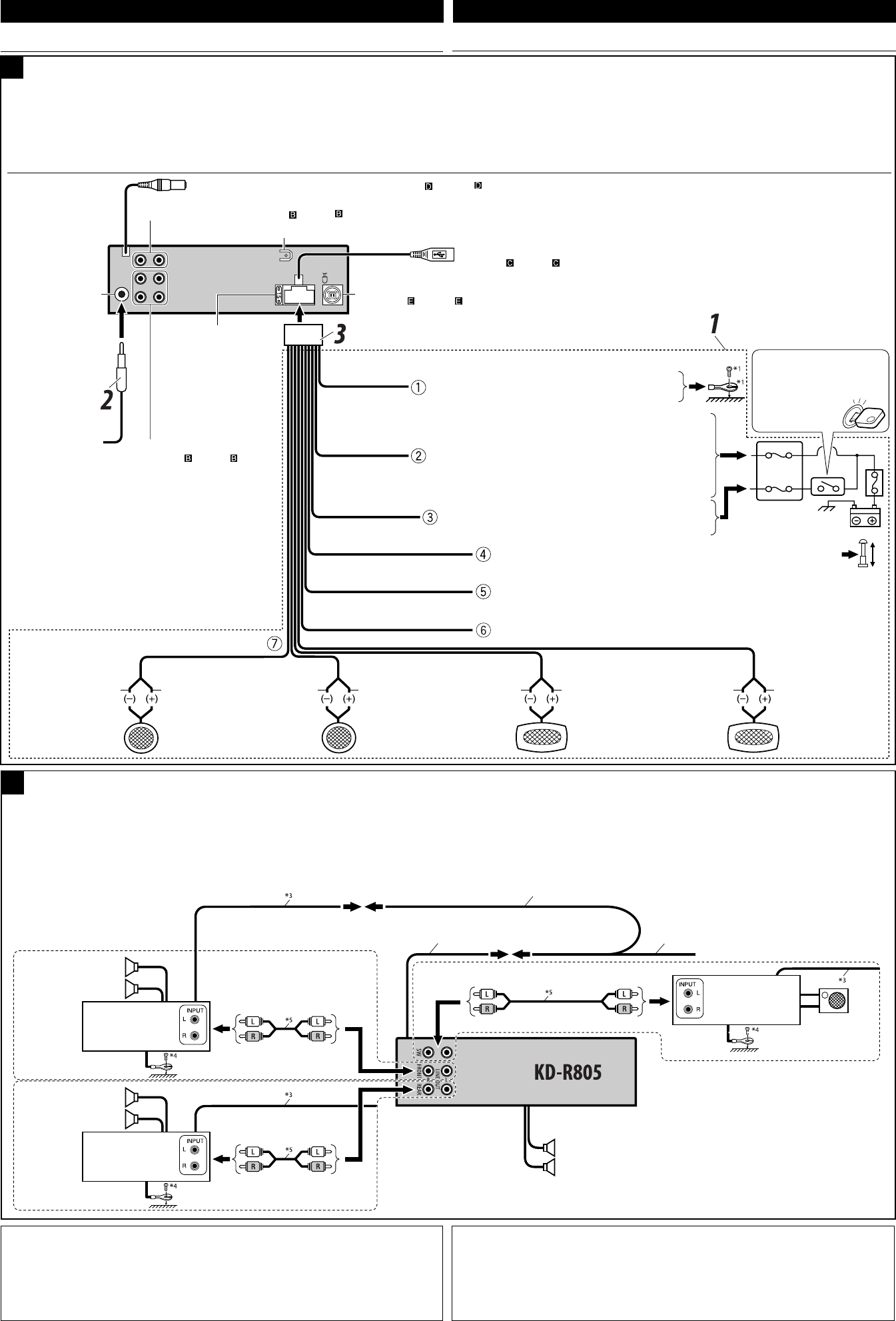
INSTALLATION (IN-DASH MOUNTING)
The following illustration shows a typical installation. If you have any questions or require information
regarding installation kits, consult your JVC car audio dealer or a company supplying kits.
• If you are not sure how to install this unit correctly, have it installed by a qualified technician.
Bracket *6
·∑Ëπ√Õß√—∫ *6
When installing the unit without using the sleeve / ‡¡◊ËÕµ‘¥µ—Èß™ÿ¥ª√–°Õ∫‚¥¬‰¡Ë„™Èª≈Õ°ÀÿÈ¡
In a Toyota car for example, first remove the car radio and install the unit in its place.
µ—«Õ¬Ë“߇™Ëπ „π√∂¬πµÏ‚µ‚¬µÈ“ „ÀÈ∂Õ¥«‘∑¬ÿµ‘¥√∂¬πµÏÕÕ°°ËÕπ ·≈ô«®÷ßµ‘¥µíô߇§√◊ËÕßπ’ô‡¢ô“·∑π∑’Ë
Flat head screws (M5 × 8 mm)*6
°√ŸÀ—«‡√’¬∫ (M5 × 8 ¡¡.)*6
Note : When installing the unit on the mounting bracket, make sure to use the 8 mm-long screws. If longer screws are
used, they could damage the unit.
À¡“¬‡Àµ :
‡¡◊ËÕµ‘¥µ—Èß™ÿ¥ª√–°Õ∫≈ß„π·∑Ëπ√Õß√—∫‰«È „ÀÈ„™È
°√Ÿ¬“«¢π“¥
8
¡¡.
∂È“„™È
°√Ÿ¬“«°«Ë“π’ÈÕ“®∑”„ÀÈ™ÿ¥ª√–°Õ∫‡
’¬À“¬‰¥ô
°“√µ‘¥µ—Èß
(°“√ª√–°Õ∫·ºßÀπÈ“ªí∑¡Ï‡¢È“)
°“√∂Õ¥™ÿ¥ª√–°Õ∫
°ËÕπ®–∂Õ¥™ÿ¥ª√–°Õ∫ „ÀȪ≈¥ÀπÈ“µ—¥Ë«π∑È“¬°ËÕπ
*1 When you stand the unit, be careful not to damage the fuse on the rear.
*2 Rubber cushion—Not supplied for this unit.
*3 Mounting bolt (M4 × 5 mm; M5 × 12.5 mm)—Not supplied for this unit.
*4 Washer (ø5)—Not supplied for this unit.
*5 Lock nut (M5)—Not supplied for this unit.
*6 Not supplied for this unit.
*1 ‡¡◊ËÕ§ÿ≥µ—Èß™ÿ¥ª√–°Õ∫¢÷Èπ √–«—ßլ˓∑”„ÀÈøî«Ï∫√‘‡«≥Ë«π∑È“¬‡’¬À“¬
*2 ¬“ß°—π°√–·∑°—‰¡Ë‰¥È„ÀÈ¡“°—∫™ÿ¥ª√–°Õ∫π’È
*3 ≈—°µ‘¥ (M4 × 5 ¡¡.; M5 × 12.5 ¡¡.)—‰¡Ë‰¥È„ÀÈ¡“°—∫™ÿ¥ª√–°Õ∫π’È
*4
ª√–‡°Áπ«ß·À«π
(ø5)—‰¡Ë‰¥È„ÀÈ¡“°—∫™ÿ¥ª√–°Õ∫π’È
*5 πÕµ≈ÁÕ§ (M5)—‰¡Ë‰¥È„ÀÈ¡“°—∫™ÿ¥ª√–°Õ∫π’È
*6 ‰¡Ë‰¥È„ÀÈ¡“°—∫™ÿ¥ª√–°Õ∫π’È
THInstall1-2_KD-R805_006B.indd 2THInstall1-2_KD-R805_006B.indd 2 4/22/09 9:42:56 AM4/22/09 9:42:56 AM

3
ENGLISH ‰∑¬
A
Typical connections / °“√‡™◊ËÕ¡µËÕ·∫∫ª°µ
Before connecting: Check the wiring in the vehicle carefully. Incorrect connection may cause serious
damage to this unit.
The leads of the power cord and those of the connector from the car body may be different in color.
1 Connect the colored leads of the power cord in the order specified in the illustration below.
2 Connect the antenna cord.
3 Finally connect the wiring harness to the unit.
LINE OUT
(see diagram / ¥Ÿ·ºπ¿Ÿ¡ )
Rear ground terminal / ®ÿ¥‡™◊ËÕ¡µËÕ “¬¥‘π¥È“πÀ≈—ß
15 A fuse /
øî«Ï¢π“¥ 15 A
Antenna terminal
¢—È«“¬Õ“°“»
Black
’¥”
Blue with white stripe
’πÈ”‡ß‘π≈“¬¢“«
Red
’·¥ß
Yellow *2
’‡À≈◊Õß *2
To the metallic body or chassis of the car
µËÕ°—∫‚§√ß‚≈À–À√◊Õ‡™´‘¢Õß√∂¬πµú
Ignition switch
«‘∑™Ï®ÿ¥√–‡∫‘¥
Fuse block
·ºßøî«
To an accessory terminal in the fuse block
µËÕ°—∫¢—ȫ˫πª√–°Õ∫„π·ºßøî«
Left speaker (front)
≈”‚æß´È“¬ (ÀπÈ“)
Right speaker (front)
≈”‚æß¢«“ (ÀπÈ“)
Left speaker (rear)
≈”‚æß´È“¬ (À≈—ß)
Right speaker (rear)
≈”‚æß¢«“ (À≈—ß)
Purple
’¡Ë«ß
Purple with black stripe
’¡Ë«ß·∂∫¥”
Green
’‡¢’¬«
Green with black stripe
’‡¢’¬«·∂∫¥”
Gray
’‡∑“
Gray with black stripe
’‡∑“·∂∫¥”
White
’¢“«
White with black stripe
’¢“«·∂∫¥”
To a live terminal in the fuse block connecting to the car battery (bypassing
the ignition switch) (constant 12 V)
µËÕ°—∫¢—È«∑’Ë¡’°√–·‰øøÈ“„π·ºßøî«Ï ´÷ËßµËÕ°—∫·∫µ‡µÕ√’Ë√∂¬πµ
( ‚¥¬‰¡ËµÈÕß„™È«‘∑™Ï®ÿ¥√–‡∫‘¥) (12 ‚«≈∑ϧß∑’Ë)
To the remote lead of other equipment (200 mA max.)
µËÕ‡¢È“°—∫Õª°√≥ÏÕË◊π (¢π“¥Ÿß¸¥ 200 mA)
ELECTRICAL CONNECTIONS
To external components / ™ËÕ߇’¬∫µËÕ¢ÕßÕÿª°√≥Ï¿“¬πÕ°
(see diagram /(¥Ÿ·ºπ¿Ÿ¡ )
Orange with white stripe
’ô¡·∂∫¢“« To car light control switch
«‘µ´Ï§«∫§ÿ¡‰ø¢Õß√∂¬π•√Ï
SW (subwoofer / ´—∫«Ÿø‡øÕ√Ï ) (see diagram / ¥Ÿ·ºπ¿Ÿ¡ )
*1 Not supplied for this unit.
*2 Before checking the operation of this unit prior to installation, this lead must be connected; otherwise, the power
cannot be turned on.
*3 Remote lead
*4 Firmly attach the ground wire to the metallic body or to the chassis of the car—to the place uncoated with paint
(if coated with paint, remove the paint before attaching the wire). Failure to do so may cause damage to the unit.
*5 Signal cord (not supplied for this unit).
MIC (microphone input terminal / ¢—È«µàÕ‰¡‚§√‚øπ) (see diagram / ¥Ÿ·ºπ¿“æ )
USB cable (approx. 1.2 m) / “¬ USB (ª√–¡“≥ 1.2 ‡¡µ√)
(see diagram / ¥Ÿ·ºπ¿Ÿ¡ )
B
Connecting the external amplifiers and subwoofer / °“√‡™◊ËÕ¡µàÕ‡§√◊ËÕߢ¬“¬‡’¬ß¿“¬πÕ°·≈–´—∫«Ÿø‡øÕ√å
You can connect an amplifier to upgrade your car stereo system.
• Connect the remote lead (blue with white stripe) to the remote lead of the other equipment so that it
can be controlled through this unit.
• Disconnect the speakers from this unit, connect them to the amplifier. Leave the speaker
leads of this unit unused.
Remote lead (blue with white stripe)
“¬µ–°—Ë«•–¬–‰°• (’πÈ”‡ß‘π≈“¬¢“«)
To the remote lead of other equipment or automatic antenna
if any
µËÕ“¬°—∫Õÿª°√≥ÏÕ◊ËπÀ√◊Õ‡“Õ“°“»Õ—µ‚π¡—µ‘∂È“¡’
Front speakers
≈”‚æßÀπÈ“
Rear speakers
≈”‚æßÀ≈—ß
Y-connector *1
¢ÈÕµËÕ√Ÿªµ—« Y *1
JVC Amplifier
‡§√◊ËÕߢ¬“¬‡’¬ß JVC
Subwoofer
´—∫«Ÿø‡øÕ√Ï
Front speakers
≈”‚æßÀπÈ“ JVC Amplifier
‡§√◊ËÕߢ¬“¬‡’¬ß JVC
JVC Amplifier
‡§√◊ËÕߢ¬“¬‡’¬ß JVC
°“√‡™◊ËÕ¡‚¥¬„™È‰øøÈ“
°ËÕπ°“√‡™◊ËÕ¡µËÕ: µ√«®¥Ÿ°“√‡¥‘𓬉ø„π√∂¬πµÏ„ÀÈ≈–‡Õ’¬¥∂’Ë∂È«π ‡æ√“–°“√‡™◊ËÕ¡µËÕ∑’˺‘¥æ≈“¥Õ“®∑”„Àȇ°‘¥§«“¡‡’¬À“¬
√È“¬·√ßµËÕ™ÿ¥ª√–°Õ∫™ÿ¥π’ȉ¥È
“¬µ–°—Ë«¢Õß“¬‰ø·≈–¢ÕßÕÿª°√≥ϵËÕ‡™◊ËÕ¡®“°µ—«∂—ß√∂¬πµÏÕ“®¡’’∑’ˉ¡Ë‡À¡◊Õπ°—π
1 µËÕ“¬‰ø’µ“¡≈”¥—∫∑’Ë√–∫ÿ„π√Ÿª¥È“π≈Ë“ß
2 ‡™◊ËÕ¡µËÕ°—∫“¬Õ“°“»
3 ÿ¥∑È“¬ µËÕË«π§«∫§ÿ¡°“√‡¥‘𓬉ø‡¢È“°—∫™ÿ¥ª√–°Õ∫™ÿ¥π’È
*1 ‰¡Ë‰¥È„ÀÈ¡“°—∫™ÿ¥ª√–°Õ∫π’È
*2 °ËÕπ°“√µ√«®Õ∫°“√∑”ß“π¢Õß™ÿ¥ª√–°Õ∫π’ȰËÕπ∑’Ë®–µ‘¥µ—Èß µÈÕßµËÕ“¬µ–°—Ë«π’ȰËÕπ
¡‘©–π—Èπ®–‰¡“¡“√∂‡ª‘¥‡§√◊ËÕ߉¥
*3
“¬µ–°—Ë«•–¬–‰°•
*4
µËÕ≈«¥
“¬¥‘π„ÀÈ·πËπ‡¢È“°—∫µ—«∂—߇À≈Á° À√◊Õµ—«∂—ß√∂
—
µ√ß
Ë«π ∑’ˉ¡Ë¡’
’‡§≈◊Õ∫
(
À“°¡’
’‡§≈◊Õ∫Õ¬ŸË „ÀÈ¢Ÿ¥
’ÕÕ°°ËÕπ °ËÕπµËÕ≈«¥
“¬¥‘π
)
À“°‰¡ËªØ‘∫—µ‘µ“¡§”·π–π”π’È ‡§√◊ËÕßÕ“®™”√ÿ¥À√◊Õ‡
’¬À“¬‰¥
*5 “¬‡§‡∫‘≈—≠≠“≥ ( ‰¡Ë‰¥È„ÀÈ¡“°—∫™ÿ¥ª√–°Õ∫π’È)
§ÿ≥“¡“√∂µËÕ°—∫·Õ¡æ≈‘ø“¬‡ÕÕ√Ï ‡æ◊ËÕ‡æ‘Ë¡§ÿ≥ ¿“懒¬ß„ÀȰ—∫√–∫∫‡µÕ√‘‚Õ¢Õß√∂¬πµÏ
• µËÕ“¬µ–°—Ë«√–¬–‰°≈ (’πÈ”‡ß‘π≈“¬¢“«) ‡¢È“°—∫“¬µ–°—Ë«√–¬–‰°≈¢ÕßÕÿª°√≥ÏÕ◊Ëπ Ê ‡æ◊ËÕ®–“¡“√∂§«∫§ÿ¡‚¥¬™ÿ¥ª√–
°Õ∫π’ȉ¥È
• ∂Õ¥≈”‚æßÕÕ°®“°™ÿ¥ª√–°Õ∫π’È ·≈È«µËÕ‡¢È“°—∫‡§√◊ËÕߢ¬“¬ ∑‘Èß“¬µ–°—Ë«≈”‚æß¢Õß™ÿ¥ª√–°Õ∫π’ȉ«
Blue
»’øÈ“ To automatic antenna if any (250 mA max.)
‡“Õ“°“»‰øøÈ“Õ—µ‚π¡—µ‘ À“°¡’ (¢π“¥Ÿß¸¥ 250 mA)
THInstall2_KD-R805_006A_2.indd 3THInstall2_KD-R805_006A_2.indd 3 2/12/09 2:09:23 PM2/12/09 2:09:23 PM

4
*6 To use these components, set the external input setting correctly (see page 29 of the INSTRUCTIONS). *6 „π°“√„™ÈË«πª√–°Õ∫‡À≈Ë“π’È „Àȵ—Èß§Ë“°“√√—∫—≠≠“≥Õÿª°√≥Ï¿“¬πÕ°„ÀÈ∂Ÿ°µÈÕß (¥ŸÀπÈ“ 29 §”·π–π”)
When connecting the external components, refer also to the manuals supplied for the components and
adapter.
CAUTION:
Before connecting the external components, make sure that the unit is turned off.
You can connect the following JVC components to the CD changer jack.
JVC component Model name
CD changer (CD-CH) CH-X1500, etc.
You can also connect the following components through the various JVC adapters or system.
• Connection cords may need to be purchased separately.
Component Adapter/System Model name
iPod Interface adapter for iPod KS-PD100
Portable audio player with line output jacks Line input adapter KS-U57
Portable audio player with 3.5 mm stereo mini
jack
AUX input adapter KS-U58
Connecting the external components to the CD changer jack / °“√µËÕÕÿª°√≥Ï¿“¬πÕ°‡¢È“°—∫™ËÕ߇’¬∫´’¥’‡™π‡®Õ√Ï
E
CD-CH / KS-PD100 /
KS-U57 / KS-U58 *6
CD changer jack /
™ËÕ߇’¬∫´’¥’‡™π‡®Õ√Ï
To disconnect the connector / °“√∂Õ¥µ—«‡™◊ËÕ¡µËÕ
Hold the connector top tightly ( 1 ), then pull it out ( 2 ).
®—∫µ—«‡™◊ËÕ¡µËÕ„ÀÈ·πËπ
( 1 )
·≈È«¥÷ßÕÕ°
( 2 )
‡¡◊ËÕ‡™◊ËÕ¡µËÕÕÿª°√≥Ï¿“¬πÕ° „ÀÈ¥Ÿ¢ÈÕ¡Ÿ≈‡°’ˬ«°—∫Õÿª°√≥Ï¿“¬πÕ°·≈–Õ–·¥ª‡µÕ√Ï®“°§ŸË¡◊Õ∑’Ë„ÀÈ¡“¥È«¬
¢ÈÕ§«√√–«—ß
:
°ËÕπ®–‡™◊ËÕ¡µËÕ°—∫Õÿª°√≥Ï¿“¬πÕ° °√ÿ≥“µ√«®Õ∫„ÀÈ·πË„®«Ë“ªî¥‡§√◊ËÕßÕ¬ŸË
∑Ë“π“¡“√∂‡™◊ËÕ¡µËÕË«πª√–°Õ∫ JVC µËÕ‰ªπ’ȇ¢È“°—∫™ËÕ߇’¬∫´’¥’‡™π‡®Õ√Ï
Ë«πª√–°Õ∫
JVC
™◊ËÕ√ÿËπ
´’¥’‡™π‡®Õ√Ï (CD-CH) CH-X1500 œ≈œ
“¡“√∂‡™◊ËÕ¡µàÕÕÿª°√≥å‡√‘¡µàÕ‰ªπ’ȇ¢â“°—∫Õ–·¥ª‡µÕ√åµà“ßÊ À√◊Õ√–∫∫¢Õß JVC ‰¥â
• Õ“®µÈÕß´◊ÈÕ“¬‡™◊ËÕ¡µËյ˓ßÀ“°
Ë«πª√–°Õ∫
Õ–·¥ª‡µÕ√å/√–∫∫
™◊ËÕ√ÿËπ
iPod Õ‘π‡∑Õ√χøÕ–·¥ª‡µÕ√Ï”À√—∫√ÿËπ
iPod
KS-PD100
‡
§√◊ËÕ߇≈Ëπ‡æ≈ß·∫∫æ°æ“ æ√ÈÕ¡¢—È«µËÕ Line Output Õ–·¥ª‡µÕ√Ï Line Input KS-U57
‡§√◊ËÕ߇≈Ëπ‡æ≈ß·∫∫æ°æ“ æ√ÈÕ¡™ËÕ߇’¬∫·∫∫
3.5
¡¡.
Stereo Mini
Õ–·¥ª‡µÕ√Ï AUX Input KS-U58
USB cable (approx. 1.2 m)
“¬ USB (ª√–¡“≥ 1.2 ‡¡µ√)
USB device
Õÿª°√≥Ï
USB
C
Connecting the USB devices / °“√µËÕÕÿª°√≥Ï USB
• iPod is a trademark of Apple Inc., registered in the U.S. and other countries.
• iPhone is a trademark of Apple Inc.
You can connect the iPod/iPhone to the USB terminal using the USB 2.0 cable (accessory of the iPod/
iPhone).
• You cannot connect a computer to the USB ( ) terminal of the unit.
“¡“√∂µàÕ iPod/iPhone ‡¢â“°—∫¢—È«µàÕ USB ‚¥¬„™â“¬ USB 2.0 ‰¥â (Õÿª°√≥å‡√‘¡¢Õß iPod/iPhone)
• ∑Ë“π‰¡Ë“¡“√∂µËÕ‡§√◊ËÕß§Õ¡æ‘«‡µÕ√ϰ—∫™ËÕßµËÕ USB ( ) ¢Õ߇§√◊ËÕ߉¥È
USB cable from the rear of the unit / “¬ USB ®“°¥â“πÀ≈—ߢÕßµ—«‡§√◊ËÕß
Apple iPod/iPhone
Apple iPod/iPhone
USB 2.0 cable
“¬‡§‡∫‘≈ USB 2.0
or / ???TH????
Apple iPod/iPhone
Apple iPod/iPhone
USB 2.0 cable
“¬‡§‡∫‘≈ USB 2.0
USB device
Õÿª°√≥Ï
USB
or / À√◊Õ or / À√◊Õ
USB input terminal on the control panel of the unit / ¢—È«µàÕ USB ∫π·ºß§«∫§ÿ¡¢Õßµ—«‡§√◊ËÕß
USB input terminal / ¢—È«µàÕ USB
•
iPod ‡ªìπ‡§√◊ËÕßÀ¡“¬°“√§È“¢Õß Apple Inc. ´÷Ëß®¥∑–‡∫’¬π°“√§È“„πª√–‡∑»À√—∞Õ‡¡√‘°“·≈–ª√–‡∑»Õ◊ËπÊ
• iPhone ‡ªìπ‡§√◊ËÕßÀ¡“¬°“√§â“¢Õß Apple Inc.
Connecting the microphone unit / °“√µàÕ™ÿ¥‰¡‚§√‚øπ
Adjust the microphone angle
ª√—∫¡ÿ¡‰¡‚§√‚øπ
Microphone
‰¡‚§√‚øπ
Microphone clip
∑’ËÀπ’∫‰¡‚§√‚øπ
Secure the microphone cord using cord cramps (not supplied) if necessary.
¬÷¥“¬‰¡‚§√‚øπ‚¥¬„™â∑’Ë√—¥“¬‰ø ( ‰¡à¡’„Àâ) À“°®Ì“‡ªìπ
12
D
Microphone clip
∑’ËÀπ’∫‰¡‚§√‚øπ
or / À√◊Õ
THInstall2_KD-R805_006A_2.indd 4THInstall2_KD-R805_006A_2.indd 4 2/12/09 2:09:33 PM2/12/09 2:09:33 PM