JVC KD SH909 SH909/KD SH707 User Manual LVT0830 002A
KD-SH707 KD-SH707 LVT0830-002A English, French, Spanish, INSTALLATION MANUAL
User Manual: JVC KD-SH909 KD-SH909 English, French, Spanish, INSTALLATION MANUAL
Open the PDF directly: View PDF
.
Page Count: 4

KD-SH909
KD-SH707
Installation/Connection Manual
Manual de instalación/conexión
Manuel d’installation/raccordement
ESPAÑOL
•Esta unidad está diseñada para funcionar con 12 V de CC, con
sistemas eléctricos de masa NEGATIVA.
INSTALACION (MONTAJE EN EL
TABLERO DE INSTRUMENTOS)
•La siguiente ilustración muestra una instalación típica. Sin
embargo usted deberá efectuar los ajustes correspondientes
a su automóvil. Si tiene alguna pregunta o necesita información
acerca de las herramientas para instalación, consulte con su
concesionario de JVC de equipos de audio para automóviles o
a una compañía que suministra tales herramientas.
FRANÇAIS
•
Cet appareil est conçu pour fonctionner sur des sources de
courant continu de 12 V à masse NEGATIVE.
INSTALLATION (MONTAGE DANS LE
TABLEAU DE BORD)
•
L’illustration suivante est un exemple d’installation typique.
Cependant, vous devez faire les ajustements correspondant à
votre voiture particulière. Si vous avez des questions ou avez
besoin d’information sur des kits d’installation, consulter votre
revendeur d’autoradios JVC ou une compagnie
d’approvisionnement.
LVT0830-002A
[J]
ENGLISH
•This unit is designed to operate on 12 V DC, NEGATIVE ground
electrical systems.
INSTALLATION (IN-DASH
MOUNTING)
•The following illustration shows a typical installation. However,
you should make adjustments corresponding to your specific
car. If you have any questions or require information regarding
installation kits, consult your JVC car audio dealer or a company
supplying kits.
1
Avant le montage:
Appuyer sur (dèblocage du
panneau de commande) pour èventeullement détacher
le panneau de commande.
* Lorsque ce panneau de commande sort d’usine, il est
rangé dans un étui de transport.
2
Retirer la plaque d’assemblage.
3
Libérer les verrous du manchon et retirer le manchon.
1
Poser l’appareil à la verticale.
Remarque:
Lorsque vous mettez l’appareil à la
verticale, faire attention de ne pas endommager le
fusible situé sur l’arrière.
2
Insérer les 2 poignées entre l’appareil et le manchon
comme indiqué pour désengagé les verrous de
manchon.
3
Retirer le manchon.
Remarque:
S’assurer de garder les poignées pour une
utilisation ultérieur, après l’’installation de l’appareil.
4
Installer le manchon dans le tableau de bord.
* Après installation correcte du manchon dans le tableau
de bord, plier les bonnes pattes pour maintenir
fermement le manchon en place, comme montré.
5
Monter le boulon de montage sur l’arrière du corps de
l’appareil puis passer l’amortisseur en caoutchouc sur
l’extrémité du boulon.
6
Réalisez les connexions électriques.
7
Faites glisser l’appareil dans le manchon jusqu’à ce qu’il
soit verrouillé.
8
Attachez la plaque d’ajustage.
9
Remonter le panneau de commande.
0102MNMMDTJEIN
EN, SP, FR
1
Before mounting: Press (Control Panel Release button)
to detach the control panel if already attached.
* When shipped from the factory, the control panel is packed
in the hard case.
2
Remove the trim plate.
3
Remove the sleeve after disengaging the sleeve locks.
1Stand the unit.
Note: When you stand the unit, be careful not to damage
the fuse on the rear.
2Insert the 2 handles between the unit and the sleeve, as
illustrated, to disengage the sleeve locks.
3Remove the sleeve.
Note: Be sure to keep the handles for future use after
installing the unit.
4
Install the sleeve into the dashboard.
* After the sleeve is correctly installed in the dashboard, bend
the appropriate tabs to hold the sleeve firmly in place, as
illustrated.
5
Fix the mounting bolt to the rear of the unit’s body and place
the rubber cushion over the end of the bolt.
6
Do the required electrical connections.
7
Slide the unit into the sleeve.
8
Attach the trim plate.
9
Attach the control panel.
1
Antes de instalar: Pulse (botón de liberación del panel
de control) para desenganchar el panel de control, si ya
está fijado.
* El panel de control se expide de fábrica dentro del
estuche duro.
2
Retire la placa de guarnición.
3
Retire la cubierta después de desenganchar los retenes de
la cubierta.
1Ponga la unidad vertical.
Nota: Al poner la unidad vertical, tenga cuidado de no
dañar el fusible provisto en la parte posterior.
2Inserte las dos manijas entre la unidad y la cubierta tal
como en la ilustración y desenganche los retenes de la
cubierta.
3Retire la cubierta.
Nota: Después de instalar la unidad, asegúrese de
guardar las manijas para uso futuro.
4
Instale la cubierta en el tablero de instrumentos.
* Después de que la cubierta esté correctamente instalada
en el tablero de instrumentos, doble las lengüetas
correspondientes para sostener la cubierta firmemente en
su lugar, tal como se muestra.
5
Fije el perno de montaje en la parte trasera del cuerpo de la
unidad y coloque el cojín de goma sobre el extremo del
perno.
6
Realice las conexiones eléctricas requeridas.
7
Deslice la unidad dentro de la cubierta hasta que quede
trabada.
8
Coloque la placa de guarnición.
9
Coloque el panel de control.
J
V
C
1
Control panel
Panel de control
Panneau de commande
5
Trim plate
Placa de guarnición
Plaque d’assemblage
Trim plate
Placa de guarnición
Plaque d’assemblage
Mounting bolt
Perno de montaje
Boulon de montage
Dashboard
Tablero de instrumentos
Tableau de bord
Rubber cushion
Cojín de goma
Amortisseur en caoutchouc
LOCALIZACION DE AVERIAS
• El fusible se quema.
* ¿Están los conductores rojo y negro correctamente conectados?
• No es posible conectar la alimentación.
* ¿Está el cable amarillo conectado?
• No sale sonido de los altavoces.
* ¿Está el cable de salida del altavoz cortocircuitado?
• El sonido presenta distorsión.
* ¿Está el cable de salida del altavoz conectado a masa?
* ¿Están los terminales “–” de los altavoces L y R conectados a
una masa común?
• La unidad se calienta.
* ¿Está el cable de salida del altavoz conectado a masa?
* ¿Están los terminales “–” de los altavoces L y R conectados a
una masa común?
EN CAS DE DIFFICULTES
• Le fusible saute.
*
Les fils rouge et noir sont-ils racordés correctement?
• L’appareil ne peut pas être mise sous tension.
*
Le fil jaune est-elle raccordée?
• Pas de son des enceintes.
*
Le fil de sortie de d’enceinte est-il court-circuité?
• Le son est déformé.
*
Le fil de sortie de d’enceinte est-il à la masse?
*
Les bornes “–” des enceintes gauche et droit sont-elles mises
ensemble à la masse?
• L’appareil devient chaud.
*
Le fil de sortie de d’enceinte est-il à la masse?
*
Les bornes “–” des enceintes gauche et droit sont-elles mises
ensemble à la masse?
TROUBLESHOOTING
•The fuse blows.
* Are the red and black leads connected correctly?
•Power cannot be turned on.
* Is the yellow lead connected?
•No sound from the speakers.
* Is the speaker output lead short-circuited?
•Sound is distorted.
* Is the speaker output lead grounded?
* Are the “–” terminals of L and R speakers grounded in
common?
•Unit becomes hot.
* Is the speaker output lead grounded?
* Are the “–” terminals of L and R speakers grounded in
common?
Fuse
Fusible
Fusible
Slot
Ranura
Fente
Sleeve
Cubierta
Manchon
Lock Plate
Placa de bloqueo
Plaque de verrouillage
Handle
Manija
Poignée
2
3
9
8
7
4
Sleeve
Cubierta
Manchon
Control panel
Panel de control
Panneau de commande
53 mm
(2-1/8")
184 mm
(7-1/4")
4
*
See “ELECTRICAL CONNECTIONS.”
Véase “CONEXIONES ELECTRICAS”.
Référez-vous “RACCORDEMENTS
ELECTRIQUES” .
6
1
InstallationKD-SH909[J]f.pm5 17/1/02, 4:56 PM1

2
• When installing the unit without using the sleeve
• Instalación de la unidad sin utilizar la cubierta
• Lors de l’installation de l’appareil sans utiliser de manchon
In a Toyota for example, first remove the car radio and install the unit in its place.
En un Toyota por ejemplo, primero extraiga la radio del automóvil y luego instale la unidad en su
lugar.
Par exemple dans une Toyota, retirer d’abord l’autoradio et installer l’appareil à la place.
* Not included with this unit.
* No suministrado con esta unidad.
*
Non fourni avec cet appareil.
Note: When installing the unit on the mounting bracket, make sure to use the 6 mm-long screws. If
longer screws are used, they could damage the unit.
Nota: Cuando instala la unidad en la ménsula de montaje, asegúrese de utilizar los tornillos de
6 mm de longitud. Si se utilizan tornillos más largos, éstos pueden dañar la unidad.
Remarque:
Lors de l’installation de l’appareil sur le support de montage, s’assurer d’utiliser des
vis d’une longueur de 6 mm. Si des vis plus longues sont utilisées, elles peuvent endommager
l’appareil.
• When using the optional stay
• Cuando emplea un soporte opcional
• Lors de l’utilisation du hauban en option
Retrait de l’appareil
•
Avant de retirer l’appareil, libérer la section arrière.
1
Retirer le panneau de commande.
2
Retirer la plaque d’assemblage.
3
Introduire les deux poignées dans les fentes, comme montré.
Puis, tout en tirant doucement les poignées écartées, faire
glisser l’appareil pour le sortir.
(S’assurer de conserver les
poignées après l’installation de l’appareil.)
Extracción de la unidad
• Antes de extraer la unidad, libere la sección trasera.
1
Extraiga el panel de control.
2
Retire la placa de guarnición.
3
Inserte las 2 manijas entre las ranuras, como se muestra.
Luego, separe shavemente las manijas y extraiga la unidad.
(Asegúrese de conservar las manijas después de
instalarlo.)
Removing the unit
• Before removing the unit, release the rear section.
1
Remove the control panel.
2
Remove the trim plate.
3
Insert the 2 handles into the slots, as shown. Then, while gently
pulling the handles away from each other, slide out the unit.
(Be sure to keep the handles after installing it.)
31
Parts list for installation and connection
The following parts are provided with this unit.
After checking them, please set them correctly.
Lista de piezas para instalación y conexión
Con esta unidad se suministran las siguientes piezas.
Después de inspeccionarlas, colóquelas correctamente.
Liste des pièces pour l’installation et
raccordement
Les pièces suivantes sont fournies avec cet appareil.
Après vérification, veuillez les placer correctement.
Battery
Pila
Pile
CR2025
Power cord
Cordón de alimentación
Cordon d’alimentation
Heat sink
Sumidero térmico
Dissipateur de chaleur
RACCORDEMENTS ELECTRIQUES
Pour éviter tout court-circuit, nous vous recommandons de
débrancher la borne négative de la batterie et d’effectuer tous les
raccordements électriques avant d’installer l’appareil. Si l’on n’est
pas sûr de pouvoir installer correctement cet appareil, le faire installer
par un technicien qualifié.
Remarque:
Cet appareil est conçu pour fonctionner sur des sources de courant
continu de
12 V à masse NEGATIVE
seulement. Si votre véhicule
n’offre pas ce type d’alimentation, il vous faut un convertisseur de
tension, que vous pouvez acheter chez un revendeur d’autoradios
JVC.
•
Remplacer le fusible par un de la valeur précisée. Si le fusible saute
souvent, consulter votre revendeur d’autoradios JVC.
•
Si le bruit est un problème...
Cet appareil incorpore un filtre de bruit dans le circuit d’alimentation.
Cependant, avec certains véhicules, quelques claquements ou
autres bruits non désirés risquent de se produire. Si cela arrive,
raccorder la
borne arrière
de masse
de l’appareil au châssis de
la voiture (voir le schéma de raccordement) en utilisant des cordons
les plus gros et les plus courts possibles telle qu’une barre de cuivre
ou une tresse. Si le bruit persiste, consulter votre revendeur
d’autoradios JVC.
•
La puissance admissible des enceintes devrait n’être pas plu qu’c
50 W à l’arrière et à 50 W l’avant, avec une impédance de
4 Ω à 8 Ω
.
• S’assurer de raccorder la mise à la masse de cet appareil au
châssis de la voiture.
•
Le dissipateur de chaleur devient très chaud après usage. Faire
attention de ne pas le toucher en retirant cet appareil.
CONEXIONES ELECTRICAS
Para evitar cortocircuitos, recomendamos que desconecte el
terminal negativo de la batería y que efectúe todas las conexiones
eléctricas antes de instalar la unidad. Si usted no está seguro de
cómo instalar correctamente la unidad, hágala instalar por un
técnico cualificado.
Nota:
Esta unidad está diseñada para funcionar con 12 V de CC, con
sistemas eléctricos de masa NEGATIVA solamente. Si su vehículo
no posee este sistema, será necesario un inversor de tensión, que
puede ser adquirido en los concesionarios de JVC de equipos de
audio para automóviles.
• Reemplace el fusible por uno con la corriente especificada. Si el
fusible se quemase frecuentemente consulte con su
concesionario de JVC de equipos de audio para automóviles.
• Si el ruido fuese un problema...
Esta unidad tiene un filtro de ruido en el circuito de alimentación.
Sin embargo, en algunos vehículos, pueden producirse
chasquidos u otros ruidos indeseados. En tal caso conecte el
terminal de tierra posterior (véase diagrama de conexión) del
receptor al chasis del automóvil, utilizando cordones más gruesos
y cortos tales como alambre de cobre trenzado o de grueso
calibre. Si el ruido persiste, consulte a su concesionario de JVC
de equipos de audio para automóvil.
• La entrada máxima de los altavoces traseros no debe ser no
más que 50 W en el trasero y 50 W en la frontal, con una
impedancia de 4 Ω a 8 Ω.
•Asegúrese de conectar esta unidad a tierra en el chasis del
automóvil.
• El sumidero térmico estará muy caliente después del uso.
Asegúrese de no tocarlo al desmontar esta unidad.
ELECTRICAL CONNECTIONS
To prevent short circuits, we recommend that you disconnect the
battery’s negative terminal and make all electrical connections
before installing the unit. If you are not sure how to install this unit
correctly, have it installed by a qualified technician.
Note:
This unit is designed to operate only on 12 V DC, NEGATIVE
ground electrical systems. If your vehicle does not have this
system, a voltage inverter is required, which can be purchased at
JVC car audio dealers.
• Replace the fuse with one of the specified rating. If the fuse
blows frequently, consult your JVC car audio dealer.
• If noise is a problem...
This unit incorporates a noise filter in the power circuit. However,
with some vehicles, clicking or other unwanted noise may occur.
If this happens, connect the unit’s rear ground terminal (see
connection diagram) to the car’s chassis using shorter and thicker
cords, such as copper braiding or gauge wire. If noise still
persists, consult your JVC car audio dealer.
• Maximum input of the speakers should be no more than 50 W at
the rear and 50 W at the front, with an impedance of 4 Ω to 8 Ω.
•Be sure to ground this unit to the car’s chassis.
• The heat sink becomes very hot after use. Be careful not to
touch it when removing this unit.
Trim plate
Placa de guarnición
Plaque d’assemblage
Control panel
Panel de control
Panneau de commande
Sleeve
Cubierta
Manchon
Trim plate
Placa de guarnición
Plaque d’assemblage
Remote controller
Control remoto
Télécommande
ANGLE
AM-RK100
EQ
CD
FM
AM
CH
AUX SEL
VOLUME
R D
ATT
Handles
Manijas
Poignées
Washer (ø5)
Arandela (ø5)
Rondelle (ø5)
Lock nut (M5)
Tuerca de seguridad (M5)
Ecrou d’arrêt (M5)
Mounting bolt (M5 x 20 mm)
Perno de montaje (M5 x 20 mm)
Boulon de montage (M5 x 20 mm)
Rubber cushion
Cojín de goma
Amortisseur en caoutchouc
Hard case/Control panel
Estuche duro/Panel de control
Etui de transport/Panneau de
commande
Handle
Manija
Poignée
2
Flat type screws (M5 x 6 mm)*
Tornillos tipo plano (M5 x 6 mm)*
Vis à tête plate (M5 x 6 mm)*
Bracket*
Ménsula*
Support*
Pocket
Compartimiento
Poche
Flat type screws (M5 x 6 mm)*
Tornillos tipo plano (M5 x 6 mm)*
Vis à tête plate (M5 x 6 mm)*
Bracket*
Ménsula*
Support*
Sleeve
Cubierta
Manchon
Dashboard
Tablero de instrumentos
Tableau de bord
Fire wall
Tabique a prueba de incendios
Cloison
Washer
Arandela
Rondelle
Stay (option)
Soporte (opción)
Hauban (en option)
Lock nut
Tuerca de seguridad
Ecrou d’arrêt
Mounting bolt
Perno de montaje
Boulon de montage
Screw (option)
Tornillo (opción)
Vis (en option)
InstallationKD-SH909[J]f.pm5 17/1/02, 4:56 PM2

3
L
R+
-
+
-
+
-
+
-
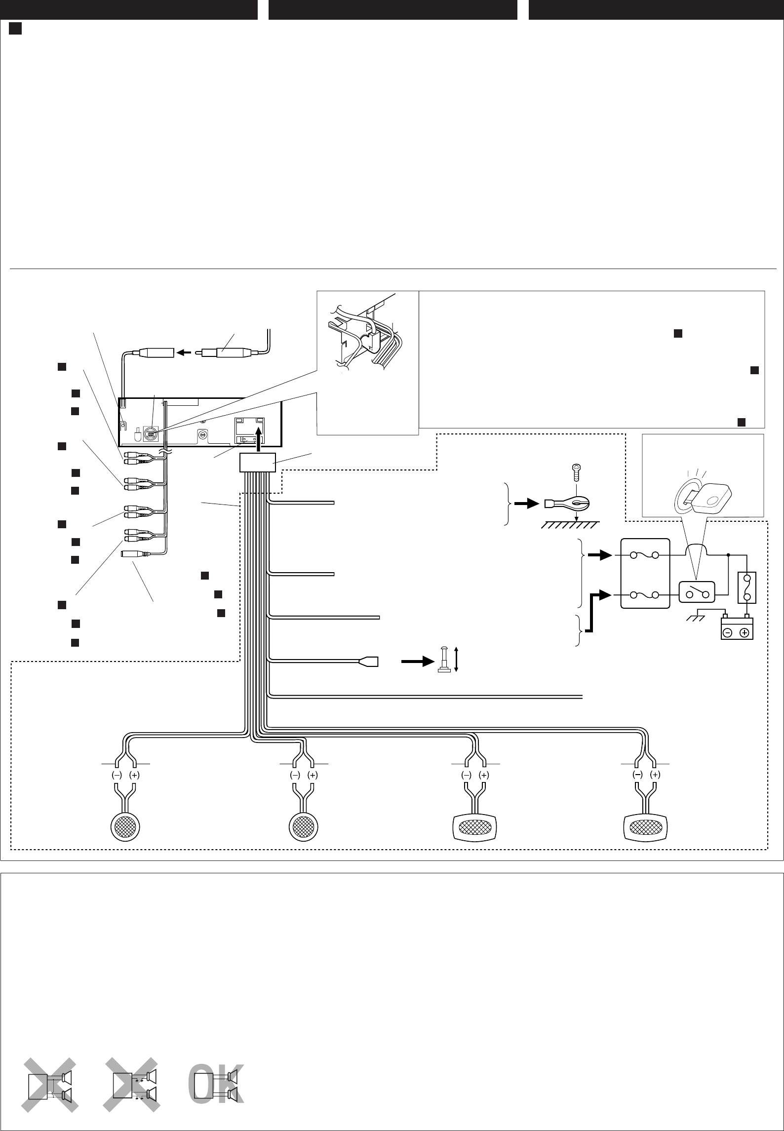
A Typical Connections / Conexiones típicas / Raccordements typiques
Before connecting: Check the wiring in the vehicle carefully not
to fail in connecting this unit. Incorrect connection may cause a
serious damage to this unit.
The leads of the power cord and those of the connector from the
car body may be different in color.
1
Connect the colored leads of the power cord to the car battery,
speakers and automatic antenna (if any) in the following
sequence.
1Black: ground
2Yellow: to car battery (constant 12 V)
3Red: to an accessory terminal
4Blue with white stripe: to automatic antenna
(200 mA max.)
5Orange with white stripe: to car light control switch
6Others: to speakers
2
Connect the antenna cord.
3
Finally connect the wiring harness to the unit.
Antes de la conexión: Verifique atentamente el conexionado del
vehículo para no cometer errores al conectar esta unidad. Una
conexión incorrecta podría producir daños graves en la unidad.
Los cordones del cable de alimentación y los del conector
procedentes de la carrocería del automóvil podrían ser de
diferentes en color.
1
Conecte los conductores de color del cable de alimentación
a la batería del automóvil, altavoces y antena automática (si
la hubiere) en la secuencia siguiente.
1 Negro: a tierra
2 Amarillo: a la batería del automóvil (12 V constantes)
3 Rojo: a un terminal de accesorio
4Azul con rayas blancas: a la antena automática
(200 mA máx.)
5Naranja con rayas blancas: al interruptor de control de
las luces del automóvil
6Otros: a los altavoces
2
Conecte el cable de antena.
3
Por último, conecte a la unidad el cableado preformado.
Avant de commencer la connexion:
vérifiez attentivement le
câblage du véhicule pour ne pas connecter incorrectement cet
appareil. Une connexion incorrecte peut endommager
sérieusement l’appareil.
Le fil du cordon d’alimentation et ceux des connecteurs du châssis
de la voiture peuvent être différents en couleur.
1
Connectez les fils de couleur du cordon d’alimentation à la
batterie de la voiture, aux enceintes et à l’antenne automatique
(s’il y en a une) dans l’ordre suivant.
1
Noir: a la masse
2
Jaune: a la batterie de la voiture (12 Vconstant)
3
Rouge: à la prise accessoire
4
Bleu avec bande blanche: à l’antenne automatique
(200 mA max.)
5
Orange avec bande blanche: à l’interrupteur d’éclairage
de la voiture
6
Autres fils: aux enceintes
2
Connectez le cordon d’antenne.
3
Finalement, connectez le faisceau de fils à l’appareil.
L
R+
-
+
-
+
-
+
-
L
R+
-
+
-
+
-
+
-
PRECAUTIONS on power supply and speaker
connections:
• DO NOT connect the speaker leads of the power cord to the
car battery; otherwise, the unit will be seriously damaged.
• Connect the black lead (ground), yellow lead (to car battery,
constant 12 V), and red lead (to an accessory terminal) correctly.
• BEFORE connecting the speaker leads of the power cord to the
speakers, check the speaker wiring in your car.
– If the speaker wiring in your car is as illustrated in Fig. 1
and Fig. 2 below, DO NOT connect the unit using that original
speaker wiring. If you do, the unit will be seriously damaged.
Redo the speaker wiring so that you can connect the unit to
the speakers as illustrated in Fig. 3.
– If the speaker wiring in your car is as illustrated in Fig. 3, you
can connect the unit using the original speaker wiring in your car.
– If you are not sure of the speaker wiring of your car, consult
your car dealer.
PRECAUCIONES sobre las conexiones de la
fuente de alimentación y de los altavoces:
• NO conecte los conductores de altavoz del cable de
alimentación a la batería de automóvil, pues podrían
producirse graves daños en la unidad.
• Conecte correctamente el conductor negro (a tierra), el
conductor amarillo (a la batería del automóvil, 12 V constantes),
y el conductor rojo (a un terminal de accesorio).
• ANTES de conectar a los altavoces los conductores de altavoz
del cable de alimentación, verifique el conexionado de altavoz
de su automóvil.
–Si el conexionado de altavoz de su automóvil es como
se indica en las Fig. 1 y Fig. 2 de abajo, NO conecte la
unidad utilizando ese conexionado de altavoz original. Si lo
hace, se producirán daños graves en la unidad.
Vuelva a efectuar el conexionado de altavoz de manera que
pueda conectar la unidad a los altavoces de la manera
indicada en la Fig.3.
–Si el conexionado de altavoz de su automóvil es como
se indica en la Fig. 3, podrá conectar la unidad utilizando
el conexionado de altavoz original de su automóvil.
– Si tiene dudas sobre el conexionado de altavoz de su
automóvil, consulte con su concesionario.
PRECAUTIONS sur l’alimentation et la
connexion des enceintes:
• NE CONNECTEZ PAS les fils d’enceintes du cordon
d’alimentation à la batterie; sinon, l’appareil serait
sérieusement endommagé.
• Connectez correctement le fil noir (a la masse), le fil jaune (a la
batterie de la voiture,12 V constant) et le fil rouge (à la prise
accessoire).
• AVANT de connecter les fils d’enceintes du cordon
d’alimentation aux enceintes, vérifiez le câblage des enceintes
de votre voiture.
–
Si le câblage des enceintes de votre voiture est réalisé
comme montré sur la Fig. 1 ou Fig. 2 ci-dessous,
NE
CONNECTEZ PAS l’appareil en utilisant ce câblage original
d’enceintes. Si vous le faites, l’appareil sera sérieusement
endommagé.
Recommencez le câblage des enceintes de façon que vous
puissiez connecter l’appareil aux enceintes comme montré
sur la Fig. 3.
–
Si le câblage des enceintes de votre voiture est comme
montré sur la Fig. 3,
vous pouvez connecter l’appareil en
utilisant ce câblage original d’enceintes pour votre voiture.
– Si vous n’êtes pas sûrs du câblage d’enceintes de votre
voiture, consulter le concessionnaire de votre voiture.
Fig. 1 Fig. 2 Fig. 3
15
2
1
3
3
4
6
2
1
5
(ILLUMINATION)
Fuse block
Bloque de fusibles
Porte-fusible
To a live terminal in the fuse block connecting to the car battery
(bypassing the ignition switch)
A un terminal activo del bloque de fusibles conectado a la
batería del automóvil (desviando el interruptor de encendido)
À une borne sous tension du porte-fusible connectée à la batterie
de la voiture (en dérivant l’interrupteur d’allumage)
To an accessory terminal in the fuse block
A un terminal accesorio del bloque de fusibles
À la prise accessoire du porte-fusible
Blue with white stripe
Azul con rayas blancas
Bleu avec bande blanche
Red
Rojo
Rouge
To automatic antenna if any
A la antena automática si la hubiere
À l’antenne automatique s’il y en a une
Orange with white stripe
Naranja con rayas blancas
Orange avec bande blanche
Yellow*1
Amarillo*1
Jaune*
1
Black
Negro
Noir
To metallic body or chassis of the car
A un cuerpo metálico o chasis del automóvil
Au corps métallique ou châssis de la voiture
Right speaker (rear)
Altavoz derecho (trasero)
Enceinte droit (arrière)
Left speaker (rear)
Altavoz izquierdo (trasero)
Enceinte gauche (arrière)
Right speaker (front)
Altavoz derecho (frontal)
Enceinte droit (avant)
Left speaker (front)
Altavoz izquierdo (frontal)
Enceinte gauche (avant)
White with black stripe
Blanco con rayas negras
Blanc avec bande noire
White
Blanco
Blanc
Green with black stripe
Verde con rayas negras
Vert avec bande noire
Gray
Gris
Gris
Gray with black stripe
Gris con rayas negras
Gris avec bande noire
Green
Verde
Vert
Purple with black stripe
Púrpura con rayas negras
Violet avec bande noire
Purple
Púrpura
Violet
JVC CD changer jack
Jack del cambiador de CD de JVC
Prise de changeur CD JVC
15 A fuse
Fusible de 15 A
Fusible 15 A
To antenna
A la antena
A l’antenne
JVC CD changer
Cambiador de CD JVC
Changeur de CD JVC
*
*
Ignition switch
Interruptor de encendido
Interrupteur d’allumage
Not supplied with this unit.
No suministrado con esta unidad.
Non fourni avec cet appareil.
*
LINE OUT (FRONT)
(see diagram B )
Salida de linea
(Delantera)
(véase diagrama B )
Sortie de ligne (avant)
(voir le diagramme
B
)
Rear ground terminal
Terminal de tierra posterior
Borne arrière de masse
Antenna terminal
Terminal de la antena
Borne de l’antenne
LINE IN*2
(see diagram B )
Entrada de linea*2
(véase diagrama B )
Entrée de ligne
*2
(voir le diagramme
B
)
LINE OUT (REAR)
(see diagram B )
Salida de linea
(Trasera)
(véase diagrama B )
Sortie de ligne (arriere)
(voir le diagramme
B
)
SUBWOOFER OUT
(see diagram B )
S
alida de
SUBWOOFER
(véase diagrama B )
Sortie de caisson de grave
(voir le diagramme
B
)
ESPAÑOL FRANÇAISENGLISH
To car light control switch
Al interruptor de control
de las luces del automóvil
À l’interrupteur d’éclairage
de la voiture
CONTROL cord*2
(see diagram B )
Cable de control*2
(véase diagrama B )
Cordon de commande
*2
(voir le diagramme
B
)
*2: Only for KD-SH909
*2: Solo para KD-SH909
*2: Seulement pour le KD-SH909
Before connecting the CD changer, make sure that the unit is turned off.
Antes de conectar el cambiador de CD, asegúrese de que la unidad esté apagada.
Avant de connecter le changeur CD, s’assurer que l’unité est éteinte.
*1: Before checking the operation of this unit prior to installation, this
lead must be connected, otherwise power cannot be turned on.
*1: Antes de comprobar el funcionamiento de esta unidad previa
a la instalación, es necesario conectar este cable, de lo
contrario no se podrá conectar la alimentación.
*1: Pour vérifier le fonctionnement de cet appareil avant installation,
ce fil doit être raccordé, sinon l’appareil ne peut pas être mis
sous tension.
When connecting a CD changer, we recommend that you connect one of the CH-X series CD
changers.
• If your CD changer is one of the KD-MK series, you need an optional cord (KS-U15K).
ONLY FOR KD-SH707: You can also use an external component such as a portable MD player by
connecting the Line Input Adaptor KS-U57 (not supplied). (See diagram B )
Cuando conecte un cambiador de CD, se recomienda utilizar uno de la serie CH-X.
• Si su cambiador de CD es de la serie KD-MK, necesitará un cable opcional (KS-U15K).
SOLO PARA KD-SH707: Conectando el adaptador de entrada de línea KS-U57 (no suministrado),
también podrá usar un componente exterior, tal como un reproductor de MD. (Véase diagrama B )
Lors de la connexion d’un changeur CD, nous vous recommandons d’utiliser un des changeurs
CD de la série CH-X.
• Si votre changeur appartient à la série KD-MK, vous avez besoin d’un cordon optionnel
(KS-U15K).
SEULEMENT POUR LE KD-SH707: Vous pouvez aussi utiliser un appareil extérieur tel qu’un lecteur
de MD en connectant l’adaptateur d’entrée de ligne KS-U57 (non fourni) (voir le diagramme
B
).
InstallationKD-SH909[J]f.pm5 17/1/02, 4:56 PM3

4
R
LLL
RR
Usted podrá conectar un subwoofer a través de un amplificador
para reforzar los graves.
•Con respecto a sus conexiones, refiérase a las instrucciones
suministradas con sus subwoofer.
Vous pouvez connecter un caisson de grave par un amplificateur pour
renforcer les graves.
•
Pour la connexion, référez-vous aux instructions fournies avec le
caisson de grave.
Amplifier / Amplificador / Amplificateur
Signal cord (not supplied with this unit)
Cable de señal (no suministrado con esta unidad)
Cordon de signal (non fourni avec cet appareil)
Rear speakers
Altavoces traseros
Enceintes arrière
Connecting the leads / Conexión de los conductores / Raccordement des fils
CAUTION / PRECAUCION / PRECAUTION:
• To prevent short-circuit, cover the terminals of the UNUSED leads with insulating tape.
• Para evitar cortocircuitos, cubra los cables NO UTILIZADOS con cinta aislante.
• Pour éviter les court-circuits, couvrir les bornes des fils qui ne sont PAS utilisés avec de la bande
isolante.
Twist the core wires when
connecting.
Retuerza los alambres de
alma para conectarlos.
Torsader les âmes des fils en
les raccordant.
Front speakers
Altavoces delanteros
Enceintes avant
B Connections Adding Other Equipment / Conexiones para añadir otros equipos / Raccordement pour ajouter d’autres appareils
Vous pouvez connecter un amplificateur ou autre appareil pour améliorer
votre système autoradio.
• Connectez le fil de commande à distance (bleu avec bande blanche) au
fil de commande à distance de l’autre appareil de façon qu’il puisse être
commandé via cet appareil.
• Pour l’amplificateur:
– Raccorder les fiches de sortie ligne de cet appareil aux fiches d’entrée
ligne de l’amplificateur.
– Déconnectez les enceintes de cet appareil et connectez-les à
l’amplificateur. Laissez les fils d’enceintes de cet appareil inutilisés.
– Vous pouvez désactiver l’amplificateur intégré et envoyer les signaux
audio uniquement à un ou plusieurs amplificateurs extérieurs afin d’obtenir
un son clair et pour éviter un échauffement interne de l’appareil. Référez-
vous à la page 32 du mode d’emploi (volume séparé).
– Le niveau de sortie de ligne de cet appareil est maintenu à un niveau
élevé pour maintenir une qualité Hi-Fi pour les sons reproduits par cet
appareil.
Lors de la connexion d’un amplificateur extérieur à cet appareil
,
diminuez le réglage du gain sur l’amplificateur extérieur pour obtenir les
meilleures performances de cet appareil.
Usted podrá conectar un amplificador y otros equipos para mejorar el
sistema estéreo de su automóvil.
• Conecte el conductor remoto (azul con rayas blancas) al conductor
remoto del otro equipo para poderlo controlar a través de esta unidad.
• Para el amplificador:
– Conecte los terminales de salida de línea de esta unidad a los
terminales de entrada de línea del amplificador.
– Desconecte los altavoces de esta unidad y conéctelos al
amplificador. Deje los conductores de los altavoces de esta
unidad sin usar.
– Podrá desconectar el amplificador incorporado y enviar las señales
de audio solamente al(los) amplificador(es) externo(s) para obtener
sonidos nítidos y evitar que se caliente el interior de la unidad. Véase
la página 32 de las instrucciones (volumen separado).
– El nivel de salida de línea de esta unidad permanece alto para que
corresponda con los sonidos de alta fidelidad reproducidos por esta
unidad.
Cuando conecte un amplificador externo a esta unidad,
disminuya el control de ganancia del amplificador externo para
obtener un óptimo rendimiento de esta unidad.
You can connect an amplifier and other equipment to upgrade your car
stereo system.
• Connect the remote lead (blue with white stripe) to the remote lead of
the other equipment so that it can be controlled through this unit.
• For amplifier:
– Connect this unit’s line-out terminals to the amplifier’s line-in terminals.
– Disconnect the speakers from this unit, connect them to the
amplifier. Leave the speaker leads of this unit unused.
– You can switch off the built-in amplifier and send the audio signals
only to the external amplifier(s) to get clear sounds and to prevent
internal heat built-up inside the unit. See page 32 of the Instructions
(separate volume).
– The line output level of this unit is kept high to maintain the hi-fi sounds
reproduced from this unit.
When connecting an external amplifier to this unit, turn down the
gain control on the external amplifier to obtain the best performance
from this unit.
Subwoofer (SUB WOOFER OUT) / Subwoofer (
Salida de
SUB WOOFER) / Caisson de grave (Sortie de caisson de grave)
You can connect a subwoofer through an amplifier to reinforce the bass.
• For their connections, refer to the instructions supplied with your
subwoofer.
Remote lead (Blue with white stripe)
Cable remoto (Azul con rayas blancas)
Fil d’alimentation à distance (Bleu avec bande blanche)
Vous pouvez connecter
un autre amplificateur de
puissance pour les
enceintes avant.
You can connect
another power
amplifier for front
speakers.
Podrá conectar otro
amplificador de potencia
para los altavoces
delanteros.
Signal cord (not supplied with this unit)
Cable de señal (no suministrado con esta unidad)
Cordon de signal (non fourni avec cet appareil)
CONTROL cord
Cable de CONTROL
Cordon de commande
Remote control data cord (supplied with KV-DV7)
Cable de datos de control remoto (suministrado con KV-DV7)
Cordon de données de télécommande (fourni avec le KV-DV7)
DVD, VCR or TV / DVD, VCR o TV / DVD, Magnétoscope ou Téléviseur
KD-SH909
KD-SH707
KD-SH909
* To the mobile color monitor system or the audio-video input terminal of a stereo
audio-video TV
* Al sistema de monitor de color móvil o al terminal de entrada de audio-vídeo del TV
de audio-vídeo estereofónico
* Au système mobile de moniteur couleur ou aux prises d’entrée audio-vidéo d’un
téléviseur stéréo audio-vidéo
You can connect the DVD player (KV-DV7).
Podrá conectar el reproductor DVD (KV-DV7).
Vous pouvez connecter un lecteur de DVD (KV-DV7).
Signal cord (not supplied with this unit)
Cable de señal (no suministrado con esta unidad)
Cordon de signal (non fourni avec cet appareil)
External component / Componente exterior / Appareil extérieur
Solder the core wires to connect them securely.
Suelde los alambres de alma para conectarlos
con firmeza.
Souder les âmes desfils pour les raccorder entre
eux de façon sûre.
SUB WOOFER OUT
Salida de SUBWOOFER
Sortie de caisson de grave
KD-SH909
KD-SH707
JVC Amplifier
Amplificador de JVC
Amplificateur JVC
Subwoofer
Subwoofer
Caisson de grave
L
R
L
R
L
R
L
R
Signal cord (not supplied with this unit)
Cable de señal (no suministrado con esta unidad)
Cordon de signal (non fourni avec cet appareil)
KD-SH707
External component
Componente exterior
Appareil extérieur
Signal cord (not supplied with this unit)
Cable de señal (no suministrado con esta unidad)
Cordon de signal (non fourni avec cet appareil)
JVC CD changer jack
Toma del cambiador de CD de JVC
Prise CD changeur JVC
Line Input Adaptor KS-U57 (not supplied with this unit)
Adaptador de entrada de línea KS-U57 (no suministrado con esta unidad)
Adaptateur d’entrée de ligne KS-U57 (non fourni avec cet appareil)
R
L
VIDEO
L
R
AUDIO
OUTPUT
1
2
DIGITAL
OUTPUT
(OPTICAL)
REMOTE
SENSOR
INPUT
LINE IN
Signal cord (not supplied with this unit)
Cable de señal (no suministrado con esta unidad)
Cordon de signal (non fourni avec cet appareil)
FOR KD-SH707/PARA KD-SH707/POUR LE KD-SH707
FOR KD-SH909/PARA KD-SH909/POUR LE KD-SH909
INPUT
R
L
LINE OUT
(REAR)
L
R
L
RR
L
R
L
R
L
LINE OUT
(FRONT)
*3
*3
Remote lead
Cable remoto
Fil d’alimentation à distance
Y-connector (not supplied with this unit)
Conector en Y (no suministrado con esta unidad)
Connecteur Y (non fourni avec cet appareil)
To automatic antenna if any
A la antena automática, si la hubiere
Vers l’antenne automatique, s’il y en a une
*3 Firmly attach the ground wire to the metallic body or to the
chasis of the car—to the place not coated with paint (if coated
with paint, remove the paint before attaching the wire). Failure
to do so may cause damage to the unit.
*3
Fije firmemente el cable de tierra a la carrocería metálica o al
chasis
—
a un lugar no cubierto con pintura (si está cubierto
con pintura, quítela antes de fijar el cable). De lo contrario,
se podrían producir daños en la unidad.
*3 Attachez solidement le fil de mise à la masse au châssis
métallique de la voiture—à un endroit qui n’est pas recouvert
de peinture (s’il est recouvert de peinture, enlevez d’abord la
peinture avant d’attacher le fil). L’appareil peut être
endommagé si cela n’est pas fait correctement.
JVC Amplifier
Amplificador de JVC
Amplificateur JVC
KV-DV7
TV
InstallationKD-SH909[J]f.pm5 17/1/02, 4:56 PM4