JVC KW M730BT User Manual B5A 1735 07B KWV X EN
KW-M730BT KW-M730BT Instruction manual (Oceania) B5A-1735-07B_KWV-X_EN
User Manual: JVC KW-M730BT KW-M730BT English, Instruction manual (Oceania)
Open the PDF directly: View PDF
.
Page Count: 68

B5A-1735-07 b (X)© 2017 JVC KENWOOD Corporation
KW-M730BT
MONITOR WITH RECEIVER
INSTRUCTION MANUAL
• Updated information (the latest Instruction Manual, system updates, new
functions, etc.) is available from
<http://www.jvc.net/cs/car/>.

2
Contents
Before Use 4
Precautions ................................................................... 4
How to read this manual .........................................4
Basic Operations 5
Functions of the Buttons on the Front Panel ... 5
Turning on the Unit ................................................... 6
Initial Settings .............................................................. 6
Adjusting the volume ............................................... 8
Touch screen operations ......................................... 9
HOME screen descriptions ...................................... 9
Source selection screen descriptions ................ 10
Source control screen descriptions ...................12
Popup menu ..............................................................13
List screen ...................................................................13
USB 14
Connecting a USB device ......................................14
USB Basic Operation ................................................14
Search Operation ......................................................16
iPod/iPhone 17
Preparation .................................................................17
iPod/iPhone Basic Operation ...............................18
Search Operation ......................................................19
APPS—Android Auto™/
Apple CarPlay 20
Apple CarPlay Operation .......................................20
Android Auto™ Operation .....................................22
Spotify Operation .....................................................23
Tuner 25
Tuner Basic Operation ............................................25
Memory Operation ..................................................26
Selecting Operation ................................................26
Traffic Information ...................................................27
Tuner Setup ................................................................27
Bluetooth Control 29
Information for using Bluetooth® devices .......29
Register from the Bluetooth unit ........................30
Bluetooth Setup ........................................................ 31
Playing Bluetooth Audio Device .........................33
Using Hands-Free Unit ............................................35
Hands-Free Setup ..................................................... 39
Other External Components 40
View Camera ..............................................................40
External audio/video players—AV-IN ...............41

3English
Setting Up 42
Monitor Screen Setup ............................................. 42
System Setup .............................................................42
User Interface Setup ................................................ 43
Special Setup .............................................................44
Display Setup .............................................................45
AV Setup ......................................................................46
Controlling Audio 47
Speaker/ X’over setup .............................................47
Controlling General Audio ....................................50
Equalizer Control ......................................................50
Volume Offset ............................................................51
Zone Control ..............................................................52
Sound Effect ...............................................................52
Listening Position/ DTA ..........................................53
Remote control 55
Functions of the Remote control Buttons .......55
Connection/Installation 57
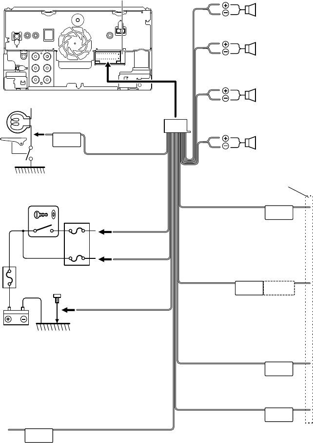
Before Installation ....................................................57
Installing the unit .....................................................59
Troubleshooting 63
Problems and Solutions .........................................63
Error Messages ..........................................................63
Appendix 64
Playable Media and Files........................................64
Specifications ............................................................. 65
About this Unit ..........................................................67

Before Use
4
Before Use
Precautions
# WARNINGS
Ñ To prevent injury or fire, take
the following precautions:
• To prevent a short circuit, never put or leave
any metallic objects (such as coins or metal
tools) inside the unit.
• Do not watch or fix your eyes on the unit’s
display when you are driving for any extended
period.
• If you experience problems during installation,
consult your JVC dealer.
Ñ Precautions on using this unit
• When you purchase optional accessories,
check with your JVC dealer to make sure that
they work with your model and in your area.
• You can select language to display menus,
audio file tags, etc. See User Interface Setup
(P.43).
• The Radio Data System or Radio Broadcast
Data System feature won’t work where the
service is not supported by any broadcasting
station.
• The unit may not function properly if the
connectors between the unit and front panel
are dirty. Detach the front panel and clean the
connector with a cotton swab gently, being
careful not to damage the connector.
Ñ Protecting the monitor
• To protect the monitor from damage, do not
operate the monitor using a ball point pen or
similar tool with the sharp tip.
Ñ Cleaning the unit
• If the faceplate of this unit is stained, wipe it
with a dry soft cloth such as a silicon cloth. If
the faceplate is stained badly, wipe the stain
off with a cloth moistened with neutral cleaner,
then wipe it again with a clean soft dry cloth.
NOTE
• Applying spray cleaner directly to the unit may
affect its mechanical parts. Wiping the faceplate
with a hard cloth or using a volatile liquid such
as thinner or alcohol may scratch the surface or
erase screened print.
Ñ Acquiring GPS signal
The first time you turn on this unit, you must
wait while the system acquires satellite signals
for the first time. This process could take up
to several minutes. Make sure your vehicle
is outdoors in an open area away from tall
buildings and trees for fastest acquisition.
After the system acquires satellites for the first
time, it will acquire satellites quickly each time
thereafter.
How to read this manual
• The screens and panels shown in this manual are
examples used to provide clear explanations of the
operations.
For this reason, they may be different from the actual
screens or panels used, or some display patterns may
be different.
• Indication language: English indications are used
for the purpose of explanation. You can select the
indication language from the [SETUP] menu. See
User Interface Setup (P.43).

Basic Operations
5English
Basic Operations
Functions of the Buttons on the Front Panel
1 2 3
NOTE
• The panels shown in this guide are examples used to provide clear explanations of the operations. For this reason,
they may be different from the actual panels.
Number Name Motion
1
–, +
(Volume)
• Adjusts volume.
The volume will go up until 15 when you keep pressing [+].
2
FNC • Displays the popup menu screen.
• Pressing for 1 second displays the Voice Recognition screen (P.36).
• When the power off, turns the power on.
3
Remote
Sensor
• Receives the remote control signal.

Basic Operations
6
Turning on the Unit
The method of turning on is different
depending on the model.
1
Press the [FNC] button.
The unit is turned on.
NOTE
• If it is your first time turning the unit on after
installation, it will be necessary to perform Initial
setup (P.6).
●To turn off the unit:
1
Press the [FNC] button.
Popup menu appears.
2
Touch [ ].
HOME screen appears.
3
Touch [ ].
4
Touch [Power Off].
Initial Settings
Initial setup
Perform this setup when you use this unit first
time.
1
Set each item as follows.
■Language
Select the language used for the control
screen and setting items. Default is “British
English (en)”.
1Touch [Language].
2Touch [Language Select].
3Select the desired language.
4Touch [
].
For detailed operation, see User Interface
Setup (P.43).
■Clock
Sets the synchronization of the clock and
adjusts it.
For detailed operation, see Calendar/clock
settings (P.8).
■Display
If it is hard to see the image on the screen,
adjust the viewing angle.
1Touch [Display].
2Touch [Viewing Angle].
3Select an angle
4Touch [
].
For detailed operation, see Display Setup
(P.45).

Basic Operations
7English
■Camera
Set the parameters for the camera.
1Touch [Camera].
2Set each item and touch [
].
For detailed operation, see Camera Setup
(P.40).
■DEMO
Set the demonstration mode. Default is “ON”.
1Touch [DEMO] and set ON or OFF.
2
Touch [Finish].
NOTE
• These settings can be set from the SETUP menu.
See Setting Up (P.42).
Security Code Setup
You can set up a security code to protect your
receiver system against theft.
When the Security Code function is activated,
the code cannot be changed and the function
cannot be released. Note the Security Code
can be set as 4 to 8-digit number of your
choice.
1
Press the [FNC] button.
Popup menu appears.
2
Touch [ ].
HOME screen appears.
3
Touch [ ].
4
Touch [Security].
Security screen appears.
5
Touch [Security Code Set] on the Security
screen.
Security Code Set screen appears.
6
Enter a security code with 4 to 8-digit
number and touch [Enter].
7
Enter the same code again and touch
[Enter].
Now, your security code is registered.
NOTE
• Touch [BS] to delete the last entry.
• If you enter a different security code, the screen
returns to step 6 (for the first code entry).
• If you have disconnected the Receiver from
battery, enter the correct security code as that
you have entered in step 6 and touch [Enter]. You
can use your receiver.
To change the security code:
1
Touch [Security Code Change] on the
Security screen, then repeat step 6 and 7.
To clear the security code:
1
Touch [Security Code Cancellation] on
the Security screen.

Basic Operations
8
Calendar/clock settings
1
Press the [FNC] button.
Popup menu appears.
2
Touch [ ].
HOME screen appears.
3
Touch [ ].
4
Touch [User Interface].
User Interface screen appears.
5
Set each item as follows.
Scroll the page to show the item.
■Clock
GPS-SYNC (Default): Synchronizes the clock
time with the GPS.
Manual: Sets the clock manually.
■Time Zone
Select the time zone.
■Clock Adjust
If you select [Manual] for Clock, adjust the
date and time manually. (P.43)
Adjusting the volume
To adjust the volume (0 to 40),
Press [+] to increase, and press [–] to decrease.
Holding [+] increases the volume continuously
to level 15.

Basic Operations
9English
Touch screen operations
To perform operations on the screen, you need
to touch, touch and hold, flick or swipe to
select an item, display setting menu screen or
to change the page, etc.
●Touch
Touch the screen gently to
select an item on the screen.
●Touch and hold
Touch the screen and keep
your finger in place until
the display changes or a
message is displayed.
●Flick
Slide your finger quickly
to the left or right on the
screen to change the page.
You can scroll the list screen
by flicking the screen up/
down.
●Swipe
Slide your finger up or down
on the screen to scroll the
screen.
Monitor Touch Control:
You can also control playback by moving your
finger on the touch panel as follows (for some
sources, the gesture control is not available).
• Sliding the finger towards up/down: Functions
same as pressing [ ] / [ ] (Media). Tuner
Preset broadcast stations are switched.
• Sliding the finger towards left/right: Functions
same as pressing [E] / [F].
• Moving your finger clockwise or counter-
clockwise: increases/decreases the volume.
HOME screen descriptions
Most functions can be performed from the
HOME screen.
1
1 64 5
12 3
1
• Short-cut playback source icons (P.11)
2
• Current source information.
• Touch to displays the control screen of
current source.
3
• Widget
– You can change the widget by touching
[
]/[ ].
– Touch the widget to display the detailed
screen.
4
• Displays the SETUP Menu screen. (P.42)
5
• Displays the source selection screen. (P.10)
6
• Displays the Hands Free screen. (P.35)
• When connecting as Apple CarPlay or
Android Auto, it works as a phone provided
in Apple CarPlay or Android Auto.
Display the HOME
1
Press the [FNC] button.
Popup menu appears.
2
Touch [ ].
HOME screen appears.

Basic Operations
10
Source selection screen
descriptions
You can display all playback sources and
options on the source selection screen.
3 5
2
4
1
1
• Changes the playback source.
For playback sources, see P.10.
2
• Changes the page. (Touch []/[ ].)
You can also change the page by flicking left
or right on the screen.
3
• Returns to previous screen.
4
• Page indication
5
• Displays the SETUP Menu screen. (P.42)
Select the playback source
1
Touch [ ].
From the screen, you can select the
following sources and functions.
• Switches to the Android Auto/ Apple
CarPlay screen from the connected iPod
touch/iPhone/Android device.*1 (P.20)
• Switches to the Radio broadcast.
(P.25)
• Plays a Bluetooth audio player. (P.29)
• Plays an iPod/iPhone. (P.17)
• Plays files on a USB device. (P.14)
• Switches to the Spotify. (P.23)
• Switches to an external component
connected to the AV-IN input terminal.
(P.41)
• Displays the Audio screen. (P.47)
• Turns off the AV source. (P.11)
• Turn off the unit. (P.6)
*1 When iPhone compatible with CarPlay is
connected, [Apple CarPlay] is displayed.
When an Android device compatible with
Android Auto is connected, [Android Auto] is
displayed.

Basic Operations
11English
To select the playback source on the
HOME screen
The 3 items displayed on the source selection
screen as the large icons are shown on the
HOME screen.
You can change items displayed on this area
by customizing the source selection screen.
(P.11)
To select the playback source on the
source control screen
Display source selection buttons by touching
[ ]/[ ] or flicking left or right on the source
control screen, then select a playback source.
Put the unit in standby
1
Touch [ ].
2
Touch [AV Off].
Customize Short-cut buttons on
HOME screen
You can arrange the position of the source
icons as you like.
1
Touch [ ].
2
Touch and hold the icon which you want
to move to go into the customizing
mode.
3
Drag it where you want to move.

Basic Operations
12
Source control screen
descriptions
There are some functions which can be
operated from most screens.
Indicators
1
2 3 4
Short-cut buttons
1
Connected Bluetooth device information.
• : Lights up when quick charging battery
of the connected iPod/ iPhone/ Smartphone.
2
All sources icon
Displays all sources.
3
Secondary screen
• [
]/[ ] : The Secondary screen changes every
time you touch it. You can also change the
Secondary screen by flicking left or right on
the screen.
• Indicators: Displays the current source
condition and so on.
– ATT: The attenuator is active.
– DUAL: The dual zone function is on.
– MUTE: The mute function is active.
– LOUD: The loudness control function is on.
• Short-cut buttons: The source changes to the
one you have set as a short-cut. For the short-
cut setting, refer to Customize Short-cut
buttons on HOME screen (P.11).
4
[Û]
Touch to display the Hands Free screen. (P.35)
When connecting as Apple CarPlay or Android
Auto, it works as a phone provided in Apple
CarPlay or Android Auto.

Basic Operations
13English
Popup menu
1
Press the [FNC] button.
Popup menu appears.
2
Touch to display the popup menu.
The contents of the menu are as follows.
• Displays the HOME screen. (P.9)
• Switches the screen.
The screen switched to depends on the
[DISP Key] setting in the [User Interface]
screen. (P.43).
• Touch and hold to turns the screen off.
• Display the Hands Free screen. (P.35)
When connecting as Apple CarPlay
or Android Auto, it works as a phone
provided in Apple CarPlay or Android
Auto.
• Displays the view camera. (P.40)
• Displays the Screen Adjustment screen.
(P.42)
• Displays the Graphic Equalizer screen.
(P.50)
• Close the popup menu.
• Short-cut buttons: The source changes to
the one you have set as a short-cut. For
the short-cut setting, refer to Customize
Short-cut buttons on HOME screen
(P.11).
• Touch to display the Hands Free screen.
(P.35)
• When connecting as Apple CarPlay
or Android Auto, it works as a phone
provided in Apple CarPlay or Android
Auto.
List screen
There are some common function keys in the
list screens of most sources.
61 2
3 4 5
1
Displays list type selection window.
2
Displays music/movie file list.
3
Text scroll
Scrolls the displayed text.
4
etc.
Keys with various functions are displayed here.
• : Plays all tracks in the folder containing
the current track.
• : Jump to the letter you entered
(alphabet search).
• : Moves to the upper hierarchy.
5
[ ] / [ ] / [ ] / [ ] Page scroll
You can change the page to display more items
by pressing [
]/[ ].
• [
]/[ ] : Displays the top or bottom page.
6
Return
Returns to previous screen.
NOTE
• Buttons which cannot be activated from the list
screen are not displayed.

USB
14
USB
Connecting a USB device
1 Connect the USB device with the USB
cable. (P.62)
2 Press the [FNC] button.
Popup menu appears.
3 Touch [ ].
HOME screen appears.
4 Touch [ ].
5 Touch [USB]. (P.10)
Ñ Disconnect the USB device
1 Press the [FNC] button.
Popup menu appears.
2 Touch [ ].
HOME screen appears.
3 Touch [ ].
4 Touch a source other than [USB].
5 Detach the USB device.
Ñ Usable USB device
You can use a mass-storage-class USB device on
this unit.
The word “USB device” appearing in this manual
indicates a flash memory device.
●About file system
The file system should be the one of the
following.
• FAT16 • FAT32 • exFAT • NTFS
NOTE
• Install the USB device in the place where it will
not affect safe driving.
• You cannot connect a USB device via a USB hub
and Multi Card Reader.
• Take backups of the audio files used with this
unit. The files can be erased depending on the
operating conditions of the USB device.
We shall have no compensation for any damage
arising from any erased data.
USB Basic Operation
Most functions can be controlled from the
source control screen and playback screen.
Control screen
4
3
5
2
6
1
7
Content list panel
8
4
1
[ ] / [ ]
• [
] : Repeats the current track/folder. Each
time you touch the key, repeat mode switches
in the following sequence;
File repeat ( ), Folder repeat ( ), Repeat
all ( )
• [
] : Randomly plays all tracks in current
folder. Each time you touch the key, random
mode switches in the following sequence;
File random ( ), Random off ( )
• When a high-resolution source is played, its
format information is displayed.

USB
15English
2
Track information
Displays the information of the current file.
Only a file name and a folder name are displayed
if there is no tag information.
3
[Function bar
• 1] : Searches track/file. For details on search
operation, see Search Operation (P.16).
• E] [F] : Searches the previous/next track/
file.
Touch and hold to fast forward or fast
backward. (It will be cancelled automatically
after about 50 seconds.)
• [DH] : Plays or pauses.
• [
] : Touch to attenuates/restores the sound.
4
Function panel
Touch on the left side of the screen to display
the function panel. Touch again to close the
panel.
• [
] [ ] : Searches previous/next folder.
• [USB DEVICE CHANGE]
Switches to another USB device when two USB
devices are connected.
5
Content list
Touch on the right side of the screen to display
the Content list. Touch again to close the list.
6
Indicator Items
• VIDEO: Identifies the video file.
• MUSIC: Identifies the music file.
7
Artwork/ Play mode indicator/ Playing
time
The jacket of the currently playing file is
displayed.
• D, B, etc.: Current play mode indicator
The meanings of each icon are as follows;
D (play), B (fast forward),
A (fast backward), H (pause).
8
Content list panel
Displays the playing list. When you touch a track/
file name on the list, playback will start.
Video screen
10
99
9
Searching file area (Video file only)
Touch to search the next/previous file.
10
Key display area (Video file only)
Touch to display the control screen.

USB
16
Search Operation
You can search music or video files by the
following operations.
1 Touch [1].
2 Touch [S].
3 Select the list type.
NOTE
• For operations in the list screen, see List screen
(P.13).
Ñ Category search
You can search a file by selecting category.
1 Touch [Category List].
2 Select whether you search by audio files
or video files .
3 Touch the desired category.
The list corresponding to your selection
appears.
4 Touch to select desired item in the list.
Repeat this step until you find the desired
file.
Ñ Link search
You can search a file of same artist/album/
genre as the current track.
1 Touch [Link Search].
2 Touch the desired tag type. You can select
from artist, album and genre.
The list corresponding to your selection
appears.
3 Touch desired item from the content list.
Ñ Folder search
You can search a file according to hierarchy.
1 Touch [Folder List].
2 Touch the desired folder.
When you touch a folder its contents are
displayed.
3 Touch to select desired item in the list.
Repeat this step until you find the desired
file.

iPod/iPhone
17English
iPod/iPhone
Preparation
Ñ Connectable iPod/iPhone
The following models can be connected to
this unit.
Made for
• iPhone 6s Plus
• iPhone 6s
• iPhone 6 Plus
• iPhone 6
• iPhone 5s
• iPhone 5c
• iPhone 5
• iPod touch (6th generation)
• iPod touch (5th generation)
NOTE
• By connecting your iPod/iPhone to this unit with
an optional accessory iPod connection cable KS-
U62, you can supply power to your iPod/iPhone
as well as charge it while playing music. However,
the power of this unit must be on.
• If you start playback after connecting the iPod,
the music that has been played by the iPod is
played first.
Ñ Connect iPod/iPhone
Wired connection
Preparation
• Connect an iPod/iPhone with the KS-U62
(optional accessory) while CarPlay is not
connected.
• With a CarPlay-capable iPhone, turn off CarPlay
by operating the iPhone at functional setup
before connecting iPhone. For details of the
setup method, contact the manufacturer of the
terminal.
• Plug the iPod/iPhone into the gray USB terminal
with the KS-U62 (optional accessory).
• Only one iPod/iPhone can be connected.
1 Connect the iPod/iPhone using KS-U62.
(P.62)
2 Press the [FNC] button.
Popup menu appears.
3 Touch [ ].
HOME screen appears.
4 Touch [ ].
5 Touch [iPod]. (P.10)
●To disconnect the iPod/iPhone connected
with the cable:
1 Detach the iPod/iPhone.
Bluetooth connection
Pair the iPhone through Bluetooth.
Preparation
• To connect an iPhone via Bluetooth, register it as
the Bluetooth device and do the profile setting of
the connection beforehand. See Register from
the Bluetooth unit (P.30) and Connect the
Bluetooth unit (P.32).
• Connect an iPhone on Bluetooth while CarPlay
and an iPod/iPhone are not connected on USB.

iPod/iPhone
18
iPod/iPhone Basic Operation
Control screen
3
4
2
5
Content list panel
1
7
6
1
[ ] / [ ]
• [
] : Repeats the current track/album. Each
time you touch the key, repeat mode switches
in the following sequence;
Song repeat ( ), All songs repeat ( )
• [
] : Randomly plays all tracks in current
album. Each time you touch the key, random
mode switches in the following sequence;
Song random ( ), Album random ( ),
Random off ( )
2
Track information
• Displays the information of the current file.
• Touch to display the category list screen. See
Category search (P.19).
3
[Function bar
• 1] : Searches track/file. For details on search
operation, see Search Operation (P.19).
• E] [F] : Searches the previous/next track/
file. Touch and hold to fast forward or fast
backward. (It will be cancelled automatically
after about 50 seconds.)
• [DH] : Plays or pauses.
• [
] : Touch to attenuates/restores the sound.
4
Content list
Touch on the right side of the screen to display
the Content list. Touch again to close the list.
5
Indicator Items
• MUSIC: Identifies the music file.
6
Artwork/ Play mode indicator/ Playing
time
The jacket of the currently playing file is
displayed.
• D, B, etc.: Current play mode indicator
The meanings of each icon are as follows;
D (play), B (fast forward),
A (fast backward), H (pause).
7
Content list panel
Displays the playing list. When you touch a track/
file name on the list, playback will start.

iPod/iPhone
19English
Search Operation
You can search music files by the following
operations.
1 Touch [1].
2 Touch [S].
3 Select the list type.
NOTE
• For operations in the list screen, see List screen
(P.13).
Ñ Category search
You can search a file by selecting category.
1 Touch [Category List].
2 Touch the desired category.
The list corresponding to your selection
appears.
3 Touch to select desired item in the list.
Repeat this step until you find the desired
file.
Ñ Link search
You can search a file of same artist/album/
genre/composer as the current track.
1 Touch [Link Search].
2 Touch the desired tag type. You can select
from artist, album, genre and composer.
The list corresponding to your selection
appears.
3 Touch desired item from the content list.

APPS—Android Auto™/Apple CarPlay
20
APPS—Android Auto™/Apple CarPlay
Apple CarPlay Operation
CarPlay is a smarter, safer way to use your
iPhone in the car. CarPlay takes the things
you want to do with iPhone while driving and
displays them on the screen of the product.
You can get directions, make calls, send and
receive messages, and listen to the music
from iPhone while driving. You can also use
Siri voice control to make it easier to operate
iPhone.
For details about CarPlay, visit https://ssl.
apple.com/ios/carplay/.
Compatible iPhone devices
You can use CarPlay with the following iPhone
models.
• iPhone 6s Plus
• iPhone 6s
• iPhone 6 Plus
• iPhone 6
• iPhone 5s
• iPhone 5c
• iPhone 5
Ñ Preparation
1 Connect iPhone using KS-U62 via USB
(Black) terminal. (P.62)
When iPhone compatible with CarPlay is
connected to the USB (Black) terminal, the
Bluetooth smartphone currently connected
is disconnected.
2 Unlock your iPhone.
Ñ Operation buttons and
available Apps on the home
screen of CarPlay
You can use the Apps of the connected iPhone.
The items displayed and the language used
on the screen differ among the connected
devices.
To enter CarPlay mode, touch [Apple CarPlay]
icon in the source selection screen. (P.10)
3
1
2
1
[ ]
• Displays the home screen of CarPlay.
• Touch and hold to activates Siri.
2
Application buttons
Starts the application.
3
[HOME]
Exits the CarPlay screen and displays the Home
screen.
To exit the CarPlay screen
1 Press the [FNC] button.
Popup menu appears.
2 Touch [ ].
HOME screen appears.

APPS—Android Auto™/Apple CarPlay
21English
Ñ Use Siri
You can activate Siri.
1 Press the [FNC] button for 1 second.
Press for 1 second
2 Talk to Siri.
To deactivate
1 Press the [FNC] button.
Ñ Switch to the Apple CarPlay
screen while listening to
another source
1 Press the [FNC] button.
Popup menu appears.
2 Touch [DISP].
NOTE
• This operation is available when [DISP Key] is set
to [Apps] in the [User Interface] screen. (P.43)
• If sound is output using Apple CarPlay when the
Apple CarPlay screen is displayed, the source is
switched to Apple CarPlay.

APPS—Android Auto™/Apple CarPlay
22
Android Auto™ Operation
Android Auto enables you to use functions of
your Android device convenient for driving.
You can easily access route guidance, make
calls, listen to music, and access convenient
functions on the Android device while driving.
For details about Android Auto, visit https://
www.android.com/auto/ and https://support.
google.com/androidauto.
Compatible Android devices
You can use Android Auto with Android
devices of Android version 5.0 (Lollipop) or
later.
NOTE
• Android Auto may not be available on all devices
and is not available in all countries or regions.
Ñ Preparation
1 Connect an Android device via USB
terminal. (P.62)
To use the hands-free function, connect the
Android device via Bluetooth.
When an Android device compatible
with Android Auto is connected to the
USB terminal, the device is connected via
Bluetooth automatically, and the Bluetooth
smartphone currently connected is
disconnected.
2 Unlock your Android device.
Ñ Operation buttons and
available Apps on the Android
Auto screen
You can perform the operations of the Apps of
the connected Android device.
The items displayed on the screen differ
among the connected Android devices.
To enter Android Auto mode, touch [Android
Auto] icon in the source selection screen.
(P.10)
1
1
Application/information buttons
Starts the application or displays information.
To exit the Android Auto screen
1 Press the [FNC] button.
Popup menu appears.
2 Touch [ ].
HOME screen appears.
Ñ Using voice control
1 Press the [FNC] button for 1 second.
Press for 1 second
To cancel
1 Press the [FNC] button.

APPS—Android Auto™/Apple CarPlay
23English
Ñ Switch to the Android Auto
screen while listening to
another source
1 Press the [FNC] button.
Popup menu appears.
2 Touch [DISP].
NOTE
• This operation is available when [DISP Key] is set
to [Apps] in the [User Interface] screen. (P.43)
• If sound is output using Android Auto when the
Android Auto screen is displayed, the source is
switched to Android Auto.
Spotify Operation
You can listen to the Spotify on this unit by
controlling the application installed in the
iPhone or Android.
To enter Spotify source, touch [Spotify] icon in
the source selection screen. (P.10)
Preparation
• Install the latest version of the Spotify application
"Spotify" on your iPhone or Android.
iPhone: Search for "Spotify" in the Apple App
Store to find and install the most current version.
Android: Search for "Spotify" in Google play to
find and install the most current version.
• iPhones are connected on either USB or
Bluetooth.
• Android devices are connected on Bluetooth.
• To connect a smartphone via Bluetooth, register
it as the Bluetooth device and do the App (SPP)
profile setting of the connection beforehand. See
Register from the Bluetooth unit (P.30) and
Connect the Bluetooth unit (P.32).
1
2
3
4
1
Artwork/ Playing time
• The picture data is displayed if available from
current content.
• For confirmation of play time.
2
Function bar
• [
] : Displays the Menu screen
• [
] : New radio station that relates to the
artist of the currently playing song is selected
and playback starts.
• [
] , [ ] : Skips the current song.
• [
] , [ ] : Plays or pauses the content of the
current station.
• [
] : Saves currently playing song to My
Music.
• [
] : Touch to attenuates/restores the sound.

APPS—Android Auto™/Apple CarPlay
24
3
Content information
Displays the information of the current content
being played.
4
[ ] / [ ] / [ ] / [ ]
• [ ] : Thumbs down to the current contents
and skip to the next contents.
• [ ] : Registers the current contents as favorite
content.
• [ ] : Repeats the current song.
• [ ] : Randomly plays all song in current
playlist.
Ñ Selecting a track
1 Touch [ ].
Menu screen appears.
2 Select the list type, then select a desired
item.
■Selects the category and station
Touch the category and station name in the
list.
■[ Top]
Returns to the first hierarchy of the list.
■[ Up]
Returns to the previous list.
About Spotify®
iPhone or iPod touch
• Install the latest version of the Spotify application
on your iPhone or iPod touch. (Search for “Spotify”
in the Apple App Store to find and install the
most recent version.)
Android™
• Visit Google play and search for “Spotify” to install.
Note
• Ensure you are logged in to your smartphone
application. If you do not have an Spotify account,
you can create one for free from your smartphone
or at www.spotify.com.
• Because Spotify is a third-party service, the
specifications are subject to change without
prior notice. Accordingly, compatibility may
be impaired or some or all of the services may
become unavailable.
• Some functions of Spotify cannot be operated
from this unit.
• For issues using the application, contact Spotify at
www.spotify.com.
• Establish an Internet connection.

Tuner
25English
Tuner
Tuner Basic Operation
Most functions can be controlled from the
source control screen.
To enter Tuner source, touch [TUNER] icon in
the source selection screen. (P.10)
2
3
4
5
1
8
7
6
9
1
Information display
Displays the information of the current station:
Frequency, PS name
P#: Preset number
2
[AUTO1] / [AUTO2] / [MANUAL]
Switches the seek mode in the following
sequence; [AUTO1], [AUTO2], [MANUAL].
• [AUTO1]: Tunes in a station with good
reception automatically.
• [AUTO2]: Tunes in stations in memory one
after another.
• [MANUAL]: Switches to the next frequency
manually.
3
[FM] [AM]
Switches the band.
4
Preset key
Recalls the memorized station.
When touched for 2 seconds, stores the current
receiving station in memory.
5
Function bar
• [E] [F] : Tunes in a station. The method of
frequency switching can be changed (see 2
in table).
• [SSM] : Presets stations automatically. For
details, see Auto memory (P.26).
• [
] : Displays the TUNER SETUP screen. For
details, see Tuner Setup (P.27).
• [
] : Touch to attenuates/restores the sound.
6
[PTY] (FM only)
Searches a program by setting program type. For
details, see Search by program type (P.26).
7
[MONO] (FM only)
Select the Monaural reception.
8
[TI]] (FM only)
Sets the traffic information mode on. For details,
see Traffic Information (P.27).
9
Indicator Items
• ST: A stereo broadcast is being received.
• MONO: The forced monaural function is on.
• AF: The AF search function is on.
• EON: The Radio Data System station is sending
EON.
• LOS: The Local Seek function is on.
• NEWS: News bulletin interruption is in
progress.
• RDS: Indicates the state of the Radio Data
System station when the AF function is on.
White: Radio Data System is being received.
Orange: Radio Data System is not being
received.
• TI: Indicates the reception state of traffic
information.
White: TP is being received.
Orange: TP is not being received.

Tuner
26
Memory Operation
Ñ Auto memory (FM only)
You can store stations with good reception in
memory automatically.
1 Touch [FM].
2 Touch [SSM].
3 Touch [Ye s ].
Auto memory starts.
Ñ Manual memory
You can store the current receiving station in
memory.
1 Touch desired band key.
2 Select a station you wish to store in
memory.
3 Touch [#] (#:1-6) in which you want to
store the station for 2 seconds until a
beep sounds.
Selecting Operation
Ñ Preset select
You can list and select memorized station.
1 Select a station from the list.
Ñ Search by program type
(FM only)
You can tune to a station with a specific
program type when listening to FM.
1 Touch [PTY].
PTY Search screen appears.
2 Select a program type from the list.
3 Touch [Search].
You can search a station of the selected
program type.

Tuner
27English
Traffic Information (FM only)
You can listen and watch the traffic
information automatically when a traffic
bulletin starts. However, this feature requires a
Radio Broadcast Data System that includes the
TI information.
1 Touch [TI].
Traffic information mode is set.
Ñ When the traffic bulletin starts
The Traffic Information screen appears
automatically.
NOTE
• It is necessary to have Traffic Information function
set to on in order to have the Traffic Information
screen appear automatically.
• The volume setting during reception of traffic
information is automatically stored. The next time
the traffic information is received, this unit recalls
the volume setting automatically.
Tuner Setup
You can set tuner related parameters.
1 Touch [ ].
Radio SETUP screen appears.
2 Set each item as follows.
■NEWS
Sets a news bulletin interrupt time. Default
is “OFF”.
■AF
When station reception is poor, automatically
switches to the station that is broadcasting
the same program over the same Radio Data
System network. Default is “OFF”.
■Regional
Sets whether to switch to the station only
in the specific region using the “AF” control.
Default is “OFF”.
■[LO.S] (FM only)
Turns the Local Seek function on or off.
■Auto TP Seek
When traffic information station reception is
poor, automatically searches for a station that
can be received better. Default is “ON”.
■Language Select
Selects a display language for the PTY
function.
■Aerial Control
Allows you to turn off the Radio Data System
function to prevent the motor-driven
antenna from extending. Default is “ON”.
Tuner
28
■[Area Setting
The tuner channel interval changes
depending on the area you use this unit.
[Australia] (Default): Select this when using
in Australia countries. FM/AM intervals are
set to 50 kHz/9 kHz.
[US]: Select this when using in North/
Central/South America. FM/AM intervals
are set to 200 kHz/10 kHz.
[Europe]: Select this when using in any other
areas. FM/AM intervals are set to 50 kHz/9
kHz.

Bluetooth Control
29English
Bluetooth Control
Using the Bluetooth function, various
functions can be used: listening to the audio
file, making/receiving a call.
Information for using
Bluetooth® devices
Bluetooth is a short-range wireless radio
communication technology for mobile devices
such as mobile phones, portable PCs, and
other devices.
Bluetooth devices can be connected without
cables and communicate with each other.
NOTE
• While driving, do not perform complicated
operations such as dialing numbers, using the
phone book, etc. When you perform these
operations, stop your car in a safe place.
• Some Bluetooth devices may not connect to this
unit depending on the Bluetooth version of the
device.
• This unit may not work for some Bluetooth
devices.
• Connecting conditions may vary depending on
your environment.
• For some Bluetooth devices, the device is
disconnected when the unit is turned off.
Ñ About the cell-phone and
Bluetooth audio player
This unit conforms to the following Bluetooth
specifications:
Version
Bluetooth Ver. 3.0
Profile
Cell-phone:
HFP (V1.6) (Hands Free Profile)
SPP (Serial Port Profile)
PBAP (Phonebook Access Profile)
Audio player:
A2DP (Advanced Audio Distribution Profile)
AVRCP (V1.5) (Audio/Video Remote Control
Profile)
Sound codec
SBC, AAC
NOTE
• The units supporting the Bluetooth function have
been certified for conformity with the Bluetooth
Standard following the procedure prescribed by
Bluetooth SIG.
• However, it may be impossible for such units to
communicate with your cell-phone depending
on its type.

Bluetooth Control
30
Register from the Bluetooth
unit
It is necessary to register the Bluetooth audio
player or cell-phone to this unit before using
the Bluetooth function.
You can register up to 10 Bluetooth units.
NOTE
• Up to 10 Bluetooth units can be registered. If an
attempt is made to register the 11th Bluetooth
unit, the Bluetooth unit connected on the earliest
date will be deleted to register the 11th one.
• This unit is compatible with the Apple Easy
Pairing function. When an iPod touch or iPhone is
connected to this unit, an authentication dialog
appears. Performing operation for authentication
on this unit or iOS smartphone registers the
smartphone as a Bluetooth device.
Follow the step 1, 2 and 3 for registration.
Step 1: Registration from the Bluetooth
device
1 Search the unit (“KW-M****”) from your
smartphone/cell-phone.
2 Input the PIN code in your smartphone/
cell-phone.
PIN code is set to “0000” as the default.
●SSP (Secure Simple Pairing of Bluetooth
2.1 or later)
1 Search the unit (“KW-M****”) from your
smartphone/cell-phone.
2 Confirm the request both on the
smartphone/cell-phone and the unit.
Step 2: Connection settings
• When the HFP profile is supported, Hands Free
1 or 2 is automatically selected for connection,
proceeding to the next step.
• When the A2DP or SPP profile is supported,
the cell-phone or audio player is automatically
connected, proceeding to the next step.
If cell-phones and/or audio players have already
been connected, a selection screen appears.
1 Select the hands-free number to connect.
A name of a smartphone is displayed when
it has hands-free connection with the unit.
2 Select if you want to use the audio player
app in your smartphone over A2DP, and
the other apps in your smartphone over
SPP.
This message appears if the device
supports BT audio (A2DP) or smartphone
link (SPP).

Bluetooth Control
31English
Step 3: Phonebook transfer
1 Select if you want to transfer your
phonebook data.
This message appears if the device
supports PBAP.
The phonebook data transmission starts.
Some smartphones may request
permission to access the data. The
data transmission will start with your
permission.
When the data transmission and
connection have completed, the Bluetooth
connection icon appears on the screen.
Bluetooth Setup
1 Press the [FNC] button.
Popup menu appears.
2 Touch [ ].
HOME screen appears.
3 Touch [ ].
SETUP Menu screen appears.
4 Touch [Bluetooth].
Bluetooth SETUP screen appears.
See the following section for each
setting.
• Connect the Bluetooth unit (P.32)
• Change the PIN code (P.33)
• Change the device name (P.33)

Bluetooth Control
32
Ñ Connect the Bluetooth unit
1 Touch [Select Device] in the Bluetooth
SETUP screen.
2 Touch the device name you want to
connect.
Profile select screen appears.
NOTE
• If the icon is lighted, it means that the unit will
use that device.
3 Set each profile as follows.
■TEL (HFP) 1, TEL (HFP) 2
The device is connected with the unit as
hands-free phone 1 or 2.
■Audio (A2DP)/App (SPP)
Set to interwork with an application installed
in a smartphone or to use as an audio player.
4 Touch [Close].
NOTE
• If a device has been paired, the Bluetooth unit
cannot be connected from the paired device.
To delete the registered Bluetooth unit
1 Touch [Delete].
2 Touch the device name to check.
■[þ All]
Select all Bluetooth unit.
■[¨ All]
Erases all check marks.
3 Touch [Delete].
Confirmation message appears.
4 Touch [Ye s ].

Bluetooth Control
33English
Ñ Change the PIN code
1 Touch [PIN Code] in the Bluetooth SETUP
screen.
PIN Code Set screen appears.
2 Input the PIN code.
3 Touch [SET].
Ñ Change the device name
1 Touch [Device Name] in the Bluetooth
SETUP screen.
Change Device Name screen appears.
2 Input the device name.
3 Touch [Enter].
Playing Bluetooth Audio
Device
Most function can be controlled from the
source control screen.
To enter Bluetooth source, touch [BT Audio]
icon in the source selection screen. (P.10)
Ñ Bluetooth basic operation
Control screen
3
4
5
2
1
1
Device name/ [ ] / [ ]
• Connected device name.
• [
] : Repeats the current track/folder. Each
time you touch the key, repeat mode switches
in the following sequence; File repeat ( ),
Folder repeat ( ), All songs repeat ( ),
Repeat off ( )
• [
] : Randomly plays all tracks in current
folder. Each time you touch the key, random
mode switches in the following sequence;
Folder random ( ), All random ( ),
Random off ( )
2
Information display *
Displays the name of the track information.
3
[Function bar *
• [1]: Searches file. See File search (P.34).
• [E] [F]: Searches the previous/next
content. Touch and hold to fast forward or fast
backward. (It will be cancelled automatically
after about 50 seconds.)
• [D]: Plays.
• [H]: Pauses.
• [
] : Touch to attenuates/restores the sound.

Bluetooth Control
34
4
Function panel
Touch on the left side of the screen to display
the function panel. Touch again to close the
panel.
• BT DEVICE CHANGE] : Selects the device to
connect via Bluetooth audio (A2DP) or APP
(SPP). See Connect the Bluetooth audio
(P.34).
5
Play mode indicator/ Playing time
D, H: Current play mode indicator
The meanings of each icon are as follows;
D (play), B (fast forward), A (fast backward),
H (pause), I (stop).
* These items appear only when the audio player
which supports AVRCP profile is connected.
NOTE
• If the operation keys do not appear, operate from
the player.
• Depending on your cell-phone or audio player,
audio may be heard and controlled but text
information may not appear.
• If the volume is too low, raise it on your cell-
phone or audio player.
Ñ Connect the Bluetooth audio
Selects the device to connect via Bluetooth
audio (A2DP) or APP (SPP).
1 Touch on the left side of the screen.
Touch [BT DEVICE CHANGE].
2 Touch the device name you want to
connect.
3 Touch [Close].
Ñ File search
1 Touch [1].
2 Touch the desired file or folder.
When you touch a folder its contents are
displayed.
3 Touch desired item from the content list.
Playback starts.
NOTE
• For operations in the list screen, see List screen
(P.13).

Bluetooth Control
35English
Using Hands-Free Unit
You can use telephone function by connecting
the Bluetooth telephone to this unit.
NOTE
• While Apple CarPlay or Android Auto is being
connected, Bluetooth Hands-Free function and
two Bluetooth devices connections cannot be
used. Only Apple CarPlay or Android Auto Hands-
Free function can be used.
Ñ Make a call
1 Press the [FNC] button.
Popup menu appears.
2 Touch [Û].
Hands Free screen appears.
NOTE
• If your mobile phone supports PBAP, you can
display the phone book and call lists on the
touch panel screen when the mobile phone is
connected.
– Phone book: up to 1000 entries
– Up to 50 entries including dialed calls, received
calls, and missed calls
3 Select a dialing method.
• [ ]: Call using call records
• [
]: Call using the phonebook
• [
]: Call using the preset number
• [
]: Call by entering a phone number
• [
]: Voice Recognition (P.36)
●Select the cell-phone to use
When you connect two cell-phones
1) Touch [
] to select the phone
you want to use.
●Bluetooth SETUP
1) Touch [
].
Bluetooth SETUP screen appears.
NOTE
• The status icons such as battery and antenna
displayed may differ from those displayed on the
cell-phone.
• Setting the cell-phone in the private mode can
disable the hands-free function.
Call using call records
1 Touch [ ].
2 Select the phone number from the list.
Call by entering a phone number
1 Touch [ ].
2 Enter a phone number with number keys.
3 Touch [ ].

Bluetooth Control
36
Call using the preset number
1 Touch [ ].
2 Touch the Name or phone number.
Call using the phonebook
1 Touch [ ].
2 Touch [ ].
3 Select the initial.
• Characters with no corresponding name
will not appear.
• During search, a non-accent character
such as “u” is searched for instead of an
accent character such as “ü”.
4 Select the person you want to call from
the list.
5 Select the phone number from the list.
NOTE
• You can set the list to arrange in the order of last
name or first name. For details, see Hands-Free
Setup (P.39).
Ñ Voice Recognition
You can access the voice recognition function
of the cell-phone connected to this unit.
You can search the cell-phone phonebook
by voice. (The functionality depends on the
cell-phone.)
1 Press the [FNC] button for 1 second.
Press for 1 second
Voice Recognition screen appears.
2 Start speaking.
NOTE
• You can use voice recognition function by
touching [ ] on the Hands Free screen.

Bluetooth Control
37English
Ñ Receive a call
1 Touch [ ] to answer a phone call or
[
] to reject an incoming call.
NOTE
• While monitoring the view camera, this screen
does not appear even if a call comes in. To display
this screen, press the [TEL] button or return the
shift knob of car to the driver position.
To end call
1 While talking, touch [ ].
Ñ Operations during a call
●Adjust the volume of your voice
1) Touch [Speech Quality].
2) Touch [T] or [U] of [Microphone Level].
●Adjust the receiver volume
Press the [–] or [+] button.
●Mute your voice
Touch [
] to mute or not to mute your voice.
●Output the dial tone
Touch [DTMF] to display the tone input screen.
You can send tones by touching desired keys
on the screen.
●Switching the speaking voice output
Touching [
]/ [ ] each time switches
the speaking voice output between cell-phone
and speaker.
●Call-waiting
When you receive a call while talking on
another call, you can answer the newly
received call by touching [
]. The current call
is on hold.
Each time you touch [
], the caller will change.
When you touch [
], the current call will end
and switch to the call in hold.
●[×]
The Hands-Free popup screen is closed. To
display it again, touch [
].

Bluetooth Control
38
Ñ Phone number preset
You can register frequently used phone
numbers to this unit.
1 Touch [ ].
2 Touch [Edit].
3 Select where to preset.
4 Select how to preset.
• [Add number from phonebook]:
Select the number to preset by referring to
“Call using the phonebook”. See Call using
the phonebook (P.36).
• [Add number direct]:
Enter the telephone number directly and
touch [SET]. See Call by entering a phone
number (P.35).
NOTE
• To delete the preset number, touch [Delete] and
then touch [Ye s ] on the confirmation screen.
Ñ Phonebook transfer
You can transfer the phonebook in your
Bluetooth smartphone via PBAP.
1 Touch [ ].
2 Touch [ ].
The phonebook data transmission starts.
Phonebook deletion
1 Touch [ ].
2 Touch the name to check.
■[þ All]
Checks all boxes.
■[¨ All]
Erases all check marks.
3 Touch [Delete].
Confirmation message appears.
4 Touch [Ye s ].

Bluetooth Control
39English
Hands-Free Setup
You can perform various setup about
handsfree function.
1 Press the [FNC] button.
Popup menu appears.
2 Touch [ ].
HOME screen appears.
3 Touch [ ].
SETUP Menu screen appears.
4 Touch [Bluetooth].
Bluetooth SETUP screen appears.
5 Touch [TEL SETUP].
TEL SETUP screen appears.
6 Set each item as follows.
■Bluetooth HF/Audio
Select the speakers to output the sound from
cell-phone (such as phone call voice and
ringing tone) and Bluetooth audio player.
Front: Outputs from the front speakers.
All (Default): Outputs from all speakers.
■Auto Response*
Sets an automatic response time to pick-up
an incoming call.
OFF (Default): Automatic response is not
available.
1/ 5/ 10/ 15/ 20/ 25/ 30: Set calling ring
time (second).
■Auto Pairing
When set to “ON”, the Apple Auto Pairing
function is turned on to automatically
register the iPod touch or iPhone connected
to this unit.
ON (Default): Uses Apple Auto Pairing
function.
OFF: Not uses Apple Auto Pairing function.
■Sort Order
Sets how to arrange the cell-phone
phonebook.
First: Arranges in the order of first name.
Last (Default): Arranges in the order of last
name.
■Echo Cancel Level
Adjusts the level of echo cancellation.
Default is “0”.
■Noise Reduction Level
Reduces the noises generated by
surrounding environment without changing
the microphone volume. Use this setting
when the voice of caller is not clear. Default
is “0”.
* Either the time interval for automatic
answer set on this unit or the time
interval set on the cell-phone, whichever
is shorter takes effect.
7 Touch [OK].

Other External Components
40
Other External Components
View Camera
NOTE
• To connect a camera, see P.61.
• To use a rear view camera, a REVERSE lead
connection is required. (P.60)
• If [R-CAM Interruption] is set to on, the camera
screen is displayed when you shift the gear to the
reverse (R) position.
Ñ Display the camera screen
1 Press the [FNC] button.
Popup menu appears.
2 Touch [Camera].
View camera screen appears.
3 Adjust each item as follows.
1
1
Camera off
Touch to exit the camera screen.
Ñ Camera Setup
1 Press the [FNC] button.
Popup menu appears.
2 Touch [ ].
HOME screen appears.
3 Touch [ ].
SETUP Menu screen appears.
4 Touch [Camera].
Camera screen appears.
5 Set each item as follows.
■R-CAM Interruption
ON (Default): Displays the picture from the
rear view camera when you shift the gear
to the reverse (R) position.
OFF: Select this when no camera is
connected.
■Parking Guidelines
You can display parking guidelines to enable
easier parking when you shift the gear to the
reverse (R) position.
Default is “ON”.
■Guidelines SETUP
If you select [ON] for [Parking Guidelines],
adjust the parking guidelines. See To adjust
the parking guidelines (P.41).

Other External Components
41English
To adjust the parking guidelines
NOTE
• Install the rear view camera in the appropriate
position according to the instructions supplied
with the rear view camera.
• When adjusting the parking guidelines, make
sure to use the parking brake to prevent the car
from moving.
1 Touch [ON] of [Parking Guidelines] in the
Camera screen. (P.40)
2 Touch [Guidelines SETUP] in the Camera
screen.
3 Adjust the parking guidelines by
selecting the mark.
4 Adjusting the position of the selected
mark.
A
B
CD
Make sure that A and B are horizontally
parallel, and that C and D are the same
length.
NOTE
• Touch [Initialize] and after touch [Ye s ] to set all
the marks to the initial default position.
External audio/video players—
AV-IN
1 Connect an external component to the
AV-IN input terminal. (P.61)
2 Press the [FNC] button.
Popup menu appears.
3 Touch [ ].
HOME screen appears.
4 Touch [ ].
5 Select [AV-IN] as the source. (P.10)
6 Turn on the connected component and
start playing the source.

Setting Up
42
Setting Up
Monitor Screen Setup
You can adjust image quality in video, menu
screen, etc.
1 Press the [FNC] button.
Popup menu appears.
2 Touch [Screen Adjust].
Screen Control screen appears.
3 Adjust each item as follows.
■Backlight / Contrast / Black / Brightness
/ Color / Tint
Adjusts each item.
■Aspect
Select screen mode.
Full: Changes the aspect ratio of video and
displays fully on the screen.
Normal: Displays with 4:3 ratio.
Auto:
Displays video fully on vertical or
horizontal with no ratio change.
NOTE
• Adjusting items are different depending on the
current source.
System Setup
NOTE
• Each operation in this section can be started from
the multi function menu.
1 Press the [FNC] button.
Popup menu appears.
2 Touch [ ].
HOME screen appears.
3 Touch [ ].
See the following section for each
setting.
• Set up AV (P.46)
• Set up display (P.45)
• Set up the user interface (P.43)
• Set up camera (P.40)
• Set up special (P.44)
• Set up Bluetooth (P.31)
• Set up security (P.7)

Setting Up
43English
User Interface Setup
You can setup user interface parameters.
1 Press the [FNC] button.
Popup menu appears.
2 Touch [ ].
HOME screen appears.
3 Touch [ ].
SETUP screen appears.
4 Touch [User Interface].
User Interface screen appears.
5 Set each item as follows.
■Steering Remote Controller
Sets the desired function in the steering
remote controller. See Learning function of
steering remote (P.44).
■Beep
Turns the key touch tone on or off.
Default is “ON”.
■Language Select
Selects a language.
■Touch Panel Adjust
Adjust the sensing position of touch panel.
(P.43)
■Clock
GPS-SYNC (Default): Synchronizes the clock
time with the GPS.
Manual: Sets the clock manually
■Time Zone
Select the time zone.
■Clock Adjust
If you select [Manual] for Clock, adjust the
date and time manually. (P.43)
■[DISP Key]
Select the source screen displayed when
on the popup menu screen is pressed.
Apps: Switches to the App screen from the
connected iPod touch/iPhone/Android
device or Apple CarPlay screen from the
connected iPhone by pressing the button.
(P.20)
OFF (Default): Displays the control screen of
current source.
Ñ Adjust the date and time
manually.
1 Touch [Time Zone] in the User Interface
screen.
2 Select the time zone.
3 Touch [Clock Adjust] in the User Interface
screen.
4 Adjust the date, then adjust the time.
5 Touch [Set].
Ñ Touch panel adjustment
1 Touch [Touch Panel Adjust] on the User
Interface screen.
Touch Panel Adjust screen appears.
2 Follow the instruction on the screen and
long touch the center of each [ ].
1
2
NOTE
• To cancel the touch panel adjustment, touch
[Cancel].
• To reset to the initial status, touch [Reset].

Setting Up
44
Ñ Learning function of steering
remote
This function is available only when your
vehicle is equipped with the electrical steering
remote controller.
If your steering remote controller is not
compliant, learning may not be completed
and error message may appear.
1 Touch [Steering Remote Controller] in
the User Interface screen.
Steering Remote Controller Setting
screen appears.
2 Press and hold the steering remote
controller button
NOTE
• You can have the unit learned all buttons
at a time. In that case, press the all buttons
one at a time and after pressing all of them,
touch [Learning completed] in Steering
Remote Controller Setting screen. However,
new functions cannot be learned after this
operation.
3 Touch the function you want to set.
4 Repeat steps 2 and 3 as necessary.
5 Touch [Learning completed].
NOTE
• When changing the function already learned,
press and hold the button you want to change
in step 2 and then touch to select the changed
function from the function list.
• Confirm the contents of the settable function on
the function list. You cannot edit the function list.
• To initialize the contents, touch [Learning
initialization] of [Steering Remote
Controller] in User Interface screen. After you
touch [Initialize], a confirmation message
appears. Follow the message and complete the
operation.
Special Setup
You can setup Special parameters.
1 Press the [FNC] button.
Popup menu appears.
2 Touch [ ].
HOME screen appears.
3 Touch [ ].
SETUP screen appears.
4 Touch [Special].
Special screen appears.
5 Set each item as follows.
■DEMO
Set the demonstration mode. Default is “ON”.
■SETUP Memory
Locks or unlocks the Audio SETUP Memory/
Recall/Clear.
■Audio SETUP Memory
Memorizes the current audio setting.
• Fader/ Balance, Speaker / X’over, Equalizer
(User Preset, SW Level), Position/DTA,
Sound Effect (P.47)
■Audio SETUP Recall
Recalls the memorized audio setting.
■Audio SETUP Clear
Clears the AUDIO SETUP Memory and the
currently memorized audio setting.

Setting Up
45English
■Software Information
Check the software version of this unit.
(P.45)
■Open Source Licenses
Displays the open source licenses.
■Initialize
Touch [Initialize] and then touch [Ye s ] to set
all the settings to the initial default settings.
• Audio SETUP Memory is not initialized.
Ñ Software Information
Check the software version of this unit.
1 Touch [Software Information] in the
Special screen.
2 Confirm the software version.
NOTE
• For how to update the software, see the relevant
update procedure manual which comes with the
software.
Display Setup
1 Press the [FNC] button.
Popup menu appears.
2 Touch [ ].
HOME screen appears.
3 Touch [ ].
SETUP screen appears.
4 Touch [Display].
Display screen appears.
5 Set each item as follows.
■Dimmer
Select dimmer mode.
OFF: The display and buttons do not dim.
ON: The display and buttons dim.
SYNC (Default): Turns the dimmer function
on or off when the vehicle light control
switch is turned on or off.
■OSD Clock
Select if you want to display the clock while
watching video, etc.
"ON" (Default)/ "OFF"
■Background
Changing background image. (P.46)
■Viewing Angle
If it is hard to see the image on the screen,
adjust the viewing angle. The smaller the
(negative) value, the more whitish the image
on the screen looks.
"0" (Default)/ "-1"/ "-2"/ "-3"

Setting Up
46
Ñ Change background image
1 Touch [Background] in the Display screen.
2 Select an image.
*1
*1 Select an original image in advance.
To register original image
You can load an image from the connected
USB device and set it for the background
image.
Before operating this procedure, it is necessary
to connect the device which has the image to
load.
1 Touch [User1 Select] or [User2 Select] in
the Background screen.
2 Select the image to load.
3 Touch [Enter].
The selected image is loaded and the
display returns to the Background
screen.
NOTE
• Touching [ ] rotates counter clockwise.
• Touching [
] rotates clockwise.
• Picture files: JPEG (.jpg, .jpeg), PNG (.png), BMP
(.bmp)
AV Setup
You can set AV parameters.
1 Press the [FNC] button.
Popup menu appears.
2 Touch [ ].
HOME screen appears.
3 Touch [ ].
SETUP screen appears.
4 Touch [AV].
AV screen appears.
5 Set each item as follows.
■AV-OUT
You can select an AV source to be output
from the AV OUTPUT port.
OFF, AV-IN, USB, or iPod
You cannot select iPod if it is connected via
Bluetooth.
If you select USB, iPod, Spotify, Bluetooth
audio, Apple CarPlay or Android Auto as the
main source, you cannot select USB or iPod
as the AV output source.
■CarPlay Sidebar
Select the position of the control bar (left or
right) shown on the touch panel.
“Left”/ “Right” (Default)

Controlling Audio
47English
Controlling Audio
You can adjust the various settings such as
audio balance or subwoofer level.
1 Press the [FNC] button.
Popup menu appears.
2 Touch [ ].
HOME screen appears.
3 Touch [ ].
Source selection screen appears.
4 Touch [Audio].
See the following section for each
setting.
• Set up speaker/ X’over (P.47)
• Controlling equalizer (P.50)
• Set listening position/ DTA (P.53)
• Controlling general audio (Fader /
Balance) (P.50)
• Set volume offset (P.51)
• Performing zone control (P.52)
• Set sound effect (P.52)
Speaker/ X’over setup
1 Press the [FNC] button.
Popup menu appears.
2 Touch [ ].
HOME screen appears.
3 Touch [ ].
Source selection screen appears.
4 Touch [Audio].
Audio screen appears.
5 Touch [Speaker/Xover].
6 Select a car type.
You can setup the car type and speaker
network, etc.
If your car type is selected, the Delay Time
Alignment is set automatically (for timing
adjustment of sound output for each
channel) to have the highest surround
effects.
7 Touch the speaker (1) you wish to adjust
and set each item (2) as follows.
1
2

Controlling Audio
48
■Speaker
You can select a speaker type and its size to
get the best sound effects.
When the speaker type and size are set,
the speaker crossover network is set
automatically.
■Location (Only for Front, Rear)
Select the speaker position you have fixed.
■Tweeter (Only for Front)
You can set the tweeter when you are
selecting front speakers.
None, Small, Medium, Large
■X’over
Displays the speaker crossover setup screen.
You can adjust the crossover setup that was
set automatically when you selected the
speaker type.
For details, see Crossover network setup
(P.48)
When Speaker network is set to 3 way:
1
2
NOTE
• For how to switch to the 3-way speaker system,
see 3 way speaker system setup (P.49).
Connecting 3-way speakers with the 2-way mode
selected can break the speakers.
• Select “None” if you have no speakers.
Ñ Crossover network setup
You can set a crossover frequency of speakers.
1 Touch [Xover].
2 Touch the speaker to set.
3 Set each item as follows.
■HPF FREQ
High Pass Filter adjustment. (When front or
rear speaker is selected on Speaker Select
screen)
■LPF FREQ
Low Pass Filter adjustment. (When subwoofer
is selected on Speaker Select screen)
■Slope*1
Sets a crossover slope.
■Gain
Adjusts the front speaker, rear speaker, or
subwoofer level.
■TW (Tweeter) Gain *2
Adjusts the tweeter level. (When front is
selected on Speaker Select screen)
■Phase Inversion*3
Sets the phase of subwoofer output.
Check [Phase Inversion] to shift the phase
180 degrees. (When subwoofer is selected
on Speaker Select screen)
*1 Only when “LPF FREQ”/“HPF FREQ” is set to
a mode other than “Through” in [Xover].
*2 Only when “Tweeter” is set to “Small”,
“Medium”, “Large” in [Speaker Setup].
*3 Only when “Subwoofer” is set to a mode
other than “None” in [Speaker Setup].

Controlling Audio
49English
When Speaker network is set to 3 way:
■FREQ (High Pass)
High Pass Filter adjustment. (When tweeter is
selected on Speaker Select screen)
■HPF FREQ, LPF FREQ (Band Pass)
Band Pass Filter adjustment. (When mid
range speaker is selected on Speaker Select
screen)
■FREQ (Low Pass)
Low Pass Filter adjustment. (When woofer is
selected on Speaker Select screen)
■Slope*1
Sets a crossover slope.
■Gain
Sets gain of each speaker.
■Phase Inversion*3
Sets the phase of tweeter, mid range, and
woofer output.
Check [Phase Inversion] to shift the phase
180 degrees.
NOTE
• For how to switch to the 3-way speaker system,
see 3 way speaker system setup (P.49).
Connecting 3-way speakers with the 2-way mode
selected can break the speakers.
Ñ 3 way speaker system setup
Select the appropriate crossover network
mode according to the speaker system (2-way
speaker system or 3-way speaker system).
1 Press the [FNC] button.
Popup menu appears.
2 Touch [ ].
HOME screen appears.
3 Touch [ ].
Source selection screen appears.
4 Touch [AV Off].
5 Press the [FNC] button and the [–] button
for 1 second at the same time.
Speaker system select screen appears.
6 Select the crossover network mode.
A confirmation screen appears.
7 Touch [Ye s ].
NOTE
• When the 3-way speaker system is selected, the
following functions are disabled.
– Zone Control
– Fader of Controlling General Audio
– Front focus of Listening Position/ DTA
– Select the speakers to output the sound from
cell-phone of Blutooth HF/Audio
– Beep of User Interface Setup
• Connecting 3-way speakers with the 2-way mode
selected can break the speakers.

Controlling Audio
50
Controlling General Audio
1 Press the [FNC] button.
Popup menu appears.
2 Touch [ ].
HOME screen appears.
3 Touch [ ].
Source selection screen appears.
4 Touch [Audio].
Audio screen appears.
5 Touch [Fader / Balance].
6 Set each item as follows.
■Fader / Balance
Adjust the volume balance around the
touched area.
[C] and [D] adjust the right and left volume
balance.
[R] and [S] adjust the front and rear volume
balance.
■[Center]
Clear the adjustment.
Equalizer Control
You can adjust equalizer by selecting the
optimized setting for each category.
1 Press the [FNC] button.
Popup menu appears.
2 Touch [ ].
HOME screen appears.
3 Touch [ ].
Source selection screen appears.
4 Touch [Audio].
Audio screen appears.
5 Touch [Equalizer].
6 Touch the screen and set the Graphic
Equalizer as desired.
■Gain level (dotted frame area)
Adjust the gain level by touching the each
frequency bar.
You can select frequency bar and adjust its
level by [R], [S].
■Preset Select
Displays the screen to recall the preset
equalizer curve.
■Memory
Saves the adjusted equalizer curve from
“User1” to “User4”.
■Initialize
The current EQ curve returns to flat.
■ALL SRC
Apply the adjusted equalizer to all sources.
Touch [ALL SRC] and then touch [OK] on the
confirmation screen.

Controlling Audio
51English
■Bass EXT (Bass Extend Settings)
When turned on, the frequency lower than
62.5 Hz is set to the same gain level as 62.5
Hz.
■SW Level
Adjusts the subwoofer volume. This setting
is not available when subwoofer is set to
“None”. See Speaker/ X’over setup (P.47).
Ñ Recall the EQ curve
1 Touch [Preset Select].
2 Select EQ curve.
NOTE
• [iPod] is available only during iPod source.
Ñ Save the EQ curve
1 Adjust the EQ curve.
2 Touch [Memory].
3 Select where to save.
Volume Offset
Finely adjust the volume of the current source
to minimize the difference in volume between
different sources.
1 Press the [FNC] button.
Popup menu appears.
2 Touch [ ].
HOME screen appears.
3 Touch [ ].
Source selection screen appears.
4 Touch [Audio].
Audio screen appears.
5 Touch [Volume Offset].
6 Touch [+] or [−] to adjust the level.
■Initialize
Returns to the initial settings.
* If you have increased the volume first, then
reduced the volume using the “Volume
Offset”, the sound generated if you suddenly
switch to another source may be extremely
loud.

Controlling Audio
52
Zone Control
You can select different sources for both front
and rear positions in the vehicle.
1 Press the [FNC] button.
Popup menu appears.
2 Touch [ ].
HOME screen appears.
3 Touch [ ].
Source selection screen appears.
4 Touch [Audio].
Audio screen appears.
5 Touch [Zone Control].
Zone Control screen appears.
6 Touch [Zone Select].
7 Touch [Dual Zone].
8 Set each source as follows.
■[Zone Select]
Touch [Single Zone] to turn off the dual
zone function.
■[Front Source] [Rear Source]
Select the audio source for each.
■[Rear VOL.]
Adjusts the rear source volume.
NOTE
• When the rear speaker sound is switched, the
audio source that is output at the AV OUTPUT
terminal is also switched to the same source.
• When the dual zone function is set to on, the
following functions are not available.
– Output from the subwoofer
– Subwoofer Level/ Bass Boost (P.52)
– Equalizer Control/ Sound Effect/ Listening
Position (P.50, 52, 53)
– Speaker Setup (P.47)
– High-resolution Sound Source File Playback
• You cannot select iPod if it is connected via
Bluetooth.
• If you select USB, iPod, Bluetooth audio, Apple
CarPlay or Android Auto as the Front Source, you
cannot select USB or iPod as the Rear Source.
Sound Effect
You can set sound effects.
1 Press the [FNC] button.
Popup menu appears.
2 Touch [ ].
HOME screen appears.
3 Touch [ ].
Source selection screen appears.
4 Touch [Audio].
Audio screen appears.
5 Touch [Sound Effect].
6 Set each item as follows.

Controlling Audio
53English
■Bass Boost
Sets the amount of bass boost among “OFF”/
“1”/ “2”/ “3”.
■Loudness
Sets the amounts of boost of low and high
tones.
“OFF”, “Low”, “High”
■Volume Link EQ
Reduces the driving noise by raising the
bandwidth.
“OFF”, “ON”
■Space Enhancement
Select the feeling of sound space
enhancement.
“OFF”/ “Small”/ “Medium”/ “Large”.
■K2
Turns ON/OFF the K2 function.
Technology to extrapolate and supplement
with proprietary algorithm, the high-
frequency range that is cut off when
encoding.
■Sound Response
Virtually makes the sound more realistic
using the Digital Signal Processor (DSP)
system.
Select the level from “OFF”/ “1”/ “2”/ “3”.
■Sound Lift
You can adjust the height of speakers
virtually to suit your listening position.
“OFF”/ “Low”/ “Middle”/ “High”.
Listening Position/ DTA
Listening Position/DTA allows you to improve
the sound field depending on the position of
the seat you sit.
Listening Position/DTA allows you to set
“Listening Position” and “Front Focus”. You
cannot set both at the same time.
1 Press the [FNC] button.
Popup menu appears.
2 Touch [ ].
HOME screen appears.
3 Touch [ ].
Source selection screen appears.
4 Touch [Audio].
Audio screen appears.
5 Touch [Position/DTA].
• Set up Listening Position (P.53)
• Set up Front Focus (P.54)
Ñ Listening Position
Adjust the sound delay time as nearer speakers
to the selected seat have more delay time,
so that the sound from each speaker arrive a
listener at the same time.
1 Touch [Listening Position] in the Position/
DTA screen.
2 Select listening position from [Front R]
(Right front), [Front L] (Left front),
[Front All] (All front), and [All].
Position DTA control
You can fine-adjust your listening position.
1 Touch [Adjust].
2 Touch [Delay].
3 Touch [T] or [U] to adjust the delay time of
the selected speaker.

Controlling Audio
54
4 Touch [Level].
5 Touch [T] or [U] to adjust the sound level
of the selected speaker.
NOTE
• To return to the initial setting of Delay and Level,
touch [Initialize] and [YES] in the confirmation
screen.
Ñ Front Focus
This is the function to focus the imaginary
sound image in front of the selected seat.
1 Touch [Front Focus] in the Position/DTA
screen.
2 Select a front focus position.
For [Front All] and [All], select Priority L or R
depending on which side you want to put
the imaginary sound image.
Ñ Front Focus fine adjustment
1 Touch [Adjust].
2 Touch [Delay].
3 Set each item as follows.
■Sound Image LR (Front)
Adjust the sound image to focus on in front
of front seats.
■Sound Image LR (Rear)
Adjust the sound image to focus on in front
of rear seats.
■Size of the Virtual Sound Field
Adjust the size of sound image to meet your
taste. If the sound image is shifted from the
front, adjust it by [Sound Image LR (Front)]
or [Sound Image LR (Rear)].
■Subwoofer Delay
Adjust the delay time of subwoofer.
4 Touch [Level].
5 Touch [T] or [U] to adjust the sound level
of the selected speaker.
NOTE
• To return to the initial setting of Delay and Level,
touch [Initialize] and [YES] in the confirmation
screen.

Remote control
55English
Remote control
This unit can be operated using the remote
control.
For KW-M730BT the remote control is the
optional accessory (RM-RK258).
# WARNING
• Do not ingest the battery, Chemical Burn
Hazard
The remote control supplied with this product
contains a coin / button cell battery. If the
coin/button cell battery is swallowed, it can
cause severe internal burns in just 2 hours and
can lead to death.
Keep new and used batteries away from
children. If the battery compartment does not
close securely, stop using the product and
keep it away from children.
If you think batteries might have been
swallowed or placed inside any part of the
body, seek immediate medical attention.
# CAUTION
• Put the remote control in a place where it will
not move during braking or other operations.
A dangerous situation could result, if the
remote control falls down and gets wedged
under the pedals while driving.
• Do not leave the battery near fire or under
direct sunlight. A fire, explosion or excessive
heat generation may result.
• Do not recharge, short, break up or heat the
battery or place it in an open fire. Such actions
may cause the battery to leak fluid. If spilled
fluid comes in contact with your eyes or on
clothing, immediately rinse with water and
consult a physician.
• Danger of explosion if Lithium battery is
incorrectly replaced. Replace only with the
same or equivalent type.
Ñ Removing the battery sheet
Pull the battery sheet out from the remote
controller to activate the battery.
Ñ Changing the battery of the
remote controller
CR2025 (+side)
• Use a commercially available button battery
(CR2025).
• Insert the battery with the + and – poles
aligned properly.
– If the effectiveness of the remote controller
decreases, replace the battery.
Functions of the Remote
control Buttons

Remote control
56
Key
Name
Function
SRC Switches to the source to be played.
In hands-free mode, hangs up the
phone.
VOL + – Adjusts the volume.
AT T Lowers the volume by pressing the
key once.
Restores the previous volume by
pressing the key twice.
DISP Switches the screen between the
current source and the App screen
from the connected iPod touch/
iPhone/Android.
FM/R
AM/S
Selects the folder to be played.
During tuner source, select FM/ AM
band to be received.
E 2
F 3
Selects the track or file to be played.
ANGLE Not used.
When a call comes in, answers the call.
DIRECT Switches to the direct search mode.
For details on the direct search mode,
see Direct search mode (P.56).
ASPECT Changes the aspect ratio.
• To check the current aspect ratio
setting, operate on the touch panel.
(P.42)
Numeric
Keypad
Specifies the number to search in
direct search.
For details on the direct search mode,
see Direct search mode (P.56).
CLR Clears the number.
ENT Performs the selected function.
Ñ Direct search mode
Using the remote control, you can jump
directly to the desired file, track chapter, etc.
with entering the number corresponding to
the content.
NOTE
• This operation cannot be performed for USB
device and iPod.
1 Press the [SRC] button several times until
the desired content appears.
The available contents are different
depending on the source.
■Tuner
Frequency value
2 Enter the number of the content you want
to play using the numeric keypad.
3 Press the [E] or [F] button.
The content you entered is played.

Connection/Installation
57English
Connection/Installation
Before Installation
Before installation of this unit, please note the
following precautions.
# WARNINGS
• If you connect the ignition wire (red) and
the battery wire (yellow) to the car chassis
(ground), you may cause a short circuit, that
in turn may start a fire. Always connect those
wires to the power source running through
the fuse box.
• Do not cut out the fuse from the ignition wire
(red) and the battery wire (yellow). The power
supply must be connected to the wires via
the fuse.
# CAUTION
• Install this unit in the console of your vehicle.
Do not touch the metal part of this unit during
and shortly after the use of the unit. Metal part
such as the heat sink and enclosure become
hot.
NOTE
• Mounting and wiring this product requires
skills and experience. For best safety, leave the
mounting and wiring work to professionals.
• Make sure to ground the unit to a negative 12V
DC power supply.
• Do not install the unit in a spot exposed to
direct sunlight or excessive heat or humidity.
Also avoid places with too much dust or the
possibility of water splashing.
• Do not use your own screws. Use only the
screws provided. If you use the wrong screws,
you could damage the unit.
• If the power is not turned ON (“There is an
error in the speaker wiring. Please check the
connections.” is displayed), the speaker wire
may have a short-circuit or touched the chassis
of the vehicle and the protection function may
have been activated. Therefore, the speaker
wire should be checked.
• If your car’s ignition does not have an ACC
position, connect the ignition wires to a power
source that can be turned on and off with the
ignition key. If you connect the ignition wire to
a power source with a constant voltage supply,
such as with battery wires, the battery may be
drained.
• If the console has a lid, make sure to install the
unit so that the front panel will not hit the lid
when closing and opening.
• If the fuse blows, first make sure the wires
aren’t touching to cause a short circuit, then
replace the old fuse with one with the same
rating.
• Insulate unconnected wires with vinyl tape or
other similar material. To prevent a short circuit,
do not remove the caps on the ends of the
unconnected wires or the terminals.
• Connect the speaker wires correctly to the
terminals to which they correspond. The unit
may be damaged or fail to work if you share
the ¤ wires or ground them to any metal part
in the car.
• When only two speakers are being connected
to the system, connect the connectors either
to both the front output terminals or to both
the rear output terminals (do not mix front
and rear). For example, if you connect the ¢
connector of the left speaker to a front output
terminal, do not connect the ¤ connector to
a rear output terminal.
• After the unit is installed, check whether the
brake lamps, blinkers, wipers, etc. on the car
are working properly.
• Mount the unit so that the mounting angle is
30° or less.
• This unit has the cooling fan to decrease the
internal temperature. Do not mount the unit
in a place where the cooling fan of the unit is
blocked. Blocking these openings will inhibit
the cooling of the internal temperature and
result in malfunction.
Cooling fan

Connection/Installation
58
• Do not press hard on the panel surface when
installing the unit to the vehicle. Otherwise
scars, damage, or failure may result.
• Reception may drop if there are metal objects
near the Bluetooth antenna.
Bluetooth antenna unit
Ñ Supplied accessories for
installation
1
x1
2
(Black 1 m)
x1
3
(Gray 1 m)
x1
4
(3 m)
x1
5
(M5 x 8 mm)
x6
6
(M5 x 8 mm)
x6
7
(3.5 m) x1
8
x1
9
x1
Ñ Installation procedure
1) To prevent a short circuit, remove the key
from the ignition and disconnect the ¤
terminal of the battery.
2) Make the proper input and output wire
connections for each unit.
3) Connect the speaker wires of the wiring
harness.
4) Connect the wiring harness wires in the
following order; ground, battery, ignition.
5) Connect the wiring harness connector to the
unit.
6) Install the unit in your car.
7) Reconnect the ¤ terminal of the battery.
8) Perform the Initial Setup.
See Initial setup (P.6).

Connection/Installation
59English
Installing the unit
5 or 6
5 or 6
Car Bracket
NOTE
• Make sure that the unit is installed securely in
place. If the unit is unstable, it may malfunction
(eg, the sound may skip).
Ñ GPS antenna
GPS antenna is installed inside of the car. It
should be installed as horizontally as possible
to allow easy reception of the GPS satellite
signals.
To mount the GPS antenna inside your vehicle:
1) Clean your dashboard or other surface.
2) Remove the separator of the metal plate
(accessory 8).
3) Press the metal plate (accessory 8) down
firmly on your dashboard or other mounting
surface. You can bend the metal plate
(accessory 8) to conform to a curved surface,
if necessary.
4) Remove the separator of the GPS antenna
(accessory 7), and stick the antenna to the
metal plate (accessory 8).
8
7
NOTE
• Depending on the type of car, reception of the
GPS satellite signals might not be possible with
an inside installation.
• Please install this GPS antenna in an area away
from any antennas that are used with CB radios or
satellite televisions.
• The GPS antenna should be installed at a position
that is spaced at least 12 inch (30 cm) from
cellular phone or other transmitting antennas.
Signals from the GPS satellite may be interfered
with by these types of communication.
• Painting the GPS antenna with (metallic) paint
may cause a drop in performance.
Ñ Microphone unit
1) Check the installation position of the
microphone (accessory 4).
2) Clean the installation surface.
3) Remove the separator of the microphone
(accessory 4), and stick the microphone to
the place shown below.
4) Wire the microphone cable up to the unit
with it secured at several positions using tape
or other desired method.
5) Adjust the direction of the microphone
(accessory 4) to the driver.
4
Fix a cable with a commercial item of tape.

Connection/Installation
60
Ñ Connecting wires to terminals
ILLUMI
ANT CONT
STEERING WHEEL
REMOTE INPUT
REMOTE CONT
PRK SW
REVERSE
P. CONT
Fuse (15A)
When using the optional power amplifier,
connect to its power control terminal. (Max.
200mA, 12V)
Depending on what antenna you are using,
connect either to the control terminal of the
motor antenna, or to the power terminal for
the booster amplifier of the film-type antenna.
(Max. 300mA, 12V)
Blue/White
(Power control wire)
Blue
(Antenna control wire)
To car light control switch
Orange/White
(Dimmer control wire)
Purple/White
(Reverse sensor wire) (2 m)
Light Blue/Yellow
(Steering remote control wire)
Connect to vehicle’s reverse lamp harness when
using the optional rear view camera.
To steering remote
To use the steering wheel remote control
feature, you need an exclusive remote
adapter (not supplied) matched to your car.
If no connections are made, do not let
the cable come out from the tab.
Purple/Black
To rear right speaker
To rear left speaker
To front right speaker
To front left speaker
Speaker impedance: 4-8 Ω
Purple
Green/Black
Green
Gray/Black
Gray
White/Black
White
Accessory 1
Connect to the vehicle’s
parking brake detection switch
harness. Light Green
(Parking sensor wire)
(2 m)
For best safety, be sure to
connect the parking sensor.
Ignition key switch
ACC Red
(Ignition wire)
Yellow
(Battery wire)
Car fuse box
Battery
Black
(Ground wire) ¤
(To car chassis)

Connection/Installation
61English
Ñ 3 way speaker system setup
+
+
+
+
When connecting to an external amplifier,
connect its ground wire to the car’s chassis to
avoid damaging the unit.
White/Black
Gray/Black
Green/Black
Purple/Black
Speaker impedance: 4-8 Ω
Purple
Green
Gray
White
To mid range left
speaker
Subwoofer Preout
To mid range right
speaker
Mid Range Preout
To tweeter left speaker
Tweeter Preout
To tweeter right
speaker
Power amplifier
(optional
accessory)
RCA Cable
(Sold separately)
Input
Speaker
Preout
NOTE
• For speaker system setup, see 3 way speaker
system setup (P.49).
• For speaker setup and crossover setup, see
Controlling Audio (P.47).
• For how to connect speaker wires to terminals
other than speaker terminals and Preout
terminals, see Connecting the system and
external components (P.61) and Connecting
wires to terminals (P.60).
Ñ Connecting the system and
external components
2
1
3
45
8
9
67
1
AV Audio output (ø3.5 mini jack)
2
FM/AM antenna input
3
When connecting to an external amplifier,
connect its ground wire to the car’s chassis to
avoid damaging the unit.
Rear Audio Preout
(Left; White, Right; Red)
Front Audio Preout
(Left; White, Right; Red)
Subwoofer Preout
(Left; White, Right; Red)
4
AV-IN input (1; Left audio, 2; Right audio, 3;
Ground, 4; Visual)
1 2 3 4
5
Accessory 7: GPS Antenna
6
Accessory 4: Bluetooth Microphone
7
Accessory 9: Steering remote harness
Connect to vehicle’s steering remote harness.
Contact your JVC dealer for details.
8
Rear view camera input (Yellow)
9
Visual Output (Yellow)

Connection/Installation
62
Ñ Connecting a USB device
USB device[2]
USB (Gray) terminal[1]
USB (Black) terminal[1]
Accessory 2 (Black) (1 m)[3]
Accessory 3 (Gray) (1 m)[3]
[1] USB maximum power supply current :
DC 5 V = 1.5 A
[2] Sold separately
[3] See Securing the USB extension cable
(P.62).
Ñ Connecting an Android
smartphone
Micro USB to USB cable[2]
Android smartphone[2]
USB (Gray) terminal[1]
USB (Black) terminal[1]
Accessory 2 (Black) (1 m)[3]
Accessory 3 (Gray) (1 m)[3]
[1] USB maximum power supply current :
DC 5 V = 1.5 A
[2] Sold separately
[3] See Securing the USB extension cable
(P.62).
Ñ Connecting an iPod/iPhone
●Lightning connector
KS-U62 (0.8m)[3]
KS-U62 (0.8m)[3]
iPod/iPhone[2]
iPhone (with CarPlay)[2]
USB (Gray) terminal[1]
USB (Black) terminal[1]
Accessory 2 (Black) (1 m)[4]
Accessory 3 (Gray) (1 m)[4]
[1] USB maximum power supply current :
DC 5 V = 1.5 A
[2] Sold separately
[3] Optional accessory
[4] See Securing the USB extension cable
(P.62).
Ñ Securing the USB extension
cable
Secure the USB extension cable with insulating
tape or the like so that its connectors are not
disconnected.

Troubleshooting
63English
Troubleshooting
Problems and Solutions
If any trouble occurs, first check the following
table for possible problems.
NOTE
• Some functions of this unit may be disabled by
some settings made on this unit.
• What might seem to be a malfunction in your
unit may just be the result of slight misoperation
or miswiring.
Ñ About settings
• Cannot set up the subwoofer.
• Cannot set up subwoofer phase.
• No output from the subwoofer.
• Cannot set up the low pass filter.
• Cannot set up the high pass filter.
Subwoofer is not set to on.
Set the subwoofer to on. See Speaker/ X’over
setup (P.47).
The dual zone function is enabled.
Set the dual zone function to off. See Zone Control
(P.52).
• Cannot select the output destination of the
subsource in the dual zone.
• Cannot adjust the volume of the rear speakers.
The dual zone function is disabled.
Set the dual zone function to on. See Zone Control
(P.52).
• Cannot set up the equalizer.
• Cannot set up the crossover network.
The dual zone function is enabled.
Set the dual zone function to off. See Zone Control
(P.52).
Ñ About audio operations
Radio reception is poor.
The car antenna is not extended.
Pull out the antenna all the way.
The antenna control wire is not connected.
Connect the wire correctly. See Connecting the
system and external components (P.61).
Cannot select a folder.
The random play function is enabled.
Turn off the random function.
Ñ Other
The Touch Sensor Tone doesn’t sound.
The preout jack is being used.
The Touch Sensor Tone cannot be output from the
preout jack.
Error Messages
When you fail to operate the unit correctly, the
cause of the failure appears as the message on
the screen.
here is an error in the speaker wiring. Please check
the connections.
Protective circuit has been activated because a speaker
cord has shorted or it has come in contact with the car
chassis.
Wire or insulate the speaker cord as appropriate and
turn the power off and on again.
Error 07–67
The unit is not operating correctly due to some reason
or other.
Turn the power off and on again. If the “Error 07−67”
message does not disappear, see your nearest JVC
dealer.
No Device (USB device)
The USB device is selected as a source although no USB
device is connected.
Change the source to any source other than USB/
iPod. Connect a USB device, and change the source
to USB again.
Disconnected (iPod, Bluetooth audio player)
The iPod/Bluetooth audio player is selected as a source
although no iPod/Bluetooth audio player is connected.
Change the source to any source other than iPod/
Bluetooth. Connect an iPod/Bluetooth audio player,
and change the source to iPod/Bluetooth again.
No Media file
The connected USB device contains no playable audio
file. Media was played that doesn’t have data recorded
that the unit can play.
See Playable Media and Files (P.64) and try
another USB device.
USB device over current status detected.
The connected USB device is rated a current capacity
higher than the allowable limit.
Check the USB device. Some trouble may have
occurred to the connected USB device.
Change the source to any source other than USB.
Remove the USB device.

Appendix
64
Appendix
Playable Media and Files
You can play various kinds of media and files on this unit.
Ñ About files
The following audio, video, and picture files are supported.
■Playable Audio files
Format Bit rate Sampling frequency Bit count
AAC-LC (.m4a) MPEG2/4 AAC LC
HE-AAC(V1,V2)
8 – 320kbps, VBR 16 – 48 kHz 16 bit
MP3 (.mp3) MPEG 1/2 Audio Layer 3 8 – 320kbps, VBR 16 – 48 kHz 16 bit
WMA (.wma) Windows Media Audio Standard
L3 profile (Version 7,8,9)
8 – 320kbps 16 – 48 kHz 16 bit
Linear PCM
(WAVE) (.wav) RIFF waveform Audio Format – 16 – 192 kHz 16/ 24 bit
FLAC (.flac) flac – 16 – 192 kHz 16/ 24 bit
Vorbis (.ogg) vorbis VBR 16 – 48 kHz 16 bit
DSD (.dsf, .dff) DSF
DSDIFF
– 2.8 MHz, 5.6 MHz, 11.2 MHz 1 bit
NOTE
• WMA and AAC of which is covered with DRM cannot be played.
• DSD sound is converted to PCM sound before playback.
• The EmChinks tag of DSDIFF is not supported.
• Although the audio files are complied with the standards listed above, the play may be impossible depending on
the types or conditions of media or device.
■Acceptable Video files
Profile Max. Picture size Max. bit rate Audio format
MPEG-1 (.mpg, .mpeg) – 352 × 240, 352 × 288 1.5 Mbps MPEG Audio Layer 2
MPEG-2 (.mpg, .mpeg) MP@ML 720 × 480, 720 × 576 8 Mbps MPEG Audio Layer 2
H.264/MPEG-4 AVC
(.mp4, .m4v, .avi, .flv, .f4v)
Baseline Profile, Main
Profile
1920 × 1080 (30 fps) 8 Mbps MP3, AAC
MPEG-4 (.mp4, .avi) Advanced Simple Profile 1920 × 1080 (30 fps) 8 Mbps MP3, AAC
WMV (.wmv) Main Profile 1920 × 1080 (30 fps) 8 Mbps WMA
MKV (.mkv) Video Format follows H.264/MPEG-4 AVC, MPEG-4, WMV MP3, AAC, WMA,
Vorbis, FLAC
■Limitation of structure for the file and the folder
USB device
Maximum number of folder layers 8
Maximum number of files (per folder) 999
Maximum number of folders (per folder) 9999
Maximum number of folders (per device) –
NOTE
• You can enter a folder name and file name with 255 or fewer single-byte characters.
• Files in the folder whose folder name begins with a dot (.) cannot be played.

Appendix
65English
Specifications
■Monitor section
Picture Size
: 6.75 inches (diagonal) wide
: 151.8 mm (W) × 79.68 mm (H)
Display System
: TN LCD panel
Drive System
: TFT active matrix system
Number of Pixels
: 1,152,000 (800H x 480V x RGB)
Effective Pixels
: 99.99 %
Pixel Arrangement
: RGB striped arrangement
Back Lighting
: LED
■USB interface section
USB Standard
: USB 2.0 High Speed
File System
: FAT 16/ 32, exFAT, NTFS
Maximum Power Supply Current
: DC 5 V 1.5 A × 2
D/A Converter
: 24/ 32 bit
Audio Decoder
: MP3/ WMA/ AAC/ WAV/ FLAC/ Vorbis/ DSD
Video Decoder
: MPEG1/ MPEG2/ MPEG4/ WMV/ H.264/ MKV
Frequency Response
• 192 kHz : 20 – 88,000 Hz
• 96 kHz : 20 – 44,000 Hz
• 48 kHz : 20 – 22,000 Hz
• 44.1 kHz : 20 – 20,000 Hz
Total Harmonic Distortion
: 0.0001 % (1 kHz)
S/N Ratio (dB)
: 98.5 dB
Dynamic Range
: 89 dB
■Bluetooth section
Technology
: Bluetooth Ver.3.0
Frequency
: 2.402 – 2.480 GHz
Output Power
: +4dBm (MAX), 0dBm (AVE), Power Class2
Maximum Communication range
: Line of sight approx. 10m (32.8 ft)
Audio Codec
: SBC/ AAC
Profile (Multi Profile support)
• HFP (V1.6) (Hands Free Profile)
• SPP (Serial Port Profile)
• A2DP (Advanced Audio Distribution Profile)
• AVRCP (V1.5) (Audio/Video Remote Control Profile)
• PBAP (Phonebook Access Profile)
■FM tuner section
Frequency Range (step)
: 87.5 MHz – 108.0 MHz (50 kHz)
Usable Sensitivity (S/N : 30 dB)
: 9.3 dBf (0.8 μV/ 75 Ω)
Quieting Sensitivity (S/N : 46 dB)
: 15.2 dBf (1.6 μV/75 Ω)
Frequency Response
: 30 Hz – 15 kHz
S/N Ratio (dB)
: 75 dB (MONO)
Selectivity (± 400 kHz)
: Over 80 dB
Stereo Separation
: 45 dB (1 kHz)
■AM tuner section
Frequency Range (step)
: 531 kHz – 1611 kHz (9 kHz)
Usable Sensitivity
: 28 dBμ

Appendix
66
■Video section
Color System of External Video Input
: NTSC/PAL
External Video Input Level (RCA jacks)
: 1 Vp-p/ 75 Ω
External Video Input Level (mini jack)
: 1 Vp-p/ 75 Ω
External Audio Max Input Level (mini jack)
: 2 V/ 25 kΩ
Video Output Level (RCA jacks)
: 1 Vp-p/ 75 Ω
Audio Output Level (mini jack)
: 1.2 V/ 10 kΩ
■Audio section
Maximum Power (Front & Rear)
: 50 W × 4
Full Bandwidth Power (Front & Rear)
: 22 W × 4 (4Ω,14.4V, at less than 1%THD)
Output frequency band
: 20 – 88,000 Hz
Preout Level (V)
: 4 V/ 10 kΩ
Preout Impedance
: ≤ 600 Ω
Speaker Impedance
: 4 – 8 Ω
■DSP section
Graphics equalizer
Band: 13 Band
Frequency (BAND1 – 13)
: 62.5/ 100/ 160/ 250/ 400/ 630/ 1k/ 1.6k/ 2.5k/ 4k/
6.3k/ 10k/ 16k Hz
Q: 1.35/ 1.5/ 2.0
Gain
: -9/-8/-7/-6/-5/-4/-3/-2/-1/0/1/2/3/4/5/6/7/8/9 dB
2Way X'Over
High pass filter
Frequency: Through, 30/ 40/ 50/ 60/ 70/ 80/ 90/ 100/
120/ 150/ 180/ 220/ 250 Hz
Slope: -6/-12/-18/-24 dB/Oct.
Low pass filter
Frequency: 30/ 40/ 50/ 60/ 70/ 80/ 90/ 100/ 120/
150/ 180/ 220/ 250 Hz, Through
Slope: -6/-12/-18/-24 dB/Oct.
3Way X'Over
High pass filter
Frequency: 1k/ 1.6k/ 2.5k/ 4k/ 5k/ 6.3k/ 8k/ 10k/
12.5k Hz
Slope: -6/-12 dB/Oct.
Gain: -8/ -7/ -6/ -5/ -4/ -3/ -2/ -1/ 0 dB
Band pass filter
Frequency: Through, 30/ 40/ 50/ 60/ 70/ 80/ 90/ 100/
120/ 150/ 180/ 220/ 250 Hz
1k/ 1.6k/ 2.5k/ 4k/ 5k/ 6.3k/ 8k/ 10k/ 12.5k
Hz , Through
Slope: -6/-12 dB/Oct.
Gain: -8/ -7/ -6/ -5/ -4/ -3/ -2/ -1/ 0 dB
Low pass filter
Frequency: 30/ 40/ 50/ 60/ 70/ 80/ 90/ 100/ 120/
150/ 180/ 220/ 250 Hz, Through
Slope: -6/-12 dB/Oct.
Gain: -8/ -7/ -6/ -5/ -4/ -3/ -2/ -1/ 0 dB
■General
Operating Voltage
: 14.4 V (10.5 – 16 V allowable)
Maximum Current Consumption
: 15 A
Installation Dimensions (W × H × D)
: 178 × 100 × 155 mm
Operational Temperature Range
: -10 °C – +60 °C
Weight
: 1.7 kg
NOTE
• Although the effective pixels for the liquid crystal
panel is given as 99.99% or more, 0.01% of pixels
may not light or may light incorrectly.
Specifications subject to change without notice.

Appendix
67English
About this Unit
■Copyrights
• The Bluetooth® word mark and logos are registered
trademarks owned by Bluetooth SIG, Inc. and any
use of such marks by JVC KENWOOD Corporation is
under license. Other trademarks and trade names are
those of their respective owners.
• The “AAC” logo is a trademark of Dolby Laboratories.
• “Made for iPod” and “Made for iPhone” mean that an
electronic accessory has been designed to connect
specifically to iPod, or iPhone, respectively, and
has been certified by the developer to meet Apple
performance standards. Apple is not responsible for
the operation of this device or its compliance with
safety and regulatory standards. Please note that the
use of this accessory with iPod, or iPhone may affect
wireless performance.
• iPhone, iPod, iPod classic, iPod nano, and iPod touch
are trademarks of Apple Inc., registered in the U.S.
and other countries.
• SPOTIFY and the Spotify logo are among the
registered trademarks of Spotify AB.
• Apple, Siri, Apple CarPlay and Apple CarPlay logo are
trademarks of Apple Inc., registered in the U.S. and
other countries.
• Android, Android Auto, Google Play and other marks
are trademarks of Google Inc.
• THIS PRODUCT IS LICENSED UNDER THE AVC
PATENT PORTFOLIO LICENSE FOR THE PERSONAL
USE OF A CONSUMER OR OTHER USES IN WHICH IT
DOES NOT RECEIVE REMUNERATION TO (¡)ENCODE
VIDEO IN COMPLIANCE WITH THE AVC STANDARD
(“AVC VIDEO”) AND/OR (¡¡)DECODE AVC VIDEO
THAT WAS ENCODED BY A CONSUMER ENGAGED
IN A PERSONAL ACTIVITY AND/OR WAS OBTAINED
FROM A VIDEO PROVIDER LICENSED TO PROVIDE
AVC VIDEO. NO LICENSE IS GRANTED OR SHALL
BE IMPLIED FOR ANY OTHER USE. ADDITIONAL
INFORMATION MAY BE OBTAINED FROM MPEG LA,
L.L.C. SEE HTTP://WWW.MPEGLA.COM
• THIS PRODUCT IS LICENSED UNDER THE MPEG-
4 VISUAL PATENT PORTFOLIO LICENSE FOR
THE PERSONAL AND NON-COMMERCIAL USE
OF A CONSUMER FOR (¡) ENCODING VIDEO IN
COMPLIANCE WITH THE MPEG-4 VISUAL STANDARD
(“MPEG-4 VIDEO”) AND/OR (¡¡) DECODING MPEG-
4 VIDEO THAT WAS ENCODED BY A CONSUMER
ENGAGED IN A PERSONAL AND NON-COMMERCIAL
ACTIVITY AND/OR WAS OBTAINED FROM A VIDEO
PROVIDER LICENSED BY MPEG LA TO PROVIDE
MPEG-4 VIDEO. NO LICENSE IS GRANTED OR SHALL
BE IMPLIED FOR ANY OTHER USE. ADDITIONAL
INFORMATION INCLUDING THAT RELATING TO
PROMOTIONAL, INTERNAL AND COMMERCIAL USES
AND LICENSING MAY BE OBTAINED FROM MPEG LA,
LLC. SEE HTTP://WWW.MPEGLA.COM.
• THIS PRODUCT IS LICENSED UNDER THE VC-1 PATENT
PORTFOLIO LICENSE FOR THE PERSONAL AND NON-
COMMERCIAL USE OF A CONSUMER TO ( i ) ENCODE
VIDEO IN COMPLIANCE WITH THE VC-1 STANDARD
(“VC-1 VIDEO”) AND/OR ( ii ) DECODE VC-1 VIDEO
THAT WAS ENCODED BY A CONSUMER ENGAGED
IN A PERSONAL AND NON-COMMERCIAL ACTIVITY
AND/OR WAS OBTAINED FROM A VIDEO PROVIDER
LICENSED TO PROVIDE VC-1 VIDEO. NO LICENSE IS
GRANTED OR SHALL BE IMPLIED FOR ANY OTHER
USE. ADDITIONAL INFORMATION MAY BE OBTAINED
FROM MPEG LA, L.L.C. SEE HTTP://WWW.MPEGLA.
COM
• libFLAC
Copyright (C) 2000,2001,2002,2003,2004,2005,2006,2
007,2008,2009 Josh Coalson
Redistribution and use in source and binary forms,
with or without modification, are permitted provided
that the following conditions are met:
– Redistributions of source code must retain the
above copyright notice, this list of conditions and
the following disclaimer.
– Redistributions in binary form must reproduce the
above copyright notice, this list of conditions and
the following disclaimer in the documentation
and/or other materials provided with the
distribution.
– Neither the name of the Xiph.org Foundation
nor the names of its contributors may be used to
endorse or promote products derived from this
software without specific prior written permission.
THIS SOFTWARE IS PROVIDED BY THE COPYRIGHT
HOLDERS AND ONTRIBUTORS ``AS IS’’ AND ANY
EXPRESS OR IMPLIED WARRANTIES, INCLUDING,
BUT NOT LIMITED TO, THE IMPLIED WARRANTIES OF
MERCHANTABILITY AND FITNESS FOR A PARTICULAR
PURPOSE ARE DISCLAIMED. IN NO EVENT SHALL THE
FOUNDATION OR CONTRIBUTORS BE LIABLE FOR ANY
DIRECT, INDIRECT, INCIDENTAL, SPECIAL, EXEMPLARY,
OR CONSEQUENTIAL DAMAGES (INCLUDING, BUT
NOT LIMITED TO, PROCUREMENT OF SUBSTITUTE
GOODS OR SERVICES; LOSS OF USE, DATA, OR
PROFITS; OR BUSINESS INTERRUPTION) HOWEVER
CAUSED AND ON ANY THEORY OF LIABILITY,
WHETHER IN CONTRACT, STRICT LIABILITY, OR TORT
(INCLUDING NEGLIGENCE OR OTHERWISE) ARISING
IN ANY WAY OUT OF THE USE OF THIS SOFTWARE,
EVEN IF ADVISED OF THE POSSIBILITY OF SUCH
DAMAGE.
Appendix
68
• libvorbis
Copyright (c) 2002-2008 Xiph.org Foundation
Redistribution and use in source and binary forms,
with or without modification, are permitted provided
that the following conditions are met:
– Redistributions of source code must retain the
above copyright notice, this list of conditions and
the following disclaimer.
– Redistributions in binary form must reproduce the
above copyright notice, this list of conditions and
the following disclaimer in the documentation
and/or other materials provided with the
distribution.
– Neither the name of the Xiph.org Foundation
nor the names of its contributors may be used to
endorse or promote products derived from this
software without specific prior written permission.
THIS SOFTWARE IS PROVIDED BY THE COPYRIGHT
HOLDERS AND CONTRIBUTORS ``AS IS’’ AND ANY
EXPRESS OR IMPLIED WARRANTIES, INCLUDING,
BUT NOT LIMITED TO, THE IMPLIED WARRANTIES OF
MERCHANTABILITY AND FITNESS FOR A PARTICULAR
PURPOSE ARE DISCLAIMED. IN NO EVENT SHALL THE
FOUNDATION OR CONTRIBUTORS BE LIABLE FOR ANY
DIRECT, INDIRECT, INCIDENTAL, SPECIAL, EXEMPLARY,
OR CONSEQUENTIAL DAMAGES (INCLUDING, BUT
NOT LIMITED TO, PROCUREMENT OF SUBSTITUTE
GOODS OR SERVICES; LOSS OF USE, DATA, OR
PROFITS; OR BUSINESS INTERRUPTION) HOWEVER
CAUSED AND ON ANY THEORY OF LIABILITY,
WHETHER IN CONTRACT, STRICT LIABILITY, OR TORT
(INCLUDING NEGLIGENCE OR OTHERWISE) ARISING
IN ANY WAY OUT OF THE USE OF THIS SOFTWARE,
EVEN IF ADVISED OF THE POSSIBILITY OF SUCH
DAMAGE.
• libogg
Copyright (c) 2002, Xiph.org Foundation
Redistribution and use in source and binary forms,
with or without modification, are permitted provided
that the following conditions are met:
– Redistributions of source code must retain the
above copyright notice, this list of conditions and
the following disclaimer.
– Redistributions in binary form must reproduce the
above copyright notice, this list of conditions and
the following disclaimer in the documentation
and/or other materials provided with the
distribution.
– Neither the name of the Xiph.org Foundation
nor the names of its contributors may be used to
endorse or promote products derived from this
software without specific prior written permission.
THIS SOFTWARE IS PROVIDED BY THE COPYRIGHT
HOLDERS AND CONTRIBUTORS ``AS IS’’ AND ANY
EXPRESS OR IMPLIED WARRANTIES, INCLUDING,
BUT NOT LIMITED TO, THE IMPLIED WARRANTIES OF
MERCHANTABILITY AND FITNESS FOR A PARTICULAR
PURPOSE ARE DISCLAIMED. IN NO EVENT SHALL THE
FOUNDATION OR CONTRIBUTORS BE LIABLE FOR ANY
DIRECT, INDIRECT, INCIDENTAL, SPECIAL, EXEMPLARY,
OR CONSEQUENTIAL DAMAGES (INCLUDING, BUT
NOT LIMITED TO, PROCUREMENT OF SUBSTITUTE
GOODS OR SERVICES; LOSS OF USE, DATA, OR
PROFITS; OR BUSINESS INTERRUPTION) HOWEVER
CAUSED AND ON ANY THEORY OF LIABILITY,
WHETHER IN CONTRACT, STRICT LIABILITY, OR TORT
(INCLUDING NEGLIGENCE OR OTHERWISE) ARISING
IN ANY WAY OUT OF THE USE OF THIS SOFTWARE,
EVEN IF ADVISED OF THE POSSIBILITY OF SUCH
DAMAGE.