JVC KW V840BT User Manual Instruction (America) B5A 2303 00C EN
User Manual: JVC KW-V840BT KW-V840BT Instruction manual (America)
Open the PDF directly: View PDF
.
Page Count: 96

B5A-2303-00 c (K)© 2018 JVC KENWOOD Corporation
MONITOR WITH DVD RECEIVER
KW-V840BT
MONITOR WITH RECEIVER
KW-M740BT
INSTRUCTION MANUAL
• Updated information (the latest Instruction Manual, system updates, new
functions, etc.) is available from
<http://www.jvc.net/cs/car/>.
!B5A-2303-00c_18KWV-K_En.indb 1 2019/04/26 10:43

2
Contents
Before Use 4
Precautions ................................................................... 4
How to read this manual .........................................5
Basic Operations 6
Functions of the Buttons on the Front Panel ... 6
Turning on the Unit ................................................... 7
Initial Settings .............................................................. 7
Adjusting the volume ............................................... 9
Touch screen operations .......................................10
HOME screen descriptions ....................................10
Source selection screen descriptions ................ 11
Source control screen descriptions ...................13
Popup menu ..............................................................13
List screen ...................................................................14
Disc 15
Playing a disc .............................................................15
DVD/ VCD Basic Operation ....................................15
Music CD/ Disc media Basic Operation ............17
File search Operation ..............................................18
DVD Disc Menu Operation .................................... 19
DVD Setup ...................................................................20
APPS—Android Auto™/
Apple CarPlay 21
Apple CarPlay Operation .......................................21
Android Auto™ Operation ..................................... 22
Pandora® Operation ................................................24
Spotify Operation .....................................................26
WebLink™ Operation ...............................................28
USB 29
Connecting a USB device ......................................29
USB Basic Operation ................................................29
Search Operation ......................................................31
iPod/iPhone 32
Preparation .................................................................32
iPod/iPhone Basic Operation ...............................33
Search Operation ......................................................34
Tuner 35
Tuner Basic Operation ............................................35
Memory Operation ..................................................36
Selecting Operation ................................................37
Traffic Information ...................................................38
Tuner Setup ................................................................38
SiriusXM® 39
SiriusXM® Basic Operation ....................................39
Storing Channels in Preset Memory ..................41
Preset select ...............................................................41
Direct search ..............................................................41
Category/Channel search ...................................... 42
Replay ...........................................................................42
TuneMix™ ....................................................................43
SmartFavorites, TuneStart™ ..................................43
TuneScan™ ..................................................................43
Traffic & Weather Now™ .........................................44
Content Alerts............................................................44
SportsFlash™ ..............................................................45
SiriusXM Setup ..........................................................45
!B5A-2303-00c_18KWV-K_En.indb 2 2019/04/26 10:43

3English
Other External Components 51
View Camera ..............................................................51
External audio/video players—AV-IN ...............52
OEM Features Operation .......................................53
Bluetooth Control 54
Information for using Bluetooth® devices .......54
Register the Bluetooth device .............................55
Bluetooth Setup ........................................................ 56
Playing Bluetooth Audio Device ......................... 58
Using Hands-Free Unit ............................................60
Hands-Free Setup .....................................................64
Setting Up 65
Monitor Screen Setup ............................................. 65
System Setup .............................................................65
User Interface Setup ................................................ 66
Special Setup .............................................................67
Display Setup .............................................................68
AV Setup ......................................................................69
Controlling Audio 70
3 way speaker system setup .................................70
Speaker/ X’over setup .............................................71
Controlling General Audio ....................................73
Equalizer Control ......................................................73
Volume Offset ............................................................74
Zone Control ..............................................................74
Sound Effect ...............................................................75
Listening Position/ DTA ..........................................76
Remote control 78
Functions of the Remote control Buttons .......78
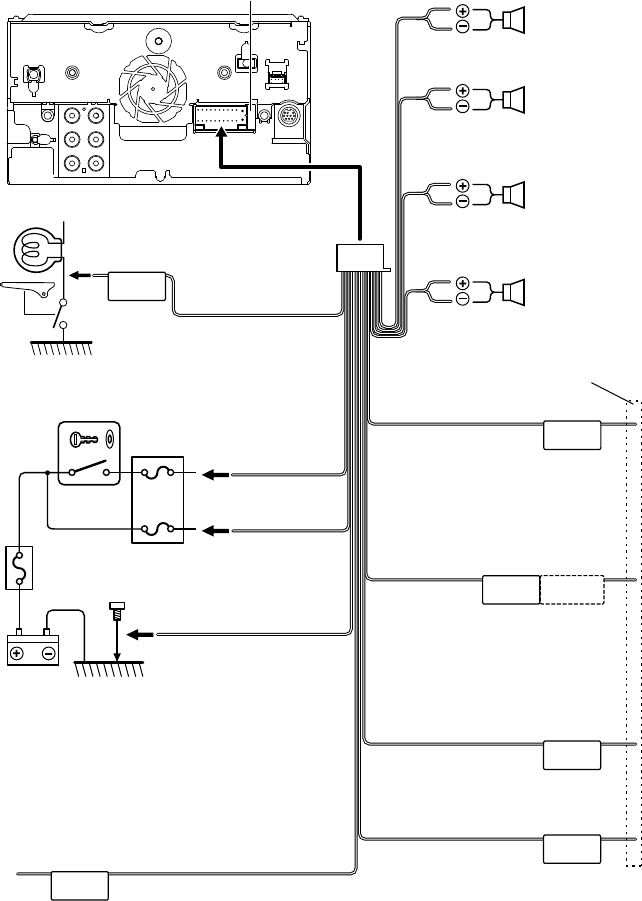
Connection/Installation 80
Before Installation ....................................................80
Installing the unit .....................................................81
Troubleshooting 85
Problems and Solutions .........................................85
Error Messages ..........................................................85
Appendix 87
Playable Media and Files........................................87
Region Codes in the World ...................................89
DVD Language Codes .............................................90
Specifications ............................................................. 91
About this Unit ..........................................................93
!B5A-2303-00c_18KWV-K_En.indb 3 2019/04/26 10:43

Before Use
4
Before Use
Precautions
# WARNINGS
Ñ To prevent injury or fire, take
the following precautions:
• To prevent a short circuit, never put or leave
any metallic objects (such as coins or metal
tools) inside the unit.
• Do not watch or fix your eyes on the unit’s
display when you are driving for any extended
period.
• If you experience problems during installation,
consult your JVC dealer.
Ñ Precautions on using this unit
• When you purchase optional accessories,
check with your JVC dealer to make sure that
they work with your model and in your area.
• You can select language to display menus,
audio file tags, etc. See User Interface Setup
(P.66).
• The Radio Data System or Radio Broadcast
Data System feature won’t work where the
service is not supported by any broadcasting
station.
• The unit may not function properly if the
connectors between the unit and front panel
are dirty. Detach the front panel and clean the
connector with a cotton swab gently, being
careful not to damage the connector.
Ñ Protecting the monitor
• To protect the monitor from damage, do not
operate the monitor using a ball point pen or
similar tool with the sharp tip.
Ñ Cleaning the unit
• If the faceplate of this unit is stained, wipe it
with a dry soft cloth such as a silicon cloth. If
the faceplate is stained badly, wipe the stain
off with a cloth moistened with neutral cleaner,
then wipe it again with a clean soft dry cloth.
NOTE
• Applying spray cleaner directly to the unit may
affect its mechanical parts. Wiping the faceplate
with a hard cloth or using a volatile liquid such
as thinner or alcohol may scratch the surface or
erase screened print.
Ñ Lens fogging
When you turn on the car heater in cold
weather, dew or condensation may form on
the lens in the disc player of the unit. Called
lens fogging, this condensation on the lens
may not allow discs to play. In such a situation,
remove the disc and wait for the condensation
to evaporate. If the unit still does not operate
normally after a while, consult your JVC dealer.
Ñ Precautions on handling discs
• Do not touch the recording surface of the disc.
• Do not stick tape etc. on the disc, or use a disc
with tape stuck on it.
• Do not use disc type accessories.
• Clean from the center of the disc and move
outward.
• When removing discs from this unit, pull them
out horizontally.
• If the disc center hole or outside rim has burrs,
use the disc only after removing the burrs with
a ballpoint pen etc.
• Discs that are not round cannot be used.
• 8-cm (3 inch) discs cannot be used.
• Discs with coloring on the recording surface or
discs that are dirty cannot be used.
!B5A-2303-00c_18KWV-K_En.indb 4 2019/04/26 10:43

Before Use
5English
• This unit can only play the CDs with
.
• This unit may not correctly play discs which do
not have the mark.
• You cannot play a disc that has not been
finalized. (For the finalization process see your
writing software, and your recorder instruction
manual.)
How to read this manual
• The screens and panels shown in this manual are
examples used to provide clear explanations of the
operations.
For this reason, they may be different from the actual
screens or panels used, or some display patterns may
be different.
• Indication language: English indications are used
for the purpose of explanation. You can select the
indication language from the [SETUP] menu. See
User Interface Setup (P.66).
!B5A-2303-00c_18KWV-K_En.indb 5 2019/04/26 10:43

Basic Operations
6
Basic Operations
Functions of the Buttons on the Front Panel
KW-V840BT
1 2 3 4
KW-M740BT
1 3 4
NOTE
• The panels shown in this guide are examples used to provide clear explanations of the operations. For this reason,
they may be different from the actual panels.
Number Name Motion
1
–, +
(Volume)
• Adjusts volume.
The volume will go up until 15 when you keep pressing [+].
2
Disc insert
slot
• A slot to insert a disc media.
3
FNC • Displays the popup menu screen.
• Pressing for 1 second displays the Voice Recognition screen (P.61).
• When the power off, turns the power on.
4
Remote
Sensor
• Receives the remote control signal.
!B5A-2303-00c_18KWV-K_En.indb 6 2019/04/26 10:43

Basic Operations
7English
Turning on the Unit
The method of turning on is different
depending on the model.
1
Press the [FNC] button.
The unit is turned on.
NOTE
• If it is your first time turning the unit on after
installation, it will be necessary to perform Initial
setup (P.7).
●To turn off the unit:
1
Press the [FNC] button.
Popup menu appears.
2
Touch [ ].
HOME screen appears.
3
Touch [ ].
4
Touch [Power Off].
Initial Settings
Initial setup
Perform this setup when you use this unit first
time.
1
Set each item as follows.
■[Language]
Select the language used for the control
screen and setting items. Default is “American
English (en)”.
1Touch [Language].
2Touch [Language Select].
3Select the desired language.
4Touch [
].
For detailed operation, see User Interface
Setup (P.66).
■[Clock]
Sets the synchronization of the clock and
adjusts it.
For detailed operation, see Calendar/clock
settings (P.9).
■[Display]
If it is hard to see the image on the screen
even, adjust the viewing angle.
1Touch [Display].
2Touch [Viewing Angle].
3Select an angle
4Touch [
].
For detailed operation, see Display Setup
(P.68).
■[Camera]
Set the parameters for the camera.
1Touch [Camera].
2Set each item and touch [ ].
For detailed operation, see Camera Setup
(P.51).
!B5A-2303-00c_18KWV-K_En.indb 7 2019/04/26 10:43

Basic Operations
8
■[OEM SETUP]
This function requires a commercial adaptor.
Consult your JVC dealer for details.
■[DEMO]
Set the demonstration mode. Default is “ON”.
1Touch [DEMO] and set ON or OFF.
2
Touch [Finish].
NOTE
• These settings can be set from the SETUP menu.
See Setting Up (P.65).
Security Code Setup
You can set up a security code to protect your
receiver system against theft.
When the Security Code function is activated,
the code cannot be changed and the function
cannot be released. Note the Security Code
can be set as the 4 digit number of your
choice.
1
Press the [FNC] button.
Popup menu appears.
2
Touch [ ].
HOME screen appears.
3
Touch [ ].
4
Touch [Security].
Security screen appears.
5
Touch [Security Code Set] on the Security
screen.
Security Code Set screen appears.
6
Enter a security code with four-digit
number and touch [Enter].
7
Enter the same code again and touch
[Enter].
Now, your security code is registered.
NOTE
• Touch [BS] to delete the last entry.
• If you enter a different security code, the screen
returns to step 6 (for the first code entry).
• if you have disconnected the Receiver from
battery, enter the correct security code as that
you have entered in step 6 and touch [Enter]. You
can use your receiver.
To change the security code:
1
Touch [Security Code Change] on the
Security screen, then repeat step 6 and 7.
To clear the security code:
1
Touch [Security Code Cancellation] on
the Security screen.
!B5A-2303-00c_18KWV-K_En.indb 8 2019/04/26 10:43

Basic Operations
9English
Calendar/clock settings
1
Press the [FNC] button.
Popup menu appears.
2
Touch [ ].
HOME screen appears.
3
Touch [ ].
4
Touch [User Interface].
User Interface screen appears.
5
Touch [Time Zone].
6
Select the time zone.
7
Set each item as follows.
Scroll the page to show the item.
■[Clock]
[RDS-SYNC ](Default): Synchronizing the
Radio Data System station time data and
this unit’s clock.
[Manual]: Sets the clock manually.
■[Time Zone]
Select the time zone.
■[Clock Adjust]
If you select [Manual] for Clock, adjust the
date and time manually. (P.66)
NOTE
• Please set the date and time. If it is not set, it may
not work with some functions.
Adjusting the volume
To adjust the volume (0 to 40),
Press [+] to increase, and press [–] to decrease.
Holding [+] increases the volume continuously
to level 15.
!B5A-2303-00c_18KWV-K_En.indb 9 2019/04/26 10:43

Basic Operations
10
Touch screen operations
To perform operations on the screen, you need
to touch, touch and hold, flick or swipe to
select an item, display setting menu screen or
to change the page, etc.
●Touch
Touch the screen gently to
select an item on the screen.
●Touch and hold
Touch the screen and keep
your finger in place until
the display changes or a
message is displayed.
●Flick
Slide your finger quickly
to the left or right on the
screen to change the page.
You can scroll the list screen
by flicking the screen up/
down.
●Swipe
Slide your finger up or down
on the screen to scroll the
screen.
Monitor Touch Control:
You can also control playback by moving your
finger on the touch panel as follows (for some
sources, the gesture control is not available).
• Sliding the finger towards up/down: Functions
same as pressing [ ] / [ ] (Media). Tuner
Preset broadcast stations are switched.
• Sliding the finger towards left/right: Functions
same as pressing [E] / [F].
• Moving your finger clockwise or counter-
clockwise: increases/decreases the volume.
HOME screen descriptions
Most functions can be performed from the
HOME screen.
1
1 74 5 6
12 3
1
• Short-cut playback source icons (P.12)
2
• Current source information.
• Touch to display the control screen of current
source.
3
• Widget
– You can change the widget by touching
[
]/[ ].
– Touch the widget to display the detailed
screen.
4
• Displays the SETUP Menu screen. (P.65)
5
• Displays the source selection screen. (P.11)
6
• Touch to eject the disc.
• Touch and hold to forcibly ejects the disc.
KW-V840BT only
7
• Displays the Hands Free screen. (P.60)
• When connecting as Apple CarPlay or
Android Auto, it works as a phone provided
in Apple CarPlay or Android Auto.
Display the HOME
1
Press the [FNC] button.
Popup menu appears.
2
Touch [ ].
HOME screen appears.
!B5A-2303-00c_18KWV-K_En.indb 10 2019/04/26 10:43

Basic Operations
11English
Source selection screen
descriptions
You can display all playback sources and
options on the source selection screen.
3 5
2
4
1
1
• Changes the playback source.
For playback sources, see P.11.
2
• Changes the page. (Touch []/[ ].)
You can also change the page by flicking left
or right on the screen.
3
• Returns to previous screen.
4
• Page indication
5
• Displays the SETUP Menu screen. (P.65)
Select the playback source
1
Touch [ ].
From the screen, you can select the
following sources and functions.
• Switches to the Android Auto/ Apple Car
Play screen from the connected iPhone/
Android device.*1 (P.21)
• Switches to the Radio broadcast.
(P.35)
• Switches to the SiriusXM® satellite radio
broadcast. (P.39)
• Plays a Bluetooth audio player. (P.58)
• Plays a disc.*2 (P.15)
• Plays an iPod/iPhone. (P.32)
• Plays files on a USB device. (P.29)
• Switches to the Pandora. (P.24)
• Switches to the Spotify. (P.26)
• Switches to an external component
connected to the AV-IN input terminal.
(P.52)
• Displays the WebLink screen. (P.28)
• Displays the Audio screen. (P.70)
• Turns off the AV source. (P.12)
• Turn off the unit. (P.7)
• For sources and information displayed when
an ADS adapter is connected, see OEM
Features Operation (P.53).
!B5A-2303-00c_18KWV-K_En.indb 11 2019/04/26 10:43

Basic Operations
12
*1 When iPhone compatible with CarPlay is
connected, [Apple CarPlay] is displayed.
When an Android device compatible with
Android Auto is connected, [Android Auto] is
displayed.
*2 KW-V840BT only
To select the playback source on the
HOME screen
The 3 items displayed on the source selection
screen as the large icons are shown on the
HOME screen.
You can change items displayed on this area
by customizing the source selection screen.
(P.12)
To select the playback source on the
source control screen
Display source selection buttons by touching
[ ]/[ ] or flicking left or right on the source
control screen, then select a playback source.
To turn off the AV source
1
Touch [ ].
2
Touch [AV Off].
Customize Short-cut buttons on
HOME screen
You can arrange the position of the source
icons as you like.
1
Touch [ ].
2
Touch and hold the icon which you want
to move to go into the customizing
mode.
3
Drag it where you want to move.
Changes the page
!B5A-2303-00c_18KWV-K_En.indb 12 2019/04/26 10:43

Basic Operations
13English
Source control screen
descriptions
There are some functions which can be
operated from most screens.
Indicators
1
2 3 4
KW-M740BT
5
Short-cut buttons
1
• Connected Bluetooth device information.
• : Lights up when quick charging battery
of the connected iPod/ iPhone/ Smartphone.
2
All sources icon
Displays all sources.
3
Secondary screen
• [
]/[ ] : The Secondary screen changes every
time you touch it. You can also change the
Secondary screen by flicking left or right on
the screen.
• Indicators: Displays the current source
condition and so on.
– [ATT]: The attenuator is active.
– [DUAL]: The dual zone function is on.
– [LOUD]: The loudness control function is on.
• Short-cut buttons: The source changes to the
one you have set as a short-cut. For the short-
cut setting, refer to Customize Short-cut
buttons on HOME screen (P.12).
4
[G] (KW-V840BT)
• Touch to eject the disc.
• Touch and hold to forcibly ejects the disc.
• To forcibly eject the disc, touch it for 2 seconds
and touch [Ye s ] after the message is displayed.
5
[Û] (KW-M740BT)
Touch to display the Hands Free screen. (P.60)
When connecting as Apple CarPlay or Android
Auto, it works as a phone provided in Apple
CarPlay or Android Auto.
Popup menu
1
Press the [FNC] button.
Popup menu appears.
2
Touch to display the popup menu.
KW-M740BT
The contents of the menu are as follows.
• Displays the HOME screen. (P.10)
• Switches the screen.
The screen switched to depends on the
[DISP Key] setting in the [User Interface]
screen. (P.66).
• Touch and hold to turns the screen off.
• Display the Hands Free screen. (P.60)
When connecting as Apple CarPlay
or Android Auto, it works as a phone
provided in Apple CarPlay or Android
Auto.
!B5A-2303-00c_18KWV-K_En.indb 13 2019/04/26 10:43

Basic Operations
14
• Displays the view camera. (P.51)
• Displays the Screen Adjustment screen.
(P.65)
• Displays the Graphic Equalizer screen.
(P.73)
• Close the popup menu.
• Short-cut buttons: The source changes to
the one you have set as a short-cut. For
the short-cut setting, refer to Customize
Short-cut buttons on HOME screen
(P.12).
• Touch to eject the disc.
• Touch and hold to forcibly ejects the disc.
• To forcibly eject the disc, touch it for 2
seconds and touch [Ye s ] after the message
is displayed.
KW-V840BT only
• Touch to display the Hands Free screen.
(P.60)
• When connecting as Apple CarPlay
or Android Auto, it works as a phone
provided in Apple CarPlay or Android
Auto.
KW-M740BT only
List screen
There are some common function keys in the
list screens of most sources.
61 2
3 4 5
1
Displays list type selection window.
2
Displays music/movie file list.
3
Text scroll
Scrolls the displayed text.
4
etc.
Keys with various functions are displayed here.
• : Plays all tracks in the folder containing
the current track.
• : Jump to the letter you entered
(alphabet search).
• : Moves to the upper hierarchy.
5
[ ] / [ ] / [ ] / [ ] Page scroll
You can change the page to display more items
by pressing [
]/[ ].
• [
]/[ ] : Displays the top or bottom page.
6
Return
Returns to previous screen.
NOTE
• Buttons which cannot be activated from the list
screen are not displayed.
!B5A-2303-00c_18KWV-K_En.indb 14 2019/04/26 10:43

Disc
15English
Disc (KW-V840BT)
Playing a disc
Ñ Insert a disc
1 Insert the disc into the slot.
The unit loads the disc and playback
starts.
Ñ Eject a disc
1 Press the [FNC] button.
Popup menu appears.
2 Touch [G].
When removing a disc, pull it horizontally.
DVD/ VCD Basic Operation
Most functions can be controlled from the
source control screen and playback screen.
NOTE
• The screen shot below is for DVD. It may be
different from the one for VCD.
1 When the operation buttons are not
displayed on the screen, touch the
7
area.
Control screen
1
2
3
4
5
Video screen
7
6
8
6
1
Information display
Displays the following information.
• Title #, Chapter #: DVD title and chapter
number display
• Track #/Scene #: VCD track or scene number
display. Scene # is displayed only when
Playback control (PBC) is on.
• Linear PCM, etc.: Audio format
• [Hide]: Hides the control screen.
!B5A-2303-00c_18KWV-K_En.indb 15 2019/04/26 10:43

Disc
16
• [ ] : Repeats the current content. Each time
you touch the key, repeat mode switches in
the following sequence;
DVD: Title repeat ( ), Chapter repeat
( ), Repeat off ( )
VCD (PBC On): Does not repeat
VCD (PBC Off ): Track repeat ( ), Repeat off
( )
2
Function panel
Touch on the left side of the screen to display
the function panel. Touch again to close the
panel. For details on the keys, see Function
panel (P.16).
3
Play mode indicator/ Playing time
• D, B, I, etc.: Current play mode indicator
The meanings of each icon are as follows;
D (play), B (fast forward), A (fast
backward), I (stop), R (resume stop),
H (pause), (slow playback), (slow
reverse playback).
4
Operation keys
• [E] [F] : Searches the previous/next
content.
Touch and hold to fast forward or fast
backward.
• [DH] : Plays or pauses.
• [
] : Touch to attenuates/restores the sound.
5
Indicator Items
• [IN]: A disc is inserted.
White: A Disc is inside the unit.
Orange: Error at the disc player
VCD
• [1chLL/2chLL]: Identifies the left audio output
of channel 1 or 2.
• [1chLR/2chLR]: Identifies the monaural audio
output of channel 1 or 2.
• [1chRR/2chRR]: Identifies the right audio
output of channel 1 or 2.
• [1chST/2chST]: Identifies the stereo audio
output of channel 1 or 2.
• [LL]: Identifies the left audio output.
• [LR]: Identifies the monaural audio output.
• [RR]: Identifies the right audio output.
• [ST]: Identifies the stereo audio output.
• [PBC]: The PBC function is on.
• [VER1]: The VCD version is 1.
• [VER2]: The VCD version is 2.
6
Searching area
Touch to search the next/previous content.
7
Key display area
Touch to display the control screen.
8
[MENU CTRL] (DVD only)
Touch to display the DVD-VIDEO disc menu
control screen. See DVD Disc Menu Operation
(P.19).
NOTE
• The control screen disappears when no operation
is done for 5 seconds.
• If you use a remote control, you can jump directly
to the desired image with entering the chapter
number, scene number, play time, etc. (P.79).
Ñ Function panel
1 Touch [ ] on the left side of the screen.
DVD VCD
The functions of each key are as follows.
[I]
Stops playback. When touched twice, the disc is
played from the beginning when you play it the
next time.
[
] [ ]
Fast forward or fast backward. Each time you
touch the key, the speed changes; 2 times, 8
times.
[
] or [ ] (DVD only)
Plays in slow motion forward or backward.
[SETUP] (DVD only)
Touch to display the DVD SETUP screen. See
DVD Setup (P.20).
[MENU CTRL] (DVD only)
Touch to display the DVD-VIDEO disc menu
control screen. See DVD Disc Menu Operation
(P.19).
!B5A-2303-00c_18KWV-K_En.indb 16 2019/04/26 10:43

Disc
17English
[PBC] (VCD only)
Turn Playback control (PBC) on or off.
[Audio] (VCD only)
Change the audio output channel.
Music CD/ Disc media Basic
Operation
Most functions can be controlled from the
source control screen and playback screen.
NOTE
• In this manual, “Music CD” will be referred to as
the general CDs which include music tracks in.
“Disc media” will be referred to as CD/DVD disc
which includes audio or video files.
• The screen shot below is for disc media. It may be
different from the one for CD.
Control screen
4
3
5
2
6
1
7
Open the drawer
5
4
1
CODEC /[ ] / [ ]
• When a high-resolution source is played, its
format information is displayed. (Disc media
only)
• [
] : Repeats the current track/folder. Each
time you touch the key, repeat mode switches
in the following sequence;
Track/ File repeat ( ), Folder repeat ( )
(Disc media only), Repeat all ( )
• [
] : Randomly plays all tracks in current
folder/disc. Each time you touch the key,
random mode switches in the following
sequence;
Track random ( ) (Music CD only), Folder
random ( ) (Disc media only), Random off
( )
2
Track information
Displays the information of the current track/ file.
Only a file name and a folder name are displayed
if there is no tag information. (Disc media only)
3
Operation keys
• [1] (Disc media only) : Searches file. For details
on search operation, see List screen (P.14).
• [E] [F] : Searches the previous/next
content.
Touch and hold to fast forward or fast
backward.
• [DH] : Plays or pauses.
• [
] : Touch to attenuates/restores the sound.
4
Function panel (Disc media only)
Touch on the left side of the screen to display
the function panel. Touch again to close the
panel.
• [
] [ ] : Searches previous/next folder.
5
Content list
• Touch on the right side of the screen to display
the Content list. Touch again to close the list.
• Displays the playing list. When you touch a
track/file name on the list, playback will start.
6
Indicator Items
• [IN]: A disc is inserted.
White: A Disc is inside the unit.
Orange: Error at the disc player
• [VIDEO]: Identifies the video file.
• [MUSIC]: Identifies the music file.
7
Artwork (Disc media only)
/Play mode indicator/ Playing time
• The jacket of the currently playing file is
displayed.
• D, B, etc.: Current play mode indicator
The meanings of each icon are as follows;
D (play), B (fast forward),
A (fast backward), H (pause).
!B5A-2303-00c_18KWV-K_En.indb 17 2019/04/26 10:43

Disc
18
Video screen
9
88
8
Searching file area (Video file only)
Touch to search the next/previous file.
9
Key display area (Video file only)
Touch to display the control screen.
File search Operation
(Disc media only)
You can search a file according to hierarchy.
NOTE
• For operations in the list screen, see List screen
(P.14).
1 Touch [1].
Folder List screen appears.
2 Touch the desired folder.
When you touch a folder its contents are
displayed.
3 Touch desired item from the content list.
Playback starts.
!B5A-2303-00c_18KWV-K_En.indb 18 2019/04/26 10:43

Disc
19English
DVD Disc Menu Operation
You can set up some items in the DVD-VIDEO
disc menu.
1 Touch illustrated area during playback.
Menu Control screen appears.
2 Perform desired operation as follows.
■Displays the top menu
Touch [TOP].*
■Displays the menu
Touch [MENU].*
■Displays the previous menu
Touch [Return].*
■Enters selected item
Touch [Enter].
■Enables direct operation
Touch [Highlight] to enter the highlight
control mode (P.19).
■Moves the cursor
Touch [R], [S], [C], [D].
■Switches the subtitle language
Touch [Subtitle]. Each time you touch this
key, language is switched.
■Switches the audio language
Touch [Audio]. Each time you touch this key,
language is switched.
■Switches the picture angle
Touch [Angle]. Each time you touch this key,
picture angle is switched.
* These keys may not function depending on
the disc.
Ñ Highlight control
Highlight control lets you control the DVD
menu by touching the menu key directly on
the screen.
1 Touch [Highlight] in the Menu Control
screen.
2 Touch desired item on the screen.
NOTE
• The highlight control is cleared automatically if
you do not operate for a constant time.
!B5A-2303-00c_18KWV-K_En.indb 19 2019/04/26 10:43

Disc
20
DVD Setup
You can set up the DVD playback functions.
1 Touch illustrated area during playback.
2 Touch [ ] on the left side of the screen.
Touch [SETUP].
DVD SETUP screen appears.
3 Set each item as follows.
■[
Menu Language] / [Subtitle Language]
/ [Audio Language]
See Language setup (P.20).
■[Dynamic Range Control]
Sets the dynamic range.
[Wide]: The dynamic range is wide.
[Normal]: The dynamic range is normal.
[Dialog] (Default): Makes the total sound
volume larger than other modes. This is
effective only when you are using Dolby
Digital software.
■[Screen Ratio]
Sets the screen display mode.
[16:9 ](Default): Displays wide pictures.
[4:3 LB]: Displays wide pictures in the Letter
Box format (having black stripes at the top
and bottom of screen).
[4:3 PS]: Displays wide pictures in the Pan &
Scan format (showing pictures cut at the
right and left ends).
Ñ Language setup
This setting is for the language used in the
menu, subtitle, and voice.
1 Touch the desired item;
[Menu Language], [Subtitle Language],
[Audio Language].
Language Set screen appears.
2 Select a language.
For language code, refer to DVD Language
Codes (P.90).
Sets the entered language and returns to
the DVD Setting screen.
NOTE
• To set the DVD’s original language for audio
language, touch [Original].
!B5A-2303-00c_18KWV-K_En.indb 20 2019/04/26 10:43

APPS—Android Auto™/Apple CarPlay
21English
APPS—Android Auto™/Apple CarPlay
Apple CarPlay Operation
CarPlay is a smarter, safer way to use your
iPhone in the car. CarPlay takes the things
you want to do with iPhone while driving and
displays them on the screen of the product.
You can get directions, make calls, send and
receive messages, and listen to the music
from iPhone while driving. You can also use
Siri voice control to make it easier to operate
iPhone.
For details about CarPlay, visit https://ssl.
apple.com/ios/carplay/.
Compatible iPhone devices
You can use CarPlay with the following iPhone
models.
• iPhone 7 Plus
• iPhone 7
• iPhone SE
• iPhone 6s Plus
• iPhone 6s
• iPhone 6 Plus
• iPhone 6
• iPhone 5s
• iPhone 5c
• iPhone 5
Ñ Preparation
1 Connect iPhone using KS-U62 via USB
(Black) terminal. (P.84)
When iPhone compatible with CarPlay is
connected to the USB (Black) terminal, the
Bluetooth Hands-Free phone currently
connected is disconnected.
2 Unlock your iPhone.
Ñ Operation buttons and
available Apps on the home
screen of CarPlay
You can use the Apps of the connected iPhone.
The items displayed and the language used
on the screen differ among the connected
devices.
To enter CarPlay mode, touch [Apple CarPlay]
icon in the source selection screen. (P.11)
3
1
2
1
[ ]
• Displays the home screen of CarPlay.
• Touch and hold to activate Siri.
2
Application buttons
Starts the application.
3
[HOME]
Exits the CarPlay screen and displays the Home
screen.
To exit the CarPlay screen
1 Press the [FNC] button.
Popup menu appears.
2 Touch [ ].
HOME screen appears.
!B5A-2303-00c_18KWV-K_En.indb 21 2019/04/26 10:43

APPS—Android Auto™/Apple CarPlay
22
Ñ Use Siri
You can activate Siri.
1 Press the [FNC] button for 1 second.
Press for 1 second
2 Talk to Siri.
To deactivate
1 Press the [FNC] button.
Ñ Switch to the Apple CarPlay
screen while listening to
another source
1 Press the [FNC] button.
Popup menu appears.
2 Touch [DISP].
NOTE
• This operation is available when [DISP Key] is set
to [Mirroring] in the [User Interface] screen.
(P.66)
• If sound is output using Apple CarPlay when the
Apple CarPlay screen is displayed, the source is
switched to Apple CarPlay.
Android Auto™ Operation
Android Auto enables you to use functions of
your Android device convenient for driving.
You can easily access route guidance, make
calls, listen to music, and access convenient
functions on the Android device while driving.
For details about Android Auto, visit https://
www.android.com/auto/ and https://support.
google.com/androidauto.
Compatible Android devices
You can use Android Auto with Android
devices of Android version 5.0 (Lollipop) or
later.
NOTE
• Android Auto may not be available on all devices
and is not available in all countries or regions.
Ñ Preparation
1 Connect an Android device via USB
terminal. (P.84)
To use the hands-free function, connect the
Android device via Bluetooth.
When an Android device compatible
with Android Auto is connected to the
USB terminal, the device is connected via
Bluetooth automatically, and the Bluetooth
Hands-Free phone currently connected is
disconnected.
2 Unlock your Android device.
!B5A-2303-00c_18KWV-K_En.indb 22 2019/04/26 10:43

APPS—Android Auto™/Apple CarPlay
23English
Ñ Operation buttons and
available Apps on the Android
Auto screen
You can perform the operations of the Apps of
the connected Android device.
The items displayed on the screen differ
among the connected Android devices.
To enter Android Auto mode, touch [Android
Auto] icon in the source selection screen.
(P.11)
1
1
Application/information buttons
Starts the application or displays information.
To exit the Android Auto screen
1 Press the [FNC] button.
Popup menu appears.
2 Touch [ ].
HOME screen appears.
Ñ Using voice control
1 Press the [FNC] button for 1 second.
Press for 1 second
To cancel
1 Press the [FNC] button.
Ñ Switch to the Android Auto
screen while listening to
another source
1 Press the [FNC] button.
Popup menu appears.
2 Touch [DISP].
NOTE
• This operation is available when [DISP Key] is set
to [Mirroring] in the [User Interface] screen.
(P.66)
• If sound is output using Android Auto when the
Android Auto screen is displayed, the source is
switched to Android Auto.
!B5A-2303-00c_18KWV-K_En.indb 23 2019/04/26 10:43

APPS—Android Auto™/Apple CarPlay
24
Pandora® Operation
You can listen to the Pandora® on this unit
by controlling the application installed in the
iPhone or Bluetooth device.
To enter Pandora source, touch [Pandora] icon
in the source selection screen. (P.11)
Preparation
• Install the latest version of the Pandora®
application on your iPhone, Android or BlackBerry.
iPhone: Search for "Pandora" in the Apple App
Store to find and install the most current version.
Android: Visit the Google play and search for
Pandora to install.
BlackBerry: Visit www.pandora.com from the
built in browser to download the Pandora
application.
• iPhones are connected on either USB or
Bluetooth.
• Android or BlackBerry devices are connected on
Bluetooth.
• To connect a smartphone via Bluetooth, register
it as the Bluetooth device and do the App (SPP)
profile setting of the connection beforehand. See
Register the Bluetooth device (P.55) and
Connect the Bluetooth device (P.57).
3
1
2
1
Artwork/ Playing time
• The picture data is displayed if available from
current content.
• For confirmation of play time.
2
Operation keys
• [
] : Searches for a station. For details on
searching, see Station list screen (P.24).
• [
] (Thumbs down) : Thumbs down to the
current contents and skip to the next contents.
• [
] (Thumbs up) : Registers the current
contents as favorite content.
• [D] , [H] : Plays or pauses the content of the
current station.
• [F] : Skips the current song.
(Note this function is disabled when the
Pandora skip limitation is exceeded.)
• [ ] (Bookmark Song) : Bookmarks a song in
the current contents.
• [
] : Creates a new station. See Creates a
new station (P.25).
• [
] : Touch to attenuates/restores the sound.
3
Content information
Displays the information of the current content
being played.
Ñ Station list screen
You can perform the following functions from
this screen.
1 Touch [ ].
Station List screen appears.
■Selects the station
Touch the station name in the list.
■Sort the list by registered date
Touch [By Recent]. The list is sorted to begin
with the last registered station.
■Sort the list in alphabetical order
Touch [By Name]. You can select the desired
letter from the list which corresponds to the
station name to help narrow the search.
NOTE
• You can operate Pandora by using the remote
control. However, only playing, pausing, and
skipping are available.
!B5A-2303-00c_18KWV-K_En.indb 24 2019/04/26 10:43

APPS—Android Auto™/Apple CarPlay
25English
Ñ Creates a new station
1 Touch [ ].
2 Touch desired item.
■Create station from artist
Creates a new station based on an artist
being played.
■Create station from track
Creates a new station based on a song being
played.
■Create station from genre
Displays the genre list screen.
Genre list screen
1 Touch [Create station from genre].
2 The selected genre is created as a new
station.
About Pandora®
iPhone or iPod touch
• Install the latest version of the Pandora
application on your iPhone or iPod touch. (Search
for “Pandora” in the Apple App Store to find and
install the most recent version.)
Android™
• Visit the Google play and search for Pandora to
install.
BlackBerry®
• Visit www.pandora.com from the built in browser
to download the Pandora application.
• Bluetooth must be built in and the following
profiles must be supported.
- SPP (Serial Port Profile)
- A2DP (Advanced Audio Distribution Profile)
NOTE
• In the application on your device, log in and
create an account with Pandora.
(If you are not already a registered user, an
account can also be created at www.pandora.
com.)
• Establish an Internet connection.
• Pandora is only available in certain countries.
Please visit http://www.pandora.com/legal for
more information.
• Because Pandora® is a third-party service, the
specifications are subject to change without
prior notice. Accordingly, compatibility may
be impaired or some or all of the services may
become unavailable.
• Some functions of Pandora® cannot be operated
from this unit.
• For issues using the application, please contact
Pandora® at pandora-support@pandora.com.
!B5A-2303-00c_18KWV-K_En.indb 25 2019/04/26 10:43

APPS—Android Auto™/Apple CarPlay
26
Spotify Operation
You can listen to the Spotify on this unit by
controlling the application installed in the
iPhone or Android.
To enter Spotify source, touch [Spotify] icon in
the source selection screen. (P.11)
Preparation
• Install the latest version of the Spotify application
"Spotify" on your iPhone or Android.
iPhone: Search for "Spotify" in the Apple App
Store to find and install the most current version.
Android: Search for "Spotify" in Google play to
find and install the most current version.
• iPhones are connected on either USB or
Bluetooth.
• Android devices are connected on Bluetooth.
• To connect a smartphone via Bluetooth, register
it as the Bluetooth device and do the App (SPP)
profile setting of the connection beforehand. See
Register the Bluetooth device (P.55) and
Connect the Bluetooth device (P.57).
1
2
3
4
1
Artwork/ Playing time
• The picture data is displayed if available from
current content.
• For confirmation of play time.
2
Operation keys
• [
] : Displays the Menu screen
• [
] : New radio station that relates to the
artist of the currently playing song is selected
and playback starts.
• [
] , [ ] : Skips the current song.
• [
] , [ ] : Plays or pauses the content of the
current station.
• [
] : Saves currently playing song to My
Music.
• [
] : Touch to attenuates/restores the sound.
3
Content information
Displays the information of the current content
being played.
4
[ ] / [ ] / [ ] / [ ]
• [ ] : Thumbs down to the current contents
and skip to the next contents.
• [ ] : Registers the current contents as favorite
content.
• [ ] : Repeats the current song.
• [ ] : Randomly plays all song in current
playlist.
Ñ Selecting a track
1 Touch [ ].
Menu screen appears.
2 Select the list type, then select a desired
item.
■Selects the category and station
Touch the category and station name in the
list.
■[ Top]
Returns to the first hierarchy of the list.
■[ Up]
Returns to the previous list.
!B5A-2303-00c_18KWV-K_En.indb 26 2019/04/26 10:43

APPS—Android Auto™/Apple CarPlay
27English
About Spotify®
iPhone or iPod touch
• Install the latest version of the Spotify application
on your iPhone or iPod touch. (Search for “Spotify”
in the Apple App Store to find and install the
most recent version.)
Android™
• Visit Google play and search for “Spotify” to install.
Note
• Ensure you are logged in to your smartphone
application. If you do not have an Spotify account,
you can create one for free from your smartphone
or at www.spotify.com.
• Because Spotify is a third-party service, the
specifications are subject to change without
prior notice. Accordingly, compatibility may
be impaired or some or all of the services may
become unavailable.
• Some functions of Spotify cannot be operated
from this unit.
• For issues using the application, contact Spotify at
www.spotify.com.
• Establish an Internet connection.
!B5A-2303-00c_18KWV-K_En.indb 27 2019/04/26 10:43

APPS—Android Auto™/Apple CarPlay
28
WebLink™ Operation
You can display and control the App on the
unit while your smartphone is connected to
the USB terminal.
Ñ Available Apps
You can use the following Apps on this
unit. Install the Apps on your smartphone
beforehand.
WebLink™
WebLink™ enables you to use the following
Apps with the unit.
• Media player
• Yelp
• YouTube
• OpenWeatherMap
1 Connecting a smartphone
• Connect an Android device via USB
terminal. (P.84)
• Connect iPhone using KS-U62 via USB
terminal. (P.84)
• When the smartphone is connected
to the unit, a confirmation message to
communicate each other appears on the
smartphone. Touch [Allow] to establish
connection, or [Ignore] to cancel the
connection.
• You can check the connection status
on the WebLink™ screen on your
smartphone.
Ñ Operation buttons and
available Apps on the App
screen
To enter WebLink™ mode, touch [WebLink]
icon in the source selection screen.(P.11)
WebLink source screen
1
1
[ ]
Displays the main menu of the “WebLink”
source screen.
Returns to the previous screen.
2 Operate on your smartphone.
• When you are asked to communicate
between your smartphone and the unit,
touch [Allow] to proceed.
Ñ Switching to the App screen
while listening to the another
source
1 Press the [FNC] button.
Popup menu appears.
2 Touch [DISP].
NOTE
• This operation is available when [DISP Key] is set
to [Mirroring] in the [User Interface] screen.
(P.66)
• If sound is output using WebLink when the App
screen is displayed, the source is switched to
WebLink.
!B5A-2303-00c_18KWV-K_En.indb 28 2019/04/26 10:43

USB
29English
USB
Connecting a USB device
1 Connect the USB device with the USB
cable. (P.84)
2 Press the [FNC] button.
Popup menu appears.
3 Touch [ ].
HOME screen appears.
4 Touch [ ].
5 Touch [USB]. (P.11)
Ñ Disconnect the USB device
1 Press the [FNC] button.
Popup menu appears.
2 Touch [ ].
HOME screen appears.
3 Touch [ ].
4 Touch a source other than [USB].
5 Detach the USB device.
Ñ Usable USB device
You can use a mass-storage-class USB device on
this unit.
The word “USB device” appearing in this manual
indicates a flash memory device.
●About file system
The file system should be the one of the
following.
• FAT16 • FAT32 • exFAT • NTFS
NOTE
• Install the USB device in the place where it will
not affect safe driving.
• You cannot connect a USB device via a USB hub
and Multi Card Reader.
• Take backups of the audio files used with this
unit. The files can be erased depending on the
operating conditions of the USB device.
We shall have no compensation for any damage
arising from any erased data.
USB Basic Operation
Most functions can be controlled from the
source control screen and playback screen.
Control screen
4
3
5
2
6
1
7
Open the drawer
5
4
1
CODEC / [ ] / [ ]
• When a high-resolution source is played, its
format information is displayed.
• [
] : Repeats the current track/folder. Each
time you touch the key, repeat mode switches
in the following sequence;
File repeat ( ), Folder repeat ( ), Repeat
all ( )
• [
] : Randomly plays all tracks in current
folder. Each time you touch the key, random
mode switches in the following sequence;
File random ( ), Random off ( )
!B5A-2303-00c_18KWV-K_En.indb 29 2019/04/26 10:43

USB
30
2
Track information
Displays the information of the current file.
Only a file name and a folder name are displayed
if there is no tag information.
3
Operation keys
• 1] : Searches track/file. For details on search
operation, see Search Operation (P.31).
• E] [F] : Searches the previous/next track/
file.
Touch and hold to fast forward or fast
backward.
• [DH] : Plays or pauses.
• [
] : Touch to attenuates/restores the sound.
4
Function panel
Touch on the left side of the screen to display
the function panel. Touch again to close the
panel.
• [
] [ ] : Searches previous/next folder.
5
Content list
• Touch on the right side of the screen to display
the Content list. Touch again to close the list.
• Displays the playing list. When you touch a
track/file name on the list, playback will start.
6
Indicator Items
• [VIDEO]: Identifies the video file.
• [MUSIC]: Identifies the music file.
7
Artwork/ Play mode indicator/ Playing
time
The jacket of the currently playing file is
displayed.
• D, B, etc.: Current play mode indicator
The meanings of each icon are as follows;
D (play), B (fast forward),
A (fast backward), H (pause).
Video screen
9
88
8
Searching file area (Video file only)
Touch to search the next/previous file.
9
Key display area (Video file only)
Touch to display the control screen.
!B5A-2303-00c_18KWV-K_En.indb 30 2019/04/26 10:43

USB
31English
Search Operation
You can search music or video files by the
following operations.
1 Touch [1].
2 Touch [S].
3 Select the list type.
NOTE
• For operations in the list screen, see List screen
(P.14).
Ñ Category search
You can search a file by selecting category.
1 Touch [Category List].
2 Select whether you search by audio files
or video files .
3 Touch the desired category.
The list corresponding to your selection
appears.
4 Touch to select desired item in the list.
Repeat this step until you find the desired
file.
Ñ Link search
You can search a file of same artist/album/
genre as the current track.
1 Touch [Link Search].
2 Touch the desired tag type. You can select
from artists, albums and genres.
The list corresponding to your selection
appears.
3 Touch desired item from the content list.
Ñ Folder search
You can search a file according to hierarchy.
1 Touch [Folder List].
2 Touch the desired folder.
When you touch a folder its contents are
displayed.
3 Touch to select desired item in the list.
Repeat this step until you find the desired
file.
!B5A-2303-00c_18KWV-K_En.indb 31 2019/04/26 10:43

iPod/iPhone
32
iPod/iPhone
Preparation
Ñ Connectable iPod/iPhone
The following models can be connected to
this unit.
Made for
• iPhone 7 Plus
• iPhone 7
• iPhone SE
• iPhone 6s Plus
• iPhone 6s
• iPhone 6 Plus
• iPhone 6
• iPhone 5s
• iPhone 5c
• iPhone 5
• iPod touch (6th generation)
• iPod touch (5th generation)
NOTE
• By connecting your iPod/iPhone to this unit with
an optional accessory iPod connection cable KS-
U62, you can supply power to your iPod/iPhone
as well as charge it while playing music. However,
the power of this unit must be on.
• If you start playback after connecting the iPod,
the music that has been played by the iPod is
played first.
Ñ Connect iPod/iPhone
Wired connection
Preparation
• Connect an iPod/iPhone with the KS-U62
(optional accessory) while CarPlay is not
connected.
• With a CarPlay-capable iPhone, turn off CarPlay
by operating the iPhone at functional setup
before connecting iPhone. For details of the
setup method, contact the manufacturer of the
terminal.
• Only one iPod/iPhone can be connected.
1 Connect the iPod/iPhone using KS-U62.
(P.84)
2 Press the [FNC] button.
Popup menu appears.
3 Touch [ ].
HOME screen appears.
4 Touch [ ].
5 Touch [iPod]. (P.11)
●To disconnect the iPod/iPhone connected
with the cable:
1 Detach the iPod/iPhone.
Bluetooth connection
Pair the iPhone through Bluetooth.
Preparation
• To connect an iPhone via Bluetooth, register it as
the Bluetooth device and do the profile setting
of the connection beforehand. See Register the
Bluetooth device (P.55) and Connect the
Bluetooth device (P.57).
• Connect an iPhone on Bluetooth while CarPlay
and an iPod/iPhone are not connected on USB.
!B5A-2303-00c_18KWV-K_En.indb 32 2019/04/26 10:43

iPod/iPhone
33English
iPod/iPhone Basic Operation
Control screen
3
4
2
5
Open the drawer
1
4
6
1
[ ] / [ ]
• [
] : Repeats the current track/album. Each
time you touch the key, repeat mode switches
in the following sequence;
Song repeat ( ), All songs repeat ( )
• [
] : Randomly plays all tracks in current
album. Each time you touch the key, random
mode switches in the following sequence;
Song random ( ), Random off ( )
2
Track information
• Displays the information of the current file.
• Touch to display the category list screen. See
Category search (P.34).
3
Operation keys
• 1] : Searches track/file. For details on search
operation, see Search Operation (P.34).
• E] [F] : Searches the previous/next track/
file. Touch and hold to fast forward or fast
backward.
• [DH] : Plays or pauses.
• [
] : Touch to attenuates/restores the sound.
4
Content list
• Touch on the right side of the screen to display
the Content list. Touch again to close the list.
• Displays the playing list. When you touch a
track/file name on the list, playback will start.
5
Indicator Items
• [MUSIC]: Identifies the music file.
6
Artwork/ Play mode indicator/ Playing
time
The jacket of the currently playing file is
displayed.
• D, B, etc.: Current play mode indicator
The meanings of each icon are as follows;
D (play), B (fast forward), A (fast
backward), H (pause).
!B5A-2303-00c_18KWV-K_En.indb 33 2019/04/26 10:43

iPod/iPhone
34
Search Operation
You can search music files by the following
operations.
1 Touch [1].
2 Touch [S].
3 Select the list type.
NOTE
• For operations in the list screen, see List screen
(P.14).
Ñ Category search
You can search a file by selecting category.
1 Touch [Category List].
2 Touch the desired category.
The list corresponding to your selection
appears.
3 Touch to select desired item in the list.
Repeat this step until you find the desired
file.
Ñ Link search
You can search a file of same artist/album/
genre/composer as the current track.
1 Touch [Link Search].
2 Touch the desired tag type. You can
select from artists, albums, genres and
composers.
The list corresponding to your selection
appears.
3 Touch desired item from the content list.
!B5A-2303-00c_18KWV-K_En.indb 34 2019/04/26 10:43

Tuner
35English
Tuner
Tuner Basic Operation
Most functions can be controlled from the
source control screen.
To enter Tuner source, touch [TUNER] icon in
the source selection screen. (P.11)
Control screen
2
5
3
4
1
Preset list screen
4
6
7
1
Information display
Displays the information of the current station:
Frequency
Touching [
] allows you to switch between
Content A and Content B.
Content A: PS name, Radio Text, Title & Artist
Content B :PTY Genre, Radio Text plus
Preset#: Preset number
2
Seek mode
Switches the seek mode in the following
sequence; [AUTO1], [AUTO2], [MANUAL].
• [AUTO1]: Tunes in a station with good
reception automatically.
• [AUTO2]: Tunes in stations in memory one
after another.
• [MANUAL]: Switches to the next frequency
manually.
3
Operation keys
• [E] [F] : Tunes in a station. The method of
frequency switching can be changed (see 2
in table).
• [
] : Touch to attenuates/restores the sound.
4
Preset list
• Recalls the memorized station.
• When touched for 2 seconds, stores the
current receiving station in memory.
• Touch on the right side of the screen to display
the Preset list. Touch again to close the list.
5
Function panel
Touch on the left side of the screen to display
the function panel. Touch again to close the
panel. For details on the keys, see Function
panel (P.36).
6
Band button
Switches the band (FM, AM).
7
Indicator Items
• [ST]: A stereo broadcast is being received.
• [MONO]: The forced monaural function is on.
• [TI]: Indicates the reception state of traffic
information.
White: TP is being received.
Orange: TP is not being received.
!B5A-2303-00c_18KWV-K_En.indb 35 2019/04/26 10:43

Tuner
36
Ñ Function panel
1 Touch [ ] on the left side of the screen.
The functions of each key are as follows.
[TI] (FM only)
Sets the traffic information mode on. For details,
see Traffic Information (P.38).
[SETUP]
Displays the TUNER SETUP screen. For details, see
Tuner Setup (P.38).
[SSM] (FM only)
Presets stations automatically. For details, see
Auto memory (P.36).
[PTY] (FM only)
Searches a program by setting program type. For
details, see Search by program type (P.37).
[MONO] (FM only)
Select the Monaural reception.
Memory Operation
Ñ Auto memory (FM only)
You can store stations with good reception in
memory automatically.
1 Touch [FM].
2 Touch [ ] on the left side of the screen.
Touch [SSM].
3 Touch [Ye s ].
Auto memory starts.
Ñ Manual memory
You can store the current receiving station in
memory.
1 Select a station you wish to store in
memory.
2 Touch [FM#] (#:1-15) or [AM#] (#:1-5) in
which you want to store the station for 2
seconds until a beep sounds.
!B5A-2303-00c_18KWV-K_En.indb 36 2019/04/26 10:43

Tuner
37English
Selecting Operation
Ñ Preset select
You can list and select memorized station.
1 Touch [ ] on the right side of the screen.
Select a station from the list.
Ñ Search by program type
(FM only)
You can tune to a station with a specific
program type when listening to FM.
1 Touch [ ] on the left side of the screen.
Touch [PTY].
PTY Search screen appears.
2 Select a program type from the list.
3 Touch [Search].
You can search a station of the selected
program type.
!B5A-2303-00c_18KWV-K_En.indb 37 2019/04/26 10:43

Tuner
38
Traffic Information (FM only)
You can listen and watch the traffic
information automatically when a traffic
bulletin starts. However, this feature requires a
Radio Broadcast Data System that includes the
TI information.
1 Touch [ ] on the left side of the screen.
Touch [TI].
Traffic information mode is set.
Ñ When the traffic bulletin starts
The Traffic Information screen appears
automatically.
NOTE
• It is necessary to have Traffic Information function
set to on in order to have the Traffic Information
screen appear automatically.
• The volume setting during reception of traffic
information is automatically stored. The next time
the traffic information is received, this unit recalls
the volume setting automatically.
Tuner Setup
You can set tuner related parameters.
1 Touch [ ] on the left side of the screen.
Touch [SETUP].
TUNER SETUP screen appears.
2 Set each item as follows.
■[Area Setting]
The tuner channel interval changes
depending on the area you use this unit.
[US] (Default): Select this when using in
North/ Central/South America. FM/AM
intervals are set to 200 kHz/10 kHz.
[SA]: Select this when using in South
American countries where the FM interval
is 50 kHz. The AM interval is set to 10 kHz.
[Europe]: Select this when using in any other
areas. FM/AM intervals are set to 50 kHz/9
kHz.
!B5A-2303-00c_18KWV-K_En.indb 38 2019/04/26 10:43

SiriusXM®
39English
SiriusXM®
SiriusXM® Basic Operation
Only SiriusXM® brings you more of what you
love to listen to, all in one place. Get over 140
channels, including commercial-free music
plus the best sports, news, talk, comedy
and entertainment. Welcome to the world
of satellite radio. A SiriusXM Vehicle Tuner
and Subscription are required. For more
information, visit www.siriusxm.com.
To enter SiriusXM source, touch [SiriusXM]
icon in the source selection screen. (P.11)
Activating subscription
• Check your Radio ID.
The SiriusXM Satellite Radio ID is required for
activation and can be found by tuning to Channel
0 as well as on the label found on the SiriusXM
Connect tuner and its packaging.
The Radio ID does not include the letters I, O, S
or F.
• Activate the SiriusXM Connect Vehicle Tuner
using one of the two methods below:
– For users in the U.S.A.
Online: Visit www.siriusxm.com/activatenow
Phone: Call SiriusXM Listener Care at 1-866-
635-2349
– For users in Canada:
Online: Visit http://www.siriusxm.ca/help/
activation-help/
Phone: Call XM customer Care at 1-877-438-
9677
NOTE
• To use SiriusXM® Satellite Radio, the optional
accessory is necessary.
Control screen
3
6
4
2
5
Preset list screen
1
5
7
1
Indicator display
Displays the “Mix” (TuneMix™), “Scan”
(TuneScan™), (Traffic&Weather),
(SportsFlash™) indicator and the received
signal strength of the SiriusXM tuner.
2
Information display
Displays the information of the current channel:
Channel Name
P#: Preset number
#CH: Channel display
Logo: Channel logo
Touching [
] allows you to switch between
Content A, Content B and Content C.
Content A: Artist Name, Song Title
Content B: Content Info, Category Name
Content C: Channel Description, Similar
Channels
[ ] : Touch for 2 seconds to register the artist
of the current song as a Content Alert.
[ ] : Touch for 2 seconds to register the current
song as a Content Alert.
For details, see Content Alerts (P.44).
3
Band button
Switches the band. (SXM1/ SXM2/ SXM3/ SXM4)
!B5A-2303-00c_18KWV-K_En.indb 39 2019/04/26 10:43

SiriusXM®
40
4
Operation keys
• [1] : Display the Category search screen. For
details on search operation, see Category/
Channel search (P.42).
• DH] : Plays or pauses. See Replay (P.42).
• [CHS] [CHR] : Selects a channel.
• [
] : Touch to attenuates/restores the sound.
5
Preset list
• Recalls the memorized channel.
• When touched for 2 seconds, stores the
current receiving channel in memory.
• Touch on the right side of the screen to display
the Preset list. Touch again to close the list.
6
Function panel
Touch on the left side of the screen to display
the function panel. Touch again to close the
panel. For details on the keys, see Function
panel (P.40).
7
Artwork
Display album artwork for most SiriusXM music
channels
Ñ Function panel
1 Touch [ ] on the left side of the screen.
The functions of each key are as follows.
[Direct Channel]
Touch and enter the desired number. For
details, see Direct search (P.41).
[SETUP]
Touch to display the SiriusXM SETUP screen.
For details, see SiriusXM Setup (P.45).
[Replay]/ [Live]
Turns the replay mode on or off. See Replay
(P.42).
[Traffic & Weather]
For SXV300 *1
Traffic & Weather Now™ allows you to access
the latest report whenever you want to hear
it. Select your city at the set up menu Select
a City for Traffic & Weather (P.50) and
press the [Traffic & Weather] button to
check the latest report. It will start from the
beginning.
• (White) : Played already.
• (Green) : New information arrived.
• (Purple) : Playing.
• (Gray) : No information.
For SXV200 or SXV100 *2
Turns the Traffic & Weather Jump function
on or off.
• (White) : Function on.
• (Purple) : Playing.
• (Gray) : Function off.
[TuneScan]*3
Hear a few seconds of the songs from each
of the SmartFavorite music channels on
the current preset band. See TuneScan™
(P.43).
[TuneMix]*4
When you turn it ON, the preset channels
on P1-P6 are shuffled to provide a playback
which is a blend of songs from your favorite
channels. See TuneMix™ (P.43).
[SportsFlash]*4
Displays during SportsFlash™. To cancel
the SportsFlash interruption and return
to the previous channel, touch it. See
SportsFlash™ (P.45) and SportsFlash™
setup (P.49).
*1 Compatible with SXV300 or later tuner
models. It may take a few minutes after power
on to get the first full report for your city.
Traffic channels are not available in Canada.
*2 When SXV200 or SXV100 is connected with
this unit.
*3 Compatible with SXV200 or later tuner models.
*4 Compatible with SXV300 or later tuner models.
!B5A-2303-00c_18KWV-K_En.indb 40 2019/04/26 10:43

SiriusXM®
41English
Storing Channels in Preset
Memory
You can store the current channel in memory.
1 Tune to a channel you wish to store in
memory.
2 Touch [ ] on the right side of the screen.
3 Touch and hold for 2 seconds (until you
hear a beep) the preset number [SXM(1-
4) P(1-6)] in which you want to store the
channel.
Preset select
You can list and select memorized station or
channel.
To select from the preset list
1 Touch [ ] on the right side of the screen.
Select a channel from the list.
Direct search
You can tune to a channel directly.
1 Touch [ ] on the left side of the screen.
Touch [Direct Channel].
2 Enter the channel number and touch
[Enter].
NOTE
• To clear the number you entered, touch [BS].
!B5A-2303-00c_18KWV-K_En.indb 41 2019/04/26 10:43

SiriusXM®
42
Category/Channel search
You can specify the desired category and
select a channel.
1 Touch [1].
2 Select a category.
Channel list appears.
3 Select the desired content from the list.
NOTE
• All the channels in the selected category appear.
• Touching [All-Channels] displays all the
channels.
• Touch [Info Change] in the channel list. Select a
desired item.
Content info, Channel name, artist name, song
title, category name
• Categories which have the prefix “Featured - “ are
Featured Favorites.
• Featured Favorites are groups of channels that
are created by the SiriusXM Programming
department allowing you to discover new
channels. Featured Favorite channels are dynamic
and can change often, allowing you to discover
new channels.
– You can set whether to be notified when the
featured seasonal theme is updated. (P.50)
Replay
You can replay the last 60 minutes of the
current channel.
1 Touch [L] or [Replay] on the function
panel.
■[E] [F]
Press to skip to the previous/next track.
Press and hold to rewind or fast forward. (It
will be cancelled automatically after about
50 seconds.)
■[DH]
Plays or pauses.
■Replay time bar/ Play mode indicator
Display recorded capacity and playback
position.
D, B, etc.: Current play mode indicator
■[1]
Display a list of recorded data on a program
basis.
2 Touch [1] to display an Instant Replay list.
■Instant Replay List
Touching this plays back the displayed
program.
[LIVE]: To return to live
■[Info Change]
Touch [Info Change]. Select a desired item.
Content info, Channel name, Artist name,
Song title, and Category name
!B5A-2303-00c_18KWV-K_En.indb 42 2019/04/26 10:43

SiriusXM®
43English
To return to live music/content
1 Touch [ ] on the left side of the screen.
2 Touch [Live].
TuneMix™
TuneMix™ plays a unique blend of songs from
your Preset music channels from the current
SiriusXM Preset Band, allowing you to build a
custom channel from as few as two to as many
as 6 music channels. You can even skip songs
you don’t want to hear.
1 Touch [ ] on the left side of the screen.
Touch [TuneMix] to set ON or OFF.
NOTE
• Compatible with SXV300 or later tuner models.
SmartFavorites, TuneStart™
Preset channels 1 through 6 of the current
band are SmartFavorites channels.
The SiriusXM Vehicle Tuner automatically
buffers the broadcast audio content of the
SmartFavorites channels in the background.
You can rewind and replay up to 30 minutes of
any of the missed news, talk, sports or music
content when you tune to a SmartFavorites
channel. (see Replay (P.42))
When tuning from a SmartFavorites channel,
songs will play from the beginning of each
track (TuneStart™). You can enable/disable
TuneStart. (see TuneStart™ (P.50))
NOTE
• Compatible with SXV200 or later tuner models.
TuneScan™
TuneScan™ is a feature that plays samples
from the starts of multiple buffered songs
from each of the SmartFavorites channels that
predominantly play music selections.
You have easy access to a large sampling of
music content and can enjoy hearing a full
song when stopping the scan on a song of
interest.
1 Touch [ ] on the left side of the screen.
2 Touch [TuneScan] to begin scanning your
SmartFavorites channels.
You will hear a few seconds of the songs
from each of the SmartFavorite channels.
3 Touch [TuneScan] again while your
favorite song is being played to start
listening to that song.
Scan finishes and continues playing the
song.
NOTE
• To cancel TuneScan™, Touch on the left side of the
screen. Touch [TuneScan].
• Touch and hold [TuneScan] to cancel TuneScan,
the channel before starting TuneScan will be
played.
• Compatible with SXV200 or later tuner models.
!B5A-2303-00c_18KWV-K_En.indb 43 2019/04/26 10:43

SiriusXM®
44
Traffic & Weather Now™
Traffic & Weather Now™ allows you to access
the latest report whenever you want to hear
it. Select your city at the set up menu Select a
City for Traffic & Weather (P.50).
1 Touch [ ] on the left side of the screen.
2 Touch [Traffic & Weather].
The report starts from the beginning. To stop
and return to the previous channel, touch it
again.
Indicator display
• (White) : Played already.
• (Green) : New information arrived.
• (Purple) : Playing.
• (Gray) : No information.
NOTE
• Compatible with SXV300 or later tuner models.
Content Alerts
When a broadcast program related to the
registered artist, song or team starts, an Alert
Content List screen appears to allow you to
switch the current channel to the relevant
channel.
1 When the broadcast of the registered
content starts, an Alert Content List
screen appears.
2 Select a content from the list.
NOTE
• Touch [Info Change]. Select a desired item.
Artist Alert, Song Alert, GameAlert™
• To learn how to register artists and songs for the
Content Alert function, see 2. Information display
of SiriusXM® Basic Operation (P.39).
• To learn how to set up the Content Alerts
function and select Teams for alerts, see Content
Alerts setup (P.47).
!B5A-2303-00c_18KWV-K_En.indb 44 2019/04/26 10:43

SiriusXM®
45English
SportsFlash™
SportsFlash™ will notify you when a big play
happens during a game with one of your
favorite sports teams. Choose to tune in and
hear the play unfold like it was live. Continue
listening to the game, or you can return to
your previous channel.
1 When a big play happens during one of
the games, an Alert screen appears.
■[Jump]
Touch to tune to that channel and play back
the big play.
■[Ignore]
Touch to cancel this specific Sports Flash
Alert. Touching [Ignore] will ignore this
specific alert but will allow future alerts for
this game.
■[Cancel]
Touch to cancel the SportsFlash alert. No
alerts from this game will be displayed
afterward.
NOTE
• Compatible with SXV300 or later tuner models.
• To learn how to set up the SportsFlash alert
function, see SportsFlash™ setup (P.49).
SiriusXM Setup
1 Touch [ ] on the left side of the screen.
Touch [SETUP].
SiriusXM SETUP screen appears.
See the following sections for each
setting.
• Set up the parental code (P.46)
• Set up the Parental Control (P.46)
• Set up the skip channel select (P.47)
• Set up the Content Alerts (P.47)
• Set up the teams for SportsFlash™
(P.49)
• Select the city for Traffic & Weather Jump
or Traffic & Weather Now™ (P.50)
• Select the Featured Bands Update
Messages (P.50)
• Set up the TuneStart™ (P.50)
• Reset to the default settings (P.50)
!B5A-2303-00c_18KWV-K_En.indb 45 2019/04/26 10:43

SiriusXM®
46
Ñ Parental code
You can set a SiriusXM parental code for
Parental Control.
1 Touch [Parental Code] in the SiriusXM
SETUP screen.
Parental Pass Check screen appears.
NOTE
• The code number is set to “0000” as default.
2 Enter the current code number and touch
[Enter].
Parental Pass 1st entering screen
appears.
3 Enter the new code number and touch
[Enter].
Parental Pass 2nd entering screen
appears.
4 Enter the same code number as you input
in step 3 and touch [Enter].
The code number is confirmed and
SiriusXM parental code is now set.
Ñ Parental Control
Parental Control is a feature that provides the
user with the ability to prevent unauthorized
access to mature content and user selected
channels.
1 Touch [Parental Control] in the SiriusXM
SETUP screen.
2 Touch [Mature], [User] or [OFF].
■[OFF]
Deactivates the parental mature and user
locks.
■[Mature]
Locks channels classified as “mature” only.
■[User]
Locks only the selected channels.
3 Enter the parental code you originally
input in Parental code (P.46) and touch
[Enter].
When selecting [User]
This allows you to limit access to any SiriusXM
channel (Parental Lock Channel).
1 Touch [Parental Lock Channel Selection]
in the SiriusXM SETUP screen.
Parental Pass Check screen appears.
NOTE
• You need to set up a Parental code (P.46)
beforehand.
2 Enter the parental code you originally
input in Parental code (P.46) and touch
[Enter].
Parental Lock Category Select screen
appears.
3 Touch the desired category from the list.
Displays all the channels in the selected
category.
!B5A-2303-00c_18KWV-K_En.indb 46 2019/04/26 10:43

SiriusXM®
47English
NOTE
• Touch [All-Channels] to display all the
channels.
• To delete the parental lock channel setting,
touch [Disable All] and then touch [YES] on
the confirmation screen.
4 Touch each channel on the list and set to
ON or OFF.
[ON]: If you wish to set the lock.
[OFF]: If you wish to unlock the channel.
NOTE
• Touch [Info Change]. Select a desired item.
Content information, Channel name, Artist name,
Song title, Category name.
Ñ Skip channel select
You can set the undesired channels to skip.
1 Touch [Skip Channel Select].
Skip Category Select screen appears.
2 Touch the desired category from the list.
Displays all the channels in the selected
category.
3 Touch each channel on the list and set to
ON or OFF.
NOTE
• To delete the skip channel setting, touch
[Disable All] and then touch [YES] on the
confirmation screen.
• Touch [Info Change]. Select a desired item.
Content information, Channel name, Artist name,
Song title, Category name.
• You can also select channels with Direct Channel
and Preset Memory functions.
Ñ Content Alerts setup
Activating content alert
1 Touch [Content Alerts] in the SiriusXM
SETUP screen.
The Content Alerts is turned on or off.
Default is “ON”.
Selecting the content for the content
alert
1 Touch [Content Alerts Contents Set] in
the SiriusXM SETUP screen.
Artist list screen appears.
2 Select the content you want to set up.
NOTE
• To set all the content Alerts off, touch [Clear]
and then touch [YES] on the confirmation
screen.
• Select [OFF] for the content you want to
deactivate the content alert for.
!B5A-2303-00c_18KWV-K_En.indb 47 2019/04/26 10:43

SiriusXM®
48
3 Touch each content list item you want to
set check or uncheck.
NOTE
• You can select þ for up to 60 Artists or Songs.
●To delete the Artist and Song
1 Touch [Delete].
2 Touch each content list.
■[þ All]
Select all content.
■[¨ All]
Erases all check marks.
3 Touch [Delete] and then touch [YES] on the
confirmation screen.
To select a Team
Get alerted when your favorite sports team
is playing on another SiriusXM channel with
GameAlert™
1 Touch [My Games].
2 Touch the desired league from the list.
3 Touch each team in the list you want to
set check or uncheck.
NOTE
• You can select þ for up to 30 Teams.
!B5A-2303-00c_18KWV-K_En.indb 48 2019/04/26 10:43

SiriusXM®
49English
Ñ SportsFlash™ setup
Activating SportsFlash
1 Touch [SportsFlash] in the SiriusXM
SETUP screen.
The SportsFlash is turned on or off.
Default is “ON”.
Selecting SportsFlash Beep
1 Touch [SportsFlash Beep] in the SiriusXM
SETUP screen.
The SportsFlash Beep is turned on or off.
Default is “ON”.
Selecting the teams for SportsFlash
1 Touch [SportsFlash Team Set] in the
SiriusXM SETUP screen.
Team Set screen appears.
2 Touch [Edit].
3 Touch the desired league from the list.
4 Touch each team in the list you want to
set ON or OFF.
5 Touch [ ] twice.
■[Edit]
Sets and removes teams.
■[Priority]
Sets the priority of a team to be posted.
■[Clear]
Removes all teams that have been set.
Touch [Clear]. When the confirmation screen
appears, touch [YES].
NOTE
• SportsFlash™ is available on SXV300 or later tuner
models.
• Up to 50 teams can be added.
!B5A-2303-00c_18KWV-K_En.indb 49 2019/04/26 10:43

SiriusXM®
50
Set the SportsFlash™ Team Priority
1 Touch [Priority].
2 Set the priority of a team.
Each time you touch a Team, the priority is
set and reset.
3 Touch [Done].
NOTE
• Priority can be set on up to 5 teams.
• When priority has already been set for 5 teams,
it cannot be set for any other team. Delete an
unnecessary team.
Ñ Select a City for Traffic &
Weather
You can select a city for which you wish to
receive SiriusXM Traffic & Weather broadcasts
and hear them from the beginning.
1 Touch [Traffic & Weather City Select] in
the SiriusXM SETUP screen.
2 Touch [T] and [U] to select a city.
Ñ Selecting Featured Bands
Update Messages
You can set whether to be notified when the
featured seasonal theme is updated.
1 Touch [Featured Bands Update
Messages] in the SiriusXM SETUP screen.
The Featured Bands Update Messages is
turned on or off.
Default is “ON”.
Ñ TuneStart™
1 Touch [Tune Start] in the SiriusXM SETUP
screen.
The TuneStart is turned on or off.
Default is “ON”.
Ñ Reset
1 Touch [SiriusXM Reset] in the SiriusXM
SETUP screen.
Confirmation screen appears.
2 Touch [YES].
All SiriusXM settings return to default.
!B5A-2303-00c_18KWV-K_En.indb 50 2019/04/26 10:43

Other External Components
51English
Other External Components
View Camera
NOTE
• To connect a camera, see P.83.
• To use a rear view camera, a REVERSE lead
connection is required. (P.82)
• If [Rear Camera Interruption] is set to on, the
camera screen is displayed when you shift the
gear to the reverse (R) position.
Ñ Display the camera screen
1 Press the [FNC] button.
Popup menu appears.
2 Touch [Camera].
View camera screen appears.
3 Adjust each item as follows.
To erase the caution message, touch the
screen.
1
1
Camera off
Touch to exit the camera screen.
Ñ Camera Setup
1 Press the [FNC] button.
Popup menu appears.
2 Touch [ ].
HOME screen appears.
3 Touch [ ].
SETUP Menu screen appears.
4 Touch [Camera].
Camera screen appears.
5 Set each item as follows.
■[Rear Camera Interruption]
[ON ](Default): Displays the picture from the
rear view camera when you shift the gear
to the reverse (R) position.
[OFF]: Select this when no camera is
connected.
■[Parking Guidelines]
You can display parking guidelines to enable
easier parking when you shift the gear to the
reverse (R) position.
Default is “ON”.
■[Guidelines SETUP]
If you select [ON] for [Parking Guidelines],
adjust the parking guidelines. See To adjust
the parking guidelines (P.52).
!B5A-2303-00c_18KWV-K_En.indb 51 2019/04/26 10:43

Other External Components
52
To adjust the parking guidelines
NOTE
• Install the rear view camera in the appropriate
position according to the instructions supplied
with the rear view camera.
• When adjusting the parking guidelines, make
sure to use the parking brake to prevent the car
from moving.
1 Touch [ON] of [Parking Guidelines] in the
Camera screen. (P.51)
2 Touch [Guidelines SETUP] in the Camera
screen.
3 Adjust the parking guidelines by
selecting the mark.
4 Adjusting the position of the selected
mark.
A
B
CD
Make sure that A and B are horizontally
parallel, and that C and D are the same
length.
NOTE
• Touch [Initialize] and after touch [Ye s ] to set all
the marks to the initial default position.
External audio/video players—
AV-IN
1 Connect an external component to the
AV-IN input terminal. (P.83)
2 Press the [FNC] button.
Popup menu appears.
3 Touch [ ].
HOME screen appears.
4 Touch [ ].
5 Select [AV-IN] as the source. (P.11)
6 Turn on the connected component and
start playing the source.
!B5A-2303-00c_18KWV-K_En.indb 52 2019/04/26 10:43

Other External Components
53English
OEM Features Operation
By connecting this unit to the bus system of
the vehicle using an iDataLink (commercially
available), this unit can access the satellite
radio source provided for the vehicle and
vehicle information can be displayed on this
unit.
1 Press the [FNC] button.
Popup menu appears.
2 Touch [ ].
HOME screen appears.
3 Touch [ ].
4 Touch icon.
• Displays the control screen of the satellite
radio source provided for the vehicle.
• Displays the control screen of the media
player source provided for the vehicle.
• Displays the control screen of the
Bluetooth Hands Free function provided
for the vehicle.
• Displays the control screen of the
Bluetooth streaming source provided for
the vehicle.
• Displays information about the
instruments such as a speedometer.
• Displays information about the air
conditioner of the vehicle. *
• Displays information about the Parking
Distance Sensor of the vehicle.
• Displays information about the tire
pressures of the vehicle. *
• Displays information about the Radar
Detector. *
* These ADS adapter features are displayed as the
widget on the Home screen. (P.10) You can display
these screens by touching the widget.
NOTE
• Displayable screens, button names, and screen
names vary depending on the type of the
connected iDataLink and the model of the
vehicle. For more details, access the following
URL:
www.idatalink.com/
!B5A-2303-00c_18KWV-K_En.indb 53 2019/04/26 10:43

Bluetooth Control
54
Bluetooth Control
Using the Bluetooth function, various
functions can be used: listening to the audio
file, making/receiving a call.
Information for using
Bluetooth® devices
Bluetooth is a short-range wireless radio
communication technology for mobile devices
such as mobile phones, portable PCs, and
other devices.
Bluetooth devices can be connected without
cables and communicate with each other.
NOTE
• While driving, do not perform complicated
operations such as dialing numbers, using the
phone book, etc. When you perform these
operations, stop your car in a safe place.
• Some Bluetooth devices may not connect to this
unit depending on the Bluetooth version of the
device.
• This unit may not work for some Bluetooth
devices.
• Connecting conditions may vary depending on
your environment.
• For some Bluetooth devices, the device is
disconnected when the unit is turned off.
Ñ About the cell-phone and
Bluetooth audio player
This unit conforms to the following Bluetooth
specifications:
Version
Bluetooth Ver. 3.0
Profile
Cell-phone:
HFP (V1.6) (Hands Free Profile)
SPP (Serial Port Profile)
PBAP (Phonebook Access Profile)
Audio player:
A2DP (Advanced Audio Distribution Profile)
AVRCP (V1.5) (Audio/Video Remote Control
Profile)
Sound codec
SBC, AAC
NOTE
• The units supporting the Bluetooth function have
been certified for conformity with the Bluetooth
Standard following the procedure prescribed by
Bluetooth SIG.
• However, it may be impossible for such units to
communicate with your cell-phone depending
on its type.
!B5A-2303-00c_18KWV-K_En.indb 54 2019/04/26 10:43

Bluetooth Control
55English
Register the Bluetooth device
It is necessary to register the Bluetooth audio
player or cell-phone to this unit before using
the Bluetooth function.
You can register up to 10 Bluetooth devices.
NOTE
• Up to 10 Bluetooth devices can be registered. If
an attempt is made to register the 11th Bluetooth
device, the Bluetooth device connected on the
earliest date will be deleted to register the 11th
one.
• This unit is compatible with the Apple Easy
Pairing function. When an iPod touch or iPhone is
connected to this unit, an authentication dialog
appears. Performing operation for authentication
on this unit or iOS smartphone registers the
smartphone as a Bluetooth device.
Follow the step 1, 2 and 3 for registration.
Step 1: Registration the Bluetooth
device
1 Search the unit (“KW-V****”/ “KW-M****”)
from your smartphone/cell-phone.
2 Input the PIN Code in your smartphone/
cell-phone.
PIN Code is set to “0000” as the default.
●SSP (Secure Simple Pairing of Bluetooth
2.1 or later)
1 Search the unit (“KW-V****”/ “KW-M****”)
from your smartphone/cell-phone.
2 Confirm the request both on the
smartphone/cell-phone and the unit.
Step 2: Connection settings
• When the HFP profile is supported, Hands Free
1 or 2 is automatically selected for connection,
proceeding to the next step.
• When the A2DP or SPP profile is supported,
the cell-phone or audio player is automatically
connected, proceeding to the next step.
If cell-phones and/or audio players have already
been connected, a selection screen appears.
1 Select the hands-free number to connect.
2 Select if you want to use the audio player
app in your smartphone over A2DP, and
the other apps in your smartphone over
SPP.
This message appears if the device
supports BT audio (A2DP) or smartphone
link (SPP).
!B5A-2303-00c_18KWV-K_En.indb 55 2019/04/26 10:43

Bluetooth Control
56
Step 3: Phonebook transfer
1 Select if you want to transfer your
phonebook data.
This message appears if the device
supports PBAP.
The phonebook data transmission starts.
Some smartphones may request
permission to access the data. The
data transmission will start with your
permission.
When the data transmission and
connection have completed, the Bluetooth
connection icon appears on the screen.
Bluetooth Setup
1 Press the [FNC] button.
Popup menu appears.
2 Touch [ ].
HOME screen appears.
3 Touch [ ].
SETUP Menu screen appears.
4 Touch [Bluetooth].
Bluetooth SETUP screen appears.
See the following section for each
setting.
• Connect the Bluetooth device (P.57)
• Change the PIN Code (P.58)
• Change the device name (P.58)
!B5A-2303-00c_18KWV-K_En.indb 56 2019/04/26 10:43

Bluetooth Control
57English
Ñ Connect the Bluetooth device
1 Touch [Select Device] in the Bluetooth
SETUP screen.
2 Touch the device name you want to
connect.
Profile select screen appears.
NOTE
• If the icon is lighted, it means that the unit will
use that device.
3 Set each profile as follows.
■[TEL (HFP) 1], [TEL (HFP) 2]
The device is connected with the unit as
hands-free phone 1 or 2.
■[Audio (A2DP)/App (SPP)]
Set to interwork with an application installed
in a smartphone or to use as an audio player.
4 Touch [Close].
To delete the registered Bluetooth
device
1 Touch [Delete].
2 Touch the device name to check.
■[þ All]
Select all Bluetooth device.
■[¨ All]
Erases all check marks.
3 Touch [Delete].
Confirmation message appears.
4 Touch [Ye s ].
!B5A-2303-00c_18KWV-K_En.indb 57 2019/04/26 10:43

Bluetooth Control
58
Ñ Change the PIN Code
1 Touch [PIN Code] in the Bluetooth SETUP
screen.
PIN Code Set screen appears.
2 Touch and hold [ ].
3 Input the PIN Code.
4 Touch [SET].
Ñ Change the device name
1 Touch [Device Name] in the Bluetooth
SETUP screen.
Change Device Name screen appears.
2 Touch and hold [ ].
3 Input the device name.
4 Touch [Enter].
Playing Bluetooth Audio
Device
Most function can be controlled from the
source control screen.
To enter Bluetooth source, touch [BT Audio]
icon in the source selection screen. (P.11)
Ñ Bluetooth basic operation
Control screen
3
4
5
2
1
1
Device name/ [ ] / [ ]
• Connected device name.
• [
] : Repeats the current track/folder. Each
time you touch the key, repeat mode switches
in the following sequence; File repeat ( ),
Folder repeat ( ), All songs repeat ( ),
Repeat off ( )
• [
] : Randomly plays all tracks in current
folder. Each time you touch the key, random
mode switches in the following sequence;
Folder random ( ), All random ( ),
Random off ( )
2
Information display *
Displays the name of the track information.
3
Operation keys *
• [1]: Searches file. See File search (P.59).
• [E] [F]: Searches the previous/next
content. Touch and hold to fast forward or fast
backward.
• [D]: Plays.
• [H]: Pauses.
• [
] : Touch to attenuates/restores the sound.
!B5A-2303-00c_18KWV-K_En.indb 58 2019/04/26 10:43

Bluetooth Control
59English
4
Function panel
Touch on the left side of the screen to display
the function panel. Touch again to close the
panel.
• [BT DEVICE CHANGE] : Selects the device to
connect via Bluetooth audio (A2DP) or APP
(SPP). See Connect the Bluetooth audio
(P.59).
5
Play mode indicator/ Playing time
D, H: Current play mode indicator
The meanings of each icon are as follows;
D (play), B (fast forward), A (fast backward),
H (pause), I (stop).
* These items appear only when the audio player
which supports AVRCP profile is connected.
NOTE
• The operation buttons, indications and
information displayed on the screen differ
depending on the connected device.
• If the operation keys do not appear, operate from
the player.
• Depending on your cell-phone or audio player,
audio may be heard and controlled but text
information may not appear.
• If the volume is too low, raise it on your cell-
phone or audio player.
Ñ Connect the Bluetooth audio
Selects the device to connect via Bluetooth
audio (A2DP) or APP (SPP).
1 Touch [ ] on the left side of the screen.
Touch [BT DEVICE CHANGE].
2 Touch the device name you want to
connect.
3 Touch [Close].
Ñ File search
1 Touch [1].
2 Touch the desired file or folder.
When you touch a folder its contents are
displayed.
3 Touch desired item from the content list.
Playback starts.
NOTE
• For operations in the list screen, see List screen
(P.14).
!B5A-2303-00c_18KWV-K_En.indb 59 2019/04/26 10:43

Bluetooth Control
60
Using Hands-Free Unit
You can use telephone function by connecting
the Bluetooth telephone to this unit.
NOTE
• While Apple CarPlay or Android Auto is being
connected, Bluetooth Hands-Free function and
two Bluetooth devices connections cannot be
used. Only Apple CarPlay or Android Auto Hands-
Free function can be used.
Ñ Make a call
1 Press the [FNC] button.
Popup menu appears.
2 Touch [Û].
Hands Free screen appears.
NOTE
• If your mobile phone supports PBAP, you can
display the phone book and call lists on the
touch panel screen when the mobile phone is
connected.
– Phone book: up to 1000 entries
– Up to 50 entries including dialed calls, received
calls, and missed calls
3 Select a dialing method.
• [ ]: Call using call records
• [
]: Call using the phonebook
• [
]: Call using the preset number
• [
]: Call by entering a phone number
• [
]: Voice Recognition (P.61)
●Select the cell-phone to use
When you connect two cell-phones
1) Touch [
] to select the phone
you want to use.
●Bluetooth SETUP
1) Touch [
].
Bluetooth SETUP screen appears.
NOTE
• The status icons such as battery and antenna
displayed may differ from those displayed on the
cell-phone.
• Setting the cell-phone in the private mode can
disable the hands-free function.
Call using call records
1 Touch [ ].
2 Select the phone number from the list.
Call by entering a phone number
1 Touch [ ].
2 Enter a phone number with number keys.
3 Touch [ ].
!B5A-2303-00c_18KWV-K_En.indb 60 2019/04/26 10:43

Bluetooth Control
61English
Call using the preset number
1 Touch [ ].
2 Touch the Name or phone number.
Call using the phonebook
1 Touch [ ].
2 Touch [ ].
3 Select the initial.
• Characters with no corresponding name
will not appear.
• A first character with an accent character
such as “ü” can be searched for with a
non-accent character “u” . A character
with an accent character in a sentence
cannot be searched.
4 Select the person you want to call from
the list.
5 Select the phone number from the list.
NOTE
• You can set the list to arrange in the order of last
name or first name. For details, see Hands-Free
Setup (P.64).
Ñ Voice Recognition
You can access the voice recognition function
of the cell-phone connected to this unit.
You can search the cell-phone phonebook
by voice. (The functionality depends on the
cell-phone.)
1 Press the [FNC] button for 1 second.
Press for 1 second
Voice Recognition screen appears.
2 Start speaking.
NOTE
• You can use voice recognition function by
touching [ ] on the Hands Free screen.
!B5A-2303-00c_18KWV-K_En.indb 61 2019/04/26 10:43

Bluetooth Control
62
Ñ Receive a call
1 Touch [ ] to answer a phone call or
[
] to reject an incoming call.
NOTE
• While monitoring the view camera, this screen
does not appear even if a call comes in.
To end call
1 While talking, touch [ ].
Ñ Operations during a call
●Adjust the volume of your voice
1) Touch [Speech Quality].
2) Touch [T] or [U] of [Microphone Level].
●Adjust the receiver volume
Press the [–] or [+] button.
●Mute your voice
Touch [
] to mute or not to mute your voice.
●Output the dial tone
Touch [DTMF] to display the tone input screen.
You can send tones by touching desired keys
on the screen.
●Switching the speaking voice output
Touching [
]/ [ ] each time switches
the speaking voice output between cell-phone
and speaker.
●Call-waiting
When you receive a call while talking on
another call, you can answer the newly
received call by touching [
]. The current call
is on hold.
Each time you touch [
], the caller will change.
When you touch [
], the current call will end
and switch to the call in hold.
●To close the Hands-Free popup screen
Touching [×] closes the Hands-Free popup
screen. To display it again, touch [
] after
pressing the [FNC] button.
!B5A-2303-00c_18KWV-K_En.indb 62 2019/04/26 10:43

Bluetooth Control
63English
Ñ Phone number preset
You can register frequently used phone
numbers to this unit.
1 Touch [ ].
2 Touch [Edit].
3 Select where to preset.
■[Delete all]
To delete all preset numbers, touch [Delete
all] and then touch [OK] on the confirmation
screen.
4 Select how to preset.
■[Add number from phonebook]
Select the number to preset by referring to
“Call using the phonebook”. See Call using
the phonebook (P.61).
■[Add number direct]
Enter the telephone number directly and
touch [SET]. See Call by entering a phone
number (P.60).
■[Delete]
To delete the preset number, touch [Delete]
and then touch [OK] on the confirmation
screen.
Ñ Phonebook transfer
You can transfer the phonebook in your
Bluetooth smartphone via PBAP.
1 Touch [ ].
2 Touch [ ].
The phonebook data transmission starts.
Phonebook deletion
1 Touch [ ].
2 Touch the name to check.
■[þ All]
Checks all boxes.
■[¨ All]
Erases all check marks.
3 Touch [Delete].
Confirmation message appears.
4 Touch [OK].
!B5A-2303-00c_18KWV-K_En.indb 63 2019/04/26 10:43

Bluetooth Control
64
Hands-Free Setup
You can perform various setup about
handsfree function.
1 Press the [FNC] button.
Popup menu appears.
2 Touch [ ].
HOME screen appears.
3 Touch [ ].
SETUP Menu screen appears.
4 Touch [Bluetooth].
Bluetooth SETUP screen appears.
5 Touch [TEL SETUP].
TEL SETUP screen appears.
6 Set each item as follows.
■[Bluetooth HF/Audio]
Select the speakers to output the sound from
cell-phone (such as phone call voice and
ringing tone) and Bluetooth audio player.
[Front]: Outputs from the front speakers.
[All ](Default): Outputs from all speakers.
■[Auto Response]*
Sets an automatic response time to pick-up
an incoming call.
[OFF ](Default): Automatic response is not
available.
[1]/ [5]/ [10]/ [15]/ [20]/ [25]/ [30]: Set calling
ring time (second).
■[Auto Pairing]
When set to “ON”, the Apple Auto Pairing
function is turned on to automatically
register the iPod touch or iPhone connected
to this unit.
[ON ](Default): Uses Apple Auto Pairing
function.
[OFF]: Not uses Apple Auto Pairing function.
■[Sort Order]
Sets how to arrange the cell-phone
phonebook.
[First]: Arranges in the order of first name.
[Last ](Default): Arranges in the order of last
name.
■[Echo Cancel Level]
Adjusts the level of echo cancellation.
Default is “0”.
■[Noise Reduction Level]
Reduces the noises generated by
surrounding environment without changing
the microphone volume. Use this setting
when the voice of caller is not clear. Default
is “0”.
* Either the time interval for automatic
answer set on this unit or the time
interval set on the cell-phone, whichever
is shorter takes effect.
7 Touch [OK].
!B5A-2303-00c_18KWV-K_En.indb 64 2019/04/26 10:43

Setting Up
65English
Setting Up
Monitor Screen Setup
You can adjust image quality in video, menu
screen, etc.
1 Press the [FNC] button.
Popup menu appears.
2 Touch [Screen Adjust].
Screen Control screen appears.
3 Adjust each item as follows.
■[Backlight] / [Contrast] / [Black] /
[Brightness] / [Color] / [Tint]
Adjusts each item.
■[Aspect]
Select screen mode.
[Full]: Changes the aspect ratio of video and
displays fully on the screen.
[Normal]: Displays with 4:3 ratio.
[Auto]:
DVD, VCD and disc media: Video of 16:9
ratio is displayed in Full and video of 4:3
ratio is displayed in Regular.
USB device: Displays video fully on vertical
or horizontal with no ratio change.
NOTE
• Adjusting items are different depending on the
current source.
System Setup
NOTE
• Each operation in this section can be started from
the multi function menu.
1 Press the [FNC] button.
Popup menu appears.
2 Touch [ ].
HOME screen appears.
3 Touch [ ].
See the following section for each
setting.
• Set up AV (P.69)
• Set up display (P.68)
• Set up the user interface (P.66)
• Set up camera (P.51)
• Set up special (P.67)
• Set up Bluetooth (P.56)
• Set up security (P.8)
!B5A-2303-00c_18KWV-K_En.indb 65 2019/04/26 10:43

Setting Up
66
User Interface Setup
You can setup user interface parameters.
1 Press the [FNC] button.
Popup menu appears.
2 Touch [ ].
HOME screen appears.
3 Touch [ ].
SETUP screen appears.
4 Touch [User Interface].
User Interface screen appears.
5 Set each item as follows.
■[Beep]
Turns the key touch tone on or off.
Default is “ON”.
■[Parking Assist Display]
When an ADS adapter is connected, you can
display information about obstacles around
the car.
[ON]: Always displays information.
[Dyn.] (Default): Displays information when
the sensor detects obstacles.
[OFF]: Cancels.
This can be set when the iDataLink
(commercially available) is connected.
■[Parking Assist Position]
Select where information about obstacles is
displayed on the screen (left or right).
“Left”/ “Right” (Default)
This can be set when the iDataLink
(commercially available) is connected.
■[Language Select]
Selects a language.
■[Touch Panel Adjust]
Adjust the sensing position of touch panel.
(P.67)
■[Clock]
[RDS-SYNC ](Default): Synchronizing the
Radio Data System station time data and
this unit’s clock.
[Manual]: Sets the clock manually
■[Time Zone]
Select the time zone.
■[Clock Adjust]
If you select [Manual] for Clock, adjust the
date and time manually. (P.66)
■[DISP Key]
Select the source screen displayed when
on the popup menu screen is pressed.
[Mirroring] (Default): Switches to the App
screen from the connected iPod touch/
iPhone/Android device or Apple CarPlay
screen from the connected iPhone by
pressing the button. (P.21)
[OFF]: Displays the control screen of current
source.
Ñ Adjust the date and time
manually.
1 Touch [Clock] in the User Interface screen.
2 Select [Manual].
3 Touch [Time Zone] in the User Interface
screen.
4 Select the time zone.
5 Touch [Clock Adjust] in the User Interface
screen.
6 Adjust the date, then adjust the time.
7 Touch [Set].
!B5A-2303-00c_18KWV-K_En.indb 66 2019/04/26 10:43

Setting Up
67English
Ñ Touch panel adjustment
1 Touch [Touch Panel Adjust] on the User
Interface screen.
Touch Panel Adjust screen appears.
2 Follow the instruction on the screen and
long touch the center of each [ ].
1
2
NOTE
• To cancel the touch panel adjustment, touch
[Cancel].
• To reset to the initial status, touch [Reset].
Special Setup
You can setup Special parameters.
1 Press the [FNC] button.
Popup menu appears.
2 Touch [ ].
HOME screen appears.
3 Touch [ ].
SETUP screen appears.
4 Touch [Special].
Special screen appears.
5 Set each item as follows.
■[DEMO]
Set the demonstration mode. Default is “ON”.
■[SETUP Memory]
Locks or unlocks the Audio SETUP Memory/
Recall/Clear.
■[Audio SETUP Memory]
Memorizes the current audio setting.
• Fader/ Balance, Speaker / X’over, Equalizer
(User Preset, SW Level), Position/DTA,
Sound Effect (P.70)
■[Audio SETUP Recall]
Recalls the memorized audio setting.
■[Audio SETUP Clear]
Clears the AUDIO SETUP Memory and the
currently memorized audio setting.
■[Software Information]
Check the software version of this unit.
(P.67)
■[Open Source Licenses]
Displays the open source licenses.
■[Initialize]
Touch [Initialize] and then touch [Ye s ] to set
all the settings to the initial default settings.
• Audio SETUP Memory is not initialized.
Ñ Software Information
Check the software version of this unit.
1 Touch [Software Information] in the
Special screen.
2 Confirm the software version.
NOTE
• For how to update the software, see the relevant
update procedure manual which comes with the
software.
!B5A-2303-00c_18KWV-K_En.indb 67 2019/04/26 10:43

Setting Up
68
Display Setup
1 Press the [FNC] button.
Popup menu appears.
2 Touch [ ].
HOME screen appears.
3 Touch [ ].
SETUP screen appears.
4 Touch [Display].
Display screen appears.
5 Set each item as follows.
■[Dimmer]
Select dimmer mode.
[OFF]: The display and buttons do not dim.
[ON]: The display and buttons dim.
[SYNC ](Default): Turns the dimmer function
on or off when the vehicle light control
switch is turned on or off.
■[OSD Clock]
Select if you want to display the clock while
watching DVD video, etc.
"ON" (Default)/ "OFF"
■[Wallpaper Customize]
Changing wallpaper image. (P.68)
■[Viewing Angle]
If it is hard to see the image on the screen
even, adjust the viewing angle. The smaller
the (negative) value, the more whitish the
image on the screen looks.
"0" (Default)/ "-1"/ "-2"/ "-3"
Ñ Change wallpaper image
1 Touch [Wallpaper Customize] in the
Display screen.
2 Select an image.
*1
*1 Select an original image in advance.
!B5A-2303-00c_18KWV-K_En.indb 68 2019/04/26 10:43

Setting Up
69English
To register original image
You can load an image from the connected
USB device and set it for the wallpaper image.
Before operating this procedure, it is necessary
to connect the device which has the image to
load.
1 Touch [User1 Select] or [User2 Select] in
the Wallpaper Customize screen.
2 Select the image to load.
3 Touch [Enter].
The selected image is loaded and
the display returns to the Wallpaper
Customize screen.
NOTE
• Touching [ ] rotates counter clockwise.
• Touching [
] rotates clockwise.
• Picture files: JPEG (.jpg, .jpeg), PNG (.png), BMP
(.bmp)
AV Setup
You can set AV parameters.
1 Press the [FNC] button.
Popup menu appears.
2 Touch [ ].
HOME screen appears.
3 Touch [ ].
SETUP screen appears.
4 Touch [AV].
AV screen appears.
5 Set each item as follows.
■[AV-OUT]
You can select an AV source to be output
from the AV OUTPUT port.
OFF, AV-IN, DISC, USB, or iPod
• You cannot select iPod if it is connected via
Bluetooth.
• If you select USB, iPod, Disc, Spotify,
Pandora or Bluetooth audio as the main
source, you cannot select USB or iPod as
the AV output source.
• If you select Mirroring (WebLink), Apple
CarPlay or Android Auto as the main
source, you cannot select DISC (Music CD/
Disc media), USB or iPod as the AV output
source.
■[Driving Position]
Select the driving position (left or right).
“Left” (Default)/ “Right”
■[OEM SETUP]
Confirm the information about/ change the
settings for using the ADS adapter.
!B5A-2303-00c_18KWV-K_En.indb 69 2019/04/26 10:43

Controlling Audio
70
Controlling Audio
You can adjust the various settings such as
audio balance or subwoofer level.
1 Press the [FNC] button.
Popup menu appears.
2 Touch [ ].
HOME screen appears.
3 Touch [ ].
Source selection screen appears.
4 Touch [Audio].
See the following section for each
setting.
• Set up speaker/ X’over (P.71)
• Controlling equalizer (P.73)
• Set listening position/ DTA (P.76)
• Controlling general audio (Fader /
Balance) (P.73)
• Set volume offset (P.74)
• Performing zone control (P.74)
• Set sound effect (P.75)
3 way speaker system setup
Select the appropriate crossover network
mode according to the speaker system (2-way
speaker system or 3-way speaker system).
1 Press the [FNC] button.
Popup menu appears.
2 Touch [ ].
HOME screen appears.
3 Touch [ ].
Source selection screen appears.
4 Touch [AV Off].
5 Press the [FNC] (1) button and the [–] (2)
button for 1 second at the same time.
12
Speaker system select screen appears.
6 Select the crossover network mode.
A confirmation screen appears.
7 Touch [Ye s ].
NOTE
• When the 3-way speaker system is selected, the
following functions are disabled.
– Zone Control
– Fader of Controlling General Audio
– Front focus of Listening Position/ DTA
– Select the speakers to output the sound from
cell-phone of Blutooth HF/Audio
– Beep of User Interface Setup
• Connecting 3-way speakers with the 2-way mode
selected can break the speakers.
!B5A-2303-00c_18KWV-K_En.indb 70 2019/04/26 10:43

Controlling Audio
71English
Speaker/ X’over setup
1 Press the [FNC] button.
Popup menu appears.
2 Touch [ ].
HOME screen appears.
3 Touch [ ].
Source selection screen appears.
4 Touch [Audio].
Audio screen appears.
5 Touch [Speaker/Xʼover].
6 Select a car type.
You can setup the car type and speaker
network, etc.
If your car type is selected, the Delay Time
Alignment is set automatically (for timing
adjustment of sound output for each
channel) to have the highest surround
effects.
7 Touch the speaker (1) you wish to adjust
and set each item (2) as follows.
1
2
■[Speaker]
You can select a speaker type and its size to
get the best sound effects.
When the speaker type and size are set,
the speaker crossover network is set
automatically.
■[Location] (Only for Front, Rear)
Select the speaker position you have fixed.
■[Tweeter] (Only for Front)
You can set the tweeter when you are
selecting front speakers.
None, Small, Medium, Large
■[Xʼover]
Displays the speaker crossover setup screen.
You can adjust the crossover setup that was
set automatically when you selected the
speaker type.
For details, see Crossover network setup
(P.72)
When Speaker network is set to 3 way:
1
2
NOTE
• For how to switch to the 3-way speaker system,
see 3 way speaker system setup (P.70).
Connecting 3-way speakers with the 2-way mode
selected can break the speakers.
• Select “None” if you have no speakers.
!B5A-2303-00c_18KWV-K_En.indb 71 2019/04/26 10:43

Controlling Audio
72
Ñ Crossover network setup
You can set a crossover frequency of speakers.
1 Touch [Xʼover].
2 Touch the speaker to set.
3 Set each item as follows.
■[HPF FREQ]
High Pass Filter adjustment. (When front or
rear speaker is selected on Speaker Select
screen)
■[LPF FREQ]
Low Pass Filter adjustment. (When subwoofer
is selected on Speaker Select screen)
■[Slope]*1
Sets a crossover slope.
■[Gain]
Adjusts the front speaker, rear speaker, or
subwoofer level.
■[TW Gain] *2
Adjusts the tweeter level. (When front is
selected on Speaker Select screen)
■[Phase Inversion]*3
Sets the phase of subwoofer output.
Check [Phase Inversion] to shift the phase
180 degrees. (When subwoofer is selected
on Speaker Select screen)
*1 Only when “LPF FREQ”/“HPF FREQ” is set to
a mode other than “Through” in [Xʼover].
*2 Only when “Tweeter” is set to “Small”,
“Medium”, “Large” in [Speaker Setup].
*3 Only when “Subwoofer” is set to a mode
other than “None” in [Speaker Setup].
When Speaker network is set to 3 way:
■[FREQ] (High Pass)
High Pass Filter adjustment. (When tweeter is
selected on Speaker Select screen)
■[HPF FREQ, LPF FREQ] (Band Pass)
Band Pass Filter adjustment. (When mid
range speaker is selected on Speaker Select
screen)
■[FREQ] (Low Pass)
Low Pass Filter adjustment. (When woofer is
selected on Speaker Select screen)
■[Slope]*1
Sets a crossover slope.
■[Gain]
Sets gain of each speaker.
■[Phase Inversion]*2
Sets the phase of tweeter, mid range, and
woofer output.
Check [Phase Inversion] to shift the phase
180 degrees.
*1 Only when “LPF FREQ”/“HPF FREQ” is set to
a mode other than “Through” in [Xʼover].
*2 Only when “Subwoofer” is set to a mode
other than “None” in [Speaker Setup].
NOTE
• For how to switch to the 3-way speaker system,
see 3 way speaker system setup (P.70).
Connecting 3-way speakers with the 2-way mode
selected can break the speakers.
!B5A-2303-00c_18KWV-K_En.indb 72 2019/04/26 10:43

Controlling Audio
73English
Controlling General Audio
1 Press the [FNC] button.
Popup menu appears.
2 Touch [ ].
HOME screen appears.
3 Touch [ ].
Source selection screen appears.
4 Touch [Audio].
Audio screen appears.
5 Touch [Fader / Balance].
6 Set each item as follows.
■[Fader / Balance]
Adjust the volume balance around the
touched area.
[C] and [D] adjust the right and left volume
balance.
[R] and [S] adjust the front and rear volume
balance.
■[Center]
Clear the adjustment.
Equalizer Control
You can adjust equalizer by selecting the
optimized setting for each category.
1 Press the [FNC] button.
Popup menu appears.
2 Touch [ ].
HOME screen appears.
3 Touch [ ].
Source selection screen appears.
4 Touch [Audio].
Audio screen appears.
5 Touch [Equalizer].
6 Touch the screen and set the Graphic
Equalizer as desired.
■Gain level (dotted frame area)
Adjust the gain level by touching the each
frequency bar.
You can select frequency bar and adjust its
level by [R], [S].
■[Preset Select]
Displays the screen to recall the preset
equalizer curve.
■[Memory]
Saves the adjusted equalizer curve from
“User1” to “User4”.
■[Initialize]
The current EQ curve returns to flat.
■[ALL SRC]
Apply the adjusted equalizer to all sources.
Touch [ALL SRC] and then touch [OK] on the
confirmation screen.
■[Bass EXT] (Bass Extend Settings)
When turned on, the frequency lower than
62.5 Hz is set to the same gain level as 62.5
Hz.
■[SW Level]
Adjusts the subwoofer volume. This setting
is not available when subwoofer is set to
“None”. See Speaker/ X’over setup (P.71).
!B5A-2303-00c_18KWV-K_En.indb 73 2019/04/26 10:43

Controlling Audio
74
Ñ Recall the EQ curve
1 Touch [Preset Select].
2 Select EQ curve.
NOTE
• [iPod] is available only during iPod source.
Ñ Save the EQ curve
1 Adjust the EQ curve.
2 Touch [Memory].
3 Select where to save.
Volume Offset
Finely adjust the volume of the current source
to minimize the difference in volume between
different sources.
1 Press the [FNC] button.
Popup menu appears.
2 Touch [ ].
HOME screen appears.
3 Touch [ ].
Source selection screen appears.
4 Touch [Audio].
Audio screen appears.
5 Touch [Volume Offset].
6 Touch [+] or [−] to adjust the level.
■[Initialize]
Returns to the initial settings.
* If you have increased the volume first, then
reduced the volume using the “Volume
Offset”, the sound generated if you suddenly
switch to another source may be extremely
loud.
Zone Control
You can select different sources for both front
and rear positions in the vehicle.
1 Press the [FNC] button.
Popup menu appears.
2 Touch [ ].
HOME screen appears.
3 Touch [ ].
Source selection screen appears.
4 Touch [Audio].
Audio screen appears.
!B5A-2303-00c_18KWV-K_En.indb 74 2019/04/26 10:43

Controlling Audio
75English
5 Touch [Zone Control].
Zone Control screen appears.
6 Touch [Zone Select].
7 Touch [Dual Zone].
8 Set each source as follows.
■[Zone Select]
Touch [Single Zone] to turn off the dual
zone function.
■[Front Source] [Rear Source]
Select the audio source for each.
■[Rear VOL.]
Adjusts the rear source volume.
NOTE
• When the rear speaker sound is switched, the
audio source that is output at the AV OUTPUT
terminal is also switched to the same source.
• When the dual zone function is set to on, the
following functions are not available.
– Output from the subwoofer
– Subwoofer Level/ Bass Boost (P.75)
– Equalizer Control/ Sound Effect/ Listening
Position (P.73, 75, 76)
– Speaker Setup (P.71)
– High-resolution Sound Source File Playback
NOTE
• You cannot select iPod if it is connected via
Bluetooth.
• If you select USB, iPod, Disc, Spotify, Pandora or
Bluetooth audio as the Front Source, you cannot
select USB or iPod as the Rear Source.
• If you select Mirroring (WebLink), Apple CarPlay
or Android Auto as the Front Source, you cannot
select DISC (Music CD/ Disc media), USB or iPod
as the Rear Source.
Sound Effect
You can set sound effects.
1 Press the [FNC] button.
Popup menu appears.
2 Touch [ ].
HOME screen appears.
3 Touch [ ].
Source selection screen appears.
4 Touch [Audio].
Audio screen appears.
5 Touch [Sound Effect].
6 Set each item as follows.
■[Bass Boost]
Sets the amount of bass boost among “OFF”/
“1”/ “2”/ “3”.
■[Loudness]
Sets the amounts of boost of low and high
tones.
“OFF”, “Low”, “High”
!B5A-2303-00c_18KWV-K_En.indb 75 2019/04/26 10:43

Controlling Audio
76
■[Volume Link EQ]
Reduces the driving noise by raising the
bandwidth.
“OFF”, “ON”
■[Space Enhancement]
Select the feeling of sound space
enhancement.
“OFF”/ “Small”/ “Medium”/ “Large”.
This setting is not available during Tuner
source.
■[K2]
Turns ON/OFF the K2 function.
Technology to extrapolate and supplement
with proprietary algorithm, the high-
frequency range that is cut off when
encoding.
■[Sound Response]
Virtually makes the sound more realistic
using the Digital Signal Processor (DSP)
system.
Select the level from “OFF”/ “1”/ “2”/ “3”.
■[Sound Lift]
You can adjust the height of speakers
virtually to suit your listening position.
“OFF”/ “Low”/ “Middle”/ “High”.
Listening Position/ DTA
Listening Position/DTA allows you to improve
the sound field depending on the position of
the seat you sit.
Listening Position/DTA allows you to set
“Listening Position” and “Front Focus”. You
cannot set both at the same time.
1 Press the [FNC] button.
Popup menu appears.
2 Touch [ ].
HOME screen appears.
3 Touch [ ].
Source selection screen appears.
4 Touch [Audio].
Audio screen appears.
5 Touch [Position/DTA].
• Set up Listening Position (P.76)
• Set up Front Focus (P.77)
Ñ Listening Position
Adjust the sound delay time as nearer speakers
to the selected seat have more delay time,
so that the sound from each speaker arrive a
listener at the same time.
1 Touch [Listening Position] in the Position/
DTA screen.
2 Select listening position from [Front R]
(Right front), [Front L] (Left front),
[Front All] (All front), and [All].
Position DTA control
You can fine-adjust your listening position.
1 Touch [Adjust].
2 Touch [Delay].
3 Touch [T] or [U] to adjust the delay time of
the selected speaker.
!B5A-2303-00c_18KWV-K_En.indb 76 2019/04/26 10:43

Controlling Audio
77English
4 Touch [Level].
5 Touch [T] or [U] to adjust the sound level
of the selected speaker.
NOTE
• To return to the initial setting of Delay and Level,
touch [Initialize] and [YES] in the confirmation
screen.
Ñ Front Focus
This is the function to focus the imaginary
sound image in front of the selected seat.
1 Touch [Front Focus] in the Position/DTA
screen.
2 Select a front focus position.
For [Front All] and [All], select Priority L or R
depending on which side you want to put
the imaginary sound image.
Ñ Front Focus fine adjustment
1 Touch [Adjust].
2 Touch [Delay].
3 Set each item as follows.
■[Sound Image LR (Front)]
Adjust the sound image to focus on in front
of front seats.
■[Sound Image LR (Rear)]
Adjust the sound image to focus on in front
of rear seats.
■[Size of the Virtual Sound Field]
Adjust the size of sound image to meet your
taste. If the sound image is shifted from the
front, adjust it by [Sound Image LR (Front)]
or [Sound Image LR (Rear)].
■[Subwoofer Delay]
Adjust the delay time of subwoofer.
4 Touch [Level].
5 Touch [T] or [U] to adjust the sound level
of the selected speaker.
NOTE
• To return to the initial setting of Delay and Level,
touch [Initialize] and [YES] in the confirmation
screen.
!B5A-2303-00c_18KWV-K_En.indb 77 2019/04/26 10:43

Remote control
78
Remote control
This unit can be operated using the remote
control RM-RK258 (optional accessory).
# WARNING
• Do not ingest the battery, Chemical Burn
Hazard
The remote control supplied with this product
contains a coin / button cell battery. If the
coin/button cell battery is swallowed, it can
cause severe internal burns in just 2 hours and
can lead to death.
Keep new and used batteries away from
children. If the battery compartment does not
close securely, stop using the product and
keep it away from children.
If you think batteries might have been
swallowed or placed inside any part of the
body, seek immediate medical attention.
# CAUTION
• Put the remote control in a place where it will
not move during braking or other operations.
A dangerous situation could result, if the
remote control falls down and gets wedged
under the pedals while driving.
• Do not leave the battery near fire or under
direct sunlight. A fire, explosion or excessive
heat generation may result.
• Do not recharge, short, break up or heat the
battery or place it in an open fire. Such actions
may cause the battery to leak fluid. If spilled
fluid comes in contact with your eyes or on
clothing, immediately rinse with water and
consult a physician.
• Danger of explosion if Lithium battery is
incorrectly replaced. Replace only with the
same or equivalent type.
Ñ Removing the battery sheet
Pull the battery sheet out from the remote
controller to activate the battery.
Ñ Changing the battery of the
remote controller
CR2025 (+side)
• Use a commercially available button battery
(CR2025).
• Insert the battery with the + and – poles
aligned properly.
– If the effectiveness of the remote controller
decreases, replace the battery.
Functions of the Remote
control Buttons
!B5A-2303-00c_18KWV-K_En.indb 78 2019/04/26 10:43

Remote control
79English
Key
Name
Function
SRC Switches to the source to be played.
In hands-free mode, hangs up the
phone.
VOL + – Adjusts the volume.
AT T Lowers the volume by pressing the
key once.
Restores the previous volume by
pressing the key twice.
DISP Switches the screen between the
current source and the App screen
from the connected iPod touch/
iPhone/Android.
FM/R
AM/S
Selects the folder to be played.
During tuner source, select FM/ AM
band to be received.
During SiriusXM source, switches the
bands to be received.
During DVD/VCD source, selects the
title to be played.
E 2
F 3
Selects the track or file to be played.
During tuner, and SiriusXM source,
switches to broadcast stations
received by the unit.
During DVD/VCD source, selects the
chapter/scene/track to be played.
ANGLE Not used.
When a call comes in, answers the call.
DIRECT Switches to the direct search mode.
For details on the direct search mode,
see Direct search mode (P.79).
ASPECT Changes the aspect ratio.
• To check the current aspect ratio
setting, operate on the touch panel.
(P.65)
Numeric
Keypad
Specifies the number to search in
direct search.
For details on the direct search mode,
see Direct search mode (P.79).
CLR Deletes a character while in direct
search mode.
ENT Performs the selected function.
Ñ Direct search mode
Using the remote control, you can jump
directly to the desired file, track chapter, etc.
with entering the number corresponding to
the content.
NOTE
• This operation cannot be performed for USB
device and iPod.
1 Press the [SRC] button several times until
the desired content appears.
The available contents are different
depending on the source.
■DVD
Title number/Chapter number
■VCD 1.X and 2.X (PBC OFF)
Track number
■VCD 2.X (PBC ON)
Scene number/Track number
■Music CD
Track number
■Tuner
Frequency value
■SiriusXM
Channel number
2 Press the [DIRECT] button.
3 Enter the number of the content you want
to play using the numeric keypad.
4 For DVD or VCD, music CD, press the
[ENTER] button.
For Tuner, press the [E] or [F] button.
The content you entered is played.
!B5A-2303-00c_18KWV-K_En.indb 79 2019/04/26 10:43

Connection/Installation
80
Connection/Installation
Before Installation
Before installation of this unit, please note the
following precautions.
# WARNINGS
• If you connect the ignition wire (red) and
the battery wire (yellow) to the car chassis
(ground), you may cause a short circuit, that
in turn may start a fire. Always connect those
wires to the power source running through
the fuse box.
• Do not cut out the fuse from the ignition wire
(red) and the battery wire (yellow). The power
supply must be connected to the wires via
the fuse.
# CAUTION
• Install this unit in the console of your vehicle.
Do not touch the metal part of this unit during
and shortly after the use of the unit. Metal part
such as the heat sink and enclosure become
hot.
NOTE
• Mounting and wiring this product requires
skills and experience. For best safety, leave the
mounting and wiring work to professionals.
• Make sure to ground the unit to a negative 12V
DC power supply.
• Do not install the unit in a spot exposed to
direct sunlight or excessive heat or humidity.
Also avoid places with too much dust or the
possibility of water splashing.
• Do not use your own screws. Use only the
screws provided. If you use the wrong screws,
you could damage the unit.
• If the power is not turned ON (“There is an
error in the speaker wiring. Please check the
connections.” is displayed), the speaker wire
may have a short-circuit or touched the chassis
of the vehicle and the protection function may
have been activated. Therefore, the speaker
wire should be checked.
• If your car’s ignition does not have an ACC
position, connect the ignition wires to a power
source that can be turned on and off with the
ignition key. If you connect the ignition wire to
a power source with a constant voltage supply,
such as with battery wires, the battery may be
drained.
• If the console has a lid, make sure to install the
unit so that the front panel will not hit the lid
when closing and opening.
• If the fuse blows, first make sure the wires
aren’t touching to cause a short circuit, then
replace the old fuse with one with the same
rating.
• Insulate unconnected wires with vinyl tape or
other similar material. To prevent a short circuit,
do not remove the caps on the ends of the
unconnected wires or the terminals.
• Connect the speaker wires correctly to the
terminals to which they correspond. The unit
may be damaged or fail to work if you share
the ¤ wires or ground them to any metal part
in the car.
• When only two speakers are being connected
to the system, connect the connectors either
to both the front output terminals or to both
the rear output terminals (do not mix front
and rear). For example, if you connect the ¢
connector of the left speaker to a front output
terminal, do not connect the ¤ connector to
a rear output terminal.
• After the unit is installed, check whether the
brake lamps, blinkers, wipers, etc. on the car
are working properly.
• Mount the unit so that the mounting angle is
30° or less.
• This unit has the cooling fan to decrease the
internal temperature. Do not mount the unit
in a place where the cooling fan of the unit is
blocked. Blocking these openings will inhibit
the cooling of the internal temperature and
result in malfunction.
Cooling fan
!B5A-2303-00c_18KWV-K_En.indb 80 2019/04/26 10:43

Connection/Installation
81English
• Do not press hard on the panel surface when
installing the unit to the vehicle. Otherwise
scars, damage, or failure may result.
• Reception may drop if there are metal objects
near the Bluetooth antenna.
Bluetooth antenna unit
Ñ Supplied accessories for
installation
1
x1
2
(Black 1 m)
x1
3
(3 m)
x1
4
(M5 x 8 mm)
x6
5
(M5 x 8 mm)
x6
Ñ Installation procedure
1) To prevent a short circuit, remove the key
from the ignition and disconnect the ¤
terminal of the battery.
2) Make the proper input and output wire
connections for each unit.
3) Connect the speaker wires of the wiring
harness.
4) Connect the wiring harness wires in the
following order; ground, battery, ignition.
5) Connect the wiring harness connector to the
unit.
6) Install the unit in your car.
7) Reconnect the ¤ terminal of the battery.
8) Perform the Initial Setup.
See Initial setup (P.7).
Installing the unit
4 or 5
4 or 5
Car Bracket
NOTE
• Make sure that the unit is installed securely in
place. If the unit is unstable, it may malfunction
(eg, the sound may skip).
Ñ Microphone unit
1) Check the installation position of the
microphone (accessory 3).
2) Clean the installation surface.
3) Remove the separator of the microphone
(accessory 3), and stick the microphone to
the place shown below.
4) Wire the microphone cable up to the unit
with it secured at several positions using tape
or other desired method.
5) Adjust the direction of the microphone
(accessory 3) to the driver.
3
Fix a cable with a commercial item of tape.
!B5A-2303-00c_18KWV-K_En.indb 81 2019/04/26 10:43

Connection/Installation
82
Ñ Connecting wires to terminals
ILLUMI
ANT CONT
STEERING WHEEL
REMOTE INPUT
REMOTE CONT
PRK SW
REVERSE
P. CONT
Fuse (15A)
When using the optional power amplifier,
connect to its power control terminal. (Max.
200mA, 12V)
Depending on what antenna you are using,
connect either to the control terminal of the
motor antenna, or to the power terminal for
the booster amplifier of the film-type antenna.
(Max. 300mA, 12V)
Blue/White
(Power control wire)
Blue
(Antenna control wire)
To car light control switch
Orange/White
(Dimmer control wire)
Purple/White
(Reverse sensor wire) (2 m)
Light Blue/Yellow
(Steering remote control wire)
Connect to vehicle’s reverse lamp harness when
using the optional rear view camera.
To steering remote
To use the steering wheel remote control
feature, you need an exclusive remote
adapter (not supplied) matched to your car.
If no connections are made, do not let
the cable come out from the tab.
Purple/Black
To rear right speaker
To rear left speaker
To front right speaker
To front left speaker
Speaker impedance: 4-8 Ω
Purple
Green/Black
Green
Gray/Black
Gray
White/Black
White
Accessory 1
Connect to the vehicle’s
parking brake detection switch
harness. Light Green
(Parking sensor wire)
(2 m)
For best safety, be sure to
connect the parking sensor.
Ignition key switch
Red
(Ignition wire)
Yellow
(Battery wire)
Car fuse box
Battery
Black
(Ground wire) ¤
(To car chassis)
!B5A-2303-00c_18KWV-K_En.indb 82 2019/04/26 10:43

Connection/Installation
83English
Ñ 3 way speaker system setup
+
+
+
+
When connecting to an external amplifier,
connect its ground wire to the car’s chassis to
avoid damaging the unit.
White/Black
Gray/Black
Green/Black
Purple/Black
Speaker impedance: 4-8 Ω
Purple
Green
Gray
White
To mid range left
speaker
Subwoofer Preout
To mid range right
speaker
Mid Range Preout
To tweeter left speaker
Tweeter Preout
To tweeter right
speaker
Power amplifier
(optional
accessory)
RCA Cable
(Sold separately)
Input
Speaker
Preout
NOTE
• For speaker system setup, see 3 way speaker
system setup (P.70).
• For speaker setup and crossover setup, see
Speaker/ X’over setup (P.71).
• For how to connect speaker wires to terminals
other than speaker terminals and Preout
terminals, see Connecting the system and
external components (P.83) and Connecting
wires to terminals (P.82).
Ñ Connecting the system and
external components
2
1
3 4
56
8
9
7
1
AV Audio output (ø3.5 mini jack)
2
FM/AM antenna input
3
When connecting to an external amplifier,
connect its ground wire to the car’s chassis to
avoid damaging the unit.
Rear Audio Preout
(Left; White, Right; Red)
Front Audio Preout
(Left; White, Right; Red)
Subwoofer Preout
(Left; White, Right; Red)
4
SiriusXM Connect Vehicle Tuner connector
For more information on how to install the
SiriusXM Connect Vehicle tuner, consult the
installation guide included with the tuner.
5
iDatalink connector
6
AV-IN input (1; Left audio, 2; Right audio, 3;
Ground, 4; Visual)
1 2 3 4
7
Accessory 3: Bluetooth Microphone
8
Rear view camera input (Yellow)
9
Visual Output (Yellow)
!B5A-2303-00c_18KWV-K_En.indb 83 2019/04/26 10:43

Connection/Installation
84
Ñ Connecting a USB device
USB device[2]
USB (Black) terminal[1]
Accessory 2 (Black) (1 m)[3]
[1] USB maximum power supply current :
DC 5 V = 1.5 A
[2] Sold separately
[3] See Securing the USB extension cable
(P.84).
Ñ Connecting an Android
smartphone
Micro USB to USB cable[2]
Android smartphone[2]
USB (Black) terminal[1]
Accessory 2 (Black) (1 m)[3]
[1] USB maximum power supply current :
DC 5 V = 1.5 A
[2] Sold separately
[3] See Securing the USB extension cable
(P.84).
Ñ Connecting an iPod/iPhone
●Lightning connector
KS-U62 (0.8m)[3]
iPod/iPhone[2]
iPhone (with CarPlay/ WebLink)[2]
USB (Black) terminal[1]
Accessory 2 (Black) (1 m)[4]
[1] USB maximum power supply current :
DC 5 V = 1.5 A
[2] Sold separately
[3] Optional accessory
[4] See Securing the USB extension cable
(P.84).
Ñ Securing the USB extension
cable
Secure the USB extension cable with insulating
tape or the like so that its connectors are not
disconnected.
!B5A-2303-00c_18KWV-K_En.indb 84 2019/04/26 10:43

Troubleshooting
85English
Troubleshooting
Problems and Solutions
If any trouble occurs, first check the following
table for possible problems.
NOTE
• Some functions of this unit may be disabled by
some settings made on this unit.
• What might seem to be a malfunction in your
unit may just be the result of slight misoperation
or miswiring.
Ñ About settings
• Cannot set up the subwoofer.
• Cannot set up subwoofer phase.
• No output from the subwoofer.
• Cannot set up the low pass filter.
• Cannot set up the high pass filter.
Subwoofer is not set to on.
Set the subwoofer to on. See Speaker/ X’over
setup (P.71).
The dual zone function is enabled.
Set the dual zone function to off. See Zone Control
(P.74).
• Cannot select the output destination of the
subsource in the dual zone.
• Cannot adjust the volume of the rear speakers.
The dual zone function is disabled.
Set the dual zone function to on. See Zone Control
(P.74).
• Cannot set up the equalizer.
• Cannot set up the crossover network.
The dual zone function is enabled.
Set the dual zone function to off. See Zone Control
(P.74).
Ñ About audio operations
Radio reception is poor.
The car antenna is not extended.
Pull out the antenna all the way.
The antenna control wire is not connected.
Connect the wire correctly. See Connecting the
system and external components (P.83).
Cannot select a folder.
The random play function is enabled.
Turn off the random function.
Cannot perform repeat play during VCD playback.
The PBC function is enabled.
Turn off the PBC function.
The specified disc does not play, but another one
plays instead.
The disc is quite dirty.
Clean the disc. See Precautions on handling discs
(P.4).
The disc is severely scratched.
Try another disc instead.
The sound skips when an audio file is being
played.
The disc is scratched or dirty.
Clean the disc. See Precautions on handling discs
(P.4).
The recording condition is bad.
Record the file again or use another disc.
Ñ Other
The Touch Sensor Tone doesn’t sound.
The preout jack is being used.
The Touch Sensor Tone cannot be output from the
preout jack.
Error Messages
When you fail to operate the unit correctly, the
cause of the failure appears as the message on
the screen.
There is an error in the speaker wiring. Please
check the connections.
Protective circuit has been activated because a speaker
cord has shorted or it has come in contact with the car
chassis.
Wire or insulate the speaker cord as appropriate and
turn the power off and on again.
Hot Error
When the internal temperature of this unit rises to 60°C
or more, the protection circuit is activated and you may
not be able to operate the unit.
Use the unit again after reducing the temperature
of the unit.
Mecha Error
The disc player is malfunctioning.
Eject the disc and try inserting it again. Contact the
JVC dealer if this indicator continues blinking or the
disc cannot be ejected.
Disc Error
An unplayable disc is inserted.
Change the disc. See Playable Media and Files
(P.87).
!B5A-2303-00c_18KWV-K_En.indb 85 2019/04/26 10:43

Troubleshooting
86
Read Error
The disc is quite dirty.
Clean the disc. See Precautions on handling discs
(P.4).
Disc is upside down.
Load the disc with the labeled side up.
Region Code Error
The disc you wanted to play has a region code that
cannot be played with this unit.
See Region Codes in the World (P.89) or try
another disc.
Error 07–67
The unit is not operating correctly due to some reason
or other.
Turn the power off and on again. If the “Error 07−67”
message does not disappear, see your nearest JVC
dealer.
No Device (USB device)
The USB device is selected as a source although no USB
device is connected.
Change the source to any source other than USB/
iPod. Connect a USB device, and change the source
to USB again.
Disconnected (iPod, Bluetooth audio player)
The iPod/Bluetooth audio player is selected as a source
although no iPod/Bluetooth audio player is connected.
Change the source to any source other than iPod/
Bluetooth. Connect an iPod/Bluetooth audio player,
and change the source to iPod/Bluetooth again.
No Media File
The connected USB device contains no playable audio
file. Media was played that doesn’t have data recorded
that the unit can play.
See Playable Media and Files (P.87) and try
another USB device.
USB device over current status detected.
The connected USB device is rated a current capacity
higher than the allowable limit.
Check the USB device. Some trouble may have
occurred to the connected USB device.
Change the source to any source other than USB.
Remove the USB device.
Ñ SiriusXM
Check Tuner
A SiriusXM tuner is not connected to this unit.
Verify that the SiriusXM Connect Vehicle Tuner cable
is securely connected to the radio.
Subscription Updated - Press Return To Continue
The SiriusXM subscription has been renewed.
Pressing the Control knob will clear the message.
SXM Chan Unavailable
The currently selected channel is unavailable.
Visit www.siriusxm.com for more information about
the SiriusXM channel lineup.
SXM Ch Unsubscribed
The currently selected channel is not subscribed to.
In the U.S.A., visit www.siriusxm.com or call
1-866-635-2349 if you have questions about your
subscription package or would like to subscribe to
this channel.
In Canada, visit www.siriusxm.ca or call 1-877-438-
9677.
SXM Check Antenna
No antenna is connected to the SiriusXM tuner.
Check that an antenna is connected to the SiriusXM
tuner. Check antenna for damages.
SXM No Signal
No SiriusXM radio signal is received.
Verify that your vehicle is outdoors with a clear view
of the sky.
Channel Locked
The selected channel has been locked by the parental
controls.
Enter the unlock code when you are asked. See
Parental Control (P.46).
Incorrect Pass Code entered
The selected channel is a mature or parental lock
channel, and locked by the parental lock or user lock
code.
Enter the correct lock code.
!B5A-2303-00c_18KWV-K_En.indb 86 2019/04/26 10:43

Appendix
87English
Appendix
Playable Media and Files
You can play various kinds of media and files on this unit.
Ñ List of playable discs (KW-V840BT)
Disc types / Standard Support Remark
DVD DVD Video v
DVD Audio ×
DVD-VR ×
DVD-R*1v• MP3/ WMA/ AAC/ WAV/ FLAC/ Vorbis/ MPEG1/ MPEG2/
MPEG4/ H.264/ WMV/ MKV playback
• Multi-border/Multisession playback (Playback depends on
authoring conditions)
DVD-RW v
DVD+R v
DVD+RW v
DVD-R DL (Dual layer) vOnly video format
DVD+R DL (Double layer) v
DVD-RAM ×
CD Music CD*1v
CD-ROM v• MP3/ WMA/ AAC/ WAV/ FLAC/ Vorbis playback
• Multisession is supported.
• Packet write is not supported.
CD-R v
CD-RW v
DTS-CD ×
Video CD (VCD) v
Super video CD ×
Photo CD ×
CD-EXTRA rOnly music CD session can be played.
HDCD rNormal music CD sound quality
CCCD ×
Others Dualdisc ×
Super audio CD rOnly CD layer can be played.
v : Playback is possible.
r : Playback is partly possible.
× : Playback is impossible.
*1 Incompatible with 8 cm (3 inch) discs.
■Use of DualDisc
When playing a “DualDisc” on this unit, the surface
of the disc that is not played may be scratched
while the disc is inserted or ejected. Since the music
CD surface does not conform to the CD standard,
playback may be impossible.
(A “DualDisc” is a disc with one surface containing
DVD standard signals and the other surface
containing music CD signals.)
■About disc format
The disc format should be the one of the
following.
• ISO 9660 Level 1/2
• Joliet
• Romeo
• Long file name
!B5A-2303-00c_18KWV-K_En.indb 87 2019/04/26 10:43

Appendix
88
Ñ About files
The following audio and video files are supported.
■Playable Audio files
Format Bit rate Sampling frequency Bit count
AAC-LC (.m4a) MPEG2/4 AAC LC
HE-AAC(V1,V2)
8 – 320kbps, VBR 16 – 48 kHz 16 bit
MP3 (.mp3) MPEG 1/2 Audio Layer 3 8 – 320kbps, VBR 16 – 48 kHz 16 bit
WMA (.wma) Windows Media Audio
Standard L3 profile (Version
7,8,9)
8 – 320kbps 16 – 48 kHz 16 bit
Linear PCM
(WAVE) (.wav)
RIFF waveform Audio
Format –16 – 48 kHz (Disc),
16 – 192 kHz (USB)
16/ 24 bit
FLAC (.flac) flac – 16 – 48 kHz (Disc),
16 – 192 kHz (USB)
16/ 24 bit
Vorbis (.ogg) vorbis VBR 16 – 48 kHz 16 bit
DSD (.dsf, .dff) DSF, DSDIFF – 2.8 MHz, 5.6 MHz, 11.2 MHz 1 bit
• If music of normal CD and other playback systems are recorded in the same disc, only the playback system recorded at
the first setout is played.
• WMA and AAC of which is covered with DRM cannot be played.
• DSD sound is converted to PCM sound before playback.
• The EmChinks tag of DSDIFF is not supported.
• Although the audio files are complied with the standards listed above, the play may be impossible depending on the
types or conditions of media or device.
• This unit supports playback of High-Resolution Audio files.
It is recommended that a car audio system should be configured with all High-Resolution Audio compatible products
from player to speaker to enjoy its high quality sound.
■Acceptable Video files
Profile Max. Picture size Max. bit rate Audio format
MPEG-1 (.mpg, .mpeg) – 352 × 240, 352 × 288 1.5 Mbps MPEG Audio Layer 2
MPEG-2 (.mpg, .mpeg) MP@ML 720 × 480, 720 × 576 8 Mbps MPEG Audio Layer 2
H.264/MPEG-4 AVC
(.mp4, .m4v, .avi, .flv, .f4v)
Baseline Profile,
Main Profile
1920 × 1080 (30 fps) 8 Mbps MP3, AAC
MPEG-4 (.mp4, .avi) Advanced Simple
Profile
1920 × 1080 (30 fps) 8 Mbps MP3, AAC
WMV (.wmv) Main Profile 1920 × 1080 (30 fps) 8 Mbps WMA
MKV (.mkv) Video Format follows H.264/MPEG-4 AVC, MPEG-4, WMV MP3, AAC, WMA, Vorbis,
FLAC
• This unit can only play back files which are less than 4 GB.
■Limitation of structure for the file and the folder
Disc media USB device
Maximum number of folder layers 8 8
Maximum number of files (per folder) 999 999
Maximum number of folders (per folder) 5000 9999
Maximum number of folders (per device) 5000 Unlimited
• You can enter a folder name and file name with 255 or fewer single-byte characters.
• Files in the folder whose folder name begins with a dot (.) cannot be played.
!B5A-2303-00c_18KWV-K_En.indb 88 2019/04/26 10:43

Appendix
89English
Region Codes in the World
The DVD players are given a region code according to the country or area it is marketed, as shown in
the following map.
1
2
4
1
5
4
5
2
1
2
6
3
■DVD disc marks
ALL
Indicates a region number. The discs with this
mark can be played with any DVD player.
8
Indicates the number of audio languages
recorded. Up to 8 languages can be recorded in
a movie. You can select a favorite language.
32
Indicates the number of subtitled languages
recorded. Up to 32 languages can be recorded.
9
If a DVD disc has scenes shot from multiple
angles, you can select a favorite angle.
16:9 LB
Indicates the type of screen for the image. The
left mark indicates that a wide image picture
(16:9) is displayed on a standard TV set screen
(4:3) with a black band at both the top and
bottom of the screen (letter box).
■Operation regulatory marks
With this DVD, some functions of this unit
such as the play function may be restricted
depending on the location where the DVD is
playing. In this case, the following marks will
appear on the screen. For more information,
refer to the disc manual.
Prohibition Mark
■Discs with limited period of use
Do not leave discs with a limited period of use in
this unit. If you load an already expired disc, you
may not be able to remove it from this unit.
!B5A-2303-00c_18KWV-K_En.indb 89 2019/04/26 10:43

Appendix
90
Code Language
aa Afar
ab Abkhazian
af Afrikaans
am Amharic
ar Arabic
as Assamese
ay Aymara
az Azerbaijani
ba Bashkir
be Byelorussian
bg Bulgarian
bh Bihari
bi Bislama
bn Bengali, Bangla
bo Tibetan
br Breton
ca Catalan
co Corsican
cs Czech
cy Welsh
da Danish
de German
dz Bhutani
el Greek
en English
eo Esperanto
es Spanish
et Estonian
eu Basque
fa Persian
fi Finnish
fj Fiji
fo Faroese
fr French
fy Frisian
ga Irish
gd Scots Gaelic
gl Galician
gn Guarani
gu Gujarati
ha Hausa
he Hebrew
hi Hindi
hr Croatian
hu Hungarian
hy Armenian
Code Language
ia Interlingua
ie Interlingue
ik Inupiak
id Indonesian
is Icelandic
it Italian
ja Japanese
jv Javanese
ka Georgian
kk Kazakh
kl Greenlandic
km Cambodian
kn Kannada
ko Korean
ks Kashmiri
ku Kurdish
ky Kirghiz
la Latin
lb Luxembourgish
ln Lingala
lo Laotian
lt Lithuanian
lv Latvian, Lettish
mg Malagasy
mi Maori
mk Macedonian
ml Malayalam
mn Mongolian
mo Moldavian
mr Marathi
ms Malay
mt Maltese
my Burmese
na Nauru
ne Nepali
nl Dutch
no Norwegian
oc Occitan
om (Afan) Oromo
or Oriya
pa Punjabi
pl Polish
ps Pashto, Pushto
pt Portuguese
qu Quechua
rm Rhaeto-Romance
Code Language
rn Kirundi
ro Romanian
ru Russian
rw Kinyarwanda
sa Sanskrit
sd Sindhi
sg Sangho
sh Serbo-Croatian
si Singhalese
sk Slovak
sl Slovenian
sm Samoan
sn Shona
so Somali
sq Albanian
sr Serbian
ss Siswati
st Sesotho
su Sundanese
sv Swedish
sw Swahili
ta Tamil
te Telugu
tg Tajik
th Thai
ti Tigrinya
tk Turkmen
tl Tagalog
tn Setswana
to Tongan
tr Turkish
ts Tsonga
tt Tatar
tw Twi
uk Ukrainian
ur Urdu
uz Uzbek
vi Vietnamese
vo Volapuk
wo Wolof
xh Xhosa
yo Yoruba
zh Chinese
zu Zulu
DVD Language Codes
!B5A-2303-00c_18KWV-K_En.indb 90 2019/04/26 10:43

Appendix
91English
Specifications
■Monitor section
Picture Size
: 6.75 inches (diagonal) wide
: 151.8 mm (W) × 79.68 mm (H)
5-31/32 × 3-1/8 inch
Display System
: TN LCD panel
Drive System
: TFT active matrix system
Number of Pixels
: 1,152,000 (800H x 480V x RGB)
Effective Pixels
: 99.99 %
Pixel Arrangement
: RGB striped arrangement
Back Lighting
: LED
■DVD player section (KW-V840BT)
D/A Converter
: 24/ 32 bit
Audio Decoder
: Linear PCM/ Dolby Digital/ MP3/ WMA/ AAC/ WAV/
FLAC/ Vorbis
Video Decoder
: MPEG1/ MPEG2/ MPEG4/ WMV/ H.264/ MKV
Wow & Flutter
: Below Measurable Limit
Frequency Response
• 96 kHz : 20 – 44,000 Hz
• 48 kHz : 20 – 22,000 Hz
• 44.1 kHz : 20 – 20,000 Hz
Total Harmonic Distortion
: 0.010 % (1 kHz)
S/N Ratio (dB)
: 90.5 dB
Dynamic Range
: 89 dB
Disc Format
: DVD-Video/ VIDEO-CD/ CD-DA
DVD-R/DVD-RW/ DVD+R/+RW
Sampling frequency
: 44.1/ 48/ 96 kHz
Quantifying Bit Number
: 16/ 20/ 24 bit
■USB interface section
USB Standard
: USB 2.0 High Speed
File System
: FAT 16/ 32, exFAT, NTFS
Maximum Power Supply Current
: DC 5 V 1.5 A × 2
D/A Converter
: 24/ 32 bit
Audio Decoder
: MP3/ WMA/ AAC/ WAV/ FLAC/ Vorbis/ DSD
Video Decoder
: MPEG1/ MPEG2/ MPEG4/ WMV/ H.264/ MKV
Frequency Response (KW-M740BT)
• 192 kHz : 20 – 88,000 Hz
• 96 kHz : 20 – 44,000 Hz
• 48 kHz : 20 – 22,000 Hz
• 44.1 kHz : 20 – 20,000 Hz
Total Harmonic Distortion (KW-M740BT)
: 0.0001 % (1 kHz)
S/N Ratio (dB) (KW-M740BT)
: 98.5 dB
Dynamic Range (KW-M740BT)
: 89 dB
■Bluetooth section
Technology
: Bluetooth Ver.3.0
Frequency
: 2.402 – 2.480 GHz
Output Power
: +4dBm (MAX), 0dBm (AVE), Power Class2
Maximum Communication range
: Line of sight approx. 10m (32.8 ft)
Audio Codec
: SBC/ AAC
Profile (Multi Profile support)
• HFP (V1.6) (Hands Free Profile)
• SPP (Serial Port Profile)
• A2DP (Advanced Audio Distribution Profile)
• AVRCP (V1.5) (Audio/Video Remote Control Profile)
• PBAP (Phonebook Access Profile)
!B5A-2303-00c_18KWV-K_En.indb 91 2019/04/26 10:43
Appendix
92
■FM tuner section
Frequency Range (step)
: 87.9 MHz – 107.9 MHz (200 kHz)
Usable Sensitivity (S/N : 30 dB)
: 9.3 dBf (0.8 μV/ 75 Ω)
Quieting Sensitivity (S/N : 50 dB)
: 15.2 dBf (1.6 μV/ 75 Ω)
Frequency Response
: 30 Hz – 15 kHz
S/N Ratio (dB)
: 75 dB (MONO)
Selectivity (± 400 kHz)
: Over 80 dB
Stereo Separation
: 45 dB (1 kHz)
■AM tuner section
Frequency Range (step)
: 530 kHz – 1700 kHz (10 kHz)
Usable Sensitivity
: 28 dBμ
■Video section
Color System of External Video Input
: NTSC
External Video Input Level (RCA jacks)
: 1 Vp-p/ 75 Ω
External Video Input Level (mini jack)
: 1 Vp-p/ 75 Ω
External Audio Max Input Level (mini jack)
: 2 V/ 25 kΩ
Video Output Level (RCA jacks)
: 1 Vp-p/ 75 Ω
Audio Output Level (mini jack)
: 1.2 V/ 10 kΩ
■Audio section
Maximum Power (Front & Rear)
: 50 W × 4
Full Bandwidth Power (Front & Rear)
: 22 W × 4 (4Ω,14.4V, at less than 1%THD)
Output frequency band
: 20 – 88,000 Hz
Preout Level (V)
: 4 V/ 10 kΩ
Preout Impedance
: ≤ 600 Ω
Speaker Impedance
: 4 – 8 Ω
■DSP section
Graphics equalizer
Band: 13 Band
Frequency (BAND1 – 13)
: 62.5/ 100/ 160/ 250/ 400/ 630/ 1k/ 1.6k/ 2.5k/ 4k/
6.3k/ 10k/ 16k Hz
Q: 1.35/ 1.5/ 2.0
Gain
: -9/-8/-7/-6/-5/-4/-3/-2/-1/0/1/2/3/4/5/6/7/8/9 dB
2Way X'Over
High pass filter
Frequency: Through, 30/ 40/ 50/ 60/ 70/ 80/ 90/ 100/
120/ 150/ 180/ 220/ 250 Hz
Slope: -6/-12/-18/-24 dB/Oct.
Gain: -8/ -7/ -6/ -5/ -4/ -3/ -2/ -1/ 0 dB
Low pass filter
Frequency: 30/ 40/ 50/ 60/ 70/ 80/ 90/ 100/ 120/
150/ 180/ 220/ 250 Hz, Through
Slope: -6/-12/-18/-24 dB/Oct.
Gain: -8/ -7/ -6/ -5/ -4/ -3/ -2/ -1/ 0 dB
3Way X'Over
High pass filter
Frequency: 1k/ 1.6k/ 2.5k/ 4k/ 5k/ 6.3k/ 8k/ 10k/
12.5k Hz
Slope: -6/-12 dB/Oct.
Gain: -8/ -7/ -6/ -5/ -4/ -3/ -2/ -1/ 0 dB
Band pass filter
Frequency: Through, 30/ 40/ 50/ 60/ 70/ 80/ 90/ 100/
120/ 150/ 180/ 220/ 250 Hz
1k/ 1.6k/ 2.5k/ 4k/ 5k/ 6.3k/ 8k/ 10k/ 12.5k
Hz , Through
Slope: -6/-12 dB/Oct.
Gain: -8/ -7/ -6/ -5/ -4/ -3/ -2/ -1/ 0 dB
Low pass filter
Frequency: 30/ 40/ 50/ 60/ 70/ 80/ 90/ 100/ 120/
150/ 180/ 220/ 250 Hz, Through
Slope: -6/-12 dB/Oct.
Gain: -8/ -7/ -6/ -5/ -4/ -3/ -2/ -1/ 0 dB
!B5A-2303-00c_18KWV-K_En.indb 92 2019/04/26 10:43

Appendix
93English
■General
Operating Voltage
: 14.4 V (10.5 – 16 V allowable)
Maximum Current Consumption
: 15 A
Installation Dimensions (W × H × D)
: 178 × 100 × 155 mm
7 × 3-15/16 × 6-1/8 inch
Operational Temperature Range
: -10 °C – +60 °C
Weight
KW-V840BT
: 2.1 kg (4.63 lbs)
KW-M740BT
: 1.7 kg (3.75 lbs)
NOTE
• Although the effective pixels for the liquid crystal
panel is given as 99.99% or more, 0.01% of pixels
may not light or may light incorrectly.
Specifications subject to change without notice.
About this Unit
■Copyrights
• The Bluetooth® word mark and logos are registered
trademarks owned by Bluetooth SIG, Inc. and any
use of such marks by JVC KENWOOD Corporation is
under license. Other trademarks and trade names are
those of their respective owners.
• Manufactured under license from Dolby Laboratories.
Dolby, Dolby Audio and the double-D symbol are
trademarks of Dolby Laboratories.
• is a trademark of DVD Format/Logo
Licensing Corporation registered in the U.S., Japan
and other countries.
• This item incorporates copy protection technology
that is protected by U.S. patents and other
intellectual property rights of Rovi Corporation.
Reverse engineering and disassembly are prohibited.
• Microsoft and Windows Media are either registered
trademarks or trademarks of Microsoft Corporation in
the United States and/or other countries.
• This software is based in part on the work of the
independent JPEG Group.
• The “AAC” logo is a trademark of Dolby Laboratories.
• “Made for iPod” and “Made for iPhone” mean that an
electronic accessory has been designed to connect
specifically to iPod, or iPhone, respectively, and
has been certified by the developer to meet Apple
performance standards. Apple is not responsible for
the operation of this device or its compliance with
safety and regulatory standards. Please note that the
use of this accessory with iPod, or iPhone may affect
wireless performance.
• iPhone, iPod, and iPod touch are trademarks of Apple
Inc., registered in the U.S. and other countries.
• Apple, Siri, Apple CarPlay and Apple CarPlay logo are
trademarks of Apple Inc., registered in the U.S. and
other countries. Lightning is a trademark of Apple
Inc.
• Sirius, XM and all related marks and logos are
trademarks of Sirius XM Radio Inc. All rights reserved.
• PANDORA, the PANDORA logo, and the Pandora
trade dress are trademarks or registered trademarks
of Pandora Media, Inc., used with permission.
• SPOTIFY and the Spotify logo are among the
registered trademarks of Spotify AB.
• Android, Android Auto, Google Play and other marks
are trademarks of Google Inc.
• WebLink™ is a trademark of Abalta Technologies, Inc.
• This License does not grant permission to use the
trade names, trademarks, service marks, or product
names of the Licensor (Abalta Technologies, Inc.),
except as required for reasonable and customary use
in describing the origin of the **WEBLINK Product**.
• YouTube and the YouTube logo are registered
trademarks of Google Inc.
!B5A-2303-00c_18KWV-K_En.indb 93 2019/04/26 10:43

Appendix
94
• BlackBerry®, RIM®, Research In Motion® and related
trademarks, names and logos are the property of
Research In Motion Limited and are registered and/
or used in the U.S. and countries around the world.
Used under license from Research In Motion Limited.
• This product includes FontAvenue® fonts licenced
by NEC Corporation.FontAvenue is a registered
trademark of NEC Corporation.
• This product includes "Ubiquitous QuickBoot
TM" technology developed by Ubiquitous Corp.
Ubiquitous QuickBoot TM is a trademark of
Ubiquitous Corp. Copyright© 2017 Ubiquitous Corp.
All rights reserved.
• THIS PRODUCT IS LICENSED UNDER THE AVC
PATENT PORTFOLIO LICENSE FOR THE PERSONAL
USE OF A CONSUMER OR OTHER USES IN WHICH IT
DOES NOT RECEIVE REMUNERATION TO (¡)ENCODE
VIDEO IN COMPLIANCE WITH THE AVC STANDARD
(“AVC VIDEO”) AND/OR (¡¡)DECODE AVC VIDEO
THAT WAS ENCODED BY A CONSUMER ENGAGED
IN A PERSONAL ACTIVITY AND/OR WAS OBTAINED
FROM A VIDEO PROVIDER LICENSED TO PROVIDE
AVC VIDEO. NO LICENSE IS GRANTED OR SHALL
BE IMPLIED FOR ANY OTHER USE. ADDITIONAL
INFORMATION MAY BE OBTAINED FROM MPEG LA,
L.L.C. SEE HTTP://WWW.MPEGLA.COM
• THIS PRODUCT IS LICENSED UNDER THE MPEG-
4 VISUAL PATENT PORTFOLIO LICENSE FOR
THE PERSONAL AND NON-COMMERCIAL USE
OF A CONSUMER FOR (¡) ENCODING VIDEO IN
COMPLIANCE WITH THE MPEG-4 VISUAL STANDARD
(“MPEG-4 VIDEO”) AND/OR (¡¡) DECODING MPEG-
4 VIDEO THAT WAS ENCODED BY A CONSUMER
ENGAGED IN A PERSONAL AND NON-COMMERCIAL
ACTIVITY AND/OR WAS OBTAINED FROM A VIDEO
PROVIDER LICENSED BY MPEG LA TO PROVIDE
MPEG-4 VIDEO. NO LICENSE IS GRANTED OR SHALL
BE IMPLIED FOR ANY OTHER USE. ADDITIONAL
INFORMATION INCLUDING THAT RELATING TO
PROMOTIONAL, INTERNAL AND COMMERCIAL USES
AND LICENSING MAY BE OBTAINED FROM MPEG LA,
LLC. SEE HTTP://WWW.MPEGLA.COM.
• THIS PRODUCT IS LICENSED UNDER THE VC-1 PATENT
PORTFOLIO LICENSE FOR THE PERSONAL AND NON-
COMMERCIAL USE OF A CONSUMER TO ( i ) ENCODE
VIDEO IN COMPLIANCE WITH THE VC-1 STANDARD
(“VC-1 VIDEO”) AND/OR ( ii ) DECODE VC-1 VIDEO
THAT WAS ENCODED BY A CONSUMER ENGAGED
IN A PERSONAL AND NON-COMMERCIAL ACTIVITY
AND/OR WAS OBTAINED FROM A VIDEO PROVIDER
LICENSED TO PROVIDE VC-1 VIDEO. NO LICENSE IS
GRANTED OR SHALL BE IMPLIED FOR ANY OTHER
USE. ADDITIONAL INFORMATION MAY BE OBTAINED
FROM MPEG LA, L.L.C. SEE HTTP://WWW.MPEGLA.
COM
• libFLAC
Copyright (C) 2000-2009 Josh Coalson
Copyright (C) 2011-2013 Xiph.Org Foundation
Redistribution and use in source and binary forms,
with or without modification, are permitted provided
that the following conditions are met:
– Redistributions of source code must retain the
above copyright notice, this list of conditions and
the following disclaimer.
– Redistributions in binary form must reproduce the
above copyright notice, this list of conditions and
the following disclaimer in the documentation
and/or other materials provided with the
distribution.
– Neither the name of the Xiph.org Foundation
nor the names of its contributors may be used to
endorse or promote products derived from this
software without specific prior written permission.
THIS SOFTWARE IS PROVIDED BY THE COPYRIGHT
HOLDERS AND ONTRIBUTORS ``AS IS’’ AND ANY
EXPRESS OR IMPLIED WARRANTIES, INCLUDING,
BUT NOT LIMITED TO, THE IMPLIED WARRANTIES OF
MERCHANTABILITY AND FITNESS FOR A PARTICULAR
PURPOSE ARE DISCLAIMED. IN NO EVENT SHALL THE
FOUNDATION OR CONTRIBUTORS BE LIABLE FOR ANY
DIRECT, INDIRECT, INCIDENTAL, SPECIAL, EXEMPLARY,
OR CONSEQUENTIAL DAMAGES (INCLUDING, BUT
NOT LIMITED TO, PROCUREMENT OF SUBSTITUTE
GOODS OR SERVICES; LOSS OF USE, DATA, OR
PROFITS; OR BUSINESS INTERRUPTION) HOWEVER
CAUSED AND ON ANY THEORY OF LIABILITY,
WHETHER IN CONTRACT, STRICT LIABILITY, OR TORT
(INCLUDING NEGLIGENCE OR OTHERWISE) ARISING
IN ANY WAY OUT OF THE USE OF THIS SOFTWARE,
EVEN IF ADVISED OF THE POSSIBILITY OF SUCH
DAMAGE.
• libvorbis
Copyright (c) 2002-2008 Xiph.org Foundation
Redistribution and use in source and binary forms,
with or without modification, are permitted provided
that the following conditions are met:
– Redistributions of source code must retain the
above copyright notice, this list of conditions and
the following disclaimer.
– Redistributions in binary form must reproduce the
above copyright notice, this list of conditions and
the following disclaimer in the documentation
and/or other materials provided with the
distribution.
– Neither the name of the Xiph.org Foundation
nor the names of its contributors may be used to
endorse or promote products derived from this
software without specific prior written permission.
THIS SOFTWARE IS PROVIDED BY THE COPYRIGHT
HOLDERS AND CONTRIBUTORS ``AS IS’’ AND ANY
EXPRESS OR IMPLIED WARRANTIES, INCLUDING,
BUT NOT LIMITED TO, THE IMPLIED WARRANTIES OF
MERCHANTABILITY AND FITNESS FOR A PARTICULAR
!B5A-2303-00c_18KWV-K_En.indb 94 2019/04/26 10:43

Appendix
95English
PURPOSE ARE DISCLAIMED. IN NO EVENT SHALL THE
FOUNDATION OR CONTRIBUTORS BE LIABLE FOR ANY
DIRECT, INDIRECT, INCIDENTAL, SPECIAL, EXEMPLARY,
OR CONSEQUENTIAL DAMAGES (INCLUDING, BUT
NOT LIMITED TO, PROCUREMENT OF SUBSTITUTE
GOODS OR SERVICES; LOSS OF USE, DATA, OR
PROFITS; OR BUSINESS INTERRUPTION) HOWEVER
CAUSED AND ON ANY THEORY OF LIABILITY,
WHETHER IN CONTRACT, STRICT LIABILITY, OR TORT
(INCLUDING NEGLIGENCE OR OTHERWISE) ARISING
IN ANY WAY OUT OF THE USE OF THIS SOFTWARE,
EVEN IF ADVISED OF THE POSSIBILITY OF SUCH
DAMAGE.
• libogg
Copyright (c) 2002, Xiph.org Foundation
Redistribution and use in source and binary forms,
with or without modification, are permitted provided
that the following conditions are met:
– Redistributions of source code must retain the
above copyright notice, this list of conditions and
the following disclaimer.
– Redistributions in binary form must reproduce the
above copyright notice, this list of conditions and
the following disclaimer in the documentation
and/or other materials provided with the
distribution.
– Neither the name of the Xiph.org Foundation
nor the names of its contributors may be used to
endorse or promote products derived from this
software without specific prior written permission.
THIS SOFTWARE IS PROVIDED BY THE COPYRIGHT
HOLDERS AND CONTRIBUTORS ``AS IS’’ AND ANY
EXPRESS OR IMPLIED WARRANTIES, INCLUDING,
BUT NOT LIMITED TO, THE IMPLIED WARRANTIES OF
MERCHANTABILITY AND FITNESS FOR A PARTICULAR
PURPOSE ARE DISCLAIMED. IN NO EVENT SHALL THE
FOUNDATION OR CONTRIBUTORS BE LIABLE FOR ANY
DIRECT, INDIRECT, INCIDENTAL, SPECIAL, EXEMPLARY,
OR CONSEQUENTIAL DAMAGES (INCLUDING, BUT
NOT LIMITED TO, PROCUREMENT OF SUBSTITUTE
GOODS OR SERVICES; LOSS OF USE, DATA, OR
PROFITS; OR BUSINESS INTERRUPTION) HOWEVER
CAUSED AND ON ANY THEORY OF LIABILITY,
WHETHER IN CONTRACT, STRICT LIABILITY, OR TORT
(INCLUDING NEGLIGENCE OR OTHERWISE) ARISING
IN ANY WAY OUT OF THE USE OF THIS SOFTWARE,
EVEN IF ADVISED OF THE POSSIBILITY OF SUCH
DAMAGE.
■FCC WARNING
This equipment may generate or use radio
frequency energy. Changes or modifications to this
equipment may cause harmful interference unless
the modifications are expressly approved in the
instruction manual. The user could lose the authority to
operate this equipment if an unauthorized change or
modification is made.
NOTE
• This equipment has been tested and found to
comply with the limits for a Class B digital device,
pursuant to Part 15 of the FCC Rules. These limits
are designed to provide reasonable protection
against harmful interference in a residential
installation.
• This equipment may cause harmful interference
to radio communications, if it is not installed
and used in accordance with the instructions.
However, there is no guarantee that interference
will not occur in a particular installation. If this
equipment does cause harmful interference
to radio or television reception, which can be
determined by turning the equipment off and
on, the user is encouraged to try to correct the
interference by one or more of the following
measures:
– Reorient or relocate the receiving antenna.
– Increase the separation between the
equipment and receiver.
– Connect the equipment into an outlet on a
circuit different from that to which the receiver
is connected.
– Consult the dealer or an experienced radio/TV
technician for help.
# CAUTION
Use of controls or adjustments or performance of
procedures other than those specified herein may result
in hazardous radiation exposure.
In compliance with Federal Regulations, following
are reproductions of labels on, or inside the product
relating to laser product safety.
JVC KENWOOD Corporation
2967-3, ISHIKAWA-MACHI,
HACHIOJI-SHI, TOKYO, JAPAN
THIS PRODUCT COMPLIES WITH DHHS RULES
21 CFR SUBCHAPTER J IN EFFECT AT DATE OF
MANUFACTURE.
Location: Top plate
!B5A-2303-00c_18KWV-K_En.indb 95 2019/04/26 10:43

Appendix
96
This transmitter must not be co-located or operated in
conjunction with any other antenna or transmitter.
■IC (Industry Canada) Notice
This device complies with Industry Canada licence-
exempt RSS standard(s).
Operation is subject to the following two conditions:
(1) This device may not cause interference, and
(2) this device must accept any interference, including
interference that may cause undesired operation of
the device.
# CAUTION
This equipment complies with FCC/IC radiation
exposure limits set forth for an uncontrolled
environment and meets the FCC radio frequency
(RF) Exposure Guidelines and RSS-102 of the IC radio
frequency (RF) Exposure rules. This equipment has
very low levels of RF energy that is deemed to comply
without maximum permissive exposure evaluation
(MPE). But it is desirable that it should be installed and
operated keeping the radiator at least 20 cm or more
away from person’s body.
• Contains Transmitter Module
FCC ID: ZWY8811X
• Contains Transmitter Module
IC: 12033A-8811X
■CALIFORNIA, USA
This product contains a CR Coin Cell Lithium Battery
which contains Perchlorate Material – special handling
may apply.
See www.dtsc.ca.gov/hazardouswaste/perchlorate.
■Información acerca de la eliminación
de equipos eléctricos y electrónicos
al final de la vida útil (aplicable a los
países que hayan adoptado sistemas
independientes de recogida de
residuos)
Los productos con el símbolo de un contenedor con
ruedas tachado no podrán ser desechados como
residuos domésticos.
Los equipos eléctricos y electrónicos al final de la vida
útil, deberán ser reciclados en instalaciones que puedan
dar el tratamiento adecuado a estos productos y a sus
subproductos residuales correspondientes. Póngase
en contacto con su administración local para obtener
información sobre el punto de recogida más cercano.
Un tratamiento correcto del reciclaje y la eliminación
de residuos ayuda a conservar los recursos y evita al
mismo tiempo efectos perjudiciales en la salud y el
medio ambiente.
■Informação sobre a eliminação de
pilhas
Este produto não deve ser eliminado como lixo
doméstico geral. Devolva a pilha usada ao revendedor
ou entidade autorizada para que a mesma seja
devolvida ao fabricante ou importador.
A reciclagem e a eliminação de lixo de maneira
apropriada ajudarão a conservar os recursos naturais ao
mesmo tempo que prevenirão os efeitos prejudicais à
nossa saúde e ao meio ambiente.
■Para cumplimiento de la IFT:
“La operación de este equipo esta sujeta a las
siguientes dos condiciones:
(1) es posible que este equipo o dispositivo no
cause interferencia perjudicial y
(2) este equipo o dispositivo debe aceptar
cualquier interferencia,
incluyendo la que pueda causar su operación no
deseada.”
!B5A-2303-00c_18KWV-K_En.indb 96 2019/04/26 10:43