JVC TM H150CGCA H150CG User Manual LCT1565 001A H EN
User Manual: JVC TM-H150CGCA TM-H150CGCA English,
Open the PDF directly: View PDF
.
Page Count: 20

INSTRUCTIONS
TM-H150CG
COLOR VIDEO MONITOR
LCT1565-001A-H
0304MKH-MW-MT
© 2004 VICTOR COMPANY OF JAPAN, LIMITED
TM-H150CG[C]_Cover.p65 04.2.16, 8:03 PM3

In order to prevent any fatal accidents caused by misoperation or mishandling the monitor, be fully aware of all the following
precautions.
WARNINGS
To prevent fire or shock hazard, do not expose this monitor to rain or moisture. Dangerous high voltages are present inside
the unit. Do not remove the back cover of the cabinet. When servicing the monitor, consult qualified service personnel.
Never try to service it yourself.
WARNING : THIS APPARATUS MUST BE EARTHED.
PRECAUTIONS
● Use only the power source specified on the unit.
(220 V AC, 50 Hz/60 Hz)
● When not using this unit for a long period of time, or when
cleaning it, be sure to disconnect the power plug from the
AC outlet.
● Do not allow anything to rest on the power cord. And do not
place this unit where people will tread on the cord. Do not
overload wall outlets or power cords as this can result in a
fire or electric shock.
● Avoid using this unit under the following conditions:
– in extremely hot, cold or humid places,
– in dusty places,
– near appliances generating strong magnetic fields,
– in places subject to direct sunlight,
– in badly ventilated places,
– in automobiles with doors closed.
● Do not cover the ventilation slots while in operation as this
could obstruct the required ventilation flow.
● When dust accumulates on the screen surface, clean it with
a soft cloth.
● Unplug this unit from the AC outlet and refer servicing to
qualified service personnel under the following conditions:
– when the power cord is frayed or the plug is damaged,
– if liquid has been spilled into the unit,
– if the unit has been dropped or the cabinet has been
damaged,
– when the unit exhibits a distinct change in performance.
● Do not attempt to service this unit yourself as opening or
removing covers may expose you to dangerous voltage or
other hazards. Always refer servicing to qualified service
personnel.
● When replacement parts are required, have the service
personnel verify in writing that the replacement parts he/
she uses have the same safety characteristics as the
original parts. Use of manufacture’s specified replacement
parts can prevent fire, shock, or other hazards.
● Upon completion of any servicing or repair work to this unit,
please ask the service personnel to perform the safety
check described in the manufacturer’s service literature.
● When this unit reaches the end of its useful life, improper
disposal could result in a picture tube implosion. Ask
qualified service personnel to dispose of this unit.
SAFETY PRECAUTIONS
2
Improper operations, in particular alternation of high voltage or changing the type of tube may result in x-ray emission of
considerable dose. A unit altered in such a way no longer meets the standards of certification, and must therefore no
longer be operated.
Thank you for purchasing this JVC color video monitor. Before using it, read and follow all
instructions carefully to take full advantage of the monitor’s capabilities.
TM-H150CG[C]_Cover.p65 04.2.16, 8:03 PM4

Contents
SAFETY PRECAUTIONS ................................................................................. 2
Controls and Features .................................................................................... 4
Front Panel .................................................................................................... 4
Rear Panel ..................................................................................................... 6
Input Card (option) ......................................................................................... 7
Preparation ...................................................................................................... 9
Installing the Input Card ................................................................................. 9
Basic Menu Operations (MENU, SET-UP MENU)............................................................... 10
How to Use MENU ......................................................................................... 12
How to Use SET-UP MENU ........................................................................... 13
How to Use the External Control.................................................................. 15
Troubleshooting ............................................................................................ 16
Specifications ................................................................................................ 18
POWER CONNECTION
The power supply voltage rating of this product is AC 220 V.
Do not use other power cords than the power cord attached to this unit.
SCREEN BURN
● It is not recommended to keep a certain still image displayed on screen for a long time as well as displaying extremely bright
images on screen. This may cause a burning (sticking) phenomenon on the screen of cathode-ray tube. This problem does not
occur as far as displaying normal video playback motion images.
Supplementary Explanation
= Information for monitor operation =
This monitor uses a high precision CRT (cathode ray tube). Please follow the procedures below.
* For stable operation of the CRT, approximately 30 minutes running time is required from the time the power is turned on.
* When the monitor is installed, it can be easily affected by surrounding magnetic fields, which can generate irregular color
on the screen. When it is difficult to eradicate, degauss from outside using a degausser, etc.
3
TM-H150CG[C]_Cover.p65 04.2.16, 8:03 PM5

4
Controls and Features
Front Panel
1CHROMA ( : Chroma)/PHASE ( : Phase)
button*
Press this button to activate the Chroma (picture
color density) adjustment mode or the Phase
(picture hue) adjustment mode. Each time you
press the button, the adjustment modes change.
Chroma“Phase
Adjust the value with the VOLUME/SELECT
(–+) buttons while the level bar appears on the
screen.
(–40 to +40)
•CHROMA is not adjustable when the RGB signal, black-
and-white signal, or no signal is input (except the
component signal).
•Adjusting CHROMA to “–40” is chroma off.
•PHASE is adjustable only when the NTSC signal is input.
fi button (while the menu screen is displayed)
Selects the items on the menu screen.
2CONTRAST ( :Contrast)/
BRIGHT ( :Brightness) button*
Press this button to activate the picture contrast
adjustment mode or picture brightness adjustment
mode. Each time you press the button, the
adjustment modes change.
Contrast“Brightness
Adjust the value with the VOLUME/SELECT
(–+) buttons while the level bar appears on the
screen.
(–40 to +40)
% button (while the menu screen is displayed)
Selects the items on the menu screen.
*While adjusting the picture,
•The adjustment level bar disappears if no operation has
been done for about 10 seconds.
•The adjustment level bar also disappears if you press
MENU button.
•“NO EFFECT” will appear for about 3 seconds if the
function you select has no effect.
3VOLUME/SELECT (–+) buttons
Adjusts the volume.
These buttons are also used to select the items on
the menu screen while the menu screen is
displayed.
•Pressing + or – button displays the VOLUME level bar on
the screen. Pressing + or – button while the level bar
appears on the screen allows you to adjust the volume.
(00 to 50)
•The VOLUME level bar disappears if no operation has
been done for about 10 seconds.
•The VOLUME level bar also disappears if you press
MENU button.
4MENU button
Displays MENU.
\For details, see page 10.
NOTE:
To display SET-UP MENU, press the fi button while holding down
the MENU button.
5UNDER SCAN button
Reduces the screen size to display the entire
image.
•The button lights while this function is activated.
•Pressing the button again restores the screen to normal
size.
6COLOR OFF button
Cuts color signals to display a black and white
image.
Use this function to check noises in the luminance
signal or to check the white balance adjustment.
•The button lights while this function is activated.
•Pressing the button again restores the normal screen.
NOTE:
This function is not available to the RGB signal.
12 345678 9 p q
w
[04-09]TM-H150CG[C].p65 04.2.16, 8:03 PM4

5
7BLUE CHECK button
Displays only the blue signals.
•The button lights while this function is activated.
•Pressing the button again restores the normal screen.
By using this function with the standard color-bar
currently used, you can check if CHROMA (picture
color density) or PHASE (picture hue) is adjusted
properly.
Also you can check if “COMPO. LEVEL” (the
adjustment level of the component signal) is
adjusted properly for the component signal or the
SDI signal.
NOTE:
This function is not available to the RGB signal.
1 Display the standard color-bar currently used
on the screen.
2 Press the BLUE CHECK button.
The following display appears on the screen.
3 If the brightness of the blue bars on the left
and right sides are the same, CHROMA
(picture color density) is adjusted properly.
•For the component signal or the SDI signal, if the
brightness of the blue bars on the left and right sides
are the same, “COMPO. LEVEL” is adjusted properly.
4 If the brightness of two blue bars in the
middle are the same, PHASE (picture hue) is
adjusted properly.
•PHASE should be checked only when the NTSC
signal is being input.
If the brightness of each blue bar is different, make the
following adjustment in the blue checking state:
When the composite signal or the Y/C (S-video) signal is being
input:
By using the CHROMA/PHASE button and the VOLUME/SELECT
(–+) buttons, adjust CHROMA or PHASE so that brightness of the
blue bars on the left and right sides are the same.
When the component signal or SDI signal is being input:
Press the MENU button to display MENU, select “COMPO. LEVEL” by
pressing the %/fi buttons.
Then, adjust “COMPO. LEVEL” by pressing the VOLUME/SELECT
(–+) buttons so that brightness of two blue bars in the middle are
the same.
•Be sure to adjust CHROMA for the composite signal or the Y/C
(S-video) signal before adjusting “COMPO. LEVEL.”
If you change the CHROMA adjustment for other signal formats
than the component signal after “COMPO. LEVEL” has been
adjusted, you need to adjust “COMPO. LEVEL” again.
8ASPECT button
Changes the aspect ratio from 4:3 to 16:9.
•The button lights while the aspect ratio is 16:9.
•Pressing the button again returns the aspect ratio to 4:3.
9INPUT SELECT buttons
Select an input to display.
A: Select the video signal input to the VIDEO A terminal
and the audio signal input to the AUDIO A terminal.
B: Select the video signal input to the VIDEO B terminal
and the audio signal input to the AUDIO B terminal.
\When both an Y/C (S-video) signal and a composite signal
are input to the VIDEO B terminal, the Y/C signal has
priority over the composite signal.
C/D (SLOT):
Select the signal input to the input card installed in the
input card slot on the rear panel.
\For details about how to select the input signal through the
input card, see pages 7 and 8.
•The corresponding button of the input currently selected
lights up.
pPower lamp
Unlit: The main power is off.
Orange: The main power is on and the monitor is in stand-
by mode.
Green: The monitor is on.
qStand-by button
Turns on and off the monitor when the main power
is on.
NOTE:
You can set the delay time between when the stand-by button is
pressed and when the monitor actually turns on. See “RUSH
DELAY” on page 12.
wSpeaker
A built-in speaker is on the side panel.
Blue
Blue
Blue
Blue
[04-09]TM-H150CG[C].p65 04.2.16, 8:03 PM5

6
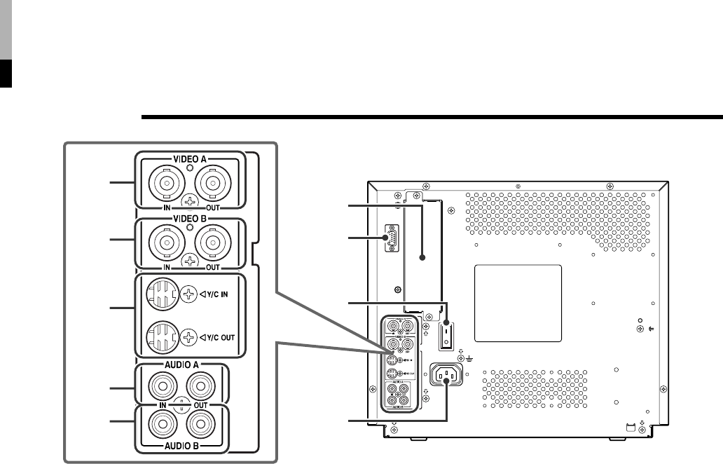
Controls and Features (cont’d)
Rear Panel
SLOT
REMOTE
MAKE/
TRIGGER
POWER
i
o
e
r
t
y
u
;
a
eVIDEO A terminal
Input (IN) and output (OUT) terminals for composite
signals.
•The IN and OUT terminals are bridge-connected (auto
termination).
NOTE:
Use the AUDIO A terminals for the corresponding audio signals.
rVIDEO B terminal
Input (IN) and output (OUT) terminals for composite
signals.
•The IN and OUT terminals are bridge-connected (auto
termination).
NOTE:
Use the AUDIO B terminals for the corresponding audio signals.
tVIDEO B (Y/C IN, Y/C OUT) terminal
Input (IN) and output (OUT) terminals for Y/C (S-
video) signals.
•The Y/C IN and Y/C OUT terminals are bridge-connected
(auto termination).
NOTES:
•Use the AUDIO B terminals for the corresponding audio signals.
•When both an Y/C (S-video) signal and a composite signal are
input to the VIDEO B terminal, the Y/C signal has priority over
the composite signal.
yAUDIO A terminal
Input (IN) and output (OUT) terminals for analog
audio signals.
•The IN and OUT terminals are bridge-connected (auto
termination).
NOTE:
Use the VIDEO A terminals for the corresponding video signals.
uAUDIO B terminal
Input (IN) and output (OUT) terminals for analog
audio signals.
•The IN and OUT terminals are bridge-connected (auto
termination).
NOTE:
Use the VIDEO B terminals for the corresponding video signals.
iInput card slot
When using the input card (not supplied), install the
card to this slot.
oREMOTE (external control) terminal
Terminals for controlling the monitor by an external
control.
\For details, see page 15.
;Main power switch
Turns on and off the main power.
•I: ON ‡: OFF
NOTE:
When turning on the main power, the power lamp lights up as
follows:
•Orange: The monitor is in stand-by mode.
•Green: The monitor is on.
aAC inlet
Connect the supplied AC power cord to this inlet
and an AC outlet (220 V AC, 50 Hz/60 Hz).
[04-09]TM-H150CG[C].p65 04.2.16, 8:03 PM6

7
7Component/RGB Input Card (IF-C01COMG)
Input Card (option)
7Acceptable signal formats when installed
on this monitor:
525/60i, 625/50i
•G on SYNC cannot be used with the
RGB input.
1SWITCHED OUT terminal
Output (OUT) terminal for the re-clocked signal. The input signal from
the input terminal currently selected (SDI 1 or SDI 2) is re-clocked
and output from this terminal.
NOTES:
•No signal is output from the SWITCHED OUT terminal when the main power is turned
off.
•Even when the input signal is switched from the SDI Input Card, the SWITCHED OUT
terminal still outputs the SDI 1 or SDI 2 re-clocked signal which is selected last time.
The re-clocked signal from SDI 1 is output from the SWITCHED OUT terminal when
the monitor is in stand-by mode.
2D1 SDI signal input terminal (SDI 1, SDI 2)
Accepts the SMPTE259M D1 SDI signal. The audio signal of the
EMBEDDED AUDIO signal cannot be decoded (only the video signal
can be decoded).
To select SDI 1: Press the INPUT SELECT C button.
To select SDI 2: Press the INPUT SELECT D button.
3Connection terminal
Attach to the connection terminal of the input card slot on the
monitor.
4Audio signal input/output terminals (for both SDI 1 and
SDI 2)
Input (IN) and output (OUT) terminals for the analog audio signals.
• The IN and OUT terminals are bridge-connected.
7SDI Input Card (IF-C01SDG)
7Acceptable signal formats when installed
on this monitor:
525/60i, 625/50i
B/P
B
/B-Y
G/Y
OUTIN
OUTIN
R/P
R
/R-Y
OUTIN
VD
OUTIN
HD/C
S
OUTIN
OUTIN
AUDIO
OUT
IN
1
2
3
4
AUDIO 2
AUDIO 1
OUT
IN
SWITCHED
OUT
SDI 1
SDI 2
IN
IN
1
2
3
4
1Component/RGB signal input/output terminals
Input (IN) and output (OUT) terminals for the component (color
difference) or the RGB signal.
To select Component signal: Press the INPUT SELECT C button.
To select RGB signal: Press the INPUT SELECT D button.
•The IN and OUT terminals are bridge-connected (auto termination).
2Connection terminal
Attach to the connection terminal of the input card slot on the
monitor.
3Synchronized signal input/output terminals
Input (IN) and output (OUT) terminals for the vertical, horizontal or
complex synchronized signals.
•The IN and OUT terminals are bridge-connected (auto termination).
NOTE:
These terminals are available only to the RGB input.
4Audio signal input/output terminals
Input (IN) and output (OUT) terminals for the analog audio signals.
•The IN and OUT terminals are bridge-connected.
NOTE:
You cannot connect both the component signal outputs and the RGB signal outputs at a
time.
[04-09]TM-H150CG[C].p65 04.2.16, 8:03 PM7

8
Controls and Features (cont’d)
7SDI Input Card (IF-C21SDG/IF-C51SDG)
The EMBEDDED AUDIO signal is acceptable. (IF-C51SDG is also equipped with an
AUDIO LEVEL METER function.)
Input Card (option) (cont’d)
7Acceptable signal formats when installed
on this monitor:
525/60i, 625/50i,
EMBEDDED AUDIO (8ch)
(This illustration is IF-C21SDG.)
IMPORTANT
•Do not use any other input card than the input cards listed on pages 7 and 8.
Using other input cards may cause malfunction or damage the monitor. Such malfunction or damage caused by using other
input cards cannot be warranted.
•If any equipment is not connected to a bridged output (OUT) terminal, be sure not to connect any cords to the bridged output
(OUT) terminal. Connecting a cord to a bridged output (OUT) terminal will cause the terminating resistance switch to open (auto
terminate function).
•When making a bridge connection, connect the input (IN) and output (OUT) terminals on the monitor to separate video
components.
(For example, if both the input (IN) and output (OUT) terminals are connected to the same VCR, resonance may occur except
during playback. This is caused by that the same video signal circulates between the VCR and the monitor. This is not a
malfunction.)
IN1
IN2
MONITOR
OUT
AUDIO
SWITCHED
OUT
E.AUDIO
SDI
1
2
3
4
1SWITCHED OUT terminal
Output (OUT) terminal for the re-clocked signal. The input signal from
the input terminal currently selected (IN1 or IN2) is re-clocked and
output from this terminal.
NOTES:
•No signal is output from the SWITCHED OUT terminal when the main power is turned
off.
•Even when the input signal is switched from the SDI Input Card, the SWITCHED OUT
terminal still outputs the IN1 or IN2 re-clocked signal which is selected last time.
The re-clocked signal from IN1 is output from the SWITCHED OUT terminal when the
monitor is in stand-by mode.
2D1 SDI and EMBEDDED AUDIO signal input terminals
Accepts the SMPTE259M D1 SDI signal. Also accepts the
EMBEDDED AUDIO signal whose sampling frequency is 48 kHz
and the channel range is 1 to 8.
To select IN1
:
Press the INPUT SELECT C button.
To select IN2: Press the INPUT SELECT D button.
\To select the EMBEDDED AUDIO channels and to set the AUDIO LEVEL METER
function (only for IF-C51SDG), set the DIP switches on the input card correctly. For
details, refer to the instruction manual supplied with the input card.
3Connection terminal
Attach to the connection terminal of the input card slot on the
monitor.
4Audio signal output terminal
Outputs the analog audio signal after decoding the EMBEDDED
AUDIO signal. The input signal from the input terminal currently
selected (IN1 or IN2) is output from this terminal.
\This terminal outputs the same audio signal as the audio sound output from the
speaker.
NOTES:
•No signal is output from the audio signal output terminal when the monitor is in stand-
by mode.
•Even when the input signal is switched from the SDI Input Card, this terminal still
outputs the audio signal from the IN1 or IN2 which is selected last time.
[04-09]TM-H150CG[C].p65 04.2.16, 8:03 PM8

9
SLOT
REMOTE
MAKE/
TRIGGER
Preparation
Installing the Input Card
1
Turn off the main power switch on the rear panel of the monitor and unplug the AC power
cord from the AC outlet.
2
Unscrew the screws and remove the slot cover from the input card slot on the rear panel of
the monitor.
3
Insert the input card’s circuit board (green-colored) into the slot, fitting the board to the
guide rails on the top and bottom of the slot.
Hold the tabs on the input card when inserting the input card.
4
Push in the input card so that its front panel touches the rear panel of the monitor.
5
Secure the Input Card by using the screws removed in step
2
.
NOTES:
•The input card or the monitor may be damaged if you do not turn off the main power of the monitor before installing the input card.
•Do not touch the terminals or the patterns on the circuit board of the input card.
•Attach the slot cover when the input card slot is not in use.
Slot cover
Fit the board to the guide rails.
Tab
Guide rails
Ta b
Input card (This illustration is IF-C01COMG.)
SLOT
REMOTE
MAKE/
TRIGGER
SLOT
REMOTE
MAKE/
TRIGGER
NOTE:
When installing IF-C21SDG/IF-C51SDG, you need to set the
DIP switches on the input card correctly to use the functions
of the input card. Refer to the instruction manual supplied with
the input card and set the DIP switches beforehand.
[04-09]TM-H150CG[C].p65 04.2.16, 8:03 PM9

10
Basic Menu Operations
(MENU, SET-UP MENU)
7About the Menu Screens
This monitor features MENU which contains the functions normally used and SET-UP MENU which contains the initial settings of
the monitor.
MENU
Items Functions
APERTURE Adjusts the picture aperture level.
ADJ. BAR POSI. Selects the level bar position on the screen which appears when adjusting picture or volume.
COLOR TEMP. Selects the color temperature.
COLOR SYSTEM Selects the color system.
COMPO. LEVEL1) Adjusts the component level of the monitor for the component signal or the SDI signal.
RUSH DELAY Sets the delay time between when the stand-by button is pressed and when the monitor actually turns
on.
1) Appears only when the component signal input or the SDI signal input is selected (when INPUT C or INPUT D is selected and other signals
than RGB is input).
SET-UP MENU
Items Functions
PICTURE SUB ADJ. The standard value (“00”) of the picture adjustment is initially set at the factory. You can adjust the
standard value as your initial setting.
CONTRAST: Adjusts contrast.
BRIGHT: Adjusts brightness.
CHROMA2): Adjusts color density.
PHASE2): Adjusts hue.
H. POSITION Adjusts the horizontal position of the screen.
V. POSITION Adjusts the vertical position of the screen.
WHITE BALANCE Adjusts the white balance.
R. CUTOFF: Adjusts the cut-off point of the red signal.
G. CUTOFF: Adjusts the cut-off point of the green signal.
B. CUTOFF: Adjusts the cut-off point of the blue signal.
R. DRIVE: Adjusts the drive level of the red signal.
B. DRIVE: Adjusts the drive level of the blue signal.
CONTROL LOCK Prohibits the monitor operations except turning on/off the monitor and adjusting volume. The menu
operations are also prohibited.
STATUS DISPLAY Selects to display or not to display the color system of the current input on the screen.
REMOTE SYSTEM Selects the method of the external control connected to the REMOTE terminal.
INPUT REMOTE3) Sets how to change the input when operating the monitor by the external control.
2) May not appear depending on the type of input signal.
3) Appears only when “REMOTE SYSTEM” is set to “MAKE.”
[10-15]TM-H150CG[C].p65 04.2.16, 8:03 PM10

11
7Displaying the menu screens
To display MENU
Press the MENU button on the front panel.
To display SET-UP MENU
Press the fi button while holding down the MENU button
on the front panel.
• To go back to the previous menu, press the MENU button.
• To exit from the menu screen, press the MENU button
several times.
NOTE:
The menu screen will disappear if no operation has been done for
about 5 minutes.
7Menu Operation Procedure
Example: When adjusting “APERTURE” to “+10.”
1
Press the MENU button.
MENU appears on the screen.
2
Press the %/fi button to select
“APERTURE.”
3
Press the VOLUME/SELECT (–+)
buttons to adjust “APERTURE.”
4
Press the MENU button to exit from
MENU.
EXIT
: 00
: LOWER
: 9300
: AUTO
: 00
: STD.
<MENU>
APERTURE
ADJ. BAR POSI.
COLOR TEMP.
COLOR SYSTEM
COMPO. LEVEL
RUSH DELAY
EXIT
: 00
: LOWER
: 9300
: AUTO
: 00
: STD.
<MENU>
APERTURE
ADJ. BAR POSI.
COLOR TEMP.
COLOR SYSTEM
COMPO. LEVEL
RUSH DELAY
: +10
: LOWER
: 9300
: AUTO
: 00
: STD.
<MENU>
APERTURE
ADJ. BAR POSI.
COLOR TEMP.
COLOR SYSTEM
COMPO. LEVEL
RUSH DELAY
EXIT
7Initializing the Settings
You can initialize the following settings of the monitor:
MENU, SET-UP MENU, picture adjustment, volume level
1
Press the stand-by button to turn off the
monitor (on stand-by).
2
While holding down both the MENU
button and the fi button, press the stand-
by button to turn on the monitor.
NOTE:
Keep pressing both the MENU button and the fi button until
“<SET-UP MENU> RESET” appears on the screen.
“<SET-UP MENU> RESET” appears on the screen.
3
Press the VOLUME/SELECT (+) button to
initialize the settings.
The settings are initialized and “<SET-UP MENU>
RESET” disappears.
•To cancel to initialize, press the MENU button.
Initial settings
Functions (Items) Initial settings
APERTURE 00
ADJ. BAR POSI. LOWER
COLOR TEMP 9300
COLOR SYSTEM AUTO
COMPO. LEVEL 00
RUSH DELAY STD.
PICTURE SUB ADJ.
CONTRAST 00
BRIGHT 00
CHROMA 00
PHASE 00
H. POSITION 00
V. POSITION 00
WHITE BALANCE
R. CUTOFF 00
G. CUTOFF 00
B. CUTOFF 00
R. DRIVE 00
B. DRIVE 00
CONTROL LOCK OFF
STATUS DISPLAY ON
REMOTE SYSTEM MAKE
INPUT REMOTE A-D
CHROMA 00
PHASE 00
CONTRAST 00
BRIGHT 00
VOLUME 20
MENU
SET-UP MENU
Picture
Adjustment
Volume
[10-15]TM-H150CG[C].p65 04.2.16, 8:03 PM11

12
How to Use MENU
Function display of the button varies depending on the selected item.
Buttons
fi
%
VOLUME/
SELECT(+)
VOLUME/
SELECT(–)
MENU
Displays
∞
5
+
3
–
2
EXIT
Functions
Selects the items in forward rotation.
Selects the items in reverse rotation.
Increases the value (up to the maximum).
Selects the setting (value) in forward rotation.
Decreases the value (up to the minimum).
Selects the setting (value) in reverse rotation.
Exits from MENU.
EXIT
CHROMA MENU
PHASE BRIGHT
CONTRAST VOLUME/SELECT
: 00
: LOWER
: 9300
: AUTO
: 00
: STD.
<MENU>
APERTURE
ADJ. BAR POSI.
COLOR TEMP.
COLOR SYSTEM
COMPO. LEVEL
RUSH DELAY
COMPO. LEVEL
Adjusts the component level of the monitor for the
component signal or the SDI signal.
•–40 “ +10
NOTE:
When inputting the component signal or the SDI signal, check if
“COMPO. LEVEL” is adjusted properly for the standard color bar
currently used. For details, see page 5.
RUSH DELAY
Sets the delay time between when the stand-by button
is pressed and when the monitor actually turns on.
•STD.: Power turns on about 1 second after the
stand-by button is pressed.
•SLOW: Power turns on about 3 seconds after the
stand-by button is pressed.
NOTE:
It is recommended to apply “SLOW” to some of the monitors if you
need to turn on multiple monitors at the same time. You can control
the rush current of the entire system.
APERTURE
Adjusts the picture aperture level.
•00 “ +40
ADJ. BAR POSI.
Selects the level bar position on the screen which
appears when adjusting picture or volume.
•UPPER
•LOWER
COLOR TEMP.
Selects the color temperature.
•9300
•6500
COLOR SYSTEM
Selects the color system.
•AUTO: Selects NTSC or PAL automatically depending
on the input signal.
•NTSC: Keeps the NTSC color system.
•PAL: Keeps the PAL color system.
NOTE:
Normally select “AUTO.” If the input signal is unstable, select “NTSC”
or “PAL.”
7Function, Contents, and the Adjustment Range of Each Item
VOLUME : 20
VOLUME : 20 UPPER
LOWER
[10-15]TM-H150CG[C].p65 04.2.16, 8:03 PM12

13
How to Use SET-UP MENU
EXIT
CHROMA MENU
PHASE BRIGHT
CONTRAST VOLUME/SELECT
: 00
: 00
: OFF
: ON
: MAKE
: A-D
<SET-UP MENU>
PICTURE SUB ADJ
H. POSITION
V. POSITION
WHITE BALANCE
CONTROL LOCK
STATUS DISPLAY
REMOTE SYSTEM
INPUT REMOTE
.
Function and display of the button varies depending on the selected item.
Buttons
fi
%
VOLUME/
SELECT(+)
VOLUME/
SELECT(–)
MENU
Displays
∞
5
+
3
–
2
EXIT
Functions
Selects the items in forward rotation.
Selects the items in reverse rotation.
Increases the value (up to the maximum).
Selects the setting (value) in forward rotation.
Decreases the value (up to the minimum).
Selects the setting (value) in reverse rotation.
Returns to or exits from SET-UP MENU.
When setting “WHITE BALANCE”:
Buttons
fi
%
VOLUME/
SELECT(+)
VOLUME/
SELECT(–)
MENU
Displays
R•B
R•G•B
DISP
CUTO
+
DRV
–
EXIT
Functions
Selects the color to adjust the drive level.
Selects the color to adjust the cut-off point.
Turns on/off the on screen display.
Adjusts the cut-off point.
Increases the value (up to the maximum).
Adjusts the drive level.
Decreases the value (up to the minimum).
Returns to SET-UP MENU.
H. POSITION
Adjusts the horizontal position of the screen.
NOTE:
You can adjust “H. POSITION” separately for each video input. Select
the video input you want to adjust beforehand.
•–05 “ 00 “ +05
–:Moves the screen to the left.
+: Moves the screen to the right.
V. POSITION
Adjusts the vertical position of the screen.
NOTE:
You can adjust “V. POSITION” separately for each video input. Select
the video input you want to adjust beforehand.
•–05 “ 00 “ +05
–:Moves the screen downward.
+: Moves the screen upward.
EXIT
: 00
: 00
: 00
: 00
<PICTURE SUB ADJ.>
CONTRAST
BRIGHT
CHROMA
PHASE
PICTURE SUB ADJ.
The standard value (“00”) of
the picture adjustment is
initially set at the factory. You
can adjust the standard value
as your initial setting.
•Select “PICTURE SUB ADJ.”
on SET-UP MENU, then
press the VOLUME/SELECT
(+) button to display the
setting menu illustrated on
the right.
NOTES:
•You can adjust the items in “PICTURE SUB ADJ.” separately for
each video input. Select the video input you want to adjust
beforehand.
•Only “CONTRAST” and “BRIGHT” appear on the screen when the
RGB signal is input. When the signal with PAL color system is input,
“PHASE” does not appear.
7CONTRAST
•–10 “ 00 “ +10
7BRIGHT
•–10 “ 00 “ +10
7CHROMA
•–10 “ 00 “ +10
7PHASE
•–10 “ 00 “ +10
7Function, Contents, and the Adjustment Range of Each Item
[10-15]TM-H150CG[C].p65 04.2.16, 8:03 PM13

14
How to Use SET-UP MENU (cont’d)
WHITE BALANCE
Adjusts the white balance.
NOTE:
You can adjust the items in “WHITE BALANCE” separately for each
color temperature (6500 or 9300). Select the color temperature you
want to adjust beforehand.
Cut-off adjustment
•Select “WHITE BALANCE”
on SET-UP MENU, then
press the VOLUME/
SELECT (+) button to
display the setting display
for the cut-off adjustment.
7R. CUTOFF
Adjusts the cut-off point of the red signal.
•–20 “ 00 “ +20
7G. CUTOFF
Adjusts the cut-off point of the green signal.
•–20 “ 00 “ +20
7B. CUTOFF
Adjusts the cut-off point of the blue signal.
•–20 “ 00 “ +20
Drive level adjustment
•Select “WHITE BALANCE” on
SET-UP MENU, then press
the VOLUME/SELECT (–)
button to display the setting
display for the drive level
adjustment.
7R. DRIVE
Adjusts the drive level of the red signal.
•–20 “ 00 “ +20
7B. DRIVE
Adjusts the drive level of the blue signal.
•–20 “ 00 “ +20
NOTE:
You can turn off the on screen display during the adjustment of the
white balance by pressing the % button.
CONTROL LOCK
Prohibits the monitor operations except turning on/off
the monitor and adjusting volume. The menu operations
are also prohibited.
•ON: Activates this function.
•OFF: Deactivates this function.
NOTES:
•When “CONTROL LOCK” is set to “ON,” “CONTROL LOCK ON!”
appears on the screen if you try to operate the monitor.
•You can deactivate this function on SET-UP MENU when
“CONTROL LOCK” is set to “ON.”
STATUS DISPLAY
If “COLOR SYSTEM” is set to “AUTO,” you can display
the color system (NTSC or PAL) of the current input
signal when turning on the monitor or when changing
the input.
•ON: Displays the color system (NTSC or PAL) of the
current input signal.
•OFF: Does not display the color system (NTSC or
PAL) of the current input signal.
NOTE:
The color system does not appear on the screen when the component
signal, RGB signal, or black-and-white signal is input.
REMOTE SYSTEM
Selects the method of the external control connected to
the REMOTE terminal.
\For details, see page 15.
•MAKE (make contact system)
•TRG. (trigger system)
INPUT REMOTE
Sets how to change the input when operating the
monitor by the external control.
\For details, see page 15.
•A–D
•A/B
NOTE:
“INPUT REMOTE” appears on the screen only when “REMOTE
SYSTEM” is set to “MAKE.”
EXIT
R. CUTOFF
: 00
R
•
G
•
B DISP
(When “R. CUTOFF” is selected.)
EXIT
R. DRIVE
: 00
R
•
B
DISP
(When “R. DRIVE” is selected.)
[10-15]TM-H150CG[C].p65 04.2.16, 8:03 PM14

15
How to Use the External Control
7About the External Control
This monitor has the REMOTE (remote) terminal that is used for the operation by an external control.
You can select the following control methods according to the setting of “REMOTE SYSTEM” in SET-UP MENU:
•MAKE (make contact system): Controls the function by short-circuiting the corresponding pin terminal to the GND
pin terminal, or disconnecting (opening) it.
•TRG. (trigger system): Controls the function by inputting the pulse signal instantaneously to the
corresponding pin terminal.
NOTES:
When selecting “MAKE” (the make contact system), you can select how to change the input by the external control as follows:
A–D (4-pin control): Changes the input by short-circuiting any one signal line of INPUT A to INPUT D.
A/B (1-pin control): Selects INPUT A or INPUT B by short-circuiting and opening only 2nd pin terminal. In this setting, you cannot change the
input to INPUT C or INPUT D by the external control.
•Opening: Changes the input to INPUT A
•Short-circuiting: Changes the input to INPUT B
7How to Use the REMOTE Terminal
No. Functions to be controlled Opening Short-circuiting
1 Not in use ––
2 Changes the input to INPUT A Invalid Valid *1
3 Changes the input to INPUT B Invalid Valid *2
4 Changes the input to INPUT C Invalid Valid *2
5 Changes the input to INPUT D Invalid Valid *2
6 Not in use ––
7 Not in use ––
8 COLOR OFF Off On
9 Not in use ––
10 ASPECT Off (4:3) On (16:9)
11 UNDER SCAN Off On
12 Not in use ––
13 Not in use ––
14 External control Invalid Valid *3, 4
15 GND
*1 The 2nd pin terminal works to change the input between INPUT A (opening) and INPUT B (short-circuiting) when
“INPUT REMOTE” in SET-UP MENU is set to “A/B.”
*2 These pin terminals are not in use when “INPUT REMOTE” in SET-UP MENU is set to “A/B.” Do not connect these
pin terminals in such a case.
*3 The 14th pin terminal (External control) should be controlled by the make contact system even when selecting
“TRG.” (the trigger system).
*4 Short-circuiting the 14th pin terminal (External control) enables operating other functions listed above by the
external control.
Operation
1. Short-circuit the 14th pin terminal (External control) to the 15th pin terminal (GND) so that the monitor can be
controlled by the external control.
2. When selecting “MAKE” (the make contact system), operate each function by short-circuiting the
corresponding pin terminal to the 15th pin terminal (GND) or opening it.
When selecting “TRG.” (the trigger system), operate each function by Pulse control, that is short-circuiting the
corresponding pin terminal to the 15th pin terminal (GND) for about 1 second.
NOTES:
When selecting “MAKE” (the make contact system):
•You cannot use the following buttons on the front panel:
UNDER SCAN, COLOR OFF, ASPECT, INPUT SELECT
“REMOTE ON!” appears on the screen if one of those buttons is pressed.
•When more than one terminal of INPUT A to INPUT D are selected (short-circuited), inputs are given the alphabetical priority (A, B, C, D). (We
recommend using an interlock switch which turns off a switch when another switch is turned on.)
When selecting “TRG.” (the trigger system):
•You can use the buttons on the front panel.
•You can operate only one function at a time. (We recommend using a switch which turns on only while it is pressed down.)
1
2
3
10
8
9
6
7
11
12
13
14
15 4
5
REMOTE terminal
[10-15]TM-H150CG[C].p65 04.2.16, 8:03 PM15

16
Problems
No power supply
No picture with the
power on
No sound
Wrong color
Unnatural picture
Shaking picture
Points to be checked
Is the power plug loosened or
disconnected?
Is the main power turned OFF?
Is the signal cable disconnected?
Is the power of the connected
component ON?
Is the signal output from the connected
component?
Is the input selected correctly?
Is the input signal adapted to the
monitor’s specification?
Is the audio cable disconnected?
Is the audio signal output from the
connected component?
Is the volume output set to minimum?
Has the picture adjustment been
changed?
Has the WHITE BALANCE setting been
changed?
Are any cables disconnected from the
component/RGB input card?
Has the correct signal been input to the
component/RGB input card? Has the
correct INPUT been selected on the
monitor?
Has the correct color system been
selected?
Has “BLUE CHECK” or “COLOR OFF”
been activated?
Has “CONTRAST” or “BRIGHT” been
changed?
Is the monitor close to a motor,
transformer or any other device
generating a strong magnetic field?
(a fan, fluorescent light, laser printer,
another monitor, etc.)
Measures (Remedy)
Firmly insert the power plug.
Turn the main power switch on.
Connect the signal cable firmly.
Turn on the power of the connected component
and set it correctly.
Select the correct input with the INPUT SELECT
buttons.
Check if the input signal format is acceptable to
the monitor or the input card.
Connect the audio cable firmly.
Set the connected component correctly.
Adjust the volume with the VOLUME/SELECT
(–+) buttons.
Set each picture adjustment to the standard
level (00). Or, set each item in “PICTURE SUB
ADJ.” in SET-UP MENU to the standard level (00).
(Or initialize the settings of the monitor.)
Set each item in “WHITE BALANCE” in SET-UP
MENU to the standard level (00). Or, initialize the
settings of the monitor.
Connect each signal cable firmly.
Select INPUT C when the component signal is
input. Select INPUT D when the RGB signal is
input.
Set “COLOR SYSTEM” in MENU to “AUTO.”
Press the BLUE CHECK button or the COLOR
OFF button to deactivate the functions.
Adjust CONTRAST or BRIGHT by using the front
panel buttons. Or, adjust “CONTRAST” or
“BRIGHT” in “PICTURE SUB ADJ.” in SET-UP
MENU.
Move the monitor away from the device until the
picture stops shaking.
Connect the power plug to another AC outlet away
from the former one.
Troubleshooting
Solutions to common problems related to your monitor are described here. If none of the solutions presented here
solve the problem, unplug the monitor and consult a JVC-authorized dealer or service center for assistance.
Reference
pages
—
6
6-8
—
5
6-8, 19
6-8
—
4
4, 11, 13
11, 14
7
5, 7
12
4, 5
4, 13
—
[16-19]_TM-H150CG.p65 04.2.16, 8:03 PM16

17
Problems
Irregular color
Wrong picture
position
Front panel buttons
do not function
Points to be checked
Is the monitor placed or moved close to
a speaker or any other device
incorporating a magnet?
Has the position of the monitor been
changed with the power on?
Has the picture position been changed?
Has the UNDER SCAN or ASPECT
button been pressed?
Has the CONTROL LOCK function been
set to “ON”?
Has the monitor’s setting been changed
to enable control by the external control
connected to the REMOTE terminal?
Measures (Remedy)
Move the device away from the monitor and turn
off the monitor. Wait at least 30 minutes, then turn
on the monitor.
Adjust “H. POSITION” or “V. POSITION” in SET-UP
MENU.
When the UNDER SCAN or ASPECT button is lit,
press the button to deactivate the function.
Set the CONTROL LOCK function to “OFF.”
Change the setting of the external control so that
the monitor can be operated by the buttons on the
front panel.
The following are not malfunctions:
•When a bright still image (such as a white cloth) is displayed for a long period, it may appear to be colored.
This is due to the structure of the cathode ray tube and will disappear when another image is displayed.
•You may sometimes experience a mild electric shock when you touch the picture tube. This phenomenon is
due to a normal buildup of static electricity on the CRT and is not harmful.
•The monitor emits a strange sound when the room temperature changes suddenly. This is only a problem if an
abnormality appears on the screen as well.
•If two or more monitors are placed close each other, their images may shake or be distorted. This phenomenon
is due to mutual interference; it is not a malfunction. Move the monitors away from each other until the
interference disappears or turn the power off on any monitor that is not being used.
Reference
pages
—
13
4, 5
14
15
[16-19]_TM-H150CG.p65 04.2.16, 8:03 PM17

18
TM-H150CG
Color video monitor
PAL, NTSC (3.58)
39 cm measured diagonally,
90° deflection, in-line gun,
trio-dot type
(phosphor dot-trio pitch 0.27 mm)
Width: 285.5 mm
Height: 214 mm
Diagonal: 356 mm
H: 15.734 kHz (NTSC), 15.625 kHz (PAL)
V: 59.94 Hz (NTSC), 50 Hz (PAL)
750 TV lines or more
(Y/C input mode)
Composite video: 1 line, BNC connector x 2,
1 V(p-p), 75 Ω, negative sync
(bridge connection possible, auto termination)
Composite video: 1 line, BNC connector x 2,
1 V(p-p), 75 Ω, negative sync
(bridge connection possible, auto termination)
Y/C-separated: 1 line, mini-DIN 4-pin connector x 2
Y: 1 V (p-p), 75 Ω
C (BURST): 0.286 V (p-p), 75 Ω (NTSC) 0.3 V (p-p), 75 Ω (PAL)
(bridge connection possible, auto termination)
1 line (monaural), RCA pin x 2, 0.5 V(rms), high-impedance
(bridge connection possible)
1 line (monaural), RCA pin x 2, 0.5 V(rms), high-impedance
(bridge connection possible)
Point-of-contact connection, 1 line D-sub connector (15-pin, 3-line)
1 W
8 cm round x 1, impedance of 8 Ω
Operation temperature: 5°C – 40°C (41°F – 104°F)
Operation humidity: 20 % – 80 % (non-condensing)
220 V AC, 50 Hz/ 60 Hz
0.8 A (220 V AC)
Width: 360 mm
Height: 310 mm
Depth: 418 mm
16 kg
(not including input card)
AC power cord
Specifications
• Illustrations used in this manual are for explanatory purposes only. The appearance of the actual product may differ slightly.
• Dimensions and weight are approximate.
• E. & O. E. Design and specifications subject to change without notice.
MODEL
Type
Color system
Picture tube
Effective screen size
Scanning frequency
Horizontal resolution
Input terminals VIDEO A
VIDEO B
AUDIO A
AUDIO B
REMOTE
Audio power output
Built-in speaker
Environmental conditions
Power requirements
Power consumption
Dimensions
Weight
Accessory
[16-19]_TM-H150CG.p65 04.2.17, 8:19 AM18

19
360
295.5
*
238
20
224
*
310
164
418
407
1.5
3.5
60.2 308
3.5
7Dimensions
Unit : mm
•Asterisks (*) are used to indicate the screen dimensions.
Front Side
7Acceptable Signal Formats
‡: Acceptable –: Not acceptable
Input Signals
NTSC (3.58 MHz)
PAL
Black-and-White
(50 Hz/60 Hz)
480/60i (525i)
576/50i (625i)
EMBEDDED
AUDIO
Analog audio
When an input card (not supplied) is installed Terminals on the
IF-C01COMG IF-C01SDG IF-C21SDG IF-C51SDG rear of the monitor
––––‡
––––‡
––––‡
‡‡‡‡–
‡‡‡‡–
––‡‡–
‡‡––‡
7Y/C (Mini DIN 4 pin) terminals
2
1
2
1
4
3
4
3
Pin No. Signal
1 GND (Y)
2 GND (C)
3Y
4C
\For details about each input card, see pages 7 and 8.
[16-19]_TM-H150CG.p65 04.2.16, 8:03 PM19

® Registered Trademark owned by VICTOR COMPANY OF JAPAN, LTD.
TM-H150CG[C]_Cover.p65 04.2.16, 8:03 PM2