JVCKENWOOD K9T002 Card Printer w/Built-in RFID Tag User Manual CX210COVER
JVC KENWOOD Corporation Card Printer w/Built-in RFID Tag CX210COVER
Users Manual

KAT- T225-001
Jam (TurnOver)
Jam (Hopper)
HR is too hot.
Please remove
MEDIA FILM
Please,
Power Off.
>Ink>
>Cleaning
>Counter Reset
>Display>
Ready MENU
Instruction Manual
Sublimation type retransfer printer
CX320
Model
Error codes
Setting the cards
Care
Operation and Setting the various modes
Ink replacementConnection
***
See p.10~12,20 See p.13~17 See p.17~19
See p.23~33 See p.34~38 See p.40~42
•Thank for purchasing this product.
•Please read this manual carefully before use to ensure correct operation.
It is particularly important to read the Safety Precautions for safe operation. After
reading, retain this manual carefully for future reference.
•The product number is important for quality control. Upon purchase, check the back of
the unit to make sure that the product number is correctly displayed.
Notes about this manual
(1) This manual may not be reprinted in any way without permission.
(2) The contents of this manual, as well as the specifications and design of this product,
may change without notice.
(3) The illustrations used in this manual may differ slightly from the actual product.

2
Declaration of Conformity
Model Number: CX-320yyyyy(y=A-Z,0-9 or blank)
Product name: Card Printer
We herewith declare that the above mentioned product complies with the following council
directives and harmonized standards.
Council Directives: 1999/5/EC relating to radio equipment and telecommunications terminal
equipment.
89/336/EEC relating to electromagnetic compatibility.
73/23/EEC relating to electrical equipment designed for use within
certain voltage limits.
Harmonized Standards: EN55022:1998+A1:2000+A2:2003 Class B
EN55024:1998+A1:2001+A2:2003
EN61000-3-2:2000
EN61000-3-3:1995+A1:2001
EN60950-1:2001
EN50364:2001
EN300330-2:V1.1.1
EN301 489-03:V1.4.1
Manufacture:
Victor Data Systems Co., Ltd.
2969-2, Ishikawa-cho, Hachioji-shi, Tokyo, 192-8620, Japan
Importer and distributer:
Year to begin affixing CE Marking: 2005
Hachioji-shi, July., 2005
Place, Date Tateki Hisanaga General Manager-Quality Control
Victor Data Systems Co., Ltd.

3
For USA only
For Canada only
Machine Noise
Sound power level: less than 70 dB (A) according to DIN45635 part 19 (EN27779).
The measurements are to be made according to DIN 45635 part 2019 or EN27779, respectively.
Operation is subject to the following two conditions:
(1) this device may not cause interference, and (2) this device must accept any interference, including
interference that may cause undesired operation of the device.
For EU only
NOTE: Changes or modifications not expressly approved by the party responsible for compliance could void
the user’s authority to operate the equipment.
NOTE: This equipment has been tested and found to comply with the limits for a Class B digital device, pursu-
ant to part 15 the FCC Rules. These limits are designed to provide reasonable protection against
harmful interference in a residential installation. This equipment generates, uses and can radiate radio
frequency energy and, if not installed and used in accordance with the instructions, may cause harmful
interference to radio communications. However, there is no guarantee that interference will not occur in
a particular installation. If this equipment does cause harmful interference to radio or television recep-
tion, which can be determined by turning the equipment off and on, the user is encouraged to try to
correct the interference by one or more of the following measures:
– Reorient or relocate the receiving antenna.
– Increase the separation between the equipment and receiver.
– Connect the equipment into an outlet on a circuit different from that to which the receiver is con-
nected.
– Consult the dealer or an experienced radio/TV technician for help.

4
Contents
Before use ..................................................... 7
Product features .................................................... 7
Checking accessories............................................ 7
Handling of transfer film, ink ribbons and cards .... 7
Handling ............................................................. 7
Storage .............................................................. 7
Storing and handling cards after printing ........... 7
Purchasing print media and cards ..................... 7
Installation ............................................................. 8
Escape Clause ...................................................... 8
Installation diagram ............................................ 8
Names of parts .............................................. 9
Front................................................................... 9
Rear ................................................................... 9
When the printer door is open............................ 9
Set-up.......................................................... 10
Connecting the IC unit (sold separately) ............. 10
Large size IC unit (sold separately) ................. 10
Compact IC unit (sold separately).................... 11
Connecting the power cord.................................. 11
Installing the card stacker .................................... 12
Discharging the card ........................................ 12
Setting the ink ribbon ........................................... 13
Setting the retransfer film .................................... 15
Caution when loading the retransfer film cassette
and/or the ink ribbon cassette ............................. 17
Setting cards........................................................ 17
Inserting cards ................................................. 18
When using magnetic cards............................. 19
When using contact IC cards ........................... 19
Loading cards .................................................. 19
Switching the card thickness............................ 19
Connecting with a host computer ........................ 20
  Software Licencing Agreement .......................... 20
  Operation Environment...................................... 20
  About Software .................................................. 20
Installation of CX-320 Printer Driver .................... 20
Connecting Multiple Printers ............................... 20
Before use ................................................... 21
Names of parts on the operation panel ............... 21
Setting buttons ................................................. 21
Operation display LED ..................................... 21
LCD panel ........................................................ 21
Operation display LED contents and
the LCD panel...................................................... 22
Initialization period ........................................... 22
Preheating period............................................. 22
LCD operation display content ............................ 22
Operation .................................................... 23
Turning on the power........................................... 23
Turning off the power........................................... 24
About the RESET button ..................................... 24
On Initialization when the retransfer film cassette
and/or the ink ribbon cassette is loaded .............. 24
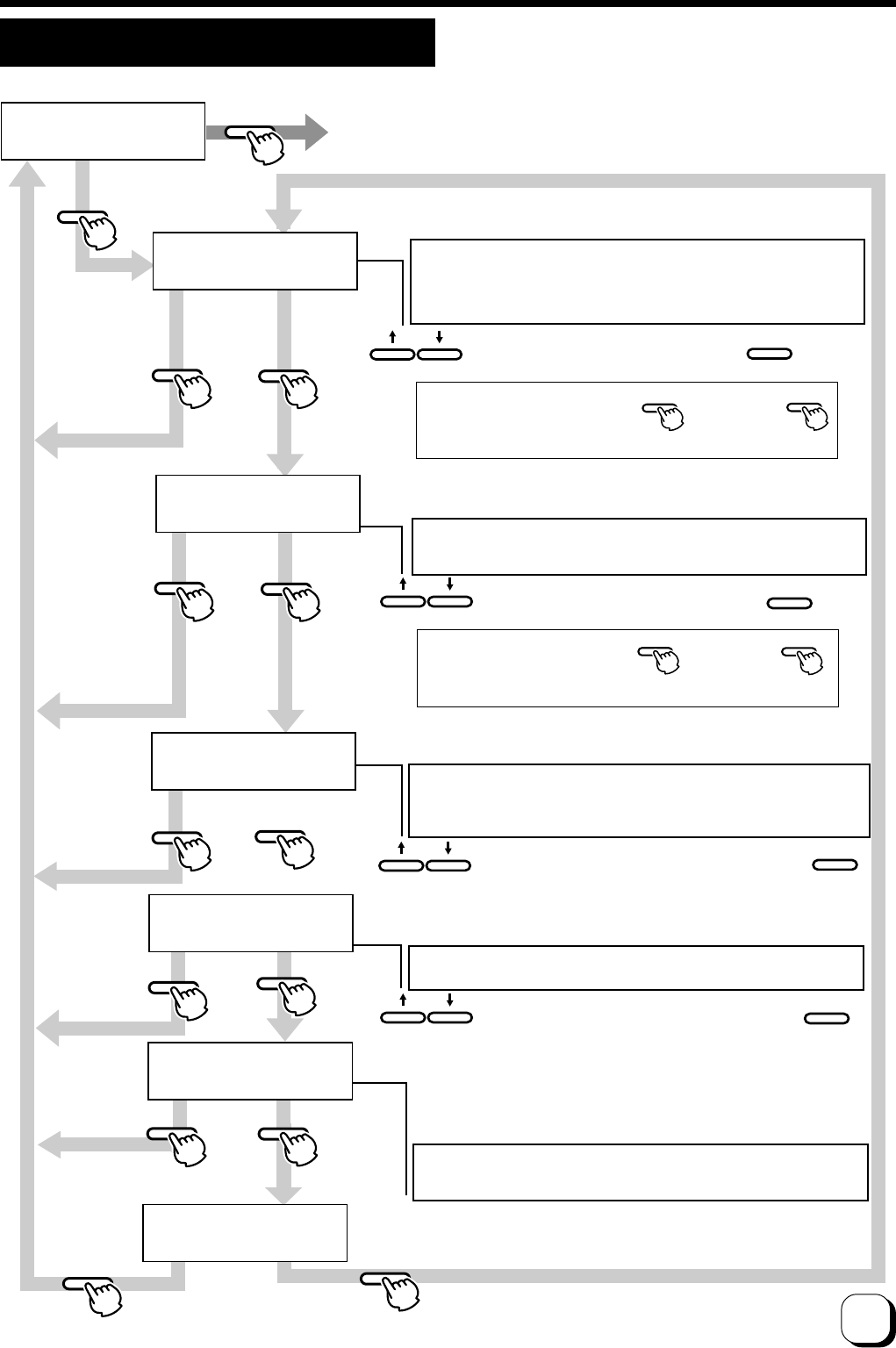
User modes ......................................................... 25
User mode screen flow ........................................ 25
User mode settings.............................................. 26
Display mode settings ......................................... 27
Clearing the free counter ..................................... 28
Cleaning mode .................................................... 28
Ink mode setting .................................................. 29
Retransfer mode setting ...................................... 30
Buzzer mode setting ............................................ 31
Power saving mode settings................................ 31
Setting the bend remedy mode ........................... 32
Card size setting mode ........................................ 33
Coercivity setting mode ....................................... 33
Non-contact IC antenna setting mode ................. 33
IC contact setting mode ....................................... 33
Test print .............................................................. 33
Transport mode ................................................... 33
Care and cleaning ....................................... 34
Cleaning the cleaning rollers ............................... 34
Cleaning the thermal head .................................. 35
Cleaning the fan filter........................................... 35
Cleaning the dust filter on the right side .............. 36
Cleaning the card feed rollers and heat rollers.... 36
Cleaning the magnetic head................................ 37
Once printer servicing and cleaning have been
completed ............................................................ 38
Request for periodical maintenance .................... 38
Troubleshooting........................................... 39
Layout of rollers inside the printer ....................... 39
Error code listing.................................................. 40
Mending broken ink ribbon and retransfer film .... 42
About printing errors ............................................ 42
When retransfer operation is not complete ......... 42
Caution when prunting characters ....................... 42
Removing card jams ............................................ 43
Hopper jam ...................................................... 43
Turnover section [Jam (turnover)] .................... 44
Retransfer section [Jam (transfer)] .................. 44
Specifications .............................................. 45
Main specifications .............................................. 45
Software use permission contract ........ P1~P4

5
Notes for safe operation
Before you use
Read these notes on safety thoroughly before operating your printer in order to use the unit properly.  Once you
start using the unit, this manual should be put aside the unit, or at a convenient place where you can look up the
manual any time as you need.
WARNING
 WARNING  CAUTION
 If you ignore the warning with this mark, and handle
the unit in a wrong way, death or serious injuries may
occur.
 If you ignore the caution with this mark, and handle
the unit in a wrong way, injuries or damages to
properties may occur.
 If the abnormal phenomena as listed below are seen,
immediately stop operating the unit. Continuing
operation may cause a fire or electric shock.
• Smoke or odd smell comes out from the machine.
• Water or metal went into the machine.
• The unit fell to the floor, or the cabinet was broken.
• The power cable is damaged (exposed lead, broken cable,
etc.)
If you see these phenomena, turn off the power, pull out the
power plug, and contact your dealer as soon as possible. Do
not try to repair it by yourself. It is dangerous.
 Do not remove the screws, or disassemble or alter
the machine.
• High-voltage components are contained in the unit.
Touching these areas may result in an electric shock.
• Ask your dealer if you want your printer inspected or
repaired.
• Do not remove the external covers of the machine. You may
get an electric shock.
 Do not work on the power cable, or give excessive
force on it. Do not put heavy objects such as furniture
on the cable.
• The cable may be damaged, causing a fire or electric shock.
• When you find a defect on the power cable, such as
exposed lead, stop using the unit, and consult your dealer.
 Do not use the machine with the power plug inserted
incompletely.
• The machine generates heat due to incomplete contact,
causing a fire or electric shock.
• Do not put many cords on a single plug socket. The power
cords also heats up.
 Do not use the machine with dusts piled on the
power plug. Do not put a metallic material adjacent to
the power plug.
• Dusts and metal are conductive, causing a fire or electric
shock.
• Pull out the power plug from the outlet every six months, and
clean the dusts piled on the legs and body of the plug.
 Do not use a line voltage other than instructed.
• Using a line voltage or power supply which is not specified
may cause a fire or electric shock.
 Do not put foreign materials from the openings of the
machine (e.g., vents, card slots, cassette inlet, etc.)
• Metals, flammable things, and other foreign materials may
cause a fire or electric shock if entering into the machine.
• If these things went into the machine, immediately turn off
the power, pull out the power plug, and ask your dealer to
repair. Do not try to repair it by yourself. It is dangerous.
 Do not put a container with liquid in it, or small metal
ornaments and the like on the machine.
• The liquid or metal entering into the machine acts as a
conductor, causing a fire or electric shock.
• If liquid or metal went into the machine, immediately turn off
the power, pull out the power plug, and ask your dealer to
repair. Do not try to repair it by yourself. It is dangerous.
 Do not place the machine on a rickety table or
slanting places.
• The machine may fall out of the table or fall over, which may
damage the machine or injure you.
• If the machine is damaged by falling or turnover,
immediately turn off the power, pull out the power plug, and
ask your dealer to repair. Do not try to repair it by yourself. It
is dangerous.
 Do not wet the machine with water.
• Using the machine at a place where water splashes on the
machine, or wetting the machine with water (applying,
throwing, or spilling water over the machine) may cause a
fire or electric shock.
• If water entered into the machine, immediately turn off the
power, pull out the power plug, and ask your dealer to repair.
Do not try to repair it by yourself. It is dangerous.
 Do not touch the machine with wet hands.
• Touching the machine with wet hands may cause an electric
shock.
 Do not touch the power plug during electrical storms.
• Lightning may cause an electric shock.

6
Notes for safe operation (continued)
 Pull out the power plug before cleaning the machine.
• This is for preventing electric shocks.
 Pull out the power plug when you won’t use the
machine for a prolonged period of time to assure
safety.
• Remove the power plug from the outlet for safety when you
won’t use the machine for a long time.
 Do not move the machine with the power cable and
other electric cables connected.
• The cables may be damaged while being moved, which may
cause a fire or electric shock.
• You may stumble over the cable and get injured.
 Do not move the machine with objects placed on it.
• They may fall on you and hurt you.
 Do not put heavy objects on the machine.
• They may fall on you and hurt you.
 Do not block the vents.
• Heat generated inside the machine cannot escape, which
may cause a fire.
 Be sure to work with two persons when you unpack,
move or lift the machine.
• If you work alone, you may be injured by the fallen machine
or hurt your back by lifting a heavy machine by yourself.
 Inspection
• Ask you dealer or a qualified person to inspect the machine,
typically once every two to three years. Operating the
machine with dusts piling on the components for a prolonged
period of time may cause a fire or a malfunction of the
machine. It will be particularly effective to inspect the
machine before wet rainy season. Consult your dealer on
the costs of inspection.
 Do not put the machine at a place where it will be
wet with steam (e.g., from a humidifier), or at a
excessively humid or dusty place.
• The oil, water and dusts act as conductors, which may
cause a fire or electric shock.
CAUTION
 Ground the machine with the attached electric cord
when connecting it to the utility outlet.
• Using a cord other than the one supplied for grounding may
cause an electric shock when the machine fails.
 Do not put your head or yourself into the packaging
bag.
• Do not play with the packaging bag. You may suffocate
yourself.
• Give close attention to small children who may want to play
with the packaging bag.
 Do not use the machine while it has a fault.
• Do not use the machine while it has a fault, as this may
cause a fire or electric shock.
• Immediately turn off the power, pull out the power plug, and
ask your dealer to repair. Do not try to repair it by yourself. It
is dangerous.
 Do not put the machine at a place where it becomes
excessively hot.
• The surface and internal components may deteriorate. Also
there is a danger of a fire. Special care should be taken for
exposure to direct sunlight or a heater adjacent to the
machine.
 Hold the body of the power plug when pulling it out.
• Do not pull out the plug by holding the cable. The cable may
be broken or damaged which may in turn cause a fire or
electric shock.
 Do not touch the power plug with a wet hand
• You may get an electric shock.
 Do not lay the power cable near the heating
equipment.
• The covering of the cable will melt due to heat from such
equipment, which may cause a fire or electric shock.
 The heat rollers and adjacent areas become hot
during operation.
• Be careful not to touch the heat rollers and adjacent areas
when replacing the ink ribbon or retransfer film, or remove
jammed cards.
• Wait until the heat rollers get cooled down to prevent burns.
Be careful of jamming your hand or fingers in the card
tray, card bracket on the hopper, or printer door.
• Replace the ink ribbon or retransfer film, or remove jammed
cards with care not to jam your hand or fingers in the
mechanism, which may cause an injury.
 Do not use a power cable other than the specified
cable for connection.
• If you use an unspecified power cable for connection or
extension, heat may accumulate in the cable, causing a fire.

7
Before use
Product features
•This card printer allows printing of high-quality, full-
color images equivalent to photographic quality onto
standard size (ISO 7810 compliance) plastic cards
using sublimation type transfer printing.
•Use of sublimation type retransfer printing enables
printing of cards other than those made of PVC and
non-contact IC cards, etc. with uneven surfaces that
were previously difficult to print directly.
•Printing with no margins on all sides is possible.
•The host interface utilizes USB mode.
Checking accessories
Please check for any missing accessories when
opening the box.
•  Power cord : 1 unit
•Instruction manual : English · · · · · · · · ·  1 unit
* The detached power cords and the Instruction
manual vary according to model and country of
purchase.
•CD-ROM : 1 unit
•Cleaning card : 1 unit
•Card stacker : 1 unit
•Ink ribon cassette : 1 unit
•Retransfer film : 1 unit
cassette
•Jog lever (inside the card tray)
: 1 unit
•USB Cable : 1 unit
•Groves : 1 unit
Some card materials may not be suitable for printing. Consult
your dealer regarding the materials to be used and
specifications required before purchase.
Handling of transfer film,
ink ribbons and cards
Handling
Take note of the following points when handling print
media (retransfer film and ink ribbons) and cards.
• Use of bent or damaged cards may result in card feed
error.
• Do not touch the print media or the printed surface of
cards directly with the hands as this may cause blurring
of the print.
• Foreign materials on the printing area may result in
misprints. Always load the print media and cards in a
clean environment.
• Static build-up in the print media or cards can cause
errors. To avoid causing static electricity, do not rub
cards together.
• When replacing or replenishing print media or cards
that have been stored at low temperatures, let the print
media or cards sit for at least one hour at the same
temperature as location where the printer is to be used
before use. Using print media or cards as they are may
cause condensation and result in malfunction or print
errors.
Storage
The storage condition of the print media (retransfer film
and ink ribbons) and cards may have a strong influence
on the print quality. Select a storage location that fits
the following criteria:
Storage environment
Storage temperature : 5°C to 25°C
                        41°F to 77°F
Storage environment relative humidity : 40% to 60%
Storage location
To avoid deterioration of the ink ribbon and retransfer
film, do not store in the following locations:
• Locations exposed to direct sunlight
• Locations with high humidity
• Locations near organic solvents or diazo copiers.
Storage period
Use  print media within one year after their
manufacture date. For manufacture date, ask your
dealer. (The storage environmentshown above shall
be kept.)
Storing and handling cards after printing
Avoid storing the cards in locations exposed to direct
sunlight or with high humidity.
Furthermore, avoid contact with the following chemicals
and stationery, as they can cause discoloration or
fading of the cards:
• Organic solvents such as alcohol, film cleaner, diazo
copies, etc.
• Soft vinyl chlorides, document cases, pass holders,
erasers, etc.
• Hair-dressing products and cosmetics, etc.
Purchasing print media and cards
Contact your dealer regarding the purchase of print
media (retransfer film and ink ribbons) and cards.
Always use the products specified below.
Print media
Use only the ink ribbons and retransfer film specified
for this unit. For the names of these products refer to
“Main Specifications” on p. 45 of this manual.

8
Before use (continued)
We can accept no liability for any
problems arising as a result of the use of media using
materials other than those specified.
Card material
ISO/IEC 7810 type ID1 (dimensions) :
equivalent product
ISO/IEC 7811-2 (Magnetic stripe) :
equivalent product
ISO/IEC 7816 (IC card) : equivalent product
The materials of some cards may not be suitable for
printing. Consult your dealer regarding the materials to
be used and specifications required before purchase.
Do not place objects on top
20cm or more
7.9 inches or more 20cm or more
7.9 inches or more
Installation
The performance of the card printer is strongly
influenced by the installation location. Do not install in
the following kinds of location:
• Dusty locations
Use the card printer in the locations with the cleanness
Class 8 or better of ISO14611-1. Using the card printer
in dusty locations may cause print blurrings and printing
head malfunctions. And turn the power off whenever
printing opration is not required. The state of power-on
kept for a long time without printing operation may
collect fine dust inside the printer, causing print
blurrings and dust adherence.
• Locations susceptible to strong vibration or shock
• Locations exposed to direct sunlight
• Locations where there is a possibility of metal objects
and other foreign material entering the unit
• Areas near walls with little ventilation
• Unstable locations and angled surfaces
• Locations prone to static electricity, such as a carpeted
room
• Areas near air conditioners, humidifiers, stoves, etc.
that may cause condensation within the printer
The printer is to be installed in an environment with the
following temperature and humidity.
Temperature : 15°C to 30°C
                         59°F to 86°F
Humidity : 35% to 70%
 Use of the printer in an environment
with temperatures lower than the above range may cause
retransfer errors and use of the printer in an environment
with temperatures higher than the above range may
cause print errors from deformation of the cards and
wrinkling of the film.
Installation diagram
Ventilation holes are provided for the cooling fan on the
bottom and sides of the unit. Avoid inserting any object
into the gap between the bottom of the unit and the top
of the stand. Install the unit with its sides kept away from
the surrounding wall as illustrated in the diagram, and
keep the back of the unit at least 10cm away from the
wall. Also, do not place any object on top of the unit.
CAUTION
CAUTION
Version upgrade
   The following defects may occur as a result of the ver
    sion upgrade for the firmware of the printer, the printer
    driver.
• The operation of the printer or application software be-
comes unstable.
• Defects in print result occurs.
• Print color or shade differs.
• The performance of reproducing fine letters, changes.
• Others
   Be sure to retain a copy of the current version when
   performing version upgrade. Reinstall the previous ver
   sion immediately if these problems occur. We are not
   liable for any damage such as defective cards or inter
   ruptions during printing as a result of the version up
   grade.
 Escape Clause
We do not provide compensation for any malfunction
during card printing caused by breakdown of the
machine, ink ribbon defects or card characteristics.
In addition, we also do not provide compensation for
insufficient print quality, which are not agreed in
advance. Please evaluate carefully beforehand.
Card Material
Some card material may not be suitable for printing.
Using a contact-type IC card other than those specified
by the dealer, may cause damage to the thermal head.
No compensation is made for the life reduction and
failures that were caused by unsuitable card material.
Warp of card or uneven thickness of IC cards, even
though they are within the tolerance of JIS or ISO
standards, may not be suitable for printing or feeding.
For details on the specifications about card material
or others, consult the dealer in advance

9
Names of parts
Front When the printer door is open
Slide knob Control panel
Printer
door
Card tray
Power switch Retransfer film cassette
(Accessory) Ink ribbon cassette
(Accessory)
Rear
External
connection
terminals Power input jack
External connection terminals
USB cable connection terminals

10
3. Connect the printer and IC unit.
Connect the cable which comes with the IC unit to the
OPTION 1 terminal.
 Turn the power off before
  connecting the cable between the printer and IC Unit.
  Otherwise some malfunction may be  caused.
4. Connect the IC unit with the host computer.
Connect interface cables which are commercially
available.
Connecting the IC unit
(sold separately)
Large and compact size IC units are sold separately, as
are specialized optional devices for the unit. Consult
your dealer for more details.
WARNING
•Make sure that the power switch is turned
OFF and the AC cable is detatched from
the plug, before connecting and
disconnecting the IC units. Otherwise
electric shocks, fires or malfunction of the
product may occur.
•Using IC units other than those specified
may cause electric shocks, fires or
malfunction of the product.
Large size IC unit (sold separately)
1. A joint plate for an IC unit is provided as an
accessory.
2. Fit the printer and IC unit into the holes as shown.
CX21ICL* is manufactured by  us.
Unstable locations and angled
surfaces may cause card feeder malfunctions.  Make sure
to fit the devices into the holes securely.
Furthermore, install the printer on a flat and hard surface.
Use the OPTION 1 side.
If you use side 2 it does not
function.
Electric
shock
CAUTION
Connecting to
the PRT interface
terminal
Connection cable
(Accessory)
Commercial item
Terminals on the rear of the IC unit SERIAL1:non-contact
SERIAL2:contact
The terminal is rotated 180°
CX21ICL*
CAUTION
Set-up

11
Set-up (continued)
Compact IC unit (sold separately)
Please ask your dealer for the Compact IC unit
connection.
1. Connect the compact IC unit to the host computer.
Connect interface cables which are commercially
available.
Interface cable
(Commercial item)
Connecting the Laminator
(RL90)(sold separately)
1. Set up the unit  joint plate which comes with the
laminator (optional). Mount the printeron to joint
plate.
.
CAUTION
FRONT
FRONT
RP90
Joint Plate
Laminator(RL90)
2. install the laminator
Be careful not to pinch your finger when installing.
CAUTION
Turn the power off before connecting the cable
between the printer and laminator.
Otherwise some malfanction may be caused.
Memo
If the mounting is uneven, the card would not be
transported smoothly. be sure to fit the units right
in. Always install the unit at a holizontal and hard
surface location
9 pin
9 pin
Connecting cable
Tight the screw after connecting
OPTION2
PRINTER
Compact IC unit

12
Connecting the power cord
1. Check the plug.
•For AC 120V type           • For AC220-240V type
    (North America)      (Europe)
* The detached power cords vary according to model
and country of purchase.
2. Plug the power cable into the printer.
Always use a grounded power outlet.
Never share the outlet with other electrical equipment.
Use an AVR (Automatic Voltage Regulator) if there
is a possibility of voltage fluctuation. Use an
uninterruptible power source rather than an AVR if
there is the possibility of uninterruptible power
source.
CAUTION

13
Card discharge
slot
Claw
Card stacker
(accessory)
Card stacker
receptacle
Installing the card stacker
1. Mount the card stacker on the printer.
Hang the stacker claw on the stacker receptacle.
The card stacker is capable of containing approximately
100 0.76mm(0.03inches)-thick cards or 280 0.25mm
(0.01inches)-thick cards at the maximum.
Be sure to hang the card stacker claw
on the card stacker receptacle, not the card discharge
slot.  If you mount the card stacker at a wrong place,
cards are not discharged, resulting in a card jam.
CAUTION
Discharging the card
When correctly printed, the cards are discharged from
the left side.
If a card jam or a write error on magnetic stripes occurs
on the way, results differ depending on the areas.
Portion A: If a card jam , a write error on magnetic
stripes or an IC unit encord error  occurs on
the way, press the RESET button, then the
ENTER button.  The printer is initialized,
and the cards are discharged from the right
side of the printer.
Portion B: See the description in Jam (Transfer) on
p.44.
Portion C: When correctly printed, the cards are
discharged from the left side of the printer.
The cards jamming around this area are
also discharged from the left side.
CB A
Retransfer film cassette Ink ribbon cassette
Thermal head
Magnetic head
Card turnover
 table
Feed roller
NG card
discharge slot
Cleaning roller
Card feed roller
Retransfer roller (heat roller)
Bent remedial roller (heat roller)
Card discharge slot
Card stacker
receptacle
  Claw
Card Stacker
(accessory)
When connecting the laminator, pull the tab of the card
stacker at the stacker mount of the laminator card.

14
3. Insert the ink ribbon into the cassette.
Stretch the ink ribbon along three shafts with the ink
face of the ribbon facing outside and insert the bobbins
firmly into the bobbin holders.
Place the cassette upright on a flat surface during set-up.
Setting the ink ribbon
Do not touch the surface of the ink
ribbon with your hands.
1. Activate the slide knob and open the printer door.
When the slide knob is moved, the printer door opens
downwards.  Hold the door with your hand and open it
slowly.
Do not put the ink ribbon or retransfer
film on the back of the door for mounting.  Do not rest
your elbows or put a heavy thing on the back of the door.
The printer door may be broken.
2. Remove the ink ribbon cassette.
When the lever is pressed, a small portion of the
cassette pops out.
When transporting the unit, remove
the ink ribbon and the retransfer film, then place the
cushion on the thermal head. Transporting without the
cushion may cause the thermal head and roller to
malfunction.
Do not use cushion materials other than the transfer
cushion that comes with the unit, as this may cause
damage to the head.
CAUTION
Set-up (continued)
CAUTION
Press the removal
lever.
Ink ribbon cassette (Orange)
CAUTION
Shaft
Ink face
(do not touch
the surface) Bobbin
holder (black)
Wind spool
(black bobbin)
Feed spool
(yellow bobbin)
CAUTION
Cushion
When you need to take out the
cassette, for instance, to clean the printer, be sure to put
the cassette upright as shown in the above illustration.
When the ink ribbon is put on the table with its face down,
dusts attach to the surface, causing a malfunction of the
printer.
Bobbin holder
(yellow)

15
5. Insert the cassette along the guide rail.
Insert the cassette until it clicks securely into position.
The lever returns to its original position.
 • The cassette containing the ink
ribbon is heavy.  Hold the cassette with both hands
when you set or take out the cassette.
• If the cassette unit is not inserted until it clicks securely
into position before printing, horizontal lines may be
printed with the image.
Guide rail
CAUTION
Ink Run Out
Ink Search
Ink Broken
Memo
When the ink ribbon is wound up to the end,
appears on the LCD panel.
After replacement press the RESET button, then
press the ENTER button.
If the ink ribbon is not set properly,
or
appears on the LCD panel.  When these messages
are output, check:
• The ink ribbon is firmly inserted into the bobbin
holders.
• The ink face of the ribbon is directed correctly.
• The feeding and winding bobbins are mounted
correctly.
Memo
To mount the ink ribbon which is partially used, set
the unused portion of the ribbon (yellow bobbin) on
the bobbin holder indicated with an arrow on the seal
of the cassette.
Printing with the ink ribbon set improperly may cause
the image to be faint.
6. Close the printer door.
If you want to mount the retransfer film, keep the door
open and go to the next page.
CAUTION
4. Wind the ribbon, taking up the slack.
Turn the knob in the arrow direction to wind a small
portion of the ink ribbon.  If the ink ribbon does not wind
up, go back to step 3, and insert the ink ribbon firmly
into the bobbin holders.
If the ink ribbon is not tightly wound,
the slack may cause the ribbon to be caught in the parts
of the printer when you set the cassette, or the card to be
printed in uneven colors.

16
Set-up (continued)
Setting the retransfer film
Do not touch the retransfer film
surface with your hands.
1. Activate the slide knob and open the printer door.
When the slide knob is moved, the door opens
downwards.  Hold the door with your hand and open it
slowly.
Do not put the ink ribbon or retransfer
film on the back of the door for mounting.  Do not rest
your elbows or put any heavy object on the back of the
door as it may break.
2. Remove the retransfer film cassette.
When you press the lever, a small portion of the
cassette pops out.
CAUTION
Press the cassette
removal lever.
3. Insert the retransfer film into the cassette.
Stretch the retransfer film along three shafts with the
retransfer face of the film facing outside and insert the
bobbins into the bobbin holders firmly.
At this time, perform setting so that the film is inside the
guide. Wind the film to the wind spool more than three
stripes (two frames).
Otherwise the printer may fail.
Place the cassette upright on a flat surface during set-up.
When you need to take out the cassette, for instance, to
clean the printer, be sure to put it upright as shown in the
above illustration.  When the film is put on the table with
its retransfer face down, dusts attach to the surface,
causing a failure of the printer.
Retransfer film cassette (yellowish
green)
CAUTION
CAUTION
Shaft
Bobbin holder (green)
Retransfer face
(do not touch the
surface)
Feed spool (green
bobbin)
Wind spool
(black bobbin)
Bobbin holder (black)
Wind the film by about
three stripes (two frames)
on the winding bobbin.
One frame
Guide
Black stripes

17
4. Wind the retransfer film to take up the slack.
Turn the knob in the arrow direction to wind a small
portion of the retransfer film.  If the film does not wind
up, go back to step 3, and insert the bobbins firmly into
the bobbin holders.
If the film is not tightly wound, the
slack may cause the film to be caught in the parts of the
printer when you set the cassette, or damaged due to
wrinkles on the film. At this time, do not hold the film to
remove slack. Winding deviation causes operation errors
or defective prints.
5. Open the printer door and insert the cassette.
Insert the cassette until it clicks securely into position.
The lever returns to its original position.
The cassette containing the retransfer
film is heavy.  Hold the cassette with both hands when
you set or take out the cassette.
CAUTION
6. Setting the number of frames to be used.
The number of frames of the retransfer film being used
is set.
For details, refer to the “Media Type” setting on page
30.
This work must be done when the used film (number of
frames) is changed.
When the setting of number of frames
is not correct, the printed picture may be entirely shifted
on the card.
7. Close the printer door.
CAUTION
Media Run Out
Media Search
Media Broken
Memo
When the retransfer film is wound up to the end,
appears on the LCD panel.
After replacement press the RESET button, then
press the ENTER button.
If the retransfer film is not set properly,
or
appears on the LCD panel.  When these messages
are output, check:
• The retransfer film is firmly inserted into the bobbin
holders.
• The retransfer face of the film is directed correctly.
• The feeding and winding bobbins are mounted
correctly.
Memo
To mount the retransfer film which is partially used,
set the unused portion of the film on the bobbin
holder indicated with an arrow on the seal of the
cassette.
Printing with the transfer film set improperly may
cause the image to be faint.
CAUTION

18
Set-up (continued)
Setting cards
Please use cards specified by your dealer. This unit can
take both 0.76 mm(0.03inches)-thick and 0.25 mm
(0.01inches)-thick cards. The factory setting is for 0.76
mm-thickness.
Fingerprints, soiling, etc. on card surface can result in
print errors. Wear lint-free gloves when handling.
1. Open the card tray.
Hold the lower part of the card tray and pull the tray
toward you slowly until it no longer moves.
CAUTION
Caution when loading the retransfer film
cassette and/or the ink ribbon cassette
The following caution shall be kept when the retransfer
film cassette and/or the ink ribbon cassette is removed
because of card jam or other trouble.
Please pay enough attention so that the retransfer film
and/or ink ribbon is maintained at the right position.
Particulary, the ink ribbon is extremely thin, therefore it
apt to slip down when the cassette is removed as
shown in the illustration.
When loaded in this condition, it may cause improper
printing such as INK RUNOUT error, improper color
printing etc.
To avoid this, please handle the ink ribbon and/or the
retransfer film very carefully with hands so that the
media position of take-up side become parallel.
Please do not touch the print side of the ink ribbon and/
or the retransfer film with your hands. Otherwise, it may
cause improper printing.
When adjusting the print position of the retransfer film
and/or ink ribbon, please follow the instruction label
attached on the cassettes.
Improper Winding
Adjust the position with hands so 
that the media position of take-up 
side and supply side becomes parallel

19
3. Close the card tray.
Push the card tray back into the printer until it no longer
moves.
Memo
To print pre-printed cards on this printer, set the
cards as indicated on the Software Operation
Manual of the host computer.
When a magnetic or IC card is pre-
printed in a dark color such as black, errors in positioning
may occur during encoding.
Consult your dealer on this issue before printing pre-
printed cards.
CAUTION
Inserting cards
The unit can take about 300 0.76mm-thick cards.
As for 0.25mm thick cards do not insert more than 300
pcs.
When removing new cards from the
box, it is possible that cards may be stuck due to static
electricity. In this case, peel the cards off one at a time
before setting into position. Hold the edges of the card
when carrying out these operations.
1. Pull the card bracket back.
The card bracket locks when it reaches the hole.
2. Insert the cards and move the bracket back into
position.
Limit the number of cards as the card bracket moves
back slightly from the lock position.
Setting the cards improperly can
cause feed jams. Check that the cards are neatly
arranged.
CAUTION
CAUTION
CAUTION
Align the cards
neatly with the
side
Be sure that the
tops of the cards
are aligned
properly
CAUTION
When handling cards, avoid dusty
environment and use the attached gloves.
Dusty cards such as those fingermarked may cause
improper printing.
Consult your dealer to purchase new gloves.
When moving the card bracket
back into position, do this slowly to avoid jamming
your fingers. Leaving the card bracket out of position
may cause card jams.

20
Loading cards
Load cards when the printer’s LCD panel shows the
message “Ready” or “No Card”, and not when printer
operations have stopped due to an error. Cards can
also be loaded when the power supply is not switched
on. If there is a drop in the volume of remaining cards
(under 20 cards with a thickness of 0.76mm), the
electronic beep sounds before every feeding.
When “Loading” is displayed on the LCD panel, do
not open the card tray under any circumstances.
The unit is currently feeding cards. If a message
other than the one above is displayed, cards can be
loaded even while the unit is printing. However, you
are recommended to load cards when the unit is not
printing.
To prevent defective printing caused by
suspended printing or vibration as a result of
opening and closing the card tray, load cards
with care.
Ready
No Card
OR
Loading
When using magnetic cards
When using cards with magnetic strips, set the cards in
the following manner.
For JIS II cards:
Place the card with its magnetic stripes upward and
facing the card bracket.
For ISO cards:
Place the card with its magnetic stripes downward and
facing the card bracket.
Printing on cards with magnetic strips
is not guaranteed.
When using contact IC cards
When using contact IC cards, set in the following
manner.
CAUTION
Place the IC card with its IC
terminal inward and facing the card
bracket.
Switching the card thickness
Depending on the material, some 0.25mm(0.01inches)
thick cards may not be suitable for printing. Consult
your dealer regarding the materials and specifications
of the card before purchasing.
WARNING
•
As for switching the card thickness,consult
your dealer or the service personnel.
   Otherwise injuries or malfunction of the
printer may be caused
Injury
Electric shock

21
Connecting with a  host computer
Do not switch off the power of the host
computer during printing, and do not use the suspend
function on the host computer.
If the power of the host computer is switched off during
printing, or if the suspend function of the host computer is
activated, cards printed halfway may remain in the printer.
When this occurs, open the printer door and close it again
after that press the “reset-->enter buttons”.  Cards remained
in the printer will be ejected from the NG Card outlet.
1. Check to ensure that the power of both the printer
and host computer are switched off.
2. Connect the printer and host computer with the USB
cable.
Insert the USB cable to the USB cable connection terminal
at the back of the printer.
Set-up (continued)
CAUTION
Adjust orientation of the USB cable
according to the terminal, and insert it all the way in.
Consult your dealer on the cable
connection if there are USB or serial cable connection
terminal on the printer’s optional port.
The location of terminals varies with the host computer.
Please refer to the instruction manual of the host
computer.
When there are multiple USB cable comection terminal
on the host computer, either one can be used.
Do not connect to the USB comection terminal on the
host computer’s monitor or keyboard. It may not be
recognized correctly.
When using a USB hub, connect to the hub that is directly
linked to the host computer.
CAUTION
CAUTION
CAUTION
Software Licensing Agreement
Before using the software contained in the CD-ROM
supplied, please read through the “Software Licensing
Agreement” at the end of this manual.
You will not be allowed to use this software unless you
have agreed to accept the terms stated in the agreement.
Operation Environment
Software in the attached CD-ROM operates in the
following environment.
WindowsXP Professional and Home Edition
Windows2000 Professional
When installing the software, log-on
shall be done by a qualified user(Administrators Group).
CAUTION
About software
The following softwares are required in order to use CX-
320. These are kept in the attached CD-ROM.
(1)CX-320 Printer Driver
Install the printer driver from the attached CD-ROM
when using CX-320 printer drivers. Refer to the electronic
file in the CD-ROM “Printer Driver Install Manual” for
method to install. Refer to the respective guide books
on the use of other printer drivers.
(2)CX-320 Status Monitor
Software that carries out various settings and indicates
the status of CX-320. Install into the host computer
that connects to CX-320.
Installation of CX-320 Software
Refer to the electronic file “Printer Driver Install Manual”
(Installation PRD01∗.PDF) stored in the folder “English/
Document” ,and install the printer driver.
When message “connect the USB
cable to the printer” appears on the screen,connect
the UCB cable.
CAUTION
Connecting Multiple Printers
When connecting a host computer to multiple printers,
set different Unit Numbers from 1 to 7 for each printer.
Refer to see the page 34 of the instruction manual

22
Before use
Names of parts on the operation panel
Setting buttons
Initializes the printer by the software when an error
occurs or an error is cancelled.
The user mode setting is displayed
when the unit is in the Ready or
Preheating status. The button is
also used when canceling the
operation lock during errors.
Confirms the mode selected in the
user mode setting.
The parameter setting for each
mode can be adjusted during the
user mode setting.
Make sure to press the button to
save the settings.
Quits setting and returns to the
upper level setting screen.
RESET
EXIT
MENU
ENTER
READY
ERROR
LCD panel
Operation display LED Control buttons
ENTER
EXIT
MENU
RESET
Operation display LED
READY LED (green)
ON : unit ready, printer in operation
Flashing : receiving image data
OFF : unit stopped due to error, or unit being set,
initialized or preheated.
READY LED (red)
ON : operation error
OFF: normal status
If an error occurs while the buzzer is set to ON, an
alarm will sound. If this happens, the LCD background
color will change to red.
LCD panel
During normal operation
Upper line : operation status display
(For details concerning the operation
display, see p. 22 of this manual.)
Lower line : counter display
(Toggles between free counter/head
counter and total counter.)
If an error occurs
Displays the error status.
(For details concerning the error display, see p. 40 -
42 of this manual.)
During user mode
Displays various setting modes.
(For details concerning settings, see p. 25 in this
manual.)
Display background color
Bright green : Initialization
Orange : Card feeding
Red : Error
The above background colors can be selected in user
mode settings.
(For details concerning settings, see p. 27 in this
manual.)
Buzzar

23
(to the next page)
Operation display LED contents
and the LCD panel
For details, see p. 40 – 42 of this manual.
Initialization period
When the power is turned on, the printer performs
positioning of the ink ribbon and retransfer film.  It also
initializes the mechanisms of the printer and check their
operations.  “Initializing” is dispalyes on the LCD panel
during this period.
Preheating period
When the initialization of the mechanisms completes
normally, the printer increases the temperatures of the
retransfer roller and bend remedial roller up to the
specified levels.  “Preheating” is dispalyes on the LCD
panel during this period.
LCD operation display content
Printer status
Mechanism set
period
Preheat period
Ready period
Printer operation
period
Error occur
User mode
READY ERROR LCD panel
Initializing..
Preheating..
Ready
When an error
occurs
*Depends on the
error content
Depends on the
user mode content
or
: LED on
: LED off
Initializing..
Preheating..
Loading..
Printing..
Encoding..
Retransfer..
Unloading..
Cleaning..
Sleeping..
Ready
Boot Up..
                  xxxxxxx
Ver. xxx/xx/xx
           INT Complete
xxxxx
xxxxx
xxxxx
xxxxx
xxxxx
xxxxx
xxxxx
xxxxx
OS booting up
(“Data check”
“Write CFG” and
“Write Gatearray”,
will be displayed by
turns.)
* Firmware version
Shows firmware
version number.
Displayed during the
initialization
process.
Displayed during
preheating
* Displays Free/Head or
Total, according to the
counter select setting.
Displayed during
feeding
Ready status
* Print counter
Displayed during
printing
Displayed during
encoding
Displayed during
retransfer
Displayed when cards
are discharged from the
NG card outlet
Displayed during
cleaning operations
When the heater
status is OFF
because of the power
save function

24
Operation
Turning on the power
1. Before turning on the power, check the following:
Make sure that the printer door is completely
closed.
Make sure that the card tray is completely closed.
Make sure that the host computer is correctly
connected.
Make sure that any peripheral equipment is
correctly connected.
Make sure that the power supply outlet is correctly
connected.
Only switch the unit on after checking the above
points.
2. Turn the power ON.
(I represents ON and O represents OFF.)
RESET
EXIT
MENU
ENTER
READY
ERROR
OR
Ready
Preheating..
CAUTION
RESET
EXIT
MENU
ENTER
READY
ERROR
3. The unit will be in the ready status approximately 4
minutes after turning on the power.
The operation display LED (READY LED) will light up.
Making settings in the user modes
When the LCD panel displays Ready or Preheating,
press 
MENU
 button.
For details concerning each user mode setting, see p. 25 of
this manual.
4. Enter the control command from the host computer to
print cards.
The operation display LED (READY LED) will flash while the
unit is receiving image data from the host computer.
Do not turn the power off while the
LCD panel displays ‘Boot up’ to ‘Initializing’, as this
may cause malfunctions.

25
Be sure NOT to do any of the following during printing
operations and initialization process :
•Do not open the printer door.
•Do not open the card tray.
(while the LCD panel displays ‘Loading’)
•Do not turn off the power supply.
•Do not unplug the unit.
•Do not pull out the connection cable.
Failure to observe the above points will cause printing
to be aborted and may result in a malfunction of the
unit.
When the printer was occured an
error during printing operation caused by above-
mentioned operation or others, the retransfer film  was
rewinded about 3 panels. If the printer is turned off and on
the power or is initialized, the printer occur the printing an
error which is “INK RUNOUT” or print results problem
because of the printer try to print the used retransfer film.
Wind up the retransfer film about 3 panels by unused
panel. See p.17 “Caution when loading the retransfer film
cassette and/or the ink ribbon cassette” and p.24 “On
initialization when the retransfer film casstte and/or the
ink ribbon cassette is loaded”.
Turning off the power
1. Check the printer status.
In ready, preheat or error status, check that printer
operations are suspended.
2. Turn off the power.
Always wait 10 seconds or more before turning the
power back on again.
About the RESET button
When an error occurs in the printer, press the 
RESET
button, then the 
ENTER
 button.
The printer is initialized with this operation.
If the error still persists, see p.40 and take the
appropriate actions.
Then, press the 
RESET
 button, and the 
ENTER
 button
again.  The printer is initialized, and returns to the
“Ready” state.
(When you turn off the power, these procedures are not
necessary.)
CAUTION
On Initialization when the retransfer film
cassette and/or the ink ribbon cassette
is loaded
Dust or foreign particles may attach on the surface of
retransfer film and ink ribbon when their cassette are
removed from the printer.
This may cause defective printing such as image void,
defective retransfer etc.
To Avoid this, it is recommended that the retransfer film
and the ink ribbon are wound up one or two panels after
they are reloaded.
Please follow the initialization procedure described
below:
1. Turn the power switch on, and wait until the LCD
panel displays “Preheat” or “Ready”.
2. Depress  the 
RESET
 key.
LCD panel displays:
3. By depressing the   key or the   key, the
LCD panel change accordingly as shown below.
Select the wind-up condition, one or two panels.
(This set up is not memorized.)
•Initialized after two panels of the retransfer film
and the ink ribbon are would up.
•Initialized after one panels of the retransfer film
and the ink ribbon are would up.
•Initialized without winding up. (Default)
4. By depressing the 
ENTER
 key, the printer is
initialized according to the selected above set up
condition.
Initialize
                           OK?
Initialize
          2'nd Panel, OK?
Initialize
        NEXT Panel, OK?
Initialize
                           OK?

26
Operation (continued)
User modes
The settings for printing media, card, etc. can be made
in the User mode.
Press the MENU button when the unit is
in the Ready, Preheat or Error status to
suspend printing operations.
User mode screen flow
MENU
MENU
MENU
MENU
MENU
MENU
MENU
MENU
MENU
MENU
MENU
MENU
MENU
MENU
MENU
MENU
MENU
MENU
MENU
MENU
MENU
MENU
MENU
MENU
MENU
MENU
MENU
MENU
MENU
MENU
MENU
MENU
MENU
MENU
MENU
MENU
MENU
MENU
MENU
EXIT
EXIT
EXIT
EXIT
EXIT
EXIT
EXIT
EXIT
EXIT
EXIT
EXIT
EXIT EXIT
MENU
MENU
MENU
MENU
EXIT
MENU
MENU
MENU
EXIT
>Cleaning> 
>Ink>
>Retransfer>
>Buzzer
>Test Print
>Power Saving
>Bend Remedy>
>Card Thickness
>MG ISO Type
>IC Antenna Pos.
>Counter Reset
>Display>
>IC Contact Pos.
User Mode
>Transport Mode
>Unit No.
MENU
Press  and appears on the LCD panel.
After 0.5 seconds, the display will switch to
the following items.
See p. 33 See p. 27
See p. 33
See p. 33
See p. 33
See p. 33
See p. 33 See p. 31
See p. 36, 37, 38
See p. 29
See p. 30
See p. 31
See p. 28
End of user mode
See p. 32
CAUTION
When you change settings for the
underlined submenu on the next page (Setting the ink
ribbon, Setting the retransfer film, Setting the retransfer
roller temperature and Bend remedy roller temperature
setting,the message “Please Reset” will appear on the
LCD panel.
Then initialize the printer by pressing
                  key and next                     key.
RESET
ENTER
See p. 32

27
(to the next page)
User mode settings
>Bend Remedy>
>Retransfer>
>>Media Type
>>Temp. Level
>>Speed (Front)
>>Speed (Back)
Std(1000/roll):0
0(Standard)
-2
-2
Standard  
(1000/roll):0
Standard 
+1
+2
+2
Off
+2
None
YMCK : 0
0
0
0
SKY BLUE
Off
Standard
Hi-Co
On
Total
>>Temp. Level
>>Speed
>>Cooling Time
Off
-2
None
>Ink> >>Ink Type
>>Black Level
YMCK:0
0(Standard)
>>Black Mode
>>SP-Ink1 Level
Standard
-3
>>SP-Ink2 Level
-3
>Display>
>Power Saving
>>Counter
>>Contrast
>>Back Color
Total
-2
BLUE
>Cleaning>
>Card Thickness
>MG ISO Type
>Buzzer
>Transport mode
>Counter Reset
Off
Standard
Lo-Co
On
OK?
OK?
>IC Antenna Pos.
None
>IC Contact Pos.
None
>Test Print
OK?
>>MG Print(JIS)
Off
Off
>Unit No:
No.1?
  No.1
>>Standby mode
Front Wait
Front Wait
Main menu Submenu
Factory setting
Display mode
Ink mode
Retransfer mode
Bend Remedy
mode
3 counter type settings: [Total, Head, Free]
LCD panel contrast setting: 7 gradations from –3 to +3, the higher
             the value the stronger the contrast.
LCD pamel background color setting: 8 options
See p. 27
See p. 29
See p. 30
See p. 32
See p. 28
See p. 28
See p. 31
See p. 31
See p. 32
See p. 33
See p. 33
See p. 33
See p. 33
Counter reset mode
For free counter resetting: press the ENTER button.
Cleaning mode
For cleaning mode setting: Magnetic head and card feeder roller execution
Display on ink ribbon : the ink type being used is displayed
Display only because of automatic setting by RF-ID(Setting is not possible)
Setting the black value K: 9 gradations can be set from –3 to +5, the
larger the value the darker the printing.
Setting the K printing mode: 2 options [standard and fine]
Setting the retransfer film: setting the film type
[1000,750] - two types
Setting the retransfer roller temperature:
6 gradations can be set from –3 to +2,
the larger the value the higher the
temperature.
Setting the retransfer speed: 13 gradations can be set from –10 to +2,
the larger the value the faster the speed.
Setting the rear retransfer speed: 13 gradations can be set from –10 to +2, the
larger the value the faster the speed.
Buzzer mode
Setting the buzzer ON/OFF: 2 settings [on
and off]
Power saving mode
Setting the time for the power saving mode:9 options [off, 5, 10, 15, 20, 25, 30, 45 and
60] (units: minutes)
Bend remedy roller temperature setting: 7 gradations can be set from –5 to 0 or
off, the larger the value the higher
the temperature.
Bend remedy speed setting: 5 gradations can be set from –2 to +2, the
larger the value the faster the speed.
Cooling time setting: 16 gradations can be set: none and 1–15 (units
seconds).
Card tickness setting mode:
Card thickness setting: 2 options [Standard,Thin]
Coercivity setting mode:
ISO card coercivity setting: 2 options [Lo-Co
and Ho-Co]
Non-contact IC antenna setting mode:
Non-contact IC antenna position setting:  3 options [None, Ext. Unit, Added on]
IC contact position setting mode:
IC contact position setting: 3 options [None, Built-in, Ext. Unit]
Test print mode:
to carry out test printing: press the ENTER button.
Setting the special ink SP-Ink 1, SP-Ink2 darkness:
9 gradations can be set from –3 to +5, the larger the value
the darker the printing.
Transfer Mode:
Transfer mode setting: press the ENTER button.
See p. 33
Setting the way of peeling off the retransfer film: 
2 settings [on and off]
See p. 33
Unit No:     7 options [No.1 to No.7]
Unit No. setting: press the ENTER button.
Stand by selection: In case of both side printing with optional unit connected,
select either one of the card sides for standby.

28
>Display>
>>Counter
>>Contrast
>>Back Color
Total
-2
BLUE
ENTER
ENTER
ENTER
MENU
MENU
MENU
EXIT
EXIT
EXIT
ENTER
EXIT
SKY BLUE, BLUE, LIGHT BLUE, 
GREEN, BRIGHT GREEN, 
YELLOW, PURPLE, PINK
To exit user mode
Counter select mode
3 options (Total, Head, Free)
Press                    to select the setting and press           to save.
Counter selection
•Free counter (Free)
This allows the user to clear the counter.
Displays the number of cards which have
been printed correctly.
•Head counter (Head)
Displays the number of printing colors in
one Head.
The head counter cannot be reset.
•Total counter (Total)
Displays the number of cards in total
which have been printed correctly.
The total counter cannot be reset.
LCD  panel contrast setting
There are 7 gradations
(–3 to +3, the higher the value the stronger the contrast.)
LCD panel background
color settings:
8 options
Press                    to select the setting and press           to save.
Press                    to select the setting and press           to save.
(The electronic
beep sounds .)
(The electronic
beep sounds .)
(The electronic
beep sounds .)
Operation (continued)
Display mode settings
The unit has the following three settings for the display
mode.  Allows selection of which counter value is
displayed when the power is turned on.
CAUTION
• The beep sounds when pressing the
Enter button to save the settings in the user setting mode.
• The beep will not sound if the buzzer mode setting (see
p.31) is set to off.

29
(to the next page)
Clearing the free counter
Reset the free counter.
The [Total] counter and [Head] counter cannot be reset.
Cleaning mode
The printer is provided with an operation mode for
cleaning the card feed roller and the magnetic head to
keep the printer in the best condition.
See p.37,38 and p.39 for executing the cleaning mode.
>Counter Reset
OK?
EXIT
ENTER
Exit user 
mode.
Press            to reset.
(The electronic 
beep sounds .)
To check that the counter is reset to zero, select “Free
Counter” in “Setting the counter type” on p.27.
CAUTION
The head counter is cleared to zero
each time the thermal head is replaced.
>Cleaning>
>>Rollers
OK?
>>MGHead
OK?
ENTER
ENTER
ENTER
ENTER
Execution 
(The electronic 
beep sounds.)
Select the cleaning item with                               and press                for execution.
(The electronic beep sounds .)
To exit the cleaning mode, turn off the power after
cleaning.

30
Operation (continued)
Ink mode setting
Change settings according to the ink ribbon used.
>Ink>
>>Black Level
>>Black Mode
>>Ink Type
YMCK:0
0(Standard)
Standard
>>SP-Ink 1 Level
-2
ENTER
ENTER
ENTER
ENTER
MENU
MENU
MENU
MENU
EXIT
EXIT
EXIT
EXIT
ENTER
EXIT
>>SP-Ink 2 Level
-2
or
RESET ENTER
Exit user mode
Display on ink ribbon
Display only because of automatic setting RF-ID.(Setting is not 
possible) (YMCK:0, YMCK+PO:2,K:3, YMCKK:4,YMCK+UV:5)
• Yellow (Y), Magenta (M), Cyan (C) and Black (B) 
  are provided as the standard ink ribbons. For the
  setting to YMCK+PO, consult with your dealer.
Press to select the setting and press           to save.
(The electronic beep sounds .)
(The electronic beep sounds .)
(The electronic beep sounds .)
(The electronic beep sounds .)
*After exiting the user mode, press                         and then press  
 to initialize.
If initialization is not carried out, the ink type setting will have no effect on 
the printer.
Set the black value K
9 gradations can be set
(from –3 to +5, the larger the value the darker the printing)
•
Small characters printed in black ink may be blurred or 
partially darkened. If this is the case, change the setting.
Press                         to select the setting value and press         
 to save.
Set the K printing mode:2 options 
(Standard and Fine)
• Set to “Fine”mode if blurring still occurs after an 
 increase in “Black Level.”  The printing time slightly 
 becomes longer in this setting.
• Set to “Fine” mode to avoid blurring 
 when printing thin by 1 dot lines or small characters.
CAUTION
Press                         to select the setting value and press          
to save.
Special ink SP-Ink 1, SP-Ink 2 darkness level.
9 gradations can be set
(from –3 to +5, the higher the value the darker the printing.)
•Set this darkness level when using a special ink 
  (not yet available).
Press                           to select the setting value and press         
 to save.
• The YMCKK ink ribbon shall be 
 used only when the face of card is printed by YMCK and 
 the back by K,or the face by K and the back by YMCK.
 Otherwise some error may happen.
CAUTION

31
(to the next page)
Retransfer mode setting
>Retransfer>
ENTER
ENTER
ENTER
ENTER
RESET ENTER
MENU
MENU
MENU
EXIT
EXIT
EXIT
ENTER
EXIT
-2
RESET ENTER
>>Speed (Front)
MENU
EXIT
>>Speed (Back)
•
When setting "On",printing time will be longer by about1,5s
•
No mprovement is expected for the cards with ISO
  magnetic stripes.
>>Media Type
Std(1000/roll):0
>>Temp.Level
0(Standard)
-2
>>MG Print (JIS)
MENU
EXIT
>>MG Print (JIS)
EXIT MENU
•
Double-sided printing results in a warp depending on 
  the cards.  Change the speed to correct it.
Exit user mode
Set retransfer film: Set film type
Two types of frame settings (1000 or 750 frames per film)
•
In addition to setting the number of frames, change 
  the setting when using special films (not yet available).
  To use these films, the firmware of this machine needs
  upgrading. Please consult your dealer.
Press                     to select the setting and press                    to save.
(The electronic beep sounds .)
*After exiting the user mode, press                        and then press         
 to initialize.
*After exiting the user mode, press                       and then press          
 to initialize.
If initialization is not carried out, the film type setting will have no effect on
the printer.
If initialization is not carried out, the temperature will have no effect on the 
the printer.
Set the retransfer temperature.
6 gradations can be set
(from –3 to +2, the larger the value the higher the temperature)
•
Retransfer may be not performed well depending on 
  the cards.  Increase the temperature level step by 
  step until the card can be printed clearly.
Press                      to select the setting value and press              to 
save.
(The electronic beep sounds .)
Set the retransfer speed:
13 gradations can be set
(from –10 to +2, the larger the value the faster the speed)
• 
Partial incompletions may occur depending on the cards
  during retransfer. The performance is increased as the value is
  lowered.  Specify the value mainly onthe retransfer roller tem-
  perature setting and use the speed setting for fine adjustments.
Press                      to select the setting value and press          
to save.
(The electronic beep sounds .)
(The electronic beep sounds .)
Set the reverse retransfer speed:
13 gradations can be set
(from –10 to +2, the higher the value the faster the speed.)
Press                       to select the setting value and press          
to save.
Set the way of the peeling off the retransfer film
2 settings[On and Off]
Depending on the card used,peeling off the retransfer film
may not be complete.
For the cards with JIS magnetic stripes,setting "On" is
recommended.
Standby selection:In case of both side printing with optional
unit connected ,select either one of the card sides for standby.
Change settings according to the retranfer film and card used.

32
Operation (continued)
Buzzer mode setting
The buzzer indicating errors can be turned on or off.
Power saving mode settings
The printer enters into the power save mode after a
specified period of time if none of operation buttons are
touched in the Ready state.  The heat roller for
retransfer, bend remedial roller, and back-light of the
LCD panel are turned off in the power save mode.
>Buzzer
On
EXIT
ENTER
Exit user mode
Set the buzzer:
there are two settings 
(On, off)
Press                        to select the setting and press            to save.
(The electronic beep sounds.)
>Power Saving
off
EXIT
ENTER
Exit user mode
Power saving 
settings:
there are 9 options.
Press                        to select the setting and press            to save.
(The electronic beep sounds.)
Off:
Not in power saving mode.
Setting options: [5,10,20,25,30,45,60] (units: minutes)
[5,10,15,20,25,30,45,60] (units: minutes)
If printing is not to be carried out for a period longer than the
set time, switch the unitís heater off. (Power save status)
When Off is specified,
•electronic beep sound indicating an error,
•electronic beep sound indicating the number of cards,
and
•electronic beep sound indicating settings saved with the
ENTER button in the user mode are muted.
Press the EXIT button to cancel the user mode, and the
printer starts.
“Sleeping” appears on the LCD panel in the power save
mode.  The operation buttons are disabled in this mode.
See step 2 in “Canceling the power save mode” to
enable the operation buttons.
The printer moves to the power save mode when the
specified time arrives even if you turns off the printer
and turn it on again.
Canceling the power save mode
1. From the host computer
Enter a control command to print the card.  The power
save mode is cancelled, and printing automatically
starts upon completion of preheating.
2. Temporary cancellation
To cancel the power save mode temporarily on the
printer, press 
RESET
, then 
ENTER
 to initialize the printer.
3. Permanent cancellation
Cancel the power save mode temporarily as described
in step 2, and change the power save mode setting to
OFF.
Sleeping

33
(to the next page)
Setting the bend remedy mode
Single-sided printing may cause a bend depending on the
cards.  Adjust the setting to get rid of the bend.
CAUTION
>Bend Remedy>
>>Temp Level
>>Speed
>>Cooling Time
off
-2
-2
ENTER
ENTER
MENU
MENU
MENU
EXIT
EXIT
EXIT
ENTER
EXIT
RESET ENTER
ENTER
Exit user 
mode
Set the bend remedy roller temperature
There are 7 bend remedy roller temperature settings:
(off and from –5 to 0 the larger the value the higher the temperature).
Press                    to select the setting and press           to save.
(The electronic beep sounds.)
*After exiting the user mode, press            and then press            to initialize.
If initialization is not carried out, the temperature setting will have no effect on the printer.
Bend remedy speed settings
5 gradations can be set
(from –2 to +2, the larger the value the faster the speed.)
Press                       to select the setting value and press            to save.
(The electronic beep sounds.)
Cooling time setting:
16 gradations can be set (none and 1-15, unit: seconds).
Press                       to select the setting value and press            to save.
(The electronic beep sounds.)
If the bend remedy temperature
setting is set to off from any other setting, the preheating
status will remain the same until the roller temperature
falls (for approximately 10 minutes).
This is not a malfunction. Leave the unit in ready status
and wait.
                  1.Setting temperature and speed of the
bend remedial roller. Adjust the “roller
temperature” setting in principle to correct the
bend of the card, and use the “correction
speed” setting for fine adjustments.
2. Setting waiting time for cooling the card
This provides the time for a special film, which
will be marketed in the future, to cool down to
prevent the card and retransfer film from
sticking together after printing.
CAUTION
When printing on both sides is done
with “Remedy roller temperature setting” set to a high
temperature, the cards may show a large deformation.
Please set this item to OFF for printing on both sides.
Memo
Card Thickness setting mode
The printer is designed to load only the 0.76mm or 0.25mm
thick cards.  So set card thickness depending on the card
used.
>Card Size
Stanard
EXIT
ENTER
Exit user mode
Set the card thickness:
2 settings 
[Standard and Thin]
Press                        to select the setting and press              to save.
(The electronic beep sounds.)
Standard:0.76mm(0.03inches)-thick
Thin: 0.25mm(0.01inches)-thick
For changing card thickness, see “switching the card
thickness” on Page 19 of this manual

34
Operation (continued)
Coercivity setting mode
Set coercivity for writing data on the ISO compatible
magnetic stripe card.
>MG ISO Type
Lo-Co
EXIT
ENTER
Exit user mode
Press                        to select the setting and press            to save.
(The electronic beep sounds.)
Lo-Co
238×102 [A/m] (300 [Oe])
Hi-Co
218×103 [A/m] (2750 [Oe])
Non-contact IC antenna setting mode
To use non-contact IC cards, set the antenna position
at which the cards stop.
>IC Contact Pos.
None
EXIT
ENTER
Exit user mode
Set IC contact 
position:
3 settings
Press                        to select the setting and press            to save.
(The electronic beep sounds.)
None
No contact
Built-in
A built-in contact is being used
Ext. Unit
An IC unit contact is being used
IC contact setting mode
When using IC cards, specify the contact position to
stop the cards.
Test print
Test print is provided for printing a test pattern
contained in the printer (there is only one pattern).
Operating the printer independent of the host computer
enables you to find out the source of trouble if there is a
problem in the system.
>IC Antenna Pos.
None
EXIT
ENTER
Exit user mode
Non-contact IC 
antenna position:
3 settings
Press                        to select the setting and press            to save.
(The electronic beep sounds.)
None
No antenna
Ext. Unit
An IC unit antenna is being used
Added on
A compact IC unit is being used.
>Test Print
OK?
Printing..
ENTER
EXIT
Exit user mode
Press           to carry out test printing.
(The electronic beep sounds.)
Transport mode
To set the transport mode.
CAUTION
When shipping or moving the printer,
you must set the transport mode. If the printer is not set
the transport mode, it may have a damage.
>Transport mode
OK?
ENTER
EXIT
Please,
Power off
Exit user mode
Press           to carry out transport mode.
(The electronic beep sounds.)
Please turn off the power.
Turnning on the power, then the 
transport mode is canceled.
A single-sided color pattern is printed.  When test
printing is completed, the unit will automatically return to
ready staus.
Unit No Setting
Set Unit No.of the printers to be connected
>Unit No;
No.1
EXIT
Unit No:
7 settings
ENTER
Please,
Power off
After that press
EXIT
,Then the message is displayed as shown below.
Exit user mode
Turn off the power
And  then by turning on the power,
Unit No. setting mode is cancelled.
(The electronic beep sounds.)
Press                           to select the setting and press                    to save.

35
Care and cleaning
Always make sure that the printer is turned off before cleaning.
(However, cleaning of the discharge rollers and magnetic head should be carried out with the power turned on.)
To achieve the best performance from the printer, always check each part before use for dust and dirt and clean if necessary.
The following explains the main rollers that require cleaning. For details about other rollers, see p.39 (Internal roller layout).
Dust and dirt, particularly on the thermal head, rollers and cleaning rollers can cause print blurs and shifting of colors.
Cleaning the cleaning rollers
The cleaning rollers remove dust and dirt sticking to the card.
Cleaning the cleaning rollers after every use is recommended
if the unit is used almost everyday. Depending on the cards,
there may be much dust and dirt. In such a case, perform
cleaning every 100 to 200 cards. Do not do this, however,
during printing operations.
1. Open the card tray.
2. Remove the cleaning unit.
Pull out the cleaning unit toward you as shown in the
illustration below.
3. Wash the rollers of the cleaning unit with water.
Wash out dirt on the roller surface with your fingers.
Do not use alcohol or detergents. The cleaning unit
should be cleaned only with running water.
4. Push the cleaning unit back into the printer.
Push the cleaning unit with the rollers facing upward
until it is securely back into the place.
5. Close the card tray.
After washing the cleaning unit with
water, wait until it completely dries up and set it in the
printer.
CAUTION
Deteriorated cleaning rollers may
cause defects in the printed card. If the rollers begin to
deteriorate, replace the cleaning unit.
(We recommend replacement after a year)
CAUTION
When you remove the cleanning unit,
be careful not to injure your fingers by inner mechanism.
CAUTION

36
1
2
Cleaning (continued)
Cleaning the thermal head
When the thermal head gets dirty, defects such as
unwanted lines appearing on the printed card may
occur. It is recommended to clean the thermal head
after printing about 10,000 frames. The thermal head is
a consumable component, that is, it has a limited
service life.
1. Open the printer door and remove the ink ribbon
cassette and the retransfer film cassette.
See p.13, 15 in this manual.
2. Wipe the cleaning head with a cotton bud (sold
separately), dipped in alcohol (sold separately).
Wipe the head indicated with                horizontally.
3. Insert the ink ribbon cartridge and the retransfer
film cassette, then close the printer door.
Cleaning the fan filter
When the fan filter gets dirty, partial omissions may
occur on the printed cards, or the printing result looks
dirty. It is recommended to clean the fan filter after
printing about 10,000 cards.
1. Remove the fan filters located in three positions on
the sides of the printer.
2. Remove the card tray.
See p.43 in this manual.
3. Remove the fan filter located on the base of the
printer (inside the unit).
Bring down the fan filter(side 2) while pressing its side
(side 1). The fan filter can be taken out. Mount the fan
filter by pressing this side.
Thermal
head
Cotton bud (sold separately)
 • The thermal head may break if
touched with an electrostatic charge. Discharge yourself
by touching the printer frame (metallic part) with your
hands before cleaning the thermal head.
• Use a cotton bud soaked with absolute alcohol(ethanol).
Be careful not to scratch the thermal head with hard
materials like metal during cleaning.
CAUTION

37
(to the next page)
4. Remove dirt on the fan filter using a vacuum
cleaner or other cleaning equipment.
Hold the sponge with your hand so that it is not sucked
into the cleaner.
Side filter
Press down the sponge into
the dents at four corners, and
set it under the tabs on the
frame.
Bottom filter
Place the sponge
under the tabs on the
frame.
Replace the fan filter when it begins to deteriorate.(the elasticity
of the sponge is lost and the sponge tends to be broken into
pieces.) It is recommended that fan filter should be replaced
once a year. Contact your dealer for details of replacing the filter.
 If the sponge is removed, attach it again as shown
below.
Cleaning the card feed rollers and heat
rollers
Dirty rollers are the major cause of jamming of the
cards. It is recommended to clean the rollers once after
printing about 1,000 cards. It is also recommended to
carry out cleaning before the work, because the
retransfer roller (heat roller) does not operate while it is
hot.
1. Remove the retransfer film cassette.
See p.15 in this manual.
2. Turn on the power of the printer.
The printer initializes, and the [No Cassette] error is
indicated.
3. From user mode select cleaning mode.
4. Press the ENTER button. Select [Rollers] with ↑
and ↓ buttons, and press the ENTER button.
See p.28 in this manual.
Insert the cleaning card in about 10 seconds.  If you fails
to set the card within this time, the printer returns to
“Start OK?”  Press the ENTER button again to proceed.
>Cleaning>
>User Mode
MENU
>>Rollers
OK?
Cleaning..
Start OK?
ENTER
Cleaning..
ENTER
5. Install the fan filters back to the original positions.

38
Cleaning the magnetic head
Dirty magnetic head will cause a write/read error. It is
recommended to clean the magnetic head after printing
about 1,000 cards. Cleaning the magnetic head is not
necessary if the magnetic stripe card is not used.
1. Keep the ink ribbon and retransfer film cassettes in
their mounting positions.
See p.13 to p.17 of this manual.
2. Comfirm that the READY LED(Green) is lighted
3. Specify the “cleaning” mode in the user mode.
See p.25 in this manual.
4. Apply alcohol on the magnetic head cleaning card.
Drip three or four drops of alcohol on the magnetic
stripes.
5. Set a cleaning card.
Peel off the protective paper of the cleaning card and
insert it into the card discharge slot. The card will be
drawn into the unit by the rollers and cleaning will then
be carried out from card discharge slot on the left side
of the printer. Insert the card with its adhesive face
upside down to repeat the cleaning procedure once
more.
 • If the retransfer roller (heat roller)
gets too hot,
appears on the LCD panel, and the printer returns to the
Ready state.
Turn off the power of the printer, and wait until the roller
completely cools down before starting the work.
Confirm that the retransfer film cassette has been
removed.
• The cleaning card does not go into the card discharge
slot at the left side.
• If a card jam occurs, turn off the power, then turn on the
power again. The jammed card will be discarded.
CAUTION
HR is too hot!
Cleaning card (accessory)
The cleaning card
can be inserted only
from the right side.
NG card discharge slot
6. Turn off the power after the cleaning card is
discharged.
Wait for 10 seconds before turning on the power again.
 The cleaning card can be used only
once and disposable after using. If you use the dirty
cleaning card many times, the dirt on the card moves
onto the rollers, causing damages to the rollers.
Consult your dealer for the cleaning card.
CAUTION
>Cleaning>
>User Mode
MENU
Magnetic head cleaning
card (sold separately)
Alcohol (sold
separately)

39
5. Set the card on the card tray.
Place the card in right direction. See p.19.
6. Press the ENTER button, select “MG Head” with
the ↑ or ↓ button, and press the ENTER button.
7. When the cleaning card is discharged from NG
card discharge slot, turn off the power of the
printer. Wait for 10 seconds before turning on the
power again.
>>MG Head
OK?
Cleaning..
ENTER
 Replace the magnetic head cleaning
card when it gets dirty. A dirty card may pollute the head
and cause damages to the head.
Consult your dealer on the alcohol and cleaning card.
CAUTION
Once printer servicing and cleaning
have been completed
Once servicing and cleaning of the printer have been
completed, check to make sure that all parts have been
replaced properly.
Improper replacement of parts may result in the power
not turning on or in operating errors.
Periodical Maintenance
Periodical maintenance by the service personnel is
recommended to avoid print error and failure.
Consult your dealer for maintenance period and cost.

40
Jam (TurnOver)
Jam (Hopper)
Jam (Transfer)
Troubleshooting
Layout of rollers inside the printer
Below is a diagram of the layout of rollers inside the printer. Refer to this diagram in the event of card jams and
when cleaning the rollers.
Retransfer film cassette Ink ribbon cassette
Thermal head
Card feed rollers
Card jams (card turnover unit) (see p.44)
Card jams (card turnover unit) (see p.43)
Card jams (card turnover unit) (see p. 44)
Cleaning rollers
Card feed rollers
Bend remedial roller (heat roller)
Retransfer roller (heat roller)
All rollers require routine cleaning.
• The card feed rollers, retransfer roller and
bend remedial roller can be cleaned on
cleaning mode.
(See p.36 in this manual.)
• The cleaning roller can be cleaned by water
washing.
(See p.34 in this manual.)
Magnetic head
Card turnover table
How to clean the feed roller
1. Open the card tray, and take out the cards from the
tray.
2. Move the card bracket until it locks.
3. Clean the feed roller with felt (sold separately)
soaked with absolute alcohol(ethanol).
Feed roller

41
Please,
Power Off.
Please Remove
Media Cassette
HR is too hot.
Jam (Hopper)
Jam (TurnOver)
Jam (MG)
Jam (Transfer)
Jam (Discharge) 
Media Broken
Media Search
Media Run Out
Ink Broken
Ink Search 
Ink Run Out
Turn Over Unit
Heater Cam
No Card
Door Open 
No Cleaning Ro.
No Cassette
90
91
92
93
94
A0
A1
A2
B0
B1
B2
C0
C1
D1
D1
D1
Error code listing The meaning of “reset → enter buttons” in the list is,
after pressing the Reset button, press the Enter button
to initialize the unit.
Error code Description of error Remedy
The power must be turned off so
that the unit can be initialized. Turn off the power and then on again.
The cleaning mode can not be set
because there is a retransfer film in
the unit.
Remove the retransfer film cassette, then press the “reset →
enter buttons” and set the cleaning mode again.
The cleaning mode can not be set
because the temperature of the
heat roller is too high.
1.Turn off the power and allow about 20 minutes for the heat
roller to cool. Then turn on the printer and set the cleaning
mode again.
2.Confirm that the retransfer film cassette has been removed.
Card jam
(hopper section) Remove cards from the hopper.
Press the “reset → enter buttons” and initialize the unit.
Card jam
(turnover) Remove cards from the turnover section.
Press the “reset → enter buttons” and initialize the unit.
Card jam
(encode section) Press the “reset → enter buttons” and initialize the unit.
If no cards are discharged, remove the cards, press the “reset
→ enter buttons” and initialize the unit.
Card jam
(retransfer section)
Remove the cards from the retransfer section.
Press the “reset → enter buttons” and initialize the unit.
Card jam
(paper discharge section) Remove the cards from the paper discharge section.
Press the “reset → enter buttons” and initialize the unit.
The retransfer film
has broken Mend the retransfer film.
Press the “reset → enter buttons” and initialize the unit.
Retransfer film search error Reset the retransfer film. Press the “reset → enter buttons”.
Call for service if the problem persists.
The retransfer film has run out Replace the retransfer film.
Press the “reset → enter buttons” and initialize the unit.
The ink ribbon
has broken Mend the ink ribbon.
Press the “reset → enter buttons”n and initialize the unit.
Ink ribbon search error
(RF-ID read error) Reset the ink ribbon. Press the “reset → enter buttons” and call
for service if the problem persists.
The ink ribbon has run out Replace the ink ribbon.
Press the “reset → enter buttons” and initialize the unit.
Turnover
mechanism error Press the “reset → enter buttons” and call for service if the
problem persists.
Heat roller operation error
1. No card
2. The card tray is open or has
been removed.
1. Replenish the cards.
2. Close the tray correctly.
The printer door is open Close the door.
Press the “reset → enter buttons” and initialize the unit.
Cleaning rollers missing Attach the cleaning rollers.
Press the “reset → enter buttons” and initialize the unit.
Cassette missing
Attach both 
the ink
 ribbon cassette and the retransfer film
cassette.
Press the “reset → enter buttons” and initialize the unit.
See p.43
See p.44
See p.44
See p.42
See p.42
See p.44
Turn the power off and then on again. Call for service if the
problem persists.

42
TR Overheat
TR Broken
TR Sensor Broken
RR Overheat
RR Broken
RR Sensor Broken
Overcool
Head Overheart
EEPROM Broken
MG Unconnected
MG Mechanical 
MG Hardware
                **
Hardware
                **
EXT. Unconnected
MG Comminucate
EXT. SW Setting
EXT. Jam
EXT. Comminucate
B8
F0
F1
F2
F3
F4
F5
F6
F8
FA
A9
AB
AC
AF
B9
BA
BB
BE
EXT2 Comminucate
BF
Hardware
44
Error code Description of error Remedy
Retransfer roller overheating Turn off the power and then on again. Call for service if the
problem persists.
Troubleshooting (continued)
Should your printer require servicing, turn it off and unplug it and make inquiries at the outlet
where it was purchased.
Retransfer roller malfunction Turn off the power and then on again. Call for service if the
problem persists.
Retransfer roller thermister
malfunction Turn off the power and then on again. Call for service if the
problem persists.
Bend remedy roller overheating
error
Turn off the power and then on again. Call for service if the
problem persists.
Bend remedy roller malfunction Turn off the power and then on again. Call for service if the
problem persists.
Bend remedy roller thermister
malfunction
Turn off the power and then on again. Call for service if the
problem persists.
Overcool The usage environment temperature is too low.
Use at the specified usage environment temperature.
(Call for service if the problem persists.)
Thermal head overheated
Turn off the power and leave the unit for about 10 minutes before
switching on again. (Call for service if the problem persists.)
EEPROM malfunction Turn off the power and then on again. Call for service if the
problem persists.
MG connection error Turn off the power and then on again. Call for service if the
problem persists.
MG mechanical error Turn off the power and then on again. Call for service if the
problem persists.
MG hardware error Turn off the power and then on again. Call for service if the
problem persists.
Hardware error Turn off the power and then on again. Call for service if the
problem persists.
Connected external device
malfunctioning
Turn the power off and then on again. Call for service if the
problem persists.
MG communication error
External device switch setting error Turn off the power and then on again. Call for service if the
problem persists.
External retransfer unit jam error Press the “reset → enter buttons” and remove cards if they are
not discharged. Press the “reset → enter buttons” and call for
service if the problem persists.
External unit communications error Check the I/F cable connected correctly.Turn off the power  and
then on again. Call for service if the problem persists.
Check the I/F cable connected correctly.Turn off the power and
then on again. Call for service if the problem persists.
External unit2 communications
error
Check the I/F cable connected correctly.Turn off the power and
then on again. Call for service if the problem persists.
Hardware error Turn off the power and then on again. Call for service if the
problem persists.

43
(to the next page)
Mending broken ink ribbon and
retransfer film
If the ink ribbon or retransfer film is broken, mend it in
the following procedures:
1. Trim neatly the end of broken portions with a pair
of scissors.
2. Align both ends and apply the Scotch tape in the
center of the aligned ends.
        Please do not discard the used ink ribbon or
        retransfer film on the winding side.
3. Turn the ink ribbon or retransfer film to the winding
side with your hand until the mended portion is
completely wound up.
About printing errors
If blurring or color shifts occur in your print results, clean
all rollers starting with the cleaning rollers.
Some image errors may depend on the design of the
card to print.
In particular, wrinkles can easily occur if large surfaces
are printed with high density ink.
To avoid such problems, contact the dealer where the
printer was purchased concerning card designs.
Align both
ends evenly
Scotch tape
Winding
side
 Set the ink ribbon and retransfer film
with care. See p.13 and p.15.
CAUTION
Caution when printing characters
 When printing small characters or thin lines in black
ink, the thickness of minimum 2 dots necessary for
“Standard” mode.
 Printing small characters or thin lines by 1 dot tends to
cause blurring.
 To avoid this tendency, following settings are
recommended. See “Ink mode setting” on Page 29.
1. Set the black value K:
 Try to increase setting value to more than 0 (Standard)
Then darker printing is possible.
2. Set the K printing mode:
 Change mode from “Standard” to “Fine”.
Then thicker printing is possible.
If blurring still appears after having tried the above
setting , selecting more adequate character font is
recommended.
When retransfer operation is not complete
 Depending on the cards used, retransfer operation may
not be complete. In that case, try the following items.
(See Page 30, “Retransfer mode setting”)
1. Try to increase the retransfer temperature.
2. Try to decrease the retransfer speed. For the reverse
side of the card, try to decrease the reverse retransfer
speed.
3. Dust on the card surface. Use clean cards with no
dust. Use the attached gloves to avoid fingermark on
cards.
4. Ambient temperature
Retransfer operation may not be complete if the
temperature of card surface is very low such as the
card first printed in the cold morning. In that case, wait
until the room becomes warm enough.

44
Troubleshooting (continued)
Removing card jams
To determine the part of the machine affected by a card
jam refer to the error code on the operation panel LCD
panel on the printer and the relevant page in this
manual.
When removing a jammed card, make sure that the
printer is turned off before carrying out the following
procedure.
Hopper jam
1. Pull out the card tray.
To remove the card tray, pull it out toward you until it no
longer moves and lift it.
2. Remove the jammed cards.
If you can hold the jammed card, pull it out.
3. Return the card tray to its original position.
Push the card tray back into position on an angle.
Push the card tray back
into its position while
placing the card tray tabs
on the folded over metal
plates.
If you cannot hold the jammed card:
Pull out a small portion of the cleaning unit.
Turn the right knob to drop the jammed card. Remove
the fallen card.
Pushing the tray with excessive force
may cause a failure of the printer.
CAUTION

45
Turnover section [Jam (turnover)]
1. Open the printer door and remove the ink ribbon
cassette.
See p.13 in this manual.
2. Remove any jammed cards.
Retransfer section [Jam (transfer)]
1. Open the printer door and remove the retransfer
film cassette.
See p.15 in this manual.
2. A jog lever are supplied as standard.
The jog lever are attached to the center of the card tray.
Turn the tabs in the arrow direction and take out the jog
lever and removal stick.
3. Turn the jog dial.
Turn the jog dial with the attached jog lever.
4. Remove the card.
Remove the card.
 Some parts inside the printer may be
hot. Be careful when removing the card.
CAUTION
• If the jammed cards come out of the turnover table,
push them back into the table, and rotate the table
slowly (as it is positioned vertically) until the table is
located so that the cards can be taken out.
CAUTION
•When rotating the turnover table, be careful
not to touch the metal edge. Wear a glove
for this work.
Injury
• If you can pull out the jammed cards, take them out.
Jog lever

46
Specifications
Main specifications
Recording method : Sublimation type retransfer
Feed format : Automatic feed
Recording density : 300 dpi
Expression gradation
: 256 gradations for each color
Printing time : Approx. 29 seconds (for single-
sided printing, excluding data
transfer time)
Interface : USB2.0(Hi-speed)
Operating environment conditions
Temperature: 15°C ~ 30°C
Humidity: 35% ~ 70%
(no condensation)
Storage environment conditions
Temperature: -15°C ~ 55°C
Humidity: 20% ~ 80%
Power supply : 100~120ACV/220~240ACV
(allowance±10%)
Current dissipation : 7.0A (for 100V system)/5.0A (for
200V system)
Mass : Standard 22kg
Excluding the built-in magnetic
encoder
Accessories : English manual ...................... ×1
Cleaning card ×1
Card stacker ×1
Ink ribbon cassette ×1
Retransfer film cassette ×1
Jog lever (contained in the
card tray) ×1
USB cable ×1
Groves ×1
CD-ROM ×1
CX21ICL Series (Large-type IC unit)
Power supply : Fed from the printer.
DC 5V±5%, DC 12V±5%, DC 24V±5%
Current dissipation : 500mA, 300mA, 1A
Mass : 3.5kg
Dimension (mm) : 110(W) × 221(D) × 255(H)
Accessories : Joint plate × 1
Inter-unit cable × 1
CX21ICS Series (Compact IC unit)
Power supply : Fed from the printer.
Mass : 0.5kg
Dimension (mm) : 50(W) × 152(D) × 115(H)
Accessories : Screw (with washer) × 3
Screw (without washer) × 2
The specifications and external appearance of this product are subject to change for improvements without
a prior notice.
Products sold separately
: Ink ribbon(YMCK)
• 1,000 frames/set
Model: CY-340-100
Ink ribbon(YMCKK)
• 750 frames/set
Model: CY-35K-75
:Retransfer film
     •1000 frames/set
       Model: CY-3RF-100
: Cleaning card
10 cards/set
Model: CX210-CC1
: Compact IC unit
Non-contact IC encoder
Model: CX211CS
: Large-type IC unit
Mounts either a Non-contact or
       contact IC encoder.
       Model: CX211CL

47
External appearance and dimensions
 Front view Side view
unit/mm
343 347
381
Software License Agreement 
The software covered by this document is the computer program developed by Victor Data 
Systems Co., Ltd., a Japanese company, for certain card printer products (“Products”), and is 
composed of the “USB Driver”, “Status Monitor” and “Printer Driver”.  The foregoing software, 
including the attached documentation such as its startup guide, user’s manual, etc. 
(“Documentation”), is referred to as “this Software” hereafter.   
The use of this Software is permitted only to you, the customer recognized as an “End User” 
thereof, solely according to the terms and conditions provided in this document.  This 
document shall constitute a legal agreement between you and our Company (“this Agreement”) 
subject to your acceptance of such terms and conditions.   You, as an individual End User or 
authorized representative of a corporate End User, shall implement by yourself the initial acts 
such as the opening of a tangible media package, program installation, downloading, etc. 
(“Initiation”) of this Software prior to the use thereof, understanding the terms and conditions in 
this document. 
The Initiation implemented by you is deemed as your unconditional acceptance of the terms and 
conditions in this document, and this Agreement shall come into effect upon such Initiation.  
You shall not use this Software if you do not accept the terms and conditions in this document. 
Article 1    Ownership of Rights 
The copyrights and the other intellectual property rights to this Software belong to our 
Company, its affiliates or the licensor of such intellectual property rights for our Company 
(“Licensor”).  Our Company, its affiliates or Licensor retains all these intellectual property 
rights, none of which shall be assigned or otherwise transferred to you under this 
Agreement.   This Software is protected by the copyrights law in Japan, other countries 
and related international treaties 
Article 2    Grant of License 
1.  You are granted a non-exclusive license (“this License”) to use this Software as integrated 
with the Product in your possession, according to the restrictions and the other terms and 
conditions in this Agreement.    You may use this Software for your own business purposes, 
implementing by yourself the Initiation of this Software on the PC you intend to use in 
connection with the Product.  This License shall be nontransferable except based on 
Section 3 of Article 3. 
 - 1 - 
2.  You may make the minimum number of copies necessary from this Software solely for 
backup or archival purposes, besides implementing the Initiation.    In all such copies, you 
shall reproduce and keep the copyright notices and other legends as originally included in 
the media of this Software provided by our Company. 
Article 3  Restrictions on Use 
1.  You shall not adapt or modify this Software, nor shall you, except as permitted by applicable 
law, reverse-assemble, reverse-compile, reverse-engineer or in any way try to derive from 
this Software any source code. 
2.  You are not granted the right to distribute or sublicense this Software to any third party.  
You shall not assign, lend, lease or otherwise transfer to any third party this License, this 
Software or any part thereof by itself or in combination with other products or software. 
3.  You may transfer this Software along with this License to a third party as a new End User 
only when the possession of this Software and the Product is transferred together as a set 
by assignment, loan, lease, or the like.    In the said case, you must present this document 
to such third party and obtain its consent to this Agreement beforehand, having such third 
party understand the terms and conditions herein.  Our company may inquire of you to 
identify such third party.  Upon such transfer, you are obliged to immediately destroy or 
delete this Software and all its copies, (which shall include erasing the copies stored or 
recorded on your PC, other hardware, memory, etc.) except those transferred to such third 
party in the tangible media like CD-ROM, printed materials, etc. (“Tangible Media”); and you 
shall submit a certificate of such destruction and deletion on our Company’s request. 
Article 4  Limited Warranty 
1.  When this Software is provided in the form of Tangible Media, our Company warrants that 
such Tangible Media is free from the physical defects at the time of delivery.    With respect 
to the “USB Driver” and “Status Monitor” of this Software, our Company warrants that they 
will materially operate in conformity to the main functional specifications expressed in the 
Documentation for ninety (90) days after the delivery date of this Software, provided that the 
Initiation thereof was proper and that it is operated correctly, according to the 
Documentaion. 
2.    The limited warranty in Section 1 above is subject to the condition that the operating system 
(“OS”) of the PC you intend to use in connection with this Product must be of such types 
and versions as our Company stipulates in the Documentation.    Our Company verifies that 
this Software will function when such stipulated OS is used in combination with then major 
PC models at the time of delivery, however does not warrant that it will function properly 
 - 2 - 
when used in combination with any and all PC models.  It is recommended that you first 
check the functioning of this Software in the environment where you use it, according to the 
Documentation immediately after its delivery.   
3.  This Software is provided “As Is” with no warranties except the limited warranty expressed 
in this Article.  Our Company is not obliged to provide updates such as modified or 
enhanced versions of this Software.    No warranties whether express or implied are made 
with respect to this Software in regards to its merchantability, fitness for a particular purpose, 
non-infringement of third party intellectual property rights, or any other matters not expressly 
provided for herein.    Any problems occurring with respect to this Software shall be resolved 
at your sole responsibility and expenses. 
Article 5  Indemnification 
Our Company shall not be liable for any damages in connection with the use of this 
Software, including direct, incidental, consequential, special and punitive damages, etc., 
whether based on this Agreement or otherwise, even if our Company has been or could 
have been aware of such damages.  Similarly our Company shall not be liable for any 
claims by any third party against you or your customers, nor shall our Company be obliged 
to compensate such third party or indemnify you or your customers for such claims.    You 
shall indemnify and hold harmless our Company, its affiliates and Licensor worldwide from 
any claim, damage, loss, expense, including attorney’s fees, or liability in connection with 
your use of this Software. 
Article 6  Term    
1.  This Agreement and this License shall come into effect when the earliest act of Initiation 
implemented on your certain PC occurs.    Our Company may terminate this License without 
notification if you are in breach of any provision in this Agreement.    Our Company further 
reserves the right to claim for any damages it may suffer arising from such breach by you. 
2.  Upon termination of this License, you shall immediately destroy or delete this Software and 
all its copies, (which shall include erasing the copies stored or recorded on your PC, other 
hardware, memory, etc.) except those in the form of Tangible Media which shall be returned 
to our Company, at your responsibility, and shall submit a certificate of such destruction and 
deletion on our Company’s request. 
Article 7  Export Control 
  You agree not to illegally export, re-export or otherwise ship this Software, or any part 
thereof, including the information or technology, etc. embodied in this Software, to any 
 - 3 - 
country, territory, organization or individual, the shipping to which is prohibited or restricted 
by Japan and the respective countries concerned. 
Article 8  Others 
1.  Any modification, addition, deletion or other changes to this Agreement shall be invalid 
unless such changes are made in writing and affixed with the name and seal of or signed by 
the authorized representative of our Company.   
2.  This Agreement shall be governed by and construed in accordance with the laws of Japan.     
Any disputes arising out of this Agreement shall be subject to the exclusive jurisdiction of 
the Tokyo District Court as the court of first instance. 
3.  If any provision of this Agreement is held to be invalid according to the laws of Japan, the 
remaining provisions will still remain in effect. 
End of Agreement 
 - 4 - 

KAT-T225-001
0507(VP)
C 2005 VICTOR DATA SYSTEMS Co.,Ltd.
Sublimation type retransfer printer      CX-320      Instruction Manual
Victor Data Systems Co., Ltd.
2969-2 Ishikawa-cho, Hachioji-shi, Tokyo, Japan