Jacuzzi J 355 Users Manual
J - 375 to the manual 0dbbadff-8f4f-4364-a486-45198c7060b0
2015-02-05
: Jacuzzi Jacuzzi-J-355-Users-Manual-357896 jacuzzi-j-355-users-manual-357896 jacuzzi pdf
Open the PDF directly: View PDF
.
Page Count: 68
- Front Cover
- Table of Contents
- 1.0 Important Spa Owner Information
- 2.0 FCC Notice
- 3.0 Important Safety Instructions for all Spa Owners
- 4.0 Choosing A Location
- 5.0 General Electrical Safety Instructions
- 6.0 Power Requirements
- 7.0 Electrical Wiring Instructions
- 8.0 Spa Fill Up Procedure
- 9.0 Control Functions
- 10.0 Operating Instructions
- 11.0 Automatic Filtration Cycles
- 12.0 Spa Maintenance
- 13.0 Water Quality Maintenance
- 14.0 Error Conditions/Error Messages
- 15.0 Troubleshooting Procedures
- 16.0 Circuit Board Diagrams
- 17.0 Optional Stereo Receiver Functions

OWNER’S MANUAL
J-300™ Series
J - 315
J - 325
J - 335
J - 345
J - 355
J - 365
J - 375
2530-398W Rev. A

Attention New Spa Owner!
Congratulations on the purchase of your new Jacuzzi® spa! The following
is a list of automated functions performed by your spa. These functions are
listed below in an attempt to alleviate any operational concerns you may
have during the rst 24-hours of ownership! Also listed below are important
maintenance recommendations you should observe on a regular basis to
protect your new investment.
Automated Operations
Approximately two minutes after power is applied to the spa, the rst
ltration/heating cycle turns on pump 1. An automatic ve minute “blow-out”
function also activates pump 2 for a period of ve minutes to ush all lines.
Then, after ve minutes, pump 2 turns off and pump 1 continues to operate
for the duration of the cycle.
Note: This function only occurs during the rst ltration/heating cycle each
day.
Maintain Healthy Spa Water
Always maintain your spa’s water chemistry within the following parameters
as dened by the Association of Pool and Spa Professionals/USA:
pH 7.4-7.6
Free Chlorine 3.0-4.0 ppm
Free Bromine 2.0-4.0 ppm
Total Alkalinity 100-120 ppm
Calcium Hardness 150-250 ppm
! TO DECREASE RISK OF INFECTION OR DISEASE! Always maintain
your spas lter as outlined below to ensure healthy spa water. Refer page 36
“Water Quality Maintenance” for additional information.
Required Filter Maintenance
Your new spa is equipped with an advanced water ltration system that
provides unsurpassed water quality! To ensure maximum water quality at
all times, you should clean both lter cartridges every month, or earlier as
necessary. See page 30 for detailed lter cartridge cleaning/replacement
instructions.
Required Water Replacement
! TO DECREASE RISK OF INFECTION OR DISEASE!
You should
replace the spa’s water every 3 months. The frequency depends on a number
of variables including frequency of use, number of users, and attention paid to
water quality maintenance. You will know it is time for a change when you
cannot control sudsing and/or you can no longer get
the normal feel or
sparkle to the water, even though the key water balance measurements are
all within the proper parameters. See page 36 for additional information.
© 2010 by Jacuzzi Hot Tubs. All Rights Reserved

J-300 Series
J-300 Series
Table of Contents
1.0 Important Spa Owner Information.....................................1
2.0 FCC Notice ..........................................................................1
3.0 Important Safety Instructions for all Spa Owners ...........2
3.1 Entrapment Risk ............................................................................ 6
3.2 Hyperthermia ................................................................................. 7
3.3 Important Additional CSA Safety Instructions (Canada Only) ........ 8
3.4 General Electrical Safety Instructions ............................................ 8
4.0 Choosing A Location ..........................................................9
4.1 Outdoor Location ......................................................................... 10
4.2 Indoor Location ............................................................................ 10
5.0 General Electrical Safety Instructions ............................12
6.0 Power Requirements ........................................................12
7.0 Electrical Wiring Instructions ..........................................15
8.0 Spa Fill Up Procedure ......................................................18
9.0 Control Functions .............................................................23
9.1 Control Panel ............................................................................... 23
9.2 General Spa Features And Controls ............................................ 24
10.0 Operating Instructions .....................................................25
10.1 Setting Water Temperature ......................................................... 25
10.2 Activate Jet Pumps ...................................................................... 25
10.3 Light On/Off Button ...................................................................... 26
10.4 Light Mode Button........................................................................ 26
10.5 Jets .............................................................................................. 26
10.6 Selecting Desired Massage Action .............................................. 27
10.7 Waterfall Feature ......................................................................... 27
10.8 Air Controls .................................................................................. 27
10.9 Optional Audio System (J-335 to J-375) ...................................... 27
11.0 Automatic Filtration Cycles .............................................28
11.1 Standard Filtration/Heating Modes (F0-F3) ................................. 28
11.2 Economy Filtration/Heating Modes (F4-F6) ................................. 28
11.3 Lock Modes (L1-L2) ..................................................................... 28
11.4 Selecting The Filtration/Heating Mode......................................... 28
12.0 Spa Maintenance ..............................................................30
12.1 Cleaning The Filters..................................................................... 30
12.2 DrainingandRelling................................................................... 33
12.3 Pillow Care................................................................................... 34
12.4 Cleaning The Spa Interior ............................................................ 34

J-300 Series
12.5 Maintaining the Cover .................................................................. 34
12.6 Maintaining The Synthetic Cabinet .............................................. 34
12.7 Winterizing ................................................................................... 35
12.8 Restarting Your Spa in Cold Weather .......................................... 36
13.0 Water Quality Maintenance ..............................................36
13.1 pH Control.................................................................................... 36
13.2 Sanitizing ..................................................................................... 37
13.3 CD Ozone Water Maintenance System ....................................... 37
14.0 Error Conditions/Error Messages ...................................38
14.1 Summer Logic.............................................................................. 38
14.2 Panel Displays COL ..................................................................... 38
14.3 Panel Displays ICE ...................................................................... 38
14.4 Panel Displays SN1 ..................................................................... 38
14.5 Panel Displays SN2 ..................................................................... 38
14.6 Panel Flashes FL1 or FL2 ........................................................... 39
14.7 Panel Displays OH....................................................................... 39
14.8 Panel Displays (- - -) .................................................................... 39
15.0 Troubleshooting Procedures ...........................................40
15.1 None of the Components Operate (e.g. Pump, Light) ................ 40
15.2 Pump Does Not Operate But Light Does ..................................... 40
15.3 Poor Jet Action ............................................................................ 40
15.4 Water is Too Hot .......................................................................... 40
15.5 No Heat........................................................................................ 41
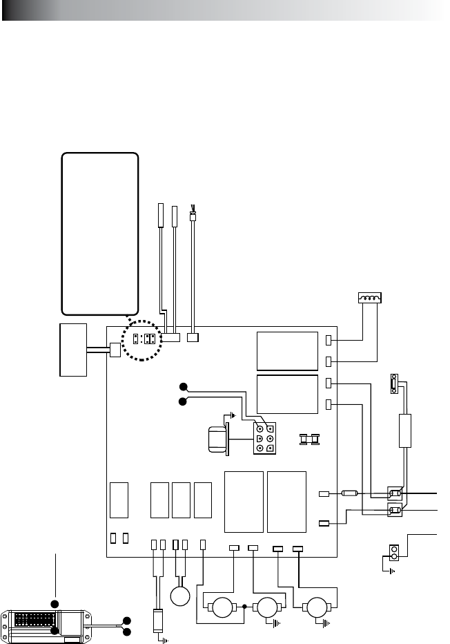
16.0 Circuit Board Diagrams ...................................................42
16.1 North American J-335, J-345, J-355, J-365 and J-375
Dedicated Power Models (60 Hz) ................................................ 42
16.2 North American J-315 and J-325 Convertible Power
Models (60 Hz) ............................................................................ 43
16.3 Export J-335, J-345, J-355, J-365 and J-375 Models (50 Hz) ..... 44
16.4 Export J-315 and J-325 Models (50 Hz) ...................................... 45
17.0 Optional Stereo Receiver Functions ...............................46
17.1 Stereo Receiver Control Functions .............................................. 46
17.2 StereoAudioReceiverSpecications .......................................... 54
17.3 CD/MP3/WMAfolder/lehierarchy .............................................. 55
17.4 Stereo Audio Receiver Troubleshooting ...................................... 57
17.5 Standard Wireless Remote Control Functions ............................. 58
17.6 Optional iPod®/MP3 Player Connection ...................................... 60
17.7 Wireless Remote Battery Replacement Procedure ..................... 61

1
J-300 Series
J-300 Series
1.0 Important Spa Owner Information
Your Jacuzzi® J-300 Series spa is constructed to the highest standards
and is capable of providing many years of trouble-free use. However,
because heat retentive materials are utilized to insulate the spa for
efcient operation, an uncovered spa surface directly exposed to sunlight
and high temperatures for an extended period is subject to permanent
damage. Damage caused by exposing the spa to this abuse is not
covered under warranty. We recommend that you always keep the spa
full of water when it is exposed to direct sunlight and that you keep the
Jacuzzi premium insulating cover in place at all times when the spa is not
in use. Read and carefully follow the requirements for your spa’s support
base found in Section 4.0 titled, “Choosing A Location” (page 9).
herein.
2.0 FCC Notice
This equipment has been tested and found to comply with the limits for
a Class B Digital Device, pursuant to Part 15 of the FCC Rules. These
limits are designed to provide reasonable protection against harmful
interference in a residential installation. This equipment generates, uses
and can radiate radio frequency energy and, if not installed and used in
accordance with the instructions, may cause harmful interference to radio
communications. However, there is no guarantee that interference will
not occur in a particular installation. If this equipment does cause harmful
interference to radio or television reception, which can be determined by
turning the equipment off and on, the user is encouraged to try to correct
the interference by one or more of the following measures:
1. Rearrange or relocate the receiving antenna.
2. Increase the separation between the equipment and receiver.
3. Connect the equipment into an outlet on a circuit different from the
circuit connected.
4. Consult the dealer or an experienced radio/TV technician for help.
Changes or modications not expressly approved by the party
responsible for FCC compliance could void the user’s authority to
operate this equipment.
1

2
J-300 Series
3.0 Important Safety Instructions for all Spa Owners
READ AND FOLLOW ALL INSTRUCTIONS CAREFULLY!
This spa was manufactured to meet the standards and specications
outlined in the “Virginia Graeme Baker Pool and Spa Safety Act” (VGB
Safety Act). When installing and using this spa, basic safety precautions
should always be followed, including:
1. ! DANGER: RISK OF SEVERE INJURY OR DROWNING!
Extreme caution must be exercised to prevent unauthorized access by •
children.
To avoid accidents, ensure that children do not use this spa unless •
supervised at all times. Adult supervision is a critical safety factor in
preventing children from drowning.
Use the straps and clip tie downs to secure the spa cover when not in •
use. This will help discourage unsupervised children from entering the
spa. Keep the spa cover secure in high-wind conditions.
There is no representation that the cover, clip tie-downs, or actual locks •
will prevent access to the spa.
2. ! DANGER: RISK OF SEVERE INJURY OR DROWNING!
Keep hair, loose articles of clothing or hanging jewelry away from •
suction ttings, rotating jets or other moving components to avoid
entrapment that could lead to drowning or severe injury.
Never use the spa unless all suction guards, lter, lter lid, or skimmer •
assembly are installed to prevent body and/or hair entrapment.
Never operate or use the spa if the lter, lter lid, or skimmer assembly •
are broken or any part of the skimmer assembly is missing. Please
contact your dealer or nearest service center for service.
The suction ttings and suction covers in this spa are sized to match the •
specic water ow created by the pump(s). If it is necessary to replace
the suction ttings, suction covers or pump(s), be sure that the ow
rates are compatible and are in compliance with the VGB Safety Act.
Never replace a suction tting or suction cover with one rated less •
than the ow rate marked on the original suction tting. Using improper
suction ttings or suction covers can create a body or hair suction
entrapment hazard that may lead to drowning or severe injury.
3. ! DANGER: RISK OF SEVERE INJURY FROM ELECTRIC
SHOCK OR DEATH FROM ELECTROCUTION!
Install the spa at least 5 feet (1.5m), from all metal surfaces. As an •
alternative, a spa may be installed within 5 feet of metal surfaces if each
metal surface is permanently connected (bonded) by a minimum No. 8
AWG (8.4 mm²) solid copper conductor attached to the wire connector
on the grounding lug, inside the equipment compartment on the
equipment box.
A grounding wire connector is provided on this unit to connect a •
minimum No. 8 AWG (8.4 mm²) solid copper conductor between this
2

3
J-300 Series
J-300 Series
unit and any metal equipment, metal enclosures of electrical equipment,
metal water pipe, or conduit within 5 feet (1.5m) of the unit.
Never permit any electrical appliance, such as a light, telephone, radio, •
television, etc. within 5 feet (1.5m) of a spa unless such appliances are
built-in by the manufacturer.
Never bring any electrical appliances into or near the spa. •
Never operate any electrical appliances from inside the spa or when you •
are wet.
The electrical supply for this product must include a suitably rated switch •
or circuit breaker to open all ungrounded supply conductors to comply
with section 422-20 of the National Electrical Code/USA, ANSI/NFPA 70.
The disconnecting means must be readily accessible and visible to the
spa occupant but installed at least 5 feet (1.5m), from the spa.
The electrical circuit supplied for the hot tub must include a suitable •
ground fault circuit interrupter (GFCI) as required by NEC Article 680-42.
4. ! WARNING: RISK OF SEVERE INJURY OR DEATH!
Extreme caution must be exercised to prevent diving or jumping into •
the spa or slipping and falling, which could result in unconsciousness,
drowning, or serious injury. Remember that wet surfaces can be very
slippery.
Never stand, walk or sit on the top railing of the spa.•
5. ! WARNING: RISK OF HYPERTHERMIA (OVER-HEATING)
Water temperature in excess of 104°F (40°F) may be injurious to your •
health.
Refer to Section 3.2 Hyperthermia for specic causes and symptoms of •
this condition.
The water in the spa should never exceed 104 °F (40 °C). Water •
temperatures between 100 °F (38 °C) and 104 °F (40 °C) are
considered safe for a healthy adult.
Lower water temperatures are recommended for young children •
(children are especially sensitive to hot water) and when spa use may
exceed 10 minutes.
The Consumer Products Safety Commission/USA has stated that the •
water temperature in a spa should not exceed 104 °F (40 °C).
Always test the spa water temperature before entering the spa. •
The user should measure the water temperature with an accurate
thermometer since the tolerance of water temperature-regulating
devices may vary as much as +/- 5 °F (2 °C).
6. ! WARNING: RISK OF SEVERE INJURY OR DEATH!
Since excessive water temperatures have a high potential for causing •
fetal damage during the early months of pregnancy, if pregnant or
possibly pregnant, consult your physician before using a spa.
Pregnant or possibly pregnant women should limit spa water •
temperatures to 100 °F (38 °C).
3

4
J-300 Series
Persons suffering from obesity or a medical history of heart disease, •
low or high blood pressure, circulatory system problems, diabetes,
infectious diseases or immune deciency syndromes should consult a
physician before using a spa.
If you experience breathing difculties in association with using or •
operating your spa, discontinue use and consult your physician.
Persons using medication should consult a physician before using •
a spa since some medication may induce drowsiness, while other
medication may affect heart rate, blood pressure, and circulation.
Persons suffering from any condition requiring medical treatment, the •
elderly, or infants should consult with a physician before using a spa.
The use of alcohol, drugs, or medication before or during spa use may •
lead to unconsciousness with the possibility of drowning.
7. ! WARNING: RISK OF SEVERE INJURY OR DEATH!
Prolonged immersion in a spa may be injurious to your health.•
Observe a reasonable time limit when using the spa. Exposures at •
higher temperatures can cause high body temperature (over-heating).
Symptoms may include dizziness, nausea, fainting, drowsiness, and
reduced awareness. These effects could possibly result in drowning or
serious injury.
Never use a spa immediately following strenuous exercise. Enter and •
exit the spa slowly. Wet surfaces can be slippery.
8. ! WARNING: TO DECREASE RISK OF INFECTION OR
DISEASE!
To reduce the risk of contracting a waterborne •
illness (e.g. an infection,
bacteria or virus) and/or respiratory ailments
, maintain water chemistry
within the parameters listed on the inside cover of this manual and
consult with a licensed engineer regarding proper ventilation if installed
indoors or in an enclosed area.
People with infectious diseases should not use a spa to avoid water •
contamination, which could result in spreading infections to others.
Always shower before and after using your spa. Maintain water chem-•
istry in accordance with manufacturer’s instructions. Failure to do
so may result in contracting a waterborne
illness (e.g. an infection,
bacteria or virus).
9. CAUTION: TO DECREASE RISK OF PRODUCT DAMAGE.
Maintain water chemistry in accordance with manufacturer’s •
instructions.
Proper chemical maintenance of spa water is necessary to maintain •
safe water and prevent possible damage to spa components.
10. NOTE:
This spa is not intended nor designed to be used in a commercial or
public application. The spa buyer shall determine whether there are any
code restrictions on the use or installation of this spa since local code
requirements vary from one locality to another.
4

5
J-300 Series
J-300 Series
To ensure you have a safe and enjoyable hot tub experience,
learn all you can about hot tub safety and emergency procedures.
Especially useful are the brochures listed below:
Children Aren’t Waterproof•
Pool and Spa Emergency Procedures For Infants and •
Children
Layers of Protection•
The Sensible Way to Enjoy Your Spa or Hot Tub•
The Association of Pool and Spa Professionals publishes these
brochures. To acquire a brochure:
Ask your hot tub dealer (they may have copies) •
Go to • http://apsp.org
Conduct your own search on the internet•
Write to the following address:•
The Association of Pool and Spa Professionals
2111 Eisenhower Avenue
Alexandria VA 22314
703.838.0083
5

6
J-300 Series
3.1 Entrapment Risk
The Consumer Products Safety Commission/USA has reported that
users of pools and spas have become entrapped (stuck) to drain and/or
suction ttings causing death, drowning, or serious injury (see diagram
below). This spa was manufactured to meet the standards and specica-
tions outlined in the “Virginia Graeme Baker Pool and Spa Safety Act”
(VGB Safety Act). Entrapment risk can be minimized if proper precau-
tions are taken.
DANGER: RISK OF PERSONAL INJURY OR DEATH!
Never operate the spa if a suction tting, suction cover, lter,
lter lid or skimmer assembly are broken, damaged or miss-
ing.
!
1. ! DANGER: RISK OF SEVERE INJURY OR DROWNING!
Hair entrapment: May occur if hair is entangled, knotted or snagged
in a drain suction or skimmer assembly. This has been reported in
persons who when submerge themselves underwater, allowing hair
to come close and/or within the reach of the suction fittings, suction
covers or skimmer assembly.
Keep hair away from suction ttings, suction covers, lter, lter lid or •
skimmer assembly.
Children are at risk for hair entrapment if swimming under water.•
Never allow children to play or get near the suction ttings, suction •
covers, lter, lter lid or skimmer assembly.
2. ! DANGER: RISK OF SEVERE INJURY OR DROWNING!
May occur when a limb becomes entrapped,
inserted or sucked into a suction or outlet opening.
Always keep suction ttings, suction covers, lter, lter lid or skimmer •
assembly in place when operating to avoid limb entrapment.
Never allow children to play or get near the suction ttings, suction •
covers, lter, lter lid or skimmer assembly.
Suction Fittings,
Suction Covers
(locations vary
by models)
Filter, Filter Lid,
Skimmer As-
sembly (location
and style vary by
models)
6

7
J-300 Series
J-300 Series
3. ! DANGER: RISK OF SEVERE INJURY OR DROWNING!
Body entrapment: May occur when part of the torso becomes
entrapped, inserted or sucked into a suction or outlet opening.
Never allow children to play or get near the suction ttings, suction •
covers, lter, lter lid or skimmer assembly.
4. ! DANGER: RISK OF SEVERE INJURY OR DROWNING!
May occur when the
buttocks becomes entrapped, inserted or sucked into a suction or
outlet opening.
Never sit on suction ttings, suction covers, lter, lter lid or skimmer •
assembly.
Never allow children to play or get near the suction ttings, suction •
covers, lter, lter lid or skimmer assembly.
5. ! DANGER: RISK OF SEVERE INJURY OR DROWNING!
Mechanical entrapment: May occur when jewelry, swimsuit, or
hair accessories become entangled, knotted or snagged in a drain
suction or skimmer assembly.
Never allow your jewelry, swimsuit, or hair accessories to come close •
to the suction ttings, suction covers or skimmer assembly.
Never allow children to play or get near the suction ttings, suction •
covers, lter, lter lid or skimmer assembly.
3.2 Hyperthermia
Prolonged immersion in hot water may induce hyperthermia (over-
heating). The use of alcohol or drugs can greatly increase the risk of fatal
hyperthermia in spas. A description of the causes, symptoms, and effects
of hyperthermia are as follows:
Hyperthermia occurs when the internal temperature of the body reaches
a level several degrees above the normal body temperature of 98.6 °F
(37 °C). The symptoms of hyperthermia include drowsiness, lethargy
(fatigue), and an increase in the internal temperature of the body (feeling
of being too hot). The effects of hyperthermia include:
Unawareness of impending hazard;•
Failure to perceive heat;•
Failure to recognize the need to exit spa;•
Physical inability • to exit spa;
Fetal damage in pregnant women; and•
Unconsciousness and DANGER of drowning.•
A Warning Sign is provided in your warranty packet. Please install at
a location near your spa, where it is visible to users of the spa. For
additional or replacement Warning Signs please contact your local
Jacuzzi dealer and reference item number #6530-082.
7

8
J-300 Series
3.3 Important Additional CSA Safety Instructions (Canada Only)
When using this electrical equipment, basic safety precautions should
always be followed, including the following:
1. READ AND FOLLOW ALL INSTRUCTIONS.
2. A green colored terminal or a terminal marked G, Gr, Ground,
Grounding or the symbol* is located inside the supply terminal box
or compartment. To reduce the risk of electric shock, this terminal
must be connected to the grounding means provided in the electric
supply service panel with a continuous copper wire equivalent in size
to the circuit conductors that supply this equipment (*IEC Publication
417, Symbol 5019).
3. At least two lugs marked “Bonding Lugs” are provided on the
external surface or on the inside of the supply terminal box/
compartment. To reduce the risk of electric shock, connect the local
common bonding grid in the area of the spa to these terminals with
an insulated or bare copper conductor not smaller than No. 6 AWG
(10 mm²).
4. All eld installed metal components such as rails, ladders, drains or
other similar hardware within 10 feet (3m) of the spa shall be bonded
to the equipment grounding buss with copper conductors not smaller
than No. 6 AWG (10 mm2).
5. SAVE THESE INSTRUCTIONS.
3.4 General Electrical Safety Instructions
Your new Jacuzzi® spa is equipped with a “state-of-the-art” equipment
system. It contains the most advanced safety and self-protective
equipment in the industry. Nonetheless, this spa must be installed
properly to ensure dependable usage. Please contact your local Jacuzzi
dealer or local building department should you have any questions
regarding your installation.
Proper grounding is extremely important. Jacuzzi spas are equipped with
a current collector system. A pressure wire connector is provided on the
surface of the control box, located outside the equipment door (Figure
B, page 17) to permit connection of a bonding wire between this point
and any ground metal equipment, metal water pipe or conduit within 5
feet (1.5m) of the spa, or copper clad grounding rod buried within 5 feet
(1.5m) of the spa. Bonding wire must be at least No. 8 AWG (8.4 mm²)
solid copper wire. This is a most important safety assurance feature.
Before installing your spa, check with your local building department to
insure installation conforms to local building codes.
8

9
J-300 Series
J-300 Series
4.0 Choosing A Location
IMPORTANT: Because of the combined weight of the spa, water and
users, it is extremely important that the base upon which the spa rests
be smooth, at, level and capable of uniformly supporting this weight,
without shifting or settling, for the entire time the spa is in place. If the
spa is placed on a surface which does not meet these requirements,
damage to the skirt and/or the spa shell may result. Damage caused by
improper support is not covered under warranty. It is the responsibility
of the spa owner to assure the integrity of the support at all times.
We recommend a poured, reinforced concrete slab with a minimum
thickness of 4 inches (10 cm). Wood decking is also acceptable
provided it is constructed so that it meets the requirements outlined
above.
WARNING:
-
consult a professional Structural Engineer
with experience in this type of application.
!
The spa must be installed in such a manner as to provide drainage away
from it. Placing the spa in a depression without provisions for proper
drainage could allow rain, overow and other casual water to ood the
equipment and create a wet condition in which it would sit in. For spas
which will be recessed into a oor or deck, install so as to permit access
to the equipment, either from above or below, for servicing. Make certain
that there are no obstructions which would prevent removal of all side
cabinet side panels and access to the jet components, especially on the
side with the equipment bay.
CAUTION: If the spa is indoors or located in an enclosed area,
proper ventilation should be discussed with an Engineer or authority
competent enough to understand the necessary provisions needed
to vent moist or heated air and air associated with chemical odors
outdoors.
moisture will escape potentially causing mold and mildew. This
can cause health risk. Over time, this can damage certain surfaces,
surroundings, and equipment.
!
9

10
J-300 Series
4.1 Outdoor Location
In selecting the ideal outdoor location for your spa, we suggest that you
take into consideration:
The proximity to changing area and shelter (especially in colder •
weather).
The pathway to and from your spa (this should be free of debris so •
that dirt and leaves are not easily tracked into the spa).
The closeness to trees and shrubbery (remember that leaves and •
birds could create extra work in keeping the spa clean).
A sheltered environment (less wind and weather exposure can result •
in lowered operation and maintenance costs).
The overall enhancement of your environment. It is preferable not to •
place the spa under an unguttered roof overhang since run-off water
will shorten the life expectancy of the spa cover.
For spas that are to rest on balconies, roofs or other platforms not •
specically tied into main structural support, consult a professional
Structural Engineer with experience in this type of application.
4.2 Indoor Location
For indoor installations many factors need to be considered before
installing a spa indoors:
Proper Foundation: Consult a Structural Engineer when
considering a foundation that will adequately support the spa
the entire time it is in place. Proper support is critical especially
if the spa is to rest on a second story or higher. For spas that are
to rest on balconies, roofs or other platforms not specically tied
into the main structural support, you should consult a professional
Structural Engineer with experience in this type of application.
Proper Drainage: It is extremely important to have in place
Be
sure the ooring in which the spa rests on has adequate drainage
and can handle the entire contents of the spa. Be sure to make
provisions for ceilings and other structures that may be below the
spas installation. Areas around your spa can become wet or moist so
all ooring and subsequent furniture, walls and adjacent structures
should be able to withstand or resist water and moisture.
Proper Ventilation:
an Engineer or authority competent enough to understand the
necessary provisions needed to vent moist or heated air and air
associated with chemical odors outdoors. When the spa is in use
considerable amounts of moisture will escape, potentially causing
mold and mildew over time which can damage certain surfaces and/
or surroundings.
10

11
J-300 Series
J-300 Series
In the unlikely event that you should ever need
to access or gain entry to any portion of the spa for servicing, it is
highly recommended that you plan your indoor installation to provide
full access to the entire spa.
Warranty: Damage caused by not following these guidelines or any
improper installation not in accordance to local codes or authorities is
not covered under the spas warranty. Please consult your local state
or city building ordinances.
WARNING: In addition to maintenance of lters and water
chemistry, proper ventilation is recommended to reduce the
risk of contracting a waterborne
illness (e.g. an infection,
bacteria or virus) and/or respiratory ailments
that could be
present in the air or water. Consult a licensed architect or
building contractor to determine your specic needs if install-
ing your hot tub indoors.
!
11

12
J-300 Series
5.0 General Electrical Safety Instructions
Your new Jacuzzi® spa is equipped with a “state-of-the-art”
equipment system. It contains the most advanced safety
and self-protective equipment in the industry.
Nonetheless, this spa must be installed properly to insure
dependable usage. Please contact your dealer or local building
department should you have any questions regarding your installation.
Proper grounding is extremely important. Jacuzzi spas are equipped with
a current collector system. A pressure wire connector is provided on the
surface of the control box, located outside the equipment door (Figure
B, page 17) to permit connection of a bonding wire between this point
and any ground metal equipment, metal water pipe or conduit within 5
feet (1.5m) of the spa, or copper clad grounding rod buried within 5 feet
(1.5m) of the spa. Bonding wire must be at least No. 8 AWG (8.4 mm²)
solid copper wire. This is a most important safety assurance feature.
Before installing this spa, check with the local building department to
insure installation conforms to local building codes.
A spa connected to a 120 VAC electrical service must be located close
enough to a grounded, grounding-type electrical outlet so that the
included 10 feet (3m) power cord can be plugged directly into it. DO NOT
USE AN EXTENSION CORD as this could cause damage to the spa’s
equipment due to insufcient voltage. The power supplied to this spa
must be a dedicated circuit with no other appliances or lights sharing the
power provided by the circuit.
6.0 Power Requirements
Jacuzzi® spas are designed to provide optimum
performance and exibility of use when connected to the
maximum electrical service listed below. Minor circuit
board modications can be performed to allow your new
spa to accept an electrical service other than the factory
operation setting.
Note: Refer to pages 42-45 for circuit board conguration details or
contact your authorized Jacuzzi dealer.
12

13
J-300 Series
J-300 Series
240V/40A* 240V/50A** 240V/60A***
Circuit Breaker (2-Pole): 40A 50A 60A
Number of Wires: 3 3 3
Frequency: 60 Hz 60 Hz 60 Hz
Current Draw: 26A 36A 45A
* In 40A conguration, the heater will not operate while either jets
pump is running in high speed. Note: pump 2 runs only in high
speed.
** In 50A conguration, the heater will not operate while both jets
pumps are running in high speed. This is the factory setting.
Note: pump 2 runs only in high speed.
*** In 60A conguration the heater will operate while both jets pumps
are running in high speed.
120V/15A† 240V/30A† 240V/40A‡
Circuit Breaker: 15A, 1-Pole 30A, 2-Pole 40A2-Pole
Number of Wires: 3 (15A GFCI
Cord US
Only*)
4 (Hard Wire
Only)
4 (Hard Wire
Only)
Frequency: 60 Hz 60 Hz 60 Hz
Current Draw: 12A 21A 30A
(page 8).
† In 15A/30A conguration, the heater will not operate while the jets
pump is running in high speed. The factory setting is 120V/15A.
‡ In 40A conguration, remove jumper JP1-2 on the board, to allow the
heater to operate while the jets pump is running in high speed.
‡ Caution (For 4-wire 240 VAC Heater Operation): Move the red
wire on the main terminal strip (TB1) from position #1 to position #3.
Make certain wires are connected exactly as shown in Figure D (Page
17) before applying power. Failure to do so will result in damage to the
circuit board and/or related components and void the manufactures
warranty.
13

14
J-300 Series
230V/20A* 230V/30A** 230V/40A***
Circuit Breaker: 20A 30A 40A
Number of Wires: 3 3 3
Frequency: 50 Hz 50 Hz 50 Hz
Current Draw: 15A 23A 29A
* In 20A conguration, the heater will not operate while either jets
pump is running in high speed. This is the factory setting. Note:
pump 2 runs only in high speed.
** In 30A conguration, the heater will operate while one jets pump
is running in high speed. Note: pump 2 runs only in high speed.
*** In 40A conguration the heater will operate while both jets pumps
are running in high speed.
Export J-315 and J-325 Models (50 Hz)
230V/20A* 230V/30A**
Circuit Breaker: 20A 30A
Number of Wires: 3 3
Frequency: 50 Hz 50 Hz
Current Draw: 15A 21A
* In 20A conguration, the heater will not operate while the jets
pump is running in high speed. This is the factory setting.
** In 30A conguration, the heater will operate while one jets pump
is running in high speed.
14

15
J-300 Series
J-300 Series
7.0 Electrical Wiring Instructions
IMPORTANT NOTICE: The electrical wiring of this spa
must meet the requirements of the National Electrical
Code/USA (NEC) and any applicable state or local
codes. The electrical circuit must be installed by a
qualied electrician and approved by a local building/
electrical inspection authority.
1. Convertible 120/240V Power Models:
!
• DANGER:
PRODUCT DAMAGE OR ELECTRICAL FIRE.
120V “Plug-in” Operation: This spa must operate on the supplied
10 foot (3m) GFCI cord at its original length or must be hard-wired
for longer runs. NEVER USE AN EXTENSION CORD FOR ANY
REASON!
Convertible 120/240V Operation: The included 120V GFCI cord •
must be discarded for 240V operation. This spa must be hard
wired. Supplying power to either conguration above which is not in
accordance with these instructions will void both the independent
testing agency listing and the manufacturer’s warranty.
2. Dedicated 240V models must be permanently connected (hard-
wired) to the power supply. No plug-in connections or extension
cords are to be used in conjunction with the operation of this spa.
Supplying power to the spa which is not in accordance with these
instructions will void both the independent testing agency listing and
the manufacturer’s warranty.
3. The power supplied to this spa must be a dedicated circuit with no
other appliances or lights sharing the power provided by the circuit.
4. To determine the current, voltage and wire size required, refer to
Section 6.0 “Power Requirements” (page 12).
Wire size must be appropriate per NEC/USA and/or local codes.•
We recommend type THHN wire.•
All wiring must be copper to ensure proper connections. • Do not use
aluminum wire.
5. When using wire larger than #6 (10 mm²), add a junction box near
the spa and reduce to short lengths of #8 (8.4 mm²) wire to connect
to the spa.
6. The electrical supply for this product must include a suitably rated
switch or circuit breaker to open all ungrounded supply conductors
to comply with Section 422-20 of the National Electrical Code/USA,
15

16
J-300 Series
ANSI/NFPA 70. The disconnecting means must be readily accessible
to the spa’s occupant but installed at least 5 feet (1.5m) from spa
water.
7. The electrical circuit supplied for the spa must include a suitable
ground fault circuit interrupter (GFCI) as required by NEC/USA Article
680-42.
8. To gain access to the spa’s power terminal block, remove the screws
securing the synthetic cabinet panel under the control panel (Figure
A). Then remove the four control box door screws and door (Figure B).
9. Select the power supply inlet you want to use (Figure A). Feed power
cable to control box, then install it through the large opening provided
in the bottom side of the box.
10. Connect wires, color to color, on terminal blocks TB1 and TB3
(Figure C, page 17). TIGHTEN SECURELY! All wires must be
hooked up securely or damage could result.
11. Install control box door and screws and reinstall the cabinet side
panels.
Figure A
Equipment Area
10
4
37
1
2 2
Flow
Note: Pump Locations Vary by Model
Circulation Pump
Behind Load Box
8
5
6 6
9
11
1. Control Box
2. Power Supply Entrance(s)
3. 2-Speed Jets Pump #1
4. Heater
5. Spa Drain Valve
6. Pump Drain Plugs(s)
7. 1-Speed Jet Pumps #2
8. Circulation Pump
9. Optional CD Ozonator (Purchase
Separately)
10. Factory Installed Ozone Injector
11. Control Panel
16

17
J-300 Series
J-300 Series
Figure B Control Box
TB1
3
2
1
1. Terminal Block
2. Bonding Lug
3. Grounding Terminal
GRN
WHT
WHT
BLK
BLK
BLK
RED
1
2
3
Figure-C TB1
to Circuit
Board
Power In
GRN
WHT WHT
BLK
BLK
BLK
RED RED
RED
1
2
3
Figure-D TB1
to Circuit
Board
Power In
Move Red
Wire Here
Models: 120 VAC, 3-Wire Connection
60 Hz
Models: 240 VAC, 4-Wire Connection
60 Hz
Caution (For 4-wire 240 VAC Heater Operation): Move the red
wire on the main terminal strip (TB1) from position #1 to position #3.
Make certain wires are connected exactly as shown in Figure D before
applying power. Failure to do so will result in damage to the circuit
board and/or related components and void the manufactures warranty.
BLK
RED
RED
RED
BLK
BLK
1
2
Figure-E TB1
to Circuit
Board
Power In
Green
TB3
1
2
BLUE
BLUE
BROWN
BROWN
Figure-F TB1
to Circuit
Board
Power In
Green
TB3
North American 240V Models:
240 VAC, 3-Wire Connection 60 Hz
All Export Models: 230 VAC, 3-Wire
Connection 50 Hz
17

18
J-300 Series
8.0 Spa Fill Up Procedure
For best results, read each step in its entirety before proceeding with that
step.
1. Prepare The Spa For Filling
Clear all debris from the spa. (Although the spa shell has been •
polished at the factory, you may want to treat it with a specially
formulated spa cleaner.) Consult your authorized Jacuzzi dealer for
additional information prior to lling spa.
Remove lter cover, then remove lter cartridge as outlined in •
Section 12.1 (page 30).
2. Fill Spa
Place the end of your garden hose into the empty lter bucket.•
CAUTION: TO DECREASE BUILD UP ON COMPONENTS AND
MINIMIZE ACRYLIC DAMAGE.
Never ll with water from a water softener. If your water is extremely
“hard”, it is preferable to ll half-way with hard water and the rest of
the way with softened water. You may ll entirely with hard water if
you use a special water additive available from your Jacuzzi dealer.
!
• WARNING: TO DECREASE RISK OF INFECTION OR
DISEASE.
Fill hot tub with clean tap water from garden hose, to reduce risk of
contracting a waterborne
illness (e.g. an infection, bacteria or virus)
and/or respiratory ailments
. Fill until water covers all jets but does not
touch the bottom of the lowest headrest. (DO NOT OVERFILL!)
IMPORTANT: Always ll your spa through the lter bucket after
draining. Failure to do so may cause air to be trapped in either
pump, preventing the pump from circulating water. Remove the
hose and replace the lter cartridge. Note: DO NOT overtighten
lter cartridge, nger tight only!
3. Turn On Power
Turn on power to spa at the home’s circuit breaker to start boot
up sequence (sec. 10.0, page 25). The heater and lter pump will
automatically activate after several seconds. If the control panel LED
ashes water temperature and “COL” or “ICE” this is normal, refer to
page 38 for additional information.
4. Activate Jets Pumps
Turn on jets pump(s) to ensure proper mixing when adding
start-up chemicals in step 5.
18

19
J-300 Series
J-300 Series
5. Add Start-Up Chemicals
Add the spa water chemicals as recommended by your authorized
Jacuzzi dealer. See Section 13.0 “Water Quality Maintenance” (page 36)
for general guidance.
WARNING: RISK OF POISONING OR DEATH.
Never leave chemicals opened and accessible to anyone. Use
chemicals according to the vendors instructions. Always store
chemicals in a safe and/or locked location. Keep away from
and out of reach of children.
!
6.
Establish a stable sanitizer reading between 3.0-4.0 ppm chlorine or 2.0-
4.0 ppm bromine. To ensure healthy water conditions, always maintain
a constant sanitizer reading within the levels recommended by the
Association of Pool and Spa Professionals/USA printed on the inside
cover of this manual. If sanitizer levels cannot be stabilized, perform the
decontamination procedure steps 9-16 on pages 20-22.
Note: The “decontamination procedure” steps 9-16 should also be used
after the spa has been “Winterized” (Section 12.7 page 35) or has been
sitting without power for an extended period.
7. Set Spa To Heat
To warm spa water to a comfortable temperature, follow
these steps:
The LED display on the control panel displays the •
actual temperature of the spa water. Press either the
COOLER ( ) or WARMER ( ) button once to display the “set”
temperature for 5 seconds. If you want the water to heat to a different
temperature, simply press COOLER ( ) or WARMER ( ) within 5
seconds. The set temperature increases or decreases by one degree
each time one of these buttons is pressed.
The heater will turn off when the temperature corresponding to the •
thermostat setting is achieved.
Important Heater Details:
The maximum water temperature setting for your spa is 104 °F •
(40 °C) and the minimum setting is 65 °F (18 °C).
For North American spas connected to a 40 amp service, jets pump •
#1 must be set to low speed and jets pump #2 must be turned off to
operate the heater.
For Export spas connected to a 20 amp service, jets pump #1 must •
be set to low speed and jets pump #2 must be turned off to operate
the heater.
Setting the thermostat at maximum will not accelerate the heating •
process. This will only result in a higher ultimate temperature.
The heater operates until the water reaches the programmed “set •
temperature”, then turns off. The heater will reactivate after the
water cools to approximately 1.5° below the set temperature.
19

20
J-300 Series
8. Place Cover On Spa
Keeping the insulating cover in place anytime the spa is not in •
use will reduce the time required for heating, thereby minimizing
operating costs.
The time required for initial heat-up will vary depending on the •
starting water temperature.
DANGER: RISK OF PERSONAL INJURY.
Check water temperature carefully before entering hot tub!
Excessive water temperature can cause burns, welts and body
temperature to rise, hyperthermia (over-heating).
!
Decontamination Procedure (Steps 9-16)
Steps 9-16 below are only required when sanitizer levels are unstable
after performing steps 1-6 above. Disregard steps 9-16 below if sanitizer
levels remain stable at 3.0-4.0 ppm chlorine or 2.0-4.0 ppm bromine after
performing steps 1-6.
9. Add 2.5 ounces of sodium dichlor for every 100 gallons of water.
Refer to the table below for approximate water ll volume by model.
CAUTION: RISK OF PERSONAL INJURY OR SPA DAMAGE!
Never add chlorine tablets (trichlor) or acid to your hot tub for
any reason! These chemical may damage components within
your hot tub, burn or irritate your skin, create a rash, and void
the manufacturer warranty for your spa.
!
Spa Model Approximate Fill Volume Sodium Dichlor
J-375 530 US Gallons (2,006 Liters) 13.5 oz
J-365 500 US Gallons (1,893 Liters) 12.5 oz
J-355 485 US Gallons (1,836 Liters) 12.0 oz
J-345 458 US Gallons (1,734 Liters) 11.5 oz
J-335 453 US Gallons (1,715 Liters) 11.5 oz
J-325 430 US Gallons (1,628 Liters) 11.0 oz
J-315 274 US Gallons (1,037 Liters) 7.0 oz
20

21
J-300 Series
J-300 Series
10. Leave spa cover open during this step to allow
excessive chemical vapors to exit spa, protecting
pillows and plastic knobs from chemical attack. If
spa is indoors, open doors and windows for proper
ventilation. Turn on all jet pumps for one hour,
then place the massage selector knob in the
center “combo” position and open all air controls.
Note: You will need to press the jets pump button(s)
every 20 minutes since these functions have an automatic 20 minute
time-out function that turns them off.
WARNING: RISK OF PERSONAL INJURY!
To decrease the risk of injury, drowning or entrapment, •
never leave your hot tub unattended for any reason while
the cover is open and accessible, especially to small chil-
dren and animals!
Precautions should be taken to minimize your exposure •
to chemical vapors (that could cause lung, brain, or skin
damage).
!
11. Turn off power to the spa at the circuit breaker, then drain spa as
outlined in Section 12.2 “Draining And Relling” (page 33).
12. Fill spa until water covers all jets but does not touch the bottom of
the lowest headrest. DO NOT OVERFILL.
CAUTION: TO DECREASE BUILD UP ON COMPONENTS AND
MINIMIZE ACRYLIC DAMAGE.
Never ll with water from a water softener. If your water is extremely
“hard”, it is preferable to ll half-way with hard water and the rest of
the way with softened water. You may ll entirely with hard water if
you use a special water additive available from your Jacuzzi dealer.
13. Consult your authorized Jacuzzi dealer for chemical
recommendations, then add chemicals to spa water to achieve a
constant sanitizer reading within the levels recommended by the
Association of Pool and Spa Professionals/USA printed on the inside
cover of this manual.
14. Turn on all jet pumps when adding chemicals to ensure proper
mixing and leave your spa cover open until the sanitizer level falls
below 4.0 ppm to protect pillows and plastic knobs from chemical
attack.
21

22
J-300 Series
WARNING: RISK OF PERSONAL INJURY.
To decrease the risk of injury, entrapment or drowning, •
never leave your hot tub unattended for any reason, es-
pecially if while the cover is open and accessible to small
children and animals!
To decrease the risk of • contracting a waterborne
illness
(e.g. an infection, bacteria or virus) and/or respiratory ail-
ments, maintain water chemistry within 6 step parameters.
If you or other bathers experience such a condition, discon-
tinue use and seek immediate medical attention.
!
15. Establish a sanitizer reading between 3.0-4.0 ppm chlorine or
2.0-4.0 ppm bromine, then allow the spa to set undisturbed for 8
hours. Retest water after 8 hours to determine if sanitizer levels
are stable. If sanitizer levels are stable, your spa is ready for use.
To ensure healthy water conditions, always maintain a constant
sanitizer reading within the levels recommended by the Association
of Pool and Spa Professionals/USA printed on the inside cover of
this manual. If sanitizer levels are not stable at this time, it will be
necessary to repeat this procedure in its entirety (steps 1-15) until
stable sanitizer readings are achieved.
16. After adequate sanitizer levels are achieved, close all spa air controls
by rotating them clockwise to maximize heat retention when spa is
not in use.
22

23
J-300 Series
J-300 Series
9.0 Control Functions
9.1 Control Panel
A. LED Display: Can
display current water
temperature (default
display), water
temperature set point,
selected filtration/
heating mode, and error
messages.
B. Warmer ( ) Button: Increases water temperature set point.
C. Cooler ( ) Button: Decreases water temperature set point.
D. Button Options: Turns waterfall, footwell light,
lighted cup holders and backlit pillows on in unison. Press once for
high intensity; press a second time for medium intensity; press a third
time for low intensity; press a fourth time to turn off. The displayed
color is changed using the light mode button (E) below.
E. Light Mode Button: Selects one of 4 color modes for waterfall,
footwell, cup holders, and pillow lights. See page 26 for addition
information.
F. Jets 1 Button: Turns jets pump #1 on and off. Press once for low
speed; press a second time for high speed; press a third time to turn
pump off.
G. Jets 2 Button (J-335 to J-375): Turns high-speed jets pump #2 on
and off. Press once to turn pump #2 on; press a second time to turn
pump #2 off.
H. Heat Indicator: Lit when heater is on.
Operation Details
Temperature Adjustment: 65 to 104 °F (18 to 40 °C). Factory default •
setting is 100 °F (38 °C).
Light Operation: All LED lights run for 2 hours, then automatically •
shut off.
Jets 1/Jets 2 Button Operation: Jets run for 20 minutes when •
activated, then turn off automatically to conserve energy. Simply
press either jets button to continue operation for an additional 20
minutes.
HA
2-Pump Control Panel Shown
D
B
CE
G
F
23

24
J-300 Series
9.2 General Spa Features And Controls
1
7
8
11
2
2
2
2
2
5
53
4
6
13 13
13 13
15
14
5
10
10
10
12
18
18
18
9
6
16
17 17
17
17
16
Control Panel1.
Toggle Air Controls2.
Filter/Skimmer Grill3.
PowerPro MX Jets4.
Therapy Jets5.
Massage Selector Valves6.
Therapy Seat7.
Spa Light8.
Vertical Jets (Foot Jets)9.
Footwell Suction Fittings and 10.
Filters
Waterfall Feature11.
Heater Return Fitting12.
Optional Audio System Speakers13.
Optional Audio System Remote 14.
Control
Optional Audio System Receiver15.
Calf Jets16.
Backlit Pillows17.
Lighted Cup Holders*18.
*Light features not offered on
J-315/J-325 Models.
SpecicationsSubjecttoChangeWithoutNotice.
J-365 model illustrated - Location of Features Varies by
Model. Specications/features subject to change without
notice.
24

25
J-300 Series
J-300 Series
10.0 Operating Instructions
The spa control system has automatic functions that operate upon
start-up and normal operation to protect the system. Upon power up, the
readout displays the following information:
1. Control panel displays current software release
(e.g. 3.57), then;
2. Control panel displays “888” and all indicator LEDs
are lit, permitting visual inspection of all display seg-
ments and indicator lights for proper operation.
3. After the initial start-up sequence ends, the actual
water temperature is displayed. If water temperature
at this time is less then the factory default tempera-
ture setting of 100 °F (38 °C) and the spa is set to either standard
ltration/heating mode (page 28), the heater will turn on and run until
the water temperature rises to the factory setting, then turn off.
Note: It is common for the heater to turn on after the spa is rst lled
because tap water is often very cold.
10.1 Setting Water Temperature
The spa’s thermostat provides optimum control of water
temperature. The temperature set point (set temperature)
can be adjusted from 65-104 °F (18-40 °C). To raise the set
temperature, press the WARMER ( ) button. To lower the
set temperature, press the COOLER ( ) button. The rst press of either
WARMER ( ) or COOLER ( ) button displays the set temperature.
To access the overtemp feature that allows the spa to reach 106 °F (41 °C)
follow the steps below (Figure 1).
A. Press and hold the WARMER ( )
button then;
B. Press and hold the JETS 1 ( ) button
at the same time for 2 seconds. You will
see the temperature rise to 106 °F (41
°C) on the LED display. To lower the
temperature, press the COOLER ( )
button.
C. When the overtemp has been activated, the white decimal point after
the last digit will ash on and off every second as an indicator for
being in the overtemp mode.
Note: Once the temperature goes below 104 °F (40 °C) and you would
like to raise the temperature to 106 °F (41 °C) again, you will have to
repeat the steps above.
10.2 Activate Jet Pumps
The control panel JETS 1 button activates jets pump 1. The
rst press activates low speed, the second press activates
high speed, and the third press shuts jets pump 1 off. The
JETS 2 button activates jets pump 2. The rst press activates high
speed, the second press turns jets pump 2 off. When manually activated,
either pump will automatically turn off after 20 minutes.
1.
2.
3.
AB
C
Figure 1
25

26
J-300 Series
Pressing this button activates the waterfall, footwell light,
lighted cup holders, backlit pillows and optional exterior
lights in unison as follows: high - medium - low - off.
Note: Lights automatically turn off after 2 hours.
10.4 Light Mode Button
This button offers 4 light modes for your enjoyment. Press this
button to select your favorite lighting effect as follows:
Press
Once
Press
Again
Press
Again
Press
Again Solid Color Mode:
Selects one of 7 solid (high-intensity) colors of choice.
AMBER (X7) GREEN (X8) AQUA (X9) NEAR
WHITE (X10)
BLUE (X4) VIOLET (X5) RED (X6)
Freeze Color Blend Mode:
Selects or “freezes” your low speed blending color of choice.
Low-Speed Color Blend Mode:
Displays hundreds of colors in 20 seconds intervals.
High-Speed Color Blend Mode:
Displays hundreds of colors in 5 second intervals.
10.5 Jets
The water ow through individual jets in your spa can be
adjusted or turned off by rotating the outside jet ring. Some jets
offer an adjustable center nozzle that allows you to change the
water discharge angle. Simply tilt the center nozzle in these jets
to the desired angle to customize your personal massage.
Other jets offer a spiral action that produces a surging stream of
air and water that provides a vigorous massage.
Note: Always keep at least 6 adjustable jets open at all times
to ensure proper ltration characteristics within the spa. Jets may not
spin with jets pump 1 running in low speed.
26

27
J-300 Series
J-300 Series
10.6 Selecting Desired Massage Action
All models incorporate a massage selector valve that
allows you to customize the massage and performance by
diverting water between various jet systems within the
spa. Simply turn valve to positions A, B or C to divert
water pressure to various jet groups.
Note: The valve is intended to operate in positions A (Combo), B, or C
for optimum performance. It is considered normal for sound levels within
the valve to increase between these positions due to the large amounts
of water owing through it. For optimum ltration benets, always leave
this valve in position A when the spa is covered and select positions B or
C for maximum jet performance during spa use.
10.7 Waterfall Feature
The waterfall feature allows you to independently control it for a
customized soothing effect. The JETS 1 button activates the waterfall
feature.
Note: The operation of the waterfall light feature is covered in Sections
10.3-10.4 (page 26).
Waterfall Operation Details:
J-315/J-325 Models: Move control lever next to the waterfall •
body inward to start or increase ow or move outward to slow or
turn off ow.
J-335, J-345, J-355, J-365 and J-375:•
A. Push thumb wheel on top of waterfall to the left (while in spa)
to start or increase ow.
B. Push thumb wheel on top of waterfall to the right (while in
spa) to slow or turn ow off.
10.8 Air Controls
Certain jet systems have their own “toggle” on/off air control.
Each control introduces air into the water lines that supply
specic jet groups. Simply press any air control button
Jacuzzi logo side down to open or press the opposite side
of button to close.
Note: To minimize heat loss, close all air controls (Jacuzzi logo up) when
spa is not in use. Certain jets may not draw air when jets pump 1 is
running in low speed; this is considered normal.
10.9 Optional Audio System (J-335 to J-375)
Spas equipped with the optional Jacuzzi audio system
offer enhanced enjoyment. These models include an
integrated AM/FM/CD receiver with four high-quality
marine speakers for unsurpassed sound quality and
long-life. Refer to Section 17.0, (page 46).
CB
A
AQUATIC AV
AQ-RF-3
27

28
J-300 Series
11.0 Automatic Filtration Cycles
Your new spa includes a 24-hour circulation pump which lters the water
continuously. The circulation pump draws water through the skimmer bag
and one of two lter cartridges to effectively remove small debris in your spa.
Note: The 24-hour circulation pump system also supplies heated water
to the spa when the heater turns on. The pump is not programmable.
The control system activates a programmable “standard” or “economy”
ltration/heating cycle to remove larger debris missed by the 24-hour
circulation pump ltration system. These cycles utilize pump #1 low
speed and the second lter cartridge to quickly “skim” the water of large
debris and minimize their “bath-tub ring” effect. Apart from their skimming
benet, each mode also effects the operation of your spa’s heater. Refer
to Sections 11.1 and 11.2 below for additional information.
Standard ltration/heating modes are typically selected by customers in
cold climates where heat up times are extended due to lower ambient
temperatures. In these modes, the water temperature is regulated by the
set temperature, 24-hour circulation pump, and heater which turns on as
needed. After the programmed set temperature is reached, the heater
turns off and the circulation pump continues to operate 24-hours to lter
and clean your spa unless in summer logic; see Section 14.1, page 38.
Economy ltration/heating modes are typically selected by customers in
warm climates where heat up times are minimized due to higher ambient
temperatures. In these modes, the water temperature is regulated by
the set temperature, 24-hour circulation pump, and heater only while a
programmed lter cycle is running (unless in summer logic; see Section
14.1, page 38).
11.3 Lock Modes (L1-L2)
These modes are designed for use during spa service or to prevent
unauthorized use.
Press and hold both control panel WARMER ( ) and COOLER ( )
buttons at the same time, then release. Then press either WARMER
( ) or COOLER ( ) button to select ltration/heating mode F0-F6 or
lock modes L1-L2 below:
28

29
J-300 Series
J-300 Series
F0 5 minutes of ltration per day (one 5 minute “Blow-Out”
cycle every 24 hours to purge all plumbing lines)
F1 1 hour of ltration per day (one 30-minute cycle every 12
hours); This is the factory default setting.
F2 1.5 hours of ltration per day (one 30-minute cycle every
8 hours)
F3 2 hours of ltration per day (one 30-minute cycle every 6
hours)
F4 1 hour of ltration/heating per day (one 30-minute cycle
every twelve hours)
F5 1.5 hours of ltration/heating per day (one 30-minute
cycle every eight hours)
F6 2 hours of ltration/heating per day (one 30-minute cycle
every six hours)
Lock Modes
L1 Lock Out: disables all spa functions to permit lter
cleaning.
L2 Lock Mode: disables the jets and light buttons to prevent
unauthorized use of spa. Filtration/heating cycle will
continue to operate as programmed in this mode. The temperature
display ashes when this function is enabled. Example: The “F3”
ltration/heating cycle was enabled prior to choosing lock mode. The
spa continues to perform the “F3” cycle until lock mode is canceled,
allowing another cycle to be selected.
To set a time for the rst ltration/heating cycle, simply turn power on to
the spa two minutes prior to the desired time. Example: If you desire your
rst ltration/heating cycle to begin at 10:00 AM turn off power to the spa
and turn it back on again at 9:58 AM.
Note: Start time is approximate and may vary slightly from day to day.
29

30
J-300 Series
12.0 Spa Maintenance
Proper and regular maintenance of your spa will help it retain its beauty
and performance. Your authorized Jacuzzi dealer can supply you with
all the information, supplies, and accessory products you will need to
accomplish this.
DANGER: RISK OF SEVERE INJURY OR DROWNING BY
ENTRAPMENT!
Keep hair, loose articles of clothing or hanging jewelry away •
from suction ttings, rotating jets or other moving components to
avoid entrapment that could lead to drowning or severe injury.
Never use the spa unless all suction guards, lter, lter lid, or •
skimmer assembly are installed to prevent body and/or hair
entrapment.
Never operate or use the spa if the lter, lter lid, or skimmer •
assembly are broken or any part of the skimmer assembly is
missing. Please contact your dealer or nearest service center
for service.
The suction ttings and suction covers in this spa are sized •
to match the specic water ow created by the pump(s). If it
is necessary to replace the suction ttings, suction covers or
pump(s), be sure that the ow rates are compatible and are in
compliance with the VGB Safety Act page 2.
Never replace a suction tting or suction cover with one rated •
less than the ow rate marked on the original suction tting.
Using improper suction ttings or suction covers can create
a body or hair suction entrapment hazard that may lead to
drowning or severe injury.
Owners must alert all spa users to the potential risk of Hair, •
Limb, Body, Evisceration (disembowelment), and Mechanical
Entrapment, page 6.
!
12.1 Cleaning The Filters
Your Jacuzzi spa is equipped with a skimmer bag and two high
performance pleated lter cartridges located under the lter cover.
Fine debris are ltered by the circulation pump drawing water through
the skimmer bag and lter cartridge 24-hours a day. Large debris are
ltered by jets pump #1 drawing water through the skimmer bag and
second lter cartridge during an automated skimming/heating cycle or
when jets pump 1 is manually activated during spa use. Combined, both
lters provide unsurpassed water quality by trapping surface oils and
suspended particles.
30

31
J-300 Series
J-300 Series
An optional chemical feeder is available through your
authorized Jacuzzi dealer that installs under the lter cap
(#2472-673). Always remove the chemical feeder cap and
feeder (when used) during the lter cleaning process by
turning the cap handle counterclockwise. Reinstall the cap
and feeder back onto the lter cartridge after the lter
cleaning process is complete. It is recommended that latex
gloves be used to avoid touching the chemical feeder
during the lter cleaning process.
Note: When used, the chemical feeder MUST remain on the circulation
pump lter cartridge! This lter cartridge is the one with the grid across
the wall tting as shown (right).
ALWAYS TURN POWER TO SPA OFF BEFORE CLEANING THE
FILTER CARTRIDGES!
Note: Refer to steps A-J on following page for complete lter cleaning/
replacement instructions.
A DANGER: TURN POWER TO SPA OFF! TO DECREASE
OPERATE SPA WHEN FILTER IS NOT PROPERLY INSTALLED
OR IF SKIMMER ASSEMBLY IS DAMAGED OR ALTERED!
B
Lift cover approx. 3/8" to
unclip, then tilt forward to
access lter cartridges.
C
(Filter Cover Back View)
Remove skimmer bag
from clips, then clean out
debris.
D
Rotate each lter
cartridge handle
counterclockwise to
unthread from mating
wall tting.
31

32
J-300 Series
E
Lift unthreaded lter
cartridge from skimmer
well.
F
If used, remove the
chemical feeder as
instructed prior to rinsing
the lter cartridges.
Rinse debris from lter
pleats on each cartridge
using a garden hose and
high pressure nozzle.
Start at the top and
work downward towards
handle. Repeat until all
pleats are clean.
G
Trapped
Air
Bubbles
Cartridge 1
Cartridge 2
Submerge both lter
cartridges in spa. Tilt
threaded end upward
to remove trapped air
bubbles, then keep
cartridges submerged to
prevent air entrapment
during installation (step
H).
H
Place each cartridge
back into skimmer
well, then rotated
each cartridge handle
clockwise to thread back
into wall tting. DO NOT
OVERTIGHTEN!
I
(Filter Cover Back View)
Install clean skimmer
bag back onto the lter
cover clips as shown.
J
1. Tilt lter cover back
against clips, then lift
approx. 3/8" to latch
against spa shell.
2. Turn power to spa
back on.
32

33
J-300 Series
J-300 Series
Periodically, the lter cartridge will need a more thorough cleaning to
remove imbedded oils and minerals. For this, we suggest cleaning as
illustrated in step “F”, followed by soaking the lter overnight in a plastic
container lled with a solution of water and specially formulated lter
cleanser available from your authorized Jacuzzi dealer. The average life
expectancy of each lter is approximately two years with proper care and
water quality maintenance. Replacement cartridges may be purchased
from your authorized Jacuzzi dealer.
About every 3 months, you will want to replace the spa’s water. The
frequency depends on a number of variables including the amount of
use, attention paid to water quality maintenance, etc. You will know it is
time for a change when you cannot control sudsing and/or you can no
longer get the normal feel or sparkle to the water even though the key
water balance measurements are all within the proper parameters.
CAUTION! READ THIS BEFORE DRAINING: To prevent damage
to the spa’s components, turn off power to the spa at the circuit
breaker before draining it. Do not turn the power back on until
yourspahasbeenrelled.
CAUTION: There are certain precautions to keep in mind when
draining your spa. If it is extremely cold, and the spa is outdoors,
freezing could occur in the lines or the equipment, see “WINTERIZ-
ING” (page 35). On the other hand, if it is hot outdoors, do not leave
the spa’s surface exposed to direct sunlight.
1. Turn off power to spa at breaker.
2. Locate the drain valve on the front/lower plastic
pan. Hold the larger (rear) body to prevent
it from turning, then loosen and remove the
front cap to expose the underlying male hose
threads.
3. Attach a garden hose to the exposed threads.
4. Gently rotate the larger (rear) valve body 1/3
turn counterclockwise to unlock the drain valve.
5. Pull the larger (rear) body outward to open drain.
6. After the spa drains, perform steps 2-5 in
reverse order to close the drain prior to relling
the spa.
After relling, turn on power to the spa and follow the steps listed under
“Spa Fill Up Procedure” (page 18). Always ll your spa through both lter
wall ttings.
Open Drain
2.
3.
4.
5.
Unlock
Drain
1. Turn off power to spa.
33

34
J-300 Series
12.3 Pillow Care
Remove and clean the headrest pillows as needed with soapy water
using a cloth or soft-bristle brush. Always remove the pillows when
adding chemical shock treatment to the spa water. When the sanitizer
reading is below 4.0 ppm, pillows can be reinstalled.
CAUTION: Never attempt to remove the pillows by pulling on
the complete assembly! The pillows utilize a bolt-on design
that prohibits removal without tools.
!
To remove pillows:
1. Grasp pillow insert (A) with nger tips and
gently pry outward from pillow base (C).
2. Use a standard screwdriver to loosen and
remove mounting bolts (B) from pillow
base.
3. Assemble in reverse order after cleaning.
DO NOT overtighten pillow mounting
bolts!
12.4 Cleaning The Spa Interior
To preserve the sheen of your spa’s surface, it is crucial that you avoid
using abrasive cleaners or cleaners which have adverse chemical effect
on the surface. If you are not certain as to the suitability of a particular
cleanser, consult your authorized Jacuzzi dealer. Regardless of the
cleanser used, use extreme care to assure that no soap residue is left on
the surface. This could cause severe sudsing when the spa is relled.
12.5 Maintaining the Cover
Using the Jacuzzi insulating spa cover anytime the spa is not in use will
signicantly reduce your operating costs, heat-up time and maintenance
requirements. To prolong the life of the cover, handle it with care and
clean it regularly using mild soap and water. Periodic treatments with a
special conditioner developed for Jacuzzi spa covers will help protect
against deterioration caused by UV rays from the sun. Never allow
anyone to stand or sit on the cover, and avoid dragging it across rough
surfaces.
Your new spa’s synthetic cabinet requires little or no maintenance of
any kind. To clean, simply wipe cabinet with a clean towel and mild soap
solution.
34

35
J-300 Series
J-300 Series
CAUTION: Never spray cabinet with a garden hose for any
reason since this action may induce an electrical short in the
spa’s electrical equipment.
12.7 Winterizing
Your Jacuzzi® spa is designed to automatically protect itself against
freezing when operating properly. During periods of severe freezing
temperatures, you should check periodically to be certain that the
electrical supply to the spa has not been interrupted. In extreme, bitter
cold weather less than -20 °F (-29 °C), choose the F3 “Standard”
ltration/heating mode to prevent freezing (page 28).
If you do not intend to use your spa, or if there is a prolonged power
outage during periods of severe freezing temperatures, it is important
against damage from freezing.
Expert winterization of your spa is highly recommended, contact your
authorized Jacuzzi dealer. In emergency situations, damage can be
minimized by taking the following steps:
CAUTION: TURN OFF POWER TO HOT TUB!
1. Turn off power to the spa.
2. Follow the directions on page 33 for draining the spa.
3. Turn the massage/diverter selector(s) into the middle combo position
to allow the water in the plumbing lines to drain, see page 27.
4. Turn the waterfall valve(s) to the open position to allow the water in
the plumbing lines to drain, see page 27.
5. As the water level drops below the seats, use whatever means
necessary to get the water out of the recessed seating areas and
into the foot well, such as a wet/dry vacuum.
6. When the water level ceases to drop, use whatever means available
to remove any remaining water from the foot well, such as a wet/dry
vacuum.
7. Remove the synthetic cabinet panel under the control panel and
locate the drain plugs on the front of the pump(s), (Figure A, page
16). Remove plugs to allow water to drain out of pumps and heater.
Note: Approximately one to two gallons will be released during this
procedure. Use a wet/dry vacuum or other means to keep this from
ooding the equipment compartment. Replace the drain plugs.
8. Reinstall synthetic cabinet side panel and cover spa so that no
casual moisture can enter into it.
Consult your authorized Jacuzzi dealer if you have any questions
regarding winter use or winterizing.
35

36
J-300 Series
12.8 Restarting Your Spa in Cold Weather
If you want to start up your spa after it has sat empty for a time in
freezing temperatures, be aware that the water remaining in certain
sections of the piping may still be frozen. This situation will block water
ow preventing the spa from operating properly and possibly damaging
the equipment. We recommend you consult your authorized Jacuzzi
dealer for guidance before attempting to restart your spa under these
conditions.
13.0 Water Quality Maintenance
To decrease the risk of contracting a waterborne illness (e.g. an infection,
bacteria or virus) and/or respiratory ailments
, m
aintain water quality
within specied limits. This will enhance your enjoyment and prolong
the life of the hot tub’s equipment. Doing so requires regular attention
because the water chemistry involved is a balance of several factors.
Procrastination in regard to water maintenance will result in poor and
potentially unhealthful conditions for soaking and even damage to your
hot tub investment. For specic guidance on maintaining water quality,
consult your Authorized Jacuzzi dealer who can recommend appropriate
chemical products for sanitizing and maintaining your hot tub.
WARNING: FAILURE TO MAINTAIN WATER QUALITY
WILL:
Increase risk of contracting a waterborne illness (e.g. an •
infection bacteria or virus) and/or respiratory ailments
.
Damage the equipment, components and spa shell, which •
are not covered under the hot tub’s warranty.
!
CAUTION: Never store hot tub chemicals inside the hot tub’s
equipment bay. The equipment bay may reach elevated tempera-
tures, this is where high voltage electronic devices are located. This
area is not intended for storage of any kind.
13.1 pH Control
pH is a measure of relative acidity or alkalinity of water and is measured
on a scale of 0 to 14. The midpoint of 7 is said to be neutral, above which
is alkaline and below which is acidic. In spa water, it is very important to
maintain a slightly alkaline condition of 7.4 to 7.6 pH. Problems become
proportionately severe the further outside of this range the water gets.
A low pH will be corrosive to metals in the spa equipment. A high pH will
cause minerals to deposit on the interior surface (scaling). In addition,
36

37
J-300 Series
J-300 Series
the ability of the sanitation agents to keep the spa clean is severely
affected as the pH moves beyond the ideal range. That is why almost all
spa water test kits contain a measure for pH as well as the sanitizer.
13.2 Sanitizing
To destroy bacteria and organic compounds in the spa water, a sanitizer
must be used regularly. Chlorine and bromine are the two most popular
sanitizers used to date. The “Proclear Mineral Spa Clarier” designed
especially for your hot tub is a benecial product for water maintenance.
Many other additives are available for your spa. Some are necessary
to compensate for out-of-balance water; some aid in cosmetic water
treatment and others simply alter the feel or smell of the water. Your
authorized Jacuzzi dealer can advise you on the use of these additives.
When adding spa shock (chlorine or non-chlorine) or pH balancing
chemicals activate the jets pump(s) and leave the spa cover open for a
minimum of 20 minutes. By doing this you will allow excessive chemical
vapors to exit the spa, protecting pillows and plastic knobs from chemical
attack.
WARNING:
OR ENTRAPMENT!
Never leave your hot tub unattended for any reason while the
cover is open and accessible, especially to small children and
animals!
CAUTION: RISK OF PERSONAL INJURY OR SPA DAMAGE!
Never add chlorine tablets (trichlor) or acid to your hot tub for
any reason! These chemical may damage components within
your hot tub, burn or irritate your skin, create a rash and void
the manufacturer warranty for your spa.
!
13.3 CD Ozone Water Maintenance System
If your spa is equipped with the Jacuzzi CD ozone water purication
system you will nd that your water stays fresh and clear with
signicantly less chemical sanitizer usage. You will also probably be able
to go longer between complete spa drainings.
37

38
J-300 Series
Your spa has a self-diagnostic control system. The system will
automatically display the following if a problem is detected.
14.1 Summer Logic
When the actual spa water temperature reaches 2 °F
(1 °C) above the set temperature, the spa goes into
“summer logic.” The 24-hour circulation pump will turn off
automatically to avoid adding additional heat to the water,
eventually creating an overheat condition. This setting is
not user-programmable.
Note: Summer logic does not take effect until the spa water temperature
reaches 95 °F (35 °C). This condition is more likely in excessively hot
weather. Remember, the spa’s ability to cool is directly affected by
the ambient temperature. An excessively hot ambient temperature
may prevent the spa from cooling down because it’s fully insulated
construction is designed to retain heat and minimize operating costs.
14.2 Panel Displays COL
Cool Condition - Temperature has dropped 20 °F (11 °C)
below the current set temperature. Jets pump 1 and the
heater have been activated to bring the temperature within
15 °F (8 °C) of the set temperature. No corrective action is required!
Note: This condition is common during rst time ll ups or during rells
since tap water is often very cold.
14.3 Panel Displays ICE
Freeze Protection - A potential freeze condition has been
detected. No action is required. Jets Pump 1 and heater
will activate to circulate and warm water through the plumbing until spa is
out of danger. See “Winterizing” (page 35).
14.4 Panel Displays SN1
Open sensor (heater is disabled) or shorted sensor (spa
is deactivated). The high-limit temperature sensor is not
functioning. Contact your authorized Jacuzzi dealer or
qualified service technician.
14.5 Panel Displays SN2
Open or shorted sensor (heater disabled). The
temperature sensor is not functioning. Contact your
authorized Jacuzzi dealer or qualied service technician.
38

39
J-300 Series
J-300 Series
14.6 Panel Flashes FL1 or FL2
A ashing “FL1” display means the ow switch is
malfunctioning open, the lter cartridge is excessively
dirty or an “air lock” condition has occurred at the
circulation pump intake. A ashing “FL2” display means
the ow switch is malfunctioning closed. In either case,
the spa heater will deactivate and jets pump #1 may
also deactivate. To correct condition perform the following:
1. Verify water level is above all jets but below lowest pillow. Add water
if necessary.
2. Check for clogged or dirty lter cartridge (sec. 12.1, page 30).
3. Purge “air lock” from circulation pump intake by removing lter
cartridge. Hold your garden hose over the lter cartridge wall tting
while using a rag as a seal around hose end. Ask a helper to turn
on water for 30 seconds, then turn off. Reinstall lter cartridge and
check spa (sec. 12.1, page 30).
4. If the circulation pump is not running, turn power off at the main
breaker, then turn power back on. This will reset the circulation pump
priming cycle. Once the pump is primed, the error should clear.
5. If problem persists, contact your authorized Jacuzzi dealer.
14.7 Panel Displays OH
WARNING: RISK OF HYPERTHERMIA (OVER-HEATING)
!
Water temperature is above acceptable limits. DO NOT ENTER SPA!
Water temperature has reached 112 ˚F (44 ˚C) and the low
speed jets pump 1 and optional circulation pump (when
equipped) has activated to circulate water through heater.
Contact your authorized Jacuzzi dealer or qualied service technician.
To correct condition:
Remove the spa's cover and allow your spa to cool down.•
Program the lter settings for Economy Mode (page • 28). Raise water
temperature setting to cancel Summer Logic condition (page 38).
If the condition persists, contact your authorized Jacuzzi dealer.•
14.8 Panel Displays (- - -)
WARNING: RISK OF HYPERTHERMIA (OVER-HEATING)
!
Water temperature is above acceptable limits. DO NOT
ENTER SPA! The safety “Watchdog” software has been
triggered and the spa is deactivated. A problem has been
detected which could cause damage to the spa or its components.
Contact your authorized Jacuzzi dealer or qualified service technician.
39

40
J-300 Series
In the event your Jacuzzi spa is not working the way it should, please
rst review all the installation and operating instructions in this manual
and check for messages on the panel display. If you are still not satised
it is working properly, please follow the appropriate troubleshooting
instructions below.
Note: If any of the supply cords to accessories are damaged, they must
be replaced by authorized service personnel. Contact your authorized
Jacuzzi dealer or qualified service technician.
Check the following:
1. Is there power to the spa?
2. Is the household circuit breaker tripped?
3. Contact your authorized Jacuzzi dealer or qualied service
technician.
15.2 Pump Does Not Operate But Light Does
Press the JETS 1 button:
If no water movement is detected, make sure power is going to the spa
and check the water level. If this does not solve the problem, contact
your authorized Jacuzzi dealer or qualified service technician.
The main jets pump 1 operates but no water ows to jets. Check the
following:
Jets may all be closed. Verify all jets are in the open “on” position •
(sec. 10.5, page 26).
Pump may not be properly primed. This can happen after the spa is •
drained and relled. Press the JETS 1 button on the control panel
several times, never leaving the motor running for more than 5 to 10
seconds at a time. Turn power off and let the air out of spa plumbing
system by removing the lter cartridge (sec. 12.1, page 30). Make
certain you reinstall the lter cartridge before turning on spa power
and restarting the jets pump 1.
15.3 Poor Jet Action
Make sure all jets are in the full open “on” position (page • 26).
Press the JETS 1 button to make certain pump #1 is on.•
Verify all air controls are in the "on" position by pressing down on •
their Jacuzzi Logo (page 27).
Check for dirty lter. Clean, if necessary (Section 12.1, page • 30).
15.4 Water is Too Hot
Reduce thermostat setting.
40

41
J-300 Series
J-300 Series
15.5 No Heat
1. Check thermostat setting.
2. Keep the spa cover in place while heating.
3. Check the settings to see if your spa is in economy ltration/heating
mode (page 28).
Should checking the above steps fail to correct the problem, please call
your Jacuzzi Hot Tub dealer so that they may arrange service. We build
the best spas in the industry. Nonetheless, we are always striving to
improve the quality and features of our products.
Your input as a Jacuzzi spa owner is a cherished part of this process. If
you have any comments or suggestions, or if you wish to be informed on
any new products for your spa, please write to us.
CONGRATULATIONS on your good taste and welcome to the happiest
and most relaxed family in the world!
41

42
J-300 Series
16.0 Circuit Board Diagrams
Dedicated Power Models (60 Hz)
This wiring diagram is used for all North American, 240V (60 Hz)
dedicated power models.
Optional Stereo And
Power Supply (not offered on J-325 Models)
Power Supply
OZONATOR (OPTIONAL)
O3
GRN
TB1
Standard 240 VAC, 3-Wire Connection (60Hz, 1-Phase Service)
USE COPPER CONDUCTORS ONLY. WIRE SIZE MUST
BE APPROPRIATE PER NEC AND/OR LOCAL CODES
RED
RED
J6
BLK
J5
WHT
WHT
WHT
RED
BLK
BLK
BLK
WHT
BLK
RED RED
BLK BLK
BLK
2
1
FLOW SWITCH
HI - LIMIT / FREEZE SENSOR
TEMPERATURE SENSOR
J1
J2
J3
F1
30A, 250V
SC-30
PUMP 1
PUMP 2
TRANSFORMER
240 VAC
F1
JP1
4
2
3
1
6 5
8 7
7 6 2 4
HI
HI
LO
C
Control Panel
J4
CIRC.
PUMP
J20
K1
K2
K3
K4
K5
K6 K7 K8
J21
J11
J12
J13
J14
J15
J16
J17
J18
J19
J7 J8 J9 J10
Logic Jumper Settings (Factory Defaults Shown)
JP1 1-2 ON = 40A Logic
JP1 1-2 OFF = 50A Logic (Factory Default Setting)
JP1 3-4 ON = 2 Pump Operation
JP1 3-4 OFF = 1 Pump Operation
JP1 5-6 ON = 60A Logic (Remove JP1 1-2 Jumper)
JP1 5-6 OFF = Leave Off for 40A or 50A Logic
JP1 7-8 ON = Celsius Temperature Display
JP1 7-8 OFF = Fahrenheit Temperature Display
This device complies with Part 15 of the
FCC rules. Operation is subject to the
following two conditions:
1. This device may not cause harmful
interference.
2. This device must accept any inteference
received including interference that may
cause undesired operation.
Heater
5.5 kW
240 VAC
X
X
W
W
12 VAC From
Transformer
12 VAC Output to
Waterfall Light/
Footwell Light
Controller
Blue wires 12 VAC
constant voltage
(connects to the
yellow wires on
the transformer)
Light
DCU
Waterfall and Footwell
lights can connect to any
plug on the DCU (P/N
6560-134)
Yellow Connector
Control Panel
A
A
6560-134
42

43
J-300 Series
J-300 Series
(60 Hz)
This wiring diagram is used for all North American 120/240V 60 Hz
convertible power models.
Note: Optional 120/240 VAC 4-wire connection enhances heater output
from 1kW to 4kW.
Ozonator
(Optional)
O3
GRN
TB1 Standard 120 VAC 3-Wire Connection
(60 Hz, 1 Phase, 15 A Service)
Use copper conductors ONLY. Wire size must be
appropriate per NEC and/or local codes
(All Canadian spas must be hard wired per CSA).
WHT
WHT
WHT
WHT
WHT
BLK
BLK
RED BLK
BLK
BLK
BLK
BLK
RED
RED
RED
BLK
321
Heater
1.0 kW @ 120 VAC
4.0 kW @ 240 VAC
Flow Switch
Hi-limit/Freeze
Sensor
Temperature Sensor
J2
J3
F1
20A
250V
SC-20
Circ.
Pump
Main
Pump
Transformer
120 VAC
J4
BLK
GRN
TB1
WHT BLK
21
Optional 120/240 VAC
4-Wire Convertible
Heater Connection
1. Remove and discard the
factory installed GFCI Cord
(US only, all Canadian spas
must be hard wired).
2. Move RED* wire from TB1
position #1 to TB1 position #3
as shown below.
3. Permanently connect to
the power supply. Use
copper conductors ONLY.
Wire size must be
appropriate per NEC and/or
local codes.
4. If hot tub is to be operated
on 30A service, make sure
the jumper provided at
location JP1 #1&2 on the
circuit board is installed. If
hot tub is to be operated on
40A service, remove the
jumper JP1 #1&2 on the
circuit board. HILO
JP1
4
2
3
1
6 5
8 7
Logic Jumper Settings (Factory Defaults Shown)
JP1 1-2 ON = 15A Logic (3-wire 120 VAC operation only)
JP1 1-2 ON = 30A Logic (4-wire 120/240 VAC operation only)
JP1 1-2 OFF = 40A Logic (4-wire 120/240 VAC operation only)
JP1 7-8 ON = Celsius Temperature Display
JP1 7-8 OFF = Fahrenheit Temperature Display
This device complies with Part 15 of the
FCC rules. Operation is subject to the
following two conditions:
1. This device may not cause harmful
interference.
2. This device must accept any inteference
received including interference that may
cause undesired operation.
J20
J21
J12
J14
J16
J11
J15
J13
J17 J7 J8 J9 J10
J5
J6
Heater IN Heater OUT
F1*
K1
K2
K3
K4
K5 K7 K8
J1
Control
Panel
RED*
RED
3
X
W
12VAC Output to Waterfall Light/
Footwell Light Controller
X W 12 VAC From
Transformer
Blue wires 12 VAC
constant voltage
(connects to the
yellow wires on
the transformer)
Light
DCU
Waterfall and Footwell
lights can connect to any
plug on the DCU (P/N
6560-134)
Yellow Connector
Control Panel
A
A
6560-134
43

44
J-300 Series
This wiring diagram is used for all Export 230 VAC 50 Hz spa models.
Optional Stereo And Power Supply
Power Supply
OZONATOR
(optional)
O3
GRN
TB1
230 VAC 3-Wire Connection (50Hz, 1-Phase Service)
USE COPPER CONDUCTORS ONLY. WIRE SIZE MUST BE
APPROPRIATE PER NEC AND/OR LOCAL CODES
BLU
BLU
J6
BRN
J5
BRN
BRN
BLU
BLK
BLU
BLU
BRN
BLU
BRN
BLU BLU
BRN BRN
BRN
2
1
FLOW SWITCH
HI - LIMIT / FREEZE SENSOR
TEMPERATURE SENSOR
J1
J2
J3
F1
20A, 250V
SC-20
PUMP 1
PUMP 2
TRANSFORMER
240 VAC
F1
JP1
4
2
3
1
6 5
8 7
7 6 2 4
HI
HI
LO
C
Control Panel
CIRC.
PUMP
J20
K1
K2
K3
K4
K5
K6 K7 K8
J21
J11
J12
J13
J14
J15
J16
J17
J18
J19
J7 J8 J9 J10
Logic Jumper Settings (Factory Defaults Shown)
JP1 1-2 ON = 20A Logic
JP1 1-2 OFF = 30A Logic
JP1 3-4 ON = 2 Pump Operation
JP1 3-4 OFF = 1 Pump Operation
JP1 5-6 ON = 40A Logic (Remove JP1 1-2 Jumper)
JP1 5-6 OFF = Leave Off for 20A or 30A Logic
JP1 7-8 ON = Celsius Temperature Display
JP1 7-8 OFF = Fahrenheit Temperature Display
Heater
2.7 kW @
230 VAC
J4
XW
12VAC Output to
Waterfall Light/
Footwell Light
Controller
X W
12 VAC From
Transformer
Blue wires 12 VAC
constant voltage
(connects to the
yellow wires on
the transformer)
Light
DCU
Waterfall and Footwell
lights can connect to any
plug on the DCU (P/N
6560-134)
Yellow Connector
Control Panel
A
A
6560-134
44

45
J-300 Series
J-300 Series
16.4 Export J-315 and J-325 Models (50 Hz)
This wiring diagram is used for all Export 230 VAC 50 Hz spa models.
Ozonator
Optional
O3
TB1
230 VAC, 3-Wire Connection (50Hz, 1-Phase Service)
USE COPPER CONDUCTORS ONLY. WIRE SIZE MUST
BE APPROPRIATE PER NEC AND/OR LOCAL CODES
21
Flow Switch
Hi-limit/Freeze Sensor
Temperature Sensor
J2
J3
F1
20A
250V
SC-20
Circ.
Pump
Main
Pump
Transformer
230 VAC
J4
HILO
GRN
Logic Jumper Settings
All Export 50 Hz Models:
JP1 1-2 ON = 20A Logic*
JP1 1-2 OFF = 30A Logic
*Factory Jumper Setting
Temp. Jumper Settings (All Models):
JP1 7-8 ON = Celsius Temp Display
JP1 7-8 OFF = Fahrenheit Temp Display
BLU BRN
JP1
4
2
3
1
6 5
8 7
Heater Specifications
• Export 50 Hz Model:
2.7 kW @ 230 VAC
J20
J21
J12
J14
J16
J11
J15
J13
J17 J7 J8 J9 J10
J5
J6
Heater IN Heater OUT
F1
K1
K2
K3
K4
K5 K7 K8
BRN
BRN
BLU
BLU
BLU
BRN
BRN
BLK BLU BRN BLU BRN
J1
Control Panel
X
W
12VAC Output to Waterfall Light/
Footwell Light Controller
X W 12 VAC From
Transformer
Blue wires 12 VAC
constant voltage
(connects to the
yellow wires on
the transformer)
Light
DCU
Waterfall and Footwell
lights can connect to any
plug on the DCU (P/N
6560-134)
Yellow Connector
Control Panel
A
A
6560-134
45

46
J-300 Series
17.0 Optional Stereo Receiver Functions
17.1 Stereo Receiver Control Functions
15 1
201917 18
22 21
16 4
8
25
6
73
1312
11
9
10 14
SAT INFO
AS-PSXBAS
2
ZONE
SUBWBAND
S
E
A
R
C
H
INT RPT RDM
AUDIO
ENTER
MODE
MULTI-
ENVIRONMENT
PLAYER
TOP MENU
AQ-CD-3
Models equipped with the stereo option only:
To start enjoying your new Stereo Receiver, please read the following
operation instructions in their entirety.
1. Power Button: Press PWR (Power) to turn deck on or off.
2. Open Button: Press Open to ip down the front access panel for CD
access. Gently insert CD into slot (DO NOT FORCE!) Make sure to
close the front panel to prevent damage to the unit.
Eject Button (Not Illustrated): After releasing the front panel• , press
the Eject button located to the left of CD slot to eject the CD. The unit
does not have to be on to eject the CD.
Reset button • (Not Illustrated): After releasing the front panel, use a
pencil or any nonmetallic object to press and hold the reset button
for ve seconds to reset the main unit and the unit will return to the
factory default settings.
Note: Never insert a wet or moist CD since it may damage the
mechanism and void the manufacturer warranty.
3. Top Button: Has no function.
4. Mute Button: Press Mute to mute audio output. The word Mute
ashes on the display panel. Press again to return to previous
volume level.
5. Menu Function List Button: Press Menu to navigate through the
list of stereo performance functions. Steps to access menu items:
A. To access the MENU press the Menu button < 3 seconds.
46

47
J-300 Series
J-300 Series
B. “MENU” will be displayed for 2 seconds, and then “CONTRAST” will
appear on the display.
C. To navigate through the menus use the ( ) or ( ) buttons or
press the MENU button repeatedly.
D. To adjust the selected menu item, press the VOLUME Up (7) or
Down (8) buttons.
E. After the selected menu item(s) has been changed and no other
buttons have been pressed within the 5 second time-out, the unit will
resume to the previous operation.
Contrast : “CONTRAST 5” will be displayed by default. The user now
has 5 seconds to press the VOLUME Up or Down buttons to adjust
from 0 – 10.
Dimmer : The dimmer feature of the display is set to "DIMMER High"
by default. Use the Volume Up or Down buttons to adjust the Dimmer
level between High or Low.
“Distant” is the default setting. User now has 5
seconds to adjust with the VOLUME Up or Down buttons from
“Distant” (a broader range of signals) to “Local” (only strong local
stations). This feature is used to designate the strength of the signals
at which the radio will stop during automatic tuning.
Area: “USA” is the default setting. User now has 5 seconds to select
“USA, “LATIN”, “EUROPE” or “ORIT” by pressing the VOLUME Up or
Down buttons.
Note: "LATIN" and "ORIT" are not used.
Feature is not used.
“VOL PGM 12” is the default
setting. User now has 5 seconds use the VOLUME Up or Down
buttons to program the turn on volume.
Beep Tone: “ON” is the default setting. User now has 5 seconds to
adjust by pressing the VOLUME Up or Down buttons from “ON” to
“Off”.
47

48
J-300 Series
15 1
201917 18
22 21
16 4
8
25
6
73
1312
11
9
10 14
SAT INFO
AS-PSXBAS
2
ZONE
SUBWBAND
S
E
A
R
C
H
INT RPT RDM
AUDIO
ENTER MODE
MULTI-
ENVIRONMENT
PLAYER
TOP MENU
AQ-CD-3
6. Press Audio/Enter to navigate through the
stereo sound functions. Short press “AUDIO“ button to access
the audio menu. User can navigate thru the audio menu items by
pressing the “AUDIO” button repeatedly, or by pressing the Tuning
Up (22) or Tuning Down Button (21). Once the desired menu item
appears on the display, adjust that option by using the Volume Up (7)
or Down button (8) within 5 seconds. The unit will automatically exit
the Audio Menu after ve seconds of inactivity.
VOLUME (Volume Level) : User has 5 seconds to use the Volume
button to adjust the desire volume level, the volume level will be
shown on the LCD display ranging from 00 (lowest) to 46 (highest).
: User has 5 seconds to use the
Volume Up or Down button to adjust the Sub-woofer lever from “00” to “12”.
Note: The Sub-woofer level control is only applicable if the unit is equipped
with the optional subwoofer line out, and only if the unit is connected to an
optional sub-woofer speaker. The Sub-woofer level control option will only
appear in the Audio Menu if the “Sub-woofer” function is activated “ON” by
pressing the “Sub-W” button on control panel.
: User has 5 seconds to
use the Volume Up or Down button to select the 4 different Low Pass
lters Flat, 80Hz, 120Hz or 160Hz.
Note: The Sub-woofer LPF control is only applicable if the unit is
equipped with the optional subwoofer line out, and only if the unit is
connected to an optional sub-woofer speaker. The Sub-woofer LPF
option will only appear in the Audio Menu if the “Sub-woofer” function is
activated by pressing the “Sub-W” button on control panel.
iX-BASS (iX-Bass Level) : User has 5 seconds to use the Volume Up or
Down button to select the 3 different Bass Boost level: Low, Mid, or High.
48

49
J-300 Series
J-300 Series
BASS (Bass Level) : User has 5 seconds to use the Volume Up or
Down button to adjust the desired Bass level range from -6 to +6.
BASS -CFQ (Bass Cente r Frequency): User has 5 seconds to use
the Volume Up or Down button to adjust the desired Bass Center
Frequency to 60 Hz, 80 Hz, 100 Hz, or 200 Hz.
BASS-Q: (Bass Qua lity Factor): User has 5 seconds to use the
Volume Up or Down button to adjust the desired Bass Quality Factor
to 2N, 1N, 1W or 2W. See Figure 1.
MIDDLE (Middle Level) : User has 5 seconds to use the Volume Up or
Down button to adjust the desired Middle level range from -6 to +6.
MID-CFQ (Middle Cent er Frequency): User has 5 seconds to use
the Volume Up or Down button to adjust the desired Middle Range
Center Frequency to 500 Hz, 1 KHz, 1.5 KHz, or 2.5 KHz.
MIDDLE-Q (Middle Qualit y Factor): User has 5 seconds to use
the Volume Up or Down button to adjust the desired Middle Quality
Factor to 2N, 1N, 1W or 2W.
Frequency (Hz)
Level
(dB)
10 100 1.0K 10.0K
0.0
5.0
10.0
15.0
1W
1N
2W
2N
2.5
7.5
12.5
Frequency (Hz)
Level
(dB)
10 100 1.10³ 1.1041.105
0
5
10
15
1W
1N
2W
2N
Shows the Bass Quality factor (Curve characteristics) of each step
Figure 1
Shows the Middle Quality factor (Curve characteristics) of each step
Figure 2
49

50
J-300 Series
15 1
201917 18
22 21
16 4
8
25
6
73
1312
11
9
10 14
SAT INFO
AS-PSXBAS
2
ZONE
SUBWBAND
S
E
A
R
C
H
INT RPT RDM
AUDIO
ENTER MODE
MULTI-
ENVIRONMENT
PLAYER
TOP MENU
AQ-CD-3
: User has 5 seconds to use the Volume Up
or Down button to adjust the desired Treble level range from -6 to +6.
: User has 5 seconds to use
the Volume Up or Down button to adjust the desired Treble center
frequency to 10 KHz, 12.5 KHz, 15 KHz, or 17.5 KHz.
BALANCE : User has 5 seconds to use the Volume Up or Down
button to adjust the Balance between the right and left speakers from
R12 (full right) to L12 (full left). “C00” represents an equal balance
between the right and left speakers.
FADER: User has 5 seconds to use Volume Up or Down button to
adjust the Fader between the front and rear speakers from R12 (full
rear) to F12 (full front). “C00” represents an equal balance between
the front and rear speakers.
7. Volume Up Button: Press + (Volume Up) to increase the volume
level. The volume level is shown on the display panel, ranging from 0
to 46.
8. Volume Down Button: Press - (Volume Down) to decrease the
volume level. The volume level is shown on the display panel,
ranging from 46 to 0.
9. Mode Button: Short press the Mode button to change input from XM
Tuner (not used), CD, AUX, or Tuner. The mode selection is shown
on the display panel.
10. Band Button: Press Band to change between FM1, FM2, FM3,
AM1, or AM2 bands.
50

51
J-300 Series
J-300 Series
11. Press the SUB-W button to activate
the Sub-woofer function On, and “Sub-woofer” will appear on the
LCD display for 3 seconds. Press the SUB-W button again to turn off
the Sub-woofer function.
12. 2 Zone Button: The feature is not used.
13. iX-Bass Button (XBAS) Button: Press the iX-BASS button to turn
on the iX-BASS function, and “iX-BASS” will appear in the LCD
display for 3 seconds. Press the iX-BASS button again to turn off the
iX-Bass function.
14. While in seek
mode the stereo unit will automatically select 6 strong stations and
store them in the current band. Select a band (if needed).
Preset Scan: Scan stations stored in the current band. Select a
band, press AS/PS button for less than 3 seconds. The unit will
pause for ten seconds at each preset station. Press AS/PS button
again to stop scanning when the desired station is reached.
Stereo: The unit will automatically pick up a stereo signal when
available. When in stereo mode, the ST icon appears in the display.
When no stereo signal is available, the unit will automatically revert
to mono operation, and no icon will be displayed.
15. In Tuner mode, any station can be
stored as preset 1 by pressing and holding this button for 2 seconds,
after the desired station is selected. To recall the station preset,
simply press and release this button. In CD mode, pressing this
button will pause or play the CD. When inserting a CD make sure the
label side is facing up.
16. In Tuner mode, any station can be stored as
preset 2 by simply pressing and holding this button for 2 seconds,
after the desired station is selected. To recall the station preset, simply
press and release this button. In CD mode, pressing this button will
preview each song on the disc for about 10 seconds. Press again to
turn off this feature or once the desired track is reached.
17. In Tuner mode, any station can be stored
as preset 3 by simply pressing and holding this button for several
seconds, after the desired station is selected. To recall the station
preset, simply press and release this button. In CD mode, pressing
this button will play a song repeatedly. Press again to turn off this
feature.
51

52
J-300 Series
15 1
201917 18
22 21
16 4
8
25
6
73
1312
11
9
10 14
SAT INFO
AS-PSXBAS
2
ZONE
SUBWBAND
S
E
A
R
C
H
INT RPT RDM
AUDIO
ENTER MODE
MULTI-
ENVIRONMENT
PLAYER
TOP MENU
AQ-CD-3
18. In Tuner mode, any station can be stored as
preset 4 by simply pressing and holding this button for 2 seconds,
after the desired station is selected. To recall the station preset,
simply press and release this button. In CD mode, press this button
to randomly play song tracks. Press again to turn off this feature.
19. In Tuner mode, any station can be stored as
preset 5 by simply pressing and holding this button for 2 seconds, after
the desired station is selected. To recall the station preset, simply
press and release this button. In CD mode, this button will browse the
folders on CD-R and CD-RW discs.
20. In Tuner mode, any station can be stored as
preset 6 by simply pressing and holding this button for 2 seconds, after
the desired station is selected. To recall the station preset, simply
press and release this button. In CD mode, this button will browse the
folders on CD-R and CD-RW discs.
21. Tuning Up Button: Press and hold Track Up for more than 3
seconds to manually adjust station frequency up, Auto Seek is
shown on the display panel. Short press Track Up to scan/seek for
next higher station, Manual Seek is shown on the display panel.
Scan mode stops as soon as a strong station is found. In CD mode,
pressing this button will advance the CD up to the next track, the
track number is shown on the display panel. Simply press and hold
the button to fast forward through a track(s). CD play starts when the
button is released.
22. Tuning Down Button: Press and hold Track Down for more than
3 seconds to manually adjust station frequency down. Press Track
Down to scan/seek for next lower station. Scan mode stops as soon
52

53
J-300 Series
J-300 Series
as a strong station is found. In CD mode, pressing this button will
advance the CD down to the previous track, the track number is
shown on the display panel. Simply press and hold the button to
rewind through a track. CD play starts when the button is released.
23. Displaying information: When a retail music CD is inserted, the
disc will begin to play. The following information will be displayed: CD
track no./Playtime
When a CD containing MP3 les is inserted, the display will change
modes as follows:
Track no./Playtime •
Folder name•
File name•
Song name •
Artist’s name•
Album name •
The system can only display the rst 8 letters of ID3 tags. If the
recorded information is longer than 8 letters, text will scroll to the left
once, then the 8 rst letters will be displayed. If specic info has not
been recorded on an MP3 disc, NO FOLD, NO TRK, NO TLT, NO
ALBM, NO ART will display.
24.
A directory that does not include an MP3 le is skipped.•
We recommend that you make no more than two levels for each •
disc.
Maximum number of folders: 255•
Maximum number of folder levels: 8•
Maximum number of characters for MP3 le name and folder •
name: 32
Sampling frequency: (32 kHz 44.1 kHz for WMA) and (16 kHz, 22.05 •
kHz, 24 kHz, 32 kHz, 44.1 kHz, 48kHz for MP3)
Bit rates: 32-320 Kbps•
MP3 decoding format: MPEG 1, 2 & 2.5 Audio Layer 3•
Folder names and le names can be displayed with up to 11 •
characters.
The characters A-Z, 0-9 can be displayed on this unit, other •
characters may not be displayed correctly.
ID3 tag is supported.•
25. When a disc containing MP3 data
is loaded, the unit checks all the data on the disc. If the disc contains
numerous folders with many levels or non-MP3/WMA les, it takes a
longer time to start playback. In addition, it may take time for the unit
to move to the next MP3 le and the fast forward function may not be
performed smoothly. Loading such a media may produce loud noise
and cause damage to the speakers. When selected to play, les and
53

54
J-300 Series
folders are accessed in order in which they were written by the CD
writer. Therefore, the playing order may not be the same as the order
in which they are expected. For example, a disc with the following
folder/le hierarchy is subject to folder select, le select and play back
order as illustrated on page 55.
Note: Do not attempt to play a media containing a non-MP3/WMA le with
the the MP3/WMA extension or a media containing non MP3/WMA les.
Tuner
FM tuning Range ..............................................................87.5-107.9 MHz
FM Signal-to-Noise ........................................................................... 80 dB
Stereo Separation............................................................................. 45 dB
Capture Ratio .................................................................................. 2.0 dB
AM tuning Range ................................................................ 530.1-710 kHz
Usable Sensitivity (IEC Standard) ................................ 22.5/27.0 (µv/dBf)
General
Power ................................................................................DC 11.5 -14.4V
Pre Output Voltage ................................................................................ 5V
Current Consumption ....................................................................... < 15A
Stand-By-Mode .................................................................................. < 1A
Maximum Mounting Angle ........................................... 30° from horizontal
Fuse...................................................................... 15-Amp Mini ATM Type
54

55
J-300 Series
J-300 Series
When selected for play, folder search, le search or folder select,
les and folders are accessed in the order in which they were written.
Because of this, the order in which they are expected to be played may
not match the order in which they are actually played. For example, a
media with the following folder/le hierarchy is subject to folder search,
le search or folder select as shown below. An outline of a media with
MP3/WMA is shown below. Subfolders are shown as folders in the folder
currently selected.
• The equipment assigns
folder numbers. The
user cannot assign
folder numbers.
It is not possible to
check folders that
do not include MP3/
WMA files. (These
folders will be skipped
without displaying
the folder number
and name)
Folder File
Level 1 Level 2 Level 3 Level 4
ROOT
001.MP3
002.MP3
003.MP3
004.MP3
NOT DISPLAY
NOT DISPLAY
04
05
06
07
08
009.MP3
010.MP3
011.MP3
012.MP3
013.MP3
015.MP3
016.MP3
014.MP3
019.MP3
020.MP3
017.MP3
018.MP3
02
005.MP3
03
006.MP3
007.MP3
008.MP3
NOT DISPLAY
09
021.MP3
022.MP3
023.MP3
01
NOT DISPLAY
55

56
J-300 Series
A.
1. There are three different play methods as following:
Press the M2 button more than 3 seconds during playing an MP3/•
WMA disc for “intro play” to all les of the current folder. Intro play
should restart from the rst song of the current folder, after all les
in the current les have been intro-played. To disable current folder
“intro play”, long press M2 button more than 3 seconds.
Press the M2 button less than 3 seconds is “intro play” to all les on •
the disc. Intro play should re-start at the very rst le of the disc after
all les in the disc has been intro played. To disable all les “intro
play”, press M2 button less than 3 seconds.
2. File/Folder Repeat play :
Press the M3 button more than 3 seconds during playing MP3/WMA •
disc for “repeat play” for all les of the current folder and keep on repeat
playing the current folder until “repeat play” is disabled. To disable current
folder “repeat play”, long press M3 button more than 3 seconds.
Press the M3 button less than 3 seconds to “repeat play” the current •
le and keep on repeat playing the current le until the “repeat play” is
disabled. To disable current le “repeat play”, press M3 button less than 3
seconds.
3. File/Folder Random play:
Press the M4 button more than 3 seconds during playing MP3/WMA disc •
to “random play” for all les of the current folder. To disable current folder
“random play”, long press M4 button more than 3 seconds.
Press the M4 button less than 3 seconds is “random play” to all les on •
the disc. To disable all le “ random play”, press M4 button less than 3
seconds.
B.
1. Folder/Files Navigate Searching
Press the BAND button. The LCD will display "Navigate", and the •
illumination around the select knob will blink. Rotate the knob to
navigate through all folders and sub-folders on the disc. The folder
names will be displayed on the LCD. Press the select knob for more
than three seconds to play the rst le in the folder. Press the select
knob for less than three seconds to access the sub-folders or les.
Rotate the select knob to navigate, then press the select knob to
conrm and begin le play. During navigation search, press AS/PS
or rotate the select knob counter-clockwise to move back to the last
upper level of a folder.
56

57
J-300 Series
J-300 Series
C. ID3 information display
For any MP3/WMA le recording with ID3 Tag information. The •
ID3 information such like Album title, Track title, Artist Title will
be displayed and automatic scrolling through the LCD while
the le is playing. User also allows pressing the AS/PS button
repeatedly to view the ID3 tag information manually.
ICON DESCRIPTION
FOLDER ICON
FILE ICON
TRACK ICON
ARTIST ICON
ALBUM ICON
Before going through the check list, check wiring connection. If any of the
problems persist after check list has been made, consult your nearest
service dealer.
Symptom Cause Solution
No power The fuse is blown Replace the fuse
Disc cannot
be loaded or
ejected
Presence of CD disc
inside the player
Remove the disc in the player,
then put a new one
Inserting the disc in
reverse direction
Insert the compact disc with the
label facing upward
Compact disc is ex-
tremely dirty or defective
disc
Clean the disc or try to play a
new one
Condensation Leave the player to off for an
hour or so, then try again
No sound
Volume is in minimum Adjust volume to a desired level
Wiring is not properly
connected Check wiring connection
The operation
keys do not
work
The built-in microcom-
puter is not operating
properly due to noise
Press the RESET button. Front
panel is not properly xed into
its place
57

58
J-300 Series
Sound skips.
The installation angle is
more than 30 degrees
Adjust the installation angle to
less than 30 degrees
The disc is extremely
dirt or defective disc
Clean the compact disc. Then try
to play a new one
The radio does
not work. The
radio station
automatic
selection does
not work.
The antenna cable is
not connected Insert the antenna cable rmly
The signals are too
weak Select a station manually
ERROR Mechanism Error
Press the eject button to correct
the problem. If the error code
does not disappear, consult your
nearest service dealer
Disc Error
Maybe disc dirty/disc
scratched/disc upside
down
Replace the disc
17.5 Standard Wireless Remote Control Functions
A remote control is supplied on all spas with the optional
audio system. This remote provides control over some
of the radio and CD playback functions.
A.
The supplied remote control provides no control over
external iPod/MP3 player operation of any kind with the
exception of volume control and source selection. All external iPod/MP3
playback operations are performed solely by the iPod/MP3 player.
Wireless Remote Control Command Summary
Button Operation Button Operation
LED Light Button: Press and
hold to activate white LED light.
(The light only illuminates, it has
no function).
Mute Button: Press once to turn
sound off (the word "MUTE" ap-
pears on the screen), press again
to reactivate sound (the word
"MUTE" will disappear from the
screen).
MODE
Mode Button: Press continuously
to switch between Stereo, CD
and Aux modes.
MENU
Menu Button: Controls most of the
stereo performance functions.
Volume Button: Used to in-
crease volume level, between
0 to 46.
TOP
Top Button: No Function
Volume Button: Used to de-
crease volume level between
46 to 0.
Power Button: Press once to turn
power on to the radio, press again
to turn radio off.
AUDIO
SEL
MODE
1
2
34
BAND
SEARCH
MENU
TOP
AQUATIC AV
AQ-RF-3
58

59
J-300 Series
J-300 Series
Seek/Track Down Button:
• In CD mode: Press to rewind
tracks or press and hold to
do a fast rewind.
• In radio mode: Seeks down
for stations.
Play/Pause Button: Press once to
pause track, press again to
resume.
Seek/Track Up Button:
• In CD mode: Press to move
forward tracks or press and
hold to do a fast forward.
• In radio mode: Seeks up for
stations.
BAND
SEARCH
Band/Search Button:
• In radio mode: Switches bands
between FM1, FM2, FM3,
AM1, and AM2.
AUDIO
SEL
Audio/Select Button: Controls most of the stereo sound functions.
B. Bonding the Remote and Stereo
If your remote does not operate the stereo, you may need to bond them
by pressing on of the following methods:
Press and hold the MUTE button for 5 seconds or;•
Press the four buttons MODE, MUTE, BAND/SEARCH, and TOP •
buttons at the corners one by on clockwise. This must be completed
within two seconds.
59

60
J-300 Series
A.
1. Plug in the iPod/MP3 Player (purchased separately) with supplied
mini RCA cable into the auxiliary port (Figure A).
2. Plug the other end of the supplied cable into the phone jack
connection on the iPod/MP3 Player (Figure B).
B.
1. Select preferred song/album/play list and start playback prior to
plugging in iPod/MP3 Player.
2. Press the "Mode" button on stereo receiver or the mode button on
the remote until the display reads "AUX".
C.
All playback operations are conducted via the iPod/MP3 Player. The
Stereo Deck and/or Stereo Remote functions do not work on the
external iPod/MP3 Player (except volume control).
CAUTION: RISK OF ELECTRICAL SHOCK OR EQUIP-
MENT DAMAGE!
Never install, remove or operate iPod/MP3 Player while hands
are wet or while sitting partially or fully immersed in spa!
Figure A Figure B
60

61
J-300 Series
J-300 Series
17.7 Wireless Remote Battery Replacement Procedure
1. Turn the remote unit over and locate the battery
door (Figure A).
2. Rotate the battery door, with a coin, counterclockwise
until the dot aligns with the Open arrow (Figure B).
3. Remove battery door using coin to pry the door upward
(Figure C).
4. Replace battery using CR2430 or equivalent (Figure
D).
5. Reinstall the battery cover, using the coin to close
(Figure E).
Note: Remote unit is water resistant not waterproof, therefore the unit
should be stored in a dry location within your home and never be left in
the spa while the cover is on and spa is not in use.
OPEN
CLOSED
Fig. A
OPEN
CLOSED
Fig. B
OPEN
CLOSED
Fig. C
LITHIUM
BATTERY
CR2430
3V
OPEN
CLOSED
Fig. D
OPEN
CLOSED
Fig. E
Battery
Door
61